Normas NEMA MG publicación N º 1-1998, Revisión 1


                                    MOTORES Y GENERADORES




Publicado por
Nacional de Fabricantes Eléctricos ASOCIACIÓN
1300 North 17th Street, Suite 1847
Rosslyn, Virginia 22209




© Copyright 2000 por la Asociación Nacional de Fabricantes Eléctricos. T odos los derechos incluidos
traducción a otras lenguas reservados en virtud de la Convención Universal, el Convenio de Berna
Convenio para la Protección de las Obras Literarias y Artísticas, y la Internacional y Panamericana
Estadounidense sobre el Copyright.
Lista de los cambios incluidos en la Revisión 1


Las siguientes secciones se han revisado en la versión MG 1-1998, Revisión 1.
Por favor, sustituir o insertar las páginas siguientes en su cuaderno.


Tabla de contenidos

Prefacio

Sección 1, páginas 3-4, 9-14

Parte 4, páginas 13-14, 17-18, 35-36

Parte 5, páginas 3-6, 11-12

Parte 7, sección completa

Parte 9, sección completa

Parte 10, páginas 1-2, 13-14

Parte 12, páginas 5-42

Parte 18, páginas 79-80

Parte 20, páginas 7-8, 11-24

Parte 30, páginas 90-10

Parte 33, la nueva sección

Índice
MG 1-1998, Revisión 1
                                                                                                                                           Página i


                                                       Tabla de Contenidos (revisado)



                                                                                                                              Página N º
     Prefacio

Sección I NORMAS GENERALES APLICABLES A TODOS LOS EQUIPOS
 Parte 1-REFERENCIA normas y definiciones
 1.1REFERENCED NORMAS ............................................... .............................................. 1 -1
  1-5
 Clasificación del tamaño .............................................. ........................................ 1-5
 1.2MACHINE 1-5
 1.3SMALL (fraccionarios) MÁQUINA ............................................ .......................................... 1 -5
 1.4MEDIUM (INT EGRAL) MÁQUINA ............................................ . ........................................... 1-5
      1.4.1 de corriente alterna medio de la máquina .......................................... .............................. 1 -5
      1.4.2 de corriente directa media máquina .......................................... ...................................... 1-5
 1.5LARGE 1-5
      1.5.1 de la máquina de corriente alterna de gran .......................................... ................................. . 1-5
      1.5.2 de corriente directa de la máquina grande .......................................... .......................................... 1 -5
 CLASIFICACIÓN DE ACUERDO A LA SOLICITUD .................................................. ................... 1-6
 Automóviles para usos 1.6GENERAL .............................................. ............................................. 1 -6
      1.6.1 Propósito General de corriente alterna Motor ........................................ ...................... 1 -6
      1.6.2 Propósito General de corriente directa pequeño motor ....................................... ..................... 1 -6
 1.7GENERAL-FIN GENERADOR ............................................. ..................................... 1 -6
 Pequeño motor 1.8INDUST RIAL .............................................. ............................................... 1 -6
 1.9INDUST RIAL MOT OR DE CORRIENT E CONT INUA MEDIO ........................................... .............. 1 -6
 1.10INDUST RIAL GENERADOR DE CORRIENT E CONT INUA ............................................ ................... 1 -6
 1.11DEFINIT E-FIN DEL MOT OR ............................................. ............................................... 1 -6
 1.12GENERAL motores industriales .............................................. ......................................... 1 -7
 1.13MET AL Laminador MOT ORES ............................................. .......................................... 1 -7
 1.14REVERSING MOT ORES HOT MILL ............................................. ......................................... 1 -7
 1.15SPECIAL-FIN DEL MOT OR ............................................. ................................................ 1 -7
 CLASIFICACIÓN SEGÚN EL TIPO DE ELECTRICIDA D .................................................. .......... 1-7
 1.16GENERAL 1-7
      1.16.1 Motor eléctrico 1-7
      1.16.2 Generador Eléctrico 1-7
      1.16.3 Máquinas Eléctricas 1-7
 1.17ALT ERNAT ING motores de corriente continua ............................................. ................................... 1 -8
      1.17.1 Inducción 1-8
      1.17.2 motor síncrono ............................................. ........................................ .......... .... 1-8
      1.17.3 Serie herida Motor ........................................... .................................................. ... 1-8
 1.18POLYPHASE 1-8
      1.18.1 Cartas de diseño de motores polifásicos de jaula de ardilla medio .................................... 1 -8
          1.18.1.5 Diseño E (eliminados ).......................................... ........................................ 1 -9
 1.19SINGLE motores trifásicos ............................................. ................................................. . ... 1-9
      1.19.1 Cartas de diseño de motores monofásicos pequeños ....................................... .......... .......... 1-9
      1.19.2 Cartas de diseño de motores de media monofásicos ....................................... ................ 1 -9
      1.19.3 monofásico de jaula de ardilla Motor ........................................ ................... ............. 01.10
      1.19.4 monofásico de rotor Motores ........................................ ................................ 01.10
 1.20UNIVERSAL MOT ORES 01.11
      1.20.1 Serie herida Motor ........................................... .................................................. .. 01.11
      1.20.2 Compensación de la serie-la herida Motor .......................................... .............................. 01.11
 1.21ALT ERNAT ING generadores de corriente ............................................. ........................ 01.11
      1.21.1 Inducción 01.11
MG 1-1998, Revisión 1
Página ii


   1.22
      Motores de corriente continua .............................................. ............................................ 01.11
      1.22.1 devanado en derivación del motor ........................................... ......................................... ......... ... 01.11
      1.22.2 Serie herida Motor ........................................... .................................................. .. 12.01
      1.22.3 compuesto-herida Motor ........................................... ............................................. 12.01
      1.22.4 Motor de imán permanente ............................................ ............................................ 12.01
   1.23DIRECT generadores de corriente ............................................. .................................... 12.01
      1.23.1 devanado en derivación del generador ........................................... .......................................... .... 12.01
      1.23.2 compuesto-herida generador ........................................... .................................... .. 12.01
   CLASIFICA CIÓN SEGÚN LA PROTECCIÓN DEL MEDIO AMBIENTE Y MÉTODOS
   DE 12.01
   1.25OPEN MACHINE (IP00, IP01) .......................................... ................................................. 12 .01
      1.25.1 Máquina Dripproof (IP12, IP01) ........................................ ................................... 12.01
      1.25.2 a prueba de salpicaduras de la máquina (IP13, IP01) ...................................... ........................... ... 01.13
      1.25.3 Semi-vigilado de la máquina (IC01) ........................................ ....................................... 01.13
      1.25.4 máquina protegida (IC01 ).......................................... ............................................... 01 .13
      1.25.5 Máquina Dripproof Vigilado (IC01 )......................................... ................................ 14.01
      1.25.6 máquina abierta, con ventilación independiente (IC06) ........................................ ............. 14.01
      1.25.7 Pipe ventilada abierta de la máquina .......................................... ..................................... 01.15
      1.25.8 El tiempo de la máquina protegida por ........................................... ........................ ................. 01.15
   1.26T OT ALLY ADJUNT O DE LA MÁQUINA .............................................. ....................................... 01.1 5
      1.26.1 Máquina no ventilado totalmente cerrados (IC410) ........................................ .. ......... 01.15
      1.26.2 totalmente cerrados con ventilador automático ......................................... .......................... 01. 15
      1.26.3 con ventilador totalmente cerrados máquina protegida (IP54, IC411 ).......................... .... 01.15
      1.26.4-Pipe totalmente cerrados con ventilación de la máquina (IP44 )...................................... ............. 01.15
      1.26.5 totalmente cerrados refrigerados por agua de la máquina (IP54) ..................................... ................ 01.16
      1.26.6 Prueba de Agua de la máquina (IP55 )........................................ ......................................... ... 01.16
      1.26.7 totalmente cerrados de aire a refrigeración por agua de la máquina (IP54) .................................. ......... 01.16
      1.26.8 totalmente cerrados aire-aire refrigerado de la máquina (IP54 )................................... .............. 01.16
      1.26.9 totalmente cerrados de aire sobre la máquina (IP54, IC417) .................................... .............. 01.16
      01/26/10 a prueba de explosión de la máquina ........................................... ................ ........................... 01.16
      01/26/11 polvos com-prueba la máquina ......................................... ......................................... 01.16
   1.27MACHINE con bobinados encapsulados o SELLADO ....................................... .. 01.17
      1.27.1 Máquina de bobinado Resistente a la Humedad .......................................... ................... 01.17
      1.27.2 Máquina de bobinado sellado ........................................... .................................... 01.17
   CLASIFICA CIÓN DE ACUERDO A LA VARIABILIDA D DE LA VELOCIDAD ............................................ ...... 01.17
   1.30CONST ANT motor de velocidad ............................................. ............................................... 01.17
   1.31VARYING motor de velocidad ............................................. ................................................ .. 01.17
   1.32ADJUST ABLE motor de velocidad ............................................. .......................................... . 01.17
   1.33BASE velocidad de un motor de velocidad ajustable ......................................... ........... 01.17
   1.34ADJUST ABLE VARIABLES VELOCIDAD MOT OR ............................................ ........................... 01.17
   MOT OR 1.35MULT ISPEED 01.17
   Clasificación, el rendimiento y prueba .................................................. ...................................... 18.01
   1.40RAT ING DE UN 18.01
      Continuo 1.40.1 18.01
      1.40.2 Short -T ime Rating ........................................... .................................................. ...... 18.01
   1.41EFFICIENCY 18.01
      1.41.1 18.01
      1.41.2 Energía Eficiente polifásicos jaula de ardilla motor de inducció n .................................... 18.01
   1.42SERVICE FACT OR-AC MOT ORES ............................................ ...................................... 18.01
   1.43SPEED REGULACION DE MOT ORES DC ............................................ ........... ................... 18.01
      1.43.1 El porcentaje de capitalización de corriente directa Máquinas ........................................ ........ 18.01
   REGLAMENT O DE DIRECT OS 1.44VOLT AGE generadores de corriente ................................ 18.01
   T ENSIÓN 1.45SECONDARY de rotores MOT OR heridas .......................................... .... 18.01
   1.46FULL carga de par- 19.01
   1.47LOCKED Par con rotor (par estático) ......................................... .................... 19.01
   1.48PULL-UP PAR 19.01
MG 1-1998, Revisión 1
                                                                                                                        Página iii


1.49
   Pushover 19.01
   DESGLOSE DE PAR ................................................ .................................................. . 19.01
1.50
   EXT RAIBLES PAR 19.01
1.51
   PULL-IN T ORQUE 19.01
1.52
   Intensidad con rotor bloqueado .............................................. .............................................. 19.01
1.53
   Corriente sin carga 19.01
1.54
1.55 EMPERAT URA 19.01
   T
1.56 EMPERAT URA AMBIENT E ................................................ ............................................... 20.01
   T
1.57
   ALT O POT ENCIAL 20.01
1.58
   CAPACIDAD PARA EL ARRANQUE DE UN MOT OR DE CAPACIT OR ............................................ .. 20.01
1.59 IRE RADIAL Y AXIAL MAGNÉT ICO fuerza de centrado ........................................ 20.01
   T
   1.59.1 atracción magnética radial ............................................ .................................................. .. 20.01
   1.59.2 Fuerza axial centrado ............................................ .................................................. 20.01
1.60INDUCT ION constantes de tiempo MOT OR ............................................. ........................... 20.01
   1.60.1 20.01
   1.60.2 T iempo de circuito abierto de CA constante ......................................... ................................. .... 20.01
   1.60.3 corto de tiempo del circuito de CA constante ......................................... ............................... ...... 20.01
   1.60.4 corto de tiempo del circuito de CC constante ......................................... .. ................................... 20.01
   1.60.5 X / R 01.21
   1.60.6 Definiciones (Ver Figura 1-4) ....................................... ............................................. 01.21
MÁQUINAS completos y partes .................................................. ........................................ 01.21
1.61SYNCHRONOUS GENERAT OR-COMPLET A ............................................. ..................... 01.21
   1.61.1 T ipo de cinturón 01.21
   1.61.2 T ipo de motor 01.21
   1.61.3 Junto T ipo 01.21
1.62DIRECT -generador de corriente-COMPLET A ........................................... ................. 22.01
   1.62.1 T ipo de cinturón 22.01
   1.62.2 T ipo de motor 22.01
   1.62.3 Junto T ipo 22.01
1.63FACE y pestaña de montaje ............................................. ........................................ 22.01
   1.63.1 T ipo C cara 22.01
   1.63.2 T ipo D 22.01
   1.63.3 T ipo P brida 22.01
CLASIFICA CIÓN DE LOS SISTEMAS DE AISLAMIENTO .............................................. ............................. 22.01
SIST EMA 1.65INSULAT ION DEFINIDO .............................................. ....................................... 22.01
   1.65.1 Aislamiento de la bobina con sus accesorios .......................................... ............................... 22.01
   1.65.2 Conexión y aislamiento de las bobinas de apoyo .......................................... ................. 22.01
   1.65.3 piezas estructurales asociadas ............................................ ......................................... 22.01
1.66CLASSIFICAT ION los sistemas de aislamiento ............................................. .................. 2 3.01
VARIOS 01.24
1.70NAMEPLAT E 01.24
1.71CODE CART A 01.24
1.72T HERMAL 01.24
1.73T HERMALLY 01.24
1.74OVER protección de temperatura .............................................. .............................. 01.24
1.75PART -LIQUIDACIÓN motor de arranque ............................................ ......................................... 01.24
1.76ST AR (WYE) ST ART , DELT A RUN MOT OR ........................................ ............................ 01.24
FLUX 1.77CONST ANT 01.24
1.78MARKING ABREVIAT URAS DE MÁQUINAS ............................................. ................... 01.24
MG 1-1998, Revisión 1
Página iv


Sección I NORMAS GENERALES APLICABLES A TODOS LOS EQUIPOS
 Parte 2-TERMINAL MARCAS
 GENERAL 2-1
 2.1LOCAT ION DE LAS MARCAS DE T ERMINAL ............................................. ................................ 2 -1
 MARCAS 2.2T ERMINAL 2-1
 2.3DIRECT ION DE GIRO .............................................. .................................................. 2 -2
     2.3.1 Las máquinas de corriente alterna ........................................... ......................................... 2-2
     2.3.2 Las máquinas de corriente directa ........................................... ......................................... ........ 2-2
     2.3.3 Motor-Generador 2-2
 Motores y generadores .................................................. ............................................... 2-2
 MARCAS 2.10T ERMINAL 2-2
     2.10.1 2-2
     2.10.2 Armadura 2-2
     2.10.3 Cables-Dirección de la rotación de la armadura ......................................... ........................... 2-2
 MARCAS DE DOBLE 2.11T ERMINAL CAMPOS DE T ENSIÓN SHUNT ...................................... 2 -2
 2.12DIRECT ION DE GIRO .............................................. .................................................. 2 -3
     2.12.1 de corriente directa 2-3
     2.12.2 directa Generadores de corriente ........................................... ......................................... ..... 2-3
     2.12.3 función inversa 2-3
 DIAGRAMAS 2.13CONNECT ION con marcas T ERMINAL DE
     Motores de corriente continua .............................................. .............................................. 2 -3
 DIAGRAMAS 2.14CONNECT ION con marcas T ERMINAL DE
     DIRECT O generadores de corriente .............................................. ..................................... 2-7
 AC MOTORES Y GENERA DORES .................................................. ............................................... 2-9
 2.20NUMERALS EN LAS T ERMINALES DE LA CORRIENT E ALT ERNA
     POLIFÁSICOS 2-9
     2.20.1 máquinas síncronas ............................................. ................................................ 2 -9
     2.20.2 Las máquinas de inducción ............................................. .................................................. .... 2 -9
 2.21DEFINIT ION la secuencia de fases ............................................. ................................... 2 -9
 2.22PHASE SECUENCIA 2-9
 2.23DIRECT ION DE LA ROT ACIÓN DE PHASORS ............................................ ........................... 2 -9
 2.24DIRECT ION DE GIRO .............................................. ................................................ 10.02
 Generadores de corriente alterna y motores síncronos ............................................. ..................... 10.02
 2.25REVERSAL de secuencia de rotación, la polaridad y la FASE ............................... 10.02
 2.30CONNECT ION Y T ERMINAL DE MARCAS-ALT ERNA
     Generadores de corriente y sincrónica-MOT ORS
     T rifásicos y monofásicos ........................................... .................................. 10.02
 MONOFÁSICOS 11.02
 2.40GENERAL 11.02
     Doble 2.40.1 11.02
     2.40.2 T ensión único 11.02
 MARCAS 2.41T ERMINAL identificadas por el color ............................................ ................ 12.02
 DISPOSIT IVOS DE MOT OR EN 2.42AUXILIARY ............................................. .............................. 12.02
 DISPOSIT IVOS 2.43AUXILIARY EXT ERNA AL MOT OR ............................................ ................... 12.02
 2.44MARKING DE T ERMINALES montado de forma rígida ............................................ ................ 12.02
 2.45INT ERNAL DISPOSIT IVOS AUXILIARES permanentemente conectado
     A montado de forma rígida T ERMINALES ....................................... ....... ................................ 02.13
 PRINCIPIOS DE MARCAS 2.46GENERAL T ERMINAL DE
     Los motores monofásicos .............................................. .................................................. 02. 13
     En primer lugar 2.46.1 02.13
     2.46.2 Segundo Principio 02.13
     2.46.3 T ercer Principio 02.13
 DIAGRAMAS 2.47SCHEMAT IC PARA LA FASE DE SPLIT -MOT ORS-
     SINGLE DE T ENSIÓN-REVERSIBLE .............................................. .................................... 14.02
     2.47.1 Sin Protector térmico ............................................ .......................................... 14.02
     2.47.2 con protector térmico ............................................ .............. ................................. 14.02
MG 1-1998, Revisión 1
                                                                                                                                        Página v


     2.48         ESQUEMAS ESQUEMA DE MOT ORES de arranque por capacitor -
                  REVERSIBLE 15.02
                  2.48.1 solo voltaje en el capacitor de arranque Motors-Reversible ...................................... ......... 15.02
                  2.48.2 de doble voltaje en el capacitor de arranque Motors-Reversible ...................................... ............ 16.02
                  Diagramas esquemáticos para el condensador de dos valores
     2.49
                  MOT ORES DE UN SOLO DE T ENSIÓN-REVERSIBLE ............................................ .................. 20.02
                  2.49.1 Sin Protector térmico ............................................ .......................................... 20.02
                  2.49.2 con protector térmico ............................................ ............................................... 21. 02
                  ESQUEMAS ESQUEMA PARA partida permanente CAPACIT OR
     2.50         MOT ORES DE UN SOLO DE T ENSIÓN-REVERSIBLE ............................................ .................. 22.02
                  ESQUEMAS ESQUEMA DE MOT ORES-UNIVERSAL
                  T ENSIÓN SIMPLE 02.23
     2.51
                  ESQUEMAS ESQUEMA DE repulsión, repulsión INICIO
                  INDUCCIÓN, y la inducción de repulsión MOT ORES ........................................... ....... 02.24
     2.52         Sombrear-poste-MOT ORES DOS VELOCIDADES ........................................... ............................ 25.02
                  PRINCIPIOS GENERALES PARA LAS INSCRIPCIONES PARA T ERMINAL
     2.53         Motores polifásicos INDUCCIÓN ............................................... ................................. 25.02
     2.60         2.60.1 25.02
                  2.60.2 trifásicos, motores de dos velocidades ........................................ ..... .............................. 02.26
                  2.60.3 Dos motores trifásicos ........................................... .................................................. ..... 02.26
                  Marcado de los terminales para conexión trifásica Una velocidad
                  INDUCCIÓN 02.26
                  2.61.1 02.26
     2.61         En segundo lugar 2.61.2 02.26
                  En tercer lugar 2.61.3 02.26
                  Cuarto 2.61.4 02.26
                  2.61.5 02.26
                  2.61.6 02.26
                  Marcado de los terminales para Y-y delta-RELACIONADOS
                  Los dos motores de VOLT AJE ............................................... ................................................ 0 2.27
                  Marcado de los terminales para conexión trifásica DE DOS VELOCIDADES
                  UNA SOLA CUERDA MOT ORES DE INDUCCIÓN ............................................. .......................... 02.27
     2.62         Marcado de los terminales para Y-y delta-RELACIONADOS
                  T RES FASES DE DOS VELOCIDADES DE UN SOLO MOT OR DE LIQUIDACIÓN ........................................ .. 02.27
     2.63         Marcado de los terminales PARA inducción trifásicos
                  Los motores que tienen dos o más velocidades sincrónicas
                  Procedentes de dos o más devanados INDEPE3NDENT ................................. 2 -33
     2.64         2.65.1 Cada bobinado independiente que da una velocidad ................................... ...... ............. 2-33
                  2.65.2 Cada Reconnectible independientes de bobinado para dar dos
     2.65             Velocidades sincrónicas ................................................ .............................................. 2 -33
                  2.65.3 Dos o más devanados independiente por lo menos uno de los cuales
                      Da una velocidad de sincronismo y el otro bobinado
                      Ofrece dos velocidades sincrónicas .............................................. .............................. 2 -34
                  Marcado de los terminales de los rotores de rotor bobinado
                  INDUCCIÓN 2-35




     2.66



Sección I NORMAS GENERALES APLICABLES A TODOS LOS EQUIPOS
 Parte 3-ALTO POTENCIAL DE LAS PRUEBAS
 3.1HIGH POT ENCIAL 3-1
     3.1.1 Seguridad 3-1
     3.1.2 3-1
     3.1.3 Procedimiento 3-1
     3.1.4 T ensión de prueba 3-1
     3.1.5 Condición de la máquina para ser probada ......................................... ................................... 3-1
     3.1.6 Duración de la aplicación de la tensión de prueba ......................................... ............................. 3 -1
     3.1.7 Puntos de Aplicación de la Prueba de tensión ......................................... ................................ 3-2
MG 1-1998, Revisión 1
Página vi


                 3.1.8 Accesorios y Componentes ............................................ ....................................... 3 -2
                 3.1.9 Evaluación de fallo del fluido dieléctrico ...................................... ..... ........................................ 3-2
                 01/03/10 Prueba Inicial en el destino ........................................... ........................................... ..... 3-2
                 3.1.11 Pruebas de un grupo reunido de máquinas y aparatos ...................................... 3-2
                 3.1.12 Pruebas adicionales hechas después de la instalación .......................................... ...................... .... 3-3


Sección I NORMAS GENERALES APLICABLES A TODOS LOS EQUIPOS
 Parte 4-dimensiones, tolerancias, y el montaje
 4.1LET T ERING DE HOJAS DE MEDIDA ............................................. ................................. 4 -1
 4.2SYST EM PARA MARCOS PARA DESIGNAR ............................................. ..... ........................ 10.04
     4.2.1 Los números de fotogramas 10.04
     4.2.2 Cartas de Marco 11.04
 4.3MOT OR MONT AJE Y LOCALIZACIÓN DE T ERMINALES DE VIVIENDA ........................................ 04.12
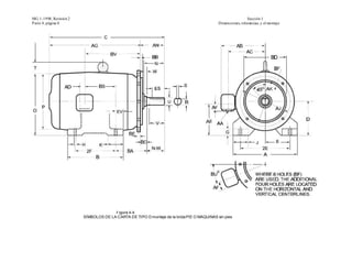
     Figura 4-6 (revisado) 13.04
 4.4DIMENSIONS-AC MÁQUINAS ............................................. ........................................... 14.04
     4.4.1 Dimensiones para el de corriente alterna con patas
         Las máquinas con solo mango recto de extensión ........................................... ............. 14.04
     4.4.2 Extensiones del eje y las dimensiones clave para la alterna-
         De corriente montados pies cónicos Máquinas con simple o
         Doble Directo / cónicos de extensión del eje ............................................ .................... 04.16
     4.4.3 Diámetros del eje de extensión y dimensiones clave para la
         Motores de corriente continua alterna construido en marcos más grandes que los marcos 449T .............. 17.04
     4.4.4 Dimensiones para el T ipo C cara de montaje de pie o Leggings
         Alterna Motores de corriente continua ............................................. . .................................... 17.04
     4.4.5 Dimensiones para el tipo de rostro FC de montaje para accesorios
         el fin de alterna Motores de corriente continua ........................................... ...................... ...... 18.04
     4.4.6 Dimensiones para el T ipo D brida de montaje de pie o Leggings
         Alterna Motores de corriente continua .............................................. ........................................ . 19.04
 4.5DIMENSIONS-DC MÁQUINAS ............................................. ........................................... 20.04
     4.5.1 Dimensiones para Motores de corriente continua, con pequeñas
         Extensión de un solo eje recto .............................................. .................................. 20.04
     4.5.2 Dimensiones para el pie de montaje industrial de corriente directa Máquinas .......................... 21 .04
     4.5.3 Dimensiones para el pie de montaje industrial Motores de corriente continua .............................. 04.25
     4.5.4 Dimensiones para el T ipo C cara de montaje de corriente directa
         Pequeño 04.26
     4.5.5 Dimensiones para el T ipo C de montaje cara Industrial Motores de corriente continua ............... 04.26
     4.5.6 Dimensiones para el T ipo C de montaje cara Industrial Motores de corriente continua ................ 27.04
     4.5.7 Dimensiones para el T ipo D brida de montaje industrial Motores de corriente continua ............. 27.04
     4.5.8 Dimensiones de la base de tipo P y PH Vertical eje sólido
         Industrial Motores de corriente continua ............................................. .................................. 28.04
     4.5.9 Dimensiones para el tipo de rostro FC de montaje para accesorios
         en el lado accionamiento del Frente Industrial Motores de corriente continua .............................. 28.04
 DIÁMET ROS 4.6SHAFT EXT ENSION PARA MOT ORES UNIVERSAL ..................................... 28.04
 LÍMIT ES EN LAS DIMENSIONES 4.7T OLERANCE ............................................. ............................... 29.04
 4.8KNOCKOUT y diámetro de las perforaciones para la máquina
     T ERMINAL 29.04
 4.9T OLERANCES en diámetros extensión del eje y
     29.04
     4.9.1 Diámetro de extensión del eje ............................................ ............................... .............. 29.04
     4.9.2 Ancho cunero 29.04
     4.9.3 Fondo de cunero a la superficie del eje ......................................... ................................ 29.0 4
     4.9.4 Paralelismo 04.30
     Lateral 4.9.5 04.30
     4.9.6 Diámetros y Dimensiones cunero ........................................... ............................. 04.30
     4.9.7 Eje de descentramiento 04.30
 4.10RING cuneros ranura del eje PARA MOT ORES DE EJE VERT ICAL ........................ 4-32
MG 1-1998, Revisión 1
                                                                                                                                      Página vii



     4.11        MÉT ODO DE MEDICIÓN DEL EJE Y DE descentramiento
                 ELECT RICIDAD Y descentramiento CARA DE SUPERFICIES DE MONT AJE ................................. 4 -32
                 4.11.1 Eje de descentramiento 4-32
                 4.11.2 La excentricidad y el descentramiento de la cara superficies de montaje ........................................ ...... 4-32
                 T olerancias para clase C CARA DE MONT AJE Y T IPO D
     4.12
                 BRIDA montaje de motores ............................................... ......................................... 4 -32
                 T olerancias para clase P montaje de la brida MOT ORES ....................................... 4-33
     4.13        T ORNILLOS DE MONT AJE o espárragos .............................................. ......................................... 4 -33
     4.14        Método para verificar coplanaridad DE PIES DE COMPLET O
     4.15        REUNIDOS 4-34
                 MÉT ODO DE MEDICIÓN DE LA EXT ENSIÓN DEL EJE
                 PARALELISMO DE PIE PLANO .............................................. ....................................... 4 -34
     4.16
                 Medida de la temperatura T ENIENDO .............................................. .............. 4 -34
                 CONEXIONES DE T ERMINAL PARA MOT ORES PEQUEÑOS ............................................. .......... 4 -35
     4.17        4.18.1 T erminal 4-35
     4.18        4.18.2 terminales de lámina 4-35
                 Carcasas de los motores T ERMINAL ............................................... ........................................ 4 -35
                 4.19.1 Motores Pequeña y Mediana Empresa ........................................... ........................................ .... 4-35
     4.19        4.19.2 4-35
                      4.19.2.1 Viviendas T erminal de cable a cable Conexiones
                            Las máquinas pequeñas y medianas empresas .............................................. ................ 4 -35
                 T IERRA DE MEDIOS PARA EL CABLEADO ............................................. ........................ 4 -41


     4.20

Sección I NORMAS GENERALES APLICABLES A TODOS LOS EQUIPOS
 Parte 5 máquinas rotativas-CLASIFICA CIÓN DE ELECTRICIDA D
      Grados de protección proporcionados por las envolventes PARA
      Máquinas rotativas
 5.1SCOPE 5-1
 5.2OBJECT 5-1
 5-1
     5.3.1 Numeral sola característica ............................................ ........................................ 5 -1
     5.3.2 Cartas complementarias ............................................. .................................................. 5-1
     5.3.3 Ejemplo de designación de ............................................ ................................................ . 5-2
 5.4DEGREES DE PROT ECCIÓN DE PRIMERA cifra característica ............................ 5 -2
     5.4.1 5-2
     5.4.2 implícito 5-2
     5.4.3 ventiladores externos 5-2
     5.4.4 Drenaje 5-3
 5.5DEGREES de protección-segunda característica
     NUMERAL 5-3
     5.5.1 5-3
     5.5.2 implícito 5-3
 5-3
 REQUISIT OS PARA LAS PRUEBAS DE 5.7GENERAL ............................................. ............................ 5 -3
     Adecuada 5.7.1 5-3
 5.8T EST S correspondiente al numeral primera característica ........................................... . .............. 5-4
     T abla 5-1 5-4
     T abla 5-3 5-6
 5.9T EST S correspondiente al numeral segunda característica ............................................ ......... 5 -8
     5.9.1 Condiciones de ensayo 5-8
     5.9.2 Aceptación 05.11
         5.9.2.2 Post T est de agua eléctricos ........................................... ........................... 05.11
 5.10REQUIREMENT S PRUEBAS PARA ABRIR EL T IEMPO ND-PROT EGIDA
     05.11
MG 1-1998, Revisión 1
Página viii


Sección I NORMAS GENERALES APLICABLES A TODOS LOS EQUIPOS
 Parte 6-eléctricas rotativas MOTORES- Métodos de refrigeración (CÓDIGO IC)
 6.1SCOPE 6-1
 6-1
     6.2.1 Enfriamiento 6-1
     6.2.2 refrigerante 6-1
     Primaria 6.2.3 6-1
     Secundaria 6.2.4 6-1
     6.2.5 refrigerante final 6-1
     6.2.6 medio circundante ............................................. .................................................. ... 6-1
     6.2.7 Medio a distancia 6-2
     6.2.8 Liquidación directa enfriado (refrigerado interior de bobinado) ....................................... ............... .... 6-2
     6.2.9 Liquidación refrigerado indirectos ............................................ ................................................. 6 -2
     06/02/10 calor 6-2
     6.2.11 T uberías, Conductos 6-2
     02/06/12 Circuito Abierto 6-2
     02/06/13 Circuito Cerrado 6-2
     02/06/14 corriente o circuito conductos ........................................... .................................................. 6 -2
     02/06/15 Stand-by o del sistema de refrigeración de emergencia ........................................ ....................... ... 6-2
     Integral 06/02/16 6-2
     06/02/17 máquina de montaje de componentes ........................................... ...................................... . 6-3
     02/06/18 componente separado ............................................. .................................................. . 6-3
     6.2.19 Componente circulación dependiente ............................................ ................. .............. 6-3
     02/06/20 Componente de circulación independientes ............................................ ............................. 6-3
 6.3DESIGNAT ION 6-3
     6.3.1 Disposición del Código IC .......................................... ............................................ 6-3
     6.3.2 Aplicación de las Denominaciones ............................................ ......................................... ... 6-4
     6.3.3 Designación de los acuerdos de un mismo circuito para diferentes
         Partes de un 6-4
     6.3.4 Designación de los acuerdos de circuito diferente para diferentes
         Partes de una máquina 6-4
     6.3.5 Designación de directo refrigerado liquidación .......................................... ............................. 6-5
     6.3.6 Designación de Stand-by o condiciones de refrigeración de emergencia ...................................... 6 -5
     6.3.7 Designaciones combinado ............................................. ................................................ 6 -5
     6.3.8 Sustitución de los números característicos ........................................... ........................ 6 -5
 NUMERAL 6.4CHARACT ERIST IC PARA disposición de circuito ...................................... 6-5
 CART AS 6.5CHARACT ERIST IC de refrigerante ............................................. .................... 6 -6
 NUMERAL 6.6CHARACT ERIST IC PARA EL MÉT ODO DE MOVIMIENT O ...................................... 6 -7
 6.7COMMONLY USADOS DESIGNACIONES .............................................. ................................... 6 -8
     6.7.1 Información general sobre las tablas .......................................... ................................... 6 -8




Sección I NORMAS GENERALES APLICABLES A TODOS LOS EQUIPOS
      Parte 7-vibración mecánica de medición, evaluación y límites
      (Sección en su totalidad Sustituido)
 7.1SCOPE 7-1
 7.2OBJECT 7-1
 7.3REFERENCES 7-1
 7.4MEASUREMENT CANT IDAD ............................................... ............................................... 7 -1
     7.4.1 Vibración de Vivienda T eniendo ............................................ .............................................. 7-1
     7.4.2 eje con respecto 7-1
 7.5MEASUREMENT EQUIPO ............................................... ............................................ 7 -2
 7.6MACHINE MONT AJE 7-2
     7.6.1 7-2
     Resistentes 7.6.2 7-2
     7.6.3 Montaje rígido 7-2
     7.6.4 Determinación de Medio Ambiente activo ............................................ ................................. 7 -3
MG 1-1998, Revisión 1
                                                                                                                                          Página ix


     7.7          Condiciones de medición ............................................... ..................................... 7 -3
                  7.7.1 eje clave 7-3
                  7.7.2 Puntos de medición de vibraciones ........................................... ................................... 7 -4
                  7.7.3 Operación 7-4
                  7.7.4 T ransductor de Vibración de montaje ............................................ ......................... ............. 7-4
                  LÍMIT ES DE LAS VIBRACIONES DE VIVIENDA T ENIENDO ............................................. ....................... 7 -7
     7.8          7.8.1 7-7
                  7.8.2 Límites de vibración para máquinas estándar .......................................... ............. .............. 7-9
                  7.8.3 Límites de vibración para máquinas especiales .......................................... .............................. 7-9
                  7.8.4 Vibración Bandas para máquinas especiales .......................................... ................ .......... 7-9
                  7.8.5 Línea doble de la frecuencia de vibración de dos máquinas de inducción Polo ........................... 07.10
                  7.8.6 vibración axial 07.11
                  LÍMIT ES DE LAS VIBRACIONES eje con respecto ............................................. ....... .................. 07.11
                  7.9.1 07.11
     7.9          7.9.2 Las máquinas estándar ............................................. .................................................. ... 12.07
                  7.9.3 Máquinas Especiales 12.07
                  7.8.1 Las máquinas estándar ............................................. .................................................. ..... 7 -8
                  7.8.2 Máquinas Especiales 7-8
                  7.8.3 Vibración Bandas para máquinas especiales .......................................... .......................... 7 -8
                  7.8.4 Línea doble de la frecuencia de vibración de dos máquinas de inducción Polo ........................... 07.10
                  7.8.5 vibración axial 07.10
                  LÍMIT ES DE LAS VIBRACIONES eje con respecto ............................................. ......................... 07.10
                  7.9.1 Las máquinas estándar ............................................. .................................................. ... 07.11
                  7.9.2 Máquinas Especiales 07.11
     7.9




Sección I NORMAS GENERALES APLICABLES A TODOS LOS EQUIPOS
      Parte 9-eléctricas rotativas MOTORES DE SONIDO-LÍMITES DE POTENCIA
      Y procedimientos de medición
 9.1SCOPE 9-1
 9.2GENERAL 9-1
 9.3REFERENCES 9-1
 9.4MET HODS DE MEDICIÓN .............................................. ................ .......................... 9-1
 9.5T EST 9-2
     9.5.1 de la máquina de montaje 9-2
     9.5.2 Condiciones de la prueba de funcionamiento ............................................ ............................... ............... 9-2
 9.6SOUND PODER 9-2
 9.7DET ERMINAT ION del nivel de presión de sonido ............................................ .............. 9 -3
     T abla 9-1 9-4



Sección II PEQUEÑA (fraccionario) y máquinas de potencia media (INTEGRAL)
       Parte 10-AC PEQUEÑAS Y los motores de media
 10.0SCOPE 10.01
 10.30 T ENSIONES 10.01
 10.31 10.01
      10.31.1 alterna Motores de corriente continua ........................................... ................................... ...... 10.01
      10.31.2 Los motores universales ............................................. .................. ................................ .... 10.01
 10.32 POT ENCIA Y CLASIFICACIONES DE VELOCIDAD ............................................. ............................. 10. 02
      10.32.1 motores de inducción pequeños, excepto partida permanente de co ndensadores
           Motores clasificados caballos de fuerza 1 / 3 y menores y la sombra
           Polo Motores 10.02
      10.32.2 Los motores de inducción pequeños, permanente-Split motores de condensador
           Calificación caballos de fuerza 1 / 3 y más pequeños y motores de polo sombreado .......................... 10.02
      10.32.3 Los motores monofásicos medio .......................................... ..................................... 03.10
      10.32.4 Motores de inducción polifásicos medio ........................................... ......................... 03.10
      10.32.5 Los motores universales ............................................. ............................................... ... .... 04.10
 10.33 CLASIFICACIONES POT ENCIA DE LOS MOT ORES MULT ISPEED ............................................ ..... 04.10
MG 1-1998, Revisión 1
Página x


                  10.33.1 constante 04.10
                  10.33.2 constante 05.10
     10.34        BASES PARA potencia nominal .............................................. ................................ 05.10
                  10.34.1 base de la calificación 05.10
                  10.34.2 05.10
                  10.34.3 Breakdown T orque mínimo ............................................ .................................... 05.10
                  DAT OS SECUNDARIOS PARA-rotor bobinado MOT ORES .......................................... ......... 08.10
     10.35        Calificaciones para aplicaciones monofásicas y polifásicas
     10.36        INDUCCIÓN 08.10
                  CART AS código (por rotor bloqueado KVA) .................................... ..... ..................... 08.10
     10.37        10.37.1 Placa de marcado ............................................. .................................................. 08. 10
                  10.37.2 Carta de Designación ............................................. ................... ............................... .. 08.10
                  10.37.3 Motores Multispeed ............................................. .................................................. . . 08.10
                  10.37.4 motores de una velocidad ........................................... ..... ............................................. 09.10
                  10.37.5 Motores amplia o de doble voltaje ........................................ ..................................... 09.1 0
                  10.37.6 doble frecuencia Motores ........................................... .............................................. 09.10
                  10.37.7 part winding-Start Motor ......................................... ............................................ 09.10
                  CLASIFICACIONES DE LA PLACA DE T EMPERAT URA DE ALT ERNA
                  Motores de corriente continua PEQUEÑAS Y UNIVERSAL ............................................. ................. 09.10
                  PLACA DE MARCADO PARA PEQUEÑOS DE CORRIENT E ALT ERNA
     10.38
                  Y MOT ORES UNIVERSAL ............................................... ...................................... ......... 09.10
                  Ardilla-10.39.1 de corriente alterna monofásicos y polifásicos
     10.39             Motores de jaula, excepto los incluidos en 10.39.2, 10.39.3,
                       y 09.10
                  10.39.2 Motores clasificados Menos de 1 / 20 caballos de fuerza ....................................... ................... 1 0-10
                  10.39.3 Los motores universales ............................................. ............................................... ... .. 10-10
                  10.39.4 Motores destinados para el montaje de un dispositivo que tiene su
                       Propio 10-10
                  10.39.5 Motores de doble voltaje ........................................... ............................................ 10 -10
                  10.39.6 información de la placa adicional ............................................ ........................... 10 -11
                  PLACA DE MARCADO DE MEDIO monofásicos y
                  Motores polifásicos INDUCCIÓN ............................................... ............................... 10 -11
                  10.40.1 Media monofásicos y motores polifásicos jaula de ardilla ............................. 10 -12
                  10.40.2 polifásicos de rotor bobinado motores .......................................... ............................... 10 -12
     10.40        INST RUCCIONES PARA EL DISEÑO E T AG Motors (eliminados) ........................................ 10 -13




     10.41

Sección II PEQUEÑA (fraccionario) y máquinas de potencia media (INTEGRAL)
       Parte 10-DC PEQUEÑAS Y los motores de media
 10.0SCOPE 10-15
 10,60 base de la calificación 10-15
      10.60.1 motores pequeños 10-15
      10.60.2 Media 10-15
 10.61 PODER DE IDENT IFICACIÓN DE SUMINIST RO DE CORRIENT E
      MEDIO MOT ORES 10-15
      10.60.1 Suministros designado por una sola letra ......................................... ..................... 10 -15
      10.60.2 T ipos de alimentación Otros ............................................ ............................................ ..... 10-15
 10,62 CABALLOS DE FUERZA, VELOCIDAD, y tensión .......................................... .......... 10 -16
      10.62.1 Motores de corriente continua .......................................... pequeños ................................... ... 10-16
      10.62.2 Industrial Motores de corriente continua .......................................... ................................ 10 -17
 10.63 puntuación del tiempo PLACA .............................................. ............................................ . 10-17
 10.64 T iempo de funcionamiento para servicio intermitente, periódica, y variable
      10-17
 10.65 PLACA DE T EMPERAT URA MÁXIMA DE AMBIENT E Y
      CLASE DE AISLAMIENT O SIST EMA ............................................... ............... ......................... 10-17
 10.66 PLACA 10-19
      10.66.1 motores pequeños nominal 20.1 caballos de fuerza y menos ...................................... .......... 10 -19
MG 1-1998, Revisión 1
                                                                                                                                    Página xi


                 10.66.2 pequeños motores excepto los clasificados 20.1 caballos de fuerza y
                     Menos 10-20
                 10.66.3 Media 10-20


Sección II PEQUEÑA (fraccionario) y máquinas de potencia media (INTEGRAL)
       Parte 12 PRUEBAS Y FUNCIONA MIENTO AC-y motores de corriente
 12.0SCOPE 01.12
 12.2HIGH POT ENCIAL DE SEGURIDAD PRECAUCIONES DE PRUEBA-
      Y T EST 01.12
 12.3HIGH: POSIBLES T ENSIONES DE PRUEBA PARA UNIVERSAL, inducción,
      Y Motores de corriente continua ............................................. ..................................... 01.12
 12.4PRODUCT ION ALT O POT ENCIAL DE PRUEBAS DE MOT ORES PEQUEÑOS ............................... 02.12
      12.4.1 Equipo de prueba dieléctrica ............................................ ........................................... 02.12
      12.4.2 Evaluación de los Sistemas de aislamiento por una prueba dieléctrica ....................................... ..... 03. 12
 PRUEBA PARA MOT ORES 12.5REPET IT IVE SURGE LA PEQUEÑA Y MEDIANA ................. ............... 03.12
 VIBRACIONES 12.6MECHANICAL ............................................... ................................................ 0 3.12
 12.7BEARING PÉRDIDAS-VERT ICAL motores de las bombas ........................................... .... ........... 03.12



Sección II PEQUEÑA (fraccionario) y máquinas de potencia media (INTEGRAL)
       Parte 12 PRUEBAS DE FUNCIONA MIENTO Y MOTORES-A C
 12.0SCOPE 12.05
 12.30 Métodos de prueba 12.05
 CARACT ERÍST ICAS DE RENDIMIENT O 12,31 E ............................................... ............................. 12.05
 12.32 características de par de una sola fase general-
      MOT ORES DE FIN DE INDUCCIÓN ................................... ............ ..................................... 12.05
      12.32.1 Breakdown T orque ............................................. .................................................. . 1 2.05
      12.32.2 Par con rotor bloqueado de los motores pequeños ........................................ .......................... 06.12
      12.32.3 Par con rotor bloqueado de los motores de media ........................................ ........................ 06. 12
      12.32.4 Pull-Up par de motores de media ........................................ ................................ 06.12
 12.33 LOCKED-ROT o actual de los motores monofásicos PEQUEÑAS ............................ 06.12
      12.33.1 o Diseño y Diseño Motores N ......................................... ................................... 06.12
      12.33.2 Propósito General Motors, ........................................... ............................................ 12 .07
 12.34 LOCKED-ROT o actual de MONOFÁSICO MEDIO
      MOT ORES, LOS DISEÑOS Y M. L ........................................... .............................................. 12.07
 12.35 LOCKED-ROT o corriente de 3 fases de 60 HERT Z PEQUEÑAS Y
      MEDIO jaula de ardilla MOT ORES DE INDUCCIÓN nominal de
      230 12.07
      12.35.1 60 Hertz Diseño B, C, D y motores a 230 voltios ................................. ............... 12.07
      12.35.2 60 Hertz Diseño E Motores a 230 voltios (eliminados) .......................... ......... ......... 08.12
      12.35.3 50 Hertz Diseño B, C, D y motores de 380 voltios ................................. ............... 12.09
      12.35.4 50 Hertz Diseño E Motores a 380 voltios (eliminados) .................................. . ......... 12.09
 12.36 Instantané VALOR PICO DE DIVERSAS Corriente de entrada ........................................... . 12 -10
 12.37 características de par de motores polifásicos PEQUEÑAS ............................ 12 -10
 12.38 LOCKED-ROT o el par de Una velocidad POLIFÁSICOS
      Jaula de ardilla, motores de media con continuas
      12-10
      12.38.1 Diseño A y B Motores .......................................... ....................................... ...... 12-11
      12.38.2 Diseño C 12-11
      12.38.3 Diseño D 12-12
      12.38.4 Diseño E Motores (eliminados) ......................................... .................................... 12 -12
 12.39 DESGLOSE DE PAR DE UNA SOLA VELOCIDAD POLIFÁSICOS
      Jaula de ardilla, motores de media con continuas
      12-13
      12.39.1 Diseño A y B Motores .......................................... ...................................... ....... 12-13
      12.39.2 Diseño C 12-13
      12.39.3 Diseño E Motores (eliminados) ......................................... .................................... 12 -13
MG 1-1998, Revisión 1
La página xii


   12.40    PULL-UP PAR DE UNA SOLA VELOCIDAD POLIFÁSICOS ardilla
            JAULA DE MEDIO CON MOT ORES valores continuos .......................................... 12 -13
            12.40.1 Diseño A y B Motores .......................................... ............................................. 12 -13
            12.40.2 Diseño C 12-14
            12.40.3 Diseño E 12-14
            DESGLOSE DE PAR DE POLIFÁSICOS de rotor bobinado MEDIO
   12.41    MOT ORES CON valores continuos .............................................. ....................... 12 -14
            ACELERACIÓN DE PAR DE DISEÑO E Una velocidad
   12.42    POLIFÁSICOS de jaula de ardilla MOT ORES CON MEDIA
            Valores continuos (Suprimido )............................................. ............................... 12 -15
            Aumento de la temperatura para motores pequeños e UNIVERSAL ................................ 12-15
            12.43.1 de corriente alterna pequeños motores, placas de identificación del motor
   12.43
                 Marcado con Denominación de aislamiento del sistema y ambiente
                 T emperatura 12-15
            12.43.2 Los motores universales ............................................. .................................................. .. 12 -16
                                                                           o
            12.43.3 aumento de la temperatura para ambientes superiores a los 40 C. ..................................... . ....... 12-16
            Aumento de la temperatura PARA MEDIO monofásicos y
   12.44    Motores polifásicos INDUCCIÓN ............................................... ............................... 12 -26
                                                                           o
            12.44.1 aumento de la temperatura para ambientes superiores a los 40 C. ...................................... ....... 12 -17
            VARIACIÓN DE FRECUENCIA tensión y NOMINAL ............................. 12 -17
   12.45    12.45.1 Ejecución 12-17
            12.45.2 A partir 12-17
            Desequilibrio de tensión ................................................ ................................................. 1 2-18
   12.46    VARIACIÓN DE VELOCIDAD NOMINAL .............................................. .................................. 12 -18
   12.47    PLACA AMPERIOS-MEDIO DE CORRIENT E ALT ERNA
   12.48    12-18
            ACT UAL exceso ocasional ............................................... ................................. 12 -18
            BLOQUEO DE T IEMPO 12-18
   12.49    FUNCIONAMIENT O DE LOS MOT ORES DE MEDIA T ENSIÓN DUAL
   12.50    CLASIFICACIÓN (ST ANDARD PROPUEST AS PARA EL DISEÑO FUT URO )...................................... 12 -18
   12.51    FACT OR DE SERVICIO DE MOT ORES DE CORRIENT E ALT ERNA ...................................... 12 -19
            12.52.1 uso general de corriente alterna Motores del tipo abierto ........................ 12 -19
   12.52    12.52.2 Otros motores 12-19
            Exceso de velocidad PARA MOT ORES ............................................... ........................................ 12 -20
            12.53.1 jaula de ardilla y motores de rotor ....................................... ...................... 12 -20
            12.53.2 uso general de jaula de ardilla Motores de inducción (Nueva )............................... 12 -20
   12.53           Cuadro 12-4 bis (nuevo) ........................................... ............................................ 12-20
            12.53.3 Diseño Estándar A y B de acoplamiento directo de unidad jaula de ardilla
                  Motores de inducción (revisado )............................................. ................................ 12-21
            12.53.4 de corriente alterna de la serie y motores universales ........................................ ....... 12 -21
                  T abla 1205 (revisado )............................................. ....................................... 12-22
            Equipo de sonido (motores medio de inducción )........................................... ........ 12 -22
            12.54.1 Calidad de sonido (eliminados) .......................................... ....................................... 12 -22
            12.54.2 Medición de Sonido (Suprimido ).......................................... ............................. 12 -23
            12.54.3 niveles de potencia acústica de Polyphase inducción jaula de ardilla
   12.54          Motores (eliminados) .............................................. ............................................... 12 -23
            NÚMERO DE 12-23
            12.55.1 Condiciones de arranque normal ............................................ ..................................... 12 -23
            Aparte de las condiciones normales de partir 12.55.2 .......................................... ..................... 12 -23
            12.55.3 Consideraciones adicionales Inicia ........................................... ......................... 12 -23
            Pruebas de rutina para motores polifásicos medio de inducción ....................... 12-23
   12.55    12.56.1 Método de 12-23
            12.56.2 Las pruebas típicas de los motores Completamente ensamblado ......................................... ....... 12 -23
            T ípico de pruebas en los motores no Completamente ensamblado 12.56.3 . .................................... 12-23
            Protección térmica de los motores de media ............................................. ............ 12 -24
   12.56    12.57.1 Liquidación 12-24




   12.57
MG 1-1998, Revisión 1
                                                                                                                                           Página xiii


                      12.57.2 viaje actual 12-26
    12.58             Protección de sobrecalentamiento de los motores de media NO
                      A la definición de "protección térmica "..................................... 12 -26
                      12.58.1 T ipo 1-devanado de marcha y exceso de temperatura del rotor bloqueado
                           12-26
                      12.58.2 tipo 2-devanado de marcha de Protección de sobretemperatura ..................................... 12-26
                      12.58.3 T ipo 3-Liquidación de Protección de exceso de temperatura, de tipo inespecífico ..................... 12 -26
                      EFICIENCIA 12-26
    12.59             12.59.1 Determinación de la eficiencia del motor y las pérdidas ........................... .............. ........... 12-26
                      12.59.2 La eficiencia de los motores de media polifásicos de jaula de ardilla con
                           Valoraciones continua ................................................ .............................................. 12 -27
                      Niveles de eficiencia de POLIFÁSICOS EFICIENT E DE LA ENERGÍA
                      Jaula de ardilla MOT ORES DE INDUCCIÓN ............................................. ......................... 12 -28
    12.60             NIVEL DE EFICIENCIA DE DISEÑO E POLIFÁSICOS ardilla
                      MOT ORES inducción de jaula de ............................................... .......................................... 12-29
    12.61             INFORME DE LA PRUEBA PARA LAS PRUEBAS DE MOT ORES DE INDUCCIÓN ........................................ 12 -29
                      T abla 12-10 (revisado) ........................................... .................................................. .... 12 -29
    12.62             T abla 11.12 (Eliminado) ........................................... .................................................. ..... 12-31
                      MÁQUINA CON encapsulado o SELLADO DEVANADOS-
                      Pruebas de conformidad ................................................ ................................................ 12 -31
                      MÁQUINA CON resistente a la humedad DEVANADOS-
    12.63             CONFORMIDAD 12-31

    12.64



Sección II PEQUEÑA (fraccionario) y máquinas de potencia media (INTEGRAL)
       Parte 12 PRUEBAS DE RENDIMIENTO Y -DC PEQUEÑAS Y los motores de media
 12.0SCOPE 12-33
 12.65 Métodos de prueba 12-33
 12.66 FUENT E DE ALIMENT ACIÓN DE PRUEBA .............................................. .................................................. .. 12-33
      12.66.1 motores pequeños 12-33
      12.66.2 Media 12-33
 12.67 T EMPERAT UR 12-35
      12.67.1 Motores de corriente continua .......................................... pequeños ................................... ... 12-35
      12.67.2 T iempo Continuo con mejor puntuación Motores de corriente continua media .................. .................. 12-35
      12.67.3 corto tiempo con mejor puntuación Motores de corriente continua media ..................................... ......... 12-36
                                                              o
     12.67.4 aumento de la temperatura para ambientes superiores a los 40 C. ...................................... ....... 12 -36
 12,68 variación de tensión nominal ............................................. .............................. 12-37
 12,69 variación en la velocidad debido a la carga ........................................... ............................... . 12-37
      12.69.1 Directo devanado en derivación, estabilizado -derivación de heridas, y
           De imán permanente Motores de corriente continua ........................................... ............... 12 -37
      12.69.2 herida Compuesto-Motores de corriente continua ........................................ .................. 12 -37
 12,70 variación en la velocidad debido al calentamiento BASE .......................................... ................ 12 -37
      12.70.1 Velocidad de variación con la temperatura ........................................... ........................... 12 -37
      12.70.2 Resistencia variación con la temperatura ........................................... ................... 12 -38
 12,71 VARIACIÓN DE VELOCIDAD NOMINAL ............................................. ................................... 12 -38
 12.72 CAPACIDAD sobrecarga momentánea .............................................. ............................ 12 -38
 12.73 CONMUT ACIÓN DE ÉXIT O ............................................... ...................................... 12 -38
 12,74 exceso de velocidad PARA MOT ORES .............................................. ......................................... 12 -38
      12.74.1 bobinado de derivación Motores ........................................... ......................................... ...... 12-38
      12.74.2 herida Compuesto-motores con regulación de velocidad de
           35 por ciento o menos .............................................. ................................................ 12 -38
      12.74.3 herida de la serie-Motores y heridas Compuesto-motores que tienen
           Regulación de velocidad de más de 35 por ciento ............................................ ........... 12 -38
 12.75 datos de campo para Motores de corriente continua .......................................... ................ 12-39
 12,76 pruebas de rutina de medio directo motores de corriente continua .................................... 12 -39
 12.77 INFORME DE LA FORMA DE PRUEBA PARA MÁQUINAS DE CORRIENT E CONT INUA ........ ........................ 12-39
 12.78 EFICIENCIA 12-39
MG 1-1998, Revisión 1
Página xiv


                 12.78.1 tipo A Fuentes de alimentación ........................................... .......................................... .. 12-39
                 12.78.2 otras fuentes de energía ............................................ ............................................. 1 2-40
    12.79        12-40
    12.80        SOBRE LA PROT ECCIÓN DE LA T EMPERAT URA DEL MEDIO DIRECT O
                 MOT ORES DE CORRIENT E 12-40
                 DAT OS PARA motores de corriente continua ............................................. ........................ 12 -41
    12.81        Equipo de sonido de los motores de media CORRIENT E ................................... 12 -42
    12.82        12.82.1 Las mediciones de sonido ............................................. ... ......................................... 12-42
                 12.82.2 12-42
                 12.82.3 niveles de sonido de Dripproof Industrial Motores de corriente continua ............................... 12 -42



Sección II PEQUEÑA (fraccionario) y máquinas de potencia media (INTEGRAL)
       Parte de 13 misiones para MARCO DE CORRIENTE ALTERNA
       INTEGRAL motores de potencia INDUCCIÓN
 13.0SCOPE 13-1
 13.1FRAME designaciones de L diseño de una sola fase,
      Motores horizontales y verticales, de 60 Hz.
      CLASE B SIST EMA DE AISLAMIENT O, tipo abierto, 1,15
      FACT OR DE SERVICIO, 230 voltios y MENOS ........................................... ......................... 13 -1
 DESIGNACIONES PARA 13.2FRAME polifásico, jaula de ardilla,
      DISEÑOS A, B y E, motores horizontales y vertical,
      60 Hertz, Clase B SIST EMA DE AISLAMIENT O, tipo abierto, 1,15
      FACT OR DE SERVICIO, 575 VOLT IOS Y MENOS ................. .......................... ......................... 13-2
 DESIGNACIONES PARA 13.3FRAME polifásico, jaula de ardilla,
      DISEÑOS A, B, E ND, MOT ORES HORIZONT AL Y VERT ICAL,
      60 Hertz, Clase B SIST EMA DE AISLAMIENT O, totalmente cerrado
      Refrigerado por aire T IPO, 1.0 FACT OR DE SERVICIO, 575 VOLT IOS Y MENOS .......................... 13 -3
 DESIGNACIONES PARA 13.4FRAME polifásico, jaula de ardilla,
      Diseño C, MOT ORES HORIZONT AL Y VERT ICAL, 60 Hertz,
      CLASE B SIST EMA DE AISLAMIENT O, tipo abierto, de servicio 1,15
      FACT OR, 575 voltios y MENOS ............................................ ......................................... 13 -4
 DESIGNACIONES PARA 13.5FRAME polifásico, jaula de ardilla,
      Diseño C, MOT ORES HORIZONT AL Y VERT ICAL, 60 Hertz,
      CLASE B SIST EMA DE AISLAMIENT O, FAN-totalmente cerrados
      T IPO DE REFRIGERACIÓN, 1.0 FACT OR DE SERVICIO, 575 VOLT IOS Y MENOS .................................. 13 -5




SECCIÓN II PEQUEÑA (f raccional) y medio (MÁQUINAS INTEGRAL)
       Parte 14-DATOS DE LA SOLICITUD- máquinas con CA y CC LA PEQUEÑA Y MEDIA NA
 14.0SCOPE 14-1
 14.1PROPER SELECCIÓN DE APARAT OS ............................................. ............................. 14 -1
 CONDICIONES DE SERVICIO 14.2USUAL .............................................. ......................................... 14 -2
     14.2.1 Condiciones ambientales ............................................. ........................................ .. 14-2
     14.2.2 Operación 14-2
 CONDICIONES DE SERVICIO 14.3UNUSUAL .............................................. .................................... 14 -2
 14.4T EMPERATURE 14-3
     14.4.1 Los motores de la Clase A o Clase B Sistemas de Aislamiento ...................................... ......... 14 -3
     14.4.2 Los motores con factor de servicio ........................................... ....................................... .... 14-3
     14.4.3 aumento de la temperatura a nivel del mar .......................................... .................................... 14 -3
     14.4.4 Los valores preferidos de altitud para los motores de Evaluación ........................................ ............ .... 14-3
 14.5SHORT -tiempo nominal MÁQUINAS ELÉCT RICAS ........................................... ................. 14 -4
 14.6DIRECT ION DE GIRO .............................................. ................................................ 14 -4
 14.7APPLICAT ION de poleas, ruedas dentadas y
     Engranajes de los ejes del motor .............................................. ............................................. 14-4
     14.7.1 14-4
     14.7.2 diámetro de paso mínimo para otras unidades de V-cinturón ..................................... ....... 14 -4
     14.7.3 Velocidad máxima de los componentes de la unidad .......................................... ....................... . 14-4
MG 1-1998, Revisión 1
                                                                                                                                               Página xv


    14.8        T ornillo pasante MONT AJE .............................................. ............................................ 14 -5
    14.9        ROEDORES 14-5

SECCIÓN II PEQUEÑA (fraccionario) y máquinas de potencia media (INTEGRAL)
       Parte 14-DATOS DE LA SOLICITUD-AC PEQUEÑA S Y los motores de media
 14.0SCOPE 14-7
 14.30 efectos de la variación de tensión y frecuencia EN
     EL DESEMPEÑO DE MOT ORES DE INDUCCIÓN ............................................. .............. 14 -7
     14.30.1 14-7
     14.30.2 Efectos de la variación de tensión en la temperatura ........................................ ............ 14 -7
     14.30.3 efect o de la variación en el voltaje de factor de potencia ....................................... .............. 14 -7
     14.30.4 efecto de la variación en el voltaje en pares de arranque ....................................... ......... 14 -7
     14.30.5 efecto de la variación en el voltaje en Slip ........................................ ............................. 14 -7
     14.30.6 Efectos de la variación en la frecuencia .......................................... ................................ 14-8
     14.30.7 Efecto de las variaciones en la tensión y la frecuencia ....................................... ...... 14 -8
     14.30.8 Efecto en los motores de propósito especial o pequeñas ....................................... .......... ......... 14-8
 14.31 MÁQUINAS DE FUNCIONAMIENT O DE UN SIST EMA DE MET RO ........................................ 14 -8
 14.32 FUNCIONAMIENT O DEL motores de corriente alterna DE
     De frecuencia variable o POWER de voltaje variable
     SUMINIST ROS O AMBOS 14-8
     14.32.1 14-8
     14.32.2 Las tensiones del eje 14-9
 14.33 Efectos de las tensiones de más de 600 voltios SOBRE LOS RESULT ADOS
     De motores de baja tensión ............................................. ............................................. 14 -9
 14.34 OPERACIÓN DE USO GENERAL DE CORRIENT E ALT ERNA
     Polifásico, 2 -, 4 -, 6 -, y 8 polos, 60 HERT Z MEDIO
     MOT ORES DE INDUCCIÓN OPERADO EN HERT Z ............................................ 50 ............. 14 -9
     14.34.1 velocidad 14-9
     14.34.2 T orques 14-9
     14.34.3 rotor bloqueado ........................................... ................................................. 14-9
     14.34.4 Factor de Servicio 14-9
     14.34.5 aumento de temperatura ............................................. ................................................ .. . 14-10
 14.35 OPERACIÓN de motores de inducción de 230 voltios en 208 voltios
     SIST EMAS 14-10
     14.35.1 14-10
     14.35.2 Placa de Señalización de utilizable a 200 V. ....................................... .................... 14 -10
     14.35.3 efecto en el rendimiento del motor .......................................... ................................ 14 -10
 14.36 EFECT OS DE T ENSIONES DESEQUILIBRIO EN LA EJECUCIÓN
     De motores de inducción POLIFÁSICOS .............................................. .......................... 14-10
     14.36.1 efecto en el rendimiento general .......................................... .............................. 14 -11
     14.36.2 desequilibrio 14-11
     14.36.3 T orques 14-11
     14.36.4 Velocidad a plena carga ........................................... ................................................. . ..... 14-11
     14.36.5 14-11
 14.37 APLICACIÓN DE CORRIENT E ALT ERNA MOT ORES CON
     FACT ORES DE SERVICIO 14-11
     14.37.1 14-11
     14.37.2 aumento de la temperatura-media alterna Motores de corriente continua ................................... 14 -12
     14.37.3 aumento de la temperatura-Pequeño alterna Motores de corriente continua ....................................... 14 -12
 14.38 CARACT ERÍS T ICAS DE PART E DE LIQUIDACIÓN INICIO POLIFÁSICOS
     INDUCCIÓN 14-12
 14,39 FLOT A DE ACOPLAMIENT O AL FINAL EL JUEGO Y EL ROT OR DE HORIZONT AL
     MOT ORES DE CORRIENT E ALT ERNA .............................................. .............................. 14 -12
     14.39.1 recomendados Valoraciones de HP para motores con rodamientos de bolas .. ..................................... .... 14-12
     14.39.2 Los límites para motores con cojinetes de Sleeze ......................................... ...................... 14 -12
     14.39.3 Dibujo y marcas del eje ........................................... .................................... 14-13
MG 1-1998, Revisión 1
Página xvi


     14.40        VELOCIDADES DE SALIDA PARA MOT ORES DE ENGRANAJES MEDIO DEL PARALELO
                  14-13
     14.41        APLICACIÓN DE LA MEDIA DE CORRIENT E ALT ERNA ardilla
                  MAQUINAS DE JAULA CON DEVANADOS SELLADO ............................................. ................. 14 -14
                  14.41.1 Condiciones de servicio habitual ............................................ ....................................... . 14-14
                  14.41.2 Condiciones de servicio inusuales ............................................ .................................... 14 -14
                  14.41.3 lugares peligrosos ............................................. .............................................. 14 -14
                  APLICACIÓN DE LA V-CORREA DIMENSIONES polea ALT ERNA
     14.42        MOT ORES DE CORRIENT E CON rodamientos antifricción .......................................... 14 -14
                  14.42.1 Dimensiones para potencias de motor seleccionada .......................................... .................. .. 14-14
                  14.42.2 Dimensiones para potencias de motor Otros .......................................... ......................... 14 -14
                  Antisísmico 14-14
                  Factor de potencia de tres fases, jaula de ardilla,
     14.43        MOT ORES medio con valores continuos ............................................. ........ 14-16
     14.44        14.44.1Determination de factor de potencia a partir de datos de la placa ......................................... 14 -16
                  14.44.2 Determinación de Valoración de capacidad para conexión de energía
                        Factor de valor deseado .............................................. ......................................... 14 -16
                  14.44.3 Determinación del factor de potencia corregido para Especificado
                       Condensador 14-17
                  14.44.4 Aplicación de Condensadores Corrección del factor de Sistemas de Energía ............. 14 -17
                  14.44.5 Aplicación de Condensadores Corrección del factor de Motores
                       Operado desde la fuente de alimentación electrónica ........................... .................. ................. 14-17
                  T raslado en autobús o REARME .............................................. ................................... 14 -17
                  Inercia del rotor PARA ROMPER DINÁMICA ............................................. .......... ........ 14-17
                  EFECT OS DE LA CARGA DE LA EFICIENCIA DEL MOT OR ............................................ ................. 14 -17
     14.45
     14.46
     14.47


Sección II PEQUEÑA (fraccionario) y máquinas de potencia media (INTEGRAL)
       Parte 14-DATOS DE LA SOLICITUD DC-LA PEQUEÑA Y MEDIA NA MOTORES
 14.0SCOPE 14-19
 14,60 funcionamiento de los motores PEQUEÑO EN RECT IFICADO ALT ERNA
      ACT UAL 14-19
      14.60.1 14-19
      14.60.2 Forma 14-19
 14,61 funcionamiento de los motores MEDIO DE CORRIENT E CONT INUA EN
      RECT IFICADO DE CORRIENT E ALT ERNA ............................................... .......................... 14 -20
 14.62 RIPPLE corriente de armadura .............................................. ....................................... 14-21
 14.63 operación en una fuente de alimentación variable T ENSIÓN ....................................... 14 -21
 14.64 SHUNT CALEFACCIÓN DE CAMPO EN REPOSO ............................................ .. ...................... 14-22
 14.65 corrientes de los cojinetes ............................................... ........................................... ....... ... 14-22
 14.66 EFECT OS DE 50 HERT Z DE CORRIENT E ALT ERNA DE POT ENCIA
      FRECUENCIA 14-22
 14.67 APLICACIÓN DE CARGAS AL voladizo Ejes del motor ..................................... 14 -22
      14.67.1 Limitaciones 14-22
      14.67.2 V-cinturón de unidades 14-23
      14.67.3 aplicaciones distintas de V-Belts ......................................... ................................ 14 -24
      14.67.4 14-25
 14,68 T ASA DE CAMBIO DE corriente de inducido ........................................... ..... ........... 14-25




Sección II PEQUEÑA (fraccionario) y máquinas de potencia media (INTEGRAL)
       Parte de 15 generadores de corriente continua
 15.0SCOPE 15-1
 15,10 kilovatios, SPEED, y tensión .......................................... .......... .......... 15-1
      15.10.1 estándar 15-1
      15.10.2 15-2
 15.11 PLACA puntuación del tiempo, la temperatura ambiente máxima,
      Y CLASE DE AISLAMIENT O SIST EMA .............................................. .................................. 15 -2
MG 1-1998, Revisión 1
                                                                                                                                               Página xvii


     15.12 PLACA 15-2
     PRUEBAS Y 15-2
     15.40 Prueba de rendimiento 15-2
     15.41 T EMPERAT UR 15-2
                                                                                              o
        15.41.1 aumento de la temperatura de ambiente máxima de 40 º C ....................................... ......... 15-2
                                                                                               o
        15.41.2 aumento de la temperatura para ambientes superiores a los 40 C. ...................................... ......... 15 -3
     15.42 CONMUT ACIÓN DE ÉXIT O ...................................... ......... ........................................ 15-3
     15.43 15-3
     15.44 Variación de la tensión debido al calentamiento ............................................ .......................... 15-3
     PLANA 15,45 15-3
     15.46 PRUEBA DE REGLAMENT O .............................................. .................................................. . 15 -3
     15,47 exceso de velocidad de los grupos electrógenos .............................................. ......................... ......... 15-4
     15.48 HIGH-POT EN T IAL T EST ............................................. .................................................. .... 15 -4
         15.48.1 Precauciones de seguridad para realizar el procedimiento de prueba .......................................... ....................... 15-4
         15.48.2 Prueba de tensión 15-4
     15.49 RUT INA 15-4
     15,50 DAT OS DE CAMPO PARA GENERADORES DE CORRIENT E CONT INUA .......................................... ........ 15 -4
     15.51 INFORME DE LA PRUEBA 15-5
     15.52 EFICIENCIA 15-5
      15-6
     15.60 DIRECCIÓN DE GIRO .............................................. ................................................ 15 -6
     15.61 ECUALIZADOR DE GENERADORES DE CORRIENT E CONT INUA ........................................... .......... 15 -6



Sección II PEQUEÑA (fraccionario) y máquinas de potencia media (INTEGRAL))
       MÁQUINAS parte PROPÓSITO 18-DEFINITE
 18.1SCOPE 18-1
 MOT ORES para compresores de refrigeración HERMET IC ............................................. ... 18-1
 18.2CLASSIFIED SEGÚN EL T IPO DE ELECT RICIDAD ............................................ ............ 18 -1
 CLASIFICACIONES 18-2
 CLASIFICACIONES 18.3VOLT AGE 18-2
      18.3.1 Los motores monofásicos ........................................... .................................................. .. 18-2
      18.3.2 motores polifásicos de inducción ............................................ ............... ......................... 18-2
 18-2
 18.5SPEED CLASIFICACIONES 18-2
 PRUEBAS Y 18-2
 18.6OPERAT ING T EMPERAT URA ............................................... ........................................... 18 -2
 18.7BREAKDOWN PAR Y rotor bloqueado CORRIENT ES
      DE 60 HERT Z motores herméticos ............................................ ................................... 18 -2
      18.7.1 Distribución de par ............................................. ...................................... ............ ... 18-2
      18.7.2 rotor bloqueado 18-2
 18.8HIGH POT ENCIAL DE PRUEBA ............................................. .................................................. .... 18-4
 18.9VARIAT IONS DE T ENSIÓN NOMINAL Y CLASIFICACIÓN
      FRECUENCIA 18-4
 18.10 DIRECCIÓN DE GIRO .............................................. ................................................ 18 -4
 18.11 Marcado de los terminales PLOMO .............................................. .................... ......................... 18-4
 18.12 MÉT ODO DE PRUEBA PARA LA LIMPIEZA DE LA MONOFÁSICO
      Motores herméticos que tienen diámetros del estator de 6.292
      Pulgadas o menos ............................................... .................. ................................ .. 18-4
      18.12.1 Estatores 18-4
      18.12.2 Los rotores 18-5
 18.13 Método de prueba para motores herméticos LIMPIEZA DE
      Con diámetros estator de 8,777 pulgadas o menos ............................... 18-5
      18.13.1 Propósito 18-5
      18.13.2 Descripción 18-5
      18.13.3 Ejemplo 18-5
      18.13.4 Equipo 18-5
MG 1-1998, Revisión 1
Página xviii


       18.13.5 18-5
    18-7
   18.14 diámetros de rotor BORE Y DIMENSIONES PARA CHAVET ERO
       60-HERT Z HERMET IC MOT ORES ............................................. ......................................... 18 -7
   18.15 DIMENSIONES DE 60 HERT Z motores herméticos ....................... ................... ........... 18-8
   18.16 FORMACIÓN DE CABLE END ............................................. .................................................. .. 18-8
   18.17 protectores térmicos montados en O EN FIN
       Bobinados de motores herméticos .............................................. ................................ 18-8
   18.18 LET RAS DE LAS DIMENSIONES DE compresores herméticos ............................... 18 -9
   MOT ORES PEQUEÑOS PARA FANS DEL EJE MONT ADO Y SOPLADORES ......................................... 18-11
   18,19 CLASIFICACIÓN SEGÚN EL T IPO DE ELECT RICIDAD ............................................ . 18 -11
   CLASIFICA CIONES 18-11
   18.20 Las tensiones nominales 18-11
       18.20.1 Los motores monofásicos ........................................... ................................................ 18-11
       18.20.2 motores polifásicos de inducción ............................................ .................. .................. 18-11
   18.21 18-11
   18.22 POT ENCIA Y CLASIFICACIONES DE VELOCIDAD ............................................. ........................... 18 -11
       18.22.1 motores de una velocidad ........................................... ................................................ 18-11
       18.22.2 motores de dos velocidades ........................................... ................................. ................. . 18-11
   PRUEBAS Y 18-12
   18.23 T EMPERAT UR 18-12
   18.24 BASE DE potencia nominal ............................................. .................................. 18 -12
   18.25 MÁXIMO rotor bloqueado-monofásico ........................................ . 18-12
   18.26 HIGH-POT EN T IAL PRUEBAS ............................................. .................................................. 18 -12
   18.27 Las variaciones de tensión y FRECUENCIA NOMINAL ........................... 18 -12
   18.28 DIRECCIÓN DE GIRO .............................................. .............................................. 18 -12
    18-12
   18,29 CARACT ERÍST ICAS MECÁNICAS GENERAL .............................................. ............................. 18 -12
   18.30 DIMENSIONES Y LET RAS DE LAS DIMENSIONES DE LOS MOT ORES
       PARA LOS AMANT ES DEL EJE MONT ADO Y SOPLADORES ........................................... ................ 18 -12
   18.31 Marcado de los terminales ............................................... .................................................. .. 18-12
   18,32 LONGIT UD terminal del cable .............................................. ............................................ . 18-12
   MOT ORES PEQUEÑOS PARA FANS cinturón y SOPLADORES CONST RUIDA EN
   MARCOS 56 Y MENORES 18-15
   18,33 CLASIFICACIÓN SEGÚN EL T IPO DE ELECT RICIDAD ............................................ . 18 -15
   CLASIFICA CIONES 18-15
   18.34 Las tensiones nominales 18-15
       18.34.1 Los motores monofásicos ........................................... .... ............................................ 18-15
       18.34.2 polifásicos 18-15
   18.35 18-15
   18.36 POT ENCIA Y CLASIFICACIONES DE VELOCIDAD ............................................. ........................... 18 -15
       18.36.1 motores de una velocidad ........................................... ................................................ 18 -15
       18.36.2 motores de dos velocidades ........................................... .............................................. .... . 18-15
   PRUEBAS Y 18-16
   18.37 T EMPERAT UR 18-16
   18.38 BASE DE potencia nominal ............................................. .................................. 18 -16
   18.39 MÁXIMO rotor bloqueado ............................................ ......................... .. 18-16
   18.40 HIGH-POT EN T IAL T EST ............................................. .................................................. .. 18 -16
   18.41 Las variaciones de tensión y FRECUENCIA NOMINAL ........................... 18 -16
   18.42 DIRECCIÓN DE GIRO .............................................. .............................................. 18-16
    18-16
   18,43 CARACT ERÍST ICAS MECÁNICAS GENERAL .............................................. ............................. 18 -16
   18.44 LET RAS DE LAS DIMENSIONES DE LOS MOT ORES DE FANS BELT ED
       Y SOPLADORES 18-17
   MOT ORES PEQUEÑOS PARA CONDENSADORES DE AIRE ACONDICIONADO Y
   FANS DEL EVAPORADOR 18-18
MG 1-1998, Revisión 1
                                                                                                                               Página xix


18,45 CLASIFICACIÓN SEGÚN EL T IPO DE ELECT RICIDAD ............................................ . 18-18
CLASIFICA CIONES 18-18
18.46 Las tensiones nominales 18-18
18.47 18-18
18.48 POT ENCIA Y CLASIFICACIONES DE VELOCIDAD ............................................. ........................... 18 -18
    18.48.1 Ratings Potencia ............................................. ............................................... 18 -18
    18.48.2 velocidad 18-18
PRUEBAS Y 18-18
18.49 T EMPERAT UR 18-18
18.50 BASE DE LAS CALIFICACIONES POT ENCIA ............................................. ............................... 18 -18
18.51 HIGH-POT EN T IAL PRUEBAS ............................................. .................................................. 18 -19
18.52 Las variaciones de tensión y FRECUENCIA NOMINAL ........................... 18 -19
18,53 VARIACIÓN DE VELOCIDAD NOMINAL ............................................. ................................... 18 -19
18.54 T ERMINAL MARCAS-MULT ISPEED de polo sombreado MOT ORES ............................ 18-19
 18-19
18.55 Marcado de los terminales ............................................... ............................................. ..... .. 18-19
18,56 LONGIT UD terminal del cable .............................................. ............................................. 18 -19
18,57 CARACT ERÍST ICAS MECÁNICAS GENERAL .............................................. ............................. 18 -20
18.58 Marcado de los terminales PARA NO polos conmutables MULT ISPEED
    SOLO DE T ENSIÓN irreversible partida permanente
    Motores de condensador y sombreado MOT ORES POLE ............................................ ... 18 -21




18.59
   DIMENSIONES DE polo sombreado Y PERMANENT E DE SPLIT -
   MOT ORES CON CAPACIT OR AP DIMENSION 4,38 PULGADAS Y
   18-23
18.60 Dimensiones de polo sombreado Y PERMANENT E DE SPLIT
   Motores de condensador tiene una dimensión AP MENOR QUE
   4,38 PULGADAS 18-24
18.61 DIMENSIONES DE MONT AJE PARA LUG de polo sombreado y
   Partida permanente motores de condensador ............................................. .................... 18 -24
DATOS DE APLICACIÓN 18-25
18.62 PLACA ACT UAL ............................................... ......................... ......................... 18-25
CLASIFICA CIONES 18-25
18,63 efecto de la variación de la tensión CLASIFICADO EN
   VELOCIDAD DE OPERACIÓN 18-25
18.64 Prueba de aislamiento ............................................... ................................................. . .. 18-25
   18.64.1 Condiciones de prueba ............................................. ...................................... ............ .... 18-25
   18.64.2 Método de prueba 18-26
18.65 CONDICIONES DE SERVICIO ............................................... .................................................. . 18-26
Pequeños motores y bombas de sumidero .................................................. ..................................... 18 -29
18,66 CLASIFICACIÓN SEGÚN EL T IPO DE ELECT RICIDAD ............................................ . 18 -29
CLASIFICA CIONES 18-29
18.67 Las tensiones nominales 18-29
18.68 18-29
18.69 POT ENCIA Y CLASIFICACIONES DE VELOCIDAD ............................................. ........................... 18 -29
   18.69.1 Ratings Potencia ............................................. ............................................... 18 -29
   18.69.2 velocidad 18-29
PRUEBAS Y 18-29
18.70 T EMPERAT UR 18-29
18.71 BASE DE LAS CALIFICACIONES POT ENCIA ............................................. ............................... 18 -29
18.72 características de par ............................................... ........................................ 18-30
18.73 PRUEBAS DE CUENT ES HIGH-POT EN ............................................. .................................................. 18 -30
18.74 Las variaciones de tensión nominal y clasificado
   FRECUENCIA 18-30
18.75 DIRECCIÓN DE GIRO .............................................. .............................................. 18 -30
MG 1-1998, Revisión 1
Página xx


    18-30
   18,76 CARACT ERÍST ICAS MECÁNICAS GENERAL .............................................. ............................. 18 -30
   18.77 DIMENSIONES PARA MOT ORES bomba de sumidero, T IPO K ......................................... ......... 18 -30
   18.78 MARCO número y una letra SUFIJO MARCO ........................................... .............. 18 -30
   MOT ORES PEQUEÑOS PARA GASOLINA DE DIST RIBUCIÓN BOMBAS ............................................ ............ 18-32
   18,79 CLASIFICACIÓN SEGÚN EL T IPO DE ELECT RICIDAD ............................................ . 18-32
   CLASIFICA CIONES 18-32
   18.80 Las tensiones nominales 18-32
       18.80.1Single motores trifásicos ............................................ ............................................... . 18-32
       18.30.2 motores polifásicos de inducción ............................................ .................................... 18 -32
   18.81 18-32
   18.82 POT ENCIA Y CLASIFICACIONES DE VELOCIDAD ............................................. .................. ......... 18-32
       18.82.1 Ratings Potencia ............................................. ............................................... 18 -32
       18.82.2 velocidad 18-32
   PRUEBAS Y 18-32
   18.83 T EMPERAT UR 18-32
   18.84 BASE DE LAS CALIFICACIONES POT ENCIA ............................................. ............................... 18 -33
   18.85 LOCKED-ROT o par ............................................. ............................................... 18 -33
   18.86 LOCKED-ROT O ACT UAL ............................................. ............................................. 18 -33
   18.87 HIGH-POT EN T IAL T EST ............................................. .................................................. .. 18 -33
   18.88 Las variaciones de tensión nominal y clasificado
       FRECUENCIA 18-33
   18.89 DIRECCIÓN DE GIRO .............................................. .............................................. 18 -34
    18-34
   18,90 CARACT ERÍST ICAS MECÁNICAS GENERAL .............................................. ............................. 18-34
   18.91 MARCO número y una letra SUFIJO MARCO ........................................... .............. 18 -34
   18.92 DIMENSIONES DE SUMINIST RO DE GASOLINA motores de las bombas,
       T IPO G 18-35
   Los motores pequeños para quemadores de aceite ............................................. ................................ .......... 18-36
   18,93 CLASIFICACIÓN SEGÚN EL T IPO DE ELECT RICIDAD ............................................ . 18-36
   CLASIFICA CIONES 18-36
   18.94 Las tensiones nominales 18-36
   18.95 18-36
   18.96 POT ENCIA Y CLASIFICACIONES DE VELOCIDAD ............................................. ........................... 18 -36
       18.96.1 Ratings Potencia ............................................. ............................................... 18 -36
       18.96.2 velocidad 18-36
   PRUEBAS Y 18-36
   18.97 T EMPERAT UR 18-36
   18.98 BASE DE potencia nominal ............................................. .................................. 18-37
   18.99 LOCKED-ROT o características ............................................. ............................ 18 -37
   18.100 HIGH-POT EN T IAL T EST ............................................. .................................................. .. 18-37
   18.101 variaciones de tensión y FRECUENCIA NOMINAL ........................... 18 -37
   18.102 DIRECCIÓN DE GIRO .............................................. ......................................... ..... 18-37
    18-37
   18.103 CARACT ERÍST ICAS MECÁNICAS GENERAL .............................................. ............................. 18 -37
   18,104 DIMENSIONES PARA LA CARA DE MONT AJE PARA MOT ORES DE ACEIT E
       QUEMADORES, T IPO M y N. ........................................... .............................................. 18 -38
       18.104.1 18-38
   18.105 T OLERANCIAS 18-38
   18.106 Número de cuadro y letra del sufijo MARCO ........................................... .............. 18 -38
       18.106.1 M letra del sufijo ............................................ .................................................. . .... 18-38
       18.106.2 sufijo Carta 18-39
   Pequeños motores para el equipo casero LAVANDERÍA ............................ ................ ................ 18-40
   18,107 CLASIFICACIÓN SEGÚN EL T IPO DE ELECT RICIDAD ............................................ . 18 -40
MG 1-1998, Revisión 1
                                                                                                                         Página xxi


CLASIFICA CIONES 18-40
18.108 rangos de voltaje 18-40
18.109 18-40
18.110 POT ENCIA Y CLASIFICACIONES DE VELOCIDAD ............................................. ........................... 18 -40
    18.110.1 Ratings Potencia ............................................. ............................................. 18-40
    18.110.2 velocidad 18-40
18.111 PLACA 18-40
PRUEBAS Y 18-41
18.112 T EMPERAT UR 18.41
18.113 BASE DE potencia nominal ............................................. .................................. 18 -41
18.114 MÁXIMO rotor bloqueado ............................................ ........................... 18-41
18.115 HIGH-POT EN T IAL T EST ............................................. .................................................. .. 18 -41
18.116 variaciones de tensión y FRECUENCIA NOMINAL ........................... 18 -41
 18-41
18.117 CARACT ERÍST ICAS MECÁNICAS GENERAL .............................................. ............................. 18 -41
18,118 DIMENSIONES PARA MOT ORES para el equipo casero LAVANDERÍA ............................ 18 -42
MOT ORES Y BOMBAS DE JET 18-43
18,119 CLASIFICACIÓN SEGÚN EL T IPO DE ELECT RICIDAD ............................................ . 18 -43
CLASIFICA CIONES 18-43
18.120 rangos de voltaje 18-43
    18.120.1 motores monofásicos ........................................... .............................................. 18 -43
    18.120.2 motores polifásicos de inducción ........................................... . .................................. 18-43
18.121 18-43
18.122 POT ENCIA, VELOCIDAD, Y CLASIFICACIONES FACT OR DE SERVICIO ..................................... 18 -43
PRUEBAS Y EL FUNCIONA MIENTO 18-44
18.123 T EMPERAT UR 18-44
18.124 BASE DE potencia nominal ............................................. .................................. 18-44
18,125 características de par ............................................... ........................................ 18 -44
18.126 MÁXIMO rotor bloqueado ............................................ ........................... 18-44
18.127 HIGH-POT EN T IAL T EST ............................................. .................................................. .. 18 -44
18.128 variaciones de tensión y FRECUENCIA NOMINAL ........................... 18-44
18.129 DIRECCIÓN DE GIRO .............................................. .............................................. 18 -44
 18-44
18.130 CARACT ERÍST ICAS MECÁNICAS GENERAL .............................................. ......... .................... 18-44
18.131 de dimensiones para motores montados CARA DE BOMBAS DE JET ............................... 18 -45
18.132 FAME número y una letra SUFIJO MARCO ........................................... ................. 18 -46
MOT ORES PEQUEÑOS PARA Bombas de refrigerante ............................................. ................................... 18-47
18,133 CLASIFICACIÓN SEGÚN EL T IPO DE ELECT RICIDAD ............................................ . 18 -47
CLASIFICA CIONES 18-47
18.134 rangos de voltaje 18-47
    18.134.1 motores monofásicos ........................................... .............................................. 18 -47
    18.134.2 motores polifásicos de inducción ............................................ .................................. 18 -47
    18.134.3 Motores de corriente continua ........................................... ............................... ............... 18-47
18.135 18-47
18.136 POT ENCIA Y CLASIFICACIONES DE VELOCIDAD ............................................. ........................... 18 -48
PRUEBAS Y 18-49
18.137 T EMPERAT UR 18-49
18.138 BASE DE potencia nominal ............................................. .................................. 18 -49
18,139 características de par ............................................... ........................................ 18 -49
18.140 MÁXIMO rotor bloqueado ............................................ ........................... 18 -49
18.141 HIGH-POT EN T IAL T EST ............................................. .................................................. .. 18 -49
18.142 variaciones de tensión y FRECUENCIA NOMINAL ........................... 18 -49
18.143 DIRECCIÓN DE GIRO .............................................. .............................................. 18 -49
 18-50
18.144 CARACT ERÍST ICAS MECÁNICAS GENERAL ....................... ....................... ............................. 18-50
MOT ORES SUMERGIBLES PARA BOMBAS DE PROFUNDIDAD-4-inch BIEN ............................................... 18-51
MG 1-1998, Revisión 1
Página xxii


   18,145 CLASIFICACIÓN PARA tipo eléctrico ............................................. ....................... 18 -51
   CLASIFICA CIONES 18-51
   18.146 rangos de voltaje 18-51
       18.146.1 motores monofásicos ........................................... .............................................. 18 -51
       18.146.2 motores polifásicos de inducción ............................................ ............................. ..... 18-51
   18.147 18-51
   18.148 POT ENCIA Y CLASIFICACIONES DE VELOCIDAD ............................................. ........................... 18 -51
       18.148.1 Ratings Potencia ............................................. ......................... .................... 18-51
       18.148.2 velocidad 18-51
   PRUEBAS Y 18-52
   18.149 BASE DE potencia nominal ............................................. .................................. 18 -52
   18.150 LOCKED-ROT O ACT UAL ............................................. ............................................. 18-52
       18.150.1 motores monofásicos pequeños .......................................... ..................................... 18 -52
       18.150.2 motores monofásicos medio .......................................... ................................. 18-52
       18.152.3 motores trifásicos de media .......................................... .................................. 18 -52
   18.151 HIGH-POT EN T IAL T EST ............................................. .................................................. .. 18 -52
   18.152 Variación de tensión nominal en CAJA DE CONT ROL .......................................... 18 -52
   18.153 Variación de Frecuencia nominal ........................................... .. ........................ 18-52
   18.154 DIRECCIÓN DE GIRO .............................................. .............................................. 18 -52
   18.155 EMPUJE 18-52
    18-52
   18.156 MARCAS terminal del cable .............................................. ........................................... 18-52
   18.157 CARACT ERÍST ICAS MECÁNICAS GENERAL .............................................. ............................. 18 -53
   MOT ORES SUMERGIBLES PARA BOMBAS DE PROFUNDIDAD-6 pulgadas BIEN ............................................... 18-54
   18,158 CLASIFICACIÓN SEGÚN EL T IPO DE ELECT RICIDAD ............................................ . 18 -54
   CLASIFICA CIONES 18-54
   18.159 rangos de voltaje 18-54
       18.159.1 motores monofásicos ........................................... .............................................. 18 -54
       18.159.2 motores polifásicos de inducción ............................................ .................................. 18 -54
   18.160 18-54
   18.161 POT ENCIA Y CLASIFICACIONES DE VELOCIDAD ............................................. ........................... 18 -54
       18.161.1 Ratings Potencia ............................................. ............................................. 18 -54
   PRUEBAS Y 18-54
   18.162 BASE PARA potencia nominal ............................................. ............................... 18 -54
   18.163 LOCKED-ROT O ACT UAL ............................................. ............................................. 1 8-54
   18.164 HIGH-POT EN T IAL PRUEBAS ............................................. .................................................. 18 -55
   18.165 Variación de tensión nominal en CAJA DE CONT ROL .......................................... 18 -55
   18.166 Variación de Frecuencia nominal ............................................. ........................ 18 -55
   18.167 DIRECCIÓN DE GIRO .............................................. .............................................. 18 -55
   18.168 EMPUJE 18-55
    18-55
   18.169 MARCAS terminal del cable .............................................. ........................................... 18 -55
   18.170 CARACT ERÍST ICAS mecánica GENERAL-ME ............................................. .............................. 18 -56
   MOT ORES SUMERGIBLES PARA BOMBAS DE PROFUNDIDAD, DE 8 PULGADAS BIEN ............................................... 18-57
   18,171 CLASIFICACIÓN SEGÚN EL T IPO DE ELECT RICIDAD ............................................ . 18 -57
   CLASIFICA CIONES 18-57
   18.172 rangos de voltaje 18-57
   18.173 18-57
   18.174 POT ENCIA Y CLASIFICACIONES DE VELOCIDAD ............................................. ........................... 18 -57
       18.174.1 Ratings Potencia ............................................. ............................................. 18-57
       18.174.2 velocidad 18-57
   PRUEBAS Y 18-57
   18.175 LOCKED-ROT O ACT UAL ............................................. ............................................. 18 -57
   18.176 HIGH-POT EN T IAL T EST ............................................. .................................................. .. 18 -57
   18.177 Variación de tensión nominal en CAJA DE CONT ROL .......................................... 18 -57
   18.178 Variación de Frecuencia nominal ............................................. ........................ 18-58
MG 1-1998, Revisión 1
                                                                                                                      Página xxiii


18.179 DIRECCIÓN DE GIRO .............................................. .............................................. 18 -58
18.180 EMPUJE 18-58
18.181 CARACT ERÍST ICAS MECÁNICAS GENERAL .............................................. ............................. 18 -59
MEDIO DC MOT ORES ASCENSOR .................................................. .......................................... 18-60
18,182 CLASIFICACIÓN SEGÚN EL T IPO DE ............................................. ....................... 18 -60
    18.182.1 clase DH 18-60
CLASIFICA CIONES 18-60
18.183 rangos de voltaje 18-60
18.184 POT ENCIA Y CLASIFICACIONES DE VELOCIDAD ............................................. ........................... 18 -60
    18.184.1 clase DH 18-60
    18.184.2 clase 18-60
18,185 base de la calificación 18-60
    18.185.1 clase DH 18-60
    18.185.2 clase 18-61
18.186 MARCAS PLACA ............................................... ................................................ 18 -61
PRUEBAS Y 18-61
18.187 ACCELERAT I Y CAPACIDAD DE DESACELERACIÓN ............................................. ........ 18 -61
18.188 variación en la velocidad debido a la carga ........................................... ................................ 18 -61
    18.188.1 clase DH 18-61
    18.188.2 clase 18-61
18.189 VARIACIÓN DE VELOCIDAD NOMINAL ............................................. ................................... 18 -61
18.190 variación en la velocidad debido al calentamiento ........................................... ......................... 18-61
    18.190.1 lazo abierto del sistema de control .......................................... ..................................... 18-61
    18.190.2 sistema de circuito cerrado de control .......................................... ................ .................. 18-61
18.191 HIGH-POT EN T IAL T EST ............................................. .................................................. .. 18 -61
18.192 T EMPERAT UR 18-61
Moto-generadores ASCENSOR PARA MOT ORES DC ............................... ........... ........ 18-63
CLASIFICA CIONES 18-63
18,193 base de la calificación 18-63
    18.193.1 T iempo de funcionamiento 18-63
    18.193.2 relación con motor del ascensor ........................................... ............................... ....... 18-63
18.194 CLASIFICACION DEL GENERADOR DE VOLT AJE .............................................. ................................ .. 18-63
    18.194.1 Valor 18-63
    18.194.2 máxima 18-63
PRUEBAS Y 18-63
18.195 variación de voltaje debido al calentamiento ........................................... ..................... 18 -63
    18.195.1 lazo abierto del sistema de control .......................................... ..................................... 18-63
    18.195.2 sistema de circuito cerrado de control .......................................... .................................. 18-63
18.196 18-63
18.197 HIGH-POT EN T IAL T EST ............................................. ....................... ........................... .. 18-63
18.198 Variación de tensión nominal ............................................. .............................. 18 -64
18.199 Variación de Frecuencia nominal ............................................. ............... ......... 18-64
18.200 variación combinada de tensión y frecuencia ......................................... 18 -64
18.201 T EMPERAT UR 18-64
    18.201.1 inducción 18-64
    18.201.2 corriente directa generadores de tensión ajustable .................. ...................... ......... 18-64
MEDIO motores polifásicos ASCENSOR .................................................. ......................... 18-65
18,202 CLASIFICACIÓN SEGÚN EL T IPO DE ELECT RICIDAD ............................................ . 18 -65
    18.202.1 18-65
    18.202.2 18-65
    18.202.3 18-65
CLASIFICA CIONES 18-65
18.203 BASE DE MOT ORES ASCENSOR RAT ING-........................................... ....................... 18-65
18.204 rangos de voltaje 18-65
18.205 FRECUENCIA 18-65
18.206 POT ENCIA Y CLASIFICACIONES DE VELOCIDAD ............................................. ........................... 18 -66
MG 1-1998, Revisión 1
Página xxiv


   PRUEBAS Y 18-66
   18.207 LOCKED-ROT O PAR DE VELOCIDAD DE UN SOLO ardilla
       Motores de jaula ASCENSOR ............................................... ........................................... 18 -66
   18.208 RAT ING ratura T IME-T EMPE ............................................. ......................................... 18 -66
   18.209 HIGH-POT EN T IAL T EST ............................................. .................................................. .. 18 -66
   18.210 variaciones de tensión y FRECUENCIA NOMINAL ........................... 18 -66
    18-66
   18.211 PLACA 18-66
   MEDIA CA FACHADA MOT ORES .................................................. ................................................. 18-68
   CLASIFICA CIONES 18-68
   18.212 rangos de voltaje 18-68
   18.213 18-68
   18.214 POT ENCIA Y CLASIFICACIONES DE VELOCIDAD ............................................. ........................... 18 -68
   18.215 datos secundarios para rotor bobinado de motores de grúa ................................... 18-69
   18.216 PLACA 18-69
   18.217 T amaños para DOS y trifásicos de 60 HERT Z
       ABIERT A y totalmente cerrados de rotor bobinado FACHADA
       Los motores que tienen los sistemas de Clase B AISLAMIENT O ...................................... ...... ...... 18-70
   PRUEBAS Y 18-70
   18.218 calificaciones 18-70
   18.219 T EMPERAT UR 18-70
   18,220 par máximo ............................................... .................................................. 18 -70
       18.220.1 mínimo 18-70
       18.221.2 máxima 18-70
   18.222 HIGH-POT EN T IAL T EST ............................................. .................................................. .. 18 -70
   18.223 18-70
   18.224 18-71
   18.225 variaciones de tensión y FRECUENCIA NOMINAL ........................... 18 -71
   18,226 RUT INA 18-71
   18.227 BALANCE DE 18-71
   18,228 RODAMIENT OS 18-71
   18,229 DIMENSIONES PARA CORRIENT E ALT ERNA de rotor bobinado
       Abiertos y cerrados T OT ALMENT E FACHADA MOT ORES ............................................ ...... 18 -72
   18,230 dimensiones y tolerancias de ALT ERNA
       Abierta en ese momento y totalmente cerrados de rotor bobinado
       MOT ORES DE OPORT UNIDAD CON rodamientos antifricción ............................................ 18 -73
   De tipo medio SHELL-MOT ORES DE LA MADERA Y
   Máquina-Herramienta 18-75
   18.231 DEFINICIÓN DE MOT OR SHELL DE T IPO ........................................... .............................. 18 -75
   18.232 T EMPERAT UR RISE-SHELL-T IPO DE MOT OR .......................................... ................... 18 -75
   18.233 T EMPERAT URA DE ASCENSO E 60 -HERT Z SHELL motores de tipo
       OPERADO EN 50 HERT Z ............................................. ................................................ 18 -75
   18.234 OPERACIÓN EN MOT ORES otras frecuencias-SHELL-T YPE ........................... 18-75
   18.235 CLASIFICACIONES Y DIMENSIONES DE SHELL motores de tipo ........................................ 18 -75
       Diámetro del rotor 18.235.1 y dimensiones del chavetero, trifásico
                           o
             60 Hertz 40 C Motors, Open, 208, 220, 440 y 550 voltios ............................ 18-75
        18.235.2 BH y BJ Dimensiones en pulgadas, de tipo abierto trifásico
                          o
            60 Hertz 40 C continua, 208, 220, 440 y 550 voltios ................................ 18-76
   18.236 LET RAS DE HOJAS DE MEDIDA DE SHELL motores de tipo ....................... 18 -77
   MEDIA CA de jaula de ardilla MOT ORES DE INDUCCIÓN PARA
   VERT ICAL APLICACIONES DE T URBINA DE BOMBA .................................................. .......................... 18-78
   18.237 DIMENSIÓN DE T IPO VP VERT ICAL eje sólido, una fase
       Y polifásicos, conectado directamente jaula de ardilla
       MOT ORES DE INDUCCIÓN PARA bomba de t urbina vertical
       APLICACIONES 18-78
   18.238 Dimensiones para el T ipo P y PH DE CORRIENT E ALT ERNA
MG 1-1998, Revisión 1
                                                                                                                     Página xxv


    Jaula de ardilla, de eje hueco VERT ICAL PARA MOT ORES
    Aplicaciones verticales bomba de turbina .............................................. .................. 18 -80
    18.238.1 Dimensiones Base (revisado) .......................................... ............................... 18 -80
    18.238.2 Dimensiones de acoplamiento ............................................. ........................................... 18 -81
MEDIA CA de jaula de ardilla MOT ORES DE INDUCCIÓN PARA
Acoplamiento cerrado BOMBAS 18-82
CLASIFICA CIONES 18-82
18.239 rangos de voltaje 18-82
18.240 18-82
18.241 MARCAS PLACA ............................................... ................................................ 18 -82
18.242 PLACA 18-82
PRUEBAS Y 18-82
18.243 T EMPERAT UR 18-82
18.244 18-82
18.245 LOCKED-ROT o corrientes ............................................. .......................................... 18-82
18.246 HIGH-POT EN T IAL T EST ............................................. .................................................. .. 18 -82
18.247 variaciones de tensión y FRECUENCIA NOMINAL ........................... 18 -82
18.248 BALANCE DE 18-82
 18-82
18.249 MARCO 18-82
18.250 Dimensiones para el T ipo JM Y JP DE CORRIENT E ALT ERNA
    MONT AJE DE CARA acoplamiento corto motores de las bombas HABIENDO
    Antifricción 18-83
18,251 DIMENSIONES DE LP T IPO Y VERT ICAL LPH eje sólido
    MONOFÁSICO y polifásicos de conexión directa de ardilla
    CAGE motores de inducción (HABIENDO el cojinete de empuje EN EL
    MOT OR) PARA EL PROCESO DE QUÍMICA Las aplicaciones en línea BOMBA ....................... 18 -87
18.252 Dimensiones para el T ipo HP y HPH VERT ICAL eje sólido
     MONOFÁSICO y polifásicos de conexión directa
    JAULA DE ARDILLA motores de inducción de procesos y
    Las aplicaciones en línea BOMBA ............................................. ......................................... 18 -89
CC de Imán Permanente GENERADORES T ACÓMET RO para sistemas de control ...... 18-91
18,253 CLASIFICACIÓN SEGÚN EL T IPO DE ELECT RICIDAD ............................................ . 18 -91
18,254 CLASIFICACIÓN DE ACUERDO CON CALIFICACIÓN DE SALIDA DE VOLT AJE .............................. 18 -91
CLASIFICA CIONES 18-91
18.255 RAT INGS Voltaje de salida .............................................. .......................................... 18-91
18.256 Régimen de corriente 18-91
18,257 grados de la velocidad 18-91
PRUEBAS Y 18-91
18.258 MÉT ODOS DE PRUEBA 18-91
18.259 T EMPERAT UR 18-91
18.260 Variación de tensión de salida nominal ............................................ ............... 18 -92
    18.260.1 Alta T ensión T ipo ........................................... .................................................. 18 -92
    18.260.2 baja tensión tipo ........................................... .................................................. 18-92
18.261 HIGH-POT EN T IAL PRUEBAS ............................................. .................................................. 18 -92
    18.261.1 18-92
    18.261.2 18-92
18.262 OVERSPEED 18-92
CARACT ERÍST ICAS DE RENDIMIENT O 18.263 E ............................................... ........................... 18 -92
    18.263.1 Alta T ensión T ipo ........................................... .............. .................................... 18-92
    18.263.2 baja tensión tipo ........................................... .................................................. 18 -92
 18-93
18.264 PLACA 18-93
    18.264.1 Alta T ensión T ipo ........................................... .................................................. 18 -93
    18.264.2 baja tensión tipo ........................................... .................................................. 18 -93
18.265 DIRECCIÓN DE GIRO .............................................. .............................................. 18 -93
MG 1-1998, Revisión 1
Página xxvi


    18.266 CARACT ERÍST ICAS MECÁNICAS GENERAL .............................................. ............................. 18 -93
        18.266.1 Alta T ensión T ipo ........................................... .................................................. 18-93
        18.266.2 baja tensión tipo ........................................... .................................................. 18 -94
    Marcado de los terminales ............................................... 18.267 .................................................. .. 18 -94
    PAR DE MOTORES 18-95
    18.268 DEFINICIÓN 18-95
    18.269 MARCAS PLACA ............................................... ................................................ 18 -95
        18.269.1 AC T orque Motores ............................................ ................................................. 18 -95
        18.269.2 DC T orque Motores ............................................ ................................................. 18 -95
    MOT ORES PEQUEÑOS PARA BOMBAS carbonatador ............................................. ........................... 18-96
    18,270 CLASIFICACIÓN SEGÚN EL T IPO DE ELECT RICIDAD ............................................ . 18 -96
    CLASIFICA CIONES 18-96
    18.271 rangos de voltaje 18-96
    18.272 18-96
    18.273 CABALLOS DE FUERZA y rango de velocidad ............................................. ............................. 18 -96
        18.273.1 Ratings Potencia ............................................. ............................................. 18 -96
        18.273.2 velocidad 18-96
    PRUEBAS Y 18-96
    18.274 T EMPERAT UR 18-96
    18.275 BASE DE potencia nominal ............................................. .................................. 18 -96
    18.276 HIGH-POT EN T IAL T EST ............................................. .................................................. .. 18 -96
    18.277 MÁXIMO rotor bloqueado, MONOFÁSICO ......................................... 18-96
    18.278 variaciones de tensión y FRECUENCIA NOMINAL ........................... 18 -96
    18.279 DIRECCIÓN DE GIRO .............................................. .............................................. 18 -96
     18-97
    18,280 característica mecánica GENERAL .............................................. ................................ 18 -97
    18,281 DIMENSIONES DE LOS MOT ORES DE LA BOMBA carbonatador ............................................ ....... 18 -97




Sección III grandes máquinas
 Parte de 20 grandes máquinas de inducción MÁQUINAS
 20.1SCOPE 20-1
 20.2BASIS DE RAT ING 20-1
 20.3MACHINE PODER Y CLASIFICACIONES DE VELOCIDAD ............................................ ......................... 20 -1
 CLASIFICACIÓN DE LAS MÁQUINAS 20.4POWER MULT ISPEED ............................................ ............... 20 -2
      20.4.1 Constante 20-2
      20.4.2 Constante 20-2
      20.4.3 Variable 20-2
 CLASIFICACIONES 20.5VOLT AGE 20-3
 20-3
 20.7SERVICE 20-3
      20.7.1 Factor de servicio de 1,0 ........................................... ................................................ .. .. 20-3
      20.7.2 Factor de servicio de 1,15 ........................................... ............................................... ... 20-3
      20.7.3 Aplicación de los motores con un factor de servicio de 1,15 ................................. ..... .......... 20-3
 PRUEBAS Y 20-4
 20.8T EMPERATURE 20-4
      20.8.1 Las máquinas con un factor de servicio 1.0 con carga nominal ...................................... .......... 20 -4
      20.8.2 Las máquinas con un factor de servicio 1,15 con carga Factor de Servicio ................................. 20 -4
                                                                  o
     20.8.3 aumento de la temperatura para ambientes superiores a los 40 C. ...................................... ........... 20-5
      20.8.4 aumento de la temperatura para altitudes superiores a 3300 pies
          (1000 metros) 20-5
 CART AS 20.9CODE (PARA rotor bloqueado KVA) ........................................ ....... ............... 20-5
 20.10 PAR 20-6
      20.10.1 torque estándar ............................................. .................................................. .... 20-6
      20.10.2 Alta 20-6
            2
 20.11 WK CARGA DE POLIFÁSICOS ARDILLA-CASE INDUCCIÓN
        MOT ORES (Ecuación ) Revisó .................................................. ..................................... 20-6
MG 1-1998, Revisión 1
                                                                                                                       Página xxvii


20.12
    NÚMERO DE 20-7
    20.12.1 capacidad de arranque ............................................. .................................................. .. 20-7
    20.12.2 Inicia adicionales ............................................. .................................... .............. ..... 20-7
    20.12.3 Información de la Placa ............................................. ............................................... ... .... 20-7
20.13 20-7
20.14 Las variaciones de tensión y FRECUENCIA NOMINAL ............................. 20 -9
    20.14.1 Ejecución 20-9
    20.14.2 A partir 20-9
20.15 operación de las máquinas de inducción de VARIABLE
    FRECUENCIA O de voltaje variable Fuentes de alimentación,
    O AMBOS 20-9
20.16 PRUEBAS 20-9
    20.16.1 Prueba 20-9
    20.16.2 Las pruebas de rutina en las máquinas completamente ensambladas en fábrica .......................... 20 -10
    20.16.3 Las pruebas de rutina en las máquinas no comp letamente ensambladas en fábrica ................... 20 -10
20.17 HIGH-POT EN T IAL PRUEBAS ............................................. .................................................. 20 -10
    20.17.1 Precauciones de seguridad y procedimiento de prueba .......................................... ................... 20 -10
    20.17.2 Prueba de voltaje primario bobinado .......................................... .............................. 20 -10
    20.17.3 Prueba de voltaje secundario bobinados de los rotores de la herida ....................................... 20 -10
20.18 MÁQUINA CON SELLADO DEVANADOS-conformidad PRUEBAS ............................... 20 -10
    20.18.1 Prueba de estator que puede ser sumergido .................................. ...... .................. 20-10
    20.18.2 Prueba de estator que no puede ser sumergido ........................................ ............. 20 -11
20.19 Sound Machine 20-11
    20.19.1 Calidad de sonido (eliminados) .......................................... ...................................... 20-11
    20.19.2 La medición de sonido(Suprimido )............................................... ........................ 20-11
    20.19.3 niveles de potencia acústica de Polyphase inducción jaula de ardilla
        Máquinas (eliminados) .............................................. ........................................... 20 -11
         T abla 20-2 (eliminados) ........................................... ........................................... 20 -12
20.20 INFORME DE LA FORMA DE PRUEBA PARA MÁQUINAS DE INDUCCIÓN .......................................... ... 20 -12
20.21 FRECUENCIA 20-12
20.22 Vibraciones Mecánicas ............................................... .............................................. 20 -12
20.23 REED FRECUENCIA DE MÁQUINAS VERT ICALES ............................................ ............... 20 -13
20.24 EFECT OS DE T ENSIONES DESEQUILIBRIO EN LA EJECUCIÓN
    De motores polifásicos de inducción de jaula de ardilla ......................................... 20 -13
    20.24.1 efecto en el rendimiento general ......................................... . .............................. 20-14
    20.24.2 desequilibrio de tensión definidos ............................................ ..................................... 20-14
    20.24.3 T orques 20-14
    20.24.4 Velocidad a plena carga ........................................... .................................................. ..... 20-14
    20.24.5 20-14
 20-14
20.25 PLACA 20-14
    20.25.1 de corriente alterna polifásicos jaula de ardilla Motores ....................................... .. 20 -14
    20.25.2 polifásicos de rotor bobinado motores .......................................... ............................... 20 -15
    20.25.3 polifásicos de jaula de ardilla Generadores .......................................... ....................... 20 -15
    20.25.4 polifásicos de rotor bobinado Generadores .......................................... ........................ 20 -15
    20.25.5 información de la placa adicional ............................................ ........................... 20 -16
20.26 LÍMIT ES DE T OLERANCIA EN LAS DIMENSIONES ............................................. ............................. 20 -16
20.27 MOT OR CAJAS Y CAJAS DE T ERMINAL ............................................ .................. 20 -16
    20.27.1 Dimensiones de la caja ............................................. ................................................ .. ... 20-16
    20.27.2 T erminación de accesorios de plomo ............................................ ................................. 20 -16
    20.27.3 T erminación de plomo de los accesorios de funcionamiento a 50 voltios
        o 20-16
20.28 EMBEDDED Detectores de T emperatura .............................................. ................... 20 -17
DATOS DE APLICACIÓN 20-18
20.29 CONDICIONES DE SERVICIO ............................................... .................................................. . 20-18
    20.29.1 20-18
MG 1-1998, Revisión 1
Página xxviii


                           20.29.2 Condiciones de servicio habitual ............................................ ........................................ 20-19
                           20.29.3 Condiciones de servicio inusuales ............................................ .................................... 2 0-19
       20.30               FIN EL JUEGO Y EL ROT OR DE FLOT A cojinete de manguito ACOPLADOS
                           Máquinas horizontales INDUCCIÓN ............................................... .......................... 20 -20
                           20.30.1 20-20
                           20.30.2 Límites 20-20
                           20.30.3 requisitos de marcado ............................................. ........................................... 20-20
                           Pulsante corriente del estator en motores de inducción ........................................ 20 -20
       20.31               Antisísmico 20-20
       20.32               20.32.1 20-20
                           20.32.2 Espectro de Respuesta de frecuencia ............................................ .............................. 20-20
                           20.32.3 Las unidades de los requisitos de capacidad ........................................... ............................ 20-21
                           20.32.4 los límites recomendados de pico de aceleración ........................................... ................ 20 -21
                           Correas, cadenas, engranajes y ........................................... ....................................... 20 -21
                           T raslado en autobús o REARME .............................................. ................................... 20 -21
       20.33               20.34.1 lenta transferencia o reenganche ........................................... ...................................... 2 0-21
       20.34               20.34.2 una rápida t ransferencia o reenganche ........................................... ....................................... 20 -21
                           COMPENSACIÓN DE ENERGÍA REACT IVA ............................................... .................................... 20 -22
                           CAPACIDAD DE DEVANADOS SURGE AC con la forma-
                           HERIDA 20-23
       20.35
                           20.36.1 20-23
       20.36
                           20.36.2 contra sobretensiones 20-23
                           20.36.3 Factores que influyen en magnitud y tiempo de subida ......................................... ........... 20 -23
                           20.36.4 contra sobretensiones 20-23
                           20.36.5 sobrecarga la capacidad de resistencia para máquinas estándar ......................................... .. 20 -23
                           20.36.6 sobretensiones especiales Capacidad de resistencia ........................................... ...................... ... 20-23
                           20.36.7 20-23
                           20.36.8 valores de las pruebas de tensión ............................................ ...................................... .......... 20-24
                           MÁQUINAS DE FUNCIONAMIENT O DE UN SIST EMA DE T IERRA FLOT ANT E ........................................ 20-24
                           ACT UAL exceso ocasional ............................................... ................................. 20 -24


       20.37
       20.38

Sección III grandes máquinas
 Parte de 21 grandes máquinas-Motores síncronos
 CLASIFICA CIONES 21-1
 21.1SCOPE 21-1
 21.2BASIS DE RAT ING 21-1
 21.3HORSEPOWER Y VELOCIDAD DE CALIFICACIONES ............................................. ............................. 21 -2
 21.4POWER FACT OR 21-2
 CLASIFICACIONES 21.5VOLT AGE 21-2
 21-2
 21.7EXCIT AT ION 21-2
 21.8SERVICE 21-3
      21.8.1 Factor de servicio de 1,0 ........................................... ................................................ .. .. 21-3
      21.8.2 Factor de servicio de 1,15 ........................................... .................................................. 21 -3
      21.8.3 Aplicación de motor con factor de servicio 1,15 ........................................ ................. 21 -3
 CLASIFICACIONES 21.9T YPICAL KW DE EXCIT ADORES DE 60 HERT Z
      Motores síncronos ................................................ .............................................. 21 -3
 PRUEBAS Y 21-8
 21.10 T EMPERAT UR RISE-Motores síncronos ............................................ .......... 21-8
      21.10.1 Máquinas con factor de servicio 1.0 con carga nominal ....................................... .......... 21 -8
      21.10.2 Máquinas con factor de servicio 1,15 con carga Factor de servicio .................................. 21-8
                                                                            o
        21.10.3 aumento de la temperatura para ambientes superiores a los 40 C. ......................... ............. ......... 21-9
      21.10.4 aumento de la temperatura para altitudes superiores a 3300 pies (1000 metros) ............... 21 -9
 21.11 21-9
                2
 21.12 WK NORMAL DE CARGA ............................................. .................................................. ... . 21-9
 21.13 NUMERO DE 21-10
MG 1-1998, Revisión 1
                                                                                                                                    Página xxix


    21.13.1 capacidad de arranque ............................................. .................................................. 21-10
    21.13.2 Inicia adicionales ............................................. .................................................. . .. 21-10
    21.13.3 Información de la Placa ............................................. .................................................. .. 2 1-10
21.14 EFICIENCIA 21-10
21.15 OVERSPEED 21-11
21.16 OPERACIÓN EN DIST INT OS FACT ORES DE POT ENCIA NOMINAL ........................................ 21 -11
    21.16.1 Operación de un 0,8 el factor de potencia del motor a 1,0
        Del factor de potencia 21-11
    21.16.2 Operación de un 1,0 el factor de potencia del motor en el 0,8
        Del factor de potencia 21-12
21.17 Las variaciones de tensión y FRECUENCIA NOMINAL ........................... 21 -12
    21.17.1 Ejecución 21-12
    21.17.2 A partir 21-12
21,18 funcionamiento de los motores síncronos de VARIABLE
    FUENT ES DE ENERGÍA DE FRECUENCIA ............................................... ................................... 21 -12
21.19 ESPECIFICA PARA MOT ORES DE FORMA ION de anillos SINCRÓNICO ........................ 21 -16
21.20 ESPECIFICA FORMA DE ION motores síncronos sin escobillas .................... 21 -17
21.21 RUT INA 21-18
    21.21.1 Los motores no completamente ensamblado en la fábrica de ........................................ ...... 21 -18
    21.21.2 Motores completamente ensamblado en la fábrica de ......................................... ............ 21 -18
21.22 HIGH-POT EN T IAL PRUEBAS ............................................. .................................................. 21 -18
    21.22.1 Precauciones de seguridad y procedimiento de prueba .......................................... ................... 21 -18
    21.22.2 Prueba de voltaje inducido Bobinados .......................................... ............................ 21 -18
    21.22.3 Prueba de campo de tensión, bobinado, Motores con los anillos colectores ..................................... .. 21 -18
    21.22.4 Prueba de voltaje montado motor sin escobillas de campo
        Bobinados y sinuoso Exciter inducido ............................................. ................ 21-18
    21.22.5 Prueba de tensión de bobinado sin escobillas excitador ........................................ .......... 21 -19
21.23 Sound Machine 21-19
21.24 Vibraciones Mecánicas ............................................... .............................................. 21 -19
 21-19
LÍMIT ES DE LA T OLERANCIA EN DIMENSIONES 21,25 ............................................. ............................. 21 -19
21.26 PLACA 21-19
21.27 MOT OR CAJAS Y CAJAS DE T ERMINAL ............................................ .................. 21 -20
    21.27.1 Dimensiones de la caja ............................................. ................................................ .. ... 21-20
    21.27.2 T erminación de accesorios de plomo ............................................ ................................. 21 -20
    21.27.3 T erminación de plomo de los accesorios de funcionamiento a 50 voltios o menos ...................... 21 -20
21.28 EMBEDDED 21-22
DATOS DE APLICACIÓN 21-23
21.29 CONDICIONES DE SERVICIO ............................................... .................................................. . 21-23
    21.29.1 21-23
    21.29.2 Condiciones de servicio habitual ............................................ ........................................ 21-23
    21.29.3 Condiciones de servicio inusuales ............................................ .................................... 2 1-23
21.30 EFECT OS DE T ENSIONES DESEQUILIBRIO EN LA EJECUCIÓN
    DE POLIFÁSICOS motores síncronos .............................................. ................. 21 -24
    21.30.1 efectos en el rendimiento ............................................ .......................................... . 21-25
    21.30.2 voltaje desequilibrado definido ............................................ ................................... 21 -25




21.31       FIN DE ACOPLAMIENT O JUEGO Y FLOT A DE ROT OR HORIZONT AL
            21-25
21.32       Correas, cadenas, engranajes y ........................................... ....................................... 21 -25
21.33       Palpitante corriente de inducido ............................................... .............................. 21 -25
21.34       PULSACIONES PAR durante el arranque de síncronos
            21-26
            T raslado en autobús o REARME .............................................. ................................... 21 -26
21.35       21.35.1 lenta transferencia de reenganche ........................................... .............. ........................ 21-26
            21.35.2 una rápida transferencia de reenganche ........................................... .................................. ..... 21-26
MG 1-1998, Revisión 1
Página xxx


                       21.35.3 procedimiento de transferencia de bus ............................................ .......................................... 21 -27
     21.36             CÁLCULO DE FRECUENCIA NAT URAL DE SINCRÓNICO
                       MÁQUINAS de conexión directa A SABLE
                       MAQUINARIA 21-27
                       21.36.1 frecuencia natural no amortiguada ............................................ ................................ 21 -27
                       21.36.2 coeficiente de torsión de sincronización, Pr .......................................... ........................ 21 -27
                       NECESARIA PAR ............................................... ............................. 21-27
     21.37             FACT ORES DE COMPRESOR ................................................ ............................................. 21 -31
     21.38             CAPACIDAD DE DEVANADOS SURGE AC con la forma-HERIDA
     21.39             21-32
                       MÁQUINAS DE FUNCIONAMIENT O DE UN SIST EMA DE T IERRA FLOT ANT E ........................................ 21 -32
                       ACT UAL exceso ocasional ............................................... ................................. 21 -32
     21.40
     21.41

Sección III grandes máquinas
 Parte de 23 grandes máquinas-DC MOTORES
 CLASIFICA CIÓN 23-1
 23.1SCOPE 23-1
 23.2GENERAL MOT ORES INDUST RIALES .............................................. ..................................... 23 -1
 23.3MET AL Laminador MOT ORES ............................................. ........................................ 23 -1
      23.3.1 Clase N Metal Rolling Mill Motores ......................................... .................................. 23 -1
      Metal 23.3.2 Clase S Rolling Mill Motores ......................................... ................................... 23 -1
 23.4REVERSING MOT ORES HOT MILL ............................................. ....................................... 23 -1
23-2
 23.5BASIS DE RAT ING 23-2
 23.6HORSEPOWER, velocidad y rangos de voltaje .......................................... ............ 23 -3
      23.6.1 Industrial General Motors y Motores de metal Rolling Mill,
            Clases y N 23-3
      23.6.2 Invertir Motores laminador en caliente ........................................... ................................... ......... 23-4
 CLASIFICACIONES 23.7SPEED POR CONT ROL DE CAMPO PARA 250 VOLT IOS DIRECT O
      MOT ORES DE CORRIENT E 23-5
 CLASIFICACIONES 23.8SPEED POR CONT ROL DE CAMPO PARA 500 - o 700 voltios-
      Motores de corriente continua .............................................. ............................................ 23 -6
 PRUEBAS Y 23-8
 23.9T EMPERATURE 23-8
                                                                      o
      23.9.1 aumento de la temperatura para ambientes superiores a los 40 C. ...................................... ........... 23-9
      23.9.2 aumento de la temperatura para altitudes superiores a 3300 pies
            (1000 metros) 23-9
 23.10 SOBRECARGA 23-9
      23.10.1 Industria General Motors, ............................................ .......................................... 23 -9
      23.10.2 Motores de metal Rolling Mill (Molino de marcha atrás Excluyendo caliente
             Motores)-forzado-ventilado, y de agua totalmente cerrados
             Refrigerado por aire 23-9
      23.10.3 Molino de marcha atrás en caliente Motors-forzado-ventilado y totalmente
             Cerrado de agua enfriado por aire ............................................ ..................................... 23 -10
 23.11 CAPACIDAD DE CARGA MOMENT ÁNEO .............................................. ...................................... 23 -10
 23.12 CONMUT ACIÓN DE ÉXIT O ............................................... ...................................... 23 -10
 23.13 EFICIENCIA 23-10
 23.14 T iempo de inversión T ÍPICA DE INVERT IR LOS MOT ORES HOT MILL .............................. 23 -11
 23,15 impacto de la caída VELOCIDAD DE UN MOT OR DE CORRIENT E CONT INUA ........................................ .. 23 -11
 23.16 OVERSPEED 23-12
 23,17 variación de tensión nominal ............................................. .............................. 23 -12
      Constante 23.17.1 23-12
      23.17.2 voltajes transitorios de microsegundos Duración .......................................... ............ 23-12
 23.18 datos de campo para Motores de corriente continua .......................................... ................ 23 -12
 23.19 RUT INA 23-12
 23.20 HIGH-POT EN T IAL T EST ............................................. .................................................. .. 23-13
MG 1-1998, Revisión 1
                                                                                                                                           Página xxxi


        23.20.1 Precauciones de seguridad y procedimiento de prueba .......................................... ................... 23 -13
        23.20.2 Prueba de tensión 23-13
    23.21 Vibraciones Mecánicas ............................................... .............................................. 23 -13
    23.22 MÉT ODO PARA MEDIR LA vibración del motor ........................................... ...... . 23-13
    23.23 CONDICIONES DE PRUEBA PARA LA REGULACIÓN DE VELOCIDAD ........................................... ......... 23 -13
     23-13
    23.24 PLACA 23-13
    DATOS DE APLICACIÓN 23-14
    23.25 Acondicionamiento ............................................... ..... .......................................... 23-14
        23.25.1 23-14
        23.25.2 Condiciones de servicio habitual ............................................ ....................................... . 23-14
        23.25.3 Condiciones de servicio inusuales ............................................ .................................... 2 3-14
    23.26 OPERACIÓN DE MOT ORES DE CORRIENT E CONT INUA EN RECT IFICADO
        ALT ERNA 23-15
        23.26.1 23-15
        23.26.2 Operación en paralelo con fuente de energía con una fluctuación de alta .................................. 23 -15
        23.26.3 corrientes de los cojinetes ............................................. .................................................. .. 23-15
    23.27 OPERACIÓN DE MOT ORES DE CORRIENT E CONT INUA POR DEBAJO DE LA VELOCIDAD DE BASE
        POR REDUCCIÓN DE VOLT AJE DE ARMADURA .............................................. ............................ 23 -16
    23,28 T ASA DE VARIACIÓN DE LA CORRIENT E DE CARGA ........................................... ........................... 23 -16




Sección III grandes máquinas
 Parte de 24 grandes máquinas, generadores de corriente mayor que 1.0 KILOVATIO
        POR RPM, clasificación de tipo ABIERTO
 24.0SCOPE 24-1
 24.1GENERAL generadores industriales .............................................. ........................... 24 -1
 24.2MET AL ROLLING GENERADORES DE MOLINO ............................................. .............................. 24 -1
 24.3REVERSING GENERADORES DE HOT MILL ............................................. ............................. 24 -1
 CLASIFICACIONES 24-1
 24.9BASIS DE RAT ING 24-1
 24,10 kilovatios, SPEED, y tensión .......................................... ... ................. 24-2
 PRUEBAS Y 24-3
 24.40 T EMPERAT UR 24-3
                                                                      o
     24.40.1 aumento de la temperatura para ambientes superiores a los 40 C. ............. ......................... ......... 24-4
      24.40.2 aumento de la temperatura para altitudes superiores a 3300 pies
           (1000 metros) 24-4
 24.41 SOBRECARGA 24-4
      24.41.1 Generadores industrial general ............................................ ................................... 24 -4
      24.41.2 Generadores de metal Laminación (Excluyendo Molino de marcha atrás en caliente
           Generadores)-Open, forzado ventilado, y totalmente cerrados
           24-4
      24.41.3 Inversión laminador en caliente Generadores-forzado-ventilado y totalmente
           Cerrado de agua enfriado por aire ............................................ ....................................... 24-4
 24.42 CAPACIDAD DE CARGA MOMENT ÁNEO .............................................. ........................................ 2 4-4
 24.43 CONMUT ACIÓN DE ÉXIT O .................................. ............. ........................................ 24-5
 24.44 SALIDA a tensión reducida ............................................. ..................................... 24 -5
 24.45 EFICIENCIA 24-5
 24.46 OVERSPEED 24-6
 24,47 DAT OS DE CAMPO PARA GENERADORES DE CORRIENT E CONT INUA .......................................... ........ 24 -6
 24.48 RUT INA 24-6
 24.49 ALT O POT ENCIAL 24-6
      24.49.1 Precauciones de seguridad y procedimiento de prueba .......................................... . .................... 24-6
      24.49.2 Prueba de tensión 24-6
 24.50 CONDICIONES DEL EXAMEN DE LA REGULACIÓN DE VOLT AJE ........................................... .... 24 -6
 24.51 Vibraciones Mecánicas ............................................... ................................................ 24-6
MG 1-1998, Revisión 1
Página xxxii


      24-7
     24.61 PLACA 24-7
     DATOS DE APLICACIÓN 24-7
     24.80 CONDICIONES DE SERVICIO ............................................... .................................................. ... 24-7
         24.80.1 24-7
         24.80.2 Condiciones de servicio habitual ............................................ .......................................... 24-8
         24.80.3 Condiciones de servicio inusuales ............................................ ...................................... 24-8
     24,81 T ASA DE VARIACIÓN DE LA CORRIENT E DE CARGA ............................. .............. ............................. 24-8
     24.82 OPERACIÓN EXIT OSA EN PARALELO DE GENERADORES ............................................ 24 -8
     24.83 OPERACIÓN DE GENERADORES DE CORRIENT E CONT INUA EN PARALELO
         CON SUMINIST RO DE RECT IFICADO alternancia T ENSIÓN .................................... 24 -9
         24.83.1 24-9
         24.83.2 Operación en paralelo con fuente de energía con una fluctuación de alta .................................... 24 -9
         24.83.3 corrientes de los cojinetes ............................................. .................................................. .... 24-9
     24.84 24-9
         24.84.1 Compuestos plano ............................................. .................................................. .. 24-9
         24.84.2 24-9




Sección IV NORMAS DE FUNCIONA MIENTO APLICABLES A TODOS LOS EQUIPOS
 Parte 30-CONSIDERA CIONES DE APLICACIÓN DE VELOCIDA D CONSTA NTE
       Motores utilizados en un autobús sinusoidal con ARMÓNICA
       CONTENIDO Y OBJETIV O GENERAL MOTORS USADOS CON
       AJUSTABLE voltaje o de frecuencia ajustable-
       CONTROLES O AMBOS
 30.0SCOPE 30-1
 CONSIDERACIONES PARA MOT ORES 30.1APPLICAT ION VELOCIDAD CONST ANT E
     Utilizado en un bus sinusoidal con contenido armónico ....................................... 30 -1
     30.1.1 Eficiencia 30-1
     30.1.2 Reducción de contenido armónico ........................................... ..................... ............... 30-1
     30.1.3 Corrección del factor ............................................ ............................................. 30 -2
 MOT ORES USADOS CON FINES 30.2GENERAL AJUST ABLE
     CONT ROL DE T ENSIÓN O de frecuencia ajustable, o ambos ............................. 30-2
     30.2.1 30-2
     30.2.2 Consideraciones de aplicación ............................................. ......................................... 30-4




Sección IV NORMAS DE FUNCIONA MIENTO APLICABLES A TODOS LOS EQUIPOS
 Parte 31-DEFINITIVA DE USO DEL INVERSOR-FED motores polifásicos
 31.0SCOPE 31-1
 CONDICIONES 31.1SERVICE ............................................... .................................................. .. . 31-1
      31.1.1 31-1
      31.1.2 Condiciones del servicio habitual ............................................ ....................................... ..... 31-1
      31.1.3 Condiciones de servicio inusuales ............................................ .......... .............................. 31-1
      31.1.4 Operación en peligrosas (clasificadas) ........................................ ............... 31 -2
 31.2DIMENSIONS, tolerancias, y de montaje para
      MARCO 31-2
 31.3RAT ING 31-3
      31.3.1 base de la calificación 31-3
      31.3.2 Base caballos de fuerza y grados de la velocidad .......................................... .......................... 31 -3
      31.3.3 Alcance de velocidad 31-4
      31.3.4 T ensión 31-4
      31.3.5 Número de 31-4
      31.3.6 Dirección de 31-5
      31.3.7 Factor de Servicio 31-5
      31.3.8 Deber 31-5
 31-5
      31.4.1 T emperatura 31-5
MG 1-1998, Revisión 1
                                                                                                                                              Página xxxiii


                 31.4.2 T orque 31-8
                 31.4.3 Limitaciones de Operación ............................................. .............................................. .. 31-9
                 31.4.4 Consideraciones de aislamiento ............................................. .................... ..................... 31-10
                 31.4.5 Resonancias, sonido, vibración .......................................... .................................... 31 -11
                 31.4.6 T eniendo lubricación a baja velocidad y alta ........................................ ........... .... 31-12
                 PLACA 31-12
     31.5        31.5.1 aplicaciones de par variable ............................................ .................................... 31 -12
                 31.5.2 Otras aplicaciones ............................................. ..................................... ............. .. 31-12
                 PRUEBAS 31-13
     31.6        31.6.1 Método de prueba 31-13
                 31.6.2 Las pruebas de rutina 31-13
                 31.6.3 Pruebas de rendimiento ............................................. .................................................. . 31-13
                 Montaje de accesorios ................................................ .............................................. 31 -13

     31.7

Sección IV NORMAS DE FUNCIONA MIENTO APLICABLES A TODOS LOS EQUIPOS
 Parte 32 Generadores síncronos (EXCLUSIV O DE GENERA DORES
       CUBIERTOS POR LAS NORMAS ANSI C50.12, C50.13, C50.14,
       Y C50.15 encima de 5000 kVA) CLASIFICACIONES
 32.0SCOPE 32-1
 32.1BASIS DE RAT ING 32-1
 32.2KILOVOLT -amperios (KVA) y las clasificaciones (KW) ...................................... ...................... 32-1
 32.3SPEED CLASIFICACIONES 32-1
 CLASIFICACIONES 32.4VOLT AGE 32-3
      32.4.1 Las tensiones nominales Broad, Voltios .......................................... .................................... .... 32-3
      32.4.2 Las tensiones nominales discretas, Voltios .......................................... ..................................... 32-3
 32-3
 32.6T EMPERATURE 32-3
 Sobrecargas 32.7MAXIMUM MOMENT ÁNEO ........................................... ... ............................ 32-4
 32.8OVERLOAD 32-5
 32.9OCCASIONAL exceso de corriente .............................................. .................................... 32 -5
 32.10 FACT OR desviación máxima .............................................. ........................................ 32-5
 32,11 T ELEFONO factor de influencia (T IF) ........................................... ............................ 32 -5
 32.12 EFICIENCIA 32-6
 32.13 SHORT -CIRC REQUISIT OS UIT ............................................. .................................... 32 -7
 32.14 CORRIENT E CONT INUA DESEQUILIBRIO .............................................. ........................... 32 -8
 32.15 CON cargas no lineales o asimétrica ........................................ 32 -8
 32.16 32-8
 32,17 variación de tensión nominal ............................................. ................................ 32 -9
      32.17.1 Rango de Voltaje Amplio ............................................ ................................................ 32-9
      32.17.2 tensión discreta ............................................. .................................................. ... .. 32-9
 REGLAMENT O S 32,18 SYNCHRONOU generador de tensión
      (Hueco de tensión) 32-9
      32.18.1 32-9
      32.18.2 32-9
      32.18.3 rendimiento de la grabadora de tensión ............................................ ............................... 3 2-11
      32.18.4 32-11
      32.18.5 Motor arranque de cargas ............................................ ............................................... 32-11
 32,19 RENDIMIENT O FORMAS DE ESPECIFICACIONES ........................................... ... ..................... 32-14
      32.19.1 de anillos generadores síncronos .......................................... ............................ 32 -14
      32.19.2 Generadores síncronos sin escobillas ........................................ .... ....................... 32-15
 32.20 PRUEBAS DE FÁBRICA DE RUT INA .............................................. ........................................... . 32-16
      32.20.1 Generadores no totalmente ensamblados en fábrica ................... .................... 32-16
      32.20.2 Generadores completamente ensamblado en la fábrica de ......................................... .... 32 -16
 32.21 HIGH-POT EN T IAL PRUEBAS ............................................. .......................... ........................ 32-16
      32.21.1 Precauciones de seguridad y procedimientos de prueba .......................................... .................. 32 -16
      32.21.2 Prueba de voltaje inducido Bobinados .......................................... ............................ 32-16
MG 1-1998, Revisión 1
Página xxxiv


        32.21.3 Prueba de campo de tensión, bobinado, generadores con los anillos colectores ................................ 32 -16
        32.21.4 Prueba de tensión-ensambladas sin escobillas generador de campo
             Sinuoso y tortuoso Exciter inducido ............................................. ................. 32 -16
        32.21.5 Prueba de tensión de bobinado sin escobillas excitador ........................................ .......... 32 -17
     32.22 equipo de sonido sincrónico (GENERADORES )........................................... ...... 32 -17
        32.22.1 sonido 32-17
        32.22.2 Medición de Sonido ............................................. .............................................. 32 -17
     32.23 VIBRACIONES 32-17
     DATOS DE FABRICACIÓN 32-18
     32.24 PLACA 32-18
     32.25 LÍMIT ES DE T OLERANCIA EN LAS DIMENSIONES ............................................. ............................. 32 -18
     32.26 EJE CLAVE DE EXT ENSIÓN .............................................. ................................................. . 32-19
     32.27 bornes ............................................... ................................................ 32 -19
     32.28 EMBEDDED Detectores de T emperatura .............................................. ................... 32 -20
     DATOS DE APLICACIÓN 32-20
     32,29 PUEST A EN PARALELO ............................................... .................................................. 3 2-20
     32.30 CÁLCULO DE FRECUENCIA NAT URAL ............................................. .................... 32 -20
     32.31 Vibración T orsional ............................................... ................................................. 32 -20
     32.32 Las máquinas en funcionamiento en un sistema T IERRA FLOT ANT E ........................................ 32 -20
     32.33 CONDICIONES DE SERVICIO ............................................... .................................................. . 32 -20
        32.33.1 32-20
        32.33.2 Condiciones de servicio habitual ............................................ ....................................... . 32-21
        32.33.3 Condiciones de servicio inusuales ............................................ ........................ ............ 32-21
     32.34 A T IERRA NEUT RAL ............................................... .................................................. 32 -22
     32.35 GENERADOR ST AND-BY ............................................. .................................................. 32-22
     32.36 A T IERRA SIGNIFICA PARA EL CABLEADO ............................................ ....................... 32 -22




Sección IV NORMAS DE FUNCIONA MIENTO APLICABLES A TODOS LOS EQUIPOS
 GENERADORES DE FIN parte 33-DEFINITE síncrono para
       GENERA CIÓN DE APLICACIONES JUEGO (Nueva sección)
 33.0SCOPE 33-1
 33-1
      33.1.1 potencia nominal de salida ............................................ .............................................. .... . 33-1
      33.1.2 Velocidad nominal de rotación n .......................................... ........................................... 33 -2
      33.1.3 Condiciones de tensión 33-2
      33.1.4 Clases de rendimiento ............................................. .......... ...................................... 33-4
 33-5
      33.2.1 Factor de Potencia 33-5
      33.2.2 kilovoltios - amperios (kVA) y kilovatios (kW) Valoraciones ................................... ........... 33 -5
      33.2.3 Velocidad 33-6
      33.2.4 T ensión 33-6
      33.2.5 33-7
 33-7
      33.3.1 variación de tensión y frecuencia ........................................... ................................ 33 -7
      33.3.2 Los límites de temperatura y aumento de temperatura ......................................... .............. 33 -8
      33.3.3 Condiciones especiales de carga ............................................ ......................................... .. 33-10
      33.3.4 Calidad de Energía 33-11
      33.3.5 33-17
      33.3.6 Sound Machine ............................................. .................................................. ..... 3 3-17
      33.3.7 vibración lineal ............................................. .................................................. ..... 33-18
      33.3.8 33-18
      33.3.9 Formas especificación de rendimiento ............................................ ............................ 33 -21
 33.4APPLICAT IONS 33-23
      33.4.1 Condiciones de servicio ............................................. .................................................. 33 -23
      33.4.2 Rendimiento de transitorios de tensión ............................................ ............................... 33 -24
      33.4.3 vibraciones de torsión ............................................. ................................................. . 33-28
MG 1-1998, Revisión 1
                                                                                                                                          Página xxxv


         33.4.4 Generador de tierra ............................................. .............................................. 33 -28
         33.4.5 cíclica 33-29
         33.4.6 Criterios de aplicación ............................................. ................................................ .. 33-29
33.5     33-31
         33.5.1 Placa de marcado ............................................. ................................................. 33 -31
         33.5.2 Viviendas T erminal ............................................. .................................................. 33 -33


ANEXO A COMPARA CIÓN DE IEC y NEMA MG1-INFORMA TIVA DE INFORMACIÓN ............ A-1

ÍNDICE
MG 1-1998, Revisión 1
Página xxxvi
MG 1-1998, Revisión 1
                                                                                                           Página xxxvii




                                                           Prefacio

    Las normas que aparecen en esta publicación han sido desarrollados por el motor y el generador
Sección y aprobado para su publicación como normas de la Asociación Nacional de Fabricantes Eléctricos.
Que están destinados a ayudar a los usuarios en la selección y aplicación correcta de los motores y generadores. Estos
las normas son revisadas periódicamente para prever los cambios en las necesidades del usuario, los avances en la tecnología, y
cambios en las tendencias económicas. T odas las personas que tengan experiencia en la selección, utilización o fabricación de energía eléctrica
Motores y generadores, se les anima a presentar recomendaciones que permitan mejorar la utilidad de
estas normas. Consult as, comentarios y propuestas de revisión o recomendadas deben ser sometidos a
la sección del motor y generador en contacto con:


          Vicepresidente de Ingeniería
          National Electrical Manufacturers Association
          1300 North 17th Street, Suite 1847
          Rosslyn, VA 22209


   El mejor juicio de la Sección de motores y generadores en el rendimiento y la construcción de
Motores y generadores, está representado en estas normas. Se basan en la ingeniería de sonido
principios, la investigación y los registros de la prueba y la experiencia de campo. T ambién en cuestión es una apreciación de la
problemas de fabricación, instalación y uso de derivados de la consulta y la información obtenida
de los fabricantes, usuarios, autoridades de inspección, y otros que tienen experiencia esp ecializada. Para
máquinas destinadas para los usos generales, la información en cuanto a necesidades de los usuarios se determinó por el indiv iduo
empresas a través del contacto comercial normal con los usuarios. En algunos motores destinados a la definiti va
aplicaciones, las organizaciones que participaron en el desarrollo de las normas están indicadas en el
a partir de las normas de uso del motor definitivo.



   Información práctica sobre el rendimiento, seguridad, pruebas, construcción y fabricación de
Los motores de corriente alterna y corriente continua y generadores dentro de los ámbitos de productos definidos en el
sección correspondiente o secciones de esta publicación se ofrece en estas normas. Aunque algunas definitiva -
motores y generadores de efectos se incluyen, las normas no se aplican a las máquinas, tales como generadores
y motores de tracción de ferrocarriles, motores para locomotoras mineras, soldadura por arco, generadores, automóviles
motores y accesorios de juguete y los generadores, máquinas montadas en la nave en el aire, etc


   En la elaboración y revisión de estas normas, se ha considerado que el trabajo de otros
organizaciones cuyas normas son de alguna manera relacionadas con motores y generadores. De crédito la presente se da a
todos los estándares que pueden haber sido útiles en la preparación de este volumen.


   Normas NEMA MG publicación N º 1-1998 revisa y reemplaza a las normas NEMA
Publicación N º 1-1993 MG. Antes de la publicación, las normas NEMA y autorizado Ingeniería
La información que aparece en esta publicación no ha cambiado desde la edición anterior fueron reafirmados por la
Motor y la sección del generador.


    Las normas o directrices que se presentan en una publicación de las normas NEMA se consideran técnica mente
sonido en el momento que sean aprobados para su publicación. No son un sustituto de un vendedor de productos o
propio criterio del usuario con respecto al producto en particular se hace referencia en la norma o directriz, y
NEMA no se compromete a garantizar el rendimiento de los productos de cualquier fabricante de la persona en virtud
de esta norma o guía. Por lo tanto, NEMA declina expresamente cualquier responsabilidad por daños derivados de
el uso, aplicación, o la confianza de otros en la inform ación contenida en estas normas o directrices.
MG 1-1998, Revisión 1
Página xxxviii




    Esta publicación fue desarrollada por las normas de la Sección de Motores y generadores. Sección de la aprobación de
la norma no implica necesariamente que todos los miembros de la sección votaron a favor de su aprobación o participado en su
el desarrollo. En el momento de su aprobación, los motores y la sección del generador se compone de los siguientes
miembros:


      Ametek, Incorporated, Electromecánicas grupo-Kent, OH
      Brook Compton América del Norte, T oronto, Ontario, Canadá
      Electra Gear, de la División de Regal-Beloit, Anaheim, CA
      Emerson Electric Company, EE.UU. Los motores eléctricos de la División -St. Louis, MO
      GE-Fort Wayne, IN
      Howell Motores Eléctricos de la División de SFM Corporation -Plainfield, NJ
      El Imperial Electric Company-Stowe, OH
      Leeson Electric Corporation-Grafton, WI
      Marathon Electric Mfg Corporation-Wausau
      Onan Corporation-Minneapolis, MN
      Peerless-Winsmith, Inc., Warren, OH
      Reliance Electric Co. / Rockwell Automation, Cleveland, OH
      SEW-Eurodrive, Inc.-Lyman, Carolina del Sur
      Siemens Energy & Automation, Inc.-Norwood, OH
      Esterlina Electric, Inc., Irvine, CA
      T ECO - Westinghouse Motor Company-Round Rock, T X
      T oshiba International Corporation, Houston, T X
      WEG Electric Motor-Suwanee, GA




                                                         DESCARGO DE
                                                         RESPONSA BILIDA D
    Las normas o directrices que se presentan en una publicación de las normas NEMA se consideran t écnicamente
sonido en el momento que sean aprobados para su publicación. No son un sustituto de un vendedor de productos o
propio criterio del usuario con respecto al producto en particular se hace referencia en la norma o directriz, y
NEMA no se compromet e a garantizar el rendimiento de los productos de cualquier fabricante de la persona en virtud
de esta norma o guía. Por lo tanto, NEMA declina expresamente cualquier responsabilidad por daños derivados de
el uso, aplicación, o la confianza de otros en la información contenida en estas normas o directrices.
Sección I                                                                                               MG 1-1998, Revisión 1
NORMAS DE REFERENCIA Y DEFINICIONES                                                                        Parte 1, página 1




                            Sección I
                     NORMAS GENERALES APLICABLES A TODOS LOS EQUIPOS
                            Parte 1
                      NORMAS DE REFERENCIA Y DEFINICIONES



1.1       Normas de referencia

   Las siguientes publicaciones que se adopten, en su totalidad o en parte, como se indica, tomando como referencia las normas e n este
su publicación. Dirección postal de cada organización de referencia también se proporciona.


                                    American National Standards Institute (ANSI)
                                           11 West 42nd Street
                                          Nueva York, NY 10036



ANSI B92.1-1970 (R1982)                            El bazo involucionar e Inspección, Inversión pulgadas
ANSI C50.10 1990                                   Rotatorio eléctrico síncrono Maquinaria Máquinas
ANSI C50.12-1982 (R1989)                           Generadores síncronos / Motores de turbina hidráulica
                                                   Las solicitudes, requisitos para sincrónica de polos salientes
                                                   Rotación de Maquinaria Eléctrica-cilíndrica del rotor sincrónico
                                                   Generadores
ANSI C50.13-1989
                                                   Turbina de gas de combustión impulsado rotor cilíndrico síncrona
                                                   Generadores, los requisitos para
ANSI C50.14-1977                                   Requisitos para el hidrógeno enfriado por la combustión de turbina de gas -
                                                   Impulsado de rotor cilíndrico Generadores síncronos
                                                   Sistemas Eléctricos de Potencia y voltaje del equipo-Ratings (60 Hz)
ANSI C50.15-1989                                   Método de ingeniería para la determinación de la potencia de sonido
                                                   Los niveles de las fuentes de ruido por intensidad del sonido
ANSI C84.1-1989                                    De banda ancha en las habitaciones fuentes de ruido de reverberación, de
ANSI S12.12-1992                                   precisión
                                                   Métodos para la determinación de niveles de potencia de sonido de
                                                   Niveles de potencia sonora de fuentes de ruido en un especial
ANSI S12.31-1990                                   Reverberación de prueba de habitaciones, métodos de ingeniería para la
                                                   Determinación de la
                                                   Condiciones de campo libre sobre un plano reflectante, Ingeniería
ANSI S12.33-1990                                   Métodos para la determinación de niveles de potencia acústica de los ruidos
                                                   Fuentes de esencia
                                                   Niveles de potencia sonora de fuentes de ruido en la cámara anecoica y Semi-
                                                   Habitaciones anecoicas, Determinación de
ANSI S12.34-1988 (R1993)                           Niveles de potencia sonora de fuentes de ruido, métodos de encuesta para la
                                                   Determinación de la

ANSI S12.35-1990


ANSI S12.36-1990
MG 1-1998, Revisión 1                                                             Sección I
Parte 1, página 2                                                     NORMAS DE REFERENCIA Y DEFINICIONES


                                  Sociedad Americana para Pruebas y Materiales (ASTM)
                                           1916 Race Street
                                         Philadelphia, PA 19103



AST M D149-81                                       Método de prueba para Voltaje de ruptura dieléctrica y dieléctrica
                                                    Fuerza de los materiales sólidos de aislamiento eléctrico en Comercial
                                                    Las frecuencias de energía
                                                    Ensayo de inflamabilidad de auto-apoyo de plásticos
AST M D635-81


                                             Asociación Canadiense de Normas
                                                 178 Rexdale Bulevar
                                             T oronto, Ontario, Canadá M9W 1R3



CSA 390-93                                          Eficiencia de la energía Métodos de prueba para inducción trifásico
                                                    Motores


                                Institute of Electrical and Electronics Engineers (IEEE) 1
                                              445 azadas carril
                                          Piscataway, NJ 08855-1331



ANSI / IEEE Std 1-1.986 (R1992)                     Principios generales de los límites de temperatura en la calificación de
                                                    Equipos Eléctricos
                                                    Práctica recomendada para comprobar la resistencia de aislamiento de
ANSI / IEEE Std 43-1974 (R1991)                     Maquinaria rotativa
                                                    Procedimiento de ensayo para las mediciones de ruido aéreo en la rotación
IEEE Std. 85-1973 (R1980)                           Máquinas eléctricas
                                                    Diccionario de términos estándar de aparatos eléctricos y electrónicos
                                                    Procedimiento de prueba estándar para motores de inducción polifásicos y
ANSI / IEEE Std 100-1996                            Generadores
IEEE Std 112-1996                                   Guía sobre procedimientos de ensayo para DC Máquinas
                                                    Procedimiento de prueba para motores de inducción monofásico
                                                    Procedimientos de prueba para las máquinas síncronas
IEEE Std 113-1985                                   Procedimiento de prueba estándar para la evaluación de los sistemas de
ANSI / IEEE Std 114-1982                            aislamiento
ANSI / IEEE Std 115-1995                            Materiales de Random-herida Corriente alterna Máquinas eléctricas
ANSI / IEEE Std 117-1974 (R1991)                    Procedimientos de prueba para DC Generadores de tacómetro
                                                    Práctica recomendada para la evaluación térmica del aislamiento
                                                    Sistemas de Corriente alterna El empleo de maquinaria eléctrica Form-herida Pre-
                                                    aislados bobinas del estator, Máquinas nominal 6900V y Abajo
ANSI / IEEE Std 251-1984                            Procedimiento de ensayo para la Evaluación y Clasificación de aislamiento
ANSI / IEEE Std 275-1992                            Sistema de DC Máquinas
                                                    Definiciones para los sistemas de excitación para máquinas síncronas
                                                    IEEE Guía para las pruebas de vuelta a vuelta de aislamiento de la forma-la herida
                                                    Las bobinas del estator de corriente alterna para la rotación de la máquina
ANSI / IEEE Std 304-1977 (R1991)                    eléctrica

ANSI / IEEE Std 421.1-1986 (R1996)
IEEE Std 522-1992




1 También disponible de ANSI.
Sección I                                                                                      MG 1-1998, Revisión 1
NORMAS DE REFERENCIA Y DEFINICIONES                                                               Parte 1, página 3


                                      Sociedad de Ingenieros Automotrices (SAE)
                                           3001 West Big Beaver
                                            T roy, MI 48084



ANSI / SAE J429-1983                            Requisitos mecánicos y material de rosca externa
                                                Elementos de fijación


                                Comisión Electrotécnica Internacional (IEC) 1
                                   3 Rue de Varembé, CP 131, CH-1211
                                        Ginebra 20, Suiza



IEC 60034-1-1994                                Rotación de la parte de Máquinas Eléctricas Uno: Evaluación y Desempeño
IEC 60034-14 Ed. 2.0 b: 1996                    Máquinas rotativas, parte eléctrica 14: Vibraciones mecánicas de
                                                Determinadas máquinas con altura de eje de 56 mm y superior
                                                Medición, evaluación y límites de vibración


                                                                                           1
                               Organización Internacional de Normalización (ISO)
                                          1, rue de Varembé
                                         1211 Ginebra 20
                                           Suiza



ISO R-1000                                      Unidades SI y recomendaciones para el uso de sus múltiplos y
                                                de algunas otras unidades
                                                Acústica - Determinación de los niveles de potencia sonora del ruido
ISO 3741: 1988                                  Fuentes - Métodos de precisión para fuentes de banda ancha en
                                                Habitaciones de reverberación
                                                Acústica - Determinación de los niveles de potencia sonora del ruido
ISO 3743-1: 1994                                Fuentes - Métodos de ingeniería para fuentes pequeñas móviles en
                                                Los campos reverberantes - Parte 1: Método de comparación en el disco duro de
                                                Pared
                                                SALAS DE ENSAYO
                                                Acústica - Determinación de los niveles de potencia sonora del ruido
ISO 3743-2: 1994                                Fuentes - Métodos de ingeniería para fuentes pequeñas móviles en
                                                Los campos reverberantes - Parte 2: Método de reverberación especial
                                                SALAS DE ENSAYO
                                                Acústica - Determinación de los niveles de potencia sonora del ruido
                                                Fuentes - Método de Ingeniería empleo de una envolvente
ISO 3744: 1994                                  Medición de la superficie de un campo libre sobre un
                                                Como reflejo de avión
                                                Acústica - Determinación de los niveles de potencia sonora del ruido
                                                Fuentes - Métodos de precisión para anecoicas y semi-anecoica-
                                                Habitaciones
ISO 3745: 1983                                  Acústica - Determinación de los niveles de potencia sonora del ruido
                                                Fuentes - El empleo de un método de encuesta envolvente
                                                Medición de la superficie sobre un plano reflectante
                                                Acústica - Determinación de los niveles de potencia sonora del ruido
ISO 3746: 1995                                  Fuentes - Método de control en una fuente de sonido de referencia



ISO 3747: 1987




1 También disponible de ANSI
MG 1-1998, Revisión 1                                                    Sección I
Parte 1, página 4                                            NORMAS DE REFERENCIA Y DEFINICIONES


ISO 7919-1: 1996                            Vibrtion mecánica de la No-sable Máquinas -
                                            Las mediciones en los ejes de rotación y Criterios de Evaluación - Parte
                                            1: Directrices generales




ISO 8528-3: 1993                            Alternativos de combustión interna accionada por el motor alterna
                                            Actuales Grupos Electrógenos - Parte 3: Corriente alterna
                                            Generadores para Grupos Electrógenos
                                            Alternativos de combustión interna accionada por el motor alterna
ISO 8528-4: 1993                            Actuales Grupos Electrógenos - Parte 4: auxiliares para y Conmutación
                                            Acústica - Determinación de los niveles de potencia sonora del ruido
ISO 9614-1: 1995                            Uso de fuentes de intensidad de sonido - Parte 1: Medición en
                                            Puntos discretos
                                            Acústica - Determinación de los niveles de potencia sonora del ruido
                                            Uso de fuentes de intensidad sonora - Parte 2: Método de escaneo
ISO 9614-2: 1996                            Vibraciones mecánicas - Evaluación de la vibración de la máquina por
                                            Las mediciones sobre la no-rotación de piezas - Parte 3: Industrial
                                            Las máquinas con potencia nominal superior a 15 kW y nominal
ISO 10816-3: 1998                           Velocidades de entre 120 r / min y 000 15 r / min cuando se mide en
                                            situ.




                        National Electrical Manufacturers Association (NEMA)
                               1300 North 17th Street, Suite 1847
                                  Rosslyn, VA 22209



NEMA MG 2-1994                              Norma de seguridad para la construcción y la Guía para la selección,
                                            Instalación y uso de motores eléctricos y generadores
                                            Predicción de nivel de sonido instalada de rotación
NEMA MG 3-1,974 (R1979, 1984,                Máquinas Eléctricas
      1990, 1995)



                                National Fire Protection Association (NFPA)
                                         Batterymarch Park
                                       Quincy, MA 02269



ANSI / NFPA 70-1999                        Código Eléctrico Nacional


                                     Rubber Manufacturers Association
                                         1400 K Street, NW
                                          Suite 300
                                       Washington, DC 20005



                                            Estándares de ingeniería, especificaciones de clásica Correas en V y
                                            Poleas (A, B, C, D y ELos cortes transversales), 1988
                                            Especificaciones estándar para estrecho V -Belts y poleas (3V, 5V
                                            y 8V Los cortes transversales), 1991
Sección I                                                                                                 MG 1-1998, Revisión 1
NORMAS DE REFERENCIA Y DEFINICIONES                                                                          Parte 1, página 5


                                                       DEFINICIONES
 (Para ver las definiciones que no se encuentran en la parte 1, consulte el estándar IEEE 100, Diccionario de términos estánda r de
 aparatos eléctricos y electrónicos).
                                   Clasificación del tamaño
1.2       MÁQUINA

  T al como se utiliza en esta norma una máquina es un aparato eléctrico que depende de la electromagnética
inducción para su funcionamiento y que tiene uno o más miembros que lo componen capaz de movimiento de rotación.
En particular, los tipos de máquinas cubiertas son los que generalmente se conoce como motores y generadores
definidos en la Parte 1.

1.3       PEQUEÑOS (fraccional) de la máquina

   Una pequeña máquina es: (1) una máquina construida en dos series dígitos marco de acuerdo con
4.2.1 (o su equivalente para las máquinas sin pies), o (2) una máquina construida en un marco más pequeño que el marco de
una máquina de medio (ver 1.4), que tiene una potencia continua a 1700 -1800 rpm de 1 caballo de fuerza de los motores
o 0,75 kilovatios para los generadores, o (3) un motor de potencia nominal inferior a 1 / 3 y menos de 800 rpm.

1.4       MEDIO (INTEGRAL) MÁQUINA

1.4.1     Corriente alterna de media máquina
   Una máquina de medio de corriente alterna es una máquina: (1) construido en un número de bastidor de tres o cuatro dígitos
serie de acuerdo con 4.2.1 (o su equivalente para las máquinas sin p ies), y (2) con un continuo
calificación hasta e incluyendo la información en la T abla 1 -1.
1.4.2 de corriente directa media máquina

   Una máquina mediana de corriente continua es una máquina: (1) construida en el marco de una serie número de tres o cua tro dígitos
de acuerdo con 4.2.1 (o su equivalente para las máquinas sin pies), y (2) con una potencia continua hasta
y entre 1.25 caballos de fuerza por rpm para los motores o 1,0 kilovatios por rpm para los generadores.



                                                           Tabla 1-1
                                      ALTERNA DE LA MÁQUINA medio actual
                                                                                     Generadores, a 0,8 kilov atios
                                                                                        Factor de Potencia
                La v elocidad de sincronismo, Rpm           Motores de Hp

                          1201-3600                             500                                 400
                           901-1200                             350                                 300
                           721-900                              250                                 200
                           601-720                              200                                 150
                           515-600                              150                                 125
                           451-514                              125                                 100



1.5       Máquina de gran tamaño

1.5.1     De corriente alterna de la máquina grande
   Una máquina grande de corriente alterna es la siguiente: (1) una máquina con una potencia continua superior a
que figura en 1.4.1 para velocidades sincrónicas por encima de 450 rpm, o (2 ) una máquina que tiene una continua
potencia mayor que la dada en 1.3 para velocidades sincrónicas igual o inferior a 450 rpm.
1.5.2 de corriente directa de la máquina grande

   Una gran máquina de corriente continua es una máquina que tiene una potencia continua superior a 1,25 caballos de fuerza
por rpm para los motores o 1,0 kilovatios por rpm para los generadores.
MG 1-1998, Revisión 1                                                              Sección I
Parte 1, página 6                                                      NORMAS DE REFERENCIA Y DEFINICIONES




                           CLASIFICACIÓN DE ACUERDO A LA SOLICITUD
           (Algunas de las definiciones en esta sección se aplican únicamente a determinados tipos o tamaños de
           máquinas.)
1.6       MOTOR DE USO GENERAL

1.6.1     Propósito General de corriente alterna Motor
   A propósito general de corriente alterna motor es un motor de inducción, clasificado 500 caballos de fuerza y menos,
que incorpora todas las características siguientes:
  a. Construcción abierta o cerrada
  b. De trabajo nominal continua
  c. El factor de servicio de acuerdo con 12,52
  d. Clase A o superior del sistema de aislamiento nominal con un aumento de temperatura no superior a la especificada en
    12.43 para la Clase A de aislamiento para motores pequeños o clase B o superior del sistema de aislamiento nominal con un
    aumento de la temperatura no superior a la especificada en 12,44 para el aislamiento de Clase B para motores de media.



   Está diseñado en las calificaciones de serie con características de operación estándar y la construcción mecánica
para su uso en condiciones de servicio normal sin restricciones a una aplicación en particular o tipo de aplicación.


1.6.2     Propósito General de corriente directa pequeño motor
  A propósito general de corriente pequeño motor es un pequeño motor de la construcción mecánica adecuada para
uso general en las condiciones usuales de servicio y tiene las calificaciones y de la construcción y el rendimiento
características de la aplicación de motores de corriente continua pequeños como se indica en las partes 4, 10, 12 y 14.

1.7       GENERA DOR DE USO GENERAL

  Un generador de propósito general es un generador síncrono de la construcción mecánica adecuada para
uso general en las condiciones usuales de servicio y tiene las calificaciones y de la construcción y el rendimiento
características que figuran en la P arte 32.

1.8       MOTOR PEQUEÑO INDUSTRIAL

   Un pequeño motor industrial es un motor de corriente alterna o corriente continua, construido en el marco de cualquiera de NE MA
42, 48, o para usos industriales 56.
   Está diseñado en las calificaciones de serie con características de operación estándar para el uso en el servicio habitual
condiciones, sin restricciones, una aplicación en particular o tipo de aplicación.

1.9       INDUSTRIAL DE CORRIENTE MEDIA MOTOR

   Un industrial de corriente del motor es un motor medio de la construcción mecánica adecuada para aplicaciones industriales
uso en condiciones de servicio normal y tiene una clasificación y las características de construcción y de funcionamiento
aplicables a motores de corriente media que figuran en las partes 4, 10, 12 y 14.

1.10      INDUSTRIAL GENERA DOR DE CORRIENTE CONTINUA

   Un industrial de corriente del generador es un generador de la construcción mecánica adecuada para aplicaciones industria les
uso en condiciones de servicio normal y tiene una clasificación y las características de construcción y de funcionamiento
aplicables a generadores de corriente como en la parte 4 y 15.

1.11      DEFINITIVA DE USO DEL MOTOR

   Un motor definido propósito es cualquier motor diseñado en los índices estándar de operación estándar
características o construcción mecánica para su uso en condiciones de servicio que no sea habitual o para su uso en
un tipo particular de aplicación.
Sección I                                                                                                     MG 1-1998, Revisión 1
NORMAS DE REFERENCIA Y DEFINICIONES                                                                              Parte 1, página 7


1.12      GENERAL INDUSTRIAL MOTORES

   Un general de la industria del motor es un gran motor de corriente continua de la construcción mecánica en general adecuados para
uso industrial (excluyendo el servicio de molino de laminación), que puede incluir la operación a velocidades por encima de l a base
velocidad por el debilitamiento de campo, y tiene potencia y las características de construcción y de funcionamiento aplicables a
General Motors industrial como en la parte 23.

1.13      METAL Laminador MOTORES

   Un molino de laminado de metal del motor es un motor de corriente grande de la construcción mecánica adecuada para las fábric as de
laminado de metal
servicio (excepto para revertir caliente molino de servicio) y tiene las calificaciones y de la construcción y el rendimiento
características se aplican a los motores de laminado de metal molino tal como figura en la Parte 23.
1.14       MARCHA ATRÁS EN CALIENTE MOTORES
           MOLINO
    Una inversión del motor laminador en caliente es un gran motor de corriente continua de la construcción mecánica adecuada par a
revertir caliente
servicio de fábrica, tales como la floración y corte respecto molinos, y tiene las calificaciones y de la construcción y el rendimiento
características se aplican a revertir los motores calientes molino tal como figura en la Parte 23.
1.15       ESPECIAL DE MOTOR

  Un motor con fines especiales es un motor con características especiales de operación o mecánicos especiales
construcción, o ambos, diseñado para una aplicación en particular y que no entren dentro de la definición de un general -
propósito o el motor definitivo de uso.



                       CLASIFICACIÓN SEGÚN EL TIPO DE ELECTRICIDAD

1.16      GENERAL

1.16.1 Motor eléctrico
   Un motor eléctrico es una máquina que transforma energía eléctrica en energía mecánica.
1.16.2 Generador Eléctrico

   Un generador eléctrico es una máquina que transforma energía mecánica en energía eléctrica.
1.16.3 Máquinas Eléctricas

1.16.3.1 máquina asíncrona
    Una máquina asíncrona es una máquina de corriente alterna en la que el rotor no gira en un
la velocidad de sincronismo.
1.16.3.2 de corriente directa (colector) de la máquina

   Una corriente directa (colector) de la máquina es una máquina que incorpora un bobinado del inducido conectados a
un colector y polos magnéticos que son excitados a partir de una fuente de corrien te continua o de imanes permanentes.
1.16.3.3 La inducción de la máquina

   Una máquina de inducción es una máquina asíncrona, que comprende un circuito magnético entre sí con
dos circuitos eléctricos, o conjuntos de circuitos, que gira con respecto a la otra y en el que el poder se transfiere
de un circuito a otro por inducción electromagnética.
1.16.3.4 máquina síncrona

   Una máquina sincrónica es una máquina de corriente alterna en la que la velocidad media de lo normal
el funcionamiento es exactamente proporcional a la frecuencia del sistema al que está conectado.

1.17      MOTORES DE CORRIENTE ALTERNA

   Motores de corriente alterna son de tres tipos generales: de inducción, síncrono, y una serie de heridas y
se definen de la siguiente manera.
MG 1-1998, Revisión 1                                                                           Sección I
Parte 1, página 8                                                                   NORMAS DE REFERENCIA Y DEFINICIONES


1.17.1 Motor de Inducción
   Un motor de inducción es una máquina de inducción en el que un devanado primario en uno de los miembros (por lo general la
estator) está conectada a la fuente de alimentación, y un devanado polifásico secundaria o una jaula de ardilla
secundario en el otro miembro (generalmente el rotor) lleva corriente inducida.

1.17.1.1 inducción jaula de ardilla Motor
    Un motor de inducción de jaula de ardilla es un motor de inducción en el que el circuito secundario (de jaula de ardilla
liquidación) se compone de una serie de barras conductoras con sus extremidades conectadas por anillos de metal o
las placas en cada extremo.

1.17.1.2 de rotor del motor de inducción
   Un motor de inducción de rotor bobinado es un motor de inducción en el que el circuito secundario se compone de un
bobinado polifásico o bobinas cuyas terminales están en cortocircuito o cerrados a través de circuitos adecuados.

1.17.2 motor síncrono
       Un motor síncrono es una máquina sincrónica para su uso como un motor.

1.17.2.1 de corriente directa con excitación del motor síncrono
   A menos que se indique lo contrario, por lo general se entiende que un motor síncrono excitado tiene polos de campo
por la corriente directa.

1.17.2.2 Permanente- motor síncrono de imanes
   Un imán permanente sincronizado con motor es un motor síncrono en el que la excitación es
proporcionado por imanes permanentes.

1.17.2.3 La renuencia motor síncrono
   Un motor de reluctancia sincrónica es un motor síncrono de construcción similar a un motor de inducción,
en la que el elemento portador del circuito secundario tiene una variación cíclica de la renuencia de proporcionar el efecto
de polos salientes, sin imanes permanentes o excitación de corriente continua. Se inicia como un motor de i nducción, es
normalmente a cambio de un devanado de jaula de ardilla, pero funciona con normalidad en la velocidad de sincronismo.


1.17.3 Serie herida Motor
   Un motor de serie de la herida es un motor de colectores en la que están conectados al circuit o de campo y la armadura en
series.


1.18        Motores polifásicos

   Motores de corriente alterna polifásicos son de la inducción de jaula de ardilla, de inducción de rotor bobinado o
tipo síncrono.

1.18.1 Diseño de Cartas polifásicos jaula de ardilla de los motores de media
       Polifásicos de jaula de ardilla motores de inducción de medio puede ser una de las siguientes:

1.18.1.1 Diseño A
   Un diseño de un motor es un motor de jaula de ardilla diseñados para soportar todo el voltaje de arranque y desarrollo
Par con rotor bloqueado, como se muestra en 12.38, pull-up torque como se muestra en 12.40, par máximo como se muestra en
12.39, con el rotor bloqueado corriente superior a los valores indicados en 12.35.1 a 60 Hz y 12.35.3 de 50
hertz y que tiene un deslizamiento a carga nominal de menos de 5 por ciento.1




1 Los motores con 10 o más polos se permitirá que deslizarse ligeramente superior al 5 por ciento.
Sección I                                                                                                 MG 1-1998, Revisión 1
NORMAS DE REFERENCIA Y DEFINICIONES                                                                          Parte 1, página 9


1.18.1.2 Diseño B
    A Diseño B del motor es un motor de jaula de ardilla diseñados para soportar todo el voltaje de arranque, el desarrollo de
, rotor bloqueado, la ruptura, y pull-up pares adecuados para su aplicación general como se especifica en 12.38
12,39 y 12,40, el dibujo de rotor bloqueado actual no debe exceder los valores indicados en 12.35.1 a 60 Hz y
                                                  1
12.35.3 de 50 hertz, y con un deslizamiento a carga nominal de menos del 5 por ciento.
1.18.1.3 Diseño C
    Un diseño de C motor es un motor de jaula de ardilla diseñados para soportar todo el voltaje de arranque, el desarrollo de
Par con rotor bloqueado para la aplicación especial de alto torque hasta los valores indicados en 12,38, pull -up par de
se muestra en 12,40, la ruptura de par hasta los valores indicados en 12,39, con el rotor bloqueado actual no
exceder los valores indicados en 12.35.1 a 60 Hz y 50 Hz. 12.35.3 para, y con un deslizamiento a plena carga
de menos del 5 por ciento.


1.18.1.4 Diseño D
   A D de diseño de motor es un motor de jaula de ardilla diseñados para soportar todo el voltaje de arranque, el desarrollo de alta
par de arranque como se muestra en 12.38, con el rotor bloqueado actual no mayor de lo indicado en 12.35.1 del 60
hertz y 50 hertz de 12.35.3, y con un deslizamiento a carga nominal de 5 por ciento o más.

1.18.1.5 Diseño E
       Eliminados.

1.19       Los motores monofásicos

 De corriente alterna los motores monofásicos de inducción suelen ser o una serie de heridas, aunque de una sola fase
motores síncronos están disponibles en los grados más pequeños.

1.19.1 Cartas de diseño de motores monofásicos pequeños
1.19.1.1 Diseño N
   Un motor de diseño N es un pequeño motor monofásico diseñado para soportar todo el voltaje de arranque y con un
Intensidad con rotor bloqueado que no exceda los valores indicados en 12,33.

1.19.1.2 Diseño O
   Un diseño de motor O es un pequeño motor monofásico diseñado para soportar todo el voltaje de arranque y con un
Intensidad con rotor bloqueado que no exceda los valores indicados en 12,33.

1.19.2 Cartas de diseño de motores de media una sola fase
       Los motores monofásicos medio son las siguientes:

1.19.2.1 Diseño L
   Un diseño L motor es un motor monofásico de medio diseñado para soportar todo el voltaje de arranque y
desarrollar un par de fallos, como se muestra en 10,34 con una corriente de rotor bloqueado para no exceder los valores
se muestra en 12,34.
MG 1-1998, Revisión 1                                                              Sección I
Parte 1, página 10                                                     NORMAS DE REFERENCIA Y DEFINICIONES


1.19.2.2 Diseño M
   Un diseño de M motor es un motor monofásico de medio diseñado para soportar todo el voltaje de arranque y
desarrollar un par de fallos, como se muestra en 10,34 con una corriente de rotor bloqueado para no exceder los valores
se muestra en 12,34.

1.19.3 monofásico de jaula de ardilla Motor
      Monofásico de jaula de ardilla, motores de inducción se clasifican y se definen como sigue:

1.19.3.1 Motor de fase partida
   Un motor de fase partida es un motor de inducción monofásico equipado con un devanado aux iliar, desplazado en
magnéticos de posición de y en paralelo con la bobina principal.
   A menos que se especifique lo contrario, el circuito auxiliar se supone que se abre cuando el motor
alcanza una velocidad predeterminada. El término "fase dividida del motor," que se utiliza sin la calificación, se describe un
motor para ser utilizado sin impedancia distinta de la ofrecida por los bobinados del motor sí mismos, otros
tipos que se definen por separado.


1.19.3.2 Resistencia de arranque del motor
    Un motor de arranque por resistencia es una forma de motor de fase dividida con una resistencia en serie con
el devanado auxiliar. El circuito auxiliar se abre cuando el motor ha alcanzado una velocidad predeterminada.

1.19.3.3 Motor condensador
   Un motor de condensador es un motor de inducción monofásico con un devanado principal arreglado para dirigir
conexión a una fuente de poder y un devanado auxiliar conectado en serie con un condensador. Hay
tres tipos de motores de condensador, de la siguiente manera.

1.19.3.3.1           Capacitor de arranque del motor
    Un motor de arranque por capacitor es un motor de condensador en el que la fase de condensador en el circuito sólo durante
el período que comienza.

1.19.3.3.2           Permanente-Split Motor condensador
    Un motor de condensador permanente-split es un motor de condensador con el mismo valor de la capacitancia para los dos
de partida y condiciones de funcionamiento.

1.19.3.3.3           Dos valor del condensador del motor
    Un motor de condensador de dos valores es un motor capacitor utilizando diferentes valores de capacidad efectiva para
la puesta en marcha y condiciones de funcionamiento.

1.19.3.4 Shaded-Pole Motor
   A la sombra de polos del motor es un motor de inducción monofásico siempre con un aparat o de corto circuito
bobina o bobinas desplazadas en la posición magnética de la bobina principal.

1.19.4 monofásico de rotor Motores
      Monofásico de rotor bobinado motores se definen y clasifican de la siguiente manera:

1.19.4.1 Motor de repulsión
   Un motor de repulsión es un motor monofásico que tiene un estator dispuestas para la conexión a un
fuente de poder y un rotor bobinado conectado a un conmutador. Escobillas en el colector son de corta
circuito y están colocados de tal manera que el eje magnético de las bobinas del rotor se inclina por el eje magnético de
devanado del estator. Este tipo de motor tiene una característica de diferentes velocidades.


1.19.4.2 Repulsion-Start motor de inducción
 Un motor de inducción de la repulsión de arranque es un motor monofásico con las bobinas lo mismo que una repulsión
motor, pero a una velocidad predeterminada del devanado del rotor está en cortocircuito o no conectado a dar la
Sección I                                                                                                                MG 1-1998, Revisión 1
NORMAS DE REFERENCIA Y DEFINICIONES                                                                                        Parte 1, página 11


equivalente a un devanado de jaula de ardilla. Este tipo de motor que comienza como un motor de repulsión, pero funciona como un
motor de inducción con las características de velocidad constante.

1.19.4.3 Repulsion-motor de inducción
   Un motor de repulsión-inducción es una forma de motor de repulsión que tiene una jaula de ardilla en el bobinado
rotor, además de la liquidación de repulsión motor. Un motor de este tipo puede tener una velocidad constante
(Ver 1,30) o la modificación de velocidad (ver 1.31) característica.

1.20       UNIVERSAL MOTORES

  Un motor universal es una serie de motores de cuerda diseñado para funcionar a la misma velocidad y
de salida en cualquiera de corriente directa o monofásico no de corriente alterna de una frecuencia superior a 60 hertz
y aproximadamente la misma tensión eficaz.

1.20.1 Serie herida Motor
  Un motor de serie de la herida es un motor de colectores en el que el circuito de campo y el circuito de la armadura se
conectadas en serie.

1.20.2 Compensación de la serie-la herida Motor
   Una compensación serie de la herida del motor es un motor de serie de la herida con un campo de devanado de compensación. La
bobinado de compensación de campo y el devanado de campo serie se permitirá que se combinan en un campo
bobinado.


1.21       GENERA DORES DE CORRIENTE ALTERNA

   Generadores de corriente alterna son de dos tipos básicos, de inducción y síncronos, y se definen como
siguiente manera:

1.21.1 generador de inducción
  Un generador de inducción es una máquina de inducción acoplada por encima de la velocidad de sin cronismo por un organismo
externo
fuente de energía mecánica para su uso como un generador.
1.21.2 generador síncrono
       Un generador sincrónico es una máquina sincrónica para su uso como un generador.
    NOTA: A menos que se indique lo contrario por lo general se entiende que un generador síncrono tiene polos de campo excitado por
    corriente continua.


1.22       Motores de corriente continua

  Motores de corriente continua son de cuatro tipos generales-derivación de la herida, herida de la serie, compuesto de la herida, y
imán permanente, y se definen de la siguiente manera.

1.22.1 devanado en derivación del motor
      Un motor en derivación de la herida puede ser un derecho de derivación de la herida de motor o un motor estabilizado en
      derivación de la herida.
1.22.1.1 recta derivación-la herida Motor
    Una escalera de derivación de la herida motor es un motor de corriente continua en la que está conectado el circuito de campo, ya sea en
paralelo con el circuito de la armadura o de una fuente independiente de voltaje de excitación. El campo en derivación es el único
liquidación suministro de excitación.

1.22.1.2 estabilizado devanado en derivación del motor
     Una derivación de la herida estabilizado motor es un motor de corriente continua en la que está conectado el circuito de camp o en
derivación
ya sea en paralelo con el circuito de la armadura o de una fuente independiente de voltaje de excitación y que también tiene
la luz una serie de liquidación añadido para evitar un aumento en la velocidad o para obtener una ligera reducción en la velo cidad con
aumento de la carga.
MG 1-1998, Revisión 1                                                                          Sección I
Parte 1, página 12                                                                 NORMAS DE REFERENCIA Y DEFINICIONES


1.22.2 Serie herida Motor
   Un motor de serie de la herida es un motor en el que está conectado el circuito de campo y el circuito de la armadura en
series.

1.22.3 compuesto-herida Motor
   Un motor compuesto de la herida es un motor de corriente continua que consta de dos bobinas, un campo por separado,
por lo general el campo predomina, conectados como en una escalera de derivación de la herida de motor, y el otro conectado e n
serie con el circuito de la armadura.

1.22.4 Motor de imán permanente
  Un motor de imán permanente es un motor de corriente co ntinua en la que se suministra la excitación por
imanes permanentes.


1.23        DIRECTO generadores de corriente

   De corriente directa generadores son de dos tipos generales-derivación de la herida y el compuesto de la herida y se
se define de la siguiente manera:

1.23.1 devanado en derivación del generador
   Un generador en derivación de la herida es un generador de corriente continua en la que está conectado el circuito de campo, ya sea en
paralelo con el circuito de la armadura o de una fuente independiente de voltaje de excitación.

1.23.2-compuesto generador de la herida
   Un generador compuesto de la herida es un generador de corriente continua que consta de dos bobinas de campo por se parado-
uno, por lo general el campo predomina, conectados como en un generador en derivación de la herida, y el otro conectado en
serie con el circuito de la armadura.


        CLASIFICACIÓN SEGÚN LA PROTECCIÓN DEL MEDIO AMBIENTE Y
                 MÉTODOS DE ENFRIAMIENTO

  Detalles de protección (IP) y los métodos de enfriamiento (IC) se definen en la Parte 5 y Parte 6, respectivamente.
Que se ajusten a las normas IEC.


1.25        Máquina abierta (IP00, IC01)

   Una máquina abierta es aquel que tiene orificios de ventilación que permita el paso de aire de refrigeración externo
sobre y alrededor de las bobinas de la máquina. El término "máquina abierta," cuando se aplica en grandes equipos
sin reservas, designa una máquina que no tiene restricción a la ventilación que no sea necesario
por la construcción mecánica.


1.25.1 Máquina Dripproof (IP12, IC01)
   Una máquina dripproof es una máquina abierta en la que los orificios de ventilación están construidos de m anera que
operación exitosa no se perturba cuando las gotas de partículas líquidas o sólidas huelga o entrar en el
recinto en cualquier ángulo de 0 a 15 grados hacia abajo desde el vertical.1
   La máquina está protegido contra objetos sólidos mayores de 1.968 pulgadas (50 mm).




1 Un método para demostrar el buen funcionamiento es el siguiente: (1) mediante la exposición de la máquina, con la máquina e n reposo, a una aspersión
de agua en el ángulo y una velocidad no superior a una pulgada por hora durante 1 hora, y (2) después de la exposición, por
someter las bobinas a una prueba de alto potencial de 50 por ciento del valor nominal de alto potencial de prueba seguido de una de 15 minutos
operación sin carga a la tensión nominal.
Sección I                                                                                                   MG 1-1998, Revisión 1
NORMAS DE REFERENCIA Y DEFINICIONES                                                                           Parte 1, página 13


1.25.2 a prueba de salpicaduras de la máquina (IP13, IC01)
   Una máquina a prueba de salpicaduras es una máquina abierta en la que los orificios de ventilación están construidos de maner a que
operación exitosa no se perturba cuando las gotas de partículas líquidas o sólidas huelga o entrar en el
recinto en cualquier ángulo no mayor de 60 grados hacia abajo de la vertical.
   La máquina está protegido contra objetos sólidos mayores de 1.968 pulgadas (50 mm).


1.25.3 Semi-vigilado de la máquina (IC01)
  Una máquina semi-vigilancia es una máquina abierta en la que parte de los orificios de ventilación en el
máquina, por lo general en la mitad superior, están protegidos como en el caso de una "máquina protegida", pero los otros se fueron son
abierto.

1.25.4 máquina protegida (IC01)
    Una máquina protegida es una máquina abierta en la que todas las aberturas que dan acceso directo a vivir de metal o
piezas giratorias (con excepción de las superficies lisas de rotación) están limitados en tamaño por las partes estructurales o pantallas,
deflectores, rejillas, metal expandido, u otros medios para evitar el contacto accidental con partes peligrosas.
    Las aberturas de la carcasa de la máquina deberá ser tal que (1) una sonda como la que se ilustra en la
Figura 1-1, cuando se inserta a través de las aberturas, no tocará una parte peligrosa de rotación, (2) una sonda de tal
la que se ilustra en la Figura 2.1, cuando se inserta a través de las aberturas, no tocará recubiertos con película de alambre, y (3)
una sonda articulada como la que se ilustra en la Figura 3.1, cuando se inserta a través de las aberturas, no
tocar una parte no aislada de metal en vivo.




                                             * Figura 1-1
                                       SONDA PARA PIEZAS GIRATORIAS PELIGROSOS




                                                Figura 1-2 *
                                             SONDA PARA recubiertos con película
                                             ALAMBRE



* Todas las dimensiones en pulgadas.
MG 1-1998, Revisión 1                                                            Sección I
  Parte 1, página 14                                                   NORMAS DE REFERENCIA Y DEFINICIONES




Ambas articulaciones de este dedo se puede doblar
en un ángulo de 90 º, pero en un
y la misma dirección solamente.
Dimensiones en mm.


Tolerancias:
   En los ángulos: 5 o

   En las dimensiones lineales:
    Menos de 25 mm: 0,05
      Más de 25 mm: 0.2




                                       Figura 1-3
                              ARTICULO SONDA PARA VIVIR SIN AISLAR LAS PIEZAS METÁLICA S


  (Reproducido con permiso del IEC, que se reserva el derecho de autor)

  1.25.5 Máquina Dripproof Vigilado (IC01)
    Una máquina dripproof vigilancia es una máquina de ventilación dripproof cuya apertura está guardado en
  acuerdo con 1.25.4.

  1.25.6 máquina abierta, con ventilación independiente (IC06)
     Una máquina abierta, con ventilación independiente es aquel que se ventila a través de un motor por separado-
  impulsado por ventilador montado en la caja de la máquina. Protección mecánica serán los definidos en 1.25.1 a
  1.25.5, ambos inclusive. Esta máquina se conoce a veces como una máquina sopladora ventilado.
Sección I                                                                                                                     MG 1-1998, Revisión 1
NORMAS DE REFERENCIA Y DEFINICIONES                                                                                             Parte 1, página 15


1.25.7 Abrir tubo ventilado de la máquina
   Un tubo de ventilación abierta de la máquina es una máquina abierta, salvo que las aberturas para la admisión de la
aire de ventilación están dispuestas de modo que los conductos o tuberías de entrada pueden ser conectados a ellos. Abrir tubo ventilado
máquinas deberán estar semi-ventilado (aire que circula a través integral con la máquina) (IC11) o la fuerza
ventilado (aire que circula por medios externos y no a una parte de la máquina) (IC17). Los recintos deben ser
como se define en 1.25.1 a 1.25.5, ambos inclusive.


1.25.8 Tiempo-protegido de la máquina
1.25.8.1 Tipo I (IC01)
  Un tipo de clima protegidos que la máquina es una máquina protegida, con sus pasajes de ventilación para
construidos para reducir al mínimo la entrada de partículas de la lluvia, la nieve y transmitidas por el aire a las partes eléctricas.

1.25.8.2 Tipo II (IC01)
   A la intemperie protegidos tipo de máquina II se realizará, además de la caja se define por un tiempo -
protección de tipo I de la máquina, sus pasajes de ventilación, tanto en admisión y de descarga dispuestas de modo que la alt a
velocidad del aire y las partículas transportadas por el aire soplado en la máquina por las tormentas o vientos fuertes puede ser dado de alta
sin entrar en los conductos de ventilación interna que conduce directamente a las partes eléctricas de la máquina misma.
La ruta normal del aire de ventilación que entra en las partes eléctricas de la máquina deben estar dispuestos
por viviendas desconcertante o por separado para proporcionar por lo menos tres cambios bruscos de dirección, ninguno de los cuales
deberá ser inferior a 90 grados. Además, no es un área de baja velocidad de más de 600 pies por minuto se
se proporcionará en el camino de entrada de aire para reducir al mínimo la posibilidad de que la humedad o la suciedad que se llevó a la
partes eléctricas de la máquina.


    NOTA-extraíble o de otra manera fácil de limpiar los filtros se puede proporcionar en vez de la cámara baja veloci dad.


1.26       MÁQUINA totalmente cerrados

    Una máquina totalmente cerrado es tan cerrado como para impedir el libre intercambio de aire entre el interior
y fuera de la caja, pero no lo suficientemente cerrado para ser llamado hermético y el polvo no entre en
cantidad suficiente para interferir con el buen funcionamiento de la máquina.

1.26.1 Máquina no ventilado totalmente cerrado (IC410)
   Una máquina totalmente cerrado no ventilado es un marco superficie fría máquina totalmente cerrado que se
sólo dispone de refrigeración por convección libre.

1.26.2 totalmente cerrados con ventilador de la máquina
    Un totalmente cerrados con ventilador de la máquina es un marco de superficie de la máquina enfría totalmente cerrado equipado
exterior para la refrigeración de sí mismo por medio de un ventilador o los ventiladores integrados en la máquina, pero exter nos a la
envolvente
las partes.
1.26.3 totalmente cerrados con ventilador máquina protegida (IC411)
    Un totalmente cerrado enfriado por ventilador máquina protegida es una totalmente cerrado enfriado por ventilador de la máqui na en la
que todos los
las aberturas que dan acceso directo a los fans tienen un tamaño limitado por el diseño de las partes estructurales o
pantallas, rejas, metal expandido, etc, para evitar el contacto accidental con el ventilador. Dichas aberturas no
permitir el paso de una varilla cilíndrica de diámetro 0,75, y una sonda como la que se muestra en la Figura 1-1
no pondrá en contacto con las cuchillas, los radios, o cualquier otra superficie irregular del ventilador.

1.26.4 totalmente cerrados con ventilación Pipe-máquina (IP44)
   Un tubo totalmente cerrado ventilado máquina es una máquina con aberturas dispuestas de modo que cuando la entrada
y los conductos de salida o tubos están conectados a ellos no hay libre intercambio del aire interior y el aire
fuera el caso. T ubo de ventilación totalmente cerrado máquinas pueden ser auto-ventilado (aire que circula por
medios propios de la máquina (IC31)) o la fuerza ventilado (aire que circula por medios externos y no
parte de la máquina (IC37)).
MG 1-1998, Revisión 1                                                                           Sección I
Parte 1, página 16                                                                  NORMAS DE REFERENCIA Y DEFINICIONES


1.26.5 totalmente cerrados refrigeración por agua de la máquina (IP54)
  Un totalmente cerrado enfriado por agua de la máquina es una máquina totalmente cerrado que se enfría mediante la circulación de
agua, los conductores de agua o el agua entra en contacto directo con las piezas de la máquina.

1.26.6 Prueba de Agua de la máquina (IP55)
   Una máquina a prueba de agua es una máquina totalmente cerrado construido de modo que se excluye el agua aplicada
en la forma de un chorro de agua de una manguera, con la excepción de que las fugas pueden ocurrir alrededor del eje siempre que se
impidió la entrada al depósito de aceite y se ha previsto de forma automática el drenaje de la máquina.
Los medios de drenaje automático puede ser una válvula de retención o una rosca en la parte más baja de la estructura
que servirá para la aplicación de un tubo de desagüe.


1.26.7 totalmente cerrados de aire a refrigeración por agua de la máquina (IP54)
   Un totalmente cerrados aire-agua de refrigeración de la máquina es una máquina totalmente cerrado que se enfría por
circulación de aire que, a su vez, es enfriado por la circulación de agua. Se suministra con un calor refrigerado por agua
intercambiador, integral (IC7_W) o montado en la máquina (IC8_W), para la refrigeración del aire interior y un ventilador o l os
ventiladores,
integral con el eje del rotor (IC_1W) o por separado (IC_5W) para hacer circular el aire interior.
1.26.8 totalmente cerrados de aire a refrigeración por aire de la máquina
(IP54)
    Un totalmente cerrados aire-aire refrigerado de la máquina es una máquina totalmente cerrado que se enfría por
la circulación del aire interno a través de un intercambiador de calor que, a su vez, es enfriado mediante la circulación de aire exterior. Es
provisto de un intercambiador de calor aire-aire, integral (IC5_), o montados en la máquina (IC6_), para la refrigeración del
interna de aire y un ventilador o ventiladores, solidario con el eje del rotor (IC_1_) o por separado (IC_5_) para hacer circ ular el
interna de aire y un ventilador o ventiladores, solidario con el eje del rotor (IC_1), o por separado, pero externos a la env olvente
parte o partes (IC_6), para hacer circular el aire exterior.


1.26.9 totalmente cerrados de aire sobre la máquina (IP54, IC417)
   Un totalmente cerrado con aire en la máquina es un marco totalmente cerrado enfriado superficie de la máquina destinada a
refrigeración exterior por una ventilación de medios externos a la máquina.

01/26/10 A prueba de explosiones Máquina1
     Una máquina a prueba de explosión es una máquina totalmente cerrado cuya caja está diseñada y
construidos para resistir una explosión de un gas o vapor especificado que puede ocurrir dentro de ella y para prevenir
la ignición del gas o vapor especificado alrededor de la máquina por las chispas, destellos o explosiones de las
gas o vapor especificado que puede ocurrir dentro de la carcasa de la máquina.


01/26/11 polvos com-prueba Máquina2
   Una máquina a prueba de polvo de ignición es una máquina totalment e cerrado cuya caja está diseñada y
construidos de manera que se excluyen las cantidades de polvo inflamables o cantidades que puedan afectar a
rendimiento o calificación, y que no permitirá que los arcos, chispas o calor generado o de lo contrario liberados
en el interior de la caja para provocar la ignición de las acumulaciones de exterior o suspensiones en la atmósfera de una
polvo específico sobre o en las inmediaciones del recinto.
   Buen funcionamiento de este tipo de máquinas requiere evitar el sobrecalentamiento de las causas tales como
sobrecargas excesivas, pararse o la acumulación de cantidades excesivas de polvo en la máquina.




1 Véase la norma ANSI / NFP A 70, Código Eléctrico Nacional, Artículo 500. P ara lugares peligrosos, Clase I, Grupos A, B, C o D.

2 Véase ANSI / NFP A 70, Código Eléctrico Nacional, Artículo 500. P ara ubicaciones peligrosas, Clase II, Grupos E, F, o G.
Sección I                                                                                               MG 1-1998, Revisión 1
NORMAS DE REFERENCIA Y DEFINICIONES                                                                       Parte 1, página 17


1.27        MÁQUINA CON DEVANADOS ENCAPSULA DOS o sellados

1.27.1 Máquina con resistente a la humedad Windings1
    Una máquina con bobinas resistentes a la humedad es uno en el que las bobinas han sido tratados de tal manera que
exposición a un ambiente húmedo, no fácilmente causar un mal funcionamiento. Este tipo de máquina está diseñada para
la exposición a condiciones de humedad que son más excesivo que el sistema de aislamiento habitual puede soportar.
    De corriente alterna de jaula de ardilla máquinas de este tipo debe ser capaz de superar la prueba descrita
en 12.63 como se ha demostrado en una muestra representativa o prototipo.

                                                               3
1.27.2 Máquina de bobinado sellado
   Una máquina de bobinados sellado es uno que tiene un sistema de aislamiento que, a través del uso de
materiales, procesos, o una combinación de materiales y procesos, resultados en los bobinados y conexiones
que están sellados frente a los contaminantes. Este tipo de máquina está diseñada para las condiciones ambientales que
son más graves que el sistema de aislamiento habitual puede soportar.
   De corriente alterna de jaula de ardilla máquinas de este tipo debe ser capaz de superar las pruebas
se describe en 12.63 o 20.18.



                      CLASIFICACIÓN DE ACUERDO A LA VARIABILIDAD DE LA VELOCIDAD
1.30      CONSTANTE DE VELOCIDA D DEL
          MOTOR
  Un motor de velocidad constante es aquella en la que la velocidad de funcionamiento normal es constante o casi
constante, por ejemplo, un motor síncrono, un motor de inducción con pequeño desliz, o una derivación de la herida DC
motor.

1.31        VARIABLES-VELOCIDAD DEL MOTOR

  Un motor de velocidad variable es aquella en la que la velocidad varía con la carga, normalmente disminuye cuando el
aumenta la carga, como una serie de heridas o motor de repulsión.

1.32        De velocidad ajustable MOTOR

   Un motor de velocidad ajustable es aquella en la que puede ser el control de velocidad en un rango definido, pero
una vez ajustado se mantiene prácticamente afectada por la carga.
   Ejemplos de motores de velocidad ajustable son: una de corriente continua en derivación de la herida de motor con resistencia de campo
control diseñado para una gama considerable de ajuste de la velocidad, o un motor de corriente alterna controlados
por una fuente de frecuencia de potencia ajustable.


1.33        BASE velocidad de un motor de velocidad ajustable

   La velocidad base de un motor de velocidad ajustable es la velocidad más baja calificación obtenida en carga nominal y
tensión nominal en el aumento de la temperatura especificada en la clasificación.

1.34        AJUSTE VARIABLES motor de velocidad

   Un ajuste variable-velocidad del motor es aquella en la que se puede ajustar la velocidad poco a poco, pero cuando
una vez ajustado para una determinada carga varían en grado considerable con el cambio en la carga, como un DC
compuesto de la herida motor ajustado por control de campo o un motor de inducción de rotor bobinado con una velocidad reostá tico
de control.


1.35        MOTOR MULTISPEED

    Un motor de varias velocidades es la que se puede operar en cualquiera de dos o más velocidades definidas, cada una
que es prácticamente independiente de la carga, por ejemplo, un motor de corriente continua con dos bobinas de armadura o una
motor de inducción con devanados capaz de agrupaciones diferentes polos. En el caso de va rias velocidades permanente-
dividir los motores polo del condensador y la sombra, las velocidades dependen de la carga.


1 Esta máquina se permitirá que cualquiera de los recintos descritos en 1,25 o 1,26.
MG 1-1998, Revisión 1                                                                         Sección I
Parte 1, página 18                                                                NORMAS DE REFERENCIA Y DEFINICIONES


                                          Clasificación, el rendimiento y prueba
1.40       CALIFICA CIÓN DE UNA MÁQUINA

   La calificación de una máquina consistirá en la potencia de salida, junto con las otr as características,
como la velocidad, voltaje y corriente, que le asigna el fabricante. Para las máquinas que están diseñados para
absorción de energía, la calificación será la potencia de entrada.

1.40.1 Evaluación continua
       La clasificación continua define la carga que puede llevar a un período de tiempo indefinidamente largo.

1.40.2 Short-Time Rating
       La calificación de corto tiempo define la carga que se puede llevar por un tiempo corto y determinado definitivamente.

1.41       EFICIENCIA

1.41.1 general
   La eficiencia de un motor o generador es la razón de su potencia de salida útil a su entrada de potencia total
y se expresa en porcentaje.

1.41.2 Energía polifásicos eficiente inducción jaula de ardilla Motor
   Una energía eficiente polifásicos de jaula de ardilla motor de inducción es el que tiene una eficiencia de acuerdo
con 12,60.


1.42       FACTOR DE SERVICIO motores AC

   El factor de servicio de un motor de corriente alterna es un multiplicador que, cuando se aplica a la potencia nominal,
indica una carga de potencia de la carga que puede ser transportado en las condiciones especificadas por el
factor de servicio (ver 14.37).


1.43       VELOCIDA D DE REGULACION DE MOTORES DC

   La regulación de la velocidad de un motor de corriente continua es la diferencia entre la constante velocidad sin carga y el
constante la velocidad de carga nominal, expresado en tanto por ciento de la carga nominal de velocidad.

1.43.1 Porcentaje de capitalización de máquinas de corriente directa
       El porcentaje del total de amperios-vueltas de campo a plena carga, que es aportado por el campo de la serie.
    NOTAS

    1-La composición por ciento se determina en el campo en derivación nominal.

    2-P orcentaje de la regulación de un motor compuesto de cuerda o de un generador de CC está relacionada con, pero no el mismo que por ciento
    composición.


1.44       REGULA CIÓN DE VOLTAJE DE GENERA DORES DE CORRIENTE CONTINUA

   La regulación de voltaje de un generador de corriente continua es el último cambio en el voltaje de campo constante
ajuste del reóstato cuando la carga especificada se reduce gradualmente a cero, expresado como porcentaje de la carga nominal
tensión, la velocidad se mantiene constante.

    NOTA-En la práctica, a menudo es conveniente especificar la regulación general del generador y su máquina de conducción,
    por lo tanto teniendo en cuenta la regulación de la velocidad de la máquina de conducción.


1.45       Voltaje secundario del rotor bobinado MOTORES

   El voltaje secundario de los motores de rotor bobinado es el voltaje de circuito abierto en reposo, medido
a través de los anillos, con tensión nominal aplicada en el bobinado primario.
Sección I                                                                                                  MG 1-1998, Revisión 1
NORMAS DE REFERENCIA Y DEFINICIONES                                                                          Parte 1, página 19


1.46      Par a plena carga

  El par a plena carga de un motor es el par necesario para producir su potencia nominal a plena carga
velocidad. En libras en un radio de pie, que es igual a la potencia 5252 veces dividido por la velocidad a plena carga.


1.47      Par con rotor bloqueado (par estático)

   El par de rotor bloqueado de un motor es el par mínimo que se desarrollará en el descanso para todos angular
posiciones del rotor, con una tensión nominal aplicada a la frecuencia nominal.


1.48      PULL-UP PAR

    El par de pull-up de un motor de corriente alterna es el par mínimo desarrollado por el motor
durante el período de aceleración desde el reposo hasta la velocidad a la que par máximo se produce. Para los motores
que no tiene un par máximo definido, el par de pull-up es el par mínimo desarrollados hasta
la velocidad nominal.


1.49      Pushover PAR

   El par presa fácil de un generador de inducción es el par máximo que se absorben con calificación
tensión aplicada a la frecuencia nominal, sin un aumento brusco de la velocidad.


1.50      DESGLOSE DE PAR

   El par máximo del motor es el par máximo que se desarrollará con una tensión nominal
aplica a la frecuencia nominal, sin una abrupta caída en la velocidad.


1.51      EXTRAIBLES PAR

   El par de tracción de un motor síncrono es el par máximo sostenido que el motor
se desarrollan a la velocidad de sincronismo con tensión nominal aplicada a la frecuencia nominal y con una excitación normal .


1.52      PULL-IN TORQUE

    La retirada en el par de un motor síncrono es el par máximo constante en el que el motor
tirar de la carga conectada a la inercia de sincronismo, en tensión y frecuencia nominales, cuando la excitación es
aplicada.
    La velocidad a la que un motor traerá su carga depende de la potencia necesaria para conducirlo, y si
el motor puede tirar de la carga en el paso de esa velocidad, depende de la inercia de las partes giratorias, de modo que
                                         2
la retirada en el par no puede ser determinado sin tener la Semana así como el par de la carga.


1.53      Intensidad con rotor bloqueado

   La corriente de rotor bloqueado de un motor es la corriente de estado estable tomado de la línea, con el rotor
cerrada y con una tensión nominal (y la frecuencia nominal en el caso de motores de corriente alterna) aplicado a la
motor.


1.54      Corriente sin carga

   Corriente sin carga es la corriente que fluye a través de un terminal de línea de un arrollamiento cuando el voltaje nominal es de
aplica a la frecuencia nominal sin carga conectada.


1.55      PRUEBAS DE LA TEMPERATURA

  Pruebas de temperatura son las pruebas realizadas para determinar el aumento de la temperatura de algunas partes de la máquina
por encima de la temperatura ambiente, cuando se ejecuta bajo una carga específica.
MG 1-1998, Revisión 1                                                                       Sección I
Parte 1, página 20                                                              NORMAS DE REFERENCIA Y DEFINICIONES


1.56       TEMPERA TURA AMBIENTE

  La temperatura ambiente es la temperatura del medio refrigerante rodean, como el gas o líquido,
que entra en contacto con las partes calientes del aparato.

    NOTA: La temperatura ambiente que comúnmente se conoce como "temperatura ambiente", en relación con el aparato de refrigeraci ón por aire
    no dispone de ventilación artificial.


1.57       ALTO POTENCIAL DE LAS PRUEBAS

   Alto potencial de las pruebas son las pruebas que consisten en la aplicación de un voltaje superior a la nominal
de tensión durante un tiempo determinado con el fin de determinar la idoneidad contra la ruptura de aislamiento
materiales y espacios, en condiciones normales. (Véase la parte 3.)


1.58       CAPACIDA D PARA EL ARRANQUE DE UN MOTOR CONDENSA DOR

   La capacidad de partida para un motor de condensador es la capacidad efectiva total en serie con el
devanado de arranque en condiciones de rotor bloqueado.


1.59       TIRE RADIAL Y AXIAL MAGNÉTICO fuerza de centrado

1.59.1 atracción magnética radial
   La atracción magnética radial de un motor o generador es la fuerza magnética en el rotor como resultado de su
radial (air gap) de desplazamiento desde el centro magnético.

1.59.2 axial de centrado de la Fuerza
   La fuerza axial de centrado de un motor o generador es la fuerza magnética en el rotor como resultado de su
desplazamiento axial del centro magnético.
   A falta de disposiciones especifica, el valor de la tracción radial y axial magnética fuerza de centrado se
se para sin carga, con tensión nominal, corriente nominal de campo, y la frecuencia nominal aplicado, en su caso.


1.60       INDUCCIÓN constantes del motor TIEMPO

1.60.1 general
    Cuando un motor de inducción polifásico está en circuito abierto o en cortocircuito, mientras corre a la velocidad nominal,
el rotor de flujo de vínculos generan una tensión en el bobinado del estator. La decadencia de los vínculos del rotor de flujo, y
la resultante de circuito abierto de tensión en los terminales o la corriente de cortocircuito, se determina por el tiempo de l motor diferentes
constantes definidas por las siguientes ecuaciones.


1.60.2 Tiempo de circuito abierto de CA constante


                       XM X2
           T "se           (Seg gundos)
                       2fr2




1.60.3 del cortocircuito constante de CA


                       XS
           T "d          T "no (s gundos)
                     X1 X M
Sección I                                                                                                  MG 1-1998, Revisión 1
NORMAS DE REFERENCIA Y DEFINICIONES                                                                          Parte 1, página 21


1.60.4 corto de tiempo del circuito de CC constante


                    XS
          Ta            (Seg gundos)
                     1LL S 2fr1
                    kW1 



1.60.5 X / R

                           XS
           X/ R                   (Radianes)
                    LLSr11
                    kW1 
                                 
                                 

1.60.6 Definiciones (Ver Figura 1-4)
    R1 = Resistencia DC del estator por fase corregido a la temperatura de funcionamiento
    r2 = resistencia del rotor por fase a la velocidad nominal y la temperatura de funcionamiento a que se refiere el estator
    X1 = reactancia de fuga del estator por fase a corriente nominal
    X2 = reactancia de fuga del rotor por fase a la velocidad nominal y corriente nominal a que se refiere el estator
    XS = T otal reactancia de arranque (rotor y estator) por fase a velocidad cero y con rotor bloqueado
    XM = reactancia de magnetización por fase
    LL = frecuencia fundamental componente de la perdida de carga en la pérdida de kW a la corriente nominal
               2
    1 kW del estator = IR pérdida en kW a una temperatura de operación nominal y
    f = Frecuencia, Hz
    s = deslizamiento en por unidad de velocidad de sincronismo




                                                                                                              s




                                                       Figura 1-4
                                                    CIRCUITO EQUIVALENTE


                                        MÁQUINAS completos y partes
1.61      Generador síncrono-COMPLETO

1.61.1 Tipo de cinturón
   Un generador de cinturón de tipo consiste en un generador con una extensión del eje adecuado para la polea de tracción o
polea, con dos o tres rodamientos según sea necesario, y con carriles o con un a base de deslizamiento que se ha
posibilidad de regular la tensión de la correa.
MG 1-1998, Revisión 1                                                              Sección I
Parte 1, página 22                                                     NORMAS DE REFERENCIA Y DEFINICIONES


1.61.2 Tipo de motor
  Un motor-generador tipo se compone de un estator, rotor (sin eje), las tapas o placas de fundación,
y un cepillo de apoyo aparejo. No hay base, rodamientos, eje, eje de las claves, o los pernos de anclaje se incluyen en
generadores de este tipo.

1.61.3 Junto Tipo
   Un generador acoplado del tipo consiste en un generador con la extensión del eje de acoplamiento y con una o
dos rodamientos.


1.62      GENERA DOR DE CORRIENTE CONTINUA -COMPLETO

1.62.1 Tipo de cinturón
   Un generador de cinturón de tipo consiste en un generador con una extensión del eje adecuado para la polea de tracción o
polea, con dos o tres rodamientos según sea necesario, y con carriles o con una base de deslizamiento que se ha
posibilidad de regular la tensión de la correa.

1.62.2 Tipo de motor
   Un generador de motor de tipo consiste en un marco de campo, la armadura (sin eje), la fundación tapas o única
placas (cuando sea necesario), y un cepillo de apoyo aparejo. No hay base, rodamientos, e je, eje de las llaves, o la fundación
tornillos están incluidos en los generadores de este tipo.

1.62.3 Junto Tipo
   Un generador acoplado-tipo se compone de un generador con una extensión del eje adecuado para el acoplamiento, con
rodamientos de una o dos según sea necesario.


1.63      CARA Y BRIDA DE MONTAJE

1.63.1 Tipo C cara
   Un tipo C cara de montaje de la máquina tiene un piloto masculino (barbilla) encajan con los agujeros roscados en el montaje
superficie. La superficie de montaje deberá ser internos o externos a la forma piloto. (Ver Figura 4 -3).

1.63.2 Tipo D brida
   Un T ipo D brida de montaje de la máquina tiene un piloto masculino (ranura) encajan con agujeros pasantes en el montaje
superficie. La superficie de montaje es externo a la forma piloto. (Ver Figura 4 -4).

1.63.3 Tipo P brida
  Un tipo P brida de montaje de la máquina tiene una mujer piloto (barbilla) encajan con agujeros pasantes en el
la superficie de montaje. La superficie de montaje es externo a la forma piloto. (Ver Figura 4 -5).



                              CLASIFICACIÓN DE LOS SISTEMAS DE AISLAMIENTO
1.65      SISTEMA DE AISLAMIENTO DEFINIDO

    Un sistema de aislamiento es un conjunto de materiales aislantes en asociación con los conductores y el
el apoyo a las partes estructurales. T odos los componentes descritos a continuación que se asocian con la estacionaria
bobinado constituyen un sistema de aislamiento y todos los componentes que están asociados con la rotac ión
bobinado constituyen otro sistema de aislamiento.


1.65.1 Aislamiento de la bobina con sus accesorios
    El aislamiento de la bobina comprende todos los materiales aislantes que envuelven y separan la corriente
llevar a los conductores y sus turnos de componentes y líneas y la forma de aislamiento entre ellos y el
estructura de la máquina, incluidos los recubrimientos de alambre, barnices, encapsulantes, aislamiento de ranuras, ranura de relleno, cintas,
fase
aislamiento, el polo del cuerpo de aislamiento, el aislamiento y el anillo de retención cuando se presente.
Sección I                                                                                                 MG 1-1998, Revisión 1
NORMAS DE REFERENCIA Y DEFINICIONES                                                                         Parte 1, página 23


1.65.2 Conexión y aislamiento de las bobinas de apoyo
   La conexión y el aislamiento de las bobinas de soporte incluye todos los materiales de aislamiento que envuelven la
conexiones, que llevan la corriente de bobina a bobina, y de terminales de la bobina fija o giratoria a los puntos
de apego circuito externo, y el aislamiento de los soportes metálicos para la liquidación.

1.65.3 piezas estructurales asociados
   Las partes asociadas estructurales del sistema de aislamiento incluyen artículos tales como cuñas de ranura, el espacio
bloques y los vínculos utilizados para la posición de los extremos de la bobina y conexiones, los soportes no metálicos para la liquidación,
y el campo de la bobina bridas.


1.66      CLASIFICA CIÓN DE LOS SISTEMAS DE AISLAMIENTO

     Los sistemas de aislamiento se dividen en clases de acuerdo a la resistencia térmica del sistema de
fines de la temperatura nominal. Cuatro clases de sistemas de aislamiento se utilizan en motores y generadores,
es decir, las clases A, B, F y H. Estas clases han sido establecidas de conformidad con IEEE Std 1.
     Los sistemas de aislamiento, se clasifican como sigue:
     Clase A-Un sistema de aislamiento que, por la experiencia o de prueba aceptados, se puede demostrar que se han adecuado
la resistencia térmica cuando se opera en la Clase A limita la temperatura especificada en el aumento de la temperatura
estándar de la máquina en cuestión.
     Clase B-Un sistema de aislamiento que, por la experiencia o de prueba aceptados, se puede demostrar que se han adecuado
la resistencia térmica cuando se opera a la temperatura de clase B límites fijados en el aumento de la temperatura
estándar de la máquina en cuestión.
     Clase F-Un sistema de aislamiento que, por la experiencia o de prueba aceptados, se puede demostrar que han adecuado
la resistencia térmica cuando se opera a la temperatura de la clase F límites fijados en el aumento de la temperatura
estándar de la máquina en cuestión.
     Clase H-Un sistema de aislamiento que, por la experiencia o de prueba aceptados, se puede demostrar que se han adecuado
la resistencia térmica cuando se opera en la clase H se limite la temperatura especificada en el aumento de la temperatura
estándar de la máquina en cuestión.
     "Experiencia", como se usa en esta norma, significa que la operación con éxito durante mucho tiempo bajo las actuales
condiciones de funcionamiento de máquinas diseñadas con aumento de la temperatura en o cerca del límite de temperatura de tra bajo.
     "T est aceptado", tal como se ut iliza en esta norma, significa una prueba de un sistema o modelo de sistema que simula
las tensiones eléctricas, térmicas y mecánicas que ocurren en el servicio.
     En su caso a la construcción, las pruebas se hará de acuerdo con las siguientes
IEEE aplicables los procedimientos de prueba:
    a. Std 43
    b. Std 117
    c. Std 275
    d. Std 304
     Para otras construcciones para que las pruebas no han sido estandarizados, procedimientos similares se
que se podrán utilizar si se demuestra que bien discriminar entre los servicios probados en los sistemas conocidos
a ser diferente.
     Cuando se evaluó mediante una prueba de aceptación, un nuevo sistema de aislamiento o modificado deberá ser comparada con una
sistema de aislamiento en la que ha sido la experiencia de servicio importante. Si se hace una comparación en un
sistema de la misma clase, el nuevo sistema deberá tener la resistencia térmica igual o más bajo el mismo
condiciones de la prueba, si la comparación se realiza con un sistema de una clase de temperatura más baja, que tendrá igual
o más, la resistencia térmica a una temperatura apropiada superior. Al comparar los sistemas de los diferentes
clases, con una temperatura superior que les corresponda, se considerará que ser de 25 grados Celsius más alta de clase por
que la temperatura de la clase base del sistema de aislamiento.
MG 1-1998, Revisión 1                                                                        Sección I
Parte 1, página 24                                                               NORMAS DE REFERENCIA Y DEFINICIONES


                                                            VARIOS
1.70       PLACA DE MARCADO

    Una marca permanente de información de la placa deberán figurar en cada máquina, representada en una facilidad
lugar visible en la caja de la máquina.


1.71       CÓDIGO DE CARTA

   Una carta de código es una letra que aparece en la placa de un motor de corriente alterna para mostrar su
kVA de rotor bloqueado por caballo de fuerza. Las denominaciones carta para kVA de rotor bloqueado por caballo de fuerza se dan
en 10.37.


1.72       Protector térmico

  Un protector térmico es un dispositivo de protección para el montaje como una parte integral de la máquina y que,
cuando se aplica correctamente, protege la máquina contra el peligroso sobrecalentamiento debido a una sobrecarga y, en un
motor, fallo en el inicio.

    NOTA: El protector térmico puede consistir en uno o más elementos de detección de temperatura integral con la máquina
    y un control externo a la máquina de dispositivo.


1.73       Protección térmica

   Las palabras "protección térmica" que aparece en la placa de un motor indica que el motor está
siempre con un protector térmico.


1.74       SOBRE LA PROTECCIÓN DE TEMPERATURA

       Para los motores de media de corriente alterna, véase 12.57.
       Para los motores de media de corriente, consulte 12,80.


1.75       Devanado parcial de arranque del motor

   Una parte de cuerda de inducción polifásicos inicio o motor síncrono es aquel en el que ciertos especialmente
circuitos diseñados en cada fase del bobinado primario se conecta inicialmente a la línea de suministr o. La
circuito o los circuitos restantes de cada fase se conectan a la red en paralelo con un principio conectados
circuitos, en un punto predeterminado en la operación inicial. (Ver 14,38).


1.76       STAR (WYE) START, DELTA RUN MOTOR

   Una estrella () el comienzo, delta de inducción polifásico correr o motor síncrono se organizó una partida de
conexión a la red con el primario conectado inicialmente en estrella (), y luego vuelve a conectar en
delta para ejecutar la operación.


1.77       Flujo constante

   Operación de cambio constante en cualquier momento se produce cuando el valor del flujo de entrehierro magnético es igual a l a
valor que pudieran existir en la calificación de base (es decir, la tensión nominal, la frecuencia y carga).


1.78       MARCADO PARA MÁQUINA S DE SIGLAS

   Cuando se utilizan abreviaturas para las marcas que se adjuntan en el motor o generador (Nota
placas, conexiones, etc), que estará compuesto por letras mayúsculas, porque las máquinas convencionales de marcado
proporcionar sólo números y letras mayúsculas y se hará de conformidad con lo siguiente:
Sección I                                                                                           MG 1-1998, Revisión 1
NORMAS DE REFERENCIA Y DEFINICIONES                                                                   Parte 1, página 25



    Abrev iación                       Marcado Indicado     Abrev iación                        Marcado Indicado

  AAmpere                                                 MAX                   Máximo
  ACAlternating corriente                                 MFD                   Microfaradios
  AMBAmbient                                              MG                    Motor-generador
  AOAir más                                               MH                    Milihenry
  ARMArmature                                             MHP                   Milihorsepower
  BBBall teniendo                                         Min                   Mínimo
  BRGBearing                                              Min                   Minuto
  CCelsius (centígrados) grados                           MTR                   Motor
  CAP Capacitor                                           NEMA o DES **         NEMA Carta de Diseño
  CCWCounterclockwise                                     NO o #                Número
  CLClass o Clasificación                                 OZ-FT                 Onza-pies
  CODECode Carta                                          OZ-EN                 Onza-pulgadas
  CONNConnection                                          PF                    Del factor de potencia
  CONTContinuous                                          PH                    Fase, las fases o Número de fases
  CFMCubic pies por minuto                                PM                    Imán permanente
  COMMCommutating (interpolar)                            RB                    Cojinete de rodillos
  COMP Compensating                                       RECT                  Rectificador o rectificados
  CP DCompound                                            RES                   Resistencia
  C / SCycles por segundo                                 RHEO                  Reóstato
  CWClockwise                                             RMS                   Media cuadrática
  DCDirect corriente                                      P ODREDUMBRE          Rotación
  DIAGDiagram                                             RP M                  Revoluciones por minuto
  EFFEfficiency                                           IDT                   Resistencia detector de temperatura
  ENCLEnclosure                                           SB                    Casquillo de cojinete
  EXCExciter o excitación                                 SEC                   Segundo (tiempo)
  FFahrenheit, grados                                     SEC                   Secundario
  FFForm factor de                                        SER                   Número de serie o de serie
  Caballos de fuerza FHP Fractional                       SF                    Factor de servicio
  Amperios de carga FLAFull                               SFA                   Amperios factor de servicio
  FLDField                                                SH                    Derivación
  FRFrame                                                 SP L                  Especial
  FREQFrequency                                           STAB                  Estabilizado o estabilización
  GENGenerator                                            Enfermedades de transmisión
                                                                                Estándar
  GP MGallons por minuto                                  sexual                Tacómetro
  GP SGallons por segundo                                 TACH                  Termopar
  HHenry                                                  TC                    Temperatura
  HIHigh                                                  TEMP                  Aumento de la temperatura
  HP Horsepower                                           TEMP RISE             Terminal
  HRHour                                                  P LAZO                Termómetro
  HZHertz                                                 TH                    Tiempo de funcionamiento
  INDInductance o de inducción                            EL TIEMP O            Esfuerzo de torsión
  INSInsulation clase de sistema                          P AR                  Tipo
  KVAKilovolt amperios                                    TIP O                 Volt (s) o voltaje
  KVARReactive kilovoltios-amperios                       V                     Volt-amperes
  KWKilowatt                                              VA                    Reactiva voltios-amperios
  L * Línea                                               VAR                   Vatio
  FTP ound LB-pies                                        W                     Devanado
  LOLow                                                   WDG                   P eso
  LRALocked amperios del rotor                            P ESO
* Se permitirá que se utiliza junto con un número




** Se utiliza junto con una carta.
MG 1-1998                                       Sección I
Parte 1, página 26                  NORMAS DE REFERENCIA Y DEFINICIONES




                     ESTA PÁGINA INTENCIONALMENTE
                        Se deja en blanco
Sección I                                                                                                                                 MG 1-1998
Marcado de los terminales                                                                                                                Parte 2, página 1




                                             Sección I
                                      NORMAS GENERALES APLICABLES A TODOS LOS EQUIPOS
                                              Parte 2
                                           Marcado de los terminales


                                                                     GENERAL
2.1 UBICACIÓN DE LAS MARCAS DE TERMINAL
  Marcado de los terminales serán colocados en o directamente adyacente a las terminales a las que las conexiones deben estar
a partir de circuitos al aire libre o de los dispositivos auxiliares que debe ser desconectado para su envío. Donde
especificado, código de colores se le permitirá ser utilizado en lugar de la carta habitual y número marcado.


2.2 Marcado de los terminales
  Una combinación de letras mayúsculas o símbolos y números arábigos se utiliza para indicar el
carácter o la función de las bobinas que son llevados a la terminal.
  Las siguientes letras y símbolos se utilizan para motores y generadores y sus dispositivos auxiliares
cuando se incluyen dentro o montado en la máquina:
  a. Armadura - A1, A2, A3, A4, etc
  b. Freno - B1, B2, B3, B4, etc
  c. Corriente alterna de rotor bobinado (anillos colectores) 1 - M1, M2, M3, M4, etc
  d. Condensador - J1, J2, J3, J4, etc
  e. Control de cable de señal conectado a la bobina de conmutación - C
  f. La resistencia de frenado dinámico - BR1, BR2, BR3, BR4, etc
  g. Campo (la serie) - S1, S2, S3, S4, etc
  h. Campo (shunt) - F1, F2, F3, F4, etc
  i. Línea - L1, L2, L3, L4, etc
  j. Bobinado de magnetización (para la magnetización inicial y de mantenimiento y de desmagnetización
     campos de imanes permanentes) - E1, E2, E3, E4, etc




NOTA-E1, E3 u otras terminales impares deben ser conectados a la terminal positiva de la fu ente de alimentación para la magnetización
magnetización y al terminal negativo de la desmagnetización.

   k. Resistencia (armadura y misceláneos) - R1, R2, R3, R4, etc
   l. La resistencia (el ajuste de la derivación de campo) - V1, V2, V3, V4, etc,
   m. Derivación de la resistencia de frenado - DR1, DR2, DR3, DR4, etc
   n. Calentadores de ambiente - H1, H2, H3, H4, etc
          1
  o. Estator - T1, T2, T3, T4, etc,
 p. Interruptor de arranque - K
 q. Protector térmico - P1, P2, P3, P4, etc
 r. La igualación de plomo - = (signo igual)
 s. Conexión de neutro - T erminal carta con número 0
   Por la importancia de los números arábigos, ver 2.20 para máquinas de corriente alterna y el 2,10 por
máquinas de corriente continua.




1 P ara máquinas de corriente alterna solamente.
MG 1-1998                                                                                                   Sección I
Parte 2, Página 2                                                                                      Marcado de los terminales


2.3        DIRECCIÓN DE GIRO
2.3.1      Máquinas de corriente alterna

    Ver 2.24.

2.3.2      Las máquinas de corriente directa
    Ver 2.12.

2.3.3      Moto-generadores
   Cuando un motor y un generador están acoplados en los extremos de su disco, la dirección estándar de
la rotación de las dos máquinas será el indicado para ese tipo de máquina y se aplicará a los generadores de motor
conjunto sin un cambio en las conexiones.
   La dirección de rotación se indicarán claramente en un conjunto motor -generador.
   Cuando dos o más máquinas se acoplan entre sí, pero no en los extremos de su disco, la dirección estándar de
rotación no se puede aplicar a todas las máquinas en el conjunto. Cambios en las conexiones será necesario que los
máquinas que operan en la dirección opuesta a la rotación.




                                       Motores y generadores
MARCAS 2.10TERMINAL
2.10.1 general

  Las marcas que incluye letras y números en los terminales de una máquina de corriente continua se
indicar la relación de los circuitos dentro de la máquina.

2.10.2 conductores de inducido
  Cuando una ventaja de armadura pasa a través de la conmutació n o el campo de compensación, o cualquier combinación de
estos campos, antes de ser llevado a cabo para la conexión al circuito externo, la terminal de marcado de esta
principal deberá ser una "A." Cuando una ventaja de armadura pasa a través de un campo de serie y todas las conexiones internas
permanentemente hecho, la iniciativa llevó a cabo serán marcados con un apropiado "S" de designación. Si un
conducir a efectos de ecualizador en paralelo se lleva a cabo, se le marcará con una = (signo igual).


2.10.3 Cables-Dirección de la rotación de la armadura
   T odos los números se determinará sobre la base fundamental siguiente. los números de todos los terminales
de máquinas de corriente continua se elegirán de forma que cuando la dirección de la corriente en cualquier excitación única
bobinado es de lo inferior a un número mayor, la fuerza electromotriz generada tensión (contador en un
motor) en la armadura de est a excitación se, para giro a la izquierda hacia el extremo opuesto al
unidad, que terminales de la armadura A1 A2 positivos y negativos. Con excitación aplicada de la misma manera,
la rotación opuesta se traducirá en A2 es negativo positivo y A1.


MARCAS DE DOBLE 2.11TERMINAL CAMPOS DE TENSIÓN SHUNT
 Cuando un campo en derivación con excitación independiente devanado reconectable serie -paralelo de doble voltaje, el
Marcado de los terminales se muestra en la Figura 2.1.




                       Figura 2-1
        SEPARADO de campo en derivación EMOCIONA DO DE LIQUIDA CIÓN DE LA SERIE- PARALELO DE VOLTAJE
        DUAL
Sección I                                                                                                             MG 1-1998
Marcado de los terminales                                                                                            Parte 2, Página 3



                            Voltaje                             Unirse                    Conectar a la alimentación
                              Bajo                             --------                     (F1, F3) (F2, F4)
                              Alto                            (F2, F3)                         (F1, F4)


2.12DIRECTION DE GIRO
2.12.1 Motores de corriente continua

   La dirección de rotación del eje estándar de motores de corriente continua se enfrenta la izquierda
extremo opuesto del lado del regulador.
   La dirección de rotación del eje de motores de corriente continua depende de la polaridad relativa del campo y
la armadura y, por lo tanto, si la polaridad de los dos se invierten, el sentido de giro no se modificará.
Desde la excitación de motores de corriente continua se obtiene de una fuente externa, el magnetismo residual
no tiene ningún efecto práctico sobre la polaridad, excepto para aquellos con la excitación de imán permanente. Reversión del eje
rotación de un motor de corriente continua se obtiene mediante una transposición de las dos lleva armadura o por un
transposición de la materia conduce. Con esa rotación del eje invertido (a la derecha) y cuando la polaridad de la
fuente de alimentación es tal que la dirección de la corriente en la armadura es de la terminal 2 a la terminal 1, la
corriente fluirá en el devanado de campo de la terminal 1 a la terminal 2, y viceversa.



2.12.2 directa Generadores de corriente
   La dirección de rotación del eje estándar de corriente directa de los productores deberá ser hacia la derecha mirando hacia e l extremo
opuesto al extremo de la unidad.
   El sentido de giro de un generador montado como parte de un conjunto motor -generador es por lo general
en sentido contrario hacia el extremo opuesto del lado del regulador.
   Autoexcitado directa generadores de corriente, con las conexiones hechas correctamente por la dirección del eje estándar
rotación (sentido horario), no funcionará si conducido en sentido contrario que cualquier pequeña corriente entregada por el
armadura tiende a desmagnetizar los campos y evitar así la armadura de la entrega actual. Si el
bases de la convocatoria para el sentido inverso de giro del eje, las con exiones deben realizarse con cualquiera de los
armadura lleva incorporado o el campo de transposición conduce. La polaridad de un auto -excitado de corriente continua
generador, con la dirección de acompañamiento de flujo de corriente en los bobinados de va rios, está determinado por la
la polaridad del magnetismo residual. Una manipulación accidental o inusuales pueden revertir esta magnética
polaridad. Aunque el propio generador de función, así como con cualquier polaridad, un cambio imprevisto puede
causar molestias o daños a otros generadores o dispositivos cuando el generador está conectado a ellos.




2.12.3 función inversa
   Una máquina de corriente continua puede ser utilizado como un generador o como motor, si el diseño del campo es adecuada
para tal operación. (El fabricante debe ser consultado con respecto a este.) Para la dirección deseada de
rotación, cambios de conexión puede ser necesario. Las convenciones para el flujo de corriente en combinación con el
la estandarización de direcciones opuestas de la rotación de generadores de corriente y motores de corriente continua
son tales que cualquier máquina de corriente continua puede ser llamado "generador" o "motor" sin un cambio en la terminal
marcas.


DIAGRAMAS 2.13CONNECTION con marcas TERMINAL PARA MOTORES DE CORRIENTE CONTINUA
  Los diagramas de conexión con las marcas de terminales para motores de corriente continua se como se muestra en las figuras
2.2 por 2.9.
MG 1-1998                                                                                 Sección I
Parte 2, página 4                                                                    Marcado de los terminales




                  Figura 2-2
     SHUNT MOTOR-La rotación frente al extremo extremo opuesto DRIVE,
            ROTACIÓN DE LA DERECHA HACIA LA UNIDAD FINAL




                          Figura 2-3
            SHUNT MOTOR giro hacia la izquierda mirando hacia el extremo FIN UNIDAD FRENTE,
                La rotación frente al extremo UNIDAD




                     Figura 2-4
       COMPUESTO o derivación ESTABILIZA DO MOTOR-La rotación FRENTE
         END UNIDAD FRENTE, LA ROTACIÓN DE LA DERECHA HACIA LA UNIDA D FINAL
Sección I                                                                                    MG 1-1998
Marcado de los terminales                                                                   Parte 2, página 5




                 Figura 2-5
 COMPUESTO o derivación ESTABILIZA DO MOTOR giro hacia la izquierda mirando hacia el extremo OPUESTO
     END DRIVE, giro a la izquierda mirando hacia el extremo UNIDAD




                    Figura 2-6
     SERIE DEL MOTOR-La rotación frente al extremo extremo opuesto DRIVE,
              ROTACIÓN DE LA DERECHA HACIA LA UNIDAD FINAL




                    Figura 2-7
    SERIE DEL MOTOR giro hacia la izquierda mirando hacia el extremo FIN UNIDA D FRENTE, CONTADOR
             ROTACIÓN DE LA DERECHA HACIA LA UNIDAD FINAL
MG 1-1998                                                                                                                            Sección I
Parte 2, página 6                                                                                                               Marcado de los terminales




                      Figura 2-8 *
    Motor de imán permanente-La rotación FRENTE extremo opuesto
           END DRIVE, GIRO SENTIDO HACIA FIN UNIDAD

* Cuando bobinas de magnetización se proporcionan, véase el punto 2.2.




                    Figura 2-9 *
  Motor de imán permanente giro hacia la izquierda mirando hacia el extremo FIN LA UNIDAD FRENTE,
          La rotación frente al extremo UNIDAD
* Cuando bobinas de magnetización se proporcionan, véase el punto 2.2.



  Cuando las conexiones entre los diferentes devanados se hacen de forma permanente dentro de la máquina, cualquier lugar
sacó de la máquina de la unión (con excepción de un cable de control) deberá llevar las inscripciones de todos los terminales
bobinados a la que está conectado, excepto que no se incluirán las marcas de conmutación y
campos de compensación.
  Estos diagramas de conexión muestran todos los conductores de la armadura, el campo en derivación, y la serie (o
la estabilización) sobre el terreno ha sacado de las máquinas. El mismo esquema es, por tanto, aplicable para revertir la
nonreversing motores. Las conexiones de puntos se puede hacer dentro de la máquina o fuera de la máquina como
las condiciones lo requieren. La relación entre el número de terminales de marcado, la polaridad relativa de los
bobinas, y el sentido de giro es de acuerdo con 2.12, pero la polaridad indicada en estos
diagramas de conexión, mientras que prefería, no están estandarizados.


    NOTAS

    1-véase el punto 2.2 de las cartas de terminales asignados a los diferentes tipos de bobinados y 2.10.3 de la importancia de la
    números.

    2-Las conexiones que se muestran son para los campos de la serie acumulada. Conexión diferencial del campo en serie en directo
    motores de corriente es muy rara vez se utiliza, pero cuando sea necesario, sin cambios deberán efectuarse en los cables de c ampo o terminal
    marcas de la máquina, pero la conexión del campo en serie a la armadura se debe mostrar invertido.

    3-conmutación, compensación, y las bobinas de campo en serie se muestran en la parte A1 de la armadura, pero este
    lugar, mientras que prefería, no está estandarizado. Si la ingeniería de sonido, la economía sana, o la conveniencia así lo d icta,
    estas bobinas se pueden conectar a ambos lados de la armadura o se puede dividir parte de un lado y parte de la
    otros.

    4 P ara motores de bobinado de derivación, derivación estabilizado la herida, y el compuesto de la herida, el campo de derivac ión puede ser
    conectado en paralelo con la armadura como se muestra en las líneas de puntos o puede ser excitado por separado. Cuando por separado
    emocionado, el campo en derivación suele ser aislado de los otros devanados de la máquina, pero la polaridad de la tensión
    aplicado al campo de la derivación debe ser como se muestra en la rotación en particular y la armadura y las polaridades de campo en serie.

    5-Cuando el campo de la compensación o ambos de la conmutación y los campos de compensación se omiten en los
    máquina, las marcas de terminales no cambian.
Sección I                                                                                                                                    MG 1-1998
Marcado de los terminales                                                                                                                   Parte 2, página 7

    6-El lugar designado por C, si se usa, es para fines de control y no se puede utilizar en cualquier máquina que tenga
    ni conmutación ni los campos de compensación. En la utilización de este terminal, la ubicación de la conmutación o
    campo de compensación debe ser conocido. Véase la nota 3.

    7-La posición del reóstato de campo se muestra en estos diagramas no indica ninguna preferencia. El reóstato de campo
    puede ser conectado a cualquiera de los terminales del campo shunt.



2.14 ESQUEMA S DE CONEXIONES CON MARCAS PARA TERMINAL DE CORRIENTE CONTINUA
       GENERADORES
  Los diagramas de conexión con las marcas de terminales de corriente directa de los productores deberá ser como se muestra en
Figuras 2-10 a través 2-13.
  Cuando las conexiones entre los diferentes devanados se hacen de forma permanente dentro de la máqui na, cualquier lugar
sacó de la máquina de la unión (con excepción de una ventaja de ecualizador o control) se hará cargo de la terminal
las marcas de todas las bobinas a la que está conectado, excepto que no se incluyen las marcas de
conmutación y la compensación de los campos.
  Estos diagramas de conexión muestran todos los conductores de la armadura, el campo en derivación, y el campo de la serie
sacó de las máquinas. Las conexiones de puntos se puede hacer dentro de la máquina o fuera de la
máquina como las condiciones lo requieren. La relación entre el número de terminales de marcado, la relación
la polaridad de las bobinas, y el sentido de giro es de acuerdo con 2.12, pero la polaridad se muestra en la
los diagramas de conexión, mientras que prefería, no están estandarizados.



    NOTAS

    1-véase el punto 2.2 de las cartas de terminales asignados a los diferentes tipos de bobinados y 2.10.3 para los números.

    2-Las conexiones que se muestran son para los campos de la serie acumulada. P ara la conexió n diferencial de los campos de serie, no
    cambio se debe hacer en los cables de campo o las marcas de terminales de la máquina, pero la conexión de la serie
    campo de la armadura se debe mostrar invertido.

    3-conmutación, compensación, y las bobinas de campo en serie se muestran en la parte A1 de la armadura, pero este
    lugar, mientras que prefería, no está estandarizado. Si la ingeniería de sonido, la economía sana, o la conveniencia así lo d icta,
    estas bobinas se pueden conectar a ambos lados de la armadura o se puede dividir parte de un lado y parte de la
    otros.

    4-Las figuras 2-12 y 2-13 muestran el campo en derivación conectado, ya sea dentro o fuera del campo de serie. O bien puede ser
    utilizados en función de las características deseadas.

    5-P ara los generadores shunt herida y generadores de la herida con el compuesto, la derivación de campo puede ser auto -excitado o
    excitación independiente. Cuando la auto-excitado, las conexiones deben ser como se muestra por las líneas punteadas. Cuando por separado
    emocionado, el campo en derivación suele ser aislado de los otros devanados de la máquina, pero la polaridad o el voltaje de la
    aplicado al campo de la derivación debe ser como se muestra en la rotación en particular y la polaridad del inducido.

    6-Cuando el campo de compensación o en el campo de conmutación, o ambos, y los campos de compensación se omiten en los
    máquina, las marcas de terminales no cambian.

    7-El terminal designado por C, si se usa, es para fines de control y no se puede utilizar en cualquier máquina que tenga
    ni conmutación ni los campos de compensación. En la utilización de este terminal, la ubicación de la conmutación o
    campo de compensación debe ser conocido. Véase la nota 3.

    8-La posición del reóstato de campo se muestra en estos diagramas no indica ninguna preferencia. El reóstato de campo
    puede ser conectado a cualquiera de los terminales del campo shunt.
MG 1-1998                                                                                 Sección I
Parte 2, Página 8                                                                    Marcado de los terminales




                        Figura 2-10
         GENERA DOR SHUNT giro hacia la izquierda mirando hacia el extremo FIN UNIDAD FRENTE,
              La rotación frente al extremo UNIDA D




                 Figura 2-11
  GENERA DOR DE IZQUIERDA-SHUNT GIRO HACIA FIN extremo opuesto DRIVE,
           ROTACIÓN DE LA DERECHA HACIA LA UNIDA D FINAL




                    Figura 2-12
     COMPUESTO GENERADOR giro hacia la izquierda mirando hacia el extremo FIN UNIDAD FRENTE,
          La rotación frente al extremo UNIDA D
Sección I                                                                                                               MG 1-1998
Marcado de los terminales                                                                                              Parte 2, página 9




                 Figura 2-13
  COMPUESTO GENERADOR-La rotación FRENTE A LA UNIDAD extremo opuesto
        FIN, LA ROTACIÓN DE LA DERECHA HACIA LA UNIDA D FINAL



                                         AC MOTORES Y GENERADORES
En los terminales de 2.20NUMERALS DE MÁQUINAS DE CORRIENTE ALTERNA POLIFÁSICOS
2.20.1 máquinas síncronas

   Los números 1, 2, 3, etc, indican el orden en que las tensiones en los terminales de llegar a su
máximo los valores positivos (la secuencia de fases) con la rotación del eje hacia la derecha cuando se enfrentan a la conexi ón final
de los bobinados de la bobina, por lo que la rotación del eje de la izquierda (no estándar) cuando se enfrentan a un mismo fi n,
la secuencia de fases será de 1, 3, 2.


2.20.2 Máquinas de Inducción
    Marcado de los terminales de las máquinas de inducción polifásico no están relacionados con el sentido de giro.

2.21DEFINITION la secuencia de fases
  Secuencia de fases es el orden en que las tensiones de forma sucesiva a alcanzar su máximo valor positivo
entre los terminales.


2.22PHASE SECUENCIA
  El orden de los números en los cables terminales no necesariamente indica la secuencia de fases, pero la
secuencia de fases es determinada por la dirección del eje de rotación con respecto al extremo de conexión de la bobina
bobinado.


2.23DIRECTION DE LA ROTACIÓN DE PHASORS
  Diagramas de fasores se muestra de modo que avance en la fase de un fasor con respecto a otro en
el sentido contrario a las agujas del reloj. Véase la figura 2.14 en la que un fasor es de 120 grados antes de dos fasores
y la secuencia de fases es de 1, 2, 3. (Ver 2.21).
MG 1-1998                                                                                                                         Sección I
Parte 2, Página 10                                                                                                           Marcado de los terminales




                                                             Figura 2-14
                                                           ROTACIÓN DE PHASORS

2.24DIRECTION DE GIRO
  La dirección estándar de rotación para los generadores de corriente alterna es hacia la derecha cuando se enfrentan al final de
la máquina frente a la final de unidad.
  El sentido de giro de un generador montado como parte de un conjunto motor -generador es por lo general
en sentido antihorario cuando se enfrenta el extremo opuesto del lado del regulador.
  La dirección de rotación estándar para todos los de corriente alterna monofásica de motores, todos sincrónicos
motores, y todos los motores universales se antihorario cuando se enfrenta al final de lo contrario la máquina
el extremo del convertidor.




                              Generadores de corriente alterna y motores síncronos

2.25REVERSAL de secuencia de rotación, la polaridad y la FASE
    Generadores de corriente alterna impulsada hacia la izquierda cuando se enfrenta el extremo de conexión de la bobina
bobinas se generan sin cambios en las conexiones, pero la secuencia de fase terminal será de 1, 3, 2.
   Condensadores síncronos y los mot ores síncronos pueden funcionar con el eje en sentido contrario
la rotación se ve desde el extremo de conexión de los bobinados mediante la conexión a los cables en la que el
secuencia de fases 1, 2, 3, de la siguiente manera:
   a. Cables de alimentación ................ 1, 2, 3
   b. Bornas de la máquina ....... 1, 3, 2




2.30 CONEXIONES Y GENERA DORES DE MARCAS-TERMINAL DE CORRIENTE ALTERNA
     Y Motores síncronos trifásicos y monofásicos-
 Los devanados de corriente alterna de generadores trifásico s de corriente alterna y sincrónica
Los motores deben tener marcas de terminales como se indica en 2,61 para motores trifásicos de inducción de una sola velocida d.
 Los devanados de corriente alterna de los generadores monofásicos de corriente alterna y sincrónica
Los motores deben tener marcas de terminales como se indica en la figura 2.15.
 Las marcas de terminales de devanados de campo de corriente continua se F1 y F2.



    NOTA: véase el punto 2.2 de las cartas de terminales asignados a los diferentes tipos de bobinados y 2,20 para la significaci ón de la
    números.
Sección I                                                                                                            MG 1-1998
Marcado de los terminales                                                                                          Parte 2, página 11




                                                          Figura 2-15
                                                         MONOFÁSICO



                                               Los motores monofásicos

2.40GENERAL
2.40.1 doble voltaje

   Independientemente del tipo, cuando un motor monofásico es reconnectible serie-paralelo de doble voltaje, el
terminal de marca se determinará de la siguiente manera.
   A los efectos de la asignación de marcas de terminales, la bobina principal se supone que se divide en dos
mitades, y T 1 y T 2, se asignará a la mitad y T 3 y T 4 a la otra mitad.
   A los efectos de la asignación de marcas de terminales, el devanado aux iliar (si existe) se supone que es
dividido en dos mitades, y T 5 y T 6, se asignará a la mitad y T 7 y T 8 a la otra mitad.
   Polaridades se establecerá de modo que la dirección normal de rotación (hacia la izquierda frente a la
extremo opuesto al extremo de transmisión) se obtiene cuando la principal terminal T 4 de liquidación y auxiliares de la liquidación
la terminal T 5 se unen o cuando una conexión de circuito equivalente se realiza entre los principales y auxiliares
bobinado.




    La disposición de terminales de marcado se muestra esquemáticamente en la figura 2.16.




                                                          Figura 2-16
                                                         Dual Voltage


2.40.2 Tensión único
   Si un motor monofásico de tensión es única o si cualquiera de liquidación está destinado a un solo voltaje,
terminal de marca se determinará de la siguiente manera.
   T 1 y T 4, se asignará a la bobina principal y T 5 y T 8 para el devanado auxiliar (si existe)
con la disposición de la polaridad de tal manera que la dirección normal de rotación se obtiene si T 4 y T 5 son
unido a una línea T 1 y T 8 y con el otro.
   La disposición de terminales de marcado se muestra esquemáticamente en la figura 2.17.
MG 1-1998                                                                                                                      Sección I
Parte 2, página 12                                                                                                        Marcado de los terminales




    NOTAS

    1-Se ha comprobado que es prácticamente imposible seguir esta norma para las marcas de la terminal definitiva de algunos de uso
    motores. Véase la P arte 18.

    2-No las normas generales han sido desarrolladas para las marcas de terminales de los motores de varias velocidades debido a la gran
    variedad de métodos empleados para obtener varias velocidades.




                                                                  Figura 2-17
                                                                TENSIÓN SIMPLE



MARCAS 2.41TERMINAL identificadas por el color
  Cuando los motores monofásicos uso de colores de los cables en vez de letra y número para identificar las marcas de los cable s,
la asignación de color se determina a partir de los siguientes:
      a. T 1 - Azul
      b. T 2 - Blanco
      c. T 3 - Orange
      d. T 4 - Amarillo
      e. T 5 - Negro
      f. T 8 - Rojo
      g. P1 - No hay color asignado
      h. P2 - Brown




    NOTA: Se ha comprobado que es prácticamente imposible seguir esta norma para las marcas de ejemplo de alg unos de propósito definido
    motores. Véase la P arte 18.


DISPOSITIVOS DE MOTOR EN 2.42AUXILIA RY
   La presencia de un dispositivo o dispositivos auxiliares, como un condensador, interruptor de arranque, protector térmico,
etc, permanentemente conectado en serie entre los bornes del motor y la parte de la liquidación a la que
en última instancia, se conecta, no afectará a la marca a menos que un terminal se proporciona en la unión.
   Cuando un terminal se proporciona en la unión, la terminal de marcado de este cruce se determinará
por parte de la liquidación a la que está conectado. Cualquier otros terminales conectados a este dispositivo auxiliar
se identifican con una letra que indica el dispositivo auxiliar en el motor para que el terminal está
conectado.



DISPOSITIVOS 2.43AUXILIA RY EXTERNA AL MOTOR
  Donde los condensadores, resistencias, inductores, transformadores, u otros dispositivos auxilia res se encuentran
por separado del motor, las marcas de la terminal serán las establecidas para el dispositivo.


2.44MARKING DE TERMINALES montado de forma rígida
  En un tablero de terminal, la identificación de terminales montado de forma rígida será, o bien por la marca en el
placa de terminales o por medio de un diagrama adjunto a la máquina. Cuando todos los devanados están permanentemente
Sección I                                                                                                               MG 1-1998
Marcado de los terminales                                                                                             Parte 2, Página 13


conectados a los terminales montados rígidamente, estos terminales pueden ser identificados de acuerdo con el terminal
marcas especificadas en la presente publicación. Cuando los devanados no están unidos permanentemente al montado de forma rígida
terminales de la placa de terminales, los terminales de montaje rígido se identificarán con números, y el
identificación no tienen por qué coincidir con la de los cables de los terminales conectados a los terminales montado de form a rígida.


2.45 Dispositivos internos AUXILIAR permanentemente conectado a montado de forma rígida
        TERMINALES
   Si el diseño del motor es tal que el interruptor de arranque, protector térmico, o un dispositivo auxiliar que no es
permanentemente conectado a un terminal mont ado de forma rígida, alguna variación de los acuerdos de conexión
se ilustra en 2,47 por 2,53 se requiere. Sin embargo, las variaciones se basan en las disposiciones
de 2,46.



PRINCIPIOS DE MARCAS 2.46GENERAL TERMINAL PARA motores monofásicos
  La terminal de marcado y procedimiento de conexión dado en 2,40 por 2,45 y en el esquema
diagramas que a continuación se basan en los siguientes principios.


2.46.1 Primer Principio
  El devanado principal de un motor monofásico es designado por el T 1, T 2, T 3 y T 4 y el devanado auxiliar
por T 5, T 6, T 7, T 8 y para distinguirlo de un motor bifásico, que utiliza los números impares de una fase
y los números pares de la otra fase.

2.46.2 Segundo Principio
  Siguiendo el primer principio, se deduce que extraño a extraño terminales numerados de cada cuerda se unen
de bajo voltaje (en paralelo) de conexión y extraña-hasta los terminales numerados de cada bobina se unen para
tensión más alta (serie) de conexión.

2.46.3 Tercer Principio
  El rotor de un motor monofásico es representado por un círculo, a pesar de que no hay exterior
conexiones a la misma. T ambién sirve para distinguir el esquema motor de una sola fase esquemática de la de los
cuarto de fase del motor en el que el rotor no está representado.
MG 1-1998                                                                                                                                                                                Sección I
P arte 2, página 14                                                                                                                                                                 Marcado de los terminales

2.47        ESQUEMAS ESQUEMA PARA MOTORES DE UN SOLO SPLIT-tensión de fase reversible
  2.47.1 Sin térmica Protector1                                                           2.47.2 Con térmico Protector12




Un interruptor de arranque del motor se muestran en la gestión de la posición. Todas las direcciones de rotación indicado se enfrentan el extremo opuesto del lado del regulador.

2 tablas de los terminales se muestran visto de frente. Las líneas de puntos indican una conexión permanente.
Sección I                                                                                                                                                                              MG 1-1998
Marcado de los terminales                                                                                                                                                           P arte 2, página 15

ESQUEMAS PARA 2.48SCHEMATIC de arranque por capacitor MOTORES-REVERSIBLE
2.48.1 solo voltaje en el capacitor de arranque Motors-Reversible
                                                                                                                                  1
2.48.1.1         Sin térmica Protector1                                     2.48.1.2         Con protector térmico




Un interruptor de arranque del motor se muestran en la gestión de la posición. Todas las direcciones de rotación indicado se enfrentan el extremo opuesto del lado del regulador.

2 tablas de los terminales se muestran visto de frente. Las líneas de puntos indican una conexión permanente.
MG 1-1998                                                                                                                                                                                Sección I
P arte 2, página 16                                                                                                                                                                 Marcado de los terminales

2.48.2 de doble v oltaje en el capacitor de arranque Motors-Reversible
2.48.2.1 de voltaje dual-Sin térmica protección1




Un interruptor de arranque del motor se muestran en la gestión de la posición. Todas las direcciones de rotación indicado se enfrentan el extremo opuesto del lado del regulador.

2 tablas de los terminales se muestran visto de frente. Las líneas discontinuas indican la conexión permanente
Sección I                                                                                                                                                                              MG 1-1998
Marcado de los terminales                                                                                                                                                           P arte 2, página 17

2.48.2.2 de doble voltaje con protector térmico
  Las proporciones de diseño de doble voltaje reversible capacitor de arranque motores s on tales que tres grupos diferentes de diagramas son necesarios para mostrar
los medios para obtener una protección adecuada para estos motores. Estos tres grupos de diagramas (I, II y III) insertar el protector térmico en diferentes
puntos en el circuito, por lo tanto, las diferentes corrientes se proporcionan para activar el protector térmico.
2.48.2.2.1 Grupo I-doble tensión con el térmico Protector1




Un interruptor de arranque del motor se muestran en la gestión de la posición. Todas las direcciones de rotación indicado se enfrentan el extremo opuesto del lado del regulador.

2 tablas de los terminales se muestran visto de frente. Las líneas de puntos indican una conexión permanente.

3 conexión adecuada depende del diseño del motor y el protector térmico, se refieren a la información del fabricante del moto r para el diagrama adecuado.
MG 1-1998                                                                                                                                                                                Sección I
P arte 2, página 18                                                                                                                                                                 Marcado de los terminales

2.48.2.2.2 Grupo II-doble tensión con el térmico Protector1




Un interruptor de arranque del motor se muestran en la gestión de la posición. Todas las direcciones de rotación indicado se enfrentan el extremo opuesto del lado del regulador.

2 tablas de los terminales se muestran visto de frente. Las líneas de puntos indican una conexión permanente.

3 conexión adecuada depende del diseño del motor y el protector térmico, se refieren a la información del fabricante del moto r para el diagrama adecuado.
Sección I                                                                                                                                                                               MG 1-1998
Marcado de los terminales                                                                                                                                                            P arte 2, página 19

2.48.2.2.3 Grupo III, doble tensión con el térmico Protector1




Un interruptor de arranque del motor se muestran en la gestión de la posición. Todas las direcciones de rotación indicado se enfrentan el extremo opuesto del lad o del regulador.

2 tablas de los terminales se muestran visto de frente. Las líneas de puntos indican una conexión permanente.

3 conexión adecuada depende del diseño del motor y el protector térmico, se refieren a la información del fabricante del moto r para el diagrama adecuado.
MG 1-1998                                                                                                                                                                                Sección I
P arte 2, página 20                                                                                                                                                                 Marcado de los terminales

2.49        Diagramas esquemáticos para el condensador de dos valores MOTORES DE UN SOLO DE TENSIÓN-REVERSIBLE
2.49.1 Sin térmica Protector1




Un interruptor de arranque del motor se muestran en la gestión de la posición. Todas las direcciones de rotación indicado se enfrentan el extremo opuesto del lado del regulador.

2 tablas de los terminales se muestran visto de frente. Las líneas de puntos indican una conexión permanente.
Sección I                                                                                                                                                                              MG 1-1998
Marcado de los terminales                                                                                                                                                           P arte 2, página 21

2.49.2 Con térmico Protector1




Un interruptor de arranque del motor se muestran en la gestión de la posición. Todas las direcciones de rotación indicado se enfrentan el extremo opuesto del lado del regulador.

2 tablas de los terminales se muestran visto de frente. Las líneas de puntos indican una conexión permanente.
MG 1-1998                                                                                                                        Sección I
P arte 2, página 22                                                                                                         Marcado de los terminales

2.50        ESQUEMAS ESQUEMA PARA partida permanente CAPACITOR MOTORES DE UN SOLO DE TENSIÓN-REVERSIBLE1 2




1 Todas las direcciones de rotación indicado se enfrentan el extremo opuesto del lado del regulador.

2 Hay otras marcas de terminales para determinado propósito motores de condensador partida permanente, véase la Parte 18.

3 placas terminales se muestran visto de frente. Las líneas de puntos indican una conexión permanente.
Sección I                                                                  MG 1-1998
Marcado de los terminales                                                Parte 2, página 23


2.51     ESQUEMAS ESQUEMA PARA MOTORES DE UN SOLO UNIVERSAL DE TENSIÓN




                                      Figura 2-44.a




                                        Figura 2-44.b
MG 1-1998                                                                    Sección I
Parte 2, Página 24                                                      Marcado de los terminales


2.52      ESQUEMAS ESQUEMA DE repulsión, INDUCCIÓN repulsión-START, Y
          INDUCCIÓN repulsión MOTORES
Sección I                                                                                                       MG 1-1998
Marcado de los terminales                                                                                     Parte 2, página 25


2.53      De polo sombreado MOTORS - DOS VELOCIDA DES




                                                                            Figura 2-47
                                                                        POLIFÁSICOS MOTORES DE INDUCCIÓN




                                                          Figura 2-47



                                     POLIFÁSICOS MOTORES DE INDUCCIÓN


2.60 PRINCIPIOS GENERALES PARA LAS INSCRIPCIONES PARA TERMINAL polifásico de inducción
     MOTORES
2.60.1 general

    Las marcas de los terminales de un motor de servir a su propósito mejor si indican la eléctrica
las relaciones entre los varios circuitos dentro del motor. Los bobinados de un motor rara vez son accesibles,
y la disposición de los números de terminales varía según las combinaciones de las conexiones que se
necesaria. Sin embargo, si un determinado sistema de numeración se utiliza, el marcado de los terminales se pueden hacer a
decir las relaciones exactas de las bobinas en el motor. Medida de lo posible, 2.61 está formulado para incorporar
este sistema, que emplea el sistema como uno de sus puntos fun damentales de espiral que gira con T 1
en el extremo exterior y terminando con el mayor número en su extremo interior, como un medio para determinar la
secuencia de los números. Consulte la Figura 2-48. La numeración de los terminales en la inducción polifásicos
Los motores no implica la estandarización de la dirección de rotación del eje del motor.




                                  Figura 2-48
                     Giratorio derecho ESPIRAL CON T1 en el extremo exterior
MG 1-1998                                                                                                     Sección I
Parte 2, página 26                                                                                       Marcado de los terminales


2.60.2 trifásicos, motores de dos velocidades
   Para motores trifásicos con dos velocidades sincrónicas obtenida a partir de una bobina es reconnectible
indeseables a que se adhieran al sistema de las agujas del reloj de la numeración para todos los terminales ya que esto causaría la
motor para funcionar con la rotación del eje en sentido horario en una velocidad y en sentido contrario de la velocidad si el otro
líneas de alimentación están conectados a cada conjunto de terminales en la misma secuencia. Esta característica puede ser considerada
una ventaja como una bobina con una parte de sus terminales después de una secuencia de las agujas del reloj y en parte a raí z de una
secuencia de la izquierda puede ser reconocida inmediatamente como un motor de dos velocidades con un reconnectible
bobinado.


2.60.3 Dos motores trifásicos
   Por dos motores de corriente alterna, las marcas de terminales son tales que todos los números impares están en una fase y todas las
aunque los números están en la otra fase. Las marcas de todos los motores excepto los de motores de dos velocidades
utilizando una bobina reconnectible solo se basan, al igual que tres embobinados, en un sistema en espiral hacia la derecha
de rotación en el orden de numeración de terminales.


MARCAS 2.61TERMINAL PARA MOTORES trifásicos de inducción Una velocidad
   Las marcas de bornes para motores de inducción trifásicos de una velocidad será como se muestra en las figuras 2 -
49, 2-50, 2-51, 2-52 y. Estas marcas de terminales se desarrollaron de acuerdo con las siguientes
procedimiento que se utilizará en el desarrollo de marcas de terminales para otras combinaciones de estator del motor
circuitos:


En primer lugar 2.61.1
   Un diagrama fasorial esquema se establecerá que muestra una conexión Y invertida, con la persona
circuitos en cada fase dispuesto para conexión en serie con la polaridad correcta relación de los circuitos. El diagrama de
de dos circuitos por fase, por ejemplo, es como se muestra en la Figura 2 -53.

En segundo lugar 2.61.2
   A partir de T 1 en la parte exterior y superior del diagrama, los extremos del circuito se numerarán
consecutivamente en el sentido de las agujas del reloj en un proceso en espiral hacia el centro del diagrama. Por dos
circuitos por fase, por ejemplo, los terminales están marcados como se muestra en la Figura 2 -48.

En tercer lugar 2.61.3
  Un diagrama fasorial esquema se establecerá que muestra la interconexión de circuitos en particular para la
motor bajo consideración, y las marcas de terminales determinado de acuerdo con 2.61.1 y 2.61.2
estarán dispuestos a dar la relación de la polaridad correcta de los circuitos. Por ejemplo, si la liquidación se muestra en la
Figura 2-48 se va a conectar con dos circuitos de fase múltiple por, el diagrama y las marcas se
como se muestra en la Figura 2-54.


Cuarto 2.61.4
   El mayor número se redujo y sólo el menor número se conservará en el que dos o
más terminales están permanentemente conectados entre sí. Por ejemplo, si la liquidación se muestra en la Figura 2 -54 se
para que los dos circuitos en cada fase permanentemente conectado con tres cables de línea y tres
neutral conduce sacó, las marcas de terminales como se muestra en la Figura 2 -56 o, si la liquidación se muestra
en la figura 2-48 se va a ordenar, ya sea para una serie o una conexión múltiple con el punto neutro traído
a cabo, el diagrama de vectores y las marcas de terminales como se muestra en la Figura 2 -57.


2.61.5 Quinta
  Donde los extremos de tres bobinas están conectados entre sí para formar una permanente neutral, el terminal
las marcas de los tres conductores para conexión se cayó. Si el punto neutro se lleva a cabo, se
siempre marcado para. Consulte la Figura 2-56.

Sexto 2.61.6
  Si una bobina se delta-conectado, el diagrama de Y invertida (Figura 2-53) se puede girar 30 grados
en sentido contrario. T 1, se asignará hasta el extremo exterior de la pierna de arriba y el resto de la numeración
Sección I                                                                                                              MG 1-1998
Marcado de los terminales                                                                                            Parte 2, página 27


se hará de conformidad con 2.60 y Figura 2-48. Un delta esquema luego se construyó en la que el
T 1 de la pierna rota Y se convierte en el lado derecho del delta, la pierna T 2 se convierte en la parte inferior
(Horizontal) lado, y la pata T 3 se convierte en el lado izquierdo del delta. 2,60 se aplicará la medida en que
se aplica a una conexión en triángulo. Consulte la Figura 2 -57.


MARCAS PARA 2.62TERMINAL Y y motores conectados en triángulo doble voltaje
  Figuras 2-49 a través 2-52 ilustran la aplicación de 2,61 en la determinación de las marcas de terminales de Y y
en triángulo doble voltaje motores.


2.63 Marcado de los terminales para conexión trifásica DOS VELOCIDA DES DE UN SOLO DE LIQUIDA CIÓN DE INDUCCIÓN
      MOTORES
  Los principios generales para las marcas de terminales para los motores de inducción polifásicos dado en 2.60.1, no se
aplicable a las tres fases de dos velocidades de un solo bobinado motores de inducción, ya que, si se siguen y la
terminales están conectados en la misma secuencia, el sentido de giro en las dos velocidades serán diferentes.



2.64 Marcado de los terminales para Y-Y DELTA-trifásico conectado DOS VELOCIDADES
     SOLO LOS MOTORES DE LIQUIDA CIÓN
  Las marcas de terminales para Y-y en triángulo trifásico de dos velocidades de un solo bobinado de tres fases
motores de inducción se hará de conformidad con las figuras 2 -58 a través 2-62.
MG 1-1998                 Sección I
Parte 2, Página 28   Marcado de los terminales
Sección I                     MG 1-1998
Marcado de los terminales   Parte 2, Página 29
MG 1-1998                                                                                   Sección I
Parte 2, página 30                                                                     Marcado de los terminales




                         Figura 2-57
          Marcado de los terminales para dos circuitos por fase, conectados en delta
Sección I                                                                                                               MG 1-1998
Marcado de los terminales                                                                                             Parte 2, Página 31




           Figura 2-58                                                Figura 2-60
       MOTORES de par variable                                  MOTORES par constante durante dos o
       A uno o más devanados                                      DEVANADOS MÁS INDEPENDIENTE


                                  Aislar                                                                        Aislar
Velocidad L1    L2   L3           Por separado       Unirse         Velocidad L1            L2            L3    Por separado           Unirse

Bajo       T1   T2   T3     T4-T5-T6                   ...         Bajo          T1        T2        (T3, T7)   T4-T5-T6                   ...

Alto       T6   T4   T5     ...                  (T1, T2, T3)      Alto          T6        T4        T5         ...             (T1, T2, T3, T7)




      Figura 2-59                                                          Figura 2-61
  MOTORES PARA par constante                                         MOTORES DE CONSTA NTE DE POTENCIA
   LIQUIDA CIÓN SOLO                                                 Dos o más devanados INDEPENDIENTE


                                  Aislar                                                                        Aislar
Velocidad L1    L2   L3           Por separado       Unirse               Velocidad L1          L2        L3    Por separado           Unirse

Bajo       T1   T2   T3     T4-T5-T6                   ...                Bajo        T1        T2   T3         ...             (T4, T5 T6, T7)

Alto       T6   T4   T5     ...                  (T1, T2, T3)             Alto        T6        T4   (T5, T7)   T1-T2-T3                   ...
MG 1-1998                                                                                                     Sección I
Parte 2, página 32                                                                                       Marcado de los terminales




                             Figura 2-62
                     MOTORES DE POTENCIA CONSTA NTE PARA LA LIQUIDA CIÓN SOLO


                                                                          Aislar
                                      Velocidad L1     L2     L3          Por separado        Unirse

                                      Bajo        T1   T2    T3     ...                   (T4, T5 T6,)

                                      Alto        T6   T4    T5     T1-T2-T3                    ...




                                           Figura 2-63
                                  Tres-velocidad del motor con tres arrollamientos


                 Velocidad   L1      L2           L3                Aislar por separado                     Unirse

               Bajo          T1     T2       T3             T11-T12-T13-T17-T21-T22-T23                       ...

               Segundo       T11 T12 (T13, T17)             T1-T2-T3-T21-T22-T23                              ...

               Alto          T21 T22 T23                    T1-T2-T3-T11-T12-T13-T17                          ...
Sección I                                                                                                             MG 1-1998
Marcado de los terminales                                                                                           Parte 2, Página 33




                                           Figura 2-64
                                   De cuatro velocidades del motor con dos bobinados


                Velocidad         L1    L2      L3                  Aislar por separado                             Unirse

      Bajo                       T1    T2      T3       T4-T5-T6-T11-T12-T13-T14-T15-T16                              ...

      Segundo                    T11 T12 T13            T1-T2-T3-T4-T5-T6-T14-T15-T16                                 ...

      Tercera                    T6    T4      T5       T11-T12-T13-T14-T15-T16                                 (T1, T2, T3)

      Alto                       T16 T14 T15            T1-T2-T3-T4-T5-T6                                     (T11, T12, T13)



2.65 MARCAS de bornes para motores de inducción trifásicos con dos o más
     Velocidades sincrónicas procedentes de dos o más devanados INDEPENDIENTE
2.65.1 Cada bobinado independiente que da una velocidad

   El devanado de dar la velocidad más baja tendrá las marcas de un mismo terminal como se determina a partir de 2,61
para la liquidación particular utilizado. Las marcas de terminales de las bobinas de mayor velocidad se obtendrá
la adición de 10, 20 o 30, etc, a la terminal de las inscripciones que se determina a partir de 2,61 para el especial de liquidación
utilizados, las secuencias está determinado por progresando cada vez que a la siguiente velocidad más alta. La terminal
marcas para un motor de tres velocidades con tres arrollamientos se dan en la figura 2 -63.


2.65.2 Cada Reconnectible independientes de bobinado para dar dos velocidades sincrónicas
En primer lugar 2.65.2.1
  Diagramas de fasores de las bobinas que se utilizarán serán elaborados y cada vuelta dada la terminal
las marcas se muestran de acuerdo con las figuras 2-58 a 2-60. El terminal neutro, si la sacaban, se
ser marcado para.

En segundo lugar 2.65.2.2
  Ningún cambio se efectuará en cualquiera de las marcas de terminales de la bobina da la velocidad más baja,
independientemente de la velocidad de otros obtenidos a partir de esta disolución es un producto intermedio o la velocidad má s alta.

En tercer lugar 2.65.2.3
  Diez, se añade a todas las marcas de terminales de la bobina dando la siguiente velocidad más alta, y un
otros 10 se añade a todas las marcas de terminales de cada bobina de velocidad más alta forma consecutiva. Un
ejemplo de marcas de terminales para un motor de cuatro velocidades con dos vueltas se dan en la figura 2 -64.
MG 1-1998                                                                                                                   Sección I
Parte 2, Página 34                                                                                                     Marcado de los terminales


2.65.3 Dos o más devanados independientes al menos uno de lo que da una velocidad de sincronismo
    y el otro bobinado da dos velocidades sincrónicas

En primer lugar 2.65.3.1
    Cada bobina se le dará las marcas determinado de acuerdo con 2.65.2.1.

En segundo lugar 2.65.3.2
    Ningún cambio se efectuará en cualquiera de las marcas de terminales de la bobina da la velocidad más baja.

En tercer lugar 2.65.3.3
   Diez, se añade a todas las marcas de terminales de la bobina dando la siguiente velocidad más alta, y un
otros 10 se añade a todas las marcas de terminales de cada bobina de velocidad más alta forma consecutiva. A
marca típica de un motor de tres velocidades con dos vueltas en uno de los bobinados se utiliza para la alta
la velocidad sólo se da en la figura 2-65.

    NOTAS

    1-Si, en cualquiera de las disposiciones de esta norma, la adición de 10, 20, 30, etc de las marcas de terminales básicos
    provoca una duplicación de las marcas, debido a más de nueve cables que se llevó a cabo en cualquiera de liquidación, de 20, 40,
    60, etc se debe agregar en lugar de 10, 20, 30, etc, para obtener las marcas de las velocidades más altas.

    2-Las cifras ilustrativas de esta norma se aplican cuando todos los conductores son llevados a cabo en el mismo extremo del motor. Cuando
    uno o más de las bobinas tienen algunas pistas sacó en un extremo del motor y algunos en el otro extremo, el
    rotación de las marcas de terminales para cables sacó en un extremo puede ser mostrado en el diagrama como se muestra en la
    figuras ilustrativas, y las marcas de terminales para los que sacó en el extremo opuesto se puede mostrar invertido en
    rotación. Cuando los diagramas de utilizar esta rotación invertida de las marcas, una nota explicativa se debe incluir para e l
    beneficio de los fabricantes de control y usuario para informarle de que, cuando L1, L2 y L3 están conectadas a ninguna bobin a
    con la misma secuencia de números (T1, T2, T3, o T4, T5, T6, o T11, T12, T13, etc), la rotación del eje será el
    mismo.




                                                 Figura 2-65
                                        Tres-velocidad del motor con dos bobinados


 Velocidad           L1               L2                 L3                            Aislar por separado                                      Unirse

   Bajo              T1                T2             (T3, T7)              T4-T5-T6-T11-T12-T13                                                 ...
 Segundo             T6                T4                T5                 T11-T12-T13                                                   (T1, T2, T3, T7)
   Alto             T11               T12               T13                 T1-T2-T3-T4-T5-T6-T7                                                 ...
Sección I                                                                                   MG 1-1998
Marcado de los terminales                                                                 Parte 2, Página 35




MARCAS 2.66TERMINAL de los rotores de motores de inducción de rotor bobinado
 Vea las Figuras 2-66 y 2-67.




                 Figura 2-66                                      Figura 2-67
             TRIFÁSICO rotor bobinado                          DOS FASES rotor bobinado
MG 1-1998                                                Sección I
Parte 2, Página 36                                  Marcado de los terminales




                     ESTA PÁGINA INTENCIONALMENTE
                        Se deja en blanco
Sección I                                                                                                                                         MG 1-1998
ALT O POT ENCIAL DE LAS PRUEBAS                                                                                                                  Parte 3, página 1




                                  Sección I
                           NORMAS GENERALES APLICABLES A TODOS LOS EQUIPOS
                                   Parte 3
                               ALTO POTENCIAL DE LAS PRUEBAS


3.1         ALTO POTENCIAL DE LAS PRUEBAS
3.1.1       Seguridad

ADVERT ENCIA: Debido a los altos voltajes utilizados, las pruebas de alto potencial debe ser realizado sólo por personal
personal, y las precauciones de seguridad adecuadas se deben tomar para evitar daños al personal y daños a la
la propiedad. Bobinados prueba debe ser dado de alta con cuidado para evitar lesiones al personal de contacto. Ver 2.10
en NEMA MG publicación N º 2.


3.1.2       Definición
  Alto potencial de las pruebas son las pruebas que consisten en la aplicación de un voltaje mayor que la tensión nominal
durante un tiempo determinado con el fin de determinar la idoneidad contra la ruptura de los materiales aislantes
y distancias en condiciones normales.
3.1.3 Procedimiento

     Alto potencial de las pruebas se hará de acuerdo con las siguientes publicaciones aplicables IEEE:
     a. Std 112
     b. Std 113
     c. Std 114
     d. Std 115



3.1.4       Prueba de tensión
  La prueba de alto potencial se efectuará mediante la aplicación de un voltaje de prueba que tenga la magnitud especificada en el
parte de esta publicación que se aplica al tipo específico de máquina y clasificación se está probando.
  La frecuencia del circuito de ensayo deberá ser de 50 a 60 hertzios, 1 y el valor efectivo de la tensión de ensayo
el valor cresta de la tensión de prueba especificada dividida por la raíz cuadrada de dos. La forma de onda se
tienen un factor de desviación no superior a 0,1.
  La prueba dieléctrica se debe hacer con un probador de dieléctrico que mantendrá la tensión especificada en
los terminales durante la prueba.



3.1.5       Condición de la máquina para ser probada
   El bobinado está probando se completamente ensamblado (ver 3.1.10). La tensión de ensayo debe aplicarse
cuando, y sólo cuando, la máquina está en buenas condiciones y la resistencia de aislamiento no se ve afectada debido a la
la suciedad o la humedad. (Ver IEEE Std 43.)

3.1.6       Duración de la aplicación de la tensión de prueba
  La especificada de alto potencial de tensión de ensayo debe aplicarse de forma continua durante 1 minuto. Máquinas para las que
la tensión de prueba especificada es de 2500 volt ios o menos estarán autorizados a hacerse la prueba de un segundo a un voltaje
que es 1,2 veces la especificada de 1 minuto la tensión de prueba como una alternativa a la prueba de 1 minuto, si lo desea.
  Para evitar la excesiva hincapié en el aislamient o, la aplicación repetida de la tensión de prueba de alto potencial
no se recomienda.




A un directo en lugar de una tensión alterna se puede utilizar para la prueba de alto potencial. En tales casos, una prueba d e tensión de 1,7
veces la tensión especificada alterna (voltaje efectivo) según lo señalado en el 12,3 se requiere.
MG 1-1998                                                                                                Sección I
Parte 3, Page 2                                                                                   ALT O POT ENCIAL DE LAS PRUEBAS


3.1.7     Puntos de Aplicación de la Prueba de tensión
  La tensión de prueba de alto potencial se aplican sucesivamente entre cada circuito eléctrico y la
marco o básico. T odos los otros devanados o circuitos eléctricos que no están bajo prueba y todas las partes metálicas extern as se
conectado a la estructura o núcleo. T odos los cables de cada bobina, fase o circuito eléctrico debe estar conectado
juntos, ya sea en investigación o conectado a la estructura o núcleo.
  Un circuito eléctrico se compone de todos los devanados y otras partes vivas que son por c onducción conectado a la
misma fuente de alimentación o el bus de carga al iniciar o en ejecución. Un caracol que puede ser conectado a un
fuente de alimentación, transformadores, o bus de carga en cualquier momento durante el funcionamiento normal se considera un
circuito separado y debe ser de alto potencial de prueba por separado. Por ejemplo, los campos de corriente directa
las máquinas se considera circuitos separados a menos que estén conectados permanentemente en el
de la máquina. A menos que se indique lo contrario, interconectados bobinados polifásicos son considerados como uno de los circuitos y
se permitirá que se lo probó.



3.1.8     Accesorios y Componentes
   T odos los accesorios, tales como condensadores de sobretensiones, pararrayos, transformadores de corriente, etc, que han
cables conectados a los terminales de máquina rotativa deberá estar desconectada durante la prueba, con los cables
conectados entre sí y con el marco o básico. Estos accesorios se han sometido a la alta
evaluar el potencial de aplicación a la clase de aparato en el punto de fabricación. Condensadores del condensador -
Los motores de tipo se debe dejar conectado a la liquidación de la m anera normal de funcionamiento de la máquina (en ejecución o
de partida).
   Dispositivos de los componentes y sus circuitos, tales como calentadores de ambiente y dispositivos de detección de temperatura en
contacto con el bobinado (termostatos, termopares, termistores, detectores de resistencia a la temperatura,
etc), conexión que no sea en el circuito de la línea, estará conectado a la estructura o núcleo de la máquina durante
bobinado de alto potencial pruebas. Cada uno de estos circuitos de componentes del dispositivo, con cables conectados entre sí, se
entonces la prueba se aplica un voltaje entre el circuito y el marco o el núcleo, igual al doble del circuito de
voltios de tensión nominal más el 1000, o igual a la tensión de prueba de alto potencial de la máquina, lo que sea
más bajos. Durante los ensayos de circuito del dispositivo todas las bobinas de la máquina y otros componentes se pueden cone ctar
juntos y en el marco o básico. A menos que se indique lo contrario, la tensión nominal del sensor de temperatura
dispositivos se tomarán como sigue:
   a. T ermostatos - de 600 voltios
   b. T ermopares, termistores, RT D - 50 voltios
   Cuando se realiza una prueba de alto potencial en un excitador sin escobillas montado y la máquina sincrónica
devanado de campo, los componentes del circuito sin escobillas (diodos, tiristores, etc) será un cortocircuito (no
tierra) durante la prueba.




3.1.9     Evaluación de fallo del fluido dieléctrico
  Interrupción de aislamiento durante la aplicación de la tensión de prueba de alto potencial, se considerará como
evidencia de falla dieléctrica, salvo que en las pruebas de producción de pequeña falla dieléctrica motores se
indicado por la medición de resistencia de aislamiento por debajo de un valor especificado (ver 12.4).

01/03/10 Prueba Inicial en el destino
   Cuando el montaje de una bobina se completa en el destino, lo que impide la posibilidad de hacer
final de alto potencial de las pruebas en la fábrica, se recomienda que las pruebas de alto potencial se realizó con el test
tensiones especificadas en la sección correspondiente de esta publicación inmediatamente después del montaje final y
antes de que la máquina se ponga en servicio. La tensión de ensayo debe aplicarse cuando, y sólo cuando, la
máquina está en buenas condiciones y la resistencia de aislamiento no se ve afectada debido a la suciedad o la humedad. (Ver
IEEE Std 43.)


3.1.11 Pruebas de un grupo reunido de máquinas y aparatos
  La aplicación repetida de la tensión de prueba de lo anterior, no se recomienda. Cuando un motor está instalado en
otro equipo inmediatamente después de la fabricación y una prueba de alto potencial de todo el motor montado
y el equipo se requiere, la tensión de prueba no podrá exceder del 85 por ciento de la tensión de prueba original o,
cuando el motor y el equipo están instalados en un grupo reunido, la tensión de ensayo no debe exceder de 85
por ciento de la tensión de ensayo mínima especificada para ese grupo.
Sección I                                                                                                        MG 1-1998
ALT O POT ENCIAL DE LAS PRUEBAS                                                                                 Parte 3, página 3


3.1.12 Pruebas adicionales hechas después de la instalación
  Cuando una prueba de alto potencial se realiza después de la instalación de una nueva máquina que ya ha aprobado su
alto potencial de prueba en la fábrica y cuya bobinados no han sido alterados, la tensión de prue ba se
el 75 por ciento de la tensión de prueba especificada en la parte de esta publicación que se aplica al tipo de máquina
y clasificación se está probando.
MG 1-1998                                                 Sección I
Parte 3, página 4                                  ALT O POT ENCIAL DE LAS PRUEBAS




                    ESTA PÁGINA INTENCIONALMENTE
                       Se deja en blanco
Sección I                                                                                                                  MG 1-1998, Revisión 1
Dimensiones, tolerancias, y el montaje                                                                                        Parte 4, página 1




                               Sección I
                      NORMAS GENERALES APLICABLES A TODOS LOS EQUIPOS
                                Parte 4
                       Dimensiones, tolerancias, y el montaje


4.1LETTER SÍMBOLOS DE HOJAS DE MEDIDA
  Las dimensiones serán las letras de acuerdo con la tabla 4 -1. Véanse también las figuras 4-1 a 4-5.
  Cualquier dimensión carta normalmente se aplican a la final de la unidad de la máquina, cuando va precedido de la letra
F, se aplican en el extremo opuesto del lado del regulador.
  Dimensiones de letra diferente a los enumerados a continuación que utilizan los fabricantes individuales serán designados por
la letra X prefijo seguido por A, B, C, D, E, etc


                                           Tabla 4-1
                                    SÍMBOLOS DE LA CARTA DE HOJAS DE MEDIDA

    NEMA           IEC
    Carta          Carta                                                        Dimensión indicada

       A             AB          Dimensión global a través de los pies de la máquina horizontal (vista frontal)
       B             BB          Dimensión global a través de los pies de la máquina horizontal (vista lateral)
       C              L          Longitud total de la máquina de un solo extremo del eje (P or la longitud total de la extensión del eje doble
                                 máquina, consulte FC carta dimensión.)
       D              H          Línea central del eje de la planta del pie
       E              ...        Línea central del eje central de los agujeros de montaje en los pies (ver final)
      2E              A          Distancia entre líneas centrales de los agujeros de montaje en los pies o la base de la máquina (ver final)
      2F              B          Distancia entre líneas centrales de los agujeros de montaje en los pies o la base de la máquina (vista lateral)
      G              HA          Grosor del pie de montaje en el orificio o la ranura H
       H              K          Diámetro de los agujeros o el ancho de la ranura en los pies de la máquina
       J             AA          Ancho de pie de montaje en superficie de montaje
       K             BA          Longitud del pie de montaje en superficie de montaje
       N              ...        Longitud del eje de la final de la vivienda para el extremo del eje, lado
     N-W              E          Longitud de la extensión del eje del hombro al final de la unidad
      O              HC          Superior de la máquina horizontal de la planta del pie
       P             Corriente   Anchura máxima de la máquina (ver final), incluyendo las campanas polo, aletas, etc, pero excluyendo la terminal
                     alterna     vivienda, medios de elevación, los pies, y diámetro exterior de la cara o de la brida
       R              G          P arte inferior del cunero o apartamento al lado de abajo del eje o diámetro
       S              F          Ancho de cunero
       T           HD-HC         Altura de los ojos de elevación, la caja de terminales, o cualquier otra pieza destacada por encima de la superficie de la
                                 máquina.
     T+O             HD          Distancia desde la parte superior del ojo de elevación, la caja de bornes o en otra parte más saliente montado en el
                                 parte superior de la máquina a la planta de los pies

       U              D          Diámetro del eje. (P or eje cónico, se trata de diámetro a una distancia de la V rosca
                                 parte del eje.)

     U-R             GE          P rofundidad de la ranura en la corona de la extensión del eje en el extremo de unidad
       V              ...        Longitud del eje disponibles para el acoplamiento, el piñón, o cubo de la polea, lado. (En un eje recto
                                 de extensión, se trata de un valor mínimo.)

      W               ...        De eje recto y cónico, final de la vivienda hasta el hombro. (P ara las extensiones de eje sin
                                 los hombros, es un espacio libre para permitir que todas las variaciones de fabricación de piezas y montaje.)

       X              ..         Longitud de cubo del piñón cuando se utiliza la longitud completa de puesta a punto, lado
       Y              ...        Distancia desde el extremo del eje de extremo exterior del cono, lado
MG 1-1998, Revisión 1                                                                             Sección I
Parte 4, Page 2                                                                 Dimensiones, tolerancias, y el montaje


                                        Tabla 4-1 (Continuación)
                                   SÍMBOLOS DE LA CARTA DE HOJAS DE MEDIDA

   NEMA          IEC
   Carta         Carta                                                         Dimensión indicada

      Z            ...         Ancho de las esquinas de la tuerca o el diámetro de la lavadora, o cónico del eje, lado
     AA            ...         Agujero roscado o autorización para la entrada del conducto externo (expresado en tamaño del conducto) a la terminal
                               viviendas
     AB            AD          Línea central del eje de extremo exterior de la vivienda terminal (ver final)
     Corriente     ...         Línea central del eje central del agujero en la caja de bornes AA (vista frontal)
     alterna
     AD            ...         Central de la caja de bornes de montaje a la línea central del orificio de AA (vista lateral)
     AE            ...         Central de la caja de bornes de montaje de la planta del pie (vista frontal)
     AF            ...         Central de la caja de bornes de montaje agujero AA (vista frontal)
     AG            LB          Montaje en superficie de la cara, la brida, o la base de la máquina a otro extremo de la vivienda (vista lateral)
     AH           E+I          Superficie de montaje de la cara, la brida, o la base de la máquina para el extremo del eje
     AJ            M           Diámetro del círculo de pernos de montaje en la cara, la brida, o la base de la máquina
     AK            N           Diámetro de piloto de hombre o mujer en la cara, la brida, o la base de la máquina
     AL            ...         La longitud total del deslizamiento de la base o en tren
     AM            ...         Anchura total de la base deslizante o dimensiones fuera de los carriles
     UN            ...         Distancia desde la línea central de la máquina al fondo de la base deslizante o los carriles
     AO            ...         Central de deslizamiento de la base o en tren a la línea central de agujeros de los tornillos de montaje (ver
                               final)
     AP            ...         Central de deslizamiento de la base o rieles a la línea central del interior de agujeros de los tornillos de montaje (ver final del
                               motor)
     AR            ...         Distancia entre líneas centrales de los agujeros de montaje en el deslizamiento de la base o la distancia entre las líneas ce ntrales de
                               montaje en carril agujeros de los tornillos (vista lateral)
     AT            ...         Espesor de deslizamiento de la base del pie o en tren
     AU            ...         Tamaño de los orificios de montaje en el deslizamiento de la base
                               o en tren
     AV            ...         P arte inferior del deslizamiento de la base o en tren al inicio de la máquina en
                               posición horizontal
     AW            ...         Línea central del ferrocarril o agujero base de montaje a la línea central del perno de montaje del motor al lado
     AX            ...         Altura de deslizamiento de la base o en tren
     AY            ...         Extensión máxima de deslizamiento de la base (o tren) el tornillo de ajuste
     Arizona       ...         Ancho de riel
     BA            C           Línea central del orificio de montaje en pie más cercano al hombro el eje de transmisión final (para las máquinas
                               sin resalte del eje, es la línea central del orificio de montaje en pie más cercano al lado de la vivienda
                               N-W dimensión.)

     BB            T           La profundidad del piloto masculino o femenino de la cara de montaje, brida, o la base de la máquina
     BC            R           Distancia entre la superficie de montaje de la cara, la brida, o la base de la máquina al hombro en el eje. (P or
                               máquina sin resalte del eje, es la distancia entre la superficie de montaje de la cara, bridas,
                               o la base de la máquina al lado de la vivienda de la dimensión NW)

     BD            P           Diámetro exterior de la cara de montaje, brida o la base de la máquina
     SER           Los Ángeles Espesor de la brida de montaje o la base de la máquina
     BF            S           Agujero roscado o aprobación en la cara de montaje, brida, o la base de la máquina
     BH            ...         Diámetro exterior del núcleo o la carrocería (vista lateral)
     BJ            ...         La longitud total de bobinas (vista lateral). Las dimensiones reales se les permitirá ser menos dependiendo de la
                               el número de polos y la construcción de liquidación

     BK            ...         Distancia de la línea central del estator para dirigir final de las bobinas
     BL            ·           De diámetro en las bobinas, los dos extremos (BL = dos veces el radio máximo)
     BM            ...         Longitud total de la concha del estator
     BN            ...         Diámetro del orificio del estator
     BO            ...         Longitud de rotor en diámetro
     BP            ...         Longitud del rotor a los fans
Sección I                                                                                                                  MG 1-1998, Revisión 1
Dimensiones, tolerancias, y el montaje                                                                                        Parte 4, Page 3


                                        Tabla 4-1 (Continuación)
                                   SÍMBOLOS DE LA CARTA DE HOJAS DE MEDIDA

    NEMA           IEC
    Carta          Carta                                                       Dimensión indicada

      BR             ...       Diámetro de la superficie de acabado o de cuello en los extremos del rotor
      BS             ...       Línea central del orificio de fijación de pie, el extremo del eje, a la línea central de la terminal de la vivienda de montaj e (vista
                               lateral)
      BT             ...       Movimiento de motor horizontal en la base o carril
      BU             ...       El ángulo entre la línea central de la caja de bornes de montaje y la referencia central del motor (extremo
                               punto de vista)

      BV             ...       Central de la caja de bornes de montaje para montaje en superficie de la cara o de la brida (vista lateral)
     BW              ...       Diámetro interior del rotor del ventilador o el anillo de final de cáscara de tipo y motores herméticos
      BX             ...       Diámetro   del agujero en la parte superior de la unidad de acoplamiento de eje hueco motor
                               vertical
      P OR           ...       Diámetro   de los orificios de montaje en la parte superior de la unidad de acoplamiento de eje hueco motor
                               vertical
      BZ             ...       Diámetro   del círculo de pernos de los agujeros de montaje en la unidad superior de aco plamiento para eje hueco motor
                               vertical
      California     ...       Diámetro   interior del rotor
      CB             ...       Diámetro del rotor avellanado
      CC             ...       P rofundidad de avellanado del rotor
      CD             ...       Distancia del acoplamiento de arriba a abajo de la base en el tipo P motores verticales.
      CE             ...       Diámetro total de los tornillos de montaje
      CF             ...       Distancia desde el extremo de la carcasa del estator hasta el final de la pluma del motor al final del compresor. Donde
                               o bien la cáscara o la pluma se omite, la dimensión se refiere al extremo de carga impulsado por el núcleo.
      CG             ...       Distancia desde el extremo de la carcasa del estator hasta el final de la bobina del estator en el extremo del compresor.
      CH             ...       Distancia desde el extremo de la carcasa del estator hasta el final de la bobina del estator en el extremo opuesto a la
                               compresor.
      CL             ...       Distancia entre los centros de perno de sujeción, por dos hoyos de sujeción universal núcleos del estator del motor.
      CO             ...       De las perforaciones para el tamaño máximo de los tornillos de las abrazaderas de sujeción universales de los núcleos del
                               estator del motor.
      DB             ...       Diámetro exterior del núcleo del rotor.
      DC             ...       Distancia desde el extremo de la carcasa del estator (extremo de la carga d e tracción) hasta el final del anillo del rotor del
                               ventilador o al final (impulsada
                               carga final). Cuando la cáscara se omite, las dimensiones es el extremo de carga impulsado por el núcleo del estator.
      DD             ...       Distancia desde el extremo de la carcasa del estator (extremo de la carga de tracción) hasta el final del anillo del rotor de l
                               ventilador o al final (impulsada
                               carga final). Cuando la cáscara se omite, la dimensión es el extremo de carga impulsado por el n úcleo del estator.
      DE             ...       Diámetro interior de las bobinas, los dos extremos (DE = 2 veces el radio mínimo).
      DF             ...       Distancia desde el extremo de carga impulsado por el núcleo del estator o la cáscara a la línea central del orificio de monta je en el
                               clip de plomo o
                               fin de plomo si no hay ningún clip se utiliza.
      DG             ...       Distancia desde el extremo de carga impulsado por el núcleo del estator o concha al final de la bobina del estator (carga
                               accionada contrario
                               final).
      DH             ...       Línea central del orificio pie de montaje (el extremo del eje) a la línea central de la caja de bornes secundarios de montaje
                               (Vista lateral).
      DJ             ...       Línea central de la entrada de la vivienda secundaria de plomo a la terminal de la planta del pie (horizontal).
      DK             ...       Central de la máquina a la línea central del orificio de "DM" de entrada secundaria del conducto principal (ver al final).
      DL             ...       Línea central de la entrada de la vivienda secundaria de plomo a la terminal de entrada de un conducto.
     DM              ...       Diámetro del conducto (diámetro de la tubería) de la vivienda secundaria terminal del cable.
      DN             ...       Distancia desde el extremo de la carcasa del estator de la parte inferior del rotor avellanado (extremo de la carga de tracci ón).
                               Cuando
                               la cáscara se omite, la dimensión es el extremo de carga impulsado por el núcleo del estator.
      DO             ...       Dimensión entre líneas centrales de ranuras base de montaje para anillo elástico montado motores o,
                               dibujos de base, la dimensión de la base que encaja en la ranura.
      DP             ...       Distancia radial desde el centro de la cara de tipo C en el extremo opuesto a la unidad centro del círculo que define el
                               área disponible para la apertura del disco de freno principal (s).
      DQ             ...       Línea central del eje de extremo exterior de la vivienda terminal de secundaria (ver al final).
      EL             ...       Diámetro del eje después de la emergencia de la superficie de montaje de la cara o la brida.
      EM             ...       Diámetro de paso del eje por primera vez después de
                               EL.
MG 1-1998, Revisión 1                                                                              Sección I
Parte 4, página 4                                                                Dimensiones, tolerancias, y el montaje


                                              Tabla 4-1 (Continuación)
                                           SÍMBOLOS DE LA CARTA DE LAS DIMENSIONES

   NEMA          IEC
   Carta         Carta                                                          Dimensión indicada

     ES            ...          P arte interna de la rosca del eje.
     EO            ...          P arte superior de acoplamiento a la parte inferior de la campana de la vertical de eje hueco del
                                motor.
     EP            ...          Diámetro del eje en la emergencia de rodamiento (la cara o al final brida).
     EQ            ...          Longitud del eje de la superficie de montaje de la cara o de la brida a EL-EM interfaz.
     ER            ...          Longitud del eje de la EP -El interfaz para el extremo del eje.
     ES            ...          Longitud útil del cunero.
     ET            ...          Longitud del eje de la superficie de montaje de la cara o de la brida de EM-U de la interfaz.
     UE             ..          Diámetro del eje en la parte inferior de la ranura del anillo.
     EV            ...          Distancia entre el eje del agujero H y al final de pie en el extremo del eje motor (vista lateral).
     EW            ...          Ancho de la ranura del anillo o cunero de gib cabeza.
     EX            ...          Distancia desde el extremo del eje hacia el lado opuesto de la ranura del anillo cunero.
    FBA            California   Distancia desde el hombro del eje de accionamiento en el extremo opuesto a la línea central del montaje
                                agujeros en el más cercano pies.
     FC            LC           Longitud total de la máquina de doble extensión del eje (para una longitud total de la extensión de un solo eje, consulte
                                carta dimensión C)
   FN-FW           EA           Longitud de la extensión del eje del hombro al final de la unidad contraria.
     FR            GB           Distancia desde la parte inferior de la ranura de la superficie opuesta de la extensión del eje de lo contrario
                                la unidad final.
     FS            FA           Ancho de la ranura de la extensión del eje en el extremo opuesto disco.
     FU            DA           Diámetro de la extensión del eje de accionamiento en el extremo opuesto.
   FU-FR           GH           P rofundidad de la ranura en la corona de la extensión del eje en el extremo opuesto disco.
Sección I                                                                   MG 1-1998, Revisión 1
Dimensiones, tolerancias, y el montaje                                         Parte 4, página 5




                              Figura 4-1
                    SÍMBOLOS DE CARTA PARA MÁQUINAS- SIDE con patas VISTA
MG 1-1998, Revisión 1                                                 Sección I
Parte 4, página 6                                   Dimensiones, tolerancias, y el montaje




                          Figura 4-2
               SÍMBOLOS DE CARTA PARA VER LOS PIES DE MONTAJE FINAL MÁQUINAS- DRIV E
Sección I                                                                                                    MG 1-1998, Revisión 1
Dimensiones, tolerancias, y el montaje                                                                         P arte 4, página 7




                                               Figura 4-3
                                 SÍMBOLOS DE LA CARTA DE TIPO C CARA DE MONTAJE DE PIE O MAQUINAS sin pies
MG 1-1998, Revisión 2                                                                                       Sección I
P arte 4, página 8                                                                         Dimensiones, tolerancias, y el montaje




                                      Figura 4-4
                        SÍMBOLOS DE LA CARTA DE TIPO D montaje de la brida PIE O MAQUINAS sin pies
Sección I                                                                     MG 1-1998, Revisión 1
Dimensiones, tolerancias, y el montaje                                           Parte 4, página 9




                                        Figura 4-5
                                 SÍMBOLOS DE CARTA PARA MÁQUINAS VERTICALES
MG 1-1998, Revisión 1                                                                   Sección I
  Parte 4, página 10                                                    Dimensiones, tolerancias, y el montaje



  4.2SYSTEM PARA DESIGNA R LOS MARCOS
  El sistema de designación de los marcos de motores y generadores consistirá en una serie de números en
  combinación con las cartas, que se define de la siguiente manera:


  4.2.1         Números de bastidor
  El número de bastidor para pequeñas máquinas será la dimensió n D en pulgadas multiplicado por 16.
  El sistema de numeración de los marcos de otras máquinas se efectuará de acuerdo a la T abla 4.2, de la siguiente manera:
    a. Los dos primeros dígitos del número de bastidor es igual a cuatro veces la dimensión D en pulgadas. Cuando esta
       producto no es un número entero, los dos primeros dígitos del número de bastidor será el inmediatamente superior
       número entero.
    b. La tercera y, cuando sea necesario, el cuarto dígito del número del cuadro se obtiene del valor del 2F
       pulgadas al referirse a las columnas 1 a 15, inclusive.
  A modo de ejemplo, un motor con una dimensión D de 6,25 pulgadas y 2F de 10 pulgadas deben ser considerados como
  marco 256.




                                                 Tabla 4-2
                                              MÁQUINA la numeración
 Marco
 Número                                               Tercer / cuarto dígito en el número de marco
 Serie                                                   345
                        D              1       2                                                            6        7
                                                                2 F Dimensiones

    140               3.50           3.00    3.50          4.00           4.50                5.00      5.50       6.25
    160               4.00           3.50    4.00          4.50           5.00                5.50      6.25       7.00
    180               4.50           4.00    4.50          5.00           5.50                6.25      7.00       8.00
    200               5.00           4.50    5.00          5.50           6.50                7.00      8.00       9.00
    210               5.25           4.50    5.00          5.50           6.25                7.00      8.00       9.00
    220               5.50           5.00    5.50          6.25           6.75                7.50      9.00       10.00
    250               6.25           5.50    6.25          7.00           8.25                9.00      10.00      11.00
    280               7.00           6.25    7.00          8.00           9.50                10.00     11.00      12.50
    320               8.00           7.00    8.00          9.00           10.50               11.00     12.00      14.00
    360               9.00           8.00    9.00          10.00          11.25               12.25     14.00      16.00
    400               10.00          9.00    10.00         11.00          12.25               13.75     16.00      18.00
    440               11.00          10.00   11.00         12.50          14.50               16.50     18.00      20.00
    500               12.50          11.00   12.50         14.00          16.00               18.00     10.00      22.00
    580               14.50          12.50   14.00         16.00          18.00               20.00     22.00      25.00
    680               17.00          16.00   18.00         20.00          22.00               25.00     28.00      32.00




 Marco
 Número                                                      Tercer / cuarto dígito en el número de marco
 Serie                  D              8       9            10111213                                                14         15
                                                                             2F Dimensiones
  1403.50                            7.00     8.00         9.00           10.0011.00                    12.50      14.00      16.00
  1604.00                            8.00     9.00         10.00          11.0012.50                    14.00      16.00      18.00
                                                                          12.5014.00
  1804.50                            9.00    10.00         11.00                                        16.00      18.00      20.00
                                                                           ......
  2005.00                            10.00   11.00          ...                                          ...        ...        ...
                                                                          14.0016.00
  2105.25                            10.00   11.00         12.50                                        18.00      20.00      22.00
  2205.50                            11.00   12.50          ...            ......                        ...        ...        ...
  2506.25                            12.50   14.00         16.00          18.0020.00                    22.00      25.00      28.00
                                                                          20.0022.00
  2807.00                            14.00   16.00         18.00                                        25.00      28.00      32.00
                                                                          22.0025.00
  3208.00                            16.00   18.00         20.00                                        28.00      32.00      36.00
                                                                          25.0028.00
  3609.00                            18.00   20.00         22.00                                        32.00      36.00      40.00
  40.010,00                          20.00   22.00         25.00          28.0032.00                    36.00      40.00      45.00
  44.011,00                          22.00   25.00         28.00          32.0036.00                    40.00      45.00      50.00
                                                                          36.0040.00
  50.012,50                          25.00   28.00         32.00                                        45.00      50.00      56.00
                                                                          40.0045.00
  58.014,50                          28.00   32.00         36.00                                        50.00      56.00      63.00
                                                                          50.0056.00
  68.017,00                          36.00   40.00         45.00                                        63.00      71.00      80.00
Todas las dimensiones en pulgadas.
Sección I                                                                                                                MG 1-1998, Revisión 1
Dimensiones, tolerancias, y el montaje                                                                                     Parte 4, página 11


4.2.2     Cartas marco

Cartas inmediatamente a continuación del número de fotograma para indicar las variaciones de la siguiente
manera:
A-industriales de corriente directa de la máquina
B-Carbonatador bomba de los motores (ver 18.270 por 18.281)
C-T ype C cara de montaje en el lado de accionamiento
    Cuando la cara de montaje está en el extremo opuesto al extremo de la unidad, la F prefijo se utiliza, por lo que la
    letras finales FC.
CH-T ype C cara de montaje de las dimensiones son diferentes a las de la designación que el marco
    sufijo la letra C (las letras CH deben ser considerados como un sufijo y no ser separados)
D-T ype D montaje de la brida en el extremo de transmisión
    Cuando la brida de montaje está en el extremo opuesto al extremo de la unidad, la F prefijo se utiliza, por lo que la
    letras finales FD
E-eje de extensión dimensiones para motores de ascensor en los marcos más grande que el marco 326T
G-bomba de gasolina los motores (ver 18.91)
H: indica una pequeña máquina que tiene una dimensión de F mayor que la de la mism a trama, sin la
    sufijo letra H (see.4.4.1 y 4.5.1)
HP y HPH tipo brida de montaje vertical P motores de eje sólido con unas dimensiones de acuerdo con
    18.252 (con las letras HP y HPH han de ser consideradas como un sufijo y no ser separados)
J-Jet motores de la bomba (véase 18.132)
JM-T ype C cara de montaje de acoplamiento motor de la bomba con los cojinetes antifricción y dimensiones en
    acuerdo con la T abla 1 de 18.250 (las letras JM deben ser considerados como un sufijo, y no se
    ) separados
JP-T ype C cara de montaje de acople de la bomba del motor con cojinetes antifricción y dimensiones en
    acuerdo con la T abla 2 de 18.250 (el JP cartas deben ser considerados como un sufijo, y no se
    ) separados
Sumidero K-motores de las bombas (ver 18.78)
LP y P LPH-brida de montaje vertical de motores de eje sólido con unas dimensiones de acuerdo con
    18.251 (las letras LP y LPH deben ser considerados como un sufijo y no ser separados)
M-Oil quemador de motores (véase 18.106)
N-quemador de aceite motor (véase 18.106)
P y PH-T ype P-brida de montaje vertical motores de eje hueco con dimensiones de acuerdo con
    18.238
R-Drive extensión extremo del eje cónico que tiene dimensiones de acuerdo con esta parte (ver 4.4.2)
S-Standard eje corto para la conexión directa (ver tablas de medidas)
T -incluye como parte de una designación de marco para que las dimensiones estándar se han establecido (ver
    tablas de dimensiones)
U-utilizado anteriormente como parte de una designación de marco para que las dimensiones estándar se ha establecido
    (No se incluye en esta publicación)
V-Montaje vertical sólo
VP-P T ipo de montaje de la brida vertical de eje sólido motores con dimensiones de acuerdo con 18,237
    (El vicepresidente cartas deben ser considerados como un sufijo y no ser separados.)
X-rotor bobinado motores de la grúa con la extensión de doble eje (véase 18.229 y 18.230)
Y las dimensiones de montaje especial (diagrama de dimensiones debe ser obtenido por el fabricante)
Z-T odas las dimensiones de montaje estándar, excepto el extremo del eje (s) (también se utiliza para designar a la máquina
    con la extensión del eje doble)




          Nota: para su propia conveniencia fabricantes pueden utilizar cualquier letra en el alfabeto anterior el número de cuadro, pero
          dicha carta no tendrá ninguna referencia a la norma las dimensiones de montaje.
MG 1-1998, Revisión 1                                                                  Sección I
Parte 4, página 12                                                   Dimensiones, tolerancias, y el montaje


     Letras finales, se añade el número del fotograma en el siguiente orden:


                                                 Cartas suf ijo                               Secuencia

                                           Un H,                                                   1
                           G, J, M, N, T , U, HP, HPH, JM, JP, LP, LPH y VP                        2
                                         Ry S                                                      3
                                       C, D, P y PH                                                4
                                          FC, FD                                                   5
                                            V                                                      6
                                         E, X, Y, Z                                                7



4.3MOTOR MONTAJE Y LOCALIZACIÓN DE TERMINALES DE VIVIENDA
 El montaje del motor y la ubicación de la vivienda de la terminal será como se muestra en el montaje símbolo de la F -1
Figura 4-6. En caso de soportes de motor y otras ubicaciones de los terminales de vivienda son necesarias, deberán ser
designados de conformidad con los símbolos mostrados en la Figura 4.6.
 Asamblea símbolos F-1, W-2, W-3, W-6, W-8, y C-2 muestra la caja de bornes en la misma relación
ubicación con respecto a las patas de montaje y la extensión del eje.
 T odos los montajes mostrados pueden no estar disponibles para todos los métodos de construcción del motor.
Sección I                                                               MG 1-1998, Revisión 1
Dimensiones, tolerancias, y el montaje                                    Parte 4, página 13




                                              Figura 4-6
                                         SÍMBOLOS DE LA MÁQUINA DE LA
                                         ASAMBLEA
MG 1-1998, Revisión 1                                                                                                                                                                                   Sección I
P arte 4, página 14                                                                                                                                                                    Dimensiones, tolerancias, y el montaje




 4.4             DIMENSIONES-Máquinas de corriente alterna
4.4.1        Dimensiones para el montaje de corriente alterna pies máquinas con solo mango recto de Extensión
    FrameKeyseat
  DesignationA MaxD * E † † 2F BA *** H † ONU-WV MinRES MinSAA Min † †
      42 --- 2.621.751.692.060.28 slot0.37501.12 ... 0.328 ... ... plana
      48 --- 3.002.122.752.500.34 slot0.50001.50 ... 0.453 ... ... plana
     48H --- 3.002.124.752.500.34 slot0.50001.50 ... 0.453 ... ... plana
      56 --- 3.502.443.002.750.34 slot0.62501.88 ... 0.5171.410.188 ...
     56H --- 3.502.445.002.750.34 slot0.62501.88 ... 0.5171.410.188 ...
     143T7.03.502.754.002.250.34 hole0.87502.252.000.7711.410.1883 / 4
     145T7.03.502.755.002.250.34 hole0.87502.252.000.7711.410.1883 / 4
     182T9.04.503.754.502.750.41 hole1.12502.752.500.9861.780.2503 / 4
     184T9.04.503.755.502.750.41 hole1.12502.752.500.9861.780.2503 / 4
     213T10.55.254.255.503.500.41 hole1.37503.383.121.2012.410.3121
     215T10.55.254.257.003.500.41 hole1.37503.383.121.2012.410.3121
     254T12.56.255.008.254.250.53 hole1.6254.003.751.4162.910.3751-1 / 4
     256T12.56.255.0010.004.250.53 hole1.6254.003.751.4162.910.3751-1 / 4
     284T14.07.005.509.504.750.53 hole1.8754.624.381.5913.280.5001-1 / 2
    284TS14.07.005.509.504.750.53 hole1.6253.253.001.4161.910.3751-1 / 2
     286T14.07.005.5011.004.750.53 hole1.8754.624.381.5913.280.5001-1 / 2
    286TS14.07.005.5011.004.750.53 hole1.6253.253.001.4161.910.3751-1 / 2
     324T16.08.006.2510.505.250.66 hole2.1255.255.001.8453.910.5002
    324TS16.08.006.2510, 505.250.66 hole1.8753.753.501.5912.030.5002
     326T16.08.006.2512.005.250.66 hole2.1255.255.001.8453.910.5002
    326TS16.08.006.2512.005.250.66 hole1.8753.753.501.5912.030.5002
     364T18.09.007.0011.255.880.66 hole2.3755.885.622.0214.280.6253
    364TS18.09.007.0011.255.880.66 hole1.8753.753.501.5912.030.5003
     365T18.09.007.0012.255.880.66 hole2.3755.885.622.0214.280.6253
    365TS18.09.007.0012.255.880.66 hole1.8753.753.501.5912.030.5003
     404T20.010.008.0012.256.620.81 hole2.8757.257.002.4505.650.7503
    404TS20.010.008.0012.256.620.81 hole2.1254.254.001.8452.780.5003
     405T20.010.008.0013.756.620.81 hole2.8757.257.002.4505.650.7503
    405TS20.010.008.0013.756.620.81 hole2.1254.254.001.8452.780.5003
     444T22.011.009.0014.507.500.81 hole3.3758.508.252.8806.910.8753
    444TS22.011.009.0014.507.500.81 hole2.3754.754.502.0213.030.6253
     445T22.011.009.0016.507.500.81 hole3.3758.508.252.8806.910.8753
    445TS22.011.009.0016.507.500.81 hole2.3754.754.502.0213.030.6253
     447T22.011.009.0020.007.500.81 hole3.3758.508.252.8806.910.8753
    447TS22.011.009.0020.007.500.81 hole2.3754.754.502.0213.030.6253
     449T22.011.009.0025.007.500.81 hole3.3758.508.252.8806.910.8753
    449TS22.011.009.0025.007.500.81 hole2.3754.754.502.0213.030.6253
      440 ... 11.009.00 ** 7,50 .....................
      500...12.5010 0,00 ** 8,50 .....................
Todas las dimensiones en pulgadas.
* Las tolerancias en la dimensión D para motores de base rígida se .00 pulgadas -0,06 cm. No se ha establecido la tolerancia de la dimensión D de resistentes motores montados.
Marcos † 42 a 56H, inclusive-La tolerancia de la dimensión 2F será de ± 0,03 pulgadas y de la dimensión H (ancho de la ranura) será 0.02 pulgadas, -0,00 pulgadas.
 Marcos 143T a 500, ambos inclusive-La tolerancia para las dimensiones 2E y 2F será de ± 0,03 pulgadas y de la dimensión H será 0.05 pulga das, -0,00 pulgadas.
 Los valores de la dimensión H representan los tamaños estándar de la saeta más autorizaciones dimensiones.
 Dimensión H:, Marcos 143T a 365T incluido el espacio libre de las enfermedades de transmisión sexual. perno para el tamaño del agujero es de 0,03. La tolerancia es 0,05, -0,00 pulgadas. Marcos 404T a 449T incluido el espacio libre de enfermedades de transmisión sexual. perno para el
tamaño del agujero es de 0,06 pulgadas. La
la tolerancia es 0.020 pulgadas, -0,00 pulgadas.
Sección I                                                                                                                                                                                                             MG 1-1998, Revisión 1
Dimensiones, tolerancias, y el montaje                                                                                                                                                                                  P arte 4, página 15


† † Para las dimensiones de los agujeros de paso 4.8.
** Para la dimensión y la tercera 2F correspondiente (cuando sea necesario el cuarto) de dos dígitos en la serie de fotograma s, consulte 4.2.1 y la Tabla 4-2.
*** BA tolerancia: pulgadas.
_________




NOTAS:
1 Para el significado de las dimensiones de la carta, véase el punto 4.1 y las Figuras 4-1 y 4-2.
2 Para las tolerancias de los diámetros de eje y cuneros, véase 4.9.
3 Se recomienda que todas las máquinas de corte con cuneros en la polea de eje, el acoplamiento, piñones, etc, vayan provistos de una clave de Jules se especifique lo contrario por parte del comprador.
4 marcos de 42 a 56H, inclusive, si la longitud de la extensión del eje del motor no es adecuado para la aplicación, se recom ienda que las desviaciones de esta longitud de estar en incrementos de 0,25 pulgadas.
5 Para los productos de fundición, planta de los pies coplanares: 0.015 pulgadas.
6 Para los productos de hierro fundido, en paralelo a la parte superior del pie inferior del pie: 1,5 grados.
7 Para los productos de hierro fundido, eje paralelo al plan de pie: 0.015 pulgadas.
MG 1-1998, Revisión 1                                                                                                                                                     Sección I
P arte 4, página 16                                                                                                                                      Dimensiones, tolerancias, y el montaje


4.4.2 Extensiones del eje y dimensiones clave para la de corriente alterna, con patas cónicas Máquinas con simple o doble
    Recto / cónicos del eje de extensión
                                                                                                     Unidad de final cónico del eje de extensión *
                                                                                                                                                                                               Cunero
   Marco                                                                                                                                                            ShaftKey
  Designación                   BA              ONU-WVX                                                                      Y                 Z Max              ** T hreadsWidthDepthLength
 143TR y 145TR                  2.25          0.87502.621.751.88                                                            0.75               1.38                5/8-180.1880.0941.50
 182TR y 184TR                  2.75          1.12503.382.252.38                                                            1.88               1.50                3/4-160.2500.1252.00
 213TR y 215TR                  3.50          1.37504.122.622.75                                                            1.25               2.00                 1-140.3120.1562.38
 254TR y 256TR                  4.25           1.6254.502.883.00                                                            1.25               2.00                 1-140.3750.1882.62
 284TR y 286TR                  4.75           1.8754.753.123.25                                                            1.25               2.38               1-1/4-120.5000.2502.88
 324TR y 326TR                  5.25           2.1255.253.503.62                                                            1.38               2.75                1-1/2-80.5000.2503.25
 364TR y 365TR                  5.88           2.3755.753.753.88                                                            1.50               3.25                1-3/4-80.6250.3123.50
 404TR y 405TR                  6.62           2.8756.624.384.50                                                            1.75               3.62                  2-80.7500.3754.12
 444TR y 445TR                  7.50           3.3757.505.005.12                                                            2.00               4.12                2-1/4-80.8750.4384.75
                                                 Unidad extremo opuesto-cónicos de extensión del eje * †                                                           Unidad extremo opuesto-eje recto de Extensión †
                                                                                                                                                                                        Cunero


                                                                                                                       Cunero
Número de cuadro                                                                     FZ           Eje                                       Clave
  Serie                  FU         FN-FW          FV        FX                      Max
                                                                         El año fiscal            T emas         Ancho          ProfundidadLongitud          FU         FN-FW         FV Min            R        ES Min      S

     1400.62502.001.381.500.501.123/8 -240.1880.0941.120.62501.621.380.5170.910.188
     1800.87502.621.751.880.751.385/8 -180.1880.0941.500.87502.252.000.7711.410.188
     2101.12503.382.252.380.881.503/4 -160.2500.1252.001.12502.752.500.9861.780.250
     2501.37504.122.622.751.252.001 -140.3120.1562.381.37503.383.121.2012.410.312
     2801.62504.502.883.001.252.001 -140.3750.1882.621.6254.003.751.4162.910.375
280 cortos Shaft1.6253.253.001.4161.910.375
     3201.87504.753.123.251.252.381 -1/4-120.5000.2502.881.8754.624.381.5913.280.500
320 Shaft1.8753.753.501.5912.030.500 corto
     3601.87504.753.123.251.252.381 -1/4-120.5000.2502.881.8753.753.501.5912.030.500
360 cortos Shaft1.8753.753.501.5912.030.500
     4002.12505.253.503.621.382.751 -1/2-80.5000.2503.252.1255.255.001.8453.910.500
400 Shaft2.1254.254.001.8452.780.500 corto
     4402.37505.753.753.881.503.251 -3/4-80.6250.3123.502.3755.885.622.0214.280.625
440 cortos Shaft2.3754.754.502.0213.030.625
Todas las dimensiones en pulgadas.
* El cono estándar de los ejes será a razón de 1,25 pulgadas de diámetro por cada pie de longitud. El hilo en el extremo del eje del cono deberán estar provistos de una tuerca y un dispositivo de cierre adecuado.
** La tolerancia en la longitud de la clave es 0,03 pulgadas.
† Para aplicaciones de unidad que no sea de conexión directa, el fabricante del motor debe ser consultado.




NOTAS:
 1. Para el significado de la letra las dimensiones véase el punto 4.1 y las Figuras 4 -1 y 4-2
 2. Para las tolerancias de los diámetros de eje y cuneros, véase 4.9.
 3. Se recomienda que todas las máquinas con cuneros corte en la extensión del eje de la polea, acoplamiento, piñones, etc, va yan provistos de una llave a menos que se especifique lo contrario por parte del comprador.
Sección I                                                                                                                                                                                  MG 1-1998, Revisión 1
Dimensiones, tolerancias, y el montaje                                                                                                                                                       P arte 4, página 17


4.4.3 Diámetros del eje de extensión y dimensiones clave para la alterna Motores de corriente continua construido en marcos m ás grandes que los marcos 449T
Los diámetros de eje y las dimensiones clave para motores de corriente alterna con calificaciones construida en marcos más grande que el marco 449T hasta
incluyendo las calificaciones construida en los marcos correspondientes a la mejora continua de tipo abierto calificación otorgada en el 12.0 se muestra en la Tabla 4.3.


 4.4.4 Dimensiones para el Tipo C cara de montaje de pie o Leggings Los motores de corriente alterna
                                                                                                                                    BF Hoyo
           Marco                                                                                                                                    Tornillo
                                                                                                                                                 Penetración                                           Cunero
     Designación *                AJ **         AK            BA         BB Min          BC         BD Max         Número       En Tamaño        Subsidio              U          AH         R         ES Min        S
       42C                        3.750        3.000         2.062       0,16 †         -0,19       5,00 † †        4            1/4-20              ...             0,3750      1.312      0.328        ...        plano
       48C                        3.750        3.000         2.50        0,16 †         -0,19        5.625          4            1/4-20              ...             0.500       1.69       0.453        ...        plano
       56C                        5.875        4.500         2.75        0,16 †         -0,19       6,50 † †        4            3/8-16              ...             0,6250      2.06       0.517       1.41       0.188
    143TC y 145TC                 5.875        4.500         2.75        0,16 †         0.12        6,50 † †        4            3/8-16            0.56              0,8750      2.12       0.771       1.41       0.188
    182TC y 184TC                 7.250        8.500         3.50        0.25           0.12         9.00           4            1/2-13            0.75              1,1250      2.62       0.986       1.78       0.250

 182TCH y 184TCH                  5.875       4.500          3.50         0,16 †        0.12         6,50 † †            4        3/8-16             0.56            1,1250       2.62      0.986         1.78     0.250
   213TC y 215TC                  7.250       8.500          4.25         0.25          0.25          9.00               4        1/2-13             0.75            1,3750       3.12      1.201         2.41     0.312
   254TC y 256TC                  7.250       8.500          4.75         0.25          0.25         10.00               4        1/2-13             0.75            1.625        3.75      1.416         2.91     0.375
   284TC y 286TC                  9.000       10.500         4.75         0.25          0.25         11.25               4        1/2-13             0.75            1.875        4.38      1.591         3.28     0.500
  284TSC y 286TSC                 9.000       10.500         4.75         0.25          0.25         11.25               4        1/2-13             0.75            1.625        3.00      1.416         1.91     0.375

    324TC y 326TC                 11.000      12.500         5.25          0.25         0.25          14.00              4        5/8-11             0.94            2.125        5.00      1.845         3.91     0.500
   324TSC y 326TSC                11.000      12.500         5.25          0.25         0.25          14.00              4        5/8-11             0.94            1.875        3.50      1.591         2.03     0.500
    364TC y 365TC                 11.000      12.500         5.88          0.25         0.25          14.00          8            5/8-11             0.94            2.375        5.62      2.021         4.28     0.625
   364TSC y 365TSC                11.000      12.500         5.88          0.25         0.25          14.00              8        5/8-11             0.94            1.875        3.50      1.591         2.03     0.500
    404TC y 405TC                 11.000      12.500         6.62          0.25         0.25          15.50                       5/8-11             0.94            2.875        7.00      2.450         5.65     0.750
                                                                                                                         8

  404TSC y 405TSC11.00012.5006.620.25 +0.2515.5085 / 8 -110.942.1254.001.8452.780.500
    444TC y 445TC14.00016.0007.500.25 +0.2518.0085 / 8-110.943.3758.252.8806.910.875
  444TSC y 445TSC14.00016.0007.500.25 +0.2518.0085 / 8 -110.942.3754.502.0213.030.625
    447TC y 449TC14.00016.0007.500.25 +0.2518.0085 / 8-110.943.3758.252.8806.910.875
  447TSC y 449TSC14.00016.0007.500.25 +0.2518.0085 / 8 -110.942.3754.502.0213.030.625
     500 marco series14.50016.500 ... .25 +0.2518.0045 / 8 -110.94 ...............
 Todas las dimensiones en pulgadas.
 * Para los cuadros 42C a 445TSC, ver 4.4.1, para las dimensiones de A, D, E, 2F, y H.
 ** Para los marcos 182TC, 184TC y 213TC a través 500TC, la línea central de los agujeros debe estar dentro de 0.025 pulgadas de colocación. Verdadera ubicación se define como la ubicación angular y diametral
 con referencia a la línea central de la dimensión de AK.
 † La tolerancia en esta dimensión BB será 0.00 pulgadas, -0,06 pulgadas.
 † † Estas dimensiones BD son dimensiones nominales.
 NOTAS:
 1. Para el significado de la letra las dimensiones véase el punto 4.1 y la Figura 9.4.
 2. Para las tolerancias de los diámetros de eje y cuneros véase 4.9.
 3. Para las tolerancias en las dimensiones de AK, descentramiento de la cara, y la excentricidad permitida de ranura de montaje, véase 4.12.
 4. Se recomienda que todas las máquinas con cuneros corte en la extensión del eje de la polea, piñón, etc, vayan provistos de una llave a menos que se especifique lo contrario por parte del comprador.
 5. Si la longitud de la extensión del eje del motor no es adecuado para la aplicación, se recomienda que las desviaciones de esta longitud de estar en 0.25 pulgadas incrementos.
MG 1-1998, Revisión 1                                                                                    Sección I
  Parte 4, página 18                                                                     Dimensiones, tolerancias, y el montaje




4.4.5 Dimensiones para el tipo de rostro FC de montaje para accesorios en la final de unidad extremo opuesto
    de alterna Motores de corriente continua

                                                                                                              FBF Hoy o

                                                                                                                              Tornillo          Orificio para accesorios
                                                                                                                            Penetración            Lleva † †

 Designaciones marco               FAJ            FAK          FBB Min        ETA Min        Número         En Tamaño        Subsidio             DP         Diámetro

143TFC y 145TFC5.8754.5000.16 * 6,50 † 43/8-160.562.810.41
182TFC y 184TFC5.8754.5000.16 * 6,50 † 43/8-160.562.810.41
213TFC y 215TFC7.2508.5000.259.0041/2-130.753.810.62
254TFC y 256TFC7.2508.5000.2510.0041/2-130.753.810.62
284TFC y 286TFC9.00010.5000.2511.2541/2-130.754.500.62
324TFC y 326TFC11.00012.5000.2514.0045/8-110.945.250.62
* La tolerancia en esta dimensión se FBB 0.00, -0.06 pulgadas.
† Esta dimensión BD es una dimensión nominal.
† † Cuando un agujero se requiere en la cara de tipo C para los cables de accesorios, el agujero se encuentra dentro del área de disposición definida por un círculo
ubicados de acuerdo con la figura y la tabla.



NOTA:
1. P ara conocer el significado de las dimensiones de la carta, ver 4.1.
2. P ara las tolerancias en las dimensiones de FAK, descentramiento de la cara, y la excentricidad permitida de los conejos de montaje, véase 4.12. P ara el eje permisible
  descentramiento véase 4.9.
3. Las normas no se han desarrollado para el FU, FAH, hemograma completo, pruebas y claves en las dimensiones.
Sección 1                                                                                                                                                                                                     MG 1-1998, Revisión 1
 Dimensiones, tolerancias, y el montaje                                                                                                                                                                          P arte 4, página 19


4.4.6 Dimensiones para el Tipo D brida de montaje de pie o Leggings Los motores de corriente alterna
                                                                                                                                                                     BF Hoyo
                                                                                                                                                                                Reco-
                                                                                                                                                                                recomendados
                                                                                                                                                                                 Tornillo                                  Cunero
                                                                                                                                                                                Longitud
  Marco de Designación                 AJ               AK              BA              BB *            BC             BD Max            No SER          Número        Tamaño                    U      AH           R     ES Min        S
                                                                                                                                                                                 1.25
  143TD y 145TD                       10.00            9.000            2.75            0.25            0.00           11.00             0.50             4            0.53                    0,8750   2.25       0.771    1.41       0.188
                                                                                                                                                                                 1.25
  182TD y 184TD                       10.00            9.000            3.50            0.25            0.00           11.00             0.50             4            0.53                    1,1250   2.75       0.986    1.78       0.250
                                                                                                                                                                                 1.25
  213TD y 215TD                       10.00           9.000             4.25            0.25            0.00           11.00             0.50             4            0.53                    1,3750   3.38       1.201    2.41       0.312
                                                                                                                                                                                 2.00                                       2.91
  254TD y 256TD                       12.50           11.000            4.75            0.25            0.00           14.00             0.75             4            0.81      2.00          1.625    4.00       1.416               0.375
  284TD y 286TD                       12.50           11.000            4.75            0.25            0.00           14.00             0.75             4            0.81                    1.875    4.62       1.591    3.28       0.500




  284TSD y 286TSD                     12.50           11.000            4.75            0.25            0.00             14.00             0.75                  4     0.81       2.00         1.625    3.25       1.416     1.91      0.375
   324TD y 326TD                      16.00           14.000            5.25            0.25            0.00             18.00             0.75                  4     0.81       2.00         2.125    5.25       1.845     3.91      0.500
  324TSD y 326TSD                     16.00           14.000            5.25            0.25            0.00             18.00             0.75                  4     0.81       2.00         1.875    3.75       1.591     2.03      0.500
   364TD y 365TD                      16.00           14.000            5.88            0.25            0.00             18.00             0.75                  4     0.81       2.00         2.375    5.88       2.021     4.28      0.625
  364TSD y 365TSD                     16.00           14.000            5.88            0.25            0.00             18.00             0.75                  4     0.81       2.00         1.875    3.75       1.591     2.03      0.500



   404TD y 405TD                      20.00           18.000            6.62            0.25            0.00             22.00             1.00                  8     0.81       2.25         2.875    7.25       2.450     5.65      0.750
  404TSD y 405TSD                     20.00           18.000            6.62            0.25            0.00             22.00             1.00                  8     0.81       2.25         2.125    4.25       1.845     2.78      0.500
   444TD y 445TD                      20.00           18.000            7.50            0.25            0.00             22.00             1.00                  8     0.81       2.25         3.375    8.50       2.880     6.91      0.875
  444TSD y 445TSD                     20.00           18.000            7.50            0.25            0.00             22.00             1.00                  8     0.81       2.25         2.375    4.75       2.021     3.03      0.625
   447TD y 449TD                      20.00           18.000            7.50            0.25            0.00             22.00             1.00                  8     0.81       2.25         3.375    8.50       2.880     6.91      0.875



  447TSD y 449TSD20.00018.0007.500.250.0022.001.0080.81                                                                                                                           2.25         2.375    4.75       2.021     3.03      0.625
    500 marco series22.00018.000 ... 0.250.0025.001.0080.81                                                                                                                        ...           ...     ...         ...      ...        ...
Todas las dimensiones en pulgadas.
* La tolerancia es 0,00 pulgadas, -0,06 pulgadas.
NOTAS:
1. Para el significado de la letra las dimensiones véase el punto 4.1 y la Figura 4.4.
2. Ver 4.4.1 para las dimensiones de A, B, D, E, 2F, y H para los marcos de 143TD-445TSD, y para las dimensiones D, E, 2F, y BA para la serie de marco de 500.
3. Para las tolerancias de los diámetros de eje y cuneros, véase 4.9.
4. Para las tolerancias en las dimensiones de AK, descentramiento de la cara, y la excentricidad permitida de conejo de monta je, véase 4.12.
MG 1-1998, Revisión 1                                                                                                                                                  Sección I
P arte 4, página 20                                                                                                                                   Dimensiones, tolerancias, y el montaje


      4.5        DIMENSIONES-DC MÁQUINAS
      4.5.1      Dimensiones para Motores de corriente continua con pequeñas sola extensión de eje recto

                                                                                                                                                                                                   Cunero
         Marco
        Designaciones             A Max             B Max               D*                E               2F †              BA           H Ranura †         U             N-W              R          ES Min      S

                42                   ---               ---             2.62              1.75             1.69             2.06            0.28          0,3750           1.12           0.328            ---    plano

                48                   ---               ---             3.00              2.12             2.75             2.50            0.34          0,5000           1.50           0.453            ---    plano
                56                   ---               ---             3.50              2.44             3.00             2.75            0.34          0,6250           1.88           0.517           1.41   0.188

               56H                   ---               ---             3.50              2.44             3.00             2.75            0.34          0,6250           1.88           0.517           1.41   0.188
      Todas las dimensiones en pulgadas
      * La tolerancia de la dimensión D para motores de base rígida se .00 pulgadas -0,06 cm. No se ha establecido la tolerancia de la dimensión D de resistentes motores montados.
      † La tolerancia de la dimensión 2F será de ± 0,03 pulgadas y de la dimensión H (ancho de la ranura) será 0.05 pulgadas, -0,00 pulgadas.
      NOTAS:
      1. Para el significado de la letra las dimensiones véase el punto 4.1 y las Figuras 4 -1 y 4-2.
      2. Para la tolerancia en el diámetro de eje y cuneros véase 4.9.
      3. Se recomienda que todas las máquinas con cuneros corte en la extensión del eje de la polea, acoplamiento, piñones, etc, va yan provistos de una llave a menos que se especifique lo contrario por el
         comprador.
      4. Si la longitud de la extensión del eje del motor no es adecuado para la aplicación, se recomienda que las desviaciones de esta longitud de estar en incrementos de 0,25 pulgadas.
Sección I                                                                                                                             MG 1-1998, Revisión 1
Dimensiones, tolerancias, y el montaje                                                                                                  P arte 4, página 21


4.5.2 Dimensiones para el pie de montaje industrial de corriente directa de máquinas
 Marco                                                                                                                                AY Max
Designaciones    A Max      B Max         D*     E       2F †      BA      H agujero †    AL     AM      AO     AR      AU     AX     Bases      BT
 182AT           9.00       6.50         4.50   3.75     4.50      2.75     0.41         12.75   9.50    4.50   4.25    0.50   1.50   0.50       3.00

    183AT          9.00      7.00        4.50   3.75     5.00      2.75      0.41        12.75   10.00   4.50   4.50    0.50   1.50     0.50     3.00
    184AT          9.00      7.50        4.50   3.75     5.50      2.75      0.41        12.75   10.50   4.50   4.75    0.50   1.50     0.50     3.00
    185AT          9.00      8.25        4.50   3.75     6.25      2.75      0.41        12.75   11.25   4.50   5.12    0.50   1.50     0.50     3.00
    186AT          9.00      9.00        4.50   3.75     7.00      2.75      0.41        12.75   12.00   4.50   5.50    0.50   1.50     0.50     3.00
    187AT          9.00     10.00        4.50   3.75     8.00      2.75      0.41        12.75   13.00   4.50   6.00    0.50   1.50     0.50     3.00
    188AT          9.00     11.00        4.50   3.75     9.00      2.75      0.41        12.75   14.00   4.50   6.50    0.50   1.50     0.50     3.00
    189AT          9.00     12.00        4.50   3.75    10.00      2.75      0.41        12.75   15.00   4.50   7.00    0.50   1.50     0.50     3.00
   1810AT          9.00     13.00        4.50   3.75    11.00      2.75      0.41        12.75   16.00   4.50   7.50    0.50   1.50     0.50     3.00

    213AT         10.50      7.50        5.25   4.25     5.50      3.50      0.41        15.00   11.00   5.25   4.75    0.50   1.75     0.50     3.50
    214AT         10.50      8.25        5.25   4.25     6.25      3.50      0.41        15.00   11.75   5.25   5.12    0.50   1.75     0.50     3.50
    215AT         10.50      9.00        5.25   4.25     7.00      3.50      0.41        15.00   12.50   5.25   5.50    0.50   1.75     0.50     3.50
    216AT         10.50     10.00        5.25   4.25     8.00      3.50      0.41        15.00   13.50   5.25   6.00    0.50   1.75     0.50     3.50

    217AT         10.50     11.00        5.25   4.25     9.00      3.50      0.41        15.00   14.50   5.25   6.50    0.50   1.75     0.50     3.50
    218AT         10.50     12.00        5.25   4.25    10.00      3.50      0.41        15.00   12.50   5.25   7.00    0.50   1.75     0.50     3.50

    219AT         10.50     13.00        5.25   4.25    11.00      3.50      0.41        15.00   16.50   5.25   7.50    0.50   1.75     0.50     3.50
   2110AT         10.50     14.00        5.25   4.25    12.50      3.50      0.41        15.00   18.00   5.25   8.25    0.50   1.75     0.50     3.50

    253AT         12.50      9.50        6.25   5.00     7.00      4.25      0.53        17.75   13.88   6.25   6.00    0.62   2.00     0.62     4.00
    254AT         12.50     10.75        6.25   5.00     8.25      4.25      0.53        17.75   15.12   6.25   6.62    0.62   2.00     0.62     4.00

    255AT         12.50     11.50        6.25   5.00     9.00      4.25      0.53        17.75   15.88   6.25   7.00    0.62   2.00     0.62     4.00
    256AT         12.50     12.50        6.25   5.00    10.00      4.25      0.53        17.75   16.88   6.25   7.50    0.62   2.00     0.62     4.00

    257AT         12.50     13.50        6.25   5.00    11.00      4.25      0.53        17.75   17.88   6.25   8.00    0.62   2.00     0.62     4.00
    258AT         12.50     15.00        6.25   5.00    12.50      4.25      0.53        17.75   19.38   6.25   8.78    0.62   2.00     0.62     4.00

    259AT         12.50     16.50        6.25   5.00    14.00      4.25      0.53        17.75   20.88   6.25   9.00    0.62   2.00     0.62     4.00

    283AT         14.00     11.00        7.00   5.50     8.00      4.75      0.53        19.75   15.38   7.00   6.75    0.62   2.00     0.62     4.50

    284AT         14.00     12.50        7.00   5.50     9.00      4.75      0.53        19.75   16.88   7.00   7.50    0.62   2.00     0.62     4.50
    285AT         14.00     13.00        7.00   5.50    10.00      4.75      0.53        19.75   17.38   7.00   7.75    0.62   2.00     0.62     4.50

    286AT         14.00     14.00        7.00   5.50    11.00      4.75      0.53        19.75   18.38   7.00   8.25    0.62   2.00     0.62     4.50
    287AT         14.00     15.50        7.00   5.50    12.50      4.75      0.53        19.75   19.88   7.00   9.00    0.62   2.00     0.62     4.50

    288AT         14.00     17.00        7.00   5.50    14.00      4.75      0.53        19.75   21.38   7.00   9.75    0.62   2.00     0.62     4.50
    289AT         14.00     19.00        7.00   5.50    16.00      4.75      0.53        19.75   23.38   7.00   10.75   0.62   2.00     0.62     4.50
MG 1-1998, Revisión 1                                                                                                  Sección I
P arte 4, página 22                                                                                   Dimensiones, tolerancias, y el montaje




4.5.2 (Continuación)
 Marco                                                                                                                                 AY Max
Designaciones   A Max    B Max     D*      E     2F †    BA     H agujero †    AL      AM      AO        AR         AU         AX      Bases    BT
    323AT        16.00   12.50    8.00    6.25   9.00    5.25     0.66        22.75   17.75   8.00       7.75      0.75       2.50       0.75   5.25

    324AT        16.00   14.00    8.00    6.25   10.50   5.25     0.66        22.75   19.25   8.00       8.50      0.75       2.50       0.75   5.25
    325AT        16.00   14.50    8.00    6.25   11.00   5.25     0.66        22.75   19.75   8.00       8.75      0.75       2.50       0.75   5.25

    326AT        16.00   15.50    8.00    6.25   12.00   5.25     0.66        22.75   20.75   8.00       9.25      0.75       2.50       0.75   5.25
    327AT        16.00   17.50    8.00    6.25   14.00   5.25     0.66        22.75   22.75   8.00      10.25      0.75       2.50       0.75   5.25

    328AT        16.00   19.50    8.00    6.25   16.00   5.25     0.66        22.75   24.75   8.00      11.25      0.75       2.50       0.75   5.25
    329AT        16.00   21.50    8.00    6.25   18.00   5.25     0.66        22.75   26.75   8.00      12.25      0.75       2.50       0.75   5.25

    363AT        18.00   14.00    9.00    7.00   10.00   5.88     0.81        25.50   19.25   9.00       8.25      0.88       2.50       0.75   6.00
    364AT        18.00   154.25   9.00    7.00   11.25   5.88     0.81        25.50   20.50   9.00       9.12      0.88       2.50       0.75   6.00
    365AT        18.00   16.25    9.00    7.00   12.25   5.88     0.81        25.50   21.50   9.00       9.62      0.88       2.50       0.75   6.00
    366AT        18.00   181.00   9.00    7.00   14.00   5.88     0.81        25.50   23.25   9.00      10.50      0.88       2.50       0.75   6.00
    367AT        18.00   20.00    9.00    7.00   16.00   5.88     0.81        25.50   25.25   9.00      11.50      0.88       2.50       0.75   6.00
    368AT        18.00   22.00    9.00    7.00   18.00   5.88     0.81        25.50   27.25   9.00      12.50      0.88       2.50       0.75   6.00
    369AT        18.00   14.00    9.00    7.00   20.00   5.88     0.81        25.50   29.25   9.00      13.50      0.88       2.50       0.75   6.00

    403AT        20.00   15.00    10.00   8.00   11.00   6.62     0.94        28.75   21.12   10.00      9.25      1.00       3.00       0.88   7.00
    404AT        20.00   16.25    10.00   8.00   12.75   6.62     0.94        28.75   22.38   10.00      9.88      1.00       3.00       0.88   7.00
    405AT        20.00   17.75    10.00   8.00   13.75   6.62     0.94        28.75   23.88   10.00     10.62      1.00       3.00       0.88   7.00
    406AT        20.00   20.00    10.00   8.00   16.00   6.62     0.94        28.75   26.12   10.00     11.75      1.00       3.00       0.88   7.00
    407AT        20.00   22.00    10.00   8.00   18.00   6.62     0.94        28.75   28.12   10.00     12.75      1.00       3.00       0.88   7.00
    408AT        20.00   24.00    10.00   8.00   20.00   6.62     0.94        28.75   30.12   10.00     13.75      1.00       3.00       0.88   7.00

    409AT        20.00   26.00    10.00   8.00   22.00   6.62     0.94        28.75   32.12   10.00     14.75      1.00       3.00       0.88   7.00

    443AT        22.00   16.50    11.00   9.00   12.50   7.50     1.06        31.25   22.62   11.00     10.00      1.12       3.00       0.88   7.50

    444AT        22.00   18.50    11.00   9.00   15.00   7.50     1.06        31.25   24.62   11.00     11.00      1.12       3.00       0.88   7.50
    445AT        22.00   20.50    11.00   9.00   16.50   7.50     1.06        31.25   26.62   11.00     12.00      1.12       3.00       0.88   7.50

    446AT        22.00   22.00    11.00   9.00   18.00   7.50     1.06        31.25   28.12   11.00     12.75      1.12       3.00       0.88   7.50
    447AT        22.00   24.00    11.00   9.00   20.00   7.50     1.06        31.25   30.12   11.00     13.75      1.12       3.00       0.88   7.50

    448AT        22.00   26.00    11.00   9.00   22.00   7.50     1.06        31.25   32.12   11.00     14.75      1.12       3.00       0.88   7.50
    449AT        22.00   29.00    11.00   9.00   25.00   7.50     1.06        31.25   35.12   11.00     16.25      1.12       3.00       0.88   7.50
Sección I                                                                                                                            MG 1-1998, Revisión 1
Dimensiones, tolerancias, y el montaje                                                                                                 P arte 4, página 23




4.5.2 (Continuación)
 Marco                                                                                                                               AY Max
Designaciones    A Max      B Max         D*       E     2F †     BA     H agujero †    AL      AM      AO      AR     AU     AX     Bases       BT
    502AT         25.00     17.50        12.50   10.00   12.50   8.50      1.19        35.00   24.50   12.50   10.75   1.25   3.50      ---     8.00

    503AT         25.00     19.00        12.50   10.00   14.00   8.50      1.19        35.00   26.00   12.50   11.50   1.25   3.50      ---     8.00
    504AT         25.00     21.00        12.50   10.00   16.00   8.50      1.19        35.00   28.00   12.50   12.50   1.25   3.50      ---     8.00

    505AT         25.00     23.00        12.50   10.00   18.00   8.50      1.19        35.00   30.00   12.50   13.50   1.25   3.50      ---     8.00
    506AT         25.00     25.00        12.50   10.00   20.00   8.50      1.19        35.00   32.00   12.50   14.50   1.25   3.50      ---     8.00

    507AT         25.00     27.00        12.50   10.00   22.00   8.50      1.19        35.00   34.00   12.50   15.50   1.25   3.50      ---     8.00
    508AT         25.00     30.00        12.50   10.00   25.00   8.50      1.19        35.00   37.00   12.50   17.00   1.25   3.50      ---     8.00

    509AT         25.00     33.00        12.50   10.00   28.00   8.50      1.19        35.00   40.00   12.50   18.50   1.25   3.50      ---     8.00

      583         29.00     21.00        14.50   11.50   16.00   10.00     1.19        38.75   29.00   14.50   13.00   1.25   4.00      ---     8.50
      584         29.00     23.00        14.50   11.50   18.00   10.00     1.19        38.75   31.00   14.50   14.00   1.25   4.00      ---     8.50
      585         29.00     25.00        14.50   11.50   20.00   10.00     1.19        38.75   33.00   14.50   15.00   1.25   4.00      ---     8.50
      586         29.00     27.00        14.50   11.50   22.00   10.00     1.19        38.75   35.00   14.50   16.00   1.25   4.00      ---     8.50
      587         29.00     30.00        14.50   11.50   25.00   10.00     1.19        38.75   38.00   14.50   17.50   1.25   4.00      ---     8.50
      588         29.00     33.00        14.50   11.50   28.00   10.00     1.19        38.75   41.00   14.50   19.00   1.25   4.00      ---     8.50

      683         34.00     25.00        17.00   13.50   20.00   11.50     1.19        42.50   30.75   13.50   14.00   1.38   4.25      ---     9.00
      684         34.00     27.00        17.00   13.50   22.00   11.50     1.19        42.50   32.75   13.50   15.00   1.38   4.25      ---     9.00
      685         34.00     30.00        17.00   13.50   25.00   11.50     1.19        42.50   35.75   13.50   16.50   1.38   4.25      ---     9.00
      686         34.00     33.00        17.00   13.50   28.00   11.50     1.19        42.50   38.75   13.50   18.00   1.38   4.25      ---     9.00
      687         34.00     37.00        17.00   13.50   32.00   11.50     1.19        42.50   42.75   13.50   20.00   1.38   4.25      ---     9.00
      688         34.00     41.00        17.00   13.50   36.00   11.50     1.19        42.50   46.75   13.50   22.00   1.38   4.25      ---     9.00
MG 1-1998, Revisión 1                                                                                                                                                  Sección I
P arte 4, página 24                                                                                                                                   Dimensiones, tolerancias, y el montaje


 4.5.2 (Continuación)
                                          La unidad final para correa                                   La unidad final para conexión directa Unidad ‡                               Extremo opuesto Drive-recto
                                                                        Cunero                                                            Cunero                                                           Cunero

      Marco                                                                                                                                                                                                  FES
    Designaciones ‡           U          N-W       V Min       RES Min                S           U        N-W       V Min         R      ES Min         S        FUFN FV-FW Min.                   FR       Min      FS
    182AT-1810AT            1,1250       2.25      2.00       0.9861.41              0.250        ---      ---        ---          ---     ---           ---     0.87501.751.50                    0.771     0.91    0.188

    213AT-2110AT            1,3750       2.75       2.50      1.201       1.78       0.312        ---        ---        ---        ---        ---        ---     1,1250       2.25        2.00     0.986     1.41    0.250
     253AT-259AT             1.625       3.25       3.00      1.416       2.28       0.375        ---        ---        ---        ---        ---        ---     1,3750       2.75        2.50     1.201     1.78    0.312

     283AT-289AT             1.875       3.75       3.50      1.591       2.53       0.500        ---        ---        ---        ---        ---        ---      1.625       3.25        3.00     1.416     2.28    0.375
     323AT-329AT             2.125       4.25       4.00      1.845       3.03       0.500        ---        ---        ---        ---        ---        ---      1.875       3.75        3.50     1.591     2.53    0.500

     363AT-369AT             2.375       4.75       4.50      2.021       3.53       0.625        ---        ---        ---        ---        ---        ---      2.125       4.25        4.00     1.845     3.03    0.500
     403AT-409AT             2.625       5.25       5.00      2.275       4.03       0.625        ---        ---        ---        ---        ---        ---      2.375       4.75        4.50     2.021     3.53    0.625
     443AT-449AT             2.875       5.75       5.50      2.450       4.53       0.750        ---        ---        ---        ---        ---        ---      2.625       5.25        5.00     2.275     4.03    0.625
     502AT-509AT             3.250       6.50       6.25      2.831       5.28       0.750        ---        ---        ---        ---        ---        ---      2.875       5.75        5.50     2.450     4.53    0.750
       583A-588A             3.250       9.75       9.50      2.831       8.28       0.750      2.875      5.75       5.50       2.450      4.28       0.750        ---        ---          ---      ---       ---     ---
       683A-688A             3.625      10.88      10.62      3.134       9.53       0.875      3.250      6.50       6.25       2.831      5.03       0.750        ---        ---          ---      ---       ---     ---
 Todas las dimensiones en pulgadas
 * Marcos 182AT a 329AT, inclusive-La tolerancia de la dimensión D se 0.00 pulgadas, pulgadas -0,03, Marcos 363AT a 688AT, inclusive-La tolerancia de la dimensión D se debe
 0,00 pulgadas, -0,06 pulgadas.
 † La tolerancia para las dimensiones 2E y 2F será de ± 0,03 pulgadas y de la dimensión H será 0.05 pulgadas, -0,00 pulgadas.
 ‡ Cuando los marcos de 583A a 688A tiene una extensión de eje para la conexión directa de unidad, el número del cuadro tendrá una letra del sufijo "S" (es decir, 583AS).
 NOTAS:
 1. Para conocer el significado de las dimensiones de la carta, véase el punto 4.1 y las Figuras 4 -1 y 4-2.
 2. Se recomienda que todas las máquinas con act cuneros en la polea de eje, el acoplamiento, piñones, etc estar provistas de una llave a menos que se especifique lo contrario por parte del comprador.
Sección I                                                                                                                                                                                                           MG 1-1998, Revisión 1
Dimensiones, tolerancias, y el montaje                                                                                                                                                                                P arte 4, página 25


                   4.5.3 Dimensiones para el pie de montaje industrial Motores de corriente continua
                    Marco
                   Designaciones             A Max          B Max              D*                E†            2F †              BA           H agujero †
                         142 A                 7.00            6.75           3.50            2.75             3.50              2.75           0.34

                         143 A                 7.00            7.25           3.50            2.75             4.00              2.75           0.34

                         144 A                 7.00            7.75           3.50            2.75             4.50              2.75           0.34

                         145 A                 7.00            8.25           3.50            2.75             5.00              2.75           0.34

                         146 A                 7.00            8.75           3.50            2.75             5.50              2.75           0.34

                         147 A                 7.00            9.50           3.50            2.75             6.25              2.75           0.34

                         148 A                 7.00           10.25           3.50            2.75             7.00              2.75           0.34

                         149 A                 7.00           11.25           3.50            2.75             8.00              2.75           0.34

                        EN 1410                7.00           12.25           3.50            2.75             9.00              2.75           0.34

                        EN 1411                7.00           13.25           3.50            2.75             10.00             2.75           0.34

                        EN 1412                7.00           14.25           3.50            2.75             11.00             2.75           0.34


                         162 A                 8.00            6.00           4.00            3.12             4.00              2.50           0.41
                         163 A                 8.00            6.50           4.00            3.12             4.50              2.50           0.41

                         164 A                 8.00            7.00           4.00            3.12             5.00              2.50           0.41

                         165 A                 8.00            7.50           4.00            3.12             5.50              2.50           0.41

                         166 A                 8.00            8.20           4.00            3.12             6.25              2.50           0.41

                         167 A                 8.00            9.00           4.00            3.12             7.00              2.50           0.41

                         168 A                 8.00           10.00           4.00            3.12             8.00              2.50           0.41
                         169 A                 8.00           11.00           4.00            3.12             9.00              2.50           0.41

                        EN 1610                8.00           12.00           4.00            3.12             10.00             2.50           0.41



                                                      La unidad final para correa                                                   La unidad final para conexión directa Unidad                     End Drive extremo opuesto-Straight

                                                                                       Cunero                                                                        Cunero                                                       Cunero

         Marco                         U          N-W         V Min           R         ES Min           S             U           N-W         V Min         R       ES Min        S      FU     FN-FW     FV Min        FR         FES     FS
       Designaciones ‡                                                                                                                                                                                                              Min
       142AT-1412AT                                                                                                                                                                                                                 0.66
                                    0,8750        2.25          2.00        0.771         0.91         0.188           ---              ---      ---         ---         ---       ---   0.625    1.25       1.00       0.517              0.188

        162AT-1610AT                0,8750        1.75          1.50        0.771         0.91         0.188           ---              ---      ---         ---         ---       ---   0.625    1.25       1.00       0.517       0.66   0.188

  Todas las dimensiones en pulgadas
  * La tolerancia de la dimensión D se .00 pulgadas -0,03 cm
  † La tolerancia para las dimensiones 2E y 2F será de ± 0,03 pulgadas y de la dimensión H será 0.05 pulgadas, -0,00 pulgadas.


  NOTAS:
  1 Para el significado de las dimensiones de la carta, véase el punto 4.1 y las Figuras 4 -1 y 4-2.
  2. Para las tolerancias en el diámetro del eje y cuneros, véase 4.9.
  3. Se recomienda que todas las máquinas con act cuneros en la polea de eje, el acoplamiento, piñones, etc estar provistas de una llave a menos que se especifique lo contrario por parte del comprador
MG 1-1998, Revisión 1                                                                                                                                                       Sección I
P arte 4, página 26                                                                                                                                        Dimensiones, tolerancias, y el montaje


   4.5.4 Dimensiones para el Tipo C de montaje cara de corriente directa motores pequeños

                                                                                                                                     DF Hoyo                                                            Cunero

   Designaciones marco               AJ             AK             BA            BB *            BC           BD Nom          Número          En T amaño         U              AH †            R       ES Min      S

              42C                   3.750          3.000         2.062           0.16            -0,19            5.00           4             1/4-20          0,3750           1.312         0.328        ---     plano
              48C                   3.750          3.000           2.5           0.16            -0,19            5.625          4             1/4-20          0.500            1.69          0.453        ---     plano

              56C                   5.875          4.500          2.75           0.16            -0,19             6.5           4             3/8-16          0,6250           2.06          0.517       1.41    0.188

   Todas las dimensiones en pulgadas.
   * Estas dimensiones BB tienen una tolerancia de 0.00, -0.06 pulgadas.
   † Si la longitud de la extensión del eje del motor no es adecuado para la aplicación, se recomienda que las desviaciones de l a longitud de ser en incrementos de 0,25 pulgadas.
   NOTAS:
   1 Para el significado de las dimensiones de la carta, ver 4.1 y la Figura 4 -3.
   2 Véase 4.5.1 para las dimensiones D, E, y 2F cuando el motor está siempre con los pies.
   3 Para las tolerancias de los diámetros de eje y cuneros, véase 4.9.
   4 Por la tolerancia en las dimensiones de AK, el descentramiento cara, y la excentricidad permitida de ranura de montaje, ver 4.12.



    4.5.5 Dimensiones para el Tipo C de montaje cara Industrial Motores de corriente continua
                                                                                                                                     BF Hoyo                                                             Cunero

                                                                                                                        T ornillo
                                                                                                                      Penetración
    Designaciones marco              AJ           AK           BA            BB *         BC             Número máximo de BD en T amaño Asignación                     U               AH        R       ES Min    S
     182ATC-1810ATC                 7.250        8.500         2.75          0.25         0.12           9.0041/2-130.75                                             1,1250            2.12     0.986    1.41     0.250

       213ATC-2110ATC               7.250        8.500         3.50          0.25         0.25             9.00           4          1/2-13             0.75         1,3750            2.50     1.201      1.78   0.312
       253ATC-259ATC                7.250        8.500         4.25          0.25         0.25            10.00           4          1/2-13             0.75            1.625          3.00     1.416      2.28   0.375

       283ATC = 289ATC              9.000       10.500         4.75          0.25         0.25            11.25           4          1/2-13             0.75            1.875          3.50     1.591      2.53   0.500
       323ATC-329ATC               11.000       12.500         5.25          0.25         0.25            14.00           4          5/8-11             0.94            2.125          4.00     1.845      3.03   0.500

       363ATC-369ATC               11.000       12.500         5.88          0.25         0.25            14.00           8          5/8-11             0.94            2.375          4.50     2.021      3.53   0.625

    Todas las dimensiones en pulgadas.

    NOTAS:
    1. Para conocer el significado de las dimensiones de la carta, ver 4.1 y la Figura 4 -3.
    2. Para las tolerancias de los diámetros de eje y cuneros, véase 4.9.
    3. Para la tolerancia en las dimensiones de AK, el descentramiento cara, y la excentricidad permitida de ranura de montaje, véase 4.12.
    4. Véase el apartado 4.5.2 de las dimensiones A, B, D, E, 2F, H, y BA cuando se proporciona el motor con los pies.
Sección I                                                                                                                                                                                                        MG 1-1998, Revisión 1
Dimensiones, tolerancias, y el montaje                                                                                                                                                                             P arte 4, página 27


    4.5.6 Dimensiones para el Tipo C de montaje cara Industrial Motores de corriente continua
                                                                                                                                                          BF Hoyo                                                     Cunero

                                                                                                                                         T ornillo
    Designaciones marco                      AJ              AK              BA             BB *             BC             BD Número máximo de penetración en T amaño                   U         AH        R        ES Min            S
                                                                                                                                       Subsidio
         142ATC-1412ATC                    5.875           4.500            2.75            0.16             0.12             6.50             4          3/8-16        0.56           0,8750     2.12     0.771         1.41         0.188

         162ATC-1610ATC                    5.875           4.500            2.50            0.16             0.12             6.50             4          3/8-16        0.56           0,8750     2.12     0.771         1.41         0.188

    Todas las dimensiones en pulgadas.
    * Tolerancia = 0.00 pulgadas, -0,06 pulgadas.
    NOTAS:
    1. Véase el párrafo 4.5.3 para las dimensiones de A, B, E, 2F, y H cuando el motor está siempre con los pies.
    2. Para conocer el significado de las dimensiones de la carta, ver 4.1 y la Figura 4-3.
    3. Para las tolerancias de los diámetros de eje y cuneros, véase 4.9.
    4. Para la tolerancia en las dimensiones de AK, el descentramiento cara, y la excentricidad permitida de ranura de montaje, véase 4.12.




     4.5.7 Dimensiones para el Tipo D brida de montaje industrial Motores de corriente continua
                                                                                                                                                           BF agujero de paso                                               Cunero

                                                                                                                                                                   Recomendado
       Designaciones marco                          AJ             AK              BB *            BC          BD Max SER Nom                      T amaño         Perno LengthNumber            U        AH            R             S
            182ATD-1810ATD                         10.00           9.000           0.25              0              11.00            0.50          0.53            4            1.25            1.125    2.25          0.986         0.250

            213ATD-2110ATD                         12.50          11.000           0.25              0              14.00            0.75          0.75            4            2.00            1.375    2.75          1.201         0.312

             253ATD-259ATD                         16.00          14.000           0.25              0              18.00            0.75          0.75            4            2.00            1.625    3.25          1.416         0.375

             283ATD-289ATD                         16.00          14.000           0.25              0              18.00            0.75          0.75            4            2.00            1.875    3.75          1.591         0.500

             323ATD-329ATD                         16.00          14.000           0.25              0              18.00            0.75          0.75            4            2.00            2.125    4.25          1.845         0.500
             363ATD-369ATD                         20.00          18.000           0.25              0              22.00            1.00          1.00            8            2.50            2.375    4.75          2.021         0.625

             403ATD-409ATD                         22.00          18.000           0.25              0              24.00            1.00          1.00            8            2.50            2.625    5.25          2.275         0.625
             443ATD-449ATD                         22.00          18.000           0.25              0              24.00            1.00          1.00            8            2.50            2.875    5.75          2.450         0.750

             502ATD-509ATD                         30.00          28.000           0.25            0.38             32.00            1.00          1.00            8            2.50            3.250    6.88          2.831         0.750
               583AD-588AD                         30.00          28.000           0.25            0.38             32.00            1.00          1.00            8            2.50            3.250    10.12         2.831         0.750

             583ASD-588ASD                         30.00          28.000           0.25            0.38             32.00            1.00          1.00            8            2.50            2.875    6.12          2.845         0.750
               683AD-688AD                         35.25          33.250           0.25            0.38             37.25            1.00          1.00            8            2.50            3.625    11.25         3.134         0.875

             683ASD-688ASD                         35.25          33.250           0.25            0.38             37.25            1.00          1.00            8            2.50            3.250    6.88          2.831         0.750

     Todas las dimensiones en pulgadas.
     * Tolerancia = 0.00 pulgadas, -0,06 pulgadas
     NOTAS:
     1. Véase el párrafo 4.5.3 para las dimensiones de A, B, E, 2F, y H cuando el motor está siempre con los pies.
     2. Para conocer el significado de las dimensiones de la carta, ver 4.1 y la Figura 4-3.
     3. Para las tolerancias de los diámetros de eje y cuneros, véase 4.9.
     4. Para la tolerancia en las dimensiones de AK, el descentramiento cara, y la excentricidad permitida de ranura de montaje, véase 4.12.
     5. Para conocer el significado de las dimensiones de la carta, véase el punto 4.1 y la Figura 4.4.
     6. Véase el apartado 4.5.2 de las dimensiones A, B, D, E, 2F, H y BA.
MG 1-1998, Revisión 1                                                                                       Sección I
Parte 4, página 28                                                                        Dimensiones, tolerancias, y los montajes


                      4.5.8 Dimensiones de la base para los tipos P y PH Vertical eje sólido
                          Industrial Motores de corriente continua1
                                                                                                         BF agujero de paso
                             AJ                AK              BB Min             BD Max             Número                     Tamaño

                           9.125              8.250              0.19                10                  4                      0.44
                           9.125              8.250              0.19                12                  4                      0.44
                          14.750             13.500              0.25               16.5                 4                      0.69
                          14.750             13.500              0.25                20                  4                      0.69
                          14.750             13.500              0.25               24.5                 4                      0.69
                      Todas las dimensiones en pulgadas.
                      Tolerancias (véase 4.13.)
                      AK-Dimensión
                         De 8,250 pulgadas, 0,003 pulgadas, 0,000 pulgadas.
                         De 13,500 pulgadas, 0,005 pulgadas, -0,000 pulgadas.
                      Cara descentramiento-
                         P ara AJ de 9,125 pulgadas, 0,004 pulgadas lectura del indicador.
                         P ara AJ de 14,750 pulgadas, 0,007 pulgadas lectura del indicador.
                      Excentricidad permitida de montaje ranura-
                         P ara envíos a Alaska de 8.250 pulgadas, 0,004 pulgadas lectura del indicador.
                         P ara envíos a Alaska de 13.500 pulgadas, 0,007 pulgadas lectura del indicador.




                    4.5.9 Dimensiones para el tipo de rostro FC de montaje para accesorios
                       en el lado accionamiento del Frente Industrial Motores de corriente continua2,3
                                                                                                               FBF Hoy o
                                                                                                                                Tornillo
                                                                                                                               Penetración
                         FAJ                FAK               FBB *                FBC          Número         En Tamaño       Subsidio
                         5.875              4.500              0.16                0.12          4             3/8-16           0.56

                         7.250              8.500              0.31                0.25             4            1/2-13                0.75
                         9.000             10.500              0.31                0.25             4            1/2-13                0.75
                        11.000             12.500              0.31                0.25             4            5/8-11                0.94
                    Todas las dimensiones en pulgadas.
                    * Tolerancias
                    FBB-Dimensión
                       De 0,16 pulgadas, 0,00 pulgadas, pulgadas -0,03.
                       De 0,31 pulgadas, 0,00 pulgadas, pulgadas -0,06.



4.6     Diámetros de eje EXTENSION PARA MOTORES DE UNIVERSAL
      Los diámetros de eje, 4 en pulgadas serán las siguientes:



                                        0,2500                                    0,3750                           0,6250
                                        0,3125                                    0,5000                           0,7500




1 P ara el significado de las dimensiones de la carta, véase el punto 4.1 y la Figura 4 -5

2 P ara el significado de las dimensiones de la carta, ver 4.1 y la Figura 4 -3

3 P or la tolerancia en las dimensiones de FAK, descentramiento cara, y la excentricidad permitida de ranura de montaje, ver 4 .12. P ara
 desviación permitida, véase 4.9.

4 P ara las tolerancias de los diámetros de eje y cuneros, véase 4.9.
Sección I                                                                                                           MG 1-1998, Revisión 1
Dimensiones, tolerancias, y los montajes                                                                              Parte 4, página 29


4.7 LÍMITES DE TOLERANCIA EN DIMENSIONES
   Las dimensiones del centro del eje a la parte inferior de los pies no debe ser mayor que las dimensiones
se muestra en la hoja de la dimensión del fabricante. Cuando la máquina está acoplada o adaptada a las (impulsada o
conducir) las máquinas, las cuñas suelen ser necesarios para asegurar una alineación precisa.



4.8 Golpe de gracia y diámetro de las perforaciones PARA CAJAS DE TERMINALES DE LA MÁQUINA
  El diámetro de los octavos de final, con exclusión de cualquier proyección de orejas pequeñas o fichas, y el aclaramiento
agujero en la caja de bornes de una máquina se hará de conformidad con lo siguiente:



                                 Conducto             Nocaut o Diámetro del orif icio de Liquidación, Pulgadas

                              Tamaño, pulgadas         Nominal                Mínimo                 Máximo

                                   1.2                   0.875                     0.859                0.906
                                   4.3                   1.109                     1.094                1.141
                                    1                    1.375                     1.359                1.406
                                   1-1/4                 1.734                     1.719                1.766
                                   1-1/2                 1.984                     1.969                2.016
                                    2                    2.469                     2.453                2.500
                                   2-1/2                 2.969                     2.953                3.000
                                    3                    3.594                     3.578                3.625
                                   3-1/2                 4.125                     4.094                4.156
                                    4                    4.641                     4.609                4.672
                                    5                    5.719                     5.688                5.750
                                    6                    6.813                     6.781                6.844




4.9       Tolerancias en el diámetro extensión del eje y cuneros
4.9.1     De diámetro del eje de extensión

    Las tolerancias de los diámetros de eje serán las siguientes:


                                                                                     Tolerancias, Pulgadas

                      Diámetro del eje, pulgadas                           Más                                Menos

                       0,1875 a 1,5000, incl.                              0.000                              0,0005
                       Más de 1,5000 a 6,500, incl.                        0.000                              0.001



4.9.2     Cunero de ancho
    La tolerancia en el ancho de cuneros extensión del eje serán las siguientes:


                                                                                     Tolerancias, Pulgadas

                     Ancho de cunero, Pulgadas                             Más                                Menos

                        0,188 a 0,750, incl.                               0.002                                0.000
                       Más de 0,750 a 1,500, incl.                         0.003                                0.000



4.9.3     Parte inferior de cunero a la superficie del eje
  La tolerancia de la parte inferior del cunero en el lado opuesto de una extensión de eje cilíndrico se
ser 0.000 pulgadas, -0,015 pulgadas.
  La tolerancia de la profundidad de cuneros extensión del eje de ejes cónicos se .015 pulgadas, -0,000
pulgadas.
MG 1-1998, Revisión 1                                                                              Sección I
Parte 4, página 30                                                               Dimensiones, tolerancias, y los montajes


4.9.4      Paralelismo
    La tolerancia para la toma de cuneros en paralelo a la línea central del eje serán las siguientes:
    a. Para las dimensiones de V hasta e incluyendo 4.00 pulgadas, 0,002 pulgadas;
    b. Para las dimensiones de V mayor de 4,00 pulgadas hasta e incluyendo el 10,0 0 pulgadas-.0005 de pulgada por pulgada
      de la dimensión de V;
    c. Para las dimensiones de V superior a 10,00 centímetros, 0.005 de pulgada.


4.9.5      El desplazamiento lateral
  La tolerancia para el desplazamiento lateral de todos los cuneros se 0,010 pulgadas (0,250 mm). Se define como
la mayor desviación en cualquier punto a lo largo de la longitud utilizable del cunero. Esta desviación es la distancia desde el
central del cunero al plano a través de la línea central de la extensión del eje perpendicular a la verdad
posición de la parte inferior del cunero. Consulte la Figura 4 -7.

4.9.6      Diámetros y dimensiones cunero
 El diámetro del eje cilíndrico de extensión y dimensiones cunero de teclas cuadradas será como se muestra en
T abla 3.4.

4.9.7      Descentramiento del eje
  La tolerancia de la desviación del eje permisible, cuando se mide al final de la extensión del eje, se
se (ver 4.11):
  a. De 0,1875 a los ejes del diámetro 1,625 pulgadas, inclusive, 0.002 pulgadas lectura del indicador.
  b. Desde hace más de 1.625-a los ejes del diámetro 6,500 pulgadas, inclusive, 0.003 pulgadas lectura del indicador.


    NOTA: Las normas no se han establecido para descentramiento eje donde la longitud de la extensión del eje excede el
    estándar. Sin embargo, descentramiento de los ejes más larga que las suelen ser mayores que las indicadas anteriormente.




                                    (0,051 mm)




                                                    Figura 4-7
                                               DESPLAZA MIENTO LATERAL cunero
Sección I                                                                                           MG 1-1998, Revisión 1
Dimensiones, tolerancias, y los montajes                                                              Parte 4, página 31


                          Tabla 4-3
          CILÍNDRICO diámetros de eje extensión y dimensiones cunero PARA
                        Teclas cuadradas

                                                                     Parte inf erior del cunero al lado opuesto de la
               De diámetro del eje, U      Ancho de cunero, S             Eje cilíndrico, R
                  Pulgadas                   Pulgadas                           Pulgadas
                  0,1875                      P lano                             0.178
                  0,2500                      P lano                           0.235
                  0,3125                      P lano                           0.295
                  0,3750                      P lano                           0.328
                  0,5000                      P lano                           0.453


                        0,6250                    0.188                                     0.517
                        0,7500                    0.188                                     0.644
                        0,8750                    0.188                                     0.771
                        1,0000                    0.250                                     0.859
                        1,1250                    0.250                                     0.986


                        1,2500                    0.250                                     1.112
                        1,3750                    0.312                                     1.201
                        1,5000                    0.375                                     1.289
                        1.625                     0.375                                     1.416
                        1.750                     0.375                                     1.542


                         1.875                    0.500                                     1.591
                         2.000                    0.500                                     1.718
                         2.125                    0.500                                     1.845
                         2.250                    0.500                                     1.972
                         2.375                    0.625                                     2.021


                         2.500                    0.625                                     2.148
                         2.625                    0.625                                     2.275
                         2.750                    0.625                                     2.402
                         2.875                    0.750                                     2.450
                         3.000                    0.750                                     2.577


                         3.125                    0.750                                     2.704
                         3.250                    0.750                                     2.831
                         3.375                    0.875                                     2.880
                         3.500                    0.875                                     3.007
                         3.625                    0.875                                     3.134


                         3.750                    0.875                                     3.261
                         3.875                    1.000                                     3.309
                         4.000                    1.000                                     3.436
                         4.250                    1.000                                     3.690
                         4.375                    1.000                                     3.817


                   4.500                          1.000                                     3.944
                Más de 4,500 a 5,500              1.250                                      *
                Más de 5,500 a 6,500              1.500                                      *


               USU2 S 2
        * R        2
MG 1-1998, Revisión 1                                                                              Sección I
Parte 4, página 32                                                               Dimensiones, tolerancias, y los montajes


4.10RING cuneros ranura del eje PARA MOTORES DE EJE VERTICAL
  Dimensiones y tolerancias de cuneros anillo de la ranura del eje debe estar de acuerdo con la T abla 4-4.
                           Tabla 4-4
        Dimensiones y tolerancias de cuneros ranura del anillo


            U, Pulgadas                             * UE, Pulgadas                         EW, Pulgadas                           EX, Pulgadas

    0,8750 1,0000 por                                U-(0.1875)                                 0.377                                0.750
                                                                                                0.375                                0.745
    1,1250 1,5000 por                                 U-(0.250)                                 0.377                                0.750
                                                                                                0.375                                0.745
                                                                                                0.377                                0.750
      1,625 por 2,500                                 U-(0.375)
                                                                                                0.375                                0.745
                                                                                                0.503                                1.000
      2,625 por 4,500                                 U-(0.500)                                 0.500                                0.990
                                                                                                0.755                                1.500
      4,625 por 6,000                                 U-(0.750)                                 0.750                                1.485

* Tolerancia en el anillo cunero de diámetro (UE)
                Diámetro nominal del eje, pulgadas                                                        Tolerancias, Pulgadas

                           0,875 a 2,500, incl.                                                                +0.000 / -0.005
                           2,625 a 4,500, incl.                                                                +0.000 / -0.010
                           4,625 a 6,000, incl.                                                                +0.000 / -0.015



4.11 MÉTODO DE MEDICIÓN DEL EJE Y descentramiento de la excentricidad Y CARA
     Descentramiento de superficies de montaje
4.11.1 Eje de descentramiento

  La desviación del eje se mide con el indicador estacionario con respecto al motor y con su
punto al final de la superficie de acabado del eje. Vea las Figuras 4 -8 y 4-9 para los accesorios típicos.
  Leer los valores máximos y mínimos en el indicador de que el eje gira lentamente a través de 360
grados. La diferencia entre las lecturas no deberá exceder el valor especificado.


4.11.2 La excentricidad y el descentramiento de la cara superficies de montaje
  La excentricidad y la desviación frente a las superficies de montaje se debe medir con indicadores montados
en el extremo del eje. El punto de que el indicador se excentricidad en aproximadamente la mitad de la
superficie barbilla, y el punto del indicador de desviación cara será aproximadamente el diámetro exterior del
la cara de montaje. Véase la figura 4.10 para el accesorio típico.
  Leer los valores máximos y mínimos de los indicadores como el eje gira lentamente a través de 360
grados. La diferencia entre las lecturas no deberá exceder el valor especificado.


    NOTA: En los motores con cojinetes de bolas, se recomienda que la prueba se hizo con el eje vertical para minimizar el
    efecto de las separaciones de los rodamientos.


4.12TOLERA NCES PARA tipo de la cara de montaje C y Tipo D BRIDA MOTORES DE MONTAJE
  Para el tipo C cara de montaje y tipo D brida montaje de motores, la tolerancia en la ranura de montaje
de diámetro, el descentramiento nominal máximo, y la excentricidad máxima de la ranura de montaje será como en
T abla 4-5 cuando se mide de acuerdo con 4.11.
Sección I                                                                                                              MG 1-1998, Revisión 1
Dimensiones, tolerancias, y los montajes                                                                                 Parte 4, página 33



                                            Tabla 4-5
                                    Máxima excentricidad DE MONTAJE rebajo
                                                                                                                               Máximo
                                                                                                                               Permisible
                                                                                                                              Excentricidad de
                                                                                                                              Rabbet montaje
   AK dimensión,                     La tolerancia sobre la Dimensión AK, Pulgadas                  Nominal máximo
                                                                                                                                Pulgadas
    Pulgadas                             PlusMinus                                                  Descentramiento, Pulgadas
                                                                                                                                 0.004
     <12                               0.0000.003                                                     0.004

       a 24                        0.000                            0.005                            0.007                      0.007
       > 24 hasta 40                      0.000                            0.007                            0.009                      0.009



4.13TOLERA NCES para el tipo P con brida MOTORES
  Para el tipo P-brida de montaje de motores (ver Figura 4-5), la tolerancia en el diámetro de ranura de montaje,
el descentramiento nominal máximo, y la excentricidad máxima de la ranura de montaje será como en la T abla 6.4
cuando se mide de acuerdo con 4.11.



                                            Tabla 4-6
                                    Máxima excentricidad DE MONTAJE rebajo
                                                                                                                                 Máximo
                                                                                                                                 Permisible
                                                                                                                                Excentricidad de
                                                                                                                                Rabbet montaje
   AK dimensión,                     La tolerancia sobre la Dimensión AK, Pulgadas                  Nominal máximo                Pulgadas
    Pulgadas                                                                                        Descentramiento, Pulgadas
                                            Más                        Menos

           <12                            0.003                            0.000                            0.004                      0.004
       a 24                        0.005                            0.000                            0.007                      0.007
       > 24 hasta 40                      0.007                            0.000                            0.009                      0.009
       > 40 hasta 60                      0.010                            0.000                            0.012                      0.012



PERNOS 4.14MOUNTING o espárragos
  T ornillos o pernos utilizados para la instalación de máquinas de montaje de los pies puede ser un tamaño menor que el máximo
tamaño permitido por el diámetro del agujero del pie si de grado 5 u 8 tornillos y arandelas de alta resistencia se utilizan.
Enclavijar después de la alineación se recomienda.

    NOTA: P ara la definición de grado 5 o 8 elementos de fijación se refieren a la norma ANSI / SAE J429 estándar.
MG 1-1998, Revisión 1                                                                   Sección I
Parte 4, página 34                                                    Dimensiones, tolerancias, y los montajes




                                     Figura 4-10
                       La excentricidad y el descentramiento CARA DE SUPERFICIES DE MONTAJE


4.15METHOD PARA COMPROBA R coplanaridad DE PIES DE MOTORES TOTALMENTE MONTADO
  Para comprobar la planitud de los pies de un motor totalmente ensamblado, el motor debe ser colocado sobre una superficie pla na
placa (grado herramienta sala "B"), y un calibrador insertado entre la placa de la superficie y las patas del motor en
cada perno de montaje del agujero. Una galga de la tolerancia coplanar requerido no debe penetrar toda diferencia
entre la parte inferior de los pies y la placa de la superficie dentro de un área circular alrededor de la línea central del tornillo
agujero con un diámetro igual a 3 veces el diámetro del orificio del perno o 1 pulgada, lo que sea mayor. El motor
No se debe permitir a cambio o de la roca, el cambio de puntos de contacto durante estas mediciones. Si la habitación
la temperatura no se controla la placa de la superficie será un bloque de granito. Métodos alternativos que utilizan rayos láser o
coordinar las máquinas de medición se puede utilizar siempre que se indiquen para proporcionar resultados equivalentes.



4.16METHOD DE MEDICIÓN DE PARALELISMO EXTENSIÓN DEL EJE DE PIE PLANO
   Cuando se mide el paralelismo de la extensión del eje con respecto a la superficie del pie de montaje, la
motor se montará sobre una superficie plana que cumpla los requisitos de la prueba coplanares (véase 4.15) y
el paralelismo determina midiendo la diferencia entre las distancias de la superficie de montaje
a la superficie superior o inferior de la diáfisis, en el extremo del eje, y la superficie superior o inferior de la
eje, en la posición en el eje correspondiente a la dimensión de BA. Métodos alternativos que utilizan rayos láser o
coordinar las máquinas de medición se puede utilizar siempre que se indiquen para proporcionar resultados equivalentes.



4.17MEASUREMENT de temperatura de los rodamientos
  O bien termómetros, termopares, dispositivos de resistencia a la temperatura (RT D), o la temperatura de otros
Los detectores pueden ser utilizados. El punto de medición se situarán lo más cerca posible uno de los dos
puntos que se indican en la siguiente tabla:


Tipo de rodamiento                                                    Ubicación del punto de medición
De bolas o rodillos    Recomendados el alojamiento del cojinete en el anillo exterior del rodamiento, o si no es práctico, no más
                                  En
                                  de 1 / 2 pulgada del anillo exterior del cojinete.
                                  Superficie exterior de la carcasa lo más cerca posible al anillo exterior de la
                       Alterno
                                  rodamiento.
                                  En la parte inferior del cojinete y no más de 1 / 2 pulgada de la película de aceite.
Manga                  Recomendados otras partes del cojinete.
                                  En
                       Alterno



 Resistencia térmica entre el detector de temperatura y el rumbo que se mide se
minimizada. Por ejemplo, las lagunas pueden ser empacados con un material conductor térmico adecuado.
Sección I                                                                                                                      MG 1-1998, Revisión 1
Dimensiones, tolerancias, y los montajes                                                                                         Parte 4, página 35


CONEXIONES 4.18TERMINAL para motores pequeños
4.18.1 cables de los terminales

   El terminal lleva de motores pequeños se llevó las siguientes: (1) de la placa de cojinete en el extr emo opuesto de la
disco extremo y en el lado derecho cuando se ve este fin, o (2) fuera del marco en el lado derecho
al ver el otro extremo del lado del regulador y tan cerca de ello como sea posible.

4.18.2 terminales de lámina
  Excepto en los casos de otras dimensiones de terminales de lámina se especifican en la Parte 18, los terminales de la hoja cuando se usa
para la conexión externa de los motores pequeños tendrán las siguientes dimensiones:
                          Marco de tamaño                             Ancho, pulgadas                            De espesor, pulgadas
                          48 y más                                      0.250                                       0.031

                        Menor de 48                                          0.187                                         0.020

4.19MOTOR TERMINAL CONTENEDORES
4.19.1 Motores Pequeñas y Medianas Empresas

  Cajas de bornes deberán ser de metal y de construcción sólida. Para los motores de más de 7 centímetros de
de diámetro, las viviendas de la terminal será capaz de soportar sin fallas una carga vertical en el
superficies horizontales de 20 libras por pulgada cuadrada de superficie horizontal hasta un máximo de 240 libras.
Esta carga se aplicará a través de una superficie de metal de 2 pulgadas de diámetro plana. Flexión o deformación de la
la vivienda no se considera un fracaso a menos que los resultados en distancias entre la vivienda y rígidamente cualquier
terminales montados viven menos que los indicados en 4.19.2.2.
  En que no sea peligrosos (clasificados), sustancial, no metálicos, no burning1 cajas terminales
se permite el uso en motores y generadores proporcionan los medios de puesta a tierra interna entre los
bastidor de la máquina y la conexión a tierra del equipo se incorpora a la vivienda.



4.19.2 Dimensiones
4.19.2.1 carcasas para máquinas Terminal de cable para cables de conexiones -Pequeñas y Medianas Empresas
  Cuando estos soportes terminales incluir alambre a alambre conexiones, tendrán las dimensiones mínimas
y el volumen utilizable de acuerdo con lo siguiente. Auxiliar conduce a los elementos tales como frenos, termostatos,
calentadores de ambiente, campos interesantes, etc, se permitirá que no será necesario si la zona de corriente no
superar el 25 por ciento del área de transporte de corriente de los cables de la máquina de alimentación.

               TERMINAL mínimos de vivienda, dimensiones y volúmenes PARA MOTORES
                       11 pulgadas de diámetro o menos *
                                        Apertura de la cubierta, v olumen mínimo MinimumUseable,
                         HpDimensions, Pulgadas InchesCubic
                    1 y más pequeños ** 1.6210.5
                   1 1 / 2, 2 y 3 † 1.7516.8
                     5 y 7 1/22.0022.4
                      10 y 152.5036.4
              * Este es un diámetro, medido en el plano de laminación del círculo que circunscribe el estator
              marco, con exclusión de terminales, las aletas, cajas, etc, utilizados exclusivamente para la refrigeración del motor, montaj e, ensamblaje o
              conexión.



              ** P ara motores con una potencia y más pequeña y con la caja de bornes, total o parcialmente
              integral con el escudo de marco o al final, el volumen de la caja de bornes no deberá ser inferior a
              De 1,1 pulgadas cúbicos por conexión de cable a cable. La dimensión de la cubierta de apertura mínimo no es
              especificada.

              † P ara motores con 1-1/2, 2 y 3 caballos de fuerza y con la caja de bornes, total o parcialmente
              integral con el escudo de marco o al final, el volumen de la caja de bornes no deberá ser inferior a
              1,4 centímetros cúbicos por conexión de cable a cable. La dimensión de la cubierta de apertura mínimo no es
              especificada.




1 Véase la Sociedad Americana para P ruebas y Materiales Ensayos de i nflamabilidad de la Auto-Apoyo plásticos, ASTM D635-81, más de 0.050 pulgadas
(0,127 cm) de espesor, para la prueba de que no quema.
MG 1-1998, Revisión 1                                                                               Sección I
Parte 4, página 36                                                                Dimensiones, tolerancias, y los montajes




              TERMINAL mínimos de vivienda, dimensiones y volúmenes PARA MOTORES
                      MÁS DE 11 PULGADAS EN DIAMETRO *
                                                            Los motores de corriente alterna
              Máximo
              A plena carga
              Actual para
             Trif ásico
                                        Caja de terminales
             Los motores con
                                        Apertura de la cubierta
             Máximo de
                                          Mínimo                Volumen útil,                      Típico de un máximo de tres f ase
             Doce deriv aciones,
                                         Dimensión,              Mínimo,                                 Caballo de f uerza
              Amperios
                                         Pulgadas               Pulgadas cúbicas                     230 v oltios Volts460
                  45
                                            2.5
                 70
                                           3.3                       36.4                                15                         30
                110
                                           4.0                       77                                  25                         50
                160
                                           5.0                       140                                 40                         75
                250
                                           6.0                       252                                 60                         125
                400
                                           7.0                       450                                 100                        200
                600
                                           8.0                       840                                 150                        300
                                                                     1540                                250                        500



                                                               Motores de corriente continua
              Máximo
              A plena carga Terminal
              Actual para      Viv iendas
             Los motores con  Volumen MinimumUsable,
            Máximo de seis Dimensión, mínima,
               Llev a           Pulgadas InchesCubic
                 68               2.526
                105             3.355
                165             4,0100
                240             5,0180
                375             6,0330
                600             7,0600
                900             8,01100
            * Este es un diámetro, medido en el plano de laminación del círculo que circunscribe la carcasa del estator,
            excluyendo apéndices, las aletas, cajas, etc, utilizados exclusivamente para la refrigeración del motor, montaje, ensamblaje o de
            conexión.




4.19.2.2 Cajas de bornes para terminales rígidamente montado - Máquinas Media
  Cuando las cajas de terminales incluir rígidamente montado en los terminales del motor, las cubiertas de la terminal será de
tamaño suficiente para proporcionar distancias mínimas de terminal y los volúmenes utilizables de acuerdo con lo siguiente:
Sección I                                                                                                                       MG 1-1998, Revisión 1
Dimensiones, tolerancias, y los montajes                                                                                          Parte 4, página 37



                                                              ESPACIOS DE TERMINALES
                                                                        Espacio mínimo, pulgadas
                                                                                Entre los terminales de
                                                                                   y otros no aislados
                                                                Entre la línea de piezas TerminalsMetal
                                 Voltios                             0.250.25
                                250 o menos

                             251-600, incl.                                   0.38                                       0.38



                                                                 VOLUMEN ÚTIL
                                                                                        Volumen mínimo utilizable por energía
                        Fuente de alimentación Tamaño del conductor, AWG                Conductor de suministro, pulgadas cúbicas
                                14                                                             1.0

                                              12 y 10                                                          1.25
                                               8y6                                                             2.25



  Para tamaños de cable más grandes o cuando los motores se instalan como parte de la fábrica de cableado de equipos, sin
conexión adicional que se requiera en la caja de bornes del motor durante la instalación de los equipos, el
caja de bornes deberán ser de tamaño suficiente para hacer las conexiones, pero las disposiciones precedentes de los volúmene s
de viviendas terminal no es necesario aplicar.


4.19.2.3 Cajas de terminales para grandes motores de CA
   Cuando los motores grandes cuentan con cajas de terminales de línea de cable connections1, el mínimo
dimensiones y volumen útil será como se indica en la T abla 4 -6 para viviendas de tipo I o terminal de la figura 4 -
11 para viviendas de tipo de terminal II.
   A menos que se especifique lo contrario, cuando los motores de inducción se proporcionan con cajas de terminales, una de tipo I
caja de bornes se suministra.
   Para motores con 601 voltios y más alto, lleva accesorio deberá terminar en una caja de terminales o cajas
separada de la caja de bornes de la máquina. Como excepción, los transformadores de corriente y potencial ubicados
en la carcasa del terminal de la máquina se le permitirá tener sus conexiones secundarias termina en el
carcasa de la máquina de terminal si está separado de la máquina lleva por una barrera física adecuada.
   Para motores con 601 voltios y superiores, la terminación de los cables de los accesorios que normalmente operan
a una tensión de 50 voltios (RMS) o menos, estarán separados de los cables de alta tensión por una física adecuada
barrera para evitar el contacto accidental o se dará por terminado en una caja separada.




Una carcasa que contiene los conos de la Terminal de estrés, los condensadores de sobretensiones, pararrayos, transformadores de corriente , o el potencial
transformadores requieren una consideración individual.
MG 1-1998, Revisión 1                                                                            Sección I
Parte 4, página 38                                                             Dimensiones, tolerancias, y los montajes



                                         Tabla 4-6
                                    TIPO DE VIVIENDA I TERMINAL
                                 TERMINACIONES SIN SOPORTE Y AISLAMIENTO
                                                                 Mínimo                     Mínimo                     Mínimo
                                                                 Utilizable                  Interno                   Central
                                       Máximo completo          Volúmenes, Cubic            Dimensiones,               Distancia *
                                       Corriente de carga         Pulgadas                    Pulgadas                 Pulgadas
                   Voltaje
                                         400                        900                         8                        ---
                   000-600

                                                600                     2000                        8                        ---
                                                900                     3200                       10                        ---
                                               1200                     4600                       14                        ---


                   601-2400                     160                      180                        5                        ---
                                                250                      330                        6                        ---
                                                400                      900                        8                        ---
                                                600                     2000                        8                      12.6
                                                900                     3200                       10                      12.6
                                               1500                     5600                       16                      20.1


                  2401-4800                     160                     2000                        8                      12.6
                                                700                     5600                       14                        16
                                               1000                     8000                       16                        20
                                               1500                    10740                       20                        25
                                               2000                    13400                       22                      28.3


                  4801-6900                     260                     5600                       14                        16
                                                680                     8000                       16                        20
                                               1000                     9400                       18                        25
                                               1500                    11600                       20                        25
                                               2000                    14300                       22                      28.3


                 6901-13800                     400                    44000                       22                      28.3
                                                900                    50500                       25                      32.3
                                               1500                    56500                      27.6                     32.3
                                               2000                    62500                      30.7                     32.3
              * La distancia mínima entre la placa de entrada para la entrada del conducto a la línea central de la máquina lleva.
Sección I                                                                                    MG 1-1998, Revisión 1
Dimensiones, tolerancias, y los montajes                                                       Parte 4, página 39




                                                  Dimensiones mínimas (pulgadas)
     Máquina
     Voltaje            L          W       D      A         B           C            X       E         F        G
     460-600            24         18      18    9-1/2     8-1/2        4            5      2-1/2      4        12

    2300-4800           26         27      18    9-1/2     8-1/2      5-1/2          8      3-1/2      5        14
    6600-6900           36         30      18    9-1/2     8-1/2        6            9        4        6        30
   13200-13800          48         48      25   13-1/2    11-1/2      8-1/2        13-1/2   6-3/4    9-1/2      36



                              Figura 4-11
                MAQUINA II TERMINAL DE VIVIENDA Stand-Off-aislante-COMPA TIBLES
                       TERMINACIONES AISLAMIENTO o sin aislamiento
MG 1-1998, Revisión 1                                                                                 Sección I
Parte 4, página 40                                                                  Dimensiones, tolerancias, y los montajes


4.19.2.4 Viviendas Terminal de Grandes Generadores síncronos de CA
  Cuando los grandes generadores de corriente alterna síncronos están provistos de carcasas de terminales para cable a cable
conexiones, una las viviendas deberán tener las siguientes dimensiones y los volúmenes utilizables:


                                                                                     Mínimo                                            Mínimo
                                                                                     Utilizable                  Mínimo                Central
                                                                                     Volumen                     Dimensión,            Distancia *
                                                                                     Cu. En.                      Pulgadas             Pulgadas
                   Voltaje                             kVA

                     0-599                              <20                                75                           2.5
                                                      21-45                               250                            4
                                                      46-200                              500                            6


                       480                        201-312, incl.                          600                            7
                                                  313-500, incl.                         1100                            8
                                                  501-750, incl.                         2000                            8
                                                 751-1000, incl.                         3200                           10


                   600 -2399                     201-312, incl ..                         600                            7                  ...
                                                  313-500, incl.                         1100                            8                  ...
                                                  501-750, incl.                         2000                            8                  ...
                                                 751-1000, incl.                         3200                           10                  ...


                  2400 -4159                      251-625, incl.                          180                            5                  ...
                                                 626-1000, incl.                          330                            6                  ...
                                                1000-1563, incl.                          600                            7                  ...
                                                1564-2500, incl.                         1100                            8                  ...
                                                2501-3750, incl.                         2000                            8                  ...


                  4160 -6899                     351-1250, incl.                         2000                            8                 12.5
                                                1251-5000, incl.                         5600                           14                  16
                                                5001-7500, incl.                         8000                           16                  20


                 6900 -13800                     876-3125, incl.                         5600                           14                  16
                                                3126-8750, incl.                         8000                           16                  20
          * La distancia mínima entre la placa de entrada para la entrada del conducto en la línea central del generador de pistas.




1 cajas de terminales con condensadores de sobretensiones, pararrayos, transformadores de corriente, transformadores de poten cial o
requerirá una consideración individual.
Sección I                                                                                                   MG 1-1998, Revisión 1
Dimensiones, tolerancias, y los montajes                                                                      Parte 4, página 41


4.20      TIERRA DE MEDIOS PARA EL CABLEADO
   Cuando los motores están provistos de carcasas de terminal para conexiones de cable a cable o terminal fijo
conexiones, un medio de fijación de un equipo de terminación de conductor de puesta a tierra será siempre
en el interior o junto con la accesibilidad de la caja de bornes. A menos que su uso es obvio, se
identificarán de manera conveniente. La terminación será la adecuada para la fijación y la corriente de falla equivalente
ampacidad de un conductor de cobre de puesta a tierra como se muestra en la T abla 4-7. Un tornillo, perno o tornillo destinados a la
terminación de un conductor de puesta a tierra no debe ser más pequeño que se muestra en la T abla 4 -7. Para el motor a plena carga
corrientes en exceso de 30 amperios de corriente alterna o corrien te continua 45 amperios, arandelas de seguridad externa del diente dentada, el
tornillo
cabezas, o el equivalente no deberá ser suministrado por un perno, tornillo o perno pretende ser una puesta a tierra
conductor de terminación.
   Cuando un motor está provisto de un terminal a tierra, este terminal será el tipo de soldadura y se
estar en una parte de la máquina que normalmente no se desmonta durante la operación o servicio.
   Cuando un tornillo de la carcasa del terminal de montaje, estudios, o el tor nillo se utiliza para proteger el conductor de conexión
la vivienda principal de la terminal, habrá al menos otro medio equivalente de sujeción para fijación de
la caja de bornes a la estructura de la máquina.



                                    Tabla 4-7
                            TAMAÑO MÍNIMO DE TIERRA FIN DE CONDUCTOR

                                            Tamaño máximo de puesta a tierra
    Corriente del motor a plena carga     Conductor Adjunto de terminación              Tamaño mínimo de tornillo, perno o tornillo
                                                Signif ica, AWG
          corriente               dc                                                            Acero                     Bronce
          alterna                 12                                                            #6                         ---
                                                               14
          12
          16                      16                           12                                 #8                         ---
           30                     40                           10                                # 10                        ---
           45                     68                           8                                 # 12                        # 10
           70                    105                           6                                 5 / 16 "                    # 12
          110                    165                           4                                 5 / 16 "                   5 / 16 "
          160                    240                           3                                 3/8"                       5 / 16 "
          250                    375                           1                                 1/2"                        3/8"
          400                    600                          2/0                                  ---                       1/2"
          600                    900                          3/0                                  ---                       1/2"
MG 1-1998, Revisión 1                                   Sección I
Parte 4, página 42                    Dimensiones, tolerancias, y los montajes




                        ESTA PÁGINA INTENCIONALMENTE
                           Se deja en blanco
Sección I                                                                                                  MG 1-1998, Revisión 1
GRADO DE PROT ECCIÓN                                                                                          Parte 5, página 1




                        Sección I
           NORMAS GENERALES APLICABLES A TODOS LOS EQUIPOS
                        Parte 5
        Máquinas rotativas-Clasificación eléctrica de los grados de
        Protección proporcionados por las máquinas eléctricas rotativas


5.1 ÁMBITO DE APLICACIÓN
 Esta Sección se aplica a la clasificación de los grados de protección proporcionados por las envolventes de rotación
máquinas.


5.2 OBJETO
  El objeto de la parte 5 es el de describir:
  a. Definiciones de los grados estándar de protección proporcionados por las envolventes eléctricas aplicables a
      máquinas rotativas en cuanto a:
      1. Protección de las personas contra el contacto con o acercarse a las piezas y evitar el contacto con
         las partes móviles (que no sea suave ejes de rotación, etc) dentro de la caja y
         protección de la máquina contra la penetración de objetos extraños.
      2. La protección de las máquinas contra los efectos nocivos debido a la entrada de agua
  b. Las designaciones de estos grados de protección
  c. Las pruebas a realizar para comprobar que las máquinas cumplen con los requisitos de esta parte.
  Parte 5 define los requisitos que deberán cumplir cajas de protección.
  Parte 5 sólo se refiere a recintos que se encuentran en todos los demás aspectos adecuados para el uso previsto y que
desde el punto de vista de los materiales y mano de obra, garantizar que las propiedades objet o de la presente parte se
mantenido en las condiciones normales de uso.
  Esta parte no especifica los grados de protección contra los daños mecánicos de la máquina, o
condiciones como la humedad (producido por ejemplo por condensación), vapores corrosivos, hongos o
parásitos. Esta parte no especifica los tipos de protección de máquinas para el uso en una atmósfera explosiva.
  Cercas externas al recinto que tienen que ser exclusivamente para la seguridad del personal no son
considera parte de la caja y no se tratan.




5.3 DESIGNACIÓN
   La denominación utilizada por el grado de protección se compone de las letras IP seguidas de dos
números característicos significa conformidad con las condiciones indicadas en las tablas de 5.4 y 5.5
, respectivamente.


5.3.1     Cifra característica única
 Cuando sea necesario para indicar un grado de protección por una sola cifra característica, la omite
número se sustituye por la let ra X, por ejemplo IPX5 o IP2X.

5.3.2     Cartas complementarias
 Información adicional puede ser indicado por una letra suplementaria después de la segunda característica
numeral. Si más de una letra se utiliza, la secuencia alfabética se aplicará.

5.3.2.1 letras siguientes números
   En aplicaciones especiales (tales como las máquinas de refrigeración con circuito abierto para la instalación de nave cubiert a con aire
aberturas de entrada y salida cerrada durante stand-still) números puede ser seguido por una letra que indica si
la protección contra los efectos perjudiciales debido a la entrada de agua fue verificada o probada de la máquina no
funcionamiento (letra S) o la máquina en funcionamiento (letra M). En este caso el grado de protección, ya sea en estado de
la máquina se indicará, por ejemplo IP55S/IP20M.
MG 1-1998, Revisión 1                                                                                               Sección I
Parte 5, Página 2                                                                                             GRADO DE PROT ECCIÓN


  La ausencia de las letras S y M implica que el grado deseado de protección serán siempre
en todas las condiciones normales de uso.

5.3.2.2 Las cartas colocan inmediatamente después de las letras IP
  Para abrir el interior refrigerado por aire, máquinas adecuadas en condiciones climáticas específicas y siempre con
características adicionales de protección o de procesos (como se especifica en 5.10), la letra W se pueden utilizar.
  Una "máquina abierta" es una máquina con un circuito de refrigeración abierto en el que se extrae el líquido refrigerante directamente de
el medio que rodea a pasar por la máquina y luego volver directamente a los alrededores
mediano plazo.


5.3.3      Ejemplo de designación de
                                                                                       IP                              4             4
Cartas de características
Primera cifra característica
(Ver T abla 5-1)
Segunda cifra característica
(Ver T abla 5-2)


5.3.4      Usados con mayor frecuencia
    Los grados más utilizados de la protección de las máquinas eléctricas se dan en el Apéndice A.

5.4        GRADO DE PROTECCIÓN PRIMER cifra característica
5.4.1      Definiciones

   La primera característica numeral indica el grado de protección proporcionado por el cierre de
respecto a las personas y también a las partes de la máquina dentro de la caja.
   T abla 5-1 ofrece, en la columna 3, una breve descripción de los objetos que serán "excluidos" de la caja para
cada uno de los grados de protección representado por el número de la primera característica.
   El término "excluidos" implica que una parte del cuerpo, o una herramienta o un cable de poder de una persona, o bien no se
entrar en la máquina o si entra en él, que el espacio adecuado se mantendrá entre éste y las partes vivas
o los elementos móviles peligrosos (ejes de rotación suave y similares no se consideran peligrosos).
   Columna 3 del cuadro 1.5 también se indica el tamaño mínimo de objetos sólidos que se excluirán.



5.4.2      Protección implícita
  El cumplimiento de un recinto con un grado de protección indicado implica que el recinto también se
cumplir con todos los grados más bajos de protección en la T abla 5 -1. En consecuencia, el establecimiento de estas pruebas
menor grado de protección no son necesarias, excepto en caso de duda.

5.4.3      Ventiladores externos
  Las palas y los rayos de ventiladores externos al recinto estará protegido contra el contacto por medio
de los guardias de cumplir con los siguientes requisitos:

                               La protección de la máquina                                           Prueba del v entilador
                                     0X IP
                                     IP 1X                                          1,9865 pulgadas (50 mm) prueba de campo
                                   2X IP a IP 5X                                         Dedo de prueba

    Para la prueba, el rotor girar lentamente a mano.
    Ejes de rotación suave y piezas similares no se consideran peligrosos.

    NOTA: En algunas aplicaciones (tales como aparatos agrícolas o domésticas) precauciones más amplio contra el
    contacto accidental o deliberada puede ser necesario si se especifica.
Sección I                                                                                                  MG 1-1998, Revisión 1
GRADO DE PROT ECCIÓN                                                                                          Parte 5, página 3


5.4.4      Los agujeros de
           drenaje
    Si la máquina está provista de orificios de drenaje, se aplicará lo siguiente:
    a. Agujeros de drenaje destinado normalmente a ser abierta en el sitio se mantendrá abierta durante las pruebas.
    b. Agujeros de drenaje destinado normalmente a ser cerrado en el lugar se mantendrán cerradas durante la prueba.
    c. Si las máquinas con protección IP 4X 3X o IP están destinados a ser ejecutados con orificios de drenaje abierto, el drenaje
        agujeros pueden cumplir con la protección IP 2X.
    d. Si las máquinas con protección IP 5X están destinados a ser ejecutados con orificios de drenaje abiert o, los agujeros de drenaje se
        cumplir con la protección IP 4X.




5.5       GRADO DE PROTECCIÓN DE SESIONES cifra característica
5.5.1     Definición

  La segunda característica numeral indica el grado de protección proporcionado por el cierre de
respecto al efecto nocivo debido a la entrada de agua.
  T abla 5-2 ofrece, en la columna 3, los detalles del tipo de protección proporcionado por el cierre de cada uno de los
grados de protección representado por el número de segunda característica.
  Una máquina del tiempo es protegido por su diseño cuando se reduce la entrada de la lluvia, la nieve y el aire
partículas, en determinadas condiciones, por un monto consistente con el funcionamiento correcto.
  Este grado de protección es designada por la letra "W" coloca después de los dos números característicos.



5.5.2     Protección implícita
  El cumplimiento de un recinto con un grado de protección indicado implica que el recinto también se
cumplir con todos los grados de protección más bajo en la tabla 5 -2.
  En consecuencia, el establecimiento de las pruebas de estos grados más bajos de protección no son necesarias, excepto en
caso de duda.

5.6 MARCADO
  Se recomienda que las letras características y los números se marcará en la máquina de preferencia
en la placa, o, si esto no es posible, en el recinto.
  Cuando todas las partes de una máquina no tiene el mismo grado de protección, la designación de los más bajos
grado, se muestra primero, seguido, en su caso, por la otra designación, con referencia a la parte de
que se aplica.
  Cuando el montaje de la máquina tiene una influencia en el grado de protección, la intención
disposición de montaje deberá ser indicado por el fabricante en la placa o en sus instrucciones para
de montaje o similares.




5.7     REQUISITOS GENERALES PARA LAS PRUEBAS DE
  El ensayo especificado en esta norma son ensayos de tipo. Que se llevará a cabo en los productos estándar o
modelos de ellos. Cuando esto no es factible, ya sea la verificación mediante la prueba de la aceptación o mediante el examen de
los dibujos deben ser objeto de un acuerdo entre el fabricante y el usuario.
  A menos que se especifique lo contrario, las muestras de las máquinas de cada prueba deberán estar en estado limpio y nuevo,
con todas las piezas en su lugar y se monta en la forma indicada por el fabricante.
  En el caso de los primeros números característicos 1 y 2 y la segunda característica de los números 1, 2, 3 y 4, un
inspección visual puede, en ciertos casos obvios, muestran que el grado deseado de protección se obtiene. En
esos casos, ninguna prueba tiene que ser hecho. Sin embargo, en caso de duda, las pruebas se hará conforme lo prescripto en el 5,8
y 5.9.




5.7.1     El espacio adecuado
   A los efectos de las cláusulas siguientes pruebas en la presente norma, el término "espacio suficiente" tiene el
el siguiente significado:
MG 1-1998, Revisión 1                                                                                                      Sección I
Parte 5, Página 4                                                                                                    GRADO DE PROT ECCIÓN


5.7.1.1 equipos de bajo voltaje (tensión nominal no superior a AC: 1000 V y DC: 1500 V)
  El dispositivo de prueba (esfera, dedo, alambre, etc) no toque las partes vivas o partes móviles, que no sean
elementos peligrosos, tales como el eje de rotación suave.

5.7.1.2 máquinas de alta tensión (tensión nominal superior a AC: 1000 V y DC: 1500 V)
  Cuando el dispositivo de prueba se coloca en la posición más desfavorable (s), la máquina deberá ser capaz de
resistir la prueba dieléctrica aplicable a la máquina.
  Este requisito de la prueba dieléctrica puede ser sustituido por una dimensión autorización especifica en el aire que
asegurarse de que esta prueba será satisfactoria en la configuración del campo eléctrico más desfavorables.


5.8      PRUEBAS DE LA PRIMERA cifra característica
      Condiciones de prueba y la aceptación de numeral primera característica se da en la T abla 5.3.


                          Tabla 5-1
             GRADO DE PROTECCIÓN indicado por el número principal característica

 PRIMERO                                                              Grado de protección
Característica                                                                                                                                        Prueba
 Numeral               * Brev e descripción                                                     Def inición                                          Condición
                     No protegidas de la máquina
        0                                                  Ninguna protección especial                                                              No hay ninguna prueba, pero
                                                                                                                                                    ver 5.4.3
        1 **         P rotegida contra                     El contacto accidental o involuntaria, con o enfoque para vivir y en la Tabla 5 -3 en movimiento
                     objetos sólidos mayores de            piezas en el interior del recinto por una gran superficie del cuerpo humano, tales
                     1.968 pulgadas (50 mm)                como una mano (pero no la protección contra el acceso deliberado).

                                                           P enetración de objetos sólidos superiores a 1.968 pulgadas (50 mm) de diámetro
        2 **         P rotegida contra                     Contacto con los dedos u objetos similares que no exceda de 80 mm de longitud en la Tabla 5.3
                     objetos sólidos mayores de            con o enfoque para vivir o móvil en el interior del recinto.
                     0,4724 pulgadas (12 mm)
                                                           P enetración de objetos sólidos superiores a 0,4724 pulgadas (12 mm) de diámetro.
        3 **         P rotegida contra                     Contacto o acercamiento a vivir o piezas en movimiento dentro de la tabla 5 -3 recinto
                     objetos sólidos mayores de            las herramientas o los cables superior a 0,0984 pulgadas (2,5 mm) de diámetro.
                     0,0984 pulgadas (2,5 mm)
                                                           P enetración de objetos sólidos superiores a 0,0984 pulgadas (2,5 mm) de diámetro.
        4 **         P rotegida contra                     Contacto o acercamiento a vivir o piezas en movimiento dentro de la tabla 5 -3 recinto
                     objetos sólidos mayores de            por medio de cables o tiras de un grosor de 0,0394 pulgadas (1 mm) en
                     0,0394 pulgadas (1 mm)                diámetro.

        5†           P rotegidos contra el polvo de la máquina
                                                          Contacto o acercamiento a vivir o móvil en el interior del recinto.                       Tabla 5-3
                                                           La entrada de polvo no está totalmente impedido, pero el polvo no entre en
                                                           cantidad suficiente para interferir con el buen funcionamiento de la
                                                           de la máquina.

        6†           A prueba de polvo de la máquina       Contacto o acercamiento a vivir o móvil en el interior del recinto.                      Tabla 5-3
                                                           No hay penetración de polvo




* La breve descripción que figura en la columna 2 de esta tabla no debe ser usado para especificar la forma de protección.

** Las máquinas le asigna un primer número característico 1, 2, 3 ó 4 se excluye tanto con regularidad o de forma irregular s ólidos
los objetos a condición de que normalmente tres dimensiones perpendiculares del objeto de superar la cifra correspondiente de la columna
"Definición".

† El grado de protección contra el polvo se define en esta norma es de carácter general. Cuando la natural eza del polvo
(Dimensiones de las partículas, su naturaleza, por ejemplo, partículas fibrosas) se especifica, las condiciones de prueba deb e ser determinada
por acuerdo entre el fabricante y el usuario.
Sección I                                                                                                                 MG 1-1998, Revisión 1
GRADO DE PROT ECCIÓN                                                                                                         Parte 5, página 5



                      Tabla 5-2
        GRADO DE PROTECCIÓN indicado por el número segunda característica
                                                                      Grado de protección
     Segundo
    Característica
     Numeral                      * Brev e descripción                                         Def inición                           Prueba de condición de

            0                No protegidas                       Ninguna protección especial                                        No hay ninguna
                             máquina                                                                                                prueba
                             Protegida
            1                                                    Goteo de agua (caída vertical de gotas), se han                    T abla 5-4
                             contra goteo de agua
                                                                 ningún efecto nocivo.
                             Protegida
                                                                 El goteo vertical de agua no será perjudicial
            2                contra goteo de agua                                                                                   T abla 5-4
                                                                 efecto cuando la máquina está inclinada en un ángulo de hasta
                             cuando se inclina hasta 15
                                                                 15 grados de su posición normal.
                             grados
                             Protegida
                             contra el agua
            3                                                    El agua que cae en forma de aerosol en un ángulo de hasta 60       T abla 5-4
                                                                 grados de la vertical no será perjudicial
                                                                 efecto.
                                                                 Salpicaduras de agua sobre la impresora, desde cualquier
            4                Protegida                                                                                              T abla 5-4
                                                                 dirección no tendrá efectos dañinos.
                             contra las salpicaduras
                             de agua
                             Protegida
            5                contra chorros de agua              El agua proyectada por una boquilla contra la máquina              T abla 5-4
                                                                 desde cualquier dirección no tendrá ningún efecto nocivo.
                             Protegida
                                                                 El agua de mar gruesa o agua proyectada en
            6                contra mar gruesa                                                                                      T abla 5-4
                                                                 potentes chorros no entrará en la máquina perjudiciales
                                                                 cantidades.
                                                                 La entrada de agua en la máquina en un dañino
            7                Protegida                           cantidad no será posible cuando la máquina está                    T abla 5-4
                             contra los efectos de               sumergido en el agua bajo unas condiciones de
                             inmersión                           presión y tiempo.
                                                                 La máquina es apta para inmersión continua
                                                                 en agua en condiciones que se especificarán
            8                Protegida                           por el fabricante.                                                 T abla 5-4
                             contra la continua
                             sumersión




* La breve descripción aparece en la columna 2 de esta tabla no debe ser usado para especificar la forma de protección.
MG 1-1998, Revisión 1                                                                                    Sección I
Parte 5, página 6                                                                                  GRADO DE PROT ECCIÓN



                              Tabla 5-3
              TEST y recepción de las NUMERAL primera característica

Primera característica
    Numeral
                                                             Prueba y Condiciones Aceptación

          0              No es necesario realizar ensayos.
          1
                         La prueba se realiza con una esfera rígida de 1.968 + .002/-0 pulgadas (50 mm 0,05 / -0) de diámetro
                         aplicada en contra de la apertura (s) en el recinto con una fuerza de 11,2 lbf (50 N) ± 10 por ciento.
                         La protección es satisfactoria si el campo no pasa por una abertura y adecuada
                         autorización se mantiene a las partes que normalmente viven en el servicio o piezas en movimiento dentro de la
                         de la máquina.
                         a. Dedo de prueba
          2              La prueba se realiza con un dedo de prueba metálico como se muestra en la Figura 1 -5 o 5-1. Tanto las juntas de este
                         dedo puede ser doblado en un ángulo de 90 grados con respecto al eje del dedo, pero en
                         una y la misma dirección solamente. El dedo se empuja sin esfuerzo excesivo (no más de 2,24
                         (10 N)) en contra de ninguna de las aberturas en el recinto y, si entra, se coloca en todos los posibles
                         posición.
                         La protección es satisfactoria si el espacio adecuado se mantiene entre el dedo de prueba y
                         las partes vivas o en movimiento dentro del recinto. Sin embargo, es permitido tocar suave rotación
                         ejes y partes similares no peligrosos.
                         Para esta prueba, las partes internas en movimiento puede ser operado con lentitud, cuando ello sea posible.
                         Para las pruebas en equipos de bajo voltaje, un suministro de baja tensión (de no menos de 40V) en serie con un
                         lámpara adecuada se puede conectar entre el dedo de prueba y las partes vivas dentro del recinto.
                         Partes la realización de cubiertas sólo con barniz o pintura, o protegidas por oxidación o por una similar
                         proceso, se cubre con una lámina de metal conectado eléctricamente a las partes que se
                         normalmente se encuentran en servicio. La protección es satisfactoria si la lámpara no se enciende.
                         Para máquinas de alta tensión, el espacio adecuado es verificada por una prueba dieléctrica, o por un
                         medición de la distancia libre de acuerdo con los principios de la 5.7.1.2.
                         b. Esfera de prueba
                         La prueba se realiza con una esfera rígida de 0.4724 + .002/-0 pulgadas (12,0 0,05 / -0 mm) de diámetro
                         aplicado a las aberturas de la caja con una fuerza de 6,74 lbf (30 N) ± 10 por ciento.
                         La protección es satisfactoria si el campo no pasa por una abertura y adecuada
                         autorización se mantiene para vivir o móvil en el interior de la máquina.
                         La prueba se realiza con un cable de acero rígido o una varilla recta de 0,0984 pulgadas (2,5 mm) de diámetro aplicado
                         con una fuerza de 0,674 lbf (3 N) ± 10 por ciento. El extremo del alambre o varilla deberán estar libres de rebabas
                         y en ángulo recto con su longitud.
                         La protección es satisfactoria si el cable o la varilla no puede entrar en el recinto (ver 5.4.4).
                         La prueba se realiza con un cable de acero recta rígida de 0,0394 pulgadas (1 mm) de diámetro se aplica con un
                         fuerza de 0,224 lbf (1 N) ± 10 por ciento. El extremo del cable deberá estar libre de rebabas y de la derecha
          3              los ángulos de su longitud.
                         La protección es satisfactoria si el cable no se puede entrar en el recinto (ver 5.4.4).



          4




                                                                                                           Tabla 5-3 en la página siguiente
Sección I                                                                                                      MG 1-1998, Revisión 1
GRADO DE PROT ECCIÓN                                                                                              Parte 5, Página 7



                          Tabla 5-3 (Continuación)
              TEST y recepción de las NUMERAL primera característica
Primera característica
    Numeral                                                     Prueba y Condiciones Aceptación

          5              a. Polvo de prueba
                         La prueba se realiza con equipos que incorporan los principios básicos que se muestra en la Figura 5.2, en
                         polvos de talco que se mantiene en suspensión en una cámara de prueba cerrado adecuado. La
                         polvo de talco utilizado deberá ser capaz de pasar por un tamiz de malla cuadrada, cuyo nominal de alambre
                         diámetro es 50 micras y el ancho nominal entre los cables es 75μm. La cantidad de polvos de talco
                         a utilizar es de 2 kg por metro cúbico de volumen de la cámara de prueba. No se han utilizado para
                         más de 20 pruebas.
                         Las máquinas eléctricas tienen un recinto donde el ciclo normal de funcionamiento de la máquina
                         causa una reducción en la presión del aire dentro del recinto en relación con el ambiente
                         la presión atmosférica. Estas reducciones pueden deberse, por ejemplo, a los efectos de los ciclos térmicos
                         (Categoría I).
                         Para esta prueba la máquina es compatible con el interior de la cámara de prueba y la presión dentro del
                         máquina se mantiene por debajo de la presión atmosférica por una bomba de vacío. Si el recinto tiene una
                         orificio de drenaje único, la conexión de aspiración se hará a un agujero especialmente previstos para el
                         propósito de la prueba, salvo que el orificio de drenaje está destinada normalmente a ser cerrado en el lugar (ver
                         5.4.4).
                         El objeto de la prueba es llamar a la máquina, si es posible, por lo menos 80 veces el volumen de aire
                         en el recinto, sin exceder una tasa de extracción de 60 volúmenes por hora con un adecuado
                         la depresión. En ningún caso la depresión superior a 20 mbar en el manómetro muestra en la
                         Figura 5-2.
                         Si una tasa de extracción de 40 a 60 volúmenes por hora se obtiene, la prueba se detuvo después de 2 horas.
                         Si, con una depresión máxima de 20 mbar, la tasa de extracción es menor de 40 volúmenes por hora,
                         la prueba se continúa hasta 80 volúmenes se han elaborado a través de, o tiene un período de 8 horas
                         transcurrido.




                         Si no es posible poner a prueba la máquina completa en la cámara de prueba, uno de los
                         procedimientos se aplicarán los siguientes.

                         1. Las pruebas de las secciones de forma individual cerrado de la máquina (cajas de conexión, de anillos casas,
                             etc)
                         2. Las pruebas de las partes representativas de la máquina, que comprende componentes tales como puertas,
                            aberturas de ventilación, juntas, retenes, etc, con las partes vulnerables de la máquina,
                            como terminales, anillos, etc, en la posición en el momento de la prueba.
                         3. Las pruebas de las máquinas más pequeñas con el mismo todos los detalles de diseño a escala.
                         4. Prueba de las condiciones fijadas por acuerdo entre el fabricante y el usuario.
                         En el caso de la segunda y tercera, el volumen de aire que se dibuja a través del máquina durante la prueba
                         como se especifica para toda la máquina a gran escala.
                         La protección es satisfactoria si, en la inspección, polvos de talco, no se ha acumulado en un
                         cantidad o la ubicación de tal manera que, al igual que con cualquier tipo de basura habitual (por ejemplo, no conductor, no
                         combustibles, polvo corrosivo, no explosivos o químicos) que podría interferir con el correcto
                         funcionamiento de la máquina.
                         b. Prueba del hilo
                         Si la máquina está diseñada para funcionar con un orificio de drenaje abierto, deberá ser probado en el mismo
                         manera que el primer número característico 4, es decir, utilizando una pulgada 0.0394 (1 mm) de alambre de diámetro.




                                                                                                             Tabla 5-3 en la página siguiente
MG 1-1998, Revisión 1                                                                                   Sección I
Parte 5, página 8                                                                                 GRADO DE PROT ECCIÓN



                          Tabla 5-3 (Continuación)
              TEST y recepción de las NUMERAL primera característica
Primera característica
    Numeral                                                    Prueba y Condiciones Aceptación

          6              a. Polvo de prueba
                         La prueba se realiza con equipos que incorporan los principios básicos que se muestra en la Figura 5.2, en
                         polvos de talco que se mantiene en suspensión en una cámara de prueba cerrado adecuado. La
                         polvo de talco utilizado deberá ser capaz de pasar por un tamiz de malla cuadrada, cuyo nominal de alambre
                         diámetro es 50 micras y el ancho nominal entre los cables es 75μm. La cantidad de polvos de talco
                         a utilizar es de 2 kg por metro cúbico de volumen de la cámara de prueba. No se han utilizado para
                         más de 20 pruebas.

                         Las máquinas eléctricas tienen un recinto donde el ciclo normal de explotación de la
                         máquina hace que la reducción de la presión del aire dentro del recinto en relación con el
                         la presión atmosférica ambiental. Estas reducciones pueden deberse, por ejemplo, para
                         los efectos térmicos de ciclismo (categoría I).

                         Para esta prueba la máquina es compatible con el interior de la cámara de prueba y la presión dentro del
                         máquina se mantiene por debajo de la presión atmosférica por una bomba de vacío. Si el recinto tiene una
                         orificio de drenaje único, la conexión de aspiración se hará a un agujero especialmente previstos para el
                         propósito de la prueba, salvo que el orificio de drenaje está destinada normalmente a ser cerrado en el lugar (ver
                         5.4.4).
                         El objeto de la prueba es llamar a la máquina, si es posible, por lo menos 80 veces el volumen de aire
                         en el recinto, sin exceder una tasa de extracción de 60 volúmenes por hora con un adecuado
                         la depresión. En ningún caso la depresión superior a 20 mbar en el manómetro muestra en la
                         Figura 5-2.
                         Si una tasa de extracción de 40 a 60 volúmenes por hora se obtiene, la prueba se detuvo después de 2 horas.
                         Si, con una depresión máxima de 20 mbar, la tasa de extracción es menor de 40 volúmenes por hora,
                         la prueba se continúa hasta 80 volúmenes se han elaborado a través de, o tiene un período de 8 horas
                         transcurrido.
                         Si no es posible poner a prueba la máquina completa en la cámara de prueba, uno de los siguientes
                         procedimientos se aplicarán.
                         1. Las pruebas de las secciones de forma individual cerrado de la máquina (cajas de conexión, de anillos casas,
                             etc)
                         2. Las pruebas de las partes representativas de la máquina, que comprende comp onentes tales como puertas,
                             aberturas de ventilación, juntas, retenes, etc, con las partes vulnerables de la máquina,
                             como terminales, anillos, etc, en la posición en el momento de la prueba.
                         3. Las pruebas de las máquinas más pequeñas con el mismo todos los detalles de diseño a escala
                         4. Prueba de las condiciones fijadas por acuerdo entre el fabricante y el usuario.
                         En el caso de la segunda y tercera, el volumen de aire que se dibuja a través del máquina durante la prueba
                         como se especifica para toda la máquina a gran escala.
                         La protección es satisfactoria si, en la inspección, el polvo de talco, no ha entrado en la máquina.
                         b. Prueba del hilo
                         Si la máquina está diseñada para funcionar con un orificio de drenaje abierto, deberá ser probado en el mismo
                         manera que el primer número característico 4, es decir, utilizando una pulgada 0.0394 (1 mm) de alambre de diámetro.




5.9       PRUEBAS PARA LA SEGUNDA cifra característica
5.9.1     Condiciones de prueba

  Condiciones de ensayo para el numeral segunda característica se da en la T abla 4.5.
  El ensayo se realizará con agua fresca.
  Durante la prueba, la humedad contenida dentro de la caja puede ser en parte condensada. El rocío que
por lo tanto se pueden depositar no debe ser confundido con una entrada de agua.
  A los efectos de las pruebas, la superficie de la máquina se calcularán con una precisión de
10 por ciento.
Sección I                                                                                                  MG 1-1998, Revisión 1
GRADO DE PROT ECCIÓN                                                                                          Parte 5, página 9


  Precauciones de seguridad adecuadas se deben tomar cuando se prueba una máquina en la condición de energía.


                                 Tabla 5-4
                    Condiciones de ensayo para NUMERAL segunda característica
   Segundo
  Característica
   Numeral                                                            Condiciones de prueba

         0           No es necesario realizar ensayos.
         1           La prueba se realiza por medio de un equipo se muestra el principio de que en la figura 3.5, la
                     régimen de descarga deberán ser razonablemente uniformes en toda el área de los aparatos y se
                     produce una precipitación de entre 3 mm y 5 mm de agua por minuto (en el caso de los equipos
                     de acuerdo a la Figura 3.5, esto corresponde a una caída en el nivel de agua de 3 mm a 5 mm por minuto).
                     La máquina durante la prueba se coloca en su posición normal de funcionamiento en el goteo
                     equipo, la base de que será mayor que el de la máquina durante la prueba. Excepto
                     máquinas diseñadas para pared o techo, el apoyo a la caja a prueba deberá
                     ser menor que la base de la caja.
                     La máquina normalmente se fijan a la pared o el techo se fija en su posición normal de uso de una madera
                     tablero con dimensiones que son iguales a los de la superficie de la máquina que está en
                     contacto con la pared o el techo cuando la máquina se monta como en uso normal.
                     La duración total de la prueba será de 10 minutos.
                     El goteo es la misma que la especificada para el segundo número característico 1 y se
                     ajustado para dar la misma velocidad de descarga.
         2

                     La máquina está probada durante 2,5 minutos en cada una de las cuatro posiciones de inclinación fija. Estos
                     posiciones son de 15 grados a cada lado de la vertical en dos perpendiculares entre sí
                     aviones.
                     La duración de la prueba será de 10 minutos.
         3           La prueba se efectuará utilizando el equipo como se muestra en la Figura 5.4, siempre que el
                     dimensiones y forma de la máquina para la prueba es tal que el radio de la oscilación
                     tubo no sea superior a 1 m. Si esta condición no se cumple, un pulverizador de mano,
                     como se muestra en la Figura 5.5, se utilizará.
                     a. Condiciones cuando se utiliza equipo de prueba como se muestra en la Figura 4.5.
                     El caudal total se ajustará en un promedio de 0,1 litros / min. ± 5 por ciento por hoyo
                     multiplicado por el número de agujeros. El caudal total se mide con un medidor de caudal.
                     El tubo está provisto de orificios de pulverización en un arco de 60 grados a cada lado del punto central
                     y se fijarán en posición vertical, la máquina de pruebas está montada sobre una plataforma giratoria con un
                     eje vertical y se encuentra aproximadamente en el centro del semicírculo. El plato giratorio es
                     gira a una velocidad conveniente para que todas las partes de la máquina se mojan durante la prueba.
                     La duración mínima de prueba será de 10 minutos.



                     b. Condiciones cuando se utiliza equipo de prueba como en la Figura 5.5.
                     El escudo se mueve en su lugar para esta prueba.

                     La presión del agua se ajusta para obtener una tasa de ejecución de 10 0,5 litros / min. (Presión
                     aproximadamente 80 a 100 kPa [0.8-1.0 bar]).
                                             2
                     La duración del ensayo será de 1 min por m de superficie calculada de la máquina (excluyendo
                     cualquier superficie de montaje) con una duración mínima de 5 minutos.
                                                                                                         Tabla 5-4 en la página siguiente
MG 1-1998, Revisión 1                                                                                     Sección I
Parte 5, Página 10                                                                                  GRADO DE PROT ECCIÓN


                              Tabla 5-4 (Continuación)
                    Condiciones de ensayo para NUMERAL segunda característica
   Segundo
  Característica
   Numeral                                                               Condiciones de prueba

         4              Las condiciones para decidir si el aparato de la figura 5.4, o la de la figura 5.5 se debe
                        utilizados son los mismos establecidos para el segundo número característico 3.
                        a. El uso del equipo de la figura 5.4.
                        El tubo oscilante tiene agujeros perforados en el conjunto de 180 grados del semicírculo. La prueba
                        la duración, la rotación de la plataforma giratoria y la presión del agua son los mismos que para el grado 3.


                        El apoyo a la máquina durante la prueba deberá ser perforada con el fin de evitar actuar como un
                        deflector y el recinto se proyectará en todas las direcciones por la oscilación del tubo en
                        una velocidad de 60 ° / s hasta el límite de su recorrido en cada direcció n.

                        b. El uso del equipo de la figura 5.5.

                        El escudo en movimiento es eliminado de la boquilla de la máquina y se rocía de
                        todas las direcciones posibles.

                        La tasa de suministro de agua y el tiempo de pulverización por unidad de área son los mismos que para el grado 3.
         5              La prueba se realiza mediante la pulverización de la máquina desde todas las direcciones posibles, con un chorro de agua
                        de una boquilla de prueba estándar como se muestra en la Figura 5.6. Las condiciones que deben observarse son las siguientes.
                        1. Boquilla de diámetro interior: 6,3 mm
                        2. T asa de entrega: 12,5 litros / min. ± 5 por ciento
                        3. La presión del agua en la boquilla de aproximadamente 30 kPa (0,3 bar) (ver Nota 1)
                                        2
                        4. Duración de la prueba por m de superficie de la máquina: 1 minuto
                        5. Duración de la prueba mínima: 3 minutos
                        6. Distancia desde la boquilla a la superficie de la máquina: unos 3 m (véase Nota 2). (Esta distancia puede
                           ser reducida si es necesario para asegurar la humectación adecuada cuando se pulveriza hacia arriba.)
                        La prueba se realiza mediante la pulverización de la máquina desde todas las direcciones posibles, con un chorro de agua
                        de una boquilla de prueba estándar como se muestra en la Figura 5.6. Las condiciones que deben observarse son las siguientes.
         6              1. Boquilla de diámetro interior: 12,5 mm
                        2. Caudal: 100 litros / min. ± 5 por ciento
                        3. La presión del agua en la boquilla: aproximadamente 100 kPa (1 bar) (ver Nota 1)
                                        2
                        4. Duración de la prueba por m de superficie de la máquina: 1 minuto
                        5. Duración de la prueba mínima: 3 minutos
                        6. Distancia desde la boquilla a la superficie de la máquina: unos 3 m (véase Nota 2)
                        La prueba se realiza mediante la inmersión completa de la máquina en agua para que las siguientes condiciones
                        están satisfechos
                        1. La superficie del agua deberá ser de al menos 150 mm por encima del punto más alto de la máquina
                        2. La porción más baja de la máquina será de al menos 1 m por debajo de la superficie del agua
         7              3. La duración de la prueba será de al menos 30 minutos




                        4. La temperatura del agua no debe diferir de la de la máquina por más de 5 ° C.
                        Por acuerdo entre el fabricante y el usuario, esta prueba puede ser sustituido por el siguiente
                        procedimiento.
                        La máquina debe ser probado con una presión de aire dentro de aproximadamente 0,1 bar. La duración de la prueba
                        es de 1 minuto. La prueba se considera satisfactoria si no hay fugas de aire durante la prueba. Las fugas de aire pueden ser
                        detectados, ya sea por inmersión, el agua sólo cubre la máquina, o por la aplicación de lo
                        de una solución de jabón en el agua.

                                                                                                            Tabla 5-4 en la página siguiente
Sección I                                                                                                         MG 1-1998, Revisión 1
GRADO DE PROT ECCIÓN                                                                                                Parte 5, página 11



                                 Tabla 5-4 (Continuación)
                       Condiciones de ensayo para NUMERAL segunda característica

    Segundo
   Característica
    Numeral                                                               Condiciones de prueba

          8             Las condiciones de prueba son objeto de un acuerdo entre el fabricante y el usuario, sino que se
                        no ser menos severas que las previstas para el grado 7.

                             NOT AS
                             1-La medición de la presión del agua puede ser sustituida por la de la altura a la
                             que el chorro de la boquilla se eleva libremente:

                                     Presión           Altura
                                     0,3 bar           2,5 m
                                        1 bar           8m
                            2-La distancia de la boquilla de la máquina durante la prueba, para los grados 5 y 6, se
                            ajustado a 3 m por razones prácticas, ya que puede ser reducido con el fin de p robar la máquina de
                            todas las direcciones.


5.9.2     Condiciones de aceptación
  Después de la prueba, de acuerdo con la T abla 4.5 se ha realizado, la máquina deberá ser inspeccionado por
la entrada de agua y se somete a las siguientes comprobaciones y pruebas.

5.9.2.1 Las fugas de agua permitida
   La cantidad de agua que ha entrado en la máquina no será capaz de interferir con su
satisfactorio funcionamiento, las bobinas y las partes viv as no está diseñado para funcionar cuando está mojado no se húmedo y
no hay acumulación de agua que puedan llegar a ellos se producen en el interior de la máquina.
   Es, sin embargo, admisible para las aspas de los ventiladores dentro máquinas rotativas para estar mojada, también fugas a lo largo
el eje es admisible si se prevé para el drenaje de esta agua.


5.9.2.2 Post Test de agua eléctrico
    a. En el caso de una prueba en una máquina no funciona, la máquina se pondrá en funcionamiento sin carga
      condiciones, bajo tensión nominal de 15 minutos y luego sometido a una prueba de alto voltaje, la prueba
      tensión es de 50 por ciento de la tensión de ensayo de una nueva máquina (pero no menos de 125 por ciento de
      la tensión nominal).
    b. En el caso de una prueba en una máquina en funcionamiento, sólo la prueba de alta tensión se hizo, de acuerdo con
      Artículo a. de 5.9.2.2
    c. La prueba se considera satisfactoria si estos controles no muestran daños de acuerdo con la Parte 3.



5.10REQUIREMENTS Y PRUEBAS PARA ABRIR EL CLIMA PROTEGIDA MÁQUINAS
   El grado de protección "W" está destinado a las máquinas enfriadas por aire con refrigeración interna de circuito abierto.
  Protegidos del tiempo las máquinas se diseñarán de modo que la penetración de la lluvia, la nieve y partículas en el aire
en la parte eléctrica se reduce.
  Otras medidas que prevean la protección de tiempo (por ejemplo, bobinas encapsuladas o cierre total) se
no designado por "W".
  Grado de protección "W" máquinas tendrá pasajes de ventilación construido de tal forma que:
  a. En válvulas de admisión y de descarga de alta velocidad del aire y las partículas en suspensión se impidió la entrada
     los pasajes internos que conduce directamente a la parte eléctrica de la máquina.
  b. El camino de entrada de aire, por incomprensible o el uso de viviendas por separado, proporcionar por lo menos tres cambio s abruptos
     en la dirección del aire de admisión, cada una de ellas al menos 90 grados.
MG 1-1998, Revisión 1                                                                                 Sección I
Parte 5, página 12                                                                              GRADO DE PROT ECCIÓN


    c. camino de entrada de aire deberá proporcionar un área de baja velocidad no superior a 3 m / s, permitiendo todas las partí culas
     El
     a un acuerdo. Extraíble o de otro modo fácil de limpiar los filtros o cualquier otro acuerdo para la separación de
     partículas pueden ser proporcionados en lugar de una cámara de sedimentación.
  La protección de la máquina contra el contacto, cuerpos extraños y agua se ajustarán a las
condiciones y pruebas previstas para el grado establecido de protección.
  El diseño de la caja del terminal deberá cumplir al menos IP54 grado de confinamiento.
  Si es necesario, medidas para proporcionar protección contra el hielo, la humedad, la corrosión o anormal
condiciones se hará mediante un acuerdo (por ejemplo, mediante el uso de anti-condensación para calefacción).
  Para la verificación del tiempo de protección de "W", un estudio de los dibujos es suficiente.




  Ambas articulaciones de este dedo se puede doblar
  en un ángulo de 90 º, pero en un
  y la misma dirección solamente.
  Dimensiones en mm.


  Tolerancias:
   En los ángulos: 5 o
   En las dimensiones lineales:
     Menos de 25 mm: 0,05
     Más de 25 mm: 0.2




(Reproducido con permiso de la IEC, que se reserva el derecho de autor.)



                                                         Figura 5-1
                                                      Dedo de prueba normalizado
Sección I                                                                    MG 1-1998, Revisión 1
GRADO DE PROT ECCIÓN                                                           Parte 5, Página 13




(Reproducido con permiso de la IEC, que se reserva el derecho de autor.)




                                     Figura 5-2
                             EQUIPO PARA PROBAR protección contra el polvo
MG 1-1998, Revisión 1                                                      Sección I
Parte 5, página 14                                                   GRADO DE PROT ECCIÓN




                            Figura 5-3
                  EQUIPO PARA PROBAR LA PROTECCIÓN CONTRA gotas de agua
Sección I                                                                 MG 1-1998, Revisión 1
GRADO DE PROT ECCIÓN                                                        Parte 5, página 15




                 Figura 5-4
 EQUIPO PARA PROBAR LA PROTECCIÓN CONTRA LA FUMIGACIÓN y salpicaduras de agua mostrada
    AGUJEROS CON FUMIGA CIÓN EN CASO DE segundo número característico 3
MG 1-1998, Revisión 1                                                       Sección I
Parte 5, página 16                                                    GRADO DE PROT ECCIÓN




                            Figura 5-5
               Equipo de mano, PARA PROBAR LA PROTECCIÓN CONTRA LA FUMIGA CIÓN
                         Y SALPICA DURAS DE AGUA
Sección I                                                         MG 1-1998, Revisión 1
GRADO DE PROT ECCIÓN                                                Parte 5, página 17




                             Figura 5-6
                       BOQUILLA DE NORMA PARA LAS PRUEBAS DE LA
                       MANGUERA
MG 1-1998, Revisión 1                                                                                                Sección I
Parte 5, página 18                                                                                             GRADO DE PROT ECCIÓN



                     ANEXO A
       Usados con mayor frecuencia GRADO DE PROTECCIÓN PARA MÁQUINAS ELÉCTRICAS

                           Segundo
                          Característica
                                                   0            1           2           3           4           5            6   7    8
                           Numeral

    Primero
  Característica
   Numeral

          0
          1                                                               IP 12
          2                                                  IP 21        IP 22       IP 23
          3
          4                                                                                       IP 44
          5                                                                                       IP 54       IP 55

   NOTA: Esta lista incluye los grados de uso más frecuente de la protección, a nivel internacional, en
   acuerdo con la descripción dada en 5.4 y 5.5. Y puede ser modificado o completado para necesidades especiales, o de acuerdo
   a las necesidades de los estándares nacionales.
Sección I                                                                                                              MG 1-1998
Eléctricas rotativas MOT ORES-Métodos de refrigeración (CÓDIGO IC)                                                    Parte 6, página 1




                           Sección I
              NORMAS GENERALES APLICABLES A TODOS LOS EQUIPOS
                            Parte 6
           Eléctricas rotativas MOTORES-Métodos de refrigeración (CÓDIGO IC)


6.1 ÁMBITO DE APLICACIÓN
   Esta parte se indican las medidas del circuito y los métodos del movimiento del líquido refrigerante en la rotación
máquinas eléctricas, clasifica los métodos de enfriamiento y ofrece un sistema de designación para ellos.
   La designación del método de enfriamiento consiste en las letras "IC", seguido por números y letras
en representación de la disposición del circuito, el líquido refrigerante y el método de movimiento del líquido refrigerante.
   La designación completa y una denominación simplificada están definidos. El sistema de designación completa
diseñado para ser utilizado sobre todo cuando el sistema simplificado no es aplicable.
   Las designaciones completas, así como las designaciones de simplificar, se ilustran en las tablas de 6,7 por
algunos de los tipos de uso más frecuente de las máquinas rotativas, junto con los bocetos de los particulares
ejemplos.




6.2      DEFINICIONES
      A los efectos de esta ley, regirán las siguientes definiciones.


6.2.1        Enfriamiento
  Un procedimiento mediante el cual el calor resultante de las pérdidas que ocurren en una máquina se entrega a un
refrigerante primario, que puede ser continuamente reemplazado o podrá ser enfriado por un refrigerante secundario en un
intercambiador de calor.

6.2.2        Refrigerante
      Un medio, líquido o gas, por medio del cual se transfiere el calor.

6.2.3        Refrigerante primario
  Un medio, líquido o gas que, al estar a una temperatura más baja que una parte de una máquina y en contacto
con ello, elimina el calor de esa parte.

      NOTA: Una máquina puede tener más de un refrigerante primario.


6.2.4        El refrigerante secundario
  Un medio, líquido o gas que, al estar a una temperatura inferior a la del refrigerante primario, elimina la
calor cedido por el refrigerante primario por medio de un intercambiador de calor o por la superficie externa de la
de la máquina.

      NOTA: Cada refrigerante primario en una máquina puede tener su propio refrigerante secundario.


6.2.5        Refrigerante final
      El refrigerante última a la que el calor se transfiere.
      NOTA: En algunas máquinas, el refrigerante final es también el refrigerante primario.


6.2.6        Alrededor de media
      El medio, líquido o gas, en el entorno de la máquina.
      NOTA: El refrigerante se pueden extraer y / o ser dado de alta a este entorno.
MG 1-1998                                                              Sección I
Parte 6, Página 2                          Eléctricas rotativas MOT ORES-Métodos de refrigeración (CÓDIGO IC)


6.2.7      Medio a distancia
  Un medio, líquido o gas, en un entorno remoto de la máquina y de la cual es un refrigerante
elaborado y / o de las que se vierte a través de la entrada y / o tubería de salida o en el con ducto, o en los que un calor por separado
intercambiador se pueden instalar.

6.2.8      Liquidación directa refrigerado (interior del devanado enfriado)
  Un arrollamiento en el que el refrigerante fluye a través de conductores huecos, tubos o canales que forman una
parte integral de la bobina en el interior del aislamiento principal.
6.2.9 enfriado indirecto de bobinado

    Un arrollamiento enfriado por cualquier otro método que el de 6.2.8.
    NOTA: En todos los casos en que "indirecta" o "directa" no se dice, una refrigeración indirecta bobinado está implícita.


06/02/10 Intercambiador de Calor
  Un componente destinado a la transferencia de calor de un refrigerante a otro, manteniendo los dos refrigerantes
por separado.

6.2.11 Tuberías, Conductos
    Un pasaje para guiar el líquido refrigerante.
    NOTA-El conducto término se utiliza generalmente cuando un canal pasa directamente a través del suelo sobre el que la máquina está
    montado. El tubo se utiliza el término en todos los demás casos se introduce un líquido refrigerante fuera de la máquina o el calor
    intercambiador.


02/06/12 Circuito Abierto
 Un circuito en el cual se extrae el líquido refrigerante finales directamente desde el medio circundante o se extrae de una
medio de distancia, pasa por encima o por medio de un intercambiador de calor, y luego regresa directamente a los alrededores
medio o se descarga a un medio de control remoto.

    NOTA: El refrigerante final será siempre el flujo en un circuito abierto (véase también 6.2.13).


02/06/13 Circuito Cerrado
   Un circuito en el que se hace circular un líquido refrigerante en un circuito cerrado en oa través de la máquina y, posibleme nte,
a través de un intercambiador de calor, mientras que el calor se transfiere de este refrigerante en el líquido refrigerant e a través de la siguiente
superficie de la máquina o en el intercambiador de calor.

    NOTAS

    1-Un sistema de enfriamiento general de una máquina puede consistir en una o varias actuando sucesivamente circuitos cerrados y
    siempre es un circuito abierto final. Cada uno de los refrigerantes primarios, secundarios y / o final puede tener su propia adecuada
    circuito.

    2-Los diferentes tipos de circuitos se establecen en la cláusula 6.4 y en las tablas de 6,7.


02/06/14 Hilo o conductos del circuito
  Un circuito en el que se guía el líquido refrigerante ya sea de entrada o salida del tubo o conducto, o por la entrada y sali da
tubería o ducto, estos sirven como separadores entre el refrigerante y el medio circundante.

    NOTA: El circuito puede ser abierto o un circuito cerrado (ver 2.6.12 y 6.2.13).


02/06/15 Stand-by o del sistema de refrigeración de emergencia
  Un sistema de refrigeración, que es además el sistema de refrigeración normal y que tiene por objeto
se utiliza cuando el sistema de enfriamiento normal no está disponible.

06/02/16 componente integral
  Uno de los componentes en el circuito de refrigeración que está integrado en la máquina y que sólo puede ser reemplazado por
parcialmente desmontar la máquina.
Sección I                                                                                                                     MG 1-1998
Eléctricas rotativas MOT ORES-Métodos de refrigeración (CÓDIGO IC)                                                           Parte 6, página 3


06/02/17 máquina de montaje de componentes
  Uno de los componentes en el circuito de refrigeración que se monta en la parte de la máquina y las formas de ella, pero puede que
ser sustituido sin molestar a la máquina principal.

02/06/18 componente separado
   Uno de los componentes en el circuito de refrigeración que se asocia con una máquina, pero que no está montado sobre o
integral con la máquina.

    NOTA: Este componente puede estar situado en el entorno o un medio de control remoto.


6.2.19 Componente circulación dependiente
  Uno de los componentes en el circuito de refrigeración, que para su funcionamiento depende de (relacionado con) la rotación
velocidad del rotor de la máquina principal (por ejemplo, ventilador o una bomba en el eje de la máquina principal o unidad de ventilación o
unidad de bomba accionada por la máquina principal).

02/06/20 Componente de circulación independiente
  Uno de los componentes en el circuito de refrigeración, que para su funcionamiento es independiente de (no relacionado con) l a
velocidad de rotación del rotor de la máquina principal, (por ejemplo, diseño con su propio motor de accionamiento).


6.3 DESIGNACIÓN DEL SISTEMA
  La denominación utilizada por el método de refrigeración de una máquina se compone de letras y números c omo
se indica a continuación:


6.3.1      Disposición del Código IC
  El sistema de designación se realiza de la siguiente manera, utilizando el IC8A1W7 ejemplos para la designación completa
y IC81W la designación simplificada.

    NOTA: La siguiente regla se puede aplicar la distinción entre denominación completa y simplificada:

           1-Completa designación puede ser reconocido por la presencia (después de las letras IC) de tres o cinco números
             y las letras en la secuencia regular - número, letra, un número (letra, un número).

           Ejemplos: IC3A1, C4A1A1 o IC9A1W7

           2-Una designación simplificado tiene dos o tres números consecutivos, o una carta en la posición final.

           Ejemplos: IC31, IC411, o IC71W.
MG 1-1998                                                          Sección I
Parte 6, página 4                      Eléctricas rotativas MOT ORES-Métodos de refrigeración (CÓDIGO IC)



                        Designación completa                        IC       8         A         1       W           7
                        Designación simplificado                    IC       8                   1       W



6.3.1.1 Cartas Código
    (Internacional de refrigeración)

6.3.1.2 Disposición del circuito
    Designado por un número característico de conformidad con 6.4.

6.3.1.3 refrigerante primario
  Designado por una letra característica, de acuerdo con 6.5.
  Omitido la designación simplificada si se trata de una de aire.
6.3.1.4 Método de movimiento del refrigerante primario
  (Mayor temperatura)
  Designado por una cifra característica, de acuerdo con 6.6.



6.3.1.5 refrigerante secundario
  En su caso, designado por un
letra característica, de acuerdo con 6.5.
  Omitido la designación simplificada si se trata de una de aire.

6.3.1.6 Método de movimiento del refrigerante secundario
  (Menor temperatura)
  En su caso, designado por una cifra característica, de acuerdo con 6.6. Omitido en el caso de la
simplificado designación si es de 7 con agua (W7) para refrigerante secundario.


6.3.2     Aplicación de las Denominaciones
  La designación simplificada de preferencia se debe utilizar (es decir, el sistema de designación tiene por objeto completar
para su uso sobre todo cuando el sistema simplificado no es aplicable).

6.3.3     Designación de los acuerdos de un mismo circuito para las diferentes partes de una máquina
  Refrigerantes o métodos diferentes de movimiento se puede utilizar en diferentes partes de una máquina. Estos se
serán designados por las designaciones indicando en su caso después de cada pieza de la máquina.
  Un ejemplo de los diferentes circuitos en el rotor y el estator es el siguiente:
       IC7W5W IC7H1WStator rotor. . . . . . . . . . . . . . (Simplificado)
       IC7H1W7Stator rotor IC7W5W7. . . . . . . . . . . . . (Completo)
  Un ejemplo de los diferentes circuitos de una máquina es la siguiente:
       Generador IC7H1WExciter IC75W. . . . . . . . . . . . . . . (Simplificado)
       Generador IC7H1W7Exciter IC7A5W7. . . . . . . . . . . . . (Completo)
6.3.4 Designación de los Circuitos diferentes para diferentes partes de una máquina




  Diferentes arreglos de circuitos se puede utilizar en diferentes partes de una máquina. Estos serán designados
indicando las denominaciones en su caso después de cada pieza de la máquina, separados por una barra oblicua (/).
  Ejemplo:
     Generador IC81WExciter IC75W. . . . . . . . . . . . . . . (Simplificado)
     Generador IC8A1W7Exciter IC7A5W7. . . . . . . . . . . . . (Completo)
Sección I                                                                                                            MG 1-1998
Eléctricas rotativas MOT ORES-Métodos de refrigeración (CÓDIGO IC)                                                  Parte 6, página 5


6.3.5     Designación de enfriado directo Liquidación
   En el caso de máquinas con refrigeración directa (refrigeración interna) bobinas, la parte de la designación relacionados
a este circuito se pondrá entre paréntesis.
   Ejemplo:
     Rotor IC7 IC7H1WStator (W5) W. . . . . . . . . . . . . . (Simplif icado)
     Rotor IC7 IC7H1W7Stator (W5) W7. . . . . . . . . . . . . (Completo)
6.3.6 Designación de Stand-by o de emergencia las condiciones de refrigeración



  Diferentes arreglos de circuitos se pueden utilizar en función de stand-by o de las condiciones de refrigeración de emergencia.
Estos serán designados por la designación para el método normal de refrigeración, seguido por el
designación del sistema de refrigeración especial entre corchetes, incluyendo las palabras "emergencia" o
"Stand-by" y las letras IC código.
  Ejemplo:
                         (IC01 de emergencia). . . . . . . . . . . . . . (Simplificado) IC71W
     IC7A1W7 (IC0A1 de emergencia). . . . . . . . . . . . . (Completo)



6.3.7     Designaciones combinado
  Cuando dos o más de las condiciones de 6.3.3 a 6.3.6, inclusive, se combinan, la adecuada
denominaciones descritos anteriormente pueden ser aplicadas en forma conjunta.

6.3.8     La sustitución de números característicos
  Cuando una cifra característica no se ha determinado aún o no está obligado a especificar por
determinada aplicación, el número se omite, se sustituye por la letra "X"
  Ejemplos: IC3X, IC4XX


6.3.9     Ejemplos de Denominaciones y Sketches
  En 6.7, las diferentes denominaciones, junto con dibujos apropiados, se dan algunas de las
tipos de uso de las máquinas rotativas.


6.4 NUMERAL característica de configuración del circuito
  El numeral siguiente característica básica del símbolo "IC" designa a la disposición del circuito (ver
6.3.1.2) para hacer circular el refrigerante (s) y para eliminar el calor de la máquina de acuerdo con la tabla
6-1.
MG 1-1998                                                               Sección I
Parte 6, página 6                           Eléctricas rotativas MOT ORES-Métodos de refrigeración (CÓDIGO IC)



                                                                  Tabla 6-1
                                                              CIRCUITO DE ACUERDO
Característica
 Numeral                     Descripción brev e                                                             Def inición

         0*               La libre circulación               El refrigerante es libre extraídos directamente del medio circundante, se enfría la
                                                             máquina, y luego libremente vuelve directamente al medio circundante (circuito abierto).

         1*               Entrada de la tubería o el conducto de
                                                            El refrigerante se extrae de una distancia media de la máquina, se orienta a la
                          entrada                           máquina a través de una tubería de entrada o en el conducto, pasa a través de la máquina y vuelve
                          circular                          directamente en el medio circundante (circuito abierto ).

         2*               Tubo de salida o conducto de salida refrigerante se extrae directamente del medio que lo rodea, pasa a través de la
                                                           El
                          circular                         máquina y se descarga de la máquina a través de un tubo de salida o en el conducto de
                                                           una distancia media de la máquina (circuito abierto).

         3*               Entrada y la tubería de salida o   El refrigerante se extrae de una distancia media de la máquina, se orienta a la
                          conducto circular                  máquina a través de una tubería de entrada o en el conducto, pasa a través de la máquina y luego se
                                                             expulsados de la máquina a través de un tubo de salida o en el conducto a un medio de control remoto
                                                             de la máquina (circuito abierto).

          4               Superficie de la carcasa enfriada El refrigerante primario circula en un circuito cerrado en la máquina y da su
                                                            calor a través de la superficie externa de la máquina (además de la transferencia de calor
                                                            a través del núcleo del estator y de calor, la realización de piezas) para el refrigerante final que es la
                                                            medio circundante. La superficie puede ser liso o acanalado, con o sin un exterior
                                                            Shell para mejorar la transferencia de calor.

          5 **            Intercambiador de calor            El refrigerante primario circula en un circuito cerrado y le da su calor a través de un calor
                          (Con alrededor de                  intercambiador de calor, que se construye en y forma parte integrante de la máquina, a la final
                          medio)                             refrigerante, que es el medio que lo rodea.

          6 **            Montado en el motor de calor       El refrigerante primario circula en un circuito cerrado y le da su calor a través de un calor
                          intercambiador de calor (con       intercambiador, que se monta directamente en la máquina, al final, que es el refrigerante
                          medio circundante)                 el medio circundante.

          7 **            Intercambiador de calor          El refrigerante primario circula en un circuito cerrado y le da su calor a través de un calor
                          (Utilizando un medio de control remoto)
                                                           intercambiador de calor, que se construye en y forma parte integrante de la máquina, a la
                                                           refrigerante secundario que es el medio a distancia.

          8 **            Montado en el motor de calor       El refrigerante primario circula en un circuito cerrado y le da su calor a través de un calor
                          intercambiador de calor (con       intercambiador, que se monta directamente en la máquina, al refrigerante secundario
                          medio de control remoto)           que es el medio a distancia.
         9 **, †          P or separado de calor             El refrigerante primario circula en un circuito cerrado y le da su calor a través de un calor
                          intercambiador de calor (con       intercambiador de calor, que es independiente de la máquina, para que el refrigerante secundario, que se
                          circundantes o remoto              ya sea el entorno o el medio a distancia.
                          medio)



CARTAS 6.5CHARACTERISTIC para el refrigerante
6.5.1 El refrigerante (ver 6.3.1.3 y 6.3.1.5) es designado por una de las letras características de
acuerdo con la T abla 6-2.




* Filtros o laberintos para separar el polvo, elimina el ruido, etc, se puede montar en el marco o en los conductos. Números característicos 0
a 3 se aplicarán también a las máquinas donde se extrae el medio de enfriamiento del medio circundante a través de un interca mbiador de calor con el fin de
proporcionar más fresco medio que el medio circundante, o con un pañuelo a través de un intercambiador de calor para mantener la temperatura ambiente
más bajos.

** La naturaleza del intercambiador de calor no se especifica (tubos de estriado o liso, etc.)
† Un intercambiador de calor puede ser instalado al lado de la máquina o en un lugar remoto de la máquina. Una gaseosa secund aria
refrigerante puede ser el medio que lo rodea o un medio de control remoto (ver también 6.7, tabla 6.6).
Sección I                                                                                                             MG 1-1998
Eléctricas rotativas MOT ORES-Métodos de refrigeración (CÓDIGO IC)                                                   Parte 6, página 7


                                                               Tabla 6-2
                                                               REFRIGERANTE
                                     Carta característica                            Ref rigerante

                                           A (ver 6.5.2)                                 Aire
                                                  F                                 Refrigerante
                                                  H                                 Hidrógeno
                                                  N                                  Nitrógeno
                                                  C                              Dióxido de carbono
                                                 W                                    De agua
                                                  U                                      Aceite
                                           S (ver 6.5.3)                        Cualquier otro refrigerante
                                           Y (ver 6.5.4)                    Refrigerante no han sido seleccionados



6.5.2 Cuando el refrigerante solo es aire, o cuando en el caso de los dos refrigerantes de uno o ambos son el aire, el
carta (s) "A" indicando que el refrigerante se omite en la designación simplificado.

6.5.3     Por la característica letra "S", el refrigerante se identificarán en otros lugares.

6.5.4 Cuando el refrigerante es finalmente seleccionado, la letra utilizada tempo ralmente "Y" se sustituye por el
apropiado carta última característica.


6.6 Cifra característica PARA EL MÉTODO DEL MOVIMIENTO
  La siguiente cifra característica (en la denominación completa) cada una de las letras indica la
refrigerante designa el método de movimiento de este refrigerante adecuado (véase 6.3.1.4 y 6.3.1.6) en
acuerdo con la T abla 6-3.
MG 1-1998                                                               Sección I
Parte 6, Página 8                           Eléctricas rotativas MOT ORES-Métodos de refrigeración (CÓDIGO IC)


                                                               Tabla 6-3
                                                             Método de movimiento
   Característica                  Brev e
    Numeral                       Descripción                                                             Def inición

            0                   Convección libre          El refrigerante se mueve por diferencias de temperatura. La acción de avivar de que el rotor está
                                                          despreciable
            1                    Auto-circulación         El refrigerante se mueve depende de la velocidad de rotación de la máquina principal, ya sea
                                                          por la acción del rotor solo o por medio de un compo nente diseñado para este
                                                          propósito y montado directamente en el rotor de la máquina principal, o por un ventilador o una bomba
                                                          unidad de accionamiento mecánico por el rotor o la máquina principal.

           2-4                                            Reservado para uso futuro.
            5*                      Integral              El refrigerante es movido por un componente integral, el poder del que se obtiene en
                                  independiente           de tal manera que es independiente de la velocidad de rotación de la máquina principal, por ejemplo, un
                                   componente             ventilador interno o unidad de bombeo impulsado por su motor eléctrico propio.

            6*                Montado en el motor        El refrigerante se mueve por un componente montado en la máquina, el poder de los cuales
                               independiente             se obtiene de tal manera que es independiente de la velocidad de rotación de los principales
                                componente               máquina, por ejemplo, una máquina montada ventilador de la uni dad o unidad de bombeo impulsado por su propio
                                                         eléctrica
                                                         motor.
            7*                   Separados y             El refrigerante se mueve por un componente separado eléctrica o mecánica sin montar
                                  independiente          en la máquina e independiente de ella o se produce por la presión del refrigerante
                                 componente o            sistema de circulación, por ejemplo, suministrada por un sistema de distribución de agua, o un gas principal
                                sistema de refrigeración bajo presión.
                                   presión

            8*                      Relativo              El movimiento de los resultados del refrigerante del movimiento relativo entre la máquina
                                  desplazamiento          y el refrigerante, ya sea por mover la máquina a través de la refrig eración o por el flujo de la
                                                          refrigerante circundante (aire o líquido).

            9                      Todos los demás        El movimiento del líquido refrigerante se produce mediante un método que no se ha definido anteriormente y
                                  componentes             Se describirá detalladamente.



6.7 DESIGNA CIONES DE USO COMÚN
  Continuación han sido simplificadas y de las denominaciones completas de algunos de los tipos más utilizados de
máquinas eléctricas rotativas:


6.7.1       Información general sobre las tablas
  En las tablas 6-4, 6-5, 6-6 y las columnas muestran los números característicos de los arreglos de circuitos y
las filas muestran los números característicos para el método de movimiento del líquido refrigerante.

                                                     Disposición de circuito                                                                            Mesa

Números característica 0, 1, 2, 3 (circuito abierto con alrededor de medio a medio o remoto)                                                              6-4
Números característicos 4, 5, 6 (circuito primario cerrado, circuito secundario abierto con medio circundante)                                            6-5
Números característicos 7, 8, 9 (circuito primario cerrado, circuito secundario abierto y el uso a distancia o                                            6-6
medio circundante)


  Los bocetos muestran ejemplos con aire de refrigeración fluye desde el extremo no accionamiento de disco de gama. El flujo de aire puede
estar en la dirección opuesta, o la entrada de aire puede ser en ambos extremos con la descarga en el centro, en función de
el diseño de la máquina, la disposición y el número de ventiladores, unidades de ventilación, tuberías de entrada y de salida o de los conductos.
  La línea superior de cada caja le da la denominación simplificada a la izquierda y la designación completa de
la derecha con el aire y / o el agua como refrigerante (ver 6.3.2 y 6.5.1).
  Los símbolos utilizados en los bocetos:
   a. Ventilador depende integral o montado en la máquina-
   b. Componente de la circulación independiente
   c. Conducto o tubería, no parte de la máquina.




* El uso de un componente independiente como fuente principal para el movimiento no excluye la acción de avivar el disco ni la
existencia de un ventilador adicional montado directamente sobre el rotor de la máquina principal.
Sección I                                                                                                                       MG 1-1998
Eléctricas rotativas MOT ORES-Métodos de refrigeración (CÓDIGO IC)                                                             Parte 6, página 9



                              Tabla 6-4
                  EJEMPLOS DE CIRCUITO ABIERTO DE USAR * medio circundante O A DISTANCIA
                        Cif ra característica para la disposición de circuito (Ver 6.4)

              0                                1                              2                          3                   Característica
                                                                                                                           número de método
                                    Tubo de entrada o en la entrada de salida o de salida
                                                                 Tubo                       Entrada y la tubería de salida de mov imiento de
 La libre circulación                conducto circular             conducto circular        o conducto circular               ref rigerante
(Con alrededor de                    (Utilizando el control remoto
                                                                 (Con alrededor de            (Utilizando el control remoto
   medio)                              medio)                        medio)                     medio)                              (Ver 6.6)

                                                                                                                                      0
                                                                                                                              Convección libre




                                                                                                                                      1
                                                                                                                              Auto-circulación




                                                                                                                                      5
                                                                                                                          Circulación integral
                                                                                                                             independiente
                                                                                                                              componente




                                                                                                                                      6
                                                                                                                         La circulación por la máquina-
                                                                                                                         montados independiente
                                                                                                                             componente




                                                                                                                                      7
                                                                                                                          Circulación por separado
                                                                                                                           e independiente
                                                                                                                           componente o por
                                                                                                                           presión de refrigerante
                                                                                                                               sistema



                                                                                                                                      8
                                                                                                                          Circulación en relación
                                                                                                                            desplazamiento




* P or disposición de los Códigos de IC, véase 6.3.1.
MG 1-1998                                                              Sección I
Parte 6, Página 10                         Eléctricas rotativas MOT ORES-Métodos de refrigeración (CÓDIGO IC)



                              Tabla 6-5
            Ejemplos de circuitos de primarias cerradas, circuitos secundarios ABIERTO DE USAR
                         ALREDEDORES * MEDIO

              Cif ra característica para la disposición de circuito                                  Cif ra característica para el método de
                          (Ver 6.4)                                                                        mov imiento (Ver 6.6)

              4                                5                             6

   La libre circulación              Calor integral            Montado en el motor              del ref rigerante primario           de secundaria
    ref rigerados (Con             intercambiador de calor (Con intercambiador de calor           (Ver nota)                           ref rigerante
     circundante                     circundante              (Uso de los alrededores
      medio)                          medio)                      medio)

                                                                                                                                               0
                                                                                                                                     Convección libre




                                                                                                                                               1

                                                                                                                                      Auto-circulación




                                                                                                                                               5
                                                                                                                                 Circulación integral
                                                                                                                                componente independiente



                                                                                                                                               6
                                                                                                                                La circulación por la máquina-
                                                                                                                                montados independiente
                                                                                                                                    componente




                                                                                                                                               7
                                                                                                                                 Circulación por separado
                                                                                                                                  e independiente
                                                                                                                                componente o por el refrigerante
                                                                                                                                  la presión del sistema

                                                                                                                                               8

                                                                                                                                  Circulación en relación
                                                                                                                                    desplazamiento




* P or disposición de los Códigos de IC, véase 6.3.1.
NOTA: Los ejemplos mostrados en esta tabla están relacionados con el movimiento del refrigerante secundario. El número caract erístico de la
movimiento del refrigerante primario en esta tabla se supone que es "1". Obviamente, otros diseños no se muestra también se p uede especificar por
mediante el Código de CI, por ejemplo, el diseño con la máquina montada en unidad de ventilación independiente s para refrigerante primario: IC666 (IC6A6A6) en lugar de
IC616 (IC6A1A6)
Sección I                                                                                                                            MG 1-1998
Eléctricas rotativas MOT ORES-Métodos de refrigeración (CÓDIGO IC)                                                                 Parte 6, página 11


                      Tabla 6-6
 Ejemplos de circuitos de primarias cerradas, circuitos secundarios ABIERTO EL USO O A DISTANCIA
                  ALREDEDORES * MEDIO

                                                                                                                      Cif ra característica para
                         Cif ra característica para la disposición de circuito                                         método de mov imiento
                                     (Ver 6.4)                                                                              (Ver 6.6)

            7                              8                           9               (Secundaria
                                                                                      ref rigerante: gas,                                         de
   Calor integral           Montado en el motor                                      medio de control remoto o                                 secundario
   intercambiador            intercambiador de calor                                   circundante                     de primaria              ref rigerante
  (Utilizando el control remoto
                             (Utilizando el control remoto                              medio)                          ref rigerante          (Ver nota)
    medio)                     medio)

                                                                                                                              0
                                                                                                                     Convección libre




                                                                                                                              1
                                                                                                                      Auto-circulación




                                                                                                                              5
                                                                                                                      La circulación por
                                                                                                                        integral
                                                                                                                      independiente
                                                                                                                       componente




                                                                                                                              6
                                                                                                                    La circulación por
                                                                                                                    máquina de montaje
                                                                                                                     independiente
                                                                                                                      componente




                                                                                                                              7
                                                                                                                      La circulación por
                                                                                                                      separados y
                                                                                                                    indepen-
                                                                                                                      componente o
                                                                                                                     presión de refrigerante
                                                                                                                        sistema

                                                                                                                              8

                                                                                                                      La circulación por
                                                                                                                        relativo
                                                                                                                      desplazamiento

* P or disposición de los Códigos de IC, véase 6.3.1.
NOTA: Los ejemplos mostrados en esta tabla están relacionados con el movimiento del refrigerante secundario. El número caract erístico de la
movimiento del líquido refrigerante secundario de esta tabla se supone que es "7". Obviamente, otros diseños no se muestra también se puede especificar por
mediante el Código de CI, por ejemplo, el diseño con la máquina montada en la unidad de bomba independiente para el refrigera nte primario: IC71W6 (IC7A1W6) en lugar de
IC71W (IC7A1W7)
MG 1-1998                                        Sección I
Parte 6, página 12   Eléctricas rotativas MOT ORES-Métodos de refrigeración (CÓDIGO IC)




                               ESTA PÁGINA INTENCIONALMENTE
                                  Se deja en blanco
Sección I                                                                                                   MG 1-1998, Revisión 1
Vibraciones Mecánicas                                                                                          Parte 7, página 1




                      SECCIÓN I
            NORMAS GENERALES APLICABLES A TODOS LOS EQUIPOS
                      PARTE 7
        Vibraciones mecánicas de medición, evaluación y límites


7.1       ÁMBITO DE
          APLICACIÓN
   Esta norma es aplicable a las máquinas de corriente continua a prueba con corriente directa de poder y de
polifásicos de corriente alterna con una potencia de máquinas a prueba sinusoidal, en tamaños 42 y mayores y en
potencia nominal de hasta 100.000 HP y 75 MW, a una velocidad nominal hasta e incluyendo 3600 rev / min.
   Para máquinas verticales y con brida de montaje-, esta norma sólo es aplicable a aquellas máquinas que
se prueban en la orientación adecuada.
   Esta norma no es aplicable a un solo soporte de máquinas, máquinas de montaje in situ, de una sola fase
máquinas, las máquinas trifásicas operado en sistemas monofásicos, vertical generadores de energía hidráulica,
generadores de imanes permanentes o de las máquinas acopladas a motores primarios o carga impulsada.


NOTA: P ara las máquinas medido in situ se refieren a la norma ISO 10816 -3.

7.2         OBJETO

    Esta norma establece las condiciones de prueba y medición de, y fija los límites para el nivel de
la vibración de una máquina eléctrica, cuando las mediciones se realizan en la máquina solo en un área de prueba
bajo condiciones controladas adecuadamente. Magnitudes de medición son los niveles de vibración (velocidad,
desplazamiento y / o aceleración) en las cajas de rodamientos de la máquina y la vibración del eje relativo a la
cajas de cojinetes dentro o cerca de los cojinetes de la máquina. Mediciones de las vibraciones del eje se recomienda
Sólo para máquinas con cojinetes de deslizamiento y velocidad igual o superior a 1000 rev / min, y será el
objeto de un acuerdo previo entre el fabricante y el usuario con respecto a las disposiciones necesarias para
la instalación de las sondas de medición.


7.3         Referencias

  Documentos de referencia utilizados en esta parte son, ISO 8821, ISO 7919 -1, ISO 10816-3 e IEC
60034-14.

7.4         Medida de cantidad

7.4.1 Teniendo vibración de Vivienda
   El criterio adoptado por soportar las vibraciones de vivienda es el valor pico de la vibración no filtrada
velocidad en centímetros por segundo. El mayor valor medido en los puntos de medición prescrito (ver
7.7.2) caracteriza a la vibración de la máquina.

7.4.2 vibración del eje relativa
   El criterio adoptado para la vibración del eje relativo (en relación con el alojamiento del cojinete) es el pico a pico
desplazamiento de vibración (Sp-p) en pulgadas en la dirección de la medición (véase la norma ISO 7.919 -1).
MG 1-1998, Revisión 1                                                                                                           Sección I
Parte 7, Página 2                                                                                                       Vibraciones Mecánicas




7.5         EQUIPOS DE MEDIDA

    El equipo utilizado para medir la vibración será una precisión de ± 10 por ciento del límite permitido para
la vibración que se mide.

7.6MACHINE MONTAJE
7.6.1 Generales
    Evaluación de las vibraciones de las máquinas eléctricas rotativas requiere la medición de las máquinas en
determinado de forma adecuada las condiciones de prueba para permitir pruebas reproducibles y comparables para proporcionar
mediciones. La vibración de una máquina eléctrica está estrechamente relacionado con el montaje de la máquina.
La elección del método de montaje será realizado por el fabricante. Por lo general, las máquinas con eje
altura de 11 pulgadas o menos uso de montaje flexible.


NOTA: La altura del eje de una máquina sin pies, o una máquina con los pies levantados, o cualquier máquina vertical, se
tomado como la altura del eje de una máquina en el marco de misma base, pero el eje horizontal de los pies el tipo de montaje .


7.6.2 Montaje elástico
   Montaje flexible se logra mediante la suspensión de la máquina en un muelle o montándolo en un elástico
de apoyo (muelles, caucho, etc.)
   La frecuencia natural de oscilación vertical, del sistema de suspensión y la máquina debe ser inferior a
33 por ciento de la frecuencia correspondiente a la velocidad más baja de la máquina durante la prueba, tal como se define en
7.7.3.3. Para una fácil determinación de la elasticidad necesaria del sistema de suspensión, consulte la Figura 7 -1.
   La masa efectiva del soporte elástico no deberá ser superior al 10 por ciento de la de la máquina,
para reducir la influencia de la masa y los momentos de inercia de estas piezas en el nivel de vibración.



7.6.3       Montaje rígido

    Montaje rígido se logra mediante la colocación de la máquina directamente a una base masiva.
    Una fundación masiva es la que tiene una vibración (en cualquier dirección o en avión) limitado, durante la prueba, a
0,02 en la / s pico (0,5 mm / s pico) por encima de las vibraciones de fondo. Las frecuencias naturales de la
bases no deben coincidir dentro de ± 10 por ciento de la frecuencia de rotación de la máquina, a ± 5
por ciento de dos veces la frecuencia de rotación, o dentro de ± 5 por ciento de una y dos veces la lín ea eléctrica-
de frecuencia.
    La velocidad de la vibración de las bases en las direcciones horizontal y vertical, cerca de la base de la máquina
no debe superar el 25 por ciento de la velocidad máxima en el rodamiento adyacentes en horizontal o
dirección vertical con una frecuencia de rotación y en la frecuencia de la línea dos veces (si este último está siendo evalua do).
Sección I                                                                                                 MG 1-1998, Revisión 1
Vibraciones Mecánicas                                                                                        Parte 7, página 3




              10




               1




             0.1




            0.01
                100                                            1000          1200     1800              3600            10000

                                                            Test de Velocidad - RPM


                           Figura 7-1
            Mínimo desplazamiento elástico como función de la velocidad de ensayo nominal


7.6.4 Determinación de Medio Ambiente activo
    Los sistemas de apoyo mencionados en 7.6.2 y 7.6.3, se consideran pasivos, admitiendo insignificante
perturbaciones externas a la máquina. Si la vibración de la máquina estacionaria supera el 25 por ciento de
el valor cuando la máquina está funcionando, pues, un espacio activo se dice que existe. Criterios de la vibración de
sistemas de apoyo activo no se les da en esta parte.


7.7       CONDICIONES DE MEDICIÓN

7.7.1 eje clave
    Para el equilibrio y la medición de las vibraciones en las máquinas siempre con un a extensión del eje
ranura, la ranura debe contener una clave de la mitad.
    Una de las claves de larga duración rectangular de media altura o una clave de longitud de la mitad de la altura completa (que debe estar
centrado
axialmente en la ranura) es aceptable (la cláusula de referencia 3.3 de la Norma ISO 8821).
MG 1-1998, Revisión 1                                                                                                        Sección I
Parte 7, Página 4                                                                                                    Vibraciones Mecánicas




7.7.2 Puntos de medición de vibraciones
7.7.2.1 Alojamiento del cojinete
    La ubicación de los puntos de medición y las instrucciones para que los niveles de severidad de la vibración se aplican
se muestran en la Figura 7-2 para las máquinas con cojinetes de palier y en la Figura 7-4 para las máquinas con
cojinetes de pedestal. Figura 7.3 se aplica a las máquinas en las posiciones de medición de acuerdo con
Figura 7-2 no es posible sin desmontar los elementos, o cuando no existe centro.
7.7.2.2 Eje
    No ponerse en contacto con transductores, si los hubiere, serán instalados en el interior del cojinete, para determinar directamente el
desplazamiento relativo del eje de revistas, o cerca del cojinete cuando se monta en el interior no es práctico. La
prefiere las posiciones radiales son como se indica en la Figura 5.7.




7.7.3       Condiciones de funcionamiento

7.7.3.1 general
     Para las máquinas que son bi-direccionales, los límites de la vibración se aplican para ambos sentidos de giro, pero es necesario
se mide en una sola dirección.
    La medición de la vibración se hará con la máquina sin carga y acoplados.
7.7.3.2 Fuente de alimentación
     Alternando las máquinas actuales se ejecutan a la frecuencia nominal y tensión nominal con un casi
forma de onda sinusoidal. La fuente de alimentación deberá proporcionar tensiones equilibradas fase de acercarse a una cerca
forma de onda sinusoidal. La forma de onda factor1 desviación de tensión no supere el 10 por ciento. La frecuencia
se mantendrá dentro de ± 0.5 por ciento del valor requerido para la prueba que se llevó a cabo, a menos que
se especifique lo contrario. Los ensayos se realizarán en el desequilibrio de tensión no supere el 1 por ciento.
La tensión de desequilibrio por ciento es igual a 100 veces la desviación máxima tensión de la tensión media
dividida por la tensión media.
    Máquinas de corriente continua se suministra con la tensión de inducido y la corriente de campo correspondiente
a la velocidad a la que las vibraciones que se está midiendo. Los límites de vibración se basan en el uso de ondas de baja
Una fuente de alimentación (ver 12.66.2.1) fuentes de alimentación tipo. Otros tipos de fuentes de alimentación puede ser uti lizado para
propósitos de prueba, a discreción del fabricante.




7.7.3.3 Velocidad de funcionamiento
    A menos que se especifique lo contrario para las máquinas que tienen más de una velocidad fija los límites de esta parte se
No debe excederse la velocidad de funcionamiento. Para las máquinas con un rango de velocidades, las pruebas se llevarán a cabo
por lo menos en la base y las mayores velocidades. Serie de motores de corriente continua deberán ser probados sólo a la velo cidad nominal de
funcionamiento. Para
inversor alimenta las máquinas, que deberá ser aceptable para medir la vibración en sólo la velocidad correspondiente a un
60 Hz fuente de alimentación.

7.7.4       Transductor de vibración de montaje

    Se debe tener cuidado para asegurarse de que un contacto entre el transductor de vibración y la máquina
la superficie es el especificado por el fabricante del transductor y no perturbe el estado vibratorio
de la máquina durante la prueba. La masa total del acoplado el transductor deberá ser inferior al 2 por ciento
de la masa de la máquina.




1 El factor de desviación de una onda es la razón de la diferencia máxima entre las coordenadas correspondientes de la onda y de la
onda sinusoidal equivalente a la ordenada máxima de la onda senoidal equivalente, cuando las ondas se superponen de tal maner a que se
hacen de esta diferencia máxima lo más pequeño posible. La onda senoidal equivalente se define como tener la misma frecuencia y la
misma raíz que el valor medio cuadrado como la ola se está probando.
Sección I                                                                 MG 1-1998, Revisión 1
Vibraciones Mecánicas                                                        Parte 7, Página 5




                            Figura 7-2
                  PUNTOS DE PREFERENTE DE MEDICIÓN aplicables a una o
                        AMBOS EXTREMOS DE LA MÁQUINA




                    Figura 7-3
    PUNTOS DE MEDIDA PARA LOS FINES DE MÁQUINAS DE DONDE mediciones por
       FIGURA 7-2 no es posible sin desmontar los elementos
MG 1-1998, Revisión 1                                                                Sección I
Parte 7, Página 6                                                            Vibraciones Mecánicas




                               Figura 7-4
                        PUNTOS DE MEDIDA PARA RODAMIENTOS PEDESTAL




                         Figura 7-5
   Posición preferida circunferencial de TRANSDUCTORES PARA LA MEDICIÓN DE
                 Desplazamiento del eje RELATIVA
Sección I                                                                                                                  MG 1-1998, Revisión 1
Vibraciones Mecánicas                                                                                                         Parte 7, Página 7




7.8         LÍMITES DE LAS VIBRACIONES DE VIVIENDA TENIENDO

7.8.1       General

    Los siguientes límites de vibración son para máquinas que funcionan sin carga, acoplados y montados elásticamente
de acuerdo con el párrafo 7.6.1. Para las máquinas de prueba con el montaje rígido, estos valores se reducirán en un
multiplicarlos por 0,8.
    Los niveles de vibración se muestra en los párrafos siguientes representan la vibración interna emocionado so lamente. Máquinas
como instalar (in situ) pueden exhibir niveles más altos. Esto es generalmente causado por una mala alineación o la influenci a de la
equipo accionado o de conducción, incluido el acoplamiento, o una mecánica de resonancia de la masa de la máquina con
la resistencia de la máquina o la base sobre la que está montado.
    Figura 6.7 establece los límites para los niveles de la vivienda teniendo las vibraciones de las máquinas de montaje flexible para
tanto filtradas y sin filtrar las medidas.
    Para la vibración sin filtro el nivel de velocidad medida no deberá superar el límite de la curva correspondiente a
Figura 6.7 correspondiente a la frecuencia de rotación.
    Para la vibración filtra el nivel de velocidad en cada componente de frecuencia de los análisis de espectro no
superar el valor de la curva en la figura 7-6 en esa frecuencia.
    Medidas sin filtro de la velocidad, el desplazamiento y la aceleración se puede utilizar en lugar de una
espectro de análisis para determinar que los niveles de vibración se filtró sobre el rango de frecuencias no superan los
los límites de la curva en la Figura 6.7. Por ejemplo, para la curva superior de la figura 6.7 de la no filtrada
la velocidad no debe superar los 0,15 en / s pico (3,8 mm / s), el desplazamiento no debe exceder de 0,0025 pulgadas (pp)
(63,5 micras), y la aceleración no debe exceder de 1 g (pico).




NOTA Internacional de Estándares de especificar la velocidad de vibraci ón como eficaz en mm / s. P ara obtener un aproximado de RMS métricas
equivalente, se multiplica la vibración pico en / s por 18.
MG 1-1998, Revisión 1                                                                                                            Sección I
Parte 7, Página 8                                                                                                        Vibraciones Mecánicas




                                                         NOTA: La intersección de
                                                         desplazamiento constante
                                                         líneas con velocidad constante
                                                         líneas se produce en
aproximadamente 20 Hz. La intersección de las líneas de velocidad constante con las líneas de aceleración constante se produce en
aproximadamente 400, 700 y 1500 Hz para los límites de 0,15, 0,08, y otros, respectivamente.




                              Límite de vibración, en el pico / s              Máquina de tipo general ejemplos
                                           0.15                     Estándar de motores industriales.
                                                                    Motores para uso comercial / residencial
                                           0.08                     Motores de la máquina herramienta.
                                                                    Motores medianos / grandes con requerimientos especiales
                                           0.04                     Motores de las ruedas de molienda.
                                                                    Los motores pequeños con necesidades especiales.
                                           0.02                     La precisión del cabezal y los motores de molino.
                                           0.01                     P recisión los motores con necesidades especiales.



                                        Figura 7-6
                               LÍMITES máquina de vibración (elásticamente)
Sección I                                                                                                     MG 1-1998, Revisión 1
Vibraciones Mecánicas                                                                                            Parte 7, Página 9




7.8.2 Límites de vibración para máquinas estándar
    Vibración sin filtrar no deberá exceder los niveles de velocidad como se muestra en la curva superior de la figura 7 -6 para
estándar (sin requisitos de vibración especial) máquinas de montaje flexible.
   Por ejemplo, los límites a la frecuencia de rotación son como se muestra en la T abla 7 -1.



                                                    Tabla 7-1
                                               LÍMITES SIN FILTRA R LAS VIBRACIONES
                                                             Rotacional             Velocidad, en / s pico
                                     Velocidad, rpm         Frecuencia, Hz             (Mm / s)

                                        3600                       60                     0.15 (3.8)
                                        1800                       30                     0.15 (3.8)
                                        1200                       20                     0.15 (3.8)
                                         900                       15                     0.12 (3.0)
                                         720                       12                     0.09 (2.3)
                                         600                       10                     0.08 (2.0)



7.8.3 Límites de vibración para máquinas especiales
    Para las máquinas que requieren niveles de vibración más baja que la indicada en 7.8.2 para las máquinas estándar, se recomie nda
límites están dados en la Figura 7-6 para los tipos generales indicados. Máquinas a las que estos límites se aplican (por ejemplo,
0,08, 0,04, 0,02 o 0,01) se hará por acuerdo entre el fabricante y el comprador.

NOT A: No es práctico para alcanzar los límites de vibración en la Figura 6.7 para todos los tipos de máquinas en todos los tamaños.

7.8.4 Vibración Bandas para máquinas especiales
    Bandas es un método de dividir el rango de frecuencias en bandas de frecuencia y la aplicación de un límite de vibración
a cada banda. Bandas reconoce que el nivel de vibración a diferentes frecuencias es una función de la fuente de
excitación (rodamientos, por ejemplo) y se agrupa (bandas) en múltiplos de la frecuencia de rotación.
    Figura 7-7 se muestran tres ejemplos de bandas. Perfil de 'A' tiene una banda que permite un nivel más alto en
frecuencia de rotación, pero con todas las otras bandas equivalentes a los límites 'B' perfil. Perfiles de 'B' y 'C' son ejem plos de
bandas límites de las máquinas que requieren un menor nivel de vibraciones.
    Cumplimiento se basa en las parcelas de un analizador de espectro con una resolución de 400 líneas o más y un piso
respuesta en el rango de frecuencia se está probando en el que las velocidades máximas no superan lo s límites
especificado para las bandas de frecuencia correspondiente.
    Esta parte no especifica los límites de vibración y las bandas para este procedimiento. Estos se hará de acuerdo
entre el fabricante y el comprador.
MG 1-1998, Revisión 1                                                                                      Sección I
Parte 7, Página 10                                                                                 Vibraciones Mecánicas




                                    Figura 7-7
                           EJEMPLOS DE LÍMITES ESPECIALES máquina de vibración
                              PERFILES pico de velocidad BANDAS


7.8.5 Línea doble de la frecuencia de vibración de dos máquinas de inducción Polo
7.8.5.1 general
     Vibraciones mecánicas con una frecuencia igual al doble de la frecuencia de la línea eléctrica se produce por la
campo magnético en el espacio de aire de dos polos máquinas trifásicas de inducción de corriente alterna. La magnitud de este
el doble de vibración eléctrica de frecuencia de línea son capaces de modular a una tasa igual a la frecuencia de deslizamien to del rotor
multiplicado por el número de polos. Esta modulación puede tener un efecto adver so sobre la evaluación adecuada de
el nivel de vibración en la máquina cuando las mediciones se toman sin filtrar. Para evaluar el efecto de
esta modulación es generalmente necesario para controlar la vibración sin filtro de la máquina durante un
ciclo completo de deslizamiento (es decir, el tiempo necesario para una revolución en la frecuencia de deslizamiento). Máquinas de cor riente
alterna de inducción
funcionando a un valor de deslizamiento muy baja en vacío puede requerir 10 minutos o más de estas medi ciones se
completado en cada posición de medición de vibraciones.
7.8.5.2 Vibración Filtrado
     Una medida de filtrado de las vibraciones se pueden realizar en una muestra representativa de una máquina
diseño con el fin de determinar si o no que el diseño tiene un nivel significativo de doble eléctrica
la línea de frecuencia de vibración de la máquina y para determinar si hay algún mérito para evaluar la magnitud
de la modulación de la vibración sin filt rar siguiendo el procedimiento 7.8.5.3
     Si el componente de la línea filtrada dos veces la frecuencia eléctrica de la vibración de la máquina no
superar el 90 por ciento del límite sin filtrar en la Figura 7 -5 a continuación, la máquina se considera que ha fallado la
prueba de vibración y sean necesarias medidas correctoras.
Sección I                                                                                                     MG 1-1998, Revisión 1
Vibraciones Mecánicas                                                                                           Parte 7, Página 11



    Si el componente de la línea filtrada dos veces la frecuencia eléctrica de la vibración de la máquina supera el 90
por ciento del límite sin filtrar en la Figura 7-6 a continuación, el procedimiento en 7.8.5.3 se puede utilizar para evaluar la
la modulación de la vibración y determinar si alguna máquina de que el diseño puede ser aceptable.
7.8.5.3 Evaluación de la modulación de vibraciones sin filtrar
     La máquina debe ser montado de forma rígida y la vibración no filtrada de cerca por un ciclo de deslizamiento completa
con el propósito de determinar los valores máximo y mínimo de la vibración no filtrada sobre el pico
deslizamiento de ciclo. Un valor de la velocidad de vibración efectiva se determina mediante la relación:


             22 Vmax Vmin 
Veff     
          2

  donde
  Veff es la velocidad de vibración eficaz

  Vmax es la velocidad máxima de vibración sin filtrar
  Vmin es el mínimo sin filtrar la velocidad de vibración máxima


   Si el nivel de las vibraciones Veff velocidad efectiva no exceda de 80 por ciento de los valores en la figura
7-6 entonces la máquina cumple con los requisitos de vibración de esta Parte 7.
 7.8.6 vibración axial
    El nivel de alojamiento del cojinete axial o vibraciones de apoyo depende de la instalación de rodamientos, cojinetes
diseño de la función y teniendo, además de la uniformidad de los núcleos del rotor y el estator. Las máquinas diseñadas para llevar a
impulso externo puede ser probado sin empuje aplicado externamente. En el caso de aplicaciones de cojinetes de empuje,
vibraciones axiales se correlacionan con la carga de empuje y la rigidez axial. Vibración axial deberá ser evaluado por 7,7
y los límites de la figura 6.7 se aplican.
   Que los rodamientos no tienen la capacidad de carga axial o la función, la vibración axial de estas configuraciones se
ser juzgados en la misma forma que los niveles de vibración en 7.8.1 y 7.8.2.




7.9       LÍMITES DE LAS VIBRACIONES eje con respecto

7.9.1     General

    Los límites del eje de vibración son aplicables sólo cuando la sonda de montaje para no ponerse en contacto co n las sondas de proximidad
proporciona como parte de la máquina. Sensores de proximidad son sensibles a las anomalías mecánicas y magnéticas de la
eje. Esto se conoce comúnmente como "mecánico y eléctrico de la sonda vía descentramiento". El combinado
descentramiento eléctrico y mecánico del eje no deberá exceder 0.0005 de pulgada de pico a pico (6,4 pico
a pico), o 25 por ciento del límite de desplazamiento de vibración, lo que sea mayor. La desviación de la sonda vía es
medida con el rotor en un giro lento (100-400 rpm) Velocidad, donde la mecánica fuerzas de desequilibrio en la
rotor son despreciables. Es preferible que el eje se gira sobre los rodamientos de la máquina, colocado en funcionamiento
axial central (centro magnético), cuando las determin aciones se hacen descentramiento.

Notas:
1. Preparación especial para la superficie del eje (bruñido y desmagnetización) pueden ser necesarios para obtener las
  de pico a pico de lecturas de descentramiento.
2. Las sondas de la tienda puede ser utilizado para las pruebas cuando las sondas reales no son suministrados con la máquina.
MG 1-1998, Revisión 1                                                                                             Sección I
Parte 7, Página 12                                                                                        Vibraciones Mecánicas




7.9.2 Las máquinas estándar
    Cuando se especifica, los límites de la vibración del eje relativa de máquinas estándar con cojinetes de manguito,
inclusive de desviación eléctrica y mecánica, no deberá exceder los límites de la T abla 7 -2.


                                     Tabla 7-2
                          LÍMITES PARA EL EJE SIN FILTRA R relativa máxima
                             DESPLAZAMIENTO (SP-P) para las máquinas estándar

                                    Sincrónico                        Desplazamiento máximo del eje relativ o
                                    Velocidad, rpm                         (Pico a pico)

                                     1801 - 3600                                0,0028 pulgadas (70 
                                                                       0,0035 pulgadas (90 




7.9.3 Máquinas Especiales
    Cuando se especifica, los límites de la vibración del eje montada rígidamente relativa de máquinas especiales con
cojinetes que requieren los niveles más bajos en relación vibración del eje que se muestra en la T abla 7.2, que incluye
eléctricos y mecánicos descentramiento, no deberá exceder los límites de la T abla 3.7.


                                     Tabla 7-3
                          LÍMITES PARA EL EJE SIN FILTRA R relativa máxima
                             DESPLAZAMIENTO (SP-P) para máquinas especiales

                                    Sincrónico                      Desplazamiento máximo del eje relativ o
                                    Velocidad, rpm                       (Pico a pico)

                                    1801 - 3600                               0,0020 pulgadas (50 

                                    1201 - 1800                               0,0028 pulgadas (70 
                                                                     0,0030 pulgadas (75 
Sección I                                                                                               MG 1-1998, Revisión 1
Máquinas rotativas eléctricos                                                                              Parte 9, página 1
LÍMIT ES DE POT ENCIA ACÚST ICA Y PROCEDIMIENT OS DE MEDICIÓN




                          Sección I
                  NORMAS GENERALES APLICABLES A TODOS LOS EQUIPOS
                           Parte 9
                ROTATIVO máquinas eléctricas-SOUND LÍMITES DE POTENCIA Y
                      PROCEDIMIENTOS DE MEDICIÓN


9.1        ÁMBITO DE
           APLICACIÓN
    En esta parte se especifica el máximo sin carga con ponderación A niveles de potencia sonora para las pruebas de aceptación e n fábrica
de la rotación de los motores eléctricos, de acuerdo con esta Norma y con las siguientes características:

           a.    Los motores con potencia nominal de 0,5 HP y 5000 HP;
           b.    la velocidad no superior a 3600 RPM;
           c.    140 tamaño de marco y más grande;
           d.    recintos del tipo ODP, T EFC, o WPII.


      Niveles de ruido de los motores bajo carga son de carácter orientativo.

   Esta parte también se especifica el método de medición y las condiciones de prueba adecuados para la
determinación del nivel de potencia acústica de los motores eléctricos.

   Quedan excluidas las corriente alterna los motores alimentados por inversores (véase la Parte 31), la serie de heridas dc mot ores,
generadores
y solo teniendo los motores.
9.2        GENERAL

    De los límites especificados en los Cuadros 9-1 y 9-2 de la presente norma son aplicables a los motores que funcionan a la corriente
nominal
tensión en vacío. Por lo general, la carga tiene alguna influencia sobre el ruido, que es reconocido en la T abla 9 -3 para
de una sola velocidad, motores trifásicos de inducción de corriente alterna.
    Cantidades acústica puede ser expresada en términos de presión sonora o términos de potencia sonora. El uso de un
nivel de potencia acústica, que se puede especificar independientemente de la superficie a medir y el medio ambiente
condiciones, evita las complicaciones asociadas con los niveles de presión sonora que se requieren datos adicionales
que se determine. Niveles de ruido proporcionan una medida de la energía radiada y tienen ventajas en
el análisis acústico y de diseño.

   Los niveles de presión sonora a una distancia del motor, en lugar de niveles de potencia acústica, puede ser necesario
en algunas aplicaciones, tales como escuchar los programas de protección. Sin embargo, este elemento sólo se refiere a la
aspecto físico del ruido y expresa los límites en términos de nivel de potencia acústica. Se dan orientaciones para
cálculo de los niveles de presión sonora a una distancia, que se deriven de los valores de potencia de sonido (ver 9.7). In situ
los cálculos de presión de sonido requieren un conocimiento del tamaño del motor, las condiciones de operación, y el medio am biente
en la que el motor se va a instalar. Información para la toma de estos cálculos teniendo en cuenta
los factores ambientales se pueden encontrar, si es necesario, en los libros de texto clásicos de la acústica.


9.3        Referencias

      Las normas de referencia se enumeran en la Parte 1 de esta Norma.

9.4        MÉTODO DE MEDICIÓN

9.4.1 Mediciones de nivel sonoro y el cálculo del nivel de potencia acústica producida por el motor se
de acuerdo con cualquiera ANSI S12.12, S12.31, S12.33, S12.34, S12.35 o, a menos que uno de los métodos
se especifica en 9.4.2 se utiliza.

  NOTA: Una visión general de las normas de medición aplicables se presentan en la Tabla 9.4.
MG 1-1998, Revisión 1                                                           Sección I
Parte 9, página 2                                                  Máquinas rotativas eléctricos
                                                          LÍMIT ES DE POT ENCIA ACÚST ICA Y PROCEDIMIENT OS DE MEDICIÓN


9.4.2          El método especificado en cualquiera de ANSI S12.36 se puede utilizar.

  Sin embargo, para demostrar el cumplimiento de esta norma, a menos que una corrección debido a la inexactitud de los
medida ya se ha aplicado a los valores determinados por el método de acuerdo con la norma ANSI
S12.36, los niveles de las tablas 9-1 y 9-2, se reduzca en 2 dB.

9.4.3 Cuando se prueba bajo condiciones de carga, los métodos de la norma ANSI S12.12 son las preferidas. Sin embargo, otros
métodos están permitidos cuando el equipo conectado motor y auxiliares están acústicamente aisladas o
situado fuera del entorno de prueba.

9.5            CONDICIONES DE LA
               PRUEBA
9.5.1          Máquina de montaje

   Se debe tener cuidado para minimizar la transmisión y la radiación de ruido estructural de todos los
elementos de fijación, incluyendo la fundación. Esta minimización se puede lograr mediante el montaje flexible
de los motores más pequeños. Motores más grandes por lo general sólo puede ser probado bajo rígidas condiciones de montaje. Si es posible,
cuando las pruebas, el motor debe ser como lo sería en el uso normal.

           Los motores a prueba bajo condiciones de carga será montado de forma rígida.

9.5.1.1 montaje elástico
   La frecuencia natural del sistema de apoyo y el motor bajo prueba podrá ser inferior al 33 por ciento
de la frecuencia correspondiente a la menor velocidad de rotación del motor.

9.5.1.2 Montaje rígido
  El motor debe ser montado de forma rígida a una superficie con dimensiones adecuadas para el tipo de motor. La
del motor no debe estar sujeta a tensiones de montaje de cuñas incorrecta o sujetadores.

9.5.2     Condiciones de prueba de
          funcionamiento
Las condiciones de prueba se entenderá por:

      a. El motor debe funcionar a la tensión nominal (s), la frecuencia nominal o velocidad nominal (s), y con
         corriente de campo correspondiente (s), en su caso. Estos se medirán con instrumentos de una
         precisión de 1,0% o mejor.
         1. La condición de carga estándar será sin carga
         2. Cuando sea necesario, mediante acuerdo, el motor puede ser operado en una condición de carga.
       b. Un motor diseñado para funcionar con un eje vertical se probará con el eje en posición vertical;
       c. Para una corriente alterna motor, la forma de onda y el grado de desequilibrio del sistema de abastecimiento deberá cumpli r
          con los requisitos de esta Norma



NOTA: Cualquier aumento de la tensión (y actuales) de forma de onda de distorsión y desequilibrio se traducirá en un aumento del ruido y las vibraciones.

      d.     Un motor síncrono se ejecuta con la excitación necesaria para obtener un factor de potencia;
      e.     Una corriente continua adecuado para motor de velocidad variable será evaluada a la velocidad de base;
      f.     Un motor diseñado para funcionar a dos o más velocidades discretas se someterán a prueba en cada velocidad;
      g.     Un motor destinado a ser reversible se pondrá en funcionamiento en ambas direcciones a menos que no hay diferencia en la
             nivel de potencia acústica se espera. Un motor unidireccional se someterán a prueba en su dirección de diseño único.



9.6            Nivel de potencia acústica

9.6.1 Los niveles sonoros máximos de potencia indicados en las tablas 9 -1 y 9-2, o ajustar la tabla 9-3, se relacionan
de mediciones efectuadas de conformidad con 9.4.1.
Sección I                                                                                                                      MG 1-1998, Revisión 1
Máquinas rotativas eléctricos                                                                                                     Parte 9, página 3
LÍMIT ES DE POT ENCIA ACÚST ICA Y PROCEDIMIENT OS DE MEDICIÓN


9.6.2 Cuando el motor se prueba en las condiciones especificadas en 9.5, el nivel de potencia acústica del motor
no podrá exceder el valor correspondient e (s) especifica como sigue:

      a. Para todos los motores T EFC, ODP, y WPII, distintas de las especificadas en las letras b), de funcionamiento sin carga,
        véase la T abla 9.1.
      b. Para motores de corriente continua de la construcción de PAO con potencias de 1 HP a través de 200 HP, que operan sin carga,
        véase la T abla 9.2.


9.6.3 Cuando una sola velocidad, trifásicos, de jaula de ardilla, motor de inducción de la ODP, T EFC o WPII
construcción, con una potencia de 0,5 HP hasta 500 HP se pone a prueba a carga nominal del nivel de potencia acústica
no debe exceder la suma de los valores especificados en las tablas 9-1 y 9-3.

NOTAS
 1 Los límites de las tablas 9-1 y 9-2 reconocer la clase 2 los niveles de grado de precisión de la incertidumbre de medición y producción
   variaciones. Ver 9.4.2.

      2   Niveles de ruido en condiciones de carga son normalmente más altos que aquellos sin carga. P or lo general, si el ruido de la ventilación es
          predomina el cambio puede ser pequeño, pero si el ruido electromagnético es predominante el cambio puede ser significativo.
      3   P ara motores de corriente continua de los límites en las tablas 9-1 y 9-2 se aplican a la velocidad base. A otras velocidades, o cuando la relación entre
          nivel de ruido y de la carga es importante, los límites deben ser acordados entre el fabricante y el comprador.


9.7          DETERMINA CIÓN DEL NIVEL DE PRESIÓN SONORA

   No hay medidas adicionales son necesarias para la determinación del nivel de presión acústica, Lp, en dB,
ya que puede calcularse directamente a partir del nivel de potencia acústica LWA, en dB, de acuerdo a lo siguiente:

             2  2 dLp L WA
                                                           r
             10log10 
             S
             o 
             Donde:
             Lp es el nivel de presión sonora promedio en un campo libre sobre un plano reflectante en un hemisférica
                superficie a una distancia de 1 m del motor
             rd = 1,0 + 0,5 veces la máxima dimensión lineal del motor en metros
                    2
             So = 1,0 m
MG 1-1998, Revisión 1                                                      Sección I
P arte 9, página 4                       ROTATIVO máquinas eléctricas-SOUND LÍMITES DE POTENCIA Y PROCEDIMIENTOS DE MEDICIÓN

                                                  Tabla 9-1
                                       MÁXIMO ponderado A niv eles de potencia acústica LWA (dB), sin carga
                                                                               La velocidad nominal
               Potencia nominal, PN        1801 - 3600 RPM            1201 - 1800 RPM901 - 1200 RPM                      900 RPM o menos
               Motor (CA o CC) de HP      ODPT EFCWP II              ODPT EFCWP IIODPT EFCWP II                        ODPT EFCWP II
                    0.5                                                                                                6767
                   0.75                                                                                                6767
                                                                                                      65   64

                         1                                           70        70                     65   64            69      69
                         1                                           70        70                     65   64            69      69
                        1.5               76       85                70        70                     67   67            69      69
                         2                76       85                70        70                     67   67            70      72
                         3                76       88                72        74                     72   71            70      72
                         5                80       88                72        74                     72   71            73      76
                        7.5               80       91                76        79                     76   75            73      76
                        10                82       91                76        79                     76   75            76      80
                        15                82       94                80        84                     81   80            76      80
                        20                84       94                80        84                     81   80            79      83
                        25                84       94                80        88                     83   83            79      83
                        30                86       94                80        88                     83   83            81      86
                        40                86       100               84        89                     86   86            81      86
                        50                89       100               84        89                     86   86            84      89
                        60                89       101               86        95                     88   90            84      89
                        75                94       101               86        95                     88   90            87      93
                        100               94       102               89        98                     91   94            87      93
                        125               98       104               89        100                    91   94            93      96
                        150               98       104               93        100                    96   98            95      97
                        200               101      107               93        103                    99   100           95      97         92
                        250               101      107               103       105                    99   100           95      97         92
                                                                                                                 97                         92
                                                                                         99                      97                         92

                         300              107      110       102     103       105      99        99       100   97    98      100         96
                         350              107      110       102     103       105      99        99       100   97     98      100         96
                         400              107      110       102     103       105      99        102      103   99     98      100         96
                         450              107      110       102     106       108      102       102      103   99     99      102         98
                         500              110      113       105     106       108      102       102      103   99     99      102         98
                         600              110      113       105     106       108      102       102      103   99     99      102         98
                         700              110      113       105     106       108      102       102      103   99     99      102         98
                         800              110      113       105     108       111      104       105      106   101    101     105         100
                         900              111      116       106     108       111      104       105      106   101    101     105         100
                        1000              111      116       106     108       111      104       105      106   101    101     105         100
                        1250              111      116       106     108       111      104       105      106   101    101     105         100
                        1500              111      116       106     109       113      105       107      109   103    103     107         102
                        1750              112      118       107     109       113      105       107      109   103    103     107         102
                        2000              112      118       107     109       113      105       107      109   103    103     107         102
                        2250              112      118       107     109       113      105       107      109   103    103     107         102
                        2500              112      118       107     110       115      106       107      109   103
                        3000              114      120       109     110       115      106       109      111   105
                        3500              114      120       109     110       115      106       109      111   105
                        4000              114      120       109     110       115      106
                        4500              114      120       109
                        5000              114      120       109
Sección I                                                                                  MG 1-1998, Revisión 1
Máquinas rotativas eléctricos                                                                 Parte 9, página 5
LÍMIT ES DE POT ENCIA ACÚST ICA Y PROCEDIMIENT OS DE MEDICIÓN



                                  Tabla 9-2
                     MÁXIMO acústica ponderado A NIVELES DE POTENCIA LWA (dB) de
                   Prueba de goteo INDUSTRIAL Motores de corriente continua, sin carga

     Potencia nominal, PN                                      Base de v elocidad, RPM
             HP                    2500                 1750                       1150                850

              1                     81                   72                         63                 60
             1.5                    81                   72                         63                 60
              2                     81                   72                         64                 61
              3                     82                   72                         66                 62
              5                     84                   75                         68                 66
             7.5                    86                   77                         71                 69
             10                     88                   79                         73                 71
             15                     90                   82                         77                 74
             20                     92                   84                         79                 75
             25                     94                   86                         81                 77
             30                     95                   88                         82                 78
             40                     96                   90                         84                 79
             50                     -                    91                         85                 80
             60                     -                    92                         86                 81
             75                     -                    93                         87                 82
            100                     -                    94                         88                 83
            125                     -                    95                         88                 83
            150                     -                    95                         89                 84
            200                     -                    96                         90                 85




                           Tabla 9-3
    Aumento progresivo ESPERA MÁS DE CARGA NO-condición, en la A-ponderados
    Niveles de ruido LWA (dB), POR CONDICIÓN carga nominal para una sola velocidad,
            Trifásico, de jaula de ardilla, motores de inducción

     Salida nominal, PN
             HP                   2 Polo               4 polos                    6 Polo             8 Polo

       1.0 <P N 15                2                    5                          7                 8

        15 <P N 50                2                    4                          6                 7

       50 <P N 150                2                    3                          5                 6

      150 <P N 500                2                    3                          4                 5
MG 1-1998, Revisión 1                                                                     Sección I
P arte 9, página 6                                      ROTATIVO máquinas eléctricas-SOUND LÍMITES DE POTENCIA Y PROCEDIMIENTOS DE MEDICIÓN



                                           Tabla 9-4
                            RESUMEN DE LAS NORMAS PARA LA DETERMINACIÓN DE LOS NIVELES DE POTENCIA SONORA DE MOTORES

                                                                               Nivel de presión sonora                                                                  Intensidad del sonido

    ANSI                  S12.31              S12.33               S12.33           S12.34                  S12.35          S12.36                 S12.37 *          S12.12        S12.12 *
   Estándar

 La norma ISO              3741               3743-1               3743-2            3744                     3745           3746                    3747            9614-1        9614-2 *
    Prueba            Reverberación        Duro de paredes         Especial    De campo libre sobre un    Anecoica o    No existe una prueba especial
                                                                                                                                                 Esencialmente        In situ       In situ
  Medio ambiente       habitación           habitación                                                   semianecoica   medio ambiente         campo reverberante
                                                               reverberación   reflejando avión
                                                                                                           habitación                             in situ
                                                                  habitación

   Grado de             Precisión          Ingeniería           Ingeniería       Ingeniería                Precisión        Estudio              Ingeniería         Precisión    Ingeniería
   Precisión

 * En el momento de esta publicación, esta norma fue en forma de borrador.
Sección II                                                                                                                    MG 1-1998, Revisión 1
CLASIFICACIONES DE LA PEQUEÑA Y CA-motores de media                                                                             Parte 10, página 1




                             Sección II
                   PEQUEÑOS (fraccional) y medio (INTEGRAL) MÁQUINAS
                             Parte 10
                     CLASIFICACIONES DE LA PEQUEÑA Y CA-motores de media


10.0 ÁMBITO DE APLICACIÓN
   Las normas de esta Parte 10 de la sección II cubren los motores de corriente alterna hasta e incluyendo la
Calificaciones construida en los marcos correspondientes a la continua de tipo abierto las calificaciones dadas en la tabla de abajo.



                                                         Motores
                                                       Jaula de ardilla                Motores, sincrónico, Hp
                              Sincrónico                y la herida                        Factor de Potencia
                                                        Rotor, Hp                      Unity 0.8
                                Velocidad
                                3600                       500                         500400

                                    1800                     500                        500                         400
                                    1200                     350                        350                         300
                                     900                     250                        250                         200
                                     720                     200                        200                         150
                                     600                     150                        150                         125
                                     514                     125                        125                         100



10.30 TENSIONES
  a. Universal de los motores-115 y 230 voltios
  b. Los motores monofásicos
   1. 60 Hz-115, 200 y 230 voltios
   2. 50 hertz-110 y 220 voltios
  c. Motores polifásicos
   1. 60 Hz-115 *, 200, 230, 460, 575, 2300, 4000, 4600 y 6600 voltios
   2. T rifásica, 50 Hz - 220 y 380 voltios




    NOTA: No es práctico construir motores de todas las clasificaciones de caballos de fuerza para todos los voltaj es estándar.

    * Aplica sólo para motores con 15 caballos de fuerza y más pequeños.


10.31 FREQUENCIE S
10.31.1 alterna Motores de corriente continua

        La frecuencia será de 50 y 60 hertz.

10.31.2 Universal de los motores
        La frecuencia será de 60 hertz / corriente continua.
    NOTA-Universal motores que operan con éxito en todas las frecuencias por debajo de 60 Hz y en corriente directa.



    .
MG 1-1998, Revisión 1                                                                     Sección II
Parte 10, Página 2                                                           CLASIFICACIONES DE LA PEQUEÑA Y CA-motores de media



                                      Tabla 10-1
                            POTENCIA Y VELOCIDAD DE CALIFICACIONES, motores pequeños INDUCCIÓN
                                                                        Permanente-       Todos los motores, excepto sombra- Permanente-
                                Todos los motores, excepto de polo sombreado de condensadores y Permanente Split-
                                                                       Div isión          Polo                                Div isión
                                y permanente-Split Condensadores         Motores               Condensador                   Condensador

                                  60-Hertz                     Aproximado                 50-Hertz                    Aproximado
                                 Sincrónico                     Rpm a                    Sincrónico                    Rpm a
             CV                    Rpm                         De carga nominal            Rpm                        De carga nominal

1, 1,5, 2, 3, 5, 7,5, 10,               3600            3450                  ...             3000             2850                ...
   15, 25 y 35
                                        1800            1725                  ...             1500             1425                ...
   millihorsepower
                                        1200            1140                  ...             1000              950                ...
                                        900              ...                  ...
  1 / 20, 1 / 12, y 1 / 8               3600            3450                  ...             3000             2850                ...
    caballo de fuerza
                                        1800            1725                  ...             1500             1425                ...
                                        1200            1140                  ...             1000              950                ...
                                        900             850                   ...
    1 / 6, 1 / 4, y 1 / 3               3600            3450                  ...             3000             2850                ...
     caballo de fuerza
                                        1800            1725                  ...             1500             1425                ...
                                        1200            1140                  ...             1000              950                ...
                                        900             850                   ...
    1 / 2 caballos de fuerza            3600            3450                3250              3000             2850               2700
                                        1800            1725                1625              1500             1425               1350
                                        1200            1140                1075              1000              950               900
    3 / 4 caballos de fuerza            3600            3450                3250              3000             2850               2700
                                        1800            1725                1625              1500             1425               1350
      1 caballo de fuerza               3600            3450                3250              3000             2850               2700



10.32 POTENCIA Y CLASIFICA CIONES DE VELOCIDA D
10.32.1 motores de inducción pequeños, excepto motores de condensador permanente-Split Calificación 3.1 caballos de
fuerza
     y más pequeños y motores de polo sombreado
   Caballos de fuerza típicas y rangos de velocidad para los pequeños motores de inducción nominal 115, 200 y 230 voltios
monofásicos y 115, 200,1 y 230 voltios polifásico se dan en la tabla 10 -1.

10.32.2 motores de inducción pequeños, permanente-Split motores de condensador Calificación 3.1 caballos de fuerza y
     Pequeños y motores de polo sombreado

   Caballos de fuerza típicas y rangos de velocidad para los pequeños motores de inducción nominal 115, 200 y 230 voltios
una sola fase figuran en el cuadro 10-2.




1 Se aplica a 60 Hertz circuitos sólo
Sección II                                                                                                                  MG 1-1998, Revisión 1
CLASIFICACIONES DE LA PEQUEÑA Y CA-motores de media                                                                           Parte 10, página 3



                 Tabla 10-2
POTENCIA Y VELOCIDAD DE CALIFICACIONES, CAPACITOR partida permanente y sombreado MOTORES POLE
                                                               Permanente-Split motores de condensador
                                   60-Hertz síncrona                  Rpm aproximada a la        50-Hertz síncrona                Rpm aproximada a la
          CV                            Rpm                             De carga nominal              Rpm                           De carga nominal
 1, 1,25, 1,5, 2, 2,5, 3,               3600                             3000                         3000                           2500
4, 5, 6, 8, 10, 12.5, 16,
  20, 25, 30 y 40                              1800                            1550                         1500                             1300
   millihorsepower
                                               1200                            1050                         1000                             875
                                               900                             800
 1 / 20, 1 / 15, 1 / 12, 1 / 10,               3600                            3250                         3000                             2700
 01.08, 06.01, 01.05, 01.04, y
                                               1800                            1625                         1500                             1350
   1.3 caballos de fuerza
                                               1200                            1075                         1000                             900
                                               900                       825
                                                                      Los motores de polo sombreado

                                   60-Hertz síncrona                  Rpm aproximada a la       50-Hertz síncrona                 Rpm aproximada a la
                                        Rpm                             De carga nominal             Rpm                            De carga nominal
                                        1800                             1550                        1500                            1300
1, 1,25, 1,5, 2, 2,5, 3,
4, 5, 6, 8, 10, 12.5, 16,
                                               1200                            1050                         1000                             875
  20, 25, 30 y 40
   millihorsepower                             900                             800

 1 / 20, 1 / 15, 1 / 12, 1 / 10,               1800                            1550                         1500                             1300
 1 / 8, 1 / 6, 1 / 5, y 1 / 4
                                               1200                            1050                         1000                             875
     caballo de fuerza
                                               900                             800



10.32.3 Los motores monofásicos Media
  Los caballos de fuerza y clasificaciones velocidad sincrónica de una sola etapa a mediano motores con 115, 200, y
230 voltios será como se muestra en la T abla 10-3.


                                             Tabla 10-3
                                     POTENCIA Y VELOCIDAD DE CALIFICACIONES, motores de media
                                             60-Hertz                                                                      50-Hertz
    CV                              Sincrónica Rpm                                                                 Sincrónica Rpm

    1.2                 ...            ...               ...            900                           ...            ...              1000          750
    4.3                 ...            ...              1200            900                           ...           1500              1000          750
      1                 ...          1800               1200            900                        3000             1500              1000          750
   1-1/2              3600           1800               1200            900                        3000             1500              1000          750
      2               3600           1800               1200            900                        3000             1500              1000          750
      3               3600           1800               1200            900                        3000             1500              1000          750
      5               3600           1800               1200            900                        3000             1500              1000          750
   7-1/2              3600           1800               1200            900                        3000             1500              1000          750
     10               3600           1800               1200            900                        3000             1500              1000          750



10.32.4 motores polifásicos medio de inducción
   Los caballos de fuerza y clasificaciones velocidad sincrónica de motores polifásicos medio de inducción será el
se muestra en la T abla 10-4.
MG 1-1998, Revisión 1                                                                             Sección II
Parte 10, página 4                                                                   CLASIFICACIONES DE LA PEQUEÑA Y CA-motores de media



                              Tabla 4.10 *
                 POTENCIA Y VELOCIDAD DE CALIFICACIONES, motores polifásicos INDUCCIÓN MEDIA
                                                      60-Hertz                                                                       50-Hertz
  CV                                         Sincrónica Rpm                                                                 Sincrónica Rpm

  1.2            ...          ...          ...          900      720         600         514                       ...         ...              ...   750
  4.3            ...          ...        1200           900      720         600         514                       ...         ...          1000      750
   1             ...        1800         1200           900      720         600         514                       ...        1500          1000      750
 1-1/2        3600 **       1800         1200           900      720         600         514                     3000         1500          1000      750
   2          3600 **       1800         1200           900      720         600         514                     3000         1500          1000      750


   3          3600 **       1800         1200           900      720         600         514                     3000         1500          1000      750
   5          3600 **       1800         1200           900      720         600         514                     3000         1500          1000      750
 7-1/2        3600 **       1800         1200           900      720         600         514                     3000         1500          1000      750
   10          3600 *       1800         1200           900      720         600         514                     3000         1500          1000      750
   15         3600 **       1800         1200           900      720         600         514                     3000         1500          1000      750


   20         3600 **       1800         1200           900      720         600         514                     3000         1500          1000      750
   25         3600 **       1800         1200           900      720         600         514                     3000         1500          1000      750
   30         3600 **       1800         1200           900      720         600         514                     3000         1500          1000      750
   40         3600 **       1800         1200           900      720         600         514                     3000         1500          1000      750
   50         3600 **       1800         1200           900      720         600         514                     3000         1500          1000      750


   60         3600 **       1800         1200           900      720         600         514                     3000         1500          1000      750
   75         3600 **       1800         1200           900      720         600         514                     3000         1500          1000      750
  100         3600 **       1800         1200           900      720         600         514                     3000         1500          1000      750
  125         3600 **       1800         1200           900      720         600         514                     3000         1500          1000      750
  150         3600 **       1800         1200           900      720         600          ...                    3000         1500          1000      750


  200         3600 **       1800         1200           900      720           ..         ...                    3000         1500          1000      750
  250         3600 **       1800         1200           900       ...         ...          ..                    3000         1500          1000      750
  300         3600 **       1800         1200            ...      ...         ...         ...                    3000         1500          1000       ...
  350         3600 **       1800         1200            ...      ...         ...         ...                    3000         1500          1000       ...
  400         3600 **       1800           ...           ...      ...         ...         ...                    3000         1500              ...    ...


  450         3600 **       1800           ...           ...      ...         ...         ...                    3000         1500              ...    ...
  500         3600 **       1800           ...           ...      ...         ...         ...                    3000         1500              ...    ...

* P ara la asignación de marco, véase la P arte 13.
** Se aplica a los motores de jaula de ardilla solamente.


10.32.5 Universal de los motores
    Clasificaciones de caballos de fuerza será de 10, 15, 25 y 35 millihorsepower y 1 / 20, 1 / 12, 1 / 8, 1 / 6, 1 / 4, 1 / 3, 1 / 2,
3 / 4, y 1 caballo de fuerza a una velocidad nominal de 5.000 rpm o más.

       NOTA: A velocidades de menos de 5000 rpm, habrá una marcada diferencia en las características de rendimiento entre
       operación en corriente alterna y el funcionamiento en corriente directa.


10.33 CLASIFICACIONES POTENCIA DE LOS MOTORES MULTISPEED
  La potencia nominal de los motores de varias velocidades se elegirán de la siguiente manera:
10.33.1 potencia constante

         La potencia nominal para cada velocidad nominal serán seleccionados de 10,32.
Sección II                                                                                               MG 1-1998, Revisión 1
CLASIFICACIONES DE LA PEQUEÑA Y CA-motores de media                                                        Parte 10, página 5


10.33.2 Par Constante
   La potencia nominal de la velocidad más alta calificación serán seleccionados a partir de 10,32. Los caballos de fuerza
calificación para cada velocidad inferior se determinará multiplicando la potencia nominal a la máxima velocidad
por la razón de la menor velocidad sincrónica de la más alta velocidad de sincronismo.

10.33.3 Par Variable
   La potencia nominal de la velocidad más alta calificación serán seleccionados a partir de 10,32. Los caballos de fuerza
calificación para cada velocidad inferior se determinará multiplicando la potencia nominal a la máxima velocidad
por el cuadrado de la relación entre la velocidad de sincronismo de la más alta velocidad de sincronismo.


10.34 BASE DE potencia nominal
10.34.1 base de la calificación

   La potencia nominal de un motor de inducción de pequeña o mediana sola fase se basa en la descomposición
par (ver 1.51). El valor de par máximo que puede esperar el usuario para cualquier potencia y
velocidad deberá estar comprendida dentro del rango indicado en las tablas 10-5 y 10-6.

10.34.2 Temperatura
   El par máximo que determina la potencia nominal es la que se obtiene en una prueba de que el
temperatura del bobinado y de otras partes de la máquina a aproximadamente 25 º al inicio de elC
prueba.

10.34.3 Breakdow n Torque mínimo
    El valor mínimo de par máximo obtenido en la fabricación de cualquier diseño determinará
la calificación de ese diseño. T olerancias en la fabricación se traducirá en motores individuales con desglose
torque de 100 por ciento a aproximadamente el 115 por ciento (125 por ciento para motores con millihorsepower y
para todos los motores de polo sombreado) del valor en que se basa la clasificación, pero este exceso de torque no se
invocada por el usuario en la aplicación del motor a su carga.
MG 1-1998, Revisión 1                                                                                        Sección II
     Parte 10, página 6                                                                              CLASIFICACIONES DE LA PEQUEÑA Y CA-motores de media



                      Tabla 5.10 * †
       DESGLOSE DE PAR para motores de inducción, EXCEPTO de polo sombreado Y PERMANENTE DE SPLIT-
                    CAPACITOR MOTORES
     60               50               60              50               60                 50               60           50                     Frecuencias, Hertz
   3600             3000              1800           1500             1200                1000              900         750                         Sincrónico
                                                                                                                                                    Velocidades, Rpm

                                                                                                                                                   Los motores pequeños,
                                                                                                                                                 Las v elocidades nominales,
  3450 **          2850 **           1725 **        1425 **          1140 **           950 **              850 **         ...        CV                Rpm
                                                                                                                                     Millihp    Las cifras a la izquierda
                                                                                                                                                son para motores con
 0.35-0.55        0.42-0.66          0.7-1.1        0.85-1.3        1.1-1.65               ...               ...          ...            1         menos de 1 / 20
                                                                                                                                                    caballos de fuerza.
 0.55-0.7         0.66-0.85         1.1-1.45        1.3-1.75        1.65-2.2               ...               ...          ...           1.5     P ares de ruptura de
  0.7-1.1          0.85-1.3         1.45-2.2        1.75-2.6         02.02 a 03.03         ...               ...          ...            2            oz-in.

  1.1-1.8           1.3-2.2          2.2-3.6        2.6-4.3          3.3-5.4               ...               ...          ...            3
  1.8-2.7           2.2-3.2          3.6-5.4        4.3-6.6          5.4-8.1               ...               ...          ...            5
  02.07 a 03.06     03.02 a 04.03    5.4-7.2        6.6-8.6           8.1-11               ...               ...          ...           7.5
  03.06 a 05.05     4.3-6.6          7.2-11          8.6-13           11-17                ...               ...          ...           10
  5.5-9.5          6.6-11.4          11-19           13-23            17-29                ...               ...          ...           15
  9.5-15           11.4-18           19-30           23-36            29-46                ...               ...          ...           25
  15-24            18-28.8           30-48          36-57.6           46-72                ...               ...          ...           35
                                                                                                                                        CV      Las cifras de la izquierda se
 2.0-3.7           2.4-4.4           4.0-7.1        4.8-8.5        6.0-10.4          07.02 a 12.04       8.0-13.5        ...           01.20     para los motores pequeños.
 3.7-6.0           4.4-7.2          07/01 hasta 11/05
                                                   8.5-13.8        10.4-16.5         12.4-19.8           13.5-21.5       ...           12.01    P ares de ruptura de
 6.0-8.7          7.2-10.5          11.5-16.5      13.8-19.8       16.5-24.1         19.8-28.9           21.5-31.5       ...           8.1            oz-ft.
8.7-11.5          10.5-13.8         16.5-21.5      19.8-25.8       24.1-31.5         28.9-37.8           31.5-40.5       ...           6.1
11.5-16.5         13.8-19.8         21.5-31.5      25.8-37.8       31.5-44.0         37.8-53.0           40.5-58.0       ...           1.4
16.5-21.5         19.8-25.8         31.5-40.5      37.8-48.5       44.0-58.0         53.0-69.5           58.0-77.0       ...           1.3
21.5-31.5         25.8-37.8         40.5-58.0      48.5-69.5       58.0-82.5         69.5-99.0             ††            ††            1.2
31.5-44.0         37.8-53.0         58.0-82.5      69.5-99.0       5.16-6.9            ††                  ††            ††            4.3
44.0-58.0         53.0-69.5         5.16-6.8       6.19-8.2         6.9-9.2            ††                  ††            ††             1
                                                                                                           ††            ††                     Las cifras de la izquierda se
                                                                                                           ††            ††                     para motores de media.
                                                                                                           ††            ††                     P ares de ruptura de
 3.6-4.6           4.3-5.5          6.8-10.1       08/02 hasta 12/01
                                                                  9.2-13.8                 †     †         ††            ††           1-1/2           lb-pie
 4.6-6.0           5.5-7.2          10.1-13.0      12.1-15.6      13.8-18.0                †     †         ††            ††            2
 6.0-8.6          07.02 a 10.02     13.0-19.0      15.6-22.8      18.0-25.8                †     †         ††            ††            3
8.6-13.5          10.2-16.2         19.0-30.0      22.8-36.0      25.8-40.5                †     †                                     5
13.5-20.0         16.2-24.0         30.0-45.0      36.0-54.0      40.5-60.0                †     †                                    7-1/2
20.0-27.0         24,0 a 32,4       45.0-60.0      54.0-72.0       ††                      †     †                                    10



* El rango de par máximo incluye la cifra más alta hasta, pero no incluyendo, la cifra más baja.
** Estos aproximada a plena carga velocidades se aplican sólo para potencias de motores pequeños.
† El clasificaciones de potencia de motores diseñados para operar en dos o más frecuencias será determinado por el par en el más a lto rating
de frecuencia.
† † Estas son las calificaciones para los que no los valores de par se han establecido.
Sección II                                                                                                                   MG 1-1998, Revisión 1
CLASIFICACIONES DE LA PEQUEÑA Y CA-motores de media                                                                            Parte 10, página 7



                    Tabla 10-6 * †
DESGLOSE DE PAR DE polo sombreado y partida permanente motores de condensador para FAN
              Y APLICACIONES DE LA BOMBA
      (Por partida permanente motores herméticos condensador, ver 18.7)

      60                  50                   60                    50                    60                                  Frecuencias, Hertz
                                                                                                                               Velocidades sincrónicas,
    1800                1500                  1200                 1000                    900                                      Rpm
                                                                                                                                 Los motores pequeños,
                                                                                                                               Aproximado de carga completa
                                                                                                                                 Velocidades, Rpm
                                  * Ver 10.32.1 y 10.32.2.                                                  CV
                                                                                                            Millihp

  0.89-1.1             1.1-1.3              1.3-1.6               1.6-1.9                1.7-2.1                1
   1.1-1.4             01.03 a 01.07        1.6-2.1               1.9-2.5                2.1-2.7              1.25
   01.04 a 01.07       1.7-2.0              2.1-2.5               2.5-3.0                2.7-3.3               1.5
   1.7-2.1             2.0-2.5              02.05 a 03.01         3.0-3.7                3.3-4.1                2
   2.1-2.6             02.05 a 03.01        03.01 a 03.08         3.7-4.6                4.1-5.0               2.5
   2.6-3.2             03.01 a 03.08        03.08 a 04.07         04.06 a 05.07          5.0-6.2                3
   3.2-4.0             3.8-4.8              4.7-5.9               5.7-7.1                6.2-7.8                4
   4.0-4.9             4.8-5.8              5.9-7.2               7.1-8.7                7.8-9.5                5
   4.9-6.2             5.8-7.4              7.2-9.2               8.7-11.0              9.5-12.0                6              Las cifras de la izquierda se
                                                                                                                             pares de ruptura de oz-in.
   6.2-7.7             7.4-9.2              9.2-11.4             11.0-13.6             12.0-14.9                8
   7.7-9.6             9.2-11.4            11.4-14.2             13.6-17.0             14.9-18.6               10
  9.6-12.3            11.4-14.7            14.2-18.2             17.0-21.8             18.6-23.8              12.5
 12.3-15.3            14.7-18.2            18.2-22.6             21.8-27.1             23.8-29.6               16
 15.3-19.1            18.2-22.8            22.6-28.2             27.1-33.8             29.6-37.0               20
 19.1-23.9            22.8-28.5            28.2-35.3             33.8-42.3             37.0-46.3               25
 23.9-30.4            28.5-36.3            35.3-44.9             42.3-53.9             46.3-58.9               30
 30.4-38.2            36.3-45.6            44.9-56.4             53.9-68.4             58.9-74.4               40
                                                                                                               CV
 3.20-4.13            3.8-4.92             4.70-6.09             5.70-7.31             6.20-8.00              01.20
 4.13-5.23            4.92-6.23            6.09-7.72             7.31-9.26             8.00-10.1              1 / 15
 5.23-6.39            6.23-7.61            7.72-9.42             9.26-11.3             10.1-12.4              12.01
 6.39-8.00            7.61-9.54            9.42-11.8             11.3-14.2             12.4-15.5              1 / 10
 8.00-10.4            9.54-12.4            11.8-15.3             14.2-18.4             15.5-20.1               8.1             Las cifras de la izquierda se
                                                                                                                             pares de ruptura de oz-ft.
 10.04 a 12.07        12.4-15.1            15.3-18.8             18.4-22.5             20.1-24.6               6.1
 12.7-16.0            15.1-19.1            18.8-23.6             22.5-28.3             24.6-31.0               5.1
 16.0-21.0            19.1-25.4            23.6-31.5             28.3-37.6             31.0-41.0               1.4
 21.0-31.5            25.4-37.7            31.5-47.0             37.6-56.5             41.0-61.0               1.3
 31.5-47.5            37.7-57.3            47.0-70.8             56.5-84.8             3.81-5.81               1.2             Las cifras de la izquierda se
                                                                                                                             pares de ruptura en libras-pie
 47.5-63.5            57.3-76.5            4.42-5.88             5.30-7.06             5.81-7.62               4.3
 3.97-5.94            4.78-7.06            5.88-8.88             07.06 a 10.06         7.62-11.6                1
 5.94-7.88            7.06-9.56            8.88-11.8             10.6-14.1             11.6-15.2             1-1/2

* El rango de par máximo incluye la cifra más alta hasta, pero no incluyendo, la cifra más baja.
† La potencia nominal de motores diseñados para operar en dos o más frecuencias será determinado por el par en el más alto
la frecuencia nominal.
MG 1-1998, Revisión 1                                                                                Sección II
Parte 10, página 8                                                                      CLASIFICACIONES DE LA PEQUEÑA Y CA-motores de media


10.35          DATOS SECUNDA RIOS PARA MOTORES rotor bobinado
                                                             Máximo                                                                              Máximo
                                                             Secundario                                                                          Secundario
          CV                Voltios secundaria *             Amperios                         CV                Voltios secundaria *             Amperios
          1                     90                             6                              25                   220                            60

            1½                       110                           7.3                        30                         240                              65
           2                         120                           8.4                        40                         315                              60
           3                         145                           10                         50                         350                              67
           5                         140                           19                         60                         375                              74
            7½                       165                           23                         75                         385                              90
          10                         195                           26.5                      100                         360                            130
          15                         240                           32.5                      125                         385                            150
          20                         265                           38                        150                         380                            185

* Tolerancia - más o menos 10 por ciento.

10.36 Calificaciones para aplicaciones monofásicas y motores polifásicos INDUCCIÓN
    Las calificaciones de tiempo para motores de inducción monofásicos y polifásicos será de 5, 15, 30 y 60 minutos
y continua.
   T odas las calificaciones de corto tiempo se basan en una prueba de carga correspondiente de corta duración que comenzará a
sólo cuando la bobina y otras partes de la máquina son de 5 ° de la temperatura ambiente en elC
momento de la puesta en marcha de la prueba.



10.37 código de letras (A rotor bloqueado KVA)
10.37.1 Placa de marcado

  Cuando la placa de características de un motor de corriente alterna está marcado para mostrar el kVA de rotor bloqueado por
caballos de fuerza, se le marcará con la leyenda "Código", seguido de una carta seleccionada de la tabla en
10.37.2.

10.37.2 Carta de Designación
   Las denominaciones carta para kVA de rotor bloqueado por caballo de fuerza, medida a pleno voltaje y clasificación
frecuencia son los siguientes:


      Carta de Designación                    kVA por caballo de f uerza *                Carta de Designación                       kVA por caballo de f uerza *

                  A                                    0.00-3.15                                      K                                       8.0-9.0
                  B                                    3.15-3.55                                      L                                      9.0-10.0
                  C                                     3.55-4.0                                      M                                     10.0-11.2
                  D                                     4.0-4.5                                       N                                     11.2-12.5
                  E                                     4.5-5.0                                       P                                     12.5-14.0
                  F                                     5.0-5.6                                       R                                     14.0-16.0
                  G                                     05.06 a 06.03                                 S                                     16.0-18.0
                  H                                     6.3-7.1                                       T                                     18.0-20.0
                  J                                     7.1-8.0                                       U                                     20.0-22.4
                                                                                                      V                                    22.4-y hasta

KVA * Cerrado por rango de potencia incluye la cifra más baja hasta, pero no incluyendo, la cifra más alta. P or ejemplo, es 3 ,14
con la letra A y 3,15 por letra B.



10.37.3 Motores Multispeed
  Los motores de varias velocidades se marcará con la letra código que designa el kVA de rotor bloqueado por
caballos de fuerza para la más alta velocidad a la que puede ser el motor comenzó, con excepción de los motores de potencia c onstante
que deberá ser marcado con la letra de código para la velocidad de dar la más alta de rotor bloqueado por kVA
caballos de fuerza.
Sección II                                                                                                                      MG 1-1998, Revisión 1
CLASIFICACIONES DE LA PEQUEÑA Y CA-motores de media                                                                               Parte 10, página 9


10.37.4 motores de una velocidad
  Motores de una velocidad a partir de la conexión en estrella y en funcio namiento en conexión en triángulo se marcarán con
una letra de código correspondiente a los kVA de rotor bloqueado por caballo de fuerza para la conexión en estrella.
10.37.5 Motores amplia o de doble voltaje

    Motores amplia o de doble voltaje que tienen un diferente kVA de rotor bloqueado por caballo de fuerza en el
diferentes tensiones se marcará con la letra de clave para la tensión de dar la más alta de rotor bloqueado kVA
por caballo de fuerza.

10.37.6 Motores de doble frecuencia
  Los motores con 60 - y clasificaciones de 50 hertz se marcará con una letra de código que designa el rotor bloqueado
kVA por caballo de fuerza en 60 hertz.

10.37.7 parcial liquidación arrancar motores
  Parte de cuerda en marcha los motores será marcada con una letra código que designa el kVA de rotor bloqueado por
caballos de fuerza que se basa en la corriente de rotor bloqueado para la liquidación total del motor.


10.38 CLASIFICACIONES DE LA PLACA DE TEMPERA TURA PARA CORRIENTE ALTERNA LA PEQUEÑA Y
        UNIVERSAL MOTORES
     Motores de corriente alterna debe ser clasificada sobre la base de una temperatura ambiente máxima y la
clase de aislamiento del sistema.
     El valor nominal de la temperatura ambiente máxima será de 40 ° a menos que se especifique lo contrario, yc
el sistema de aislamiento debe ser de clase A, B, M, o H. T odas estas clasificaciones se basan en una prueba de carga nominal con
Los valores de aumento de temperatura (medida por uno u otro método cuando dos métodos en la lista) que no superen las
muestra para una determinada clase de sistema de aislamiento en la tabla de aumento de la temperatura adecuada en 12,43.
Calificaciones de los motores de corriente alterna para cualquier otro valor de la temperatura ambiente máxima se basará
en los valores de aumento de la temperatura calculada de acuerdo con 12.43.3.




10.39PLACA DE MARCADO DE CORRIENTE ALTERNA LA PEQUEÑA Y UNIVERSAL
      MOTORS1
   La siguiente información deberá figurar en todas las placas de identificación. Para los motores con las calificaciones de dos, ver 10.39.5.
Para las abreviaturas, véase 1.78. Para algunos ejemplos de la información adicional que pueda ser incluido en el
placa de identificación ver 10.39.6.


10.39.1 de corriente alterna monofásicos y polifásicos jaula de ardilla de motores, excepto los
     Incluidos en 10.39.2, 10.39.3, 10.39.4 y

     a. De tipo del fabricante y la designación de marco
     b. Potencia de salida
     c. T iempo de funcionamiento
     d. T emperatura ambiente máxima para la cual el motor está diseñado (véase la nota 1 de 12.43.1)
     e. Designación de aislamiento del sistema. (Si estator y un rotor utilizar diferentes clases de sistemas de aislamiento, tanto
        designaciones de aislamiento del sistema se hará en la placa de identificación, que para el estator está en primer lugar.)
     f. Rpm a plena load2
     g. Frecuencia
     h. Número de fases
     i. Voltaje




Cuando un flujo de aire se requiere el motor del equipo accionado a fin de que el motor se ajustan a
las normas de aumento de temperatura, "el aire más de" deberá figurar en la placa de identificación. Cuando la disipación de calor características de la
equipo de motor, distintos de flujo de aire, se requiere a fin de que el motor se ajustan a las normas de subida de la temper atura,
"Enfriamiento auxiliar" deberán aparecer en la placa de identificación.

2 Esta velocidad es el número de revoluciones aproximado a la carga nominal (ver 10.32.1 y 10.32.2).
MG 1-1998, Revisión 1                                                                       Sección II
Parte 10, Página 10                                                            CLASIFICACIONES DE LA PEQUEÑA Y CA-motores de media


     j.    Amperios a plena carga
     k.    Rotor bloqueado amperios o letras del código de rotor bloqueado por kVA de potencia para motores de 1 / 2
           caballos de fuerza o más grande (ver 10.37)
           Para los motores equipados con protección térmica, las palabras "protección térmica", y para motores con
     l.    más de 1 caballo de fuerza, un número de tipo (véase 12.58) (para su propia conveniencia, el motor
           fabricantes se permite el uso de las letras, no números, antes o después de las palabras
           "Protección térmica" con fines de identificación.)



10.39.2 Motores clasificados menos de 1 / 20 caballos de fuerza
     a. De tipo del fabricante y la designación de marco
     b. Potencia de salida
     c. A plena carga velocidad1
     d.Tensión nominal
     e. Frecuencia
     f. Número de fases, sólo polifásicos (esto se permitirá que serán designados por un número de muestra
        el número de las siguientes fases de la frecuencia).
     g. Las palabras "protección térmica" de los motores equipados con un protector2 térmico (ver 1,72 y 1,73)
        (Para su conveniencia, los fabricantes de automóviles se permite el uso de las letras, pero no
        números, antes o después de las palabras "protección térmica" para otros fines de identificación.)
        T érmicamente protegido por motores con 100 vatios o menos y cumplir con 430-32 (c) (2) de la
        Código Eléctrico Nacional, se permite el uso de la toma abreviada, "T P"
     h. Las palabras "impedancia de protección" para los motores con una impedancia suficiente dentro de los motores para que
        que están protegidos contra el sobrecalentamiento peligroso debido a sobrecarga o fallo en el inicio. Impedancia
        motores protegidos nominal de 100 vatios o menos y cumplir con 430 -32 (c) (4) de la National Electrical
        Código, se permite el uso de la marca abreviada, "ZP"




10.39.3 Universal de los motores
     a.    De tipo del fabricante y la designación de marco
     b.    Potencia de salida
     c.    T iempo de funcionamiento
     d.    Rpm a plena carga
     e.    Voltaje
     f.    Amperios a plena carga (en 60 hertz)
     g.    Frecuencia (60/dc se recomienda la forma)




10.39.4 Motores destinados para el montaje de un dispositivo que tiene su propias marcas:
     a. T ensión nominal
     b. Frecuencia
     c. Número de fases, sólo polifásicos (esto se permitirá que serán designados por un número de muestra
       el número de las siguientes fases de la frecuencia)


10.39.5 Motores de doble voltaje
     a. T ensión en sentido amplio (no la reconexión de los cables del m otor)
      1. Utilice guión entre tensiones (es decir, 200-300)
     b. Voltaje Dual (reconexión de los cables del motor)
      1. Usar barra entre las tensiones (es decir, 230 / 460)



1 Esta es la velocidad aproximada rpm a plena carga (ver 10.32.1 y 10.32.2).

2 Esto se permitirá que se muestre en una placa o calcomanía.
Sección II                                                                                                                  MG 1-1998, Revisión 1
CLASIFICACIONES DE LA PEQUEÑA Y CA-motores de media                                                                           Parte 10, página 11


     2. Usar barra entre amperios (es decir, 4.6/2.3)
    c. De doble frecuencia y el voltaje individual
     1. Uso comercial (&) entre los valores para cada frecuencia
       a) Hz (es decir, el 60 y 50)
       b) V (es decir, 115 y 110)
       c) rpm (es decir, 1725 y 1450)
       d) Amp (es decir, 5,0 y 6,0)



        NOTA: Si el espacio en un lugar estándar en la placa no es la adecuada, los valores de frecuencia alternativa y
        voltios asociados, rpm y amplificadores se permitirá que se especificarán en un lugar diferente en la placa.

    d. De doble frecuencia y doble voltaje
      1. Usar barra entre las t ensiones de una frecuencia y comercial (&) entre los valores de
        cada frecuencia.
      a) Hz (es decir, el 60 y 50)
      b) V (es decir, 115/230 y 110/220)
      c) rpm (es decir, 1725 y 1450)
      d) Amp (es decir, 5.0/2.5 y 6.0/3.0)



        NOTA: Si el espacio en un lugar estándar en la placa no es la adecuada, los valores de frecuencia alternativa y
        voltios asociados, rpm, y los amplificadores se permitirá que se especificarán en un lugar diferente en la placa.

    e. Doble de polos conmutables, de una sola frecuencia y voltaje único
      1. Usar barra entre los valores de CV, rpm, y amplificadores
      a) Hp (es decir, 1/4/1/12)
      b) rpm (es decir, 1725/1140)
      c) Amp (es decir, 4.2/2.6)


        NOTA-caballos de fuerza se le permitirá ser designado en decimales en lugar de fracciones para mayor claridad.

    f. Monofásico con toma de bobinado
       El uso de marcado para conexión de alta velocidad sólo con la designación del número de las siguientes velocidades altas
        Valor de velocidad rpm y separados por una barra.
        Rpm (es decir, 1725/5SPD)


10.39.6 información de la placa adicional
     Algunos ejemplos de información de la placa adicional
    a. Recinto o código IP
    b. Nombre del fabricante, marca o logotipo
    c. Fabricante de ubicación de la planta
    d. Número de serie o fecha de fabricación
    e. El método de enfriamiento o código IC




10.40 PLACA DE MARCADO DE MEDIO INDUCCIÓN MONOFÁSICO y polifásicos
    MOTORES
   La siguiente información deberá figurar en todas las placas de inducción monofásico y p olifásico
motores. Para motores con una amplia gama o de doble voltaje, ver 10.39.5. Para las abreviaturas, véase 1.78. Para algunos
ejemplos de la información adicional que pueda ser incluido en la placa, véase 10.39.6.
MG 1-1998, Revisión 1                                                                                    Sección II
Parte 10, página 12                                                                         CLASIFICACIONES DE LA PEQUEÑA Y CA-motores de media


10.40.1 Media monofásicos y polifásicos jaula de ardilla Motors1
     a.     De tipo del fabricante y la designación de marco
     b.     Potencia de salida
     c.     Nota del tiempo (véase 10.36)
     d.     T emperatura ambiente máxima para la cual el motor está diseñado (véase la nota 1 de 12.44) 2
     e.     Designación de aislamiento del sistema. (Si el estator o el rotor utilizar diferentes clases de sistemas de aislam iento, tanto
            designaciones de aislamiento del sistema se hará en la placa de identificación, que para el estator está dando
            en primer lugar.) 2
            Rpm a plena carga
            Frequency3
            Número de fases
     f.
            De carga nominal amperes
     g.
            Voltaje
     h.
            Rotor bloqueado amperios o letras del código de rotor bloqueado por kVA de potencia para motores de 1 / 2
     I.
            caballos de fuerza o mayor (véase 10.37)
     j.
            Diseño de carta para los motores de media (ver 1.18 y 1.19)
     k.
            NEMA eficiencia nominal cuando sea requerido por 12,59
            Factor de servicio.
            Amperios factor de servicio cuando el factor de servicio es superior a 1,15
            Para los motores equipados con protectores térmicos, las palabras "protección térmica" si el motor proporciona
     l.     toda la protección que se describe en 12.57 (ver 1.72 y 1.73) 4
     m.     Para los motores de potencia superior a 1 caballo de fuerza equipado con dispositivos de exceso de temperatura o los sistemas , la
     n.     palabras "OVER T EMP -PROT ", seguido de un número de tipo descrito en 12,58
     o.
     p.




     q.


10.40.2 polifásicos de rotor Motores
     a. De tipo del fabricante y la designación de marco
     b. Potencia de salida
     c. Nota del tiempo (véase 10.36)
     d.                                                                                  2
     e.Temperatura ambiente máxima para la cual el motor está diseñado (véase la nota 1 de 12.44)
        Designación de aislamiento del sistema. (Si el estator o el rotor utilizar diferentes clases de sistemas de aislamiento, tant o
        designaciones de aislamiento del sistema se hará en la placa de identificación, que para el estator está dando
               2
       en primer lugar.)
     f. Rpm a plena carga
     g. Frequency5
     h. Número de fases
     I. Calificación de carga amperios




Cuando un flujo de aire se requiere el motor del equ ipo accionado a fin de que el motor se ajustan a
las normas de aumento de temperatura, "el aire más de" deberá figurar en la placa de identificación. Cuando la disipación de calor características de la
equipo de motor, distintos de flujo de aire, se requiere a fin de que el motor se ajustan a las normas de subida de la temperatura,
"Enfriamiento auxiliar" deberán aparecer en la placa de identificación.

2 Como una alternativa a los puntos D y E, el aumento de la temperatura de la resistencia como se muestra en 12,44 se permitirá que se
dada.

3 Si dos frecuencias están estampados en la placa de identificación, la información incluida en los puntos b, c, d, f, i, j, m, y, si es diferente, se
dada para ambas frecuencias.

4 Esto se permitirá que se muestre en una placa o calcomanía.

5 Si dos frecuencias están estampados en la placa de identificación, la información incluida en los puntos b, c, d, f, i, j, y, si es diferente, se deberá
dada para ambas frecuencias.
Sección II                                            MG 1-1998, Revisión 1
CLASIFICACIONES DE LA PEQUEÑA Y CA-motores de media     Parte 10, página 13


   j.   Voltaje
   k.   Amperios secundaria a plena carga
   l.   T ensión en el secundario


10.41 INSTRUCCIONES PARA EL DISEÑO DE MOTORES TAG E
  Eliminados.
MG 1-1998, Revisión 1                                Sección II
Parte 10, página 14                     CLASIFICACIONES DE LA PEQUEÑA Y CA-motores de media




                        ESTA PÁGINA INTENCIONALMENTE
                           Se deja en blanco
Sección II                                                                                                            MG 1-1998
CLASIFICACIONES-DC PEQUEÑAS Y los motores de media                                                                 Parte 10, página 15




                            Sección II
                 PEQUEÑOS (fraccional) y medio (INTEGRAL) MÁQUINAS
                            Parte 10
                   CLASIFICACIONES-DC MÁQUINAS PEQUEÑAS Y MEDIANAS


10.0 ÁMBITO DE APLICACIÓN
   Las normas de esta Parte 10 de la sección II abarcan motores de corriente continua integrado en los marcos de continua
Calificaciones dripproof, o capacidad equivalente, hast a e incluyendo 1.25 caballos de fuerza por rpm, de tipo abierto.


10,60 base de la calificación
10.60.1 motores pequeños

    La base de la calificación de un pequeño motor de corriente continua será un factor de forma nominal.
    Si la corriente directa es ondulación baja, el factor de forma es de 1,0. Medida que aumenta la ondulación, el factor de form a
aumenta. Un pequeño motor no está diseñado para ser utilizado en una fuente de energía que produce un factor de forma en el
la carga nominal en conjunto con el motor más grande que el factor de forma nominal del motor.


10.60.2 motores de media
   Mientras que motores de corriente continua medio puede ser utilizado en diferentes tipos de fuentes de alimentación, la base para
demostrar la conformidad del motor con estas normas será una prueba con una fuente de alimentación
descrito en 12.66.2. La identificación de la fuente de alimentación se indica en la placa como un elemento esencial
parte de la potencia del motor de acuerdo con 10.66.
   Puede que no sea práctico para llevar a cabo pruebas en los motores destinados a servir de fuentes de alimentación que no sea
los especificados en 12.66.2. En tales casos, las características de rendimiento de un motor puede ser
demostrada por una prueba con la fuente de alimentación en particular o por una combinación de pruebas en una disposición
fuente de alimentación y el cálculo del rendimiento previsto del motor a partir de los datos de prueba.


10.61 PODER DE IDENTIFICA CIÓN DE ALIMENTA CIÓN PARA MOTORES MEDIO DE CORRIENTE
CONTINUA
10.61.1 Suministros designado por una sola letra
    Cuando la fuente de alimentación de prueba utilizados como base de la calificación para un motor de corriente continua media es uno de
los
los descritos en 12.66.2, una sola letra se utiliza para identificar la fuente de alimentación de prueba.
10.61.2 Tipos de alimentación Otros
    Cuando un motor medio de corriente continua está destinada a ser utilizada en una fuente de alimentación que no sean los
descrito en 12.66.2, se identificó de la siguiente manera:
   M / N F-V-H-L
   Donde:
   M = un dígito que indica los pulsos total por ciclo
   N = un dígito que indica los pulsos controlados por ciclo
   F = rueda libre (esta carta aparece sólo si se usa de rueda libre)
   V = tres dígitos que indican nominal línea a línea de corriente alterna de tensión para el rectificador
   H = dos dígitos de entrada que indica la frecuencia en Hertz
   L = dígitos uno, dos o tres que indica la inductancia en serie en millihenries (puede ser cero) que se
        añadido externo al circuito de inducido del motor
    Si la frecuencia de entrada es de 60 hertz y no inductancia en serie se añade el exterior de la armadura del motor
circuito, estas cantidades no tienen que ser indicados y se permitirá que se le excluya de la identificación
MG 1-1998                                                                                         Sección II
Parte 10, página 16                                                                  CLASIFICACIONES-DC PEQUEÑAS Y los motores de media


de la fuente de alimentación. Sin embargo, si una de estas cantidades se indica, a continuación, ambos se parecen
evitar la confusión.
Ejemplo: "3.6 F-380-50-12" define una fuente de alimentación con seis pulsos total por ciclo, tres estudios controlados
pulsos por ciclo, con rueda libre, con 380 voltios de corriente alterna de entrada en la entrada de 50 Hz y 12
millihenries de inductancia en serie externamente añadido a la inductancia del circuito de inducido del motor.


10,62 CABALLOS DE FUERZA, VELOCIDA D, y tensión
10.62.1 Motores de corriente continua pequeños

10.62.1.1               Operativos de ondulación baja (1,0 Factor de forma) Fuentes de alimentación
   Las calificaciones de caballos de fuerza y velocidad para motores de corriente continua pequeña velocidad nominal constante 115 y 230
voltios serán las siguientes:
                                       CV                              De carga aproximado de USD, Rpm

                                       01.20             3450               2500                 1725              1140
                                       12.01             3450               2500                 1725              1140
                                       8.1               3450               2500                 1725              1140
                                       6.1               3450               2500                 1725              1140
                                       1.4               3450               2500                 1725              1140
                                       1.3               3450               2500                 1725              1140
                                       1.2               3450               2500                 1725              1140
                                       4.3               3450               2500                 1725              ...
                                       1                 3450               2500                 ...               ...




10.62.1.2               Funcionamiento del rectificador Fuentes de alimentación
   Los caballos de fuerza, velocidad, tensión, y la forma clasificaciones de los factores de motores de corriente continua desti nado a
pequeños
uso de fuentes de voltaje ajustable-rectificador de potencia se muestra en la T abla 10-7.
                                  Tabla 10-7
                        MOTOR PARA LA OPERACIÓN DE CALIFICACIONES DE ALIMENTACIÓN RECTIFICADO
                                                                             Tensiones nominales, promedio de corriente directa
                                                                                      Valores
                                                                             Tensiones de armadura VoltagesField
   CV             Aproximada de carga nominal de v elocidad, RPM *                                                                    Formulario de Calif icación Factor
                                                        Monof ásicos f uente de energía primaria

  01.20          3450           2500           1725             1140
  1 / 15         3450           2500           1725             1140
  12.01          3450           2500           1725             1140
  8.1            3450           2500           1725             1140
  6.1            3450           2500           1725             1140                      75 voltios         50 o 100 voltios
  1.4            3450           2500           1725             1140                      90 voltios         50 o 100 voltios
  1.3            3450           2500           1725             1140                                                                   Véanse las notas 1 y 2
                                                                                          150 voltios         100 voltios
  1.2            3450           2500           1725             1140
  4.3            3450           2500           1725             ...
   1             3450           2500           ...              ...

                                                                                          90 voltios        50 o 100 voltios
                                                                                          180 voltios       100 o 200 voltios

                                                        Trif ásico f uente de energía primaria

   1.4           3450           2500           1725             1140
  1/33450250017251140
  1/23450250017251140240 volts100, 150, 240 voltsSee notas 1 y 2
  3 / 4345025001725 ...
   134502500 ......
NOTAS
1-El factor de forma nominal de un motor de corriente continua es el factor de armadura en forma de corriente de carga nominal y la velocidad nominal y es un
parte esencial de la potencia del motor.
2-El factor de forma nominal de un motor de corriente con tinua está determinado por el fabricante del motor, ver 14.60. Forma recomendada clasificado
factores se dan en la tabla 14-2 de 14,60.
* Motores clasificados 1 / 20 a 1 caballo de fuerza, inclusive, no son adecuados para el control de velocidad por el deb ilitamiento de campo.
Sección II                                                                                                               MG 1-1998
CLASIFICACIONES-DC PEQUEÑAS Y los motores de media                                                                    Parte 10, página 17


10.62.2 Industrial Motores de corriente continua
   La potencia, voltaje y velocidad de la base industrial de motores de corriente continua se hará de conformidad
con las tablas 10-8, 10-9 y 10-10. La velocidad obtenida por el control de campo de la recta derivación de la herida o estabilizado
bobinado de derivación-industrial motores de corriente continua se como se muestra en las tablas.


                 Tabla 10-8
CABALLOS DE FUERZA, VELOCIDAD, Y TENSIÓN DE CLASIFICACIÓN INDUSTRIAL Motores de corriente continua-180
       VOLTIOS VOLTAJE DE ARMADURA * RATING Y FUENTES K

                                                                        Base de v elocidad, RPM
                                3500                     2500                  1750                1150         850
                                                                                                                           Campo de tensión,
       CV                                                        Velocidad por control de campo, Rpm                         Voltios
       1/2*                       ...                      ...           ...                        ...   940
       3/4*                       ...                      ...                  ...                1380   940              50, 100 o 200
         1*                       ...                      ...                 2050                1380   940

         1½                     3850                     2750                  2050                1380   940
         2                      3850                     2750                  2050                1380   940
         3                      3850                     2750                  2050                1380   940                100 o 200
         5                      3850                     2750                  2050                1380   940
         7½                     3850                     2750                  2050                1380   940

* P ara estas calificaciones, el voltaje inducido será de 90 o 180 voltios.



10,63 placa de identificación TIEMPO
    Motores de corriente continua tendrá una potencia continua a menos que se especifique lo contrario. Cuando un corto tiempo
calificación que se utilice, será de 5, 15, 30 o 60 minutos. T odas las calificaciones de corto tiempo se basan en un
correspondiente corto tiempo de carga de la prueba que comenzará sólo cuando las bobinas y otras partes del
de la máquina son de 5 ° de la temperatura ambiente en el momento de iniciar el T est.c


10.64 Tiempo de funcionamiento para servicio intermitente, periódica, y variable
    Para la aplicación en servicio intermitente, periódico o variable, la puntuación del tiempo debe ser continuo o corto
tiempo, basado en los efectos térmicos de ser lo más cercano posible a los que se encuentran en actual
de servicio.


10.65 MÁXIMO LA PLACA temperatura ambiente y CLASE SISTEMA DE AISLAMIENTO
     Motores de corriente continua y debe ser clasificada sobre la base de una temperatura ambiente máxima y la
clase de aislamiento del sistema.
     El valor nominal de la temperatura ambiente máxima será de 40 ° a menos que se especifique lo contrario, yc
el sistema de aislamiento debe ser de clase A, B, M, o H. T odas estas clasificaciones se basan en una prueba de carga con
Los valores de aumento de temperatura (medida por uno u otro método cuando do s métodos en la lista) que no superen las
muestra para una determinada clase de sistema de aislamiento en la tabla de aumento de la temperatura adecuada en 12,67.
Valoraciones de motores de corriente continua para cualquier otro valor de la temperatura ambiente máxima se basará en
los valores de elevación de la temperatura calculada de acuerdo con 12.67.4.
MG 1-1998                                                                        Sección II
Parte 10, página 18                                                 CLASIFICACIONES-DC PEQUEÑAS Y los motores de media



                                                      Tabla 10-9
 CABALLOS DE FUERZA, VELOCIDAD, Y TENSIÓN DE CLASIFICACIÓN INDUSTRIAL Motores de corriente continua-240
      VOLTIOS Voltaje nominal de armadura, FUENTE DE ALIMENTACIÓN A, C, D o E
                                          Base de v elocidad, RPM
            3500      2500   1750       1150        850        650        500     400      300
  CV                                Velocidad por control de campo, Rpm                             Voltios de tensión de campo
  1.2        ...       ...    ...     ... 1700 ...                         ...     ...     ...
  4.3        ...       ...    ...       2000       1700         ...        ...     ...     ...
   1         ...       ...   2300       2000       1700         ...        ...     ...     ...            100, 150, o 240
 1-1/2      3850      3000   2300       2000       1700         ...        ...     ...     ...
   2        3850      3000   2300       2000       1700         ...        ...     ...     ...

   3        3850      3000   2300       2000       1700         ...        ...     ...     ...
   5        3850      3000   2300       2000       1700         ...        ...     ...     ...
 7-1/2       ...      3000   2300       2000       1700        1600       1500    1200    1200
  10         ...      3000   2300       2000       1700        1600       1500    1200    1200
  15         ...      3000   2300       2000       1700        1600       1500    1200    1200

  20         ...      3000   2300       2000       1700        1600       1500    1200    1200
  25         ...      3000   2300       2000       1700        1600       1500    1200    1200
  30         ...      3000   2300       2000       1700        1600       1500    1200    1200
  40         ...      3000   2100       2000       1700        1600       1500    1200    1200
  50         ...       ...   2100       2000       1700        1600       1500    1200    1200                   150 o 240

  60         ...       ...   2100       2000       1700        1600       1500    1200    1200
  75         ...       ...   2100       2000       1700        1600       1500    1200    1200
 100         ...       ...   2000       2000       1700        1600       1500    1200    1200
 125         ...       ...   2000       2000       1700        1600       1500    1200    1200
 150         ...       ...   2000       2000       1700        1600       1500    1200    1100

 200         ...       ...   1900       1800       1700        1600       1500    1200    1100
 250         ...       ...   1900       1700       1600         ...        ...     ...     ...
Sección II                                                                                                                MG 1-1998
CLASIFICACIONES-DC PEQUEÑAS Y los motores de media                                                                     Parte 10, página 19


                 Tabla 10-10
CABALLOS DE FUERZA, VELOCIDAD, Y TENSIÓN DE CLASIFICACIÓN INDUSTRIAL Motores de corriente continua - 500
   O 550 * VOLTIOS RATING ARMADURA DE TENSIÓN, FUENTE DE ALIMENTACIÓN A, C o D
                                                Base de v elocidad, RPM
                2500      1750         1150        850          650       500    400     300
                                                                                                                       Voltios de tensión de campo
   CV                                              Velocidad por control de campo, Rpm
  7-1/2         3000      2300         2000       1700 .........                          ...
   10           3000      2300         2000       1700           ...       ...    ...     ...
   15           3000      2300         2000       1700           ...       ...    ...     ...
   20           3000      2300         2000       1700           ...       ...    ...     ...
   25           3000      2300         2000       1700           ...       ...    ...     ...

   30           3000      2300         2000       1700           ...       ...    ...     ...
   40           3000      2100         2000       1700           ...       ...    ...     ...
   50            ...      2100         2000       1700         1600       1500   1200    1200
   60            ...      2100         2000       1700         1600       1500   1200    1200
   75            ...      2100         2000       1700         1600       1500   1200    1200

   100           ...      2000         2000       1700         1600       1500   1200    1200                               240 o 300
   125           ...      2000         2000       1700         1600       1500   1200    1200
   150           ...      2000         2000       1700         1600       1500   1200    1100
   200           ...      1900         1800       1700         1600       1500   1200    1100
   250           ...      1900         1700       1600         1600       1400   1200    1100

   300           ...      1900         1600       1500         1500       1300   1200    1000
   400           ...      1900         1500       1500         1400       1300   1200     ...
   500           ...      1900         1500       1400         1400       1250   1100     ...
   600           ...        ...        1500       1300         1300       1200    ...     ...
   700           ...        ...        1300       1300         1250        ...    ...     ...

   800           ...        ...        1250       1250         1200        ...    ...     ...
   900           ...        ...        1250       1200           ...       ...    ...     ...
  1000           ...        ...        1250       1200           ...       ...    ...     ...

* 550 voltios es un voltaje alterno.



10.66 PLACA DE MARCADO
    La cantidad mínima de información siguiente deberá figurar en todas las placas de identificación. Para las abreviaturas,
ver 1,78:
10.66.1 motores pequeños nominal 20.1 caballos de fuerza y menos


     a.    Fabricante de designación de tipo
     b.    Potencia de salida (millihorsepower - mhp)
     c.    Velocidad a plena carga (ver 10.62.1)
     d.    T ensión nominal
     e.    Las palabras "protección térmica" 1 para los motores equipados con un protector térmico. (Ver 1.72 y
           1,73).
          (Para su conveniencia, los fabricantes de automóviles se permite el uso de las letras, pero no los números
           antes o después de las palabras "protección térmica" con fines de iden tificación.)




1 Estas palabras se permitirá que se muestre en una placa o calcomanía.
MG 1-1998                                                                                            Sección II
Parte 10, página 20                                                                     CLASIFICACIONES-DC PEQUEÑAS Y los motores de media



    f. palabras "impedancia de protección" para los motores con una impedancia suficiente dentro de los motores para que
    Las
    que están protegidos contra sobrecalentamiento peligroso debido a la sobrecarga o la falta de start.1
10.66.2 pequeños motores excepto los clasificados 20.1 caballos de fuerza y menos

     a. Fabricante de designación de tipo
     b. Potencia de salida a la velocidad nominal
     c. T iempo de funcionamiento a la velocidad nominal
     d. T emperatura ambiente máxima para la cual el motor se designed2
     e.Designación de aislamiento del sistema (si el campo y la armadura uso diferentes clases de sistemas de aislamiento,
        ambas designaciones sistema de aislamiento deberá figurar en la placa de identificación, que para el campo está dando
        en primer lugar.) 3
     f. La velocidad en rpm
                        3
     g. T ensión nominal de armadura
     h. Campo de tensión nominal (PM para motores de imanes permanentes) 4, 5



  I. armadura de carga nominal en amperes nominal SPEED4
 j. Factor de forma nominal cuando se utiliza desde la fuente de alimentación del rectificador (ver tabla 7.10, las notas 1 y 2)
  k. Las palabras "protección térmica" de los motores equipados con un protector térmico (ver 1,72 y 1,73)
10.66.3 motores de media


     a.    De tipo del fabricante y la designación de marco
     b.    Caballos de fuerza o de salida de kW a la velocidad base
     c.    T iempo de funcionamiento a la velocidad nominal
     d.    Rpm máximas de seguridad para todos los motores en serie de heridas y para los mot ores de la herida con el compuesto que
           variación de la velocidad de carga nominal de la carga no supere el 35 por ciento de las bobinas en la constante
           temperatura alcanzada cuando se opera en su calificación


     e. T emperatura ambiente máxima para la que el motor es designed3
     f. Aislamiento del sistema de designación (Si el campo y la armadura uso de las diferentes clases de sistemas de aislamiento,
        tanto los sistemas de aislamiento se da, que para el campo est á en primer lugar.) 3
     g. Base de la velocidad nominal en load6


     h. Nominal de armadura voltage4




1 Estas palabras se permitirá que se muestra en una placa separada o calcomanía.

2 Como alternativa, estos elementos se les permitirá ser sustituido por un único punto de lectura "aumento de la temperatura nominal."

3 Estos son medios de corriente continua cantidades.

4 Como alternativa, este elemento se permitirá que se sustituye por el siguiente:

   a. Campo de la resistencia en ohmios a 25 º C

   b. Campo de la corriente nominal en amperios

5 P ara excitación independiente, serie-paralelo, bobinas de doble voltaje, los dos valores de la tensión nominal son igualmente demostrado. Si un
único valor de la resistencia actual y se muestra, los datos se aplica a la conexión de alta tensión. Si los valores de corriente y
resistencia para cada voltaje se muestra, la conexión de tensión para que estos datos sólo podrán ser indicadas también. A
barra se le permite indicar el voltaje dual y las corrientes y pueden ser, respectivamente, de alta tensión / baja tensión, corriente de alta / baja
actual.


6 A una velocidad indicada en la placa es la velocidad base. Dos velocidades de la placa de identificación indica el rango de
velocidad obtenida por control de campo a menos que una doble tensión de la armadura se muestra el marcado.
Sección II                                                                                                                                     MG 1-1998
CLASIFICACIONES-DC PEQUEÑAS Y los motores de media                                                                                          Parte 10, página 21



     i.    Campo de tensión nominal (no aplicable a los imanes permanentes motors1, 2, 3
     j.    La armadura de carga nominal en amperios en la base velocidad1
     k.    El poder de identificación de la oferta de acuerdo con 10,61
     l.    Bobinado - derivación directa, derivación estabilizado, compuesto, de serie o de imán permanente
     m.    De corriente continua o corriente continua
     n.    (Opcional) Caja o código IP (véase la Parte 5)
     o.    (Opcional) Nombre del fabricante, marca o logotipo
     p.    (Opcional) Fabricante de ubicación de la planta
     q.    (Opcional) Número de serie o fecha de fabricación
     r.    (Opcional) Número de modelo o número de catálogo




Se trata de un promedio de corriente continua cantidades

2 Como alternativa, este elemento se permitirá que se sustituye por el siguiente:

   a. Campo de la resistencia en ohmios a 25 º C

 b. Corriente nominal de campo en amperios. Un único valor de la corriente de campo corresponde a la velocidad base. Dos valor es
corresponder a la velocidad base y la velocidad más alta obtenida po r control de campo.

3 P ara excitación independiente, serie-paralelo, bobinas de doble voltaje, los dos valores de la tensión nominal son igualmente demostrado. Si un
único valor de la resistencia actual y se muestra, los datos se aplica a la conexión de alta tensión. Si los valores de corri ente y
resistencia para cada voltaje se muestra, la conexión de tensión para que estos datos sólo podrán ser indicadas también. A
barra se le permite indicar el voltaje dual y las corrientes y pueden ser, respectivamente, de alta tensión / baja tensión, co rriente de alta / baja
actual.
MG 1-1998                                          Sección II
Parte 10, página 22                   CLASIFICACIONES-DC PEQUEÑAS Y los motores de media




                      ESTA PÁGINA INTENCIONALMENTE
                         Se deja en blanco
Sección II                                                                                              MG 1-1998, Revisión 1
PRUEBAS Y RENDIMIENT O-AC y motores de corriente                                                          Parte 12, página 1




                         Sección II
                PEQUEÑOS (fraccional) y medio (INTEGRAL) MÁQUINAS
                          Parte 12
                 PRUEBAS Y RENDIMIENTO-AC y motores de corriente


12.0   ÁMBITO DE APLICACIÓN
    Las normas de este 12 sección II, parte cubierta de los siguientes equipos:
   a. De corriente alterna Motores: Los motores de corriente alterna hasta e incluyendo las calificaciones construido en
      cuadros correspondientes a la continua de tipo abierto las calificaciones dadas en la tabla de abajo.



                                                                      Motores, sincrónico, Hp

                                                                                Factor de Potencia

                                                   Motores
                                                  Ardilla
                                                  Cage y
                             Sincrónico            Herida
                               Velocidad          Rotor, Hp
                                                                         Unidad                 0.8
                                                    500
                                  3600                                    500                   400
                                  1800                500                 500                   400
                                  1200                350                 350                   300
                                   900                250                 250                   200
                                   720                200                 200                   150
                                   600                150                 150                   125
                                   514                125                 125                   100



   b. Motores de corriente continua: Motores corriente continua integrado en los marcos de calificaciones dripproof continua, o
     capacidad equivalente, hasta e incluyendo 1.25 caballos de fuerza por rpm, de tipo abierto.


12.2    ALTO POTENCIAL DE PRUEBA DE SEGURIDAD- PRECA UCIONES Y PROCEDIMIENTO DE LA
       PRUEBA
       Véase el punto 3.1.

12.3 ALTO POTENCIAL DE TENSIONES DE PRUEBA PARA LA INDUCCIÓN UNIVERSAL, Y -DIRECT
     MOTORES DE CORRIENTE
  La tensión de prueba de alto potencial se especifica en la siguiente tabla se aplica a las bobinas de cada
nueva máquina de acuerdo con los procedimientos especificados en el apartado 3.1.
MG 1-1998, Revisión 1                                                                                                Sección II
Parte 12, Página 2                                                                                     PRUEBAS Y RENDIMIENT O-AC y motores de corriente



                                             Categoría                                                                             Tensión de prueba ef ectiv a

a. Universal Motors (tasados para funcionar en circuitos no
  superior a 250 voltios)
 1. Motores con potencia superior a 1 / 2 y todos los motores de
   herramientas portátiles ................................................ ........................
                                                                                                           1000 voltios + 2 veces la tensión nominal del motor
 2. Todos los otros motores *.............................................. ......................         1.000 voltios
b. Inducción y motores síncronos Nonexcited
 1. Los motores de potencia nominal superior a 1 / 2 cabal los de
 fuerza
    a) bobinados del estator .............................................. ....... ... .........          1000 voltios + 2 veces la tensión nominal del motor
    b) P ara los devanados secundarios de los rotores de la herida de la inducción
      motores ................................................. ............. ... .............
                                                                                                           1000 voltios + 2 veces la tensión máxima inducida entre
                                                                                                           anillos colectores en circuito abierto en reposo (o correr si es menor de
                                                                                                           esta condición la tensión es mayor) con tensión nominal primaria
                                                                                                           aplicada a los terminales del estator

    c. P ara arrollamientos secundarios de los rotores de la herida de la inversión
      motores ................................................. ..............................
                                                                                                           1000 volts + 4 veces la tensión máxima inducida entre
                                                                                                           anillos colectores en circuito abierto en reposo con primaria nominal
                                                                                                           tensión aplicada a los terminales del estator

 2. Motores con 1.2 caballos de fuerza y menos
    a. Nominal de 250 voltios o menos ....................... ...................... .........             1.000 voltios
    b. Nominal superior a 250 voltios .............................................. ........              1000 voltios + 2 veces la tensión nominal del motor
c. Motores de corriente continua
 1. Los motores de potencia nominal superior a 1 / 2 caballos de
 fuerza
    bobinados a) Armadura o en el campo para su uso en ajustable de tensión
      fuente de alimentación electrónica ............................................... ......
                                                                                                           1000 voltios + 2 veces la corriente alterna de línea a línea de tensión de la energía
                                                                                                           la oferta seleccionada para la base de la calificación
    b) Todas las demás armadura o campo de bobinas ..................................                      1000 voltios + 2 veces la intensidad nominal ** tensión del motor
 2. Motores con 1.2 caballos de fuerza y menos
    a) 240 voltios o menos ............................................ ....................               1.000 voltios
    b) Calificación por encima de 240 voltios ............................................ ...........     Ver C.1.a y C.1.b arriba (Motores de corriente continua)
* Completar motores de potencia media y menos será en el "todos los otros" a menos que una marca que indique que son los moto res de
herramientas portátiles.

** Cuando el voltaje de un campo de excitación separada de un motor de corriente continua o de un generador no se indica, se asume que
1,5 veces el campo de la resistencia en ohmios a 25 ° veces el current.C nominal de campo

NOTAS
1-Algunas aplicaciones pueden requerir una prueba de alto voltaje potencial superiores a los indicados.
2-La producción normal de alto potencial de tensión de prueba puede ser de 1,2 veces el se especifica una hora de alto potencia l de voltaje de prueba, solicitó
1 segundo. (Ver 3.1.6)

3-P ara evitar la excesiva hincapié en el aislamiento, la aplicación repet ida del alto potencial de prueba de tensión no es recomendable.
Inmediatamente después de la fabricación, cuando el equipo está instalado o ensamblados con otros aparatos y una prueba de al to potencial de la
todo el conjunto es necesario, se recomienda que la tensión de prueba no superior a 85 por ciento de la tensión de prueba original o, cuando en un
grupo reunido, no excederá del 85 por ciento de la tensión más baja del ensayo de ese grupo. (Ver 3.1.11.)



12.4ALTA PRODUCCIÓN POTENCIAL DE PRUEBA S DE MOTORES PEQUEÑOS
  Fallo del fluido dieléctrico en las pruebas de producción con alto potencial de los motores pequeños se indica mediante un
medición de la resistencia de aislamiento a menos de 1 megaohmio cuando se prueba de acuerdo con 12.2 y 12.3.


12.4.1 Equipo de prueba dieléctrica
    El equipo de prueba dieléctrica debe indicar un fallo por medios visuales o auditivas, o ambas cosas. La prueba
equipo de preferencia deben ser diseñados para limitar el nivel de corriente aplicada a un valor no destructivos en
la tensión de alto potencial.
Sección II                                                                                                          MG 1-1998, Revisión 1
PRUEBAS Y RENDIMIENT O-AC y motores de corriente                                                                      Parte 12, Página 3


12.4.2 Evaluación de los Sistemas de aislamiento por una prueba dieléctrica
    La definición de fallo del fluido dieléctrico por AST M D149 se basa en la observación de una rotura de
aislamiento como prueba positiva de corte de corriente. En motores pequeños, una evaluación adecuada de aislamiento
calidad en las pruebas de producción se puede hacer sin una ruptura completa del aislamiento a tierra. Como
procedimiento de control de calidad durante la fabricación, la medición de la resistencia de aislamiento se puede tomar como
una verdadera evaluación de la eficacia del sistema de aislamiento.

12.5 PRUEBA PARA MOTORES REPETITIVOS SURGE LA PEQUEÑA Y MEDIA NA
     Muchos fabricantes utilizan una prueba repetitivas como una prueba de control de calidad de los componentes de los motores, p or
ejemplo, estatores y rotores. Cuando un gran número de motores de un solo diseño se van a probar, una
prueba de aumento repetitivo es una prueba rápida y económica para detectar los defectos siguientes:
   a. Devanados a tierra
   b. Los cortocircuitos entre espiras
   c. Los cortocircuitos entre los bobinados
   d. Las conexiones incorrectas
   e. Número incorrecto de los turnos
   f. Conductores de fuera de lugar o de aislamiento
     La prueba de incremento repetitivo compara una cuerda desconocida con un arro llamiento conocido o supuesto de disolución
satisfactoria. Esto se logra mediante la superposición en un osciloscopio las huellas de la oleada de
tensión en los terminales de las bobinas. Las mayores fallas se detectan fácilmente, pero un operador experto es necesario
distinguir entre faltas leves, por ejemplo, una ranura cayó celular y las desviaciones dañinas en el
las huellas que se producen cuando los devanados son producidos por dos o más agentes que las bobinas o la forma
final se convierte en formas ligeramente diferentes.
     Por desgracia, la prueba de aumento repetitivo tiene desventajas que limitan su uso general, tales como el
necesidad de elaborar las pruebas preliminares antes de una prueba de aumento se pueden hacer en las unidades de produc ción. Para
ejemplo, la distribución de voltaje a través de la bobina se debe investigar porque las condiciones de resonancia puede
existe lo que provocaría tensiones anormalmente alta o baja en algún momento en el sistema de aislamiento de la
motor de los componentes. Elaborar pruebas preliminares rara vez se puede justificar cuando un pequeño número de
componentes está involucrado porque los cambios relativamente pequeños en el diseño puede requerir más
las pruebas preliminares. Cuando una prueba de aument o se hace repetitivo, el aumento de nivel de tensión y otras condiciones de prueba
debe basarse en datos obtenidos de los análisis de laboratorio realizados en el diseño particular (o modelos) de
los motores en cuestión.
     Cuando un rotor o el estator tiene dos o más devanados idénticos, por ejemplo, un estator polifásico, cada
bobina puede ser probado contra el otro, porque es poco probable que dos de las bobinas se han
fallos idénticos. Para que sea posible aumento de los rotores de prueba o estatores de motor similares diseños de uno en uno
tiempo, es esencial que los datos suficientes se acumula en las pruebas preliminares en individuales varias
diseños. Cuando un rotor o el estator no tiene dos bobinados idénticos, por ejemplo, de una sola fase de estatores
y de corriente directa de armaduras, un mínimo de dos del mismo componente es necesario para la repetición
aumento de la prueba. En el caso de que un fallo se da a conocer por la prueba, un mínimo de tres unidade s es necesario para
determinar cuál de ellos tuvo la culpa.
     Cabe señalar que, salvo mediante la realización de exhaustivas pruebas de reporte detallado, no hay en
la actualidad ningún modo satisfactorio de determinar la prueba de aumento de voltaje equivalente a un 60 hertzios de alto po tencial
prueba.




12.6     Vibraciones Mecánicas
        Véase la Parte 7.


12.7 TENIENDO PERDIDAS-V ERTICAL motores de las bombas
   Las pérdidas añadido en caballos de fuerza en los rodamientos de contacto angular utilizado en motores de las bombas verticale s, debido
a
carga adicional en que incurra el rotor del motor, debe ser calculado por la siguiente fórmula:
                           -8
 Pérdidas añadido en caballos de fuerza = 2,4 x 10 x añadido de carga en libras. x revoluciones por minuto x Paso
  de diámetro en pulgadas de las bolas en el cojinete de bolas.
MG 1-1998, Revisión 1                           Sección II
Parte 12, Página 4                PRUEBAS Y RENDIMIENT O-AC y motores de corriente




                        ESTA PÁGINA INTENCIONALMENTE
                           Se deja en blanco
Sección II                                                                                                      MG 1-1998, Revisión 1
PRUEBAS DE FUNCIONAMIENT O Y MOT ORES-AC                                                                          Parte 12, página 5




                            Sección II
                   PEQUEÑOS (fraccional) y medio (INTEGRAL) MÁQUINAS
                            PARTE 12
                      PRUEBAS DE FUNCIONAMIENTO Y MOTORES-AC


12.0 ÁMBITO DE APLICACIÓN
   Las normas de esta Parte 12 de la Sección II cubre los motores de corriente alterna hasta e incluyendo la
Calificaciones construida en los marcos correspondientes a la continua de tipo abierto las calificaciones dadas en la tabla de abajo.


                                                                       Motores, sincrónico, Hp
                                                                         Factor de Potencia
                                                                                                           Generadores,
                                               Motores                                                     Sincrónico
                                              Ardilla                                                       Giratorio
                                              Cage y                                                      Tipo de campo, kW
                                               Herida                                                      en el 0,8 Potencia
                    Sincrónico                                                                               Factor
                                              Rotor, Hp
                      Velocidad                                          Unidad                    0.8
                                                500                                                           400
                      3600                                               500                       400

                           1800                    500                    500                      400           400
                           1200                    350                    350                      300           300
                            900                    250                    250                      200           200
                            720                    200                    200                      150           150
                            600                    150                    150                      125           125
                            514                    120                    125                      100           100


12.30 Métodos de prueba
    Los exámenes para determinar las características de funcionamiento se hará de acuerdo con lo siguiente:
  a. De una sola fase 114 motores-IEEE Std
  b. Para motores de inducción polifásicos - IEEE Std 112



CARACTERÍSTICAS DE RENDIMIENTO 12,31 E
   Cuando las características de rendimiento se proporcionan, deben ser expresadas de la siguiente manera.
 a. Corriente en amperios por ciento de la corriente nominal
 b. Par en libras-pie, la libra-pulgadas, pies onza, onza pulgadas, o el porcentaje de par a plena carga
 d. La producción de caballos de fuerza o por ciento de la velocidad de sincronismo
 e. La eficiencia en tanto por ciento
 f. Del factor de potencia en tanto por ciento
 g. T ensión en voltios por ciento de la tensión nominal
 h. Entrada de energía en vatios o kilovatios




    NOTA: Si las unidades del SI se utilizan, deben estar de acuerdo con la publicación ISO N º R-1000.


12.32CARACTERÍSTICAS DEL PAR DE UN SOLO USO GENERAL FASE DE INDUCCIÓN
     MOTORES
12.32.1 Distribución de par

   El par máximo del motor de inducción monofásico de propósito general pequeñas y medianas empresas se
dentro del rango de torque indicado en el cuadro 10.5, conforme a las tolerancias en la fabricación y todos los demás
condiciones que figuran en 10,34.
MG 1-1998, Revisión 1                                                                           Sección II
Parte 12, Página 6                                                                   PRUEBAS DE FUNCIONAMIENT O Y MOT ORES-AC


12.32.2 Par con rotor bloqueado de los motores pequeños
   El par de rotor bloqueado de una sola fase de propósito general los motores pequeños, con una tensión nominal y
frecuencia aplicada, no podrá ser inferior a lo siguiente:


                                                  Mínimo Par con rotor bloqueado, onza pies *

                            60-Hertz v elocidad de sincronismo, Rpm                 50-Hertz v elocidad de sincronismo, Rpm

                    CV          3600             1800                1200            3000              1500                1000

                    8.1           ...              24                 32                   ...           29                  39
                    6.1           15               33                 43                   18            39                  51
                    1.4           21               46                 59                   25            55                  70
                    1.3           26               57                 73                   31            69                  88
                    1.2           37               85                100                   44           102                 120
                    4.3           50               119                ...                  60           143                  ...
                     1            61                ...               ...                  73            ...                 ...
                  * En la conexión de alto voltaje de los motores de doble voltaje, el mínimo de rotor bloqueado pares de hasta
                  10% menos que estos valores se puede esperar.



12.32.3 Par con rotor bloqueado de los motores de media
   El par de rotor bloqueado de los motores monofásicos medio de uso general, con tensión nominal y
frecuencia aplicada, no podrá ser inferior a los siguientes.


                                                          Mínimo Par con rotor bloqueado, libras-pie

                                                                     La v elocidad de sincronismo, Rpm

                                        CV                   3600                  1800                        1200

                                        4.3                    ...                   ...                        8.0
                                         1                     ...                  9.0                         9.5
                                        1½                    4.5                   12.5                       13.0
                                         2                    5.5                   16.0                       16.0
                                         3                    7.5                   22.0                       23.0
                                         5                   11.0                   33.0                        ...
                                        7½                   16.0                   45.0                        ...
                                        10                   21.0                   52.0                        ...



12.32.4 Pull-Up par de motores de media
   El par de pull-up de una sola fase de propósito general los motores de media de corriente alterna, con la clasificación
tensión y la frecuencia aplicada, no deberá ser menor que el par de carga nominal.

12.33 LOCKED- ROT o actual de los motores monofásicos PEQUEÑO
12.33.1 Diseño y Diseño N O Motores

    La corriente de rotor bloqueado de 60 hertzios, los motores monofásicos no excederá los valores indicados en la
el siguiente cuadro:
Sección II                                                                                                                     MG 1-1998, Revisión 1
PRUEBAS DE FUNCIONAMIENT O Y MOT ORES-AC                                                                                         Parte 12, Página 7



                                    2 -, 4 -, 6 - y 8-Pole, de 60 Hertz Motors, monof ásico

                                                                Intensidad con rotor bloqueado, Amperes

                                                                115 v oltios                             230 v oltios

                                     CV               O Diseño             Diseño N           O Diseño              Diseño N

                              1 / 6 y menores            50                    20                  25                   12
                                     1.4                 50                    26                  25                   15
                                     1.3                 50                    31                  25                   18
                                     1.2                 50                    45                  25                   25
                                     4.3                  ...                  61                  ...                  35
                                      1                   ...                  80                  ...                  45



12.33.2 Propósito General Motors,
  Las corrientes de rotor bloqueado de una sola fase de propósito general los motores no deberá exceder los valores de
Diseño N motores.


12.34 LOCKED- ROT o actual de los motores de media MONOFÁ SICO, DISEÑOS L y M
    La corriente de rotor bloqueado de una sola fase, 60 hertzios-, L Diseño y motores M de todo tipo, cuando
medido con tensión y frecuencia nominales impresionado y con el rotor bloqueado, no podrá superar el
los siguientes valores:



                                                                Intensidad con rotor bloqueado, Amperes
                                                                           Diseño L                      Diseño M
                                                                           Motores                       Motores

                                                CV              115 v oltios        230 v oltios         230 v oltios

                                                1.2                  45                  25                   ...
                                                4.3                  61                  35                   ...
                                                 1                   80                  45                   ...
                                                1½                   ...                 50                   40
                                                 2                   ...                 65                   50
                                                 3                   ...                 90                   70
                                                 5                   ...                135                  100
                                                7½                   ...                200                  150
                                                10                   ...                260                  200



12.35Ardilla con rotor bloqueado de 3 fases de 60 HERTZ PEQUEÑAS Y MEDIA NAS
     MOTORES de inducción de jaula nominal de 230 voltios
12.35.1 60 Hertz Diseño B, C, D y motores a 230 voltios

   La corriente de rotor bloqueado de una sola velocidad, 3 -fases, motores de velocidad constante de inducción valorados en 230
voltios, cuando se mide con tensión y frecuencia nominales impresionado y con el rotor bloqueado, no podrá exceder
los valores listados en la página siguiente.
MG 1-1998, Revisión 1                                                                     Sección II
Parte 12, Página 8                                                             PRUEBAS DE FUNCIONAMIENT O Y MOT ORES-AC


                              MÁXIMO rotor bloqueado por más de 60 Hz
                              Diseño B, C y motores D a 230 voltios
                                                          Rotor bloqueado
                                    CV                   Corriente, Amperes *              Cartas de diseño
                                    1.2                       20                             B, D

                                    4.3                             25                             B, D
                                     1                              30                           B, C, D
                                   1-1/2                            40                           B, C, D
                                     2                              50                           B, C, D

                                     3                              64                           B, C, D
                                     5                              92                           B, C, D
                                   7-1/2                           127                           B, C, D
                                     10                            162                           B, C, D
                                     15                            232                           B, C, D

                                     20                            290                           B, C, D
                                     25                            365                           B, C, D
                                     30                            435                           B, C, D
                                     40                            580                           B, C, D
                                     50                            725                           B, C, D

                                     60                            870                           B, C, D
                                     75                           1085                           B, C, D
                                    100                           1450                           B, C, D
                                    125                           1815                           B, C, D
                                    150                           2170                           B, C, D

                                    200                           2900                             B, C
                                    250                           3650                               B
                                    300                           4400                               B
                                    350                           5100                               B
                                    400                           5800                               B

                                    450                           6500                               B
                                    500                           7250                               B
                         * La corriente de rotor bloqueado de los motores diseñados para tensiones de 230
                         voltios será inversamente proporcional a la tensión.



12.35.2 60 Hertz Diseño E Motores a 230 voltios
     Eliminados.
Sección II                                                                                                                MG 1-1998, Revisión 1
PRUEBAS DE FUNCIONAMIENT O Y MOT ORES-AC                                                                                    Parte 12, página 9


                                   MÁXIMO rotor bloqueado por más de 60 Hz
                                     DISEÑO E MOTORES a 230 voltios


      Eliminados.


12.35.3 50 Hertz Diseño B, C, D y motores a 380 voltios
   La corriente de rotor bloqueado de una sola velocidad, 3-fases, motores de velocidad constante de inducción valorados en 380
voltios, cuando se mide con tensión y frecuencia nominales impresionado y con el rotor bloqueado, no podrá exceder
los valores mostrados en la T abla 12-1.
                              Tabla 12-1
                  MÁXIMO rotor bloqueado DE 50 Hz
                    Diseño B, C, y D MOTORES a 380 voltios


                                  Rotor bloqueado                                                   Rotor bloqueado
                                   Actual,                  Diseño                                   Actual,                  Diseño
                  CV               Amperios *               Cartas                   CV              Amperios *               Cartas
               3 / 4 o menos        20                      B, D                     25               243                     B, C, D

                      1                   20                 B, C, D                 30                    289                 B, C, D
                    1-1/2                 27                 B, C, D                 40                    387                 B, C, D
                      2                   34                 B, C, D                 50                    482                 B, C, D
                      3                   43                 B, C, D                 60                    578                 B, C, D
                      5                   61                 B, C, D                 75                    722                 B, C, D

                    7-1/2                 84                 B, C, D                 100                   965                 B, C, D
                     10                  107                 B, C, D                 125                   1207                B, C, D
                     15                  154                 B, C, D                 150                   1441                B, C, D
                     20                  194                 B, C, D                 200                   1927                 B, C
            ** La corriente de rotor bloqueado de los motores diseñados para tensiones de 380 voltios será inversamente
            proporcional a la tensión.



12.35.4 50 Hertz Diseño E Motores a 380 voltios
      Eliminados.
MG 1-1998, Revisión 1                                                                               Sección II
Parte 12, Página 10                                                                      PRUEBAS DE FUNCIONAMIENT O Y MOT ORES-AC




12.36 VALOR MÁXIMO Instantané DIVERSAS DE Corriente de entrada
    Los valores en los cuadros anteriores son valores eficaces simétricos, es decir, promedio de las tres fases.
Habrá un ciclo de valor de un medio instantáneo máximo que puede variar desde 1,8 hasta 2,8 veces el anterior
los valores en función del diseño del motor y el ángulo de conmutación. Esto se basa en una temperatura ambiente
de 25 ° C.


12.37 características de par de motores polifásicos PEQUEÑO
    El par máximo de un propósito general polifásicos de jaula de ardilla pequeña, con una tensión nominal
y la frecuencia de aplicación, no podrá ser inferior a 140 por ciento del par máximo de una sola fase
de uso general pequeño motor de la misma calificación caballos de fuerza y velocidad dada en 12,32.

    NOTA: La velocidad a la par máximo es normalmente mucho más bajos en los pequeños motores polifásicos que en pequeño de un so lo
    motores trifásicos. P ares más elevados de degradación son necesarios para los motores polifásicos de manera que polifásicos y monofásicos
    Los motores se han intercambiables características de funcionamiento, clasificación de calificación, cuando se aplica a la normalidad de una sola fase
    motor de cargas.


12.38Par con rotor bloqueado de un solo VELOCIDA D POLIFÁSICOS jaula de ardilla MEDIO
     MOTORES CON valores continuos
12.38.1 Diseño A y B Motores

   El par de rotor bloqueado del Diseño A y B, 60 - y 50 hertz, una sola velocidad polifásicos de jaula de ardilla
los motores de media, con tensión y frecuencia nominales aplicadas, no será inferior a los valores indicados en
T abla 12-2, que se expresan en porcentaje de par a plena carga. Para aplicacio nes con mayor par
requisitos, consulte 12.38.2 y 12.38.3 de los valores de par de rotor bloqueado para el diseño de C y motores D.
Sección II                                                                                                MG 1-1998, Revisión 1
PRUEBAS DE FUNCIONAMIENT O Y MOT ORES-AC                                                                    Parte 12, Página 11




                                       Tabla 12-2
                     Par con rotor bloqueado DE DISEÑO A y B, 60 - y 50-HERTZ Una velocidad-
                            POLIFÁSICOS jaula de ardilla MEDIO MOTORES
                                                           La v elocidad de sincronismo, Rpm
                 60 Hertz         3600           1800        1200900                              720          600              514
    CV           50 Hertz         3000           1500        1000750                               ...          ...              ...
                                   ...            ...         ... 140                             140          115              110
    1.2
                                   ...            ...        175135                               135          115              110
   4.3
    1                              ...           275         170135                               135          115              110
   1-1/2                          175            250         165130                               130          115              110
                                  170            235         160130                               125          115              110
    2


    3                              160            215             155             130             125           115             110
    5                              150            185             150             130             125           115             110
   7-1/2                           140            175             150             125             120           115             110
   10                              135            165             150             125             120           115             110
   15                              130            160             140             125             120           115             110


    20                             130            150             135             125             120           115             110
    25                             130            150             135             125             120           115             110
    30                             130            150             135             125             120           115             110
    40                             125            140             135             125             120           115             110
    50                             120            140             135             125             120           115             110


    60                             120            140             135             125             120           115             110
    75                             105            140             135             125             120           115             110
    100                            105            125             125             125             120           115             110
    125                            100            110             125             120             115           115             110
    150                            100            110             120             120             115           115             ...


    200                            100            100             120             120             115            ...             ...
    250                            70             80              100             100             ...            ...             ...
    300                            70             80              100             ...             ...            ...             ...
    350                            70             80              100             ...             ...            ...             ...
    400                            70             80              ...             ...             ...            ...             ...
    450                            70             80              ...             ...             ...            ...             ...
    500                            70             80              ...             ...             ...            ...             ...



12.38.2 Diseño C Motores
  El par de rotor bloqueado de diseño C, 60 - y 50 hertz, una sola velocidad polifásicos de jaula de ardilla medio
motores, con tensión y frecuencia nominales aplicadas, no podrá ser inferior a los valores mostrados en la T abla 12 -3
que se expresan en porcentaje del par a plena carga.
                              Tabla 12-3
                  Par con rotor bloqueado DE DISEÑO DE MOTORES DE C

                                                    La v elocidad de sincronismo, Rpm
                                    60 Hz                 1800                                 1200                       900
           CV                       50 Hz                 1500                                 1000                       750
           1                                               285                                  255                       225

           1.5                                                    285                          250                        225
            2                                                     285                          250                        225
            3                                                     270                          250                        225
            5                                                     255                          250                        225
           7.5                                                    250                          225                        200
           10                                                     250                          225                        200
           15                                                     225                          210                        200
   20-200 Incluido                                                200                          200                        200
MG 1-1998, Revisión 1                                                                  Sección II
Parte 12, Página 12                                                         PRUEBAS DE FUNCIONAMIENT O Y MOT ORES-AC


12.38.3 Diseño D Motores
   El par de rotor bloqueado del Diseño D, 60 - y 50 hertz, 4 -, 6 - y 8 polos, de una sola velocidad polifásicos
jaula de ardilla, motores de media nominal 150 caballos de fuerza y más pequeños, con tensión y frecuencia nominales
aplicado, no podrá ser inferior a 275 por ciento, expresados en porcentaje del par a plena carga.

12.38.4 Diseño E Motores
      Eliminados.

12.39DESGLOSE DE PAR DE UNA SOLA VELOCIDA D POLIFÁSICOS jaula de ardilla MEDIO
     MOTORES CON valores continuos
12.39.1 Diseño A y B Motores

  El par máximo de Diseño A y B, 60 - y 50 hertz, una sola velocidad polifásicos de jaula de ardilla
los motores de media, con tensión y frecuencia nominales aplicadas, no será inferior a los valores siguientes
que se expresan en porcentaje del par a plena carga:


                                                               La v elocidad de sincronismo, Rpm
                       60 Hertz        3600           1800       1200900                             720        600          514
        CV             50 Hertz        3000           1500       1000750                              ...        ...          ...
        1.2                             ...            ...               225 ...                     200        200          200

        4.3                              ...            ...          275            220              200        200          200
         1                               ...           300           265            215              200        200          200
       1-1/2                            250            280           250            210              200        200          200
         2                              240            270           240            210              200        200          200

         3                              230            250           230            205              200        200          200
         5                              215            225           215            205              200        200          200
       7-1/2                            200            215           205            200              200        200          200
10-125, inclusive                       200            200           200            200              200        200          200
        150                             200            200           200            200              200        200           ...

        200                             200            200           200            200              200         ...          ...
        250                             175            175           175            175               ...        ...          ...
     300-350                            175            175           175             ...              ...        ...          ...
400-500 inclusive,                      175            175            ...            ...              ...        ...          ...



12.39.2 Diseño C Motores
  El par máximo de Diseño de C, 60 - y 50 hertz, una sola velocidad polifásicos de jaula de ardilla medio
motores, con tensión y frecuencia nominales aplicadas, no podrá ser inferior a los siguientes valores que son
expresados en porcentaje del par a plena carga:


                                                                 La v elocidad de sincronismo, Rpm
                                    60 Hz                       18001200                                               900
                                    50 Hz                       15001000                                               750
       CV
        1                                                        200225                                                200
      1-1/2                                                     200225                                                 200
                                                                200225                                                 200
       2
                                                                200225                                                 200
       3
       5                                                        200200                                                 200
     7-1/2-20                                                   200190                                                 190
                                                                190190                                                 190
   25-200 Incluido
Sección II                                                                                               MG 1-1998, Revisión 1
PRUEBAS DE FUNCIONAMIENT O Y MOT ORES-AC                                                                   Parte 12, Página 13


12.39.3 Diseño E Motores
      Eliminados.

12.40PULL-UP PAR DE UNA SOLA VELOCIDA D POLIFÁSICOS jaula de ardilla de los motores de media
     CON valores continuos
12.40.1 Diseño A y B Motores

   El par de pull-up de diseño A y B, de una sola velocidad, polifásicos de jaula de ardilla medio de motores, con
tensión y frecuencia nominales aplicadas, no será inferior a los siguientes valores que se expresan en
por ciento de par a plena carga:


                                                           La v elocidad de sincronismo, Rpm
                60 Hertz         3600            1800        1200900                           720             600         514
    CV          50 Hertz         3000            1500        1000750                            ...             ...         ...
    1.2                           ...             ...                100 ...                   100             100         100

    4.3                            ...            ...            120             100           100             100         100
     1                             ...            190            120             100           100             100         100
   1-1/2                          120             175            115             100           100             100         100
     2                            120             165            110             100           100             100         100

     3                            110             150            110             100           100             100         100
     5                            105             130            105             100           100             100         100
   7-1/2                          100             120            105             100           100             100         100
    10                            100             115            105             100           100             100         100
    15                            100             110            100             100           100             100         100

    20                            100             105            100             100           100             100         100
    25                            100             105            100             100           100             100         100
    30                            100             105            100             100           100             100         100
    40                            100             100            100             100           100             100         100
    50                            100             100            100             100           100             100         100

    60                            100             100            100             100           100             100         100
    75                             95             100            100             100           100             100         100
    100                            95             100            100             100           100             100         100
    125                            90             100            100             100           100             100         100
    150                            90             100            100             100           100             100          ...

    200                            90             90             100             100           100              ...         ...
    250                            65             75              90             90             ...             ...         ...
    300                            65             75              90              ...           ...             ...         ...
    350                            65             75              90              ...           ...             ...         ...
    400                            65             75              ...             ...           ...             ...         ...

    450                            65             75              ...             ...           ...             ...         ...
    500                            65             75              ...             ...           ...             ...         ...
MG 1-1998, Revisión 1                                                                   Sección II
Parte 12, página 14                                                          PRUEBAS DE FUNCIONAMIENT O Y MOT ORES-AC


12.40.2 Diseño C Motores
    El par de pull-up de diseño de motores de C, con tensión y frecuencia nominales aplicadas, no podrá ser inferior
a los siguientes valores que se expresan en porcentaje de par a plena carga:


                                                     La v elocidad de sincronismo, Rpm
                                             60 Hz       18001200                                          900
                              CV             50 Hz       15001000                                          750
                              1                           195180                                           165

                            1-1/2                              195                 175                     160
                              2                                195                 175                     160
                              3                                180                 175                     160
                              5                                180                 175                     160
                            7-1/2                              175                 165                     150
                              10                               175                 165                     150
                              15                               165                 150                     140
                              20                               165                 150                     140
                              25                               150                 150                     140
                              30                               150                 150                     140
                              40                               150                 150                     140
                              50                               150                 150                     140
                              60                               140                 140                     140
                              75                               140                 140                     140
                             100                               140                 140                     140
                             125                               140                 140                     140
                             150                               140                 140                     140
                             200                               140                 140                     140



12.40.3 Diseño E Motores
      Eliminados.


12.41 DESGLOSE DE PAR DE MEDIO motores polifásicos de rotor bobinado CON
       Valores continuos
    El desglose de los pares de 60 - y 50 hertz, polifásicos de rotor bobinado motores de media, con calificación
tensión y la frecuencia aplicada, no será inferior a los siguientes valores que se expresan en por ciento
de par a plena carga:



                                                                  Par máximo, porcentaje del total-
                                                                            Par de carga
                                                                       La v elocidad de sincronismo, Rpm
                                                                   18001200900
                                                     60 Hz         1500100750
                                    CV               50 Hz
                                                                    ...... 250
                                    1

                                    1½                                 ...               ...               250
                                    2                                 275                275               250
                                    3                                 275                275               250
                                    5                                 275                275               250
                                    7½                                275                275               225
                                    10                                275                250               225
                                    15                                250                225               225
                           20-200 Incluido                            225                225               225
Sección II                                                                                                                               MG 1-1998, Revisión 1
PRUEBAS DE FUNCIONAMIENT O Y MOT ORES-AC                                                                                                   Parte 12, página 15


12.42 ACELERA CIÓN DE PAR DE DISEÑO E Una velocidad POLIFÁSICOS jaula de ardilla
       MOTORES medio con valores continuos
     Eliminados.

12.43 TEMPERATURA RISE E para motores pequeños e UNIVERSAL
    T emperaturas de 12.43.1 y 12.43.2 se determinará de acuerdo con lo siguiente:
  a. Para los motores monofásicos - IEEE Std 114
  b. Para motores de inducción polifásicos - IEEE Std 112



12.43.1 de corriente alterna pequeños motores, placas de identificación del motor marcados con el sistema de aislamiento
     Designación y la temperatura ambiente

   El aumento de la temperatura, por encima de la temperatura del medio de refrigeración, para cada una de las diversas partes de
el motor no deberá exceder los valores dados en la tabla siguiente cuando se prueban de acuerdo con la
calificación, salvo que para motores que tienen un factor de servicio superior a 1,0, el aumento de la temperatura no
exceder los valores dados en la tabla siguiente cuando se pro bó en el factor de carga de servicio:



Clase de sistema de aislamiento (ver 1,65) .......................................... .......... ... ... ... ... ........            A         B      F*         H*
Valoración del tiempo (véase 10.36)
Aumento de la temperatura (en base a una temperatura ambiente máxima de 40 grados CC °),
 a. Bobinados
  1. Los motores abiertos que no sean las señaladas en los puntos A.2 y A.5 la resistencia, o
    termopar ................................................. ....................... ... ... ... ... ................
  2. Abrir los motores con factor de servicio 1.15 o superior - resistencia o
    termopar ................................................. ....................... ... ... ... ... ................              60       80      105        125
  3. Los motores totalmente cerrados no ventilados, tales como las variaciones de los mismos -
     resistencia o termopares ............................................... ....... ... ... ... ... ...........
                                                                                                                                     70       90      115        ...


                                                                                                                                     65       85      110        130
     4. T otalmente cerrados enfriados por ventilador, incluyendo las variaciones de los mismos -
        resistencia o termopares ............................................... .......... ... ... ... ... .........                65       85      110        135
     5. Cualquier motor en un marco más pequeño que el periodo de 42 - resistencia o
       termopar ... ... ... ... ... ... ... ... ... ... ... ... ... ... ... ... ... ... ... ... ... ... ... ... ... ... ... ... ..
                                                                                                                                     65       85      110        135
* Cuando un sistema de clase F o H de aislamiento se utiliza, debe prestarse especial atención a temperaturas de los cojinete s, lubricación, etc

     NOTAS

     1-anormal deterioro del aislamiento se puede esperar si la temperatura ambiente de 40 ° C se excede en regulares
     la operación. Ver 12.43.3.

     2-Los valores anteriores de aumento de la temperatura se basan en la operación a altitudes de 3300 pies (1000 metros) o
     menos. P ara aumentar la temperatura de los motores destinados a la operación a altitudes superiores a 3300 pies (1000 metros) , véase 14.4.
MG 1-1998, Revisión 1                                                                                            Sección II
Parte 12, página 16                                                                                   PRUEBAS DE FUNCIONAMIENT O Y MOT ORES-AC


12.43.2 Universal de los motores
   El aumento de la temperatura, por encima de la temperatura del medio de refrigeración, para cada una de las diversas partes de
el motor, cuando se analizaron de acuerdo con la calificación, no deberá exceder los valores indicados en la siguiente
tabla:


Clase de sistema de aislamiento (ver 1,65) .......................................... .......... ... ... ... ... ........     A          B          F*    H*
Valoración del tiempo (véase 10.36)
Aumento de la temperatura (en base a una temperatura ambiente máxima de 40 º C) grados C
a. Bobinados
 1. Motores abiertos - termopar o la resistencia ................................ ... ... ... ... ........ ...
 2. Los motores totalmente cerrados no ventilados, tales como las variaciones de los mismos -
   termopar o la resistencia ............................................... ........ ... ... ... ... ...........            60         80          105   125
 3. T otalmente cerrados enfriados por ventilador, incluyendo las variaciones de los mismos -
   resistencia o termopares ............................................... ........ ... ... ... ... ...........             65         85          110   130


                                                                                                                             65         85          110   135
* Cuando un sistema de clase F o H de aislamiento se utiliza, debe prestarse especial atención a temperaturas de los cojinete s, lubricación, etc

     NOTAS

     1-anormal deterioro del aislamiento se puede esperar si la temperatura ambiente de 40 ° C se excede en regulares
     la operación. Ver 12.43.3.

     2-Los valores anteriores de aumento de la temperatura se basan en la operación a altitudes de 3300 pies (1000 metros) o
     menos. P ara aumentar la temperatura de los motores destinados a la operación a altitudes superiores a 3300 pies (1000 metros) , véase 14.4.
                                                                                                  o
12.43.3 aumento de temperatura para ambientes superiores a 40 C
    La temperatura se eleva dado en 12.43.1 y 12.43.2 se basan en una temperatura ambiente de referencia
    o
de 40 ° C. Sin embargo, se reconoce que las máquinas de inducción pueden ser necesarios para operar en un ambiente
                  o
temperatura superior a 40 ° C. Para el funcionamiento con éxito de las máquinas de inducción en la temperatura ambiente
          o
superior a 40 C, la temperatura se eleva de las máquinas que figuran en 12.43.1 y 12.43.2 se reducirá en un
                                         o
12.44 Aumento de la temperatura MEDIO DE INDUCCIÓN MONOFÁSICO y polifásicos
el número de grados que la temperatura ambiente supera los 40 ° C. Cuando la temperatura ambiente más alta
       MOTORES
      ooooo
     El aumento de la temperatura, por encima de la temperatura del medio de refrigeración, para cada una de las diversas partes de
de motor no deberá excedervalores preferidos de la temperatura ambiente es 50 ° C, 65 C,acuerdo 115 la
el 40 º C es necesario, los los valores dados en la tabla siguiente cuando se prueban de 90 C y con C.
calificación, salvo que para motores que tienen un factor de servicio 1.15 o superior, el aumento de la temperatura no excederá
los valores indicados en la siguiente tabla se probó sobre el factor de carga de servicio. Las temperaturas se
determinado de acuerdo con lo siguiente:
  a. Para los motores monofásicos - IEEE Std 114
  b. Para motores de inducción polifásicos - IEEE Std 112
Sección II                                                                                                                         MG 1-1998, Revisión 1
PRUEBAS DE FUNCIONAMIENT O Y MOT ORES-AC                                                                                             Parte 12, página 17



Clase de sistema de aislamiento (ver 1,65) .......................................... ..... ... ... ... ... ... ............. ..    A       B       F*     H*†
Valoración del tiempo (debe ser continuo o cualquier calificación a corto tiempo determinado en 10,36)
Aumento de la temperatura (en base a una temperatura ambiente máxima de 40 grados CC °),
a. Bobinados, por el método de la resistencia
 1. Los motores con factor de servicio 1.0 que no sean las señaladas en los puntos
   A.3 y A.4

                                                                                                                                   60      80       105    125
   2. T odos los motores de 1.15 o más alto factor de servicio ................................... ... ... ... ... ... .. ......   70      90       115     ...
   3. T otalmente cerrado no ventilado motores con factor de servicio 1,0 ....... ... ... ... ... ... .........                    65      85       110    130
   4. Los motores con bobinados encapsulados y con factor de servicio 1.0, todos los
     recintos
  b. Las temperaturas alcanzados por los núcleos, bobinas de jaula de ardilla, y varios                                            65      85       110    ...
    partes (por ejemplo, brushholders, cepillos, consejos de polo, etc) no dañar el aislamiento
    o la máquina en ningún aspecto


* Cuando un sistema de clase F o H de aislamiento se utiliza, debe prestarse especial atención a temperaturas de los cojinete s, lubricación, etc
† Esta columna se aplica a los motores polifásicos solamente.

     NOTAS

     1-anormal deterioro del aislamiento se puede esperar si la temperatura ambiente de 40 ° C se excede en regulares
     la operación. Ver 12.44.1.

     2-Los valores anteriores de aumento de la temperatura se basan en la operación a altitudes de 3300 pies (1000 metros) o
     menos. P ara aumentar la temperatura de los motores destinados a la operación a altitudes superiores a 3300 pies (1000 metros) , véase 14.4.
                                                                                                 o
12.44.1 aumento de temperatura para ambientes superiores a 40 C
                                                                                                                                                      o
    La temperatura se eleva da en 12,44 se basan en una temperatura ambiente de referencia de 40 ° C.
Sin embargo, se reconoce que las máquinas de inducción puede ser necesario para operar a una temperatura ambiente
          o
superior a 40 ° C. Para el funcionamiento con éxito de las máquinas de inducción a una temperatura ambiente superior a
  o
40 ° C, que aumenta la temperatura de las máquinas que figuran en 12,44 se reducirá el número de grados
                            oo
que la temperatura ambiente supera los 40 ° C. Cuando la temperatura ambiente más alta de 40 º C es necesario,
12.45      VARIACIÓN DE FRECUENCIA tensión y CLASIFICA DO
                                 oooo
los valores preferidos de la temperatura ambiente es 50 ° C, 65 C, 90 C y 115 C.
12.45.1 Ejecución
    Motores de corriente alterna deberá operar con éxito en condiciones de funcionamiento a plena carga con una
variación en el voltaje o la frecuencia a la siguiente:
  a. Más o menos 10 por ciento de la tensión nominal, con una frecuencia nominal de los motores de inducción.
  b. Más o menos 6 por ciento de la tensión nominal, con una frecuencia nominal de los m otores universales.
  c. Más o menos 5 por ciento de la frecuencia nominal, con una tensión nominal.
  d. Una variación combinada de la tensión y la frecuencia de 10 por ciento (suma de valores absolutos) de la clasificación
      valores, siempre y cuando la variación de frecuencia no exceda más o menos 5 por ciento de la calificación
      frecuencia, y la variación del voltaje de los motores universales (excepto motores de los ventiladores) no exceda más
      o menos del 6 por ciento del voltaje nominal.
    El funcionamiento dentro de estas variaciones de voltaje y la frecuencia no será necesariamente de acuerdo con
las normas establecidas para su funcionamiento a tensión y frecuencia nominales.




12.45.2 A partir
   Los motores de media y comenzará a acelerar la velocidad con una carga que tiene una característica de par
y un valor de inercia que no exceda de los enumerados en el 12,55 con el voltaje y variaciones de frecuencia especificada
en 12.45.1.
   Los valores límite de tensión y frecuencia en que un motor con éxito inicial y
acelerar a la velocidad de carrera dependerá del margen entre la curva de par -velocidad del motor a la corriente nominal
tensión y la frecuencia y la curva de par-velocidad de la carga en condiciones de partida. Dado que el par
desarrollado por el motor a cualquier velocidad es aproximadamente proporcional al cuadrado de la tensión y la
MG 1-1998, Revisión 1                                                                 Sección II
Parte 12, Página 18                                                        PRUEBAS DE FUNCIONAMIENT O Y MOT ORES-AC


inversamente proporcional al cuadrado de la frecuencia, es deseable en general para determinar lo que la tensión
y las variaciones de frecuencia que realmente ocurrirá en cada instalación, teniendo en cuenta las caídas de tensión
resultante de la corriente de arranque consumida por el motor. Esta información y los requisitos de par de la
máquina de definir la curva de motor a la velocidad del par, a tensión y frecuencia nominales, lo cual es adecuado
para la aplicación.


12.46 desequilibrio de tensión
   Motores de corriente alterna polifásicos deberá operar con éxito en condiciones de correr a la corriente nominal
carga cuando el desequilibrio de tensión en los bornes del motor no supere el 1 por ciento. El rendimiento no se
necesariamente ser el mismo que cuando el motor está funcionando con una tensión equilibrada en los terminales del motor
(Ver 14.36).


12,47 VARIACIÓN DE VELOCIDAD NOMINAL
    La variación de la placa o la velocidad de los datos publicados de la corriente alterna, monofásicos y
polifásicos, medio motores no podrá exceder del 20 por ciento de la diferencia entre la velocidad de sincronismo y
velocidad nominal cuando se mide la tensión nominal, la frecuencia y la carga y con una temperatura ambiente de
  o
25 C.

12.48 PLACA AMPERIOS- CORRIENTE ALTERNA motores de media
   Cuando se opera a una tensión nominal, frecuencia nominal, y la salida de pot encia nominal, la entrada en amperios
no variará con respecto al valor nominal en más del 10 por ciento.


12.49 ACTUAL exceso ocasional
   Motores polifásicos no tener potencias superiores a 500 caballos de fuerza (de acuerdo con esta parte) y clasificado
tensiones no superiores a 1 kV será capaz de soportar una corriente igual a 1,5 veces la carga nominal completa
actual por no menos de dos minutos cuando el motor está inicialmente a la temperatura normal de funcionamiento.
   Sobrecargas repetidas resulta en una operación prolongada a temperaturas por encima de la cuerda máxima
valores dados por 12,44 dará lugar a la vida del aislamiento reducido.



12.50 TIEMPO BLOQUEO
     Motores polifásicos no tener potencias superiores a 500 caballos de fuerza y tensión nominal no superior a
1kV será capaz de soportar corrientes de rotor bloqueado por no menos de 12 segundos cuando el motor está
inicialmente a las temperaturas normales.
     Motores especialmente diseñados para cargas de inercia mayor que los de la T abla 6.12, deberá figurar en el
placa de identificación con el tiempo de parada permitida en cuestión de segundos.


12.51 DE FUNCIONA MIENTO DE LOS MOTORES DE MEDIA TENSIÓN RATING DUAL
   Cuando un motor medio está marcado con una amplia gama de voltaje dual o el motor deberá cumplir con todos
requisitos de rendimiento de MG 1 en el rango de voltaje indicado.
Sección II                                                                                                                          MG 1-1998, Revisión 1
PRUEBAS DE FUNCIONAMIENT O Y MOT ORES-AC                                                                                              Parte 12, Página 19


12.52 FACTOR DE SERVICIO DE MOTORES DE CORRIENTE ALTERNA
12.52.1 uso general de corriente alterna Motores del tipo abierto

  Cuando se opera a una tensión nominal y la frecuencia de uso general de corriente alterna los motores de la
de tipo abierto con un aumento de la temperatura nominal de acuerdo con 12,43 para motores de pequeña o mediana de 12,44
Los motores deben tener un factor de servicio de acuerdo con la tabla 4.12 (ver 14.37).

                                                                    Tabla 12-4
                                                                   FACTORES DE SERVICIO
                                                                                 Factor de Serv icio

                                                                         La v elocidad de sincronismo, Rpm

    CV             3600            1800             1200              900               720               600               514

   01.20            1.4             1.4              1.4               1.4               ...               ...               ...
   12.01            1.4             1.4              1.4               1.4               ...               ...               ...
    8.1             1.4             1.4              1.4               1.4               ...               ...               ...                P equeño
    6.1            1.35            1.35             1.35              1.35               ...               ...               ...                Motores
    1.4            1.35            1.35             1.35              1.35               ...               ...               ...
    1.3            1.35            1.35             1.35              1.35               ...               ...               ...
    1.2            1.25            1.25             1.25              1,15 *             ...               ...               ...               Medio
    4.3            1.25            1.25             1,15 *            1,15 *             ...               ...               ...                Motores
     1             1.25            1,15 *           1,15 *            1,15 *             ...               ...               ...
1-1/2-125          1,15 *          1,15 *           1,15 *            1,15 *           1,15 *            1,15 *            1,15 *
   150             1,15 *          1,15 *           1,15 *            1,15 *           1,15 *            1,15 *              ...
   200             1,15 *          1,15 *           1,15 *            1,15 *           1,15 *              ...               ...
   250              1.0            1,15 *           1,15 *            1,15 *             ...               ...               ...
   300              1.0            1,15 *           1,15 *              ...              ...               ...               ...
   350              1.0            1,15 *           1,15 *              ...              ...               ...               ...
   400              1.0            1,15 *             ...               ...               ..               ...               ...
   450              1.0            1,15 *             ...               ...              ...               ...               ...
   500              1.0            1,15 *             ...               ...              ...               ...               ...
* En el caso de polifásicos de jaula de ardilla motores, estos factores de servicio sólo se aplican al Diseño A, B, C, E y mo tores.


12.52.2 Otros motores
    Cuando se opera a un voltaje y frecuencia nominales, otras de tipo abierto y totalmente cerrado t odas las alterna-
motores de corriente continua con un aumento de la temperatura nominal de acuerdo con 12,44 tendrá un factor de servicio de 1 ,0.
    En aquellas aplicaciones que requieren una capacidad de sobrecarga, el uso de una potencia nominal mayor , ya que dada
en 10.32.4, se recomienda no sobrepasar la temperatura se eleva para la clase de sistema de aislamiento
utilizados y para proporcionar capacidad de par adecuado.
MG 1-1998, Revisión 1                                                                       Sección II
Parte 12, Página 20                                                              PRUEBAS DE FUNCIONAMIENT O Y MOT ORES-AC


12,53 exceso de velocidad PARA MOTORES
12.53.1 Motores jaula de ardilla y de rotor bobinado

    Jaula de ardilla y de rotor bobinado motores de inducción, con excepción de los motores de la grúa, se construirán de forma que, en
una emergencia que no exceda de 2 minutos, que podrá soportar sin exceso de velocidad del daño mecánico por encima de
la velocidad de sincronismo, de acuerdo con lo siguiente. Durante este estado de exceso de velocidad, la máquina no es
eléctricamente conectados a la red.


                                                                                       Exceso de v elocidad, porcentaje
                                                                Sincrónico              de Sy nchronous
                                     CV                         Velocidad, RPM             Velocidad
                                 200 y más pequeño              1801 y más                  25

                                                                 1201 a 1800                         25
                                                                1200 y por debajo de                 50
                                   250-500, incl.                1801 y más                          20
                                                                1800 y por debajo de                 25


12.53.2 uso general de jaula de ardilla Motores de Inducción
    De uso general de jaula de ardilla motores de inducción de los valores nominales especificados en el Cuadro 12 -4A y
caballos de fuerza por las asignaciones de cuadro por la parte 13 se mecánicamente construidas de tal forma que es capaz de
funcionando de forma continua a la carga nominal a una velocidad no inferior a la velocidad indicada en el Cuadro 12 -4A, cuando
directamente acoplado. Los motores en los que esta velocidad es mayor que la velocidad de sincronismo a 60 Hz se
capaz de soportar el exceso de velocidad, que no exceda de dos minutos, del 10 por ciento por encima de la velocidad indicada en el
Cuadro 12-4A, sin daños mecánicos. Para los motores donde la velocidad en la T abla 12 -4A es igual a
la velocidad de sincronismo a 60 Hz, los límites de velocidad excesiva en 12.53.1 será de aplicación, suponiendo que el motor no está
activa cuando el exceso de velocidad se produce.
    Cuadro 12-4A no se aplica a los motores utilizados en aplicaciones con cinturón. Para aplicaciones con cinturón, consulte
el fabricante del motor.



                                                              Cuadro 12-4A
 Capacidad de velocidad CONTINUA PARA USO GENERAL MOTOR de inducción de jaula de ardilla
     EN DIRECTO LAS SOLICITUDES ACOPLADOS, EXCEPTO LOS MOTORES EN LA TABLA 12-5

                                Totalmente cerrado enf riado por v entilador                              Dripproof abierto
                                                                 Velocidad de sincronismo de 60 Hz

                         3600                   1800                  1200               3600                    1800                1200
 Caballo de f uerza                                                 Velocidad mínima de diseño
   1.4                   5200                   3600                24005200                                     3600                2400
       1.3               5200                   3600                  2400               5200                    3600                2400
       1.2               5200                   3600                  2400               5200                    3600                2400
       4.3               5200                   3600                  2400               5200                    3600                2400
        1                5200                   3600                  2400               5200                    3600                2400
       1.5               5200                   3600                  2400               5200                    3600                2400

        2                5200                   3600                  2400               5200                    3600                2400
        3                5200                   3600                  2400               5200                    3600                2400
        5                5200                   3600                  2400               5200                    3600                2400
       7.5               4500                   2700                  2400               5200                    2700                2400

       10                4500                   2700                  2400               4500                    2700                2400
       15                4500                   2700                  2400               4500                    2700                2400
       20                4500                   2700                  2400               4500                    2700                2400
       25                4500                   2700                  1800               4500                    2700                1800
       30                4500                   2700                  1800               4500                    2700                1800
                                                                                                (Continúa en la página siguiente.)
Sección II                                                                                                                    MG 1-1998, Revisión 1
PRUEBAS DE FUNCIONAMIENT O Y MOT ORES-AC                                                                                        Parte 12, Página 21


                                                             Cuadro 12-4A (Continuación)
 Capacidad de velocidad CONTINUA PARA USO GENERAL MOTOR de inducción de jaula de ardilla
     EN DIRECTO LAS SOLICITUDES ACOPLADOS, EXCEPTO LOS MOTORES EN LA TABLA 12-5

                                     Totalmente cerrado enf riado por v entilador                                   Dripproof abierto
                                                                        Velocidad de sincronismo de 60 Hz
                              3600                   1800                    1200                   3600                    1800              1200
 Caballo de f uerza                                                        Velocidad mínima de diseño

        40                    3600                    2300                   1800                    4500                   2300              1800
        50                    3600                    2300                   1800                    3600                   2300              1800
        60                    3600                    2300                   1800                    3600                   2300              1800
        75                    3600                    2300                   1800                    3600                   2300              1800
       100                    3600                    2300                   1800                    3600                   2300              1800

       125                    3600                    2300                   1800                    3600                   2300              1800
       150                    3600                    2300                   1800                    3600                   2300              1800
       200                    3600                    2300                   1800                    3600                   2300              1800
       250                    3600                    2300                   1200                    3600                   2300              1200
       300                    3600                    1800                   1200                    3600                   2300              1200

       350                    3600                    1800                   1200                    3600                   1800              1200
       400                    3600                    1800                      -                    3600                   1800                -
       450                    3600                    1800                      -                    3600                   1800                -
       500                    3600                    1800                      -                    3600                   1800                -


12.53.3 Propósito General Diseño A y B de acoplamiento directo de jaula de ardilla Motores de Inducción
   De propósito general Diseño A y B (eje de T S para los motores por encima del tamaño de marco 250) de jaula de ardilla
motores de inducción de los valores nominales especificados en la T abla 12 -5 y caballos de fuerza por las asignaciones de cuadro por la parte
13 deberá ser capaz de operar mecánicamente construidas de tal forma que es capaz de funcionar continuamente
con la carga nominal a una velocidad no inferior a la velocidad indicada en la T abla 5.12, cuando directamente acoplado. Aque llos
motores en los que esta velocidad es mayor que la velocidad de sincronismo de 60 Hz debe ser capaz de
soportar exceso de velocidad, que no exceda de dos minutos, del 10 por ciento por encima de la velocidad indicada en la T abla 5.12
sin daño mecánico. Para los mot ores donde la velocidad en la T abla 5.12 es igual a la velocidad de sincronismo en
60 Hz, los límites de velocidad excesiva en 12.53.1 será de aplicación, suponiendo que el motor no se activa cuando el
exceso de velocidad se produce.
   T abla 12.5 no se aplica a los motores utilizados en aplicaciones de cinturón de seguridad. Para aplicaciones con cinturón con sultar el
fabricante del motor.
12.53.4 de corriente alterna de la serie y motores universales



   De corriente alterna en serie y motores universales se construirán de forma que, en caso de emergencia no
exceder de 2 minutos, que podrá soportar sin daño mecánico un exceso de velocidad el 10 por ciento por encima de la no -
velocidad1 carga con volt ajes nominales.




1 P ara los motores que están íntimamente unidos a las cargas que no puede ser desconectado accidentalmente, las palabras "no -
la velocidad de carga "se interpretará en el sentido de la condición de carga más ligera posible, con la carga.
MG 1-1998, Revisión 1                                                                 Sección II
Parte 12, Página 22                                                        PRUEBAS DE FUNCIONAMIENT O Y MOT ORES-AC


                     Tabla 12-5
Capacidad de velocidad CONTINUA PARA USO GENERAL DE DISEÑO A y B Acoplamiento directo (TS
 EJE DE MOTORES POR ENCIMA DEL TAMAÑO 250) de jaula de ardilla MOTORES DE INDUCCIÓN
                          Totalmente cerrado enf riado por v entilador                    Dripproof abierto
                                       Velocidad de sincronismo de 60 Hz
                        3600180012003600
                                                                                                 1800         1200
                                         Velocidad mínima de diseño
 Caballo de f uerza              3600720024007200
   1.4
                                                                                                 3600         2400
       1.3              7200                3600               2400               7200           3600         2400
       1.2              7200                3600               2400               7200           3600         2400
       4.3              7200                3600               2400               7200           3600         2400
        1               7200                3600               2400               7200           3600         2400
       1.5              7200                3600               2400               7200           3600         2400

        2               7200                3600               2400               7200           3600         2400
        3               7200                3600               2400               7200           3600         2400
        5               7200                3600               2400               7200           3600         2400
       7.5              5400                3600               2400               7200           3600         2400

       10               5400                3600               2400               5400           3600         2400
       15               5400                3600               2400               5400           3600         2400
       20               5400                3600               2400               5400           3600         2400
       25               5400                2700               2400               5400           2700         2400
       30               5400                2700               2400               5400           2700         2400

       40               4500                2700               2400               5400           2700         2400
       50               4500                2700               2400               4500           2700         2400
       60               3600                2700               2400               4500           2700         2400
       75               3600                2700               2400               3600           2700         2400
      100               3600                2700               1800               3600           2700         1800

      125               3600                2700               1800               3600           2700         1800
      150               3600                2700               1800               3600           2700         1800
      200               3600              2300                 1800               3600           2700         1800
      250               3600              2300                 1800               3600          2300          1800
      300               3600              2300                 1800               3600          2300          1800

      350               3600                1800               1800               3600          1800          1800
      400               3600                1800                 -                3600          1800            -
      450               3600                1800                 -                3600          1800            -
      500               3600                1800                 -                3600          1800            -


12.54 Sound Machine (MOTORES medio de inducción)
  Véase la Parte 9 para los límites de potencia de sonido y procedimientos de medición.
12.54.1 Calidad de sonido

      Eliminados.
Sección II                                                                                                    MG 1-1998, Revisión 1
PRUEBAS DE FUNCIONAMIENT O Y MOT ORES-AC                                                                        Parte 12, Página 23


12.54.2 La medición de sonido
      Eliminados.

12.54.3 niveles de potencia acústica de los motores polifásicos de inducción de jaula de ardilla
      Eliminados.

12.55 Número de arranques
12.55.1 Condiciones de arranque normal

    Diseño A, B y E de jaula de ardilla motores de inducción con calificaciones de potencia dada en 10.32.4 y
características de rendimiento de acuerdo con esta Parte 12 deberá ser capaz de acelerar sin
                 2
perjudicial Wk carga de calefacción que se refiere al eje del motor igual o inferior a los valores listados en la T abla 6.12
bajo las siguientes condiciones:
  a. T ensión aplicada y la frecuencia de acuerdo con 12.45.
  b. Durante el período de aceleración, el par de la carga conectada es igual o inferior a un par que
     varía con el cuadrado de la velocidad y es igual al 100 por ciento de carga nominal de par a la velocidad nominal.
  c. Dos salidas consecutivas (marcha a descansar entre arranques) con el motor inicialmente en el ambiente
     la temperatura o un principio con el motor inicialmente a una temperatura no super ior a su carga nominal
     temperatura de funcionamiento.


Aparte de las condiciones normales de partir 12.55.2
  Si las condiciones de partida son distintos de los indicados en 12.55.1, el fabricante del motor debe ser
consultados.

12.55.3 Consideraciones para inicia adicionales
    Cuando se inicia adicionales son necesarios, se recomienda que no se hizo hasta que todas las condiciones
que afectan la operación se han investigado a fondo y el aparato de examinar la evidencia de
un calentamiento excesivo. Se debe reconocer que el número de arranques deben mantenerse a un mínimo, ya que
la vida del motor se ve afectado por el número de arranques.


12,56 pruebas de rutina para motores polifásicos medio de inducción
12.56.1 Método de prueba

      El método de prueba de motores polifásicos de inducción se hará de conformidad con el estándar IEEE 112.

12.56.2 Las pruebas típicas de los motores Completamente ensamblado
   Las pruebas típicas que se pueden hacer en los motores totalmente ensamblados en fábrica y están amuebladas con
eje y el conjunto completo de los rodamientos son los siguientes:
  a. Medición de la resistencia del devanado.
  b. Sin carga lecturas de corriente y velocidad a la tensión normal y la frecuencia. En 50 motores de hertz , estos
     lecturas pueden ser tomadas a 60 hertz.
  c. Entrada de corriente a la frecuencia nominal, con rotor en reposo para los motores de jaula de ardilla. Esto puede ser tom ado
     monofásica o polifásica a la tensión nominal o reducida. (Cuan do esta prueba se realiza de una sola fase, el
     valores polifásico de una máquina de duplicar se debe dar en ningún informe.) En los motores de 50 hertz, estos
     lecturas pueden ser tomadas a 60 hertz.
  d. Medición de la relación de tensión en circuito abierto en los motores de rotor bobinado.
  e. Alto potencial de ensayo de acuerdo con 3.1 y 12.3.




12.56.3 típicos de pruebas de motores no Completamente ensamblado
    Las pruebas típicas que se pueden hacer en todos los motores no completamente ensamblado en la fábrica son
a continuación.
   a. Medición de la resistencia del devanado.
   b. Alto potencial de ensayo de acuerdo con 3.1 y 12.3.
MG 1-1998, Revisión 1                                                                 Sección II
Parte 12, Página 24                                                        PRUEBAS DE FUNCIONAMIENT O Y MOT ORES-AC



                                                Tabla 6.12
                                         Jaula de ardilla MOTORES DE INDUCCIÓN
                                                      La v elocidad de sincronismo, Rpm
                     3600             1800          1200900720                                              600     514
                                                      22Load Wk (Exclusiv o de Motor Wk), Lb-Ft 2
     CV
                                                    153153
     1
                       ...             5.8                                                                  82      118
      1½              1.8              8.6               23               45                77              120     174
      2               2.4               11               30               60               102              158     228
      3               3.5               17               44               87               149              231     335
      5               5.7               27               71               142              242              375     544

      7½              8.3               39              104               208              356              551     798
     10                11               51              137               273              467              723    1048
     15                16               75              200               400              685             1061    1538
     20                21               99              262               525              898             1393    2018
     25                26              122              324               647              1108            1719    2491

     30                31              144              384               769              1316            2042    2959
     40                40              189              503              1007              1725            2677    3881
     50                49              232              620              1241              2127            3302    4788
     60                58              275              735              1473              2524            3819    5680
     75                71              338              904              1814              3111            4831    7010

     100               92              441              1181             2372              4070            6320    9180
     125              113              542              1452             2919              5010            7790    11310
     150              133              640              1719             3456              5940            9230      ...
     200              172              831              2238             4508              7750              ...     ...
     250              210             1017              2744             5540               ...              ...     ...

     300              246             1197              3239              ...               ...              ...     ...
     350              281             1373              3723              ...               ...              ...     ...
     400              315             1546               ...              ...               ...              ...     ...
     450              349             1714               ...              ...               ...              ...     ...
     500              381             1880               ...              ...               ...              ...     ...



12.57 La protección térmica del los motores de media
   El protector de un motor con protección térmica deberá limitar la temperatura del bobinado y el viaje final
actual de la siguiente manera:


12.57.1 temperatura del bobinado
12.57.1.1           Ejecución de carga
    Cuando un motor marca "protección térmica" está funcionando a la máxima carga continua, que puede
realizar sin que el protector para abrir el circuito, la temperatura de las bobinas no excederá
la temperatura se muestra en la T abla 12-7.
Sección II                                                                                                                  MG 1-1998, Revisión 1
PRUEBAS DE FUNCIONAMIENT O Y MOT ORES-AC                                                                                      Parte 12, página 25



                                                               Tabla 7.12
                                                            Temperaturas del devanado
                                                                                           Máxima temperatura del bobinado,
                                Clase de aislamiento del sistema                               Grados C
                                       A                                                        140

                                                 B                                                          165
                                                 F                                                          190
                                                 H                                                          215



   Las pruebas se llevarán a cabo a cualquier temperatura ambiente dentro del rango de 10 ° a 40 CC °.
   La temperatura de las bobinas se medirá por el método de la resistencia, excepto que, para los motores
nominales de 15 caballos de fuerza y más pequeñas, la temperatura, alternativamente, se permite al ser medido por el
método de termopar.
   Corto tiempo de motores con y motores para servicio intermitente se permitirá que se ejecute sin carga y
reducción de la tensión, si es necesario, para una prueba de funcionamiento continuo para verificar que el protector de los l ímites de la
temperaturas a las que figuran en el cuadro anterior.



12.57.1.2                Rotor bloqueado
   Cuando un motor marca "protección térmica" está en condiciones de rotor bloqueado, el protector térmico
será el ciclo de limitar la temperatura del devanado de los valores dados en la T abla 12 -8.
   La prueba para motores con cambio automático de restablecimiento de protectores térmicos se extenderá hasta los picos de temperatura se
constante o durante 72 horas, lo que es más corto.
La prueba para motores con reset manual protectores térmicos será de 10 ciclos, el protector se vuelve a cerrar
tan pronto como sea posible después de que se abra. Si diez ciclos se completan en menos de una hora, sólo el "durante los primeros
horas "límites del cuadro 08.12 se aplican.




                                 Tabla 8.12
                   Temperatura del bobinado de rotor bloqueado BAJO CONDICIONES, GRADOS C
                                         La temperatura máxima, grados C *                                   Temperatura media, grados C ** *
                                           Clase de aislamiento del sistema                                    Clase de aislamiento del sistema
Tipo de
Protector                                    A             B             F             H                          A           B        F            H
Rearme automático

 Durante la primera hora                   200           225            250           275                         ...         ...      ...          ...
 Después de la primera hora                175           200            225           250                      150          175       200         225
Rearme manual
 Durante la primera hora                   200           225            250           275                         ...         ...      ...          ...
 Después de la primera hora                175           200            225           250                         ...         ...      ...          ...
* Test se le permitirá llevar a cabo a cualquier temperatura ambiente dentro del rango de 10 ° a 40 CC °.
** La temperatura media es la media del pico de la media y la temperatura media restablecimiento de caracol. La temperatura media
será dentro de los límites durante dos horas la segunda y última de la prueba.
MG 1-1998, Revisión 1                                                                 Sección II
Parte 12, Página 26                                                        PRUEBAS DE FUNCIONAMIENT O Y MOT ORES-AC


12.57.2 viaje actual
   Un motor de potencia nominal superior a 1 caballo de fuerza, marcado como "protección térmica" tendrá un viaje de último
actual, basado en un 40 º la temperatura ambiente, no en exceso de los siguientes porcentajes de motor completa -C
corrientes de carga:


                                                                        Corriente de disparo como porcentaje del
                               Motor completo de carga de amperios       Motor a plena carga
                                   9.0 y menos                                 170

                                 Más de 9,0, pero no más de 20,0                       156
                                          Más de 20,0                                  140



De doble voltaje motores deberán cumplir con los requisitos último viaje actual, tanto para las tensiones.

12.58Protección de sobrecalentamiento de los motores de media que no cumplan los
     DEFINICIÓN DE "protección térmica"
    Motores de potencia superior a 1 caballo de fuerza y marcado "OVER T EMP -PROT " están provistos de bobina
dispositivos de protección o sistemas de exceso de temperatura que no cumplen con la definición de "protección térmica".
   Los motores de marca "OVER T EMP -PROT " será seguido por el numeral 1, 2, 3 o estampado en el
espacio en blanco para indicar el tipo de protección de sobrecalentamiento de liquidación siempre. Para cada tipo, la
bobinado protector exceso de temperatura deberá limitar la temperatura del bobinado de la siguiente manera.



12.58.1 Tipo 1-devanado de marcha y la protección de sobrecalentamiento del rotor bloqueado
12.58.1.1 devanado de marcha de temperatura
   Cuando el motor está marcado "OVER T EMP PROT -1" y se está ejecutando en la carga máxima continua
que se puede llevar sin causar el protector de sobrecalentamiento bobina para funcionar, la temperatura de
los arrollamientos no excederá la temperatura se muestra en la T abla 12 -7.
   La temperatura de las bobinas se medirá por el método de la resistencia, excepto que, para los motores
nominales de 15 caballos de fuerza y más pequeñas, la temperatura se permitirá que se mide por el termopar
método.


12.58.1.2            Bobinado de rotor bloqueado de temperatura
    Además, cuando el motor está marcado "OVER T EMP PROT -1" y está en condiciones de rotor bloqueado,
el protector de sobretemperatura liquidación deberá limitar la temperatura de los bobinados de los valores mostrados en
T abla 12-7.

12.58.2 tipo 2-devanado de marcha de Protección de sobrecalentamiento
   Cuando el motor está marcado "OVER T EMP PROT -2" y está funcionando a la carga máxima continua
que se puede llevar sin causar el protector de sobrecalentamiento bobina para funcionar, la temperatura de
los arrollamientos no excederá la temperatura se muestra en la T abla 12 -7.
   Cuando el motor es tan marcada, la protección de rotor bloqueado no es proporcionada por el exceso de temperatura de liquidación
protector.


12.58.3 Tipo 3-Liquidación de Protección de sobretemperatura, de tipo inespecífico
   Cuando el motor está marcado "OVER T EMP PROT -3", el fabricante del motor deberá ser consultado para
detalles de las condiciones de protección o las temperaturas del devanado, o ambas cosas.

12.59 EFICIENCIA
12.59.1 Determinación de la eficiencia del motor y las pérdidas

  La eficiencia y las pérdidas se determinará de acuerdo con el estándar IEEE 112 o la Canadian Standards
Estándar de la Asociación C390. La eficacia se determinará a la potencia nominal, el voltaje y frecuencia.
  A menos que se especifique lo contrario, horizontal motores polifásicos, de jaula de ardilla medio nominal 1 a 400
caballos de fuerza, de los fotogramas asignados de conformidad con la norma NEMA MG publicación N º 13, se
Sección II                                                                                                                                    MG 1-1998, Revisión 1
PRUEBAS DE FUNCIONAMIENT O Y MOT ORES-AC                                                                                                        Parte 12, Página 27


a prueba por un dinamómetro (Método B) 1 como se describe en la Sección 6.4 de IEEE Std 112. La eficiencia del motor se
calcula utilizando el formulario B del estándar IEEE 112 o el equivalente C390 procedimiento de cálculo. Los motores verticales de
este rango de potencia también se someterán a prueba con el método B si teniendo los permisos de construcción, de lo contrari o
deberán ser probados por las pérdidas segregadas (Método E) 2 como se describe en la Secció n 6.6 del estándar IEEE 112, incluyendo
medición directa de la perdida de pérdida de carga.
    Motores polifásicos de más de 400 caballos de fuerza deberán ser probados de acuerdo con el estándar IEEE 112 con
callejeros-pérdida de carga determina mediante la medición directa o indirecta de medición (la pérdida de los ensayos, menos convencional
la pérdida.)
    Las pérdidas se incluirán en la determinación de la eficiencia:
           2
  a. Estator I R
               2
  b. Rotor I R
   c. Pérdidas del núcleo
   d. Pérdida de carga perdida
   e. Fricción y resistencia al viento loss3
  f. Cepillo de la pérdida de contacto de las máquinas de rotor bobinado
   Potencia necesaria para los elementos auxiliares, tales como bombas ex ternas o ventiladores, que son necesarios para la
funcionamiento del motor se hará constar por separado.
            2
   En la determinación de las pérdidas de IR en todas las cargas, la resistencia de cada bobinado se corregirá a un
temperatura igual a una temperatura ambiente de 25 ° más la temperatura de la carga nominal observado riseC
medida por la resistencia. Cuando el aumento de temperatura nominal de carga no se ha medido la resistencia de
la liquidación se corregirá a la siguiente temperatura:




                                      Clase de sistema de aislamiento                                                 Temperatura, grados C

                                                              A                                                                    75
                                                              B                                                                    95
                                                              F                                                                   115
                                                              H                                                                   130



   Si el aumento de la temperatura nominal se especifica como la de una clase más baja del sistema de aislamiento, la temperatur a
para la corrección de la resistencia será la de la clase de aislamiento inferior.

12.59.2 La eficiencia de los motores de media polifásicos de jaula de ardilla con valores continuos
    La eficiencia a plena carga de diseño A, B y E de una sola velocidad polifásicos de jaula de ardilla motores de media
en el rango de 1 a 400 caballos de fuerza para los marcos asignados de conformidad con la Parte 13, por encima de 400
caballos de fuerza hasta e incluyendo 500 caballos de fuerza, y el equivalente clasificaciones de Diseño C se determinarán
la placa por una eficiencia nominal seleccionado de la columna de la eficiencia nominal en la tabla 12.9 que
no deberá ser mayor que la eficiencia promedio de una población grande de motores del mismo diseño.
    La eficacia se identifica en la placa por el título "Eficiencia NEMA nominal" o
"NEMA Nom. Ef. "
    La eficiencia a plena carga, cuando se opera a tensión y frecuencia nom inales, no deberá ser menor que el
valor mínimo asociado con el valor nominal en la tabla 12 -9.




Un estándar CSA C390 Método 1.

2 estándar CSA C390 Método 2.

3 En el caso de los motores que están equipados con cojinetes de empuje, sólo la parte de la pérdid a de empuje producido
por el motor en sí se incluirán en el cálculo de la eficiencia. Por otra parte, un valor calculado de la eficiencia,
incluyendo la pérdida de los rodamientos debido a la carga de empuje externo, se permitirá que se determine.
En el caso de los motores que están amuebladas con menos de un completo conjunto de cojinetes de fricción y las pérdidas de f ricción con el aire, que
son
representante de la instalación real, se determinará por el cálculo o la experiencia con los rodamientos de taller de pruebas,
y se incluirán en el cálculo de la eficiencia.
MG 1-1998, Revisión 1                                                                  Sección II
Parte 12, Página 28                                                         PRUEBAS DE FUNCIONAMIENT O Y MOT ORES-AC



                                                           Tabla 9.12
                                                        Los niveles de eficiencia
                                        Mínimos de ef iciencia                                       Mínimos de ef iciencia
              Nominal                   Basado en 20% la pérdida de           Nominal                Basado en 20% la pérdida de
              Ef iciencia                 Dif erencia                         Ef iciencia              Dif erencia
                99.0                         98.8                               91.0                      89.5
               98.9                         98.7                               90.2                      88.5
               98.8                         98.6                               89.5                      87.5
               98.7                         98.5                               88.5                      86.5
               98.6                         98.4                               87.5                      85.5




                  98.5                           98.2                               86.5                       84.0
                  98.4                           98.0                               85.5                       82.5
                  98.2                           97.8                               84.0                       81.5
                  98.0                           97.6                               82.5                       80.0
                  97.8                           97.4                               81.5                       78.5




                  97.6                           97.1                               80.0                       77.0
                  97.4                           96.8                               78.5                       75.5
                  97.1                           96.5                               77.0                       74.0
                  96.8                           96.2                               75.5                       72.0
                  96.5                           95.8                               74.0                       70.0




                  96.2                           95.4                               72.0                       68.0
                  95.8                           95.0                               70.0                       66.0
                  95.4                           94.5                               68.0                       64.0
                  95.0                           94.1                               66.0                       62.0
                  94.5                           93.6                               64.0                       59.5




                  94.1                           93.0                               62.0                       57.5
                  93.6                           92.4                               59.5                       55.0
                  93.0                           91.7                               57.5                       52.5
                  92.4                           91.0                               55.0                       50.5
                  91.7                           90.2                               52.5                       48.0




                                                                                    50.5                       46.0



    Variaciones en materiales, procesos de fabricación, y el resultado en las pruebas de rendimiento del motor a motor
variaciones de un diseño de motor dado, la eficiencia a plena carga de una gran población de los motores de un solo
el diseño no es una eficiencia única, sino más bien una banda de eficiencia. Por lo tanto, la tabla 9.12 se ha
establecido para indicar una serie lógica de la eficiencia nominal del motor y el mínimo asociado
cada uno nominal. La eficiencia nominal representa un valor que se debe utilizar para calcular la energía
el consumo de un motor o grupo de motores.


12.60 Los niveles de eficiencia DE ENERGÍA EFICIENTE POLIFÁSICOS inducción jaula de ardilla
       MOTORES
    El nominal a plena carga la eficiencia de motores polifásicos de inducción de jaula de ardilla, con capacidad de 600 voltios o menos
determinado de acuerdo con 12.59.1, identificado en la placa de acuerdo con 12.59.2, y
tener un mínimo de eficiencia correspondientes, de conformidad con la T abla 12-9 será igual o superior al
los valores listados en la T abla 12-10 para el motor para ser clasificado como "eficiencia energética".
Sección II                                                                                               MG 1-1998, Revisión 1
PRUEBAS DE FUNCIONAMIENT O Y MOT ORES-AC                                                                   Parte 12, Página 29


12.61 EFICIENCIA NIVEL DE DISEÑO E POLIFÁSICOS inducción jaula de ardilla
       MOTORES
     Eliminados.


12.62 INFORME DE LA PRUEBA PARA LAS PRUEBAS DE MOTORES DE INDUCCIÓN
  Para informar sobre las pruebas de rutina en los motores de inducción, consulte el estándar IEEE 112, Apéndice A.


                                    Tabla 12-10
                           PLENA CARGA DE EFICIENCIA ENERGÉTICA motores eficientes
                                                        Motores abiertos
                      2 POLE                          4 POLE6 POLE                                                8 polos
               NominalMinimum                  NominalMinimumNominalMinimum                                NominalMinimum
               Ef f iciencyEfficiency          Ef f iciencyEfficiencyEfficiencyEfficiency                  Ef f iciencyEfficiency
    CV
    1.0             ...                  ...      82.5              80.0              80.0   77.0              74.0                 70.0
    1.5            82.5                 80.0      84.0              81.5              84.0   81.5              75.5                 72.0
    2.0            84.0                 81.5      84.0              81.5              85.5   82.5              85.5                 82.5
    3.0            84.0                 81.5      86.5              84.0              86.5   84.0              86.5                 84.0
    5.0            85.5                 82.5      87.5              85.5              87.5   85.5              87.5                 85.5

    7.5            87.5                 85.5      88.5              86.5              88.5   86.5              88.5                 86.5
   10.0            88.5                 86.5      89.5              87.5              90.2   88.5              89.5                 87.5
   15.0            89.5                 87.5      91.0              89.5              90.2   88.5              89.5                 87.5
   20.0            90.2                 88.5      91.0              89.5              91.0   89.5              90.2                 88.5
   25.0            91.0                 89.5      91.7              90.2              91.7   90.2              90.2                 88.5

   30.0            91.0                 89.5      92.4              91.0              92.4   91.0              91.0                 89.5
   40.0            91.7                 90.2      93.0              91.7              93.0   91.7              91.0                 89.5
   50.0            92.4                 91.0      93.0              91.7              93.0   91.7              91.7                 90.2
   60.0            93.0                 91.7      93.6              92.4              93.6   92.4              92.4                 91.0
   75.0            93.0                 91.7      94.1              93.0              93.6   92.4              93.6                 92.4

  100,0            93.0                 91.7      94.1              93.0              94.1   93.0              93.6                 92.4
  125,0            93.6                 92.4      94.5              93.6              94.1   93.0              93.6                 92.4
  150,0            93.6                 92.4      95.0              94.1              94.5   93.6              93.6                 92.4
  200,0            94.5                 93.6      95.0              94.1              94.5   93.6              93.6                 92.4
  250,0            94.5                 93.6      95.4              94.5              95.4   94.5              94.5                 93.6

  300,0            95.0                 94.1      95.4              94.5              95.4   94.5                ...                 ...
  350,0            95.0                 94.1      95.4              94.5              95.4   94.5                ...                 ...
  400,0            95.4                 94.5      95.4              94.5               ...    ...                ...                 ...
  450,0            95.8                 95.0      95.8              95.0               ...    ...                ...                 ...
  500,0            95.8                 95.0      95.8              95.0               ...    ...                ...                 ...
                                                                                                    Tabla 12-10 continúa en la página siguiente
MG 1-1998, Revisión 1                                                                 Sección II
Parte 12, página 30                                                        PRUEBAS DE FUNCIONAMIENT O Y MOT ORES-AC



                                  Tabla 12-10 (Continuación)
                          PLENA CARGA DE EFICIENCIA ENERGÉTICA motores eficientes
                                                 MOTORES CERRADOS
                      2 POLE                      4 POLE6 POLE                                           8 polos
              NominalMinimum               NominalMinimumNominalMinimum                          NominalMinimum
    CV
              Ef f iciencyEfficiency      Ef f iciencyEfficiencyEfficiencyEfficiency             Ef f iciencyEfficiency

   1.0           75.5              72.0      82.5              80.0              80.0   77.0        74.0              70.0
   1.5           82.5              80.0      84.0              81.5              85.5   82.5        77.0              74.0
   2.0           84.0              81.5      84.0              81.5              86.5   84.0        82.5              80.0
   3.0           85.5              82.5      87.5              85.5              87.5   85.5        84.0              81.5
   5.0           87.5             85.5       87.5              85.5              87.5   85.5        85.5              82.5



    7.5          88.5              86.5      89.5              87.5              89.5   87.5        85.5              82.5
   10.0          89.5              87.5      89.5              87.5              89.5   87.5        88.5              86.5
   15.0          90.2              88.5      91.0              89.5              90.2   88.5        88.5              86.5
   20.0          90.2              88.5      91.0              89.5              90.2   88.5        89.5              87.5
   25.0          91.0              89.5      92.4              91.0              91.7   90.2        89.5              87.5



   30.0          91.0              89.5      92.4              91.0              91.7   90.2        91.0              89.5
   40.0          91.7              90.2      93.0              91.7              93.0   91.7        91.0              89.5
   50.0          82.4              91.0      93.0              91.7              93.0   91.7        91.7              90.2
   60.0          93.0              91.7      93.6              92.4              93.6   92.4        91.7              90.2
   75.0          93.0              91.7      94.1              93.0              93.6   92.4        93.0              91.7
  100,0          93.6              92.4      94.5              93.6              94.1   93.0        93.0              91.7
  125,0          94.5              93.6      94.5              93.6              94.1   93.0        93.6              92.4
  150,0          94.5              93.6      95.0              94.1              95.0   94.1        93.6              92.4
  200,0          95.0              94.1      95.0              94.1              95.0   94.1        94.1              93.0
  250,0          95.4              94.5      95.0              94.1              95.0   94.1        94.5              93.6




  300,0          95.4              94.5      95.4              94.5              95.0   94.1          ...                 ...
  350,0          95.4              94.5      95.4              94.5              95.0   94.1          ...                 ...
  400,0          95.4              94.5      95.4              94.5               ...    ...          ...                 ...
  450,0          95.4              94.5      95.4              94.5               ...    ...          ...                 ...
  500,0          95.4              94.5      95.8              95.0               ...    ...          ...                 ...
Sección II                                                                                                                 MG 1-1998, Revisión 1
PRUEBAS DE FUNCIONAMIENT O Y MOT ORES-AC                                                                                     Parte 12, Página 31



                                             Tabla 12-11
                                     PLENA CARGA DE LA EFICACIA DE LOS MOTORES DE DISEÑO E

   Eliminados.


12.63 MÁQUINA CON encapsulado o SELLADO DEVANADOS-conformidad PRUEBAS
     Una corriente alterna de jaula de ardilla de la máquina de bobinados encapsulados o sellados deberán ser capaces
superar las pruebas que figuran a continuación.
    Después de que el estator se haya completado, se unen todos los cables juntos dejando la longitud suficiente para evitar la fuga
a las terminales y realizar las siguientes pruebas en el orden indicado:
   a. El estator encapsulado o sellado se probará en todas partes aisladas están sumergidos en un tanque
       de agua que contiene un agente humectante. El agente humectante se no iónicos y se añade un
       proporción suficiente para reducir la tensión superficial del agua a un valor de 31 dinas / cm (3.1μN / m) o
       menos a 25 ° C.
   b. Con 500 voltios de corriente continua, hacer una medición de resistencia de aislamiento de 10 minutos. El aislamiento
       valor de la resistencia no deberá ser menor que el mínimo recomendado en el estándar IEEE 43. (Aislamiento
       resistencia en megaohmios máquina de clasificación kilovoltios más 1.)
   c. T ema de la liquidación a un 60 hertz prueba de alto potencial de 1,15 veces la corriente nominal de línea a línea de tensi ón eficaz
       durante 1 minuto. El agua debe estar al potencial de tierra durante esta prueba.
   d. Con 500 voltios de corriente continua, hacer una medición de resistencia de aislamiento de 1 minuto. El aislamiento
       valor de la resistencia no deberá ser menor que el mínimo recomendado en el estándar IEEE 43. (Aislamiento
       resistencia en megaohmios máquina de clasificación kilovoltios más 1.)
   e. Quitar bobinado de agua, si es necesario enjuagar, secar y aplicar otras pruebas que sean necesarias.




12.64 MÁQUINA CON resistente a la humedad DEVANADOS- las pruebas de conformidad
    Una corriente alterna de jaula de ardilla de la máquina con la humedad bobinas resistentes deberán ser capaces de
superación de la prueba siguiente:
  a. Después de que el estator se haya completado, se unen todos los cables juntos y lo coloca en una cámara co n 100 por ciento
     humedad relativa y 40 ° de temperatura durante 168 horas, durante el cual shallC tiempo condensación visible
     estar de pie sobre la cuerda.
  b. Después de 168 horas quitar el estator de la cámara y dentro de los 5 minutos con 500 voltios
     de corriente directa de realizar una medición de resistencia de aislamiento 1 minuto siguiendo el procedimiento
     descritos en el estándar IEEE 43. El valor de resistencia de aislamiento no será inferior a 1,5 megaohmios.



    NOTAS

    1-La prueba anterior se recomienda como una prueba en una muestra representativa o prototipo, y no debe ser interpretado
    como una prueba de producción.

    2-La prueba de sellado de liquidación de conformidad en 12,63 serán autorizados para su uso en lugar de este procedimiento de p rueba para
    demostrar resistencia a la humedad de un prototipo.
MG 1-1998, Revisión 1              Sección II
Parte 12, Página 32     PRUEBAS DE FUNCIONAMIENT O Y MOT ORES-AC
Sección II                                                                                                 MG 1-1998, Revisión 1
PRUEBAS DE RENDIMIENT O Y DC-MOT ORES DE PEQUEÑA Y MEDIANA                                                   Parte 12, Página 33




                          Sección II
                 PEQUEÑOS (fraccional) y medio (INTEGRAL) MÁQUINAS
                          PARTE 12
                PRUEBAS DE RENDIMIENTO Y DC-MOTORES DE PEQUEÑA Y MEDIANA


12.0 ÁMBITO DE APLICACIÓN
   Las normas de esta Parte 12 de la Sección II cubre motores de corriente continua integrado en los marcos de continua
Calificaciones dripproof, o capacidad equivalente, hasta e incluyendo 1.25 caballos de fuerza por rpm, de tipo abierto.


12.65 Métodos de prueba
  Los exámenes para determinar las características de funcionamiento se hará de acuerdo con el estándar IEEE 113.


12.66 PRUEBA DE SUMINISTRO DE
ENERGÍA
12.66.1 motores pequeños
   Las pruebas de rendimiento en motores de corriente continua pequeños destinados a servir de ajuste de tensión del rectificado r
fuentes de alimentación se hará con una fuente de alimentación ajustable, derivado de una fuente de 60 hertz, que
proporcionar la tensión nominal y factor de forma nominal a carga nominal.

12.66.2 motores de media
         Véase la figura 1.12.

12.66.2.1             Baja ondulación fuentes de alimentación, la fuente de
                      alimentación A
    La clasificación de motores de corriente continua para uso de fuentes de alimentación de baja ondulación se basará en
el uso de una de las siguientes fuentes de alimentación de prueba:
  a. Generador de corriente continua
  b. Batería
  c. Un rectificador polifásico fuente de alimentación con más de seis pulsos por ciclo y un 15 por ciento o menos
     fase de control
  d. Cualquiera de los suministros de energía de 12.66.2.2 inductancia serie siempre suficiente se utiliza para obte ner
     6 por ciento, o menos, de pico a pico rizado de corriente de armadura.




12.66.2.2              Otras fuentes de alimentación del rectificador
   La clasificación de motores de corriente continua para uso en el poder rectificador de suministro distintas de la s
se describe en 12.66.2.1 se basará en el uso de una fuente de alimentación de prueba que tenga las características indicadas en
12.66.2.3 y se define en 12.66.2.4.

12.66.2.3              Características de la fuente de alimentación
12.66.2.3.1 entrada
    a.      Monofásica o trifásica, según se especifica
    b.      Frecuencia especificada. A menos que se especifique lo contrario, la frecuencia será de 60 hertz
    c.      Especificada de corriente alterna de tensión, además de un 2 por ciento, menos del 0 por ciento
    d.      Fuente de energía no deberán introducir impedancia en serie importante
MG 1-1998, Revisión 1                                           Sección II
Parte 12, Página 34                           PRUEBAS DE RENDIMIENT O Y DC-MOT ORES DE PEQUEÑA Y MEDIANA




                                                      Figura 12-1
                                                   SUMINISTROS prueba de potencia

12.66.2.3.2 de salida
    a. Calificación de corriente continua tensión del motor
    b. La corriente adecuada para dirigir todas las pruebas necesarias
    c. La diferencia entre las amplitudes máxima y mínima y máxima de los pulsos de corriente en un
      ciclo no podrá exceder del 2 por ciento de la mayor amplitud de pulso


12.66.2.4            Suministros designado por una sola letra
  Una fuente de alimentación de ensayos designados por una sola letra se tienen todas las características enumeradas en el
12.66.2.3 y, además, lo siguiente.

12.66.2.4.1 la fuente de alimentación C
   Fuente de alimentación de la carta de identificación "C" designa una red trifásica de onda completa fuente de alimentación co n seis en total
pulsos por ciclo y seis pulsos controlados por ciclo, sin rueda libre, con 60 hertz de entrada, sin
inductancia en serie se añaden externamente a la inductancia del circuito de inducido del motor. La entrada de línea a línea
de corriente alterna de tensión al rectificador de 230 voltios para potencias de motor en la T abla 9.10 de 10.62
y 460 voltios para potencias de motor en la T abla 10.10 de 10.62.


12.66.2.4.2 Fuentes de alimentación D
    Fuente de alimentación letra de identificación de "D" designa un semibridge de tres fases con tres controlados
pulsos por ciclo, con rueda libre, con la participación de 60 hertz, sin inductancia en serie que se añade el exterior
a la inductancia del circuito de inducido del motor. La entrada de línea a línea de corriente alterna de tensión para el rectificador
será de 230 voltios para las clasificaciones del motor indicados en la tabla 10.9 de 10,62 y 460 voltios para las clasificaci ones del motor
indicados en
T abla 10-10 de 10,62.

12.66.2.4.3 energía E de suministro
    Fuente de alimentación letra de identificación de "E" designa un período de tres fases de una sola manera de fuente de alimen tación con
tres
pulsos total por ciclo y tres pulsos controlados por ciclos, sin rueda libre, con 60 hertz de entrada,
y sin inductancia en serie que se añade el exterior de la inductancia del circuito de inducido del motor. La entrada
línea a línea de corriente alterna de tensión para el rectificador será de 460 voltios del motor se dan en la T abla 10 -
10 de 10,62.

12.66.2.4.4 Poder K Supply
    Fuente de alimentación letra de identificación «K» designa una sola fase de onda completa fuente de alimentación con dos
pulsos total por ciclo y dos pulsos controlados por ciclo, con rueda libre, con 60 hertz de entrada, sin
inductancia en serie se añaden externamente a la inductancia del circuito de inducido del motor. La entrada de alterna -
tensión actual en el rectificador de 230 voltios para los motores con índices de tensión de la armadura de 180 voltios en
T abla 10-8 y 115 voltios para los motores con tensión nominal de armadura de 90 voltios.
Sección II                                                                                                                                                 MG 1-1998, Revisión 1
PRUEBAS DE RENDIMIENT O Y DC-MOT ORES DE PEQUEÑA Y MEDIANA                                                                                                   Parte 12, Página 35


12.67 TEMPERATURA RISE E
    El aumento de la temperatura, por encima de la temperatura del medio de refrigeración, para cada una de las diversas partes de
el motor, cuando se analizaron de acuerdo con la clasificación a la velocidad de base, no deberá exceder los valores indicados en
las siguientes tablas.


12.67.1 Motores de corriente continua pequeños
   T odas las temperatura se eleva en la siguiente tabla se basan en una temperatura ambiente máxima de 40 ° C.
T emperaturas que se miden tanto por el termómetro o método de resistencia se determinará en
acuerdo con el estándar IEEE. 113.


                                                                                                                                                            Todas las cajas

 Clase de sistema de aislamiento (ver 1,65) .......................................... .......................................                        A             B            F
Valoración del tiempo (ver 10.63)
Aumento de la temperatura, grados C
 a. Devanados de armadura y todas las bobinas distintas de las enumeradas en el inciso b - resistencia ............                                   70           100          130
 b. Bobinado de derivación de campo - la resistencia ............................................. .........................................          70           100          130
 c. La temperatura alcanzada por los núcleos, los conmutadores y piezas diversas (tales como brushholders, cepillos, consejos de polo, etc) se
   no dañar el aislamiento o la máquina en ningún aspecto.

NOTAS
1-anormal deterioro del aislamiento se puede esperar si la temperatura ambiente de 40 ° se excede en el funcionamiento normal. SEEC
12.67.4.

2-Los valores anteriores de aumento de la temperatura se basan en la operación a altitudes de 3300 pies (1000 metros) o menos. P ara
aumento de la temperatura de los motores destinados a la operación a altitudes superiores a 3300 pies (1000 metros), véase 14.4.



12.67.2 Tiempo Continuo con mejor puntuación Motores de corriente continua media
 T odas las temperatura se eleva en la siguiente tabla se basan en una temper atura ambiente máxima de 40 ° C.
Las temperaturas se determinará de acuerdo con el estándar IEEE. 113.

                                       Totalmente cerrados no v entilados
                                     y totalmente cerrados con v entilador
                                         Motores, tales como las v ariaciones
                                                             De los mismos
                                                                                                                                               Motores con toda la documentación Otros
Clase de sistema de aislamiento (ver 1.65) ........................ A. ............. B.. F. ............. .............. H
                                                                                                                                               ABFH

  Tiempo de funcionamiento                                                                                                                                   Continuo
Aumento de la temperatura, grados C
 a. Devanados de armadura y todos los otros devanados
       que los indicados en los literales b y c -
      resistencia                                                                                                                                70         100          130     155
 b. Multi-capa de arrollamientos de campo - Resistencia .............. 70 ............. 100 ........... 130 .. ......... 155                     70         100          130     155
 c. De una sola capa con arrollamientos de campo expuestas
      superficies desnudas y desnudos de cobre
      devanados - Resistencia ..................................... 70 ......... .... 100 ........... 130 ........... 155                        70         100          130     155
 d. La temperatura alcanzada por los núcleos, los conmutadores y piezas diversas (tales como brushholders, cepillos, consejos de polo, etc) se
      no dañar el aislamiento o la máquina en ningún aspecto.
NOTAS
1-anormal deterioro del aislamiento se puede esperar si la temperatura ambiente de 40 ° se excede en el funcionamiento normal. SEEC
12.67.4.
2-Los valores anteriores de aumento de la temperatura se basan en la operación a altitudes de 3300 pies (1000 metro s) o menos. P ara
aumento de la temperatura de los motores destinados a la operación a altitudes superiores a 3300 pies (1000 metros), véase 14 .4.
MG 1-1998, Revisión 1                                                   Sección II
Parte 12, Página 36                                   PRUEBAS DE RENDIMIENT O Y DC-MOT ORES DE PEQUEÑA Y MEDIANA


12.67.3 corto tiempo con mejor puntuación Motores de corriente continua
media
  T odas las temperatura se eleva en las siguientes tablas se basan en una temperatura ambiente máxima de 40 ° C.
Las temperaturas se determinará de acuerdo con el estándar IEEE. 113.


                                                                                       Motores clasif icados 5 y 15 minutos *

                                                              Totalmente cerrados no v entilados
                                                             y totalmente cerrados con v entilador
                                                              Motores, tales como las v ariaciones                 Dripproof , f orzado v entilado, **
                                                                     De los mismos                                   y otros recintos
                                                              ABFH                                                 ABFH
Clase de sistema de aislamiento (ver 1.65)
Aumento de la temperatura, grados C *
a. Devanados de armadura y todos los otros devanados
  que los indicados en los literales b y c -
  resistencia
                                                               90          125          155           185           80           115          145        175
 b. Multi-capa de arrollamientos de campo - la resistencia     90          125          155           155           80           115          145        175
 c. De una sola capa con arrollamientos de campo expuestas
   superficies desnudas y desnudos de cobre
   devanados - Resistencia                                                  1751451158018515512590
 d. La temperatura alcanzada por los núcleos, los conmutadores y piezas diversas (tales como brushholders, cepi llos, consejos de polo, etc) se
   no dañar el aislamiento o la máquina en ningún aspecto.




                                                                                       Motores clasif icados 30 y * 60 Minutos
                                                              Totalmente cerrados no v entilados
                                                             y totalmente cerrados con v entilador
                                                              Motores, tales como las v ariaciones                 Dripproof , f orzado v entilado, **
                                                                     De los mismos                                   y otros recintos
                                                              ABFH                                                 ABFH
Clase de sistema de aislamiento (ver 1.65)
Aumento de la temperatura, grados C *
a. Devanados de armadura y todos los otros devanados
  que los indicados en los literales b y c -
  resistencia
                                                               80          110          140           165           70           100          130        155
 b. Multi-capa de arrollamientos de campo - la resistencia     80          110          140           165           70           100          130        155
 c. De una sola capa con arrollamientos de campo expuestas
   superficies desnudas y desnudos de cobre
   devanados - Resistencia
                                                                             1551301007016514011080
 d. La temperatura alcanzada por los núcleos, los conmutadores y piezas diversas (tales como brushholders, cepillos, consejos de polo, etc) se
   no dañar el aislamiento o la máquina en ningún aspecto.
* Vea 10,63.
Motores ** forzado ventilado están definidos en 1.25.6, 1.25.7, 1.26.4 y.
NOTAS
1-anormal deterioro del aislamiento se puede esperar si la temperatura ambiente de 40 ° se excede en el funcionamiento normal. SEEC
12.67.4.
2-Los valores anteriores de aumento de la temperatura se basan en la operación a altitudes de 3300 pies (1000 metros) o menos. P ara
aumento de la temperatura de los motores destinados a la operación a altitudes superiores a 3300 pies (1000 metros), véase 14 .4.




                                                                                        o
12.67.4 aumento de temperatura para ambientes superiores a 40 C
   La elevación de temperatura dado en 12.67.1, 12.67.2, 12.67.3 y se basan en un ambiente de referencia
            o
temperatura de 40 ° C. Sin embargo, se reconoce que las máquinas de corriente continua puede ser requerido para operar en un
                       o
temperatura ambiente superior a 40 ° C. Para la operación exitosa de máquinas de corriente continua a una temperatura ambient e
         o
superior a 40 C, la temperatura se eleva de las máquinas que figuran en 12.67.1, 12.67.2, 12.67.3 y se deberá
                                                o
reduce el número de grados que la temperatura ambiente supera los 40 ° C. Cuando un ambiente superior
              ooo
temperatura de 40 C es necesario, los valores preferidos de la temperatura ambiente es 50 ° C y 65 C.
Sección II                                                                                                 MG 1-1998, Revisión 1
PRUEBAS DE RENDIMIENT O Y DC-MOT ORES DE PEQUEÑA Y MEDIANA                                                   Parte 12, Página 37


12,68 variación de tensión nominal
    Los motores deben operar con éxito, utilizando la fuente de alimentación seleccionada para la base de la calificación, hasta e
incluyendo 110 por ciento de la intensidad nominal de corriente de armadura y de las tensiones sobre el terreno y, en el caso de los motores
funcionamiento de una fuente de alimentación del rectificador, con una variación de más o menos 10 por ciento de calificación alterna
tensión de la línea actual.
   El funcionamiento dentro de esta variación de la tensión no será necesariamente de acuerdo con las normas
establecido para la operación a la tensión nominal. Para funcionar por debajo de la velocidad base, consulte 14,63.



12,69 variación en la velocidad debido a la carga
12.69.1 Directo devanado en derivación, derivación estabilizado la herida, y de Imán Permanente directa-
     Motores de corriente continua

    La variación de la velocidad de carga nominal sin carga de una recta de derivación de la herida, estabilizado-derivación de la herida,
o de imán permanente de corriente del motor que tengan una calificación que figuran en 10.62, no deberán superar los siguient es
cuando el motor funciona a la tensión de inducido nominal, con la disolución a la temperatura constante
alcanzado cuando se opera a base de calificación de velocidad, y la temperatura ambiente está dentro del servicio habitual
rango indicado en 14.2.1, punto a.


                                                                        Regulación de v elocidad,
                                                                        Por ciento (en la Base
                                                        CV                Velocidad)
                                                                           25
                                           Menos de 3
                                           30-50                                  20
                                           51-100                                 15
                                           101 y más                              10



   Variación de la velocidad debido a las cargas cuando se opera a velocidades superiores a las velocidades de base puede ser ma yor
que los valores de la tabla anterior.

12.69.2 herida Compuesto-Motores de corriente continua
   La variación de la velocidad de carga nominal sin carga de un compuesto de la herida de corriente del motor con una
calificación que figuran en 10,62 no deberá exceder los valores indicados en la siguiente tabla para motores pequeños y que se
aproximadamente el 30 por ciento de la velocidad de carga nominal para motores de media cuando el motor funciona a la corriente nominal
tensión, con las bobinas a la temperatura constante alcanzado cuando se opera en su calificación, y la
temperatura ambiente está dentro del rango normal de servicios que figuran en 14.2.1, punto a.


                                                               Velocidad,               Regulación de v elocidad,
                                 CV                            Rpm                        Por ciento
                            1 / 20 a 08.01 incl.               1725                        30

                            1 / 20 a 1 / 8, incl.                1140                               35
                             1 / 6 a 1 / 3, incl.                1725                               25
                             1 / 6 a 1 / 3, incl.                1140                               30
                             1 / 2 a 3 / 4, incl.                1725                               22
                                     1.2                         1140                               25



12,70 variación de la velocidad base, debido a la calefacción
12.70.1 Velocidad de variación con la temperatura

   La variación en la velocidad base de la recta derivación de la herida, la derivación estabilizado la herida, y el imán permanente
motores de corriente continua a partir de que la carga nominal a temperatura ambiente para que la carga nominal en el
temperatura alcanzada en la armadura de la carga nominal y la tensión de campo después de una prueba de la duración especi ficada se
No exceda el siguiente porcentaje de la velocidad base nominal.
MG 1-1998, Revisión 1                                           Sección II
Parte 12, Página 38                           PRUEBAS DE RENDIMIENT O Y DC-MOT ORES DE PEQUEÑA Y MEDIANA


                                                                  Variación porcentual de la v elocidad nominal de carga base

                                                                                 Clase de aislamiento del sistema

                            Tipo incluido                              A               B                F               H

           Abierto                                                    10               15              20               25
           Totalmente cerrados                                        15               20              25               30



12.70.2 Resistencia variación con la temperatura
    Cuando la temperatura del bobinado del motor los cambios de la temperatura ambiente a la alcanzada cuando se
el motor está funcionando a su calificación, la resistencia de los bobinados del motor se incrementa aproximadamente un 30
por ciento para los motores con sistemas de clase A de aislamiento, el 40 por ciento para motores con aislamiento Clase B
sistemas, y el 50 por ciento para los motores con sistemas de clase de aislamiento F. Con una potencia de voltaje constante
la oferta, esto se traducirá en un cambio de velocidad tan grande como la que figura en 12.70.1. T eniendo en cuenta todos los factores, la
velocidad de motores de corriente continua o bien puede aumentar o disminuir la temperatura del bobinado del motor
aumenta. Para motores pequeños, el factor de armadura forma actual también aumentará ligeramente con el aumento de
temperatura del bobinado del motor, pero sólo con un rectificador monofásico es probable que esto sea significativo.



12,71 VARIACIÓN DE VELOCIDAD NOMINAL
  La variación por encima o por debajo de la nominal a plena velocidad de campo de un motor de corriente directa no deberá exceder 7 -1/2
por ciento cuando se opera a plena carga y tensión, y en pleno campo con las bobinas en la constante
temperatura alcanzada cuando se opera en sus calificaciones.


12.72 CAPACIDA D sobrecarga momentánea
     Motores de corriente continua debe ser capaz de llevar con éxito durante 1 minuto en una corriente de armadura
por lo menos 50 por ciento mayor que la corriente de armadura nominal a la tensión nominal. Para ajustar los motores de velocidad,
esta capacidad será de aplicación para todas las velocidades en el rango de la velocidad nominal cuando se opera a partir de la intención
fuente de alimentación.


12.73 CONMUTA CIÓN DE ÉXITO
    Conmutación de éxito se logra si no las escobillas ni colector son quemados o heridos
en la prueba de conformidad, o en el servicio normal en la medida en que el mantenimiento anormales se requiere. La
presencia de algunas chispas visibles, no es necesariamente evidencia de conmutación sin éxito.


12,74 exceso de velocidad PARA MOTORES
12.74.1 bobinado de derivación-Motores

   De corriente directa de la herida en derivación de los motores se fabricarán de manera que, en caso de emergencia no superará el 2
minutos, que podrá soportar sin daño mecánico un exceso de velocidad por encima de 25 por ciento más alto rating
la velocidad o el 15 por ciento por encima de la correspondiente velocidad sin carga, el que sea mayor.

12.74.2 herida Compuesto-motores con regulación de velocidad de 35 por ciento o menos
   Herida compuesto motores deberán estar construidos de manera que, en caso de emergencia no debe exceder de 2 minutos,
que podrá soportar sin daño mecánico un exceso de velocidad el 25 por ciento por encim a de la más alta velocidad nominal o
15 por ciento por encima de la correspondiente velocidad sin carga, el que sea mayor, pero no superior al 50 por ciento
por encima de la velocidad más alta calificación.


12.74.3 herida Series Motores y Motores de heridas compuesto-tener una regulación de velocidad
     Más del 35 por ciento

   Ya que estos motores requieren una consideración especial en función de la solicitud de que se
previsto, el fabricante deberá asignar una velocidad máxima de funcionamiento seguro que será estampado en el
placa de identificación. Estos motores se fabricarán de manera que, en caso de emergencia no exceda de dos minutos, se
soportar sin daño mecánico que un exceso de velocidad es de 10 por ciento por encima de la máxima de operación segura
velocidad. La velocidad de operación segura indicación no se requerirá en las placas de los motores pequeños que son
capaz de soportar una velocidad de 10 por ciento por encima de la velocidad sin carga.
Sección II                                                                                                                       MG 1-1998, Revisión 1
PRUEBAS DE RENDIMIENT O Y DC-MOT ORES DE PEQUEÑA Y MEDIANA                                                                         Parte 12, Página 39


12.75 datos de campo para Motores de corriente continua
  Ver 12,81.


12,76 pruebas de rutina de medio directo motores de corriente continua
    Las pruebas típicas que se pueden hacer en un medio de motores de corriente continua se enumeran a continuación. T odas las pr uebas
deben
se realizará de conformidad con el estándar IEEE. 113.
  a. Sin carga readings1 a la tensión nominal en todas las derivación, derivación estabilizado, compuesto de la herida, y
                                     1
   motores de imanes permanentes, la carga de cuartos de lecturas en todos los motores en serie de heridas.
                        1
 b. A plena carga en la base de lecturas y la más alta velocidad nominal en todos los motores que tienen un par continuo
     calificación superior a la de un joven de 15 caballos de fuerza de 1750 rpm del motor. Conmutación deben ser observados
                     1
   cuando a plena carga se toman las lecturas.
  c. Alto potencial de ensayo de acuerdo con 3.1 y 12.3.

12.77 INFORME DE LA FORMA DE PRUEBA PARA MÁQUINAS DE CORRIENTE
CONTINUA
  Para las formas de prueba típica, consulte el estándar IEEE. 113.
12.78 EFICIENCIA
12.78.1 tipo A Fuentes de alimentación

    La eficiencia y las pérdidas se determinará de acuerdo con el estándar IEEE. 113 con la directa
método de medición o el método de las pérdidas segregadas. La eficacia se determinará en la clasificación
de salida, tensión y velocidad. En el caso de motores de velocidad ajustable, la velocidad base se utiliza rá a menos que
se especifique lo contrario.
    Las pérdidas se incluirán en la determinación de la eficiencia:
     2
 a. I R pérdida de armadura
      2
 b. IR pérdida de bobinados serie (incluido el de conmutación, lo que agrava, y los campos de compensación, donde
     es aplicable)
      2c. I R pérdida de derivación campo2
 d. P érdidas del núcleo
  e. Pérdida de carga perdida
  f. Cepillo de la pérdida de contacto
  g. Cepillo de la pérdida por fricción
  h. La pérdida de excitación si se suministra con excitador e impulsada desde el eje de la máquina
  i. Las pérdidas de ventilación
  j. Fricción y resistencia al viento loss3




                                      2
  En la determinación de las pérdidas de IR, la resistencia de cada bobinado se corregirá a una temperatura igual
una temperatura ambiente de 25 ° más el observado aumento de temperatura de la carga nominal medido por resistance.C


1 La palabra "lecturas" incluye lo siguiente:
        a. La velocidad en revoluciones por minuto
        b. T ensión en los terminales del motor
        c. Amperios en la armadura
        d. Amperios en el campo en derivación
2 P ara los motores de excitación separada, el campo en derivación pérdida I2R se permitirá que se le excluya de la eficiencia
cálculo, si así se especifica.
3 En el caso de motores equipados con cojinetes de empuje, sólo la parte de la pérdida de empuje producido por la
motor en sí se incluirán en los cálculos de la eficiencia. Por otra parte, un valor calculado de la eficiencia, incluyendo
la pérdida de los rodamientos debido a la carga de empuje externo, se permitirá que se determine.
    En el caso de motores equipados con menos de un conjunto completo de las pérdidas de los rodamientos, la fricción y la fricción con el aire que
se
representante de la instalación real será determinada por (1) Cálculo o (2) experiencia con el taller de pruebas
los rodamientos y se incluirán en los cálculos de la eficiencia.
MG 1-1998, Revisión 1                                           Sección II
Parte 12, Página 40                           PRUEBAS DE RENDIMIENT O Y DC-MOT ORES DE PEQUEÑA Y MEDIANA


Cuando el aumento de temperatura nominal de carga no se ha medido la resistencia de la bobina se
corregido a la temperatura:



                               Clase de sistema de aislamiento            Temperatura, grados C
                                       A                                      85

                                              B                                        110
                                              F                                        135
                                              H                                        155


   Si el aumento de la temperatura se especifica como la de una clase más baja del sistema de aislamiento, la temperatura de
corrección de la resistencia será la de la clase de aislamiento inferior.

12.78.2 otras fuentes de energía
    No es posible hacer una prueba de simulación que va a determinar la eficiencia del motor en una rectificadora en particular
del sistema. Sólo mediante la medición directa de vatios de entrada (no el producto de voltios y amperios media promedio)
con el suministro de energía para ser utilizado en una aplicación puede la eficiencia del motor en el que el sistema de forma prec isa
determinado. Las pérdidas adicionales debido a la ondulación de la corriente, y especialmente los debidos a la magnética
pulsaciones, están en función no sólo de la magnitud de la onda de corriente de armadura, sino, también, de la actual
la forma de onda.


12.79 ESTABILIDA D
    Cuando los motores se operan en los sistemas de control por realimentación, debería prestarse la debida atención a la estabil idad
los problemas. Cualquiera de estos problemas necesariamente tienen que ser resueltos por los esfuerzos conjuntos del sistema de
diseñador, el fabricante del motor, y el fabricante de la fuente de alimentación.


12,80 SOBRE PROTECCION DE TEMPERA TURA DE MEDIO Motores de corriente continua
    El exceso de protección de temperatura de los bobinados diferentes en un motor de corrient e continua, especialmente en la armadura
bobinado que gira, es considerablemente más compleja que la protección del devanado del estator de un
motor de corriente alterna. La amplia gama de carga y la velocidad (ventilación) en el típico motor de corriente continua
aplicación se suma a la dificultad. Actuales de detección de dispositivos situados a distancia del motor (con frecuencia en
paneles de control) no puede coincidir con las características térmicas de motores de corriente continua en un amplio rango de velocidad
Debido a estas condiciones variables de refrigeración del motor.
    Con el fin de mejorar el grado de protección contra exceso de temperatura, un sensor de temperatura protector puede
ser instalado en un motor de corriente continua. Sin embargo, la precisión de la protección de exceso de temperatura protegido
motores de corriente continua es menor que el posible en la alternancia de motores de corriente continua. En más de la temper atura
protegidos motores de corriente continua, el protector se monta generalmente en o cerca de la bobina de conmutación. Desde
este bobinado lleva la corriente de carga del inducido, la temperatura tiende a subir y bajar con los cambios de carga en un
manera similar a la temperatura del bobinado del inducido.
    El fabricante del motor debe elegir el protector y la disposición de montaje para evitar
temperaturas excesivas de bien en el campo de conmutación o el devanado de armadura en la mayoría de las condiciones de
la operación. Sin embargo, bajo condiciones de carga inusual, el protector de exceso de temperatura puede no ser capaz de
evitar que el devanado de la armadura de alcanzar temperaturas excesivas durante períodos cortos. Bobinado máxima
temperaturas en la operación del protector de exceso de temperatura puede superar el aumento de la temperatura nominal.
Operación repetida de la protectora de exceso de temperatura indica que la instalación del sistema que debe ser
investigado.
    Si un motor de corriente continua se especifica como de exceso de temperatura protegido, el usuario deberá informar a la
del fabricante del motor si el normalmente abierto o un dispositivo de contacto normalmente cerrado que se requiere y la
voltaje, corriente y frecuencia nominal del circuito que se destina este dispositivo para abrir o cerrar.
Sección II                                                                                                                                              MG 1-1998, Revisión 1
PRUEBAS DE RENDIMIENT O Y DC-MOT ORES DE PEQUEÑA Y MEDIANA                                                                                                Parte 12, Página 41


12,81 DATOS PARA Motores de corriente continua
Los siguientes pueden ser utilizados en el suministro de datos para motores de corriente continua:


a. De tipo del fabricante                                                                                                                              ____________________
    y el marco de la designación ............................................... .................................................. .                  ____________________
b. Requisición o número de pedido .............................................. ...........................................                           ____________________
c. La potencia nominal                                                                                                                                 ____________________
d. T iempo de funcionamiento                                                                                                                           ____________________
e. Grado de protección                                                                                                                                 ____________________
f. Sistema de aislamiento
g. T emperatura ambiente máxima ............................................... .....................................
h. Destinados a servir de fuente de alimentación ............................................ ....................................
i. (Marque uno) Straight-shunt herida (), estabilizado-shunt herida (), compuesto
    herida (), herida serie () o un imán permanente ()
j. T ensión nominal
    1. Armadura
    2. Derivación de campo
k. Nominal de armadura actual ............................................... .................................................
l. Calificación forma eficaz factor__________or current__________amperes
m. Resistencia de los bobinados a 25 °
    1. Armadura                                                                                                                                        _________volts, el promedio de
    2. Conmutación (y compensar, si se utiliza) .......................................... ...................                                         _________volts, el promedio de
    3. Serie                                                                                                                                           _________amperes, el promedio de
    4. Derivación
n. Amperios de campo para obtener las siguientes velocidades en amperios de carga nominal:
    1. Base de velocidad ... ... ... ... ... ... ... ... ... ... ... ... ... ... ... ... ... ... ... ... ... ... ... ... ... ... ... ... ... ... ...
    2. 150 por ciento de la velocidad base, en su caso .......................................... .......................
    3. La velocidad más alta calificación ... ... ... ... ........................................... ........................................         _________ohms
o. Inductancias saturadas                                                                                                                              _________ohms
    1. Circuito de la armadura total ... .............................................. ......................................... ....                 _________ohms
    2. La velocidad más alta calificación ... .............................................. ..............................................            _________ohms
                      2
p. Armadura de inercia (Wk) ............................................. .................................................. ...
q. Si con ventilación separada, mínimo de pies cúbicos por minuto y la presión estática ...............
r. Velocidad máxima de operación segura (para todas las series de la herida y la herida motores compuesto                                              _____rpm _____amperes
    con regulación de velocidad superior a 35 por ciento) .......................................... .............                                     _____rpm _____amperes
                                                                                                                                                       _____rpm _____amperes



                                                                                                                                                       _____________millihenries
                                                                                                                                                       _____________millihenries
                                                                                                                                                              2
                                                                                                                                                       _________lb pies
                                                                                                                                                       _____inches ___cfm de agua


                                                                                                                                                       _________rpm
s. Protección de datos de temperatura

NOT A: Para motores de imanes permanentes y otros diseños de motor, algunos de los elem entos anteriormente enumerados pueden no ser aplicables.
Otros datos pueden ser dados.
MG 1-1998, Revisión 1                                              Sección II
Parte 12, Página 42                              PRUEBAS DE RENDIMIENT O Y DC-MOT ORES DE PEQUEÑA Y MEDIANA


12.82 equipo de sonido de los motores de media CORRIENTE
12.82.1 Las mediciones de sonido

    Sonido del motor debe ser medido de acuerdo con el estándar IEEE. 85, expresada en forma sonora en general
                                                        -12
niveles de potencia utilizando la red de ponderación A, y declaró en decibelios (referencia = 10 vatios).
    Mediciones de sonido se debe tomar cuando (1) el motor está conectado a un tipo de bajo rizado Un poder
la oferta, y (2) el motor funciona en vacío a la velocidad base.
    Debido a las muchas combinaciones de variables, no es práctico para establecer el nivel de potencia acústica
valores para motores de corriente continua que operan a distintas velocidades y cargas y con diferentes potencias
suministros.
12.82.2 Aplicación

    Los valores de potencia de sonido están relacionados con la fuente de sonido y no son afectadas por el medio ambiente
condiciones. Se calcula a partir de datos de las pruebas tomadas en las condiciones prescritas, y los valores se pueden
repite. Mediciones de campo se miden la presión sonora. Las mediciones de niveles de presión sonora
de los motores instalados en el campo puede ser correlacionada con los niveles de sonido de potencia, con las correcciones que
las condiciones ambientales como se indica en las normas NEMA MG Publicación 3.
    Los motores que funcionan por encima de la velocidad de base por lo general tienen niveles más altos de sonido. Los motores que
funcionan a partir de
rectificador de suministro de energía producen de por sí altos niveles de sonido que los operados de baja onda de energía
suministros.

12.82.3 niveles de sonido de Dripproof Industrial Motores de corriente continua
   Los niveles de potencia acústica de dripproof industrial motores de corriente continua, cuando se determine de acuerdo
con 12.82.1, por lo general no superan los valores indicados en la tabla 12 -12.

                                    Tabla 12-12
                     Niveles de ruido, en decibelios *, DE DRIPPROOF INDUSTRIAL
                     Motores de corriente continua a través del "A" DE LA RED DE PONDERACIÓN
                               (REFERENCIA = 10-12 WATT)

                                                                           Base de v elocidad, RPM
                        CV                      850                     1150                     1750    2500
                        1                        60                      63                       72      81
                       1-1/2                    60                      63                       72      81
                        2                       61                      64                       72      81
                        3                       62                      66                       72      82
                        5                       66                      68                       75      84



                       7-1/2                     69                       71                      77      86
                       10                        71                       73                      79      88
                       15                        74                       77                      82      90
                       20                        75                       79                      84      92
                       25                        77                       81                      86      94



                        30                       78                       82                      88      95
                        40                       79                       84                      90      96
                        50                       80                       85                      91      ...
                        60                       81                       86                      92      ...
                        75                       82                       87                      93      ...



                        100                      83                       88                      94       ...
                        125                      83                       88                      95       ...
                        150                      84                       89                      95       ...
                        200                      85                       90                      96       ...


                * Estos valores son los niveles generales de energía. No se debe confundir con sonido
                los niveles de presión que se mide con un sonómetro en una ubicación especificada.
Sección II                                                                                                             MG 1-1998
ASIGNACIONES DE MARCO PARA CORRIENT E ALT ERNA                                                                       Parte 13, página 1
INT EGRAL motores de potencia INDUCCIÓN




                              Sección II
                    PEQUEÑOS (fraccional) y medio (INTEGRAL) MÁQUINAS
                              Parte 13
                     ASIGNACIONES DE MARCO PARA CORRIENTE ALTERNA
                      INTEGRAL motores de potencia INDUCCIÓN


13.0      ÁMBITO DE
          APLICACIÓN
  Esta norma se aplica a las asignaciones de marco para las siguientes clasificaciones de corriente alterna integral -
potencia motores de inducción:

       a. Una sola fase, L Diseño, motores horizontales y verticales, de tipo abierto
       b. Polifásicos, de jaula de ardilla, diseño tipo A, B, C y E, motores horizontales y verticales, abiertas y
          totalmente cerrados con ventilador tipo.


13.1        DESIGNA CIONES PARA MARCO DE L DISEÑO MONOFÁSICO, horizontal y vertical
            MOTORES, 60 Hertz, Clase B SISTEMA DE AISLAMIENTO, tipo abierto, de servicio 1,15
            FACTOR, 230 voltios y MENOS


                                                                                 Velocidad, RPM
                CV                                    3600                        1800                                   1200
               4.3                                     ...                             ...                               145T
                1                                      ...                            143T                               182T
               1-1/2                                  143T                            145T                               184T
                2                                     145T                            182T                                ...
                3                                     182T                            184T                                ...
                5                                     184T                            213T                                ...
               7-1/2                                  213T                            215T                                ...


NOTA: consulte 4.4.1 para las dimensiones de las designaciones de marco.
MG 1-1998                                                                                Sección II
Parte 13, Página 2                                                      ASIGNACIONES DE MARCO PARA CORRIENT E ALT ERNA
                                                                          INT EGRAL motores de potencia INDUCCIÓN


13.2        DESIGNA CIONES PARA MARCO polifásico, jaula de ardilla, DISEÑOS A, B y E,
            MOTORES HORIZ ONTAL Y VERTICAL, 60 Hertz, Clase B SISTEMA DE AISLAMIENTO, OPEN
            TIPO, factor de servicio 1.15, 575 VOLTIOS Y MENOS *

                                                                                            Velocidad, RPM
                HP                                 3600                          1800                           1200                            900
               1.2                                 ...                            ...                            ...                           143T
               4.3                                 ...                            ...                           143T                           145T
                1                                  ...                           144T                           145T                           182T
               1-1/2                               143T                          145T                           182T                           184T
                2                                  145T                          145T                           184T                           213T

                 3                                 145T                          182T                           213T                           215T
                 5                                 182T                          184T                           215T                           254T
               12.07                               184T                          213T                           254T                           256T
                10                                 213T                          215T                           256T                           284T
                15                                 215T                          254T                           284T                           286T

                 20                                254T                          256T                           286T                           324T
                 25                                256T                          284T                           324T                           326T
                 30                               284T S                         286T                           326T                           364T
                 40                               286T S                         324T                           364T                           365T
                 50                               324T S                         326T                           365T                           404T

                 60                               326T S                       364T S **                        404T                           405T
                 75                               364T S                       365T S **                        405T                           444T
                100                               365T S                       404T S **                        444T                           445T
                125                               404T S                       405T S **                        445T                           447T
                150                               405T S                       444T S **                        447T                           449T
                200                               444T S                       445T S **                        449T                            ...
               250 †                              445T S                       447T S **                         ...                            ...
               300 †                              447T S                       449T S **                         ...                            ...
               350 †                              449T S                        ...                              ...                            ...



* La tensión nominal de 115 voltios se aplica sólo a motores con 15 caballos de fuerza y más pequeños.
** Cuando los motores se van a utilizar con V-cinturón o transmisiones de cadena, el tamaño del marco correcto es el tamaño del marco que se muestra, pero con la letra S
sufijo
  omitido. P ara las dimensiones de la extensión correspondiente del eje, ver 4 .4.1.
† clasificaciones de potencia de 250, 300 y 350 a la velocidad de 3600 rpm tiene un factor de servicio 1.0.
NOTA: consulte 4.4.1 para las dimensiones de las designaciones de marco.
Sección II                                                                                                                                 MG 1-1998
ASIGNACIONES DE MARCO PARA CORRIENT E ALT ERNA                                                                                           Parte 13, Página 3
INT EGRAL motores de potencia INDUCCIÓN


 13.3       DESIGNA CIONES PARA MARCO polifásico, jaula de ardilla, DISEÑOS A, B y E,
            MOTORES HORIZ ONTAL Y VERTICAL, 60 Hertz, SISTEMA DE AISLAMIENTO DE CLASE B,
            Totalmente cerrados con ventilador TIPO, 1.0 FACTOR DE SERVICIO, Y MENOS 575 VOLTIOS *

                                                                                            Velocidad, RPM
                HP                                  3600                          1800                          1200                            900
               1.2                                  ...                            ...                           ...                           143T
               4.3                                  ...                            ...                          143T                           145T
                1                                   ...                           143T                          145T                           182T
               1-1/2                                143T                          145T                          182T                           184T
                2                                   145T                          145T                          184T                           213T

                 3                                  182T                          182T                          213T                           215T
                 5                                  184T                          184T                          215T                           254T
               12.07                                213T                          213T                          254T                           256T
                10                                  215T                          215T                          256T                           284T
                15                                  254T                          254T                          284T                           286T

                 20                                256T                           256T                          286T                           324T
                 25                               284T S                          284T                          324T                           326T
                 30                               286T S                          286T                          326T                           364T
                 40                               324T S                          324T                          364T                           365T
                 50                               326T S                          326T                          365T                           404T

                60                                364T S                       364T S **                        404T                           405T
                75                                365T S                       365T S **                        405T                           444T
                100                               405T S                       405T S **                        444T                           445T
                125                               444T S                       444T S **                        445T                           447T
                150                               445T S                       445T S **                        447T                           449T
                200                               447T S                       447T S **                        449T                            ...
                250                               449T S                        449T S                           ...                            ...


* La tensión nominal de 115 voltios se aplica sólo a motores con 15 caballos de fuerza y más pequeños.
** Cuando los motores se van a utilizar con V-cinturón o transmisiones de cadena, el tamaño del marco correcto es el tamaño del marco que se muestra, p ero con la letra S
sufijo
  omitido. P ara las dimensiones de la extensión correspondiente del eje, ver 4.4.1.
NOTA: consulte 4.4.1 para las dimensiones de las designaciones de marco.
MG 1-1998                                                                                Sección II
Parte 13, Página 4                                                      ASIGNACIONES DE MARCO PARA CORRIENT E ALT ERNA
                                                                          INT EGRAL motores de potencia INDUCCIÓN


13.4        DESIGNA CIONES PARA MARCO polifásico, jaula de ardilla, Diseño C, HORIZONTAL
            Y MOTORES VERTICALES, 60 Hertz, Clase B SISTEMA DE AISLAMIENTO, tipo abierto, 1,15
            FACTOR DE SERVICIO, Y MENOS 575 VOLTIOS *

                                                                                            Velocidad, RPM
                HP                                     1800                                  1200                                           900
                 1                                    143T                                       145T                                     182T
                1.5                                   145T                                       182T                                     184T
                 2                                    145T                                       184T                                     213T
                 3                                    182T                                       213T                                     215T
                 5                                    184T                                       215T                                     254T
                7.5                                   213T                                       254T                                     256T
                 10                                   215T                                       256T                                     284T
                 15                                   254T                                       284T                                     286T
                 20                                   256T                                       286T                                     324T
                 25                                   284T                                       324T                                     326T
                 30                                   286T                                       326T                                     364T
                 40                                   324T                                       364T                                     365T
                50                                    326T                                       365T                                     404T
                60                                   364T S **                                   404T                                     405T
                75                                   365T S **                                   405T                                     444T
                100                                  404T S **                                   444T                                     445T
                125                                  405T S **                                   445T                                     447T
                150                                  444T S **                                   447T                                     449T
                200                                  445T S **                                   449T                                      ...




* La tensión nominal de 115 voltios se aplica sólo a motores con 15 caballos de fuerza y más pequeños.
** Cuando los motores se van a utilizar con V-cinturón o transmisiones de cadena, el tamaño del marco correcto es el tamaño del marco que se muestra, pero con la letra S
sufijo
  omitido. P ara las dimensiones de la extensión correspondiente del eje, ver 4 .4.1.
NOTA: consulte 4.4.1 para las dimensiones de las designaciones de marco.
Sección II                                                                                                                                 MG 1-1998
ASIGNACIONES DE MARCO PARA CORRIENT E ALT ERNA                                                                                           Parte 13, página 5
INT EGRAL motores de potencia INDUCCIÓN


13.5        DESIGNA CIONES PARA MARCO polifásico, jaula de ardilla, Diseño C, HORIZONTAL
            Y MOTORES VERTICALES, 60 Hertz, Clase B SISTEMA DE AISLAMIENTO, TOTALMENTE
            ADJUNTO refrigerado por aire TIPO, FACTOR DE SERVICIO 1.0, 575 VOLTIOS Y MENOS *

                                                                                            Velocidad, RPM
                 HP                                    1800                                  1200                                           900
                  1                                   143T                                       145T                                     182T
                 1.5                                  145T                                       182T                                     184T
                  2                                   145T                                       184T                                     213T
                  3                                   182T                                       213T                                     215T
                  5                                   184T                                       215T                                     254T
                 7.5                                  213T                                       254T                                     256T
                  10                                  215T                                       256T                                     284T
                  15                                  254T                                       284T                                     286T
                  20                                  256T                                       286T                                     324T
                  25                                  284T                                       324T                                     326T
                  30                                  286T                                       326T                                     364T
                 40                                   324T                                       364T                                     365T
                 50                                   326T                                       365T                                     404T
                 60                                  364T S **                                   404T                                     405T
                 75                                  365T S **                                   405T                                     444T
                 100                                 405T S **                                   444T                                     445T
                 125                                 444T S **                                   445T                                     447T
                 150                                 445T S **                                   447T                                     449T
                 200                                 447T S **                                   449T                                      ...




* La tensión nominal de 115 voltios se aplica sólo a motores con 15 caballos de fuerza y más pequeños.
** Cuando los motores se van a utilizar con V-cinturón o transmisiones de cadena, el tamaño del marco correcto es el tamaño del marco que se muestra, pero con la letra S
sufijo
  omitido. P ara las dimensiones de la extensión correspondiente del eje, ver 4 .4.1.
NOTA: consulte 4.4.1 para las dimensiones de las designaciones de marco.
MG 1-1998                                     Sección II
Parte 13, Página 6           ASIGNACIONES DE MARCO PARA CORRIENT E ALT ERNA
                               INT EGRAL motores de potencia INDUCCIÓN




                     ESTA PÁGINA INTENCIONALMENTE
                        Se deja en blanco
Sección II                                                                                                              MG 1 1998
DAT OS DE LA SOLICIT UD-AC y DC MÁQUINAS PEQUEÑAS Y MEDIANAS                                                         Parte 14, página 1




                      Sección II
            PEQUEÑOS (fraccional) y medio (INTEGRAL) MÁQUINAS
                      Parte 14
           DATOS DE LA SOLICITUD-AC y DC MÁQUINAS PEQUEÑAS Y MEDIANAS


14.0    ÁMBITO DE APLICACIÓN
     Las normas de este 14 sección II, parte cubierta de los siguientes equipos:
    a. Máquinas de corriente alterna-corriente alterna máquinas hasta, e incluyendo las calificaciones construido en
       cuadros correspondientes a la continua de tipo abierto las calificaciones dadas en la tabla de abajo.



                                                                                                 Generadores,
                                                                                                Sincrónico,
                                           Motores,                                              Giratorio
                                         Jaula de ardilla                                       Tipo de campo kW
                                                              Motores, sincrónico, Hp
                                          y la herida                                              en el 0,8
                      Sincrónico                                 Factor de Potencia
                                          Rotor, Hp                                             Factor de Potencia
                        Velocidad                             Unity 0.8
                                             500                                                    400
                        3600                                   500400
                                             500                                                   400
                        1800                                   500400
                                             350                                                   300
                        1200                                   350300
                                             250                                                   200
                        900                                    250200
                                             200                                                   150
                        720                                    200150
                                             150                                                   125
                        600                                    150125
                                             125                                                   100
                        514                                    125100




    b. Las máquinas de corriente continua-corriente continua máquinas construidas en los marcos con dripproof continua
      calificaciones o capacidades equivalentes, hasta e incluyendo:
      1. motores-1.25 caballos de fuerza por rpm, de tipo abierto
      2. generadores de 1,0 kilovatios por rpm, de tipo abierto



14.1 La selección apropiada de APARATO
     Las máquinas deben ser adecuadamente seleccionados con respecto a sus condiciones de servicio, usuales o inusuales, tanto
de las cuales involucran las condiciones ambientales a que está sometida la máquina y el funcionamiento del
condiciones. Máquinas conformes a las Partes del 10 al 15 de esta publicación están diseñados para funcionar en
conformidad con sus calificaciones en las condiciones de servicio habitual. Algunas máquinas también pueden ser capaces de
funcionamiento de acuerdo con sus calificaciones en una o más condiciones de servicio poco común. Propósito definido
o máquinas especiales puede ser necesario para algunas condiciones inusuales.
    Condiciones de servicio, distintos de los especificados como de costumbre, puede implicar cierto grado de riesgo. La
peligro adicional depende del grado de desviación de las condiciones de operación normal y de la gravedad
del medio ambiente para que la máquina está expuesta. Los resultados peligro adicional de cosas tales como
sobrecalentamiento, fallas mecánicas, deterioro anormal del sistema de aislamiento, a la corrosión, el fuego, y
explosión.
    Aunque la experiencia del usuario puede ser a menudo la mejor guía, el fabricante de los conducidos o
conducir el equipo o el fabricante de la máquina, o ambos, se debe consultar para obtener más información
de todas las condiciones de servicio inusuales que aumentan el deber mecánico o térmico en la máquina
y, en consecuencia, aumentar las posibilidades de fracaso y el riesgo consiguiente. Esta información debe
ser considerada por el usuario, consultores u otros más familiarizados con los detalles de la aplicación en cuestión
al tomar la decisión final.
MG 1 1998                                                        Sección II
Parte 14, Página 2                         DAT OS DE LA SOLICIT UD-AC y DC MÁQUINAS PEQUEÑAS Y MEDIANAS


CONDICIONES DE SERVICIO 14.2USUAL
14.2.1 Condiciones Ambientales

   Máquinas deberán estar diseñadas para las condiciones del lugar de operación siguientes, a menos que otras condiciones son
especificado por el comprador:
  a. La exposición a una temperatura ambiente en el rango de -15 ° a 40 ° o, cuando ello se utiliza el agua, CC
      una temperatura ambiente de 5 ° (para evitar la congelación del agua) a 40 ° con excepción de machinesCC,
      nominal inferior a 3 / 4 hp y todas las otras máquinas de refrigeración por agua con co lectores o la manga
      rodamientos para que la temperatura ambiente mínima es de 0 ° C
  b. La exposición a una altura que no exceda de 3.300 pies (1000 metros)
  c. La instalación en una superficie rígida de montaje
  d. Instalación en zonas o recintos complementarios que no interfieren seriamente con la
      ventilación de la máquina




14.2.2 Condiciones de funcionamiento
    a. V-correa de transmisión de acuerdo con 14,42 para motores de corriente alterna y con 14.67 para uso industrial
      motores de corriente continua
    b. Plana de la correa, cadena y engranajes, de acuerdo con el 14,7


14.3 CONDICIONES INUSUALES DE SERVICIO
    El fabricante debe ser consultado si existen condiciones de servicio inusuales que pueden afectar a la
construcción o el funcionamiento del motor. Entre esas condiciones son las siguientes:
  a. La exposición a:
   1. Combustibles, polvos explosivos, abrasivos, o la realización de
   2. Pelusa o muy sucio condiciones de funcionamiento en la acumulación de suciedad puede interferir con la normal,
        ventilación
   3. Vapores de sustancias químicas, gases inflamables o explosivos
   4. La radiación nuclear
   5. Vapor de agua, el aire cargado de sal, o el vapor de aceite
   6. Lugares húmedos o muy secos, calor radiante, infestación por parásitos, o atmósferas propicias para la
       crecimiento de hongos
   7. Descargas anormales, vibración o carga mecánica de fuentes externas
   8. Axial anormal o lado de la presión impuesta sobre el eje del motor
  b. Operación en la que:
   1. No hay salida excesiva de voltaje o frecuencia, o ambos (véase el 12,45 por alterna -
       motores de corriente y 12,68 para motores de corriente continua)
   2. El factor de desviación de la tensión de alimentación de corriente alterna supera el 10 por ciento
   3. La tensión de alimentación de corriente alterna no es equilibrada por más de un 1 por ciento (véase 12.46 y
       14.36)
   4. La salida del rectificador suministrar un motor de corriente continua no es equilibrada por lo que la diferencia
       entre las amplitudes máxima y mínima y máxima de los pulsos de corriente durante un ciclo superior a 10
       por ciento de la mayor amplitud de pulso en el nominal de armadura actual
   5. Bajos niveles de ruido son necesarios
   6. El sistema de alimentación no está conectado a tierra (véase 14.31)
  c. Funcionamiento a velocidades superiores a la máxima velocidad nominal
  d. Operación en una habitación mal ventilada, en un pozo, o en una posición inclinada
  e. Operación en la que se someten a:
   1. Cargas de torsión impacto
   2. Repetitiva sobrecargas anormales
Sección II                                                                                                           MG 1 1998
DAT OS DE LA SOLICIT UD-AC y DC MÁQUINAS PEQUEÑAS Y MEDIANAS                                                      Parte 14, Página 3


       3. Revertir o frenar eléctrica
       4. Arranques frecuentes (véase 12.55)
       5. Fuera de la fase de traslado en autobús (véase 14.45)
       6. Frecuentes cortocircuitos
    f. Funcionamiento de la máquina en reposo con cualquier devanado continuamente energía o de corta duración con mejor puntuaci ón
         máquina con cualquier bobina energizada continuamente
    g. El funcionamiento de la máquina de corriente continua en la corriente de armadura media es de menos del 50 por ciento de
         la nominal a plena carga amperios durante un período de 24 horas, o una operación continua a corriente de la armadura inferio r
         del 50 por ciento de la corriente nominal de más de 4 horas




14.4 Aumento de la temperatura
     La temperatura se eleva dado para las máquinas en 12,43, 12,44, 12,67, 15,41 y se basan en
operación a una altura de 3300 pies (1000 metros) o menos y una temperatura ambiente máx ima de 40 º IT C.
T ambién se reconoce como una buena práctica el uso de máquinas en altitudes superiores a 3300 pies (1000 metros)
se indica en los párrafos siguientes.


14.4.1 Temperatura ambiente en altitudes de aumento de temperatura nominal
    Máquinas que se eleva la temperatura de acuerdo con 12.43, 12.44, 12.67, 15.41 y funcionará
satisfactoriamente a altitudes superiores a 3300 pies (1000 metros) en aquellos lugares donde la disminución de la temperatur a ambiente
la temperatura compensa el aumento de la elevación de la temperatura, de la siguiente manera:

                                 Altitud máxima, metros (pies)       Temperatura ambiente, grados C

                                                3300 (1000)                           40
                                                6600 (2000)                           30
                                                9900 (3000)                           20



14.4.2 Los motores con factor de servicio
  Los motores que tienen un factor de servicio de 1,15 o superior funcionará satisfactoriamente con factor de servicio en un
temperatura ambiente de 40 ° a altitudes superiores a 3300 pies (1000 metros) hasta 9000 pies (2740 metros). C

14.4.3 aumento de la temperatura a nivel del mar
    Las máquinas que están destinados al uso en altitudes superiores a 3300 pies (1000 metros) a una temperatura ambiente
temperatura de 40 º debería haber aumento de la temperatura a nivel del mar que no exceda de los valor es calculados fromC
la siguiente fórmula:
    Cuando la altura en metros:

                        (Alt 3300) 
          T RSL T RA 1
          33000 


      Cuando la altura en metros:
           (Alt 1000) 
           T RSL T RA 1
           10000 
      Donde:
      T RSL = prueba de aumento de la temperatura en grados C a nivel del mar
             = Aumento de la temperatura en grados C de la tabla correspondiente en 12.43, 12.44, 12.67, 15.41TRA
      Alt = altitud sobre el nivel del mar en metros (pies) en el que la máquina va a funcionar




14.4.4 Los valores preferidos de altitud para los motores de Calificación
 Los valores preferidos de la altitud son 3300 pies (1000 metros), 6600 pies (2000 metros), 9900 pies (3000
metros), 13.200 pies (4.000 metros), y 16.500 pies (5.000 metros).
MG 1 1998                                                           Sección II
Parte 14, Página 4                            DAT OS DE LA SOLICIT UD-AC y DC MÁQUINAS PEQUEÑAS Y MEDIANAS


14.5 CORTO TIEMPO DE CLASIFICACIÓN MÁQUINAS ELÉCTRICA S
    De corta duración nominal de máquinas eléctricas (véase 10.36 y 10.63) se debe aplicar a fin de asegurar
rendimiento sin sufrir daños. No debe ser utilizado (salvo en la recomendación de la
fabricante) en cualquier aplicación en la que puede ser la máquina de la izquierda en funcionamiento continuo.


14.6 DIRECCIÓN DE GIRO
     Frente a la final de la máquina frente al extremo de transmisión, la dirección normal de rotación de todos los
nonreversing motores de corriente continua, corriente alterna de todos los motores monofásicos, todos los motores síncronos,
y todos los motores universales se hacia la izquierda. Alterna y generadores de corriente continua, la
rotación será en sentido horario.
     Esto no se aplica a los motores polifásicos de inducción como en la mayoría de las aplicaciones que se utilizan son
de tal naturaleza que las direcciones de uno o ambos de la rotación puede ser necesaria, y la secuencia de fases de la
las líneas de energía rara vez se conoce.
     Cuando dos o más máquinas están mecánicamente acoplados entre sí, la norma anterior puede no ser
se aplican a todas las unidades.




14.7APPLICA TION de poleas, ruedas dentadas y engranajes de árboles para motores
14.7.1 Montaje

    En general, las poleas más cerca, poleas, ruedas dentadas, engranajes o se montan en los rodamientos del motor
eje, el menor será la carga en el rodamiento. Esto le dará una mayor garantía de servicio sin problemas.
    El punto central de la cinta, o un sistema de correas en V, no debe estar más allá del extremo del eje del motor.
    El borde interior de la llanta de la polea o polea no debe estar más cerca de los rodamientos de los hombros en
el eje, pero debe ser lo más cerca de este punto como sea posible.
    El borde exterior de una rueda dentada o engranaje no debe extenderse más allá del extremo del eje del motor.



14.7.2 diámetro de paso mínimo de unidades que no V -cinturón
   Para obtener los diámetros primitivos mínimos para la correa plana, correa dentada de la cadena, y los engranajes, el multiplicador
dada en la siguiente tabla se deben aplicar a la estrecha V-cinturón de diámetros de paso de la polea en 14,41 por
de corriente alterna los motores de uso general o para lo s diámetros de paso V-cinturón polea determinado a partir de
14,67 para los industriales motores de corriente continua:



                                              Conducir                                        Multiplicador

                                            Correa plana *                                        1.33
                                          La correa de distribución **                            0.9
                                         Rueda de cadena                                          0.7
                                            Rueda dentada recta                                   0.75
                                          Engranaje helicoidal                                    0.85
                           * El multiplicador de arriba es para uso convencional, con una sola capa plana
                           cinturones. Al que no sean de una sola capa las correas planas se utilizan, el uso de un mayor
                           multiplicador se recomienda.

                           ** A menudo es necesaria la instalación de las correas de distribución con un ajuste perfecto. Sin
                           embargo, la tensión
                           no debe ser mayor que la necesaria para evitar el golpe del cinturón o saltar los dientes.

14.7.3 Velocidad máxima de los componentes de la unidad
   La velocidad máxima de los componentes de la unidad no debe exceder de los valores recomendados por la
el fabricante de componentes o de los valores especificados en los estándares de la industria a la que el componente
fabricante indica la conformidad. Velocidades por encima de la velocidad máxima recomendada puede resultar en
daños al equipo o lesiones al personal.
Sección II                                                                                                          MG 1 1998
DAT OS DE LA SOLICIT UD-AC y DC MÁQUINAS PEQUEÑAS Y MEDIANAS                                                     Parte 14, página 5


14.8 A TRAVÉS DE-pernos de montaje
    Algunos usuarios del motor han encontrado a su favor en el caso del motor escudo final como parte integrante de
parte de la máquina de trabajo y, en consecuencia, que compran los motores sin el escudo de la unida d-end. En
vista de la amplia y considerable variedad de diámetros de ranura del estator, pinza diámetros de tornillo, el círculo
diámetros y tamaños de abrazadera de tornillo de los motores de fabricación diferentes, este tipo de máquina accionada
construcción puede limitar seriamente la elección de los usuarios de los proveedores de motores a menos que la flexibilidad de mecani zado
adecuado
se ha proporcionado en el diseño de este escudo final.
   Con el fin de ayudar al diseñador de la máquina en la prestación de esta flexibilidad, los siguientes datos han sido
compilado para dar alguna indicación de la gama de motores barbilla y la abrazadera de diámetros de tornillo círculo que puede
estar involucrados. En la siguiente tabla se basa en información suministrada por las empresas miembros de la NEMA
Motor y generador de la sección que se basan los motores de estos tamaños:



                                                                               48 Frame,    56 Frame,
                                                                                Pulgadas     Pulgadas

                            Motor Rabbet Diámetro:
                             Diámetro más pequeño informó ..................     5.25          5.875
                             Mayor diámetro informó ....................         5.625          6.5
                             Más del 75 por ciento de los encuestados
                             informó diámetros en el rango de ......           5.34-5.54     6.03-6.34
                            Motor Ajuste del cierre Diámetro del Círculo:
                             Diámetro más pequeño informó ..................     4.875          5.5
                             Mayor diámetro informó ....................         5.250         6.25
                             Más del 75 por ciento de los encuestados
                             informó diámetros en el rango de .......          5.00-5.25     5.65-5.94
                            Motor Clamp Tamaño del perno:
                             Diámetro más pequeño informó ..................      #8            # 10
                             Mayor diámetro informó ....................          # 10          # 10



14.9 ROEDORES DE PROTECCIÓN
    A menudo es deseable para proporcionar una protección de roedores en una máquina abierta con el fin de retrasar la entrada de
pequeños roedores en la máquina. La protección puede ser proporcionada por la limitación del tamaño de las aberturas de dar
acceso directo a las partes internas de la máquina por medio de pantallas, pantallas, parrillas, metal desplegado,
partes estructurales de la máquina, o por otros medios. Los medios utilizados pueden variar con el tamaño de la
de la máquina. En estos casos, se debe tener cuidado para asegurar una ventilación adecuada, ya que restringe el flujo de air e
podría causar que la máquina supere su temperatura de trabajo. Antes de aplicar pantallas, pantallas, la ampliación de
metal, etc, a una máquina para la protección de los roedores, el fabricante del motor o generador debe ser consultado.
   Una construcción común restringe las aberturas que dan acceso directo al interior de la máquina para
que una varilla de diámetro 0,312 pulgadas no puede entrar en la abertura.
MG 1 1998                                  Sección II
Parte 14, Página 6   DAT OS DE LA SOLICIT UD-AC y DC MÁQUINAS PEQUEÑAS Y MEDIANAS




                        ESTA PÁGINA INTENCIONALMENTE
                           Se deja en blanco
Sección II                                                                                                             MG 1 1998
DAT OS DE LA SOLICIT UD-AC PEQUEÑAS Y los motores de media                                                          Parte 14, Página 7




                          Sección II
                 PEQUEÑOS (fraccional) y medio (INTEGRAL) MÁQUINAS
                           Parte 14
                 DATOS DE LA SOLICITUD-AC PEQUEÑAS Y los motores de media


14.0 ÁMBITO DE APLICACIÓN
   Las normas de este 14 sección II, parte cubierta de los motores de corriente alterna hasta e incluyendo la
Calificaciones construida en los marcos correspondientes a la continua de tipo abierto las calificaciones dadas en la tabla de abajo.


                                                    Motores,
                                                  Jaula de ardilla         Motores, sincrónico, Hp
                             Sincrónico            y la herida                 Factor de Potencia
                               Velocidad           Rotor, Hp               Unity 0.8

                                  3600                  500                  500                     400
                                  1800                  500                  500                     400
                                  1200                  350                  350                     300
                                  900                   250                  250                     200
                                  720                   200                  200                     150
                                  600                   150                  150                     125
                                  514                   125                  125                     100



14.30Efectos de la variación de tensión y frecuencia en el desempeño de
     MOTORES DE INDUCCIÓN
14.30.1 general

   Los motores de inducción son a veces funciona en los circuitos de tensión o frecuencia que no sean aquellos para los que
los motores son valorados. Bajo tales condiciones, el rendimiento del motor puede variar de la clasificación. La
Estos son algunos de los resultados operativos causados por las pequeñas variaciones de voltaje y frecuencia y son
indicativo del carácter general de los cambios producidos por dicha variación en las condiciones de funcionamiento.


14.30.2 Efectos de la variación de tensión en la temperatura
   Con un aumento del 10 por ciento o disminución de la tensión de la que figura en la placa, el calent amiento a
carga nominal caballos de fuerza puede aumentar. Operación por periodos prolongados de tiempo puede acelerar la
deterioro del sistema de aislamiento.

14.30.3 efecto de la variación en el voltaje de Factor de Potencia
   En un motor de características normales a plena carga, la potencia nominal, con un incremento del 10 por ciento de la tensión
superior al otorgado en la placa por lo general se traduciría en una reducción decidida en el factor de potencia. Un 10 por c iento
disminución de la tensión por debajo del indicado en la placa de características por lo general se da un incremento en el factor de potencia.

14.30.4 efecto de la variación en el voltaje en pares de arranque
      El par de rotor bloqueado y distribución será proporcional al cuadrado de la tensión aplicada.

14.30.5 efecto de la variación en el voltaje de deslizamiento
    Un incremento del 10 por ciento de la tensión se traducirá en una disminución del deslizamient o de aproximadamente 17 por ciento,
mientras que un
reducción del 10 por ciento se traducirá en un aumento del deslizamiento de aproximadamente 21 por ciento. Por lo tanto, si l a póliza a
la corriente nominal
tensión fueron 5 por ciento, sería mayor a 6.05 por ciento si la tensión se redujo un 10 por ciento.
MG 1 1998                                                                    Sección II
Parte 14, Página 8                                         DAT OS DE LA SOLICIT UD-AC PEQUEÑAS Y los motores de media


14.30.6 Efectos de la variación en la frecuencia
   Una frecuencia más alta que la frecuencia nominal por lo general mejora el factor de potencia, pero disminuye bloqueado
par de rotor y aumenta la velocidad y la fricción y la pérdida de resistencia al viento. Con una frecuencia inferior a la nom inal
frecuencia, la velocidad se reduce, de rotor bloqueado par se incrementa, y el factor de potencia disminuye. Para
ciertos tipos de carga del motor, como por ejemplo en las fábricas textiles, de regulación de frecuencia estrecha es esencial .


14.30.7 efecto de las variaciones de tensión y de frecuencia
   Si las variaciones en el voltaje y la frecuencia ocurren al mismo tiempo, el efecto se superponen.
Por lo tanto, si la tensión es alta y la baja frecuencia, el par de rotor bloqueado será muy aumentado considerablemente,
pero el factor de potencia se redujo y el aumento de la temperatura aumenta con la carga normal.

14.30.8 Efecto en los motores de propósito especial o pequeñas
   Los hechos precedentes se aplicarán en particular a los motores de uso general. Que no siempre puede ser cierto en
relación con los motores de propósito especial, construida para un propósito particular, o para motores muy pequeños.


14.31 Las máquinas en funcionamiento en un sistema TIERRA FLOTANTE
    Máquinas de corriente alterna están diseñados para una operación continua con el neutro en o cerca del suelo
potenciales. El funcionamiento en sistemas sin conexión a tierra con una línea al potencial de tierra se debe hacer sólo para
períodos frecuentes de corta duración, por ejemplo, como se requiere para el despacho de falla normal. Si se pretende
operar la máquina de forma continua o por períodos prolongados en tales condiciones, una máquina especial con un
nivel de aislamiento adecuado para tal operación se requiere. El fabricante del motor debe ser consultado
antes de seleccionar un motor para una aplicación.
    Puesta a tierra de la interconexión de los puntos neutros de la máquina no debe llevarse a cabo sin
consulta al Diseñador de sistemas, debido al peligro de los componentes de secuencia cero de las corrientes de todos los
frecuencias en ciertas condiciones de funcionamiento y los posibles daños mecánicos a la liquidación en
línea a neutro condiciones de falla.
Otro equipo auxiliar conectado al motor, tales como, pero no limitado a, las mareas de los condensadores, la energía
condensadores factor de corrección, o pararrayos, puede no ser adecuado para su uso en un sistema sin conexión a tierra
y debe ser evaluada de forma independiente.




14.32FUNCIONA MIENTO DEL motores de corriente alterna de la variable de frecuencia o
     De voltaje variable FUENTES DE ALIMENTACIÓN O AMBOS
14.32.1 rendimiento

   Motores de corriente alterna para ser operado de estado sólido u otro tipo de frecuencia variable o
variable de tensión de alimentación, o ambos, para aplicaciones de accionamiento de velocidad ajustable, puede requerir indiv iduales
cuenta para ofrecer un rendimiento satisfactorio. Especialmente para funcionar por debajo de la velocidad nominal, puede ser
necesarias para reducir la carga de torque del motor por debajo de la nominal a plena carga de par para evitar el sobrecalent amiento de la
motores. El fabricante del motor debe ser consultado an tes de seleccionar un motor para aplicaciones (ver
Las partes 30 y 31).
   ADVERT ENCIA: los motores que funcionan a partir de frecuencia variable o variables de alimentación de voltaje, o ambos,
no debe ser utilizado en cualquier división 1 peligrosas (clasificadas) a menos que:
  a. El motor se identifica en la placa como aceptables para el funcionamiento a velocidad variable cuando se utiliza en
      División 1 peligrosas (clasificadas).
  b. El rango de velocidad de funcionamiento real, no está fuera del rango de velocidad permitida marcada
      en la placa del motor.
  c. La fuente de alimentación actual es consistente con el tipo de fuente de alimentación identificados en la informaci ón que
      es suministrado por el fabricante del motor.
   Para los motores que se utilizarán en cualquier División 2 peligrosas (clasificadas), el fabricante del motor
debe ser consultado.
   Armónicos de alta frecuencia de los inversores puede provocar un aumento en el nivel de corriente de fuga en el
motor. Por lo tanto, se advierte a los usuarios a seguir las prácticas establecidas de puesta a tierra de la carcasa del moto r.
Sección II                                                                                                             MG 1 1998
DAT OS DE LA SOLICIT UD-AC PEQUEÑAS Y los motores de media                                                          Parte 14, página 9


   El incumplimiento de esta advertencia puede resultar en una instalación insegura que podría causar daños al
la propiedad, lesiones graves o la muerte al personal, o ambas cosas.

14.32.2 Las tensiones del eje
   T ensiones adicionales del eje se puede producir a partir de los picos de voltaje y corriente que se superponen a la
cantidades simétricas fase durante la operación del inversor. La experiencia demuestra que, si bien esto no es generalmente una
problema en este tipo de máquinas, el eje tensiones superiores a 500 milivoltios (pico), cuando se prueba según la norma IEEE
Std 112, puede ser necesario de puesta a tierra del eje y / o aislar una relación.

14.33 EFECTOS DE LAS TENSIONES más de 600 voltios SOBRE LOS RESULTA DOS DE BAJA TENSIÓN
        MOTORES
     Motores polifásicos son regularmente construido para tensiones nominales de 575 voltios o menos (véase 10.30) y se
espera que opere satisfact oriamente con una variación de tensión de más o menos 10 por ciento. Esto significa que
Los motores de este nivel de aislamiento puede ser aplicado con éxito a una tensión de 635 voltios.
    Sobre la base de alto potencial de fabricantes de motores "y las pruebas de rendimiento en el campo, se ha encontrado
que, cuando la tensión de utilización superior a 635 voltios, el factor de seguridad del aislamiento se ha reducido a un
nivel incompatible con el procedimiento de ingeniería.
    En vista de lo ant erior, los motores de este nivel de aislamiento no debe aplicarse a los sistemas de corriente, ya sea
con o sin neutro a tierra, donde la tensión de utilización excede 635 voltios, con independencia del motor
conexión empleada.
    Sin embargo, hay algunos motores definida con fines que están destinados para el uso en tierra 830 -
sistema de voltios. Estos motores son adecuados para la operación de 460 voltios cuando delta conectado y de 796 voltios
operación cuando se estrella conectado cuando el neutro del sistema está sólidamente conectado a tierra.




14.34FUNCIONA MIENTO DEL POLIFÁSICOS USO GENERAL DE CORRIENTE ALTERNA, 2 -, 4 -, 6 -,
      Y 8 polos, 60 HERTZ MOTORES DE INDUCCIÓN MEDIO OPERADO EN 50 HZ
    Mientras que de propósito general de corriente alterna polifásicos, 2 -, 4 -, 6 - y 8 polos, 60 Hz medio
motores de inducción no están diseñados para operar a su 60 hertz calificaciones de 50 hertz circuitos, que son capaces
de ser operado de manera satisfactoria en el 50-hertz circuitos si su tensión y clasificaciones de potencia se
reducir apropiadamente. Cuando este tipo de 60 hertz motores son operados en 50 hertz circuitos, la tensión aplicada
a 50 hertz se debe reducir a 5 / 6 de la tensión nominal de 60 Hz del mot or y la carga de potencia
a 50 hertz se debe reducir a 5 / 6 de la potencia nominal de 60 Hz del motor.
    Cuando una persona de 60 hertz motor funciona en 50 hertz en 5 / 6 de la tensión de 60 hertz y clasificaciones caballos de fuerza,
las características de rendimiento para la operación de 50 Hz son las siguientes:



14.34.1 velocidad
  La velocidad de sincronismo será de 5 / 6 de la velocidad de sincronismo de 60 hertz, y el deslizamiento será de 5 / 6 de la
Deslizamiento de 60 hertz.

14.34.2 Torques
   El par de carga nominal en libras-pie será de aproximadamente el mismo que el par de carga de 60 hertz clasificado
en libras-pie.
   Los pares de rotor bloqueado y el desmoronamiento de libras-pie de 50 hertz motores será de aproximadamente el
mismo que los pares de 60 hertz de rotor bloqueado y el desmoronamiento de libras-pie.


14.34.3 rotor bloqueado
   El rotor bloqueado corriente (amperes) será de aproximadamente 5 por ciento menos que el 60 -hertz bloqueado
corriente del rotor (amperios). El código de letras que aparecen en la placa del motor para indicar kVA de rotor bloqueado
caballos de fuerza por se aplica sólo a la calificación de 60 hertz del motor.

14.34.4 Factor de Servicio
      El factor de servicio es de 1.0.
MG 1 1998                                                                           Sección II
Parte 14, Página 10                                               DAT OS DE LA SOLICIT UD-AC PEQUEÑAS Y los motores de media


14.34.5 aumento de la temperatura
      El aumento de temperatura no será superior al 90 ° (véase 14.30). C

14.35 OPERACIÓN de motores de inducción de 230 voltios en 208 voltios SISTEMAS
14.35.1 general

    Los motores de inducción, destinada a operar en 208 voltios, los sistemas deben estar clasificados para 200 voltios.
    Funcionamiento de un motor nominal de 230 voltios en un sistema de 208 voltios, no se recomienda (excepto como se describe
en 14.35.2), ya que las tensiones de utilización se encuentran comúnmente debajo de la tolerancia por ciento -10 por
el voltaje para el cual está diseñado el motor. Esta operación dará lugar gen eralmente a un sobrecalentamiento y
seria reducción de los pares.


14.35.2 Placa de Señalización de utilizable a 200 V
   Motores con 230 voltios, pero capaz de funcionar satisfactoriamente en los sistemas de 208 voltios se permitirá
a ser etiquetados como "útil a 200 voltios." Motores tan marcada será la adecuada para la operación a la corriente nominal (s ervicio de 1,0
factor) caballos de fuerza a una tensión de utilización de 200 voltios a la frecuencia nominal, con un aumento de la temperatura no
superior a los valores indicados en 12,44, el punto a.2., para la clase de sistema de aislamiento amueblado. El servicio
factor, caballos de fuerza y el valor correspondiente de la corriente, deberá figurar en la placa de identificación, es decir, "utilizable @
200 V. ________ CV, amplificadores de ________, 1,0 S.F. "

14.35.3 efectos en el rendimiento del motor
   Cuando se opera en un sistema de 208 voltios el deslizamiento del motor aumentará aproximadamente un 30% y el motor
rotor bloqueado, pull-up y los valores de distribución del par se reducirá en aproximadamente un 20 -30%. Por lo tanto,
se debe determinar que el motor arranque y aceleración de la carga conectada, sin calefacción perjudiciales,
y que el par máximo es adecuado para la aplicación.

    NOTA: La utilización de tolerancia de voltaje es de 200 menos el 5% (190 voltios) - Ref. ANSI C84.1. "A. Rango de voltaje de" El funcionamiento dentro de
    esta tolerancia de tensión no será necesariamente de acuerdo con lo dispuesto en 14.35 .2.


14.36 EFECTOS DE LAS TENSIONES DE DESEQUILIBRIO EN LA EJECUCIÓN DEL POLIFÁSICOS
        MOTORES DE INDUCCIÓN
     Cuando la línea de voltaje aplicado a un motor de inducción polifásico no corrientes iguales, desequilibrado en
los bobinados del estator resultado. Un pequeño porcentaje de desequilibrio de tensión dará lugar a una mucho más grande
porcentaje actual desequilibrio. En consecuencia, el aumento de la temperatura de la operación del motor en un determinado
de carga y el porcentaje de desequilibrio de tensión será mayor que para el funcionamiento del motor en las mismas
condiciones con tensiones equilibradas.
     T ensiones de preferencia debe ser equilibrado tanto como se puede leer en un voltímetro. Debería
tensiones de ser desequilibrada, la potencia nominal del motor debe ser multiplicado por el factor se muestra en la
Figura 14 para reducir la posibilidad de daños en el motor. Funcionamiento del motor por encima de un 5 por ciento
estado de desequilibrio de tensión no es recomendable.
     Cuando la curva de reducción de potencia de la figura 14-1 se aplica para la operación en voltajes desequilibrados, la selección
y el establecimiento del dispositivo de sobrecarga debe tener en cuenta la combinación de el factor de corrección aplicado
para el motor y el aumento de la corriente resultante de las tensiones desequilibradas. Este es un problema complejo
participación de la variación de la corriente en función de la carga y el desequilibrio de tensión del motor, además de la
características de los dispositivos de sobrecarga en relación con Imaximum o iPromedio. En ausencia de información específica ,
se recomienda que los dispositivos de sobrecarga ser seleccionados o ajustados, o ambos, en el valor mínimo que se
no como resultado de disparo para el factor de corrección y de desequilibrio de tensión que se aplica. Cuando las tensiones desequilibradas
se prevé, se recomienda que los dispositivos de sobrecarga de ser seleccionados con el f in de responder a Imaximum
con preferencia a los dispositivos de sobrecarga sensible a iPromedio.
Sección II                                                                                                                  MG 1 1998
DAT OS DE LA SOLICIT UD-AC PEQUEÑAS Y los motores de media                                                               Parte 14, Página 11




                         Figura 14-1
         MOTOR MEDIO factor de reducción debido a la tensión DESBALANCEA DA
14.36.1 efecto en el rendimiento general

   El efecto de las tensiones desequilibradas en los motores de inducción polifásicos es equivalente a la introducción de un
"T ensión de secuencia negativa" que tiene una rotación contraria a la que se produce con tensiones equilibradas. Este
tensión de secuencia negativa produce en el entrehierro un flujo giratorio en contra de la rota ción del rotor, que tiende
para producir altas corrientes. Una pequeña secuencia negativa de tensión puede producir en las corrientes de los devanados
considerablemente superiores a las actuales condiciones de tensión equilibrada.
14.36.2 desequilibrio def inida


       El desequilibrio de tensión en porcentaje se puede definir de la siguiente manera:


                                            max imum desviación de tensión de voltaje promedio
por ciento de desequilibrio de tensión 100 x
                                                   tensión media




Ejemplo: con voltajes de 460, 467 y 450, el promedio es de 459, la desviación máxima promedio es de 9, y el porcentaje
                         9
desequilibrio = 100 x
                          1,96 por ciento.
                        459

14.36.3 Torques
   El par de rotor bloqueado y par máximo se redujo cuando la tensión está desequilibrada. Si el
desequilibrio de tensión deben ser extremadamente graves, el par podría no ser adecuada para la aplicación.

14.36.4 Velocidad a plena carga
       La velocidad a plena carga se reduce un poco cuando el motor funciona con voltajes desequilibrados.

14.36.5 Corrientes
   La corriente de rotor bloqueado tiende a ser desequilibrado en la misma medida que las tensiones no están equilibradas, pero
los kVA de rotor bloqueado se incrementará sólo ligeramente.
   Las corrientes a la velocidad normal de funcionamiento con tensiones desequilibradas será muy desequilibrada en el
orden de aproximadamente de 6 a 10 veces el desequilibrio de tensión.


14.37 APLICACIÓN DE CORRIENTE ALTERNA MOTORES CON FACTORES DE SERVICIO
14.37.1 general

   A propósito general de corriente alterna motor o cualquier otro motor de corriente alterna con un factor de servicio
de acuerdo con 12,52 es adecuado para un funcionamiento con tinuo a plena carga en el servicio habitual
condiciones indicadas en 14.2. Cuando el voltaje y la frecuencia se mantiene en el valor especificado en el
placa de identificación, el motor puede estar sobrecargado hasta la potencia se obtiene multiplicando la calificación
caballos de fuerza por el factor de servicio indicado en la placa.
MG 1 1998                                                                    Sección II
Parte 14, Página 12                                        DAT OS DE LA SOLICIT UD-AC PEQUEÑAS Y los motores de media


    Cuando el motor funciona en cualquier factor de servicio mayor que 1, es posible que la eficiencia, factor de potencia,
y la velocidad diferentes de los de carga nominal, pero el par de rotor bloqueado y corriente y la descomposición
el par se mantendrá sin cambios.
    Un motor de funcionamiento continuo en cualquier rallador de factor de servicio de 1 tendrá una esperanza de vida reducida
en comparación con el operativo en su potencia nominal nominal. La vida del aislamiento y la vida de los rodamie ntos se reducen
el factor de carga de servicio.


14.37.2 La temperatura media de subida de corriente alterna Motores
  Cuando se opera en la carga de trabajo-factor, el motor tendrá un aumento de la temperatura según se especifica en
12.44, el punto a.2.
14.37.3 aumento de la temperatura-Pequeño alterna Motores de corriente continua

  Cuando se opera en la carga de trabajo-factor, el motor tendrá un aumento de la temperatura según se especifica en
12.43.1.


14.38 CARACTERÍS TICAS DE PARTE DE LIQUIDA CIÓN INICIO motores polifásicos INDUCCIÓN
     El resultado de dinamizar una parte de los bobinados primarios de un motor de inducción polifásico dependerá
de cómo esta parte se distribuye en el motor y, en alguno s casos, puede hacer nada más que una sobrecarga
la porción del (resultado, es decir, de ninguna reducción notable de la intensidad o par) de liquidación tan energizada. Por esta
razón, un estándar de 230/460 voltios motor de doble voltaje puede o no ser satisfactorio para la parte de cuerda
a partir de un circuito de 240 voltios.
     Cuando la liquidación se distribuye con el fin de ser satisfactorio para la parte de cuerda de partida, un uso común
resultados de conexión en un poco menos del 50 por cient o de lo normal Par con rotor bloqueado y 60 aproximadamente
ciento de lo normal con rotor bloqueado. Es evidente que el par puede ser insuficiente para arrancar el motor si
tiene carga de mucha fricción. Esto no es importante en aplicaciones en las que se permite llamar la completa
devanado de arranque actual del sistema en incrementos de dos. (Si los valores reales de par y la corriente
importante, que debe obtenerse del fabricante del motor.)
     Cuando la liquidación parcial se activa, el motor no puede acelerar a toda velocidad. Sobre la liquidación parte,
puede desarrollar en el mejor de menos de la mitad del par es capaz de de liquidación total y por lo general la velocidad de par-
característica se ve afectada negativamente por los armónicos resultantes del circuito magnético desequilibrado. Por otra parte,
el tiempo permitido acelerar el devanado podrá ser inferior en caso de disolución completa debido a la mayor
actual en la parte de el devanado. Sin embargo, en la aplicación de costumbre, el resto de la
bobinado se activa unos segundos después de la primera parte, y el motor se acelera y corre
sin problemas. Durante la parte del período de aceleración que el motor es parte de liquidación, puede ser
espera que sea más ruidoso que cuando en la liquidación completa.




14.39ACOPLAMIENTO juego final y FLOAT ROTOR DE HORIZONTAL DE CORRIENTE ALTERNA
     MOTORES
14.39.1 Ratings recomendados para motores con rodamientos de bolas

   Se recomienda que los motores de contar con rodamientos de bolas siempre que sea aplicable, en particular para la
calificaciones se indica en la siguiente tabla.


                       Motor HP                                      La v elocidad de sincronismo de los motores, Rpm
                                     500 y por debajo de                3600, 3000, 1800 y 1500

                                     350 y por debajo de                           1200 y 1000
                                     250 y por debajo de                            900 y 750
                                     200 y por debajo de                           720 y por debajo de



14.39.2 Los límites para los motores con cojinetes de manguito
   Donde los motores son provistos de cojinetes, los cojinetes del motor y la limitada gama de acoplamiento flotante
se debe aplicar como se indica en la siguiente tabla:
Sección II                                                                                                                                 MG 1 1998
DAT OS DE LA SOLICIT UD-AC PEQUEÑAS Y los motores de media                                                                              Parte 14, Página 13

                                                        Sincrónico
                                                       Velocidad de los motores,
                                                                               Min. Motor del rotor            Max. Enganche
                              Motor HP                    Rpm                  Float f inal, pulgadas          Float f inal, pulgadas
                             125 a 250, incl.           3600 y 3000                0.25                           0.09

                             300 a 500, incl.            3600 y 3000                       0.50                          0.19
                             125 a 500, incl.           1800 y por debajo de               0.25                          0.09



14.39.3 Dibujo y marcas del eje
  Para facilitar el montaje de motores accionados por motor cojinete de manguito en los marcos de 440 y más grande, el
fabricante del motor debe:
 a. Indican en el esquema del motor de dibujo del rotor del motor mínimo juego final en pulgadas
 b. Marcar rotor juego axial de los límites en el eje del motor

    NOTA: El motor y el equipo accionado debe ser montado y ajustado en el sitio de instalación, por lo que habrá
    una cierta separación rectamente en el rodamiento del motor en todas las condiciones de funcionamiento. La diferencia entre el rotor juego final y la
    final de flotar en el acoplamiento permite la expansión y la contracción en el equipo accionado, para su aprobación en el equ ipo de accionamiento
    cojinete de empuje, para el movimiento rectamente en el acoplamiento, y para el montaje.


14.40      VELOCIDA DES DE SALIDA PARA MOTORES DE ENGRANAJES MEDIO DE LA CONSTRUCCIÓN EN
           PARALELO

                                                Velocidades de salida
                                        (Basado en la velocidad supuesta operación de 1.750 rpm)
                                 Engranajes nominal            Salida              Engranajes nominal            Salida
                                  Ratios                                            Ratios
                                                               Velocidades                                      Velocidades

                                       1.225                    1430                    25.628                      68
                                       1.500                    1170                    31.388                      56
                                       1.837                     950                    38.442                      45
                                       2.250                     780                    47.082                      37
                                       2.756                     640                    57.633                      30
                                       3.375                     520                    70.623                      25
                                       4.134                     420                    86.495                      20
                                       5.062                     350                   105.934                     16.5
                                       6.200                     280                   129.742                     13.5
                                       7.594                     230                   158.900                     11.0
                                       9.300                     190                   194.612                      9.0
                                      11.390                     155                   238.350                      7.5
                                      13.950                     125                   291.917                      6.0
                                      17.086                     100                   357.525                      5.0
                                      20.926                      84                   437.875                      4.0



   Estas velocidades de salida se basan en una velocidad de funcionamiento asume de 1750 rpm y algunos nominal
relaciones de transmisión y se modificará:
  a. Por la variación en la velocidad de motor individual de la velocidad de funcionamiento básico de 1.750 rpm
   (La misma lista de velocidades de salida puede ser aplicado a 50 hertz motorreductores con el empleo de motores de
     1500 rpm velocidad sincrónica si una velocidad de funcionamiento del motor de 1430 rpm supone se utiliza.)
   (Esta lista de velocidades de salida puede ser aplicado a los motores de engranajes de 60 hertzios con el empleo de motores de 12 00
     rpm síncrono de velocidad si a una velocidad de funcionamiento del motor de 1165 rpm supone se utiliza.)
  b. Por una variación en la relación de transmisión exacta de la nominal, variación que no va a cambiar la salida
     velocidad de más de más o menos 3 por ciento
MG 1 1998                                                                            Sección II
Parte 14, página 14                                                DAT OS DE LA SOLICIT UD-AC PEQUEÑAS Y los motores de media


14.41 APLICACIÓN DE MEDIO DE CORRIENTE ALTERNA de jaula de ardilla MÁQUINAS
    DEVANADOS SELLADO
14.41.1 Condiciones del servicio habitual

    Medio de corriente alterna de jaula de ardilla con devanados máquinas selladas son generalmente adecuados para
la exposición a las siguientes condiciones ambientales:
  a. La alta humedad
  b. Pulverización de agua y la condensación
  c. Detergentes y productos químicos ligeramente corrosivo
  d. Ligeramente abrasivo magnético transmitida por el aire de polvo en cantidades suficientes para impedir la ventilación adec uada o
    funcionamiento mecánico



14.41.2 Condiciones de servicio inusuales
   Por las condiciones ambientales distintas de las enumeradas en 14.41.1, el fabricante de la máquina debe ser
consultados. T ales condiciones pueden incluir los siguientes:
  a. De niebla salina
  b. Aceites, grasas, grasas y solventes
  c. Polvos magnét icos severamente abrasivos
  d. Vibración
  e. Inmersión en agua ocasional con el motor no funciona




14.41.3 lugares peligrosos
  El uso de máquinas con bobinas selladas en zonas de riesgo no exime de la necesidad de otros
características de construcción dictada por las necesidades de las áreas involucradas.
    NOTA: Ver 12.44, el punto A.4, para la clasificación de temperatura.


14.42APLICACIÓN DE LA V-CORREA DIMENSIONES polea motores de corriente alterna
     HABIENDO rodamientos antifricción
14.42.1 Dimensiones para potencias de motor seleccionado

    Motores de corriente alterna con cojinetes antifricción y un índice de tiempo continuo con el marco
tamaño, potencia, velocidad y clasificaciones que figuran a cont inuación están diseñados para funcionar con V-cinturón de poleas en el
reducidas dimensiones en la lista. Selección de los V-cinturón polea dimensiones es hecha por el fabricante de la unidad V-cinturón y
el comprador del motor, pero, para asegurar un funcionamiento satisfactorio del motor, el diámetro seleccionado no deberá ser menor
que, ni el ancho seleccionado mayor que las dimensiones que figuran en la tabla 14 -1.


14.42.2 Dimensiones para potencias de motor Otros
  Para los motores con velocidades y clasificaciones distintas de las enumeradas en la T abla 14 -1, el fabricante del motor
debe ser consultado.


14.43 CAPACIDA D antisísmico
  Ver 20,32.
Sección II                                                                                                                               MG 1 1998
DAT OS DE LA SOLICIT UD-AC PEQUEÑAS Y los motores de media                                                                            Parte 14, página 15


                                                            Tabla 14-1
                                                     MEDIO- MOTORES DE INDUCCIÓN POLIFÁSICOS * †
                                                                                                        V-cinturón polea **
                                                 Caballos de f uerza a                          Conv entionalNarrow
                                              La v elocidad de sincronismo, Rpm             A, B, C, D y E † † 3V, 5V, y 8V L L
                                                                                                            MinimumMinimum
                                                                                                      MaximumOutsideMaximumPitch
                                                                                           De diámetro, WidthDiameter, ancho,
   Marco                                                                                   InchesInches LInchesInches #
  Number360018001200900                                                                     2.22.2
    143T1-1/213/41/2                                                                         2.42.4
   145T2-31-1/2-213/4                                                                        2.42.4
   182T331-1/21                                                                              2.62.4
   182T5 .........                                                                           2.42.4
   184T ...... 21-1/2                                                                        2.62.4
   184T5 .........                                                                           3.03.0
   184T7-1/25 ......                                                                         3.03.0
   213T7-1/2-107-1/232                                                                       3.03.0
   215T10 ... 53                                                                             3.83.8
   215T1510 ......                                                                           3.83.8
   254T15...7-1/25                                                                           4.44.4
   254T2015 ......                                                                           4.44.4
   256T20-25 ... 107-1/2                                                                     4.64.4
   256T ... 20 ......                                                                        4.64.4
   284T 1510 ......                                                                          5.04.4
   284T ... 25 ......                                                                        5.45.2
   286T ... 302015                                                                           6.06.0
   324T ... 402520                                                                           6.86.8
   326T ... 503025                                                                           6.86.8
   364T 4030 ......                                                                          7.47.4
   364T ... 60 ......                                                                        8.28.2
   365T 5040 ......                                                                          9.08.6
   365T ... 75 ......                                                                        9.08.0
   404T ...... 60 ...                                                                        9.08.4
   404T ......... 50                                                                        10.08.6
   404T ... 100 ......                                                                      10.010.0
   405T 7560 ......                                                                         10.08.6
   405T ... 100 ......                                                                      11.510.5
   405T ... 125 ......                                                                      11.010.0
   444T ...... 100 ...                                                                      10.59.5
   444T ......... 75                                                                        11.09.5
   444T ... 125 ......                                                                       ... 10,5
   444T ... 150 ......                                                                      12.512.0
   445T ...... 125 ...                                                                      12.512.0
   445T ......... 100                                                                        ... 10,5
   445T ... 150 ......                                                                       ... 13,2
   445T ... 200 ......
* P ara la velocidad máxima de los componentes de la unidad, consulte 14.7.3.
† P ara la asignación de clasificaciones de caballos de fuerza y velocidad de fotogramas, consulte la P arte 13.
** Dimensiones de la polea se basan en lo siguiente:
  a. Motor caballos de fuerza y la velocidad de la placa de identificación
  b. Factor de servicio de la correa de 1,6 con cinturones apretados a las recomendaciones de la correa de los fabricantes
  c. Reducción de la velocidad de 5:1
  d. Montaje de la polea en el eje del motor de acuerdo con el 14,7
  e. De centro a centro de distancia entre las poleas aproximadamente igual al diámetro de la polea más grande
  f. Los cálculos basados en los estándares cubiertos por el † † y LL notas al pie, en su caso
LEl ancho de la polea no debe ser mayor que el requerido para transmitir la potencia indicada, pero en ningún caso debe ser
más ancha que 2 (N-W) - 0,25.
LL Como objeto de especificaciones estándar para dispositivos que usan estrecho V-Belts (3V, 5V, y 8V) 1.
# La anchura de la polea no debe ser mayor que el requerido para transmitir la potencia indicada, pero en ningún caso debe se r más amplio
de (N-W).
† † En estipulados por las Normas de Ingeniería Especificaciones para unidades de uso múltiple V-cinturones (A, B, C, D y E de la Cruz Secciones) 1
1 Véase 1.1, The Rubber Manufacturers Association.
MG 1 1998                                                                      Sección II
Parte 14, página 16                                          DAT OS DE LA SOLICIT UD-AC PEQUEÑAS Y los motores de media


14.44FACTOR DE POTENCIA DE TRES FASES, jaula de ardilla, motores de media CON
     Valores continuos
14.44.1 Determinación del Factor de Potencia de datos de la placa

   El factor de potencia aproximadamente a plena carga puede ser calculada a partir de datos publicados o placa de identificación como
a continuación.
                    431 x CV
           PF 
                    E x I x Ef



         Donde:
         PF = Por unidad de factor de potencia a plena carga


                       Por ciento de PF 
         por unidad de PF 
         100

         CV     = Potencia nominal
         E      = T ensión
         Yo     = Corriente nominal
         Ef     = Por unidad nominal de carga plena eficacia de los datos publicados, o como está marcado en el motor
                 placa de identificación



                       Ef ciento 
        Ef por unidad 
        100
14.44.2 Determinación de Valoración de condensadores para corrección del factor de potencia al valor deseado
    Por razones de seguridad, generalmente es mejor para mejorar el factor de potencia para cargas múltiples como parte de la
sistema de distribución de la planta. En aquellos casos en los códigos locales o de otras circunstancias requieren la mejora de la
factor de potencia de un motor individual, la calificación de KVAR del condensador de mejora se puede calcular como
siguiente manera:



           2                       2

                0.746 HP 1PF 
                                                                 1PFI 
           KVAR x                                            
           EffPF                           PFI
                             

         Donde:
         KVAR
                          = Clasificación de tres fases de condensadores de potencia Mejora del factor de
         CV
                          = Lo definido en 14.44.1
         Ef
                          = Lo definido en 14.44.1
         PF
                          = Lo definido en 14.44.1
         PFI
                          = Factor de mejora por unidad de potencia de la combinación motor -condensador
Sección II                                                                                                                                   MG 1 1998
DAT OS DE LA SOLICIT UD-AC PEQUEÑAS Y los motores de media                                                                                Parte 14, página 17


14.44.3 Determinación del factor de potencia corregido de Calificación condensador especificado
   En algunos casos, puede ser deseable para determinar el factor de potencia resultante, PFI, donde el poder
factor de mejora de condensadores seleccionados dentro del valor máximo de seguridad especificadas por el motor
fabricante que se conoce. La resultante de plena carga del factor de potencia, IFP, se puede calcular a partir de los siguien tes:


                                          1
PFI 
              1PF
                                                                    2

              2KVAR x Ef 
          1
          
          PF0.746 x HP 
          
    ADVERT ENCIA: En ningún caso los condensado res de Mejora del factor de aplicarse en las calificaciones superiores
el valor máximo de seguridad especificadas por el fabricante del motor. Mejora y excesiva puede causar
sobreexcitación que resulta en altos voltajes transitorios, corrientes, y los pares que pueden aumentar los riesgos de seguridad
al personal y causar posibles daños al motor o al equipo accionado.


14.44.4 Aplicación de Condensadores Corrección del factor de Sistemas de Potencia
La correcta aplicación de los condensadores eléctricos a un autobús con las corrientes armónicas requiere de un análisis de l a
alimentación del sistema para evitar la resonancia armónica potencial de los condensadores de potencia en combinación con
transformador y la inductancia del circuito. Para los sistemas de distribución de energía que tienen varios motores conectados
a un bus, condensadores de potencia conectados al bus en vez de cambiar con motores individuales se
se recomienda para minimizar las combinaciones posibles de capacitancia e inductancia, y para simplificar el
aplicación de los filtros de ajuste que sean necesarios. Esto requiere que los condensadores como bus-conectados
bandas de tener un tamaño adecuado para que los límites de tensión del bus se mantienen.


14.44.5 Aplicación de Condensadores Corrección del factor de los motores que funcionan a partir de Electrónica
     Fuente de alimentación

   El uso de condensadores de potencia para la corrección del factor de potencia en el lado de la carga de una electrónica de po tencia
suministro conectados a un motor de inducción no es recomendable. La correcta aplicación de tales condensadores
requiere un análisis del motor, la fuente de alimentación electrónica, y características de la carga en función de la velocidad
para evitar la sobreexcitación potencial del motor, la resonancia armónica, y sobretensiones de condensadores. Por tal
aplicaciones del fabricante de la unidad debe ser consultado.


14.45 Traslado en autobús o REARME
  Ver 20,34.


14.46 inercia del rotor PARA frenado dinámico
                          22
  La inercia del motor (Wk) en libras-pie para la aplicación del medio de los motores de inducción de corriente alterna con la dinámica
frenado, se puede estimar mediante la siguiente fórmula:

                                                 P olos P olos 
            1.35 0,05 x 2 2x HP 2
            semanas 0,02 x 2 
            
            
14.47 EFECTOS DE LA CARGA DE LA EFICIENCIA DEL MOTOR
      La eficiencia de los motores de inducción polifásicos varía de cero sin carga a un valor máximo de cerca de
la carga nominal y luego disminuye a medida que aumenta la carga adicional. Las curvas de eficacia frente a la carga en la Fi gura 14-2
ilustran el perfil típico de la variación de la eficiencia de diferentes potencias de motor desde sin carga hasta 125% del nominal
de carga. Los valores reales de la eficiencia del motor a diferentes niveles de carga se puede obtener consultando el motor
fabricante.
MG 1 1998                                                   Sección II
Parte 14, Página 18                       DAT OS DE LA SOLICIT UD-AC PEQUEÑAS Y los motores de media




                   Figura 14-2
RENDIMIENTO TÍPICO VERSUS las curvas de carga de 1800-RPM TRIFÁSICO 60 HZ DISEÑO
           B de jaula de ardilla MOTORES DE INDUCCIÓN
Sección II                                                                                                         MG 1-1998
DAT OS DE LA SOLICIT UD DC-LA PEQUEÑA Y MEDIANA MOT ORES                                                        Parte 14, Página 19




                            Sección II
                   PEQUEÑOS (fraccional) y medio (INTEGRAL) MÁQUINAS
                             Parte 14
                   DATOS DE LA SOLICITUD DC-LA PEQUEÑA Y MEDIANA MOTORES


14.0 ÁMBITO DE APLICACIÓN
   Las normas de este 14 sección II, parte cubierta de motores de corriente continua integrado en los marcos de continua
Calificaciones dripproof, o capacidad equivalente, hasta e incluyendo 1.25 caballos de fuerza por rpm, de tipo abierto.


14,60 funcionamiento de los motores PEQUEÑO EN RECTIFICA DO CORRIENTE ALTERNA
14.60.1 general

      Cuando motores de corriente continua pequeños destinados a servir de ajuste de tensión de alimentación electrónica
son operados a partir de fuentes de energía rectificada, la tensión pulsante y las formas actuales de onda afectan motor
características de funcionamiento (ver 14.61). Debido a esto, los motores deben ser diseñados o especialmente
seleccionados para adaptarse a este tipo de operaciones.
      Un motor puede ser utilizado con cualquier fuente de alimentación si la combinación resulta en un factor de forma con carga nominal
igual o menor que el factor de forma nominal del motor.
      Una combinación de una fuente de alimentación y un motor que se traduce en un factor de forma con una carga nominal superior a
el factor de forma nominal del motor causará un sobrecalentamiento del motor y tendrá un efecto adverso en
conmutación.
      Hay muchos tipos de fuentes de alimentación que se pueden utilizar, incluyendo:
   a. Monofásico de media onda
   b. Una sola fase, la mitad de onda, de nuevo rectificador
   c. Monofásico de media onda, de corriente alterna de voltaje controlado
   d. Monofásico de onda completa, ángulo de disparo controlado
   e. Monofásico de onda completa, ángulo de disparo controlado, de nuevo rectificador
   f. T rifásico de media onda, controlado por tensión
   g. T rifásico de media onda, ángulo de disparo controlado
      No es práctico para el diseño de un motor o de inclusión de un motor estándar para cada tipo de fuente de alimentación. La
combinación de fuente de alimentación y el motor deben ser considerados. La forma resultante de la combinación de factores
es una medida del efecto de la tensión rectificada en la corriente del motor, ya que influye en el motor
características de rendimiento, tales como la conmutación y la calefacción.




14.60.2 Factor de forma
    El factor de forma de la corriente es la relación entre la raíz cuadrada media de valor de la corriente a la media
valor de la corriente.
    Factor de armadura forma actual de un circuito rectificador de motor puede ser determinada mediante la medición del valor eficaz
                                                        1armature actual (mediante un instrumento electrotérmico, un instrumento
electrodinámico, o T rue RMS
la respuesta del instrumento) y la corriente promedio de armadura (con un imán permanente de bobina móvil
         1
instrumento). El factor de armadura forma actual puede variar con los cambios de carga, velocidad, y el circuito
ajuste.
    Factor de armadura forma actual de un circuito rectificador de motor puede ser determinado por el cálculo. Por esta
propósito, la inductancia del circuito de armadura del motor debe ser conocida o estimada, incluyendo el
inductancia de los componentes de la fuente de alimentación que están en serie con la armadura del motor. El valor


1 Estos términos se han tomado de IEEE 100.
MG 1-1998                                                                           Sección II
Parte 14, Página 20                                               DAT OS DE LA SOLICIT UD DC-LA PEQUEÑA Y MEDIANA MOT ORES



de la inductancia del motor dependerá de la potencia, la velocidad y de voltaje y el recinto de
el motor y se debe obtener del fabricante del motor. El método de cálculo de la
factor de armadura forma actual, debe tener en cuenta los parámetros del circuito, tales como el número de
fases, el ángulo de disparo, de media onda, con o sin rectificador de espalda, etc, y si la corriente es
continua o discontinua. Algunos métodos de cálculo se describen en 14,62.
   Los rangos de los factores de forma de armadura actual en algunos de uso del motor -rectificador de circuitos y
recomienda factores de forma nominal de los motores asociados a estos rangos se presentan en la T abla 14 -2.



                                                Tabla 14-2
                                            RECOMENDADO Factores de forma NOMINAL
                 La combinación típica de la f uente de alimentación Gama de armadura                        Recomendado Calif icación
                      y Rectif ier Ty pe                            Factores de Forma actual *              Factores de f orma de los motores

                Monof ásica de tiristores (SCR) o
                tiratrón con o sin respaldo
                rectif icadores:

                 De media onda                                                      1.86-2                                 2
                 De media onda                                                    1.71-1.85                              1.85
                 De media onda o de onda completa                                  1.51-1.7                               1.7
                 De onda completa                                                  1.41-1.5                               1.5
                 De onda completa                                                  01/31 hasta 01/04                      1.4
                 De onda completa                                                  01.21 a 01.03                          1.3


                Trif ásico de tiristores (SCR) o
                Tiratrón con o sin respaldo
                rectif icadores:

                De media onda                                                      1.11-1.2                               1.2
                De onda completa                                                   1.0-1.1                                1.1
                * El factor de armadura forma actual puede ser reducido por los filtros u otros medios de circuito que permitirá
                el uso de un motor con un factor de forma menor clasificación.



14.61 Funcionamiento de los motores MEDIO DE CORRIENTE ALTERNA DE RECTIFICA DO
      ACTUAL
     Cuando un motor medio de corriente continua es operado desde una rectificación de corriente alterna de suministro, su
el rendimiento pueden diferir materialmente de los que el mismo motor cuando funciona a partir de una baja ondulaci ón directa-
fuente de corriente de la oferta, tales como un generador o una batería. La tensión y corriente pulsante
puede aumentar el aumento de la temperatura y el ruido y afectar negativamente a la conmutación y la eficiencia. A causa de
estos efectos, es necesario que los motores de corriente continua ser diseñados o seleccionados especialmente para operar en el
tipo particular de la oferta rectificada para ser utilizado.
    Parte 10.60 describe la base de la calificación de motores de corriente continua para uso con rectificador de potencia
suministros. Estas calificaciones se basan en pruebas de los motores con una fuente de alimentación de ensayo especificadas e n 12.66
debido a que estas fuentes de alimentación son de uso común. No es práctico para el diseño de un motor o desarrollar un
estándar para cada tipo de fuente de alimentación.
    Un motor puede, bajo ciertas condiciones, ser aplicado a una fuente de alimentación diferente de la utilizada para el
suministro de la prueba de potencia como base de la clasificación. T odos los motores de corriente continua para uso en rectificador de potencia
suministros pueden ser utilizados en las fuentes de alimentación de bajo rizado, como un generador de corriente o una batería .
    Debido a que los caracteres utilizados para identificar las fuentes de alimentación de uso común han sido elegidos en
orden alfabético de creciente magnitud de corriente de rizado, un nominal del motor sobre la base de uno de estos
fuentes de alimentación puede ser utilizado en cualquier fuente de alimentación designada por una letra minúscula del alfabeto. Para
ejemplo, un motor de clasificación sobre la base de una fuente de alimentación "E" puede ser utilizado en una "C" o "D" la fuente de
alimentación.
Sección II                                                                                                            MG 1-1998
DAT OS DE LA SOLICIT UD DC-LA PEQUEÑA Y MEDIANA MOT ORES                                                           Parte 14, Página 21



    Si se desea utilizar un motor en una fuente de alimentación designada por una letra del alfabeto mayor que el
uno en el que fue calificado, puede ser necesario añadir una inductancia externa al motor para limitar la
rizado de corriente a la magnitud que implica la capacidad del motor.
    Para el funcionamiento de motores de corriente continua de fuentes de alim entación distintas a las descritas en 12.65, el
combinación de la fuente de alimentación y el motor debe ser considerado en consulta con el motor
fabricante.



14.62 RIPPLE corriente de armadura
     De pico a pico rizado de corriente de armadura se define como la diferencia entre el valor máximo de la
onda de corriente y el valor mínimo. El pico a pico rizado de corriente de armadura se puede expresar
como porcentaje de la corriente de armadura media. El pico a pico rizado de corriente de armadura es la mej or medida
sobre la capacidad de incorporación de osciloscopio para la lectura de los valores tanto de corriente continua y corriente al terna.
Un método alternativo es usar un pico a pico de la lectura del voltímetro, la lectura de la caída de tensión en un no-
resistencia inductiva en serie con el circuito de la armadura.
     El valor eficaz de la corriente de rizado no se puede derivar de pico a pico de los valores con algún grado de
precisión debido a las variaciones en la onda de corriente, y la relación inversa de la derivada de pico a
los valores máximos de los valores RMS es al menos igualmente inexacto.
     Dominó la corriente de inducido de un circuito rectificador de motor puede ser estimado por cálculo. Para este propósito,
la inductancia del circuito de armadura del motor debe ser conocida o estimada, incluyendo la inducción de cualquier
los componentes de la fuente de alimentación que están en serie con la armadura del motor. El valor del motor
inductancia dependerá de la potencia nominal, la velocidad y el voltaje y la carcasa del motor y
se debe obtener del fabricante del motor. El método de cálculo de la ondulación de la corriente de armadura
debe tener en cuenta los parámetros del circuito, tales como el número de fases, el ángulo de disparo,
de media onda, con o sin rectificador de espalda, etc, y si la corriente es continua o
discontinuos. Algunos métodos de cálculo se describen en las siguientes referencias:
     "Características de la fase controlada con rectificadores de puente de carga DC Motor shunt" de RW Pfaff, AIEE
Documento de 58 a 40, AIEE transacciones, Vol. 77, parte II, pp 49-53.
     "El factor inducido forma actual de un motor de CC conectado a un rectificador controlado" por EF
Kubler, papel AIEE 59-128, AIEE transacciones, Vol. 78, Parte III, pp 764-770.
     La ondulación de la corriente de armadura se puede reducir mediante el filtrado u otros medios de circuito. Una reducción en el valor eficaz
ondulación de la corriente de armadura reduce el calentamiento de un motor, mientras que una reducción en el pico a pico de c orriente de
inducido
ondulación mejora la capacidad de conmutación del motor.




14.63 operación en una fuente de alimentación variable TENSIÓN
     El aumento de la temperatura de los motores, cuando se opera en par a plena carga y en tensión de la armadura reducida,
variará con la construcción, con el recinto, con el porcentaje de la velocidad base y con el tipo de
fuente de alimentación. T odos los auto-ventilados y motores totalmente cerrado sufrir una pérdida de la capacidad de disipación de calor como
la
la velocidad se reduce por debajo de la velocidad base nominal, y esto puede requerir que el par de carga se reduce a
evitar el sobrecalentamiento del motor. Además de este efecto, es característico de algunos circuitos rectificadores que el
rizado en la corriente de inducido nominal aumenta la corriente como la tensión de la armadura se reduce, y esto puede
requieren una mayor reducción del par de carga. En general, estos motores son capaces de funcionar de un 67 por ciento de
par nominal en un 50 por ciento de la velocidad base, sin calefacción perjudicial. No es práctico para desarrollar un estándar
para motores de ser operado, pero los datos de reducción de potencia se puede obtener del fabricante del motor para determina r si el
motor será satisfactorio para una aplicación particular.
    ADVERT ENCIA: los motores que funcionan a partir de la variable suministra el voltaje de alimentación, no debe ser utilizado e n cualquier
División 1 peligrosas (clasificadas) a menos que:
   a. El motor se identifica en la placa como aceptables para el funcionamiento a velocidad variable cuando se utiliza en
      División 1 peligrosas (clasificadas).
   b. El rango de velocidad de funcionamiento real, no está fuera del rango de velocidad permitida marcada
      en la placa del motor.
   c. La fuente de alimentación actual es consistente con el tipo de fuente de alimentación identificados en la información que
      es suministrado por el fabricante del motor.
MG 1-1998                                                                   Sección II
Parte 14, Página 22                                       DAT OS DE LA SOLICIT UD DC-LA PEQUEÑA Y MEDIANA MOT ORES



   Para los motores que se utilizarán en cualquier División 2 peligrosas (clasificadas), el fabricante del motor
debe ser consultado.
   El incumplimiento de esta advertencia puede resultar en una instalación insegura que podría causar daños al
la propiedad, lesiones graves o la muerte al personal, o ambas cosas.


14.64 SHUNT CALEFACCIÓN DE CAMPO EN REPOSO
     En algunas aplicaciones de motores de corriente continua, el usuario puede querer aplicar tensión al campo en derivación
liquidación durante los períodos cuando el motor está parado y el circuito de la armadura no es tensión. El porcentaje
de la tensión nominal de campo en derivación y la duración de la excitación estancamiento que un motor de corriente continua es capaz
de soportar sin exceso de temperatura puede variar dependiendo del tamaño, la caja, clasificación y
tipo de motor de corriente continua.
    Algunos motores de corriente continua están diseñados para ser capaces de excitación continua del campo en derivación en
parado con el voltaje nominal de campo aplicado. Bajo esta condición, la temperatura puede exceder de campo en der ivación
aumento de temperatura nominal, y el funcionamiento prolongado en estas condiciones puede resultar en la vida del aislamiento reducido.
    Otros motores de corriente continua requiere que la tensión de excitación aplicada se reduce por debajo de l nominal
valor si la excitación prolongada paralización está prevista para evitar la temperatura excesiva de campo en derivación.
    El fabricante del motor debe ser consultado para obtener la capacidad térmica de un determinado directa
la corriente del motor.




14.65 corrientes de los cojinetes
   Cuando un motor de corriente continua se controla desde algunas fuentes de alimentación sin filtros rectificador, teniendo
corrientes puede resultar. Corrientes de ondulación, transmitida por acoplamiento capacitivo entre la bobina del rotor y el
central, puede fluir a través del camino de tierra para el secundario del transformador. Mientras que estas corrientes son pe queños en
magnitud, que puede causar daño a cualquiera o cojinetes antifricción bajo ciertas circunstancias.


14.66 EFECTO DE 50 HERTZ FRECUENCIA DE ALIMENTA CIÓN DE CORRIENTE ALTERNA
     Si un motor medio de corriente continua se aplica a un sistema rectificador de tener una entrada de 50 hertz
frecuencia en el suministro de energía de prueba utilizados como base de la calificación tiene una frecuencia de entrada de 6 0 hertz, la
magnitud de la corriente de rizado puede verse afectada. En general, cuando los demás factores son iguales, la onda
magnitud será en proporción aproximada inversa de las frecuencias. Una serie de métodos que existen para
para compensar el aumento de la onda:
   a. Añadir una inductancia externa equivalente al 20 por ciento de la inductancia del circuito de armadura original de
       (Incluyendo el motor) para obtener la misma magnitud de la corriente de rizado que se obtiene con la prueba
       fuente de alimentación.
   b. Utilizar un motor diseñado para su uso en una fuente de prueba de 50 hertzios de energía.
   c. Reduzca la potencia nominal del motor.
   d. Seleccione una fuente de alimentación diferentes de tal manera que el rizado de corriente a 50 Hz no se supere la corriente
       ondulación de la fuente de alimentación de prueba.
    Los datos deberán obtenerse del fabricante del motor para determinar si el motor va a ser satisfactorio para
una aplicación en particular.




14.67 APLICACIÓN DE CARGAS AL voladizo Ejes del motor
14.67.1 Limitaciones

    La figura 14-3 muestra los límites mínimos de diseño para cargas radiales para motores de corriente continua con extensiones de eje
designado por el subíndice fotograma a fotograma. Estos límit es no se deben exceder. T eniendo el eje y el fracaso
constituyen un peligro para la seguridad y las garantías adecuadas para cada aplicación debe ser tomado.
    La figura 14-3 muestra los límites de las cargas aplicadas en el extremo del eje y en el cent ro de la NO
dimensión. En general, cuanto más cerca de la carga se aplica a los rodamientos del motor menor será la carga en el
rodamiento y mayor será la garantía de servicio sin problemas. El centro de la carga no debe estar más allá de
el extremo del eje.
Sección II                                                                                                               MG 1-1998
DAT OS DE LA SOLICIT UD DC-LA PEQUEÑA Y MEDIANA MOT ORES                                                              Parte 14, Página 23



   En el caso de una polea o polea, el borde interior no debe estar más cerca de los rodamientos de la
hombro en el eje, pero debe ser lo más cerca de este punto como sea posible.
   En el caso de La rueda de cadena o engranajes, el borde exterior de la rueda dentada o engranaje no debe extenderse
más allá del extremo del eje del motor.
   Las cargas del eje debido al peso de los volantes u otros componentes pesados montados eje no están cubiertos
en la Figura 14-3. T ales cargas afectan a las frecuencias de los sistemas naturales y sólo debe realizarse después de
consulta con el fabricante del motor.
   Las solicitudes que se traducen en un impulso o un componente axial de la carga, tales como engranajes helicoidales no están también
cubiertos por la figura 14-3. El fabricante del motor deberá ser consultado sobre estas aplicaciones.




                      Figura 14-3
  Carga sobre el eje de CC, motores con "AT" MARCO DE DESIGNA CIÓN radial radiales
                   CARGA FINAL DEL EJE
    NOTAS

    1-P ara la carga en el centro de la N-W Dimensiones añadir un 10%.

    2-P or intermedio de interpolar entre las curvas de velocidades.

    3-ejes de ATS están excluidos. Consulte con el fabricante para las capacidades de carga.

    4 Véase 14.67 para mas información adicional.


14.67.2 V-cinturón de unidades
     La aplicación más común que se traduce en una carga radial sobre el eje es una unidad de V-cinturón. Las correas en V
son dispositivos de fricción y dependen de la tensión en los cinturones para evitar resbalones. La siguiente ecuación puede s er
utiliza para calcular la carga del eje debido a la tracción de la correa. Si la carga sobrepase los valores indicados en la figura 14 -3
MG 1-1998                                                                              Sección II
Parte 14, Página 24                                                  DAT OS DE LA SOLICIT UD DC-LA PEQUEÑA Y MEDIANA MOT ORES



la carga debe reducirse por la reducción de la tensión de la correa, que puede causar deslizamiento de la correa, o mediante el aumento de
el diámetro de la polea.


                    2NB MV 2                           
           LB         16PA Y                      Fv
                    0.9 10 6                         
                                                        

          Donde:
          LB = Eje en voladizo debido a la tensión de la correa de carga, libras
          NB = Número de correas
          PA = fuerza necesaria para desviar un cinturón de 1 / 64 de pulgada por pulgada de la amplitud,
          libra
                                        2
           1 
          Y = 2 (favg)  donde f es una constante tensión en función del tipo y la sección de la correa. Disponible

         del fabricante dela correa
                     64
      M = 0,9 m, donde m es el peso por unidad de longitud, lb / in., Del tipo y la sección de la c orrea. Disponible
         del fabricante de la correa.
      V = velocidad de la cinta, ft / min
      Fv = suma vectorial factor de corrección. Corrige el lado tenso y los vectores de holgura lado de tensión de la desigualdad
         conductor / diámetro de la polea impulsada. Asume proporción 5:1 tensión. Disponible en el fabricante de la correa
         catálogos.
   El cálculo anterior debe hacerse después de todos los parámetros son conocidos y PA medida en el
instalación real. Pre-instalación cálculos se pueden hacer mediante el cálculo de la tensión de la correa estática requerida
por la aplicación y el valor de PA necesaria para alcanzar dicha tensión.




            2.5 GDHP 10 3 MV 2
            T S 15                                       
            VNBG10 6
                                                                 

      Donde:
      T S = Cinturón estático de tensión necesaria para la aplicación, lb
      G = Arco del factor de corrección de contacto. Disponible desde el fabricante de la correa.
      DHP = caballos de fuerza Drive, cinta factor de servicio x motor hp.
    Después de calcular la tensión de la correa necesaria estático, el valo r mínimo de PA para alcanzar la necesaria
tensión estática es la siguiente:




                  T Y
           Pensilvania Min S
                  16


    Este valor puede ahora ser utilizado en la primera ecuación para el cálculo de la aplicación de pre -instalación. En reales
la práctica, un valor de hasta un 50% mayor que el PA (MIN) se utiliza a veces. En este caso, el valor más alto que
ser utilizado en la primera ecuación.

14.67.3 aplicaciones distintas de V-Belts
   Las cargas del eje también puede ocurrir por otras aplicaciones de correas en V. Ejemplos de ello son las correas dentadas, p iñones
cadenas o engranajes. En general, estos se han tensado estático y poco o nada de carga en el eje en voladizo será un
función del par transmitido. La carga radial del eje se puede calcular mediante una adecuada
análisis geométrico, teniendo en cuenta los parámetros de la unidad particular. Algunos de estos parámetros
Sección II                                                                                                          MG 1-1998
DAT OS DE LA SOLICIT UD DC-LA PEQUEÑA Y MEDIANA MOT ORES                                                         Parte 14, página 25



podría ser diámetro de paso, ángulo de presión de los dientes, la cantidad de pre-tensado y se transmite anticipado
torque.

14.67.4 general
   De los límites establecidos en la figura 14-3 son máximos para el servicio aceptable. Para mayor garantía de
servicio sin problemas, se recomienda que los menores cargas utilizar cuando sea posible. Grandes diámetros de paso
y mover la carga lo más cerca posible del rodamiento como sea posible, son factores útiles.


14,68 TASA DE CAMBIO DE corriente de inducido
    Motores de corriente continua se puede esperar para operar con éxito a los cambios repetitivos en la armadura
actuales como las que se producen durante un ciclo de trabajo regulares, siempre que, para cada cambio en la corriente,
el factor K, tal como se define en la siguiente ecuación, no supere los 25.
    En la ecuación, el equivalente a tiempo para el cambio actual a ocurrir es el tiempo que se
necesarios para el cambio, si la corriente aumenta o disminuye a un ritmo uniforme e igual a la tasa máxima
en la que realmente aumenta o disminuye (despreciando cualquier onda de alta frecuencia).




                 (Cambio en la corriente de inducido / corriente nominal de armadura) 2
              K
              Equivalente a tiempo en segundos para el cambio actual que se produzca

  Para motores de velocidad ajustable, esta capacidad se aplica para todas las velocidades en el rango de la velocidad nominal de
control de la armadura de tensión cuando se utiliza desde la fuente de alimentación previsto. Límites reducidos pueden aplicarse cuando
operado en el control de campo (campo de debilitar) rango y el fabricante debe ser consultado.
MG 1-1998                                     Sección II
Parte 14, Página 26         DAT OS DE LA SOLICIT UD DC-LA PEQUEÑA Y MEDIANA MOT ORES




                      ESTA PÁGINA INTENCIONALMENTE
                         Se deja en blanco
Sección II                                                                                                             MG 1-1998
Generadores de corriente continua                                                                                    La sección 15, página 1




                             Sección II
                    PEQUEÑOS (fraccional) y medio (INTEGRAL) MÁQUINAS
                              Parte 15
                           Generadores de corriente continua


15.0 ÁMBITO DE APLICACIÓN
   Las normas de este apartado 15 de la Sección II cubre de corriente directa generadores incorporados en los marcos con
continua dripproof calificaciones, o la capacidad equivalente, valorados 3.4 kilovatios a 3600 rpm hasta e incluyendo
generadores con una potencia continua de 1,0 kW por rpm, de tipo abierto.


15,10 kilovatios, SPEED, y tensión
15.10.1 nominales de las normas

  Los kilovatios, velocidad y tensión nominal de industriales de corriente directa generadores y excitadores se en
acuerdo con la T abla 15-1.

                                               Tabla 15-1
                                     Kilovatio, VELOCIDAD, Y CLASIFICACIONES DE TENSIÓN
   Clasif icación                                                                                                           Calif icación,
   kW                                               Velocidad, RPM                                                           Voltios
   4.3                                               1450                                                                  125 y 250
                      3450             1750                              1150              850               ...
    1                                                1450                                                                  125 y 250
                      3450             1750                              1150              850               ...
    1½                                               1450                                                                  125 y 250
                      3450             1750                              1150              850               ...
    2                                                1450                                                                  125 y 250
                      3450             1750                              1150              850               ...
    3                                                1450                                                                  125 y 250
                      3450             1750                              1150              850               ...



     4½               3450             1750             1450             1150              850               ...           125 y 250
     6½               3450             1750             1450             1150              850               ...           125 y 250
     9                3450             1750             1450             1150              850               ...           125 y 250
     13               3450             1750             1450             1150              850               ...           125 y 250
     17               3450             1750             1450             1150              850               ...           125 y 250



     21               3450             1750             1450             1150              850               ...           125 y 250
     25               3450             1750             1450             1150              850               ...           125 y 250
     33               3450             1750             1450             1150              850               ...           125 y 250
     40               3450             1750             1450             1150              850               ...           125 y 250
     50               3450             1750             1450             1150              850               ...           125 y 250



     65                ...             1750             1450             1150              850               ...                250
     85                ...             1750             1450             1150              850               ...                250
     100               ...             1750             1450             1150              850               ...                250
     125               ...             1750             1450             1150              850               ...                250
     170               ...             1750             1450             1150              850               ...                250



     200               ...             1750             1450             1150              850              720            250 y 500
     240               ...             1750             1450             1150              850              720            250 y 500
     320               ...             ...              1450             1150              850              720            250 y 500
     400               ...             ...              ...              1150              850              720            250 y 500
     480               ...             ...              ...              ...               ...              720              500



     560               ...              ...              ...             ...               850              720                 500
     640               ...              ...              ...             ...               850              720                 500
     720               ...              ...              ...             ...               850              720                 500
     800               ...              ...              ...             1150              850              ...                 500
MG 1-1998                                                                                                                            Sección II
La parte 15, Página 2                                                                                                             Generadores de corriente continua


15.10.2 Excitadores
   Kilowatts para la conexión directa excitadores deberán estar de acuerdo con 15.10.1. La velocidad debe
ser necesariamente el de la máquina a la que se acopla la excitación.

15.11 PLACA puntuación del tiempo, la temperatura ambiente máxima, y el aislamiento
       SISTEMA DE CLASE
     Industriales de corriente directa de los productores deberá tener una clasificación de tiempo continuo.

   Industriales de corriente directa de los productores deberá ser evaluado sobre la base de una temperatura ambiente máxima
y la clase de sistema de aislamiento. El valor nominal de la temperatura ambiente máxima será de clase A,
B, M, o H. T odas estas clasificaciones se basan en una prueba de carga con los valores de aumento de temperatura que no exceda de los
muestra para una determinada clase de sistema de aislamiento de 15.41. Calificaciones de los generadores de corriente continua para
cualquier
otro valor de la temperatura ambiente máxima se basará en los valores de aumento de la temperatura calculada en
acuerdo con 15.41.2.

15.12 PLACA DE MARCADO
    La cantidad mínima de información siguiente deberá figurar en todas las placas de identificación. Para las abreviaturas
ver 1,78:

           a. Fabricante de designación de tipo y número de bastidor
           b. Kilovatios
           c. Nota del tiempo (véase 15.11)
           d. T emperatura ambiente máxima para la que está diseñado el generador (véase la nota de 15.41.1
              mesa) 1
           e. Designación de aislamiento del sistema (si el campo y la armadura uso diferentes clases de sistemas de aislamiento,
              tanto los sistemas de aislamiento se da, que para el campo está dado por primera vez) 1
           f. La velocidad nominal en rpm
           g. Carga de tensión nominal
           h. T ensión nominal de campo cuando es diferente del nominal de armadura voltage2
           I. Corriente en amperios
           j. Bobinados - serie, paralelo, o un compuesto




                                                          PRUEBAS Y RENDIMIENTO

15.40 Métodos de prueba
  Prueba para determinar las características de funcionamiento se hará de acuerdo con el estándar IEEE 113.


15.41 TEMPERATURA RISE E
                                    o
15.41.1 aumento de la temperatura de ambiente máxima de 40 ° C
    El aumento de la temperatura, por encima de la temperatura del medio de refrigeración, para cada una de las diversas partes de
de corriente directa generadores, cuando se analizaron de acuerdo con la calificación, no deberá exceder los valores indicados en
la siguiente tabla. T odos los aumentos de temperatura se basan en una temperatura ambiente máxima de 40 ° C.
Las temperaturas se determinará de acuerdo con el estándar IEEE. 113.




1 Como alternativa, estos elementos se les permitirá ser sustituido por un único punto de lectura "El aumento de temperatura de continua nominal
de carga. "

2 Como alternativa, este elemento se permitirá que se sustituye por el siguiente:

     a. Campo de la resistencia en ohmios a 25 ° (opcional) C

     b. Campo de la corriente nominal en amperios a plena carga y velocidad
Sección II                                                                                                                                  MG 1-1998
Generadores de corriente continua                                                                                                         La sección 15, página 3



                                                                               Totalmente cerrados no v entilados
                                                                              y totalmente cerrados con v entilador           Generadores con todos los demás
                                                                              Generadores, tales como las v ariaciones           Recintos
                                                                                      De los mismos
                                                                               ABFH
Clase de sistema de aislamiento (ver 1.65) ......................                                                        A           B            F      H
Tiempo de funcionamiento - continuo
Aumento de la temperatura, grados C
a. Devanados de armadura y todas las bobinas que no sea
     las señaladas en los puntos B y C - resistencia ............              70         100       130        155       70         100          130    155
b. Multi-capa de arrollamientos de campo - la resistencia .................    70         100       130        155       70         100          130    155
c. De una sola capa con arrollamientos de campo expuestas
    superficies desnudas y bobinas de cobre desnudo -
   resistencia ................................................. ........... 7010013015570100130155
 d. La temperatura alcanzada por los núcleos, los conmutadores y piezas diversas (tales como brushholders, cepillos, consejos de polo, etc) se
   no dañar el aislamiento o la máquina en ningún aspecto.
NOTAS
1-anormal deterioro del aislamiento se puede esperar si la temperatura ambiente de 40 ° se excede en operation.C regulares
2-Los valores anteriores de aumento de la temperatura se basan en la operación a altitudes de 3300 pies (1000 metros) o menos. P ara
aumento de la temperatura para los generadores, destinada a operar a altitudes superiores a 3300 pies (1000 metros), véase 14.4.




15.41.2 aumento de temperatura para ambientes superiores a 40 º C
   La temperatura se eleva dado en 15.41.1 se basan en una temperatura ambiente de referencia de 40 ° C.
Sin embargo, se reconoce que las máquinas de corriente continua puede ser necesario para operar a una temperatura ambiente supe rior
de 40 ° C. Para el buen funcionamiento de máquinas de corriente continua a una temperatura ambiente superior a 40 ° C, el
aumento de la temperatura de las máquinas que figuran en 15.41.1, se reducirá el número de grados que la
temperatura ambiente supera los 40 ° C. Cuando la temperatura ambiente más alta de 40 ° C es necesario, prefiere
los valores de la temperatura ambiente es 50 ° C y 65 ° C.


15.42 CONMUTA CIÓN DE ÉXITO
  Ver 12,73.


15.43 SOBRECA RGA
   Los generadores serán capaces de llevar durante 1 minuto, con la conmutación de éxito como se define en
12.73, las cargas de 150 por ciento de los amperes continuos de clasificación, con reostato fijado para carga nominal de exci tación.
No hay límite de temperatura se aplica a esta sobrecarga.


15,44 de tensión debido a la calefacción VARIACIÓN
Por plana compuesto herida dripproof de corriente directa generadores de 50 kilovatios y nominal más pequeño y
empleando un sistema de aislamiento de clase B, la tensión en la carga nominal, con las bobinas a temperatura ambiente
dentro de la gama de servicios habitual, no podrá exceder del 112 por ciento de la tensión en la carga nominal con las bobinas
a la temperatura constante alcanza cuando el generador está operando continuamente en su calificación y con la
reóstato de campo establecidos para obtener la tensión nom inal a la carga nominal.


15.45 COMPUESTOS PLANA
     Plana compuesta generadores tendrán que dará vueltas alrededor de la misma tensión en
sin carga como a carga completa cuando se opera a la velocidad nominal en una temperatura equivalente a la que se
alcanzado después de una carrera continua a plena carga, y el reóstato de campo establecidos para obtener la tensión nominal a la carga
nominal
y permanece sin cambios.

15.46 PRUEBA DE REGLAMENTO
  Regulación combinado se medirá de acuerdo con el estándar IEEE 113.
MG 1-1998                                                                                                                     Sección II
La sección 15, página 4                                                                                                    Generadores de corriente continua


15,47 exceso de velocidad de los grupos electrógenos
    De corriente directa de los productores deberá ser construido de manera que, no en una emergencia para superar los 2 minutos,
podrá soportar sin daño mecánico un exceso de velocidad el 25 por ciento por encima de la velocidad nominal.

15.48 HIGH-POTEN TIAL PRUEBA
15.48.1 Precauciones de seguridad y procedimiento de prueba

       Véase el punto 3.1.

15.48.2 Prueba de tensión
       El valor efectivo de las tensiones de prueba de alto potencial de corriente directa de los productores deberá ser:

       a. Generadores de una producción de 250 vatios o más - 1.000 voltios más el doble del voltage1 nominal de la
         generador.
       b. Generadores de menos de 250 vatios de salida al no haber tensión nominal superior a 250 voltios - 1000
         voltios. (Generadores de potencia superior a 250 voltios deberán ser probados de acuerdo con el punto a.)


               Armadura de excepción o en el campo bobinados para las conexiones a los circuitos de 35 voltios o menos se
               probado con 500 voltios.

15.49 EXÁMENES DE RUTINA
  Las pruebas típicas que se pueden hacer en corriente directa generadores son los siguientes:

       T odas las pruebas se realizarán de conformidad con el estándar IEEE 113.
       a. A plena carga readings2 a la tensión nominal

       b. Sin carga readings2 con reostato conjunto como en el punto uno
       c. Alto potencial de ensayo de acuerdo con 15,48

15,50 DATOS DE CAMPO PARA GENERADORES DE CORRIENTE CONTINUA
   Los datos siguientes campos para corriente directa generadores pueden ser utilizados en el suministro de datos para controlar
fabricantes.

       a.     Nombre del fabricante
       b.     Requisición o número de pedido
       c.     Marco de la designación
       d.     Número de serie
       e.     kW de potencia
       f.     Shunt o compound-
       g.     La velocidad nominal en rpm
       h.     T ensión nominal
       I.     Corriente nominal
       j.     T ensión de excitación, o auto-excitado
       k.     Resistencia de campo en derivación a 25 º C
       l.     El valor recomendado de resistencia de reostato para la mano o de control del regulador
       m.     N.L. saturación




1 Cuando el voltaje de un campo de excitación separada de un generador no se indica, se supone que es 1,5 veces el campo
resistencia en ohmios a 25 ° veces el current.C nominal de campo

2 La palabra "lecturas" incluye lo siguiente:

     a. La velocidad en revoluciones por minuto

     b. Tensión en bornes del generador

     c. Amperios en la armadura

     d. Amperios en el campo en derivación
Sección II                                                                                                                                       MG 1-1998
Generadores de corriente continua                                                                                                              La sección 15, página 5



                                                                                     P or ciento nominal               Corriente de Campo,
                                                                                     Tensión de la armadura             Amperios

                                    Max. reóstato de campo a                                 ---                            ---
                                                                                             ---                            ---
                                                                                            100                             ---

                                                                                             ---                            ---
                                                                                             50                             ---
                                                                                             ---                            ---
                                    Derivación de corriente de campo en
                                     tensión y de carga ..........................



15.51 INFORME DE LA FORMA DE PRUEBA
  Para las formas de prueba típica, consulte el estándar IEEE 113.


15.52 EFICIENCIA
   La eficiencia y las pérdidas se determinará de acuerdo con el estándar IEEE 113 con la directa
método de medición o el método de las pérdidas segregadas. La eficacia se determinará en la clasificación
de salida, tensión y velocidad.

Las pérdidas se incluirán en la determinación de la eficiencia:

       a. I2R pérdida de armadura
       b. I2R pérdida de bobinados serie (incluido el de conmutación, lo que agrava, y los campos de compensación,
          en su caso)
       c. I2R pérdida de derivación campo1
       d. Pérdidas del núcleo
       e. Pérdida de carga perdida
       f. Cepillo de la pérdida de contacto
       g. Cepillo de la pérdida por fricción
       h. La pérdida de excitación si se suministra con excitador e impulsada desde el eje de la máquina
       I. pérdidas de ventilación
       j. Fricción y resistencia al viento loss2




   En la determinación de las pérdidas I2R, la resistencia de cada bobinado se corregirá a una temperatura igual
una temperatura ambiente de 25 º C, más el incremento nominal observado temperatura de la carga medida por la resistencia.
Donde el aumento de temperatura nominal de carga no se ha medido la resistencia de la bobina se
corregido a la siguiente temperatura.


                                 Clase de sistema de aislamiento                                              Temperatura, grados C
                                         A                                                                        85

                                                      B                                                                  110
                                                      F                                                                  135
                                                      H                                                                  155



1 P ara los generadores por separado excitado, el campo en derivación pérdida I2R se permitirá que se le excluya de los cálcul os de eficiencia, si lo
afirmó.

2 En el caso de los generadores equipados con cojinetes de empuje, sólo la parte de la pérdida de empuje producida por el generador
sí se incluirán en los cálculos de la eficiencia. P or otra parte, un valor calculado de la eficiencia, incluyendo la pérdida de los rodamientos debido a
la carga de empuje externo, se permitirá que se determine.

En el caso de los generadores equipados con menos de un completo conjunto de cojinetes de fricción y las pérdidas de fricción con el aire que son representativos de la
instalación real se determinará mediante el cálculo y la experiencia con los rodamientos de taller de pruebas, y se incluirán en la eficiencia
cálculos.
MG 1-1998                                                                                                         Sección II
La sección 15, página 6                                                                                        Generadores de corriente continua




   Si el aumento de la temperatura se especifica como la de una clase más baja del sist ema de aislamiento, la temperatura de
corrección de la resistencia será la de la clase de aislamiento inferior.



                                                       FABRICACIÓN

15.60 DIRECCIÓN DE GIRO
  Ver 14.6.

15.61 ECUALIZADOR DE CABLES DE CORRIENTE CONTINUA GENERADORES
    Entre dos heridas compuesto generadores, el circuito de conexión del ecualizador debe tener un
la resistencia no superior a 20 por ciento de la resistencia del circuito de campo en serie de los generadores más pequeños.
Sin embargo, los valores más bajos de la resistencia son deseables.
Sección II                                                                                                                                       MG 1-1998
MÁQUINAS para uso determinado                                                                                                                  Parte 18, página 1
MOT ORES para compresores de refrigeración HERMET IC




                               Sección II
                      PEQUEÑOS (fraccional) y medio (INTEGRAL) MÁQUINAS
                                Parte 18
                           MÁQUINAS para uso determinado




18.1       ÁMBITO DE APLICACIÓN
        Las normas de esta Parte 18 de la sección II abarcan las siguientes máquinas:
       a. Máquinas de corriente alterna-corriente alterna máquinas hasta, e incluyendo las calificaciones construido
          en los marcos correspondientes a la mejora continua de tipo abierto las calificaciones dadas en la tabla.
       b. Las máquinas de corriente continua-corriente directa motores, generadores y moto-generadores (directa
          corriente de salida), construida en los marcos con continuas calificaciones dripproof, o la capacidad equivalente, hasta
          incluyendo:
         1. Motores: 1.25 caballos de fuerza por rpm, de tipo abierto
         2. Generadores: 1,0 kilovatios por rpm, de tipo abierto




                                                                                      Motores, Sy nchronous Hp
                                                                                              Factor de Potencia
                                                                                                                                                Generadores
                                                                                                                                                Sincrónico,
     La v elocidad de sincronismo, Motores de jaula de ardilla                                                                                 Campo giratorio
         Rpm                       y de rotor bobinado, Hp                                                                                     Tipo, a 0,8 kW
                                                                                   Unidad                             0.8
                                                                                                                                                Factor de Potencia
                                                                                                                                                   ...
                3600                              500                               200                               150
                1800                              500                               200                               150                             150
                1200                              350                               200                               150                             150
                900                               250                               150                               125                             100
                720                               200                               125                               100                             100
                600                               150                               100                                75                             75
                514                               125                                75                                60                             60




                               MOT ORES para compresores de refrigeración HERMET IC


(A hermético del motor consta de un estator y un rotor sin eje, escudos, o cojinetes para la instalación de compresores de refri geración de
el tipo de sellado herméticamente.)



18.2CLASSIFICATION SEGÚN EL TIPO DE ELECTRICIDA D
  a. Una sola fase
   1. De fase dividida
   2. Capacitor de arranque
   3. Dos valores de condensadores
   4. Permanente-split capacitor
  b. Polifásico de inducción: jaula de ardilla, de velocidad constante
MG 1-1998                                                               Sección II
Parte 18, Página 2                                            MÁQUINAS para uso determinado
                                                    MOT ORES para compresores de refrigeración HERMET IC




                                                              CLASIFICA CIONES


CLASIFICA CIONES 18.3VOLTAGE
18.3.1 Los motores monofásicos

     El rango de voltaje de los motores monofásicos serán las siguientes:
    a. 60 Hz - 115, 200 y 230 voltios
    b. 50 hertzios - 110 y 220 voltios


18.3.2 Motores de inducción polifásicos
     El rango de voltaje de los motores polifásicos serán las siguientes:
    a. 60 Hz - 200, 230, 460 y 575 voltios
    b. 50 hertzios - 220 y 380 voltios


18.4    FRECUENCIAS
       Las frecuencias serán de 50 y 60 hertz.


18.5 Grados de la velocidad
  Clasificaciones de velocidad de sincronismo será 1800 rpm y 3600 rpm durante 60 hertz motores herméticos y 1500
rpm y 3000 rpm durante 50 hertz motores herméticos.



                                                 PRUEBAS Y RENDIMIENTO


18.6 TEMPERA TURA DE FUNCIONA MIENTO
    La temperatura de funcionamiento de un motor hermético depende del diseño del sistema de refrigeración, así
como las pérdidas del motor. Por lo tanto, el fabricante del dispositivo impulsado tiene el control de la temperatura de func ionamiento
del motor hermético, y el fabricante del motor debe ser consultado en esta fase de la aplicación.


18.7 Par máximo de rotor bloqueado Y CORRIENTES DE 60 HERTZ HERMETIC
     MOTORES
18.7.1 Distribución de par

   Los pares de ruptura de 60 hertz motores herméticos, con tensión y frecuencia nominales aplicadas, se
estar de acuerdo con los valores indicados en las tablas siguientes, que representan el límite superior del rango
de aplicación para estos motores.

18.7.2 Intensidad con rotor bloqueado
   Las corrientes de rotor bloqueado de 60 hertz motores herméticos, con tensión y frecuencia nominales aplicadas y
con el rotor bloqueado, no deberá exceder los valores indicados en las tablas siguientes:
Sección II                                                                                                                        MG 1-1998
MÁQUINAS para uso determinado                                                                                                   Parte 18, Página 3
MOT ORES para compresores de refrigeración HERMET IC




                                            MONOFÁSICO HERMETIC MOTORES
                                  1800 rpm sincrónica                                   3600 rpm sincrónica
                                                                                                 Bloqueado
                                                                                                  Rotor
                                                                                       BreakdownCurrent,
                     Desglose
                                                                                        Par, en amperios
                     Par,                    Intensidad con rotor bloqueado,           Feet115 onza-v oltios
                     Onza-pies               Amperios a 115 v oltios                     5,2520
                      10.5                    20 ...

                          12.5                  20                ...                       6.25                 20
                           15                   20                ...                        7.5                 20
                           18                   20                ...                        9.0                 20
                          21.5                  20                ...                      10.75                 21
                           26                  21.5               ...                       13.0                 23
                           31                   23                ...                       15.5                 26
                           37                   28                23 *                      18.5                 29
                          44.5                  34                23 *                      22.0                 33
                          53.5                  40                ...                       27.0                 38
                          64.5                  48                46 *                      32.0                 43
                           77                   57                46 *                      38.5                 49
                          92.5                  68                46 *                      46.0                 56
                     * Motores con rotor bloqueado las corrientes dentro de estos valores por lo general tienen un menor bloqueado
                     pares de rotor de los motores con el mismo torque y mayor es la degradación
                     rotor bloqueado los valores actuales.




                                   MONOFÁSICO HERMETIC MOTORES (Continuación)
                                 1800 rpm sincrónica                            3600 rpm sincrónica
                                          Bloqueado                                      Bloqueado
                                           Rotor                                          Rotor
                                BreakdownCurrent,                              BreakdownCurrent,
                                 Par, en amperios                               Par, en amperios
                                Feet230 libra-v oltios                         Feet230 libra-v oltios
                                  736                                            3.532


                                      9                  38                         4.5                 39
                                     11                  44                         5.5                 46
                                     14                  56                         7.0                 56
                                     18                  68                         9.0                 69
                                     23                  85                        11.5                 85
                                     29                  104                       14.5                 104
                                     36                  126                       18.0                 126
                                     45                  155                       22.5                 154
MG 1-1998                                                                Sección II
Parte 18, Página 4                                             MÁQUINAS para uso determinado
                                                     MOT ORES para compresores de refrigeración HERMET IC




                         POLIFÁSICOS inducción jaula de ardilla HERMETIC MOTORES
                         1800 rpm sincrónica                                 3600 rpm sincrónica
                                  Rotor bloqueado                                   Rotor bloqueado
                       BreakdownCurrent,                                   BreakdownCurrent,
                      Par, Pound-amperios a 230                                     Amperios a 230Torque, Pound-
                          f eetVolts                                                  Voltsf eet
                           924                                                4.524


                             11                     30                           5.5                    30
                             14                     38                           7.0                    38
                             28                     48                           9.0                    48
                             23                     59                           11.5                   59
                             29                     71                           14.5                   71
                             36                     85                           18.0                   85
                             45                     102                          22.5                   102
                             56                     125                          28.0                   125
                             70                     153                           ...                   ...
                             88                     189                           ...                   ...



    La temperatura del motor en el inicio de la prueba de par máximo será de aproximadamente
25 ° C.
    Donde sea monofásico o motores polifásicos se puede utilizar en el mismo compresor, es
recomienda que el motor polifásico utiliza por lo menos la siguiente calificación mayor par máximo de
a la del motor de una sola fase seleccionada.


18.8    ALTO POTENCIAL DE PRUEBA
       Véase el punto 3.1 y 12.3.

18.9    VARIACIONES DE FRECUENCIA tensión y CLASIFICA DO
       Ver 12,45.


18.10 DIRECCIÓN DE GIRO
    El sentido de giro de motores herméticos monofásicos será en sentido contrario hacia el liderazgo
finales.

18.11 Marcado de los terminales PLOMO
   Las marcas de terminales para llevar motores herméticos monofásicos serán las siguientes:
  a. Bobina de arranque - blanco
  b. Punto común de partida y principal - blanco con negro trazador
  c. Devanado principal - blanco con rojo marcador




18.12MÉTODO DE PRUEBA PARA LA LIMPIEZA DE motores herméticos MONOFÁ SICO CON
     DIÁMETROS estator de 6,292 pulgadas o menos
   Cuando una prueba para la limpieza de un motor hermético sola fase con un diámetro exterior de estator
6.292 pulgadas o menos se hace, el procedimiento de extracción se deberá verificar utilizados en la determinación de la
peso de los residuos:


18.12.1 Estatores
    a. Lugar de un estator de la muestra en un recipiente cilíndrico de metal o de esmalte de porcelana con un interior
      diámetro de 0,50 a 1,5 pulgadas más grande que el diámetro exterior del estator. Use un perforado o
      de lo contrario espaciador abierta para apoyar el estator para que el disolvente se puede circular libremente.
Sección II                                                                                                            MG 1-1998
MÁQUINAS para uso determinado                                                                                       Parte 18, página 5
MOT ORES para compresores de refrigeración HERMET IC


    b. Añadir suficiente metanol a temperatura ambiente (70 ° a 90 ° para cubrir completamente el estator, includingF)
      bobinados
    c. Gire el estator durante 10 minutos a 200-240 rpm
    d. Quitar el estator, se evapora el líquido en el recipiente hasta la sequedad y el calor que el residuo
      peso constante a 220 ° a 230 ° El residuo debe ser esencialmente libre de metales particles.F.


18.12.2 Los rotores
    a. Coloque dos rotores en un recipiente de 2 litros de tolueno. Llevar la solución a ebullición y hervir durante 15
      minutos.
    b. Retire los rotores, evaporar el líquido en el recipiente hasta la sequedad y el calor que el residuo
      peso constante a 220 ° a 230 ° El residuo será esencialmente libre de metales particles.F.


18.13 Método de prueba para motores herméticos LIMPIEZA DE TENER ESTATOR
    Diámetros de 8,777 pulgadas o menos
18.13.1 Propósito

    El propósito de este ensayo es evaluar la limpieza de un estator y un rotor hermético mediante la determinación de
la cantidad, por lo que el peso no se especifican, de residuo insoluble (virutas metálicas, pelusa, polvo, etc) y
residuos solubles (aceite de liquidación, aceite lubricante, etc) presentes como resultado de la fabricación de diversos
los procesos. No es el propósito de este procedimiento en particular para determinar la ext ractables presentes en una
sistema de aislamiento o para determinar la idoneidad de un sistema de aislamiento para resistir los refrigerantes diferentes
y aceites presentes en una unidad hermética.


18.13.2 Descripción
     El estator o rotor es vertical agitada en Refrigerante 113 a temperatura ambiente a una velocidad de cuarenta a cincuenta
2,5 pulgadas de golpes por minuto durante 30 minutos. El refrigerante 113 lava insoluble y soluble
los residuos con una acción insignificante solventes o químicos en el aislamiento o metales presentes. El insoluble
residuo se separa del refrigerante 113 y 113 del refrigerante se reduce a casi sequedad por
destilación. T anto la insoluble y la soluble residuos se secan durante 15 minutos a 125 º y weighed.C


18.13.3 Almacenamiento de muestras
 El estator o el rotor de la muestra se colocará en una bolsa de plástico que se sellará en el lugar donde el
muestra se toma. La muestra se almacena en el envase hasta que se prueba.

18.13.4 Equipo
    a. Estator equipo de agitación
    b. Equipos de destilación
    c. Plato caliente
    d. Horno
    e. De aluminio de peso platos
    f. Vasos de cristal
    g. Recipientes de acero inoxidable




18.13.5 Procedimiento
    a. Seleccione un contenedor de acero inoxidable con un diámetro que es de 0,50 a 1,5 pulgadas más grande que el estator
      o el diámetro del rotor y por lo menos cuatro pulgadas más alto que el estator total o altura del rotor.
    b. Coloque el estator o el rotor de un soporte de forma que habrá un espacio libre de 0,50 pulgadas entre las
      estator o el rotor y el fondo del recipiente en la parte inferior de la carrera. Con el estator o el rotor
      colocado en el recipiente, verter suficiente refrigerante 113 a fin de que habrá un mínimo de 1
      pulgadas de líquido por encima del extremo superior de alambre o un anillo de final con el soporte de apoyo en la parte super ior de la
      accidente cerebrovascular.
MG 1-1998                                                              Sección II
Parte 18, Página 6                                           MÁQUINAS para uso determinado
                                                   MOT ORES para compresores de refrigeración HERMET IC


      El contenido total de residuos del refrigerante 113 usado en la prueba de la limpieza del estator se 0,0010
        gramos por litro máximo. Esto se determinará mediante la transferencia de 1.000 mililitros de refrigerante
        113 a un matraz de 4000 ml Erlenmeyer conectado a un condensador de destilación.
      Extraer el refrigerante 113 hasta un volumen de menos de 100 mililitros se mantiene en el matraz. T ransferencia
        esta porción a un plato de aluminio tarado que se va a calentar con cuidado sobre una plancha caliente hasta que entre
        0,25 y 0,50 centímetros de los restos de líquido. Secar la cápsula y los residuos durante 15 minutos a 125 ° coolC,
        durante 15 minutos en el desecador y pesar con precisión de 0,001 gramos.
    c. Agitar verticalmente el estator o el rotor de refrigerante 113 a 25 º más o menos de 5 ° a una velocidad de cuarenta toCC
        cincuenta 2,5 pulgadas golpes por minuto durante 30 minutos. Después de 30 minutos de agitación, levantar el estator o el rot or
        por encima de la superficie del refrigerante 113 y dejar que se drene hasta que deje de gotear.
    d. T ransferir el refrigerante 113 que contiene el residuo soluble e insoluble (desde el punto c.) a un 4000 -
        ml Erlenmeyer conectado a un condensador de destilación. Lavar el recipiente de acero inoxidable
        con la limpieza de refrigerante 113 varias veces y agregar los lavados al matraz. Destilar el
        Refrigerante 113 hasta aproximadamente 200 mililitros permanecer en el matraz. Filtro de esta parte a través de un
        previamente pesado de alta retención del filtro. Lavar el matraz con la limpieza de refrigerante 113 varias veces y el filtro
        estos lavados. Quite el filtro y se seca durante 15 minutos a 125 ° por 15 minutos en AC,
        desecador, y pesar con precisión de 0,001 gramos. La siguiente información deberá ser informado:
      1. Peso de los residuos
      2. Descripción del residuo
     e. T ransferir el filtrado de refrigerante 113 a un vaso de vidrio de 250 mililitros. Lavar el matra z de filtración
         varias veces con refrigerante limpio 113 y la transferencia de estos líquidos de lavado al vaso de precipitados. Con cuidado
         calentar el vaso y el residuo soluble hasta un volumen de menos de 100 mililitros se mantiene en el
         vaso de precipitados. T ransferir el contenido del vaso a una placa de aluminio tarado. Con cuidado, caliente el
         aluminio plato sobre una placa caliente hasta entre 0,25 y 0,50 centímetros de los restos de líquido. Seque el
         cápsula con el residuo soluble durante 15 minutos a 125 ° por 15 minutos en un desecador y weighC,
         con una precisión de 0,001 gramos. La siguiente información deberá ser informado:
      1. Peso de los residuos
      2. Descripción de los residuos
     f. El informe también deberá incluir la fecha, el estator o el tipo de rotor, y el diámetro exterior y la altura
         de la laminación de apilamiento.
Sección II                                                                                                        MG 1-1998
MÁQUINAS para uso determinado                                                                                   Parte 18, Página 7
MOT ORES para compresores de refrigeración HERMET IC



                                                               FABRICACIÓN


18.14 ROTOR diámetro de agujero Y DIMENS
Norma nema completa
Norma nema completa
Norma nema completa
Norma nema completa
Norma nema completa
Norma nema completa
Norma nema completa
Norma nema completa
Norma nema completa
Norma nema completa
Norma nema completa
Norma nema completa
Norma nema completa
Norma nema completa
Norma nema completa
Norma nema completa
Norma nema completa
Norma nema completa
Norma nema completa
Norma nema completa
Norma nema completa
Norma nema completa
Norma nema completa
Norma nema completa
Norma nema completa
Norma nema completa
Norma nema completa
Norma nema completa
Norma nema completa
Norma nema completa
Norma nema completa
Norma nema completa
Norma nema completa
Norma nema completa
Norma nema completa
Norma nema completa
Norma nema completa
Norma nema completa
Norma nema completa
Norma nema completa
Norma nema completa
Norma nema completa
Norma nema completa
Norma nema completa
Norma nema completa
Norma nema completa
Norma nema completa
Norma nema completa
Norma nema completa
Norma nema completa
Norma nema completa
Norma nema completa
Norma nema completa
Norma nema completa
Norma nema completa
Norma nema completa
Norma nema completa
Norma nema completa
Norma nema completa
Norma nema completa
Norma nema completa
Norma nema completa
Norma nema completa
Norma nema completa
Norma nema completa
Norma nema completa
Norma nema completa
Norma nema completa
Norma nema completa
Norma nema completa
Norma nema completa
Norma nema completa
Norma nema completa
Norma nema completa
Norma nema completa
Norma nema completa
Norma nema completa
Norma nema completa
Norma nema completa
Norma nema completa
Norma nema completa
Norma nema completa
Norma nema completa
Norma nema completa
Norma nema completa
Norma nema completa
Norma nema completa
Norma nema completa
Norma nema completa
Norma nema completa
Norma nema completa
Norma nema completa
Norma nema completa
Norma nema completa
Norma nema completa
Norma nema completa
Norma nema completa
Norma nema completa
Norma nema completa
Norma nema completa
Norma nema completa
Norma nema completa
Norma nema completa
Norma nema completa
Norma nema completa
Norma nema completa
Norma nema completa
Norma nema completa
Norma nema completa
Norma nema completa
Norma nema completa
Norma nema completa
Norma nema completa
Norma nema completa
Norma nema completa
Norma nema completa
Norma nema completa
Norma nema completa
Norma nema completa
Norma nema completa
Norma nema completa
Norma nema completa
Norma nema completa
Norma nema completa
Norma nema completa
Norma nema completa
Norma nema completa
Norma nema completa
Norma nema completa
Norma nema completa
Norma nema completa
Norma nema completa
Norma nema completa
Norma nema completa
Norma nema completa
Norma nema completa
Norma nema completa
Norma nema completa
Norma nema completa
Norma nema completa
Norma nema completa
Norma nema completa
Norma nema completa
Norma nema completa
Norma nema completa
Norma nema completa
Norma nema completa
Norma nema completa
Norma nema completa
Norma nema completa
Norma nema completa
Norma nema completa
Norma nema completa
Norma nema completa
Norma nema completa
Norma nema completa
Norma nema completa
Norma nema completa
Norma nema completa
Norma nema completa
Norma nema completa
Norma nema completa
Norma nema completa
Norma nema completa
Norma nema completa
Norma nema completa
Norma nema completa
Norma nema completa
Norma nema completa
Norma nema completa
Norma nema completa
Norma nema completa
Norma nema completa
Norma nema completa
Norma nema completa
Norma nema completa
Norma nema completa
Norma nema completa
Norma nema completa
Norma nema completa
Norma nema completa
Norma nema completa
Norma nema completa
Norma nema completa
Norma nema completa
Norma nema completa
Norma nema completa
Norma nema completa
Norma nema completa
Norma nema completa
Norma nema completa
Norma nema completa
Norma nema completa
Norma nema completa
Norma nema completa
Norma nema completa
Norma nema completa
Norma nema completa
Norma nema completa
Norma nema completa
Norma nema completa
Norma nema completa
Norma nema completa
Norma nema completa
Norma nema completa
Norma nema completa
Norma nema completa
Norma nema completa
Norma nema completa
Norma nema completa
Norma nema completa
Norma nema completa
Norma nema completa
Norma nema completa
Norma nema completa
Norma nema completa
Norma nema completa
Norma nema completa
Norma nema completa
Norma nema completa
Norma nema completa
Norma nema completa
Norma nema completa
Norma nema completa
Norma nema completa
Norma nema completa
Norma nema completa
Norma nema completa
Norma nema completa
Norma nema completa
Norma nema completa
Norma nema completa
Norma nema completa
Norma nema completa
Norma nema completa
Norma nema completa
Norma nema completa
Norma nema completa
Norma nema completa
Norma nema completa
Norma nema completa
Norma nema completa
Norma nema completa
Norma nema completa
Norma nema completa
Norma nema completa
Norma nema completa
Norma nema completa
Norma nema completa
Norma nema completa
Norma nema completa
Norma nema completa
Norma nema completa
Norma nema completa
Norma nema completa
Norma nema completa
Norma nema completa
Norma nema completa
Norma nema completa
Norma nema completa
Norma nema completa
Norma nema completa
Norma nema completa
Norma nema completa
Norma nema completa
Norma nema completa
Norma nema completa
Norma nema completa
Norma nema completa
Norma nema completa
Norma nema completa
Norma nema completa
Norma nema completa
Norma nema completa
Norma nema completa
Norma nema completa
Norma nema completa
Norma nema completa
Norma nema completa
Norma nema completa
Norma nema completa
Norma nema completa
Norma nema completa

Norma nema completa

  • 1.
    Normas NEMA MGpublicación N º 1-1998, Revisión 1 MOTORES Y GENERADORES Publicado por Nacional de Fabricantes Eléctricos ASOCIACIÓN 1300 North 17th Street, Suite 1847 Rosslyn, Virginia 22209 © Copyright 2000 por la Asociación Nacional de Fabricantes Eléctricos. T odos los derechos incluidos traducción a otras lenguas reservados en virtud de la Convención Universal, el Convenio de Berna Convenio para la Protección de las Obras Literarias y Artísticas, y la Internacional y Panamericana Estadounidense sobre el Copyright.
  • 2.
    Lista de loscambios incluidos en la Revisión 1 Las siguientes secciones se han revisado en la versión MG 1-1998, Revisión 1. Por favor, sustituir o insertar las páginas siguientes en su cuaderno. Tabla de contenidos Prefacio Sección 1, páginas 3-4, 9-14 Parte 4, páginas 13-14, 17-18, 35-36 Parte 5, páginas 3-6, 11-12 Parte 7, sección completa Parte 9, sección completa Parte 10, páginas 1-2, 13-14 Parte 12, páginas 5-42 Parte 18, páginas 79-80 Parte 20, páginas 7-8, 11-24 Parte 30, páginas 90-10 Parte 33, la nueva sección Índice
  • 3.
    MG 1-1998, Revisión1 Página i Tabla de Contenidos (revisado) Página N º Prefacio Sección I NORMAS GENERALES APLICABLES A TODOS LOS EQUIPOS Parte 1-REFERENCIA normas y definiciones 1.1REFERENCED NORMAS ............................................... .............................................. 1 -1 1-5 Clasificación del tamaño .............................................. ........................................ 1-5 1.2MACHINE 1-5 1.3SMALL (fraccionarios) MÁQUINA ............................................ .......................................... 1 -5 1.4MEDIUM (INT EGRAL) MÁQUINA ............................................ . ........................................... 1-5 1.4.1 de corriente alterna medio de la máquina .......................................... .............................. 1 -5 1.4.2 de corriente directa media máquina .......................................... ...................................... 1-5 1.5LARGE 1-5 1.5.1 de la máquina de corriente alterna de gran .......................................... ................................. . 1-5 1.5.2 de corriente directa de la máquina grande .......................................... .......................................... 1 -5 CLASIFICACIÓN DE ACUERDO A LA SOLICITUD .................................................. ................... 1-6 Automóviles para usos 1.6GENERAL .............................................. ............................................. 1 -6 1.6.1 Propósito General de corriente alterna Motor ........................................ ...................... 1 -6 1.6.2 Propósito General de corriente directa pequeño motor ....................................... ..................... 1 -6 1.7GENERAL-FIN GENERADOR ............................................. ..................................... 1 -6 Pequeño motor 1.8INDUST RIAL .............................................. ............................................... 1 -6 1.9INDUST RIAL MOT OR DE CORRIENT E CONT INUA MEDIO ........................................... .............. 1 -6 1.10INDUST RIAL GENERADOR DE CORRIENT E CONT INUA ............................................ ................... 1 -6 1.11DEFINIT E-FIN DEL MOT OR ............................................. ............................................... 1 -6 1.12GENERAL motores industriales .............................................. ......................................... 1 -7 1.13MET AL Laminador MOT ORES ............................................. .......................................... 1 -7 1.14REVERSING MOT ORES HOT MILL ............................................. ......................................... 1 -7 1.15SPECIAL-FIN DEL MOT OR ............................................. ................................................ 1 -7 CLASIFICACIÓN SEGÚN EL TIPO DE ELECTRICIDA D .................................................. .......... 1-7 1.16GENERAL 1-7 1.16.1 Motor eléctrico 1-7 1.16.2 Generador Eléctrico 1-7 1.16.3 Máquinas Eléctricas 1-7 1.17ALT ERNAT ING motores de corriente continua ............................................. ................................... 1 -8 1.17.1 Inducción 1-8 1.17.2 motor síncrono ............................................. ........................................ .......... .... 1-8 1.17.3 Serie herida Motor ........................................... .................................................. ... 1-8 1.18POLYPHASE 1-8 1.18.1 Cartas de diseño de motores polifásicos de jaula de ardilla medio .................................... 1 -8 1.18.1.5 Diseño E (eliminados ).......................................... ........................................ 1 -9 1.19SINGLE motores trifásicos ............................................. ................................................. . ... 1-9 1.19.1 Cartas de diseño de motores monofásicos pequeños ....................................... .......... .......... 1-9 1.19.2 Cartas de diseño de motores de media monofásicos ....................................... ................ 1 -9 1.19.3 monofásico de jaula de ardilla Motor ........................................ ................... ............. 01.10 1.19.4 monofásico de rotor Motores ........................................ ................................ 01.10 1.20UNIVERSAL MOT ORES 01.11 1.20.1 Serie herida Motor ........................................... .................................................. .. 01.11 1.20.2 Compensación de la serie-la herida Motor .......................................... .............................. 01.11 1.21ALT ERNAT ING generadores de corriente ............................................. ........................ 01.11 1.21.1 Inducción 01.11
  • 4.
    MG 1-1998, Revisión1 Página ii 1.22 Motores de corriente continua .............................................. ............................................ 01.11 1.22.1 devanado en derivación del motor ........................................... ......................................... ......... ... 01.11 1.22.2 Serie herida Motor ........................................... .................................................. .. 12.01 1.22.3 compuesto-herida Motor ........................................... ............................................. 12.01 1.22.4 Motor de imán permanente ............................................ ............................................ 12.01 1.23DIRECT generadores de corriente ............................................. .................................... 12.01 1.23.1 devanado en derivación del generador ........................................... .......................................... .... 12.01 1.23.2 compuesto-herida generador ........................................... .................................... .. 12.01 CLASIFICA CIÓN SEGÚN LA PROTECCIÓN DEL MEDIO AMBIENTE Y MÉTODOS DE 12.01 1.25OPEN MACHINE (IP00, IP01) .......................................... ................................................. 12 .01 1.25.1 Máquina Dripproof (IP12, IP01) ........................................ ................................... 12.01 1.25.2 a prueba de salpicaduras de la máquina (IP13, IP01) ...................................... ........................... ... 01.13 1.25.3 Semi-vigilado de la máquina (IC01) ........................................ ....................................... 01.13 1.25.4 máquina protegida (IC01 ).......................................... ............................................... 01 .13 1.25.5 Máquina Dripproof Vigilado (IC01 )......................................... ................................ 14.01 1.25.6 máquina abierta, con ventilación independiente (IC06) ........................................ ............. 14.01 1.25.7 Pipe ventilada abierta de la máquina .......................................... ..................................... 01.15 1.25.8 El tiempo de la máquina protegida por ........................................... ........................ ................. 01.15 1.26T OT ALLY ADJUNT O DE LA MÁQUINA .............................................. ....................................... 01.1 5 1.26.1 Máquina no ventilado totalmente cerrados (IC410) ........................................ .. ......... 01.15 1.26.2 totalmente cerrados con ventilador automático ......................................... .......................... 01. 15 1.26.3 con ventilador totalmente cerrados máquina protegida (IP54, IC411 ).......................... .... 01.15 1.26.4-Pipe totalmente cerrados con ventilación de la máquina (IP44 )...................................... ............. 01.15 1.26.5 totalmente cerrados refrigerados por agua de la máquina (IP54) ..................................... ................ 01.16 1.26.6 Prueba de Agua de la máquina (IP55 )........................................ ......................................... ... 01.16 1.26.7 totalmente cerrados de aire a refrigeración por agua de la máquina (IP54) .................................. ......... 01.16 1.26.8 totalmente cerrados aire-aire refrigerado de la máquina (IP54 )................................... .............. 01.16 1.26.9 totalmente cerrados de aire sobre la máquina (IP54, IC417) .................................... .............. 01.16 01/26/10 a prueba de explosión de la máquina ........................................... ................ ........................... 01.16 01/26/11 polvos com-prueba la máquina ......................................... ......................................... 01.16 1.27MACHINE con bobinados encapsulados o SELLADO ....................................... .. 01.17 1.27.1 Máquina de bobinado Resistente a la Humedad .......................................... ................... 01.17 1.27.2 Máquina de bobinado sellado ........................................... .................................... 01.17 CLASIFICA CIÓN DE ACUERDO A LA VARIABILIDA D DE LA VELOCIDAD ............................................ ...... 01.17 1.30CONST ANT motor de velocidad ............................................. ............................................... 01.17 1.31VARYING motor de velocidad ............................................. ................................................ .. 01.17 1.32ADJUST ABLE motor de velocidad ............................................. .......................................... . 01.17 1.33BASE velocidad de un motor de velocidad ajustable ......................................... ........... 01.17 1.34ADJUST ABLE VARIABLES VELOCIDAD MOT OR ............................................ ........................... 01.17 MOT OR 1.35MULT ISPEED 01.17 Clasificación, el rendimiento y prueba .................................................. ...................................... 18.01 1.40RAT ING DE UN 18.01 Continuo 1.40.1 18.01 1.40.2 Short -T ime Rating ........................................... .................................................. ...... 18.01 1.41EFFICIENCY 18.01 1.41.1 18.01 1.41.2 Energía Eficiente polifásicos jaula de ardilla motor de inducció n .................................... 18.01 1.42SERVICE FACT OR-AC MOT ORES ............................................ ...................................... 18.01 1.43SPEED REGULACION DE MOT ORES DC ............................................ ........... ................... 18.01 1.43.1 El porcentaje de capitalización de corriente directa Máquinas ........................................ ........ 18.01 REGLAMENT O DE DIRECT OS 1.44VOLT AGE generadores de corriente ................................ 18.01 T ENSIÓN 1.45SECONDARY de rotores MOT OR heridas .......................................... .... 18.01 1.46FULL carga de par- 19.01 1.47LOCKED Par con rotor (par estático) ......................................... .................... 19.01 1.48PULL-UP PAR 19.01
  • 5.
    MG 1-1998, Revisión1 Página iii 1.49 Pushover 19.01 DESGLOSE DE PAR ................................................ .................................................. . 19.01 1.50 EXT RAIBLES PAR 19.01 1.51 PULL-IN T ORQUE 19.01 1.52 Intensidad con rotor bloqueado .............................................. .............................................. 19.01 1.53 Corriente sin carga 19.01 1.54 1.55 EMPERAT URA 19.01 T 1.56 EMPERAT URA AMBIENT E ................................................ ............................................... 20.01 T 1.57 ALT O POT ENCIAL 20.01 1.58 CAPACIDAD PARA EL ARRANQUE DE UN MOT OR DE CAPACIT OR ............................................ .. 20.01 1.59 IRE RADIAL Y AXIAL MAGNÉT ICO fuerza de centrado ........................................ 20.01 T 1.59.1 atracción magnética radial ............................................ .................................................. .. 20.01 1.59.2 Fuerza axial centrado ............................................ .................................................. 20.01 1.60INDUCT ION constantes de tiempo MOT OR ............................................. ........................... 20.01 1.60.1 20.01 1.60.2 T iempo de circuito abierto de CA constante ......................................... ................................. .... 20.01 1.60.3 corto de tiempo del circuito de CA constante ......................................... ............................... ...... 20.01 1.60.4 corto de tiempo del circuito de CC constante ......................................... .. ................................... 20.01 1.60.5 X / R 01.21 1.60.6 Definiciones (Ver Figura 1-4) ....................................... ............................................. 01.21 MÁQUINAS completos y partes .................................................. ........................................ 01.21 1.61SYNCHRONOUS GENERAT OR-COMPLET A ............................................. ..................... 01.21 1.61.1 T ipo de cinturón 01.21 1.61.2 T ipo de motor 01.21 1.61.3 Junto T ipo 01.21 1.62DIRECT -generador de corriente-COMPLET A ........................................... ................. 22.01 1.62.1 T ipo de cinturón 22.01 1.62.2 T ipo de motor 22.01 1.62.3 Junto T ipo 22.01 1.63FACE y pestaña de montaje ............................................. ........................................ 22.01 1.63.1 T ipo C cara 22.01 1.63.2 T ipo D 22.01 1.63.3 T ipo P brida 22.01 CLASIFICA CIÓN DE LOS SISTEMAS DE AISLAMIENTO .............................................. ............................. 22.01 SIST EMA 1.65INSULAT ION DEFINIDO .............................................. ....................................... 22.01 1.65.1 Aislamiento de la bobina con sus accesorios .......................................... ............................... 22.01 1.65.2 Conexión y aislamiento de las bobinas de apoyo .......................................... ................. 22.01 1.65.3 piezas estructurales asociadas ............................................ ......................................... 22.01 1.66CLASSIFICAT ION los sistemas de aislamiento ............................................. .................. 2 3.01 VARIOS 01.24 1.70NAMEPLAT E 01.24 1.71CODE CART A 01.24 1.72T HERMAL 01.24 1.73T HERMALLY 01.24 1.74OVER protección de temperatura .............................................. .............................. 01.24 1.75PART -LIQUIDACIÓN motor de arranque ............................................ ......................................... 01.24 1.76ST AR (WYE) ST ART , DELT A RUN MOT OR ........................................ ............................ 01.24 FLUX 1.77CONST ANT 01.24 1.78MARKING ABREVIAT URAS DE MÁQUINAS ............................................. ................... 01.24
  • 6.
    MG 1-1998, Revisión1 Página iv Sección I NORMAS GENERALES APLICABLES A TODOS LOS EQUIPOS Parte 2-TERMINAL MARCAS GENERAL 2-1 2.1LOCAT ION DE LAS MARCAS DE T ERMINAL ............................................. ................................ 2 -1 MARCAS 2.2T ERMINAL 2-1 2.3DIRECT ION DE GIRO .............................................. .................................................. 2 -2 2.3.1 Las máquinas de corriente alterna ........................................... ......................................... 2-2 2.3.2 Las máquinas de corriente directa ........................................... ......................................... ........ 2-2 2.3.3 Motor-Generador 2-2 Motores y generadores .................................................. ............................................... 2-2 MARCAS 2.10T ERMINAL 2-2 2.10.1 2-2 2.10.2 Armadura 2-2 2.10.3 Cables-Dirección de la rotación de la armadura ......................................... ........................... 2-2 MARCAS DE DOBLE 2.11T ERMINAL CAMPOS DE T ENSIÓN SHUNT ...................................... 2 -2 2.12DIRECT ION DE GIRO .............................................. .................................................. 2 -3 2.12.1 de corriente directa 2-3 2.12.2 directa Generadores de corriente ........................................... ......................................... ..... 2-3 2.12.3 función inversa 2-3 DIAGRAMAS 2.13CONNECT ION con marcas T ERMINAL DE Motores de corriente continua .............................................. .............................................. 2 -3 DIAGRAMAS 2.14CONNECT ION con marcas T ERMINAL DE DIRECT O generadores de corriente .............................................. ..................................... 2-7 AC MOTORES Y GENERA DORES .................................................. ............................................... 2-9 2.20NUMERALS EN LAS T ERMINALES DE LA CORRIENT E ALT ERNA POLIFÁSICOS 2-9 2.20.1 máquinas síncronas ............................................. ................................................ 2 -9 2.20.2 Las máquinas de inducción ............................................. .................................................. .... 2 -9 2.21DEFINIT ION la secuencia de fases ............................................. ................................... 2 -9 2.22PHASE SECUENCIA 2-9 2.23DIRECT ION DE LA ROT ACIÓN DE PHASORS ............................................ ........................... 2 -9 2.24DIRECT ION DE GIRO .............................................. ................................................ 10.02 Generadores de corriente alterna y motores síncronos ............................................. ..................... 10.02 2.25REVERSAL de secuencia de rotación, la polaridad y la FASE ............................... 10.02 2.30CONNECT ION Y T ERMINAL DE MARCAS-ALT ERNA Generadores de corriente y sincrónica-MOT ORS T rifásicos y monofásicos ........................................... .................................. 10.02 MONOFÁSICOS 11.02 2.40GENERAL 11.02 Doble 2.40.1 11.02 2.40.2 T ensión único 11.02 MARCAS 2.41T ERMINAL identificadas por el color ............................................ ................ 12.02 DISPOSIT IVOS DE MOT OR EN 2.42AUXILIARY ............................................. .............................. 12.02 DISPOSIT IVOS 2.43AUXILIARY EXT ERNA AL MOT OR ............................................ ................... 12.02 2.44MARKING DE T ERMINALES montado de forma rígida ............................................ ................ 12.02 2.45INT ERNAL DISPOSIT IVOS AUXILIARES permanentemente conectado A montado de forma rígida T ERMINALES ....................................... ....... ................................ 02.13 PRINCIPIOS DE MARCAS 2.46GENERAL T ERMINAL DE Los motores monofásicos .............................................. .................................................. 02. 13 En primer lugar 2.46.1 02.13 2.46.2 Segundo Principio 02.13 2.46.3 T ercer Principio 02.13 DIAGRAMAS 2.47SCHEMAT IC PARA LA FASE DE SPLIT -MOT ORS- SINGLE DE T ENSIÓN-REVERSIBLE .............................................. .................................... 14.02 2.47.1 Sin Protector térmico ............................................ .......................................... 14.02 2.47.2 con protector térmico ............................................ .............. ................................. 14.02
  • 7.
    MG 1-1998, Revisión1 Página v 2.48 ESQUEMAS ESQUEMA DE MOT ORES de arranque por capacitor - REVERSIBLE 15.02 2.48.1 solo voltaje en el capacitor de arranque Motors-Reversible ...................................... ......... 15.02 2.48.2 de doble voltaje en el capacitor de arranque Motors-Reversible ...................................... ............ 16.02 Diagramas esquemáticos para el condensador de dos valores 2.49 MOT ORES DE UN SOLO DE T ENSIÓN-REVERSIBLE ............................................ .................. 20.02 2.49.1 Sin Protector térmico ............................................ .......................................... 20.02 2.49.2 con protector térmico ............................................ ............................................... 21. 02 ESQUEMAS ESQUEMA PARA partida permanente CAPACIT OR 2.50 MOT ORES DE UN SOLO DE T ENSIÓN-REVERSIBLE ............................................ .................. 22.02 ESQUEMAS ESQUEMA DE MOT ORES-UNIVERSAL T ENSIÓN SIMPLE 02.23 2.51 ESQUEMAS ESQUEMA DE repulsión, repulsión INICIO INDUCCIÓN, y la inducción de repulsión MOT ORES ........................................... ....... 02.24 2.52 Sombrear-poste-MOT ORES DOS VELOCIDADES ........................................... ............................ 25.02 PRINCIPIOS GENERALES PARA LAS INSCRIPCIONES PARA T ERMINAL 2.53 Motores polifásicos INDUCCIÓN ............................................... ................................. 25.02 2.60 2.60.1 25.02 2.60.2 trifásicos, motores de dos velocidades ........................................ ..... .............................. 02.26 2.60.3 Dos motores trifásicos ........................................... .................................................. ..... 02.26 Marcado de los terminales para conexión trifásica Una velocidad INDUCCIÓN 02.26 2.61.1 02.26 2.61 En segundo lugar 2.61.2 02.26 En tercer lugar 2.61.3 02.26 Cuarto 2.61.4 02.26 2.61.5 02.26 2.61.6 02.26 Marcado de los terminales para Y-y delta-RELACIONADOS Los dos motores de VOLT AJE ............................................... ................................................ 0 2.27 Marcado de los terminales para conexión trifásica DE DOS VELOCIDADES UNA SOLA CUERDA MOT ORES DE INDUCCIÓN ............................................. .......................... 02.27 2.62 Marcado de los terminales para Y-y delta-RELACIONADOS T RES FASES DE DOS VELOCIDADES DE UN SOLO MOT OR DE LIQUIDACIÓN ........................................ .. 02.27 2.63 Marcado de los terminales PARA inducción trifásicos Los motores que tienen dos o más velocidades sincrónicas Procedentes de dos o más devanados INDEPE3NDENT ................................. 2 -33 2.64 2.65.1 Cada bobinado independiente que da una velocidad ................................... ...... ............. 2-33 2.65.2 Cada Reconnectible independientes de bobinado para dar dos 2.65 Velocidades sincrónicas ................................................ .............................................. 2 -33 2.65.3 Dos o más devanados independiente por lo menos uno de los cuales Da una velocidad de sincronismo y el otro bobinado Ofrece dos velocidades sincrónicas .............................................. .............................. 2 -34 Marcado de los terminales de los rotores de rotor bobinado INDUCCIÓN 2-35 2.66 Sección I NORMAS GENERALES APLICABLES A TODOS LOS EQUIPOS Parte 3-ALTO POTENCIAL DE LAS PRUEBAS 3.1HIGH POT ENCIAL 3-1 3.1.1 Seguridad 3-1 3.1.2 3-1 3.1.3 Procedimiento 3-1 3.1.4 T ensión de prueba 3-1 3.1.5 Condición de la máquina para ser probada ......................................... ................................... 3-1 3.1.6 Duración de la aplicación de la tensión de prueba ......................................... ............................. 3 -1 3.1.7 Puntos de Aplicación de la Prueba de tensión ......................................... ................................ 3-2
  • 8.
    MG 1-1998, Revisión1 Página vi 3.1.8 Accesorios y Componentes ............................................ ....................................... 3 -2 3.1.9 Evaluación de fallo del fluido dieléctrico ...................................... ..... ........................................ 3-2 01/03/10 Prueba Inicial en el destino ........................................... ........................................... ..... 3-2 3.1.11 Pruebas de un grupo reunido de máquinas y aparatos ...................................... 3-2 3.1.12 Pruebas adicionales hechas después de la instalación .......................................... ...................... .... 3-3 Sección I NORMAS GENERALES APLICABLES A TODOS LOS EQUIPOS Parte 4-dimensiones, tolerancias, y el montaje 4.1LET T ERING DE HOJAS DE MEDIDA ............................................. ................................. 4 -1 4.2SYST EM PARA MARCOS PARA DESIGNAR ............................................. ..... ........................ 10.04 4.2.1 Los números de fotogramas 10.04 4.2.2 Cartas de Marco 11.04 4.3MOT OR MONT AJE Y LOCALIZACIÓN DE T ERMINALES DE VIVIENDA ........................................ 04.12 Figura 4-6 (revisado) 13.04 4.4DIMENSIONS-AC MÁQUINAS ............................................. ........................................... 14.04 4.4.1 Dimensiones para el de corriente alterna con patas Las máquinas con solo mango recto de extensión ........................................... ............. 14.04 4.4.2 Extensiones del eje y las dimensiones clave para la alterna- De corriente montados pies cónicos Máquinas con simple o Doble Directo / cónicos de extensión del eje ............................................ .................... 04.16 4.4.3 Diámetros del eje de extensión y dimensiones clave para la Motores de corriente continua alterna construido en marcos más grandes que los marcos 449T .............. 17.04 4.4.4 Dimensiones para el T ipo C cara de montaje de pie o Leggings Alterna Motores de corriente continua ............................................. . .................................... 17.04 4.4.5 Dimensiones para el tipo de rostro FC de montaje para accesorios el fin de alterna Motores de corriente continua ........................................... ...................... ...... 18.04 4.4.6 Dimensiones para el T ipo D brida de montaje de pie o Leggings Alterna Motores de corriente continua .............................................. ........................................ . 19.04 4.5DIMENSIONS-DC MÁQUINAS ............................................. ........................................... 20.04 4.5.1 Dimensiones para Motores de corriente continua, con pequeñas Extensión de un solo eje recto .............................................. .................................. 20.04 4.5.2 Dimensiones para el pie de montaje industrial de corriente directa Máquinas .......................... 21 .04 4.5.3 Dimensiones para el pie de montaje industrial Motores de corriente continua .............................. 04.25 4.5.4 Dimensiones para el T ipo C cara de montaje de corriente directa Pequeño 04.26 4.5.5 Dimensiones para el T ipo C de montaje cara Industrial Motores de corriente continua ............... 04.26 4.5.6 Dimensiones para el T ipo C de montaje cara Industrial Motores de corriente continua ................ 27.04 4.5.7 Dimensiones para el T ipo D brida de montaje industrial Motores de corriente continua ............. 27.04 4.5.8 Dimensiones de la base de tipo P y PH Vertical eje sólido Industrial Motores de corriente continua ............................................. .................................. 28.04 4.5.9 Dimensiones para el tipo de rostro FC de montaje para accesorios en el lado accionamiento del Frente Industrial Motores de corriente continua .............................. 28.04 DIÁMET ROS 4.6SHAFT EXT ENSION PARA MOT ORES UNIVERSAL ..................................... 28.04 LÍMIT ES EN LAS DIMENSIONES 4.7T OLERANCE ............................................. ............................... 29.04 4.8KNOCKOUT y diámetro de las perforaciones para la máquina T ERMINAL 29.04 4.9T OLERANCES en diámetros extensión del eje y 29.04 4.9.1 Diámetro de extensión del eje ............................................ ............................... .............. 29.04 4.9.2 Ancho cunero 29.04 4.9.3 Fondo de cunero a la superficie del eje ......................................... ................................ 29.0 4 4.9.4 Paralelismo 04.30 Lateral 4.9.5 04.30 4.9.6 Diámetros y Dimensiones cunero ........................................... ............................. 04.30 4.9.7 Eje de descentramiento 04.30 4.10RING cuneros ranura del eje PARA MOT ORES DE EJE VERT ICAL ........................ 4-32
  • 9.
    MG 1-1998, Revisión1 Página vii 4.11 MÉT ODO DE MEDICIÓN DEL EJE Y DE descentramiento ELECT RICIDAD Y descentramiento CARA DE SUPERFICIES DE MONT AJE ................................. 4 -32 4.11.1 Eje de descentramiento 4-32 4.11.2 La excentricidad y el descentramiento de la cara superficies de montaje ........................................ ...... 4-32 T olerancias para clase C CARA DE MONT AJE Y T IPO D 4.12 BRIDA montaje de motores ............................................... ......................................... 4 -32 T olerancias para clase P montaje de la brida MOT ORES ....................................... 4-33 4.13 T ORNILLOS DE MONT AJE o espárragos .............................................. ......................................... 4 -33 4.14 Método para verificar coplanaridad DE PIES DE COMPLET O 4.15 REUNIDOS 4-34 MÉT ODO DE MEDICIÓN DE LA EXT ENSIÓN DEL EJE PARALELISMO DE PIE PLANO .............................................. ....................................... 4 -34 4.16 Medida de la temperatura T ENIENDO .............................................. .............. 4 -34 CONEXIONES DE T ERMINAL PARA MOT ORES PEQUEÑOS ............................................. .......... 4 -35 4.17 4.18.1 T erminal 4-35 4.18 4.18.2 terminales de lámina 4-35 Carcasas de los motores T ERMINAL ............................................... ........................................ 4 -35 4.19.1 Motores Pequeña y Mediana Empresa ........................................... ........................................ .... 4-35 4.19 4.19.2 4-35 4.19.2.1 Viviendas T erminal de cable a cable Conexiones Las máquinas pequeñas y medianas empresas .............................................. ................ 4 -35 T IERRA DE MEDIOS PARA EL CABLEADO ............................................. ........................ 4 -41 4.20 Sección I NORMAS GENERALES APLICABLES A TODOS LOS EQUIPOS Parte 5 máquinas rotativas-CLASIFICA CIÓN DE ELECTRICIDA D Grados de protección proporcionados por las envolventes PARA Máquinas rotativas 5.1SCOPE 5-1 5.2OBJECT 5-1 5-1 5.3.1 Numeral sola característica ............................................ ........................................ 5 -1 5.3.2 Cartas complementarias ............................................. .................................................. 5-1 5.3.3 Ejemplo de designación de ............................................ ................................................ . 5-2 5.4DEGREES DE PROT ECCIÓN DE PRIMERA cifra característica ............................ 5 -2 5.4.1 5-2 5.4.2 implícito 5-2 5.4.3 ventiladores externos 5-2 5.4.4 Drenaje 5-3 5.5DEGREES de protección-segunda característica NUMERAL 5-3 5.5.1 5-3 5.5.2 implícito 5-3 5-3 REQUISIT OS PARA LAS PRUEBAS DE 5.7GENERAL ............................................. ............................ 5 -3 Adecuada 5.7.1 5-3 5.8T EST S correspondiente al numeral primera característica ........................................... . .............. 5-4 T abla 5-1 5-4 T abla 5-3 5-6 5.9T EST S correspondiente al numeral segunda característica ............................................ ......... 5 -8 5.9.1 Condiciones de ensayo 5-8 5.9.2 Aceptación 05.11 5.9.2.2 Post T est de agua eléctricos ........................................... ........................... 05.11 5.10REQUIREMENT S PRUEBAS PARA ABRIR EL T IEMPO ND-PROT EGIDA 05.11
  • 10.
    MG 1-1998, Revisión1 Página viii Sección I NORMAS GENERALES APLICABLES A TODOS LOS EQUIPOS Parte 6-eléctricas rotativas MOTORES- Métodos de refrigeración (CÓDIGO IC) 6.1SCOPE 6-1 6-1 6.2.1 Enfriamiento 6-1 6.2.2 refrigerante 6-1 Primaria 6.2.3 6-1 Secundaria 6.2.4 6-1 6.2.5 refrigerante final 6-1 6.2.6 medio circundante ............................................. .................................................. ... 6-1 6.2.7 Medio a distancia 6-2 6.2.8 Liquidación directa enfriado (refrigerado interior de bobinado) ....................................... ............... .... 6-2 6.2.9 Liquidación refrigerado indirectos ............................................ ................................................. 6 -2 06/02/10 calor 6-2 6.2.11 T uberías, Conductos 6-2 02/06/12 Circuito Abierto 6-2 02/06/13 Circuito Cerrado 6-2 02/06/14 corriente o circuito conductos ........................................... .................................................. 6 -2 02/06/15 Stand-by o del sistema de refrigeración de emergencia ........................................ ....................... ... 6-2 Integral 06/02/16 6-2 06/02/17 máquina de montaje de componentes ........................................... ...................................... . 6-3 02/06/18 componente separado ............................................. .................................................. . 6-3 6.2.19 Componente circulación dependiente ............................................ ................. .............. 6-3 02/06/20 Componente de circulación independientes ............................................ ............................. 6-3 6.3DESIGNAT ION 6-3 6.3.1 Disposición del Código IC .......................................... ............................................ 6-3 6.3.2 Aplicación de las Denominaciones ............................................ ......................................... ... 6-4 6.3.3 Designación de los acuerdos de un mismo circuito para diferentes Partes de un 6-4 6.3.4 Designación de los acuerdos de circuito diferente para diferentes Partes de una máquina 6-4 6.3.5 Designación de directo refrigerado liquidación .......................................... ............................. 6-5 6.3.6 Designación de Stand-by o condiciones de refrigeración de emergencia ...................................... 6 -5 6.3.7 Designaciones combinado ............................................. ................................................ 6 -5 6.3.8 Sustitución de los números característicos ........................................... ........................ 6 -5 NUMERAL 6.4CHARACT ERIST IC PARA disposición de circuito ...................................... 6-5 CART AS 6.5CHARACT ERIST IC de refrigerante ............................................. .................... 6 -6 NUMERAL 6.6CHARACT ERIST IC PARA EL MÉT ODO DE MOVIMIENT O ...................................... 6 -7 6.7COMMONLY USADOS DESIGNACIONES .............................................. ................................... 6 -8 6.7.1 Información general sobre las tablas .......................................... ................................... 6 -8 Sección I NORMAS GENERALES APLICABLES A TODOS LOS EQUIPOS Parte 7-vibración mecánica de medición, evaluación y límites (Sección en su totalidad Sustituido) 7.1SCOPE 7-1 7.2OBJECT 7-1 7.3REFERENCES 7-1 7.4MEASUREMENT CANT IDAD ............................................... ............................................... 7 -1 7.4.1 Vibración de Vivienda T eniendo ............................................ .............................................. 7-1 7.4.2 eje con respecto 7-1 7.5MEASUREMENT EQUIPO ............................................... ............................................ 7 -2 7.6MACHINE MONT AJE 7-2 7.6.1 7-2 Resistentes 7.6.2 7-2 7.6.3 Montaje rígido 7-2 7.6.4 Determinación de Medio Ambiente activo ............................................ ................................. 7 -3
  • 11.
    MG 1-1998, Revisión1 Página ix 7.7 Condiciones de medición ............................................... ..................................... 7 -3 7.7.1 eje clave 7-3 7.7.2 Puntos de medición de vibraciones ........................................... ................................... 7 -4 7.7.3 Operación 7-4 7.7.4 T ransductor de Vibración de montaje ............................................ ......................... ............. 7-4 LÍMIT ES DE LAS VIBRACIONES DE VIVIENDA T ENIENDO ............................................. ....................... 7 -7 7.8 7.8.1 7-7 7.8.2 Límites de vibración para máquinas estándar .......................................... ............. .............. 7-9 7.8.3 Límites de vibración para máquinas especiales .......................................... .............................. 7-9 7.8.4 Vibración Bandas para máquinas especiales .......................................... ................ .......... 7-9 7.8.5 Línea doble de la frecuencia de vibración de dos máquinas de inducción Polo ........................... 07.10 7.8.6 vibración axial 07.11 LÍMIT ES DE LAS VIBRACIONES eje con respecto ............................................. ....... .................. 07.11 7.9.1 07.11 7.9 7.9.2 Las máquinas estándar ............................................. .................................................. ... 12.07 7.9.3 Máquinas Especiales 12.07 7.8.1 Las máquinas estándar ............................................. .................................................. ..... 7 -8 7.8.2 Máquinas Especiales 7-8 7.8.3 Vibración Bandas para máquinas especiales .......................................... .......................... 7 -8 7.8.4 Línea doble de la frecuencia de vibración de dos máquinas de inducción Polo ........................... 07.10 7.8.5 vibración axial 07.10 LÍMIT ES DE LAS VIBRACIONES eje con respecto ............................................. ......................... 07.10 7.9.1 Las máquinas estándar ............................................. .................................................. ... 07.11 7.9.2 Máquinas Especiales 07.11 7.9 Sección I NORMAS GENERALES APLICABLES A TODOS LOS EQUIPOS Parte 9-eléctricas rotativas MOTORES DE SONIDO-LÍMITES DE POTENCIA Y procedimientos de medición 9.1SCOPE 9-1 9.2GENERAL 9-1 9.3REFERENCES 9-1 9.4MET HODS DE MEDICIÓN .............................................. ................ .......................... 9-1 9.5T EST 9-2 9.5.1 de la máquina de montaje 9-2 9.5.2 Condiciones de la prueba de funcionamiento ............................................ ............................... ............... 9-2 9.6SOUND PODER 9-2 9.7DET ERMINAT ION del nivel de presión de sonido ............................................ .............. 9 -3 T abla 9-1 9-4 Sección II PEQUEÑA (fraccionario) y máquinas de potencia media (INTEGRAL) Parte 10-AC PEQUEÑAS Y los motores de media 10.0SCOPE 10.01 10.30 T ENSIONES 10.01 10.31 10.01 10.31.1 alterna Motores de corriente continua ........................................... ................................... ...... 10.01 10.31.2 Los motores universales ............................................. .................. ................................ .... 10.01 10.32 POT ENCIA Y CLASIFICACIONES DE VELOCIDAD ............................................. ............................. 10. 02 10.32.1 motores de inducción pequeños, excepto partida permanente de co ndensadores Motores clasificados caballos de fuerza 1 / 3 y menores y la sombra Polo Motores 10.02 10.32.2 Los motores de inducción pequeños, permanente-Split motores de condensador Calificación caballos de fuerza 1 / 3 y más pequeños y motores de polo sombreado .......................... 10.02 10.32.3 Los motores monofásicos medio .......................................... ..................................... 03.10 10.32.4 Motores de inducción polifásicos medio ........................................... ......................... 03.10 10.32.5 Los motores universales ............................................. ............................................... ... .... 04.10 10.33 CLASIFICACIONES POT ENCIA DE LOS MOT ORES MULT ISPEED ............................................ ..... 04.10
  • 12.
    MG 1-1998, Revisión1 Página x 10.33.1 constante 04.10 10.33.2 constante 05.10 10.34 BASES PARA potencia nominal .............................................. ................................ 05.10 10.34.1 base de la calificación 05.10 10.34.2 05.10 10.34.3 Breakdown T orque mínimo ............................................ .................................... 05.10 DAT OS SECUNDARIOS PARA-rotor bobinado MOT ORES .......................................... ......... 08.10 10.35 Calificaciones para aplicaciones monofásicas y polifásicas 10.36 INDUCCIÓN 08.10 CART AS código (por rotor bloqueado KVA) .................................... ..... ..................... 08.10 10.37 10.37.1 Placa de marcado ............................................. .................................................. 08. 10 10.37.2 Carta de Designación ............................................. ................... ............................... .. 08.10 10.37.3 Motores Multispeed ............................................. .................................................. . . 08.10 10.37.4 motores de una velocidad ........................................... ..... ............................................. 09.10 10.37.5 Motores amplia o de doble voltaje ........................................ ..................................... 09.1 0 10.37.6 doble frecuencia Motores ........................................... .............................................. 09.10 10.37.7 part winding-Start Motor ......................................... ............................................ 09.10 CLASIFICACIONES DE LA PLACA DE T EMPERAT URA DE ALT ERNA Motores de corriente continua PEQUEÑAS Y UNIVERSAL ............................................. ................. 09.10 PLACA DE MARCADO PARA PEQUEÑOS DE CORRIENT E ALT ERNA 10.38 Y MOT ORES UNIVERSAL ............................................... ...................................... ......... 09.10 Ardilla-10.39.1 de corriente alterna monofásicos y polifásicos 10.39 Motores de jaula, excepto los incluidos en 10.39.2, 10.39.3, y 09.10 10.39.2 Motores clasificados Menos de 1 / 20 caballos de fuerza ....................................... ................... 1 0-10 10.39.3 Los motores universales ............................................. ............................................... ... .. 10-10 10.39.4 Motores destinados para el montaje de un dispositivo que tiene su Propio 10-10 10.39.5 Motores de doble voltaje ........................................... ............................................ 10 -10 10.39.6 información de la placa adicional ............................................ ........................... 10 -11 PLACA DE MARCADO DE MEDIO monofásicos y Motores polifásicos INDUCCIÓN ............................................... ............................... 10 -11 10.40.1 Media monofásicos y motores polifásicos jaula de ardilla ............................. 10 -12 10.40.2 polifásicos de rotor bobinado motores .......................................... ............................... 10 -12 10.40 INST RUCCIONES PARA EL DISEÑO E T AG Motors (eliminados) ........................................ 10 -13 10.41 Sección II PEQUEÑA (fraccionario) y máquinas de potencia media (INTEGRAL) Parte 10-DC PEQUEÑAS Y los motores de media 10.0SCOPE 10-15 10,60 base de la calificación 10-15 10.60.1 motores pequeños 10-15 10.60.2 Media 10-15 10.61 PODER DE IDENT IFICACIÓN DE SUMINIST RO DE CORRIENT E MEDIO MOT ORES 10-15 10.60.1 Suministros designado por una sola letra ......................................... ..................... 10 -15 10.60.2 T ipos de alimentación Otros ............................................ ............................................ ..... 10-15 10,62 CABALLOS DE FUERZA, VELOCIDAD, y tensión .......................................... .......... 10 -16 10.62.1 Motores de corriente continua .......................................... pequeños ................................... ... 10-16 10.62.2 Industrial Motores de corriente continua .......................................... ................................ 10 -17 10.63 puntuación del tiempo PLACA .............................................. ............................................ . 10-17 10.64 T iempo de funcionamiento para servicio intermitente, periódica, y variable 10-17 10.65 PLACA DE T EMPERAT URA MÁXIMA DE AMBIENT E Y CLASE DE AISLAMIENT O SIST EMA ............................................... ............... ......................... 10-17 10.66 PLACA 10-19 10.66.1 motores pequeños nominal 20.1 caballos de fuerza y menos ...................................... .......... 10 -19
  • 13.
    MG 1-1998, Revisión1 Página xi 10.66.2 pequeños motores excepto los clasificados 20.1 caballos de fuerza y Menos 10-20 10.66.3 Media 10-20 Sección II PEQUEÑA (fraccionario) y máquinas de potencia media (INTEGRAL) Parte 12 PRUEBAS Y FUNCIONA MIENTO AC-y motores de corriente 12.0SCOPE 01.12 12.2HIGH POT ENCIAL DE SEGURIDAD PRECAUCIONES DE PRUEBA- Y T EST 01.12 12.3HIGH: POSIBLES T ENSIONES DE PRUEBA PARA UNIVERSAL, inducción, Y Motores de corriente continua ............................................. ..................................... 01.12 12.4PRODUCT ION ALT O POT ENCIAL DE PRUEBAS DE MOT ORES PEQUEÑOS ............................... 02.12 12.4.1 Equipo de prueba dieléctrica ............................................ ........................................... 02.12 12.4.2 Evaluación de los Sistemas de aislamiento por una prueba dieléctrica ....................................... ..... 03. 12 PRUEBA PARA MOT ORES 12.5REPET IT IVE SURGE LA PEQUEÑA Y MEDIANA ................. ............... 03.12 VIBRACIONES 12.6MECHANICAL ............................................... ................................................ 0 3.12 12.7BEARING PÉRDIDAS-VERT ICAL motores de las bombas ........................................... .... ........... 03.12 Sección II PEQUEÑA (fraccionario) y máquinas de potencia media (INTEGRAL) Parte 12 PRUEBAS DE FUNCIONA MIENTO Y MOTORES-A C 12.0SCOPE 12.05 12.30 Métodos de prueba 12.05 CARACT ERÍST ICAS DE RENDIMIENT O 12,31 E ............................................... ............................. 12.05 12.32 características de par de una sola fase general- MOT ORES DE FIN DE INDUCCIÓN ................................... ............ ..................................... 12.05 12.32.1 Breakdown T orque ............................................. .................................................. . 1 2.05 12.32.2 Par con rotor bloqueado de los motores pequeños ........................................ .......................... 06.12 12.32.3 Par con rotor bloqueado de los motores de media ........................................ ........................ 06. 12 12.32.4 Pull-Up par de motores de media ........................................ ................................ 06.12 12.33 LOCKED-ROT o actual de los motores monofásicos PEQUEÑAS ............................ 06.12 12.33.1 o Diseño y Diseño Motores N ......................................... ................................... 06.12 12.33.2 Propósito General Motors, ........................................... ............................................ 12 .07 12.34 LOCKED-ROT o actual de MONOFÁSICO MEDIO MOT ORES, LOS DISEÑOS Y M. L ........................................... .............................................. 12.07 12.35 LOCKED-ROT o corriente de 3 fases de 60 HERT Z PEQUEÑAS Y MEDIO jaula de ardilla MOT ORES DE INDUCCIÓN nominal de 230 12.07 12.35.1 60 Hertz Diseño B, C, D y motores a 230 voltios ................................. ............... 12.07 12.35.2 60 Hertz Diseño E Motores a 230 voltios (eliminados) .......................... ......... ......... 08.12 12.35.3 50 Hertz Diseño B, C, D y motores de 380 voltios ................................. ............... 12.09 12.35.4 50 Hertz Diseño E Motores a 380 voltios (eliminados) .................................. . ......... 12.09 12.36 Instantané VALOR PICO DE DIVERSAS Corriente de entrada ........................................... . 12 -10 12.37 características de par de motores polifásicos PEQUEÑAS ............................ 12 -10 12.38 LOCKED-ROT o el par de Una velocidad POLIFÁSICOS Jaula de ardilla, motores de media con continuas 12-10 12.38.1 Diseño A y B Motores .......................................... ....................................... ...... 12-11 12.38.2 Diseño C 12-11 12.38.3 Diseño D 12-12 12.38.4 Diseño E Motores (eliminados) ......................................... .................................... 12 -12 12.39 DESGLOSE DE PAR DE UNA SOLA VELOCIDAD POLIFÁSICOS Jaula de ardilla, motores de media con continuas 12-13 12.39.1 Diseño A y B Motores .......................................... ...................................... ....... 12-13 12.39.2 Diseño C 12-13 12.39.3 Diseño E Motores (eliminados) ......................................... .................................... 12 -13
  • 14.
    MG 1-1998, Revisión1 La página xii 12.40 PULL-UP PAR DE UNA SOLA VELOCIDAD POLIFÁSICOS ardilla JAULA DE MEDIO CON MOT ORES valores continuos .......................................... 12 -13 12.40.1 Diseño A y B Motores .......................................... ............................................. 12 -13 12.40.2 Diseño C 12-14 12.40.3 Diseño E 12-14 DESGLOSE DE PAR DE POLIFÁSICOS de rotor bobinado MEDIO 12.41 MOT ORES CON valores continuos .............................................. ....................... 12 -14 ACELERACIÓN DE PAR DE DISEÑO E Una velocidad 12.42 POLIFÁSICOS de jaula de ardilla MOT ORES CON MEDIA Valores continuos (Suprimido )............................................. ............................... 12 -15 Aumento de la temperatura para motores pequeños e UNIVERSAL ................................ 12-15 12.43.1 de corriente alterna pequeños motores, placas de identificación del motor 12.43 Marcado con Denominación de aislamiento del sistema y ambiente T emperatura 12-15 12.43.2 Los motores universales ............................................. .................................................. .. 12 -16 o 12.43.3 aumento de la temperatura para ambientes superiores a los 40 C. ..................................... . ....... 12-16 Aumento de la temperatura PARA MEDIO monofásicos y 12.44 Motores polifásicos INDUCCIÓN ............................................... ............................... 12 -26 o 12.44.1 aumento de la temperatura para ambientes superiores a los 40 C. ...................................... ....... 12 -17 VARIACIÓN DE FRECUENCIA tensión y NOMINAL ............................. 12 -17 12.45 12.45.1 Ejecución 12-17 12.45.2 A partir 12-17 Desequilibrio de tensión ................................................ ................................................. 1 2-18 12.46 VARIACIÓN DE VELOCIDAD NOMINAL .............................................. .................................. 12 -18 12.47 PLACA AMPERIOS-MEDIO DE CORRIENT E ALT ERNA 12.48 12-18 ACT UAL exceso ocasional ............................................... ................................. 12 -18 BLOQUEO DE T IEMPO 12-18 12.49 FUNCIONAMIENT O DE LOS MOT ORES DE MEDIA T ENSIÓN DUAL 12.50 CLASIFICACIÓN (ST ANDARD PROPUEST AS PARA EL DISEÑO FUT URO )...................................... 12 -18 12.51 FACT OR DE SERVICIO DE MOT ORES DE CORRIENT E ALT ERNA ...................................... 12 -19 12.52.1 uso general de corriente alterna Motores del tipo abierto ........................ 12 -19 12.52 12.52.2 Otros motores 12-19 Exceso de velocidad PARA MOT ORES ............................................... ........................................ 12 -20 12.53.1 jaula de ardilla y motores de rotor ....................................... ...................... 12 -20 12.53.2 uso general de jaula de ardilla Motores de inducción (Nueva )............................... 12 -20 12.53 Cuadro 12-4 bis (nuevo) ........................................... ............................................ 12-20 12.53.3 Diseño Estándar A y B de acoplamiento directo de unidad jaula de ardilla Motores de inducción (revisado )............................................. ................................ 12-21 12.53.4 de corriente alterna de la serie y motores universales ........................................ ....... 12 -21 T abla 1205 (revisado )............................................. ....................................... 12-22 Equipo de sonido (motores medio de inducción )........................................... ........ 12 -22 12.54.1 Calidad de sonido (eliminados) .......................................... ....................................... 12 -22 12.54.2 Medición de Sonido (Suprimido ).......................................... ............................. 12 -23 12.54.3 niveles de potencia acústica de Polyphase inducción jaula de ardilla 12.54 Motores (eliminados) .............................................. ............................................... 12 -23 NÚMERO DE 12-23 12.55.1 Condiciones de arranque normal ............................................ ..................................... 12 -23 Aparte de las condiciones normales de partir 12.55.2 .......................................... ..................... 12 -23 12.55.3 Consideraciones adicionales Inicia ........................................... ......................... 12 -23 Pruebas de rutina para motores polifásicos medio de inducción ....................... 12-23 12.55 12.56.1 Método de 12-23 12.56.2 Las pruebas típicas de los motores Completamente ensamblado ......................................... ....... 12 -23 T ípico de pruebas en los motores no Completamente ensamblado 12.56.3 . .................................... 12-23 Protección térmica de los motores de media ............................................. ............ 12 -24 12.56 12.57.1 Liquidación 12-24 12.57
  • 15.
    MG 1-1998, Revisión1 Página xiii 12.57.2 viaje actual 12-26 12.58 Protección de sobrecalentamiento de los motores de media NO A la definición de "protección térmica "..................................... 12 -26 12.58.1 T ipo 1-devanado de marcha y exceso de temperatura del rotor bloqueado 12-26 12.58.2 tipo 2-devanado de marcha de Protección de sobretemperatura ..................................... 12-26 12.58.3 T ipo 3-Liquidación de Protección de exceso de temperatura, de tipo inespecífico ..................... 12 -26 EFICIENCIA 12-26 12.59 12.59.1 Determinación de la eficiencia del motor y las pérdidas ........................... .............. ........... 12-26 12.59.2 La eficiencia de los motores de media polifásicos de jaula de ardilla con Valoraciones continua ................................................ .............................................. 12 -27 Niveles de eficiencia de POLIFÁSICOS EFICIENT E DE LA ENERGÍA Jaula de ardilla MOT ORES DE INDUCCIÓN ............................................. ......................... 12 -28 12.60 NIVEL DE EFICIENCIA DE DISEÑO E POLIFÁSICOS ardilla MOT ORES inducción de jaula de ............................................... .......................................... 12-29 12.61 INFORME DE LA PRUEBA PARA LAS PRUEBAS DE MOT ORES DE INDUCCIÓN ........................................ 12 -29 T abla 12-10 (revisado) ........................................... .................................................. .... 12 -29 12.62 T abla 11.12 (Eliminado) ........................................... .................................................. ..... 12-31 MÁQUINA CON encapsulado o SELLADO DEVANADOS- Pruebas de conformidad ................................................ ................................................ 12 -31 MÁQUINA CON resistente a la humedad DEVANADOS- 12.63 CONFORMIDAD 12-31 12.64 Sección II PEQUEÑA (fraccionario) y máquinas de potencia media (INTEGRAL) Parte 12 PRUEBAS DE RENDIMIENTO Y -DC PEQUEÑAS Y los motores de media 12.0SCOPE 12-33 12.65 Métodos de prueba 12-33 12.66 FUENT E DE ALIMENT ACIÓN DE PRUEBA .............................................. .................................................. .. 12-33 12.66.1 motores pequeños 12-33 12.66.2 Media 12-33 12.67 T EMPERAT UR 12-35 12.67.1 Motores de corriente continua .......................................... pequeños ................................... ... 12-35 12.67.2 T iempo Continuo con mejor puntuación Motores de corriente continua media .................. .................. 12-35 12.67.3 corto tiempo con mejor puntuación Motores de corriente continua media ..................................... ......... 12-36 o 12.67.4 aumento de la temperatura para ambientes superiores a los 40 C. ...................................... ....... 12 -36 12,68 variación de tensión nominal ............................................. .............................. 12-37 12,69 variación en la velocidad debido a la carga ........................................... ............................... . 12-37 12.69.1 Directo devanado en derivación, estabilizado -derivación de heridas, y De imán permanente Motores de corriente continua ........................................... ............... 12 -37 12.69.2 herida Compuesto-Motores de corriente continua ........................................ .................. 12 -37 12,70 variación en la velocidad debido al calentamiento BASE .......................................... ................ 12 -37 12.70.1 Velocidad de variación con la temperatura ........................................... ........................... 12 -37 12.70.2 Resistencia variación con la temperatura ........................................... ................... 12 -38 12,71 VARIACIÓN DE VELOCIDAD NOMINAL ............................................. ................................... 12 -38 12.72 CAPACIDAD sobrecarga momentánea .............................................. ............................ 12 -38 12.73 CONMUT ACIÓN DE ÉXIT O ............................................... ...................................... 12 -38 12,74 exceso de velocidad PARA MOT ORES .............................................. ......................................... 12 -38 12.74.1 bobinado de derivación Motores ........................................... ......................................... ...... 12-38 12.74.2 herida Compuesto-motores con regulación de velocidad de 35 por ciento o menos .............................................. ................................................ 12 -38 12.74.3 herida de la serie-Motores y heridas Compuesto-motores que tienen Regulación de velocidad de más de 35 por ciento ............................................ ........... 12 -38 12.75 datos de campo para Motores de corriente continua .......................................... ................ 12-39 12,76 pruebas de rutina de medio directo motores de corriente continua .................................... 12 -39 12.77 INFORME DE LA FORMA DE PRUEBA PARA MÁQUINAS DE CORRIENT E CONT INUA ........ ........................ 12-39 12.78 EFICIENCIA 12-39
  • 16.
    MG 1-1998, Revisión1 Página xiv 12.78.1 tipo A Fuentes de alimentación ........................................... .......................................... .. 12-39 12.78.2 otras fuentes de energía ............................................ ............................................. 1 2-40 12.79 12-40 12.80 SOBRE LA PROT ECCIÓN DE LA T EMPERAT URA DEL MEDIO DIRECT O MOT ORES DE CORRIENT E 12-40 DAT OS PARA motores de corriente continua ............................................. ........................ 12 -41 12.81 Equipo de sonido de los motores de media CORRIENT E ................................... 12 -42 12.82 12.82.1 Las mediciones de sonido ............................................. ... ......................................... 12-42 12.82.2 12-42 12.82.3 niveles de sonido de Dripproof Industrial Motores de corriente continua ............................... 12 -42 Sección II PEQUEÑA (fraccionario) y máquinas de potencia media (INTEGRAL) Parte de 13 misiones para MARCO DE CORRIENTE ALTERNA INTEGRAL motores de potencia INDUCCIÓN 13.0SCOPE 13-1 13.1FRAME designaciones de L diseño de una sola fase, Motores horizontales y verticales, de 60 Hz. CLASE B SIST EMA DE AISLAMIENT O, tipo abierto, 1,15 FACT OR DE SERVICIO, 230 voltios y MENOS ........................................... ......................... 13 -1 DESIGNACIONES PARA 13.2FRAME polifásico, jaula de ardilla, DISEÑOS A, B y E, motores horizontales y vertical, 60 Hertz, Clase B SIST EMA DE AISLAMIENT O, tipo abierto, 1,15 FACT OR DE SERVICIO, 575 VOLT IOS Y MENOS ................. .......................... ......................... 13-2 DESIGNACIONES PARA 13.3FRAME polifásico, jaula de ardilla, DISEÑOS A, B, E ND, MOT ORES HORIZONT AL Y VERT ICAL, 60 Hertz, Clase B SIST EMA DE AISLAMIENT O, totalmente cerrado Refrigerado por aire T IPO, 1.0 FACT OR DE SERVICIO, 575 VOLT IOS Y MENOS .......................... 13 -3 DESIGNACIONES PARA 13.4FRAME polifásico, jaula de ardilla, Diseño C, MOT ORES HORIZONT AL Y VERT ICAL, 60 Hertz, CLASE B SIST EMA DE AISLAMIENT O, tipo abierto, de servicio 1,15 FACT OR, 575 voltios y MENOS ............................................ ......................................... 13 -4 DESIGNACIONES PARA 13.5FRAME polifásico, jaula de ardilla, Diseño C, MOT ORES HORIZONT AL Y VERT ICAL, 60 Hertz, CLASE B SIST EMA DE AISLAMIENT O, FAN-totalmente cerrados T IPO DE REFRIGERACIÓN, 1.0 FACT OR DE SERVICIO, 575 VOLT IOS Y MENOS .................................. 13 -5 SECCIÓN II PEQUEÑA (f raccional) y medio (MÁQUINAS INTEGRAL) Parte 14-DATOS DE LA SOLICITUD- máquinas con CA y CC LA PEQUEÑA Y MEDIA NA 14.0SCOPE 14-1 14.1PROPER SELECCIÓN DE APARAT OS ............................................. ............................. 14 -1 CONDICIONES DE SERVICIO 14.2USUAL .............................................. ......................................... 14 -2 14.2.1 Condiciones ambientales ............................................. ........................................ .. 14-2 14.2.2 Operación 14-2 CONDICIONES DE SERVICIO 14.3UNUSUAL .............................................. .................................... 14 -2 14.4T EMPERATURE 14-3 14.4.1 Los motores de la Clase A o Clase B Sistemas de Aislamiento ...................................... ......... 14 -3 14.4.2 Los motores con factor de servicio ........................................... ....................................... .... 14-3 14.4.3 aumento de la temperatura a nivel del mar .......................................... .................................... 14 -3 14.4.4 Los valores preferidos de altitud para los motores de Evaluación ........................................ ............ .... 14-3 14.5SHORT -tiempo nominal MÁQUINAS ELÉCT RICAS ........................................... ................. 14 -4 14.6DIRECT ION DE GIRO .............................................. ................................................ 14 -4 14.7APPLICAT ION de poleas, ruedas dentadas y Engranajes de los ejes del motor .............................................. ............................................. 14-4 14.7.1 14-4 14.7.2 diámetro de paso mínimo para otras unidades de V-cinturón ..................................... ....... 14 -4 14.7.3 Velocidad máxima de los componentes de la unidad .......................................... ....................... . 14-4
  • 17.
    MG 1-1998, Revisión1 Página xv 14.8 T ornillo pasante MONT AJE .............................................. ............................................ 14 -5 14.9 ROEDORES 14-5 SECCIÓN II PEQUEÑA (fraccionario) y máquinas de potencia media (INTEGRAL) Parte 14-DATOS DE LA SOLICITUD-AC PEQUEÑA S Y los motores de media 14.0SCOPE 14-7 14.30 efectos de la variación de tensión y frecuencia EN EL DESEMPEÑO DE MOT ORES DE INDUCCIÓN ............................................. .............. 14 -7 14.30.1 14-7 14.30.2 Efectos de la variación de tensión en la temperatura ........................................ ............ 14 -7 14.30.3 efect o de la variación en el voltaje de factor de potencia ....................................... .............. 14 -7 14.30.4 efecto de la variación en el voltaje en pares de arranque ....................................... ......... 14 -7 14.30.5 efecto de la variación en el voltaje en Slip ........................................ ............................. 14 -7 14.30.6 Efectos de la variación en la frecuencia .......................................... ................................ 14-8 14.30.7 Efecto de las variaciones en la tensión y la frecuencia ....................................... ...... 14 -8 14.30.8 Efecto en los motores de propósito especial o pequeñas ....................................... .......... ......... 14-8 14.31 MÁQUINAS DE FUNCIONAMIENT O DE UN SIST EMA DE MET RO ........................................ 14 -8 14.32 FUNCIONAMIENT O DEL motores de corriente alterna DE De frecuencia variable o POWER de voltaje variable SUMINIST ROS O AMBOS 14-8 14.32.1 14-8 14.32.2 Las tensiones del eje 14-9 14.33 Efectos de las tensiones de más de 600 voltios SOBRE LOS RESULT ADOS De motores de baja tensión ............................................. ............................................. 14 -9 14.34 OPERACIÓN DE USO GENERAL DE CORRIENT E ALT ERNA Polifásico, 2 -, 4 -, 6 -, y 8 polos, 60 HERT Z MEDIO MOT ORES DE INDUCCIÓN OPERADO EN HERT Z ............................................ 50 ............. 14 -9 14.34.1 velocidad 14-9 14.34.2 T orques 14-9 14.34.3 rotor bloqueado ........................................... ................................................. 14-9 14.34.4 Factor de Servicio 14-9 14.34.5 aumento de temperatura ............................................. ................................................ .. . 14-10 14.35 OPERACIÓN de motores de inducción de 230 voltios en 208 voltios SIST EMAS 14-10 14.35.1 14-10 14.35.2 Placa de Señalización de utilizable a 200 V. ....................................... .................... 14 -10 14.35.3 efecto en el rendimiento del motor .......................................... ................................ 14 -10 14.36 EFECT OS DE T ENSIONES DESEQUILIBRIO EN LA EJECUCIÓN De motores de inducción POLIFÁSICOS .............................................. .......................... 14-10 14.36.1 efecto en el rendimiento general .......................................... .............................. 14 -11 14.36.2 desequilibrio 14-11 14.36.3 T orques 14-11 14.36.4 Velocidad a plena carga ........................................... ................................................. . ..... 14-11 14.36.5 14-11 14.37 APLICACIÓN DE CORRIENT E ALT ERNA MOT ORES CON FACT ORES DE SERVICIO 14-11 14.37.1 14-11 14.37.2 aumento de la temperatura-media alterna Motores de corriente continua ................................... 14 -12 14.37.3 aumento de la temperatura-Pequeño alterna Motores de corriente continua ....................................... 14 -12 14.38 CARACT ERÍS T ICAS DE PART E DE LIQUIDACIÓN INICIO POLIFÁSICOS INDUCCIÓN 14-12 14,39 FLOT A DE ACOPLAMIENT O AL FINAL EL JUEGO Y EL ROT OR DE HORIZONT AL MOT ORES DE CORRIENT E ALT ERNA .............................................. .............................. 14 -12 14.39.1 recomendados Valoraciones de HP para motores con rodamientos de bolas .. ..................................... .... 14-12 14.39.2 Los límites para motores con cojinetes de Sleeze ......................................... ...................... 14 -12 14.39.3 Dibujo y marcas del eje ........................................... .................................... 14-13
  • 18.
    MG 1-1998, Revisión1 Página xvi 14.40 VELOCIDADES DE SALIDA PARA MOT ORES DE ENGRANAJES MEDIO DEL PARALELO 14-13 14.41 APLICACIÓN DE LA MEDIA DE CORRIENT E ALT ERNA ardilla MAQUINAS DE JAULA CON DEVANADOS SELLADO ............................................. ................. 14 -14 14.41.1 Condiciones de servicio habitual ............................................ ....................................... . 14-14 14.41.2 Condiciones de servicio inusuales ............................................ .................................... 14 -14 14.41.3 lugares peligrosos ............................................. .............................................. 14 -14 APLICACIÓN DE LA V-CORREA DIMENSIONES polea ALT ERNA 14.42 MOT ORES DE CORRIENT E CON rodamientos antifricción .......................................... 14 -14 14.42.1 Dimensiones para potencias de motor seleccionada .......................................... .................. .. 14-14 14.42.2 Dimensiones para potencias de motor Otros .......................................... ......................... 14 -14 Antisísmico 14-14 Factor de potencia de tres fases, jaula de ardilla, 14.43 MOT ORES medio con valores continuos ............................................. ........ 14-16 14.44 14.44.1Determination de factor de potencia a partir de datos de la placa ......................................... 14 -16 14.44.2 Determinación de Valoración de capacidad para conexión de energía Factor de valor deseado .............................................. ......................................... 14 -16 14.44.3 Determinación del factor de potencia corregido para Especificado Condensador 14-17 14.44.4 Aplicación de Condensadores Corrección del factor de Sistemas de Energía ............. 14 -17 14.44.5 Aplicación de Condensadores Corrección del factor de Motores Operado desde la fuente de alimentación electrónica ........................... .................. ................. 14-17 T raslado en autobús o REARME .............................................. ................................... 14 -17 Inercia del rotor PARA ROMPER DINÁMICA ............................................. .......... ........ 14-17 EFECT OS DE LA CARGA DE LA EFICIENCIA DEL MOT OR ............................................ ................. 14 -17 14.45 14.46 14.47 Sección II PEQUEÑA (fraccionario) y máquinas de potencia media (INTEGRAL) Parte 14-DATOS DE LA SOLICITUD DC-LA PEQUEÑA Y MEDIA NA MOTORES 14.0SCOPE 14-19 14,60 funcionamiento de los motores PEQUEÑO EN RECT IFICADO ALT ERNA ACT UAL 14-19 14.60.1 14-19 14.60.2 Forma 14-19 14,61 funcionamiento de los motores MEDIO DE CORRIENT E CONT INUA EN RECT IFICADO DE CORRIENT E ALT ERNA ............................................... .......................... 14 -20 14.62 RIPPLE corriente de armadura .............................................. ....................................... 14-21 14.63 operación en una fuente de alimentación variable T ENSIÓN ....................................... 14 -21 14.64 SHUNT CALEFACCIÓN DE CAMPO EN REPOSO ............................................ .. ...................... 14-22 14.65 corrientes de los cojinetes ............................................... ........................................... ....... ... 14-22 14.66 EFECT OS DE 50 HERT Z DE CORRIENT E ALT ERNA DE POT ENCIA FRECUENCIA 14-22 14.67 APLICACIÓN DE CARGAS AL voladizo Ejes del motor ..................................... 14 -22 14.67.1 Limitaciones 14-22 14.67.2 V-cinturón de unidades 14-23 14.67.3 aplicaciones distintas de V-Belts ......................................... ................................ 14 -24 14.67.4 14-25 14,68 T ASA DE CAMBIO DE corriente de inducido ........................................... ..... ........... 14-25 Sección II PEQUEÑA (fraccionario) y máquinas de potencia media (INTEGRAL) Parte de 15 generadores de corriente continua 15.0SCOPE 15-1 15,10 kilovatios, SPEED, y tensión .......................................... .......... .......... 15-1 15.10.1 estándar 15-1 15.10.2 15-2 15.11 PLACA puntuación del tiempo, la temperatura ambiente máxima, Y CLASE DE AISLAMIENT O SIST EMA .............................................. .................................. 15 -2
  • 19.
    MG 1-1998, Revisión1 Página xvii 15.12 PLACA 15-2 PRUEBAS Y 15-2 15.40 Prueba de rendimiento 15-2 15.41 T EMPERAT UR 15-2 o 15.41.1 aumento de la temperatura de ambiente máxima de 40 º C ....................................... ......... 15-2 o 15.41.2 aumento de la temperatura para ambientes superiores a los 40 C. ...................................... ......... 15 -3 15.42 CONMUT ACIÓN DE ÉXIT O ...................................... ......... ........................................ 15-3 15.43 15-3 15.44 Variación de la tensión debido al calentamiento ............................................ .......................... 15-3 PLANA 15,45 15-3 15.46 PRUEBA DE REGLAMENT O .............................................. .................................................. . 15 -3 15,47 exceso de velocidad de los grupos electrógenos .............................................. ......................... ......... 15-4 15.48 HIGH-POT EN T IAL T EST ............................................. .................................................. .... 15 -4 15.48.1 Precauciones de seguridad para realizar el procedimiento de prueba .......................................... ....................... 15-4 15.48.2 Prueba de tensión 15-4 15.49 RUT INA 15-4 15,50 DAT OS DE CAMPO PARA GENERADORES DE CORRIENT E CONT INUA .......................................... ........ 15 -4 15.51 INFORME DE LA PRUEBA 15-5 15.52 EFICIENCIA 15-5 15-6 15.60 DIRECCIÓN DE GIRO .............................................. ................................................ 15 -6 15.61 ECUALIZADOR DE GENERADORES DE CORRIENT E CONT INUA ........................................... .......... 15 -6 Sección II PEQUEÑA (fraccionario) y máquinas de potencia media (INTEGRAL)) MÁQUINAS parte PROPÓSITO 18-DEFINITE 18.1SCOPE 18-1 MOT ORES para compresores de refrigeración HERMET IC ............................................. ... 18-1 18.2CLASSIFIED SEGÚN EL T IPO DE ELECT RICIDAD ............................................ ............ 18 -1 CLASIFICACIONES 18-2 CLASIFICACIONES 18.3VOLT AGE 18-2 18.3.1 Los motores monofásicos ........................................... .................................................. .. 18-2 18.3.2 motores polifásicos de inducción ............................................ ............... ......................... 18-2 18-2 18.5SPEED CLASIFICACIONES 18-2 PRUEBAS Y 18-2 18.6OPERAT ING T EMPERAT URA ............................................... ........................................... 18 -2 18.7BREAKDOWN PAR Y rotor bloqueado CORRIENT ES DE 60 HERT Z motores herméticos ............................................ ................................... 18 -2 18.7.1 Distribución de par ............................................. ...................................... ............ ... 18-2 18.7.2 rotor bloqueado 18-2 18.8HIGH POT ENCIAL DE PRUEBA ............................................. .................................................. .... 18-4 18.9VARIAT IONS DE T ENSIÓN NOMINAL Y CLASIFICACIÓN FRECUENCIA 18-4 18.10 DIRECCIÓN DE GIRO .............................................. ................................................ 18 -4 18.11 Marcado de los terminales PLOMO .............................................. .................... ......................... 18-4 18.12 MÉT ODO DE PRUEBA PARA LA LIMPIEZA DE LA MONOFÁSICO Motores herméticos que tienen diámetros del estator de 6.292 Pulgadas o menos ............................................... .................. ................................ .. 18-4 18.12.1 Estatores 18-4 18.12.2 Los rotores 18-5 18.13 Método de prueba para motores herméticos LIMPIEZA DE Con diámetros estator de 8,777 pulgadas o menos ............................... 18-5 18.13.1 Propósito 18-5 18.13.2 Descripción 18-5 18.13.3 Ejemplo 18-5 18.13.4 Equipo 18-5
  • 20.
    MG 1-1998, Revisión1 Página xviii 18.13.5 18-5 18-7 18.14 diámetros de rotor BORE Y DIMENSIONES PARA CHAVET ERO 60-HERT Z HERMET IC MOT ORES ............................................. ......................................... 18 -7 18.15 DIMENSIONES DE 60 HERT Z motores herméticos ....................... ................... ........... 18-8 18.16 FORMACIÓN DE CABLE END ............................................. .................................................. .. 18-8 18.17 protectores térmicos montados en O EN FIN Bobinados de motores herméticos .............................................. ................................ 18-8 18.18 LET RAS DE LAS DIMENSIONES DE compresores herméticos ............................... 18 -9 MOT ORES PEQUEÑOS PARA FANS DEL EJE MONT ADO Y SOPLADORES ......................................... 18-11 18,19 CLASIFICACIÓN SEGÚN EL T IPO DE ELECT RICIDAD ............................................ . 18 -11 CLASIFICA CIONES 18-11 18.20 Las tensiones nominales 18-11 18.20.1 Los motores monofásicos ........................................... ................................................ 18-11 18.20.2 motores polifásicos de inducción ............................................ .................. .................. 18-11 18.21 18-11 18.22 POT ENCIA Y CLASIFICACIONES DE VELOCIDAD ............................................. ........................... 18 -11 18.22.1 motores de una velocidad ........................................... ................................................ 18-11 18.22.2 motores de dos velocidades ........................................... ................................. ................. . 18-11 PRUEBAS Y 18-12 18.23 T EMPERAT UR 18-12 18.24 BASE DE potencia nominal ............................................. .................................. 18 -12 18.25 MÁXIMO rotor bloqueado-monofásico ........................................ . 18-12 18.26 HIGH-POT EN T IAL PRUEBAS ............................................. .................................................. 18 -12 18.27 Las variaciones de tensión y FRECUENCIA NOMINAL ........................... 18 -12 18.28 DIRECCIÓN DE GIRO .............................................. .............................................. 18 -12 18-12 18,29 CARACT ERÍST ICAS MECÁNICAS GENERAL .............................................. ............................. 18 -12 18.30 DIMENSIONES Y LET RAS DE LAS DIMENSIONES DE LOS MOT ORES PARA LOS AMANT ES DEL EJE MONT ADO Y SOPLADORES ........................................... ................ 18 -12 18.31 Marcado de los terminales ............................................... .................................................. .. 18-12 18,32 LONGIT UD terminal del cable .............................................. ............................................ . 18-12 MOT ORES PEQUEÑOS PARA FANS cinturón y SOPLADORES CONST RUIDA EN MARCOS 56 Y MENORES 18-15 18,33 CLASIFICACIÓN SEGÚN EL T IPO DE ELECT RICIDAD ............................................ . 18 -15 CLASIFICA CIONES 18-15 18.34 Las tensiones nominales 18-15 18.34.1 Los motores monofásicos ........................................... .... ............................................ 18-15 18.34.2 polifásicos 18-15 18.35 18-15 18.36 POT ENCIA Y CLASIFICACIONES DE VELOCIDAD ............................................. ........................... 18 -15 18.36.1 motores de una velocidad ........................................... ................................................ 18 -15 18.36.2 motores de dos velocidades ........................................... .............................................. .... . 18-15 PRUEBAS Y 18-16 18.37 T EMPERAT UR 18-16 18.38 BASE DE potencia nominal ............................................. .................................. 18 -16 18.39 MÁXIMO rotor bloqueado ............................................ ......................... .. 18-16 18.40 HIGH-POT EN T IAL T EST ............................................. .................................................. .. 18 -16 18.41 Las variaciones de tensión y FRECUENCIA NOMINAL ........................... 18 -16 18.42 DIRECCIÓN DE GIRO .............................................. .............................................. 18-16 18-16 18,43 CARACT ERÍST ICAS MECÁNICAS GENERAL .............................................. ............................. 18 -16 18.44 LET RAS DE LAS DIMENSIONES DE LOS MOT ORES DE FANS BELT ED Y SOPLADORES 18-17 MOT ORES PEQUEÑOS PARA CONDENSADORES DE AIRE ACONDICIONADO Y FANS DEL EVAPORADOR 18-18
  • 21.
    MG 1-1998, Revisión1 Página xix 18,45 CLASIFICACIÓN SEGÚN EL T IPO DE ELECT RICIDAD ............................................ . 18-18 CLASIFICA CIONES 18-18 18.46 Las tensiones nominales 18-18 18.47 18-18 18.48 POT ENCIA Y CLASIFICACIONES DE VELOCIDAD ............................................. ........................... 18 -18 18.48.1 Ratings Potencia ............................................. ............................................... 18 -18 18.48.2 velocidad 18-18 PRUEBAS Y 18-18 18.49 T EMPERAT UR 18-18 18.50 BASE DE LAS CALIFICACIONES POT ENCIA ............................................. ............................... 18 -18 18.51 HIGH-POT EN T IAL PRUEBAS ............................................. .................................................. 18 -19 18.52 Las variaciones de tensión y FRECUENCIA NOMINAL ........................... 18 -19 18,53 VARIACIÓN DE VELOCIDAD NOMINAL ............................................. ................................... 18 -19 18.54 T ERMINAL MARCAS-MULT ISPEED de polo sombreado MOT ORES ............................ 18-19 18-19 18.55 Marcado de los terminales ............................................... ............................................. ..... .. 18-19 18,56 LONGIT UD terminal del cable .............................................. ............................................. 18 -19 18,57 CARACT ERÍST ICAS MECÁNICAS GENERAL .............................................. ............................. 18 -20 18.58 Marcado de los terminales PARA NO polos conmutables MULT ISPEED SOLO DE T ENSIÓN irreversible partida permanente Motores de condensador y sombreado MOT ORES POLE ............................................ ... 18 -21 18.59 DIMENSIONES DE polo sombreado Y PERMANENT E DE SPLIT - MOT ORES CON CAPACIT OR AP DIMENSION 4,38 PULGADAS Y 18-23 18.60 Dimensiones de polo sombreado Y PERMANENT E DE SPLIT Motores de condensador tiene una dimensión AP MENOR QUE 4,38 PULGADAS 18-24 18.61 DIMENSIONES DE MONT AJE PARA LUG de polo sombreado y Partida permanente motores de condensador ............................................. .................... 18 -24 DATOS DE APLICACIÓN 18-25 18.62 PLACA ACT UAL ............................................... ......................... ......................... 18-25 CLASIFICA CIONES 18-25 18,63 efecto de la variación de la tensión CLASIFICADO EN VELOCIDAD DE OPERACIÓN 18-25 18.64 Prueba de aislamiento ............................................... ................................................. . .. 18-25 18.64.1 Condiciones de prueba ............................................. ...................................... ............ .... 18-25 18.64.2 Método de prueba 18-26 18.65 CONDICIONES DE SERVICIO ............................................... .................................................. . 18-26 Pequeños motores y bombas de sumidero .................................................. ..................................... 18 -29 18,66 CLASIFICACIÓN SEGÚN EL T IPO DE ELECT RICIDAD ............................................ . 18 -29 CLASIFICA CIONES 18-29 18.67 Las tensiones nominales 18-29 18.68 18-29 18.69 POT ENCIA Y CLASIFICACIONES DE VELOCIDAD ............................................. ........................... 18 -29 18.69.1 Ratings Potencia ............................................. ............................................... 18 -29 18.69.2 velocidad 18-29 PRUEBAS Y 18-29 18.70 T EMPERAT UR 18-29 18.71 BASE DE LAS CALIFICACIONES POT ENCIA ............................................. ............................... 18 -29 18.72 características de par ............................................... ........................................ 18-30 18.73 PRUEBAS DE CUENT ES HIGH-POT EN ............................................. .................................................. 18 -30 18.74 Las variaciones de tensión nominal y clasificado FRECUENCIA 18-30 18.75 DIRECCIÓN DE GIRO .............................................. .............................................. 18 -30
  • 22.
    MG 1-1998, Revisión1 Página xx 18-30 18,76 CARACT ERÍST ICAS MECÁNICAS GENERAL .............................................. ............................. 18 -30 18.77 DIMENSIONES PARA MOT ORES bomba de sumidero, T IPO K ......................................... ......... 18 -30 18.78 MARCO número y una letra SUFIJO MARCO ........................................... .............. 18 -30 MOT ORES PEQUEÑOS PARA GASOLINA DE DIST RIBUCIÓN BOMBAS ............................................ ............ 18-32 18,79 CLASIFICACIÓN SEGÚN EL T IPO DE ELECT RICIDAD ............................................ . 18-32 CLASIFICA CIONES 18-32 18.80 Las tensiones nominales 18-32 18.80.1Single motores trifásicos ............................................ ............................................... . 18-32 18.30.2 motores polifásicos de inducción ............................................ .................................... 18 -32 18.81 18-32 18.82 POT ENCIA Y CLASIFICACIONES DE VELOCIDAD ............................................. .................. ......... 18-32 18.82.1 Ratings Potencia ............................................. ............................................... 18 -32 18.82.2 velocidad 18-32 PRUEBAS Y 18-32 18.83 T EMPERAT UR 18-32 18.84 BASE DE LAS CALIFICACIONES POT ENCIA ............................................. ............................... 18 -33 18.85 LOCKED-ROT o par ............................................. ............................................... 18 -33 18.86 LOCKED-ROT O ACT UAL ............................................. ............................................. 18 -33 18.87 HIGH-POT EN T IAL T EST ............................................. .................................................. .. 18 -33 18.88 Las variaciones de tensión nominal y clasificado FRECUENCIA 18-33 18.89 DIRECCIÓN DE GIRO .............................................. .............................................. 18 -34 18-34 18,90 CARACT ERÍST ICAS MECÁNICAS GENERAL .............................................. ............................. 18-34 18.91 MARCO número y una letra SUFIJO MARCO ........................................... .............. 18 -34 18.92 DIMENSIONES DE SUMINIST RO DE GASOLINA motores de las bombas, T IPO G 18-35 Los motores pequeños para quemadores de aceite ............................................. ................................ .......... 18-36 18,93 CLASIFICACIÓN SEGÚN EL T IPO DE ELECT RICIDAD ............................................ . 18-36 CLASIFICA CIONES 18-36 18.94 Las tensiones nominales 18-36 18.95 18-36 18.96 POT ENCIA Y CLASIFICACIONES DE VELOCIDAD ............................................. ........................... 18 -36 18.96.1 Ratings Potencia ............................................. ............................................... 18 -36 18.96.2 velocidad 18-36 PRUEBAS Y 18-36 18.97 T EMPERAT UR 18-36 18.98 BASE DE potencia nominal ............................................. .................................. 18-37 18.99 LOCKED-ROT o características ............................................. ............................ 18 -37 18.100 HIGH-POT EN T IAL T EST ............................................. .................................................. .. 18-37 18.101 variaciones de tensión y FRECUENCIA NOMINAL ........................... 18 -37 18.102 DIRECCIÓN DE GIRO .............................................. ......................................... ..... 18-37 18-37 18.103 CARACT ERÍST ICAS MECÁNICAS GENERAL .............................................. ............................. 18 -37 18,104 DIMENSIONES PARA LA CARA DE MONT AJE PARA MOT ORES DE ACEIT E QUEMADORES, T IPO M y N. ........................................... .............................................. 18 -38 18.104.1 18-38 18.105 T OLERANCIAS 18-38 18.106 Número de cuadro y letra del sufijo MARCO ........................................... .............. 18 -38 18.106.1 M letra del sufijo ............................................ .................................................. . .... 18-38 18.106.2 sufijo Carta 18-39 Pequeños motores para el equipo casero LAVANDERÍA ............................ ................ ................ 18-40 18,107 CLASIFICACIÓN SEGÚN EL T IPO DE ELECT RICIDAD ............................................ . 18 -40
  • 23.
    MG 1-1998, Revisión1 Página xxi CLASIFICA CIONES 18-40 18.108 rangos de voltaje 18-40 18.109 18-40 18.110 POT ENCIA Y CLASIFICACIONES DE VELOCIDAD ............................................. ........................... 18 -40 18.110.1 Ratings Potencia ............................................. ............................................. 18-40 18.110.2 velocidad 18-40 18.111 PLACA 18-40 PRUEBAS Y 18-41 18.112 T EMPERAT UR 18.41 18.113 BASE DE potencia nominal ............................................. .................................. 18 -41 18.114 MÁXIMO rotor bloqueado ............................................ ........................... 18-41 18.115 HIGH-POT EN T IAL T EST ............................................. .................................................. .. 18 -41 18.116 variaciones de tensión y FRECUENCIA NOMINAL ........................... 18 -41 18-41 18.117 CARACT ERÍST ICAS MECÁNICAS GENERAL .............................................. ............................. 18 -41 18,118 DIMENSIONES PARA MOT ORES para el equipo casero LAVANDERÍA ............................ 18 -42 MOT ORES Y BOMBAS DE JET 18-43 18,119 CLASIFICACIÓN SEGÚN EL T IPO DE ELECT RICIDAD ............................................ . 18 -43 CLASIFICA CIONES 18-43 18.120 rangos de voltaje 18-43 18.120.1 motores monofásicos ........................................... .............................................. 18 -43 18.120.2 motores polifásicos de inducción ........................................... . .................................. 18-43 18.121 18-43 18.122 POT ENCIA, VELOCIDAD, Y CLASIFICACIONES FACT OR DE SERVICIO ..................................... 18 -43 PRUEBAS Y EL FUNCIONA MIENTO 18-44 18.123 T EMPERAT UR 18-44 18.124 BASE DE potencia nominal ............................................. .................................. 18-44 18,125 características de par ............................................... ........................................ 18 -44 18.126 MÁXIMO rotor bloqueado ............................................ ........................... 18-44 18.127 HIGH-POT EN T IAL T EST ............................................. .................................................. .. 18 -44 18.128 variaciones de tensión y FRECUENCIA NOMINAL ........................... 18-44 18.129 DIRECCIÓN DE GIRO .............................................. .............................................. 18 -44 18-44 18.130 CARACT ERÍST ICAS MECÁNICAS GENERAL .............................................. ......... .................... 18-44 18.131 de dimensiones para motores montados CARA DE BOMBAS DE JET ............................... 18 -45 18.132 FAME número y una letra SUFIJO MARCO ........................................... ................. 18 -46 MOT ORES PEQUEÑOS PARA Bombas de refrigerante ............................................. ................................... 18-47 18,133 CLASIFICACIÓN SEGÚN EL T IPO DE ELECT RICIDAD ............................................ . 18 -47 CLASIFICA CIONES 18-47 18.134 rangos de voltaje 18-47 18.134.1 motores monofásicos ........................................... .............................................. 18 -47 18.134.2 motores polifásicos de inducción ............................................ .................................. 18 -47 18.134.3 Motores de corriente continua ........................................... ............................... ............... 18-47 18.135 18-47 18.136 POT ENCIA Y CLASIFICACIONES DE VELOCIDAD ............................................. ........................... 18 -48 PRUEBAS Y 18-49 18.137 T EMPERAT UR 18-49 18.138 BASE DE potencia nominal ............................................. .................................. 18 -49 18,139 características de par ............................................... ........................................ 18 -49 18.140 MÁXIMO rotor bloqueado ............................................ ........................... 18 -49 18.141 HIGH-POT EN T IAL T EST ............................................. .................................................. .. 18 -49 18.142 variaciones de tensión y FRECUENCIA NOMINAL ........................... 18 -49 18.143 DIRECCIÓN DE GIRO .............................................. .............................................. 18 -49 18-50 18.144 CARACT ERÍST ICAS MECÁNICAS GENERAL ....................... ....................... ............................. 18-50 MOT ORES SUMERGIBLES PARA BOMBAS DE PROFUNDIDAD-4-inch BIEN ............................................... 18-51
  • 24.
    MG 1-1998, Revisión1 Página xxii 18,145 CLASIFICACIÓN PARA tipo eléctrico ............................................. ....................... 18 -51 CLASIFICA CIONES 18-51 18.146 rangos de voltaje 18-51 18.146.1 motores monofásicos ........................................... .............................................. 18 -51 18.146.2 motores polifásicos de inducción ............................................ ............................. ..... 18-51 18.147 18-51 18.148 POT ENCIA Y CLASIFICACIONES DE VELOCIDAD ............................................. ........................... 18 -51 18.148.1 Ratings Potencia ............................................. ......................... .................... 18-51 18.148.2 velocidad 18-51 PRUEBAS Y 18-52 18.149 BASE DE potencia nominal ............................................. .................................. 18 -52 18.150 LOCKED-ROT O ACT UAL ............................................. ............................................. 18-52 18.150.1 motores monofásicos pequeños .......................................... ..................................... 18 -52 18.150.2 motores monofásicos medio .......................................... ................................. 18-52 18.152.3 motores trifásicos de media .......................................... .................................. 18 -52 18.151 HIGH-POT EN T IAL T EST ............................................. .................................................. .. 18 -52 18.152 Variación de tensión nominal en CAJA DE CONT ROL .......................................... 18 -52 18.153 Variación de Frecuencia nominal ........................................... .. ........................ 18-52 18.154 DIRECCIÓN DE GIRO .............................................. .............................................. 18 -52 18.155 EMPUJE 18-52 18-52 18.156 MARCAS terminal del cable .............................................. ........................................... 18-52 18.157 CARACT ERÍST ICAS MECÁNICAS GENERAL .............................................. ............................. 18 -53 MOT ORES SUMERGIBLES PARA BOMBAS DE PROFUNDIDAD-6 pulgadas BIEN ............................................... 18-54 18,158 CLASIFICACIÓN SEGÚN EL T IPO DE ELECT RICIDAD ............................................ . 18 -54 CLASIFICA CIONES 18-54 18.159 rangos de voltaje 18-54 18.159.1 motores monofásicos ........................................... .............................................. 18 -54 18.159.2 motores polifásicos de inducción ............................................ .................................. 18 -54 18.160 18-54 18.161 POT ENCIA Y CLASIFICACIONES DE VELOCIDAD ............................................. ........................... 18 -54 18.161.1 Ratings Potencia ............................................. ............................................. 18 -54 PRUEBAS Y 18-54 18.162 BASE PARA potencia nominal ............................................. ............................... 18 -54 18.163 LOCKED-ROT O ACT UAL ............................................. ............................................. 1 8-54 18.164 HIGH-POT EN T IAL PRUEBAS ............................................. .................................................. 18 -55 18.165 Variación de tensión nominal en CAJA DE CONT ROL .......................................... 18 -55 18.166 Variación de Frecuencia nominal ............................................. ........................ 18 -55 18.167 DIRECCIÓN DE GIRO .............................................. .............................................. 18 -55 18.168 EMPUJE 18-55 18-55 18.169 MARCAS terminal del cable .............................................. ........................................... 18 -55 18.170 CARACT ERÍST ICAS mecánica GENERAL-ME ............................................. .............................. 18 -56 MOT ORES SUMERGIBLES PARA BOMBAS DE PROFUNDIDAD, DE 8 PULGADAS BIEN ............................................... 18-57 18,171 CLASIFICACIÓN SEGÚN EL T IPO DE ELECT RICIDAD ............................................ . 18 -57 CLASIFICA CIONES 18-57 18.172 rangos de voltaje 18-57 18.173 18-57 18.174 POT ENCIA Y CLASIFICACIONES DE VELOCIDAD ............................................. ........................... 18 -57 18.174.1 Ratings Potencia ............................................. ............................................. 18-57 18.174.2 velocidad 18-57 PRUEBAS Y 18-57 18.175 LOCKED-ROT O ACT UAL ............................................. ............................................. 18 -57 18.176 HIGH-POT EN T IAL T EST ............................................. .................................................. .. 18 -57 18.177 Variación de tensión nominal en CAJA DE CONT ROL .......................................... 18 -57 18.178 Variación de Frecuencia nominal ............................................. ........................ 18-58
  • 25.
    MG 1-1998, Revisión1 Página xxiii 18.179 DIRECCIÓN DE GIRO .............................................. .............................................. 18 -58 18.180 EMPUJE 18-58 18.181 CARACT ERÍST ICAS MECÁNICAS GENERAL .............................................. ............................. 18 -59 MEDIO DC MOT ORES ASCENSOR .................................................. .......................................... 18-60 18,182 CLASIFICACIÓN SEGÚN EL T IPO DE ............................................. ....................... 18 -60 18.182.1 clase DH 18-60 CLASIFICA CIONES 18-60 18.183 rangos de voltaje 18-60 18.184 POT ENCIA Y CLASIFICACIONES DE VELOCIDAD ............................................. ........................... 18 -60 18.184.1 clase DH 18-60 18.184.2 clase 18-60 18,185 base de la calificación 18-60 18.185.1 clase DH 18-60 18.185.2 clase 18-61 18.186 MARCAS PLACA ............................................... ................................................ 18 -61 PRUEBAS Y 18-61 18.187 ACCELERAT I Y CAPACIDAD DE DESACELERACIÓN ............................................. ........ 18 -61 18.188 variación en la velocidad debido a la carga ........................................... ................................ 18 -61 18.188.1 clase DH 18-61 18.188.2 clase 18-61 18.189 VARIACIÓN DE VELOCIDAD NOMINAL ............................................. ................................... 18 -61 18.190 variación en la velocidad debido al calentamiento ........................................... ......................... 18-61 18.190.1 lazo abierto del sistema de control .......................................... ..................................... 18-61 18.190.2 sistema de circuito cerrado de control .......................................... ................ .................. 18-61 18.191 HIGH-POT EN T IAL T EST ............................................. .................................................. .. 18 -61 18.192 T EMPERAT UR 18-61 Moto-generadores ASCENSOR PARA MOT ORES DC ............................... ........... ........ 18-63 CLASIFICA CIONES 18-63 18,193 base de la calificación 18-63 18.193.1 T iempo de funcionamiento 18-63 18.193.2 relación con motor del ascensor ........................................... ............................... ....... 18-63 18.194 CLASIFICACION DEL GENERADOR DE VOLT AJE .............................................. ................................ .. 18-63 18.194.1 Valor 18-63 18.194.2 máxima 18-63 PRUEBAS Y 18-63 18.195 variación de voltaje debido al calentamiento ........................................... ..................... 18 -63 18.195.1 lazo abierto del sistema de control .......................................... ..................................... 18-63 18.195.2 sistema de circuito cerrado de control .......................................... .................................. 18-63 18.196 18-63 18.197 HIGH-POT EN T IAL T EST ............................................. ....................... ........................... .. 18-63 18.198 Variación de tensión nominal ............................................. .............................. 18 -64 18.199 Variación de Frecuencia nominal ............................................. ............... ......... 18-64 18.200 variación combinada de tensión y frecuencia ......................................... 18 -64 18.201 T EMPERAT UR 18-64 18.201.1 inducción 18-64 18.201.2 corriente directa generadores de tensión ajustable .................. ...................... ......... 18-64 MEDIO motores polifásicos ASCENSOR .................................................. ......................... 18-65 18,202 CLASIFICACIÓN SEGÚN EL T IPO DE ELECT RICIDAD ............................................ . 18 -65 18.202.1 18-65 18.202.2 18-65 18.202.3 18-65 CLASIFICA CIONES 18-65 18.203 BASE DE MOT ORES ASCENSOR RAT ING-........................................... ....................... 18-65 18.204 rangos de voltaje 18-65 18.205 FRECUENCIA 18-65 18.206 POT ENCIA Y CLASIFICACIONES DE VELOCIDAD ............................................. ........................... 18 -66
  • 26.
    MG 1-1998, Revisión1 Página xxiv PRUEBAS Y 18-66 18.207 LOCKED-ROT O PAR DE VELOCIDAD DE UN SOLO ardilla Motores de jaula ASCENSOR ............................................... ........................................... 18 -66 18.208 RAT ING ratura T IME-T EMPE ............................................. ......................................... 18 -66 18.209 HIGH-POT EN T IAL T EST ............................................. .................................................. .. 18 -66 18.210 variaciones de tensión y FRECUENCIA NOMINAL ........................... 18 -66 18-66 18.211 PLACA 18-66 MEDIA CA FACHADA MOT ORES .................................................. ................................................. 18-68 CLASIFICA CIONES 18-68 18.212 rangos de voltaje 18-68 18.213 18-68 18.214 POT ENCIA Y CLASIFICACIONES DE VELOCIDAD ............................................. ........................... 18 -68 18.215 datos secundarios para rotor bobinado de motores de grúa ................................... 18-69 18.216 PLACA 18-69 18.217 T amaños para DOS y trifásicos de 60 HERT Z ABIERT A y totalmente cerrados de rotor bobinado FACHADA Los motores que tienen los sistemas de Clase B AISLAMIENT O ...................................... ...... ...... 18-70 PRUEBAS Y 18-70 18.218 calificaciones 18-70 18.219 T EMPERAT UR 18-70 18,220 par máximo ............................................... .................................................. 18 -70 18.220.1 mínimo 18-70 18.221.2 máxima 18-70 18.222 HIGH-POT EN T IAL T EST ............................................. .................................................. .. 18 -70 18.223 18-70 18.224 18-71 18.225 variaciones de tensión y FRECUENCIA NOMINAL ........................... 18 -71 18,226 RUT INA 18-71 18.227 BALANCE DE 18-71 18,228 RODAMIENT OS 18-71 18,229 DIMENSIONES PARA CORRIENT E ALT ERNA de rotor bobinado Abiertos y cerrados T OT ALMENT E FACHADA MOT ORES ............................................ ...... 18 -72 18,230 dimensiones y tolerancias de ALT ERNA Abierta en ese momento y totalmente cerrados de rotor bobinado MOT ORES DE OPORT UNIDAD CON rodamientos antifricción ............................................ 18 -73 De tipo medio SHELL-MOT ORES DE LA MADERA Y Máquina-Herramienta 18-75 18.231 DEFINICIÓN DE MOT OR SHELL DE T IPO ........................................... .............................. 18 -75 18.232 T EMPERAT UR RISE-SHELL-T IPO DE MOT OR .......................................... ................... 18 -75 18.233 T EMPERAT URA DE ASCENSO E 60 -HERT Z SHELL motores de tipo OPERADO EN 50 HERT Z ............................................. ................................................ 18 -75 18.234 OPERACIÓN EN MOT ORES otras frecuencias-SHELL-T YPE ........................... 18-75 18.235 CLASIFICACIONES Y DIMENSIONES DE SHELL motores de tipo ........................................ 18 -75 Diámetro del rotor 18.235.1 y dimensiones del chavetero, trifásico o 60 Hertz 40 C Motors, Open, 208, 220, 440 y 550 voltios ............................ 18-75 18.235.2 BH y BJ Dimensiones en pulgadas, de tipo abierto trifásico o 60 Hertz 40 C continua, 208, 220, 440 y 550 voltios ................................ 18-76 18.236 LET RAS DE HOJAS DE MEDIDA DE SHELL motores de tipo ....................... 18 -77 MEDIA CA de jaula de ardilla MOT ORES DE INDUCCIÓN PARA VERT ICAL APLICACIONES DE T URBINA DE BOMBA .................................................. .......................... 18-78 18.237 DIMENSIÓN DE T IPO VP VERT ICAL eje sólido, una fase Y polifásicos, conectado directamente jaula de ardilla MOT ORES DE INDUCCIÓN PARA bomba de t urbina vertical APLICACIONES 18-78 18.238 Dimensiones para el T ipo P y PH DE CORRIENT E ALT ERNA
  • 27.
    MG 1-1998, Revisión1 Página xxv Jaula de ardilla, de eje hueco VERT ICAL PARA MOT ORES Aplicaciones verticales bomba de turbina .............................................. .................. 18 -80 18.238.1 Dimensiones Base (revisado) .......................................... ............................... 18 -80 18.238.2 Dimensiones de acoplamiento ............................................. ........................................... 18 -81 MEDIA CA de jaula de ardilla MOT ORES DE INDUCCIÓN PARA Acoplamiento cerrado BOMBAS 18-82 CLASIFICA CIONES 18-82 18.239 rangos de voltaje 18-82 18.240 18-82 18.241 MARCAS PLACA ............................................... ................................................ 18 -82 18.242 PLACA 18-82 PRUEBAS Y 18-82 18.243 T EMPERAT UR 18-82 18.244 18-82 18.245 LOCKED-ROT o corrientes ............................................. .......................................... 18-82 18.246 HIGH-POT EN T IAL T EST ............................................. .................................................. .. 18 -82 18.247 variaciones de tensión y FRECUENCIA NOMINAL ........................... 18 -82 18.248 BALANCE DE 18-82 18-82 18.249 MARCO 18-82 18.250 Dimensiones para el T ipo JM Y JP DE CORRIENT E ALT ERNA MONT AJE DE CARA acoplamiento corto motores de las bombas HABIENDO Antifricción 18-83 18,251 DIMENSIONES DE LP T IPO Y VERT ICAL LPH eje sólido MONOFÁSICO y polifásicos de conexión directa de ardilla CAGE motores de inducción (HABIENDO el cojinete de empuje EN EL MOT OR) PARA EL PROCESO DE QUÍMICA Las aplicaciones en línea BOMBA ....................... 18 -87 18.252 Dimensiones para el T ipo HP y HPH VERT ICAL eje sólido MONOFÁSICO y polifásicos de conexión directa JAULA DE ARDILLA motores de inducción de procesos y Las aplicaciones en línea BOMBA ............................................. ......................................... 18 -89 CC de Imán Permanente GENERADORES T ACÓMET RO para sistemas de control ...... 18-91 18,253 CLASIFICACIÓN SEGÚN EL T IPO DE ELECT RICIDAD ............................................ . 18 -91 18,254 CLASIFICACIÓN DE ACUERDO CON CALIFICACIÓN DE SALIDA DE VOLT AJE .............................. 18 -91 CLASIFICA CIONES 18-91 18.255 RAT INGS Voltaje de salida .............................................. .......................................... 18-91 18.256 Régimen de corriente 18-91 18,257 grados de la velocidad 18-91 PRUEBAS Y 18-91 18.258 MÉT ODOS DE PRUEBA 18-91 18.259 T EMPERAT UR 18-91 18.260 Variación de tensión de salida nominal ............................................ ............... 18 -92 18.260.1 Alta T ensión T ipo ........................................... .................................................. 18 -92 18.260.2 baja tensión tipo ........................................... .................................................. 18-92 18.261 HIGH-POT EN T IAL PRUEBAS ............................................. .................................................. 18 -92 18.261.1 18-92 18.261.2 18-92 18.262 OVERSPEED 18-92 CARACT ERÍST ICAS DE RENDIMIENT O 18.263 E ............................................... ........................... 18 -92 18.263.1 Alta T ensión T ipo ........................................... .............. .................................... 18-92 18.263.2 baja tensión tipo ........................................... .................................................. 18 -92 18-93 18.264 PLACA 18-93 18.264.1 Alta T ensión T ipo ........................................... .................................................. 18 -93 18.264.2 baja tensión tipo ........................................... .................................................. 18 -93 18.265 DIRECCIÓN DE GIRO .............................................. .............................................. 18 -93
  • 28.
    MG 1-1998, Revisión1 Página xxvi 18.266 CARACT ERÍST ICAS MECÁNICAS GENERAL .............................................. ............................. 18 -93 18.266.1 Alta T ensión T ipo ........................................... .................................................. 18-93 18.266.2 baja tensión tipo ........................................... .................................................. 18 -94 Marcado de los terminales ............................................... 18.267 .................................................. .. 18 -94 PAR DE MOTORES 18-95 18.268 DEFINICIÓN 18-95 18.269 MARCAS PLACA ............................................... ................................................ 18 -95 18.269.1 AC T orque Motores ............................................ ................................................. 18 -95 18.269.2 DC T orque Motores ............................................ ................................................. 18 -95 MOT ORES PEQUEÑOS PARA BOMBAS carbonatador ............................................. ........................... 18-96 18,270 CLASIFICACIÓN SEGÚN EL T IPO DE ELECT RICIDAD ............................................ . 18 -96 CLASIFICA CIONES 18-96 18.271 rangos de voltaje 18-96 18.272 18-96 18.273 CABALLOS DE FUERZA y rango de velocidad ............................................. ............................. 18 -96 18.273.1 Ratings Potencia ............................................. ............................................. 18 -96 18.273.2 velocidad 18-96 PRUEBAS Y 18-96 18.274 T EMPERAT UR 18-96 18.275 BASE DE potencia nominal ............................................. .................................. 18 -96 18.276 HIGH-POT EN T IAL T EST ............................................. .................................................. .. 18 -96 18.277 MÁXIMO rotor bloqueado, MONOFÁSICO ......................................... 18-96 18.278 variaciones de tensión y FRECUENCIA NOMINAL ........................... 18 -96 18.279 DIRECCIÓN DE GIRO .............................................. .............................................. 18 -96 18-97 18,280 característica mecánica GENERAL .............................................. ................................ 18 -97 18,281 DIMENSIONES DE LOS MOT ORES DE LA BOMBA carbonatador ............................................ ....... 18 -97 Sección III grandes máquinas Parte de 20 grandes máquinas de inducción MÁQUINAS 20.1SCOPE 20-1 20.2BASIS DE RAT ING 20-1 20.3MACHINE PODER Y CLASIFICACIONES DE VELOCIDAD ............................................ ......................... 20 -1 CLASIFICACIÓN DE LAS MÁQUINAS 20.4POWER MULT ISPEED ............................................ ............... 20 -2 20.4.1 Constante 20-2 20.4.2 Constante 20-2 20.4.3 Variable 20-2 CLASIFICACIONES 20.5VOLT AGE 20-3 20-3 20.7SERVICE 20-3 20.7.1 Factor de servicio de 1,0 ........................................... ................................................ .. .. 20-3 20.7.2 Factor de servicio de 1,15 ........................................... ............................................... ... 20-3 20.7.3 Aplicación de los motores con un factor de servicio de 1,15 ................................. ..... .......... 20-3 PRUEBAS Y 20-4 20.8T EMPERATURE 20-4 20.8.1 Las máquinas con un factor de servicio 1.0 con carga nominal ...................................... .......... 20 -4 20.8.2 Las máquinas con un factor de servicio 1,15 con carga Factor de Servicio ................................. 20 -4 o 20.8.3 aumento de la temperatura para ambientes superiores a los 40 C. ...................................... ........... 20-5 20.8.4 aumento de la temperatura para altitudes superiores a 3300 pies (1000 metros) 20-5 CART AS 20.9CODE (PARA rotor bloqueado KVA) ........................................ ....... ............... 20-5 20.10 PAR 20-6 20.10.1 torque estándar ............................................. .................................................. .... 20-6 20.10.2 Alta 20-6 2 20.11 WK CARGA DE POLIFÁSICOS ARDILLA-CASE INDUCCIÓN MOT ORES (Ecuación ) Revisó .................................................. ..................................... 20-6
  • 29.
    MG 1-1998, Revisión1 Página xxvii 20.12 NÚMERO DE 20-7 20.12.1 capacidad de arranque ............................................. .................................................. .. 20-7 20.12.2 Inicia adicionales ............................................. .................................... .............. ..... 20-7 20.12.3 Información de la Placa ............................................. ............................................... ... .... 20-7 20.13 20-7 20.14 Las variaciones de tensión y FRECUENCIA NOMINAL ............................. 20 -9 20.14.1 Ejecución 20-9 20.14.2 A partir 20-9 20.15 operación de las máquinas de inducción de VARIABLE FRECUENCIA O de voltaje variable Fuentes de alimentación, O AMBOS 20-9 20.16 PRUEBAS 20-9 20.16.1 Prueba 20-9 20.16.2 Las pruebas de rutina en las máquinas completamente ensambladas en fábrica .......................... 20 -10 20.16.3 Las pruebas de rutina en las máquinas no comp letamente ensambladas en fábrica ................... 20 -10 20.17 HIGH-POT EN T IAL PRUEBAS ............................................. .................................................. 20 -10 20.17.1 Precauciones de seguridad y procedimiento de prueba .......................................... ................... 20 -10 20.17.2 Prueba de voltaje primario bobinado .......................................... .............................. 20 -10 20.17.3 Prueba de voltaje secundario bobinados de los rotores de la herida ....................................... 20 -10 20.18 MÁQUINA CON SELLADO DEVANADOS-conformidad PRUEBAS ............................... 20 -10 20.18.1 Prueba de estator que puede ser sumergido .................................. ...... .................. 20-10 20.18.2 Prueba de estator que no puede ser sumergido ........................................ ............. 20 -11 20.19 Sound Machine 20-11 20.19.1 Calidad de sonido (eliminados) .......................................... ...................................... 20-11 20.19.2 La medición de sonido(Suprimido )............................................... ........................ 20-11 20.19.3 niveles de potencia acústica de Polyphase inducción jaula de ardilla Máquinas (eliminados) .............................................. ........................................... 20 -11 T abla 20-2 (eliminados) ........................................... ........................................... 20 -12 20.20 INFORME DE LA FORMA DE PRUEBA PARA MÁQUINAS DE INDUCCIÓN .......................................... ... 20 -12 20.21 FRECUENCIA 20-12 20.22 Vibraciones Mecánicas ............................................... .............................................. 20 -12 20.23 REED FRECUENCIA DE MÁQUINAS VERT ICALES ............................................ ............... 20 -13 20.24 EFECT OS DE T ENSIONES DESEQUILIBRIO EN LA EJECUCIÓN De motores polifásicos de inducción de jaula de ardilla ......................................... 20 -13 20.24.1 efecto en el rendimiento general ......................................... . .............................. 20-14 20.24.2 desequilibrio de tensión definidos ............................................ ..................................... 20-14 20.24.3 T orques 20-14 20.24.4 Velocidad a plena carga ........................................... .................................................. ..... 20-14 20.24.5 20-14 20-14 20.25 PLACA 20-14 20.25.1 de corriente alterna polifásicos jaula de ardilla Motores ....................................... .. 20 -14 20.25.2 polifásicos de rotor bobinado motores .......................................... ............................... 20 -15 20.25.3 polifásicos de jaula de ardilla Generadores .......................................... ....................... 20 -15 20.25.4 polifásicos de rotor bobinado Generadores .......................................... ........................ 20 -15 20.25.5 información de la placa adicional ............................................ ........................... 20 -16 20.26 LÍMIT ES DE T OLERANCIA EN LAS DIMENSIONES ............................................. ............................. 20 -16 20.27 MOT OR CAJAS Y CAJAS DE T ERMINAL ............................................ .................. 20 -16 20.27.1 Dimensiones de la caja ............................................. ................................................ .. ... 20-16 20.27.2 T erminación de accesorios de plomo ............................................ ................................. 20 -16 20.27.3 T erminación de plomo de los accesorios de funcionamiento a 50 voltios o 20-16 20.28 EMBEDDED Detectores de T emperatura .............................................. ................... 20 -17 DATOS DE APLICACIÓN 20-18 20.29 CONDICIONES DE SERVICIO ............................................... .................................................. . 20-18 20.29.1 20-18
  • 30.
    MG 1-1998, Revisión1 Página xxviii 20.29.2 Condiciones de servicio habitual ............................................ ........................................ 20-19 20.29.3 Condiciones de servicio inusuales ............................................ .................................... 2 0-19 20.30 FIN EL JUEGO Y EL ROT OR DE FLOT A cojinete de manguito ACOPLADOS Máquinas horizontales INDUCCIÓN ............................................... .......................... 20 -20 20.30.1 20-20 20.30.2 Límites 20-20 20.30.3 requisitos de marcado ............................................. ........................................... 20-20 Pulsante corriente del estator en motores de inducción ........................................ 20 -20 20.31 Antisísmico 20-20 20.32 20.32.1 20-20 20.32.2 Espectro de Respuesta de frecuencia ............................................ .............................. 20-20 20.32.3 Las unidades de los requisitos de capacidad ........................................... ............................ 20-21 20.32.4 los límites recomendados de pico de aceleración ........................................... ................ 20 -21 Correas, cadenas, engranajes y ........................................... ....................................... 20 -21 T raslado en autobús o REARME .............................................. ................................... 20 -21 20.33 20.34.1 lenta transferencia o reenganche ........................................... ...................................... 2 0-21 20.34 20.34.2 una rápida t ransferencia o reenganche ........................................... ....................................... 20 -21 COMPENSACIÓN DE ENERGÍA REACT IVA ............................................... .................................... 20 -22 CAPACIDAD DE DEVANADOS SURGE AC con la forma- HERIDA 20-23 20.35 20.36.1 20-23 20.36 20.36.2 contra sobretensiones 20-23 20.36.3 Factores que influyen en magnitud y tiempo de subida ......................................... ........... 20 -23 20.36.4 contra sobretensiones 20-23 20.36.5 sobrecarga la capacidad de resistencia para máquinas estándar ......................................... .. 20 -23 20.36.6 sobretensiones especiales Capacidad de resistencia ........................................... ...................... ... 20-23 20.36.7 20-23 20.36.8 valores de las pruebas de tensión ............................................ ...................................... .......... 20-24 MÁQUINAS DE FUNCIONAMIENT O DE UN SIST EMA DE T IERRA FLOT ANT E ........................................ 20-24 ACT UAL exceso ocasional ............................................... ................................. 20 -24 20.37 20.38 Sección III grandes máquinas Parte de 21 grandes máquinas-Motores síncronos CLASIFICA CIONES 21-1 21.1SCOPE 21-1 21.2BASIS DE RAT ING 21-1 21.3HORSEPOWER Y VELOCIDAD DE CALIFICACIONES ............................................. ............................. 21 -2 21.4POWER FACT OR 21-2 CLASIFICACIONES 21.5VOLT AGE 21-2 21-2 21.7EXCIT AT ION 21-2 21.8SERVICE 21-3 21.8.1 Factor de servicio de 1,0 ........................................... ................................................ .. .. 21-3 21.8.2 Factor de servicio de 1,15 ........................................... .................................................. 21 -3 21.8.3 Aplicación de motor con factor de servicio 1,15 ........................................ ................. 21 -3 CLASIFICACIONES 21.9T YPICAL KW DE EXCIT ADORES DE 60 HERT Z Motores síncronos ................................................ .............................................. 21 -3 PRUEBAS Y 21-8 21.10 T EMPERAT UR RISE-Motores síncronos ............................................ .......... 21-8 21.10.1 Máquinas con factor de servicio 1.0 con carga nominal ....................................... .......... 21 -8 21.10.2 Máquinas con factor de servicio 1,15 con carga Factor de servicio .................................. 21-8 o 21.10.3 aumento de la temperatura para ambientes superiores a los 40 C. ......................... ............. ......... 21-9 21.10.4 aumento de la temperatura para altitudes superiores a 3300 pies (1000 metros) ............... 21 -9 21.11 21-9 2 21.12 WK NORMAL DE CARGA ............................................. .................................................. ... . 21-9 21.13 NUMERO DE 21-10
  • 31.
    MG 1-1998, Revisión1 Página xxix 21.13.1 capacidad de arranque ............................................. .................................................. 21-10 21.13.2 Inicia adicionales ............................................. .................................................. . .. 21-10 21.13.3 Información de la Placa ............................................. .................................................. .. 2 1-10 21.14 EFICIENCIA 21-10 21.15 OVERSPEED 21-11 21.16 OPERACIÓN EN DIST INT OS FACT ORES DE POT ENCIA NOMINAL ........................................ 21 -11 21.16.1 Operación de un 0,8 el factor de potencia del motor a 1,0 Del factor de potencia 21-11 21.16.2 Operación de un 1,0 el factor de potencia del motor en el 0,8 Del factor de potencia 21-12 21.17 Las variaciones de tensión y FRECUENCIA NOMINAL ........................... 21 -12 21.17.1 Ejecución 21-12 21.17.2 A partir 21-12 21,18 funcionamiento de los motores síncronos de VARIABLE FUENT ES DE ENERGÍA DE FRECUENCIA ............................................... ................................... 21 -12 21.19 ESPECIFICA PARA MOT ORES DE FORMA ION de anillos SINCRÓNICO ........................ 21 -16 21.20 ESPECIFICA FORMA DE ION motores síncronos sin escobillas .................... 21 -17 21.21 RUT INA 21-18 21.21.1 Los motores no completamente ensamblado en la fábrica de ........................................ ...... 21 -18 21.21.2 Motores completamente ensamblado en la fábrica de ......................................... ............ 21 -18 21.22 HIGH-POT EN T IAL PRUEBAS ............................................. .................................................. 21 -18 21.22.1 Precauciones de seguridad y procedimiento de prueba .......................................... ................... 21 -18 21.22.2 Prueba de voltaje inducido Bobinados .......................................... ............................ 21 -18 21.22.3 Prueba de campo de tensión, bobinado, Motores con los anillos colectores ..................................... .. 21 -18 21.22.4 Prueba de voltaje montado motor sin escobillas de campo Bobinados y sinuoso Exciter inducido ............................................. ................ 21-18 21.22.5 Prueba de tensión de bobinado sin escobillas excitador ........................................ .......... 21 -19 21.23 Sound Machine 21-19 21.24 Vibraciones Mecánicas ............................................... .............................................. 21 -19 21-19 LÍMIT ES DE LA T OLERANCIA EN DIMENSIONES 21,25 ............................................. ............................. 21 -19 21.26 PLACA 21-19 21.27 MOT OR CAJAS Y CAJAS DE T ERMINAL ............................................ .................. 21 -20 21.27.1 Dimensiones de la caja ............................................. ................................................ .. ... 21-20 21.27.2 T erminación de accesorios de plomo ............................................ ................................. 21 -20 21.27.3 T erminación de plomo de los accesorios de funcionamiento a 50 voltios o menos ...................... 21 -20 21.28 EMBEDDED 21-22 DATOS DE APLICACIÓN 21-23 21.29 CONDICIONES DE SERVICIO ............................................... .................................................. . 21-23 21.29.1 21-23 21.29.2 Condiciones de servicio habitual ............................................ ........................................ 21-23 21.29.3 Condiciones de servicio inusuales ............................................ .................................... 2 1-23 21.30 EFECT OS DE T ENSIONES DESEQUILIBRIO EN LA EJECUCIÓN DE POLIFÁSICOS motores síncronos .............................................. ................. 21 -24 21.30.1 efectos en el rendimiento ............................................ .......................................... . 21-25 21.30.2 voltaje desequilibrado definido ............................................ ................................... 21 -25 21.31 FIN DE ACOPLAMIENT O JUEGO Y FLOT A DE ROT OR HORIZONT AL 21-25 21.32 Correas, cadenas, engranajes y ........................................... ....................................... 21 -25 21.33 Palpitante corriente de inducido ............................................... .............................. 21 -25 21.34 PULSACIONES PAR durante el arranque de síncronos 21-26 T raslado en autobús o REARME .............................................. ................................... 21 -26 21.35 21.35.1 lenta transferencia de reenganche ........................................... .............. ........................ 21-26 21.35.2 una rápida transferencia de reenganche ........................................... .................................. ..... 21-26
  • 32.
    MG 1-1998, Revisión1 Página xxx 21.35.3 procedimiento de transferencia de bus ............................................ .......................................... 21 -27 21.36 CÁLCULO DE FRECUENCIA NAT URAL DE SINCRÓNICO MÁQUINAS de conexión directa A SABLE MAQUINARIA 21-27 21.36.1 frecuencia natural no amortiguada ............................................ ................................ 21 -27 21.36.2 coeficiente de torsión de sincronización, Pr .......................................... ........................ 21 -27 NECESARIA PAR ............................................... ............................. 21-27 21.37 FACT ORES DE COMPRESOR ................................................ ............................................. 21 -31 21.38 CAPACIDAD DE DEVANADOS SURGE AC con la forma-HERIDA 21.39 21-32 MÁQUINAS DE FUNCIONAMIENT O DE UN SIST EMA DE T IERRA FLOT ANT E ........................................ 21 -32 ACT UAL exceso ocasional ............................................... ................................. 21 -32 21.40 21.41 Sección III grandes máquinas Parte de 23 grandes máquinas-DC MOTORES CLASIFICA CIÓN 23-1 23.1SCOPE 23-1 23.2GENERAL MOT ORES INDUST RIALES .............................................. ..................................... 23 -1 23.3MET AL Laminador MOT ORES ............................................. ........................................ 23 -1 23.3.1 Clase N Metal Rolling Mill Motores ......................................... .................................. 23 -1 Metal 23.3.2 Clase S Rolling Mill Motores ......................................... ................................... 23 -1 23.4REVERSING MOT ORES HOT MILL ............................................. ....................................... 23 -1 23-2 23.5BASIS DE RAT ING 23-2 23.6HORSEPOWER, velocidad y rangos de voltaje .......................................... ............ 23 -3 23.6.1 Industrial General Motors y Motores de metal Rolling Mill, Clases y N 23-3 23.6.2 Invertir Motores laminador en caliente ........................................... ................................... ......... 23-4 CLASIFICACIONES 23.7SPEED POR CONT ROL DE CAMPO PARA 250 VOLT IOS DIRECT O MOT ORES DE CORRIENT E 23-5 CLASIFICACIONES 23.8SPEED POR CONT ROL DE CAMPO PARA 500 - o 700 voltios- Motores de corriente continua .............................................. ............................................ 23 -6 PRUEBAS Y 23-8 23.9T EMPERATURE 23-8 o 23.9.1 aumento de la temperatura para ambientes superiores a los 40 C. ...................................... ........... 23-9 23.9.2 aumento de la temperatura para altitudes superiores a 3300 pies (1000 metros) 23-9 23.10 SOBRECARGA 23-9 23.10.1 Industria General Motors, ............................................ .......................................... 23 -9 23.10.2 Motores de metal Rolling Mill (Molino de marcha atrás Excluyendo caliente Motores)-forzado-ventilado, y de agua totalmente cerrados Refrigerado por aire 23-9 23.10.3 Molino de marcha atrás en caliente Motors-forzado-ventilado y totalmente Cerrado de agua enfriado por aire ............................................ ..................................... 23 -10 23.11 CAPACIDAD DE CARGA MOMENT ÁNEO .............................................. ...................................... 23 -10 23.12 CONMUT ACIÓN DE ÉXIT O ............................................... ...................................... 23 -10 23.13 EFICIENCIA 23-10 23.14 T iempo de inversión T ÍPICA DE INVERT IR LOS MOT ORES HOT MILL .............................. 23 -11 23,15 impacto de la caída VELOCIDAD DE UN MOT OR DE CORRIENT E CONT INUA ........................................ .. 23 -11 23.16 OVERSPEED 23-12 23,17 variación de tensión nominal ............................................. .............................. 23 -12 Constante 23.17.1 23-12 23.17.2 voltajes transitorios de microsegundos Duración .......................................... ............ 23-12 23.18 datos de campo para Motores de corriente continua .......................................... ................ 23 -12 23.19 RUT INA 23-12 23.20 HIGH-POT EN T IAL T EST ............................................. .................................................. .. 23-13
  • 33.
    MG 1-1998, Revisión1 Página xxxi 23.20.1 Precauciones de seguridad y procedimiento de prueba .......................................... ................... 23 -13 23.20.2 Prueba de tensión 23-13 23.21 Vibraciones Mecánicas ............................................... .............................................. 23 -13 23.22 MÉT ODO PARA MEDIR LA vibración del motor ........................................... ...... . 23-13 23.23 CONDICIONES DE PRUEBA PARA LA REGULACIÓN DE VELOCIDAD ........................................... ......... 23 -13 23-13 23.24 PLACA 23-13 DATOS DE APLICACIÓN 23-14 23.25 Acondicionamiento ............................................... ..... .......................................... 23-14 23.25.1 23-14 23.25.2 Condiciones de servicio habitual ............................................ ....................................... . 23-14 23.25.3 Condiciones de servicio inusuales ............................................ .................................... 2 3-14 23.26 OPERACIÓN DE MOT ORES DE CORRIENT E CONT INUA EN RECT IFICADO ALT ERNA 23-15 23.26.1 23-15 23.26.2 Operación en paralelo con fuente de energía con una fluctuación de alta .................................. 23 -15 23.26.3 corrientes de los cojinetes ............................................. .................................................. .. 23-15 23.27 OPERACIÓN DE MOT ORES DE CORRIENT E CONT INUA POR DEBAJO DE LA VELOCIDAD DE BASE POR REDUCCIÓN DE VOLT AJE DE ARMADURA .............................................. ............................ 23 -16 23,28 T ASA DE VARIACIÓN DE LA CORRIENT E DE CARGA ........................................... ........................... 23 -16 Sección III grandes máquinas Parte de 24 grandes máquinas, generadores de corriente mayor que 1.0 KILOVATIO POR RPM, clasificación de tipo ABIERTO 24.0SCOPE 24-1 24.1GENERAL generadores industriales .............................................. ........................... 24 -1 24.2MET AL ROLLING GENERADORES DE MOLINO ............................................. .............................. 24 -1 24.3REVERSING GENERADORES DE HOT MILL ............................................. ............................. 24 -1 CLASIFICACIONES 24-1 24.9BASIS DE RAT ING 24-1 24,10 kilovatios, SPEED, y tensión .......................................... ... ................. 24-2 PRUEBAS Y 24-3 24.40 T EMPERAT UR 24-3 o 24.40.1 aumento de la temperatura para ambientes superiores a los 40 C. ............. ......................... ......... 24-4 24.40.2 aumento de la temperatura para altitudes superiores a 3300 pies (1000 metros) 24-4 24.41 SOBRECARGA 24-4 24.41.1 Generadores industrial general ............................................ ................................... 24 -4 24.41.2 Generadores de metal Laminación (Excluyendo Molino de marcha atrás en caliente Generadores)-Open, forzado ventilado, y totalmente cerrados 24-4 24.41.3 Inversión laminador en caliente Generadores-forzado-ventilado y totalmente Cerrado de agua enfriado por aire ............................................ ....................................... 24-4 24.42 CAPACIDAD DE CARGA MOMENT ÁNEO .............................................. ........................................ 2 4-4 24.43 CONMUT ACIÓN DE ÉXIT O .................................. ............. ........................................ 24-5 24.44 SALIDA a tensión reducida ............................................. ..................................... 24 -5 24.45 EFICIENCIA 24-5 24.46 OVERSPEED 24-6 24,47 DAT OS DE CAMPO PARA GENERADORES DE CORRIENT E CONT INUA .......................................... ........ 24 -6 24.48 RUT INA 24-6 24.49 ALT O POT ENCIAL 24-6 24.49.1 Precauciones de seguridad y procedimiento de prueba .......................................... . .................... 24-6 24.49.2 Prueba de tensión 24-6 24.50 CONDICIONES DEL EXAMEN DE LA REGULACIÓN DE VOLT AJE ........................................... .... 24 -6 24.51 Vibraciones Mecánicas ............................................... ................................................ 24-6
  • 34.
    MG 1-1998, Revisión1 Página xxxii 24-7 24.61 PLACA 24-7 DATOS DE APLICACIÓN 24-7 24.80 CONDICIONES DE SERVICIO ............................................... .................................................. ... 24-7 24.80.1 24-7 24.80.2 Condiciones de servicio habitual ............................................ .......................................... 24-8 24.80.3 Condiciones de servicio inusuales ............................................ ...................................... 24-8 24,81 T ASA DE VARIACIÓN DE LA CORRIENT E DE CARGA ............................. .............. ............................. 24-8 24.82 OPERACIÓN EXIT OSA EN PARALELO DE GENERADORES ............................................ 24 -8 24.83 OPERACIÓN DE GENERADORES DE CORRIENT E CONT INUA EN PARALELO CON SUMINIST RO DE RECT IFICADO alternancia T ENSIÓN .................................... 24 -9 24.83.1 24-9 24.83.2 Operación en paralelo con fuente de energía con una fluctuación de alta .................................... 24 -9 24.83.3 corrientes de los cojinetes ............................................. .................................................. .... 24-9 24.84 24-9 24.84.1 Compuestos plano ............................................. .................................................. .. 24-9 24.84.2 24-9 Sección IV NORMAS DE FUNCIONA MIENTO APLICABLES A TODOS LOS EQUIPOS Parte 30-CONSIDERA CIONES DE APLICACIÓN DE VELOCIDA D CONSTA NTE Motores utilizados en un autobús sinusoidal con ARMÓNICA CONTENIDO Y OBJETIV O GENERAL MOTORS USADOS CON AJUSTABLE voltaje o de frecuencia ajustable- CONTROLES O AMBOS 30.0SCOPE 30-1 CONSIDERACIONES PARA MOT ORES 30.1APPLICAT ION VELOCIDAD CONST ANT E Utilizado en un bus sinusoidal con contenido armónico ....................................... 30 -1 30.1.1 Eficiencia 30-1 30.1.2 Reducción de contenido armónico ........................................... ..................... ............... 30-1 30.1.3 Corrección del factor ............................................ ............................................. 30 -2 MOT ORES USADOS CON FINES 30.2GENERAL AJUST ABLE CONT ROL DE T ENSIÓN O de frecuencia ajustable, o ambos ............................. 30-2 30.2.1 30-2 30.2.2 Consideraciones de aplicación ............................................. ......................................... 30-4 Sección IV NORMAS DE FUNCIONA MIENTO APLICABLES A TODOS LOS EQUIPOS Parte 31-DEFINITIVA DE USO DEL INVERSOR-FED motores polifásicos 31.0SCOPE 31-1 CONDICIONES 31.1SERVICE ............................................... .................................................. .. . 31-1 31.1.1 31-1 31.1.2 Condiciones del servicio habitual ............................................ ....................................... ..... 31-1 31.1.3 Condiciones de servicio inusuales ............................................ .......... .............................. 31-1 31.1.4 Operación en peligrosas (clasificadas) ........................................ ............... 31 -2 31.2DIMENSIONS, tolerancias, y de montaje para MARCO 31-2 31.3RAT ING 31-3 31.3.1 base de la calificación 31-3 31.3.2 Base caballos de fuerza y grados de la velocidad .......................................... .......................... 31 -3 31.3.3 Alcance de velocidad 31-4 31.3.4 T ensión 31-4 31.3.5 Número de 31-4 31.3.6 Dirección de 31-5 31.3.7 Factor de Servicio 31-5 31.3.8 Deber 31-5 31-5 31.4.1 T emperatura 31-5
  • 35.
    MG 1-1998, Revisión1 Página xxxiii 31.4.2 T orque 31-8 31.4.3 Limitaciones de Operación ............................................. .............................................. .. 31-9 31.4.4 Consideraciones de aislamiento ............................................. .................... ..................... 31-10 31.4.5 Resonancias, sonido, vibración .......................................... .................................... 31 -11 31.4.6 T eniendo lubricación a baja velocidad y alta ........................................ ........... .... 31-12 PLACA 31-12 31.5 31.5.1 aplicaciones de par variable ............................................ .................................... 31 -12 31.5.2 Otras aplicaciones ............................................. ..................................... ............. .. 31-12 PRUEBAS 31-13 31.6 31.6.1 Método de prueba 31-13 31.6.2 Las pruebas de rutina 31-13 31.6.3 Pruebas de rendimiento ............................................. .................................................. . 31-13 Montaje de accesorios ................................................ .............................................. 31 -13 31.7 Sección IV NORMAS DE FUNCIONA MIENTO APLICABLES A TODOS LOS EQUIPOS Parte 32 Generadores síncronos (EXCLUSIV O DE GENERA DORES CUBIERTOS POR LAS NORMAS ANSI C50.12, C50.13, C50.14, Y C50.15 encima de 5000 kVA) CLASIFICACIONES 32.0SCOPE 32-1 32.1BASIS DE RAT ING 32-1 32.2KILOVOLT -amperios (KVA) y las clasificaciones (KW) ...................................... ...................... 32-1 32.3SPEED CLASIFICACIONES 32-1 CLASIFICACIONES 32.4VOLT AGE 32-3 32.4.1 Las tensiones nominales Broad, Voltios .......................................... .................................... .... 32-3 32.4.2 Las tensiones nominales discretas, Voltios .......................................... ..................................... 32-3 32-3 32.6T EMPERATURE 32-3 Sobrecargas 32.7MAXIMUM MOMENT ÁNEO ........................................... ... ............................ 32-4 32.8OVERLOAD 32-5 32.9OCCASIONAL exceso de corriente .............................................. .................................... 32 -5 32.10 FACT OR desviación máxima .............................................. ........................................ 32-5 32,11 T ELEFONO factor de influencia (T IF) ........................................... ............................ 32 -5 32.12 EFICIENCIA 32-6 32.13 SHORT -CIRC REQUISIT OS UIT ............................................. .................................... 32 -7 32.14 CORRIENT E CONT INUA DESEQUILIBRIO .............................................. ........................... 32 -8 32.15 CON cargas no lineales o asimétrica ........................................ 32 -8 32.16 32-8 32,17 variación de tensión nominal ............................................. ................................ 32 -9 32.17.1 Rango de Voltaje Amplio ............................................ ................................................ 32-9 32.17.2 tensión discreta ............................................. .................................................. ... .. 32-9 REGLAMENT O S 32,18 SYNCHRONOU generador de tensión (Hueco de tensión) 32-9 32.18.1 32-9 32.18.2 32-9 32.18.3 rendimiento de la grabadora de tensión ............................................ ............................... 3 2-11 32.18.4 32-11 32.18.5 Motor arranque de cargas ............................................ ............................................... 32-11 32,19 RENDIMIENT O FORMAS DE ESPECIFICACIONES ........................................... ... ..................... 32-14 32.19.1 de anillos generadores síncronos .......................................... ............................ 32 -14 32.19.2 Generadores síncronos sin escobillas ........................................ .... ....................... 32-15 32.20 PRUEBAS DE FÁBRICA DE RUT INA .............................................. ........................................... . 32-16 32.20.1 Generadores no totalmente ensamblados en fábrica ................... .................... 32-16 32.20.2 Generadores completamente ensamblado en la fábrica de ......................................... .... 32 -16 32.21 HIGH-POT EN T IAL PRUEBAS ............................................. .......................... ........................ 32-16 32.21.1 Precauciones de seguridad y procedimientos de prueba .......................................... .................. 32 -16 32.21.2 Prueba de voltaje inducido Bobinados .......................................... ............................ 32-16
  • 36.
    MG 1-1998, Revisión1 Página xxxiv 32.21.3 Prueba de campo de tensión, bobinado, generadores con los anillos colectores ................................ 32 -16 32.21.4 Prueba de tensión-ensambladas sin escobillas generador de campo Sinuoso y tortuoso Exciter inducido ............................................. ................. 32 -16 32.21.5 Prueba de tensión de bobinado sin escobillas excitador ........................................ .......... 32 -17 32.22 equipo de sonido sincrónico (GENERADORES )........................................... ...... 32 -17 32.22.1 sonido 32-17 32.22.2 Medición de Sonido ............................................. .............................................. 32 -17 32.23 VIBRACIONES 32-17 DATOS DE FABRICACIÓN 32-18 32.24 PLACA 32-18 32.25 LÍMIT ES DE T OLERANCIA EN LAS DIMENSIONES ............................................. ............................. 32 -18 32.26 EJE CLAVE DE EXT ENSIÓN .............................................. ................................................. . 32-19 32.27 bornes ............................................... ................................................ 32 -19 32.28 EMBEDDED Detectores de T emperatura .............................................. ................... 32 -20 DATOS DE APLICACIÓN 32-20 32,29 PUEST A EN PARALELO ............................................... .................................................. 3 2-20 32.30 CÁLCULO DE FRECUENCIA NAT URAL ............................................. .................... 32 -20 32.31 Vibración T orsional ............................................... ................................................. 32 -20 32.32 Las máquinas en funcionamiento en un sistema T IERRA FLOT ANT E ........................................ 32 -20 32.33 CONDICIONES DE SERVICIO ............................................... .................................................. . 32 -20 32.33.1 32-20 32.33.2 Condiciones de servicio habitual ............................................ ....................................... . 32-21 32.33.3 Condiciones de servicio inusuales ............................................ ........................ ............ 32-21 32.34 A T IERRA NEUT RAL ............................................... .................................................. 32 -22 32.35 GENERADOR ST AND-BY ............................................. .................................................. 32-22 32.36 A T IERRA SIGNIFICA PARA EL CABLEADO ............................................ ....................... 32 -22 Sección IV NORMAS DE FUNCIONA MIENTO APLICABLES A TODOS LOS EQUIPOS GENERADORES DE FIN parte 33-DEFINITE síncrono para GENERA CIÓN DE APLICACIONES JUEGO (Nueva sección) 33.0SCOPE 33-1 33-1 33.1.1 potencia nominal de salida ............................................ .............................................. .... . 33-1 33.1.2 Velocidad nominal de rotación n .......................................... ........................................... 33 -2 33.1.3 Condiciones de tensión 33-2 33.1.4 Clases de rendimiento ............................................. .......... ...................................... 33-4 33-5 33.2.1 Factor de Potencia 33-5 33.2.2 kilovoltios - amperios (kVA) y kilovatios (kW) Valoraciones ................................... ........... 33 -5 33.2.3 Velocidad 33-6 33.2.4 T ensión 33-6 33.2.5 33-7 33-7 33.3.1 variación de tensión y frecuencia ........................................... ................................ 33 -7 33.3.2 Los límites de temperatura y aumento de temperatura ......................................... .............. 33 -8 33.3.3 Condiciones especiales de carga ............................................ ......................................... .. 33-10 33.3.4 Calidad de Energía 33-11 33.3.5 33-17 33.3.6 Sound Machine ............................................. .................................................. ..... 3 3-17 33.3.7 vibración lineal ............................................. .................................................. ..... 33-18 33.3.8 33-18 33.3.9 Formas especificación de rendimiento ............................................ ............................ 33 -21 33.4APPLICAT IONS 33-23 33.4.1 Condiciones de servicio ............................................. .................................................. 33 -23 33.4.2 Rendimiento de transitorios de tensión ............................................ ............................... 33 -24 33.4.3 vibraciones de torsión ............................................. ................................................. . 33-28
  • 37.
    MG 1-1998, Revisión1 Página xxxv 33.4.4 Generador de tierra ............................................. .............................................. 33 -28 33.4.5 cíclica 33-29 33.4.6 Criterios de aplicación ............................................. ................................................ .. 33-29 33.5 33-31 33.5.1 Placa de marcado ............................................. ................................................. 33 -31 33.5.2 Viviendas T erminal ............................................. .................................................. 33 -33 ANEXO A COMPARA CIÓN DE IEC y NEMA MG1-INFORMA TIVA DE INFORMACIÓN ............ A-1 ÍNDICE
  • 38.
    MG 1-1998, Revisión1 Página xxxvi
  • 39.
    MG 1-1998, Revisión1 Página xxxvii Prefacio Las normas que aparecen en esta publicación han sido desarrollados por el motor y el generador Sección y aprobado para su publicación como normas de la Asociación Nacional de Fabricantes Eléctricos. Que están destinados a ayudar a los usuarios en la selección y aplicación correcta de los motores y generadores. Estos las normas son revisadas periódicamente para prever los cambios en las necesidades del usuario, los avances en la tecnología, y cambios en las tendencias económicas. T odas las personas que tengan experiencia en la selección, utilización o fabricación de energía eléctrica Motores y generadores, se les anima a presentar recomendaciones que permitan mejorar la utilidad de estas normas. Consult as, comentarios y propuestas de revisión o recomendadas deben ser sometidos a la sección del motor y generador en contacto con: Vicepresidente de Ingeniería National Electrical Manufacturers Association 1300 North 17th Street, Suite 1847 Rosslyn, VA 22209 El mejor juicio de la Sección de motores y generadores en el rendimiento y la construcción de Motores y generadores, está representado en estas normas. Se basan en la ingeniería de sonido principios, la investigación y los registros de la prueba y la experiencia de campo. T ambién en cuestión es una apreciación de la problemas de fabricación, instalación y uso de derivados de la consulta y la información obtenida de los fabricantes, usuarios, autoridades de inspección, y otros que tienen experiencia esp ecializada. Para máquinas destinadas para los usos generales, la información en cuanto a necesidades de los usuarios se determinó por el indiv iduo empresas a través del contacto comercial normal con los usuarios. En algunos motores destinados a la definiti va aplicaciones, las organizaciones que participaron en el desarrollo de las normas están indicadas en el a partir de las normas de uso del motor definitivo. Información práctica sobre el rendimiento, seguridad, pruebas, construcción y fabricación de Los motores de corriente alterna y corriente continua y generadores dentro de los ámbitos de productos definidos en el sección correspondiente o secciones de esta publicación se ofrece en estas normas. Aunque algunas definitiva - motores y generadores de efectos se incluyen, las normas no se aplican a las máquinas, tales como generadores y motores de tracción de ferrocarriles, motores para locomotoras mineras, soldadura por arco, generadores, automóviles motores y accesorios de juguete y los generadores, máquinas montadas en la nave en el aire, etc En la elaboración y revisión de estas normas, se ha considerado que el trabajo de otros organizaciones cuyas normas son de alguna manera relacionadas con motores y generadores. De crédito la presente se da a todos los estándares que pueden haber sido útiles en la preparación de este volumen. Normas NEMA MG publicación N º 1-1998 revisa y reemplaza a las normas NEMA Publicación N º 1-1993 MG. Antes de la publicación, las normas NEMA y autorizado Ingeniería La información que aparece en esta publicación no ha cambiado desde la edición anterior fueron reafirmados por la Motor y la sección del generador. Las normas o directrices que se presentan en una publicación de las normas NEMA se consideran técnica mente sonido en el momento que sean aprobados para su publicación. No son un sustituto de un vendedor de productos o propio criterio del usuario con respecto al producto en particular se hace referencia en la norma o directriz, y NEMA no se compromete a garantizar el rendimiento de los productos de cualquier fabricante de la persona en virtud de esta norma o guía. Por lo tanto, NEMA declina expresamente cualquier responsabilidad por daños derivados de el uso, aplicación, o la confianza de otros en la inform ación contenida en estas normas o directrices.
  • 40.
    MG 1-1998, Revisión1 Página xxxviii Esta publicación fue desarrollada por las normas de la Sección de Motores y generadores. Sección de la aprobación de la norma no implica necesariamente que todos los miembros de la sección votaron a favor de su aprobación o participado en su el desarrollo. En el momento de su aprobación, los motores y la sección del generador se compone de los siguientes miembros: Ametek, Incorporated, Electromecánicas grupo-Kent, OH Brook Compton América del Norte, T oronto, Ontario, Canadá Electra Gear, de la División de Regal-Beloit, Anaheim, CA Emerson Electric Company, EE.UU. Los motores eléctricos de la División -St. Louis, MO GE-Fort Wayne, IN Howell Motores Eléctricos de la División de SFM Corporation -Plainfield, NJ El Imperial Electric Company-Stowe, OH Leeson Electric Corporation-Grafton, WI Marathon Electric Mfg Corporation-Wausau Onan Corporation-Minneapolis, MN Peerless-Winsmith, Inc., Warren, OH Reliance Electric Co. / Rockwell Automation, Cleveland, OH SEW-Eurodrive, Inc.-Lyman, Carolina del Sur Siemens Energy & Automation, Inc.-Norwood, OH Esterlina Electric, Inc., Irvine, CA T ECO - Westinghouse Motor Company-Round Rock, T X T oshiba International Corporation, Houston, T X WEG Electric Motor-Suwanee, GA DESCARGO DE RESPONSA BILIDA D Las normas o directrices que se presentan en una publicación de las normas NEMA se consideran t écnicamente sonido en el momento que sean aprobados para su publicación. No son un sustituto de un vendedor de productos o propio criterio del usuario con respecto al producto en particular se hace referencia en la norma o directriz, y NEMA no se compromet e a garantizar el rendimiento de los productos de cualquier fabricante de la persona en virtud de esta norma o guía. Por lo tanto, NEMA declina expresamente cualquier responsabilidad por daños derivados de el uso, aplicación, o la confianza de otros en la información contenida en estas normas o directrices.
  • 41.
    Sección I MG 1-1998, Revisión 1 NORMAS DE REFERENCIA Y DEFINICIONES Parte 1, página 1 Sección I NORMAS GENERALES APLICABLES A TODOS LOS EQUIPOS Parte 1 NORMAS DE REFERENCIA Y DEFINICIONES 1.1 Normas de referencia Las siguientes publicaciones que se adopten, en su totalidad o en parte, como se indica, tomando como referencia las normas e n este su publicación. Dirección postal de cada organización de referencia también se proporciona. American National Standards Institute (ANSI) 11 West 42nd Street Nueva York, NY 10036 ANSI B92.1-1970 (R1982) El bazo involucionar e Inspección, Inversión pulgadas ANSI C50.10 1990 Rotatorio eléctrico síncrono Maquinaria Máquinas ANSI C50.12-1982 (R1989) Generadores síncronos / Motores de turbina hidráulica Las solicitudes, requisitos para sincrónica de polos salientes Rotación de Maquinaria Eléctrica-cilíndrica del rotor sincrónico Generadores ANSI C50.13-1989 Turbina de gas de combustión impulsado rotor cilíndrico síncrona Generadores, los requisitos para ANSI C50.14-1977 Requisitos para el hidrógeno enfriado por la combustión de turbina de gas - Impulsado de rotor cilíndrico Generadores síncronos Sistemas Eléctricos de Potencia y voltaje del equipo-Ratings (60 Hz) ANSI C50.15-1989 Método de ingeniería para la determinación de la potencia de sonido Los niveles de las fuentes de ruido por intensidad del sonido ANSI C84.1-1989 De banda ancha en las habitaciones fuentes de ruido de reverberación, de ANSI S12.12-1992 precisión Métodos para la determinación de niveles de potencia de sonido de Niveles de potencia sonora de fuentes de ruido en un especial ANSI S12.31-1990 Reverberación de prueba de habitaciones, métodos de ingeniería para la Determinación de la Condiciones de campo libre sobre un plano reflectante, Ingeniería ANSI S12.33-1990 Métodos para la determinación de niveles de potencia acústica de los ruidos Fuentes de esencia Niveles de potencia sonora de fuentes de ruido en la cámara anecoica y Semi- Habitaciones anecoicas, Determinación de ANSI S12.34-1988 (R1993) Niveles de potencia sonora de fuentes de ruido, métodos de encuesta para la Determinación de la ANSI S12.35-1990 ANSI S12.36-1990
  • 42.
    MG 1-1998, Revisión1 Sección I Parte 1, página 2 NORMAS DE REFERENCIA Y DEFINICIONES Sociedad Americana para Pruebas y Materiales (ASTM) 1916 Race Street Philadelphia, PA 19103 AST M D149-81 Método de prueba para Voltaje de ruptura dieléctrica y dieléctrica Fuerza de los materiales sólidos de aislamiento eléctrico en Comercial Las frecuencias de energía Ensayo de inflamabilidad de auto-apoyo de plásticos AST M D635-81 Asociación Canadiense de Normas 178 Rexdale Bulevar T oronto, Ontario, Canadá M9W 1R3 CSA 390-93 Eficiencia de la energía Métodos de prueba para inducción trifásico Motores Institute of Electrical and Electronics Engineers (IEEE) 1 445 azadas carril Piscataway, NJ 08855-1331 ANSI / IEEE Std 1-1.986 (R1992) Principios generales de los límites de temperatura en la calificación de Equipos Eléctricos Práctica recomendada para comprobar la resistencia de aislamiento de ANSI / IEEE Std 43-1974 (R1991) Maquinaria rotativa Procedimiento de ensayo para las mediciones de ruido aéreo en la rotación IEEE Std. 85-1973 (R1980) Máquinas eléctricas Diccionario de términos estándar de aparatos eléctricos y electrónicos Procedimiento de prueba estándar para motores de inducción polifásicos y ANSI / IEEE Std 100-1996 Generadores IEEE Std 112-1996 Guía sobre procedimientos de ensayo para DC Máquinas Procedimiento de prueba para motores de inducción monofásico Procedimientos de prueba para las máquinas síncronas IEEE Std 113-1985 Procedimiento de prueba estándar para la evaluación de los sistemas de ANSI / IEEE Std 114-1982 aislamiento ANSI / IEEE Std 115-1995 Materiales de Random-herida Corriente alterna Máquinas eléctricas ANSI / IEEE Std 117-1974 (R1991) Procedimientos de prueba para DC Generadores de tacómetro Práctica recomendada para la evaluación térmica del aislamiento Sistemas de Corriente alterna El empleo de maquinaria eléctrica Form-herida Pre- aislados bobinas del estator, Máquinas nominal 6900V y Abajo ANSI / IEEE Std 251-1984 Procedimiento de ensayo para la Evaluación y Clasificación de aislamiento ANSI / IEEE Std 275-1992 Sistema de DC Máquinas Definiciones para los sistemas de excitación para máquinas síncronas IEEE Guía para las pruebas de vuelta a vuelta de aislamiento de la forma-la herida Las bobinas del estator de corriente alterna para la rotación de la máquina ANSI / IEEE Std 304-1977 (R1991) eléctrica ANSI / IEEE Std 421.1-1986 (R1996) IEEE Std 522-1992 1 También disponible de ANSI.
  • 43.
    Sección I MG 1-1998, Revisión 1 NORMAS DE REFERENCIA Y DEFINICIONES Parte 1, página 3 Sociedad de Ingenieros Automotrices (SAE) 3001 West Big Beaver T roy, MI 48084 ANSI / SAE J429-1983 Requisitos mecánicos y material de rosca externa Elementos de fijación Comisión Electrotécnica Internacional (IEC) 1 3 Rue de Varembé, CP 131, CH-1211 Ginebra 20, Suiza IEC 60034-1-1994 Rotación de la parte de Máquinas Eléctricas Uno: Evaluación y Desempeño IEC 60034-14 Ed. 2.0 b: 1996 Máquinas rotativas, parte eléctrica 14: Vibraciones mecánicas de Determinadas máquinas con altura de eje de 56 mm y superior Medición, evaluación y límites de vibración 1 Organización Internacional de Normalización (ISO) 1, rue de Varembé 1211 Ginebra 20 Suiza ISO R-1000 Unidades SI y recomendaciones para el uso de sus múltiplos y de algunas otras unidades Acústica - Determinación de los niveles de potencia sonora del ruido ISO 3741: 1988 Fuentes - Métodos de precisión para fuentes de banda ancha en Habitaciones de reverberación Acústica - Determinación de los niveles de potencia sonora del ruido ISO 3743-1: 1994 Fuentes - Métodos de ingeniería para fuentes pequeñas móviles en Los campos reverberantes - Parte 1: Método de comparación en el disco duro de Pared SALAS DE ENSAYO Acústica - Determinación de los niveles de potencia sonora del ruido ISO 3743-2: 1994 Fuentes - Métodos de ingeniería para fuentes pequeñas móviles en Los campos reverberantes - Parte 2: Método de reverberación especial SALAS DE ENSAYO Acústica - Determinación de los niveles de potencia sonora del ruido Fuentes - Método de Ingeniería empleo de una envolvente ISO 3744: 1994 Medición de la superficie de un campo libre sobre un Como reflejo de avión Acústica - Determinación de los niveles de potencia sonora del ruido Fuentes - Métodos de precisión para anecoicas y semi-anecoica- Habitaciones ISO 3745: 1983 Acústica - Determinación de los niveles de potencia sonora del ruido Fuentes - El empleo de un método de encuesta envolvente Medición de la superficie sobre un plano reflectante Acústica - Determinación de los niveles de potencia sonora del ruido ISO 3746: 1995 Fuentes - Método de control en una fuente de sonido de referencia ISO 3747: 1987 1 También disponible de ANSI
  • 44.
    MG 1-1998, Revisión1 Sección I Parte 1, página 4 NORMAS DE REFERENCIA Y DEFINICIONES ISO 7919-1: 1996 Vibrtion mecánica de la No-sable Máquinas - Las mediciones en los ejes de rotación y Criterios de Evaluación - Parte 1: Directrices generales ISO 8528-3: 1993 Alternativos de combustión interna accionada por el motor alterna Actuales Grupos Electrógenos - Parte 3: Corriente alterna Generadores para Grupos Electrógenos Alternativos de combustión interna accionada por el motor alterna ISO 8528-4: 1993 Actuales Grupos Electrógenos - Parte 4: auxiliares para y Conmutación Acústica - Determinación de los niveles de potencia sonora del ruido ISO 9614-1: 1995 Uso de fuentes de intensidad de sonido - Parte 1: Medición en Puntos discretos Acústica - Determinación de los niveles de potencia sonora del ruido Uso de fuentes de intensidad sonora - Parte 2: Método de escaneo ISO 9614-2: 1996 Vibraciones mecánicas - Evaluación de la vibración de la máquina por Las mediciones sobre la no-rotación de piezas - Parte 3: Industrial Las máquinas con potencia nominal superior a 15 kW y nominal ISO 10816-3: 1998 Velocidades de entre 120 r / min y 000 15 r / min cuando se mide en situ. National Electrical Manufacturers Association (NEMA) 1300 North 17th Street, Suite 1847 Rosslyn, VA 22209 NEMA MG 2-1994 Norma de seguridad para la construcción y la Guía para la selección, Instalación y uso de motores eléctricos y generadores Predicción de nivel de sonido instalada de rotación NEMA MG 3-1,974 (R1979, 1984, Máquinas Eléctricas 1990, 1995) National Fire Protection Association (NFPA) Batterymarch Park Quincy, MA 02269 ANSI / NFPA 70-1999 Código Eléctrico Nacional Rubber Manufacturers Association 1400 K Street, NW Suite 300 Washington, DC 20005 Estándares de ingeniería, especificaciones de clásica Correas en V y Poleas (A, B, C, D y ELos cortes transversales), 1988 Especificaciones estándar para estrecho V -Belts y poleas (3V, 5V y 8V Los cortes transversales), 1991
  • 45.
    Sección I MG 1-1998, Revisión 1 NORMAS DE REFERENCIA Y DEFINICIONES Parte 1, página 5 DEFINICIONES (Para ver las definiciones que no se encuentran en la parte 1, consulte el estándar IEEE 100, Diccionario de términos estánda r de aparatos eléctricos y electrónicos). Clasificación del tamaño 1.2 MÁQUINA T al como se utiliza en esta norma una máquina es un aparato eléctrico que depende de la electromagnética inducción para su funcionamiento y que tiene uno o más miembros que lo componen capaz de movimiento de rotación. En particular, los tipos de máquinas cubiertas son los que generalmente se conoce como motores y generadores definidos en la Parte 1. 1.3 PEQUEÑOS (fraccional) de la máquina Una pequeña máquina es: (1) una máquina construida en dos series dígitos marco de acuerdo con 4.2.1 (o su equivalente para las máquinas sin pies), o (2) una máquina construida en un marco más pequeño que el marco de una máquina de medio (ver 1.4), que tiene una potencia continua a 1700 -1800 rpm de 1 caballo de fuerza de los motores o 0,75 kilovatios para los generadores, o (3) un motor de potencia nominal inferior a 1 / 3 y menos de 800 rpm. 1.4 MEDIO (INTEGRAL) MÁQUINA 1.4.1 Corriente alterna de media máquina Una máquina de medio de corriente alterna es una máquina: (1) construido en un número de bastidor de tres o cuatro dígitos serie de acuerdo con 4.2.1 (o su equivalente para las máquinas sin p ies), y (2) con un continuo calificación hasta e incluyendo la información en la T abla 1 -1. 1.4.2 de corriente directa media máquina Una máquina mediana de corriente continua es una máquina: (1) construida en el marco de una serie número de tres o cua tro dígitos de acuerdo con 4.2.1 (o su equivalente para las máquinas sin pies), y (2) con una potencia continua hasta y entre 1.25 caballos de fuerza por rpm para los motores o 1,0 kilovatios por rpm para los generadores. Tabla 1-1 ALTERNA DE LA MÁQUINA medio actual Generadores, a 0,8 kilov atios Factor de Potencia La v elocidad de sincronismo, Rpm Motores de Hp 1201-3600 500 400 901-1200 350 300 721-900 250 200 601-720 200 150 515-600 150 125 451-514 125 100 1.5 Máquina de gran tamaño 1.5.1 De corriente alterna de la máquina grande Una máquina grande de corriente alterna es la siguiente: (1) una máquina con una potencia continua superior a que figura en 1.4.1 para velocidades sincrónicas por encima de 450 rpm, o (2 ) una máquina que tiene una continua potencia mayor que la dada en 1.3 para velocidades sincrónicas igual o inferior a 450 rpm. 1.5.2 de corriente directa de la máquina grande Una gran máquina de corriente continua es una máquina que tiene una potencia continua superior a 1,25 caballos de fuerza por rpm para los motores o 1,0 kilovatios por rpm para los generadores.
  • 46.
    MG 1-1998, Revisión1 Sección I Parte 1, página 6 NORMAS DE REFERENCIA Y DEFINICIONES CLASIFICACIÓN DE ACUERDO A LA SOLICITUD (Algunas de las definiciones en esta sección se aplican únicamente a determinados tipos o tamaños de máquinas.) 1.6 MOTOR DE USO GENERAL 1.6.1 Propósito General de corriente alterna Motor A propósito general de corriente alterna motor es un motor de inducción, clasificado 500 caballos de fuerza y menos, que incorpora todas las características siguientes: a. Construcción abierta o cerrada b. De trabajo nominal continua c. El factor de servicio de acuerdo con 12,52 d. Clase A o superior del sistema de aislamiento nominal con un aumento de temperatura no superior a la especificada en 12.43 para la Clase A de aislamiento para motores pequeños o clase B o superior del sistema de aislamiento nominal con un aumento de la temperatura no superior a la especificada en 12,44 para el aislamiento de Clase B para motores de media. Está diseñado en las calificaciones de serie con características de operación estándar y la construcción mecánica para su uso en condiciones de servicio normal sin restricciones a una aplicación en particular o tipo de aplicación. 1.6.2 Propósito General de corriente directa pequeño motor A propósito general de corriente pequeño motor es un pequeño motor de la construcción mecánica adecuada para uso general en las condiciones usuales de servicio y tiene las calificaciones y de la construcción y el rendimiento características de la aplicación de motores de corriente continua pequeños como se indica en las partes 4, 10, 12 y 14. 1.7 GENERA DOR DE USO GENERAL Un generador de propósito general es un generador síncrono de la construcción mecánica adecuada para uso general en las condiciones usuales de servicio y tiene las calificaciones y de la construcción y el rendimiento características que figuran en la P arte 32. 1.8 MOTOR PEQUEÑO INDUSTRIAL Un pequeño motor industrial es un motor de corriente alterna o corriente continua, construido en el marco de cualquiera de NE MA 42, 48, o para usos industriales 56. Está diseñado en las calificaciones de serie con características de operación estándar para el uso en el servicio habitual condiciones, sin restricciones, una aplicación en particular o tipo de aplicación. 1.9 INDUSTRIAL DE CORRIENTE MEDIA MOTOR Un industrial de corriente del motor es un motor medio de la construcción mecánica adecuada para aplicaciones industriales uso en condiciones de servicio normal y tiene una clasificación y las características de construcción y de funcionamiento aplicables a motores de corriente media que figuran en las partes 4, 10, 12 y 14. 1.10 INDUSTRIAL GENERA DOR DE CORRIENTE CONTINUA Un industrial de corriente del generador es un generador de la construcción mecánica adecuada para aplicaciones industria les uso en condiciones de servicio normal y tiene una clasificación y las características de construcción y de funcionamiento aplicables a generadores de corriente como en la parte 4 y 15. 1.11 DEFINITIVA DE USO DEL MOTOR Un motor definido propósito es cualquier motor diseñado en los índices estándar de operación estándar características o construcción mecánica para su uso en condiciones de servicio que no sea habitual o para su uso en un tipo particular de aplicación.
  • 47.
    Sección I MG 1-1998, Revisión 1 NORMAS DE REFERENCIA Y DEFINICIONES Parte 1, página 7 1.12 GENERAL INDUSTRIAL MOTORES Un general de la industria del motor es un gran motor de corriente continua de la construcción mecánica en general adecuados para uso industrial (excluyendo el servicio de molino de laminación), que puede incluir la operación a velocidades por encima de l a base velocidad por el debilitamiento de campo, y tiene potencia y las características de construcción y de funcionamiento aplicables a General Motors industrial como en la parte 23. 1.13 METAL Laminador MOTORES Un molino de laminado de metal del motor es un motor de corriente grande de la construcción mecánica adecuada para las fábric as de laminado de metal servicio (excepto para revertir caliente molino de servicio) y tiene las calificaciones y de la construcción y el rendimiento características se aplican a los motores de laminado de metal molino tal como figura en la Parte 23. 1.14 MARCHA ATRÁS EN CALIENTE MOTORES MOLINO Una inversión del motor laminador en caliente es un gran motor de corriente continua de la construcción mecánica adecuada par a revertir caliente servicio de fábrica, tales como la floración y corte respecto molinos, y tiene las calificaciones y de la construcción y el rendimiento características se aplican a revertir los motores calientes molino tal como figura en la Parte 23. 1.15 ESPECIAL DE MOTOR Un motor con fines especiales es un motor con características especiales de operación o mecánicos especiales construcción, o ambos, diseñado para una aplicación en particular y que no entren dentro de la definición de un general - propósito o el motor definitivo de uso. CLASIFICACIÓN SEGÚN EL TIPO DE ELECTRICIDAD 1.16 GENERAL 1.16.1 Motor eléctrico Un motor eléctrico es una máquina que transforma energía eléctrica en energía mecánica. 1.16.2 Generador Eléctrico Un generador eléctrico es una máquina que transforma energía mecánica en energía eléctrica. 1.16.3 Máquinas Eléctricas 1.16.3.1 máquina asíncrona Una máquina asíncrona es una máquina de corriente alterna en la que el rotor no gira en un la velocidad de sincronismo. 1.16.3.2 de corriente directa (colector) de la máquina Una corriente directa (colector) de la máquina es una máquina que incorpora un bobinado del inducido conectados a un colector y polos magnéticos que son excitados a partir de una fuente de corrien te continua o de imanes permanentes. 1.16.3.3 La inducción de la máquina Una máquina de inducción es una máquina asíncrona, que comprende un circuito magnético entre sí con dos circuitos eléctricos, o conjuntos de circuitos, que gira con respecto a la otra y en el que el poder se transfiere de un circuito a otro por inducción electromagnética. 1.16.3.4 máquina síncrona Una máquina sincrónica es una máquina de corriente alterna en la que la velocidad media de lo normal el funcionamiento es exactamente proporcional a la frecuencia del sistema al que está conectado. 1.17 MOTORES DE CORRIENTE ALTERNA Motores de corriente alterna son de tres tipos generales: de inducción, síncrono, y una serie de heridas y se definen de la siguiente manera.
  • 48.
    MG 1-1998, Revisión1 Sección I Parte 1, página 8 NORMAS DE REFERENCIA Y DEFINICIONES 1.17.1 Motor de Inducción Un motor de inducción es una máquina de inducción en el que un devanado primario en uno de los miembros (por lo general la estator) está conectada a la fuente de alimentación, y un devanado polifásico secundaria o una jaula de ardilla secundario en el otro miembro (generalmente el rotor) lleva corriente inducida. 1.17.1.1 inducción jaula de ardilla Motor Un motor de inducción de jaula de ardilla es un motor de inducción en el que el circuito secundario (de jaula de ardilla liquidación) se compone de una serie de barras conductoras con sus extremidades conectadas por anillos de metal o las placas en cada extremo. 1.17.1.2 de rotor del motor de inducción Un motor de inducción de rotor bobinado es un motor de inducción en el que el circuito secundario se compone de un bobinado polifásico o bobinas cuyas terminales están en cortocircuito o cerrados a través de circuitos adecuados. 1.17.2 motor síncrono Un motor síncrono es una máquina sincrónica para su uso como un motor. 1.17.2.1 de corriente directa con excitación del motor síncrono A menos que se indique lo contrario, por lo general se entiende que un motor síncrono excitado tiene polos de campo por la corriente directa. 1.17.2.2 Permanente- motor síncrono de imanes Un imán permanente sincronizado con motor es un motor síncrono en el que la excitación es proporcionado por imanes permanentes. 1.17.2.3 La renuencia motor síncrono Un motor de reluctancia sincrónica es un motor síncrono de construcción similar a un motor de inducción, en la que el elemento portador del circuito secundario tiene una variación cíclica de la renuencia de proporcionar el efecto de polos salientes, sin imanes permanentes o excitación de corriente continua. Se inicia como un motor de i nducción, es normalmente a cambio de un devanado de jaula de ardilla, pero funciona con normalidad en la velocidad de sincronismo. 1.17.3 Serie herida Motor Un motor de serie de la herida es un motor de colectores en la que están conectados al circuit o de campo y la armadura en series. 1.18 Motores polifásicos Motores de corriente alterna polifásicos son de la inducción de jaula de ardilla, de inducción de rotor bobinado o tipo síncrono. 1.18.1 Diseño de Cartas polifásicos jaula de ardilla de los motores de media Polifásicos de jaula de ardilla motores de inducción de medio puede ser una de las siguientes: 1.18.1.1 Diseño A Un diseño de un motor es un motor de jaula de ardilla diseñados para soportar todo el voltaje de arranque y desarrollo Par con rotor bloqueado, como se muestra en 12.38, pull-up torque como se muestra en 12.40, par máximo como se muestra en 12.39, con el rotor bloqueado corriente superior a los valores indicados en 12.35.1 a 60 Hz y 12.35.3 de 50 hertz y que tiene un deslizamiento a carga nominal de menos de 5 por ciento.1 1 Los motores con 10 o más polos se permitirá que deslizarse ligeramente superior al 5 por ciento.
  • 49.
    Sección I MG 1-1998, Revisión 1 NORMAS DE REFERENCIA Y DEFINICIONES Parte 1, página 9 1.18.1.2 Diseño B A Diseño B del motor es un motor de jaula de ardilla diseñados para soportar todo el voltaje de arranque, el desarrollo de , rotor bloqueado, la ruptura, y pull-up pares adecuados para su aplicación general como se especifica en 12.38 12,39 y 12,40, el dibujo de rotor bloqueado actual no debe exceder los valores indicados en 12.35.1 a 60 Hz y 1 12.35.3 de 50 hertz, y con un deslizamiento a carga nominal de menos del 5 por ciento. 1.18.1.3 Diseño C Un diseño de C motor es un motor de jaula de ardilla diseñados para soportar todo el voltaje de arranque, el desarrollo de Par con rotor bloqueado para la aplicación especial de alto torque hasta los valores indicados en 12,38, pull -up par de se muestra en 12,40, la ruptura de par hasta los valores indicados en 12,39, con el rotor bloqueado actual no exceder los valores indicados en 12.35.1 a 60 Hz y 50 Hz. 12.35.3 para, y con un deslizamiento a plena carga de menos del 5 por ciento. 1.18.1.4 Diseño D A D de diseño de motor es un motor de jaula de ardilla diseñados para soportar todo el voltaje de arranque, el desarrollo de alta par de arranque como se muestra en 12.38, con el rotor bloqueado actual no mayor de lo indicado en 12.35.1 del 60 hertz y 50 hertz de 12.35.3, y con un deslizamiento a carga nominal de 5 por ciento o más. 1.18.1.5 Diseño E Eliminados. 1.19 Los motores monofásicos De corriente alterna los motores monofásicos de inducción suelen ser o una serie de heridas, aunque de una sola fase motores síncronos están disponibles en los grados más pequeños. 1.19.1 Cartas de diseño de motores monofásicos pequeños 1.19.1.1 Diseño N Un motor de diseño N es un pequeño motor monofásico diseñado para soportar todo el voltaje de arranque y con un Intensidad con rotor bloqueado que no exceda los valores indicados en 12,33. 1.19.1.2 Diseño O Un diseño de motor O es un pequeño motor monofásico diseñado para soportar todo el voltaje de arranque y con un Intensidad con rotor bloqueado que no exceda los valores indicados en 12,33. 1.19.2 Cartas de diseño de motores de media una sola fase Los motores monofásicos medio son las siguientes: 1.19.2.1 Diseño L Un diseño L motor es un motor monofásico de medio diseñado para soportar todo el voltaje de arranque y desarrollar un par de fallos, como se muestra en 10,34 con una corriente de rotor bloqueado para no exceder los valores se muestra en 12,34.
  • 50.
    MG 1-1998, Revisión1 Sección I Parte 1, página 10 NORMAS DE REFERENCIA Y DEFINICIONES 1.19.2.2 Diseño M Un diseño de M motor es un motor monofásico de medio diseñado para soportar todo el voltaje de arranque y desarrollar un par de fallos, como se muestra en 10,34 con una corriente de rotor bloqueado para no exceder los valores se muestra en 12,34. 1.19.3 monofásico de jaula de ardilla Motor Monofásico de jaula de ardilla, motores de inducción se clasifican y se definen como sigue: 1.19.3.1 Motor de fase partida Un motor de fase partida es un motor de inducción monofásico equipado con un devanado aux iliar, desplazado en magnéticos de posición de y en paralelo con la bobina principal. A menos que se especifique lo contrario, el circuito auxiliar se supone que se abre cuando el motor alcanza una velocidad predeterminada. El término "fase dividida del motor," que se utiliza sin la calificación, se describe un motor para ser utilizado sin impedancia distinta de la ofrecida por los bobinados del motor sí mismos, otros tipos que se definen por separado. 1.19.3.2 Resistencia de arranque del motor Un motor de arranque por resistencia es una forma de motor de fase dividida con una resistencia en serie con el devanado auxiliar. El circuito auxiliar se abre cuando el motor ha alcanzado una velocidad predeterminada. 1.19.3.3 Motor condensador Un motor de condensador es un motor de inducción monofásico con un devanado principal arreglado para dirigir conexión a una fuente de poder y un devanado auxiliar conectado en serie con un condensador. Hay tres tipos de motores de condensador, de la siguiente manera. 1.19.3.3.1 Capacitor de arranque del motor Un motor de arranque por capacitor es un motor de condensador en el que la fase de condensador en el circuito sólo durante el período que comienza. 1.19.3.3.2 Permanente-Split Motor condensador Un motor de condensador permanente-split es un motor de condensador con el mismo valor de la capacitancia para los dos de partida y condiciones de funcionamiento. 1.19.3.3.3 Dos valor del condensador del motor Un motor de condensador de dos valores es un motor capacitor utilizando diferentes valores de capacidad efectiva para la puesta en marcha y condiciones de funcionamiento. 1.19.3.4 Shaded-Pole Motor A la sombra de polos del motor es un motor de inducción monofásico siempre con un aparat o de corto circuito bobina o bobinas desplazadas en la posición magnética de la bobina principal. 1.19.4 monofásico de rotor Motores Monofásico de rotor bobinado motores se definen y clasifican de la siguiente manera: 1.19.4.1 Motor de repulsión Un motor de repulsión es un motor monofásico que tiene un estator dispuestas para la conexión a un fuente de poder y un rotor bobinado conectado a un conmutador. Escobillas en el colector son de corta circuito y están colocados de tal manera que el eje magnético de las bobinas del rotor se inclina por el eje magnético de devanado del estator. Este tipo de motor tiene una característica de diferentes velocidades. 1.19.4.2 Repulsion-Start motor de inducción Un motor de inducción de la repulsión de arranque es un motor monofásico con las bobinas lo mismo que una repulsión motor, pero a una velocidad predeterminada del devanado del rotor está en cortocircuito o no conectado a dar la
  • 51.
    Sección I MG 1-1998, Revisión 1 NORMAS DE REFERENCIA Y DEFINICIONES Parte 1, página 11 equivalente a un devanado de jaula de ardilla. Este tipo de motor que comienza como un motor de repulsión, pero funciona como un motor de inducción con las características de velocidad constante. 1.19.4.3 Repulsion-motor de inducción Un motor de repulsión-inducción es una forma de motor de repulsión que tiene una jaula de ardilla en el bobinado rotor, además de la liquidación de repulsión motor. Un motor de este tipo puede tener una velocidad constante (Ver 1,30) o la modificación de velocidad (ver 1.31) característica. 1.20 UNIVERSAL MOTORES Un motor universal es una serie de motores de cuerda diseñado para funcionar a la misma velocidad y de salida en cualquiera de corriente directa o monofásico no de corriente alterna de una frecuencia superior a 60 hertz y aproximadamente la misma tensión eficaz. 1.20.1 Serie herida Motor Un motor de serie de la herida es un motor de colectores en el que el circuito de campo y el circuito de la armadura se conectadas en serie. 1.20.2 Compensación de la serie-la herida Motor Una compensación serie de la herida del motor es un motor de serie de la herida con un campo de devanado de compensación. La bobinado de compensación de campo y el devanado de campo serie se permitirá que se combinan en un campo bobinado. 1.21 GENERA DORES DE CORRIENTE ALTERNA Generadores de corriente alterna son de dos tipos básicos, de inducción y síncronos, y se definen como siguiente manera: 1.21.1 generador de inducción Un generador de inducción es una máquina de inducción acoplada por encima de la velocidad de sin cronismo por un organismo externo fuente de energía mecánica para su uso como un generador. 1.21.2 generador síncrono Un generador sincrónico es una máquina sincrónica para su uso como un generador. NOTA: A menos que se indique lo contrario por lo general se entiende que un generador síncrono tiene polos de campo excitado por corriente continua. 1.22 Motores de corriente continua Motores de corriente continua son de cuatro tipos generales-derivación de la herida, herida de la serie, compuesto de la herida, y imán permanente, y se definen de la siguiente manera. 1.22.1 devanado en derivación del motor Un motor en derivación de la herida puede ser un derecho de derivación de la herida de motor o un motor estabilizado en derivación de la herida. 1.22.1.1 recta derivación-la herida Motor Una escalera de derivación de la herida motor es un motor de corriente continua en la que está conectado el circuito de campo, ya sea en paralelo con el circuito de la armadura o de una fuente independiente de voltaje de excitación. El campo en derivación es el único liquidación suministro de excitación. 1.22.1.2 estabilizado devanado en derivación del motor Una derivación de la herida estabilizado motor es un motor de corriente continua en la que está conectado el circuito de camp o en derivación ya sea en paralelo con el circuito de la armadura o de una fuente independiente de voltaje de excitación y que también tiene la luz una serie de liquidación añadido para evitar un aumento en la velocidad o para obtener una ligera reducción en la velo cidad con aumento de la carga.
  • 52.
    MG 1-1998, Revisión1 Sección I Parte 1, página 12 NORMAS DE REFERENCIA Y DEFINICIONES 1.22.2 Serie herida Motor Un motor de serie de la herida es un motor en el que está conectado el circuito de campo y el circuito de la armadura en series. 1.22.3 compuesto-herida Motor Un motor compuesto de la herida es un motor de corriente continua que consta de dos bobinas, un campo por separado, por lo general el campo predomina, conectados como en una escalera de derivación de la herida de motor, y el otro conectado e n serie con el circuito de la armadura. 1.22.4 Motor de imán permanente Un motor de imán permanente es un motor de corriente co ntinua en la que se suministra la excitación por imanes permanentes. 1.23 DIRECTO generadores de corriente De corriente directa generadores son de dos tipos generales-derivación de la herida y el compuesto de la herida y se se define de la siguiente manera: 1.23.1 devanado en derivación del generador Un generador en derivación de la herida es un generador de corriente continua en la que está conectado el circuito de campo, ya sea en paralelo con el circuito de la armadura o de una fuente independiente de voltaje de excitación. 1.23.2-compuesto generador de la herida Un generador compuesto de la herida es un generador de corriente continua que consta de dos bobinas de campo por se parado- uno, por lo general el campo predomina, conectados como en un generador en derivación de la herida, y el otro conectado en serie con el circuito de la armadura. CLASIFICACIÓN SEGÚN LA PROTECCIÓN DEL MEDIO AMBIENTE Y MÉTODOS DE ENFRIAMIENTO Detalles de protección (IP) y los métodos de enfriamiento (IC) se definen en la Parte 5 y Parte 6, respectivamente. Que se ajusten a las normas IEC. 1.25 Máquina abierta (IP00, IC01) Una máquina abierta es aquel que tiene orificios de ventilación que permita el paso de aire de refrigeración externo sobre y alrededor de las bobinas de la máquina. El término "máquina abierta," cuando se aplica en grandes equipos sin reservas, designa una máquina que no tiene restricción a la ventilación que no sea necesario por la construcción mecánica. 1.25.1 Máquina Dripproof (IP12, IC01) Una máquina dripproof es una máquina abierta en la que los orificios de ventilación están construidos de m anera que operación exitosa no se perturba cuando las gotas de partículas líquidas o sólidas huelga o entrar en el recinto en cualquier ángulo de 0 a 15 grados hacia abajo desde el vertical.1 La máquina está protegido contra objetos sólidos mayores de 1.968 pulgadas (50 mm). 1 Un método para demostrar el buen funcionamiento es el siguiente: (1) mediante la exposición de la máquina, con la máquina e n reposo, a una aspersión de agua en el ángulo y una velocidad no superior a una pulgada por hora durante 1 hora, y (2) después de la exposición, por someter las bobinas a una prueba de alto potencial de 50 por ciento del valor nominal de alto potencial de prueba seguido de una de 15 minutos operación sin carga a la tensión nominal.
  • 53.
    Sección I MG 1-1998, Revisión 1 NORMAS DE REFERENCIA Y DEFINICIONES Parte 1, página 13 1.25.2 a prueba de salpicaduras de la máquina (IP13, IC01) Una máquina a prueba de salpicaduras es una máquina abierta en la que los orificios de ventilación están construidos de maner a que operación exitosa no se perturba cuando las gotas de partículas líquidas o sólidas huelga o entrar en el recinto en cualquier ángulo no mayor de 60 grados hacia abajo de la vertical. La máquina está protegido contra objetos sólidos mayores de 1.968 pulgadas (50 mm). 1.25.3 Semi-vigilado de la máquina (IC01) Una máquina semi-vigilancia es una máquina abierta en la que parte de los orificios de ventilación en el máquina, por lo general en la mitad superior, están protegidos como en el caso de una "máquina protegida", pero los otros se fueron son abierto. 1.25.4 máquina protegida (IC01) Una máquina protegida es una máquina abierta en la que todas las aberturas que dan acceso directo a vivir de metal o piezas giratorias (con excepción de las superficies lisas de rotación) están limitados en tamaño por las partes estructurales o pantallas, deflectores, rejillas, metal expandido, u otros medios para evitar el contacto accidental con partes peligrosas. Las aberturas de la carcasa de la máquina deberá ser tal que (1) una sonda como la que se ilustra en la Figura 1-1, cuando se inserta a través de las aberturas, no tocará una parte peligrosa de rotación, (2) una sonda de tal la que se ilustra en la Figura 2.1, cuando se inserta a través de las aberturas, no tocará recubiertos con película de alambre, y (3) una sonda articulada como la que se ilustra en la Figura 3.1, cuando se inserta a través de las aberturas, no tocar una parte no aislada de metal en vivo. * Figura 1-1 SONDA PARA PIEZAS GIRATORIAS PELIGROSOS Figura 1-2 * SONDA PARA recubiertos con película ALAMBRE * Todas las dimensiones en pulgadas.
  • 54.
    MG 1-1998, Revisión1 Sección I Parte 1, página 14 NORMAS DE REFERENCIA Y DEFINICIONES Ambas articulaciones de este dedo se puede doblar en un ángulo de 90 º, pero en un y la misma dirección solamente. Dimensiones en mm. Tolerancias: En los ángulos: 5 o En las dimensiones lineales: Menos de 25 mm: 0,05 Más de 25 mm: 0.2 Figura 1-3 ARTICULO SONDA PARA VIVIR SIN AISLAR LAS PIEZAS METÁLICA S (Reproducido con permiso del IEC, que se reserva el derecho de autor) 1.25.5 Máquina Dripproof Vigilado (IC01) Una máquina dripproof vigilancia es una máquina de ventilación dripproof cuya apertura está guardado en acuerdo con 1.25.4. 1.25.6 máquina abierta, con ventilación independiente (IC06) Una máquina abierta, con ventilación independiente es aquel que se ventila a través de un motor por separado- impulsado por ventilador montado en la caja de la máquina. Protección mecánica serán los definidos en 1.25.1 a 1.25.5, ambos inclusive. Esta máquina se conoce a veces como una máquina sopladora ventilado.
  • 55.
    Sección I MG 1-1998, Revisión 1 NORMAS DE REFERENCIA Y DEFINICIONES Parte 1, página 15 1.25.7 Abrir tubo ventilado de la máquina Un tubo de ventilación abierta de la máquina es una máquina abierta, salvo que las aberturas para la admisión de la aire de ventilación están dispuestas de modo que los conductos o tuberías de entrada pueden ser conectados a ellos. Abrir tubo ventilado máquinas deberán estar semi-ventilado (aire que circula a través integral con la máquina) (IC11) o la fuerza ventilado (aire que circula por medios externos y no a una parte de la máquina) (IC17). Los recintos deben ser como se define en 1.25.1 a 1.25.5, ambos inclusive. 1.25.8 Tiempo-protegido de la máquina 1.25.8.1 Tipo I (IC01) Un tipo de clima protegidos que la máquina es una máquina protegida, con sus pasajes de ventilación para construidos para reducir al mínimo la entrada de partículas de la lluvia, la nieve y transmitidas por el aire a las partes eléctricas. 1.25.8.2 Tipo II (IC01) A la intemperie protegidos tipo de máquina II se realizará, además de la caja se define por un tiempo - protección de tipo I de la máquina, sus pasajes de ventilación, tanto en admisión y de descarga dispuestas de modo que la alt a velocidad del aire y las partículas transportadas por el aire soplado en la máquina por las tormentas o vientos fuertes puede ser dado de alta sin entrar en los conductos de ventilación interna que conduce directamente a las partes eléctricas de la máquina misma. La ruta normal del aire de ventilación que entra en las partes eléctricas de la máquina deben estar dispuestos por viviendas desconcertante o por separado para proporcionar por lo menos tres cambios bruscos de dirección, ninguno de los cuales deberá ser inferior a 90 grados. Además, no es un área de baja velocidad de más de 600 pies por minuto se se proporcionará en el camino de entrada de aire para reducir al mínimo la posibilidad de que la humedad o la suciedad que se llevó a la partes eléctricas de la máquina. NOTA-extraíble o de otra manera fácil de limpiar los filtros se puede proporcionar en vez de la cámara baja veloci dad. 1.26 MÁQUINA totalmente cerrados Una máquina totalmente cerrado es tan cerrado como para impedir el libre intercambio de aire entre el interior y fuera de la caja, pero no lo suficientemente cerrado para ser llamado hermético y el polvo no entre en cantidad suficiente para interferir con el buen funcionamiento de la máquina. 1.26.1 Máquina no ventilado totalmente cerrado (IC410) Una máquina totalmente cerrado no ventilado es un marco superficie fría máquina totalmente cerrado que se sólo dispone de refrigeración por convección libre. 1.26.2 totalmente cerrados con ventilador de la máquina Un totalmente cerrados con ventilador de la máquina es un marco de superficie de la máquina enfría totalmente cerrado equipado exterior para la refrigeración de sí mismo por medio de un ventilador o los ventiladores integrados en la máquina, pero exter nos a la envolvente las partes. 1.26.3 totalmente cerrados con ventilador máquina protegida (IC411) Un totalmente cerrado enfriado por ventilador máquina protegida es una totalmente cerrado enfriado por ventilador de la máqui na en la que todos los las aberturas que dan acceso directo a los fans tienen un tamaño limitado por el diseño de las partes estructurales o pantallas, rejas, metal expandido, etc, para evitar el contacto accidental con el ventilador. Dichas aberturas no permitir el paso de una varilla cilíndrica de diámetro 0,75, y una sonda como la que se muestra en la Figura 1-1 no pondrá en contacto con las cuchillas, los radios, o cualquier otra superficie irregular del ventilador. 1.26.4 totalmente cerrados con ventilación Pipe-máquina (IP44) Un tubo totalmente cerrado ventilado máquina es una máquina con aberturas dispuestas de modo que cuando la entrada y los conductos de salida o tubos están conectados a ellos no hay libre intercambio del aire interior y el aire fuera el caso. T ubo de ventilación totalmente cerrado máquinas pueden ser auto-ventilado (aire que circula por medios propios de la máquina (IC31)) o la fuerza ventilado (aire que circula por medios externos y no parte de la máquina (IC37)).
  • 56.
    MG 1-1998, Revisión1 Sección I Parte 1, página 16 NORMAS DE REFERENCIA Y DEFINICIONES 1.26.5 totalmente cerrados refrigeración por agua de la máquina (IP54) Un totalmente cerrado enfriado por agua de la máquina es una máquina totalmente cerrado que se enfría mediante la circulación de agua, los conductores de agua o el agua entra en contacto directo con las piezas de la máquina. 1.26.6 Prueba de Agua de la máquina (IP55) Una máquina a prueba de agua es una máquina totalmente cerrado construido de modo que se excluye el agua aplicada en la forma de un chorro de agua de una manguera, con la excepción de que las fugas pueden ocurrir alrededor del eje siempre que se impidió la entrada al depósito de aceite y se ha previsto de forma automática el drenaje de la máquina. Los medios de drenaje automático puede ser una válvula de retención o una rosca en la parte más baja de la estructura que servirá para la aplicación de un tubo de desagüe. 1.26.7 totalmente cerrados de aire a refrigeración por agua de la máquina (IP54) Un totalmente cerrados aire-agua de refrigeración de la máquina es una máquina totalmente cerrado que se enfría por circulación de aire que, a su vez, es enfriado por la circulación de agua. Se suministra con un calor refrigerado por agua intercambiador, integral (IC7_W) o montado en la máquina (IC8_W), para la refrigeración del aire interior y un ventilador o l os ventiladores, integral con el eje del rotor (IC_1W) o por separado (IC_5W) para hacer circular el aire interior. 1.26.8 totalmente cerrados de aire a refrigeración por aire de la máquina (IP54) Un totalmente cerrados aire-aire refrigerado de la máquina es una máquina totalmente cerrado que se enfría por la circulación del aire interno a través de un intercambiador de calor que, a su vez, es enfriado mediante la circulación de aire exterior. Es provisto de un intercambiador de calor aire-aire, integral (IC5_), o montados en la máquina (IC6_), para la refrigeración del interna de aire y un ventilador o ventiladores, solidario con el eje del rotor (IC_1_) o por separado (IC_5_) para hacer circ ular el interna de aire y un ventilador o ventiladores, solidario con el eje del rotor (IC_1), o por separado, pero externos a la env olvente parte o partes (IC_6), para hacer circular el aire exterior. 1.26.9 totalmente cerrados de aire sobre la máquina (IP54, IC417) Un totalmente cerrado con aire en la máquina es un marco totalmente cerrado enfriado superficie de la máquina destinada a refrigeración exterior por una ventilación de medios externos a la máquina. 01/26/10 A prueba de explosiones Máquina1 Una máquina a prueba de explosión es una máquina totalmente cerrado cuya caja está diseñada y construidos para resistir una explosión de un gas o vapor especificado que puede ocurrir dentro de ella y para prevenir la ignición del gas o vapor especificado alrededor de la máquina por las chispas, destellos o explosiones de las gas o vapor especificado que puede ocurrir dentro de la carcasa de la máquina. 01/26/11 polvos com-prueba Máquina2 Una máquina a prueba de polvo de ignición es una máquina totalment e cerrado cuya caja está diseñada y construidos de manera que se excluyen las cantidades de polvo inflamables o cantidades que puedan afectar a rendimiento o calificación, y que no permitirá que los arcos, chispas o calor generado o de lo contrario liberados en el interior de la caja para provocar la ignición de las acumulaciones de exterior o suspensiones en la atmósfera de una polvo específico sobre o en las inmediaciones del recinto. Buen funcionamiento de este tipo de máquinas requiere evitar el sobrecalentamiento de las causas tales como sobrecargas excesivas, pararse o la acumulación de cantidades excesivas de polvo en la máquina. 1 Véase la norma ANSI / NFP A 70, Código Eléctrico Nacional, Artículo 500. P ara lugares peligrosos, Clase I, Grupos A, B, C o D. 2 Véase ANSI / NFP A 70, Código Eléctrico Nacional, Artículo 500. P ara ubicaciones peligrosas, Clase II, Grupos E, F, o G.
  • 57.
    Sección I MG 1-1998, Revisión 1 NORMAS DE REFERENCIA Y DEFINICIONES Parte 1, página 17 1.27 MÁQUINA CON DEVANADOS ENCAPSULA DOS o sellados 1.27.1 Máquina con resistente a la humedad Windings1 Una máquina con bobinas resistentes a la humedad es uno en el que las bobinas han sido tratados de tal manera que exposición a un ambiente húmedo, no fácilmente causar un mal funcionamiento. Este tipo de máquina está diseñada para la exposición a condiciones de humedad que son más excesivo que el sistema de aislamiento habitual puede soportar. De corriente alterna de jaula de ardilla máquinas de este tipo debe ser capaz de superar la prueba descrita en 12.63 como se ha demostrado en una muestra representativa o prototipo. 3 1.27.2 Máquina de bobinado sellado Una máquina de bobinados sellado es uno que tiene un sistema de aislamiento que, a través del uso de materiales, procesos, o una combinación de materiales y procesos, resultados en los bobinados y conexiones que están sellados frente a los contaminantes. Este tipo de máquina está diseñada para las condiciones ambientales que son más graves que el sistema de aislamiento habitual puede soportar. De corriente alterna de jaula de ardilla máquinas de este tipo debe ser capaz de superar las pruebas se describe en 12.63 o 20.18. CLASIFICACIÓN DE ACUERDO A LA VARIABILIDAD DE LA VELOCIDAD 1.30 CONSTANTE DE VELOCIDA D DEL MOTOR Un motor de velocidad constante es aquella en la que la velocidad de funcionamiento normal es constante o casi constante, por ejemplo, un motor síncrono, un motor de inducción con pequeño desliz, o una derivación de la herida DC motor. 1.31 VARIABLES-VELOCIDAD DEL MOTOR Un motor de velocidad variable es aquella en la que la velocidad varía con la carga, normalmente disminuye cuando el aumenta la carga, como una serie de heridas o motor de repulsión. 1.32 De velocidad ajustable MOTOR Un motor de velocidad ajustable es aquella en la que puede ser el control de velocidad en un rango definido, pero una vez ajustado se mantiene prácticamente afectada por la carga. Ejemplos de motores de velocidad ajustable son: una de corriente continua en derivación de la herida de motor con resistencia de campo control diseñado para una gama considerable de ajuste de la velocidad, o un motor de corriente alterna controlados por una fuente de frecuencia de potencia ajustable. 1.33 BASE velocidad de un motor de velocidad ajustable La velocidad base de un motor de velocidad ajustable es la velocidad más baja calificación obtenida en carga nominal y tensión nominal en el aumento de la temperatura especificada en la clasificación. 1.34 AJUSTE VARIABLES motor de velocidad Un ajuste variable-velocidad del motor es aquella en la que se puede ajustar la velocidad poco a poco, pero cuando una vez ajustado para una determinada carga varían en grado considerable con el cambio en la carga, como un DC compuesto de la herida motor ajustado por control de campo o un motor de inducción de rotor bobinado con una velocidad reostá tico de control. 1.35 MOTOR MULTISPEED Un motor de varias velocidades es la que se puede operar en cualquiera de dos o más velocidades definidas, cada una que es prácticamente independiente de la carga, por ejemplo, un motor de corriente continua con dos bobinas de armadura o una motor de inducción con devanados capaz de agrupaciones diferentes polos. En el caso de va rias velocidades permanente- dividir los motores polo del condensador y la sombra, las velocidades dependen de la carga. 1 Esta máquina se permitirá que cualquiera de los recintos descritos en 1,25 o 1,26.
  • 58.
    MG 1-1998, Revisión1 Sección I Parte 1, página 18 NORMAS DE REFERENCIA Y DEFINICIONES Clasificación, el rendimiento y prueba 1.40 CALIFICA CIÓN DE UNA MÁQUINA La calificación de una máquina consistirá en la potencia de salida, junto con las otr as características, como la velocidad, voltaje y corriente, que le asigna el fabricante. Para las máquinas que están diseñados para absorción de energía, la calificación será la potencia de entrada. 1.40.1 Evaluación continua La clasificación continua define la carga que puede llevar a un período de tiempo indefinidamente largo. 1.40.2 Short-Time Rating La calificación de corto tiempo define la carga que se puede llevar por un tiempo corto y determinado definitivamente. 1.41 EFICIENCIA 1.41.1 general La eficiencia de un motor o generador es la razón de su potencia de salida útil a su entrada de potencia total y se expresa en porcentaje. 1.41.2 Energía polifásicos eficiente inducción jaula de ardilla Motor Una energía eficiente polifásicos de jaula de ardilla motor de inducción es el que tiene una eficiencia de acuerdo con 12,60. 1.42 FACTOR DE SERVICIO motores AC El factor de servicio de un motor de corriente alterna es un multiplicador que, cuando se aplica a la potencia nominal, indica una carga de potencia de la carga que puede ser transportado en las condiciones especificadas por el factor de servicio (ver 14.37). 1.43 VELOCIDA D DE REGULACION DE MOTORES DC La regulación de la velocidad de un motor de corriente continua es la diferencia entre la constante velocidad sin carga y el constante la velocidad de carga nominal, expresado en tanto por ciento de la carga nominal de velocidad. 1.43.1 Porcentaje de capitalización de máquinas de corriente directa El porcentaje del total de amperios-vueltas de campo a plena carga, que es aportado por el campo de la serie. NOTAS 1-La composición por ciento se determina en el campo en derivación nominal. 2-P orcentaje de la regulación de un motor compuesto de cuerda o de un generador de CC está relacionada con, pero no el mismo que por ciento composición. 1.44 REGULA CIÓN DE VOLTAJE DE GENERA DORES DE CORRIENTE CONTINUA La regulación de voltaje de un generador de corriente continua es el último cambio en el voltaje de campo constante ajuste del reóstato cuando la carga especificada se reduce gradualmente a cero, expresado como porcentaje de la carga nominal tensión, la velocidad se mantiene constante. NOTA-En la práctica, a menudo es conveniente especificar la regulación general del generador y su máquina de conducción, por lo tanto teniendo en cuenta la regulación de la velocidad de la máquina de conducción. 1.45 Voltaje secundario del rotor bobinado MOTORES El voltaje secundario de los motores de rotor bobinado es el voltaje de circuito abierto en reposo, medido a través de los anillos, con tensión nominal aplicada en el bobinado primario.
  • 59.
    Sección I MG 1-1998, Revisión 1 NORMAS DE REFERENCIA Y DEFINICIONES Parte 1, página 19 1.46 Par a plena carga El par a plena carga de un motor es el par necesario para producir su potencia nominal a plena carga velocidad. En libras en un radio de pie, que es igual a la potencia 5252 veces dividido por la velocidad a plena carga. 1.47 Par con rotor bloqueado (par estático) El par de rotor bloqueado de un motor es el par mínimo que se desarrollará en el descanso para todos angular posiciones del rotor, con una tensión nominal aplicada a la frecuencia nominal. 1.48 PULL-UP PAR El par de pull-up de un motor de corriente alterna es el par mínimo desarrollado por el motor durante el período de aceleración desde el reposo hasta la velocidad a la que par máximo se produce. Para los motores que no tiene un par máximo definido, el par de pull-up es el par mínimo desarrollados hasta la velocidad nominal. 1.49 Pushover PAR El par presa fácil de un generador de inducción es el par máximo que se absorben con calificación tensión aplicada a la frecuencia nominal, sin un aumento brusco de la velocidad. 1.50 DESGLOSE DE PAR El par máximo del motor es el par máximo que se desarrollará con una tensión nominal aplica a la frecuencia nominal, sin una abrupta caída en la velocidad. 1.51 EXTRAIBLES PAR El par de tracción de un motor síncrono es el par máximo sostenido que el motor se desarrollan a la velocidad de sincronismo con tensión nominal aplicada a la frecuencia nominal y con una excitación normal . 1.52 PULL-IN TORQUE La retirada en el par de un motor síncrono es el par máximo constante en el que el motor tirar de la carga conectada a la inercia de sincronismo, en tensión y frecuencia nominales, cuando la excitación es aplicada. La velocidad a la que un motor traerá su carga depende de la potencia necesaria para conducirlo, y si el motor puede tirar de la carga en el paso de esa velocidad, depende de la inercia de las partes giratorias, de modo que 2 la retirada en el par no puede ser determinado sin tener la Semana así como el par de la carga. 1.53 Intensidad con rotor bloqueado La corriente de rotor bloqueado de un motor es la corriente de estado estable tomado de la línea, con el rotor cerrada y con una tensión nominal (y la frecuencia nominal en el caso de motores de corriente alterna) aplicado a la motor. 1.54 Corriente sin carga Corriente sin carga es la corriente que fluye a través de un terminal de línea de un arrollamiento cuando el voltaje nominal es de aplica a la frecuencia nominal sin carga conectada. 1.55 PRUEBAS DE LA TEMPERATURA Pruebas de temperatura son las pruebas realizadas para determinar el aumento de la temperatura de algunas partes de la máquina por encima de la temperatura ambiente, cuando se ejecuta bajo una carga específica.
  • 60.
    MG 1-1998, Revisión1 Sección I Parte 1, página 20 NORMAS DE REFERENCIA Y DEFINICIONES 1.56 TEMPERA TURA AMBIENTE La temperatura ambiente es la temperatura del medio refrigerante rodean, como el gas o líquido, que entra en contacto con las partes calientes del aparato. NOTA: La temperatura ambiente que comúnmente se conoce como "temperatura ambiente", en relación con el aparato de refrigeraci ón por aire no dispone de ventilación artificial. 1.57 ALTO POTENCIAL DE LAS PRUEBAS Alto potencial de las pruebas son las pruebas que consisten en la aplicación de un voltaje superior a la nominal de tensión durante un tiempo determinado con el fin de determinar la idoneidad contra la ruptura de aislamiento materiales y espacios, en condiciones normales. (Véase la parte 3.) 1.58 CAPACIDA D PARA EL ARRANQUE DE UN MOTOR CONDENSA DOR La capacidad de partida para un motor de condensador es la capacidad efectiva total en serie con el devanado de arranque en condiciones de rotor bloqueado. 1.59 TIRE RADIAL Y AXIAL MAGNÉTICO fuerza de centrado 1.59.1 atracción magnética radial La atracción magnética radial de un motor o generador es la fuerza magnética en el rotor como resultado de su radial (air gap) de desplazamiento desde el centro magnético. 1.59.2 axial de centrado de la Fuerza La fuerza axial de centrado de un motor o generador es la fuerza magnética en el rotor como resultado de su desplazamiento axial del centro magnético. A falta de disposiciones especifica, el valor de la tracción radial y axial magnética fuerza de centrado se se para sin carga, con tensión nominal, corriente nominal de campo, y la frecuencia nominal aplicado, en su caso. 1.60 INDUCCIÓN constantes del motor TIEMPO 1.60.1 general Cuando un motor de inducción polifásico está en circuito abierto o en cortocircuito, mientras corre a la velocidad nominal, el rotor de flujo de vínculos generan una tensión en el bobinado del estator. La decadencia de los vínculos del rotor de flujo, y la resultante de circuito abierto de tensión en los terminales o la corriente de cortocircuito, se determina por el tiempo de l motor diferentes constantes definidas por las siguientes ecuaciones. 1.60.2 Tiempo de circuito abierto de CA constante XM X2 T "se  (Seg gundos) 2fr2 1.60.3 del cortocircuito constante de CA XS T "d  T "no (s gundos) X1 X M
  • 61.
    Sección I MG 1-1998, Revisión 1 NORMAS DE REFERENCIA Y DEFINICIONES Parte 1, página 21 1.60.4 corto de tiempo del circuito de CC constante XS Ta  (Seg gundos) 1LL S 2fr1 kW1  1.60.5 X / R XS X/ R  (Radianes) LLSr11 kW1    1.60.6 Definiciones (Ver Figura 1-4) R1 = Resistencia DC del estator por fase corregido a la temperatura de funcionamiento r2 = resistencia del rotor por fase a la velocidad nominal y la temperatura de funcionamiento a que se refiere el estator X1 = reactancia de fuga del estator por fase a corriente nominal X2 = reactancia de fuga del rotor por fase a la velocidad nominal y corriente nominal a que se refiere el estator XS = T otal reactancia de arranque (rotor y estator) por fase a velocidad cero y con rotor bloqueado XM = reactancia de magnetización por fase LL = frecuencia fundamental componente de la perdida de carga en la pérdida de kW a la corriente nominal 2 1 kW del estator = IR pérdida en kW a una temperatura de operación nominal y f = Frecuencia, Hz s = deslizamiento en por unidad de velocidad de sincronismo s Figura 1-4 CIRCUITO EQUIVALENTE MÁQUINAS completos y partes 1.61 Generador síncrono-COMPLETO 1.61.1 Tipo de cinturón Un generador de cinturón de tipo consiste en un generador con una extensión del eje adecuado para la polea de tracción o polea, con dos o tres rodamientos según sea necesario, y con carriles o con un a base de deslizamiento que se ha posibilidad de regular la tensión de la correa.
  • 62.
    MG 1-1998, Revisión1 Sección I Parte 1, página 22 NORMAS DE REFERENCIA Y DEFINICIONES 1.61.2 Tipo de motor Un motor-generador tipo se compone de un estator, rotor (sin eje), las tapas o placas de fundación, y un cepillo de apoyo aparejo. No hay base, rodamientos, eje, eje de las claves, o los pernos de anclaje se incluyen en generadores de este tipo. 1.61.3 Junto Tipo Un generador acoplado del tipo consiste en un generador con la extensión del eje de acoplamiento y con una o dos rodamientos. 1.62 GENERA DOR DE CORRIENTE CONTINUA -COMPLETO 1.62.1 Tipo de cinturón Un generador de cinturón de tipo consiste en un generador con una extensión del eje adecuado para la polea de tracción o polea, con dos o tres rodamientos según sea necesario, y con carriles o con una base de deslizamiento que se ha posibilidad de regular la tensión de la correa. 1.62.2 Tipo de motor Un generador de motor de tipo consiste en un marco de campo, la armadura (sin eje), la fundación tapas o única placas (cuando sea necesario), y un cepillo de apoyo aparejo. No hay base, rodamientos, e je, eje de las llaves, o la fundación tornillos están incluidos en los generadores de este tipo. 1.62.3 Junto Tipo Un generador acoplado-tipo se compone de un generador con una extensión del eje adecuado para el acoplamiento, con rodamientos de una o dos según sea necesario. 1.63 CARA Y BRIDA DE MONTAJE 1.63.1 Tipo C cara Un tipo C cara de montaje de la máquina tiene un piloto masculino (barbilla) encajan con los agujeros roscados en el montaje superficie. La superficie de montaje deberá ser internos o externos a la forma piloto. (Ver Figura 4 -3). 1.63.2 Tipo D brida Un T ipo D brida de montaje de la máquina tiene un piloto masculino (ranura) encajan con agujeros pasantes en el montaje superficie. La superficie de montaje es externo a la forma piloto. (Ver Figura 4 -4). 1.63.3 Tipo P brida Un tipo P brida de montaje de la máquina tiene una mujer piloto (barbilla) encajan con agujeros pasantes en el la superficie de montaje. La superficie de montaje es externo a la forma piloto. (Ver Figura 4 -5). CLASIFICACIÓN DE LOS SISTEMAS DE AISLAMIENTO 1.65 SISTEMA DE AISLAMIENTO DEFINIDO Un sistema de aislamiento es un conjunto de materiales aislantes en asociación con los conductores y el el apoyo a las partes estructurales. T odos los componentes descritos a continuación que se asocian con la estacionaria bobinado constituyen un sistema de aislamiento y todos los componentes que están asociados con la rotac ión bobinado constituyen otro sistema de aislamiento. 1.65.1 Aislamiento de la bobina con sus accesorios El aislamiento de la bobina comprende todos los materiales aislantes que envuelven y separan la corriente llevar a los conductores y sus turnos de componentes y líneas y la forma de aislamiento entre ellos y el estructura de la máquina, incluidos los recubrimientos de alambre, barnices, encapsulantes, aislamiento de ranuras, ranura de relleno, cintas, fase aislamiento, el polo del cuerpo de aislamiento, el aislamiento y el anillo de retención cuando se presente.
  • 63.
    Sección I MG 1-1998, Revisión 1 NORMAS DE REFERENCIA Y DEFINICIONES Parte 1, página 23 1.65.2 Conexión y aislamiento de las bobinas de apoyo La conexión y el aislamiento de las bobinas de soporte incluye todos los materiales de aislamiento que envuelven la conexiones, que llevan la corriente de bobina a bobina, y de terminales de la bobina fija o giratoria a los puntos de apego circuito externo, y el aislamiento de los soportes metálicos para la liquidación. 1.65.3 piezas estructurales asociados Las partes asociadas estructurales del sistema de aislamiento incluyen artículos tales como cuñas de ranura, el espacio bloques y los vínculos utilizados para la posición de los extremos de la bobina y conexiones, los soportes no metálicos para la liquidación, y el campo de la bobina bridas. 1.66 CLASIFICA CIÓN DE LOS SISTEMAS DE AISLAMIENTO Los sistemas de aislamiento se dividen en clases de acuerdo a la resistencia térmica del sistema de fines de la temperatura nominal. Cuatro clases de sistemas de aislamiento se utilizan en motores y generadores, es decir, las clases A, B, F y H. Estas clases han sido establecidas de conformidad con IEEE Std 1. Los sistemas de aislamiento, se clasifican como sigue: Clase A-Un sistema de aislamiento que, por la experiencia o de prueba aceptados, se puede demostrar que se han adecuado la resistencia térmica cuando se opera en la Clase A limita la temperatura especificada en el aumento de la temperatura estándar de la máquina en cuestión. Clase B-Un sistema de aislamiento que, por la experiencia o de prueba aceptados, se puede demostrar que se han adecuado la resistencia térmica cuando se opera a la temperatura de clase B límites fijados en el aumento de la temperatura estándar de la máquina en cuestión. Clase F-Un sistema de aislamiento que, por la experiencia o de prueba aceptados, se puede demostrar que han adecuado la resistencia térmica cuando se opera a la temperatura de la clase F límites fijados en el aumento de la temperatura estándar de la máquina en cuestión. Clase H-Un sistema de aislamiento que, por la experiencia o de prueba aceptados, se puede demostrar que se han adecuado la resistencia térmica cuando se opera en la clase H se limite la temperatura especificada en el aumento de la temperatura estándar de la máquina en cuestión. "Experiencia", como se usa en esta norma, significa que la operación con éxito durante mucho tiempo bajo las actuales condiciones de funcionamiento de máquinas diseñadas con aumento de la temperatura en o cerca del límite de temperatura de tra bajo. "T est aceptado", tal como se ut iliza en esta norma, significa una prueba de un sistema o modelo de sistema que simula las tensiones eléctricas, térmicas y mecánicas que ocurren en el servicio. En su caso a la construcción, las pruebas se hará de acuerdo con las siguientes IEEE aplicables los procedimientos de prueba: a. Std 43 b. Std 117 c. Std 275 d. Std 304 Para otras construcciones para que las pruebas no han sido estandarizados, procedimientos similares se que se podrán utilizar si se demuestra que bien discriminar entre los servicios probados en los sistemas conocidos a ser diferente. Cuando se evaluó mediante una prueba de aceptación, un nuevo sistema de aislamiento o modificado deberá ser comparada con una sistema de aislamiento en la que ha sido la experiencia de servicio importante. Si se hace una comparación en un sistema de la misma clase, el nuevo sistema deberá tener la resistencia térmica igual o más bajo el mismo condiciones de la prueba, si la comparación se realiza con un sistema de una clase de temperatura más baja, que tendrá igual o más, la resistencia térmica a una temperatura apropiada superior. Al comparar los sistemas de los diferentes clases, con una temperatura superior que les corresponda, se considerará que ser de 25 grados Celsius más alta de clase por que la temperatura de la clase base del sistema de aislamiento.
  • 64.
    MG 1-1998, Revisión1 Sección I Parte 1, página 24 NORMAS DE REFERENCIA Y DEFINICIONES VARIOS 1.70 PLACA DE MARCADO Una marca permanente de información de la placa deberán figurar en cada máquina, representada en una facilidad lugar visible en la caja de la máquina. 1.71 CÓDIGO DE CARTA Una carta de código es una letra que aparece en la placa de un motor de corriente alterna para mostrar su kVA de rotor bloqueado por caballo de fuerza. Las denominaciones carta para kVA de rotor bloqueado por caballo de fuerza se dan en 10.37. 1.72 Protector térmico Un protector térmico es un dispositivo de protección para el montaje como una parte integral de la máquina y que, cuando se aplica correctamente, protege la máquina contra el peligroso sobrecalentamiento debido a una sobrecarga y, en un motor, fallo en el inicio. NOTA: El protector térmico puede consistir en uno o más elementos de detección de temperatura integral con la máquina y un control externo a la máquina de dispositivo. 1.73 Protección térmica Las palabras "protección térmica" que aparece en la placa de un motor indica que el motor está siempre con un protector térmico. 1.74 SOBRE LA PROTECCIÓN DE TEMPERATURA Para los motores de media de corriente alterna, véase 12.57. Para los motores de media de corriente, consulte 12,80. 1.75 Devanado parcial de arranque del motor Una parte de cuerda de inducción polifásicos inicio o motor síncrono es aquel en el que ciertos especialmente circuitos diseñados en cada fase del bobinado primario se conecta inicialmente a la línea de suministr o. La circuito o los circuitos restantes de cada fase se conectan a la red en paralelo con un principio conectados circuitos, en un punto predeterminado en la operación inicial. (Ver 14,38). 1.76 STAR (WYE) START, DELTA RUN MOTOR Una estrella () el comienzo, delta de inducción polifásico correr o motor síncrono se organizó una partida de conexión a la red con el primario conectado inicialmente en estrella (), y luego vuelve a conectar en delta para ejecutar la operación. 1.77 Flujo constante Operación de cambio constante en cualquier momento se produce cuando el valor del flujo de entrehierro magnético es igual a l a valor que pudieran existir en la calificación de base (es decir, la tensión nominal, la frecuencia y carga). 1.78 MARCADO PARA MÁQUINA S DE SIGLAS Cuando se utilizan abreviaturas para las marcas que se adjuntan en el motor o generador (Nota placas, conexiones, etc), que estará compuesto por letras mayúsculas, porque las máquinas convencionales de marcado proporcionar sólo números y letras mayúsculas y se hará de conformidad con lo siguiente:
  • 65.
    Sección I MG 1-1998, Revisión 1 NORMAS DE REFERENCIA Y DEFINICIONES Parte 1, página 25 Abrev iación Marcado Indicado Abrev iación Marcado Indicado AAmpere MAX Máximo ACAlternating corriente MFD Microfaradios AMBAmbient MG Motor-generador AOAir más MH Milihenry ARMArmature MHP Milihorsepower BBBall teniendo Min Mínimo BRGBearing Min Minuto CCelsius (centígrados) grados MTR Motor CAP Capacitor NEMA o DES ** NEMA Carta de Diseño CCWCounterclockwise NO o # Número CLClass o Clasificación OZ-FT Onza-pies CODECode Carta OZ-EN Onza-pulgadas CONNConnection PF Del factor de potencia CONTContinuous PH Fase, las fases o Número de fases CFMCubic pies por minuto PM Imán permanente COMMCommutating (interpolar) RB Cojinete de rodillos COMP Compensating RECT Rectificador o rectificados CP DCompound RES Resistencia C / SCycles por segundo RHEO Reóstato CWClockwise RMS Media cuadrática DCDirect corriente P ODREDUMBRE Rotación DIAGDiagram RP M Revoluciones por minuto EFFEfficiency IDT Resistencia detector de temperatura ENCLEnclosure SB Casquillo de cojinete EXCExciter o excitación SEC Segundo (tiempo) FFahrenheit, grados SEC Secundario FFForm factor de SER Número de serie o de serie Caballos de fuerza FHP Fractional SF Factor de servicio Amperios de carga FLAFull SFA Amperios factor de servicio FLDField SH Derivación FRFrame SP L Especial FREQFrequency STAB Estabilizado o estabilización GENGenerator Enfermedades de transmisión Estándar GP MGallons por minuto sexual Tacómetro GP SGallons por segundo TACH Termopar HHenry TC Temperatura HIHigh TEMP Aumento de la temperatura HP Horsepower TEMP RISE Terminal HRHour P LAZO Termómetro HZHertz TH Tiempo de funcionamiento INDInductance o de inducción EL TIEMP O Esfuerzo de torsión INSInsulation clase de sistema P AR Tipo KVAKilovolt amperios TIP O Volt (s) o voltaje KVARReactive kilovoltios-amperios V Volt-amperes KWKilowatt VA Reactiva voltios-amperios L * Línea VAR Vatio FTP ound LB-pies W Devanado LOLow WDG P eso LRALocked amperios del rotor P ESO * Se permitirá que se utiliza junto con un número ** Se utiliza junto con una carta.
  • 66.
    MG 1-1998 Sección I Parte 1, página 26 NORMAS DE REFERENCIA Y DEFINICIONES ESTA PÁGINA INTENCIONALMENTE Se deja en blanco
  • 67.
    Sección I MG 1-1998 Marcado de los terminales Parte 2, página 1 Sección I NORMAS GENERALES APLICABLES A TODOS LOS EQUIPOS Parte 2 Marcado de los terminales GENERAL 2.1 UBICACIÓN DE LAS MARCAS DE TERMINAL Marcado de los terminales serán colocados en o directamente adyacente a las terminales a las que las conexiones deben estar a partir de circuitos al aire libre o de los dispositivos auxiliares que debe ser desconectado para su envío. Donde especificado, código de colores se le permitirá ser utilizado en lugar de la carta habitual y número marcado. 2.2 Marcado de los terminales Una combinación de letras mayúsculas o símbolos y números arábigos se utiliza para indicar el carácter o la función de las bobinas que son llevados a la terminal. Las siguientes letras y símbolos se utilizan para motores y generadores y sus dispositivos auxiliares cuando se incluyen dentro o montado en la máquina: a. Armadura - A1, A2, A3, A4, etc b. Freno - B1, B2, B3, B4, etc c. Corriente alterna de rotor bobinado (anillos colectores) 1 - M1, M2, M3, M4, etc d. Condensador - J1, J2, J3, J4, etc e. Control de cable de señal conectado a la bobina de conmutación - C f. La resistencia de frenado dinámico - BR1, BR2, BR3, BR4, etc g. Campo (la serie) - S1, S2, S3, S4, etc h. Campo (shunt) - F1, F2, F3, F4, etc i. Línea - L1, L2, L3, L4, etc j. Bobinado de magnetización (para la magnetización inicial y de mantenimiento y de desmagnetización campos de imanes permanentes) - E1, E2, E3, E4, etc NOTA-E1, E3 u otras terminales impares deben ser conectados a la terminal positiva de la fu ente de alimentación para la magnetización magnetización y al terminal negativo de la desmagnetización. k. Resistencia (armadura y misceláneos) - R1, R2, R3, R4, etc l. La resistencia (el ajuste de la derivación de campo) - V1, V2, V3, V4, etc, m. Derivación de la resistencia de frenado - DR1, DR2, DR3, DR4, etc n. Calentadores de ambiente - H1, H2, H3, H4, etc 1 o. Estator - T1, T2, T3, T4, etc, p. Interruptor de arranque - K q. Protector térmico - P1, P2, P3, P4, etc r. La igualación de plomo - = (signo igual) s. Conexión de neutro - T erminal carta con número 0 Por la importancia de los números arábigos, ver 2.20 para máquinas de corriente alterna y el 2,10 por máquinas de corriente continua. 1 P ara máquinas de corriente alterna solamente.
  • 68.
    MG 1-1998 Sección I Parte 2, Página 2 Marcado de los terminales 2.3 DIRECCIÓN DE GIRO 2.3.1 Máquinas de corriente alterna Ver 2.24. 2.3.2 Las máquinas de corriente directa Ver 2.12. 2.3.3 Moto-generadores Cuando un motor y un generador están acoplados en los extremos de su disco, la dirección estándar de la rotación de las dos máquinas será el indicado para ese tipo de máquina y se aplicará a los generadores de motor conjunto sin un cambio en las conexiones. La dirección de rotación se indicarán claramente en un conjunto motor -generador. Cuando dos o más máquinas se acoplan entre sí, pero no en los extremos de su disco, la dirección estándar de rotación no se puede aplicar a todas las máquinas en el conjunto. Cambios en las conexiones será necesario que los máquinas que operan en la dirección opuesta a la rotación. Motores y generadores MARCAS 2.10TERMINAL 2.10.1 general Las marcas que incluye letras y números en los terminales de una máquina de corriente continua se indicar la relación de los circuitos dentro de la máquina. 2.10.2 conductores de inducido Cuando una ventaja de armadura pasa a través de la conmutació n o el campo de compensación, o cualquier combinación de estos campos, antes de ser llevado a cabo para la conexión al circuito externo, la terminal de marcado de esta principal deberá ser una "A." Cuando una ventaja de armadura pasa a través de un campo de serie y todas las conexiones internas permanentemente hecho, la iniciativa llevó a cabo serán marcados con un apropiado "S" de designación. Si un conducir a efectos de ecualizador en paralelo se lleva a cabo, se le marcará con una = (signo igual). 2.10.3 Cables-Dirección de la rotación de la armadura T odos los números se determinará sobre la base fundamental siguiente. los números de todos los terminales de máquinas de corriente continua se elegirán de forma que cuando la dirección de la corriente en cualquier excitación única bobinado es de lo inferior a un número mayor, la fuerza electromotriz generada tensión (contador en un motor) en la armadura de est a excitación se, para giro a la izquierda hacia el extremo opuesto al unidad, que terminales de la armadura A1 A2 positivos y negativos. Con excitación aplicada de la misma manera, la rotación opuesta se traducirá en A2 es negativo positivo y A1. MARCAS DE DOBLE 2.11TERMINAL CAMPOS DE TENSIÓN SHUNT Cuando un campo en derivación con excitación independiente devanado reconectable serie -paralelo de doble voltaje, el Marcado de los terminales se muestra en la Figura 2.1. Figura 2-1 SEPARADO de campo en derivación EMOCIONA DO DE LIQUIDA CIÓN DE LA SERIE- PARALELO DE VOLTAJE DUAL
  • 69.
    Sección I MG 1-1998 Marcado de los terminales Parte 2, Página 3 Voltaje Unirse Conectar a la alimentación Bajo -------- (F1, F3) (F2, F4) Alto (F2, F3) (F1, F4) 2.12DIRECTION DE GIRO 2.12.1 Motores de corriente continua La dirección de rotación del eje estándar de motores de corriente continua se enfrenta la izquierda extremo opuesto del lado del regulador. La dirección de rotación del eje de motores de corriente continua depende de la polaridad relativa del campo y la armadura y, por lo tanto, si la polaridad de los dos se invierten, el sentido de giro no se modificará. Desde la excitación de motores de corriente continua se obtiene de una fuente externa, el magnetismo residual no tiene ningún efecto práctico sobre la polaridad, excepto para aquellos con la excitación de imán permanente. Reversión del eje rotación de un motor de corriente continua se obtiene mediante una transposición de las dos lleva armadura o por un transposición de la materia conduce. Con esa rotación del eje invertido (a la derecha) y cuando la polaridad de la fuente de alimentación es tal que la dirección de la corriente en la armadura es de la terminal 2 a la terminal 1, la corriente fluirá en el devanado de campo de la terminal 1 a la terminal 2, y viceversa. 2.12.2 directa Generadores de corriente La dirección de rotación del eje estándar de corriente directa de los productores deberá ser hacia la derecha mirando hacia e l extremo opuesto al extremo de la unidad. El sentido de giro de un generador montado como parte de un conjunto motor -generador es por lo general en sentido contrario hacia el extremo opuesto del lado del regulador. Autoexcitado directa generadores de corriente, con las conexiones hechas correctamente por la dirección del eje estándar rotación (sentido horario), no funcionará si conducido en sentido contrario que cualquier pequeña corriente entregada por el armadura tiende a desmagnetizar los campos y evitar así la armadura de la entrega actual. Si el bases de la convocatoria para el sentido inverso de giro del eje, las con exiones deben realizarse con cualquiera de los armadura lleva incorporado o el campo de transposición conduce. La polaridad de un auto -excitado de corriente continua generador, con la dirección de acompañamiento de flujo de corriente en los bobinados de va rios, está determinado por la la polaridad del magnetismo residual. Una manipulación accidental o inusuales pueden revertir esta magnética polaridad. Aunque el propio generador de función, así como con cualquier polaridad, un cambio imprevisto puede causar molestias o daños a otros generadores o dispositivos cuando el generador está conectado a ellos. 2.12.3 función inversa Una máquina de corriente continua puede ser utilizado como un generador o como motor, si el diseño del campo es adecuada para tal operación. (El fabricante debe ser consultado con respecto a este.) Para la dirección deseada de rotación, cambios de conexión puede ser necesario. Las convenciones para el flujo de corriente en combinación con el la estandarización de direcciones opuestas de la rotación de generadores de corriente y motores de corriente continua son tales que cualquier máquina de corriente continua puede ser llamado "generador" o "motor" sin un cambio en la terminal marcas. DIAGRAMAS 2.13CONNECTION con marcas TERMINAL PARA MOTORES DE CORRIENTE CONTINUA Los diagramas de conexión con las marcas de terminales para motores de corriente continua se como se muestra en las figuras 2.2 por 2.9.
  • 70.
    MG 1-1998 Sección I Parte 2, página 4 Marcado de los terminales Figura 2-2 SHUNT MOTOR-La rotación frente al extremo extremo opuesto DRIVE, ROTACIÓN DE LA DERECHA HACIA LA UNIDAD FINAL Figura 2-3 SHUNT MOTOR giro hacia la izquierda mirando hacia el extremo FIN UNIDAD FRENTE, La rotación frente al extremo UNIDAD Figura 2-4 COMPUESTO o derivación ESTABILIZA DO MOTOR-La rotación FRENTE END UNIDAD FRENTE, LA ROTACIÓN DE LA DERECHA HACIA LA UNIDA D FINAL
  • 71.
    Sección I MG 1-1998 Marcado de los terminales Parte 2, página 5 Figura 2-5 COMPUESTO o derivación ESTABILIZA DO MOTOR giro hacia la izquierda mirando hacia el extremo OPUESTO END DRIVE, giro a la izquierda mirando hacia el extremo UNIDAD Figura 2-6 SERIE DEL MOTOR-La rotación frente al extremo extremo opuesto DRIVE, ROTACIÓN DE LA DERECHA HACIA LA UNIDAD FINAL Figura 2-7 SERIE DEL MOTOR giro hacia la izquierda mirando hacia el extremo FIN UNIDA D FRENTE, CONTADOR ROTACIÓN DE LA DERECHA HACIA LA UNIDAD FINAL
  • 72.
    MG 1-1998 Sección I Parte 2, página 6 Marcado de los terminales Figura 2-8 * Motor de imán permanente-La rotación FRENTE extremo opuesto END DRIVE, GIRO SENTIDO HACIA FIN UNIDAD * Cuando bobinas de magnetización se proporcionan, véase el punto 2.2. Figura 2-9 * Motor de imán permanente giro hacia la izquierda mirando hacia el extremo FIN LA UNIDAD FRENTE, La rotación frente al extremo UNIDAD * Cuando bobinas de magnetización se proporcionan, véase el punto 2.2. Cuando las conexiones entre los diferentes devanados se hacen de forma permanente dentro de la máquina, cualquier lugar sacó de la máquina de la unión (con excepción de un cable de control) deberá llevar las inscripciones de todos los terminales bobinados a la que está conectado, excepto que no se incluirán las marcas de conmutación y campos de compensación. Estos diagramas de conexión muestran todos los conductores de la armadura, el campo en derivación, y la serie (o la estabilización) sobre el terreno ha sacado de las máquinas. El mismo esquema es, por tanto, aplicable para revertir la nonreversing motores. Las conexiones de puntos se puede hacer dentro de la máquina o fuera de la máquina como las condiciones lo requieren. La relación entre el número de terminales de marcado, la polaridad relativa de los bobinas, y el sentido de giro es de acuerdo con 2.12, pero la polaridad indicada en estos diagramas de conexión, mientras que prefería, no están estandarizados. NOTAS 1-véase el punto 2.2 de las cartas de terminales asignados a los diferentes tipos de bobinados y 2.10.3 de la importancia de la números. 2-Las conexiones que se muestran son para los campos de la serie acumulada. Conexión diferencial del campo en serie en directo motores de corriente es muy rara vez se utiliza, pero cuando sea necesario, sin cambios deberán efectuarse en los cables de c ampo o terminal marcas de la máquina, pero la conexión del campo en serie a la armadura se debe mostrar invertido. 3-conmutación, compensación, y las bobinas de campo en serie se muestran en la parte A1 de la armadura, pero este lugar, mientras que prefería, no está estandarizado. Si la ingeniería de sonido, la economía sana, o la conveniencia así lo d icta, estas bobinas se pueden conectar a ambos lados de la armadura o se puede dividir parte de un lado y parte de la otros. 4 P ara motores de bobinado de derivación, derivación estabilizado la herida, y el compuesto de la herida, el campo de derivac ión puede ser conectado en paralelo con la armadura como se muestra en las líneas de puntos o puede ser excitado por separado. Cuando por separado emocionado, el campo en derivación suele ser aislado de los otros devanados de la máquina, pero la polaridad de la tensión aplicado al campo de la derivación debe ser como se muestra en la rotación en particular y la armadura y las polaridades de campo en serie. 5-Cuando el campo de la compensación o ambos de la conmutación y los campos de compensación se omiten en los máquina, las marcas de terminales no cambian.
  • 73.
    Sección I MG 1-1998 Marcado de los terminales Parte 2, página 7 6-El lugar designado por C, si se usa, es para fines de control y no se puede utilizar en cualquier máquina que tenga ni conmutación ni los campos de compensación. En la utilización de este terminal, la ubicación de la conmutación o campo de compensación debe ser conocido. Véase la nota 3. 7-La posición del reóstato de campo se muestra en estos diagramas no indica ninguna preferencia. El reóstato de campo puede ser conectado a cualquiera de los terminales del campo shunt. 2.14 ESQUEMA S DE CONEXIONES CON MARCAS PARA TERMINAL DE CORRIENTE CONTINUA GENERADORES Los diagramas de conexión con las marcas de terminales de corriente directa de los productores deberá ser como se muestra en Figuras 2-10 a través 2-13. Cuando las conexiones entre los diferentes devanados se hacen de forma permanente dentro de la máqui na, cualquier lugar sacó de la máquina de la unión (con excepción de una ventaja de ecualizador o control) se hará cargo de la terminal las marcas de todas las bobinas a la que está conectado, excepto que no se incluyen las marcas de conmutación y la compensación de los campos. Estos diagramas de conexión muestran todos los conductores de la armadura, el campo en derivación, y el campo de la serie sacó de las máquinas. Las conexiones de puntos se puede hacer dentro de la máquina o fuera de la máquina como las condiciones lo requieren. La relación entre el número de terminales de marcado, la relación la polaridad de las bobinas, y el sentido de giro es de acuerdo con 2.12, pero la polaridad se muestra en la los diagramas de conexión, mientras que prefería, no están estandarizados. NOTAS 1-véase el punto 2.2 de las cartas de terminales asignados a los diferentes tipos de bobinados y 2.10.3 para los números. 2-Las conexiones que se muestran son para los campos de la serie acumulada. P ara la conexió n diferencial de los campos de serie, no cambio se debe hacer en los cables de campo o las marcas de terminales de la máquina, pero la conexión de la serie campo de la armadura se debe mostrar invertido. 3-conmutación, compensación, y las bobinas de campo en serie se muestran en la parte A1 de la armadura, pero este lugar, mientras que prefería, no está estandarizado. Si la ingeniería de sonido, la economía sana, o la conveniencia así lo d icta, estas bobinas se pueden conectar a ambos lados de la armadura o se puede dividir parte de un lado y parte de la otros. 4-Las figuras 2-12 y 2-13 muestran el campo en derivación conectado, ya sea dentro o fuera del campo de serie. O bien puede ser utilizados en función de las características deseadas. 5-P ara los generadores shunt herida y generadores de la herida con el compuesto, la derivación de campo puede ser auto -excitado o excitación independiente. Cuando la auto-excitado, las conexiones deben ser como se muestra por las líneas punteadas. Cuando por separado emocionado, el campo en derivación suele ser aislado de los otros devanados de la máquina, pero la polaridad o el voltaje de la aplicado al campo de la derivación debe ser como se muestra en la rotación en particular y la polaridad del inducido. 6-Cuando el campo de compensación o en el campo de conmutación, o ambos, y los campos de compensación se omiten en los máquina, las marcas de terminales no cambian. 7-El terminal designado por C, si se usa, es para fines de control y no se puede utilizar en cualquier máquina que tenga ni conmutación ni los campos de compensación. En la utilización de este terminal, la ubicación de la conmutación o campo de compensación debe ser conocido. Véase la nota 3. 8-La posición del reóstato de campo se muestra en estos diagramas no indica ninguna preferencia. El reóstato de campo puede ser conectado a cualquiera de los terminales del campo shunt.
  • 74.
    MG 1-1998 Sección I Parte 2, Página 8 Marcado de los terminales Figura 2-10 GENERA DOR SHUNT giro hacia la izquierda mirando hacia el extremo FIN UNIDAD FRENTE, La rotación frente al extremo UNIDA D Figura 2-11 GENERA DOR DE IZQUIERDA-SHUNT GIRO HACIA FIN extremo opuesto DRIVE, ROTACIÓN DE LA DERECHA HACIA LA UNIDA D FINAL Figura 2-12 COMPUESTO GENERADOR giro hacia la izquierda mirando hacia el extremo FIN UNIDAD FRENTE, La rotación frente al extremo UNIDA D
  • 75.
    Sección I MG 1-1998 Marcado de los terminales Parte 2, página 9 Figura 2-13 COMPUESTO GENERADOR-La rotación FRENTE A LA UNIDAD extremo opuesto FIN, LA ROTACIÓN DE LA DERECHA HACIA LA UNIDA D FINAL AC MOTORES Y GENERADORES En los terminales de 2.20NUMERALS DE MÁQUINAS DE CORRIENTE ALTERNA POLIFÁSICOS 2.20.1 máquinas síncronas Los números 1, 2, 3, etc, indican el orden en que las tensiones en los terminales de llegar a su máximo los valores positivos (la secuencia de fases) con la rotación del eje hacia la derecha cuando se enfrentan a la conexi ón final de los bobinados de la bobina, por lo que la rotación del eje de la izquierda (no estándar) cuando se enfrentan a un mismo fi n, la secuencia de fases será de 1, 3, 2. 2.20.2 Máquinas de Inducción Marcado de los terminales de las máquinas de inducción polifásico no están relacionados con el sentido de giro. 2.21DEFINITION la secuencia de fases Secuencia de fases es el orden en que las tensiones de forma sucesiva a alcanzar su máximo valor positivo entre los terminales. 2.22PHASE SECUENCIA El orden de los números en los cables terminales no necesariamente indica la secuencia de fases, pero la secuencia de fases es determinada por la dirección del eje de rotación con respecto al extremo de conexión de la bobina bobinado. 2.23DIRECTION DE LA ROTACIÓN DE PHASORS Diagramas de fasores se muestra de modo que avance en la fase de un fasor con respecto a otro en el sentido contrario a las agujas del reloj. Véase la figura 2.14 en la que un fasor es de 120 grados antes de dos fasores y la secuencia de fases es de 1, 2, 3. (Ver 2.21).
  • 76.
    MG 1-1998 Sección I Parte 2, Página 10 Marcado de los terminales Figura 2-14 ROTACIÓN DE PHASORS 2.24DIRECTION DE GIRO La dirección estándar de rotación para los generadores de corriente alterna es hacia la derecha cuando se enfrentan al final de la máquina frente a la final de unidad. El sentido de giro de un generador montado como parte de un conjunto motor -generador es por lo general en sentido antihorario cuando se enfrenta el extremo opuesto del lado del regulador. La dirección de rotación estándar para todos los de corriente alterna monofásica de motores, todos sincrónicos motores, y todos los motores universales se antihorario cuando se enfrenta al final de lo contrario la máquina el extremo del convertidor. Generadores de corriente alterna y motores síncronos 2.25REVERSAL de secuencia de rotación, la polaridad y la FASE Generadores de corriente alterna impulsada hacia la izquierda cuando se enfrenta el extremo de conexión de la bobina bobinas se generan sin cambios en las conexiones, pero la secuencia de fase terminal será de 1, 3, 2. Condensadores síncronos y los mot ores síncronos pueden funcionar con el eje en sentido contrario la rotación se ve desde el extremo de conexión de los bobinados mediante la conexión a los cables en la que el secuencia de fases 1, 2, 3, de la siguiente manera: a. Cables de alimentación ................ 1, 2, 3 b. Bornas de la máquina ....... 1, 3, 2 2.30 CONEXIONES Y GENERA DORES DE MARCAS-TERMINAL DE CORRIENTE ALTERNA Y Motores síncronos trifásicos y monofásicos- Los devanados de corriente alterna de generadores trifásico s de corriente alterna y sincrónica Los motores deben tener marcas de terminales como se indica en 2,61 para motores trifásicos de inducción de una sola velocida d. Los devanados de corriente alterna de los generadores monofásicos de corriente alterna y sincrónica Los motores deben tener marcas de terminales como se indica en la figura 2.15. Las marcas de terminales de devanados de campo de corriente continua se F1 y F2. NOTA: véase el punto 2.2 de las cartas de terminales asignados a los diferentes tipos de bobinados y 2,20 para la significaci ón de la números.
  • 77.
    Sección I MG 1-1998 Marcado de los terminales Parte 2, página 11 Figura 2-15 MONOFÁSICO Los motores monofásicos 2.40GENERAL 2.40.1 doble voltaje Independientemente del tipo, cuando un motor monofásico es reconnectible serie-paralelo de doble voltaje, el terminal de marca se determinará de la siguiente manera. A los efectos de la asignación de marcas de terminales, la bobina principal se supone que se divide en dos mitades, y T 1 y T 2, se asignará a la mitad y T 3 y T 4 a la otra mitad. A los efectos de la asignación de marcas de terminales, el devanado aux iliar (si existe) se supone que es dividido en dos mitades, y T 5 y T 6, se asignará a la mitad y T 7 y T 8 a la otra mitad. Polaridades se establecerá de modo que la dirección normal de rotación (hacia la izquierda frente a la extremo opuesto al extremo de transmisión) se obtiene cuando la principal terminal T 4 de liquidación y auxiliares de la liquidación la terminal T 5 se unen o cuando una conexión de circuito equivalente se realiza entre los principales y auxiliares bobinado. La disposición de terminales de marcado se muestra esquemáticamente en la figura 2.16. Figura 2-16 Dual Voltage 2.40.2 Tensión único Si un motor monofásico de tensión es única o si cualquiera de liquidación está destinado a un solo voltaje, terminal de marca se determinará de la siguiente manera. T 1 y T 4, se asignará a la bobina principal y T 5 y T 8 para el devanado auxiliar (si existe) con la disposición de la polaridad de tal manera que la dirección normal de rotación se obtiene si T 4 y T 5 son unido a una línea T 1 y T 8 y con el otro. La disposición de terminales de marcado se muestra esquemáticamente en la figura 2.17.
  • 78.
    MG 1-1998 Sección I Parte 2, página 12 Marcado de los terminales NOTAS 1-Se ha comprobado que es prácticamente imposible seguir esta norma para las marcas de la terminal definitiva de algunos de uso motores. Véase la P arte 18. 2-No las normas generales han sido desarrolladas para las marcas de terminales de los motores de varias velocidades debido a la gran variedad de métodos empleados para obtener varias velocidades. Figura 2-17 TENSIÓN SIMPLE MARCAS 2.41TERMINAL identificadas por el color Cuando los motores monofásicos uso de colores de los cables en vez de letra y número para identificar las marcas de los cable s, la asignación de color se determina a partir de los siguientes: a. T 1 - Azul b. T 2 - Blanco c. T 3 - Orange d. T 4 - Amarillo e. T 5 - Negro f. T 8 - Rojo g. P1 - No hay color asignado h. P2 - Brown NOTA: Se ha comprobado que es prácticamente imposible seguir esta norma para las marcas de ejemplo de alg unos de propósito definido motores. Véase la P arte 18. DISPOSITIVOS DE MOTOR EN 2.42AUXILIA RY La presencia de un dispositivo o dispositivos auxiliares, como un condensador, interruptor de arranque, protector térmico, etc, permanentemente conectado en serie entre los bornes del motor y la parte de la liquidación a la que en última instancia, se conecta, no afectará a la marca a menos que un terminal se proporciona en la unión. Cuando un terminal se proporciona en la unión, la terminal de marcado de este cruce se determinará por parte de la liquidación a la que está conectado. Cualquier otros terminales conectados a este dispositivo auxiliar se identifican con una letra que indica el dispositivo auxiliar en el motor para que el terminal está conectado. DISPOSITIVOS 2.43AUXILIA RY EXTERNA AL MOTOR Donde los condensadores, resistencias, inductores, transformadores, u otros dispositivos auxilia res se encuentran por separado del motor, las marcas de la terminal serán las establecidas para el dispositivo. 2.44MARKING DE TERMINALES montado de forma rígida En un tablero de terminal, la identificación de terminales montado de forma rígida será, o bien por la marca en el placa de terminales o por medio de un diagrama adjunto a la máquina. Cuando todos los devanados están permanentemente
  • 79.
    Sección I MG 1-1998 Marcado de los terminales Parte 2, Página 13 conectados a los terminales montados rígidamente, estos terminales pueden ser identificados de acuerdo con el terminal marcas especificadas en la presente publicación. Cuando los devanados no están unidos permanentemente al montado de forma rígida terminales de la placa de terminales, los terminales de montaje rígido se identificarán con números, y el identificación no tienen por qué coincidir con la de los cables de los terminales conectados a los terminales montado de form a rígida. 2.45 Dispositivos internos AUXILIAR permanentemente conectado a montado de forma rígida TERMINALES Si el diseño del motor es tal que el interruptor de arranque, protector térmico, o un dispositivo auxiliar que no es permanentemente conectado a un terminal mont ado de forma rígida, alguna variación de los acuerdos de conexión se ilustra en 2,47 por 2,53 se requiere. Sin embargo, las variaciones se basan en las disposiciones de 2,46. PRINCIPIOS DE MARCAS 2.46GENERAL TERMINAL PARA motores monofásicos La terminal de marcado y procedimiento de conexión dado en 2,40 por 2,45 y en el esquema diagramas que a continuación se basan en los siguientes principios. 2.46.1 Primer Principio El devanado principal de un motor monofásico es designado por el T 1, T 2, T 3 y T 4 y el devanado auxiliar por T 5, T 6, T 7, T 8 y para distinguirlo de un motor bifásico, que utiliza los números impares de una fase y los números pares de la otra fase. 2.46.2 Segundo Principio Siguiendo el primer principio, se deduce que extraño a extraño terminales numerados de cada cuerda se unen de bajo voltaje (en paralelo) de conexión y extraña-hasta los terminales numerados de cada bobina se unen para tensión más alta (serie) de conexión. 2.46.3 Tercer Principio El rotor de un motor monofásico es representado por un círculo, a pesar de que no hay exterior conexiones a la misma. T ambién sirve para distinguir el esquema motor de una sola fase esquemática de la de los cuarto de fase del motor en el que el rotor no está representado.
  • 80.
    MG 1-1998 Sección I P arte 2, página 14 Marcado de los terminales 2.47 ESQUEMAS ESQUEMA PARA MOTORES DE UN SOLO SPLIT-tensión de fase reversible 2.47.1 Sin térmica Protector1 2.47.2 Con térmico Protector12 Un interruptor de arranque del motor se muestran en la gestión de la posición. Todas las direcciones de rotación indicado se enfrentan el extremo opuesto del lado del regulador. 2 tablas de los terminales se muestran visto de frente. Las líneas de puntos indican una conexión permanente.
  • 81.
    Sección I MG 1-1998 Marcado de los terminales P arte 2, página 15 ESQUEMAS PARA 2.48SCHEMATIC de arranque por capacitor MOTORES-REVERSIBLE 2.48.1 solo voltaje en el capacitor de arranque Motors-Reversible 1 2.48.1.1 Sin térmica Protector1 2.48.1.2 Con protector térmico Un interruptor de arranque del motor se muestran en la gestión de la posición. Todas las direcciones de rotación indicado se enfrentan el extremo opuesto del lado del regulador. 2 tablas de los terminales se muestran visto de frente. Las líneas de puntos indican una conexión permanente.
  • 82.
    MG 1-1998 Sección I P arte 2, página 16 Marcado de los terminales 2.48.2 de doble v oltaje en el capacitor de arranque Motors-Reversible 2.48.2.1 de voltaje dual-Sin térmica protección1 Un interruptor de arranque del motor se muestran en la gestión de la posición. Todas las direcciones de rotación indicado se enfrentan el extremo opuesto del lado del regulador. 2 tablas de los terminales se muestran visto de frente. Las líneas discontinuas indican la conexión permanente
  • 83.
    Sección I MG 1-1998 Marcado de los terminales P arte 2, página 17 2.48.2.2 de doble voltaje con protector térmico Las proporciones de diseño de doble voltaje reversible capacitor de arranque motores s on tales que tres grupos diferentes de diagramas son necesarios para mostrar los medios para obtener una protección adecuada para estos motores. Estos tres grupos de diagramas (I, II y III) insertar el protector térmico en diferentes puntos en el circuito, por lo tanto, las diferentes corrientes se proporcionan para activar el protector térmico. 2.48.2.2.1 Grupo I-doble tensión con el térmico Protector1 Un interruptor de arranque del motor se muestran en la gestión de la posición. Todas las direcciones de rotación indicado se enfrentan el extremo opuesto del lado del regulador. 2 tablas de los terminales se muestran visto de frente. Las líneas de puntos indican una conexión permanente. 3 conexión adecuada depende del diseño del motor y el protector térmico, se refieren a la información del fabricante del moto r para el diagrama adecuado.
  • 84.
    MG 1-1998 Sección I P arte 2, página 18 Marcado de los terminales 2.48.2.2.2 Grupo II-doble tensión con el térmico Protector1 Un interruptor de arranque del motor se muestran en la gestión de la posición. Todas las direcciones de rotación indicado se enfrentan el extremo opuesto del lado del regulador. 2 tablas de los terminales se muestran visto de frente. Las líneas de puntos indican una conexión permanente. 3 conexión adecuada depende del diseño del motor y el protector térmico, se refieren a la información del fabricante del moto r para el diagrama adecuado.
  • 85.
    Sección I MG 1-1998 Marcado de los terminales P arte 2, página 19 2.48.2.2.3 Grupo III, doble tensión con el térmico Protector1 Un interruptor de arranque del motor se muestran en la gestión de la posición. Todas las direcciones de rotación indicado se enfrentan el extremo opuesto del lad o del regulador. 2 tablas de los terminales se muestran visto de frente. Las líneas de puntos indican una conexión permanente. 3 conexión adecuada depende del diseño del motor y el protector térmico, se refieren a la información del fabricante del moto r para el diagrama adecuado.
  • 86.
    MG 1-1998 Sección I P arte 2, página 20 Marcado de los terminales 2.49 Diagramas esquemáticos para el condensador de dos valores MOTORES DE UN SOLO DE TENSIÓN-REVERSIBLE 2.49.1 Sin térmica Protector1 Un interruptor de arranque del motor se muestran en la gestión de la posición. Todas las direcciones de rotación indicado se enfrentan el extremo opuesto del lado del regulador. 2 tablas de los terminales se muestran visto de frente. Las líneas de puntos indican una conexión permanente.
  • 87.
    Sección I MG 1-1998 Marcado de los terminales P arte 2, página 21 2.49.2 Con térmico Protector1 Un interruptor de arranque del motor se muestran en la gestión de la posición. Todas las direcciones de rotación indicado se enfrentan el extremo opuesto del lado del regulador. 2 tablas de los terminales se muestran visto de frente. Las líneas de puntos indican una conexión permanente.
  • 88.
    MG 1-1998 Sección I P arte 2, página 22 Marcado de los terminales 2.50 ESQUEMAS ESQUEMA PARA partida permanente CAPACITOR MOTORES DE UN SOLO DE TENSIÓN-REVERSIBLE1 2 1 Todas las direcciones de rotación indicado se enfrentan el extremo opuesto del lado del regulador. 2 Hay otras marcas de terminales para determinado propósito motores de condensador partida permanente, véase la Parte 18. 3 placas terminales se muestran visto de frente. Las líneas de puntos indican una conexión permanente.
  • 89.
    Sección I MG 1-1998 Marcado de los terminales Parte 2, página 23 2.51 ESQUEMAS ESQUEMA PARA MOTORES DE UN SOLO UNIVERSAL DE TENSIÓN Figura 2-44.a Figura 2-44.b
  • 90.
    MG 1-1998 Sección I Parte 2, Página 24 Marcado de los terminales 2.52 ESQUEMAS ESQUEMA DE repulsión, INDUCCIÓN repulsión-START, Y INDUCCIÓN repulsión MOTORES
  • 91.
    Sección I MG 1-1998 Marcado de los terminales Parte 2, página 25 2.53 De polo sombreado MOTORS - DOS VELOCIDA DES Figura 2-47 POLIFÁSICOS MOTORES DE INDUCCIÓN Figura 2-47 POLIFÁSICOS MOTORES DE INDUCCIÓN 2.60 PRINCIPIOS GENERALES PARA LAS INSCRIPCIONES PARA TERMINAL polifásico de inducción MOTORES 2.60.1 general Las marcas de los terminales de un motor de servir a su propósito mejor si indican la eléctrica las relaciones entre los varios circuitos dentro del motor. Los bobinados de un motor rara vez son accesibles, y la disposición de los números de terminales varía según las combinaciones de las conexiones que se necesaria. Sin embargo, si un determinado sistema de numeración se utiliza, el marcado de los terminales se pueden hacer a decir las relaciones exactas de las bobinas en el motor. Medida de lo posible, 2.61 está formulado para incorporar este sistema, que emplea el sistema como uno de sus puntos fun damentales de espiral que gira con T 1 en el extremo exterior y terminando con el mayor número en su extremo interior, como un medio para determinar la secuencia de los números. Consulte la Figura 2-48. La numeración de los terminales en la inducción polifásicos Los motores no implica la estandarización de la dirección de rotación del eje del motor. Figura 2-48 Giratorio derecho ESPIRAL CON T1 en el extremo exterior
  • 92.
    MG 1-1998 Sección I Parte 2, página 26 Marcado de los terminales 2.60.2 trifásicos, motores de dos velocidades Para motores trifásicos con dos velocidades sincrónicas obtenida a partir de una bobina es reconnectible indeseables a que se adhieran al sistema de las agujas del reloj de la numeración para todos los terminales ya que esto causaría la motor para funcionar con la rotación del eje en sentido horario en una velocidad y en sentido contrario de la velocidad si el otro líneas de alimentación están conectados a cada conjunto de terminales en la misma secuencia. Esta característica puede ser considerada una ventaja como una bobina con una parte de sus terminales después de una secuencia de las agujas del reloj y en parte a raí z de una secuencia de la izquierda puede ser reconocida inmediatamente como un motor de dos velocidades con un reconnectible bobinado. 2.60.3 Dos motores trifásicos Por dos motores de corriente alterna, las marcas de terminales son tales que todos los números impares están en una fase y todas las aunque los números están en la otra fase. Las marcas de todos los motores excepto los de motores de dos velocidades utilizando una bobina reconnectible solo se basan, al igual que tres embobinados, en un sistema en espiral hacia la derecha de rotación en el orden de numeración de terminales. MARCAS 2.61TERMINAL PARA MOTORES trifásicos de inducción Una velocidad Las marcas de bornes para motores de inducción trifásicos de una velocidad será como se muestra en las figuras 2 - 49, 2-50, 2-51, 2-52 y. Estas marcas de terminales se desarrollaron de acuerdo con las siguientes procedimiento que se utilizará en el desarrollo de marcas de terminales para otras combinaciones de estator del motor circuitos: En primer lugar 2.61.1 Un diagrama fasorial esquema se establecerá que muestra una conexión Y invertida, con la persona circuitos en cada fase dispuesto para conexión en serie con la polaridad correcta relación de los circuitos. El diagrama de de dos circuitos por fase, por ejemplo, es como se muestra en la Figura 2 -53. En segundo lugar 2.61.2 A partir de T 1 en la parte exterior y superior del diagrama, los extremos del circuito se numerarán consecutivamente en el sentido de las agujas del reloj en un proceso en espiral hacia el centro del diagrama. Por dos circuitos por fase, por ejemplo, los terminales están marcados como se muestra en la Figura 2 -48. En tercer lugar 2.61.3 Un diagrama fasorial esquema se establecerá que muestra la interconexión de circuitos en particular para la motor bajo consideración, y las marcas de terminales determinado de acuerdo con 2.61.1 y 2.61.2 estarán dispuestos a dar la relación de la polaridad correcta de los circuitos. Por ejemplo, si la liquidación se muestra en la Figura 2-48 se va a conectar con dos circuitos de fase múltiple por, el diagrama y las marcas se como se muestra en la Figura 2-54. Cuarto 2.61.4 El mayor número se redujo y sólo el menor número se conservará en el que dos o más terminales están permanentemente conectados entre sí. Por ejemplo, si la liquidación se muestra en la Figura 2 -54 se para que los dos circuitos en cada fase permanentemente conectado con tres cables de línea y tres neutral conduce sacó, las marcas de terminales como se muestra en la Figura 2 -56 o, si la liquidación se muestra en la figura 2-48 se va a ordenar, ya sea para una serie o una conexión múltiple con el punto neutro traído a cabo, el diagrama de vectores y las marcas de terminales como se muestra en la Figura 2 -57. 2.61.5 Quinta Donde los extremos de tres bobinas están conectados entre sí para formar una permanente neutral, el terminal las marcas de los tres conductores para conexión se cayó. Si el punto neutro se lleva a cabo, se siempre marcado para. Consulte la Figura 2-56. Sexto 2.61.6 Si una bobina se delta-conectado, el diagrama de Y invertida (Figura 2-53) se puede girar 30 grados en sentido contrario. T 1, se asignará hasta el extremo exterior de la pierna de arriba y el resto de la numeración
  • 93.
    Sección I MG 1-1998 Marcado de los terminales Parte 2, página 27 se hará de conformidad con 2.60 y Figura 2-48. Un delta esquema luego se construyó en la que el T 1 de la pierna rota Y se convierte en el lado derecho del delta, la pierna T 2 se convierte en la parte inferior (Horizontal) lado, y la pata T 3 se convierte en el lado izquierdo del delta. 2,60 se aplicará la medida en que se aplica a una conexión en triángulo. Consulte la Figura 2 -57. MARCAS PARA 2.62TERMINAL Y y motores conectados en triángulo doble voltaje Figuras 2-49 a través 2-52 ilustran la aplicación de 2,61 en la determinación de las marcas de terminales de Y y en triángulo doble voltaje motores. 2.63 Marcado de los terminales para conexión trifásica DOS VELOCIDA DES DE UN SOLO DE LIQUIDA CIÓN DE INDUCCIÓN MOTORES Los principios generales para las marcas de terminales para los motores de inducción polifásicos dado en 2.60.1, no se aplicable a las tres fases de dos velocidades de un solo bobinado motores de inducción, ya que, si se siguen y la terminales están conectados en la misma secuencia, el sentido de giro en las dos velocidades serán diferentes. 2.64 Marcado de los terminales para Y-Y DELTA-trifásico conectado DOS VELOCIDADES SOLO LOS MOTORES DE LIQUIDA CIÓN Las marcas de terminales para Y-y en triángulo trifásico de dos velocidades de un solo bobinado de tres fases motores de inducción se hará de conformidad con las figuras 2 -58 a través 2-62.
  • 94.
    MG 1-1998 Sección I Parte 2, Página 28 Marcado de los terminales
  • 95.
    Sección I MG 1-1998 Marcado de los terminales Parte 2, Página 29
  • 96.
    MG 1-1998 Sección I Parte 2, página 30 Marcado de los terminales Figura 2-57 Marcado de los terminales para dos circuitos por fase, conectados en delta
  • 97.
    Sección I MG 1-1998 Marcado de los terminales Parte 2, Página 31 Figura 2-58 Figura 2-60 MOTORES de par variable MOTORES par constante durante dos o A uno o más devanados DEVANADOS MÁS INDEPENDIENTE Aislar Aislar Velocidad L1 L2 L3 Por separado Unirse Velocidad L1 L2 L3 Por separado Unirse Bajo T1 T2 T3 T4-T5-T6 ... Bajo T1 T2 (T3, T7) T4-T5-T6 ... Alto T6 T4 T5 ... (T1, T2, T3) Alto T6 T4 T5 ... (T1, T2, T3, T7) Figura 2-59 Figura 2-61 MOTORES PARA par constante MOTORES DE CONSTA NTE DE POTENCIA LIQUIDA CIÓN SOLO Dos o más devanados INDEPENDIENTE Aislar Aislar Velocidad L1 L2 L3 Por separado Unirse Velocidad L1 L2 L3 Por separado Unirse Bajo T1 T2 T3 T4-T5-T6 ... Bajo T1 T2 T3 ... (T4, T5 T6, T7) Alto T6 T4 T5 ... (T1, T2, T3) Alto T6 T4 (T5, T7) T1-T2-T3 ...
  • 98.
    MG 1-1998 Sección I Parte 2, página 32 Marcado de los terminales Figura 2-62 MOTORES DE POTENCIA CONSTA NTE PARA LA LIQUIDA CIÓN SOLO Aislar Velocidad L1 L2 L3 Por separado Unirse Bajo T1 T2 T3 ... (T4, T5 T6,) Alto T6 T4 T5 T1-T2-T3 ... Figura 2-63 Tres-velocidad del motor con tres arrollamientos Velocidad L1 L2 L3 Aislar por separado Unirse Bajo T1 T2 T3 T11-T12-T13-T17-T21-T22-T23 ... Segundo T11 T12 (T13, T17) T1-T2-T3-T21-T22-T23 ... Alto T21 T22 T23 T1-T2-T3-T11-T12-T13-T17 ...
  • 99.
    Sección I MG 1-1998 Marcado de los terminales Parte 2, Página 33 Figura 2-64 De cuatro velocidades del motor con dos bobinados Velocidad L1 L2 L3 Aislar por separado Unirse Bajo T1 T2 T3 T4-T5-T6-T11-T12-T13-T14-T15-T16 ... Segundo T11 T12 T13 T1-T2-T3-T4-T5-T6-T14-T15-T16 ... Tercera T6 T4 T5 T11-T12-T13-T14-T15-T16 (T1, T2, T3) Alto T16 T14 T15 T1-T2-T3-T4-T5-T6 (T11, T12, T13) 2.65 MARCAS de bornes para motores de inducción trifásicos con dos o más Velocidades sincrónicas procedentes de dos o más devanados INDEPENDIENTE 2.65.1 Cada bobinado independiente que da una velocidad El devanado de dar la velocidad más baja tendrá las marcas de un mismo terminal como se determina a partir de 2,61 para la liquidación particular utilizado. Las marcas de terminales de las bobinas de mayor velocidad se obtendrá la adición de 10, 20 o 30, etc, a la terminal de las inscripciones que se determina a partir de 2,61 para el especial de liquidación utilizados, las secuencias está determinado por progresando cada vez que a la siguiente velocidad más alta. La terminal marcas para un motor de tres velocidades con tres arrollamientos se dan en la figura 2 -63. 2.65.2 Cada Reconnectible independientes de bobinado para dar dos velocidades sincrónicas En primer lugar 2.65.2.1 Diagramas de fasores de las bobinas que se utilizarán serán elaborados y cada vuelta dada la terminal las marcas se muestran de acuerdo con las figuras 2-58 a 2-60. El terminal neutro, si la sacaban, se ser marcado para. En segundo lugar 2.65.2.2 Ningún cambio se efectuará en cualquiera de las marcas de terminales de la bobina da la velocidad más baja, independientemente de la velocidad de otros obtenidos a partir de esta disolución es un producto intermedio o la velocidad má s alta. En tercer lugar 2.65.2.3 Diez, se añade a todas las marcas de terminales de la bobina dando la siguiente velocidad más alta, y un otros 10 se añade a todas las marcas de terminales de cada bobina de velocidad más alta forma consecutiva. Un ejemplo de marcas de terminales para un motor de cuatro velocidades con dos vueltas se dan en la figura 2 -64.
  • 100.
    MG 1-1998 Sección I Parte 2, Página 34 Marcado de los terminales 2.65.3 Dos o más devanados independientes al menos uno de lo que da una velocidad de sincronismo y el otro bobinado da dos velocidades sincrónicas En primer lugar 2.65.3.1 Cada bobina se le dará las marcas determinado de acuerdo con 2.65.2.1. En segundo lugar 2.65.3.2 Ningún cambio se efectuará en cualquiera de las marcas de terminales de la bobina da la velocidad más baja. En tercer lugar 2.65.3.3 Diez, se añade a todas las marcas de terminales de la bobina dando la siguiente velocidad más alta, y un otros 10 se añade a todas las marcas de terminales de cada bobina de velocidad más alta forma consecutiva. A marca típica de un motor de tres velocidades con dos vueltas en uno de los bobinados se utiliza para la alta la velocidad sólo se da en la figura 2-65. NOTAS 1-Si, en cualquiera de las disposiciones de esta norma, la adición de 10, 20, 30, etc de las marcas de terminales básicos provoca una duplicación de las marcas, debido a más de nueve cables que se llevó a cabo en cualquiera de liquidación, de 20, 40, 60, etc se debe agregar en lugar de 10, 20, 30, etc, para obtener las marcas de las velocidades más altas. 2-Las cifras ilustrativas de esta norma se aplican cuando todos los conductores son llevados a cabo en el mismo extremo del motor. Cuando uno o más de las bobinas tienen algunas pistas sacó en un extremo del motor y algunos en el otro extremo, el rotación de las marcas de terminales para cables sacó en un extremo puede ser mostrado en el diagrama como se muestra en la figuras ilustrativas, y las marcas de terminales para los que sacó en el extremo opuesto se puede mostrar invertido en rotación. Cuando los diagramas de utilizar esta rotación invertida de las marcas, una nota explicativa se debe incluir para e l beneficio de los fabricantes de control y usuario para informarle de que, cuando L1, L2 y L3 están conectadas a ninguna bobin a con la misma secuencia de números (T1, T2, T3, o T4, T5, T6, o T11, T12, T13, etc), la rotación del eje será el mismo. Figura 2-65 Tres-velocidad del motor con dos bobinados Velocidad L1 L2 L3 Aislar por separado Unirse Bajo T1 T2 (T3, T7) T4-T5-T6-T11-T12-T13 ... Segundo T6 T4 T5 T11-T12-T13 (T1, T2, T3, T7) Alto T11 T12 T13 T1-T2-T3-T4-T5-T6-T7 ...
  • 101.
    Sección I MG 1-1998 Marcado de los terminales Parte 2, Página 35 MARCAS 2.66TERMINAL de los rotores de motores de inducción de rotor bobinado Vea las Figuras 2-66 y 2-67. Figura 2-66 Figura 2-67 TRIFÁSICO rotor bobinado DOS FASES rotor bobinado
  • 102.
    MG 1-1998 Sección I Parte 2, Página 36 Marcado de los terminales ESTA PÁGINA INTENCIONALMENTE Se deja en blanco
  • 103.
    Sección I MG 1-1998 ALT O POT ENCIAL DE LAS PRUEBAS Parte 3, página 1 Sección I NORMAS GENERALES APLICABLES A TODOS LOS EQUIPOS Parte 3 ALTO POTENCIAL DE LAS PRUEBAS 3.1 ALTO POTENCIAL DE LAS PRUEBAS 3.1.1 Seguridad ADVERT ENCIA: Debido a los altos voltajes utilizados, las pruebas de alto potencial debe ser realizado sólo por personal personal, y las precauciones de seguridad adecuadas se deben tomar para evitar daños al personal y daños a la la propiedad. Bobinados prueba debe ser dado de alta con cuidado para evitar lesiones al personal de contacto. Ver 2.10 en NEMA MG publicación N º 2. 3.1.2 Definición Alto potencial de las pruebas son las pruebas que consisten en la aplicación de un voltaje mayor que la tensión nominal durante un tiempo determinado con el fin de determinar la idoneidad contra la ruptura de los materiales aislantes y distancias en condiciones normales. 3.1.3 Procedimiento Alto potencial de las pruebas se hará de acuerdo con las siguientes publicaciones aplicables IEEE: a. Std 112 b. Std 113 c. Std 114 d. Std 115 3.1.4 Prueba de tensión La prueba de alto potencial se efectuará mediante la aplicación de un voltaje de prueba que tenga la magnitud especificada en el parte de esta publicación que se aplica al tipo específico de máquina y clasificación se está probando. La frecuencia del circuito de ensayo deberá ser de 50 a 60 hertzios, 1 y el valor efectivo de la tensión de ensayo el valor cresta de la tensión de prueba especificada dividida por la raíz cuadrada de dos. La forma de onda se tienen un factor de desviación no superior a 0,1. La prueba dieléctrica se debe hacer con un probador de dieléctrico que mantendrá la tensión especificada en los terminales durante la prueba. 3.1.5 Condición de la máquina para ser probada El bobinado está probando se completamente ensamblado (ver 3.1.10). La tensión de ensayo debe aplicarse cuando, y sólo cuando, la máquina está en buenas condiciones y la resistencia de aislamiento no se ve afectada debido a la la suciedad o la humedad. (Ver IEEE Std 43.) 3.1.6 Duración de la aplicación de la tensión de prueba La especificada de alto potencial de tensión de ensayo debe aplicarse de forma continua durante 1 minuto. Máquinas para las que la tensión de prueba especificada es de 2500 volt ios o menos estarán autorizados a hacerse la prueba de un segundo a un voltaje que es 1,2 veces la especificada de 1 minuto la tensión de prueba como una alternativa a la prueba de 1 minuto, si lo desea. Para evitar la excesiva hincapié en el aislamient o, la aplicación repetida de la tensión de prueba de alto potencial no se recomienda. A un directo en lugar de una tensión alterna se puede utilizar para la prueba de alto potencial. En tales casos, una prueba d e tensión de 1,7 veces la tensión especificada alterna (voltaje efectivo) según lo señalado en el 12,3 se requiere.
  • 104.
    MG 1-1998 Sección I Parte 3, Page 2 ALT O POT ENCIAL DE LAS PRUEBAS 3.1.7 Puntos de Aplicación de la Prueba de tensión La tensión de prueba de alto potencial se aplican sucesivamente entre cada circuito eléctrico y la marco o básico. T odos los otros devanados o circuitos eléctricos que no están bajo prueba y todas las partes metálicas extern as se conectado a la estructura o núcleo. T odos los cables de cada bobina, fase o circuito eléctrico debe estar conectado juntos, ya sea en investigación o conectado a la estructura o núcleo. Un circuito eléctrico se compone de todos los devanados y otras partes vivas que son por c onducción conectado a la misma fuente de alimentación o el bus de carga al iniciar o en ejecución. Un caracol que puede ser conectado a un fuente de alimentación, transformadores, o bus de carga en cualquier momento durante el funcionamiento normal se considera un circuito separado y debe ser de alto potencial de prueba por separado. Por ejemplo, los campos de corriente directa las máquinas se considera circuitos separados a menos que estén conectados permanentemente en el de la máquina. A menos que se indique lo contrario, interconectados bobinados polifásicos son considerados como uno de los circuitos y se permitirá que se lo probó. 3.1.8 Accesorios y Componentes T odos los accesorios, tales como condensadores de sobretensiones, pararrayos, transformadores de corriente, etc, que han cables conectados a los terminales de máquina rotativa deberá estar desconectada durante la prueba, con los cables conectados entre sí y con el marco o básico. Estos accesorios se han sometido a la alta evaluar el potencial de aplicación a la clase de aparato en el punto de fabricación. Condensadores del condensador - Los motores de tipo se debe dejar conectado a la liquidación de la m anera normal de funcionamiento de la máquina (en ejecución o de partida). Dispositivos de los componentes y sus circuitos, tales como calentadores de ambiente y dispositivos de detección de temperatura en contacto con el bobinado (termostatos, termopares, termistores, detectores de resistencia a la temperatura, etc), conexión que no sea en el circuito de la línea, estará conectado a la estructura o núcleo de la máquina durante bobinado de alto potencial pruebas. Cada uno de estos circuitos de componentes del dispositivo, con cables conectados entre sí, se entonces la prueba se aplica un voltaje entre el circuito y el marco o el núcleo, igual al doble del circuito de voltios de tensión nominal más el 1000, o igual a la tensión de prueba de alto potencial de la máquina, lo que sea más bajos. Durante los ensayos de circuito del dispositivo todas las bobinas de la máquina y otros componentes se pueden cone ctar juntos y en el marco o básico. A menos que se indique lo contrario, la tensión nominal del sensor de temperatura dispositivos se tomarán como sigue: a. T ermostatos - de 600 voltios b. T ermopares, termistores, RT D - 50 voltios Cuando se realiza una prueba de alto potencial en un excitador sin escobillas montado y la máquina sincrónica devanado de campo, los componentes del circuito sin escobillas (diodos, tiristores, etc) será un cortocircuito (no tierra) durante la prueba. 3.1.9 Evaluación de fallo del fluido dieléctrico Interrupción de aislamiento durante la aplicación de la tensión de prueba de alto potencial, se considerará como evidencia de falla dieléctrica, salvo que en las pruebas de producción de pequeña falla dieléctrica motores se indicado por la medición de resistencia de aislamiento por debajo de un valor especificado (ver 12.4). 01/03/10 Prueba Inicial en el destino Cuando el montaje de una bobina se completa en el destino, lo que impide la posibilidad de hacer final de alto potencial de las pruebas en la fábrica, se recomienda que las pruebas de alto potencial se realizó con el test tensiones especificadas en la sección correspondiente de esta publicación inmediatamente después del montaje final y antes de que la máquina se ponga en servicio. La tensión de ensayo debe aplicarse cuando, y sólo cuando, la máquina está en buenas condiciones y la resistencia de aislamiento no se ve afectada debido a la suciedad o la humedad. (Ver IEEE Std 43.) 3.1.11 Pruebas de un grupo reunido de máquinas y aparatos La aplicación repetida de la tensión de prueba de lo anterior, no se recomienda. Cuando un motor está instalado en otro equipo inmediatamente después de la fabricación y una prueba de alto potencial de todo el motor montado y el equipo se requiere, la tensión de prueba no podrá exceder del 85 por ciento de la tensión de prueba original o, cuando el motor y el equipo están instalados en un grupo reunido, la tensión de ensayo no debe exceder de 85 por ciento de la tensión de ensayo mínima especificada para ese grupo.
  • 105.
    Sección I MG 1-1998 ALT O POT ENCIAL DE LAS PRUEBAS Parte 3, página 3 3.1.12 Pruebas adicionales hechas después de la instalación Cuando una prueba de alto potencial se realiza después de la instalación de una nueva máquina que ya ha aprobado su alto potencial de prueba en la fábrica y cuya bobinados no han sido alterados, la tensión de prue ba se el 75 por ciento de la tensión de prueba especificada en la parte de esta publicación que se aplica al tipo de máquina y clasificación se está probando.
  • 106.
    MG 1-1998 Sección I Parte 3, página 4 ALT O POT ENCIAL DE LAS PRUEBAS ESTA PÁGINA INTENCIONALMENTE Se deja en blanco
  • 107.
    Sección I MG 1-1998, Revisión 1 Dimensiones, tolerancias, y el montaje Parte 4, página 1 Sección I NORMAS GENERALES APLICABLES A TODOS LOS EQUIPOS Parte 4 Dimensiones, tolerancias, y el montaje 4.1LETTER SÍMBOLOS DE HOJAS DE MEDIDA Las dimensiones serán las letras de acuerdo con la tabla 4 -1. Véanse también las figuras 4-1 a 4-5. Cualquier dimensión carta normalmente se aplican a la final de la unidad de la máquina, cuando va precedido de la letra F, se aplican en el extremo opuesto del lado del regulador. Dimensiones de letra diferente a los enumerados a continuación que utilizan los fabricantes individuales serán designados por la letra X prefijo seguido por A, B, C, D, E, etc Tabla 4-1 SÍMBOLOS DE LA CARTA DE HOJAS DE MEDIDA NEMA IEC Carta Carta Dimensión indicada A AB Dimensión global a través de los pies de la máquina horizontal (vista frontal) B BB Dimensión global a través de los pies de la máquina horizontal (vista lateral) C L Longitud total de la máquina de un solo extremo del eje (P or la longitud total de la extensión del eje doble máquina, consulte FC carta dimensión.) D H Línea central del eje de la planta del pie E ... Línea central del eje central de los agujeros de montaje en los pies (ver final) 2E A Distancia entre líneas centrales de los agujeros de montaje en los pies o la base de la máquina (ver final) 2F B Distancia entre líneas centrales de los agujeros de montaje en los pies o la base de la máquina (vista lateral) G HA Grosor del pie de montaje en el orificio o la ranura H H K Diámetro de los agujeros o el ancho de la ranura en los pies de la máquina J AA Ancho de pie de montaje en superficie de montaje K BA Longitud del pie de montaje en superficie de montaje N ... Longitud del eje de la final de la vivienda para el extremo del eje, lado N-W E Longitud de la extensión del eje del hombro al final de la unidad O HC Superior de la máquina horizontal de la planta del pie P Corriente Anchura máxima de la máquina (ver final), incluyendo las campanas polo, aletas, etc, pero excluyendo la terminal alterna vivienda, medios de elevación, los pies, y diámetro exterior de la cara o de la brida R G P arte inferior del cunero o apartamento al lado de abajo del eje o diámetro S F Ancho de cunero T HD-HC Altura de los ojos de elevación, la caja de terminales, o cualquier otra pieza destacada por encima de la superficie de la máquina. T+O HD Distancia desde la parte superior del ojo de elevación, la caja de bornes o en otra parte más saliente montado en el parte superior de la máquina a la planta de los pies U D Diámetro del eje. (P or eje cónico, se trata de diámetro a una distancia de la V rosca parte del eje.) U-R GE P rofundidad de la ranura en la corona de la extensión del eje en el extremo de unidad V ... Longitud del eje disponibles para el acoplamiento, el piñón, o cubo de la polea, lado. (En un eje recto de extensión, se trata de un valor mínimo.) W ... De eje recto y cónico, final de la vivienda hasta el hombro. (P ara las extensiones de eje sin los hombros, es un espacio libre para permitir que todas las variaciones de fabricación de piezas y montaje.) X .. Longitud de cubo del piñón cuando se utiliza la longitud completa de puesta a punto, lado Y ... Distancia desde el extremo del eje de extremo exterior del cono, lado
  • 108.
    MG 1-1998, Revisión1 Sección I Parte 4, Page 2 Dimensiones, tolerancias, y el montaje Tabla 4-1 (Continuación) SÍMBOLOS DE LA CARTA DE HOJAS DE MEDIDA NEMA IEC Carta Carta Dimensión indicada Z ... Ancho de las esquinas de la tuerca o el diámetro de la lavadora, o cónico del eje, lado AA ... Agujero roscado o autorización para la entrada del conducto externo (expresado en tamaño del conducto) a la terminal viviendas AB AD Línea central del eje de extremo exterior de la vivienda terminal (ver final) Corriente ... Línea central del eje central del agujero en la caja de bornes AA (vista frontal) alterna AD ... Central de la caja de bornes de montaje a la línea central del orificio de AA (vista lateral) AE ... Central de la caja de bornes de montaje de la planta del pie (vista frontal) AF ... Central de la caja de bornes de montaje agujero AA (vista frontal) AG LB Montaje en superficie de la cara, la brida, o la base de la máquina a otro extremo de la vivienda (vista lateral) AH E+I Superficie de montaje de la cara, la brida, o la base de la máquina para el extremo del eje AJ M Diámetro del círculo de pernos de montaje en la cara, la brida, o la base de la máquina AK N Diámetro de piloto de hombre o mujer en la cara, la brida, o la base de la máquina AL ... La longitud total del deslizamiento de la base o en tren AM ... Anchura total de la base deslizante o dimensiones fuera de los carriles UN ... Distancia desde la línea central de la máquina al fondo de la base deslizante o los carriles AO ... Central de deslizamiento de la base o en tren a la línea central de agujeros de los tornillos de montaje (ver final) AP ... Central de deslizamiento de la base o rieles a la línea central del interior de agujeros de los tornillos de montaje (ver final del motor) AR ... Distancia entre líneas centrales de los agujeros de montaje en el deslizamiento de la base o la distancia entre las líneas ce ntrales de montaje en carril agujeros de los tornillos (vista lateral) AT ... Espesor de deslizamiento de la base del pie o en tren AU ... Tamaño de los orificios de montaje en el deslizamiento de la base o en tren AV ... P arte inferior del deslizamiento de la base o en tren al inicio de la máquina en posición horizontal AW ... Línea central del ferrocarril o agujero base de montaje a la línea central del perno de montaje del motor al lado AX ... Altura de deslizamiento de la base o en tren AY ... Extensión máxima de deslizamiento de la base (o tren) el tornillo de ajuste Arizona ... Ancho de riel BA C Línea central del orificio de montaje en pie más cercano al hombro el eje de transmisión final (para las máquinas sin resalte del eje, es la línea central del orificio de montaje en pie más cercano al lado de la vivienda N-W dimensión.) BB T La profundidad del piloto masculino o femenino de la cara de montaje, brida, o la base de la máquina BC R Distancia entre la superficie de montaje de la cara, la brida, o la base de la máquina al hombro en el eje. (P or máquina sin resalte del eje, es la distancia entre la superficie de montaje de la cara, bridas, o la base de la máquina al lado de la vivienda de la dimensión NW) BD P Diámetro exterior de la cara de montaje, brida o la base de la máquina SER Los Ángeles Espesor de la brida de montaje o la base de la máquina BF S Agujero roscado o aprobación en la cara de montaje, brida, o la base de la máquina BH ... Diámetro exterior del núcleo o la carrocería (vista lateral) BJ ... La longitud total de bobinas (vista lateral). Las dimensiones reales se les permitirá ser menos dependiendo de la el número de polos y la construcción de liquidación BK ... Distancia de la línea central del estator para dirigir final de las bobinas BL · De diámetro en las bobinas, los dos extremos (BL = dos veces el radio máximo) BM ... Longitud total de la concha del estator BN ... Diámetro del orificio del estator BO ... Longitud de rotor en diámetro BP ... Longitud del rotor a los fans
  • 109.
    Sección I MG 1-1998, Revisión 1 Dimensiones, tolerancias, y el montaje Parte 4, Page 3 Tabla 4-1 (Continuación) SÍMBOLOS DE LA CARTA DE HOJAS DE MEDIDA NEMA IEC Carta Carta Dimensión indicada BR ... Diámetro de la superficie de acabado o de cuello en los extremos del rotor BS ... Línea central del orificio de fijación de pie, el extremo del eje, a la línea central de la terminal de la vivienda de montaj e (vista lateral) BT ... Movimiento de motor horizontal en la base o carril BU ... El ángulo entre la línea central de la caja de bornes de montaje y la referencia central del motor (extremo punto de vista) BV ... Central de la caja de bornes de montaje para montaje en superficie de la cara o de la brida (vista lateral) BW ... Diámetro interior del rotor del ventilador o el anillo de final de cáscara de tipo y motores herméticos BX ... Diámetro del agujero en la parte superior de la unidad de acoplamiento de eje hueco motor vertical P OR ... Diámetro de los orificios de montaje en la parte superior de la unidad de acoplamiento de eje hueco motor vertical BZ ... Diámetro del círculo de pernos de los agujeros de montaje en la unidad superior de aco plamiento para eje hueco motor vertical California ... Diámetro interior del rotor CB ... Diámetro del rotor avellanado CC ... P rofundidad de avellanado del rotor CD ... Distancia del acoplamiento de arriba a abajo de la base en el tipo P motores verticales. CE ... Diámetro total de los tornillos de montaje CF ... Distancia desde el extremo de la carcasa del estator hasta el final de la pluma del motor al final del compresor. Donde o bien la cáscara o la pluma se omite, la dimensión se refiere al extremo de carga impulsado por el núcleo. CG ... Distancia desde el extremo de la carcasa del estator hasta el final de la bobina del estator en el extremo del compresor. CH ... Distancia desde el extremo de la carcasa del estator hasta el final de la bobina del estator en el extremo opuesto a la compresor. CL ... Distancia entre los centros de perno de sujeción, por dos hoyos de sujeción universal núcleos del estator del motor. CO ... De las perforaciones para el tamaño máximo de los tornillos de las abrazaderas de sujeción universales de los núcleos del estator del motor. DB ... Diámetro exterior del núcleo del rotor. DC ... Distancia desde el extremo de la carcasa del estator (extremo de la carga d e tracción) hasta el final del anillo del rotor del ventilador o al final (impulsada carga final). Cuando la cáscara se omite, las dimensiones es el extremo de carga impulsado por el núcleo del estator. DD ... Distancia desde el extremo de la carcasa del estator (extremo de la carga de tracción) hasta el final del anillo del rotor de l ventilador o al final (impulsada carga final). Cuando la cáscara se omite, la dimensión es el extremo de carga impulsado por el n úcleo del estator. DE ... Diámetro interior de las bobinas, los dos extremos (DE = 2 veces el radio mínimo). DF ... Distancia desde el extremo de carga impulsado por el núcleo del estator o la cáscara a la línea central del orificio de monta je en el clip de plomo o fin de plomo si no hay ningún clip se utiliza. DG ... Distancia desde el extremo de carga impulsado por el núcleo del estator o concha al final de la bobina del estator (carga accionada contrario final). DH ... Línea central del orificio pie de montaje (el extremo del eje) a la línea central de la caja de bornes secundarios de montaje (Vista lateral). DJ ... Línea central de la entrada de la vivienda secundaria de plomo a la terminal de la planta del pie (horizontal). DK ... Central de la máquina a la línea central del orificio de "DM" de entrada secundaria del conducto principal (ver al final). DL ... Línea central de la entrada de la vivienda secundaria de plomo a la terminal de entrada de un conducto. DM ... Diámetro del conducto (diámetro de la tubería) de la vivienda secundaria terminal del cable. DN ... Distancia desde el extremo de la carcasa del estator de la parte inferior del rotor avellanado (extremo de la carga de tracci ón). Cuando la cáscara se omite, la dimensión es el extremo de carga impulsado por el núcleo del estator. DO ... Dimensión entre líneas centrales de ranuras base de montaje para anillo elástico montado motores o, dibujos de base, la dimensión de la base que encaja en la ranura. DP ... Distancia radial desde el centro de la cara de tipo C en el extremo opuesto a la unidad centro del círculo que define el área disponible para la apertura del disco de freno principal (s). DQ ... Línea central del eje de extremo exterior de la vivienda terminal de secundaria (ver al final). EL ... Diámetro del eje después de la emergencia de la superficie de montaje de la cara o la brida. EM ... Diámetro de paso del eje por primera vez después de EL.
  • 110.
    MG 1-1998, Revisión1 Sección I Parte 4, página 4 Dimensiones, tolerancias, y el montaje Tabla 4-1 (Continuación) SÍMBOLOS DE LA CARTA DE LAS DIMENSIONES NEMA IEC Carta Carta Dimensión indicada ES ... P arte interna de la rosca del eje. EO ... P arte superior de acoplamiento a la parte inferior de la campana de la vertical de eje hueco del motor. EP ... Diámetro del eje en la emergencia de rodamiento (la cara o al final brida). EQ ... Longitud del eje de la superficie de montaje de la cara o de la brida a EL-EM interfaz. ER ... Longitud del eje de la EP -El interfaz para el extremo del eje. ES ... Longitud útil del cunero. ET ... Longitud del eje de la superficie de montaje de la cara o de la brida de EM-U de la interfaz. UE .. Diámetro del eje en la parte inferior de la ranura del anillo. EV ... Distancia entre el eje del agujero H y al final de pie en el extremo del eje motor (vista lateral). EW ... Ancho de la ranura del anillo o cunero de gib cabeza. EX ... Distancia desde el extremo del eje hacia el lado opuesto de la ranura del anillo cunero. FBA California Distancia desde el hombro del eje de accionamiento en el extremo opuesto a la línea central del montaje agujeros en el más cercano pies. FC LC Longitud total de la máquina de doble extensión del eje (para una longitud total de la extensión de un solo eje, consulte carta dimensión C) FN-FW EA Longitud de la extensión del eje del hombro al final de la unidad contraria. FR GB Distancia desde la parte inferior de la ranura de la superficie opuesta de la extensión del eje de lo contrario la unidad final. FS FA Ancho de la ranura de la extensión del eje en el extremo opuesto disco. FU DA Diámetro de la extensión del eje de accionamiento en el extremo opuesto. FU-FR GH P rofundidad de la ranura en la corona de la extensión del eje en el extremo opuesto disco.
  • 111.
    Sección I MG 1-1998, Revisión 1 Dimensiones, tolerancias, y el montaje Parte 4, página 5 Figura 4-1 SÍMBOLOS DE CARTA PARA MÁQUINAS- SIDE con patas VISTA
  • 112.
    MG 1-1998, Revisión1 Sección I Parte 4, página 6 Dimensiones, tolerancias, y el montaje Figura 4-2 SÍMBOLOS DE CARTA PARA VER LOS PIES DE MONTAJE FINAL MÁQUINAS- DRIV E
  • 113.
    Sección I MG 1-1998, Revisión 1 Dimensiones, tolerancias, y el montaje P arte 4, página 7 Figura 4-3 SÍMBOLOS DE LA CARTA DE TIPO C CARA DE MONTAJE DE PIE O MAQUINAS sin pies
  • 114.
    MG 1-1998, Revisión2 Sección I P arte 4, página 8 Dimensiones, tolerancias, y el montaje Figura 4-4 SÍMBOLOS DE LA CARTA DE TIPO D montaje de la brida PIE O MAQUINAS sin pies
  • 115.
    Sección I MG 1-1998, Revisión 1 Dimensiones, tolerancias, y el montaje Parte 4, página 9 Figura 4-5 SÍMBOLOS DE CARTA PARA MÁQUINAS VERTICALES
  • 116.
    MG 1-1998, Revisión1 Sección I Parte 4, página 10 Dimensiones, tolerancias, y el montaje 4.2SYSTEM PARA DESIGNA R LOS MARCOS El sistema de designación de los marcos de motores y generadores consistirá en una serie de números en combinación con las cartas, que se define de la siguiente manera: 4.2.1 Números de bastidor El número de bastidor para pequeñas máquinas será la dimensió n D en pulgadas multiplicado por 16. El sistema de numeración de los marcos de otras máquinas se efectuará de acuerdo a la T abla 4.2, de la siguiente manera: a. Los dos primeros dígitos del número de bastidor es igual a cuatro veces la dimensión D en pulgadas. Cuando esta producto no es un número entero, los dos primeros dígitos del número de bastidor será el inmediatamente superior número entero. b. La tercera y, cuando sea necesario, el cuarto dígito del número del cuadro se obtiene del valor del 2F pulgadas al referirse a las columnas 1 a 15, inclusive. A modo de ejemplo, un motor con una dimensión D de 6,25 pulgadas y 2F de 10 pulgadas deben ser considerados como marco 256. Tabla 4-2 MÁQUINA la numeración Marco Número Tercer / cuarto dígito en el número de marco Serie 345 D 1 2 6 7 2 F Dimensiones 140 3.50 3.00 3.50 4.00 4.50 5.00 5.50 6.25 160 4.00 3.50 4.00 4.50 5.00 5.50 6.25 7.00 180 4.50 4.00 4.50 5.00 5.50 6.25 7.00 8.00 200 5.00 4.50 5.00 5.50 6.50 7.00 8.00 9.00 210 5.25 4.50 5.00 5.50 6.25 7.00 8.00 9.00 220 5.50 5.00 5.50 6.25 6.75 7.50 9.00 10.00 250 6.25 5.50 6.25 7.00 8.25 9.00 10.00 11.00 280 7.00 6.25 7.00 8.00 9.50 10.00 11.00 12.50 320 8.00 7.00 8.00 9.00 10.50 11.00 12.00 14.00 360 9.00 8.00 9.00 10.00 11.25 12.25 14.00 16.00 400 10.00 9.00 10.00 11.00 12.25 13.75 16.00 18.00 440 11.00 10.00 11.00 12.50 14.50 16.50 18.00 20.00 500 12.50 11.00 12.50 14.00 16.00 18.00 10.00 22.00 580 14.50 12.50 14.00 16.00 18.00 20.00 22.00 25.00 680 17.00 16.00 18.00 20.00 22.00 25.00 28.00 32.00 Marco Número Tercer / cuarto dígito en el número de marco Serie D 8 9 10111213 14 15 2F Dimensiones 1403.50 7.00 8.00 9.00 10.0011.00 12.50 14.00 16.00 1604.00 8.00 9.00 10.00 11.0012.50 14.00 16.00 18.00 12.5014.00 1804.50 9.00 10.00 11.00 16.00 18.00 20.00 ...... 2005.00 10.00 11.00 ... ... ... ... 14.0016.00 2105.25 10.00 11.00 12.50 18.00 20.00 22.00 2205.50 11.00 12.50 ... ...... ... ... ... 2506.25 12.50 14.00 16.00 18.0020.00 22.00 25.00 28.00 20.0022.00 2807.00 14.00 16.00 18.00 25.00 28.00 32.00 22.0025.00 3208.00 16.00 18.00 20.00 28.00 32.00 36.00 25.0028.00 3609.00 18.00 20.00 22.00 32.00 36.00 40.00 40.010,00 20.00 22.00 25.00 28.0032.00 36.00 40.00 45.00 44.011,00 22.00 25.00 28.00 32.0036.00 40.00 45.00 50.00 36.0040.00 50.012,50 25.00 28.00 32.00 45.00 50.00 56.00 40.0045.00 58.014,50 28.00 32.00 36.00 50.00 56.00 63.00 50.0056.00 68.017,00 36.00 40.00 45.00 63.00 71.00 80.00 Todas las dimensiones en pulgadas.
  • 117.
    Sección I MG 1-1998, Revisión 1 Dimensiones, tolerancias, y el montaje Parte 4, página 11 4.2.2 Cartas marco Cartas inmediatamente a continuación del número de fotograma para indicar las variaciones de la siguiente manera: A-industriales de corriente directa de la máquina B-Carbonatador bomba de los motores (ver 18.270 por 18.281) C-T ype C cara de montaje en el lado de accionamiento Cuando la cara de montaje está en el extremo opuesto al extremo de la unidad, la F prefijo se utiliza, por lo que la letras finales FC. CH-T ype C cara de montaje de las dimensiones son diferentes a las de la designación que el marco sufijo la letra C (las letras CH deben ser considerados como un sufijo y no ser separados) D-T ype D montaje de la brida en el extremo de transmisión Cuando la brida de montaje está en el extremo opuesto al extremo de la unidad, la F prefijo se utiliza, por lo que la letras finales FD E-eje de extensión dimensiones para motores de ascensor en los marcos más grande que el marco 326T G-bomba de gasolina los motores (ver 18.91) H: indica una pequeña máquina que tiene una dimensión de F mayor que la de la mism a trama, sin la sufijo letra H (see.4.4.1 y 4.5.1) HP y HPH tipo brida de montaje vertical P motores de eje sólido con unas dimensiones de acuerdo con 18.252 (con las letras HP y HPH han de ser consideradas como un sufijo y no ser separados) J-Jet motores de la bomba (véase 18.132) JM-T ype C cara de montaje de acoplamiento motor de la bomba con los cojinetes antifricción y dimensiones en acuerdo con la T abla 1 de 18.250 (las letras JM deben ser considerados como un sufijo, y no se ) separados JP-T ype C cara de montaje de acople de la bomba del motor con cojinetes antifricción y dimensiones en acuerdo con la T abla 2 de 18.250 (el JP cartas deben ser considerados como un sufijo, y no se ) separados Sumidero K-motores de las bombas (ver 18.78) LP y P LPH-brida de montaje vertical de motores de eje sólido con unas dimensiones de acuerdo con 18.251 (las letras LP y LPH deben ser considerados como un sufijo y no ser separados) M-Oil quemador de motores (véase 18.106) N-quemador de aceite motor (véase 18.106) P y PH-T ype P-brida de montaje vertical motores de eje hueco con dimensiones de acuerdo con 18.238 R-Drive extensión extremo del eje cónico que tiene dimensiones de acuerdo con esta parte (ver 4.4.2) S-Standard eje corto para la conexión directa (ver tablas de medidas) T -incluye como parte de una designación de marco para que las dimensiones estándar se han establecido (ver tablas de dimensiones) U-utilizado anteriormente como parte de una designación de marco para que las dimensiones estándar se ha establecido (No se incluye en esta publicación) V-Montaje vertical sólo VP-P T ipo de montaje de la brida vertical de eje sólido motores con dimensiones de acuerdo con 18,237 (El vicepresidente cartas deben ser considerados como un sufijo y no ser separados.) X-rotor bobinado motores de la grúa con la extensión de doble eje (véase 18.229 y 18.230) Y las dimensiones de montaje especial (diagrama de dimensiones debe ser obtenido por el fabricante) Z-T odas las dimensiones de montaje estándar, excepto el extremo del eje (s) (también se utiliza para designar a la máquina con la extensión del eje doble) Nota: para su propia conveniencia fabricantes pueden utilizar cualquier letra en el alfabeto anterior el número de cuadro, pero dicha carta no tendrá ninguna referencia a la norma las dimensiones de montaje.
  • 118.
    MG 1-1998, Revisión1 Sección I Parte 4, página 12 Dimensiones, tolerancias, y el montaje Letras finales, se añade el número del fotograma en el siguiente orden: Cartas suf ijo Secuencia Un H, 1 G, J, M, N, T , U, HP, HPH, JM, JP, LP, LPH y VP 2 Ry S 3 C, D, P y PH 4 FC, FD 5 V 6 E, X, Y, Z 7 4.3MOTOR MONTAJE Y LOCALIZACIÓN DE TERMINALES DE VIVIENDA El montaje del motor y la ubicación de la vivienda de la terminal será como se muestra en el montaje símbolo de la F -1 Figura 4-6. En caso de soportes de motor y otras ubicaciones de los terminales de vivienda son necesarias, deberán ser designados de conformidad con los símbolos mostrados en la Figura 4.6. Asamblea símbolos F-1, W-2, W-3, W-6, W-8, y C-2 muestra la caja de bornes en la misma relación ubicación con respecto a las patas de montaje y la extensión del eje. T odos los montajes mostrados pueden no estar disponibles para todos los métodos de construcción del motor.
  • 119.
    Sección I MG 1-1998, Revisión 1 Dimensiones, tolerancias, y el montaje Parte 4, página 13 Figura 4-6 SÍMBOLOS DE LA MÁQUINA DE LA ASAMBLEA
  • 120.
    MG 1-1998, Revisión1 Sección I P arte 4, página 14 Dimensiones, tolerancias, y el montaje 4.4 DIMENSIONES-Máquinas de corriente alterna 4.4.1 Dimensiones para el montaje de corriente alterna pies máquinas con solo mango recto de Extensión FrameKeyseat DesignationA MaxD * E † † 2F BA *** H † ONU-WV MinRES MinSAA Min † † 42 --- 2.621.751.692.060.28 slot0.37501.12 ... 0.328 ... ... plana 48 --- 3.002.122.752.500.34 slot0.50001.50 ... 0.453 ... ... plana 48H --- 3.002.124.752.500.34 slot0.50001.50 ... 0.453 ... ... plana 56 --- 3.502.443.002.750.34 slot0.62501.88 ... 0.5171.410.188 ... 56H --- 3.502.445.002.750.34 slot0.62501.88 ... 0.5171.410.188 ... 143T7.03.502.754.002.250.34 hole0.87502.252.000.7711.410.1883 / 4 145T7.03.502.755.002.250.34 hole0.87502.252.000.7711.410.1883 / 4 182T9.04.503.754.502.750.41 hole1.12502.752.500.9861.780.2503 / 4 184T9.04.503.755.502.750.41 hole1.12502.752.500.9861.780.2503 / 4 213T10.55.254.255.503.500.41 hole1.37503.383.121.2012.410.3121 215T10.55.254.257.003.500.41 hole1.37503.383.121.2012.410.3121 254T12.56.255.008.254.250.53 hole1.6254.003.751.4162.910.3751-1 / 4 256T12.56.255.0010.004.250.53 hole1.6254.003.751.4162.910.3751-1 / 4 284T14.07.005.509.504.750.53 hole1.8754.624.381.5913.280.5001-1 / 2 284TS14.07.005.509.504.750.53 hole1.6253.253.001.4161.910.3751-1 / 2 286T14.07.005.5011.004.750.53 hole1.8754.624.381.5913.280.5001-1 / 2 286TS14.07.005.5011.004.750.53 hole1.6253.253.001.4161.910.3751-1 / 2 324T16.08.006.2510.505.250.66 hole2.1255.255.001.8453.910.5002 324TS16.08.006.2510, 505.250.66 hole1.8753.753.501.5912.030.5002 326T16.08.006.2512.005.250.66 hole2.1255.255.001.8453.910.5002 326TS16.08.006.2512.005.250.66 hole1.8753.753.501.5912.030.5002 364T18.09.007.0011.255.880.66 hole2.3755.885.622.0214.280.6253 364TS18.09.007.0011.255.880.66 hole1.8753.753.501.5912.030.5003 365T18.09.007.0012.255.880.66 hole2.3755.885.622.0214.280.6253 365TS18.09.007.0012.255.880.66 hole1.8753.753.501.5912.030.5003 404T20.010.008.0012.256.620.81 hole2.8757.257.002.4505.650.7503 404TS20.010.008.0012.256.620.81 hole2.1254.254.001.8452.780.5003 405T20.010.008.0013.756.620.81 hole2.8757.257.002.4505.650.7503 405TS20.010.008.0013.756.620.81 hole2.1254.254.001.8452.780.5003 444T22.011.009.0014.507.500.81 hole3.3758.508.252.8806.910.8753 444TS22.011.009.0014.507.500.81 hole2.3754.754.502.0213.030.6253 445T22.011.009.0016.507.500.81 hole3.3758.508.252.8806.910.8753 445TS22.011.009.0016.507.500.81 hole2.3754.754.502.0213.030.6253 447T22.011.009.0020.007.500.81 hole3.3758.508.252.8806.910.8753 447TS22.011.009.0020.007.500.81 hole2.3754.754.502.0213.030.6253 449T22.011.009.0025.007.500.81 hole3.3758.508.252.8806.910.8753 449TS22.011.009.0025.007.500.81 hole2.3754.754.502.0213.030.6253 440 ... 11.009.00 ** 7,50 ..................... 500...12.5010 0,00 ** 8,50 ..................... Todas las dimensiones en pulgadas. * Las tolerancias en la dimensión D para motores de base rígida se .00 pulgadas -0,06 cm. No se ha establecido la tolerancia de la dimensión D de resistentes motores montados. Marcos † 42 a 56H, inclusive-La tolerancia de la dimensión 2F será de ± 0,03 pulgadas y de la dimensión H (ancho de la ranura) será 0.02 pulgadas, -0,00 pulgadas. Marcos 143T a 500, ambos inclusive-La tolerancia para las dimensiones 2E y 2F será de ± 0,03 pulgadas y de la dimensión H será 0.05 pulga das, -0,00 pulgadas. Los valores de la dimensión H representan los tamaños estándar de la saeta más autorizaciones dimensiones. Dimensión H:, Marcos 143T a 365T incluido el espacio libre de las enfermedades de transmisión sexual. perno para el tamaño del agujero es de 0,03. La tolerancia es 0,05, -0,00 pulgadas. Marcos 404T a 449T incluido el espacio libre de enfermedades de transmisión sexual. perno para el tamaño del agujero es de 0,06 pulgadas. La la tolerancia es 0.020 pulgadas, -0,00 pulgadas.
  • 121.
    Sección I MG 1-1998, Revisión 1 Dimensiones, tolerancias, y el montaje P arte 4, página 15 † † Para las dimensiones de los agujeros de paso 4.8. ** Para la dimensión y la tercera 2F correspondiente (cuando sea necesario el cuarto) de dos dígitos en la serie de fotograma s, consulte 4.2.1 y la Tabla 4-2. *** BA tolerancia: pulgadas. _________ NOTAS: 1 Para el significado de las dimensiones de la carta, véase el punto 4.1 y las Figuras 4-1 y 4-2. 2 Para las tolerancias de los diámetros de eje y cuneros, véase 4.9. 3 Se recomienda que todas las máquinas de corte con cuneros en la polea de eje, el acoplamiento, piñones, etc, vayan provistos de una clave de Jules se especifique lo contrario por parte del comprador. 4 marcos de 42 a 56H, inclusive, si la longitud de la extensión del eje del motor no es adecuado para la aplicación, se recom ienda que las desviaciones de esta longitud de estar en incrementos de 0,25 pulgadas. 5 Para los productos de fundición, planta de los pies coplanares: 0.015 pulgadas. 6 Para los productos de hierro fundido, en paralelo a la parte superior del pie inferior del pie: 1,5 grados. 7 Para los productos de hierro fundido, eje paralelo al plan de pie: 0.015 pulgadas.
  • 122.
    MG 1-1998, Revisión1 Sección I P arte 4, página 16 Dimensiones, tolerancias, y el montaje 4.4.2 Extensiones del eje y dimensiones clave para la de corriente alterna, con patas cónicas Máquinas con simple o doble Recto / cónicos del eje de extensión Unidad de final cónico del eje de extensión * Cunero Marco ShaftKey Designación BA ONU-WVX Y Z Max ** T hreadsWidthDepthLength 143TR y 145TR 2.25 0.87502.621.751.88 0.75 1.38 5/8-180.1880.0941.50 182TR y 184TR 2.75 1.12503.382.252.38 1.88 1.50 3/4-160.2500.1252.00 213TR y 215TR 3.50 1.37504.122.622.75 1.25 2.00 1-140.3120.1562.38 254TR y 256TR 4.25 1.6254.502.883.00 1.25 2.00 1-140.3750.1882.62 284TR y 286TR 4.75 1.8754.753.123.25 1.25 2.38 1-1/4-120.5000.2502.88 324TR y 326TR 5.25 2.1255.253.503.62 1.38 2.75 1-1/2-80.5000.2503.25 364TR y 365TR 5.88 2.3755.753.753.88 1.50 3.25 1-3/4-80.6250.3123.50 404TR y 405TR 6.62 2.8756.624.384.50 1.75 3.62 2-80.7500.3754.12 444TR y 445TR 7.50 3.3757.505.005.12 2.00 4.12 2-1/4-80.8750.4384.75 Unidad extremo opuesto-cónicos de extensión del eje * † Unidad extremo opuesto-eje recto de Extensión † Cunero Cunero Número de cuadro FZ Eje Clave Serie FU FN-FW FV FX Max El año fiscal T emas Ancho ProfundidadLongitud FU FN-FW FV Min R ES Min S 1400.62502.001.381.500.501.123/8 -240.1880.0941.120.62501.621.380.5170.910.188 1800.87502.621.751.880.751.385/8 -180.1880.0941.500.87502.252.000.7711.410.188 2101.12503.382.252.380.881.503/4 -160.2500.1252.001.12502.752.500.9861.780.250 2501.37504.122.622.751.252.001 -140.3120.1562.381.37503.383.121.2012.410.312 2801.62504.502.883.001.252.001 -140.3750.1882.621.6254.003.751.4162.910.375 280 cortos Shaft1.6253.253.001.4161.910.375 3201.87504.753.123.251.252.381 -1/4-120.5000.2502.881.8754.624.381.5913.280.500 320 Shaft1.8753.753.501.5912.030.500 corto 3601.87504.753.123.251.252.381 -1/4-120.5000.2502.881.8753.753.501.5912.030.500 360 cortos Shaft1.8753.753.501.5912.030.500 4002.12505.253.503.621.382.751 -1/2-80.5000.2503.252.1255.255.001.8453.910.500 400 Shaft2.1254.254.001.8452.780.500 corto 4402.37505.753.753.881.503.251 -3/4-80.6250.3123.502.3755.885.622.0214.280.625 440 cortos Shaft2.3754.754.502.0213.030.625 Todas las dimensiones en pulgadas. * El cono estándar de los ejes será a razón de 1,25 pulgadas de diámetro por cada pie de longitud. El hilo en el extremo del eje del cono deberán estar provistos de una tuerca y un dispositivo de cierre adecuado. ** La tolerancia en la longitud de la clave es 0,03 pulgadas. † Para aplicaciones de unidad que no sea de conexión directa, el fabricante del motor debe ser consultado. NOTAS: 1. Para el significado de la letra las dimensiones véase el punto 4.1 y las Figuras 4 -1 y 4-2 2. Para las tolerancias de los diámetros de eje y cuneros, véase 4.9. 3. Se recomienda que todas las máquinas con cuneros corte en la extensión del eje de la polea, acoplamiento, piñones, etc, va yan provistos de una llave a menos que se especifique lo contrario por parte del comprador.
  • 123.
    Sección I MG 1-1998, Revisión 1 Dimensiones, tolerancias, y el montaje P arte 4, página 17 4.4.3 Diámetros del eje de extensión y dimensiones clave para la alterna Motores de corriente continua construido en marcos m ás grandes que los marcos 449T Los diámetros de eje y las dimensiones clave para motores de corriente alterna con calificaciones construida en marcos más grande que el marco 449T hasta incluyendo las calificaciones construida en los marcos correspondientes a la mejora continua de tipo abierto calificación otorgada en el 12.0 se muestra en la Tabla 4.3. 4.4.4 Dimensiones para el Tipo C cara de montaje de pie o Leggings Los motores de corriente alterna BF Hoyo Marco Tornillo Penetración Cunero Designación * AJ ** AK BA BB Min BC BD Max Número En Tamaño Subsidio U AH R ES Min S 42C 3.750 3.000 2.062 0,16 † -0,19 5,00 † † 4 1/4-20 ... 0,3750 1.312 0.328 ... plano 48C 3.750 3.000 2.50 0,16 † -0,19 5.625 4 1/4-20 ... 0.500 1.69 0.453 ... plano 56C 5.875 4.500 2.75 0,16 † -0,19 6,50 † † 4 3/8-16 ... 0,6250 2.06 0.517 1.41 0.188 143TC y 145TC 5.875 4.500 2.75 0,16 † 0.12 6,50 † † 4 3/8-16 0.56 0,8750 2.12 0.771 1.41 0.188 182TC y 184TC 7.250 8.500 3.50 0.25 0.12 9.00 4 1/2-13 0.75 1,1250 2.62 0.986 1.78 0.250 182TCH y 184TCH 5.875 4.500 3.50 0,16 † 0.12 6,50 † † 4 3/8-16 0.56 1,1250 2.62 0.986 1.78 0.250 213TC y 215TC 7.250 8.500 4.25 0.25 0.25 9.00 4 1/2-13 0.75 1,3750 3.12 1.201 2.41 0.312 254TC y 256TC 7.250 8.500 4.75 0.25 0.25 10.00 4 1/2-13 0.75 1.625 3.75 1.416 2.91 0.375 284TC y 286TC 9.000 10.500 4.75 0.25 0.25 11.25 4 1/2-13 0.75 1.875 4.38 1.591 3.28 0.500 284TSC y 286TSC 9.000 10.500 4.75 0.25 0.25 11.25 4 1/2-13 0.75 1.625 3.00 1.416 1.91 0.375 324TC y 326TC 11.000 12.500 5.25 0.25 0.25 14.00 4 5/8-11 0.94 2.125 5.00 1.845 3.91 0.500 324TSC y 326TSC 11.000 12.500 5.25 0.25 0.25 14.00 4 5/8-11 0.94 1.875 3.50 1.591 2.03 0.500 364TC y 365TC 11.000 12.500 5.88 0.25 0.25 14.00 8 5/8-11 0.94 2.375 5.62 2.021 4.28 0.625 364TSC y 365TSC 11.000 12.500 5.88 0.25 0.25 14.00 8 5/8-11 0.94 1.875 3.50 1.591 2.03 0.500 404TC y 405TC 11.000 12.500 6.62 0.25 0.25 15.50 5/8-11 0.94 2.875 7.00 2.450 5.65 0.750 8 404TSC y 405TSC11.00012.5006.620.25 +0.2515.5085 / 8 -110.942.1254.001.8452.780.500 444TC y 445TC14.00016.0007.500.25 +0.2518.0085 / 8-110.943.3758.252.8806.910.875 444TSC y 445TSC14.00016.0007.500.25 +0.2518.0085 / 8 -110.942.3754.502.0213.030.625 447TC y 449TC14.00016.0007.500.25 +0.2518.0085 / 8-110.943.3758.252.8806.910.875 447TSC y 449TSC14.00016.0007.500.25 +0.2518.0085 / 8 -110.942.3754.502.0213.030.625 500 marco series14.50016.500 ... .25 +0.2518.0045 / 8 -110.94 ............... Todas las dimensiones en pulgadas. * Para los cuadros 42C a 445TSC, ver 4.4.1, para las dimensiones de A, D, E, 2F, y H. ** Para los marcos 182TC, 184TC y 213TC a través 500TC, la línea central de los agujeros debe estar dentro de 0.025 pulgadas de colocación. Verdadera ubicación se define como la ubicación angular y diametral con referencia a la línea central de la dimensión de AK. † La tolerancia en esta dimensión BB será 0.00 pulgadas, -0,06 pulgadas. † † Estas dimensiones BD son dimensiones nominales. NOTAS: 1. Para el significado de la letra las dimensiones véase el punto 4.1 y la Figura 9.4. 2. Para las tolerancias de los diámetros de eje y cuneros véase 4.9. 3. Para las tolerancias en las dimensiones de AK, descentramiento de la cara, y la excentricidad permitida de ranura de montaje, véase 4.12. 4. Se recomienda que todas las máquinas con cuneros corte en la extensión del eje de la polea, piñón, etc, vayan provistos de una llave a menos que se especifique lo contrario por parte del comprador. 5. Si la longitud de la extensión del eje del motor no es adecuado para la aplicación, se recomienda que las desviaciones de esta longitud de estar en 0.25 pulgadas incrementos.
  • 124.
    MG 1-1998, Revisión1 Sección I Parte 4, página 18 Dimensiones, tolerancias, y el montaje 4.4.5 Dimensiones para el tipo de rostro FC de montaje para accesorios en la final de unidad extremo opuesto de alterna Motores de corriente continua FBF Hoy o Tornillo Orificio para accesorios Penetración Lleva † † Designaciones marco FAJ FAK FBB Min ETA Min Número En Tamaño Subsidio DP Diámetro 143TFC y 145TFC5.8754.5000.16 * 6,50 † 43/8-160.562.810.41 182TFC y 184TFC5.8754.5000.16 * 6,50 † 43/8-160.562.810.41 213TFC y 215TFC7.2508.5000.259.0041/2-130.753.810.62 254TFC y 256TFC7.2508.5000.2510.0041/2-130.753.810.62 284TFC y 286TFC9.00010.5000.2511.2541/2-130.754.500.62 324TFC y 326TFC11.00012.5000.2514.0045/8-110.945.250.62 * La tolerancia en esta dimensión se FBB 0.00, -0.06 pulgadas. † Esta dimensión BD es una dimensión nominal. † † Cuando un agujero se requiere en la cara de tipo C para los cables de accesorios, el agujero se encuentra dentro del área de disposición definida por un círculo ubicados de acuerdo con la figura y la tabla. NOTA: 1. P ara conocer el significado de las dimensiones de la carta, ver 4.1. 2. P ara las tolerancias en las dimensiones de FAK, descentramiento de la cara, y la excentricidad permitida de los conejos de montaje, véase 4.12. P ara el eje permisible descentramiento véase 4.9. 3. Las normas no se han desarrollado para el FU, FAH, hemograma completo, pruebas y claves en las dimensiones.
  • 125.
    Sección 1 MG 1-1998, Revisión 1 Dimensiones, tolerancias, y el montaje P arte 4, página 19 4.4.6 Dimensiones para el Tipo D brida de montaje de pie o Leggings Los motores de corriente alterna BF Hoyo Reco- recomendados Tornillo Cunero Longitud Marco de Designación AJ AK BA BB * BC BD Max No SER Número Tamaño U AH R ES Min S 1.25 143TD y 145TD 10.00 9.000 2.75 0.25 0.00 11.00 0.50 4 0.53 0,8750 2.25 0.771 1.41 0.188 1.25 182TD y 184TD 10.00 9.000 3.50 0.25 0.00 11.00 0.50 4 0.53 1,1250 2.75 0.986 1.78 0.250 1.25 213TD y 215TD 10.00 9.000 4.25 0.25 0.00 11.00 0.50 4 0.53 1,3750 3.38 1.201 2.41 0.312 2.00 2.91 254TD y 256TD 12.50 11.000 4.75 0.25 0.00 14.00 0.75 4 0.81 2.00 1.625 4.00 1.416 0.375 284TD y 286TD 12.50 11.000 4.75 0.25 0.00 14.00 0.75 4 0.81 1.875 4.62 1.591 3.28 0.500 284TSD y 286TSD 12.50 11.000 4.75 0.25 0.00 14.00 0.75 4 0.81 2.00 1.625 3.25 1.416 1.91 0.375 324TD y 326TD 16.00 14.000 5.25 0.25 0.00 18.00 0.75 4 0.81 2.00 2.125 5.25 1.845 3.91 0.500 324TSD y 326TSD 16.00 14.000 5.25 0.25 0.00 18.00 0.75 4 0.81 2.00 1.875 3.75 1.591 2.03 0.500 364TD y 365TD 16.00 14.000 5.88 0.25 0.00 18.00 0.75 4 0.81 2.00 2.375 5.88 2.021 4.28 0.625 364TSD y 365TSD 16.00 14.000 5.88 0.25 0.00 18.00 0.75 4 0.81 2.00 1.875 3.75 1.591 2.03 0.500 404TD y 405TD 20.00 18.000 6.62 0.25 0.00 22.00 1.00 8 0.81 2.25 2.875 7.25 2.450 5.65 0.750 404TSD y 405TSD 20.00 18.000 6.62 0.25 0.00 22.00 1.00 8 0.81 2.25 2.125 4.25 1.845 2.78 0.500 444TD y 445TD 20.00 18.000 7.50 0.25 0.00 22.00 1.00 8 0.81 2.25 3.375 8.50 2.880 6.91 0.875 444TSD y 445TSD 20.00 18.000 7.50 0.25 0.00 22.00 1.00 8 0.81 2.25 2.375 4.75 2.021 3.03 0.625 447TD y 449TD 20.00 18.000 7.50 0.25 0.00 22.00 1.00 8 0.81 2.25 3.375 8.50 2.880 6.91 0.875 447TSD y 449TSD20.00018.0007.500.250.0022.001.0080.81 2.25 2.375 4.75 2.021 3.03 0.625 500 marco series22.00018.000 ... 0.250.0025.001.0080.81 ... ... ... ... ... ... Todas las dimensiones en pulgadas. * La tolerancia es 0,00 pulgadas, -0,06 pulgadas. NOTAS: 1. Para el significado de la letra las dimensiones véase el punto 4.1 y la Figura 4.4. 2. Ver 4.4.1 para las dimensiones de A, B, D, E, 2F, y H para los marcos de 143TD-445TSD, y para las dimensiones D, E, 2F, y BA para la serie de marco de 500. 3. Para las tolerancias de los diámetros de eje y cuneros, véase 4.9. 4. Para las tolerancias en las dimensiones de AK, descentramiento de la cara, y la excentricidad permitida de conejo de monta je, véase 4.12.
  • 126.
    MG 1-1998, Revisión1 Sección I P arte 4, página 20 Dimensiones, tolerancias, y el montaje 4.5 DIMENSIONES-DC MÁQUINAS 4.5.1 Dimensiones para Motores de corriente continua con pequeñas sola extensión de eje recto Cunero Marco Designaciones A Max B Max D* E 2F † BA H Ranura † U N-W R ES Min S 42 --- --- 2.62 1.75 1.69 2.06 0.28 0,3750 1.12 0.328 --- plano 48 --- --- 3.00 2.12 2.75 2.50 0.34 0,5000 1.50 0.453 --- plano 56 --- --- 3.50 2.44 3.00 2.75 0.34 0,6250 1.88 0.517 1.41 0.188 56H --- --- 3.50 2.44 3.00 2.75 0.34 0,6250 1.88 0.517 1.41 0.188 Todas las dimensiones en pulgadas * La tolerancia de la dimensión D para motores de base rígida se .00 pulgadas -0,06 cm. No se ha establecido la tolerancia de la dimensión D de resistentes motores montados. † La tolerancia de la dimensión 2F será de ± 0,03 pulgadas y de la dimensión H (ancho de la ranura) será 0.05 pulgadas, -0,00 pulgadas. NOTAS: 1. Para el significado de la letra las dimensiones véase el punto 4.1 y las Figuras 4 -1 y 4-2. 2. Para la tolerancia en el diámetro de eje y cuneros véase 4.9. 3. Se recomienda que todas las máquinas con cuneros corte en la extensión del eje de la polea, acoplamiento, piñones, etc, va yan provistos de una llave a menos que se especifique lo contrario por el comprador. 4. Si la longitud de la extensión del eje del motor no es adecuado para la aplicación, se recomienda que las desviaciones de esta longitud de estar en incrementos de 0,25 pulgadas.
  • 127.
    Sección I MG 1-1998, Revisión 1 Dimensiones, tolerancias, y el montaje P arte 4, página 21 4.5.2 Dimensiones para el pie de montaje industrial de corriente directa de máquinas Marco AY Max Designaciones A Max B Max D* E 2F † BA H agujero † AL AM AO AR AU AX Bases BT 182AT 9.00 6.50 4.50 3.75 4.50 2.75 0.41 12.75 9.50 4.50 4.25 0.50 1.50 0.50 3.00 183AT 9.00 7.00 4.50 3.75 5.00 2.75 0.41 12.75 10.00 4.50 4.50 0.50 1.50 0.50 3.00 184AT 9.00 7.50 4.50 3.75 5.50 2.75 0.41 12.75 10.50 4.50 4.75 0.50 1.50 0.50 3.00 185AT 9.00 8.25 4.50 3.75 6.25 2.75 0.41 12.75 11.25 4.50 5.12 0.50 1.50 0.50 3.00 186AT 9.00 9.00 4.50 3.75 7.00 2.75 0.41 12.75 12.00 4.50 5.50 0.50 1.50 0.50 3.00 187AT 9.00 10.00 4.50 3.75 8.00 2.75 0.41 12.75 13.00 4.50 6.00 0.50 1.50 0.50 3.00 188AT 9.00 11.00 4.50 3.75 9.00 2.75 0.41 12.75 14.00 4.50 6.50 0.50 1.50 0.50 3.00 189AT 9.00 12.00 4.50 3.75 10.00 2.75 0.41 12.75 15.00 4.50 7.00 0.50 1.50 0.50 3.00 1810AT 9.00 13.00 4.50 3.75 11.00 2.75 0.41 12.75 16.00 4.50 7.50 0.50 1.50 0.50 3.00 213AT 10.50 7.50 5.25 4.25 5.50 3.50 0.41 15.00 11.00 5.25 4.75 0.50 1.75 0.50 3.50 214AT 10.50 8.25 5.25 4.25 6.25 3.50 0.41 15.00 11.75 5.25 5.12 0.50 1.75 0.50 3.50 215AT 10.50 9.00 5.25 4.25 7.00 3.50 0.41 15.00 12.50 5.25 5.50 0.50 1.75 0.50 3.50 216AT 10.50 10.00 5.25 4.25 8.00 3.50 0.41 15.00 13.50 5.25 6.00 0.50 1.75 0.50 3.50 217AT 10.50 11.00 5.25 4.25 9.00 3.50 0.41 15.00 14.50 5.25 6.50 0.50 1.75 0.50 3.50 218AT 10.50 12.00 5.25 4.25 10.00 3.50 0.41 15.00 12.50 5.25 7.00 0.50 1.75 0.50 3.50 219AT 10.50 13.00 5.25 4.25 11.00 3.50 0.41 15.00 16.50 5.25 7.50 0.50 1.75 0.50 3.50 2110AT 10.50 14.00 5.25 4.25 12.50 3.50 0.41 15.00 18.00 5.25 8.25 0.50 1.75 0.50 3.50 253AT 12.50 9.50 6.25 5.00 7.00 4.25 0.53 17.75 13.88 6.25 6.00 0.62 2.00 0.62 4.00 254AT 12.50 10.75 6.25 5.00 8.25 4.25 0.53 17.75 15.12 6.25 6.62 0.62 2.00 0.62 4.00 255AT 12.50 11.50 6.25 5.00 9.00 4.25 0.53 17.75 15.88 6.25 7.00 0.62 2.00 0.62 4.00 256AT 12.50 12.50 6.25 5.00 10.00 4.25 0.53 17.75 16.88 6.25 7.50 0.62 2.00 0.62 4.00 257AT 12.50 13.50 6.25 5.00 11.00 4.25 0.53 17.75 17.88 6.25 8.00 0.62 2.00 0.62 4.00 258AT 12.50 15.00 6.25 5.00 12.50 4.25 0.53 17.75 19.38 6.25 8.78 0.62 2.00 0.62 4.00 259AT 12.50 16.50 6.25 5.00 14.00 4.25 0.53 17.75 20.88 6.25 9.00 0.62 2.00 0.62 4.00 283AT 14.00 11.00 7.00 5.50 8.00 4.75 0.53 19.75 15.38 7.00 6.75 0.62 2.00 0.62 4.50 284AT 14.00 12.50 7.00 5.50 9.00 4.75 0.53 19.75 16.88 7.00 7.50 0.62 2.00 0.62 4.50 285AT 14.00 13.00 7.00 5.50 10.00 4.75 0.53 19.75 17.38 7.00 7.75 0.62 2.00 0.62 4.50 286AT 14.00 14.00 7.00 5.50 11.00 4.75 0.53 19.75 18.38 7.00 8.25 0.62 2.00 0.62 4.50 287AT 14.00 15.50 7.00 5.50 12.50 4.75 0.53 19.75 19.88 7.00 9.00 0.62 2.00 0.62 4.50 288AT 14.00 17.00 7.00 5.50 14.00 4.75 0.53 19.75 21.38 7.00 9.75 0.62 2.00 0.62 4.50 289AT 14.00 19.00 7.00 5.50 16.00 4.75 0.53 19.75 23.38 7.00 10.75 0.62 2.00 0.62 4.50
  • 128.
    MG 1-1998, Revisión1 Sección I P arte 4, página 22 Dimensiones, tolerancias, y el montaje 4.5.2 (Continuación) Marco AY Max Designaciones A Max B Max D* E 2F † BA H agujero † AL AM AO AR AU AX Bases BT 323AT 16.00 12.50 8.00 6.25 9.00 5.25 0.66 22.75 17.75 8.00 7.75 0.75 2.50 0.75 5.25 324AT 16.00 14.00 8.00 6.25 10.50 5.25 0.66 22.75 19.25 8.00 8.50 0.75 2.50 0.75 5.25 325AT 16.00 14.50 8.00 6.25 11.00 5.25 0.66 22.75 19.75 8.00 8.75 0.75 2.50 0.75 5.25 326AT 16.00 15.50 8.00 6.25 12.00 5.25 0.66 22.75 20.75 8.00 9.25 0.75 2.50 0.75 5.25 327AT 16.00 17.50 8.00 6.25 14.00 5.25 0.66 22.75 22.75 8.00 10.25 0.75 2.50 0.75 5.25 328AT 16.00 19.50 8.00 6.25 16.00 5.25 0.66 22.75 24.75 8.00 11.25 0.75 2.50 0.75 5.25 329AT 16.00 21.50 8.00 6.25 18.00 5.25 0.66 22.75 26.75 8.00 12.25 0.75 2.50 0.75 5.25 363AT 18.00 14.00 9.00 7.00 10.00 5.88 0.81 25.50 19.25 9.00 8.25 0.88 2.50 0.75 6.00 364AT 18.00 154.25 9.00 7.00 11.25 5.88 0.81 25.50 20.50 9.00 9.12 0.88 2.50 0.75 6.00 365AT 18.00 16.25 9.00 7.00 12.25 5.88 0.81 25.50 21.50 9.00 9.62 0.88 2.50 0.75 6.00 366AT 18.00 181.00 9.00 7.00 14.00 5.88 0.81 25.50 23.25 9.00 10.50 0.88 2.50 0.75 6.00 367AT 18.00 20.00 9.00 7.00 16.00 5.88 0.81 25.50 25.25 9.00 11.50 0.88 2.50 0.75 6.00 368AT 18.00 22.00 9.00 7.00 18.00 5.88 0.81 25.50 27.25 9.00 12.50 0.88 2.50 0.75 6.00 369AT 18.00 14.00 9.00 7.00 20.00 5.88 0.81 25.50 29.25 9.00 13.50 0.88 2.50 0.75 6.00 403AT 20.00 15.00 10.00 8.00 11.00 6.62 0.94 28.75 21.12 10.00 9.25 1.00 3.00 0.88 7.00 404AT 20.00 16.25 10.00 8.00 12.75 6.62 0.94 28.75 22.38 10.00 9.88 1.00 3.00 0.88 7.00 405AT 20.00 17.75 10.00 8.00 13.75 6.62 0.94 28.75 23.88 10.00 10.62 1.00 3.00 0.88 7.00 406AT 20.00 20.00 10.00 8.00 16.00 6.62 0.94 28.75 26.12 10.00 11.75 1.00 3.00 0.88 7.00 407AT 20.00 22.00 10.00 8.00 18.00 6.62 0.94 28.75 28.12 10.00 12.75 1.00 3.00 0.88 7.00 408AT 20.00 24.00 10.00 8.00 20.00 6.62 0.94 28.75 30.12 10.00 13.75 1.00 3.00 0.88 7.00 409AT 20.00 26.00 10.00 8.00 22.00 6.62 0.94 28.75 32.12 10.00 14.75 1.00 3.00 0.88 7.00 443AT 22.00 16.50 11.00 9.00 12.50 7.50 1.06 31.25 22.62 11.00 10.00 1.12 3.00 0.88 7.50 444AT 22.00 18.50 11.00 9.00 15.00 7.50 1.06 31.25 24.62 11.00 11.00 1.12 3.00 0.88 7.50 445AT 22.00 20.50 11.00 9.00 16.50 7.50 1.06 31.25 26.62 11.00 12.00 1.12 3.00 0.88 7.50 446AT 22.00 22.00 11.00 9.00 18.00 7.50 1.06 31.25 28.12 11.00 12.75 1.12 3.00 0.88 7.50 447AT 22.00 24.00 11.00 9.00 20.00 7.50 1.06 31.25 30.12 11.00 13.75 1.12 3.00 0.88 7.50 448AT 22.00 26.00 11.00 9.00 22.00 7.50 1.06 31.25 32.12 11.00 14.75 1.12 3.00 0.88 7.50 449AT 22.00 29.00 11.00 9.00 25.00 7.50 1.06 31.25 35.12 11.00 16.25 1.12 3.00 0.88 7.50
  • 129.
    Sección I MG 1-1998, Revisión 1 Dimensiones, tolerancias, y el montaje P arte 4, página 23 4.5.2 (Continuación) Marco AY Max Designaciones A Max B Max D* E 2F † BA H agujero † AL AM AO AR AU AX Bases BT 502AT 25.00 17.50 12.50 10.00 12.50 8.50 1.19 35.00 24.50 12.50 10.75 1.25 3.50 --- 8.00 503AT 25.00 19.00 12.50 10.00 14.00 8.50 1.19 35.00 26.00 12.50 11.50 1.25 3.50 --- 8.00 504AT 25.00 21.00 12.50 10.00 16.00 8.50 1.19 35.00 28.00 12.50 12.50 1.25 3.50 --- 8.00 505AT 25.00 23.00 12.50 10.00 18.00 8.50 1.19 35.00 30.00 12.50 13.50 1.25 3.50 --- 8.00 506AT 25.00 25.00 12.50 10.00 20.00 8.50 1.19 35.00 32.00 12.50 14.50 1.25 3.50 --- 8.00 507AT 25.00 27.00 12.50 10.00 22.00 8.50 1.19 35.00 34.00 12.50 15.50 1.25 3.50 --- 8.00 508AT 25.00 30.00 12.50 10.00 25.00 8.50 1.19 35.00 37.00 12.50 17.00 1.25 3.50 --- 8.00 509AT 25.00 33.00 12.50 10.00 28.00 8.50 1.19 35.00 40.00 12.50 18.50 1.25 3.50 --- 8.00 583 29.00 21.00 14.50 11.50 16.00 10.00 1.19 38.75 29.00 14.50 13.00 1.25 4.00 --- 8.50 584 29.00 23.00 14.50 11.50 18.00 10.00 1.19 38.75 31.00 14.50 14.00 1.25 4.00 --- 8.50 585 29.00 25.00 14.50 11.50 20.00 10.00 1.19 38.75 33.00 14.50 15.00 1.25 4.00 --- 8.50 586 29.00 27.00 14.50 11.50 22.00 10.00 1.19 38.75 35.00 14.50 16.00 1.25 4.00 --- 8.50 587 29.00 30.00 14.50 11.50 25.00 10.00 1.19 38.75 38.00 14.50 17.50 1.25 4.00 --- 8.50 588 29.00 33.00 14.50 11.50 28.00 10.00 1.19 38.75 41.00 14.50 19.00 1.25 4.00 --- 8.50 683 34.00 25.00 17.00 13.50 20.00 11.50 1.19 42.50 30.75 13.50 14.00 1.38 4.25 --- 9.00 684 34.00 27.00 17.00 13.50 22.00 11.50 1.19 42.50 32.75 13.50 15.00 1.38 4.25 --- 9.00 685 34.00 30.00 17.00 13.50 25.00 11.50 1.19 42.50 35.75 13.50 16.50 1.38 4.25 --- 9.00 686 34.00 33.00 17.00 13.50 28.00 11.50 1.19 42.50 38.75 13.50 18.00 1.38 4.25 --- 9.00 687 34.00 37.00 17.00 13.50 32.00 11.50 1.19 42.50 42.75 13.50 20.00 1.38 4.25 --- 9.00 688 34.00 41.00 17.00 13.50 36.00 11.50 1.19 42.50 46.75 13.50 22.00 1.38 4.25 --- 9.00
  • 130.
    MG 1-1998, Revisión1 Sección I P arte 4, página 24 Dimensiones, tolerancias, y el montaje 4.5.2 (Continuación) La unidad final para correa La unidad final para conexión directa Unidad ‡ Extremo opuesto Drive-recto Cunero Cunero Cunero Marco FES Designaciones ‡ U N-W V Min RES Min S U N-W V Min R ES Min S FUFN FV-FW Min. FR Min FS 182AT-1810AT 1,1250 2.25 2.00 0.9861.41 0.250 --- --- --- --- --- --- 0.87501.751.50 0.771 0.91 0.188 213AT-2110AT 1,3750 2.75 2.50 1.201 1.78 0.312 --- --- --- --- --- --- 1,1250 2.25 2.00 0.986 1.41 0.250 253AT-259AT 1.625 3.25 3.00 1.416 2.28 0.375 --- --- --- --- --- --- 1,3750 2.75 2.50 1.201 1.78 0.312 283AT-289AT 1.875 3.75 3.50 1.591 2.53 0.500 --- --- --- --- --- --- 1.625 3.25 3.00 1.416 2.28 0.375 323AT-329AT 2.125 4.25 4.00 1.845 3.03 0.500 --- --- --- --- --- --- 1.875 3.75 3.50 1.591 2.53 0.500 363AT-369AT 2.375 4.75 4.50 2.021 3.53 0.625 --- --- --- --- --- --- 2.125 4.25 4.00 1.845 3.03 0.500 403AT-409AT 2.625 5.25 5.00 2.275 4.03 0.625 --- --- --- --- --- --- 2.375 4.75 4.50 2.021 3.53 0.625 443AT-449AT 2.875 5.75 5.50 2.450 4.53 0.750 --- --- --- --- --- --- 2.625 5.25 5.00 2.275 4.03 0.625 502AT-509AT 3.250 6.50 6.25 2.831 5.28 0.750 --- --- --- --- --- --- 2.875 5.75 5.50 2.450 4.53 0.750 583A-588A 3.250 9.75 9.50 2.831 8.28 0.750 2.875 5.75 5.50 2.450 4.28 0.750 --- --- --- --- --- --- 683A-688A 3.625 10.88 10.62 3.134 9.53 0.875 3.250 6.50 6.25 2.831 5.03 0.750 --- --- --- --- --- --- Todas las dimensiones en pulgadas * Marcos 182AT a 329AT, inclusive-La tolerancia de la dimensión D se 0.00 pulgadas, pulgadas -0,03, Marcos 363AT a 688AT, inclusive-La tolerancia de la dimensión D se debe 0,00 pulgadas, -0,06 pulgadas. † La tolerancia para las dimensiones 2E y 2F será de ± 0,03 pulgadas y de la dimensión H será 0.05 pulgadas, -0,00 pulgadas. ‡ Cuando los marcos de 583A a 688A tiene una extensión de eje para la conexión directa de unidad, el número del cuadro tendrá una letra del sufijo "S" (es decir, 583AS). NOTAS: 1. Para conocer el significado de las dimensiones de la carta, véase el punto 4.1 y las Figuras 4 -1 y 4-2. 2. Se recomienda que todas las máquinas con act cuneros en la polea de eje, el acoplamiento, piñones, etc estar provistas de una llave a menos que se especifique lo contrario por parte del comprador.
  • 131.
    Sección I MG 1-1998, Revisión 1 Dimensiones, tolerancias, y el montaje P arte 4, página 25 4.5.3 Dimensiones para el pie de montaje industrial Motores de corriente continua Marco Designaciones A Max B Max D* E† 2F † BA H agujero † 142 A 7.00 6.75 3.50 2.75 3.50 2.75 0.34 143 A 7.00 7.25 3.50 2.75 4.00 2.75 0.34 144 A 7.00 7.75 3.50 2.75 4.50 2.75 0.34 145 A 7.00 8.25 3.50 2.75 5.00 2.75 0.34 146 A 7.00 8.75 3.50 2.75 5.50 2.75 0.34 147 A 7.00 9.50 3.50 2.75 6.25 2.75 0.34 148 A 7.00 10.25 3.50 2.75 7.00 2.75 0.34 149 A 7.00 11.25 3.50 2.75 8.00 2.75 0.34 EN 1410 7.00 12.25 3.50 2.75 9.00 2.75 0.34 EN 1411 7.00 13.25 3.50 2.75 10.00 2.75 0.34 EN 1412 7.00 14.25 3.50 2.75 11.00 2.75 0.34 162 A 8.00 6.00 4.00 3.12 4.00 2.50 0.41 163 A 8.00 6.50 4.00 3.12 4.50 2.50 0.41 164 A 8.00 7.00 4.00 3.12 5.00 2.50 0.41 165 A 8.00 7.50 4.00 3.12 5.50 2.50 0.41 166 A 8.00 8.20 4.00 3.12 6.25 2.50 0.41 167 A 8.00 9.00 4.00 3.12 7.00 2.50 0.41 168 A 8.00 10.00 4.00 3.12 8.00 2.50 0.41 169 A 8.00 11.00 4.00 3.12 9.00 2.50 0.41 EN 1610 8.00 12.00 4.00 3.12 10.00 2.50 0.41 La unidad final para correa La unidad final para conexión directa Unidad End Drive extremo opuesto-Straight Cunero Cunero Cunero Marco U N-W V Min R ES Min S U N-W V Min R ES Min S FU FN-FW FV Min FR FES FS Designaciones ‡ Min 142AT-1412AT 0.66 0,8750 2.25 2.00 0.771 0.91 0.188 --- --- --- --- --- --- 0.625 1.25 1.00 0.517 0.188 162AT-1610AT 0,8750 1.75 1.50 0.771 0.91 0.188 --- --- --- --- --- --- 0.625 1.25 1.00 0.517 0.66 0.188 Todas las dimensiones en pulgadas * La tolerancia de la dimensión D se .00 pulgadas -0,03 cm † La tolerancia para las dimensiones 2E y 2F será de ± 0,03 pulgadas y de la dimensión H será 0.05 pulgadas, -0,00 pulgadas. NOTAS: 1 Para el significado de las dimensiones de la carta, véase el punto 4.1 y las Figuras 4 -1 y 4-2. 2. Para las tolerancias en el diámetro del eje y cuneros, véase 4.9. 3. Se recomienda que todas las máquinas con act cuneros en la polea de eje, el acoplamiento, piñones, etc estar provistas de una llave a menos que se especifique lo contrario por parte del comprador
  • 132.
    MG 1-1998, Revisión1 Sección I P arte 4, página 26 Dimensiones, tolerancias, y el montaje 4.5.4 Dimensiones para el Tipo C de montaje cara de corriente directa motores pequeños DF Hoyo Cunero Designaciones marco AJ AK BA BB * BC BD Nom Número En T amaño U AH † R ES Min S 42C 3.750 3.000 2.062 0.16 -0,19 5.00 4 1/4-20 0,3750 1.312 0.328 --- plano 48C 3.750 3.000 2.5 0.16 -0,19 5.625 4 1/4-20 0.500 1.69 0.453 --- plano 56C 5.875 4.500 2.75 0.16 -0,19 6.5 4 3/8-16 0,6250 2.06 0.517 1.41 0.188 Todas las dimensiones en pulgadas. * Estas dimensiones BB tienen una tolerancia de 0.00, -0.06 pulgadas. † Si la longitud de la extensión del eje del motor no es adecuado para la aplicación, se recomienda que las desviaciones de l a longitud de ser en incrementos de 0,25 pulgadas. NOTAS: 1 Para el significado de las dimensiones de la carta, ver 4.1 y la Figura 4 -3. 2 Véase 4.5.1 para las dimensiones D, E, y 2F cuando el motor está siempre con los pies. 3 Para las tolerancias de los diámetros de eje y cuneros, véase 4.9. 4 Por la tolerancia en las dimensiones de AK, el descentramiento cara, y la excentricidad permitida de ranura de montaje, ver 4.12. 4.5.5 Dimensiones para el Tipo C de montaje cara Industrial Motores de corriente continua BF Hoyo Cunero T ornillo Penetración Designaciones marco AJ AK BA BB * BC Número máximo de BD en T amaño Asignación U AH R ES Min S 182ATC-1810ATC 7.250 8.500 2.75 0.25 0.12 9.0041/2-130.75 1,1250 2.12 0.986 1.41 0.250 213ATC-2110ATC 7.250 8.500 3.50 0.25 0.25 9.00 4 1/2-13 0.75 1,3750 2.50 1.201 1.78 0.312 253ATC-259ATC 7.250 8.500 4.25 0.25 0.25 10.00 4 1/2-13 0.75 1.625 3.00 1.416 2.28 0.375 283ATC = 289ATC 9.000 10.500 4.75 0.25 0.25 11.25 4 1/2-13 0.75 1.875 3.50 1.591 2.53 0.500 323ATC-329ATC 11.000 12.500 5.25 0.25 0.25 14.00 4 5/8-11 0.94 2.125 4.00 1.845 3.03 0.500 363ATC-369ATC 11.000 12.500 5.88 0.25 0.25 14.00 8 5/8-11 0.94 2.375 4.50 2.021 3.53 0.625 Todas las dimensiones en pulgadas. NOTAS: 1. Para conocer el significado de las dimensiones de la carta, ver 4.1 y la Figura 4 -3. 2. Para las tolerancias de los diámetros de eje y cuneros, véase 4.9. 3. Para la tolerancia en las dimensiones de AK, el descentramiento cara, y la excentricidad permitida de ranura de montaje, véase 4.12. 4. Véase el apartado 4.5.2 de las dimensiones A, B, D, E, 2F, H, y BA cuando se proporciona el motor con los pies.
  • 133.
    Sección I MG 1-1998, Revisión 1 Dimensiones, tolerancias, y el montaje P arte 4, página 27 4.5.6 Dimensiones para el Tipo C de montaje cara Industrial Motores de corriente continua BF Hoyo Cunero T ornillo Designaciones marco AJ AK BA BB * BC BD Número máximo de penetración en T amaño U AH R ES Min S Subsidio 142ATC-1412ATC 5.875 4.500 2.75 0.16 0.12 6.50 4 3/8-16 0.56 0,8750 2.12 0.771 1.41 0.188 162ATC-1610ATC 5.875 4.500 2.50 0.16 0.12 6.50 4 3/8-16 0.56 0,8750 2.12 0.771 1.41 0.188 Todas las dimensiones en pulgadas. * Tolerancia = 0.00 pulgadas, -0,06 pulgadas. NOTAS: 1. Véase el párrafo 4.5.3 para las dimensiones de A, B, E, 2F, y H cuando el motor está siempre con los pies. 2. Para conocer el significado de las dimensiones de la carta, ver 4.1 y la Figura 4-3. 3. Para las tolerancias de los diámetros de eje y cuneros, véase 4.9. 4. Para la tolerancia en las dimensiones de AK, el descentramiento cara, y la excentricidad permitida de ranura de montaje, véase 4.12. 4.5.7 Dimensiones para el Tipo D brida de montaje industrial Motores de corriente continua BF agujero de paso Cunero Recomendado Designaciones marco AJ AK BB * BC BD Max SER Nom T amaño Perno LengthNumber U AH R S 182ATD-1810ATD 10.00 9.000 0.25 0 11.00 0.50 0.53 4 1.25 1.125 2.25 0.986 0.250 213ATD-2110ATD 12.50 11.000 0.25 0 14.00 0.75 0.75 4 2.00 1.375 2.75 1.201 0.312 253ATD-259ATD 16.00 14.000 0.25 0 18.00 0.75 0.75 4 2.00 1.625 3.25 1.416 0.375 283ATD-289ATD 16.00 14.000 0.25 0 18.00 0.75 0.75 4 2.00 1.875 3.75 1.591 0.500 323ATD-329ATD 16.00 14.000 0.25 0 18.00 0.75 0.75 4 2.00 2.125 4.25 1.845 0.500 363ATD-369ATD 20.00 18.000 0.25 0 22.00 1.00 1.00 8 2.50 2.375 4.75 2.021 0.625 403ATD-409ATD 22.00 18.000 0.25 0 24.00 1.00 1.00 8 2.50 2.625 5.25 2.275 0.625 443ATD-449ATD 22.00 18.000 0.25 0 24.00 1.00 1.00 8 2.50 2.875 5.75 2.450 0.750 502ATD-509ATD 30.00 28.000 0.25 0.38 32.00 1.00 1.00 8 2.50 3.250 6.88 2.831 0.750 583AD-588AD 30.00 28.000 0.25 0.38 32.00 1.00 1.00 8 2.50 3.250 10.12 2.831 0.750 583ASD-588ASD 30.00 28.000 0.25 0.38 32.00 1.00 1.00 8 2.50 2.875 6.12 2.845 0.750 683AD-688AD 35.25 33.250 0.25 0.38 37.25 1.00 1.00 8 2.50 3.625 11.25 3.134 0.875 683ASD-688ASD 35.25 33.250 0.25 0.38 37.25 1.00 1.00 8 2.50 3.250 6.88 2.831 0.750 Todas las dimensiones en pulgadas. * Tolerancia = 0.00 pulgadas, -0,06 pulgadas NOTAS: 1. Véase el párrafo 4.5.3 para las dimensiones de A, B, E, 2F, y H cuando el motor está siempre con los pies. 2. Para conocer el significado de las dimensiones de la carta, ver 4.1 y la Figura 4-3. 3. Para las tolerancias de los diámetros de eje y cuneros, véase 4.9. 4. Para la tolerancia en las dimensiones de AK, el descentramiento cara, y la excentricidad permitida de ranura de montaje, véase 4.12. 5. Para conocer el significado de las dimensiones de la carta, véase el punto 4.1 y la Figura 4.4. 6. Véase el apartado 4.5.2 de las dimensiones A, B, D, E, 2F, H y BA.
  • 134.
    MG 1-1998, Revisión1 Sección I Parte 4, página 28 Dimensiones, tolerancias, y los montajes 4.5.8 Dimensiones de la base para los tipos P y PH Vertical eje sólido Industrial Motores de corriente continua1 BF agujero de paso AJ AK BB Min BD Max Número Tamaño 9.125 8.250 0.19 10 4 0.44 9.125 8.250 0.19 12 4 0.44 14.750 13.500 0.25 16.5 4 0.69 14.750 13.500 0.25 20 4 0.69 14.750 13.500 0.25 24.5 4 0.69 Todas las dimensiones en pulgadas. Tolerancias (véase 4.13.) AK-Dimensión De 8,250 pulgadas, 0,003 pulgadas, 0,000 pulgadas. De 13,500 pulgadas, 0,005 pulgadas, -0,000 pulgadas. Cara descentramiento- P ara AJ de 9,125 pulgadas, 0,004 pulgadas lectura del indicador. P ara AJ de 14,750 pulgadas, 0,007 pulgadas lectura del indicador. Excentricidad permitida de montaje ranura- P ara envíos a Alaska de 8.250 pulgadas, 0,004 pulgadas lectura del indicador. P ara envíos a Alaska de 13.500 pulgadas, 0,007 pulgadas lectura del indicador. 4.5.9 Dimensiones para el tipo de rostro FC de montaje para accesorios en el lado accionamiento del Frente Industrial Motores de corriente continua2,3 FBF Hoy o Tornillo Penetración FAJ FAK FBB * FBC Número En Tamaño Subsidio 5.875 4.500 0.16 0.12 4 3/8-16 0.56 7.250 8.500 0.31 0.25 4 1/2-13 0.75 9.000 10.500 0.31 0.25 4 1/2-13 0.75 11.000 12.500 0.31 0.25 4 5/8-11 0.94 Todas las dimensiones en pulgadas. * Tolerancias FBB-Dimensión De 0,16 pulgadas, 0,00 pulgadas, pulgadas -0,03. De 0,31 pulgadas, 0,00 pulgadas, pulgadas -0,06. 4.6 Diámetros de eje EXTENSION PARA MOTORES DE UNIVERSAL Los diámetros de eje, 4 en pulgadas serán las siguientes: 0,2500 0,3750 0,6250 0,3125 0,5000 0,7500 1 P ara el significado de las dimensiones de la carta, véase el punto 4.1 y la Figura 4 -5 2 P ara el significado de las dimensiones de la carta, ver 4.1 y la Figura 4 -3 3 P or la tolerancia en las dimensiones de FAK, descentramiento cara, y la excentricidad permitida de ranura de montaje, ver 4 .12. P ara desviación permitida, véase 4.9. 4 P ara las tolerancias de los diámetros de eje y cuneros, véase 4.9.
  • 135.
    Sección I MG 1-1998, Revisión 1 Dimensiones, tolerancias, y los montajes Parte 4, página 29 4.7 LÍMITES DE TOLERANCIA EN DIMENSIONES Las dimensiones del centro del eje a la parte inferior de los pies no debe ser mayor que las dimensiones se muestra en la hoja de la dimensión del fabricante. Cuando la máquina está acoplada o adaptada a las (impulsada o conducir) las máquinas, las cuñas suelen ser necesarios para asegurar una alineación precisa. 4.8 Golpe de gracia y diámetro de las perforaciones PARA CAJAS DE TERMINALES DE LA MÁQUINA El diámetro de los octavos de final, con exclusión de cualquier proyección de orejas pequeñas o fichas, y el aclaramiento agujero en la caja de bornes de una máquina se hará de conformidad con lo siguiente: Conducto Nocaut o Diámetro del orif icio de Liquidación, Pulgadas Tamaño, pulgadas Nominal Mínimo Máximo 1.2 0.875 0.859 0.906 4.3 1.109 1.094 1.141 1 1.375 1.359 1.406 1-1/4 1.734 1.719 1.766 1-1/2 1.984 1.969 2.016 2 2.469 2.453 2.500 2-1/2 2.969 2.953 3.000 3 3.594 3.578 3.625 3-1/2 4.125 4.094 4.156 4 4.641 4.609 4.672 5 5.719 5.688 5.750 6 6.813 6.781 6.844 4.9 Tolerancias en el diámetro extensión del eje y cuneros 4.9.1 De diámetro del eje de extensión Las tolerancias de los diámetros de eje serán las siguientes: Tolerancias, Pulgadas Diámetro del eje, pulgadas Más Menos 0,1875 a 1,5000, incl. 0.000 0,0005 Más de 1,5000 a 6,500, incl. 0.000 0.001 4.9.2 Cunero de ancho La tolerancia en el ancho de cuneros extensión del eje serán las siguientes: Tolerancias, Pulgadas Ancho de cunero, Pulgadas Más Menos 0,188 a 0,750, incl. 0.002 0.000 Más de 0,750 a 1,500, incl. 0.003 0.000 4.9.3 Parte inferior de cunero a la superficie del eje La tolerancia de la parte inferior del cunero en el lado opuesto de una extensión de eje cilíndrico se ser 0.000 pulgadas, -0,015 pulgadas. La tolerancia de la profundidad de cuneros extensión del eje de ejes cónicos se .015 pulgadas, -0,000 pulgadas.
  • 136.
    MG 1-1998, Revisión1 Sección I Parte 4, página 30 Dimensiones, tolerancias, y los montajes 4.9.4 Paralelismo La tolerancia para la toma de cuneros en paralelo a la línea central del eje serán las siguientes: a. Para las dimensiones de V hasta e incluyendo 4.00 pulgadas, 0,002 pulgadas; b. Para las dimensiones de V mayor de 4,00 pulgadas hasta e incluyendo el 10,0 0 pulgadas-.0005 de pulgada por pulgada de la dimensión de V; c. Para las dimensiones de V superior a 10,00 centímetros, 0.005 de pulgada. 4.9.5 El desplazamiento lateral La tolerancia para el desplazamiento lateral de todos los cuneros se 0,010 pulgadas (0,250 mm). Se define como la mayor desviación en cualquier punto a lo largo de la longitud utilizable del cunero. Esta desviación es la distancia desde el central del cunero al plano a través de la línea central de la extensión del eje perpendicular a la verdad posición de la parte inferior del cunero. Consulte la Figura 4 -7. 4.9.6 Diámetros y dimensiones cunero El diámetro del eje cilíndrico de extensión y dimensiones cunero de teclas cuadradas será como se muestra en T abla 3.4. 4.9.7 Descentramiento del eje La tolerancia de la desviación del eje permisible, cuando se mide al final de la extensión del eje, se se (ver 4.11): a. De 0,1875 a los ejes del diámetro 1,625 pulgadas, inclusive, 0.002 pulgadas lectura del indicador. b. Desde hace más de 1.625-a los ejes del diámetro 6,500 pulgadas, inclusive, 0.003 pulgadas lectura del indicador. NOTA: Las normas no se han establecido para descentramiento eje donde la longitud de la extensión del eje excede el estándar. Sin embargo, descentramiento de los ejes más larga que las suelen ser mayores que las indicadas anteriormente. (0,051 mm) Figura 4-7 DESPLAZA MIENTO LATERAL cunero
  • 137.
    Sección I MG 1-1998, Revisión 1 Dimensiones, tolerancias, y los montajes Parte 4, página 31 Tabla 4-3 CILÍNDRICO diámetros de eje extensión y dimensiones cunero PARA Teclas cuadradas Parte inf erior del cunero al lado opuesto de la De diámetro del eje, U Ancho de cunero, S Eje cilíndrico, R Pulgadas Pulgadas Pulgadas 0,1875 P lano 0.178 0,2500 P lano 0.235 0,3125 P lano 0.295 0,3750 P lano 0.328 0,5000 P lano 0.453 0,6250 0.188 0.517 0,7500 0.188 0.644 0,8750 0.188 0.771 1,0000 0.250 0.859 1,1250 0.250 0.986 1,2500 0.250 1.112 1,3750 0.312 1.201 1,5000 0.375 1.289 1.625 0.375 1.416 1.750 0.375 1.542 1.875 0.500 1.591 2.000 0.500 1.718 2.125 0.500 1.845 2.250 0.500 1.972 2.375 0.625 2.021 2.500 0.625 2.148 2.625 0.625 2.275 2.750 0.625 2.402 2.875 0.750 2.450 3.000 0.750 2.577 3.125 0.750 2.704 3.250 0.750 2.831 3.375 0.875 2.880 3.500 0.875 3.007 3.625 0.875 3.134 3.750 0.875 3.261 3.875 1.000 3.309 4.000 1.000 3.436 4.250 1.000 3.690 4.375 1.000 3.817 4.500 1.000 3.944 Más de 4,500 a 5,500 1.250 * Más de 5,500 a 6,500 1.500 * USU2 S 2 * R 2
  • 138.
    MG 1-1998, Revisión1 Sección I Parte 4, página 32 Dimensiones, tolerancias, y los montajes 4.10RING cuneros ranura del eje PARA MOTORES DE EJE VERTICAL Dimensiones y tolerancias de cuneros anillo de la ranura del eje debe estar de acuerdo con la T abla 4-4. Tabla 4-4 Dimensiones y tolerancias de cuneros ranura del anillo U, Pulgadas * UE, Pulgadas EW, Pulgadas EX, Pulgadas 0,8750 1,0000 por U-(0.1875) 0.377 0.750 0.375 0.745 1,1250 1,5000 por U-(0.250) 0.377 0.750 0.375 0.745 0.377 0.750 1,625 por 2,500 U-(0.375) 0.375 0.745 0.503 1.000 2,625 por 4,500 U-(0.500) 0.500 0.990 0.755 1.500 4,625 por 6,000 U-(0.750) 0.750 1.485 * Tolerancia en el anillo cunero de diámetro (UE) Diámetro nominal del eje, pulgadas Tolerancias, Pulgadas 0,875 a 2,500, incl. +0.000 / -0.005 2,625 a 4,500, incl. +0.000 / -0.010 4,625 a 6,000, incl. +0.000 / -0.015 4.11 MÉTODO DE MEDICIÓN DEL EJE Y descentramiento de la excentricidad Y CARA Descentramiento de superficies de montaje 4.11.1 Eje de descentramiento La desviación del eje se mide con el indicador estacionario con respecto al motor y con su punto al final de la superficie de acabado del eje. Vea las Figuras 4 -8 y 4-9 para los accesorios típicos. Leer los valores máximos y mínimos en el indicador de que el eje gira lentamente a través de 360 grados. La diferencia entre las lecturas no deberá exceder el valor especificado. 4.11.2 La excentricidad y el descentramiento de la cara superficies de montaje La excentricidad y la desviación frente a las superficies de montaje se debe medir con indicadores montados en el extremo del eje. El punto de que el indicador se excentricidad en aproximadamente la mitad de la superficie barbilla, y el punto del indicador de desviación cara será aproximadamente el diámetro exterior del la cara de montaje. Véase la figura 4.10 para el accesorio típico. Leer los valores máximos y mínimos de los indicadores como el eje gira lentamente a través de 360 grados. La diferencia entre las lecturas no deberá exceder el valor especificado. NOTA: En los motores con cojinetes de bolas, se recomienda que la prueba se hizo con el eje vertical para minimizar el efecto de las separaciones de los rodamientos. 4.12TOLERA NCES PARA tipo de la cara de montaje C y Tipo D BRIDA MOTORES DE MONTAJE Para el tipo C cara de montaje y tipo D brida montaje de motores, la tolerancia en la ranura de montaje de diámetro, el descentramiento nominal máximo, y la excentricidad máxima de la ranura de montaje será como en T abla 4-5 cuando se mide de acuerdo con 4.11.
  • 139.
    Sección I MG 1-1998, Revisión 1 Dimensiones, tolerancias, y los montajes Parte 4, página 33 Tabla 4-5 Máxima excentricidad DE MONTAJE rebajo Máximo Permisible Excentricidad de Rabbet montaje AK dimensión, La tolerancia sobre la Dimensión AK, Pulgadas Nominal máximo Pulgadas Pulgadas PlusMinus Descentramiento, Pulgadas 0.004 <12 0.0000.003 0.004 a 24 0.000 0.005 0.007 0.007 > 24 hasta 40 0.000 0.007 0.009 0.009 4.13TOLERA NCES para el tipo P con brida MOTORES Para el tipo P-brida de montaje de motores (ver Figura 4-5), la tolerancia en el diámetro de ranura de montaje, el descentramiento nominal máximo, y la excentricidad máxima de la ranura de montaje será como en la T abla 6.4 cuando se mide de acuerdo con 4.11. Tabla 4-6 Máxima excentricidad DE MONTAJE rebajo Máximo Permisible Excentricidad de Rabbet montaje AK dimensión, La tolerancia sobre la Dimensión AK, Pulgadas Nominal máximo Pulgadas Pulgadas Descentramiento, Pulgadas Más Menos <12 0.003 0.000 0.004 0.004 a 24 0.005 0.000 0.007 0.007 > 24 hasta 40 0.007 0.000 0.009 0.009 > 40 hasta 60 0.010 0.000 0.012 0.012 PERNOS 4.14MOUNTING o espárragos T ornillos o pernos utilizados para la instalación de máquinas de montaje de los pies puede ser un tamaño menor que el máximo tamaño permitido por el diámetro del agujero del pie si de grado 5 u 8 tornillos y arandelas de alta resistencia se utilizan. Enclavijar después de la alineación se recomienda. NOTA: P ara la definición de grado 5 o 8 elementos de fijación se refieren a la norma ANSI / SAE J429 estándar.
  • 140.
    MG 1-1998, Revisión1 Sección I Parte 4, página 34 Dimensiones, tolerancias, y los montajes Figura 4-10 La excentricidad y el descentramiento CARA DE SUPERFICIES DE MONTAJE 4.15METHOD PARA COMPROBA R coplanaridad DE PIES DE MOTORES TOTALMENTE MONTADO Para comprobar la planitud de los pies de un motor totalmente ensamblado, el motor debe ser colocado sobre una superficie pla na placa (grado herramienta sala "B"), y un calibrador insertado entre la placa de la superficie y las patas del motor en cada perno de montaje del agujero. Una galga de la tolerancia coplanar requerido no debe penetrar toda diferencia entre la parte inferior de los pies y la placa de la superficie dentro de un área circular alrededor de la línea central del tornillo agujero con un diámetro igual a 3 veces el diámetro del orificio del perno o 1 pulgada, lo que sea mayor. El motor No se debe permitir a cambio o de la roca, el cambio de puntos de contacto durante estas mediciones. Si la habitación la temperatura no se controla la placa de la superficie será un bloque de granito. Métodos alternativos que utilizan rayos láser o coordinar las máquinas de medición se puede utilizar siempre que se indiquen para proporcionar resultados equivalentes. 4.16METHOD DE MEDICIÓN DE PARALELISMO EXTENSIÓN DEL EJE DE PIE PLANO Cuando se mide el paralelismo de la extensión del eje con respecto a la superficie del pie de montaje, la motor se montará sobre una superficie plana que cumpla los requisitos de la prueba coplanares (véase 4.15) y el paralelismo determina midiendo la diferencia entre las distancias de la superficie de montaje a la superficie superior o inferior de la diáfisis, en el extremo del eje, y la superficie superior o inferior de la eje, en la posición en el eje correspondiente a la dimensión de BA. Métodos alternativos que utilizan rayos láser o coordinar las máquinas de medición se puede utilizar siempre que se indiquen para proporcionar resultados equivalentes. 4.17MEASUREMENT de temperatura de los rodamientos O bien termómetros, termopares, dispositivos de resistencia a la temperatura (RT D), o la temperatura de otros Los detectores pueden ser utilizados. El punto de medición se situarán lo más cerca posible uno de los dos puntos que se indican en la siguiente tabla: Tipo de rodamiento Ubicación del punto de medición De bolas o rodillos Recomendados el alojamiento del cojinete en el anillo exterior del rodamiento, o si no es práctico, no más En de 1 / 2 pulgada del anillo exterior del cojinete. Superficie exterior de la carcasa lo más cerca posible al anillo exterior de la Alterno rodamiento. En la parte inferior del cojinete y no más de 1 / 2 pulgada de la película de aceite. Manga Recomendados otras partes del cojinete. En Alterno Resistencia térmica entre el detector de temperatura y el rumbo que se mide se minimizada. Por ejemplo, las lagunas pueden ser empacados con un material conductor térmico adecuado.
  • 141.
    Sección I MG 1-1998, Revisión 1 Dimensiones, tolerancias, y los montajes Parte 4, página 35 CONEXIONES 4.18TERMINAL para motores pequeños 4.18.1 cables de los terminales El terminal lleva de motores pequeños se llevó las siguientes: (1) de la placa de cojinete en el extr emo opuesto de la disco extremo y en el lado derecho cuando se ve este fin, o (2) fuera del marco en el lado derecho al ver el otro extremo del lado del regulador y tan cerca de ello como sea posible. 4.18.2 terminales de lámina Excepto en los casos de otras dimensiones de terminales de lámina se especifican en la Parte 18, los terminales de la hoja cuando se usa para la conexión externa de los motores pequeños tendrán las siguientes dimensiones: Marco de tamaño Ancho, pulgadas De espesor, pulgadas 48 y más 0.250 0.031 Menor de 48 0.187 0.020 4.19MOTOR TERMINAL CONTENEDORES 4.19.1 Motores Pequeñas y Medianas Empresas Cajas de bornes deberán ser de metal y de construcción sólida. Para los motores de más de 7 centímetros de de diámetro, las viviendas de la terminal será capaz de soportar sin fallas una carga vertical en el superficies horizontales de 20 libras por pulgada cuadrada de superficie horizontal hasta un máximo de 240 libras. Esta carga se aplicará a través de una superficie de metal de 2 pulgadas de diámetro plana. Flexión o deformación de la la vivienda no se considera un fracaso a menos que los resultados en distancias entre la vivienda y rígidamente cualquier terminales montados viven menos que los indicados en 4.19.2.2. En que no sea peligrosos (clasificados), sustancial, no metálicos, no burning1 cajas terminales se permite el uso en motores y generadores proporcionan los medios de puesta a tierra interna entre los bastidor de la máquina y la conexión a tierra del equipo se incorpora a la vivienda. 4.19.2 Dimensiones 4.19.2.1 carcasas para máquinas Terminal de cable para cables de conexiones -Pequeñas y Medianas Empresas Cuando estos soportes terminales incluir alambre a alambre conexiones, tendrán las dimensiones mínimas y el volumen utilizable de acuerdo con lo siguiente. Auxiliar conduce a los elementos tales como frenos, termostatos, calentadores de ambiente, campos interesantes, etc, se permitirá que no será necesario si la zona de corriente no superar el 25 por ciento del área de transporte de corriente de los cables de la máquina de alimentación. TERMINAL mínimos de vivienda, dimensiones y volúmenes PARA MOTORES 11 pulgadas de diámetro o menos * Apertura de la cubierta, v olumen mínimo MinimumUseable, HpDimensions, Pulgadas InchesCubic 1 y más pequeños ** 1.6210.5 1 1 / 2, 2 y 3 † 1.7516.8 5 y 7 1/22.0022.4 10 y 152.5036.4 * Este es un diámetro, medido en el plano de laminación del círculo que circunscribe el estator marco, con exclusión de terminales, las aletas, cajas, etc, utilizados exclusivamente para la refrigeración del motor, montaj e, ensamblaje o conexión. ** P ara motores con una potencia y más pequeña y con la caja de bornes, total o parcialmente integral con el escudo de marco o al final, el volumen de la caja de bornes no deberá ser inferior a De 1,1 pulgadas cúbicos por conexión de cable a cable. La dimensión de la cubierta de apertura mínimo no es especificada. † P ara motores con 1-1/2, 2 y 3 caballos de fuerza y con la caja de bornes, total o parcialmente integral con el escudo de marco o al final, el volumen de la caja de bornes no deberá ser inferior a 1,4 centímetros cúbicos por conexión de cable a cable. La dimensión de la cubierta de apertura mínimo no es especificada. 1 Véase la Sociedad Americana para P ruebas y Materiales Ensayos de i nflamabilidad de la Auto-Apoyo plásticos, ASTM D635-81, más de 0.050 pulgadas (0,127 cm) de espesor, para la prueba de que no quema.
  • 142.
    MG 1-1998, Revisión1 Sección I Parte 4, página 36 Dimensiones, tolerancias, y los montajes TERMINAL mínimos de vivienda, dimensiones y volúmenes PARA MOTORES MÁS DE 11 PULGADAS EN DIAMETRO * Los motores de corriente alterna Máximo A plena carga Actual para Trif ásico Caja de terminales Los motores con Apertura de la cubierta Máximo de Mínimo Volumen útil, Típico de un máximo de tres f ase Doce deriv aciones, Dimensión, Mínimo, Caballo de f uerza Amperios Pulgadas Pulgadas cúbicas 230 v oltios Volts460 45 2.5 70 3.3 36.4 15 30 110 4.0 77 25 50 160 5.0 140 40 75 250 6.0 252 60 125 400 7.0 450 100 200 600 8.0 840 150 300 1540 250 500 Motores de corriente continua Máximo A plena carga Terminal Actual para Viv iendas Los motores con Volumen MinimumUsable, Máximo de seis Dimensión, mínima, Llev a Pulgadas InchesCubic 68 2.526 105 3.355 165 4,0100 240 5,0180 375 6,0330 600 7,0600 900 8,01100 * Este es un diámetro, medido en el plano de laminación del círculo que circunscribe la carcasa del estator, excluyendo apéndices, las aletas, cajas, etc, utilizados exclusivamente para la refrigeración del motor, montaje, ensamblaje o de conexión. 4.19.2.2 Cajas de bornes para terminales rígidamente montado - Máquinas Media Cuando las cajas de terminales incluir rígidamente montado en los terminales del motor, las cubiertas de la terminal será de tamaño suficiente para proporcionar distancias mínimas de terminal y los volúmenes utilizables de acuerdo con lo siguiente:
  • 143.
    Sección I MG 1-1998, Revisión 1 Dimensiones, tolerancias, y los montajes Parte 4, página 37 ESPACIOS DE TERMINALES Espacio mínimo, pulgadas Entre los terminales de y otros no aislados Entre la línea de piezas TerminalsMetal Voltios 0.250.25 250 o menos 251-600, incl. 0.38 0.38 VOLUMEN ÚTIL Volumen mínimo utilizable por energía Fuente de alimentación Tamaño del conductor, AWG Conductor de suministro, pulgadas cúbicas 14 1.0 12 y 10 1.25 8y6 2.25 Para tamaños de cable más grandes o cuando los motores se instalan como parte de la fábrica de cableado de equipos, sin conexión adicional que se requiera en la caja de bornes del motor durante la instalación de los equipos, el caja de bornes deberán ser de tamaño suficiente para hacer las conexiones, pero las disposiciones precedentes de los volúmene s de viviendas terminal no es necesario aplicar. 4.19.2.3 Cajas de terminales para grandes motores de CA Cuando los motores grandes cuentan con cajas de terminales de línea de cable connections1, el mínimo dimensiones y volumen útil será como se indica en la T abla 4 -6 para viviendas de tipo I o terminal de la figura 4 - 11 para viviendas de tipo de terminal II. A menos que se especifique lo contrario, cuando los motores de inducción se proporcionan con cajas de terminales, una de tipo I caja de bornes se suministra. Para motores con 601 voltios y más alto, lleva accesorio deberá terminar en una caja de terminales o cajas separada de la caja de bornes de la máquina. Como excepción, los transformadores de corriente y potencial ubicados en la carcasa del terminal de la máquina se le permitirá tener sus conexiones secundarias termina en el carcasa de la máquina de terminal si está separado de la máquina lleva por una barrera física adecuada. Para motores con 601 voltios y superiores, la terminación de los cables de los accesorios que normalmente operan a una tensión de 50 voltios (RMS) o menos, estarán separados de los cables de alta tensión por una física adecuada barrera para evitar el contacto accidental o se dará por terminado en una caja separada. Una carcasa que contiene los conos de la Terminal de estrés, los condensadores de sobretensiones, pararrayos, transformadores de corriente , o el potencial transformadores requieren una consideración individual.
  • 144.
    MG 1-1998, Revisión1 Sección I Parte 4, página 38 Dimensiones, tolerancias, y los montajes Tabla 4-6 TIPO DE VIVIENDA I TERMINAL TERMINACIONES SIN SOPORTE Y AISLAMIENTO Mínimo Mínimo Mínimo Utilizable Interno Central Máximo completo Volúmenes, Cubic Dimensiones, Distancia * Corriente de carga Pulgadas Pulgadas Pulgadas Voltaje 400 900 8 --- 000-600 600 2000 8 --- 900 3200 10 --- 1200 4600 14 --- 601-2400 160 180 5 --- 250 330 6 --- 400 900 8 --- 600 2000 8 12.6 900 3200 10 12.6 1500 5600 16 20.1 2401-4800 160 2000 8 12.6 700 5600 14 16 1000 8000 16 20 1500 10740 20 25 2000 13400 22 28.3 4801-6900 260 5600 14 16 680 8000 16 20 1000 9400 18 25 1500 11600 20 25 2000 14300 22 28.3 6901-13800 400 44000 22 28.3 900 50500 25 32.3 1500 56500 27.6 32.3 2000 62500 30.7 32.3 * La distancia mínima entre la placa de entrada para la entrada del conducto a la línea central de la máquina lleva.
  • 145.
    Sección I MG 1-1998, Revisión 1 Dimensiones, tolerancias, y los montajes Parte 4, página 39 Dimensiones mínimas (pulgadas) Máquina Voltaje L W D A B C X E F G 460-600 24 18 18 9-1/2 8-1/2 4 5 2-1/2 4 12 2300-4800 26 27 18 9-1/2 8-1/2 5-1/2 8 3-1/2 5 14 6600-6900 36 30 18 9-1/2 8-1/2 6 9 4 6 30 13200-13800 48 48 25 13-1/2 11-1/2 8-1/2 13-1/2 6-3/4 9-1/2 36 Figura 4-11 MAQUINA II TERMINAL DE VIVIENDA Stand-Off-aislante-COMPA TIBLES TERMINACIONES AISLAMIENTO o sin aislamiento
  • 146.
    MG 1-1998, Revisión1 Sección I Parte 4, página 40 Dimensiones, tolerancias, y los montajes 4.19.2.4 Viviendas Terminal de Grandes Generadores síncronos de CA Cuando los grandes generadores de corriente alterna síncronos están provistos de carcasas de terminales para cable a cable conexiones, una las viviendas deberán tener las siguientes dimensiones y los volúmenes utilizables: Mínimo Mínimo Utilizable Mínimo Central Volumen Dimensión, Distancia * Cu. En. Pulgadas Pulgadas Voltaje kVA 0-599 <20 75 2.5 21-45 250 4 46-200 500 6 480 201-312, incl. 600 7 313-500, incl. 1100 8 501-750, incl. 2000 8 751-1000, incl. 3200 10 600 -2399 201-312, incl .. 600 7 ... 313-500, incl. 1100 8 ... 501-750, incl. 2000 8 ... 751-1000, incl. 3200 10 ... 2400 -4159 251-625, incl. 180 5 ... 626-1000, incl. 330 6 ... 1000-1563, incl. 600 7 ... 1564-2500, incl. 1100 8 ... 2501-3750, incl. 2000 8 ... 4160 -6899 351-1250, incl. 2000 8 12.5 1251-5000, incl. 5600 14 16 5001-7500, incl. 8000 16 20 6900 -13800 876-3125, incl. 5600 14 16 3126-8750, incl. 8000 16 20 * La distancia mínima entre la placa de entrada para la entrada del conducto en la línea central del generador de pistas. 1 cajas de terminales con condensadores de sobretensiones, pararrayos, transformadores de corriente, transformadores de poten cial o requerirá una consideración individual.
  • 147.
    Sección I MG 1-1998, Revisión 1 Dimensiones, tolerancias, y los montajes Parte 4, página 41 4.20 TIERRA DE MEDIOS PARA EL CABLEADO Cuando los motores están provistos de carcasas de terminal para conexiones de cable a cable o terminal fijo conexiones, un medio de fijación de un equipo de terminación de conductor de puesta a tierra será siempre en el interior o junto con la accesibilidad de la caja de bornes. A menos que su uso es obvio, se identificarán de manera conveniente. La terminación será la adecuada para la fijación y la corriente de falla equivalente ampacidad de un conductor de cobre de puesta a tierra como se muestra en la T abla 4-7. Un tornillo, perno o tornillo destinados a la terminación de un conductor de puesta a tierra no debe ser más pequeño que se muestra en la T abla 4 -7. Para el motor a plena carga corrientes en exceso de 30 amperios de corriente alterna o corrien te continua 45 amperios, arandelas de seguridad externa del diente dentada, el tornillo cabezas, o el equivalente no deberá ser suministrado por un perno, tornillo o perno pretende ser una puesta a tierra conductor de terminación. Cuando un motor está provisto de un terminal a tierra, este terminal será el tipo de soldadura y se estar en una parte de la máquina que normalmente no se desmonta durante la operación o servicio. Cuando un tornillo de la carcasa del terminal de montaje, estudios, o el tor nillo se utiliza para proteger el conductor de conexión la vivienda principal de la terminal, habrá al menos otro medio equivalente de sujeción para fijación de la caja de bornes a la estructura de la máquina. Tabla 4-7 TAMAÑO MÍNIMO DE TIERRA FIN DE CONDUCTOR Tamaño máximo de puesta a tierra Corriente del motor a plena carga  Conductor Adjunto de terminación Tamaño mínimo de tornillo, perno o tornillo Signif ica, AWG corriente dc Acero Bronce alterna 12 #6 --- 14 12 16 16 12 #8 --- 30 40 10 # 10 --- 45 68 8 # 12 # 10 70 105 6 5 / 16 " # 12 110 165 4 5 / 16 " 5 / 16 " 160 240 3 3/8" 5 / 16 " 250 375 1 1/2" 3/8" 400 600 2/0 --- 1/2" 600 900 3/0 --- 1/2"
  • 148.
    MG 1-1998, Revisión1 Sección I Parte 4, página 42 Dimensiones, tolerancias, y los montajes ESTA PÁGINA INTENCIONALMENTE Se deja en blanco
  • 149.
    Sección I MG 1-1998, Revisión 1 GRADO DE PROT ECCIÓN Parte 5, página 1 Sección I NORMAS GENERALES APLICABLES A TODOS LOS EQUIPOS Parte 5 Máquinas rotativas-Clasificación eléctrica de los grados de Protección proporcionados por las máquinas eléctricas rotativas 5.1 ÁMBITO DE APLICACIÓN Esta Sección se aplica a la clasificación de los grados de protección proporcionados por las envolventes de rotación máquinas. 5.2 OBJETO El objeto de la parte 5 es el de describir: a. Definiciones de los grados estándar de protección proporcionados por las envolventes eléctricas aplicables a máquinas rotativas en cuanto a: 1. Protección de las personas contra el contacto con o acercarse a las piezas y evitar el contacto con las partes móviles (que no sea suave ejes de rotación, etc) dentro de la caja y protección de la máquina contra la penetración de objetos extraños. 2. La protección de las máquinas contra los efectos nocivos debido a la entrada de agua b. Las designaciones de estos grados de protección c. Las pruebas a realizar para comprobar que las máquinas cumplen con los requisitos de esta parte. Parte 5 define los requisitos que deberán cumplir cajas de protección. Parte 5 sólo se refiere a recintos que se encuentran en todos los demás aspectos adecuados para el uso previsto y que desde el punto de vista de los materiales y mano de obra, garantizar que las propiedades objet o de la presente parte se mantenido en las condiciones normales de uso. Esta parte no especifica los grados de protección contra los daños mecánicos de la máquina, o condiciones como la humedad (producido por ejemplo por condensación), vapores corrosivos, hongos o parásitos. Esta parte no especifica los tipos de protección de máquinas para el uso en una atmósfera explosiva. Cercas externas al recinto que tienen que ser exclusivamente para la seguridad del personal no son considera parte de la caja y no se tratan. 5.3 DESIGNACIÓN La denominación utilizada por el grado de protección se compone de las letras IP seguidas de dos números característicos significa conformidad con las condiciones indicadas en las tablas de 5.4 y 5.5 , respectivamente. 5.3.1 Cifra característica única Cuando sea necesario para indicar un grado de protección por una sola cifra característica, la omite número se sustituye por la let ra X, por ejemplo IPX5 o IP2X. 5.3.2 Cartas complementarias Información adicional puede ser indicado por una letra suplementaria después de la segunda característica numeral. Si más de una letra se utiliza, la secuencia alfabética se aplicará. 5.3.2.1 letras siguientes números En aplicaciones especiales (tales como las máquinas de refrigeración con circuito abierto para la instalación de nave cubiert a con aire aberturas de entrada y salida cerrada durante stand-still) números puede ser seguido por una letra que indica si la protección contra los efectos perjudiciales debido a la entrada de agua fue verificada o probada de la máquina no funcionamiento (letra S) o la máquina en funcionamiento (letra M). En este caso el grado de protección, ya sea en estado de la máquina se indicará, por ejemplo IP55S/IP20M.
  • 150.
    MG 1-1998, Revisión1 Sección I Parte 5, Página 2 GRADO DE PROT ECCIÓN La ausencia de las letras S y M implica que el grado deseado de protección serán siempre en todas las condiciones normales de uso. 5.3.2.2 Las cartas colocan inmediatamente después de las letras IP Para abrir el interior refrigerado por aire, máquinas adecuadas en condiciones climáticas específicas y siempre con características adicionales de protección o de procesos (como se especifica en 5.10), la letra W se pueden utilizar. Una "máquina abierta" es una máquina con un circuito de refrigeración abierto en el que se extrae el líquido refrigerante directamente de el medio que rodea a pasar por la máquina y luego volver directamente a los alrededores mediano plazo. 5.3.3 Ejemplo de designación de IP 4 4 Cartas de características Primera cifra característica (Ver T abla 5-1) Segunda cifra característica (Ver T abla 5-2) 5.3.4 Usados con mayor frecuencia Los grados más utilizados de la protección de las máquinas eléctricas se dan en el Apéndice A. 5.4 GRADO DE PROTECCIÓN PRIMER cifra característica 5.4.1 Definiciones La primera característica numeral indica el grado de protección proporcionado por el cierre de respecto a las personas y también a las partes de la máquina dentro de la caja. T abla 5-1 ofrece, en la columna 3, una breve descripción de los objetos que serán "excluidos" de la caja para cada uno de los grados de protección representado por el número de la primera característica. El término "excluidos" implica que una parte del cuerpo, o una herramienta o un cable de poder de una persona, o bien no se entrar en la máquina o si entra en él, que el espacio adecuado se mantendrá entre éste y las partes vivas o los elementos móviles peligrosos (ejes de rotación suave y similares no se consideran peligrosos). Columna 3 del cuadro 1.5 también se indica el tamaño mínimo de objetos sólidos que se excluirán. 5.4.2 Protección implícita El cumplimiento de un recinto con un grado de protección indicado implica que el recinto también se cumplir con todos los grados más bajos de protección en la T abla 5 -1. En consecuencia, el establecimiento de estas pruebas menor grado de protección no son necesarias, excepto en caso de duda. 5.4.3 Ventiladores externos Las palas y los rayos de ventiladores externos al recinto estará protegido contra el contacto por medio de los guardias de cumplir con los siguientes requisitos: La protección de la máquina Prueba del v entilador 0X IP IP 1X 1,9865 pulgadas (50 mm) prueba de campo 2X IP a IP 5X Dedo de prueba Para la prueba, el rotor girar lentamente a mano. Ejes de rotación suave y piezas similares no se consideran peligrosos. NOTA: En algunas aplicaciones (tales como aparatos agrícolas o domésticas) precauciones más amplio contra el contacto accidental o deliberada puede ser necesario si se especifica.
  • 151.
    Sección I MG 1-1998, Revisión 1 GRADO DE PROT ECCIÓN Parte 5, página 3 5.4.4 Los agujeros de drenaje Si la máquina está provista de orificios de drenaje, se aplicará lo siguiente: a. Agujeros de drenaje destinado normalmente a ser abierta en el sitio se mantendrá abierta durante las pruebas. b. Agujeros de drenaje destinado normalmente a ser cerrado en el lugar se mantendrán cerradas durante la prueba. c. Si las máquinas con protección IP 4X 3X o IP están destinados a ser ejecutados con orificios de drenaje abierto, el drenaje agujeros pueden cumplir con la protección IP 2X. d. Si las máquinas con protección IP 5X están destinados a ser ejecutados con orificios de drenaje abiert o, los agujeros de drenaje se cumplir con la protección IP 4X. 5.5 GRADO DE PROTECCIÓN DE SESIONES cifra característica 5.5.1 Definición La segunda característica numeral indica el grado de protección proporcionado por el cierre de respecto al efecto nocivo debido a la entrada de agua. T abla 5-2 ofrece, en la columna 3, los detalles del tipo de protección proporcionado por el cierre de cada uno de los grados de protección representado por el número de segunda característica. Una máquina del tiempo es protegido por su diseño cuando se reduce la entrada de la lluvia, la nieve y el aire partículas, en determinadas condiciones, por un monto consistente con el funcionamiento correcto. Este grado de protección es designada por la letra "W" coloca después de los dos números característicos. 5.5.2 Protección implícita El cumplimiento de un recinto con un grado de protección indicado implica que el recinto también se cumplir con todos los grados de protección más bajo en la tabla 5 -2. En consecuencia, el establecimiento de las pruebas de estos grados más bajos de protección no son necesarias, excepto en caso de duda. 5.6 MARCADO Se recomienda que las letras características y los números se marcará en la máquina de preferencia en la placa, o, si esto no es posible, en el recinto. Cuando todas las partes de una máquina no tiene el mismo grado de protección, la designación de los más bajos grado, se muestra primero, seguido, en su caso, por la otra designación, con referencia a la parte de que se aplica. Cuando el montaje de la máquina tiene una influencia en el grado de protección, la intención disposición de montaje deberá ser indicado por el fabricante en la placa o en sus instrucciones para de montaje o similares. 5.7 REQUISITOS GENERALES PARA LAS PRUEBAS DE El ensayo especificado en esta norma son ensayos de tipo. Que se llevará a cabo en los productos estándar o modelos de ellos. Cuando esto no es factible, ya sea la verificación mediante la prueba de la aceptación o mediante el examen de los dibujos deben ser objeto de un acuerdo entre el fabricante y el usuario. A menos que se especifique lo contrario, las muestras de las máquinas de cada prueba deberán estar en estado limpio y nuevo, con todas las piezas en su lugar y se monta en la forma indicada por el fabricante. En el caso de los primeros números característicos 1 y 2 y la segunda característica de los números 1, 2, 3 y 4, un inspección visual puede, en ciertos casos obvios, muestran que el grado deseado de protección se obtiene. En esos casos, ninguna prueba tiene que ser hecho. Sin embargo, en caso de duda, las pruebas se hará conforme lo prescripto en el 5,8 y 5.9. 5.7.1 El espacio adecuado A los efectos de las cláusulas siguientes pruebas en la presente norma, el término "espacio suficiente" tiene el el siguiente significado:
  • 152.
    MG 1-1998, Revisión1 Sección I Parte 5, Página 4 GRADO DE PROT ECCIÓN 5.7.1.1 equipos de bajo voltaje (tensión nominal no superior a AC: 1000 V y DC: 1500 V) El dispositivo de prueba (esfera, dedo, alambre, etc) no toque las partes vivas o partes móviles, que no sean elementos peligrosos, tales como el eje de rotación suave. 5.7.1.2 máquinas de alta tensión (tensión nominal superior a AC: 1000 V y DC: 1500 V) Cuando el dispositivo de prueba se coloca en la posición más desfavorable (s), la máquina deberá ser capaz de resistir la prueba dieléctrica aplicable a la máquina. Este requisito de la prueba dieléctrica puede ser sustituido por una dimensión autorización especifica en el aire que asegurarse de que esta prueba será satisfactoria en la configuración del campo eléctrico más desfavorables. 5.8 PRUEBAS DE LA PRIMERA cifra característica Condiciones de prueba y la aceptación de numeral primera característica se da en la T abla 5.3. Tabla 5-1 GRADO DE PROTECCIÓN indicado por el número principal característica PRIMERO Grado de protección Característica Prueba Numeral * Brev e descripción Def inición Condición No protegidas de la máquina 0 Ninguna protección especial No hay ninguna prueba, pero ver 5.4.3 1 ** P rotegida contra El contacto accidental o involuntaria, con o enfoque para vivir y en la Tabla 5 -3 en movimiento objetos sólidos mayores de piezas en el interior del recinto por una gran superficie del cuerpo humano, tales 1.968 pulgadas (50 mm) como una mano (pero no la protección contra el acceso deliberado). P enetración de objetos sólidos superiores a 1.968 pulgadas (50 mm) de diámetro 2 ** P rotegida contra Contacto con los dedos u objetos similares que no exceda de 80 mm de longitud en la Tabla 5.3 objetos sólidos mayores de con o enfoque para vivir o móvil en el interior del recinto. 0,4724 pulgadas (12 mm) P enetración de objetos sólidos superiores a 0,4724 pulgadas (12 mm) de diámetro. 3 ** P rotegida contra Contacto o acercamiento a vivir o piezas en movimiento dentro de la tabla 5 -3 recinto objetos sólidos mayores de las herramientas o los cables superior a 0,0984 pulgadas (2,5 mm) de diámetro. 0,0984 pulgadas (2,5 mm) P enetración de objetos sólidos superiores a 0,0984 pulgadas (2,5 mm) de diámetro. 4 ** P rotegida contra Contacto o acercamiento a vivir o piezas en movimiento dentro de la tabla 5 -3 recinto objetos sólidos mayores de por medio de cables o tiras de un grosor de 0,0394 pulgadas (1 mm) en 0,0394 pulgadas (1 mm) diámetro. 5† P rotegidos contra el polvo de la máquina Contacto o acercamiento a vivir o móvil en el interior del recinto. Tabla 5-3 La entrada de polvo no está totalmente impedido, pero el polvo no entre en cantidad suficiente para interferir con el buen funcionamiento de la de la máquina. 6† A prueba de polvo de la máquina Contacto o acercamiento a vivir o móvil en el interior del recinto. Tabla 5-3 No hay penetración de polvo * La breve descripción que figura en la columna 2 de esta tabla no debe ser usado para especificar la forma de protección. ** Las máquinas le asigna un primer número característico 1, 2, 3 ó 4 se excluye tanto con regularidad o de forma irregular s ólidos los objetos a condición de que normalmente tres dimensiones perpendiculares del objeto de superar la cifra correspondiente de la columna "Definición". † El grado de protección contra el polvo se define en esta norma es de carácter general. Cuando la natural eza del polvo (Dimensiones de las partículas, su naturaleza, por ejemplo, partículas fibrosas) se especifica, las condiciones de prueba deb e ser determinada por acuerdo entre el fabricante y el usuario.
  • 153.
    Sección I MG 1-1998, Revisión 1 GRADO DE PROT ECCIÓN Parte 5, página 5 Tabla 5-2 GRADO DE PROTECCIÓN indicado por el número segunda característica Grado de protección Segundo Característica Numeral * Brev e descripción Def inición Prueba de condición de 0 No protegidas Ninguna protección especial No hay ninguna máquina prueba Protegida 1 Goteo de agua (caída vertical de gotas), se han T abla 5-4 contra goteo de agua ningún efecto nocivo. Protegida El goteo vertical de agua no será perjudicial 2 contra goteo de agua T abla 5-4 efecto cuando la máquina está inclinada en un ángulo de hasta cuando se inclina hasta 15 15 grados de su posición normal. grados Protegida contra el agua 3 El agua que cae en forma de aerosol en un ángulo de hasta 60 T abla 5-4 grados de la vertical no será perjudicial efecto. Salpicaduras de agua sobre la impresora, desde cualquier 4 Protegida T abla 5-4 dirección no tendrá efectos dañinos. contra las salpicaduras de agua Protegida 5 contra chorros de agua El agua proyectada por una boquilla contra la máquina T abla 5-4 desde cualquier dirección no tendrá ningún efecto nocivo. Protegida El agua de mar gruesa o agua proyectada en 6 contra mar gruesa T abla 5-4 potentes chorros no entrará en la máquina perjudiciales cantidades. La entrada de agua en la máquina en un dañino 7 Protegida cantidad no será posible cuando la máquina está T abla 5-4 contra los efectos de sumergido en el agua bajo unas condiciones de inmersión presión y tiempo. La máquina es apta para inmersión continua en agua en condiciones que se especificarán 8 Protegida por el fabricante. T abla 5-4 contra la continua sumersión * La breve descripción aparece en la columna 2 de esta tabla no debe ser usado para especificar la forma de protección.
  • 154.
    MG 1-1998, Revisión1 Sección I Parte 5, página 6 GRADO DE PROT ECCIÓN Tabla 5-3 TEST y recepción de las NUMERAL primera característica Primera característica Numeral Prueba y Condiciones Aceptación 0 No es necesario realizar ensayos. 1 La prueba se realiza con una esfera rígida de 1.968 + .002/-0 pulgadas (50 mm 0,05 / -0) de diámetro aplicada en contra de la apertura (s) en el recinto con una fuerza de 11,2 lbf (50 N) ± 10 por ciento. La protección es satisfactoria si el campo no pasa por una abertura y adecuada autorización se mantiene a las partes que normalmente viven en el servicio o piezas en movimiento dentro de la de la máquina. a. Dedo de prueba 2 La prueba se realiza con un dedo de prueba metálico como se muestra en la Figura 1 -5 o 5-1. Tanto las juntas de este dedo puede ser doblado en un ángulo de 90 grados con respecto al eje del dedo, pero en una y la misma dirección solamente. El dedo se empuja sin esfuerzo excesivo (no más de 2,24 (10 N)) en contra de ninguna de las aberturas en el recinto y, si entra, se coloca en todos los posibles posición. La protección es satisfactoria si el espacio adecuado se mantiene entre el dedo de prueba y las partes vivas o en movimiento dentro del recinto. Sin embargo, es permitido tocar suave rotación ejes y partes similares no peligrosos. Para esta prueba, las partes internas en movimiento puede ser operado con lentitud, cuando ello sea posible. Para las pruebas en equipos de bajo voltaje, un suministro de baja tensión (de no menos de 40V) en serie con un lámpara adecuada se puede conectar entre el dedo de prueba y las partes vivas dentro del recinto. Partes la realización de cubiertas sólo con barniz o pintura, o protegidas por oxidación o por una similar proceso, se cubre con una lámina de metal conectado eléctricamente a las partes que se normalmente se encuentran en servicio. La protección es satisfactoria si la lámpara no se enciende. Para máquinas de alta tensión, el espacio adecuado es verificada por una prueba dieléctrica, o por un medición de la distancia libre de acuerdo con los principios de la 5.7.1.2. b. Esfera de prueba La prueba se realiza con una esfera rígida de 0.4724 + .002/-0 pulgadas (12,0 0,05 / -0 mm) de diámetro aplicado a las aberturas de la caja con una fuerza de 6,74 lbf (30 N) ± 10 por ciento. La protección es satisfactoria si el campo no pasa por una abertura y adecuada autorización se mantiene para vivir o móvil en el interior de la máquina. La prueba se realiza con un cable de acero rígido o una varilla recta de 0,0984 pulgadas (2,5 mm) de diámetro aplicado con una fuerza de 0,674 lbf (3 N) ± 10 por ciento. El extremo del alambre o varilla deberán estar libres de rebabas y en ángulo recto con su longitud. La protección es satisfactoria si el cable o la varilla no puede entrar en el recinto (ver 5.4.4). La prueba se realiza con un cable de acero recta rígida de 0,0394 pulgadas (1 mm) de diámetro se aplica con un fuerza de 0,224 lbf (1 N) ± 10 por ciento. El extremo del cable deberá estar libre de rebabas y de la derecha 3 los ángulos de su longitud. La protección es satisfactoria si el cable no se puede entrar en el recinto (ver 5.4.4). 4 Tabla 5-3 en la página siguiente
  • 155.
    Sección I MG 1-1998, Revisión 1 GRADO DE PROT ECCIÓN Parte 5, Página 7 Tabla 5-3 (Continuación) TEST y recepción de las NUMERAL primera característica Primera característica Numeral Prueba y Condiciones Aceptación 5 a. Polvo de prueba La prueba se realiza con equipos que incorporan los principios básicos que se muestra en la Figura 5.2, en polvos de talco que se mantiene en suspensión en una cámara de prueba cerrado adecuado. La polvo de talco utilizado deberá ser capaz de pasar por un tamiz de malla cuadrada, cuyo nominal de alambre diámetro es 50 micras y el ancho nominal entre los cables es 75μm. La cantidad de polvos de talco a utilizar es de 2 kg por metro cúbico de volumen de la cámara de prueba. No se han utilizado para más de 20 pruebas. Las máquinas eléctricas tienen un recinto donde el ciclo normal de funcionamiento de la máquina causa una reducción en la presión del aire dentro del recinto en relación con el ambiente la presión atmosférica. Estas reducciones pueden deberse, por ejemplo, a los efectos de los ciclos térmicos (Categoría I). Para esta prueba la máquina es compatible con el interior de la cámara de prueba y la presión dentro del máquina se mantiene por debajo de la presión atmosférica por una bomba de vacío. Si el recinto tiene una orificio de drenaje único, la conexión de aspiración se hará a un agujero especialmente previstos para el propósito de la prueba, salvo que el orificio de drenaje está destinada normalmente a ser cerrado en el lugar (ver 5.4.4). El objeto de la prueba es llamar a la máquina, si es posible, por lo menos 80 veces el volumen de aire en el recinto, sin exceder una tasa de extracción de 60 volúmenes por hora con un adecuado la depresión. En ningún caso la depresión superior a 20 mbar en el manómetro muestra en la Figura 5-2. Si una tasa de extracción de 40 a 60 volúmenes por hora se obtiene, la prueba se detuvo después de 2 horas. Si, con una depresión máxima de 20 mbar, la tasa de extracción es menor de 40 volúmenes por hora, la prueba se continúa hasta 80 volúmenes se han elaborado a través de, o tiene un período de 8 horas transcurrido. Si no es posible poner a prueba la máquina completa en la cámara de prueba, uno de los procedimientos se aplicarán los siguientes. 1. Las pruebas de las secciones de forma individual cerrado de la máquina (cajas de conexión, de anillos casas, etc) 2. Las pruebas de las partes representativas de la máquina, que comprende componentes tales como puertas, aberturas de ventilación, juntas, retenes, etc, con las partes vulnerables de la máquina, como terminales, anillos, etc, en la posición en el momento de la prueba. 3. Las pruebas de las máquinas más pequeñas con el mismo todos los detalles de diseño a escala. 4. Prueba de las condiciones fijadas por acuerdo entre el fabricante y el usuario. En el caso de la segunda y tercera, el volumen de aire que se dibuja a través del máquina durante la prueba como se especifica para toda la máquina a gran escala. La protección es satisfactoria si, en la inspección, polvos de talco, no se ha acumulado en un cantidad o la ubicación de tal manera que, al igual que con cualquier tipo de basura habitual (por ejemplo, no conductor, no combustibles, polvo corrosivo, no explosivos o químicos) que podría interferir con el correcto funcionamiento de la máquina. b. Prueba del hilo Si la máquina está diseñada para funcionar con un orificio de drenaje abierto, deberá ser probado en el mismo manera que el primer número característico 4, es decir, utilizando una pulgada 0.0394 (1 mm) de alambre de diámetro. Tabla 5-3 en la página siguiente
  • 156.
    MG 1-1998, Revisión1 Sección I Parte 5, página 8 GRADO DE PROT ECCIÓN Tabla 5-3 (Continuación) TEST y recepción de las NUMERAL primera característica Primera característica Numeral Prueba y Condiciones Aceptación 6 a. Polvo de prueba La prueba se realiza con equipos que incorporan los principios básicos que se muestra en la Figura 5.2, en polvos de talco que se mantiene en suspensión en una cámara de prueba cerrado adecuado. La polvo de talco utilizado deberá ser capaz de pasar por un tamiz de malla cuadrada, cuyo nominal de alambre diámetro es 50 micras y el ancho nominal entre los cables es 75μm. La cantidad de polvos de talco a utilizar es de 2 kg por metro cúbico de volumen de la cámara de prueba. No se han utilizado para más de 20 pruebas. Las máquinas eléctricas tienen un recinto donde el ciclo normal de explotación de la máquina hace que la reducción de la presión del aire dentro del recinto en relación con el la presión atmosférica ambiental. Estas reducciones pueden deberse, por ejemplo, para los efectos térmicos de ciclismo (categoría I). Para esta prueba la máquina es compatible con el interior de la cámara de prueba y la presión dentro del máquina se mantiene por debajo de la presión atmosférica por una bomba de vacío. Si el recinto tiene una orificio de drenaje único, la conexión de aspiración se hará a un agujero especialmente previstos para el propósito de la prueba, salvo que el orificio de drenaje está destinada normalmente a ser cerrado en el lugar (ver 5.4.4). El objeto de la prueba es llamar a la máquina, si es posible, por lo menos 80 veces el volumen de aire en el recinto, sin exceder una tasa de extracción de 60 volúmenes por hora con un adecuado la depresión. En ningún caso la depresión superior a 20 mbar en el manómetro muestra en la Figura 5-2. Si una tasa de extracción de 40 a 60 volúmenes por hora se obtiene, la prueba se detuvo después de 2 horas. Si, con una depresión máxima de 20 mbar, la tasa de extracción es menor de 40 volúmenes por hora, la prueba se continúa hasta 80 volúmenes se han elaborado a través de, o tiene un período de 8 horas transcurrido. Si no es posible poner a prueba la máquina completa en la cámara de prueba, uno de los siguientes procedimientos se aplicarán. 1. Las pruebas de las secciones de forma individual cerrado de la máquina (cajas de conexión, de anillos casas, etc) 2. Las pruebas de las partes representativas de la máquina, que comprende comp onentes tales como puertas, aberturas de ventilación, juntas, retenes, etc, con las partes vulnerables de la máquina, como terminales, anillos, etc, en la posición en el momento de la prueba. 3. Las pruebas de las máquinas más pequeñas con el mismo todos los detalles de diseño a escala 4. Prueba de las condiciones fijadas por acuerdo entre el fabricante y el usuario. En el caso de la segunda y tercera, el volumen de aire que se dibuja a través del máquina durante la prueba como se especifica para toda la máquina a gran escala. La protección es satisfactoria si, en la inspección, el polvo de talco, no ha entrado en la máquina. b. Prueba del hilo Si la máquina está diseñada para funcionar con un orificio de drenaje abierto, deberá ser probado en el mismo manera que el primer número característico 4, es decir, utilizando una pulgada 0.0394 (1 mm) de alambre de diámetro. 5.9 PRUEBAS PARA LA SEGUNDA cifra característica 5.9.1 Condiciones de prueba Condiciones de ensayo para el numeral segunda característica se da en la T abla 4.5. El ensayo se realizará con agua fresca. Durante la prueba, la humedad contenida dentro de la caja puede ser en parte condensada. El rocío que por lo tanto se pueden depositar no debe ser confundido con una entrada de agua. A los efectos de las pruebas, la superficie de la máquina se calcularán con una precisión de 10 por ciento.
  • 157.
    Sección I MG 1-1998, Revisión 1 GRADO DE PROT ECCIÓN Parte 5, página 9 Precauciones de seguridad adecuadas se deben tomar cuando se prueba una máquina en la condición de energía. Tabla 5-4 Condiciones de ensayo para NUMERAL segunda característica Segundo Característica Numeral Condiciones de prueba 0 No es necesario realizar ensayos. 1 La prueba se realiza por medio de un equipo se muestra el principio de que en la figura 3.5, la régimen de descarga deberán ser razonablemente uniformes en toda el área de los aparatos y se produce una precipitación de entre 3 mm y 5 mm de agua por minuto (en el caso de los equipos de acuerdo a la Figura 3.5, esto corresponde a una caída en el nivel de agua de 3 mm a 5 mm por minuto). La máquina durante la prueba se coloca en su posición normal de funcionamiento en el goteo equipo, la base de que será mayor que el de la máquina durante la prueba. Excepto máquinas diseñadas para pared o techo, el apoyo a la caja a prueba deberá ser menor que la base de la caja. La máquina normalmente se fijan a la pared o el techo se fija en su posición normal de uso de una madera tablero con dimensiones que son iguales a los de la superficie de la máquina que está en contacto con la pared o el techo cuando la máquina se monta como en uso normal. La duración total de la prueba será de 10 minutos. El goteo es la misma que la especificada para el segundo número característico 1 y se ajustado para dar la misma velocidad de descarga. 2 La máquina está probada durante 2,5 minutos en cada una de las cuatro posiciones de inclinación fija. Estos posiciones son de 15 grados a cada lado de la vertical en dos perpendiculares entre sí aviones. La duración de la prueba será de 10 minutos. 3 La prueba se efectuará utilizando el equipo como se muestra en la Figura 5.4, siempre que el dimensiones y forma de la máquina para la prueba es tal que el radio de la oscilación tubo no sea superior a 1 m. Si esta condición no se cumple, un pulverizador de mano, como se muestra en la Figura 5.5, se utilizará. a. Condiciones cuando se utiliza equipo de prueba como se muestra en la Figura 4.5. El caudal total se ajustará en un promedio de 0,1 litros / min. ± 5 por ciento por hoyo multiplicado por el número de agujeros. El caudal total se mide con un medidor de caudal. El tubo está provisto de orificios de pulverización en un arco de 60 grados a cada lado del punto central y se fijarán en posición vertical, la máquina de pruebas está montada sobre una plataforma giratoria con un eje vertical y se encuentra aproximadamente en el centro del semicírculo. El plato giratorio es gira a una velocidad conveniente para que todas las partes de la máquina se mojan durante la prueba. La duración mínima de prueba será de 10 minutos. b. Condiciones cuando se utiliza equipo de prueba como en la Figura 5.5. El escudo se mueve en su lugar para esta prueba. La presión del agua se ajusta para obtener una tasa de ejecución de 10 0,5 litros / min. (Presión aproximadamente 80 a 100 kPa [0.8-1.0 bar]). 2 La duración del ensayo será de 1 min por m de superficie calculada de la máquina (excluyendo cualquier superficie de montaje) con una duración mínima de 5 minutos. Tabla 5-4 en la página siguiente
  • 158.
    MG 1-1998, Revisión1 Sección I Parte 5, Página 10 GRADO DE PROT ECCIÓN Tabla 5-4 (Continuación) Condiciones de ensayo para NUMERAL segunda característica Segundo Característica Numeral Condiciones de prueba 4 Las condiciones para decidir si el aparato de la figura 5.4, o la de la figura 5.5 se debe utilizados son los mismos establecidos para el segundo número característico 3. a. El uso del equipo de la figura 5.4. El tubo oscilante tiene agujeros perforados en el conjunto de 180 grados del semicírculo. La prueba la duración, la rotación de la plataforma giratoria y la presión del agua son los mismos que para el grado 3. El apoyo a la máquina durante la prueba deberá ser perforada con el fin de evitar actuar como un deflector y el recinto se proyectará en todas las direcciones por la oscilación del tubo en una velocidad de 60 ° / s hasta el límite de su recorrido en cada direcció n. b. El uso del equipo de la figura 5.5. El escudo en movimiento es eliminado de la boquilla de la máquina y se rocía de todas las direcciones posibles. La tasa de suministro de agua y el tiempo de pulverización por unidad de área son los mismos que para el grado 3. 5 La prueba se realiza mediante la pulverización de la máquina desde todas las direcciones posibles, con un chorro de agua de una boquilla de prueba estándar como se muestra en la Figura 5.6. Las condiciones que deben observarse son las siguientes. 1. Boquilla de diámetro interior: 6,3 mm 2. T asa de entrega: 12,5 litros / min. ± 5 por ciento 3. La presión del agua en la boquilla de aproximadamente 30 kPa (0,3 bar) (ver Nota 1) 2 4. Duración de la prueba por m de superficie de la máquina: 1 minuto 5. Duración de la prueba mínima: 3 minutos 6. Distancia desde la boquilla a la superficie de la máquina: unos 3 m (véase Nota 2). (Esta distancia puede ser reducida si es necesario para asegurar la humectación adecuada cuando se pulveriza hacia arriba.) La prueba se realiza mediante la pulverización de la máquina desde todas las direcciones posibles, con un chorro de agua de una boquilla de prueba estándar como se muestra en la Figura 5.6. Las condiciones que deben observarse son las siguientes. 6 1. Boquilla de diámetro interior: 12,5 mm 2. Caudal: 100 litros / min. ± 5 por ciento 3. La presión del agua en la boquilla: aproximadamente 100 kPa (1 bar) (ver Nota 1) 2 4. Duración de la prueba por m de superficie de la máquina: 1 minuto 5. Duración de la prueba mínima: 3 minutos 6. Distancia desde la boquilla a la superficie de la máquina: unos 3 m (véase Nota 2) La prueba se realiza mediante la inmersión completa de la máquina en agua para que las siguientes condiciones están satisfechos 1. La superficie del agua deberá ser de al menos 150 mm por encima del punto más alto de la máquina 2. La porción más baja de la máquina será de al menos 1 m por debajo de la superficie del agua 7 3. La duración de la prueba será de al menos 30 minutos 4. La temperatura del agua no debe diferir de la de la máquina por más de 5 ° C. Por acuerdo entre el fabricante y el usuario, esta prueba puede ser sustituido por el siguiente procedimiento. La máquina debe ser probado con una presión de aire dentro de aproximadamente 0,1 bar. La duración de la prueba es de 1 minuto. La prueba se considera satisfactoria si no hay fugas de aire durante la prueba. Las fugas de aire pueden ser detectados, ya sea por inmersión, el agua sólo cubre la máquina, o por la aplicación de lo de una solución de jabón en el agua. Tabla 5-4 en la página siguiente
  • 159.
    Sección I MG 1-1998, Revisión 1 GRADO DE PROT ECCIÓN Parte 5, página 11 Tabla 5-4 (Continuación) Condiciones de ensayo para NUMERAL segunda característica Segundo Característica Numeral Condiciones de prueba 8 Las condiciones de prueba son objeto de un acuerdo entre el fabricante y el usuario, sino que se no ser menos severas que las previstas para el grado 7. NOT AS 1-La medición de la presión del agua puede ser sustituida por la de la altura a la que el chorro de la boquilla se eleva libremente: Presión Altura 0,3 bar 2,5 m 1 bar 8m 2-La distancia de la boquilla de la máquina durante la prueba, para los grados 5 y 6, se ajustado a 3 m por razones prácticas, ya que puede ser reducido con el fin de p robar la máquina de todas las direcciones. 5.9.2 Condiciones de aceptación Después de la prueba, de acuerdo con la T abla 4.5 se ha realizado, la máquina deberá ser inspeccionado por la entrada de agua y se somete a las siguientes comprobaciones y pruebas. 5.9.2.1 Las fugas de agua permitida La cantidad de agua que ha entrado en la máquina no será capaz de interferir con su satisfactorio funcionamiento, las bobinas y las partes viv as no está diseñado para funcionar cuando está mojado no se húmedo y no hay acumulación de agua que puedan llegar a ellos se producen en el interior de la máquina. Es, sin embargo, admisible para las aspas de los ventiladores dentro máquinas rotativas para estar mojada, también fugas a lo largo el eje es admisible si se prevé para el drenaje de esta agua. 5.9.2.2 Post Test de agua eléctrico a. En el caso de una prueba en una máquina no funciona, la máquina se pondrá en funcionamiento sin carga condiciones, bajo tensión nominal de 15 minutos y luego sometido a una prueba de alto voltaje, la prueba tensión es de 50 por ciento de la tensión de ensayo de una nueva máquina (pero no menos de 125 por ciento de la tensión nominal). b. En el caso de una prueba en una máquina en funcionamiento, sólo la prueba de alta tensión se hizo, de acuerdo con Artículo a. de 5.9.2.2 c. La prueba se considera satisfactoria si estos controles no muestran daños de acuerdo con la Parte 3. 5.10REQUIREMENTS Y PRUEBAS PARA ABRIR EL CLIMA PROTEGIDA MÁQUINAS El grado de protección "W" está destinado a las máquinas enfriadas por aire con refrigeración interna de circuito abierto. Protegidos del tiempo las máquinas se diseñarán de modo que la penetración de la lluvia, la nieve y partículas en el aire en la parte eléctrica se reduce. Otras medidas que prevean la protección de tiempo (por ejemplo, bobinas encapsuladas o cierre total) se no designado por "W". Grado de protección "W" máquinas tendrá pasajes de ventilación construido de tal forma que: a. En válvulas de admisión y de descarga de alta velocidad del aire y las partículas en suspensión se impidió la entrada los pasajes internos que conduce directamente a la parte eléctrica de la máquina. b. El camino de entrada de aire, por incomprensible o el uso de viviendas por separado, proporcionar por lo menos tres cambio s abruptos en la dirección del aire de admisión, cada una de ellas al menos 90 grados.
  • 160.
    MG 1-1998, Revisión1 Sección I Parte 5, página 12 GRADO DE PROT ECCIÓN c. camino de entrada de aire deberá proporcionar un área de baja velocidad no superior a 3 m / s, permitiendo todas las partí culas El a un acuerdo. Extraíble o de otro modo fácil de limpiar los filtros o cualquier otro acuerdo para la separación de partículas pueden ser proporcionados en lugar de una cámara de sedimentación. La protección de la máquina contra el contacto, cuerpos extraños y agua se ajustarán a las condiciones y pruebas previstas para el grado establecido de protección. El diseño de la caja del terminal deberá cumplir al menos IP54 grado de confinamiento. Si es necesario, medidas para proporcionar protección contra el hielo, la humedad, la corrosión o anormal condiciones se hará mediante un acuerdo (por ejemplo, mediante el uso de anti-condensación para calefacción). Para la verificación del tiempo de protección de "W", un estudio de los dibujos es suficiente. Ambas articulaciones de este dedo se puede doblar en un ángulo de 90 º, pero en un y la misma dirección solamente. Dimensiones en mm. Tolerancias: En los ángulos: 5 o En las dimensiones lineales: Menos de 25 mm: 0,05 Más de 25 mm: 0.2 (Reproducido con permiso de la IEC, que se reserva el derecho de autor.) Figura 5-1 Dedo de prueba normalizado
  • 161.
    Sección I MG 1-1998, Revisión 1 GRADO DE PROT ECCIÓN Parte 5, Página 13 (Reproducido con permiso de la IEC, que se reserva el derecho de autor.) Figura 5-2 EQUIPO PARA PROBAR protección contra el polvo
  • 162.
    MG 1-1998, Revisión1 Sección I Parte 5, página 14 GRADO DE PROT ECCIÓN Figura 5-3 EQUIPO PARA PROBAR LA PROTECCIÓN CONTRA gotas de agua
  • 163.
    Sección I MG 1-1998, Revisión 1 GRADO DE PROT ECCIÓN Parte 5, página 15 Figura 5-4 EQUIPO PARA PROBAR LA PROTECCIÓN CONTRA LA FUMIGACIÓN y salpicaduras de agua mostrada AGUJEROS CON FUMIGA CIÓN EN CASO DE segundo número característico 3
  • 164.
    MG 1-1998, Revisión1 Sección I Parte 5, página 16 GRADO DE PROT ECCIÓN Figura 5-5 Equipo de mano, PARA PROBAR LA PROTECCIÓN CONTRA LA FUMIGA CIÓN Y SALPICA DURAS DE AGUA
  • 165.
    Sección I MG 1-1998, Revisión 1 GRADO DE PROT ECCIÓN Parte 5, página 17 Figura 5-6 BOQUILLA DE NORMA PARA LAS PRUEBAS DE LA MANGUERA
  • 166.
    MG 1-1998, Revisión1 Sección I Parte 5, página 18 GRADO DE PROT ECCIÓN ANEXO A Usados con mayor frecuencia GRADO DE PROTECCIÓN PARA MÁQUINAS ELÉCTRICAS Segundo Característica 0 1 2 3 4 5 6 7 8 Numeral Primero Característica Numeral 0 1 IP 12 2 IP 21 IP 22 IP 23 3 4 IP 44 5 IP 54 IP 55 NOTA: Esta lista incluye los grados de uso más frecuente de la protección, a nivel internacional, en acuerdo con la descripción dada en 5.4 y 5.5. Y puede ser modificado o completado para necesidades especiales, o de acuerdo a las necesidades de los estándares nacionales.
  • 167.
    Sección I MG 1-1998 Eléctricas rotativas MOT ORES-Métodos de refrigeración (CÓDIGO IC) Parte 6, página 1 Sección I NORMAS GENERALES APLICABLES A TODOS LOS EQUIPOS Parte 6 Eléctricas rotativas MOTORES-Métodos de refrigeración (CÓDIGO IC) 6.1 ÁMBITO DE APLICACIÓN Esta parte se indican las medidas del circuito y los métodos del movimiento del líquido refrigerante en la rotación máquinas eléctricas, clasifica los métodos de enfriamiento y ofrece un sistema de designación para ellos. La designación del método de enfriamiento consiste en las letras "IC", seguido por números y letras en representación de la disposición del circuito, el líquido refrigerante y el método de movimiento del líquido refrigerante. La designación completa y una denominación simplificada están definidos. El sistema de designación completa diseñado para ser utilizado sobre todo cuando el sistema simplificado no es aplicable. Las designaciones completas, así como las designaciones de simplificar, se ilustran en las tablas de 6,7 por algunos de los tipos de uso más frecuente de las máquinas rotativas, junto con los bocetos de los particulares ejemplos. 6.2 DEFINICIONES A los efectos de esta ley, regirán las siguientes definiciones. 6.2.1 Enfriamiento Un procedimiento mediante el cual el calor resultante de las pérdidas que ocurren en una máquina se entrega a un refrigerante primario, que puede ser continuamente reemplazado o podrá ser enfriado por un refrigerante secundario en un intercambiador de calor. 6.2.2 Refrigerante Un medio, líquido o gas, por medio del cual se transfiere el calor. 6.2.3 Refrigerante primario Un medio, líquido o gas que, al estar a una temperatura más baja que una parte de una máquina y en contacto con ello, elimina el calor de esa parte. NOTA: Una máquina puede tener más de un refrigerante primario. 6.2.4 El refrigerante secundario Un medio, líquido o gas que, al estar a una temperatura inferior a la del refrigerante primario, elimina la calor cedido por el refrigerante primario por medio de un intercambiador de calor o por la superficie externa de la de la máquina. NOTA: Cada refrigerante primario en una máquina puede tener su propio refrigerante secundario. 6.2.5 Refrigerante final El refrigerante última a la que el calor se transfiere. NOTA: En algunas máquinas, el refrigerante final es también el refrigerante primario. 6.2.6 Alrededor de media El medio, líquido o gas, en el entorno de la máquina. NOTA: El refrigerante se pueden extraer y / o ser dado de alta a este entorno.
  • 168.
    MG 1-1998 Sección I Parte 6, Página 2 Eléctricas rotativas MOT ORES-Métodos de refrigeración (CÓDIGO IC) 6.2.7 Medio a distancia Un medio, líquido o gas, en un entorno remoto de la máquina y de la cual es un refrigerante elaborado y / o de las que se vierte a través de la entrada y / o tubería de salida o en el con ducto, o en los que un calor por separado intercambiador se pueden instalar. 6.2.8 Liquidación directa refrigerado (interior del devanado enfriado) Un arrollamiento en el que el refrigerante fluye a través de conductores huecos, tubos o canales que forman una parte integral de la bobina en el interior del aislamiento principal. 6.2.9 enfriado indirecto de bobinado Un arrollamiento enfriado por cualquier otro método que el de 6.2.8. NOTA: En todos los casos en que "indirecta" o "directa" no se dice, una refrigeración indirecta bobinado está implícita. 06/02/10 Intercambiador de Calor Un componente destinado a la transferencia de calor de un refrigerante a otro, manteniendo los dos refrigerantes por separado. 6.2.11 Tuberías, Conductos Un pasaje para guiar el líquido refrigerante. NOTA-El conducto término se utiliza generalmente cuando un canal pasa directamente a través del suelo sobre el que la máquina está montado. El tubo se utiliza el término en todos los demás casos se introduce un líquido refrigerante fuera de la máquina o el calor intercambiador. 02/06/12 Circuito Abierto Un circuito en el cual se extrae el líquido refrigerante finales directamente desde el medio circundante o se extrae de una medio de distancia, pasa por encima o por medio de un intercambiador de calor, y luego regresa directamente a los alrededores medio o se descarga a un medio de control remoto. NOTA: El refrigerante final será siempre el flujo en un circuito abierto (véase también 6.2.13). 02/06/13 Circuito Cerrado Un circuito en el que se hace circular un líquido refrigerante en un circuito cerrado en oa través de la máquina y, posibleme nte, a través de un intercambiador de calor, mientras que el calor se transfiere de este refrigerante en el líquido refrigerant e a través de la siguiente superficie de la máquina o en el intercambiador de calor. NOTAS 1-Un sistema de enfriamiento general de una máquina puede consistir en una o varias actuando sucesivamente circuitos cerrados y siempre es un circuito abierto final. Cada uno de los refrigerantes primarios, secundarios y / o final puede tener su propia adecuada circuito. 2-Los diferentes tipos de circuitos se establecen en la cláusula 6.4 y en las tablas de 6,7. 02/06/14 Hilo o conductos del circuito Un circuito en el que se guía el líquido refrigerante ya sea de entrada o salida del tubo o conducto, o por la entrada y sali da tubería o ducto, estos sirven como separadores entre el refrigerante y el medio circundante. NOTA: El circuito puede ser abierto o un circuito cerrado (ver 2.6.12 y 6.2.13). 02/06/15 Stand-by o del sistema de refrigeración de emergencia Un sistema de refrigeración, que es además el sistema de refrigeración normal y que tiene por objeto se utiliza cuando el sistema de enfriamiento normal no está disponible. 06/02/16 componente integral Uno de los componentes en el circuito de refrigeración que está integrado en la máquina y que sólo puede ser reemplazado por parcialmente desmontar la máquina.
  • 169.
    Sección I MG 1-1998 Eléctricas rotativas MOT ORES-Métodos de refrigeración (CÓDIGO IC) Parte 6, página 3 06/02/17 máquina de montaje de componentes Uno de los componentes en el circuito de refrigeración que se monta en la parte de la máquina y las formas de ella, pero puede que ser sustituido sin molestar a la máquina principal. 02/06/18 componente separado Uno de los componentes en el circuito de refrigeración que se asocia con una máquina, pero que no está montado sobre o integral con la máquina. NOTA: Este componente puede estar situado en el entorno o un medio de control remoto. 6.2.19 Componente circulación dependiente Uno de los componentes en el circuito de refrigeración, que para su funcionamiento depende de (relacionado con) la rotación velocidad del rotor de la máquina principal (por ejemplo, ventilador o una bomba en el eje de la máquina principal o unidad de ventilación o unidad de bomba accionada por la máquina principal). 02/06/20 Componente de circulación independiente Uno de los componentes en el circuito de refrigeración, que para su funcionamiento es independiente de (no relacionado con) l a velocidad de rotación del rotor de la máquina principal, (por ejemplo, diseño con su propio motor de accionamiento). 6.3 DESIGNACIÓN DEL SISTEMA La denominación utilizada por el método de refrigeración de una máquina se compone de letras y números c omo se indica a continuación: 6.3.1 Disposición del Código IC El sistema de designación se realiza de la siguiente manera, utilizando el IC8A1W7 ejemplos para la designación completa y IC81W la designación simplificada. NOTA: La siguiente regla se puede aplicar la distinción entre denominación completa y simplificada: 1-Completa designación puede ser reconocido por la presencia (después de las letras IC) de tres o cinco números y las letras en la secuencia regular - número, letra, un número (letra, un número). Ejemplos: IC3A1, C4A1A1 o IC9A1W7 2-Una designación simplificado tiene dos o tres números consecutivos, o una carta en la posición final. Ejemplos: IC31, IC411, o IC71W.
  • 170.
    MG 1-1998 Sección I Parte 6, página 4 Eléctricas rotativas MOT ORES-Métodos de refrigeración (CÓDIGO IC) Designación completa IC 8 A 1 W 7 Designación simplificado IC 8 1 W 6.3.1.1 Cartas Código (Internacional de refrigeración) 6.3.1.2 Disposición del circuito Designado por un número característico de conformidad con 6.4. 6.3.1.3 refrigerante primario Designado por una letra característica, de acuerdo con 6.5. Omitido la designación simplificada si se trata de una de aire. 6.3.1.4 Método de movimiento del refrigerante primario (Mayor temperatura) Designado por una cifra característica, de acuerdo con 6.6. 6.3.1.5 refrigerante secundario En su caso, designado por un letra característica, de acuerdo con 6.5. Omitido la designación simplificada si se trata de una de aire. 6.3.1.6 Método de movimiento del refrigerante secundario (Menor temperatura) En su caso, designado por una cifra característica, de acuerdo con 6.6. Omitido en el caso de la simplificado designación si es de 7 con agua (W7) para refrigerante secundario. 6.3.2 Aplicación de las Denominaciones La designación simplificada de preferencia se debe utilizar (es decir, el sistema de designación tiene por objeto completar para su uso sobre todo cuando el sistema simplificado no es aplicable). 6.3.3 Designación de los acuerdos de un mismo circuito para las diferentes partes de una máquina Refrigerantes o métodos diferentes de movimiento se puede utilizar en diferentes partes de una máquina. Estos se serán designados por las designaciones indicando en su caso después de cada pieza de la máquina. Un ejemplo de los diferentes circuitos en el rotor y el estator es el siguiente: IC7W5W IC7H1WStator rotor. . . . . . . . . . . . . . (Simplificado) IC7H1W7Stator rotor IC7W5W7. . . . . . . . . . . . . (Completo) Un ejemplo de los diferentes circuitos de una máquina es la siguiente: Generador IC7H1WExciter IC75W. . . . . . . . . . . . . . . (Simplificado) Generador IC7H1W7Exciter IC7A5W7. . . . . . . . . . . . . (Completo) 6.3.4 Designación de los Circuitos diferentes para diferentes partes de una máquina Diferentes arreglos de circuitos se puede utilizar en diferentes partes de una máquina. Estos serán designados indicando las denominaciones en su caso después de cada pieza de la máquina, separados por una barra oblicua (/). Ejemplo: Generador IC81WExciter IC75W. . . . . . . . . . . . . . . (Simplificado) Generador IC8A1W7Exciter IC7A5W7. . . . . . . . . . . . . (Completo)
  • 171.
    Sección I MG 1-1998 Eléctricas rotativas MOT ORES-Métodos de refrigeración (CÓDIGO IC) Parte 6, página 5 6.3.5 Designación de enfriado directo Liquidación En el caso de máquinas con refrigeración directa (refrigeración interna) bobinas, la parte de la designación relacionados a este circuito se pondrá entre paréntesis. Ejemplo: Rotor IC7 IC7H1WStator (W5) W. . . . . . . . . . . . . . (Simplif icado) Rotor IC7 IC7H1W7Stator (W5) W7. . . . . . . . . . . . . (Completo) 6.3.6 Designación de Stand-by o de emergencia las condiciones de refrigeración Diferentes arreglos de circuitos se pueden utilizar en función de stand-by o de las condiciones de refrigeración de emergencia. Estos serán designados por la designación para el método normal de refrigeración, seguido por el designación del sistema de refrigeración especial entre corchetes, incluyendo las palabras "emergencia" o "Stand-by" y las letras IC código. Ejemplo: (IC01 de emergencia). . . . . . . . . . . . . . (Simplificado) IC71W IC7A1W7 (IC0A1 de emergencia). . . . . . . . . . . . . (Completo) 6.3.7 Designaciones combinado Cuando dos o más de las condiciones de 6.3.3 a 6.3.6, inclusive, se combinan, la adecuada denominaciones descritos anteriormente pueden ser aplicadas en forma conjunta. 6.3.8 La sustitución de números característicos Cuando una cifra característica no se ha determinado aún o no está obligado a especificar por determinada aplicación, el número se omite, se sustituye por la letra "X" Ejemplos: IC3X, IC4XX 6.3.9 Ejemplos de Denominaciones y Sketches En 6.7, las diferentes denominaciones, junto con dibujos apropiados, se dan algunas de las tipos de uso de las máquinas rotativas. 6.4 NUMERAL característica de configuración del circuito El numeral siguiente característica básica del símbolo "IC" designa a la disposición del circuito (ver 6.3.1.2) para hacer circular el refrigerante (s) y para eliminar el calor de la máquina de acuerdo con la tabla 6-1.
  • 172.
    MG 1-1998 Sección I Parte 6, página 6 Eléctricas rotativas MOT ORES-Métodos de refrigeración (CÓDIGO IC) Tabla 6-1 CIRCUITO DE ACUERDO Característica Numeral Descripción brev e Def inición 0* La libre circulación El refrigerante es libre extraídos directamente del medio circundante, se enfría la máquina, y luego libremente vuelve directamente al medio circundante (circuito abierto). 1* Entrada de la tubería o el conducto de El refrigerante se extrae de una distancia media de la máquina, se orienta a la entrada máquina a través de una tubería de entrada o en el conducto, pasa a través de la máquina y vuelve circular directamente en el medio circundante (circuito abierto ). 2* Tubo de salida o conducto de salida refrigerante se extrae directamente del medio que lo rodea, pasa a través de la El circular máquina y se descarga de la máquina a través de un tubo de salida o en el conducto de una distancia media de la máquina (circuito abierto). 3* Entrada y la tubería de salida o El refrigerante se extrae de una distancia media de la máquina, se orienta a la conducto circular máquina a través de una tubería de entrada o en el conducto, pasa a través de la máquina y luego se expulsados de la máquina a través de un tubo de salida o en el conducto a un medio de control remoto de la máquina (circuito abierto). 4 Superficie de la carcasa enfriada El refrigerante primario circula en un circuito cerrado en la máquina y da su calor a través de la superficie externa de la máquina (además de la transferencia de calor a través del núcleo del estator y de calor, la realización de piezas) para el refrigerante final que es la medio circundante. La superficie puede ser liso o acanalado, con o sin un exterior Shell para mejorar la transferencia de calor. 5 ** Intercambiador de calor El refrigerante primario circula en un circuito cerrado y le da su calor a través de un calor (Con alrededor de intercambiador de calor, que se construye en y forma parte integrante de la máquina, a la final medio) refrigerante, que es el medio que lo rodea. 6 ** Montado en el motor de calor El refrigerante primario circula en un circuito cerrado y le da su calor a través de un calor intercambiador de calor (con intercambiador, que se monta directamente en la máquina, al final, que es el refrigerante medio circundante) el medio circundante. 7 ** Intercambiador de calor El refrigerante primario circula en un circuito cerrado y le da su calor a través de un calor (Utilizando un medio de control remoto) intercambiador de calor, que se construye en y forma parte integrante de la máquina, a la refrigerante secundario que es el medio a distancia. 8 ** Montado en el motor de calor El refrigerante primario circula en un circuito cerrado y le da su calor a través de un calor intercambiador de calor (con intercambiador, que se monta directamente en la máquina, al refrigerante secundario medio de control remoto) que es el medio a distancia. 9 **, † P or separado de calor El refrigerante primario circula en un circuito cerrado y le da su calor a través de un calor intercambiador de calor (con intercambiador de calor, que es independiente de la máquina, para que el refrigerante secundario, que se circundantes o remoto ya sea el entorno o el medio a distancia. medio) CARTAS 6.5CHARACTERISTIC para el refrigerante 6.5.1 El refrigerante (ver 6.3.1.3 y 6.3.1.5) es designado por una de las letras características de acuerdo con la T abla 6-2. * Filtros o laberintos para separar el polvo, elimina el ruido, etc, se puede montar en el marco o en los conductos. Números característicos 0 a 3 se aplicarán también a las máquinas donde se extrae el medio de enfriamiento del medio circundante a través de un interca mbiador de calor con el fin de proporcionar más fresco medio que el medio circundante, o con un pañuelo a través de un intercambiador de calor para mantener la temperatura ambiente más bajos. ** La naturaleza del intercambiador de calor no se especifica (tubos de estriado o liso, etc.) † Un intercambiador de calor puede ser instalado al lado de la máquina o en un lugar remoto de la máquina. Una gaseosa secund aria refrigerante puede ser el medio que lo rodea o un medio de control remoto (ver también 6.7, tabla 6.6).
  • 173.
    Sección I MG 1-1998 Eléctricas rotativas MOT ORES-Métodos de refrigeración (CÓDIGO IC) Parte 6, página 7 Tabla 6-2 REFRIGERANTE Carta característica Ref rigerante A (ver 6.5.2) Aire F Refrigerante H Hidrógeno N Nitrógeno C Dióxido de carbono W De agua U Aceite S (ver 6.5.3) Cualquier otro refrigerante Y (ver 6.5.4) Refrigerante no han sido seleccionados 6.5.2 Cuando el refrigerante solo es aire, o cuando en el caso de los dos refrigerantes de uno o ambos son el aire, el carta (s) "A" indicando que el refrigerante se omite en la designación simplificado. 6.5.3 Por la característica letra "S", el refrigerante se identificarán en otros lugares. 6.5.4 Cuando el refrigerante es finalmente seleccionado, la letra utilizada tempo ralmente "Y" se sustituye por el apropiado carta última característica. 6.6 Cifra característica PARA EL MÉTODO DEL MOVIMIENTO La siguiente cifra característica (en la denominación completa) cada una de las letras indica la refrigerante designa el método de movimiento de este refrigerante adecuado (véase 6.3.1.4 y 6.3.1.6) en acuerdo con la T abla 6-3.
  • 174.
    MG 1-1998 Sección I Parte 6, Página 8 Eléctricas rotativas MOT ORES-Métodos de refrigeración (CÓDIGO IC) Tabla 6-3 Método de movimiento Característica Brev e Numeral Descripción Def inición 0 Convección libre El refrigerante se mueve por diferencias de temperatura. La acción de avivar de que el rotor está despreciable 1 Auto-circulación El refrigerante se mueve depende de la velocidad de rotación de la máquina principal, ya sea por la acción del rotor solo o por medio de un compo nente diseñado para este propósito y montado directamente en el rotor de la máquina principal, o por un ventilador o una bomba unidad de accionamiento mecánico por el rotor o la máquina principal. 2-4 Reservado para uso futuro. 5* Integral El refrigerante es movido por un componente integral, el poder del que se obtiene en independiente de tal manera que es independiente de la velocidad de rotación de la máquina principal, por ejemplo, un componente ventilador interno o unidad de bombeo impulsado por su motor eléctrico propio. 6* Montado en el motor El refrigerante se mueve por un componente montado en la máquina, el poder de los cuales independiente se obtiene de tal manera que es independiente de la velocidad de rotación de los principales componente máquina, por ejemplo, una máquina montada ventilador de la uni dad o unidad de bombeo impulsado por su propio eléctrica motor. 7* Separados y El refrigerante se mueve por un componente separado eléctrica o mecánica sin montar independiente en la máquina e independiente de ella o se produce por la presión del refrigerante componente o sistema de circulación, por ejemplo, suministrada por un sistema de distribución de agua, o un gas principal sistema de refrigeración bajo presión. presión 8* Relativo El movimiento de los resultados del refrigerante del movimiento relativo entre la máquina desplazamiento y el refrigerante, ya sea por mover la máquina a través de la refrig eración o por el flujo de la refrigerante circundante (aire o líquido). 9 Todos los demás El movimiento del líquido refrigerante se produce mediante un método que no se ha definido anteriormente y componentes Se describirá detalladamente. 6.7 DESIGNA CIONES DE USO COMÚN Continuación han sido simplificadas y de las denominaciones completas de algunos de los tipos más utilizados de máquinas eléctricas rotativas: 6.7.1 Información general sobre las tablas En las tablas 6-4, 6-5, 6-6 y las columnas muestran los números característicos de los arreglos de circuitos y las filas muestran los números característicos para el método de movimiento del líquido refrigerante. Disposición de circuito Mesa Números característica 0, 1, 2, 3 (circuito abierto con alrededor de medio a medio o remoto) 6-4 Números característicos 4, 5, 6 (circuito primario cerrado, circuito secundario abierto con medio circundante) 6-5 Números característicos 7, 8, 9 (circuito primario cerrado, circuito secundario abierto y el uso a distancia o 6-6 medio circundante) Los bocetos muestran ejemplos con aire de refrigeración fluye desde el extremo no accionamiento de disco de gama. El flujo de aire puede estar en la dirección opuesta, o la entrada de aire puede ser en ambos extremos con la descarga en el centro, en función de el diseño de la máquina, la disposición y el número de ventiladores, unidades de ventilación, tuberías de entrada y de salida o de los conductos. La línea superior de cada caja le da la denominación simplificada a la izquierda y la designación completa de la derecha con el aire y / o el agua como refrigerante (ver 6.3.2 y 6.5.1). Los símbolos utilizados en los bocetos: a. Ventilador depende integral o montado en la máquina- b. Componente de la circulación independiente c. Conducto o tubería, no parte de la máquina. * El uso de un componente independiente como fuente principal para el movimiento no excluye la acción de avivar el disco ni la existencia de un ventilador adicional montado directamente sobre el rotor de la máquina principal.
  • 175.
    Sección I MG 1-1998 Eléctricas rotativas MOT ORES-Métodos de refrigeración (CÓDIGO IC) Parte 6, página 9 Tabla 6-4 EJEMPLOS DE CIRCUITO ABIERTO DE USAR * medio circundante O A DISTANCIA Cif ra característica para la disposición de circuito (Ver 6.4) 0 1 2 3 Característica número de método Tubo de entrada o en la entrada de salida o de salida Tubo Entrada y la tubería de salida de mov imiento de La libre circulación conducto circular conducto circular o conducto circular ref rigerante (Con alrededor de (Utilizando el control remoto (Con alrededor de (Utilizando el control remoto medio) medio) medio) medio) (Ver 6.6) 0 Convección libre 1 Auto-circulación 5 Circulación integral independiente componente 6 La circulación por la máquina- montados independiente componente 7 Circulación por separado e independiente componente o por presión de refrigerante sistema 8 Circulación en relación desplazamiento * P or disposición de los Códigos de IC, véase 6.3.1.
  • 176.
    MG 1-1998 Sección I Parte 6, Página 10 Eléctricas rotativas MOT ORES-Métodos de refrigeración (CÓDIGO IC) Tabla 6-5 Ejemplos de circuitos de primarias cerradas, circuitos secundarios ABIERTO DE USAR ALREDEDORES * MEDIO Cif ra característica para la disposición de circuito Cif ra característica para el método de (Ver 6.4) mov imiento (Ver 6.6) 4 5 6 La libre circulación Calor integral Montado en el motor del ref rigerante primario de secundaria ref rigerados (Con intercambiador de calor (Con intercambiador de calor (Ver nota) ref rigerante circundante circundante (Uso de los alrededores medio) medio) medio) 0 Convección libre 1 Auto-circulación 5 Circulación integral componente independiente 6 La circulación por la máquina- montados independiente componente 7 Circulación por separado e independiente componente o por el refrigerante la presión del sistema 8 Circulación en relación desplazamiento * P or disposición de los Códigos de IC, véase 6.3.1. NOTA: Los ejemplos mostrados en esta tabla están relacionados con el movimiento del refrigerante secundario. El número caract erístico de la movimiento del refrigerante primario en esta tabla se supone que es "1". Obviamente, otros diseños no se muestra también se p uede especificar por mediante el Código de CI, por ejemplo, el diseño con la máquina montada en unidad de ventilación independiente s para refrigerante primario: IC666 (IC6A6A6) en lugar de IC616 (IC6A1A6)
  • 177.
    Sección I MG 1-1998 Eléctricas rotativas MOT ORES-Métodos de refrigeración (CÓDIGO IC) Parte 6, página 11 Tabla 6-6 Ejemplos de circuitos de primarias cerradas, circuitos secundarios ABIERTO EL USO O A DISTANCIA ALREDEDORES * MEDIO Cif ra característica para Cif ra característica para la disposición de circuito método de mov imiento (Ver 6.4) (Ver 6.6) 7 8 9 (Secundaria ref rigerante: gas, de Calor integral Montado en el motor medio de control remoto o secundario intercambiador intercambiador de calor circundante de primaria ref rigerante (Utilizando el control remoto (Utilizando el control remoto medio) ref rigerante (Ver nota) medio) medio) 0 Convección libre 1 Auto-circulación 5 La circulación por integral independiente componente 6 La circulación por máquina de montaje independiente componente 7 La circulación por separados y indepen- componente o presión de refrigerante sistema 8 La circulación por relativo desplazamiento * P or disposición de los Códigos de IC, véase 6.3.1. NOTA: Los ejemplos mostrados en esta tabla están relacionados con el movimiento del refrigerante secundario. El número caract erístico de la movimiento del líquido refrigerante secundario de esta tabla se supone que es "7". Obviamente, otros diseños no se muestra también se puede especificar por mediante el Código de CI, por ejemplo, el diseño con la máquina montada en la unidad de bomba independiente para el refrigera nte primario: IC71W6 (IC7A1W6) en lugar de IC71W (IC7A1W7)
  • 178.
    MG 1-1998 Sección I Parte 6, página 12 Eléctricas rotativas MOT ORES-Métodos de refrigeración (CÓDIGO IC) ESTA PÁGINA INTENCIONALMENTE Se deja en blanco
  • 179.
    Sección I MG 1-1998, Revisión 1 Vibraciones Mecánicas Parte 7, página 1 SECCIÓN I NORMAS GENERALES APLICABLES A TODOS LOS EQUIPOS PARTE 7 Vibraciones mecánicas de medición, evaluación y límites 7.1 ÁMBITO DE APLICACIÓN Esta norma es aplicable a las máquinas de corriente continua a prueba con corriente directa de poder y de polifásicos de corriente alterna con una potencia de máquinas a prueba sinusoidal, en tamaños 42 y mayores y en potencia nominal de hasta 100.000 HP y 75 MW, a una velocidad nominal hasta e incluyendo 3600 rev / min. Para máquinas verticales y con brida de montaje-, esta norma sólo es aplicable a aquellas máquinas que se prueban en la orientación adecuada. Esta norma no es aplicable a un solo soporte de máquinas, máquinas de montaje in situ, de una sola fase máquinas, las máquinas trifásicas operado en sistemas monofásicos, vertical generadores de energía hidráulica, generadores de imanes permanentes o de las máquinas acopladas a motores primarios o carga impulsada. NOTA: P ara las máquinas medido in situ se refieren a la norma ISO 10816 -3. 7.2 OBJETO Esta norma establece las condiciones de prueba y medición de, y fija los límites para el nivel de la vibración de una máquina eléctrica, cuando las mediciones se realizan en la máquina solo en un área de prueba bajo condiciones controladas adecuadamente. Magnitudes de medición son los niveles de vibración (velocidad, desplazamiento y / o aceleración) en las cajas de rodamientos de la máquina y la vibración del eje relativo a la cajas de cojinetes dentro o cerca de los cojinetes de la máquina. Mediciones de las vibraciones del eje se recomienda Sólo para máquinas con cojinetes de deslizamiento y velocidad igual o superior a 1000 rev / min, y será el objeto de un acuerdo previo entre el fabricante y el usuario con respecto a las disposiciones necesarias para la instalación de las sondas de medición. 7.3 Referencias Documentos de referencia utilizados en esta parte son, ISO 8821, ISO 7919 -1, ISO 10816-3 e IEC 60034-14. 7.4 Medida de cantidad 7.4.1 Teniendo vibración de Vivienda El criterio adoptado por soportar las vibraciones de vivienda es el valor pico de la vibración no filtrada velocidad en centímetros por segundo. El mayor valor medido en los puntos de medición prescrito (ver 7.7.2) caracteriza a la vibración de la máquina. 7.4.2 vibración del eje relativa El criterio adoptado para la vibración del eje relativo (en relación con el alojamiento del cojinete) es el pico a pico desplazamiento de vibración (Sp-p) en pulgadas en la dirección de la medición (véase la norma ISO 7.919 -1).
  • 180.
    MG 1-1998, Revisión1 Sección I Parte 7, Página 2 Vibraciones Mecánicas 7.5 EQUIPOS DE MEDIDA El equipo utilizado para medir la vibración será una precisión de ± 10 por ciento del límite permitido para la vibración que se mide. 7.6MACHINE MONTAJE 7.6.1 Generales Evaluación de las vibraciones de las máquinas eléctricas rotativas requiere la medición de las máquinas en determinado de forma adecuada las condiciones de prueba para permitir pruebas reproducibles y comparables para proporcionar mediciones. La vibración de una máquina eléctrica está estrechamente relacionado con el montaje de la máquina. La elección del método de montaje será realizado por el fabricante. Por lo general, las máquinas con eje altura de 11 pulgadas o menos uso de montaje flexible. NOTA: La altura del eje de una máquina sin pies, o una máquina con los pies levantados, o cualquier máquina vertical, se tomado como la altura del eje de una máquina en el marco de misma base, pero el eje horizontal de los pies el tipo de montaje . 7.6.2 Montaje elástico Montaje flexible se logra mediante la suspensión de la máquina en un muelle o montándolo en un elástico de apoyo (muelles, caucho, etc.) La frecuencia natural de oscilación vertical, del sistema de suspensión y la máquina debe ser inferior a 33 por ciento de la frecuencia correspondiente a la velocidad más baja de la máquina durante la prueba, tal como se define en 7.7.3.3. Para una fácil determinación de la elasticidad necesaria del sistema de suspensión, consulte la Figura 7 -1. La masa efectiva del soporte elástico no deberá ser superior al 10 por ciento de la de la máquina, para reducir la influencia de la masa y los momentos de inercia de estas piezas en el nivel de vibración. 7.6.3 Montaje rígido Montaje rígido se logra mediante la colocación de la máquina directamente a una base masiva. Una fundación masiva es la que tiene una vibración (en cualquier dirección o en avión) limitado, durante la prueba, a 0,02 en la / s pico (0,5 mm / s pico) por encima de las vibraciones de fondo. Las frecuencias naturales de la bases no deben coincidir dentro de ± 10 por ciento de la frecuencia de rotación de la máquina, a ± 5 por ciento de dos veces la frecuencia de rotación, o dentro de ± 5 por ciento de una y dos veces la lín ea eléctrica- de frecuencia. La velocidad de la vibración de las bases en las direcciones horizontal y vertical, cerca de la base de la máquina no debe superar el 25 por ciento de la velocidad máxima en el rodamiento adyacentes en horizontal o dirección vertical con una frecuencia de rotación y en la frecuencia de la línea dos veces (si este último está siendo evalua do).
  • 181.
    Sección I MG 1-1998, Revisión 1 Vibraciones Mecánicas Parte 7, página 3 10 1 0.1 0.01 100 1000 1200 1800 3600 10000 Test de Velocidad - RPM Figura 7-1 Mínimo desplazamiento elástico como función de la velocidad de ensayo nominal 7.6.4 Determinación de Medio Ambiente activo Los sistemas de apoyo mencionados en 7.6.2 y 7.6.3, se consideran pasivos, admitiendo insignificante perturbaciones externas a la máquina. Si la vibración de la máquina estacionaria supera el 25 por ciento de el valor cuando la máquina está funcionando, pues, un espacio activo se dice que existe. Criterios de la vibración de sistemas de apoyo activo no se les da en esta parte. 7.7 CONDICIONES DE MEDICIÓN 7.7.1 eje clave Para el equilibrio y la medición de las vibraciones en las máquinas siempre con un a extensión del eje ranura, la ranura debe contener una clave de la mitad. Una de las claves de larga duración rectangular de media altura o una clave de longitud de la mitad de la altura completa (que debe estar centrado axialmente en la ranura) es aceptable (la cláusula de referencia 3.3 de la Norma ISO 8821).
  • 182.
    MG 1-1998, Revisión1 Sección I Parte 7, Página 4 Vibraciones Mecánicas 7.7.2 Puntos de medición de vibraciones 7.7.2.1 Alojamiento del cojinete La ubicación de los puntos de medición y las instrucciones para que los niveles de severidad de la vibración se aplican se muestran en la Figura 7-2 para las máquinas con cojinetes de palier y en la Figura 7-4 para las máquinas con cojinetes de pedestal. Figura 7.3 se aplica a las máquinas en las posiciones de medición de acuerdo con Figura 7-2 no es posible sin desmontar los elementos, o cuando no existe centro. 7.7.2.2 Eje No ponerse en contacto con transductores, si los hubiere, serán instalados en el interior del cojinete, para determinar directamente el desplazamiento relativo del eje de revistas, o cerca del cojinete cuando se monta en el interior no es práctico. La prefiere las posiciones radiales son como se indica en la Figura 5.7. 7.7.3 Condiciones de funcionamiento 7.7.3.1 general Para las máquinas que son bi-direccionales, los límites de la vibración se aplican para ambos sentidos de giro, pero es necesario se mide en una sola dirección. La medición de la vibración se hará con la máquina sin carga y acoplados. 7.7.3.2 Fuente de alimentación Alternando las máquinas actuales se ejecutan a la frecuencia nominal y tensión nominal con un casi forma de onda sinusoidal. La fuente de alimentación deberá proporcionar tensiones equilibradas fase de acercarse a una cerca forma de onda sinusoidal. La forma de onda factor1 desviación de tensión no supere el 10 por ciento. La frecuencia se mantendrá dentro de ± 0.5 por ciento del valor requerido para la prueba que se llevó a cabo, a menos que se especifique lo contrario. Los ensayos se realizarán en el desequilibrio de tensión no supere el 1 por ciento. La tensión de desequilibrio por ciento es igual a 100 veces la desviación máxima tensión de la tensión media dividida por la tensión media. Máquinas de corriente continua se suministra con la tensión de inducido y la corriente de campo correspondiente a la velocidad a la que las vibraciones que se está midiendo. Los límites de vibración se basan en el uso de ondas de baja Una fuente de alimentación (ver 12.66.2.1) fuentes de alimentación tipo. Otros tipos de fuentes de alimentación puede ser uti lizado para propósitos de prueba, a discreción del fabricante. 7.7.3.3 Velocidad de funcionamiento A menos que se especifique lo contrario para las máquinas que tienen más de una velocidad fija los límites de esta parte se No debe excederse la velocidad de funcionamiento. Para las máquinas con un rango de velocidades, las pruebas se llevarán a cabo por lo menos en la base y las mayores velocidades. Serie de motores de corriente continua deberán ser probados sólo a la velo cidad nominal de funcionamiento. Para inversor alimenta las máquinas, que deberá ser aceptable para medir la vibración en sólo la velocidad correspondiente a un 60 Hz fuente de alimentación. 7.7.4 Transductor de vibración de montaje Se debe tener cuidado para asegurarse de que un contacto entre el transductor de vibración y la máquina la superficie es el especificado por el fabricante del transductor y no perturbe el estado vibratorio de la máquina durante la prueba. La masa total del acoplado el transductor deberá ser inferior al 2 por ciento de la masa de la máquina. 1 El factor de desviación de una onda es la razón de la diferencia máxima entre las coordenadas correspondientes de la onda y de la onda sinusoidal equivalente a la ordenada máxima de la onda senoidal equivalente, cuando las ondas se superponen de tal maner a que se hacen de esta diferencia máxima lo más pequeño posible. La onda senoidal equivalente se define como tener la misma frecuencia y la misma raíz que el valor medio cuadrado como la ola se está probando.
  • 183.
    Sección I MG 1-1998, Revisión 1 Vibraciones Mecánicas Parte 7, Página 5 Figura 7-2 PUNTOS DE PREFERENTE DE MEDICIÓN aplicables a una o AMBOS EXTREMOS DE LA MÁQUINA Figura 7-3 PUNTOS DE MEDIDA PARA LOS FINES DE MÁQUINAS DE DONDE mediciones por FIGURA 7-2 no es posible sin desmontar los elementos
  • 184.
    MG 1-1998, Revisión1 Sección I Parte 7, Página 6 Vibraciones Mecánicas Figura 7-4 PUNTOS DE MEDIDA PARA RODAMIENTOS PEDESTAL Figura 7-5 Posición preferida circunferencial de TRANSDUCTORES PARA LA MEDICIÓN DE Desplazamiento del eje RELATIVA
  • 185.
    Sección I MG 1-1998, Revisión 1 Vibraciones Mecánicas Parte 7, Página 7 7.8 LÍMITES DE LAS VIBRACIONES DE VIVIENDA TENIENDO 7.8.1 General Los siguientes límites de vibración son para máquinas que funcionan sin carga, acoplados y montados elásticamente de acuerdo con el párrafo 7.6.1. Para las máquinas de prueba con el montaje rígido, estos valores se reducirán en un multiplicarlos por 0,8. Los niveles de vibración se muestra en los párrafos siguientes representan la vibración interna emocionado so lamente. Máquinas como instalar (in situ) pueden exhibir niveles más altos. Esto es generalmente causado por una mala alineación o la influenci a de la equipo accionado o de conducción, incluido el acoplamiento, o una mecánica de resonancia de la masa de la máquina con la resistencia de la máquina o la base sobre la que está montado. Figura 6.7 establece los límites para los niveles de la vivienda teniendo las vibraciones de las máquinas de montaje flexible para tanto filtradas y sin filtrar las medidas. Para la vibración sin filtro el nivel de velocidad medida no deberá superar el límite de la curva correspondiente a Figura 6.7 correspondiente a la frecuencia de rotación. Para la vibración filtra el nivel de velocidad en cada componente de frecuencia de los análisis de espectro no superar el valor de la curva en la figura 7-6 en esa frecuencia. Medidas sin filtro de la velocidad, el desplazamiento y la aceleración se puede utilizar en lugar de una espectro de análisis para determinar que los niveles de vibración se filtró sobre el rango de frecuencias no superan los los límites de la curva en la Figura 6.7. Por ejemplo, para la curva superior de la figura 6.7 de la no filtrada la velocidad no debe superar los 0,15 en / s pico (3,8 mm / s), el desplazamiento no debe exceder de 0,0025 pulgadas (pp) (63,5 micras), y la aceleración no debe exceder de 1 g (pico). NOTA Internacional de Estándares de especificar la velocidad de vibraci ón como eficaz en mm / s. P ara obtener un aproximado de RMS métricas equivalente, se multiplica la vibración pico en / s por 18.
  • 186.
    MG 1-1998, Revisión1 Sección I Parte 7, Página 8 Vibraciones Mecánicas NOTA: La intersección de desplazamiento constante líneas con velocidad constante líneas se produce en aproximadamente 20 Hz. La intersección de las líneas de velocidad constante con las líneas de aceleración constante se produce en aproximadamente 400, 700 y 1500 Hz para los límites de 0,15, 0,08, y otros, respectivamente. Límite de vibración, en el pico / s Máquina de tipo general ejemplos 0.15 Estándar de motores industriales. Motores para uso comercial / residencial 0.08 Motores de la máquina herramienta. Motores medianos / grandes con requerimientos especiales 0.04 Motores de las ruedas de molienda. Los motores pequeños con necesidades especiales. 0.02 La precisión del cabezal y los motores de molino. 0.01 P recisión los motores con necesidades especiales. Figura 7-6 LÍMITES máquina de vibración (elásticamente)
  • 187.
    Sección I MG 1-1998, Revisión 1 Vibraciones Mecánicas Parte 7, Página 9 7.8.2 Límites de vibración para máquinas estándar Vibración sin filtrar no deberá exceder los niveles de velocidad como se muestra en la curva superior de la figura 7 -6 para estándar (sin requisitos de vibración especial) máquinas de montaje flexible. Por ejemplo, los límites a la frecuencia de rotación son como se muestra en la T abla 7 -1. Tabla 7-1 LÍMITES SIN FILTRA R LAS VIBRACIONES Rotacional Velocidad, en / s pico Velocidad, rpm Frecuencia, Hz (Mm / s) 3600 60 0.15 (3.8) 1800 30 0.15 (3.8) 1200 20 0.15 (3.8) 900 15 0.12 (3.0) 720 12 0.09 (2.3) 600 10 0.08 (2.0) 7.8.3 Límites de vibración para máquinas especiales Para las máquinas que requieren niveles de vibración más baja que la indicada en 7.8.2 para las máquinas estándar, se recomie nda límites están dados en la Figura 7-6 para los tipos generales indicados. Máquinas a las que estos límites se aplican (por ejemplo, 0,08, 0,04, 0,02 o 0,01) se hará por acuerdo entre el fabricante y el comprador. NOT A: No es práctico para alcanzar los límites de vibración en la Figura 6.7 para todos los tipos de máquinas en todos los tamaños. 7.8.4 Vibración Bandas para máquinas especiales Bandas es un método de dividir el rango de frecuencias en bandas de frecuencia y la aplicación de un límite de vibración a cada banda. Bandas reconoce que el nivel de vibración a diferentes frecuencias es una función de la fuente de excitación (rodamientos, por ejemplo) y se agrupa (bandas) en múltiplos de la frecuencia de rotación. Figura 7-7 se muestran tres ejemplos de bandas. Perfil de 'A' tiene una banda que permite un nivel más alto en frecuencia de rotación, pero con todas las otras bandas equivalentes a los límites 'B' perfil. Perfiles de 'B' y 'C' son ejem plos de bandas límites de las máquinas que requieren un menor nivel de vibraciones. Cumplimiento se basa en las parcelas de un analizador de espectro con una resolución de 400 líneas o más y un piso respuesta en el rango de frecuencia se está probando en el que las velocidades máximas no superan lo s límites especificado para las bandas de frecuencia correspondiente. Esta parte no especifica los límites de vibración y las bandas para este procedimiento. Estos se hará de acuerdo entre el fabricante y el comprador.
  • 188.
    MG 1-1998, Revisión1 Sección I Parte 7, Página 10 Vibraciones Mecánicas Figura 7-7 EJEMPLOS DE LÍMITES ESPECIALES máquina de vibración PERFILES pico de velocidad BANDAS 7.8.5 Línea doble de la frecuencia de vibración de dos máquinas de inducción Polo 7.8.5.1 general Vibraciones mecánicas con una frecuencia igual al doble de la frecuencia de la línea eléctrica se produce por la campo magnético en el espacio de aire de dos polos máquinas trifásicas de inducción de corriente alterna. La magnitud de este el doble de vibración eléctrica de frecuencia de línea son capaces de modular a una tasa igual a la frecuencia de deslizamien to del rotor multiplicado por el número de polos. Esta modulación puede tener un efecto adver so sobre la evaluación adecuada de el nivel de vibración en la máquina cuando las mediciones se toman sin filtrar. Para evaluar el efecto de esta modulación es generalmente necesario para controlar la vibración sin filtro de la máquina durante un ciclo completo de deslizamiento (es decir, el tiempo necesario para una revolución en la frecuencia de deslizamiento). Máquinas de cor riente alterna de inducción funcionando a un valor de deslizamiento muy baja en vacío puede requerir 10 minutos o más de estas medi ciones se completado en cada posición de medición de vibraciones. 7.8.5.2 Vibración Filtrado Una medida de filtrado de las vibraciones se pueden realizar en una muestra representativa de una máquina diseño con el fin de determinar si o no que el diseño tiene un nivel significativo de doble eléctrica la línea de frecuencia de vibración de la máquina y para determinar si hay algún mérito para evaluar la magnitud de la modulación de la vibración sin filt rar siguiendo el procedimiento 7.8.5.3 Si el componente de la línea filtrada dos veces la frecuencia eléctrica de la vibración de la máquina no superar el 90 por ciento del límite sin filtrar en la Figura 7 -5 a continuación, la máquina se considera que ha fallado la prueba de vibración y sean necesarias medidas correctoras.
  • 189.
    Sección I MG 1-1998, Revisión 1 Vibraciones Mecánicas Parte 7, Página 11 Si el componente de la línea filtrada dos veces la frecuencia eléctrica de la vibración de la máquina supera el 90 por ciento del límite sin filtrar en la Figura 7-6 a continuación, el procedimiento en 7.8.5.3 se puede utilizar para evaluar la la modulación de la vibración y determinar si alguna máquina de que el diseño puede ser aceptable. 7.8.5.3 Evaluación de la modulación de vibraciones sin filtrar La máquina debe ser montado de forma rígida y la vibración no filtrada de cerca por un ciclo de deslizamiento completa con el propósito de determinar los valores máximo y mínimo de la vibración no filtrada sobre el pico deslizamiento de ciclo. Un valor de la velocidad de vibración efectiva se determina mediante la relación: 22 Vmax Vmin  Veff   2 donde Veff es la velocidad de vibración eficaz Vmax es la velocidad máxima de vibración sin filtrar Vmin es el mínimo sin filtrar la velocidad de vibración máxima Si el nivel de las vibraciones Veff velocidad efectiva no exceda de 80 por ciento de los valores en la figura 7-6 entonces la máquina cumple con los requisitos de vibración de esta Parte 7. 7.8.6 vibración axial El nivel de alojamiento del cojinete axial o vibraciones de apoyo depende de la instalación de rodamientos, cojinetes diseño de la función y teniendo, además de la uniformidad de los núcleos del rotor y el estator. Las máquinas diseñadas para llevar a impulso externo puede ser probado sin empuje aplicado externamente. En el caso de aplicaciones de cojinetes de empuje, vibraciones axiales se correlacionan con la carga de empuje y la rigidez axial. Vibración axial deberá ser evaluado por 7,7 y los límites de la figura 6.7 se aplican. Que los rodamientos no tienen la capacidad de carga axial o la función, la vibración axial de estas configuraciones se ser juzgados en la misma forma que los niveles de vibración en 7.8.1 y 7.8.2. 7.9 LÍMITES DE LAS VIBRACIONES eje con respecto 7.9.1 General Los límites del eje de vibración son aplicables sólo cuando la sonda de montaje para no ponerse en contacto co n las sondas de proximidad proporciona como parte de la máquina. Sensores de proximidad son sensibles a las anomalías mecánicas y magnéticas de la eje. Esto se conoce comúnmente como "mecánico y eléctrico de la sonda vía descentramiento". El combinado descentramiento eléctrico y mecánico del eje no deberá exceder 0.0005 de pulgada de pico a pico (6,4 pico a pico), o 25 por ciento del límite de desplazamiento de vibración, lo que sea mayor. La desviación de la sonda vía es medida con el rotor en un giro lento (100-400 rpm) Velocidad, donde la mecánica fuerzas de desequilibrio en la rotor son despreciables. Es preferible que el eje se gira sobre los rodamientos de la máquina, colocado en funcionamiento axial central (centro magnético), cuando las determin aciones se hacen descentramiento. Notas: 1. Preparación especial para la superficie del eje (bruñido y desmagnetización) pueden ser necesarios para obtener las de pico a pico de lecturas de descentramiento. 2. Las sondas de la tienda puede ser utilizado para las pruebas cuando las sondas reales no son suministrados con la máquina.
  • 190.
    MG 1-1998, Revisión1 Sección I Parte 7, Página 12 Vibraciones Mecánicas 7.9.2 Las máquinas estándar Cuando se especifica, los límites de la vibración del eje relativa de máquinas estándar con cojinetes de manguito, inclusive de desviación eléctrica y mecánica, no deberá exceder los límites de la T abla 7 -2. Tabla 7-2 LÍMITES PARA EL EJE SIN FILTRA R relativa máxima DESPLAZAMIENTO (SP-P) para las máquinas estándar Sincrónico Desplazamiento máximo del eje relativ o Velocidad, rpm (Pico a pico) 1801 - 3600 0,0028 pulgadas (70   0,0035 pulgadas (90  7.9.3 Máquinas Especiales Cuando se especifica, los límites de la vibración del eje montada rígidamente relativa de máquinas especiales con cojinetes que requieren los niveles más bajos en relación vibración del eje que se muestra en la T abla 7.2, que incluye eléctricos y mecánicos descentramiento, no deberá exceder los límites de la T abla 3.7. Tabla 7-3 LÍMITES PARA EL EJE SIN FILTRA R relativa máxima DESPLAZAMIENTO (SP-P) para máquinas especiales Sincrónico Desplazamiento máximo del eje relativ o Velocidad, rpm (Pico a pico) 1801 - 3600 0,0020 pulgadas (50  1201 - 1800 0,0028 pulgadas (70   0,0030 pulgadas (75 
  • 191.
    Sección I MG 1-1998, Revisión 1 Máquinas rotativas eléctricos Parte 9, página 1 LÍMIT ES DE POT ENCIA ACÚST ICA Y PROCEDIMIENT OS DE MEDICIÓN Sección I NORMAS GENERALES APLICABLES A TODOS LOS EQUIPOS Parte 9 ROTATIVO máquinas eléctricas-SOUND LÍMITES DE POTENCIA Y PROCEDIMIENTOS DE MEDICIÓN 9.1 ÁMBITO DE APLICACIÓN En esta parte se especifica el máximo sin carga con ponderación A niveles de potencia sonora para las pruebas de aceptación e n fábrica de la rotación de los motores eléctricos, de acuerdo con esta Norma y con las siguientes características: a. Los motores con potencia nominal de 0,5 HP y 5000 HP; b. la velocidad no superior a 3600 RPM; c. 140 tamaño de marco y más grande; d. recintos del tipo ODP, T EFC, o WPII. Niveles de ruido de los motores bajo carga son de carácter orientativo. Esta parte también se especifica el método de medición y las condiciones de prueba adecuados para la determinación del nivel de potencia acústica de los motores eléctricos. Quedan excluidas las corriente alterna los motores alimentados por inversores (véase la Parte 31), la serie de heridas dc mot ores, generadores y solo teniendo los motores. 9.2 GENERAL De los límites especificados en los Cuadros 9-1 y 9-2 de la presente norma son aplicables a los motores que funcionan a la corriente nominal tensión en vacío. Por lo general, la carga tiene alguna influencia sobre el ruido, que es reconocido en la T abla 9 -3 para de una sola velocidad, motores trifásicos de inducción de corriente alterna. Cantidades acústica puede ser expresada en términos de presión sonora o términos de potencia sonora. El uso de un nivel de potencia acústica, que se puede especificar independientemente de la superficie a medir y el medio ambiente condiciones, evita las complicaciones asociadas con los niveles de presión sonora que se requieren datos adicionales que se determine. Niveles de ruido proporcionan una medida de la energía radiada y tienen ventajas en el análisis acústico y de diseño. Los niveles de presión sonora a una distancia del motor, en lugar de niveles de potencia acústica, puede ser necesario en algunas aplicaciones, tales como escuchar los programas de protección. Sin embargo, este elemento sólo se refiere a la aspecto físico del ruido y expresa los límites en términos de nivel de potencia acústica. Se dan orientaciones para cálculo de los niveles de presión sonora a una distancia, que se deriven de los valores de potencia de sonido (ver 9.7). In situ los cálculos de presión de sonido requieren un conocimiento del tamaño del motor, las condiciones de operación, y el medio am biente en la que el motor se va a instalar. Información para la toma de estos cálculos teniendo en cuenta los factores ambientales se pueden encontrar, si es necesario, en los libros de texto clásicos de la acústica. 9.3 Referencias Las normas de referencia se enumeran en la Parte 1 de esta Norma. 9.4 MÉTODO DE MEDICIÓN 9.4.1 Mediciones de nivel sonoro y el cálculo del nivel de potencia acústica producida por el motor se de acuerdo con cualquiera ANSI S12.12, S12.31, S12.33, S12.34, S12.35 o, a menos que uno de los métodos se especifica en 9.4.2 se utiliza. NOTA: Una visión general de las normas de medición aplicables se presentan en la Tabla 9.4.
  • 192.
    MG 1-1998, Revisión1 Sección I Parte 9, página 2 Máquinas rotativas eléctricos LÍMIT ES DE POT ENCIA ACÚST ICA Y PROCEDIMIENT OS DE MEDICIÓN 9.4.2 El método especificado en cualquiera de ANSI S12.36 se puede utilizar. Sin embargo, para demostrar el cumplimiento de esta norma, a menos que una corrección debido a la inexactitud de los medida ya se ha aplicado a los valores determinados por el método de acuerdo con la norma ANSI S12.36, los niveles de las tablas 9-1 y 9-2, se reduzca en 2 dB. 9.4.3 Cuando se prueba bajo condiciones de carga, los métodos de la norma ANSI S12.12 son las preferidas. Sin embargo, otros métodos están permitidos cuando el equipo conectado motor y auxiliares están acústicamente aisladas o situado fuera del entorno de prueba. 9.5 CONDICIONES DE LA PRUEBA 9.5.1 Máquina de montaje Se debe tener cuidado para minimizar la transmisión y la radiación de ruido estructural de todos los elementos de fijación, incluyendo la fundación. Esta minimización se puede lograr mediante el montaje flexible de los motores más pequeños. Motores más grandes por lo general sólo puede ser probado bajo rígidas condiciones de montaje. Si es posible, cuando las pruebas, el motor debe ser como lo sería en el uso normal. Los motores a prueba bajo condiciones de carga será montado de forma rígida. 9.5.1.1 montaje elástico La frecuencia natural del sistema de apoyo y el motor bajo prueba podrá ser inferior al 33 por ciento de la frecuencia correspondiente a la menor velocidad de rotación del motor. 9.5.1.2 Montaje rígido El motor debe ser montado de forma rígida a una superficie con dimensiones adecuadas para el tipo de motor. La del motor no debe estar sujeta a tensiones de montaje de cuñas incorrecta o sujetadores. 9.5.2 Condiciones de prueba de funcionamiento Las condiciones de prueba se entenderá por: a. El motor debe funcionar a la tensión nominal (s), la frecuencia nominal o velocidad nominal (s), y con corriente de campo correspondiente (s), en su caso. Estos se medirán con instrumentos de una precisión de 1,0% o mejor. 1. La condición de carga estándar será sin carga 2. Cuando sea necesario, mediante acuerdo, el motor puede ser operado en una condición de carga. b. Un motor diseñado para funcionar con un eje vertical se probará con el eje en posición vertical; c. Para una corriente alterna motor, la forma de onda y el grado de desequilibrio del sistema de abastecimiento deberá cumpli r con los requisitos de esta Norma NOTA: Cualquier aumento de la tensión (y actuales) de forma de onda de distorsión y desequilibrio se traducirá en un aumento del ruido y las vibraciones. d. Un motor síncrono se ejecuta con la excitación necesaria para obtener un factor de potencia; e. Una corriente continua adecuado para motor de velocidad variable será evaluada a la velocidad de base; f. Un motor diseñado para funcionar a dos o más velocidades discretas se someterán a prueba en cada velocidad; g. Un motor destinado a ser reversible se pondrá en funcionamiento en ambas direcciones a menos que no hay diferencia en la nivel de potencia acústica se espera. Un motor unidireccional se someterán a prueba en su dirección de diseño único. 9.6 Nivel de potencia acústica 9.6.1 Los niveles sonoros máximos de potencia indicados en las tablas 9 -1 y 9-2, o ajustar la tabla 9-3, se relacionan de mediciones efectuadas de conformidad con 9.4.1.
  • 193.
    Sección I MG 1-1998, Revisión 1 Máquinas rotativas eléctricos Parte 9, página 3 LÍMIT ES DE POT ENCIA ACÚST ICA Y PROCEDIMIENT OS DE MEDICIÓN 9.6.2 Cuando el motor se prueba en las condiciones especificadas en 9.5, el nivel de potencia acústica del motor no podrá exceder el valor correspondient e (s) especifica como sigue: a. Para todos los motores T EFC, ODP, y WPII, distintas de las especificadas en las letras b), de funcionamiento sin carga, véase la T abla 9.1. b. Para motores de corriente continua de la construcción de PAO con potencias de 1 HP a través de 200 HP, que operan sin carga, véase la T abla 9.2. 9.6.3 Cuando una sola velocidad, trifásicos, de jaula de ardilla, motor de inducción de la ODP, T EFC o WPII construcción, con una potencia de 0,5 HP hasta 500 HP se pone a prueba a carga nominal del nivel de potencia acústica no debe exceder la suma de los valores especificados en las tablas 9-1 y 9-3. NOTAS 1 Los límites de las tablas 9-1 y 9-2 reconocer la clase 2 los niveles de grado de precisión de la incertidumbre de medición y producción variaciones. Ver 9.4.2. 2 Niveles de ruido en condiciones de carga son normalmente más altos que aquellos sin carga. P or lo general, si el ruido de la ventilación es predomina el cambio puede ser pequeño, pero si el ruido electromagnético es predominante el cambio puede ser significativo. 3 P ara motores de corriente continua de los límites en las tablas 9-1 y 9-2 se aplican a la velocidad base. A otras velocidades, o cuando la relación entre nivel de ruido y de la carga es importante, los límites deben ser acordados entre el fabricante y el comprador. 9.7 DETERMINA CIÓN DEL NIVEL DE PRESIÓN SONORA No hay medidas adicionales son necesarias para la determinación del nivel de presión acústica, Lp, en dB, ya que puede calcularse directamente a partir del nivel de potencia acústica LWA, en dB, de acuerdo a lo siguiente: 2  2 dLp L WA r 10log10  S o  Donde: Lp es el nivel de presión sonora promedio en un campo libre sobre un plano reflectante en un hemisférica superficie a una distancia de 1 m del motor rd = 1,0 + 0,5 veces la máxima dimensión lineal del motor en metros 2 So = 1,0 m
  • 194.
    MG 1-1998, Revisión1 Sección I P arte 9, página 4 ROTATIVO máquinas eléctricas-SOUND LÍMITES DE POTENCIA Y PROCEDIMIENTOS DE MEDICIÓN Tabla 9-1 MÁXIMO ponderado A niv eles de potencia acústica LWA (dB), sin carga La velocidad nominal Potencia nominal, PN 1801 - 3600 RPM 1201 - 1800 RPM901 - 1200 RPM 900 RPM o menos Motor (CA o CC) de HP ODPT EFCWP II ODPT EFCWP IIODPT EFCWP II ODPT EFCWP II 0.5 6767 0.75 6767 65 64 1 70 70 65 64 69 69 1 70 70 65 64 69 69 1.5 76 85 70 70 67 67 69 69 2 76 85 70 70 67 67 70 72 3 76 88 72 74 72 71 70 72 5 80 88 72 74 72 71 73 76 7.5 80 91 76 79 76 75 73 76 10 82 91 76 79 76 75 76 80 15 82 94 80 84 81 80 76 80 20 84 94 80 84 81 80 79 83 25 84 94 80 88 83 83 79 83 30 86 94 80 88 83 83 81 86 40 86 100 84 89 86 86 81 86 50 89 100 84 89 86 86 84 89 60 89 101 86 95 88 90 84 89 75 94 101 86 95 88 90 87 93 100 94 102 89 98 91 94 87 93 125 98 104 89 100 91 94 93 96 150 98 104 93 100 96 98 95 97 200 101 107 93 103 99 100 95 97 92 250 101 107 103 105 99 100 95 97 92 97 92 99 97 92 300 107 110 102 103 105 99 99 100 97 98 100 96 350 107 110 102 103 105 99 99 100 97 98 100 96 400 107 110 102 103 105 99 102 103 99 98 100 96 450 107 110 102 106 108 102 102 103 99 99 102 98 500 110 113 105 106 108 102 102 103 99 99 102 98 600 110 113 105 106 108 102 102 103 99 99 102 98 700 110 113 105 106 108 102 102 103 99 99 102 98 800 110 113 105 108 111 104 105 106 101 101 105 100 900 111 116 106 108 111 104 105 106 101 101 105 100 1000 111 116 106 108 111 104 105 106 101 101 105 100 1250 111 116 106 108 111 104 105 106 101 101 105 100 1500 111 116 106 109 113 105 107 109 103 103 107 102 1750 112 118 107 109 113 105 107 109 103 103 107 102 2000 112 118 107 109 113 105 107 109 103 103 107 102 2250 112 118 107 109 113 105 107 109 103 103 107 102 2500 112 118 107 110 115 106 107 109 103 3000 114 120 109 110 115 106 109 111 105 3500 114 120 109 110 115 106 109 111 105 4000 114 120 109 110 115 106 4500 114 120 109 5000 114 120 109
  • 195.
    Sección I MG 1-1998, Revisión 1 Máquinas rotativas eléctricos Parte 9, página 5 LÍMIT ES DE POT ENCIA ACÚST ICA Y PROCEDIMIENT OS DE MEDICIÓN Tabla 9-2 MÁXIMO acústica ponderado A NIVELES DE POTENCIA LWA (dB) de Prueba de goteo INDUSTRIAL Motores de corriente continua, sin carga Potencia nominal, PN Base de v elocidad, RPM HP 2500 1750 1150 850 1 81 72 63 60 1.5 81 72 63 60 2 81 72 64 61 3 82 72 66 62 5 84 75 68 66 7.5 86 77 71 69 10 88 79 73 71 15 90 82 77 74 20 92 84 79 75 25 94 86 81 77 30 95 88 82 78 40 96 90 84 79 50 - 91 85 80 60 - 92 86 81 75 - 93 87 82 100 - 94 88 83 125 - 95 88 83 150 - 95 89 84 200 - 96 90 85 Tabla 9-3 Aumento progresivo ESPERA MÁS DE CARGA NO-condición, en la A-ponderados Niveles de ruido LWA (dB), POR CONDICIÓN carga nominal para una sola velocidad, Trifásico, de jaula de ardilla, motores de inducción Salida nominal, PN HP 2 Polo 4 polos 6 Polo 8 Polo 1.0 <P N 15 2 5 7 8 15 <P N 50 2 4 6 7 50 <P N 150 2 3 5 6 150 <P N 500 2 3 4 5
  • 196.
    MG 1-1998, Revisión1 Sección I P arte 9, página 6 ROTATIVO máquinas eléctricas-SOUND LÍMITES DE POTENCIA Y PROCEDIMIENTOS DE MEDICIÓN Tabla 9-4 RESUMEN DE LAS NORMAS PARA LA DETERMINACIÓN DE LOS NIVELES DE POTENCIA SONORA DE MOTORES Nivel de presión sonora Intensidad del sonido ANSI S12.31 S12.33 S12.33 S12.34 S12.35 S12.36 S12.37 * S12.12 S12.12 * Estándar La norma ISO 3741 3743-1 3743-2 3744 3745 3746 3747 9614-1 9614-2 * Prueba Reverberación Duro de paredes Especial De campo libre sobre un Anecoica o No existe una prueba especial Esencialmente In situ In situ Medio ambiente habitación habitación semianecoica medio ambiente campo reverberante reverberación reflejando avión habitación in situ habitación Grado de Precisión Ingeniería Ingeniería Ingeniería Precisión Estudio Ingeniería Precisión Ingeniería Precisión * En el momento de esta publicación, esta norma fue en forma de borrador.
  • 197.
    Sección II MG 1-1998, Revisión 1 CLASIFICACIONES DE LA PEQUEÑA Y CA-motores de media Parte 10, página 1 Sección II PEQUEÑOS (fraccional) y medio (INTEGRAL) MÁQUINAS Parte 10 CLASIFICACIONES DE LA PEQUEÑA Y CA-motores de media 10.0 ÁMBITO DE APLICACIÓN Las normas de esta Parte 10 de la sección II cubren los motores de corriente alterna hasta e incluyendo la Calificaciones construida en los marcos correspondientes a la continua de tipo abierto las calificaciones dadas en la tabla de abajo. Motores Jaula de ardilla Motores, sincrónico, Hp Sincrónico y la herida Factor de Potencia Rotor, Hp Unity 0.8 Velocidad 3600 500 500400 1800 500 500 400 1200 350 350 300 900 250 250 200 720 200 200 150 600 150 150 125 514 125 125 100 10.30 TENSIONES a. Universal de los motores-115 y 230 voltios b. Los motores monofásicos 1. 60 Hz-115, 200 y 230 voltios 2. 50 hertz-110 y 220 voltios c. Motores polifásicos 1. 60 Hz-115 *, 200, 230, 460, 575, 2300, 4000, 4600 y 6600 voltios 2. T rifásica, 50 Hz - 220 y 380 voltios NOTA: No es práctico construir motores de todas las clasificaciones de caballos de fuerza para todos los voltaj es estándar. * Aplica sólo para motores con 15 caballos de fuerza y más pequeños. 10.31 FREQUENCIE S 10.31.1 alterna Motores de corriente continua La frecuencia será de 50 y 60 hertz. 10.31.2 Universal de los motores La frecuencia será de 60 hertz / corriente continua. NOTA-Universal motores que operan con éxito en todas las frecuencias por debajo de 60 Hz y en corriente directa. .
  • 198.
    MG 1-1998, Revisión1 Sección II Parte 10, Página 2 CLASIFICACIONES DE LA PEQUEÑA Y CA-motores de media Tabla 10-1 POTENCIA Y VELOCIDAD DE CALIFICACIONES, motores pequeños INDUCCIÓN Permanente- Todos los motores, excepto sombra- Permanente- Todos los motores, excepto de polo sombreado de condensadores y Permanente Split- Div isión Polo Div isión y permanente-Split Condensadores Motores Condensador Condensador 60-Hertz Aproximado 50-Hertz Aproximado Sincrónico Rpm a Sincrónico Rpm a CV Rpm De carga nominal Rpm De carga nominal 1, 1,5, 2, 3, 5, 7,5, 10, 3600 3450 ... 3000 2850 ... 15, 25 y 35 1800 1725 ... 1500 1425 ... millihorsepower 1200 1140 ... 1000 950 ... 900 ... ... 1 / 20, 1 / 12, y 1 / 8 3600 3450 ... 3000 2850 ... caballo de fuerza 1800 1725 ... 1500 1425 ... 1200 1140 ... 1000 950 ... 900 850 ... 1 / 6, 1 / 4, y 1 / 3 3600 3450 ... 3000 2850 ... caballo de fuerza 1800 1725 ... 1500 1425 ... 1200 1140 ... 1000 950 ... 900 850 ... 1 / 2 caballos de fuerza 3600 3450 3250 3000 2850 2700 1800 1725 1625 1500 1425 1350 1200 1140 1075 1000 950 900 3 / 4 caballos de fuerza 3600 3450 3250 3000 2850 2700 1800 1725 1625 1500 1425 1350 1 caballo de fuerza 3600 3450 3250 3000 2850 2700 10.32 POTENCIA Y CLASIFICA CIONES DE VELOCIDA D 10.32.1 motores de inducción pequeños, excepto motores de condensador permanente-Split Calificación 3.1 caballos de fuerza y más pequeños y motores de polo sombreado Caballos de fuerza típicas y rangos de velocidad para los pequeños motores de inducción nominal 115, 200 y 230 voltios monofásicos y 115, 200,1 y 230 voltios polifásico se dan en la tabla 10 -1. 10.32.2 motores de inducción pequeños, permanente-Split motores de condensador Calificación 3.1 caballos de fuerza y Pequeños y motores de polo sombreado Caballos de fuerza típicas y rangos de velocidad para los pequeños motores de inducción nominal 115, 200 y 230 voltios una sola fase figuran en el cuadro 10-2. 1 Se aplica a 60 Hertz circuitos sólo
  • 199.
    Sección II MG 1-1998, Revisión 1 CLASIFICACIONES DE LA PEQUEÑA Y CA-motores de media Parte 10, página 3 Tabla 10-2 POTENCIA Y VELOCIDAD DE CALIFICACIONES, CAPACITOR partida permanente y sombreado MOTORES POLE Permanente-Split motores de condensador 60-Hertz síncrona Rpm aproximada a la 50-Hertz síncrona Rpm aproximada a la CV Rpm De carga nominal Rpm De carga nominal 1, 1,25, 1,5, 2, 2,5, 3, 3600 3000 3000 2500 4, 5, 6, 8, 10, 12.5, 16, 20, 25, 30 y 40 1800 1550 1500 1300 millihorsepower 1200 1050 1000 875 900 800 1 / 20, 1 / 15, 1 / 12, 1 / 10, 3600 3250 3000 2700 01.08, 06.01, 01.05, 01.04, y 1800 1625 1500 1350 1.3 caballos de fuerza 1200 1075 1000 900 900 825 Los motores de polo sombreado 60-Hertz síncrona Rpm aproximada a la 50-Hertz síncrona Rpm aproximada a la Rpm De carga nominal Rpm De carga nominal 1800 1550 1500 1300 1, 1,25, 1,5, 2, 2,5, 3, 4, 5, 6, 8, 10, 12.5, 16, 1200 1050 1000 875 20, 25, 30 y 40 millihorsepower 900 800 1 / 20, 1 / 15, 1 / 12, 1 / 10, 1800 1550 1500 1300 1 / 8, 1 / 6, 1 / 5, y 1 / 4 1200 1050 1000 875 caballo de fuerza 900 800 10.32.3 Los motores monofásicos Media Los caballos de fuerza y clasificaciones velocidad sincrónica de una sola etapa a mediano motores con 115, 200, y 230 voltios será como se muestra en la T abla 10-3. Tabla 10-3 POTENCIA Y VELOCIDAD DE CALIFICACIONES, motores de media 60-Hertz 50-Hertz CV Sincrónica Rpm Sincrónica Rpm 1.2 ... ... ... 900 ... ... 1000 750 4.3 ... ... 1200 900 ... 1500 1000 750 1 ... 1800 1200 900 3000 1500 1000 750 1-1/2 3600 1800 1200 900 3000 1500 1000 750 2 3600 1800 1200 900 3000 1500 1000 750 3 3600 1800 1200 900 3000 1500 1000 750 5 3600 1800 1200 900 3000 1500 1000 750 7-1/2 3600 1800 1200 900 3000 1500 1000 750 10 3600 1800 1200 900 3000 1500 1000 750 10.32.4 motores polifásicos medio de inducción Los caballos de fuerza y clasificaciones velocidad sincrónica de motores polifásicos medio de inducción será el se muestra en la T abla 10-4.
  • 200.
    MG 1-1998, Revisión1 Sección II Parte 10, página 4 CLASIFICACIONES DE LA PEQUEÑA Y CA-motores de media Tabla 4.10 * POTENCIA Y VELOCIDAD DE CALIFICACIONES, motores polifásicos INDUCCIÓN MEDIA 60-Hertz 50-Hertz CV Sincrónica Rpm Sincrónica Rpm 1.2 ... ... ... 900 720 600 514 ... ... ... 750 4.3 ... ... 1200 900 720 600 514 ... ... 1000 750 1 ... 1800 1200 900 720 600 514 ... 1500 1000 750 1-1/2 3600 ** 1800 1200 900 720 600 514 3000 1500 1000 750 2 3600 ** 1800 1200 900 720 600 514 3000 1500 1000 750 3 3600 ** 1800 1200 900 720 600 514 3000 1500 1000 750 5 3600 ** 1800 1200 900 720 600 514 3000 1500 1000 750 7-1/2 3600 ** 1800 1200 900 720 600 514 3000 1500 1000 750 10 3600 * 1800 1200 900 720 600 514 3000 1500 1000 750 15 3600 ** 1800 1200 900 720 600 514 3000 1500 1000 750 20 3600 ** 1800 1200 900 720 600 514 3000 1500 1000 750 25 3600 ** 1800 1200 900 720 600 514 3000 1500 1000 750 30 3600 ** 1800 1200 900 720 600 514 3000 1500 1000 750 40 3600 ** 1800 1200 900 720 600 514 3000 1500 1000 750 50 3600 ** 1800 1200 900 720 600 514 3000 1500 1000 750 60 3600 ** 1800 1200 900 720 600 514 3000 1500 1000 750 75 3600 ** 1800 1200 900 720 600 514 3000 1500 1000 750 100 3600 ** 1800 1200 900 720 600 514 3000 1500 1000 750 125 3600 ** 1800 1200 900 720 600 514 3000 1500 1000 750 150 3600 ** 1800 1200 900 720 600 ... 3000 1500 1000 750 200 3600 ** 1800 1200 900 720 .. ... 3000 1500 1000 750 250 3600 ** 1800 1200 900 ... ... .. 3000 1500 1000 750 300 3600 ** 1800 1200 ... ... ... ... 3000 1500 1000 ... 350 3600 ** 1800 1200 ... ... ... ... 3000 1500 1000 ... 400 3600 ** 1800 ... ... ... ... ... 3000 1500 ... ... 450 3600 ** 1800 ... ... ... ... ... 3000 1500 ... ... 500 3600 ** 1800 ... ... ... ... ... 3000 1500 ... ... * P ara la asignación de marco, véase la P arte 13. ** Se aplica a los motores de jaula de ardilla solamente. 10.32.5 Universal de los motores Clasificaciones de caballos de fuerza será de 10, 15, 25 y 35 millihorsepower y 1 / 20, 1 / 12, 1 / 8, 1 / 6, 1 / 4, 1 / 3, 1 / 2, 3 / 4, y 1 caballo de fuerza a una velocidad nominal de 5.000 rpm o más. NOTA: A velocidades de menos de 5000 rpm, habrá una marcada diferencia en las características de rendimiento entre operación en corriente alterna y el funcionamiento en corriente directa. 10.33 CLASIFICACIONES POTENCIA DE LOS MOTORES MULTISPEED La potencia nominal de los motores de varias velocidades se elegirán de la siguiente manera: 10.33.1 potencia constante La potencia nominal para cada velocidad nominal serán seleccionados de 10,32.
  • 201.
    Sección II MG 1-1998, Revisión 1 CLASIFICACIONES DE LA PEQUEÑA Y CA-motores de media Parte 10, página 5 10.33.2 Par Constante La potencia nominal de la velocidad más alta calificación serán seleccionados a partir de 10,32. Los caballos de fuerza calificación para cada velocidad inferior se determinará multiplicando la potencia nominal a la máxima velocidad por la razón de la menor velocidad sincrónica de la más alta velocidad de sincronismo. 10.33.3 Par Variable La potencia nominal de la velocidad más alta calificación serán seleccionados a partir de 10,32. Los caballos de fuerza calificación para cada velocidad inferior se determinará multiplicando la potencia nominal a la máxima velocidad por el cuadrado de la relación entre la velocidad de sincronismo de la más alta velocidad de sincronismo. 10.34 BASE DE potencia nominal 10.34.1 base de la calificación La potencia nominal de un motor de inducción de pequeña o mediana sola fase se basa en la descomposición par (ver 1.51). El valor de par máximo que puede esperar el usuario para cualquier potencia y velocidad deberá estar comprendida dentro del rango indicado en las tablas 10-5 y 10-6. 10.34.2 Temperatura El par máximo que determina la potencia nominal es la que se obtiene en una prueba de que el temperatura del bobinado y de otras partes de la máquina a aproximadamente 25 º al inicio de elC prueba. 10.34.3 Breakdow n Torque mínimo El valor mínimo de par máximo obtenido en la fabricación de cualquier diseño determinará la calificación de ese diseño. T olerancias en la fabricación se traducirá en motores individuales con desglose torque de 100 por ciento a aproximadamente el 115 por ciento (125 por ciento para motores con millihorsepower y para todos los motores de polo sombreado) del valor en que se basa la clasificación, pero este exceso de torque no se invocada por el usuario en la aplicación del motor a su carga.
  • 202.
    MG 1-1998, Revisión1 Sección II Parte 10, página 6 CLASIFICACIONES DE LA PEQUEÑA Y CA-motores de media Tabla 5.10 * † DESGLOSE DE PAR para motores de inducción, EXCEPTO de polo sombreado Y PERMANENTE DE SPLIT- CAPACITOR MOTORES 60 50 60 50 60 50 60 50 Frecuencias, Hertz 3600 3000 1800 1500 1200 1000 900 750 Sincrónico Velocidades, Rpm Los motores pequeños, Las v elocidades nominales, 3450 ** 2850 ** 1725 ** 1425 ** 1140 ** 950 ** 850 ** ... CV Rpm Millihp Las cifras a la izquierda son para motores con 0.35-0.55 0.42-0.66 0.7-1.1 0.85-1.3 1.1-1.65 ... ... ... 1 menos de 1 / 20 caballos de fuerza. 0.55-0.7 0.66-0.85 1.1-1.45 1.3-1.75 1.65-2.2 ... ... ... 1.5 P ares de ruptura de 0.7-1.1 0.85-1.3 1.45-2.2 1.75-2.6 02.02 a 03.03 ... ... ... 2 oz-in. 1.1-1.8 1.3-2.2 2.2-3.6 2.6-4.3 3.3-5.4 ... ... ... 3 1.8-2.7 2.2-3.2 3.6-5.4 4.3-6.6 5.4-8.1 ... ... ... 5 02.07 a 03.06 03.02 a 04.03 5.4-7.2 6.6-8.6 8.1-11 ... ... ... 7.5 03.06 a 05.05 4.3-6.6 7.2-11 8.6-13 11-17 ... ... ... 10 5.5-9.5 6.6-11.4 11-19 13-23 17-29 ... ... ... 15 9.5-15 11.4-18 19-30 23-36 29-46 ... ... ... 25 15-24 18-28.8 30-48 36-57.6 46-72 ... ... ... 35 CV Las cifras de la izquierda se 2.0-3.7 2.4-4.4 4.0-7.1 4.8-8.5 6.0-10.4 07.02 a 12.04 8.0-13.5 ... 01.20 para los motores pequeños. 3.7-6.0 4.4-7.2 07/01 hasta 11/05 8.5-13.8 10.4-16.5 12.4-19.8 13.5-21.5 ... 12.01 P ares de ruptura de 6.0-8.7 7.2-10.5 11.5-16.5 13.8-19.8 16.5-24.1 19.8-28.9 21.5-31.5 ... 8.1 oz-ft. 8.7-11.5 10.5-13.8 16.5-21.5 19.8-25.8 24.1-31.5 28.9-37.8 31.5-40.5 ... 6.1 11.5-16.5 13.8-19.8 21.5-31.5 25.8-37.8 31.5-44.0 37.8-53.0 40.5-58.0 ... 1.4 16.5-21.5 19.8-25.8 31.5-40.5 37.8-48.5 44.0-58.0 53.0-69.5 58.0-77.0 ... 1.3 21.5-31.5 25.8-37.8 40.5-58.0 48.5-69.5 58.0-82.5 69.5-99.0 †† †† 1.2 31.5-44.0 37.8-53.0 58.0-82.5 69.5-99.0 5.16-6.9 †† †† †† 4.3 44.0-58.0 53.0-69.5 5.16-6.8 6.19-8.2 6.9-9.2 †† †† †† 1 †† †† Las cifras de la izquierda se †† †† para motores de media. †† †† P ares de ruptura de 3.6-4.6 4.3-5.5 6.8-10.1 08/02 hasta 12/01 9.2-13.8 † † †† †† 1-1/2 lb-pie 4.6-6.0 5.5-7.2 10.1-13.0 12.1-15.6 13.8-18.0 † † †† †† 2 6.0-8.6 07.02 a 10.02 13.0-19.0 15.6-22.8 18.0-25.8 † † †† †† 3 8.6-13.5 10.2-16.2 19.0-30.0 22.8-36.0 25.8-40.5 † † 5 13.5-20.0 16.2-24.0 30.0-45.0 36.0-54.0 40.5-60.0 † † 7-1/2 20.0-27.0 24,0 a 32,4 45.0-60.0 54.0-72.0 †† † † 10 * El rango de par máximo incluye la cifra más alta hasta, pero no incluyendo, la cifra más baja. ** Estos aproximada a plena carga velocidades se aplican sólo para potencias de motores pequeños. † El clasificaciones de potencia de motores diseñados para operar en dos o más frecuencias será determinado por el par en el más a lto rating de frecuencia. † † Estas son las calificaciones para los que no los valores de par se han establecido.
  • 203.
    Sección II MG 1-1998, Revisión 1 CLASIFICACIONES DE LA PEQUEÑA Y CA-motores de media Parte 10, página 7 Tabla 10-6 * † DESGLOSE DE PAR DE polo sombreado y partida permanente motores de condensador para FAN Y APLICACIONES DE LA BOMBA (Por partida permanente motores herméticos condensador, ver 18.7) 60 50 60 50 60 Frecuencias, Hertz Velocidades sincrónicas, 1800 1500 1200 1000 900 Rpm Los motores pequeños, Aproximado de carga completa Velocidades, Rpm * Ver 10.32.1 y 10.32.2. CV Millihp 0.89-1.1 1.1-1.3 1.3-1.6 1.6-1.9 1.7-2.1 1 1.1-1.4 01.03 a 01.07 1.6-2.1 1.9-2.5 2.1-2.7 1.25 01.04 a 01.07 1.7-2.0 2.1-2.5 2.5-3.0 2.7-3.3 1.5 1.7-2.1 2.0-2.5 02.05 a 03.01 3.0-3.7 3.3-4.1 2 2.1-2.6 02.05 a 03.01 03.01 a 03.08 3.7-4.6 4.1-5.0 2.5 2.6-3.2 03.01 a 03.08 03.08 a 04.07 04.06 a 05.07 5.0-6.2 3 3.2-4.0 3.8-4.8 4.7-5.9 5.7-7.1 6.2-7.8 4 4.0-4.9 4.8-5.8 5.9-7.2 7.1-8.7 7.8-9.5 5 4.9-6.2 5.8-7.4 7.2-9.2 8.7-11.0 9.5-12.0 6 Las cifras de la izquierda se pares de ruptura de oz-in. 6.2-7.7 7.4-9.2 9.2-11.4 11.0-13.6 12.0-14.9 8 7.7-9.6 9.2-11.4 11.4-14.2 13.6-17.0 14.9-18.6 10 9.6-12.3 11.4-14.7 14.2-18.2 17.0-21.8 18.6-23.8 12.5 12.3-15.3 14.7-18.2 18.2-22.6 21.8-27.1 23.8-29.6 16 15.3-19.1 18.2-22.8 22.6-28.2 27.1-33.8 29.6-37.0 20 19.1-23.9 22.8-28.5 28.2-35.3 33.8-42.3 37.0-46.3 25 23.9-30.4 28.5-36.3 35.3-44.9 42.3-53.9 46.3-58.9 30 30.4-38.2 36.3-45.6 44.9-56.4 53.9-68.4 58.9-74.4 40 CV 3.20-4.13 3.8-4.92 4.70-6.09 5.70-7.31 6.20-8.00 01.20 4.13-5.23 4.92-6.23 6.09-7.72 7.31-9.26 8.00-10.1 1 / 15 5.23-6.39 6.23-7.61 7.72-9.42 9.26-11.3 10.1-12.4 12.01 6.39-8.00 7.61-9.54 9.42-11.8 11.3-14.2 12.4-15.5 1 / 10 8.00-10.4 9.54-12.4 11.8-15.3 14.2-18.4 15.5-20.1 8.1 Las cifras de la izquierda se pares de ruptura de oz-ft. 10.04 a 12.07 12.4-15.1 15.3-18.8 18.4-22.5 20.1-24.6 6.1 12.7-16.0 15.1-19.1 18.8-23.6 22.5-28.3 24.6-31.0 5.1 16.0-21.0 19.1-25.4 23.6-31.5 28.3-37.6 31.0-41.0 1.4 21.0-31.5 25.4-37.7 31.5-47.0 37.6-56.5 41.0-61.0 1.3 31.5-47.5 37.7-57.3 47.0-70.8 56.5-84.8 3.81-5.81 1.2 Las cifras de la izquierda se pares de ruptura en libras-pie 47.5-63.5 57.3-76.5 4.42-5.88 5.30-7.06 5.81-7.62 4.3 3.97-5.94 4.78-7.06 5.88-8.88 07.06 a 10.06 7.62-11.6 1 5.94-7.88 7.06-9.56 8.88-11.8 10.6-14.1 11.6-15.2 1-1/2 * El rango de par máximo incluye la cifra más alta hasta, pero no incluyendo, la cifra más baja. † La potencia nominal de motores diseñados para operar en dos o más frecuencias será determinado por el par en el más alto la frecuencia nominal.
  • 204.
    MG 1-1998, Revisión1 Sección II Parte 10, página 8 CLASIFICACIONES DE LA PEQUEÑA Y CA-motores de media 10.35 DATOS SECUNDA RIOS PARA MOTORES rotor bobinado Máximo Máximo Secundario Secundario CV Voltios secundaria * Amperios CV Voltios secundaria * Amperios 1 90 6 25 220 60 1½ 110 7.3 30 240 65 2 120 8.4 40 315 60 3 145 10 50 350 67 5 140 19 60 375 74 7½ 165 23 75 385 90 10 195 26.5 100 360 130 15 240 32.5 125 385 150 20 265 38 150 380 185 * Tolerancia - más o menos 10 por ciento. 10.36 Calificaciones para aplicaciones monofásicas y motores polifásicos INDUCCIÓN Las calificaciones de tiempo para motores de inducción monofásicos y polifásicos será de 5, 15, 30 y 60 minutos y continua. T odas las calificaciones de corto tiempo se basan en una prueba de carga correspondiente de corta duración que comenzará a sólo cuando la bobina y otras partes de la máquina son de 5 ° de la temperatura ambiente en elC momento de la puesta en marcha de la prueba. 10.37 código de letras (A rotor bloqueado KVA) 10.37.1 Placa de marcado Cuando la placa de características de un motor de corriente alterna está marcado para mostrar el kVA de rotor bloqueado por caballos de fuerza, se le marcará con la leyenda "Código", seguido de una carta seleccionada de la tabla en 10.37.2. 10.37.2 Carta de Designación Las denominaciones carta para kVA de rotor bloqueado por caballo de fuerza, medida a pleno voltaje y clasificación frecuencia son los siguientes: Carta de Designación kVA por caballo de f uerza * Carta de Designación kVA por caballo de f uerza * A 0.00-3.15 K 8.0-9.0 B 3.15-3.55 L 9.0-10.0 C 3.55-4.0 M 10.0-11.2 D 4.0-4.5 N 11.2-12.5 E 4.5-5.0 P 12.5-14.0 F 5.0-5.6 R 14.0-16.0 G 05.06 a 06.03 S 16.0-18.0 H 6.3-7.1 T 18.0-20.0 J 7.1-8.0 U 20.0-22.4 V 22.4-y hasta KVA * Cerrado por rango de potencia incluye la cifra más baja hasta, pero no incluyendo, la cifra más alta. P or ejemplo, es 3 ,14 con la letra A y 3,15 por letra B. 10.37.3 Motores Multispeed Los motores de varias velocidades se marcará con la letra código que designa el kVA de rotor bloqueado por caballos de fuerza para la más alta velocidad a la que puede ser el motor comenzó, con excepción de los motores de potencia c onstante que deberá ser marcado con la letra de código para la velocidad de dar la más alta de rotor bloqueado por kVA caballos de fuerza.
  • 205.
    Sección II MG 1-1998, Revisión 1 CLASIFICACIONES DE LA PEQUEÑA Y CA-motores de media Parte 10, página 9 10.37.4 motores de una velocidad Motores de una velocidad a partir de la conexión en estrella y en funcio namiento en conexión en triángulo se marcarán con una letra de código correspondiente a los kVA de rotor bloqueado por caballo de fuerza para la conexión en estrella. 10.37.5 Motores amplia o de doble voltaje Motores amplia o de doble voltaje que tienen un diferente kVA de rotor bloqueado por caballo de fuerza en el diferentes tensiones se marcará con la letra de clave para la tensión de dar la más alta de rotor bloqueado kVA por caballo de fuerza. 10.37.6 Motores de doble frecuencia Los motores con 60 - y clasificaciones de 50 hertz se marcará con una letra de código que designa el rotor bloqueado kVA por caballo de fuerza en 60 hertz. 10.37.7 parcial liquidación arrancar motores Parte de cuerda en marcha los motores será marcada con una letra código que designa el kVA de rotor bloqueado por caballos de fuerza que se basa en la corriente de rotor bloqueado para la liquidación total del motor. 10.38 CLASIFICACIONES DE LA PLACA DE TEMPERA TURA PARA CORRIENTE ALTERNA LA PEQUEÑA Y UNIVERSAL MOTORES Motores de corriente alterna debe ser clasificada sobre la base de una temperatura ambiente máxima y la clase de aislamiento del sistema. El valor nominal de la temperatura ambiente máxima será de 40 ° a menos que se especifique lo contrario, yc el sistema de aislamiento debe ser de clase A, B, M, o H. T odas estas clasificaciones se basan en una prueba de carga nominal con Los valores de aumento de temperatura (medida por uno u otro método cuando dos métodos en la lista) que no superen las muestra para una determinada clase de sistema de aislamiento en la tabla de aumento de la temperatura adecuada en 12,43. Calificaciones de los motores de corriente alterna para cualquier otro valor de la temperatura ambiente máxima se basará en los valores de aumento de la temperatura calculada de acuerdo con 12.43.3. 10.39PLACA DE MARCADO DE CORRIENTE ALTERNA LA PEQUEÑA Y UNIVERSAL MOTORS1 La siguiente información deberá figurar en todas las placas de identificación. Para los motores con las calificaciones de dos, ver 10.39.5. Para las abreviaturas, véase 1.78. Para algunos ejemplos de la información adicional que pueda ser incluido en el placa de identificación ver 10.39.6. 10.39.1 de corriente alterna monofásicos y polifásicos jaula de ardilla de motores, excepto los Incluidos en 10.39.2, 10.39.3, 10.39.4 y a. De tipo del fabricante y la designación de marco b. Potencia de salida c. T iempo de funcionamiento d. T emperatura ambiente máxima para la cual el motor está diseñado (véase la nota 1 de 12.43.1) e. Designación de aislamiento del sistema. (Si estator y un rotor utilizar diferentes clases de sistemas de aislamiento, tanto designaciones de aislamiento del sistema se hará en la placa de identificación, que para el estator está en primer lugar.) f. Rpm a plena load2 g. Frecuencia h. Número de fases i. Voltaje Cuando un flujo de aire se requiere el motor del equipo accionado a fin de que el motor se ajustan a las normas de aumento de temperatura, "el aire más de" deberá figurar en la placa de identificación. Cuando la disipación de calor características de la equipo de motor, distintos de flujo de aire, se requiere a fin de que el motor se ajustan a las normas de subida de la temper atura, "Enfriamiento auxiliar" deberán aparecer en la placa de identificación. 2 Esta velocidad es el número de revoluciones aproximado a la carga nominal (ver 10.32.1 y 10.32.2).
  • 206.
    MG 1-1998, Revisión1 Sección II Parte 10, Página 10 CLASIFICACIONES DE LA PEQUEÑA Y CA-motores de media j. Amperios a plena carga k. Rotor bloqueado amperios o letras del código de rotor bloqueado por kVA de potencia para motores de 1 / 2 caballos de fuerza o más grande (ver 10.37) Para los motores equipados con protección térmica, las palabras "protección térmica", y para motores con l. más de 1 caballo de fuerza, un número de tipo (véase 12.58) (para su propia conveniencia, el motor fabricantes se permite el uso de las letras, no números, antes o después de las palabras "Protección térmica" con fines de identificación.) 10.39.2 Motores clasificados menos de 1 / 20 caballos de fuerza a. De tipo del fabricante y la designación de marco b. Potencia de salida c. A plena carga velocidad1 d.Tensión nominal e. Frecuencia f. Número de fases, sólo polifásicos (esto se permitirá que serán designados por un número de muestra el número de las siguientes fases de la frecuencia). g. Las palabras "protección térmica" de los motores equipados con un protector2 térmico (ver 1,72 y 1,73) (Para su conveniencia, los fabricantes de automóviles se permite el uso de las letras, pero no números, antes o después de las palabras "protección térmica" para otros fines de identificación.) T érmicamente protegido por motores con 100 vatios o menos y cumplir con 430-32 (c) (2) de la Código Eléctrico Nacional, se permite el uso de la toma abreviada, "T P" h. Las palabras "impedancia de protección" para los motores con una impedancia suficiente dentro de los motores para que que están protegidos contra el sobrecalentamiento peligroso debido a sobrecarga o fallo en el inicio. Impedancia motores protegidos nominal de 100 vatios o menos y cumplir con 430 -32 (c) (4) de la National Electrical Código, se permite el uso de la marca abreviada, "ZP" 10.39.3 Universal de los motores a. De tipo del fabricante y la designación de marco b. Potencia de salida c. T iempo de funcionamiento d. Rpm a plena carga e. Voltaje f. Amperios a plena carga (en 60 hertz) g. Frecuencia (60/dc se recomienda la forma) 10.39.4 Motores destinados para el montaje de un dispositivo que tiene su propias marcas: a. T ensión nominal b. Frecuencia c. Número de fases, sólo polifásicos (esto se permitirá que serán designados por un número de muestra el número de las siguientes fases de la frecuencia) 10.39.5 Motores de doble voltaje a. T ensión en sentido amplio (no la reconexión de los cables del m otor) 1. Utilice guión entre tensiones (es decir, 200-300) b. Voltaje Dual (reconexión de los cables del motor) 1. Usar barra entre las tensiones (es decir, 230 / 460) 1 Esta es la velocidad aproximada rpm a plena carga (ver 10.32.1 y 10.32.2). 2 Esto se permitirá que se muestre en una placa o calcomanía.
  • 207.
    Sección II MG 1-1998, Revisión 1 CLASIFICACIONES DE LA PEQUEÑA Y CA-motores de media Parte 10, página 11 2. Usar barra entre amperios (es decir, 4.6/2.3) c. De doble frecuencia y el voltaje individual 1. Uso comercial (&) entre los valores para cada frecuencia a) Hz (es decir, el 60 y 50) b) V (es decir, 115 y 110) c) rpm (es decir, 1725 y 1450) d) Amp (es decir, 5,0 y 6,0) NOTA: Si el espacio en un lugar estándar en la placa no es la adecuada, los valores de frecuencia alternativa y voltios asociados, rpm y amplificadores se permitirá que se especificarán en un lugar diferente en la placa. d. De doble frecuencia y doble voltaje 1. Usar barra entre las t ensiones de una frecuencia y comercial (&) entre los valores de cada frecuencia. a) Hz (es decir, el 60 y 50) b) V (es decir, 115/230 y 110/220) c) rpm (es decir, 1725 y 1450) d) Amp (es decir, 5.0/2.5 y 6.0/3.0) NOTA: Si el espacio en un lugar estándar en la placa no es la adecuada, los valores de frecuencia alternativa y voltios asociados, rpm, y los amplificadores se permitirá que se especificarán en un lugar diferente en la placa. e. Doble de polos conmutables, de una sola frecuencia y voltaje único 1. Usar barra entre los valores de CV, rpm, y amplificadores a) Hp (es decir, 1/4/1/12) b) rpm (es decir, 1725/1140) c) Amp (es decir, 4.2/2.6) NOTA-caballos de fuerza se le permitirá ser designado en decimales en lugar de fracciones para mayor claridad. f. Monofásico con toma de bobinado El uso de marcado para conexión de alta velocidad sólo con la designación del número de las siguientes velocidades altas Valor de velocidad rpm y separados por una barra. Rpm (es decir, 1725/5SPD) 10.39.6 información de la placa adicional Algunos ejemplos de información de la placa adicional a. Recinto o código IP b. Nombre del fabricante, marca o logotipo c. Fabricante de ubicación de la planta d. Número de serie o fecha de fabricación e. El método de enfriamiento o código IC 10.40 PLACA DE MARCADO DE MEDIO INDUCCIÓN MONOFÁSICO y polifásicos MOTORES La siguiente información deberá figurar en todas las placas de inducción monofásico y p olifásico motores. Para motores con una amplia gama o de doble voltaje, ver 10.39.5. Para las abreviaturas, véase 1.78. Para algunos ejemplos de la información adicional que pueda ser incluido en la placa, véase 10.39.6.
  • 208.
    MG 1-1998, Revisión1 Sección II Parte 10, página 12 CLASIFICACIONES DE LA PEQUEÑA Y CA-motores de media 10.40.1 Media monofásicos y polifásicos jaula de ardilla Motors1 a. De tipo del fabricante y la designación de marco b. Potencia de salida c. Nota del tiempo (véase 10.36) d. T emperatura ambiente máxima para la cual el motor está diseñado (véase la nota 1 de 12.44) 2 e. Designación de aislamiento del sistema. (Si el estator o el rotor utilizar diferentes clases de sistemas de aislam iento, tanto designaciones de aislamiento del sistema se hará en la placa de identificación, que para el estator está dando en primer lugar.) 2 Rpm a plena carga Frequency3 Número de fases f. De carga nominal amperes g. Voltaje h. Rotor bloqueado amperios o letras del código de rotor bloqueado por kVA de potencia para motores de 1 / 2 I. caballos de fuerza o mayor (véase 10.37) j. Diseño de carta para los motores de media (ver 1.18 y 1.19) k. NEMA eficiencia nominal cuando sea requerido por 12,59 Factor de servicio. Amperios factor de servicio cuando el factor de servicio es superior a 1,15 Para los motores equipados con protectores térmicos, las palabras "protección térmica" si el motor proporciona l. toda la protección que se describe en 12.57 (ver 1.72 y 1.73) 4 m. Para los motores de potencia superior a 1 caballo de fuerza equipado con dispositivos de exceso de temperatura o los sistemas , la n. palabras "OVER T EMP -PROT ", seguido de un número de tipo descrito en 12,58 o. p. q. 10.40.2 polifásicos de rotor Motores a. De tipo del fabricante y la designación de marco b. Potencia de salida c. Nota del tiempo (véase 10.36) d. 2 e.Temperatura ambiente máxima para la cual el motor está diseñado (véase la nota 1 de 12.44) Designación de aislamiento del sistema. (Si el estator o el rotor utilizar diferentes clases de sistemas de aislamiento, tant o designaciones de aislamiento del sistema se hará en la placa de identificación, que para el estator está dando 2 en primer lugar.) f. Rpm a plena carga g. Frequency5 h. Número de fases I. Calificación de carga amperios Cuando un flujo de aire se requiere el motor del equ ipo accionado a fin de que el motor se ajustan a las normas de aumento de temperatura, "el aire más de" deberá figurar en la placa de identificación. Cuando la disipación de calor características de la equipo de motor, distintos de flujo de aire, se requiere a fin de que el motor se ajustan a las normas de subida de la temperatura, "Enfriamiento auxiliar" deberán aparecer en la placa de identificación. 2 Como una alternativa a los puntos D y E, el aumento de la temperatura de la resistencia como se muestra en 12,44 se permitirá que se dada. 3 Si dos frecuencias están estampados en la placa de identificación, la información incluida en los puntos b, c, d, f, i, j, m, y, si es diferente, se dada para ambas frecuencias. 4 Esto se permitirá que se muestre en una placa o calcomanía. 5 Si dos frecuencias están estampados en la placa de identificación, la información incluida en los puntos b, c, d, f, i, j, y, si es diferente, se deberá dada para ambas frecuencias.
  • 209.
    Sección II MG 1-1998, Revisión 1 CLASIFICACIONES DE LA PEQUEÑA Y CA-motores de media Parte 10, página 13 j. Voltaje k. Amperios secundaria a plena carga l. T ensión en el secundario 10.41 INSTRUCCIONES PARA EL DISEÑO DE MOTORES TAG E Eliminados.
  • 210.
    MG 1-1998, Revisión1 Sección II Parte 10, página 14 CLASIFICACIONES DE LA PEQUEÑA Y CA-motores de media ESTA PÁGINA INTENCIONALMENTE Se deja en blanco
  • 211.
    Sección II MG 1-1998 CLASIFICACIONES-DC PEQUEÑAS Y los motores de media Parte 10, página 15 Sección II PEQUEÑOS (fraccional) y medio (INTEGRAL) MÁQUINAS Parte 10 CLASIFICACIONES-DC MÁQUINAS PEQUEÑAS Y MEDIANAS 10.0 ÁMBITO DE APLICACIÓN Las normas de esta Parte 10 de la sección II abarcan motores de corriente continua integrado en los marcos de continua Calificaciones dripproof, o capacidad equivalente, hast a e incluyendo 1.25 caballos de fuerza por rpm, de tipo abierto. 10,60 base de la calificación 10.60.1 motores pequeños La base de la calificación de un pequeño motor de corriente continua será un factor de forma nominal. Si la corriente directa es ondulación baja, el factor de forma es de 1,0. Medida que aumenta la ondulación, el factor de form a aumenta. Un pequeño motor no está diseñado para ser utilizado en una fuente de energía que produce un factor de forma en el la carga nominal en conjunto con el motor más grande que el factor de forma nominal del motor. 10.60.2 motores de media Mientras que motores de corriente continua medio puede ser utilizado en diferentes tipos de fuentes de alimentación, la base para demostrar la conformidad del motor con estas normas será una prueba con una fuente de alimentación descrito en 12.66.2. La identificación de la fuente de alimentación se indica en la placa como un elemento esencial parte de la potencia del motor de acuerdo con 10.66. Puede que no sea práctico para llevar a cabo pruebas en los motores destinados a servir de fuentes de alimentación que no sea los especificados en 12.66.2. En tales casos, las características de rendimiento de un motor puede ser demostrada por una prueba con la fuente de alimentación en particular o por una combinación de pruebas en una disposición fuente de alimentación y el cálculo del rendimiento previsto del motor a partir de los datos de prueba. 10.61 PODER DE IDENTIFICA CIÓN DE ALIMENTA CIÓN PARA MOTORES MEDIO DE CORRIENTE CONTINUA 10.61.1 Suministros designado por una sola letra Cuando la fuente de alimentación de prueba utilizados como base de la calificación para un motor de corriente continua media es uno de los los descritos en 12.66.2, una sola letra se utiliza para identificar la fuente de alimentación de prueba. 10.61.2 Tipos de alimentación Otros Cuando un motor medio de corriente continua está destinada a ser utilizada en una fuente de alimentación que no sean los descrito en 12.66.2, se identificó de la siguiente manera: M / N F-V-H-L Donde: M = un dígito que indica los pulsos total por ciclo N = un dígito que indica los pulsos controlados por ciclo F = rueda libre (esta carta aparece sólo si se usa de rueda libre) V = tres dígitos que indican nominal línea a línea de corriente alterna de tensión para el rectificador H = dos dígitos de entrada que indica la frecuencia en Hertz L = dígitos uno, dos o tres que indica la inductancia en serie en millihenries (puede ser cero) que se añadido externo al circuito de inducido del motor Si la frecuencia de entrada es de 60 hertz y no inductancia en serie se añade el exterior de la armadura del motor circuito, estas cantidades no tienen que ser indicados y se permitirá que se le excluya de la identificación
  • 212.
    MG 1-1998 Sección II Parte 10, página 16 CLASIFICACIONES-DC PEQUEÑAS Y los motores de media de la fuente de alimentación. Sin embargo, si una de estas cantidades se indica, a continuación, ambos se parecen evitar la confusión. Ejemplo: "3.6 F-380-50-12" define una fuente de alimentación con seis pulsos total por ciclo, tres estudios controlados pulsos por ciclo, con rueda libre, con 380 voltios de corriente alterna de entrada en la entrada de 50 Hz y 12 millihenries de inductancia en serie externamente añadido a la inductancia del circuito de inducido del motor. 10,62 CABALLOS DE FUERZA, VELOCIDA D, y tensión 10.62.1 Motores de corriente continua pequeños 10.62.1.1 Operativos de ondulación baja (1,0 Factor de forma) Fuentes de alimentación Las calificaciones de caballos de fuerza y velocidad para motores de corriente continua pequeña velocidad nominal constante 115 y 230 voltios serán las siguientes: CV De carga aproximado de USD, Rpm 01.20 3450 2500 1725 1140 12.01 3450 2500 1725 1140 8.1 3450 2500 1725 1140 6.1 3450 2500 1725 1140 1.4 3450 2500 1725 1140 1.3 3450 2500 1725 1140 1.2 3450 2500 1725 1140 4.3 3450 2500 1725 ... 1 3450 2500 ... ... 10.62.1.2 Funcionamiento del rectificador Fuentes de alimentación Los caballos de fuerza, velocidad, tensión, y la forma clasificaciones de los factores de motores de corriente continua desti nado a pequeños uso de fuentes de voltaje ajustable-rectificador de potencia se muestra en la T abla 10-7. Tabla 10-7 MOTOR PARA LA OPERACIÓN DE CALIFICACIONES DE ALIMENTACIÓN RECTIFICADO Tensiones nominales, promedio de corriente directa Valores Tensiones de armadura VoltagesField CV Aproximada de carga nominal de v elocidad, RPM * Formulario de Calif icación Factor Monof ásicos f uente de energía primaria 01.20 3450 2500 1725 1140 1 / 15 3450 2500 1725 1140 12.01 3450 2500 1725 1140 8.1 3450 2500 1725 1140 6.1 3450 2500 1725 1140 75 voltios 50 o 100 voltios 1.4 3450 2500 1725 1140 90 voltios 50 o 100 voltios 1.3 3450 2500 1725 1140 Véanse las notas 1 y 2 150 voltios 100 voltios 1.2 3450 2500 1725 1140 4.3 3450 2500 1725 ... 1 3450 2500 ... ... 90 voltios 50 o 100 voltios 180 voltios 100 o 200 voltios Trif ásico f uente de energía primaria 1.4 3450 2500 1725 1140 1/33450250017251140 1/23450250017251140240 volts100, 150, 240 voltsSee notas 1 y 2 3 / 4345025001725 ... 134502500 ...... NOTAS 1-El factor de forma nominal de un motor de corriente continua es el factor de armadura en forma de corriente de carga nominal y la velocidad nominal y es un parte esencial de la potencia del motor. 2-El factor de forma nominal de un motor de corriente con tinua está determinado por el fabricante del motor, ver 14.60. Forma recomendada clasificado factores se dan en la tabla 14-2 de 14,60. * Motores clasificados 1 / 20 a 1 caballo de fuerza, inclusive, no son adecuados para el control de velocidad por el deb ilitamiento de campo.
  • 213.
    Sección II MG 1-1998 CLASIFICACIONES-DC PEQUEÑAS Y los motores de media Parte 10, página 17 10.62.2 Industrial Motores de corriente continua La potencia, voltaje y velocidad de la base industrial de motores de corriente continua se hará de conformidad con las tablas 10-8, 10-9 y 10-10. La velocidad obtenida por el control de campo de la recta derivación de la herida o estabilizado bobinado de derivación-industrial motores de corriente continua se como se muestra en las tablas. Tabla 10-8 CABALLOS DE FUERZA, VELOCIDAD, Y TENSIÓN DE CLASIFICACIÓN INDUSTRIAL Motores de corriente continua-180 VOLTIOS VOLTAJE DE ARMADURA * RATING Y FUENTES K Base de v elocidad, RPM 3500 2500 1750 1150 850 Campo de tensión, CV Velocidad por control de campo, Rpm Voltios 1/2* ... ... ... ... 940 3/4* ... ... ... 1380 940 50, 100 o 200 1* ... ... 2050 1380 940 1½ 3850 2750 2050 1380 940 2 3850 2750 2050 1380 940 3 3850 2750 2050 1380 940 100 o 200 5 3850 2750 2050 1380 940 7½ 3850 2750 2050 1380 940 * P ara estas calificaciones, el voltaje inducido será de 90 o 180 voltios. 10,63 placa de identificación TIEMPO Motores de corriente continua tendrá una potencia continua a menos que se especifique lo contrario. Cuando un corto tiempo calificación que se utilice, será de 5, 15, 30 o 60 minutos. T odas las calificaciones de corto tiempo se basan en un correspondiente corto tiempo de carga de la prueba que comenzará sólo cuando las bobinas y otras partes del de la máquina son de 5 ° de la temperatura ambiente en el momento de iniciar el T est.c 10.64 Tiempo de funcionamiento para servicio intermitente, periódica, y variable Para la aplicación en servicio intermitente, periódico o variable, la puntuación del tiempo debe ser continuo o corto tiempo, basado en los efectos térmicos de ser lo más cercano posible a los que se encuentran en actual de servicio. 10.65 MÁXIMO LA PLACA temperatura ambiente y CLASE SISTEMA DE AISLAMIENTO Motores de corriente continua y debe ser clasificada sobre la base de una temperatura ambiente máxima y la clase de aislamiento del sistema. El valor nominal de la temperatura ambiente máxima será de 40 ° a menos que se especifique lo contrario, yc el sistema de aislamiento debe ser de clase A, B, M, o H. T odas estas clasificaciones se basan en una prueba de carga con Los valores de aumento de temperatura (medida por uno u otro método cuando do s métodos en la lista) que no superen las muestra para una determinada clase de sistema de aislamiento en la tabla de aumento de la temperatura adecuada en 12,67. Valoraciones de motores de corriente continua para cualquier otro valor de la temperatura ambiente máxima se basará en los valores de elevación de la temperatura calculada de acuerdo con 12.67.4.
  • 214.
    MG 1-1998 Sección II Parte 10, página 18 CLASIFICACIONES-DC PEQUEÑAS Y los motores de media Tabla 10-9 CABALLOS DE FUERZA, VELOCIDAD, Y TENSIÓN DE CLASIFICACIÓN INDUSTRIAL Motores de corriente continua-240 VOLTIOS Voltaje nominal de armadura, FUENTE DE ALIMENTACIÓN A, C, D o E Base de v elocidad, RPM 3500 2500 1750 1150 850 650 500 400 300 CV Velocidad por control de campo, Rpm Voltios de tensión de campo 1.2 ... ... ... ... 1700 ... ... ... ... 4.3 ... ... ... 2000 1700 ... ... ... ... 1 ... ... 2300 2000 1700 ... ... ... ... 100, 150, o 240 1-1/2 3850 3000 2300 2000 1700 ... ... ... ... 2 3850 3000 2300 2000 1700 ... ... ... ... 3 3850 3000 2300 2000 1700 ... ... ... ... 5 3850 3000 2300 2000 1700 ... ... ... ... 7-1/2 ... 3000 2300 2000 1700 1600 1500 1200 1200 10 ... 3000 2300 2000 1700 1600 1500 1200 1200 15 ... 3000 2300 2000 1700 1600 1500 1200 1200 20 ... 3000 2300 2000 1700 1600 1500 1200 1200 25 ... 3000 2300 2000 1700 1600 1500 1200 1200 30 ... 3000 2300 2000 1700 1600 1500 1200 1200 40 ... 3000 2100 2000 1700 1600 1500 1200 1200 50 ... ... 2100 2000 1700 1600 1500 1200 1200 150 o 240 60 ... ... 2100 2000 1700 1600 1500 1200 1200 75 ... ... 2100 2000 1700 1600 1500 1200 1200 100 ... ... 2000 2000 1700 1600 1500 1200 1200 125 ... ... 2000 2000 1700 1600 1500 1200 1200 150 ... ... 2000 2000 1700 1600 1500 1200 1100 200 ... ... 1900 1800 1700 1600 1500 1200 1100 250 ... ... 1900 1700 1600 ... ... ... ...
  • 215.
    Sección II MG 1-1998 CLASIFICACIONES-DC PEQUEÑAS Y los motores de media Parte 10, página 19 Tabla 10-10 CABALLOS DE FUERZA, VELOCIDAD, Y TENSIÓN DE CLASIFICACIÓN INDUSTRIAL Motores de corriente continua - 500 O 550 * VOLTIOS RATING ARMADURA DE TENSIÓN, FUENTE DE ALIMENTACIÓN A, C o D Base de v elocidad, RPM 2500 1750 1150 850 650 500 400 300 Voltios de tensión de campo CV Velocidad por control de campo, Rpm 7-1/2 3000 2300 2000 1700 ......... ... 10 3000 2300 2000 1700 ... ... ... ... 15 3000 2300 2000 1700 ... ... ... ... 20 3000 2300 2000 1700 ... ... ... ... 25 3000 2300 2000 1700 ... ... ... ... 30 3000 2300 2000 1700 ... ... ... ... 40 3000 2100 2000 1700 ... ... ... ... 50 ... 2100 2000 1700 1600 1500 1200 1200 60 ... 2100 2000 1700 1600 1500 1200 1200 75 ... 2100 2000 1700 1600 1500 1200 1200 100 ... 2000 2000 1700 1600 1500 1200 1200 240 o 300 125 ... 2000 2000 1700 1600 1500 1200 1200 150 ... 2000 2000 1700 1600 1500 1200 1100 200 ... 1900 1800 1700 1600 1500 1200 1100 250 ... 1900 1700 1600 1600 1400 1200 1100 300 ... 1900 1600 1500 1500 1300 1200 1000 400 ... 1900 1500 1500 1400 1300 1200 ... 500 ... 1900 1500 1400 1400 1250 1100 ... 600 ... ... 1500 1300 1300 1200 ... ... 700 ... ... 1300 1300 1250 ... ... ... 800 ... ... 1250 1250 1200 ... ... ... 900 ... ... 1250 1200 ... ... ... ... 1000 ... ... 1250 1200 ... ... ... ... * 550 voltios es un voltaje alterno. 10.66 PLACA DE MARCADO La cantidad mínima de información siguiente deberá figurar en todas las placas de identificación. Para las abreviaturas, ver 1,78: 10.66.1 motores pequeños nominal 20.1 caballos de fuerza y menos a. Fabricante de designación de tipo b. Potencia de salida (millihorsepower - mhp) c. Velocidad a plena carga (ver 10.62.1) d. T ensión nominal e. Las palabras "protección térmica" 1 para los motores equipados con un protector térmico. (Ver 1.72 y 1,73). (Para su conveniencia, los fabricantes de automóviles se permite el uso de las letras, pero no los números antes o después de las palabras "protección térmica" con fines de iden tificación.) 1 Estas palabras se permitirá que se muestre en una placa o calcomanía.
  • 216.
    MG 1-1998 Sección II Parte 10, página 20 CLASIFICACIONES-DC PEQUEÑAS Y los motores de media f. palabras "impedancia de protección" para los motores con una impedancia suficiente dentro de los motores para que Las que están protegidos contra sobrecalentamiento peligroso debido a la sobrecarga o la falta de start.1 10.66.2 pequeños motores excepto los clasificados 20.1 caballos de fuerza y menos a. Fabricante de designación de tipo b. Potencia de salida a la velocidad nominal c. T iempo de funcionamiento a la velocidad nominal d. T emperatura ambiente máxima para la cual el motor se designed2 e.Designación de aislamiento del sistema (si el campo y la armadura uso diferentes clases de sistemas de aislamiento, ambas designaciones sistema de aislamiento deberá figurar en la placa de identificación, que para el campo está dando en primer lugar.) 3 f. La velocidad en rpm 3 g. T ensión nominal de armadura h. Campo de tensión nominal (PM para motores de imanes permanentes) 4, 5 I. armadura de carga nominal en amperes nominal SPEED4 j. Factor de forma nominal cuando se utiliza desde la fuente de alimentación del rectificador (ver tabla 7.10, las notas 1 y 2) k. Las palabras "protección térmica" de los motores equipados con un protector térmico (ver 1,72 y 1,73) 10.66.3 motores de media a. De tipo del fabricante y la designación de marco b. Caballos de fuerza o de salida de kW a la velocidad base c. T iempo de funcionamiento a la velocidad nominal d. Rpm máximas de seguridad para todos los motores en serie de heridas y para los mot ores de la herida con el compuesto que variación de la velocidad de carga nominal de la carga no supere el 35 por ciento de las bobinas en la constante temperatura alcanzada cuando se opera en su calificación e. T emperatura ambiente máxima para la que el motor es designed3 f. Aislamiento del sistema de designación (Si el campo y la armadura uso de las diferentes clases de sistemas de aislamiento, tanto los sistemas de aislamiento se da, que para el campo est á en primer lugar.) 3 g. Base de la velocidad nominal en load6 h. Nominal de armadura voltage4 1 Estas palabras se permitirá que se muestra en una placa separada o calcomanía. 2 Como alternativa, estos elementos se les permitirá ser sustituido por un único punto de lectura "aumento de la temperatura nominal." 3 Estos son medios de corriente continua cantidades. 4 Como alternativa, este elemento se permitirá que se sustituye por el siguiente: a. Campo de la resistencia en ohmios a 25 º C b. Campo de la corriente nominal en amperios 5 P ara excitación independiente, serie-paralelo, bobinas de doble voltaje, los dos valores de la tensión nominal son igualmente demostrado. Si un único valor de la resistencia actual y se muestra, los datos se aplica a la conexión de alta tensión. Si los valores de corriente y resistencia para cada voltaje se muestra, la conexión de tensión para que estos datos sólo podrán ser indicadas también. A barra se le permite indicar el voltaje dual y las corrientes y pueden ser, respectivamente, de alta tensión / baja tensión, corriente de alta / baja actual. 6 A una velocidad indicada en la placa es la velocidad base. Dos velocidades de la placa de identificación indica el rango de velocidad obtenida por control de campo a menos que una doble tensión de la armadura se muestra el marcado.
  • 217.
    Sección II MG 1-1998 CLASIFICACIONES-DC PEQUEÑAS Y los motores de media Parte 10, página 21 i. Campo de tensión nominal (no aplicable a los imanes permanentes motors1, 2, 3 j. La armadura de carga nominal en amperios en la base velocidad1 k. El poder de identificación de la oferta de acuerdo con 10,61 l. Bobinado - derivación directa, derivación estabilizado, compuesto, de serie o de imán permanente m. De corriente continua o corriente continua n. (Opcional) Caja o código IP (véase la Parte 5) o. (Opcional) Nombre del fabricante, marca o logotipo p. (Opcional) Fabricante de ubicación de la planta q. (Opcional) Número de serie o fecha de fabricación r. (Opcional) Número de modelo o número de catálogo Se trata de un promedio de corriente continua cantidades 2 Como alternativa, este elemento se permitirá que se sustituye por el siguiente: a. Campo de la resistencia en ohmios a 25 º C b. Corriente nominal de campo en amperios. Un único valor de la corriente de campo corresponde a la velocidad base. Dos valor es corresponder a la velocidad base y la velocidad más alta obtenida po r control de campo. 3 P ara excitación independiente, serie-paralelo, bobinas de doble voltaje, los dos valores de la tensión nominal son igualmente demostrado. Si un único valor de la resistencia actual y se muestra, los datos se aplica a la conexión de alta tensión. Si los valores de corri ente y resistencia para cada voltaje se muestra, la conexión de tensión para que estos datos sólo podrán ser indicadas también. A barra se le permite indicar el voltaje dual y las corrientes y pueden ser, respectivamente, de alta tensión / baja tensión, co rriente de alta / baja actual.
  • 218.
    MG 1-1998 Sección II Parte 10, página 22 CLASIFICACIONES-DC PEQUEÑAS Y los motores de media ESTA PÁGINA INTENCIONALMENTE Se deja en blanco
  • 219.
    Sección II MG 1-1998, Revisión 1 PRUEBAS Y RENDIMIENT O-AC y motores de corriente Parte 12, página 1 Sección II PEQUEÑOS (fraccional) y medio (INTEGRAL) MÁQUINAS Parte 12 PRUEBAS Y RENDIMIENTO-AC y motores de corriente 12.0 ÁMBITO DE APLICACIÓN Las normas de este 12 sección II, parte cubierta de los siguientes equipos: a. De corriente alterna Motores: Los motores de corriente alterna hasta e incluyendo las calificaciones construido en cuadros correspondientes a la continua de tipo abierto las calificaciones dadas en la tabla de abajo. Motores, sincrónico, Hp Factor de Potencia Motores Ardilla Cage y Sincrónico Herida Velocidad Rotor, Hp Unidad 0.8 500 3600 500 400 1800 500 500 400 1200 350 350 300 900 250 250 200 720 200 200 150 600 150 150 125 514 125 125 100 b. Motores de corriente continua: Motores corriente continua integrado en los marcos de calificaciones dripproof continua, o capacidad equivalente, hasta e incluyendo 1.25 caballos de fuerza por rpm, de tipo abierto. 12.2 ALTO POTENCIAL DE PRUEBA DE SEGURIDAD- PRECA UCIONES Y PROCEDIMIENTO DE LA PRUEBA Véase el punto 3.1. 12.3 ALTO POTENCIAL DE TENSIONES DE PRUEBA PARA LA INDUCCIÓN UNIVERSAL, Y -DIRECT MOTORES DE CORRIENTE La tensión de prueba de alto potencial se especifica en la siguiente tabla se aplica a las bobinas de cada nueva máquina de acuerdo con los procedimientos especificados en el apartado 3.1.
  • 220.
    MG 1-1998, Revisión1 Sección II Parte 12, Página 2 PRUEBAS Y RENDIMIENT O-AC y motores de corriente Categoría Tensión de prueba ef ectiv a a. Universal Motors (tasados para funcionar en circuitos no superior a 250 voltios) 1. Motores con potencia superior a 1 / 2 y todos los motores de herramientas portátiles ................................................ ........................ 1000 voltios + 2 veces la tensión nominal del motor 2. Todos los otros motores *.............................................. ...................... 1.000 voltios b. Inducción y motores síncronos Nonexcited 1. Los motores de potencia nominal superior a 1 / 2 cabal los de fuerza a) bobinados del estator .............................................. ....... ... ......... 1000 voltios + 2 veces la tensión nominal del motor b) P ara los devanados secundarios de los rotores de la herida de la inducción motores ................................................. ............. ... ............. 1000 voltios + 2 veces la tensión máxima inducida entre anillos colectores en circuito abierto en reposo (o correr si es menor de esta condición la tensión es mayor) con tensión nominal primaria aplicada a los terminales del estator c. P ara arrollamientos secundarios de los rotores de la herida de la inversión motores ................................................. .............................. 1000 volts + 4 veces la tensión máxima inducida entre anillos colectores en circuito abierto en reposo con primaria nominal tensión aplicada a los terminales del estator 2. Motores con 1.2 caballos de fuerza y menos a. Nominal de 250 voltios o menos ....................... ...................... ......... 1.000 voltios b. Nominal superior a 250 voltios .............................................. ........ 1000 voltios + 2 veces la tensión nominal del motor c. Motores de corriente continua 1. Los motores de potencia nominal superior a 1 / 2 caballos de fuerza bobinados a) Armadura o en el campo para su uso en ajustable de tensión fuente de alimentación electrónica ............................................... ...... 1000 voltios + 2 veces la corriente alterna de línea a línea de tensión de la energía la oferta seleccionada para la base de la calificación b) Todas las demás armadura o campo de bobinas .................................. 1000 voltios + 2 veces la intensidad nominal ** tensión del motor 2. Motores con 1.2 caballos de fuerza y menos a) 240 voltios o menos ............................................ .................... 1.000 voltios b) Calificación por encima de 240 voltios ............................................ ........... Ver C.1.a y C.1.b arriba (Motores de corriente continua) * Completar motores de potencia media y menos será en el "todos los otros" a menos que una marca que indique que son los moto res de herramientas portátiles. ** Cuando el voltaje de un campo de excitación separada de un motor de corriente continua o de un generador no se indica, se asume que 1,5 veces el campo de la resistencia en ohmios a 25 ° veces el current.C nominal de campo NOTAS 1-Algunas aplicaciones pueden requerir una prueba de alto voltaje potencial superiores a los indicados. 2-La producción normal de alto potencial de tensión de prueba puede ser de 1,2 veces el se especifica una hora de alto potencia l de voltaje de prueba, solicitó 1 segundo. (Ver 3.1.6) 3-P ara evitar la excesiva hincapié en el aislamiento, la aplicación repet ida del alto potencial de prueba de tensión no es recomendable. Inmediatamente después de la fabricación, cuando el equipo está instalado o ensamblados con otros aparatos y una prueba de al to potencial de la todo el conjunto es necesario, se recomienda que la tensión de prueba no superior a 85 por ciento de la tensión de prueba original o, cuando en un grupo reunido, no excederá del 85 por ciento de la tensión más baja del ensayo de ese grupo. (Ver 3.1.11.) 12.4ALTA PRODUCCIÓN POTENCIAL DE PRUEBA S DE MOTORES PEQUEÑOS Fallo del fluido dieléctrico en las pruebas de producción con alto potencial de los motores pequeños se indica mediante un medición de la resistencia de aislamiento a menos de 1 megaohmio cuando se prueba de acuerdo con 12.2 y 12.3. 12.4.1 Equipo de prueba dieléctrica El equipo de prueba dieléctrica debe indicar un fallo por medios visuales o auditivas, o ambas cosas. La prueba equipo de preferencia deben ser diseñados para limitar el nivel de corriente aplicada a un valor no destructivos en la tensión de alto potencial.
  • 221.
    Sección II MG 1-1998, Revisión 1 PRUEBAS Y RENDIMIENT O-AC y motores de corriente Parte 12, Página 3 12.4.2 Evaluación de los Sistemas de aislamiento por una prueba dieléctrica La definición de fallo del fluido dieléctrico por AST M D149 se basa en la observación de una rotura de aislamiento como prueba positiva de corte de corriente. En motores pequeños, una evaluación adecuada de aislamiento calidad en las pruebas de producción se puede hacer sin una ruptura completa del aislamiento a tierra. Como procedimiento de control de calidad durante la fabricación, la medición de la resistencia de aislamiento se puede tomar como una verdadera evaluación de la eficacia del sistema de aislamiento. 12.5 PRUEBA PARA MOTORES REPETITIVOS SURGE LA PEQUEÑA Y MEDIA NA Muchos fabricantes utilizan una prueba repetitivas como una prueba de control de calidad de los componentes de los motores, p or ejemplo, estatores y rotores. Cuando un gran número de motores de un solo diseño se van a probar, una prueba de aumento repetitivo es una prueba rápida y económica para detectar los defectos siguientes: a. Devanados a tierra b. Los cortocircuitos entre espiras c. Los cortocircuitos entre los bobinados d. Las conexiones incorrectas e. Número incorrecto de los turnos f. Conductores de fuera de lugar o de aislamiento La prueba de incremento repetitivo compara una cuerda desconocida con un arro llamiento conocido o supuesto de disolución satisfactoria. Esto se logra mediante la superposición en un osciloscopio las huellas de la oleada de tensión en los terminales de las bobinas. Las mayores fallas se detectan fácilmente, pero un operador experto es necesario distinguir entre faltas leves, por ejemplo, una ranura cayó celular y las desviaciones dañinas en el las huellas que se producen cuando los devanados son producidos por dos o más agentes que las bobinas o la forma final se convierte en formas ligeramente diferentes. Por desgracia, la prueba de aumento repetitivo tiene desventajas que limitan su uso general, tales como el necesidad de elaborar las pruebas preliminares antes de una prueba de aumento se pueden hacer en las unidades de produc ción. Para ejemplo, la distribución de voltaje a través de la bobina se debe investigar porque las condiciones de resonancia puede existe lo que provocaría tensiones anormalmente alta o baja en algún momento en el sistema de aislamiento de la motor de los componentes. Elaborar pruebas preliminares rara vez se puede justificar cuando un pequeño número de componentes está involucrado porque los cambios relativamente pequeños en el diseño puede requerir más las pruebas preliminares. Cuando una prueba de aument o se hace repetitivo, el aumento de nivel de tensión y otras condiciones de prueba debe basarse en datos obtenidos de los análisis de laboratorio realizados en el diseño particular (o modelos) de los motores en cuestión. Cuando un rotor o el estator tiene dos o más devanados idénticos, por ejemplo, un estator polifásico, cada bobina puede ser probado contra el otro, porque es poco probable que dos de las bobinas se han fallos idénticos. Para que sea posible aumento de los rotores de prueba o estatores de motor similares diseños de uno en uno tiempo, es esencial que los datos suficientes se acumula en las pruebas preliminares en individuales varias diseños. Cuando un rotor o el estator no tiene dos bobinados idénticos, por ejemplo, de una sola fase de estatores y de corriente directa de armaduras, un mínimo de dos del mismo componente es necesario para la repetición aumento de la prueba. En el caso de que un fallo se da a conocer por la prueba, un mínimo de tres unidade s es necesario para determinar cuál de ellos tuvo la culpa. Cabe señalar que, salvo mediante la realización de exhaustivas pruebas de reporte detallado, no hay en la actualidad ningún modo satisfactorio de determinar la prueba de aumento de voltaje equivalente a un 60 hertzios de alto po tencial prueba. 12.6 Vibraciones Mecánicas Véase la Parte 7. 12.7 TENIENDO PERDIDAS-V ERTICAL motores de las bombas Las pérdidas añadido en caballos de fuerza en los rodamientos de contacto angular utilizado en motores de las bombas verticale s, debido a carga adicional en que incurra el rotor del motor, debe ser calculado por la siguiente fórmula: -8 Pérdidas añadido en caballos de fuerza = 2,4 x 10 x añadido de carga en libras. x revoluciones por minuto x Paso de diámetro en pulgadas de las bolas en el cojinete de bolas.
  • 222.
    MG 1-1998, Revisión1 Sección II Parte 12, Página 4 PRUEBAS Y RENDIMIENT O-AC y motores de corriente ESTA PÁGINA INTENCIONALMENTE Se deja en blanco
  • 223.
    Sección II MG 1-1998, Revisión 1 PRUEBAS DE FUNCIONAMIENT O Y MOT ORES-AC Parte 12, página 5 Sección II PEQUEÑOS (fraccional) y medio (INTEGRAL) MÁQUINAS PARTE 12 PRUEBAS DE FUNCIONAMIENTO Y MOTORES-AC 12.0 ÁMBITO DE APLICACIÓN Las normas de esta Parte 12 de la Sección II cubre los motores de corriente alterna hasta e incluyendo la Calificaciones construida en los marcos correspondientes a la continua de tipo abierto las calificaciones dadas en la tabla de abajo. Motores, sincrónico, Hp Factor de Potencia Generadores, Motores Sincrónico Ardilla Giratorio Cage y Tipo de campo, kW Herida en el 0,8 Potencia Sincrónico Factor Rotor, Hp Velocidad Unidad 0.8 500 400 3600 500 400 1800 500 500 400 400 1200 350 350 300 300 900 250 250 200 200 720 200 200 150 150 600 150 150 125 125 514 120 125 100 100 12.30 Métodos de prueba Los exámenes para determinar las características de funcionamiento se hará de acuerdo con lo siguiente: a. De una sola fase 114 motores-IEEE Std b. Para motores de inducción polifásicos - IEEE Std 112 CARACTERÍSTICAS DE RENDIMIENTO 12,31 E Cuando las características de rendimiento se proporcionan, deben ser expresadas de la siguiente manera. a. Corriente en amperios por ciento de la corriente nominal b. Par en libras-pie, la libra-pulgadas, pies onza, onza pulgadas, o el porcentaje de par a plena carga d. La producción de caballos de fuerza o por ciento de la velocidad de sincronismo e. La eficiencia en tanto por ciento f. Del factor de potencia en tanto por ciento g. T ensión en voltios por ciento de la tensión nominal h. Entrada de energía en vatios o kilovatios NOTA: Si las unidades del SI se utilizan, deben estar de acuerdo con la publicación ISO N º R-1000. 12.32CARACTERÍSTICAS DEL PAR DE UN SOLO USO GENERAL FASE DE INDUCCIÓN MOTORES 12.32.1 Distribución de par El par máximo del motor de inducción monofásico de propósito general pequeñas y medianas empresas se dentro del rango de torque indicado en el cuadro 10.5, conforme a las tolerancias en la fabricación y todos los demás condiciones que figuran en 10,34.
  • 224.
    MG 1-1998, Revisión1 Sección II Parte 12, Página 6 PRUEBAS DE FUNCIONAMIENT O Y MOT ORES-AC 12.32.2 Par con rotor bloqueado de los motores pequeños El par de rotor bloqueado de una sola fase de propósito general los motores pequeños, con una tensión nominal y frecuencia aplicada, no podrá ser inferior a lo siguiente: Mínimo Par con rotor bloqueado, onza pies * 60-Hertz v elocidad de sincronismo, Rpm 50-Hertz v elocidad de sincronismo, Rpm CV 3600 1800 1200 3000 1500 1000 8.1 ... 24 32 ... 29 39 6.1 15 33 43 18 39 51 1.4 21 46 59 25 55 70 1.3 26 57 73 31 69 88 1.2 37 85 100 44 102 120 4.3 50 119 ... 60 143 ... 1 61 ... ... 73 ... ... * En la conexión de alto voltaje de los motores de doble voltaje, el mínimo de rotor bloqueado pares de hasta 10% menos que estos valores se puede esperar. 12.32.3 Par con rotor bloqueado de los motores de media El par de rotor bloqueado de los motores monofásicos medio de uso general, con tensión nominal y frecuencia aplicada, no podrá ser inferior a los siguientes. Mínimo Par con rotor bloqueado, libras-pie La v elocidad de sincronismo, Rpm CV 3600 1800 1200 4.3 ... ... 8.0 1 ... 9.0 9.5 1½ 4.5 12.5 13.0 2 5.5 16.0 16.0 3 7.5 22.0 23.0 5 11.0 33.0 ... 7½ 16.0 45.0 ... 10 21.0 52.0 ... 12.32.4 Pull-Up par de motores de media El par de pull-up de una sola fase de propósito general los motores de media de corriente alterna, con la clasificación tensión y la frecuencia aplicada, no deberá ser menor que el par de carga nominal. 12.33 LOCKED- ROT o actual de los motores monofásicos PEQUEÑO 12.33.1 Diseño y Diseño N O Motores La corriente de rotor bloqueado de 60 hertzios, los motores monofásicos no excederá los valores indicados en la el siguiente cuadro:
  • 225.
    Sección II MG 1-1998, Revisión 1 PRUEBAS DE FUNCIONAMIENT O Y MOT ORES-AC Parte 12, Página 7 2 -, 4 -, 6 - y 8-Pole, de 60 Hertz Motors, monof ásico Intensidad con rotor bloqueado, Amperes 115 v oltios 230 v oltios CV O Diseño Diseño N O Diseño Diseño N 1 / 6 y menores 50 20 25 12 1.4 50 26 25 15 1.3 50 31 25 18 1.2 50 45 25 25 4.3 ... 61 ... 35 1 ... 80 ... 45 12.33.2 Propósito General Motors, Las corrientes de rotor bloqueado de una sola fase de propósito general los motores no deberá exceder los valores de Diseño N motores. 12.34 LOCKED- ROT o actual de los motores de media MONOFÁ SICO, DISEÑOS L y M La corriente de rotor bloqueado de una sola fase, 60 hertzios-, L Diseño y motores M de todo tipo, cuando medido con tensión y frecuencia nominales impresionado y con el rotor bloqueado, no podrá superar el los siguientes valores: Intensidad con rotor bloqueado, Amperes Diseño L Diseño M Motores Motores CV 115 v oltios 230 v oltios 230 v oltios 1.2 45 25 ... 4.3 61 35 ... 1 80 45 ... 1½ ... 50 40 2 ... 65 50 3 ... 90 70 5 ... 135 100 7½ ... 200 150 10 ... 260 200 12.35Ardilla con rotor bloqueado de 3 fases de 60 HERTZ PEQUEÑAS Y MEDIA NAS MOTORES de inducción de jaula nominal de 230 voltios 12.35.1 60 Hertz Diseño B, C, D y motores a 230 voltios La corriente de rotor bloqueado de una sola velocidad, 3 -fases, motores de velocidad constante de inducción valorados en 230 voltios, cuando se mide con tensión y frecuencia nominales impresionado y con el rotor bloqueado, no podrá exceder los valores listados en la página siguiente.
  • 226.
    MG 1-1998, Revisión1 Sección II Parte 12, Página 8 PRUEBAS DE FUNCIONAMIENT O Y MOT ORES-AC MÁXIMO rotor bloqueado por más de 60 Hz Diseño B, C y motores D a 230 voltios Rotor bloqueado CV Corriente, Amperes * Cartas de diseño 1.2 20 B, D 4.3 25 B, D 1 30 B, C, D 1-1/2 40 B, C, D 2 50 B, C, D 3 64 B, C, D 5 92 B, C, D 7-1/2 127 B, C, D 10 162 B, C, D 15 232 B, C, D 20 290 B, C, D 25 365 B, C, D 30 435 B, C, D 40 580 B, C, D 50 725 B, C, D 60 870 B, C, D 75 1085 B, C, D 100 1450 B, C, D 125 1815 B, C, D 150 2170 B, C, D 200 2900 B, C 250 3650 B 300 4400 B 350 5100 B 400 5800 B 450 6500 B 500 7250 B * La corriente de rotor bloqueado de los motores diseñados para tensiones de 230 voltios será inversamente proporcional a la tensión. 12.35.2 60 Hertz Diseño E Motores a 230 voltios Eliminados.
  • 227.
    Sección II MG 1-1998, Revisión 1 PRUEBAS DE FUNCIONAMIENT O Y MOT ORES-AC Parte 12, página 9 MÁXIMO rotor bloqueado por más de 60 Hz DISEÑO E MOTORES a 230 voltios Eliminados. 12.35.3 50 Hertz Diseño B, C, D y motores a 380 voltios La corriente de rotor bloqueado de una sola velocidad, 3-fases, motores de velocidad constante de inducción valorados en 380 voltios, cuando se mide con tensión y frecuencia nominales impresionado y con el rotor bloqueado, no podrá exceder los valores mostrados en la T abla 12-1. Tabla 12-1 MÁXIMO rotor bloqueado DE 50 Hz Diseño B, C, y D MOTORES a 380 voltios Rotor bloqueado Rotor bloqueado Actual, Diseño Actual, Diseño CV Amperios * Cartas CV Amperios * Cartas 3 / 4 o menos 20 B, D 25 243 B, C, D 1 20 B, C, D 30 289 B, C, D 1-1/2 27 B, C, D 40 387 B, C, D 2 34 B, C, D 50 482 B, C, D 3 43 B, C, D 60 578 B, C, D 5 61 B, C, D 75 722 B, C, D 7-1/2 84 B, C, D 100 965 B, C, D 10 107 B, C, D 125 1207 B, C, D 15 154 B, C, D 150 1441 B, C, D 20 194 B, C, D 200 1927 B, C ** La corriente de rotor bloqueado de los motores diseñados para tensiones de 380 voltios será inversamente proporcional a la tensión. 12.35.4 50 Hertz Diseño E Motores a 380 voltios Eliminados.
  • 228.
    MG 1-1998, Revisión1 Sección II Parte 12, Página 10 PRUEBAS DE FUNCIONAMIENT O Y MOT ORES-AC 12.36 VALOR MÁXIMO Instantané DIVERSAS DE Corriente de entrada Los valores en los cuadros anteriores son valores eficaces simétricos, es decir, promedio de las tres fases. Habrá un ciclo de valor de un medio instantáneo máximo que puede variar desde 1,8 hasta 2,8 veces el anterior los valores en función del diseño del motor y el ángulo de conmutación. Esto se basa en una temperatura ambiente de 25 ° C. 12.37 características de par de motores polifásicos PEQUEÑO El par máximo de un propósito general polifásicos de jaula de ardilla pequeña, con una tensión nominal y la frecuencia de aplicación, no podrá ser inferior a 140 por ciento del par máximo de una sola fase de uso general pequeño motor de la misma calificación caballos de fuerza y velocidad dada en 12,32. NOTA: La velocidad a la par máximo es normalmente mucho más bajos en los pequeños motores polifásicos que en pequeño de un so lo motores trifásicos. P ares más elevados de degradación son necesarios para los motores polifásicos de manera que polifásicos y monofásicos Los motores se han intercambiables características de funcionamiento, clasificación de calificación, cuando se aplica a la normalidad de una sola fase motor de cargas. 12.38Par con rotor bloqueado de un solo VELOCIDA D POLIFÁSICOS jaula de ardilla MEDIO MOTORES CON valores continuos 12.38.1 Diseño A y B Motores El par de rotor bloqueado del Diseño A y B, 60 - y 50 hertz, una sola velocidad polifásicos de jaula de ardilla los motores de media, con tensión y frecuencia nominales aplicadas, no será inferior a los valores indicados en T abla 12-2, que se expresan en porcentaje de par a plena carga. Para aplicacio nes con mayor par requisitos, consulte 12.38.2 y 12.38.3 de los valores de par de rotor bloqueado para el diseño de C y motores D.
  • 229.
    Sección II MG 1-1998, Revisión 1 PRUEBAS DE FUNCIONAMIENT O Y MOT ORES-AC Parte 12, Página 11 Tabla 12-2 Par con rotor bloqueado DE DISEÑO A y B, 60 - y 50-HERTZ Una velocidad- POLIFÁSICOS jaula de ardilla MEDIO MOTORES La v elocidad de sincronismo, Rpm 60 Hertz 3600 1800 1200900 720 600 514 CV 50 Hertz 3000 1500 1000750 ... ... ... ... ... ... 140 140 115 110 1.2 ... ... 175135 135 115 110 4.3 1 ... 275 170135 135 115 110 1-1/2 175 250 165130 130 115 110 170 235 160130 125 115 110 2 3 160 215 155 130 125 115 110 5 150 185 150 130 125 115 110 7-1/2 140 175 150 125 120 115 110 10 135 165 150 125 120 115 110 15 130 160 140 125 120 115 110 20 130 150 135 125 120 115 110 25 130 150 135 125 120 115 110 30 130 150 135 125 120 115 110 40 125 140 135 125 120 115 110 50 120 140 135 125 120 115 110 60 120 140 135 125 120 115 110 75 105 140 135 125 120 115 110 100 105 125 125 125 120 115 110 125 100 110 125 120 115 115 110 150 100 110 120 120 115 115 ... 200 100 100 120 120 115 ... ... 250 70 80 100 100 ... ... ... 300 70 80 100 ... ... ... ... 350 70 80 100 ... ... ... ... 400 70 80 ... ... ... ... ... 450 70 80 ... ... ... ... ... 500 70 80 ... ... ... ... ... 12.38.2 Diseño C Motores El par de rotor bloqueado de diseño C, 60 - y 50 hertz, una sola velocidad polifásicos de jaula de ardilla medio motores, con tensión y frecuencia nominales aplicadas, no podrá ser inferior a los valores mostrados en la T abla 12 -3 que se expresan en porcentaje del par a plena carga. Tabla 12-3 Par con rotor bloqueado DE DISEÑO DE MOTORES DE C La v elocidad de sincronismo, Rpm 60 Hz 1800 1200 900 CV 50 Hz 1500 1000 750 1 285 255 225 1.5 285 250 225 2 285 250 225 3 270 250 225 5 255 250 225 7.5 250 225 200 10 250 225 200 15 225 210 200 20-200 Incluido 200 200 200
  • 230.
    MG 1-1998, Revisión1 Sección II Parte 12, Página 12 PRUEBAS DE FUNCIONAMIENT O Y MOT ORES-AC 12.38.3 Diseño D Motores El par de rotor bloqueado del Diseño D, 60 - y 50 hertz, 4 -, 6 - y 8 polos, de una sola velocidad polifásicos jaula de ardilla, motores de media nominal 150 caballos de fuerza y más pequeños, con tensión y frecuencia nominales aplicado, no podrá ser inferior a 275 por ciento, expresados en porcentaje del par a plena carga. 12.38.4 Diseño E Motores Eliminados. 12.39DESGLOSE DE PAR DE UNA SOLA VELOCIDA D POLIFÁSICOS jaula de ardilla MEDIO MOTORES CON valores continuos 12.39.1 Diseño A y B Motores El par máximo de Diseño A y B, 60 - y 50 hertz, una sola velocidad polifásicos de jaula de ardilla los motores de media, con tensión y frecuencia nominales aplicadas, no será inferior a los valores siguientes que se expresan en porcentaje del par a plena carga: La v elocidad de sincronismo, Rpm 60 Hertz 3600 1800 1200900 720 600 514 CV 50 Hertz 3000 1500 1000750 ... ... ... 1.2 ... ... 225 ... 200 200 200 4.3 ... ... 275 220 200 200 200 1 ... 300 265 215 200 200 200 1-1/2 250 280 250 210 200 200 200 2 240 270 240 210 200 200 200 3 230 250 230 205 200 200 200 5 215 225 215 205 200 200 200 7-1/2 200 215 205 200 200 200 200 10-125, inclusive 200 200 200 200 200 200 200 150 200 200 200 200 200 200 ... 200 200 200 200 200 200 ... ... 250 175 175 175 175 ... ... ... 300-350 175 175 175 ... ... ... ... 400-500 inclusive, 175 175 ... ... ... ... ... 12.39.2 Diseño C Motores El par máximo de Diseño de C, 60 - y 50 hertz, una sola velocidad polifásicos de jaula de ardilla medio motores, con tensión y frecuencia nominales aplicadas, no podrá ser inferior a los siguientes valores que son expresados en porcentaje del par a plena carga: La v elocidad de sincronismo, Rpm 60 Hz 18001200 900 50 Hz 15001000 750 CV 1 200225 200 1-1/2 200225 200 200225 200 2 200225 200 3 5 200200 200 7-1/2-20 200190 190 190190 190 25-200 Incluido
  • 231.
    Sección II MG 1-1998, Revisión 1 PRUEBAS DE FUNCIONAMIENT O Y MOT ORES-AC Parte 12, Página 13 12.39.3 Diseño E Motores Eliminados. 12.40PULL-UP PAR DE UNA SOLA VELOCIDA D POLIFÁSICOS jaula de ardilla de los motores de media CON valores continuos 12.40.1 Diseño A y B Motores El par de pull-up de diseño A y B, de una sola velocidad, polifásicos de jaula de ardilla medio de motores, con tensión y frecuencia nominales aplicadas, no será inferior a los siguientes valores que se expresan en por ciento de par a plena carga: La v elocidad de sincronismo, Rpm 60 Hertz 3600 1800 1200900 720 600 514 CV 50 Hertz 3000 1500 1000750 ... ... ... 1.2 ... ... 100 ... 100 100 100 4.3 ... ... 120 100 100 100 100 1 ... 190 120 100 100 100 100 1-1/2 120 175 115 100 100 100 100 2 120 165 110 100 100 100 100 3 110 150 110 100 100 100 100 5 105 130 105 100 100 100 100 7-1/2 100 120 105 100 100 100 100 10 100 115 105 100 100 100 100 15 100 110 100 100 100 100 100 20 100 105 100 100 100 100 100 25 100 105 100 100 100 100 100 30 100 105 100 100 100 100 100 40 100 100 100 100 100 100 100 50 100 100 100 100 100 100 100 60 100 100 100 100 100 100 100 75 95 100 100 100 100 100 100 100 95 100 100 100 100 100 100 125 90 100 100 100 100 100 100 150 90 100 100 100 100 100 ... 200 90 90 100 100 100 ... ... 250 65 75 90 90 ... ... ... 300 65 75 90 ... ... ... ... 350 65 75 90 ... ... ... ... 400 65 75 ... ... ... ... ... 450 65 75 ... ... ... ... ... 500 65 75 ... ... ... ... ...
  • 232.
    MG 1-1998, Revisión1 Sección II Parte 12, página 14 PRUEBAS DE FUNCIONAMIENT O Y MOT ORES-AC 12.40.2 Diseño C Motores El par de pull-up de diseño de motores de C, con tensión y frecuencia nominales aplicadas, no podrá ser inferior a los siguientes valores que se expresan en porcentaje de par a plena carga: La v elocidad de sincronismo, Rpm 60 Hz 18001200 900 CV 50 Hz 15001000 750 1 195180 165 1-1/2 195 175 160 2 195 175 160 3 180 175 160 5 180 175 160 7-1/2 175 165 150 10 175 165 150 15 165 150 140 20 165 150 140 25 150 150 140 30 150 150 140 40 150 150 140 50 150 150 140 60 140 140 140 75 140 140 140 100 140 140 140 125 140 140 140 150 140 140 140 200 140 140 140 12.40.3 Diseño E Motores Eliminados. 12.41 DESGLOSE DE PAR DE MEDIO motores polifásicos de rotor bobinado CON Valores continuos El desglose de los pares de 60 - y 50 hertz, polifásicos de rotor bobinado motores de media, con calificación tensión y la frecuencia aplicada, no será inferior a los siguientes valores que se expresan en por ciento de par a plena carga: Par máximo, porcentaje del total- Par de carga La v elocidad de sincronismo, Rpm 18001200900 60 Hz 1500100750 CV 50 Hz ...... 250 1 1½ ... ... 250 2 275 275 250 3 275 275 250 5 275 275 250 7½ 275 275 225 10 275 250 225 15 250 225 225 20-200 Incluido 225 225 225
  • 233.
    Sección II MG 1-1998, Revisión 1 PRUEBAS DE FUNCIONAMIENT O Y MOT ORES-AC Parte 12, página 15 12.42 ACELERA CIÓN DE PAR DE DISEÑO E Una velocidad POLIFÁSICOS jaula de ardilla MOTORES medio con valores continuos Eliminados. 12.43 TEMPERATURA RISE E para motores pequeños e UNIVERSAL T emperaturas de 12.43.1 y 12.43.2 se determinará de acuerdo con lo siguiente: a. Para los motores monofásicos - IEEE Std 114 b. Para motores de inducción polifásicos - IEEE Std 112 12.43.1 de corriente alterna pequeños motores, placas de identificación del motor marcados con el sistema de aislamiento Designación y la temperatura ambiente El aumento de la temperatura, por encima de la temperatura del medio de refrigeración, para cada una de las diversas partes de el motor no deberá exceder los valores dados en la tabla siguiente cuando se prueban de acuerdo con la calificación, salvo que para motores que tienen un factor de servicio superior a 1,0, el aumento de la temperatura no exceder los valores dados en la tabla siguiente cuando se pro bó en el factor de carga de servicio: Clase de sistema de aislamiento (ver 1,65) .......................................... .......... ... ... ... ... ........ A B F* H* Valoración del tiempo (véase 10.36) Aumento de la temperatura (en base a una temperatura ambiente máxima de 40 grados CC °), a. Bobinados 1. Los motores abiertos que no sean las señaladas en los puntos A.2 y A.5 la resistencia, o termopar ................................................. ....................... ... ... ... ... ................ 2. Abrir los motores con factor de servicio 1.15 o superior - resistencia o termopar ................................................. ....................... ... ... ... ... ................ 60 80 105 125 3. Los motores totalmente cerrados no ventilados, tales como las variaciones de los mismos - resistencia o termopares ............................................... ....... ... ... ... ... ........... 70 90 115 ... 65 85 110 130 4. T otalmente cerrados enfriados por ventilador, incluyendo las variaciones de los mismos - resistencia o termopares ............................................... .......... ... ... ... ... ......... 65 85 110 135 5. Cualquier motor en un marco más pequeño que el periodo de 42 - resistencia o termopar ... ... ... ... ... ... ... ... ... ... ... ... ... ... ... ... ... ... ... ... ... ... ... ... ... ... ... ... .. 65 85 110 135 * Cuando un sistema de clase F o H de aislamiento se utiliza, debe prestarse especial atención a temperaturas de los cojinete s, lubricación, etc NOTAS 1-anormal deterioro del aislamiento se puede esperar si la temperatura ambiente de 40 ° C se excede en regulares la operación. Ver 12.43.3. 2-Los valores anteriores de aumento de la temperatura se basan en la operación a altitudes de 3300 pies (1000 metros) o menos. P ara aumentar la temperatura de los motores destinados a la operación a altitudes superiores a 3300 pies (1000 metros) , véase 14.4.
  • 234.
    MG 1-1998, Revisión1 Sección II Parte 12, página 16 PRUEBAS DE FUNCIONAMIENT O Y MOT ORES-AC 12.43.2 Universal de los motores El aumento de la temperatura, por encima de la temperatura del medio de refrigeración, para cada una de las diversas partes de el motor, cuando se analizaron de acuerdo con la calificación, no deberá exceder los valores indicados en la siguiente tabla: Clase de sistema de aislamiento (ver 1,65) .......................................... .......... ... ... ... ... ........ A B F* H* Valoración del tiempo (véase 10.36) Aumento de la temperatura (en base a una temperatura ambiente máxima de 40 º C) grados C a. Bobinados 1. Motores abiertos - termopar o la resistencia ................................ ... ... ... ... ........ ... 2. Los motores totalmente cerrados no ventilados, tales como las variaciones de los mismos - termopar o la resistencia ............................................... ........ ... ... ... ... ........... 60 80 105 125 3. T otalmente cerrados enfriados por ventilador, incluyendo las variaciones de los mismos - resistencia o termopares ............................................... ........ ... ... ... ... ........... 65 85 110 130 65 85 110 135 * Cuando un sistema de clase F o H de aislamiento se utiliza, debe prestarse especial atención a temperaturas de los cojinete s, lubricación, etc NOTAS 1-anormal deterioro del aislamiento se puede esperar si la temperatura ambiente de 40 ° C se excede en regulares la operación. Ver 12.43.3. 2-Los valores anteriores de aumento de la temperatura se basan en la operación a altitudes de 3300 pies (1000 metros) o menos. P ara aumentar la temperatura de los motores destinados a la operación a altitudes superiores a 3300 pies (1000 metros) , véase 14.4. o 12.43.3 aumento de temperatura para ambientes superiores a 40 C La temperatura se eleva dado en 12.43.1 y 12.43.2 se basan en una temperatura ambiente de referencia o de 40 ° C. Sin embargo, se reconoce que las máquinas de inducción pueden ser necesarios para operar en un ambiente o temperatura superior a 40 ° C. Para el funcionamiento con éxito de las máquinas de inducción en la temperatura ambiente o superior a 40 C, la temperatura se eleva de las máquinas que figuran en 12.43.1 y 12.43.2 se reducirá en un o 12.44 Aumento de la temperatura MEDIO DE INDUCCIÓN MONOFÁSICO y polifásicos el número de grados que la temperatura ambiente supera los 40 ° C. Cuando la temperatura ambiente más alta MOTORES ooooo El aumento de la temperatura, por encima de la temperatura del medio de refrigeración, para cada una de las diversas partes de de motor no deberá excedervalores preferidos de la temperatura ambiente es 50 ° C, 65 C,acuerdo 115 la el 40 º C es necesario, los los valores dados en la tabla siguiente cuando se prueban de 90 C y con C. calificación, salvo que para motores que tienen un factor de servicio 1.15 o superior, el aumento de la temperatura no excederá los valores indicados en la siguiente tabla se probó sobre el factor de carga de servicio. Las temperaturas se determinado de acuerdo con lo siguiente: a. Para los motores monofásicos - IEEE Std 114 b. Para motores de inducción polifásicos - IEEE Std 112
  • 235.
    Sección II MG 1-1998, Revisión 1 PRUEBAS DE FUNCIONAMIENT O Y MOT ORES-AC Parte 12, página 17 Clase de sistema de aislamiento (ver 1,65) .......................................... ..... ... ... ... ... ... ............. .. A B F* H*† Valoración del tiempo (debe ser continuo o cualquier calificación a corto tiempo determinado en 10,36) Aumento de la temperatura (en base a una temperatura ambiente máxima de 40 grados CC °), a. Bobinados, por el método de la resistencia 1. Los motores con factor de servicio 1.0 que no sean las señaladas en los puntos A.3 y A.4 60 80 105 125 2. T odos los motores de 1.15 o más alto factor de servicio ................................... ... ... ... ... ... .. ...... 70 90 115 ... 3. T otalmente cerrado no ventilado motores con factor de servicio 1,0 ....... ... ... ... ... ... ......... 65 85 110 130 4. Los motores con bobinados encapsulados y con factor de servicio 1.0, todos los recintos b. Las temperaturas alcanzados por los núcleos, bobinas de jaula de ardilla, y varios 65 85 110 ... partes (por ejemplo, brushholders, cepillos, consejos de polo, etc) no dañar el aislamiento o la máquina en ningún aspecto * Cuando un sistema de clase F o H de aislamiento se utiliza, debe prestarse especial atención a temperaturas de los cojinete s, lubricación, etc † Esta columna se aplica a los motores polifásicos solamente. NOTAS 1-anormal deterioro del aislamiento se puede esperar si la temperatura ambiente de 40 ° C se excede en regulares la operación. Ver 12.44.1. 2-Los valores anteriores de aumento de la temperatura se basan en la operación a altitudes de 3300 pies (1000 metros) o menos. P ara aumentar la temperatura de los motores destinados a la operación a altitudes superiores a 3300 pies (1000 metros) , véase 14.4. o 12.44.1 aumento de temperatura para ambientes superiores a 40 C o La temperatura se eleva da en 12,44 se basan en una temperatura ambiente de referencia de 40 ° C. Sin embargo, se reconoce que las máquinas de inducción puede ser necesario para operar a una temperatura ambiente o superior a 40 ° C. Para el funcionamiento con éxito de las máquinas de inducción a una temperatura ambiente superior a o 40 ° C, que aumenta la temperatura de las máquinas que figuran en 12,44 se reducirá el número de grados oo que la temperatura ambiente supera los 40 ° C. Cuando la temperatura ambiente más alta de 40 º C es necesario, 12.45 VARIACIÓN DE FRECUENCIA tensión y CLASIFICA DO oooo los valores preferidos de la temperatura ambiente es 50 ° C, 65 C, 90 C y 115 C. 12.45.1 Ejecución Motores de corriente alterna deberá operar con éxito en condiciones de funcionamiento a plena carga con una variación en el voltaje o la frecuencia a la siguiente: a. Más o menos 10 por ciento de la tensión nominal, con una frecuencia nominal de los motores de inducción. b. Más o menos 6 por ciento de la tensión nominal, con una frecuencia nominal de los m otores universales. c. Más o menos 5 por ciento de la frecuencia nominal, con una tensión nominal. d. Una variación combinada de la tensión y la frecuencia de 10 por ciento (suma de valores absolutos) de la clasificación valores, siempre y cuando la variación de frecuencia no exceda más o menos 5 por ciento de la calificación frecuencia, y la variación del voltaje de los motores universales (excepto motores de los ventiladores) no exceda más o menos del 6 por ciento del voltaje nominal. El funcionamiento dentro de estas variaciones de voltaje y la frecuencia no será necesariamente de acuerdo con las normas establecidas para su funcionamiento a tensión y frecuencia nominales. 12.45.2 A partir Los motores de media y comenzará a acelerar la velocidad con una carga que tiene una característica de par y un valor de inercia que no exceda de los enumerados en el 12,55 con el voltaje y variaciones de frecuencia especificada en 12.45.1. Los valores límite de tensión y frecuencia en que un motor con éxito inicial y acelerar a la velocidad de carrera dependerá del margen entre la curva de par -velocidad del motor a la corriente nominal tensión y la frecuencia y la curva de par-velocidad de la carga en condiciones de partida. Dado que el par desarrollado por el motor a cualquier velocidad es aproximadamente proporcional al cuadrado de la tensión y la
  • 236.
    MG 1-1998, Revisión1 Sección II Parte 12, Página 18 PRUEBAS DE FUNCIONAMIENT O Y MOT ORES-AC inversamente proporcional al cuadrado de la frecuencia, es deseable en general para determinar lo que la tensión y las variaciones de frecuencia que realmente ocurrirá en cada instalación, teniendo en cuenta las caídas de tensión resultante de la corriente de arranque consumida por el motor. Esta información y los requisitos de par de la máquina de definir la curva de motor a la velocidad del par, a tensión y frecuencia nominales, lo cual es adecuado para la aplicación. 12.46 desequilibrio de tensión Motores de corriente alterna polifásicos deberá operar con éxito en condiciones de correr a la corriente nominal carga cuando el desequilibrio de tensión en los bornes del motor no supere el 1 por ciento. El rendimiento no se necesariamente ser el mismo que cuando el motor está funcionando con una tensión equilibrada en los terminales del motor (Ver 14.36). 12,47 VARIACIÓN DE VELOCIDAD NOMINAL La variación de la placa o la velocidad de los datos publicados de la corriente alterna, monofásicos y polifásicos, medio motores no podrá exceder del 20 por ciento de la diferencia entre la velocidad de sincronismo y velocidad nominal cuando se mide la tensión nominal, la frecuencia y la carga y con una temperatura ambiente de o 25 C. 12.48 PLACA AMPERIOS- CORRIENTE ALTERNA motores de media Cuando se opera a una tensión nominal, frecuencia nominal, y la salida de pot encia nominal, la entrada en amperios no variará con respecto al valor nominal en más del 10 por ciento. 12.49 ACTUAL exceso ocasional Motores polifásicos no tener potencias superiores a 500 caballos de fuerza (de acuerdo con esta parte) y clasificado tensiones no superiores a 1 kV será capaz de soportar una corriente igual a 1,5 veces la carga nominal completa actual por no menos de dos minutos cuando el motor está inicialmente a la temperatura normal de funcionamiento. Sobrecargas repetidas resulta en una operación prolongada a temperaturas por encima de la cuerda máxima valores dados por 12,44 dará lugar a la vida del aislamiento reducido. 12.50 TIEMPO BLOQUEO Motores polifásicos no tener potencias superiores a 500 caballos de fuerza y tensión nominal no superior a 1kV será capaz de soportar corrientes de rotor bloqueado por no menos de 12 segundos cuando el motor está inicialmente a las temperaturas normales. Motores especialmente diseñados para cargas de inercia mayor que los de la T abla 6.12, deberá figurar en el placa de identificación con el tiempo de parada permitida en cuestión de segundos. 12.51 DE FUNCIONA MIENTO DE LOS MOTORES DE MEDIA TENSIÓN RATING DUAL Cuando un motor medio está marcado con una amplia gama de voltaje dual o el motor deberá cumplir con todos requisitos de rendimiento de MG 1 en el rango de voltaje indicado.
  • 237.
    Sección II MG 1-1998, Revisión 1 PRUEBAS DE FUNCIONAMIENT O Y MOT ORES-AC Parte 12, Página 19 12.52 FACTOR DE SERVICIO DE MOTORES DE CORRIENTE ALTERNA 12.52.1 uso general de corriente alterna Motores del tipo abierto Cuando se opera a una tensión nominal y la frecuencia de uso general de corriente alterna los motores de la de tipo abierto con un aumento de la temperatura nominal de acuerdo con 12,43 para motores de pequeña o mediana de 12,44 Los motores deben tener un factor de servicio de acuerdo con la tabla 4.12 (ver 14.37). Tabla 12-4 FACTORES DE SERVICIO Factor de Serv icio La v elocidad de sincronismo, Rpm CV 3600 1800 1200 900 720 600 514 01.20 1.4 1.4 1.4 1.4 ... ... ... 12.01 1.4 1.4 1.4 1.4 ... ... ... 8.1 1.4 1.4 1.4 1.4 ... ... ... P equeño 6.1 1.35 1.35 1.35 1.35 ... ... ... Motores 1.4 1.35 1.35 1.35 1.35 ... ... ... 1.3 1.35 1.35 1.35 1.35 ... ... ... 1.2 1.25 1.25 1.25 1,15 * ... ... ... Medio 4.3 1.25 1.25 1,15 * 1,15 * ... ... ... Motores 1 1.25 1,15 * 1,15 * 1,15 * ... ... ... 1-1/2-125 1,15 * 1,15 * 1,15 * 1,15 * 1,15 * 1,15 * 1,15 * 150 1,15 * 1,15 * 1,15 * 1,15 * 1,15 * 1,15 * ... 200 1,15 * 1,15 * 1,15 * 1,15 * 1,15 * ... ... 250 1.0 1,15 * 1,15 * 1,15 * ... ... ... 300 1.0 1,15 * 1,15 * ... ... ... ... 350 1.0 1,15 * 1,15 * ... ... ... ... 400 1.0 1,15 * ... ... .. ... ... 450 1.0 1,15 * ... ... ... ... ... 500 1.0 1,15 * ... ... ... ... ... * En el caso de polifásicos de jaula de ardilla motores, estos factores de servicio sólo se aplican al Diseño A, B, C, E y mo tores. 12.52.2 Otros motores Cuando se opera a un voltaje y frecuencia nominales, otras de tipo abierto y totalmente cerrado t odas las alterna- motores de corriente continua con un aumento de la temperatura nominal de acuerdo con 12,44 tendrá un factor de servicio de 1 ,0. En aquellas aplicaciones que requieren una capacidad de sobrecarga, el uso de una potencia nominal mayor , ya que dada en 10.32.4, se recomienda no sobrepasar la temperatura se eleva para la clase de sistema de aislamiento utilizados y para proporcionar capacidad de par adecuado.
  • 238.
    MG 1-1998, Revisión1 Sección II Parte 12, Página 20 PRUEBAS DE FUNCIONAMIENT O Y MOT ORES-AC 12,53 exceso de velocidad PARA MOTORES 12.53.1 Motores jaula de ardilla y de rotor bobinado Jaula de ardilla y de rotor bobinado motores de inducción, con excepción de los motores de la grúa, se construirán de forma que, en una emergencia que no exceda de 2 minutos, que podrá soportar sin exceso de velocidad del daño mecánico por encima de la velocidad de sincronismo, de acuerdo con lo siguiente. Durante este estado de exceso de velocidad, la máquina no es eléctricamente conectados a la red. Exceso de v elocidad, porcentaje Sincrónico de Sy nchronous CV Velocidad, RPM Velocidad 200 y más pequeño 1801 y más 25 1201 a 1800 25 1200 y por debajo de 50 250-500, incl. 1801 y más 20 1800 y por debajo de 25 12.53.2 uso general de jaula de ardilla Motores de Inducción De uso general de jaula de ardilla motores de inducción de los valores nominales especificados en el Cuadro 12 -4A y caballos de fuerza por las asignaciones de cuadro por la parte 13 se mecánicamente construidas de tal forma que es capaz de funcionando de forma continua a la carga nominal a una velocidad no inferior a la velocidad indicada en el Cuadro 12 -4A, cuando directamente acoplado. Los motores en los que esta velocidad es mayor que la velocidad de sincronismo a 60 Hz se capaz de soportar el exceso de velocidad, que no exceda de dos minutos, del 10 por ciento por encima de la velocidad indicada en el Cuadro 12-4A, sin daños mecánicos. Para los motores donde la velocidad en la T abla 12 -4A es igual a la velocidad de sincronismo a 60 Hz, los límites de velocidad excesiva en 12.53.1 será de aplicación, suponiendo que el motor no está activa cuando el exceso de velocidad se produce. Cuadro 12-4A no se aplica a los motores utilizados en aplicaciones con cinturón. Para aplicaciones con cinturón, consulte el fabricante del motor. Cuadro 12-4A Capacidad de velocidad CONTINUA PARA USO GENERAL MOTOR de inducción de jaula de ardilla EN DIRECTO LAS SOLICITUDES ACOPLADOS, EXCEPTO LOS MOTORES EN LA TABLA 12-5 Totalmente cerrado enf riado por v entilador Dripproof abierto Velocidad de sincronismo de 60 Hz 3600 1800 1200 3600 1800 1200 Caballo de f uerza Velocidad mínima de diseño 1.4 5200 3600 24005200 3600 2400 1.3 5200 3600 2400 5200 3600 2400 1.2 5200 3600 2400 5200 3600 2400 4.3 5200 3600 2400 5200 3600 2400 1 5200 3600 2400 5200 3600 2400 1.5 5200 3600 2400 5200 3600 2400 2 5200 3600 2400 5200 3600 2400 3 5200 3600 2400 5200 3600 2400 5 5200 3600 2400 5200 3600 2400 7.5 4500 2700 2400 5200 2700 2400 10 4500 2700 2400 4500 2700 2400 15 4500 2700 2400 4500 2700 2400 20 4500 2700 2400 4500 2700 2400 25 4500 2700 1800 4500 2700 1800 30 4500 2700 1800 4500 2700 1800 (Continúa en la página siguiente.)
  • 239.
    Sección II MG 1-1998, Revisión 1 PRUEBAS DE FUNCIONAMIENT O Y MOT ORES-AC Parte 12, Página 21 Cuadro 12-4A (Continuación) Capacidad de velocidad CONTINUA PARA USO GENERAL MOTOR de inducción de jaula de ardilla EN DIRECTO LAS SOLICITUDES ACOPLADOS, EXCEPTO LOS MOTORES EN LA TABLA 12-5 Totalmente cerrado enf riado por v entilador Dripproof abierto Velocidad de sincronismo de 60 Hz 3600 1800 1200 3600 1800 1200 Caballo de f uerza Velocidad mínima de diseño 40 3600 2300 1800 4500 2300 1800 50 3600 2300 1800 3600 2300 1800 60 3600 2300 1800 3600 2300 1800 75 3600 2300 1800 3600 2300 1800 100 3600 2300 1800 3600 2300 1800 125 3600 2300 1800 3600 2300 1800 150 3600 2300 1800 3600 2300 1800 200 3600 2300 1800 3600 2300 1800 250 3600 2300 1200 3600 2300 1200 300 3600 1800 1200 3600 2300 1200 350 3600 1800 1200 3600 1800 1200 400 3600 1800 - 3600 1800 - 450 3600 1800 - 3600 1800 - 500 3600 1800 - 3600 1800 - 12.53.3 Propósito General Diseño A y B de acoplamiento directo de jaula de ardilla Motores de Inducción De propósito general Diseño A y B (eje de T S para los motores por encima del tamaño de marco 250) de jaula de ardilla motores de inducción de los valores nominales especificados en la T abla 12 -5 y caballos de fuerza por las asignaciones de cuadro por la parte 13 deberá ser capaz de operar mecánicamente construidas de tal forma que es capaz de funcionar continuamente con la carga nominal a una velocidad no inferior a la velocidad indicada en la T abla 5.12, cuando directamente acoplado. Aque llos motores en los que esta velocidad es mayor que la velocidad de sincronismo de 60 Hz debe ser capaz de soportar exceso de velocidad, que no exceda de dos minutos, del 10 por ciento por encima de la velocidad indicada en la T abla 5.12 sin daño mecánico. Para los mot ores donde la velocidad en la T abla 5.12 es igual a la velocidad de sincronismo en 60 Hz, los límites de velocidad excesiva en 12.53.1 será de aplicación, suponiendo que el motor no se activa cuando el exceso de velocidad se produce. T abla 12.5 no se aplica a los motores utilizados en aplicaciones de cinturón de seguridad. Para aplicaciones con cinturón con sultar el fabricante del motor. 12.53.4 de corriente alterna de la serie y motores universales De corriente alterna en serie y motores universales se construirán de forma que, en caso de emergencia no exceder de 2 minutos, que podrá soportar sin daño mecánico un exceso de velocidad el 10 por ciento por encima de la no - velocidad1 carga con volt ajes nominales. 1 P ara los motores que están íntimamente unidos a las cargas que no puede ser desconectado accidentalmente, las palabras "no - la velocidad de carga "se interpretará en el sentido de la condición de carga más ligera posible, con la carga.
  • 240.
    MG 1-1998, Revisión1 Sección II Parte 12, Página 22 PRUEBAS DE FUNCIONAMIENT O Y MOT ORES-AC Tabla 12-5 Capacidad de velocidad CONTINUA PARA USO GENERAL DE DISEÑO A y B Acoplamiento directo (TS EJE DE MOTORES POR ENCIMA DEL TAMAÑO 250) de jaula de ardilla MOTORES DE INDUCCIÓN Totalmente cerrado enf riado por v entilador Dripproof abierto Velocidad de sincronismo de 60 Hz 3600180012003600 1800 1200 Velocidad mínima de diseño Caballo de f uerza 3600720024007200 1.4 3600 2400 1.3 7200 3600 2400 7200 3600 2400 1.2 7200 3600 2400 7200 3600 2400 4.3 7200 3600 2400 7200 3600 2400 1 7200 3600 2400 7200 3600 2400 1.5 7200 3600 2400 7200 3600 2400 2 7200 3600 2400 7200 3600 2400 3 7200 3600 2400 7200 3600 2400 5 7200 3600 2400 7200 3600 2400 7.5 5400 3600 2400 7200 3600 2400 10 5400 3600 2400 5400 3600 2400 15 5400 3600 2400 5400 3600 2400 20 5400 3600 2400 5400 3600 2400 25 5400 2700 2400 5400 2700 2400 30 5400 2700 2400 5400 2700 2400 40 4500 2700 2400 5400 2700 2400 50 4500 2700 2400 4500 2700 2400 60 3600 2700 2400 4500 2700 2400 75 3600 2700 2400 3600 2700 2400 100 3600 2700 1800 3600 2700 1800 125 3600 2700 1800 3600 2700 1800 150 3600 2700 1800 3600 2700 1800 200 3600 2300 1800 3600 2700 1800 250 3600 2300 1800 3600 2300 1800 300 3600 2300 1800 3600 2300 1800 350 3600 1800 1800 3600 1800 1800 400 3600 1800 - 3600 1800 - 450 3600 1800 - 3600 1800 - 500 3600 1800 - 3600 1800 - 12.54 Sound Machine (MOTORES medio de inducción) Véase la Parte 9 para los límites de potencia de sonido y procedimientos de medición. 12.54.1 Calidad de sonido Eliminados.
  • 241.
    Sección II MG 1-1998, Revisión 1 PRUEBAS DE FUNCIONAMIENT O Y MOT ORES-AC Parte 12, Página 23 12.54.2 La medición de sonido Eliminados. 12.54.3 niveles de potencia acústica de los motores polifásicos de inducción de jaula de ardilla Eliminados. 12.55 Número de arranques 12.55.1 Condiciones de arranque normal Diseño A, B y E de jaula de ardilla motores de inducción con calificaciones de potencia dada en 10.32.4 y características de rendimiento de acuerdo con esta Parte 12 deberá ser capaz de acelerar sin 2 perjudicial Wk carga de calefacción que se refiere al eje del motor igual o inferior a los valores listados en la T abla 6.12 bajo las siguientes condiciones: a. T ensión aplicada y la frecuencia de acuerdo con 12.45. b. Durante el período de aceleración, el par de la carga conectada es igual o inferior a un par que varía con el cuadrado de la velocidad y es igual al 100 por ciento de carga nominal de par a la velocidad nominal. c. Dos salidas consecutivas (marcha a descansar entre arranques) con el motor inicialmente en el ambiente la temperatura o un principio con el motor inicialmente a una temperatura no super ior a su carga nominal temperatura de funcionamiento. Aparte de las condiciones normales de partir 12.55.2 Si las condiciones de partida son distintos de los indicados en 12.55.1, el fabricante del motor debe ser consultados. 12.55.3 Consideraciones para inicia adicionales Cuando se inicia adicionales son necesarios, se recomienda que no se hizo hasta que todas las condiciones que afectan la operación se han investigado a fondo y el aparato de examinar la evidencia de un calentamiento excesivo. Se debe reconocer que el número de arranques deben mantenerse a un mínimo, ya que la vida del motor se ve afectado por el número de arranques. 12,56 pruebas de rutina para motores polifásicos medio de inducción 12.56.1 Método de prueba El método de prueba de motores polifásicos de inducción se hará de conformidad con el estándar IEEE 112. 12.56.2 Las pruebas típicas de los motores Completamente ensamblado Las pruebas típicas que se pueden hacer en los motores totalmente ensamblados en fábrica y están amuebladas con eje y el conjunto completo de los rodamientos son los siguientes: a. Medición de la resistencia del devanado. b. Sin carga lecturas de corriente y velocidad a la tensión normal y la frecuencia. En 50 motores de hertz , estos lecturas pueden ser tomadas a 60 hertz. c. Entrada de corriente a la frecuencia nominal, con rotor en reposo para los motores de jaula de ardilla. Esto puede ser tom ado monofásica o polifásica a la tensión nominal o reducida. (Cuan do esta prueba se realiza de una sola fase, el valores polifásico de una máquina de duplicar se debe dar en ningún informe.) En los motores de 50 hertz, estos lecturas pueden ser tomadas a 60 hertz. d. Medición de la relación de tensión en circuito abierto en los motores de rotor bobinado. e. Alto potencial de ensayo de acuerdo con 3.1 y 12.3. 12.56.3 típicos de pruebas de motores no Completamente ensamblado Las pruebas típicas que se pueden hacer en todos los motores no completamente ensamblado en la fábrica son a continuación. a. Medición de la resistencia del devanado. b. Alto potencial de ensayo de acuerdo con 3.1 y 12.3.
  • 242.
    MG 1-1998, Revisión1 Sección II Parte 12, Página 24 PRUEBAS DE FUNCIONAMIENT O Y MOT ORES-AC Tabla 6.12 Jaula de ardilla MOTORES DE INDUCCIÓN La v elocidad de sincronismo, Rpm 3600 1800 1200900720 600 514 22Load Wk (Exclusiv o de Motor Wk), Lb-Ft 2 CV 153153 1 ... 5.8 82 118 1½ 1.8 8.6 23 45 77 120 174 2 2.4 11 30 60 102 158 228 3 3.5 17 44 87 149 231 335 5 5.7 27 71 142 242 375 544 7½ 8.3 39 104 208 356 551 798 10 11 51 137 273 467 723 1048 15 16 75 200 400 685 1061 1538 20 21 99 262 525 898 1393 2018 25 26 122 324 647 1108 1719 2491 30 31 144 384 769 1316 2042 2959 40 40 189 503 1007 1725 2677 3881 50 49 232 620 1241 2127 3302 4788 60 58 275 735 1473 2524 3819 5680 75 71 338 904 1814 3111 4831 7010 100 92 441 1181 2372 4070 6320 9180 125 113 542 1452 2919 5010 7790 11310 150 133 640 1719 3456 5940 9230 ... 200 172 831 2238 4508 7750 ... ... 250 210 1017 2744 5540 ... ... ... 300 246 1197 3239 ... ... ... ... 350 281 1373 3723 ... ... ... ... 400 315 1546 ... ... ... ... ... 450 349 1714 ... ... ... ... ... 500 381 1880 ... ... ... ... ... 12.57 La protección térmica del los motores de media El protector de un motor con protección térmica deberá limitar la temperatura del bobinado y el viaje final actual de la siguiente manera: 12.57.1 temperatura del bobinado 12.57.1.1 Ejecución de carga Cuando un motor marca "protección térmica" está funcionando a la máxima carga continua, que puede realizar sin que el protector para abrir el circuito, la temperatura de las bobinas no excederá la temperatura se muestra en la T abla 12-7.
  • 243.
    Sección II MG 1-1998, Revisión 1 PRUEBAS DE FUNCIONAMIENT O Y MOT ORES-AC Parte 12, página 25 Tabla 7.12 Temperaturas del devanado Máxima temperatura del bobinado, Clase de aislamiento del sistema Grados C A 140 B 165 F 190 H 215 Las pruebas se llevarán a cabo a cualquier temperatura ambiente dentro del rango de 10 ° a 40 CC °. La temperatura de las bobinas se medirá por el método de la resistencia, excepto que, para los motores nominales de 15 caballos de fuerza y más pequeñas, la temperatura, alternativamente, se permite al ser medido por el método de termopar. Corto tiempo de motores con y motores para servicio intermitente se permitirá que se ejecute sin carga y reducción de la tensión, si es necesario, para una prueba de funcionamiento continuo para verificar que el protector de los l ímites de la temperaturas a las que figuran en el cuadro anterior. 12.57.1.2 Rotor bloqueado Cuando un motor marca "protección térmica" está en condiciones de rotor bloqueado, el protector térmico será el ciclo de limitar la temperatura del devanado de los valores dados en la T abla 12 -8. La prueba para motores con cambio automático de restablecimiento de protectores térmicos se extenderá hasta los picos de temperatura se constante o durante 72 horas, lo que es más corto. La prueba para motores con reset manual protectores térmicos será de 10 ciclos, el protector se vuelve a cerrar tan pronto como sea posible después de que se abra. Si diez ciclos se completan en menos de una hora, sólo el "durante los primeros horas "límites del cuadro 08.12 se aplican. Tabla 8.12 Temperatura del bobinado de rotor bloqueado BAJO CONDICIONES, GRADOS C La temperatura máxima, grados C * Temperatura media, grados C ** * Clase de aislamiento del sistema Clase de aislamiento del sistema Tipo de Protector A B F H A B F H Rearme automático Durante la primera hora 200 225 250 275 ... ... ... ... Después de la primera hora 175 200 225 250 150 175 200 225 Rearme manual Durante la primera hora 200 225 250 275 ... ... ... ... Después de la primera hora 175 200 225 250 ... ... ... ... * Test se le permitirá llevar a cabo a cualquier temperatura ambiente dentro del rango de 10 ° a 40 CC °. ** La temperatura media es la media del pico de la media y la temperatura media restablecimiento de caracol. La temperatura media será dentro de los límites durante dos horas la segunda y última de la prueba.
  • 244.
    MG 1-1998, Revisión1 Sección II Parte 12, Página 26 PRUEBAS DE FUNCIONAMIENT O Y MOT ORES-AC 12.57.2 viaje actual Un motor de potencia nominal superior a 1 caballo de fuerza, marcado como "protección térmica" tendrá un viaje de último actual, basado en un 40 º la temperatura ambiente, no en exceso de los siguientes porcentajes de motor completa -C corrientes de carga: Corriente de disparo como porcentaje del Motor completo de carga de amperios Motor a plena carga 9.0 y menos 170 Más de 9,0, pero no más de 20,0 156 Más de 20,0 140 De doble voltaje motores deberán cumplir con los requisitos último viaje actual, tanto para las tensiones. 12.58Protección de sobrecalentamiento de los motores de media que no cumplan los DEFINICIÓN DE "protección térmica" Motores de potencia superior a 1 caballo de fuerza y marcado "OVER T EMP -PROT " están provistos de bobina dispositivos de protección o sistemas de exceso de temperatura que no cumplen con la definición de "protección térmica". Los motores de marca "OVER T EMP -PROT " será seguido por el numeral 1, 2, 3 o estampado en el espacio en blanco para indicar el tipo de protección de sobrecalentamiento de liquidación siempre. Para cada tipo, la bobinado protector exceso de temperatura deberá limitar la temperatura del bobinado de la siguiente manera. 12.58.1 Tipo 1-devanado de marcha y la protección de sobrecalentamiento del rotor bloqueado 12.58.1.1 devanado de marcha de temperatura Cuando el motor está marcado "OVER T EMP PROT -1" y se está ejecutando en la carga máxima continua que se puede llevar sin causar el protector de sobrecalentamiento bobina para funcionar, la temperatura de los arrollamientos no excederá la temperatura se muestra en la T abla 12 -7. La temperatura de las bobinas se medirá por el método de la resistencia, excepto que, para los motores nominales de 15 caballos de fuerza y más pequeñas, la temperatura se permitirá que se mide por el termopar método. 12.58.1.2 Bobinado de rotor bloqueado de temperatura Además, cuando el motor está marcado "OVER T EMP PROT -1" y está en condiciones de rotor bloqueado, el protector de sobretemperatura liquidación deberá limitar la temperatura de los bobinados de los valores mostrados en T abla 12-7. 12.58.2 tipo 2-devanado de marcha de Protección de sobrecalentamiento Cuando el motor está marcado "OVER T EMP PROT -2" y está funcionando a la carga máxima continua que se puede llevar sin causar el protector de sobrecalentamiento bobina para funcionar, la temperatura de los arrollamientos no excederá la temperatura se muestra en la T abla 12 -7. Cuando el motor es tan marcada, la protección de rotor bloqueado no es proporcionada por el exceso de temperatura de liquidación protector. 12.58.3 Tipo 3-Liquidación de Protección de sobretemperatura, de tipo inespecífico Cuando el motor está marcado "OVER T EMP PROT -3", el fabricante del motor deberá ser consultado para detalles de las condiciones de protección o las temperaturas del devanado, o ambas cosas. 12.59 EFICIENCIA 12.59.1 Determinación de la eficiencia del motor y las pérdidas La eficiencia y las pérdidas se determinará de acuerdo con el estándar IEEE 112 o la Canadian Standards Estándar de la Asociación C390. La eficacia se determinará a la potencia nominal, el voltaje y frecuencia. A menos que se especifique lo contrario, horizontal motores polifásicos, de jaula de ardilla medio nominal 1 a 400 caballos de fuerza, de los fotogramas asignados de conformidad con la norma NEMA MG publicación N º 13, se
  • 245.
    Sección II MG 1-1998, Revisión 1 PRUEBAS DE FUNCIONAMIENT O Y MOT ORES-AC Parte 12, Página 27 a prueba por un dinamómetro (Método B) 1 como se describe en la Sección 6.4 de IEEE Std 112. La eficiencia del motor se calcula utilizando el formulario B del estándar IEEE 112 o el equivalente C390 procedimiento de cálculo. Los motores verticales de este rango de potencia también se someterán a prueba con el método B si teniendo los permisos de construcción, de lo contrari o deberán ser probados por las pérdidas segregadas (Método E) 2 como se describe en la Secció n 6.6 del estándar IEEE 112, incluyendo medición directa de la perdida de pérdida de carga. Motores polifásicos de más de 400 caballos de fuerza deberán ser probados de acuerdo con el estándar IEEE 112 con callejeros-pérdida de carga determina mediante la medición directa o indirecta de medición (la pérdida de los ensayos, menos convencional la pérdida.) Las pérdidas se incluirán en la determinación de la eficiencia: 2 a. Estator I R 2 b. Rotor I R c. Pérdidas del núcleo d. Pérdida de carga perdida e. Fricción y resistencia al viento loss3 f. Cepillo de la pérdida de contacto de las máquinas de rotor bobinado Potencia necesaria para los elementos auxiliares, tales como bombas ex ternas o ventiladores, que son necesarios para la funcionamiento del motor se hará constar por separado. 2 En la determinación de las pérdidas de IR en todas las cargas, la resistencia de cada bobinado se corregirá a un temperatura igual a una temperatura ambiente de 25 ° más la temperatura de la carga nominal observado riseC medida por la resistencia. Cuando el aumento de temperatura nominal de carga no se ha medido la resistencia de la liquidación se corregirá a la siguiente temperatura: Clase de sistema de aislamiento Temperatura, grados C A 75 B 95 F 115 H 130 Si el aumento de la temperatura nominal se especifica como la de una clase más baja del sistema de aislamiento, la temperatur a para la corrección de la resistencia será la de la clase de aislamiento inferior. 12.59.2 La eficiencia de los motores de media polifásicos de jaula de ardilla con valores continuos La eficiencia a plena carga de diseño A, B y E de una sola velocidad polifásicos de jaula de ardilla motores de media en el rango de 1 a 400 caballos de fuerza para los marcos asignados de conformidad con la Parte 13, por encima de 400 caballos de fuerza hasta e incluyendo 500 caballos de fuerza, y el equivalente clasificaciones de Diseño C se determinarán la placa por una eficiencia nominal seleccionado de la columna de la eficiencia nominal en la tabla 12.9 que no deberá ser mayor que la eficiencia promedio de una población grande de motores del mismo diseño. La eficacia se identifica en la placa por el título "Eficiencia NEMA nominal" o "NEMA Nom. Ef. " La eficiencia a plena carga, cuando se opera a tensión y frecuencia nom inales, no deberá ser menor que el valor mínimo asociado con el valor nominal en la tabla 12 -9. Un estándar CSA C390 Método 1. 2 estándar CSA C390 Método 2. 3 En el caso de los motores que están equipados con cojinetes de empuje, sólo la parte de la pérdid a de empuje producido por el motor en sí se incluirán en el cálculo de la eficiencia. Por otra parte, un valor calculado de la eficiencia, incluyendo la pérdida de los rodamientos debido a la carga de empuje externo, se permitirá que se determine. En el caso de los motores que están amuebladas con menos de un completo conjunto de cojinetes de fricción y las pérdidas de f ricción con el aire, que son representante de la instalación real, se determinará por el cálculo o la experiencia con los rodamientos de taller de pruebas, y se incluirán en el cálculo de la eficiencia.
  • 246.
    MG 1-1998, Revisión1 Sección II Parte 12, Página 28 PRUEBAS DE FUNCIONAMIENT O Y MOT ORES-AC Tabla 9.12 Los niveles de eficiencia Mínimos de ef iciencia Mínimos de ef iciencia Nominal Basado en 20% la pérdida de Nominal Basado en 20% la pérdida de Ef iciencia Dif erencia Ef iciencia Dif erencia 99.0 98.8 91.0 89.5 98.9 98.7 90.2 88.5 98.8 98.6 89.5 87.5 98.7 98.5 88.5 86.5 98.6 98.4 87.5 85.5 98.5 98.2 86.5 84.0 98.4 98.0 85.5 82.5 98.2 97.8 84.0 81.5 98.0 97.6 82.5 80.0 97.8 97.4 81.5 78.5 97.6 97.1 80.0 77.0 97.4 96.8 78.5 75.5 97.1 96.5 77.0 74.0 96.8 96.2 75.5 72.0 96.5 95.8 74.0 70.0 96.2 95.4 72.0 68.0 95.8 95.0 70.0 66.0 95.4 94.5 68.0 64.0 95.0 94.1 66.0 62.0 94.5 93.6 64.0 59.5 94.1 93.0 62.0 57.5 93.6 92.4 59.5 55.0 93.0 91.7 57.5 52.5 92.4 91.0 55.0 50.5 91.7 90.2 52.5 48.0 50.5 46.0 Variaciones en materiales, procesos de fabricación, y el resultado en las pruebas de rendimiento del motor a motor variaciones de un diseño de motor dado, la eficiencia a plena carga de una gran población de los motores de un solo el diseño no es una eficiencia única, sino más bien una banda de eficiencia. Por lo tanto, la tabla 9.12 se ha establecido para indicar una serie lógica de la eficiencia nominal del motor y el mínimo asociado cada uno nominal. La eficiencia nominal representa un valor que se debe utilizar para calcular la energía el consumo de un motor o grupo de motores. 12.60 Los niveles de eficiencia DE ENERGÍA EFICIENTE POLIFÁSICOS inducción jaula de ardilla MOTORES El nominal a plena carga la eficiencia de motores polifásicos de inducción de jaula de ardilla, con capacidad de 600 voltios o menos determinado de acuerdo con 12.59.1, identificado en la placa de acuerdo con 12.59.2, y tener un mínimo de eficiencia correspondientes, de conformidad con la T abla 12-9 será igual o superior al los valores listados en la T abla 12-10 para el motor para ser clasificado como "eficiencia energética".
  • 247.
    Sección II MG 1-1998, Revisión 1 PRUEBAS DE FUNCIONAMIENT O Y MOT ORES-AC Parte 12, Página 29 12.61 EFICIENCIA NIVEL DE DISEÑO E POLIFÁSICOS inducción jaula de ardilla MOTORES Eliminados. 12.62 INFORME DE LA PRUEBA PARA LAS PRUEBAS DE MOTORES DE INDUCCIÓN Para informar sobre las pruebas de rutina en los motores de inducción, consulte el estándar IEEE 112, Apéndice A. Tabla 12-10 PLENA CARGA DE EFICIENCIA ENERGÉTICA motores eficientes Motores abiertos 2 POLE 4 POLE6 POLE 8 polos NominalMinimum NominalMinimumNominalMinimum NominalMinimum Ef f iciencyEfficiency Ef f iciencyEfficiencyEfficiencyEfficiency Ef f iciencyEfficiency CV 1.0 ... ... 82.5 80.0 80.0 77.0 74.0 70.0 1.5 82.5 80.0 84.0 81.5 84.0 81.5 75.5 72.0 2.0 84.0 81.5 84.0 81.5 85.5 82.5 85.5 82.5 3.0 84.0 81.5 86.5 84.0 86.5 84.0 86.5 84.0 5.0 85.5 82.5 87.5 85.5 87.5 85.5 87.5 85.5 7.5 87.5 85.5 88.5 86.5 88.5 86.5 88.5 86.5 10.0 88.5 86.5 89.5 87.5 90.2 88.5 89.5 87.5 15.0 89.5 87.5 91.0 89.5 90.2 88.5 89.5 87.5 20.0 90.2 88.5 91.0 89.5 91.0 89.5 90.2 88.5 25.0 91.0 89.5 91.7 90.2 91.7 90.2 90.2 88.5 30.0 91.0 89.5 92.4 91.0 92.4 91.0 91.0 89.5 40.0 91.7 90.2 93.0 91.7 93.0 91.7 91.0 89.5 50.0 92.4 91.0 93.0 91.7 93.0 91.7 91.7 90.2 60.0 93.0 91.7 93.6 92.4 93.6 92.4 92.4 91.0 75.0 93.0 91.7 94.1 93.0 93.6 92.4 93.6 92.4 100,0 93.0 91.7 94.1 93.0 94.1 93.0 93.6 92.4 125,0 93.6 92.4 94.5 93.6 94.1 93.0 93.6 92.4 150,0 93.6 92.4 95.0 94.1 94.5 93.6 93.6 92.4 200,0 94.5 93.6 95.0 94.1 94.5 93.6 93.6 92.4 250,0 94.5 93.6 95.4 94.5 95.4 94.5 94.5 93.6 300,0 95.0 94.1 95.4 94.5 95.4 94.5 ... ... 350,0 95.0 94.1 95.4 94.5 95.4 94.5 ... ... 400,0 95.4 94.5 95.4 94.5 ... ... ... ... 450,0 95.8 95.0 95.8 95.0 ... ... ... ... 500,0 95.8 95.0 95.8 95.0 ... ... ... ... Tabla 12-10 continúa en la página siguiente
  • 248.
    MG 1-1998, Revisión1 Sección II Parte 12, página 30 PRUEBAS DE FUNCIONAMIENT O Y MOT ORES-AC Tabla 12-10 (Continuación) PLENA CARGA DE EFICIENCIA ENERGÉTICA motores eficientes MOTORES CERRADOS 2 POLE 4 POLE6 POLE 8 polos NominalMinimum NominalMinimumNominalMinimum NominalMinimum CV Ef f iciencyEfficiency Ef f iciencyEfficiencyEfficiencyEfficiency Ef f iciencyEfficiency 1.0 75.5 72.0 82.5 80.0 80.0 77.0 74.0 70.0 1.5 82.5 80.0 84.0 81.5 85.5 82.5 77.0 74.0 2.0 84.0 81.5 84.0 81.5 86.5 84.0 82.5 80.0 3.0 85.5 82.5 87.5 85.5 87.5 85.5 84.0 81.5 5.0 87.5 85.5 87.5 85.5 87.5 85.5 85.5 82.5 7.5 88.5 86.5 89.5 87.5 89.5 87.5 85.5 82.5 10.0 89.5 87.5 89.5 87.5 89.5 87.5 88.5 86.5 15.0 90.2 88.5 91.0 89.5 90.2 88.5 88.5 86.5 20.0 90.2 88.5 91.0 89.5 90.2 88.5 89.5 87.5 25.0 91.0 89.5 92.4 91.0 91.7 90.2 89.5 87.5 30.0 91.0 89.5 92.4 91.0 91.7 90.2 91.0 89.5 40.0 91.7 90.2 93.0 91.7 93.0 91.7 91.0 89.5 50.0 82.4 91.0 93.0 91.7 93.0 91.7 91.7 90.2 60.0 93.0 91.7 93.6 92.4 93.6 92.4 91.7 90.2 75.0 93.0 91.7 94.1 93.0 93.6 92.4 93.0 91.7 100,0 93.6 92.4 94.5 93.6 94.1 93.0 93.0 91.7 125,0 94.5 93.6 94.5 93.6 94.1 93.0 93.6 92.4 150,0 94.5 93.6 95.0 94.1 95.0 94.1 93.6 92.4 200,0 95.0 94.1 95.0 94.1 95.0 94.1 94.1 93.0 250,0 95.4 94.5 95.0 94.1 95.0 94.1 94.5 93.6 300,0 95.4 94.5 95.4 94.5 95.0 94.1 ... ... 350,0 95.4 94.5 95.4 94.5 95.0 94.1 ... ... 400,0 95.4 94.5 95.4 94.5 ... ... ... ... 450,0 95.4 94.5 95.4 94.5 ... ... ... ... 500,0 95.4 94.5 95.8 95.0 ... ... ... ...
  • 249.
    Sección II MG 1-1998, Revisión 1 PRUEBAS DE FUNCIONAMIENT O Y MOT ORES-AC Parte 12, Página 31 Tabla 12-11 PLENA CARGA DE LA EFICACIA DE LOS MOTORES DE DISEÑO E Eliminados. 12.63 MÁQUINA CON encapsulado o SELLADO DEVANADOS-conformidad PRUEBAS Una corriente alterna de jaula de ardilla de la máquina de bobinados encapsulados o sellados deberán ser capaces superar las pruebas que figuran a continuación. Después de que el estator se haya completado, se unen todos los cables juntos dejando la longitud suficiente para evitar la fuga a las terminales y realizar las siguientes pruebas en el orden indicado: a. El estator encapsulado o sellado se probará en todas partes aisladas están sumergidos en un tanque de agua que contiene un agente humectante. El agente humectante se no iónicos y se añade un proporción suficiente para reducir la tensión superficial del agua a un valor de 31 dinas / cm (3.1μN / m) o menos a 25 ° C. b. Con 500 voltios de corriente continua, hacer una medición de resistencia de aislamiento de 10 minutos. El aislamiento valor de la resistencia no deberá ser menor que el mínimo recomendado en el estándar IEEE 43. (Aislamiento resistencia en megaohmios máquina de clasificación kilovoltios más 1.) c. T ema de la liquidación a un 60 hertz prueba de alto potencial de 1,15 veces la corriente nominal de línea a línea de tensi ón eficaz durante 1 minuto. El agua debe estar al potencial de tierra durante esta prueba. d. Con 500 voltios de corriente continua, hacer una medición de resistencia de aislamiento de 1 minuto. El aislamiento valor de la resistencia no deberá ser menor que el mínimo recomendado en el estándar IEEE 43. (Aislamiento resistencia en megaohmios máquina de clasificación kilovoltios más 1.) e. Quitar bobinado de agua, si es necesario enjuagar, secar y aplicar otras pruebas que sean necesarias. 12.64 MÁQUINA CON resistente a la humedad DEVANADOS- las pruebas de conformidad Una corriente alterna de jaula de ardilla de la máquina con la humedad bobinas resistentes deberán ser capaces de superación de la prueba siguiente: a. Después de que el estator se haya completado, se unen todos los cables juntos y lo coloca en una cámara co n 100 por ciento humedad relativa y 40 ° de temperatura durante 168 horas, durante el cual shallC tiempo condensación visible estar de pie sobre la cuerda. b. Después de 168 horas quitar el estator de la cámara y dentro de los 5 minutos con 500 voltios de corriente directa de realizar una medición de resistencia de aislamiento 1 minuto siguiendo el procedimiento descritos en el estándar IEEE 43. El valor de resistencia de aislamiento no será inferior a 1,5 megaohmios. NOTAS 1-La prueba anterior se recomienda como una prueba en una muestra representativa o prototipo, y no debe ser interpretado como una prueba de producción. 2-La prueba de sellado de liquidación de conformidad en 12,63 serán autorizados para su uso en lugar de este procedimiento de p rueba para demostrar resistencia a la humedad de un prototipo.
  • 250.
    MG 1-1998, Revisión1 Sección II Parte 12, Página 32 PRUEBAS DE FUNCIONAMIENT O Y MOT ORES-AC
  • 251.
    Sección II MG 1-1998, Revisión 1 PRUEBAS DE RENDIMIENT O Y DC-MOT ORES DE PEQUEÑA Y MEDIANA Parte 12, Página 33 Sección II PEQUEÑOS (fraccional) y medio (INTEGRAL) MÁQUINAS PARTE 12 PRUEBAS DE RENDIMIENTO Y DC-MOTORES DE PEQUEÑA Y MEDIANA 12.0 ÁMBITO DE APLICACIÓN Las normas de esta Parte 12 de la Sección II cubre motores de corriente continua integrado en los marcos de continua Calificaciones dripproof, o capacidad equivalente, hasta e incluyendo 1.25 caballos de fuerza por rpm, de tipo abierto. 12.65 Métodos de prueba Los exámenes para determinar las características de funcionamiento se hará de acuerdo con el estándar IEEE 113. 12.66 PRUEBA DE SUMINISTRO DE ENERGÍA 12.66.1 motores pequeños Las pruebas de rendimiento en motores de corriente continua pequeños destinados a servir de ajuste de tensión del rectificado r fuentes de alimentación se hará con una fuente de alimentación ajustable, derivado de una fuente de 60 hertz, que proporcionar la tensión nominal y factor de forma nominal a carga nominal. 12.66.2 motores de media Véase la figura 1.12. 12.66.2.1 Baja ondulación fuentes de alimentación, la fuente de alimentación A La clasificación de motores de corriente continua para uso de fuentes de alimentación de baja ondulación se basará en el uso de una de las siguientes fuentes de alimentación de prueba: a. Generador de corriente continua b. Batería c. Un rectificador polifásico fuente de alimentación con más de seis pulsos por ciclo y un 15 por ciento o menos fase de control d. Cualquiera de los suministros de energía de 12.66.2.2 inductancia serie siempre suficiente se utiliza para obte ner 6 por ciento, o menos, de pico a pico rizado de corriente de armadura. 12.66.2.2 Otras fuentes de alimentación del rectificador La clasificación de motores de corriente continua para uso en el poder rectificador de suministro distintas de la s se describe en 12.66.2.1 se basará en el uso de una fuente de alimentación de prueba que tenga las características indicadas en 12.66.2.3 y se define en 12.66.2.4. 12.66.2.3 Características de la fuente de alimentación 12.66.2.3.1 entrada a. Monofásica o trifásica, según se especifica b. Frecuencia especificada. A menos que se especifique lo contrario, la frecuencia será de 60 hertz c. Especificada de corriente alterna de tensión, además de un 2 por ciento, menos del 0 por ciento d. Fuente de energía no deberán introducir impedancia en serie importante
  • 252.
    MG 1-1998, Revisión1 Sección II Parte 12, Página 34 PRUEBAS DE RENDIMIENT O Y DC-MOT ORES DE PEQUEÑA Y MEDIANA Figura 12-1 SUMINISTROS prueba de potencia 12.66.2.3.2 de salida a. Calificación de corriente continua tensión del motor b. La corriente adecuada para dirigir todas las pruebas necesarias c. La diferencia entre las amplitudes máxima y mínima y máxima de los pulsos de corriente en un ciclo no podrá exceder del 2 por ciento de la mayor amplitud de pulso 12.66.2.4 Suministros designado por una sola letra Una fuente de alimentación de ensayos designados por una sola letra se tienen todas las características enumeradas en el 12.66.2.3 y, además, lo siguiente. 12.66.2.4.1 la fuente de alimentación C Fuente de alimentación de la carta de identificación "C" designa una red trifásica de onda completa fuente de alimentación co n seis en total pulsos por ciclo y seis pulsos controlados por ciclo, sin rueda libre, con 60 hertz de entrada, sin inductancia en serie se añaden externamente a la inductancia del circuito de inducido del motor. La entrada de línea a línea de corriente alterna de tensión al rectificador de 230 voltios para potencias de motor en la T abla 9.10 de 10.62 y 460 voltios para potencias de motor en la T abla 10.10 de 10.62. 12.66.2.4.2 Fuentes de alimentación D Fuente de alimentación letra de identificación de "D" designa un semibridge de tres fases con tres controlados pulsos por ciclo, con rueda libre, con la participación de 60 hertz, sin inductancia en serie que se añade el exterior a la inductancia del circuito de inducido del motor. La entrada de línea a línea de corriente alterna de tensión para el rectificador será de 230 voltios para las clasificaciones del motor indicados en la tabla 10.9 de 10,62 y 460 voltios para las clasificaci ones del motor indicados en T abla 10-10 de 10,62. 12.66.2.4.3 energía E de suministro Fuente de alimentación letra de identificación de "E" designa un período de tres fases de una sola manera de fuente de alimen tación con tres pulsos total por ciclo y tres pulsos controlados por ciclos, sin rueda libre, con 60 hertz de entrada, y sin inductancia en serie que se añade el exterior de la inductancia del circuito de inducido del motor. La entrada línea a línea de corriente alterna de tensión para el rectificador será de 460 voltios del motor se dan en la T abla 10 - 10 de 10,62. 12.66.2.4.4 Poder K Supply Fuente de alimentación letra de identificación «K» designa una sola fase de onda completa fuente de alimentación con dos pulsos total por ciclo y dos pulsos controlados por ciclo, con rueda libre, con 60 hertz de entrada, sin inductancia en serie se añaden externamente a la inductancia del circuito de inducido del motor. La entrada de alterna - tensión actual en el rectificador de 230 voltios para los motores con índices de tensión de la armadura de 180 voltios en T abla 10-8 y 115 voltios para los motores con tensión nominal de armadura de 90 voltios.
  • 253.
    Sección II MG 1-1998, Revisión 1 PRUEBAS DE RENDIMIENT O Y DC-MOT ORES DE PEQUEÑA Y MEDIANA Parte 12, Página 35 12.67 TEMPERATURA RISE E El aumento de la temperatura, por encima de la temperatura del medio de refrigeración, para cada una de las diversas partes de el motor, cuando se analizaron de acuerdo con la clasificación a la velocidad de base, no deberá exceder los valores indicados en las siguientes tablas. 12.67.1 Motores de corriente continua pequeños T odas las temperatura se eleva en la siguiente tabla se basan en una temperatura ambiente máxima de 40 ° C. T emperaturas que se miden tanto por el termómetro o método de resistencia se determinará en acuerdo con el estándar IEEE. 113. Todas las cajas Clase de sistema de aislamiento (ver 1,65) .......................................... ....................................... A B F Valoración del tiempo (ver 10.63) Aumento de la temperatura, grados C a. Devanados de armadura y todas las bobinas distintas de las enumeradas en el inciso b - resistencia ............ 70 100 130 b. Bobinado de derivación de campo - la resistencia ............................................. ......................................... 70 100 130 c. La temperatura alcanzada por los núcleos, los conmutadores y piezas diversas (tales como brushholders, cepillos, consejos de polo, etc) se no dañar el aislamiento o la máquina en ningún aspecto. NOTAS 1-anormal deterioro del aislamiento se puede esperar si la temperatura ambiente de 40 ° se excede en el funcionamiento normal. SEEC 12.67.4. 2-Los valores anteriores de aumento de la temperatura se basan en la operación a altitudes de 3300 pies (1000 metros) o menos. P ara aumento de la temperatura de los motores destinados a la operación a altitudes superiores a 3300 pies (1000 metros), véase 14.4. 12.67.2 Tiempo Continuo con mejor puntuación Motores de corriente continua media T odas las temperatura se eleva en la siguiente tabla se basan en una temper atura ambiente máxima de 40 ° C. Las temperaturas se determinará de acuerdo con el estándar IEEE. 113. Totalmente cerrados no v entilados y totalmente cerrados con v entilador Motores, tales como las v ariaciones De los mismos Motores con toda la documentación Otros Clase de sistema de aislamiento (ver 1.65) ........................ A. ............. B.. F. ............. .............. H ABFH Tiempo de funcionamiento Continuo Aumento de la temperatura, grados C a. Devanados de armadura y todos los otros devanados que los indicados en los literales b y c - resistencia 70 100 130 155 b. Multi-capa de arrollamientos de campo - Resistencia .............. 70 ............. 100 ........... 130 .. ......... 155 70 100 130 155 c. De una sola capa con arrollamientos de campo expuestas superficies desnudas y desnudos de cobre devanados - Resistencia ..................................... 70 ......... .... 100 ........... 130 ........... 155 70 100 130 155 d. La temperatura alcanzada por los núcleos, los conmutadores y piezas diversas (tales como brushholders, cepillos, consejos de polo, etc) se no dañar el aislamiento o la máquina en ningún aspecto. NOTAS 1-anormal deterioro del aislamiento se puede esperar si la temperatura ambiente de 40 ° se excede en el funcionamiento normal. SEEC 12.67.4. 2-Los valores anteriores de aumento de la temperatura se basan en la operación a altitudes de 3300 pies (1000 metro s) o menos. P ara aumento de la temperatura de los motores destinados a la operación a altitudes superiores a 3300 pies (1000 metros), véase 14 .4.
  • 254.
    MG 1-1998, Revisión1 Sección II Parte 12, Página 36 PRUEBAS DE RENDIMIENT O Y DC-MOT ORES DE PEQUEÑA Y MEDIANA 12.67.3 corto tiempo con mejor puntuación Motores de corriente continua media T odas las temperatura se eleva en las siguientes tablas se basan en una temperatura ambiente máxima de 40 ° C. Las temperaturas se determinará de acuerdo con el estándar IEEE. 113. Motores clasif icados 5 y 15 minutos * Totalmente cerrados no v entilados y totalmente cerrados con v entilador Motores, tales como las v ariaciones Dripproof , f orzado v entilado, ** De los mismos y otros recintos ABFH ABFH Clase de sistema de aislamiento (ver 1.65) Aumento de la temperatura, grados C * a. Devanados de armadura y todos los otros devanados que los indicados en los literales b y c - resistencia 90 125 155 185 80 115 145 175 b. Multi-capa de arrollamientos de campo - la resistencia 90 125 155 155 80 115 145 175 c. De una sola capa con arrollamientos de campo expuestas superficies desnudas y desnudos de cobre devanados - Resistencia 1751451158018515512590 d. La temperatura alcanzada por los núcleos, los conmutadores y piezas diversas (tales como brushholders, cepi llos, consejos de polo, etc) se no dañar el aislamiento o la máquina en ningún aspecto. Motores clasif icados 30 y * 60 Minutos Totalmente cerrados no v entilados y totalmente cerrados con v entilador Motores, tales como las v ariaciones Dripproof , f orzado v entilado, ** De los mismos y otros recintos ABFH ABFH Clase de sistema de aislamiento (ver 1.65) Aumento de la temperatura, grados C * a. Devanados de armadura y todos los otros devanados que los indicados en los literales b y c - resistencia 80 110 140 165 70 100 130 155 b. Multi-capa de arrollamientos de campo - la resistencia 80 110 140 165 70 100 130 155 c. De una sola capa con arrollamientos de campo expuestas superficies desnudas y desnudos de cobre devanados - Resistencia 1551301007016514011080 d. La temperatura alcanzada por los núcleos, los conmutadores y piezas diversas (tales como brushholders, cepillos, consejos de polo, etc) se no dañar el aislamiento o la máquina en ningún aspecto. * Vea 10,63. Motores ** forzado ventilado están definidos en 1.25.6, 1.25.7, 1.26.4 y. NOTAS 1-anormal deterioro del aislamiento se puede esperar si la temperatura ambiente de 40 ° se excede en el funcionamiento normal. SEEC 12.67.4. 2-Los valores anteriores de aumento de la temperatura se basan en la operación a altitudes de 3300 pies (1000 metros) o menos. P ara aumento de la temperatura de los motores destinados a la operación a altitudes superiores a 3300 pies (1000 metros), véase 14 .4. o 12.67.4 aumento de temperatura para ambientes superiores a 40 C La elevación de temperatura dado en 12.67.1, 12.67.2, 12.67.3 y se basan en un ambiente de referencia o temperatura de 40 ° C. Sin embargo, se reconoce que las máquinas de corriente continua puede ser requerido para operar en un o temperatura ambiente superior a 40 ° C. Para la operación exitosa de máquinas de corriente continua a una temperatura ambient e o superior a 40 C, la temperatura se eleva de las máquinas que figuran en 12.67.1, 12.67.2, 12.67.3 y se deberá o reduce el número de grados que la temperatura ambiente supera los 40 ° C. Cuando un ambiente superior ooo temperatura de 40 C es necesario, los valores preferidos de la temperatura ambiente es 50 ° C y 65 C.
  • 255.
    Sección II MG 1-1998, Revisión 1 PRUEBAS DE RENDIMIENT O Y DC-MOT ORES DE PEQUEÑA Y MEDIANA Parte 12, Página 37 12,68 variación de tensión nominal Los motores deben operar con éxito, utilizando la fuente de alimentación seleccionada para la base de la calificación, hasta e incluyendo 110 por ciento de la intensidad nominal de corriente de armadura y de las tensiones sobre el terreno y, en el caso de los motores funcionamiento de una fuente de alimentación del rectificador, con una variación de más o menos 10 por ciento de calificación alterna tensión de la línea actual. El funcionamiento dentro de esta variación de la tensión no será necesariamente de acuerdo con las normas establecido para la operación a la tensión nominal. Para funcionar por debajo de la velocidad base, consulte 14,63. 12,69 variación en la velocidad debido a la carga 12.69.1 Directo devanado en derivación, derivación estabilizado la herida, y de Imán Permanente directa- Motores de corriente continua La variación de la velocidad de carga nominal sin carga de una recta de derivación de la herida, estabilizado-derivación de la herida, o de imán permanente de corriente del motor que tengan una calificación que figuran en 10.62, no deberán superar los siguient es cuando el motor funciona a la tensión de inducido nominal, con la disolución a la temperatura constante alcanzado cuando se opera a base de calificación de velocidad, y la temperatura ambiente está dentro del servicio habitual rango indicado en 14.2.1, punto a. Regulación de v elocidad, Por ciento (en la Base CV Velocidad) 25 Menos de 3 30-50 20 51-100 15 101 y más 10 Variación de la velocidad debido a las cargas cuando se opera a velocidades superiores a las velocidades de base puede ser ma yor que los valores de la tabla anterior. 12.69.2 herida Compuesto-Motores de corriente continua La variación de la velocidad de carga nominal sin carga de un compuesto de la herida de corriente del motor con una calificación que figuran en 10,62 no deberá exceder los valores indicados en la siguiente tabla para motores pequeños y que se aproximadamente el 30 por ciento de la velocidad de carga nominal para motores de media cuando el motor funciona a la corriente nominal tensión, con las bobinas a la temperatura constante alcanzado cuando se opera en su calificación, y la temperatura ambiente está dentro del rango normal de servicios que figuran en 14.2.1, punto a. Velocidad, Regulación de v elocidad, CV Rpm Por ciento 1 / 20 a 08.01 incl. 1725 30 1 / 20 a 1 / 8, incl. 1140 35 1 / 6 a 1 / 3, incl. 1725 25 1 / 6 a 1 / 3, incl. 1140 30 1 / 2 a 3 / 4, incl. 1725 22 1.2 1140 25 12,70 variación de la velocidad base, debido a la calefacción 12.70.1 Velocidad de variación con la temperatura La variación en la velocidad base de la recta derivación de la herida, la derivación estabilizado la herida, y el imán permanente motores de corriente continua a partir de que la carga nominal a temperatura ambiente para que la carga nominal en el temperatura alcanzada en la armadura de la carga nominal y la tensión de campo después de una prueba de la duración especi ficada se No exceda el siguiente porcentaje de la velocidad base nominal.
  • 256.
    MG 1-1998, Revisión1 Sección II Parte 12, Página 38 PRUEBAS DE RENDIMIENT O Y DC-MOT ORES DE PEQUEÑA Y MEDIANA Variación porcentual de la v elocidad nominal de carga base Clase de aislamiento del sistema Tipo incluido A B F H Abierto 10 15 20 25 Totalmente cerrados 15 20 25 30 12.70.2 Resistencia variación con la temperatura Cuando la temperatura del bobinado del motor los cambios de la temperatura ambiente a la alcanzada cuando se el motor está funcionando a su calificación, la resistencia de los bobinados del motor se incrementa aproximadamente un 30 por ciento para los motores con sistemas de clase A de aislamiento, el 40 por ciento para motores con aislamiento Clase B sistemas, y el 50 por ciento para los motores con sistemas de clase de aislamiento F. Con una potencia de voltaje constante la oferta, esto se traducirá en un cambio de velocidad tan grande como la que figura en 12.70.1. T eniendo en cuenta todos los factores, la velocidad de motores de corriente continua o bien puede aumentar o disminuir la temperatura del bobinado del motor aumenta. Para motores pequeños, el factor de armadura forma actual también aumentará ligeramente con el aumento de temperatura del bobinado del motor, pero sólo con un rectificador monofásico es probable que esto sea significativo. 12,71 VARIACIÓN DE VELOCIDAD NOMINAL La variación por encima o por debajo de la nominal a plena velocidad de campo de un motor de corriente directa no deberá exceder 7 -1/2 por ciento cuando se opera a plena carga y tensión, y en pleno campo con las bobinas en la constante temperatura alcanzada cuando se opera en sus calificaciones. 12.72 CAPACIDA D sobrecarga momentánea Motores de corriente continua debe ser capaz de llevar con éxito durante 1 minuto en una corriente de armadura por lo menos 50 por ciento mayor que la corriente de armadura nominal a la tensión nominal. Para ajustar los motores de velocidad, esta capacidad será de aplicación para todas las velocidades en el rango de la velocidad nominal cuando se opera a partir de la intención fuente de alimentación. 12.73 CONMUTA CIÓN DE ÉXITO Conmutación de éxito se logra si no las escobillas ni colector son quemados o heridos en la prueba de conformidad, o en el servicio normal en la medida en que el mantenimiento anormales se requiere. La presencia de algunas chispas visibles, no es necesariamente evidencia de conmutación sin éxito. 12,74 exceso de velocidad PARA MOTORES 12.74.1 bobinado de derivación-Motores De corriente directa de la herida en derivación de los motores se fabricarán de manera que, en caso de emergencia no superará el 2 minutos, que podrá soportar sin daño mecánico un exceso de velocidad por encima de 25 por ciento más alto rating la velocidad o el 15 por ciento por encima de la correspondiente velocidad sin carga, el que sea mayor. 12.74.2 herida Compuesto-motores con regulación de velocidad de 35 por ciento o menos Herida compuesto motores deberán estar construidos de manera que, en caso de emergencia no debe exceder de 2 minutos, que podrá soportar sin daño mecánico un exceso de velocidad el 25 por ciento por encim a de la más alta velocidad nominal o 15 por ciento por encima de la correspondiente velocidad sin carga, el que sea mayor, pero no superior al 50 por ciento por encima de la velocidad más alta calificación. 12.74.3 herida Series Motores y Motores de heridas compuesto-tener una regulación de velocidad Más del 35 por ciento Ya que estos motores requieren una consideración especial en función de la solicitud de que se previsto, el fabricante deberá asignar una velocidad máxima de funcionamiento seguro que será estampado en el placa de identificación. Estos motores se fabricarán de manera que, en caso de emergencia no exceda de dos minutos, se soportar sin daño mecánico que un exceso de velocidad es de 10 por ciento por encima de la máxima de operación segura velocidad. La velocidad de operación segura indicación no se requerirá en las placas de los motores pequeños que son capaz de soportar una velocidad de 10 por ciento por encima de la velocidad sin carga.
  • 257.
    Sección II MG 1-1998, Revisión 1 PRUEBAS DE RENDIMIENT O Y DC-MOT ORES DE PEQUEÑA Y MEDIANA Parte 12, Página 39 12.75 datos de campo para Motores de corriente continua Ver 12,81. 12,76 pruebas de rutina de medio directo motores de corriente continua Las pruebas típicas que se pueden hacer en un medio de motores de corriente continua se enumeran a continuación. T odas las pr uebas deben se realizará de conformidad con el estándar IEEE. 113. a. Sin carga readings1 a la tensión nominal en todas las derivación, derivación estabilizado, compuesto de la herida, y 1 motores de imanes permanentes, la carga de cuartos de lecturas en todos los motores en serie de heridas. 1 b. A plena carga en la base de lecturas y la más alta velocidad nominal en todos los motores que tienen un par continuo calificación superior a la de un joven de 15 caballos de fuerza de 1750 rpm del motor. Conmutación deben ser observados 1 cuando a plena carga se toman las lecturas. c. Alto potencial de ensayo de acuerdo con 3.1 y 12.3. 12.77 INFORME DE LA FORMA DE PRUEBA PARA MÁQUINAS DE CORRIENTE CONTINUA Para las formas de prueba típica, consulte el estándar IEEE. 113. 12.78 EFICIENCIA 12.78.1 tipo A Fuentes de alimentación La eficiencia y las pérdidas se determinará de acuerdo con el estándar IEEE. 113 con la directa método de medición o el método de las pérdidas segregadas. La eficacia se determinará en la clasificación de salida, tensión y velocidad. En el caso de motores de velocidad ajustable, la velocidad base se utiliza rá a menos que se especifique lo contrario. Las pérdidas se incluirán en la determinación de la eficiencia: 2 a. I R pérdida de armadura 2 b. IR pérdida de bobinados serie (incluido el de conmutación, lo que agrava, y los campos de compensación, donde es aplicable) 2c. I R pérdida de derivación campo2 d. P érdidas del núcleo e. Pérdida de carga perdida f. Cepillo de la pérdida de contacto g. Cepillo de la pérdida por fricción h. La pérdida de excitación si se suministra con excitador e impulsada desde el eje de la máquina i. Las pérdidas de ventilación j. Fricción y resistencia al viento loss3 2 En la determinación de las pérdidas de IR, la resistencia de cada bobinado se corregirá a una temperatura igual una temperatura ambiente de 25 ° más el observado aumento de temperatura de la carga nominal medido por resistance.C 1 La palabra "lecturas" incluye lo siguiente: a. La velocidad en revoluciones por minuto b. T ensión en los terminales del motor c. Amperios en la armadura d. Amperios en el campo en derivación 2 P ara los motores de excitación separada, el campo en derivación pérdida I2R se permitirá que se le excluya de la eficiencia cálculo, si así se especifica. 3 En el caso de motores equipados con cojinetes de empuje, sólo la parte de la pérdida de empuje producido por la motor en sí se incluirán en los cálculos de la eficiencia. Por otra parte, un valor calculado de la eficiencia, incluyendo la pérdida de los rodamientos debido a la carga de empuje externo, se permitirá que se determine. En el caso de motores equipados con menos de un conjunto completo de las pérdidas de los rodamientos, la fricción y la fricción con el aire que se representante de la instalación real será determinada por (1) Cálculo o (2) experiencia con el taller de pruebas los rodamientos y se incluirán en los cálculos de la eficiencia.
  • 258.
    MG 1-1998, Revisión1 Sección II Parte 12, Página 40 PRUEBAS DE RENDIMIENT O Y DC-MOT ORES DE PEQUEÑA Y MEDIANA Cuando el aumento de temperatura nominal de carga no se ha medido la resistencia de la bobina se corregido a la temperatura: Clase de sistema de aislamiento Temperatura, grados C A 85 B 110 F 135 H 155 Si el aumento de la temperatura se especifica como la de una clase más baja del sistema de aislamiento, la temperatura de corrección de la resistencia será la de la clase de aislamiento inferior. 12.78.2 otras fuentes de energía No es posible hacer una prueba de simulación que va a determinar la eficiencia del motor en una rectificadora en particular del sistema. Sólo mediante la medición directa de vatios de entrada (no el producto de voltios y amperios media promedio) con el suministro de energía para ser utilizado en una aplicación puede la eficiencia del motor en el que el sistema de forma prec isa determinado. Las pérdidas adicionales debido a la ondulación de la corriente, y especialmente los debidos a la magnética pulsaciones, están en función no sólo de la magnitud de la onda de corriente de armadura, sino, también, de la actual la forma de onda. 12.79 ESTABILIDA D Cuando los motores se operan en los sistemas de control por realimentación, debería prestarse la debida atención a la estabil idad los problemas. Cualquiera de estos problemas necesariamente tienen que ser resueltos por los esfuerzos conjuntos del sistema de diseñador, el fabricante del motor, y el fabricante de la fuente de alimentación. 12,80 SOBRE PROTECCION DE TEMPERA TURA DE MEDIO Motores de corriente continua El exceso de protección de temperatura de los bobinados diferentes en un motor de corrient e continua, especialmente en la armadura bobinado que gira, es considerablemente más compleja que la protección del devanado del estator de un motor de corriente alterna. La amplia gama de carga y la velocidad (ventilación) en el típico motor de corriente continua aplicación se suma a la dificultad. Actuales de detección de dispositivos situados a distancia del motor (con frecuencia en paneles de control) no puede coincidir con las características térmicas de motores de corriente continua en un amplio rango de velocidad Debido a estas condiciones variables de refrigeración del motor. Con el fin de mejorar el grado de protección contra exceso de temperatura, un sensor de temperatura protector puede ser instalado en un motor de corriente continua. Sin embargo, la precisión de la protección de exceso de temperatura protegido motores de corriente continua es menor que el posible en la alternancia de motores de corriente continua. En más de la temper atura protegidos motores de corriente continua, el protector se monta generalmente en o cerca de la bobina de conmutación. Desde este bobinado lleva la corriente de carga del inducido, la temperatura tiende a subir y bajar con los cambios de carga en un manera similar a la temperatura del bobinado del inducido. El fabricante del motor debe elegir el protector y la disposición de montaje para evitar temperaturas excesivas de bien en el campo de conmutación o el devanado de armadura en la mayoría de las condiciones de la operación. Sin embargo, bajo condiciones de carga inusual, el protector de exceso de temperatura puede no ser capaz de evitar que el devanado de la armadura de alcanzar temperaturas excesivas durante períodos cortos. Bobinado máxima temperaturas en la operación del protector de exceso de temperatura puede superar el aumento de la temperatura nominal. Operación repetida de la protectora de exceso de temperatura indica que la instalación del sistema que debe ser investigado. Si un motor de corriente continua se especifica como de exceso de temperatura protegido, el usuario deberá informar a la del fabricante del motor si el normalmente abierto o un dispositivo de contacto normalmente cerrado que se requiere y la voltaje, corriente y frecuencia nominal del circuito que se destina este dispositivo para abrir o cerrar.
  • 259.
    Sección II MG 1-1998, Revisión 1 PRUEBAS DE RENDIMIENT O Y DC-MOT ORES DE PEQUEÑA Y MEDIANA Parte 12, Página 41 12,81 DATOS PARA Motores de corriente continua Los siguientes pueden ser utilizados en el suministro de datos para motores de corriente continua: a. De tipo del fabricante ____________________ y el marco de la designación ............................................... .................................................. . ____________________ b. Requisición o número de pedido .............................................. ........................................... ____________________ c. La potencia nominal ____________________ d. T iempo de funcionamiento ____________________ e. Grado de protección ____________________ f. Sistema de aislamiento g. T emperatura ambiente máxima ............................................... ..................................... h. Destinados a servir de fuente de alimentación ............................................ .................................... i. (Marque uno) Straight-shunt herida (), estabilizado-shunt herida (), compuesto herida (), herida serie () o un imán permanente () j. T ensión nominal 1. Armadura 2. Derivación de campo k. Nominal de armadura actual ............................................... ................................................. l. Calificación forma eficaz factor__________or current__________amperes m. Resistencia de los bobinados a 25 ° 1. Armadura _________volts, el promedio de 2. Conmutación (y compensar, si se utiliza) .......................................... ................... _________volts, el promedio de 3. Serie _________amperes, el promedio de 4. Derivación n. Amperios de campo para obtener las siguientes velocidades en amperios de carga nominal: 1. Base de velocidad ... ... ... ... ... ... ... ... ... ... ... ... ... ... ... ... ... ... ... ... ... ... ... ... ... ... ... ... ... ... ... 2. 150 por ciento de la velocidad base, en su caso .......................................... ....................... 3. La velocidad más alta calificación ... ... ... ... ........................................... ........................................ _________ohms o. Inductancias saturadas _________ohms 1. Circuito de la armadura total ... .............................................. ......................................... .... _________ohms 2. La velocidad más alta calificación ... .............................................. .............................................. _________ohms 2 p. Armadura de inercia (Wk) ............................................. .................................................. ... q. Si con ventilación separada, mínimo de pies cúbicos por minuto y la presión estática ............... r. Velocidad máxima de operación segura (para todas las series de la herida y la herida motores compuesto _____rpm _____amperes con regulación de velocidad superior a 35 por ciento) .......................................... ............. _____rpm _____amperes _____rpm _____amperes _____________millihenries _____________millihenries 2 _________lb pies _____inches ___cfm de agua _________rpm s. Protección de datos de temperatura NOT A: Para motores de imanes permanentes y otros diseños de motor, algunos de los elem entos anteriormente enumerados pueden no ser aplicables. Otros datos pueden ser dados.
  • 260.
    MG 1-1998, Revisión1 Sección II Parte 12, Página 42 PRUEBAS DE RENDIMIENT O Y DC-MOT ORES DE PEQUEÑA Y MEDIANA 12.82 equipo de sonido de los motores de media CORRIENTE 12.82.1 Las mediciones de sonido Sonido del motor debe ser medido de acuerdo con el estándar IEEE. 85, expresada en forma sonora en general -12 niveles de potencia utilizando la red de ponderación A, y declaró en decibelios (referencia = 10 vatios). Mediciones de sonido se debe tomar cuando (1) el motor está conectado a un tipo de bajo rizado Un poder la oferta, y (2) el motor funciona en vacío a la velocidad base. Debido a las muchas combinaciones de variables, no es práctico para establecer el nivel de potencia acústica valores para motores de corriente continua que operan a distintas velocidades y cargas y con diferentes potencias suministros. 12.82.2 Aplicación Los valores de potencia de sonido están relacionados con la fuente de sonido y no son afectadas por el medio ambiente condiciones. Se calcula a partir de datos de las pruebas tomadas en las condiciones prescritas, y los valores se pueden repite. Mediciones de campo se miden la presión sonora. Las mediciones de niveles de presión sonora de los motores instalados en el campo puede ser correlacionada con los niveles de sonido de potencia, con las correcciones que las condiciones ambientales como se indica en las normas NEMA MG Publicación 3. Los motores que funcionan por encima de la velocidad de base por lo general tienen niveles más altos de sonido. Los motores que funcionan a partir de rectificador de suministro de energía producen de por sí altos niveles de sonido que los operados de baja onda de energía suministros. 12.82.3 niveles de sonido de Dripproof Industrial Motores de corriente continua Los niveles de potencia acústica de dripproof industrial motores de corriente continua, cuando se determine de acuerdo con 12.82.1, por lo general no superan los valores indicados en la tabla 12 -12. Tabla 12-12 Niveles de ruido, en decibelios *, DE DRIPPROOF INDUSTRIAL Motores de corriente continua a través del "A" DE LA RED DE PONDERACIÓN (REFERENCIA = 10-12 WATT) Base de v elocidad, RPM CV 850 1150 1750 2500 1 60 63 72 81 1-1/2 60 63 72 81 2 61 64 72 81 3 62 66 72 82 5 66 68 75 84 7-1/2 69 71 77 86 10 71 73 79 88 15 74 77 82 90 20 75 79 84 92 25 77 81 86 94 30 78 82 88 95 40 79 84 90 96 50 80 85 91 ... 60 81 86 92 ... 75 82 87 93 ... 100 83 88 94 ... 125 83 88 95 ... 150 84 89 95 ... 200 85 90 96 ... * Estos valores son los niveles generales de energía. No se debe confundir con sonido los niveles de presión que se mide con un sonómetro en una ubicación especificada.
  • 261.
    Sección II MG 1-1998 ASIGNACIONES DE MARCO PARA CORRIENT E ALT ERNA Parte 13, página 1 INT EGRAL motores de potencia INDUCCIÓN Sección II PEQUEÑOS (fraccional) y medio (INTEGRAL) MÁQUINAS Parte 13 ASIGNACIONES DE MARCO PARA CORRIENTE ALTERNA INTEGRAL motores de potencia INDUCCIÓN 13.0 ÁMBITO DE APLICACIÓN Esta norma se aplica a las asignaciones de marco para las siguientes clasificaciones de corriente alterna integral - potencia motores de inducción: a. Una sola fase, L Diseño, motores horizontales y verticales, de tipo abierto b. Polifásicos, de jaula de ardilla, diseño tipo A, B, C y E, motores horizontales y verticales, abiertas y totalmente cerrados con ventilador tipo. 13.1 DESIGNA CIONES PARA MARCO DE L DISEÑO MONOFÁSICO, horizontal y vertical MOTORES, 60 Hertz, Clase B SISTEMA DE AISLAMIENTO, tipo abierto, de servicio 1,15 FACTOR, 230 voltios y MENOS Velocidad, RPM CV 3600 1800 1200 4.3 ... ... 145T 1 ... 143T 182T 1-1/2 143T 145T 184T 2 145T 182T ... 3 182T 184T ... 5 184T 213T ... 7-1/2 213T 215T ... NOTA: consulte 4.4.1 para las dimensiones de las designaciones de marco.
  • 262.
    MG 1-1998 Sección II Parte 13, Página 2 ASIGNACIONES DE MARCO PARA CORRIENT E ALT ERNA INT EGRAL motores de potencia INDUCCIÓN 13.2 DESIGNA CIONES PARA MARCO polifásico, jaula de ardilla, DISEÑOS A, B y E, MOTORES HORIZ ONTAL Y VERTICAL, 60 Hertz, Clase B SISTEMA DE AISLAMIENTO, OPEN TIPO, factor de servicio 1.15, 575 VOLTIOS Y MENOS * Velocidad, RPM HP 3600 1800 1200 900 1.2 ... ... ... 143T 4.3 ... ... 143T 145T 1 ... 144T 145T 182T 1-1/2 143T 145T 182T 184T 2 145T 145T 184T 213T 3 145T 182T 213T 215T 5 182T 184T 215T 254T 12.07 184T 213T 254T 256T 10 213T 215T 256T 284T 15 215T 254T 284T 286T 20 254T 256T 286T 324T 25 256T 284T 324T 326T 30 284T S 286T 326T 364T 40 286T S 324T 364T 365T 50 324T S 326T 365T 404T 60 326T S 364T S ** 404T 405T 75 364T S 365T S ** 405T 444T 100 365T S 404T S ** 444T 445T 125 404T S 405T S ** 445T 447T 150 405T S 444T S ** 447T 449T 200 444T S 445T S ** 449T ... 250 † 445T S 447T S ** ... ... 300 † 447T S 449T S ** ... ... 350 † 449T S ... ... ... * La tensión nominal de 115 voltios se aplica sólo a motores con 15 caballos de fuerza y más pequeños. ** Cuando los motores se van a utilizar con V-cinturón o transmisiones de cadena, el tamaño del marco correcto es el tamaño del marco que se muestra, pero con la letra S sufijo omitido. P ara las dimensiones de la extensión correspondiente del eje, ver 4 .4.1. † clasificaciones de potencia de 250, 300 y 350 a la velocidad de 3600 rpm tiene un factor de servicio 1.0. NOTA: consulte 4.4.1 para las dimensiones de las designaciones de marco.
  • 263.
    Sección II MG 1-1998 ASIGNACIONES DE MARCO PARA CORRIENT E ALT ERNA Parte 13, Página 3 INT EGRAL motores de potencia INDUCCIÓN 13.3 DESIGNA CIONES PARA MARCO polifásico, jaula de ardilla, DISEÑOS A, B y E, MOTORES HORIZ ONTAL Y VERTICAL, 60 Hertz, SISTEMA DE AISLAMIENTO DE CLASE B, Totalmente cerrados con ventilador TIPO, 1.0 FACTOR DE SERVICIO, Y MENOS 575 VOLTIOS * Velocidad, RPM HP 3600 1800 1200 900 1.2 ... ... ... 143T 4.3 ... ... 143T 145T 1 ... 143T 145T 182T 1-1/2 143T 145T 182T 184T 2 145T 145T 184T 213T 3 182T 182T 213T 215T 5 184T 184T 215T 254T 12.07 213T 213T 254T 256T 10 215T 215T 256T 284T 15 254T 254T 284T 286T 20 256T 256T 286T 324T 25 284T S 284T 324T 326T 30 286T S 286T 326T 364T 40 324T S 324T 364T 365T 50 326T S 326T 365T 404T 60 364T S 364T S ** 404T 405T 75 365T S 365T S ** 405T 444T 100 405T S 405T S ** 444T 445T 125 444T S 444T S ** 445T 447T 150 445T S 445T S ** 447T 449T 200 447T S 447T S ** 449T ... 250 449T S 449T S ... ... * La tensión nominal de 115 voltios se aplica sólo a motores con 15 caballos de fuerza y más pequeños. ** Cuando los motores se van a utilizar con V-cinturón o transmisiones de cadena, el tamaño del marco correcto es el tamaño del marco que se muestra, p ero con la letra S sufijo omitido. P ara las dimensiones de la extensión correspondiente del eje, ver 4.4.1. NOTA: consulte 4.4.1 para las dimensiones de las designaciones de marco.
  • 264.
    MG 1-1998 Sección II Parte 13, Página 4 ASIGNACIONES DE MARCO PARA CORRIENT E ALT ERNA INT EGRAL motores de potencia INDUCCIÓN 13.4 DESIGNA CIONES PARA MARCO polifásico, jaula de ardilla, Diseño C, HORIZONTAL Y MOTORES VERTICALES, 60 Hertz, Clase B SISTEMA DE AISLAMIENTO, tipo abierto, 1,15 FACTOR DE SERVICIO, Y MENOS 575 VOLTIOS * Velocidad, RPM HP 1800 1200 900 1 143T 145T 182T 1.5 145T 182T 184T 2 145T 184T 213T 3 182T 213T 215T 5 184T 215T 254T 7.5 213T 254T 256T 10 215T 256T 284T 15 254T 284T 286T 20 256T 286T 324T 25 284T 324T 326T 30 286T 326T 364T 40 324T 364T 365T 50 326T 365T 404T 60 364T S ** 404T 405T 75 365T S ** 405T 444T 100 404T S ** 444T 445T 125 405T S ** 445T 447T 150 444T S ** 447T 449T 200 445T S ** 449T ... * La tensión nominal de 115 voltios se aplica sólo a motores con 15 caballos de fuerza y más pequeños. ** Cuando los motores se van a utilizar con V-cinturón o transmisiones de cadena, el tamaño del marco correcto es el tamaño del marco que se muestra, pero con la letra S sufijo omitido. P ara las dimensiones de la extensión correspondiente del eje, ver 4 .4.1. NOTA: consulte 4.4.1 para las dimensiones de las designaciones de marco.
  • 265.
    Sección II MG 1-1998 ASIGNACIONES DE MARCO PARA CORRIENT E ALT ERNA Parte 13, página 5 INT EGRAL motores de potencia INDUCCIÓN 13.5 DESIGNA CIONES PARA MARCO polifásico, jaula de ardilla, Diseño C, HORIZONTAL Y MOTORES VERTICALES, 60 Hertz, Clase B SISTEMA DE AISLAMIENTO, TOTALMENTE ADJUNTO refrigerado por aire TIPO, FACTOR DE SERVICIO 1.0, 575 VOLTIOS Y MENOS * Velocidad, RPM HP 1800 1200 900 1 143T 145T 182T 1.5 145T 182T 184T 2 145T 184T 213T 3 182T 213T 215T 5 184T 215T 254T 7.5 213T 254T 256T 10 215T 256T 284T 15 254T 284T 286T 20 256T 286T 324T 25 284T 324T 326T 30 286T 326T 364T 40 324T 364T 365T 50 326T 365T 404T 60 364T S ** 404T 405T 75 365T S ** 405T 444T 100 405T S ** 444T 445T 125 444T S ** 445T 447T 150 445T S ** 447T 449T 200 447T S ** 449T ... * La tensión nominal de 115 voltios se aplica sólo a motores con 15 caballos de fuerza y más pequeños. ** Cuando los motores se van a utilizar con V-cinturón o transmisiones de cadena, el tamaño del marco correcto es el tamaño del marco que se muestra, pero con la letra S sufijo omitido. P ara las dimensiones de la extensión correspondiente del eje, ver 4 .4.1. NOTA: consulte 4.4.1 para las dimensiones de las designaciones de marco.
  • 266.
    MG 1-1998 Sección II Parte 13, Página 6 ASIGNACIONES DE MARCO PARA CORRIENT E ALT ERNA INT EGRAL motores de potencia INDUCCIÓN ESTA PÁGINA INTENCIONALMENTE Se deja en blanco
  • 267.
    Sección II MG 1 1998 DAT OS DE LA SOLICIT UD-AC y DC MÁQUINAS PEQUEÑAS Y MEDIANAS Parte 14, página 1 Sección II PEQUEÑOS (fraccional) y medio (INTEGRAL) MÁQUINAS Parte 14 DATOS DE LA SOLICITUD-AC y DC MÁQUINAS PEQUEÑAS Y MEDIANAS 14.0 ÁMBITO DE APLICACIÓN Las normas de este 14 sección II, parte cubierta de los siguientes equipos: a. Máquinas de corriente alterna-corriente alterna máquinas hasta, e incluyendo las calificaciones construido en cuadros correspondientes a la continua de tipo abierto las calificaciones dadas en la tabla de abajo. Generadores, Sincrónico, Motores, Giratorio Jaula de ardilla Tipo de campo kW Motores, sincrónico, Hp y la herida en el 0,8 Sincrónico Factor de Potencia Rotor, Hp Factor de Potencia Velocidad Unity 0.8 500 400 3600 500400 500 400 1800 500400 350 300 1200 350300 250 200 900 250200 200 150 720 200150 150 125 600 150125 125 100 514 125100 b. Las máquinas de corriente continua-corriente continua máquinas construidas en los marcos con dripproof continua calificaciones o capacidades equivalentes, hasta e incluyendo: 1. motores-1.25 caballos de fuerza por rpm, de tipo abierto 2. generadores de 1,0 kilovatios por rpm, de tipo abierto 14.1 La selección apropiada de APARATO Las máquinas deben ser adecuadamente seleccionados con respecto a sus condiciones de servicio, usuales o inusuales, tanto de las cuales involucran las condiciones ambientales a que está sometida la máquina y el funcionamiento del condiciones. Máquinas conformes a las Partes del 10 al 15 de esta publicación están diseñados para funcionar en conformidad con sus calificaciones en las condiciones de servicio habitual. Algunas máquinas también pueden ser capaces de funcionamiento de acuerdo con sus calificaciones en una o más condiciones de servicio poco común. Propósito definido o máquinas especiales puede ser necesario para algunas condiciones inusuales. Condiciones de servicio, distintos de los especificados como de costumbre, puede implicar cierto grado de riesgo. La peligro adicional depende del grado de desviación de las condiciones de operación normal y de la gravedad del medio ambiente para que la máquina está expuesta. Los resultados peligro adicional de cosas tales como sobrecalentamiento, fallas mecánicas, deterioro anormal del sistema de aislamiento, a la corrosión, el fuego, y explosión. Aunque la experiencia del usuario puede ser a menudo la mejor guía, el fabricante de los conducidos o conducir el equipo o el fabricante de la máquina, o ambos, se debe consultar para obtener más información de todas las condiciones de servicio inusuales que aumentan el deber mecánico o térmico en la máquina y, en consecuencia, aumentar las posibilidades de fracaso y el riesgo consiguiente. Esta información debe ser considerada por el usuario, consultores u otros más familiarizados con los detalles de la aplicación en cuestión al tomar la decisión final.
  • 268.
    MG 1 1998 Sección II Parte 14, Página 2 DAT OS DE LA SOLICIT UD-AC y DC MÁQUINAS PEQUEÑAS Y MEDIANAS CONDICIONES DE SERVICIO 14.2USUAL 14.2.1 Condiciones Ambientales Máquinas deberán estar diseñadas para las condiciones del lugar de operación siguientes, a menos que otras condiciones son especificado por el comprador: a. La exposición a una temperatura ambiente en el rango de -15 ° a 40 ° o, cuando ello se utiliza el agua, CC una temperatura ambiente de 5 ° (para evitar la congelación del agua) a 40 ° con excepción de machinesCC, nominal inferior a 3 / 4 hp y todas las otras máquinas de refrigeración por agua con co lectores o la manga rodamientos para que la temperatura ambiente mínima es de 0 ° C b. La exposición a una altura que no exceda de 3.300 pies (1000 metros) c. La instalación en una superficie rígida de montaje d. Instalación en zonas o recintos complementarios que no interfieren seriamente con la ventilación de la máquina 14.2.2 Condiciones de funcionamiento a. V-correa de transmisión de acuerdo con 14,42 para motores de corriente alterna y con 14.67 para uso industrial motores de corriente continua b. Plana de la correa, cadena y engranajes, de acuerdo con el 14,7 14.3 CONDICIONES INUSUALES DE SERVICIO El fabricante debe ser consultado si existen condiciones de servicio inusuales que pueden afectar a la construcción o el funcionamiento del motor. Entre esas condiciones son las siguientes: a. La exposición a: 1. Combustibles, polvos explosivos, abrasivos, o la realización de 2. Pelusa o muy sucio condiciones de funcionamiento en la acumulación de suciedad puede interferir con la normal, ventilación 3. Vapores de sustancias químicas, gases inflamables o explosivos 4. La radiación nuclear 5. Vapor de agua, el aire cargado de sal, o el vapor de aceite 6. Lugares húmedos o muy secos, calor radiante, infestación por parásitos, o atmósferas propicias para la crecimiento de hongos 7. Descargas anormales, vibración o carga mecánica de fuentes externas 8. Axial anormal o lado de la presión impuesta sobre el eje del motor b. Operación en la que: 1. No hay salida excesiva de voltaje o frecuencia, o ambos (véase el 12,45 por alterna - motores de corriente y 12,68 para motores de corriente continua) 2. El factor de desviación de la tensión de alimentación de corriente alterna supera el 10 por ciento 3. La tensión de alimentación de corriente alterna no es equilibrada por más de un 1 por ciento (véase 12.46 y 14.36) 4. La salida del rectificador suministrar un motor de corriente continua no es equilibrada por lo que la diferencia entre las amplitudes máxima y mínima y máxima de los pulsos de corriente durante un ciclo superior a 10 por ciento de la mayor amplitud de pulso en el nominal de armadura actual 5. Bajos niveles de ruido son necesarios 6. El sistema de alimentación no está conectado a tierra (véase 14.31) c. Funcionamiento a velocidades superiores a la máxima velocidad nominal d. Operación en una habitación mal ventilada, en un pozo, o en una posición inclinada e. Operación en la que se someten a: 1. Cargas de torsión impacto 2. Repetitiva sobrecargas anormales
  • 269.
    Sección II MG 1 1998 DAT OS DE LA SOLICIT UD-AC y DC MÁQUINAS PEQUEÑAS Y MEDIANAS Parte 14, Página 3 3. Revertir o frenar eléctrica 4. Arranques frecuentes (véase 12.55) 5. Fuera de la fase de traslado en autobús (véase 14.45) 6. Frecuentes cortocircuitos f. Funcionamiento de la máquina en reposo con cualquier devanado continuamente energía o de corta duración con mejor puntuaci ón máquina con cualquier bobina energizada continuamente g. El funcionamiento de la máquina de corriente continua en la corriente de armadura media es de menos del 50 por ciento de la nominal a plena carga amperios durante un período de 24 horas, o una operación continua a corriente de la armadura inferio r del 50 por ciento de la corriente nominal de más de 4 horas 14.4 Aumento de la temperatura La temperatura se eleva dado para las máquinas en 12,43, 12,44, 12,67, 15,41 y se basan en operación a una altura de 3300 pies (1000 metros) o menos y una temperatura ambiente máx ima de 40 º IT C. T ambién se reconoce como una buena práctica el uso de máquinas en altitudes superiores a 3300 pies (1000 metros) se indica en los párrafos siguientes. 14.4.1 Temperatura ambiente en altitudes de aumento de temperatura nominal Máquinas que se eleva la temperatura de acuerdo con 12.43, 12.44, 12.67, 15.41 y funcionará satisfactoriamente a altitudes superiores a 3300 pies (1000 metros) en aquellos lugares donde la disminución de la temperatur a ambiente la temperatura compensa el aumento de la elevación de la temperatura, de la siguiente manera: Altitud máxima, metros (pies) Temperatura ambiente, grados C 3300 (1000) 40 6600 (2000) 30 9900 (3000) 20 14.4.2 Los motores con factor de servicio Los motores que tienen un factor de servicio de 1,15 o superior funcionará satisfactoriamente con factor de servicio en un temperatura ambiente de 40 ° a altitudes superiores a 3300 pies (1000 metros) hasta 9000 pies (2740 metros). C 14.4.3 aumento de la temperatura a nivel del mar Las máquinas que están destinados al uso en altitudes superiores a 3300 pies (1000 metros) a una temperatura ambiente temperatura de 40 º debería haber aumento de la temperatura a nivel del mar que no exceda de los valor es calculados fromC la siguiente fórmula: Cuando la altura en metros: (Alt 3300)  T RSL T RA 1 33000  Cuando la altura en metros: (Alt 1000)  T RSL T RA 1 10000  Donde: T RSL = prueba de aumento de la temperatura en grados C a nivel del mar = Aumento de la temperatura en grados C de la tabla correspondiente en 12.43, 12.44, 12.67, 15.41TRA Alt = altitud sobre el nivel del mar en metros (pies) en el que la máquina va a funcionar 14.4.4 Los valores preferidos de altitud para los motores de Calificación Los valores preferidos de la altitud son 3300 pies (1000 metros), 6600 pies (2000 metros), 9900 pies (3000 metros), 13.200 pies (4.000 metros), y 16.500 pies (5.000 metros).
  • 270.
    MG 1 1998 Sección II Parte 14, Página 4 DAT OS DE LA SOLICIT UD-AC y DC MÁQUINAS PEQUEÑAS Y MEDIANAS 14.5 CORTO TIEMPO DE CLASIFICACIÓN MÁQUINAS ELÉCTRICA S De corta duración nominal de máquinas eléctricas (véase 10.36 y 10.63) se debe aplicar a fin de asegurar rendimiento sin sufrir daños. No debe ser utilizado (salvo en la recomendación de la fabricante) en cualquier aplicación en la que puede ser la máquina de la izquierda en funcionamiento continuo. 14.6 DIRECCIÓN DE GIRO Frente a la final de la máquina frente al extremo de transmisión, la dirección normal de rotación de todos los nonreversing motores de corriente continua, corriente alterna de todos los motores monofásicos, todos los motores síncronos, y todos los motores universales se hacia la izquierda. Alterna y generadores de corriente continua, la rotación será en sentido horario. Esto no se aplica a los motores polifásicos de inducción como en la mayoría de las aplicaciones que se utilizan son de tal naturaleza que las direcciones de uno o ambos de la rotación puede ser necesaria, y la secuencia de fases de la las líneas de energía rara vez se conoce. Cuando dos o más máquinas están mecánicamente acoplados entre sí, la norma anterior puede no ser se aplican a todas las unidades. 14.7APPLICA TION de poleas, ruedas dentadas y engranajes de árboles para motores 14.7.1 Montaje En general, las poleas más cerca, poleas, ruedas dentadas, engranajes o se montan en los rodamientos del motor eje, el menor será la carga en el rodamiento. Esto le dará una mayor garantía de servicio sin problemas. El punto central de la cinta, o un sistema de correas en V, no debe estar más allá del extremo del eje del motor. El borde interior de la llanta de la polea o polea no debe estar más cerca de los rodamientos de los hombros en el eje, pero debe ser lo más cerca de este punto como sea posible. El borde exterior de una rueda dentada o engranaje no debe extenderse más allá del extremo del eje del motor. 14.7.2 diámetro de paso mínimo de unidades que no V -cinturón Para obtener los diámetros primitivos mínimos para la correa plana, correa dentada de la cadena, y los engranajes, el multiplicador dada en la siguiente tabla se deben aplicar a la estrecha V-cinturón de diámetros de paso de la polea en 14,41 por de corriente alterna los motores de uso general o para lo s diámetros de paso V-cinturón polea determinado a partir de 14,67 para los industriales motores de corriente continua: Conducir Multiplicador Correa plana * 1.33 La correa de distribución ** 0.9 Rueda de cadena 0.7 Rueda dentada recta 0.75 Engranaje helicoidal 0.85 * El multiplicador de arriba es para uso convencional, con una sola capa plana cinturones. Al que no sean de una sola capa las correas planas se utilizan, el uso de un mayor multiplicador se recomienda. ** A menudo es necesaria la instalación de las correas de distribución con un ajuste perfecto. Sin embargo, la tensión no debe ser mayor que la necesaria para evitar el golpe del cinturón o saltar los dientes. 14.7.3 Velocidad máxima de los componentes de la unidad La velocidad máxima de los componentes de la unidad no debe exceder de los valores recomendados por la el fabricante de componentes o de los valores especificados en los estándares de la industria a la que el componente fabricante indica la conformidad. Velocidades por encima de la velocidad máxima recomendada puede resultar en daños al equipo o lesiones al personal.
  • 271.
    Sección II MG 1 1998 DAT OS DE LA SOLICIT UD-AC y DC MÁQUINAS PEQUEÑAS Y MEDIANAS Parte 14, página 5 14.8 A TRAVÉS DE-pernos de montaje Algunos usuarios del motor han encontrado a su favor en el caso del motor escudo final como parte integrante de parte de la máquina de trabajo y, en consecuencia, que compran los motores sin el escudo de la unida d-end. En vista de la amplia y considerable variedad de diámetros de ranura del estator, pinza diámetros de tornillo, el círculo diámetros y tamaños de abrazadera de tornillo de los motores de fabricación diferentes, este tipo de máquina accionada construcción puede limitar seriamente la elección de los usuarios de los proveedores de motores a menos que la flexibilidad de mecani zado adecuado se ha proporcionado en el diseño de este escudo final. Con el fin de ayudar al diseñador de la máquina en la prestación de esta flexibilidad, los siguientes datos han sido compilado para dar alguna indicación de la gama de motores barbilla y la abrazadera de diámetros de tornillo círculo que puede estar involucrados. En la siguiente tabla se basa en información suministrada por las empresas miembros de la NEMA Motor y generador de la sección que se basan los motores de estos tamaños: 48 Frame, 56 Frame, Pulgadas Pulgadas Motor Rabbet Diámetro: Diámetro más pequeño informó .................. 5.25 5.875 Mayor diámetro informó .................... 5.625 6.5 Más del 75 por ciento de los encuestados informó diámetros en el rango de ...... 5.34-5.54 6.03-6.34 Motor Ajuste del cierre Diámetro del Círculo: Diámetro más pequeño informó .................. 4.875 5.5 Mayor diámetro informó .................... 5.250 6.25 Más del 75 por ciento de los encuestados informó diámetros en el rango de ....... 5.00-5.25 5.65-5.94 Motor Clamp Tamaño del perno: Diámetro más pequeño informó .................. #8 # 10 Mayor diámetro informó .................... # 10 # 10 14.9 ROEDORES DE PROTECCIÓN A menudo es deseable para proporcionar una protección de roedores en una máquina abierta con el fin de retrasar la entrada de pequeños roedores en la máquina. La protección puede ser proporcionada por la limitación del tamaño de las aberturas de dar acceso directo a las partes internas de la máquina por medio de pantallas, pantallas, parrillas, metal desplegado, partes estructurales de la máquina, o por otros medios. Los medios utilizados pueden variar con el tamaño de la de la máquina. En estos casos, se debe tener cuidado para asegurar una ventilación adecuada, ya que restringe el flujo de air e podría causar que la máquina supere su temperatura de trabajo. Antes de aplicar pantallas, pantallas, la ampliación de metal, etc, a una máquina para la protección de los roedores, el fabricante del motor o generador debe ser consultado. Una construcción común restringe las aberturas que dan acceso directo al interior de la máquina para que una varilla de diámetro 0,312 pulgadas no puede entrar en la abertura.
  • 272.
    MG 1 1998 Sección II Parte 14, Página 6 DAT OS DE LA SOLICIT UD-AC y DC MÁQUINAS PEQUEÑAS Y MEDIANAS ESTA PÁGINA INTENCIONALMENTE Se deja en blanco
  • 273.
    Sección II MG 1 1998 DAT OS DE LA SOLICIT UD-AC PEQUEÑAS Y los motores de media Parte 14, Página 7 Sección II PEQUEÑOS (fraccional) y medio (INTEGRAL) MÁQUINAS Parte 14 DATOS DE LA SOLICITUD-AC PEQUEÑAS Y los motores de media 14.0 ÁMBITO DE APLICACIÓN Las normas de este 14 sección II, parte cubierta de los motores de corriente alterna hasta e incluyendo la Calificaciones construida en los marcos correspondientes a la continua de tipo abierto las calificaciones dadas en la tabla de abajo. Motores, Jaula de ardilla Motores, sincrónico, Hp Sincrónico y la herida Factor de Potencia Velocidad Rotor, Hp Unity 0.8 3600 500 500 400 1800 500 500 400 1200 350 350 300 900 250 250 200 720 200 200 150 600 150 150 125 514 125 125 100 14.30Efectos de la variación de tensión y frecuencia en el desempeño de MOTORES DE INDUCCIÓN 14.30.1 general Los motores de inducción son a veces funciona en los circuitos de tensión o frecuencia que no sean aquellos para los que los motores son valorados. Bajo tales condiciones, el rendimiento del motor puede variar de la clasificación. La Estos son algunos de los resultados operativos causados por las pequeñas variaciones de voltaje y frecuencia y son indicativo del carácter general de los cambios producidos por dicha variación en las condiciones de funcionamiento. 14.30.2 Efectos de la variación de tensión en la temperatura Con un aumento del 10 por ciento o disminución de la tensión de la que figura en la placa, el calent amiento a carga nominal caballos de fuerza puede aumentar. Operación por periodos prolongados de tiempo puede acelerar la deterioro del sistema de aislamiento. 14.30.3 efecto de la variación en el voltaje de Factor de Potencia En un motor de características normales a plena carga, la potencia nominal, con un incremento del 10 por ciento de la tensión superior al otorgado en la placa por lo general se traduciría en una reducción decidida en el factor de potencia. Un 10 por c iento disminución de la tensión por debajo del indicado en la placa de características por lo general se da un incremento en el factor de potencia. 14.30.4 efecto de la variación en el voltaje en pares de arranque El par de rotor bloqueado y distribución será proporcional al cuadrado de la tensión aplicada. 14.30.5 efecto de la variación en el voltaje de deslizamiento Un incremento del 10 por ciento de la tensión se traducirá en una disminución del deslizamient o de aproximadamente 17 por ciento, mientras que un reducción del 10 por ciento se traducirá en un aumento del deslizamiento de aproximadamente 21 por ciento. Por lo tanto, si l a póliza a la corriente nominal tensión fueron 5 por ciento, sería mayor a 6.05 por ciento si la tensión se redujo un 10 por ciento.
  • 274.
    MG 1 1998 Sección II Parte 14, Página 8 DAT OS DE LA SOLICIT UD-AC PEQUEÑAS Y los motores de media 14.30.6 Efectos de la variación en la frecuencia Una frecuencia más alta que la frecuencia nominal por lo general mejora el factor de potencia, pero disminuye bloqueado par de rotor y aumenta la velocidad y la fricción y la pérdida de resistencia al viento. Con una frecuencia inferior a la nom inal frecuencia, la velocidad se reduce, de rotor bloqueado par se incrementa, y el factor de potencia disminuye. Para ciertos tipos de carga del motor, como por ejemplo en las fábricas textiles, de regulación de frecuencia estrecha es esencial . 14.30.7 efecto de las variaciones de tensión y de frecuencia Si las variaciones en el voltaje y la frecuencia ocurren al mismo tiempo, el efecto se superponen. Por lo tanto, si la tensión es alta y la baja frecuencia, el par de rotor bloqueado será muy aumentado considerablemente, pero el factor de potencia se redujo y el aumento de la temperatura aumenta con la carga normal. 14.30.8 Efecto en los motores de propósito especial o pequeñas Los hechos precedentes se aplicarán en particular a los motores de uso general. Que no siempre puede ser cierto en relación con los motores de propósito especial, construida para un propósito particular, o para motores muy pequeños. 14.31 Las máquinas en funcionamiento en un sistema TIERRA FLOTANTE Máquinas de corriente alterna están diseñados para una operación continua con el neutro en o cerca del suelo potenciales. El funcionamiento en sistemas sin conexión a tierra con una línea al potencial de tierra se debe hacer sólo para períodos frecuentes de corta duración, por ejemplo, como se requiere para el despacho de falla normal. Si se pretende operar la máquina de forma continua o por períodos prolongados en tales condiciones, una máquina especial con un nivel de aislamiento adecuado para tal operación se requiere. El fabricante del motor debe ser consultado antes de seleccionar un motor para una aplicación. Puesta a tierra de la interconexión de los puntos neutros de la máquina no debe llevarse a cabo sin consulta al Diseñador de sistemas, debido al peligro de los componentes de secuencia cero de las corrientes de todos los frecuencias en ciertas condiciones de funcionamiento y los posibles daños mecánicos a la liquidación en línea a neutro condiciones de falla. Otro equipo auxiliar conectado al motor, tales como, pero no limitado a, las mareas de los condensadores, la energía condensadores factor de corrección, o pararrayos, puede no ser adecuado para su uso en un sistema sin conexión a tierra y debe ser evaluada de forma independiente. 14.32FUNCIONA MIENTO DEL motores de corriente alterna de la variable de frecuencia o De voltaje variable FUENTES DE ALIMENTACIÓN O AMBOS 14.32.1 rendimiento Motores de corriente alterna para ser operado de estado sólido u otro tipo de frecuencia variable o variable de tensión de alimentación, o ambos, para aplicaciones de accionamiento de velocidad ajustable, puede requerir indiv iduales cuenta para ofrecer un rendimiento satisfactorio. Especialmente para funcionar por debajo de la velocidad nominal, puede ser necesarias para reducir la carga de torque del motor por debajo de la nominal a plena carga de par para evitar el sobrecalent amiento de la motores. El fabricante del motor debe ser consultado an tes de seleccionar un motor para aplicaciones (ver Las partes 30 y 31). ADVERT ENCIA: los motores que funcionan a partir de frecuencia variable o variables de alimentación de voltaje, o ambos, no debe ser utilizado en cualquier división 1 peligrosas (clasificadas) a menos que: a. El motor se identifica en la placa como aceptables para el funcionamiento a velocidad variable cuando se utiliza en División 1 peligrosas (clasificadas). b. El rango de velocidad de funcionamiento real, no está fuera del rango de velocidad permitida marcada en la placa del motor. c. La fuente de alimentación actual es consistente con el tipo de fuente de alimentación identificados en la informaci ón que es suministrado por el fabricante del motor. Para los motores que se utilizarán en cualquier División 2 peligrosas (clasificadas), el fabricante del motor debe ser consultado. Armónicos de alta frecuencia de los inversores puede provocar un aumento en el nivel de corriente de fuga en el motor. Por lo tanto, se advierte a los usuarios a seguir las prácticas establecidas de puesta a tierra de la carcasa del moto r.
  • 275.
    Sección II MG 1 1998 DAT OS DE LA SOLICIT UD-AC PEQUEÑAS Y los motores de media Parte 14, página 9 El incumplimiento de esta advertencia puede resultar en una instalación insegura que podría causar daños al la propiedad, lesiones graves o la muerte al personal, o ambas cosas. 14.32.2 Las tensiones del eje T ensiones adicionales del eje se puede producir a partir de los picos de voltaje y corriente que se superponen a la cantidades simétricas fase durante la operación del inversor. La experiencia demuestra que, si bien esto no es generalmente una problema en este tipo de máquinas, el eje tensiones superiores a 500 milivoltios (pico), cuando se prueba según la norma IEEE Std 112, puede ser necesario de puesta a tierra del eje y / o aislar una relación. 14.33 EFECTOS DE LAS TENSIONES más de 600 voltios SOBRE LOS RESULTA DOS DE BAJA TENSIÓN MOTORES Motores polifásicos son regularmente construido para tensiones nominales de 575 voltios o menos (véase 10.30) y se espera que opere satisfact oriamente con una variación de tensión de más o menos 10 por ciento. Esto significa que Los motores de este nivel de aislamiento puede ser aplicado con éxito a una tensión de 635 voltios. Sobre la base de alto potencial de fabricantes de motores "y las pruebas de rendimiento en el campo, se ha encontrado que, cuando la tensión de utilización superior a 635 voltios, el factor de seguridad del aislamiento se ha reducido a un nivel incompatible con el procedimiento de ingeniería. En vista de lo ant erior, los motores de este nivel de aislamiento no debe aplicarse a los sistemas de corriente, ya sea con o sin neutro a tierra, donde la tensión de utilización excede 635 voltios, con independencia del motor conexión empleada. Sin embargo, hay algunos motores definida con fines que están destinados para el uso en tierra 830 - sistema de voltios. Estos motores son adecuados para la operación de 460 voltios cuando delta conectado y de 796 voltios operación cuando se estrella conectado cuando el neutro del sistema está sólidamente conectado a tierra. 14.34FUNCIONA MIENTO DEL POLIFÁSICOS USO GENERAL DE CORRIENTE ALTERNA, 2 -, 4 -, 6 -, Y 8 polos, 60 HERTZ MOTORES DE INDUCCIÓN MEDIO OPERADO EN 50 HZ Mientras que de propósito general de corriente alterna polifásicos, 2 -, 4 -, 6 - y 8 polos, 60 Hz medio motores de inducción no están diseñados para operar a su 60 hertz calificaciones de 50 hertz circuitos, que son capaces de ser operado de manera satisfactoria en el 50-hertz circuitos si su tensión y clasificaciones de potencia se reducir apropiadamente. Cuando este tipo de 60 hertz motores son operados en 50 hertz circuitos, la tensión aplicada a 50 hertz se debe reducir a 5 / 6 de la tensión nominal de 60 Hz del mot or y la carga de potencia a 50 hertz se debe reducir a 5 / 6 de la potencia nominal de 60 Hz del motor. Cuando una persona de 60 hertz motor funciona en 50 hertz en 5 / 6 de la tensión de 60 hertz y clasificaciones caballos de fuerza, las características de rendimiento para la operación de 50 Hz son las siguientes: 14.34.1 velocidad La velocidad de sincronismo será de 5 / 6 de la velocidad de sincronismo de 60 hertz, y el deslizamiento será de 5 / 6 de la Deslizamiento de 60 hertz. 14.34.2 Torques El par de carga nominal en libras-pie será de aproximadamente el mismo que el par de carga de 60 hertz clasificado en libras-pie. Los pares de rotor bloqueado y el desmoronamiento de libras-pie de 50 hertz motores será de aproximadamente el mismo que los pares de 60 hertz de rotor bloqueado y el desmoronamiento de libras-pie. 14.34.3 rotor bloqueado El rotor bloqueado corriente (amperes) será de aproximadamente 5 por ciento menos que el 60 -hertz bloqueado corriente del rotor (amperios). El código de letras que aparecen en la placa del motor para indicar kVA de rotor bloqueado caballos de fuerza por se aplica sólo a la calificación de 60 hertz del motor. 14.34.4 Factor de Servicio El factor de servicio es de 1.0.
  • 276.
    MG 1 1998 Sección II Parte 14, Página 10 DAT OS DE LA SOLICIT UD-AC PEQUEÑAS Y los motores de media 14.34.5 aumento de la temperatura El aumento de temperatura no será superior al 90 ° (véase 14.30). C 14.35 OPERACIÓN de motores de inducción de 230 voltios en 208 voltios SISTEMAS 14.35.1 general Los motores de inducción, destinada a operar en 208 voltios, los sistemas deben estar clasificados para 200 voltios. Funcionamiento de un motor nominal de 230 voltios en un sistema de 208 voltios, no se recomienda (excepto como se describe en 14.35.2), ya que las tensiones de utilización se encuentran comúnmente debajo de la tolerancia por ciento -10 por el voltaje para el cual está diseñado el motor. Esta operación dará lugar gen eralmente a un sobrecalentamiento y seria reducción de los pares. 14.35.2 Placa de Señalización de utilizable a 200 V Motores con 230 voltios, pero capaz de funcionar satisfactoriamente en los sistemas de 208 voltios se permitirá a ser etiquetados como "útil a 200 voltios." Motores tan marcada será la adecuada para la operación a la corriente nominal (s ervicio de 1,0 factor) caballos de fuerza a una tensión de utilización de 200 voltios a la frecuencia nominal, con un aumento de la temperatura no superior a los valores indicados en 12,44, el punto a.2., para la clase de sistema de aislamiento amueblado. El servicio factor, caballos de fuerza y el valor correspondiente de la corriente, deberá figurar en la placa de identificación, es decir, "utilizable @ 200 V. ________ CV, amplificadores de ________, 1,0 S.F. " 14.35.3 efectos en el rendimiento del motor Cuando se opera en un sistema de 208 voltios el deslizamiento del motor aumentará aproximadamente un 30% y el motor rotor bloqueado, pull-up y los valores de distribución del par se reducirá en aproximadamente un 20 -30%. Por lo tanto, se debe determinar que el motor arranque y aceleración de la carga conectada, sin calefacción perjudiciales, y que el par máximo es adecuado para la aplicación. NOTA: La utilización de tolerancia de voltaje es de 200 menos el 5% (190 voltios) - Ref. ANSI C84.1. "A. Rango de voltaje de" El funcionamiento dentro de esta tolerancia de tensión no será necesariamente de acuerdo con lo dispuesto en 14.35 .2. 14.36 EFECTOS DE LAS TENSIONES DE DESEQUILIBRIO EN LA EJECUCIÓN DEL POLIFÁSICOS MOTORES DE INDUCCIÓN Cuando la línea de voltaje aplicado a un motor de inducción polifásico no corrientes iguales, desequilibrado en los bobinados del estator resultado. Un pequeño porcentaje de desequilibrio de tensión dará lugar a una mucho más grande porcentaje actual desequilibrio. En consecuencia, el aumento de la temperatura de la operación del motor en un determinado de carga y el porcentaje de desequilibrio de tensión será mayor que para el funcionamiento del motor en las mismas condiciones con tensiones equilibradas. T ensiones de preferencia debe ser equilibrado tanto como se puede leer en un voltímetro. Debería tensiones de ser desequilibrada, la potencia nominal del motor debe ser multiplicado por el factor se muestra en la Figura 14 para reducir la posibilidad de daños en el motor. Funcionamiento del motor por encima de un 5 por ciento estado de desequilibrio de tensión no es recomendable. Cuando la curva de reducción de potencia de la figura 14-1 se aplica para la operación en voltajes desequilibrados, la selección y el establecimiento del dispositivo de sobrecarga debe tener en cuenta la combinación de el factor de corrección aplicado para el motor y el aumento de la corriente resultante de las tensiones desequilibradas. Este es un problema complejo participación de la variación de la corriente en función de la carga y el desequilibrio de tensión del motor, además de la características de los dispositivos de sobrecarga en relación con Imaximum o iPromedio. En ausencia de información específica , se recomienda que los dispositivos de sobrecarga ser seleccionados o ajustados, o ambos, en el valor mínimo que se no como resultado de disparo para el factor de corrección y de desequilibrio de tensión que se aplica. Cuando las tensiones desequilibradas se prevé, se recomienda que los dispositivos de sobrecarga de ser seleccionados con el f in de responder a Imaximum con preferencia a los dispositivos de sobrecarga sensible a iPromedio.
  • 277.
    Sección II MG 1 1998 DAT OS DE LA SOLICIT UD-AC PEQUEÑAS Y los motores de media Parte 14, Página 11 Figura 14-1 MOTOR MEDIO factor de reducción debido a la tensión DESBALANCEA DA 14.36.1 efecto en el rendimiento general El efecto de las tensiones desequilibradas en los motores de inducción polifásicos es equivalente a la introducción de un "T ensión de secuencia negativa" que tiene una rotación contraria a la que se produce con tensiones equilibradas. Este tensión de secuencia negativa produce en el entrehierro un flujo giratorio en contra de la rota ción del rotor, que tiende para producir altas corrientes. Una pequeña secuencia negativa de tensión puede producir en las corrientes de los devanados considerablemente superiores a las actuales condiciones de tensión equilibrada. 14.36.2 desequilibrio def inida El desequilibrio de tensión en porcentaje se puede definir de la siguiente manera: max imum desviación de tensión de voltaje promedio por ciento de desequilibrio de tensión 100 x tensión media Ejemplo: con voltajes de 460, 467 y 450, el promedio es de 459, la desviación máxima promedio es de 9, y el porcentaje 9 desequilibrio = 100 x 1,96 por ciento. 459 14.36.3 Torques El par de rotor bloqueado y par máximo se redujo cuando la tensión está desequilibrada. Si el desequilibrio de tensión deben ser extremadamente graves, el par podría no ser adecuada para la aplicación. 14.36.4 Velocidad a plena carga La velocidad a plena carga se reduce un poco cuando el motor funciona con voltajes desequilibrados. 14.36.5 Corrientes La corriente de rotor bloqueado tiende a ser desequilibrado en la misma medida que las tensiones no están equilibradas, pero los kVA de rotor bloqueado se incrementará sólo ligeramente. Las corrientes a la velocidad normal de funcionamiento con tensiones desequilibradas será muy desequilibrada en el orden de aproximadamente de 6 a 10 veces el desequilibrio de tensión. 14.37 APLICACIÓN DE CORRIENTE ALTERNA MOTORES CON FACTORES DE SERVICIO 14.37.1 general A propósito general de corriente alterna motor o cualquier otro motor de corriente alterna con un factor de servicio de acuerdo con 12,52 es adecuado para un funcionamiento con tinuo a plena carga en el servicio habitual condiciones indicadas en 14.2. Cuando el voltaje y la frecuencia se mantiene en el valor especificado en el placa de identificación, el motor puede estar sobrecargado hasta la potencia se obtiene multiplicando la calificación caballos de fuerza por el factor de servicio indicado en la placa.
  • 278.
    MG 1 1998 Sección II Parte 14, Página 12 DAT OS DE LA SOLICIT UD-AC PEQUEÑAS Y los motores de media Cuando el motor funciona en cualquier factor de servicio mayor que 1, es posible que la eficiencia, factor de potencia, y la velocidad diferentes de los de carga nominal, pero el par de rotor bloqueado y corriente y la descomposición el par se mantendrá sin cambios. Un motor de funcionamiento continuo en cualquier rallador de factor de servicio de 1 tendrá una esperanza de vida reducida en comparación con el operativo en su potencia nominal nominal. La vida del aislamiento y la vida de los rodamie ntos se reducen el factor de carga de servicio. 14.37.2 La temperatura media de subida de corriente alterna Motores Cuando se opera en la carga de trabajo-factor, el motor tendrá un aumento de la temperatura según se especifica en 12.44, el punto a.2. 14.37.3 aumento de la temperatura-Pequeño alterna Motores de corriente continua Cuando se opera en la carga de trabajo-factor, el motor tendrá un aumento de la temperatura según se especifica en 12.43.1. 14.38 CARACTERÍS TICAS DE PARTE DE LIQUIDA CIÓN INICIO motores polifásicos INDUCCIÓN El resultado de dinamizar una parte de los bobinados primarios de un motor de inducción polifásico dependerá de cómo esta parte se distribuye en el motor y, en alguno s casos, puede hacer nada más que una sobrecarga la porción del (resultado, es decir, de ninguna reducción notable de la intensidad o par) de liquidación tan energizada. Por esta razón, un estándar de 230/460 voltios motor de doble voltaje puede o no ser satisfactorio para la parte de cuerda a partir de un circuito de 240 voltios. Cuando la liquidación se distribuye con el fin de ser satisfactorio para la parte de cuerda de partida, un uso común resultados de conexión en un poco menos del 50 por cient o de lo normal Par con rotor bloqueado y 60 aproximadamente ciento de lo normal con rotor bloqueado. Es evidente que el par puede ser insuficiente para arrancar el motor si tiene carga de mucha fricción. Esto no es importante en aplicaciones en las que se permite llamar la completa devanado de arranque actual del sistema en incrementos de dos. (Si los valores reales de par y la corriente importante, que debe obtenerse del fabricante del motor.) Cuando la liquidación parcial se activa, el motor no puede acelerar a toda velocidad. Sobre la liquidación parte, puede desarrollar en el mejor de menos de la mitad del par es capaz de de liquidación total y por lo general la velocidad de par- característica se ve afectada negativamente por los armónicos resultantes del circuito magnético desequilibrado. Por otra parte, el tiempo permitido acelerar el devanado podrá ser inferior en caso de disolución completa debido a la mayor actual en la parte de el devanado. Sin embargo, en la aplicación de costumbre, el resto de la bobinado se activa unos segundos después de la primera parte, y el motor se acelera y corre sin problemas. Durante la parte del período de aceleración que el motor es parte de liquidación, puede ser espera que sea más ruidoso que cuando en la liquidación completa. 14.39ACOPLAMIENTO juego final y FLOAT ROTOR DE HORIZONTAL DE CORRIENTE ALTERNA MOTORES 14.39.1 Ratings recomendados para motores con rodamientos de bolas Se recomienda que los motores de contar con rodamientos de bolas siempre que sea aplicable, en particular para la calificaciones se indica en la siguiente tabla. Motor HP La v elocidad de sincronismo de los motores, Rpm 500 y por debajo de 3600, 3000, 1800 y 1500 350 y por debajo de 1200 y 1000 250 y por debajo de 900 y 750 200 y por debajo de 720 y por debajo de 14.39.2 Los límites para los motores con cojinetes de manguito Donde los motores son provistos de cojinetes, los cojinetes del motor y la limitada gama de acoplamiento flotante se debe aplicar como se indica en la siguiente tabla:
  • 279.
    Sección II MG 1 1998 DAT OS DE LA SOLICIT UD-AC PEQUEÑAS Y los motores de media Parte 14, Página 13 Sincrónico Velocidad de los motores, Min. Motor del rotor Max. Enganche Motor HP Rpm Float f inal, pulgadas Float f inal, pulgadas 125 a 250, incl. 3600 y 3000 0.25 0.09 300 a 500, incl. 3600 y 3000 0.50 0.19 125 a 500, incl. 1800 y por debajo de 0.25 0.09 14.39.3 Dibujo y marcas del eje Para facilitar el montaje de motores accionados por motor cojinete de manguito en los marcos de 440 y más grande, el fabricante del motor debe: a. Indican en el esquema del motor de dibujo del rotor del motor mínimo juego final en pulgadas b. Marcar rotor juego axial de los límites en el eje del motor NOTA: El motor y el equipo accionado debe ser montado y ajustado en el sitio de instalación, por lo que habrá una cierta separación rectamente en el rodamiento del motor en todas las condiciones de funcionamiento. La diferencia entre el rotor juego final y la final de flotar en el acoplamiento permite la expansión y la contracción en el equipo accionado, para su aprobación en el equ ipo de accionamiento cojinete de empuje, para el movimiento rectamente en el acoplamiento, y para el montaje. 14.40 VELOCIDA DES DE SALIDA PARA MOTORES DE ENGRANAJES MEDIO DE LA CONSTRUCCIÓN EN PARALELO Velocidades de salida (Basado en la velocidad supuesta operación de 1.750 rpm) Engranajes nominal Salida Engranajes nominal Salida Ratios Ratios Velocidades Velocidades 1.225 1430 25.628 68 1.500 1170 31.388 56 1.837 950 38.442 45 2.250 780 47.082 37 2.756 640 57.633 30 3.375 520 70.623 25 4.134 420 86.495 20 5.062 350 105.934 16.5 6.200 280 129.742 13.5 7.594 230 158.900 11.0 9.300 190 194.612 9.0 11.390 155 238.350 7.5 13.950 125 291.917 6.0 17.086 100 357.525 5.0 20.926 84 437.875 4.0 Estas velocidades de salida se basan en una velocidad de funcionamiento asume de 1750 rpm y algunos nominal relaciones de transmisión y se modificará: a. Por la variación en la velocidad de motor individual de la velocidad de funcionamiento básico de 1.750 rpm (La misma lista de velocidades de salida puede ser aplicado a 50 hertz motorreductores con el empleo de motores de 1500 rpm velocidad sincrónica si una velocidad de funcionamiento del motor de 1430 rpm supone se utiliza.) (Esta lista de velocidades de salida puede ser aplicado a los motores de engranajes de 60 hertzios con el empleo de motores de 12 00 rpm síncrono de velocidad si a una velocidad de funcionamiento del motor de 1165 rpm supone se utiliza.) b. Por una variación en la relación de transmisión exacta de la nominal, variación que no va a cambiar la salida velocidad de más de más o menos 3 por ciento
  • 280.
    MG 1 1998 Sección II Parte 14, página 14 DAT OS DE LA SOLICIT UD-AC PEQUEÑAS Y los motores de media 14.41 APLICACIÓN DE MEDIO DE CORRIENTE ALTERNA de jaula de ardilla MÁQUINAS DEVANADOS SELLADO 14.41.1 Condiciones del servicio habitual Medio de corriente alterna de jaula de ardilla con devanados máquinas selladas son generalmente adecuados para la exposición a las siguientes condiciones ambientales: a. La alta humedad b. Pulverización de agua y la condensación c. Detergentes y productos químicos ligeramente corrosivo d. Ligeramente abrasivo magnético transmitida por el aire de polvo en cantidades suficientes para impedir la ventilación adec uada o funcionamiento mecánico 14.41.2 Condiciones de servicio inusuales Por las condiciones ambientales distintas de las enumeradas en 14.41.1, el fabricante de la máquina debe ser consultados. T ales condiciones pueden incluir los siguientes: a. De niebla salina b. Aceites, grasas, grasas y solventes c. Polvos magnét icos severamente abrasivos d. Vibración e. Inmersión en agua ocasional con el motor no funciona 14.41.3 lugares peligrosos El uso de máquinas con bobinas selladas en zonas de riesgo no exime de la necesidad de otros características de construcción dictada por las necesidades de las áreas involucradas. NOTA: Ver 12.44, el punto A.4, para la clasificación de temperatura. 14.42APLICACIÓN DE LA V-CORREA DIMENSIONES polea motores de corriente alterna HABIENDO rodamientos antifricción 14.42.1 Dimensiones para potencias de motor seleccionado Motores de corriente alterna con cojinetes antifricción y un índice de tiempo continuo con el marco tamaño, potencia, velocidad y clasificaciones que figuran a cont inuación están diseñados para funcionar con V-cinturón de poleas en el reducidas dimensiones en la lista. Selección de los V-cinturón polea dimensiones es hecha por el fabricante de la unidad V-cinturón y el comprador del motor, pero, para asegurar un funcionamiento satisfactorio del motor, el diámetro seleccionado no deberá ser menor que, ni el ancho seleccionado mayor que las dimensiones que figuran en la tabla 14 -1. 14.42.2 Dimensiones para potencias de motor Otros Para los motores con velocidades y clasificaciones distintas de las enumeradas en la T abla 14 -1, el fabricante del motor debe ser consultado. 14.43 CAPACIDA D antisísmico Ver 20,32.
  • 281.
    Sección II MG 1 1998 DAT OS DE LA SOLICIT UD-AC PEQUEÑAS Y los motores de media Parte 14, página 15 Tabla 14-1 MEDIO- MOTORES DE INDUCCIÓN POLIFÁSICOS * † V-cinturón polea ** Caballos de f uerza a Conv entionalNarrow La v elocidad de sincronismo, Rpm A, B, C, D y E † † 3V, 5V, y 8V L L MinimumMinimum MaximumOutsideMaximumPitch De diámetro, WidthDiameter, ancho, Marco InchesInches LInchesInches # Number360018001200900 2.22.2 143T1-1/213/41/2 2.42.4 145T2-31-1/2-213/4 2.42.4 182T331-1/21 2.62.4 182T5 ......... 2.42.4 184T ...... 21-1/2 2.62.4 184T5 ......... 3.03.0 184T7-1/25 ...... 3.03.0 213T7-1/2-107-1/232 3.03.0 215T10 ... 53 3.83.8 215T1510 ...... 3.83.8 254T15...7-1/25 4.44.4 254T2015 ...... 4.44.4 256T20-25 ... 107-1/2 4.64.4 256T ... 20 ...... 4.64.4 284T 1510 ...... 5.04.4 284T ... 25 ...... 5.45.2 286T ... 302015 6.06.0 324T ... 402520 6.86.8 326T ... 503025 6.86.8 364T 4030 ...... 7.47.4 364T ... 60 ...... 8.28.2 365T 5040 ...... 9.08.6 365T ... 75 ...... 9.08.0 404T ...... 60 ... 9.08.4 404T ......... 50 10.08.6 404T ... 100 ...... 10.010.0 405T 7560 ...... 10.08.6 405T ... 100 ...... 11.510.5 405T ... 125 ...... 11.010.0 444T ...... 100 ... 10.59.5 444T ......... 75 11.09.5 444T ... 125 ...... ... 10,5 444T ... 150 ...... 12.512.0 445T ...... 125 ... 12.512.0 445T ......... 100 ... 10,5 445T ... 150 ...... ... 13,2 445T ... 200 ...... * P ara la velocidad máxima de los componentes de la unidad, consulte 14.7.3. † P ara la asignación de clasificaciones de caballos de fuerza y velocidad de fotogramas, consulte la P arte 13. ** Dimensiones de la polea se basan en lo siguiente: a. Motor caballos de fuerza y la velocidad de la placa de identificación b. Factor de servicio de la correa de 1,6 con cinturones apretados a las recomendaciones de la correa de los fabricantes c. Reducción de la velocidad de 5:1 d. Montaje de la polea en el eje del motor de acuerdo con el 14,7 e. De centro a centro de distancia entre las poleas aproximadamente igual al diámetro de la polea más grande f. Los cálculos basados en los estándares cubiertos por el † † y LL notas al pie, en su caso LEl ancho de la polea no debe ser mayor que el requerido para transmitir la potencia indicada, pero en ningún caso debe ser más ancha que 2 (N-W) - 0,25. LL Como objeto de especificaciones estándar para dispositivos que usan estrecho V-Belts (3V, 5V, y 8V) 1. # La anchura de la polea no debe ser mayor que el requerido para transmitir la potencia indicada, pero en ningún caso debe se r más amplio de (N-W). † † En estipulados por las Normas de Ingeniería Especificaciones para unidades de uso múltiple V-cinturones (A, B, C, D y E de la Cruz Secciones) 1 1 Véase 1.1, The Rubber Manufacturers Association.
  • 282.
    MG 1 1998 Sección II Parte 14, página 16 DAT OS DE LA SOLICIT UD-AC PEQUEÑAS Y los motores de media 14.44FACTOR DE POTENCIA DE TRES FASES, jaula de ardilla, motores de media CON Valores continuos 14.44.1 Determinación del Factor de Potencia de datos de la placa El factor de potencia aproximadamente a plena carga puede ser calculada a partir de datos publicados o placa de identificación como a continuación. 431 x CV PF  E x I x Ef Donde: PF = Por unidad de factor de potencia a plena carga Por ciento de PF  por unidad de PF  100 CV = Potencia nominal E = T ensión Yo = Corriente nominal Ef = Por unidad nominal de carga plena eficacia de los datos publicados, o como está marcado en el motor placa de identificación Ef ciento  Ef por unidad  100 14.44.2 Determinación de Valoración de condensadores para corrección del factor de potencia al valor deseado Por razones de seguridad, generalmente es mejor para mejorar el factor de potencia para cargas múltiples como parte de la sistema de distribución de la planta. En aquellos casos en los códigos locales o de otras circunstancias requieren la mejora de la factor de potencia de un motor individual, la calificación de KVAR del condensador de mejora se puede calcular como siguiente manera: 2 2 0.746 HP 1PF  1PFI  KVAR x  EffPF PFI   Donde: KVAR = Clasificación de tres fases de condensadores de potencia Mejora del factor de CV = Lo definido en 14.44.1 Ef = Lo definido en 14.44.1 PF = Lo definido en 14.44.1 PFI = Factor de mejora por unidad de potencia de la combinación motor -condensador
  • 283.
    Sección II MG 1 1998 DAT OS DE LA SOLICIT UD-AC PEQUEÑAS Y los motores de media Parte 14, página 17 14.44.3 Determinación del factor de potencia corregido de Calificación condensador especificado En algunos casos, puede ser deseable para determinar el factor de potencia resultante, PFI, donde el poder factor de mejora de condensadores seleccionados dentro del valor máximo de seguridad especificadas por el motor fabricante que se conoce. La resultante de plena carga del factor de potencia, IFP, se puede calcular a partir de los siguien tes: 1 PFI  1PF 2 2KVAR x Ef  1  PF0.746 x HP   ADVERT ENCIA: En ningún caso los condensado res de Mejora del factor de aplicarse en las calificaciones superiores el valor máximo de seguridad especificadas por el fabricante del motor. Mejora y excesiva puede causar sobreexcitación que resulta en altos voltajes transitorios, corrientes, y los pares que pueden aumentar los riesgos de seguridad al personal y causar posibles daños al motor o al equipo accionado. 14.44.4 Aplicación de Condensadores Corrección del factor de Sistemas de Potencia La correcta aplicación de los condensadores eléctricos a un autobús con las corrientes armónicas requiere de un análisis de l a alimentación del sistema para evitar la resonancia armónica potencial de los condensadores de potencia en combinación con transformador y la inductancia del circuito. Para los sistemas de distribución de energía que tienen varios motores conectados a un bus, condensadores de potencia conectados al bus en vez de cambiar con motores individuales se se recomienda para minimizar las combinaciones posibles de capacitancia e inductancia, y para simplificar el aplicación de los filtros de ajuste que sean necesarios. Esto requiere que los condensadores como bus-conectados bandas de tener un tamaño adecuado para que los límites de tensión del bus se mantienen. 14.44.5 Aplicación de Condensadores Corrección del factor de los motores que funcionan a partir de Electrónica Fuente de alimentación El uso de condensadores de potencia para la corrección del factor de potencia en el lado de la carga de una electrónica de po tencia suministro conectados a un motor de inducción no es recomendable. La correcta aplicación de tales condensadores requiere un análisis del motor, la fuente de alimentación electrónica, y características de la carga en función de la velocidad para evitar la sobreexcitación potencial del motor, la resonancia armónica, y sobretensiones de condensadores. Por tal aplicaciones del fabricante de la unidad debe ser consultado. 14.45 Traslado en autobús o REARME Ver 20,34. 14.46 inercia del rotor PARA frenado dinámico 22 La inercia del motor (Wk) en libras-pie para la aplicación del medio de los motores de inducción de corriente alterna con la dinámica frenado, se puede estimar mediante la siguiente fórmula: P olos P olos  1.35 0,05 x 2 2x HP 2 semanas 0,02 x 2    14.47 EFECTOS DE LA CARGA DE LA EFICIENCIA DEL MOTOR La eficiencia de los motores de inducción polifásicos varía de cero sin carga a un valor máximo de cerca de la carga nominal y luego disminuye a medida que aumenta la carga adicional. Las curvas de eficacia frente a la carga en la Fi gura 14-2 ilustran el perfil típico de la variación de la eficiencia de diferentes potencias de motor desde sin carga hasta 125% del nominal de carga. Los valores reales de la eficiencia del motor a diferentes niveles de carga se puede obtener consultando el motor fabricante.
  • 284.
    MG 1 1998 Sección II Parte 14, Página 18 DAT OS DE LA SOLICIT UD-AC PEQUEÑAS Y los motores de media Figura 14-2 RENDIMIENTO TÍPICO VERSUS las curvas de carga de 1800-RPM TRIFÁSICO 60 HZ DISEÑO B de jaula de ardilla MOTORES DE INDUCCIÓN
  • 285.
    Sección II MG 1-1998 DAT OS DE LA SOLICIT UD DC-LA PEQUEÑA Y MEDIANA MOT ORES Parte 14, Página 19 Sección II PEQUEÑOS (fraccional) y medio (INTEGRAL) MÁQUINAS Parte 14 DATOS DE LA SOLICITUD DC-LA PEQUEÑA Y MEDIANA MOTORES 14.0 ÁMBITO DE APLICACIÓN Las normas de este 14 sección II, parte cubierta de motores de corriente continua integrado en los marcos de continua Calificaciones dripproof, o capacidad equivalente, hasta e incluyendo 1.25 caballos de fuerza por rpm, de tipo abierto. 14,60 funcionamiento de los motores PEQUEÑO EN RECTIFICA DO CORRIENTE ALTERNA 14.60.1 general Cuando motores de corriente continua pequeños destinados a servir de ajuste de tensión de alimentación electrónica son operados a partir de fuentes de energía rectificada, la tensión pulsante y las formas actuales de onda afectan motor características de funcionamiento (ver 14.61). Debido a esto, los motores deben ser diseñados o especialmente seleccionados para adaptarse a este tipo de operaciones. Un motor puede ser utilizado con cualquier fuente de alimentación si la combinación resulta en un factor de forma con carga nominal igual o menor que el factor de forma nominal del motor. Una combinación de una fuente de alimentación y un motor que se traduce en un factor de forma con una carga nominal superior a el factor de forma nominal del motor causará un sobrecalentamiento del motor y tendrá un efecto adverso en conmutación. Hay muchos tipos de fuentes de alimentación que se pueden utilizar, incluyendo: a. Monofásico de media onda b. Una sola fase, la mitad de onda, de nuevo rectificador c. Monofásico de media onda, de corriente alterna de voltaje controlado d. Monofásico de onda completa, ángulo de disparo controlado e. Monofásico de onda completa, ángulo de disparo controlado, de nuevo rectificador f. T rifásico de media onda, controlado por tensión g. T rifásico de media onda, ángulo de disparo controlado No es práctico para el diseño de un motor o de inclusión de un motor estándar para cada tipo de fuente de alimentación. La combinación de fuente de alimentación y el motor deben ser considerados. La forma resultante de la combinación de factores es una medida del efecto de la tensión rectificada en la corriente del motor, ya que influye en el motor características de rendimiento, tales como la conmutación y la calefacción. 14.60.2 Factor de forma El factor de forma de la corriente es la relación entre la raíz cuadrada media de valor de la corriente a la media valor de la corriente. Factor de armadura forma actual de un circuito rectificador de motor puede ser determinada mediante la medición del valor eficaz 1armature actual (mediante un instrumento electrotérmico, un instrumento electrodinámico, o T rue RMS la respuesta del instrumento) y la corriente promedio de armadura (con un imán permanente de bobina móvil 1 instrumento). El factor de armadura forma actual puede variar con los cambios de carga, velocidad, y el circuito ajuste. Factor de armadura forma actual de un circuito rectificador de motor puede ser determinado por el cálculo. Por esta propósito, la inductancia del circuito de armadura del motor debe ser conocida o estimada, incluyendo el inductancia de los componentes de la fuente de alimentación que están en serie con la armadura del motor. El valor 1 Estos términos se han tomado de IEEE 100.
  • 286.
    MG 1-1998 Sección II Parte 14, Página 20 DAT OS DE LA SOLICIT UD DC-LA PEQUEÑA Y MEDIANA MOT ORES de la inductancia del motor dependerá de la potencia, la velocidad y de voltaje y el recinto de el motor y se debe obtener del fabricante del motor. El método de cálculo de la factor de armadura forma actual, debe tener en cuenta los parámetros del circuito, tales como el número de fases, el ángulo de disparo, de media onda, con o sin rectificador de espalda, etc, y si la corriente es continua o discontinua. Algunos métodos de cálculo se describen en 14,62. Los rangos de los factores de forma de armadura actual en algunos de uso del motor -rectificador de circuitos y recomienda factores de forma nominal de los motores asociados a estos rangos se presentan en la T abla 14 -2. Tabla 14-2 RECOMENDADO Factores de forma NOMINAL La combinación típica de la f uente de alimentación Gama de armadura Recomendado Calif icación y Rectif ier Ty pe Factores de Forma actual * Factores de f orma de los motores Monof ásica de tiristores (SCR) o tiratrón con o sin respaldo rectif icadores: De media onda 1.86-2 2 De media onda 1.71-1.85 1.85 De media onda o de onda completa 1.51-1.7 1.7 De onda completa 1.41-1.5 1.5 De onda completa 01/31 hasta 01/04 1.4 De onda completa 01.21 a 01.03 1.3 Trif ásico de tiristores (SCR) o Tiratrón con o sin respaldo rectif icadores: De media onda 1.11-1.2 1.2 De onda completa 1.0-1.1 1.1 * El factor de armadura forma actual puede ser reducido por los filtros u otros medios de circuito que permitirá el uso de un motor con un factor de forma menor clasificación. 14.61 Funcionamiento de los motores MEDIO DE CORRIENTE ALTERNA DE RECTIFICA DO ACTUAL Cuando un motor medio de corriente continua es operado desde una rectificación de corriente alterna de suministro, su el rendimiento pueden diferir materialmente de los que el mismo motor cuando funciona a partir de una baja ondulaci ón directa- fuente de corriente de la oferta, tales como un generador o una batería. La tensión y corriente pulsante puede aumentar el aumento de la temperatura y el ruido y afectar negativamente a la conmutación y la eficiencia. A causa de estos efectos, es necesario que los motores de corriente continua ser diseñados o seleccionados especialmente para operar en el tipo particular de la oferta rectificada para ser utilizado. Parte 10.60 describe la base de la calificación de motores de corriente continua para uso con rectificador de potencia suministros. Estas calificaciones se basan en pruebas de los motores con una fuente de alimentación de ensayo especificadas e n 12.66 debido a que estas fuentes de alimentación son de uso común. No es práctico para el diseño de un motor o desarrollar un estándar para cada tipo de fuente de alimentación. Un motor puede, bajo ciertas condiciones, ser aplicado a una fuente de alimentación diferente de la utilizada para el suministro de la prueba de potencia como base de la clasificación. T odos los motores de corriente continua para uso en rectificador de potencia suministros pueden ser utilizados en las fuentes de alimentación de bajo rizado, como un generador de corriente o una batería . Debido a que los caracteres utilizados para identificar las fuentes de alimentación de uso común han sido elegidos en orden alfabético de creciente magnitud de corriente de rizado, un nominal del motor sobre la base de uno de estos fuentes de alimentación puede ser utilizado en cualquier fuente de alimentación designada por una letra minúscula del alfabeto. Para ejemplo, un motor de clasificación sobre la base de una fuente de alimentación "E" puede ser utilizado en una "C" o "D" la fuente de alimentación.
  • 287.
    Sección II MG 1-1998 DAT OS DE LA SOLICIT UD DC-LA PEQUEÑA Y MEDIANA MOT ORES Parte 14, Página 21 Si se desea utilizar un motor en una fuente de alimentación designada por una letra del alfabeto mayor que el uno en el que fue calificado, puede ser necesario añadir una inductancia externa al motor para limitar la rizado de corriente a la magnitud que implica la capacidad del motor. Para el funcionamiento de motores de corriente continua de fuentes de alim entación distintas a las descritas en 12.65, el combinación de la fuente de alimentación y el motor debe ser considerado en consulta con el motor fabricante. 14.62 RIPPLE corriente de armadura De pico a pico rizado de corriente de armadura se define como la diferencia entre el valor máximo de la onda de corriente y el valor mínimo. El pico a pico rizado de corriente de armadura se puede expresar como porcentaje de la corriente de armadura media. El pico a pico rizado de corriente de armadura es la mej or medida sobre la capacidad de incorporación de osciloscopio para la lectura de los valores tanto de corriente continua y corriente al terna. Un método alternativo es usar un pico a pico de la lectura del voltímetro, la lectura de la caída de tensión en un no- resistencia inductiva en serie con el circuito de la armadura. El valor eficaz de la corriente de rizado no se puede derivar de pico a pico de los valores con algún grado de precisión debido a las variaciones en la onda de corriente, y la relación inversa de la derivada de pico a los valores máximos de los valores RMS es al menos igualmente inexacto. Dominó la corriente de inducido de un circuito rectificador de motor puede ser estimado por cálculo. Para este propósito, la inductancia del circuito de armadura del motor debe ser conocida o estimada, incluyendo la inducción de cualquier los componentes de la fuente de alimentación que están en serie con la armadura del motor. El valor del motor inductancia dependerá de la potencia nominal, la velocidad y el voltaje y la carcasa del motor y se debe obtener del fabricante del motor. El método de cálculo de la ondulación de la corriente de armadura debe tener en cuenta los parámetros del circuito, tales como el número de fases, el ángulo de disparo, de media onda, con o sin rectificador de espalda, etc, y si la corriente es continua o discontinuos. Algunos métodos de cálculo se describen en las siguientes referencias: "Características de la fase controlada con rectificadores de puente de carga DC Motor shunt" de RW Pfaff, AIEE Documento de 58 a 40, AIEE transacciones, Vol. 77, parte II, pp 49-53. "El factor inducido forma actual de un motor de CC conectado a un rectificador controlado" por EF Kubler, papel AIEE 59-128, AIEE transacciones, Vol. 78, Parte III, pp 764-770. La ondulación de la corriente de armadura se puede reducir mediante el filtrado u otros medios de circuito. Una reducción en el valor eficaz ondulación de la corriente de armadura reduce el calentamiento de un motor, mientras que una reducción en el pico a pico de c orriente de inducido ondulación mejora la capacidad de conmutación del motor. 14.63 operación en una fuente de alimentación variable TENSIÓN El aumento de la temperatura de los motores, cuando se opera en par a plena carga y en tensión de la armadura reducida, variará con la construcción, con el recinto, con el porcentaje de la velocidad base y con el tipo de fuente de alimentación. T odos los auto-ventilados y motores totalmente cerrado sufrir una pérdida de la capacidad de disipación de calor como la la velocidad se reduce por debajo de la velocidad base nominal, y esto puede requerir que el par de carga se reduce a evitar el sobrecalentamiento del motor. Además de este efecto, es característico de algunos circuitos rectificadores que el rizado en la corriente de inducido nominal aumenta la corriente como la tensión de la armadura se reduce, y esto puede requieren una mayor reducción del par de carga. En general, estos motores son capaces de funcionar de un 67 por ciento de par nominal en un 50 por ciento de la velocidad base, sin calefacción perjudicial. No es práctico para desarrollar un estándar para motores de ser operado, pero los datos de reducción de potencia se puede obtener del fabricante del motor para determina r si el motor será satisfactorio para una aplicación particular. ADVERT ENCIA: los motores que funcionan a partir de la variable suministra el voltaje de alimentación, no debe ser utilizado e n cualquier División 1 peligrosas (clasificadas) a menos que: a. El motor se identifica en la placa como aceptables para el funcionamiento a velocidad variable cuando se utiliza en División 1 peligrosas (clasificadas). b. El rango de velocidad de funcionamiento real, no está fuera del rango de velocidad permitida marcada en la placa del motor. c. La fuente de alimentación actual es consistente con el tipo de fuente de alimentación identificados en la información que es suministrado por el fabricante del motor.
  • 288.
    MG 1-1998 Sección II Parte 14, Página 22 DAT OS DE LA SOLICIT UD DC-LA PEQUEÑA Y MEDIANA MOT ORES Para los motores que se utilizarán en cualquier División 2 peligrosas (clasificadas), el fabricante del motor debe ser consultado. El incumplimiento de esta advertencia puede resultar en una instalación insegura que podría causar daños al la propiedad, lesiones graves o la muerte al personal, o ambas cosas. 14.64 SHUNT CALEFACCIÓN DE CAMPO EN REPOSO En algunas aplicaciones de motores de corriente continua, el usuario puede querer aplicar tensión al campo en derivación liquidación durante los períodos cuando el motor está parado y el circuito de la armadura no es tensión. El porcentaje de la tensión nominal de campo en derivación y la duración de la excitación estancamiento que un motor de corriente continua es capaz de soportar sin exceso de temperatura puede variar dependiendo del tamaño, la caja, clasificación y tipo de motor de corriente continua. Algunos motores de corriente continua están diseñados para ser capaces de excitación continua del campo en derivación en parado con el voltaje nominal de campo aplicado. Bajo esta condición, la temperatura puede exceder de campo en der ivación aumento de temperatura nominal, y el funcionamiento prolongado en estas condiciones puede resultar en la vida del aislamiento reducido. Otros motores de corriente continua requiere que la tensión de excitación aplicada se reduce por debajo de l nominal valor si la excitación prolongada paralización está prevista para evitar la temperatura excesiva de campo en derivación. El fabricante del motor debe ser consultado para obtener la capacidad térmica de un determinado directa la corriente del motor. 14.65 corrientes de los cojinetes Cuando un motor de corriente continua se controla desde algunas fuentes de alimentación sin filtros rectificador, teniendo corrientes puede resultar. Corrientes de ondulación, transmitida por acoplamiento capacitivo entre la bobina del rotor y el central, puede fluir a través del camino de tierra para el secundario del transformador. Mientras que estas corrientes son pe queños en magnitud, que puede causar daño a cualquiera o cojinetes antifricción bajo ciertas circunstancias. 14.66 EFECTO DE 50 HERTZ FRECUENCIA DE ALIMENTA CIÓN DE CORRIENTE ALTERNA Si un motor medio de corriente continua se aplica a un sistema rectificador de tener una entrada de 50 hertz frecuencia en el suministro de energía de prueba utilizados como base de la calificación tiene una frecuencia de entrada de 6 0 hertz, la magnitud de la corriente de rizado puede verse afectada. En general, cuando los demás factores son iguales, la onda magnitud será en proporción aproximada inversa de las frecuencias. Una serie de métodos que existen para para compensar el aumento de la onda: a. Añadir una inductancia externa equivalente al 20 por ciento de la inductancia del circuito de armadura original de (Incluyendo el motor) para obtener la misma magnitud de la corriente de rizado que se obtiene con la prueba fuente de alimentación. b. Utilizar un motor diseñado para su uso en una fuente de prueba de 50 hertzios de energía. c. Reduzca la potencia nominal del motor. d. Seleccione una fuente de alimentación diferentes de tal manera que el rizado de corriente a 50 Hz no se supere la corriente ondulación de la fuente de alimentación de prueba. Los datos deberán obtenerse del fabricante del motor para determinar si el motor va a ser satisfactorio para una aplicación en particular. 14.67 APLICACIÓN DE CARGAS AL voladizo Ejes del motor 14.67.1 Limitaciones La figura 14-3 muestra los límites mínimos de diseño para cargas radiales para motores de corriente continua con extensiones de eje designado por el subíndice fotograma a fotograma. Estos límit es no se deben exceder. T eniendo el eje y el fracaso constituyen un peligro para la seguridad y las garantías adecuadas para cada aplicación debe ser tomado. La figura 14-3 muestra los límites de las cargas aplicadas en el extremo del eje y en el cent ro de la NO dimensión. En general, cuanto más cerca de la carga se aplica a los rodamientos del motor menor será la carga en el rodamiento y mayor será la garantía de servicio sin problemas. El centro de la carga no debe estar más allá de el extremo del eje.
  • 289.
    Sección II MG 1-1998 DAT OS DE LA SOLICIT UD DC-LA PEQUEÑA Y MEDIANA MOT ORES Parte 14, Página 23 En el caso de una polea o polea, el borde interior no debe estar más cerca de los rodamientos de la hombro en el eje, pero debe ser lo más cerca de este punto como sea posible. En el caso de La rueda de cadena o engranajes, el borde exterior de la rueda dentada o engranaje no debe extenderse más allá del extremo del eje del motor. Las cargas del eje debido al peso de los volantes u otros componentes pesados montados eje no están cubiertos en la Figura 14-3. T ales cargas afectan a las frecuencias de los sistemas naturales y sólo debe realizarse después de consulta con el fabricante del motor. Las solicitudes que se traducen en un impulso o un componente axial de la carga, tales como engranajes helicoidales no están también cubiertos por la figura 14-3. El fabricante del motor deberá ser consultado sobre estas aplicaciones. Figura 14-3 Carga sobre el eje de CC, motores con "AT" MARCO DE DESIGNA CIÓN radial radiales CARGA FINAL DEL EJE NOTAS 1-P ara la carga en el centro de la N-W Dimensiones añadir un 10%. 2-P or intermedio de interpolar entre las curvas de velocidades. 3-ejes de ATS están excluidos. Consulte con el fabricante para las capacidades de carga. 4 Véase 14.67 para mas información adicional. 14.67.2 V-cinturón de unidades La aplicación más común que se traduce en una carga radial sobre el eje es una unidad de V-cinturón. Las correas en V son dispositivos de fricción y dependen de la tensión en los cinturones para evitar resbalones. La siguiente ecuación puede s er utiliza para calcular la carga del eje debido a la tracción de la correa. Si la carga sobrepase los valores indicados en la figura 14 -3
  • 290.
    MG 1-1998 Sección II Parte 14, Página 24 DAT OS DE LA SOLICIT UD DC-LA PEQUEÑA Y MEDIANA MOT ORES la carga debe reducirse por la reducción de la tensión de la correa, que puede causar deslizamiento de la correa, o mediante el aumento de el diámetro de la polea. 2NB MV 2  LB  16PA Y Fv 0.9 10 6   Donde: LB = Eje en voladizo debido a la tensión de la correa de carga, libras NB = Número de correas PA = fuerza necesaria para desviar un cinturón de 1 / 64 de pulgada por pulgada de la amplitud, libra 2  1  Y = 2 (favg)  donde f es una constante tensión en función del tipo y la sección de la correa. Disponible del fabricante dela correa  64 M = 0,9 m, donde m es el peso por unidad de longitud, lb / in., Del tipo y la sección de la c orrea. Disponible del fabricante de la correa. V = velocidad de la cinta, ft / min Fv = suma vectorial factor de corrección. Corrige el lado tenso y los vectores de holgura lado de tensión de la desigualdad conductor / diámetro de la polea impulsada. Asume proporción 5:1 tensión. Disponible en el fabricante de la correa catálogos. El cálculo anterior debe hacerse después de todos los parámetros son conocidos y PA medida en el instalación real. Pre-instalación cálculos se pueden hacer mediante el cálculo de la tensión de la correa estática requerida por la aplicación y el valor de PA necesaria para alcanzar dicha tensión. 2.5 GDHP 10 3 MV 2 T S 15   VNBG10 6  Donde: T S = Cinturón estático de tensión necesaria para la aplicación, lb G = Arco del factor de corrección de contacto. Disponible desde el fabricante de la correa. DHP = caballos de fuerza Drive, cinta factor de servicio x motor hp. Después de calcular la tensión de la correa necesaria estático, el valo r mínimo de PA para alcanzar la necesaria tensión estática es la siguiente: T Y Pensilvania Min S 16 Este valor puede ahora ser utilizado en la primera ecuación para el cálculo de la aplicación de pre -instalación. En reales la práctica, un valor de hasta un 50% mayor que el PA (MIN) se utiliza a veces. En este caso, el valor más alto que ser utilizado en la primera ecuación. 14.67.3 aplicaciones distintas de V-Belts Las cargas del eje también puede ocurrir por otras aplicaciones de correas en V. Ejemplos de ello son las correas dentadas, p iñones cadenas o engranajes. En general, estos se han tensado estático y poco o nada de carga en el eje en voladizo será un función del par transmitido. La carga radial del eje se puede calcular mediante una adecuada análisis geométrico, teniendo en cuenta los parámetros de la unidad particular. Algunos de estos parámetros
  • 291.
    Sección II MG 1-1998 DAT OS DE LA SOLICIT UD DC-LA PEQUEÑA Y MEDIANA MOT ORES Parte 14, página 25 podría ser diámetro de paso, ángulo de presión de los dientes, la cantidad de pre-tensado y se transmite anticipado torque. 14.67.4 general De los límites establecidos en la figura 14-3 son máximos para el servicio aceptable. Para mayor garantía de servicio sin problemas, se recomienda que los menores cargas utilizar cuando sea posible. Grandes diámetros de paso y mover la carga lo más cerca posible del rodamiento como sea posible, son factores útiles. 14,68 TASA DE CAMBIO DE corriente de inducido Motores de corriente continua se puede esperar para operar con éxito a los cambios repetitivos en la armadura actuales como las que se producen durante un ciclo de trabajo regulares, siempre que, para cada cambio en la corriente, el factor K, tal como se define en la siguiente ecuación, no supere los 25. En la ecuación, el equivalente a tiempo para el cambio actual a ocurrir es el tiempo que se necesarios para el cambio, si la corriente aumenta o disminuye a un ritmo uniforme e igual a la tasa máxima en la que realmente aumenta o disminuye (despreciando cualquier onda de alta frecuencia). (Cambio en la corriente de inducido / corriente nominal de armadura) 2 K Equivalente a tiempo en segundos para el cambio actual que se produzca Para motores de velocidad ajustable, esta capacidad se aplica para todas las velocidades en el rango de la velocidad nominal de control de la armadura de tensión cuando se utiliza desde la fuente de alimentación previsto. Límites reducidos pueden aplicarse cuando operado en el control de campo (campo de debilitar) rango y el fabricante debe ser consultado.
  • 292.
    MG 1-1998 Sección II Parte 14, Página 26 DAT OS DE LA SOLICIT UD DC-LA PEQUEÑA Y MEDIANA MOT ORES ESTA PÁGINA INTENCIONALMENTE Se deja en blanco
  • 293.
    Sección II MG 1-1998 Generadores de corriente continua La sección 15, página 1 Sección II PEQUEÑOS (fraccional) y medio (INTEGRAL) MÁQUINAS Parte 15 Generadores de corriente continua 15.0 ÁMBITO DE APLICACIÓN Las normas de este apartado 15 de la Sección II cubre de corriente directa generadores incorporados en los marcos con continua dripproof calificaciones, o la capacidad equivalente, valorados 3.4 kilovatios a 3600 rpm hasta e incluyendo generadores con una potencia continua de 1,0 kW por rpm, de tipo abierto. 15,10 kilovatios, SPEED, y tensión 15.10.1 nominales de las normas Los kilovatios, velocidad y tensión nominal de industriales de corriente directa generadores y excitadores se en acuerdo con la T abla 15-1. Tabla 15-1 Kilovatio, VELOCIDAD, Y CLASIFICACIONES DE TENSIÓN Clasif icación Calif icación, kW Velocidad, RPM Voltios 4.3 1450 125 y 250 3450 1750 1150 850 ... 1 1450 125 y 250 3450 1750 1150 850 ... 1½ 1450 125 y 250 3450 1750 1150 850 ... 2 1450 125 y 250 3450 1750 1150 850 ... 3 1450 125 y 250 3450 1750 1150 850 ... 4½ 3450 1750 1450 1150 850 ... 125 y 250 6½ 3450 1750 1450 1150 850 ... 125 y 250 9 3450 1750 1450 1150 850 ... 125 y 250 13 3450 1750 1450 1150 850 ... 125 y 250 17 3450 1750 1450 1150 850 ... 125 y 250 21 3450 1750 1450 1150 850 ... 125 y 250 25 3450 1750 1450 1150 850 ... 125 y 250 33 3450 1750 1450 1150 850 ... 125 y 250 40 3450 1750 1450 1150 850 ... 125 y 250 50 3450 1750 1450 1150 850 ... 125 y 250 65 ... 1750 1450 1150 850 ... 250 85 ... 1750 1450 1150 850 ... 250 100 ... 1750 1450 1150 850 ... 250 125 ... 1750 1450 1150 850 ... 250 170 ... 1750 1450 1150 850 ... 250 200 ... 1750 1450 1150 850 720 250 y 500 240 ... 1750 1450 1150 850 720 250 y 500 320 ... ... 1450 1150 850 720 250 y 500 400 ... ... ... 1150 850 720 250 y 500 480 ... ... ... ... ... 720 500 560 ... ... ... ... 850 720 500 640 ... ... ... ... 850 720 500 720 ... ... ... ... 850 720 500 800 ... ... ... 1150 850 ... 500
  • 294.
    MG 1-1998 Sección II La parte 15, Página 2 Generadores de corriente continua 15.10.2 Excitadores Kilowatts para la conexión directa excitadores deberán estar de acuerdo con 15.10.1. La velocidad debe ser necesariamente el de la máquina a la que se acopla la excitación. 15.11 PLACA puntuación del tiempo, la temperatura ambiente máxima, y el aislamiento SISTEMA DE CLASE Industriales de corriente directa de los productores deberá tener una clasificación de tiempo continuo. Industriales de corriente directa de los productores deberá ser evaluado sobre la base de una temperatura ambiente máxima y la clase de sistema de aislamiento. El valor nominal de la temperatura ambiente máxima será de clase A, B, M, o H. T odas estas clasificaciones se basan en una prueba de carga con los valores de aumento de temperatura que no exceda de los muestra para una determinada clase de sistema de aislamiento de 15.41. Calificaciones de los generadores de corriente continua para cualquier otro valor de la temperatura ambiente máxima se basará en los valores de aumento de la temperatura calculada en acuerdo con 15.41.2. 15.12 PLACA DE MARCADO La cantidad mínima de información siguiente deberá figurar en todas las placas de identificación. Para las abreviaturas ver 1,78: a. Fabricante de designación de tipo y número de bastidor b. Kilovatios c. Nota del tiempo (véase 15.11) d. T emperatura ambiente máxima para la que está diseñado el generador (véase la nota de 15.41.1 mesa) 1 e. Designación de aislamiento del sistema (si el campo y la armadura uso diferentes clases de sistemas de aislamiento, tanto los sistemas de aislamiento se da, que para el campo está dado por primera vez) 1 f. La velocidad nominal en rpm g. Carga de tensión nominal h. T ensión nominal de campo cuando es diferente del nominal de armadura voltage2 I. Corriente en amperios j. Bobinados - serie, paralelo, o un compuesto PRUEBAS Y RENDIMIENTO 15.40 Métodos de prueba Prueba para determinar las características de funcionamiento se hará de acuerdo con el estándar IEEE 113. 15.41 TEMPERATURA RISE E o 15.41.1 aumento de la temperatura de ambiente máxima de 40 ° C El aumento de la temperatura, por encima de la temperatura del medio de refrigeración, para cada una de las diversas partes de de corriente directa generadores, cuando se analizaron de acuerdo con la calificación, no deberá exceder los valores indicados en la siguiente tabla. T odos los aumentos de temperatura se basan en una temperatura ambiente máxima de 40 ° C. Las temperaturas se determinará de acuerdo con el estándar IEEE. 113. 1 Como alternativa, estos elementos se les permitirá ser sustituido por un único punto de lectura "El aumento de temperatura de continua nominal de carga. " 2 Como alternativa, este elemento se permitirá que se sustituye por el siguiente: a. Campo de la resistencia en ohmios a 25 ° (opcional) C b. Campo de la corriente nominal en amperios a plena carga y velocidad
  • 295.
    Sección II MG 1-1998 Generadores de corriente continua La sección 15, página 3 Totalmente cerrados no v entilados y totalmente cerrados con v entilador Generadores con todos los demás Generadores, tales como las v ariaciones Recintos De los mismos ABFH Clase de sistema de aislamiento (ver 1.65) ...................... A B F H Tiempo de funcionamiento - continuo Aumento de la temperatura, grados C a. Devanados de armadura y todas las bobinas que no sea las señaladas en los puntos B y C - resistencia ............ 70 100 130 155 70 100 130 155 b. Multi-capa de arrollamientos de campo - la resistencia ................. 70 100 130 155 70 100 130 155 c. De una sola capa con arrollamientos de campo expuestas superficies desnudas y bobinas de cobre desnudo - resistencia ................................................. ........... 7010013015570100130155 d. La temperatura alcanzada por los núcleos, los conmutadores y piezas diversas (tales como brushholders, cepillos, consejos de polo, etc) se no dañar el aislamiento o la máquina en ningún aspecto. NOTAS 1-anormal deterioro del aislamiento se puede esperar si la temperatura ambiente de 40 ° se excede en operation.C regulares 2-Los valores anteriores de aumento de la temperatura se basan en la operación a altitudes de 3300 pies (1000 metros) o menos. P ara aumento de la temperatura para los generadores, destinada a operar a altitudes superiores a 3300 pies (1000 metros), véase 14.4. 15.41.2 aumento de temperatura para ambientes superiores a 40 º C La temperatura se eleva dado en 15.41.1 se basan en una temperatura ambiente de referencia de 40 ° C. Sin embargo, se reconoce que las máquinas de corriente continua puede ser necesario para operar a una temperatura ambiente supe rior de 40 ° C. Para el buen funcionamiento de máquinas de corriente continua a una temperatura ambiente superior a 40 ° C, el aumento de la temperatura de las máquinas que figuran en 15.41.1, se reducirá el número de grados que la temperatura ambiente supera los 40 ° C. Cuando la temperatura ambiente más alta de 40 ° C es necesario, prefiere los valores de la temperatura ambiente es 50 ° C y 65 ° C. 15.42 CONMUTA CIÓN DE ÉXITO Ver 12,73. 15.43 SOBRECA RGA Los generadores serán capaces de llevar durante 1 minuto, con la conmutación de éxito como se define en 12.73, las cargas de 150 por ciento de los amperes continuos de clasificación, con reostato fijado para carga nominal de exci tación. No hay límite de temperatura se aplica a esta sobrecarga. 15,44 de tensión debido a la calefacción VARIACIÓN Por plana compuesto herida dripproof de corriente directa generadores de 50 kilovatios y nominal más pequeño y empleando un sistema de aislamiento de clase B, la tensión en la carga nominal, con las bobinas a temperatura ambiente dentro de la gama de servicios habitual, no podrá exceder del 112 por ciento de la tensión en la carga nominal con las bobinas a la temperatura constante alcanza cuando el generador está operando continuamente en su calificación y con la reóstato de campo establecidos para obtener la tensión nom inal a la carga nominal. 15.45 COMPUESTOS PLANA Plana compuesta generadores tendrán que dará vueltas alrededor de la misma tensión en sin carga como a carga completa cuando se opera a la velocidad nominal en una temperatura equivalente a la que se alcanzado después de una carrera continua a plena carga, y el reóstato de campo establecidos para obtener la tensión nominal a la carga nominal y permanece sin cambios. 15.46 PRUEBA DE REGLAMENTO Regulación combinado se medirá de acuerdo con el estándar IEEE 113.
  • 296.
    MG 1-1998 Sección II La sección 15, página 4 Generadores de corriente continua 15,47 exceso de velocidad de los grupos electrógenos De corriente directa de los productores deberá ser construido de manera que, no en una emergencia para superar los 2 minutos, podrá soportar sin daño mecánico un exceso de velocidad el 25 por ciento por encima de la velocidad nominal. 15.48 HIGH-POTEN TIAL PRUEBA 15.48.1 Precauciones de seguridad y procedimiento de prueba Véase el punto 3.1. 15.48.2 Prueba de tensión El valor efectivo de las tensiones de prueba de alto potencial de corriente directa de los productores deberá ser: a. Generadores de una producción de 250 vatios o más - 1.000 voltios más el doble del voltage1 nominal de la generador. b. Generadores de menos de 250 vatios de salida al no haber tensión nominal superior a 250 voltios - 1000 voltios. (Generadores de potencia superior a 250 voltios deberán ser probados de acuerdo con el punto a.) Armadura de excepción o en el campo bobinados para las conexiones a los circuitos de 35 voltios o menos se probado con 500 voltios. 15.49 EXÁMENES DE RUTINA Las pruebas típicas que se pueden hacer en corriente directa generadores son los siguientes: T odas las pruebas se realizarán de conformidad con el estándar IEEE 113. a. A plena carga readings2 a la tensión nominal b. Sin carga readings2 con reostato conjunto como en el punto uno c. Alto potencial de ensayo de acuerdo con 15,48 15,50 DATOS DE CAMPO PARA GENERADORES DE CORRIENTE CONTINUA Los datos siguientes campos para corriente directa generadores pueden ser utilizados en el suministro de datos para controlar fabricantes. a. Nombre del fabricante b. Requisición o número de pedido c. Marco de la designación d. Número de serie e. kW de potencia f. Shunt o compound- g. La velocidad nominal en rpm h. T ensión nominal I. Corriente nominal j. T ensión de excitación, o auto-excitado k. Resistencia de campo en derivación a 25 º C l. El valor recomendado de resistencia de reostato para la mano o de control del regulador m. N.L. saturación 1 Cuando el voltaje de un campo de excitación separada de un generador no se indica, se supone que es 1,5 veces el campo resistencia en ohmios a 25 ° veces el current.C nominal de campo 2 La palabra "lecturas" incluye lo siguiente: a. La velocidad en revoluciones por minuto b. Tensión en bornes del generador c. Amperios en la armadura d. Amperios en el campo en derivación
  • 297.
    Sección II MG 1-1998 Generadores de corriente continua La sección 15, página 5 P or ciento nominal Corriente de Campo, Tensión de la armadura Amperios Max. reóstato de campo a --- --- --- --- 100 --- --- --- 50 --- --- --- Derivación de corriente de campo en tensión y de carga .......................... 15.51 INFORME DE LA FORMA DE PRUEBA Para las formas de prueba típica, consulte el estándar IEEE 113. 15.52 EFICIENCIA La eficiencia y las pérdidas se determinará de acuerdo con el estándar IEEE 113 con la directa método de medición o el método de las pérdidas segregadas. La eficacia se determinará en la clasificación de salida, tensión y velocidad. Las pérdidas se incluirán en la determinación de la eficiencia: a. I2R pérdida de armadura b. I2R pérdida de bobinados serie (incluido el de conmutación, lo que agrava, y los campos de compensación, en su caso) c. I2R pérdida de derivación campo1 d. Pérdidas del núcleo e. Pérdida de carga perdida f. Cepillo de la pérdida de contacto g. Cepillo de la pérdida por fricción h. La pérdida de excitación si se suministra con excitador e impulsada desde el eje de la máquina I. pérdidas de ventilación j. Fricción y resistencia al viento loss2 En la determinación de las pérdidas I2R, la resistencia de cada bobinado se corregirá a una temperatura igual una temperatura ambiente de 25 º C, más el incremento nominal observado temperatura de la carga medida por la resistencia. Donde el aumento de temperatura nominal de carga no se ha medido la resistencia de la bobina se corregido a la siguiente temperatura. Clase de sistema de aislamiento Temperatura, grados C A 85 B 110 F 135 H 155 1 P ara los generadores por separado excitado, el campo en derivación pérdida I2R se permitirá que se le excluya de los cálcul os de eficiencia, si lo afirmó. 2 En el caso de los generadores equipados con cojinetes de empuje, sólo la parte de la pérdida de empuje producida por el generador sí se incluirán en los cálculos de la eficiencia. P or otra parte, un valor calculado de la eficiencia, incluyendo la pérdida de los rodamientos debido a la carga de empuje externo, se permitirá que se determine. En el caso de los generadores equipados con menos de un completo conjunto de cojinetes de fricción y las pérdidas de fricción con el aire que son representativos de la instalación real se determinará mediante el cálculo y la experiencia con los rodamientos de taller de pruebas, y se incluirán en la eficiencia cálculos.
  • 298.
    MG 1-1998 Sección II La sección 15, página 6 Generadores de corriente continua Si el aumento de la temperatura se especifica como la de una clase más baja del sist ema de aislamiento, la temperatura de corrección de la resistencia será la de la clase de aislamiento inferior. FABRICACIÓN 15.60 DIRECCIÓN DE GIRO Ver 14.6. 15.61 ECUALIZADOR DE CABLES DE CORRIENTE CONTINUA GENERADORES Entre dos heridas compuesto generadores, el circuito de conexión del ecualizador debe tener un la resistencia no superior a 20 por ciento de la resistencia del circuito de campo en serie de los generadores más pequeños. Sin embargo, los valores más bajos de la resistencia son deseables.
  • 299.
    Sección II MG 1-1998 MÁQUINAS para uso determinado Parte 18, página 1 MOT ORES para compresores de refrigeración HERMET IC Sección II PEQUEÑOS (fraccional) y medio (INTEGRAL) MÁQUINAS Parte 18 MÁQUINAS para uso determinado 18.1 ÁMBITO DE APLICACIÓN Las normas de esta Parte 18 de la sección II abarcan las siguientes máquinas: a. Máquinas de corriente alterna-corriente alterna máquinas hasta, e incluyendo las calificaciones construido en los marcos correspondientes a la mejora continua de tipo abierto las calificaciones dadas en la tabla. b. Las máquinas de corriente continua-corriente directa motores, generadores y moto-generadores (directa corriente de salida), construida en los marcos con continuas calificaciones dripproof, o la capacidad equivalente, hasta incluyendo: 1. Motores: 1.25 caballos de fuerza por rpm, de tipo abierto 2. Generadores: 1,0 kilovatios por rpm, de tipo abierto Motores, Sy nchronous Hp Factor de Potencia Generadores Sincrónico, La v elocidad de sincronismo, Motores de jaula de ardilla Campo giratorio Rpm y de rotor bobinado, Hp Tipo, a 0,8 kW Unidad 0.8 Factor de Potencia ... 3600 500 200 150 1800 500 200 150 150 1200 350 200 150 150 900 250 150 125 100 720 200 125 100 100 600 150 100 75 75 514 125 75 60 60 MOT ORES para compresores de refrigeración HERMET IC (A hermético del motor consta de un estator y un rotor sin eje, escudos, o cojinetes para la instalación de compresores de refri geración de el tipo de sellado herméticamente.) 18.2CLASSIFICATION SEGÚN EL TIPO DE ELECTRICIDA D a. Una sola fase 1. De fase dividida 2. Capacitor de arranque 3. Dos valores de condensadores 4. Permanente-split capacitor b. Polifásico de inducción: jaula de ardilla, de velocidad constante
  • 300.
    MG 1-1998 Sección II Parte 18, Página 2 MÁQUINAS para uso determinado MOT ORES para compresores de refrigeración HERMET IC CLASIFICA CIONES CLASIFICA CIONES 18.3VOLTAGE 18.3.1 Los motores monofásicos El rango de voltaje de los motores monofásicos serán las siguientes: a. 60 Hz - 115, 200 y 230 voltios b. 50 hertzios - 110 y 220 voltios 18.3.2 Motores de inducción polifásicos El rango de voltaje de los motores polifásicos serán las siguientes: a. 60 Hz - 200, 230, 460 y 575 voltios b. 50 hertzios - 220 y 380 voltios 18.4 FRECUENCIAS Las frecuencias serán de 50 y 60 hertz. 18.5 Grados de la velocidad Clasificaciones de velocidad de sincronismo será 1800 rpm y 3600 rpm durante 60 hertz motores herméticos y 1500 rpm y 3000 rpm durante 50 hertz motores herméticos. PRUEBAS Y RENDIMIENTO 18.6 TEMPERA TURA DE FUNCIONA MIENTO La temperatura de funcionamiento de un motor hermético depende del diseño del sistema de refrigeración, así como las pérdidas del motor. Por lo tanto, el fabricante del dispositivo impulsado tiene el control de la temperatura de func ionamiento del motor hermético, y el fabricante del motor debe ser consultado en esta fase de la aplicación. 18.7 Par máximo de rotor bloqueado Y CORRIENTES DE 60 HERTZ HERMETIC MOTORES 18.7.1 Distribución de par Los pares de ruptura de 60 hertz motores herméticos, con tensión y frecuencia nominales aplicadas, se estar de acuerdo con los valores indicados en las tablas siguientes, que representan el límite superior del rango de aplicación para estos motores. 18.7.2 Intensidad con rotor bloqueado Las corrientes de rotor bloqueado de 60 hertz motores herméticos, con tensión y frecuencia nominales aplicadas y con el rotor bloqueado, no deberá exceder los valores indicados en las tablas siguientes:
  • 301.
    Sección II MG 1-1998 MÁQUINAS para uso determinado Parte 18, Página 3 MOT ORES para compresores de refrigeración HERMET IC MONOFÁSICO HERMETIC MOTORES 1800 rpm sincrónica 3600 rpm sincrónica Bloqueado Rotor BreakdownCurrent, Desglose Par, en amperios Par, Intensidad con rotor bloqueado, Feet115 onza-v oltios Onza-pies Amperios a 115 v oltios 5,2520 10.5 20 ... 12.5 20 ... 6.25 20 15 20 ... 7.5 20 18 20 ... 9.0 20 21.5 20 ... 10.75 21 26 21.5 ... 13.0 23 31 23 ... 15.5 26 37 28 23 * 18.5 29 44.5 34 23 * 22.0 33 53.5 40 ... 27.0 38 64.5 48 46 * 32.0 43 77 57 46 * 38.5 49 92.5 68 46 * 46.0 56 * Motores con rotor bloqueado las corrientes dentro de estos valores por lo general tienen un menor bloqueado pares de rotor de los motores con el mismo torque y mayor es la degradación rotor bloqueado los valores actuales. MONOFÁSICO HERMETIC MOTORES (Continuación) 1800 rpm sincrónica 3600 rpm sincrónica Bloqueado Bloqueado Rotor Rotor BreakdownCurrent, BreakdownCurrent, Par, en amperios Par, en amperios Feet230 libra-v oltios Feet230 libra-v oltios 736 3.532 9 38 4.5 39 11 44 5.5 46 14 56 7.0 56 18 68 9.0 69 23 85 11.5 85 29 104 14.5 104 36 126 18.0 126 45 155 22.5 154
  • 302.
    MG 1-1998 Sección II Parte 18, Página 4 MÁQUINAS para uso determinado MOT ORES para compresores de refrigeración HERMET IC POLIFÁSICOS inducción jaula de ardilla HERMETIC MOTORES 1800 rpm sincrónica 3600 rpm sincrónica Rotor bloqueado Rotor bloqueado BreakdownCurrent, BreakdownCurrent, Par, Pound-amperios a 230 Amperios a 230Torque, Pound- f eetVolts Voltsf eet 924 4.524 11 30 5.5 30 14 38 7.0 38 28 48 9.0 48 23 59 11.5 59 29 71 14.5 71 36 85 18.0 85 45 102 22.5 102 56 125 28.0 125 70 153 ... ... 88 189 ... ... La temperatura del motor en el inicio de la prueba de par máximo será de aproximadamente 25 ° C. Donde sea monofásico o motores polifásicos se puede utilizar en el mismo compresor, es recomienda que el motor polifásico utiliza por lo menos la siguiente calificación mayor par máximo de a la del motor de una sola fase seleccionada. 18.8 ALTO POTENCIAL DE PRUEBA Véase el punto 3.1 y 12.3. 18.9 VARIACIONES DE FRECUENCIA tensión y CLASIFICA DO Ver 12,45. 18.10 DIRECCIÓN DE GIRO El sentido de giro de motores herméticos monofásicos será en sentido contrario hacia el liderazgo finales. 18.11 Marcado de los terminales PLOMO Las marcas de terminales para llevar motores herméticos monofásicos serán las siguientes: a. Bobina de arranque - blanco b. Punto común de partida y principal - blanco con negro trazador c. Devanado principal - blanco con rojo marcador 18.12MÉTODO DE PRUEBA PARA LA LIMPIEZA DE motores herméticos MONOFÁ SICO CON DIÁMETROS estator de 6,292 pulgadas o menos Cuando una prueba para la limpieza de un motor hermético sola fase con un diámetro exterior de estator 6.292 pulgadas o menos se hace, el procedimiento de extracción se deberá verificar utilizados en la determinación de la peso de los residuos: 18.12.1 Estatores a. Lugar de un estator de la muestra en un recipiente cilíndrico de metal o de esmalte de porcelana con un interior diámetro de 0,50 a 1,5 pulgadas más grande que el diámetro exterior del estator. Use un perforado o de lo contrario espaciador abierta para apoyar el estator para que el disolvente se puede circular libremente.
  • 303.
    Sección II MG 1-1998 MÁQUINAS para uso determinado Parte 18, página 5 MOT ORES para compresores de refrigeración HERMET IC b. Añadir suficiente metanol a temperatura ambiente (70 ° a 90 ° para cubrir completamente el estator, includingF) bobinados c. Gire el estator durante 10 minutos a 200-240 rpm d. Quitar el estator, se evapora el líquido en el recipiente hasta la sequedad y el calor que el residuo peso constante a 220 ° a 230 ° El residuo debe ser esencialmente libre de metales particles.F. 18.12.2 Los rotores a. Coloque dos rotores en un recipiente de 2 litros de tolueno. Llevar la solución a ebullición y hervir durante 15 minutos. b. Retire los rotores, evaporar el líquido en el recipiente hasta la sequedad y el calor que el residuo peso constante a 220 ° a 230 ° El residuo será esencialmente libre de metales particles.F. 18.13 Método de prueba para motores herméticos LIMPIEZA DE TENER ESTATOR Diámetros de 8,777 pulgadas o menos 18.13.1 Propósito El propósito de este ensayo es evaluar la limpieza de un estator y un rotor hermético mediante la determinación de la cantidad, por lo que el peso no se especifican, de residuo insoluble (virutas metálicas, pelusa, polvo, etc) y residuos solubles (aceite de liquidación, aceite lubricante, etc) presentes como resultado de la fabricación de diversos los procesos. No es el propósito de este procedimiento en particular para determinar la ext ractables presentes en una sistema de aislamiento o para determinar la idoneidad de un sistema de aislamiento para resistir los refrigerantes diferentes y aceites presentes en una unidad hermética. 18.13.2 Descripción El estator o rotor es vertical agitada en Refrigerante 113 a temperatura ambiente a una velocidad de cuarenta a cincuenta 2,5 pulgadas de golpes por minuto durante 30 minutos. El refrigerante 113 lava insoluble y soluble los residuos con una acción insignificante solventes o químicos en el aislamiento o metales presentes. El insoluble residuo se separa del refrigerante 113 y 113 del refrigerante se reduce a casi sequedad por destilación. T anto la insoluble y la soluble residuos se secan durante 15 minutos a 125 º y weighed.C 18.13.3 Almacenamiento de muestras El estator o el rotor de la muestra se colocará en una bolsa de plástico que se sellará en el lugar donde el muestra se toma. La muestra se almacena en el envase hasta que se prueba. 18.13.4 Equipo a. Estator equipo de agitación b. Equipos de destilación c. Plato caliente d. Horno e. De aluminio de peso platos f. Vasos de cristal g. Recipientes de acero inoxidable 18.13.5 Procedimiento a. Seleccione un contenedor de acero inoxidable con un diámetro que es de 0,50 a 1,5 pulgadas más grande que el estator o el diámetro del rotor y por lo menos cuatro pulgadas más alto que el estator total o altura del rotor. b. Coloque el estator o el rotor de un soporte de forma que habrá un espacio libre de 0,50 pulgadas entre las estator o el rotor y el fondo del recipiente en la parte inferior de la carrera. Con el estator o el rotor colocado en el recipiente, verter suficiente refrigerante 113 a fin de que habrá un mínimo de 1 pulgadas de líquido por encima del extremo superior de alambre o un anillo de final con el soporte de apoyo en la parte super ior de la accidente cerebrovascular.
  • 304.
    MG 1-1998 Sección II Parte 18, Página 6 MÁQUINAS para uso determinado MOT ORES para compresores de refrigeración HERMET IC El contenido total de residuos del refrigerante 113 usado en la prueba de la limpieza del estator se 0,0010 gramos por litro máximo. Esto se determinará mediante la transferencia de 1.000 mililitros de refrigerante 113 a un matraz de 4000 ml Erlenmeyer conectado a un condensador de destilación. Extraer el refrigerante 113 hasta un volumen de menos de 100 mililitros se mantiene en el matraz. T ransferencia esta porción a un plato de aluminio tarado que se va a calentar con cuidado sobre una plancha caliente hasta que entre 0,25 y 0,50 centímetros de los restos de líquido. Secar la cápsula y los residuos durante 15 minutos a 125 ° coolC, durante 15 minutos en el desecador y pesar con precisión de 0,001 gramos. c. Agitar verticalmente el estator o el rotor de refrigerante 113 a 25 º más o menos de 5 ° a una velocidad de cuarenta toCC cincuenta 2,5 pulgadas golpes por minuto durante 30 minutos. Después de 30 minutos de agitación, levantar el estator o el rot or por encima de la superficie del refrigerante 113 y dejar que se drene hasta que deje de gotear. d. T ransferir el refrigerante 113 que contiene el residuo soluble e insoluble (desde el punto c.) a un 4000 - ml Erlenmeyer conectado a un condensador de destilación. Lavar el recipiente de acero inoxidable con la limpieza de refrigerante 113 varias veces y agregar los lavados al matraz. Destilar el Refrigerante 113 hasta aproximadamente 200 mililitros permanecer en el matraz. Filtro de esta parte a través de un previamente pesado de alta retención del filtro. Lavar el matraz con la limpieza de refrigerante 113 varias veces y el filtro estos lavados. Quite el filtro y se seca durante 15 minutos a 125 ° por 15 minutos en AC, desecador, y pesar con precisión de 0,001 gramos. La siguiente información deberá ser informado: 1. Peso de los residuos 2. Descripción del residuo e. T ransferir el filtrado de refrigerante 113 a un vaso de vidrio de 250 mililitros. Lavar el matra z de filtración varias veces con refrigerante limpio 113 y la transferencia de estos líquidos de lavado al vaso de precipitados. Con cuidado calentar el vaso y el residuo soluble hasta un volumen de menos de 100 mililitros se mantiene en el vaso de precipitados. T ransferir el contenido del vaso a una placa de aluminio tarado. Con cuidado, caliente el aluminio plato sobre una placa caliente hasta entre 0,25 y 0,50 centímetros de los restos de líquido. Seque el cápsula con el residuo soluble durante 15 minutos a 125 ° por 15 minutos en un desecador y weighC, con una precisión de 0,001 gramos. La siguiente información deberá ser informado: 1. Peso de los residuos 2. Descripción de los residuos f. El informe también deberá incluir la fecha, el estator o el tipo de rotor, y el diámetro exterior y la altura de la laminación de apilamiento.
  • 305.
    Sección II MG 1-1998 MÁQUINAS para uso determinado Parte 18, Página 7 MOT ORES para compresores de refrigeración HERMET IC FABRICACIÓN 18.14 ROTOR diámetro de agujero Y DIMENS