UNIVERSIDAD ISRAEL FACULTAD DE ELECTRÓNICA             CANDADO ELECTRÓNICO     Estudiante Pamela Carolina Ortiz Cajamarca.   Tutor Roberto González.     Quito Ecuador. Febrero 20010.
1._Introducción 1.1. Antecedentes  Un proyecto integrador consiste en la aplicación de los conocimientos que se adquirido en los niveles aprobados, siendo de gran importancia para lograr afirmarlos,  por este motivo  se ha realizado una propuesta de su implementación en un circuito debidamente aprobado por un tutor. 1.2. Planteamiento del problema Para realizar el planteamiento del proyecto se deberá enfocar en alguna problemática con el cual podamos trabajar y buscar la posible solución con la colaboración del mismo. En el caso del presente proyecto se observo que, como se conoce actualmente, la inseguridad es un gran problema en la sociedad  por lo que la utilidad del circuito que se presentará será factible.
1.3. Objetivos 1.3.1 Objetivo General Aplicar los conocimientos adquiridos en el proceso de estudios  analógicos y digitales e implementar  en un circuito, en este caso,  la creación de un candado electrónico. 1.3.2. Objetivos Específicos Desarrollar el código que se va a utilizar para la activación del candado. Construir el circuito lógico combinacional. Armar el circuito integrando los dispositivos que se ha estudiado.
1.4. Justificación Se realizo este proyecto por que es necesario que la teoría se vea reflejada en la practica, siendo indispensable el no olvidarse que el proyecto esta dirigido al desarrollo de un producto que sea una posible solución al problema que se analice. Que este caso es la inseguridad. 1.5. Requerimientos para el desarrollo Es necesario contar con elementos electrónicos y laboratorios equipados.
1.6. Alcance Este proyecto está enfocado en la aplicación de los conocimientos adquiridos hasta el momento en la carrera, en un circuito que funcionará como un candado electrónico que se activará solo con cierta clave, de esta manera se puede suponer que el producto final podrá tener uso comercial como medida de seguridad.
2. Fundamento teórico Circuito Lógico: Circuito lógico es aquel que maneja la información en forma de "1" y "0", dos niveles lógicos de voltaje fijos. "1" nivel alto o "high" y "0" nivel bajo o "low". And . La operación  And  requiere que todas las señales sean simultáneamente verdaderas para que la salida sea verdadera
Or . La operación Or tiene similares características a la operación And, con la diferencia que basta que una señal sea verdadera para que la señal resultante sea verdadera.  Not:  La última de la tres operaciones fundamentales, la cual también se conoce como negación, complemento o inversión, es mucho más simple que las anteriores
Transistor en corte y saturación  Un transistor en corte tiene una corriente de colector (Ic) mínima (prácticamente igual a cero) y un voltaje colector emisor VCE) máximo (casi igual al voltaje de alimentación). Un transistor en saturación tiene una corriente de colector (Ic) máxima y un voltaje colector emisor (VCE) casi nulo (cero voltios).
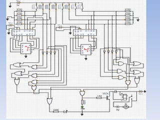
3. Proceso de desarrollo
 
 
 
Conclusiones y Recomendaciones Se realizo las tablas de verdad para cada uno de los datos de entrada, que en este caso eran códigos BCD , de esta forma se pudo realizar los mapas de Karnaugh minimizando el diagrama circuital. Se implemento el circuito lógico combinacional a la entrada de datos teniendo como resultado su salida correcta para activar el relé. El Transistor BJT al trabajar en corte y saturación actuará como un switch donde el relé se polarizará con el voltaje VCC
La aplicación de todos los conocimientos durante la realización del proyecto permitió que pusiera en práctica la teoría y logre observar el funcionamiento de cada elemento electrónico en un proceso de integración de analógica y digitales. Las simulaciones son muy importantes y se las debe realizar para estar conscientes antes de armar el circuito de que exactamente está haciendo.

Proyecto candado Electrónico

  • 1.
    UNIVERSIDAD ISRAEL FACULTADDE ELECTRÓNICA             CANDADO ELECTRÓNICO     Estudiante Pamela Carolina Ortiz Cajamarca.   Tutor Roberto González.     Quito Ecuador. Febrero 20010.
  • 2.
    1._Introducción 1.1. Antecedentes Un proyecto integrador consiste en la aplicación de los conocimientos que se adquirido en los niveles aprobados, siendo de gran importancia para lograr afirmarlos, por este motivo se ha realizado una propuesta de su implementación en un circuito debidamente aprobado por un tutor. 1.2. Planteamiento del problema Para realizar el planteamiento del proyecto se deberá enfocar en alguna problemática con el cual podamos trabajar y buscar la posible solución con la colaboración del mismo. En el caso del presente proyecto se observo que, como se conoce actualmente, la inseguridad es un gran problema en la sociedad por lo que la utilidad del circuito que se presentará será factible.
  • 3.
    1.3. Objetivos 1.3.1Objetivo General Aplicar los conocimientos adquiridos en el proceso de estudios analógicos y digitales e implementar en un circuito, en este caso, la creación de un candado electrónico. 1.3.2. Objetivos Específicos Desarrollar el código que se va a utilizar para la activación del candado. Construir el circuito lógico combinacional. Armar el circuito integrando los dispositivos que se ha estudiado.
  • 4.
    1.4. Justificación Serealizo este proyecto por que es necesario que la teoría se vea reflejada en la practica, siendo indispensable el no olvidarse que el proyecto esta dirigido al desarrollo de un producto que sea una posible solución al problema que se analice. Que este caso es la inseguridad. 1.5. Requerimientos para el desarrollo Es necesario contar con elementos electrónicos y laboratorios equipados.
  • 5.
    1.6. Alcance Esteproyecto está enfocado en la aplicación de los conocimientos adquiridos hasta el momento en la carrera, en un circuito que funcionará como un candado electrónico que se activará solo con cierta clave, de esta manera se puede suponer que el producto final podrá tener uso comercial como medida de seguridad.
  • 6.
    2. Fundamento teóricoCircuito Lógico: Circuito lógico es aquel que maneja la información en forma de "1" y "0", dos niveles lógicos de voltaje fijos. "1" nivel alto o "high" y "0" nivel bajo o "low". And . La operación And requiere que todas las señales sean simultáneamente verdaderas para que la salida sea verdadera
  • 7.
    Or . Laoperación Or tiene similares características a la operación And, con la diferencia que basta que una señal sea verdadera para que la señal resultante sea verdadera. Not: La última de la tres operaciones fundamentales, la cual también se conoce como negación, complemento o inversión, es mucho más simple que las anteriores
  • 8.
    Transistor en cortey saturación Un transistor en corte tiene una corriente de colector (Ic) mínima (prácticamente igual a cero) y un voltaje colector emisor VCE) máximo (casi igual al voltaje de alimentación). Un transistor en saturación tiene una corriente de colector (Ic) máxima y un voltaje colector emisor (VCE) casi nulo (cero voltios).
  • 9.
    3. Proceso dedesarrollo
  • 10.
  • 11.
  • 12.
  • 13.
    Conclusiones y RecomendacionesSe realizo las tablas de verdad para cada uno de los datos de entrada, que en este caso eran códigos BCD , de esta forma se pudo realizar los mapas de Karnaugh minimizando el diagrama circuital. Se implemento el circuito lógico combinacional a la entrada de datos teniendo como resultado su salida correcta para activar el relé. El Transistor BJT al trabajar en corte y saturación actuará como un switch donde el relé se polarizará con el voltaje VCC
  • 14.
    La aplicación detodos los conocimientos durante la realización del proyecto permitió que pusiera en práctica la teoría y logre observar el funcionamiento de cada elemento electrónico en un proceso de integración de analógica y digitales. Las simulaciones son muy importantes y se las debe realizar para estar conscientes antes de armar el circuito de que exactamente está haciendo.