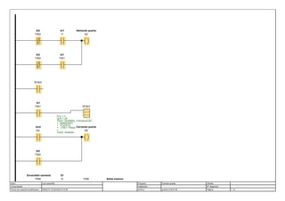
Autor: Luis Jaramillo
Comprobado:
Fecha de creación/modificación: 28/02/15 16:25/2/03/15 8:36
Proyecto: Examen puerta
Instalación:
archivo: puerta LHJCH.lld
Cliente:
Nº diagrama:
Página: 1 / 8
Q3I1T002
T001T002
SF003
SF003
Prio = 0
Quit = off
Text1: ISO8859_1/Ambos/CBC
= ABRIENDO
= PUERTA
= (T001-TRest)
=
Text2: disabled
T001
Q4Q2
T002
T006I3T008
kt2
kt2
kt2
Señal exterior
Encendido semanal
kt1
S1
Cerrando puerta
kr1 Abriendo puerta
km2
kt1
Autor: Luis Jaramillo
Comprobado:
Fecha de creación/modificación: 28/02/15 16:25/2/03/15 8:36
Proyecto: Examen puerta
Instalación:
archivo: puerta LHJCH.lld
Cliente:
Nº diagrama:
Página: 2 / 8
Q5
T006I3T008
T008
+
MTWTFSS
20:00h
06:00h
MTWTFSS
06:01h
20:01h
-------
--:--
--:--
Pulse=N
Q2Q1M2I3T002
Q2M2I1T002
Q1I5M1Q1
I3
M3
I1
FCC/kr1
kt2
kt2
Señal exterior
Encendido semanal
FCA
FCC
FCC
S1
kr1
S1
kr1
km2
km2
km2
km1
km1km1
T008
Encendido semanal
I3
S1
T006
Autor: Luis Jaramillo
Comprobado:
Fecha de creación/modificación: 28/02/15 16:25/2/03/15 8:36
Proyecto: Examen puerta
Instalación:
archivo: puerta LHJCH.lld
Cliente:
Nº diagrama:
Página: 3 / 8
I1
M2I7
T001
Rem = off
05:00s+
M3I3
T002
Rem = off
04:00s+
T001M3I3
SF004
M3I1
SF004
Prio = 1
Quit = off
Text1: enabled
Text2: disabled
M3I3
M1I8
Int. FCC
FCC/kr1
FCC/kr1
FCC/kr1
FCC/kr1
Int. FCC
kt2
FCA
FCC
S1
S1
S1
kr1
kt1
kt1
Autor: Luis Jaramillo
Comprobado:
Fecha de creación/modificación: 28/02/15 16:25/2/03/15 8:36
Proyecto: Examen puerta
Instalación:
archivo: puerta LHJCH.lld
Cliente:
Nº diagrama:
Página: 4 / 8
M1I8
RS
SF005
Rem = off
T001
kt1
T002
kt2
T001
kt1
T006
Rem = off
00:02s+
00:01s
T002
kt2
I3
S1
I3
S1
Autor: Luis Jaramillo
Comprobado:
Fecha de creación/modificación: 28/02/15 16:25/2/03/15 8:36
Proyecto: Examen puerta
Instalación:
archivo: puerta LHJCH.lld
Cliente:
Nº diagrama:
Página: 5 / 8
Número de bloque (tipo) Parámetro
I1(Contacto normalmente abierto) :
kr1
I1(Contacto normalmente cerrado) :
kr1
I1(Contacto normalmente abierto) :
kr1
I1(Contacto normalmente abierto) :
kr1
I3(Contacto normalmente abierto) :
S1
I3(Contacto normalmente cerrado) :
S1
I3(Contacto normalmente abierto) :
S1
I3(Contacto normalmente abierto) :
S1
I3(Contacto normalmente abierto) :
S1
I3(Contacto normalmente abierto) :
S1
I3(Contacto normalmente abierto) :
S1
I3(Contacto normalmente abierto) :
S1
I3(Contacto normalmente abierto) :
S1
I5(Contacto normalmente cerrado) :
km2
I7(Contacto normalmente abierto) :
Int. FCC
I8(Contacto normalmente abierto) :
Int. FCC
M1(Contacto normalmente cerrado) :
FCA
M1(Bobina) :
FCA
M2(Contacto normalmente cerrado) :
FCC
M2(Contacto normalmente cerrado) :
FCC
M2(Bobina) :
FCC
M3(Contacto normalmente abierto) :
FCC/kr1
M3(Contacto normalmente cerrado) :
FCC/kr1
M3(Contacto normalmente cerrado) :
FCC/kr1
M3(Bobina) :
FCC/kr1
M3(Contacto normalmente cerrado) :
FCC/kr1
Autor: Luis Jaramillo
Comprobado:
Fecha de creación/modificación:28/02/15 16:25/2/03/15 8:36
Proyecto: Examen puerta
Instalación:
archivo: puerta LHJCH.lld
Cliente:
Nº diagrama:
Página: 6 / 8
Autor: Luis Jaramillo
Comprobado:
Fecha de creación/modificación:28/02/15 16:25/2/03/15 8:36
Proyecto: Examen puerta
Instalación:
archivo: puerta LHJCH.lld
Cliente:
Nº diagrama:
Página:
Número de bloque (tipo) Parámetro
Q1(Contacto normalmente cerrado) :
km1
Q1(Bobina) :
km1
Q1(Contacto normalmente abierto) :
km1
Q2(Contacto normalmente abierto) :
km2
Q2(Bobina) :
km2
Q2(Contacto normalmente abierto) :
km2
Q3(Bobina) :
Abriendo puerta
Q4(Bobina) :
Cerrando puerta
Q5(Bobina) :
Señal exterior
SF003(Texto de aviso) : Prio = 0
Quit = off
Text1: ISO8859_1/Ambos/CBC
= ABRIENDO
= PUERTA
= (T001-TRest)
=
Text2: disabled
--> Configuración del ticker
- CBC
- Line1: N
- Line2: N
- Line3: N
- Line4: N
Destino de aviso
- Ambos
Line3.4 T001-TRest
SF004(Texto de aviso) : Prio = 1
Quit = off
Text1: enabled
Text2: disabled
--> Configuración del ticker
- CBC
- Line1: N
- Line2: N
- Line3: N
- Line4: N
Destino de aviso
- Ambos
Line4.5 T002-TRest
SF005(Relé autoenclavador) : Rem = off
T001(Contacto normalmente abierto) :
kt1
T001(Contacto normalmente abierto) :
kt1
T001(Retardo a la conexión) :
kt1
Rem = off
05:00s+
Autor: Luis Jaramillo
Comprobado:
Fecha de creación/modificación:28/02/15 16:25/2/03/15 8:36
Proyecto: Examen puerta
Instalación:
archivo: puerta LHJCH.lld
Cliente:
Nº diagrama:
Página: 7 / 8
Autor: Luis Jaramillo
Comprobado:
Fecha de creación/modificación:28/02/15 16:25/2/03/15 8:36
Proyecto: Examen puerta
Instalación:
archivo: puerta LHJCH.lld
Cliente:
Nº diagrama:
Página:
A B R I E N D O
P U E R T A
00:00 Segundo...
T001 - Tiempo resta...
C E R R A N D O
P U E R T A
00:00 Segundo...
T002 - Tiempo resta...
Número de bloque (tipo) Parámetro
T001(Contacto normalmente abierto) :
kt1
T001(Contacto normalmente abierto) :
kt1
T001(Contacto normalmente abierto) :
kt1
T002(Contacto normalmente cerrado) :
kt2
T002(Contacto normalmente cerrado) :
kt2
T002(Contacto normalmente abierto) :
kt2
T002(Contacto normalmente abierto) :
kt2
T002(Contacto normalmente abierto) :
kt2
T002(Retardo a la conexión) :
kt2
Rem = off
04:00s+
T002(Contacto normalmente abierto) :
kt2
T002(Contacto normalmente abierto) :
kt2
T006(Generador de impulsos asíncrono) : Rem = off
00:02s+
00:01s
T008(Contacto normalmente abierto) :
Encendido semanal
T008(Temporizador semanal) :
Encendido semanal
+
MTWTFSS
20:00h
06:00h
MTWTFSS
06:01h
20:01h
-------
--:--
--:--
Pulse=N
T008(Contacto normalmente abierto) :
Encendido semanal
Autor: Luis Jaramillo
Comprobado:
Fecha de creación/modificación:28/02/15 16:25/2/03/15 8:36
Proyecto: Examen puerta
Instalación:
archivo: puerta LHJCH.lld
Cliente:
Nº diagrama:
Página: 8 / 8
Autor: Luis Jaramillo
Comprobado:
Fecha de creación/modificación:28/02/15 16:25/2/03/15 8:36
Proyecto: Examen puerta
Instalación:
archivo: puerta LHJCH.lld
Cliente:
Nº diagrama:
Página:

Puerta automatica realizada en Logo 8

  • 1.
    Autor: Luis Jaramillo Comprobado: Fechade creación/modificación: 28/02/15 16:25/2/03/15 8:36 Proyecto: Examen puerta Instalación: archivo: puerta LHJCH.lld Cliente: Nº diagrama: Página: 1 / 8 Q3I1T002 T001T002 SF003 SF003 Prio = 0 Quit = off Text1: ISO8859_1/Ambos/CBC = ABRIENDO = PUERTA = (T001-TRest) = Text2: disabled T001 Q4Q2 T002 T006I3T008 kt2 kt2 kt2 Señal exterior Encendido semanal kt1 S1 Cerrando puerta kr1 Abriendo puerta km2 kt1
  • 2.
    Autor: Luis Jaramillo Comprobado: Fechade creación/modificación: 28/02/15 16:25/2/03/15 8:36 Proyecto: Examen puerta Instalación: archivo: puerta LHJCH.lld Cliente: Nº diagrama: Página: 2 / 8 Q5 T006I3T008 T008 + MTWTFSS 20:00h 06:00h MTWTFSS 06:01h 20:01h ------- --:-- --:-- Pulse=N Q2Q1M2I3T002 Q2M2I1T002 Q1I5M1Q1 I3 M3 I1 FCC/kr1 kt2 kt2 Señal exterior Encendido semanal FCA FCC FCC S1 kr1 S1 kr1 km2 km2 km2 km1 km1km1 T008 Encendido semanal I3 S1 T006
  • 3.
    Autor: Luis Jaramillo Comprobado: Fechade creación/modificación: 28/02/15 16:25/2/03/15 8:36 Proyecto: Examen puerta Instalación: archivo: puerta LHJCH.lld Cliente: Nº diagrama: Página: 3 / 8 I1 M2I7 T001 Rem = off 05:00s+ M3I3 T002 Rem = off 04:00s+ T001M3I3 SF004 M3I1 SF004 Prio = 1 Quit = off Text1: enabled Text2: disabled M3I3 M1I8 Int. FCC FCC/kr1 FCC/kr1 FCC/kr1 FCC/kr1 Int. FCC kt2 FCA FCC S1 S1 S1 kr1 kt1 kt1
  • 4.
    Autor: Luis Jaramillo Comprobado: Fechade creación/modificación: 28/02/15 16:25/2/03/15 8:36 Proyecto: Examen puerta Instalación: archivo: puerta LHJCH.lld Cliente: Nº diagrama: Página: 4 / 8 M1I8 RS SF005 Rem = off T001 kt1 T002 kt2 T001 kt1 T006 Rem = off 00:02s+ 00:01s T002 kt2 I3 S1 I3 S1
  • 5.
    Autor: Luis Jaramillo Comprobado: Fechade creación/modificación: 28/02/15 16:25/2/03/15 8:36 Proyecto: Examen puerta Instalación: archivo: puerta LHJCH.lld Cliente: Nº diagrama: Página: 5 / 8
  • 6.
    Número de bloque(tipo) Parámetro I1(Contacto normalmente abierto) : kr1 I1(Contacto normalmente cerrado) : kr1 I1(Contacto normalmente abierto) : kr1 I1(Contacto normalmente abierto) : kr1 I3(Contacto normalmente abierto) : S1 I3(Contacto normalmente cerrado) : S1 I3(Contacto normalmente abierto) : S1 I3(Contacto normalmente abierto) : S1 I3(Contacto normalmente abierto) : S1 I3(Contacto normalmente abierto) : S1 I3(Contacto normalmente abierto) : S1 I3(Contacto normalmente abierto) : S1 I3(Contacto normalmente abierto) : S1 I5(Contacto normalmente cerrado) : km2 I7(Contacto normalmente abierto) : Int. FCC I8(Contacto normalmente abierto) : Int. FCC M1(Contacto normalmente cerrado) : FCA M1(Bobina) : FCA M2(Contacto normalmente cerrado) : FCC M2(Contacto normalmente cerrado) : FCC M2(Bobina) : FCC M3(Contacto normalmente abierto) : FCC/kr1 M3(Contacto normalmente cerrado) : FCC/kr1 M3(Contacto normalmente cerrado) : FCC/kr1 M3(Bobina) : FCC/kr1 M3(Contacto normalmente cerrado) : FCC/kr1 Autor: Luis Jaramillo Comprobado: Fecha de creación/modificación:28/02/15 16:25/2/03/15 8:36 Proyecto: Examen puerta Instalación: archivo: puerta LHJCH.lld Cliente: Nº diagrama: Página: 6 / 8 Autor: Luis Jaramillo Comprobado: Fecha de creación/modificación:28/02/15 16:25/2/03/15 8:36 Proyecto: Examen puerta Instalación: archivo: puerta LHJCH.lld Cliente: Nº diagrama: Página:
  • 7.
    Número de bloque(tipo) Parámetro Q1(Contacto normalmente cerrado) : km1 Q1(Bobina) : km1 Q1(Contacto normalmente abierto) : km1 Q2(Contacto normalmente abierto) : km2 Q2(Bobina) : km2 Q2(Contacto normalmente abierto) : km2 Q3(Bobina) : Abriendo puerta Q4(Bobina) : Cerrando puerta Q5(Bobina) : Señal exterior SF003(Texto de aviso) : Prio = 0 Quit = off Text1: ISO8859_1/Ambos/CBC = ABRIENDO = PUERTA = (T001-TRest) = Text2: disabled --> Configuración del ticker - CBC - Line1: N - Line2: N - Line3: N - Line4: N Destino de aviso - Ambos Line3.4 T001-TRest SF004(Texto de aviso) : Prio = 1 Quit = off Text1: enabled Text2: disabled --> Configuración del ticker - CBC - Line1: N - Line2: N - Line3: N - Line4: N Destino de aviso - Ambos Line4.5 T002-TRest SF005(Relé autoenclavador) : Rem = off T001(Contacto normalmente abierto) : kt1 T001(Contacto normalmente abierto) : kt1 T001(Retardo a la conexión) : kt1 Rem = off 05:00s+ Autor: Luis Jaramillo Comprobado: Fecha de creación/modificación:28/02/15 16:25/2/03/15 8:36 Proyecto: Examen puerta Instalación: archivo: puerta LHJCH.lld Cliente: Nº diagrama: Página: 7 / 8 Autor: Luis Jaramillo Comprobado: Fecha de creación/modificación:28/02/15 16:25/2/03/15 8:36 Proyecto: Examen puerta Instalación: archivo: puerta LHJCH.lld Cliente: Nº diagrama: Página: A B R I E N D O P U E R T A 00:00 Segundo... T001 - Tiempo resta... C E R R A N D O P U E R T A 00:00 Segundo... T002 - Tiempo resta...
  • 8.
    Número de bloque(tipo) Parámetro T001(Contacto normalmente abierto) : kt1 T001(Contacto normalmente abierto) : kt1 T001(Contacto normalmente abierto) : kt1 T002(Contacto normalmente cerrado) : kt2 T002(Contacto normalmente cerrado) : kt2 T002(Contacto normalmente abierto) : kt2 T002(Contacto normalmente abierto) : kt2 T002(Contacto normalmente abierto) : kt2 T002(Retardo a la conexión) : kt2 Rem = off 04:00s+ T002(Contacto normalmente abierto) : kt2 T002(Contacto normalmente abierto) : kt2 T006(Generador de impulsos asíncrono) : Rem = off 00:02s+ 00:01s T008(Contacto normalmente abierto) : Encendido semanal T008(Temporizador semanal) : Encendido semanal + MTWTFSS 20:00h 06:00h MTWTFSS 06:01h 20:01h ------- --:-- --:-- Pulse=N T008(Contacto normalmente abierto) : Encendido semanal Autor: Luis Jaramillo Comprobado: Fecha de creación/modificación:28/02/15 16:25/2/03/15 8:36 Proyecto: Examen puerta Instalación: archivo: puerta LHJCH.lld Cliente: Nº diagrama: Página: 8 / 8 Autor: Luis Jaramillo Comprobado: Fecha de creación/modificación:28/02/15 16:25/2/03/15 8:36 Proyecto: Examen puerta Instalación: archivo: puerta LHJCH.lld Cliente: Nº diagrama: Página: