I N S T A L A C I O N E S 
  ELECTRICAS
     3° MEDIO




     JUAN MIGUEL OSSO LOPEZ
PROFESOR DE EDUCACIÓN TÉCNICO PROFESIONAL


                                Índice
 INDICE                                                         1
 GENERACIÓN DE LA ELECTRICIDAD                                  2
 HIDROELÉCTRICAS                                                3
 TERMOELÉCTRICAS                                                5
 CONCEPTUALIZACIÓN TÉCNICA                                      6
 DISTRIBUCIÓN DE LA ENERGÍA ELÉCTRICA                           8
 RED DE DISTRIBUCIÓN PUBLICA                                    9
 CONEXIÓN DE LUMINARIAS PUBLICAS                              10
 CON EMPALME ELÉCTRICO                                          14
 MEDIDOR MONOFÁSICO                                           16
 CONEXIÓN DEL INTERRUPTOR AUTOMÁTICO                          17
 CONEXIÓN DE UN PROTECTOR DIFERENCIAL                         18
 TABLA 8.16: CANTIDAD MÁXIMA DE CONDUCTORES                   21
 CIRCUITOS DE ALUMBRADO                                       24
 TALLERES PRÁCTICOS CIRCUITOS INCANDESCENTES                  25
 COMPONENTES DE UN TUBO FLUORESCENTE                          35
 ARMADO DE UN EQUIPO FLUORESCENTE                             37
 TALLARES PRÁCTICOS CIRCUITOS FLUORESCENTES                   38




                                  2
Implementación


Libro de apoyo: Reglamento Eléctrico
                     Norma Eléctrica 


    1. Set de herramientas para uso Eléctrico
    ejemplo: 
            •   Alicate Universal de 8”
            •   Alicate cortante de 6”
            •   Alicate de punta de 6”
            •   Destornillador paleta de 6”
            •   Destornillador cruz de 6” 
            •   Perillero de 3”
                                   Implementación Personal
    •   Cotona color azul
    •   Par de zapatos  con plantilla de goma

                                    Generación Electricidad

CENTRALES, TURBINAS Y GENERADORES

La electricidad que nosotros consumimos, y que se transporta a través de una red de 
cables,   se   produce   básicamente   al  transformar   la   energía   cinética   en   energía 
eléctrica.   Para   ello,   se   utilizan   turbinas   y   generadores.   Las   turbinas   son   enormes 
engranajes que rotan sobre sí mismos una y otra vez, impulsados por una energía 



                                                   3
externa.   Los   generadores   son   aparatos   que   transforman   la   energía   cinética   ­de 
movimiento­ de una turbina, en energía eléctrica.

En Chile, existen dos tipos principales de centrales generadoras de electricidad: 
hidroeléctricas  y  termoeléctricas  (térmicas   a   vapor,   térmicas   a   gas   y   de   ciclo 
combinado). 




   Planta Hidroeléctrica                                          Planta Termoeléctrica
   Hidro = agua                                                   Termo = calor
   Eléctrico = electricidad                                       Eléctrico = electricidad

        Producción de                                                 Producción de 
  electricidad por medio de                                     electricidad por medio de 
             agua                                                          calor



   Hidroeléctrica:
       •   Rapel
       •   Colbun Machicura
       •   Conitillar
       •   Ralco, etc.
Ejemplos de Plantas o centrales 
                                   Ejemplo de Centrales
Termoeléctrica


   •   Nueva renca
   •   Nehuenco
   •   Ventana, etc.




                                               4
Central Hidroeléctrica

Centrales hidroeléctricas: utilizan la fuerza y velocidad del agua corriente para hacer 
girar las turbinas. Las hay de dos tipos: de pasada (que aprovechan la energía cinética 
natural del agua corriente de los ríos) y de embalse (el agua se acumula mediante 
represas, y luego se libera con mayor presión hacia la central hidroeléctrica). 




                 diagrama explicativo de una central hidroeléctrica




      DIAGRAMA DE GENERACIÓN Y CONSUMO




                                            5
NOTA: en una planta eléctrica, se produce electricidad en valores de :


MEGA Volts amperes = MEGA WATTS
                         MEGA =1.000.OOO (millones)


KILO Volts amperes = KILO WATTS
                           KILO =1.000 (miles)


                              Central Termoeléctrica
          diagrama de funcionamiento de una central Termoeléctrica




                                         6
Centrales termoeléctricas: usan el calor para producir electricidad. Calientan una 
sustancia, que puede ser agua o gas, los cuales al calentarse salen a presión y 
mueven turbinas y entonces el movimiento se transforma. Como ya hemos visto, para 
alimentar una central termoeléctrica se pueden usar muchas fuentes energéticas: 
carbón, petróleo, gas natural, energía solar, geotérmica o nuclear, biomasa... Estas 
son las utilizadas principalmente en Chile: 

1. Centrales térmicas a vapor. En este caso, se utiliza agua en un ciclo cerrado 
(siempre es la misma agua). El agua se calienta en grandes calderas, usando como 
combustible el carbón, gas, biomasa, etc. La turbina se mueve debido a la presión del 
vapor de agua, y su energía cinética es transformada en electricidad por un generador. 

2. Centrales térmicas a gas. En vez de agua, estas centrales utilizan gas, el cual se 
calienta utilizando diversos combustibles (gas, petróleo o diesel). El resultado de esta 
combustión es que gases a altas temperaturas movilizan a la turbina, y su energía 
cinética es transformada en electricidad. 




                                               7
3. Centrales de ciclo combinado. Utilizan dos turbinas, una a gas y otra a vapor. El 
gas calentado moviliza a una turbina y luego calienta agua, la que se transforma en 
vapor y moviliza, a su vez, a una segunda turbina. 




                           CONCEPTUALIZACIÓN TÉCNICA


1. ¿Qué es Electricidad?
      Es una energía que se manifiesta mediante el desplazamiento de electrones de 
      átomos a través de un conductor.
2. ¿ Que es un generador eléctrico?
      Es una maquina dinámica que produce electricidad por magnetismo.


3. ¿ Que es una Turbina Hidráulica?
      Es una maquina motriz ( accionada por fuerza motriz del agua o el calor)
4. ¿ Que es patio de alta tensión?


                                           8
Lugar físicamente ubicado de manera mediante a una central eléctrica. Su 
     función es recepcionar la energía producida y dejarla alta para su tensión.

                             A.T. :alta tensión

5. ¿Qué son líneas de transmisión?
     Son aquellas líneas que transportan la energía producida en una central 
     eléctrica para el consumo de la población.




                                          9
Ejemplo: de transmisión de la energía eléctrica 




NOTA: en Chile la energía eléctrica se transmite en valores de :
1.­ 220 Kv/a
                                Kv/a = Kilo Volts/ amperes
2.­ 110 Kv/a


Datos importantes:
1. Cable Acerado: sirve como línea de seguimiento


                                          10
2. Señalizadores   Aéreos:  son   de   color   naranja   brilloso,   su   función   es   indicar   la 
       existencia de peligro
    3. Aisladores:  soportan las líneas (las sostienen de su paso mecánico y se aíslan 
       entre ellos)


                   DISTRIBUCIÓN DE LA ENERGÍA ELÉCTRICA




Líneas de 
transmisión




  Líneas de 
  distribución 
  eléctrica

                               
                                        Poste de concreto         Red de mediana tensión 
                                                                  y red de alumbrado 
                                                                  publico



    Recuerde que:
    1. las   líneas   de   transmisión   de   energía   eléctrica,   transportan   energía   desde   una 
       central eléctrica hasta una Sub estación en valores de :
     220 Kv/a                       Kv/a = Kilo Volts/ amperes
     110 Kv/a
    a  una frecuencia de 50 ciclos/ segundo
    2. Las   líneas   de   distribución   de   energía   eléctrica   son   aquellas   que   transportan   la 
       electricidad desde una Sub estación eléctrica, hasta el consumo de la población.




                                                      11
CRUZETA




                 Líneas de mediana Tensión (M/T)
                        3,5; 4,5; 9; 13; Kv/a



                                Red de Distribución Publica


 L0

          220v
 L1

                 220v                 380v
 L2
                                             380v
                        220v                                    380v   380v
 L3

                               220v                      380v                 380v
 LP




L0: Línea neutra
L1, L2, L3: Líneas de Alimentación
LP: Línea Publica

Recordar que:


a) En una red de distribución publica la línea neutra siempre debe ir en primer lugar.
b) La línea publica es aquella línea que alimenta las luminarias publicas.

                                                    12
c) Siempre entre una línea neutra (NEUTRO) y una de alimentación (FASE) deberán 
     existir  “220 Volts”.
d) Siempre entre una línea de alimentación (FASE) y otra línea de alimentación 
     (FASE) deberán existir “380 Volts”.


                                   CONEXIÓN DE LUMINARIAS PUBLICAS


                                              




          Fotocelda



  Luminaria 
  Publica                                                                   Luminaria 
  Peatonal                                                                  Publica




Focaliza su 
Luz artificial a 
las veredas
                                                        Focaliza su 
                                                        Luz artificial a 
                                                        las calles

  Poste de 
  Concreto
                               




Elemento que intervienen en una red de distribución de energía eléctrica publica




                                                 13
 




    14
AISLADORES: Material de Loza, Porcelana o Plástico




GALVANIZADO: tratamiento especial que se hace al fierro, para retardar su oxidación 
y tenga mayor durabilidad en el tiempo.




                                          15
OTROS ELEMENTOS:
 PERNOS
 TUERCAS
 GOLILLAS PLANAS
 CONTRA TUERCA




            


Su función es soportar (sostener) las líneas de la red de distribución publica. Se fijan 
en la postaciòn de concreto de manera vertical.




                                            16
EMPALME ELÉCTRICO




Se entiende por empalme eléctrico al arranque de líneas desde una red de distribución 
publica   hasta   una   propiedad   privada   que   puede   ser   una   casa   habitación   o   una 
industria. En un empalme se incluye un medidor eléctrico una protección eléctrica.




                                                17
Gaveta




 GAVETA: Caja normalizada metálica y en ella se alojan en el medidor eléctrico, la 
   protección eléctrica, los sellos de seguridad y un terminal de conexión para tierra 
   de protección.
 L0 =LÍNEA NEUTRA

 L1 =LÍNEA DE ALIMENTACIÓN




                                         18
NOTA: La gaveta se debe fijar por norma eléctrica a una altura de 1,20 a 1,40 metros 
del nivel de piso.

 MONOFÁSICO = MONO: 1                       UNA FASE

                       FÀSICO: FASE

 BIFÁSICO =           BI: 2                 DOS FASES

                       FÀSICO: FASE

 TRIFÁSICO =     TRI: 3                     TRES FASES

                         FÀSICO: FASE


FASE: Línea de alimentación conductor que lleva corriente

                           MEDIDOR MONOFÁSICO


CONEXIÓN


                                        19
 MEDIDOR ELÉCTRICO
Es un equipo que cumple la función de registrar la cantidad de energía consumida en 
un tiempo determinado.
SU UNIDAD DE MEDIDA ES EL KILO WATTS / HORA


 PROTECCIÓN ELÉCTRICA
Las instalaciones eléctricas deben protegerse de:
1. Corto Circuito
2. Sobre Consumo
3. Fugas de Corriente Eléctricas




                    CONEXIÓN DEL INTERRUPTOR AUTOMÁTICO




                                         20
NOTA: LOS INTERRUPTORES AUTOMÁTICOS PROTEGEN TODOS LOS 
ELEMENTOS QUE SE CONECTAN AL INTERIOR DE UNA INSTALACIÓN 
ELÉCTRICA Y LOS PROTEGEN DE CORTO CIRCUITO, SOBRE CONSUMO.


 FUGAS DE CORRIENTE
Se refiere a la fuga de pequeñas corrientes eléctricas del orden de los MILI 
AMPERES. Estas pequeñas corrientes pueden derivarse a través de los equipos 
electrodomésticos, tales como:
 Lavadoras
 Planchas 
 Refrigeradores, etc.




                                          21
Y por lo tanto podrían dañar  las personas producto del contacto directo o indirecto. 
Para evitar estos daños se utiliza un elemento de protección llamado PROTECTOR 
DIFERENCIAL


 PROTECTOR DIFERENCIAL
                                         SÍMBOLO



                                P
                                            D

Este elemento de protección eléctrico, cumple la función en una instalación, de 
proteger a las personas y se conecta a la red de enchufes.


 Ejemplo de conexión del protector diferencial:


                               FASE     NEUTRO
 ALIMENTACIÓN
                                   220V /50 HZ



                                    L1          N

                                                                                                         T
                                                                                    2 X 25 (A) X 30 mA




                                    1           N



                                                                                   RED DE ENCHUFES
                                                                                   FASE     NEUTRO
                                                                                       220V /50 HZ

                                           22
2 X 25 (A) X 30 (mA)
   2: Dos conductores
   25: Capacidad de ruptura del interruptor automático (corto circuito, sobre carga)
   A: Unidad de medida en AMPERES
   30 mA: Sensibilidad del protector diferencial en mili amperes


         ESQUEMA DE CONEXIÓN DE UN TABLERO ELÉCTRICO SIMPLE 
                      NORMALIZADO UNILINEAL O UNIFILAR




                                 1 X 20 (A)




                    1 X 6 (A)            P
                                                  D


                       1                              2

           CIRCUITO DE            RED DE ENCHUFES
           ALUMBRADO




                                             23
DIAGRAMA MULTIFILAR
NEUTRO

 TABLA 8.16: CANTIDAD MÁXIMA DE CONDUCTORES EN TUBOS DE ACERO
FASE


          Tipo de ducto     t.p.f.   t.a.    t.a.g. t.p.f.       t.a.         t.a.g.
         Diámetro Nominal
                            ½” 5/8” ¾”                 1” 1 ¼” 1 ½” 2”
         Sección Nominal


          NYA­ T mm2                 CANTIDAD DE CONDUCTORES
                                      C 20
               1              7      10       16        30          ­­         ­­      ­­
             1,5              6       7       13        25          ­­         ­­      ­­
             2,5              3       6        7        16         26          ­­      ­­
               4              3       4        6        10         18          26      ­­
               6              1       3        5         7         14          22      40
              10              1       1                L1                 N
                                               3         5          9          13      25

                                                                   T
                                                                                            2 X 25 (A) X 30mA
                                               2 X 25(A) X30 mA
         C 6
                                                       L1                 N




                                                                                               CIRCUITO DE 
                                                                                               ALUMBRADO

                                                                                                          C 16
                                                                                                   RED DE 
                                                                                                  ENCHUFES

                                                                                                 TIERRA DE 
                                                                                                PROTECCIÓN
                                             24
BARNIZADO Y GALVANIZADO Y TUBO PLÁSTICO FLEXIBLE




Cantidad máxima de Conductores de Aislación Plástica que entran en cada medida de 
                                             Molduras

                                            1    1,5    2,5     4       6   Sección del cobre en mm.
                                          2,65    3    3,45    4,2     5,2  Diámetro exterior cables 
 Medida      Sección útil     Diámetro                                      (mm.)
ancho por     aprox. en      máximo mm.
                                          5,5    7,1   9,35   13,85   21,25 Sección total en mm2.
   alto        mm2 .
  14 x 7         69              5         4      3     3       0      0     Numero máximo de 
                                                                             conductores que entran 
  20 x 10       140             7,5        9      7     5       4      2     dentro de la moldura
  30 x 10       210             7,5       13     10     8       5      3
  40 x 16       448             13        29     22    17      11      7




                                                 25
TABLA 8.16: CANTIDAD MÁXIMA DE CONDUCTORES EN TUBOS DE ACERO
   BARNIZADO Y GAL BARNIZADO Y GALVANIZADO Y TUBO PLÁSTICO 
                            FLEXIBLE
PLÁSTICO  Tipo de ducto t.p.f. t.a. t.a.g. t.p.f. t.a. t.a.g.
FLEXIBLE Diámetro Nominal
          Sección Nominal ½” 5/8” ¾”         1”    1  1 ½” 2”
                                                  ¼”

            NYA­     TTW­ 
                                 CANTIDAD DE CONDUCTORES
             T mm2   THW

            1,5              3     5        8   15   25   ­­   ­­
                     2,08    2     3        5   10   16   24   ­­
            2,5              3     4        7   12   20   30   ­­
                     3,31    1     3        4    8   13   19   36
            4                2     3        5    9   15   23   43
                     5,26    1     2        3    6   10   15   28
            6                1     3        4    8   12   19   35
                     8,37    1     1        2    3    6    9   17
            10               1     1        2    5    8   12   22
                     13,30   ­     1        1    3    5    8   15
            16               ­     1        1    3    5    7   14
                     21,2          1        1    2    3    5   9
            25                     1        1    2    3    5   9
                     26,7          ­        1    1    3    4   8
            35                     ­        1    1    2    4   7
                     33,6                   1    1    2    4   7
            50                              ­    1    1    3   5
                     53,5                   ­    1    1    2   4
                     67,4                        1    1    2   3
            70                                   ­    1    2   4
                     85,0                        ­    1    1   3
            95                                        1    1   3
                     107,2                            1    1   2
            120                                       ­    1   2




                                       26
CIRCUITOS DE ALUMBRADO


Como hemos visto, anteriormente existen diversos circuitos de alumbrado dentro de 
una instalación eléctrica.
Los   circuitos   ya   conocidos   “   9/12,   9/15,   9/24”   se   utilizan   de   acuerdo   a   los 
requerimientos del usuario y de la habitación o dependencia que se desea iluminar, 



                                                 27
por   ejemplo   en   una   habitación   es   común   utilizar   circuitos   9/12   en   cocina,   baño   y 
algunas habitaciones pequeñas; el circuito 9/15 es común utilizarlo en dependencias 
de mayor tamaño, como por ejemplo un living comedor en tanto como el circuito 9/24 
se usa en dependencias en que se requieran recorrer distancias apreciables como por 
ejemplo una escalera, una habitación matrimonial, un antejardín muy extenso, etc.
Para   representar   los   circuitos   eléctricos     de   alumbrado   se   recurre   a   tipos   de 
interpretaciones   siendo   la   primera   de   ellas   la   denominada   unifilar   que   también   es 
conocida como unilineal, en este tipo de representación de los accesorios a utilizar, 
todos ellos unidos por una sola línea, en que se señala la cantidad de conductores que 
pasan por la línea.
En tanto que la segunda, conocida como esquema lineal o practico y se representan 
los accesorios con todas sus partes y conexiones mientras que la línea es remplazada 
por la totalidad de conductores presentes.
A continuación se muestran los esquemas unifilar y lineal de s los tres circuitos de 
alumbrado básico.




                      Talleres prácticos de circuitos incandescentes



                           TRABAJO PRÁCTICO Nº 1



                                                   28
Aprendizaje esperado: Realizar instalaciones eléctricas de alumbrado 


Actividades: Ejecutar instalaciones eléctricas de alumbrado incandescente 9/12 o de 
un efecto con un portalámpara, con canalización sobrepuesta mas red de enchufes.


Donde se utiliza: Cocina, Baño, Dormitorio, Patio




                                         29
Nota: el esquema unilineal  es forma de representar circuitos eléctricos, en donde se 
proyecta la canalización (tubería)y la cantidad de conductores que por ella pasan. 


Detalles importantes:


1. Las uniones de conductores que se ejecutan en el interior de las cajas de 
   derivación.
2. Por cada tubería o canalización, según norma eléctrica no deben pasar mas de 5 
   conductores de 1,5 mm sección NYA.
3. En cada caja de derivación no deben haber mas de 5 llegadas o salidas de tubería.
4. En un enchufe hembra simple, según norma eléctrica se considera una carga de 
   consumo de 100 watts.




                                          30
Trabajo práctico Nº 2




Aprendizaje esperado: Realizar instalaciones eléctricas de alumbrado 


Actividades: Ejecutar instalaciones eléctricas de alumbrado incandescente 9/15 o de 
dos efectos con dos portalámpara, con canalización sobrepuesta mas red de 
enchufes.


Donde s utiliza:  Living, Comedor




                                         31
32
TRABAJO PRÁCTICO Nº 3


Aprendizaje esperado: Realizar instalaciones eléctricas de alumbrado 
Actividades: Ejecutar instalaciones eléctricas de alumbrado incandescente 9/24 o de 
doble  efecto con un portalámpara, con canalización sobrepuesta mas red de 
enchufes.


Donde s utiliza: Escaleras o Pasillos




                                         33
34
TRABAJO PRÁCTICO Nº 4


Aprendizaje esperado: Realizar instalaciones eléctricas de alumbrado 


Actividades: Ejecutar instalaciones eléctricas de alumbrado incandescente 9/32 o de 
tres  efectos con tres portalámpara, con canalización sobrepuesta mas red de 
enchufes.


Donde s utiliza: Living, Comedor, ante jardín




                                         35
36
TRABAJO PRÁCTICO Nº 5


Aprendizaje esperado: Realizar instalaciones eléctricas de alumbrado 


Actividades: Ejecutar instalaciones eléctricas de alumbrado incandescente 9/24 con 
conmutador o de doble  combinación con tres portalámparas o más, con canalización 
sobrepuesta mas red de enchufes.


Donde s utiliza: escuelas de tres o cuatro pisos o más y  Pasillos


Diagrama del unilineal o unifilar




                                          37
Diagrama del circuito  práctico o multifilar




                                         38
39
LÁMPARAS FLUORESCENTES
   Las lámparas fluorescentes son fuentes luminosas originadas como consecuencia 
de una descarga eléctrica en atmósfera de vapor de mercurio a baja presión, en las 
que la luz se genera por el fenómeno de fluorescencia. Este fenómeno consiste en que 
determinadas sustancias luminiscentes, al ser excitadas por la radiación ultravioleta 
del vapor de mercurio a baja presión, transforman esta radiación invisible en otra de 
onda más larga y que se encuentra dentro del espectro visible.

    La lámpara fluorescente normal consta de un tubo de vidrio de un cierto diámetro y 
longitud variable según la potencia, recubierto internamente de una capa de sustancia 
fluorescente. En los extremos de este tubo se encuentran los cátodos de wolframio 
impregnados en una pasta formada por óxidos alcalinotérreos que facilitan la emisión 
de electrones. El tubo está relleno de gas argón a baja presión y una pequeña 
cantidad de mercurio.




    Las   lámparas   fluorescentes,   como   todas   las   de   descarga,   presentan   una 
resistencia al paso de la corriente que disminuye a medida que esta se incrementa. 
Este efecto las llevaría a la autodestrucción si no les colocáramos algún elemento que 
controle   la   intensidad   que   circula   por   ellas;   este   elemento   es   una   reactancia   cuyo 
nombre específico para este caso es "balasto".

    La reactancia o balasto está formada por una bobina de hilo de cobre esmaltado 
con su correspondiente núcleo magnético. 




                                                   40
Las funciones que debe cumplir una reactancia, en el orden en que se realizan al 
poner en funcionamiento un tubo fluorescente, son:

 Proporcionar la corriente de arranque o precalentamiento de los filamentos para 
   conseguir de éstos la emisión inicial de electrones.

 Suministrar la tensión de salida en vacío suficiente para hacer saltar el arco en el 
   interior de la lámpara.

 Limitar la corriente en la lámpara a los valores adecuados para un correcto 
   funcionamiento.

    Todo lo dicho sobre el funcionamiento de la lámpara es perfectamente válido, a 
excepción del interruptor manual de puesta en funcionamiento, que deberá ser 
sustituido por un interruptor automático "Cebador".

    El cebador  o partidor consiste en una pequeña ampolla de vidrio llena de gas 
argón a baja presión, y en cuyo interior se encuentran dos electrodos; uno de ellos, o 
los dos, son laminillas de diferente coeficiente de dilatación que, por la acción del 
calor, pueden doblarse ligeramente, y que se encuentran muy próximas. En paralelo 
con estos dos electrodos encontramos un condensador cuya misión es la de evitar en 
lo posible las interferencias en las bandas de radiodifusión y TV, que este interruptor 
automático pueda ocasionar. Estos dos elementos van alojados en un pequeño 
recipiente cilíndrico de aluminio o de material aislante.




                             




                                            41
ARMADO DE UN SISTEMA DE LUZ FLUORESCENTE




  Trabajo práctico Nº 6


 Aprendizaje esperado: Realizar instalaciones eléctricas de alumbrado 


 Actividades: Ejecutar armado de un equipo de luz fluorescente 




                                              PARTIDO
                                                 R

         BALLATS                    TUBO FLUORESCENTE



  FASE

 NEUTRO




                                         42
Talleres prácticos de circuitos fluorescentes


 Trabajo práctico Nº 7


Aprendizaje esperado: Realizar instalaciones eléctricas de alumbrado 


Actividades: Ejecutar instalaciones eléctricas de alumbrado fluorescente 9/12 o de un 
efecto con un portalámpara, con canalización sobrepuesta mas red de enchufes.


Donde s utiliza: Cocina, Baño, Dormitorio, Patio




                                         43
44
Nota: el esquema unilineal  es forma de representar circuitos eléctricos, en donde se 
proyecta la canalización (tubería)y la cantidad de conductores que por ella pasan. 


Detalles importantes:


5. Las uniones de conductores que se ejecutan en el interior de las cajas de 
   derivación.
6. Por cada tubería o canalización, según norma eléctrica no deben pasar mas de 5 
   conductores de 1,5 mm sección NYA.
7. En cada caja de derivación no deben haber mas de 5 llegadas o salidas de tubería.
8. En un enchufe hembra simple, según norma eléctrica se considera una carga de 
   consumo de 100 watts.



                                          45
 Trabajo práctico Nº 8


Aprendizaje esperado: Realizar instalaciones eléctricas de alumbrado 


Actividades: Ejecutar instalaciones eléctricas de alumbrado fluorescente 9/15 o de 
dos efectos con dos portalámpara, con canalización sobrepuesta mas red de 
enchufes.


Donde s utiliza:  Living, Comedor




                                         46
47
 Trabajo práctico Nº 9 


Aprendizaje esperado: Realizar instalaciones eléctricas de alumbrado 
Actividades: Ejecutar instalaciones eléctricas de alumbrado fluorescente 9/24 o de 
doble  efecto con un portalámpara, con canalización sobrepuesta mas red de 
enchufes.


Donde s utiliza: Escaleras o Pasillos




                                         48
49
 Trabajo práctico Nº 10 


Aprendizaje esperado: Realizar instalaciones eléctricas de alumbrado 


Actividades: Ejecutar instalaciones eléctricas de alumbrado fluorescente 9/32 o de 
tres  efectos con tres portalámpara, con canalización sobrepuesta mas red de 
enchufes.


Donde s utiliza: Living, Comedor, ante jardín




                                         50
Diagrama del circuito unilineal o unifilar




                   51
GUÍA DE TRABAJO PRÁCTICA


TITULO: “CIRCUITO FOTOCELDA”


MATERIALES: 


 Disyuntor (interruptor automático)
 Fotocelda con base
 Alambre NYA 1,5 mm2  (Rojo y blanco)
 Cajas de derivación sobrepuestas 
 Base recta



                                         52
 Lámpara incandescente


OBJETIVO: 


 Comprender el funcionamiento de una fotocelda dentro circuito de alumbrado
 Ejecutar, en forma practica, un circuito de alumbrado, con una fotocelda


ACTIVIDADES:


 Copia el esquema unifilar en tu cuaderno
 Copia el diagrama lineal (practico)
 Arma, en tu panel, el circuito propuesto
 Verifica la correcta conexión y calidad de las uniones
 Energiza, prueba y demuestra el funcionamiento de circuito




                               ESQUEMA UNILINEAL




                                             2


                          2




                                             3




                                          53
ESQUEMA LINEAL




        DISY. O 
        AUTOM.




    N




                                     L1           L2




RECUERDA:
 Respetar, en todo momento las normas de higiene y seguridad (limpieza del lugar 
   de trabajo y uso de cotona por, por ejemplo)



                                          54
 No energices hasta estar completamente seguro de su funcionalidad




                          GUÍA DE TRABAJO PRÁCTICA


TITULO: “CIRCUITO SENSOR DE MOVIMIENTO”


MATERIALES: 


 Sensor de movimiento
 Alambre NYA 1,5 mm2  (Rojo y blanco)
 Cajas de derivación sobrepuestas 
 Base recta
 Lámpara incandescente
OBJETIVO: 


 Comprender el correcto funcionamiento de un sensor de movimiento
 Ejecutar, en forma práctica, un circuito de alumbrado, con un sensor de 
   movimiento.


ACTIVIDADES:


 Copia el esquema unifilar en tu cuaderno
 Copia el diagrama lineal (practico)
 Arma, en tu panel, el circuito propuesto
 Verifica la correcta conexión y calidad de las uniones



                                          55
 Energiza, prueba y demuestra el funcionamiento de circuito




                                ESQUEMA UNILINEAL




                                      2


                      2




                                      4
       F


       N


                                 ESQUEMA LINEAL




                            N      L    C
                                        56
                                 Sensor de 
RECUERDA:
 Respetar, en todo momento las normas de higiene y seguridad (limpieza del lugar 
   de trabajo y uso de cotona por, por ejemplo)
 No energices hasta estar completamente seguro de su funcionalidad


                          GUÍA DE TRABAJO PRÁCTICA


TITULO: “CIRCUITO TEMPORIZADOR DE ESCALERA”


MATERIALES: 


 Temporizador de escalera
 Alambre NYA 1,5 mm2  (Rojo y blanco)
 Tubería PVC de ½”
 Cajas de derivación sobrepuestas 
 Bases rectas


                                         57
 Lámparas incandescentes
OBJETIVO: 


 Comprender el correcto funcionamiento de un temporizador de escalera
 Ejecutar, en forma práctica, un circuito de alumbrado, con un temporizador de 
   escalera.


ACTIVIDADES:


 Copia el esquema unifilar en tu cuaderno
 Copia el diagrama lineal (practico)
 Arma, en tu panel, el circuito propuesto
 Verifica la correcta conexión y calidad de las uniones
 Energiza, prueba y demuestra el funcionamiento de circuito
                                 ESQUEMA UNILINEAL




                             2                                     2



                                                                       2
                 2                           3




               T. E.
                         4       2                             2       2



                                     ESQUEMA LINEAL



                                           58
L       1



            N      2  



RECUERDA:
 Respetar, en todo momento las normas de higiene y seguridad (limpieza del lugar 
   de trabajo y uso de cotona por, por ejemplo)
 No energices hasta estar completamente seguro de su funcionalidad


                           GUÍA DE TRABAJO PRÁCTICA


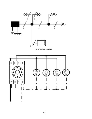
TITULO: “CIRCUITO TEMPORIZADOR”


MATERIALES: 


 Temporizador de dos tiempos
 Alambre NYA 1,5 mm2  (Rojo y blanco)



                                         59
 Tubería de PVC de ½”
 Cajas de derivación sobrepuestas 
 Bases rectas
 Lámparas incandescentes


OBJETIVO: 


 Comprender el correcto funcionamiento de un Temporizador
 Ejecutar, en forma práctica, un circuito de alumbrado, con un Temporizador.


ACTIVIDADES:


 Copia el esquema unifilar en tu cuaderno
 Copia el diagrama lineal (practico)
 Arma, en tu panel, el circuito propuesto
 Verifica la correcta conexión y calidad de las uniones
 Energiza, prueba y demuestra el funcionamiento de circuito


                               ESQUEMA UNILINEAL




                                          60
 

            a                         b                a

                    2       2                  2


                                                           b

                2                 3                2




                        4
                                ESQUEMA LINEAL




6   5   4   3




7   8   1   2




                                          61
RECUERDA:
 Respetar, en todo momento las normas de higiene y seguridad (limpieza del lugar 
   de trabajo y uso de cotona por, por ejemplo)
 No energices hasta estar completamente seguro de su funcionalidad




                                         62
APRENDIZAJES ESPERADOS                  ACTIVIDADES

 CLASIFICAR                       CLASIFICAN

 DIBUJAR                          DIBUJAN

 CONSTRUIR                        CONSTRUYEN

 CONOCER                          CONOCEN

 DESCRIBIR                        DESCRIBEN

 COMPRENDER                       COMPRENDEN

 ARMAR                            ARMAN

 COMPROBAR                        VERIFICAN

 PONER                            DEMUESTRAN




                             63

Material apoyo electrico 2 medio