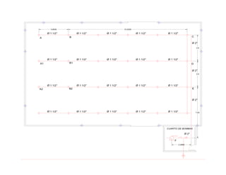
Cálculos hidráulicos de rociadores área de almacén 
Tuberías a utilizar 
Tubería de succión: 2” 
Tubería de descarga: 2” 
Tubería principal: 2” 
Ramales: 1 ½” 
Factor k del rociador: 80 
Presión: 0.35 
Determinación del riesgo según cuadro para rociadores 
CUADRO DEPENDIENDO DEL RIESGO Cuadro 1 Riesgo ligero Riesgo ordinario Riesgo extra 
Densidad de diseño (mm/min) 
2.25 5 
de 7.5 a 12.5 
Área de operación (m2) 
80 Grupo I (RDI)-72 Grupo II (RDII)- 140 Grupo III (RDIII)- 216 Grupo III ESP(RDIIIE)-360 
260 
Cobertura máxima del rociador (m2) 
20 
9 
Presión (Bar) 
0.7 0.35 
0.5 
Factor K según el nominal del orificio del rociador en mm 
- K= 57 - K= 80 
- K= 115 
K= 80
La norma COVENIN 1376 La distancia máxima entre rociador es de 4.6 m en nuestro caso que es riesgo ordinario Tipo de ocupación Distancia entre rociador ocupación de Riesgo ordinario 4.6 m (15 pies) 
ocupación de Riesgo ligero 
4.6 m (15 pies) 
ocupación de Riesgo extra 
3.7 m (12 pies) 
Almacenamiento en apilamiento alto 
3.7 m (12 pies) 
Calculo del número de rociadores a accionar 
El riesgo del área es riesgo ordinario tipo II
Circuito Tramo Caudal Q (L/Min) Diámetro 
Velocidad m/seg Longitud equivalente LE (m) Longitud de tubería (m) Longitud total (m) J bar/m PI Presión inicial (Bar) PF Presión final (Bar) Factor K Rociador 
1 
A-B 
47.32 
1 ½ pulg 
0.6 
2.15 
3.8 
5.95 
0.35 
0.3587 
80 
41.3 mm 
B-C 
47.32 
1 ½ pulg 
1.18 
4.7 
15.20 
19.90 
0.3587 
0.4672 
80 
47.91 
41.3 mm 
95.23 
TRAMO COMUN 
C-D 
95.23 
2 pulg 
0.71 
2.7 
3.9 
6.61 
0.4672 
0.4776 
---------------- 
53 mm 
2 
A1-B1 
47.32 
1 ½ pulg 
0.6 
2.15 
3.8 
5.95 
0.35 
0.3587 
80 
41.3 mm 
B1-D 
47.32 
1 ½ pulg 
1.18 
4.7 
15.20 
19.90 
0.3587 
0.4672 
80 
47.91 
41.3 mm 
95.23 
TRAMO COMUN 
D-E 
95.23 
2 pulg 
1.44 
4.21 
3.9 
8.11 
0.4776 
0.5236 
----------- 
95.23 
190.46 
53 mm 
A2-B2 
47.32 
1 ½ pulg 
0.6 
2.15 
3.8 
5.95 
0.35 
0.3587 
80 
41.3 mm 
B2-E 
47.32 
1 ½ pulg 
1.18 
4.7 
15.20 
19.90 
0.3587 
0.4672 
80 
47.91 
41.3 mm 
95.23 
TRAMO COMUN 
E-F 
95.23 
2 pulg 
2.16 
19.52 
14.4068 
33.93 
0.012 
0.5236 
0.93 
----------- 
190.46 
53 mm 
285.69
Circuito I 
Tramo A-B 
Algunos datos 
P: 0.35 
Factor K: 80 
de tubería: 43.1 mm 
C= 120 acero galvanizado 
Determinamos caudal √ 
Dónde: 
P: a la presión. 
K: factor K del rociador √ ⁄ 
Llevamos de mm a m 
Determinamos de velocidad 
Dónde: 
Transformamos al caudal ⁄ a ⁄ : ⁄ ⁄ 
Evaluamos el área
Evaluamos la velocidad: ⁄ ⁄ 
Determinamos L total 
Determinamos J de Hazen – Williams ⁄ 
Evaluamos la presión final Cantidad Accesorio Equivalencia en metros 
1 
Tee Recta Ø 1 ½” 
0.45 
1 
Codo 90o Ø 1 ½” 
1.2 
1 
Reducción Ø 1 ½” 
0.5 
Σ L Total = 2.15 
Se ubica dentro del rango que establece la Norma Sanitaria 4044
( ) 
Tramo B-C 
de tubería: 43.1 mm √ √ 
Sumatorio de caudales tramo A-B y B-C: ⁄ 
Transformación del caudal ⁄ a ⁄ : ⁄ ⁄ 
Evaluamos el área 
Evaluamos la velocidad: ⁄ ⁄ 
Longitud equivalente: 
Se ubica dentro del rango que establece la Norma Sanitaria 4044
Cantidad Accesorio Equivalencia en metros 
1 
Tee bifurcación Ø 1 ½” 
2.4 
1 
Reducción Ø 1 ½” 
0.5 
4 
Tee recta Ø 1 ½” 
0.45 
Σ L Total = 4.7 
Determinamos L total 
Determinamos J de Hazen – Williams 
⁄ 
Evaluamos la presión final ( ) 
Tramo común C-D 
de tubería: 53 mm 
⁄ por qué no hay boquillas de descarga 
Transformación del caudal ⁄ a ⁄ : ⁄ ⁄ 
Evaluamos el área
Evaluamos la velocidad: ⁄ ⁄ 
Longitud equivalente: Cantidad Accesorio Equivalencia en metros 
1 
Codo de 90º Ø 2” 
1.5 
1 
Reducción Ø 2” 
0.61 
2 
Tee recta Ø 2” 
0.6 
Σ L Total = 2.71 
Determinamos L total 
Determinamos J de Hazen – Williams ⁄ 
Evaluamos la presión final 
( ) 
Se ubica dentro del rango que establece la Norma Sanitaria 4044
Circuito II 
Tramo A1-B1 
Algunos datos 
P: 0.35 
Factor K: 80 
de tubería: 43.1 mm 
C= 120 acero galvanizado 
Determinamos caudal √ 
Dónde: 
P: a la presión. 
K: factor K del rociador √ ⁄ 
Llevamos de mm a m 
Determinamos de velocidad 
Dónde: 
Transformamos al caudal ⁄ a ⁄ : ⁄ ⁄
Evaluamos el área 
Evaluamos la velocidad: ⁄ ⁄ 
Determinamos L total 
Determinamos J de Hazen – Williams ⁄ 
Cantidad Accesorio Equivalencia en metros 
1 
Tee Recta Ø 1 ½” 
0.45 
1 
Codo 90o Ø 1 ½” 
1.2 
1 
Reducción Ø 1 ½” 
0.5 
Σ L Total = 2.15 
Se ubica dentro del rango que establece la Norma Sanitaria 4044
Evaluamos la presión final 
( ) 
Tramo B1-D 
de tubería: 43.1 mm √ √ 
Sumatorio de caudales tramo A1-B1 y B1-D: ⁄ 
Transformación del caudal ⁄ a ⁄ : ⁄ ⁄ 
Evaluamos el área 
Evaluamos la velocidad: ⁄ ⁄ 
Se ubica dentro del rango que establece la Norma Sanitaria 4044
Longitud equivalente: Cantidad Accesorio Equivalencia en metros 
1 
Tee bifurcación Ø 1 ½” 
2.4 
1 
Reducción Ø 1 ½” 
0.5 
4 
Tee recta Ø 1 ½” 
0.45 
Σ L Total = 4.7 
Determinamos L total 
Determinamos J de Hazen – Williams 
⁄ 
Evaluamos la presión final ( ) 
Tramo común D-E 
de tubería: 53 mm 
El caudal será la sumatoria del caudal del tramo común C-D y la del tramo B1-D 
⁄ ⁄ por qué no hay boquillas de descarga 
Transformación del caudal ⁄ a ⁄ : ⁄ ⁄ 
Evaluamos el área
Evaluamos la velocidad: ⁄ ⁄ 
Longitud equivalente: Cantidad Accesorio Equivalencia en metros 
1 
Codo de 90º Ø 2” 
1.5 
1 
Reducción Ø 2” 
0.61 
2 
Tee bifurcación Ø 2” 
3 
Σ L Total = 4.21 
Determinamos L total 
Determinamos J de Hazen – Williams ⁄ 
Evaluamos la presión final 
( ) 
Se ubica dentro del rango que establece la Norma Sanitaria 4044
Circuito III 
Tramo A2-B2 
Algunos datos 
P: 0.35 
Factor K: 80 
de tubería: 43.1 mm 
C= 120 acero galvanizado 
Determinamos caudal √ 
Dónde: 
P: a la presión. 
K: factor K del rociador √ ⁄ 
Llevamos de mm a m 
Determinamos de velocidad 
Dónde: 
Transformamos al caudal ⁄ a ⁄ : ⁄ ⁄ 
Evaluamos el área
Evaluamos la velocidad: ⁄ ⁄ 
Determinamos L total 
Determinamos J de Hazen – Williams ⁄ 
Evaluamos la presión final Cantidad Accesorio Equivalencia en metros 
1 
Tee Recta Ø 1 ½” 
0.45 
1 
Codo 90o Ø 1 ½” 
1.2 
1 
Reducción Ø 1 ½” 
0.5 
Σ L Total = 2.15 
Se ubica dentro del rango que establece la Norma Sanitaria 4044
( ) 
Tramo B2-E 
de tubería: 43.1 mm √ √ 
Sumatorio de caudales tramo A2-B2 y B1-E: ⁄ 
Transformación del caudal ⁄ a ⁄ : ⁄ ⁄ 
Evaluamos el área 
Evaluamos la velocidad: ⁄ ⁄ 
Longitud equivalente: 
Se ubica dentro del rango que establece la Norma Sanitaria 4044
Cantidad Accesorio Equivalencia en metros 
1 
Tee bifurcación Ø 1 ½” 
2.4 
1 
Reducción Ø 1 ½” 
0.5 
4 
Tee recta Ø 1 ½” 
0.45 
Σ L Total = 4.7 
Determinamos L total 
Determinamos J de Hazen – Williams 
⁄ 
Evaluamos la presión final ( ) 
Tramo común E-F 
de tubería: 53 mm 
El caudal será la sumatoria del caudal del tramo común D-E y la del tramo B2-E 
⁄ ⁄ por qué no hay boquillas de descarga 
Transformación del caudal ⁄ a ⁄ : ⁄ ⁄ 
Evaluamos el área
Evaluamos la velocidad: ⁄ ⁄ 
Longitud equivalente: Cantidad Accesorio Equivalencia en metros 
1 
T Bifurcación Ø 2” 
3 
2 
Reducción Ø 2” 
0.61 
7 
Codo de 90º Ø 2” 
1.5 
2 
Tee recta Ø 2” 
0.6 
1 
Válvula de compuerta Ø 2” 
0.3 
1 
Válvula de retención Ø 2” 
3.3 
Σ L Total = 19.52 
Determinamos L total 
Determinamos J de Hazen – Williams ⁄ 
Evaluamos la presión final 
Se ubica dentro del rango que establece la Norma Sanitaria 4044
( )

ROCIADORES II

  • 1.
    Cálculos hidráulicos derociadores área de almacén Tuberías a utilizar Tubería de succión: 2” Tubería de descarga: 2” Tubería principal: 2” Ramales: 1 ½” Factor k del rociador: 80 Presión: 0.35 Determinación del riesgo según cuadro para rociadores CUADRO DEPENDIENDO DEL RIESGO Cuadro 1 Riesgo ligero Riesgo ordinario Riesgo extra Densidad de diseño (mm/min) 2.25 5 de 7.5 a 12.5 Área de operación (m2) 80 Grupo I (RDI)-72 Grupo II (RDII)- 140 Grupo III (RDIII)- 216 Grupo III ESP(RDIIIE)-360 260 Cobertura máxima del rociador (m2) 20 9 Presión (Bar) 0.7 0.35 0.5 Factor K según el nominal del orificio del rociador en mm - K= 57 - K= 80 - K= 115 K= 80
  • 2.
    La norma COVENIN1376 La distancia máxima entre rociador es de 4.6 m en nuestro caso que es riesgo ordinario Tipo de ocupación Distancia entre rociador ocupación de Riesgo ordinario 4.6 m (15 pies) ocupación de Riesgo ligero 4.6 m (15 pies) ocupación de Riesgo extra 3.7 m (12 pies) Almacenamiento en apilamiento alto 3.7 m (12 pies) Calculo del número de rociadores a accionar El riesgo del área es riesgo ordinario tipo II
  • 3.
    Circuito Tramo CaudalQ (L/Min) Diámetro Velocidad m/seg Longitud equivalente LE (m) Longitud de tubería (m) Longitud total (m) J bar/m PI Presión inicial (Bar) PF Presión final (Bar) Factor K Rociador 1 A-B 47.32 1 ½ pulg 0.6 2.15 3.8 5.95 0.35 0.3587 80 41.3 mm B-C 47.32 1 ½ pulg 1.18 4.7 15.20 19.90 0.3587 0.4672 80 47.91 41.3 mm 95.23 TRAMO COMUN C-D 95.23 2 pulg 0.71 2.7 3.9 6.61 0.4672 0.4776 ---------------- 53 mm 2 A1-B1 47.32 1 ½ pulg 0.6 2.15 3.8 5.95 0.35 0.3587 80 41.3 mm B1-D 47.32 1 ½ pulg 1.18 4.7 15.20 19.90 0.3587 0.4672 80 47.91 41.3 mm 95.23 TRAMO COMUN D-E 95.23 2 pulg 1.44 4.21 3.9 8.11 0.4776 0.5236 ----------- 95.23 190.46 53 mm A2-B2 47.32 1 ½ pulg 0.6 2.15 3.8 5.95 0.35 0.3587 80 41.3 mm B2-E 47.32 1 ½ pulg 1.18 4.7 15.20 19.90 0.3587 0.4672 80 47.91 41.3 mm 95.23 TRAMO COMUN E-F 95.23 2 pulg 2.16 19.52 14.4068 33.93 0.012 0.5236 0.93 ----------- 190.46 53 mm 285.69
  • 5.
    Circuito I TramoA-B Algunos datos P: 0.35 Factor K: 80 de tubería: 43.1 mm C= 120 acero galvanizado Determinamos caudal √ Dónde: P: a la presión. K: factor K del rociador √ ⁄ Llevamos de mm a m Determinamos de velocidad Dónde: Transformamos al caudal ⁄ a ⁄ : ⁄ ⁄ Evaluamos el área
  • 6.
    Evaluamos la velocidad:⁄ ⁄ Determinamos L total Determinamos J de Hazen – Williams ⁄ Evaluamos la presión final Cantidad Accesorio Equivalencia en metros 1 Tee Recta Ø 1 ½” 0.45 1 Codo 90o Ø 1 ½” 1.2 1 Reducción Ø 1 ½” 0.5 Σ L Total = 2.15 Se ubica dentro del rango que establece la Norma Sanitaria 4044
  • 7.
    ( ) TramoB-C de tubería: 43.1 mm √ √ Sumatorio de caudales tramo A-B y B-C: ⁄ Transformación del caudal ⁄ a ⁄ : ⁄ ⁄ Evaluamos el área Evaluamos la velocidad: ⁄ ⁄ Longitud equivalente: Se ubica dentro del rango que establece la Norma Sanitaria 4044
  • 8.
    Cantidad Accesorio Equivalenciaen metros 1 Tee bifurcación Ø 1 ½” 2.4 1 Reducción Ø 1 ½” 0.5 4 Tee recta Ø 1 ½” 0.45 Σ L Total = 4.7 Determinamos L total Determinamos J de Hazen – Williams ⁄ Evaluamos la presión final ( ) Tramo común C-D de tubería: 53 mm ⁄ por qué no hay boquillas de descarga Transformación del caudal ⁄ a ⁄ : ⁄ ⁄ Evaluamos el área
  • 9.
    Evaluamos la velocidad:⁄ ⁄ Longitud equivalente: Cantidad Accesorio Equivalencia en metros 1 Codo de 90º Ø 2” 1.5 1 Reducción Ø 2” 0.61 2 Tee recta Ø 2” 0.6 Σ L Total = 2.71 Determinamos L total Determinamos J de Hazen – Williams ⁄ Evaluamos la presión final ( ) Se ubica dentro del rango que establece la Norma Sanitaria 4044
  • 10.
    Circuito II TramoA1-B1 Algunos datos P: 0.35 Factor K: 80 de tubería: 43.1 mm C= 120 acero galvanizado Determinamos caudal √ Dónde: P: a la presión. K: factor K del rociador √ ⁄ Llevamos de mm a m Determinamos de velocidad Dónde: Transformamos al caudal ⁄ a ⁄ : ⁄ ⁄
  • 11.
    Evaluamos el área Evaluamos la velocidad: ⁄ ⁄ Determinamos L total Determinamos J de Hazen – Williams ⁄ Cantidad Accesorio Equivalencia en metros 1 Tee Recta Ø 1 ½” 0.45 1 Codo 90o Ø 1 ½” 1.2 1 Reducción Ø 1 ½” 0.5 Σ L Total = 2.15 Se ubica dentro del rango que establece la Norma Sanitaria 4044
  • 12.
    Evaluamos la presiónfinal ( ) Tramo B1-D de tubería: 43.1 mm √ √ Sumatorio de caudales tramo A1-B1 y B1-D: ⁄ Transformación del caudal ⁄ a ⁄ : ⁄ ⁄ Evaluamos el área Evaluamos la velocidad: ⁄ ⁄ Se ubica dentro del rango que establece la Norma Sanitaria 4044
  • 13.
    Longitud equivalente: CantidadAccesorio Equivalencia en metros 1 Tee bifurcación Ø 1 ½” 2.4 1 Reducción Ø 1 ½” 0.5 4 Tee recta Ø 1 ½” 0.45 Σ L Total = 4.7 Determinamos L total Determinamos J de Hazen – Williams ⁄ Evaluamos la presión final ( ) Tramo común D-E de tubería: 53 mm El caudal será la sumatoria del caudal del tramo común C-D y la del tramo B1-D ⁄ ⁄ por qué no hay boquillas de descarga Transformación del caudal ⁄ a ⁄ : ⁄ ⁄ Evaluamos el área
  • 14.
    Evaluamos la velocidad:⁄ ⁄ Longitud equivalente: Cantidad Accesorio Equivalencia en metros 1 Codo de 90º Ø 2” 1.5 1 Reducción Ø 2” 0.61 2 Tee bifurcación Ø 2” 3 Σ L Total = 4.21 Determinamos L total Determinamos J de Hazen – Williams ⁄ Evaluamos la presión final ( ) Se ubica dentro del rango que establece la Norma Sanitaria 4044
  • 15.
    Circuito III TramoA2-B2 Algunos datos P: 0.35 Factor K: 80 de tubería: 43.1 mm C= 120 acero galvanizado Determinamos caudal √ Dónde: P: a la presión. K: factor K del rociador √ ⁄ Llevamos de mm a m Determinamos de velocidad Dónde: Transformamos al caudal ⁄ a ⁄ : ⁄ ⁄ Evaluamos el área
  • 16.
    Evaluamos la velocidad:⁄ ⁄ Determinamos L total Determinamos J de Hazen – Williams ⁄ Evaluamos la presión final Cantidad Accesorio Equivalencia en metros 1 Tee Recta Ø 1 ½” 0.45 1 Codo 90o Ø 1 ½” 1.2 1 Reducción Ø 1 ½” 0.5 Σ L Total = 2.15 Se ubica dentro del rango que establece la Norma Sanitaria 4044
  • 17.
    ( ) TramoB2-E de tubería: 43.1 mm √ √ Sumatorio de caudales tramo A2-B2 y B1-E: ⁄ Transformación del caudal ⁄ a ⁄ : ⁄ ⁄ Evaluamos el área Evaluamos la velocidad: ⁄ ⁄ Longitud equivalente: Se ubica dentro del rango que establece la Norma Sanitaria 4044
  • 18.
    Cantidad Accesorio Equivalenciaen metros 1 Tee bifurcación Ø 1 ½” 2.4 1 Reducción Ø 1 ½” 0.5 4 Tee recta Ø 1 ½” 0.45 Σ L Total = 4.7 Determinamos L total Determinamos J de Hazen – Williams ⁄ Evaluamos la presión final ( ) Tramo común E-F de tubería: 53 mm El caudal será la sumatoria del caudal del tramo común D-E y la del tramo B2-E ⁄ ⁄ por qué no hay boquillas de descarga Transformación del caudal ⁄ a ⁄ : ⁄ ⁄ Evaluamos el área
  • 19.
    Evaluamos la velocidad:⁄ ⁄ Longitud equivalente: Cantidad Accesorio Equivalencia en metros 1 T Bifurcación Ø 2” 3 2 Reducción Ø 2” 0.61 7 Codo de 90º Ø 2” 1.5 2 Tee recta Ø 2” 0.6 1 Válvula de compuerta Ø 2” 0.3 1 Válvula de retención Ø 2” 3.3 Σ L Total = 19.52 Determinamos L total Determinamos J de Hazen – Williams ⁄ Evaluamos la presión final Se ubica dentro del rango que establece la Norma Sanitaria 4044
  • 20.