UNIVERSIDAD TECNOLÓGICA EQUINOCCIAL
FACULTAD DE CIENCIAS DE LA INGENIERÍA
CARRERA DE INGENIERÍA MECATRÓNICA
DISEÑO DEL SISTEMA DE CONTROL Y NUEVO PROCESO
DE RECEPCIÓN, DESHIDRATACIÓN DE CRUDO EN LA
ESTACIÓN CASA BOMBA – ANCÓN DE LA EMPRESA
PACIFPETROL S.A
PROYECTO PREVIO A LA OBTENCIÓN DEL TÍTULO DE INGENIERO
MECATRÓNICO
DARIO JAVIER GUALAVISI CAZAR
DIRECTOR: PHD. DANIEL MIDEROS.
Quito, Octubre 2012.
1
DERECHOS DE AUTOR
© Universidad Tecnológica Equinoccial. 2012.
Reservados todos los derechos de reproducción.
2
DECLARACIÓN
Yo, Darío Javier Gualavisí Cazar declaro bajo juramento que el trabajo aquí
descrito es de mi autoría; que no ha sido previamente presentada para
ningún grado o calificación profesional; y, que he consultado las referencias
bibliográficas que se incluyen en este documento.
A través de la presente declaración cedo mis derechos de propiedad
intelectual correspondientes a este trabajo, a la Universidad Tecnológica
Equinoccial, según lo establecido por la Ley de Propiedad Intelectual, por su
Reglamento y por la normatividad institucional vigente.
______________________
Darío Gualavisí.
172364586-5
3
CERTIFICACIÓN
Certifico que el presente trabajo que lleva por título “DISEÑO DEL SISTEMA
DE CONTROL Y NUEVO PROCESO DE RECEPCIÓN, DESHIDRATACIÓN
DE CRUDO EN LA ESTACIÓN CASA BOMBA – ANCÓN DE LA EMPRESA
PACIFPETROL S.A”, que, para aspirar al título de Ingeniero Mecatrónico fue
desarrollo por Darío Gualavisí, bajo mi dirección y supervisión, en la
Facultad de Ciencias de la Ingeniería; y cumple con las condiciones
requeridas por el reglamento de Trabajos de Titulación artículos 18 y 25.
________________________
PHD. DANIEL MIDEROS
DIRECTOR DEL PROYECTO
171317732-5
AGRADECIMIENTO
La presente tesis es un esfuerzo en el cual, directa o indirectamente,
participaron varias personas leyendo, opinando, corrigiendo, teniéndome
paciencia, dando ánimo, acompañando en los momentos de crisis y en los
momentos de felicidad.
Me es grato mencionar y agradecer a varios ingenieros del Departamento de
Proyectos de la empresa “Asociación Pacifpetrol S. A”, Byron Cruz, Cristian
Llive, Cristian Vega, Edison Taipicaña, Edgar Mármol; en especial mención a
los ingenieros Pablo Espinosa y Jhon Fernández que como líderes de
Departamento me brindaron la oportunidad de realizar este proyecto,
muchas gracias por sus observaciones, consejos y oportunidades de mejora,
estoy seguro que todo lo aprendido junto a ustedes me servirá para
desarrollarme y crecer como un excelente profesional.
De igual manera quiero dar un agradecimiento efusivo al Ingeniero Daniel
Mideros por su paciencia y oportuna dirección del presente trabajo, que a
pesar de los inconvenientes presentados en el desarrollo de este trabajo
siempre existió la predisposición de buscar una solución o alternativa ante
estos inconvenientes.
Finalmente, pero no menos importantes, a cada uno de los docentes de la
Facultad de Ciencias de la Ingeniería, quienes se esmeraron en transmitir
sus conocimientos para formar excelentes profesionales.
DEDICATORIA
A mis padres, porque creyeron en mi y porque me sacaron adelante,
dándome ejemplos dignos de superación y entrega, porque en gran parte
gracias a ustedes, hoy puedo ver alcanzada una de mis metas, ya que
siempre estuvieron impulsándome en los momentos más difíciles de mi
carrera. El orgullo que sienten por mi, fue lo que me hizo ir hasta el final. Va
por ustedes, por lo que valen, porque admiro su fortaleza, enseñanzas y
consejos. Gracias por todo lo que han hecho por mí, sé que esto no termina
aquí; pero es una meta cumplida y no hubiera sido posible sin su apoyo
incondicional, Carlos y Verónica.
A mi hermano Danilo que ha sabido ser una persona digna de admirar por su
fortaleza y perseverancia ante las adversidades, fuiste tú quien me ayudó a
entender y comprender muchas cosas y te lo agradeceré toda la vida.
A mi hermana quién a pesar de su corta edad ha logrado demostrar todo su
cariño y en quién espero sea una persona de bien que contará siempre con
mi incondicional apoyo, a Camilita.
A mis tías y tíos quiénes han sabido aconsejarme y brindarme todo su amor
Susana, Silvia, Orlando, Aníbal, Anita, Elena.
A mis abuelitos por toda su sabiduría y apoyo, Papito Lucho, Mamita
Martha, Mamita Carmela.
A mi familia. Gracias por haber fomentado en mí el deseo de superación y el
anhelo de triunfo en la vida. Mil palabras no bastarían para agradecerles su
apoyo, comprensión y sus consejos en los momentos difíciles.
A todos, espero no defraudarlos y contar siempre con su valioso apoyo,
sincero e incondicional.
i
i
ÍNDICE
1. INTRODUCCIÓN........................................................................................ 1
2. MARCO TEÓRICO...................................................................................... 7
2.1 DESHIDRATACIÓN DE CRUDO .............................................................. 7
2.1.1 SEPARACIÓN AGUA – PETRÓLEO..................................................... 7
2.2 FUNDAMENTOS DE SEPARACIÓN DE MEZCLAS GAS LÍQUIDO ....... 8
2.2.1 SEPARACIÓN POR FUERZA CENTRÍFUGA ....................................... 8
2.2.2 SEPARACIÓN POR CHOQUE .............................................................. 9
2.2.3 CAMBIO DE CANTIDAD DE MOVIMIENTO O MOMÉNTUM............... 9
2.2.4 SEDIMENTACIÓN.................................................................................. 9
2.2.5 COALESCENCIA.................................................................................... 9
2.2.6 ABSORCIÓN ........................................................................................ 10
2.2.7 ADSORCIÓN........................................................................................ 10
2.2.8 TANQUES DE PRODUCCIÓN............................................................. 10
2.3 EQUIPOS PARA SEPARAR FLUIDOS LA INDUSTRIA PETROLERA 11
2.3.1 SEPARADORES .................................................................................. 11
2.3.2 SEPARADORES DE GAS.................................................................... 12
2.3.3 SEPARADORES A BAJA TEMPERATURA ........................................ 12
2.3.4 ELIMINADORES................................................................................... 12
2.3.5 DEPURADORES.................................................................................. 13
2.4 LOCALIZACIÓN GEOGRÁFICA DE LA ESTACIÓN CASA BOMBA..... 13
2.5 COMPONENTES DE LA ESTACIÓN CASA BOMBA ............................ 14
2.6 CONDICIONES AMBIENTALES............................................................. 14
2.7 PRODUCCIÓN ESTIMADA..................................................................... 15
2.8 DESCRIPCIÓN ACTUAL DEL SISTEMA DE RECEPCIÓN,
DESHIDRATACIÓN Y ALMACENAMIENTO DE CRUDO............................ 16
2.8.1 SISTEMAS DE LEVANTAMIENTO ARTIFICIAL EN EL BLOQUE
ANCON.......................................................................................................... 16
2.8.2 TRATAMIENTO DE CRUDO................................................................ 23
2.8.3 MANEJO DE AGUA.............................................................................. 26
ii
ii
2.8.4 MANEJO DE SÓLIDOS........................................................................ 27
2.9 DIAGRAMA DE BLOQUES DEL ACTUAL SISTEMA DE RECEPCIÓN,
DESHIDRATACIÓN Y ALMACENAMIENTO DE CRUDO............................ 27
2.10 RELACIÓN DE RECEPCIÓN DE CRUDO ........................................... 29
3. METODOLOGÍA........................................................................................ 31
3.1 CONSIDERACIONES GENERALES ...................................................... 30
3.1.1 RECEPCIÓN DE CRUDO.................................................................... 30
3.2 ALTERNATIVAS ESTUDIADAS.............................................................. 31
3.2.1 CELDA DE FLUJO CRUZADO – TANQUE DE LAVADO ................... 31
3.2.2 SEPARADOR CENTRÍFUGO .............................................................. 34
3.2.3 SEPARADOR CICLÓNICO.................................................................. 35
3.3 ALMACENAMIENTO DE PETRÓLEO .................................................... 36
3.4 SERVICIOS AUXILIARES....................................................................... 37
3.4.1 INSTRUMENTACIÓN Y CONTROL .................................................... 37
3.4.2 AIRE DE INSTRUMENTOS Y DE PLANTA......................................... 38
3.4.3 INYECCIÓN DE QUÍMICOS ................................................................ 38
3.4.4 AISLAMIENTO...................................................................................... 38
3.5 DIAGRAMA DE BLOQUES PROPUESTO PARA EL SISTEMA DE
RECEPCIÓN DE CRUDO ............................................................................. 38
3.5.1 SEPARACIÓN DE SÓLIDOS............................................................... 40
3.5.2 TRATAMIENTO DE CRUDO................................................................ 40
3.5.3 MANEJO DE AGUA.............................................................................. 40
3.5.4 MANEJO DE SÓLIDOS........................................................................ 40
3.6 ALTERNATIVAS PROPUESTAS............................................................ 40
3.7 EVALUACIÓN TÉCNICO-ECONÓMICA DE ALTERNATIVAS .............. 47
3.7.1 ESCENARIOS PROPUESTOS PARA LA EVALUACIÓN ................... 47
3.7.2 CRITERIOS DE SELECCIÓN DE TECNOLOGÍAS............................. 47
3.7.3 VENTAJAS Y DESVENTAJES TECNOLOGÍAS ESTUDIADAS......... 48
3.7.4 PARÁMETROS DE EVALUACIÓN ...................................................... 52
3.7.5 VALORACIÓN DE TECNOLOGÍAS..................................................... 56
3.8 SELECCIÓN DE LA ALTERNATIVA PROPUESTA ............................... 58
iii
iii
4. DISEÑO DE LA ALTERNATIVA SELECCIONADA – SEPARADOR
CENTRÍFUGO ............................................................................................... 55
4.1 BASES Y CRITERIO DE DISEÑO MECÁNICO PARA EL SISTEMA
PROPUESTO ................................................................................................ 59
4.1.1 SISTEMA DE FILTROS........................................................................ 59
4.1.2 DIMENSIONAMIENTO DE SEPARADORES HORIZONTALES......... 62
4.1.3 SEPARADORES CENTRÍFUGOS....................................................... 71
4.1.4 PISCINAS DE SEDIMENTACIÓN API (SEPARADOR)....................... 74
4.1.5 TANQUES DE SURGENCIA Y ALMACENAMIENTO ......................... 78
4.1.6 DIMENSIONAMIENTO DE LÍNEAS..................................................... 81
4.1.7 DIMENSIONAMIENTO DE BOMBAS .................................................. 84
4.2 MEMORIA DE CÁLCULO BOMBAS DE ALIMENTACIÓN DE CRUDO
PBA-6003 A/B................................................................................................ 85
4.3 CODIFICACIÓN PARA DIAGRAMAS P&ID ........................................... 96
4.3.1 CÓDIGO PARA IDENTIFICACIÓN DE VÁLVULAS ............................ 96
4.3.2 CÓDIGO PARA IDENTIFICACIÓN DE CAÑERÍAS ............................ 97
4.3.3 CÓDIGO PARA IDENTIFICACIÓN DE EQUIPOS .............................. 99
4.3.4 TABLA ISA DE CÓDIGO FUNCIONAL DE INSTRUMENTOS.......... 101
4.3.5 CÓDIGOS LITERALES DE INSTRUMENTOS MÁS USADOS......... 102
4.3.6 OTRAS ABREVIATURAS .................................................................. 105
4.4 SIMBOLOGÍA PARA PLANOS P&ID .................................................... 106
4.5 PIPING & INSTRUMENT DIAGRAM .................................................... 106
4.5.1 P&ID FILTROS DE INGRESO ........................................................... 106
4.5.2 P&ID SISTEMA DE FILTROS ............................................................ 106
4.5.3 P&ID BOMBAS DE DESCARGA........................................................ 107
4.5.4 P&ID SEPARADOR BIFÁSICO.......................................................... 107
4.5.5 P&ID BOMBAS ALIMENTACIÓN CRUDO ....................................... 108
4.5.6 P&ID BOMBAS DESCARGA DE AGUA ............................................ 109
4.5.7 P&ID SEPARADOR CENTRÍFUGO................................................... 109
4.5.8 P&ID TANQUE DE SURGENCIA....................................................... 110
4.5.9 P&ID PISCINAS API........................................................................... 111
4.5.10 P&ID BOMBAS AGUA DE PISCINAS............................................. 112
4.5.11 P&ID BOMBA RECUPERACIÓN CRUDO....................................... 112
4.5.12 P&ID BOMBA DE AGUA DE UTILIDADES...................................... 112
iv
iv
4.6 LISTADO DE EQUIPOS........................................................................ 126
4.7 LISTADO DE LÍNEAS............................................................................ 128
4.8 LISTADO DE TIE-IN.............................................................................. 134
5. DISEÑO DEL SISTEMA DE CONTROL................................................. 135
5.1 FILOSOFÍA DE OPERACIÓN Y CONTROL NUEVO PROCESO........ 135
5.1.1 CONSIDERACIONES BÁSICAS........................................................ 135
5.1.2 SEPARACIÓN PRIMARIA DE SÓLIDOS .......................................... 136
5.1.3 SEPARACIÓN DE LÍQUIDOS............................................................ 137
5.2 SEPARADOR CENTRÍFUGO ............................................................... 138
5.2.1 CARGA DE CRUDO DE PRODUCCIÓN........................................... 138
5.2.2 TAMBOR DE LA CENTRÍFUGA ........................................................ 139
5.2.3 PAQUETE DE DISCOS CÓNICOS.................................................... 139
5.2.4 DESCARGA DE LÍQUIDOS ............................................................... 140
5.2.5 TRANSMISIÓN DE POTENCIA ......................................................... 141
5.2.6 MATERIALES DE CONSTRUCCIÓN ................................................ 141
5.2.7 LUBRICACIÓN ................................................................................... 141
5.2.8 LIMPIEZA ........................................................................................... 142
5.2.9 PROTECCIÓN CONTRA EXPLOSIÓN ............................................. 142
5.2.10 SISTEMA DE CONTROL DE LA CENTRÍFUGA ............................. 142
5.3 ALMACENAMIENTO DE PETRÓLEO .................................................. 143
5.4 BASES Y CRITERIO DE DISEÑO DE INSTRUMENTACIÓN Y
CONTROL ................................................................................................... 144
5.4.1 UNIDADES DE INGENIERÍA ............................................................. 144
5.4.2 NORMAS Y/O ESTÁNDARES APLICABLES.................................... 146
5.4.3 NIVELES DE VOLTAJE ..................................................................... 146
5.4.4 CLASIFICACIÓN DE ÁREAS............................................................. 147
5.4.5 CONSIDERACIONES GENERALES EN INSTRUMENTACIÓN....... 147
5.4.6 CRITERIOS PARA LA SELECCIÓN DE INSTRUMENTOS.............. 149
5.4.7 MONTAJE DE INSTRUMENTOS....................................................... 161
5.4.8 CRITERIOS PARA LA SELECCIÓN DE CABLES DE
INSTRUMENTACIÓN Y CONTROL............................................................ 161
5.4.9 IDENTIFICACIÓN DE CABLES, Y JUNCTION BOX......................... 162
v
v
5.4.10 CANALIZACIONES PARA CABLES ................................................ 163
5.4.11 CAJAS DE CONEXIÓN.................................................................... 164
5.4.12 CONTROL Y MONITOREO ............................................................. 165
5.4.13 SISTEMA DE PUESTA TIERRA ...................................................... 166
5.4.14 UNIDADES PAQUETE..................................................................... 166
5.4.15 PRUEBAS......................................................................................... 167
5.5 ARQUITECTURA DE CONTROL.......................................................... 168
5.6 PLOT PLAN DE INSTRUMENTACIÓN................................................. 168
5.7 MATRIZ CAUSA EFECTO DEL PROCESO (SAFETY CHART).......... 169
5.8 DIAGRAMAS DE LAZOS DE CONTROL ............................................. 169
5.9 INTERFAZ HOMBRE – MÁQUINA HMI................................................ 169
5.10 LÓGICA DE CONTROL ...................................................................... 191
5.10.1 CONTROL DE FILTROS.................................................................. 192
5.10.2 CONTROL DEL SEPARADOR BIFÁSICO ...................................... 193
5.10.3 TAGS DEL SISTEMA DE CONTROL .............................................. 194
5.10.4 PROGRAMACIÓN DEL PROCESO ................................................ 194
CONCLUSIONES Y RECOMENDACIONES.............................................. 169
6.1 CONCLUSIONES.................................................................................. 201
6.2 RECOMENDACIONES.......................................................................... 203
BIBLIOGRAFÍA
ANEXOS
ANEXO 1 MANUALES RTP NET SUITE .................................................... 206
vi
vi
TABLA DE FIGURAS
MARCO DE TEÓRICO
FIGURA 2.1 SEPARACIÓN DE AGUA - PETRÓLEO .................................... 7 
FIGURA 2.2 TANQUES DE PRODUCCIÓN................................................. 10 
FIGURA 2.3 SEPARADOR DE PRODUCCIÓN............................................ 12 
FIGURA 2.4 LOCALIZACIÓN ESTACIÓN CASA BOMBA........................... 13 
FIGURA 2.5 COMPONENTES ESTACIÓN CASA BOMBA ......................... 14 
FIGURA 2.6 EQUIPO DE BOMBEO MECÁNICO......................................... 17 
FIGURA 2.7 ESQUEMA GENERAL BOMBEO MECÁNICO ........................ 18 
FIGURA 2.8 EQUIPO SWAB ........................................................................ 19 
FIGURA 2.9 EQUIPO DE HERRAMIENTA LOCAL...................................... 20 
FIGURA 2.10 EQUIPO CHUCHARA............................................................. 21 
FIGURA 2.11 EQUIPO GAS LIFT................................................................. 21 
FIGURA 2.12 EQUIPO PLINGER LIFT AUTÓNOMO .................................. 22 
FIGURA 2.13 EQUIPO PLUNGER LIFT ANCÓN......................................... 23 
FIGURA 2.14 TREN DE FILTROS COALESCENTES ................................. 24 
FIGURA 2.15 TANQUES DE ALMACENAMIENTO DIARIO........................ 25 
FIGURA 2.16 TANQUE DE REPOSO: TK-N................................................ 25 
FIGURA 2.17 TANQUE DE ALMACENAMIENTO: TK-H ............................. 26 
FIGURA 2.18 PISCINAS API ........................................................................ 26 
FIGURA 2.19.- DIAGRAMA DE BLOQUES ACTUAL................................... 28 
FIGURA 2.20.- RELACIÓN DE RECEPCIONES DE CRUDO...................... 29
METODOLOGÍA
FIGURA 3.1 ESQUEMA DE LA CELDA DE FLUJO CRUZADO.................. 31 
FIGURA 3.2 CONGLUTINADOR DE PLACA ............................................. 33 
FIGURA 3.3 ESQUEMA EQUIPO CENTRÍFUGO........................................ 35 
FIGURA 3.4 ESQUEMA DEL SEPARADOR CICLÓNICO........................... 36 
FIGURA 3.5 DIAGRAMA DE BLOQUES PROPUESTO .............................. 39 
vii
vii
FIGURA 3.6 SIMBOLOGÍA PARA DIAGRAMAS DE FLUJO DE PROCESO
PFD................................................................................................................ 42 
FIGURA 3.7.- ALTERNATIVA 1 - CELDA DE FLUJO CRUZADO CON
TANQUE DE LAVADO .................................................................................. 43 
3.8.- ALTERNATIVA 2A – SEPARADOR CENTRÍFUGO............................. 44 
FIGURA 3.9.- ALTERNATIVA 2B – SEPARADOR CENTRÍFUGO.............. 45 
FIGURA 3.10.- ALTERNATIVA 3 – HIDROCICLÓN..................................... 46
DISEÑO DE LA ALTERNATIVA SELECCIONADA – SEPARADOR
CENTRÍFUGO
FIGURA 4.1 CÓDIGO FUNCIONAL DE INSTRUMENTOS ....................... 102 
FIGURA 4.2 SIMBOLOGÍA PARA PLANOS P&ID ..................................... 113 
FIGURA 4.3 P&ID FILTROS DE INGRESO................................................ 114 
FIGURA 4.4 P&ID SISTEMA DE FILTROS ................................................ 115 
FIGURA 4.5 P&ID BOMBA DE DESCARGA .............................................. 116 
FIGURA 4.6 P&ID SEPARADOR BIFÁSICO.............................................. 117 
FIGURA 4.7 P&ID BOMBAS ALIMENTACIÓN DE CRUDO....................... 118 
FIGURA 4.8 P&ID BOMBA DE DESCARGA DE AGUA............................. 119 
FIGURA 4.9 P&ID SEPARADOR CENTRÍFUGO....................................... 120 
FIGURA 4.10 P&ID TANQUE DE SURGENCIA......................................... 121 
FIGURA 4.11 P&ID PISCINAS API............................................................. 122 
FIGURA 4.12 P&ID BOMBA DE PISCINA DE AGUA................................. 123 
FIGURA 4.13 P&ID BOMBA DE RECUPERACIÓN DE CRUDO............... 124 
FIGURA 4.14 P&ID BOMBA DE AGUA DE UTILIDADES.......................... 125
DISEÑO DEL SISTEMA DE CONTROL
FIGURA 5.1 CORTE TRANSVERSAL DEL SEPARADOR CENTRÍFUGO138 
FIGURA 5.2 DISCOS CÓNICOS DEL SEPARADOR CENTRIFUGO ....... 140 
FIGURA 5.3 ARQUITECTURA DE CONTROL........................................... 178 
FIGURA 5.4 PLOT PLAN DE INSTRUMENTACIÓN.................................. 179 
FIGURA 5.5 LAZOS DE CONTROL............................................................ 180 
FIGURA 5.6 HMI FILTROS DE INGRESO – SISTEMA DE FILTRO ......... 181 
viii
viii
FIGURA 5.7 HMI BOMBAS DESCARGA DE CRUDO PBA – 6001 A/B.... 182 
FIGURA 5.8 HMI SEPARADOR BIFÁSICO ABJ - 2001............................. 183 
FIGURA 5.9 BOMBAS DE ALIMENTACIÓN DE CRUDO PBA – 6003 A/B184 
FIGURA 5.10 HMI BOMBAS DE DESCARGA DE AGUA PBA – 2002 A/B185 
FIGURA 5.11 HMI TANQUE DE SURGENCIA ABJ - 2002........................ 186 
FIGURA 5.12 HMI PISCINAS API ZZZ-9002 / ZZZ - 9003......................... 187 
FIGURA 5.13 HMI BOMBAS PISCINAS API 6004 A/B .............................. 188 
FIGURA 5.14 HMI BOMBAS RECUPERACIÓN CRUDO PBA – 6005 A/B189 
FIGURA 5.15 HMI BOMBAS DE AGUA DE UTILIDADES PBA - 6006...... 190 
FIGURA 5.16 LÓGICA DE CONTROL GENERAL DEL PROCESO.......... 191 
FIGURA 5.17 CONTROL DE FILTROS ...................................................... 192 
FIGURA 5.18 CONTROL DEL SEPARADOR BIFÁSICO........................... 193 
FIGURA 5.19 MÓDULOS DE LA LÓGICA DE CONTROL......................... 194 
FIGURA 5.20 OBJETOS ENTEROS........................................................... 196
FIGURA 5.21 OBJETOS DECIMALES ....................................................... 196 
FIGURA 5.22 CONTADORES..................................................................... 196
FIGURA 5.23 CONVERSORES.................................................................. 196
FIGURA 5.24 FORMULARIO DE OBJETOS.............................................. 198
FIGURA 5.25 TABLA DE OBJETOS........................................................... 198 
FIGURA 5.26 PROGRAMACIÓN SISTEMA DE FILTROS DE INGRESO. 198 
FIGURA 5.27 PROGRAMACIÓN SISTEMA DE FILTROS (TREN DE
FILTROS)..................................................................................................... 199 
FIGURA 5.28 PROGRAMACIÓN DEL SEPARADOR BIFÁSICO .............. 199 
FIGURA 5.29 TABLA DE TAGS SECUNDARIOS ...................................... 200 
FIGURA 5.30 TABLA DE TAGS PRINCIPALES......................................... 200 
ix
ix
ÍNDICE DE TABLAS
INTRODUCCIÓN
TABLA 1.1 COSTO DE LA INVERSIÓN DEL PROYECTO............................ 6
MARCO TEÓRICO
TABLA 2.1 CONDICIONES AMBIENTALES CASA BOMBA. ...................... 15 
TABLA 2.2.- PRODUCCIÓN ESTIMADA – SÓLIDOS EN EL FLUIDO........ 15
METODOLOGÍA
TABLA 3.1 VENTAJAS-DESVENTAJAS DE LA ALTERNATIVAS .............. 52 
TABLA 3.2 VALORACIÓN Y EVALUACIÓN DE ALTERNATIVAS .............. 57
DISEÑO DE LA ALTERNATIVA SELECCIONADA – SEPARADOR
CENTRÍFUGO
TABLA 4.1.- PRESIÓN DE DISEÑO FILTROS............................................. 62 
TABLA 4.2.- TIEMPO RETENCIÓN HIDROCARBURO/AGUA.................... 64 
TABLA 4.3 ESBELTEZ EN FUNCIÓN DE LA PRESIÓN DE OPERACIÓN. 64 
TABLA 4.4.- ALTURAS LLL PARA DIÁMETROS DE RECIPIENTES.......... 65 
TABLA 4.5.- TIEMPOS DE RETENCIÓN Y ALMACENAMIENTO DE
LÍQUIDO ........................................................................................................ 65 
TABLA 4.6.- DIMENSIONES Y UBICACIÓN DE PLACAS COALESCENTES
....................................................................................................................... 67 
TABLA 4.7.- PRESIÓN DE DISEÑO PARA RECIPIENTES......................... 69 
TABLA 4.8.-FACTORES DE TURBULENCIA F............................................ 78 
TABLA 4.9.- VELOCIDADES Y CAÍDAS DE PRESIÓN............................... 82 
TABLA 4.10.- CRITERIOS PARA EL DIMENSIONAMIENTO DE LÍNEAS.. 83 
TABLA 4.11 CÓDIGO PARA IDENTIFICACIÓN DE CAÑERÍAS................. 99 
x
x
TABLA 4.12 CÓDIGO PARA IDENTIFICACIÓN DE EQUIPOS................. 100 
TABLA 4.13 TABLA ISA DE CÓDIGOS DE INSTRUMENTOS.................. 101 
TABLA 4.14 LISTADO DE EQUIPOS MECÁNICOS PARA EL NUEVO
SISTEMA DE RECEPCIÓN Y DESHIDRATACIÓN DE CRUDO CASA
BOMBA........................................................................................................ 127 
TABLA 4.15 LISTADO DE LÍNEAS............................................................. 133
DISEÑO DEL SISTEMA DE CONTROL
TABLA 5.1 UNIDADES DE MEDIDA PARA INSTRUMENTACIÓN Y
CONTROL` .................................................................................................. 145 
TABLA 5.2 NORMAS – ESTÁNDARES APLICABLES............................... 146 
TABLA 5.4 LISTA DE INSTRUMENTOS Y SEÑALES PARA EL NUEVO
SISTEMA DE RECEPCIÓN DE CRUDO .................................................... 176 
TABLA 5.5 DIAGRAMA CAUSA - EFECTO NUEVO SISTEMA DE
RECEPCIÓN DE CRUDO CASA BOMBA .................................................. 177 
x
RESUMEN
El presente proyecto consiste en el estudio del proceso de separación y
deshidratación de crudo de la estación Casa Bomba de la empresa
Asociación Pacifpetrol S.A.
El proceso de recepción, deshidratación de crudo de la estación necesitaba
ser modernizado y rediseñado ya que varios sus equipos requieren salir de
operación, razón por la cual fue necesario realizar un estudio de ingeniería
para proponer y analizar tres alternativas que cumpla con la eficiencia del
proceso en estudio.
Una vez culminado el estudio de ingeniería conceptual se concluyó que la
alternativa que cumplía con los requerimientos actuales y futuros para suplir
la salida de los equipos del actual sistema es la utilización de un separador
centrífugo. Con la alternativa seleccionada bajo varios criterios técnicos y
económicos definidos en la ingeniería conceptual, se procedió a diseñar
detalladamente el nuevo proceso de recepción y deshidratación de crudo
para la estación Casa Bomba.
Para el sistema de supervisión y control fue indispensable los planos P&ID
ya que mediante la información indicada en ellos se definió la arquitectura y
lógica de control para diseñar el diagrama causa efecto que posteriormente
serviría para la programación del sistema de monitoreo mediante una
interfaz hombre máquina (HMI) diseñada en el software RTPView. Para
verificar que tanto la lógica de control como la visualización de las variables
de proceso estén acorde al diseño se configuró el simulador del procesador
2316 del PLC RTP validando así su correcto funcionamiento y dando como
resultado el cumplimiento del objetivo del presente trabajo.
xi
ABSTRACT
This project involves the study of the process of separation and dehydration
of crude Pump Station House Asociación Pacifpetrol S. A.
The process of receiving, oil dehydration station needed to be modernized
and redesigned as several teams out of operation required, why was required
an engineering study to propose and analyze three alternative that meets the
process efficiency studied.
Once completed the conceptual engineering study concluded that the
alternative that met the requirements to meet current and future output of the
equipment of the present system is the use of a centrifugal separator. With
the alternative selected under various technical and economic criteria defined
in conceptual engineering, design proceeded to detail the new reception and
dehydration process of crude Pump Station House.
For the system of supervision and control was essential planes P & ID since
by the information in them was defined architecture and control logic to
design diagram causal later serve to program the monitoring system through
a Human Machine Interface (HMI) software designed RTPView. To verify that
both the control logic and display of process variables are set according to
the design of the processor simulator RTP 2316 PLC validating correct
operation and resulting in meeting the objective of the present work.
1
1. INTRODUCCIÓN
1
1
El presente proyecto consiste en el estudio del sistema de recepción y
deshidratación de crudo de la planta de tratamiento de crudo de la empresa
Pacifpetrol S. A, dicha planta se encuentra ubicada en la provincia de Santa
Elena en la parroquia de Ancón. El tratamiento y procesamiento de crudo
inicia con la recolección de petróleo de los diferentes pozos, toda producción
diaria es llevada mediante tanqueros a la planta procesadora de crudo
también conocida como estación Casa Bomba.
La estación Casa Bomba actualmente opera bajo un proceso que no
garantiza que la separación y deshidratación de crudo sea eficiente.
Asociación Pacifpetrol S. A tiene la obligación de cumplir las disposiciones y
normativas impuestas por las diferentes entidades de control, entre las
cuales se destaca fiscalización de Refinería La Libertad. El crudo entregado
como producto final a Refinería La Libertad deberá tener un BSW (Basic
Sediment Water) máximo permisible de 0.5 – 1%, si el crudo entregado
sobrepasa dichos valores, fiscalización estará en la potestad de penalizar
económicamente al valor del barril de petróleo entregado.
El actual sistema tiene como función separar agua de crudo únicamente bajo
la acción de la gravedad, la misma que por diferencias de densidades logra
decantar sólidos y separar de emulsiones de crudo en agua en una gran
parte. Este proceso hace que los tiempos de residencia en los tanques de
deshidratación sean prolongados y el proceso en sí no sea eficiente para
garantizar que el BSW sea menor al 1%.
Además de lo anteriormente mencionado existen equipos que necesitan salir
de operación, como es el caso del tanque de almacenamiento diario, que fue
diseñado para tanque de almacenamiento de gasolina mas no de crudo;
pero por motivos operacionales opera actualmente como tanque de
almacenamiento diario de crudo. Junto con salida del tanque de
almacenamiento (Tanque K) por haber cumplido con su tiempo de vida útil
fue necesario realizar un estudio de ingeniería conceptual con el fin de
2
2
encontrar una posible alternativa de proceso logrando así modernizar el
proceso de recepción y deshidratación de crudo logrando así producir crudo
de buena calidad cumpliendo con las disposiciones de las diferentes
entidades de control.
El mantenimiento del actual sistema es manual lo cual dificulta que el
proceso sea efectivo ya que la operación tiene que pararse para poder
realizar el mantenimiento. Este particular hace que los costos por
mantenimiento y operación de la planta sean elevados con lo cual el actual
sistema no logra ser eficiente y como consecuencia de esto hace que el
consumo de recursos sea mayor.
Por los antecedentes mencionados anteriormente es necesario rediseñar el
sistema de recepción y deshidratación de crudo, así como también es
necesario analizar alternativas de mejora para garantizar que el tratamiento
de crudo en la estación sea eficiente y cumpla con las exigencias de las
diferentes entidades gubernamentales de control.
Para solucionar estos problemas se planteó el presente proyecto con los
siguientes objetivos:
Objetivo General
Diseñar el sistema de control y nuevo proceso de recepción, deshidratación
de crudo en la estación Casa Bomba de la Empresa Pacifpetrol S.A.
Objetivos específicos:
 Plantear, analizar y seleccionar una alternativa de flujo proceso (PFD)
que esté acorde a los intereses de Pacifpetrol S.A para garantizar que
la deshidratación de crudo sea eficiente.
3
3
 Realizar la ingeniería básica de la alternativa seleccionada para definir
los planos P&ID’s y los equipos mayores del sistema.
 Diseñar las pantallas gráficas HMI del nuevo proceso de recepción y
deshidratación de crudo propuesto mediante el cual se monitoreará
las variables del proceso.
 Diagnosticar el funcionamiento de la programación de las variables de
proceso estipuladas en el diseño propuesto mediante una interfaz
hombre máquina HMI.
Mediante la implementación de un nuevo sistema de recepción y
deshidratación de crudo, el funcionamiento operativo de la estación mejorará
considerablemente. El diseño del nuevo sistema agilitará los procesos que
se manejan en la estación Casa Bomba garantizando un correcto
desempeño y optimización de recursos logrando así ser eficientes y cumplir
las exigencias de las entidades de control existentes (ARCH, Fiscalización
Refinería La Libertad, SHE, etc.), así como también garantizar el
cumplimiento de las normativas técnicas necesarias para la correcta
operación del campo Gustavo Galindo Velasco teniendo así la mejora
continua para la empresa y alcanzar uno de los objetivos estratégicos de la
empresa ”Ser una empresa referente en las actividades petroleras”.
Para lograr definir cuál sistema es el más adecuado para las necesidades
actuales y futuras de la estación fue necesario realizar un estudio de
ingeniería para evaluar las posibles soluciones para conseguir que el
proceso de recepción y deshidratación de crudo sea eficiente y cumpla con
los requerimientos actuales y futuros de la estación Casa Bomba. Este
estudio contempló el rediseño del actual sistema para lo cual se analizó
todas las disciplinas en las cuales se iba a intervenir la planta existe.
Con la ingeniería desarrollada se analizó las propuestas para el nuevo
sistema, para lo cual fue necesario una evaluación técnica, dicha evaluación
constó de varios parámetros y criterios que se definieron en el presente
4
4
estudio. Con el análisis de los resultados de la evaluación se determinó que
la opción más óptima de proceso que mejor se acoplaba a las necesidades
existentes y futuras de la estación era el Separador Centrífugo. Una vez
elegida la alternativa de proceso se procedió a definir detalladamente el
funcionamiento del nuevo proceso junto con el separador centrífugo con lo
cual se desarrolló los planos P&ID1
los mismos que definieron los equipos
necesarios para el funcionamiento del nuevo sistema.
Una vez conocidos los equipos principales se dimensionaron y seleccionaron
los mismos de acuerdo a las especificaciones y necesidades de diseño
establecidas en la ingeniería, de tal manera que cumpla con los requisitos
del nuevo sistema y garantice la correcta operación del mismo.
Con el desarrollo de los planos P&ID se obtuvo el listado de señales e
instrumentos, los mismos que fueron la bases para analizar, evaluar y definir
el sistema de control con el cual se automatizaría el nuevos proceso de
recepción y deshidratación de crudo de la estación Casa Bomba.
La programación del PLC se realizó mediante el paquete utilitario NetArrays2
de RTP donde se tomó en cuenta los diagramas de lazo de los diferentes
instrumentos así como también se utilizó el diagrama causa efecto que
permitió definir el estado de los actuadores dependiendo de las lecturas
tomadas por los instrumentos.
Para la supervisión y control del operador se diseñó una interfaz gráfica
mediante la cual el operador está en capacidad de verificar y controlar el
estado de las variables de proceso. El diseño MHI para la supervisión del
operador se realizó en el paquete utilitario RTPView, el mismo que se diseñó
en base a los planos P&ID.
1
Diagramas de tubería & instrumentación por sus siglas en inglés.
2
Paquete utilitario del PLC RTP que sirve para la programación y simulación del proceso.
5
5
Mediante la fusión y configuración del simulador del procesador 2316 del
PLC RTP se logró simular y diagnosticar el comportamiento y
funcionamiento de las variables de proceso establecidas según el estudio de
la ingeniería desarrollada, de tal manera que se garantice el correcto
funcionamiento de la planta para el nuevo proceso de recepción y
deshidratación de crudo en la estación Casa Bomba.
El objetivo del estudio de ingeniería para este proyecto fue modernizar y
mejorar el actual sistema de recepción y deshidratación de crudo, razón por
la cual se tomó en cuenta todas las normas y estándares nacionales como
internacionales parra una buena práctica de ingeniería. Al aplicar los
parámetros establecidos en las diferentes normativas para cada disciplina ya
sea mecánica, eléctrica e instrumentación y control se garantiza que el
desarrollo del presente estudio cumpla con todos los requerimientos actuales
y futuros de estación.
El proyecto es factible técnicamente ya que cumple con todos los
requerimientos actuales y futuros para la estación, el mismo que fue
desarrollado en base a diferentes normativas tales como: API, ASME, ANSI,
ISA, IEEE, IEC, NEMA, NFPA., garantizando aún más el desempeño y
funcionamiento del nuevo proceso de recepción y deshidratación de crudo
en la estación Casa Bomba.
Como resultado del presente estudio se resume en la Tabla 1.1 el costo que
tendría implementar el nuevo sistema de recepción y deshidratación de
crudo para la estación Casa Bomba.
6
6
 DESCRPCIÓN   UNIDAD   CANTIDAD   PRECIO   PRECIO TOTAL 
DESARROLLO DE INGENIERÍA UNI 1 93 287.75$                     93 287.75$                   
TANQUE SEPARADOR BIFASICO (500) BBLS UNI 1 200 000.00$                  200 000.00$                 
SEPARADOR CENTRIFUJO 14 M3/h UNI 1 350 000.00$                  350 000.00$                 
TANQUE SURGENCIA 300 BBLS UNI 1 45 000.00$                     45 000.00$                   
FILTROS PRINCIPALES  UNI 2 40 000.00$                     80 000.00$                   
BOMBAS GL 1 30 000.00$                     30 000.00$                   
INSTRUMENTACIÓN GL 1 120 000.00$                  120 000.00$                 
MATERIALES ELECTRICOS GL 1 55 000.00$                     55 000.00$                   
MATERIALES MECANICOS GL 1 50 000.00$                     50 000.00$                   
OBRAS DE MONTAJE (MECANICO, CIVIL,ELECTRICO, 
INSTRUMENTACIÓN&CONTROL
GL 1 200 000.00$                  200 000.00$                 
SHELTERS, CAMINERAS, PASARELAS, ESCALERAS GL 1 60 000.00$                     60 000.00$                   
CONSTRUCCIÓN FACILIDADES TEMPORALES GL 1 20 000.00$                     20 000.00$                   
IMPREVISTOS GL 1 10% 130 328.78$                 
TOTAL 1 433 616.53$          
551 937.50$             
788 391.28$             
PRESUPUESTO DISPONIBLE
PRESUPUESTO FALTANTE
PRESUPUESTO REFERENCIAL
FACILIDADES SISTEMA DE RECEPCIÓN DE CRUDO CASA BOMBA 2012
Tabla 1.1 Costo de la Inversión del proyecto
Como se puede observar el costo del proyecto es de $ 1 433 616.53 y el
presupuesto disponible es de $ 551 937.50 por lo que existe un presupuesto
faltante de $ 788 391.28. Actualmente Asociación Pacifpetrol S.A mantiene
una inversión comprometida con el Estado de $ 551 937.50 para el proyecto
en mención. Los costos de inversión del proyecto son superiores a los que
se indica en el contrato, razón por la cual el estudio realizado únicamente
quedó como ingeniería ya que con el actual contrato de Asociación
Pacifpetrol S.A y el Estado Ecuatoriano es hasta el año 2016 y la inversión
realizada no se podría recuperar en este lapso de tiempo. El dinero
comprometido para este proyecto dependerá de las renegociaciones del
contrato en el mes de diciembre del 2012
7
2. MARCO TEÓRICO
7
El objetivo del presente capítulo es dar a conocer los principios de
funcionamiento tanto de separación y deshidratación de crudo del actual
sistema en la estación Casa Bomba, para lograrlo, el proceso general será
esquematizado en diagramas de bloque para su fácil comprensión. Una vez
descrito el actual proceso, se procederá con el análisis de subprocesos con
el fin de determinar aquellos que puedan mejorarse para optimizar el
proceso general.
2.1 DESHIDRATACIÓN DE CRUDO
El proceso de deshidratación tiene lugar bajo las siguientes consideraciones:
2.1.1 SEPARACIÓN AGUA – PETRÓLEO
En el seno de la emulsión, las gotas de agua están sometidas a tres fuerzas
que se presentan en la Figura 2.1: Fuerza de gravedad (Fg), ascensional
(Fa) y de fricción Fw); el resultado neto de la aplicación de estas tres fuerzas
es la velocidad de asentamiento ( gV ) del agua, las gotas precipitan y no
ascienden o flotan en virtud de que su densidad es mayor que la del petróleo
y es inmiscible en el hidrocarburo.
Fg
FwFa
Fase agua
Fase petróleo
Dp
Vg
Figura 2.1 Separación de agua - petróleo
8
Es posible calcular la velocidad de sedimentación o de separación agua –
petróleo mediante la Ley de Stockes, que en su forma general se describe
matemáticamente de la siguiente manera:
 


18
2
owp
g
Dg
V


Donde:
gV = Velocidad de asentamiento, cm/s
g = aceleración de la gravedad, cm/s2
pD = Diámetro de la partícula, cm
o = Densidad de la fase hidrocarburo, g/cm3
w = Densidad del agua, g/cm3
 = Viscosidad de la fase hidrocarburo, Poise
2.2 FUNDAMENTOS DE SEPARACIÓN DE MEZCLAS GAS
LÍQUIDO
Existen varios factores que afectan directamente la eficiencia de los
separadores, para lo cual es necesario conocer los siguientes aspectos:
2.2.1 SEPARACIÓN POR FUERZA CENTRÍFUGA
La fuerza centrífuga que se induce a las partículas de líquido suspendidas
en una corriente de gas, puede ser varios cientos de veces mayor que la
fuerza de gravedad que actúa sobre las mismas partículas. Este principio
mecánico de separación se emplea en un separador, tanto en la sección de
separación primaria como en algunos tipos de extractor de niebla, por
ejemplo en el extractor tipo ciclónico.
9
2.2.2 SEPARACIÓN POR CHOQUE
Este mecanismo de separación es tal vez el que más se emplea en la
eliminación de las partículas pequeñas de líquido suspendidas en una
corriente de gas. Las partículas de líquido que viajan en el flujo de gas,
chocan con obstrucciones donde quedan adheridas. La separación por
choque se emplea principalmente en los extractores de niebla tipo veleta y
en los de malla de alambre entretejido.
2.2.3 CAMBIO DE CANTIDAD DE MOVIMIENTO O MOMÉNTUM
Mediante el principio que fluidos con distintas densidades tienen diferente
cantidad de movimiento; al producirse un cambio brusco de dirección del
fluido, se produce un elevado moméntum generado por las distintas fases lo
que origina que las partículas más livianas se muevan con mayor velocidad
que las pesadas; dividiendo las fases de crudo y agua.
2.2.4 SEDIMENTACIÓN
En la sedimentación se aplica la diferencia de densidades, el agua al tener
una mayor densidad que la del crudo va a asentarse logrando una
separación de fluidos. El agua va a asentarse y el crudo se ubicará en la
parte superior.
2.2.5 COALESCENCIA
Las gotas muy pequeñas no pueden separarse por gravedad, por lo que la
tendencia a unirse (principio de coalescencia) permite incrementar su
tamaño logrando separarlas de otros elementos.
10
2.2.6 ABSORCIÓN
A través de un líquido se permite la remoción del vapor de agua en la
corriente de gas natural. Generalmente se utilizan glicoles y metano para
este propósito.
2.2.7 ADSORCIÓN
Este proceso de separación se basa en la retención de gas que puede tener
un sólido poroso tras entrar en contacto con éste.
2.2.8 TANQUES DE PRODUCCIÓN
Los tanques de producción (Figura 2.2) permiten almacenamiento y
deshidratación del petróleo de la estación. En el tanque de lavado es en
donde se añaden químicos para romper la emulsión agua-crudo y el tanque
de surgencia contiene crudo limpio listo para la entrega.
Figura 2.2 Tanques de Producción
Son líneas en las que se contabiliza el petróleo que se va a despachar, la
contabilización se realiza mediante sensores de flujo, temperatura y presión
11
para que se pueda hacer una correcta fiscalización y garantizar que el pago
sea acorde con el petróleo entregado.
2.3 EQUIPOS PARA SEPARAR FLUIDOS EN LA INDUSTRIA
PETROLERA
Entre los equipos con mayor frecuencia utilizados en la industria petrolera se
tienen los siguientes:
2.3.1 SEPARADORES
Equipos utilizados para separar corrientes de aceite, gas y agua que
provienen directamente de los pozos. Las relaciones gas-aceite de estas
corrientes disminuyen o aumentan en ocasiones, debido al “surgimiento” o
desbordamiento de líquido que repentinamente se presentan, siendo estas
más frecuentes cuando la extracción es mediante métodos artificiales. Los
componentes de un separador son los siguientes:
 Sección de separación primaria.- En esta sección se elimina el
volumen global del líquido (agua) del flujo de entrada. Para reducir la
turbulencia del gas es necesario eliminar en el menor tiempo posible
las gotas más grandes de líquido (agua) del flujo de gas.
 Sección de separación secundaria.- Elimina gotas más pequeñas, con
lo cual se disminuye la velocidad del gas, asentándose por gravedad
el fluido en proceso. Dependiendo de las propiedades propias del gas
y líquido, el tamaño de gotas y el grado de turbulencia del gas la
eficiencia de esta separación aumentará o disminuirá.
 Sección de extracción de vapor.- Sigue la eliminación de gotas de
líquido que aún no se han separado en las secciones anteriores, para
lograrlo se acumulan pequeñas gotitas en una superficie de donde se
escurren de la corriente del gas.
12
En la Figura 2.3 se puede observar un separador de crudo tipo horizontal.
Figura 2.3 Separador de producción
2.3.2 SEPARADORES DE GAS
Conocidos también como “botas” son un conjunto de cilindros verticales en
los cuales el gas al ser más liviano que el crudo es extraído de la parte
superior de los equipos. Internamente cuentan con filtros coalescentes para
la deshidratación del gas.
2.3.3 SEPARADORES A BAJA TEMPERATURA
Estos dispositivos se utilizan para la separación de gas y condensados, a
baja temperatura, mediante una expansión. Están diseñados para manejar y
fundir los hidratos qué se pueden formar al disminuir la temperatura del flujo.
2.3.4 ELIMINADORES
Estos dispositivos se utilizan para eliminar los líquidos (hidrocarburos y
agua) de una corriente de gas a alta presión. Se utilizan generalmente en los
sistemas de separación a baja temperatura. Algunos eliminadores sólo
separan el agua de la corriente de gas.
13
2.3.5 DEPURADORES
Son dispositivos que se utilizan para manejar corrientes con muy altas
relaciones gas-líquido. Se aplican también para separar gotas muy
pequeñas de líquido suspendidas en corrientes de gas, ya que estas no son
eliminadas generalmente por un separador ordinario. Dentro de este tipo
específico de separadores están los depuradores de polvo y los filtros, que
eliminan además de las gotas pequeñas de líquido, el polvo arrastrado en la
corriente de gas.
2.4 LOCALIZACIÓN GEOGRÁFICA DE LA ESTACIÓN CASA
BOMBA
El campo Ancón (Figura 2.4) inició sus operaciones en 1911 con la
perforación del llamado ANC-1 cerca de la población de Anconcito de la
provincia Santa Elena. Posteriormente el control de este campo pasó a
manos de CEPE hoy reemplazada por Petroecuador. Actualmente el campo
es operado por Pacifpetrol. La roca madre del campo Ancón es parte de la
formación Atlanta de la edad del Paleoceno y constituye el principal
reservorio de este campo.
Figura 2.4 Localización Estación Casa Bomba
Estación
Casa Bomba
14
2.5 COMPONENTES DE LA ESTACIÓN CASA BOMBA
En la estación de producción Casa Bomba, el petróleo proveniente de los
diversos pozos pasa a través de los diversos componentes de la estación
tales como: Sistema de filtros, tanques de separación, tanques de
almacenamiento. (Figura 2.5.)
Figura 2.5 Componentes Estación Casa Bomba
2.6 CONDICIONES AMBIENTALES
En la Tabla 2.1 se muestra las condiciones ambientales de la Estación Casa
Bomba.
CONDICIÓN AMBIENTAL UNIDAD VALOR
Presión Atmosférica
Elevación Promedio (SNM) m 39.7
Presión Atmosférica kPa (abs) 100
Temperatura del Sitio
Promedio durante verano ºC 21,2
15
Promedio durante invierno ºC 16,0
Máxima Registrada ºC 33,0
Mínima Registrada ºC 15,0
Lluvia / Precipitación
Pluviosidad mm/año 200
Máximo de precipitaciones 24 horas mm 37,5
Humedad Relativa % 84 - 88
Máxima Humedad Registrada % 100
Velocidad del Viento
Dirección de viento prevalente Noreste-Suroeste
Velocidad de viento (diseño) Km/hr 36
Tabla 2.1 Condiciones Ambientales Casa Bomba.3
2.7 PRODUCCIÓN ESTIMADA
La producción máxima, mínima y media obtenida de los datos de producción
de fluido, petróleo y agua son datos proporcionados por el departamento de
Operaciones de Pacifpetrol S.A. los mismos se resumen en la tabla 2.2.
FLUIDO DE
PROCESO
PRODUCCIÓN PROMEDIO
ACTUAL
SOLIDOS
% Vol.
Fluido (BFPD) 1695 4.81
Petróleo (BOPD) 1337
Agua (BWPD) 358
Tabla 2.2.- Producción estimada – Sólidos en el fluido.4
3
La información en la tabla fue proporcionada por el departamento de SSA & RS de
Pacifpetrol S.A.
4
Información proporcionada por el departamento de Operaciones de Pacifpetrol S.A.
16
2.8 DESCRIPCIÓN ACTUAL DEL SISTEMA DE RECEPCIÓN,
DESHIDRATACIÓN Y ALMACENAMIENTO DE CRUDO
Para el estudio del actual sistema de recepción de crudo se analizará los
diferentes subprocesos que tiene el sistema, los mismos que se
esquematizarán mediante diagramas de bloques para su fácil comprensión.
Los subprocesos son los siguientes:
2.8.1 SISTEMAS DE LEVANTAMIENTO ARTIFICIAL EN EL BLOQUE
ANCON5
En el Bloque Ancón, se extrae el fluido mediante cinco sistemas de levantamiento
artificial, siendo tres los más representativos y dos están en etapa de desarrollo
como plan piloto.
Bombeo Mecánico
El bombeo mecánico es el levantamiento artificial más importante en el
Bloque y ha estado presente desde sus inicios; representa
aproximadamente el 50% de la producción actual. Es uno de los métodos de
producción más utilizados en todo el mundo (80-90%), su principal
característica es la de utilizar una unidad de bombeo para transmitir
movimiento a la bomba de subsuelo a través de una sarta de cabillas y
mediante la energía suministrada por un motor.
Un equipo de bombeo mecánico (Figura 2.6.) produce un movimiento de
arriba hacia abajo (continuo) que impulsa una bomba sumergible en una
perforación. Las bombas sumergibles bombean el petróleo de manera
parecida a una bomba que bombea aire a un neumático. Un motor,
usualmente eléctrico, gira un par de manivelas que, por su acción, suben y
bajan un extremo de un eje de metal. El otro extremo del eje, que a menudo
5
Información proporcionada por el departamento de Operaciones de Pacifpetrol S.A.
17
tiene una punta curva, está unido a una barra de metal que se mueve hacia
arriba y hacia abajo. La barra, que puede tener una longitud de cientos de
metros, está unida a una bomba de profundidad en un pozo de petróleo. La
repetición continua del movimiento ascendente y descendente mantiene el
flujo hacia la superficie. Su configuración básica incluye un equipo de
superficie y un equipo de subsuelo.
Figura 2.6 Equipo de Bombeo Mecánico
 Equipo de Subsuelo
El equipo de subsuelo es el que constituye la parte fundamental de todo el
sistema de bombeo, dentro de los cuales tenemos los siguientes:
a) Tubería de Producción
La tubería de producción tiene por objeto conducir el fluido que se está
bombeando desde el fondo del pozo hasta la superficie. En cuanto a la
resistencia, generalmente la tubería de producción es menos crítica debido a
que las presiones del pozo se han reducido considerablemente para el
momento en que el pozo es condicionado para bombear.
b) Cabillas o Varillas de Succión
La sarta de cabillas es el enlace entre la unidad de bombeo instalada en
superficie y la bomba de subsuelo. Las principales funciones de las mismas
18
en el sistema de bombeo mecánico son: transferir energía, soportar las
cargas y accionar la bomba de subsuelo.
 Equipos de Superficie
La unidad de superficie de un equipo de bombeo mecánico tiene por objeto
transmitir la energía desde la superficie hasta la profundidad de
asentamiento de la bomba de subsuelo con la finalidad de elevar los fluidos
desde el fondo hasta la superficie. Estas unidades pueden ser de tipo
balancín o hidráulicas. Los equipos que forman los equipos de superficie se
explican a continuación:
Unidad de Bombeo (Balancín Figura 2.7). Es una máquina integrada, cuyo
objetivo es de convertir el movimiento angular del eje de un motor o
reciproco vertical, a una velocidad apropiada con la finalidad de accionar la
sarta de cabillas y la bomba de subsuelo.
Figura 2.7 Esquema General Bombeo Mecánico
19
Swab
Es una técnica tipo pistón (Figura 2.8), que consiste en agitar, aligerar
mediante una varilla con cable, para que el fluido pueda subir se utilizan
unas copas que hacen de sello en la tubería y así se logra extraer o levantar
una columna de fluido (petróleo, agua o petróleo y agua), a través de la sarta
de producción desde una profundidad determinada hasta superficie,
utilizando para esta operación un cable de acero enrollado a un tambor
ubicado en un equipo de servicio de pozos.
Figura 2.8 Equipo SWAB
En la actualidad esta técnica se considera como una alternativa de
extracción de petróleo. La herramienta utilizada para este sistema es una
válvula de retención, la cual es componente de una bomba mecánica de
subsuelo, muy útil en ‘’operaciones de tubing swab’’, para extraer en forma
rápida el volumen de fluido, realizando jaladas o carreras sucesivas y hasta
obtener una columna de fluido adecuada para realizar el ascenso.
Herramienta Local – HL o Cuchara
En el año 2001 se implementó este sistema, el mismo que fue desarrollado
por la creatividad del personal de Pacifpetrol para pozos con muy bajas
20
producciones, 0.25 barriles por intervención. Este sistema ha evolucionado,
desde la operación con un trípode, juego de poleas, tubo y tapón en la parte
inferior, sujetado con un cable de 4,8 mm y accionado por un motor hasta
superficie. Ver Figura 2.9.
Figura 2.9 Equipo de Herramienta Local
Actualmente el equipo está montado sobre una unidad de capacidad de 7
toneladas, con un tanque incorporado, que transporta el volumen
recuperado hasta las estaciones de recepción.
Este sistema es utilizado en pozos a hueco abierto, es decir sin
revestimiento, el proceso en si consiste en bajar una herramienta
denominada cuchara (Figura 2.10).
Las dimensiones dependen del diámetro del hueco (las más usadas son las
de 6 y 3 pulgadas) esta posee en la punta una válvula check que al topar
fondo se abre y el fluido entra en la cámara de la cuchara, una vez llena se
procede a subir la herramienta, la válvula se cierra automáticamente
evitando así que el fluido retorne al hueco en la subida, este proceso se
repite en varias ocasiones a fin de recobrar la mayor cantidad de petróleo
posible.
21
Figura 2.10 Equipo Chuchara
Gas Lift
En este sistema se utiliza gas a alta presión para poder aligerar la columna
de fluido y de este modo permitirlo llegar hasta la superficie.
En el pasado el gas lift fue un sistema importante de extracción en el Bloque
para lo cual se instalaron compresores en las diferentes secciones que
permitían alcanzar las presiones de inyección necesarias. Ver Figura 2.11.
Figura 2.11 Equipo Gas Lift
22
Plunger Lift
Es un sistema de levantamiento artificial que en su versión autónoma
aprovecha la energía del yacimiento para su funcionamiento y en su versión
asistida utiliza una fuente de energía exterior, ya sea gas a presión inyectado
por el anular o gas inyectado por una tubería paralela directamente en la
tubería de producción en fondo. Ver Figura 2.12.
En 1996 se implementó por primera vez un plan piloto de 15 pozos de
plunger lift en el Bloque, pero con el pasar de los años lamentablemente no
se hizo el seguimiento y mantenimiento del sistema y posteriormente se lo
descartó. En el año 2011 se diseña e implementa el sistema para tres pozos
de Bombeo Mecánico y 1 pozo de Swab.
Al momento tres de los cuatro pozos continúan operando con resultados
satisfactorios; uno es la versión autónoma y los otros con una variación de
la versión asistida con completación dual, es decir, que además de tener la
tubería de producción de 2.375”, tienen paralela una tubería de 1”, mediante
la cual se realiza la inyección de gas. La inyección se hace en uno de los
pozos con gas comprimido proveído por el compresor de GNV y en el otro
pozo con el equipo móvil de flushing del Bloque que dispone de cilindros
recargables.
Figura 2.12 Equipo Plinger Lift Autónomo
23
Figura 2.13 Equipo Plunger Lift Ancón
2.8.2 TRATAMIENTO DE CRUDO
El tratamiento de crudo consta de varias etapas, el conjunto de dichas
etapas tiene como objetivo obtener un crudo con BSW igual o menor al
0.5%. Dichas etapas son las siguientes:
Deshidratación Primaria
Una vez los tanqueros recogen la producción de los diferentes pozos, deben
reposar un periodo corto de 5 a 10 minutos para proceder con la liberación
de agua y sólidos mayores desde la toma del tanquero a la piscina API. Este
tiempo de espera hace que agua vaya a la parte inferior del tanquero y el
crudo este por encima del agua por diferencia de densidades. Cuando se
verifica visualmente que la mayoría del agua se depositó en las piscinas API
se puede iniciar la descarga de crudo, para lo cual se conecta el tanquero a
la línea de ingreso.
Separación
La corriente de crudo y agua remanente pasa a través de filtros strainer en
donde los sólidos mayores son retenidos. El funcionamiento de estos filtros
24
en paralelo es alternado, uno de estos funciona en el día y el otro en la tarde
de manera que se tiene como back-up en caso de taponamiento de estos
filtros. Debido a la acumulación de impurezas en el crudo es necesario
realizar la limpieza de estos filtros una vez al día, esta limpieza se la realiza
manualmente. En la Figura 2.14 puede observar los filtros.
Figura 2.14 Tren de Filtros Coalescentes
Deshidratación Secundaria
El fluido compuesto por una mezcla de crudo y agua ingresa a los tanques
de almacenamiento diario (Tanques Horizontales TK-36 y TK-37) donde se
da lugar la separación por sedimentación del agua libre. Además de la
separación por sedimentación se inyecta químicos demulsificantes para
obtener una separación más óptima en el proceso. Ver Figura 2.15.
El agua libre de esta etapa es bombeada hacia las piscinas API donde se
inicia el proceso de manejo de agua. El crudo líquido en esta etapa debería
garantizar un BSW del 0.1 – 0.5%. Una vez que se da la separación por
sedimentación se procede con la transferencia mediante una bomba de
transferencia a los tanques H y N de almacenamiento.
25
Figura 2.15 Tanques de Almacenamiento Diario
Almacenamiento
Para el almacenamiento se utiliza el tanque N (Figura 2.16) como tanque de
reposo y el tanque H (Figura 2.17) como almacenamiento. Este
almacenamiento es la acumulación de producción de 2 o 3 días, una vez se
tiene acumulado el petróleo se transfiere a la Refinería La Libertad a la
unidad LACT para su posterior refinamiento.
Figura 2.16 Tanque de Reposo: TK-N
26
Figura 2.17 Tanque de Almacenamiento: TK-H
2.8.3 MANEJO DE AGUA
Piscinas API
La corriente de agua desalojada en la primera etapa (deshidratación
primaria) y el agua separada en los tanques de almacenamiento diario son
enviadas hacia las piscinas API (Figura 2.18), en donde se produce la
separación de crudo remanente.
Figura 2.18 Piscinas API
27
Reinyección
El agua resultante de los procesos anteriormente mencionados, es enviada a
las piscinas API donde es bombeada a través de una bomba a los pozos
reinyectores o disposal.
2.8.4 MANEJO DE SÓLIDOS
Recolección de Sólidos
Los sólidos retenidos en los filtros son recolectados manualmente para
enviarlos a un posterior tratamiento.
Disposición Final
Todos los sólidos acumulados manejos mediante el tratamiento
Landfarming6
.
2.9 DIAGRAMA DE BLOQUES DEL ACTUAL SISTEMA DE
RECEPCIÓN, DESHIDRATACIÓN Y ALMACENAMIENTO DE
CRUDO
En la Figura 2.19 se muestra el proceso anteriormente mencionado de
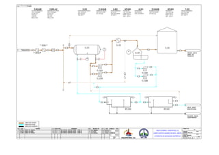
manera esquematizada mediante un diagrama de bloques, el diagrama se
encuentra separado por etapas y cada etapa consta de subprocesos
descritos anteriormente, el conjunto de éstos forman el actual proceso de
recepción, deshidratación de crudo en la estación Casa Bomba.
6
Es una técnica de biorecuperación que consiste en provocar la oxidación biológica de los
hidrocarburos contenidos en el suelo.
28
Figura 2.19.- Diagrama de Bloques Actual
29
2.10 RELACIÓN DE RECEPCIÓN DE CRUDO
Para determinar los caudales de entrega en función de la llegada de los
tanqueros con crudo a la estación Casa Bomba, se ha procedido a tomar
datos estadísticos de varios días, los mismos que relacionarán el volumen
recibido con las horas de entrega. En la Figura 2.20 se muestra la relación
entre el volumen de crudo recibido respecto a la frecuencia de entrega.
Se observa claramente que entre las 0:00h y las 3:00h se tiene volúmenes
cercanos a los 55 Bbls entregados por cada tanquero, que podrían ser
definidos como un volumen medio de entrega. Entre las 4:00h y 10:30h
aproximadamente se observa que el volumen entregado disminuye casi a un
valor de 5Bbls el cuál sería tomado como un volumen mínimo de entrega. A
partir de las 12:30h el volumen de entrega se incrementa hasta un valor
cercano a los 55 – 60Bbls, recuperando así el volumen medio del día. Entre
las 12:00h y las 20:00h se observan volúmenes altos de entrega, cercanos a
los 130bbl pero de forma esporádica, en base a estos valores se considerará
un volumen máximo de entrega por parte de los tanqueros
.
RELACIÓN DE RECEPCIONES
0
20
40
60
80
100
120
140
0:00
2:00
4:00
6:00
8:00
10:00
12:00
14:00
16:00
18:00
20:00
22:00
0:00
Hora
Volumen
10 de Abril del 2011
11 de Abril del 2011
16 de Abril del 2011
17 de Abril del 2011
24 de Abril del 2011
25 de Abril del 2011
04 de Mayo del 2011
05 de Mayo del 2011
11 de Mayo del 2011
12 de Mayo del 2011
16 de Mayo del 2011
17 de Mayo del 2011
24 de Mayo del 2011
25 de Mayo del 2011
27 de Mayo del 2011
28 de Mayo del 2011
31 de Mayo del 2011
1 de Junio del 2011
02 de Junio del 2011
03 de Junio del 2011
06 de Junio del 2011
07 de Junio del 2011
10 de Junio del 2011
11 de Junio del 2011
12 de Junio del 2011
13 de Junio del 2011
14 de Junio del 2011
15 de Junio del 2011
Proyectada
Vol Max
Figura 2.20.- Relación de Recepciones de Crudo
31
3. METODOLOGÍA
30
El presente capítulo muestra el desarrollo de la ingeniería conceptual para el
nuevo sistema de recepción y deshidratación de crudo en la estación Casa
Bomba de Pacifpetrol S.A para lo cual se analizará nuevas tecnologías y
alternativas de los posibles sistemas en base a los requerimientos actuales y
futuros de la estación.
3.1 CONSIDERACIONES GENERALES
3.1.1 RECEPCIÓN DE CRUDO
El crudo que se extraiga de las diferentes formaciones productoras del
Bloque Ancón se a realizar una eliminación primaria de agua libre y sólidos
que han recolectará y transportará mediante tanqueros hacia el nuevo
sistema de recepción de crudo Casa Bomba. Una vez ahí, directamente
desde el tanquero se procederá precipitado por gravedad en el fondo del
recipiente, hacia los separadores API, en donde se logrará separar el aceite
residual contenido en esta corriente de agua de formación.
Concluido el proceso anterior de evacuación de agua libre y sólidos, se
conecta la descarga del tanquero a la línea de ingreso de crudo del sistema
de recepción Casa Bomba, el fluido desde el tanquero es bombeado, sea
por la bomba del propio tanquero o por intermedio de bombas neumáticas a
través de una serie de 3 filtros de malla de diferente tamaño, 5 mm; 3 mm y
2.5 mm subsecuentemente. En los cuales se retiene un gran porcentaje de
sedimentos y basura mayores a 2.5 mm.
Las capacidades consideradas en el diseño de los procesos que serán las
siguientes:
 Para la fase crudo: 1,537 barriles por día, correspondientes a un 15%
adicional al volumen promedio de petróleo producido de acuerdo con
la Tabla 2.2 (Producción estimada de crudo).
31
 Para la fase agua: 400 barriles por día, que corresponde a un 11%
adicional al promedio de agua producida de acuerdo con la Tabla 2.2
(Producción estimada de crudo).
3.2 ALTERNATIVAS ESTUDIADAS
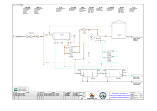
A continuación se realiza una descripción conceptual de las tecnologías que
van a ser analizadas para conseguir el objetivo de separación de sólidos,
deshidratar el crudo y separar el aceite residual del agua de reinyección.
3.2.1 CELDA DE FLUJO CRUZADO – TANQUE DE LAVADO
 Separador de placas coalescente para sólidos, agua y crudo
La función del equipo de celda de flujo cruzado (Figura 3.1) es retener en las
placas coalescentes los sólidos contenidos en la corriente de producción de
modo que puedan ser removidos del equipo. La diferencia de gravedades
específicas hace que el hidrocarburo y el agua flote hasta la superficie del
separador (Figura 3.2), mientras que los sólidos decantan, y por la una
salida ubicada en la parte inferior que drena los sólidos hacia la piscina o
separador API. El contenido de sólidos a la salida del separador puede
alcanzar hasta 15 ppm.
Figura 3.1 Esquema de la celda de flujo cruzado
32
Estas placas son sensibles a variaciones en las condiciones de flujo y
propician condiciones de flujo laminar a través del paquete aumentando
drásticamente la separación de sólidos sin que las afecte el viento y la
facilidad en la eliminación de lodos. Además se logra una distribución de
flujo eficiente, disminuyendo drásticamente la distancia que el crudo debe
recorrer durante este proceso.
El equipo puede disponer de un sistema sand jet de limpieza autónomo que
mediante agua permite desprender los sólidos que pudieran estar
fuertemente adheridos a las placas. En este caso, no se requiere energía
para la operación, trabaja en forma gravitacional, con un tiempo de retención
menor a 10 minutos y no opera con partes móviles.
Conceptualmente se ha definido tres celdas que pueden trabajar en serie o
paralelo, con el objeto de tener flexibilidad operativa y realizar los
mantenimientos adecuados del equipo y sistema, además de asegurar que
la concentración de sólidos sea la mínima en el fluido.
En el separador de placas la parte más importante es el paquete de placas
corrugadas montadas paralelamente entre sí, a una distancia conveniente de
separación, el paquete de placas es instalado a un ángulo de entre 45 y 65
grados respecto a la horizontal.
Cuando el agua, crudo y sólidos pasa entre las placas, las gotas y sólidos de
aceite flotan, se pegan a las placas y forman coágulos más grandes y son
arrastradas al fondo del recipiente, mientras el agua y crudo suben a la parte
superior del paquete, finalmente la corriente de petróleo y agua llega a la
superficie para ser evacuada mediante bombas hacia el sistema de
deshidratación.
33
Figura 3.2 Conglutinador7
de placa
El sistema antes descrito sea rectangular o tanque cilíndrico, además de
cumplir la función de separación de sólidos mayores a 4000 micras, cumplen
la función de tanque de amortiguamiento para recibir la producción desde los
tanqueros y poder a través de bombas, suministrar un flujo constante al
siguiente proceso. De los tres escenarios conceptuales, justamente el
siguiente proceso es el que los distingue debido a que son tecnologías
diferentes de separación de agua y el remanente de sólidos en suspensión.
 Tanque de lavado
La deshidratación final del crudo proveniente del sistema de separación de
sólidos (Celda de Flujo Cruzado) se realiza en el tanque de lavado, este
proceso se debe desarrollar conjuntamente con un adecuado sistema de
tratamiento químico que resulta fundamental para desestabilizar la emulsión
proveniente de los pozos.
Para el proceso de separación del agua contenida en la emulsión, se debe
considerar los siguientes lineamientos:
7
Acumular, conglomerar por medio de una sustancia viscosa.
34
 Criterios de velocidad de decantación (Ley de Stokes) y velocidad
de ascensión. La primera debe ser mayor a la segunda, para que
exista separación de las gotas
 Tamaños de gotas de agua superiores a 1.000 micras ya no
forman emulsión y se encuentran como agua libre.
 Tamaños de gotas de agua de 1.000 micras forman emulsiones
con un contenido de agua del 33%.
 Tamaños de gotas de agua menores a 400 micras en una
emulsión corresponde a un contenido de agua menor al 1%.
 Tiempo de residencia que tendrá el fluido en el tanque de lavado.
 Nivel de agua operativo en el tanque de lavado (“colchón de
agua”), que resulta fundamental para desestabilizar la emulsión.
3.2.2 SEPARADOR CENTRÍFUGO
Para su funcionamiento se requiere utilizar un motor eléctrico para producir
una fuerza centrífuga de 10,000 g con lo cual se logra separar las
micropartículas de sólidos suspendidos en la corriente de producción de
crudo.
El equipo indicado en la Figura 3.3 funcionará con crudos con un rango de
densidad hasta 38 °API. El equipo de centrifugación podrá trabajar con
variaciones de BSW en un rango de hasta 50%, considerando el crudo de
diseño, más un margen de seguridad, sin que este rango de variación afecte
el desempeño del equipo.
El decantador centrífugo incluye un control de nivel de interface para
optimizar la separación y eliminación de los sólidos suspendidos. La
centrífuga posee partes internas con aleaciones de níquel-cromo recubiertas
con carburo de tungsteno para evitar la corrosión y la erosión por sólidos.
35
Figura 3.3 Esquema Equipo Centrífugo
3.2.3 SEPARADOR CICLÓNICO
El crudo ingresa a alta velocidad en la parte superior cilíndrica y se mueve
en una espiral ciclónica descendente, produciéndose una gran aceleración y
una fuerza centrífuga que expulsa los sólidos hacia las paredes del
recipiente (Figura 3.4). El equipo compacto opera bajo un amplio rango de
variaciones de flujo, protegiendo tuberías y equipos contra la erosión por
arena y eliminando los sólidos antes de que precipiten causando problemas
de taponamiento.
Este equipo opera bajo presión utilizando materiales como acero inoxidable,
uretano y cerámica. El flujo dentro del equipo depende de la diferencia de
presión entre la entrada y salida, para una operación eficiente la proporción
de las presiones debe ser mantenida arriba del valor mínimo que el
fabricante recomienda
Los factores clave que aumentan la eficiencia de separación de los sólidos
son los siguientes:
36
 Tamaño de los sólidos
 Velocidad de flujo
 Densidad
 Viscosidad
 Concentración de sólidos
 Geometría del Hidrociclón
Figura 3.4 Esquema del Separador Ciclónico
3.3 ALMACENAMIENTO DE PETRÓLEO
El petróleo que se encuentra bajo las especificaciones establecidas en las
Bases y Criterios de Diseño será descargado hacia los tanques de
almacenamiento H y N.
Los criterios generales para la operación de los tanques de almacenamiento
se fundamentarán principalmente en las siguientes consideraciones:
 Nivel mínimo operativo para proporcionar cabeza neta positiva de
succión a las bombas de transferencia.
37
 Todos los tanques tendrán una válvula de alivio de presión rompe
vacío. Adicionalmente, se deberá colocar un arresta-llamas integrado
a la válvula de alivio de presión rompe vacío, y una válvula de venteo
de emergencia.
 En tanques menores a 1,000 barriles de capacidad se tomará en
consideración los lineamientos y recomendaciones de la norma de
API 12F.
 Se aplicará aislamiento para calor o para frío, en las tuberías en las
cuales sea necesario por requerimiento energético del proceso.
 Se construirá un tanque de 300 BBLS de capacidad como mínimo
para realizar la transferencia del crudo a los tanques H y N en forma
continua si se fija un flujo mínimo o tipo batch8
de entre cuatro o cinco
veces al día.
3.4 SERVICIOS AUXILIARES
3.4.1 INSTRUMENTACIÓN Y CONTROL
La planta de tratamiento con la tecnología seleccionada, tendrá los
principales parámetros operativos, los mismos que serán controlados desde
la estación de Casa Bomba. Las principales variables a monitorear son:
 Presiones de Operación
 Flujos.
 Niveles de tanques.
 Apertura de válvulas.
 BS&W de entrada y salida de crudo.
 Señales y acciones de seguridad que se definan en el análisis de
riesgos con elementos o instrumentos independientes de seguridad
que las señales de proceso.
8
Flujos discontinuos que varían su caudal en el tiempo.
38
3.4.2 AIRE DE INSTRUMENTOS Y DE PLANTA
Se dispondrá de un sistema de aire comprimido operando con una presión
de 120 psi, el cuál será filtrado y secado para utilizarse como aire de
instrumentos. La cantidad de aire requerido para el proceso estará en
relación directa con la instrumentación en el sistema de recepción de crudo.
3.4.3 INYECCIÓN DE QUÍMICOS
Para la inyección de químicos como soporte en la deshidratación,
tratamiento de agua y control de la corrosión es necesario los siguientes
suministros:
 Demulsificante
 Biocida
3.4.4 AISLAMIENTO
Se aplicará aislamiento para protección del personal que opere equipos cuya
temperatura en la superficie sea mayor de 150 ºF y estén confinados dentro
de áreas de trabajos normales o situados donde el personal podría
inadvertidamente tener contacto.
3.5 DIAGRAMA DE BLOQUES PROPUESTO PARA EL
SISTEMA DE RECEPCIÓN DE CRUDO
El diagrama bloques propuesto para mejorar y simplificar el proceso de
recepción de crudo se muestra en la Figura 3.5 En el inicio del proceso se
tiene la recepción del fluido desde los tanqueros, una vez realizado esto se
tienen las siguientes etapas:
39
Figura 3.5 Diagrama de Bloques Propuesto
40
3.5.1 SEPARACIÓN DE SÓLIDOS
El fluido pasa a la primera etapa de separación de sólidos, con el objetivo de
optimizar el proceso de separación de líquido (agua-crudo) y que el sistema
aguas abajo, este lo más limpio posible con el objeto de garantizar una
adecuada cuantificación, calidad de fluido, seguridad y control eficiente.
3.5.2 TRATAMIENTO DE CRUDO
El fluido compuesto por una mezcla de crudo y agua, libre de sólidos, será
enviado a una etapa de deshidratación, en la que se obtendrá un crudo con
un corte de agua igual o menor al 0.1%. Este crudo estará listo para ser
estabilizado, almacenado y posteriormente transferido a los tanques H y N y
luego a su procesamiento en la Refinería de la Libertad.
3.5.3 MANEJO DE AGUA
La corriente de agua recuperada en la deshidratación será enviada a un
sistema de tratamiento en el que se obtendrá las condiciones para ser
utilizada en la reinyección.
3.5.4 MANEJO DE SÓLIDOS
Los sólidos recuperados en la primera y sólidos remanentes de la segunda
etapa de separación serán recolectados en la piscina API para ser
dispuestos o tratados en procesos de Biodegradación (Landfarming).
3.6 ALTERNATIVAS PROPUESTAS
41
En la Figura 3.6 se puede observar la simbología utilizada para las
configuraciones de tecnología propuestas para el sistema de deshidratación
que se detallan a continuación:
 Celda de Flujo Cruzado - Tanque de lavado (Figura 3.7)
 Separador Centrífugo (Figura 3.8)
 Separador Centrífugo (Figura 3.9)
 Hidrociclón (Figura 3.10)
Figura 3.6 Simbología para Diagramas de Flujo PFD
42
Figura 3.7 Alternativa 1 - Celda de Flujo Cruzado con Tanque de Lavado
43
Figura 3.8 Alternativa 2A – Separador Centrífugo
44
Figura 3.9 Alternativa 2B – Separador Centrífugo
45
Figura 3.10 Alternativa 3 – Hidrociclón
46
47
3.7 EVALUACIÓN TÉCNICO-ECONÓMICA DE ALTERNATIVAS
3.7.1 ESCENARIOS PROPUESTOS PARA LA EVALUACIÓN
La descripción de las diferentes tecnologías mencionadas anteriormente se
sintetiza a continuación:
 Celda de Flujo Cruzado - Tanque de lavado
En esta configuración la separación de sólidos y la deshidratación primaria
se realiza en la celda de flujo cruzado, mientras que la deshidratación final
hasta cumplir especificaciones se efectúa en el tanque de lavado. Ver Figura
3.6.
 Centrífuga
Mediante esta tecnología se logra la separación de sólidos así como la
deshidratación total del crudo. Ver Figura 3.7 y Figura 3.8.
 Hidrociclón - separador bifásico
En este esquema, la separación de sólidos se alcanza en el hidrociclón,
mientras que la deshidratación final hasta cumplir especificaciones se
efectúa en el separador bifásico. Ver Figura 3.9.
3.7.2 CRITERIOS DE SELECCIÓN DE TECNOLOGÍAS
La evaluación técnica – económico de las diferentes tecnologías que se
podrán utilizar para deshidratar el crudo y separar los sólidos en el nuevo
sistema de recepción de crudo Casa Bomba del campo Ancón, se realiza
tomando en cuenta las siguientes premisas:
48
 Permitir el control de las operaciones en forma óptima, oportuna y
flexible para minimizar el riesgo asociado a las operaciones de los
equipos.
 Cumplir con la especificación final requerida del 0.1% de BSW
(contenido de agua) como valor máximo en el petróleo de refinación
y/o exportación.
 Separar en forma óptima, en el sistema de tratamiento Casa bomba,
los sólidos que provienen de las formaciones productoras y cumplir
con la especificación establecida en las Bases y criterios de Diseño.
 Procurar la optimización técnico-económica del sistema de
procesamiento de crudo.
 Asegurar la flexibilidad de carga para que la deshidratación de crudo y
la separación de sólidos se mantenga dentro de los parámetros de
diseño, considerando las posibles variaciones en cuanto a flujo y
contenido de agua y sólidos de las diferentes formaciones
productoras del Campo Ancón.
 Facilitar los trabajos de mantenimiento de los equipos, bajo
condiciones seguras sin sacrificar la calidad final del petróleo.
 Cumplir con los parámetros de 20 ppm de aceite residual y 50 ppm de
sólidos suspendidos en el agua de reinyección.
 Seleccionar la alternativa tecnológica óptima, mediante la evaluación
técnico – económica de las tecnologías que actualmente son
aplicables y probadas para sistemas de procesamiento de crudos.
3.7.3 VENTAJAS Y DESVENTAJES DE LAS TECNOLOGÍAS
ESTUDIADAS
ALTERNATIVA VENTAJAS DESVENTAJAS
 Alta eficiencia de
separación de
 Mayor tiempo de
residencia.
49
CELDA DE FLUJO
CRUZADO TANQUE
DE LAVADO
sólidos y
deshidratación.
 Bajo costo de
inversión
 No requiere
instrumentación
compleja.
 Caída de presión
despreciable.
 No tiene partes
móviles.
 No requiere
energía eléctrica.
Opera por
gravedad.
 Paquete de
placas corrugadas
fácilmente
removibles para
inspección.
 Flexibilidad
operativa.
 Bajos costos de
mantenimiento.
 Sistema de
limpieza y
eliminación de
sólidos
automático en la
celda.
Típicamente
superiores a 24
horas.
 Requiere de
químicos
 Descarga manual
de sedimentos.
 Descarga
automática de agua
con supervisión.
 El tanque de lavado
resulta una limitante
para el diseño
modular.
 Tiempo de paro
para mantenimiento
mayor.
 Debe mantenerse
flujo laminar para su
operación óptima.
 Se requiere grandes
áreas para el
montaje así como
obras de ingeniería
civil.
 Posible
taponamiento y
corrosión por
operación deficiente
o falta de
mantenimiento.
50
CENTRÍFUGA
 Alta eficiencia
 Descarga
automática de
sedimentos.
 Operación
automática.
 Equipo modular,
compacto.
 Espacio reducido
para instalación.
 Equipo modular,
compacto.
 Diseño modular.
Puede ampliarse
según las
necesidades
operativas.
 Utiliza energía
eléctrica.
 Contaminación por
ruido.
 Utiliza partes
móviles.
 Requiere bomba
para alimentación.
 Requiere bomba
para desalojo de
lodos.
 Alta frecuencia de
limpieza.
 Tiempos de paro
para realizar
mantenimiento.
 Altos costos de
inversión.
HIDROCICLÓN –
SEPARADOR
BIFÁSICO
 No tiene piezas
móviles.
 Equipo modular,
compacto.
 Diseño modular.
Puede ampliarse
según las
necesidades
operativas.
 Espacio y peso
reducido.
 Menor eficiencia.
Con diámetros de
las gotas de
petróleo menores a
5 micrones el
rendimiento en la
deshidratación
puede disminuir
hasta el 50%.
 Se requiere un buen
diseño de internos.
51
HIDROCICLÓN –
SEPARADOR
BIFÁSICO
 Es eficiente para
tamaños mayores
a 75 micrones en
agua.
 Es indispensable
una geometría
óptima de diseño.
 Difícil control de
interface en
separador.
 Descarga
controlada de
sedimentos.
 Requiere bomba
para alimentación.
 Requiere separador
adicional.
 A menor diámetro
de sólidos las
caídas de presión
son mayores.
 Opera con
eficiencia sólo si el
diferencial de
presión entren la
entrada y la salida
corresponde al
valor óptimo.
 No tiene flexibilidad
operativa.
 Requiere de
químicos para la
separación de agua
emulsificada.
52
Tabla 3.1 Ventajas-Desventajas de la Alternativas
3.7.4 PARÁMETROS DE EVALUACIÓN
Para evaluar y seleccionar la tecnología apropiada para el nuevo sistema de
recepción de crudo Casa Bomba, se consideran los siguientes criterios:
Impacto de área
Evalúa el área que ocuparían los equipos en superficie de terreno,
dependerá de las dimensiones y número de equipos.
Eficiencia de separación
Se analiza el rendimiento de separación de agua y sólidos en cada uno de
los equipos evaluados.
Requerimientos energéticos
Se toma en cuenta el consumo aproximado de energía eléctrica de cada uno
de los equipos evaluados.
Precisión en el control de producción
Se refiere a la calidad de la información concerniente a los parámetros de
producción, fundamentalmente para el conocimiento de la producción real de
los pozos, y en consecuencia, de la producción neta del campo.
Flexibilidad de capacidad
Está relacionado con el rango de BSW capaz de recibir en la alimentación
para cumplir con el requerimiento de 0,1% de BSW en el petróleo de
53
exportación, y con el volumen máximo de fluido que los equipos pueden
procesar.
Flexibilidad para ampliaciones futuras
Será la capacidad que tiene algún equipo para extenderse y ampliarse en
caso de incremento de producción diaria.
Facilidad de adquisición de repuestos
Los repuestos es una parte fundamental ya que en caso de mantenimiento o
reparación si no se cuenta lo más pronto posible con los repuestos no se
podrá realizar los mantenimientos programados para los equipos.
Tiempo de Mantenimiento
Es necesario realizar un programa de mantenimiento, ya que esto implica
costos y paradas del sistema con lo que es necesario considerar dentro de la
evaluación este aspecto.
Paros no programados
Tiene que ver con la garantía que podría ofrecer un equipo para lograr un
mayor tiempo de operación continua, sin considerar trabajos rutinarios de
mantenimiento, de acuerdo a la flexibilidad operativa de los equipos.
Facilidad de muestreo
Se relaciona con la facilidad que se tendría para la toma de muestras de los
fluidos de producción, lo cual resulta muy importante para realizar análisis de
laboratorio.
54
Monitoreo de corrosión
Se evaluará la vulnerabilidad de las tecnologías frente a la corrosión.
Facilidad de control operativo
Requerimientos de instrumentos y lazos de control, dependerá de la
complejidad y exigencia de seguridad del sistema operativo.
Instalación y montaje
La evaluación está orientada según el número de equipos, el tamaño, el
peso y la complejidad de sus partes, lo cual tiene incidencia en el tiempo de
construcción e instalación de las facilidades.
Tiempo de entrega y transporte
Estos criterios dependerán de la complejidad de fabricación, materiales y
número de equipos.
Ruido
Se evaluará el nivel de las emisiones de que provocaría de cada tecnología.
Flexibilidad operativa
Se considera el rango de variación de los parámetros que se pueden
manipular para garantizar las especificaciones operativas
Consumo de químicos
55
Se evaluará el consumo de químicos que necesita cada tecnología para
lograr su eficiencia de separación.
Experiencia de Tecnologías
Toma en cuenta el grado de conocimiento y adaptación que podría tener el
personal disponible en el mercado para operar los equipos.
Seguridad operativa
Se enfoca en las condiciones de máxima seguridad operativa que debe
ofrecer un equipo o sistema; en relación con el personal, las operaciones y el
medio ambiente.
Emisiones
Para cada alternativa tiene un nivel de emisiones de contaminación las
cuales serán evaluadas mediante esta alternativa.
Número de equipos (Configuración de Sistema)
Cantidad de vessels en la configuración del proceso.
Vida útil del equipo
Tiempo máximo considerado para una operación segura y bajo
especificaciones de calidad del producto.
Costos operativos
56
Costos durante la operación del nuevo sistema de recepción de crudo Casa
Bomba.
Costos de mantenimiento
Costos de prevención de daño acelerado de los equipos, mediante la
oportuna adquisición y cambio de repuestos para garantizar un tiempo de
vida acorde con el desgaste normal de piezas y partes de los vessels.
Costo de inversión
Evalúa el monto de inversión en la compra de equipos, por tecnología.
3.7.5 VALORACIÓN DE TECNOLOGÍAS
La Tabla 3.2 se indican los criterios de evaluación que conjuntamente con el
grupo de Ingeniería del personal técnico de Pacifpetrol S.A se puso a
discusión. En donde se evalúan 25 criterios tanto técnicos como económicos
para valorar las tres alternativas propuestas. El resultado de dicha
evaluación definirá la alternativa de proceso a diseñar en capítulos
posteriores.
57
Evaluación Técnico - Económica de las Alternativas Estudiadas
#  CRITERIOS  VALORACIÓN %  CELDA FLUJO CRUZADO ‐ WASH TANK  HIDROCICLÓN ‐ SEPARADOR BÁSICO  CENTRÍFUGA 
1 Impacto de área (menor) 2.26 5.00 11.29 8.00 18.06 10.00 22.57
2 Eficiencia de separación 2.51 7.00 17.56 4.00 10.03 10.00 25.08
3 Requerimientos energéticos 1.25 8.00 10.03 6.00 7.52 5.00 6.27
4 Precisión en el control de producción 2.51 5.00 12.54 7.00 17.56 10.00 25.08
5 Flexibilidad de capacidad 2.16 8.00 17.26 2.00 4.31 6.00 12.94
6 Flexibilidad para ampliaciones futuras 2.51 2.00 5.02 10.00 25.08 10.00 25.08
7 Facilidad de adquisición repuestos 2.51 8.00 20.06 8.00 20.06 8.00 20.06
8 Tiempo de mantenimiento 2.51 4.00 10.03 2.00 5.02 8.00 20.06
9 Paros no programados 2.11 10.00 21.07 10.00 21.07 5.00 10.53
10 Facilidad de muestreo 2.21 6.00 13.24 10.00 22.07 10.00 22.07
11 Corrosión 1.05 4.00 4.21 6.00 6.32 7.00 7.37
12 Facilidad de control operativo 2.41 4.00 9.63 8.00 19.26 8.00 19.26
13 Montaje e instalación 2.51 5.00 12.54 8.00 20.06 10.00 25.08
14 Tiempos de entrega 2.51 8.00 20.06 10.00 25.08 6.00 15.05
15 Ruido 2.21 10.00 22.07 8.00 17.66 6.00 13.24
16 Flexibilidad operativa 2.36 8.00 18.86 6.00 14.15 10.00 23.58
17 Consumo químicos 2.01 6.00 12.04 8.00 16.05 10.00 20.06
18 Experiencia tecnologías 2.40 10.00 23.97 7.00 16.78 8.00 19.17
19 Seguridad operativa 2.51 4.00 10.03 8.00 20.06 7.00 17.56
20 Emisiones 2.51 5.00 12.54 10.00 25.08 10.00 25.08
21 Número de equipos configuración 2.51 6.00 15.05 4.00 10.03 8.00 20.06
22 Vida útil equipos 2.51 6.00 15.05 8.00 20.06 10.00 25.08
23 Costos operativos 12.50 7.80 97.50 7.50 93.75 10.00 125.00
24 Costos de mantenimiento 17.50 8.95 156.63 9.50 166.25 10.00 175.00
25 Costo total estimado de inversión 20.00 9.40 188.00 10.00 200.00 7.40 148.00
TOTAL 100.00 756.28 821.39 868.37
Tabla 3.2 Valoración y Evaluación de Alternativas
58
3.8 SELECCIÓN DE LA ALTERNATIVA PROPUESTA9
Del análisis y escenarios estudiados, cuyos resultados se resumen en la
Tabla 3.2 Valoración y Evaluación de alternativas se concluye que la
tecnología óptima para el proceso de recepción, deshidratación de crudo y
separación de sólidos en el nuevo sistema de tratamiento Casa Bomba,
corresponde al escenario que incluye la centrífuga, ya que dicha alternativa
cumple con las necesidades y requerimientos actuales y futuros de la planta
Casa Bomba.
9
La selección de la alternativa fue desarrollada bajo la supervisión del Departamento de
Proyectos de Pacifpetrol S. A.
55
4. DISEÑO DE LA ALTERNATIVA
SELECCIONADA – SEPARADOR
CENTRÍFUGO
59
4.1 BASES Y CRITERIO DE DISEÑO MECÁNICO PARA EL
SISTEMA PROPUESTO
En el diseño de estas instalaciones se tomará en cuenta los siguientes
criterios generales:
 Eficiencia y eficacia en los procesos.
 Máxima seguridad de las operaciones.
 Mínimo impacto ambiental y afectación a terceros.
 Máxima operabilidad y simplicidad de diseño, construcción y
operación.
 Costos de inversión, de operación y de mantenimiento óptimos.
 Las facilidades deberán ser diseñadas con una flexibilidad operacional
tal que permita evitar el cierre de producción en caso de presentarse
fallas puntuales en los subsistemas del sistema de recepción.
 Las instalaciones deberán tener un tiempo de vida útil de por lo
menos 10 años, en caso de los equipos nuevos este tiempo debe
considerarse mínimo; los equipos existentes deberán ser revisados y
realizado su mantenimiento de acuerdo a su plan de inspección o
reemplazados de ser el caso para cumplir con el tiempo de vida útil
propuesto.
 El sistema de recepción y sus sistemas deberán cumplir con los
requerimientos de las regulaciones nacionales y locales vigentes, en
particular las de seguridad y los aspectos de protección del ambiente.
4.1.1 SISTEMA DE FILTROS
El sistema de recepción debe contar con un sistema de filtros tipo strainer
para la retención de los sólidos mayores y gravas10
.
10
Caracterización de fluidos de procesos – caracterización de sólidos.
60
El sistema de filtrado deberá ser del tipo auto-limpiante para disminuir la
cantidad de operaciones manuales de limpieza que deban realizarse a los
filtros.
Los filtros contarán con un sistema de medición de presión diferencial para
determinar las frecuencias de limpieza manual de los mismos, de acuerdo
con lo descrito posteriormente en la filosofía de operación y control.
Deberán tener un sistema de retrolavado para mejorar la acción auto-
limpiante del filtro. El agua para este sistema de retrolavado será tomada
del agua tratada en las piscinas API para reinyección (disposal).
El sistema de filtros estará compuestos por 2 líneas de filtrado y cada línea
contará con 4 tipos de filtros con el siguiente tamaño de malla:
 El primer filtro tendrá una placa perforada de tamaño de 10mm para
retener sólidos mayores.
 El segundo filtro tendrá una placa perforada de tamaño de 6mm para
retener los solidos productos del swab y elementos que pasen los
primeros filtros.
 El tercer filtro tendrá una placa perforada de tamaño de 4mm para
retener sólidos y partes de gravas.
 El cuarto filtro tendrá una placa perforada de 2,5mm para retener
partículas de gravas.
El tamaño de las perforaciones del elemento filtrante no debe ser menor a la
mitad del diámetro de las partículas que desean ser removidas.
La relación entre el área perforada de la canastilla y el área de la boca de
interconexión del filtro debe tener una relación de por lo menos 4:1.
61
El porcentaje de área perforada se determinará de acuerdo con la siguiente
relación:
Para un arreglo cuadrado
100*
*785.0
2
2
Pt
d
A
p
P 
[4.1]
Donde,
PA Es el porcentaje de área perforada
pd Es el diámetro de la perforación, en pulg.
tP Es la distancia entre centros de las perforaciones, en pulg.
Para un arreglo circular a 60º se tiene la siguiente relación:
100*
*866.0
*785.0
2
2
Pt
d
A
p
P  [4.2]
El volumen total del filtro debe tener una capacidad para contener la
producción de sólidos de por lo menos 2 días.
Drenajes y bocas de servicio
Los filtros tendrán un drenaje de 2” para la evacuación del fluido restante
durante los mantenimientos de los mismos.
62
El tamaño de bocas tanto de la entrada y descarga será determinado de
acuerdo a lo descrito en el cálculo hidráulico de la consultoría a ser realizada
posteriormente.
Temperatura de diseño
La temperatura de diseño para los filtros se definirá de acuerdo con:
Temperatura de diseño = Máxima temperatura de operación esperada + 30
ºF.
Presión de diseño
La presión de diseño del filtro estará de acuerdo con la siguiente tabla:
Tabla 4.1.- Presión de diseño filtros
4.1.2 DIMENSIONAMIENTO DE SEPARADORES HORIZONTALES
Las recomendaciones y criterios señalados en la norma API Specification
12J son aplicables y se tendrán en consideración. El factor de sobre diseño
será del 20%. Los criterios establecidos para el diseño del separador
horizontal a la entrada del sistema de recepción son:
PRESIÓN DE DISEÑO
PRESIÓN DE
OPERACIÓN [psig]
PRESIÓN DE
DISEÑO [psig]
0≤P<250 P operación + 25 psi
250≤P<500 1.1 x P operación
63
 El volumen del separador deberá ser el necesario para almacenar el
volumen de recepción de los tanqueros y mantener una operación
continua en el proceso.
 El agua separada debe tener un tamaño de partícula de crudo menor
a 500 μm, para garantizar no más de 5000 ppm de crudo en el agua.
 Velocidad Terminal: La velocidad de diseño para separación
líquido/líquido en el área definida por el nivel máximo de líquido, se
determina con la ecuación:

 )(1005161.2 25
LHp
d
Dx
V



[4.3]
Donde,
Vd es la velocidad de diseño, in/min.
pD es el diámetro de la párticula de líquido más pesado, en micrones.
H es la densidad del líquido más pesado, lb/pie3.
L es la densidad del líquido más liviano, lb/ pie3.
 es la viscosidad del medio en cP.
Las recomendaciones y criterios señalados en la norma API Specification
12J son aplicables y se tendrán en consideración. El factor de sobre diseño
será del 20%. Los criterios establecidos para el diseño del separador
horizontal a la entrada del sistema de recepción son:
 Tiempo de Retención: A continuación se indican tiempos de retención
típicos para separación Líquido/Líquido según el GPSA11
Data Book
12 th Edition (Electronic).
11 Gas Processors Suppliers Association
64
Tabla 4.2.- Tiempo Retención Hidrocarburo/Agua
 La esbeltez del recipiente deberá estar entre los valores presentados
por la Tabla 4.3.
Tabla 4.3 Esbeltez en función de la presión de operación
 Nivel de líquido: estará de acorde a la Tabla 4.4.
GRAVEDAD API TIEMPO DE RETENCIÓN
[pies/seg]
> 35 3 - 5
< 35 & 100 °F y mayor 5 - 10
< 35 & 80 °F 10 - 20
< 35 & 60 °F 20 - 30
ESBELTEZ DEL RECIPIENTE RELACIÓN L/D
RECOMENDADOS
PRESIÓN DE OPERACIÓN [psig] L/D
0<P<250 1.5-4
250<P<500 3.0-4.0
500<P 4.0-6.0
VALORES RECOMENDADOS DE NIVEL DE
LÍQUIDO [LLL]
RECIPIENTE
HORIZONTAL
LLL, IN
DIÁMETRO [FT]
<4 9
6 10
8 11
10 12
65
Tabla 4.4.- Alturas LLL para diámetros de recipientes
 Tiempos de retención y almacenamiento de líquido: estará de acorde
a la tabla 4.5.
Tabla 4.5.- Tiempos de retención y almacenamiento de líquido
El diámetro de las bocas de entrada de producción en los separadores
deben ser diseñadas de tal forma que no superen la velocidad erosional
calculada como:
Ve = /130 [4.4]
Donde,
Ve = Velocidad erosional del fluido, ft/s .
ρ = Densidad del fluido, lb/ft3
.
 Los diámetros de la salida de las bocas deben ser diseñados para no
crear remolinos, es decir, la velocidad no debe superar el 3.2 ft/s.
12 13
16 15
TIEMPOS DE RETENCIÓN Y
ALMACENAMIENTO DE LÍQUIDO
Tiempo de
retención [min]
(NLL-LLL)
Tiempo de
almacenamiento
[min]
(NLL-HLL)
Separadores:
a. Con bomba
b. Sin bomba
5
2
2
1
66
 La altura del bafle debe estar entre el 20% y el 70% del diámetro
interno del separador.
 El separador contará con un paquete de placas coalescentes para
mejorar la eficiencia de separación de los sólidos presentes.
El equipo contará con una bota de líquido para la acumulación del agua y
sedimentos del crudo, estará diseñada de acuerdo con las siguientes
consideraciones:
H
LHLp
Ld
Dx
V

 )(1005161.2 25



[4.5]
Donde,
LdV es la velocidad de elevación de las partículas de la fase liviana, in/min.
LpD es el diámetro de la párticula de líquido más liviano, en micrones.
H es la densidad del líquido más pesado, lb/pie3
.
L es la densidad del líquido más liviano, lb/ pie3
.
H es la viscosidad del medio en cP.
El diámetro de la bota de líquido esta definido por la siguiente ecuación:
Ld
HL
B
V
Q
D
*
*12*4

 [4.6]
Donde,
BD es el diámetro de la bota de líquido, pulg.
67
HLQ es el flujo volumétrico de la fase líquida más pesada, ft3
/min.
LdV es la velocidad de elevación de las partículas de la fase liviana, in/min.
 La altura de la bota de líquido debe considerar el tamaño del
instrumento de nivel a ser instalado. Debe considerar también una
altura adicional de por lo menos 6 pulg. para el control de la interfase
crudo-agua.
Dimensiones de placas coalescentes
Las placas coalescentes del separador deben cumplir con las siguientes
condiciones:
Tabla 4.6.- Dimensiones y ubicación de placas coalescentes
El área de las placas puede estimarse para un separador convencional con
un diámetro de partículas de sólidos igual a 60 micrómetros,
]/)[(00386.0/ OPHm SSAQ  [4.7]
VARIABLE RANGO
Distancia entre places medidas perpendicularmente
Angulo de inclinación de las placas respecto a la
horizontal
Tipo de crudo a ser removido
Tipo de flujo
1 – 1,5 pulg.
60°
Únicamente crudo
libre
Flujo cruzado / Flujo
descendente
68
Donde,
mQ Caudal de ingreso al separador, ft3
/min.
HA Área horizontal mínima, ft2
.
OS Gravedad específica del crudo (medio) a la temperatura de diseño,
adimensional.
PS Gravedad específica de los sólidos en el medio a la temperatura de
diseño, adimensional.
 Viscosidad absoluta del medio, Poise (1 P = 1 g. cm/seg).
Datos de Entrada para el Dimensionamiento de los Separadores
horizontales
Se deberá tomar en consideración los siguientes parámetros para su diseño:
 Propiedades de los fluidos (líquido HC y agua) a condiciones de
operación.
 Densidades
 Viscosidades
 Tensión superficial
 Condiciones operativas
 Presión
 Temperatura
 Flujo másico
 Tipo de fluido (sucio o limpio; corrosivo o no corrosivo)
69
Volumen del recipiente
El recipiente debe ser diseñado para recibir los despachos de los tanqueros,
para lo cual se ha realizado un análisis de los flujos de ingreso actuales con
un sobredimensionamiento del 25%, descarga del separador y flujo de
recirculación en el proceso.
El recipiente debe tener la capacidad de proporcionarle un tiempo de
residencia a la producción entregada y acumular producción para mantener
un proceso continuo.
Temperatura de Diseño
La temperatura de diseño para el separador se definirá de acuerdo con:
Temperatura de diseño = Máxima temperatura de operación esperada + 30
ºF.
Presión de Diseño
La presión de diseño del separador se definirá de acuerdo con la siguiente
tabla:
Tabla 4.7.- Presión de diseño para recipientes
El diseño de equipo considerará la colocación de por lo menos un
instrumento de seguridad de presión (PSV) con arrestallama. El equipo debe
tener por lo menos 2 bocas para la colocación de instrumentos de medición
PRESIÓN DE DISEÑO
PRESIÓN DE
OPERACIÓN [psig]
PRESIÓN DE
DISEÑO [psig]
0≤P<250 P operación + 25 psi
250≤P<500 1.1 x P operación
70
y/o indicación local de presión. Las bocas para estos instrumentos deben
estar ubicadas de preferencia en la parte más alta del recipiente.
Medición, indicación y control de nivel
El separador tendrá bocas y provisión para la instalación de los instrumentos
de nivel necesarios para la operación, es decir se ubicará un medidor de
nivel y/o transmisor de nivel de total en el recipiente. Adicionalmente se
colocarán las bocas necesarias para la ubicación de instrumentos para
control de ser necesario directamente acoplados al recipiente.
Elementos de Seguridad
El separador tendrá bocas y provisión para la instalación de los instrumentos
de seguridad mínimos recomendados por la API RP 14C los cuales son:
 Por lo menos 1 venteo dimensionado de acuerdo con lo descrito en
API 2000.
 Por lo menos 1 válvula de seguridad de presión (PSV).
 1 Sensor de seguridad de nivel alto.
 1 Sensor de seguridad de nivel bajo.
 1 Sensor de seguridad por alta temperatura.
Todos los elementos que tengan una conexión o salida hacia al ambiente
deben tener acoplados un arrestallama.
Drenajes, limpieza y acceso
El recipiente deberá tener drenajes de por lo menos 4” separados una
distancia no mayor a 4.9 ft entre sí, ubicados en la parte inferior.
71
El equipo debe tener por lo menos 1 boca para inyección de agua a presión
para limpieza interna del equipo (Sand Jet).
4.1.3 SEPARADORES CENTRÍFUGOS
Entre las principales características de este equipo se considerarán las
siguientes:
 El separador centrífugo funcionará con crudos con un rango de
densidad entre 12 y 38 °API.
 Debe tener la flexibilidad necesaria para manejar un fluido con un
rango de viscosidades de 1.5 a 5.5 cSt @ 40ºC
 El separador centrífugo deberá tener la capacidad de trabajar con
variaciones de BSW en un rango de hasta 50%, considerando el
crudo de diseño (20% BSW) más un margen de seguridad, sin que
este rango de variación afecte el desempeño del equipo.
 El equipo utiliza agua de recirculación para la limpieza interna del
mismo, se debe contar con una provisión de agua de utilidades para
este fin.
Para el funcionamiento del separador centrífugo se requiere utilizar un motor
para producir una fuerza centrífuga de 10,000 g con lo cual se logra separar
las micropartículas de agua de la emulsión presente en el crudo.
El mantenimiento de la centrífuga y reemplazo de partes internas debe ser
realizado de acuerdo a las especificaciones del fabricante.
El separador centrífugo debe tener la capacidad de manejar sólidos de hasta
el diámetro de partícula igual al tamaño que maneja el filtro previo.
Temperatura de Diseño
72
La temperatura de diseño para el separador se definirá de acuerdo con:
Temperatura de diseño = Máxima temperatura de operación esperada + 30
ºF.
Presión de descarga
El separador debe tener una presión de descarga de crudo por lo menos de:
psigPPd ,15 [4.8]
Donde,
dP Es la presión de descarga del separador centrífugo.
P Es la caída de presión en la línea de transporte.
Esta presión de descarga asegurará que se tenga la presión suficiente en el
sistema para los siguientes procesos del crudo.
Datos de entrada para el dimensionamiento del separador centrífugo.
Los datos de entrada para el separador son los siguientes:
 Capacidad del sistema y especificaciones de producción dentro de los
que deben estar por lo menos:
 Propiedades de los fluidos (líquido HC y agua) a condiciones de
operación.
 Densidades.
 Viscosidades.
 Condiciones operativas.
73
 Presión.
 Temperatura.
 Flujo másico.
 Tipo de fluido (sucio o limpio; corrosivo o no corrosivo, abrasivo o no).
Elementos de seguridad
El diseño del skid del separador considerará la colocación de instrumentos
de seguridad de presión y temperatura, los cuales deben cumplir todas
normativas de Pacifpetrol S. A., así como también con las normativas
solicitadas por las diferentes entidades de control.
El separador tendrá bocas y provisión para la instalación de los instrumentos
de seguridad mínimos recomendados por la API RP 14C los cuales son:
 Por lo menos 1 válvula de seguridad de presión (PSV) en la línea de
descarga de las bombas de ingreso de fluido.
 1 Sensor de seguridad de nivel alto en el tanque de deposito de
sólidos y agua
 1 Sensor de seguridad de nivel bajo en el tanque de deposito de
sólidos y agua
 1 Sensor de seguridad por alta temperatura
 1 Sensor de alta presión en la línea de descarga tanto de las bombas
de aliementación como descarga del separador.
 Todos los elementos que tengan una conexión o salida hacia al
ambiente deben tener acoplados un arrestallama.
Servicios necesarios
Para el funcionamiento del separador se debe contar con las facilidades
eléctricas necesarias, estas deberán estar de acuerdo con todas normativas
74
de Pacifpetrol S.A., así como también con las normativas solicitadas por las
diferentes entidades de control.
El sistema de aire comprimido deberá tener una presión entre 25 a 30 psi
para instrumentos y de mínimo 100 psi para equipos que usen el aire
comprimido como fluido motriz (bombas neumáticas).
Se contará con una toma para agua de utilidades con una capacidad no
menor a 30 gal/min para el sistema de autolimpieza del equipo.
4.1.4 PISCINAS DE SEDIMENTACIÓN API (SEPARADOR)
Entre las principales características de este equipo se considerarán las
siguientes:
 La velocidad horizontal ( HV ) en el separador debe estar entre 1.5 - 3
ft/s o igual a 15 veces la velocidad de ascenso (Vt ) de la partícula de
crudo, cualquiera sea menor.
[4.9]
 La profundidad de la columna de agua (d) debe estar de 3 - 8 ft para
minimizar los efectos de turbulencia causada por altos flujos de
ingreso o el funcionamiento de equipos de remoción de lodos, se
debe tomar en cuenta el volumen que ocupan dichos equipos durante
el dimensionamiento del separador.
 La relación entre la profundidad y el ancho del canal del separador
debe estar entre 0.3 y 0.5.
 El ancho del separador convencionalmente se encuentra entre 6 y 20
ft, pero adicionalmente se debe tomar en cuenta las dimensiones de
los equipos de remoción de lodos.
egsftVV tH ,315 
75
 Se debe colocar como mínimo 2 canales, los cuales servirán para el
momento que se deba hacer un mantenimiento sin que se necesite
sacar de servicio al equipo entero.
 La relación entre Longitud y ancho (L/B) debe ser por lo menos de 2.
La velocidad de ascenso de la partícula de crudo en agua (Vt ) se calcula
con la siguiente ecuación:
egscmD
g
V Wt ,)(
18
2
0


[4.10]
Donde,
tV Velocidad de ascenso de la partícula en cm/seg.
g Valor de aceleración de la gravedad (981 cm/seg2).
 Viscosidad absoluta del flujo de ingreso en Poise (1 P = 1 g. cm/seg).
W Densidad del agua a la temperatura de diseño en g/cm3.
O Densidad del crudo a la temperatura de diseño en g/cm3.
D Diámetro de la partícula a ser removida en cm.
WS Gravedad específica del agua a la temperatura de diseño,
adimensional.
OS Gravedad específica del crudo en el agua a la temperatura de diseño,
adimensional (No grados API).
Sección Transversal Mínima
La sección transversal mínima del separador será calculado en base al
caudal de entrada y la velocidad horizontal.
76
HmC VQA / [4.11]
Donde,
CA Sección transversal mínima en ft2.
mQ Caudal de ingreso al separador en ft3/min.
HV Velocidad horizontal en ft/min.
Cantidad de canales
La cantidad de canales en un separador debe ser por lo menos 2 en función
de que se haga el mantenimiento de un canal a la vez. La cantidad de
canales en un separador cuya sección transversal ha sido maximizada
puede calcularse mediante la siguiente fórmula:
160/CAn  [4.12]
Donde,
n Número de canales en un separador, por lo menos 2.
CA Sección transversal mínima en ft2.
Profundidad de canales
La profundidad de los canales puede determinarse mediante la siguiente
ecuación:
BnAd C / [4.13]
77
Donde,
d Profundidad de los canales en ft.
CA Sección transversal mínima en ft2.
n Número de canales en un separador, adimensional.
B Ancho de cada canal en ft.
Longitud de separador
Una vez que el resto de las dimensiones del separador han sido
determinadas, puede obtenerse la longitud del separador mediante la
siguiente ecuación:
dVVFL tH )/( [4.14]
Donde,
L Longitud de los canales en ft.
F Factor de turbulencia y corto circuito, adimensional.
HV Velocidad horizontal en ft/min.
tV Velocidad de ascenso de la partícula en ft/min.
d Profundidad del canal en ft.
HV / tV
Factor de
turbulencia
(Ft)
F=1.2*Ft
78
Tabla 4.8.-Factores de turbulencia F
Mínima área horizontal del separador
La mínima área horizontal del separador puede ser calculada mediante la
siguiente ecuación:
)/( tmH VQFA  [4.15]
Donde,
HA Área horizontal mínima en ft2
F Factor de turbulencia y corto circuito, adimensional
mQ Caudal de ingreso al separador en ft3/min
tV Velocidad de ascenso de la partícula en ft/min
4.1.5 TANQUES DE SURGENCIA Y ALMACENAMIENTO
Los criterios generales para el dimensionamiento de tanques de surgencia y
almacenamiento se fundamentarán principalmente en los aspectos que se
enumeran a continuación:
 Los tanques serán diseñados para el almacenamiento de fluido con
una presión de vapor hasta 12 psia.
20
15
10
6
3
1,45
1,37
1,27
1,14
1,07
1,74
1,64
1,52
1,37
1,28
79
 Tiempo de residencia que tendrá el fluido.
 Nivel mínimo operativo para proporcionar cabeza neta positiva de
succión a bombas.
 Tiempo de almacenamiento en caso de contingencia.
 Temperatura del fluido o requerimiento de calentamiento
Temperatura de Diseño
La temperatura de diseño en tanques que sólo son afectados por la
radiación solar se determinará de la siguiente manera:
Temperatura de diseño = Temperatura de operación + 30 ºF.
Presión de Diseño
Todos los tanques tendrán una válvula de alivio de presión y vacío.
Adicionalmente, se deberá colocar un arresta-llamas integrado a la válvula
de alivio de presión rompe vacío, y una válvula de venteo de emergencia.
La presión de diseño por presión y por vacío se considera de acuerdo con lo
establecido en la especificación de la Normativa API 650: Welded Steel
Tanks for Oil Storage.
En tanques menores a 1000 BBL las consideraciones de API 12F podrán ser
tomadas en consideración:
 Las dimensiones del tanque estarán de acuerdo con la tabla 1 y la Fig
1. de la norma API 12F.
 Para tanques con una capacidad desde 90 bbl hasta 500 bbl la
presión de diseño será de 1 psi y en vacío de - 0.86 pulgadas de
agua.
80
 Para tanques con una capacidad de 500 bbl hasta 750 bbl la presión
de diseño será de 0.5 psi y en vacío de - 0.86 pulgadas de agua.
Bocas en tanques
El dimensionamiento de bocas en los tanques se realizarán con las mismas
condiciones que para el dimensionamiento de líneas, tomando
adicionalmente en consideración que la velocidad del fluido no debe ser
mayor a 0.6 m/s
La altura de ubicación de las bocas debe considerar una altura mínima tanto
para el servicio de ingreso de fluido como para bocas de descarga de crudo
o descargas de agua, esta altura debe ser por lo menos lo indicado en la
Tabla 5.6 de la norma API 650. Para tanques con una capacidad de 200 a
750 bbl la altura de las bocas deben ser por lo menos la altura indicada en la
Tabla 1. de la API SPEC 12F.
Todos los tanques para servicio de hidrocarburos deben contar por lo menos
con una boca para drenaje, el dimensionamiento de la misma debe estar de
acuerdo a lo descrito anteriormente.
El tanque debe contar con las bocas necesarias para la instalación de un
medidor de altura de líquido en el tanque, adicionalmente debe contar con
una boca de acceso para la medición manual del nivel del tanque. Las bocas
cuyo servicio sea la salida de producción deben contar con un vortex.
Elementos de seguridad
El diseño del tanque considerará la colocación de por lo menos un
instrumento de seguridad de presión y vacío (PVSV) con arrestallama.
81
El separador tendrá bocas y provisión para la instalación de los instrumentos
de seguridad mínimos recomendados por la API RP 14C los cuales son:
 Por lo menos 1 venteo dimensionado de acuerdo con lo descrito en
API 2000 con arrestallama.
 Por lo menos 1 válvula de seguridad de presión (PSV).
 1 Sensor de seguridad de nivel alto.
 1 Sensor de seguridad de nivel bajo.
 1 Sensor de seguridad por alta temperatura.
Todos los elementos que tengan una conexión o salida hacia al ambiente
deben tener acoplados un arrestallama.
4.1.6 DIMENSIONAMIENTO DE LÍNEAS
Los cálculos hidráulicos que se realizarán para las líneas que comprenderá
el sistema de recepción de crudo dependerá básicamente del tipo de fluido a
transportar, de sus condiciones de operación en las distintas fases de
producción, de las caídas de presión admisibles entre los puntos de inicio y
fin de cada línea, y se basará principalmente en la aplicación del estándar
API RP 14E.
Flujo Monofásico
Como criterio de diseño se deberá considerar los límites y rangos de
velocidad de flujo recomendados en la Tabla 4.9 . Esta tabla es una
referencia, y donde aplique, se deberá hacer una evaluación hidráulica para
garantizar la correcta operación de los sistemas.
DESCRIPCIÓN VELOCIDAD ρV2
∆P ρV3
Mach
ft/s psi psi lbf/s3
Succión de bombas con líquido en ebullición
< 2” 2.9 13
2.5” – 10” 2.9 13
82
Tabla 4.9.- Velocidades y caídas de presión
Presión y Temperatura
Las condiciones de temperatura y presión de diseño para tuberías serán
definidas como sigue:
 Temperatura de Diseño: La temperatura de diseño será igual a la
máxima temperatura de operación más 30ºF.
Succión de bombas con líquido subenfriado
< 2” 2.9
3” – 6” 3.9
Descarga de
bombas
P < 50 Bar g 19
P > 50 Bar g 19
Salida de recipientes con líquido en ebullición
< 2” 2
3” – 6” 3.3
Salida de recipientes con líquido subenfriado
< 2” 3 50
3” – 6” 3.9 50
Flujo por gravedad 2
Agua ácida 6.6
Agua de servicios
< 2” 4.9
3” 6.6
4” 8.2
> 6” 9.8
Succión compresor
reciprocante
60 10 440400
Succión compresor centrífugo
< 20 Bar g 125 10 440400
20<P<50 Bar g 155 10 440400
50<P< 80 Bar g 210 10 440400
P > 80 Bar g 315 10 440400
Descarga compresor
< 20 Bar g 125 15 440400
20<P<50 Bar g 155 15 440400
50<P< 80 Bar g 210 15 440400
P > 80 Bar g 315 15 440400
Compresor en operación intermitente
P<50 Bar g 210
50<P< 80 Bar g 315
P > 80 Bar g 525
Línea de entrada a PSV
< 2” 525 0.6
P < 50 Bar g 630 0.6
P > 50 Bar g 1050 0.6
83
 Presión de Diseño: La presión de diseño para tuberías debe ser
consistente con la presión de diseño de los recipientes y equipos a los
cuales se conectan. En ningún caso la presión de diseño será menor.
Capacidades
La capacidad de las líneas deberá dimensionarse con un margen de diseño
de 10% adicional en el flujo.
Dimensionamiento de Tuberías para Transporte de Líquidos
El dimensionamiento de tuberías para líquidos debe satisfacer los siguientes
requerimientos mostrados en la Tabla 4.10.
Tabla 4.10.- Criterios para el dimensionamiento de líneas
 Succión de Bombas: En las líneas de succión de bombas, el NPSH
disponible debe ser mayor que el NPSH requerido con un margen de
3 pies de líquido. Para succión de bombas que manejan fluido en
ebullición o en equilibrio, la máxima caída de presión por fricción no
debe exceder los 3 pies de cabeza de fluido.
 Drenajes: En los drenajes atmosféricos se deberá hacer una
evaluación hidráulica para verificar que la pendiente de las líneas de
HIDROCARBUROS AGUA
Densidad
(lb/ft3
)
Velocidad
(ft/s)
∆P Máximo
(psi/100 fts)
Diámetro
tubería (NPS)
Velocidad
(ft/s)
∆P Máximo
(psi/100 fts)
50 3,5 - 7 3,5 1 2 - 3,3
< 4.0
20 1 - 2,5 0,5 2 3,3 - 5
4 5 - 7
6 7 - 9
8 8,2 - 11
10 9,8 - 12
12 -20 12 - 16
84
drenaje permiten fluir al líquido a una velocidad tal que la caída sea
menor a la cabeza hidrostática.
Dimensionamiento de Tuberías para Transporte de Flujo Bifásico
La preocupación principal durante el diseño de tuberías que transportan
fluidos en dos fases es la de saber que patrones de flujo pueden
presentarse. Se prestará atención particular al régimen de flujo para evitar
patrones de slug o baches, las velocidades de la línea se limitarán por:
egspieV
MEZCLA
MAX ,100
.


y
egspieV
MEZCLA
MIN ,60
.


[4.16]
y donde .MEZCLA es la densidad de la mezcla en lb/pie3
.
 Líquidos con sólidos suspendidos deben tener una velocidad mínima
de 3,3 pie/seg.
 Fluido con sólidos suspendidos deben ser transportados por líneas
con la menor longitud posible, además debe usarse en lo posible
líneas ubicadas horizontal o verticalmente.
 En caso de que deban usarse líneas con inclinación, la velocidad del
fluido debe incrementarse en un 25%.
 Debe minimizarse en lo posible el uso de accesorios como codos o
Ts.
4.1.7 DIMENSIONAMIENTO DE BOMBAS
Las bombas que sean parte del proceso principal deben contar con una
bomba de respaldo (backup) para mantener un proceso continuo.
Para el cálculo de la potencia de las bombas se utilizará la siguiente
ecuación general:
85
Ef
PQ
HP



715,1
[4.17]
Donde,
:HP Potencia en caballos fuerza
Q : Caudal en galones por minuto
:P Presión diferencial o cabeza en psi
Ef: El parámetro de la eficiencia se fijará a 75%
Para la determinación del flujo mínimo se estimará primero que todo el
caballaje de la bomba se transforma en calor, y luego se considerará un flujo
tal para que dicho calor eleve la temperatura del fluido en 15 °F. Este será el
flujo mínimo.
Además, se solicitará al fabricante la curva de las bombas, incluyendo flujo
mínimo. La capacidad de diseño será el 10% más del flujo normal requerido.
Para el cálculo del NPSH se utilizará el flujo normal más el 25%.
`
4.2 MEMORIA DE CÁLCULO BOMBAS DE ALIMENTACIÓN DE
CRUDO PBA-6003 A/B
1.- Cálculo del Caudal de Diseño
1.a.- Caudal de Diseño de la
Bomba:
[4.18]
% Sobrediseño (Flujo) : 10%
Caudal Operación (Bomba): 55.00 gpm
Caudal Diseño (Bomba) = 60.50 gpm
)()()( *)%1( BombaFlujoBomba OperaciónCaudaloSobrediseñDiseñoCaudal 
86
2.- Cálculo de la Velocidad en la Tubería
donde:
D : diámetr ft
Sabiendo que: 1 ft 2
= 144 in 2
1 ft 3
= 7,48
galones
1 min = 60 s
[4.19]
2.a.- Velocidad en el Cabezal de Succión:
Diámetro (Cab. Succión) = 4.026 in Area = 12.7 in 2
Caudal Diseño (Bomba) = 60.50 gpm Velocidad = 1.53 ft/s
2.b.- Velocidad en el Ramal de Succión:
Diámetro (Ramal
Succión) =
4.026 in Area = 12.7 in 2
Caudal Diseño
(Bomba) =
60.50 gpm Velocidad = 1.53 ft/s
2.c.- Velocidad en el Cabezal de Descarga:
Diámetro (Cab.
Descarga) =
3.068 in Area = 7.4 in 2
Caudal Diseño
(Bomba) =
60.50 gpm Velocidad = 2.63 ft/s
2.d.- Velocidad en el Ramal de Descarga:
Diámetro (Ramal Descarga) = 4.026 in Area = 12.7 in 2
Caudal Diseño (Bomba) = 60.50 gpm Velocidad = 1.53 ft/s
2.e.- Velocidad para el Cálculo del NPSH disponible (Parámetro para
NPSHd):
Cabezal de succión
2
**
4
1
DArea 
)(
)(
2
002229.0**144
in
gpm
Area
Caudal
Velocidad
87
Diámetro = 4.026 in Area = 12.7 in 2
Caudal Diseño (NPSHd) = 55.00 gpm Velocidad
=
1.39 ft/s
Ramal de succión
Diámetro = 4.026 in Area = 12.7 in 2
Caudal Diseño (NPSHd) = 55.00 gpm Velocidad
=
1.39 ft/s
3.- Cálculo del Número de
Reynolds
Sabiendo que para convertir cP a ft2
/seg, se debe multiplicar los Cp por
0,00067197/densidad(Lb/ft3
) se tiene:
[4.20]
Donde:
Diámetro: ft
Velocidad: ft/s
Densidad: Lb/ft3
Viscosidad: cP
3.a.- Reynolds en el Cabezal de Succión:
Densidad @ P y T: 52.77 Lbs/ft3
Viscosidad: 3.95 cP
Velocidad: 1.53 ft/s
Diámetro: 4.026 in
Reynolds = 10175 (adimencional)
3.b.- Reynolds en el Ramal de Succión:
Densidad @ P y T: 52.77 Lb/ft3
Viscosidad: 3.95 cP
Velocidad: 1.53 ft/s
Diámetro: 4.026 in
Reynolds = 10175 (adimensional)
3.c.- Reynolds en el Cabezal de Descarga:
Densidad @ P y T: 52.77 Lb/ft3
000671970*
12
**
.Viscosidad
DiámetroVelocidaddensidad
Reynolds





88
Viscosidad: 3.95 cP
Velocidad: 2.63 ft/s
Diámetro: 3.068 in
Reynolds = 13352 (adimensional)
3.d.- Reynolds en el Ramal de Descarga:
Densidad @ P y T: 52.77 Lb/ft3
Viscosidad: 3.95 cP
Velocidad: 1.53 ft/s
Diámetro: 4.026 In
Reynolds = 10175 (adimensional)
3.e.- Reynolds para el Cálculo del NPSH disponible (Parámetro para
NPSHd):
Cabezal de Succión:
Densidad @ P y T: 52.77 Lb/ft
3
Viscosidad
:
3.95 cP
Velocidad: 1.39 ft/s
Diámetro: 4.026 in
Reynolds
=
9250 (adimensional)
Ramal de Succión:
Densidad @ P y T: 52.77 Lb/ft3
Viscosidad: 3.95 cP
Velocidad: 1.39 ft/s
Diámetro: 4.026 in
Reynolds = 9250 (adimensional)
4.- Cálculo del Factor de Fricción (Factor de Fricción de Moddy)
 El Factor de Fricción para flujo laminar (Reynolds < 2000), es
función sólo del Número de Reynolds, y puede ser determinado a
partir de la Ecuación
89
depende no sólo del Número de Reynolds, sino también de la
rugosidad relativa (e) de la tubería, pudiendo ser determinado a
partir de la Ecuación
 Un Número de Reynolds entre 2000 y 4000, corresponde a la zona
de transición, en al cual el flujo puede ser tanto laminar como
turbulento. En vista de la poca precisión al respecto, no se
recomienda diseñar bajo esta zona.
[4.21]
Ecuación 3.21:
En este caso se considera el Reynolds del tramo de tubería a ser evaluado
Ecuación 3.22:
donde: [4.22]
Diámetro: ft
e: rugosidad relativa =
0,00015 ft
En este caso se considera el Reynolds, la rugosidad relativa y el diámetro
del tramo de tubería a ser evaluado.
Para facilitar la solución de la Ecuación 2, se utiliza el siguiente
procedimiento:
Se estima un valor de f, tomándolo de la siguiente gráfica (Fig. 17-2 del
GPSA, SECTION 17, Fluid Flow and Piping):
Reynolds
fm
64










mm
fReynoldsDiámetrof *
51.2
*7.3
log*2
1
10

90
 Se calcula un nuevo valor de f, partiendo del valor asumido
inicialmente.
 Se determina la diferencia entre el valor asumido y el calculado.
 Si la diferencia entre el valor asumido y el calculado es mayor que
0,000001, se calcula un nuevo valor de f, partiendo del primer valor
calculado.
 Se determina la diferencia entre el primer valor calculado y el
segundo valor calculado.
 Si la diferencia entre el primer valor calculado y el segundo valor
calculado es mayor que 0,000001, se calcula un nuevo valor de f,
partiendo del segundo valor calculado.
 Este proceso de iteración se continúa hasta que la diferencia sea
menor que 0,000001.
4.a.- Factor de Fricción Cabezal de
Succión:
En este caso, Reynolds = 10175 por lo tanto se calcula el factor
de fricción a través de la
Ecuación 3.22
obteniéndose:
f = 0.03109 (adimensional)
4.b.- Factor de Fricción Ramal de Succión:
En este caso, Reynolds = 10175 por lo tanto se calcula el factor
de fricción a través de la
Ecuación 3.22
obteniéndose:
f = 0.03109 (adimensional)
4.c.- Factor de Fricción Cabezal de Descarga:
En este caso, Reynolds = 13352 por lo tanto se calcula el factor
de fricción a través de la
Ecuación 3.22
obteniéndose:
91
f = 0.02966 (adimensional)
4.d.- Factor de Fricción Ramal de Descarga:
En este caso, Reynolds = 10175 por lo tanto se calcula el factor
de fricción a través de la
Ecuación 3.22
obteniéndose :
f = 0.03109 (adimensional)
4.e.- Factor de fricción para el Cálculo del NPSH disponible (Parámetro
para NPSHd):
Cabezal de Succión:
En este caso, Reynolds = 9250 por lo tanto se calcula el factor
de fricción a través de la
Ecuación 2
obteniéndose:
f = 0.03186 (adimensional)
Ramal de Succión
En este caso, Reynolds = 9250 por lo tanto se calcula el factor
de fricción a través de la
Ecuación 2
obteniéndose:
f = 0.03186 (adimensional)
5.- Cálculo de la Caída de Presión (psi/100 ft de tubería) [4.23]
Para el cálculo de la caida de presión (DP) en psi/100 ft de tubería se utiliza
la siguiente expresión:
donde:
Densidad : Lb/ft3
L(tubería): Longitud de la Tubería =
100 ft
Diámetro: in
gc: aceleración de la gravedad =
32,16 ft/s2
c
tubería
g
Diámetro
vLDensidadf
ΔP
*2*
12
*144
*** 2
)(

92
5.a.- Caída de Presión en Cabezal de Succión:
f = 0.03109
Densidad = 52.77 Lb/ft3
P = 0.123 psi/100 ft
Diámetro = 4.026 in
5.b.- Caída de Presión en Ramal de Succión:
f = 0.03109
Densidad = 52.77 Lbs/ft
3
P = 0.123 psi/100 ft
Diámetro = 4.026 in
5.c.- Caída de Presión en Cabezal de Descarga:
f = 0.02966
Densidad = 52.77 Lb/ft3
P = 0.456 psi/100 ft
Diámetro = 3.068 in
5.d.- Caída de Presión en Ramal de Descarga:
f = 0.03109
Densidad = 52.77 Lb/ft3
P = 0.123 psi/100 ft
Diámetro = 4.026 in
5.e.- Caída de Presión para el Cálculo del NPSHdisponible (Parámetro
para NPSHd):
Cabezal de Succión:
f = 0.03186
Densidad = 52.77 Lb/ft3
P = 0.104 psi/100 ft
Diámetro = 4.026 in
Ramal de Succión:
f = 0.0319
Densidad = 52.77 Lb/ft3
P = 0.104 psi/100 ft
Diámetro = 4.026 in
93
6.- Cálculo de la Presión Diferencial (Bomba) [4.24]
6.a.- Presión de Succión: [4.25]
Poper recip. Succión 14.7 psia
Pérdidas succión 0.25 psi
Otras Pérdidas 0.50 psi
Cabezal Estático 11.40 ft equiv. a: 4.49 psi
18.45 psia
Presión succión = 18.45 psia
3.75 psig
6.b.- Presión de Descarga: [4.26]
Poper recip. Descarga 25 psia
Pérdidas descarga 0.58 psi
Otras Pérdidas 0.50 psi
Altura descarga 5 ft equiv. a: 1.97 psi
28.05 psia
Presión descarga = 28.05 psia
Presión Diferencial Bomba = 9.60 psi
24.37 ft de líquido
22.17 ft de agua
7.- Cálculo del NPSHdisponible [4.27]
En este caso, las pérdidas se determinan en base a parámetros para el
cálculo del NPSHd.
EstáticoCabezalPérdidasPoperP succiónrecipsucción  .
adescadescrecipadesc AlturaPérdidasPoperP argarg.arg 
vaporsucciónrecip PEstáticoCabezalPérdidasPoperNPSHd  .
succiónadescBomba PPlDiferenciaPresión  arg)(
94
Poper recip. Succión 14.7 psia
Pérdidas succión 0.25 psi
Otras Pérdidas 0.50 psi
Cabezal Estatico 11.40 ft equiv.
a:
4.49 psi
Presión Vapor 14.7 psia
3.75 psia
NPSH disponible(calculado) = 3.75 psia
9.51 ft de líquido
8.65 ft de agua
8.- Cálculo de la Potencia de la Bomba
8.a.- Potencia Hidráulica: [4.28]
donde:
Caudal, Cuadal Bomba
gpm
Presión diferencial: ft de
líquido
Potencia Hidráulica = 0.35 HP Hyd
8.b.- Potencia al Freno: [4.29]
donde:
E Bomba: Eficiencia Estimada
de la Bomba:
75%
Potencia al Freno = 0.47 BHP
8.c.- Potencia del Motor: [4.30]
donde:
E Motor: Eficiencia
Estimada del Motor:
90%
3960
** EspecíficaGravedadPresiónCaudal
Potencia
ldiferencia
Hyd 
Bomba
Hyd
E
Potencia
FrenoalPotencia 
MotorE
FrenoalPotencia
MotorPotencia 
95
Potencia del Motor = 0.52 HP
9.- Cálculo de la Máxima Presión de Succión [4.31]
P oper. Max recip. Succión: 25.00 psia
Cab. Estático max.: 11.40 ft, equiv. a: 4.49 psia
29.49 psia
Presión Succión max = 29.49 psia
10.- Cálculo de la Presión de Shut-Off [4.32]
Presión Diferencial Bomba: 9.60 psi
Presión Succión Max.: 29.49 psia
Presión Shut-Off = 41.02 psia
Para el cálculo de las bombas restantes se procedió de manera similar al
procedimiento anterior, dichas bombas son las siguientes:
 Bombas de Agua Piscina API PBA-6004 A/B
 Bomba de Agua de Utilidades PBA-6006
 Bombas de Descarga de Agua PBA-6002 A/B
 Bombas de Recuperación de Crudo PBA-6005 A/B
maxsucciónrecip EstáticoCabmaxoperPSucciónPresión ..max 
max*2.1 SucciónPresiónlDiferenciaPresiónOffShutPresión Bomba 
96
4.3 CODIFICACIÓN PARA DIAGRAMAS P&ID
Para utilizar una simbología y nomenclatura adecuada para el diseño de los
planos P&ID es necesario definir ciertos criterios que se utilizarán para el
diseño.
4.3.1 CÓDIGO PARA IDENTIFICACIÓN DE VÁLVULAS
Válvulas de Bola, Clase A (150#):
 BA- 411 diámetros de ½” a 2” roscadas
 BA-113 diámetros de 1” a 4” bridadas, regular port
 BA-123 diámetros de 1” a 4” bridadas, full port
 BA- 127 diámetros de 6” y mayores, bridadas, full port
 BA- 117 diámetros de 6” y mayores, bridadas, reduced port
Válvulas Check, Clase A (150#):
 CK-821 diámetros 2” y menores, full opening swing check, roscada.
 CK-123 diámetros de 2” y mayores, full opening swing check, bridada.
 CK-118 diámetros de 1” y mayores, Pulsating service, bridada, gas
service check valve.
Válvulas Gate, Clase A (2000#):
 GA-211 diámetros de ½” a 2” roscadas.
Válvulas Gate, Clase A (150#):
 GA-123 diámetros de 2” y mayores bridadas.
97
Válvulas de Globo, Clase A (2000#):
 GL-211 diámetros de ½” a 2” roscadas.
 Válvulas de Globo, Clase A (150#):
 GL-113 diámetros de 2” y mayores bridadas.
Válvulas de Mariposa, Clase A (150#):
 BF-120 diámetros de 3” hasta 24”, bridadas.
Válvulas de Aguja, Clase A (150#):
 NE-030 diámetros de ½” hasta ¾”, roscadas.
Válvulas de Tres Vías, Clase A (150#):
 PL-119 diámetros de 3” y mayores, bridadas
4.3.2 CÓDIGO PARA IDENTIFICACIÓN DE CAÑERÍAS
2” – PG – D 1 - XXXX
Nº de línea
Especificación
Clase
Servicio
Diámetro
98
CLASE ESPECIFICACIONES SERVICIO Y NRO. DE LINEA
A 150 ANSI
B 300 ANSI
C 400 ANSI
D 800 ANSI
E 900 ANSI
F 1500 ANSI
G 2500
ANSI/6000
PSIG
J API 3000
K API 5000
L API 10000
LINEA DE PROCESO
DRENAJES Y
DESCARGA
SEGURIDAD
VAPOR Y
CONDENSADO
AGUA DE
SERVICIO
SERVICIO
GENERAL
GAS BLANKET Y
COMBUSTIBLE
PETROLEO DE
SERVICIO
QUÍMICOS Y
CAUSTICOS
9. OTROS
DO
BFG
BG
CI
CW
DF
EX
FG
FW
G
GN
HM
IA
IG
LG
LO
M
PD
PF
PG
PO
PL
PW
R
SG
ST
UA
UG
2000
6000
6000
8000
4000
6000
2000
6000
4000
8000
1000
5000
5000
1000
7000
9000
2000
1000
1000
1000
1000
1000
2000
1000
3000
5000
5000
4000
Sistema drenaje
abierto
Gas combustible
quemador
Gas de blanketing
Inyección productos
químicos
Agua de
enfriamiento
Diesel combustible
Gas exhaust
Gas combustible
Agua red contra
incendios
Glicol
Gasolina Natural
Medio de
calentamiento
Aire de instrumentos
Gas de instrumentos
Gas lift
Aceite de lubricación
Misceláneos
Drenaje presurizado
Fluido de proceso
(Pet+agua)
Gas de proceso
Aceite de proceso
99
UW
V
W
WW
2000
4000
4000
Líquido producido
Agua producida
Alivio
Gas a venta
Vapor
Aire de servicio
Gas de servicio
Agua de servicio
Venteo
Agua potable
Agua aceitosa
Tabla 4.11 Código para Identificación de Cañerías
Observaciones:
1000: Líneas de proceso 5000: Servicio general
2000: Drenajes y descargas seg 6000: Gas blanket y combustible
3000: Vapor y condensado 7000: Aceite/petróleo de servicio
4000: Agua de servicio 8000: Productos químicos y
cáusticos
9000: Otros
4.3.3 CÓDIGO PARA IDENTIFICACIÓN DE EQUIPOS
X XX – XXXX
Identificación
Modificador
Tipo de componente
100
TIPO DE
COMPONENTE
MODIFICADOR
COMUN
MODIFICADOR IDENTIFICACIÓN
A Recipiente
atmosférico
(Temp. ambiente)
B Recipiente
atmosférico
(Con
calentamiento)
C Compresor
D Gabinete
E Equipo de fuego
F Línea de flujo
G Colector
(Cabezal)
H Intercambiador
de calor
J Línea de
inyección
K Cañería
L Plataforma
M Recipiente
presurizado
(Temp. ambiente)
N Recipiente
presurizado
(Con
calentamiento)
P Bomba
Q Cabezal de pozo
Z Otro
BH,BJ,BM
AP,BC,BK,BM
AR,AS,BA,ZZ
AE,AN,AU,BB
AL,,AW,BN
A1-A9
AR,AS,AT,AY,AZ
BG
AR,AS,AT
AA,AH,AQ
AG
AB,AD,AF,AJ,A,
K,AM,AV,BD,B,
F,BH,BJ,BL,BM,
AC
AC,AF,AM,AP,
BC,BD,BG,BJ,B,
K
AX,BA,BE
AR,AT,AY,AZ
AA Bi-direccional
AB Blowcase
AC Caldera
AD Coalescedor
AE Compresor
AF Contactor
AG Unidad de
control
AH Salida
AJ Filtro
AK Filtro separador
AM FWKO
AN Generador
AP Calentador
AQ Entrada
AR Inyección, gas
AS Inyección, gas lift
AT Inyección,, agua
AU Medidor
AV Recipiente de
med
AX Cañería
AY Producción pet
AZ Producción, agua
A1-A9 Segm de
línea
BA Proceso, otro
BB Bomba
BC Reboiler
BD Separador
BE Servicio
BF Scrubber
BG Carcaza y tubo
BH Sumidero
BJ Tanque
BK Tratador
BL Volume bottle
BM Tratam. de agua
DT Deshidratador
TA Torre
Absorbedora
TM Tamices
ZZ Otro
0000
1000
2000
3000
4000
5000
6000
7000
8000
9000
Equip de pozo y
cabezal
Recipientes
presurizados
Recipientes
atmosféricos
Recip con
calentamiento
Intercambiadores
de calor.
Compresores
Bombas
Generadores
Edificios y equip
varios
Varios
Tabla 4.12 Código para Identificación de Equipos
101
4.3.4 TABLA ISA DE CÓDIGO FUNCIONAL DE INSTRUMENTOS
PRIMERA LETRA LETRAS SUCESIVAS
VARIABLE MEDIDA
MODIFICADO
R
LECTURA O
FUNCION
PASIVA
FUNCION DE
SALIDA
MODIFICADO
R
A ANÁLISIS ALARMA
B LLAMA
COMANDO
MANUAL
ELECCIÓN
USUARIO
ELECCIÓN
USUARIO
C
CONDUCTIVIDAD
ELECTRICA
CONTROL
D DENSIDAD DIFERENCIAL
E VOLTAJE
ELEMENTO
PRIMARIO
F FLUJO
RELACION-
FRACCION
G CALIBRE VIDRIO
H MANUAL ALTA
I
CORRIENTE
(ELECTRICA
INDICADOR
J POTENCIA BARRIDO
MULTIPLEX O
TREND
K TIEMPO
ESTACION DE
CONTROL
L NIVEL LUZ-LAMPARA BAJA
M HUMEDAD INSTANTÁNEO
MEDIA O
INTERMEDIA
N ELECCIÓN USUARIO
ELECCIÓN
USUARIO
ELECCIÓN
USUARIO
ELECCIÓN
USUARIO
O ELECCIÓN USUARIO
ORIFICIO
RESTRICCIÓN
P PRESION O VACIO
PUNTO-CONEX
PRUEBA
Q CANTIDAD
INTEGRAR O
TOTALIZAR
R RADIACTIVIDAD SEGURIDAD
REGISTRAR O
IMPRIMIR
S
VELOCIDAD O
FRECUENCIA
INTERRUPTOR
T TEMPERATURA TRANSMITIR
U MULTIVARIABLE MULTIFUNCIÓN MULTIFUNCIÓN MULTIFUNCIÓN
V
VIBRACIÓN
MECANICA
VÁLVULA O
ATENUADOR
W PESO O FUERZA POZO
X SIN CLASIFICAR EJE X SIN CLASIFICAR SIN CLASIFICAR
SIN
CLASIFICAR
Y ESTADO EJE Y
COMPUTADOR,
RELE
Z POSICIÓN EJE Z
ACTUAR,
CONTROL
FINAL
Tabla 4.13 Tabla ISA de Códigos de Instrumentos
102
NOTA: Los términos altos y bajos, cuando se aplican a las posiciones de
válvulas y dispositivos de abrir y cerrar, están definidos como sigue: Alta,
denota que la válvula está en 0 o aproximándose a la posición abierta y baja
denota en 0 o aproximándose a la posición cerrada.
Los instrumentos serán identificados de acuerdo a la función y la variable
que manejan de acuerdo con el código funcional de instrumentos de la figura
4.1 y el número de lazo de control al que pertenezca.
Figura 4.1 Código Funcional de Instrumentos
4.3.5 CÓDIGOS LITERALES DE INSTRUMENTOS MÁS USADOS
AAH: Alarma alto valor de analizador
AE: Elemento primario de analizador
AM: Selector Automático/Manual
ASH: Alarma alta de analizador de seguridad/Detector de gas
BAL: Alarma de baja llama
BE: Elemento primario de llama
BS&W: Monitor de sales, sólidos y agua
BS&WA: Alarma de monitor de sales, sólidos y agua
BSL: Interruptor de baja llama
FAH: Alarma de alto caudal
FAL: Alarma de bajo caudal
FC: Controlador de flujo
FCV: Válvula de control de flujo
FE: Elemento primario de flujo
FG: Indicador de flujo (de vidrio)
FI: Indicador de flujo
FIC: Indicador controlador de caudal
FIT: Indicador controlador de temperatura
PI
XXX
Código Funcional
Número del lazo de control
103
FIY: Computador indicador de flujo
FM: Medidor de flujo
FPR: Registrador de flujo y presión
FQI: Totalizador indicador de flujo
FQY: Totalizador de flujo o computador totalizador
FR: Registrador de flujo
FS: Interruptor de flujo
FSH: Interruptor de flujo alto
FSL: Interruptor de flujo bajo
FSV: Válvula de seguridad de flujo (Válvula check)
FT: Transmisor de flujo
HLSD: Paro por alto nivel
HOA: Selector manual automático (Manual-off-auto)
HS: Interruptor manual
HV: Válvula manual
II: Indicador de corriente
KX: Temporizador
LAH: Alarma de alto nivel
LAHH: Alarma muy alto nivel
LAL: Alarma de bajo nivel
LALL: Alarma de muy bajo nivel
LC: Controlador de nivel
LCV: Válvula de control de nivel autoregulada
LG: Indicador de nivel (de vidrio)
LI: Indicador de nivel
LIC: Indicador controlador de nivel
LS: Interruptor de nivel
LSH: Interruptor de alto nivel
LSHH: Interruptor de muy alto nivel
LSHL: Interruptor de alto/bajo nivel
LSL: Interruptor de bajo nivel
LSLL: Interruptor de muy bajo nivel
LT: Transmisor de nivel
LV: Válvula de control de nivel
LY: Transductor de nivel
PAH: Alarma de alta presión
PAHH: Alarma de muy alta presión
PAHL: Alarma de alta/baja presión
PAL: Alarma de baja presión
PALL: Alarma de muy baja presión
PC: Controlador de presión
PCV: Válvula controladora de presión autorregulada
PDA: Alarma de presión diferencial
PDAH: Alarma de alta presión diferencial
PDAL: Alarma de baja presión diferencial
PDC: Controlador de presión diferencial
PDI: Indicador de presión diferencial
PDIC: Indicador controlador de presión diferencial
104
PDR: Registrador de presión diferencial
PDS: Interruptor de presión diferencial
PDSH: Interruptor de alta presión diferencial
PDT: Transmisor de presión diferencial
PE: Elemento primario de presión
PI: Indicador de presión
PIC: Indicador controlador de presión
PR: Registrador de presión
PS: Interruptor de presión
PSE: Elemento de seguridad de presión (Disco de ruptura)
PSH: Interruptor de alta presión
PSHH: Interruptor de muy alta presión
PSHL: Interruptor de alta/baja presión
PSL: Interruptor de baja presión
PSLL: Interruptor de muy baja presión
PT: Transmisor de temperatura
PV: Válvula controladora de presión
SAL: Alarma de baja velocidad
SAH: Alarma de alta velocidad
SI: Indicador de velocidad
SS: Interrutor de velocidad
TAH: Alarma de alta temperatura
TAHH: Alarma de muy alta temperatura
TAL: Alarma de baja temperatura
TC: Controlador de temperatura
TCV: Válvula controladora de temperatura autorregulada
TE: Elemento primario de temperatura
TI: Indicador de temperatura
TIC: Indicador controlador de temperatura
TR: Registrador de temperatura
TSE: Elemento de seguridad de temperatura
TSH: Interruptor de alta temperatura
TSHH: Interruptor de muy alta temperatura
TSL: Interruptor de baja temperatura
TT: Transmisor de temperatura
TV: Válvula de control de temperatura
VAH: Alarma de alta vibración
VE: Elemento primario de vibración
VI: Indicador de vibración
VSH: Interruptor de vibración alta
XV: Válvula de control no clasificada
ZI: Indicador de límite o posición
ZIO: Indicador de limite o posición abierta
ZIC: Indicador de límite o posición cerrada
ZS: Interruptor posición/límite
XI: Indicador de pasaje de scrapper
105
4.3.6 OTRAS ABREVIATURAS
AI: Alimentación de aire
GI: Alimentación de gas
AO: Abre con aire
AC: Cierra con aire
ES: Alimentación eléctrica
ESD: Paro de emergencia
FO: Falla abierta
FC: Falla cerrada
FL: Falla última posición
BL: Límite de batería
TI: Punto de empalme
ST: Traza con vapor
SP: Set point ajuste
UC: Conexión para servicios
PLC: Controlador programable
RTU: Unidad terminal remota
SC: Conexión de sacamuestras
LCP: Panel de control de nivel
BBV: Válvula aguja
BDV: Válvula de blockdown
CC: Cupón de corrosión
CP: Medidor de corrosión
CV: Válvula de control
ESD: Paro de emergencia
FA: Arrestor de llama
IP: Transductor corriente- presión
ILSD: Paro por bajo nivel de interface
MI: Protección de motor
MOV: Válvula motorizada
NOC: Computador de petróleo neto
PA: Acumulador de pulsos
PSV: Válvula de seguridad de presión
PVSV: Válvula de presión y vacío
RO: Orificio de restricción
RTU: Unidad terminal remota
SDV: Válvula de shutdown
SOV: Válvula operada a solenoide
SV: Válvula solenoide
TW: Termopozo
USH: Detector de llama
XA: Señal de paro
YGD: Detector de gas
YFD: Detector de fuego
YSD: Detector de humo
XOV: Válvula de cross-over
106
4.4 SIMBOLOGÍA PARA PLANOS P&ID
En la figura 4.2 se puede observar la simbología que se utilizará para dibujar
los planos P&ID.
4.5 PIPING & INSTRUMENT DIAGRAM
4.5.1 P&ID FILTROS DE INGRESO
Es donde el proceso inicia, conectándose desde los tanqueros de descarga
hacia los filtros de ingreso. Estos filtros (Figura 4.3) tiene la función de
atrapar en su interior la mayor cantidad de sólidos y residuos que pudieran
extraerse de los tanqueros, para el efecto se estos filtros constan con una
malla de diámetro 100mm. El crudo que pasará a través de estos filtros es
direccionado hacia la siguiente etapa del proceso. Además para su limpieza
consta de un sistema autónomo de limpieza el mismo que bombea agua
para remover cualquier impureza de estos filtros. Los residuos que quedaran
de este proceso pasan hacia un sumidero donde reposan para recuperar la
mayor cantidad de crudo, este sumidero también conocido como piscinas de
sedimentación.
4.5.2 P&ID SISTEMA DE FILTROS
Después de los filtros de ingresos MAJ-1001 A/B, el crudo y agua aún con
sólidos pasan por un sistema de filtros o también conocido como tren de
filtros (Figura 4.4). Este tren de filtros al igual que los anteriores constará de
una placa que retienen las partículas que no pudieron ser retenidas en los
primeros filtros, dichas placas tendrán diámetros de 6mm, 4mm, 2.5mm
respectivamente para evitar el paso de impurezas en el sistema, En caso de
que llegase a taponarse consta con un sistema de alarma que está
107
conformado por un switch de presión diferencial que emitirá una alarma en
caso de estar taponado.
Este tren de filtros consta con un conjunto de bypass, uno estará en
funcionamiento mientras el otro estará en continuo mantenimiento por la
cantidad retenida de sólidos diariamente.
4.5.3 P&ID BOMBAS DE DESCARGA
Estas bombas (Figura 4.5) son las encargadas de transportar el crudo ya
sea hacia el separador bifásico o directamente hacia transferencia del crudo
para fiscalización. Este sistema al igual que los anteriores tiene una bomba
principal y una backup en caso de mantenimiento o algún suceso que
interrumpiera con el normal funcionamiento del sistema. Estas bombas son
neumáticas, y constarán con contadores de revoluciones para que puedan
ser monitoreadas a lo largo de su desempeño.
En la línea de salida de las bombas existirá un analizador porcentaje de
agua más conocido como BSW, y con un transmisor de flujo para poder
conocer la cantidad de crudo que estará entregando cada tanquero. Estos
valores podrán ser monitoreados a través del sistema de control a ser
implantado. Una vez el crudo pase por esta etapa se direccionará hacia el
separador bifásico ABJ-2001.
4.5.4 P&ID SEPARADOR BIFÁSICO
El separador bifásico tendrá varias entradas de las diferentes etapas del
proceso, las mismas que por facilidad de operación se direccionarán a la
entrada del separador bifásico (Figura 4.6). Entre las entradas se tendrán las
siguientes:
 Bombas de Recuperación de Crudo PBA-6005 A/B (Plano 11)
 Bombas de Descarga PBA-6001 A/B (Plano 3)
 Separador centrífugo ZBD-9001 (Plano 7)
108
De todas estas entradas pasa al compartimento 1, donde entrada crudo con
agua e inicia la etapa de separación. Dentro de este tanque constará con
placas donde el fluido choca ayuda a la separación del crudo con el agua.
En la parte más baja del separador existirá una especie de bota, la misma
que tendrá la función de recolectar toda el agua proveniente de la
separación. Para el control de nivel tanto de crudo, agua y emulsión existirán
instrumentos que nos indiquen los niveles de los mismos para controlar las
válvulas de circulación de crudo.
El crudo separado del agua por diferencia de densidades pasará hacia el
compartimento 2 donde de manera simular constará de varios instrumentos
para el control y monitoreo del proceso. Este separador constará de un toma
muestras a diferentes alturas para poder realizar pruebas del petróleo
obtenido de esta separación. Al igual que las entradas el separador poseerá
varias salidas:
 Bombas de Descarga de Agua PBA-6002 A/B (Plano 12)
 Bombas de Alimentación de Crudo PBA-6003 A/B (Plano 5)
 Drenaje hacia Sumidero ZBH-9000 (Plano 8)
Para garantizar la operación del sistema se realizará las bases y criterios de
diseño tanto de los diferentes equipos como para el proceso en sí, las
mismas que se estudiarán más adelante.
4.5.5 P&ID BOMBAS ALIMENTACIÓN CRUDO
En estas bombas (Figura 4.) al igual que los planos anteriores consta de dos
entradas:
 Crudo desde Tanque de Surgencia (Plano 8)
 Crudo desde el Separador Bifásico (Plano 4)
109
Estas bombas tendrán la función de llevar el crudo hacia el separador
centrífugo, en caso de que el Tanque de Surgencia se encontrase lleno
existirá una recirculación de crudo manteniendo seguro y estable el proceso,
caso contrario el crudo del Separador Bifásico será transportado por estas
bombas de igual manera al separador centrífugo. Estas bombas serán
eléctricas y tendrán el sistema backup, según lo explicado anteriormente por
seguridad de operación y mantenimiento.
Además constará con una línea adicional que conducirán los desechos y
residuos hacia el drenaje y posteriormente al sumidero ZBH-9000 que será
donde reposarán los residuos menores para posteriormente pasar a la
piscina API
4.5.6 P&ID BOMBAS DESCARGA DE AGUA
Dichas bombas (Figura 4.8) estarán encargadas de recolectar toda el agua
procedente del separador bifásico (Plano 4) tanto del compartimento 1 como
del compartimento 2, este fluido recolectado será enviado a la piscina ZZZ-
9003 (Plano 9).
4.5.7 P&ID SEPARADOR CENTRÍFUGO12
El separador centrífugo (Figura 4.9) es un equipo modular que tiene varias
entradas como son:
 Bomba de Agua de Utilidades (Plano 12)
 Bombas de Alimentación de Crudo PBA-6003 A/B (Plano 5)
 Línea de Diesel
12
La descripción y función de los componentes del equipo centrífugo se tratará en capítulo 5
Diseño del Sistema de Control, subcapítulo Filosofía de operación y control.
110
La línea de entrada bomba de agua de utilidades tiene la función de limpiar
el sistema interno de la centrífuga. Su sistema consta de un tanque de
almacenamiento de agua temporal, este tanque siempre tiene que ser
repuesto por lo que las bombas de utilidades tienen esa función.
La segunda línea de entrada es la línea de entrada, esta línea consta de un
pequeño sistema de filtros en caso de taponamiento por cualquier situación.
Es importante tener un control del crudo que ingresa y sale al equipo
centrífugo de tal manera que se ha incorporado un contador de flujo, así
como también tiene la función de grabar y registrar estos valores. Dentro de
la centrífuga tiene un sistema de control de lodos, resultado de la separación
de la centrífuga, así como también tiene una bomba que desalojo dichos
residuos y los traslada a la piscina ZZZ-9003.
Las salidas que tendrá este equipo son las siguientes:
 Línea hacia separador bifásico (14, a plano 4)
 Tanque de Surgencia ABJ-202 (Plano 8)
 Línea a Piscina ZZZ-9003
La primera salida es únicamente para recirculación en caso de incremento
de producción, sin embargo, el diseño de los equipos deberá ser mayor al
caudal máximo registrado. La segunda línea de salida es hacia el tanque de
surgencia previo a su almacenamiento en los Tanque H, K. Finalmente la
tercera línea es el resultado del agua que ingresa al equipo para su lavado,
así como también de los residuos y lodos que se generar al entrar a la
centrífuga trabajando a 10.000g.
4.5.8 P&ID TANQUE DE SURGENCIA
Este tanque de surgencia (Figura 4.10) tendrá una capacidad nominal de
300bbls, la única línea de entrada que dispondrá es la entrada del separador
111
centrífugo donde el crudo se encuentra listo para ser transferido. Además el
tanque dispondrá de varias líneas de salida de agua que se empatarán con
las líneas de agua de procesos anteriores para llegar hasta la piscina ZZZ-
9003 pasando por el sumidero ZBH-900 y bomba eléctrica PBA-6007.
Este tanque deberá estar equipado con toda la instrumentación necesaria
para fiscalización, por tal manera se incluyen contadores de flujo, así como
también analizadores BSW para garantizar que la transferencia de crudo sea
con el % de BSW menor o igual al 0.1% que lo estipula fiscalización de la
Refinería La Libertad.
Es importante resaltar que las seguridades del tanque deberán ser
primordiales por lo que el tanque deberá estar provisionado de transmisores
de nivel, los mismos que alertarán al sistema en caso de estar con un
volumen máximo. También constará con una válvula de presión y vacío para
evitar posibles descompensas por el efecto de succión de las bombas de
transferencia en caso de que el tanque se encontrase vacío.
4.5.9 P&ID PISCINAS API
Las piscinas de sedimentación API (Figura 4.11) será el lugar donde lleguen
todos los residuos de los procesos, es decir aquí tendremos agua, crudo
remanente, partículas solidas que pasaron a través de las diferentes etapas
del proceso. Este sistema de piscinas funciona en forma lineal de manera
que el fluido llega a la piscina ZZZ-9003 proveniente de la bomba PBA-007
(Tanque de Surgencia, plano 8, línea 27), bombas de descarga de agua
PBA-6002 A/B (Plano 6, línea 13), separador centrífugo ZBD-9001 (Plano 7,
línea 21). Las líneas antes mencionadas serán las encargadas de proveer
agua a las etapas antes mencionadas.
La piscina ZZZ-9002 es el lugar de almacenamiento de donde se llevará a
cabo la recuperación de crudo remanente de los sistema subsecuentes. Esta
piscina tiene un compartimiento de donde de extraerá el crudo recuperado
112
mediante las bombas con su mismo nombre. El agua restante del proceso se
utilizará para reinyección a los diferentes pozos del Bloque Gustavo Galindo.
4.5.10 P&ID BOMBAS AGUA DE PISCINAS
Estas bombas (Figura 4.12) serán las encargadas de llevar el agua de la
piscina ZZZ-9003 hacia la piscina ZZZ-9002 (Plano 9) o el drenaje del
sumidero ZZZ-900 (Plano 8). Al igual que las etapas anteriores deberá tener
un sistema en paralelo por las razones antes mencionadas.
4.5.11 P&ID BOMBA RECUPERACIÓN CRUDO
El crudo fluido recuperado y tratado en las piscinas de sedimentación será
direccionado por estas bombas neumáticas (Figura 4.13) hacia el separador
bifásico ABJ-2001 (Plano 4) donde el proceso se iniciará teniendo así una
alimentación continua, siendo eficientes y recuperando todo el crudo que se
pueda.
4.5.12 P&ID BOMBA DE AGUA DE UTILIDADES
Es bomba eléctrica PBA-6006 (Figura 4.14) será la encargada de llevar el
suministro de agua de utilidades al sistema de limpieza de los filtros de
ingreso (Plano 1) como también a la entrada de la limpieza del equipo
centrífugo (Plano 7) y del sistema sandjet del separador bifásico (Plano 4). El
agua se dispondrá del tanque del tanque del Sistema Contra Incendios TK-
F4, donde se garantizará la reposición de los tanques del SCI mediante el
monitoreo en los mismos.
.
Figura 4.2 Simbología para planos P&ID
113
Figura 4.3 P&ID Filtros de Ingreso
114
Figura 4.4 P&ID Sistema de Filtros
115
Figura 4.5 P&ID Bomba de Descarga
116
117
Figura 4.6 P&ID Separador Bifásico
Figura 4.7 P&ID Bombas Alimentación de Crudo
118
119
Figura 4.8 P&ID Bombas de Descarga de Agua
Figura 4.9 P&ID Bombas de Descarga de Agua
120
Figura 4.10 P&ID Tanque de Surgencia
121
Figura 4.11 P&ID Piscina API
122
Figura 4.12 P&ID Bomba de Piscina de Agua
123
Figura 4.13 P&ID Bomba de Recuperación de Crudo
124
125
Figura 4.14 P&ID Bomba de Agua de Utilidades
126
4.6 LISTADO DE EQUIPOS
1 MAJ‐1001 A/B FILTROS  ANC‐404‐DP37‐PL‐001 ‐ 1937 BFPD ‐
2 ABJ‐2001 SEPARADOR BIFÁSICO ANC‐404‐DP37‐PL‐004 ‐ 1937 BFPD ‐
3 ZBD‐9001 SEPARADOR CENTRÍFUGO ANC‐404‐DP37‐PL‐007 ‐ 2090 BFPD ‐
4 ABJ‐2002 TANQUE DE SURGENCIA ANC‐404‐DP37‐PL‐008 ‐ 300 BBL ‐
5 ZZZ‐9002
PISCINA DE SEDIMETACIÓN
COMPARTIMENTO DE CRUDO  
ANC‐404‐DP37‐PL‐009 ‐ 1110 BBL ‐
6 ZZZ‐9002 PISCINA DE SEDIMETACIÓN ANC‐404‐DP37‐PL‐009 ‐ 1110 BBL ‐
7 PBA‐6002 A/B
BOMBAS DE DESCARGA DE 
AGUA
ANC‐404‐DP37‐PL‐006 20 ‐ ‐
8 PBA‐6003 A/B
BOMBAS DE ALIMENTACIÓN DE 
CRUDO
ANC‐404‐DP37‐PL‐005 55 ‐ 1
9 PBA‐6004 A/B BOMBAS DE AGUA ANC‐404‐DP37‐PL‐010 30 ‐ 1
10 PBA‐6005 A/B
BOMBAS DE RECUPERACIÓN DE 
CRUDO
ANC‐404‐DP37‐PL‐011 10 ‐ ‐
11 PBA‐6006
BOMBA DE AGUA  DE 
UTILIDADES
ANC‐404‐DP37‐PL‐012 50 ‐ 3
P&IDNo TAG 
EQUIPOS MECÁNICOS NUEVOS
FLUJO
gpm
CAPACIDAD
 BFPD/BBL
POTENCIA
Hp
Página 1 de 2
ANC‐404‐DM81‐7‐LE‐001Proyecto No. 404
Ingeniería Mecánica
LISTADO DE EQUIPOS MECÁNICOS
PROYECTO: DESARROLLO DE INGENIERÍA CONCEPTUAL, BÁSICA Y DE DETALLE 
PARA EL NUEVO SISTEMA DE RECEPCIÓN DE CRUDO CASA BOMBA
OBSERVACIONESEQUIPO
Bomba Neumática
Bomba Centrífuga
Bomba Centrífuga
Bomba Neumática
Bomba Centrífuga
127
12 MAJ‐1002 A/B
13 MAJ‐1003 A/B
14 MAJ‐1004 A/B
15 PBA‐6001 A/B BOMBAS DESCARGA TANQUERO ANC‐404‐DP37‐PL‐003 220 1937 BFPD ‐
16 PBA‐6007 A/B BOMBA DE SUMIDERO ANC‐404‐DP37‐PL‐008 220 ‐ 2.5
OBSERVACIONESEQUIPO
Actualmente en operación‐TREN DE FILTROS ANC‐404‐DP37‐PL‐002 ‐ 1937 BFPD
Página 1 de 2
ANC‐404‐DM81‐7‐LE‐001Proyecto No. 404
Ingeniería Mecánica
LISTADO DE EQUIPOS MECÁNICOS
PROYECTO: DESARROLLO DE INGENIERÍA CONCEPTUAL, BÁSICA Y DE DETALLE 
PARA EL NUEVO SISTEMA DE RECEPCIÓN DE CRUDO CASA BOMBA
Bombas Neumáticas
Actualmente en operación
Bomba Centrífuga
Actualmente en operación
P&IDNo TAG 
EQUIPOS MECÁNICOS EXISTENTES
FLUJO
gpm
CAPACIDAD
 BFPD/BBL
POTENCIA
Hp
Tabla 4.14 Listado de Equipos Mecánicos para el Nuevo Sistema de Recepción y Deshidratación de Crudo Casa Bomba
128
4.7 LISTADO DE LÍNEAS
DIÁMETRO
COND. 
PRUEBA
TEMP. PRES. TEMP. PRES. PRES.
º F Psig º F Psig Psig
1 1 PF A1 1000 ANC‐404‐DP37‐PL‐009
Boca N3 de 
Compartimento de 
Crudo ZZZ‐9002
Succión de Bomba PBA‐
6005B
84 1 100 285 425 ANSI 150 
2 4 PF A1 1000 ANC‐404‐DP37‐PL‐001 Acople para tanqueros
Boca N1 del Filtro de 
Ingreso MAJ‐1001A
84 1 100 285 425 ANSI 150 
3 6 PF A1 1000 ANC‐404‐DP37‐PL‐003 Línea 4"‐PF‐A1‐1005
Hacia Bombas de 
Transferencia
84 35 100 285 425 ANSI 150 
4 3 PF A1 1001 ANC‐404‐DP37‐PL‐007
Salida de Crudo a Skid de 
Separador Centrífugo 
ZBD‐9001
Boca N1 del Tanque de 
Surgencia ABJ‐2002
84 40 100 285 425 ANSI 150 
5 4 PF A1 1001 ANC‐404‐DP37‐PL‐001 Línea 4"‐PF‐A1‐1000
Boca N1 del Filtro de 
Ingreso MAJ‐1001B
84 1 100 285 425 ANSI 150 
6 4 PF A1 1002 ANC‐404‐DP37‐PL‐001
Boca N2 del Filtro de 
Ingreso MAJ‐1001A
Línea 4"‐PF‐A1‐1005 84 10 100 285 425 ANSI 150 
7 4 PF A1 1003 ANC‐404‐DP37‐PL‐001
Boca N2 del Filtro de 
Ingreso MAJ‐1001B
Línea 4"‐PF‐A1‐1002 84 10 100 285 425 ANSI 150 
8 3 PF A1 1004 ANC‐404‐DP37‐PL‐003
Descarga de Bomba PBA‐
6001A
Línea 4"‐PF‐A1‐1005 84 35 100 285 425 ANSI 150 
9 4 PF A1 1004 ANC‐404‐DP37‐PL‐001 Línea 4"‐PF‐A1‐1002 Línea 4"‐PF‐A1‐1003 84 10 100 285 425 ANSI 150 
10 4 PF A1 1005 ANC‐404‐DP37‐PL‐003 Línea 3"‐PF‐A1‐1004 Línea 4"‐PF‐A1‐1007 84 35 100 285 425 ANSI 150 
11 4 PF A1 1006 ANC‐404‐DP37‐PL‐007
Retorno de Skid de 
Separador Centrífugo 
ZBD‐9001
Línea 4"‐PF‐A1‐1007 84 40 100 285 425 ANSI 150 
12 1 PF A1 1007 ANC‐404‐DP37‐PL‐011 Línea 1"‐PF‐A1‐1000
Succión de la bomba 
PBA‐6005A
84 1 100 285 425 ANSI 150 
SERVICIO PF
SPEC. NUM.
ANC‐404‐DM81‐8‐LL‐001
PROYECTO: DESARROLLO DE INGENIERÍA CONCEPTUAL, BÁSICA Y DE DETALLE PARA EL NUEVO 
SISTEMA DE RECEPCIÓN DE CRUDO
CASA BOMBA
Página 1 de 6
LISTADO DE LÍNEAS
RUTA
HASTADESDE
COND. DISEÑO
CLASE
PULGADAS SERV. P&ID
IDENTIFICACIÓN
OBSERVACIONES
Proyecto No: 404
Ingeniería Mecánica
COND. 
OPERACIÓN
ITEM
129
DIÁMETRO
COND. 
PRUEBA
TEMP. PRES. TEMP. PRES. PRES.
º F Psig º F Psig Psig
13 4 PF A1 1007 ANC‐404‐DP37‐PL‐004 Línea 4"‐PF‐A1‐1006 Línea 4"‐PF‐A1‐1008 84 35 100 285 425 ANSI 150 
14 1 PF A1 1008 ANC‐404‐DP37‐PL‐011
Descarga de Bomba PBA‐
6005A
Línea 1"‐PF‐A1‐1009 84 20 100 285 425 ANSI 150 
15 4 PF A1 1008 ANC‐404‐DP37‐PL‐004 Línea 4"‐PF‐A1‐1007
Boca N1 del Separador 
Bifásico ABJ‐2001
84 35 100 285 425 ANSI 150 
16 1 PF A1 1009 ANC‐404‐DP37‐PL‐011
Descarga de Bomba PBA‐
6005B
Línea 4"‐PF‐A1‐1007 84 20 100 285 425 ANSI 150 
17 4 PF A1 1009 ANC‐404‐DP37‐PL‐008
Boca N8 del Tanque de 
Surgencia ABJ‐2002
Boca N2 del 
Compartimento de 
Crudo ZZZ‐9002
84 1 100 285 425 ANSI 150 
18 4 PF A1 1011 ANC‐404‐DP37‐PL‐004
Boca N2 del Separador 
Bifásico ABJ‐2001
Succión de Bomba PBA‐
6003B
84 10 100 285 425 ANSI 150 
19 4 PF A1 1013 ANC‐404‐DP37‐PL‐008 Línea 4"‐PF‐A1‐1019 Línea 4"‐PF‐A1‐1011 84 10 100 285 425 ANSI 150 
20 4 PF A1 1015 ANC‐404‐DP37‐PL‐005 Línea 4"‐PF‐A1‐1011
Succión de Bomba PBA‐
6003A
84 10 100 285 425 ANSI 150 
21 4 PF A1 1016 ANC‐404‐DP37‐PL‐005
Descarga de Bomba PBA‐
6003A
Línea 4"‐PF‐A1‐1017 84 20 100 285 425 ANSI 150 
22 4 PF A1 1017 ANC‐404‐DP37‐PL‐005
Descarga de Bomba PBA‐
6003B
Ingreso de Crudo a Skid 
de Separador 
Centrífugo ZBD‐9001
84 20 100 285 425 ANSI 150 
23 4 PF A1 1019 ANC‐404‐DP37‐PL‐008
Boca N2 del Tanque de 
Surgencia ABJ‐2002
Hacia Bombas de 
Transferencia
84 10 100 285 425 ANSI 150 
24 3 PF A1 1110 ANC‐404‐DP37‐PL‐004
Salida de PSV‐ABJ2001‐1 
del Separador Bifásico 
ABJ‐2001
Línea 4"‐PD‐A1‐1001 84 10 100 285 425 ANSI 150 
OBSERVACIONES
Proyecto No: 404
Ingeniería Mecánica
COND. 
OPERACIÓN
ITEM
HASTADESDE
COND. DISEÑO
CLASE
PULGADAS SERV. P&ID
IDENTIFICACIÓN
SERVICIO PF
SPEC. NUM.
ANC‐404‐DM81‐8‐LL‐001
PROYECTO: DESARROLLO DE INGENIERÍA CONCEPTUAL, BÁSICA Y DE DETALLE PARA EL NUEVO 
SISTEMA DE RECEPCIÓN DE CRUDO
CASA BOMBA
Página 2 de 6
LISTADO DE LÍNEAS
RUTA
130
DIÁMETRO
COND. 
PRUEBA
TEMP. PRES. TEMP. PRES. PRES.
º F Psig º F Psig Psig
25 2 PW A1 2000 ANC‐404‐DP37‐PL‐004
Boca N3 del Separador 
Bifásico ABJ‐2001
Succión de Bomba PBA‐
6002B
84 10.0 100 285 425 ANSI 150 
26 1 PW A1 2001 ANC‐404‐DP37‐PL‐007
Salida de Agua a Skid de 
Separador Centrífugo 
ZBD‐9001
Línea 2"‐PW‐A1‐1003 84 30.0 100 285 425 ANSI 150 
27 2 PW A1 2001 ANC‐404‐DP37‐PL‐006 Línea 2"‐PW‐A1‐1000
Succión de Bomba PBA‐
6002A
84 10.0 100 285 425 ANSI 150 
28 3 PW A1 2001 ANC‐404‐DP37‐PL‐009
Boca N2 de la Piscina ZZZ‐
9003
Succión de Bomba PBA‐
6004B
84 1.0 100 285 425 ANSI 150 
29 1 PW A1 2002 ANC‐404‐DP37‐PL‐010
Succión de Bomba PBA‐
6004A
Línea 1"‐PW‐A1‐1005 84 1.0 100 285 425 ANSI 150 
30 2 PW A1 2002 ANC‐404‐DP37‐PL‐006
Descarga de Bomba PBA‐
6002B
Boca N1A de la Piscina 
ZZZ‐9003
84 30.0 100 285 425 ANSI 150 
31 3 PW A1 2002 ANC‐404‐DP37‐PL‐010 Línea 3"‐PW‐A1‐1001
Succión de Bomba PBA‐
6004A
84 1.0 100 285 425 ANSI 150 
32 2 PW A1 2003 ANC‐404‐DP37‐PL‐006
Descarga de Bomba PBA‐
6002A
Línea 2"‐PW‐A1‐1002 84 30.0 100 285 425 ANSI 150 
33 3 PW A1 2003 ANC‐404‐DP37‐PL‐010
Descarga de Bomba PBA‐
6004A
Línea 3"‐PW‐A1‐1004 84 10.0 100 285 425 ANSI 150 
34 1 PW A1 2004 ANC‐404‐DP37‐PL‐010 Línea 3"‐PW‐A1‐1003 Línea 1"‐PW‐A1‐1002 84 10.0 100 285 425 ANSI 150 
35 2 PW A1 2004 ANC‐404‐DP37‐PL‐009 Línea 2"‐PD‐A1‐1101
Boca N1 de la Piscina 
ZZZ‐9002
84 30.0 100 285 425 ANSI 150 
36 3 PW A1 2004 ANC‐404‐DP37‐PL‐010
Descarga de Bomba PBA‐
6004B
Línea 2"‐PW‐A1‐1003 84 10.0 100 285 425 ANSI 150 
37 1 PW A1 2005 ANC‐404‐DP37‐PL‐010
Succión de Bomba PBA‐
6004B
Línea 4"‐PD‐A1‐1100 84 1.0 100 285 425 ANSI 150 
38 2 PW A1 2005 ANC‐404‐DP37‐PL‐009
Boca N8 de Piscina ZZ‐
9002
Entrada de agua para 
reinyección
84 1.0 100 285 425 ANSI 150 
SERVICIO PW
Proyecto No: 404
Ingeniería Mecánica
COND. 
OPERACIÓN
ITEM
DESDE
COND. DISEÑO
CLASE
PULGADAS SERV. P&ID
IDENTIFICACIÓN
OBSERVACIONES
SPEC. NUM.
ANC‐404‐DM81‐8‐LL‐001
PROYECTO: DESARROLLO DE INGENIERÍA CONCEPTUAL, BÁSICA Y DE DETALLE PARA EL NUEVO 
SISTEMA DE RECEPCIÓN DE CRUDO
CASA BOMBA
Página 3 de 6
LISTADO DE LÍNEAS
RUTA
HASTA
131
DIÁMETRO
COND. 
PRUEBA
TEMP. PRES. TEMP. PRES. PRES.
º F Psig º F Psig Psig
29 1 PW A1 2002 ANC‐404‐DP37‐PL‐010
Succión de Bomba PBA‐
6004A
Línea 1"‐PW‐A1‐1005 84 1.0 100 285 425 ANSI 150 
30 2 PW A1 2002 ANC‐404‐DP37‐PL‐006
Descarga de Bomba PBA‐
6002B
Boca N1A de la Piscina 
ZZZ‐9003
84 30.0 100 285 425 ANSI 150 
31 3 PW A1 2002 ANC‐404‐DP37‐PL‐010 Línea 3"‐PW‐A1‐1001
Succión de Bomba PBA‐
6004A
84 1.0 100 285 425 ANSI 150 
32 2 PW A1 2003 ANC‐404‐DP37‐PL‐006
Descarga de Bomba PBA‐
6002A
Línea 2"‐PW‐A1‐1002 84 30.0 100 285 425 ANSI 150 
33 3 PW A1 2003 ANC‐404‐DP37‐PL‐010
Descarga de Bomba PBA‐
6004A
Línea 3"‐PW‐A1‐1004 84 10.0 100 285 425 ANSI 150 
34 1 PW A1 2004 ANC‐404‐DP37‐PL‐010 Línea 3"‐PW‐A1‐1003 Línea 1"‐PW‐A1‐1002 84 10.0 100 285 425 ANSI 150 
35 2 PW A1 2004 ANC‐404‐DP37‐PL‐009 Línea 2"‐PD‐A1‐1101
Boca N1 de la Piscina 
ZZZ‐9002
84 30.0 100 285 425 ANSI 150 
36 3 PW A1 2004 ANC‐404‐DP37‐PL‐010
Descarga de Bomba PBA‐
6004B
Línea 2"‐PW‐A1‐1003 84 10.0 100 285 425 ANSI 150 
37 1 PW A1 2005 ANC‐404‐DP37‐PL‐010
Succión de Bomba PBA‐
6004B
Línea 4"‐PD‐A1‐1100 84 1.0 100 285 425 ANSI 150 
38 2 PW A1 2005 ANC‐404‐DP37‐PL‐009
Boca N8 de Piscina ZZ‐
9002
Entrada de agua para 
reinyección
84 1.0 100 285 425 ANSI 150 
39 1 PW A1 2007 ANC‐404‐DP37‐PL‐010 Línea 3"‐PW‐A1‐1004 Línea 1"‐PW‐A1‐1005 84 10.0 100 285 425 ANSI 150 
40 3 UW A1 2000 ANC‐404‐DP37‐PL‐012 Línea 3"‐UW‐A1‐1004
Boca N4 del Filtro de 
Ingreso MAJ‐1001A
84 80.0 100 285 425 ANSI 150 
41 3 UW A1 2001 ANC‐404‐DP37‐PL‐001 Línea 3"‐UW‐A1‐2000
Boca N4 del Filtro de 
Ingreso MAJ‐1001B
84 80.0 100 285 425 ANSI 150 
42 3 UW A1 2002 ANC‐404‐DP37‐PL‐012 Línea 3"‐UW‐A1‐1004
Boca N10B del 
Separador Bifásico ABJ‐
2001
84 80.0 100 285 425 ANSI 150 
ANC‐404‐DM81‐8‐LL‐001
PROYECTO: DESARROLLO DE INGENIERÍA CONCEPTUAL, BÁSICA Y DE DETALLE PARA EL NUEVO 
SISTEMA DE RECEPCIÓN DE CRUDO
CASA BOMBA
Página 4 de 6
LISTADO DE LÍNEAS
CLASE
PULGADAS SERV. P&ID
IDENTIFICACIÓN
OBSERVACIONES
SPEC. NUM.
RUTA
HASTA
SERVICIO PW
Proyecto No: 404
Ingeniería Mecánica
COND. 
OPERACIÓN
ITEM
DESDE
COND. DISEÑO
SERVICIO UW
132
DIÁMETRO
COND. 
PRUEBA
TEMP. PRES. TEMP. PRES. PRES.
º F Psig º F Psig Psig
43 3 UW A1 2003 ANC‐404‐DP37‐PL‐004 Línea 3"‐UW‐A1‐2002
Boca N10A del 
Separador Bifásico ABJ‐
2001
84 80.0 100 285 425 ANSI 150 
44 3 UW A1 2004 ANC‐404‐DP37‐PL‐012 Boca C3 de Tanque TK‐F4
Succión de Bomba PBA‐
6006
84 10.0 100 285 425 ANSI 150 
45 3 UW A1 2005 ANC‐404‐DP37‐PL‐012 Línea 3"‐UW‐A1‐1004
Ingreso de Agua a Skid 
de Separador 
Centrífugo ZBD‐9001
84 80.0 100 285 425 ANSI 150 
46 3 UW A1 2006 ANC‐404‐DP37‐PL‐012
Descarga de Bomba PBA‐
6006
Línea 3"‐UW‐A1‐2000 84 80.0 100 285 425 ANSI 150 
47 2 PD A1 1000 ANC‐404‐DP37‐PL‐004 Línea 4"‐PD‐A1‐1000
Salida de Toma 
Muestras Separador 
Bifásico ABJ‐2001
84 1.0 100 285 425 ANSI 150 
48 3 PD A1 1000 ANC‐404‐DP37‐PL‐001
Boca N3 del Filtro de 
Ingreso MAJ‐1001A/B
Línea 4"‐PD‐A1‐1100 84 1.0 100 285 425 ANSI 150 
49 4 PD A1 1000 ANC‐404‐DP37‐PL‐004 Línea 4"‐PF‐A1‐1007 Línea 2"‐PW‐A1‐1000 84 1.0 100 285 425 ANSI 150 
50 1 PD A1 1001 ANC‐404‐DP37‐PL‐005 Línea 4"‐PF‐A1‐1016 Línea 4"‐PD‐A1‐1100 84 1.0 100 285 425 ANSI 150 
51 4 PD A1 1001 ANC‐404‐DP37‐PL‐004 Línea 4"‐PD‐A1‐1000
Boca N9A del 
Separador Bifásico ABJ‐
2001
84 1.0 100 285 425 ANSI 150 
52 1 PD A1 1002 ANC‐404‐DP37‐PL‐005 Línea 4"‐PF‐A1‐1017 Línea 1"‐PD‐A1‐1001 84 1.0 100 285 425 ANSI 150 
53 4 PD A1 1002 ANC‐404‐DP37‐PL‐004 Línea 4"‐PD‐A1‐1000
Boca N9B del 
Separador Bifásico ABJ‐
2001
84 1.0 100 285 425 ANSI 150 
54 3 PD A1 1003 ANC‐404‐DP37‐PL‐008
Salida de Sumidero ZBH‐
9000
Succión de Bomba PBA‐
6007
84 1.0 100 285 425 ANSI 150 
SERVICIO PD
COND. 
OPERACIÓN
ITEM
DESDE
COND. DISEÑO
SERVICIO UW
CLASE
PULGADAS SERV. P&ID
IDENTIFICACIÓN
OBSERVACIONES
SPEC. NUM.
RUTA
HASTA
ANC‐404‐DM81‐8‐LL‐001
PROYECTO: DESARROLLO DE INGENIERÍA CONCEPTUAL, BÁSICA Y DE DETALLE PARA EL NUEVO 
SISTEMA DE RECEPCIÓN DE CRUDO
CASA BOMBA
Página 5 de 6
LISTADO DE LÍNEAS
Proyecto No: 404
Ingeniería Mecánica
133
DIÁMETRO
COND. 
PRUEBA
TEMP. PRES. TEMP. PRES. PRES.
º F Psig º F Psig Psig
54 3 PD A1 1003 ANC‐404‐DP37‐PL‐008
Salida de Sumidero ZBH‐
9000
Succión de Bomba PBA‐
6007
84 1.0 100 285 425 ANSI 150 
55 4 PD A1 1003 ANC‐404‐DP37‐PL‐004 Línea 4"‐PD‐A1‐1000
Boca N9C del 
Separador Bifásico ABJ‐
2001
84 1.0 100 285 425 ANSI 150 
56 4 PD A1 1004 ANC‐404‐DP37‐PL‐004 Línea 4"‐PD‐A1‐1000
Boca N9D del 
Separador Bifásico ABJ‐
2001
84 1.0 100 285 425 ANSI 150 
57 2 PD A1 1005 ANC‐404‐DP37‐PL‐008
Salida de Toma Muestras 
Tanque de Surgencia ABJ‐
2002
Línea 4"‐PD‐A1‐1100 84 1.0 100 285 425 ANSI 150 
58 4 PD A1 1005 ANC‐404‐DP37‐PL‐008
Boca N4 del Tanque de 
Surgencia ABJ‐2002
Línea 4"‐PD‐A1‐1100 84 1.0 100 285 425 ANSI 150 
59 4 PD A1 1006 ANC‐404‐DP37‐PL‐008
Boca N2 del Tanque de 
Surgencia ABJ‐2002
Línea 4"‐PD‐A1‐1100 84 1.0 100 285 425 ANSI 150 
60 4 PD A1 1100 ANC‐404‐DP37‐PL‐001 Brida ciega
Ingreso Sumidero ZBH‐
9000
84 1.0 100 285 425 ANSI 150 
61 2 PD A1 1101 ANC‐404‐DP37‐PL‐008
Descarga de Bomba PBA‐
6007
Boca N1B de la Piscina 
ZZZ‐9003
84 30.0 100 285 425 ANSI 150 
Proyecto No: 404
Ingeniería Mecánica
OBSERVACIONES
SPEC. NUM.
RUTA
HASTA
ANC‐404‐DM81‐8‐LL‐001
PROYECTO: DESARROLLO DE INGENIERÍA CONCEPTUAL, BÁSICA Y DE DETALLE PARA EL NUEVO 
SISTEMA DE RECEPCIÓN DE CRUDO
CASA BOMBA
Página 6 de 6
LISTADO DE LÍNEAS
SERVICIO PD
COND. 
OPERACIÓN
ITEM
DESDE
COND. DISEÑO
CLASE
PULGADAS SERV. P&ID
IDENTIFICACIÓN
Tabla 4.15 Listado de líneas
134
4.8 LISTADO DE TIE-IN
Tie‐in
No.
P&ID
Reference
Piping / Section
Dwg. No.
Line No or
Equip. Ref.
Header
Size
Branch Type
Contruction
Demol.
Req.
Insulation
Removal
Hot Tap
Req,
01 ANC‐404‐DM69‐PL‐003 4"‐PF‐A1‐1002 4" 4" BRIDADO NO NO NO
02 ANC‐404‐DM69‐PL‐003 4"‐PF‐A1‐1003 4" 4" BRIDADO NO NO NO
03
ANC‐404‐DM69‐PL‐003
ANC‐404‐DM71‐PL‐001
4"‐PF‐A1‐1005 4" 4" BRIDADO NO NO NO
04
ANC‐404‐DM69‐PL‐003
ANC‐404‐DM71‐PL‐001
2"‐PF‐A1‐1005 2" 2" BRIDADO NO NO NO
05
ANC‐404‐DM69‐PL‐003
ANC‐404‐DM71‐PL‐001
2"‐PF‐A1‐1005 2" 2" BRIDADO NO NO NO
06
ANC‐404‐DM69‐PL‐003
ANC‐404‐DM71‐PL‐001
4"‐PF‐A1‐1005 4" 4" SOLDADO NO NO NO
07 ANC‐404‐DM69‐PL‐005 4"‐PF‐A1‐1019 4" 4" BRIDADO NO NO NO
08 ANC‐404‐DM69‐PL‐003 4"‐PF‐A1‐1002 4" 4" SOLDADO NO NO NO
09 ANC‐404‐DM69‐PL‐007 3"‐UW‐A1‐2004 4" 3" BRIDADO NO NO NO
ANC‐404‐DP37‐PL‐003
ANC‐404‐DP37‐PL‐012
Colocar nueva conexión bridada en la 
válvula de bola antes del filtro MAJ‐
1002A 
ANC‐404‐DP37‐PL‐002
Remarks
Colocar nueva conexión bridada en la 
válvula de bola antes del filtro MAJ‐
1002B
Retirar medidor de BSW existente en la 
linea de 4", Incluir nuevo Spool Bridado
ANC‐404‐DP37‐PL‐002
ANC‐404‐DP37‐PL‐003
Desmontar medidor de BSW existente 
en la linea de 2", e isntalar el nuevo 
medidor de BSW‐PBA‐6001‐A/B‐1
Incluir Válvula Block and Bleed entre las 
válvulas de bola de 4"
Desmontar la linea de 2" desde la válvula 
de globo existente hasta antes del nuevo 
medidor de BSW PBA‐6001‐A/B‐1, 
remplazar  este spool incluyendo el 
nuevo medidor de flujo FE ‐ PBA ‐ 6001 ‐
A/B‐1
ANC‐404‐DP37‐PL‐003
ANC‐404‐DP37‐PL‐003
Conectar la linea de succión de las 
Bombas de agua de utilidades PBA‐6006 
en la válvula de bola existente ubicada 
en la boca C3 del tanque TK‐F4 del 
sistema contra incendios 
Incluir Válvula Check en la linea 4"‐PF‐A1‐
1002 antes de la válvula de bola.
ANC‐404‐DP37‐PL‐008
Lalinea 4"‐PF‐A1‐1019 va desde la salida 
del tanque de surgencia ABJ‐2002 hasta 
el cabezal existe de succión de las 
bombas de transferencia hacia los 
Tanques H y N
ANC‐404‐DP37‐PL‐003
Página 1 de 1
ANC‐404‐DM81‐6‐LT‐001
PROYECTO: DESARROLLO DE INGENIERÍA CONCEPTUAL, BÁSICA Y DE DETALLE PARA EL 
NUEVO SISTEMA DE RECEPCIÓN DE CRUDO CASA BOMBA
LISTADO DE INTERCONEXIONES
Proyecto No. 404
Ingeniería Mecánica
135
5. DISEÑO DEL SISTEMA DE CONTROL
135
El diseño del sistema de control está orientado a garantizar el correcto
funcionamiento del nuevo sistema de recepción y deshidratación en la
estación Casa Bomba. Una vez diseñado los algoritmos que controlarán los
diferentes subprocesos se incluirá un panel de visualización, de esta manera
el operador tendrá acceso a todas las variables que intervienen en el
proceso para su supervisión y control del mismo. El panel de visualización
HMI se diseñará en el software RTP el mismo que permite incorporar todas
las señales del proceso en tiempo real en una pantalla de fácil manejo y una
ágil operación para supervisar el sistema.
5.1 FILOSOFÍA DE OPERACIÓN Y CONTROL NUEVO
PROCESO
5.1.1 CONSIDERACIONES BÁSICAS
La filosofía de operación y control está orientada a obtener los siguientes
resultados:
 Un mínimo costo operativo y de mantenimiento y máxima eficiencia
en la deshidratación de crudo y separación de sólidos, es decir,
máxima efectividad en la producción de petróleo bajo especificaciones
del contenido de agua y de sólidos.
 Facilidad de operación y flexibilidad operativa para el personal
encargado de la planta.
 Un crudo de la mejor densidad API posible para la venta.
 Entregar agua de producción bajo especificaciones del contenido de
aceite residual para su reinyección.
 Un manejo óptimo de las instalaciones de tratamiento minimizando los
sedimentos en los tanques y la frecuencia de mantenimiento y
limpieza de los equipos y tuberías.
136
 Mantener una operación confiable y segura para el personal,
instalaciones y medio ambiente.
5.1.2 SEPARACIÓN PRIMARIA DE SÓLIDOS
El sistema de separación primaria de sólidos está compuesto por 2 filtros
(MAJ-1001A y MAJ-1001B) operando en paralelo, y cada uno de los filtros
contará a su vez con 4 diferentes clases de elementos filtrantes operando en
etapas, con el siguiente tamaño de malla:
 El primer elemento será una placa perforada de tamaño de 10 mm
para retener sólidos mayores.
 El segundo elemento será una placa perforada de tamaño de 6 mm
para retener los productos del swab y materiales que pasen los
primeros filtros.
 El tercer elemento tendrá una placa perforada de tamaño de 4 mm
para retener parte de las partículas de grava y otros sólidos.
 El cuarto elemento tendrá una placa perforada de 2.5 mm para
retener grava.
 El tamaño de las perforaciones del elemento filtrante no debe ser
menor a la mitad del diámetro de las partículas que desean ser
removidas.
Este sistema de filtración de crudo de recepción deberá ser del tipo
autolimpiante para disminuir al mínimo la cantidad de operaciones manuales
de limpieza, ahorrando tiempo y dinero ya que eliminan el reemplazo y/o
limpieza prematura de las placas filtrantes y por ende los paros innecesarios
del proceso; para ello, deberá tener un sistema de retrolavado automático
con agua de utilidades.
El retrolavado se realizará bajo condiciones óptimas de tiempo y caudal de
agua de utilidades. Para mejorar la eficiencia del proceso es posible
137
incorporar un mecanismo manual para realizar el giro de un raspador o del
eje del elemento cilíndrico interno.
Los filtros contarán con un indicador de presión diferencial y alarma por alta,
a efecto de realizar eventualmente la limpieza manual de los mismos.
Contarán con una válvula de 3/4" en la tapa para la liberación de gas previo
a la descarga de los tanqueros. La descarga de sólidos y agua de
retrolavado se realizará periódicamente mediante válvula manual hacia el
separador de la piscina ZZZ-9003.
5.1.3 SEPARACIÓN DE LÍQUIDOS
En el separador bifásico ABJ-2001 se realiza la separación de petróleo, cuya
corriente ingresa al separador centrífugo; y de agua de formación
conteniendo sólidos suspendidos, cuyo flujo se drena hacia la piscina ZZZ-
9003. La operación del equipo se efectúa bajo las siguientes
consideraciones:
 Se utilizan placas coalescentes para mejorar la velocidad de
separación y sedimentación de parte de las arenas que no son
retenidas en el sistema de filtración del crudo de recepción.
 Para la acumulación de agua y sedimentos el separador cuenta con
una bota de líquido, la misma que tiene un control automático de nivel
con una línea de descarga conectada a las bombas neumáticas de
doble diafragma PBA-6002A/B que transportan el agua de formación
hacia el separador de la piscina ZZZ-9003.
 Se eliminan 836 Kg/día de sólidos suspendidos (arenas) en la
corriente de agua de formación.
 La fase crudo se descarga continuamente mediante una válvula
accionada por un control automático de nivel, hacia la línea de
succión de la bomba de alimentación de crudo PBA-6003A/B al
separador centrífugo ZBD-9001.
138
 El tiempo de retención de fluidos en el separador, necesario para la
separación óptima petróleo-agua de formación, se determinará de
acuerdo a lo establecido por el GPSA Data Book 12 th Edition,
tomando en cuenta la temperatura y grado API actuales de la
corriente de crudo.
5.2 SEPARADOR CENTRÍFUGO
5.2.1 CARGA DE CRUDO DE PRODUCCIÓN
De acuerdo a la Figura 5.1 la corriente de crudo procedente del separador
ABJ-2001 ingresa, a través de un tubo de alimentación fijo (1), al distribuidor
de flujo (2) del tambor rotante. La separación de petróleo, agua y arenas de
formación tiene lugar en el espacio interior que se forma entre los discos
cónicos (3). Las fases líquidas separadas se dirigen a través de los discos
cónicos hasta las cámaras del rodete en la part
e superior del tambor y son descargados desde ahí mediante un rodete (5).
El petróleo deshidratado y el agua de formación pueden ser descargados
según los requerimientos del proceso con o sin presión, mientras que las
arenas y finos separados son recolectados en la cámara de sólidos y son
expulsados periódicamente a plena velocidad.
Figura 5.1 Corte Transversal del Separador Centrífugo
139
5.2.2 TAMBOR DE LA CENTRÍFUGA
En la parte inferior (6) del tambor de la centrífuga se encuentra el
mecanismo de descarga hidráulico. Las aperturas (9) para descarga de los
sólidos ubicadas en la parte exterior del tambor están abiertas por un breve
momento a plena velocidad, desplazando así verticalmente el pistón
deslizante móvil. El pistón deslizante es controlado, llenando y vaciando la
cámara de cierre (7) debajo del pistón deslizante mediante las válvulas del
tambor.
Los tiempos de abertura del mecanismo de descarga de la centrífuga son
tan precisos que es posible descargar cantidades exactamente
determinadas del tambor. Así es posible realizar descargas parciales y
descargas totales de petróleo deshidratado y agua de formación en cualquier
combinación.
5.2.3 PAQUETE DE DISCOS CÓNICOS
Como se muestra en la Figura 5.2 el separador centrífugo también dispone
de un disco de separación (10). El crudo de producción es conducido desde
el tubo de alimentación (1) hasta el interior del distribuidor donde es
acelerado suavemente mediante elementos especiales hasta alcanzar la
velocidad circunferencial del tambor.
El distribuidor está construido de tal manera que no se generen fuerzas
innecesarias de cizallamiento, de esta manera se evita romper las partículas
de arenas finas o generar emulsiones entre el agua de formación y el
petróleo no emulsionado.
140
Figura 5.2 Discos Cónicos del Separador Centrifugo
En el interior del pie distribuidor se encuentran orificios a través de los cuales
se introduce el crudo en cada sección del paquete de discos cónicos, cada
uno de los discos tiene a su vez orificios que se encuentran taladrados en el
mismo sitio, de modo que se forma un canal ascendente para el paso de
petróleo deshidratado y agua de formación, permitiendo que los líquidos se
ubiquen en el tambor de acuerdo a su densidad. Los espacios entre los
discos se alimentan continuamente con el crudo a través de estos canales
ascendentes.
Durante la separación de petróleo y agua de formación, un disco de
separación ubicado sobre el paquete de discos cónicos permite conducir el
petróleo deshidratado a la cámara del rodete correspondiente.
5.2.4 DESCARGA DE LÍQUIDOS
El petróleo deshidratado y el agua de formación podrán ser descargados de
la centrífuga de discos mediante tres mecanismos de salida:
141
 Tanto el petróleo como el agua de formación se descargan con
presión utilizando dos rodetes (11).
 El petróleo deshidratado es separado con presión a través de un
rodete, mientras que el agua de formación se descarga sin presión
mediante un diafragma.
 El agua de formación es separada con presión a través de un rodete,
mientras que el petróleo deshidratado se descarga sin presión
mediante un diafragma.
5.2.5 TRANSMISIÓN DE POTENCIA
Para transmitir la potencia la centrífuga está equipada con correas
trapezoidales o planas (dependiendo del tamaño del separador). El
accionamiento por correas resulta eficiente y no requiere mucho
mantenimiento.
El motor de accionamiento es controlado mediante un variador de frecuencia
permitiendo un arranque suave y limitando la corriente absorbida en el
momento del arranque. Es posible variar la velocidad del motor, pero en un
margen determinado.
5.2.6 MATERIALES DE CONSTRUCCIÓN
Todas las partes de la centrífuga que están en contacto con el crudo de
producción son fabricadas en acero inoxidable (Cr-Ni-Mo o Duplex). Los
empaques son de materiales especiales o de poliamida.
5.2.7 LUBRICACIÓN
La centrífuga tiene incorporado un mecanismo de lubricación interna de los
cojinetes. El nivel y flujo de aceite son controlados automáticamente
142
mediante el sistema de control de la centrífuga. Mediante una bomba
dosificadora es posible asegurar continuamente una dosificación exacta de
aceite lubricante.
5.2.8 LIMPIEZA
Es posible instalar en la centrífuga un sistema de limpieza automático en
sitio. Este será a base de agua y diesel, los cuales serán suministrados
desde un tanque.
5.2.9 PROTECCIÓN CONTRA EXPLOSIÓN
El separador centrífugo estará fabricado para operar sin ningún riesgo de
explosión, debido a que los vapores de hidrocarburos junto con el oxígeno
forman una mezcla inflamable. Se podrá utilizar nitrógeno como gas inerte
para desplazar el oxígeno del interior de la centrifugadora, evitando de esta
manera contaminar la atmósfera con la emisión de vapores y la entrada de
aire al interior de la centrífuga.
5.2.10 SISTEMA DE CONTROL DE LA CENTRÍFUGA
El sistema automático de control y supervisión a instalarse será
personalizado de acuerdo a los requerimientos del proceso y del cliente, no
obstante, el equipo dispondrá de los siguientes dispositivos básicos:
 Un sistema de control con memoria programable (PLC) para asegurar
el control automático y la supervisión del separador centrífugo y de
todos sus componentes.
 Sensores por alta vibración.
 La protección del motor y control de arranque se realiza mediante el
variador de frecuencia.
143
 La descarga de petróleo y agua de formación del tambor se regula
con un control de tiempo.
 De modo opcional es posible realizar el control de sólidos
suspendidos mediante la instalación de un turbidímetro en las líneas
de descarga de fluidos.
 La centrífuga debe operar con todos los módulos disponibles para el
control y mando de las válvulas, incluyendo los sistemas secundarios
disponibles.
 El separador centrífugo debe tener instaladas todas las luces de
alarma y elementos de protección para una operación segura y
confiable.
5.3 ALMACENAMIENTO DE PETRÓLEO
 El petróleo bajo especificaciones de contenido de agua y sólidos
suspendidos ingresará al tanque de estabilización ABJ-2002 antes de
ser enviado a los tanques de almacenamiento H y N, de esta forma,
se podrá mejorar aún más el proceso de deshidratación, ya que, si
existe una fracción de agua ligeramente superior a 0,5% (que por
alguna razón operativa temporal eventualmente podría permanecer
en el crudo que descarga la centrifugadora), ésta se decanta en el
fondo del tanque de estabilización.
 El tanque será diseñado para el almacenamiento de petróleo con una
presión de vapor hasta 12 psia.
 El nivel mínimo operativo será el requerido para proporcionar cabeza
neta positiva de succión a las bombas de transferencia hacia los
tanques de almacenamiento.
 El tanque tendrá una válvula de alivio de presión rompe vacío.
Adicionalmente, se instalará un arresta-llamas.
 Tendrá una boca para muestreo de petróleo y medidores de nivel
situados a diferentes alturas.
144
 Dispondrá de una alarma de nivel por alto-alto y otra por bajo-bajo.
 El tanque dispone de drenajes (agua de formación y sedimentos
básicos) hacia el sistema de separación API y puerta de acceso para
que el personal de limpieza pueda ingresar a realizar las tareas
respectivas durante los trabajos de mantenimiento.
5.4 BASES Y CRITERIO DE DISEÑO DE INSTRUMENTACIÓN
Y CONTROL
La selección de la instrumentación y el sistema de control previsto para este
proyecto deberá contemplar los siguientes aspectos:
 Seguridad para las personas que laboran en las instalaciones, para
los equipos y el ambiente.
 Simplicidad en las operaciones.
 Alta confiabilidad y disponibilidad.
 Acceso y mantenimiento.
 Normalización según las prácticas de diseño y operación de la
industria del petróleo.
 Menores costos de inversión, operación y mantenimiento.
5.4.1 UNIDADES DE INGENIERÍA
En el proceso de elaboración de ingeniería se utilizarán las siguientes
unidades (Tabla 5.1) utilizadas comúnmente en el sector petrolero.
MAGNITUD /
PARÁMETRO
SÍMBOLO UNIDAD NOMBRE
CORRIENTE ELÉCTRICA I A Amperio
DIÁMETRO D,d ft, in Pies, Pulgadas
DENSIDAD ρ lb / ft3
Libras por pie cúbico
145
MAGNITUD /
PARÁMETRO
SÍMBOLO UNIDAD NOMBRE
FRECUENCIA S Hz Hertz
FLUJO MÁSICO Qm lb / h Libras por hora
FLUJO VOLUMÉTRICO
GAS
Qg MSCD
Millones de pies cúbicos
estándar por día
FLUJO VOLUMÉTRICO
PETRÓLEO
Qo BOPD Barriles de crudo por día
GRAVEDAD API ºAPI Grados API
GRAVEDAD ESPECÍFICA Gs - -
LONGITUD L ft pies
MASA m lb libras
MEDICIÓN DE NIVEL N %, in, ft Porcentaje, pulgadas, pies
POTENCIAL ELÉCTRICO E V Voltio
POTENCIA ACTIVA
(ELÉCTRICA)
J W Watt
PRESIÓN
MANOMÉTRICA
P
psig
IWC
Libras por pulgada cuadrada,
pulgadas de agua
PRESIÓN ABSOLUTA Pabs psia
Libras por pulgada cuadrada
absoluta
RESISTENCIA R Ω Ohmio
TEMPERATURA T ºF Grados Fahrenheit,
TIEMPO t
s, min, hr,
día
Segundo, minuto, hora, día
VELOCIDAD v ft/s Pies por segundo
VISCOSIDAD (DINÁMICA) µ cP Centipoise
VISCOSIDAD
(CINEMÁTICA)
ѵ cSt Centistokes
VOLUMEN V ft3, bls, gl Pis cúbicos, barriles, galones
Tabla 5.1 Unidades de Medida para Instrumentación y Control`
146
5.4.2 NORMAS Y/O ESTÁNDARES APLICABLES
Las siguientes normas13
serán utilizadas en el proyecto:
ANSI / ASME – American National Standards Institute / American Society of
Mechanical Engineers
ANSI / ISA – American National Standards Institute / International Society of
Automation
API – American Petroleum Institute
IEC – International Electrotechnical Commission
IEEE - Institute of Electrical and Electronics Engineers
ISA – International Society of Automation
ISO – International Organization for Standardization
NEMA - National Electrical Manufacturers Association
NFPA – National Fire Protection Association
Tabla 5.2 Normas – Estándares Aplicables
5.4.3 NIVELES DE VOLTAJE
Las cargas eléctricas para; instrumentos, paneles de control, serán
diseñadas para operar con los voltajes nominales siguientes:
13
En caso de existir un conflicto entre normas, regirá la norma más exigente.
147
 Alimentación a instrumentación tipo “Loop Powered” a 24 VDC
 Fuente de alimentación 12 V ó 24 V / 110 Vac, dependiendo del
requerimiento del equipo.
 Alimentación principal para equipos como; paneles de control, serán a
110 VAC.
Para los cálculos de caída de tensión, se tomarán en cuenta las impedancias
de los cables. Las caídas de tensión máximas permisibles no deberán
superar el 3%.
5.4.4 CLASIFICACIÓN DE ÁREAS
La instalación de instrumentos electrónicos y eléctricos deberá estar de
acuerdo con los requerimientos de la NFPA 70 y las norma API RP-500,
"Recommended Practice for Classification of Locations for Electrical
Installation in Petroleum Facilities", en lo relacionado con la clasificación
eléctrica del área donde serán instalados.
Las instalaciones eléctricas serán diseñadas de acuerdo a la norma API RP-
540 “Electrical Installations in Petroleum Processing Plants” y a las mejores
prácticas de ingeniería aplicadas para el sector petrolero.
Para Clase 1, División 1, grupos C y D los instrumentos y paneles de
conexión deberán ser a prueba de explosión y corrosión equivalente a
NEMA 7; para áreas Clase 1, División 2, grupos C y D deberá ser a prueba
de intemperie y corrosión equivalente a NEMA 4X.
5.4.5 CONSIDERACIONES GENERALES EN INSTRUMENTACIÓN
El desarrollo de la ingeniería para la selección, especificación e instalación
de la instrumentación del proyecto estará basado en los siguientes criterios:
148
 Las especificaciones de instrumentos se encuentran dentro de los
estándares indicados en la norma ISA S20 - Specification Forms for
Process Measurement and Control Instruments, Primary Elements
and Control Valves.
 Las unidades de medición a ser utilizadas serán las del Sistema
Internacional como se indica en la tabla 5.1 de la sección 5.4.1.
Todos los instrumentos deberán estar identificados con una placa de acero
inoxidable, resistente a las condiciones climáticas y de proceso, en la cual se
señalará como mínimo lo siguiente:
 Número de identificación del instrumento (Tag Number).
 Los materiales de construcción de los instrumentos y sus partes
expuestas al proceso deberán ser compatibles con el tipo de fluido, es
decir con el tipo de servicio al cual estén destinados, y también deben
estar en estricta concordancia con las especificaciones de tuberías.
 Toda la instrumentación de campo deberá ser a prueba de intemperie
(resistente a la corrosión y adecuada para operar en ambientes con
alta salinidad y humedad) y compatibles con el servicio y condiciones
ambientales existentes en el área.
Para la selección de los instrumentos se deberá considerar como mínimo:
 El rango
 La precisión
 La estabilidad
 La alimentación
Todas las conexiones de los instrumentos a proceso estarán provistas de
válvulas de cierre hermético, con el objeto de efectuar mantenimiento a los
149
instrumentos sin interrumpir el proceso; a excepción de instrumentos de
seguridad que la norma no lo permita, o se requiera de arreglos especiales.
Los instrumentos deberán ser instalados en lugares de fácil acceso al
operador de la estación y personal de mantenimiento sin obstruir el libre
tránsito de éste. Ningún instrumento deberá ser instalado sobre pasamanos,
tuberías u otros sitios que estén expuestos a vibraciones, golpes u otras
alteraciones.
Todas las conexiones a tuberías y recipientes se las realizará con
materiales, apropiados acorde a las condiciones de procesos y en
concordancia con las especificaciones mecánicas (Piping class).
La instrumentación electrónica de campo a seleccionar deberá ser del tipo
inteligente preferiblemente 4 - 20 mA + Hart loop powered, con protocolo de
comunicación digital y diagnóstico remoto, con excepción de los dispositivos
de medición directa (indicadores locales, auto-reguladores, etc.).
Toda la instrumentación electrónica de campo deberá poseer inmunidad a
las interferencias causadas por radiofrecuencia o por campos
electromagnéticos.
Los interruptores eléctricos conectados a proceso (interruptores de presión,
nivel, flujo, etc.) serán del tipo acción rápida (Snap Action), con contactos
dobles del tipo doble polo doble tiro (DPDT), La capacidad "rating" de los
contactos será 24 VDC y 5 A.
5.4.6 CRITERIOS PARA LA SELECCIÓN DE INSTRUMENTOS
Instrumentación Neumática
150
Las válvulas e instrumentos que requieran suministro de aire deberán regirse
por los siguientes criterios:
 La presión de suministro de aire de instrumentos deberá ser de 100
psig.
 Los instrumentos neumáticos deberán estar provistos de reguladores
de presión a fin de garantizar el suministro de presión necesario para
cada equipo.
 En actuadores on/off de válvulas de bloqueo se utilizará reguladores
de presión para alimentarlos con 80 psig; para instrumentación
neumática de control se utilizará reguladores de presión para
alimentarlos con 35 psig.
 En caso de necesitar otro tipo de presión para alimentación se
especificará en la respectiva hoja de datos del equipo.
 La conexión neumática deberá ser de ½” MNPT en el múltiple de
distribución y ¼” MNPT en los puntos de alimentación. La cañería
(tubing) de conexión neumática de instrumentos será de ⅜” OD, 316
SS con espesor mínimo de 0,035" y los accesorios y conectores de
compresión asociados también deberán ser de 316 SS.
 La transmisión de señal neumática será de 3 – 15 psig o 6 – 30 psig
de acuerdo al requerimiento.
Sistema de Distribución de Aire de Instrumentos
El sistema de suministro de aire para instrumentos, deberá estar constituido
por una unidad de compresión de aire seco y libre de aceite, de acuerdo con
la norma ISA-7.0.01 Quality Standard for Instrument Air.
 Se deberá separar e identificar claramente las líneas dedicadas a aire
de utilidades (PAS) de las líneas dedicadas a aire de instrumentos
(IAS). La red de suministro se dimensionará de acuerdo a la
151
repartición de instrumentos y equipos en la planta y se tomarán en
cuenta los siguientes aspectos.
 Para líneas principales de distribución se considerará tuberías de 2”
de diámetro.
 Para líneas secundarias de distribución se considerarán tuberías de 1”
de diámetro.
 Para líneas de sub-distribución se considerará el uso de tuberías de
¾” y ½” de diámetro, dependiendo de los requerimientos del área.
 Se emplearán tuberías galvanizadas ASTM-A53 GR. B, para
presiones por debajo de 175 psig.
Medición de Presión
Se utilizarán dispositivos de sello de diafragma y sistemas de absorción de
vibraciones (dámper), para los instrumentos de presión que requieran
aislamiento del proceso, ya sea por sólidos en suspensión y/o altas
vibraciones conforme lo recomienda el API 550 sección 4.
Los instrumentos para medición de presión estarán diseñados para soportar
una sobre presión de 1,3 veces su rango de trabajo al igual que el vacío
absoluto, sin requerir recalibración.
Los manómetros deberán cumplir con los requerimientos de API-551
(Process Measurement Instrumentation), secciones 4.7 y 6, Los elementos
de medición serán preferiblemente tubos de Bourdon de acero inoxidable
316 SS. Las presiones normales de operación deberán ser leídas entre el
40% y 70% de la escala. Las conexiones a proceso serán de ½" MNPT, los
tamaños de dial serán de 4½" y la precisión será máximo ± 1% del rango
total. Las carátulas tendrán fondo blanco con números negros y las cajas
deberán ser fenólicas llenas con glicerina. La cubierta del manómetro será
sólida y dispondrá de un disco para protección, bien sea por explosión o
alivio de sobre presión en la parte posterior.
152
Los transmisores de presión serán tipo diafragma capacitivo o "Strain-
gauge", “loop powered” 24 VDC e inteligentes, con tecnología Hart, pantalla
LCD, configurable en unidades de ingeniería, encapsulamiento a prueba de
explosión, apropiado para áreas Clase 1, División 2, Grupo C y D. El rango
de cada transmisor de presión será seleccionado de manera que la presión
normal de operación esté entre el 30% y el 80% del rango calibrado. La
conexión de los transmisores en tanques y recipientes ubicados en la parte
superior de los mismos será bridada de 2” RF ANSI 150 y las conexiones a
proceso serán de ½" MNPT para tubería.
Medición de Temperatura
La medida de temperatura se realizará con RTDs y termómetros bimetálicos.
Todos los elementos de temperatura se conectarán al proceso mediante un
termopozo de acero inoxidable 316 SS de acuerdo con el estándar API-551
(Process Measurement Instrumentation), sección 4.7.2.
El tipo de conexión de los termopozos será bridada de 2” ANSI 150 para
recipientes y tanques no presurizados y de conexión 3/4” MNPT para
tuberías. El tipo de brida y acabado de la misma estarán en concordancia
con los códigos ANSI y las especificaciones de la tubería.
La longitud de inmersión del termopozo para líneas será la mitad (½) del
diámetro interno (ID) de la tubería, y para tanques será de 19” como mínimo,
de acuerdo con el estándar API-551, de manera de garantizar el punto de
toma de temperatura más alejado de las paredes del tanque.
Los indicadores locales de temperatura serán tipo bimetálico, de ángulo
ajustable, con cabezal pivotante ajustable a toda posición o plano de
indicación, y con un dial entre 4” y 5” de diámetro, fondo blanco, números
negros, caja herméticamente sellada de acero inoxidable 316 SS, con toma
153
de proceso inferior, con ajuste de cero y protección de sobre rango. Las
escalas de lectura directa serán en escalas de °F.
El rango de indicación o escala del termómetro será seleccionado de forma
tal que la temperatura normal de operación se encuentre entre un 40% y
70% de la escala y la temperatura máxima no exceda el tope de la escala.
La precisión deberá ser del 1% del "span".
Los transmisores de temperatura serán energizados desde lazo (loop
powered) 24 VDC e inteligentes, con tecnología Hart, pantalla LCD,
configurable en unidades de ingeniería, encapsulamiento a prueba de
explosión, apropiado para áreas Clase 1, División 2, Grupo C y D.
El rango del transmisor será seleccionado para que la temperatura normal
de operación se encuentre entre un 50% y 75% del rango calibrado.
Los transmisores irán instalados directo sobre el termopozo, pero en lugares
donde se presente dificultad en la instalación se utilizarán soportes o
arreglos para montaje remoto del transmisor.
Los transmisores tomarán la señal para medición de temperatura mediante
RTDs. Las RTDs serán de Platino 100 Ohm (tipo PT-100) a 32 °F, de 3 hilos
sin tierra.
Las RTDs estarán empotradas en cabezales de aluminio herméticos y serán
de tipo spring load, a prueba de explosión (donde lo defina la clasificación de
áreas). La conexión del cabezal al termopozo será de ½” FNPT; la conexión
eléctrica será de ½” FNPT.
Medición de Nivel
Debido a su aplicación para todo tipo de líquido y en interfaces líquido /
líquido, los indicadores de nivel del tipo magnético con flotador (con
154
indicador tipo banderas o flotador) con escala ajustable, serán utilizados
para la indicación local de nivel en tanques y recipientes. Estos indicadores
tendrán la posibilidad de estar acompañados de un transmisor de nivel en
caso de requerirlo.
El material del cuerpo será en 304 SS, y el material de las banderillas
indicadoras será de tipo estándar del fabricante. Todas las partes en
contacto con el fluido del proceso serán en acero inoxidable 316 SS a menos
que se requieran otros materiales para condiciones particulares por fluidos
corrosivos.
La conexión al proceso de los visores será bridado de 2” RF ANSI 150#. El
arreglo de conexionado estará provisto de válvulas de bloqueo y purga. La
válvula de purga será suministrada conjuntamente con los visores.
Los transmisores para medición de nivel establecidos para este proyecto
serán energizados desde lazo (loop powered) 24 VDC e inteligentes, con
tecnología Hart, configurable en unidades de ingeniería, encapsulamiento a
prueba de explosión, apropiado para áreas Clase 1, División 2, Grupo C y D.
Para el caso de transmisores de nivel en tanques y recipientes ubicados en
la parte superior de los mismos, utilizarán el principio de medición de radar
de onda guiada o capacitivo, y la conexión al procesos será bridado de 4”
RF ANSI 150.
En aplicaciones de medición de nivel en recipiente y tanques donde se
utilicen switches o transmisores se deberá considerar la posibilidad de uso
de stand pipes externos al recipiente, este stand pipe deberá ser de al
menos 4” de diámetro y la longitud total debe exceder en al menos 6” a los
límites inferior y superior de la medida de nivel, el transmisor de nivel no
deberá topar la parte inferior del stand pipe, además deberá tener una
válvula de purga en su parte inferior y se conectará con tubing hacia el
respetivo drenaje.
155
Para el caso de switches de nivel tipo flotador o ultrasónico, el stand pipe
será de al menos 2 pies de longitud y el diámetro dependerá de la longitud
de inserción del flotador o el elemento de medición.
Todos los stand pipes deberán tener válvula de bloqueo en cada toma y
deberán ser de al menos 2” la conexión será bridada RF ANSI 150#.
Los transmisores de nivel que se conecten en la parte superior del stand
pipe deberán ser bridados y de 4” RF ANSI 150#.
Medición de Flujo
Para el presente proyecto en caso de ser necesario se considerarán los
siguientes aspectos para la medición de flujo; para la medición de crudo
(transferencia y custodia) se usarán medidores tipo turbina o desplazamiento
positivo, su uso dependerá de la factibilidad basada en el análisis técnico y
económico o al requerimiento del cliente. La conexión deberá ser bridada de
acuerdo a la especificación de tubería en donde será instalada.
Para medición de crudo fuera de especificaciones (en puntos intermedios del
proceso) o agua de producción (agua de formación), se utilizarán medidores
tipo turbina con transmisor integral, de acuerdo al estándar API 551 (Process
Measurement Instrumentation), sección 2.3.4. La conexión del medidor de
flujo deberá ser bridada y será de acuerdo al diámetro y especificación de la
tubería en donde estará instalado. La instalación de los transmisores de flujo
deberá estar acorde con API 551 (Process Measurement Instrumentation),
sección 2, API MPMS (Manual of Petroleum Measurement Standards),
capítulo 5, sección 3.
Los transmisores deberán poseer salida de pulsos entre 0 / 5 / 10 VDC con
ancho de pulso configurable mediante software y salida a colector abierto,
156
pantalla LCD para indicación local, configurable en unidades de ingeniería,
encapsulamiento a prueba de explosión, apropiado para áreas Clase 1,
División 2, Grupo C y D, la conexión eléctrica será de ½” FNPT.
Analizador de Corte de Agua
Para la medición de corte de agua BSW, se considera utilizar el principio de
medición capacitivo o infrarrojo por absorción espectroscópica utilizados
para garantizar la precisión de la medida, ya que no se ve afectado por las
variaciones de la salinidad, densidad, viscosidad y temperatura. La precisión
requerida para los diferentes rangos será:
Rango
(Concentración de agua)
Precisión Repetibilidad
0 a 5% ±0,05% ±0,01
5 a 10% ±0,10% ±0,02
10 a 25% ±0,15% ±0,04
0 a 100% ±1% ±0, 2
Los analizadores deberán manejar señales de 4 – 20 mA, pantalla LCD para
indicación local de concentración de corte de agua y estatus,
encapsulamiento a prueba de explosión, apropiado para áreas Clase 1,
División 2, Grupo C y D.
Para una óptima medición se considerará el sentido de flujo y la instalación
más apropiada recomendada por el fabricante del equipo.
Válvulas Reguladoras y de Control
La selección de válvulas reguladoras, se realizará considerando: las
condiciones de operación y diseño, fluido a ser manejado, el rango
157
requerido, ruido, porcentaje de filtración permitida, costo y requerimientos
especiales.
El material del cuerpo y “rating” deberá estar de acuerdo a las
especificaciones de tuberías. En general, todos los cuerpos de las válvulas
de control serán bridados para su respectiva conexión con la tubería bridada.
En ningún caso el “rating” del cuerpo de la válvula podrá ser menor al
permitido por las especificaciones de la tubería.
Los reguladores de presión diferencial mantendrán una diferencia constante
entre la presión aguas abajo del equipo y la presión aguas arriba del equipo
a medir. Los reguladores diferenciales mantendrán una caída de presión
constante, donde la presión aguas arriba del regulador siempre será mayor
que la presión aguas abajo del instrumento regulador. Esto aplica para
reguladores diferenciales y para los reguladores del tipo convencional
(resorte y/o diafragma).
Las válvulas de control tendrán las siguientes características:
Todas las válvulas de control cumplirán con las normas ANSI S12.1, S12.3,
no excederán los 85 dB de ruido a un metro, se considerará un diseño
alterno si no se puede reducir a niveles aceptables y se implementará un
sistema antirruido en el cuerpo de la válvula como también una camisa
reductora de ruido.
En general, las válvulas controladoras serán dimensionadas para manejar
las ratas de flujo mínimo y máximo entre un rango de control de apertura de
la válvula dependiendo del tipo de válvula a seleccionar para cada tipo de
proceso. Las válvulas de globo tienen rango de 20% - 80%, las de bola de
10% - 60% y las de mariposa de 30% - 50% (manejarán la máxima
capacidad del proceso a la caída de presión normal).
158
La selección de tipos y modelos de las válvulas y elementos de control se
realizará con un criterio de mínima diversidad (estandarización), con miras a
facilitar su compra y minimizar la variedad de partes de repuestos, tomando
en cuenta las mejores experiencias. Todas las válvulas estarán provistas de
bridas. También se considerará el uso de las válvulas sin bridas o tipo
“wafer” en caso de requerirlo.
El cálculo de las válvulas de control se realizará mediante programas de
cálculo especializados suministrados por el fabricante, los cuales permiten
obtener el coeficiente de la válvula (Cv) utilizando las ecuaciones propuestas
por la “Instrument Society of America ISA-S75.01.01 (Flow Equations for
sizing control valves).
Los actuadores de las válvulas de control serán del tipo de diafragma con
resorte de oposición, dimensionado para operación de 3 -15 o 6 - 30 psig.
Adosado debe venir el actuador y el posicionador electrónico con señal
estándar analógica 4 - 20 mA serán energizados desde lazo (loop powered),
24 VDC e inteligente con tecnología Hart.
El actuador será capaz de mover la válvula a su posición de falla segura (fail
safe) en caso de falla del medio de operación de la válvula de control o de la
señal eléctrica de control.
La válvula de control será dimensionada tomando en consideración
condiciones de operación mínima, normal y máxima. La selección final debe
asegurar que la válvula opere entre un 17% y 90% de apertura en
concordancia con lo recomendado en ISA-S75.11 (Inherent Flow
Characteristic and Rangeability of Control Valves).
No se utilizan válvulas de control de un tamaño de cuerpo nominal menor a
la mitad del diámetro de la tubería, caso contrario se especificará con Trim
reducido.
159
Actuadores ON/OFF
La selección de los actuadores para accionar válvulas del tipo on/off se
manejará para sistemas de parada de emergencia y sistemas de control de
procesos que lo requieran y serán accionados con aire en su mayoría.
Para todos los casos los actuadores serán seleccionados de acuerdo a las
siguientes características:
 Los actuadores serán dimensionados para abrir y/o cerrar la válvula a
máximo torque, para la máxima caída de presión y considerando un
factor de seguridad.
 En el caso de válvulas de seguridad las válvulas deberán ser
accionadas, por resortes a su posición segura.
 El actuador contará con switches de límite de carrera para indicación
remota; también tendrá indicación local.
 Permitirán acción manual (Manual Override) para garantizar la
operación manual de la válvula.
 Para los actuadores eléctricos se tendrá un panel local de control, con
todos los accesorios para la apertura y cierre local del actuador.
 El tiempo de operación del actuador atenderá al requerimiento del
proceso; generalmente estará entre 7 y 20 s.
 La alimentación de la válvula solenoide será de 24 VDC, tres vías
para servicio neumático y a prueba de explosión en áreas peligrosas
Clase 1, División 2, Grupo C y D.
Válvulas de Seguridad y Alivio
Las válvulas de Seguridad y Alivio requeridas para este proyecto, cumplirán
con la norma API-RP-520 (Sizing Selection and Installation of Pressure
Relieving Devices in Refineries) y API-521 (Guide for Pressure Relieving and
depressuring Systems).
160
Los dispositivos de alivio de presión que se emplearán, cumplirán con las
exigencias de un diseño seguro. Se calcularán válvulas de alivio de
seguridad acorde a las exigencias de cada instalación y se seleccionarán
entre tipo convencional (Conventional), válvula de seguridad cargada por
resorte (Balanced), guiada por el tope (Pilot) y para operar a una presión por
debajo de la presión de ajuste (MAWP) (típicamente 93% a 98% de la
presión de ajuste) como lo señala la norma API-RP-520.
Se usarán válvulas de alivio convencionales en servicios en donde no exista
contrapresión o donde la contrapresión sea constante. Se usarán válvulas
de alivio balanceadas cuando la contrapresión pueda exceder el 10% de la
presión de alivio y no sea un valor constante. Las válvulas de alivio o
seguridad no se usarán como equipos de control de presión.
Las válvulas de seguridad y/o alivio no deberán exceder el valor de sobre
presión del equipo, es decir, la contrapresión acumulada no excederá el 10%
de la presión manométrica de ajuste o el 21% de dicha presión para el caso
de fuego (vaporización de líquidos).
Las válvulas de alivio de presión serán instaladas para que el venteo del
bonete caiga directamente a la línea o cabezal de venteo de la estación. No
se permitirá que los vapores aliviados caigan sobre tuberías o equipos,
áreas de operación o sobre vías de acceso de la estación.
Para las válvulas de alivio de presión convencionales sujetas a una
contrapresión constante, la calibración de la válvula será realizada
considerando el valor de contrapresión para que la válvula actúe a la presión
de ajuste requerida, por una reducción apropiada de la presión del resorte.
Para las válvulas de alivio de presión expuestas a una contrapresión
variable, se considerará válvulas actuadas por resorte balanceados u
161
operados con piloto para minimizar o eliminar el efecto de la contrapresión
variable para que la válvula actúe a la presión de ajuste requerida.
Las válvulas de seguridad y/o alivio se diseñarán para mantener un cierre
hermético lo más cercano a la presión de ajuste. El asiento será de metal a
metal, este tipo de asiento se aplicará en servicios que presentan
dificultades tales como: operación cercana a la presión de ajuste o por causa
de fluctuaciones de presión (pulsaciones o golpeteo).
5.4.7 MONTAJE DE INSTRUMENTOS
La posición relativa de los instrumentos respecto a las tomas de proceso y la
ubicación relativa de las tomas en la tubería deberá estar de acuerdo con
API RP-550 (Installation of Refinery Instruments and Control System) y API
RP-551 (Process Measurement Instrumentation) además del API MPMS.
Cuando el instrumento esté ubicado a una distancia mayor de 3 m de la
conexión del proceso, se proveerá una válvula de bloqueo y venteo (o
purga), adicional, adyacente al instrumento.
Las válvulas de control deberán instalarse cercanas al piso o plataforma (en
el caso de plataformas elevadas), para permitir el fácil acceso durante
labores de mantenimiento y control manual.
5.4.8 CRITERIOS PARA LA SELECCIÓN DE CABLES DE
INSTRUMENTACIÓN Y CONTROL
La cubierta externa de todos los cables deberá ser de material no-
higroscópico, resistente a la luz solar, a la abrasión, a la llama y a la acción
de solventes.
162
Se utilizarán cables armados tipo MC, para proveer protección mecánica y
aprobados contra humedad, líquidos y gases, siendo aptos para la
instalación en interior o exterior, por medio de canalizaciones metálicas o no
metálicas, bandejas porta cables o directamente enterrados, en áreas
clasificadas peligrosas Clase 1 División 1 Grupos C y D.
Se utilizarán cables tipo TC para instalación tanto en áreas Clase 1 División
2 Grupos C y D, como en áreas no clasificadas. Los cables serán instalados
en bandeja portacable ó con “conduit” rígido, dependiendo del requerimiento.
Los cables de instrumentación serán pares y triadas trenzados, tendrán un
cable de drenaje (shield) deberán ser aislados individualmente a 300 V,
apantallados individual y con temperatura máxima en el conductor de 221 °F;
la sección será 1,5 mm2 (calibre 16 AWG).
El código de colores de los conductores será negro y blanco para los pares;
y negro, rojo y blanco para las triadas. Para el caso de cables multipares y
multiconductores se utilizará la distribución de colores designados por el
fabricante de la marca.
Los cables de control serán cables sin pantalla, que deberán ser aislados
individualmente a 600 V, tendrán una sección mínima de 14 AWG y el
número de conductores dependerá de la instalación a ser realizada, y se
deberá considerar conductores para tierra y neutro en caso de ser necesario.
5.4.9 IDENTIFICACIÓN DE CABLES, Y JUNCTION BOX
Se requiere la identificación de los cables tanto externa como internamente.
La identificación externa será realizada mediante placas de acero inoxidable
316 SS con impresión en bajo relieve con un tamaño de fuente adecuado,
amarradas en cada uno de los extremos del cable. La identificación interna
de los cables en los tableros e instrumentos se realizará mediante marquillas
163
termocontraibles con impresión en máquina con un tamaño de fuente
adecuado colocadas en cada uno de los conductores del cable.
La identificación externa de los cables se realizará de la siguiente manera:
 En el punto de salida del cable se pondrá el nombre de la caja o
equipo a donde llega, y en el punto de llegada se pondrá el nombre
de la caja o equipo de donde salió el cable.
 La identificación interna de los cables será de la misma manera que la
identificación externa solo que se incrementará la polaridad del cable
 La identificación de las cajas de conexionado se realizará en láminas
plásticas negra de 2mm de espesor, con letras blancas en bajo relieve
con un tamaño de letra adecuado. La identificación estará acorde al
tag del equipo mayor relacionado y a la filosofía de la planta.
5.4.10 CANALIZACIONES PARA CABLES
Las canalizaciones en áreas abiertas para llegar al instrumento, serán con
bandejas portacables de aluminio (tipo escalerilla).
El tamaño de las bandejas será seleccionado de acuerdo con la cantidad de
cables a instalar y al calibre de los mismos. El espacio de reserva en las
bandejas deberá ser entre 15% y 20% para colocación de cables futuros.
Solo en las bandejas que contengan cables de instrumentación y control se
permitirá colocar más de dos capas de cables. Los cables se dispondrán en
forma de minimizar la cantidad de cruces.
La soportería necesaria para las bandejas se realizara con channel
galvanizado y accesorios cromados o en acero inoxidable (pernos, tuercas,
arandelas etc) con el fin de combatir la acción por hongos y humedad,
además se utilizará galvanizante en frío para todos los puntos de suelda
realizados en campo por tema de soportería.
164
5.4.11 CAJAS DE CONEXIÓN
Los gabinetes y cajas de conexión serán diseñados para recoger todas las
señales analógicas, digitales y/o comunicación de los instrumentos y/o
equipos, y se agruparán las señales en cables multipares o multiconductores
para ser direccionadas hacia el panel de control principal en donde se aloja
el controlador.
Todos los gabinetes y cajas de conexión tendrán los siguientes
componentes elementales:
 Doble fondo.
 Canalización interna.
 Etiquetas de cables y de la caja de conexión.
 Borneras.
Las dimensiones de cada una de las cajas o gabinetes, así como del doble
fondo serán las más adecuadas para poder alojar a todas las borneras y
accesorios, tener la reserva necesaria y únicamente ocupar el doble fondo,
no se tendrá ningún accesorio en las paredes internas del gabinete o caja.
Los gabinetes y cajas de conexión tendrán un perno “servit post”, que se
conectará al sistema de puesta a tierra de la planta.
Tanto los gabinetes como las cajas para montaje en campo serán metálicos
cuyo grado de protección será NEMA 4X, la fabricación será en acero
inoxidable 304 SS y el espesor mínimo será de 2,6 mm (0,105 “). Los
componentes metálicos a ser instalados en el interior deberán ser
tropicalizados, a fin de protegerlos contra la acción de hongos, salitre y
polvos corrosivos, para lo cual se usará inhibidores industriales de corrosión.
Los gabinetes serán de montaje en piso con patas de apoyo del tipo “floor
mount” para ser instalados en ambiente externo. El gabinete tendrá una luz
165
fluorescente interior alimentada por 110 VAC 60 Hz, la misma que se
encenderá en el momento de abrir la puerta, por medio del accionamiento de
un micro interruptor (micro switch), las cajas de conexión no poseerán luz
interior.
Las cajas de conexión contarán con una sola puerta delantera con sello de
neopreno, con bisagras continuas de acero inoxidable y deberá asegurar un
sello hermético. Será para montaje en soporte o pared en ambiente externo.
En áreas clasificadas se utilizará cajas de conexión cuyo grado de
protección equivalente será NEMA 7, a prueba de explosión (explosion prof.)
con protección para exteriores; la fabricación será en aluminio. Deberá ser
hermética, sin tapas removibles laterales ni superior; contará con una sola
puerta delantera atornillada con sello de neopreno, con bisagras de acero
inoxidable y para asegurar el sello hermético la puerta tendrá varios pernos
de cabeza hexagonal de acero inoxidable con resorte y prisionero para evitar
que se salgan de la puerta y permitir una confirmación visual de si están
ajustados o no.
El ingreso de cables individuales y multiconductores se realizará por la parte
inferior del gabinete o caja de conexión; en ningún caso se permitirá el
ingreso de cables por la parte superior. Dentro de la caja se llevarán los
cables sin chaqueta externa o armadura de acuerdo al tipo de cable a ser
utilizado.
5.4.12 CONTROL Y MONITOREO
El control y monitoreo de la planta se realizará, por medio de la
infraestructura existente, es decir se reutilizará el controlador, las estaciones
de operación. La nueva instrumentación se conectará al PLC existente y la
instrumentación existente deberá ser reubicada por el cliente acorde a sus
necesidades. Para el sistema de control y monitoreo se deberá diseñar las
166
pantallas necesarias acorde a los nuevos equipos instalados y a los nuevos
requerimientos del sistema.
5.4.13 SISTEMA DE PUESTA TIERRA
Todos los gabinetes y cajas de conexiones, conduits, etc, se conectarán al
sistema de tierra general de la planta.
Todos los instrumentos y equipos relacionados con las señales de los lazos
de control de la planta se conectarán a la red de tierra de instrumentación.
Los cables de instrumentación con drenaje (Shield), serán conectados a
tierra en un solo punto, en la barra aislada de tierra de instrumentación del
panel de control.
La red de tierra de instrumentación estará conectada a la red de tierra
general de la planta en "un solo punto", mediante un conductor monopolar
con cubierta exterior y con un dispositivo de acoplamiento tipo inductivo o
resistivo de acuerdo con los cálculos. En todo caso no mayor a 1Ω y 20 mH.
5.4.14 UNIDADES PAQUETE
Para equipos provistos en skid, el proveedor deberá cumplir con los
siguientes aspectos:
 EL proveedor deberá suministrar probar e instalar todos los
instrumentos necesarios, incluyendo la tubería, tubing, accesorios,
válvulas y caja de conexionado (junction box), para el funcionamiento
confiable y seguro del paquete. teniendo en cuenta que estén dentro
de los límites del skid para una óptima operación del paquete de
acuerdo a los P&ID.
167
 Toda la instrumentación y cajas de conexión deberán estar instalados,
e identificados correctamente acorde a lo especificado en este
documento.
 El tipo de cable y la instalación del mismo deberá cumplir con lo
indicado en este documento, en cuanto a instrumentación se refiere.
 Se identificará y separara claramente las líneas de suministro de aire
de procesos o utilidades de la de instrumentos.
 El suministro de aire para el skid se ubicará a filo de skid y en un solo
punto para instrumentos y un solo punto para utilidades, desde el cual
se distribuirá hacia todos los equipos que los requieran.
 Todas las señales que necesiten monitoreo desde el cuarto de control
de la planta, deberán estar cableadas hasta una caja de conexión a
filo de skid, para luego ser llevadas mediante un cable multipar o
multiconductor al controlador principal.
 En caso de ser necesario, la comunicación provista será de tipo
Ethernet y se dejara el punto de conexión a filo de skid en su
respectiva caja de conexión.
5.4.15 PRUEBAS
Toda la instrumentación deberá ser calibrada y testificadas por el cliente,
para lo cual se emitirán los respectivos registros y todos los equipos patrón
utilizados deberán tener certificado de calibración vigente.
El skid deberá ser probado bajo condiciones reales de operación, para ello
se deberá prever las pruebas de aceptación en fábrica (FAT) y pruebas de
aceptación en sitio (SAT). Para este fin, el proveedor deberá suministrar con
anticipación en coordinación con el cliente, los protocolos de prueba para su
revisión y aprobación.
168
El equipo de prueba deberá simular las condiciones máximas y mínimas del
proceso. El protocolo de pruebas, deberá detallar los procedimientos y los
parámetros, incluyendo la simulación del proceso como tal.
5.5 ARQUITECTURA DE CONTROL
La arquitectura de control es un diagrama mediante el cual se propone una
estructura a nivel general de todo el sistema de control. En este caso las
señales provenientes de los instrumentos de campo y del skid del separador
centrífugo se dirigen a las cajas de revisión llamadas jucntions box, estas
cajas de revisión es el lugar donde todas las señales son almacenadas y
enviadas al siguiente nivel, el nivel de control que básicamente el PLC RTP
Netsuite. Mediante dicho PLC se controlarán las señales del proceso para su
correcto funcionamiento.
El siguiente nivel es el nivel de supervisión, mediante la existente red
Ethernet que se puede salir mediante un switch hacia los ordenadores de
supervisión para los operadores.
En el nivel de supervisión, los operadores estarán en capacidad de
interpretar los resultados de las señales de los instrumentos ubicados en los
equipos, así como las variables de proceso. Para el efecto constarán con el
paquete utilitario llamado RTP View y mediante un HMI podrán conocer el
estado del proceso en estudio. Ver Figura 5.3.
5.6 PLOT PLAN DE INSTRUMENTACIÓN
Los equipos que conforman el nuevo sistema de recepción y deshidratación
de crudo de Casa Bomba constan con varios instrumentos los mismos que
se encuentran clasificados en las diferentes zonas como se indican en la
Figura 5.4
169
5.7 MATRIZ CAUSA EFECTO DEL PROCESO (SAFETY
CHART)
Para el desarrollo de la matriz causa efecto (Tabla 5.5) se presentó las
posibles consecuencias de un estado u otro del algún instrumento del
proceso. Es importante señalar que para llevar a cabo esta actividad se
requirió de la presencia de un grupo multidisciplinario de ingenieros de
Pacifpetrol S.A con el fin de considerar todos los posibles escenarios.
Este diagrama facilitará la programación del PLC a utilizarse.
5.8 DIAGRAMAS DE LAZOS DE CONTROL14
Los diagramas de lazo de control son esquemas generales del cableado
desde el instrumento de cualesquier equipo pasando por la caja de revisión
junction box correspondiente hasta llegar a los terminales del panel. Una vez
en los terminales del panel se dirigen hacia el microprocesador RTP 2316.
Estos diagramas permiten identificar cada uno de los cables de los
instrumentos de manera que la ruta del cableado de los mismos quede
perfectamente identificada. En la Figura 5.5 se puede observar los
diagramas de lazo correspondientes a los switches de nivel del separador
bifásico.
5.9 INTERFAZ HOMBRE – MÁQUINA HMI15
14
Para los diagramas de lazo únicamente se considerará el de un instrumento ya que es la
misma metodología para los 25 instrumentos restantes.
15
Las pantallas HMI van acorde con los planos P&ID diseñados en la sección 3.10.
170
Para el diseño de la interfaz entre hombre máquina se utilizó el paquete
utilitario RTPView, el mismo que permite acceder a las variables de proceso.
Estas variables de proceso pueden ser de lectura y/o escritura dependiendo
del caso, mediante RTPView no solo se permite al usuario supervisar y
controlar el proceso sino también permite realizar cálculos aritméticos y
estadísticos de cualquier variable facilitando el entendimiento y desempeño
de cada parte del sistema, de esta manera el operador podrá tomar
decisiones en base a la información adquirida del comportamiento de cada
una de las variables del proceso.
El lenguaje hombre máquina es muy importante ya que mediante este se
supervisará y controlará todo el proceso. Mediante las estadísticas del
proceso se podrá obtener las tendencias de las variables que sean
requeridas, y estos resultados se podrán indicar en las pantallas de control
HMI.
Para la sintonización de los controladores PID se diseñará una pantalla
exclusivamente para calibrar dichos controladores, para el efecto se
procederá de igual manera que las tendencias, se indicará mediante un
gráfico en tiempo real la respuesta del sistema a cada controlador PID.
A continuación se detalla las pantallas HMI diseñadas para el nuevo sistema
de recepción y deshidratación de crudo:
 1-2 Filtros de ingreso – Sistema de Filtros (Ver Figura 5.6)
 3 Bombas de Descarga de Crudo PBA – 6001 A/B (Ver Figura 5.7)
 4 Separador Bifásico ABJ – 2001 (Ver Figura 5.8)
 5 Bombas de Alimentación de Crudo PBA – 6003 A/B (Ver Figura 5.9)
 6 Bombas de Descarga de Agua PBA – 6002 A/B (Ver Figura 5.10)
171
 7 Separador Centrífugo ZBD – 900116
 8 Tanque de Surgencia ABJ – 2002 (Ver Figura 5.11)
 9 Piscinas API ZZZ-9002 / ZZZ - 9003 (Ver Figura 5.12)
 10 Bombas Piscinas API PBA - 6004 A/B (Ver Figura 5.13)
 11 Bombas Recuperación de Crudo PBA – 6005 A/B (Ver Figura 5.14)
 12 Bombas de Agua de Utilidades PBA – 6006 (Ver Figura 5.15)
16
El HMI del separador centrífugo no se diseñará con RTPView ya que viene con su propio
controlador e interfaz HMI en el skid propuesto.
172
MIN. MAX. UNIT BAJO‐BAJO BAJO ALTO ALTO‐ALTO
1 1 PI-MAJ1001-3 001 3"-UW-A1-2000 0 200 PSIG NA ANC-404-DIC116-PL-005 ASHCROFT 45-1279-S-04L-0/200-PSI-SG
2 2 SDY-MAJ1001-1 001 MAJ-1001-A DO ANC-404-DIC116-PL-008 ASCO BY VENDOR NOTA 1
3 3 SDY-MAJ1001-3 001 3"-UW-A1-2000 DO ANC-404-DIC116-PL-008 ASCO BY VENDOR NOTA 1
PDSH-MAJ1001-1 001 MAJ-1001-A DI 3PSI 5PSI ANC-404-DIC116-PL-005
PDI-MAJ1001-1 001 MAJ-1001-A 0 10 PSID NA ANC-404-DIC116-PL-005
5 5 PI-MAJ1001-1 001 MAJ-1001-A -10 in. Hg 5 PSIG NA ANC-404-DIC116-PL-005 ASHCROFT
45-1188-S-04L-10 in Hg/5 PSI-SG.
DIAP. SEAL. 50-101SS-04T-CG
6 6 SDY-MAJ1001-2 001 MAJ-1001-B DO ANC-404-DIC116-PL-008 ASCO BY VENDOR NOTA 1
7 7 SDY-MAJ1001-4 001 3"-UW-A1-2001 DO ANC-404-DIC116-PL-008 ASCO BY VENDOR NOTA 1
PDSH-MAJ1001-2 001 MAJ-1001-B 0 10 PSID DI 3PSI 5PSI ANC-404-DIC116-PL-005
PDI-MAJ1001-2 001 MAJ-1001-B 0 10 PSID NA ANC-404-DIC116-PL-005
9 9 PI-MAJ1001-2 001 MAJ-1001-B -10 in. Hg 5 PSIG NA ANC-404-DIC116-PL-005 ASHCROFT
45-1188-S-04L-10 in Hg/5 PSI-SG.
DIAP. SEAL. 50-101SS-04T-CG
PDSH-MAJ1002A 002 MAJ-1002A DI 5PSI ANC-404-DIC116-PL-005
PDI-MAJ1002A 002 MAJ-1002A 0 10 PSID NA ANC-404-DIC116-PL-005
PDSH-MAJ1002B 002 MAJ-1002B DI 5PSI ANC-404-DIC116-PL-005
PDI-MAJ1002B 002 MAJ-1002B 0 10 PSID NA ANC-404-DIC116-PL-005
12 1 PI-PBA6001A/B-1 003 4"-PF-A1-1002 -10 in. Hg 5 PSIG NA ANC-404-DIC116-PL-005 ASHCROFT
45-1188-S-04L-10 in Hg/5 PSI-SG.
DIAP. SEAL. 50-101SS-04T-CG
13 2 SDY-PBA6001A-1 003 PBA-6001A DO ANC-404-DIC116-PL-008 ASCO BY VENDOR NOTA 2
14 3 SDY-PBA6001B-1 003 PBA-6001B DO ANC-404-DIC116-PL-008 ASCO BY VENDOR NOTA 2
15 4 BSW-PBA6001A/B-1 003 PBA-6001A/B 0 100 % AI ANC-404-DIC116-PL-012 WEATHERFORD 2G
16 5 PI-PBA6001A/B-2 003 4"-PF-A1-1005 0 60 PSIG NA ANC-404-DIC116-PL-005 ASHCROFT
45-1279-S-04L-0/60-PSI-SG.
DIAP. SEAL: 50-101SS-04T-CG
17 6 PT-PBA6001A/B-2 003 4"-PF-A1-1005 0 60 PSIG AI ANC-404-DIC116-PL-006 SMAR
LD291M-4-1-I-1-1-0-2-G0-H0-I1-P9-Y2-
Y4-J0.
18 7 FIT-PBA6001A/B-1 003 4"-PF-A1-1005 515 6000 BPD PULSE ANC-404-DIC116-PL-007 NUFLO 1,5-S-F-00000+MC-II-PLUS
19 8 HS-PBA6001-AA S/S 003 PBA-6001A 2 DI ANC-404-DIC116-PL-011 ABB
GREEN: 800H-HAP1B. RED: 800H-
HAP6B. COVER: 800H-NP31.
20 9 HS-PBA6001-AB L/R 003 PBA-6001A 2 DI ANC-404-DIC116-PL-011 ABB
800H-JP2KB7AAXX. GANG: 800H-
6HVX7. COVER: 800H-NP30.
21 10 HS-PBA6001-BA S/S 003 PBA-6001B 2 DI ANC-404-DIC116-PL-011 ABB
GREEN: 800H-HAP1B. RED: 800H-
HAP6B. COVER: 800H-NP31.
22 11 HS-PBA6001-BB L/R 003 PBA-6001B 2 DI ANC-404-DIC116-PL-011 ABB
800H-JP2KB7AAXX. GANG: 800H-
6HVX7. COVER: 800H-NP30.
Indicador de presión diferencial del filtro MAJ-1002A
11 2
Switch de presión diferencial
UNITED ELECTRIC
CONTROLS
H122K-456-1195-M540-M210
Indicador de presión diferencial del filtro MAJ-1002B
SISTEMA DE FILTROS
ANC-404-DIC123-LI-001
ITEM TAG SERVICIO
P&ID																						ANC‐
404‐BP37‐PL‐			
EQUIPO LÍNEA
RANGO	MEDICIÓN
FABRICANTEP&ID
Proyecto No: 404
Ingeniería
Instrumentación y Control
PROYECTO: DESARROLLO DE INGENIERÍA CONCEPTUAL, BÁSICA Y DE DETALLE PARA EL NUEVO SISTEMA DE RECEPCIÓN DE CRUDO
CASA BOMBA
LISTA DE INSTRUMENTOS Y SEÑALES
MODELO NOTAS
PAGINA: Página 1 de 5
Nº
FILTROS DE INGRESO
Indicador de presión para línea de entrada de agua de
utilidades
Válvula de entrada de aire del pistón de doble efecto
del filtro MAJ-1001-A
SEÑAL
ALARMAS
Switch de presión diferencial
Indicador de presión diferencial del del filtro MAJ-1001-
B
Válvula de entrada de agua para lavado del filtro MAJ-
1001-A
Switch de presión diferencial
Indicador de presión diferencial del filtro MAJ-1001-A
Indicador de presión compuesto en el interior del filtro
MAJ-1001-A
Medidor de corte de agua a la salida de las bombas
neumáticas PBA-6001A/B
Transmisor de presión en la línea de entrada del BSW-
PBA6001A/B-1
Indicador de presión compuesto en la línea de
descarga de las bombas PBA-6001A/B
Válvula de entrada de aire del pistón de doble efecto
del filtro MAJ-1001-B
Válvula de entrada de agua para lavado del filtro MAJ-
1001-B
Válvula de entrada de aire de bomba neumática PBA-
6001A
Válvula de entrada de aire de bomba neumática PBA-
6001B
BOMBAS DE DESCARGA
Indicador de presión compuesto en la línea
proveniente del sistema de filtros MAJ-1004-A/B
Hand switch local/remoto de la bomba PBA-6001B
Transmisor Indicador de flujo en la salida del BSW-
PBA6001A/B-1
Hand switch local/remoto de la bomba PBA-6001A
Hand switch star/stop de la bomba PBA-6001A
Hand switch star/stop de la bomba PBA-6001B
Indicador de presión compuesto en el interior del filtro
MAJ-1001-B
UNITED ELECTRIC
CONTROLS
H122K-456-1195-M540-M210.
UNITED ELECTRIC
CONTROLS
H122K-456-1195-M540-M210.
UNITED ELECTRIC
CONTROLS
H122K-456-1195-M540-M210
Switch de presión diferencial
4
8
4
8
10 1
173
MIN. MAX. UNIT BAJO‐BAJO BAJO ALTO ALTO‐ALTO
LIT-ABJ2001-1A
LIT:VEGAFLEX 61
REMOTE INDICATOR: VEGADIS61
LIT-ABJ2001-1B LIT: OPTIFLEX 1300 C
24 2 PSV-ABJ2001-1 004 ABJ-2001 -3 in H2O NA NA por mecánica por mecánica
25 3 PSV-ABJ2001-1 004 ABJ-2001 -3 in H2O NA NA por mecánica por mecánica
26 4 PSV-ABJ2001-2 004 ABJ-2001 5 PSIG NA NA por mecánica por mecánica
27 5 PI-ABJ2001-1 004 ABJ-2001 -10 in. Hg 5 PSIG NA ANC-404-DIC116-PL-005 ASHCROFT 45-1188-S-04L-10 in Hg/5 PSI-SG.
28 6 PIT-ABJ2001-1 004 ABJ-2001 -10 in. Hg 5 PSIG AI ANC-404-DIC116-PL-006 SMAR
LD291M-3-1-I-0-1-0-2-G4-H0-I1-P9-Y2-
Y4-J0.
29 7 LIT-ABJ2001-2 004 ABJ-2001 1.1 9 FT ANC-404-DIC116-PL-002
KROHNE
VEGA
LIT: VEGAFLEX 61
REMOTE INDICATOR: VEGADIS61
30 8 TI-ABJ2001-1 004 ABJ-2001 32 200 °F NA ANC-404-DIC116-PL-003 ASHCROFT
50-EL-60-E-180-0/200ºF-XHN.
WELL:20-W-1600-50=HF-260-S-R-150-
NH
31 9 TIT-ABJ2001-1 004 ABJ-2001 32 200 °F AI ANC-404-DIC116-PL-004
SMAR
ASHCROFT
TT301-1-2-1-0-H0-I1-J0-L3-M1-Y3-Y4-
P9-T4-BD WELL: 20-W-1600-50=HF-
260-S-R-150-NH
32 10 LSHH-ABJ2001-1 004 ABJ-2001 DI 10 FT ANC-404-DIC116-PL-010 VEGA VEGASWING63
33 11 LI-ABJ2001-1 004 ABJ-2001 0 7.8 FT NA ANC-404-DIC116-PL-001 JLOGLER
MG-4C-A-2"RF-150#-1-50PSIG-150ºF-
7,8FT-WF-WN-GV-VD
34 12 LI-ABJ2001-2 004 ABJ-2001 0 7.8 FT NA ANC-404-DIC116-PL-001 JLOGLER
MG-4C-A-2"RF-150#-0,84-50PSIG-
150ºF-7,8FT-WF-WN-GV-VD
35 13 LSLL-ABJ2001-1 004 ABJ-2001 DI 1,5 FT ANC-404-DIC116-PL-010 VEGA VEGASWING63
36 14 LSLL-ABJ2001-2 004 ABJ-2001 DI 2,24 FT ANC-404-DIC116-PL-010 VEGA VEGASWING63
37 LCV-ABJ2001-1 004 4"-PF-A1-1011 0 100 % AO ANC-404-DIC116-PL-009 CSV NOTE 3
38 ZSO-ABJ2001-1 004 4"-PF-A1-1011 DI ANC-404-DIC116-PL-009 WESTLOCK 316DB
39 ZSC-ABJ2001-1 004 4"-PF-A1-1011 DI ANC-404-DIC116-PL-009 WESTLOCK 316DB
40 SDV-ABJ2001 004 2"-PW-A1-1000 N/A ANC-404-DIC116-DS-015 PBV BY VENDOR
41 SDY-ABJ2001 004 DO ANC-404-DIC120-DS-015 VERSA VSG-3522-XX-167-A120
42 ZSO-ABJ2001-3 004 DI ANC-404-DIC116-DS-015 MONITEUR AMYB-1120
43 ZSC-ABJ2001-3 004 DI ANC-404-DIC120-DS-015 MONITEUR AMYB-1120
44 LCV-ABJ2001-2 005 4"-PF-A1-1013 0 100 % AO ANC-404-DIC116-PL-009 CSV NOTE 3
45 ZSO-ABJ2001-2 005 4"-PF-A1-1013 DI ANC-404-DIC116-PL-009 WESTLOCK 316DB
46 ZSC-ABJ2001-2 005 4"-PF-A1-1013 DI ANC-404-DIC116-PL-009 WESTLOCK 316DB
47 2 PDI-PBA6003A-1 005 4"-PF-A1-1015 0 10 PSID NA ANC-404-DIC116-PL-005 ASHCROFT 45-1279-S-04L-0/15-PSI-SG
48 3 PI-PBA6003A-1 005 4"-PF-A1-1015 0 15 PSIG NA ANC-404-DIC116-PL-005 ASHCROFT 45-1279-S-04L-0/15-PSI-SG
16
1
Válvula de control en la línea de recirculación
proveniente del tanque de surgencia ABJ-2002
Switch de detección de apertura de la válvula de
control en la línea de recirculación proveniente del
tanque de surgencia ABJ-2002
Válvula ON/OFF para salida de lodos en el separador
Bifásico ABJ-2001
Switch de detección de apertura de la válvula ON/OFF
en la línea de salida de lodos del tanque de surgencia
ABJ-2001
Switch de detección de cierre de la válvula ON/OFF
en la línea de salida de lodos del tanque de surgencia
ABJ-2001
Válvula de entrada de aire para SDV-ABJ2001
SDV-ABJ2001
Página 2 de 5
1 9 FT AI 18 in 72 in VEGA
ANC-404-DIC123-LI-001
ITEM TAG SERVICIO
P&ID																						ANC‐
404‐BP37‐PL‐			
EQUIPO LÍNEA
RANGO	MEDICIÓN
FABRICANTEP&ID
Proyecto No: 404
Ingeniería
Instrumentación y Control
PROYECTO: DESARROLLO DE INGENIERÍA CONCEPTUAL, BÁSICA Y DE DETALLE PARA EL NUEVO SISTEMA DE RECEPCIÓN DE CRUDO
CASA BOMBA
LISTA DE INSTRUMENTOS Y SEÑALES
MODELO NOTAS
PAGINA:
Nº SEÑAL
ALARMAS
SEPARADOR BIFÁSICO
Válvula de alivio de presión
BOMBAS DE ALIMENTACIÓN DE CRUDO
Switch de detección de cierre de la válvula de control
en la línea de recirculación proveniente del tanque de
surgencia ABJ-2002
Indicador de presión difererencial en la línea de
entrada a la bomba PBA-6003A
Indicador de presión en la línea de entrada a la bomba
PBA-6003A
Switch de nivel bajo-bajo, etapa de recolección de
lodos del separador bifásico ABJ-2001
Válvula de control en la línea de salida hacia la bomba
de alimentación de crudo PBA-6003A/B
Switch de detección de apertura de la válvula de
control en la línea de salida hacia la bomba de
alimentación de crudo PBA-6003A/B
Switch de detección de cierre de la válvula de control
en la línea de salida hacia la bomba de alimentación
de crudo PBA-6003A/B
23 1 004 ABJ-2001 ANC-404-DIC116-PL-002
Transmisor Indicador de Nivel Total de agua en el
separador Bifásico ABJ-2001
Válvula de alivio de presión
Indicador de presión compuesto en la segunda etapa
del separador bifásico ABJ-2001
Transmisor indicador de presión en la segunda etapa
del separador bifásico ABJ-2001
Transmisor Indicador de nivel de petroleo crudo en el
separador bifásico ABJ-2001
Indicador de temperatura en primera etapa del
separador bifásico ABJ-2001
Transmisor indicador de temperatura en primera
etapa de separador
Transmisor Indicador de Interface de agua en el
separador Bifásico ABJ-2001
Válvula de alivio de presión
15
Switch de nivel alto-alto, segunda etapa del separador
bifásico ABJ-2001
Indicador de nivel en primera etapa del separador
bifásico ABJ-2001
Indicador de nivel en la segunda etapa del separador
bifásico ABJ-2001
Switch de nivel bajo-bajo , segunda etapa del
separador bifásico ABJ-2001
174
MIN. MAX. UNIT BAJO‐BAJO BAJO ALTO ALTO‐ALTO
49 4 PI-PBA6003A-2 005 4"-PF-A1-1016 0 30 PSIG NA ANC-404-DIC116-PL-005 ASHCROFT 45-1279-S-04L-0/30-PSI-SG
50 5 HS-PBA6003-AA S/S 005 PBA-6003A 2DI ANC-404-DIC116-PL-011 ABB
GREEN: 800H-HAP1B. RED: 800H-
HAP6B. COVER: 800H-NP31.
51 6 HS-PBA6003-AB L/R 005 PBA-6003A 2DI ANC-404-DIC116-PL-011 ABB
800H-JP2KB7AAXX. GANG: 800H-
6HVX7. COVER: 800H-NP30.
52 7 PDI-PBA6003B-1 005 4"-PF-A1-1011 0 10 PSID NA ANC-404-DIC116-PL-005 ASHCROFT 100-6509-S-L-04L-0/10-PDI-GV-TM
53 8 PI-PBA6003B-1 005 4"-PF-A1-1011 0 15 PSIG NA ANC-404-DIC116-PL-005 ASHCROFT 45-1279-S-04L-0/15-PSI-SG
54 9 PI-PBA6003B-2 005 4"-PF-A1-1017 0 30 PSIG NA ANC-404-DIC116-PL-005 ASHCROFT 45-1279-S-04L-0/30-PSI-SG
55 10 HS-PBA6003-BA S/S 005 PBA-6003B 2DI ANC-404-DIC116-PL-011 ABB
GREEN: 800H-HAP1B. RED: 800H-
HAP6B. COVER: 800H-NP31.
56 11 HS-PBA6003-BB L/R 005 PBA-6003B 2DI ANC-404-DIC116-PL-011 ABB
800H-JP2KB7AAXX. GANG: 800H-
6HVX7. COVER: 800H-NP30.
57 1 SDY-PBA6002A-1 006 PBA-6002A DO ANC-404-DIC116-PL-008 ASCO BY VENDOR NOTA 2
58 2 PI-PBA6002A-1 006 2"-PW-A1-1003 0 60 PSIG NA ANC-404-DIC116-PL-005 ASHCROFT
45-1279-S-04L-0/60-PSI-SG
DEAP. SEAL 50-101SS-04T-CG
59 3 SDY-PBA6002B-1 006 PBA-6002B DO ANC-404-DIC116-PL-008 ASCO BY VENDOR NOTA 2
60 4 PI-PBA6002B-1 006 2"-PW-A1-1002 0 60 PSIG NA ANC-404-DIC116-PL-005 ASHCROFT
45-1279-S-04L-0/60-PSI-SG
DEAP. SEAL 50-101SS-04T-CG
61 5 HS-PBA6002-AA S/S 006 PBA-6002B 2DI ANC-404-DIC116-PL-011 ABB
GREEN: 800H-HAP1B. RED: 800H-
HAP6B. COVER: 800H-NP31.
62 6 HS-PBA6002-AB L/R 006 PBA-6002B 2DI ANC-404-DIC116-PL-011 ABB
800H-JP2KB7AAXX. GANG: 800H-
6HVX7. COVER: 800H-NP30.
63 7 HS-PBA6002-BA S/S 006 PBA-6002B 2DI ANC-404-DIC116-PL-011 ABB
GREEN: 800H-HAP1B. RED: 800H-
HAP6B. COVER: 800H-NP31.
64 8 HS-PBA6002-BB L/R 006 PBA-6002B 2DI ANC-404-DIC116-PL-011 ABB
800H-JP2KB7AAXX. GANG: 800H-
6HVX7. COVER: 800H-NP30.
65 1 PSV-ABJ2002-1 008 ABJ-2002 NA ANC-404-DIC116-PL-013
66 2 LI-ABJ2002-4 008 ABJ-2002 1 16 FT NA ANC-404-DIC116-PL-001 VAREC N6700-ST-20F-BM3607
67 3 LSHH-ABJ2002-1 008 ABJ-2002 DI 8FT ANC-404-DIC116-PL-010 VEGA VEGASWING63
68 4 LIT-ABJ2002-1 008 ABJ-2002 1.1 15 FT AI ANC-404-DIC116-PL-002
KROHNE
VEGA
LIT: VEGAFLEX 61
REMOTE INDICATOR: VEGADIS61
69 5 TIT-ABJ2002-1 008 ABJ-2002 32 200 °F AI ANC-404-DIC116-PL-004
SMAR
ASHCROFT
TT301-1-2-1-0-H0-I1-J0-L3-M1-Y3-Y4-
P9-T4-BD WELL: 20-W-1600-50=HF-
260-S-R-150-NH
70 6 LSLL-ABJ2002-1 008 ABJ-2002 DI 4FT ANC-404-DIC116-PL-010 VEGA VEGASWING63
71 7 BSW-ABJ2002-1 008 4"-PF-A1-1019 0 5 % AI ANC-404-DIC116-PL-012 WEATHERFORD 2G
72 8 FIT-ABJ2002-1 008 4"-PF-A1-1019 515 6000 BPD PULSE ANC-404-DIC116-PL-007 NUFLO 1,5-S-F-00000+MC-II-PLUS
Transmisor Indicador de temperatura en la base del
tanque ABJ-2002
Indicador de presión en la línea de descarga de la
bomba PBA-6003A
TANQUE DE SURGENCIA
Indicador de presión en la línea de succión a la bomba
PBA-6003B
Válvula de entrada de aire a bomba neumática PBA-
6002A
Medidor de corte de agua a la salida del tanque ABJ-
2002
Switch de nivel con accionamiento en bajo-bajo en la
base del tanque ABJ-2002
Transmisor Indicador de flujo en la salida del Medidor
de corte de agua BSW-ABJ2002-1
BOMBAS DE ALIMENTACIÓN DE CRUDO
Switch de nivel con accionamiento en alto-alto en el
tanque ABJ-2002
Válvula de alivio de presión en el techo del tanque
ABJ-2002
Indicador de nivel total del tanque ABJ-2002
Transmisor Indicador de nivel en el techo del tanque
ABJ-2002
Pulsador de START/STOP de la bomba PBA-6002B
Válvula de entrada de aire a bomba neumática PBA-
6002B
Indicador de presión en la línea de descarga de la
bomba PBA-6002A
Nº SEÑAL
ALARMAS
Pulsador de START/STOP de la bomba PBA-6003B
Switch selector Local/Remoto para accionamiento de
la bomba PBA-6003B
BOMBAS DE DESCARGA DE AGUA
Indicador de presión en la línea de descarga de la
bomba PBA-6003B
ANC-404-DIC123-LI-001
ITEM TAG SERVICIO
P&ID																						ANC‐
404‐BP37‐PL‐			
EQUIPO LÍNEA
RANGO	MEDICIÓN
FABRICANTEP&ID
Proyecto No: 404
Ingeniería
Instrumentación y Control
PROYECTO: DESARROLLO DE INGENIERÍA CONCEPTUAL, BÁSICA Y DE DETALLE PARA EL NUEVO SISTEMA DE RECEPCIÓN DE CRUDO
CASA BOMBA
LISTA DE INSTRUMENTOS Y SEÑALES
Página 3 de 5
Indicador de presión en la línea de descarga de la
bomba PBA-6002B
Pulsador de START/STOP de la bomba PBA-6002A
Pulsador de LOCAL/REMOTO de la bomba PBA-
6002A
Pulsador de LOCAL/REMOTO de la bomba PBA-
6002B
MODELO NOTAS
PAGINA:
Pulsador de START/STOP de la bomba PBA-6003A
Switch selector Local/Remoto para accionamiento de
la bomba PBA-6003A
Indicador de presión difererencial en la línea de
entrada a la bomba PBA-6003B
175
MIN. MAX. UNIT BAJO‐BAJO BAJO ALTO ALTO‐ALTO
73 9 LSLL-ABJ2002-1 008 ABJ-2002 DI 4FT ANC-404-DIC116-PL-010 VEGA VEGASWING63
74 10 HS-PBA6007-A S/S 008 PBA-6007 2DI ANC-404-DIC116-PL-011 ABB
GREEN: 800H-HAP1B. RED: 800H-
HAP6B. COVER: 800H-NP31.
75 11 HS-PBA6007-B L/R 008 PBA-6007 2DI ANC-404-DIC116-PL-011 ABB
800H-JP2KB7AAXX. GANG: 800H-
6HVX7. COVER: 800H-NP30.
76 12 PI-PBA6007 008 4"-PD-A2-1002 0 30 PSIG NA ANC-404-DIC116-PL-005 ASHCROFT
45-1279-S-04L-0/30-PSI-SG.
DIAP. SEAL: 50-101SS-04T-CG.
77 1 LIT-ZZZ9002-2 009 ZZZ-9002 1.1 7 FT AI 2 FT 7 FT 8 FT ANC-404-DIC116-PL-002 KROHNE VEGAFLEX 61
78 2 LIT-ZZZ9002-1 009 ZZZ-9002 1.1 7 FT AI 2 FT ANC-404-DIC116-PL-002 KROHNE VEGAFLEX 61
79 3 LIT-ZZZ9003-1 009 ZZZ-9003 1.1 7 FT AI 2 FT 8 FT ANC-404-DIC116-PL-002 KROHNE VEGAFLEX 61
80 1 PDI-PBA6004A-1 010 3"-PW-A1-1002 0 5 PSID NA ANC-404-DIC116-PL-005 ASHCROFT 100-6509-S-L-04L-0/5-PDI-GV-TM
81 2 PI-PBA6004A-1 010 3"-PW-A1-1002 PSIG NA ANC-404-DIC116-PL-005 ASHCROFT
45-1188-S-04L-10 in Hg/5 PSI-SG.
DIAP. SEAL. 50-101SS-04T-CG
81 3 HS-PBA6004-AA S/S 010 PBA-6004A 2DI ANC-404-DIC116-PL-011 ABB
GREEN: 800H-HAP1B. RED: 800H-
HAP6B. COVER: 800H-NP31.
82 4 HS-PBA6004-AB L/R 010 PBA-6004A 2DI ANC-404-DIC116-PL-011 ABB
800H-JP2KB7AAXX. GANG: 800H-
6HVX7. COVER: 800H-NP30.
83 5 PDI-PBA6004B-1 010 3"-PW-A1-1001 0 5 PSID NA ANC-404-DIC116-PL-005 ASHCROFT 100-6509-S-L-04L-0/5-PDI-GV-TM
84 6 HS-PBA6004-BA S/S 010 PBA-6004B 2DI ANC-404-DIC116-PL-011 ABB
GREEN: 800H-HAP1B. RED: 800H-
HAP6B. COVER: 800H-NP31.
85 7 HS-PBA6004-BB L/R 010 PBA-6004B 2DI ANC-404-DIC116-PL-011 ABB
800H-JP2KB7AAXX. GANG: 800H-
6HVX7. COVER: 800H-NP30.
86 8 PI-PBA6004B-1 010 3"-PW-A1-1001 PSIG NA ANC-404-DIC116-PL-005 ASHCROFT
45-1188-S-04L-10 in Hg/5 PSI-SG.
DIAP. SEAL. 50-101SS-04T-CG
87 9 PIT-PBA6004 010 3"-PW-A1-1004 0 30 PSIG AI ANC-404-DIC120-DS-006 SMAR
LD291M-3-1-I-1-1-0-2-G0-H0-I1-P9-Y2-
Y4-J0.
88 1 SDY-PBA6005A-1 011 PBA-6005A DO ANC-404-DIC116-PL-008 ASCO BY VENDOR NOTA 2
89 2 SDY-PBA6005B-1 011 PBA-6005B DO ANC-404-DIC116-PL-008 ASCO BY VENDOR NOTA 2
90 3 PI-PBA6005A-1 011 1"-PF-A1-1008 0 30 PSIG NA ANC-404-DIC116-PL-005 ASHCROFT
45-1279-S-04L-0/30-PSI-SG.
DIAP. SEAL: 50-101SS-04T-CG.
91 4 PI-PBA6005B-1 011 1"-PF-A1-1009 0 30 PSIG NA ANC-404-DIC116-PL-005 ASHCROFT
45-1279-S-04L-0/30-PSI-SG.
DIAP. SEAL: 50-101SS-04T-CG.
92 5 HS-PBA6005-AA S/S 011 PBA-6005A 2DI ANC-404-DIC116-PL-011 ABB
GREEN: 800H-HAP1B. RED: 800H-
HAP6B. COVER: 800H-NP31.
93 6 HS-PBA6005-AB L/R 011 PBA-6005A 2DI ANC-404-DIC116-PL-011 ABB
800H-JP2KB7AAXX. GANG: 800H-
6HVX7. COVER: 800H-NP30.
94 7 HS-PBA6005-BA S/S 011 PBA-6005A 2DI ANC-404-DIC116-PL-011 ABB
GREEN: 800H-HAP1B. RED: 800H-
HAP6B. COVER: 800H-NP31.
Página 4 de 5
Switch selector Local/Remoto para accionmiento de la
bomba PBA-6005A
MODELO NOTAS
PAGINA:
Indicador de presión en la línea de descarga de la
bomba neumática PBA-6005A
Indicador de presión en la línea de entrada de la
bomba PBA-6004B
Pulsador de START/STOP de la bomba PBA-6004A
Pulsador de START/STOP de la bomba PBA-6004B
Switch selector Star/Stop para accionmiento de la
bomba PBA-6005A
TANQUE DE SURGENCIA
Transmisor Indicador de nivel para la piscina de
líquidos ZZZ-9002
Switch de nivel con accionamiento en bajo-bajo en la
base del tanque ABJ-2002
PISCINAS API
ANC-404-DIC123-LI-001
ITEM TAG SERVICIO
P&ID																						ANC‐
404‐BP37‐PL‐			
EQUIPO LÍNEA
RANGO	MEDICIÓN
FABRICANTEP&ID
Proyecto No: 404
Ingeniería
Instrumentación y Control
PROYECTO: DESARROLLO DE INGENIERÍA CONCEPTUAL, BÁSICA Y DE DETALLE PARA EL NUEVO SISTEMA DE RECEPCIÓN DE CRUDO
CASA BOMBA
LISTA DE INSTRUMENTOS Y SEÑALES
Nº SEÑAL
ALARMAS
Válula de entrada de aire a bomba neumática PBA-
6005A
BOMBAS DE RECUPERACIÓN DE CRUDO
Indicador de presión en la línea de entrada de la
bomba PBA-6004A
Transmisor de presión en la línea de descarga de las
bombas PBA-6004A & PBA-6004B
Indicador de presión en la línea de descarga de la
bomba neumática PBA-6005B
Pulsador de START/STOP de la bomba PBA-6007
Switch selector Local/Remoto para accionmiento de la
bomba PBA-6007
Switch selector Star/Stop para accionmiento de la
bomba PBA-6005B
Indicador de presión difererencial en la línea de
entrada a la bomba PBA-6004A
Transmisor Indicador de nivel para la piscina de
sedimentación ZZZ-9003
Transmisor Indicador de nivel para compartimento de
recuperación de crudo
BOMBAS DE AGUA
Switch selector Local/Remoto para accionamiento de
la bomba PBA-6004A
Switch selector Local/Remoto para accionmiento de la
bomba PBA-6004B
Indicador de presión diferencial en la línea de entrada
a la bomba PBA-6004B
Indicador de presión en la línea de descarga de la
bomba PBA-60007
Válula de entrada de aire a bomba neumática PBA-
6005B
176
MIN. MAX. UNIT BAJO‐BAJO BAJO ALTO ALTO‐ALTO
#¡REF! 8 HS-PBA6005-BB L/R 011 PBA-6005A 2DI ANC-404-DIC116-PL-011 ABB
800H-JP2KB7AAXX. GANG: 800H-
6HVX7. COVER: 800H-NP30.
96 1 PI-ABJ2003-1 012 1"-PF-A1-1003 0 15 PSIG NA ANC-404-DIC116-PL-005 ASHCROFT 45-1279-S-04L-0/10-PSI-SG.
97 2 PI-ABJ2003-2 012 1"-PF-A1-1004 0 200 PSIG NA ANC-404-DIC116-PL-005 ASHCROFT 45-1279-S-04L-0/200-PSI-SG.
98 3 HS-PBA6006-A S/S 012 PBA-6006 2DI ANC-404-DIC116-PL-011 ABB
GREEN: 800H-HAP1B. RED: 800H-
HAP6B. COVER: 800H-NP31.
99 4 HS-PBA6006-B L/R 012 PBA-6006 2DI ANC-404-DIC116-PL-011 ABB
800H-JP2KB7AAXX. GANG: 800H-
6HVX7. COVER: 800H-NP30.
Página 5 de 5
MODELO NOTAS
PAGINA:
ANC-404-DIC123-LI-001
ITEM TAG SERVICIO
P&ID																						ANC‐
404‐BP37‐PL‐			
EQUIPO LÍNEA
RANGO	MEDICIÓN
FABRICANTEP&ID
Proyecto No: 404
Ingeniería
Instrumentación y Control
PROYECTO: DESARROLLO DE INGENIERÍA CONCEPTUAL, BÁSICA Y DE DETALLE PARA EL NUEVO SISTEMA DE RECEPCIÓN DE CRUDO
CASA BOMBA
LISTA DE INSTRUMENTOS Y SEÑALES
Nº
1.- LA SELECCIÓN, DIMENSIONAMIENTO Y LAS ESPECIFICACIÓNES COMO EL MODELO, ORIFICE SIZE, CV FLOW FACTOR, PRESIÓN DE OPERACIÓN, POSICIÓN DE FALLA SERÁ DADA POR EL PROVEEDOR DEL SKID DEL FILTRO.
2.- LA SELECCIÓN, DIMENSIONAMIENTO Y LAS ESPECIFICACIÓNES COMO EL MODELO, ORIFICE SIZE, CV FLOW FACTOR, PRESIÓN DE OPERACIÓN, POSICIÓN DE FALLA SERÁ DADA POR EL PROVEEDOR DE LAS BOMBAS NEUMÁTICAS.
3.- LA VÁLVULA SERÁ SELECCIONADA POR EL PROVEEDOR ACORDE A LAS CONDICIONES DE SERVICIO EN LAS HOJAS DE DATOS ANC-404-DIC116-PL-009
SEÑAL
ALARMAS
Switch selector Local/Remoto para accionmiento de la
bomba PBA-6006
BOMBAS DE RECUPERACIÓN DE CRUDO
Indicador de presión en la línea de descarga de la
bomba PBA-6006
Pulsador de START/STOP de la bomba PBA-6006
TANQUE DE AGUA DE UTILIDADES
Indicador de presión en la línea de entrada a la bomba
PBA-6006
Switch selector Local/Remoto para accionmiento de la
bomba PBA-6005B
Tabla 5.3 Lista de Instrumentos y Señales para el Nuevo Sistema de Recepción de Crudo
NOTAS
2
2
2
2
2
2
2
2
2
2
2
2
2
RTP
MICRO2016
RTP
MICRO2016
RTP
MICRO2016
RTP
MICRO2016
RTP
MICRO2016
RTP
MICRO2016
RTP
MICRO2016
RTP
MICRO2016
RTP
MICRO2016
RTP
MICRO2016
RTP
MICRO2016
RTP
MICRO2016
RTP
MICRO2016
DISPOSITIVO
SDY-6001A-1
SDY-6001B-1
JYS-PBA-6003A
JYS-PBA-6003B
SDY-PBA6002A-1
SDY-PBA6002B-1
JYS-ZBD9001
JYS-PBA-6004A
JYS-PBA-6004B
SDY-PBA6005A-1
SDY-PBA6002B-1
JYS-PBA-6006
JYS-XXX-XXXX
SERVICIO TAG PLC SAC REF
ESTACIÓN MANUAL ESD
HS-ESD001
RTP
MICRO 2016
ESD
    
MAJ 1001A FILTROS DE INGRESO
ANC 404 BP37 PL 001 0 i1 PDSHH MAJ1001 1
RTP PDAHH A 1 a 1      DI0720C 12
DI1021C-13,
NOTA 4
BOMBA
PBA-6004A
BOMBA
PBA-6004B
BOMBA
PBA-6005A
BOMBA
PBA-6005B
POR
ELCLIENTE
BOMBA
PBA-6003B
BOMBA
PBA-6002A
BOMBA
PBA-6002B
ZBD9001
I.D. DISPOSITIVO ALTERNO
PLC
INDICACIÓN
HISTÓRICO
TENDENDENCIA
CONTROL
EQUIPO
IDDISPOSITIVODESHUTDOWNOCONTROL
NOTAS
PROTECCIÓN ALTERNA
NIVEL1"ESD0"
(PAROGENERAL)
P&ID REF.
REV
NO.
INTERLOCK
No.
COMPONENTE DE PROCESO
SISTEMADE
REINYECCIÓN
BOMBADE
RECUPERACIÓNDE
CRUDOPBA6005A
BOMBADE
RECUPERACIÓNDE
CRUDOPBA6005B
BOMBASDE
ALIMENTACIONDE
CRUDOPBA-6003A
BOMBASDE
ALIMENTACIONDE
CRUDOPBA-6003B
BOMBASDESCARGADE
AGUAPBA-6002A
BOMBASDESCARGADE
AGUAPBA-6002B
SEPARADOR
CENTRIFUGOZBD9001
BOMBADE
ALIMENTACIÓNDE
CRUDOPBA6004A
BOMBADE
ALIMENTACIÓNDE
CRUDOPBA6004B
ID de DISPOSITIVO ALARMA
GENERADA
FUNCIÓNREALIZADA
ANIMACIÓNENHMI
ALARMALOCALAUDIBLE
ALARMALOCALVISUAL
Proyecto No: 404
DIAGRAMA CAUSA EFECTO
#¡REF!
Ingeniería
Instrumentación y Control
Página 2
NOTAS:
1.- ESTA CARTA CAUSA & EFECTO ESTÁ BASADA EN API RP-14C "RECOMMENDED PRACTICE FOR ANALYSIS, DESIGN, INSTALLATION AND TESTING OF BASIC SURFACE
SAFETY SYSTEMS FOR OFFSHORE PRODUCTION PLATFORMS" (API RECOMMENDED PRACTICE 14C SEVENTH EDITION, MARCH 2001).
3.- ESTA VERSIÓN ESTÁ BASADA EN LA ING DETALLE REV-A DE LOS P&ID DEL CAMPO ANCON
4.- ESTACIÓN MANUAL SERÁ UBICADA DENTRO DEL CUARTO DE CONTROL
5,- PROVENIENTE DEL CONTROLADOR DEL SEPARADOR CENTRIFUGO
0
PROYECTO
SISTEMA DE RECEPCIÓN
DE CRUDO - CAMPO ANCÓN
BOMBADEAGUADE
UTILIDADESPBA6006
BOMBA
PBA-6006
RELEVODEPRESIÓN
RELEVODEVACIO
MINIMIZAFLUJODE
RETORNO
BOMBASDEDESCARGA
PBA-6001A
BOMBASDEDESCARGA
PBA-6001B
BOMBA
PBA-6001A
BOMBA
PBA-6001B
BOMBA
PBA-6003A
APAGADO   O CIERRE                
ENCENDIDO O APERTURA        
ACCION REQUERIDA                
ANC-404-BP37-PL-001 0 i1 PDSHH-MAJ1001-1
MICRO 2016
PDAHH A,1,,a,1      
ANC-404-BP37-PL-001 0 PDSH-MAJ1001-1
RTP
MICRO 2016
PDAH A,1,,a,1   
ANC-404-BP37-PL-001 0 FSV-MAJ1001-1 A,1,d,1 
ANC-404-BP37-PL-001 0 FSV-MAJ1001-3 A,1,d,1 
MAJ 1001B FILTROS DE INGRESO
ANC-404-BP37-PL-001 0 i2 PDSHH-MAJ1001-2
RTP
MICRO 2016
PDAHH A,1,,a,1      
ANC-404-BP37-PL-001 0 PDSH-MAJ1001-2
RTP
MICRO 2016
PDAH A,1,,a,1   
ANC-404-BP37-PL-001 0 FSV-MAJ1001-1 A,1,d,1 
ANC-404-BP37-PL-001 0 FSV-MAJ1001-4 A,1,d,1 
MAJ 1002A SISTEMAS DE FILTROS
ANC-404-BP37-PL-002 0 PDSH-MAJ1002A
RTP
MICRO 2016
PDAH A,1,,a,1   
MAJ 1002B SISTEMAS DE FILTROS
ANC-404-BP37-PL-002 0 PDSH-MAJ1002B
RTP
MICRO 2016
PDAH A,1,,a,1   
PBA 6001A BOMBAS DE DESCARGA
ANC-404-BP37-PL-003 0 FSV-PBA6001A-1 A,7,g,1 
PBA 6001B BOMBAS DE DESCARGA
ANC-404-BP37-PL-003 0 FSV-PBA6001B-1 A,7,g,1 
ABJ 2001 SEPARADOR BIFASICO
ANC-404-BP37-PL-004 0 i3 LAHH A,5,c,1      
ANC-404-BP37-PL-004 0 i4 LALL A,5,d,1      
ANC-404-BP37-PL-004 0 i5 LSLL-ABJ2001-2
RTP
MICRO 2016
LALL A,5,d,1      
ANC-404-BP37-PL-004 0 i6 LSHH-ABJ2001-1
RTP
MICRO 2016
LAHH A,5,c,1       
ANC-404-BP37-PL-004 0 i7 LSLL-ABJ2001-1
RTP
MICRO 2016
LALL A,5,d,1       
ANC-404-BP37-PL-004 0 FSV-ABJ2001-1 A,1,d,1 
ANC-404-BP37-PL-005 0 FSV-ABJ2001-2 A,1,d,1 
LIT-ABJ2001-1A
(TOTAL)
AI010H-1
DI0720C-12
DI0719C-11
DI0722C-14
DI0721C-13
DI0714C-6
DI0712C-4
DI0713C-5
RTP
MICRO 2016
ANC-404-BP37-PL-004 0 PSV-ABJ2001-1 A,5,b,1 
ANC-404-BP37-PL-004 0 PSV-ABJ2001-2 A,5,b,1 
PBA 6003A
ANC-404-BP37-PL-005 0 FSV-PBA6003-1 A,7,g,1 
PBA 6003B
ANC-404-BP37-PL-005 0 FSV-PBA6003-2 A,7,g,1 
PBA 6002A
ANC-404-BP37-PL-006 0 FSV-PBA6002A-1 A,7,g,1 
PBA 6002B
ANC-404-BP37-PL-006 0 FSV-PBA6002B-1 A,7,g,1 
ABJ 2002
ANC-404-BP37-PL-007 0 i8 FIT-ZBD9001-1 NOTE 5 FIR A,5,d,1      
ANC-404-BP37-PL-007 0 i9 LSL-ZBD9001-1 NOTE 5 LAL A,5,d,1     
ABJ 2002 TANQUE DE SURGENCIA
ANC-404-BP37-PL-008 0 PSV-ABJ2002-1 A,5,b,1  
ANC-404-BP37-PL-008 i10 LSHH-ABJ2002-1
RTP
MICRO 2016
LAHH A,5,c,1      
ANC-404-BP37-PL-008 i11 LSLL-ABJ2002-1
RTP
MICRO 2016
LALL A,5,c,1      
ANC-404-BP37-PL-008 FSV-ABJ2002-1 A,1,d,1 
ANC-404-BP37-PL-008 FSV-ABJ2002-2 A,1,d,1 
ZZZ 9003
ANC-404-BP37-PL-009 0 i12
RTP
MICRO 2016
LAHH A,5,c,1      
ANC-404-BP37-PL-009 0 i13
RTP
MICRO 2016
LALL A,5,d,1      
ANC-404-BP37-PL-009 0 FSV-ZZZ9003-1 A,1,d,1 
ZZZ 9002 PISCINA DE LIQUIDOS
ANC-404-BP37-PL-009 0 i14 LIT-ZZZ9002-1
RTP
MICRO 2016
LALL A,5,d,1     
PI04A2--2
LIT-ZZZ9003-1
DI0711C-3
DI1020C-12
SEPARADOR CENTRFIFUGO
PISCINA DE SEDIMENTACIÓN
AI016L-12
DI0710C-2
AI017H-13
BOMBAS ALIMENT. CRUDO
BOMBAS ALIMENT. CRUDO
BOMBAS DESCARGA AGUA
BOMBAS DESCARGA AGUA
ANC-404-BP37-PL-009 0 FSV-ZZZ9002-1 A,1,d,1 
ANC-404-BP37-PL-009 0 i15
RTP
MICRO 2016
LAHH A,5,c,1      
ANC-404-BP37-PL-009 0 i16
RTP
MICRO 2016
LALL A,5,d,1      
ANC-404-BP37-PL-009 0
RTP
MICRO 2016
LAH A,5,c,1   
ANC-404-BP37-PL-009 0 FSV-ZZZ9002-2 A,1,d,1 
PBA 6004A BOMBAS DE AGUA
ANC-404-BP37-PL-0010 0 FSV-PBA6004-1 A,7,g,1 
PBA 6004B BOMBAS DE AGUA
ANC-404-BP37-PL-0010 0 FSV-PBA6004-2 A,7,g,1 
PBA 6005A
ANC-404-BP37-PL-011 0 FSV-PBA6005-1 A,7,g,1 
PBA 6005B
ANC-404-BP37-PL-011 0 FSV-PBA6005-2 A,7,g,1 
PBA 6006
ANC-404-BP37-PL-012 0 FSV-ABJ2003-2 A,7,g,1 
ANC-404-BP37-PL-012 0 FSV-ABJ2003-3 A,7,g,1 
BOMBA AGUA UTILIDADES
BOMBAS RECUP. CRUDO
BOMBAS RECUP. CRUDO
LIT-ZZZ9002-2 AI016H-10
Tabla 5.4 Diagrama Causa - Efecto Nuevo Sistema de Recepción de Crudo Casa Bomba
177
Figura 5.3 Arquitectura de Control
178
Figura 5.4 Plot plan de Instrumentación
179
180
Figura 5.5 Lazos de Control
181
Figura 5.6 HMI Filtros de Ingreso – Sistema de Filtro
182
Figura 5.7 HMI Bombas de Descarga de Crudo PBA – 6001 A/B
183
Figura 5.8 HMI Separador Bifásico ABJ - 2001
184
Figura 5.9 Bombas de Alimentación de Crudo PBA – 6003 A/B
185
Figura 5.10 HMI Bombas de Descarga de Agua PBA – 2002 A/B
186
Figura 5.11 HMI Tanque de Surgencia ABJ - 2002
187
Figura 5.12 HMI Piscinas API ZZZ-9002 / ZZZ - 9003
188
Figura 5.13 HMI Bombas Piscinas API 6004 A/B
189
Figura 5.14 HMI Bombas de Recuperación de Crudo PBA – 6005 A/B
190
Figura 5.15 HMI Bombas de Agua de Utilidades PBA - 6006
191
5.10 LÓGICA DE CONTROL17
Para la lógica de control y programación a diseñar se utiliza el software
NetArrays del PLC RTP, la metodología utilizada es similar al Grafcet; pero
acoplado a los diferentes módulos disponibles dentro de este software. En la
Figura 5.16 se puede observar el flujograma general del sistema de control
del nuevo proceso de recepción y deshidratación de crudo en la estación
Casa Bomba.
Figura 5.16 Lógica de Control General del Proceso
En el sistema de control diseñado se puede observar los subprocesos muy
claramente definidos, los mismos que se mencionan a continuación:
 Filtros
 Separador Bifásico
17
La lógica de control únicamente se realizará la recepción y deshidratación primaria de
crudo ya que el proceso restante según lo estudiado anteriormente consta con su propio
PLC.
192
Los subprocesos anteriormente mencionados son agrupados por la función
que desempeñan de tal manera que la lógica de programación sea más
compacta y concisa.
5.10.1 CONTROL DE FILTROS
Este subproceso está compuesto de: filtros de ingreso y sistema de filtros,
como se observa en la Figura 5.17.
Figura 5.17 Control de Filtros
La programación tanto de los filtros de ingreso como del sistema de filtros se
distinguen una de otra de tal manera que se cumplan las condiciones de
operación descritas en el diagrama causa efecto anteriormente diseñado en
la tabla 4.5.
193
5.10.2 CONTROL DEL SEPARADOR BIFÁSICO
En esta etapa del proceso es donde se ejecuta la deshidratación primaria; es
decir el flujo que pasó por los filtros se dirige al separador bifásico, su
función es deshidratar la mayor cantidad de agua para pasar a la siguiente
etapa que es el separador centrífugo el mismo que rompe las moléculas de
emulsión de crudo en agua para garantizar que el BSW sea menor o igual al
0.5%.
En la Figura 5.18 se distingue claramente dos etapas: la separación primaria
del crudo en las cámaras del separador bifásico y las bombas que
intervienen directamente con las señales provenientes del separador.
Figura 5.18 Control del Separador Bifásico
Al igual que en el control de filtros, la programación está acorde con el
diseño del diagrama causa efecto de tal manera que cumpla con los
parámetros de proceso especificados en los planos P&ID.
194
5.10.3 TAGS DEL SISTEMA DE CONTROL
El resultado de la lógica de control descrita anteriormente se resume en la
Figura 5.19, en donde se indica el nombre y el tipo de módulo seleccionado
para la programación del nuevo proceso de recepción y deshidratación de
crudo.
Figura 5.19 Módulos de la lógica de control
5.10.4 PROGRAMACIÓN DEL PROCESO
Para el diagnóstico del sistema de control propuesto es necesario conocer el
funcionamiento de las diferentes herramientas que el software RTP
NetArrayas brinda para una programación mediante bloques. Dicha
programación permite crear una base de datos donde se van asignando los
diferentes tags de las variables del proceso.
Dependiendo de la utilidad y necesidad, se puede utilizar una de las
siguientes funciones que presenta la programación mediantes bloques:
 Constante
 Variables
 Mayor que / Menor que
 Igual
 Comparadores
 Generadores de Onda
196
 División
 Suma
 Resta
 Funciones Trigonométricas
 Promedio
 Límites
 Filtros
Las funciones mencionadas anteriormente se aplican para los siguientes
grupos de objetos:
 Objetos Enteros (Figura 5.20).
 Objetos Booleanos (Figura 5.21).
 Contadores y Temporizadores (Figura 5.22).
 Conversores (Figura 5.23).
 Formularios de Objetos (Figura 5.24).
 Tablas de Objetos (Figura 5.25).
Figura 5.20 Objetos Enteros Figura 5.21 Objetos Decimales
Figura 5.22 Contadores Figura 5.23 Conversores
y Temporizadores
198
Figura 5.24 Formulario de Objetos Figura 5.25 Tabla de Objetos
Para la programación de los subprocesos de la lógica de control
anteriormente diseñada es necesario interactuar con las diferentes funciones
y bloques de objetos que ofrece el software RTP NetArrays.. En la Figura
5.26 se puede observar la relación que existe entre las diferentes variables y
bloques de objetos. La programación de cada subproceso depende de cada
diseñador o programador del sistema, lo importante es lograr que sistema
funcione adecuadamente según su diseño.
Figura 5.26 Programación Sistema de Filtros de Ingreso
En las figuras siguientes se resume la programación de los subprocesos del
nuevo sistema de recepción y deshidratación de crudo en la estación Casa
Bomba. Para la programación de los diferentes subprocesos se procedió de
manera similar a la programación del sistema de filtros; es decir se
interactúa con las diferentes funciones y bloques de objetos que ofrece el
software RTP NetArrays.
199
Figura 5.27 Programación Sistema de Filtros (Tren de Filtros)
Figura 5.28 Programación del Separador Bifásico
Las diferentes programaciones de los subprocesos del nuevo sistema de
recepción y deshidratación de crudo de la estación Casa Bomba generan
identificaciones conocidas como ‘Tags”, dichos tags ayudan a encontrar con
mayor facilidad una variable del proceso para conocer su estado y su lugar
donde sus valores puedan afectar al proceso. Además de lo antes
mencionado mediante la creación de los tags se puede asignar la
visualización de las variables del proceso en las pantallas HMI diseñadas.
200
Esta característica genera una gran facilidad para mostrar el estado de las
variables en tiempo real. En la Figura 5.29 y 5.30 se puede observar los tags
más destacados que son generados de las diferentes programaciones del
proceso.
Figura 5.29 Tabla de Tags Secundarios
Figura 5.30 Tabla de Tags Principales
169
CONCLUSIONES Y RECOMENDACIONES
201
6.1 CONCLUSIONES
 La concepción de un proyecto es mucho más fácil partiendo de un
levantamiento de información de la situación actual de un proyecto, de
esta manera se podrá proponer varias alternativas de solución las
mismas que deberán ser evaluadas y como resultado de dicha
evaluación se obtendrá la solución que mejor se ajuste a la necesidad
de un proyecto.
 El desarrollo del presente proyecto por etapas de ingeniería: conceptual,
básica y de detalle, facilitó el planteamiento y cumplimiento de los
objetivos del diseño del nuevo sistema de recepción y deshidratación de
crudo en la estación Casa Bomba, teniendo así en la ingeniería
conceptual la elección de la alternativa de proceso mediante una
evaluación de las alternativas propuestas, en la ingeniería básica la
definición y diseño de equipos mayores mediante el dimensionamiento
de equipos mayores y por último en la ingeniería de detalle teniendo el
diseño del sistema de control así como también los detalles
constructivos de cada disciplina ya sea mecánica, civil, eléctrica e
instrumentación & control.
 De las alternativas estudiadas el separador centrífugo es el sistema más
eficiente ya que su diseño interior más la acción de 10 000 g como
principio de funcionamiento hacen que cualquier emulsión de crudo en
agua se separe, además su estructura y componentes compactos hacen
que el sistema sea modular facilitando el mantenimiento y la flexibilidad
operativa, con lo cual los costos por mantenimiento y operación sean
menores a comparación de las demás alternativas estudiadas, razones
por la cuales el separador centrífugo se destaca siendo así la alternativa
de proceso seleccionada.
 Los transmisores de nivel indicados en el diseño del separador bifásico
son esenciales para el correcto funcionamiento del separador centrífugo
202
ya que el flujo que ingresa a este equipo debe ser constante por
recomendaciones del fabricante, por lo cual es necesario la recirculación
de crudo en el sistema y para lograr este principio de funcionamiento es
necesario instalar los instrumentos que accionarán las válvulas de
control así como también los instrumentos que controlarán las diferentes
bombas del sistema.
 El paquete integrado RTP Net Suite permite tener al diseñador las
herramientas más importantes para la elaboración de la programación
del controlador, configuración de tarjetas, elaboración de pantallas HMI,
alarmas, tendencias e históricos.
 La función principal del sistema de control diseñado y la lógica de
programación, es realizar un monitoreo de todo el proceso y disponer de
herramientas para realizar un procesamiento de la información adquirida
en campo, alertando así al operador sobre el funcionamiento y
desempeño del proceso en general en las pantallas HMI diseñadas para
el efecto.
 Es importante conocer, manejar e interpretar las normativas de
construcción entre las cuales se destaca: API, ASME, ANSI, ISA, IEC,
NEMA, NFPA., ya que de esta manera se estará en capacidad diseñar,
seleccionar, dimensionar y garantizar que un trabajo o actividad sea de
calidad y cumpla con las funciones requeridas.
 Para el diseño implementación esta basada en los planos elaborados en
la ingeniería desarrollada comprobando su manejo y utilidad.
 El desarrollo del presente proyecto es el resultado de la recopilación de
un gran cantidad de información tanto bibliográfica como personal
transmitida por personal de ASOCIACIÓN PACIFPETROL S.A y la
UNIVESIDAD TECNOLÓGICA EQUINOCCIAL que ha permitido
profundizar los conocimientos adquiridos durante el transcurso de la
carrera, pues se ha comprobado la aplicación de las distintas áreas que
conforman la carrera ingeniería mecatrónica.
203
6.2 RECOMENDACIONES
 En el manejo del sistema de control se debería establecer políticas
seguridad, permitiendo a cada usuario tener un acceso definido
acorde con el perfil que se considere necesario.
 Cuando se diseña en base a normativas los costos de los materiales y
equipos son elevados, esto se debe a las especificaciones de diseño
que se requieren, para cumplir o estar dentro de los márgenes de
alguna normativa, por lo cual se recomienda analizar las etapas o
procesos críticos de un proyecto y en base a los resultados de este
análisis definir los tramos que requieren un diseño minucioso en base
a normativas para garantizar la seguridad del sistema. De esta
manera se lograría reducir costos en la ejecución del proyecto, como
también se reduciría el tiempo de compra de materiales y equipos ya
que no sería necesario exportar dichos insumos.
 El desarrollo del presente trabajo llevo consigo varios temas de
investigación entre los cuales se destaca la revisión y comprensión de
las diferentes normas nacionales e internacionales aplicables a la
carrera de Ingeniería Mecatrónica por lo cual se debería considerar
dentro del plan de carrera una cátedra especializada en normativas
de diseño y construcción ya que la carrera Ingeniería Mecatrónica es
la interrelación de varias ramas de la ingeniería.
172
BIBLIOGRAFÍA
204
 Vladimidir A. Kalichevsky, E. H. Peters, Petroleum Products
Handbook, Fist Edition, Editorial McGraw-Hill Book Company, INC.
United States, New York, 1990.
 NEC. National Electrical Code, HandBook NEC 2002. Chapter 3:
Wiring Methods and Materials, United States, Quincy, Massachusetts,
2002. MA 02269-910
 API. Norma API12F, Specification for Ship Welded Tanks for Storage
of Production Liquids, Eleventh Edition, November 1, 1994. United
States, Washington DC 2005.
 API. Norma API-RP-520, Sizing Selection and Installation of Pressure
Relieving Devices in Refineries, Seventh Edition, January, United
States, Washington DC, 2000.
 API. Norma API-RP-521, Guide for Pressure-Relieving and
Depressuring Systems, Fourth Edition, March, United States,
Washington DC, 1997.
 API. Norma API RP-500, "Recommended Practice for Classification of
Locations for Electrical Installation in Petroleum Facilities", Second
Edition, November, United States, Washington DC, 1997.
 API. Norma API 551, Process Measuremente Instrument, Fist Edition,
May, 1993. United States, Washington DC 2005.
 API. Norma API RP 14E, Recommended Practice for Design and
Installation of Offshore Production Platform Piping Systems, Fifth
Edition Octuber 1, 1991, United States, Washington DC 2005.
 ISA. Norma ISA 5.1-1984 (R1992), Instrumentation Symbols and
Identifaction, United States, Research Triangle Park, North Carolina
27709. ISBN: 0-87664-844-8.
 ISA. Norma ISA 5.5-1986 (R1992), Graphic Symbols for Process
Displays, United States, Research Triangle Park, North Carolina
27709. ISBN: 0-87664-935-5.
 ISA. Norma ISA S20 - Specification Forms for Process Measurement
and Control Instruments, Primary Elements and Control Valves.
205
United States, Research Triangle Park, North Carolina 27709. ISBN:
0-87664-347-0.
 ISA. Norma ISA S75.01-1985 – Flow Equations for Sizing Control
Valves. United States, Research Triangle Park, North Carolina 27709.
ISBN: 0-87664-899-5.

 ISA. Norma ANSI/ISA S71.01-1985 - Environmental Conditions for
Process Measurement and Control Systems: Temperature and
Humidity. United States, Research Triangle Park, North Carolina
27709. ISBN: 0-87664-894-0.
 Norma PDVSA. Conductores Eléctricos Documento No PI-13-02-01.
Venezuela, Caracas 2005.
 Norma PDVSA. Obras Eléctricas Documento No N-201. Venezuela,
Caracas 2005.
 Norma PDVSA. Guías de seguridad en Diseño Documento No
90622.1.001. Volumen 22, Venezuela, Caracas 2005.
 R. A. Day, Jr.; A.L. Underwood. Química Analítica Cuantitativa.
Ediciones PRENTICE HALL. Hispanoamericana. 1989. pp. 90-97.
 http://www.pdvsa.com/index.php?tpl=interface.sp/design/readmenu.tpl
.html&newsid_obj_id=288&newsid_temas=16
 http://es.scribd.com/doc/52355465/1/DEFINICION-DE-SISTEMAS-
DE-BOMBEO
 http://www.sishica.com/sishica/download/Manual.pdf
 http://es.scribd.com/doc/54959401/3/COALESCENCIA
173
173
ANEXOS
206
206
ANEXO 1 MANUALES RTP NET SUITE
User Guide
RTPView
HMI Development
Software
User Interface
RTP Corp. Confidential 2-1
Section 2
RTPView User Interface
2-1 Main Window
This section of the user guide provides an overview of the graphical interface presented
to the user by RTPView. Whenever you select New or open an RTPView project, the
display shown below appears on your screen. The display is divided into the following
main areas:
Caption Bar
Main Menu Bar
Alarms
Main Toolbar
Run Toolbar
Application Toolbar
Project Pane
Work Area
Palette
Status Bar
User Interface
2-2 RTP Corp. Confidential
2-2 Menu Bar
The main menu bar provides access to the following pull-down menus:
• File
• Edit
• View
• Project
• Execute
• Security
• Device
• Window
• Help
2-2.1 File Menu
New Project (Ctrl+N)
Creates a new project. If a project is currently open, it will be closed. If any changes
have been made since the last save, you will be asked if you want to save them before
closing. A blank page will appear in the Work Area.
Open Project (Ctrl+O)
Opens a previously created project. If a project is currently open, it will be closed. If any
changes have been made since the last save, you will be asked if you want to save them
before closing. Navigate to the RTPView project file (.npj) in the dialog box and click
Open.
Close Project
Closes the current project. If any changes have been made since the last save, you will
be asked if you want to save them before closing.
Save Project (Ctrl+S)
Saves the current project.
Save Project As...
Allows you to save the current project as a new file with a new name and path.
User Interface
RTP Corp. Confidential 2-3
Print… (Ctrl+P)
Prints the project pages on the selected printer.
Print Preview
Allows you to see how the project pages will appear on the printed sheets.
Print Setup…
Allows you to select a printer and to configure the printer’s properties.
Recent File List
This area contains a list of the four most recently accessed project files. Any of these
files can be opened by clicking on the file name.
Exit
Closes the current project, if one is open, and exits RTPView. If any changes have been
made since the last save, you will be asked if you want to save them before closing.
2-2.2 Edit Menu
Undo (Ctrl+Z)
Disabled in this release of the software.
Cut (Ctrl+X)
Removes the selected object or group from the page and saves it in the clipboard.
Copy (Ctrl+C)
Copies the selected object or group into the clipboard.
Paste (Ctrl+V)
Pastes the contents of the clipboard onto the page.
User Interface
2-4 RTP Corp. Confidential
Delete
Deletes the selected object or group from the page.
Align
Aligns the selected objects or groups to the right side, left side, top, or bottom of the lead
object or group.
Make Same Size
Makes the selected objects or groups the same width, height, or size as the lead object
or group.
Bring to Front
Moves the selected object or group in front of an overlying object or group.
Send to Back
Moves the selected object or group behind an underlying object or group.
Show Grid
Shows or hides the object alignment grid on the project pages.
Group
Groups the selected objects together, so they can be manipulated as a single object.
Note that the Object Properties is disabled for grouped objects; you must ungroup them
to access the Object Properties.
Ungroup
Ungroups a previously grouped collection of objects, so they can be manipulated
individually.
Data Properties…
Displays the Data Properties window for the selected object or group.
Object Properties…
Displays the Object Properties window for the selected object.
Edit Bitmap
Launches Microsoft® Paint for editing existing images creating new images to use in your
project.
2-2.3 View Menu
Toolbar
Displays or hides the Main Toolbar.
Palette
Displays or hides the Palette toolbar.
User Interface
RTP Corp. Confidential 2-5
Project
Displays the Project Pane if it was hidden.
Run
Displays or hides the Run toolbar.
Status Bar
Displays or hides the Status Bar.
Applications
Displays or hides the NetSuite Applications toolbar.
Edit
Displays or hides the Edit toolbar.
2-2.4 Project Menu
Inset Page
Inserts a blank page in the work area and adds a page in the project pane.
Delete Page
Deletes the page, and all its objects, from the project. You will be asked to confirm your
decision to delete the page.
Preferences
The Preferences dialog configures the security access feature, which can limit an
operators access to Windows functions and alarm acknowledge functions.
2-2.5 Execute Menu
Run
Runs a complied project. If required, it will also compile the project before running it.
Stop
Stops the project and returns RTPView to the editing mode.
User Interface
2-6 RTP Corp. Confidential
2-2.6 Security Menu
Login
Allows a user to log in by entering a valid user name and password.
Logout
Logs out the current user.
2-2.7 Device Menu
Configuration
Allows you to add, edit, or remove target device definitions.
Status
Displays the status of a configured target device.
2-2.8 Window Menu
Cascade
Arranges the project pages in an overlapping fashion.
Tile
Displays all the project’s pages in the work area.
Page List
Allows you to move any page to the top of the pile.
User Interface
RTP Corp. Confidential 2-7
2-2.9 Help Menu
Help Topics
Accesses the RTPView help file.
About RTPView
Displays RTPView version and copyright information.
2-3 Alarm Tools
The Alarm tools alert the operator of an alarm condition. Clicking on either alarm tool
displays the RTPAMS Alarms window. Refer to Section 9.
2-4 Toolbars
The toolbars provide quick access to RTPView functions. Note that any of the toolbars
can be moved to other position on the display, or hidden from view.
2-4.1 Main Toolbar
The Main Toolbar provides shortcuts to the selections found in the File and Edit menus.
New
Creates a new project. If a project is currently open, it will be closed. If any
changes have been made since the last save, you will be asked if you want to
save them before closing. A blank page will appear in the Work Area.
Open
Opens a previously created project. If a project is currently open, it will be
closed. If any changes have been made since the last save, you will be asked if
you want to save them before closing. Navigate to the RTPView project file (.npj)
in the dialog box and click Open.
Save
Saves the current project.
Cut
Removes the selected object from the page and saves it in the clipboard.
User Interface
2-8 RTP Corp. Confidential
Copy
Copies the selected object into the clipboard.
Paste
Pastes the contents of the clipboard onto the page.
Paint
Opens Microsoft® Paint for creating new images to use in your project.
Login
Allows a user to log in by entering a valid user name and password.
Logout
Logs out the current user.
2-4.2 Run Toolbar
The Run Toolbar provides shortcuts to the selections found in the Build menu and page
selection functions.
Run
Starts project execution.
Stop
Stops project execution.
Back Page
Displays the previous page in the work area.
Forward Page
Displays the next page in the work area.
Select Page
Allows you to select any page from a list of defined pages.
2-4.3 Applications Toolbar
The Applications Toolbar allows you to launch other NetSuite programs.
NetArrays
Starts the NetArrays developer studio application.
User Interface
RTP Corp. Confidential 2-9
RTPDAS
Starts the RTPDAS data recording application.
RTPDTS
Starts the RTPDTS data trending application.
RTPFIFO
Starts the RTPFIFO data buffer access application.
RTPSOE
Starts the RTPSOE sequence-of-events data access application.
2-4.4 Palette Toolbar
The Palette is used to add objects to a page.
Pointer
When the pointer tool is selected, you can select objects within the work area,
move them, re-size them, and change their properties.
Edit Box
Selecting this tool allows you to place an edit box on the page. This object can
be used to add text to a page, or to display a data point’s value.
Picture
This tool is used to place a graphic onto the page. This can be a simple
rectangle, or an image selected from the library. Pictures can be static or linked
to data points.
Gauge
This tool is used to place a gauge or dial object onto the page. A gauge will
display the value of a linked data point. A dial can be used to set a linked data
point value.
Trend
This tool is used to place a trend chart onto the page. It is used to plot the value
of a linked data point.
User Interface
2-10 RTP Corp. Confidential
2-4.5 Edit Toolbar
The Edit toolbar allows you to align and resize objects (or groups of objects), arrange the
order of objects (or groups of objects), and to show or hide the page grid.
Align Left
Aligns the left sides of all the selected objects with the left side of the lead object.
Align Right
Aligns the right sides of all the selected objects with the right side of the lead
object.
Align Top
Aligns the top of all the selected objects with the top of the lead object.
Align Bottom
Aligns the bottom of all the selected objects with the bottom of the lead object.
Same Width
Makes all the selected objects the same width as the lead object.
Same Height
Makes all the selected objects the same height as the lead object.
Same Size
Makes all the selected objects the same height and width as the lead object.
Bring to Front
Moves the selected object in front of the other objects.
Send to Back
Moves the selected object behind the other objects.
Show Grid
Shows or hides the object alignment grid pattern on all project pages.
User Interface
RTP Corp. Confidential 2-11
2-5 Project Pane
The Project Pane gives a complete tree-type graphic display of all elements of the
project. It is updated whenever any page or object is added or deleted. You can
navigate to any page or object in the work area by clicking on its icon in the Project Pane.
2-6 Status Bar
Status or Tips User Name Cursor Object
Coordinates Dimensions
The Status Bar displays tips, the name of the logged-in user, the coordinates of the
cursor, and the dimensions of the selected object.
2-7 Work Area/Pages
The RTPView work area displays the pages that comprise your project. When you first
start a project, a single blank page appears in the work space. A project is created by
adding objects to the page and linking some of these objects to data points. Projects can
consist of several pages.
User Interface
2-12 RTP Corp. Confidential
2-8 Project File Structure
The files created by RTPView are organized as shown below. For example, in the
directory 'RTP NetSuite/RTPView/Projects' three projects were created: Project A,
Project B, and Project C. Each project consists of a project file (.npj) and an associated
project folder with the same name as the .npj file.
The project folders contain the objects files (.nob), one for each page of the RTPView
project as shown. In addition, it may contain other data files, such as RTPAMS.dat,
which stores the alarm configuration preferences for the project.
It is important to remember that when transporting or backing up a project, that you copy
both the project file and the project folder, and that they remain in the same relative
position. That is, the project folder and the project file (.npj) must be in the same
directory.
2-9 Batch Processing
Using batch processing you can launch RTPView and open a project file by specifying
the file in the command line. The command would be formatted as shown here:
pathRTPView.EXE pathprojectfile.npj
Where path is the full path to the files and projectfile is the name of the RTPView project
file.
You can also launch RTPView, open a project file, and initiate run mode by appending
the command line with the run project command.
pathRTPView.EXE pathprojectfile.npj -runproject
Example:
"C:RTP NetSuiteRTPViewRTPView.EXE" "C:RTP
NetSuiteRTPViewProjectsProject A.npj" -runproject
Pictures
RTP Corp. Confidential 6-1
Section 6
Pictures
6-1 Introduction
This section presents the basics of manipulating pictures in an RTPView project.
Pictures are perhaps the most-used objects within an RTPView project. They can used
to build a graphical representation of a process.
6-2 Adding Pictures
A picture is added to a page by selecting the Picture tool, moving the mouse pointer to an
area on the page, and clicking the left mouse button. A gray rectangle (picture
placeholder) will appear on the page. At this point, you can move the placeholder with
the mouse by grabbing it anywhere along the edge of the rectangle, or re-size it by
grabbing one of the anchor points and stretching it. You can also move and stretch the
picture using the arrow keys on the keyboard (arrow to move, Shift-arrow to stretch).
The next step is to select the properties of the picture object.
Pictures
6-2 RTP Corp. Confidential
6-3 Picture Object Properties
The presentation of the picture is controlled by the object properties. To assign
properties to the object, position the mouse pointer on the placeholder and click the right
mouse button. Select “Object Properties…” from the menu.
6-3.1 General
The initial display is the general properties. This allows you to associate the picture with
a data point and select a background color.
After making changes, click on the Apply button to save the property changes without
exiting. Click OK to change the picture’s properties and close the properties window.
Click Cancel to close the window and return with the properties as they were.
Pictures
RTP Corp. Confidential 6-3
Data
Picture objects can be static or linked to a data point:
None – Object is not linked to a data point
Read – Object is linked to a data point, the value read will control the object
Read/Write – Object is linked to a data point and can control the data point's value
RTPView – Object is linked to a page within this RTPView project (Pulse True or
Pulse False button) or linked to an executable file (Program button)
Back Color
The background color of the object can be selected using the standard color dialog.
Repeat write while mouse button is pressed
This option is enabled if the Data selection is Read/Write; it determines when the data is
written to the linked data point. If this option is checked, the linked data point is
continuously updated while the mouse button is pressed. If it is not checked, the linked
data point is not updated until the mouse button is released.
6-3.2 Caption
Click on the Caption tab if you want to display a title or caption with the picture. Controls
are provided to specify the position, format, and color of the text.
Caption
The text typed in this field will be displayed with the picture.
H. Pos
This controls the horizontal position of the caption. Move the slider to the right to move
the caption to the right, or to the left to move the caption to the left.
V. Pos
This controls the vertical position of the caption. Move the slider to the right to move the
caption up, or to the left to move the caption down.
Font
Click on this button to select the font, style, and size of the caption.
Color
Click on this button to select the color of the caption.
Pictures
6-4 RTP Corp. Confidential
6-3.3 Image
RTPView provides a library of bit-mapped files that are used to construct a graphical
representation of a process.
Category
Images are grouped into categories; some examples are given below. Note that
categories (folders in the RTPViewPictures directory) can be added or changed by the
user at any time.
Batch Misc. Pipes Pumps
Blower Misc Scales
Boiler Mixers Segmented Pipes
Chemical Motors Sensors
Electrical Nature Tank Cutaways
Flow Meters Pipes Tanks
ISA Symbols Process Cooling Valves
Material Handling Process Heating Water & Wastewater
Pictures
This is a list of the available pictures within the selected category. The selected picture
appears in the preview field. Note that pictures can be added by the user to any
category. To add pictures to a category, copy your bit map to an existing category
directory, or create a new category folder and copy your bit map there.
Preview
This area displays the selected image. Note that more than one image can be assigned
to an object to create an animation sequence using the Preview scroll bar and the Value
field. Use the scroll bar to advance to the next preview, select an image, and assign an
integer value that will determine the range of values (less than or equal to) when the
image is displayed.
The MC is the mask color. It determines which portions of the picture will take on the
background color. You can change the mask color by clicking on another part of the
picture preview.
Pictures
RTP Corp. Confidential 6-5
6-3.4 Button
Objects linked to data points can contain a button (switch) whose position is tied to a
value. A button can be linked to a data point to control its value, linked to an RTPView
page to control its display, or linked to an executable file to launch a program. (Note that
to create a button that will open another page, select RTPView under the General tab
and select a button Type of Pulse True or Pulse False.)
Enabled
Checking this box enables a button control for this object. Note that only one linked
property (button, fill, motion, or scale) can be enabled for an object.
Type
This selection defines the type of switch being created.
Toggle – Selecting Toggle creates a button that switches from true to false, or false
to true, each time the button is pressed.
Pulse True – Selecting Pulse True creates a button that switches from false to true,
and then back to false, each time the button is pressed.
Pulse False – Selecting Pulse False creates a button that switches from true to false,
and then back to true, each time the button is pressed.
Program – Selecting Program creates a button that will launch a program. The
Program field specifies the executable file. If the program is to open a data file,
specify the file name in the Parameters field. Use the complete path name for these
files. Note that RTPView must be selected in the Data field under the General tab.
Pictures
6-6 RTP Corp. Confidential
6-3.5 Fill
Objects linked to data points can have their display color tied to a value. The object will
appear to fill and empty in response to changes in the data point’s value.
Enable
Checking this box enables fill control for this object. Note that only one linked property
(button, fill, motion, or scale) can be enabled for an object.
Fill
This selection determines the apparent direction of fill within the object.
Up – The object fills from bottom to top.
Down – The object fills from top to bottom.
Right – The object fills from left to right.
Left – The object fills from right to left.
Fill Color
The standard color dialog is used to select the fill color that replaces the background
color of the object.
Display Value
The linked value can be displayed with the object if desired.
None – No value is displayed.
Percentage – The value is displayed as a percentage of the range of values defined
by the minimum and maximum values.
Real – The actual value is displayed.
Pictures
RTP Corp. Confidential 6-7
Min Value
The minimum value determines the value corresponding to an empty object. None of the
fill color will appear on the object.
Max. Value
The maximum value determines the value corresponding to a full object. The entire
object will be displayed in the fill color.
6-3.6 Motion
Objects linked to data points can have their apparent position tied to a value. The object
will appear to move on the page in response to changes in the data point’s value.
Enabled
Checking this box enables motion control for this object. Note that only one linked
property (button, fill, motion, or scale) can be enabled for an object.
Move
This selection determines the direction of motion from the minimum value to the
maximum value: Up, Down, Left, or Right.
Min Value
The minimum value determines the value corresponding to the left side for horizontal
motion, or the bottom for vertical motion.
Max. Value
The maximum value determines the value corresponding to the right side for horizontal
motion, or the top for vertical motion.
Pictures
6-8 RTP Corp. Confidential
6-3.7 Scale
Objects linked to data points can have their apparent size tied to a value. The object will
appear to grow and shrink in response to changes in the data point’s value.
Enable
Checking this box enables scale control for this object. Note that only one linked property
(button, fill, motion, or scale) can be enabled for an object.
Scale
This selection determines the direction that the object grows in response to increasing
values.
Width to Right – The object grows from left to right as the linked value increases.
The height of the object is constant.
Width to Left – The object grows from right to left as the linked value increases. The
height of the object is constant.
Height to Top – The object grows from bottom to top as the linked value increases.
The width of the object is constant.
Height to Bottom – The object grows from top to bottom as the linked value
increases. The width of the object is constant.
Both – The object grows from upper left to lower right as the linked value increases.
The width and the height of the object change proportionally.
Min Value
The minimum value determines the value corresponding to the minimum horizontal or
vertical limit. The object will disappear at this value.
Max. Value
The maximum value determines the value corresponding to the maximum horizontal or
vertical limit. The object will fill the entire area between the minimum and maximum
limits.
Pictures
RTP Corp. Confidential 6-9
6-4 Picture Data Properties
The Data Properties window allows you to rename the picture object. It is also used to
specify a data point if button, motion, scale, or fill properties are defined for the object.
Pictures can also be linked to RTPView pages, to jump to another page or to display a
page as a popup. Position the mouse pointer on the picture and click the right mouse
button. Select “Data Properties…” from the menu.
6-4.1 General
Note that the Tag, Device, and Comments columns will appear only if the Data type in the
picture’s Object properties is set to Read or Read/Write. If the Data type is None, only
the Name column will be displayed.
Pictures
6-10 RTP Corp. Confidential
Name
RTPView names each picture as it is placed on the page (Object1, Object2, Object3,
etc.). This can be replaced by a more meaningful name by typing one into the field.
Tag
Select the tag name of the linked object from the list of tags. You can also type in the
first few characters of the tag name to help you locate it in the list. Note that only tag
names assigned to the Project Tag Database will appear in the list. If the tag name does
not exist in the Project Tag Database, you can type in the tag name followed by a Return.
However, to complete the connection, this new tag name must eventually be added to the
database. To connect to a tag from an OPC-enabled controller, see Appendix A.
Device
The name of the device that is running the NetArrays program file will appear in this field.
It can be changed, if desired, by selecting another device from the list of configured
devices. For information on how to configure a device, go to Section 10 of this
document.
Comments
This field displays the comments associated with the selected tag in the Project Tag
Database.
6-4.2 RTPView Data
The RTPView Data properties are used only if the Data type in the picture’s Object
properties is set to RTPView. They are used to name the picture and link it to a page
within the project.
Name
RTPView names each picture as it is placed on the page (Object1, Object2, Object3,
etc.). This can be replaced by a more meaningful name by typing one into the field.
Pictures
RTP Corp. Confidential 6-11
Jump To Page
From the list of page names, select the page that will be linked to the picture object. The
object must be configured as Button with its Type set to either Pulse True or Pulse False
for proper operation. (If the object is a Program button, leave this field blank.)
6-4.3 Security
Note that the Tag, Device, and Comments columns will appear only if the Data type in the
picture’s Object properties is set to Read/Write.
Access Level
This selection determines which users are allowed to change the value generated by the
picture object. Thirty security access levels are available, Security1 through Security30.
Only users assigned to a group with the corresponding security level can change the
value. If "Same as Page" is selected, the picture object has the same security access
level as the page.
Logging
If this box is checked, the edit box will be included in the NetArrays log file. The entry in
the log will contain a time stamp of the action, user name, linked object, and the value
entered, or the time stamp, user name, application, and file name.
6-4.4 Grouped Objects
If pictures are grouped together, or with other objects, the Data Properties window will
change appearance. It will contain an additional field for naming the group, and a list of
properties (tag and device, or jump to) of objects within the group. Note that only Read,
Read/Write, or RTPView linked objects are included in this list. Static (un-linked) objects
are omitted. Note also that if two or more objects within the group have the same object
name, they will have only one entry in the table.

51607 1

  • 1.
    UNIVERSIDAD TECNOLÓGICA EQUINOCCIAL FACULTADDE CIENCIAS DE LA INGENIERÍA CARRERA DE INGENIERÍA MECATRÓNICA DISEÑO DEL SISTEMA DE CONTROL Y NUEVO PROCESO DE RECEPCIÓN, DESHIDRATACIÓN DE CRUDO EN LA ESTACIÓN CASA BOMBA – ANCÓN DE LA EMPRESA PACIFPETROL S.A PROYECTO PREVIO A LA OBTENCIÓN DEL TÍTULO DE INGENIERO MECATRÓNICO DARIO JAVIER GUALAVISI CAZAR DIRECTOR: PHD. DANIEL MIDEROS. Quito, Octubre 2012.
  • 2.
    1 DERECHOS DE AUTOR ©Universidad Tecnológica Equinoccial. 2012. Reservados todos los derechos de reproducción.
  • 3.
    2 DECLARACIÓN Yo, Darío JavierGualavisí Cazar declaro bajo juramento que el trabajo aquí descrito es de mi autoría; que no ha sido previamente presentada para ningún grado o calificación profesional; y, que he consultado las referencias bibliográficas que se incluyen en este documento. A través de la presente declaración cedo mis derechos de propiedad intelectual correspondientes a este trabajo, a la Universidad Tecnológica Equinoccial, según lo establecido por la Ley de Propiedad Intelectual, por su Reglamento y por la normatividad institucional vigente. ______________________ Darío Gualavisí. 172364586-5
  • 4.
    3 CERTIFICACIÓN Certifico que elpresente trabajo que lleva por título “DISEÑO DEL SISTEMA DE CONTROL Y NUEVO PROCESO DE RECEPCIÓN, DESHIDRATACIÓN DE CRUDO EN LA ESTACIÓN CASA BOMBA – ANCÓN DE LA EMPRESA PACIFPETROL S.A”, que, para aspirar al título de Ingeniero Mecatrónico fue desarrollo por Darío Gualavisí, bajo mi dirección y supervisión, en la Facultad de Ciencias de la Ingeniería; y cumple con las condiciones requeridas por el reglamento de Trabajos de Titulación artículos 18 y 25. ________________________ PHD. DANIEL MIDEROS DIRECTOR DEL PROYECTO 171317732-5
  • 5.
    AGRADECIMIENTO La presente tesises un esfuerzo en el cual, directa o indirectamente, participaron varias personas leyendo, opinando, corrigiendo, teniéndome paciencia, dando ánimo, acompañando en los momentos de crisis y en los momentos de felicidad. Me es grato mencionar y agradecer a varios ingenieros del Departamento de Proyectos de la empresa “Asociación Pacifpetrol S. A”, Byron Cruz, Cristian Llive, Cristian Vega, Edison Taipicaña, Edgar Mármol; en especial mención a los ingenieros Pablo Espinosa y Jhon Fernández que como líderes de Departamento me brindaron la oportunidad de realizar este proyecto, muchas gracias por sus observaciones, consejos y oportunidades de mejora, estoy seguro que todo lo aprendido junto a ustedes me servirá para desarrollarme y crecer como un excelente profesional. De igual manera quiero dar un agradecimiento efusivo al Ingeniero Daniel Mideros por su paciencia y oportuna dirección del presente trabajo, que a pesar de los inconvenientes presentados en el desarrollo de este trabajo siempre existió la predisposición de buscar una solución o alternativa ante estos inconvenientes. Finalmente, pero no menos importantes, a cada uno de los docentes de la Facultad de Ciencias de la Ingeniería, quienes se esmeraron en transmitir sus conocimientos para formar excelentes profesionales.
  • 6.
    DEDICATORIA A mis padres,porque creyeron en mi y porque me sacaron adelante, dándome ejemplos dignos de superación y entrega, porque en gran parte gracias a ustedes, hoy puedo ver alcanzada una de mis metas, ya que siempre estuvieron impulsándome en los momentos más difíciles de mi carrera. El orgullo que sienten por mi, fue lo que me hizo ir hasta el final. Va por ustedes, por lo que valen, porque admiro su fortaleza, enseñanzas y consejos. Gracias por todo lo que han hecho por mí, sé que esto no termina aquí; pero es una meta cumplida y no hubiera sido posible sin su apoyo incondicional, Carlos y Verónica. A mi hermano Danilo que ha sabido ser una persona digna de admirar por su fortaleza y perseverancia ante las adversidades, fuiste tú quien me ayudó a entender y comprender muchas cosas y te lo agradeceré toda la vida. A mi hermana quién a pesar de su corta edad ha logrado demostrar todo su cariño y en quién espero sea una persona de bien que contará siempre con mi incondicional apoyo, a Camilita. A mis tías y tíos quiénes han sabido aconsejarme y brindarme todo su amor Susana, Silvia, Orlando, Aníbal, Anita, Elena. A mis abuelitos por toda su sabiduría y apoyo, Papito Lucho, Mamita Martha, Mamita Carmela. A mi familia. Gracias por haber fomentado en mí el deseo de superación y el anhelo de triunfo en la vida. Mil palabras no bastarían para agradecerles su apoyo, comprensión y sus consejos en los momentos difíciles. A todos, espero no defraudarlos y contar siempre con su valioso apoyo, sincero e incondicional.
  • 7.
    i i ÍNDICE 1. INTRODUCCIÓN........................................................................................ 1 2.MARCO TEÓRICO...................................................................................... 7 2.1 DESHIDRATACIÓN DE CRUDO .............................................................. 7 2.1.1 SEPARACIÓN AGUA – PETRÓLEO..................................................... 7 2.2 FUNDAMENTOS DE SEPARACIÓN DE MEZCLAS GAS LÍQUIDO ....... 8 2.2.1 SEPARACIÓN POR FUERZA CENTRÍFUGA ....................................... 8 2.2.2 SEPARACIÓN POR CHOQUE .............................................................. 9 2.2.3 CAMBIO DE CANTIDAD DE MOVIMIENTO O MOMÉNTUM............... 9 2.2.4 SEDIMENTACIÓN.................................................................................. 9 2.2.5 COALESCENCIA.................................................................................... 9 2.2.6 ABSORCIÓN ........................................................................................ 10 2.2.7 ADSORCIÓN........................................................................................ 10 2.2.8 TANQUES DE PRODUCCIÓN............................................................. 10 2.3 EQUIPOS PARA SEPARAR FLUIDOS LA INDUSTRIA PETROLERA 11 2.3.1 SEPARADORES .................................................................................. 11 2.3.2 SEPARADORES DE GAS.................................................................... 12 2.3.3 SEPARADORES A BAJA TEMPERATURA ........................................ 12 2.3.4 ELIMINADORES................................................................................... 12 2.3.5 DEPURADORES.................................................................................. 13 2.4 LOCALIZACIÓN GEOGRÁFICA DE LA ESTACIÓN CASA BOMBA..... 13 2.5 COMPONENTES DE LA ESTACIÓN CASA BOMBA ............................ 14 2.6 CONDICIONES AMBIENTALES............................................................. 14 2.7 PRODUCCIÓN ESTIMADA..................................................................... 15 2.8 DESCRIPCIÓN ACTUAL DEL SISTEMA DE RECEPCIÓN, DESHIDRATACIÓN Y ALMACENAMIENTO DE CRUDO............................ 16 2.8.1 SISTEMAS DE LEVANTAMIENTO ARTIFICIAL EN EL BLOQUE ANCON.......................................................................................................... 16 2.8.2 TRATAMIENTO DE CRUDO................................................................ 23 2.8.3 MANEJO DE AGUA.............................................................................. 26
  • 8.
    ii ii 2.8.4 MANEJO DESÓLIDOS........................................................................ 27 2.9 DIAGRAMA DE BLOQUES DEL ACTUAL SISTEMA DE RECEPCIÓN, DESHIDRATACIÓN Y ALMACENAMIENTO DE CRUDO............................ 27 2.10 RELACIÓN DE RECEPCIÓN DE CRUDO ........................................... 29 3. METODOLOGÍA........................................................................................ 31 3.1 CONSIDERACIONES GENERALES ...................................................... 30 3.1.1 RECEPCIÓN DE CRUDO.................................................................... 30 3.2 ALTERNATIVAS ESTUDIADAS.............................................................. 31 3.2.1 CELDA DE FLUJO CRUZADO – TANQUE DE LAVADO ................... 31 3.2.2 SEPARADOR CENTRÍFUGO .............................................................. 34 3.2.3 SEPARADOR CICLÓNICO.................................................................. 35 3.3 ALMACENAMIENTO DE PETRÓLEO .................................................... 36 3.4 SERVICIOS AUXILIARES....................................................................... 37 3.4.1 INSTRUMENTACIÓN Y CONTROL .................................................... 37 3.4.2 AIRE DE INSTRUMENTOS Y DE PLANTA......................................... 38 3.4.3 INYECCIÓN DE QUÍMICOS ................................................................ 38 3.4.4 AISLAMIENTO...................................................................................... 38 3.5 DIAGRAMA DE BLOQUES PROPUESTO PARA EL SISTEMA DE RECEPCIÓN DE CRUDO ............................................................................. 38 3.5.1 SEPARACIÓN DE SÓLIDOS............................................................... 40 3.5.2 TRATAMIENTO DE CRUDO................................................................ 40 3.5.3 MANEJO DE AGUA.............................................................................. 40 3.5.4 MANEJO DE SÓLIDOS........................................................................ 40 3.6 ALTERNATIVAS PROPUESTAS............................................................ 40 3.7 EVALUACIÓN TÉCNICO-ECONÓMICA DE ALTERNATIVAS .............. 47 3.7.1 ESCENARIOS PROPUESTOS PARA LA EVALUACIÓN ................... 47 3.7.2 CRITERIOS DE SELECCIÓN DE TECNOLOGÍAS............................. 47 3.7.3 VENTAJAS Y DESVENTAJES TECNOLOGÍAS ESTUDIADAS......... 48 3.7.4 PARÁMETROS DE EVALUACIÓN ...................................................... 52 3.7.5 VALORACIÓN DE TECNOLOGÍAS..................................................... 56 3.8 SELECCIÓN DE LA ALTERNATIVA PROPUESTA ............................... 58
  • 9.
    iii iii 4. DISEÑO DELA ALTERNATIVA SELECCIONADA – SEPARADOR CENTRÍFUGO ............................................................................................... 55 4.1 BASES Y CRITERIO DE DISEÑO MECÁNICO PARA EL SISTEMA PROPUESTO ................................................................................................ 59 4.1.1 SISTEMA DE FILTROS........................................................................ 59 4.1.2 DIMENSIONAMIENTO DE SEPARADORES HORIZONTALES......... 62 4.1.3 SEPARADORES CENTRÍFUGOS....................................................... 71 4.1.4 PISCINAS DE SEDIMENTACIÓN API (SEPARADOR)....................... 74 4.1.5 TANQUES DE SURGENCIA Y ALMACENAMIENTO ......................... 78 4.1.6 DIMENSIONAMIENTO DE LÍNEAS..................................................... 81 4.1.7 DIMENSIONAMIENTO DE BOMBAS .................................................. 84 4.2 MEMORIA DE CÁLCULO BOMBAS DE ALIMENTACIÓN DE CRUDO PBA-6003 A/B................................................................................................ 85 4.3 CODIFICACIÓN PARA DIAGRAMAS P&ID ........................................... 96 4.3.1 CÓDIGO PARA IDENTIFICACIÓN DE VÁLVULAS ............................ 96 4.3.2 CÓDIGO PARA IDENTIFICACIÓN DE CAÑERÍAS ............................ 97 4.3.3 CÓDIGO PARA IDENTIFICACIÓN DE EQUIPOS .............................. 99 4.3.4 TABLA ISA DE CÓDIGO FUNCIONAL DE INSTRUMENTOS.......... 101 4.3.5 CÓDIGOS LITERALES DE INSTRUMENTOS MÁS USADOS......... 102 4.3.6 OTRAS ABREVIATURAS .................................................................. 105 4.4 SIMBOLOGÍA PARA PLANOS P&ID .................................................... 106 4.5 PIPING & INSTRUMENT DIAGRAM .................................................... 106 4.5.1 P&ID FILTROS DE INGRESO ........................................................... 106 4.5.2 P&ID SISTEMA DE FILTROS ............................................................ 106 4.5.3 P&ID BOMBAS DE DESCARGA........................................................ 107 4.5.4 P&ID SEPARADOR BIFÁSICO.......................................................... 107 4.5.5 P&ID BOMBAS ALIMENTACIÓN CRUDO ....................................... 108 4.5.6 P&ID BOMBAS DESCARGA DE AGUA ............................................ 109 4.5.7 P&ID SEPARADOR CENTRÍFUGO................................................... 109 4.5.8 P&ID TANQUE DE SURGENCIA....................................................... 110 4.5.9 P&ID PISCINAS API........................................................................... 111 4.5.10 P&ID BOMBAS AGUA DE PISCINAS............................................. 112 4.5.11 P&ID BOMBA RECUPERACIÓN CRUDO....................................... 112 4.5.12 P&ID BOMBA DE AGUA DE UTILIDADES...................................... 112
  • 10.
    iv iv 4.6 LISTADO DEEQUIPOS........................................................................ 126 4.7 LISTADO DE LÍNEAS............................................................................ 128 4.8 LISTADO DE TIE-IN.............................................................................. 134 5. DISEÑO DEL SISTEMA DE CONTROL................................................. 135 5.1 FILOSOFÍA DE OPERACIÓN Y CONTROL NUEVO PROCESO........ 135 5.1.1 CONSIDERACIONES BÁSICAS........................................................ 135 5.1.2 SEPARACIÓN PRIMARIA DE SÓLIDOS .......................................... 136 5.1.3 SEPARACIÓN DE LÍQUIDOS............................................................ 137 5.2 SEPARADOR CENTRÍFUGO ............................................................... 138 5.2.1 CARGA DE CRUDO DE PRODUCCIÓN........................................... 138 5.2.2 TAMBOR DE LA CENTRÍFUGA ........................................................ 139 5.2.3 PAQUETE DE DISCOS CÓNICOS.................................................... 139 5.2.4 DESCARGA DE LÍQUIDOS ............................................................... 140 5.2.5 TRANSMISIÓN DE POTENCIA ......................................................... 141 5.2.6 MATERIALES DE CONSTRUCCIÓN ................................................ 141 5.2.7 LUBRICACIÓN ................................................................................... 141 5.2.8 LIMPIEZA ........................................................................................... 142 5.2.9 PROTECCIÓN CONTRA EXPLOSIÓN ............................................. 142 5.2.10 SISTEMA DE CONTROL DE LA CENTRÍFUGA ............................. 142 5.3 ALMACENAMIENTO DE PETRÓLEO .................................................. 143 5.4 BASES Y CRITERIO DE DISEÑO DE INSTRUMENTACIÓN Y CONTROL ................................................................................................... 144 5.4.1 UNIDADES DE INGENIERÍA ............................................................. 144 5.4.2 NORMAS Y/O ESTÁNDARES APLICABLES.................................... 146 5.4.3 NIVELES DE VOLTAJE ..................................................................... 146 5.4.4 CLASIFICACIÓN DE ÁREAS............................................................. 147 5.4.5 CONSIDERACIONES GENERALES EN INSTRUMENTACIÓN....... 147 5.4.6 CRITERIOS PARA LA SELECCIÓN DE INSTRUMENTOS.............. 149 5.4.7 MONTAJE DE INSTRUMENTOS....................................................... 161 5.4.8 CRITERIOS PARA LA SELECCIÓN DE CABLES DE INSTRUMENTACIÓN Y CONTROL............................................................ 161 5.4.9 IDENTIFICACIÓN DE CABLES, Y JUNCTION BOX......................... 162
  • 11.
    v v 5.4.10 CANALIZACIONES PARACABLES ................................................ 163 5.4.11 CAJAS DE CONEXIÓN.................................................................... 164 5.4.12 CONTROL Y MONITOREO ............................................................. 165 5.4.13 SISTEMA DE PUESTA TIERRA ...................................................... 166 5.4.14 UNIDADES PAQUETE..................................................................... 166 5.4.15 PRUEBAS......................................................................................... 167 5.5 ARQUITECTURA DE CONTROL.......................................................... 168 5.6 PLOT PLAN DE INSTRUMENTACIÓN................................................. 168 5.7 MATRIZ CAUSA EFECTO DEL PROCESO (SAFETY CHART).......... 169 5.8 DIAGRAMAS DE LAZOS DE CONTROL ............................................. 169 5.9 INTERFAZ HOMBRE – MÁQUINA HMI................................................ 169 5.10 LÓGICA DE CONTROL ...................................................................... 191 5.10.1 CONTROL DE FILTROS.................................................................. 192 5.10.2 CONTROL DEL SEPARADOR BIFÁSICO ...................................... 193 5.10.3 TAGS DEL SISTEMA DE CONTROL .............................................. 194 5.10.4 PROGRAMACIÓN DEL PROCESO ................................................ 194 CONCLUSIONES Y RECOMENDACIONES.............................................. 169 6.1 CONCLUSIONES.................................................................................. 201 6.2 RECOMENDACIONES.......................................................................... 203 BIBLIOGRAFÍA ANEXOS ANEXO 1 MANUALES RTP NET SUITE .................................................... 206
  • 12.
    vi vi TABLA DE FIGURAS MARCODE TEÓRICO FIGURA 2.1 SEPARACIÓN DE AGUA - PETRÓLEO .................................... 7  FIGURA 2.2 TANQUES DE PRODUCCIÓN................................................. 10  FIGURA 2.3 SEPARADOR DE PRODUCCIÓN............................................ 12  FIGURA 2.4 LOCALIZACIÓN ESTACIÓN CASA BOMBA........................... 13  FIGURA 2.5 COMPONENTES ESTACIÓN CASA BOMBA ......................... 14  FIGURA 2.6 EQUIPO DE BOMBEO MECÁNICO......................................... 17  FIGURA 2.7 ESQUEMA GENERAL BOMBEO MECÁNICO ........................ 18  FIGURA 2.8 EQUIPO SWAB ........................................................................ 19  FIGURA 2.9 EQUIPO DE HERRAMIENTA LOCAL...................................... 20  FIGURA 2.10 EQUIPO CHUCHARA............................................................. 21  FIGURA 2.11 EQUIPO GAS LIFT................................................................. 21  FIGURA 2.12 EQUIPO PLINGER LIFT AUTÓNOMO .................................. 22  FIGURA 2.13 EQUIPO PLUNGER LIFT ANCÓN......................................... 23  FIGURA 2.14 TREN DE FILTROS COALESCENTES ................................. 24  FIGURA 2.15 TANQUES DE ALMACENAMIENTO DIARIO........................ 25  FIGURA 2.16 TANQUE DE REPOSO: TK-N................................................ 25  FIGURA 2.17 TANQUE DE ALMACENAMIENTO: TK-H ............................. 26  FIGURA 2.18 PISCINAS API ........................................................................ 26  FIGURA 2.19.- DIAGRAMA DE BLOQUES ACTUAL................................... 28  FIGURA 2.20.- RELACIÓN DE RECEPCIONES DE CRUDO...................... 29 METODOLOGÍA FIGURA 3.1 ESQUEMA DE LA CELDA DE FLUJO CRUZADO.................. 31  FIGURA 3.2 CONGLUTINADOR DE PLACA ............................................. 33  FIGURA 3.3 ESQUEMA EQUIPO CENTRÍFUGO........................................ 35  FIGURA 3.4 ESQUEMA DEL SEPARADOR CICLÓNICO........................... 36  FIGURA 3.5 DIAGRAMA DE BLOQUES PROPUESTO .............................. 39 
  • 13.
    vii vii FIGURA 3.6 SIMBOLOGÍAPARA DIAGRAMAS DE FLUJO DE PROCESO PFD................................................................................................................ 42  FIGURA 3.7.- ALTERNATIVA 1 - CELDA DE FLUJO CRUZADO CON TANQUE DE LAVADO .................................................................................. 43  3.8.- ALTERNATIVA 2A – SEPARADOR CENTRÍFUGO............................. 44  FIGURA 3.9.- ALTERNATIVA 2B – SEPARADOR CENTRÍFUGO.............. 45  FIGURA 3.10.- ALTERNATIVA 3 – HIDROCICLÓN..................................... 46 DISEÑO DE LA ALTERNATIVA SELECCIONADA – SEPARADOR CENTRÍFUGO FIGURA 4.1 CÓDIGO FUNCIONAL DE INSTRUMENTOS ....................... 102  FIGURA 4.2 SIMBOLOGÍA PARA PLANOS P&ID ..................................... 113  FIGURA 4.3 P&ID FILTROS DE INGRESO................................................ 114  FIGURA 4.4 P&ID SISTEMA DE FILTROS ................................................ 115  FIGURA 4.5 P&ID BOMBA DE DESCARGA .............................................. 116  FIGURA 4.6 P&ID SEPARADOR BIFÁSICO.............................................. 117  FIGURA 4.7 P&ID BOMBAS ALIMENTACIÓN DE CRUDO....................... 118  FIGURA 4.8 P&ID BOMBA DE DESCARGA DE AGUA............................. 119  FIGURA 4.9 P&ID SEPARADOR CENTRÍFUGO....................................... 120  FIGURA 4.10 P&ID TANQUE DE SURGENCIA......................................... 121  FIGURA 4.11 P&ID PISCINAS API............................................................. 122  FIGURA 4.12 P&ID BOMBA DE PISCINA DE AGUA................................. 123  FIGURA 4.13 P&ID BOMBA DE RECUPERACIÓN DE CRUDO............... 124  FIGURA 4.14 P&ID BOMBA DE AGUA DE UTILIDADES.......................... 125 DISEÑO DEL SISTEMA DE CONTROL FIGURA 5.1 CORTE TRANSVERSAL DEL SEPARADOR CENTRÍFUGO138  FIGURA 5.2 DISCOS CÓNICOS DEL SEPARADOR CENTRIFUGO ....... 140  FIGURA 5.3 ARQUITECTURA DE CONTROL........................................... 178  FIGURA 5.4 PLOT PLAN DE INSTRUMENTACIÓN.................................. 179  FIGURA 5.5 LAZOS DE CONTROL............................................................ 180  FIGURA 5.6 HMI FILTROS DE INGRESO – SISTEMA DE FILTRO ......... 181 
  • 14.
    viii viii FIGURA 5.7 HMIBOMBAS DESCARGA DE CRUDO PBA – 6001 A/B.... 182  FIGURA 5.8 HMI SEPARADOR BIFÁSICO ABJ - 2001............................. 183  FIGURA 5.9 BOMBAS DE ALIMENTACIÓN DE CRUDO PBA – 6003 A/B184  FIGURA 5.10 HMI BOMBAS DE DESCARGA DE AGUA PBA – 2002 A/B185  FIGURA 5.11 HMI TANQUE DE SURGENCIA ABJ - 2002........................ 186  FIGURA 5.12 HMI PISCINAS API ZZZ-9002 / ZZZ - 9003......................... 187  FIGURA 5.13 HMI BOMBAS PISCINAS API 6004 A/B .............................. 188  FIGURA 5.14 HMI BOMBAS RECUPERACIÓN CRUDO PBA – 6005 A/B189  FIGURA 5.15 HMI BOMBAS DE AGUA DE UTILIDADES PBA - 6006...... 190  FIGURA 5.16 LÓGICA DE CONTROL GENERAL DEL PROCESO.......... 191  FIGURA 5.17 CONTROL DE FILTROS ...................................................... 192  FIGURA 5.18 CONTROL DEL SEPARADOR BIFÁSICO........................... 193  FIGURA 5.19 MÓDULOS DE LA LÓGICA DE CONTROL......................... 194  FIGURA 5.20 OBJETOS ENTEROS........................................................... 196 FIGURA 5.21 OBJETOS DECIMALES ....................................................... 196  FIGURA 5.22 CONTADORES..................................................................... 196 FIGURA 5.23 CONVERSORES.................................................................. 196 FIGURA 5.24 FORMULARIO DE OBJETOS.............................................. 198 FIGURA 5.25 TABLA DE OBJETOS........................................................... 198  FIGURA 5.26 PROGRAMACIÓN SISTEMA DE FILTROS DE INGRESO. 198  FIGURA 5.27 PROGRAMACIÓN SISTEMA DE FILTROS (TREN DE FILTROS)..................................................................................................... 199  FIGURA 5.28 PROGRAMACIÓN DEL SEPARADOR BIFÁSICO .............. 199  FIGURA 5.29 TABLA DE TAGS SECUNDARIOS ...................................... 200  FIGURA 5.30 TABLA DE TAGS PRINCIPALES......................................... 200 
  • 15.
    ix ix ÍNDICE DE TABLAS INTRODUCCIÓN TABLA1.1 COSTO DE LA INVERSIÓN DEL PROYECTO............................ 6 MARCO TEÓRICO TABLA 2.1 CONDICIONES AMBIENTALES CASA BOMBA. ...................... 15  TABLA 2.2.- PRODUCCIÓN ESTIMADA – SÓLIDOS EN EL FLUIDO........ 15 METODOLOGÍA TABLA 3.1 VENTAJAS-DESVENTAJAS DE LA ALTERNATIVAS .............. 52  TABLA 3.2 VALORACIÓN Y EVALUACIÓN DE ALTERNATIVAS .............. 57 DISEÑO DE LA ALTERNATIVA SELECCIONADA – SEPARADOR CENTRÍFUGO TABLA 4.1.- PRESIÓN DE DISEÑO FILTROS............................................. 62  TABLA 4.2.- TIEMPO RETENCIÓN HIDROCARBURO/AGUA.................... 64  TABLA 4.3 ESBELTEZ EN FUNCIÓN DE LA PRESIÓN DE OPERACIÓN. 64  TABLA 4.4.- ALTURAS LLL PARA DIÁMETROS DE RECIPIENTES.......... 65  TABLA 4.5.- TIEMPOS DE RETENCIÓN Y ALMACENAMIENTO DE LÍQUIDO ........................................................................................................ 65  TABLA 4.6.- DIMENSIONES Y UBICACIÓN DE PLACAS COALESCENTES ....................................................................................................................... 67  TABLA 4.7.- PRESIÓN DE DISEÑO PARA RECIPIENTES......................... 69  TABLA 4.8.-FACTORES DE TURBULENCIA F............................................ 78  TABLA 4.9.- VELOCIDADES Y CAÍDAS DE PRESIÓN............................... 82  TABLA 4.10.- CRITERIOS PARA EL DIMENSIONAMIENTO DE LÍNEAS.. 83  TABLA 4.11 CÓDIGO PARA IDENTIFICACIÓN DE CAÑERÍAS................. 99 
  • 16.
    x x TABLA 4.12 CÓDIGOPARA IDENTIFICACIÓN DE EQUIPOS................. 100  TABLA 4.13 TABLA ISA DE CÓDIGOS DE INSTRUMENTOS.................. 101  TABLA 4.14 LISTADO DE EQUIPOS MECÁNICOS PARA EL NUEVO SISTEMA DE RECEPCIÓN Y DESHIDRATACIÓN DE CRUDO CASA BOMBA........................................................................................................ 127  TABLA 4.15 LISTADO DE LÍNEAS............................................................. 133 DISEÑO DEL SISTEMA DE CONTROL TABLA 5.1 UNIDADES DE MEDIDA PARA INSTRUMENTACIÓN Y CONTROL` .................................................................................................. 145  TABLA 5.2 NORMAS – ESTÁNDARES APLICABLES............................... 146  TABLA 5.4 LISTA DE INSTRUMENTOS Y SEÑALES PARA EL NUEVO SISTEMA DE RECEPCIÓN DE CRUDO .................................................... 176  TABLA 5.5 DIAGRAMA CAUSA - EFECTO NUEVO SISTEMA DE RECEPCIÓN DE CRUDO CASA BOMBA .................................................. 177 
  • 17.
    x RESUMEN El presente proyectoconsiste en el estudio del proceso de separación y deshidratación de crudo de la estación Casa Bomba de la empresa Asociación Pacifpetrol S.A. El proceso de recepción, deshidratación de crudo de la estación necesitaba ser modernizado y rediseñado ya que varios sus equipos requieren salir de operación, razón por la cual fue necesario realizar un estudio de ingeniería para proponer y analizar tres alternativas que cumpla con la eficiencia del proceso en estudio. Una vez culminado el estudio de ingeniería conceptual se concluyó que la alternativa que cumplía con los requerimientos actuales y futuros para suplir la salida de los equipos del actual sistema es la utilización de un separador centrífugo. Con la alternativa seleccionada bajo varios criterios técnicos y económicos definidos en la ingeniería conceptual, se procedió a diseñar detalladamente el nuevo proceso de recepción y deshidratación de crudo para la estación Casa Bomba. Para el sistema de supervisión y control fue indispensable los planos P&ID ya que mediante la información indicada en ellos se definió la arquitectura y lógica de control para diseñar el diagrama causa efecto que posteriormente serviría para la programación del sistema de monitoreo mediante una interfaz hombre máquina (HMI) diseñada en el software RTPView. Para verificar que tanto la lógica de control como la visualización de las variables de proceso estén acorde al diseño se configuró el simulador del procesador 2316 del PLC RTP validando así su correcto funcionamiento y dando como resultado el cumplimiento del objetivo del presente trabajo.
  • 18.
    xi ABSTRACT This project involvesthe study of the process of separation and dehydration of crude Pump Station House Asociación Pacifpetrol S. A. The process of receiving, oil dehydration station needed to be modernized and redesigned as several teams out of operation required, why was required an engineering study to propose and analyze three alternative that meets the process efficiency studied. Once completed the conceptual engineering study concluded that the alternative that met the requirements to meet current and future output of the equipment of the present system is the use of a centrifugal separator. With the alternative selected under various technical and economic criteria defined in conceptual engineering, design proceeded to detail the new reception and dehydration process of crude Pump Station House. For the system of supervision and control was essential planes P & ID since by the information in them was defined architecture and control logic to design diagram causal later serve to program the monitoring system through a Human Machine Interface (HMI) software designed RTPView. To verify that both the control logic and display of process variables are set according to the design of the processor simulator RTP 2316 PLC validating correct operation and resulting in meeting the objective of the present work.
  • 19.
  • 20.
    1 1 El presente proyectoconsiste en el estudio del sistema de recepción y deshidratación de crudo de la planta de tratamiento de crudo de la empresa Pacifpetrol S. A, dicha planta se encuentra ubicada en la provincia de Santa Elena en la parroquia de Ancón. El tratamiento y procesamiento de crudo inicia con la recolección de petróleo de los diferentes pozos, toda producción diaria es llevada mediante tanqueros a la planta procesadora de crudo también conocida como estación Casa Bomba. La estación Casa Bomba actualmente opera bajo un proceso que no garantiza que la separación y deshidratación de crudo sea eficiente. Asociación Pacifpetrol S. A tiene la obligación de cumplir las disposiciones y normativas impuestas por las diferentes entidades de control, entre las cuales se destaca fiscalización de Refinería La Libertad. El crudo entregado como producto final a Refinería La Libertad deberá tener un BSW (Basic Sediment Water) máximo permisible de 0.5 – 1%, si el crudo entregado sobrepasa dichos valores, fiscalización estará en la potestad de penalizar económicamente al valor del barril de petróleo entregado. El actual sistema tiene como función separar agua de crudo únicamente bajo la acción de la gravedad, la misma que por diferencias de densidades logra decantar sólidos y separar de emulsiones de crudo en agua en una gran parte. Este proceso hace que los tiempos de residencia en los tanques de deshidratación sean prolongados y el proceso en sí no sea eficiente para garantizar que el BSW sea menor al 1%. Además de lo anteriormente mencionado existen equipos que necesitan salir de operación, como es el caso del tanque de almacenamiento diario, que fue diseñado para tanque de almacenamiento de gasolina mas no de crudo; pero por motivos operacionales opera actualmente como tanque de almacenamiento diario de crudo. Junto con salida del tanque de almacenamiento (Tanque K) por haber cumplido con su tiempo de vida útil fue necesario realizar un estudio de ingeniería conceptual con el fin de
  • 21.
    2 2 encontrar una posiblealternativa de proceso logrando así modernizar el proceso de recepción y deshidratación de crudo logrando así producir crudo de buena calidad cumpliendo con las disposiciones de las diferentes entidades de control. El mantenimiento del actual sistema es manual lo cual dificulta que el proceso sea efectivo ya que la operación tiene que pararse para poder realizar el mantenimiento. Este particular hace que los costos por mantenimiento y operación de la planta sean elevados con lo cual el actual sistema no logra ser eficiente y como consecuencia de esto hace que el consumo de recursos sea mayor. Por los antecedentes mencionados anteriormente es necesario rediseñar el sistema de recepción y deshidratación de crudo, así como también es necesario analizar alternativas de mejora para garantizar que el tratamiento de crudo en la estación sea eficiente y cumpla con las exigencias de las diferentes entidades gubernamentales de control. Para solucionar estos problemas se planteó el presente proyecto con los siguientes objetivos: Objetivo General Diseñar el sistema de control y nuevo proceso de recepción, deshidratación de crudo en la estación Casa Bomba de la Empresa Pacifpetrol S.A. Objetivos específicos:  Plantear, analizar y seleccionar una alternativa de flujo proceso (PFD) que esté acorde a los intereses de Pacifpetrol S.A para garantizar que la deshidratación de crudo sea eficiente.
  • 22.
    3 3  Realizar laingeniería básica de la alternativa seleccionada para definir los planos P&ID’s y los equipos mayores del sistema.  Diseñar las pantallas gráficas HMI del nuevo proceso de recepción y deshidratación de crudo propuesto mediante el cual se monitoreará las variables del proceso.  Diagnosticar el funcionamiento de la programación de las variables de proceso estipuladas en el diseño propuesto mediante una interfaz hombre máquina HMI. Mediante la implementación de un nuevo sistema de recepción y deshidratación de crudo, el funcionamiento operativo de la estación mejorará considerablemente. El diseño del nuevo sistema agilitará los procesos que se manejan en la estación Casa Bomba garantizando un correcto desempeño y optimización de recursos logrando así ser eficientes y cumplir las exigencias de las entidades de control existentes (ARCH, Fiscalización Refinería La Libertad, SHE, etc.), así como también garantizar el cumplimiento de las normativas técnicas necesarias para la correcta operación del campo Gustavo Galindo Velasco teniendo así la mejora continua para la empresa y alcanzar uno de los objetivos estratégicos de la empresa ”Ser una empresa referente en las actividades petroleras”. Para lograr definir cuál sistema es el más adecuado para las necesidades actuales y futuras de la estación fue necesario realizar un estudio de ingeniería para evaluar las posibles soluciones para conseguir que el proceso de recepción y deshidratación de crudo sea eficiente y cumpla con los requerimientos actuales y futuros de la estación Casa Bomba. Este estudio contempló el rediseño del actual sistema para lo cual se analizó todas las disciplinas en las cuales se iba a intervenir la planta existe. Con la ingeniería desarrollada se analizó las propuestas para el nuevo sistema, para lo cual fue necesario una evaluación técnica, dicha evaluación constó de varios parámetros y criterios que se definieron en el presente
  • 23.
    4 4 estudio. Con elanálisis de los resultados de la evaluación se determinó que la opción más óptima de proceso que mejor se acoplaba a las necesidades existentes y futuras de la estación era el Separador Centrífugo. Una vez elegida la alternativa de proceso se procedió a definir detalladamente el funcionamiento del nuevo proceso junto con el separador centrífugo con lo cual se desarrolló los planos P&ID1 los mismos que definieron los equipos necesarios para el funcionamiento del nuevo sistema. Una vez conocidos los equipos principales se dimensionaron y seleccionaron los mismos de acuerdo a las especificaciones y necesidades de diseño establecidas en la ingeniería, de tal manera que cumpla con los requisitos del nuevo sistema y garantice la correcta operación del mismo. Con el desarrollo de los planos P&ID se obtuvo el listado de señales e instrumentos, los mismos que fueron la bases para analizar, evaluar y definir el sistema de control con el cual se automatizaría el nuevos proceso de recepción y deshidratación de crudo de la estación Casa Bomba. La programación del PLC se realizó mediante el paquete utilitario NetArrays2 de RTP donde se tomó en cuenta los diagramas de lazo de los diferentes instrumentos así como también se utilizó el diagrama causa efecto que permitió definir el estado de los actuadores dependiendo de las lecturas tomadas por los instrumentos. Para la supervisión y control del operador se diseñó una interfaz gráfica mediante la cual el operador está en capacidad de verificar y controlar el estado de las variables de proceso. El diseño MHI para la supervisión del operador se realizó en el paquete utilitario RTPView, el mismo que se diseñó en base a los planos P&ID. 1 Diagramas de tubería & instrumentación por sus siglas en inglés. 2 Paquete utilitario del PLC RTP que sirve para la programación y simulación del proceso.
  • 24.
    5 5 Mediante la fusióny configuración del simulador del procesador 2316 del PLC RTP se logró simular y diagnosticar el comportamiento y funcionamiento de las variables de proceso establecidas según el estudio de la ingeniería desarrollada, de tal manera que se garantice el correcto funcionamiento de la planta para el nuevo proceso de recepción y deshidratación de crudo en la estación Casa Bomba. El objetivo del estudio de ingeniería para este proyecto fue modernizar y mejorar el actual sistema de recepción y deshidratación de crudo, razón por la cual se tomó en cuenta todas las normas y estándares nacionales como internacionales parra una buena práctica de ingeniería. Al aplicar los parámetros establecidos en las diferentes normativas para cada disciplina ya sea mecánica, eléctrica e instrumentación y control se garantiza que el desarrollo del presente estudio cumpla con todos los requerimientos actuales y futuros de estación. El proyecto es factible técnicamente ya que cumple con todos los requerimientos actuales y futuros para la estación, el mismo que fue desarrollado en base a diferentes normativas tales como: API, ASME, ANSI, ISA, IEEE, IEC, NEMA, NFPA., garantizando aún más el desempeño y funcionamiento del nuevo proceso de recepción y deshidratación de crudo en la estación Casa Bomba. Como resultado del presente estudio se resume en la Tabla 1.1 el costo que tendría implementar el nuevo sistema de recepción y deshidratación de crudo para la estación Casa Bomba.
  • 25.
    6 6  DESCRPCIÓN   UNIDAD   CANTIDAD  PRECIO   PRECIO TOTAL  DESARROLLO DE INGENIERÍA UNI 1 93 287.75$                     93 287.75$                    TANQUE SEPARADOR BIFASICO (500) BBLS UNI 1 200 000.00$                  200 000.00$                  SEPARADOR CENTRIFUJO 14 M3/h UNI 1 350 000.00$                  350 000.00$                  TANQUE SURGENCIA 300 BBLS UNI 1 45 000.00$                     45 000.00$                    FILTROS PRINCIPALES  UNI 2 40 000.00$                     80 000.00$                    BOMBAS GL 1 30 000.00$                     30 000.00$                    INSTRUMENTACIÓN GL 1 120 000.00$                  120 000.00$                  MATERIALES ELECTRICOS GL 1 55 000.00$                     55 000.00$                    MATERIALES MECANICOS GL 1 50 000.00$                     50 000.00$                    OBRAS DE MONTAJE (MECANICO, CIVIL,ELECTRICO,  INSTRUMENTACIÓN&CONTROL GL 1 200 000.00$                  200 000.00$                  SHELTERS, CAMINERAS, PASARELAS, ESCALERAS GL 1 60 000.00$                     60 000.00$                    CONSTRUCCIÓN FACILIDADES TEMPORALES GL 1 20 000.00$                     20 000.00$                    IMPREVISTOS GL 1 10% 130 328.78$                  TOTAL 1 433 616.53$           551 937.50$              788 391.28$              PRESUPUESTO DISPONIBLE PRESUPUESTO FALTANTE PRESUPUESTO REFERENCIAL FACILIDADES SISTEMA DE RECEPCIÓN DE CRUDO CASA BOMBA 2012 Tabla 1.1 Costo de la Inversión del proyecto Como se puede observar el costo del proyecto es de $ 1 433 616.53 y el presupuesto disponible es de $ 551 937.50 por lo que existe un presupuesto faltante de $ 788 391.28. Actualmente Asociación Pacifpetrol S.A mantiene una inversión comprometida con el Estado de $ 551 937.50 para el proyecto en mención. Los costos de inversión del proyecto son superiores a los que se indica en el contrato, razón por la cual el estudio realizado únicamente quedó como ingeniería ya que con el actual contrato de Asociación Pacifpetrol S.A y el Estado Ecuatoriano es hasta el año 2016 y la inversión realizada no se podría recuperar en este lapso de tiempo. El dinero comprometido para este proyecto dependerá de las renegociaciones del contrato en el mes de diciembre del 2012
  • 26.
  • 27.
    7 El objetivo delpresente capítulo es dar a conocer los principios de funcionamiento tanto de separación y deshidratación de crudo del actual sistema en la estación Casa Bomba, para lograrlo, el proceso general será esquematizado en diagramas de bloque para su fácil comprensión. Una vez descrito el actual proceso, se procederá con el análisis de subprocesos con el fin de determinar aquellos que puedan mejorarse para optimizar el proceso general. 2.1 DESHIDRATACIÓN DE CRUDO El proceso de deshidratación tiene lugar bajo las siguientes consideraciones: 2.1.1 SEPARACIÓN AGUA – PETRÓLEO En el seno de la emulsión, las gotas de agua están sometidas a tres fuerzas que se presentan en la Figura 2.1: Fuerza de gravedad (Fg), ascensional (Fa) y de fricción Fw); el resultado neto de la aplicación de estas tres fuerzas es la velocidad de asentamiento ( gV ) del agua, las gotas precipitan y no ascienden o flotan en virtud de que su densidad es mayor que la del petróleo y es inmiscible en el hidrocarburo. Fg FwFa Fase agua Fase petróleo Dp Vg Figura 2.1 Separación de agua - petróleo
  • 28.
    8 Es posible calcularla velocidad de sedimentación o de separación agua – petróleo mediante la Ley de Stockes, que en su forma general se describe matemáticamente de la siguiente manera:     18 2 owp g Dg V   Donde: gV = Velocidad de asentamiento, cm/s g = aceleración de la gravedad, cm/s2 pD = Diámetro de la partícula, cm o = Densidad de la fase hidrocarburo, g/cm3 w = Densidad del agua, g/cm3  = Viscosidad de la fase hidrocarburo, Poise 2.2 FUNDAMENTOS DE SEPARACIÓN DE MEZCLAS GAS LÍQUIDO Existen varios factores que afectan directamente la eficiencia de los separadores, para lo cual es necesario conocer los siguientes aspectos: 2.2.1 SEPARACIÓN POR FUERZA CENTRÍFUGA La fuerza centrífuga que se induce a las partículas de líquido suspendidas en una corriente de gas, puede ser varios cientos de veces mayor que la fuerza de gravedad que actúa sobre las mismas partículas. Este principio mecánico de separación se emplea en un separador, tanto en la sección de separación primaria como en algunos tipos de extractor de niebla, por ejemplo en el extractor tipo ciclónico.
  • 29.
    9 2.2.2 SEPARACIÓN PORCHOQUE Este mecanismo de separación es tal vez el que más se emplea en la eliminación de las partículas pequeñas de líquido suspendidas en una corriente de gas. Las partículas de líquido que viajan en el flujo de gas, chocan con obstrucciones donde quedan adheridas. La separación por choque se emplea principalmente en los extractores de niebla tipo veleta y en los de malla de alambre entretejido. 2.2.3 CAMBIO DE CANTIDAD DE MOVIMIENTO O MOMÉNTUM Mediante el principio que fluidos con distintas densidades tienen diferente cantidad de movimiento; al producirse un cambio brusco de dirección del fluido, se produce un elevado moméntum generado por las distintas fases lo que origina que las partículas más livianas se muevan con mayor velocidad que las pesadas; dividiendo las fases de crudo y agua. 2.2.4 SEDIMENTACIÓN En la sedimentación se aplica la diferencia de densidades, el agua al tener una mayor densidad que la del crudo va a asentarse logrando una separación de fluidos. El agua va a asentarse y el crudo se ubicará en la parte superior. 2.2.5 COALESCENCIA Las gotas muy pequeñas no pueden separarse por gravedad, por lo que la tendencia a unirse (principio de coalescencia) permite incrementar su tamaño logrando separarlas de otros elementos.
  • 30.
    10 2.2.6 ABSORCIÓN A travésde un líquido se permite la remoción del vapor de agua en la corriente de gas natural. Generalmente se utilizan glicoles y metano para este propósito. 2.2.7 ADSORCIÓN Este proceso de separación se basa en la retención de gas que puede tener un sólido poroso tras entrar en contacto con éste. 2.2.8 TANQUES DE PRODUCCIÓN Los tanques de producción (Figura 2.2) permiten almacenamiento y deshidratación del petróleo de la estación. En el tanque de lavado es en donde se añaden químicos para romper la emulsión agua-crudo y el tanque de surgencia contiene crudo limpio listo para la entrega. Figura 2.2 Tanques de Producción Son líneas en las que se contabiliza el petróleo que se va a despachar, la contabilización se realiza mediante sensores de flujo, temperatura y presión
  • 31.
    11 para que sepueda hacer una correcta fiscalización y garantizar que el pago sea acorde con el petróleo entregado. 2.3 EQUIPOS PARA SEPARAR FLUIDOS EN LA INDUSTRIA PETROLERA Entre los equipos con mayor frecuencia utilizados en la industria petrolera se tienen los siguientes: 2.3.1 SEPARADORES Equipos utilizados para separar corrientes de aceite, gas y agua que provienen directamente de los pozos. Las relaciones gas-aceite de estas corrientes disminuyen o aumentan en ocasiones, debido al “surgimiento” o desbordamiento de líquido que repentinamente se presentan, siendo estas más frecuentes cuando la extracción es mediante métodos artificiales. Los componentes de un separador son los siguientes:  Sección de separación primaria.- En esta sección se elimina el volumen global del líquido (agua) del flujo de entrada. Para reducir la turbulencia del gas es necesario eliminar en el menor tiempo posible las gotas más grandes de líquido (agua) del flujo de gas.  Sección de separación secundaria.- Elimina gotas más pequeñas, con lo cual se disminuye la velocidad del gas, asentándose por gravedad el fluido en proceso. Dependiendo de las propiedades propias del gas y líquido, el tamaño de gotas y el grado de turbulencia del gas la eficiencia de esta separación aumentará o disminuirá.  Sección de extracción de vapor.- Sigue la eliminación de gotas de líquido que aún no se han separado en las secciones anteriores, para lograrlo se acumulan pequeñas gotitas en una superficie de donde se escurren de la corriente del gas.
  • 32.
    12 En la Figura2.3 se puede observar un separador de crudo tipo horizontal. Figura 2.3 Separador de producción 2.3.2 SEPARADORES DE GAS Conocidos también como “botas” son un conjunto de cilindros verticales en los cuales el gas al ser más liviano que el crudo es extraído de la parte superior de los equipos. Internamente cuentan con filtros coalescentes para la deshidratación del gas. 2.3.3 SEPARADORES A BAJA TEMPERATURA Estos dispositivos se utilizan para la separación de gas y condensados, a baja temperatura, mediante una expansión. Están diseñados para manejar y fundir los hidratos qué se pueden formar al disminuir la temperatura del flujo. 2.3.4 ELIMINADORES Estos dispositivos se utilizan para eliminar los líquidos (hidrocarburos y agua) de una corriente de gas a alta presión. Se utilizan generalmente en los sistemas de separación a baja temperatura. Algunos eliminadores sólo separan el agua de la corriente de gas.
  • 33.
    13 2.3.5 DEPURADORES Son dispositivosque se utilizan para manejar corrientes con muy altas relaciones gas-líquido. Se aplican también para separar gotas muy pequeñas de líquido suspendidas en corrientes de gas, ya que estas no son eliminadas generalmente por un separador ordinario. Dentro de este tipo específico de separadores están los depuradores de polvo y los filtros, que eliminan además de las gotas pequeñas de líquido, el polvo arrastrado en la corriente de gas. 2.4 LOCALIZACIÓN GEOGRÁFICA DE LA ESTACIÓN CASA BOMBA El campo Ancón (Figura 2.4) inició sus operaciones en 1911 con la perforación del llamado ANC-1 cerca de la población de Anconcito de la provincia Santa Elena. Posteriormente el control de este campo pasó a manos de CEPE hoy reemplazada por Petroecuador. Actualmente el campo es operado por Pacifpetrol. La roca madre del campo Ancón es parte de la formación Atlanta de la edad del Paleoceno y constituye el principal reservorio de este campo. Figura 2.4 Localización Estación Casa Bomba Estación Casa Bomba
  • 34.
    14 2.5 COMPONENTES DELA ESTACIÓN CASA BOMBA En la estación de producción Casa Bomba, el petróleo proveniente de los diversos pozos pasa a través de los diversos componentes de la estación tales como: Sistema de filtros, tanques de separación, tanques de almacenamiento. (Figura 2.5.) Figura 2.5 Componentes Estación Casa Bomba 2.6 CONDICIONES AMBIENTALES En la Tabla 2.1 se muestra las condiciones ambientales de la Estación Casa Bomba. CONDICIÓN AMBIENTAL UNIDAD VALOR Presión Atmosférica Elevación Promedio (SNM) m 39.7 Presión Atmosférica kPa (abs) 100 Temperatura del Sitio Promedio durante verano ºC 21,2
  • 35.
    15 Promedio durante inviernoºC 16,0 Máxima Registrada ºC 33,0 Mínima Registrada ºC 15,0 Lluvia / Precipitación Pluviosidad mm/año 200 Máximo de precipitaciones 24 horas mm 37,5 Humedad Relativa % 84 - 88 Máxima Humedad Registrada % 100 Velocidad del Viento Dirección de viento prevalente Noreste-Suroeste Velocidad de viento (diseño) Km/hr 36 Tabla 2.1 Condiciones Ambientales Casa Bomba.3 2.7 PRODUCCIÓN ESTIMADA La producción máxima, mínima y media obtenida de los datos de producción de fluido, petróleo y agua son datos proporcionados por el departamento de Operaciones de Pacifpetrol S.A. los mismos se resumen en la tabla 2.2. FLUIDO DE PROCESO PRODUCCIÓN PROMEDIO ACTUAL SOLIDOS % Vol. Fluido (BFPD) 1695 4.81 Petróleo (BOPD) 1337 Agua (BWPD) 358 Tabla 2.2.- Producción estimada – Sólidos en el fluido.4 3 La información en la tabla fue proporcionada por el departamento de SSA & RS de Pacifpetrol S.A. 4 Información proporcionada por el departamento de Operaciones de Pacifpetrol S.A.
  • 36.
    16 2.8 DESCRIPCIÓN ACTUALDEL SISTEMA DE RECEPCIÓN, DESHIDRATACIÓN Y ALMACENAMIENTO DE CRUDO Para el estudio del actual sistema de recepción de crudo se analizará los diferentes subprocesos que tiene el sistema, los mismos que se esquematizarán mediante diagramas de bloques para su fácil comprensión. Los subprocesos son los siguientes: 2.8.1 SISTEMAS DE LEVANTAMIENTO ARTIFICIAL EN EL BLOQUE ANCON5 En el Bloque Ancón, se extrae el fluido mediante cinco sistemas de levantamiento artificial, siendo tres los más representativos y dos están en etapa de desarrollo como plan piloto. Bombeo Mecánico El bombeo mecánico es el levantamiento artificial más importante en el Bloque y ha estado presente desde sus inicios; representa aproximadamente el 50% de la producción actual. Es uno de los métodos de producción más utilizados en todo el mundo (80-90%), su principal característica es la de utilizar una unidad de bombeo para transmitir movimiento a la bomba de subsuelo a través de una sarta de cabillas y mediante la energía suministrada por un motor. Un equipo de bombeo mecánico (Figura 2.6.) produce un movimiento de arriba hacia abajo (continuo) que impulsa una bomba sumergible en una perforación. Las bombas sumergibles bombean el petróleo de manera parecida a una bomba que bombea aire a un neumático. Un motor, usualmente eléctrico, gira un par de manivelas que, por su acción, suben y bajan un extremo de un eje de metal. El otro extremo del eje, que a menudo 5 Información proporcionada por el departamento de Operaciones de Pacifpetrol S.A.
  • 37.
    17 tiene una puntacurva, está unido a una barra de metal que se mueve hacia arriba y hacia abajo. La barra, que puede tener una longitud de cientos de metros, está unida a una bomba de profundidad en un pozo de petróleo. La repetición continua del movimiento ascendente y descendente mantiene el flujo hacia la superficie. Su configuración básica incluye un equipo de superficie y un equipo de subsuelo. Figura 2.6 Equipo de Bombeo Mecánico  Equipo de Subsuelo El equipo de subsuelo es el que constituye la parte fundamental de todo el sistema de bombeo, dentro de los cuales tenemos los siguientes: a) Tubería de Producción La tubería de producción tiene por objeto conducir el fluido que se está bombeando desde el fondo del pozo hasta la superficie. En cuanto a la resistencia, generalmente la tubería de producción es menos crítica debido a que las presiones del pozo se han reducido considerablemente para el momento en que el pozo es condicionado para bombear. b) Cabillas o Varillas de Succión La sarta de cabillas es el enlace entre la unidad de bombeo instalada en superficie y la bomba de subsuelo. Las principales funciones de las mismas
  • 38.
    18 en el sistemade bombeo mecánico son: transferir energía, soportar las cargas y accionar la bomba de subsuelo.  Equipos de Superficie La unidad de superficie de un equipo de bombeo mecánico tiene por objeto transmitir la energía desde la superficie hasta la profundidad de asentamiento de la bomba de subsuelo con la finalidad de elevar los fluidos desde el fondo hasta la superficie. Estas unidades pueden ser de tipo balancín o hidráulicas. Los equipos que forman los equipos de superficie se explican a continuación: Unidad de Bombeo (Balancín Figura 2.7). Es una máquina integrada, cuyo objetivo es de convertir el movimiento angular del eje de un motor o reciproco vertical, a una velocidad apropiada con la finalidad de accionar la sarta de cabillas y la bomba de subsuelo. Figura 2.7 Esquema General Bombeo Mecánico
  • 39.
    19 Swab Es una técnicatipo pistón (Figura 2.8), que consiste en agitar, aligerar mediante una varilla con cable, para que el fluido pueda subir se utilizan unas copas que hacen de sello en la tubería y así se logra extraer o levantar una columna de fluido (petróleo, agua o petróleo y agua), a través de la sarta de producción desde una profundidad determinada hasta superficie, utilizando para esta operación un cable de acero enrollado a un tambor ubicado en un equipo de servicio de pozos. Figura 2.8 Equipo SWAB En la actualidad esta técnica se considera como una alternativa de extracción de petróleo. La herramienta utilizada para este sistema es una válvula de retención, la cual es componente de una bomba mecánica de subsuelo, muy útil en ‘’operaciones de tubing swab’’, para extraer en forma rápida el volumen de fluido, realizando jaladas o carreras sucesivas y hasta obtener una columna de fluido adecuada para realizar el ascenso. Herramienta Local – HL o Cuchara En el año 2001 se implementó este sistema, el mismo que fue desarrollado por la creatividad del personal de Pacifpetrol para pozos con muy bajas
  • 40.
    20 producciones, 0.25 barrilespor intervención. Este sistema ha evolucionado, desde la operación con un trípode, juego de poleas, tubo y tapón en la parte inferior, sujetado con un cable de 4,8 mm y accionado por un motor hasta superficie. Ver Figura 2.9. Figura 2.9 Equipo de Herramienta Local Actualmente el equipo está montado sobre una unidad de capacidad de 7 toneladas, con un tanque incorporado, que transporta el volumen recuperado hasta las estaciones de recepción. Este sistema es utilizado en pozos a hueco abierto, es decir sin revestimiento, el proceso en si consiste en bajar una herramienta denominada cuchara (Figura 2.10). Las dimensiones dependen del diámetro del hueco (las más usadas son las de 6 y 3 pulgadas) esta posee en la punta una válvula check que al topar fondo se abre y el fluido entra en la cámara de la cuchara, una vez llena se procede a subir la herramienta, la válvula se cierra automáticamente evitando así que el fluido retorne al hueco en la subida, este proceso se repite en varias ocasiones a fin de recobrar la mayor cantidad de petróleo posible.
  • 41.
    21 Figura 2.10 EquipoChuchara Gas Lift En este sistema se utiliza gas a alta presión para poder aligerar la columna de fluido y de este modo permitirlo llegar hasta la superficie. En el pasado el gas lift fue un sistema importante de extracción en el Bloque para lo cual se instalaron compresores en las diferentes secciones que permitían alcanzar las presiones de inyección necesarias. Ver Figura 2.11. Figura 2.11 Equipo Gas Lift
  • 42.
    22 Plunger Lift Es unsistema de levantamiento artificial que en su versión autónoma aprovecha la energía del yacimiento para su funcionamiento y en su versión asistida utiliza una fuente de energía exterior, ya sea gas a presión inyectado por el anular o gas inyectado por una tubería paralela directamente en la tubería de producción en fondo. Ver Figura 2.12. En 1996 se implementó por primera vez un plan piloto de 15 pozos de plunger lift en el Bloque, pero con el pasar de los años lamentablemente no se hizo el seguimiento y mantenimiento del sistema y posteriormente se lo descartó. En el año 2011 se diseña e implementa el sistema para tres pozos de Bombeo Mecánico y 1 pozo de Swab. Al momento tres de los cuatro pozos continúan operando con resultados satisfactorios; uno es la versión autónoma y los otros con una variación de la versión asistida con completación dual, es decir, que además de tener la tubería de producción de 2.375”, tienen paralela una tubería de 1”, mediante la cual se realiza la inyección de gas. La inyección se hace en uno de los pozos con gas comprimido proveído por el compresor de GNV y en el otro pozo con el equipo móvil de flushing del Bloque que dispone de cilindros recargables. Figura 2.12 Equipo Plinger Lift Autónomo
  • 43.
    23 Figura 2.13 EquipoPlunger Lift Ancón 2.8.2 TRATAMIENTO DE CRUDO El tratamiento de crudo consta de varias etapas, el conjunto de dichas etapas tiene como objetivo obtener un crudo con BSW igual o menor al 0.5%. Dichas etapas son las siguientes: Deshidratación Primaria Una vez los tanqueros recogen la producción de los diferentes pozos, deben reposar un periodo corto de 5 a 10 minutos para proceder con la liberación de agua y sólidos mayores desde la toma del tanquero a la piscina API. Este tiempo de espera hace que agua vaya a la parte inferior del tanquero y el crudo este por encima del agua por diferencia de densidades. Cuando se verifica visualmente que la mayoría del agua se depositó en las piscinas API se puede iniciar la descarga de crudo, para lo cual se conecta el tanquero a la línea de ingreso. Separación La corriente de crudo y agua remanente pasa a través de filtros strainer en donde los sólidos mayores son retenidos. El funcionamiento de estos filtros
  • 44.
    24 en paralelo esalternado, uno de estos funciona en el día y el otro en la tarde de manera que se tiene como back-up en caso de taponamiento de estos filtros. Debido a la acumulación de impurezas en el crudo es necesario realizar la limpieza de estos filtros una vez al día, esta limpieza se la realiza manualmente. En la Figura 2.14 puede observar los filtros. Figura 2.14 Tren de Filtros Coalescentes Deshidratación Secundaria El fluido compuesto por una mezcla de crudo y agua ingresa a los tanques de almacenamiento diario (Tanques Horizontales TK-36 y TK-37) donde se da lugar la separación por sedimentación del agua libre. Además de la separación por sedimentación se inyecta químicos demulsificantes para obtener una separación más óptima en el proceso. Ver Figura 2.15. El agua libre de esta etapa es bombeada hacia las piscinas API donde se inicia el proceso de manejo de agua. El crudo líquido en esta etapa debería garantizar un BSW del 0.1 – 0.5%. Una vez que se da la separación por sedimentación se procede con la transferencia mediante una bomba de transferencia a los tanques H y N de almacenamiento.
  • 45.
    25 Figura 2.15 Tanquesde Almacenamiento Diario Almacenamiento Para el almacenamiento se utiliza el tanque N (Figura 2.16) como tanque de reposo y el tanque H (Figura 2.17) como almacenamiento. Este almacenamiento es la acumulación de producción de 2 o 3 días, una vez se tiene acumulado el petróleo se transfiere a la Refinería La Libertad a la unidad LACT para su posterior refinamiento. Figura 2.16 Tanque de Reposo: TK-N
  • 46.
    26 Figura 2.17 Tanquede Almacenamiento: TK-H 2.8.3 MANEJO DE AGUA Piscinas API La corriente de agua desalojada en la primera etapa (deshidratación primaria) y el agua separada en los tanques de almacenamiento diario son enviadas hacia las piscinas API (Figura 2.18), en donde se produce la separación de crudo remanente. Figura 2.18 Piscinas API
  • 47.
    27 Reinyección El agua resultantede los procesos anteriormente mencionados, es enviada a las piscinas API donde es bombeada a través de una bomba a los pozos reinyectores o disposal. 2.8.4 MANEJO DE SÓLIDOS Recolección de Sólidos Los sólidos retenidos en los filtros son recolectados manualmente para enviarlos a un posterior tratamiento. Disposición Final Todos los sólidos acumulados manejos mediante el tratamiento Landfarming6 . 2.9 DIAGRAMA DE BLOQUES DEL ACTUAL SISTEMA DE RECEPCIÓN, DESHIDRATACIÓN Y ALMACENAMIENTO DE CRUDO En la Figura 2.19 se muestra el proceso anteriormente mencionado de manera esquematizada mediante un diagrama de bloques, el diagrama se encuentra separado por etapas y cada etapa consta de subprocesos descritos anteriormente, el conjunto de éstos forman el actual proceso de recepción, deshidratación de crudo en la estación Casa Bomba. 6 Es una técnica de biorecuperación que consiste en provocar la oxidación biológica de los hidrocarburos contenidos en el suelo.
  • 48.
    28 Figura 2.19.- Diagramade Bloques Actual
  • 49.
    29 2.10 RELACIÓN DERECEPCIÓN DE CRUDO Para determinar los caudales de entrega en función de la llegada de los tanqueros con crudo a la estación Casa Bomba, se ha procedido a tomar datos estadísticos de varios días, los mismos que relacionarán el volumen recibido con las horas de entrega. En la Figura 2.20 se muestra la relación entre el volumen de crudo recibido respecto a la frecuencia de entrega. Se observa claramente que entre las 0:00h y las 3:00h se tiene volúmenes cercanos a los 55 Bbls entregados por cada tanquero, que podrían ser definidos como un volumen medio de entrega. Entre las 4:00h y 10:30h aproximadamente se observa que el volumen entregado disminuye casi a un valor de 5Bbls el cuál sería tomado como un volumen mínimo de entrega. A partir de las 12:30h el volumen de entrega se incrementa hasta un valor cercano a los 55 – 60Bbls, recuperando así el volumen medio del día. Entre las 12:00h y las 20:00h se observan volúmenes altos de entrega, cercanos a los 130bbl pero de forma esporádica, en base a estos valores se considerará un volumen máximo de entrega por parte de los tanqueros . RELACIÓN DE RECEPCIONES 0 20 40 60 80 100 120 140 0:00 2:00 4:00 6:00 8:00 10:00 12:00 14:00 16:00 18:00 20:00 22:00 0:00 Hora Volumen 10 de Abril del 2011 11 de Abril del 2011 16 de Abril del 2011 17 de Abril del 2011 24 de Abril del 2011 25 de Abril del 2011 04 de Mayo del 2011 05 de Mayo del 2011 11 de Mayo del 2011 12 de Mayo del 2011 16 de Mayo del 2011 17 de Mayo del 2011 24 de Mayo del 2011 25 de Mayo del 2011 27 de Mayo del 2011 28 de Mayo del 2011 31 de Mayo del 2011 1 de Junio del 2011 02 de Junio del 2011 03 de Junio del 2011 06 de Junio del 2011 07 de Junio del 2011 10 de Junio del 2011 11 de Junio del 2011 12 de Junio del 2011 13 de Junio del 2011 14 de Junio del 2011 15 de Junio del 2011 Proyectada Vol Max Figura 2.20.- Relación de Recepciones de Crudo
  • 50.
  • 51.
    30 El presente capítulomuestra el desarrollo de la ingeniería conceptual para el nuevo sistema de recepción y deshidratación de crudo en la estación Casa Bomba de Pacifpetrol S.A para lo cual se analizará nuevas tecnologías y alternativas de los posibles sistemas en base a los requerimientos actuales y futuros de la estación. 3.1 CONSIDERACIONES GENERALES 3.1.1 RECEPCIÓN DE CRUDO El crudo que se extraiga de las diferentes formaciones productoras del Bloque Ancón se a realizar una eliminación primaria de agua libre y sólidos que han recolectará y transportará mediante tanqueros hacia el nuevo sistema de recepción de crudo Casa Bomba. Una vez ahí, directamente desde el tanquero se procederá precipitado por gravedad en el fondo del recipiente, hacia los separadores API, en donde se logrará separar el aceite residual contenido en esta corriente de agua de formación. Concluido el proceso anterior de evacuación de agua libre y sólidos, se conecta la descarga del tanquero a la línea de ingreso de crudo del sistema de recepción Casa Bomba, el fluido desde el tanquero es bombeado, sea por la bomba del propio tanquero o por intermedio de bombas neumáticas a través de una serie de 3 filtros de malla de diferente tamaño, 5 mm; 3 mm y 2.5 mm subsecuentemente. En los cuales se retiene un gran porcentaje de sedimentos y basura mayores a 2.5 mm. Las capacidades consideradas en el diseño de los procesos que serán las siguientes:  Para la fase crudo: 1,537 barriles por día, correspondientes a un 15% adicional al volumen promedio de petróleo producido de acuerdo con la Tabla 2.2 (Producción estimada de crudo).
  • 52.
    31  Para lafase agua: 400 barriles por día, que corresponde a un 11% adicional al promedio de agua producida de acuerdo con la Tabla 2.2 (Producción estimada de crudo). 3.2 ALTERNATIVAS ESTUDIADAS A continuación se realiza una descripción conceptual de las tecnologías que van a ser analizadas para conseguir el objetivo de separación de sólidos, deshidratar el crudo y separar el aceite residual del agua de reinyección. 3.2.1 CELDA DE FLUJO CRUZADO – TANQUE DE LAVADO  Separador de placas coalescente para sólidos, agua y crudo La función del equipo de celda de flujo cruzado (Figura 3.1) es retener en las placas coalescentes los sólidos contenidos en la corriente de producción de modo que puedan ser removidos del equipo. La diferencia de gravedades específicas hace que el hidrocarburo y el agua flote hasta la superficie del separador (Figura 3.2), mientras que los sólidos decantan, y por la una salida ubicada en la parte inferior que drena los sólidos hacia la piscina o separador API. El contenido de sólidos a la salida del separador puede alcanzar hasta 15 ppm. Figura 3.1 Esquema de la celda de flujo cruzado
  • 53.
    32 Estas placas sonsensibles a variaciones en las condiciones de flujo y propician condiciones de flujo laminar a través del paquete aumentando drásticamente la separación de sólidos sin que las afecte el viento y la facilidad en la eliminación de lodos. Además se logra una distribución de flujo eficiente, disminuyendo drásticamente la distancia que el crudo debe recorrer durante este proceso. El equipo puede disponer de un sistema sand jet de limpieza autónomo que mediante agua permite desprender los sólidos que pudieran estar fuertemente adheridos a las placas. En este caso, no se requiere energía para la operación, trabaja en forma gravitacional, con un tiempo de retención menor a 10 minutos y no opera con partes móviles. Conceptualmente se ha definido tres celdas que pueden trabajar en serie o paralelo, con el objeto de tener flexibilidad operativa y realizar los mantenimientos adecuados del equipo y sistema, además de asegurar que la concentración de sólidos sea la mínima en el fluido. En el separador de placas la parte más importante es el paquete de placas corrugadas montadas paralelamente entre sí, a una distancia conveniente de separación, el paquete de placas es instalado a un ángulo de entre 45 y 65 grados respecto a la horizontal. Cuando el agua, crudo y sólidos pasa entre las placas, las gotas y sólidos de aceite flotan, se pegan a las placas y forman coágulos más grandes y son arrastradas al fondo del recipiente, mientras el agua y crudo suben a la parte superior del paquete, finalmente la corriente de petróleo y agua llega a la superficie para ser evacuada mediante bombas hacia el sistema de deshidratación.
  • 54.
    33 Figura 3.2 Conglutinador7 deplaca El sistema antes descrito sea rectangular o tanque cilíndrico, además de cumplir la función de separación de sólidos mayores a 4000 micras, cumplen la función de tanque de amortiguamiento para recibir la producción desde los tanqueros y poder a través de bombas, suministrar un flujo constante al siguiente proceso. De los tres escenarios conceptuales, justamente el siguiente proceso es el que los distingue debido a que son tecnologías diferentes de separación de agua y el remanente de sólidos en suspensión.  Tanque de lavado La deshidratación final del crudo proveniente del sistema de separación de sólidos (Celda de Flujo Cruzado) se realiza en el tanque de lavado, este proceso se debe desarrollar conjuntamente con un adecuado sistema de tratamiento químico que resulta fundamental para desestabilizar la emulsión proveniente de los pozos. Para el proceso de separación del agua contenida en la emulsión, se debe considerar los siguientes lineamientos: 7 Acumular, conglomerar por medio de una sustancia viscosa.
  • 55.
    34  Criterios develocidad de decantación (Ley de Stokes) y velocidad de ascensión. La primera debe ser mayor a la segunda, para que exista separación de las gotas  Tamaños de gotas de agua superiores a 1.000 micras ya no forman emulsión y se encuentran como agua libre.  Tamaños de gotas de agua de 1.000 micras forman emulsiones con un contenido de agua del 33%.  Tamaños de gotas de agua menores a 400 micras en una emulsión corresponde a un contenido de agua menor al 1%.  Tiempo de residencia que tendrá el fluido en el tanque de lavado.  Nivel de agua operativo en el tanque de lavado (“colchón de agua”), que resulta fundamental para desestabilizar la emulsión. 3.2.2 SEPARADOR CENTRÍFUGO Para su funcionamiento se requiere utilizar un motor eléctrico para producir una fuerza centrífuga de 10,000 g con lo cual se logra separar las micropartículas de sólidos suspendidos en la corriente de producción de crudo. El equipo indicado en la Figura 3.3 funcionará con crudos con un rango de densidad hasta 38 °API. El equipo de centrifugación podrá trabajar con variaciones de BSW en un rango de hasta 50%, considerando el crudo de diseño, más un margen de seguridad, sin que este rango de variación afecte el desempeño del equipo. El decantador centrífugo incluye un control de nivel de interface para optimizar la separación y eliminación de los sólidos suspendidos. La centrífuga posee partes internas con aleaciones de níquel-cromo recubiertas con carburo de tungsteno para evitar la corrosión y la erosión por sólidos.
  • 56.
    35 Figura 3.3 EsquemaEquipo Centrífugo 3.2.3 SEPARADOR CICLÓNICO El crudo ingresa a alta velocidad en la parte superior cilíndrica y se mueve en una espiral ciclónica descendente, produciéndose una gran aceleración y una fuerza centrífuga que expulsa los sólidos hacia las paredes del recipiente (Figura 3.4). El equipo compacto opera bajo un amplio rango de variaciones de flujo, protegiendo tuberías y equipos contra la erosión por arena y eliminando los sólidos antes de que precipiten causando problemas de taponamiento. Este equipo opera bajo presión utilizando materiales como acero inoxidable, uretano y cerámica. El flujo dentro del equipo depende de la diferencia de presión entre la entrada y salida, para una operación eficiente la proporción de las presiones debe ser mantenida arriba del valor mínimo que el fabricante recomienda Los factores clave que aumentan la eficiencia de separación de los sólidos son los siguientes:
  • 57.
    36  Tamaño delos sólidos  Velocidad de flujo  Densidad  Viscosidad  Concentración de sólidos  Geometría del Hidrociclón Figura 3.4 Esquema del Separador Ciclónico 3.3 ALMACENAMIENTO DE PETRÓLEO El petróleo que se encuentra bajo las especificaciones establecidas en las Bases y Criterios de Diseño será descargado hacia los tanques de almacenamiento H y N. Los criterios generales para la operación de los tanques de almacenamiento se fundamentarán principalmente en las siguientes consideraciones:  Nivel mínimo operativo para proporcionar cabeza neta positiva de succión a las bombas de transferencia.
  • 58.
    37  Todos lostanques tendrán una válvula de alivio de presión rompe vacío. Adicionalmente, se deberá colocar un arresta-llamas integrado a la válvula de alivio de presión rompe vacío, y una válvula de venteo de emergencia.  En tanques menores a 1,000 barriles de capacidad se tomará en consideración los lineamientos y recomendaciones de la norma de API 12F.  Se aplicará aislamiento para calor o para frío, en las tuberías en las cuales sea necesario por requerimiento energético del proceso.  Se construirá un tanque de 300 BBLS de capacidad como mínimo para realizar la transferencia del crudo a los tanques H y N en forma continua si se fija un flujo mínimo o tipo batch8 de entre cuatro o cinco veces al día. 3.4 SERVICIOS AUXILIARES 3.4.1 INSTRUMENTACIÓN Y CONTROL La planta de tratamiento con la tecnología seleccionada, tendrá los principales parámetros operativos, los mismos que serán controlados desde la estación de Casa Bomba. Las principales variables a monitorear son:  Presiones de Operación  Flujos.  Niveles de tanques.  Apertura de válvulas.  BS&W de entrada y salida de crudo.  Señales y acciones de seguridad que se definan en el análisis de riesgos con elementos o instrumentos independientes de seguridad que las señales de proceso. 8 Flujos discontinuos que varían su caudal en el tiempo.
  • 59.
    38 3.4.2 AIRE DEINSTRUMENTOS Y DE PLANTA Se dispondrá de un sistema de aire comprimido operando con una presión de 120 psi, el cuál será filtrado y secado para utilizarse como aire de instrumentos. La cantidad de aire requerido para el proceso estará en relación directa con la instrumentación en el sistema de recepción de crudo. 3.4.3 INYECCIÓN DE QUÍMICOS Para la inyección de químicos como soporte en la deshidratación, tratamiento de agua y control de la corrosión es necesario los siguientes suministros:  Demulsificante  Biocida 3.4.4 AISLAMIENTO Se aplicará aislamiento para protección del personal que opere equipos cuya temperatura en la superficie sea mayor de 150 ºF y estén confinados dentro de áreas de trabajos normales o situados donde el personal podría inadvertidamente tener contacto. 3.5 DIAGRAMA DE BLOQUES PROPUESTO PARA EL SISTEMA DE RECEPCIÓN DE CRUDO El diagrama bloques propuesto para mejorar y simplificar el proceso de recepción de crudo se muestra en la Figura 3.5 En el inicio del proceso se tiene la recepción del fluido desde los tanqueros, una vez realizado esto se tienen las siguientes etapas:
  • 60.
    39 Figura 3.5 Diagramade Bloques Propuesto
  • 61.
    40 3.5.1 SEPARACIÓN DESÓLIDOS El fluido pasa a la primera etapa de separación de sólidos, con el objetivo de optimizar el proceso de separación de líquido (agua-crudo) y que el sistema aguas abajo, este lo más limpio posible con el objeto de garantizar una adecuada cuantificación, calidad de fluido, seguridad y control eficiente. 3.5.2 TRATAMIENTO DE CRUDO El fluido compuesto por una mezcla de crudo y agua, libre de sólidos, será enviado a una etapa de deshidratación, en la que se obtendrá un crudo con un corte de agua igual o menor al 0.1%. Este crudo estará listo para ser estabilizado, almacenado y posteriormente transferido a los tanques H y N y luego a su procesamiento en la Refinería de la Libertad. 3.5.3 MANEJO DE AGUA La corriente de agua recuperada en la deshidratación será enviada a un sistema de tratamiento en el que se obtendrá las condiciones para ser utilizada en la reinyección. 3.5.4 MANEJO DE SÓLIDOS Los sólidos recuperados en la primera y sólidos remanentes de la segunda etapa de separación serán recolectados en la piscina API para ser dispuestos o tratados en procesos de Biodegradación (Landfarming). 3.6 ALTERNATIVAS PROPUESTAS
  • 62.
    41 En la Figura3.6 se puede observar la simbología utilizada para las configuraciones de tecnología propuestas para el sistema de deshidratación que se detallan a continuación:  Celda de Flujo Cruzado - Tanque de lavado (Figura 3.7)  Separador Centrífugo (Figura 3.8)  Separador Centrífugo (Figura 3.9)  Hidrociclón (Figura 3.10)
  • 63.
    Figura 3.6 Simbologíapara Diagramas de Flujo PFD 42
  • 64.
    Figura 3.7 Alternativa1 - Celda de Flujo Cruzado con Tanque de Lavado 43
  • 65.
    Figura 3.8 Alternativa2A – Separador Centrífugo 44
  • 66.
    Figura 3.9 Alternativa2B – Separador Centrífugo 45
  • 67.
    Figura 3.10 Alternativa3 – Hidrociclón 46
  • 68.
    47 3.7 EVALUACIÓN TÉCNICO-ECONÓMICADE ALTERNATIVAS 3.7.1 ESCENARIOS PROPUESTOS PARA LA EVALUACIÓN La descripción de las diferentes tecnologías mencionadas anteriormente se sintetiza a continuación:  Celda de Flujo Cruzado - Tanque de lavado En esta configuración la separación de sólidos y la deshidratación primaria se realiza en la celda de flujo cruzado, mientras que la deshidratación final hasta cumplir especificaciones se efectúa en el tanque de lavado. Ver Figura 3.6.  Centrífuga Mediante esta tecnología se logra la separación de sólidos así como la deshidratación total del crudo. Ver Figura 3.7 y Figura 3.8.  Hidrociclón - separador bifásico En este esquema, la separación de sólidos se alcanza en el hidrociclón, mientras que la deshidratación final hasta cumplir especificaciones se efectúa en el separador bifásico. Ver Figura 3.9. 3.7.2 CRITERIOS DE SELECCIÓN DE TECNOLOGÍAS La evaluación técnica – económico de las diferentes tecnologías que se podrán utilizar para deshidratar el crudo y separar los sólidos en el nuevo sistema de recepción de crudo Casa Bomba del campo Ancón, se realiza tomando en cuenta las siguientes premisas:
  • 69.
    48  Permitir elcontrol de las operaciones en forma óptima, oportuna y flexible para minimizar el riesgo asociado a las operaciones de los equipos.  Cumplir con la especificación final requerida del 0.1% de BSW (contenido de agua) como valor máximo en el petróleo de refinación y/o exportación.  Separar en forma óptima, en el sistema de tratamiento Casa bomba, los sólidos que provienen de las formaciones productoras y cumplir con la especificación establecida en las Bases y criterios de Diseño.  Procurar la optimización técnico-económica del sistema de procesamiento de crudo.  Asegurar la flexibilidad de carga para que la deshidratación de crudo y la separación de sólidos se mantenga dentro de los parámetros de diseño, considerando las posibles variaciones en cuanto a flujo y contenido de agua y sólidos de las diferentes formaciones productoras del Campo Ancón.  Facilitar los trabajos de mantenimiento de los equipos, bajo condiciones seguras sin sacrificar la calidad final del petróleo.  Cumplir con los parámetros de 20 ppm de aceite residual y 50 ppm de sólidos suspendidos en el agua de reinyección.  Seleccionar la alternativa tecnológica óptima, mediante la evaluación técnico – económica de las tecnologías que actualmente son aplicables y probadas para sistemas de procesamiento de crudos. 3.7.3 VENTAJAS Y DESVENTAJES DE LAS TECNOLOGÍAS ESTUDIADAS ALTERNATIVA VENTAJAS DESVENTAJAS  Alta eficiencia de separación de  Mayor tiempo de residencia.
  • 70.
    49 CELDA DE FLUJO CRUZADOTANQUE DE LAVADO sólidos y deshidratación.  Bajo costo de inversión  No requiere instrumentación compleja.  Caída de presión despreciable.  No tiene partes móviles.  No requiere energía eléctrica. Opera por gravedad.  Paquete de placas corrugadas fácilmente removibles para inspección.  Flexibilidad operativa.  Bajos costos de mantenimiento.  Sistema de limpieza y eliminación de sólidos automático en la celda. Típicamente superiores a 24 horas.  Requiere de químicos  Descarga manual de sedimentos.  Descarga automática de agua con supervisión.  El tanque de lavado resulta una limitante para el diseño modular.  Tiempo de paro para mantenimiento mayor.  Debe mantenerse flujo laminar para su operación óptima.  Se requiere grandes áreas para el montaje así como obras de ingeniería civil.  Posible taponamiento y corrosión por operación deficiente o falta de mantenimiento.
  • 71.
    50 CENTRÍFUGA  Alta eficiencia Descarga automática de sedimentos.  Operación automática.  Equipo modular, compacto.  Espacio reducido para instalación.  Equipo modular, compacto.  Diseño modular. Puede ampliarse según las necesidades operativas.  Utiliza energía eléctrica.  Contaminación por ruido.  Utiliza partes móviles.  Requiere bomba para alimentación.  Requiere bomba para desalojo de lodos.  Alta frecuencia de limpieza.  Tiempos de paro para realizar mantenimiento.  Altos costos de inversión. HIDROCICLÓN – SEPARADOR BIFÁSICO  No tiene piezas móviles.  Equipo modular, compacto.  Diseño modular. Puede ampliarse según las necesidades operativas.  Espacio y peso reducido.  Menor eficiencia. Con diámetros de las gotas de petróleo menores a 5 micrones el rendimiento en la deshidratación puede disminuir hasta el 50%.  Se requiere un buen diseño de internos.
  • 72.
    51 HIDROCICLÓN – SEPARADOR BIFÁSICO  Eseficiente para tamaños mayores a 75 micrones en agua.  Es indispensable una geometría óptima de diseño.  Difícil control de interface en separador.  Descarga controlada de sedimentos.  Requiere bomba para alimentación.  Requiere separador adicional.  A menor diámetro de sólidos las caídas de presión son mayores.  Opera con eficiencia sólo si el diferencial de presión entren la entrada y la salida corresponde al valor óptimo.  No tiene flexibilidad operativa.  Requiere de químicos para la separación de agua emulsificada.
  • 73.
    52 Tabla 3.1 Ventajas-Desventajasde la Alternativas 3.7.4 PARÁMETROS DE EVALUACIÓN Para evaluar y seleccionar la tecnología apropiada para el nuevo sistema de recepción de crudo Casa Bomba, se consideran los siguientes criterios: Impacto de área Evalúa el área que ocuparían los equipos en superficie de terreno, dependerá de las dimensiones y número de equipos. Eficiencia de separación Se analiza el rendimiento de separación de agua y sólidos en cada uno de los equipos evaluados. Requerimientos energéticos Se toma en cuenta el consumo aproximado de energía eléctrica de cada uno de los equipos evaluados. Precisión en el control de producción Se refiere a la calidad de la información concerniente a los parámetros de producción, fundamentalmente para el conocimiento de la producción real de los pozos, y en consecuencia, de la producción neta del campo. Flexibilidad de capacidad Está relacionado con el rango de BSW capaz de recibir en la alimentación para cumplir con el requerimiento de 0,1% de BSW en el petróleo de
  • 74.
    53 exportación, y conel volumen máximo de fluido que los equipos pueden procesar. Flexibilidad para ampliaciones futuras Será la capacidad que tiene algún equipo para extenderse y ampliarse en caso de incremento de producción diaria. Facilidad de adquisición de repuestos Los repuestos es una parte fundamental ya que en caso de mantenimiento o reparación si no se cuenta lo más pronto posible con los repuestos no se podrá realizar los mantenimientos programados para los equipos. Tiempo de Mantenimiento Es necesario realizar un programa de mantenimiento, ya que esto implica costos y paradas del sistema con lo que es necesario considerar dentro de la evaluación este aspecto. Paros no programados Tiene que ver con la garantía que podría ofrecer un equipo para lograr un mayor tiempo de operación continua, sin considerar trabajos rutinarios de mantenimiento, de acuerdo a la flexibilidad operativa de los equipos. Facilidad de muestreo Se relaciona con la facilidad que se tendría para la toma de muestras de los fluidos de producción, lo cual resulta muy importante para realizar análisis de laboratorio.
  • 75.
    54 Monitoreo de corrosión Seevaluará la vulnerabilidad de las tecnologías frente a la corrosión. Facilidad de control operativo Requerimientos de instrumentos y lazos de control, dependerá de la complejidad y exigencia de seguridad del sistema operativo. Instalación y montaje La evaluación está orientada según el número de equipos, el tamaño, el peso y la complejidad de sus partes, lo cual tiene incidencia en el tiempo de construcción e instalación de las facilidades. Tiempo de entrega y transporte Estos criterios dependerán de la complejidad de fabricación, materiales y número de equipos. Ruido Se evaluará el nivel de las emisiones de que provocaría de cada tecnología. Flexibilidad operativa Se considera el rango de variación de los parámetros que se pueden manipular para garantizar las especificaciones operativas Consumo de químicos
  • 76.
    55 Se evaluará elconsumo de químicos que necesita cada tecnología para lograr su eficiencia de separación. Experiencia de Tecnologías Toma en cuenta el grado de conocimiento y adaptación que podría tener el personal disponible en el mercado para operar los equipos. Seguridad operativa Se enfoca en las condiciones de máxima seguridad operativa que debe ofrecer un equipo o sistema; en relación con el personal, las operaciones y el medio ambiente. Emisiones Para cada alternativa tiene un nivel de emisiones de contaminación las cuales serán evaluadas mediante esta alternativa. Número de equipos (Configuración de Sistema) Cantidad de vessels en la configuración del proceso. Vida útil del equipo Tiempo máximo considerado para una operación segura y bajo especificaciones de calidad del producto. Costos operativos
  • 77.
    56 Costos durante laoperación del nuevo sistema de recepción de crudo Casa Bomba. Costos de mantenimiento Costos de prevención de daño acelerado de los equipos, mediante la oportuna adquisición y cambio de repuestos para garantizar un tiempo de vida acorde con el desgaste normal de piezas y partes de los vessels. Costo de inversión Evalúa el monto de inversión en la compra de equipos, por tecnología. 3.7.5 VALORACIÓN DE TECNOLOGÍAS La Tabla 3.2 se indican los criterios de evaluación que conjuntamente con el grupo de Ingeniería del personal técnico de Pacifpetrol S.A se puso a discusión. En donde se evalúan 25 criterios tanto técnicos como económicos para valorar las tres alternativas propuestas. El resultado de dicha evaluación definirá la alternativa de proceso a diseñar en capítulos posteriores.
  • 78.
    57 Evaluación Técnico -Económica de las Alternativas Estudiadas #  CRITERIOS  VALORACIÓN %  CELDA FLUJO CRUZADO ‐ WASH TANK  HIDROCICLÓN ‐ SEPARADOR BÁSICO  CENTRÍFUGA  1 Impacto de área (menor) 2.26 5.00 11.29 8.00 18.06 10.00 22.57 2 Eficiencia de separación 2.51 7.00 17.56 4.00 10.03 10.00 25.08 3 Requerimientos energéticos 1.25 8.00 10.03 6.00 7.52 5.00 6.27 4 Precisión en el control de producción 2.51 5.00 12.54 7.00 17.56 10.00 25.08 5 Flexibilidad de capacidad 2.16 8.00 17.26 2.00 4.31 6.00 12.94 6 Flexibilidad para ampliaciones futuras 2.51 2.00 5.02 10.00 25.08 10.00 25.08 7 Facilidad de adquisición repuestos 2.51 8.00 20.06 8.00 20.06 8.00 20.06 8 Tiempo de mantenimiento 2.51 4.00 10.03 2.00 5.02 8.00 20.06 9 Paros no programados 2.11 10.00 21.07 10.00 21.07 5.00 10.53 10 Facilidad de muestreo 2.21 6.00 13.24 10.00 22.07 10.00 22.07 11 Corrosión 1.05 4.00 4.21 6.00 6.32 7.00 7.37 12 Facilidad de control operativo 2.41 4.00 9.63 8.00 19.26 8.00 19.26 13 Montaje e instalación 2.51 5.00 12.54 8.00 20.06 10.00 25.08 14 Tiempos de entrega 2.51 8.00 20.06 10.00 25.08 6.00 15.05 15 Ruido 2.21 10.00 22.07 8.00 17.66 6.00 13.24 16 Flexibilidad operativa 2.36 8.00 18.86 6.00 14.15 10.00 23.58 17 Consumo químicos 2.01 6.00 12.04 8.00 16.05 10.00 20.06 18 Experiencia tecnologías 2.40 10.00 23.97 7.00 16.78 8.00 19.17 19 Seguridad operativa 2.51 4.00 10.03 8.00 20.06 7.00 17.56 20 Emisiones 2.51 5.00 12.54 10.00 25.08 10.00 25.08 21 Número de equipos configuración 2.51 6.00 15.05 4.00 10.03 8.00 20.06 22 Vida útil equipos 2.51 6.00 15.05 8.00 20.06 10.00 25.08 23 Costos operativos 12.50 7.80 97.50 7.50 93.75 10.00 125.00 24 Costos de mantenimiento 17.50 8.95 156.63 9.50 166.25 10.00 175.00 25 Costo total estimado de inversión 20.00 9.40 188.00 10.00 200.00 7.40 148.00 TOTAL 100.00 756.28 821.39 868.37 Tabla 3.2 Valoración y Evaluación de Alternativas
  • 79.
    58 3.8 SELECCIÓN DELA ALTERNATIVA PROPUESTA9 Del análisis y escenarios estudiados, cuyos resultados se resumen en la Tabla 3.2 Valoración y Evaluación de alternativas se concluye que la tecnología óptima para el proceso de recepción, deshidratación de crudo y separación de sólidos en el nuevo sistema de tratamiento Casa Bomba, corresponde al escenario que incluye la centrífuga, ya que dicha alternativa cumple con las necesidades y requerimientos actuales y futuros de la planta Casa Bomba. 9 La selección de la alternativa fue desarrollada bajo la supervisión del Departamento de Proyectos de Pacifpetrol S. A.
  • 80.
    55 4. DISEÑO DELA ALTERNATIVA SELECCIONADA – SEPARADOR CENTRÍFUGO
  • 81.
    59 4.1 BASES YCRITERIO DE DISEÑO MECÁNICO PARA EL SISTEMA PROPUESTO En el diseño de estas instalaciones se tomará en cuenta los siguientes criterios generales:  Eficiencia y eficacia en los procesos.  Máxima seguridad de las operaciones.  Mínimo impacto ambiental y afectación a terceros.  Máxima operabilidad y simplicidad de diseño, construcción y operación.  Costos de inversión, de operación y de mantenimiento óptimos.  Las facilidades deberán ser diseñadas con una flexibilidad operacional tal que permita evitar el cierre de producción en caso de presentarse fallas puntuales en los subsistemas del sistema de recepción.  Las instalaciones deberán tener un tiempo de vida útil de por lo menos 10 años, en caso de los equipos nuevos este tiempo debe considerarse mínimo; los equipos existentes deberán ser revisados y realizado su mantenimiento de acuerdo a su plan de inspección o reemplazados de ser el caso para cumplir con el tiempo de vida útil propuesto.  El sistema de recepción y sus sistemas deberán cumplir con los requerimientos de las regulaciones nacionales y locales vigentes, en particular las de seguridad y los aspectos de protección del ambiente. 4.1.1 SISTEMA DE FILTROS El sistema de recepción debe contar con un sistema de filtros tipo strainer para la retención de los sólidos mayores y gravas10 . 10 Caracterización de fluidos de procesos – caracterización de sólidos.
  • 82.
    60 El sistema defiltrado deberá ser del tipo auto-limpiante para disminuir la cantidad de operaciones manuales de limpieza que deban realizarse a los filtros. Los filtros contarán con un sistema de medición de presión diferencial para determinar las frecuencias de limpieza manual de los mismos, de acuerdo con lo descrito posteriormente en la filosofía de operación y control. Deberán tener un sistema de retrolavado para mejorar la acción auto- limpiante del filtro. El agua para este sistema de retrolavado será tomada del agua tratada en las piscinas API para reinyección (disposal). El sistema de filtros estará compuestos por 2 líneas de filtrado y cada línea contará con 4 tipos de filtros con el siguiente tamaño de malla:  El primer filtro tendrá una placa perforada de tamaño de 10mm para retener sólidos mayores.  El segundo filtro tendrá una placa perforada de tamaño de 6mm para retener los solidos productos del swab y elementos que pasen los primeros filtros.  El tercer filtro tendrá una placa perforada de tamaño de 4mm para retener sólidos y partes de gravas.  El cuarto filtro tendrá una placa perforada de 2,5mm para retener partículas de gravas. El tamaño de las perforaciones del elemento filtrante no debe ser menor a la mitad del diámetro de las partículas que desean ser removidas. La relación entre el área perforada de la canastilla y el área de la boca de interconexión del filtro debe tener una relación de por lo menos 4:1.
  • 83.
    61 El porcentaje deárea perforada se determinará de acuerdo con la siguiente relación: Para un arreglo cuadrado 100* *785.0 2 2 Pt d A p P  [4.1] Donde, PA Es el porcentaje de área perforada pd Es el diámetro de la perforación, en pulg. tP Es la distancia entre centros de las perforaciones, en pulg. Para un arreglo circular a 60º se tiene la siguiente relación: 100* *866.0 *785.0 2 2 Pt d A p P  [4.2] El volumen total del filtro debe tener una capacidad para contener la producción de sólidos de por lo menos 2 días. Drenajes y bocas de servicio Los filtros tendrán un drenaje de 2” para la evacuación del fluido restante durante los mantenimientos de los mismos.
  • 84.
    62 El tamaño debocas tanto de la entrada y descarga será determinado de acuerdo a lo descrito en el cálculo hidráulico de la consultoría a ser realizada posteriormente. Temperatura de diseño La temperatura de diseño para los filtros se definirá de acuerdo con: Temperatura de diseño = Máxima temperatura de operación esperada + 30 ºF. Presión de diseño La presión de diseño del filtro estará de acuerdo con la siguiente tabla: Tabla 4.1.- Presión de diseño filtros 4.1.2 DIMENSIONAMIENTO DE SEPARADORES HORIZONTALES Las recomendaciones y criterios señalados en la norma API Specification 12J son aplicables y se tendrán en consideración. El factor de sobre diseño será del 20%. Los criterios establecidos para el diseño del separador horizontal a la entrada del sistema de recepción son: PRESIÓN DE DISEÑO PRESIÓN DE OPERACIÓN [psig] PRESIÓN DE DISEÑO [psig] 0≤P<250 P operación + 25 psi 250≤P<500 1.1 x P operación
  • 85.
    63  El volumendel separador deberá ser el necesario para almacenar el volumen de recepción de los tanqueros y mantener una operación continua en el proceso.  El agua separada debe tener un tamaño de partícula de crudo menor a 500 μm, para garantizar no más de 5000 ppm de crudo en el agua.  Velocidad Terminal: La velocidad de diseño para separación líquido/líquido en el área definida por el nivel máximo de líquido, se determina con la ecuación:   )(1005161.2 25 LHp d Dx V    [4.3] Donde, Vd es la velocidad de diseño, in/min. pD es el diámetro de la párticula de líquido más pesado, en micrones. H es la densidad del líquido más pesado, lb/pie3. L es la densidad del líquido más liviano, lb/ pie3.  es la viscosidad del medio en cP. Las recomendaciones y criterios señalados en la norma API Specification 12J son aplicables y se tendrán en consideración. El factor de sobre diseño será del 20%. Los criterios establecidos para el diseño del separador horizontal a la entrada del sistema de recepción son:  Tiempo de Retención: A continuación se indican tiempos de retención típicos para separación Líquido/Líquido según el GPSA11 Data Book 12 th Edition (Electronic). 11 Gas Processors Suppliers Association
  • 86.
    64 Tabla 4.2.- TiempoRetención Hidrocarburo/Agua  La esbeltez del recipiente deberá estar entre los valores presentados por la Tabla 4.3. Tabla 4.3 Esbeltez en función de la presión de operación  Nivel de líquido: estará de acorde a la Tabla 4.4. GRAVEDAD API TIEMPO DE RETENCIÓN [pies/seg] > 35 3 - 5 < 35 & 100 °F y mayor 5 - 10 < 35 & 80 °F 10 - 20 < 35 & 60 °F 20 - 30 ESBELTEZ DEL RECIPIENTE RELACIÓN L/D RECOMENDADOS PRESIÓN DE OPERACIÓN [psig] L/D 0<P<250 1.5-4 250<P<500 3.0-4.0 500<P 4.0-6.0 VALORES RECOMENDADOS DE NIVEL DE LÍQUIDO [LLL] RECIPIENTE HORIZONTAL LLL, IN DIÁMETRO [FT] <4 9 6 10 8 11 10 12
  • 87.
    65 Tabla 4.4.- AlturasLLL para diámetros de recipientes  Tiempos de retención y almacenamiento de líquido: estará de acorde a la tabla 4.5. Tabla 4.5.- Tiempos de retención y almacenamiento de líquido El diámetro de las bocas de entrada de producción en los separadores deben ser diseñadas de tal forma que no superen la velocidad erosional calculada como: Ve = /130 [4.4] Donde, Ve = Velocidad erosional del fluido, ft/s . ρ = Densidad del fluido, lb/ft3 .  Los diámetros de la salida de las bocas deben ser diseñados para no crear remolinos, es decir, la velocidad no debe superar el 3.2 ft/s. 12 13 16 15 TIEMPOS DE RETENCIÓN Y ALMACENAMIENTO DE LÍQUIDO Tiempo de retención [min] (NLL-LLL) Tiempo de almacenamiento [min] (NLL-HLL) Separadores: a. Con bomba b. Sin bomba 5 2 2 1
  • 88.
    66  La alturadel bafle debe estar entre el 20% y el 70% del diámetro interno del separador.  El separador contará con un paquete de placas coalescentes para mejorar la eficiencia de separación de los sólidos presentes. El equipo contará con una bota de líquido para la acumulación del agua y sedimentos del crudo, estará diseñada de acuerdo con las siguientes consideraciones: H LHLp Ld Dx V   )(1005161.2 25    [4.5] Donde, LdV es la velocidad de elevación de las partículas de la fase liviana, in/min. LpD es el diámetro de la párticula de líquido más liviano, en micrones. H es la densidad del líquido más pesado, lb/pie3 . L es la densidad del líquido más liviano, lb/ pie3 . H es la viscosidad del medio en cP. El diámetro de la bota de líquido esta definido por la siguiente ecuación: Ld HL B V Q D * *12*4   [4.6] Donde, BD es el diámetro de la bota de líquido, pulg.
  • 89.
    67 HLQ es elflujo volumétrico de la fase líquida más pesada, ft3 /min. LdV es la velocidad de elevación de las partículas de la fase liviana, in/min.  La altura de la bota de líquido debe considerar el tamaño del instrumento de nivel a ser instalado. Debe considerar también una altura adicional de por lo menos 6 pulg. para el control de la interfase crudo-agua. Dimensiones de placas coalescentes Las placas coalescentes del separador deben cumplir con las siguientes condiciones: Tabla 4.6.- Dimensiones y ubicación de placas coalescentes El área de las placas puede estimarse para un separador convencional con un diámetro de partículas de sólidos igual a 60 micrómetros, ]/)[(00386.0/ OPHm SSAQ  [4.7] VARIABLE RANGO Distancia entre places medidas perpendicularmente Angulo de inclinación de las placas respecto a la horizontal Tipo de crudo a ser removido Tipo de flujo 1 – 1,5 pulg. 60° Únicamente crudo libre Flujo cruzado / Flujo descendente
  • 90.
    68 Donde, mQ Caudal deingreso al separador, ft3 /min. HA Área horizontal mínima, ft2 . OS Gravedad específica del crudo (medio) a la temperatura de diseño, adimensional. PS Gravedad específica de los sólidos en el medio a la temperatura de diseño, adimensional.  Viscosidad absoluta del medio, Poise (1 P = 1 g. cm/seg). Datos de Entrada para el Dimensionamiento de los Separadores horizontales Se deberá tomar en consideración los siguientes parámetros para su diseño:  Propiedades de los fluidos (líquido HC y agua) a condiciones de operación.  Densidades  Viscosidades  Tensión superficial  Condiciones operativas  Presión  Temperatura  Flujo másico  Tipo de fluido (sucio o limpio; corrosivo o no corrosivo)
  • 91.
    69 Volumen del recipiente Elrecipiente debe ser diseñado para recibir los despachos de los tanqueros, para lo cual se ha realizado un análisis de los flujos de ingreso actuales con un sobredimensionamiento del 25%, descarga del separador y flujo de recirculación en el proceso. El recipiente debe tener la capacidad de proporcionarle un tiempo de residencia a la producción entregada y acumular producción para mantener un proceso continuo. Temperatura de Diseño La temperatura de diseño para el separador se definirá de acuerdo con: Temperatura de diseño = Máxima temperatura de operación esperada + 30 ºF. Presión de Diseño La presión de diseño del separador se definirá de acuerdo con la siguiente tabla: Tabla 4.7.- Presión de diseño para recipientes El diseño de equipo considerará la colocación de por lo menos un instrumento de seguridad de presión (PSV) con arrestallama. El equipo debe tener por lo menos 2 bocas para la colocación de instrumentos de medición PRESIÓN DE DISEÑO PRESIÓN DE OPERACIÓN [psig] PRESIÓN DE DISEÑO [psig] 0≤P<250 P operación + 25 psi 250≤P<500 1.1 x P operación
  • 92.
    70 y/o indicación localde presión. Las bocas para estos instrumentos deben estar ubicadas de preferencia en la parte más alta del recipiente. Medición, indicación y control de nivel El separador tendrá bocas y provisión para la instalación de los instrumentos de nivel necesarios para la operación, es decir se ubicará un medidor de nivel y/o transmisor de nivel de total en el recipiente. Adicionalmente se colocarán las bocas necesarias para la ubicación de instrumentos para control de ser necesario directamente acoplados al recipiente. Elementos de Seguridad El separador tendrá bocas y provisión para la instalación de los instrumentos de seguridad mínimos recomendados por la API RP 14C los cuales son:  Por lo menos 1 venteo dimensionado de acuerdo con lo descrito en API 2000.  Por lo menos 1 válvula de seguridad de presión (PSV).  1 Sensor de seguridad de nivel alto.  1 Sensor de seguridad de nivel bajo.  1 Sensor de seguridad por alta temperatura. Todos los elementos que tengan una conexión o salida hacia al ambiente deben tener acoplados un arrestallama. Drenajes, limpieza y acceso El recipiente deberá tener drenajes de por lo menos 4” separados una distancia no mayor a 4.9 ft entre sí, ubicados en la parte inferior.
  • 93.
    71 El equipo debetener por lo menos 1 boca para inyección de agua a presión para limpieza interna del equipo (Sand Jet). 4.1.3 SEPARADORES CENTRÍFUGOS Entre las principales características de este equipo se considerarán las siguientes:  El separador centrífugo funcionará con crudos con un rango de densidad entre 12 y 38 °API.  Debe tener la flexibilidad necesaria para manejar un fluido con un rango de viscosidades de 1.5 a 5.5 cSt @ 40ºC  El separador centrífugo deberá tener la capacidad de trabajar con variaciones de BSW en un rango de hasta 50%, considerando el crudo de diseño (20% BSW) más un margen de seguridad, sin que este rango de variación afecte el desempeño del equipo.  El equipo utiliza agua de recirculación para la limpieza interna del mismo, se debe contar con una provisión de agua de utilidades para este fin. Para el funcionamiento del separador centrífugo se requiere utilizar un motor para producir una fuerza centrífuga de 10,000 g con lo cual se logra separar las micropartículas de agua de la emulsión presente en el crudo. El mantenimiento de la centrífuga y reemplazo de partes internas debe ser realizado de acuerdo a las especificaciones del fabricante. El separador centrífugo debe tener la capacidad de manejar sólidos de hasta el diámetro de partícula igual al tamaño que maneja el filtro previo. Temperatura de Diseño
  • 94.
    72 La temperatura dediseño para el separador se definirá de acuerdo con: Temperatura de diseño = Máxima temperatura de operación esperada + 30 ºF. Presión de descarga El separador debe tener una presión de descarga de crudo por lo menos de: psigPPd ,15 [4.8] Donde, dP Es la presión de descarga del separador centrífugo. P Es la caída de presión en la línea de transporte. Esta presión de descarga asegurará que se tenga la presión suficiente en el sistema para los siguientes procesos del crudo. Datos de entrada para el dimensionamiento del separador centrífugo. Los datos de entrada para el separador son los siguientes:  Capacidad del sistema y especificaciones de producción dentro de los que deben estar por lo menos:  Propiedades de los fluidos (líquido HC y agua) a condiciones de operación.  Densidades.  Viscosidades.  Condiciones operativas.
  • 95.
    73  Presión.  Temperatura. Flujo másico.  Tipo de fluido (sucio o limpio; corrosivo o no corrosivo, abrasivo o no). Elementos de seguridad El diseño del skid del separador considerará la colocación de instrumentos de seguridad de presión y temperatura, los cuales deben cumplir todas normativas de Pacifpetrol S. A., así como también con las normativas solicitadas por las diferentes entidades de control. El separador tendrá bocas y provisión para la instalación de los instrumentos de seguridad mínimos recomendados por la API RP 14C los cuales son:  Por lo menos 1 válvula de seguridad de presión (PSV) en la línea de descarga de las bombas de ingreso de fluido.  1 Sensor de seguridad de nivel alto en el tanque de deposito de sólidos y agua  1 Sensor de seguridad de nivel bajo en el tanque de deposito de sólidos y agua  1 Sensor de seguridad por alta temperatura  1 Sensor de alta presión en la línea de descarga tanto de las bombas de aliementación como descarga del separador.  Todos los elementos que tengan una conexión o salida hacia al ambiente deben tener acoplados un arrestallama. Servicios necesarios Para el funcionamiento del separador se debe contar con las facilidades eléctricas necesarias, estas deberán estar de acuerdo con todas normativas
  • 96.
    74 de Pacifpetrol S.A.,así como también con las normativas solicitadas por las diferentes entidades de control. El sistema de aire comprimido deberá tener una presión entre 25 a 30 psi para instrumentos y de mínimo 100 psi para equipos que usen el aire comprimido como fluido motriz (bombas neumáticas). Se contará con una toma para agua de utilidades con una capacidad no menor a 30 gal/min para el sistema de autolimpieza del equipo. 4.1.4 PISCINAS DE SEDIMENTACIÓN API (SEPARADOR) Entre las principales características de este equipo se considerarán las siguientes:  La velocidad horizontal ( HV ) en el separador debe estar entre 1.5 - 3 ft/s o igual a 15 veces la velocidad de ascenso (Vt ) de la partícula de crudo, cualquiera sea menor. [4.9]  La profundidad de la columna de agua (d) debe estar de 3 - 8 ft para minimizar los efectos de turbulencia causada por altos flujos de ingreso o el funcionamiento de equipos de remoción de lodos, se debe tomar en cuenta el volumen que ocupan dichos equipos durante el dimensionamiento del separador.  La relación entre la profundidad y el ancho del canal del separador debe estar entre 0.3 y 0.5.  El ancho del separador convencionalmente se encuentra entre 6 y 20 ft, pero adicionalmente se debe tomar en cuenta las dimensiones de los equipos de remoción de lodos. egsftVV tH ,315 
  • 97.
    75  Se debecolocar como mínimo 2 canales, los cuales servirán para el momento que se deba hacer un mantenimiento sin que se necesite sacar de servicio al equipo entero.  La relación entre Longitud y ancho (L/B) debe ser por lo menos de 2. La velocidad de ascenso de la partícula de crudo en agua (Vt ) se calcula con la siguiente ecuación: egscmD g V Wt ,)( 18 2 0   [4.10] Donde, tV Velocidad de ascenso de la partícula en cm/seg. g Valor de aceleración de la gravedad (981 cm/seg2).  Viscosidad absoluta del flujo de ingreso en Poise (1 P = 1 g. cm/seg). W Densidad del agua a la temperatura de diseño en g/cm3. O Densidad del crudo a la temperatura de diseño en g/cm3. D Diámetro de la partícula a ser removida en cm. WS Gravedad específica del agua a la temperatura de diseño, adimensional. OS Gravedad específica del crudo en el agua a la temperatura de diseño, adimensional (No grados API). Sección Transversal Mínima La sección transversal mínima del separador será calculado en base al caudal de entrada y la velocidad horizontal.
  • 98.
    76 HmC VQA /[4.11] Donde, CA Sección transversal mínima en ft2. mQ Caudal de ingreso al separador en ft3/min. HV Velocidad horizontal en ft/min. Cantidad de canales La cantidad de canales en un separador debe ser por lo menos 2 en función de que se haga el mantenimiento de un canal a la vez. La cantidad de canales en un separador cuya sección transversal ha sido maximizada puede calcularse mediante la siguiente fórmula: 160/CAn  [4.12] Donde, n Número de canales en un separador, por lo menos 2. CA Sección transversal mínima en ft2. Profundidad de canales La profundidad de los canales puede determinarse mediante la siguiente ecuación: BnAd C / [4.13]
  • 99.
    77 Donde, d Profundidad delos canales en ft. CA Sección transversal mínima en ft2. n Número de canales en un separador, adimensional. B Ancho de cada canal en ft. Longitud de separador Una vez que el resto de las dimensiones del separador han sido determinadas, puede obtenerse la longitud del separador mediante la siguiente ecuación: dVVFL tH )/( [4.14] Donde, L Longitud de los canales en ft. F Factor de turbulencia y corto circuito, adimensional. HV Velocidad horizontal en ft/min. tV Velocidad de ascenso de la partícula en ft/min. d Profundidad del canal en ft. HV / tV Factor de turbulencia (Ft) F=1.2*Ft
  • 100.
    78 Tabla 4.8.-Factores deturbulencia F Mínima área horizontal del separador La mínima área horizontal del separador puede ser calculada mediante la siguiente ecuación: )/( tmH VQFA  [4.15] Donde, HA Área horizontal mínima en ft2 F Factor de turbulencia y corto circuito, adimensional mQ Caudal de ingreso al separador en ft3/min tV Velocidad de ascenso de la partícula en ft/min 4.1.5 TANQUES DE SURGENCIA Y ALMACENAMIENTO Los criterios generales para el dimensionamiento de tanques de surgencia y almacenamiento se fundamentarán principalmente en los aspectos que se enumeran a continuación:  Los tanques serán diseñados para el almacenamiento de fluido con una presión de vapor hasta 12 psia. 20 15 10 6 3 1,45 1,37 1,27 1,14 1,07 1,74 1,64 1,52 1,37 1,28
  • 101.
    79  Tiempo deresidencia que tendrá el fluido.  Nivel mínimo operativo para proporcionar cabeza neta positiva de succión a bombas.  Tiempo de almacenamiento en caso de contingencia.  Temperatura del fluido o requerimiento de calentamiento Temperatura de Diseño La temperatura de diseño en tanques que sólo son afectados por la radiación solar se determinará de la siguiente manera: Temperatura de diseño = Temperatura de operación + 30 ºF. Presión de Diseño Todos los tanques tendrán una válvula de alivio de presión y vacío. Adicionalmente, se deberá colocar un arresta-llamas integrado a la válvula de alivio de presión rompe vacío, y una válvula de venteo de emergencia. La presión de diseño por presión y por vacío se considera de acuerdo con lo establecido en la especificación de la Normativa API 650: Welded Steel Tanks for Oil Storage. En tanques menores a 1000 BBL las consideraciones de API 12F podrán ser tomadas en consideración:  Las dimensiones del tanque estarán de acuerdo con la tabla 1 y la Fig 1. de la norma API 12F.  Para tanques con una capacidad desde 90 bbl hasta 500 bbl la presión de diseño será de 1 psi y en vacío de - 0.86 pulgadas de agua.
  • 102.
    80  Para tanquescon una capacidad de 500 bbl hasta 750 bbl la presión de diseño será de 0.5 psi y en vacío de - 0.86 pulgadas de agua. Bocas en tanques El dimensionamiento de bocas en los tanques se realizarán con las mismas condiciones que para el dimensionamiento de líneas, tomando adicionalmente en consideración que la velocidad del fluido no debe ser mayor a 0.6 m/s La altura de ubicación de las bocas debe considerar una altura mínima tanto para el servicio de ingreso de fluido como para bocas de descarga de crudo o descargas de agua, esta altura debe ser por lo menos lo indicado en la Tabla 5.6 de la norma API 650. Para tanques con una capacidad de 200 a 750 bbl la altura de las bocas deben ser por lo menos la altura indicada en la Tabla 1. de la API SPEC 12F. Todos los tanques para servicio de hidrocarburos deben contar por lo menos con una boca para drenaje, el dimensionamiento de la misma debe estar de acuerdo a lo descrito anteriormente. El tanque debe contar con las bocas necesarias para la instalación de un medidor de altura de líquido en el tanque, adicionalmente debe contar con una boca de acceso para la medición manual del nivel del tanque. Las bocas cuyo servicio sea la salida de producción deben contar con un vortex. Elementos de seguridad El diseño del tanque considerará la colocación de por lo menos un instrumento de seguridad de presión y vacío (PVSV) con arrestallama.
  • 103.
    81 El separador tendrábocas y provisión para la instalación de los instrumentos de seguridad mínimos recomendados por la API RP 14C los cuales son:  Por lo menos 1 venteo dimensionado de acuerdo con lo descrito en API 2000 con arrestallama.  Por lo menos 1 válvula de seguridad de presión (PSV).  1 Sensor de seguridad de nivel alto.  1 Sensor de seguridad de nivel bajo.  1 Sensor de seguridad por alta temperatura. Todos los elementos que tengan una conexión o salida hacia al ambiente deben tener acoplados un arrestallama. 4.1.6 DIMENSIONAMIENTO DE LÍNEAS Los cálculos hidráulicos que se realizarán para las líneas que comprenderá el sistema de recepción de crudo dependerá básicamente del tipo de fluido a transportar, de sus condiciones de operación en las distintas fases de producción, de las caídas de presión admisibles entre los puntos de inicio y fin de cada línea, y se basará principalmente en la aplicación del estándar API RP 14E. Flujo Monofásico Como criterio de diseño se deberá considerar los límites y rangos de velocidad de flujo recomendados en la Tabla 4.9 . Esta tabla es una referencia, y donde aplique, se deberá hacer una evaluación hidráulica para garantizar la correcta operación de los sistemas. DESCRIPCIÓN VELOCIDAD ρV2 ∆P ρV3 Mach ft/s psi psi lbf/s3 Succión de bombas con líquido en ebullición < 2” 2.9 13 2.5” – 10” 2.9 13
  • 104.
    82 Tabla 4.9.- Velocidadesy caídas de presión Presión y Temperatura Las condiciones de temperatura y presión de diseño para tuberías serán definidas como sigue:  Temperatura de Diseño: La temperatura de diseño será igual a la máxima temperatura de operación más 30ºF. Succión de bombas con líquido subenfriado < 2” 2.9 3” – 6” 3.9 Descarga de bombas P < 50 Bar g 19 P > 50 Bar g 19 Salida de recipientes con líquido en ebullición < 2” 2 3” – 6” 3.3 Salida de recipientes con líquido subenfriado < 2” 3 50 3” – 6” 3.9 50 Flujo por gravedad 2 Agua ácida 6.6 Agua de servicios < 2” 4.9 3” 6.6 4” 8.2 > 6” 9.8 Succión compresor reciprocante 60 10 440400 Succión compresor centrífugo < 20 Bar g 125 10 440400 20<P<50 Bar g 155 10 440400 50<P< 80 Bar g 210 10 440400 P > 80 Bar g 315 10 440400 Descarga compresor < 20 Bar g 125 15 440400 20<P<50 Bar g 155 15 440400 50<P< 80 Bar g 210 15 440400 P > 80 Bar g 315 15 440400 Compresor en operación intermitente P<50 Bar g 210 50<P< 80 Bar g 315 P > 80 Bar g 525 Línea de entrada a PSV < 2” 525 0.6 P < 50 Bar g 630 0.6 P > 50 Bar g 1050 0.6
  • 105.
    83  Presión deDiseño: La presión de diseño para tuberías debe ser consistente con la presión de diseño de los recipientes y equipos a los cuales se conectan. En ningún caso la presión de diseño será menor. Capacidades La capacidad de las líneas deberá dimensionarse con un margen de diseño de 10% adicional en el flujo. Dimensionamiento de Tuberías para Transporte de Líquidos El dimensionamiento de tuberías para líquidos debe satisfacer los siguientes requerimientos mostrados en la Tabla 4.10. Tabla 4.10.- Criterios para el dimensionamiento de líneas  Succión de Bombas: En las líneas de succión de bombas, el NPSH disponible debe ser mayor que el NPSH requerido con un margen de 3 pies de líquido. Para succión de bombas que manejan fluido en ebullición o en equilibrio, la máxima caída de presión por fricción no debe exceder los 3 pies de cabeza de fluido.  Drenajes: En los drenajes atmosféricos se deberá hacer una evaluación hidráulica para verificar que la pendiente de las líneas de HIDROCARBUROS AGUA Densidad (lb/ft3 ) Velocidad (ft/s) ∆P Máximo (psi/100 fts) Diámetro tubería (NPS) Velocidad (ft/s) ∆P Máximo (psi/100 fts) 50 3,5 - 7 3,5 1 2 - 3,3 < 4.0 20 1 - 2,5 0,5 2 3,3 - 5 4 5 - 7 6 7 - 9 8 8,2 - 11 10 9,8 - 12 12 -20 12 - 16
  • 106.
    84 drenaje permiten fluiral líquido a una velocidad tal que la caída sea menor a la cabeza hidrostática. Dimensionamiento de Tuberías para Transporte de Flujo Bifásico La preocupación principal durante el diseño de tuberías que transportan fluidos en dos fases es la de saber que patrones de flujo pueden presentarse. Se prestará atención particular al régimen de flujo para evitar patrones de slug o baches, las velocidades de la línea se limitarán por: egspieV MEZCLA MAX ,100 .   y egspieV MEZCLA MIN ,60 .   [4.16] y donde .MEZCLA es la densidad de la mezcla en lb/pie3 .  Líquidos con sólidos suspendidos deben tener una velocidad mínima de 3,3 pie/seg.  Fluido con sólidos suspendidos deben ser transportados por líneas con la menor longitud posible, además debe usarse en lo posible líneas ubicadas horizontal o verticalmente.  En caso de que deban usarse líneas con inclinación, la velocidad del fluido debe incrementarse en un 25%.  Debe minimizarse en lo posible el uso de accesorios como codos o Ts. 4.1.7 DIMENSIONAMIENTO DE BOMBAS Las bombas que sean parte del proceso principal deben contar con una bomba de respaldo (backup) para mantener un proceso continuo. Para el cálculo de la potencia de las bombas se utilizará la siguiente ecuación general:
  • 107.
    85 Ef PQ HP    715,1 [4.17] Donde, :HP Potencia encaballos fuerza Q : Caudal en galones por minuto :P Presión diferencial o cabeza en psi Ef: El parámetro de la eficiencia se fijará a 75% Para la determinación del flujo mínimo se estimará primero que todo el caballaje de la bomba se transforma en calor, y luego se considerará un flujo tal para que dicho calor eleve la temperatura del fluido en 15 °F. Este será el flujo mínimo. Además, se solicitará al fabricante la curva de las bombas, incluyendo flujo mínimo. La capacidad de diseño será el 10% más del flujo normal requerido. Para el cálculo del NPSH se utilizará el flujo normal más el 25%. ` 4.2 MEMORIA DE CÁLCULO BOMBAS DE ALIMENTACIÓN DE CRUDO PBA-6003 A/B 1.- Cálculo del Caudal de Diseño 1.a.- Caudal de Diseño de la Bomba: [4.18] % Sobrediseño (Flujo) : 10% Caudal Operación (Bomba): 55.00 gpm Caudal Diseño (Bomba) = 60.50 gpm )()()( *)%1( BombaFlujoBomba OperaciónCaudaloSobrediseñDiseñoCaudal 
  • 108.
    86 2.- Cálculo dela Velocidad en la Tubería donde: D : diámetr ft Sabiendo que: 1 ft 2 = 144 in 2 1 ft 3 = 7,48 galones 1 min = 60 s [4.19] 2.a.- Velocidad en el Cabezal de Succión: Diámetro (Cab. Succión) = 4.026 in Area = 12.7 in 2 Caudal Diseño (Bomba) = 60.50 gpm Velocidad = 1.53 ft/s 2.b.- Velocidad en el Ramal de Succión: Diámetro (Ramal Succión) = 4.026 in Area = 12.7 in 2 Caudal Diseño (Bomba) = 60.50 gpm Velocidad = 1.53 ft/s 2.c.- Velocidad en el Cabezal de Descarga: Diámetro (Cab. Descarga) = 3.068 in Area = 7.4 in 2 Caudal Diseño (Bomba) = 60.50 gpm Velocidad = 2.63 ft/s 2.d.- Velocidad en el Ramal de Descarga: Diámetro (Ramal Descarga) = 4.026 in Area = 12.7 in 2 Caudal Diseño (Bomba) = 60.50 gpm Velocidad = 1.53 ft/s 2.e.- Velocidad para el Cálculo del NPSH disponible (Parámetro para NPSHd): Cabezal de succión 2 ** 4 1 DArea  )( )( 2 002229.0**144 in gpm Area Caudal Velocidad
  • 109.
    87 Diámetro = 4.026in Area = 12.7 in 2 Caudal Diseño (NPSHd) = 55.00 gpm Velocidad = 1.39 ft/s Ramal de succión Diámetro = 4.026 in Area = 12.7 in 2 Caudal Diseño (NPSHd) = 55.00 gpm Velocidad = 1.39 ft/s 3.- Cálculo del Número de Reynolds Sabiendo que para convertir cP a ft2 /seg, se debe multiplicar los Cp por 0,00067197/densidad(Lb/ft3 ) se tiene: [4.20] Donde: Diámetro: ft Velocidad: ft/s Densidad: Lb/ft3 Viscosidad: cP 3.a.- Reynolds en el Cabezal de Succión: Densidad @ P y T: 52.77 Lbs/ft3 Viscosidad: 3.95 cP Velocidad: 1.53 ft/s Diámetro: 4.026 in Reynolds = 10175 (adimencional) 3.b.- Reynolds en el Ramal de Succión: Densidad @ P y T: 52.77 Lb/ft3 Viscosidad: 3.95 cP Velocidad: 1.53 ft/s Diámetro: 4.026 in Reynolds = 10175 (adimensional) 3.c.- Reynolds en el Cabezal de Descarga: Densidad @ P y T: 52.77 Lb/ft3 000671970* 12 ** .Viscosidad DiámetroVelocidaddensidad Reynolds     
  • 110.
    88 Viscosidad: 3.95 cP Velocidad:2.63 ft/s Diámetro: 3.068 in Reynolds = 13352 (adimensional) 3.d.- Reynolds en el Ramal de Descarga: Densidad @ P y T: 52.77 Lb/ft3 Viscosidad: 3.95 cP Velocidad: 1.53 ft/s Diámetro: 4.026 In Reynolds = 10175 (adimensional) 3.e.- Reynolds para el Cálculo del NPSH disponible (Parámetro para NPSHd): Cabezal de Succión: Densidad @ P y T: 52.77 Lb/ft 3 Viscosidad : 3.95 cP Velocidad: 1.39 ft/s Diámetro: 4.026 in Reynolds = 9250 (adimensional) Ramal de Succión: Densidad @ P y T: 52.77 Lb/ft3 Viscosidad: 3.95 cP Velocidad: 1.39 ft/s Diámetro: 4.026 in Reynolds = 9250 (adimensional) 4.- Cálculo del Factor de Fricción (Factor de Fricción de Moddy)  El Factor de Fricción para flujo laminar (Reynolds < 2000), es función sólo del Número de Reynolds, y puede ser determinado a partir de la Ecuación
  • 111.
    89 depende no sólodel Número de Reynolds, sino también de la rugosidad relativa (e) de la tubería, pudiendo ser determinado a partir de la Ecuación  Un Número de Reynolds entre 2000 y 4000, corresponde a la zona de transición, en al cual el flujo puede ser tanto laminar como turbulento. En vista de la poca precisión al respecto, no se recomienda diseñar bajo esta zona. [4.21] Ecuación 3.21: En este caso se considera el Reynolds del tramo de tubería a ser evaluado Ecuación 3.22: donde: [4.22] Diámetro: ft e: rugosidad relativa = 0,00015 ft En este caso se considera el Reynolds, la rugosidad relativa y el diámetro del tramo de tubería a ser evaluado. Para facilitar la solución de la Ecuación 2, se utiliza el siguiente procedimiento: Se estima un valor de f, tomándolo de la siguiente gráfica (Fig. 17-2 del GPSA, SECTION 17, Fluid Flow and Piping): Reynolds fm 64           mm fReynoldsDiámetrof * 51.2 *7.3 log*2 1 10 
  • 112.
    90  Se calculaun nuevo valor de f, partiendo del valor asumido inicialmente.  Se determina la diferencia entre el valor asumido y el calculado.  Si la diferencia entre el valor asumido y el calculado es mayor que 0,000001, se calcula un nuevo valor de f, partiendo del primer valor calculado.  Se determina la diferencia entre el primer valor calculado y el segundo valor calculado.  Si la diferencia entre el primer valor calculado y el segundo valor calculado es mayor que 0,000001, se calcula un nuevo valor de f, partiendo del segundo valor calculado.  Este proceso de iteración se continúa hasta que la diferencia sea menor que 0,000001. 4.a.- Factor de Fricción Cabezal de Succión: En este caso, Reynolds = 10175 por lo tanto se calcula el factor de fricción a través de la Ecuación 3.22 obteniéndose: f = 0.03109 (adimensional) 4.b.- Factor de Fricción Ramal de Succión: En este caso, Reynolds = 10175 por lo tanto se calcula el factor de fricción a través de la Ecuación 3.22 obteniéndose: f = 0.03109 (adimensional) 4.c.- Factor de Fricción Cabezal de Descarga: En este caso, Reynolds = 13352 por lo tanto se calcula el factor de fricción a través de la Ecuación 3.22 obteniéndose:
  • 113.
    91 f = 0.02966(adimensional) 4.d.- Factor de Fricción Ramal de Descarga: En este caso, Reynolds = 10175 por lo tanto se calcula el factor de fricción a través de la Ecuación 3.22 obteniéndose : f = 0.03109 (adimensional) 4.e.- Factor de fricción para el Cálculo del NPSH disponible (Parámetro para NPSHd): Cabezal de Succión: En este caso, Reynolds = 9250 por lo tanto se calcula el factor de fricción a través de la Ecuación 2 obteniéndose: f = 0.03186 (adimensional) Ramal de Succión En este caso, Reynolds = 9250 por lo tanto se calcula el factor de fricción a través de la Ecuación 2 obteniéndose: f = 0.03186 (adimensional) 5.- Cálculo de la Caída de Presión (psi/100 ft de tubería) [4.23] Para el cálculo de la caida de presión (DP) en psi/100 ft de tubería se utiliza la siguiente expresión: donde: Densidad : Lb/ft3 L(tubería): Longitud de la Tubería = 100 ft Diámetro: in gc: aceleración de la gravedad = 32,16 ft/s2 c tubería g Diámetro vLDensidadf ΔP *2* 12 *144 *** 2 )( 
  • 114.
    92 5.a.- Caída dePresión en Cabezal de Succión: f = 0.03109 Densidad = 52.77 Lb/ft3 P = 0.123 psi/100 ft Diámetro = 4.026 in 5.b.- Caída de Presión en Ramal de Succión: f = 0.03109 Densidad = 52.77 Lbs/ft 3 P = 0.123 psi/100 ft Diámetro = 4.026 in 5.c.- Caída de Presión en Cabezal de Descarga: f = 0.02966 Densidad = 52.77 Lb/ft3 P = 0.456 psi/100 ft Diámetro = 3.068 in 5.d.- Caída de Presión en Ramal de Descarga: f = 0.03109 Densidad = 52.77 Lb/ft3 P = 0.123 psi/100 ft Diámetro = 4.026 in 5.e.- Caída de Presión para el Cálculo del NPSHdisponible (Parámetro para NPSHd): Cabezal de Succión: f = 0.03186 Densidad = 52.77 Lb/ft3 P = 0.104 psi/100 ft Diámetro = 4.026 in Ramal de Succión: f = 0.0319 Densidad = 52.77 Lb/ft3 P = 0.104 psi/100 ft Diámetro = 4.026 in
  • 115.
    93 6.- Cálculo dela Presión Diferencial (Bomba) [4.24] 6.a.- Presión de Succión: [4.25] Poper recip. Succión 14.7 psia Pérdidas succión 0.25 psi Otras Pérdidas 0.50 psi Cabezal Estático 11.40 ft equiv. a: 4.49 psi 18.45 psia Presión succión = 18.45 psia 3.75 psig 6.b.- Presión de Descarga: [4.26] Poper recip. Descarga 25 psia Pérdidas descarga 0.58 psi Otras Pérdidas 0.50 psi Altura descarga 5 ft equiv. a: 1.97 psi 28.05 psia Presión descarga = 28.05 psia Presión Diferencial Bomba = 9.60 psi 24.37 ft de líquido 22.17 ft de agua 7.- Cálculo del NPSHdisponible [4.27] En este caso, las pérdidas se determinan en base a parámetros para el cálculo del NPSHd. EstáticoCabezalPérdidasPoperP succiónrecipsucción  . adescadescrecipadesc AlturaPérdidasPoperP argarg.arg  vaporsucciónrecip PEstáticoCabezalPérdidasPoperNPSHd  . succiónadescBomba PPlDiferenciaPresión  arg)(
  • 116.
    94 Poper recip. Succión14.7 psia Pérdidas succión 0.25 psi Otras Pérdidas 0.50 psi Cabezal Estatico 11.40 ft equiv. a: 4.49 psi Presión Vapor 14.7 psia 3.75 psia NPSH disponible(calculado) = 3.75 psia 9.51 ft de líquido 8.65 ft de agua 8.- Cálculo de la Potencia de la Bomba 8.a.- Potencia Hidráulica: [4.28] donde: Caudal, Cuadal Bomba gpm Presión diferencial: ft de líquido Potencia Hidráulica = 0.35 HP Hyd 8.b.- Potencia al Freno: [4.29] donde: E Bomba: Eficiencia Estimada de la Bomba: 75% Potencia al Freno = 0.47 BHP 8.c.- Potencia del Motor: [4.30] donde: E Motor: Eficiencia Estimada del Motor: 90% 3960 ** EspecíficaGravedadPresiónCaudal Potencia ldiferencia Hyd  Bomba Hyd E Potencia FrenoalPotencia  MotorE FrenoalPotencia MotorPotencia 
  • 117.
    95 Potencia del Motor= 0.52 HP 9.- Cálculo de la Máxima Presión de Succión [4.31] P oper. Max recip. Succión: 25.00 psia Cab. Estático max.: 11.40 ft, equiv. a: 4.49 psia 29.49 psia Presión Succión max = 29.49 psia 10.- Cálculo de la Presión de Shut-Off [4.32] Presión Diferencial Bomba: 9.60 psi Presión Succión Max.: 29.49 psia Presión Shut-Off = 41.02 psia Para el cálculo de las bombas restantes se procedió de manera similar al procedimiento anterior, dichas bombas son las siguientes:  Bombas de Agua Piscina API PBA-6004 A/B  Bomba de Agua de Utilidades PBA-6006  Bombas de Descarga de Agua PBA-6002 A/B  Bombas de Recuperación de Crudo PBA-6005 A/B maxsucciónrecip EstáticoCabmaxoperPSucciónPresión ..max  max*2.1 SucciónPresiónlDiferenciaPresiónOffShutPresión Bomba 
  • 118.
    96 4.3 CODIFICACIÓN PARADIAGRAMAS P&ID Para utilizar una simbología y nomenclatura adecuada para el diseño de los planos P&ID es necesario definir ciertos criterios que se utilizarán para el diseño. 4.3.1 CÓDIGO PARA IDENTIFICACIÓN DE VÁLVULAS Válvulas de Bola, Clase A (150#):  BA- 411 diámetros de ½” a 2” roscadas  BA-113 diámetros de 1” a 4” bridadas, regular port  BA-123 diámetros de 1” a 4” bridadas, full port  BA- 127 diámetros de 6” y mayores, bridadas, full port  BA- 117 diámetros de 6” y mayores, bridadas, reduced port Válvulas Check, Clase A (150#):  CK-821 diámetros 2” y menores, full opening swing check, roscada.  CK-123 diámetros de 2” y mayores, full opening swing check, bridada.  CK-118 diámetros de 1” y mayores, Pulsating service, bridada, gas service check valve. Válvulas Gate, Clase A (2000#):  GA-211 diámetros de ½” a 2” roscadas. Válvulas Gate, Clase A (150#):  GA-123 diámetros de 2” y mayores bridadas.
  • 119.
    97 Válvulas de Globo,Clase A (2000#):  GL-211 diámetros de ½” a 2” roscadas.  Válvulas de Globo, Clase A (150#):  GL-113 diámetros de 2” y mayores bridadas. Válvulas de Mariposa, Clase A (150#):  BF-120 diámetros de 3” hasta 24”, bridadas. Válvulas de Aguja, Clase A (150#):  NE-030 diámetros de ½” hasta ¾”, roscadas. Válvulas de Tres Vías, Clase A (150#):  PL-119 diámetros de 3” y mayores, bridadas 4.3.2 CÓDIGO PARA IDENTIFICACIÓN DE CAÑERÍAS 2” – PG – D 1 - XXXX Nº de línea Especificación Clase Servicio Diámetro
  • 120.
    98 CLASE ESPECIFICACIONES SERVICIOY NRO. DE LINEA A 150 ANSI B 300 ANSI C 400 ANSI D 800 ANSI E 900 ANSI F 1500 ANSI G 2500 ANSI/6000 PSIG J API 3000 K API 5000 L API 10000 LINEA DE PROCESO DRENAJES Y DESCARGA SEGURIDAD VAPOR Y CONDENSADO AGUA DE SERVICIO SERVICIO GENERAL GAS BLANKET Y COMBUSTIBLE PETROLEO DE SERVICIO QUÍMICOS Y CAUSTICOS 9. OTROS DO BFG BG CI CW DF EX FG FW G GN HM IA IG LG LO M PD PF PG PO PL PW R SG ST UA UG 2000 6000 6000 8000 4000 6000 2000 6000 4000 8000 1000 5000 5000 1000 7000 9000 2000 1000 1000 1000 1000 1000 2000 1000 3000 5000 5000 4000 Sistema drenaje abierto Gas combustible quemador Gas de blanketing Inyección productos químicos Agua de enfriamiento Diesel combustible Gas exhaust Gas combustible Agua red contra incendios Glicol Gasolina Natural Medio de calentamiento Aire de instrumentos Gas de instrumentos Gas lift Aceite de lubricación Misceláneos Drenaje presurizado Fluido de proceso (Pet+agua) Gas de proceso Aceite de proceso
  • 121.
    99 UW V W WW 2000 4000 4000 Líquido producido Agua producida Alivio Gasa venta Vapor Aire de servicio Gas de servicio Agua de servicio Venteo Agua potable Agua aceitosa Tabla 4.11 Código para Identificación de Cañerías Observaciones: 1000: Líneas de proceso 5000: Servicio general 2000: Drenajes y descargas seg 6000: Gas blanket y combustible 3000: Vapor y condensado 7000: Aceite/petróleo de servicio 4000: Agua de servicio 8000: Productos químicos y cáusticos 9000: Otros 4.3.3 CÓDIGO PARA IDENTIFICACIÓN DE EQUIPOS X XX – XXXX Identificación Modificador Tipo de componente
  • 122.
    100 TIPO DE COMPONENTE MODIFICADOR COMUN MODIFICADOR IDENTIFICACIÓN ARecipiente atmosférico (Temp. ambiente) B Recipiente atmosférico (Con calentamiento) C Compresor D Gabinete E Equipo de fuego F Línea de flujo G Colector (Cabezal) H Intercambiador de calor J Línea de inyección K Cañería L Plataforma M Recipiente presurizado (Temp. ambiente) N Recipiente presurizado (Con calentamiento) P Bomba Q Cabezal de pozo Z Otro BH,BJ,BM AP,BC,BK,BM AR,AS,BA,ZZ AE,AN,AU,BB AL,,AW,BN A1-A9 AR,AS,AT,AY,AZ BG AR,AS,AT AA,AH,AQ AG AB,AD,AF,AJ,A, K,AM,AV,BD,B, F,BH,BJ,BL,BM, AC AC,AF,AM,AP, BC,BD,BG,BJ,B, K AX,BA,BE AR,AT,AY,AZ AA Bi-direccional AB Blowcase AC Caldera AD Coalescedor AE Compresor AF Contactor AG Unidad de control AH Salida AJ Filtro AK Filtro separador AM FWKO AN Generador AP Calentador AQ Entrada AR Inyección, gas AS Inyección, gas lift AT Inyección,, agua AU Medidor AV Recipiente de med AX Cañería AY Producción pet AZ Producción, agua A1-A9 Segm de línea BA Proceso, otro BB Bomba BC Reboiler BD Separador BE Servicio BF Scrubber BG Carcaza y tubo BH Sumidero BJ Tanque BK Tratador BL Volume bottle BM Tratam. de agua DT Deshidratador TA Torre Absorbedora TM Tamices ZZ Otro 0000 1000 2000 3000 4000 5000 6000 7000 8000 9000 Equip de pozo y cabezal Recipientes presurizados Recipientes atmosféricos Recip con calentamiento Intercambiadores de calor. Compresores Bombas Generadores Edificios y equip varios Varios Tabla 4.12 Código para Identificación de Equipos
  • 123.
    101 4.3.4 TABLA ISADE CÓDIGO FUNCIONAL DE INSTRUMENTOS PRIMERA LETRA LETRAS SUCESIVAS VARIABLE MEDIDA MODIFICADO R LECTURA O FUNCION PASIVA FUNCION DE SALIDA MODIFICADO R A ANÁLISIS ALARMA B LLAMA COMANDO MANUAL ELECCIÓN USUARIO ELECCIÓN USUARIO C CONDUCTIVIDAD ELECTRICA CONTROL D DENSIDAD DIFERENCIAL E VOLTAJE ELEMENTO PRIMARIO F FLUJO RELACION- FRACCION G CALIBRE VIDRIO H MANUAL ALTA I CORRIENTE (ELECTRICA INDICADOR J POTENCIA BARRIDO MULTIPLEX O TREND K TIEMPO ESTACION DE CONTROL L NIVEL LUZ-LAMPARA BAJA M HUMEDAD INSTANTÁNEO MEDIA O INTERMEDIA N ELECCIÓN USUARIO ELECCIÓN USUARIO ELECCIÓN USUARIO ELECCIÓN USUARIO O ELECCIÓN USUARIO ORIFICIO RESTRICCIÓN P PRESION O VACIO PUNTO-CONEX PRUEBA Q CANTIDAD INTEGRAR O TOTALIZAR R RADIACTIVIDAD SEGURIDAD REGISTRAR O IMPRIMIR S VELOCIDAD O FRECUENCIA INTERRUPTOR T TEMPERATURA TRANSMITIR U MULTIVARIABLE MULTIFUNCIÓN MULTIFUNCIÓN MULTIFUNCIÓN V VIBRACIÓN MECANICA VÁLVULA O ATENUADOR W PESO O FUERZA POZO X SIN CLASIFICAR EJE X SIN CLASIFICAR SIN CLASIFICAR SIN CLASIFICAR Y ESTADO EJE Y COMPUTADOR, RELE Z POSICIÓN EJE Z ACTUAR, CONTROL FINAL Tabla 4.13 Tabla ISA de Códigos de Instrumentos
  • 124.
    102 NOTA: Los términosaltos y bajos, cuando se aplican a las posiciones de válvulas y dispositivos de abrir y cerrar, están definidos como sigue: Alta, denota que la válvula está en 0 o aproximándose a la posición abierta y baja denota en 0 o aproximándose a la posición cerrada. Los instrumentos serán identificados de acuerdo a la función y la variable que manejan de acuerdo con el código funcional de instrumentos de la figura 4.1 y el número de lazo de control al que pertenezca. Figura 4.1 Código Funcional de Instrumentos 4.3.5 CÓDIGOS LITERALES DE INSTRUMENTOS MÁS USADOS AAH: Alarma alto valor de analizador AE: Elemento primario de analizador AM: Selector Automático/Manual ASH: Alarma alta de analizador de seguridad/Detector de gas BAL: Alarma de baja llama BE: Elemento primario de llama BS&W: Monitor de sales, sólidos y agua BS&WA: Alarma de monitor de sales, sólidos y agua BSL: Interruptor de baja llama FAH: Alarma de alto caudal FAL: Alarma de bajo caudal FC: Controlador de flujo FCV: Válvula de control de flujo FE: Elemento primario de flujo FG: Indicador de flujo (de vidrio) FI: Indicador de flujo FIC: Indicador controlador de caudal FIT: Indicador controlador de temperatura PI XXX Código Funcional Número del lazo de control
  • 125.
    103 FIY: Computador indicadorde flujo FM: Medidor de flujo FPR: Registrador de flujo y presión FQI: Totalizador indicador de flujo FQY: Totalizador de flujo o computador totalizador FR: Registrador de flujo FS: Interruptor de flujo FSH: Interruptor de flujo alto FSL: Interruptor de flujo bajo FSV: Válvula de seguridad de flujo (Válvula check) FT: Transmisor de flujo HLSD: Paro por alto nivel HOA: Selector manual automático (Manual-off-auto) HS: Interruptor manual HV: Válvula manual II: Indicador de corriente KX: Temporizador LAH: Alarma de alto nivel LAHH: Alarma muy alto nivel LAL: Alarma de bajo nivel LALL: Alarma de muy bajo nivel LC: Controlador de nivel LCV: Válvula de control de nivel autoregulada LG: Indicador de nivel (de vidrio) LI: Indicador de nivel LIC: Indicador controlador de nivel LS: Interruptor de nivel LSH: Interruptor de alto nivel LSHH: Interruptor de muy alto nivel LSHL: Interruptor de alto/bajo nivel LSL: Interruptor de bajo nivel LSLL: Interruptor de muy bajo nivel LT: Transmisor de nivel LV: Válvula de control de nivel LY: Transductor de nivel PAH: Alarma de alta presión PAHH: Alarma de muy alta presión PAHL: Alarma de alta/baja presión PAL: Alarma de baja presión PALL: Alarma de muy baja presión PC: Controlador de presión PCV: Válvula controladora de presión autorregulada PDA: Alarma de presión diferencial PDAH: Alarma de alta presión diferencial PDAL: Alarma de baja presión diferencial PDC: Controlador de presión diferencial PDI: Indicador de presión diferencial PDIC: Indicador controlador de presión diferencial
  • 126.
    104 PDR: Registrador depresión diferencial PDS: Interruptor de presión diferencial PDSH: Interruptor de alta presión diferencial PDT: Transmisor de presión diferencial PE: Elemento primario de presión PI: Indicador de presión PIC: Indicador controlador de presión PR: Registrador de presión PS: Interruptor de presión PSE: Elemento de seguridad de presión (Disco de ruptura) PSH: Interruptor de alta presión PSHH: Interruptor de muy alta presión PSHL: Interruptor de alta/baja presión PSL: Interruptor de baja presión PSLL: Interruptor de muy baja presión PT: Transmisor de temperatura PV: Válvula controladora de presión SAL: Alarma de baja velocidad SAH: Alarma de alta velocidad SI: Indicador de velocidad SS: Interrutor de velocidad TAH: Alarma de alta temperatura TAHH: Alarma de muy alta temperatura TAL: Alarma de baja temperatura TC: Controlador de temperatura TCV: Válvula controladora de temperatura autorregulada TE: Elemento primario de temperatura TI: Indicador de temperatura TIC: Indicador controlador de temperatura TR: Registrador de temperatura TSE: Elemento de seguridad de temperatura TSH: Interruptor de alta temperatura TSHH: Interruptor de muy alta temperatura TSL: Interruptor de baja temperatura TT: Transmisor de temperatura TV: Válvula de control de temperatura VAH: Alarma de alta vibración VE: Elemento primario de vibración VI: Indicador de vibración VSH: Interruptor de vibración alta XV: Válvula de control no clasificada ZI: Indicador de límite o posición ZIO: Indicador de limite o posición abierta ZIC: Indicador de límite o posición cerrada ZS: Interruptor posición/límite XI: Indicador de pasaje de scrapper
  • 127.
    105 4.3.6 OTRAS ABREVIATURAS AI:Alimentación de aire GI: Alimentación de gas AO: Abre con aire AC: Cierra con aire ES: Alimentación eléctrica ESD: Paro de emergencia FO: Falla abierta FC: Falla cerrada FL: Falla última posición BL: Límite de batería TI: Punto de empalme ST: Traza con vapor SP: Set point ajuste UC: Conexión para servicios PLC: Controlador programable RTU: Unidad terminal remota SC: Conexión de sacamuestras LCP: Panel de control de nivel BBV: Válvula aguja BDV: Válvula de blockdown CC: Cupón de corrosión CP: Medidor de corrosión CV: Válvula de control ESD: Paro de emergencia FA: Arrestor de llama IP: Transductor corriente- presión ILSD: Paro por bajo nivel de interface MI: Protección de motor MOV: Válvula motorizada NOC: Computador de petróleo neto PA: Acumulador de pulsos PSV: Válvula de seguridad de presión PVSV: Válvula de presión y vacío RO: Orificio de restricción RTU: Unidad terminal remota SDV: Válvula de shutdown SOV: Válvula operada a solenoide SV: Válvula solenoide TW: Termopozo USH: Detector de llama XA: Señal de paro YGD: Detector de gas YFD: Detector de fuego YSD: Detector de humo XOV: Válvula de cross-over
  • 128.
    106 4.4 SIMBOLOGÍA PARAPLANOS P&ID En la figura 4.2 se puede observar la simbología que se utilizará para dibujar los planos P&ID. 4.5 PIPING & INSTRUMENT DIAGRAM 4.5.1 P&ID FILTROS DE INGRESO Es donde el proceso inicia, conectándose desde los tanqueros de descarga hacia los filtros de ingreso. Estos filtros (Figura 4.3) tiene la función de atrapar en su interior la mayor cantidad de sólidos y residuos que pudieran extraerse de los tanqueros, para el efecto se estos filtros constan con una malla de diámetro 100mm. El crudo que pasará a través de estos filtros es direccionado hacia la siguiente etapa del proceso. Además para su limpieza consta de un sistema autónomo de limpieza el mismo que bombea agua para remover cualquier impureza de estos filtros. Los residuos que quedaran de este proceso pasan hacia un sumidero donde reposan para recuperar la mayor cantidad de crudo, este sumidero también conocido como piscinas de sedimentación. 4.5.2 P&ID SISTEMA DE FILTROS Después de los filtros de ingresos MAJ-1001 A/B, el crudo y agua aún con sólidos pasan por un sistema de filtros o también conocido como tren de filtros (Figura 4.4). Este tren de filtros al igual que los anteriores constará de una placa que retienen las partículas que no pudieron ser retenidas en los primeros filtros, dichas placas tendrán diámetros de 6mm, 4mm, 2.5mm respectivamente para evitar el paso de impurezas en el sistema, En caso de que llegase a taponarse consta con un sistema de alarma que está
  • 129.
    107 conformado por unswitch de presión diferencial que emitirá una alarma en caso de estar taponado. Este tren de filtros consta con un conjunto de bypass, uno estará en funcionamiento mientras el otro estará en continuo mantenimiento por la cantidad retenida de sólidos diariamente. 4.5.3 P&ID BOMBAS DE DESCARGA Estas bombas (Figura 4.5) son las encargadas de transportar el crudo ya sea hacia el separador bifásico o directamente hacia transferencia del crudo para fiscalización. Este sistema al igual que los anteriores tiene una bomba principal y una backup en caso de mantenimiento o algún suceso que interrumpiera con el normal funcionamiento del sistema. Estas bombas son neumáticas, y constarán con contadores de revoluciones para que puedan ser monitoreadas a lo largo de su desempeño. En la línea de salida de las bombas existirá un analizador porcentaje de agua más conocido como BSW, y con un transmisor de flujo para poder conocer la cantidad de crudo que estará entregando cada tanquero. Estos valores podrán ser monitoreados a través del sistema de control a ser implantado. Una vez el crudo pase por esta etapa se direccionará hacia el separador bifásico ABJ-2001. 4.5.4 P&ID SEPARADOR BIFÁSICO El separador bifásico tendrá varias entradas de las diferentes etapas del proceso, las mismas que por facilidad de operación se direccionarán a la entrada del separador bifásico (Figura 4.6). Entre las entradas se tendrán las siguientes:  Bombas de Recuperación de Crudo PBA-6005 A/B (Plano 11)  Bombas de Descarga PBA-6001 A/B (Plano 3)  Separador centrífugo ZBD-9001 (Plano 7)
  • 130.
    108 De todas estasentradas pasa al compartimento 1, donde entrada crudo con agua e inicia la etapa de separación. Dentro de este tanque constará con placas donde el fluido choca ayuda a la separación del crudo con el agua. En la parte más baja del separador existirá una especie de bota, la misma que tendrá la función de recolectar toda el agua proveniente de la separación. Para el control de nivel tanto de crudo, agua y emulsión existirán instrumentos que nos indiquen los niveles de los mismos para controlar las válvulas de circulación de crudo. El crudo separado del agua por diferencia de densidades pasará hacia el compartimento 2 donde de manera simular constará de varios instrumentos para el control y monitoreo del proceso. Este separador constará de un toma muestras a diferentes alturas para poder realizar pruebas del petróleo obtenido de esta separación. Al igual que las entradas el separador poseerá varias salidas:  Bombas de Descarga de Agua PBA-6002 A/B (Plano 12)  Bombas de Alimentación de Crudo PBA-6003 A/B (Plano 5)  Drenaje hacia Sumidero ZBH-9000 (Plano 8) Para garantizar la operación del sistema se realizará las bases y criterios de diseño tanto de los diferentes equipos como para el proceso en sí, las mismas que se estudiarán más adelante. 4.5.5 P&ID BOMBAS ALIMENTACIÓN CRUDO En estas bombas (Figura 4.) al igual que los planos anteriores consta de dos entradas:  Crudo desde Tanque de Surgencia (Plano 8)  Crudo desde el Separador Bifásico (Plano 4)
  • 131.
    109 Estas bombas tendránla función de llevar el crudo hacia el separador centrífugo, en caso de que el Tanque de Surgencia se encontrase lleno existirá una recirculación de crudo manteniendo seguro y estable el proceso, caso contrario el crudo del Separador Bifásico será transportado por estas bombas de igual manera al separador centrífugo. Estas bombas serán eléctricas y tendrán el sistema backup, según lo explicado anteriormente por seguridad de operación y mantenimiento. Además constará con una línea adicional que conducirán los desechos y residuos hacia el drenaje y posteriormente al sumidero ZBH-9000 que será donde reposarán los residuos menores para posteriormente pasar a la piscina API 4.5.6 P&ID BOMBAS DESCARGA DE AGUA Dichas bombas (Figura 4.8) estarán encargadas de recolectar toda el agua procedente del separador bifásico (Plano 4) tanto del compartimento 1 como del compartimento 2, este fluido recolectado será enviado a la piscina ZZZ- 9003 (Plano 9). 4.5.7 P&ID SEPARADOR CENTRÍFUGO12 El separador centrífugo (Figura 4.9) es un equipo modular que tiene varias entradas como son:  Bomba de Agua de Utilidades (Plano 12)  Bombas de Alimentación de Crudo PBA-6003 A/B (Plano 5)  Línea de Diesel 12 La descripción y función de los componentes del equipo centrífugo se tratará en capítulo 5 Diseño del Sistema de Control, subcapítulo Filosofía de operación y control.
  • 132.
    110 La línea deentrada bomba de agua de utilidades tiene la función de limpiar el sistema interno de la centrífuga. Su sistema consta de un tanque de almacenamiento de agua temporal, este tanque siempre tiene que ser repuesto por lo que las bombas de utilidades tienen esa función. La segunda línea de entrada es la línea de entrada, esta línea consta de un pequeño sistema de filtros en caso de taponamiento por cualquier situación. Es importante tener un control del crudo que ingresa y sale al equipo centrífugo de tal manera que se ha incorporado un contador de flujo, así como también tiene la función de grabar y registrar estos valores. Dentro de la centrífuga tiene un sistema de control de lodos, resultado de la separación de la centrífuga, así como también tiene una bomba que desalojo dichos residuos y los traslada a la piscina ZZZ-9003. Las salidas que tendrá este equipo son las siguientes:  Línea hacia separador bifásico (14, a plano 4)  Tanque de Surgencia ABJ-202 (Plano 8)  Línea a Piscina ZZZ-9003 La primera salida es únicamente para recirculación en caso de incremento de producción, sin embargo, el diseño de los equipos deberá ser mayor al caudal máximo registrado. La segunda línea de salida es hacia el tanque de surgencia previo a su almacenamiento en los Tanque H, K. Finalmente la tercera línea es el resultado del agua que ingresa al equipo para su lavado, así como también de los residuos y lodos que se generar al entrar a la centrífuga trabajando a 10.000g. 4.5.8 P&ID TANQUE DE SURGENCIA Este tanque de surgencia (Figura 4.10) tendrá una capacidad nominal de 300bbls, la única línea de entrada que dispondrá es la entrada del separador
  • 133.
    111 centrífugo donde elcrudo se encuentra listo para ser transferido. Además el tanque dispondrá de varias líneas de salida de agua que se empatarán con las líneas de agua de procesos anteriores para llegar hasta la piscina ZZZ- 9003 pasando por el sumidero ZBH-900 y bomba eléctrica PBA-6007. Este tanque deberá estar equipado con toda la instrumentación necesaria para fiscalización, por tal manera se incluyen contadores de flujo, así como también analizadores BSW para garantizar que la transferencia de crudo sea con el % de BSW menor o igual al 0.1% que lo estipula fiscalización de la Refinería La Libertad. Es importante resaltar que las seguridades del tanque deberán ser primordiales por lo que el tanque deberá estar provisionado de transmisores de nivel, los mismos que alertarán al sistema en caso de estar con un volumen máximo. También constará con una válvula de presión y vacío para evitar posibles descompensas por el efecto de succión de las bombas de transferencia en caso de que el tanque se encontrase vacío. 4.5.9 P&ID PISCINAS API Las piscinas de sedimentación API (Figura 4.11) será el lugar donde lleguen todos los residuos de los procesos, es decir aquí tendremos agua, crudo remanente, partículas solidas que pasaron a través de las diferentes etapas del proceso. Este sistema de piscinas funciona en forma lineal de manera que el fluido llega a la piscina ZZZ-9003 proveniente de la bomba PBA-007 (Tanque de Surgencia, plano 8, línea 27), bombas de descarga de agua PBA-6002 A/B (Plano 6, línea 13), separador centrífugo ZBD-9001 (Plano 7, línea 21). Las líneas antes mencionadas serán las encargadas de proveer agua a las etapas antes mencionadas. La piscina ZZZ-9002 es el lugar de almacenamiento de donde se llevará a cabo la recuperación de crudo remanente de los sistema subsecuentes. Esta piscina tiene un compartimiento de donde de extraerá el crudo recuperado
  • 134.
    112 mediante las bombascon su mismo nombre. El agua restante del proceso se utilizará para reinyección a los diferentes pozos del Bloque Gustavo Galindo. 4.5.10 P&ID BOMBAS AGUA DE PISCINAS Estas bombas (Figura 4.12) serán las encargadas de llevar el agua de la piscina ZZZ-9003 hacia la piscina ZZZ-9002 (Plano 9) o el drenaje del sumidero ZZZ-900 (Plano 8). Al igual que las etapas anteriores deberá tener un sistema en paralelo por las razones antes mencionadas. 4.5.11 P&ID BOMBA RECUPERACIÓN CRUDO El crudo fluido recuperado y tratado en las piscinas de sedimentación será direccionado por estas bombas neumáticas (Figura 4.13) hacia el separador bifásico ABJ-2001 (Plano 4) donde el proceso se iniciará teniendo así una alimentación continua, siendo eficientes y recuperando todo el crudo que se pueda. 4.5.12 P&ID BOMBA DE AGUA DE UTILIDADES Es bomba eléctrica PBA-6006 (Figura 4.14) será la encargada de llevar el suministro de agua de utilidades al sistema de limpieza de los filtros de ingreso (Plano 1) como también a la entrada de la limpieza del equipo centrífugo (Plano 7) y del sistema sandjet del separador bifásico (Plano 4). El agua se dispondrá del tanque del tanque del Sistema Contra Incendios TK- F4, donde se garantizará la reposición de los tanques del SCI mediante el monitoreo en los mismos. .
  • 135.
    Figura 4.2 Simbologíapara planos P&ID 113
  • 136.
    Figura 4.3 P&IDFiltros de Ingreso 114
  • 137.
    Figura 4.4 P&IDSistema de Filtros 115
  • 138.
    Figura 4.5 P&IDBomba de Descarga 116
  • 139.
    117 Figura 4.6 P&IDSeparador Bifásico
  • 140.
    Figura 4.7 P&IDBombas Alimentación de Crudo 118
  • 141.
    119 Figura 4.8 P&IDBombas de Descarga de Agua
  • 142.
    Figura 4.9 P&IDBombas de Descarga de Agua 120
  • 143.
    Figura 4.10 P&IDTanque de Surgencia 121
  • 144.
    Figura 4.11 P&IDPiscina API 122
  • 145.
    Figura 4.12 P&IDBomba de Piscina de Agua 123
  • 146.
    Figura 4.13 P&IDBomba de Recuperación de Crudo 124
  • 147.
    125 Figura 4.14 P&IDBomba de Agua de Utilidades
  • 148.
    126 4.6 LISTADO DEEQUIPOS 1 MAJ‐1001 A/B FILTROS  ANC‐404‐DP37‐PL‐001 ‐ 1937 BFPD ‐ 2 ABJ‐2001 SEPARADOR BIFÁSICO ANC‐404‐DP37‐PL‐004 ‐ 1937 BFPD ‐ 3 ZBD‐9001 SEPARADOR CENTRÍFUGO ANC‐404‐DP37‐PL‐007 ‐ 2090 BFPD ‐ 4 ABJ‐2002 TANQUE DE SURGENCIA ANC‐404‐DP37‐PL‐008 ‐ 300 BBL ‐ 5 ZZZ‐9002 PISCINA DE SEDIMETACIÓN COMPARTIMENTO DE CRUDO   ANC‐404‐DP37‐PL‐009 ‐ 1110 BBL ‐ 6 ZZZ‐9002 PISCINA DE SEDIMETACIÓN ANC‐404‐DP37‐PL‐009 ‐ 1110 BBL ‐ 7 PBA‐6002 A/B BOMBAS DE DESCARGA DE  AGUA ANC‐404‐DP37‐PL‐006 20 ‐ ‐ 8 PBA‐6003 A/B BOMBAS DE ALIMENTACIÓN DE  CRUDO ANC‐404‐DP37‐PL‐005 55 ‐ 1 9 PBA‐6004 A/B BOMBAS DE AGUA ANC‐404‐DP37‐PL‐010 30 ‐ 1 10 PBA‐6005 A/B BOMBAS DE RECUPERACIÓN DE  CRUDO ANC‐404‐DP37‐PL‐011 10 ‐ ‐ 11 PBA‐6006 BOMBA DE AGUA  DE  UTILIDADES ANC‐404‐DP37‐PL‐012 50 ‐ 3 P&IDNo TAG  EQUIPOS MECÁNICOS NUEVOS FLUJO gpm CAPACIDAD  BFPD/BBL POTENCIA Hp Página 1 de 2 ANC‐404‐DM81‐7‐LE‐001Proyecto No. 404 Ingeniería Mecánica LISTADO DE EQUIPOS MECÁNICOS PROYECTO: DESARROLLO DE INGENIERÍA CONCEPTUAL, BÁSICA Y DE DETALLE  PARA EL NUEVO SISTEMA DE RECEPCIÓN DE CRUDO CASA BOMBA OBSERVACIONESEQUIPO Bomba Neumática Bomba Centrífuga Bomba Centrífuga Bomba Neumática Bomba Centrífuga
  • 149.
    127 12 MAJ‐1002 A/B 13 MAJ‐1003 A/B 14MAJ‐1004 A/B 15 PBA‐6001 A/B BOMBAS DESCARGA TANQUERO ANC‐404‐DP37‐PL‐003 220 1937 BFPD ‐ 16 PBA‐6007 A/B BOMBA DE SUMIDERO ANC‐404‐DP37‐PL‐008 220 ‐ 2.5 OBSERVACIONESEQUIPO Actualmente en operación‐TREN DE FILTROS ANC‐404‐DP37‐PL‐002 ‐ 1937 BFPD Página 1 de 2 ANC‐404‐DM81‐7‐LE‐001Proyecto No. 404 Ingeniería Mecánica LISTADO DE EQUIPOS MECÁNICOS PROYECTO: DESARROLLO DE INGENIERÍA CONCEPTUAL, BÁSICA Y DE DETALLE  PARA EL NUEVO SISTEMA DE RECEPCIÓN DE CRUDO CASA BOMBA Bombas Neumáticas Actualmente en operación Bomba Centrífuga Actualmente en operación P&IDNo TAG  EQUIPOS MECÁNICOS EXISTENTES FLUJO gpm CAPACIDAD  BFPD/BBL POTENCIA Hp Tabla 4.14 Listado de Equipos Mecánicos para el Nuevo Sistema de Recepción y Deshidratación de Crudo Casa Bomba
  • 150.
    128 4.7 LISTADO DELÍNEAS DIÁMETRO COND.  PRUEBA TEMP. PRES. TEMP. PRES. PRES. º F Psig º F Psig Psig 1 1 PF A1 1000 ANC‐404‐DP37‐PL‐009 Boca N3 de  Compartimento de  Crudo ZZZ‐9002 Succión de Bomba PBA‐ 6005B 84 1 100 285 425 ANSI 150  2 4 PF A1 1000 ANC‐404‐DP37‐PL‐001 Acople para tanqueros Boca N1 del Filtro de  Ingreso MAJ‐1001A 84 1 100 285 425 ANSI 150  3 6 PF A1 1000 ANC‐404‐DP37‐PL‐003 Línea 4"‐PF‐A1‐1005 Hacia Bombas de  Transferencia 84 35 100 285 425 ANSI 150  4 3 PF A1 1001 ANC‐404‐DP37‐PL‐007 Salida de Crudo a Skid de  Separador Centrífugo  ZBD‐9001 Boca N1 del Tanque de  Surgencia ABJ‐2002 84 40 100 285 425 ANSI 150  5 4 PF A1 1001 ANC‐404‐DP37‐PL‐001 Línea 4"‐PF‐A1‐1000 Boca N1 del Filtro de  Ingreso MAJ‐1001B 84 1 100 285 425 ANSI 150  6 4 PF A1 1002 ANC‐404‐DP37‐PL‐001 Boca N2 del Filtro de  Ingreso MAJ‐1001A Línea 4"‐PF‐A1‐1005 84 10 100 285 425 ANSI 150  7 4 PF A1 1003 ANC‐404‐DP37‐PL‐001 Boca N2 del Filtro de  Ingreso MAJ‐1001B Línea 4"‐PF‐A1‐1002 84 10 100 285 425 ANSI 150  8 3 PF A1 1004 ANC‐404‐DP37‐PL‐003 Descarga de Bomba PBA‐ 6001A Línea 4"‐PF‐A1‐1005 84 35 100 285 425 ANSI 150  9 4 PF A1 1004 ANC‐404‐DP37‐PL‐001 Línea 4"‐PF‐A1‐1002 Línea 4"‐PF‐A1‐1003 84 10 100 285 425 ANSI 150  10 4 PF A1 1005 ANC‐404‐DP37‐PL‐003 Línea 3"‐PF‐A1‐1004 Línea 4"‐PF‐A1‐1007 84 35 100 285 425 ANSI 150  11 4 PF A1 1006 ANC‐404‐DP37‐PL‐007 Retorno de Skid de  Separador Centrífugo  ZBD‐9001 Línea 4"‐PF‐A1‐1007 84 40 100 285 425 ANSI 150  12 1 PF A1 1007 ANC‐404‐DP37‐PL‐011 Línea 1"‐PF‐A1‐1000 Succión de la bomba  PBA‐6005A 84 1 100 285 425 ANSI 150  SERVICIO PF SPEC. NUM. ANC‐404‐DM81‐8‐LL‐001 PROYECTO: DESARROLLO DE INGENIERÍA CONCEPTUAL, BÁSICA Y DE DETALLE PARA EL NUEVO  SISTEMA DE RECEPCIÓN DE CRUDO CASA BOMBA Página 1 de 6 LISTADO DE LÍNEAS RUTA HASTADESDE COND. DISEÑO CLASE PULGADAS SERV. P&ID IDENTIFICACIÓN OBSERVACIONES Proyecto No: 404 Ingeniería Mecánica COND.  OPERACIÓN ITEM
  • 151.
    129 DIÁMETRO COND.  PRUEBA TEMP. PRES. TEMP.PRES. PRES. º F Psig º F Psig Psig 13 4 PF A1 1007 ANC‐404‐DP37‐PL‐004 Línea 4"‐PF‐A1‐1006 Línea 4"‐PF‐A1‐1008 84 35 100 285 425 ANSI 150  14 1 PF A1 1008 ANC‐404‐DP37‐PL‐011 Descarga de Bomba PBA‐ 6005A Línea 1"‐PF‐A1‐1009 84 20 100 285 425 ANSI 150  15 4 PF A1 1008 ANC‐404‐DP37‐PL‐004 Línea 4"‐PF‐A1‐1007 Boca N1 del Separador  Bifásico ABJ‐2001 84 35 100 285 425 ANSI 150  16 1 PF A1 1009 ANC‐404‐DP37‐PL‐011 Descarga de Bomba PBA‐ 6005B Línea 4"‐PF‐A1‐1007 84 20 100 285 425 ANSI 150  17 4 PF A1 1009 ANC‐404‐DP37‐PL‐008 Boca N8 del Tanque de  Surgencia ABJ‐2002 Boca N2 del  Compartimento de  Crudo ZZZ‐9002 84 1 100 285 425 ANSI 150  18 4 PF A1 1011 ANC‐404‐DP37‐PL‐004 Boca N2 del Separador  Bifásico ABJ‐2001 Succión de Bomba PBA‐ 6003B 84 10 100 285 425 ANSI 150  19 4 PF A1 1013 ANC‐404‐DP37‐PL‐008 Línea 4"‐PF‐A1‐1019 Línea 4"‐PF‐A1‐1011 84 10 100 285 425 ANSI 150  20 4 PF A1 1015 ANC‐404‐DP37‐PL‐005 Línea 4"‐PF‐A1‐1011 Succión de Bomba PBA‐ 6003A 84 10 100 285 425 ANSI 150  21 4 PF A1 1016 ANC‐404‐DP37‐PL‐005 Descarga de Bomba PBA‐ 6003A Línea 4"‐PF‐A1‐1017 84 20 100 285 425 ANSI 150  22 4 PF A1 1017 ANC‐404‐DP37‐PL‐005 Descarga de Bomba PBA‐ 6003B Ingreso de Crudo a Skid  de Separador  Centrífugo ZBD‐9001 84 20 100 285 425 ANSI 150  23 4 PF A1 1019 ANC‐404‐DP37‐PL‐008 Boca N2 del Tanque de  Surgencia ABJ‐2002 Hacia Bombas de  Transferencia 84 10 100 285 425 ANSI 150  24 3 PF A1 1110 ANC‐404‐DP37‐PL‐004 Salida de PSV‐ABJ2001‐1  del Separador Bifásico  ABJ‐2001 Línea 4"‐PD‐A1‐1001 84 10 100 285 425 ANSI 150  OBSERVACIONES Proyecto No: 404 Ingeniería Mecánica COND.  OPERACIÓN ITEM HASTADESDE COND. DISEÑO CLASE PULGADAS SERV. P&ID IDENTIFICACIÓN SERVICIO PF SPEC. NUM. ANC‐404‐DM81‐8‐LL‐001 PROYECTO: DESARROLLO DE INGENIERÍA CONCEPTUAL, BÁSICA Y DE DETALLE PARA EL NUEVO  SISTEMA DE RECEPCIÓN DE CRUDO CASA BOMBA Página 2 de 6 LISTADO DE LÍNEAS RUTA
  • 152.
    130 DIÁMETRO COND.  PRUEBA TEMP. PRES. TEMP.PRES. PRES. º F Psig º F Psig Psig 25 2 PW A1 2000 ANC‐404‐DP37‐PL‐004 Boca N3 del Separador  Bifásico ABJ‐2001 Succión de Bomba PBA‐ 6002B 84 10.0 100 285 425 ANSI 150  26 1 PW A1 2001 ANC‐404‐DP37‐PL‐007 Salida de Agua a Skid de  Separador Centrífugo  ZBD‐9001 Línea 2"‐PW‐A1‐1003 84 30.0 100 285 425 ANSI 150  27 2 PW A1 2001 ANC‐404‐DP37‐PL‐006 Línea 2"‐PW‐A1‐1000 Succión de Bomba PBA‐ 6002A 84 10.0 100 285 425 ANSI 150  28 3 PW A1 2001 ANC‐404‐DP37‐PL‐009 Boca N2 de la Piscina ZZZ‐ 9003 Succión de Bomba PBA‐ 6004B 84 1.0 100 285 425 ANSI 150  29 1 PW A1 2002 ANC‐404‐DP37‐PL‐010 Succión de Bomba PBA‐ 6004A Línea 1"‐PW‐A1‐1005 84 1.0 100 285 425 ANSI 150  30 2 PW A1 2002 ANC‐404‐DP37‐PL‐006 Descarga de Bomba PBA‐ 6002B Boca N1A de la Piscina  ZZZ‐9003 84 30.0 100 285 425 ANSI 150  31 3 PW A1 2002 ANC‐404‐DP37‐PL‐010 Línea 3"‐PW‐A1‐1001 Succión de Bomba PBA‐ 6004A 84 1.0 100 285 425 ANSI 150  32 2 PW A1 2003 ANC‐404‐DP37‐PL‐006 Descarga de Bomba PBA‐ 6002A Línea 2"‐PW‐A1‐1002 84 30.0 100 285 425 ANSI 150  33 3 PW A1 2003 ANC‐404‐DP37‐PL‐010 Descarga de Bomba PBA‐ 6004A Línea 3"‐PW‐A1‐1004 84 10.0 100 285 425 ANSI 150  34 1 PW A1 2004 ANC‐404‐DP37‐PL‐010 Línea 3"‐PW‐A1‐1003 Línea 1"‐PW‐A1‐1002 84 10.0 100 285 425 ANSI 150  35 2 PW A1 2004 ANC‐404‐DP37‐PL‐009 Línea 2"‐PD‐A1‐1101 Boca N1 de la Piscina  ZZZ‐9002 84 30.0 100 285 425 ANSI 150  36 3 PW A1 2004 ANC‐404‐DP37‐PL‐010 Descarga de Bomba PBA‐ 6004B Línea 2"‐PW‐A1‐1003 84 10.0 100 285 425 ANSI 150  37 1 PW A1 2005 ANC‐404‐DP37‐PL‐010 Succión de Bomba PBA‐ 6004B Línea 4"‐PD‐A1‐1100 84 1.0 100 285 425 ANSI 150  38 2 PW A1 2005 ANC‐404‐DP37‐PL‐009 Boca N8 de Piscina ZZ‐ 9002 Entrada de agua para  reinyección 84 1.0 100 285 425 ANSI 150  SERVICIO PW Proyecto No: 404 Ingeniería Mecánica COND.  OPERACIÓN ITEM DESDE COND. DISEÑO CLASE PULGADAS SERV. P&ID IDENTIFICACIÓN OBSERVACIONES SPEC. NUM. ANC‐404‐DM81‐8‐LL‐001 PROYECTO: DESARROLLO DE INGENIERÍA CONCEPTUAL, BÁSICA Y DE DETALLE PARA EL NUEVO  SISTEMA DE RECEPCIÓN DE CRUDO CASA BOMBA Página 3 de 6 LISTADO DE LÍNEAS RUTA HASTA
  • 153.
    131 DIÁMETRO COND.  PRUEBA TEMP. PRES. TEMP.PRES. PRES. º F Psig º F Psig Psig 29 1 PW A1 2002 ANC‐404‐DP37‐PL‐010 Succión de Bomba PBA‐ 6004A Línea 1"‐PW‐A1‐1005 84 1.0 100 285 425 ANSI 150  30 2 PW A1 2002 ANC‐404‐DP37‐PL‐006 Descarga de Bomba PBA‐ 6002B Boca N1A de la Piscina  ZZZ‐9003 84 30.0 100 285 425 ANSI 150  31 3 PW A1 2002 ANC‐404‐DP37‐PL‐010 Línea 3"‐PW‐A1‐1001 Succión de Bomba PBA‐ 6004A 84 1.0 100 285 425 ANSI 150  32 2 PW A1 2003 ANC‐404‐DP37‐PL‐006 Descarga de Bomba PBA‐ 6002A Línea 2"‐PW‐A1‐1002 84 30.0 100 285 425 ANSI 150  33 3 PW A1 2003 ANC‐404‐DP37‐PL‐010 Descarga de Bomba PBA‐ 6004A Línea 3"‐PW‐A1‐1004 84 10.0 100 285 425 ANSI 150  34 1 PW A1 2004 ANC‐404‐DP37‐PL‐010 Línea 3"‐PW‐A1‐1003 Línea 1"‐PW‐A1‐1002 84 10.0 100 285 425 ANSI 150  35 2 PW A1 2004 ANC‐404‐DP37‐PL‐009 Línea 2"‐PD‐A1‐1101 Boca N1 de la Piscina  ZZZ‐9002 84 30.0 100 285 425 ANSI 150  36 3 PW A1 2004 ANC‐404‐DP37‐PL‐010 Descarga de Bomba PBA‐ 6004B Línea 2"‐PW‐A1‐1003 84 10.0 100 285 425 ANSI 150  37 1 PW A1 2005 ANC‐404‐DP37‐PL‐010 Succión de Bomba PBA‐ 6004B Línea 4"‐PD‐A1‐1100 84 1.0 100 285 425 ANSI 150  38 2 PW A1 2005 ANC‐404‐DP37‐PL‐009 Boca N8 de Piscina ZZ‐ 9002 Entrada de agua para  reinyección 84 1.0 100 285 425 ANSI 150  39 1 PW A1 2007 ANC‐404‐DP37‐PL‐010 Línea 3"‐PW‐A1‐1004 Línea 1"‐PW‐A1‐1005 84 10.0 100 285 425 ANSI 150  40 3 UW A1 2000 ANC‐404‐DP37‐PL‐012 Línea 3"‐UW‐A1‐1004 Boca N4 del Filtro de  Ingreso MAJ‐1001A 84 80.0 100 285 425 ANSI 150  41 3 UW A1 2001 ANC‐404‐DP37‐PL‐001 Línea 3"‐UW‐A1‐2000 Boca N4 del Filtro de  Ingreso MAJ‐1001B 84 80.0 100 285 425 ANSI 150  42 3 UW A1 2002 ANC‐404‐DP37‐PL‐012 Línea 3"‐UW‐A1‐1004 Boca N10B del  Separador Bifásico ABJ‐ 2001 84 80.0 100 285 425 ANSI 150  ANC‐404‐DM81‐8‐LL‐001 PROYECTO: DESARROLLO DE INGENIERÍA CONCEPTUAL, BÁSICA Y DE DETALLE PARA EL NUEVO  SISTEMA DE RECEPCIÓN DE CRUDO CASA BOMBA Página 4 de 6 LISTADO DE LÍNEAS CLASE PULGADAS SERV. P&ID IDENTIFICACIÓN OBSERVACIONES SPEC. NUM. RUTA HASTA SERVICIO PW Proyecto No: 404 Ingeniería Mecánica COND.  OPERACIÓN ITEM DESDE COND. DISEÑO SERVICIO UW
  • 154.
    132 DIÁMETRO COND.  PRUEBA TEMP. PRES. TEMP.PRES. PRES. º F Psig º F Psig Psig 43 3 UW A1 2003 ANC‐404‐DP37‐PL‐004 Línea 3"‐UW‐A1‐2002 Boca N10A del  Separador Bifásico ABJ‐ 2001 84 80.0 100 285 425 ANSI 150  44 3 UW A1 2004 ANC‐404‐DP37‐PL‐012 Boca C3 de Tanque TK‐F4 Succión de Bomba PBA‐ 6006 84 10.0 100 285 425 ANSI 150  45 3 UW A1 2005 ANC‐404‐DP37‐PL‐012 Línea 3"‐UW‐A1‐1004 Ingreso de Agua a Skid  de Separador  Centrífugo ZBD‐9001 84 80.0 100 285 425 ANSI 150  46 3 UW A1 2006 ANC‐404‐DP37‐PL‐012 Descarga de Bomba PBA‐ 6006 Línea 3"‐UW‐A1‐2000 84 80.0 100 285 425 ANSI 150  47 2 PD A1 1000 ANC‐404‐DP37‐PL‐004 Línea 4"‐PD‐A1‐1000 Salida de Toma  Muestras Separador  Bifásico ABJ‐2001 84 1.0 100 285 425 ANSI 150  48 3 PD A1 1000 ANC‐404‐DP37‐PL‐001 Boca N3 del Filtro de  Ingreso MAJ‐1001A/B Línea 4"‐PD‐A1‐1100 84 1.0 100 285 425 ANSI 150  49 4 PD A1 1000 ANC‐404‐DP37‐PL‐004 Línea 4"‐PF‐A1‐1007 Línea 2"‐PW‐A1‐1000 84 1.0 100 285 425 ANSI 150  50 1 PD A1 1001 ANC‐404‐DP37‐PL‐005 Línea 4"‐PF‐A1‐1016 Línea 4"‐PD‐A1‐1100 84 1.0 100 285 425 ANSI 150  51 4 PD A1 1001 ANC‐404‐DP37‐PL‐004 Línea 4"‐PD‐A1‐1000 Boca N9A del  Separador Bifásico ABJ‐ 2001 84 1.0 100 285 425 ANSI 150  52 1 PD A1 1002 ANC‐404‐DP37‐PL‐005 Línea 4"‐PF‐A1‐1017 Línea 1"‐PD‐A1‐1001 84 1.0 100 285 425 ANSI 150  53 4 PD A1 1002 ANC‐404‐DP37‐PL‐004 Línea 4"‐PD‐A1‐1000 Boca N9B del  Separador Bifásico ABJ‐ 2001 84 1.0 100 285 425 ANSI 150  54 3 PD A1 1003 ANC‐404‐DP37‐PL‐008 Salida de Sumidero ZBH‐ 9000 Succión de Bomba PBA‐ 6007 84 1.0 100 285 425 ANSI 150  SERVICIO PD COND.  OPERACIÓN ITEM DESDE COND. DISEÑO SERVICIO UW CLASE PULGADAS SERV. P&ID IDENTIFICACIÓN OBSERVACIONES SPEC. NUM. RUTA HASTA ANC‐404‐DM81‐8‐LL‐001 PROYECTO: DESARROLLO DE INGENIERÍA CONCEPTUAL, BÁSICA Y DE DETALLE PARA EL NUEVO  SISTEMA DE RECEPCIÓN DE CRUDO CASA BOMBA Página 5 de 6 LISTADO DE LÍNEAS Proyecto No: 404 Ingeniería Mecánica
  • 155.
    133 DIÁMETRO COND.  PRUEBA TEMP. PRES. TEMP.PRES. PRES. º F Psig º F Psig Psig 54 3 PD A1 1003 ANC‐404‐DP37‐PL‐008 Salida de Sumidero ZBH‐ 9000 Succión de Bomba PBA‐ 6007 84 1.0 100 285 425 ANSI 150  55 4 PD A1 1003 ANC‐404‐DP37‐PL‐004 Línea 4"‐PD‐A1‐1000 Boca N9C del  Separador Bifásico ABJ‐ 2001 84 1.0 100 285 425 ANSI 150  56 4 PD A1 1004 ANC‐404‐DP37‐PL‐004 Línea 4"‐PD‐A1‐1000 Boca N9D del  Separador Bifásico ABJ‐ 2001 84 1.0 100 285 425 ANSI 150  57 2 PD A1 1005 ANC‐404‐DP37‐PL‐008 Salida de Toma Muestras  Tanque de Surgencia ABJ‐ 2002 Línea 4"‐PD‐A1‐1100 84 1.0 100 285 425 ANSI 150  58 4 PD A1 1005 ANC‐404‐DP37‐PL‐008 Boca N4 del Tanque de  Surgencia ABJ‐2002 Línea 4"‐PD‐A1‐1100 84 1.0 100 285 425 ANSI 150  59 4 PD A1 1006 ANC‐404‐DP37‐PL‐008 Boca N2 del Tanque de  Surgencia ABJ‐2002 Línea 4"‐PD‐A1‐1100 84 1.0 100 285 425 ANSI 150  60 4 PD A1 1100 ANC‐404‐DP37‐PL‐001 Brida ciega Ingreso Sumidero ZBH‐ 9000 84 1.0 100 285 425 ANSI 150  61 2 PD A1 1101 ANC‐404‐DP37‐PL‐008 Descarga de Bomba PBA‐ 6007 Boca N1B de la Piscina  ZZZ‐9003 84 30.0 100 285 425 ANSI 150  Proyecto No: 404 Ingeniería Mecánica OBSERVACIONES SPEC. NUM. RUTA HASTA ANC‐404‐DM81‐8‐LL‐001 PROYECTO: DESARROLLO DE INGENIERÍA CONCEPTUAL, BÁSICA Y DE DETALLE PARA EL NUEVO  SISTEMA DE RECEPCIÓN DE CRUDO CASA BOMBA Página 6 de 6 LISTADO DE LÍNEAS SERVICIO PD COND.  OPERACIÓN ITEM DESDE COND. DISEÑO CLASE PULGADAS SERV. P&ID IDENTIFICACIÓN Tabla 4.15 Listado de líneas
  • 156.
    134 4.8 LISTADO DETIE-IN Tie‐in No. P&ID Reference Piping / Section Dwg. No. Line No or Equip. Ref. Header Size Branch Type Contruction Demol. Req. Insulation Removal Hot Tap Req, 01 ANC‐404‐DM69‐PL‐003 4"‐PF‐A1‐1002 4" 4" BRIDADO NO NO NO 02 ANC‐404‐DM69‐PL‐003 4"‐PF‐A1‐1003 4" 4" BRIDADO NO NO NO 03 ANC‐404‐DM69‐PL‐003 ANC‐404‐DM71‐PL‐001 4"‐PF‐A1‐1005 4" 4" BRIDADO NO NO NO 04 ANC‐404‐DM69‐PL‐003 ANC‐404‐DM71‐PL‐001 2"‐PF‐A1‐1005 2" 2" BRIDADO NO NO NO 05 ANC‐404‐DM69‐PL‐003 ANC‐404‐DM71‐PL‐001 2"‐PF‐A1‐1005 2" 2" BRIDADO NO NO NO 06 ANC‐404‐DM69‐PL‐003 ANC‐404‐DM71‐PL‐001 4"‐PF‐A1‐1005 4" 4" SOLDADO NO NO NO 07 ANC‐404‐DM69‐PL‐005 4"‐PF‐A1‐1019 4" 4" BRIDADO NO NO NO 08 ANC‐404‐DM69‐PL‐003 4"‐PF‐A1‐1002 4" 4" SOLDADO NO NO NO 09 ANC‐404‐DM69‐PL‐007 3"‐UW‐A1‐2004 4" 3" BRIDADO NO NO NO ANC‐404‐DP37‐PL‐003 ANC‐404‐DP37‐PL‐012 Colocar nueva conexión bridada en la  válvula de bola antes del filtro MAJ‐ 1002A  ANC‐404‐DP37‐PL‐002 Remarks Colocar nueva conexión bridada en la  válvula de bola antes del filtro MAJ‐ 1002B Retirar medidor de BSW existente en la  linea de 4", Incluir nuevo Spool Bridado ANC‐404‐DP37‐PL‐002 ANC‐404‐DP37‐PL‐003 Desmontar medidor de BSW existente  en la linea de 2", e isntalar el nuevo  medidor de BSW‐PBA‐6001‐A/B‐1 Incluir Válvula Block and Bleed entre las  válvulas de bola de 4" Desmontar la linea de 2" desde la válvula  de globo existente hasta antes del nuevo  medidor de BSW PBA‐6001‐A/B‐1,  remplazar  este spool incluyendo el  nuevo medidor de flujo FE ‐ PBA ‐ 6001 ‐ A/B‐1 ANC‐404‐DP37‐PL‐003 ANC‐404‐DP37‐PL‐003 Conectar la linea de succión de las  Bombas de agua de utilidades PBA‐6006  en la válvula de bola existente ubicada  en la boca C3 del tanque TK‐F4 del  sistema contra incendios  Incluir Válvula Check en la linea 4"‐PF‐A1‐ 1002 antes de la válvula de bola. ANC‐404‐DP37‐PL‐008 Lalinea 4"‐PF‐A1‐1019 va desde la salida  del tanque de surgencia ABJ‐2002 hasta  el cabezal existe de succión de las  bombas de transferencia hacia los  Tanques H y N ANC‐404‐DP37‐PL‐003 Página 1 de 1 ANC‐404‐DM81‐6‐LT‐001 PROYECTO: DESARROLLO DE INGENIERÍA CONCEPTUAL, BÁSICA Y DE DETALLE PARA EL  NUEVO SISTEMA DE RECEPCIÓN DE CRUDO CASA BOMBA LISTADO DE INTERCONEXIONES Proyecto No. 404 Ingeniería Mecánica
  • 157.
    135 5. DISEÑO DELSISTEMA DE CONTROL
  • 158.
    135 El diseño delsistema de control está orientado a garantizar el correcto funcionamiento del nuevo sistema de recepción y deshidratación en la estación Casa Bomba. Una vez diseñado los algoritmos que controlarán los diferentes subprocesos se incluirá un panel de visualización, de esta manera el operador tendrá acceso a todas las variables que intervienen en el proceso para su supervisión y control del mismo. El panel de visualización HMI se diseñará en el software RTP el mismo que permite incorporar todas las señales del proceso en tiempo real en una pantalla de fácil manejo y una ágil operación para supervisar el sistema. 5.1 FILOSOFÍA DE OPERACIÓN Y CONTROL NUEVO PROCESO 5.1.1 CONSIDERACIONES BÁSICAS La filosofía de operación y control está orientada a obtener los siguientes resultados:  Un mínimo costo operativo y de mantenimiento y máxima eficiencia en la deshidratación de crudo y separación de sólidos, es decir, máxima efectividad en la producción de petróleo bajo especificaciones del contenido de agua y de sólidos.  Facilidad de operación y flexibilidad operativa para el personal encargado de la planta.  Un crudo de la mejor densidad API posible para la venta.  Entregar agua de producción bajo especificaciones del contenido de aceite residual para su reinyección.  Un manejo óptimo de las instalaciones de tratamiento minimizando los sedimentos en los tanques y la frecuencia de mantenimiento y limpieza de los equipos y tuberías.
  • 159.
    136  Mantener unaoperación confiable y segura para el personal, instalaciones y medio ambiente. 5.1.2 SEPARACIÓN PRIMARIA DE SÓLIDOS El sistema de separación primaria de sólidos está compuesto por 2 filtros (MAJ-1001A y MAJ-1001B) operando en paralelo, y cada uno de los filtros contará a su vez con 4 diferentes clases de elementos filtrantes operando en etapas, con el siguiente tamaño de malla:  El primer elemento será una placa perforada de tamaño de 10 mm para retener sólidos mayores.  El segundo elemento será una placa perforada de tamaño de 6 mm para retener los productos del swab y materiales que pasen los primeros filtros.  El tercer elemento tendrá una placa perforada de tamaño de 4 mm para retener parte de las partículas de grava y otros sólidos.  El cuarto elemento tendrá una placa perforada de 2.5 mm para retener grava.  El tamaño de las perforaciones del elemento filtrante no debe ser menor a la mitad del diámetro de las partículas que desean ser removidas. Este sistema de filtración de crudo de recepción deberá ser del tipo autolimpiante para disminuir al mínimo la cantidad de operaciones manuales de limpieza, ahorrando tiempo y dinero ya que eliminan el reemplazo y/o limpieza prematura de las placas filtrantes y por ende los paros innecesarios del proceso; para ello, deberá tener un sistema de retrolavado automático con agua de utilidades. El retrolavado se realizará bajo condiciones óptimas de tiempo y caudal de agua de utilidades. Para mejorar la eficiencia del proceso es posible
  • 160.
    137 incorporar un mecanismomanual para realizar el giro de un raspador o del eje del elemento cilíndrico interno. Los filtros contarán con un indicador de presión diferencial y alarma por alta, a efecto de realizar eventualmente la limpieza manual de los mismos. Contarán con una válvula de 3/4" en la tapa para la liberación de gas previo a la descarga de los tanqueros. La descarga de sólidos y agua de retrolavado se realizará periódicamente mediante válvula manual hacia el separador de la piscina ZZZ-9003. 5.1.3 SEPARACIÓN DE LÍQUIDOS En el separador bifásico ABJ-2001 se realiza la separación de petróleo, cuya corriente ingresa al separador centrífugo; y de agua de formación conteniendo sólidos suspendidos, cuyo flujo se drena hacia la piscina ZZZ- 9003. La operación del equipo se efectúa bajo las siguientes consideraciones:  Se utilizan placas coalescentes para mejorar la velocidad de separación y sedimentación de parte de las arenas que no son retenidas en el sistema de filtración del crudo de recepción.  Para la acumulación de agua y sedimentos el separador cuenta con una bota de líquido, la misma que tiene un control automático de nivel con una línea de descarga conectada a las bombas neumáticas de doble diafragma PBA-6002A/B que transportan el agua de formación hacia el separador de la piscina ZZZ-9003.  Se eliminan 836 Kg/día de sólidos suspendidos (arenas) en la corriente de agua de formación.  La fase crudo se descarga continuamente mediante una válvula accionada por un control automático de nivel, hacia la línea de succión de la bomba de alimentación de crudo PBA-6003A/B al separador centrífugo ZBD-9001.
  • 161.
    138  El tiempode retención de fluidos en el separador, necesario para la separación óptima petróleo-agua de formación, se determinará de acuerdo a lo establecido por el GPSA Data Book 12 th Edition, tomando en cuenta la temperatura y grado API actuales de la corriente de crudo. 5.2 SEPARADOR CENTRÍFUGO 5.2.1 CARGA DE CRUDO DE PRODUCCIÓN De acuerdo a la Figura 5.1 la corriente de crudo procedente del separador ABJ-2001 ingresa, a través de un tubo de alimentación fijo (1), al distribuidor de flujo (2) del tambor rotante. La separación de petróleo, agua y arenas de formación tiene lugar en el espacio interior que se forma entre los discos cónicos (3). Las fases líquidas separadas se dirigen a través de los discos cónicos hasta las cámaras del rodete en la part e superior del tambor y son descargados desde ahí mediante un rodete (5). El petróleo deshidratado y el agua de formación pueden ser descargados según los requerimientos del proceso con o sin presión, mientras que las arenas y finos separados son recolectados en la cámara de sólidos y son expulsados periódicamente a plena velocidad. Figura 5.1 Corte Transversal del Separador Centrífugo
  • 162.
    139 5.2.2 TAMBOR DELA CENTRÍFUGA En la parte inferior (6) del tambor de la centrífuga se encuentra el mecanismo de descarga hidráulico. Las aperturas (9) para descarga de los sólidos ubicadas en la parte exterior del tambor están abiertas por un breve momento a plena velocidad, desplazando así verticalmente el pistón deslizante móvil. El pistón deslizante es controlado, llenando y vaciando la cámara de cierre (7) debajo del pistón deslizante mediante las válvulas del tambor. Los tiempos de abertura del mecanismo de descarga de la centrífuga son tan precisos que es posible descargar cantidades exactamente determinadas del tambor. Así es posible realizar descargas parciales y descargas totales de petróleo deshidratado y agua de formación en cualquier combinación. 5.2.3 PAQUETE DE DISCOS CÓNICOS Como se muestra en la Figura 5.2 el separador centrífugo también dispone de un disco de separación (10). El crudo de producción es conducido desde el tubo de alimentación (1) hasta el interior del distribuidor donde es acelerado suavemente mediante elementos especiales hasta alcanzar la velocidad circunferencial del tambor. El distribuidor está construido de tal manera que no se generen fuerzas innecesarias de cizallamiento, de esta manera se evita romper las partículas de arenas finas o generar emulsiones entre el agua de formación y el petróleo no emulsionado.
  • 163.
    140 Figura 5.2 DiscosCónicos del Separador Centrifugo En el interior del pie distribuidor se encuentran orificios a través de los cuales se introduce el crudo en cada sección del paquete de discos cónicos, cada uno de los discos tiene a su vez orificios que se encuentran taladrados en el mismo sitio, de modo que se forma un canal ascendente para el paso de petróleo deshidratado y agua de formación, permitiendo que los líquidos se ubiquen en el tambor de acuerdo a su densidad. Los espacios entre los discos se alimentan continuamente con el crudo a través de estos canales ascendentes. Durante la separación de petróleo y agua de formación, un disco de separación ubicado sobre el paquete de discos cónicos permite conducir el petróleo deshidratado a la cámara del rodete correspondiente. 5.2.4 DESCARGA DE LÍQUIDOS El petróleo deshidratado y el agua de formación podrán ser descargados de la centrífuga de discos mediante tres mecanismos de salida:
  • 164.
    141  Tanto elpetróleo como el agua de formación se descargan con presión utilizando dos rodetes (11).  El petróleo deshidratado es separado con presión a través de un rodete, mientras que el agua de formación se descarga sin presión mediante un diafragma.  El agua de formación es separada con presión a través de un rodete, mientras que el petróleo deshidratado se descarga sin presión mediante un diafragma. 5.2.5 TRANSMISIÓN DE POTENCIA Para transmitir la potencia la centrífuga está equipada con correas trapezoidales o planas (dependiendo del tamaño del separador). El accionamiento por correas resulta eficiente y no requiere mucho mantenimiento. El motor de accionamiento es controlado mediante un variador de frecuencia permitiendo un arranque suave y limitando la corriente absorbida en el momento del arranque. Es posible variar la velocidad del motor, pero en un margen determinado. 5.2.6 MATERIALES DE CONSTRUCCIÓN Todas las partes de la centrífuga que están en contacto con el crudo de producción son fabricadas en acero inoxidable (Cr-Ni-Mo o Duplex). Los empaques son de materiales especiales o de poliamida. 5.2.7 LUBRICACIÓN La centrífuga tiene incorporado un mecanismo de lubricación interna de los cojinetes. El nivel y flujo de aceite son controlados automáticamente
  • 165.
    142 mediante el sistemade control de la centrífuga. Mediante una bomba dosificadora es posible asegurar continuamente una dosificación exacta de aceite lubricante. 5.2.8 LIMPIEZA Es posible instalar en la centrífuga un sistema de limpieza automático en sitio. Este será a base de agua y diesel, los cuales serán suministrados desde un tanque. 5.2.9 PROTECCIÓN CONTRA EXPLOSIÓN El separador centrífugo estará fabricado para operar sin ningún riesgo de explosión, debido a que los vapores de hidrocarburos junto con el oxígeno forman una mezcla inflamable. Se podrá utilizar nitrógeno como gas inerte para desplazar el oxígeno del interior de la centrifugadora, evitando de esta manera contaminar la atmósfera con la emisión de vapores y la entrada de aire al interior de la centrífuga. 5.2.10 SISTEMA DE CONTROL DE LA CENTRÍFUGA El sistema automático de control y supervisión a instalarse será personalizado de acuerdo a los requerimientos del proceso y del cliente, no obstante, el equipo dispondrá de los siguientes dispositivos básicos:  Un sistema de control con memoria programable (PLC) para asegurar el control automático y la supervisión del separador centrífugo y de todos sus componentes.  Sensores por alta vibración.  La protección del motor y control de arranque se realiza mediante el variador de frecuencia.
  • 166.
    143  La descargade petróleo y agua de formación del tambor se regula con un control de tiempo.  De modo opcional es posible realizar el control de sólidos suspendidos mediante la instalación de un turbidímetro en las líneas de descarga de fluidos.  La centrífuga debe operar con todos los módulos disponibles para el control y mando de las válvulas, incluyendo los sistemas secundarios disponibles.  El separador centrífugo debe tener instaladas todas las luces de alarma y elementos de protección para una operación segura y confiable. 5.3 ALMACENAMIENTO DE PETRÓLEO  El petróleo bajo especificaciones de contenido de agua y sólidos suspendidos ingresará al tanque de estabilización ABJ-2002 antes de ser enviado a los tanques de almacenamiento H y N, de esta forma, se podrá mejorar aún más el proceso de deshidratación, ya que, si existe una fracción de agua ligeramente superior a 0,5% (que por alguna razón operativa temporal eventualmente podría permanecer en el crudo que descarga la centrifugadora), ésta se decanta en el fondo del tanque de estabilización.  El tanque será diseñado para el almacenamiento de petróleo con una presión de vapor hasta 12 psia.  El nivel mínimo operativo será el requerido para proporcionar cabeza neta positiva de succión a las bombas de transferencia hacia los tanques de almacenamiento.  El tanque tendrá una válvula de alivio de presión rompe vacío. Adicionalmente, se instalará un arresta-llamas.  Tendrá una boca para muestreo de petróleo y medidores de nivel situados a diferentes alturas.
  • 167.
    144  Dispondrá deuna alarma de nivel por alto-alto y otra por bajo-bajo.  El tanque dispone de drenajes (agua de formación y sedimentos básicos) hacia el sistema de separación API y puerta de acceso para que el personal de limpieza pueda ingresar a realizar las tareas respectivas durante los trabajos de mantenimiento. 5.4 BASES Y CRITERIO DE DISEÑO DE INSTRUMENTACIÓN Y CONTROL La selección de la instrumentación y el sistema de control previsto para este proyecto deberá contemplar los siguientes aspectos:  Seguridad para las personas que laboran en las instalaciones, para los equipos y el ambiente.  Simplicidad en las operaciones.  Alta confiabilidad y disponibilidad.  Acceso y mantenimiento.  Normalización según las prácticas de diseño y operación de la industria del petróleo.  Menores costos de inversión, operación y mantenimiento. 5.4.1 UNIDADES DE INGENIERÍA En el proceso de elaboración de ingeniería se utilizarán las siguientes unidades (Tabla 5.1) utilizadas comúnmente en el sector petrolero. MAGNITUD / PARÁMETRO SÍMBOLO UNIDAD NOMBRE CORRIENTE ELÉCTRICA I A Amperio DIÁMETRO D,d ft, in Pies, Pulgadas DENSIDAD ρ lb / ft3 Libras por pie cúbico
  • 168.
    145 MAGNITUD / PARÁMETRO SÍMBOLO UNIDADNOMBRE FRECUENCIA S Hz Hertz FLUJO MÁSICO Qm lb / h Libras por hora FLUJO VOLUMÉTRICO GAS Qg MSCD Millones de pies cúbicos estándar por día FLUJO VOLUMÉTRICO PETRÓLEO Qo BOPD Barriles de crudo por día GRAVEDAD API ºAPI Grados API GRAVEDAD ESPECÍFICA Gs - - LONGITUD L ft pies MASA m lb libras MEDICIÓN DE NIVEL N %, in, ft Porcentaje, pulgadas, pies POTENCIAL ELÉCTRICO E V Voltio POTENCIA ACTIVA (ELÉCTRICA) J W Watt PRESIÓN MANOMÉTRICA P psig IWC Libras por pulgada cuadrada, pulgadas de agua PRESIÓN ABSOLUTA Pabs psia Libras por pulgada cuadrada absoluta RESISTENCIA R Ω Ohmio TEMPERATURA T ºF Grados Fahrenheit, TIEMPO t s, min, hr, día Segundo, minuto, hora, día VELOCIDAD v ft/s Pies por segundo VISCOSIDAD (DINÁMICA) µ cP Centipoise VISCOSIDAD (CINEMÁTICA) ѵ cSt Centistokes VOLUMEN V ft3, bls, gl Pis cúbicos, barriles, galones Tabla 5.1 Unidades de Medida para Instrumentación y Control`
  • 169.
    146 5.4.2 NORMAS Y/OESTÁNDARES APLICABLES Las siguientes normas13 serán utilizadas en el proyecto: ANSI / ASME – American National Standards Institute / American Society of Mechanical Engineers ANSI / ISA – American National Standards Institute / International Society of Automation API – American Petroleum Institute IEC – International Electrotechnical Commission IEEE - Institute of Electrical and Electronics Engineers ISA – International Society of Automation ISO – International Organization for Standardization NEMA - National Electrical Manufacturers Association NFPA – National Fire Protection Association Tabla 5.2 Normas – Estándares Aplicables 5.4.3 NIVELES DE VOLTAJE Las cargas eléctricas para; instrumentos, paneles de control, serán diseñadas para operar con los voltajes nominales siguientes: 13 En caso de existir un conflicto entre normas, regirá la norma más exigente.
  • 170.
    147  Alimentación ainstrumentación tipo “Loop Powered” a 24 VDC  Fuente de alimentación 12 V ó 24 V / 110 Vac, dependiendo del requerimiento del equipo.  Alimentación principal para equipos como; paneles de control, serán a 110 VAC. Para los cálculos de caída de tensión, se tomarán en cuenta las impedancias de los cables. Las caídas de tensión máximas permisibles no deberán superar el 3%. 5.4.4 CLASIFICACIÓN DE ÁREAS La instalación de instrumentos electrónicos y eléctricos deberá estar de acuerdo con los requerimientos de la NFPA 70 y las norma API RP-500, "Recommended Practice for Classification of Locations for Electrical Installation in Petroleum Facilities", en lo relacionado con la clasificación eléctrica del área donde serán instalados. Las instalaciones eléctricas serán diseñadas de acuerdo a la norma API RP- 540 “Electrical Installations in Petroleum Processing Plants” y a las mejores prácticas de ingeniería aplicadas para el sector petrolero. Para Clase 1, División 1, grupos C y D los instrumentos y paneles de conexión deberán ser a prueba de explosión y corrosión equivalente a NEMA 7; para áreas Clase 1, División 2, grupos C y D deberá ser a prueba de intemperie y corrosión equivalente a NEMA 4X. 5.4.5 CONSIDERACIONES GENERALES EN INSTRUMENTACIÓN El desarrollo de la ingeniería para la selección, especificación e instalación de la instrumentación del proyecto estará basado en los siguientes criterios:
  • 171.
    148  Las especificacionesde instrumentos se encuentran dentro de los estándares indicados en la norma ISA S20 - Specification Forms for Process Measurement and Control Instruments, Primary Elements and Control Valves.  Las unidades de medición a ser utilizadas serán las del Sistema Internacional como se indica en la tabla 5.1 de la sección 5.4.1. Todos los instrumentos deberán estar identificados con una placa de acero inoxidable, resistente a las condiciones climáticas y de proceso, en la cual se señalará como mínimo lo siguiente:  Número de identificación del instrumento (Tag Number).  Los materiales de construcción de los instrumentos y sus partes expuestas al proceso deberán ser compatibles con el tipo de fluido, es decir con el tipo de servicio al cual estén destinados, y también deben estar en estricta concordancia con las especificaciones de tuberías.  Toda la instrumentación de campo deberá ser a prueba de intemperie (resistente a la corrosión y adecuada para operar en ambientes con alta salinidad y humedad) y compatibles con el servicio y condiciones ambientales existentes en el área. Para la selección de los instrumentos se deberá considerar como mínimo:  El rango  La precisión  La estabilidad  La alimentación Todas las conexiones de los instrumentos a proceso estarán provistas de válvulas de cierre hermético, con el objeto de efectuar mantenimiento a los
  • 172.
    149 instrumentos sin interrumpirel proceso; a excepción de instrumentos de seguridad que la norma no lo permita, o se requiera de arreglos especiales. Los instrumentos deberán ser instalados en lugares de fácil acceso al operador de la estación y personal de mantenimiento sin obstruir el libre tránsito de éste. Ningún instrumento deberá ser instalado sobre pasamanos, tuberías u otros sitios que estén expuestos a vibraciones, golpes u otras alteraciones. Todas las conexiones a tuberías y recipientes se las realizará con materiales, apropiados acorde a las condiciones de procesos y en concordancia con las especificaciones mecánicas (Piping class). La instrumentación electrónica de campo a seleccionar deberá ser del tipo inteligente preferiblemente 4 - 20 mA + Hart loop powered, con protocolo de comunicación digital y diagnóstico remoto, con excepción de los dispositivos de medición directa (indicadores locales, auto-reguladores, etc.). Toda la instrumentación electrónica de campo deberá poseer inmunidad a las interferencias causadas por radiofrecuencia o por campos electromagnéticos. Los interruptores eléctricos conectados a proceso (interruptores de presión, nivel, flujo, etc.) serán del tipo acción rápida (Snap Action), con contactos dobles del tipo doble polo doble tiro (DPDT), La capacidad "rating" de los contactos será 24 VDC y 5 A. 5.4.6 CRITERIOS PARA LA SELECCIÓN DE INSTRUMENTOS Instrumentación Neumática
  • 173.
    150 Las válvulas einstrumentos que requieran suministro de aire deberán regirse por los siguientes criterios:  La presión de suministro de aire de instrumentos deberá ser de 100 psig.  Los instrumentos neumáticos deberán estar provistos de reguladores de presión a fin de garantizar el suministro de presión necesario para cada equipo.  En actuadores on/off de válvulas de bloqueo se utilizará reguladores de presión para alimentarlos con 80 psig; para instrumentación neumática de control se utilizará reguladores de presión para alimentarlos con 35 psig.  En caso de necesitar otro tipo de presión para alimentación se especificará en la respectiva hoja de datos del equipo.  La conexión neumática deberá ser de ½” MNPT en el múltiple de distribución y ¼” MNPT en los puntos de alimentación. La cañería (tubing) de conexión neumática de instrumentos será de ⅜” OD, 316 SS con espesor mínimo de 0,035" y los accesorios y conectores de compresión asociados también deberán ser de 316 SS.  La transmisión de señal neumática será de 3 – 15 psig o 6 – 30 psig de acuerdo al requerimiento. Sistema de Distribución de Aire de Instrumentos El sistema de suministro de aire para instrumentos, deberá estar constituido por una unidad de compresión de aire seco y libre de aceite, de acuerdo con la norma ISA-7.0.01 Quality Standard for Instrument Air.  Se deberá separar e identificar claramente las líneas dedicadas a aire de utilidades (PAS) de las líneas dedicadas a aire de instrumentos (IAS). La red de suministro se dimensionará de acuerdo a la
  • 174.
    151 repartición de instrumentosy equipos en la planta y se tomarán en cuenta los siguientes aspectos.  Para líneas principales de distribución se considerará tuberías de 2” de diámetro.  Para líneas secundarias de distribución se considerarán tuberías de 1” de diámetro.  Para líneas de sub-distribución se considerará el uso de tuberías de ¾” y ½” de diámetro, dependiendo de los requerimientos del área.  Se emplearán tuberías galvanizadas ASTM-A53 GR. B, para presiones por debajo de 175 psig. Medición de Presión Se utilizarán dispositivos de sello de diafragma y sistemas de absorción de vibraciones (dámper), para los instrumentos de presión que requieran aislamiento del proceso, ya sea por sólidos en suspensión y/o altas vibraciones conforme lo recomienda el API 550 sección 4. Los instrumentos para medición de presión estarán diseñados para soportar una sobre presión de 1,3 veces su rango de trabajo al igual que el vacío absoluto, sin requerir recalibración. Los manómetros deberán cumplir con los requerimientos de API-551 (Process Measurement Instrumentation), secciones 4.7 y 6, Los elementos de medición serán preferiblemente tubos de Bourdon de acero inoxidable 316 SS. Las presiones normales de operación deberán ser leídas entre el 40% y 70% de la escala. Las conexiones a proceso serán de ½" MNPT, los tamaños de dial serán de 4½" y la precisión será máximo ± 1% del rango total. Las carátulas tendrán fondo blanco con números negros y las cajas deberán ser fenólicas llenas con glicerina. La cubierta del manómetro será sólida y dispondrá de un disco para protección, bien sea por explosión o alivio de sobre presión en la parte posterior.
  • 175.
    152 Los transmisores depresión serán tipo diafragma capacitivo o "Strain- gauge", “loop powered” 24 VDC e inteligentes, con tecnología Hart, pantalla LCD, configurable en unidades de ingeniería, encapsulamiento a prueba de explosión, apropiado para áreas Clase 1, División 2, Grupo C y D. El rango de cada transmisor de presión será seleccionado de manera que la presión normal de operación esté entre el 30% y el 80% del rango calibrado. La conexión de los transmisores en tanques y recipientes ubicados en la parte superior de los mismos será bridada de 2” RF ANSI 150 y las conexiones a proceso serán de ½" MNPT para tubería. Medición de Temperatura La medida de temperatura se realizará con RTDs y termómetros bimetálicos. Todos los elementos de temperatura se conectarán al proceso mediante un termopozo de acero inoxidable 316 SS de acuerdo con el estándar API-551 (Process Measurement Instrumentation), sección 4.7.2. El tipo de conexión de los termopozos será bridada de 2” ANSI 150 para recipientes y tanques no presurizados y de conexión 3/4” MNPT para tuberías. El tipo de brida y acabado de la misma estarán en concordancia con los códigos ANSI y las especificaciones de la tubería. La longitud de inmersión del termopozo para líneas será la mitad (½) del diámetro interno (ID) de la tubería, y para tanques será de 19” como mínimo, de acuerdo con el estándar API-551, de manera de garantizar el punto de toma de temperatura más alejado de las paredes del tanque. Los indicadores locales de temperatura serán tipo bimetálico, de ángulo ajustable, con cabezal pivotante ajustable a toda posición o plano de indicación, y con un dial entre 4” y 5” de diámetro, fondo blanco, números negros, caja herméticamente sellada de acero inoxidable 316 SS, con toma
  • 176.
    153 de proceso inferior,con ajuste de cero y protección de sobre rango. Las escalas de lectura directa serán en escalas de °F. El rango de indicación o escala del termómetro será seleccionado de forma tal que la temperatura normal de operación se encuentre entre un 40% y 70% de la escala y la temperatura máxima no exceda el tope de la escala. La precisión deberá ser del 1% del "span". Los transmisores de temperatura serán energizados desde lazo (loop powered) 24 VDC e inteligentes, con tecnología Hart, pantalla LCD, configurable en unidades de ingeniería, encapsulamiento a prueba de explosión, apropiado para áreas Clase 1, División 2, Grupo C y D. El rango del transmisor será seleccionado para que la temperatura normal de operación se encuentre entre un 50% y 75% del rango calibrado. Los transmisores irán instalados directo sobre el termopozo, pero en lugares donde se presente dificultad en la instalación se utilizarán soportes o arreglos para montaje remoto del transmisor. Los transmisores tomarán la señal para medición de temperatura mediante RTDs. Las RTDs serán de Platino 100 Ohm (tipo PT-100) a 32 °F, de 3 hilos sin tierra. Las RTDs estarán empotradas en cabezales de aluminio herméticos y serán de tipo spring load, a prueba de explosión (donde lo defina la clasificación de áreas). La conexión del cabezal al termopozo será de ½” FNPT; la conexión eléctrica será de ½” FNPT. Medición de Nivel Debido a su aplicación para todo tipo de líquido y en interfaces líquido / líquido, los indicadores de nivel del tipo magnético con flotador (con
  • 177.
    154 indicador tipo banderaso flotador) con escala ajustable, serán utilizados para la indicación local de nivel en tanques y recipientes. Estos indicadores tendrán la posibilidad de estar acompañados de un transmisor de nivel en caso de requerirlo. El material del cuerpo será en 304 SS, y el material de las banderillas indicadoras será de tipo estándar del fabricante. Todas las partes en contacto con el fluido del proceso serán en acero inoxidable 316 SS a menos que se requieran otros materiales para condiciones particulares por fluidos corrosivos. La conexión al proceso de los visores será bridado de 2” RF ANSI 150#. El arreglo de conexionado estará provisto de válvulas de bloqueo y purga. La válvula de purga será suministrada conjuntamente con los visores. Los transmisores para medición de nivel establecidos para este proyecto serán energizados desde lazo (loop powered) 24 VDC e inteligentes, con tecnología Hart, configurable en unidades de ingeniería, encapsulamiento a prueba de explosión, apropiado para áreas Clase 1, División 2, Grupo C y D. Para el caso de transmisores de nivel en tanques y recipientes ubicados en la parte superior de los mismos, utilizarán el principio de medición de radar de onda guiada o capacitivo, y la conexión al procesos será bridado de 4” RF ANSI 150. En aplicaciones de medición de nivel en recipiente y tanques donde se utilicen switches o transmisores se deberá considerar la posibilidad de uso de stand pipes externos al recipiente, este stand pipe deberá ser de al menos 4” de diámetro y la longitud total debe exceder en al menos 6” a los límites inferior y superior de la medida de nivel, el transmisor de nivel no deberá topar la parte inferior del stand pipe, además deberá tener una válvula de purga en su parte inferior y se conectará con tubing hacia el respetivo drenaje.
  • 178.
    155 Para el casode switches de nivel tipo flotador o ultrasónico, el stand pipe será de al menos 2 pies de longitud y el diámetro dependerá de la longitud de inserción del flotador o el elemento de medición. Todos los stand pipes deberán tener válvula de bloqueo en cada toma y deberán ser de al menos 2” la conexión será bridada RF ANSI 150#. Los transmisores de nivel que se conecten en la parte superior del stand pipe deberán ser bridados y de 4” RF ANSI 150#. Medición de Flujo Para el presente proyecto en caso de ser necesario se considerarán los siguientes aspectos para la medición de flujo; para la medición de crudo (transferencia y custodia) se usarán medidores tipo turbina o desplazamiento positivo, su uso dependerá de la factibilidad basada en el análisis técnico y económico o al requerimiento del cliente. La conexión deberá ser bridada de acuerdo a la especificación de tubería en donde será instalada. Para medición de crudo fuera de especificaciones (en puntos intermedios del proceso) o agua de producción (agua de formación), se utilizarán medidores tipo turbina con transmisor integral, de acuerdo al estándar API 551 (Process Measurement Instrumentation), sección 2.3.4. La conexión del medidor de flujo deberá ser bridada y será de acuerdo al diámetro y especificación de la tubería en donde estará instalado. La instalación de los transmisores de flujo deberá estar acorde con API 551 (Process Measurement Instrumentation), sección 2, API MPMS (Manual of Petroleum Measurement Standards), capítulo 5, sección 3. Los transmisores deberán poseer salida de pulsos entre 0 / 5 / 10 VDC con ancho de pulso configurable mediante software y salida a colector abierto,
  • 179.
    156 pantalla LCD paraindicación local, configurable en unidades de ingeniería, encapsulamiento a prueba de explosión, apropiado para áreas Clase 1, División 2, Grupo C y D, la conexión eléctrica será de ½” FNPT. Analizador de Corte de Agua Para la medición de corte de agua BSW, se considera utilizar el principio de medición capacitivo o infrarrojo por absorción espectroscópica utilizados para garantizar la precisión de la medida, ya que no se ve afectado por las variaciones de la salinidad, densidad, viscosidad y temperatura. La precisión requerida para los diferentes rangos será: Rango (Concentración de agua) Precisión Repetibilidad 0 a 5% ±0,05% ±0,01 5 a 10% ±0,10% ±0,02 10 a 25% ±0,15% ±0,04 0 a 100% ±1% ±0, 2 Los analizadores deberán manejar señales de 4 – 20 mA, pantalla LCD para indicación local de concentración de corte de agua y estatus, encapsulamiento a prueba de explosión, apropiado para áreas Clase 1, División 2, Grupo C y D. Para una óptima medición se considerará el sentido de flujo y la instalación más apropiada recomendada por el fabricante del equipo. Válvulas Reguladoras y de Control La selección de válvulas reguladoras, se realizará considerando: las condiciones de operación y diseño, fluido a ser manejado, el rango
  • 180.
    157 requerido, ruido, porcentajede filtración permitida, costo y requerimientos especiales. El material del cuerpo y “rating” deberá estar de acuerdo a las especificaciones de tuberías. En general, todos los cuerpos de las válvulas de control serán bridados para su respectiva conexión con la tubería bridada. En ningún caso el “rating” del cuerpo de la válvula podrá ser menor al permitido por las especificaciones de la tubería. Los reguladores de presión diferencial mantendrán una diferencia constante entre la presión aguas abajo del equipo y la presión aguas arriba del equipo a medir. Los reguladores diferenciales mantendrán una caída de presión constante, donde la presión aguas arriba del regulador siempre será mayor que la presión aguas abajo del instrumento regulador. Esto aplica para reguladores diferenciales y para los reguladores del tipo convencional (resorte y/o diafragma). Las válvulas de control tendrán las siguientes características: Todas las válvulas de control cumplirán con las normas ANSI S12.1, S12.3, no excederán los 85 dB de ruido a un metro, se considerará un diseño alterno si no se puede reducir a niveles aceptables y se implementará un sistema antirruido en el cuerpo de la válvula como también una camisa reductora de ruido. En general, las válvulas controladoras serán dimensionadas para manejar las ratas de flujo mínimo y máximo entre un rango de control de apertura de la válvula dependiendo del tipo de válvula a seleccionar para cada tipo de proceso. Las válvulas de globo tienen rango de 20% - 80%, las de bola de 10% - 60% y las de mariposa de 30% - 50% (manejarán la máxima capacidad del proceso a la caída de presión normal).
  • 181.
    158 La selección detipos y modelos de las válvulas y elementos de control se realizará con un criterio de mínima diversidad (estandarización), con miras a facilitar su compra y minimizar la variedad de partes de repuestos, tomando en cuenta las mejores experiencias. Todas las válvulas estarán provistas de bridas. También se considerará el uso de las válvulas sin bridas o tipo “wafer” en caso de requerirlo. El cálculo de las válvulas de control se realizará mediante programas de cálculo especializados suministrados por el fabricante, los cuales permiten obtener el coeficiente de la válvula (Cv) utilizando las ecuaciones propuestas por la “Instrument Society of America ISA-S75.01.01 (Flow Equations for sizing control valves). Los actuadores de las válvulas de control serán del tipo de diafragma con resorte de oposición, dimensionado para operación de 3 -15 o 6 - 30 psig. Adosado debe venir el actuador y el posicionador electrónico con señal estándar analógica 4 - 20 mA serán energizados desde lazo (loop powered), 24 VDC e inteligente con tecnología Hart. El actuador será capaz de mover la válvula a su posición de falla segura (fail safe) en caso de falla del medio de operación de la válvula de control o de la señal eléctrica de control. La válvula de control será dimensionada tomando en consideración condiciones de operación mínima, normal y máxima. La selección final debe asegurar que la válvula opere entre un 17% y 90% de apertura en concordancia con lo recomendado en ISA-S75.11 (Inherent Flow Characteristic and Rangeability of Control Valves). No se utilizan válvulas de control de un tamaño de cuerpo nominal menor a la mitad del diámetro de la tubería, caso contrario se especificará con Trim reducido.
  • 182.
    159 Actuadores ON/OFF La selecciónde los actuadores para accionar válvulas del tipo on/off se manejará para sistemas de parada de emergencia y sistemas de control de procesos que lo requieran y serán accionados con aire en su mayoría. Para todos los casos los actuadores serán seleccionados de acuerdo a las siguientes características:  Los actuadores serán dimensionados para abrir y/o cerrar la válvula a máximo torque, para la máxima caída de presión y considerando un factor de seguridad.  En el caso de válvulas de seguridad las válvulas deberán ser accionadas, por resortes a su posición segura.  El actuador contará con switches de límite de carrera para indicación remota; también tendrá indicación local.  Permitirán acción manual (Manual Override) para garantizar la operación manual de la válvula.  Para los actuadores eléctricos se tendrá un panel local de control, con todos los accesorios para la apertura y cierre local del actuador.  El tiempo de operación del actuador atenderá al requerimiento del proceso; generalmente estará entre 7 y 20 s.  La alimentación de la válvula solenoide será de 24 VDC, tres vías para servicio neumático y a prueba de explosión en áreas peligrosas Clase 1, División 2, Grupo C y D. Válvulas de Seguridad y Alivio Las válvulas de Seguridad y Alivio requeridas para este proyecto, cumplirán con la norma API-RP-520 (Sizing Selection and Installation of Pressure Relieving Devices in Refineries) y API-521 (Guide for Pressure Relieving and depressuring Systems).
  • 183.
    160 Los dispositivos dealivio de presión que se emplearán, cumplirán con las exigencias de un diseño seguro. Se calcularán válvulas de alivio de seguridad acorde a las exigencias de cada instalación y se seleccionarán entre tipo convencional (Conventional), válvula de seguridad cargada por resorte (Balanced), guiada por el tope (Pilot) y para operar a una presión por debajo de la presión de ajuste (MAWP) (típicamente 93% a 98% de la presión de ajuste) como lo señala la norma API-RP-520. Se usarán válvulas de alivio convencionales en servicios en donde no exista contrapresión o donde la contrapresión sea constante. Se usarán válvulas de alivio balanceadas cuando la contrapresión pueda exceder el 10% de la presión de alivio y no sea un valor constante. Las válvulas de alivio o seguridad no se usarán como equipos de control de presión. Las válvulas de seguridad y/o alivio no deberán exceder el valor de sobre presión del equipo, es decir, la contrapresión acumulada no excederá el 10% de la presión manométrica de ajuste o el 21% de dicha presión para el caso de fuego (vaporización de líquidos). Las válvulas de alivio de presión serán instaladas para que el venteo del bonete caiga directamente a la línea o cabezal de venteo de la estación. No se permitirá que los vapores aliviados caigan sobre tuberías o equipos, áreas de operación o sobre vías de acceso de la estación. Para las válvulas de alivio de presión convencionales sujetas a una contrapresión constante, la calibración de la válvula será realizada considerando el valor de contrapresión para que la válvula actúe a la presión de ajuste requerida, por una reducción apropiada de la presión del resorte. Para las válvulas de alivio de presión expuestas a una contrapresión variable, se considerará válvulas actuadas por resorte balanceados u
  • 184.
    161 operados con pilotopara minimizar o eliminar el efecto de la contrapresión variable para que la válvula actúe a la presión de ajuste requerida. Las válvulas de seguridad y/o alivio se diseñarán para mantener un cierre hermético lo más cercano a la presión de ajuste. El asiento será de metal a metal, este tipo de asiento se aplicará en servicios que presentan dificultades tales como: operación cercana a la presión de ajuste o por causa de fluctuaciones de presión (pulsaciones o golpeteo). 5.4.7 MONTAJE DE INSTRUMENTOS La posición relativa de los instrumentos respecto a las tomas de proceso y la ubicación relativa de las tomas en la tubería deberá estar de acuerdo con API RP-550 (Installation of Refinery Instruments and Control System) y API RP-551 (Process Measurement Instrumentation) además del API MPMS. Cuando el instrumento esté ubicado a una distancia mayor de 3 m de la conexión del proceso, se proveerá una válvula de bloqueo y venteo (o purga), adicional, adyacente al instrumento. Las válvulas de control deberán instalarse cercanas al piso o plataforma (en el caso de plataformas elevadas), para permitir el fácil acceso durante labores de mantenimiento y control manual. 5.4.8 CRITERIOS PARA LA SELECCIÓN DE CABLES DE INSTRUMENTACIÓN Y CONTROL La cubierta externa de todos los cables deberá ser de material no- higroscópico, resistente a la luz solar, a la abrasión, a la llama y a la acción de solventes.
  • 185.
    162 Se utilizarán cablesarmados tipo MC, para proveer protección mecánica y aprobados contra humedad, líquidos y gases, siendo aptos para la instalación en interior o exterior, por medio de canalizaciones metálicas o no metálicas, bandejas porta cables o directamente enterrados, en áreas clasificadas peligrosas Clase 1 División 1 Grupos C y D. Se utilizarán cables tipo TC para instalación tanto en áreas Clase 1 División 2 Grupos C y D, como en áreas no clasificadas. Los cables serán instalados en bandeja portacable ó con “conduit” rígido, dependiendo del requerimiento. Los cables de instrumentación serán pares y triadas trenzados, tendrán un cable de drenaje (shield) deberán ser aislados individualmente a 300 V, apantallados individual y con temperatura máxima en el conductor de 221 °F; la sección será 1,5 mm2 (calibre 16 AWG). El código de colores de los conductores será negro y blanco para los pares; y negro, rojo y blanco para las triadas. Para el caso de cables multipares y multiconductores se utilizará la distribución de colores designados por el fabricante de la marca. Los cables de control serán cables sin pantalla, que deberán ser aislados individualmente a 600 V, tendrán una sección mínima de 14 AWG y el número de conductores dependerá de la instalación a ser realizada, y se deberá considerar conductores para tierra y neutro en caso de ser necesario. 5.4.9 IDENTIFICACIÓN DE CABLES, Y JUNCTION BOX Se requiere la identificación de los cables tanto externa como internamente. La identificación externa será realizada mediante placas de acero inoxidable 316 SS con impresión en bajo relieve con un tamaño de fuente adecuado, amarradas en cada uno de los extremos del cable. La identificación interna de los cables en los tableros e instrumentos se realizará mediante marquillas
  • 186.
    163 termocontraibles con impresiónen máquina con un tamaño de fuente adecuado colocadas en cada uno de los conductores del cable. La identificación externa de los cables se realizará de la siguiente manera:  En el punto de salida del cable se pondrá el nombre de la caja o equipo a donde llega, y en el punto de llegada se pondrá el nombre de la caja o equipo de donde salió el cable.  La identificación interna de los cables será de la misma manera que la identificación externa solo que se incrementará la polaridad del cable  La identificación de las cajas de conexionado se realizará en láminas plásticas negra de 2mm de espesor, con letras blancas en bajo relieve con un tamaño de letra adecuado. La identificación estará acorde al tag del equipo mayor relacionado y a la filosofía de la planta. 5.4.10 CANALIZACIONES PARA CABLES Las canalizaciones en áreas abiertas para llegar al instrumento, serán con bandejas portacables de aluminio (tipo escalerilla). El tamaño de las bandejas será seleccionado de acuerdo con la cantidad de cables a instalar y al calibre de los mismos. El espacio de reserva en las bandejas deberá ser entre 15% y 20% para colocación de cables futuros. Solo en las bandejas que contengan cables de instrumentación y control se permitirá colocar más de dos capas de cables. Los cables se dispondrán en forma de minimizar la cantidad de cruces. La soportería necesaria para las bandejas se realizara con channel galvanizado y accesorios cromados o en acero inoxidable (pernos, tuercas, arandelas etc) con el fin de combatir la acción por hongos y humedad, además se utilizará galvanizante en frío para todos los puntos de suelda realizados en campo por tema de soportería.
  • 187.
    164 5.4.11 CAJAS DECONEXIÓN Los gabinetes y cajas de conexión serán diseñados para recoger todas las señales analógicas, digitales y/o comunicación de los instrumentos y/o equipos, y se agruparán las señales en cables multipares o multiconductores para ser direccionadas hacia el panel de control principal en donde se aloja el controlador. Todos los gabinetes y cajas de conexión tendrán los siguientes componentes elementales:  Doble fondo.  Canalización interna.  Etiquetas de cables y de la caja de conexión.  Borneras. Las dimensiones de cada una de las cajas o gabinetes, así como del doble fondo serán las más adecuadas para poder alojar a todas las borneras y accesorios, tener la reserva necesaria y únicamente ocupar el doble fondo, no se tendrá ningún accesorio en las paredes internas del gabinete o caja. Los gabinetes y cajas de conexión tendrán un perno “servit post”, que se conectará al sistema de puesta a tierra de la planta. Tanto los gabinetes como las cajas para montaje en campo serán metálicos cuyo grado de protección será NEMA 4X, la fabricación será en acero inoxidable 304 SS y el espesor mínimo será de 2,6 mm (0,105 “). Los componentes metálicos a ser instalados en el interior deberán ser tropicalizados, a fin de protegerlos contra la acción de hongos, salitre y polvos corrosivos, para lo cual se usará inhibidores industriales de corrosión. Los gabinetes serán de montaje en piso con patas de apoyo del tipo “floor mount” para ser instalados en ambiente externo. El gabinete tendrá una luz
  • 188.
    165 fluorescente interior alimentadapor 110 VAC 60 Hz, la misma que se encenderá en el momento de abrir la puerta, por medio del accionamiento de un micro interruptor (micro switch), las cajas de conexión no poseerán luz interior. Las cajas de conexión contarán con una sola puerta delantera con sello de neopreno, con bisagras continuas de acero inoxidable y deberá asegurar un sello hermético. Será para montaje en soporte o pared en ambiente externo. En áreas clasificadas se utilizará cajas de conexión cuyo grado de protección equivalente será NEMA 7, a prueba de explosión (explosion prof.) con protección para exteriores; la fabricación será en aluminio. Deberá ser hermética, sin tapas removibles laterales ni superior; contará con una sola puerta delantera atornillada con sello de neopreno, con bisagras de acero inoxidable y para asegurar el sello hermético la puerta tendrá varios pernos de cabeza hexagonal de acero inoxidable con resorte y prisionero para evitar que se salgan de la puerta y permitir una confirmación visual de si están ajustados o no. El ingreso de cables individuales y multiconductores se realizará por la parte inferior del gabinete o caja de conexión; en ningún caso se permitirá el ingreso de cables por la parte superior. Dentro de la caja se llevarán los cables sin chaqueta externa o armadura de acuerdo al tipo de cable a ser utilizado. 5.4.12 CONTROL Y MONITOREO El control y monitoreo de la planta se realizará, por medio de la infraestructura existente, es decir se reutilizará el controlador, las estaciones de operación. La nueva instrumentación se conectará al PLC existente y la instrumentación existente deberá ser reubicada por el cliente acorde a sus necesidades. Para el sistema de control y monitoreo se deberá diseñar las
  • 189.
    166 pantallas necesarias acordea los nuevos equipos instalados y a los nuevos requerimientos del sistema. 5.4.13 SISTEMA DE PUESTA TIERRA Todos los gabinetes y cajas de conexiones, conduits, etc, se conectarán al sistema de tierra general de la planta. Todos los instrumentos y equipos relacionados con las señales de los lazos de control de la planta se conectarán a la red de tierra de instrumentación. Los cables de instrumentación con drenaje (Shield), serán conectados a tierra en un solo punto, en la barra aislada de tierra de instrumentación del panel de control. La red de tierra de instrumentación estará conectada a la red de tierra general de la planta en "un solo punto", mediante un conductor monopolar con cubierta exterior y con un dispositivo de acoplamiento tipo inductivo o resistivo de acuerdo con los cálculos. En todo caso no mayor a 1Ω y 20 mH. 5.4.14 UNIDADES PAQUETE Para equipos provistos en skid, el proveedor deberá cumplir con los siguientes aspectos:  EL proveedor deberá suministrar probar e instalar todos los instrumentos necesarios, incluyendo la tubería, tubing, accesorios, válvulas y caja de conexionado (junction box), para el funcionamiento confiable y seguro del paquete. teniendo en cuenta que estén dentro de los límites del skid para una óptima operación del paquete de acuerdo a los P&ID.
  • 190.
    167  Toda lainstrumentación y cajas de conexión deberán estar instalados, e identificados correctamente acorde a lo especificado en este documento.  El tipo de cable y la instalación del mismo deberá cumplir con lo indicado en este documento, en cuanto a instrumentación se refiere.  Se identificará y separara claramente las líneas de suministro de aire de procesos o utilidades de la de instrumentos.  El suministro de aire para el skid se ubicará a filo de skid y en un solo punto para instrumentos y un solo punto para utilidades, desde el cual se distribuirá hacia todos los equipos que los requieran.  Todas las señales que necesiten monitoreo desde el cuarto de control de la planta, deberán estar cableadas hasta una caja de conexión a filo de skid, para luego ser llevadas mediante un cable multipar o multiconductor al controlador principal.  En caso de ser necesario, la comunicación provista será de tipo Ethernet y se dejara el punto de conexión a filo de skid en su respectiva caja de conexión. 5.4.15 PRUEBAS Toda la instrumentación deberá ser calibrada y testificadas por el cliente, para lo cual se emitirán los respectivos registros y todos los equipos patrón utilizados deberán tener certificado de calibración vigente. El skid deberá ser probado bajo condiciones reales de operación, para ello se deberá prever las pruebas de aceptación en fábrica (FAT) y pruebas de aceptación en sitio (SAT). Para este fin, el proveedor deberá suministrar con anticipación en coordinación con el cliente, los protocolos de prueba para su revisión y aprobación.
  • 191.
    168 El equipo deprueba deberá simular las condiciones máximas y mínimas del proceso. El protocolo de pruebas, deberá detallar los procedimientos y los parámetros, incluyendo la simulación del proceso como tal. 5.5 ARQUITECTURA DE CONTROL La arquitectura de control es un diagrama mediante el cual se propone una estructura a nivel general de todo el sistema de control. En este caso las señales provenientes de los instrumentos de campo y del skid del separador centrífugo se dirigen a las cajas de revisión llamadas jucntions box, estas cajas de revisión es el lugar donde todas las señales son almacenadas y enviadas al siguiente nivel, el nivel de control que básicamente el PLC RTP Netsuite. Mediante dicho PLC se controlarán las señales del proceso para su correcto funcionamiento. El siguiente nivel es el nivel de supervisión, mediante la existente red Ethernet que se puede salir mediante un switch hacia los ordenadores de supervisión para los operadores. En el nivel de supervisión, los operadores estarán en capacidad de interpretar los resultados de las señales de los instrumentos ubicados en los equipos, así como las variables de proceso. Para el efecto constarán con el paquete utilitario llamado RTP View y mediante un HMI podrán conocer el estado del proceso en estudio. Ver Figura 5.3. 5.6 PLOT PLAN DE INSTRUMENTACIÓN Los equipos que conforman el nuevo sistema de recepción y deshidratación de crudo de Casa Bomba constan con varios instrumentos los mismos que se encuentran clasificados en las diferentes zonas como se indican en la Figura 5.4
  • 192.
    169 5.7 MATRIZ CAUSAEFECTO DEL PROCESO (SAFETY CHART) Para el desarrollo de la matriz causa efecto (Tabla 5.5) se presentó las posibles consecuencias de un estado u otro del algún instrumento del proceso. Es importante señalar que para llevar a cabo esta actividad se requirió de la presencia de un grupo multidisciplinario de ingenieros de Pacifpetrol S.A con el fin de considerar todos los posibles escenarios. Este diagrama facilitará la programación del PLC a utilizarse. 5.8 DIAGRAMAS DE LAZOS DE CONTROL14 Los diagramas de lazo de control son esquemas generales del cableado desde el instrumento de cualesquier equipo pasando por la caja de revisión junction box correspondiente hasta llegar a los terminales del panel. Una vez en los terminales del panel se dirigen hacia el microprocesador RTP 2316. Estos diagramas permiten identificar cada uno de los cables de los instrumentos de manera que la ruta del cableado de los mismos quede perfectamente identificada. En la Figura 5.5 se puede observar los diagramas de lazo correspondientes a los switches de nivel del separador bifásico. 5.9 INTERFAZ HOMBRE – MÁQUINA HMI15 14 Para los diagramas de lazo únicamente se considerará el de un instrumento ya que es la misma metodología para los 25 instrumentos restantes. 15 Las pantallas HMI van acorde con los planos P&ID diseñados en la sección 3.10.
  • 193.
    170 Para el diseñode la interfaz entre hombre máquina se utilizó el paquete utilitario RTPView, el mismo que permite acceder a las variables de proceso. Estas variables de proceso pueden ser de lectura y/o escritura dependiendo del caso, mediante RTPView no solo se permite al usuario supervisar y controlar el proceso sino también permite realizar cálculos aritméticos y estadísticos de cualquier variable facilitando el entendimiento y desempeño de cada parte del sistema, de esta manera el operador podrá tomar decisiones en base a la información adquirida del comportamiento de cada una de las variables del proceso. El lenguaje hombre máquina es muy importante ya que mediante este se supervisará y controlará todo el proceso. Mediante las estadísticas del proceso se podrá obtener las tendencias de las variables que sean requeridas, y estos resultados se podrán indicar en las pantallas de control HMI. Para la sintonización de los controladores PID se diseñará una pantalla exclusivamente para calibrar dichos controladores, para el efecto se procederá de igual manera que las tendencias, se indicará mediante un gráfico en tiempo real la respuesta del sistema a cada controlador PID. A continuación se detalla las pantallas HMI diseñadas para el nuevo sistema de recepción y deshidratación de crudo:  1-2 Filtros de ingreso – Sistema de Filtros (Ver Figura 5.6)  3 Bombas de Descarga de Crudo PBA – 6001 A/B (Ver Figura 5.7)  4 Separador Bifásico ABJ – 2001 (Ver Figura 5.8)  5 Bombas de Alimentación de Crudo PBA – 6003 A/B (Ver Figura 5.9)  6 Bombas de Descarga de Agua PBA – 6002 A/B (Ver Figura 5.10)
  • 194.
    171  7 SeparadorCentrífugo ZBD – 900116  8 Tanque de Surgencia ABJ – 2002 (Ver Figura 5.11)  9 Piscinas API ZZZ-9002 / ZZZ - 9003 (Ver Figura 5.12)  10 Bombas Piscinas API PBA - 6004 A/B (Ver Figura 5.13)  11 Bombas Recuperación de Crudo PBA – 6005 A/B (Ver Figura 5.14)  12 Bombas de Agua de Utilidades PBA – 6006 (Ver Figura 5.15) 16 El HMI del separador centrífugo no se diseñará con RTPView ya que viene con su propio controlador e interfaz HMI en el skid propuesto.
  • 195.
    172 MIN. MAX. UNITBAJO‐BAJO BAJO ALTO ALTO‐ALTO 1 1 PI-MAJ1001-3 001 3"-UW-A1-2000 0 200 PSIG NA ANC-404-DIC116-PL-005 ASHCROFT 45-1279-S-04L-0/200-PSI-SG 2 2 SDY-MAJ1001-1 001 MAJ-1001-A DO ANC-404-DIC116-PL-008 ASCO BY VENDOR NOTA 1 3 3 SDY-MAJ1001-3 001 3"-UW-A1-2000 DO ANC-404-DIC116-PL-008 ASCO BY VENDOR NOTA 1 PDSH-MAJ1001-1 001 MAJ-1001-A DI 3PSI 5PSI ANC-404-DIC116-PL-005 PDI-MAJ1001-1 001 MAJ-1001-A 0 10 PSID NA ANC-404-DIC116-PL-005 5 5 PI-MAJ1001-1 001 MAJ-1001-A -10 in. Hg 5 PSIG NA ANC-404-DIC116-PL-005 ASHCROFT 45-1188-S-04L-10 in Hg/5 PSI-SG. DIAP. SEAL. 50-101SS-04T-CG 6 6 SDY-MAJ1001-2 001 MAJ-1001-B DO ANC-404-DIC116-PL-008 ASCO BY VENDOR NOTA 1 7 7 SDY-MAJ1001-4 001 3"-UW-A1-2001 DO ANC-404-DIC116-PL-008 ASCO BY VENDOR NOTA 1 PDSH-MAJ1001-2 001 MAJ-1001-B 0 10 PSID DI 3PSI 5PSI ANC-404-DIC116-PL-005 PDI-MAJ1001-2 001 MAJ-1001-B 0 10 PSID NA ANC-404-DIC116-PL-005 9 9 PI-MAJ1001-2 001 MAJ-1001-B -10 in. Hg 5 PSIG NA ANC-404-DIC116-PL-005 ASHCROFT 45-1188-S-04L-10 in Hg/5 PSI-SG. DIAP. SEAL. 50-101SS-04T-CG PDSH-MAJ1002A 002 MAJ-1002A DI 5PSI ANC-404-DIC116-PL-005 PDI-MAJ1002A 002 MAJ-1002A 0 10 PSID NA ANC-404-DIC116-PL-005 PDSH-MAJ1002B 002 MAJ-1002B DI 5PSI ANC-404-DIC116-PL-005 PDI-MAJ1002B 002 MAJ-1002B 0 10 PSID NA ANC-404-DIC116-PL-005 12 1 PI-PBA6001A/B-1 003 4"-PF-A1-1002 -10 in. Hg 5 PSIG NA ANC-404-DIC116-PL-005 ASHCROFT 45-1188-S-04L-10 in Hg/5 PSI-SG. DIAP. SEAL. 50-101SS-04T-CG 13 2 SDY-PBA6001A-1 003 PBA-6001A DO ANC-404-DIC116-PL-008 ASCO BY VENDOR NOTA 2 14 3 SDY-PBA6001B-1 003 PBA-6001B DO ANC-404-DIC116-PL-008 ASCO BY VENDOR NOTA 2 15 4 BSW-PBA6001A/B-1 003 PBA-6001A/B 0 100 % AI ANC-404-DIC116-PL-012 WEATHERFORD 2G 16 5 PI-PBA6001A/B-2 003 4"-PF-A1-1005 0 60 PSIG NA ANC-404-DIC116-PL-005 ASHCROFT 45-1279-S-04L-0/60-PSI-SG. DIAP. SEAL: 50-101SS-04T-CG 17 6 PT-PBA6001A/B-2 003 4"-PF-A1-1005 0 60 PSIG AI ANC-404-DIC116-PL-006 SMAR LD291M-4-1-I-1-1-0-2-G0-H0-I1-P9-Y2- Y4-J0. 18 7 FIT-PBA6001A/B-1 003 4"-PF-A1-1005 515 6000 BPD PULSE ANC-404-DIC116-PL-007 NUFLO 1,5-S-F-00000+MC-II-PLUS 19 8 HS-PBA6001-AA S/S 003 PBA-6001A 2 DI ANC-404-DIC116-PL-011 ABB GREEN: 800H-HAP1B. RED: 800H- HAP6B. COVER: 800H-NP31. 20 9 HS-PBA6001-AB L/R 003 PBA-6001A 2 DI ANC-404-DIC116-PL-011 ABB 800H-JP2KB7AAXX. GANG: 800H- 6HVX7. COVER: 800H-NP30. 21 10 HS-PBA6001-BA S/S 003 PBA-6001B 2 DI ANC-404-DIC116-PL-011 ABB GREEN: 800H-HAP1B. RED: 800H- HAP6B. COVER: 800H-NP31. 22 11 HS-PBA6001-BB L/R 003 PBA-6001B 2 DI ANC-404-DIC116-PL-011 ABB 800H-JP2KB7AAXX. GANG: 800H- 6HVX7. COVER: 800H-NP30. Indicador de presión diferencial del filtro MAJ-1002A 11 2 Switch de presión diferencial UNITED ELECTRIC CONTROLS H122K-456-1195-M540-M210 Indicador de presión diferencial del filtro MAJ-1002B SISTEMA DE FILTROS ANC-404-DIC123-LI-001 ITEM TAG SERVICIO P&ID ANC‐ 404‐BP37‐PL‐ EQUIPO LÍNEA RANGO MEDICIÓN FABRICANTEP&ID Proyecto No: 404 Ingeniería Instrumentación y Control PROYECTO: DESARROLLO DE INGENIERÍA CONCEPTUAL, BÁSICA Y DE DETALLE PARA EL NUEVO SISTEMA DE RECEPCIÓN DE CRUDO CASA BOMBA LISTA DE INSTRUMENTOS Y SEÑALES MODELO NOTAS PAGINA: Página 1 de 5 Nº FILTROS DE INGRESO Indicador de presión para línea de entrada de agua de utilidades Válvula de entrada de aire del pistón de doble efecto del filtro MAJ-1001-A SEÑAL ALARMAS Switch de presión diferencial Indicador de presión diferencial del del filtro MAJ-1001- B Válvula de entrada de agua para lavado del filtro MAJ- 1001-A Switch de presión diferencial Indicador de presión diferencial del filtro MAJ-1001-A Indicador de presión compuesto en el interior del filtro MAJ-1001-A Medidor de corte de agua a la salida de las bombas neumáticas PBA-6001A/B Transmisor de presión en la línea de entrada del BSW- PBA6001A/B-1 Indicador de presión compuesto en la línea de descarga de las bombas PBA-6001A/B Válvula de entrada de aire del pistón de doble efecto del filtro MAJ-1001-B Válvula de entrada de agua para lavado del filtro MAJ- 1001-B Válvula de entrada de aire de bomba neumática PBA- 6001A Válvula de entrada de aire de bomba neumática PBA- 6001B BOMBAS DE DESCARGA Indicador de presión compuesto en la línea proveniente del sistema de filtros MAJ-1004-A/B Hand switch local/remoto de la bomba PBA-6001B Transmisor Indicador de flujo en la salida del BSW- PBA6001A/B-1 Hand switch local/remoto de la bomba PBA-6001A Hand switch star/stop de la bomba PBA-6001A Hand switch star/stop de la bomba PBA-6001B Indicador de presión compuesto en el interior del filtro MAJ-1001-B UNITED ELECTRIC CONTROLS H122K-456-1195-M540-M210. UNITED ELECTRIC CONTROLS H122K-456-1195-M540-M210. UNITED ELECTRIC CONTROLS H122K-456-1195-M540-M210 Switch de presión diferencial 4 8 4 8 10 1
  • 196.
    173 MIN. MAX. UNITBAJO‐BAJO BAJO ALTO ALTO‐ALTO LIT-ABJ2001-1A LIT:VEGAFLEX 61 REMOTE INDICATOR: VEGADIS61 LIT-ABJ2001-1B LIT: OPTIFLEX 1300 C 24 2 PSV-ABJ2001-1 004 ABJ-2001 -3 in H2O NA NA por mecánica por mecánica 25 3 PSV-ABJ2001-1 004 ABJ-2001 -3 in H2O NA NA por mecánica por mecánica 26 4 PSV-ABJ2001-2 004 ABJ-2001 5 PSIG NA NA por mecánica por mecánica 27 5 PI-ABJ2001-1 004 ABJ-2001 -10 in. Hg 5 PSIG NA ANC-404-DIC116-PL-005 ASHCROFT 45-1188-S-04L-10 in Hg/5 PSI-SG. 28 6 PIT-ABJ2001-1 004 ABJ-2001 -10 in. Hg 5 PSIG AI ANC-404-DIC116-PL-006 SMAR LD291M-3-1-I-0-1-0-2-G4-H0-I1-P9-Y2- Y4-J0. 29 7 LIT-ABJ2001-2 004 ABJ-2001 1.1 9 FT ANC-404-DIC116-PL-002 KROHNE VEGA LIT: VEGAFLEX 61 REMOTE INDICATOR: VEGADIS61 30 8 TI-ABJ2001-1 004 ABJ-2001 32 200 °F NA ANC-404-DIC116-PL-003 ASHCROFT 50-EL-60-E-180-0/200ºF-XHN. WELL:20-W-1600-50=HF-260-S-R-150- NH 31 9 TIT-ABJ2001-1 004 ABJ-2001 32 200 °F AI ANC-404-DIC116-PL-004 SMAR ASHCROFT TT301-1-2-1-0-H0-I1-J0-L3-M1-Y3-Y4- P9-T4-BD WELL: 20-W-1600-50=HF- 260-S-R-150-NH 32 10 LSHH-ABJ2001-1 004 ABJ-2001 DI 10 FT ANC-404-DIC116-PL-010 VEGA VEGASWING63 33 11 LI-ABJ2001-1 004 ABJ-2001 0 7.8 FT NA ANC-404-DIC116-PL-001 JLOGLER MG-4C-A-2"RF-150#-1-50PSIG-150ºF- 7,8FT-WF-WN-GV-VD 34 12 LI-ABJ2001-2 004 ABJ-2001 0 7.8 FT NA ANC-404-DIC116-PL-001 JLOGLER MG-4C-A-2"RF-150#-0,84-50PSIG- 150ºF-7,8FT-WF-WN-GV-VD 35 13 LSLL-ABJ2001-1 004 ABJ-2001 DI 1,5 FT ANC-404-DIC116-PL-010 VEGA VEGASWING63 36 14 LSLL-ABJ2001-2 004 ABJ-2001 DI 2,24 FT ANC-404-DIC116-PL-010 VEGA VEGASWING63 37 LCV-ABJ2001-1 004 4"-PF-A1-1011 0 100 % AO ANC-404-DIC116-PL-009 CSV NOTE 3 38 ZSO-ABJ2001-1 004 4"-PF-A1-1011 DI ANC-404-DIC116-PL-009 WESTLOCK 316DB 39 ZSC-ABJ2001-1 004 4"-PF-A1-1011 DI ANC-404-DIC116-PL-009 WESTLOCK 316DB 40 SDV-ABJ2001 004 2"-PW-A1-1000 N/A ANC-404-DIC116-DS-015 PBV BY VENDOR 41 SDY-ABJ2001 004 DO ANC-404-DIC120-DS-015 VERSA VSG-3522-XX-167-A120 42 ZSO-ABJ2001-3 004 DI ANC-404-DIC116-DS-015 MONITEUR AMYB-1120 43 ZSC-ABJ2001-3 004 DI ANC-404-DIC120-DS-015 MONITEUR AMYB-1120 44 LCV-ABJ2001-2 005 4"-PF-A1-1013 0 100 % AO ANC-404-DIC116-PL-009 CSV NOTE 3 45 ZSO-ABJ2001-2 005 4"-PF-A1-1013 DI ANC-404-DIC116-PL-009 WESTLOCK 316DB 46 ZSC-ABJ2001-2 005 4"-PF-A1-1013 DI ANC-404-DIC116-PL-009 WESTLOCK 316DB 47 2 PDI-PBA6003A-1 005 4"-PF-A1-1015 0 10 PSID NA ANC-404-DIC116-PL-005 ASHCROFT 45-1279-S-04L-0/15-PSI-SG 48 3 PI-PBA6003A-1 005 4"-PF-A1-1015 0 15 PSIG NA ANC-404-DIC116-PL-005 ASHCROFT 45-1279-S-04L-0/15-PSI-SG 16 1 Válvula de control en la línea de recirculación proveniente del tanque de surgencia ABJ-2002 Switch de detección de apertura de la válvula de control en la línea de recirculación proveniente del tanque de surgencia ABJ-2002 Válvula ON/OFF para salida de lodos en el separador Bifásico ABJ-2001 Switch de detección de apertura de la válvula ON/OFF en la línea de salida de lodos del tanque de surgencia ABJ-2001 Switch de detección de cierre de la válvula ON/OFF en la línea de salida de lodos del tanque de surgencia ABJ-2001 Válvula de entrada de aire para SDV-ABJ2001 SDV-ABJ2001 Página 2 de 5 1 9 FT AI 18 in 72 in VEGA ANC-404-DIC123-LI-001 ITEM TAG SERVICIO P&ID ANC‐ 404‐BP37‐PL‐ EQUIPO LÍNEA RANGO MEDICIÓN FABRICANTEP&ID Proyecto No: 404 Ingeniería Instrumentación y Control PROYECTO: DESARROLLO DE INGENIERÍA CONCEPTUAL, BÁSICA Y DE DETALLE PARA EL NUEVO SISTEMA DE RECEPCIÓN DE CRUDO CASA BOMBA LISTA DE INSTRUMENTOS Y SEÑALES MODELO NOTAS PAGINA: Nº SEÑAL ALARMAS SEPARADOR BIFÁSICO Válvula de alivio de presión BOMBAS DE ALIMENTACIÓN DE CRUDO Switch de detección de cierre de la válvula de control en la línea de recirculación proveniente del tanque de surgencia ABJ-2002 Indicador de presión difererencial en la línea de entrada a la bomba PBA-6003A Indicador de presión en la línea de entrada a la bomba PBA-6003A Switch de nivel bajo-bajo, etapa de recolección de lodos del separador bifásico ABJ-2001 Válvula de control en la línea de salida hacia la bomba de alimentación de crudo PBA-6003A/B Switch de detección de apertura de la válvula de control en la línea de salida hacia la bomba de alimentación de crudo PBA-6003A/B Switch de detección de cierre de la válvula de control en la línea de salida hacia la bomba de alimentación de crudo PBA-6003A/B 23 1 004 ABJ-2001 ANC-404-DIC116-PL-002 Transmisor Indicador de Nivel Total de agua en el separador Bifásico ABJ-2001 Válvula de alivio de presión Indicador de presión compuesto en la segunda etapa del separador bifásico ABJ-2001 Transmisor indicador de presión en la segunda etapa del separador bifásico ABJ-2001 Transmisor Indicador de nivel de petroleo crudo en el separador bifásico ABJ-2001 Indicador de temperatura en primera etapa del separador bifásico ABJ-2001 Transmisor indicador de temperatura en primera etapa de separador Transmisor Indicador de Interface de agua en el separador Bifásico ABJ-2001 Válvula de alivio de presión 15 Switch de nivel alto-alto, segunda etapa del separador bifásico ABJ-2001 Indicador de nivel en primera etapa del separador bifásico ABJ-2001 Indicador de nivel en la segunda etapa del separador bifásico ABJ-2001 Switch de nivel bajo-bajo , segunda etapa del separador bifásico ABJ-2001
  • 197.
    174 MIN. MAX. UNITBAJO‐BAJO BAJO ALTO ALTO‐ALTO 49 4 PI-PBA6003A-2 005 4"-PF-A1-1016 0 30 PSIG NA ANC-404-DIC116-PL-005 ASHCROFT 45-1279-S-04L-0/30-PSI-SG 50 5 HS-PBA6003-AA S/S 005 PBA-6003A 2DI ANC-404-DIC116-PL-011 ABB GREEN: 800H-HAP1B. RED: 800H- HAP6B. COVER: 800H-NP31. 51 6 HS-PBA6003-AB L/R 005 PBA-6003A 2DI ANC-404-DIC116-PL-011 ABB 800H-JP2KB7AAXX. GANG: 800H- 6HVX7. COVER: 800H-NP30. 52 7 PDI-PBA6003B-1 005 4"-PF-A1-1011 0 10 PSID NA ANC-404-DIC116-PL-005 ASHCROFT 100-6509-S-L-04L-0/10-PDI-GV-TM 53 8 PI-PBA6003B-1 005 4"-PF-A1-1011 0 15 PSIG NA ANC-404-DIC116-PL-005 ASHCROFT 45-1279-S-04L-0/15-PSI-SG 54 9 PI-PBA6003B-2 005 4"-PF-A1-1017 0 30 PSIG NA ANC-404-DIC116-PL-005 ASHCROFT 45-1279-S-04L-0/30-PSI-SG 55 10 HS-PBA6003-BA S/S 005 PBA-6003B 2DI ANC-404-DIC116-PL-011 ABB GREEN: 800H-HAP1B. RED: 800H- HAP6B. COVER: 800H-NP31. 56 11 HS-PBA6003-BB L/R 005 PBA-6003B 2DI ANC-404-DIC116-PL-011 ABB 800H-JP2KB7AAXX. GANG: 800H- 6HVX7. COVER: 800H-NP30. 57 1 SDY-PBA6002A-1 006 PBA-6002A DO ANC-404-DIC116-PL-008 ASCO BY VENDOR NOTA 2 58 2 PI-PBA6002A-1 006 2"-PW-A1-1003 0 60 PSIG NA ANC-404-DIC116-PL-005 ASHCROFT 45-1279-S-04L-0/60-PSI-SG DEAP. SEAL 50-101SS-04T-CG 59 3 SDY-PBA6002B-1 006 PBA-6002B DO ANC-404-DIC116-PL-008 ASCO BY VENDOR NOTA 2 60 4 PI-PBA6002B-1 006 2"-PW-A1-1002 0 60 PSIG NA ANC-404-DIC116-PL-005 ASHCROFT 45-1279-S-04L-0/60-PSI-SG DEAP. SEAL 50-101SS-04T-CG 61 5 HS-PBA6002-AA S/S 006 PBA-6002B 2DI ANC-404-DIC116-PL-011 ABB GREEN: 800H-HAP1B. RED: 800H- HAP6B. COVER: 800H-NP31. 62 6 HS-PBA6002-AB L/R 006 PBA-6002B 2DI ANC-404-DIC116-PL-011 ABB 800H-JP2KB7AAXX. GANG: 800H- 6HVX7. COVER: 800H-NP30. 63 7 HS-PBA6002-BA S/S 006 PBA-6002B 2DI ANC-404-DIC116-PL-011 ABB GREEN: 800H-HAP1B. RED: 800H- HAP6B. COVER: 800H-NP31. 64 8 HS-PBA6002-BB L/R 006 PBA-6002B 2DI ANC-404-DIC116-PL-011 ABB 800H-JP2KB7AAXX. GANG: 800H- 6HVX7. COVER: 800H-NP30. 65 1 PSV-ABJ2002-1 008 ABJ-2002 NA ANC-404-DIC116-PL-013 66 2 LI-ABJ2002-4 008 ABJ-2002 1 16 FT NA ANC-404-DIC116-PL-001 VAREC N6700-ST-20F-BM3607 67 3 LSHH-ABJ2002-1 008 ABJ-2002 DI 8FT ANC-404-DIC116-PL-010 VEGA VEGASWING63 68 4 LIT-ABJ2002-1 008 ABJ-2002 1.1 15 FT AI ANC-404-DIC116-PL-002 KROHNE VEGA LIT: VEGAFLEX 61 REMOTE INDICATOR: VEGADIS61 69 5 TIT-ABJ2002-1 008 ABJ-2002 32 200 °F AI ANC-404-DIC116-PL-004 SMAR ASHCROFT TT301-1-2-1-0-H0-I1-J0-L3-M1-Y3-Y4- P9-T4-BD WELL: 20-W-1600-50=HF- 260-S-R-150-NH 70 6 LSLL-ABJ2002-1 008 ABJ-2002 DI 4FT ANC-404-DIC116-PL-010 VEGA VEGASWING63 71 7 BSW-ABJ2002-1 008 4"-PF-A1-1019 0 5 % AI ANC-404-DIC116-PL-012 WEATHERFORD 2G 72 8 FIT-ABJ2002-1 008 4"-PF-A1-1019 515 6000 BPD PULSE ANC-404-DIC116-PL-007 NUFLO 1,5-S-F-00000+MC-II-PLUS Transmisor Indicador de temperatura en la base del tanque ABJ-2002 Indicador de presión en la línea de descarga de la bomba PBA-6003A TANQUE DE SURGENCIA Indicador de presión en la línea de succión a la bomba PBA-6003B Válvula de entrada de aire a bomba neumática PBA- 6002A Medidor de corte de agua a la salida del tanque ABJ- 2002 Switch de nivel con accionamiento en bajo-bajo en la base del tanque ABJ-2002 Transmisor Indicador de flujo en la salida del Medidor de corte de agua BSW-ABJ2002-1 BOMBAS DE ALIMENTACIÓN DE CRUDO Switch de nivel con accionamiento en alto-alto en el tanque ABJ-2002 Válvula de alivio de presión en el techo del tanque ABJ-2002 Indicador de nivel total del tanque ABJ-2002 Transmisor Indicador de nivel en el techo del tanque ABJ-2002 Pulsador de START/STOP de la bomba PBA-6002B Válvula de entrada de aire a bomba neumática PBA- 6002B Indicador de presión en la línea de descarga de la bomba PBA-6002A Nº SEÑAL ALARMAS Pulsador de START/STOP de la bomba PBA-6003B Switch selector Local/Remoto para accionamiento de la bomba PBA-6003B BOMBAS DE DESCARGA DE AGUA Indicador de presión en la línea de descarga de la bomba PBA-6003B ANC-404-DIC123-LI-001 ITEM TAG SERVICIO P&ID ANC‐ 404‐BP37‐PL‐ EQUIPO LÍNEA RANGO MEDICIÓN FABRICANTEP&ID Proyecto No: 404 Ingeniería Instrumentación y Control PROYECTO: DESARROLLO DE INGENIERÍA CONCEPTUAL, BÁSICA Y DE DETALLE PARA EL NUEVO SISTEMA DE RECEPCIÓN DE CRUDO CASA BOMBA LISTA DE INSTRUMENTOS Y SEÑALES Página 3 de 5 Indicador de presión en la línea de descarga de la bomba PBA-6002B Pulsador de START/STOP de la bomba PBA-6002A Pulsador de LOCAL/REMOTO de la bomba PBA- 6002A Pulsador de LOCAL/REMOTO de la bomba PBA- 6002B MODELO NOTAS PAGINA: Pulsador de START/STOP de la bomba PBA-6003A Switch selector Local/Remoto para accionamiento de la bomba PBA-6003A Indicador de presión difererencial en la línea de entrada a la bomba PBA-6003B
  • 198.
    175 MIN. MAX. UNITBAJO‐BAJO BAJO ALTO ALTO‐ALTO 73 9 LSLL-ABJ2002-1 008 ABJ-2002 DI 4FT ANC-404-DIC116-PL-010 VEGA VEGASWING63 74 10 HS-PBA6007-A S/S 008 PBA-6007 2DI ANC-404-DIC116-PL-011 ABB GREEN: 800H-HAP1B. RED: 800H- HAP6B. COVER: 800H-NP31. 75 11 HS-PBA6007-B L/R 008 PBA-6007 2DI ANC-404-DIC116-PL-011 ABB 800H-JP2KB7AAXX. GANG: 800H- 6HVX7. COVER: 800H-NP30. 76 12 PI-PBA6007 008 4"-PD-A2-1002 0 30 PSIG NA ANC-404-DIC116-PL-005 ASHCROFT 45-1279-S-04L-0/30-PSI-SG. DIAP. SEAL: 50-101SS-04T-CG. 77 1 LIT-ZZZ9002-2 009 ZZZ-9002 1.1 7 FT AI 2 FT 7 FT 8 FT ANC-404-DIC116-PL-002 KROHNE VEGAFLEX 61 78 2 LIT-ZZZ9002-1 009 ZZZ-9002 1.1 7 FT AI 2 FT ANC-404-DIC116-PL-002 KROHNE VEGAFLEX 61 79 3 LIT-ZZZ9003-1 009 ZZZ-9003 1.1 7 FT AI 2 FT 8 FT ANC-404-DIC116-PL-002 KROHNE VEGAFLEX 61 80 1 PDI-PBA6004A-1 010 3"-PW-A1-1002 0 5 PSID NA ANC-404-DIC116-PL-005 ASHCROFT 100-6509-S-L-04L-0/5-PDI-GV-TM 81 2 PI-PBA6004A-1 010 3"-PW-A1-1002 PSIG NA ANC-404-DIC116-PL-005 ASHCROFT 45-1188-S-04L-10 in Hg/5 PSI-SG. DIAP. SEAL. 50-101SS-04T-CG 81 3 HS-PBA6004-AA S/S 010 PBA-6004A 2DI ANC-404-DIC116-PL-011 ABB GREEN: 800H-HAP1B. RED: 800H- HAP6B. COVER: 800H-NP31. 82 4 HS-PBA6004-AB L/R 010 PBA-6004A 2DI ANC-404-DIC116-PL-011 ABB 800H-JP2KB7AAXX. GANG: 800H- 6HVX7. COVER: 800H-NP30. 83 5 PDI-PBA6004B-1 010 3"-PW-A1-1001 0 5 PSID NA ANC-404-DIC116-PL-005 ASHCROFT 100-6509-S-L-04L-0/5-PDI-GV-TM 84 6 HS-PBA6004-BA S/S 010 PBA-6004B 2DI ANC-404-DIC116-PL-011 ABB GREEN: 800H-HAP1B. RED: 800H- HAP6B. COVER: 800H-NP31. 85 7 HS-PBA6004-BB L/R 010 PBA-6004B 2DI ANC-404-DIC116-PL-011 ABB 800H-JP2KB7AAXX. GANG: 800H- 6HVX7. COVER: 800H-NP30. 86 8 PI-PBA6004B-1 010 3"-PW-A1-1001 PSIG NA ANC-404-DIC116-PL-005 ASHCROFT 45-1188-S-04L-10 in Hg/5 PSI-SG. DIAP. SEAL. 50-101SS-04T-CG 87 9 PIT-PBA6004 010 3"-PW-A1-1004 0 30 PSIG AI ANC-404-DIC120-DS-006 SMAR LD291M-3-1-I-1-1-0-2-G0-H0-I1-P9-Y2- Y4-J0. 88 1 SDY-PBA6005A-1 011 PBA-6005A DO ANC-404-DIC116-PL-008 ASCO BY VENDOR NOTA 2 89 2 SDY-PBA6005B-1 011 PBA-6005B DO ANC-404-DIC116-PL-008 ASCO BY VENDOR NOTA 2 90 3 PI-PBA6005A-1 011 1"-PF-A1-1008 0 30 PSIG NA ANC-404-DIC116-PL-005 ASHCROFT 45-1279-S-04L-0/30-PSI-SG. DIAP. SEAL: 50-101SS-04T-CG. 91 4 PI-PBA6005B-1 011 1"-PF-A1-1009 0 30 PSIG NA ANC-404-DIC116-PL-005 ASHCROFT 45-1279-S-04L-0/30-PSI-SG. DIAP. SEAL: 50-101SS-04T-CG. 92 5 HS-PBA6005-AA S/S 011 PBA-6005A 2DI ANC-404-DIC116-PL-011 ABB GREEN: 800H-HAP1B. RED: 800H- HAP6B. COVER: 800H-NP31. 93 6 HS-PBA6005-AB L/R 011 PBA-6005A 2DI ANC-404-DIC116-PL-011 ABB 800H-JP2KB7AAXX. GANG: 800H- 6HVX7. COVER: 800H-NP30. 94 7 HS-PBA6005-BA S/S 011 PBA-6005A 2DI ANC-404-DIC116-PL-011 ABB GREEN: 800H-HAP1B. RED: 800H- HAP6B. COVER: 800H-NP31. Página 4 de 5 Switch selector Local/Remoto para accionmiento de la bomba PBA-6005A MODELO NOTAS PAGINA: Indicador de presión en la línea de descarga de la bomba neumática PBA-6005A Indicador de presión en la línea de entrada de la bomba PBA-6004B Pulsador de START/STOP de la bomba PBA-6004A Pulsador de START/STOP de la bomba PBA-6004B Switch selector Star/Stop para accionmiento de la bomba PBA-6005A TANQUE DE SURGENCIA Transmisor Indicador de nivel para la piscina de líquidos ZZZ-9002 Switch de nivel con accionamiento en bajo-bajo en la base del tanque ABJ-2002 PISCINAS API ANC-404-DIC123-LI-001 ITEM TAG SERVICIO P&ID ANC‐ 404‐BP37‐PL‐ EQUIPO LÍNEA RANGO MEDICIÓN FABRICANTEP&ID Proyecto No: 404 Ingeniería Instrumentación y Control PROYECTO: DESARROLLO DE INGENIERÍA CONCEPTUAL, BÁSICA Y DE DETALLE PARA EL NUEVO SISTEMA DE RECEPCIÓN DE CRUDO CASA BOMBA LISTA DE INSTRUMENTOS Y SEÑALES Nº SEÑAL ALARMAS Válula de entrada de aire a bomba neumática PBA- 6005A BOMBAS DE RECUPERACIÓN DE CRUDO Indicador de presión en la línea de entrada de la bomba PBA-6004A Transmisor de presión en la línea de descarga de las bombas PBA-6004A & PBA-6004B Indicador de presión en la línea de descarga de la bomba neumática PBA-6005B Pulsador de START/STOP de la bomba PBA-6007 Switch selector Local/Remoto para accionmiento de la bomba PBA-6007 Switch selector Star/Stop para accionmiento de la bomba PBA-6005B Indicador de presión difererencial en la línea de entrada a la bomba PBA-6004A Transmisor Indicador de nivel para la piscina de sedimentación ZZZ-9003 Transmisor Indicador de nivel para compartimento de recuperación de crudo BOMBAS DE AGUA Switch selector Local/Remoto para accionamiento de la bomba PBA-6004A Switch selector Local/Remoto para accionmiento de la bomba PBA-6004B Indicador de presión diferencial en la línea de entrada a la bomba PBA-6004B Indicador de presión en la línea de descarga de la bomba PBA-60007 Válula de entrada de aire a bomba neumática PBA- 6005B
  • 199.
    176 MIN. MAX. UNITBAJO‐BAJO BAJO ALTO ALTO‐ALTO #¡REF! 8 HS-PBA6005-BB L/R 011 PBA-6005A 2DI ANC-404-DIC116-PL-011 ABB 800H-JP2KB7AAXX. GANG: 800H- 6HVX7. COVER: 800H-NP30. 96 1 PI-ABJ2003-1 012 1"-PF-A1-1003 0 15 PSIG NA ANC-404-DIC116-PL-005 ASHCROFT 45-1279-S-04L-0/10-PSI-SG. 97 2 PI-ABJ2003-2 012 1"-PF-A1-1004 0 200 PSIG NA ANC-404-DIC116-PL-005 ASHCROFT 45-1279-S-04L-0/200-PSI-SG. 98 3 HS-PBA6006-A S/S 012 PBA-6006 2DI ANC-404-DIC116-PL-011 ABB GREEN: 800H-HAP1B. RED: 800H- HAP6B. COVER: 800H-NP31. 99 4 HS-PBA6006-B L/R 012 PBA-6006 2DI ANC-404-DIC116-PL-011 ABB 800H-JP2KB7AAXX. GANG: 800H- 6HVX7. COVER: 800H-NP30. Página 5 de 5 MODELO NOTAS PAGINA: ANC-404-DIC123-LI-001 ITEM TAG SERVICIO P&ID ANC‐ 404‐BP37‐PL‐ EQUIPO LÍNEA RANGO MEDICIÓN FABRICANTEP&ID Proyecto No: 404 Ingeniería Instrumentación y Control PROYECTO: DESARROLLO DE INGENIERÍA CONCEPTUAL, BÁSICA Y DE DETALLE PARA EL NUEVO SISTEMA DE RECEPCIÓN DE CRUDO CASA BOMBA LISTA DE INSTRUMENTOS Y SEÑALES Nº 1.- LA SELECCIÓN, DIMENSIONAMIENTO Y LAS ESPECIFICACIÓNES COMO EL MODELO, ORIFICE SIZE, CV FLOW FACTOR, PRESIÓN DE OPERACIÓN, POSICIÓN DE FALLA SERÁ DADA POR EL PROVEEDOR DEL SKID DEL FILTRO. 2.- LA SELECCIÓN, DIMENSIONAMIENTO Y LAS ESPECIFICACIÓNES COMO EL MODELO, ORIFICE SIZE, CV FLOW FACTOR, PRESIÓN DE OPERACIÓN, POSICIÓN DE FALLA SERÁ DADA POR EL PROVEEDOR DE LAS BOMBAS NEUMÁTICAS. 3.- LA VÁLVULA SERÁ SELECCIONADA POR EL PROVEEDOR ACORDE A LAS CONDICIONES DE SERVICIO EN LAS HOJAS DE DATOS ANC-404-DIC116-PL-009 SEÑAL ALARMAS Switch selector Local/Remoto para accionmiento de la bomba PBA-6006 BOMBAS DE RECUPERACIÓN DE CRUDO Indicador de presión en la línea de descarga de la bomba PBA-6006 Pulsador de START/STOP de la bomba PBA-6006 TANQUE DE AGUA DE UTILIDADES Indicador de presión en la línea de entrada a la bomba PBA-6006 Switch selector Local/Remoto para accionmiento de la bomba PBA-6005B Tabla 5.3 Lista de Instrumentos y Señales para el Nuevo Sistema de Recepción de Crudo
  • 200.
    NOTAS 2 2 2 2 2 2 2 2 2 2 2 2 2 RTP MICRO2016 RTP MICRO2016 RTP MICRO2016 RTP MICRO2016 RTP MICRO2016 RTP MICRO2016 RTP MICRO2016 RTP MICRO2016 RTP MICRO2016 RTP MICRO2016 RTP MICRO2016 RTP MICRO2016 RTP MICRO2016 DISPOSITIVO SDY-6001A-1 SDY-6001B-1 JYS-PBA-6003A JYS-PBA-6003B SDY-PBA6002A-1 SDY-PBA6002B-1 JYS-ZBD9001 JYS-PBA-6004A JYS-PBA-6004B SDY-PBA6005A-1 SDY-PBA6002B-1 JYS-PBA-6006 JYS-XXX-XXXX SERVICIO TAG PLCSAC REF ESTACIÓN MANUAL ESD HS-ESD001 RTP MICRO 2016 ESD      MAJ 1001A FILTROS DE INGRESO ANC 404 BP37 PL 001 0 i1 PDSHH MAJ1001 1 RTP PDAHH A 1 a 1      DI0720C 12 DI1021C-13, NOTA 4 BOMBA PBA-6004A BOMBA PBA-6004B BOMBA PBA-6005A BOMBA PBA-6005B POR ELCLIENTE BOMBA PBA-6003B BOMBA PBA-6002A BOMBA PBA-6002B ZBD9001 I.D. DISPOSITIVO ALTERNO PLC INDICACIÓN HISTÓRICO TENDENDENCIA CONTROL EQUIPO IDDISPOSITIVODESHUTDOWNOCONTROL NOTAS PROTECCIÓN ALTERNA NIVEL1"ESD0" (PAROGENERAL) P&ID REF. REV NO. INTERLOCK No. COMPONENTE DE PROCESO SISTEMADE REINYECCIÓN BOMBADE RECUPERACIÓNDE CRUDOPBA6005A BOMBADE RECUPERACIÓNDE CRUDOPBA6005B BOMBASDE ALIMENTACIONDE CRUDOPBA-6003A BOMBASDE ALIMENTACIONDE CRUDOPBA-6003B BOMBASDESCARGADE AGUAPBA-6002A BOMBASDESCARGADE AGUAPBA-6002B SEPARADOR CENTRIFUGOZBD9001 BOMBADE ALIMENTACIÓNDE CRUDOPBA6004A BOMBADE ALIMENTACIÓNDE CRUDOPBA6004B ID de DISPOSITIVO ALARMA GENERADA FUNCIÓNREALIZADA ANIMACIÓNENHMI ALARMALOCALAUDIBLE ALARMALOCALVISUAL Proyecto No: 404 DIAGRAMA CAUSA EFECTO #¡REF! Ingeniería Instrumentación y Control Página 2 NOTAS: 1.- ESTA CARTA CAUSA & EFECTO ESTÁ BASADA EN API RP-14C "RECOMMENDED PRACTICE FOR ANALYSIS, DESIGN, INSTALLATION AND TESTING OF BASIC SURFACE SAFETY SYSTEMS FOR OFFSHORE PRODUCTION PLATFORMS" (API RECOMMENDED PRACTICE 14C SEVENTH EDITION, MARCH 2001). 3.- ESTA VERSIÓN ESTÁ BASADA EN LA ING DETALLE REV-A DE LOS P&ID DEL CAMPO ANCON 4.- ESTACIÓN MANUAL SERÁ UBICADA DENTRO DEL CUARTO DE CONTROL 5,- PROVENIENTE DEL CONTROLADOR DEL SEPARADOR CENTRIFUGO 0 PROYECTO SISTEMA DE RECEPCIÓN DE CRUDO - CAMPO ANCÓN BOMBADEAGUADE UTILIDADESPBA6006 BOMBA PBA-6006 RELEVODEPRESIÓN RELEVODEVACIO MINIMIZAFLUJODE RETORNO BOMBASDEDESCARGA PBA-6001A BOMBASDEDESCARGA PBA-6001B BOMBA PBA-6001A BOMBA PBA-6001B BOMBA PBA-6003A APAGADO   O CIERRE                 ENCENDIDO O APERTURA         ACCION REQUERIDA                 ANC-404-BP37-PL-001 0 i1 PDSHH-MAJ1001-1 MICRO 2016 PDAHH A,1,,a,1       ANC-404-BP37-PL-001 0 PDSH-MAJ1001-1 RTP MICRO 2016 PDAH A,1,,a,1    ANC-404-BP37-PL-001 0 FSV-MAJ1001-1 A,1,d,1  ANC-404-BP37-PL-001 0 FSV-MAJ1001-3 A,1,d,1  MAJ 1001B FILTROS DE INGRESO ANC-404-BP37-PL-001 0 i2 PDSHH-MAJ1001-2 RTP MICRO 2016 PDAHH A,1,,a,1       ANC-404-BP37-PL-001 0 PDSH-MAJ1001-2 RTP MICRO 2016 PDAH A,1,,a,1    ANC-404-BP37-PL-001 0 FSV-MAJ1001-1 A,1,d,1  ANC-404-BP37-PL-001 0 FSV-MAJ1001-4 A,1,d,1  MAJ 1002A SISTEMAS DE FILTROS ANC-404-BP37-PL-002 0 PDSH-MAJ1002A RTP MICRO 2016 PDAH A,1,,a,1    MAJ 1002B SISTEMAS DE FILTROS ANC-404-BP37-PL-002 0 PDSH-MAJ1002B RTP MICRO 2016 PDAH A,1,,a,1    PBA 6001A BOMBAS DE DESCARGA ANC-404-BP37-PL-003 0 FSV-PBA6001A-1 A,7,g,1  PBA 6001B BOMBAS DE DESCARGA ANC-404-BP37-PL-003 0 FSV-PBA6001B-1 A,7,g,1  ABJ 2001 SEPARADOR BIFASICO ANC-404-BP37-PL-004 0 i3 LAHH A,5,c,1       ANC-404-BP37-PL-004 0 i4 LALL A,5,d,1       ANC-404-BP37-PL-004 0 i5 LSLL-ABJ2001-2 RTP MICRO 2016 LALL A,5,d,1       ANC-404-BP37-PL-004 0 i6 LSHH-ABJ2001-1 RTP MICRO 2016 LAHH A,5,c,1        ANC-404-BP37-PL-004 0 i7 LSLL-ABJ2001-1 RTP MICRO 2016 LALL A,5,d,1        ANC-404-BP37-PL-004 0 FSV-ABJ2001-1 A,1,d,1  ANC-404-BP37-PL-005 0 FSV-ABJ2001-2 A,1,d,1  LIT-ABJ2001-1A (TOTAL) AI010H-1 DI0720C-12 DI0719C-11 DI0722C-14 DI0721C-13 DI0714C-6 DI0712C-4 DI0713C-5 RTP MICRO 2016 ANC-404-BP37-PL-004 0 PSV-ABJ2001-1 A,5,b,1  ANC-404-BP37-PL-004 0 PSV-ABJ2001-2 A,5,b,1  PBA 6003A ANC-404-BP37-PL-005 0 FSV-PBA6003-1 A,7,g,1  PBA 6003B ANC-404-BP37-PL-005 0 FSV-PBA6003-2 A,7,g,1  PBA 6002A ANC-404-BP37-PL-006 0 FSV-PBA6002A-1 A,7,g,1  PBA 6002B ANC-404-BP37-PL-006 0 FSV-PBA6002B-1 A,7,g,1  ABJ 2002 ANC-404-BP37-PL-007 0 i8 FIT-ZBD9001-1 NOTE 5 FIR A,5,d,1       ANC-404-BP37-PL-007 0 i9 LSL-ZBD9001-1 NOTE 5 LAL A,5,d,1      ABJ 2002 TANQUE DE SURGENCIA ANC-404-BP37-PL-008 0 PSV-ABJ2002-1 A,5,b,1   ANC-404-BP37-PL-008 i10 LSHH-ABJ2002-1 RTP MICRO 2016 LAHH A,5,c,1       ANC-404-BP37-PL-008 i11 LSLL-ABJ2002-1 RTP MICRO 2016 LALL A,5,c,1       ANC-404-BP37-PL-008 FSV-ABJ2002-1 A,1,d,1  ANC-404-BP37-PL-008 FSV-ABJ2002-2 A,1,d,1  ZZZ 9003 ANC-404-BP37-PL-009 0 i12 RTP MICRO 2016 LAHH A,5,c,1       ANC-404-BP37-PL-009 0 i13 RTP MICRO 2016 LALL A,5,d,1       ANC-404-BP37-PL-009 0 FSV-ZZZ9003-1 A,1,d,1  ZZZ 9002 PISCINA DE LIQUIDOS ANC-404-BP37-PL-009 0 i14 LIT-ZZZ9002-1 RTP MICRO 2016 LALL A,5,d,1      PI04A2--2 LIT-ZZZ9003-1 DI0711C-3 DI1020C-12 SEPARADOR CENTRFIFUGO PISCINA DE SEDIMENTACIÓN AI016L-12 DI0710C-2 AI017H-13 BOMBAS ALIMENT. CRUDO BOMBAS ALIMENT. CRUDO BOMBAS DESCARGA AGUA BOMBAS DESCARGA AGUA ANC-404-BP37-PL-009 0 FSV-ZZZ9002-1 A,1,d,1  ANC-404-BP37-PL-009 0 i15 RTP MICRO 2016 LAHH A,5,c,1       ANC-404-BP37-PL-009 0 i16 RTP MICRO 2016 LALL A,5,d,1       ANC-404-BP37-PL-009 0 RTP MICRO 2016 LAH A,5,c,1    ANC-404-BP37-PL-009 0 FSV-ZZZ9002-2 A,1,d,1  PBA 6004A BOMBAS DE AGUA ANC-404-BP37-PL-0010 0 FSV-PBA6004-1 A,7,g,1  PBA 6004B BOMBAS DE AGUA ANC-404-BP37-PL-0010 0 FSV-PBA6004-2 A,7,g,1  PBA 6005A ANC-404-BP37-PL-011 0 FSV-PBA6005-1 A,7,g,1  PBA 6005B ANC-404-BP37-PL-011 0 FSV-PBA6005-2 A,7,g,1  PBA 6006 ANC-404-BP37-PL-012 0 FSV-ABJ2003-2 A,7,g,1  ANC-404-BP37-PL-012 0 FSV-ABJ2003-3 A,7,g,1  BOMBA AGUA UTILIDADES BOMBAS RECUP. CRUDO BOMBAS RECUP. CRUDO LIT-ZZZ9002-2 AI016H-10 Tabla 5.4 Diagrama Causa - Efecto Nuevo Sistema de Recepción de Crudo Casa Bomba 177
  • 201.
  • 202.
    Figura 5.4 Plotplan de Instrumentación 179
  • 203.
  • 204.
    181 Figura 5.6 HMIFiltros de Ingreso – Sistema de Filtro
  • 205.
    182 Figura 5.7 HMIBombas de Descarga de Crudo PBA – 6001 A/B
  • 206.
    183 Figura 5.8 HMISeparador Bifásico ABJ - 2001
  • 207.
    184 Figura 5.9 Bombasde Alimentación de Crudo PBA – 6003 A/B
  • 208.
    185 Figura 5.10 HMIBombas de Descarga de Agua PBA – 2002 A/B
  • 209.
    186 Figura 5.11 HMITanque de Surgencia ABJ - 2002
  • 210.
    187 Figura 5.12 HMIPiscinas API ZZZ-9002 / ZZZ - 9003
  • 211.
    188 Figura 5.13 HMIBombas Piscinas API 6004 A/B
  • 212.
    189 Figura 5.14 HMIBombas de Recuperación de Crudo PBA – 6005 A/B
  • 213.
    190 Figura 5.15 HMIBombas de Agua de Utilidades PBA - 6006
  • 214.
    191 5.10 LÓGICA DECONTROL17 Para la lógica de control y programación a diseñar se utiliza el software NetArrays del PLC RTP, la metodología utilizada es similar al Grafcet; pero acoplado a los diferentes módulos disponibles dentro de este software. En la Figura 5.16 se puede observar el flujograma general del sistema de control del nuevo proceso de recepción y deshidratación de crudo en la estación Casa Bomba. Figura 5.16 Lógica de Control General del Proceso En el sistema de control diseñado se puede observar los subprocesos muy claramente definidos, los mismos que se mencionan a continuación:  Filtros  Separador Bifásico 17 La lógica de control únicamente se realizará la recepción y deshidratación primaria de crudo ya que el proceso restante según lo estudiado anteriormente consta con su propio PLC.
  • 215.
    192 Los subprocesos anteriormentemencionados son agrupados por la función que desempeñan de tal manera que la lógica de programación sea más compacta y concisa. 5.10.1 CONTROL DE FILTROS Este subproceso está compuesto de: filtros de ingreso y sistema de filtros, como se observa en la Figura 5.17. Figura 5.17 Control de Filtros La programación tanto de los filtros de ingreso como del sistema de filtros se distinguen una de otra de tal manera que se cumplan las condiciones de operación descritas en el diagrama causa efecto anteriormente diseñado en la tabla 4.5.
  • 216.
    193 5.10.2 CONTROL DELSEPARADOR BIFÁSICO En esta etapa del proceso es donde se ejecuta la deshidratación primaria; es decir el flujo que pasó por los filtros se dirige al separador bifásico, su función es deshidratar la mayor cantidad de agua para pasar a la siguiente etapa que es el separador centrífugo el mismo que rompe las moléculas de emulsión de crudo en agua para garantizar que el BSW sea menor o igual al 0.5%. En la Figura 5.18 se distingue claramente dos etapas: la separación primaria del crudo en las cámaras del separador bifásico y las bombas que intervienen directamente con las señales provenientes del separador. Figura 5.18 Control del Separador Bifásico Al igual que en el control de filtros, la programación está acorde con el diseño del diagrama causa efecto de tal manera que cumpla con los parámetros de proceso especificados en los planos P&ID.
  • 217.
    194 5.10.3 TAGS DELSISTEMA DE CONTROL El resultado de la lógica de control descrita anteriormente se resume en la Figura 5.19, en donde se indica el nombre y el tipo de módulo seleccionado para la programación del nuevo proceso de recepción y deshidratación de crudo. Figura 5.19 Módulos de la lógica de control 5.10.4 PROGRAMACIÓN DEL PROCESO Para el diagnóstico del sistema de control propuesto es necesario conocer el funcionamiento de las diferentes herramientas que el software RTP NetArrayas brinda para una programación mediante bloques. Dicha programación permite crear una base de datos donde se van asignando los diferentes tags de las variables del proceso. Dependiendo de la utilidad y necesidad, se puede utilizar una de las siguientes funciones que presenta la programación mediantes bloques:  Constante  Variables  Mayor que / Menor que  Igual  Comparadores  Generadores de Onda
  • 218.
    196  División  Suma Resta  Funciones Trigonométricas  Promedio  Límites  Filtros Las funciones mencionadas anteriormente se aplican para los siguientes grupos de objetos:  Objetos Enteros (Figura 5.20).  Objetos Booleanos (Figura 5.21).  Contadores y Temporizadores (Figura 5.22).  Conversores (Figura 5.23).  Formularios de Objetos (Figura 5.24).  Tablas de Objetos (Figura 5.25). Figura 5.20 Objetos Enteros Figura 5.21 Objetos Decimales Figura 5.22 Contadores Figura 5.23 Conversores y Temporizadores
  • 219.
    198 Figura 5.24 Formulariode Objetos Figura 5.25 Tabla de Objetos Para la programación de los subprocesos de la lógica de control anteriormente diseñada es necesario interactuar con las diferentes funciones y bloques de objetos que ofrece el software RTP NetArrays.. En la Figura 5.26 se puede observar la relación que existe entre las diferentes variables y bloques de objetos. La programación de cada subproceso depende de cada diseñador o programador del sistema, lo importante es lograr que sistema funcione adecuadamente según su diseño. Figura 5.26 Programación Sistema de Filtros de Ingreso En las figuras siguientes se resume la programación de los subprocesos del nuevo sistema de recepción y deshidratación de crudo en la estación Casa Bomba. Para la programación de los diferentes subprocesos se procedió de manera similar a la programación del sistema de filtros; es decir se interactúa con las diferentes funciones y bloques de objetos que ofrece el software RTP NetArrays.
  • 220.
    199 Figura 5.27 ProgramaciónSistema de Filtros (Tren de Filtros) Figura 5.28 Programación del Separador Bifásico Las diferentes programaciones de los subprocesos del nuevo sistema de recepción y deshidratación de crudo de la estación Casa Bomba generan identificaciones conocidas como ‘Tags”, dichos tags ayudan a encontrar con mayor facilidad una variable del proceso para conocer su estado y su lugar donde sus valores puedan afectar al proceso. Además de lo antes mencionado mediante la creación de los tags se puede asignar la visualización de las variables del proceso en las pantallas HMI diseñadas.
  • 221.
    200 Esta característica generauna gran facilidad para mostrar el estado de las variables en tiempo real. En la Figura 5.29 y 5.30 se puede observar los tags más destacados que son generados de las diferentes programaciones del proceso. Figura 5.29 Tabla de Tags Secundarios Figura 5.30 Tabla de Tags Principales
  • 222.
  • 223.
    201 6.1 CONCLUSIONES  Laconcepción de un proyecto es mucho más fácil partiendo de un levantamiento de información de la situación actual de un proyecto, de esta manera se podrá proponer varias alternativas de solución las mismas que deberán ser evaluadas y como resultado de dicha evaluación se obtendrá la solución que mejor se ajuste a la necesidad de un proyecto.  El desarrollo del presente proyecto por etapas de ingeniería: conceptual, básica y de detalle, facilitó el planteamiento y cumplimiento de los objetivos del diseño del nuevo sistema de recepción y deshidratación de crudo en la estación Casa Bomba, teniendo así en la ingeniería conceptual la elección de la alternativa de proceso mediante una evaluación de las alternativas propuestas, en la ingeniería básica la definición y diseño de equipos mayores mediante el dimensionamiento de equipos mayores y por último en la ingeniería de detalle teniendo el diseño del sistema de control así como también los detalles constructivos de cada disciplina ya sea mecánica, civil, eléctrica e instrumentación & control.  De las alternativas estudiadas el separador centrífugo es el sistema más eficiente ya que su diseño interior más la acción de 10 000 g como principio de funcionamiento hacen que cualquier emulsión de crudo en agua se separe, además su estructura y componentes compactos hacen que el sistema sea modular facilitando el mantenimiento y la flexibilidad operativa, con lo cual los costos por mantenimiento y operación sean menores a comparación de las demás alternativas estudiadas, razones por la cuales el separador centrífugo se destaca siendo así la alternativa de proceso seleccionada.  Los transmisores de nivel indicados en el diseño del separador bifásico son esenciales para el correcto funcionamiento del separador centrífugo
  • 224.
    202 ya que elflujo que ingresa a este equipo debe ser constante por recomendaciones del fabricante, por lo cual es necesario la recirculación de crudo en el sistema y para lograr este principio de funcionamiento es necesario instalar los instrumentos que accionarán las válvulas de control así como también los instrumentos que controlarán las diferentes bombas del sistema.  El paquete integrado RTP Net Suite permite tener al diseñador las herramientas más importantes para la elaboración de la programación del controlador, configuración de tarjetas, elaboración de pantallas HMI, alarmas, tendencias e históricos.  La función principal del sistema de control diseñado y la lógica de programación, es realizar un monitoreo de todo el proceso y disponer de herramientas para realizar un procesamiento de la información adquirida en campo, alertando así al operador sobre el funcionamiento y desempeño del proceso en general en las pantallas HMI diseñadas para el efecto.  Es importante conocer, manejar e interpretar las normativas de construcción entre las cuales se destaca: API, ASME, ANSI, ISA, IEC, NEMA, NFPA., ya que de esta manera se estará en capacidad diseñar, seleccionar, dimensionar y garantizar que un trabajo o actividad sea de calidad y cumpla con las funciones requeridas.  Para el diseño implementación esta basada en los planos elaborados en la ingeniería desarrollada comprobando su manejo y utilidad.  El desarrollo del presente proyecto es el resultado de la recopilación de un gran cantidad de información tanto bibliográfica como personal transmitida por personal de ASOCIACIÓN PACIFPETROL S.A y la UNIVESIDAD TECNOLÓGICA EQUINOCCIAL que ha permitido profundizar los conocimientos adquiridos durante el transcurso de la carrera, pues se ha comprobado la aplicación de las distintas áreas que conforman la carrera ingeniería mecatrónica.
  • 225.
    203 6.2 RECOMENDACIONES  Enel manejo del sistema de control se debería establecer políticas seguridad, permitiendo a cada usuario tener un acceso definido acorde con el perfil que se considere necesario.  Cuando se diseña en base a normativas los costos de los materiales y equipos son elevados, esto se debe a las especificaciones de diseño que se requieren, para cumplir o estar dentro de los márgenes de alguna normativa, por lo cual se recomienda analizar las etapas o procesos críticos de un proyecto y en base a los resultados de este análisis definir los tramos que requieren un diseño minucioso en base a normativas para garantizar la seguridad del sistema. De esta manera se lograría reducir costos en la ejecución del proyecto, como también se reduciría el tiempo de compra de materiales y equipos ya que no sería necesario exportar dichos insumos.  El desarrollo del presente trabajo llevo consigo varios temas de investigación entre los cuales se destaca la revisión y comprensión de las diferentes normas nacionales e internacionales aplicables a la carrera de Ingeniería Mecatrónica por lo cual se debería considerar dentro del plan de carrera una cátedra especializada en normativas de diseño y construcción ya que la carrera Ingeniería Mecatrónica es la interrelación de varias ramas de la ingeniería.
  • 226.
  • 227.
    204  Vladimidir A.Kalichevsky, E. H. Peters, Petroleum Products Handbook, Fist Edition, Editorial McGraw-Hill Book Company, INC. United States, New York, 1990.  NEC. National Electrical Code, HandBook NEC 2002. Chapter 3: Wiring Methods and Materials, United States, Quincy, Massachusetts, 2002. MA 02269-910  API. Norma API12F, Specification for Ship Welded Tanks for Storage of Production Liquids, Eleventh Edition, November 1, 1994. United States, Washington DC 2005.  API. Norma API-RP-520, Sizing Selection and Installation of Pressure Relieving Devices in Refineries, Seventh Edition, January, United States, Washington DC, 2000.  API. Norma API-RP-521, Guide for Pressure-Relieving and Depressuring Systems, Fourth Edition, March, United States, Washington DC, 1997.  API. Norma API RP-500, "Recommended Practice for Classification of Locations for Electrical Installation in Petroleum Facilities", Second Edition, November, United States, Washington DC, 1997.  API. Norma API 551, Process Measuremente Instrument, Fist Edition, May, 1993. United States, Washington DC 2005.  API. Norma API RP 14E, Recommended Practice for Design and Installation of Offshore Production Platform Piping Systems, Fifth Edition Octuber 1, 1991, United States, Washington DC 2005.  ISA. Norma ISA 5.1-1984 (R1992), Instrumentation Symbols and Identifaction, United States, Research Triangle Park, North Carolina 27709. ISBN: 0-87664-844-8.  ISA. Norma ISA 5.5-1986 (R1992), Graphic Symbols for Process Displays, United States, Research Triangle Park, North Carolina 27709. ISBN: 0-87664-935-5.  ISA. Norma ISA S20 - Specification Forms for Process Measurement and Control Instruments, Primary Elements and Control Valves.
  • 228.
    205 United States, ResearchTriangle Park, North Carolina 27709. ISBN: 0-87664-347-0.  ISA. Norma ISA S75.01-1985 – Flow Equations for Sizing Control Valves. United States, Research Triangle Park, North Carolina 27709. ISBN: 0-87664-899-5.   ISA. Norma ANSI/ISA S71.01-1985 - Environmental Conditions for Process Measurement and Control Systems: Temperature and Humidity. United States, Research Triangle Park, North Carolina 27709. ISBN: 0-87664-894-0.  Norma PDVSA. Conductores Eléctricos Documento No PI-13-02-01. Venezuela, Caracas 2005.  Norma PDVSA. Obras Eléctricas Documento No N-201. Venezuela, Caracas 2005.  Norma PDVSA. Guías de seguridad en Diseño Documento No 90622.1.001. Volumen 22, Venezuela, Caracas 2005.  R. A. Day, Jr.; A.L. Underwood. Química Analítica Cuantitativa. Ediciones PRENTICE HALL. Hispanoamericana. 1989. pp. 90-97.  http://www.pdvsa.com/index.php?tpl=interface.sp/design/readmenu.tpl .html&newsid_obj_id=288&newsid_temas=16  http://es.scribd.com/doc/52355465/1/DEFINICION-DE-SISTEMAS- DE-BOMBEO  http://www.sishica.com/sishica/download/Manual.pdf  http://es.scribd.com/doc/54959401/3/COALESCENCIA
  • 229.
  • 230.
  • 231.
  • 232.
    User Interface RTP Corp.Confidential 2-1 Section 2 RTPView User Interface 2-1 Main Window This section of the user guide provides an overview of the graphical interface presented to the user by RTPView. Whenever you select New or open an RTPView project, the display shown below appears on your screen. The display is divided into the following main areas: Caption Bar Main Menu Bar Alarms Main Toolbar Run Toolbar Application Toolbar Project Pane Work Area Palette Status Bar
  • 233.
    User Interface 2-2 RTPCorp. Confidential 2-2 Menu Bar The main menu bar provides access to the following pull-down menus: • File • Edit • View • Project • Execute • Security • Device • Window • Help 2-2.1 File Menu New Project (Ctrl+N) Creates a new project. If a project is currently open, it will be closed. If any changes have been made since the last save, you will be asked if you want to save them before closing. A blank page will appear in the Work Area. Open Project (Ctrl+O) Opens a previously created project. If a project is currently open, it will be closed. If any changes have been made since the last save, you will be asked if you want to save them before closing. Navigate to the RTPView project file (.npj) in the dialog box and click Open. Close Project Closes the current project. If any changes have been made since the last save, you will be asked if you want to save them before closing. Save Project (Ctrl+S) Saves the current project. Save Project As... Allows you to save the current project as a new file with a new name and path.
  • 234.
    User Interface RTP Corp.Confidential 2-3 Print… (Ctrl+P) Prints the project pages on the selected printer. Print Preview Allows you to see how the project pages will appear on the printed sheets. Print Setup… Allows you to select a printer and to configure the printer’s properties. Recent File List This area contains a list of the four most recently accessed project files. Any of these files can be opened by clicking on the file name. Exit Closes the current project, if one is open, and exits RTPView. If any changes have been made since the last save, you will be asked if you want to save them before closing. 2-2.2 Edit Menu Undo (Ctrl+Z) Disabled in this release of the software. Cut (Ctrl+X) Removes the selected object or group from the page and saves it in the clipboard. Copy (Ctrl+C) Copies the selected object or group into the clipboard. Paste (Ctrl+V) Pastes the contents of the clipboard onto the page.
  • 235.
    User Interface 2-4 RTPCorp. Confidential Delete Deletes the selected object or group from the page. Align Aligns the selected objects or groups to the right side, left side, top, or bottom of the lead object or group. Make Same Size Makes the selected objects or groups the same width, height, or size as the lead object or group. Bring to Front Moves the selected object or group in front of an overlying object or group. Send to Back Moves the selected object or group behind an underlying object or group. Show Grid Shows or hides the object alignment grid on the project pages. Group Groups the selected objects together, so they can be manipulated as a single object. Note that the Object Properties is disabled for grouped objects; you must ungroup them to access the Object Properties. Ungroup Ungroups a previously grouped collection of objects, so they can be manipulated individually. Data Properties… Displays the Data Properties window for the selected object or group. Object Properties… Displays the Object Properties window for the selected object. Edit Bitmap Launches Microsoft® Paint for editing existing images creating new images to use in your project. 2-2.3 View Menu Toolbar Displays or hides the Main Toolbar. Palette Displays or hides the Palette toolbar.
  • 236.
    User Interface RTP Corp.Confidential 2-5 Project Displays the Project Pane if it was hidden. Run Displays or hides the Run toolbar. Status Bar Displays or hides the Status Bar. Applications Displays or hides the NetSuite Applications toolbar. Edit Displays or hides the Edit toolbar. 2-2.4 Project Menu Inset Page Inserts a blank page in the work area and adds a page in the project pane. Delete Page Deletes the page, and all its objects, from the project. You will be asked to confirm your decision to delete the page. Preferences The Preferences dialog configures the security access feature, which can limit an operators access to Windows functions and alarm acknowledge functions. 2-2.5 Execute Menu Run Runs a complied project. If required, it will also compile the project before running it. Stop Stops the project and returns RTPView to the editing mode.
  • 237.
    User Interface 2-6 RTPCorp. Confidential 2-2.6 Security Menu Login Allows a user to log in by entering a valid user name and password. Logout Logs out the current user. 2-2.7 Device Menu Configuration Allows you to add, edit, or remove target device definitions. Status Displays the status of a configured target device. 2-2.8 Window Menu Cascade Arranges the project pages in an overlapping fashion. Tile Displays all the project’s pages in the work area. Page List Allows you to move any page to the top of the pile.
  • 238.
    User Interface RTP Corp.Confidential 2-7 2-2.9 Help Menu Help Topics Accesses the RTPView help file. About RTPView Displays RTPView version and copyright information. 2-3 Alarm Tools The Alarm tools alert the operator of an alarm condition. Clicking on either alarm tool displays the RTPAMS Alarms window. Refer to Section 9. 2-4 Toolbars The toolbars provide quick access to RTPView functions. Note that any of the toolbars can be moved to other position on the display, or hidden from view. 2-4.1 Main Toolbar The Main Toolbar provides shortcuts to the selections found in the File and Edit menus. New Creates a new project. If a project is currently open, it will be closed. If any changes have been made since the last save, you will be asked if you want to save them before closing. A blank page will appear in the Work Area. Open Opens a previously created project. If a project is currently open, it will be closed. If any changes have been made since the last save, you will be asked if you want to save them before closing. Navigate to the RTPView project file (.npj) in the dialog box and click Open. Save Saves the current project. Cut Removes the selected object from the page and saves it in the clipboard.
  • 239.
    User Interface 2-8 RTPCorp. Confidential Copy Copies the selected object into the clipboard. Paste Pastes the contents of the clipboard onto the page. Paint Opens Microsoft® Paint for creating new images to use in your project. Login Allows a user to log in by entering a valid user name and password. Logout Logs out the current user. 2-4.2 Run Toolbar The Run Toolbar provides shortcuts to the selections found in the Build menu and page selection functions. Run Starts project execution. Stop Stops project execution. Back Page Displays the previous page in the work area. Forward Page Displays the next page in the work area. Select Page Allows you to select any page from a list of defined pages. 2-4.3 Applications Toolbar The Applications Toolbar allows you to launch other NetSuite programs. NetArrays Starts the NetArrays developer studio application.
  • 240.
    User Interface RTP Corp.Confidential 2-9 RTPDAS Starts the RTPDAS data recording application. RTPDTS Starts the RTPDTS data trending application. RTPFIFO Starts the RTPFIFO data buffer access application. RTPSOE Starts the RTPSOE sequence-of-events data access application. 2-4.4 Palette Toolbar The Palette is used to add objects to a page. Pointer When the pointer tool is selected, you can select objects within the work area, move them, re-size them, and change their properties. Edit Box Selecting this tool allows you to place an edit box on the page. This object can be used to add text to a page, or to display a data point’s value. Picture This tool is used to place a graphic onto the page. This can be a simple rectangle, or an image selected from the library. Pictures can be static or linked to data points. Gauge This tool is used to place a gauge or dial object onto the page. A gauge will display the value of a linked data point. A dial can be used to set a linked data point value. Trend This tool is used to place a trend chart onto the page. It is used to plot the value of a linked data point.
  • 241.
    User Interface 2-10 RTPCorp. Confidential 2-4.5 Edit Toolbar The Edit toolbar allows you to align and resize objects (or groups of objects), arrange the order of objects (or groups of objects), and to show or hide the page grid. Align Left Aligns the left sides of all the selected objects with the left side of the lead object. Align Right Aligns the right sides of all the selected objects with the right side of the lead object. Align Top Aligns the top of all the selected objects with the top of the lead object. Align Bottom Aligns the bottom of all the selected objects with the bottom of the lead object. Same Width Makes all the selected objects the same width as the lead object. Same Height Makes all the selected objects the same height as the lead object. Same Size Makes all the selected objects the same height and width as the lead object. Bring to Front Moves the selected object in front of the other objects. Send to Back Moves the selected object behind the other objects. Show Grid Shows or hides the object alignment grid pattern on all project pages.
  • 242.
    User Interface RTP Corp.Confidential 2-11 2-5 Project Pane The Project Pane gives a complete tree-type graphic display of all elements of the project. It is updated whenever any page or object is added or deleted. You can navigate to any page or object in the work area by clicking on its icon in the Project Pane. 2-6 Status Bar Status or Tips User Name Cursor Object Coordinates Dimensions The Status Bar displays tips, the name of the logged-in user, the coordinates of the cursor, and the dimensions of the selected object. 2-7 Work Area/Pages The RTPView work area displays the pages that comprise your project. When you first start a project, a single blank page appears in the work space. A project is created by adding objects to the page and linking some of these objects to data points. Projects can consist of several pages.
  • 243.
    User Interface 2-12 RTPCorp. Confidential 2-8 Project File Structure The files created by RTPView are organized as shown below. For example, in the directory 'RTP NetSuite/RTPView/Projects' three projects were created: Project A, Project B, and Project C. Each project consists of a project file (.npj) and an associated project folder with the same name as the .npj file. The project folders contain the objects files (.nob), one for each page of the RTPView project as shown. In addition, it may contain other data files, such as RTPAMS.dat, which stores the alarm configuration preferences for the project. It is important to remember that when transporting or backing up a project, that you copy both the project file and the project folder, and that they remain in the same relative position. That is, the project folder and the project file (.npj) must be in the same directory. 2-9 Batch Processing Using batch processing you can launch RTPView and open a project file by specifying the file in the command line. The command would be formatted as shown here: pathRTPView.EXE pathprojectfile.npj Where path is the full path to the files and projectfile is the name of the RTPView project file. You can also launch RTPView, open a project file, and initiate run mode by appending the command line with the run project command. pathRTPView.EXE pathprojectfile.npj -runproject Example: "C:RTP NetSuiteRTPViewRTPView.EXE" "C:RTP NetSuiteRTPViewProjectsProject A.npj" -runproject
  • 244.
    Pictures RTP Corp. Confidential6-1 Section 6 Pictures 6-1 Introduction This section presents the basics of manipulating pictures in an RTPView project. Pictures are perhaps the most-used objects within an RTPView project. They can used to build a graphical representation of a process. 6-2 Adding Pictures A picture is added to a page by selecting the Picture tool, moving the mouse pointer to an area on the page, and clicking the left mouse button. A gray rectangle (picture placeholder) will appear on the page. At this point, you can move the placeholder with the mouse by grabbing it anywhere along the edge of the rectangle, or re-size it by grabbing one of the anchor points and stretching it. You can also move and stretch the picture using the arrow keys on the keyboard (arrow to move, Shift-arrow to stretch). The next step is to select the properties of the picture object.
  • 245.
    Pictures 6-2 RTP Corp.Confidential 6-3 Picture Object Properties The presentation of the picture is controlled by the object properties. To assign properties to the object, position the mouse pointer on the placeholder and click the right mouse button. Select “Object Properties…” from the menu. 6-3.1 General The initial display is the general properties. This allows you to associate the picture with a data point and select a background color. After making changes, click on the Apply button to save the property changes without exiting. Click OK to change the picture’s properties and close the properties window. Click Cancel to close the window and return with the properties as they were.
  • 246.
    Pictures RTP Corp. Confidential6-3 Data Picture objects can be static or linked to a data point: None – Object is not linked to a data point Read – Object is linked to a data point, the value read will control the object Read/Write – Object is linked to a data point and can control the data point's value RTPView – Object is linked to a page within this RTPView project (Pulse True or Pulse False button) or linked to an executable file (Program button) Back Color The background color of the object can be selected using the standard color dialog. Repeat write while mouse button is pressed This option is enabled if the Data selection is Read/Write; it determines when the data is written to the linked data point. If this option is checked, the linked data point is continuously updated while the mouse button is pressed. If it is not checked, the linked data point is not updated until the mouse button is released. 6-3.2 Caption Click on the Caption tab if you want to display a title or caption with the picture. Controls are provided to specify the position, format, and color of the text. Caption The text typed in this field will be displayed with the picture. H. Pos This controls the horizontal position of the caption. Move the slider to the right to move the caption to the right, or to the left to move the caption to the left. V. Pos This controls the vertical position of the caption. Move the slider to the right to move the caption up, or to the left to move the caption down. Font Click on this button to select the font, style, and size of the caption. Color Click on this button to select the color of the caption.
  • 247.
    Pictures 6-4 RTP Corp.Confidential 6-3.3 Image RTPView provides a library of bit-mapped files that are used to construct a graphical representation of a process. Category Images are grouped into categories; some examples are given below. Note that categories (folders in the RTPViewPictures directory) can be added or changed by the user at any time. Batch Misc. Pipes Pumps Blower Misc Scales Boiler Mixers Segmented Pipes Chemical Motors Sensors Electrical Nature Tank Cutaways Flow Meters Pipes Tanks ISA Symbols Process Cooling Valves Material Handling Process Heating Water & Wastewater Pictures This is a list of the available pictures within the selected category. The selected picture appears in the preview field. Note that pictures can be added by the user to any category. To add pictures to a category, copy your bit map to an existing category directory, or create a new category folder and copy your bit map there. Preview This area displays the selected image. Note that more than one image can be assigned to an object to create an animation sequence using the Preview scroll bar and the Value field. Use the scroll bar to advance to the next preview, select an image, and assign an integer value that will determine the range of values (less than or equal to) when the image is displayed. The MC is the mask color. It determines which portions of the picture will take on the background color. You can change the mask color by clicking on another part of the picture preview.
  • 248.
    Pictures RTP Corp. Confidential6-5 6-3.4 Button Objects linked to data points can contain a button (switch) whose position is tied to a value. A button can be linked to a data point to control its value, linked to an RTPView page to control its display, or linked to an executable file to launch a program. (Note that to create a button that will open another page, select RTPView under the General tab and select a button Type of Pulse True or Pulse False.) Enabled Checking this box enables a button control for this object. Note that only one linked property (button, fill, motion, or scale) can be enabled for an object. Type This selection defines the type of switch being created. Toggle – Selecting Toggle creates a button that switches from true to false, or false to true, each time the button is pressed. Pulse True – Selecting Pulse True creates a button that switches from false to true, and then back to false, each time the button is pressed. Pulse False – Selecting Pulse False creates a button that switches from true to false, and then back to true, each time the button is pressed. Program – Selecting Program creates a button that will launch a program. The Program field specifies the executable file. If the program is to open a data file, specify the file name in the Parameters field. Use the complete path name for these files. Note that RTPView must be selected in the Data field under the General tab.
  • 249.
    Pictures 6-6 RTP Corp.Confidential 6-3.5 Fill Objects linked to data points can have their display color tied to a value. The object will appear to fill and empty in response to changes in the data point’s value. Enable Checking this box enables fill control for this object. Note that only one linked property (button, fill, motion, or scale) can be enabled for an object. Fill This selection determines the apparent direction of fill within the object. Up – The object fills from bottom to top. Down – The object fills from top to bottom. Right – The object fills from left to right. Left – The object fills from right to left. Fill Color The standard color dialog is used to select the fill color that replaces the background color of the object. Display Value The linked value can be displayed with the object if desired. None – No value is displayed. Percentage – The value is displayed as a percentage of the range of values defined by the minimum and maximum values. Real – The actual value is displayed.
  • 250.
    Pictures RTP Corp. Confidential6-7 Min Value The minimum value determines the value corresponding to an empty object. None of the fill color will appear on the object. Max. Value The maximum value determines the value corresponding to a full object. The entire object will be displayed in the fill color. 6-3.6 Motion Objects linked to data points can have their apparent position tied to a value. The object will appear to move on the page in response to changes in the data point’s value. Enabled Checking this box enables motion control for this object. Note that only one linked property (button, fill, motion, or scale) can be enabled for an object. Move This selection determines the direction of motion from the minimum value to the maximum value: Up, Down, Left, or Right. Min Value The minimum value determines the value corresponding to the left side for horizontal motion, or the bottom for vertical motion. Max. Value The maximum value determines the value corresponding to the right side for horizontal motion, or the top for vertical motion.
  • 251.
    Pictures 6-8 RTP Corp.Confidential 6-3.7 Scale Objects linked to data points can have their apparent size tied to a value. The object will appear to grow and shrink in response to changes in the data point’s value. Enable Checking this box enables scale control for this object. Note that only one linked property (button, fill, motion, or scale) can be enabled for an object. Scale This selection determines the direction that the object grows in response to increasing values. Width to Right – The object grows from left to right as the linked value increases. The height of the object is constant. Width to Left – The object grows from right to left as the linked value increases. The height of the object is constant. Height to Top – The object grows from bottom to top as the linked value increases. The width of the object is constant. Height to Bottom – The object grows from top to bottom as the linked value increases. The width of the object is constant. Both – The object grows from upper left to lower right as the linked value increases. The width and the height of the object change proportionally. Min Value The minimum value determines the value corresponding to the minimum horizontal or vertical limit. The object will disappear at this value. Max. Value The maximum value determines the value corresponding to the maximum horizontal or vertical limit. The object will fill the entire area between the minimum and maximum limits.
  • 252.
    Pictures RTP Corp. Confidential6-9 6-4 Picture Data Properties The Data Properties window allows you to rename the picture object. It is also used to specify a data point if button, motion, scale, or fill properties are defined for the object. Pictures can also be linked to RTPView pages, to jump to another page or to display a page as a popup. Position the mouse pointer on the picture and click the right mouse button. Select “Data Properties…” from the menu. 6-4.1 General Note that the Tag, Device, and Comments columns will appear only if the Data type in the picture’s Object properties is set to Read or Read/Write. If the Data type is None, only the Name column will be displayed.
  • 253.
    Pictures 6-10 RTP Corp.Confidential Name RTPView names each picture as it is placed on the page (Object1, Object2, Object3, etc.). This can be replaced by a more meaningful name by typing one into the field. Tag Select the tag name of the linked object from the list of tags. You can also type in the first few characters of the tag name to help you locate it in the list. Note that only tag names assigned to the Project Tag Database will appear in the list. If the tag name does not exist in the Project Tag Database, you can type in the tag name followed by a Return. However, to complete the connection, this new tag name must eventually be added to the database. To connect to a tag from an OPC-enabled controller, see Appendix A. Device The name of the device that is running the NetArrays program file will appear in this field. It can be changed, if desired, by selecting another device from the list of configured devices. For information on how to configure a device, go to Section 10 of this document. Comments This field displays the comments associated with the selected tag in the Project Tag Database. 6-4.2 RTPView Data The RTPView Data properties are used only if the Data type in the picture’s Object properties is set to RTPView. They are used to name the picture and link it to a page within the project. Name RTPView names each picture as it is placed on the page (Object1, Object2, Object3, etc.). This can be replaced by a more meaningful name by typing one into the field.
  • 254.
    Pictures RTP Corp. Confidential6-11 Jump To Page From the list of page names, select the page that will be linked to the picture object. The object must be configured as Button with its Type set to either Pulse True or Pulse False for proper operation. (If the object is a Program button, leave this field blank.) 6-4.3 Security Note that the Tag, Device, and Comments columns will appear only if the Data type in the picture’s Object properties is set to Read/Write. Access Level This selection determines which users are allowed to change the value generated by the picture object. Thirty security access levels are available, Security1 through Security30. Only users assigned to a group with the corresponding security level can change the value. If "Same as Page" is selected, the picture object has the same security access level as the page. Logging If this box is checked, the edit box will be included in the NetArrays log file. The entry in the log will contain a time stamp of the action, user name, linked object, and the value entered, or the time stamp, user name, application, and file name. 6-4.4 Grouped Objects If pictures are grouped together, or with other objects, the Data Properties window will change appearance. It will contain an additional field for naming the group, and a list of properties (tag and device, or jump to) of objects within the group. Note that only Read, Read/Write, or RTPView linked objects are included in this list. Static (un-linked) objects are omitted. Note also that if two or more objects within the group have the same object name, they will have only one entry in the table.