Saber Electrónica
3
ARTÍCULO DE TAPA
Hace casi 2 años que en Saber
Electrónica publicamos artícu -
los sobre electrónica automo -
tor en la sección que denomi -
namos “Auto Eléctrico”. Así,
mes a mes, hemos explicado
que el circuito integrado ELM
327, de le empresa ELM
Electronics constituye una
verdadera interfase multipro -
tocolo con el cual es posible
montar un escaner OBD II
cuando se conecta dicho inte -
grado (o una interfase armada
con él) a una computadora tipo
PC y se ejecutan los progra -
mas apropiados como el Scan
Master o el Scan Tool. A través
de las diferentes ediciones y
de dos tomos del Club SE publicados sobre el tema (Tomos de colección Nº 58 y Nº 65) ha lle -
gado la hora de “por fin” armar su propia interfase para poder realizar el diagnóstico a bordo
de un automóvil. Aclaramos que los datos vertidos en este artículo son en base a los circuitos
integrados fabricados por ELM Electronics y que al haber probado varios clones, NO NOS
HACEMOS RESPONSABLES si emplea circuitos no originales. Al respecto debemos aclarar
que a la fecha de publicación de este artículo NO EXISTE la versión v1.5 de este integrado y
que trabajaremos en base a la versión v1.4b.
Proponemos el armado de un circuito que permita conectar a la computadora de a bordo de un
vehículo compatible con OBD II con una computadora tipo PC a la que le instalaremos un pro -
grama que permita decodificar los datos recibos desde el vehículo. La norma SAE J1962 dice
que todos los vehículos compatibles con OBD deben proveer un conector normalizado cerca
del asiento del conductor y a dicho conector colocaremos nuestro circuito. El circuito des -
cripto aquí se puede usar para aplicar a un conector OBD II bajo norma J1962 sin modifica -
ción a su vehículo.
Ing. Horacio Daniel Vallejo
e-mail: hvquark@webelectronica.com.ar
Introducción
Dado que en esta misma edición publicamos diferentes
artículos relacionados con el sistema de diagnóstico a
bordo, daremos a continuación algunos conceptos sintéti-
cos para luego poder abordar los conceptos que nos per-
mitan construir nuestra interfase.
El circuito descripto aquí se puede usar para aplicar a
un conector OBD II bajo norma J 1962 sin modificación a
su vehículo y que podrá realizar las siguientes funciones:
§ Leer Códigos de Error
§ Borrar Códigos de Error
§ Leer Datos Freeze Frame
§ Obtener Información en Tiempo Real (Tanto
Números como Gráficos)
§ Obtener los resultados del monitoreo de los Sensores
de Oxígeno
§ Obtener el resultado para Test de Preparación
Sobre la Electrónica en el Automóvil
En 1989 se comenzó a trabajar en sistemas de control
electrónico que regulen la contaminación de los vehículos.
En 1994 se establecieron los primeros protocolos de
comunicación entre los equipos instalados en el auto y los
equipos de escaneo externo.
En 1996 nace el primer sistema de Diagnóstico A Bordo
normalizado (OBD).
Desde 2005 TODOS los vehículos deben contar con un
sistema de cómputo a bordo que posea un puerto de
comunicaciones normalizado con OBD II.
La comunicación entre computadora de abordo y peri-
féricos dentro del vehículo se realiza en función del proto-
colo elegido por el fabricante.
OBD y OBD II
La primera norma implantada fue la OBD I en 1988,
donde se monitorizaban los parámetros de algunas partes
del sistema como:
La sonda lambda (sensor de oxígeno)
El sistema EGR (Exhaust gas recirculation )
ECM (Módulo de control).
Se precisaba una lámpara indicadora de mal funciona-
miento (MIL), denominada Check Engine o Service Engine
Soon, para que se iluminara y alertara al conductor del mal
funcionamiento y de la necesidad de un servicio de los sis-
temas de control de emisiones.
OBD-II: “On-Board Diagnostics II generation” o
“Segunda Generación de Diagnósticos a Bordo”, es un sis-
tema basado en la informática que se incorpora en todos
los vehículos menores y camiones del año 96 en adelante
en USA.
EL OBD-II monitorea algunos de los componentes más
importantes de los motores, incluyendo controles de emi-
sión individuales. El sistema alerta tempranamente al con-
ductor con una luz en el tablero, conocida como “Check
Engine” o también “MIL” (Malfunction Indicator Light).
Este sistema protege al medio ambiente asi como al
usuario y/o dueño del vehículo, avisando desde que la falla
es leve, y los costos de reparación son más bajos.
EOBD: “European On-Board Diagnostic EOBD” es un
estándar definido por la Comunidad Europea. El beneficio
de este estándar es dar a las autoridades una herramienta
para controlar las emisiones de gases de los vehículos.
El estándar EOBD ha sido implementado en los vehí-
culos con motores a gasolina en la Comunidad Europea
desde enero de 2001 (EU directive 98/96/EC).
Para vehículos Diesel y a Gas Natural, la aplicación de
estas normas se programó para antes del 2005.
El Estándar EOBD incluye 5 protocolos de comunica-
ción diferentes, estos son: ISO 9141-2, ISO 14230¬4
(KWP2000), SAE J1850 VPW, SAE J1850 PWM e ISO
15765-4 CAN.
Para saber si el vehículo está dotado de un sistema de
diagnóstico a bordo, cuando da arranque o contacto a su
vehículo, en el tablero la luz "Service Engine Soon" o
"Check Engine" debería encenderse brevemente. Esto
indica que el sistema está listo para revisar que su vehícu-
lo esté funcionando bien. Al estar la luz apagada, y mien-
tras usted conduce el vehículo sin ninguna señal de parte
de ésta, significa que el vehículo está funcionando bien. En
el caso de que el vehículo presentara alguna falla, éste
acusa la situación mediante esta luz. El sistema OBD le
puede ayudar a ahorrar tiempo, dinero y combustible, ade-
más de proteger el medio ambiente.
¿Quiénes tiene OBD II?
Todos los vehículos y camionetas construidos para ser
vendidos en EEUU a partir del año 1996 deben ser com-
patibles con OBD-II.
La Comunidad Europea adoptó los mismos términos a
partir del año 2000 para los vehículos con motor a gasoli-
na (nafta), y a partir del año 2003 para los vehículos con
motores Diesel.
Un vehículo compatible con OBD-II puede usar cual-
quiera de los siguientes protocolos entre computadora y
sus periféricos:
J1850 PWM
J1850 VPW
ISO9141
Artículo de Tapa
Saber Electrónica
4
ISO14230 (también conocido como Protocolo Clave 2000).
CAN (ISO15765/SAE J2480).
Los fabricantes de automóviles no fueron autorizados
para utilizar el protocolo CAN hasta los modelos del año
2003.
El protocolo de diagnóstico para OBD-II es SAE J1979,
pero no es el único. Incluso existen protocolos cautivos
como el VAG-COM (VW, Audi, SEAT y Skoda ).
Esto significa que un escaner o una interfase “debe”
manejar el protocolo SAE J1979, pero también puede
aceptar otros. Si sólo maneja este protocolo se comunica-
rá con la computadora mas NO con los microcontroladores
periféricos.
Si el escaner es multiprotocolo, puede obtener los
datos del vehículo enviados a la ECU con dichos protoco-
los. Si se trata de una interfase a conectar en la computa-
dora, es el programa que corre en la computadora el que
debe realizar el diagnóstico.
Hay programas de uso libre y otros con licencia.
Conector OBD II
En la figura 1 podemos observar un conector OBD II y
sus conexiones. Note que dicho conector muestra los
pines empleados para todos los protocolos mencionados,
por lo que debe tener en cuenta que cada computadora de
abordo tendrá las conexiones de acuerdo con el protocolo
que utilice mientras que un escaner multiprotocolo deberá
tener todas las conexiones mencionadas en la figura.
En la figura 2 tenemos tablas que nos indican cuáles
serán las conexiones
presentes en los pines
del conector OBD II de
acuerdo con el protoco-
lo empleado.
Como dato comple-
mentario, para las
comunicaciones ISO, el
pin 15 (L-line) no siem-
pre debe estar presen-
te. El Pin 15 se usó
antes en autos con
ISO/KWP2000 para
activar o despertar la
ECU antes de la comu-
nicación puede comen-
zar en el pin 7 (K-Line).
Más tarde los vehículos
tendían a utilizar sola-
mente el Pin 7 (K-Line)
para comunicarse.
En la figura 3 podemos ver un mapa de la ubicación de
conector (DLC) donde se divide el tablero del vehículo en
áreas enumeradas para su mejor entendimiento. Cada
área enumerada representa un lugar específico donde los
distintos fabricantes instalan el Conector de Datos. Las
ubicaciones 1,2 y 3 se caracterizan por ser las áreas pre-
feridas para la instalación del DLC, mientras que las res-
tantes 4, 5, 6, 7 y 8 se encuentran en otras ubicaciones de
acuerdo a los requerimientos de la EPA. Cuando el conec-
tor se encuentra en las ubicaciones 4 hasta 8 los fabrican-
tes deben indicar con una etiqueta en las ubicaciones 1, 2
o 3 que el conector se encuentra en otro lado.
Artículo de Tapa
Saber Electrónica
6
Figura 1
Figura 2
Ubicación #1: En esta posi-
ción, el conector de datos se
encuentra justo debajo de la
columna de dirección (o aproxi-
madamente 150mm a la derecha
o a la izquierda de ésta).
Dividiendo la parte inferior del
tablero del vehículo en tres par-
tes, este se encuentra en la parte
del centro.
Ubicación #2: Esta posición
es la que se encuentra bajo el
tablero del vehículo, entre la
puerta del conductor y la columna
de dirección. Dividiendo la parte
inferior del tablero del vehículo en
tres partes, éste se encuentra en
la parte del lado izquierdo.
Ubicación #3: Esta ubicación
es la que se encuentra bajo el
tablero del vehículo, entre la columna de dirección y la con-
sola central. Dividiendo la parte inferior del tablero del vehí-
culo en tres partes, éste se encuentra en la parte del lado
derecho.
Ubicación #4: La posición del conector de datos en
esta ubicación está en la parte superior del tablero del
vehículo, entre la columna de dirección y la consola cen-
tral.
Ubicación #5: La posición del conector de datos en
esta ubicación está en la parte superior del tablero del
vehículo, entre la columna de dirección y la puerta del con-
ductor.
Ubicación #6: Esta ubicación presenta el conector de
datos en el lado Izquierdo de la consola central del vehí-
culo.
Ubicación #7: Esta ubicación presenta el conector de
datos del vehículo 300mm a la derecha de la línea central
del vehículo, en la consola central del mismo, hacia el lado
acompañante.
Ubicación #8: Acá se puede encontrar el conector de
datos del vehículo en la parte inferior de la consola central
del vehículo, esto puede ser en el lado derecho o izquier-
do sin especificarse. Esto no incluye la parte de la consola
central que se extiende hacia la parte trasera del Vehículo.
(Ver Ubicación #9).
Ubicación #9: Esta ubicación no se muestra en el dia-
grama, y representa cualquier otra posición que se pueda
dar en un vehículo, la cual es menos frecuente pero sin
embargo algún fabricante la puede utilizar. Por ejemplo, el
conector se puede encontrar también en el área de pasa-
jeros de la parte trasera del vehículo, o en el descansa bra-
zos del conductor.
El protocolo de diagnóstico para OBD-II es SAE J1979.
Un mensaje o requerimiento de diagnóstico tiene un máxi-
mo de 7 Bytes de datos. El primer Byte a continuación del
Encabezado o Header es el Modo de Test. Este también es
llamado el identificador de servicio (SID o PID). Los
siguientes Bytes varían dependiendo del modo de Test
Específico.
Como mencionamos en otro artículo de esta edición,
hay varios Modos de Test de Diagnóstico, de los cuales
destacamos los siguientes:
Modo $01 - Solicitar Diagnóstico de Datos del Tren de
Poder - Este modo da acceso a la emisión de datos actua-
les, incluyendo entradas y salidas tanto análogas como
digitales, así como información del estado del sistema.
Modo $02 - Solicitar Diagnóstico de Datos
FreezeFrame del Tren de Poder - Este modo da acceso a
información de la emisión de datos actuales en
FreezeFrame. Un FreezeFrame consiste en la entrega de
datos colectados en un evento específico como por ejem-
plo alguna falla en el motor.
Modo $03 - Solicitar Diagnóstico de Códigos de Error -
El propósito de este servicio es de habilitar un accesorio
externo para obtener las emisiones de códigos de error
confirmados.
Modo $04 - Limpiar-Eliminar Información sobre los
Códigos de Error - El propósito de este servicio es proveer
los medios para un equipo externo de análisis para poder
eliminar la información relacionada con los Códigos de
Error de la ECU del Vehículo.
Modo $05 - Solicitar los Resultados del Monitoreo de
los Sensores de Oxígeno - Este servicio permite acceder a
los resultados del monitoreo de los Sensores de Oxígeno.
Modo $06 - Solicitar Resultados de Monitoreo Abordo
para los Sistemas de Diagnóstico No Continuos - Este ser-
Artículo de Tapa
Saber Electrónica
8
Figura 3
vicio da acceso a los resultados para los Monitoreos
Abordo de Componentes o Sistemas que no son monitore-
ados constantemente. Por ejemplo, el monitoreo del
Catalizador o el sistema de Emanación de Gases.
Modo $07 - Solicitar Resultados de Monitoreo Abordo
para los Sistemas de Diagnóstico Continuos - A través de
este servicio, el equipo de diagnostico externo, puede
obtener los resultados para los Componentes o Sistemas
del Tren de Poder que son constantemente monitoreados
durante la conducción en condiciones normales.
Construcción de una Interfase/ Escáner para OBDII
Saber Electrónica
9
Figura 4
Modo $08 - Solicitar el control del Sistema Abordo,
Testeo o Componentes - Este servicio habilita a un equipo
externo de testeo para controlar la operación del Sistema
Abordo, Testeo o Componentes.
Modo $09 - Solicitar Información del Vehículo - Este
servicio da acceso a información específica del Vehículo
como el Número de Identificación del Vehículo e ID de
Calibración.
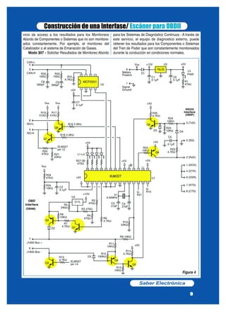
Funcionamiento y Construcción de la Interfase
El circuito de la figura 4 muestra cómo se podría usar
típicamente el ELM 327 para la construcción de una inter-
fase lectora de códigos DTC o códigos de error. La ali-
mentación del circuito se obtiene del vehículo a través de
las patas 16 y 5 y después de un diodo protector y algún
filtrado capacitivo, se presenta a un regulador de 5V (Note
que pocos vehículos han sido informados que no poseen
la pata 5; en ese caso, use la pata 4 en vez de la 5). El
regulador alimenta varios puntos del circuito así como un
LED (para la confirmación visual de que está presente la
potencia). Hemos mostrado un regulador 78L05 que limita
la corriente disponible a 100mA, lo cual es un valor seguro
para experimentar. La interfaz CAN es un circuito de baja
impedancia, y si se hacen transmisiones constantes en
CAN este tipo de regulador puede ocasionar LV Resets o
posiblemente se apague por la sobre-temperatura. Si sufre
esos problemas, podría usar un regulador 7805 de 1A.
La esquina izquierda superior del circuito de la figura 4
muestra el circuito de interfaz CAN. No aconsejamos hacer
su propia interfaz usando componentes discretos.
Los buses CAN pueden tener un montón de informa-
ción crítica en ellos y Ud. puede hacer más daño que bien
si falla. Recomendamos que use un chip transceptor como
se muestra en la figura. El chip MCP 2551 se usa en nues-
tro circuito, pero la mayoría de los grandes fabricantes pro-
ducen CIs de transceptores CAN específicos.
Mencionemos unos pocos: NXP 82C 251, Texas
Intruments SNE5LBC 031, y Linear Technology LT 1796.
Preste atención a los límites de tensión; según la aplica-
ción, puede tener que tolerar 24V y sólo 12V.
Posee las conexiones para los protocolos ISO 9141 e
ISO 14250. Provee dos líneas de salida como lo requieren
las normas, pero dependiendo de su vehículo, puede que
no necesite usar la salida ISO-L (muchos vehículos no
requieren esta señal para la iniciación, pero algunos sí, de
modo que se muestra aquí). Si su vehículo no requiere la
línea L, simplemente deje la pata 22 sin usar. El ELM 327
controla ambas salidas ISO a través de los transistores
NPN Q6 y Q7 como se muestra. Estos transistores tienen
resistores pull-up de 510 ohm conectados a sus colecto-
res, como lo requiere la norma. A menudo nos preguntan
por sustitutos de estos resistores. Si necesita sustituirlos,
puede subir hasta 560 ohm o hacer los 510 ohm a partir
de 2 resistores en serie de 240 ohm (1/4W), pero no reco-
mendamos un valor menor porque estresa a cada disposi-
tivo del bus. Se deben usar resistores de 1/2W dado que
un corto a 13,8V produce una disipación de 0,4W. Los
datos se reciben de la línea K del bus OBD y se conectan
a la pata 12 después de ser reducidos por el divisor de ten-
sión R20/R21 mostrado. Debido al Schmitt trigger a la
entrada de la pata 12, estos resistores darán niveles
umbrales típicos de 9,1V (subida) y 4,7V (caída), propor-
cionando una gran cantidad de inmunidad contra el ruido
mientras se protege al CI.
La interfaz OBD final mostrada también contempla las
2 normas J1850. La norma VPW J1850 necesita una fuen-
te de alimentación positiva de hasta 8V mientras que la
PWM J1850 necesita 5V, de modo que hemos mostrado
Artículo de Tapa
Saber Electrónica
10
Lista de Materiales de la Interfase con ELM
327 (figura 4)
Resistores
R32, R33= 100Ω
R5 = 240Ω
R1, R2, R3, R4, R27, R28, R29, R30 = 470Ω
R17, R19 = 510Ω 1/2W
R16, R18 = 2.2kΩ
R6, R7, R14, R15, R23, R26, R31 = 4.7kΩ
R8, R9, R11, R13, R22, R24, R25, R35 = 10kΩ
R10, R21, R36 = 22kΩ
R20, R34 = 47kΩ
R12 = 100kΩ
Semiconductores
D1 = 1N4001
D2, D3, D4, D5 = 1N4148
L1, L2, L3, L4 = LED amarillo
L5 = LED verde
Q1, Q3, Q5, Q6, Q7, Q9 = 2N3904 (NPN)
Q2, Q4, Q8 = 2N3906 (PNP)
U1 = ELM327
U2 = MCP2551
U3 = 78L05 (5V, 100mA, regulator)
U4 = 317L (adj. 100mA, regulator)
Capacitores
C1, C2, C5, C6, C7 = 0.1µF x 16V
C3, C4 = 27pF
C8, C9 = 560pF
Varios
X1 = 4.000MHz - cristal
RS232, Conector = DB9F
IC Base = 28pin 0.3” (or 2 x 14pin)
una fuente de alimentación de 2 niveles que puede entre-
gar ambos. Esta doble fuente de alimentación usa un regu-
lador ajustable 317L como se muestra, controlada por la
pata 3 de salida. Con los valores dados de resistencia, las
tensiones seleccionadas serán de 7,5V y 5V, que funcio-
nan bien para la mayoría de los vehículos. Las dos salidas
J1850 están excitadas por la combinación Q1 - Q2 para el
Bus + , y Q3 para el Bus -.
La entrada VPW J1850 usa un divisor como en la
entrada ISO. Las tensiones umbrales típicas con los resis-
tores mostrados serán de 4,2V (subida) y 2,2V (caída). La
entrada PWM J1850 es un poco diferente en el sentido que
debe convertir una entrada diferencial a una de termina-
ción única para el uso del ELM327. En funcionamiento, Q4
en realidad se usa como amplificador diferencial. El circui-
to serie Q4 - D3 establece una tensión de 1V (para la inmu-
nidad contra el ruido) mientras que R11 limita el flujo de
corriente, y R12 mantiene cortado a Q4 cuando la entrada
se deja abierta.
Se ha agregado el resistor R36 al circuito de la figura 4
para ayudar a cortar al transistor Q4 rápidamente en cier-
tas circunstancias. No es imprescindible, pero es útil si
está conectado a una capacidad muy alta como la del
modo PWM J1850 y sufre algunos falsos BUS ERRORs.
Mostramos el resistor como una opción y le dejamos la
elección de su colocación.
El circuito de monitoreo de tensión para el comando AT
RV se muestra en este circuital conectado a la pata 2 del
ELM 327. Los dos resistores simplemente dividen la ten-
sión de batería a un nivel seguro para el ELM 327, y el
capacitor filtra el ruido. Cuando se lo envía, el ELM 327
espera un divisor resistivo como el que se muestra, y esta-
blece constantes nominales de calibración suponiendo
eso. Si su aplicación necesita un rango diferente de valo-
res, elija los valores resistivos para mantener la entrada
dentro del límite especificado de 0-5 V, y luego realice un
AT CV para calibrar el ELM 327 para su nueva relación del
divisor resistivo. La máxima tensión que puede mostrar el
CI es de 99,9V.
Se muestra una interfaz RS 232 muy básica conectada
a las patas 17 y 18 del ELM 327. El circuito “toma” la ten-
sión de alimentación de la computadora de abordo para
proveer una variación de las tensiones RS 232 sin la nece-
sidad de una fuente de alimentación negativa. Las cone-
xiones mostradas de las patas de la interfaz RS 232 son
para un conector normalizado de 9 patas. Si usa una de 25
patas, necesitará compensar las diferencias. La polaridad
de las patas RS 232 del ELM 327 es tal que son compati-
Saber Electrónica
11
Construcción de una Interfase/ Escáner para OBDII
bles con los CIs de interfaces normalizadas (MAX 232,
etc.), de modo que si prefiere una de ellas, Ud. puede
sacar todos los componentes discretos mostrados y usar
aquélla.
Los 4 leds mostrados (en las patas 25 a 28) han sido
suministrados como medio visual de confirmación de la
actividad circuital. No son esenciales, pero es lindo ver la
realimentación visual cuando se experimenta.
Finalmente, el cristal mostrado conectado entre las
patas 9 y 10 es un cristal normal de 4MHz. Los capacito-
res de carga del cristal (27pF) son típicos y se pueden
seleccionar otros valores según lo que esté especificado
para el cristal que obtenga. La frecuencia del cristal es crí-
tica para la operación del circuito y no debe alterarse.
A menudo recibimos pedidos de listas de partes que
acompañen a nuestros circuitos de Aplicaciones de ejem-
plo. Dado que este circuito es más complejo que la mayo-
ría, hemos numerado y nombrado todos los componentes
y provisto un resumen de la lista de partes. Son sólo suge-
rencias, ya que si prefiere otro color de Led o tiene otro
transistor de propósito general a mano, etc., haga el cam-
bio.
Un consejo rápido para aquellos que tengan problemas
para encontrar un zócalo amplio de 0,3” para el ELM 327:
muchos zócalos de 14 patas se pueden poner extremo con
extremo para formar un zócalo de 28 patas de 0,3” de
ancho.
¿Qué pasa si sólo quiere usar uno de los protocolos?
¿Qué pasa si quiere usar una interfaz USB?
Estas son preguntas comunes que recibimos y las res-
puestas de ambas están graficadas en la figura 5.
Hay unos pocos CIs en el mercado que le permiten
conectar un sistema RS 232 directamente a USB. Hemos
mostrado el CP 2102 de Silicon Laboratories
(www.silabs.com) en la figura 5, pero también hay otros;
por ejemplo, Future Technology Devices
(www.ftdichip.com) produce varios. Estos CIs proveen una
Artículo de Tapa
Saber Electrónica
12
Figura 5
forma muy simple y relativamente barata de “puentear”
entre RS 232 y USB, y como puede ver, requieren muy
pocos componentes para soportarlos. Si se usa el CP
2102, le advertimos que es muy pequeño y difícil de soldar
a mano, así que esté preparado para eso. También, si pro-
vee protección en las líneas de datos con supresores de
tensión transitoria (TVS's), tenga cuidado de cuáles elige,
dado que algunos exhiben una capacidad muy alta y afec-
tarán la transmisión de los datos USB. El circuito funciona-
rá a la velocidad de 38400 bits por seg..
Si quiere aprovechar totalmente la ventaja de la veloci-
dad de la interfaz USB, necesitará cambiar PP 0C.
Considerando las partes protocolares OBD de los cir-
cuitos de las figura 4 y 5, las diferencias deben ser muy
claras. Los protocolos que no se usan en la figura 5 tienen
sus salidas ignoradas, o sea, en circuito abierto, y sus
entradas conectadas a un nivel lógico
conveniente (las entradas CMOS nunca
deben ser dejadas flotando).
El circuito mantiene los LEDs de estado y
el circuito del Bus J 1850, pero la mayo-
ría del resto se ha eliminado. El circuito
de conmutación de tensión ha sido redu-
cido a un solo regulador de 8V, dado que
no hay ninguna necesidad de conmutar a
5V. Note que la pata 3 intencionalmente
ha sido dejada abierta ya que no es
requerida por el regulador de tensión.
La primera vez que se usa este circuito,
probablemente se ponga en el protocolo
0, el modo de “búsqueda automática” por
defecto (tal como se envía de fábrica).
Cuando lo conecta a un vehículo VPW J
1850, automáticamente detectará el pro-
tocolo, y si la memoria está habilitada
(como se muestra), J 1850 VPW se con-
vertirá en el nuevo protocolo por defecto,
sin que se requiera una entrada de su
parte. Esto funcionará bien para la mayo-
ría de las aplicaciones, pero si el circuito
se usa en un vehículo con la llave desco-
nectada, por ejemplo, entonces volverá a
buscar un nuevo protocolo. En general,
Ud. no quiere que esto suceda cada vez.
Sólo puede ser un inconveniente menor
tener que esperar mientras el ELM 327
determina que es incapaz de conectar
(“UNABLE TO CONNECT”), pero ¿para
qué pasar por eso si no lo necesita?. Si
sabe que está usando el circuito en una
aplicación de sólo J 1850 VPW (protoco-
lo 2), entonces debe emitir el comando
AT SP 2 la primera vez que se alimente
el circuito. De aquí en más, permanecerá
en el protocolo 2, falle o no para hacer una conexión.
Según las circunstancias, puede simplificar este circui-
to aún más, usando la conexión USB para obtener 5V para
el ELM 327 en el lugar del regulador 78L05 mostrado.
Algunos protocolos (el CAN, por ejemplo), pueden tomar
más corriente que la que su conexión USB puede suminis-
trar, de modo que revise esto primero.
El conector macho J 1962 (estandar OBD II) tiene que
encajar en el conector del vehículo y puede ser difícil de
conseguir en algunos lugares. Ud. podría tentarse de
hacer sus propias conexiones a la parte trasera del conec-
tor de su vehículo. Al hacerlo, le recomendamos que no
haga nada que comprometa la integridad de la red OBD
del vehículo. El uso de cualquier conector que podría fácil-
mente cortocircuitar patas (por ej., el conector telefónico
RJ 11) no se recomienda en absoluto.
Saber Electrónica
13
Figura 6
Construcción de una Interfase/ Escáner para OBDII
Por último, en la figura 6 se brinda una sugerencia para
la placa de circuito impreso, teniendo presente que el dise-
ño contempla la inclusión de componentes del tipo SMD.
Instalación de la Interfase
Una vez armado el circuito de la interfase, el primer
paso consiste en cargar los drivers USB en la computado-
ra, los que podrá descargar desde nuestra web:
www.webelectronica.com.ar, haciendo clic en el ícono
password e ingresando la clave: “usbelm327”. Esto es
para que la computadora PC pueda dialogar con el esca-
ner y éste, a su vez, con la computadora de abordo.
Para ello, descargue los drivers al disco rígido de su
PC e instálelos. Luego conecte la interfase y asegúrese de
que la misma sea reconocida por la computadora. En caso
que le diga que Windows encontró un nuevo dispositivo y
le pregunte si quiere instalarlo automáticamente, Ud. diga-
le que NO, que va a seleccionar los drivers desde una ubi-
cación específica. Luego localice dichos drivers (los que
Ud. descargó desde el link dado en nuestra página) y
selecciónelos para que sean reconoci-
dos por la interfase.
Para comprobar que la interfase está
funcionando correctamente vamos al
ícono de inicio de Windows/
Administrador de Sistemas, aparecerá
una lista de todos los aditamentos que
tiene en la PC. Busque la opción de
puertos y selecciónela haciendo clic;
deberá aparecer una leyenda que diga:
“Serial USB Converter” y hacemos
doble clic sobre ella. También puede
hacer clic con el botón derecho del
mouse sobre el ícono de MI PC, selec-
cionar la opción Propiedades, luego la
ventana Hardware y en ella:
Administración de Dispositivos (apa-
recerá la imagen de la figura 7, en la que
hemos desplegado la opción “Puertos
COM & LPT).
NOTA: Si no aparece la leyenda
“Serial USB Converter” significa que la
interfase no fue instalada correctamente
y deberá repetir el procedimento desde
el inicio.
Cuando haga doble clic sobre la
opción Serial USB Converter se abrirá
una ventana con la información de la
interfase, la cuál le dirá en qué puerto
está conectado el circuito que armó, por
ejemplo: COM1, COM2, COM3, etc. Es
importante verificar en qué puerto está conectada la inter-
fase ya que será el mismo que deberá seleccionar en el
programa que utilice para la lectura de códigos OBD desde
el vehículo. Si el puerto que aparece en la ventana no es
COM1, COM2 ó COM3, entonces seleccione la opción
“Selección de Puerto”, luego la opción “AVANZADO” y elija
cualquiera de las 3 opciones antes mencionada (figura 8).
Luego presione “Aceptar”. Debe hacer esto para que el
programa de diagnóstico que usará para leer los códigos
de error pueden ofrecerle solamente la opción de los tres
puertos mencionados.
Importante: asegúrese que en la ventana de selección
de puertos figure la leyenda “este puerto funciona correc -
tamente”. Caso contrario, vuelva a repetir todo el procedi -
miento desde el inicio.
Una vez que está todo correcto estamos seguros de
que la interfase fue conectada correctamente y ahora
podremos utilizar cualquier programa de diagnóstico, como
el Scantool, el Scan Master, etc. cuya instalación y funcio-
namiento explicamos en otro artículo de esta edición. 
Artículo de Tapa
Saber Electrónica
14
Figura 8
Figura 7

Art+tapa+interfaz

  • 1.
    Saber Electrónica 3 ARTÍCULO DETAPA Hace casi 2 años que en Saber Electrónica publicamos artícu - los sobre electrónica automo - tor en la sección que denomi - namos “Auto Eléctrico”. Así, mes a mes, hemos explicado que el circuito integrado ELM 327, de le empresa ELM Electronics constituye una verdadera interfase multipro - tocolo con el cual es posible montar un escaner OBD II cuando se conecta dicho inte - grado (o una interfase armada con él) a una computadora tipo PC y se ejecutan los progra - mas apropiados como el Scan Master o el Scan Tool. A través de las diferentes ediciones y de dos tomos del Club SE publicados sobre el tema (Tomos de colección Nº 58 y Nº 65) ha lle - gado la hora de “por fin” armar su propia interfase para poder realizar el diagnóstico a bordo de un automóvil. Aclaramos que los datos vertidos en este artículo son en base a los circuitos integrados fabricados por ELM Electronics y que al haber probado varios clones, NO NOS HACEMOS RESPONSABLES si emplea circuitos no originales. Al respecto debemos aclarar que a la fecha de publicación de este artículo NO EXISTE la versión v1.5 de este integrado y que trabajaremos en base a la versión v1.4b. Proponemos el armado de un circuito que permita conectar a la computadora de a bordo de un vehículo compatible con OBD II con una computadora tipo PC a la que le instalaremos un pro - grama que permita decodificar los datos recibos desde el vehículo. La norma SAE J1962 dice que todos los vehículos compatibles con OBD deben proveer un conector normalizado cerca del asiento del conductor y a dicho conector colocaremos nuestro circuito. El circuito des - cripto aquí se puede usar para aplicar a un conector OBD II bajo norma J1962 sin modifica - ción a su vehículo. Ing. Horacio Daniel Vallejo e-mail: hvquark@webelectronica.com.ar
  • 2.
    Introducción Dado que enesta misma edición publicamos diferentes artículos relacionados con el sistema de diagnóstico a bordo, daremos a continuación algunos conceptos sintéti- cos para luego poder abordar los conceptos que nos per- mitan construir nuestra interfase. El circuito descripto aquí se puede usar para aplicar a un conector OBD II bajo norma J 1962 sin modificación a su vehículo y que podrá realizar las siguientes funciones: § Leer Códigos de Error § Borrar Códigos de Error § Leer Datos Freeze Frame § Obtener Información en Tiempo Real (Tanto Números como Gráficos) § Obtener los resultados del monitoreo de los Sensores de Oxígeno § Obtener el resultado para Test de Preparación Sobre la Electrónica en el Automóvil En 1989 se comenzó a trabajar en sistemas de control electrónico que regulen la contaminación de los vehículos. En 1994 se establecieron los primeros protocolos de comunicación entre los equipos instalados en el auto y los equipos de escaneo externo. En 1996 nace el primer sistema de Diagnóstico A Bordo normalizado (OBD). Desde 2005 TODOS los vehículos deben contar con un sistema de cómputo a bordo que posea un puerto de comunicaciones normalizado con OBD II. La comunicación entre computadora de abordo y peri- féricos dentro del vehículo se realiza en función del proto- colo elegido por el fabricante. OBD y OBD II La primera norma implantada fue la OBD I en 1988, donde se monitorizaban los parámetros de algunas partes del sistema como: La sonda lambda (sensor de oxígeno) El sistema EGR (Exhaust gas recirculation ) ECM (Módulo de control). Se precisaba una lámpara indicadora de mal funciona- miento (MIL), denominada Check Engine o Service Engine Soon, para que se iluminara y alertara al conductor del mal funcionamiento y de la necesidad de un servicio de los sis- temas de control de emisiones. OBD-II: “On-Board Diagnostics II generation” o “Segunda Generación de Diagnósticos a Bordo”, es un sis- tema basado en la informática que se incorpora en todos los vehículos menores y camiones del año 96 en adelante en USA. EL OBD-II monitorea algunos de los componentes más importantes de los motores, incluyendo controles de emi- sión individuales. El sistema alerta tempranamente al con- ductor con una luz en el tablero, conocida como “Check Engine” o también “MIL” (Malfunction Indicator Light). Este sistema protege al medio ambiente asi como al usuario y/o dueño del vehículo, avisando desde que la falla es leve, y los costos de reparación son más bajos. EOBD: “European On-Board Diagnostic EOBD” es un estándar definido por la Comunidad Europea. El beneficio de este estándar es dar a las autoridades una herramienta para controlar las emisiones de gases de los vehículos. El estándar EOBD ha sido implementado en los vehí- culos con motores a gasolina en la Comunidad Europea desde enero de 2001 (EU directive 98/96/EC). Para vehículos Diesel y a Gas Natural, la aplicación de estas normas se programó para antes del 2005. El Estándar EOBD incluye 5 protocolos de comunica- ción diferentes, estos son: ISO 9141-2, ISO 14230¬4 (KWP2000), SAE J1850 VPW, SAE J1850 PWM e ISO 15765-4 CAN. Para saber si el vehículo está dotado de un sistema de diagnóstico a bordo, cuando da arranque o contacto a su vehículo, en el tablero la luz "Service Engine Soon" o "Check Engine" debería encenderse brevemente. Esto indica que el sistema está listo para revisar que su vehícu- lo esté funcionando bien. Al estar la luz apagada, y mien- tras usted conduce el vehículo sin ninguna señal de parte de ésta, significa que el vehículo está funcionando bien. En el caso de que el vehículo presentara alguna falla, éste acusa la situación mediante esta luz. El sistema OBD le puede ayudar a ahorrar tiempo, dinero y combustible, ade- más de proteger el medio ambiente. ¿Quiénes tiene OBD II? Todos los vehículos y camionetas construidos para ser vendidos en EEUU a partir del año 1996 deben ser com- patibles con OBD-II. La Comunidad Europea adoptó los mismos términos a partir del año 2000 para los vehículos con motor a gasoli- na (nafta), y a partir del año 2003 para los vehículos con motores Diesel. Un vehículo compatible con OBD-II puede usar cual- quiera de los siguientes protocolos entre computadora y sus periféricos: J1850 PWM J1850 VPW ISO9141 Artículo de Tapa Saber Electrónica 4
  • 4.
    ISO14230 (también conocidocomo Protocolo Clave 2000). CAN (ISO15765/SAE J2480). Los fabricantes de automóviles no fueron autorizados para utilizar el protocolo CAN hasta los modelos del año 2003. El protocolo de diagnóstico para OBD-II es SAE J1979, pero no es el único. Incluso existen protocolos cautivos como el VAG-COM (VW, Audi, SEAT y Skoda ). Esto significa que un escaner o una interfase “debe” manejar el protocolo SAE J1979, pero también puede aceptar otros. Si sólo maneja este protocolo se comunica- rá con la computadora mas NO con los microcontroladores periféricos. Si el escaner es multiprotocolo, puede obtener los datos del vehículo enviados a la ECU con dichos protoco- los. Si se trata de una interfase a conectar en la computa- dora, es el programa que corre en la computadora el que debe realizar el diagnóstico. Hay programas de uso libre y otros con licencia. Conector OBD II En la figura 1 podemos observar un conector OBD II y sus conexiones. Note que dicho conector muestra los pines empleados para todos los protocolos mencionados, por lo que debe tener en cuenta que cada computadora de abordo tendrá las conexiones de acuerdo con el protocolo que utilice mientras que un escaner multiprotocolo deberá tener todas las conexiones mencionadas en la figura. En la figura 2 tenemos tablas que nos indican cuáles serán las conexiones presentes en los pines del conector OBD II de acuerdo con el protoco- lo empleado. Como dato comple- mentario, para las comunicaciones ISO, el pin 15 (L-line) no siem- pre debe estar presen- te. El Pin 15 se usó antes en autos con ISO/KWP2000 para activar o despertar la ECU antes de la comu- nicación puede comen- zar en el pin 7 (K-Line). Más tarde los vehículos tendían a utilizar sola- mente el Pin 7 (K-Line) para comunicarse. En la figura 3 podemos ver un mapa de la ubicación de conector (DLC) donde se divide el tablero del vehículo en áreas enumeradas para su mejor entendimiento. Cada área enumerada representa un lugar específico donde los distintos fabricantes instalan el Conector de Datos. Las ubicaciones 1,2 y 3 se caracterizan por ser las áreas pre- feridas para la instalación del DLC, mientras que las res- tantes 4, 5, 6, 7 y 8 se encuentran en otras ubicaciones de acuerdo a los requerimientos de la EPA. Cuando el conec- tor se encuentra en las ubicaciones 4 hasta 8 los fabrican- tes deben indicar con una etiqueta en las ubicaciones 1, 2 o 3 que el conector se encuentra en otro lado. Artículo de Tapa Saber Electrónica 6 Figura 1 Figura 2
  • 6.
    Ubicación #1: Enesta posi- ción, el conector de datos se encuentra justo debajo de la columna de dirección (o aproxi- madamente 150mm a la derecha o a la izquierda de ésta). Dividiendo la parte inferior del tablero del vehículo en tres par- tes, este se encuentra en la parte del centro. Ubicación #2: Esta posición es la que se encuentra bajo el tablero del vehículo, entre la puerta del conductor y la columna de dirección. Dividiendo la parte inferior del tablero del vehículo en tres partes, éste se encuentra en la parte del lado izquierdo. Ubicación #3: Esta ubicación es la que se encuentra bajo el tablero del vehículo, entre la columna de dirección y la con- sola central. Dividiendo la parte inferior del tablero del vehí- culo en tres partes, éste se encuentra en la parte del lado derecho. Ubicación #4: La posición del conector de datos en esta ubicación está en la parte superior del tablero del vehículo, entre la columna de dirección y la consola cen- tral. Ubicación #5: La posición del conector de datos en esta ubicación está en la parte superior del tablero del vehículo, entre la columna de dirección y la puerta del con- ductor. Ubicación #6: Esta ubicación presenta el conector de datos en el lado Izquierdo de la consola central del vehí- culo. Ubicación #7: Esta ubicación presenta el conector de datos del vehículo 300mm a la derecha de la línea central del vehículo, en la consola central del mismo, hacia el lado acompañante. Ubicación #8: Acá se puede encontrar el conector de datos del vehículo en la parte inferior de la consola central del vehículo, esto puede ser en el lado derecho o izquier- do sin especificarse. Esto no incluye la parte de la consola central que se extiende hacia la parte trasera del Vehículo. (Ver Ubicación #9). Ubicación #9: Esta ubicación no se muestra en el dia- grama, y representa cualquier otra posición que se pueda dar en un vehículo, la cual es menos frecuente pero sin embargo algún fabricante la puede utilizar. Por ejemplo, el conector se puede encontrar también en el área de pasa- jeros de la parte trasera del vehículo, o en el descansa bra- zos del conductor. El protocolo de diagnóstico para OBD-II es SAE J1979. Un mensaje o requerimiento de diagnóstico tiene un máxi- mo de 7 Bytes de datos. El primer Byte a continuación del Encabezado o Header es el Modo de Test. Este también es llamado el identificador de servicio (SID o PID). Los siguientes Bytes varían dependiendo del modo de Test Específico. Como mencionamos en otro artículo de esta edición, hay varios Modos de Test de Diagnóstico, de los cuales destacamos los siguientes: Modo $01 - Solicitar Diagnóstico de Datos del Tren de Poder - Este modo da acceso a la emisión de datos actua- les, incluyendo entradas y salidas tanto análogas como digitales, así como información del estado del sistema. Modo $02 - Solicitar Diagnóstico de Datos FreezeFrame del Tren de Poder - Este modo da acceso a información de la emisión de datos actuales en FreezeFrame. Un FreezeFrame consiste en la entrega de datos colectados en un evento específico como por ejem- plo alguna falla en el motor. Modo $03 - Solicitar Diagnóstico de Códigos de Error - El propósito de este servicio es de habilitar un accesorio externo para obtener las emisiones de códigos de error confirmados. Modo $04 - Limpiar-Eliminar Información sobre los Códigos de Error - El propósito de este servicio es proveer los medios para un equipo externo de análisis para poder eliminar la información relacionada con los Códigos de Error de la ECU del Vehículo. Modo $05 - Solicitar los Resultados del Monitoreo de los Sensores de Oxígeno - Este servicio permite acceder a los resultados del monitoreo de los Sensores de Oxígeno. Modo $06 - Solicitar Resultados de Monitoreo Abordo para los Sistemas de Diagnóstico No Continuos - Este ser- Artículo de Tapa Saber Electrónica 8 Figura 3
  • 7.
    vicio da accesoa los resultados para los Monitoreos Abordo de Componentes o Sistemas que no son monitore- ados constantemente. Por ejemplo, el monitoreo del Catalizador o el sistema de Emanación de Gases. Modo $07 - Solicitar Resultados de Monitoreo Abordo para los Sistemas de Diagnóstico Continuos - A través de este servicio, el equipo de diagnostico externo, puede obtener los resultados para los Componentes o Sistemas del Tren de Poder que son constantemente monitoreados durante la conducción en condiciones normales. Construcción de una Interfase/ Escáner para OBDII Saber Electrónica 9 Figura 4
  • 8.
    Modo $08 -Solicitar el control del Sistema Abordo, Testeo o Componentes - Este servicio habilita a un equipo externo de testeo para controlar la operación del Sistema Abordo, Testeo o Componentes. Modo $09 - Solicitar Información del Vehículo - Este servicio da acceso a información específica del Vehículo como el Número de Identificación del Vehículo e ID de Calibración. Funcionamiento y Construcción de la Interfase El circuito de la figura 4 muestra cómo se podría usar típicamente el ELM 327 para la construcción de una inter- fase lectora de códigos DTC o códigos de error. La ali- mentación del circuito se obtiene del vehículo a través de las patas 16 y 5 y después de un diodo protector y algún filtrado capacitivo, se presenta a un regulador de 5V (Note que pocos vehículos han sido informados que no poseen la pata 5; en ese caso, use la pata 4 en vez de la 5). El regulador alimenta varios puntos del circuito así como un LED (para la confirmación visual de que está presente la potencia). Hemos mostrado un regulador 78L05 que limita la corriente disponible a 100mA, lo cual es un valor seguro para experimentar. La interfaz CAN es un circuito de baja impedancia, y si se hacen transmisiones constantes en CAN este tipo de regulador puede ocasionar LV Resets o posiblemente se apague por la sobre-temperatura. Si sufre esos problemas, podría usar un regulador 7805 de 1A. La esquina izquierda superior del circuito de la figura 4 muestra el circuito de interfaz CAN. No aconsejamos hacer su propia interfaz usando componentes discretos. Los buses CAN pueden tener un montón de informa- ción crítica en ellos y Ud. puede hacer más daño que bien si falla. Recomendamos que use un chip transceptor como se muestra en la figura. El chip MCP 2551 se usa en nues- tro circuito, pero la mayoría de los grandes fabricantes pro- ducen CIs de transceptores CAN específicos. Mencionemos unos pocos: NXP 82C 251, Texas Intruments SNE5LBC 031, y Linear Technology LT 1796. Preste atención a los límites de tensión; según la aplica- ción, puede tener que tolerar 24V y sólo 12V. Posee las conexiones para los protocolos ISO 9141 e ISO 14250. Provee dos líneas de salida como lo requieren las normas, pero dependiendo de su vehículo, puede que no necesite usar la salida ISO-L (muchos vehículos no requieren esta señal para la iniciación, pero algunos sí, de modo que se muestra aquí). Si su vehículo no requiere la línea L, simplemente deje la pata 22 sin usar. El ELM 327 controla ambas salidas ISO a través de los transistores NPN Q6 y Q7 como se muestra. Estos transistores tienen resistores pull-up de 510 ohm conectados a sus colecto- res, como lo requiere la norma. A menudo nos preguntan por sustitutos de estos resistores. Si necesita sustituirlos, puede subir hasta 560 ohm o hacer los 510 ohm a partir de 2 resistores en serie de 240 ohm (1/4W), pero no reco- mendamos un valor menor porque estresa a cada disposi- tivo del bus. Se deben usar resistores de 1/2W dado que un corto a 13,8V produce una disipación de 0,4W. Los datos se reciben de la línea K del bus OBD y se conectan a la pata 12 después de ser reducidos por el divisor de ten- sión R20/R21 mostrado. Debido al Schmitt trigger a la entrada de la pata 12, estos resistores darán niveles umbrales típicos de 9,1V (subida) y 4,7V (caída), propor- cionando una gran cantidad de inmunidad contra el ruido mientras se protege al CI. La interfaz OBD final mostrada también contempla las 2 normas J1850. La norma VPW J1850 necesita una fuen- te de alimentación positiva de hasta 8V mientras que la PWM J1850 necesita 5V, de modo que hemos mostrado Artículo de Tapa Saber Electrónica 10 Lista de Materiales de la Interfase con ELM 327 (figura 4) Resistores R32, R33= 100Ω R5 = 240Ω R1, R2, R3, R4, R27, R28, R29, R30 = 470Ω R17, R19 = 510Ω 1/2W R16, R18 = 2.2kΩ R6, R7, R14, R15, R23, R26, R31 = 4.7kΩ R8, R9, R11, R13, R22, R24, R25, R35 = 10kΩ R10, R21, R36 = 22kΩ R20, R34 = 47kΩ R12 = 100kΩ Semiconductores D1 = 1N4001 D2, D3, D4, D5 = 1N4148 L1, L2, L3, L4 = LED amarillo L5 = LED verde Q1, Q3, Q5, Q6, Q7, Q9 = 2N3904 (NPN) Q2, Q4, Q8 = 2N3906 (PNP) U1 = ELM327 U2 = MCP2551 U3 = 78L05 (5V, 100mA, regulator) U4 = 317L (adj. 100mA, regulator) Capacitores C1, C2, C5, C6, C7 = 0.1µF x 16V C3, C4 = 27pF C8, C9 = 560pF Varios X1 = 4.000MHz - cristal RS232, Conector = DB9F IC Base = 28pin 0.3” (or 2 x 14pin)
  • 9.
    una fuente dealimentación de 2 niveles que puede entre- gar ambos. Esta doble fuente de alimentación usa un regu- lador ajustable 317L como se muestra, controlada por la pata 3 de salida. Con los valores dados de resistencia, las tensiones seleccionadas serán de 7,5V y 5V, que funcio- nan bien para la mayoría de los vehículos. Las dos salidas J1850 están excitadas por la combinación Q1 - Q2 para el Bus + , y Q3 para el Bus -. La entrada VPW J1850 usa un divisor como en la entrada ISO. Las tensiones umbrales típicas con los resis- tores mostrados serán de 4,2V (subida) y 2,2V (caída). La entrada PWM J1850 es un poco diferente en el sentido que debe convertir una entrada diferencial a una de termina- ción única para el uso del ELM327. En funcionamiento, Q4 en realidad se usa como amplificador diferencial. El circui- to serie Q4 - D3 establece una tensión de 1V (para la inmu- nidad contra el ruido) mientras que R11 limita el flujo de corriente, y R12 mantiene cortado a Q4 cuando la entrada se deja abierta. Se ha agregado el resistor R36 al circuito de la figura 4 para ayudar a cortar al transistor Q4 rápidamente en cier- tas circunstancias. No es imprescindible, pero es útil si está conectado a una capacidad muy alta como la del modo PWM J1850 y sufre algunos falsos BUS ERRORs. Mostramos el resistor como una opción y le dejamos la elección de su colocación. El circuito de monitoreo de tensión para el comando AT RV se muestra en este circuital conectado a la pata 2 del ELM 327. Los dos resistores simplemente dividen la ten- sión de batería a un nivel seguro para el ELM 327, y el capacitor filtra el ruido. Cuando se lo envía, el ELM 327 espera un divisor resistivo como el que se muestra, y esta- blece constantes nominales de calibración suponiendo eso. Si su aplicación necesita un rango diferente de valo- res, elija los valores resistivos para mantener la entrada dentro del límite especificado de 0-5 V, y luego realice un AT CV para calibrar el ELM 327 para su nueva relación del divisor resistivo. La máxima tensión que puede mostrar el CI es de 99,9V. Se muestra una interfaz RS 232 muy básica conectada a las patas 17 y 18 del ELM 327. El circuito “toma” la ten- sión de alimentación de la computadora de abordo para proveer una variación de las tensiones RS 232 sin la nece- sidad de una fuente de alimentación negativa. Las cone- xiones mostradas de las patas de la interfaz RS 232 son para un conector normalizado de 9 patas. Si usa una de 25 patas, necesitará compensar las diferencias. La polaridad de las patas RS 232 del ELM 327 es tal que son compati- Saber Electrónica 11 Construcción de una Interfase/ Escáner para OBDII
  • 10.
    bles con losCIs de interfaces normalizadas (MAX 232, etc.), de modo que si prefiere una de ellas, Ud. puede sacar todos los componentes discretos mostrados y usar aquélla. Los 4 leds mostrados (en las patas 25 a 28) han sido suministrados como medio visual de confirmación de la actividad circuital. No son esenciales, pero es lindo ver la realimentación visual cuando se experimenta. Finalmente, el cristal mostrado conectado entre las patas 9 y 10 es un cristal normal de 4MHz. Los capacito- res de carga del cristal (27pF) son típicos y se pueden seleccionar otros valores según lo que esté especificado para el cristal que obtenga. La frecuencia del cristal es crí- tica para la operación del circuito y no debe alterarse. A menudo recibimos pedidos de listas de partes que acompañen a nuestros circuitos de Aplicaciones de ejem- plo. Dado que este circuito es más complejo que la mayo- ría, hemos numerado y nombrado todos los componentes y provisto un resumen de la lista de partes. Son sólo suge- rencias, ya que si prefiere otro color de Led o tiene otro transistor de propósito general a mano, etc., haga el cam- bio. Un consejo rápido para aquellos que tengan problemas para encontrar un zócalo amplio de 0,3” para el ELM 327: muchos zócalos de 14 patas se pueden poner extremo con extremo para formar un zócalo de 28 patas de 0,3” de ancho. ¿Qué pasa si sólo quiere usar uno de los protocolos? ¿Qué pasa si quiere usar una interfaz USB? Estas son preguntas comunes que recibimos y las res- puestas de ambas están graficadas en la figura 5. Hay unos pocos CIs en el mercado que le permiten conectar un sistema RS 232 directamente a USB. Hemos mostrado el CP 2102 de Silicon Laboratories (www.silabs.com) en la figura 5, pero también hay otros; por ejemplo, Future Technology Devices (www.ftdichip.com) produce varios. Estos CIs proveen una Artículo de Tapa Saber Electrónica 12 Figura 5
  • 11.
    forma muy simpley relativamente barata de “puentear” entre RS 232 y USB, y como puede ver, requieren muy pocos componentes para soportarlos. Si se usa el CP 2102, le advertimos que es muy pequeño y difícil de soldar a mano, así que esté preparado para eso. También, si pro- vee protección en las líneas de datos con supresores de tensión transitoria (TVS's), tenga cuidado de cuáles elige, dado que algunos exhiben una capacidad muy alta y afec- tarán la transmisión de los datos USB. El circuito funciona- rá a la velocidad de 38400 bits por seg.. Si quiere aprovechar totalmente la ventaja de la veloci- dad de la interfaz USB, necesitará cambiar PP 0C. Considerando las partes protocolares OBD de los cir- cuitos de las figura 4 y 5, las diferencias deben ser muy claras. Los protocolos que no se usan en la figura 5 tienen sus salidas ignoradas, o sea, en circuito abierto, y sus entradas conectadas a un nivel lógico conveniente (las entradas CMOS nunca deben ser dejadas flotando). El circuito mantiene los LEDs de estado y el circuito del Bus J 1850, pero la mayo- ría del resto se ha eliminado. El circuito de conmutación de tensión ha sido redu- cido a un solo regulador de 8V, dado que no hay ninguna necesidad de conmutar a 5V. Note que la pata 3 intencionalmente ha sido dejada abierta ya que no es requerida por el regulador de tensión. La primera vez que se usa este circuito, probablemente se ponga en el protocolo 0, el modo de “búsqueda automática” por defecto (tal como se envía de fábrica). Cuando lo conecta a un vehículo VPW J 1850, automáticamente detectará el pro- tocolo, y si la memoria está habilitada (como se muestra), J 1850 VPW se con- vertirá en el nuevo protocolo por defecto, sin que se requiera una entrada de su parte. Esto funcionará bien para la mayo- ría de las aplicaciones, pero si el circuito se usa en un vehículo con la llave desco- nectada, por ejemplo, entonces volverá a buscar un nuevo protocolo. En general, Ud. no quiere que esto suceda cada vez. Sólo puede ser un inconveniente menor tener que esperar mientras el ELM 327 determina que es incapaz de conectar (“UNABLE TO CONNECT”), pero ¿para qué pasar por eso si no lo necesita?. Si sabe que está usando el circuito en una aplicación de sólo J 1850 VPW (protoco- lo 2), entonces debe emitir el comando AT SP 2 la primera vez que se alimente el circuito. De aquí en más, permanecerá en el protocolo 2, falle o no para hacer una conexión. Según las circunstancias, puede simplificar este circui- to aún más, usando la conexión USB para obtener 5V para el ELM 327 en el lugar del regulador 78L05 mostrado. Algunos protocolos (el CAN, por ejemplo), pueden tomar más corriente que la que su conexión USB puede suminis- trar, de modo que revise esto primero. El conector macho J 1962 (estandar OBD II) tiene que encajar en el conector del vehículo y puede ser difícil de conseguir en algunos lugares. Ud. podría tentarse de hacer sus propias conexiones a la parte trasera del conec- tor de su vehículo. Al hacerlo, le recomendamos que no haga nada que comprometa la integridad de la red OBD del vehículo. El uso de cualquier conector que podría fácil- mente cortocircuitar patas (por ej., el conector telefónico RJ 11) no se recomienda en absoluto. Saber Electrónica 13 Figura 6 Construcción de una Interfase/ Escáner para OBDII
  • 12.
    Por último, enla figura 6 se brinda una sugerencia para la placa de circuito impreso, teniendo presente que el dise- ño contempla la inclusión de componentes del tipo SMD. Instalación de la Interfase Una vez armado el circuito de la interfase, el primer paso consiste en cargar los drivers USB en la computado- ra, los que podrá descargar desde nuestra web: www.webelectronica.com.ar, haciendo clic en el ícono password e ingresando la clave: “usbelm327”. Esto es para que la computadora PC pueda dialogar con el esca- ner y éste, a su vez, con la computadora de abordo. Para ello, descargue los drivers al disco rígido de su PC e instálelos. Luego conecte la interfase y asegúrese de que la misma sea reconocida por la computadora. En caso que le diga que Windows encontró un nuevo dispositivo y le pregunte si quiere instalarlo automáticamente, Ud. diga- le que NO, que va a seleccionar los drivers desde una ubi- cación específica. Luego localice dichos drivers (los que Ud. descargó desde el link dado en nuestra página) y selecciónelos para que sean reconoci- dos por la interfase. Para comprobar que la interfase está funcionando correctamente vamos al ícono de inicio de Windows/ Administrador de Sistemas, aparecerá una lista de todos los aditamentos que tiene en la PC. Busque la opción de puertos y selecciónela haciendo clic; deberá aparecer una leyenda que diga: “Serial USB Converter” y hacemos doble clic sobre ella. También puede hacer clic con el botón derecho del mouse sobre el ícono de MI PC, selec- cionar la opción Propiedades, luego la ventana Hardware y en ella: Administración de Dispositivos (apa- recerá la imagen de la figura 7, en la que hemos desplegado la opción “Puertos COM & LPT). NOTA: Si no aparece la leyenda “Serial USB Converter” significa que la interfase no fue instalada correctamente y deberá repetir el procedimento desde el inicio. Cuando haga doble clic sobre la opción Serial USB Converter se abrirá una ventana con la información de la interfase, la cuál le dirá en qué puerto está conectado el circuito que armó, por ejemplo: COM1, COM2, COM3, etc. Es importante verificar en qué puerto está conectada la inter- fase ya que será el mismo que deberá seleccionar en el programa que utilice para la lectura de códigos OBD desde el vehículo. Si el puerto que aparece en la ventana no es COM1, COM2 ó COM3, entonces seleccione la opción “Selección de Puerto”, luego la opción “AVANZADO” y elija cualquiera de las 3 opciones antes mencionada (figura 8). Luego presione “Aceptar”. Debe hacer esto para que el programa de diagnóstico que usará para leer los códigos de error pueden ofrecerle solamente la opción de los tres puertos mencionados. Importante: asegúrese que en la ventana de selección de puertos figure la leyenda “este puerto funciona correc - tamente”. Caso contrario, vuelva a repetir todo el procedi - miento desde el inicio. Una vez que está todo correcto estamos seguros de que la interfase fue conectada correctamente y ahora podremos utilizar cualquier programa de diagnóstico, como el Scantool, el Scan Master, etc. cuya instalación y funcio- namiento explicamos en otro artículo de esta edición.  Artículo de Tapa Saber Electrónica 14 Figura 8 Figura 7