CIRCUITOS ELECTRÓNICOS II                                      2011


                      CIRCUITOS ELECTRÓNICOS II
                               SEGUNDA FASE

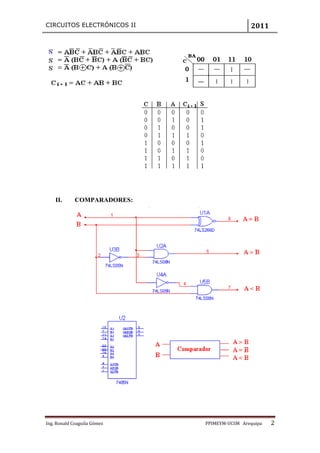
    I.       SUMADORES:
             -   Semisumadores (HALF-ADDER):




             -   Sumadores completos:




Ing. Ronald Coaguila Gómez                     PPIMEYM‐UCSM Arequipa   1
CIRCUITOS ELECTRÓNICOS II                    2011




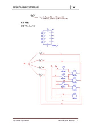
    II.      COMPARADORES:




Ing. Ronald Coaguila Gómez   PPIMEYM‐UCSM Arequipa   2
CIRCUITOS ELECTRÓNICOS II                                                              2011




                                                                       >           <       =




    III.     CODIFICADORES:
             TTL: 7442; 7445 (BCD a decimal)
                                       U2                         U1
                             15   A           O0   1    15   A           O0   1
                             14   B           O1   2    14   B           O1   2
                             13   C           O2   3    13   C           O2   3
                             12   D           O3   4    12   D           O3   4
                                              O4   5                     O4   5
                                              O5   6                     O5   6
                                              O6   7                     O6   7
                                              O7   9                     O7   9
                                              O8   10                    O8   10
                                              O9   11                    O9   11


                                      7442N                      7445N




Ing. Ronald Coaguila Gómez                                         PPIMEYM‐UCSM Arequipa       3
CIRCUITOS ELECTRÓNICOS II                                            2011




                             DECODIFICADOR DE BCD A 7 SEGMENTOS




Ing. Ronald Coaguila Gómez                           PPIMEYM‐UCSM Arequipa   4
CIRCUITOS ELECTRÓNICOS II                                                           2011


          -   DISPLAYS 7 SEGMENTOS:
              Requiere de los Decodificadores 7447; 7448
                                         U1                        U2
                                7   A           OA   13   7   A           OA   13
                                1   B           OB   12   1   B           OB   12
                                2   C           OC   11   2   C           OC   11
                                6   D           OD   10   6   D           OD   10
                                                OE   9                    OE   9
                                3   ~LT         OF   15   3   ~LT         OF   15
                                5   ~RBI        OG   14   5   ~RBI        OG   14
                                4   ~BI/RBO               4   ~BI/RBO


                                        7447N                     7448N




    IV.       MULTIPLEXORES:




Ing. Ronald Coaguila Gómez                                          PPIMEYM‐UCSM Arequipa   5
CIRCUITOS ELECTRÓNICOS II                                                        2011




        -    CD 4066:
             CII, TTL, GATES
                                           14        U3
                                          VDD
                               13   IN1         D1   2
                               1    S1
                               5    IN2         D2   3
                               4    S2
                               6    IN3         D3   9
                               8    S3
                               12   IN4         D4   10
                               11   S4
                                          VSS
                                           7         4066BD_5V




Ing. Ronald Coaguila Gómez                                       PPIMEYM‐UCSM Arequipa   6
CIRCUITOS ELECTRÓNICOS II                                                                                2011




         -   4 Bits de Control:
             74153
                                                                  U8
                                                       6    1C0        1Y   7
                                                       5    1C1
                                                       4    1C2
                                                       3    1C3
                                                       10   2C0        2Y   9
                                                       11   2C1
                                                       12   2C2
                                                       13   2C3
                                                       14   A
                                                       2    B
                                                       1    ~1G
                                                       15   ~2G


                                                                74153N



         -   8 Bits de Control:
             74151, 74152
                                         U9
                              4    D0         Y    5                                      U10
                              3    D1
                              2    D2         ~W   6                            5    D0         ~W   6
                              1    D3                                           4    D1
                              15   D4                                           3    D2
                              14   D5                                           2    D3
                              13   D6                                           1    D4
                              12   D7                                           13   D5
                                                                                12   D6
                              11   A                                            11   D7
                              10   B
                              9    C                                            10   A
                                                                                9    B
                              7    ~G                                           8    C


                                        74151N                                           74152AN



    V.       DEMULTIPLEXOR:


             -   7442, 7443




Ing. Ronald Coaguila Gómez                                                               PPIMEYM‐UCSM Arequipa   7
CIRCUITOS ELECTRÓNICOS II                                                                2011


                                            U1                         U2
                                  15   A           O0   1    15   A           O0   1
                                  14   B           O1   2    14   B           O1   2
                                  13   C           O2   3    13   C           O2   3
                                  12   D           O3   4    12   D           O3   4
                                                   O4   5                     O4   5
                                                   O5   6                     O5   6
                                                   O6   7                     O6   7
                                                   O7   9                     O7   9
                                                   O8   10                    O8   10
                                                   O9   11                    O9   11


                                           7442N                      7443N



             -   CD 4051




    Ej. Analizar y efectuar el cálculo del siguiente requerimiento:                     Diseñar la
    función empleando un multiplexor de 16 canales tipo 74150
               F= x·y’ + x·z’·v + x·y·v + z’·v + y´·v’


    VI.      CÓDIGOS CORRECTORES DE ERROR:
             -   CÓDIGO HAMMING: Detecta, corrige el error.
                   -   Número de Bit de Código Hamming:




                   -   Ejemplo:




Ing. Ronald Coaguila Gómez                                             PPIMEYM‐UCSM Arequipa    8
CIRCUITOS ELECTRÓNICOS II                                           2011




                   -   Ejemplo:




                       -     Sea 0 1 1 0 :
                             Información (4 BITS)
                             Código (3 Bits)




                   -   Ejemplo:




Ing. Ronald Coaguila Gómez                          PPIMEYM‐UCSM Arequipa   9
CIRCUITOS ELECTRÓNICOS II                                   2011




                   -   Ejemplo:




             -   GENERACIÓN DEL CÓDIGO:




Ing. Ronald Coaguila Gómez                PPIMEYM‐UCSM Arequipa   10
CIRCUITOS ELECTRÓNICOS II                                                 2011




             -   Sea: 1 1 0 0 1 1 0


             -   DETECCIÓN DE ERROR:




             -   Si: Inf. = 5 Bits; 4 Bits de Código:




                 Sea:




Ing. Ronald Coaguila Gómez                              PPIMEYM‐UCSM Arequipa   11
CIRCUITOS ELECTRÓNICOS II                                       2011



             -   GENERACIÓN DEL CÓDIGO:




             -   DETECCIÓN DE ERROR:
                 -   Sea: 1 0 0 0 1 0 1 1 1




Ing. Ronald Coaguila Gómez                    PPIMEYM‐UCSM Arequipa   12
CIRCUITOS ELECTRÓNICOS II                      2011




Ing. Ronald Coaguila Gómez   PPIMEYM‐UCSM Arequipa   13

Circuitoselectrónicos

  • 1.
    CIRCUITOS ELECTRÓNICOS II 2011 CIRCUITOS ELECTRÓNICOS II SEGUNDA FASE I. SUMADORES: - Semisumadores (HALF-ADDER): - Sumadores completos: Ing. Ronald Coaguila Gómez PPIMEYM‐UCSM Arequipa 1
  • 2.
    CIRCUITOS ELECTRÓNICOS II 2011 II. COMPARADORES: Ing. Ronald Coaguila Gómez PPIMEYM‐UCSM Arequipa 2
  • 3.
    CIRCUITOS ELECTRÓNICOS II 2011 > < = III. CODIFICADORES: TTL: 7442; 7445 (BCD a decimal) U2 U1 15 A O0 1 15 A O0 1 14 B O1 2 14 B O1 2 13 C O2 3 13 C O2 3 12 D O3 4 12 D O3 4 O4 5 O4 5 O5 6 O5 6 O6 7 O6 7 O7 9 O7 9 O8 10 O8 10 O9 11 O9 11 7442N 7445N Ing. Ronald Coaguila Gómez PPIMEYM‐UCSM Arequipa 3
  • 4.
    CIRCUITOS ELECTRÓNICOS II 2011 DECODIFICADOR DE BCD A 7 SEGMENTOS Ing. Ronald Coaguila Gómez PPIMEYM‐UCSM Arequipa 4
  • 5.
    CIRCUITOS ELECTRÓNICOS II 2011 - DISPLAYS 7 SEGMENTOS: Requiere de los Decodificadores 7447; 7448 U1 U2 7 A OA 13 7 A OA 13 1 B OB 12 1 B OB 12 2 C OC 11 2 C OC 11 6 D OD 10 6 D OD 10 OE 9 OE 9 3 ~LT OF 15 3 ~LT OF 15 5 ~RBI OG 14 5 ~RBI OG 14 4 ~BI/RBO 4 ~BI/RBO 7447N 7448N IV. MULTIPLEXORES: Ing. Ronald Coaguila Gómez PPIMEYM‐UCSM Arequipa 5
  • 6.
    CIRCUITOS ELECTRÓNICOS II 2011 - CD 4066: CII, TTL, GATES 14 U3 VDD 13 IN1 D1 2 1 S1 5 IN2 D2 3 4 S2 6 IN3 D3 9 8 S3 12 IN4 D4 10 11 S4 VSS 7 4066BD_5V Ing. Ronald Coaguila Gómez PPIMEYM‐UCSM Arequipa 6
  • 7.
    CIRCUITOS ELECTRÓNICOS II 2011 - 4 Bits de Control: 74153 U8 6 1C0 1Y 7 5 1C1 4 1C2 3 1C3 10 2C0 2Y 9 11 2C1 12 2C2 13 2C3 14 A 2 B 1 ~1G 15 ~2G 74153N - 8 Bits de Control: 74151, 74152 U9 4 D0 Y 5 U10 3 D1 2 D2 ~W 6 5 D0 ~W 6 1 D3 4 D1 15 D4 3 D2 14 D5 2 D3 13 D6 1 D4 12 D7 13 D5 12 D6 11 A 11 D7 10 B 9 C 10 A 9 B 7 ~G 8 C 74151N 74152AN V. DEMULTIPLEXOR: - 7442, 7443 Ing. Ronald Coaguila Gómez PPIMEYM‐UCSM Arequipa 7
  • 8.
    CIRCUITOS ELECTRÓNICOS II 2011 U1 U2 15 A O0 1 15 A O0 1 14 B O1 2 14 B O1 2 13 C O2 3 13 C O2 3 12 D O3 4 12 D O3 4 O4 5 O4 5 O5 6 O5 6 O6 7 O6 7 O7 9 O7 9 O8 10 O8 10 O9 11 O9 11 7442N 7443N - CD 4051 Ej. Analizar y efectuar el cálculo del siguiente requerimiento: Diseñar la función empleando un multiplexor de 16 canales tipo 74150 F= x·y’ + x·z’·v + x·y·v + z’·v + y´·v’ VI. CÓDIGOS CORRECTORES DE ERROR: - CÓDIGO HAMMING: Detecta, corrige el error. - Número de Bit de Código Hamming: - Ejemplo: Ing. Ronald Coaguila Gómez PPIMEYM‐UCSM Arequipa 8
  • 9.
    CIRCUITOS ELECTRÓNICOS II 2011 - Ejemplo: - Sea 0 1 1 0 : Información (4 BITS) Código (3 Bits) - Ejemplo: Ing. Ronald Coaguila Gómez PPIMEYM‐UCSM Arequipa 9
  • 10.
    CIRCUITOS ELECTRÓNICOS II 2011 - Ejemplo: - GENERACIÓN DEL CÓDIGO: Ing. Ronald Coaguila Gómez PPIMEYM‐UCSM Arequipa 10
  • 11.
    CIRCUITOS ELECTRÓNICOS II 2011 - Sea: 1 1 0 0 1 1 0 - DETECCIÓN DE ERROR: - Si: Inf. = 5 Bits; 4 Bits de Código: Sea: Ing. Ronald Coaguila Gómez PPIMEYM‐UCSM Arequipa 11
  • 12.
    CIRCUITOS ELECTRÓNICOS II 2011 - GENERACIÓN DEL CÓDIGO: - DETECCIÓN DE ERROR: - Sea: 1 0 0 0 1 0 1 1 1 Ing. Ronald Coaguila Gómez PPIMEYM‐UCSM Arequipa 12
  • 13.
    CIRCUITOS ELECTRÓNICOS II 2011 Ing. Ronald Coaguila Gómez PPIMEYM‐UCSM Arequipa 13