Electroneumática con circuitos secuenciales. Lógica cableada
Con el avance de las técnicas de electricidad y la electrónica se produjo la fusión de métodos neumáticos
y eléctricos, dando así el inicio de los sistemas electro-neumáticos en la industria, los cuales resultaban
más compactos y óptimos a diferencia de los sistemas puramente neumáticos.
La Electroneumática se define como la combinación de mando eléctrico con la simplicidad , potencia
y eficacia de la neumática. Los circuitos electroneumáticos constan de un circuito de potencia
neumático más un circuito de control eléctrico, la parte de fuerza del circuito sigue siendo neumático y
la única diferencia con los circuitos neumáticos son los pilotajes eléctricos de las electroválvulas.
Con los circuitos electro-neumáticos combinamos lo mejor de ambas tecnologías, utilizando la sencillez y
versatilidad de los accionamientos neumáticos, con la potencia del control eléctrico-electrónico, así como
la facilidad y versatilidad de transmisión de las señales eléctricas.
Las principales ventajas de la Electroneumática son:
- Rapidez del paso de la señal y la posibilidad de enlazar elementos pertenecientes a un mismo
equipo he incluso con grandes separaciones.
- Permite mandos de trabajo más rápidos
- Menos riesgos por contaminación de fluidos.
- Menores costos que la hidráulica.
- Múltiples accionamientos en menor tiempo.
- Diseño y control en procesos industriales sofisticados y complejos.
- Control a larga distancia de los procesos industriales equipados con sistemas Electroneumáticos.
Las principales desventajas de la Electroneumática son:
- Alto nivel sonoro
- No se pueden manejar grandes fuerzas.
- El uso del aire comprimido, si no es utilizado correctamente, puede generar ciertos riesgos para el
ser humano.
- Altos costos de producción del aire comprimido.
- No recomendable para ambientes inflamables.
- Se necesita personal capacitado para diseño, construcción y mantenimiento.
Los métodos de diseño que se les puede aplicar a los sistemas Electroneumáticos son los mismos que el
neumático: el método intuitivo, corte de la señal de mando, cascada y paso a paso. Las aplicaciones de
dichas metodologías permiten que la secuencia de operaciones se incremente sin dificultades.
Para el caso de secuencias empleando elementos Electroneumáticos la metodología es la misma,
teniendo en cuenta que se habla de relés en vez de válvulas. En neumática los métodos usan
actuadores neumáticos de doble efecto controlados por electroválvulas biestables, pero en
electroneumática también pueden estar involucrados en las secuencias actuadores de simple efecto y
electroválvulas monoestables dada la simplicidad de los elementos eléctricos y electrónicos.
La finalidad de los automatismos es sustituir la intervención de las personas en procesos que se pueden
realizar de una forma autónoma mediante la utilización de mecanismos movidos por una fuente de
energía exterior, de forma que éstos puedan realizar ciclos completos de operaciones de forma
controlada de acuerdo a lo programado. Los mecanismos de mando pueden ser controlados y
programados básicamente de dos formas distintas, con lógica cableada o con lógica programada.
La lógica cableada
La programación se establece mediante la forma de interconectar todos elementos del circuito. Consiste
en el diseño de automatismos mediante la utilización de circuitos cableados, utilizando para ello todos
los elementos necesarios según las necesidades demandadas por el circuito.
Los circuitos cableados incluyen funciones de mando y control, de señalización, de protección y de
potencia. Sin olvidar la correspondiente protección de la instalación mediante sus correspondientes
elementos de protección, magnetotérmicos, guardamotores, variadores de frecuencia, fuentes de
potencia, diferenciales, descargadores, etc.
Cualquier cambio en la programación de la instalación, pasará por modificar el cableado necesario y los
elementos de forma que cumplan las nuevas funciones de mando, protección y potencia.
Los automatismos de lógica cableada se suelen emplear en instalaciones pequeñas y en lugares críticos
donde la seguridad de personas y máquinas no puede depender de la lógica programada.
Lógica programada
Es lo contrario de la lógica cableada, en esta se sustituyen los elementos utilizados en los circuitos de
mando (contactos auxiliares de relés electromecánicos, contactores de potencia, relés temporizados,
relés contadores, etc.) por PLC's, Autómatas Programables o Relés programables. Esto nos permite
realizar cambios en las operaciones de mando, mediante el cambio de la programación, y por ello no
tener que modificar el cableado. Cualquier modificación de la programación será mucho más rápida al no
tener que modificar mecanismos y volver a cablear los mismos para que cumplan la nueva función,
ahorrando de esta forma tiempo y costes.
La idea del autómata es que todas las entradas y salidas se conecten directamente al plc, y sólo debamos
modificar el programa para cambiar la forma de trabajar del circuito. Pero en la realidad veremos que
cuando hay un plc tenemos un hibrido de lógica programada y cableada: varias señales conectadas a una
entrada o salida (enseriadas o paralelo), de manera que ahorramos cableado y también modelos del
autómata que significa menos dinero.
La utilización de un autómata nos permite realizar programas más complejos mediante instrucciones que
son programadas y que posteriormente son procesadas para ser enviadas a las máquinas que realizarán
el trabajo previsto en el programa
Aunque los fundamentos de la programación de la lógica programada son similares, cada fabricante
utiliza una nomenclatura y un software específico para ello. Según la norma IEC, nos podremos encontrar
con los lenguajes KOP (conocido como lenguaje de contactos), FUP (conocido como lenguaje de puertas
lógicas ), AWL ( conocido como lenguaje en modo texto ) y Grafcet (método etapa-transición), nació
como un método grafico de mostrar un programa jerarquizado y secuencial y se ha convertido en un
lenguaje que incluyen muchos fabricantes.
Hay que señalar que hoy en día se ha avanzado mucho en el terreno de la seguridad y existen detectores
y autómatatas programables especialmente diseñados para controlar la seguridad de las personas, así
como el abaratamiento de los mismos.
Elementos principales: el Relé y el contactor.
El elemento básico de los automatismos cableados es el relé y su hermano mayor el contactor ya que
ambos realizan básicamente la misma función. El relé es un elemento electromagnético, su nombre
deriva del francés relais que podríamos traducir por revelador, si bien el término más comúnmente
utilizado y admitido es el de relé.
Podríamos definirlo como un componente eléctrico que al recibir excitación en su bobina actúa abriendo
o cerrando sus contactos, estos a su vez pueden controlar otro componente o circuito eléctrico.
Un relé se compone básicamente de una bobina con un núcleo
magnético y unos contactos unidos mecánicamente a una armadura
móvil (conmutador). Al recibir tensión suficiente, la bobina crea un
campo magnético en el núcleo, este atrae a la armadura de material
ferromagnético que al moverse arrastra consigo a los contactos de
forma que los abiertos se cierren y los cerrados se abren.
Generalmente los relés suelen tener varios contactos con una borna común, siendo la mitad
normalmente cerrados NC, y la otra mitad normalmente abiertos NA (en ingles NC y NO); los contactores
funcionan con el mismo principio, salvo que el diseño de estos es mucho más robusto pudiendo soportar
tensiones superiores y corrientes mayores en sus contactos, hay diversas construcciones en cuanto a la
cantidad y tipo de contactos (NA o NC) si bien, en el caso de los contactores, no suelen compartir bornas
entre ellos; en muchos casos son modulares de forma que sobre un contactor base se pueden añadir
módulos con nuevos contactos, temporizadores, relés térmicos, etc.
En los esquemas eléctricos las bobinas y los contactos de los relés se representan por separado
marcándolos por una misma etiqueta o identificador que nos permite saber que pertenecen al mismo
dispositivo físico.
Al igual que los circuitos neumáticos, los circuitos eléctricos están normalizados para que cualquiera que
conozca esta normalización pueda entenderlos sin ningún problema, constan de una serie de símbolos
que representan los distintos dispositivos que pueden formar parte de los circuitos eléctricos reales, que
además han de dibujarse según unas reglas estrictas que ya hemos citado en parte.
Y están las variantes biestables del relé: telerruptor y bobina biestable.
Recordar que los relés usan conmutadores, pero se utilizaran conmutadores o interruptores en los
circuitos según nos convenga. Aunque hay módulos de contactos auxiliares que se acoplan a diversos
elementos, como contactores.
FINALES DE CARRERA ELÉCTRICOS (SENSOR ELECTROMAGNETICO)
Un interruptor magnético de proximidad (Relés Reed) se activan por
un campo magnético. Para aplicaciones industriales se utilizan con
indicación LED. El interruptor Reed se monta directamente en el cuerpo
del cilindro, colocados para detectar el pistón en lugar del vástago. El
interruptor es accionado por un anillo magnético en el émbolo del cilindro. Cuando el anillo magnético
pasa al lado del interruptor Reed, debido al efecto del campo magnético del anillo se cierran los
contactos de maniobra y el interruptor suministra una señal de salida.
Considérese el caso de controlar la entrada y salida del vástago de un cilindro neumático empleando
válvulas electroneumáticas.
El botón pulsador B2 se activa provocando que el circuito se cierre a través de K2, la bobina del primer
relevador. Como consecuencia de esto, el contacto K2 se cierra, por lo cual la bobina Y2 de la
válvula electro neumática se energiza, manteniéndose activo el estado derecho, por lo cual se permite
la entrada de aire a presión hasta el cilindro, manteniendo retraído el vástago.
Si se desea extender el vástago del cilindro será
necesario oprimir el botón pulsador B1, provocando la
misma secuencia que se ha explicado con el botón B2.
Circuitos de auto-retención o mantenimiento  memoria
Las bobinas de las válvulas electro-neumáticas se mantienen activas solamente durante el instante de
pulsación de los botones. Esto podría resultar desventajoso y hasta cierto punto peligroso en
algunas situaciones especiales. Para resolver esto, se emplean los circuitos denominados ”circuitos de
auto-retención”, ya que consiguen funcionar como una memoria. Cuando el botón de marcha es
pulsado, la bobina Y se mantiene activada en ambos circuitos hasta que el botón de paro haya
sido pulsado (memoria).
La diferencia en los circuitos se puede apreciar de la siguiente manera. Suponga que le botón de paro
está desactivado. Si en el circuito de activación prioritaria se oprime el botón de marcha, la bobina
Y queda activada pero no se retiene, a menos que el pulsador se mantenga oprimido. En cambio, en
el circuito de desactivación prioritario, será imposible cerrar el circuito ya que el botón de paro se
encuentra abierto y por lo tanto Y nunca se energizará.
Circuitos de bloqueo recíproco o enclavamiento  anular señales permanentes
Un enclavamiento eléctrico es un aseguramiento de una
condición de estado, colocado en un control eléctrico, con el
propósito de impedir que se puedan presentar al menos 2
condiciones al mismo tiempo.
Suponer que necesitamos que cuando un relé o contactor esté
activo se pueda evitar la entrada de otro, debido a que serian
“señales permanentes”. Para tener esta condición se conecta
como en la figura. Cuando pulsamos marcha k1 el contacto NA
de k1 se cierra manteniendo energizado la bobina del contactor
k1 y el contacto NC de k1 se abre no permitiendo entrar a k2,
aunque pulsemos marcha k2. Esta acción se puede ampliar poniendo más contactos NC de k1 donde sea
necesario. Cuando k1 esté parado pasaría lo mismo con k2 si entrara en marcha. El ejemplo más claro es
un motor que puede girar en los dos sentidos.
Electroneumática. Lógica cableada. Método cascada con más de 2 grupos.
La idea general de funcionamiento del método cascada o paso a paso en la misma que su
homólogo neumático. Tiene 2 condiciones:
1. La desactivación de cada línea (correspondiente a cada grupo), es como siempre la
activación de la línea siguiente de forma que la línea 1 es desactivada por la 2, la línea 2
es desactivada por la 3, y así sucesivamente, la última línea será desactivada por la 1
análogamente (secuencia cíclica).
2. Nº relé de línea = Nº de grupos – 1. Es decir, como un relé tiene 2 estados siempre
tendremos un relé menos por número de grupos, al igual que las valvulas neumáticas.
Ídem al método cascada neumático con valvulas, las ultimas 2 líneas serán del mismo
relé, aunque en este caso la última línea tendrá un contacto auxiliar NC y su anterior un
NA. Esto nos obliga a tener en cuenta el tipo de contacto auxiliar Reed (NC o NA) ya que
no serán todos iguales NC (un coñazo).
Todas las líneas deberán tener un contacto de realimentación o mantenimiento del relé, ya que
al no ser las bobinas biestables se deben mantener activadas el tiempo necesario para producir
los movimientos de los vástagos. El último paso tiene un pulsador de “inicio” en paralelo con su
realimentación.
Veremos 2 formas para cumplir con la secuencia:
a. Reglas originales de cascada Nº relé de línea = Nº de grupos – 1.
b. Regla mejorada de cascada Nº relé de línea = Nº de grupos (más sencillo, porque
todos los contactos de los detectores son NC y los de realimentación NA).
Señales permanentes son aquellas que permanecen activadas todavía cuando pilota su
opuesta, es decir, cuando se le ordena a un cilindro que avance y retroceda su vástago al
mismo tiempo. Con los métodos cascada y paso a paso nos aseguramos la anulación de tales
señales permanentes. Constan de una serie de pasos que deben seguirse sistemáticamente:
Pasos a seguir para método cascada:
1. Identificación de elementos de trabajo.
Se identifican de una manera ordenada los elementos de trabajo que tienen movimiento
(actuadores: cilindros y motores) con letras mayúsculas, iniciando la relación por la letra A y
siguiendo con las demás B, C, etc.
2. Identificación de los movimientos de los elementos de trabajo (diagrama espacio-fase).
En función del enunciado del ejercicio o planteamiento de las peticiones de trabajo se realiza el
diagrama espacio-fase para los movimientos de los elementos de trabajo tomando como
referencia su posición inicial o de reposo y teniendo en cuenta lo siguiente:
 Cilindros: si su vástago sale se identifica con el signo más (+), por ejemplo 1A+,
mientras que si su vástago entra se identifica con el signo (-), por ejemplo 1A-.
 Motores: La identificación de los motores se realiza según su giro, de forma que si
su eje gira en sentido horario se identifica con el signo más (+), por ejemplo 2A+, y
si su eje gira en sentido antihorario se identifica con el signo menos (-), por ejemplo
2A-.
3. Relación fase-secuencia.
A partir del diagrama espacio-fase se hace una relación ordenada escrita de los movimientos a
la que se designa relación fase-secuencia (secuencia de movimiento simplificada). Los
movimientos no se pueden cambiar de posición según la secuencia definida.
Si se quiere un avance del cilindro A, un avance del cilindro B y un retroceso simultáneo de
ambos, la secuencia quedaría de la siguiente forma: A+ B+ (A- B-).
4. Formación de grupos.
Para el caso de secuencias empleando elementos electroneumáticos, la metodología es
la misma que en neumática, teniendo en cuenta que se habla de relés en vez de válvulas
biestables. El funcionamiento de los relés trae inicialmente un pequeño inconveniente de diseño
que nos obligará a diseñar de manera diferente la interconexión de los elementos para cumplir el
método cascada o paso a paso:
 Las valvulas biestables tienen dos accionamientos, uno para avance y otro para
retroceso.
 Las bobinas de relé sólo tienen un accionamiento: aunque la bobina accionada cambie de
posición los contactos, debe mantenerse accionada para cumplir con las condiciones de
cambio de fase de la secuencia.
Cada grupo constituye físicamente una línea de alimentación eléctrica de pilotajes de
actuadores, que contiene bien directamente (solo la línea) o a través de detectores o sensores
(función AND conexión serie) las ordenes correspondientes. En caso de secuencias largas
puede ser que un cilindro tenga varias órdenes, y en este caso se activaría su orden tantas
veces como salga (función OR conexión paralelo).
Se deben generar el menor número posible de grupos de presión. En un mismo grupo no puede
repetirse la misma letra nunca pues representan al mismo elemento de trabajo y esto supondría
accionar sus dos mandos a la vez, produciendo señales permanentes. Tendremos en cuenta
que el inicio de cada secuencia hay que añadir un pulsador de marcha (PM).
Se forma el primer grupo de la relación fase-secuencia de izquierda a derecha y justo antes de
que aparezca una identificación del mismo cilindro repetida se coloca una línea vertical o
inclinada la cual indica un cambio de grupo. Los grupos se nombran con numeración arábiga
(números romanos).
5. Válvulas de gobierno de los cilindros (válvulas de potencia).
Cada cilindro estará gobernado por una válvula distribuidora 4/2 ó 5/2 de accionamiento
eléctrico. El funcionamiento de ambas válvulas es el mismo, la diferencia radica en que la 4/2
tiene una vía de escape común para las 2 cámaras del cilindro mientras que la 5/2 tiene una vía
de escape independiente por cámara.
6. Relés de memoria conmutadoras de línea.
Con cada relé se pueden seleccionar 2 líneas (2 estados), por lo que la cantidad de relés de
memoria que se requieren se calculan según los grupos que se generen. Asimismo, el número
de líneas eléctricas es igual al número de grupos calculados
nº relés = nº Grupos – 1.
El accionamiento de estos relés hará el cambio de cada línea o grupo del circuito. El
accionamiento de los detectores hará el cambio de cada fase del circuito.
Sólo y siempre existirá una línea con corriente (activa). Es posible que en el arranque inicial se
produzca un transitorio (movimientos) hasta que el circuito alcance su posición de reposo. A
veces es necesario dar señal al último grupo la primera vez que se le dá corriente, ya que en
caso contrario nunca se activará el grupo uno. Suele hacerse con un pulsador de INICIO en
paralelo al contacto NA de realimentación (establecemos el reposo del circuito)
Cada grupo es activado por el grupo anterior junto con el ultimo actuador del grupo anterior
(función AND) y cada grupo es desactivado por el grupo siguiente que acaba de activarse.
7. Conexión de electroválvulas de potencia.
Conectamos a cada cilindro una válvula biestable 4/2 o 5/3 de accionamiento eléctrico y se
conectan.
8. Cableado del circuito y simulación del mismo.
Lo veremos con ejemplos.
9 Adicción de funciones al circuito.
El diseño contemplado mediante métodos es básico para realizar la secuencia pedida, pero en
un circuito normalmente se añaden más elementos para cumplir otras condiciones de
funcionamiento y para ello se insertarán los elementos necesarios para tal fin.
El ejemplo más claro es el pulsador de marcha PM, que será el que inicie el ciclo, pero hay más:
 Pulsador de marcha (PM) Pulsador de marcha para iniciar secuencia. Puede ser
“secuencia única (1 ciclo)” si el pulsador retorna automáticamente a reposo, o “secuencia
cíclica” si es pulsador de enclavamiento.
 Marcha de seguridad Normalmente 2 PM en serie para asegurarse que el operador no
saca las manos de su cabina.
 Interruptor general de alimentación válvula que corta o alimenta de aire a presión al
circuito completo. En este caso puede darse el caso de que sólo corte alimentación y la
presión permanezca en el circuito o que al cortar vacíe al circuito de presión al completo.
 Temporizadores Computan un tiempo establecido antes de cambiar de paso en la
secuencia. Pueden ser “orientados a conexión” (computan el tiempo antes) o “orientados
a la desconexión” (computan el tiempo después).
 Reguladores de velocidad Regulan velocidad de los actuadores. Puede regularse en
avance, en retroceso o ambos.
 Contadores  Cómputo para que una vez llegue al establecido ejecutan una acción.
 Paro de secuencia Pausa de la secuencia. Se mantienen todos los valores actuales.
Tras dar marcha de nuevo la secuencia continua por donde se quedó.
 Paro de emergencia Paro manual de seguridad de la secuencia. Hay dos casos: que
se vacíe el circuito de presión o que se mantenga.
 Detectores de seguridad Paro automático de seguridad de la secuencia. En este caso
cualquier detector que su función sea seguridad general para personas (puertas,
ventanas, proximidad, cabina, etc.) o materiales (objeto mal posicionado, etc.). Hay dos
casos: que se vacíe el circuito de presión o que se mantenga.
 Reset Establece al circuito a sus valores por defecto (reposo). Para ello todos los
detectores deben ir a su estado de reposo. Ídem a iniciar el circuito para comenzar la
secuencia con el PM.
 Etc.
NOTA para explicar el método formaré los grupos como crea conveniente.
Método cascada reglas originales. Lógica cableada. Secuencia A+ B+ A- B-
Grupos Neumáticos (obtenemos tres)  A+ / B+ A- / B-
3 grupos = 3 líneas de presión  2 relés conmutadores.
o G 1: A-
o G 2: B+ A-
o G 3: B-
Comenzamos el circuito con los cilindros.
Y ahora hacemos unas igualaciones a tener en cuenta:
 A+ = Y1
 A- = Y2
 B+ = Y3
 B- = Y4
nº relés = nº Grupos – 1.
 K1 = LINEA 1 (contacto K1 NA)
 K2 = LINEA 2 (contacto K2 NA) y LINEA 3 (contacto K2 NC)
Es importante ver como quedaron los FC, para formar las funciones:
 B1 quedó por “encima” de los grupos porque indican los cambios de fase dentro del mismo
grupo.
 A1, A0, B0 quedaron por “debajo” de los grupos porque indican los cambios de grupo
(implican cambios de línea).
FUNCIONES
 F (A+)  Linea1 (comienzo de secuencia y inicio de grupo 1).
 F (B+)  Linea2 (inicio de grupo 2).
 F (A-)  Linea2 . B1 (grupo 2 y cambio de fase del mismo grupo).
 F (B-)  Linea3 (inicio de grupo 3).
 F (K1 = Línea 1) Linea3 . B0 . PM (línea anterior, cambio de grupo, pulsador de
marcha).
 F (K2 = Línea 2) Linea1 . A1 (línea anterior y cambio de grupo).
 F (K2 = Línea 3) Línea2 . A0 (línea anterior y cambio de grupo).
Observar como el PM en neumática lo teníamos en la función de accionamiento inicial
de la válvula mientras que en electroneumática lo tenemos en la función del relé de la
primera línea.
El método cascada es que las valvulas conmutadoras están en serie. Aquí lo que están en
serie son los relés de línea, mejor dicho, sus contactos. Vamos a diseñar exactamente el
circuito según método cascada con sus reglas iniciales y explicar sus inconvenientes.
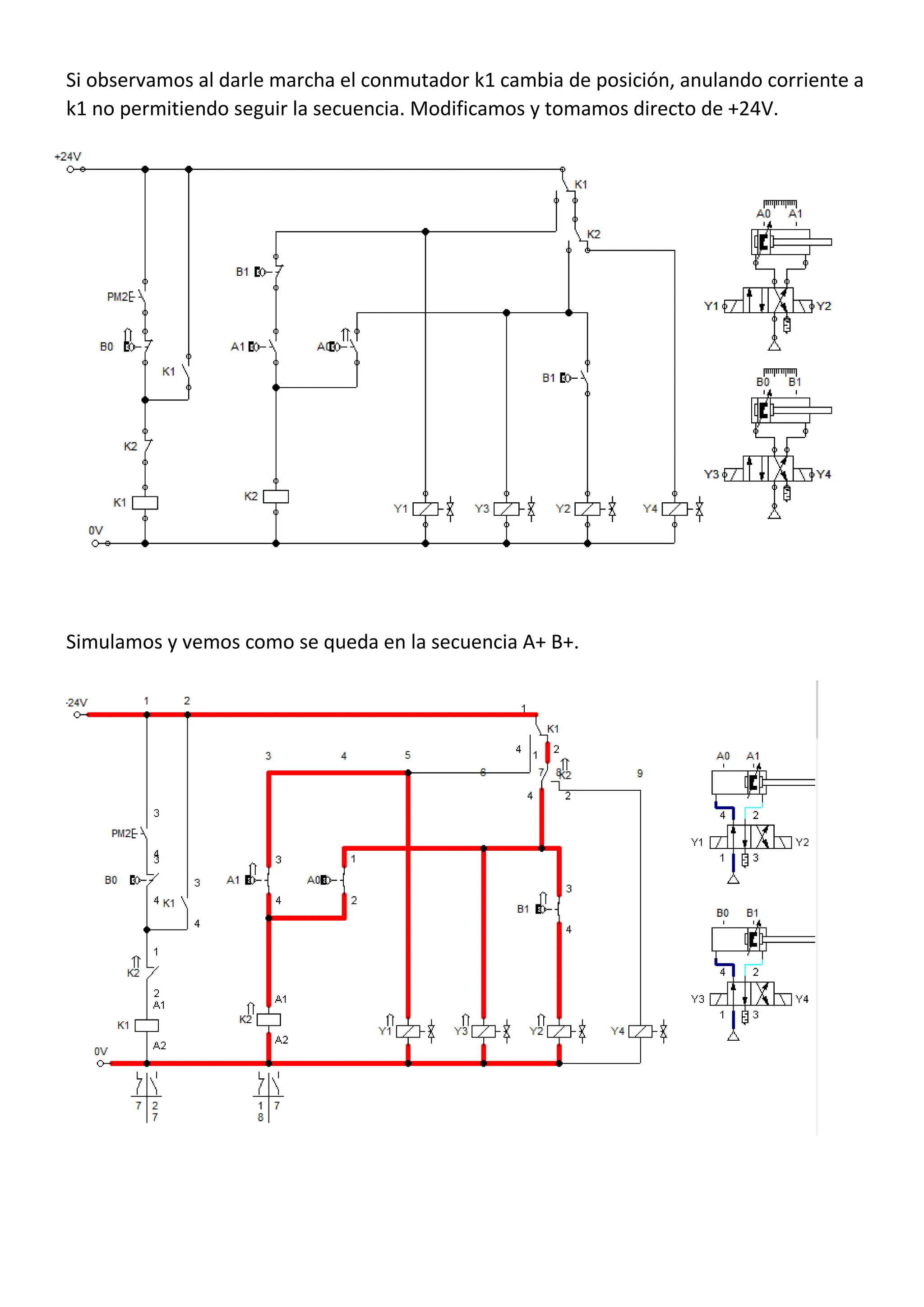
Si observáis hemos colocado conmutadores, que es lo que tienen los relés, aunque en el
circuito añadimos conmutador o interruptor según convenga. Modificamos el circuito
como antes hemos mencionado y queda así.
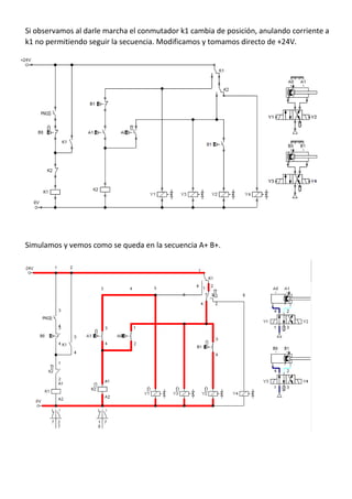
Si observamos al darle marcha el conmutador k1 cambia de posición, anulando corriente a
k1 no permitiendo seguir la secuencia. Modificamos y tomamos directo de +24V.
Simulamos y vemos como se queda en la secuencia A+ B+.
Para que continúe añadimos el FC b1 para que corte corriente.
Al utilizar dos relés para una línea hay que buscar el juego de sensores para que funcione
correctamente. Si os fijáis no está la condición de que el relé k2 lo desactive k1, pues no se
puede cumplir.
Como veis es un poco lioso con conmutadores, además de que en circuitos extensos
tendremos conexiones en muchas columnas. Como los relés pueden ser multicámara, lo
mejor es aprovecharlo en el diseño. Aunque hay más motivos: consumo por los
conmutadores, más claridad de diseño, búsqueda de fallos… Claro está, que antes de
diseñar un circuito también debemos de conocer la paramenta y sus posibilidades.
El diseño sin conmutadores. Comenzamos con el circuito
 F (A+)  Linea1 (comienzo de secuencia y inicio de grupo 1).
 F (B+)  Linea2 (inicio de grupo 2).
 F (A-)  Linea2 . B1 (grupo 2 y cambio de fase del mismo grupo).
 F (B-)  Linea3 (inicio de grupo 3).
 F (K1 - Línea 1) Linea3 . B0 . PM (línea anterior, cambio de grupo, PM).
 F (K2 - Línea 2) Linea1 . A1 (línea anterior y cambio de grupo).
 F (K2 - Línea 3) Línea2 . A0 (línea anterior y cambio de grupo).
Mirar que K2 se activa de 2 formas= F (K2)  (Linea1 . A1) + ( Línea2 . A0)
Aquí tenemos el circuito según sus funciones.
Según las condiciones del método cascada, una línea es desactivada por su siguiente en el
ciclo. Añadimos el contacto, sólo en k1 (en k2 dijimos que no se cumple por utilizarse para
2 líneas).
Simulamos y observamos que al realizar A+ el circuito no pasa de esa fase. Esto ocurre
porque K1 no le puede mandar orden a K2 por no estar activo.
Para solucionar esto debemos añadir siempre el contacto de autoretencion de las líneas
excepto la del ultimo relé en este caso, porque los vástagos al accionarse hacen cambiar a
los detectores, pero hasta que accionan el siguiente detector pasa el tiempo de recorrido
del vástago y los contactos del relé de la primera fase debe mantenerse activo.
Observar cómo se conecta la realimentación de K1 entre las condiciones. Ahora miramos
el circuito y vemos que hay 2 NC de k2 en serie. Podemos anular la condición de activación
ya que no es necesaria. Y añadimos un pulsador con enclavamiento para que se repita el
ciclo.
Para desactivar un relé de línea se puede hacer de 2 maneras:
1. Contacto auxiliar de relé de siguiente línea.
2. Contacto auxiliar de FC de última fase de la propia línea antes de orden contraria.
Utilizando este método y depende de la secuencia nos interesa uno u otro. Veamos el
circuito anterior como la secuencia nos permite usar cualquiera de las 2 opciones.
Método cascada. Lógica cableada. Secuencia A+ B+ B- A-
Grupos Neumáticos (obtenemos tres)  A+ / B+ /B- A-
3 grupos = 3 líneas de presión  2 relés conmutadores.
o G 1: A+
o G 2: B+
o G 3: B- A-
Y ahora hacemos unas igualaciones a tener en cuenta:
 A+ = Y1
 A- = Y2
 B+ = Y3
 B- = Y4
nº relés = nº Grupos – 1.
 K1 = LINEA 1 (contacto K1 NA)
 K2 = LINEA 2 (contacto K2 NA) y LINEA 3 (contacto K2 NC)
FUNCIONES
 F (A+)  Linea1 (comienzo de secuencia y inicio de grupo 1).
 F (B+)  Linea2 (inicio de grupo 2).
 F (B-)  Linea3 (inicio de grupo 3).
 F (A-)  Linea3 . B0 (grupo 3 y cambio de fase del mismo grupo)
 F (K1 - Línea 1) Linea3 . A0 . PM (línea anterior, cambio de grupo, PM).
 F (K2 - Línea 2) Linea1 . A1 (línea anterior y cambio de grupo).
 F (K2 - Línea 3) Línea2 . B1 (línea anterior y cambio de grupo).
F (K2) (Linea1.A1) + (Linea2.B1)
Y aquí nuestro circuito. He de decir que en electroneumática a veces con el método
cascada original no hay diseño a la primera según las funciones resultantes. Hay que
simular y mientras simulamos modificar lo necesario para que ejecute las fases
correctamente. Lo inicialmente complicado es colocar el estado de los contactos auxiliares
acertados (NC o NA).
Inconveniente Para que inicie proceso añadimos el contacto de k1 en serie a Y2.
Método cascada. Lógica cableada. Secuencia A+ (B+ A-) B-
En este caso (B+A-) se ejecutan a la vez
Grupos Neumáticos (obtenemos tres)  A+ / (B+ A-) / B-
o G 1: A+
o G 2: (B+ A-)
o G3: B-
 A+  Linea1 (inicio de secuencia y inicio de grupo 1).
 (B+ A-)  Linea2 (comienzo grupo 2).
 B-  Linea3 (comienzo grupo 3).
Hemos dicho 3 grupos = 3 líneas de presión  2 relés conmutadores.
 Línea 1 Linea3 . S2 . PM (línea anterior y cambio de grupo).
 Línea 2 Linea1 . S1 (línea anterior y cambio de grupo).
 Línea 3  Linea2 .S0 . S3 (línea anterior y cambio de grupo).
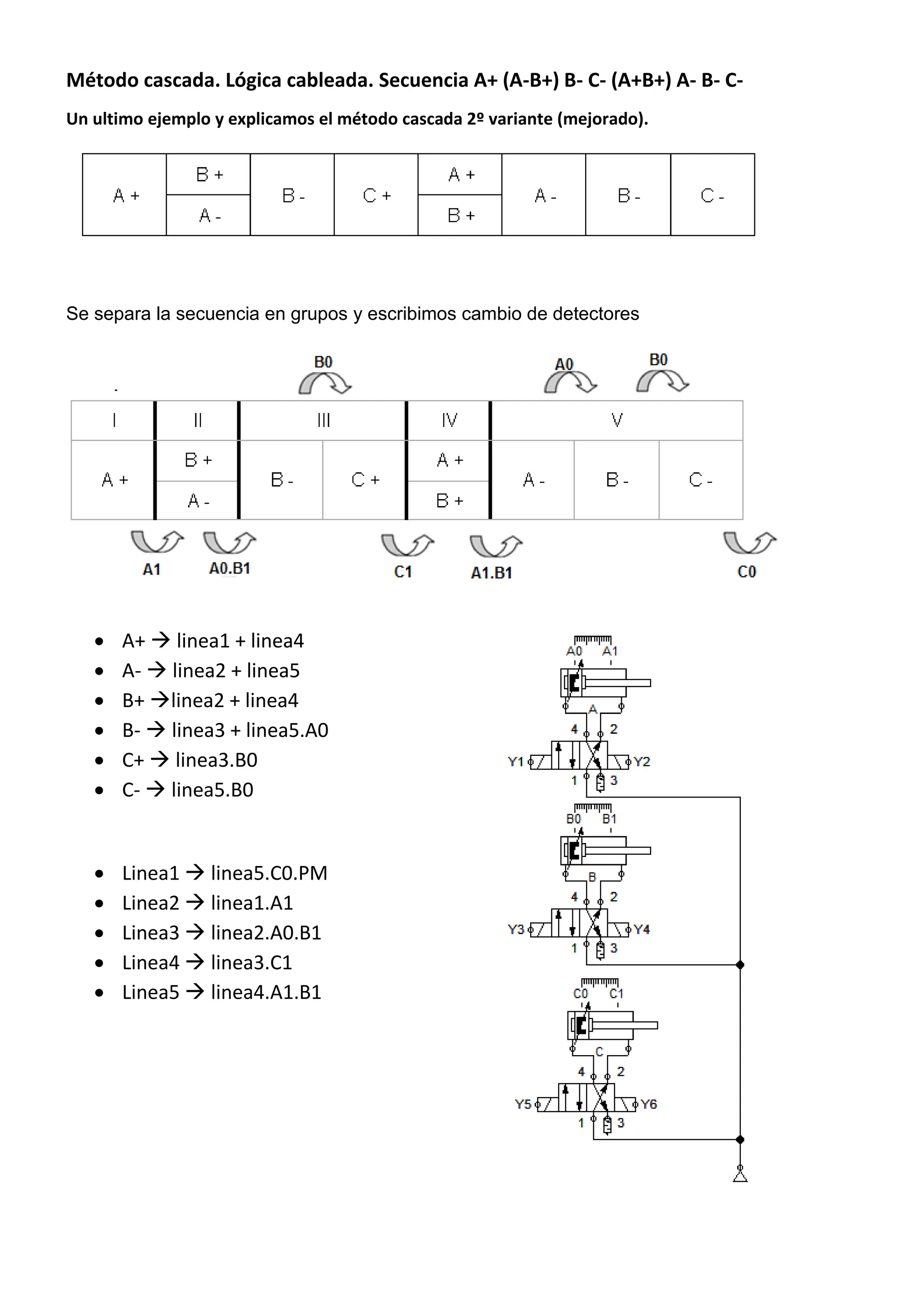
Método cascada. Lógica cableada. Secuencia A+ (A-B+) B- C- (A+B+) A- B- C-
Un ultimo ejemplo y explicamos el método cascada 2º variante (mejorado).
Se separa la secuencia en grupos y escribimos cambio de detectores
 A+  linea1 + linea4
 A-  linea2 + linea5
 B+ linea2 + linea4
 B-  linea3 + linea5.A0
 C+  linea3.B0
 C-  linea5.B0
 Linea1  linea5.C0.PM
 Linea2  linea1.A1
 Linea3  linea2.A0.B1
 Linea4  linea3.C1
 Linea5  linea4.A1.B1
Y aquí el circuito, se le añaden los contactos para que funciones correctamente.
METODO CASCADA 2º VARIANTE: MEJORADO
¿Pero podemos mejorar, clarificar y realizar el circuito a la primera con el método
cascada? Pues SI. Para ello usamos un relé de línea por cada grupo (en realidad esto es
un método paso a paso  Nº relés de línea = Nº de grupos).
Observar como aquí si se cumple las condiciones:
1. Una línea es desactivada por la siguiente.
2. La línea siguiente es activada por su anterior.
Pero hay más:
A. En el diseño debemos añadir un contacto de realimentación NA para cada relé.
B. Todos los detectores son NC (ya no hay confusiones).
C. Seguir la fase del circuito es más sencilla.
Sin embargo, cabe decir que sensores por cilindro para detectar final de recorrido del
vástago sólo hay 2: uno para avance y otro para retroceso, y para secuencias con
repetición de las mismas ordenes habrá que solucionar este inconveniente.
Obviamente aparecerán más de una vez los que tengan más de una orden repetida en la
secuencia, en este caso cilindro A y B (A0, A1, B0, B1). En la siguiente figura ponemos el
ejemplo.
Solución  Si el mismo sensor o detector aparece más de una vez en el circuito haremos
que active un relé y nosotros cogemos los contactos de este relé multicamara. Observar la
figura.
 Es usual tener un botón de “manual/auto”, de manera que podamos gobernar en manual
cada uno de los cilindros.
 A veces es necesario dar señal al último grupo la primera vez que se le dá corriente, ya
que en caso contrario nunca se activará el grupo uno. Suele hacerse con un pulsador de
INICIO en paralelo al contacto NA de realimentación.
 También un botón de parada, de manera que para la secuencia en curso, continuándola
por donde quedó al darle a un botón de automático.
 Y un botón de reset, llevando al circuito a reposo.
Y llamo botón por decirlo de alguna manera, ya que con la lógica cableada implementar
esto es muy laborioso. Imaginar que para hacer un RESET hay que quitar corriente a todas
las bobinas de línea y dar corriente a todas las electroválvulas de retroceso (según el
caso), para llevar a los cilindros a reposo y que los sensores estén en su posición inicial,
para después pulsar INICIO. Todo esto se suele hacer con un PLC.
Por ello, al darle marcha inicialmente el circuito puede ejecutar algunos movimientos
(ejecuta fase actual y prepara fase siguiente). Pero si el circuito se queda en otra fase de la
secuencia puede ser que no sepa por donde continuar, porque no se dará las condiciones
de seguir por cualquier fase. Por ello se debe incluir un pulsador de RESET, para llevar al
circuito a las condiciones iniciales o de reposo.
METODO CASCADA CON 2 GRUPOS
Variante 1 Es necesario añadir otro grupo auxiliar al final de la secuencia que no
activará nada y trabajar como si fuesen tres grupos.
Variante 2  Utilizar un relé para los dos grupos, utilizando un contacto auxiliar NA para
el grupo 1 y un contacto NC para el grupo 2. Esta variante está explicada en los ejemplos
iniciales, que es el método cascada original.
Método cascada. Lógica cableada. Secuencia A+ B+ A- B-
Grupos Neumáticos (obtenemos dos)  A+B+ / A- B-
Añadir otro 3 grupos = 3 líneas de presión  3 relés conmutadores.
o G 1: A-B+
o G 2: A-B-
o G 3: ------
FUNCIONES
 F (A+)  Linea1 (inicio de grupo 1).
 F (B+)  Linea1. A1 (inicio de grupo 2 y cambio de fase de mismo grupo).
 F (A-)  Linea2 (inicio de grupo 2).
 F (B-)  Linea2 . A0 (grupo 2 y cambio de fase de mismo grupo).).
 F (K1 - Línea 1) Linea3 . PM (línea anterior, cambio de grupo, PM).
 F (K2 - Línea 2) Linea1 . B1 (línea anterior y cambio de grupo).
 F (K3 - Línea 3) Línea2 . B0 (línea anterior y cambio de grupo).
Hasta ahora todas las simulaciones han funcionado. Pero si os habéis mirado bien a todos
los circuitos les falta algo.
Dijimos que en todo momento sólo una línea está activa. Pues bien, si miráis las funciones
de la línea 1 falta siempre el contacto de la línea anterior. Vamos a añadirlo y como es
abierto falta el pulsador de INICIO para activar la última línea. Añadirlo vosotros al resto
de circuitos.
Recordad que en neumática siempre hay una línea con presión.
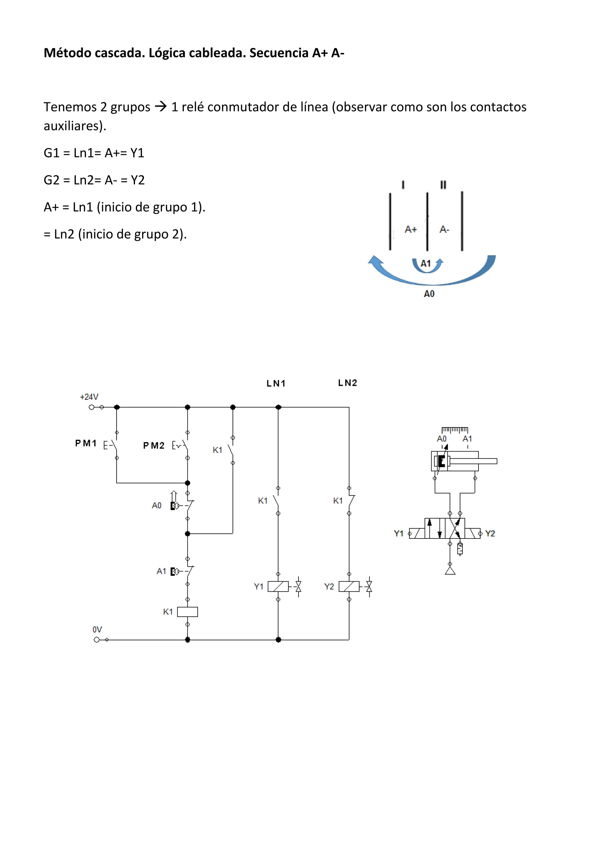
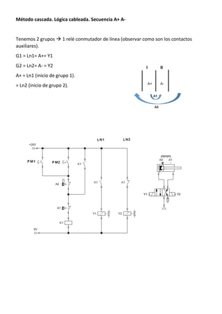
Método cascada. Lógica cableada. Secuencia A+ A-
Tenemos 2 grupos  1 relé conmutador de línea (observar como son los contactos
auxiliares).
G1 = Ln1= A+= Y1
G2 = Ln2= A- = Y2
A+ = Ln1 (inicio de grupo 1).
= Ln2 (inicio de grupo 2).
Electroneumática. Método paso a paso. Lógica cableada.
El fundamento de este sistema es el mismo que su homologo neumático, se trata de
eliminar las posibles señales permanentes de las válvulas mediante la división de la
secuencia en grupos con las condiciones ya estudiadas, básicamente: no podrá repetirse
ninguna letra en un grupo.
Una vez visto el método cascada mejorado, entender el método paso a paso es muy
sencillo: de hecho la base es la misma base 1 relé de línea por grupo.
Las condiciones las mismas vistas: contacto NA de autoretencion, línea en curso activa
siguiente línea, línea siguiente desactiva anterior, detectores Reed NC, si se repiten
ordenes utilizaremos relés adicionales para los detectores, pulsador de inicio en el último
grupo y pulsador de enclavamiento para ciclo continuo.
Se distinguen 2 métodos paso a paso:
1. Paso a paso mínimo: formamos el menor número de grupos posibles, agrupando
fases en las cuales no se repita el mismo actuador en el mismo grupo.
Esto es lo mismo que el método cascada mejorado. Ya hemos hecho este ejemplo.
2. Paso a paso máximo: cada fase del circuito es un grupo (con este método a la fase
se les llaman paso, para distinguir el método utilizado), es decir, realizamos el
máximo número de grupos posibles.
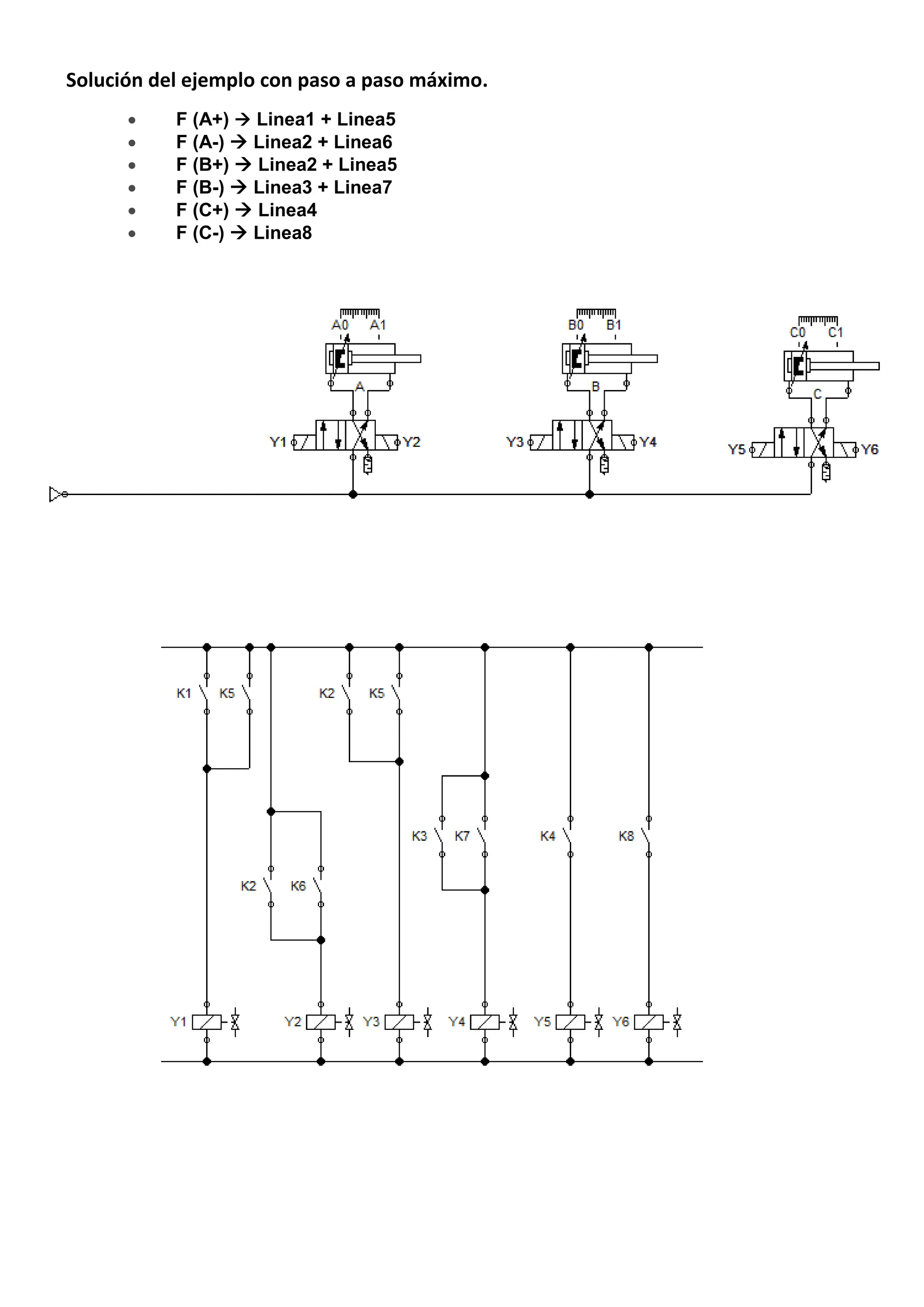
Solución del ejemplo con paso a paso máximo.
 F (A+)  Linea1 + Linea5
 F (A-)  Linea2 + Linea6
 F (B+)  Linea2 + Linea5
 F (B-)  Linea3 + Linea7
 F (C+)  Linea4
 F (C-)  Linea8
 F (K1 - Línea 1) Linea8 . C0 . PM (línea anterior, cambio de grupo, PM).
 F (K2 - Línea 2) Linea1 . A1 (línea anterior y cambio de grupo).
 F (K3 - Línea 3) Línea2 . A0 . B1 (línea anterior y cambio de grupo).
 F (K4 - Línea 4) Linea3 . B0 (línea anterior, cambio de grupo).
 F (K5 - Línea 5) Linea4 . C1 (línea anterior y cambio de grupo).
 F (K6 - Línea 6) Línea5 . A1 . B1 (línea anterior y cambio de grupo).
 F (K7 - Línea 7) Linea6 . A0 (línea anterior, cambio de grupo).
 F (K8 - Línea 8) Linea7 . B0 (línea anterior y cambio de grupo).
Como se repiten ordenes añadimos los relés necesarios para
poder tener varias órdenes iguales de sensores.
No olvidar el pulsador de INICIO ya que estamos añadiendo
en la linea1 el contacto de K8.
MÉTODO PASO A PASO MAXIMO CON VALVULAS MONOESTABLES Y CILINDROS SE
También se llama método paso a paso máximo simplificado. En este caso se trata de
mantener la orden de avance hasta que llegue su opuesta para desactivar la orden de
avance. La metodología es igual a los casos vistos, pero cambia en el ataque a las
electroválvulas. Aquí está la modificación, lo otro es igual.
F (A+)  Linea1 + Linea5
F (B+)  Linea2 + Linea5 + linea6
F (C+)  Linea4 + linea5 + linea6 + linea7
Sólo tenemos activación. Si se quiere
podemos añadir el contacto de línea de
desactivación, pero no es necesario.
METODO PASO A PASO CON ORDEN MANTENIDA
Unos de los inconvenientes de trabajar con neumática son:
1. Las pérdidas de aire de los circuitos, porque los elementos se deterioran, malas
uniones, etc…la consecuencia de falta de presión.
2. De que al cesar la orden en ausencia de la contraria quedan los vástagos libres y
pueden realizar movimientos indeseados y poner en peligro algo.
En el funcionamiento real se deben mantener las órdenes para evitar este inconveniente
y anularlas cuando vaya a llegar su opuesta, tanto en reposo como en cualquier fase de
la secuencia. Esto es válido en el diseño con cilindros de doble efecto.
Con cilindros de simple efecto la ausencia de orden lleva el muelle a posición de reposo, y
esta posición es la que no supone riesgo porque sólo debe hacer trabajo en el avance,
aunque para tener seguridad, la certeza te la dá los cilindros de doble efecto.
Vamos a modificar el circuito paso a paso máximo para convertirlo en orden mantenida.
La forma de proceder en la formación de grupos y de las funciones es la misma, pero
ahora añadimos relés que atacan directamente a las electroválvulas, de manera que los
relés de línea realizan la secuencia y los relés de ataque actúan sobre las electroválvulas.
Como tenemos 3 cilindros con valvulas biestables son 6 ordenes = 6 relés de orden. Ahora
como son relés independientes hacemos función de activación y desactivación
independientes. Para la desactivación de una orden será su orden contraria.
SECUENCIAS DE RELES DE FASE
 F (K1 - Línea 1) Linea8 . C0 . PM (línea anterior, cambio de grupo, PM).
 F (K2 - Línea 2) Linea1 . A1 (línea anterior y cambio de grupo).
 F (K3 - Línea 3) Línea2 . A0 . B1 (línea anterior y cambio de grupo).
 F (K4 - Línea 4) Linea3 . B0 (línea anterior, cambio de grupo).
 F (K5 - Línea 5) Linea4 . C1 (línea anterior y cambio de grupo).
 F (K6 - Línea 6) Línea5 . A1 . B1 (línea anterior y cambio de grupo).
 F (K7 - Línea 7) Linea6 . A0 (línea anterior, cambio de grupo).
 F (K8 - Línea 8) Linea7 . B0 (línea anterior y cambio de grupo).
AMPLIACION DE CONTACTOS REED POR TENER ORDENES REPETIDAS
SECUENCIAS DE RELES DE ORDEN
FUNCION ACTIVACION DESACTIVACION
F (A+) Linea1 + Linea5 Linea2 + Linea6
F (A-) Linea2 + Linea6 Linea1 + Linea5
F (B+) Linea2 + Linea5 Linea3 + Linea7
F (B-) Linea3 + Linea7 Linea2 + Linea5
F (C+) Linea4 Linea8
F (C-) Linea8 Linea4
Observar como ahora se activan las electroválvulas, tienen un relé dedicado a cada orden.
Los relés de secuencia siguen realizando la secuencia pedida, pero ahora activan los relés
de orden. En este caso se han conectado las electroválvulas en paralelo a la bobina de
orden, pero se podría utilizar un contacto NA del relé de orden para activarlas (y
separamos circuitos).
Y por supuesto con su contacto de realimentación para mantenerse activa hasta que no
llegue la orden de desactivación.
Hay otra forma y es utilizar un contacto de cada relé de línea para atacar a cada
electroválvula, ídem al ejemplo visto con valvulas monoestables.
Secuenciadores Electrónicos.
Los secuenciadores electrónicos ofrecen una óptima solución para el control de circuitos
neumáticos de media y gran complejidad. Cuando deben gobernarse varios actuadores
neumáticos, pueden transferirse las funciones de control y toma de decisiones, a un
secuenciador electrónico dejando las etapas de potencia a la neumática clásica.
El acoplamiento entre dos tecnologías resulta sencillo gracias a la utilización de
electrodistribuidores. Los secuenciadores de circuitos electrónicos integrados ofrecen una
moderna alternativa a los relees lógicos eléctricos y neumáticos.
El secuenciador electrónico es un registro de desplazamiento secuencial de un número
determinado de pasos con temporizadores regulables incorporados. Pueden trabajar en
modo manual, automático o paso a paso.
En el modo automático, un paso es activo hasta que llega la orden de salto al siguiente
paso. Esta orden viene dada por el cierre de un final de carrera o por un final de
temporización.
En el modo manual es posible activar directamente las salidas deseadas mediante un
microinterruptor de activación / no activación, previa elección de la salida deseada en el
preselector de salida.
Las ventajas que se derivan de la utilización de un secuenciador electrónico en las tareas
de control son las siguientes:
- Ahorro de energía dada la baja potencia requerida para el control.
- Realización de funciones más complejas (temporizaciones, repetición, seguridad, etc.)
que las proporcionadas por los sistemas clásicos de control.
- Fácil puesta a punto y manejo del equipo.
- Fiabilidad absoluta, incluso bajo las condiciones más exigentes y los ambientes de trabajo
más duros.
- Velocidad de respuesta instantánea.
- Incorporación de sistemas de seguridad.
- Sencillez y aprovechamiento de todos los órganos en el caso de cambio o ampliación de
la aplicación.
- Fácil utilización con sólo conocimientos básicos de lógica neumática. Han sido
concebidos para obtener un control automático de la mayoría de procesos industriales a
un coste bajo para todas las operaciones repetitivas.
NOTA FINAL
Habéis visto como con cada función que se quiere implementar en lógica cableada hay
que añadir más elementos y contactos auxiliares, realizando un circuito más complejo.
Con lógica programada se simplifica el circuito físico (cableado), como mucho pequeñas
modificaciones. Pero al igual que lógica cableada, cada modificación supone modificar y/o
añadir más programación haciéndolo igual de complejo.
Los ejemplos vistos de lógica cableada sobre neumática y electroneumática los tenéis para
descargar aquí:
https://www.4shared.com/rar/CDynpBOzca/ejemplos_neumatica_y_electrone.html

Electroneumatica con circuitos secueciales con logica cableada

  • 1.
    Electroneumática con circuitossecuenciales. Lógica cableada Con el avance de las técnicas de electricidad y la electrónica se produjo la fusión de métodos neumáticos y eléctricos, dando así el inicio de los sistemas electro-neumáticos en la industria, los cuales resultaban más compactos y óptimos a diferencia de los sistemas puramente neumáticos. La Electroneumática se define como la combinación de mando eléctrico con la simplicidad , potencia y eficacia de la neumática. Los circuitos electroneumáticos constan de un circuito de potencia neumático más un circuito de control eléctrico, la parte de fuerza del circuito sigue siendo neumático y la única diferencia con los circuitos neumáticos son los pilotajes eléctricos de las electroválvulas. Con los circuitos electro-neumáticos combinamos lo mejor de ambas tecnologías, utilizando la sencillez y versatilidad de los accionamientos neumáticos, con la potencia del control eléctrico-electrónico, así como la facilidad y versatilidad de transmisión de las señales eléctricas. Las principales ventajas de la Electroneumática son: - Rapidez del paso de la señal y la posibilidad de enlazar elementos pertenecientes a un mismo equipo he incluso con grandes separaciones. - Permite mandos de trabajo más rápidos - Menos riesgos por contaminación de fluidos. - Menores costos que la hidráulica. - Múltiples accionamientos en menor tiempo. - Diseño y control en procesos industriales sofisticados y complejos. - Control a larga distancia de los procesos industriales equipados con sistemas Electroneumáticos. Las principales desventajas de la Electroneumática son: - Alto nivel sonoro - No se pueden manejar grandes fuerzas. - El uso del aire comprimido, si no es utilizado correctamente, puede generar ciertos riesgos para el ser humano. - Altos costos de producción del aire comprimido. - No recomendable para ambientes inflamables. - Se necesita personal capacitado para diseño, construcción y mantenimiento. Los métodos de diseño que se les puede aplicar a los sistemas Electroneumáticos son los mismos que el neumático: el método intuitivo, corte de la señal de mando, cascada y paso a paso. Las aplicaciones de dichas metodologías permiten que la secuencia de operaciones se incremente sin dificultades. Para el caso de secuencias empleando elementos Electroneumáticos la metodología es la misma, teniendo en cuenta que se habla de relés en vez de válvulas. En neumática los métodos usan actuadores neumáticos de doble efecto controlados por electroválvulas biestables, pero en electroneumática también pueden estar involucrados en las secuencias actuadores de simple efecto y electroválvulas monoestables dada la simplicidad de los elementos eléctricos y electrónicos.
  • 2.
    La finalidad delos automatismos es sustituir la intervención de las personas en procesos que se pueden realizar de una forma autónoma mediante la utilización de mecanismos movidos por una fuente de energía exterior, de forma que éstos puedan realizar ciclos completos de operaciones de forma controlada de acuerdo a lo programado. Los mecanismos de mando pueden ser controlados y programados básicamente de dos formas distintas, con lógica cableada o con lógica programada. La lógica cableada La programación se establece mediante la forma de interconectar todos elementos del circuito. Consiste en el diseño de automatismos mediante la utilización de circuitos cableados, utilizando para ello todos los elementos necesarios según las necesidades demandadas por el circuito. Los circuitos cableados incluyen funciones de mando y control, de señalización, de protección y de potencia. Sin olvidar la correspondiente protección de la instalación mediante sus correspondientes elementos de protección, magnetotérmicos, guardamotores, variadores de frecuencia, fuentes de potencia, diferenciales, descargadores, etc. Cualquier cambio en la programación de la instalación, pasará por modificar el cableado necesario y los elementos de forma que cumplan las nuevas funciones de mando, protección y potencia. Los automatismos de lógica cableada se suelen emplear en instalaciones pequeñas y en lugares críticos donde la seguridad de personas y máquinas no puede depender de la lógica programada. Lógica programada Es lo contrario de la lógica cableada, en esta se sustituyen los elementos utilizados en los circuitos de mando (contactos auxiliares de relés electromecánicos, contactores de potencia, relés temporizados, relés contadores, etc.) por PLC's, Autómatas Programables o Relés programables. Esto nos permite realizar cambios en las operaciones de mando, mediante el cambio de la programación, y por ello no tener que modificar el cableado. Cualquier modificación de la programación será mucho más rápida al no tener que modificar mecanismos y volver a cablear los mismos para que cumplan la nueva función, ahorrando de esta forma tiempo y costes. La idea del autómata es que todas las entradas y salidas se conecten directamente al plc, y sólo debamos modificar el programa para cambiar la forma de trabajar del circuito. Pero en la realidad veremos que cuando hay un plc tenemos un hibrido de lógica programada y cableada: varias señales conectadas a una entrada o salida (enseriadas o paralelo), de manera que ahorramos cableado y también modelos del autómata que significa menos dinero. La utilización de un autómata nos permite realizar programas más complejos mediante instrucciones que son programadas y que posteriormente son procesadas para ser enviadas a las máquinas que realizarán el trabajo previsto en el programa Aunque los fundamentos de la programación de la lógica programada son similares, cada fabricante utiliza una nomenclatura y un software específico para ello. Según la norma IEC, nos podremos encontrar con los lenguajes KOP (conocido como lenguaje de contactos), FUP (conocido como lenguaje de puertas lógicas ), AWL ( conocido como lenguaje en modo texto ) y Grafcet (método etapa-transición), nació como un método grafico de mostrar un programa jerarquizado y secuencial y se ha convertido en un lenguaje que incluyen muchos fabricantes. Hay que señalar que hoy en día se ha avanzado mucho en el terreno de la seguridad y existen detectores y autómatatas programables especialmente diseñados para controlar la seguridad de las personas, así como el abaratamiento de los mismos.
  • 3.
    Elementos principales: elRelé y el contactor. El elemento básico de los automatismos cableados es el relé y su hermano mayor el contactor ya que ambos realizan básicamente la misma función. El relé es un elemento electromagnético, su nombre deriva del francés relais que podríamos traducir por revelador, si bien el término más comúnmente utilizado y admitido es el de relé. Podríamos definirlo como un componente eléctrico que al recibir excitación en su bobina actúa abriendo o cerrando sus contactos, estos a su vez pueden controlar otro componente o circuito eléctrico. Un relé se compone básicamente de una bobina con un núcleo magnético y unos contactos unidos mecánicamente a una armadura móvil (conmutador). Al recibir tensión suficiente, la bobina crea un campo magnético en el núcleo, este atrae a la armadura de material ferromagnético que al moverse arrastra consigo a los contactos de forma que los abiertos se cierren y los cerrados se abren. Generalmente los relés suelen tener varios contactos con una borna común, siendo la mitad normalmente cerrados NC, y la otra mitad normalmente abiertos NA (en ingles NC y NO); los contactores funcionan con el mismo principio, salvo que el diseño de estos es mucho más robusto pudiendo soportar tensiones superiores y corrientes mayores en sus contactos, hay diversas construcciones en cuanto a la cantidad y tipo de contactos (NA o NC) si bien, en el caso de los contactores, no suelen compartir bornas entre ellos; en muchos casos son modulares de forma que sobre un contactor base se pueden añadir módulos con nuevos contactos, temporizadores, relés térmicos, etc. En los esquemas eléctricos las bobinas y los contactos de los relés se representan por separado marcándolos por una misma etiqueta o identificador que nos permite saber que pertenecen al mismo dispositivo físico. Al igual que los circuitos neumáticos, los circuitos eléctricos están normalizados para que cualquiera que conozca esta normalización pueda entenderlos sin ningún problema, constan de una serie de símbolos que representan los distintos dispositivos que pueden formar parte de los circuitos eléctricos reales, que además han de dibujarse según unas reglas estrictas que ya hemos citado en parte. Y están las variantes biestables del relé: telerruptor y bobina biestable. Recordar que los relés usan conmutadores, pero se utilizaran conmutadores o interruptores en los circuitos según nos convenga. Aunque hay módulos de contactos auxiliares que se acoplan a diversos elementos, como contactores.
  • 4.
    FINALES DE CARRERAELÉCTRICOS (SENSOR ELECTROMAGNETICO) Un interruptor magnético de proximidad (Relés Reed) se activan por un campo magnético. Para aplicaciones industriales se utilizan con indicación LED. El interruptor Reed se monta directamente en el cuerpo del cilindro, colocados para detectar el pistón en lugar del vástago. El interruptor es accionado por un anillo magnético en el émbolo del cilindro. Cuando el anillo magnético pasa al lado del interruptor Reed, debido al efecto del campo magnético del anillo se cierran los contactos de maniobra y el interruptor suministra una señal de salida. Considérese el caso de controlar la entrada y salida del vástago de un cilindro neumático empleando válvulas electroneumáticas. El botón pulsador B2 se activa provocando que el circuito se cierre a través de K2, la bobina del primer relevador. Como consecuencia de esto, el contacto K2 se cierra, por lo cual la bobina Y2 de la válvula electro neumática se energiza, manteniéndose activo el estado derecho, por lo cual se permite la entrada de aire a presión hasta el cilindro, manteniendo retraído el vástago. Si se desea extender el vástago del cilindro será necesario oprimir el botón pulsador B1, provocando la misma secuencia que se ha explicado con el botón B2. Circuitos de auto-retención o mantenimiento  memoria Las bobinas de las válvulas electro-neumáticas se mantienen activas solamente durante el instante de pulsación de los botones. Esto podría resultar desventajoso y hasta cierto punto peligroso en algunas situaciones especiales. Para resolver esto, se emplean los circuitos denominados ”circuitos de auto-retención”, ya que consiguen funcionar como una memoria. Cuando el botón de marcha es pulsado, la bobina Y se mantiene activada en ambos circuitos hasta que el botón de paro haya sido pulsado (memoria). La diferencia en los circuitos se puede apreciar de la siguiente manera. Suponga que le botón de paro está desactivado. Si en el circuito de activación prioritaria se oprime el botón de marcha, la bobina Y queda activada pero no se retiene, a menos que el pulsador se mantenga oprimido. En cambio, en el circuito de desactivación prioritario, será imposible cerrar el circuito ya que el botón de paro se encuentra abierto y por lo tanto Y nunca se energizará.
  • 5.
    Circuitos de bloqueorecíproco o enclavamiento  anular señales permanentes Un enclavamiento eléctrico es un aseguramiento de una condición de estado, colocado en un control eléctrico, con el propósito de impedir que se puedan presentar al menos 2 condiciones al mismo tiempo. Suponer que necesitamos que cuando un relé o contactor esté activo se pueda evitar la entrada de otro, debido a que serian “señales permanentes”. Para tener esta condición se conecta como en la figura. Cuando pulsamos marcha k1 el contacto NA de k1 se cierra manteniendo energizado la bobina del contactor k1 y el contacto NC de k1 se abre no permitiendo entrar a k2, aunque pulsemos marcha k2. Esta acción se puede ampliar poniendo más contactos NC de k1 donde sea necesario. Cuando k1 esté parado pasaría lo mismo con k2 si entrara en marcha. El ejemplo más claro es un motor que puede girar en los dos sentidos.
  • 6.
    Electroneumática. Lógica cableada.Método cascada con más de 2 grupos. La idea general de funcionamiento del método cascada o paso a paso en la misma que su homólogo neumático. Tiene 2 condiciones: 1. La desactivación de cada línea (correspondiente a cada grupo), es como siempre la activación de la línea siguiente de forma que la línea 1 es desactivada por la 2, la línea 2 es desactivada por la 3, y así sucesivamente, la última línea será desactivada por la 1 análogamente (secuencia cíclica). 2. Nº relé de línea = Nº de grupos – 1. Es decir, como un relé tiene 2 estados siempre tendremos un relé menos por número de grupos, al igual que las valvulas neumáticas. Ídem al método cascada neumático con valvulas, las ultimas 2 líneas serán del mismo relé, aunque en este caso la última línea tendrá un contacto auxiliar NC y su anterior un NA. Esto nos obliga a tener en cuenta el tipo de contacto auxiliar Reed (NC o NA) ya que no serán todos iguales NC (un coñazo). Todas las líneas deberán tener un contacto de realimentación o mantenimiento del relé, ya que al no ser las bobinas biestables se deben mantener activadas el tiempo necesario para producir los movimientos de los vástagos. El último paso tiene un pulsador de “inicio” en paralelo con su realimentación. Veremos 2 formas para cumplir con la secuencia: a. Reglas originales de cascada Nº relé de línea = Nº de grupos – 1. b. Regla mejorada de cascada Nº relé de línea = Nº de grupos (más sencillo, porque todos los contactos de los detectores son NC y los de realimentación NA). Señales permanentes son aquellas que permanecen activadas todavía cuando pilota su opuesta, es decir, cuando se le ordena a un cilindro que avance y retroceda su vástago al mismo tiempo. Con los métodos cascada y paso a paso nos aseguramos la anulación de tales señales permanentes. Constan de una serie de pasos que deben seguirse sistemáticamente: Pasos a seguir para método cascada: 1. Identificación de elementos de trabajo. Se identifican de una manera ordenada los elementos de trabajo que tienen movimiento (actuadores: cilindros y motores) con letras mayúsculas, iniciando la relación por la letra A y siguiendo con las demás B, C, etc. 2. Identificación de los movimientos de los elementos de trabajo (diagrama espacio-fase). En función del enunciado del ejercicio o planteamiento de las peticiones de trabajo se realiza el diagrama espacio-fase para los movimientos de los elementos de trabajo tomando como referencia su posición inicial o de reposo y teniendo en cuenta lo siguiente:  Cilindros: si su vástago sale se identifica con el signo más (+), por ejemplo 1A+, mientras que si su vástago entra se identifica con el signo (-), por ejemplo 1A-.  Motores: La identificación de los motores se realiza según su giro, de forma que si su eje gira en sentido horario se identifica con el signo más (+), por ejemplo 2A+, y si su eje gira en sentido antihorario se identifica con el signo menos (-), por ejemplo 2A-.
  • 7.
    3. Relación fase-secuencia. Apartir del diagrama espacio-fase se hace una relación ordenada escrita de los movimientos a la que se designa relación fase-secuencia (secuencia de movimiento simplificada). Los movimientos no se pueden cambiar de posición según la secuencia definida. Si se quiere un avance del cilindro A, un avance del cilindro B y un retroceso simultáneo de ambos, la secuencia quedaría de la siguiente forma: A+ B+ (A- B-). 4. Formación de grupos. Para el caso de secuencias empleando elementos electroneumáticos, la metodología es la misma que en neumática, teniendo en cuenta que se habla de relés en vez de válvulas biestables. El funcionamiento de los relés trae inicialmente un pequeño inconveniente de diseño que nos obligará a diseñar de manera diferente la interconexión de los elementos para cumplir el método cascada o paso a paso:  Las valvulas biestables tienen dos accionamientos, uno para avance y otro para retroceso.  Las bobinas de relé sólo tienen un accionamiento: aunque la bobina accionada cambie de posición los contactos, debe mantenerse accionada para cumplir con las condiciones de cambio de fase de la secuencia. Cada grupo constituye físicamente una línea de alimentación eléctrica de pilotajes de actuadores, que contiene bien directamente (solo la línea) o a través de detectores o sensores (función AND conexión serie) las ordenes correspondientes. En caso de secuencias largas puede ser que un cilindro tenga varias órdenes, y en este caso se activaría su orden tantas veces como salga (función OR conexión paralelo). Se deben generar el menor número posible de grupos de presión. En un mismo grupo no puede repetirse la misma letra nunca pues representan al mismo elemento de trabajo y esto supondría accionar sus dos mandos a la vez, produciendo señales permanentes. Tendremos en cuenta que el inicio de cada secuencia hay que añadir un pulsador de marcha (PM). Se forma el primer grupo de la relación fase-secuencia de izquierda a derecha y justo antes de que aparezca una identificación del mismo cilindro repetida se coloca una línea vertical o inclinada la cual indica un cambio de grupo. Los grupos se nombran con numeración arábiga (números romanos). 5. Válvulas de gobierno de los cilindros (válvulas de potencia). Cada cilindro estará gobernado por una válvula distribuidora 4/2 ó 5/2 de accionamiento eléctrico. El funcionamiento de ambas válvulas es el mismo, la diferencia radica en que la 4/2 tiene una vía de escape común para las 2 cámaras del cilindro mientras que la 5/2 tiene una vía de escape independiente por cámara.
  • 8.
    6. Relés dememoria conmutadoras de línea. Con cada relé se pueden seleccionar 2 líneas (2 estados), por lo que la cantidad de relés de memoria que se requieren se calculan según los grupos que se generen. Asimismo, el número de líneas eléctricas es igual al número de grupos calculados nº relés = nº Grupos – 1. El accionamiento de estos relés hará el cambio de cada línea o grupo del circuito. El accionamiento de los detectores hará el cambio de cada fase del circuito. Sólo y siempre existirá una línea con corriente (activa). Es posible que en el arranque inicial se produzca un transitorio (movimientos) hasta que el circuito alcance su posición de reposo. A veces es necesario dar señal al último grupo la primera vez que se le dá corriente, ya que en caso contrario nunca se activará el grupo uno. Suele hacerse con un pulsador de INICIO en paralelo al contacto NA de realimentación (establecemos el reposo del circuito) Cada grupo es activado por el grupo anterior junto con el ultimo actuador del grupo anterior (función AND) y cada grupo es desactivado por el grupo siguiente que acaba de activarse. 7. Conexión de electroválvulas de potencia. Conectamos a cada cilindro una válvula biestable 4/2 o 5/3 de accionamiento eléctrico y se conectan. 8. Cableado del circuito y simulación del mismo. Lo veremos con ejemplos. 9 Adicción de funciones al circuito. El diseño contemplado mediante métodos es básico para realizar la secuencia pedida, pero en un circuito normalmente se añaden más elementos para cumplir otras condiciones de funcionamiento y para ello se insertarán los elementos necesarios para tal fin. El ejemplo más claro es el pulsador de marcha PM, que será el que inicie el ciclo, pero hay más:  Pulsador de marcha (PM) Pulsador de marcha para iniciar secuencia. Puede ser “secuencia única (1 ciclo)” si el pulsador retorna automáticamente a reposo, o “secuencia cíclica” si es pulsador de enclavamiento.  Marcha de seguridad Normalmente 2 PM en serie para asegurarse que el operador no saca las manos de su cabina.  Interruptor general de alimentación válvula que corta o alimenta de aire a presión al circuito completo. En este caso puede darse el caso de que sólo corte alimentación y la presión permanezca en el circuito o que al cortar vacíe al circuito de presión al completo.  Temporizadores Computan un tiempo establecido antes de cambiar de paso en la secuencia. Pueden ser “orientados a conexión” (computan el tiempo antes) o “orientados a la desconexión” (computan el tiempo después).
  • 9.
     Reguladores develocidad Regulan velocidad de los actuadores. Puede regularse en avance, en retroceso o ambos.  Contadores  Cómputo para que una vez llegue al establecido ejecutan una acción.  Paro de secuencia Pausa de la secuencia. Se mantienen todos los valores actuales. Tras dar marcha de nuevo la secuencia continua por donde se quedó.  Paro de emergencia Paro manual de seguridad de la secuencia. Hay dos casos: que se vacíe el circuito de presión o que se mantenga.  Detectores de seguridad Paro automático de seguridad de la secuencia. En este caso cualquier detector que su función sea seguridad general para personas (puertas, ventanas, proximidad, cabina, etc.) o materiales (objeto mal posicionado, etc.). Hay dos casos: que se vacíe el circuito de presión o que se mantenga.  Reset Establece al circuito a sus valores por defecto (reposo). Para ello todos los detectores deben ir a su estado de reposo. Ídem a iniciar el circuito para comenzar la secuencia con el PM.  Etc.
  • 10.
    NOTA para explicarel método formaré los grupos como crea conveniente. Método cascada reglas originales. Lógica cableada. Secuencia A+ B+ A- B- Grupos Neumáticos (obtenemos tres)  A+ / B+ A- / B- 3 grupos = 3 líneas de presión  2 relés conmutadores. o G 1: A- o G 2: B+ A- o G 3: B- Comenzamos el circuito con los cilindros. Y ahora hacemos unas igualaciones a tener en cuenta:  A+ = Y1  A- = Y2  B+ = Y3  B- = Y4 nº relés = nº Grupos – 1.  K1 = LINEA 1 (contacto K1 NA)  K2 = LINEA 2 (contacto K2 NA) y LINEA 3 (contacto K2 NC) Es importante ver como quedaron los FC, para formar las funciones:  B1 quedó por “encima” de los grupos porque indican los cambios de fase dentro del mismo grupo.  A1, A0, B0 quedaron por “debajo” de los grupos porque indican los cambios de grupo (implican cambios de línea). FUNCIONES  F (A+)  Linea1 (comienzo de secuencia y inicio de grupo 1).  F (B+)  Linea2 (inicio de grupo 2).  F (A-)  Linea2 . B1 (grupo 2 y cambio de fase del mismo grupo).  F (B-)  Linea3 (inicio de grupo 3).  F (K1 = Línea 1) Linea3 . B0 . PM (línea anterior, cambio de grupo, pulsador de marcha).  F (K2 = Línea 2) Linea1 . A1 (línea anterior y cambio de grupo).  F (K2 = Línea 3) Línea2 . A0 (línea anterior y cambio de grupo). Observar como el PM en neumática lo teníamos en la función de accionamiento inicial de la válvula mientras que en electroneumática lo tenemos en la función del relé de la primera línea.
  • 11.
    El método cascadaes que las valvulas conmutadoras están en serie. Aquí lo que están en serie son los relés de línea, mejor dicho, sus contactos. Vamos a diseñar exactamente el circuito según método cascada con sus reglas iniciales y explicar sus inconvenientes. Si observáis hemos colocado conmutadores, que es lo que tienen los relés, aunque en el circuito añadimos conmutador o interruptor según convenga. Modificamos el circuito como antes hemos mencionado y queda así.
  • 12.
    Si observamos aldarle marcha el conmutador k1 cambia de posición, anulando corriente a k1 no permitiendo seguir la secuencia. Modificamos y tomamos directo de +24V. Simulamos y vemos como se queda en la secuencia A+ B+.
  • 13.
    Para que continúeañadimos el FC b1 para que corte corriente. Al utilizar dos relés para una línea hay que buscar el juego de sensores para que funcione correctamente. Si os fijáis no está la condición de que el relé k2 lo desactive k1, pues no se puede cumplir. Como veis es un poco lioso con conmutadores, además de que en circuitos extensos tendremos conexiones en muchas columnas. Como los relés pueden ser multicámara, lo mejor es aprovecharlo en el diseño. Aunque hay más motivos: consumo por los conmutadores, más claridad de diseño, búsqueda de fallos… Claro está, que antes de diseñar un circuito también debemos de conocer la paramenta y sus posibilidades.
  • 14.
    El diseño sinconmutadores. Comenzamos con el circuito  F (A+)  Linea1 (comienzo de secuencia y inicio de grupo 1).  F (B+)  Linea2 (inicio de grupo 2).  F (A-)  Linea2 . B1 (grupo 2 y cambio de fase del mismo grupo).  F (B-)  Linea3 (inicio de grupo 3).  F (K1 - Línea 1) Linea3 . B0 . PM (línea anterior, cambio de grupo, PM).  F (K2 - Línea 2) Linea1 . A1 (línea anterior y cambio de grupo).  F (K2 - Línea 3) Línea2 . A0 (línea anterior y cambio de grupo). Mirar que K2 se activa de 2 formas= F (K2)  (Linea1 . A1) + ( Línea2 . A0) Aquí tenemos el circuito según sus funciones.
  • 15.
    Según las condicionesdel método cascada, una línea es desactivada por su siguiente en el ciclo. Añadimos el contacto, sólo en k1 (en k2 dijimos que no se cumple por utilizarse para 2 líneas). Simulamos y observamos que al realizar A+ el circuito no pasa de esa fase. Esto ocurre porque K1 no le puede mandar orden a K2 por no estar activo.
  • 16.
    Para solucionar estodebemos añadir siempre el contacto de autoretencion de las líneas excepto la del ultimo relé en este caso, porque los vástagos al accionarse hacen cambiar a los detectores, pero hasta que accionan el siguiente detector pasa el tiempo de recorrido del vástago y los contactos del relé de la primera fase debe mantenerse activo. Observar cómo se conecta la realimentación de K1 entre las condiciones. Ahora miramos el circuito y vemos que hay 2 NC de k2 en serie. Podemos anular la condición de activación ya que no es necesaria. Y añadimos un pulsador con enclavamiento para que se repita el ciclo.
  • 17.
    Para desactivar unrelé de línea se puede hacer de 2 maneras: 1. Contacto auxiliar de relé de siguiente línea. 2. Contacto auxiliar de FC de última fase de la propia línea antes de orden contraria. Utilizando este método y depende de la secuencia nos interesa uno u otro. Veamos el circuito anterior como la secuencia nos permite usar cualquiera de las 2 opciones.
  • 18.
    Método cascada. Lógicacableada. Secuencia A+ B+ B- A- Grupos Neumáticos (obtenemos tres)  A+ / B+ /B- A- 3 grupos = 3 líneas de presión  2 relés conmutadores. o G 1: A+ o G 2: B+ o G 3: B- A- Y ahora hacemos unas igualaciones a tener en cuenta:  A+ = Y1  A- = Y2  B+ = Y3  B- = Y4 nº relés = nº Grupos – 1.  K1 = LINEA 1 (contacto K1 NA)  K2 = LINEA 2 (contacto K2 NA) y LINEA 3 (contacto K2 NC) FUNCIONES  F (A+)  Linea1 (comienzo de secuencia y inicio de grupo 1).  F (B+)  Linea2 (inicio de grupo 2).  F (B-)  Linea3 (inicio de grupo 3).  F (A-)  Linea3 . B0 (grupo 3 y cambio de fase del mismo grupo)  F (K1 - Línea 1) Linea3 . A0 . PM (línea anterior, cambio de grupo, PM).  F (K2 - Línea 2) Linea1 . A1 (línea anterior y cambio de grupo).  F (K2 - Línea 3) Línea2 . B1 (línea anterior y cambio de grupo). F (K2) (Linea1.A1) + (Linea2.B1)
  • 19.
    Y aquí nuestrocircuito. He de decir que en electroneumática a veces con el método cascada original no hay diseño a la primera según las funciones resultantes. Hay que simular y mientras simulamos modificar lo necesario para que ejecute las fases correctamente. Lo inicialmente complicado es colocar el estado de los contactos auxiliares acertados (NC o NA). Inconveniente Para que inicie proceso añadimos el contacto de k1 en serie a Y2.
  • 20.
    Método cascada. Lógicacableada. Secuencia A+ (B+ A-) B- En este caso (B+A-) se ejecutan a la vez Grupos Neumáticos (obtenemos tres)  A+ / (B+ A-) / B- o G 1: A+ o G 2: (B+ A-) o G3: B-  A+  Linea1 (inicio de secuencia y inicio de grupo 1).  (B+ A-)  Linea2 (comienzo grupo 2).  B-  Linea3 (comienzo grupo 3). Hemos dicho 3 grupos = 3 líneas de presión  2 relés conmutadores.  Línea 1 Linea3 . S2 . PM (línea anterior y cambio de grupo).  Línea 2 Linea1 . S1 (línea anterior y cambio de grupo).  Línea 3  Linea2 .S0 . S3 (línea anterior y cambio de grupo).
  • 21.
    Método cascada. Lógicacableada. Secuencia A+ (A-B+) B- C- (A+B+) A- B- C- Un ultimo ejemplo y explicamos el método cascada 2º variante (mejorado). Se separa la secuencia en grupos y escribimos cambio de detectores  A+  linea1 + linea4  A-  linea2 + linea5  B+ linea2 + linea4  B-  linea3 + linea5.A0  C+  linea3.B0  C-  linea5.B0  Linea1  linea5.C0.PM  Linea2  linea1.A1  Linea3  linea2.A0.B1  Linea4  linea3.C1  Linea5  linea4.A1.B1
  • 22.
    Y aquí elcircuito, se le añaden los contactos para que funciones correctamente.
  • 23.
    METODO CASCADA 2ºVARIANTE: MEJORADO ¿Pero podemos mejorar, clarificar y realizar el circuito a la primera con el método cascada? Pues SI. Para ello usamos un relé de línea por cada grupo (en realidad esto es un método paso a paso  Nº relés de línea = Nº de grupos). Observar como aquí si se cumple las condiciones: 1. Una línea es desactivada por la siguiente. 2. La línea siguiente es activada por su anterior. Pero hay más: A. En el diseño debemos añadir un contacto de realimentación NA para cada relé. B. Todos los detectores son NC (ya no hay confusiones). C. Seguir la fase del circuito es más sencilla.
  • 24.
    Sin embargo, cabedecir que sensores por cilindro para detectar final de recorrido del vástago sólo hay 2: uno para avance y otro para retroceso, y para secuencias con repetición de las mismas ordenes habrá que solucionar este inconveniente. Obviamente aparecerán más de una vez los que tengan más de una orden repetida en la secuencia, en este caso cilindro A y B (A0, A1, B0, B1). En la siguiente figura ponemos el ejemplo. Solución  Si el mismo sensor o detector aparece más de una vez en el circuito haremos que active un relé y nosotros cogemos los contactos de este relé multicamara. Observar la figura.
  • 26.
     Es usualtener un botón de “manual/auto”, de manera que podamos gobernar en manual cada uno de los cilindros.  A veces es necesario dar señal al último grupo la primera vez que se le dá corriente, ya que en caso contrario nunca se activará el grupo uno. Suele hacerse con un pulsador de INICIO en paralelo al contacto NA de realimentación.  También un botón de parada, de manera que para la secuencia en curso, continuándola por donde quedó al darle a un botón de automático.  Y un botón de reset, llevando al circuito a reposo. Y llamo botón por decirlo de alguna manera, ya que con la lógica cableada implementar esto es muy laborioso. Imaginar que para hacer un RESET hay que quitar corriente a todas las bobinas de línea y dar corriente a todas las electroválvulas de retroceso (según el caso), para llevar a los cilindros a reposo y que los sensores estén en su posición inicial, para después pulsar INICIO. Todo esto se suele hacer con un PLC. Por ello, al darle marcha inicialmente el circuito puede ejecutar algunos movimientos (ejecuta fase actual y prepara fase siguiente). Pero si el circuito se queda en otra fase de la secuencia puede ser que no sepa por donde continuar, porque no se dará las condiciones de seguir por cualquier fase. Por ello se debe incluir un pulsador de RESET, para llevar al circuito a las condiciones iniciales o de reposo.
  • 27.
    METODO CASCADA CON2 GRUPOS Variante 1 Es necesario añadir otro grupo auxiliar al final de la secuencia que no activará nada y trabajar como si fuesen tres grupos. Variante 2  Utilizar un relé para los dos grupos, utilizando un contacto auxiliar NA para el grupo 1 y un contacto NC para el grupo 2. Esta variante está explicada en los ejemplos iniciales, que es el método cascada original. Método cascada. Lógica cableada. Secuencia A+ B+ A- B- Grupos Neumáticos (obtenemos dos)  A+B+ / A- B- Añadir otro 3 grupos = 3 líneas de presión  3 relés conmutadores. o G 1: A-B+ o G 2: A-B- o G 3: ------ FUNCIONES  F (A+)  Linea1 (inicio de grupo 1).  F (B+)  Linea1. A1 (inicio de grupo 2 y cambio de fase de mismo grupo).  F (A-)  Linea2 (inicio de grupo 2).  F (B-)  Linea2 . A0 (grupo 2 y cambio de fase de mismo grupo).).  F (K1 - Línea 1) Linea3 . PM (línea anterior, cambio de grupo, PM).  F (K2 - Línea 2) Linea1 . B1 (línea anterior y cambio de grupo).  F (K3 - Línea 3) Línea2 . B0 (línea anterior y cambio de grupo).
  • 28.
    Hasta ahora todaslas simulaciones han funcionado. Pero si os habéis mirado bien a todos los circuitos les falta algo. Dijimos que en todo momento sólo una línea está activa. Pues bien, si miráis las funciones de la línea 1 falta siempre el contacto de la línea anterior. Vamos a añadirlo y como es abierto falta el pulsador de INICIO para activar la última línea. Añadirlo vosotros al resto de circuitos. Recordad que en neumática siempre hay una línea con presión.
  • 29.
    Método cascada. Lógicacableada. Secuencia A+ A- Tenemos 2 grupos  1 relé conmutador de línea (observar como son los contactos auxiliares). G1 = Ln1= A+= Y1 G2 = Ln2= A- = Y2 A+ = Ln1 (inicio de grupo 1). = Ln2 (inicio de grupo 2).
  • 30.
    Electroneumática. Método pasoa paso. Lógica cableada. El fundamento de este sistema es el mismo que su homologo neumático, se trata de eliminar las posibles señales permanentes de las válvulas mediante la división de la secuencia en grupos con las condiciones ya estudiadas, básicamente: no podrá repetirse ninguna letra en un grupo. Una vez visto el método cascada mejorado, entender el método paso a paso es muy sencillo: de hecho la base es la misma base 1 relé de línea por grupo. Las condiciones las mismas vistas: contacto NA de autoretencion, línea en curso activa siguiente línea, línea siguiente desactiva anterior, detectores Reed NC, si se repiten ordenes utilizaremos relés adicionales para los detectores, pulsador de inicio en el último grupo y pulsador de enclavamiento para ciclo continuo. Se distinguen 2 métodos paso a paso: 1. Paso a paso mínimo: formamos el menor número de grupos posibles, agrupando fases en las cuales no se repita el mismo actuador en el mismo grupo. Esto es lo mismo que el método cascada mejorado. Ya hemos hecho este ejemplo. 2. Paso a paso máximo: cada fase del circuito es un grupo (con este método a la fase se les llaman paso, para distinguir el método utilizado), es decir, realizamos el máximo número de grupos posibles.
  • 31.
    Solución del ejemplocon paso a paso máximo.  F (A+)  Linea1 + Linea5  F (A-)  Linea2 + Linea6  F (B+)  Linea2 + Linea5  F (B-)  Linea3 + Linea7  F (C+)  Linea4  F (C-)  Linea8
  • 32.
     F (K1- Línea 1) Linea8 . C0 . PM (línea anterior, cambio de grupo, PM).  F (K2 - Línea 2) Linea1 . A1 (línea anterior y cambio de grupo).  F (K3 - Línea 3) Línea2 . A0 . B1 (línea anterior y cambio de grupo).  F (K4 - Línea 4) Linea3 . B0 (línea anterior, cambio de grupo).  F (K5 - Línea 5) Linea4 . C1 (línea anterior y cambio de grupo).  F (K6 - Línea 6) Línea5 . A1 . B1 (línea anterior y cambio de grupo).  F (K7 - Línea 7) Linea6 . A0 (línea anterior, cambio de grupo).  F (K8 - Línea 8) Linea7 . B0 (línea anterior y cambio de grupo). Como se repiten ordenes añadimos los relés necesarios para poder tener varias órdenes iguales de sensores. No olvidar el pulsador de INICIO ya que estamos añadiendo en la linea1 el contacto de K8.
  • 33.
    MÉTODO PASO APASO MAXIMO CON VALVULAS MONOESTABLES Y CILINDROS SE También se llama método paso a paso máximo simplificado. En este caso se trata de mantener la orden de avance hasta que llegue su opuesta para desactivar la orden de avance. La metodología es igual a los casos vistos, pero cambia en el ataque a las electroválvulas. Aquí está la modificación, lo otro es igual. F (A+)  Linea1 + Linea5 F (B+)  Linea2 + Linea5 + linea6 F (C+)  Linea4 + linea5 + linea6 + linea7 Sólo tenemos activación. Si se quiere podemos añadir el contacto de línea de desactivación, pero no es necesario.
  • 34.
    METODO PASO APASO CON ORDEN MANTENIDA Unos de los inconvenientes de trabajar con neumática son: 1. Las pérdidas de aire de los circuitos, porque los elementos se deterioran, malas uniones, etc…la consecuencia de falta de presión. 2. De que al cesar la orden en ausencia de la contraria quedan los vástagos libres y pueden realizar movimientos indeseados y poner en peligro algo. En el funcionamiento real se deben mantener las órdenes para evitar este inconveniente y anularlas cuando vaya a llegar su opuesta, tanto en reposo como en cualquier fase de la secuencia. Esto es válido en el diseño con cilindros de doble efecto. Con cilindros de simple efecto la ausencia de orden lleva el muelle a posición de reposo, y esta posición es la que no supone riesgo porque sólo debe hacer trabajo en el avance, aunque para tener seguridad, la certeza te la dá los cilindros de doble efecto. Vamos a modificar el circuito paso a paso máximo para convertirlo en orden mantenida. La forma de proceder en la formación de grupos y de las funciones es la misma, pero ahora añadimos relés que atacan directamente a las electroválvulas, de manera que los relés de línea realizan la secuencia y los relés de ataque actúan sobre las electroválvulas. Como tenemos 3 cilindros con valvulas biestables son 6 ordenes = 6 relés de orden. Ahora como son relés independientes hacemos función de activación y desactivación independientes. Para la desactivación de una orden será su orden contraria.
  • 35.
    SECUENCIAS DE RELESDE FASE  F (K1 - Línea 1) Linea8 . C0 . PM (línea anterior, cambio de grupo, PM).  F (K2 - Línea 2) Linea1 . A1 (línea anterior y cambio de grupo).  F (K3 - Línea 3) Línea2 . A0 . B1 (línea anterior y cambio de grupo).  F (K4 - Línea 4) Linea3 . B0 (línea anterior, cambio de grupo).  F (K5 - Línea 5) Linea4 . C1 (línea anterior y cambio de grupo).  F (K6 - Línea 6) Línea5 . A1 . B1 (línea anterior y cambio de grupo).  F (K7 - Línea 7) Linea6 . A0 (línea anterior, cambio de grupo).  F (K8 - Línea 8) Linea7 . B0 (línea anterior y cambio de grupo). AMPLIACION DE CONTACTOS REED POR TENER ORDENES REPETIDAS
  • 36.
    SECUENCIAS DE RELESDE ORDEN FUNCION ACTIVACION DESACTIVACION F (A+) Linea1 + Linea5 Linea2 + Linea6 F (A-) Linea2 + Linea6 Linea1 + Linea5 F (B+) Linea2 + Linea5 Linea3 + Linea7 F (B-) Linea3 + Linea7 Linea2 + Linea5 F (C+) Linea4 Linea8 F (C-) Linea8 Linea4 Observar como ahora se activan las electroválvulas, tienen un relé dedicado a cada orden. Los relés de secuencia siguen realizando la secuencia pedida, pero ahora activan los relés de orden. En este caso se han conectado las electroválvulas en paralelo a la bobina de orden, pero se podría utilizar un contacto NA del relé de orden para activarlas (y separamos circuitos). Y por supuesto con su contacto de realimentación para mantenerse activa hasta que no llegue la orden de desactivación. Hay otra forma y es utilizar un contacto de cada relé de línea para atacar a cada electroválvula, ídem al ejemplo visto con valvulas monoestables.
  • 37.
    Secuenciadores Electrónicos. Los secuenciadoreselectrónicos ofrecen una óptima solución para el control de circuitos neumáticos de media y gran complejidad. Cuando deben gobernarse varios actuadores neumáticos, pueden transferirse las funciones de control y toma de decisiones, a un secuenciador electrónico dejando las etapas de potencia a la neumática clásica. El acoplamiento entre dos tecnologías resulta sencillo gracias a la utilización de electrodistribuidores. Los secuenciadores de circuitos electrónicos integrados ofrecen una moderna alternativa a los relees lógicos eléctricos y neumáticos. El secuenciador electrónico es un registro de desplazamiento secuencial de un número determinado de pasos con temporizadores regulables incorporados. Pueden trabajar en modo manual, automático o paso a paso. En el modo automático, un paso es activo hasta que llega la orden de salto al siguiente paso. Esta orden viene dada por el cierre de un final de carrera o por un final de temporización. En el modo manual es posible activar directamente las salidas deseadas mediante un microinterruptor de activación / no activación, previa elección de la salida deseada en el preselector de salida. Las ventajas que se derivan de la utilización de un secuenciador electrónico en las tareas de control son las siguientes: - Ahorro de energía dada la baja potencia requerida para el control. - Realización de funciones más complejas (temporizaciones, repetición, seguridad, etc.) que las proporcionadas por los sistemas clásicos de control. - Fácil puesta a punto y manejo del equipo. - Fiabilidad absoluta, incluso bajo las condiciones más exigentes y los ambientes de trabajo más duros. - Velocidad de respuesta instantánea. - Incorporación de sistemas de seguridad. - Sencillez y aprovechamiento de todos los órganos en el caso de cambio o ampliación de la aplicación. - Fácil utilización con sólo conocimientos básicos de lógica neumática. Han sido concebidos para obtener un control automático de la mayoría de procesos industriales a un coste bajo para todas las operaciones repetitivas.
  • 38.
    NOTA FINAL Habéis vistocomo con cada función que se quiere implementar en lógica cableada hay que añadir más elementos y contactos auxiliares, realizando un circuito más complejo. Con lógica programada se simplifica el circuito físico (cableado), como mucho pequeñas modificaciones. Pero al igual que lógica cableada, cada modificación supone modificar y/o añadir más programación haciéndolo igual de complejo. Los ejemplos vistos de lógica cableada sobre neumática y electroneumática los tenéis para descargar aquí: https://www.4shared.com/rar/CDynpBOzca/ejemplos_neumatica_y_electrone.html