PROYECTO :
EXPEDIENTE TECNICO N° 4
Equipo Técnico EMAPA Chancay S.A.C – SUM Canadá
Diciembre del 2003
PROYECTO: “RENOVACIÓN DE REDES DE AGUA POTABLE EN LA CALLE AYACUCHO”
EPS EMAPA Chancay S.A.C - SUM Canadá 1
SECTORIZACIÓN DEL CASCO URBANO DE LA CIUDAD DE CHANCAY
“RENOVACIÓN DE REDES DE AGUA POTABLE EN LA CALLE
AYACUCHO”
EXPEDIENTE TÉCNICO N° 4
ÍNDICE
Pág.
1. INTRODUCCION 4
2. ANTECEDENTES 5
3. MEMORIA DESCRIPTIVA 5
3.1. Objetivos 5
3.2. Área del Estudio 5
3.3. Población Beneficiada 6
3.4. Trabajos de Campo 7
3.4.1. Topografía 7
3.4.2. Calicatas 8
3.4.3. Líneas Eléctricas y Telefónicas 8
3.5. Descripción del Sistema Proyectado 9
3.5.1. Metrado de Tubería 9
3.5.2. Metrado de Accesorios 10
3.5.3. Detalle de Empalmes 10
3.5.4. Re-instalación de Conexiones Domiciliarias 11
4. MEMORIA DE CALCULO 11
4.1. Perdidas Locales 12
4.2 Pérdidas de Carga por Tuberías 12
ANEXOS
Contenido
 PRESUPUESTO DE OBRA
 RESUMEN DE INSUMOS
 ANALISIS DE COSTOS UNITARIOS
 FORMULA POLINOMICA
 CRONOGRAMA DE OBRA
 ESPECIFICACIONES TECNICAS
 COTIZACIONES
 SIMULACIONES HIDRAULICAS, K = 1.85, CONSUMO 8:00 a.m.
 SIMULACIONES HIDRAULICAS, K = 1.00, CONSUMO 8:00 p.m.
 SIMULACIONES HIDRAULICAS, K = 0.40, CONSUMO 4:00 a.m.
 PLANOS ELABORADOS
 ESQUINEROS
 PLANOS DE TELEFONICA
PROYECTO: “RENOVACIÓN DE REDES DE AGUA POTABLE EN LA CALLE AYACUCHO”
EPS EMAPA Chancay S.A.C - SUM Canadá 2
5. RESUMEN DE PRESUPUESTO Y TIEMPO DE EJECUCIÓN 14
5.1 Resumen de Presupuesto 13
5.2 Tiempo de Ejecución 13
6. RELACIÓN DE PLANOS Y ESQUINEROS 14
7. ANEXOS - 14
PROYECTO: “RENOVACIÓN DE REDES DE AGUA POTABLE EN LA CALLE AYACUCHO”
EPS EMAPA Chancay S.A.C - SUM Canadá 3
GLOSARIO DE TÉRMINOS
EPS Empresa Prestadora de Servicios.
SUM Canadá Servicio Universitario Mundial de Canadá.
msnm Metros sobre el nivel del mar.
A.C. Asbesto Cemento.
PVC Policloruro de vinilo.
Ffdo Fierro Fundido.
Ø Diámetro de la tubería.
IGM Instituto Geográfico Militar.
CT Cota de Terreno.
Hf Pérdida de carga.
DN Diámetro Nominal.
Lps Litros por segundo.
Hab. Habitantes.
p.s.i. Libras/pulgada 2
mg Miligramos.
gr Gramos.
umhos Microhomios.
m, mts Metros.
seg Segundos.
P man Presión Manométrica.
P máx Presión Máxima.
mca Metros de columna de agua.
LGH Línea de Gradiente Hidráulica.
PROYECTO: “RENOVACIÓN DE REDES DE AGUA POTABLE EN LA CALLE AYACUCHO”
EPS EMAPA Chancay S.A.C - SUM Canadá 4
SECTORIZACIÓN DEL CASCO URBANO DE LA CIUDAD DE CHANCAY
“RENOVACIÓN DE REDES DE AGUA POTABLE EN LA CALLE
AYACUCHO”
EXPEDIENTE TÉCNICO N° 4
1. INTRODUCCIÓN
El presente documento contiene el Expediente Técnico a nivel de obra del
proyecto “Renovación de Redes de Agua Potable de la Calle Ayacucho”. Este
proyecto surge a raíz de las conclusiones del “Estudio para el Seleccionamiento
de las Alternativas para la Sectorización del Casco Urbano de la Ciudad de
Chancay”.
Para la realización del presente Expediente Técnico, ha sido beneficioso la
ejecución en Obra del Expediente Técnico de “Cierre de Circuitos e Inserción de
Válvulas y Grifos Contra Incendio”1
, finiquitado a inicios de este año, se tomo la
información técnica del cuaderno de Obra2
para la realización del presente
Expediente Técnico.
Se presenta una memoria descriptiva, memoria de cálculo de los diseños del
proyecto, especificaciones Técnicas, Presupuesto, costos Unitarios, Relación de
insumos, Anexos. También se detalla los trabajos de campo ejecutados y la
descripción precisa de los componentes del proyecto.
También se realizaron coordinaciones con el gerente y funcionarios de la EPS
Emapa Chancay SAC., como el Ing. Oscar Coral Jamanca Gerente General de
EMAPACH, la Ingeniera Patricia Casas Jefa de Control de Calidad, el Sr. Ivo
Carreño Jefe de Catastro Comercial, y personal Obrero y de Campo.
Finalmente el equipo Emapa Chancay SAC - SUM Canadá, agradece a la
Empresa, en la persona de su Gerente General Ing. Oscar Coral Jamanca por el
apoyo brindado en cada una de las áreas visitadas y por la gentil atención
recibida de parte de sus funcionarios, técnicos y operadores de Planta, galerías y
Reservorios.
1
Documento Final de Obra “Cierre de Circuitos e Instalación de Válvulas y Grifos Contra Incendio en la Red de
Distribución
2
Cuaderno de Obra Legalizado en la Notaria Martínez Alfaro – Ciudad de Huaral – el 05 de Setiembre del 2002
PROYECTO: “RENOVACIÓN DE REDES DE AGUA POTABLE EN LA CALLE AYACUCHO”
EPS EMAPA Chancay S.A.C - SUM Canadá 5
2. ANTECEDENTES
Con fecha 23 de Enero del año 2003 la Empresa Municipal de agua potable y
Alcantarillado de la ciudad de Chancay y el Servicio Universitario Mundial del
Canadá firman un Memorandum de Entendimiento, cuyo objetivo principal es
la colaboración interinstitucional para realizar actividades diseñadas a
promover el desarrollo sostenible del servicio de agua potable.
El presente, es el Cuarto Expediente Técnico, que tiene su cimiento en el
“Estudio para el Seleccionamiento de las Alternativas para la Sectorización
del Casco Urbano de la Ciudad de Chancay”; que fue sustentado ante la
Gerencia General de la Empresa Municipal de Agua Potable y Alcantarillado
de la ciudad de Chancay el día 1° de Agosto del año 2003; donde se eligió la
alternativa N° 4.
Los estudios realizados en la Alternativa N° 4, del Estudio mencionado en las
líneas precedentes, indican que esta Calle es de importancia ya que
permitirán aislar las agua que abastece a la zona sur con las que consumen
el Casco Urbano de la Ciudad de Chancay – no habrá una mezcla de ambos
sectores (Casco Urbano y zona Sur), pudiéndose controlar el caudal de
ingreso mediante los macromedidores que se ubicarán estratégicamente y
con la futura instalación de micromedidores, conjuntamente con un plan de
sensibilización a los usuarios se reducirán gradualmente los desperdicios que
son elevados en la ciudad de Chancay.
3. MEMORIA DESCRIPTIVA
3.1 Objetivo
El objetivo principal es el ordenamiento del sistema de distribución de agua
potable a través de sectores de abastecimiento, que tendrán adecuadas
presiones de agua y velocidades de ingreso así, como reducir el porcentaje de
Desperdicios en el sistema de distribución.
3.2 Área de Estudio
El área de estudio comprende la calle San Martín, desde la Carretera
Panamericana Norte hasta la calle Simón Bolívar; así como la calle Tacna y el
pasaje Villa de Arnedo.
3.3 Población Beneficiada.
Esta obra beneficiará el 100% de los habitantes del Casco Urbano Bajo (9575
habitantes) y aproximadamente el 30% de los habitantes del casco Urbano Alto
PROYECTO: “RENOVACIÓN DE REDES DE AGUA POTABLE EN LA CALLE AYACUCHO”
EPS EMAPA Chancay S.A.C - SUM Canadá 6
(8950 habitantes); es decir se beneficiará directamente al 37.33% de la
población servida de la ciudad de Chancay; al año 2003, dotándoles con
presiones adecuadas en la red entre 9 y 25 mca. y 24 horas de servicio en
promedio aproximadamente.
Está población servida está delimitada por los sectores de servicio “Casco
Urbano Alto” y “Casco Urbano Bajo”, definidos así en el estudio de
“Seleccionamiento de Alternativas para Sectorización del Casco Urbano de la
Ciudad de Chancay”. La descripción de cada uno se describe en el cuadro N°
3.3.-1.
Cuadro N°3.3-1 Sub - Sectores de Servicio del Proyecto – Población
Beneficiada
SECTOR
PROYECTADO
A SER SERVIDO
AREA (Has)
Población al
año 2003
(hab.)
Demanda
Promedio al
año 2003 (lps.)
Casco urbano Alto
de Chancay
46 8 950 30.530
Casco urbano Bajo
de Chancay
48 9 575 38.357
Total 94 18 525 68.887
Fuente: Elaboración Propia
La ubicación y límites de los esquemas beneficiados se detallan a continuación:
3.3.1 Casco Urbano Bajo
Abarca parte del sector más antiguo de la ciudad de Chancay, comprende las
urbanizaciones principales de Fonavi, La Rivera.
Limita por el Norte con terrenos agrícolas, por el Sur con la Av. Prolongación
Miguel Grau y la calle Madre Perla, por el Este con las Calles Benjamín
Vízquerra y López de Zúñiga y por el Oeste con la Av. 1° de Mayo y el Océano
Pacífico.
3.3.2 Casco Urbano Alto
También abarca la parte del sector más antiguo de la ciudad de Chancay
(Cercado), comprende las urbanizaciones San Francisco, ASOVISEM.
Limita por el Norte con el Jr. Ayacucho y el Ovalo de la Ciudad de Chancay, por
el Sur con la Av. Miguel Grau, por el Este con la Autopista Panamericana Norte y
por el Oeste con la Calles Benjamín Vízquerra y López de Zúñiga.
PROYECTO: “RENOVACIÓN DE REDES DE AGUA POTABLE EN LA CALLE AYACUCHO”
EPS EMAPA Chancay S.A.C - SUM Canadá 7
3.4 Trabajos de Campo
3.4.1 Topografía
Se realizó el replanteo topográfico de las líneas de agua potable y red de
alcantarillado existentes, por la calles para el trazo de la instalación de las redes
de agua potable.
Se empleo para tal fin un equipo de topografía perteneciente a EMAPA Chancay
S.A.C. un teodolito marca WILL.
Los trabajos se empezaron previa instalación de estacas de fierro corrugado de
Ø1/2” y 25 cm. de longitud para la ubicación del equipo.
Para el trazo de la red proyectada de Agua Potable; se procedió a tomar
medidas (m.) con wincha y realizar el replanteo de las instalaciones hidráulicas
existentes (válvulas, grifos contra incendio, buzones, etc.); para realizar el trazo
de la nueva tubería proyectada (ver fotos en los anexos).
Cuadro N° 3.4.1-1 Levantamiento Topográfico
Calle / Avenida Longitud
(m)
Ancho promedio
(m)
Calle Ayacucho 697.10 7.10
Longitud Total = 697.10 mt.
El ancho promedio es neto no se ha adicionado el ancho de sardinel ni vereda.
El levantamiento topográfico esta referido al Benchmarking oficial ubicado en la
segunda casa del Conjunto Habitacional Torre Blanca frente a la vereda de la
casa correspondiente a la familia Salvador Alcántara (su recibo de Luz es
A59377383), con elevación 93.6246 msnm y designado con el código de cartilla
“CH-A 3”. La descripción detallada y el croquis de su ubicación expedida por el
IGM se adjunta en los anexos. (ver fotos N° 14 y 15).
Foto N°14 Benchmarking CH.A-3, del Instituto
Geográfico Militar - año 1968
Foto N°15 Casa donde se encuentra ubicado el
Benchmarking
PROYECTO: “RENOVACIÓN DE REDES DE AGUA POTABLE EN LA CALLE AYACUCHO”
EPS EMAPA Chancay S.A.C - SUM Canadá 8
3.4.2 Calicatas
No se realizaron calicatas debido a la dificultad de la zona (por parte de la
población) por lo tanto se tomo referencia el tipo de suelo de la calle Benjamín
Vizquerra que es perpendicular a esta calle, donde se están realizando la obra
de renovación de tubería, que de acuerdo a la Clasificación Internacional de
Suelos (ASTM-D 2487) el tipo de terreno es de clase II – SP corresponden a
“Arena mal gradada y arena con grava con poco o nada de finos –
Conglomerado”.
Para el análisis del presupuesto se considera terreno “Tipo Normal”
3.4.3 Líneas Eléctricas y Telefónicas
a.- Líneas Eléctricas
Las redes eléctricas que esta dentro del área del proyecto son aéreas. Pero en la
intersección de la calle Ayacucho con la Calle Mariscal Cáceres encontramos
dos postes de alta tensión que a donde llegan las líneas eléctricas subterráneas,
pero no genera problemas en el proyecto de agua potable. Ver fotos.
Foto N° 16, postes de alta
tensión por donde llega la línea
eléctrica subterránea.
Foto N° 17, los postes se ubican en
la calle Ayacucho a 3.00 mt. Aprox.
De la válvula donde se realizara el
segundo empalme.
Foto N° 18, en el poste se
pueden observar la tubería de
PVC que sube cable eléctrico el
alumbrado y las casas.
PROYECTO: “RENOVACIÓN DE REDES DE AGUA POTABLE EN LA CALLE AYACUCHO”
EPS EMAPA Chancay S.A.C - SUM Canadá 9
b.- Líneas Telefónicas
Las redes telefónicas subterráneas existentes, se encuentran instaladas desde la
Panamericana Norte en el ovalo de la Chancay, ingresando por la calle
Ayacucho hasta doblar por la calle Mariscal Sucre, la línea proyectado de agua
potable esta al lado opuesto del trazo de la línea telefónica la cual no
representan dificultad para realizar la obra. Ver plano: (SC – 101 Hj (1/5)).
3.5 Descripción del Sistema Proyectado
El sistema de agua potable proyectado es básicamente el presupuesto en la
alternativa N° 4 del Estudio del Seleccionamiento de las Alternativas para la
Sectorización del Casco Urbano de la Ciudad de Chancay.
El esquema contempla utilizar el reservorio Los Tilos (R1 = 550 m3
y R2 = 800
m3
), como un solo gran reservorio, cuya capacidad será de 1250 m3
, y tendrá
dos líneas aductoras; la primera de Concreto Hume de 250 mm. Y, la segunda
de Concreto Hume de 400 mm., justamente esta segunda línea aductora
trabajara en el futuro independiente y servirá a la zona sur de la ciudad de
Chancay.
El punto de distribución de agua potable es el Ovalo de la ciudad de Chancay.
Se proyecta la instalación de tubería de PVC Ø250mm fabricado bajo norma ISO
4422 para agua potable que trabara en presión; a lo largo de la calle Ayacucho
(ver los planos de N° 01/02, 02/02), la presión y velocidad de ingreso serán de
8.42 mca y 0.69 m/s, para la calle Ayacucho.
3.5.1 Metrado de Tuberías
El proyecto contempla la instalación de tuberías PVC Ø250mm clase 7.5 para la
Calle Ayacucho tal como se detalla en el cuadro N° 3.5.1.-1 (para la elaboración
del presupuesto se ha considerado 5% por desperdicios).
Cuadro N° 3.5.1 – 1
Descripción
Metrado
(ml)
Metrado (ml) (inc, 5%
desperdicios) **
Tubería DN 250 mm C-7.5 – ISO 4422 PVC 257.30 271.00
Tubería DN 110 mm C-7.5 – ISO 4422 PVC 7.00 8.00
Tubería DN 90 mm C-7.5 – ISO 4422 PVC 432.80 454.50
Total 697.10 733.50
Fuente: Elaboración Propia
*En la elaboración del presupuesto se considera en el Ítem 04.00.000, solo para la instalación de las tuberías.
** En la elaboración del presupuesto se considera en el Ítem 03.00.000, solo para el suministro de las tuberías.
PROYECTO: “RENOVACIÓN DE REDES DE AGUA POTABLE EN LA CALLE AYACUCHO”
EPS EMAPA Chancay S.A.C - SUM Canadá 10
En el cuadro N° 3.5.1-2 detallamos el metrado de las tuberías proyectadas y su
ubicación en el lugar del proyecto:
Cuadro N° 3.5.1-2
DESCRIPCION DIÁMETRO(mm) METRADO (m) UBICACION
Tubería de PVC ISO 4422 250 257.30 Calle Ayacucho
Tubería de PVC ISO 4422 110 7.00 Calle Ayacucho-Mcal Sucre
Tubería de PVC ISO 4422 90 432.80 Calle Ayacucho
TOTAL 697.10
3.5.2 Metrado de Accesorios
Se instalaran los accesorios detallados en el cuadro N° 3.5.2-1 a lo largo de la
calle Ayacucho.
Cuadro N° 3.5.2-1 Accesorios que se instalaran en la calle Ayacucho
ACCESORIOS Und. METRADO UBICACION
TEE LUFLEX ISO 2531 HFD Ø250x110mm ** Und. 1 Ca. Ayacucho- Ca. Mrcal. Sucre
TEE LUFLEX ISO 2531 HFD Ø250x90mm ** Und. 7 Ca. Ayacucho
ACOPLE FLEXIBLE G. R. ESCALONADO Ø4” Und. 1 Ca. Ayacucho- Ca. Mrcal. Sucre
TEE LUFLEX ISO 2531 HFD Ø250x250mm ** Und. 1 Ca. Ayacucho- Ca. Benjamin Vizq.
UNION DE REPARAC. PVC ISO 4422 Ø250mm Und. 2 Ca. Ayacucho- Ca. Benjamin Vizq.
TAPON PVC Ø90mm Und. 3 Ca. Ayacucho
3.5.3 Detalle de Empalmes
Los empalmes serán en dos (02) puntos del tramo proyectado, el primero será
en la válvula ubicada en la intersección de la calle Ayacucho con la calle
Mariscal Cáceres, el segundo será en la Tubería ubicada en la intersección de la
calle Ayacucho con la calle Benjamín Vizqerra, los empalmes se realizaran (ver
plano 01/02 y 02/02).
PROYECTO: “RENOVACIÓN DE REDES DE AGUA POTABLE EN LA CALLE AYACUCHO”
EPS EMAPA Chancay S.A.C - SUM Canadá 11
Lugares donde se efectuaran los Empalmes
Foto N° 19, Empalme N° 1, - en la intersección de la
calle Ayacucho con la calle Benjamin Vizquerra, el
empalme se hará con una TEE LUFLEX ISO 2531
HFD Ø250x250mm.
Foto N° 20, Empalme N° 2, - en la intersección de la
calle Ayacucho con la calle Mariscal Cáceres, el
empalme se hará con una Unión de Reparación UF
PVC ISO 4422 Ø250mm.
3.5.4 Reinstalación de Conexiones Domiciliarias
Con3
apoyo del Equipo Catastro Comercial – SUM Canadá, se realizo el
empadronamiento del número de conexiones domiciliarias de agua potable que
se cambiaran, se tiene el siguiente metrado:
Descripción Metrado (und.)
Conexiones Domiciliarias de A.P. Ø 15mmx250mm (1/2”x10”) 45
Conexiones Domiciliarias de A.P. Ø 20mmx250mm (3/4”x10”) 1
Conexiones Domiciliarias de A.P. Ø 25mmx250mm (1”x10”) 34
Total 108
4.- MEMORIA DE CÁLCULO
Cuadro N° 4 – 1 Cuadro de Población y Demanda
Sector de
Abastecimiento
Área
(Ha.)
Población
(Hab.)
Dotación
(I/hab./día)
Caudal
Promedio
(Ips)
Caudal
Máx.
Diario
(Ips)
Caudal
Máx.
Horario
(Ips)
Casco Urbano
Alto / Bajo
94 18 525 * 68.89 89.55 127.44
Kmd = 1.3
Kmh = 1.85
* Variable: Con Micro medidor Dot (I/hab/dia) = 230
3
Sin Micro medidor Dot( I/hab/dia) = 359
3
3
Estudio “Sectorización de las Redes de Agua Potable del Casco Urbano, Cuidad de Chancay,” Diciembre del
2003, pga. 37, 38
PROYECTO: “RENOVACIÓN DE REDES DE AGUA POTABLE EN LA CALLE AYACUCHO”
EPS EMAPA Chancay S.A.C - SUM Canadá 12
4.1 Perdidas Locales
Se calculan las pérdidas locales mediante el empleo de la formula:
Donde:
hs = Perdida de carga singular (m)
k = Coeficiente de perdida de carga local (no dimensional)
V = Velocidad de escurrimiento (m/s)
g = Aceleración de la gravedad (m/s2
), g = 9.81 m/s2
.
Cuadro N° 4.1-1 Análisis de las Perdidas Locales por Accesorios
Calle Ayacucho
ACCESORIOS k
V(m/
s)
hs(m) UBICACION
TEE LUFLEX ISO 2531 HFD Ø250x110mm ** 1.80 0.69 0.0437 Calle Ayacucho
TEE LUFLEX ISO 2531 HFD Ø250x90mm ** 0.20 0.69 0.0049 Ca. Ayacucho
TEE LUFLEX ISO 2531 HFD Ø250x90mm ** 0.20 0.69 0.0049 Ca. Ayacucho
TEE LUFLEX ISO 2531 HFD Ø250x90mm ** 0.20 0.69 0.0049 Ca. Ayacucho
TEE LUFLEX ISO 2531 HFD Ø250x90mm ** 0.20 0.69 0.0049 Ca. Ayacucho
TEE LUFLEX ISO 2531 HFD Ø250x90mm ** 0.20 0.69 0.0049 Ca. Ayacucho
TEE LUFLEX ISO 2531 HFD Ø250x90mm ** 0.20 0.69 0.0049 Ca. Ayacucho
TEE LUFLEX ISO 2531 HFD Ø250x90mm ** 0.20 0.69 0.0049 Ca. Ayacucho
ACOPLE FLEXIBLE G. R. ESCALONADO Ø4” 0.40 0.15 0.0005 Ca. Ayacucho- Mrcal. Sucre
TEE LUFLEX ISO 2531 HFD Ø250x250mm ** 1.80 0.69 0.0437 Ca. Ayacucho- BenjaminVizq.
UNION DE REPARAC. PVC ISO 4422 Ø250mm 0.4 0.69 0.0097 Ca. Ayacucho- Benjamin Vizq.
TOTAL 0.1315
** Tee salida Bilateral
Fuente: Fundamentos de Hidráulica General (Paschoal Silvestre)
4.2 Perdidas de Carga por Tuberías
Los tramos que se proyectan son de 250mm. las pérdidas de carga por las
tuberías proyectadas se muestran en el cuadro N° 4.1.-2
Cuadro N° 4.1-2
Diam. (mm) Longitud (m) Caudal (Ips) Hf (m)
250 257.30 29.328 0.298
Total (m.) 0.298
La tubería proyectada es de PVC, C = 150, C - 7.5
hs = kV2
2g
PROYECTO: “RENOVACIÓN DE REDES DE AGUA POTABLE EN LA CALLE AYACUCHO”
EPS EMAPA Chancay S.A.C - SUM Canadá 13
Por lo tanto la perdida de carga total por Accesorios y tubería, en la calle
Ayacucho será de 0.367 m.
No se ha considerado las perdidas locales por las conexiones domiciliarias de
agua potable.
PROYECTO: “RENOVACIÓN DE REDES DE AGUA POTABLE EN LA CALLE AYACUCHO”
EPS EMAPA Chancay S.A.C - SUM Canadá 14
5. RESUMEN DE PRESUPUESTO Y TIEMPO DE EJECUCIÓN
5.1 Resumen de Presupuesto
PROYECTO: “RENOVACIÓN DE REDES DE AGUA POTABLE DE LA CALLE AYACUCHO”.
FECHA : Diciembre - 2003.
El costo Directo asciende a la suma de Ciento Doce mil ciento setenta y cuatro
con 86/100 Nuevos Soles.
5.2 Tiempo de Ejecución
El tiempo estimado para la ejecución de la obra es de 45 días calendarios.
RUBRO MONTO (S/.)
1) OBRAS PRELIMINARES 2 199.18
2) MOVIMIENTO DE TIERRAS 21 785.13
3) SUMINISTRO DE TUBERÍAS PVC 13 498.02
4) INSTALACIÓN DE TUBERÍAS PVC 1 147.31
5) SUMINISTRO DE ACCESORIOS HFD 4 171.50
6) INSTALACIÓN DE ACCESORIOS HFD 1 093.48
7) REINSTALACIÓN DE CONEXCIONES
DOMICILIARIAS DE AGUA POTABLE
13 162.31
8) OTROS (ROTURA Y REPOSICIÓN DE ASFALTO, VEREDAS,
PRUEBAS HIDRÁULICAS, TRANSPORTE)
27 110.88
COSTO DIRECTO 84 164.81
GASTOS GENERALES TOTALES 12% 10 099.78
SUB – TOTAL 94 264.59
IMPUESTOS GENERALES A LAS VENTAS (IGV) 19% 17 910.27
TOTAL 112 174.86
PROYECTO: “RENOVACIÓN DE REDES DE AGUA POTABLE EN LA CALLE AYACUCHO”
EPS EMAPA Chancay S.A.C - SUM Canadá 15
6 RELACIÓN DE PLANOS
Plano N° Descripción
01
Ubicación del Área de Proyecto ”Renovación de Redes de Agua
Potable y Conexiones Domiciliarias de la Calle Ayacucho”.
01/02
Renovación de Redes de Agua Potable y Conexiones Domiciliarias de
la Calle Ayacucho.
02/02
Renovación de Redes de Agua Potable y Conexiones Domiciliarias de
la Calle Ayacucho.
01/02 Conexiones Domiciliarias de la Calle Ayacucho.
02/02 Conexiones Domiciliarias de la Calle Ayacucho.
01 Detalle de las Conexiones Domiciliarias.
SC-101
HJ (1/5)
Redes Telefónicas
LL-011 Redes Telefónicas
PROYECTO : “ RENOVACIÓN DE REDES DE AGUA POTABLE EN LA CALLE AYACUCHO ”
EQUIPO TÉCNICO EMAPA CHANCAY S.A.C. – SUM CANADA 1
ESPECIFICACIONES TECNICAS
CONTENIDO
I DISPOSICIONES GENERALES
II INSTALACIÓN DE TUBERÍAS PVC PARA AGUA POTABLE
III ESPECIFICACIONES TECNICAS DE VÁLVULAS
IV CONEXIONES DOMICILIARIAS DE AGUA POTABLE
PROYECTO : “ RENOVACIÓN DE REDES DE AGUA POTABLE EN LA CALLE AYACUCHO ”
EQUIPO TÉCNICO EMAPA CHANCAY S.A.C. – SUM CANADA 1
ESPECIFICACIONES TECNICAS
I. DISPOSICIONES GENERALES
1. CONSIDERACIONES
Las presentes Especificaciones Técnicas complementan las Normas Técnicas
Peruanas, aprobadas por el nuevo Reglamento Nacional de Construcciones, las
cuales deberán ser cumplidas por los ingenieros que ejecutarán las Obra:
“Renovación de Redes de Agua Potable de la Calle Ayacucho”.
Estas “Disposiciones Generales”, han sido redactadas tomando en consideración las
especificaciones técnicas para ejecución de obras de la Empresa: “Servicio de Agua
Potable y Alcantarillado de Lima Metropolitana” (SEDAPAL), manuales técnicos de
tuberías PVC para agua potable, válvulas y accesorios varios.
Previamente al inicio de las obras, se efectuará el replanteo del proyecto, cuyas
indicaciones en cuanto a trazo, alineamientos y gradientes serán respetadas en todo
el proceso de la obra. Si durante el avance de la obra se ve la necesidad de ejecutar
algún cambio menor, éste sería únicamente efectuado mediante la autorización de la
supervisión.
El ejecutor de la Obra, cuidará la conservación de todas las señales, estacas,
benchmarks, etc. y las establecerá por su cuenta, si son estropeadas ya sea por la
obra misma o por acción de terceras personas.
El ejecutor de la Obra deberá respetar el cronograma valorizado de avance de obra y
calendarios de adquisición de materiales. Asimismo deberá prever el suministro de
materiales en cantidad necesaria para asegurar el avance sin interrupciones de la
obra. También coordinará los suministros de los materiales, para evitar demoras en
la adquisición de los mismos.
Con la suficiente anticipación, y mediante aviso por escrito, el ejecutor de la Obra
hará conocer a la supervisión la fecha en que se iniciara el proceso de fabricación o
preparación de los materiales, que forman parte de la obra.
Las Obras por ejecutar y los equipos por adquirir e instalar, son los que se
encuentren indicados en los planos y/o croquis, con las adiciones y/o modificaciones
que puedan introducirse posteriormente.
El informe y/o Memoria Descriptiva presentada en otra sección del proyecto, es
meramente informativa.
Cuando se identifica, en cualquier etapa del proyecto, el artículo, material,
accesorios ó equipo por la marca de fábrica, patente o vendedor, se supone que
aquellos cumplen satisfactoriamente con los propósitos diseñados para la obra,
quedando a criterio del supervisor utilizar las mismas u otras similares o
equivalentes, que cumplan con los mismos propósitos.
PROYECTO : “ RENOVACIÓN DE REDES DE AGUA POTABLE EN LA CALLE AYACUCHO ”
EQUIPO TÉCNICO EMAPA CHANCAY S.A.C. – SUM CANADA 2
2. TRAZO Y REPLANTEO
Inicial
Como condición preliminar, todo el sitio donde se realizará la excavación en corte
abierto, será primero despejado de todas las obstrucciones existentes. Se realizará
el trazó inicial respetando el replanteo efectuado en la elaboración del proyecto (ver
planos N° 01, 02, 03, 04).
Final
Se realizará el replanteo final de la obra con el inventario de todas las tuberías,
accesorios y demás elementos que se instalaron, se realizará los esquineros,
indicando las distancias reales en las que se instalaron las tuberías PVC, accesorios
y los detalles de los empalmes; la Empresa EMAPA Chancay en coordinación con
SUM Canadá, elaborará un expediente Técnico Final Conforme a obra.
3. CALIDAD DE MATERIALES Y EQUIPOS
Todo el material y equipo utilizado en la obra deberá cumplir con las Normas
Técnicas Peruanas. Solo se aceptaran materiales y equipos que se ajusten a las
Normas Internacionales, cuando estas garanticen una calidad igual o superior a las
Nacionales.
4. ESTRUCTURAS Y SERVICIOS EXISTENTES
En los planos y croquis, se muestran varias estructuras y servicios existentes tales
como: redes de Agua Potable y Alcantarillado, y Teléfono cuyas ubicaciones y
dimensiones han sido proporcionadas por las entidades correspondientes, deberán
considerarse como referenciales, con rangos de aproximación establecidas por las
mismas entidades.
El ejecutor ó constructor previamente al inicio de la Obra, determinará su exactitud
en la zona de trabajo, en coordinación directa con esas entidades de las estructuras
y servicios existentes. También será responsable de la conservación del buen estado
de las estructuras y servicios existentes, no indicados en los planos y/o croquis
(previamente indicados).
5. ROTURA Y REPOSICIÓN DE PAVIMENTOS Y VEREDAS
Pavimentos
La rotura y reposición de pavimentos se realizara estrictamente de acuerdo a lo
establecido en las Normas Técnicas Nacionales ITINTEC Nº 339 – 116 “Rehabilitación
de Pavimento Urbano”.
Para la rotura no se permitirá el empleo de comba u otra herramienta que afecte la
resistencia del pavimento adyacente en buen estado.
Los espesores mínimos de reposición de pavimentos se detallan en el siguiente cuadro:
PROYECTO : “ RENOVACIÓN DE REDES DE AGUA POTABLE EN LA CALLE AYACUCHO ”
EQUIPO TÉCNICO EMAPA CHANCAY S.A.C. – SUM CANADA 3
ESPESORES MÍNIMOS DE PAVIMENTOS
Tipo de Pavimento CAPA DE
RODADURA
BASE SUB BASE
Pavimento flexible (tipo 1) 0,05 m 0,20 m -----
Pavimento rígido (tipo 2) 0,15 m ----- 0,20 m
Pavimento mixto (tipo 3) 0,05 m 0,15 m- 0,20 m
El material seleccionado para la base y sub base necesariamente serán de afirmado, a
excepción del pavimento mixto en que su base será de concreto. No se permitirá realizar
reposiciones con mezclas bituminosas en frío.
Veredas
Para la rotura de veredas también se usaran los mismos métodos empleados en la rotura
de pavimentos, no permitiéndose, la utilización de comba u otra herramienta manual,
salvo el caso que por la naturaleza del trabajo, no se justifique el equipo mecánico rompe
pavimento, siempre y cuando sea previamente aprobado por la empresa.
El corte de las veredas deberá efectuarse tomando paños completos, es decir, siguiendo
las líneas de las bruñas, debiendo tener especial cuidado de no afectar los paños
adyacente, que en caso de quedar en mal estado, deberá eliminarse y reponerse el paño
entero afectado.
Las losas de las veredas serán vaciadas con concreto fc = 140 kg/cm2, rico en pasta y
tendrá un espesor mínimo de 0,10 m sobre una base compactada.
Los paños serán perfectamente definidos por las bruñas, que seguirán las líneas de la
vereda existente.
6. PROTECCION DE LA OBRA Y PROPIEDAD AJENA
Durante la ejecución de la obra, el constructor tomará todas las precauciones
necesarias para proteger la obra y la propiedad ajena, que pueda ser afectada de
alguna forma por la construcción. Cualquier propiedad que resultase afectada por
negligencia del ejecutor de la Obra, será prontamente restaurada por este a su
condición original.
7. SEGURIDAD Y LIMPIEZA DE LA OBRA
El constructor como ejecutor cumplirá estrictamente con las disposiciones de
seguridad, atención y servicios del personal, de acuerdo a las normas vigentes
De acuerdo al tipo de obra y riesgo de la labor que realizan los trabajadores, el
ejecutor de la Obra le proporcionará los implementos de protección tales como:
cascos, botas, guantes etc. En todos los casos, el personal contará como mínimo
con un casco de protección.
El ejecutor de la Obra efectuará su trabajo de tal manera que el tránsito vehicular
sufra las mínimas interrupciones, evitando causar molestias al publico y los vecinos,
PROYECTO : “ RENOVACIÓN DE REDES DE AGUA POTABLE EN LA CALLE AYACUCHO ”
EQUIPO TÉCNICO EMAPA CHANCAY S.A.C. – SUM CANADA 4
limitando la obra a la longitud mínima necesaria de su ejecución, fijados en su
calendario de avance de obra.
En zonas que fuese necesario el desvió vehicular, este deberá hacerse con el previo
acondicionamiento de las vías de acceso, y con las respectivas tranqueras y
señalizaciones diurnas y nocturnas; también durante toda la ejecución de la obra se
dispondrá obligatoriamente de letreros, señales, barreras, luces de peligro, etc.
Asimismo, de vigilantes para la prevención de los accidentes, tanto de día como de
noche, debiendo el constructor ó ejecutor solicitar a la Entidad encargada del
transporte urbano y seguridad vial de la Municipalidad, la autorización respectiva y
acatar las disposiciones que de ella emanara.
En todo momento la obra se mantendrá limpia y ordenada, con molestias mínimas
producidas por: ruidos, humos y polvos. En zanjas excavadas, se dispondrá de
pases peatonales a todo lo largo de ellas.
Toda obra temporal como: andamios, escaleras, montacargas, bastidores, etc. que
se requiera en la construcción, será suministrada y removida por el ejecutor de la
Obra, quien será responsable por la seguridad y eficiencia de toda esta obra
temporal.
8. METODOS DE CONSTRUCCION
Los métodos y procedimientos de construcción, son los mencionados en el nuevo
Reglamento Nacional de Construcciones.
Sin embargo el ejecutor de la Obra puede utilizar otros, pero sujeto a la aprobación
de la Supervisión y únicamente se usaran procedimientos, métodos y equipos
adecuados y seguros. Esta aprobación, no impedirá al ejecutor de la Obra la
obligación de cumplir con los resultados señalados en el proyecto, ni será causa de
reclamo por parte del mismo.
II INSTALACIÓN DE TUBERÍAS PVC PARA AGUA POTABLE
1. INTRODUCCIÓN
Las presentes Especificaciones Técnicas corresponden al Suministro, Instalación y
Puesta en Servicios de Tuberías y Accesorios de PVC "POLICLORURO DE VINILO"
de acuerdo a la Norma Técnica Nacional ISO 4422 que reemplaza a la Norma
ITINTEC Nº 399.002 para la conducción de Fluidos a Presión - Clase Pesada SAP
(Standard Americano Pesado).
De acuerdo a las Normas ISO 4422, la tubería se clasifica en series, las cuales están
en función a las presiones de trabajo máxima continuas a la temperatura de 20 C.
2. EXCAVACIÓN DE LA ZANJA
Como regla general no debe procederse a excavar las zanjas con demasiada
anticipación al trabajo de colocación de la tubería.
A menudo, se obtendrán ventajas evitándose tramos demasiado largos de zanja
abierta, por ejemplo:
Reduce al mínimo la posibilidad que la zanja se inunde.
PROYECTO : “ RENOVACIÓN DE REDES DE AGUA POTABLE EN LA CALLE AYACUCHO ”
EQUIPO TÉCNICO EMAPA CHANCAY S.A.C. – SUM CANADA 5
Reduce las cavernas causadas por el agua subterránea.
Se evita la rotura del talud de la zanja.
Reducir en la posible necesidad de entibar los taludes de la zanja.
Reducción de peligros para tránsito y trabajadores
Material Excavado
Todo el material excavado deberá ser ubicado de tal manera que no obstaculice el
trabajo posterior de instalación de la tubería.
Esta recomendación también es valedera para la excavación donde se ubiquen
válvulas, hidrantes, etc.
Fondo de la Zanja
El fondo de la zanja debe presentar una superficie bien nivelada, ser continuo, plano
y libre de piedras, troncos, o materiales duros y cortantes para que los tubos se
apoyen sin discontinuidad a lo largo de la generatriz inferior.
Si el fondo es de un material suave y fino, sin piedra y que se pueda nivelar
fácilmente, no es necesario usar rellenos de base especial.
Si el fondo está constituido por material pedregoso o rocoso, es aconsejable colocar
una capa de material fino, escogido, excepto de piedras o cuerpos extraños, con un
espesor mínimo de 15 cm.
Este relleno previo, debe ser bien apisonado antes de la instalación de los tubos.
Retirar las rocas o piedras del borde de la zanja, para evitar el deslizamiento al
interior que ocasione posibles roturas.
No debe usarse nunca arcilla inmediatamente alrededor del tubo, ya sea para
encamado, relleno lateral o superior.
Es fundamental brindar a la tubería PVC un apoyo uniforme y continuo en toda su
longitud, dejando "nichos" en la zona de las campanas para permitir el apoyo del
cuerpo del tubo.
Se determinará la ubicación de las uniones en el fondo de la zanja antes de bajar a
ella los tubos, en cada uno de esos puntos se abrirán hoyos, o canaletas
transversales, de la profundidad y ancho necesario para el fácil manipuleo de los
tubos y sus accesorios en el momento de su montaje.
Ancho y Profundidad de la Zanja
El ancho de la zanja debe permitir un montaje fácil y un adecuado relleno y
compactación de la tubería.
Por ser una tubería flexible se recomienda en general que la zanja al nivel de la
tubería, hasta la clave del tubo, sea lo más estrecha posible, dentro de los límites
practicables.
PROYECTO : “ RENOVACIÓN DE REDES DE AGUA POTABLE EN LA CALLE AYACUCHO ”
EQUIPO TÉCNICO EMAPA CHANCAY S.A.C. – SUM CANADA 6
Un ancho adicional de 30 cm. al diámetro exterior del tubo permite trabajar sin
problemas durante la instalación.
La altura mínima de relleno sobre la clave de la tubería debe ser de 1.0 m como
mínimo en zonas de tráfico corriente y de 1.2 m en zonas de tráfico pesado, con
encamado y relleno de arena o material fino selecto compactado hasta por lo menos
30 cm. sobre la clave del tubo.
Clasificación de Terrenos
La clasificación de terrenos considerada para la excavación de zanjas, es de clase II
– GP con gravas mal graduadas de diferentes volúmenes y mezcladas con arena y
poco de finos.
Características de las Zanjas
Las zanjas para la instalación de tuberías PVC, serán idénticas a las que
normalmente se ejecutan para tubos metálicos; tendrá una profundidad de 1.30 m.
como mínimo, para permitir la instalación conveniente de válvulas y grifos contra
incendio y para resguardar la tubería de las vibraciones producidas por el tráfico
pesado; y se excavarán con o sin hoyos adicionales para las uniones, según el tipo
de tubería por instalar.
Para el encamado en zanjas previamente debe removerse los lechos de roca, cantos
rodados y piedras grandes, para proveer 15 cm. De espacio libre a cada lado de la
zanja y debajo de la línea de gradiente del fondo del tubo y los accesorios, para
tener espacio suficiente para colocar una cama de apoyo de material suelto y
selecto; tierra, arena, grava o material similar, que será compactado
adecuadamente.
Dimensiones de las Zanjas
El ancho de la zanja dependerá de la naturaleza del terreno en trabajo y del diámetro
de la tubería por instalar, pero en ningún caso será menor de los estrictamente
indispensables para el fácil manipuleo de la tubería y sus accesorios dentro de dicha
zanja.
PROYECTO : “ RENOVACIÓN DE REDES DE AGUA POTABLE EN LA CALLE AYACUCHO ”
EQUIPO TÉCNICO EMAPA CHANCAY S.A.C. – SUM CANADA 7
TABLA DE VALORES MINIMOS DE ANCHO Y PROFUNDIDADES DE ZANJA
DIAMETRO NOMINAL ANCHO DE PROFUNDIDAD MINIMA
D. REF. ISO D. EXT. ZANJA TRAFICO LIVIANO TRAFICO PESADO
(Pulg.) (mm.) cm. (m) (m)
1/2" - 40 0,60 0,60
3/4" - 40 0,60 0,60
1" 40 40 0,60 0,60
1 1/2" 50 40 0,65 0,65
2" 63 40 0,65 0,65
2 1/2" 75 40 0,70 0,80
3" 90 40 0,70 0,90
4" 110 40 0,70 1,30
6" 160 46 0,75 1,35
8" 200 50 0,80 1,40
10" 250 55 0,80 1,45
12" 315 61 0,90 1,50
14" 355 65 1,00 1,50
Tendrá como mínimo 0.15 m a cada lado del diámetro exterior de la tubería en el
caso de la zanja para diámetros hasta 10".
PROYECTO : “ RENOVACIÓN DE REDES DE AGUA POTABLE EN LA CALLE AYACUCHO ”
EQUIPO TÉCNICO EMAPA CHANCAY S.A.C. – SUM CANADA 8
Para curvas de gran diámetro el ancho será de mayor dimensión que el normal,
tomándose el mayor ancho necesario del lado exterior de la curva. La zanja se
excavará por lo menos cinco (0.05) m de centímetros debajo de la gradiente exterior
del fondo del tubo, teniendo en cuenta la profundidad mínima del entierro exigible. Si
la tubería se coloca en la calzada o en el campo el entierro mínimo sobre la cabeza
de los tubos, nunca será menor de 1.00 m, teniendo en cuenta que los extremos
exteriores de los vástagos de las válvulas deben quedar a un mínimo de treinta
centímetros (0.30 m) de la superficie. La tubería se coloca en las aceras, o en
jardines laterales o centrales, el relleno sobre la cabeza del tubo puede disminuirse
hasta ochenta centímetros (0.80 m) Si las válvulas y grifos contra incendio lo
permiten.
3. INSTALACIÓN
Cama de Apoyo y Fondos de Zanja:
El tipo y calidad de la "Cama de Apoyo" que soporta la tubería es muy importante
para una buena instalación, lo cual se puede lograr fácil y rápidamente, si el terreno
tiene poca presencia de material grueso o piedra, se puede cernir y utilizar como
cama de apoyo (arcilla, arena limosa, etc.). La capa de dicho material tendrá un
espesor mínimo de 10 cm. En la parte inferior de la tubería y debe extenderse entre
1/6 y 1/10 del diámetro exterior hacia los costados de la tubería.
Instalación Propiamente dicha:
Para tubos de unión flexible, se debe de tener en cuenta los siguientes pasos
durante la instalación de los mismos:
Verificar la presencia del chaflán en la espiga del tubo a instalar, y marque sobre ella
la longitud a introducir.
Limpie cuidadosamente el interior de la campana y el anillo de caucho de espiga del
tubo a instalar.
A continuación el instalador presenta o ajusta el tubo cuidando que el chaflán quede
insertado en el anillo, mientras que otro operario procede a empujar el tubo hasta el
fondo, retirándolo luego 1 cm.
Esta operación puede efectuarse con ayuda de una barreta y un taco de madera
para facilitar la instalación.
Además se deberá seguir otras recomendaciones del fabricante.
PROYECTO : “ RENOVACIÓN DE REDES DE AGUA POTABLE EN LA CALLE AYACUCHO ”
EQUIPO TÉCNICO EMAPA CHANCAY S.A.C. – SUM CANADA 9
Curvatura
La flexibilidad de los tubos de PVC permite en algunos casos efectuar algunos
cambios de dirección en la tubería. No obstante no se recomienda hacer curvaturas
mayores a 3 cm, y siempre ubicarlas en las partes lisas del tubo y no sobre las
campanas.
La tabla siguiente indica los valores de flecha máximos admisibles a 20 C para tubos
de 6 m de largo.
D.N. FLECHA
MÁXIMA (h)
(cm)mm. Pulg.
90 3 11
110 4 10
160 6 6
200 8 4
250 10 3
Lubricante
El lubricante a utilizarse en la instalación de las líneas de agua, deberá ser
previamente aprobado por el ejecutor de la obra, no permitiéndose emplear jabón,
grasas de animales, etc. Que puedan contener bacterias que dañen la calidad del
anillo.
4. ANCLAJE Y APOYO DE ACCESORIOS
La presión hidráulica interna a que son sometidas las tuberías, genera empuje o
esfuerzos que tienen a desacoplarlos. Tales esfuerzos adquieren importancia en los
accesorios como tées, reducciones, codos, curvas, tapones, válvulas y curvas,
donde la fuerza de empuje debido a la presión interna debe distribuirse sobre las
paredes de la zanja, deben ser debidamente anclados y apoyados, para ello se
usará concreto f'c = 140 Kg./cm2 en el fondo o solado y cuñas al costado de los
accesorios dejando la superficie superior libre para su inspección o revisión.
Solo en los cambios de dirección verticales, se admitirá el embebido total del
accesorio por el concreto; si se necesita a criterio del Inspector se podrá usar dowels
o anclajes de fierro, se deberá disponer de inmediato tratando de no producir presión
al accesorio, sino la fijación adecuada.
De utilizarse accesorios de PVC estos deben de estar protegidos con filtros, película
de polietileno o algún otro material adecuado para impedir el desgaste de la pieza
por el roce con el hormigón ó de lo contrario lijar la superficie exterior del accesorio
PROYECTO : “ RENOVACIÓN DE REDES DE AGUA POTABLE EN LA CALLE AYACUCHO ”
EQUIPO TÉCNICO EMAPA CHANCAY S.A.C. – SUM CANADA 10
PVC y aplicar pegamento para adherir arena gruesa, con lo cual se logrará la fijación
adecuada al anclaje de concreto.
Los bloques de anclaje deben de calcularse considerando el esfuerzo producido por
la máxima presión que se pueda generar en la línea, esta por lo general coincide con
la presión de prueba.
En la siguiente tabla se indica el empuje en (Kg.) en los accesorios por cada Kg/cm2
de presión hidráulica interna.
VALOR APROXIMADO DE EMPUJE EN ACCESORIOS EN UNA
LÍNEA DE TUBOS PVC POR CADA kg/cm2 DE PRESION HIDRAULICA
DIAMETRO CODO 90° AREA CODO 45° AREA CODO 22.5° AREA ACCESORIOS AREA
(mm) (kg) (m2) (kg) (m2) (kg) (m2) (kg) (m2)
110 144 0.108 78 0.059 40 0.030 102 0.077
150 314 0.2355 170 0.128 87 0.065 222 0.167
200 533 0.3998 288 0.216 147 0.110 377 0.283
250 829 0.6218 448 0.336 228 0.171 585 0.439
El área o superficie de contacto del bloque deberá dimensionarse de modo que el
esfuerzo o carga unitaria que se transmite al terreno no supere la carga de
resistencia admisible dado para el tipo de terreno donde se trabajan las zanjas e
instalaciones.
A continuación se muestra el croquis Nº 01 donde se muestra la ubicación de los
bloques del anclaje:
PROYECTO : “ RENOVACIÓN DE REDES DE AGUA POTABLE EN LA CALLE AYACUCHO ”
EQUIPO TÉCNICO EMAPA CHANCAY S.A.C. – SUM CANADA 11
Croquis Nº 01 : Ubicación de los Bloques de Anclaje; las zonas achuradas muestran
los anclajes que generalmente son de concreto y su ubicación está en función del
tipo de conexión y de la dirección del empuje, por lo cual se recomienda la ubicación
tal como se muestra en el croquis dependiendo del sentido del flujo y del tipo de
conexión.
5. PRUEBAS HIDRÁULICAS
La prueba de la tubería de PVC, se debe realizar siempre a medida que la Obra
progresa y por tramos no mayores de 400 m y 300 m, En zonas o líneas con
pendientes mínimas, debiendo reducirse en líneas con demasiados cambios de
dirección.
El llenado de la tubería debe hacerse lentamente desde el punto más bajo del tramo
que se va a probar. En los puntos altos, cambios de dirección y extremos de la línea
se deben disponer salidas de aire, las cuales deben permanecer abiertos durante el
llenado, a fin de expulsar el aire interior.
La bomba de presión de prueba será igual a vez y media la presión estática en el
punto más bajo del conducto, esta presión debe mantenerse durante el tiempo
necesario para observar y comprobar el trabajo eficiente de todas las partes de la
instalación
La prueba hidráulica tiene por finalidad verificar si todas las operaciones realizadas
para la instalación de la tubería han sido ejecutadas correctamente. Antes de
efectuar la prueba debe verificarse lo siguientes:
a) La tubería tenga un recubrimiento mínimo de 40 cm.
b) Las uniones y accesorios estén descubiertas.
c) A llenar la red debe purgarse convenientemente para eliminar las bolsas de aire.
d) Los bloques de anclaje tendrán un fraguado mínimo de 7 días.
e) Los tapones deberán estar correctamente anclados para evitar fugas en éstos
durante la realización de la prueba.
f) Es conveniente que la línea a probar no exceda los 400 m.
Prueba parcial
A medida que se verifique el montaje de la tubería y una vez que estén colocados en
su posición definitiva todos los accesorios, válvulas y grifos que debe llevar la
instalación, se procederá a hacer pruebas parciales a la presión interna, por tramos
de 300 a 500 m, Como máximo en promedio. El tramo en prueba, debe quedar
parcialmente rellenadas, dejando descubiertas y bien limpias todas las uniones.
El tramo en prueba se llenará de agua empezando del punto de mayor depresión de
manera de asegurar la completa eliminación del aire por las válvulas y grifos de la
parte alta. El tramo en prueba debe quedar lleno de agua sin presión durante 24
horas consecutivas antes de proceder a la prueba de presión o por lo menos el
tiempo necesario, para que se sature la tubería.
Por medio de una bomba de mano, colocada en el punto más bajo se llenará
gradualmente el tramo en prueba a la presión de trabajo. Esta presión será
PROYECTO : “ RENOVACIÓN DE REDES DE AGUA POTABLE EN LA CALLE AYACUCHO ”
EQUIPO TÉCNICO EMAPA CHANCAY S.A.C. – SUM CANADA 12
mantenida mientras se recorre la tubería y se examinan las uniones, en sus dos
sentidos (15 minutos sin alteración de la aguja, sino se hace el recorrido). Si el
manómetro se mantiene sin pérdida alguna, la presión se elevará a la de
comprobación, utilizando la misma bomba. En esta etapa, la presión debe
mantenerse constante durante un minuto, sin bombear, por cada 10 libras de
aumento en la presión.
La presión mínima de comprobación para servicios de presión normal de trabajo,
será de 10 Kilos por centímetro cuadrado. Se considerará como presión normal de
trabajo, la presión media entre la máxima y la mínima de la instalación. En nuestro
medio, y mientras no se determine lo contrario dicha presión será equivalente a 4.8
Kilos por centímetros cuadrados y la presión mínima de comprobación a la que debe
someterse la instalación, será equivalente a una y media (1 -1/2) veces la presión
normal de trabajo.
La prueba se considerará positiva si no se producen roturas o pérdidas de ninguna
clase. La prueba se repetirá tantas veces como sea necesaria, hasta conseguir
resultado positivo.
Durante la prueba, la tubería no deberá perder por filtración, más de la cantidad
estipulada a continuación, en litros por hora según la siguiente fórmula:
F = N* D*(P) ^ 0,5
410 x 25
F = Pérdida máxima tolerada en una hora, en litros.
N = Número de empalmes
D = Diámetro del tubo en milímetros
P = Presión de prueba en metros de agua
Se considera como pérdida por filtración la cantidad de agua que debe agregarse a
la tubería y que sea necesaria para mantener la presión de prueba especificada,
después que la tubería ha sido completamente llenada, y se ha extraído el aire
completamente.
Para el control de la prueba en obra, se llevarán los formularios correspondientes,
debiendo el supervisor recabar el certificado de cada prueba efectuada y
acompañarlo(s) "como documento(s) indispensable(s)" a las valorizaciones que
presente, sin cuyo requisito la valorización no podrá ser tramitada.
Prueba final total
Para la prueba final se abrirán todas las válvulas, grifos contra incendio, boca de
riego, descargas, etc., y se dejará penetrar el agua lentamente para eliminar el aire,
antes de iniciar la prueba a presión, si fuera posible, es conveniente empezar la
carga por la parte baja dejando correr el agua durante cierto tiempo por los grifos
bocas de riego, etc., hasta estar seguro que estas bocas, no dejen escapar más aire.
Estas aberturas se empezarán a cerrar partiendo de la zona más baja.
PROYECTO : “ RENOVACIÓN DE REDES DE AGUA POTABLE EN LA CALLE AYACUCHO ”
EQUIPO TÉCNICO EMAPA CHANCAY S.A.C. – SUM CANADA 13
En la prueba final no será indispensable someter la instalación a una sobre presión;
pero si será indispensable someterla a la presión normal de trabajo de 10Kg /cm2.
Tabla N° 1 – Pérdida Máxima de Agua en Litros en una Hora y para Cien
Uniones
Dia
(mm)
P = PRESION DE PRUEBA
7.5
Kg./cm2
10
Kg./cm2
11
Kg/cm2
12
Kg/cm2
13
Kg/cm2
13,5
Kg/cm2
14
Kg/cm2
15,5
Kg/cm2
200
250
16.78 lt.
20.98 lt
20.05 lt
25.05 lt
20.70 lt
25.90 lt
21.30 lt
26.90 lt
21.90 lt
27.40 lt
22.50 lt
28.15 lt
23.10 lt
28.90 lt
24.25 lt
30.30 lt
Tabla 2 Volumen de agua contenido por un recipiente cilíndrico de Ø 0.30 a 0.38 m
y altura de 0.1 cm. a 1.0 cm. (determina volumen de fuga en el recip. de la bomba
de mano)
DIA.
(cm)
LITROS
0.1
(cm)
0.2
(cm)
0.3
(cm)
0.4
(cm)
0.5
(cm)
0.6
(cm)
0.7
(cm)
0.8
(cm)
0.9
(cm)
1.0
(cm)
0.30
0.31
0.32
0.33
0.34
0.35
0.36
0.37
0.38
0.07
0.08
0.08
0.09
0.09
0.10
0.10
0.11
0.11
0.14
0.15
0.16
0.17
0.18
0.19
0.20
0.22
0.23
0.21
0.23
0.24
0.26
0.27
0.29
0.31
0.32
0.34
0.28
0.30
0.32
0.34
0.36
0.38
0.41
0.42
0.45
0.35
0.38
0.40
0.43
0.45
0.48
0.51
0.54
0.57
0.42
0.45
0.48
0.51
0.54
0.58
0.61
0.65
0.68
0.49
0.59
0.58
0.60
0.64
0.67
0.71
0.75
0.79
0.57
0.60
0.64
0.68
0.73
0.77
0.81
0.86
0.91
0.64
0.68
0.72
0.77
0.82
0.87
0.92
0.97
1.02
0.7
0.7
0.8
0.8
0.9
0.9
1.0
1.0
1.1
DESINFECCIÓN DE LAS TUBERIAS:
Todas las líneas de agua antes de ser puestas en servicios, serán completamente
desinfectadas de acuerdo con el procedimiento que se indica en la presente
especificación.
La dosis de cloro aplicado para la desinfección será de 50 ppm.
PROYECTO : “ RENOVACIÓN DE REDES DE AGUA POTABLE EN LA CALLE AYACUCHO ”
EQUIPO TÉCNICO EMAPA CHANCAY S.A.C. – SUM CANADA 14
El tiempo mínimo de contacto del cloro con la tubería será de 24 horas,
procediéndose a efectuar la prueba de cloro residual debiendo obtener por lo menos
5 ppm. de cloro.
En el periodo de cloración, todas las válvulas, grifos y otros accesorios, serán
operados repetidas veces para asegurar que todas sus partes entren en contacto
con la solución del cloro.
Después de la prueba, el agua con cloro será totalmente eliminada de la tubería e
inyectándose con agua de consumo hasta alcanzar 0,2 ppm. de cloro.
Se podrá utilizar cualquiera de los productos enumerados a continuación, en orden
de preferencia:
 Cloro liquido
 Compuestos de cloro disuelto con agua
Para la desinfección con cloro liquido se aplicara una solución de este, por medio de
un aparato clorinador de solución, o cloro directamente de un cilindro con aparatos
adecuados, para controlar la cantidad inyectada y asegurar la difusión efectiva del
cloro en toda la línea.
En la desinfección de la tubería por compuesto de cloro disuelto, se podrá usar
compuestos de cloro tal como, hipoclorito de calcio o similares y cuyo contenido de
cloro utilizable, sea conocido.
Para la adicción de estos productos se usaran una proporción de 5% de agua,
determinándose las cantidades a utilizar mediante la siguiente formula:
g = C x L
% Clo. x 10
Donde:
g = gramos de hipoclorito
C = p.p.m. o mgs. por litro deseado
L = litros de agua
Ejemplo: Para un volumen de agua desinfectar de 1 m3 (1 000 litros) con un dosaje de
50 ppm. empleando hipoclorito de calcio al 70 % se requieren:
G = 50 x 1 000 = 71, 4 gramos
70 x 10
PROYECTO : “ RENOVACIÓN DE REDES DE AGUA POTABLE EN LA CALLE AYACUCHO ”
EQUIPO TÉCNICO EMAPA CHANCAY S.A.C. – SUM CANADA 15
6. REPARACIÓN DE FUGAS
Cuando se presente fugas en cualquier parte de la línea de agua, serán de inmediato
reparadas por el constructor debiendo necesariamente, realizar de nuevo la prueba
hidráulica del circuito y la desinfección de la misma, hasta que se consiga resultado
satisfactorio y sea aprobada por la Supervisión.
7. RELLENO Y COMPACTACIÓN DE ZANJAS
Precauciones para el relleno
Después de las pruebas parciales y corregidas los defectos, se completarán el
relleno de la zanja, tomando las precauciones necesarias como si se tratara de
material vítreo. La manera de efectuar el relleno de la zanja se hará con el objeto de
que siempre se evite la formación de cavidades en la parte inferior de los tubos.
Modo de efectuar el relleno
El relleno deberá ser ejecutado en tres etapas distintas:
o Relleno lateral
o Relleno superior
o Relleno final
Relleno Lateral
Se colocará en la zanja primeramente tierra fina o material seleccionado, libre de
piedras raíces, maleza, etc. Está formado por material selecto que envuelve a la
tubería y debe ser compactado manualmente uniformemente debajo y a los costados
de la longitud total a ambos lados simultáneamente, en capas sucesivas de 10 a 15
cms. de espesor, sin dejar vacíos en el relleno. El relleno se seguirá pisoneando
convenientemente, en forma tal que no levante el tubo o lo mueva de su
alineamiento horizontal o vertical.
De tenerse cuidado con el relleno que se encuentra por debajo de la tubería, es
decir, en el área de la zona ubicada entre el plano vertical tangente al diámetro
horizontal de la tubería y el talud de la zanja, a ambos lados simultáneamente,
teniendo cuidado con no dañar la tubería.
Esta primera etapa puede ser ejecutada parcialmente antes de iniciar las pruebas
parciales de la tubería.
No debe emplearse en el relleno tierra que contenga materias orgánicas ni raíces,
arcillas ó limos uniformes. No deben emplearse material cuyo peso seco sea menor
de 1,600 Kg/m3.
Todos los espacios entre rocas se rellenarán completamente con tierra.
No deben tirarse a la zanja piedras grandes por lo menos hasta que el relleno haya
alcanzado una altura de 1 m sobre la clave del tubo.
PROYECTO : “ RENOVACIÓN DE REDES DE AGUA POTABLE EN LA CALLE AYACUCHO ”
EQUIPO TÉCNICO EMAPA CHANCAY S.A.C. – SUM CANADA 16
Relleno Superior
Tiene por objeto proporcionar un colchón de material aprobado de 15 cms por lo
menos y preferiblemente 30 cms. Por encima de la clave de la tubería y entre la
tubería y las paredes de la zanja, de acuerdo con las especificaciones del proyecto.
El resto del relleno se compactará con rodillos aplanadores y otras máquinas
apropiadas de acuerdo con el material de que se disponga. Las máquinas deberán
pasarse tantas veces sean necesarias para obtener una densidad del relleno no
menor del 95% de la máxima obtenida mediante el ensayo Standard del Proctor. La
compactación se hará a humedad óptima y en capas horizontales no mayores de 15
cm. Tanto la clase del material de relleno como la compactación deben controlarse
continuamente durante la ejecución de la obra.
Con el compactado de pisón de mano, se pueden obtener resultados satisfactorios
en suelos húmedos, gravosos y arenas. En suelos más cohesivos son necesarios los
pisones mecánicos.
Relleno Final
Completa la operación de relleno superior, el relleno final puede realizarse con el
mismo material de excavación, exento de piedras grandes y/o cortantes. Este relleno
final se hará hasta el nivel natural de terreno.
Se compactará en capas sucesivas (de manera de poder obtener el mismo grado de
compactación del terreno natural) y tendrán un espesor menor de 20 cms.
En todo caso debe humedecerse el material de relleno hasta el final de la
compactación y emplear plancha vibradora u otro equipo mecánico de compactación.
En las calles sin pavimento, se dejará la superficie del terreno parejo, tal como
estaba antes de la excavación, y los rellenos sucesivos que fuesen menester para
acondicionar, la superficie de la zanja en esta forma será parte de la responsabilidad
del constructor, hasta por seis meses después de hecho el relleno. En las calles
pavimentadas La Empresa mantendrá la superficie del relleno al nivel de las calles
mientras se repone el pavimento.
Asentamiento con agua
Si fuera posible y con la aprobación del Ingeniero responsable se apisonará la tierra
del primer relleno con agua, evitando la utilización de pisones, los que podrían
admitirse solamente en las capas superiores.
PROYECTO : “ RENOVACIÓN DE REDES DE AGUA POTABLE EN LA CALLE AYACUCHO ”
EQUIPO TÉCNICO EMAPA CHANCAY S.A.C. – SUM CANADA 17
III ESPECIFICACIONES TECNICAS DE VÁLVULAS
Se usarán válvulas tipo compuerta, las cuales serán de fierro fundido dúctil fabricada
según norma NTP-ISO 7259, las características principales son:
1. Vástago de acero inoxidable con un mínimo porcentaje de 11.5 Cr. con un factor
de seguridad de 2.46 veces más sobre la norma.
2. Compuerta cubierta con elastómero según especificaciones AWWA 509-87.
3. Superficie interior totalmente lisa, lo cual permite pérdida mínima en el flujo de
agua y costos de bombeo.
4. Prueba hidráulica según ISO 5208. 1.5 veces la presión nominal.
5. Anillos tóricos fácilmente reemplazables con la válvula totalmente abierta y
sujeta a la total presión de trabajo.
6. Recubrimiento epóxico electrostático con espesor de 150 micras, interior y
exterior.
7. Pernos y tuercas zincados ó de acero inoxidable a pedido.
8. Temperatura máxima del fluido transportado 70º.
PROYECTO : “ RENOVACIÓN DE REDES DE AGUA POTABLE EN LA CALLE AYACUCHO ”
EQUIPO TÉCNICO EMAPA CHANCAY S.A.C. – SUM CANADA 18
Medidas para Válvulas compuerta según Norma ISO 7259-clase 15
DN L H C
100 (Ø4”) 300 377 106
150 (Ø6”) 350 469 132
200 (Ø8”) 400 502 154
250 (Ø10”) 450 657 225
Las válvulas serán de hierro dúctil tipo luflex para ser utilizadas con tubería de PVC
ISO 4422.
VÁLVULAS COMPUERTA
GENERALIDADES
El proveedor deberá suministrar todos los aparatos de valvulería en conformidad con las
especificaciones técnicas establecidas a continuación y según la lista de piezas
reseñada.
Todos los aparatos de valvulería deberán estar dimensionadas según los diámetros
prescritos en la lista de piezas.
Todos los aparatos de valvulería deberán ir identificados por un marcado colocado en el
cuerpo y que comporte las siguientes inscripciones:
1. Nombre del fabricante
2. Diámetro nominal DN
3. Presión nominal PN
El proveedor deberá presentar una memoria técnica detallada a petición del Ingeniero
Consultor, documento técnico que deberá comprender la descripción y el funcionamiento
de los aparatos.
Todos los aparatos de valvuleria estarán previstos para una presión máxima admisible
de 16 bar, salvo indicación contraria.
El sentido de cierre será FSH (cierre sentido horario) salvo prescripción contraria.
El material usado no debe afectar la calidad del agua en las condiciones de uso.
Las válvulas de compuerta serán de fierro fundido dúctil fabricadas de conformidad con
la Norma Internacional ISO 7259 tipo A.
La compuerta será del tipo sobre moldeada de elastómero y el paso del fluido será
rectilíneo.
Estarán diseñadas para una presión máxima admisible de 16 bar, correspondiente a la
presión nominal PN 16.
PROYECTO : “ RENOVACIÓN DE REDES DE AGUA POTABLE EN LA CALLE AYACUCHO ”
EQUIPO TÉCNICO EMAPA CHANCAY S.A.C. – SUM CANADA 19
Diseño
Compuerta
La compuerta será de fierro fundido dúctil totalmente revestido de elastómero.
Su estanquidad dentro del cuerpo de la válvula de compuerta deberá garantizarse por
comprensión del elastómero.
Revestimiento
Después de la limpieza y granallado, en conformidad con la Norma Internacional ISO
8501-1 GRADE SA 2.5, las válvula de compuerta recibirán tanto por dentro como por
fuera un revestimiento de polvo epoxidico o equivalente con un espesor mínimo de 150
micras. El producto que se seleccione para el revestimiento no deberá afectar la calidad
del agua en las condiciones de uso.
Materiales
El cuerpo, la tapa y la compuerta serán de fierro fundido dúctil conforme con la Norma
Internacional ISO 1083. La compuerta ira revestida con elastómero EPDM, nitrilo o
equivalente.
El eje de maniobra estará fabricado con acero inoxidable con un 13% de cromo o
equivalente (material Z2oC13 según NF A 35-574 o 1.4021 – DIN 17440).
La tuerca del eje de maniobra será de latón o equivalente (materia CuZn39Pb2 según
NF A 51-101 o 2.0380 – DIN 17660).
Ensayos
Cada válvula de compuerta deberá sufrir ensayos hidráulicos en fabrica según la Norma
Internacional ISO 5208:
 Ensayo de la envoltura a 1,5 vez la presión máxima admisible.
 Ensayo del asiento a 1,1 vez la presión máxima admisible.
PROYECTO : “ RENOVACIÓN DE REDES DE AGUA POTABLE EN LA CALLE AYACUCHO ”
EQUIPO TÉCNICO EMAPA CHANCAY S.A.C. – SUM CANADA 20
FORMA DE INSTALACIÓN DE VÁLVULA COMPUERTA
En el siguiente gráfico se presenta la forma de instalación de la válvula compuerta:
PROYECTO : “ RENOVACIÓN DE REDES DE AGUA POTABLE EN LA CALLE AYACUCHO ”
EQUIPO TÉCNICO EMAPA CHANCAY S.A.C. – SUM CANADA 21
IV CONEXIONES DOMICILIARIAS DE AGUA POTABLE
1. Generalidades
Toda conexión domiciliaria de agua, consta de trabajos externos a la respectiva
propiedad, comprendidos entre la tubería matriz de agua y la zona posterior al lado
de salida de la caja del medidor.
Su instalación se hará perpendicularmente a la matriz de agua con trazo alineado.
Sólo se podrán instalar conexiones domiciliarias en tuberías de hasta 250 mm (Ø10”)
de diámetro.
No se permitirá instalar conexiones domiciliarias en líneas de impulsión ó
conducción, salvo casos excepcionales con aprobación previa de la empresa.
2. Conexiones domiciliarias de agua potable con tuberías PVC
Las conexiones domiciliarias de agua, serán del tipo simple y estarán compuestos de
los siguientes elementos:
Elementos de Toma:
1 abrazadera de derivación con su empaquetadura.
1 válvula de toma (corporación).
1 transición de llave de toma a tubería de conducción con tuerca de acople.
1 Curva de 90 ó 45.
Tubería de conducción:
Con tubería de forro o protección.
Elementos de control:
2 llaves de paso.
2 niples Standard.
1 niple de reemplazo.
2 uniones presión rosca.
Caja de medidor con su marco y tapa.
Elemento de unión de la instalación.
3. Elementos de toma
3.1 Abrazadera
Para abrazaderas menores a 6” se utilizaran las siguientes especificaciones
técnicas:
La abrazadera de derivación es una conexión en forma de collar adaptable al
diámetro exterior de la tubería matriz de agua potable. Consta de tres partes :
PROYECTO : “ RENOVACIÓN DE REDES DE AGUA POTABLE EN LA CALLE AYACUCHO ”
EQUIPO TÉCNICO EMAPA CHANCAY S.A.C. – SUM CANADA 22
a) Un Collarín de PVC rígido, que rodea al tubo que contiene una base para la
válvula corporación roscada,
b) Un Asiento o collarín inferior de PVC rígido, con anillo plano como elemento de
sello que va internamente entre el tubo y la abrazadera,
c) Tuercas o elementos de ajuste de acero inoxidable encapsulados en PVC.
Las características que deben reunir son :
1. Cumplan con la NTP 399.137 – Abrazaderas de Material Termoplástico para
Conexiones Domiciliarias de Agua Potable.
2. Deberán ser abrazaderas de diseño exclusivo con pestaña de refuerzo central
tanto en la base como en la brida con pernos y tuercas de acero encapsulado en
PVC con sistema de ajuste totalmente hermético, con empaquetadura de ajuste
tipo “T” para evitar el uso de herramientas mecánicas.
3. La resistencia al troqué de la rosca deberá ser de 60 N.m.
4. Deberán ser sometidas a pruebas hidrostáticas de 500 PSI.
Para abrazaderas mayores a 6” se utilizarán abrazaderas de Ffdo. Con suncho de acero
el que será protegido en obra con una película de asfalto.
3.2 Válvula de Toma
Válvula para tubería de PVC. Posee un extremo roscado cónico que le permite
insertarse a la abrazadera de la tubería matriz, mientras que en el otro extremo
roscado se acoplan los accesorios de PVC necesarios para la conexión. Consta de
las siguientes partes:
a) Manija de PVC rígido.
b) Esfera del vástago de PVC rígido.
c) O´ring de Nitrilo.
d) Empaquetaduras de caucho elastómero.
d) Cuerpo principal de PVC rígido.
Las características que deben reunir son :
1. Cumplir la NTP 399.034 – Válvulas de Material Termoplástico.
2. Resistencia al troqué en las roscas de entrada y salida de 60 N.m.
3. De instalación manual, sin herramientas mecánicas, sin el uso convencional de
CINTA TEFLON por tener incorporado un O¨RING en el extremo de la rosca.
4. Sometidas a pruebas hidrostática de 500 PSI.
5. Los elementos de rosca, tanto externos como internos deberán ser de acuerdo al
sistema ISO.
6. Su peso especifico será de 1.40 gr/cm3, su resistencia a la tracción de 400
kg/Cm2, y su medida nominal ½”.
7. Deberá ser fabricado con material importado, PVC de alto impacto.
8. Que puedan trabajar a temperaturas de –20°C a 60°C.
PROYECTO : “ RENOVACIÓN DE REDES DE AGUA POTABLE EN LA CALLE AYACUCHO ”
EQUIPO TÉCNICO EMAPA CHANCAY S.A.C. – SUM CANADA 23
3.3 Accesorios de conexión y Curva de 90º
Los accesorios y componentes de conexión son:
a) Curva de ½” X90° con pestaña y rosca de PVC rígido.
b) Tuerca Racor para Corporation de PVC rígido.
c) Empaquetadura para Racor de caucho elastómero.
d) Contratuerca de ajuste de PVC rígido.
e) Cono y bocina de ajuste para contratuerca de Nylon reforzado.
Las características que deben reunir son :
1. Resistencia al troqué en las roscas de entrada y salida: 60 N.m.
2. De instalación manual, en un extremo, sin el uso convencional de CINTA
TEFLON por tener incorporado un O´RING (sello hermético) en el extremo de la
rosca.
3. Deberán soportar pruebas hidrostáticas de 500 PSI.
4. Los elementos de rosca, tanto externo como internos son de acuerdo al sistema I
ISO.
5. Su resistencia a la tracción deberá ser de 400 Kg/Cm2, y su medida nominal ½”.
6. Ser fabricado con material importado, PVC de alto Impacto.
7. Que trabajen a temperaturas de –20°C a 60°C.
4. Elemento de Conducción
La tubería de conducción será de plástico PVC o policloruro de vinilo no plastificado
para conducción de fluidos a presión, está tubería será para una presión nominal de
7.5 kg/cm2.
La tubería de conducción que empalma desde la abrazadera como elemento de
toma hasta la caja domiciliaria de agua potable, ingresará a está con una inclinación
de 45°.
Se protegerá la tubería de conducción de la conexión domiciliaria con un forro de
tubería PVC de diámetro 75 mm, en los siguientes casos:
En el cruce de pavimentos para permitir la extracción y reparación de la tubería de
conducción
En las conexiones largas (mayores a 4.00m) y en las conexiones cortas que la
supervisión estime conveniente.
5. Elementos de Control
Provisionalmente se instalará un niple en reemplazo del micromedidor. Deberá
tenerse en cuenta que la base del medidor tendrá una separación de 5 cm de luz con
respecto al solado.
En cada cambio o reparación de cada elemento, necesariamente deberá colocarse
empaquetaduras nuevas.
PROYECTO : “ RENOVACIÓN DE REDES DE AGUA POTABLE EN LA CALLE AYACUCHO ”
EQUIPO TÉCNICO EMAPA CHANCAY S.A.C. – SUM CANADA 24
5.1 Llave de Control (de paso)
En la llave de control será tipo esfera con manija para 360º de giro cuyos extremos
serán roscados internamente del tipo estándar americano. El lado que establece
contacto con el medidor, estará provisto de un racor o niple de acoplamiento el cual,
mediante su tuerca anillo permite el sellado o ajuste del niple.
La llave debe garantizar una presión de trabajo igual a 10 kg/cm2, sin fugas, la
lubricación será suficiente a fin de que se facilite el manejo (abrir y cerrar).
Los componentes de fabricación y materiales son:
a) Manija Tipo de PVC rígido.
b) Esfera vástago de PVC rígido.
c) O¨ring de Nitrilo.
d) Empaquetaduras de caucho elastómero.
e) Cuerpo principal.
Las características que deben reunir son :
1. Cumplan la NTP 399.034 – Válvulas de Material Termoplástico.
2. Resistencia al troqué en las roscas de entrada y salida: 60 N.m.
3. De instalación manual, sin herramientas mecánicas, sin el uso convencional de
CINTA TEFLON por tener incorporado un O´ring en el extremo de la rosca.
4. Deberán soportar pruebas hidrostáticas de 500 PSI.
5. Los elementos de rosca, tanto externos como internos son de acuerdo al sistema
ISO.
6. Su peso especifico es de 1.40 gr/cm3, su resistencia a la tracción de 400 kg/cm2,
y su medida nominal ½”.
7. Deberán ser fabricado con material importado, PVC de Alto Impacto.
8. Que trabajen a temperaturas de –20°C a 60°C.
5. Caja de Protección
La caja de protección del medidor será de concreto y el marco y tapa serán de Fierro
Galvanizado.
La tapa de la caja se colocará al nivel de la rasante de la vereda, cuidando que
comprometa sólo un paño de ésta. La reposición de la vereda será de bruña a bruña,
en caso de no existir vereda, la caja será ubicada en una losa de concreto f¨c = 140
kg/cm2 de 1,00 x 1,00 x 0,10 m sobre una base debidamente compactada.
PROYECTO : “ RENOVACIÓN DE REDES DE AGUA POTABLE EN LA CALLE AYACUCHO ”
EQUIPO TÉCNICO EMAPA CHANCAY S.A.C. – SUM CANADA 25
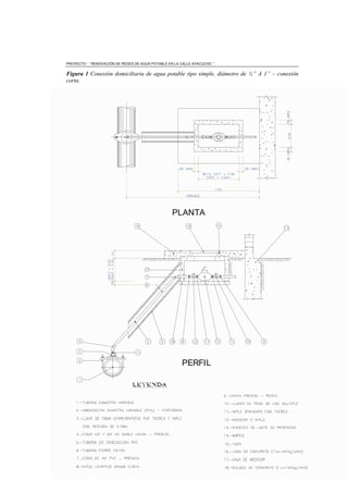
Figura 1 Conexión domiciliaria de agua potable tipo simple, diámetro de ½” A 1” – conexión
corta.
PLANTA
PERFIL
PROYECTO : “ RENOVACIÓN DE REDES DE AGUA POTABLE EN LA CALLE AYACUCHO ”
EQUIPO TÉCNICO EMAPA CHANCAY S.A.C. – SUM CANADA 26
10. Instalación
El procedimiento de instalación de una conexión domiciliaria es la siguiente:
Instalación de las abrazaderas:
La empaquetadura de jebe que se usa en las abrazaderas debe quedar
correctamente sentada sobre la tubería. La superficie del tubo debe limpiarse y
lijarse ligeramente para permitir mayor adherencia de la abrazadera y sus partes.
No es necesario apretar demasiado los tornillos de las abrazaderas de fierro fundido.
El empaque de caucho debe quedar comprimido uniformemente y con moderación.
Las abrazaderas de PVC son de un diseño tal que permiten su encaje exacto
alrededor del tubo de PVC, sin el temor de comprimirlo por efectos del ajuste
Por otro lado, existe en el mercado las abrazaderas de resina acetálica cuyo sistema
de ajuste a base de tuercas, no permite sobrepasar ciertos rangos de presión al
troqué. De esta manera, se asegura una buena instalación sin dañar el tubo.
Perforación del Tubo:
La ejecución de la perforación del tubo matriz de PVC puede efectuarse bajo dos
circunstancias, cuando la tubería está aún vacía sin servicio, o cuando se encuentra
en operación con presión de agua. En éstos casos pueden procederse de la
siguiente manera:
 EEnn ttuubboo ssiinn sseerrvviicciioo ::
La perforación de la matriz en seco se puede realizar con un berbiquí o un taladro
con broca tipo madera o mediante una cañería de cobre de igual diámetro a la
perforación que se desea realizar. Esto último se efectúa calentando la cañería de
cobre con un soplete para luego introducirla en la matriz de PVC, posteriormente
se emparejan los bordes de la perforación con una escofina de media caña.
En ningún caso se debe perforar la matriz golpeando con algún elemento
puntiagudo, debido a que la perforación resultante no tendrá una sección regular y
además existe el riesgo de romper el tubo.
 EEnn ttuubbooss eenn sseerrvviicciioo ::
En caso de tener que perforar un tubo de PVC de una línea matriz con presión de
agua, la operación se efectúa con herramientas especiales tipo Müller, la que
perfora el tubo a través de la válvula “corporation” insertada en la abrazadera de
derivación previamente instalada.
Relleno y compactación de la zanja:
El relleno debe seguir a la instalación de la tubería tan cerca como sea posible. En
ésta forma se disminuye el riesgo que la tubería sufra el impacto de piedras. Se
elimina la posibilidad de inundaciones de la zanja y se evitan movimientos de la línea
debido a derrumbes que pueden ocurrir.
PROYECTO : “ RENOVACIÓN DE REDES DE AGUA POTABLE EN LA CALLE AYACUCHO ”
EQUIPO TÉCNICO EMAPA CHANCAY S.A.C. – SUM CANADA 27
Se debe tener presente que la finalidad del relleno, no es solamente proteger a la
tubería recubriéndola, sino también la de darle un soporte firme y continuo que
impida que la tubería se asiente y descanse sobre sus juntas.
Nunca se debe considerar el relleno de compactación como el mero empuje del
material de excavación hacia la zanja en el menor tiempo posible. Es una operación
de la instalación que debe ser cuidadosamente supervisada.
Los fines esenciales de un buen relleno pueden resumirse así:
Proporcionar un lecho apropiado para la tubería y compactación.
Proporcionar por encima de la tubería, una capa de material escogido que sirva de
amortiguador al impacto de las cargas exteriores.
Para el apisonado completo y correcto del relleno de una zanja, se necesitan dos
tipos de barras.
El tipo de barra de cabeza angosta, es el más apropiado para ejecutar el apisonado
del relleno debajo de la tubería y las uniones.
El otro tipo de barra de cabeza plana llamado “pisón”, debe usarse para apretar el
material de relleno entre la tubería y las paredes de la zanja y para compactar el
relleno inicial.
Estas herramientas son de fácil fabricación, cómodas para manejar y realizar un
trabajo correcto.
Ejecución del relleno y apisonado:
Primero se debe tomar el lecho o soporte de la tubería. El material usado debe ser
escogido, es decir, libre de piedras grandes y de calidad adecuada. No debe usarse
tierra vegetal o de detrito. Aún en regiones relativamente rocosas, el material
apropiado para el relleno inicial debe ser previamente seleccionado.
El relleno y apisonado inicial comprende el material que se echa en el fondo de la
zanja y hasta una altura de 30 cm, por encima de la tubería.
El material para el relleno inicial debe extenderse en capas de 10 cm de espesor, y
apisonarse muy bien antes de echar la próxima capa. No olvide usar las
herramientas adecuadas para el apisonado. Recuerde que el material debe quedar
correctamente consolidado debajo de la tubería y las uniones y entre la tubería y las
paredes de la zanja.
Humedecer el material de relleno en la primera capa de 10 cm para conseguir mejor
consideración.
Incorrecto: Cuando se echa demasiado material de relleno para apisonar, el soporte
de la tubería quedará deficiente.
Correcto: Una capa de material escogido, de 10 cm de espesor es muy fácil de
apisonar y proporciona un buen soporte para la tubería.
El apisonado de las capas siguientes se debe hacer en la misma forma, hasta que el
tubo quede completamente encajado en material escogido bien apisonado, hasta la
altura media del tubo.
CRONOGRAMA DE OBRA - CALLE AYACUCHO
L M M J V S D L M M J V S D L M M J V S D L M M J V S D L M M J V S D L M M J V S D L M M J V S D L M M J V S D
ITEM DESCRIPCIÓN DE ACTIVIDADES TIEMPO
2004
MES 1 MES 2
01.00.00 OBRAS PRELIMINARES
01.01.00 TRAZO Y REPLANTEO INICIAL 6
01.02.00 COLOCAC. DE CINTA P/SEÑALIZ. 48
01.03.00 TRANQUERAS P/DESVIO DE TRAFICO 10
01.04.00 CARTEL DE OBRA 2
01 05 00 TRAZO Y REPLANTEO FINAL 1001.05.00 TRAZO Y REPLANTEO FINAL 10
02.00.00 MOVIMIENTO DE TIERRAS
02.01.00 EXCAVACION DE ZANJA C/MAQUINARIA 10
02.02.00 REFINE Y NIVELACION DE ZANJA 12
02.03.00 PREPARACION DE LA CAMA DE APOYO 12
02.04.00 RELLENO Y COMPACTACION DE ZANJA 14
02.05.00 ELIMINACION DE MATERIAL EXCEDENTE 3
03.00.00 SUMINISTRO DE TUBERIAS PVC
03.01.00 SUMINISTRO DE TUB. PVC P/REDES MATRICES 6
04.00.00 INSTALACION DE TUBERIAS
04.01.00 INST. DE TUB. PVC P/REDES MATRICES 14
05.00.00 SUMINISTRO DE ACCESORIOS H.D.05.00.00 SUMINISTRO DE ACCESORIOS H.D.
05.01.00 SUMINISTRO DE VALV, TEE, CODO, CRUZ, etc. 6
06.00.00 INSTALACION DE ACCESORIOS
06 01 00 INST DE VALV TEE CODO CRUZ t 1006.01.00 INST. DE VALV, TEE, CODO, CRUZ, etc. 10
07.00.00 CONEX. DOMICILIARIAS DE AGUA POTABLE
07.01.00 MOVIMIENTO DE TIERRAS
07.01.01 ROTURA DE PAVIMENTO P/CONEX.DOMIC. 4
07.01.02 EXCAVACION DE ZANJA 8
07.01.03 RELLENO Y COMPACTACION DE ZANJA 3
07.01.04 ELIMINACION DE MATERIAL EXCEDENTE 2
07.02.00 REINSTALACION DE CONEXIONES DOMILICIARIAS
07.02.01 CONEX.DOMIC. DE AGUA POTABLE CON CAJA 10
07.03.00 REPOSICION DE VEREDA
07.03.01 ROTURA Y REPOSICION DE VEREDA 10
08 00 00 ROTURA Y REPOSICION DE PAVIMENTO08.00.00 ROTURA Y REPOSICION DE PAVIMENTO
08.01.00 ROTURA DE PAVIMENTO ASFALTICO 14
08.02.00 ELIMINACION DE MATERIAL EXCEDENTE 2
08.03.00 REPOSICION DE PAVIMENTO ASFALTICO 8
09.00.00 PRUEBAS HIDRAULICAS
09.01.00 PRUEBAS HIDR. Y DESIFECC. P/TUB. AGUA POTABLE 2
10.00.00 VARIOS
10.01.00 TRANSPORTE LOCAL 48
FOTOGRAFIAS
Exp. tecnico ayacucho
Exp. tecnico ayacucho
Exp. tecnico ayacucho
Exp. tecnico ayacucho
Exp. tecnico ayacucho
Exp. tecnico ayacucho
Exp. tecnico ayacucho
Exp. tecnico ayacucho
Exp. tecnico ayacucho
Exp. tecnico ayacucho
Exp. tecnico ayacucho

Exp. tecnico ayacucho

  • 1.
    PROYECTO : EXPEDIENTE TECNICON° 4 Equipo Técnico EMAPA Chancay S.A.C – SUM Canadá Diciembre del 2003
  • 2.
    PROYECTO: “RENOVACIÓN DEREDES DE AGUA POTABLE EN LA CALLE AYACUCHO” EPS EMAPA Chancay S.A.C - SUM Canadá 1 SECTORIZACIÓN DEL CASCO URBANO DE LA CIUDAD DE CHANCAY “RENOVACIÓN DE REDES DE AGUA POTABLE EN LA CALLE AYACUCHO” EXPEDIENTE TÉCNICO N° 4 ÍNDICE Pág. 1. INTRODUCCION 4 2. ANTECEDENTES 5 3. MEMORIA DESCRIPTIVA 5 3.1. Objetivos 5 3.2. Área del Estudio 5 3.3. Población Beneficiada 6 3.4. Trabajos de Campo 7 3.4.1. Topografía 7 3.4.2. Calicatas 8 3.4.3. Líneas Eléctricas y Telefónicas 8 3.5. Descripción del Sistema Proyectado 9 3.5.1. Metrado de Tubería 9 3.5.2. Metrado de Accesorios 10 3.5.3. Detalle de Empalmes 10 3.5.4. Re-instalación de Conexiones Domiciliarias 11 4. MEMORIA DE CALCULO 11 4.1. Perdidas Locales 12 4.2 Pérdidas de Carga por Tuberías 12
  • 3.
    ANEXOS Contenido  PRESUPUESTO DEOBRA  RESUMEN DE INSUMOS  ANALISIS DE COSTOS UNITARIOS  FORMULA POLINOMICA  CRONOGRAMA DE OBRA  ESPECIFICACIONES TECNICAS  COTIZACIONES  SIMULACIONES HIDRAULICAS, K = 1.85, CONSUMO 8:00 a.m.  SIMULACIONES HIDRAULICAS, K = 1.00, CONSUMO 8:00 p.m.  SIMULACIONES HIDRAULICAS, K = 0.40, CONSUMO 4:00 a.m.  PLANOS ELABORADOS  ESQUINEROS  PLANOS DE TELEFONICA
  • 4.
    PROYECTO: “RENOVACIÓN DEREDES DE AGUA POTABLE EN LA CALLE AYACUCHO” EPS EMAPA Chancay S.A.C - SUM Canadá 2 5. RESUMEN DE PRESUPUESTO Y TIEMPO DE EJECUCIÓN 14 5.1 Resumen de Presupuesto 13 5.2 Tiempo de Ejecución 13 6. RELACIÓN DE PLANOS Y ESQUINEROS 14 7. ANEXOS - 14
  • 5.
    PROYECTO: “RENOVACIÓN DEREDES DE AGUA POTABLE EN LA CALLE AYACUCHO” EPS EMAPA Chancay S.A.C - SUM Canadá 3 GLOSARIO DE TÉRMINOS EPS Empresa Prestadora de Servicios. SUM Canadá Servicio Universitario Mundial de Canadá. msnm Metros sobre el nivel del mar. A.C. Asbesto Cemento. PVC Policloruro de vinilo. Ffdo Fierro Fundido. Ø Diámetro de la tubería. IGM Instituto Geográfico Militar. CT Cota de Terreno. Hf Pérdida de carga. DN Diámetro Nominal. Lps Litros por segundo. Hab. Habitantes. p.s.i. Libras/pulgada 2 mg Miligramos. gr Gramos. umhos Microhomios. m, mts Metros. seg Segundos. P man Presión Manométrica. P máx Presión Máxima. mca Metros de columna de agua. LGH Línea de Gradiente Hidráulica.
  • 6.
    PROYECTO: “RENOVACIÓN DEREDES DE AGUA POTABLE EN LA CALLE AYACUCHO” EPS EMAPA Chancay S.A.C - SUM Canadá 4 SECTORIZACIÓN DEL CASCO URBANO DE LA CIUDAD DE CHANCAY “RENOVACIÓN DE REDES DE AGUA POTABLE EN LA CALLE AYACUCHO” EXPEDIENTE TÉCNICO N° 4 1. INTRODUCCIÓN El presente documento contiene el Expediente Técnico a nivel de obra del proyecto “Renovación de Redes de Agua Potable de la Calle Ayacucho”. Este proyecto surge a raíz de las conclusiones del “Estudio para el Seleccionamiento de las Alternativas para la Sectorización del Casco Urbano de la Ciudad de Chancay”. Para la realización del presente Expediente Técnico, ha sido beneficioso la ejecución en Obra del Expediente Técnico de “Cierre de Circuitos e Inserción de Válvulas y Grifos Contra Incendio”1 , finiquitado a inicios de este año, se tomo la información técnica del cuaderno de Obra2 para la realización del presente Expediente Técnico. Se presenta una memoria descriptiva, memoria de cálculo de los diseños del proyecto, especificaciones Técnicas, Presupuesto, costos Unitarios, Relación de insumos, Anexos. También se detalla los trabajos de campo ejecutados y la descripción precisa de los componentes del proyecto. También se realizaron coordinaciones con el gerente y funcionarios de la EPS Emapa Chancay SAC., como el Ing. Oscar Coral Jamanca Gerente General de EMAPACH, la Ingeniera Patricia Casas Jefa de Control de Calidad, el Sr. Ivo Carreño Jefe de Catastro Comercial, y personal Obrero y de Campo. Finalmente el equipo Emapa Chancay SAC - SUM Canadá, agradece a la Empresa, en la persona de su Gerente General Ing. Oscar Coral Jamanca por el apoyo brindado en cada una de las áreas visitadas y por la gentil atención recibida de parte de sus funcionarios, técnicos y operadores de Planta, galerías y Reservorios. 1 Documento Final de Obra “Cierre de Circuitos e Instalación de Válvulas y Grifos Contra Incendio en la Red de Distribución 2 Cuaderno de Obra Legalizado en la Notaria Martínez Alfaro – Ciudad de Huaral – el 05 de Setiembre del 2002
  • 7.
    PROYECTO: “RENOVACIÓN DEREDES DE AGUA POTABLE EN LA CALLE AYACUCHO” EPS EMAPA Chancay S.A.C - SUM Canadá 5 2. ANTECEDENTES Con fecha 23 de Enero del año 2003 la Empresa Municipal de agua potable y Alcantarillado de la ciudad de Chancay y el Servicio Universitario Mundial del Canadá firman un Memorandum de Entendimiento, cuyo objetivo principal es la colaboración interinstitucional para realizar actividades diseñadas a promover el desarrollo sostenible del servicio de agua potable. El presente, es el Cuarto Expediente Técnico, que tiene su cimiento en el “Estudio para el Seleccionamiento de las Alternativas para la Sectorización del Casco Urbano de la Ciudad de Chancay”; que fue sustentado ante la Gerencia General de la Empresa Municipal de Agua Potable y Alcantarillado de la ciudad de Chancay el día 1° de Agosto del año 2003; donde se eligió la alternativa N° 4. Los estudios realizados en la Alternativa N° 4, del Estudio mencionado en las líneas precedentes, indican que esta Calle es de importancia ya que permitirán aislar las agua que abastece a la zona sur con las que consumen el Casco Urbano de la Ciudad de Chancay – no habrá una mezcla de ambos sectores (Casco Urbano y zona Sur), pudiéndose controlar el caudal de ingreso mediante los macromedidores que se ubicarán estratégicamente y con la futura instalación de micromedidores, conjuntamente con un plan de sensibilización a los usuarios se reducirán gradualmente los desperdicios que son elevados en la ciudad de Chancay. 3. MEMORIA DESCRIPTIVA 3.1 Objetivo El objetivo principal es el ordenamiento del sistema de distribución de agua potable a través de sectores de abastecimiento, que tendrán adecuadas presiones de agua y velocidades de ingreso así, como reducir el porcentaje de Desperdicios en el sistema de distribución. 3.2 Área de Estudio El área de estudio comprende la calle San Martín, desde la Carretera Panamericana Norte hasta la calle Simón Bolívar; así como la calle Tacna y el pasaje Villa de Arnedo. 3.3 Población Beneficiada. Esta obra beneficiará el 100% de los habitantes del Casco Urbano Bajo (9575 habitantes) y aproximadamente el 30% de los habitantes del casco Urbano Alto
  • 8.
    PROYECTO: “RENOVACIÓN DEREDES DE AGUA POTABLE EN LA CALLE AYACUCHO” EPS EMAPA Chancay S.A.C - SUM Canadá 6 (8950 habitantes); es decir se beneficiará directamente al 37.33% de la población servida de la ciudad de Chancay; al año 2003, dotándoles con presiones adecuadas en la red entre 9 y 25 mca. y 24 horas de servicio en promedio aproximadamente. Está población servida está delimitada por los sectores de servicio “Casco Urbano Alto” y “Casco Urbano Bajo”, definidos así en el estudio de “Seleccionamiento de Alternativas para Sectorización del Casco Urbano de la Ciudad de Chancay”. La descripción de cada uno se describe en el cuadro N° 3.3.-1. Cuadro N°3.3-1 Sub - Sectores de Servicio del Proyecto – Población Beneficiada SECTOR PROYECTADO A SER SERVIDO AREA (Has) Población al año 2003 (hab.) Demanda Promedio al año 2003 (lps.) Casco urbano Alto de Chancay 46 8 950 30.530 Casco urbano Bajo de Chancay 48 9 575 38.357 Total 94 18 525 68.887 Fuente: Elaboración Propia La ubicación y límites de los esquemas beneficiados se detallan a continuación: 3.3.1 Casco Urbano Bajo Abarca parte del sector más antiguo de la ciudad de Chancay, comprende las urbanizaciones principales de Fonavi, La Rivera. Limita por el Norte con terrenos agrícolas, por el Sur con la Av. Prolongación Miguel Grau y la calle Madre Perla, por el Este con las Calles Benjamín Vízquerra y López de Zúñiga y por el Oeste con la Av. 1° de Mayo y el Océano Pacífico. 3.3.2 Casco Urbano Alto También abarca la parte del sector más antiguo de la ciudad de Chancay (Cercado), comprende las urbanizaciones San Francisco, ASOVISEM. Limita por el Norte con el Jr. Ayacucho y el Ovalo de la Ciudad de Chancay, por el Sur con la Av. Miguel Grau, por el Este con la Autopista Panamericana Norte y por el Oeste con la Calles Benjamín Vízquerra y López de Zúñiga.
  • 9.
    PROYECTO: “RENOVACIÓN DEREDES DE AGUA POTABLE EN LA CALLE AYACUCHO” EPS EMAPA Chancay S.A.C - SUM Canadá 7 3.4 Trabajos de Campo 3.4.1 Topografía Se realizó el replanteo topográfico de las líneas de agua potable y red de alcantarillado existentes, por la calles para el trazo de la instalación de las redes de agua potable. Se empleo para tal fin un equipo de topografía perteneciente a EMAPA Chancay S.A.C. un teodolito marca WILL. Los trabajos se empezaron previa instalación de estacas de fierro corrugado de Ø1/2” y 25 cm. de longitud para la ubicación del equipo. Para el trazo de la red proyectada de Agua Potable; se procedió a tomar medidas (m.) con wincha y realizar el replanteo de las instalaciones hidráulicas existentes (válvulas, grifos contra incendio, buzones, etc.); para realizar el trazo de la nueva tubería proyectada (ver fotos en los anexos). Cuadro N° 3.4.1-1 Levantamiento Topográfico Calle / Avenida Longitud (m) Ancho promedio (m) Calle Ayacucho 697.10 7.10 Longitud Total = 697.10 mt. El ancho promedio es neto no se ha adicionado el ancho de sardinel ni vereda. El levantamiento topográfico esta referido al Benchmarking oficial ubicado en la segunda casa del Conjunto Habitacional Torre Blanca frente a la vereda de la casa correspondiente a la familia Salvador Alcántara (su recibo de Luz es A59377383), con elevación 93.6246 msnm y designado con el código de cartilla “CH-A 3”. La descripción detallada y el croquis de su ubicación expedida por el IGM se adjunta en los anexos. (ver fotos N° 14 y 15). Foto N°14 Benchmarking CH.A-3, del Instituto Geográfico Militar - año 1968 Foto N°15 Casa donde se encuentra ubicado el Benchmarking
  • 10.
    PROYECTO: “RENOVACIÓN DEREDES DE AGUA POTABLE EN LA CALLE AYACUCHO” EPS EMAPA Chancay S.A.C - SUM Canadá 8 3.4.2 Calicatas No se realizaron calicatas debido a la dificultad de la zona (por parte de la población) por lo tanto se tomo referencia el tipo de suelo de la calle Benjamín Vizquerra que es perpendicular a esta calle, donde se están realizando la obra de renovación de tubería, que de acuerdo a la Clasificación Internacional de Suelos (ASTM-D 2487) el tipo de terreno es de clase II – SP corresponden a “Arena mal gradada y arena con grava con poco o nada de finos – Conglomerado”. Para el análisis del presupuesto se considera terreno “Tipo Normal” 3.4.3 Líneas Eléctricas y Telefónicas a.- Líneas Eléctricas Las redes eléctricas que esta dentro del área del proyecto son aéreas. Pero en la intersección de la calle Ayacucho con la Calle Mariscal Cáceres encontramos dos postes de alta tensión que a donde llegan las líneas eléctricas subterráneas, pero no genera problemas en el proyecto de agua potable. Ver fotos. Foto N° 16, postes de alta tensión por donde llega la línea eléctrica subterránea. Foto N° 17, los postes se ubican en la calle Ayacucho a 3.00 mt. Aprox. De la válvula donde se realizara el segundo empalme. Foto N° 18, en el poste se pueden observar la tubería de PVC que sube cable eléctrico el alumbrado y las casas.
  • 11.
    PROYECTO: “RENOVACIÓN DEREDES DE AGUA POTABLE EN LA CALLE AYACUCHO” EPS EMAPA Chancay S.A.C - SUM Canadá 9 b.- Líneas Telefónicas Las redes telefónicas subterráneas existentes, se encuentran instaladas desde la Panamericana Norte en el ovalo de la Chancay, ingresando por la calle Ayacucho hasta doblar por la calle Mariscal Sucre, la línea proyectado de agua potable esta al lado opuesto del trazo de la línea telefónica la cual no representan dificultad para realizar la obra. Ver plano: (SC – 101 Hj (1/5)). 3.5 Descripción del Sistema Proyectado El sistema de agua potable proyectado es básicamente el presupuesto en la alternativa N° 4 del Estudio del Seleccionamiento de las Alternativas para la Sectorización del Casco Urbano de la Ciudad de Chancay. El esquema contempla utilizar el reservorio Los Tilos (R1 = 550 m3 y R2 = 800 m3 ), como un solo gran reservorio, cuya capacidad será de 1250 m3 , y tendrá dos líneas aductoras; la primera de Concreto Hume de 250 mm. Y, la segunda de Concreto Hume de 400 mm., justamente esta segunda línea aductora trabajara en el futuro independiente y servirá a la zona sur de la ciudad de Chancay. El punto de distribución de agua potable es el Ovalo de la ciudad de Chancay. Se proyecta la instalación de tubería de PVC Ø250mm fabricado bajo norma ISO 4422 para agua potable que trabara en presión; a lo largo de la calle Ayacucho (ver los planos de N° 01/02, 02/02), la presión y velocidad de ingreso serán de 8.42 mca y 0.69 m/s, para la calle Ayacucho. 3.5.1 Metrado de Tuberías El proyecto contempla la instalación de tuberías PVC Ø250mm clase 7.5 para la Calle Ayacucho tal como se detalla en el cuadro N° 3.5.1.-1 (para la elaboración del presupuesto se ha considerado 5% por desperdicios). Cuadro N° 3.5.1 – 1 Descripción Metrado (ml) Metrado (ml) (inc, 5% desperdicios) ** Tubería DN 250 mm C-7.5 – ISO 4422 PVC 257.30 271.00 Tubería DN 110 mm C-7.5 – ISO 4422 PVC 7.00 8.00 Tubería DN 90 mm C-7.5 – ISO 4422 PVC 432.80 454.50 Total 697.10 733.50 Fuente: Elaboración Propia *En la elaboración del presupuesto se considera en el Ítem 04.00.000, solo para la instalación de las tuberías. ** En la elaboración del presupuesto se considera en el Ítem 03.00.000, solo para el suministro de las tuberías.
  • 12.
    PROYECTO: “RENOVACIÓN DEREDES DE AGUA POTABLE EN LA CALLE AYACUCHO” EPS EMAPA Chancay S.A.C - SUM Canadá 10 En el cuadro N° 3.5.1-2 detallamos el metrado de las tuberías proyectadas y su ubicación en el lugar del proyecto: Cuadro N° 3.5.1-2 DESCRIPCION DIÁMETRO(mm) METRADO (m) UBICACION Tubería de PVC ISO 4422 250 257.30 Calle Ayacucho Tubería de PVC ISO 4422 110 7.00 Calle Ayacucho-Mcal Sucre Tubería de PVC ISO 4422 90 432.80 Calle Ayacucho TOTAL 697.10 3.5.2 Metrado de Accesorios Se instalaran los accesorios detallados en el cuadro N° 3.5.2-1 a lo largo de la calle Ayacucho. Cuadro N° 3.5.2-1 Accesorios que se instalaran en la calle Ayacucho ACCESORIOS Und. METRADO UBICACION TEE LUFLEX ISO 2531 HFD Ø250x110mm ** Und. 1 Ca. Ayacucho- Ca. Mrcal. Sucre TEE LUFLEX ISO 2531 HFD Ø250x90mm ** Und. 7 Ca. Ayacucho ACOPLE FLEXIBLE G. R. ESCALONADO Ø4” Und. 1 Ca. Ayacucho- Ca. Mrcal. Sucre TEE LUFLEX ISO 2531 HFD Ø250x250mm ** Und. 1 Ca. Ayacucho- Ca. Benjamin Vizq. UNION DE REPARAC. PVC ISO 4422 Ø250mm Und. 2 Ca. Ayacucho- Ca. Benjamin Vizq. TAPON PVC Ø90mm Und. 3 Ca. Ayacucho 3.5.3 Detalle de Empalmes Los empalmes serán en dos (02) puntos del tramo proyectado, el primero será en la válvula ubicada en la intersección de la calle Ayacucho con la calle Mariscal Cáceres, el segundo será en la Tubería ubicada en la intersección de la calle Ayacucho con la calle Benjamín Vizqerra, los empalmes se realizaran (ver plano 01/02 y 02/02).
  • 13.
    PROYECTO: “RENOVACIÓN DEREDES DE AGUA POTABLE EN LA CALLE AYACUCHO” EPS EMAPA Chancay S.A.C - SUM Canadá 11 Lugares donde se efectuaran los Empalmes Foto N° 19, Empalme N° 1, - en la intersección de la calle Ayacucho con la calle Benjamin Vizquerra, el empalme se hará con una TEE LUFLEX ISO 2531 HFD Ø250x250mm. Foto N° 20, Empalme N° 2, - en la intersección de la calle Ayacucho con la calle Mariscal Cáceres, el empalme se hará con una Unión de Reparación UF PVC ISO 4422 Ø250mm. 3.5.4 Reinstalación de Conexiones Domiciliarias Con3 apoyo del Equipo Catastro Comercial – SUM Canadá, se realizo el empadronamiento del número de conexiones domiciliarias de agua potable que se cambiaran, se tiene el siguiente metrado: Descripción Metrado (und.) Conexiones Domiciliarias de A.P. Ø 15mmx250mm (1/2”x10”) 45 Conexiones Domiciliarias de A.P. Ø 20mmx250mm (3/4”x10”) 1 Conexiones Domiciliarias de A.P. Ø 25mmx250mm (1”x10”) 34 Total 108 4.- MEMORIA DE CÁLCULO Cuadro N° 4 – 1 Cuadro de Población y Demanda Sector de Abastecimiento Área (Ha.) Población (Hab.) Dotación (I/hab./día) Caudal Promedio (Ips) Caudal Máx. Diario (Ips) Caudal Máx. Horario (Ips) Casco Urbano Alto / Bajo 94 18 525 * 68.89 89.55 127.44 Kmd = 1.3 Kmh = 1.85 * Variable: Con Micro medidor Dot (I/hab/dia) = 230 3 Sin Micro medidor Dot( I/hab/dia) = 359 3 3 Estudio “Sectorización de las Redes de Agua Potable del Casco Urbano, Cuidad de Chancay,” Diciembre del 2003, pga. 37, 38
  • 14.
    PROYECTO: “RENOVACIÓN DEREDES DE AGUA POTABLE EN LA CALLE AYACUCHO” EPS EMAPA Chancay S.A.C - SUM Canadá 12 4.1 Perdidas Locales Se calculan las pérdidas locales mediante el empleo de la formula: Donde: hs = Perdida de carga singular (m) k = Coeficiente de perdida de carga local (no dimensional) V = Velocidad de escurrimiento (m/s) g = Aceleración de la gravedad (m/s2 ), g = 9.81 m/s2 . Cuadro N° 4.1-1 Análisis de las Perdidas Locales por Accesorios Calle Ayacucho ACCESORIOS k V(m/ s) hs(m) UBICACION TEE LUFLEX ISO 2531 HFD Ø250x110mm ** 1.80 0.69 0.0437 Calle Ayacucho TEE LUFLEX ISO 2531 HFD Ø250x90mm ** 0.20 0.69 0.0049 Ca. Ayacucho TEE LUFLEX ISO 2531 HFD Ø250x90mm ** 0.20 0.69 0.0049 Ca. Ayacucho TEE LUFLEX ISO 2531 HFD Ø250x90mm ** 0.20 0.69 0.0049 Ca. Ayacucho TEE LUFLEX ISO 2531 HFD Ø250x90mm ** 0.20 0.69 0.0049 Ca. Ayacucho TEE LUFLEX ISO 2531 HFD Ø250x90mm ** 0.20 0.69 0.0049 Ca. Ayacucho TEE LUFLEX ISO 2531 HFD Ø250x90mm ** 0.20 0.69 0.0049 Ca. Ayacucho TEE LUFLEX ISO 2531 HFD Ø250x90mm ** 0.20 0.69 0.0049 Ca. Ayacucho ACOPLE FLEXIBLE G. R. ESCALONADO Ø4” 0.40 0.15 0.0005 Ca. Ayacucho- Mrcal. Sucre TEE LUFLEX ISO 2531 HFD Ø250x250mm ** 1.80 0.69 0.0437 Ca. Ayacucho- BenjaminVizq. UNION DE REPARAC. PVC ISO 4422 Ø250mm 0.4 0.69 0.0097 Ca. Ayacucho- Benjamin Vizq. TOTAL 0.1315 ** Tee salida Bilateral Fuente: Fundamentos de Hidráulica General (Paschoal Silvestre) 4.2 Perdidas de Carga por Tuberías Los tramos que se proyectan son de 250mm. las pérdidas de carga por las tuberías proyectadas se muestran en el cuadro N° 4.1.-2 Cuadro N° 4.1-2 Diam. (mm) Longitud (m) Caudal (Ips) Hf (m) 250 257.30 29.328 0.298 Total (m.) 0.298 La tubería proyectada es de PVC, C = 150, C - 7.5 hs = kV2 2g
  • 15.
    PROYECTO: “RENOVACIÓN DEREDES DE AGUA POTABLE EN LA CALLE AYACUCHO” EPS EMAPA Chancay S.A.C - SUM Canadá 13 Por lo tanto la perdida de carga total por Accesorios y tubería, en la calle Ayacucho será de 0.367 m. No se ha considerado las perdidas locales por las conexiones domiciliarias de agua potable.
  • 16.
    PROYECTO: “RENOVACIÓN DEREDES DE AGUA POTABLE EN LA CALLE AYACUCHO” EPS EMAPA Chancay S.A.C - SUM Canadá 14 5. RESUMEN DE PRESUPUESTO Y TIEMPO DE EJECUCIÓN 5.1 Resumen de Presupuesto PROYECTO: “RENOVACIÓN DE REDES DE AGUA POTABLE DE LA CALLE AYACUCHO”. FECHA : Diciembre - 2003. El costo Directo asciende a la suma de Ciento Doce mil ciento setenta y cuatro con 86/100 Nuevos Soles. 5.2 Tiempo de Ejecución El tiempo estimado para la ejecución de la obra es de 45 días calendarios. RUBRO MONTO (S/.) 1) OBRAS PRELIMINARES 2 199.18 2) MOVIMIENTO DE TIERRAS 21 785.13 3) SUMINISTRO DE TUBERÍAS PVC 13 498.02 4) INSTALACIÓN DE TUBERÍAS PVC 1 147.31 5) SUMINISTRO DE ACCESORIOS HFD 4 171.50 6) INSTALACIÓN DE ACCESORIOS HFD 1 093.48 7) REINSTALACIÓN DE CONEXCIONES DOMICILIARIAS DE AGUA POTABLE 13 162.31 8) OTROS (ROTURA Y REPOSICIÓN DE ASFALTO, VEREDAS, PRUEBAS HIDRÁULICAS, TRANSPORTE) 27 110.88 COSTO DIRECTO 84 164.81 GASTOS GENERALES TOTALES 12% 10 099.78 SUB – TOTAL 94 264.59 IMPUESTOS GENERALES A LAS VENTAS (IGV) 19% 17 910.27 TOTAL 112 174.86
  • 17.
    PROYECTO: “RENOVACIÓN DEREDES DE AGUA POTABLE EN LA CALLE AYACUCHO” EPS EMAPA Chancay S.A.C - SUM Canadá 15 6 RELACIÓN DE PLANOS Plano N° Descripción 01 Ubicación del Área de Proyecto ”Renovación de Redes de Agua Potable y Conexiones Domiciliarias de la Calle Ayacucho”. 01/02 Renovación de Redes de Agua Potable y Conexiones Domiciliarias de la Calle Ayacucho. 02/02 Renovación de Redes de Agua Potable y Conexiones Domiciliarias de la Calle Ayacucho. 01/02 Conexiones Domiciliarias de la Calle Ayacucho. 02/02 Conexiones Domiciliarias de la Calle Ayacucho. 01 Detalle de las Conexiones Domiciliarias. SC-101 HJ (1/5) Redes Telefónicas LL-011 Redes Telefónicas
  • 18.
    PROYECTO : “RENOVACIÓN DE REDES DE AGUA POTABLE EN LA CALLE AYACUCHO ” EQUIPO TÉCNICO EMAPA CHANCAY S.A.C. – SUM CANADA 1 ESPECIFICACIONES TECNICAS CONTENIDO I DISPOSICIONES GENERALES II INSTALACIÓN DE TUBERÍAS PVC PARA AGUA POTABLE III ESPECIFICACIONES TECNICAS DE VÁLVULAS IV CONEXIONES DOMICILIARIAS DE AGUA POTABLE
  • 19.
    PROYECTO : “RENOVACIÓN DE REDES DE AGUA POTABLE EN LA CALLE AYACUCHO ” EQUIPO TÉCNICO EMAPA CHANCAY S.A.C. – SUM CANADA 1 ESPECIFICACIONES TECNICAS I. DISPOSICIONES GENERALES 1. CONSIDERACIONES Las presentes Especificaciones Técnicas complementan las Normas Técnicas Peruanas, aprobadas por el nuevo Reglamento Nacional de Construcciones, las cuales deberán ser cumplidas por los ingenieros que ejecutarán las Obra: “Renovación de Redes de Agua Potable de la Calle Ayacucho”. Estas “Disposiciones Generales”, han sido redactadas tomando en consideración las especificaciones técnicas para ejecución de obras de la Empresa: “Servicio de Agua Potable y Alcantarillado de Lima Metropolitana” (SEDAPAL), manuales técnicos de tuberías PVC para agua potable, válvulas y accesorios varios. Previamente al inicio de las obras, se efectuará el replanteo del proyecto, cuyas indicaciones en cuanto a trazo, alineamientos y gradientes serán respetadas en todo el proceso de la obra. Si durante el avance de la obra se ve la necesidad de ejecutar algún cambio menor, éste sería únicamente efectuado mediante la autorización de la supervisión. El ejecutor de la Obra, cuidará la conservación de todas las señales, estacas, benchmarks, etc. y las establecerá por su cuenta, si son estropeadas ya sea por la obra misma o por acción de terceras personas. El ejecutor de la Obra deberá respetar el cronograma valorizado de avance de obra y calendarios de adquisición de materiales. Asimismo deberá prever el suministro de materiales en cantidad necesaria para asegurar el avance sin interrupciones de la obra. También coordinará los suministros de los materiales, para evitar demoras en la adquisición de los mismos. Con la suficiente anticipación, y mediante aviso por escrito, el ejecutor de la Obra hará conocer a la supervisión la fecha en que se iniciara el proceso de fabricación o preparación de los materiales, que forman parte de la obra. Las Obras por ejecutar y los equipos por adquirir e instalar, son los que se encuentren indicados en los planos y/o croquis, con las adiciones y/o modificaciones que puedan introducirse posteriormente. El informe y/o Memoria Descriptiva presentada en otra sección del proyecto, es meramente informativa. Cuando se identifica, en cualquier etapa del proyecto, el artículo, material, accesorios ó equipo por la marca de fábrica, patente o vendedor, se supone que aquellos cumplen satisfactoriamente con los propósitos diseñados para la obra, quedando a criterio del supervisor utilizar las mismas u otras similares o equivalentes, que cumplan con los mismos propósitos.
  • 20.
    PROYECTO : “RENOVACIÓN DE REDES DE AGUA POTABLE EN LA CALLE AYACUCHO ” EQUIPO TÉCNICO EMAPA CHANCAY S.A.C. – SUM CANADA 2 2. TRAZO Y REPLANTEO Inicial Como condición preliminar, todo el sitio donde se realizará la excavación en corte abierto, será primero despejado de todas las obstrucciones existentes. Se realizará el trazó inicial respetando el replanteo efectuado en la elaboración del proyecto (ver planos N° 01, 02, 03, 04). Final Se realizará el replanteo final de la obra con el inventario de todas las tuberías, accesorios y demás elementos que se instalaron, se realizará los esquineros, indicando las distancias reales en las que se instalaron las tuberías PVC, accesorios y los detalles de los empalmes; la Empresa EMAPA Chancay en coordinación con SUM Canadá, elaborará un expediente Técnico Final Conforme a obra. 3. CALIDAD DE MATERIALES Y EQUIPOS Todo el material y equipo utilizado en la obra deberá cumplir con las Normas Técnicas Peruanas. Solo se aceptaran materiales y equipos que se ajusten a las Normas Internacionales, cuando estas garanticen una calidad igual o superior a las Nacionales. 4. ESTRUCTURAS Y SERVICIOS EXISTENTES En los planos y croquis, se muestran varias estructuras y servicios existentes tales como: redes de Agua Potable y Alcantarillado, y Teléfono cuyas ubicaciones y dimensiones han sido proporcionadas por las entidades correspondientes, deberán considerarse como referenciales, con rangos de aproximación establecidas por las mismas entidades. El ejecutor ó constructor previamente al inicio de la Obra, determinará su exactitud en la zona de trabajo, en coordinación directa con esas entidades de las estructuras y servicios existentes. También será responsable de la conservación del buen estado de las estructuras y servicios existentes, no indicados en los planos y/o croquis (previamente indicados). 5. ROTURA Y REPOSICIÓN DE PAVIMENTOS Y VEREDAS Pavimentos La rotura y reposición de pavimentos se realizara estrictamente de acuerdo a lo establecido en las Normas Técnicas Nacionales ITINTEC Nº 339 – 116 “Rehabilitación de Pavimento Urbano”. Para la rotura no se permitirá el empleo de comba u otra herramienta que afecte la resistencia del pavimento adyacente en buen estado. Los espesores mínimos de reposición de pavimentos se detallan en el siguiente cuadro:
  • 21.
    PROYECTO : “RENOVACIÓN DE REDES DE AGUA POTABLE EN LA CALLE AYACUCHO ” EQUIPO TÉCNICO EMAPA CHANCAY S.A.C. – SUM CANADA 3 ESPESORES MÍNIMOS DE PAVIMENTOS Tipo de Pavimento CAPA DE RODADURA BASE SUB BASE Pavimento flexible (tipo 1) 0,05 m 0,20 m ----- Pavimento rígido (tipo 2) 0,15 m ----- 0,20 m Pavimento mixto (tipo 3) 0,05 m 0,15 m- 0,20 m El material seleccionado para la base y sub base necesariamente serán de afirmado, a excepción del pavimento mixto en que su base será de concreto. No se permitirá realizar reposiciones con mezclas bituminosas en frío. Veredas Para la rotura de veredas también se usaran los mismos métodos empleados en la rotura de pavimentos, no permitiéndose, la utilización de comba u otra herramienta manual, salvo el caso que por la naturaleza del trabajo, no se justifique el equipo mecánico rompe pavimento, siempre y cuando sea previamente aprobado por la empresa. El corte de las veredas deberá efectuarse tomando paños completos, es decir, siguiendo las líneas de las bruñas, debiendo tener especial cuidado de no afectar los paños adyacente, que en caso de quedar en mal estado, deberá eliminarse y reponerse el paño entero afectado. Las losas de las veredas serán vaciadas con concreto fc = 140 kg/cm2, rico en pasta y tendrá un espesor mínimo de 0,10 m sobre una base compactada. Los paños serán perfectamente definidos por las bruñas, que seguirán las líneas de la vereda existente. 6. PROTECCION DE LA OBRA Y PROPIEDAD AJENA Durante la ejecución de la obra, el constructor tomará todas las precauciones necesarias para proteger la obra y la propiedad ajena, que pueda ser afectada de alguna forma por la construcción. Cualquier propiedad que resultase afectada por negligencia del ejecutor de la Obra, será prontamente restaurada por este a su condición original. 7. SEGURIDAD Y LIMPIEZA DE LA OBRA El constructor como ejecutor cumplirá estrictamente con las disposiciones de seguridad, atención y servicios del personal, de acuerdo a las normas vigentes De acuerdo al tipo de obra y riesgo de la labor que realizan los trabajadores, el ejecutor de la Obra le proporcionará los implementos de protección tales como: cascos, botas, guantes etc. En todos los casos, el personal contará como mínimo con un casco de protección. El ejecutor de la Obra efectuará su trabajo de tal manera que el tránsito vehicular sufra las mínimas interrupciones, evitando causar molestias al publico y los vecinos,
  • 22.
    PROYECTO : “RENOVACIÓN DE REDES DE AGUA POTABLE EN LA CALLE AYACUCHO ” EQUIPO TÉCNICO EMAPA CHANCAY S.A.C. – SUM CANADA 4 limitando la obra a la longitud mínima necesaria de su ejecución, fijados en su calendario de avance de obra. En zonas que fuese necesario el desvió vehicular, este deberá hacerse con el previo acondicionamiento de las vías de acceso, y con las respectivas tranqueras y señalizaciones diurnas y nocturnas; también durante toda la ejecución de la obra se dispondrá obligatoriamente de letreros, señales, barreras, luces de peligro, etc. Asimismo, de vigilantes para la prevención de los accidentes, tanto de día como de noche, debiendo el constructor ó ejecutor solicitar a la Entidad encargada del transporte urbano y seguridad vial de la Municipalidad, la autorización respectiva y acatar las disposiciones que de ella emanara. En todo momento la obra se mantendrá limpia y ordenada, con molestias mínimas producidas por: ruidos, humos y polvos. En zanjas excavadas, se dispondrá de pases peatonales a todo lo largo de ellas. Toda obra temporal como: andamios, escaleras, montacargas, bastidores, etc. que se requiera en la construcción, será suministrada y removida por el ejecutor de la Obra, quien será responsable por la seguridad y eficiencia de toda esta obra temporal. 8. METODOS DE CONSTRUCCION Los métodos y procedimientos de construcción, son los mencionados en el nuevo Reglamento Nacional de Construcciones. Sin embargo el ejecutor de la Obra puede utilizar otros, pero sujeto a la aprobación de la Supervisión y únicamente se usaran procedimientos, métodos y equipos adecuados y seguros. Esta aprobación, no impedirá al ejecutor de la Obra la obligación de cumplir con los resultados señalados en el proyecto, ni será causa de reclamo por parte del mismo. II INSTALACIÓN DE TUBERÍAS PVC PARA AGUA POTABLE 1. INTRODUCCIÓN Las presentes Especificaciones Técnicas corresponden al Suministro, Instalación y Puesta en Servicios de Tuberías y Accesorios de PVC "POLICLORURO DE VINILO" de acuerdo a la Norma Técnica Nacional ISO 4422 que reemplaza a la Norma ITINTEC Nº 399.002 para la conducción de Fluidos a Presión - Clase Pesada SAP (Standard Americano Pesado). De acuerdo a las Normas ISO 4422, la tubería se clasifica en series, las cuales están en función a las presiones de trabajo máxima continuas a la temperatura de 20 C. 2. EXCAVACIÓN DE LA ZANJA Como regla general no debe procederse a excavar las zanjas con demasiada anticipación al trabajo de colocación de la tubería. A menudo, se obtendrán ventajas evitándose tramos demasiado largos de zanja abierta, por ejemplo: Reduce al mínimo la posibilidad que la zanja se inunde.
  • 23.
    PROYECTO : “RENOVACIÓN DE REDES DE AGUA POTABLE EN LA CALLE AYACUCHO ” EQUIPO TÉCNICO EMAPA CHANCAY S.A.C. – SUM CANADA 5 Reduce las cavernas causadas por el agua subterránea. Se evita la rotura del talud de la zanja. Reducir en la posible necesidad de entibar los taludes de la zanja. Reducción de peligros para tránsito y trabajadores Material Excavado Todo el material excavado deberá ser ubicado de tal manera que no obstaculice el trabajo posterior de instalación de la tubería. Esta recomendación también es valedera para la excavación donde se ubiquen válvulas, hidrantes, etc. Fondo de la Zanja El fondo de la zanja debe presentar una superficie bien nivelada, ser continuo, plano y libre de piedras, troncos, o materiales duros y cortantes para que los tubos se apoyen sin discontinuidad a lo largo de la generatriz inferior. Si el fondo es de un material suave y fino, sin piedra y que se pueda nivelar fácilmente, no es necesario usar rellenos de base especial. Si el fondo está constituido por material pedregoso o rocoso, es aconsejable colocar una capa de material fino, escogido, excepto de piedras o cuerpos extraños, con un espesor mínimo de 15 cm. Este relleno previo, debe ser bien apisonado antes de la instalación de los tubos. Retirar las rocas o piedras del borde de la zanja, para evitar el deslizamiento al interior que ocasione posibles roturas. No debe usarse nunca arcilla inmediatamente alrededor del tubo, ya sea para encamado, relleno lateral o superior. Es fundamental brindar a la tubería PVC un apoyo uniforme y continuo en toda su longitud, dejando "nichos" en la zona de las campanas para permitir el apoyo del cuerpo del tubo. Se determinará la ubicación de las uniones en el fondo de la zanja antes de bajar a ella los tubos, en cada uno de esos puntos se abrirán hoyos, o canaletas transversales, de la profundidad y ancho necesario para el fácil manipuleo de los tubos y sus accesorios en el momento de su montaje. Ancho y Profundidad de la Zanja El ancho de la zanja debe permitir un montaje fácil y un adecuado relleno y compactación de la tubería. Por ser una tubería flexible se recomienda en general que la zanja al nivel de la tubería, hasta la clave del tubo, sea lo más estrecha posible, dentro de los límites practicables.
  • 24.
    PROYECTO : “RENOVACIÓN DE REDES DE AGUA POTABLE EN LA CALLE AYACUCHO ” EQUIPO TÉCNICO EMAPA CHANCAY S.A.C. – SUM CANADA 6 Un ancho adicional de 30 cm. al diámetro exterior del tubo permite trabajar sin problemas durante la instalación. La altura mínima de relleno sobre la clave de la tubería debe ser de 1.0 m como mínimo en zonas de tráfico corriente y de 1.2 m en zonas de tráfico pesado, con encamado y relleno de arena o material fino selecto compactado hasta por lo menos 30 cm. sobre la clave del tubo. Clasificación de Terrenos La clasificación de terrenos considerada para la excavación de zanjas, es de clase II – GP con gravas mal graduadas de diferentes volúmenes y mezcladas con arena y poco de finos. Características de las Zanjas Las zanjas para la instalación de tuberías PVC, serán idénticas a las que normalmente se ejecutan para tubos metálicos; tendrá una profundidad de 1.30 m. como mínimo, para permitir la instalación conveniente de válvulas y grifos contra incendio y para resguardar la tubería de las vibraciones producidas por el tráfico pesado; y se excavarán con o sin hoyos adicionales para las uniones, según el tipo de tubería por instalar. Para el encamado en zanjas previamente debe removerse los lechos de roca, cantos rodados y piedras grandes, para proveer 15 cm. De espacio libre a cada lado de la zanja y debajo de la línea de gradiente del fondo del tubo y los accesorios, para tener espacio suficiente para colocar una cama de apoyo de material suelto y selecto; tierra, arena, grava o material similar, que será compactado adecuadamente. Dimensiones de las Zanjas El ancho de la zanja dependerá de la naturaleza del terreno en trabajo y del diámetro de la tubería por instalar, pero en ningún caso será menor de los estrictamente indispensables para el fácil manipuleo de la tubería y sus accesorios dentro de dicha zanja.
  • 25.
    PROYECTO : “RENOVACIÓN DE REDES DE AGUA POTABLE EN LA CALLE AYACUCHO ” EQUIPO TÉCNICO EMAPA CHANCAY S.A.C. – SUM CANADA 7 TABLA DE VALORES MINIMOS DE ANCHO Y PROFUNDIDADES DE ZANJA DIAMETRO NOMINAL ANCHO DE PROFUNDIDAD MINIMA D. REF. ISO D. EXT. ZANJA TRAFICO LIVIANO TRAFICO PESADO (Pulg.) (mm.) cm. (m) (m) 1/2" - 40 0,60 0,60 3/4" - 40 0,60 0,60 1" 40 40 0,60 0,60 1 1/2" 50 40 0,65 0,65 2" 63 40 0,65 0,65 2 1/2" 75 40 0,70 0,80 3" 90 40 0,70 0,90 4" 110 40 0,70 1,30 6" 160 46 0,75 1,35 8" 200 50 0,80 1,40 10" 250 55 0,80 1,45 12" 315 61 0,90 1,50 14" 355 65 1,00 1,50 Tendrá como mínimo 0.15 m a cada lado del diámetro exterior de la tubería en el caso de la zanja para diámetros hasta 10".
  • 26.
    PROYECTO : “RENOVACIÓN DE REDES DE AGUA POTABLE EN LA CALLE AYACUCHO ” EQUIPO TÉCNICO EMAPA CHANCAY S.A.C. – SUM CANADA 8 Para curvas de gran diámetro el ancho será de mayor dimensión que el normal, tomándose el mayor ancho necesario del lado exterior de la curva. La zanja se excavará por lo menos cinco (0.05) m de centímetros debajo de la gradiente exterior del fondo del tubo, teniendo en cuenta la profundidad mínima del entierro exigible. Si la tubería se coloca en la calzada o en el campo el entierro mínimo sobre la cabeza de los tubos, nunca será menor de 1.00 m, teniendo en cuenta que los extremos exteriores de los vástagos de las válvulas deben quedar a un mínimo de treinta centímetros (0.30 m) de la superficie. La tubería se coloca en las aceras, o en jardines laterales o centrales, el relleno sobre la cabeza del tubo puede disminuirse hasta ochenta centímetros (0.80 m) Si las válvulas y grifos contra incendio lo permiten. 3. INSTALACIÓN Cama de Apoyo y Fondos de Zanja: El tipo y calidad de la "Cama de Apoyo" que soporta la tubería es muy importante para una buena instalación, lo cual se puede lograr fácil y rápidamente, si el terreno tiene poca presencia de material grueso o piedra, se puede cernir y utilizar como cama de apoyo (arcilla, arena limosa, etc.). La capa de dicho material tendrá un espesor mínimo de 10 cm. En la parte inferior de la tubería y debe extenderse entre 1/6 y 1/10 del diámetro exterior hacia los costados de la tubería. Instalación Propiamente dicha: Para tubos de unión flexible, se debe de tener en cuenta los siguientes pasos durante la instalación de los mismos: Verificar la presencia del chaflán en la espiga del tubo a instalar, y marque sobre ella la longitud a introducir. Limpie cuidadosamente el interior de la campana y el anillo de caucho de espiga del tubo a instalar. A continuación el instalador presenta o ajusta el tubo cuidando que el chaflán quede insertado en el anillo, mientras que otro operario procede a empujar el tubo hasta el fondo, retirándolo luego 1 cm. Esta operación puede efectuarse con ayuda de una barreta y un taco de madera para facilitar la instalación. Además se deberá seguir otras recomendaciones del fabricante.
  • 27.
    PROYECTO : “RENOVACIÓN DE REDES DE AGUA POTABLE EN LA CALLE AYACUCHO ” EQUIPO TÉCNICO EMAPA CHANCAY S.A.C. – SUM CANADA 9 Curvatura La flexibilidad de los tubos de PVC permite en algunos casos efectuar algunos cambios de dirección en la tubería. No obstante no se recomienda hacer curvaturas mayores a 3 cm, y siempre ubicarlas en las partes lisas del tubo y no sobre las campanas. La tabla siguiente indica los valores de flecha máximos admisibles a 20 C para tubos de 6 m de largo. D.N. FLECHA MÁXIMA (h) (cm)mm. Pulg. 90 3 11 110 4 10 160 6 6 200 8 4 250 10 3 Lubricante El lubricante a utilizarse en la instalación de las líneas de agua, deberá ser previamente aprobado por el ejecutor de la obra, no permitiéndose emplear jabón, grasas de animales, etc. Que puedan contener bacterias que dañen la calidad del anillo. 4. ANCLAJE Y APOYO DE ACCESORIOS La presión hidráulica interna a que son sometidas las tuberías, genera empuje o esfuerzos que tienen a desacoplarlos. Tales esfuerzos adquieren importancia en los accesorios como tées, reducciones, codos, curvas, tapones, válvulas y curvas, donde la fuerza de empuje debido a la presión interna debe distribuirse sobre las paredes de la zanja, deben ser debidamente anclados y apoyados, para ello se usará concreto f'c = 140 Kg./cm2 en el fondo o solado y cuñas al costado de los accesorios dejando la superficie superior libre para su inspección o revisión. Solo en los cambios de dirección verticales, se admitirá el embebido total del accesorio por el concreto; si se necesita a criterio del Inspector se podrá usar dowels o anclajes de fierro, se deberá disponer de inmediato tratando de no producir presión al accesorio, sino la fijación adecuada. De utilizarse accesorios de PVC estos deben de estar protegidos con filtros, película de polietileno o algún otro material adecuado para impedir el desgaste de la pieza por el roce con el hormigón ó de lo contrario lijar la superficie exterior del accesorio
  • 28.
    PROYECTO : “RENOVACIÓN DE REDES DE AGUA POTABLE EN LA CALLE AYACUCHO ” EQUIPO TÉCNICO EMAPA CHANCAY S.A.C. – SUM CANADA 10 PVC y aplicar pegamento para adherir arena gruesa, con lo cual se logrará la fijación adecuada al anclaje de concreto. Los bloques de anclaje deben de calcularse considerando el esfuerzo producido por la máxima presión que se pueda generar en la línea, esta por lo general coincide con la presión de prueba. En la siguiente tabla se indica el empuje en (Kg.) en los accesorios por cada Kg/cm2 de presión hidráulica interna. VALOR APROXIMADO DE EMPUJE EN ACCESORIOS EN UNA LÍNEA DE TUBOS PVC POR CADA kg/cm2 DE PRESION HIDRAULICA DIAMETRO CODO 90° AREA CODO 45° AREA CODO 22.5° AREA ACCESORIOS AREA (mm) (kg) (m2) (kg) (m2) (kg) (m2) (kg) (m2) 110 144 0.108 78 0.059 40 0.030 102 0.077 150 314 0.2355 170 0.128 87 0.065 222 0.167 200 533 0.3998 288 0.216 147 0.110 377 0.283 250 829 0.6218 448 0.336 228 0.171 585 0.439 El área o superficie de contacto del bloque deberá dimensionarse de modo que el esfuerzo o carga unitaria que se transmite al terreno no supere la carga de resistencia admisible dado para el tipo de terreno donde se trabajan las zanjas e instalaciones. A continuación se muestra el croquis Nº 01 donde se muestra la ubicación de los bloques del anclaje:
  • 29.
    PROYECTO : “RENOVACIÓN DE REDES DE AGUA POTABLE EN LA CALLE AYACUCHO ” EQUIPO TÉCNICO EMAPA CHANCAY S.A.C. – SUM CANADA 11 Croquis Nº 01 : Ubicación de los Bloques de Anclaje; las zonas achuradas muestran los anclajes que generalmente son de concreto y su ubicación está en función del tipo de conexión y de la dirección del empuje, por lo cual se recomienda la ubicación tal como se muestra en el croquis dependiendo del sentido del flujo y del tipo de conexión. 5. PRUEBAS HIDRÁULICAS La prueba de la tubería de PVC, se debe realizar siempre a medida que la Obra progresa y por tramos no mayores de 400 m y 300 m, En zonas o líneas con pendientes mínimas, debiendo reducirse en líneas con demasiados cambios de dirección. El llenado de la tubería debe hacerse lentamente desde el punto más bajo del tramo que se va a probar. En los puntos altos, cambios de dirección y extremos de la línea se deben disponer salidas de aire, las cuales deben permanecer abiertos durante el llenado, a fin de expulsar el aire interior. La bomba de presión de prueba será igual a vez y media la presión estática en el punto más bajo del conducto, esta presión debe mantenerse durante el tiempo necesario para observar y comprobar el trabajo eficiente de todas las partes de la instalación La prueba hidráulica tiene por finalidad verificar si todas las operaciones realizadas para la instalación de la tubería han sido ejecutadas correctamente. Antes de efectuar la prueba debe verificarse lo siguientes: a) La tubería tenga un recubrimiento mínimo de 40 cm. b) Las uniones y accesorios estén descubiertas. c) A llenar la red debe purgarse convenientemente para eliminar las bolsas de aire. d) Los bloques de anclaje tendrán un fraguado mínimo de 7 días. e) Los tapones deberán estar correctamente anclados para evitar fugas en éstos durante la realización de la prueba. f) Es conveniente que la línea a probar no exceda los 400 m. Prueba parcial A medida que se verifique el montaje de la tubería y una vez que estén colocados en su posición definitiva todos los accesorios, válvulas y grifos que debe llevar la instalación, se procederá a hacer pruebas parciales a la presión interna, por tramos de 300 a 500 m, Como máximo en promedio. El tramo en prueba, debe quedar parcialmente rellenadas, dejando descubiertas y bien limpias todas las uniones. El tramo en prueba se llenará de agua empezando del punto de mayor depresión de manera de asegurar la completa eliminación del aire por las válvulas y grifos de la parte alta. El tramo en prueba debe quedar lleno de agua sin presión durante 24 horas consecutivas antes de proceder a la prueba de presión o por lo menos el tiempo necesario, para que se sature la tubería. Por medio de una bomba de mano, colocada en el punto más bajo se llenará gradualmente el tramo en prueba a la presión de trabajo. Esta presión será
  • 30.
    PROYECTO : “RENOVACIÓN DE REDES DE AGUA POTABLE EN LA CALLE AYACUCHO ” EQUIPO TÉCNICO EMAPA CHANCAY S.A.C. – SUM CANADA 12 mantenida mientras se recorre la tubería y se examinan las uniones, en sus dos sentidos (15 minutos sin alteración de la aguja, sino se hace el recorrido). Si el manómetro se mantiene sin pérdida alguna, la presión se elevará a la de comprobación, utilizando la misma bomba. En esta etapa, la presión debe mantenerse constante durante un minuto, sin bombear, por cada 10 libras de aumento en la presión. La presión mínima de comprobación para servicios de presión normal de trabajo, será de 10 Kilos por centímetro cuadrado. Se considerará como presión normal de trabajo, la presión media entre la máxima y la mínima de la instalación. En nuestro medio, y mientras no se determine lo contrario dicha presión será equivalente a 4.8 Kilos por centímetros cuadrados y la presión mínima de comprobación a la que debe someterse la instalación, será equivalente a una y media (1 -1/2) veces la presión normal de trabajo. La prueba se considerará positiva si no se producen roturas o pérdidas de ninguna clase. La prueba se repetirá tantas veces como sea necesaria, hasta conseguir resultado positivo. Durante la prueba, la tubería no deberá perder por filtración, más de la cantidad estipulada a continuación, en litros por hora según la siguiente fórmula: F = N* D*(P) ^ 0,5 410 x 25 F = Pérdida máxima tolerada en una hora, en litros. N = Número de empalmes D = Diámetro del tubo en milímetros P = Presión de prueba en metros de agua Se considera como pérdida por filtración la cantidad de agua que debe agregarse a la tubería y que sea necesaria para mantener la presión de prueba especificada, después que la tubería ha sido completamente llenada, y se ha extraído el aire completamente. Para el control de la prueba en obra, se llevarán los formularios correspondientes, debiendo el supervisor recabar el certificado de cada prueba efectuada y acompañarlo(s) "como documento(s) indispensable(s)" a las valorizaciones que presente, sin cuyo requisito la valorización no podrá ser tramitada. Prueba final total Para la prueba final se abrirán todas las válvulas, grifos contra incendio, boca de riego, descargas, etc., y se dejará penetrar el agua lentamente para eliminar el aire, antes de iniciar la prueba a presión, si fuera posible, es conveniente empezar la carga por la parte baja dejando correr el agua durante cierto tiempo por los grifos bocas de riego, etc., hasta estar seguro que estas bocas, no dejen escapar más aire. Estas aberturas se empezarán a cerrar partiendo de la zona más baja.
  • 31.
    PROYECTO : “RENOVACIÓN DE REDES DE AGUA POTABLE EN LA CALLE AYACUCHO ” EQUIPO TÉCNICO EMAPA CHANCAY S.A.C. – SUM CANADA 13 En la prueba final no será indispensable someter la instalación a una sobre presión; pero si será indispensable someterla a la presión normal de trabajo de 10Kg /cm2. Tabla N° 1 – Pérdida Máxima de Agua en Litros en una Hora y para Cien Uniones Dia (mm) P = PRESION DE PRUEBA 7.5 Kg./cm2 10 Kg./cm2 11 Kg/cm2 12 Kg/cm2 13 Kg/cm2 13,5 Kg/cm2 14 Kg/cm2 15,5 Kg/cm2 200 250 16.78 lt. 20.98 lt 20.05 lt 25.05 lt 20.70 lt 25.90 lt 21.30 lt 26.90 lt 21.90 lt 27.40 lt 22.50 lt 28.15 lt 23.10 lt 28.90 lt 24.25 lt 30.30 lt Tabla 2 Volumen de agua contenido por un recipiente cilíndrico de Ø 0.30 a 0.38 m y altura de 0.1 cm. a 1.0 cm. (determina volumen de fuga en el recip. de la bomba de mano) DIA. (cm) LITROS 0.1 (cm) 0.2 (cm) 0.3 (cm) 0.4 (cm) 0.5 (cm) 0.6 (cm) 0.7 (cm) 0.8 (cm) 0.9 (cm) 1.0 (cm) 0.30 0.31 0.32 0.33 0.34 0.35 0.36 0.37 0.38 0.07 0.08 0.08 0.09 0.09 0.10 0.10 0.11 0.11 0.14 0.15 0.16 0.17 0.18 0.19 0.20 0.22 0.23 0.21 0.23 0.24 0.26 0.27 0.29 0.31 0.32 0.34 0.28 0.30 0.32 0.34 0.36 0.38 0.41 0.42 0.45 0.35 0.38 0.40 0.43 0.45 0.48 0.51 0.54 0.57 0.42 0.45 0.48 0.51 0.54 0.58 0.61 0.65 0.68 0.49 0.59 0.58 0.60 0.64 0.67 0.71 0.75 0.79 0.57 0.60 0.64 0.68 0.73 0.77 0.81 0.86 0.91 0.64 0.68 0.72 0.77 0.82 0.87 0.92 0.97 1.02 0.7 0.7 0.8 0.8 0.9 0.9 1.0 1.0 1.1 DESINFECCIÓN DE LAS TUBERIAS: Todas las líneas de agua antes de ser puestas en servicios, serán completamente desinfectadas de acuerdo con el procedimiento que se indica en la presente especificación. La dosis de cloro aplicado para la desinfección será de 50 ppm.
  • 32.
    PROYECTO : “RENOVACIÓN DE REDES DE AGUA POTABLE EN LA CALLE AYACUCHO ” EQUIPO TÉCNICO EMAPA CHANCAY S.A.C. – SUM CANADA 14 El tiempo mínimo de contacto del cloro con la tubería será de 24 horas, procediéndose a efectuar la prueba de cloro residual debiendo obtener por lo menos 5 ppm. de cloro. En el periodo de cloración, todas las válvulas, grifos y otros accesorios, serán operados repetidas veces para asegurar que todas sus partes entren en contacto con la solución del cloro. Después de la prueba, el agua con cloro será totalmente eliminada de la tubería e inyectándose con agua de consumo hasta alcanzar 0,2 ppm. de cloro. Se podrá utilizar cualquiera de los productos enumerados a continuación, en orden de preferencia:  Cloro liquido  Compuestos de cloro disuelto con agua Para la desinfección con cloro liquido se aplicara una solución de este, por medio de un aparato clorinador de solución, o cloro directamente de un cilindro con aparatos adecuados, para controlar la cantidad inyectada y asegurar la difusión efectiva del cloro en toda la línea. En la desinfección de la tubería por compuesto de cloro disuelto, se podrá usar compuestos de cloro tal como, hipoclorito de calcio o similares y cuyo contenido de cloro utilizable, sea conocido. Para la adicción de estos productos se usaran una proporción de 5% de agua, determinándose las cantidades a utilizar mediante la siguiente formula: g = C x L % Clo. x 10 Donde: g = gramos de hipoclorito C = p.p.m. o mgs. por litro deseado L = litros de agua Ejemplo: Para un volumen de agua desinfectar de 1 m3 (1 000 litros) con un dosaje de 50 ppm. empleando hipoclorito de calcio al 70 % se requieren: G = 50 x 1 000 = 71, 4 gramos 70 x 10
  • 33.
    PROYECTO : “RENOVACIÓN DE REDES DE AGUA POTABLE EN LA CALLE AYACUCHO ” EQUIPO TÉCNICO EMAPA CHANCAY S.A.C. – SUM CANADA 15 6. REPARACIÓN DE FUGAS Cuando se presente fugas en cualquier parte de la línea de agua, serán de inmediato reparadas por el constructor debiendo necesariamente, realizar de nuevo la prueba hidráulica del circuito y la desinfección de la misma, hasta que se consiga resultado satisfactorio y sea aprobada por la Supervisión. 7. RELLENO Y COMPACTACIÓN DE ZANJAS Precauciones para el relleno Después de las pruebas parciales y corregidas los defectos, se completarán el relleno de la zanja, tomando las precauciones necesarias como si se tratara de material vítreo. La manera de efectuar el relleno de la zanja se hará con el objeto de que siempre se evite la formación de cavidades en la parte inferior de los tubos. Modo de efectuar el relleno El relleno deberá ser ejecutado en tres etapas distintas: o Relleno lateral o Relleno superior o Relleno final Relleno Lateral Se colocará en la zanja primeramente tierra fina o material seleccionado, libre de piedras raíces, maleza, etc. Está formado por material selecto que envuelve a la tubería y debe ser compactado manualmente uniformemente debajo y a los costados de la longitud total a ambos lados simultáneamente, en capas sucesivas de 10 a 15 cms. de espesor, sin dejar vacíos en el relleno. El relleno se seguirá pisoneando convenientemente, en forma tal que no levante el tubo o lo mueva de su alineamiento horizontal o vertical. De tenerse cuidado con el relleno que se encuentra por debajo de la tubería, es decir, en el área de la zona ubicada entre el plano vertical tangente al diámetro horizontal de la tubería y el talud de la zanja, a ambos lados simultáneamente, teniendo cuidado con no dañar la tubería. Esta primera etapa puede ser ejecutada parcialmente antes de iniciar las pruebas parciales de la tubería. No debe emplearse en el relleno tierra que contenga materias orgánicas ni raíces, arcillas ó limos uniformes. No deben emplearse material cuyo peso seco sea menor de 1,600 Kg/m3. Todos los espacios entre rocas se rellenarán completamente con tierra. No deben tirarse a la zanja piedras grandes por lo menos hasta que el relleno haya alcanzado una altura de 1 m sobre la clave del tubo.
  • 34.
    PROYECTO : “RENOVACIÓN DE REDES DE AGUA POTABLE EN LA CALLE AYACUCHO ” EQUIPO TÉCNICO EMAPA CHANCAY S.A.C. – SUM CANADA 16 Relleno Superior Tiene por objeto proporcionar un colchón de material aprobado de 15 cms por lo menos y preferiblemente 30 cms. Por encima de la clave de la tubería y entre la tubería y las paredes de la zanja, de acuerdo con las especificaciones del proyecto. El resto del relleno se compactará con rodillos aplanadores y otras máquinas apropiadas de acuerdo con el material de que se disponga. Las máquinas deberán pasarse tantas veces sean necesarias para obtener una densidad del relleno no menor del 95% de la máxima obtenida mediante el ensayo Standard del Proctor. La compactación se hará a humedad óptima y en capas horizontales no mayores de 15 cm. Tanto la clase del material de relleno como la compactación deben controlarse continuamente durante la ejecución de la obra. Con el compactado de pisón de mano, se pueden obtener resultados satisfactorios en suelos húmedos, gravosos y arenas. En suelos más cohesivos son necesarios los pisones mecánicos. Relleno Final Completa la operación de relleno superior, el relleno final puede realizarse con el mismo material de excavación, exento de piedras grandes y/o cortantes. Este relleno final se hará hasta el nivel natural de terreno. Se compactará en capas sucesivas (de manera de poder obtener el mismo grado de compactación del terreno natural) y tendrán un espesor menor de 20 cms. En todo caso debe humedecerse el material de relleno hasta el final de la compactación y emplear plancha vibradora u otro equipo mecánico de compactación. En las calles sin pavimento, se dejará la superficie del terreno parejo, tal como estaba antes de la excavación, y los rellenos sucesivos que fuesen menester para acondicionar, la superficie de la zanja en esta forma será parte de la responsabilidad del constructor, hasta por seis meses después de hecho el relleno. En las calles pavimentadas La Empresa mantendrá la superficie del relleno al nivel de las calles mientras se repone el pavimento. Asentamiento con agua Si fuera posible y con la aprobación del Ingeniero responsable se apisonará la tierra del primer relleno con agua, evitando la utilización de pisones, los que podrían admitirse solamente en las capas superiores.
  • 35.
    PROYECTO : “RENOVACIÓN DE REDES DE AGUA POTABLE EN LA CALLE AYACUCHO ” EQUIPO TÉCNICO EMAPA CHANCAY S.A.C. – SUM CANADA 17 III ESPECIFICACIONES TECNICAS DE VÁLVULAS Se usarán válvulas tipo compuerta, las cuales serán de fierro fundido dúctil fabricada según norma NTP-ISO 7259, las características principales son: 1. Vástago de acero inoxidable con un mínimo porcentaje de 11.5 Cr. con un factor de seguridad de 2.46 veces más sobre la norma. 2. Compuerta cubierta con elastómero según especificaciones AWWA 509-87. 3. Superficie interior totalmente lisa, lo cual permite pérdida mínima en el flujo de agua y costos de bombeo. 4. Prueba hidráulica según ISO 5208. 1.5 veces la presión nominal. 5. Anillos tóricos fácilmente reemplazables con la válvula totalmente abierta y sujeta a la total presión de trabajo. 6. Recubrimiento epóxico electrostático con espesor de 150 micras, interior y exterior. 7. Pernos y tuercas zincados ó de acero inoxidable a pedido. 8. Temperatura máxima del fluido transportado 70º.
  • 36.
    PROYECTO : “RENOVACIÓN DE REDES DE AGUA POTABLE EN LA CALLE AYACUCHO ” EQUIPO TÉCNICO EMAPA CHANCAY S.A.C. – SUM CANADA 18 Medidas para Válvulas compuerta según Norma ISO 7259-clase 15 DN L H C 100 (Ø4”) 300 377 106 150 (Ø6”) 350 469 132 200 (Ø8”) 400 502 154 250 (Ø10”) 450 657 225 Las válvulas serán de hierro dúctil tipo luflex para ser utilizadas con tubería de PVC ISO 4422. VÁLVULAS COMPUERTA GENERALIDADES El proveedor deberá suministrar todos los aparatos de valvulería en conformidad con las especificaciones técnicas establecidas a continuación y según la lista de piezas reseñada. Todos los aparatos de valvulería deberán estar dimensionadas según los diámetros prescritos en la lista de piezas. Todos los aparatos de valvulería deberán ir identificados por un marcado colocado en el cuerpo y que comporte las siguientes inscripciones: 1. Nombre del fabricante 2. Diámetro nominal DN 3. Presión nominal PN El proveedor deberá presentar una memoria técnica detallada a petición del Ingeniero Consultor, documento técnico que deberá comprender la descripción y el funcionamiento de los aparatos. Todos los aparatos de valvuleria estarán previstos para una presión máxima admisible de 16 bar, salvo indicación contraria. El sentido de cierre será FSH (cierre sentido horario) salvo prescripción contraria. El material usado no debe afectar la calidad del agua en las condiciones de uso. Las válvulas de compuerta serán de fierro fundido dúctil fabricadas de conformidad con la Norma Internacional ISO 7259 tipo A. La compuerta será del tipo sobre moldeada de elastómero y el paso del fluido será rectilíneo. Estarán diseñadas para una presión máxima admisible de 16 bar, correspondiente a la presión nominal PN 16.
  • 37.
    PROYECTO : “RENOVACIÓN DE REDES DE AGUA POTABLE EN LA CALLE AYACUCHO ” EQUIPO TÉCNICO EMAPA CHANCAY S.A.C. – SUM CANADA 19 Diseño Compuerta La compuerta será de fierro fundido dúctil totalmente revestido de elastómero. Su estanquidad dentro del cuerpo de la válvula de compuerta deberá garantizarse por comprensión del elastómero. Revestimiento Después de la limpieza y granallado, en conformidad con la Norma Internacional ISO 8501-1 GRADE SA 2.5, las válvula de compuerta recibirán tanto por dentro como por fuera un revestimiento de polvo epoxidico o equivalente con un espesor mínimo de 150 micras. El producto que se seleccione para el revestimiento no deberá afectar la calidad del agua en las condiciones de uso. Materiales El cuerpo, la tapa y la compuerta serán de fierro fundido dúctil conforme con la Norma Internacional ISO 1083. La compuerta ira revestida con elastómero EPDM, nitrilo o equivalente. El eje de maniobra estará fabricado con acero inoxidable con un 13% de cromo o equivalente (material Z2oC13 según NF A 35-574 o 1.4021 – DIN 17440). La tuerca del eje de maniobra será de latón o equivalente (materia CuZn39Pb2 según NF A 51-101 o 2.0380 – DIN 17660). Ensayos Cada válvula de compuerta deberá sufrir ensayos hidráulicos en fabrica según la Norma Internacional ISO 5208:  Ensayo de la envoltura a 1,5 vez la presión máxima admisible.  Ensayo del asiento a 1,1 vez la presión máxima admisible.
  • 38.
    PROYECTO : “RENOVACIÓN DE REDES DE AGUA POTABLE EN LA CALLE AYACUCHO ” EQUIPO TÉCNICO EMAPA CHANCAY S.A.C. – SUM CANADA 20 FORMA DE INSTALACIÓN DE VÁLVULA COMPUERTA En el siguiente gráfico se presenta la forma de instalación de la válvula compuerta:
  • 39.
    PROYECTO : “RENOVACIÓN DE REDES DE AGUA POTABLE EN LA CALLE AYACUCHO ” EQUIPO TÉCNICO EMAPA CHANCAY S.A.C. – SUM CANADA 21 IV CONEXIONES DOMICILIARIAS DE AGUA POTABLE 1. Generalidades Toda conexión domiciliaria de agua, consta de trabajos externos a la respectiva propiedad, comprendidos entre la tubería matriz de agua y la zona posterior al lado de salida de la caja del medidor. Su instalación se hará perpendicularmente a la matriz de agua con trazo alineado. Sólo se podrán instalar conexiones domiciliarias en tuberías de hasta 250 mm (Ø10”) de diámetro. No se permitirá instalar conexiones domiciliarias en líneas de impulsión ó conducción, salvo casos excepcionales con aprobación previa de la empresa. 2. Conexiones domiciliarias de agua potable con tuberías PVC Las conexiones domiciliarias de agua, serán del tipo simple y estarán compuestos de los siguientes elementos: Elementos de Toma: 1 abrazadera de derivación con su empaquetadura. 1 válvula de toma (corporación). 1 transición de llave de toma a tubería de conducción con tuerca de acople. 1 Curva de 90 ó 45. Tubería de conducción: Con tubería de forro o protección. Elementos de control: 2 llaves de paso. 2 niples Standard. 1 niple de reemplazo. 2 uniones presión rosca. Caja de medidor con su marco y tapa. Elemento de unión de la instalación. 3. Elementos de toma 3.1 Abrazadera Para abrazaderas menores a 6” se utilizaran las siguientes especificaciones técnicas: La abrazadera de derivación es una conexión en forma de collar adaptable al diámetro exterior de la tubería matriz de agua potable. Consta de tres partes :
  • 40.
    PROYECTO : “RENOVACIÓN DE REDES DE AGUA POTABLE EN LA CALLE AYACUCHO ” EQUIPO TÉCNICO EMAPA CHANCAY S.A.C. – SUM CANADA 22 a) Un Collarín de PVC rígido, que rodea al tubo que contiene una base para la válvula corporación roscada, b) Un Asiento o collarín inferior de PVC rígido, con anillo plano como elemento de sello que va internamente entre el tubo y la abrazadera, c) Tuercas o elementos de ajuste de acero inoxidable encapsulados en PVC. Las características que deben reunir son : 1. Cumplan con la NTP 399.137 – Abrazaderas de Material Termoplástico para Conexiones Domiciliarias de Agua Potable. 2. Deberán ser abrazaderas de diseño exclusivo con pestaña de refuerzo central tanto en la base como en la brida con pernos y tuercas de acero encapsulado en PVC con sistema de ajuste totalmente hermético, con empaquetadura de ajuste tipo “T” para evitar el uso de herramientas mecánicas. 3. La resistencia al troqué de la rosca deberá ser de 60 N.m. 4. Deberán ser sometidas a pruebas hidrostáticas de 500 PSI. Para abrazaderas mayores a 6” se utilizarán abrazaderas de Ffdo. Con suncho de acero el que será protegido en obra con una película de asfalto. 3.2 Válvula de Toma Válvula para tubería de PVC. Posee un extremo roscado cónico que le permite insertarse a la abrazadera de la tubería matriz, mientras que en el otro extremo roscado se acoplan los accesorios de PVC necesarios para la conexión. Consta de las siguientes partes: a) Manija de PVC rígido. b) Esfera del vástago de PVC rígido. c) O´ring de Nitrilo. d) Empaquetaduras de caucho elastómero. d) Cuerpo principal de PVC rígido. Las características que deben reunir son : 1. Cumplir la NTP 399.034 – Válvulas de Material Termoplástico. 2. Resistencia al troqué en las roscas de entrada y salida de 60 N.m. 3. De instalación manual, sin herramientas mecánicas, sin el uso convencional de CINTA TEFLON por tener incorporado un O¨RING en el extremo de la rosca. 4. Sometidas a pruebas hidrostática de 500 PSI. 5. Los elementos de rosca, tanto externos como internos deberán ser de acuerdo al sistema ISO. 6. Su peso especifico será de 1.40 gr/cm3, su resistencia a la tracción de 400 kg/Cm2, y su medida nominal ½”. 7. Deberá ser fabricado con material importado, PVC de alto impacto. 8. Que puedan trabajar a temperaturas de –20°C a 60°C.
  • 41.
    PROYECTO : “RENOVACIÓN DE REDES DE AGUA POTABLE EN LA CALLE AYACUCHO ” EQUIPO TÉCNICO EMAPA CHANCAY S.A.C. – SUM CANADA 23 3.3 Accesorios de conexión y Curva de 90º Los accesorios y componentes de conexión son: a) Curva de ½” X90° con pestaña y rosca de PVC rígido. b) Tuerca Racor para Corporation de PVC rígido. c) Empaquetadura para Racor de caucho elastómero. d) Contratuerca de ajuste de PVC rígido. e) Cono y bocina de ajuste para contratuerca de Nylon reforzado. Las características que deben reunir son : 1. Resistencia al troqué en las roscas de entrada y salida: 60 N.m. 2. De instalación manual, en un extremo, sin el uso convencional de CINTA TEFLON por tener incorporado un O´RING (sello hermético) en el extremo de la rosca. 3. Deberán soportar pruebas hidrostáticas de 500 PSI. 4. Los elementos de rosca, tanto externo como internos son de acuerdo al sistema I ISO. 5. Su resistencia a la tracción deberá ser de 400 Kg/Cm2, y su medida nominal ½”. 6. Ser fabricado con material importado, PVC de alto Impacto. 7. Que trabajen a temperaturas de –20°C a 60°C. 4. Elemento de Conducción La tubería de conducción será de plástico PVC o policloruro de vinilo no plastificado para conducción de fluidos a presión, está tubería será para una presión nominal de 7.5 kg/cm2. La tubería de conducción que empalma desde la abrazadera como elemento de toma hasta la caja domiciliaria de agua potable, ingresará a está con una inclinación de 45°. Se protegerá la tubería de conducción de la conexión domiciliaria con un forro de tubería PVC de diámetro 75 mm, en los siguientes casos: En el cruce de pavimentos para permitir la extracción y reparación de la tubería de conducción En las conexiones largas (mayores a 4.00m) y en las conexiones cortas que la supervisión estime conveniente. 5. Elementos de Control Provisionalmente se instalará un niple en reemplazo del micromedidor. Deberá tenerse en cuenta que la base del medidor tendrá una separación de 5 cm de luz con respecto al solado. En cada cambio o reparación de cada elemento, necesariamente deberá colocarse empaquetaduras nuevas.
  • 42.
    PROYECTO : “RENOVACIÓN DE REDES DE AGUA POTABLE EN LA CALLE AYACUCHO ” EQUIPO TÉCNICO EMAPA CHANCAY S.A.C. – SUM CANADA 24 5.1 Llave de Control (de paso) En la llave de control será tipo esfera con manija para 360º de giro cuyos extremos serán roscados internamente del tipo estándar americano. El lado que establece contacto con el medidor, estará provisto de un racor o niple de acoplamiento el cual, mediante su tuerca anillo permite el sellado o ajuste del niple. La llave debe garantizar una presión de trabajo igual a 10 kg/cm2, sin fugas, la lubricación será suficiente a fin de que se facilite el manejo (abrir y cerrar). Los componentes de fabricación y materiales son: a) Manija Tipo de PVC rígido. b) Esfera vástago de PVC rígido. c) O¨ring de Nitrilo. d) Empaquetaduras de caucho elastómero. e) Cuerpo principal. Las características que deben reunir son : 1. Cumplan la NTP 399.034 – Válvulas de Material Termoplástico. 2. Resistencia al troqué en las roscas de entrada y salida: 60 N.m. 3. De instalación manual, sin herramientas mecánicas, sin el uso convencional de CINTA TEFLON por tener incorporado un O´ring en el extremo de la rosca. 4. Deberán soportar pruebas hidrostáticas de 500 PSI. 5. Los elementos de rosca, tanto externos como internos son de acuerdo al sistema ISO. 6. Su peso especifico es de 1.40 gr/cm3, su resistencia a la tracción de 400 kg/cm2, y su medida nominal ½”. 7. Deberán ser fabricado con material importado, PVC de Alto Impacto. 8. Que trabajen a temperaturas de –20°C a 60°C. 5. Caja de Protección La caja de protección del medidor será de concreto y el marco y tapa serán de Fierro Galvanizado. La tapa de la caja se colocará al nivel de la rasante de la vereda, cuidando que comprometa sólo un paño de ésta. La reposición de la vereda será de bruña a bruña, en caso de no existir vereda, la caja será ubicada en una losa de concreto f¨c = 140 kg/cm2 de 1,00 x 1,00 x 0,10 m sobre una base debidamente compactada.
  • 43.
    PROYECTO : “RENOVACIÓN DE REDES DE AGUA POTABLE EN LA CALLE AYACUCHO ” EQUIPO TÉCNICO EMAPA CHANCAY S.A.C. – SUM CANADA 25 Figura 1 Conexión domiciliaria de agua potable tipo simple, diámetro de ½” A 1” – conexión corta. PLANTA PERFIL
  • 44.
    PROYECTO : “RENOVACIÓN DE REDES DE AGUA POTABLE EN LA CALLE AYACUCHO ” EQUIPO TÉCNICO EMAPA CHANCAY S.A.C. – SUM CANADA 26 10. Instalación El procedimiento de instalación de una conexión domiciliaria es la siguiente: Instalación de las abrazaderas: La empaquetadura de jebe que se usa en las abrazaderas debe quedar correctamente sentada sobre la tubería. La superficie del tubo debe limpiarse y lijarse ligeramente para permitir mayor adherencia de la abrazadera y sus partes. No es necesario apretar demasiado los tornillos de las abrazaderas de fierro fundido. El empaque de caucho debe quedar comprimido uniformemente y con moderación. Las abrazaderas de PVC son de un diseño tal que permiten su encaje exacto alrededor del tubo de PVC, sin el temor de comprimirlo por efectos del ajuste Por otro lado, existe en el mercado las abrazaderas de resina acetálica cuyo sistema de ajuste a base de tuercas, no permite sobrepasar ciertos rangos de presión al troqué. De esta manera, se asegura una buena instalación sin dañar el tubo. Perforación del Tubo: La ejecución de la perforación del tubo matriz de PVC puede efectuarse bajo dos circunstancias, cuando la tubería está aún vacía sin servicio, o cuando se encuentra en operación con presión de agua. En éstos casos pueden procederse de la siguiente manera:  EEnn ttuubboo ssiinn sseerrvviicciioo :: La perforación de la matriz en seco se puede realizar con un berbiquí o un taladro con broca tipo madera o mediante una cañería de cobre de igual diámetro a la perforación que se desea realizar. Esto último se efectúa calentando la cañería de cobre con un soplete para luego introducirla en la matriz de PVC, posteriormente se emparejan los bordes de la perforación con una escofina de media caña. En ningún caso se debe perforar la matriz golpeando con algún elemento puntiagudo, debido a que la perforación resultante no tendrá una sección regular y además existe el riesgo de romper el tubo.  EEnn ttuubbooss eenn sseerrvviicciioo :: En caso de tener que perforar un tubo de PVC de una línea matriz con presión de agua, la operación se efectúa con herramientas especiales tipo Müller, la que perfora el tubo a través de la válvula “corporation” insertada en la abrazadera de derivación previamente instalada. Relleno y compactación de la zanja: El relleno debe seguir a la instalación de la tubería tan cerca como sea posible. En ésta forma se disminuye el riesgo que la tubería sufra el impacto de piedras. Se elimina la posibilidad de inundaciones de la zanja y se evitan movimientos de la línea debido a derrumbes que pueden ocurrir.
  • 45.
    PROYECTO : “RENOVACIÓN DE REDES DE AGUA POTABLE EN LA CALLE AYACUCHO ” EQUIPO TÉCNICO EMAPA CHANCAY S.A.C. – SUM CANADA 27 Se debe tener presente que la finalidad del relleno, no es solamente proteger a la tubería recubriéndola, sino también la de darle un soporte firme y continuo que impida que la tubería se asiente y descanse sobre sus juntas. Nunca se debe considerar el relleno de compactación como el mero empuje del material de excavación hacia la zanja en el menor tiempo posible. Es una operación de la instalación que debe ser cuidadosamente supervisada. Los fines esenciales de un buen relleno pueden resumirse así: Proporcionar un lecho apropiado para la tubería y compactación. Proporcionar por encima de la tubería, una capa de material escogido que sirva de amortiguador al impacto de las cargas exteriores. Para el apisonado completo y correcto del relleno de una zanja, se necesitan dos tipos de barras. El tipo de barra de cabeza angosta, es el más apropiado para ejecutar el apisonado del relleno debajo de la tubería y las uniones. El otro tipo de barra de cabeza plana llamado “pisón”, debe usarse para apretar el material de relleno entre la tubería y las paredes de la zanja y para compactar el relleno inicial. Estas herramientas son de fácil fabricación, cómodas para manejar y realizar un trabajo correcto. Ejecución del relleno y apisonado: Primero se debe tomar el lecho o soporte de la tubería. El material usado debe ser escogido, es decir, libre de piedras grandes y de calidad adecuada. No debe usarse tierra vegetal o de detrito. Aún en regiones relativamente rocosas, el material apropiado para el relleno inicial debe ser previamente seleccionado. El relleno y apisonado inicial comprende el material que se echa en el fondo de la zanja y hasta una altura de 30 cm, por encima de la tubería. El material para el relleno inicial debe extenderse en capas de 10 cm de espesor, y apisonarse muy bien antes de echar la próxima capa. No olvide usar las herramientas adecuadas para el apisonado. Recuerde que el material debe quedar correctamente consolidado debajo de la tubería y las uniones y entre la tubería y las paredes de la zanja. Humedecer el material de relleno en la primera capa de 10 cm para conseguir mejor consideración. Incorrecto: Cuando se echa demasiado material de relleno para apisonar, el soporte de la tubería quedará deficiente. Correcto: Una capa de material escogido, de 10 cm de espesor es muy fácil de apisonar y proporciona un buen soporte para la tubería. El apisonado de las capas siguientes se debe hacer en la misma forma, hasta que el tubo quede completamente encajado en material escogido bien apisonado, hasta la altura media del tubo.
  • 46.
    CRONOGRAMA DE OBRA- CALLE AYACUCHO L M M J V S D L M M J V S D L M M J V S D L M M J V S D L M M J V S D L M M J V S D L M M J V S D L M M J V S D ITEM DESCRIPCIÓN DE ACTIVIDADES TIEMPO 2004 MES 1 MES 2 01.00.00 OBRAS PRELIMINARES 01.01.00 TRAZO Y REPLANTEO INICIAL 6 01.02.00 COLOCAC. DE CINTA P/SEÑALIZ. 48 01.03.00 TRANQUERAS P/DESVIO DE TRAFICO 10 01.04.00 CARTEL DE OBRA 2 01 05 00 TRAZO Y REPLANTEO FINAL 1001.05.00 TRAZO Y REPLANTEO FINAL 10 02.00.00 MOVIMIENTO DE TIERRAS 02.01.00 EXCAVACION DE ZANJA C/MAQUINARIA 10 02.02.00 REFINE Y NIVELACION DE ZANJA 12 02.03.00 PREPARACION DE LA CAMA DE APOYO 12 02.04.00 RELLENO Y COMPACTACION DE ZANJA 14 02.05.00 ELIMINACION DE MATERIAL EXCEDENTE 3 03.00.00 SUMINISTRO DE TUBERIAS PVC 03.01.00 SUMINISTRO DE TUB. PVC P/REDES MATRICES 6 04.00.00 INSTALACION DE TUBERIAS 04.01.00 INST. DE TUB. PVC P/REDES MATRICES 14 05.00.00 SUMINISTRO DE ACCESORIOS H.D.05.00.00 SUMINISTRO DE ACCESORIOS H.D. 05.01.00 SUMINISTRO DE VALV, TEE, CODO, CRUZ, etc. 6 06.00.00 INSTALACION DE ACCESORIOS 06 01 00 INST DE VALV TEE CODO CRUZ t 1006.01.00 INST. DE VALV, TEE, CODO, CRUZ, etc. 10 07.00.00 CONEX. DOMICILIARIAS DE AGUA POTABLE 07.01.00 MOVIMIENTO DE TIERRAS 07.01.01 ROTURA DE PAVIMENTO P/CONEX.DOMIC. 4 07.01.02 EXCAVACION DE ZANJA 8 07.01.03 RELLENO Y COMPACTACION DE ZANJA 3 07.01.04 ELIMINACION DE MATERIAL EXCEDENTE 2 07.02.00 REINSTALACION DE CONEXIONES DOMILICIARIAS 07.02.01 CONEX.DOMIC. DE AGUA POTABLE CON CAJA 10 07.03.00 REPOSICION DE VEREDA 07.03.01 ROTURA Y REPOSICION DE VEREDA 10 08 00 00 ROTURA Y REPOSICION DE PAVIMENTO08.00.00 ROTURA Y REPOSICION DE PAVIMENTO 08.01.00 ROTURA DE PAVIMENTO ASFALTICO 14 08.02.00 ELIMINACION DE MATERIAL EXCEDENTE 2 08.03.00 REPOSICION DE PAVIMENTO ASFALTICO 8 09.00.00 PRUEBAS HIDRAULICAS 09.01.00 PRUEBAS HIDR. Y DESIFECC. P/TUB. AGUA POTABLE 2 10.00.00 VARIOS 10.01.00 TRANSPORTE LOCAL 48
  • 47.