CURSO DE FORMACIÓN DE ASCENSORES
v1.00, MAY. 06
Español / CFAEs
CURSO DE FORMACIÓN DE ASCENSORES

Curso de Formación de
Ascensores
v1.00, MAY. 06
Español / CFAEs

v1.00, MAY. 06

CFAEs
CURSO DE FORMACIÓN DE ASCENSORES

ÍNDICE

ÍNDICE
TEMA 1. TEORÍA DEL ASCENSOR

1

1.1. INTRODUCCIÓN.................................................................................................1
1.2. NORMATIVA........................................................................................................2
1.3. EVOLUCIÓN HISTÓRICA...................................................................................2
1.4. CLASIFICACIÓN DE ASCENSORES...............................................................11
1.4.1. Eléctricos.............................................................................................12
1.4.1.1. De 1 velocidad................................................................................... 12
1.4.1.2. De 2 velocidades................................................................................12
1.4.1.3. Con Variación de Frecuencia.............................................................12

1.4.2. Hidráulicos..........................................................................................13
1.4.2.1. De acción directa................................................................................14
1.4.2.2. De acción indirecta.............................................................................14

1.4.3. Comparación entre el ascensor ELÉCTRICO e HIDRÁULICO..........14
1.5. COMPOSICIÓN DE UN ASCENSOR................................................................16
1.5.1. Ascensor Eléctrico..............................................................................17
1.5.2. Ascensor Hidráulico............................................................................21
1.5.3. Ascensores Sin Cuarto de Máquinas..................................................22
1.6. MODELOS DE ASCENSORES EN MP.............................................................23
1.6.1. Codificación o nomenclatura de los ascensores.................................24

TEMA 2. REPLANTEO

26

2.1. INTERPRETACIÓN DE PLANOS......................................................................26
2.1.1. Perspectivas en el plano.....................................................................27
2.1.2. Medidas y acotaciones........................................................................28
2.1.3. Lectura de características generales..................................................28
2.1.4. Identificación de elementos.................................................................29
2.1.4.1. Ascensor ECCM.................................................................................30
2.1.4.2. Ascensor HCCM (tiro indirecto)..........................................................35

2.2. REPLANTEO DE UN ASCENSOR....................................................................39
2.2.1. Aspectos a tener en cuenta según el tipo de ascensor......................42

TEMA 3. ASCENSOR ELÉCTRICO

43

3.1. GRUPO TRACTOR...........................................................................................43
3.1.1. Motores...............................................................................................44
3.1.1.1. Motores de 1 velocidad.......................................................................44
3.1.1.2. Motores de 2 velocidades...................................................................45
3.1.1.3. Motores con convertidor de frecuencia...............................................45
3.1.1.4. Gearless.............................................................................................46

3.1.2. Freno...................................................................................................46
3.1.2.1. Freno mecánico..................................................................................46
3.1.2.2. Freno eléctrico....................................................................................47
3.1.2.3. Accionamiento de emergencia...........................................................48

3.1.3. Reductor..............................................................................................48
3.1.4. Poleas de tracción...............................................................................50
3.1.5. Volante de inercia...............................................................................50
3.1.6. Elementos de amortiguación y aislamiento de ruido...........................51
3.1.7. Polea de desvío..................................................................................51
v1.00, MAY. 06

CFAEs
CURSO DE FORMACIÓN DE ASCENSORES

ÍNDICE

3.2. HUECO..............................................................................................................52
3.2.1. Cabina.................................................................................................52
3.2.2. Contrapeso..........................................................................................54
3.2.3. Guías y fijación de guías.....................................................................54
3.2.3.1. Sistemas de deslizamiento.................................................................55

3.2.4. Cables.................................................................................................56
3.2.4.1. Cables para ascensores y montacargas............................................57

3.3. COMPONENTES DE SEGURIDAD..................................................................59
3.3.1. Limitador de velocidad........................................................................60
3.3.2. Paracaídas..........................................................................................61
3.3.3. Amortiguadores...................................................................................62
3.3.4. Protección de las máquinas................................................................63
3.4. PUERTAS DE CABINA Y PUERTAS DE PISO.................................................63
3.4.1. Puertas de cabina...............................................................................63
3.4.2. Puertas de piso o rellano....................................................................63
3.4.3. Sistema de emergencia (RESCATAMAC)..........................................64
3.4.3.1. Descripciones.....................................................................................64
3.4.3.2. Diagrama General (Cuadro)...............................................................66
3.4.3.3. Descripción de Características...........................................................66

3.5. MONTAJE E INSTALACIÓN.............................................................................67
3.5.1. Montaje de los soportes de guías.......................................................67
3.5.2. Montaje de la base de arranque.........................................................68
3.5.3. Montaje de las guías de cabina y contrapeso.....................................68
3.5.4. Montaje del chasis de contrapeso.......................................................69
3.5.5. Montaje del chasis de cabina..............................................................71
3.5.6. Montaje de los cables de tracción.......................................................72
3.5.7. Montaje del limitador de velocidad......................................................74
3.5.8. Montaje de los amortiguadores de cabina..........................................75
3.5.9. Montaje de los amortiguadores de contrapeso...................................76
3.5.10. Montaje de las puertas de rellano.....................................................76
3.5.10.1. Puertas Automáticas.........................................................................77
3.5.10.2. Puertas Semiautomáticas.................................................................84

3.5.11. Montaje de la cabina.........................................................................85
3.5.12. Instalación Eléctrica Premontada de hueco y cabina.......................86
3.5.13. Montaje del conjunto de operador en puertas de cabina..................86

TEMA 4. ASCENSOR HIDRÁULICO

90

4.1. GRUPO IMPULSOR..........................................................................................91
4.1.1. Central hidráulica................................................................................91
4.1.1.1. Motor...................................................................................................92
4.1.1.2. Bomba................................................................................................92
4.1.1.3. Bloque de válvulas..............................................................................93
4.1.1.4. Depósito de aceite..............................................................................94

4.1.2. Pistón hidráulico..................................................................................94
4.1.3. Canalizaciones....................................................................................95
4.2. ASPECTOS ESPECÍFICOS DE UN ASCENSOR HIDRÁULICO......................95
4.2.1. Sistema de guiado del pistón..............................................................95
4.2.2. Guías...................................................................................................95
4.2.3. Sistemas protección contra movimientos incontrolados de cabina.....96
4.2.3.1. Válvula paracaídas............................................................................96
4.2.3.2. Paracaídas..........................................................................................96
4.2.3.3. Sistema de renivelación......................................................................96

4.2.4. Sistema de rescate.............................................................................97
4.3. MONTAJE E INSTALACIÓN.............................................................................97
v1.00, MAY. 06

CFAEs
CURSO DE FORMACIÓN DE ASCENSORES

ÍNDICE

4.3.1. Instalación de chasis de cabina hidráulico..........................................97
4.3.2. Instalación del pistón.........................................................................102
4.3.3. Instalación de la central hidráulica....................................................103
4.3.4. Instalación del limitador de velocidad...............................................106
4.4. COMPONENTES DE LOS KIT’S HIDRÁULICOS DE MP...............................107

TEMA 5. MANIOBRAS

108

5.1. TIPOS DE MANIOBRA....................................................................................108
5.1.1. Maniobra Automática Simplex o Universal.......................................109
5.1.2. Maniobra Simplex colectiva selectiva en Bajada..............................110
5.1.3. Maniobra Simplex colectiva selectiva en Subida y Bajada...............111
5.1.4. Maniobra Dúplex...............................................................................112
5.1.5. Maniobra Dúplex colectiva selectiva en Bajada................................113
5.1.6. Maniobra Dúplex colectiva selectiva en Subida y Bajada.................113
5.1.7. Maniobra Mixta..................................................................................113
5.2. INSTALACIÓN ELÉCTRICA PREMONTADA.................................................114
5.3. INSTALACIÓN ELÉCTRICA PREMONTADA MICROBASIC..........................118
5.3.1. Esquemas eléctricos generales........................................................119
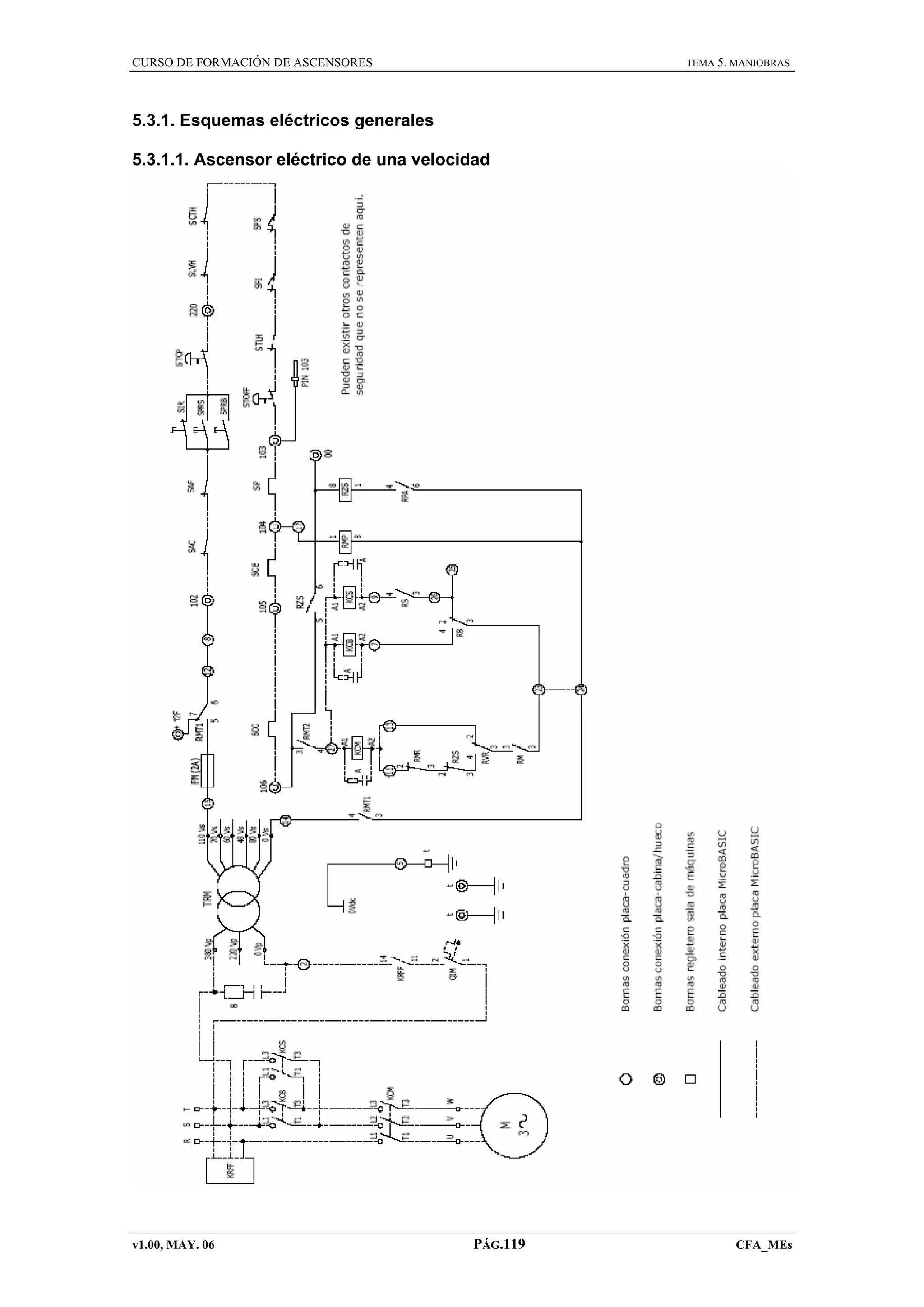
5.3.1.1. Ascensor eléctrico de una velocidad................................................119
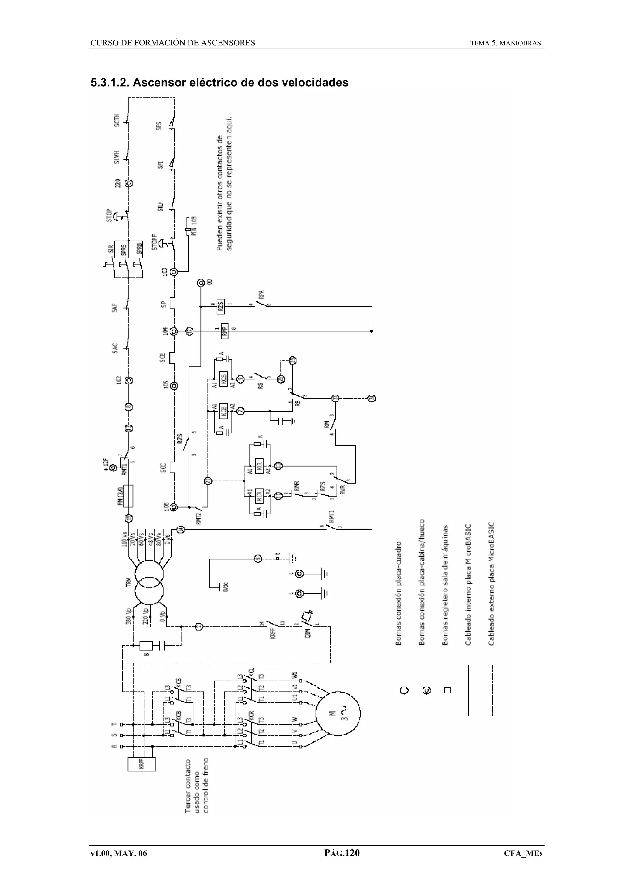
5.3.1.2. Ascensor eléctrico de dos velocidades.............................................120
5.3.1.3. Ascensor eléctrico con variación de velocidad.................................121
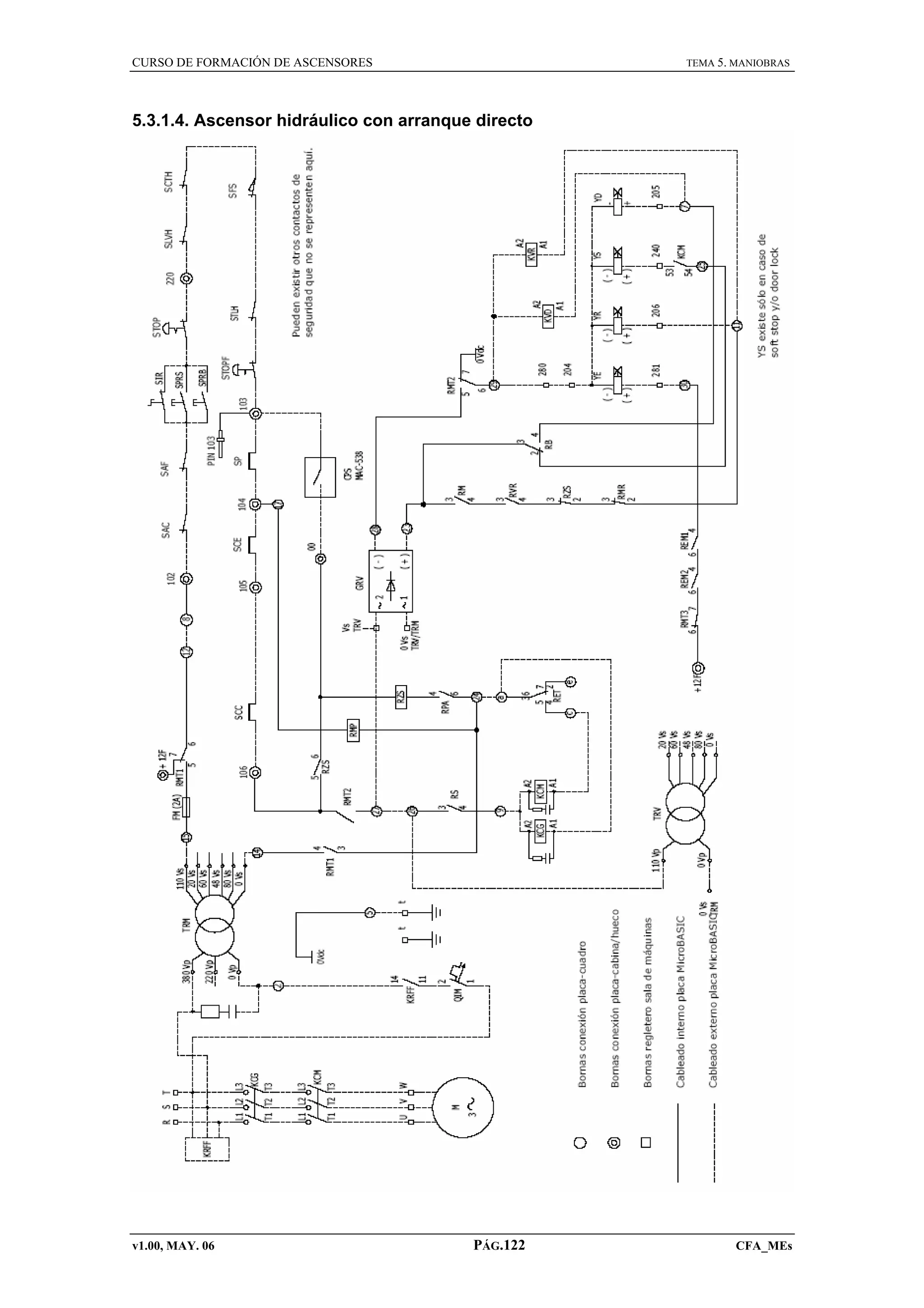
5.3.1.4. Ascensor hidráulico con arranque directo........................................122
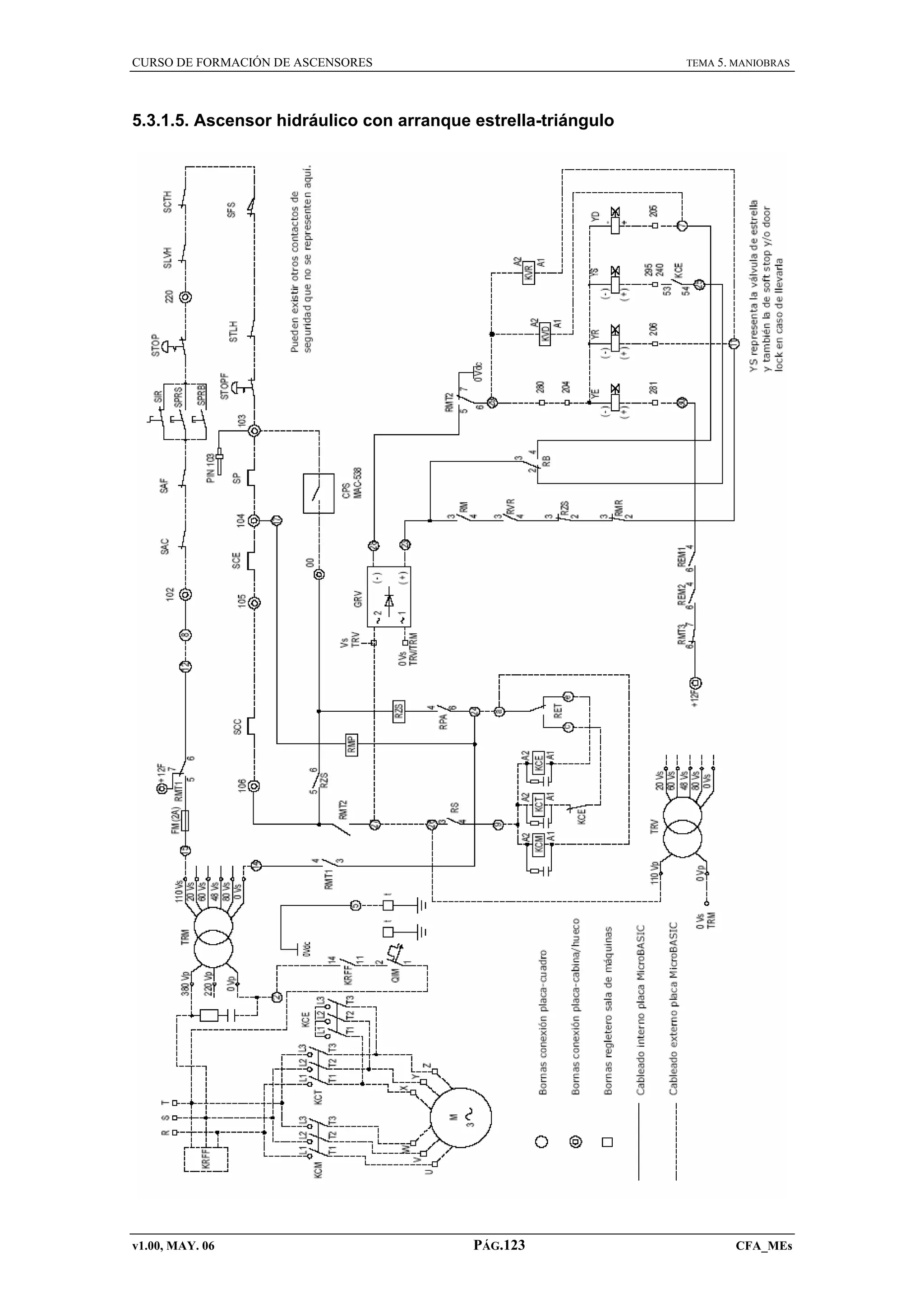
5.3.1.5. Ascensor hidráulico con arranque estrella-triángulo.........................123

5.3.2. Montaje y conexionado.....................................................................124
5.3.2.1. Consideraciones generales..............................................................124
5.3.2.2. Identificación de conexiones.............................................................124
5.3.2.3. Instalación del cuarto de máquinas..................................................125
5.3.2.4. Instalación de cabina........................................................................128
5.3.2.5. Instalación de hueco.........................................................................131

5.4. INSTALACIÓN ELÉCTRICA PREMONTADA VÍA SERIE...............................134
5.4.1. Características generales.................................................................134
5.4.2. Prestaciones de la maniobra Vía Serie.............................................134
5.4.3. Esquemas generales de control........................................................134
5.4.3.1. Ascensor eléctrico de una velocidad................................................134
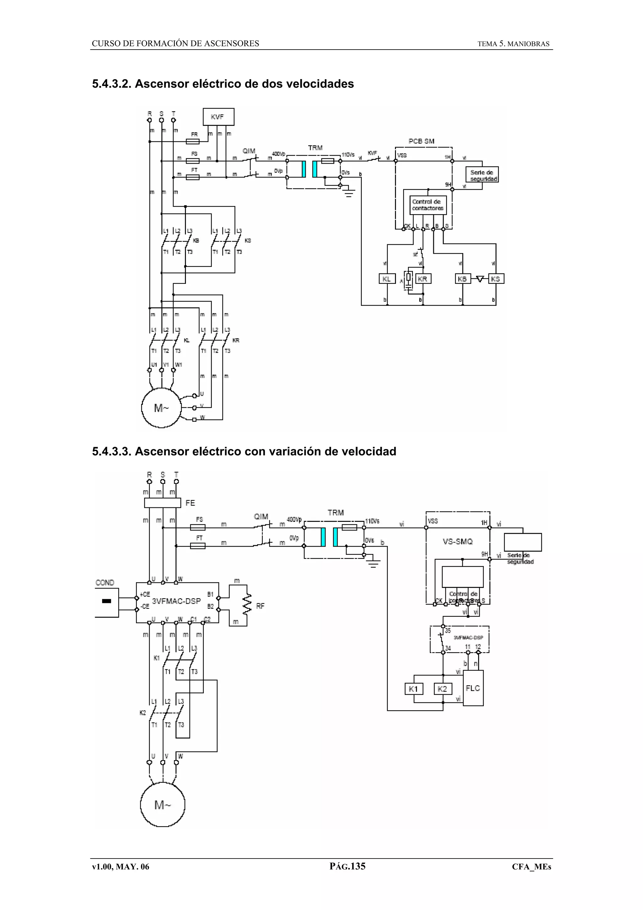
5.4.3.2. Ascensor eléctrico de dos velocidades.............................................135
5.4.3.3. Ascensor eléctrico con variación de velocidad.................................135
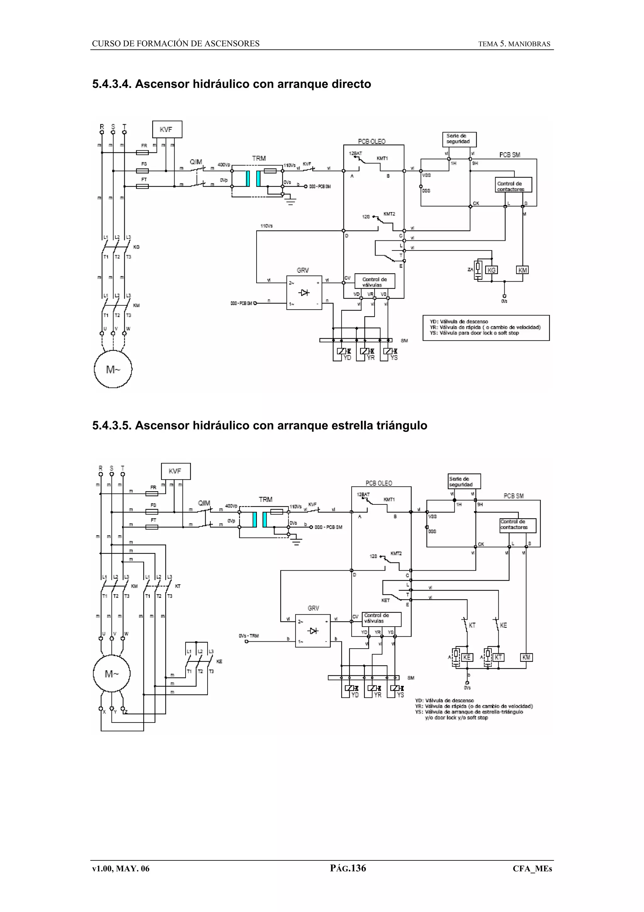
5.4.3.4. Ascensor hidráulico con arranque directo........................................136
5.4.3.5. Ascensor hidráulico con arranque estrella-triángulo.........................136

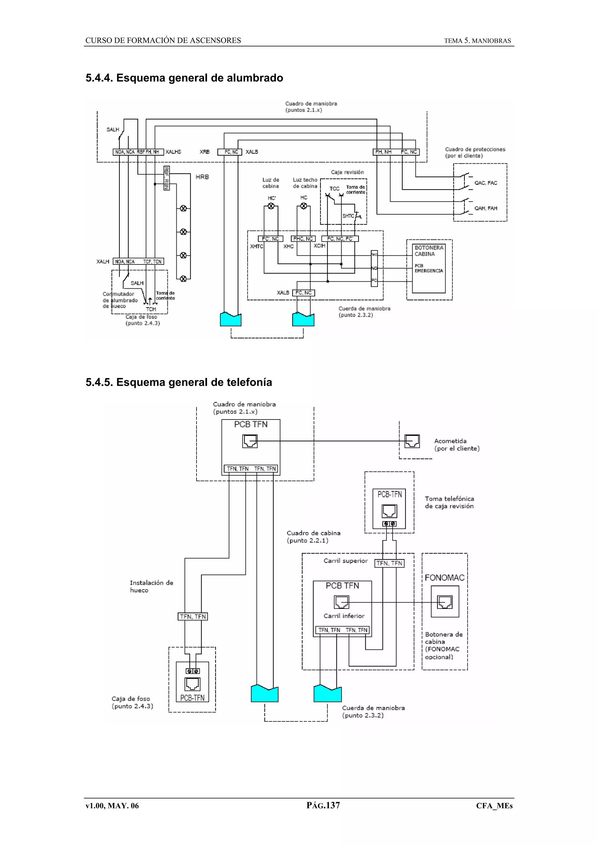
5.4.4. Esquema general de alumbrado.......................................................137
5.4.5. Esquema general de telefonía..........................................................137
5.4.6. Serie de seguridad............................................................................138
5.4.7. Esquema general de la maniobra Vía Serie.....................................139

v1.00, MAY. 06

CFAEs
CURSO DE FORMACIÓN DE ASCENSORES

TEMA 1. TEORÍA DEL ASCENSOR

Tema 1

TEORÍA DEL ASCENSOR

1.1. INTRODUCCIÓN
Como cualquier otra idea de la Humanidad, el transporte vertical nace con la
necesidad del hombre por desplazar objetos, o así mismo, de un lugar a otro más
elevado. Lógicamente sólo se tuvo conciencia de que el trasporte de personas era
posible cuando todos los procesos que conllevan la maniobra de elevación fueran
supeditados a un mínimo de seguridad.
Dicho esto, el hombre ha construido diversos tipos de elevadores, siendo el
más común por su utilización diaria el ascensor. Pero cabe destacar que, dependiendo
de la carga transportada, también se pueden definir otros tipos de elevadores, tales
como el montacargas, montacoches, montaplatos, montacamas etc…
Es necesario remarcar que cualquier dispositivo que transporte verticalmente
una carga puede considerarse un elevador, esto engloba desde las poleas o planos
inclinados que se utilizaban en la antigüedad hasta sus equivalentes de hoy en día: las
escaleras mecánicas.

v1.00, MAY. 06

PÁG.1

CFA_TAEs
CURSO DE FORMACIÓN DE ASCENSORES

TEMA 1. TEORÍA DEL ASCENSOR

Definición
Un ascensor es un aparato elevador instalado permanentemente que sirve
niveles definidos, y que utiliza una cabina en la que las dimensiones y constitución
permiten evidentemente el acceso de personas, desplazándose al menos parcialmente
a lo largo de guías verticales o cuya inclinación sobre la horizontal es superior a 15º.

1.2. NORMATIVA
Se pueden citar las siguientes Normas y disposiciones Europeas de seguridad
y Normas para la planificación e instalación de ascensores, montacargas y
montaplatos:
-

Norma Internacional ISO 4190/2 (2001). Montacargas.

-

Norma Internacional ISO 4190/1 (1999). Montaplatos.

-

Norma Internacional ISO 4190/1 (1999). Selección de ascensores de personas
y montacargas para edificios residenciales.

-

Norma Europea EN 81-1 (1998). Normas de seguridad para la construcción e
instalación de ascensores de personas, montacargas y montaplatos. Parte I:
ascensores eléctricos.

-

Norma Europea EN 81-2 (1998). Normas de seguridad para la construcción e
instalación de ascensores de personas, montacargas y montaplatos. Parte II:
ascensores hidráulicos.

-

Norma Internacional ISO 4190/1
montacamillas y montacargas.

-

Directiva Europea 95/16/CE (1995). Aproximación de las legislaciones de los
Estados miembros relativas a los ascensores.

(1999).

Ascensores

de

personas,

1.3. EVOLUCIÓN HISTÓRICA
Hasta que Elisha Graves Otis inventó el ascensor con seguridad para personas
en 1853, la Humanidad había recurrido a medios con grúas, poleas y aparejos para
transportar cargas pesadas a lugares elevados.
La Antigüedad
Los primeros mecanismos de elevación y transporte fueron palancas, poleas,
rodillos y planos inclinados. La realización de grandes trabajos de construcción de
este tipo exigía un gran número de personas implicadas, así en la construcción de la
pirámide de Keops (s. XXII a.C.), de 147 m de altura, estuvieron ocupadas
permanentemente cerca de cien mil personas.

v1.00, MAY. 06

PÁG.2

CFA_TAEs
CURSO DE FORMACIÓN DE ASCENSORES

TEMA 1. TEORÍA DEL ASCENSOR

Hacia el 2820 a.C. se obtienen en China fibras resistentes a partir de la planta
del cáñamo, de forma que los artesanos son capaces de fabricar las primeras cuerdas.
También aparecen sobre esta época los elevadores de palanca, prototipos primitivos
de nuestros aparatos elevadores actuales, con una pluma en voladizo para elevar
agua.
En Egipto y Mesopotamia (1550 a.C.) se generaliza el empleo del shadoof
(Figura 1.1), un mecanismo de palanca utilizado para elevar el agua procedente de los
ríos con el fin de regar los campos. Se trata de una forma más compleja de una
construcción basada en la palanca.
Sobre una columna fija se monta una palanca de dos brazos alrededor de un
eje que puede girar horizontalmente. Los brazos son de longitudes diferentes,
disponiendo el más corto de ellos de una piedra, como contrapeso, suficiente para
elevar el cubo lleno que está sujeto al brazo más largo. Solo hacía falta una persona
que se situaba bajo el brazo más largo para bajarlo e introducir el cubo en el río.

Figura 1.1. Utilización del contrapeso en el shadoof para reducir el esfuerzo en elevaciones.

Hacia el 1510 a.C. se aplica la rueda, hasta ahora sólo utilizada en los carros,
tornos de alfarero y en las ruecas, a dispositivos mecánicos, convirtiéndose de este
modo en instrumento para la utilización de las fuerzas y la simplificación del trabajo.
Gracias a ello, la resistencia debida a la fricción se reduce a la existente entre el eje y
el cojinete (Figura 1.2).
Además en esta civilización también se utilizaba como primera máquina
accionada por fuerza muscular ruedas huecas de varios metros de diámetro, en cuyo
interior o sobre cuya superficie externa corría una persona. La fuerza generada por
dichas ruedas se emplea para accionar dispositivos de extracción de agua.

v1.00, MAY. 06

PÁG.3

CFA_TAEs
CURSO DE FORMACIÓN DE ASCENSORES

TEMA 1. TEORÍA DEL ASCENSOR

Figura 1.2. Mecanismo de elevación por ruedas (Mesopotamia).

El período greco-romano
Desde que el hombre ha ocupado más de un piso en un edificio, ha tomado en
consideración de alguna manera el transporte vertical. Las formas más primitivas
fueron, por supuesto, escaleras de mano, grúas movidas por tracción animal o tornos
accionados manualmente. Ruinas de la Antigua Roma muestran signos de guías por
las que se desplazaban plataformas de elevación.
Hacia el 700 a.C. los mecánicos griegos desarrollan la técnica de la
descomposición de las fuerzas con ayuda de los llamados polipastos. El polipasto se
compone de una polea fija y una segunda sujeta al objeto a desplazar. Una cuerda
discurre, partiendo de un punto fijo, primero alrededor de la polea móvil y después de
la fija. Estirando del extremo libre la carga se desplaza únicamente la mitad de la
distancia que lo hace este extremo, pero se consigue un esfuerzo menor para ello.

Figura 1.3. Esquemas de polipastos. Relación recorrido-esfuerzo de elevación.

v1.00, MAY. 06

PÁG.4

CFA_TAEs
CURSO DE FORMACIÓN DE ASCENSORES

TEMA 1. TEORÍA DEL ASCENSOR

Tres inventores griegos deben ser mencionados en la historia de la elevación:
Ctesibio, Arquímedes y Herón de Alejandría.
Ctesibio vivió en Alejandría hacia el 270 a.C. y fabricó el primer cilindro provisto
de un émbolo, al que cabe considerar como la primera bomba de pistón.
Arquímedes (287 – 212 a.C.) desarrolló una extensa teoría acerca de los
polipastos con las transmisiones de fuerza 2:1, 3:1 (tripastos) y 5:1 (pentapastos).
Sin duda, Herón de Alejandría (s. I a.C.) dio un impulso importante a varias
técnicas relacionadas con la elevación. En su obra Mechanica, además de la cuña, el
tornillo y la rueda con un eje, describe la polea compuesta. Todos se basan en el
mismo principio de la palanca: una pequeña fuerza que actúa desde una gran
distancia se transforma en una gran fuerza que actúa desde una pequeña distancia.
Sin embargo, fueron los romanos los que sacaron un mayor partido a todas
estas teorías griegas, logrando una realización técnica de gran rendimiento. Disponían
de cuerdas suficientemente resistentes, incluso cordeles de alambre, que hacían que
todos los procedimientos de elevación creados por sus precursores fueran llevados a
la práctica con una mayor eficiencia.
De esta forma, se sabe que en la Antigua Roma el ascensor era ya conocido,
como lo demuestra la documentación hallada respecto a uno instalado en el Palacio
de Nerón, o más tarde (80 d.C.), cuando el emperador Tito mandó instalar en el
Coliseo doce grandes montacargas para elevar a los gladiadores. Tras la caída del
Imperio Romano los ascensores desaparecieron durante un largo período de tiempo.
La Edad Media
Esta época fue realmente parca prácticamente en cualquier disciplina humana,
y por analogía, también en cuanto a técnicas y mecanismos de elevación se refiere.
De esta forma las instalaciones de elevación conocidas apenas difieren de las
antiguas.
Hasta la llegada de Leonardo Da Vinci no se producen grandes saltos
cualitativos en el tema que nos interesa. Este polifacético personaje de la historia
acumula entre sus grandes y sorprendentes invenciones una grúa móvil para facilitar
las labores de construcción en las que hay que elevar cargas pesadas. Dicha grúa
está montada sobre un vehículo y se gobierna con una manivela dotada de
transmisión por ruedas dentadas. El gancho que sujeta la carga dispone de un
dispositivo automático accionado a distancia para soltarla.
Para hacer navegables ríos y canales, Leonardo también construyó una
excavadora flotante con ruedas de cangilones, instalada sobre dos barcazas
amarradas que descarga el lodo en carros.
Lo genial de Leonardo no es que sólo propone y construye estos dispositivos,
sino que con ello va creando e inventando una serie de elementos que solucionan
cualquier mínimo detalle que encontrara, por ejemplo: tornillos sinfín, engranajes
helicoidales, una cadena articulada, diversos cojinetes de rodillos y bolas, así como
rodamientos axiales.
Georg Bauer (1490 – 1565) trabajó como médico en los centros mineros de
Sajonia y su obra De re metallica constituye una guía exacta de los sistemas

v1.00, MAY. 06

PÁG.5

CFA_TAEs
CURSO DE FORMACIÓN DE ASCENSORES

TEMA 1. TEORÍA DEL ASCENSOR

empleados durante la Edad Media. Menciona el uso de ruedas dentadas y de cadenas
movidas por caballos.

Figura 1.4. Máquina de elevación accionada mediante tracción animal.

En 1687, el matemático Erhardt Weigel inventa una “silla de ascenso” que se
mueve lentamente y sin esfuerzo entre dos pisos. Este aparato, semejante a una silla
sobre la que se sienta la persona, va montado en un nicho construido en la pared
sobre guías de 1 m de longitud y es accionado con un contrapeso. El propio usuario es
el que acciona manualmente el mecanismo tirando de una palanca.
Ingeniosas técnicas de elevación son creadas durante toda la época en Europa
y Estados Unidos, principalmente. En lo que se refiere a nuestro país, cabe mencionar
el Catálogo del Real Gabinete de Máquinas publicado en 1794 por Juan López de
Peñalver, en el que aparecen diferentes planos de máquinas de elevación existentes
en la época. Es de interés remarcar las mejoras mecánicas implantadas en las minas
de Almadén en el sistema de bajada y extracción de mineral. También expone este
autor que los diámetros de las poleas no guardaban ninguna relación con el diámetro
del cable. Comentario inoportuno ya que en la normativa vigente es de obligado
cumplimiento una relación de 1:40 sobre los mismos.
El sistema de elevación se componía de un tambor y un freno mecánico que
permitía la detención de la operación de una forma simple y cómoda así como el
diseño de una cabina que se desplazaba sobre guías y que podía ser utilizada para
subir el mineral por los pozos inclinados en sustitución de los cubos. El autor de estas
contribuciones fue Agustín de Betancourt.

v1.00, MAY. 06

PÁG.6

CFA_TAEs
CURSO DE FORMACIÓN DE ASCENSORES

TEMA 1. TEORÍA DEL ASCENSOR

Figura 1.5. Máquina de elevación utilizada en las minas de Almadénl.

El vapor como sistema de tracción
Cuando James Watt inventó la máquina de vapor comenzó a considerarse la
posibilidad de utilizar esta forma de energía en los dispositivos de elevación,
haciéndose uso de ella por primera vez para subir el mineral desde el fondo de una
mina de carbón hacia el año 1800.
Merece la pena mencionar el ascensor “Teagle” desarrollado en Inglaterra en
1845. Este elevador contemplaba ya el concepto de la polea de tracción con
contrapeso, aspecto que se aplica hoy en día a la gran mayoría de los ascensores. El
accionamiento era llevado a acabo por los propios usuarios que desplazaban el cable
manualmente desde la cabina.

Figura 1.6. Máquina Ascensor “Teagle” (Inglaterra, 1845).

En 1850, se utilizaba por primera vez en Estados Unidos montacargas movidos
por vapor, instalándose en ese mismo año el primer sistema de corona y tornillo sinfín
para mover un gran tambor de arrollamiento. Sin embargo, los industriales y el público
en general seguían esperando el ascensor de aplicación universal, válido para el
transporte de personas y sin problemas de seguridad.

v1.00, MAY. 06

PÁG.7

CFA_TAEs
CURSO DE FORMACIÓN DE ASCENSORES

TEMA 1. TEORÍA DEL ASCENSOR

Elisha Graves Otis: la seguridad
Elisha Graves Otis nació en 1811 en Vermont (Estados Unidos). Trabajando
como mecánico en una empresa de camas fue enviado a Nueva York para montar una
nueva factoría e instalar su maquinaria. Allí diseño e instaló lo que el llamó el
“ascensor seguro”, el primer elevador con un dispositivo automático de seguridad que
evitaba su caída cuando el cable se rompía.
En 1854 hizo una demostración pública en el Palacio de Cristal de Nueva York.
Su ascensor disponía de un sistema de seguridad consistente en una cabina con
trinquetes que unos resortes obligaban a engranar con muescas dispuestas a los
lados del hueco del ascensor en el momento que se rompía el cable.

Figura 1.7. Demostración del primer ascensor para personas por E. G. Otis en el Palacio de Nueva York (1854).

En 1867 el francés Leon Edoux presentó en la Exposición Universal de París
dos aparatos elevadores que utilizaban la presión del agua para elevar una cabina
montada en el extremo de un pistón hidráulico. Este ascensor tuvo una gran
aceptación una vez que se multiplicaron sus posibilidades de recorrido y velocidad con
la inclusión de la acción indirecta, en el que el émbolo no impulsa la cabina
directamente, sino un juego de poleas, o una cremallera y un tambor, que enrollaba y
desenrollaba uno o varios cables de los que se suspendía la cabina
Más tarde se construye la primera fábrica de ascensores en Nueva York y los
arquitectos e ingenieros empiezan a plantearse la idea de poder construir edificios
más altos (por ejemplo, el edificio Monadnock con 16 plantas en Chicago).
Simultáneamente, Europa empieza su andadura en la industria de la elevación
fundándose en 1874 la empresa Schindler, la cual construye su primer ascensor para
la Oficina de Correos de Londres.
El ascensor hidráulico
Se utilizó por primera vez en 1878 usando agua en lugar de vapor para
simplificar las instalaciones y conseguir mayores velocidades y recorridos. Así se
evolucionó hacia un ascensor hidráulico que accionaba directamente la plataforma,
solucionando los problemas de espacio que ya aparecían en la época y permitiendo

v1.00, MAY. 06

PÁG.8

CFA_TAEs
CURSO DE FORMACIÓN DE ASCENSORES

TEMA 1. TEORÍA DEL ASCENSOR

que las grandes ciudades comenzaran a crecer hasta un tamaño como el que tenemos
hoy en nuestros días.
El siguiente paso fue la implantación de un ascensor hidráulico compuesto por
un cilindro que accionaba un sistema de poleas. El emplazamiento del cilindro la y
polea se realizaba en posición vertical para los pisos más elevados y se disponían
sistemas de poleas múltiples.
Fue en estos años cuando se incorporan muchos de los aspectos que tenemos
en los ascensores actuales. Los huecos se cerraron, instándose puertas en cada piso
(hasta la fecha se hacía un agujero en cada piso). Se registraban las llamadas
mediante campanas o bocinas. Comenzaron a instalarse grupos de ascensores y
surgió la figura del “mayordomo de ascensor” que dirigía las maniobras de la máquina.
Los ascensores hidráulicos tenían un funcionamiento silencioso y bastante
seguro, con arranques y paradas suaves, y una precisión de parada relativamente alta.
Sin embrago, tenía como contrapartida el complicado, voluminoso y costoso equipo de
bombeo que era necesario. Así, a finales del siglo XIX, perdieron popularidad en favor
de los ascensores eléctricos que, en pocos años, los sustituyeron en los edificios de
viviendas, aunque como se verá más adelante se ha vuelto a utilizar hoy en día en una
versión modernizada y mejorada.
La tracción eléctrica
El primer ascensor eléctrico hizo su aparición en el Demarest Building en
Nueva York. Fue una modificación directa del primitivo ascensor con tambor accionado
por vapor pero sustituyendo esta fuente de energía por la eléctrica mediante un motor
de corriente continua. El ascensor eléctrico tuvo en sus comienzos un gran éxito por
su menor coste de instalación y funcionamiento pero tenía el inconveniente de la poca
precisión de sus paradas. Este defecto fue corregido con los grupos de regulación de
velocidad Ward Leonard.
Los ascensores cambiaron drásticamente a principios del siglo XX conforme la
electricidad se iba extendiendo por todo el mundo. Así, el ascensor eléctrico con polea
de tracción se hace fuerte frente a la limitación del tamaño del ascensor de tambor y la
longitud del cilindro del hidráulico.
En el año 1900 las maniobras accionadas por cable son sustituidas por
maniobras accionadas por pulsadores, y el sistema Ward Leonard introducido con
posterioridad hace que se alcancen velocidades de 2 m/s, dando paso a los
ascensores modernos.
Los comienzos del siglo XX: La electromecánica
En los ascensores primitivos, el dispositivo de operación era un cable que
recorría todo el hueco del ascensor y que hacía actuar una válvula dispuesta en el
fondo del hueco. Para subir se tiraba del cable hacia abajo para introducir vapor o
agua en el circuito y hacer elevar la plataforma. Para bajar se tiraba del cable hacia
arriba para expulsar vapor o agua y hacer bajar la plataforma.
Con la introducción del ascensor eléctrico, el paso natural era colocar un
interruptor en la cabina que hiciera accionar al ascensor en ambos sentidos y pararlo
cuando se estuviera en el piso deseado. Progresivamente se fueron introduciendo los
dispositivos de seguridad en el cierre de puertas y la emisión de una señal acústica o
visual para anunciar la llegada del ascensor.

v1.00, MAY. 06

PÁG.9

CFA_TAEs
CURSO DE FORMACIÓN DE ASCENSORES

TEMA 1. TEORÍA DEL ASCENSOR

Se empezaron a desarrollar sistemas automáticos con una serie de botones en
cabina y en cada piso, de forma que el ascensor es gobernado con prioridad desde
cabina, y al finalizar la maniobra en ésta, desde cualquiera de los pisos a los que el
ascensor tiene acceso. Este sistema de maniobra es usado hoy en día en ascensores
donde los usuarios prefieren esperar y tener uso exclusivo cuando se encuentran en la
cabina. Los sistemas operativos colectivos permiten guardar en memoria llamadas de
forma colectiva tanto en la dirección del ascensor como en sentido contrario.
A finales de la década de los 40 se concibe por primera vez un sistema basado
en dispositivos electrónicos que mide la cantidad de llamadas, suma el tiempo en que
se hacen y automáticamente combina estos datos con los actuales de las cabinas para
programar y hacer funcionar grupos de ascensores conjuntamente.
Década de los 70: los circuitos integrados
En esta década se desarrolla el primer sistema de control con microprocesador
integrado para grupos de ascensores, iniciando con ello la gestación de un nuevo
sistema que, basado en la electrónica y los sofisticados controles espaciales, alcanza
un grado de eficiencia, rendimiento y disponibilidad jamás alcanzado.
La pesada y cara electromecánica iba a ser sustituida por el circuito integrado.
Su reducido tamaño y coste energético jugaban a su favor, y la importante barrera
psicológica que lo limitaba se superaría con el paso del tiempo.
Década de los 80: el microprocesador
Los circuitos de maniobra fueron progresivamente evolucionando hasta
integrarse en pequeñas placas que ejecutaban un programa donde se establecen
todas las órdenes y acciones que el ascensor debe realizar. A la disminución del
tamaño y consumo se unía la notable ventaja de flexibilidad y capacidad funcional que
un programa de ordenador puede ejercer.
A mitad de la década de los 80 se introduce el Remote Elevador Monitoring,
consistente en un telesistema para la verificación del funcionamiento de diversos
componentes del ascensor a distancia. De forma optativa el sistema permite la
comunicación oral de una persona en cabina atrapada accidentalmente con un centro
de servicio.
En 1986 se introduce el sistema de frecuencia variable para el control de
ascensores de alta velocidad. Dos años más tarde se implanta el motor lineal para
ascensores que, al estar acoplado al contrapeso, elimina la necesidad del cuarto de
máquinas con el consiguiente ahorro económico y de espacio.
En la actualidad
La tecnología del ascensor ha evolucionado, avanzando paralelamente con las
nuevas tecnologías que han ido surgiendo en los últimos años. Esto quiere decir que
el campo de la elevación se alimenta de las nuevas tecnologías que van apareciendo,
a la vez que colabora creando nuevos avances que puedan igualmente ser aplicados a
otros campos.
Con el nacimiento del siglo XXI son varios las novedades que se han producido
en el tema del ascensor, por ejemplo: ascensores de frecuencia variable, eliminación

v1.00, MAY. 06

PÁG.10

CFA_TAEs
CURSO DE FORMACIÓN DE ASCENSORES

TEMA 1. TEORÍA DEL ASCENSOR

del cuarto de máquinas (en una versión reducida y mejorada) y simplificación de la
instalación eléctrica de la maniobra del ascensor.
Los ascensores eléctricos con frecuencia variable son utilizados para
conseguir distintas velocidades a lo largo del recorrido del ascensor, con esto se
logran arrancadas y frenadas más suaves para los pasajeros. En MP el convertidor de
frecuencia se llama 3VFMAC. La tecnología de variación de frecuencia también se ha
llegado a incluir en la apertura de puertas, así MP posee un modelo de menor tamaño
que el nombrado con anterioridad, llamado VVVF REVECO II, que regula la velocidad
con la que se abren/cierran las puertas.
La supresión del cuarto de máquinas ha sido posible gracias a la
considerable disminución del tamaño de los diferentes elementos que lo componen,
pudiéndose desplazar al mismo hueco del ascensor con la notoria ganancia de
espacio que esto conlleva (aspecto muy demandado en estos días). Algunos
fabricantes han conseguido tecnologías que permiten fabricar cintas plásticas que
resistan el peso de la cabina, salvando así la limitación existente entre la relación del
radio del cable y de la polea motriz (40 veces mayor), y consiguiendo hacer elementos
motores de menor tamaño. Al final de este capítulo se dedicará un apartado a hablar
de esta nueva innovación.
Finalmente, cabe destacar el paso del automatismo a la electrónica, que en MP
ha significado la creación de la MICROBASIC. Además, antes cada pulsador (de
cabina y de piso) necesitaba más de un hilo para conectarse con el cuadro de
maniobras, juntándose en dicho cuadro un mazo enorme de hilos necesarios para el
correcto funcionamiento del ascensor. En MP se ha desarrollado un modelo de
maniobra llamada Vía Serie, donde sólo son necesarios un par de canales de
comunicación por donde va la información codificada y un codificador/decodificador
que se encargue de interpretarla y traducirla en una orden concreta. De esta forma se
ha conseguido simplificar el conjunto de la instalación eléctrica de la maniobra
del ascensor.
Aunque, como se ha visto, existen grandes logros en la tecnología del ascensor,
siempre es posible mejorar para conseguir prestaciones tales como:
-

mayores velocidad de marcha (8 – 10 m/s)
mejor confort en los viajes
nivelaciones más exactas e independientes de la carga
disminución de los tiempos de espera en planta con el desarrollo de maniobras
de tráfico más flexibles
máxima seguridad de uso y funcionamiento
máxima fiabilidad de respuesta en las de mandas de servicio

1.4. CLASIFICACIÓN DE ASCENSORES
La clasificación más sencilla divide los Ascensores (A) en 2 tipos según su
sistema de tracción: A electromecánicos o ELÉCTRICOS (E) y A oleodinámicos o
HIDRÁULICOS (H). Dentro de cada uno podemos distinguir varios tipos, junto a los
cuales se colocarán sus abreviaturas en MP:

v1.00, MAY. 06

PÁG.11

CFA_TAEs
CURSO DE FORMACIÓN DE ASCENSORES

ELÉCTRICOS
(E)

TEMA 1. TEORÍA DEL ASCENSOR

- De 1 velocidad…….……………………....E
- De 2 velocidades…………..……………...E
- Con Variación de Frecuencia…………….V
lateral

HIDRÁULICOS
(H)

- De acción directa
central
- De acción indirecta

1.4.1. ELÉCTRICOS
1.4.1.1. De 1 velocidad
La velocidad nominal es la de desplazamiento de la cabina para la que ha sido
construido el ascensor, y que es la que garantiza el constructor del aparato en
funcionamiento normal. La velocidad del ascensor, medida en descenso, a media
carga nominal en la zona media del recorrido y excluidos los periodos de
aceleración y deceleración, no debe diferir en ± 5% de la velocidad nominal, con el
motor suministrando energía eléctrica a su valor nominal también.
Los ascensores de una velocidad arrancan y paran a la misma velocidad, de
forma que la parada es más brusca y la nivelación menos precisa. Este hecho
determina que la velocidad típica sea de unos 0.63 m/s.
1.4.1.2. De 2 velocidades
En este caso el ascensor antes de parar reduce su velocidad mejorando
considerablemente las desventajas del caso anterior. Las dos velocidades típicas
de estos ascensores suelen ser 1 y 0.25 m/s, aunque también se pueden encontrar
ascensores a 0.63 y 0.15 m/s.
En la siguiente gráfica se representa la velocidad en función de la distancia
entre 2 paradas consecutivas. El ascensor de 2 velocidades llevará a cabo el
recorrido con menores deceleraciones y, por tanto, con mayor confort para los
pasajeros.

V

V

H

H

Figura 1.8. Diagrama velocidad-recorrido para ascensores de 1 y 2 velocidades.

1.4.1.3. Con Variación de Frecuencia
La tendencia actual es la integración de un variador de frecuencia que permita
regular la velocidad del ascensor para optimizar la marcha del mismo y conseguir

v1.00, MAY. 06

PÁG.12

CFA_TAEs
CURSO DE FORMACIÓN DE ASCENSORES

TEMA 1. TEORÍA DEL ASCENSOR

que el usuario recorra la distancia requerida en el menor tiempo posible y con el
máximo confort.
Estos ascensores tienen la trayectoria de su velocidad curva permitiendo una
arrancada y parada más suave y confortable, y una nivelación aún más exacta
respecto al de 2 velocidades. Otras ventajas son que esa curva se puede regular,
los consumos son más bajos al hacer arrancadas más suaves y, por tanto, el
desgaste de los frenos y el sufrimiento de los componentes mecánicos es menor.
En MP se llega a velocidades de 1.6 m/s. Para velocidades mayores se usan
otras tecnologías (otros fabricantes llegan hasta 2.5 m/s). El más rápido del mundo
es de 8 m/s.

Figura 1.9. Variador de Frecuencia de MP (3VFMAC) y su diagrama de velocidad.

- Influencia de la velocidad en la nivelación
El frenado final en los ascensores se efectúa aprisionando entre dos zapatas el
tambor montado en el eje motriz. Según sea el apriete de las zapatas así será la
eficacia del freno. El problema se complica con las variaciones de carga de la
cabina que se traducen en variaciones en la nivelación de su parada.
Se observará que en ascensores de 1 velocidad hasta 0.63 m/s el error de nivel
es aceptable para los aparatos elevadores corrientes, ya que es inferior a 5 cm.
Sin embargo, estos errores no son admisibles para los montacamas/montacargas,
para los que se exige una nivelación de ± 2 cm, para lo cual la cabina tendría que ir
a una velocidad de 0.25 m/s. Para velocidades mayores a 0.63 m/s los errores son
totalmente inadmisibles pues ya alcanzarían los 10 cm de desnivel. Para estos
casos la solución es utilizar ascensores de 2 velocidades o con variador de
frecuencia (de hecho en las nuevas instalaciones no se aconseja los de 1
velocidad).
1.4.2. HIDRÁULICOS
Como se ha visto en la clasificación anterior los ascensores hidráulicos se
pueden dividir en dos tipos dependiendo de la forma en la que se accione el pistón
hidráulico.

v1.00, MAY. 06

PÁG.13

CFA_TAEs
CURSO DE FORMACIÓN DE ASCENSORES

TEMA 1. TEORÍA DEL ASCENSOR

1.4.2.1. De acción directa
Donde el pistón impulsa directamente el chasis de la cabina. Se observa que,
en este caso, por cada metro que se desplace el émbolo del pistón también lo
hace la cabina. Existen, a su vez, dos tipos de acción de este tipo:
-

Tiro directo lateral: el pistón está apoyado en el foso, cerca de alguna de sus
paredes, de forma que empuja al bastidor desde la parte posterior
Tiro directo central: el pistón está enterrado y empuja el bastidor de la cabina
desde abajo.

1.4.2.2. De acción indirecta
Esta vez la cabina es impulsada por el pistón por medio de cables. La
instalación más usual es la que se muestra en la Figura 1.10.c, con una
suspensión 2:1, es decir, la cabina se desplaza el doble de la distancia de la que lo
hace el émbolo del pistón. La suspensión 4:1 con dos poleas móviles y una fija es
menos utilizada.
-

Diferencias entre los tipos de accionamiento

Los mejores ascensores hidráulicos son los de tiro directo, en cuanto son los
más sencillos de instalar y su coste es mucho menor que el indirecto. El
inconveniente que presentan es su limitación en cuanto al número máximo de
paradas (plantas), que suelen ser de 2. Por esta razón los indirectos son más
demandados ya que la limitación de altura es mucho más generosa (8 plantas o
paradas).

a)

b)

c)

Figura 1.10. a) Acción directa central, b) acción directa lateral, c) acción indirecta.

1.4.3. Comparación entre el ascensor ELÉCTRICO e HIDRÁULICO
Son varias las ventajas e inconvenientes que presenta un ascensor eléctrico
frente a uno hidráulico, de manera que la elección de uno u otro depende de las
condiciones específicas del edificio en el que se quiera instalar. Así que las
oportunidades de mercado actualmente son similares en los dos casos.
La mayor ventaja de un ascensor hidráulico radica en que no necesita un
cuarto de máquinas en la parte superior del recinto, sino que se puede colocar en
cualquier parte del edificio. Además el aprovechamiento de este recinto es total, en
cuanto no llevan contrapeso, y sobre todo, en los ascensores de acción directa en
los que el cilindro va colocado en el fondo del foso.
Su principal inconveniente es su mayor coste respecto a uno eléctrico de las
mismas prestaciones. Esta diferencia queda compensada en parte por el ahorro

v1.00, MAY. 06

PÁG.14

CFA_TAEs
CURSO DE FORMACIÓN DE ASCENSORES

TEMA 1. TEORÍA DEL ASCENSOR

del cuarto de máquinas en la parte superior del edificio. Otra diferencia es que, a
igualdad de condiciones, la potencia es más elevada en un ascensor eléctrico ya
que el hidráulico no lleva contrapeso. Además la central hidráulica sólo trabaja en
las subidas de la cabina (esto realmente se trata de una consigna que funciona
muy bien comercialmente hablando, en cuanto aunque es cierto que sólo consume
potencia en las subidas, ésta suele ser aproximadamente igual que la consumida
en las subidas y bajadas de un eléctrico).
Una ventaja más a favor de la utilización de ascensores hidráulicos es que se
consiguen nivelaciones de mayor precisión, ya que disponen de dos velocidades
(nominal y nivelación). Por otro lado, las velocidades que se alcanzan son menores
que en el eléctrico, y además hay una dependencia respecto a la temperatura del
aceite.
En caso de avería en el grupo impulsor, o rotura de tuberías, una simple
válvula a la entrada del cilindro regula la salida del aceite para que la cabina
descienda hasta el nivel de piso inmediatamente inferior, imposibilitando así que
los usuarios que se encuentren dentro de la cabina queden atrapados. Para
prevenir la parada por fallo de suministro eléctrico se puede equipar el ascensor
con una batería que abra automáticamente esta electroválvula.
A modo de esquema se ha realizado la siguiente tabla:
ELÉCTRICO

HIDRÁULICO

Coste instalación
(de venta)

mayor (cuarto de máquinas arriba y
contrapeso)

menor (sin cuarto de máquinas
arriba ni contrapeso)

Flexibilidad
instalación

menor (cuarto máquinas en la
parte superior)

mayor (cuarto máquinas en
cualquier parte del edificio)

Velocidades

mayores (>1 m/s)

menores (0.63 m/s)

Precisión de la
nivelación

Con variador de frecuencia mejor
que el Hidráulico (peor en el resto
de casos)

-

Potencia
eléctrica

sensiblemente mayor (en subida y
en bajada)

sensiblemente menor (sólo en
subida pero mayor que en el
Eléctrico)

Altura

cualquiera

máximo 8 plantas (21 m)

Carga

menor capacidad de carga

mayor capacidad de carga

Ruido

maquinaria más ruidosa

maquinaria más silenciosa

Otros

no hay dependencia con la
temperatura del aceite

mayor seguridad ante avería y
fallos eléctricos

Tabla 1.1. Ventajas e inconvenientes entre ascensor Eléctrico e Hidráulico.

v1.00, MAY. 06

PÁG.15

CFA_TAEs
CURSO DE FORMACIÓN DE ASCENSORES

TEMA 1. TEORÍA DEL ASCENSOR

1.5. COMPOSICIÓN DE UN ASCENSOR
A continuación se van a diferenciar y comentar las distintas partes que
componen un ascensor. En primer lugar se mostrará un esquema general y,
seguidamente, se pasará a describir cada uno de los elementos del ascensor eléctrico
e hidráulico.

huida

cabina

recorrido

Figura 1.11. Esquema general de las partes de un ascensor

Como ya se ha comentado, en un ascensor hidráulico la situación del cuarto de
máquinas es más flexible, siendo lo habitual que esté cercano al hueco,
preferiblemente adyacente a la planta inferior.

v1.00, MAY. 06

PÁG.16

CFA_TAEs
CURSO DE FORMACIÓN DE ASCENSORES

TEMA 1. TEORÍA DEL ASCENSOR

1.5.1. ASCENSOR ELÉCTRICO
Partiendo de la instalación típica de la Figura 1.12 se irán comentado los
diferentes elementos del ascensor eléctrico así como su funcionamiento. Algunos de
ellos serán tratados con mayor profundidad en sucesivos capítulos de este documento.

Figura 1.12. Esquema de un ascensor eléctrico.

v1.00, MAY. 06

PÁG.17

CFA_TAEs
CURSO DE FORMACIÓN DE ASCENSORES

TEMA 1. TEORÍA DEL ASCENSOR

- Puertas de piso o de rellano: son las puertas situadas en cada planta del edificio.
Pueden ser de dos tipos:
-

Automáticas (A): se abren junto con la puerta de cabina cuando ésta llega a la
planta donde se solicitó el ascensor.
Semiautomáticas (S): las tiene que abrir el usuario del ascensor, pero se
cierran solas.

- Guías. Los elementos que acompañan a las guías son:
- Empalmes: placas de acero para unir los diferentes tramos de la guía.
- Fijaciones: elementos de metal para fijar las guías a las paredes del hueco.
Dependiendo del tamaño del hueco hay diferentes tipos de fijaciones. Se
suelen colocar cada 3 m en el eléctrico y 1.5 m en el hidráulico, aunque esto
también depende del tipo de ascensor.
En un ascensor eléctrico hay 2 tipos de guías:
-

De cabina: constituyen los raíles por donde se desliza el chasis de la cabina.
Cada ascensor suele tener 2. Dependiendo del tamaño y tipo de cabina la
dimensión de ésta variará, a mayor carga mayor dimensión de la guía. Cuando
nos referimos a dimensión no hablamos de longitud, sino de ancho × alma ×
espesor.

Figura 1.13. Dimensiones de una guía.

-

De contrapeso: son los raíles por donde se desliza el chasis del contrapeso. Es
un elemento de los ascensores eléctricos ya que los hidráulicos no tienen
contrapeso. Las guías están siempre suspendidas del techo del hueco.
Normalmente se compran en tramos de 5 m para poder manipularlos con
facilidad en el hueco y el tramo final se corta según la longitud requerida.

- Máquina: es el grupo tractor de elementos que mueven los cables del ascensor. El
sistema de tracción de los eléctricos puede ser por adherencia o arrollamiento (se
suele usar menos). Dentro de la máquina podemos distinguir los siguientes elementos:
-

Motor eléctrico: el que provoca el movimiento (marcha o parada) siguiendo las
órdenes del cuadro de maniobra.
Electroimán de freno: para el motor siguiendo las órdenes del cuadro.
Reductor: reduce la velocidad del motor a las necesidades de movimiento del
ascensor.
Polea motriz: donde van los cables de tracción. El reductor es el que le
transmite el movimiento. Con la nueva normativa todas las poleas deben llevar
una protección para recibirlas.

v1.00, MAY. 06

PÁG.18

CFA_TAEs
CURSO DE FORMACIÓN DE ASCENSORES

-

-

TEMA 1. TEORÍA DEL ASCENSOR

Polea de desvío: polea auxiliar que se coloca cuando la motriz no se adecua a
la entrecaída (distancia entre la caída de cables de la cabina y la caída de
cables del contrapeso).
Bancada: estructura de metal donde se coloca la máquina.

- Cables de tracción: van desde el chasis de la cabina, al que se unen por medio de
los terminales, al del contrapeso pasando por la polea motriz. Son de acero y su
espesor y número depende de la carga del ascensor. Bajo los terminales de la cabina
además están colocados unos contactos de seguridad que detectan el aflojamiento de
cables, transmitiendo esta información al cuadro para que paralice la maniobra.
- Limitador: elemento de seguridad que detecta los excesos de velocidad de la cabina
y el contrapeso. Consta de parte superior (en el cuarto de máquinas), parte inferior (en
el extremo inferior de la guía) y un cable que pasa por las dos poleas colocadas en
cada una de las partes. Los extremos de este cable van enganchados al chasis con lo
que se consigue el circuito cerrado. Esta unión solidaria hace que las poleas del
limitador se muevan a la misma velocidad que la cabina, cuando ésta supera una
velocidad considerada anómala (suele ser del 20% superior a la nominal), el limitador
se dispara y saltan dos bloqueos: uno eléctrico que manda una orden al cuadro de
maniobra para que corte, y otro mecánico que hace actuar el sistema de paracaídas.
- Contrapeso: elemento que se encuentra al otro extremo de los cables de tracción y
cuya función, claramente, es contrapesar la cabina. Consta de:
-

Pesas: su número depende de la carga, y suelen ser de hormigón o metálicas.
Chasis: estructura donde van colocadas las pesas.
Pantallas de protección: chapa colocada al final del hueco que aísla el
contrapeso de la cabina.

- Cadena de compensación: se usan en ascensores de gran recorrido (a partir de 9
plantas) para compensar el peso considerable de los cables. Va del chasis de la
cabina de contrapeso y también es usado para conseguir mejores nivelaciones en la
parada, por lo que lo llevan todos los ascensores V.
- Amortiguador de foso (puffer): su función es amortiguar una pasada de la carrera
de la cabina. Tiene 2 partes: el pilar de apoyo y el puffer propiamente dicho, que suele
ser de goma negra. Cada ascensor lleva como mínimo dos (cabina y contrapeso).
- IPH (Instalación Premontada en Hueco). Consta de varias partes:
-

-

Cuadro de maniobra: situado en el Cuarto de Máquinas (CM). Es el “cerebro”
del ascensor.
Instalación de hueco: mazo de hilos de colores que van por la pared
conectando tanto las botoneras, puertas de rellano y el resto de elementos fijos
del hueco como el alumbrado.
Canaletas: elementos de plástico por donde van los hilos anteriores.
Instalación de cabina o cordón de maniobra: cable plano negro que conecta los
elementos de la cabina con el cuadro de maniobra.
Caja de revisión: caja situada encima de la cabina en la que se hacen todas las
interconexiones de la cabina con el cordón de maniobra.
Botoneras: dispositivos mediante los cuales los usuarios del ascensor
transmiten las órdenes y reciben información. Las hay de cabina y de piso.
Fotocélula: dispositivo situado en la embocadura de la cabina o en las hojas de
la puerta de cabina cuya función es evitar que las puertas se cierren cuando
hay una persona.

v1.00, MAY. 06

PÁG.19

CFA_TAEs
CURSO DE FORMACIÓN DE ASCENSORES

TEMA 1. TEORÍA DEL ASCENSOR

-

Fotorruptores: contadores de piso y de nivelación de cabina. Van encima del
techo de la cabina situados de tal forma que la guía queda dentro y así va
leyendo las señales de nivelación y de pulso que van en la guía.
o Señales de nivelación: imanes a nivel de planta.
o Señales de pulso: otros imanes para saber dónde está el ascensor. Su
detección provoca el cambio de velocidad en la planta destino.

-

Finales de carrera: elementos de seguridad, inferior y superior, que no debe
pasar el ascensor. Marca los límites del recorrido del mismo.
Antefinales de carrera: elementos de seguridad que asegura el cambio de
velocidad (también hay uno inferior y otro superior).

-

- Chasis: estructura donde se ubica la cabina. Hay de 2 tipos: pórtico (se suele usar
en eléctrico) y de mochila (se usa en hidráulico). En el chasis existen varios
elementos:
-

Terminales de cables.
Rozaderas: elementos por los que se desliza el chasis sobre las guías. Cada
chasis lleva 4 (2 para cada guía).
Paracaídas: sistema de seguridad asociado al limitador de velocidad. Está
formado por dos cajas de cuñas (una en cada guía) y una barra que las une
para que salten al mismo tiempo. El funcionamiento del sistema se basa en
que las guías pasan por las cajas de cuña y cuando el limitador salta por
sobrepasar la velocidad de disparo, se accionan las cajas de cuña
aprisionando el sistema contra las guías. Hay 2 tipos:
o Instantáneo (v ≤ 0.63 m/s): la parada es brusca por lo que sólo está
permitido en A de baja velocidad.
o Progresivo (v > 0.63 m/s): la parada se va produciendo de forma más
suave que el anterior, por eso se puede utilizar con A de mayor
velocidad.

- Cabina: elemento donde viajan los pasajeros, va dentro del chasis. Es muy
importante su diseño ya que junto con las puertas y la botonera son las partes que el
usuario ve.
- Puertas de cabina: pueden ser automáticas o de bus. Las componen dos partes
fundamentales: hojas y operador (mecanismo que hace realmente abrir las puertas).
- Pesacargas: detecta cuando el ascensor está al límite o ha sobrepasado su carga
nominal, informando de ello al cuadro de maniobra. Tienen dos partes: sensores que
detectan la situación y la parte de control que informa al cuadro de que no inicie la
maniobra o no recoja a más personas. Esta parte de control puede llevar
adicionalmente un control de presencia. Existen varios tipos:
- De cables: va encima de los terminales y según la tensión del cable calcula el
peso.
- De bancadas: van bajo los apoyos de la bancada de la máquina
- De cabinas: entre el chasis y la cabina, con cuatro sensores situados en la
parte inferior de la estructura.
- Electromecánico: entre el chasis y los cables.
- Sistema de rescate de personas: además del sistema manual de la máquina, los E
pueden tener auxiliarmente un cuadro similar al de maniobra por el que pasan todas
las corrientes y series de seguridad en su paso a éste, y que, ante falta de corriente,
actúa con una serie de baterías que hacen mover la máquina y el operador de la

v1.00, MAY. 06

PÁG.20

CFA_TAEs
CURSO DE FORMACIÓN DE ASCENSORES

TEMA 1. TEORÍA DEL ASCENSOR

puerta para rescatar a personas que hayan quedado en el interior del A. En MP este
sistema se llama RESCATAMAC.
- Sistema de comunicación permanente bidireccional: dispositivo electrónico que
conecta la cabina con un centro de atención permanente para comunicarse en caso
necesario. En MP este producto es el FONOMAC.
1.5.2. ASCENSOR HIDRÁULICO
Ya se han visto las ventajas e inconvenientes entre este tipo de A y el E, así
como los tipos de H que existen, de forma que a continuación se describirán los
elementos que lo diferencian del E.

Magnéticos (imanes)

Guía
Final de carrera superior

Contacto de nivelación
Contacto de puerta

CABINA

Botonera de cabina

Rozadera

Puerta de cabina

Soporte de guía
Magnéticos (imanes)
ÉMBOLO
Final de carrera inferior

Bloque de válvulas
CENTRAL
HIDRÁULICA

Amortiguador de resorte
Depósito de aceite

Cuadro de maniobra
Bomba

Motor
Arena

Aro de límite

Hormigón

CILINDRO

Figura 1.14. Esquema de un ascensor hidráulico de tiro directo.

v1.00, MAY. 06

PÁG.21

CFA_TAEs
CURSO DE FORMACIÓN DE ASCENSORES

TEMA 1. TEORÍA DEL ASCENSOR

- Central hidráulica: compuesta por:
- Depósito o tanque de aceite: espacio donde se almacena el aceite.
- Bomba hidráulica: elemento que impulsa el aceite.
- Bloque de válvulas: conjunto de elementos (válvulas) que dan paso al aceite
desde el tanque (mínimo una de subida y otra de bajada). Son gobernadas por el
cuadro de maniobras.
- Latiguillo: tubería por donde va el aceite desde la central al pistón.
- Pistón: cilindro con un émbolo en su interior que presiona el aceite para las subidas
del ascensor o se relaja en las bajadas del mismo.
- Mocheta: elemento de hierro sobre el que se apoya el pistón.
- Base de replanteo: base de hierro situado en el fondo del foso sobre la que se
colocan la mocheta y las guías (en los H son apoyadas).
- Guías: a diferencia de los E son apoyadas.
- Válvula paracaídas: válvula de seguridad de los H situada entre el latiguillo y el
pistón. Cuando el flujo de aceite sobrepasa el límite impuesto como normal bloquea el
pistón.
- Sistema de rescate. Sistema no mecánico (a diferencia del E) compuesto por:
-

-

Válvula de emergencia: válvula situada en la central que se abre cuando
detecta que no hay corriente liberando así el aceite, y dejando la cabina en la
planta inferior más cercana. Para su funcionamiento hace falta una pequeña
batería.
Sistema de emergencia de apertura de puertas: en MP es el RESCATAMACH, y complementa al sistema de válvulas.

- Pesacargas. En los H sólo hay 2 tipos:
-

De cabina: igual que en E.
Presostato: tipo de barómetro situado en la central que mide la presión del
aceite (no es tan exacto como el anterior).

1.5.3. ASCENSORES SIN CUARTO DE MÁQUINAS (SCM)
Se trata de situar los elementos que van normalmente en el CM en el interior
del hueco del A de tal forma que no se incrementen las dimensiones de la huída, el
foso y el hueco. Por tanto, el CM queda eliminado, pudiéndose destinar estos metros a
otros usos arquitectónicos y permitiendo el aprovechamiento de la altura máxima
permitida para un edificio con pisos útiles. Este hecho ha llevado que se conviertan en
un gran producto de cara a la problemática de espacio existente en la actualidad,
además de mejorar la estética del edificio.
Se practica tanto con los E como con los H. A continuación se detallarán los
elementos que lo diferencian de uno Con Cuarto de Máquinas (CCM).

v1.00, MAY. 06

PÁG.22

CFA_TAEs
CURSO DE FORMACIÓN DE ASCENSORES

TEMA 1. TEORÍA DEL ASCENSOR

ESCM (Eléctrico Sin Cuarto de Máquinas)
-

-

-

Máquina: en la configuración de MP va situada en una bancada especial.
Pueden ser de 2 velocidades o V (con variador de frecuencia), aunque en MP
sólo se sirven de tipo V.
Guías: son apoyadas (a diferencia de los ECCM). Tienen una posición
diferente debido a la nueva ubicación del contrapeso.
Cuadro de maniobras: va junto a la puerta del último piso. En el cuadro se
encuentran separados de forma independiente la parte de control (abajo), y la
parte de fuerza, protecciones eléctricas, botonera de revisión y timonería del
sistema mecánico de rescate (arriba).
Chasis de cabina: la configuración de MP es de mochila.
Chasis de contrapeso: en MP se sitúa entre las guías de la cabina.

HSCM (Hidráulico Sin Cuarto de Máquinas)
-

La central va ubicada en la parte inferior del armario donde está el cuadro. Éste
se puede colocar a distancias considerables del hueco aunque será el
constructor el que determine su situación exacta (normalmente en la planta
inferior pegado al hueco).

1.6. MODELOS DE ASCENSORES EN MP
Para familiarizarnos con las configuraciones y modelos de ascensores de MP,
se detallará la nomenclatura que se utiliza dentro de la empresa, así como un listado
de modelos clasificados según las necesidades del cliente y requerimientos del
edificio.
En primer lugar, cabe destacar que MP clasifica sus modelos en diferentes
categorías según el uso del edificio en el que va a estar instalado:
-

Residencial, Oficinas y Edificios de Uso público (MP PASSENGER). Indicados
para el transporte exclusivo de personas. Prevalecen los aspectos estéticos,
ergonómicos, cinemáticas y de confort sobre la robustez.

-

Hospitales/Clínicas/Residencias (MP MEDIC). Utilizados en ambiente
hospitalario o similar para el transporte de camas y camillas con sus ocupantes
y acompañantes. Las dimensiones de cabina y de paso libre de puertas están
normalizadas para permitir su uso.

-

Doméstico (MP MINI). Indicados para viviendas unifamiliares o de pequeñas
dimensiones.

-

Montacoches (MP PARKING). Destinados al transporte de vehículos
(generalmente turismos) hasta los lugares de estacionamiento así como de los
ocupantes del mismo.

-

Montacargas (MP STRONGO). Pueden estar destinados exclusivamente al
transporte de mercancías y tener que estar inaccesibles a las personas, u
orientados para el transporte de cargas con operarios dentro de la cabina. En
cualquier, caso prima la robustez y la capacidad de carga sobre los demás
aspectos.

-

Ascensores singulares

v1.00, MAY. 06

PÁG.23

CFA_TAEs
CURSO DE FORMACIÓN DE ASCENSORES

TEMA 1. TEORÍA DEL ASCENSOR

Dentro de estas categorías existen diferentes modelos que se adecuan al
presupuesto del cliente y a las necesidades del edificio (número de paradas). Algunos
de estos modelos tienen su homólogo Sin cuarto de máquinas, lo que se denomina en
MP la “Serie S” (la “Serie C” sería Con cuarto de máquinas).
Además de la serie de ascensores listada con anterioridad, que se
correspondería con ascensores de hueco opaco con elementos no visibles desde el
exterior, existe una gama de ascensores panorámicos con elementos interiores
visibles. En estos ascensores prevalecen los criterios estéticos de diseño puesto que
constituyen un elemento arquitectónico de primer orden el edificio.

Figura 1.15. Cabinas y ascensores panorámicos de MP (gama MP GLASS).

1.6.1. Codificación o nomenclatura de los ascensores (según aspectos técnicos)
La nomenclatura típica que se usa en MP es la siguiente:
Carga nominal
(nº personas)

Velocidad nominal
(m/s)

3, 4, 6, 8,
10, 13, 16, 20

XX -> X.X m/s

Tipo A

MP
05 -> 0.5 m/s
06 -> 0.6 m/s
10 -> 1.0 m/s
…

v1.00, MAY. 06

PÁG.24

E - Eléctrico
H - Hidráulico
V - Variador
Frecuencia
G - Gearless

CFA_TAEs
CURSO DE FORMACIÓN DE ASCENSORES

TEMA 1. TEORÍA DEL ASCENSOR

Por ejemplo, un ascensor eléctrico Gearless para 13 personas y con velocidad
de 1 m/s se codifica en MP como MP1310G, y un Hidráulico de 20 personas de 0.5
m/s sería un MP2005H.
Otra codificación de modelos, ya en desuso, pero que se incluye aquí por si
algún día se revisan planos antiguos, es la siguiente:
Tipo A

E - Eléctrico
H - Hidráulico
V - Variador
Frecuencia
G - Gearless

Carga nominal
(Kg)
Peso persona = 75 Kg
300 Kg -> 4 personas
450 Kg -> 6 personas
…

Tipo puerta cabina

Tipo puerta rellano
(o de piso)

A - Automáticas (ahora por
A - Automáticas
ley en nueva instalación son
todas Automáticas)
S - Semiautomáticas
B - de Bus (sólo en reforma)

Así, un ascensor eléctrico para 6 personas con puertas de cabina y de piso
automáticas se corresponde con el código E 450 AA.
Hay que señalar que la carga nominal puede estar dada tanto en número de
personas como en peso que soporta la cabina.

v1.00, MAY. 06

PÁG.25

CFA_TAEs
CURSO DE FORMACIÓN DE ASCENSORES

TEMA 2. REPLANTEO

Tema 2

REPLANTEO

El proceso de replanteo de la instalación de un ascensor se realiza para
comprobar que las dimensiones que se han proyectado con anterioridad han sido
satisfechas por parte del constructor del edificio, es decir, lo que se hace es ver que
realmente el hueco, foso y cuarto de máquinas, si lo hubiera, tienen el tamaño
suficiente para que se pueda instalar el modelo de ascensor seleccionado.

2.1. INTERPRETACIÓN DE PLANOS
En primer lugar, se va a explicar como se interpreta o lee un plano, ya que en
el replanteo lo que se utiliza es un plano acotado donde aparecen todas las vistas de
la instalación del ascensor, y en cada una de ellas los elementos y dimensiones de los
mismos.
La PLANTA sería la vista desde arriba, mientras que los ALZADOS son las
vistas que se tienen desde los laterales de la figura:

v1.00, MAY. 06

PÁG.26

CFA_REs
CURSO DE FORMACIÓN DE ASCENSORES

TEMA 2. REPLANTEO

PLANTA

ALZADO LATERAL

ALZADO FRONTAL

Figura 2.1. Vistas o perspectivas de un ascensor.

2.1.1. Perspectivas en el plano
Como ya se ha comentado, lo que se representa en el plano son las 3
perspectivas principales de las diferentes partes de la instalación. De esta forma,
podemos visualizar la planta de la instalación, la planta del foso y del cuarto de
máquinas, y el alzado lateral y frontal de toda la instalación.

PLANTA
ESCALA 1:15

ALZADO
ESCALA 1:105

v1.00, MAY. 06

PÁG.27

CFA_REs
CURSO DE FORMACIÓN DE ASCENSORES

TEMA 2. REPLANTEO

DETALLE DE FOSO
ESCALA 1:30
Figura 2.2. Algunas perspectivas de la instalación (Planta de hueco, Detalle de foso y Alzado).

Pero hay que señalar que, dependiendo del tipo y el modelo de ascensor, se
pueden representar también vistas de otras partes del ascensor, como el DETALLE
DE HUECO DE LA PUERTA o el DETALLE DE LOSA (ya que en los ECCM las guías
están suspendidas del techo del cuarto de máquinas) donde se visualicen partes
específicas del mismo.
2.1.2. Medidas y acotaciones
Las medidas y distancias de los elementos de un ascensor están dadas en
cotas (normalmente en milímetros, mm), pero obviamente se dibujan a escala para
poder visualizarlo en su totalidad en el papel. La escala nos sirve para saber las
medidas exactas de algo que no ha sido acotado en el plano, es decir, podemos
conocer las dimensiones reales de cualquier elemento del plano midiéndolo con una
regla y aplicándole la escala correspondiente (se pueden usar también escalímetros
que directamente aplican la escala al medir sobre el plano).
Lo normal es encontrarnos en el plano del ascensor varias representaciones de
las diversas partes del mismo con diferentes escalas, según sean las dimensiones
reales de lo que queremos plasmar en el papel. Por ejemplo, en la Figura 2.2 se
observa que mientras que la PLANTA DE HUECO y el DETALLE DE FOSO tienen una
escala de 1:15 y 1:30 respectivamente, la escala del ALZADO es de 1:105.
Las escalas dadas en todos los planos A3 de este Tema no se corresponden
con las verdaderas, sino con la de los planos reales de replanteo representados en
formato A1.
2.1.3. Lectura de características principales
El plano A1 es una de las principales herramientas del montador ya que debe
replantear el hueco según las vistas que aparecen en este plano: PLANTA, ALZADO,
DETALLES DE FOSO, etc. Además, las características técnicas generales aparecen
en una tabla en el margen derecho de este A1.

v1.00, MAY. 06

PÁG.28

CFA_REs
CURSO DE FORMACIÓN DE ASCENSORES

TEMA 2. REPLANTEO

En la parte superior de la tabla se listan las CARACTERÍSTICAS GENERALES
del ascensor: codificación del modelo, velocidad, número de paradas, carga útil (kg),
tipo de maniobra, etc. Más abajo se detallan los CÁLCULOS que se han realizado en
el diseño de los elementos del ascensor.
En la parte inferior, además de la referencia del proyecto, se incluyen una serie
de comentarios de interés que informan sobre diferentes aspectos de la propia
instalación.

Figura 2.3. Algunas características generales del ascensor.

2.1.4. Identificación de elementos
A continuación se va a proceder a ver una serie de planos reales (no tener en
cuenta las escalas que aparecen) de instalaciones de un ascensor ECCM y otro
HCCM, en los que se irán identificando cada uno de los elementos que ya se han
comentado brevemente en el Tema anterior.

v1.00, MAY. 06

PÁG.29

CFA_REs
CURSO DE FORMACIÓN DE ASCENSORES

TEMA 2. REPLANTEO

2.1.4.1. Ascensor ECCM

soporte de guía
de contrapeso

contrapeso

guías
contrapeso
chasis cabina
tipo pórtico
espadines

soporte de guía
de cabina

guías de cabina
tipo T
limitador de
velocidad

operador de
puerta de
cabina con VF
(REVECO II
de MP)

pesa del
limitador de
velocidad
pisadera de
puerta de cabina

motor del
operador de
puerta

pisadera de
puerta de piso

caja de
control del
operador de
puertas

fijaciones
del operador
de puerta

v1.00, MAY. 06

PÁG.30

puertas de
cabina y de pìso
telescópicas

CFA_REs
CURSO DE FORMACIÓN DE ASCENSORES

TEMA 2. REPLANTEO

guías de
contrapeso

cables de
suspensión de
contrapeso

guías de
cabina

cables del
limitador de
velocidad
cables de
suspensión de
cabina

instalación
eléctrica del
hueco

v1.00, MAY. 06

PÁG.31

CFA_REs
CURSO DE FORMACIÓN DE ASCENSORES

TEMA 2. REPLANTEO

bancada del
grupo tractor

zonas de trabajo
y seguridad

ventilación

polea motriz

máquina

cuadro de
maniobra
interruptor de luz
cuadro de acometida
eléctrica

v1.00, MAY. 06

PÁG.32

CFA_REs
CURSO DE FORMACIÓN DE ASCENSORES

TEMA 2. REPLANTEO

amortiguador de
contrapeso

amortiguador de
cabina
cargas o reacciones
a tener en cuenta
por el constructor
zona de
seguridad

acceso a
planta

barandilla y
zona de
trabajo

botonera de
seguridad

cabina

amortiguador

pilar del
amortiguador

v1.00, MAY. 06

zona de
seguridad

PÁG.33

CFA_REs
CURSO DE FORMACIÓN DE ASCENSORES

TEMA 2. REPLANTEO

NOTA: el recorrido real del edificio es de 9 paradas

v1.00, MAY. 06

PÁG.34

CFA_REs
CURSO DE FORMACIÓN DE ASCENSORES

TEMA 2. REPLANTEO

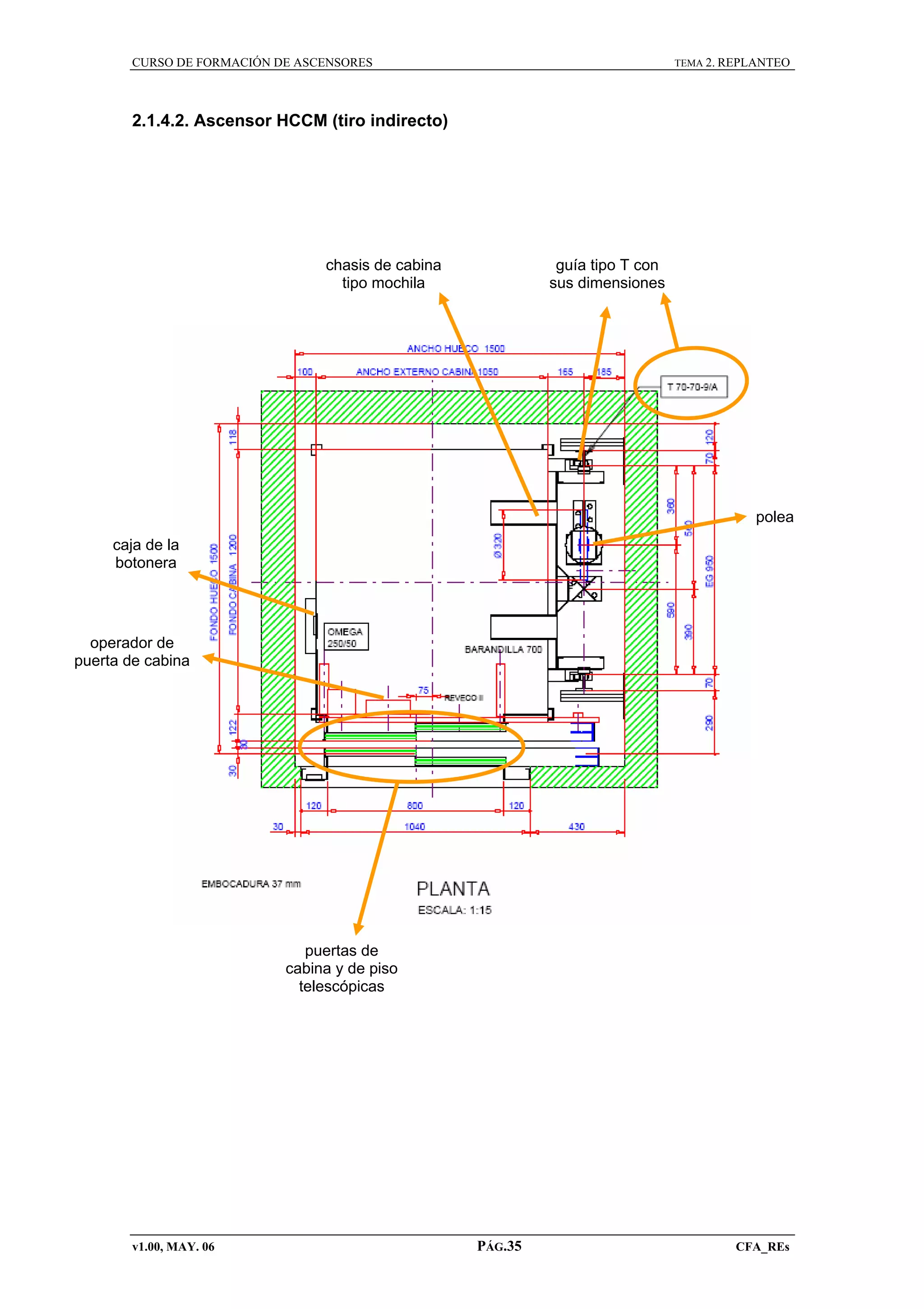
2.1.4.2. Ascensor HCCM (tiro indirecto)

chasis de cabina
tipo mochila

guía tipo T con
sus dimensiones

polea
caja de la
botonera

operador de
puerta de cabina

puertas de
cabina y de piso
telescópicas

v1.00, MAY. 06

PÁG.35

CFA_REs
CURSO DE FORMACIÓN DE ASCENSORES

caja de
conexiones

bloque de
válvulas

TEMA 2. REPLANTEO

salida de la
tubería

central hidráulica
(en el interior
motor, bomba y
depósito aceite)

cuadro eléctrico
de acometida

zonas de trabajo
y seguridad

interruptor
eléctrico

cuadro de maniobra

ventilación del hueco

guías

polea

cabezal del pistón
cabina

acceso a
planta

v1.00, MAY. 06

émbolo del pistón

PÁG.36

CFA_REs
CURSO DE FORMACIÓN DE ASCENSORES

TEMA 2. REPLANTEO

émbolo del
pistón

chasis de
cabina tipo
mochila

cilindro del
pistón

amortiguador
zona de
seguridad
cargas o reacciones
a tener en cuenta
por el constructor
zona de
seguridad

v1.00, MAY. 06

amortiguador
de cabina

PÁG.37

CFA_REs
CURSO DE FORMACIÓN DE ASCENSORES

TEMA 2. REPLANTEO

émbolo

cilindro del
pistón

mocheta del
pistón

amortiguador
de cabina

v1.00, MAY. 06

PÁG.38

CFA_REs
CURSO DE FORMACIÓN DE ASCENSORES

TEMA 2. REPLANTEO

2.2. REPLANTEO DE UN ASCENSOR
El replanteo del ascensor, como ya se ha explicado, es la verificación que se
hace en la parte destinada al mismo en un edificio, en cuanto a dimensiones y
especificaciones del modelo y tipo de ascensor que se va a instalar. Es un paso
fundamental ya que determinará que la instalación se pueda llevar a cabo y, sobre
todo, con la mejor calidad posible.
Este proceso tiene sus pasos y aunque varían sensiblemente para cada tipo y
modelo de ascensor, en términos generales, se puede seguir la guía que se presenta
a continuación.
Paso 0. Preparación y Seguridad para entrar en el hueco

La primera operación que realizaremos será asegurar el hueco colocando las
correspondientes barreras de protección de hueco descubierto para evitar caídas de
objetos y demás. Seguidamente se instalará en el interior del hueco la “cuerda de vida”
preparada para soportar el peso de dos personas, y de enganches en cada uno de los
accesos al hueco, al mismo tiempo nos dispondremos a colocarnos los cinturones de
seguridad. Estas operaciones se realizarán estando también sujetos a algún punto fijo
de la obra.

Paso 1. Replanteo del hueco en planta
1.1.

Se comprueba las dimensiones del ancho y fondo del hueco con la ayuda de
los útiles de replanteo suministrados.

Figura 2.4. Útiles para el replanteo.

v1.00, MAY. 06

PÁG.39

CFA_REs
CURSO DE FORMACIÓN DE ASCENSORES

TEMA 2. REPLANTEO

1.2.

Se empieza el proceso de replanteo en la zona de huida del hueco del
ascensor fijando el tubo rasgado correspondiente. Se colocarán las escuadras
procurando que vayan fijadas al último forjado y no interfiera con el último
soporte de guías.

1.3.

En el foso se procede de forma análoga a la anterior con su tubo rasgado
correspondiente.

Figura 2.5. Detalle de fijación del tubo rasgado y las escuadras (en huida y foso).

1.4.

Luego se suspenden las plomadas desde el tubo de la huida y se modificarán
las posiciones de las escuadras del hueco y de la huida para que los cordeles
queden en la posición exacta marcada en el esquema de plomadas (depende
de la carga útil del ascensor).

Figura 2.6. Ejemplo de Esquema de plomadas para el ESCM de 300 kg.

1.5.

Se verificará en cada planta que se cumplen las medidas mínimas de los ejes
dadas en el plano. En caso de no ser así, se procede a modificar las escuadras

v1.00, MAY. 06

PÁG.40

CFA_REs
CURSO DE FORMACIÓN DE ASCENSORES

TEMA 2. REPLANTEO

en la zona de huida y se procede a repetir el proceso de replanteo desde la
huida, de nuevo, planta por planta.
1.6.

Por último, se fijan las plomadas a las escuadras del tubo rasgado del foso
para que no se muevan y tener así una referencia fija.

Paso 2. Replanteo del hueco en alzado, cotas verticales
Se comprobará y marcarán las cotas verticales guiándonos por el alzado
representado en el plano para evitar los errores derivados de diferencias entre el
hueco real y el ideal representado en el plano en la posterior instalación de las guías.
2.1.

En primer lugar, se marcan en la pared del hueco los soportes y empalmes de
guías (de cabina y contrapeso), el recorrido total y las alturas del foso y la
huida.

2.2.

Se comprueba, piso a piso y en forma descendente hasta el suelo del foso, la
no interferencia entre empalmes y soportes. Si no es el caso se procederá a
modificar ligeramente la posición de estos últimos.

Figura 2.7. Soportes de guías en el hueco.

Paso 3. Replanteo de hueco, cordel colorante
3.1.

Se fija el cordel colorante al tubo rasgado de la zona de huida y se tenderá
hasta el foso, en la posición exacta que se indica en el esquema de plomada.

3.2.

Se marcará en la pared del hueco, en todo el recorrido del ascensor, el punto
medio de cada soporte de guía a la altura en la que está representado en el
plano de replanteo.

3.3.

Para finalizar, se retira el cordel.

Con estos 3 pasos ya se habrá comprobado las medidas del hueco del
ascensor y se habrán marcado las posiciones en los que se colocarán los soportes de
las guías, con lo que el Replanteo habrá finalizado.

v1.00, MAY. 06

PÁG.41

CFA_REs
CURSO DE FORMACIÓN DE ASCENSORES

TEMA 2. REPLANTEO

2.2.1. Aspectos a tener en cuenta según el tipo de ascensor
Aunque se han dado los pasos generales para realizar el proceso de Replanteo
de un ascensor, éste puede variar dependiendo del tipo que sea. En primer lugar, es
obvio destacar que las dimensiones y distancias que aparezcan en el plano de
replanteo cambiarán según el tipo y modelo de ascensor.
Ascensor ECCM
En este caso, en el plano veremos que hay una planta adicional con el título
DETALLE DE LOSA. Como sabemos, en los ascensores E las guías van suspendidas
del techo del cuarto de máquinas, de forma que hay que hacer un replanteo del suelo
de cuarto de máquinas. En este replanteo verificaremos el número de taladros que hay
y las dimensiones de los mismos. Los taladros que normalmente nos encontramos son
nueve:
-

2 de las guías de cabina
2 de las guías de contrapeso
1 de los cables de cabina
1 de los cables de contrapeso
2 de los cables del limitador de velocidad
1 de la instalación eléctrica

(puede ser que se aproveche uno de los taladros para pasar los cables de la
instalación eléctrica)
Ascensor ESCM
En este caso, al no haber cuarto de máquinas, NO existirá el DETALLE DE
LOSA anterior. En los ESCM además de comprobar las dimensiones del hueco de
todas las plantas (Paso 1.5) también hay que comprobar las dimensiones de las cotas
X e Y que nos facilitará la ubicación de la bancada de la máquina en el techo de la
cabina del ascensor.
Ascensor H
Los aspectos singulares del ascensor H son:
-

NO existe CONTRAPESO, por tanto, no hay que replantear la ubicación de las
guías de contrapeso.

-

Al igual que el ESCM NO hay DETALLE DE LOSA, ya que las guías de la
cabina son apoyadas en el foso.

-

Las medidas serán diferentes. Por ejemplo, la huida de un ascensor H es
menor que en el E ya que la velocidad nominal también lo es y, por tanto, se
necesita menos tiempo de reacción por parte del operario en el caso de una
maniobra de subida de cabina no prevista.

v1.00, MAY. 06

PÁG.42

CFA_REs
CURSO DE FORMACIÓN DE ASCENSORES

TEMA

3. ASCENSOR ELÉCTRICO

Tema 3

ASCENSOR ELÉCTRICO

En este tema se va a explicar en profundidad los elementos que se pueden
encontrar en un ascensor eléctrico, para más tarde determinar cómo se realiza el
montaje del mismo y definir su instalación completa.

3.1. GRUPO TRACTOR

Figura 3.1. Situación y componentes del grupo tractor.

v1.00, MAY. 06

PÁG.43

CFA_AEEs
CURSO DE FORMACIÓN DE ASCENSORES

TEMA

3. ASCENSOR ELÉCTRICO

3.1.1. Motores
La construcción y características de los grupos tractores y, sobre todo, de los
motores con que van equipados, varía según sea la velocidad nominal del ascensor y
el servicio que deben prestar. Se puede establecer la siguiente clasificación:
A) Motores de
corriente alterna

- motores de 1 velocidad
- motores de 2 velocidades
- motores con convertidor de frecuencia

Asíncronos

Síncronos

-> motores gearless (sin reductor)

B) Motores de corriente continua con convertidor continua-alterna (no se usan)
Los motores de corriente continua han desaparecido ya en las nuevas
instalaciones y fueron suplantados por los de corriente alterna, de forma que sólo nos
centraremos a comentar estos últimos.
3.1.1.1. Motores de 1 velocidad
Los grupos tractores con motores de 1 velocidad sólo se utilizan para
ascensores de velocidades hasta 0.63 m/s. La curva par/velocidad de un motor de
estas características apenas deja margen de variación para la velocidad.
El nivel de confort es bajo, por lo que suelen usarse en ascensores industriales
de gran carga pero de velocidad reducida (0.2-0.3 m/s) y en ascensores de viviendas
de 4 personas, de tipo económico en las que el constructor ha buscado la solución
más sencilla y de menor coste de fabricación. Los más empleados son los siguientes:
a) Con el eje de la polea de adherencia en voladizo. En este caso el grupo
tractor debe estar provisto de un dispositivo que impida la salida de los cables.
b) Con el rotor del motor montado en el mismo eje del sinfín y el motor
acoplado al cárter del reductor por medio de bridas.
c) Con motor de eje vertical.
d) Con un motor especial montado en posición vertical u horizontal, y cuyo
estator está en el centro del motor y el rotor lo rodea exteriormente. El rotor está
montado sobre el eje del sinfín y unido a él por una chaveta. El cilindro que rodea y
protege el rotor, sustituye el tambor de freno sobre el que actúan las zapatas.

Nº
polos
r.p.m.

2

4

6

8

12

16

18

24

3000

1500

1000

750

500

372

333

250

Tabla 3.1. Velocidades síncronas de los motores en función del número de polos (EN 81-1).

v1.00, MAY. 06

PÁG.44

CFA_AEEs
CURSO DE FORMACIÓN DE ASCENSORES

TEMA

3. ASCENSOR ELÉCTRICO

3.1.1.2. Motores de 2 velocidades
El sistema es sencillo por lo que se usa más en la actualidad que el de 1
velocidad, ya que por medio de la velocidad de nivelación se consigue un frenado con
el mínimo error. El confort aumenta también respecto al de 1 velocidad.
Este sistema se aplica en ascensores hasta 1 m/s y se suele implementar en
ascensores de bajas cargas y montacargas de cargas elevadas.
En este caso, se equipan los grupos tractores con motores trifásicos de polos
conmutables que funcionen a una velocidad rápida y a otra lenta según la conexión de
los polos, obtenida automáticamente con un dispositivo que se introduce en el circuito
de maniobra (realmente son 2 motores independientes incorporados en un mismo
dispositivo). Por lo demás, los motores son de ejecución similar a los de 1 velocidad y
se construyen, normalmente, para una velocidad alta de 1500 rpm y una velocidad
baja de 375 rpm (16 polos).
Las velocidades que figuran en la Tabla 3.1 son las teóricas síncronas, pero
como los motores son asíncronos y su movimiento tiene un cierto deslizamiento con
respecto al teórico, las velocidades reales son menores. Por ejemplo, para los motores
que más se emplean, que son de 4 y 18 polos, sus velocidades reales son 1450 y 350
rpm respectivamente.
3.1.1.3. Motores con convertidor de frecuencia
En un motor de un ascensor es de gran utilidad disponer de accionamientos
capaces de trabajar en un amplio rango de velocidades. Una de las más relevantes
innovaciones, como ya se ha visto en temas anteriores, consiste en incorporar un
variador o convertidor de frecuencia en el motor.
Se utilizan con reductor para velocidades hasta 2.5 m/s y cargas máximas de
2500 kg. La parada se realiza en este caso a nivel de piso, sin micronivelación, con lo
que se reduce el tiempo de marcha y aumenta la capacidad en lo que se refiere al
tráfico. Se pueden obtener velocidades hasta 5 m/s y cargas de 2000 kg suprimiendo
el reductor. En este caso se regula totalmente la aceleración, deceleración y velocidad,
y la parada es directa a nivel de piso.
Existen varias alternativas para conseguir modificar la velocidad del motor, sin
embargo, la evolución de los semiconductores ha permitido desarrollar convertidores
de frecuencia estáticos cada día más competitivos. De manera que los sistemas
compuestos por motor de jaula y convertidor de frecuencia permiten velocidades
variables con un motor robusto, seguro y de mínimo mantenimiento.
Principio básico del funcionamiento del convertidor de frecuencia
La mayoría de los convertidores de frecuencia trabajan según el principio que
se detalle en el esquema de la Figura 3.2, es decir, la tensión alterna de la red (50 Hz)
alimenta, a través de un rectificador, a un circuito intermedio de corriente continua. Un
convertidor situado en el circuito de salida invierte esta tensión continua intermedia y la
convierte, mediante la conmutación adecuada de los transistores V1 a V6, en un
sistema de tensiones alternas trifásicas de frecuencia y tensión variables, o sea, opera
como un rectificador invertido al que se suele denominar inversor.

v1.00, MAY. 06

PÁG.45

CFA_AEEs
CURSO DE FORMACIÓN DE ASCENSORES

TEMA

3. ASCENSOR ELÉCTRICO

El bloque de control realiza la regulación de tensión con respecto a la
frecuencia y asume las tareas de control, monitorización y protección, de forma que el
sistema no pueda ser sobrecargado.
inversor
circuito intermedio
rectificador

V1

V3

V5

RED
(50 Hz)

motor

V4

V6

V2

Bloque de control y proceso de datos

Figura 3.2. Esquema de un convertidor de frecuencia.

3.1.1.4. Gearless
En este caso el motor eléctrico y la polea de tracción se montan sobre el mismo
eje mediante un acoplamiento directo sin ningún sistema de engranaje, así pues la
velocidad de rotación del motor y la polea es la misma. Mejora sustancialmente el
rendimiento mecánico y el nivel de ruido, y se consiguen mayores velocidades (a partir
de 2 m/s) y capacidad de carga (más de 1000 kg). También incorpora convertidor de
frecuencia por lo que el freno actúa de la misma manera que en éste, es decir, sólo
asegura la inmovilización de la cabina una vez que ésta se ha detenido.
3.1.2. Freno
3.1.2.1. Freno mecánico
El sistema de frenada del ascensor debe ponerse en funcionamiento
automáticamente en caso de una perdida de energía eléctrica en los circuitos de
control. Este sistema se lleva a cabo mediante un freno de fricción electromecánico.
De acuerdo con la Norma 81-1, el par de frenada debe ser capaz de frenar de forma
segura el ascensor con una carga equivalente al 125% de la carga nominal y de
bloquearlo después de la parada.
En el mismo eje sinfín del reductor va generalmente montado el tambor del
freno, que muchas veces actúa también como mangón de acoplamiento con el motor.
En cualquier caso el tambor sobre el que actúa el freno debe estar acoplado por un
enlace mecánico a la polea, piñón o tambor de arrollamiento que haga la tracción.

v1.00, MAY. 06

PÁG.46

CFA_AEEs
CURSO DE FORMACIÓN DE ASCENSORES

TEMA

3. ASCENSOR ELÉCTRICO

Figura 3.3. Freno electromagnético de un ascensor.

Sobre el tambor del freno actúan las zapatas empujadas fuertemente por
sendos resortes cuya tensión es regulable para disminuir o aumentar la tensión de los
muelles. Las zapatas son separadas del tambor cuando se pone en tensión el
electroimán que las acciona. Por tanto, en posición de reposo, o sea cuando no hay
tensión, el grupo tractor está frenado. De esta forma cualquier fallo en el suministro
eléctrico produce la parada inmediata del ascensor. La Norma 81-1 recomienda que el
corte de la corriente eléctrica que produce la apertura del freno debe ser efectuada al
menos por dos dispositivos eléctricos independientes.
-

Eficacia del frenado.

El sistema de frenado debe ser capaz de parar en descenso la cabina con una
carga equivalente al 125% de la nominal, y en subida en vacío (casos extremos en los
que se puede encontrar el ascensor).
La Norma EN 81 recomienda que el frenado no debe producir una deceleración
superior a la resultante de la actuación del paracaídas o del impacto sobre los
amortiguadores.
3.1.2.2. Freno eléctrico
El freno de corrientes parásitas de Foucault sin anillos ni colector forma un sólo
bloque con el motor. Consta también de un programador con los valores nominales de
frenado y una dinamo tacométrica colocada en el eje del grupo tractor que suministra
una tensión proporcional a la velocidad de éste. De esta forma, la tensión es
transmitida a un comparador que produce una tensión amplificada que se aplica al
electrodo de mando o puerta de los tiristores que producen la corriente continua que,
actuando sobre el freno de Foucault, va produciendo el frenado justo para la parada
suave y a nivel.
Al iniciarse el frenado se desconecta el motor de la red y con la tensión
remanente se va produciendo el frenado eléctrico de la cabina hasta su inmovilización
a nivel de piso. El freno mecánico sólo actúa para inmovilizar el ascensor una vez que
se ha detenido totalmente la cabina.

v1.00, MAY. 06

PÁG.47

CFA_AEEs
CURSO DE FORMACIÓN DE ASCENSORES

TEMA

3. ASCENSOR ELÉCTRICO

3.1.2.3. Accionamiento de emergencia
En el extremo libre del motor se puede acoplar un volante sin manivela ni
agujeros para accionar manualmente el motor, separando previamente las zapatas de
freno manualmente por medio de la palanca adecuada. Así, en caso de avería o corte
de suministro eléctrico, puede ponerse el suelo de la cabina al nivel del piso más
próximo para facilitar la salida de los viajeros. Como norma de seguridad, antes de
realizar un accionamiento de emergencia debe desconectarse el interruptor principal
para aislar el motor de la red.
El desbloqueo del freno debe exigir el esfuerzo permanente de la persona que
lo efectúa. En el volante debe marcarse con flechas el sentido de giro para subir y
bajar el ascensor.
La Norma EN 81 añade 3 recomendaciones más:
-

El esfuerzo para el accionamiento a mano del ascensor no debe ser superior a
400 N, y si lo es, debe equiparse con una maniobra eléctrica de socorro.

-

Si el volante es desmontable, debe encontrarse en un lugar accesible del
cuarto de máquinas. Si hay más de una máquina, cada volante debe estar
identificado para evitar confusiones.

-

Debe ser posible controlar desde el cuarto de máquinas si la cabina se
encuentra a nivel de un piso. Este control puede realizarse por medio de
marcas sobre los cables de suspensión o sobre el cable del limitador de
velocidad.

3.1.3. Reductor
En primer lugar hay que señalar que, excepto los grupos tractores Gearless, el
resto introduce un reductor entre el freno y la polea tractora. En la actualidad,
prácticamente todos los reductores son del tipo sinfín-corona.
El reductor está formado por un sinfín de acero engranado con una corona de
bronce, montados en una carcasa o cárter de fundición que muchas veces forma un
conjunto con las guías sobre las que se asienta el motor.
La Norma EN 81-1 recomienda proteger las poleas y piñones (si se utilizan
cadenas) de tracción para prevenir la caída de cuerpos extraños entre los cables y las
gargantas de las poleas cuando la máquina está en la parte inferior del recinto.
En la actualidad, la mayoría de los ascensores incorporan el tipo de
transmisión de corona y tornillo sinfín. Su justificación es motivada por las
siguientes ventajas:
a) Transmisión muy compacta en comparación con otros tipos para una potencia
y un índice de transmisión dados.
b) Es el tipo de transmisión que presenta el menor número de piezas móviles,
minimizándose, por tanto, los gastos de mantenimiento y de recambio de
piezas.
c) Es muy silenciosa.

v1.00, MAY. 06

PÁG.48

CFA_AEEs
CURSO DE FORMACIÓN DE ASCENSORES

TEMA

3. ASCENSOR ELÉCTRICO

d) Tiene una alta resistencia al impacto, algo de suma importancia en un
ascensor.

Figura 3.4. Transmisión típica de un ascensor: 1) motor eléctrico de tracción, 2) freno, 3) eje y tornillo sinfín, 4) corona,
5) polea de tracción, 6) apoyo del eje.

El eje del tornillo sinfín está biapoyado. Normalmente este eje está dispuesto
en la parte inferior de la corona. Sólo en algunos casos de cargas medias o bajas está
dispuesto en la parte superior. Las ventajas para su ubicación en la parte inferior son:
a) El cerramiento de la carcasa se hace más simple.
b) El control de la transmisión también se lleva a cabo de la forma más ventajosa.
c) La lubricación también se realiza de modo más favorable.
d) Finalmente, en operaciones de frenada, la velocidad puede no ser
suficientemente elevada como para tener que lubricar un tornillo sinfín
dispuesto en la parte superior.
El ángulo de elevación del tornillo sinfín suele ser de 15 a 20 grados. Si se
aumenta, los dientes estarán sometidos a elevadas cargas de compresión y se
requerirá la utilización de lubricantes para altas presiones.

Figura 3.5. Transmisión sinfín-corona.

Este tipo de engranaje se utiliza para conectar ejes que no son ni concurrentes
ni paralelos y se compone de un piñón y una corona. Los dientes tienen un punto de
contacto y la relación de velocidades no tiene porqué ser inversamente proporcional al
tamaño de los diámetros de la corona.

v1.00, MAY. 06

PÁG.49

CFA_AEEs
CURSO DE FORMACIÓN DE ASCENSORES

TEMA

3. ASCENSOR ELÉCTRICO

3.1.4. Poleas de tracción
La polea superior de los ascensores es siempre tractora, y por este motivo se
debe diseñar de forma cuidadosa, para que además de soportar los esfuerzos que le
transmite el cable, sea capaz de transmitir la tracción a éste por adherencia. Las
poleas que arrastran los cables por adherencia tienen 3 características:
-

Diámetro
Perfil de sus gargantas o canales
Material en el que están construidas

El diámetro viene en parte determinado por la velocidad de desplazamiento
que se fije en la cabina. Así, es normal que se utilice un mismo grupo tractor para la
obtención de varias velocidades utilizando poleas de arrastre de diámetros adecuados.
Sin embargo, este diámetro tiene un límite inferior, ya que la duración del cable es
mayor cuanto mayor sea la relación entre el diámetro de la polea y el diámetro del
cable. La Norma EN 81-1 establece un mínimo de 40.
El perfil de los canales de las poleas de arrastre tiene una influencia en la
duración de los cables. Si la garganta de la polea es demasiado estrecha, el cable
quedará enclavado en ella, y si es demasiado ancha, no encuentra el apoyo necesario
y el cable se aplasta. En cualquiera de los dos casos anteriores se produce un
desgaste anormal y prematuro del cable.
Existen diferentes perfiles de canales, aunque los más utilizados son los
trapezoidales y los semicirculares. De todos ellos, el más usado en las poleas de
tracción de los ascensores es el semicircular con entalla o ranura ya que mejora la
adherencia del perfil semicircular normal, y evita el rozamiento y deformación del fondo
del canal o garganta.

a)

b)

c)

Figura 3.6. a) Perfil trapezoidal, b) semiesférico con entalla o ranura, c) semiesférico sin entalla.

El material empleado en la fabricación de las poleas de tracción de los
ascensores es la fundición de hierro gris, de resistencia suficiente para soportar la
presión específica del cable sobre la garganta, sin que se produzca un desgaste
anormal.
3.1.5. Volante de inercia
El volante de inercia tiene como objeto asegurar la adecuada amortiguación de
velocidad en la aceleración y deceleración cuando el motor utilizado es de 1 ó 2
velocidades. En base a esto, se comprende que su uso no es necesario en motores
con convertidor de frecuencia ya que, en estos casos, es el propio motor el encargado
de ir disminuyendo su velocidad eléctricamente.
En aquellas instalaciones antiguas en las que el motor sea de 1 ó 2
velocidades, se tiene que hacer un cálculo de la inercia necesaria para equilibrar la

v1.00, MAY. 06

PÁG.50

CFA_AEEs
CURSO DE FORMACIÓN DE ASCENSORES

TEMA

3. ASCENSOR ELÉCTRICO

masa móvil para que ésta pueda ser controlada y nivelada con cada piso dentro de las
tolerancias normalizadas.
3.1.6. Elementos de amortiguación y aislamiento de ruido
Existen 3 fuentes de ruido en la instalación de un ascensor:
1) La maquinaria de tracción. La maquinaria (motor, freno, reductor, polea, ejes,
rodamientos y carcasas) suele ir montada sobre unas vigas de apoyo,
denomina bancada. El conjunto, maquinaria y bancada, va acoplado a la
estructura de hormigón mediante una serie de silentblocks.
2) Armario de control. Lo más simple es montarlo sobre una placa base que sirva
de aislante acústico y de vibraciones.
3) Fuentes de ruido en el hueco: puertas de apertura, guías, cables y mecanismos
de tensionado de cable. La mejor solución consiste en la instalación de bloques
prefabricados ensamblados y separados de la estructura del edificio mediante
una junta de dilatación.
3.1.7. Polea de desvío
Como se ha comentado con anterioridad, la polea de tracción debe ser capaz
de accionar la cabina y el contrapeso sin deslizamientos. Para ello, los cables han de
tener contacto con la polea de tracción en un arco superior al mínimo necesario. Con
el grupo tractor en la parte superior del recinto, el ángulo máximo del arco de contacto
será 180º si el diámetro de la polea de tracción es igual a la distancia entre el amarre
de los cables en el chasis de la cabina y el amarre del contrapeso. Si esta distancia,
como ocurre generalmente, es mayor, es necesario instalar una polea de desvío para
situar los cables de suspensión de la cabina y contrapeso a una distancia prudencial.
Si esta polea se coloca al mismo nivel que la de tracción, el ángulo del arco de
contacto de los cables con la polea de tracción se reduciría a 90º, insuficiente para
evitar el deslizamiento. Por eso se colocan poleas de desvío a una altura inferior, con
lo cual se consiguen ángulos muy superiores.
En casos de elevadores de grandes dimensiones (montacamas y
montacoches) se hace imposible aplicar la solución anterior, por lo que la polea de
desvío se coloca como suspensión de cabina y contrapeso.
A continuación se presentan varios grupos tractores de MP:

a)

b)

c)

Figura 3.7. a) Grupo tractor general, b) máquina vertical, c) con polea de desvío.

v1.00, MAY. 06

PÁG.51

CFA_AEEs
CURSO DE FORMACIÓN DE ASCENSORES

TEMA

3. ASCENSOR ELÉCTRICO

3.2. HUECO
Siguiendo la denominación de la Norma EN 81-1, el hueco es el espacio
destinado al emplazamiento del ascensor y del contrapeso (ya hemos visto que en lo
SCM el hueco hace las veces de cuarto de máquinas, en cuanto aloja algunos de los
elementos que se encontraban normalmente en él), sin que pueda ser utilizado para
ninguna instalación ajena a la del propio ascensor, es decir, conductos eléctricos,
tuberías de agua, etc. La Directiva 95/16/CE señala que el ascensor deberá estar
diseñado y fabricado de forma que sea imposible el acceso al hueco, excepto por los
trabajos de mantenimiento y casos de emergencia.
En los edificios actuales no está permitida la instalación de ascensores en los
huecos de las escaleras ni patios interiores, mientras que su instalación en estructuras
especiales, como torres metálicas, depósitos elevados y demás, requerirá una
autorización especial.
Las paredes del hueco deberán ser de materiales que no originen polvo y tener
la suficiente resistencia para soportar las reacciones de las guías ancladas a ellas, así
como el descentrado de las cargas de la cabina y, sobre todo, por la actuación del
paracaídas. Además deben ser incombustibles y sin revestimientos que puedan
originar grandes volúmenes de gases y humos.
Un hueco puede ser un recinto común para varios ascensores, en cuyo caso,
debe existir un elemento de separación en toda la altura del mismo. Pero el
contrapeso debe siempre estar en el mismo hueco que la cabina correspondiente.
Los recintos de los ascensores llevan únicamente 5 clases de aberturas:
1) Las puertas de piso. Si la distancia entre los umbrales de 2 puertas de acceso
de piso consecutivas es superior a 10 m, debe disponerse entre las dos una
puerta de socorro para evacuar pasajeros si fuera necesario
2) Las puertas de socorro y puertas (mínimo 1.4 × 0.6) y trampillas de visita
(mínimo 0.5 × 0.35), para hacer posible la inspección o reparación de
elementos del ascensor (en los SCM estos elementos están más accesibles).
3) Las aperturas de emergencia para la evacuación de gases y humos en caso de
incendio.
4) Las aperturas de ventilación.
5) Las aperturas para el paso de cables entre el techo del hueco y el suelo del
cuarto de máquinas.
3.2.1. Cabina
La cabina es el elemento portante del ascensor y está formado por la cabina
propiamente dicha y su chasis (o bastidor). Las nuevas tecnologías que se están
aplicando a la cabina van encaminadas a la fabricación de un chasis con materiales
menos pesados respecto al chasis tradicional metálico.
La Directiva europea 95/16/CE indica que las cabinas deben estar dotadas de
un equipo de comunicación bidireccional que permita una comunicación permanente
con un servicio de intervención rápida. También deberán diseñarse de manera que
garanticen una ventilación suficiente para sus ocupantes, incluso en caso de parada

v1.00, MAY. 06

PÁG.52

CFA_AEEs
CURSO DE FORMACIÓN DE ASCENSORES

TEMA

3. ASCENSOR ELÉCTRICO

prolongada. Finalmente, se cita que la cabina debe disponer de iluminación suficiente
cuando se use o cuando hay una puerta abierta, y que contará con iluminación de
socorro.
Las partes principales de la cabina son:
a) El chasis de acero es el elemento resistente al que se fijan los cables de
tracción y el mecanismo de paracaídas. Este chasis debe ser robusto para
resistir las cargas normales y las que puedan producirse al entrar en
funcionamiento el paracaídas y quedar acuñada bruscamente la cabina. Las
uniones se efectuarán por remachado o pernos múltiples con arandelas de
seguridad o pasadores. También pueden usarse soldaduras cuyas garantías
habrá que comprobar.
b) La caja o cabina propiamente dicha, está fijada sobre el chasis. La cabina
debe estar totalmente cerrada por paredes, suelo y techo de superficie
continua o llena, salvo la abertura. Las paredes, suelo y techo deben estar
constituidos por materiales preferiblemente metálicos o por otros de resistencia
equivalente que sean incombustibles, y conservar su resistencia mecánica en
caso de incendio sin producir humos ni gases.

Resistencia mecánica de la cabina
La Directiva europea 95/16/CE señala que la cabina deberá estar diseñada y
fabricada de forma que su espacio y resistencia correspondan al número máximo de
personas y a la carga nominal del ascensor fijada por el instalador.
Cuando el ascensor se destine al transporte de personas y sus dimensiones lo
permitan, la cabina estará diseñada y fabricada de forma que, por sus características
estructurales, no dificulte o impida el acceso y utilización a minusválidos, y permita
toda adaptación destinada a facilitar su utilización.
Dimensiones y carga de a cabina
La altura de la cabina deberá ser como mínimo 2 m, y la de la sus puertas 1,90
m. La carga mínima que se debe prever por persona es de 75 kg por persona, pero no
hay inconveniente en que los constructores prevean una carga mayor por persona.

Nº pasajeros

Carga mínima
equivalente

2
3
4
5
6
7
8
9
10

Superficie útil en m2
máxima
mínima

150
225
300
375
450
525
600
675
750

0.6
0.8
1
1.2
1.4
1.55
1.7
1.85
2

0.5
0.61
0.81
1.01
1.21
1.41
1.56
1.71
1.86

Tabla 3.2. Número de pasajeros y carga máxima autorizada según la superficie de la cabina (EN 81-1).

v1.00, MAY. 06

PÁG.53

CFA_AEEs
CURSO DE FORMACIÓN DE ASCENSORES

TEMA

3. ASCENSOR ELÉCTRICO

Los limitadores de carga se instalan siempre en los ascensores con maniobra
colectiva. Cuando la carga llega al 80 % de la máxima permitida, el limitador impide la
parada de la cabina en todos los pisos que hayan solicitado su atención hasta que no
se produzca una descarga de pasajeros en algunas de las paradas ya programadas.
Si por subirse al ascensor demasiados usuarios, se llega a cargar la cabina por
encima del 100 % de su carga máxima, el ascensor no arranca, suena una señal y se
enciende un luminoso que avisa que la carga es excesiva. Hasta que no se libere
carga por debajo de la permitida el ascensor no arrancará.
3.2.2. Contrapeso
El contrapeso tiene como objeto equilibrar el peso de la cabina y una parte de
la carga nominal, que suele estar entorno al 50 %. De esta forma se reduce
considerablemente el peso que debe arrastrar el grupo tractor, disminuyendo así la
potencia para elevar la cabina.

Figura 3.8. Esquemas de fuerzas en cabina y contrapeso.

Cuando el edificio es de gran altura, el peso del cable no es despreciable y hay
que incluir el cable de compensación (ver apartado 3.2.4.1).
3.2.3. Guías y fijación de guías
Las guías conducen la cabina en su trayectoria exacta y le sirven de apoyo en
caso de rotura de los cables, por lo que deben tener una resistencia de acuerdo con el
peso total de la cabina cargada, y estar perfectamente alineadas. Pueden ser de 2
tipos:
-

Guías suspendidas: ECCM
Guías apoyadas: resto de casos

También el contrapeso tiene guías, que en general no tienen más misión que
conducirlo, aunque en algunos casos, también deben soportarlo en caso de rotura de
los cables.

v1.00, MAY. 06

PÁG.54

CFA_AEEs
CURSO DE FORMACIÓN DE ASCENSORES

TEMA

3. ASCENSOR ELÉCTRICO

Guías de cabina
El desplazamiento de la cabina se asegura por medio de guías rígidas,
preferiblemente en forma de T, y perfectamente calibradas y enderezadas en tramos
empalmados con placas adecuadas.
Se recomienda la instalación de las guías suspendidas, excepto en ascensores
H, ya que así su propio peso favorece el mantenimiento de la alineación inicial.
Las guías de los ascensores deben tener la suficiente resistencia mecánica
para soportar sin romperse ni sufrir deformaciones permanentes, 2 clases de esfuerzo:
-

El empuje horizontal debido a posibles excentricidades de la carga.
El esfuerzo de frenado que puede transmitir la cabina a las guías al ser
detenida por el paracaídas, brusca o progresivamente, según sea éste de tipo
instantáneo o progresivo respectivamente.

Guías de contrapeso
Las guías de contrapeso se construyen también en perfiles T, similares a los
utilizados en las de cabina.
En el caso de que se instale paracaídas en el contrapeso, por encontrarse el
recinto en la vertical de lugares accesibles a personas, deberán calcularse las guías
del contrapeso para que resistan con un coeficiente de seguridad alto. Lo normal, en
estos casos, es instalar guías iguales a las de la cabina.
3.2.3.1. Sistemas de deslizamiento
Tanto la cabina como el contrapeso deben ir equipados en su parte inferior y
superior de unos apoyos que tienen como misión servir de enlace entre el elemento
móvil, cabina o contrapeso, y la guía. Estos apoyos constituyen el sistema de
deslizamiento.
-

Rozaderas (apoyo deslizante). Se usan en elevadores de velocidad inferior a
2 m/s. Son de acero, y disponen en la superficie de contacto con el carril de un
material de bajo coeficiente de rozamiento para disminuir la oposición al
movimiento de cabina y contrapeso. En estos casos se utiliza neopreno y
nylon.
Los carriles deben ser lubricados para disminuir las fuerzas de rozamiento
entre guía y apoyo. Normalmente se utilizan lubricadores automáticos de grasa
o aceite pesado. El flujo se regula mediante un tornillo de ajuste.
Este tipo de apoyo presenta problemas en su lubricación, ya que resulta
extremadamente difícil mantener unas condiciones de trabajo constantes en las
superficies de contacto guía-apoyo, dado que siempre se acumulará suciedad y
polvo, variaciones de temperatura, humedad etc., lo cual hará cambiar las
condiciones de estas superficies y, por tanto, de la lubricación.

-

Rodaderas (apoyo mediante rodillos). Se usan en ascensores de alta
velocidad y también de baja velocidad, debido a su silenciosa marcha y mayor
eficiencia de la rodadera frente a las rozaderas en términos de rozamiento.

v1.00, MAY. 06

PÁG.55

CFA_AEEs
CURSO DE FORMACIÓN DE ASCENSORES

TEMA

3. ASCENSOR ELÉCTRICO

Se componen de tres rodillos que están en contacto permanente con las guías
ya que otros resortes o bases de caucho los mantiene presionados. Dado que
estos rodillos son de caucho o poliuretano, el ruido y las vibraciones son
mínimas siendo su rodadura óptima en términos de potencia.
Operan en seco y las guías no necesitan lubricación, evitándose
acumulaciones de aceite o grasa y eliminando problemas de fuego.
3.2.4. Cables
Las cabinas y contrapesos están suspendidos en la práctica por cables de
acero. La Directiva 95/16/CE señala que el número de cables independientes será por
los menos 2, con sus respectivos sistemas de enganche.
Un cable metálico es un elemento constituido por alambres agrupados
formando cordones, que a su vez se enrollan sobre un alma formando un conjunto
apto para resistir esfuerzos de tensión. Los elementos componentes del cable son:
-

ALAMBRES: generalmente de acero trefilado al horno.
ALMAS: son los núcleos en torno a los cuales se enrollan los alambres y los
cordones.
CORDONES: son las estructuras más simples que podemos construir con
alambres y almas. Se forman trenzando los alambres.
CABOS: agrupaciones de varios cordones entorno a un alma secundaria
utilizados para formar otras estructuras.

Figura 3.9. Constitución de un cable.

Estructura transversal de los cordones de los cables
Está estrechamente relacionada con el trenzado longitudinal de los alambres,
pudiendo ser éste:
-

De pasos iguales en cordones de alambres diferentes. En ellos los alambres no
se entrecruzan si no que se apoyan unos con otros en toda su longitud
consiguiéndose una mayor flexibilidad.

v1.00, MAY. 06

PÁG.56

CFA_AEEs
CURSO DE FORMACIÓN DE ASCENSORES

-

TEMA

3. ASCENSOR ELÉCTRICO

Normal o de ángulos iguales. Todos los alambres son de igual diámetro.

a)

b)

c)

d)

Figura 3.10. a) Cordones de alambres de igual diámetro,
Cordones de alambres de diferente diámetro: b) Seale, c) Warrington, d) Filler-Wire.

Estructura transversal de los cables
-

Monocordes: un sólo cordón.
Cables de cordones (los más usados en la práctica): varios cordones.
Cables de cabos: varios cables.

Tan importante como la estructura transversal de los cables es el sistema de
trenzado longitudinal de los mismos. Podemos encontrarnos con:
-

Torsión cruzada o normal (el más usado): el sentido del trenzado de los
alambres es contrario al de los cordones Puede ser a derecha o a izquierda.
Torsión Lang o de sentido único: los alambres en el cordón se tuercen en el
mismo sentido que los cordones.

* Cables preformados. En estos cables, los alambres y cordones reciben antes de
trenzarlos la forma helicoidal que adoptarán más tarde. Con ello se evitan
tensiones internas en el cable obteniendo una mayor vida útil del cable.
Notación de las estructuras de cables

nº cordones del cable × nº de alambres de los cordones × nº de almas del cable
Por ejemplo, 6 x 19 + 1 es un cable de 6 cordones, 19 alambres por cordón y
un alma. A veces se suele utilizar una formula desarrollada en la que se detalla entre
paréntesis la disposición de los alambres dentro del cordón.

3.2.4.1. Cables para ascensores y montacargas
En un ascensor o montacargas se utilizan los cables para 3 aplicaciones
distintas:
-

Cables de tracción (o suspensión)
Cables/cadenas de compensación
Cables del limitador de velocidad

v1.00, MAY. 06

PÁG.57

CFA_AEEs
CURSO DE FORMACIÓN DE ASCENSORES

TEMA

polea de tracción

3. ASCENSOR ELÉCTRICO

limitador de velocidad

cable de tracción

mecanismo paracaídas

cable del limitador
de velocidad

cable de
compensación
polea tensora del
limitador de velocidad
Figura 3.11. Cables que se pueden encontrar en un ascensor eléctrico.

El cable de compensación es obligatorio en aquellos edificios de gran altura
(10 plantas) en los que, por tanto, hay que tener ya en cuenta el peso de los cables.
De esta forma, se hace necesario implantar un cable que compense el peso de los
cables no incluido en el estudio del contrapeso. A veces, en edificios a partir de 10
plantas y velocidades hasta 1 m/s, no se trata de un cable tal cual se aprecia en la
Figura 3.11, sino de una cadena que simplemente equilibre el peso no contemplado de
los cables. La configuración mixta Warrington-Seale es la más utilizada en estos
cables.
El cable que accione el limitador de velocidad debe ser muy flexible
protegido contra la oxidación y con un diámetro mínimo de 6 mm. En la Norma EN 81
se afirma que el cable debe estar tensado mediante una polea tensora.
También en la citada Norma se añade que la relación entre el diámetro de la
polea de tracción, del limitador (y la tensora), y el del cable debe ser como mínimo 40.
Para los cables de tracción la configuración Seale es la más utilizada ya que
los alambres más exteriores son muy gruesos con gran resistencia a la rotura por
abrasión y además es muy fácil de utilizar ya que sólo se necesitan tres tipos de
alambres. En aquellos casos en los que se considere más importante la fatiga que la
abrasión se usará la configuración Warrington que posee más alambres y de menor
grosor.
Sistemas de suspensión del cable
La maquinaria puede estar en la parte superior (Figura 3.12.a) o en la parte
inferior (Figura 3.12.b) del edificio. Por otra parte, para cargas hasta 1600 kg se usa la
suspensión directa o 1:1 (Figura 3.12.a y b) y de ellas la más usada es la primera en la
que la cabina cuelga en un extremo de los cables y el contrapeso de otro, suspendido
el conjunto en la polea del grupo tractor cuando el arrastre es por adherencia, tal como

v1.00, MAY. 06

PÁG.58

CFA_AEEs
CURSO DE FORMACIÓN DE ASCENSORES

TEMA

3. ASCENSOR ELÉCTRICO

hemos visto en todos los esquemas que se han mostrado en este documento. Para
cargas superiores a 1600 kg se utiliza la suspensión indirecta o 2:1 (Figura 3.12.c) en
la que los cables están sometidos a una tensión que es la mitad respecto a la
suspensión directa, aunque también la velocidad de la cabina se ve reducida a la
mitad.

a)

b)

c)

Figura 3.12. Diferentes esquemas de arrastre por adherencia de los cables de tracción: a) máquina arriba con polea
desviadora y suspensión 1:1, b) máquina abajo con suspensión 1:1, c) máquina arriba con suspensión 2:1.

La tracción de los cables puede realizarse por 2 procedimientos:
-

Por adherencia de los cables en la garganta de la polea de arrastre del grupo
tractor. Es la que se usa en realidad, ya que se consigue mayor seguridad para
el caso de que fallen los finales de carrera, permite la instalación de
ascensores a cualquier altura, y ésta es más sencilla y económica.

-

Por fricción de los cables dándole dos vueltas en la polea motriz. Sólo en este
caso se usaría el perfil de garganta semiesférico sin entalla.

3.3. COMPONENTES DE SEGURIDAD
Como ya se ha comentado en la Evolución histórica del transporte vertical en el
Tema 1, la seguridad es, sin duda, el aspecto más crítico en el diseño y concepto de
un ascensor. De hecho, hasta que Elisha G. Otis no demostró que la rotura del cable
no significaba la caída de la plataforma del elevador, no se tomó en serio esta
tecnología.
Hoy en día, todos los ascensores disponen de un circuito de seguridad (Figura
3.13) cuyo objetivo es detener la cabina en caso de que ésta adquiera una velocidad
superior a la que debiera tener. Este circuito se compone de un cable limitador de
velocidad que recorre un circuito cerrado compuesto por dos poleas: la superior o
limitador de velocidad, y la inferior o polea tensora del limitador. Este cable va anclado
a la cabina y, cuando el ascensor circula con una velocidad dentro de los márgenes
admisibles, circula a través de las poleas a la misma velocidad que la cabina.

v1.00, MAY. 06

PÁG.59

CFA_AEEs
CURSO DE FORMACIÓN DE ASCENSORES

TEMA

3. ASCENSOR ELÉCTRICO

Figura 3.13. Esquema del circuito de seguridad de un ascensor.

La polea superior está diseñada para que cuando el cable que circula a través
de ella supere una determinada velocidad, éste quede frenado, originando un tiro del
cable sobre su amarre con la cabina. Este tiro acciona un sistema mecánico que frena
la cabina al poner en marcha un dispositivo que bloquea las guías (caja de cuñas).
En este apartado se van a analizar los dispositivos de seguridad que actúan en
caso de fallo o rotura de algunos elementos funcionales.
3.3.1. Limitador de velocidad
La Directiva europea 95/16/CE señala que los ascensores deberán poseer un
dispositivo que limite el exceso de velocidad.
Este limitador de velocidad es un aparato, que se instala generalmente en el
cuarto de máquinas, si existe, o en un lugar específico en caso de ser un SCM,
provisto de una polea acanalada y otra tensora en el foso del recinto, entre las cuales
se mueve un cable de acero unido por uno de sus ramales al mecanismo de
paracaídas de la cabina.
Mientras la cabina se desplaza a su velocidad nominal, el cable del limitador se
desplaza con ella (Figura 3.13), pero en cuanto, por rotura de los cables de
suspensión u otra causa, la cabina empieza a descender aceleradamente, al llegar a
adquirir una velocidad determinada, se bloquea la polea del limitador y con ella el
cable, dando un tirón a la palanca del paracaídas, y accionando así el mecanismo que
presionará las zapatas sobre las guías y detendrá finalmente la cabina.

v1.00, MAY. 06

PÁG.60

CFA_AEEs
CURSO DE FORMACIÓN DE ASCENSORES

TEMA

3. ASCENSOR ELÉCTRICO

Las velocidades del ascensor para las que debe actuar el limitador de
velocidad vienen determinadas por el Reglamento de Ascensores. En otros
reglamentos, como el norteamericano, además se establecen las distancias mínimas y
máximas de parada.
Cuando el contrapeso está también dotado de paracaídas accionado por
limitador de velocidad, debe actuar a velocidad superior a la fijada para la actuación
del paracaídas de la cabina sin que pueda excederla en más del 10 %.
Existen 2 tipos de poleas del limitador de velocidad:
-

Limitador de velocidad oscilante
Limitador de velocidad centrífuga

En el primero de ellos es un gatillo oscilante el que se enclava al acelerarse, y
en el segundo es la acción de la fuerza centrífuga la causante de la operación de
frenada. La única ventaja que tiene uno sobre otro es que el centrífugo es más
silencioso aún a velocidades elevadas, motivo por el que se emplea en mayor medida.

a)

b)

Figura 3.14. a) Limitador de velocidad oscilante: 1) cable, 2) polea, 3-4) rueda cuadrada, 5) gatillo oscilante, 6)
resorte que tira del gatillo, 7) eje de giro del gatillo, 8) conjunto tensor del cable.
b) Limitador de velocidad centrífugo: 1) cable, 2) polea, 3) contrapesos, 4) resortes, 5) topes fijos que detienen los
contrapesos al separarse por la fuerza centrífuga.

Finalmente, sobre el bastidor o chasis del limitador de velocidad debe
colocarse una placa en la que el fabricante indique la velocidad de disparo, el diámetro
del cable y el tipo del mismo.
Además, de acuerdo con la Norma EN 81, todos los limitadores deber ir
equipados con un interruptor que corte el circuito del motor o del freno ligeramente
antes, o como máximo, en el mismo momento de bloqueo
3.3.2. Paracaídas
Los paracaídas de aceleración actúan cuando la cabina adquiere una velocidad
superior a la normal, a partir de un porcentaje establecido, cualquiera que sea la causa
de la aceleración: rotura de cables, del grupo tractor, etc.
Cuando el cable del limitador se detiene a consecuencia del propio
funcionamiento del limitador de velocidad, tira, accionando una timonería que hace
desplazar en dirección vertical unas varillas de actuación.
Se construyen 2 tipos de paracaídas:
-

Paracaídas de acción instantánea. El cable del limitador no hace más que
tirar de la timonería que acciona las zapatas, las cuales presionan y se agarran
cada vez con más fuerzas sobre las guías hasta llegar a producir el

v1.00, MAY. 06

PÁG.61

CFA_AEEs
CURSO DE FORMACIÓN DE ASCENSORES

TEMA

3. ASCENSOR ELÉCTRICO

acuñamiento total del chasis de cabina o contrapeso. Las zapatas más usadas
son las de cuña. Se trata de una forma brusca de parada ya que, tanto el
material como los pasajeros, sufren el efecto del choque cuando las cuñas se
agarran a las guías, por eso su empleo está limitado a ascensores de
velocidades reducidas aún con un dispositivo amortiguador bajo el suelo de la
cabina.
Los paracaídas instantáneos sólo se permiten en ascensores de velocidades
hasta 0.8 m/s y montacargas hasta 1.5 m/s. No obstante, se pueden usar en
ascensores de velocidades hasta 1 m/s siempre que se dote a la cabina de
algún dispositivo amortiguador que evite el golpe seco del frenado. Este
dispositivo suele ser de caucho y se coloca entre el suelo de la cabina y su
chasis.
-

Paracaídas de acción progresiva. Frenan la caída aplicando sobre las
zapatas de freno una fuerza de magnitud controlada. Los más utilizados son
los de husillo, resorte y rodillo. En las nuevas instalaciones se recomienda el
uso de paracaídas progresivos. En MP existe un modelo propio de
acuñamiento en subida y bajada.

Según la Norma EN 81-1 los paracaídas de la cabina deben llevar un
dispositivo eléctrico de seguridad que, al actuar, corten la serie general de la
maniobra, produciendo la parada del grupo tractor antes o, lo más tarde, al mismo
tiempo que se produce el frenado de la cabina sobre las guías.
El paracaídas de rotura o de desequilibrio de cables es un mecanismo que
se instala en el chasis del contrapeso, capaz de detener éste en plena carga en su
descenso en caso de rotura, aflojamiento o desequilibrio de sus cables de suspensión.
Sólo se permiten estos paracaídas cuando el recinto del contrapeso está sobre pasos
de personas y la velocidad del ascensor es inferior a 1.5 m/s.
La Norma EN 81-1 dice que los paracaídas, tanto de cabina como de
contrapeso, después de haber actuado deben desbloquearse solamente desplazando
la cabina o el contrapeso hacia arriba. Después del desbloqueo, la puesta en macha
del ascensor debe requerir la intervención de una persona cualificada.
3.3.3. Amortiguadores
Los ascensores deben estar provistos de amortiguadores para detener la
cabina o el contrapeso en caso necesario. Se sitúan generalmente en el foso al final
del recorrido de la cabina o del contrapeso, aunque también pueden montarse en la
parte inferior del bastidor de éstos. En este caso, según la Norma EN 81-1, deben
golpear en el foso sobre un pedestal de 0.5 m de altura para que quede espacio de
protección en que resguardarse en caso necesario por parte del personal de
conservación que esté eventualmente trabajando en el foso.
Los amortiguadores pueden ser elásticos (de caucho), de resorte (o muelle) o
hidráulicos en lo que a su estructura se refiere. La Norma EN 81-1 distingue 3 clases
de amortiguadores atendiendo a otras prestaciones:
-

Amortiguadores de acumulación de energía (elástico), que no pueden
emplearse más que para ascensores de velocidad nominal no superior a 0.63
m/s.

v1.00, MAY. 06

PÁG.62

CFA_AEEs
CURSO DE FORMACIÓN DE ASCENSORES

TEMA

3. ASCENSOR ELÉCTRICO

-

Amortiguadores de acumulación de energía con amortiguación del
movimiento de retorno (de resorte), para ascensores de velocidad no
superior a 1 m/s.

-

Amortiguadores de disipación de energía (hidráulico), que pueden ser
empleados en ascensores de cualquier velocidad.

Todos estos amortiguadores deben estar equipados con un dispositivo eléctrico
de seguridad que impida el funcionamiento del ascensor mientras no retornen a sus
posiciones normales.
3.3.4. Protección de las máquinas
La Norma EN 81 recomienda que se coloquen protecciones adecuadas en las
piezas giratorias que puedan golpear o arrastrar la ropa del personal encargado de la
conservación y reparación de ascensores.

3.4. PUERTAS DE CABINA Y PUERTAS DE PISO
La Directiva 95/16/CE señala que la cabina de los ascensores deberá estar
completamente cerrada por paredes incluidos el suelo y el techo, con excepción de
orificios de ventilación, y equipadas de puertas. Este hecho llevó a los constructores
de ascensores a la creación de la doble puerta: la de cabina y la de piso.
3.4.1. Puertas de cabina
Constituyen el medio de acceso a la cabina y están ligadas mecánicamente a
ella. En la mayoría de los casos son de funcionamiento automático gobernado por la
maniobra del ascensor. La hoja u hojas de la apertura se deslizan horizontalmente
accionadas por un motor y guiadas en sus extremos superior e inferior. Deben poseer
resistencia mecánica adecuada y mínimas holguras de funcionamiento. La apertura de
la puerta solo es posible en determinadas circunstancias:
- cuando la cabina esté detenida en un rellano.
- cuando la cabina está aproximándose a un rellano con velocidad reducida y
controlada (preapertura de puertas). Muy empleado en aparatos de trafico muy
elevado pues permite agilizar el mismo reduciendo los tiempos.
Todas las puertas de cabina de nueva instalación deben ser automáticas. Este
tipo de puertas está formado de 2 componentes que se verán con más profundidad en
el apartado de Montaje e Instalación:
- El operador

telescópicas

- Las hojas, que pueden ser
centrales
3.4.2. Puertas de piso o rellano
Son los accesos a la cabina desde los rellanos o pisos, estando completamente
ligados al cerramiento del hueco generalmente de obra. Sus características mecánicas
deben ser idénticas a las de cabina. Incorporan un dispositivo electromagnético de
seguridad que imposibilita su apertura en situaciones potencialmente peligrosas.

v1.00, MAY. 06

PÁG.63

CFA_AEEs
CURSO DE FORMACIÓN DE ASCENSORES

TEMA

3. ASCENSOR ELÉCTRICO

El funcionamiento de las puertas de piso está subordinado al de las puertas de
cabina de 2 formas distintas:
-

desactivando el enclavamiento (cerradura) de seguridad y arrastrando las
hojas, caso de las puertas automáticas.

-

desactivando el enclavamiento y permitiendo al usuario abrir manualmente la
puerta, caso de las puertas semiautomáticas (o batientes).
Las puertas de piso pueden ser:
telescópicas
-

Automáticas
(igual que las de
cabina)

centrales
de una hoja

-

Semiautomáticas
o batientes
de dos hojas

La utilización de puertas de piso automáticas permite el uso del ascensor a
personas con discapacidades y mejora la capacidad de tráfico reduciendo el tiempo de
apertura.
3.4.3. Sistema de emergencia (RESCATAMAC)
Se trata de un cuadro opcional para acoplar al cuadro de maniobras en
cualquier modelo de ascensor que, además de abrir las puertas en caso de
emergencia, mueve la cabina en la dirección óptima para la evacuación de pasajeros.
Su versión hidráulica, que se verá en el Tema 4, sólo abre las puertas ya que el
sistema de movimiento de la cabina lo realiza el propio cuadro de maniobra.
3.4.3.1. Descripciones
• Completo para ascensores eléctricos, que permite el accionamiento de todos los
elementos del ascensor en situaciones donde los elementos de control normales dejan
de estar operativos, como consecuencia de la ausencia de fluido en la red eléctrica o
por cualquier otra causa externa.
• Incorpora sistema electrónico de autochequeo permanente con avisador acústico,
que hace que el mismo equipo detecte sus propias anomalías, imposibilitando el
funcionamiento del SISTEMA DE EMERGENCIA cuando fuera necesario (baterías
descargadas, fusibles fundidos, etc.).

v1.00, MAY. 06

PÁG.64

CFA_AEEs
CURSO DE FORMACIÓN DE ASCENSORES

Placa de circuito
impreso (PCB)

TEMA

3. ASCENSOR ELÉCTRICO

magnetotérmico de
protección

transformador

contactotes

canalización
eléctrica

conexionado
para el motor y
entrada de acometida

baterías

v1.00, MAY. 06

PÁG.65

CFA_AEEs
CURSO DE FORMACIÓN DE ASCENSORES

TEMA

3. ASCENSOR ELÉCTRICO

3.4.3.2. Diagrama General (Cuadro)

3.4.3.3. Descripción de Características
• Todas las funcionalidades del SISTEMA DE EMERGENCIA se encuentran en una
sola placa de circuito impreso: PCB RescataMAC 30 totalmente configurable.
• Rescatapersonas aplicable a ascensores eléctricos con las siguientes características:
• Motor de tracción:
380 Vac . . . . . . . . .. . . . . . . . . . 15 CV (como opción bajo pedido hasta 25 CV)
220 Vac . . . . . . . . . . . .. . . . . . . .. 9 CV (como opción bajo pedido hasta 15 CV)

v1.00, MAY. 06

PÁG.66

CFA_AEEs
CURSO DE FORMACIÓN DE ASCENSORES

TEMA

3. ASCENSOR ELÉCTRICO

• Freno y leva ‘estándar’:
220 Vdc, 190 Vdc, 180 Vdc . . . . . . . . . . . . . . . 1.5 A
125 Vdc, 110 Vdc . . . . . . . . . . . . . . . . . . . . . . 2 A
48 Vdc, 60 Vdc . . . . . . . . . . . . . . . . . . . . . . . . 4 A
(Es posible generar otras tensiones para freno y leva ‘bajo demanda’).
• Motor del operador de puerta, Monofásico o Trifásico:
380 Vac . . . . . . . . . . . . . . . . . . . . . . . . . . . . . 0.75 A
220 Vac . . . . . . . . . . . . . . . . . . . . . . . . . . . . . 1.4 A
125 Vac . . . . . . . . . . . . . . . . . . . . . . . . . . . . . 2 A
Es posible accionar el motor del operador de puerta cuando se mueve la cabina
(opcional).
• Todas la salidas de potencia son cortocircuitables con protección electrónica: la
aparición de cualquier cortocircuito no provoca la destrucción de ningún fusible;
electrónicamente se detecta, reintentando la operación y almacenando el error para
posterior visualización.
• Detección de derivaciones a tierra en series de seguridad.
• Salida para dos indicadores luminosos para situar en cabina:
- Fallo en sistema de emergencia.
- Sistema de emergencia en operación.
• Líneas y órganos conmutados por el SISTEMA DE EMERGENCIA:
- acometida general.
- motor de tracción.
- freno.
- leva.
- motor del operador de puerta.
- contactos de series de seguridad
- nivelador ‘contacto a nivel y alimentación’.

3.5. MONTAJE E INSTALACIÓN
A continuación se explicará el proceso de instalación y montaje de los
elementos del ascensor eléctrico detallados en los apartados anteriores. La siguiente
información debe servir de guía ya que, hay que tener en cuenta que, la instalación de
un ESCM no es la misma que en un ECCM. Para más detalle de la instalación de
algunos elementos que nos interesen con más profundidad o no aparezcan en este
documento habrá que revisar los manuales técnicos del modelo y elemento en
concreto.
3.5.1 Montaje de los soportes de guías
Siguiendo las cotas indicadas en el plano de ALZADO iremos colocando los
soportes de guías comenzando por el último piso. Pondremos especial cuidado en
hacer coincidir la marca de color de la pared obtenida en el Replanteo realizado con
anterioridad (ver Tema 2), con la muesca existente en el punto medio del soporte.
Comprobaremos el perfecto nivel del soporte tanto en el plano vertical como en el
horizontal.

v1.00, MAY. 06

PÁG.67

CFA_AEEs
CURSO DE FORMACIÓN DE ASCENSORES

TEMA

3. ASCENSOR ELÉCTRICO

Figura 3.15. Marca colorante horizontal y vertical en la pared del hueco (ESCM).

En los ESCM, para fijar cada soporte a pared, se hace uso en primer lugar del
rasgado horizontal. Una vez prefijado en esa posición, se comprueba el perfecto nivel
de la pieza en el plano vertical y horizontal, y se coloca la fijación del taladro vertical
del extremo (Figura 3.15). Seguiremos con el resto de fijaciones hasta completar los 4
anclajes a pared tal como aparece en la Figura 3.16.
Una vez fijado el soporte a pared y nivelado, montaremos los brazos del
soporte sin apretarlos con el fin de facilitar la posterior colocación de las guías. Este
proceso se repetirá en cada uno de los soportes.

Figura 3.16. Esquema de fijaciones en el soporte.

3.5.2. Montaje de la base de arranque
En la zona de foso y, como paso previo al montaje de las guías de cabina y
contrapeso, llevaremos a cabo la colocación de la base de arranque de guías. La
ubicación de la base se realizará sin fijarla por el momento al suelo a la espera de
concretar las posiciones de las guías con respecto a las plomadas.
La base replanteo sólo se usa en los ESCM, ya que en los ECCM las guías se
posicionan según las cotas de replanteo.
3.5.3. Montaje de las guías de cabina y contrapeso
Corte en las guías de contrapeso
Para que la máquina quede siempre en su posición adecuada, accesible desde
el último rellano con independencia de las medidas de cada hueco, procederemos a
cortar las guías de contrapeso a la longitud específica en el plano de ALZADO. En el
caso en que las medidas reales del hueco fueran distintas a las indicadas en el plano
corregiríamos la longitud cortando la guía.
Montaje de las guías de cabina y contrapeso
En los ascensores ESCM, as guías de contrapeso se montan con todas las
hembras hacia arriba (1) y en las guías de cabina todas las hembras hacia abajo (2).

v1.00, MAY. 06

PÁG.68

CFA_AEEs
CURSO DE FORMACIÓN DE ASCENSORES

TEMA

3. ASCENSOR ELÉCTRICO

Los tramos de guías de diferente longitud se montarán en el orden indicado en el
plano de ALZADO correspondiente.

Figura 3.17. Detalle de instalación de guías (el machihembrado es propio de los ESCM).

Procederemos a una limpieza provisional de las guías con líquido
desengrasante para eliminar totalmente la cera de la parte de deslizamiento. Para
introducir las guías de cabina y contrapeso al hueco, haremos uso de un mosquetón
que se introducirá en uno de los agujeros superiores del empalme de guías.
La unión de guías se realizara mediante una placa de empalme y su tornillería.
En los ESCM, si coincidiera algún empalme de guías con los soportes, éstos se
montarán salvando el empalme y, en caso que coincidiera sólo el soporte tipo 2, éste
se montaría por debajo.
Corte de guías de cabina
El corte se realizara en el último tramo de guías si fuese necesario, tal como se
ha comentado antes.
Con la ayuda de los dos andamios portátiles que MP puede suministrar,
montaremos el resto de tramos de guías. Pondremos especial atención en el montaje
de estos andamios, fijándolos como se muestra en las siguientes fotografías
(IMPORTANTE: Carga máxima por andamio 150 kg).

Figura 3.18. Figuras explicativas del montaje del andamio portátil suministrado.

3.5.4. Montaje del chasis de contrapeso
Para el montaje de los chasis tendremos en cuenta las cotas y medidas que
aparecen en el plano de ALZADO Y PLANTA del pedido realizado para su correcta
ubicación en el hueco.

v1.00, MAY. 06

PÁG.69

CFA_AEEs
CURSO DE FORMACIÓN DE ASCENSORES

TEMA

3. ASCENSOR ELÉCTRICO

El siguiente paso a abordar es el ensamblaje en la obra del montaje del chasis
de contrapeso. Previamente se habrá tenido en cuenta ensamblar al chasis sólo las
deslizaderas de un lado para proceder a introducirlo a una de las guías y una vez
presentado proceder a introducir las deslizaderas por la parte superior, dejándolas
deslizarse por la guía, hasta estar concéntricas con los taladros de ensamblaje al
chasis y proceder a atornillar. Luego se procede a colocar el chasis de contrapeso
entre las guías

Figura 3.19. Introducción del chasis de contrapeso en sus guías (SCM-02).

Figura 3.20. Introducción de las deslizaderas del chasis de contrapeso.

Introducción de pesas en el chasis de contrapeso (I)
Como siguiente paso del montaje, y antes de colocar el ascensor en tiro
(cuando la cabina y el contrapeso están sujetos por medio de los cables de tracción),
llevaremos a cabo desde la zona de foso la introducción en el contrapeso de
aproximadamente la mitad de las pesas.

v1.00, MAY. 06

PÁG.70

CFA_AEEs
CURSO DE FORMACIÓN DE ASCENSORES

TEMA

3. ASCENSOR ELÉCTRICO

Tras ello, procederemos a elevarlo con la ayuda de un tractel hasta la cota
sobre la bancada indicada en el plano de ALZADO. Allí concluiremos esta fase del
montaje amarrando el chasis a la bancada, de forma provisional pero firme.

Figura 3.21. Introducción de pesas en el chasis de contrapeso.

3.5.5. Montaje del chasis de cabina
Para el montaje de los chasis, tendremos en cuenta las cotas y medidas que
aparecen en el plano de ALZADO Y PLANTA del pedido realizado para su correcta
ubicación en el hueco.
Esta fase del montaje se realizará en la zona de foso, donde fijaremos todas
sus piezas utilizando las herramientas apropiadas, prestando una especial atención a
la hora de montar el travesaño superior en función de la altura de la cabina.
Tras su montaje e introducción en las guías de cabina, el chasis deberá
elevarse con la ayuda del tractel hasta la altura indicada en el plano de alzado,
teniendo en cuenta que si esta cota se modifica deberemos hacer lo propio con la
correspondiente en el chasis de contrapeso.

Figura 3.22. Elevación del chasis de cabina a la altura indicada en el plano de ALZADO.

v1.00, MAY. 06

PÁG.71

CFA_AEEs
CURSO DE FORMACIÓN DE ASCENSORES

TEMA

3. ASCENSOR ELÉCTRICO

3.5.6. Montaje de los cables de tracción
Los cables se suministran en rollos o bobinas. Los de pequeño diámetro,
flexibles y de corta longitud, se suministran en rollos, así como los cables fácilmente
manejables. Los cables muy gruesos y los de gran longitud se embalan en carretes.
Existen varias maneras de desenrollar un cable, pero todas ellas deben efectuarse con
ciertas precauciones con el fin de evitar el rizado del cable. El rizado puede provocar
deformaciones puntuales que desequilibran gravemente el cable de una manera
irremediable (Figura 3.23a).
Aunque posteriormente se enderece antes de montar el cable, esos puntos son
de débil resistencia a causa de la deformación y además siempre quedan salientes
que se deterioran prematuramente por abrasión (Figura 3.23b).

a)

b)

Figura 3.23. Deformaciones de cables por su mal desenrollado.

Cuando el cable se suministra enrollado sobre carrete, para desenrollarlo se
coloca el carrete de modo que pueda girar libremente sobre un eje apoyado en dos
soportes. (Figura 3.24a)
Si el cable se encuentra embalado en rollo, éste se deslía haciéndolo rodar
hacia adelante de manera que las vueltas del mismo se deshagan sin distorsión
alguna. (Figura 3.24b)
Si se trata de rollos de mucho peso y volumen, difíciles de manejar a mano, es
preferible colocar el rollo en un soporte en forma de rueda, y sobre este dispositivo se
hace girar el rollo. (Figura 3.24c)

a)

b)

c)

Figura 3.24. Formas de desenrollar los cables.

Si se desenrollan los cables desatendiendo estas recomendaciones como
aparece en la Figura 3.25, se producirán unas torsiones muy intensas en los cables y
pueden aparecer deformaciones permanentes, o como mínimo los cables quedarán
“nerviosos” y reaccionarán irregularmente sobre los dispositivos de apoyo y
accionamiento de la instalación.

v1.00, MAY. 06

PÁG.72

CFA_AEEs
CURSO DE FORMACIÓN DE ASCENSORES

TEMA

3. ASCENSOR ELÉCTRICO

Figura 3.25. Formas inapropiadas y no recomendadas de desenrollar los cables.

En la Figura 3.26 se muestra el amarre de los cables a los tensores. Esta figura
nos sirve tanto para mostrar el amarre de los cables al chasis de cabina como para el
chasis de contrapeso.
En primer lugar se muestra el detalle de como se pasa el cable a través del
tensor.

Figura 3.26. Amarre de los cables a los tensores.

En la siguiente figura se muestra el detalle de sujeción del sujetacables.
Colocaremos dos horquillas sujetacables por cada uno de ellos. Es conveniente una
vez amarrado el cable sujetar el extremo del cable con el mismo (por ejemplo con cinta
aislante). Los amarracables cortos con muelles los colocaremos en el contrapeso, y
los largos sin muelles en el chasis de cabina.

v1.00, MAY. 06

PÁG.73

CFA_AEEs
CURSO DE FORMACIÓN DE ASCENSORES

TEMA

3. ASCENSOR ELÉCTRICO

Figura 3.27. Detalle de sujeción del sujetacables.

Comenzando ya el montaje, nos colocaremos en la zona de huída donde
pasaremos el cable de tracción a través de las gargantas de la polea de máquina.
Tras esta operación llevaremos a cabo desde el último piso el amarre al tiro de
chasis de contrapeso, utilizando los terminales de suspensión del tipo corto dotados de
muelles o elastómeros (respetando siempre las distancias indicadas en el manual del
montaje).
Seguidamente nos trasladaremos a la zona de foso, donde fijaremos los
terminales de suspensión del tipo largo al tiro de chasis de cabina.
Una vez amarrados los cables apretaremos las tuercas y contratuercas,
colocaremos los pasadores de seguridad y sujetaremos los extremos sobrantes con
cinta aislante.
3.5.7. Montaje del limitador de velocidad
En esta fase del montaje instalaremos el limitador de velocidad, lo que nos
permitirá movernos con el ascensor de forma segura. Para la correcta instalación de
los soportes del limitador habrá que ver el plano en PLANTA y ALZADO del pedido
realizado de la instalación donde aparecen las cotas correspondientes para una
perfecta ubicación, tanto de la parte superior como inferior.
En primer lugar, montaremos la parte superior en la huida del hueco, a
continuación ya en la zona de foso fijaremos la parte inferior. Finalmente, fijaremos el
cable del limitador a las poleas (inferior y superior) del limitador y a la biela de la
timonería, que previamente habrá sido correctamente ajustada.

v1.00, MAY. 06

PÁG.74

CFA_AEEs
CURSO DE FORMACIÓN DE ASCENSORES

TEMA

3. ASCENSOR ELÉCTRICO

Figura 3.28. Poleas superior e inferior del limitador de velocidad y detalle de agarre de sus cables
(Modelo E-90 de MP).

3.5.8. Montaje de los amortiguadores de cabina
Llegado el momento de montar en la zona de foso los amortiguadores y sus
pilares de apoyo, los colocaremos siguiendo las indicaciones que a tal efecto se
recojan en el plano en PLANTA de la instalación del pedido realizado y manual de
montaje de componentes de hueco.
Estos elementos de seguridad deberán estar instalados antes de llevar a cabo
ningún accionamiento del ascensor. Dependiendo de la velocidad del ascensor llevará
un modelo de pilar de apoyo puffer, para 1m/s, o un modelo hidráulico para 1.6 m/s.
Para fijar la mocheta al suelo se suministran dos tacos en el cajón de mecánica
junto al resto de tornillería de los componentes de hueco, éstos se fijarán en diagonal.

v1.00, MAY. 06

PÁG.75

CFA_AEEs
CURSO DE FORMACIÓN DE ASCENSORES

TEMA

3. ASCENSOR ELÉCTRICO

Figura 3.29. Amortiguador de cabina.

3.5.9. Montaje de los amortiguadores de contrapeso
El amortiguador de contrapeso va integrado en la base de arranque, fijado con
dos tacos en diagonal o con uno central dependiendo del modelo de amortiguador.
Para el ascensor ESCM habrá que tener atención al replanteo ya que se utilizan unos
taladros u otros dependiendo de la mano que tenga la puerta.
3.5.10. Montaje de las puertas de rellano
Como paso previo se llevará a cabo el montaje del suelo de cabina, siguiendo
las indicaciones recogidas en el manual de instalación del pesacargas, el manual de
montaje de la cabina y las medidas ofrecidas en el plano de la instalación.

Figura 3.30. Montaje del suelo de cabina.

Una vez colocado el suelo de cabina, podremos ya proceder al accionamiento
del ascensor en revisión y de forma segura, prestando siempre atención a que las
personas no utilicen la cuerda de vida en el momento del trayecto, así como a que no
haya ningún obstáculo en el hueco y que todos los accesos a éste se encuentren
debidamente protegidos.
Comenzando el montaje por la puerta del rellano del piso superior,
aprovecharemos para culminar la colocación del frontis y del armario eléctrico.

v1.00, MAY. 06

PÁG.76

CFA_AEEs
CURSO DE FORMACIÓN DE ASCENSORES

TEMA

3. ASCENSOR ELÉCTRICO

Figura 3.31. Instalación de la puerta de rellano (o de piso) en la planta superior.

Seguidamente continuaremos en sentido descendente con los demás pisos,
evitando así cualquier interferencia con las puertas ya montadas. A lo largo del
montaje pondremos especial cuidado en seguir las indicaciones del manual de
montaje de puertas de rellano, así como en comprobar que cada puerta instalada
queda bien nivelada y bloqueada con su correspondiente cerradura.

Figura 3.32. Comprobación de puertas niveladas vertical y horizontalmente.

3.5.10.1. Puertas Automáticas
Paso 1. Se fijan las escuadras del marco al muro, marcando las posiciones para
taladrar. A continuación se colocarán los tacos y las escuadras en la posición
deseada.

v1.00, MAY. 06

PÁG.77

CFA_AEEs
CURSO DE FORMACIÓN DE ASCENSORES

TEMA

3. ASCENSOR ELÉCTRICO

Paso 2. Comprobaremos el nivel entre escuadras así como su correcta posición y se
procederá al apriete de la tornillería (en caso necesario las escuadras se pueden
regular). Repetiremos la operación para la instalación de las escuadras en la parte
superior de la puerta. En este caso debemos dejar la tornillería sin apretar hasta haber
presentado el marco, así podremos introducir la tornillería de amarre de la puerta a las
escuadras sin ningún tipo de problema.

v1.00, MAY. 06

PÁG.78

CFA_AEEs
CURSO DE FORMACIÓN DE ASCENSORES

TEMA

3. ASCENSOR ELÉCTRICO

Paso 3. Antes de proceder al apriete total de la tornillería de unión de las escuadras a
los marcos deberemos asegurarnos de la correcta alineación de todos los marcos,
para ello podemos utilizar una plomada tomando como referencia los tacos verdes de
alineación situados en el tope del carro de mecanismo.

v1.00, MAY. 06

PÁG.79

CFA_AEEs
CURSO DE FORMACIÓN DE ASCENSORES

TEMA

3. ASCENSOR ELÉCTRICO

Paso 4. A continuación se amarra el marco sobre las escuadras inferiores, para
después amarrar el marco en las escuadras superiores.

v1.00, MAY. 06

PÁG.80

CFA_AEEs
CURSO DE FORMACIÓN DE ASCENSORES

TEMA

3. ASCENSOR ELÉCTRICO

Paso 5. Una vez instalado el marco en el hueco podemos proceder al montaje de las
hojas.

v1.00, MAY. 06

PÁG.81

CFA_AEEs
CURSO DE FORMACIÓN DE ASCENSORES

TEMA

3. ASCENSOR ELÉCTRICO

Paso 5.1. REGULACION HORIZONTAL. Desplazando el tornillo de fijación de la hoja
a lo largo del agujero rasgado del carro, variaremos la posición horizontal de las hojas.

Paso 5.2. REGULACION DE ALTURA Y HOLGURA ENTRE HOJAS. Variando la
posición de las tuercas de sujeción de la hoja lograremos posicionarlo en altura.
Comprobar que existan 5 mm de holgura entre la pisadera y las hojas. Además
comprobaremos que ambas hojas queden paralelas al marco de puerta, y entre sí,
manteniendo una holgura máxima de 5 mm.

Paso 5.3. REGULACION DE HOLGURA ENTRE HOJAS. Girando el soporte
deslizadera por el hexágono de la excéntrica, ajustaremos las holguras entre las hojas.

v1.00, MAY. 06

PÁG.82

CFA_AEEs
CURSO DE FORMACIÓN DE ASCENSORES

TEMA

3. ASCENSOR ELÉCTRICO

Paso 6. En la siguiente figura se detalla la instalación del muelle de emergencia. Para
ello deberemos colocar el gancho fijación en el soporte pisadera.

v1.00, MAY. 06

PÁG.83

CFA_AEEs
CURSO DE FORMACIÓN DE ASCENSORES

TEMA

3. ASCENSOR ELÉCTRICO

3.5.10.2. Puertas Semiautomáticas
A continuación se muestra en la figura un ejemplo de una puerta
semiautomática lisa con mirilla.

v1.00, MAY. 06

PÁG.84

CFA_AEEs
CURSO DE FORMACIÓN DE ASCENSORES

TEMA

3. ASCENSOR ELÉCTRICO

3.5.11. Montaje de la cabina
El montaje de la cabina del ascensor sobre el chasis de cabina se llevará a
cabo desde la planta inferior, a partir de las indicaciones del correspondiente manual.
Como elemento diferenciador de los ascensores SCM hay que resaltar que el techo de
cabina hará las veces de cuarto de máquinas, lo que conlleva a la existencia de una
barandilla de protección que delimitará la zona segura de trabajo.

Figura 3.33. Techo de cabina del SCM-02.

Puede darse el caso de que sea necesario optar por una posición alternativa
del anclaje de la barandilla cuando observemos que se produce interferencia con el
cerrojo de enclavamiento.

Figura 3.34. Posibilidad de montaje en función del cerrojo de enclavamiento.

Introducción de pesas en el chasis de contrapeso (II)
Terminado el proceso de montaje de la cabina moveremos el ascensor hasta
que el contrapeso quede en la zona de foso, para una vez allí introducir en él las
pesas restantes.

v1.00, MAY. 06

PÁG.85

CFA_AEEs
CURSO DE FORMACIÓN DE ASCENSORES

TEMA

3. ASCENSOR ELÉCTRICO

Tras ello, colocaremos como elementos de seguridad, el sistema antisalida de
pesas y la pantalla de protección en foso. Con este paso se concluye el montaje de
la parte mecánica del ascensor.

Figura 3.35. Chasis de contrapeso con todas sus pesas y su correspondiente pantalla de protección.

3.5.12. Instalación Eléctrica Premontada de hueco y cabina
Procederemos en este paso a la instalación eléctrica del ascensor conectando
todos sus componentes. Para esta fase del montaje deberemos seguir las indicaciones
recogidas en el manual de Instalación Eléctrica Premontada así como en los manuales
de todos aquellos componentes afectados (ver Tema de Maniobras).
3.5.13. Montaje del conjunto de operador en puertas de cabina
Este componente será el encargado de la adecuada apertura y cierre de las
hojas telescópicas que conforman las puertas. A continuación se detallan brevemente
los pasos a seguir en el proceso de montaje de las puertas de cabina:

Figura 3.36. Conjunto del operador de puerta de cabina automático (Modelo Reveco II de MP).

v1.00, MAY. 06

PÁG.86

CFA_AEEs
CURSO DE FORMACIÓN DE ASCENSORES

TEMA

3. ASCENSOR ELÉCTRICO

Paso 1. Fijación del operador de la cabina.

Paso 2. Fijación de la pisadera a la cabina.

Paso 3. Fijación de las hojas del operador.

v1.00, MAY. 06

PÁG.87

CFA_AEEs
CURSO DE FORMACIÓN DE ASCENSORES

TEMA

3. ASCENSOR ELÉCTRICO

Paso 4. Colocación de deslizaderas.

Paso 5. Regulación del contacto eléctrico de presencia de hoja de cabina (Serie de
seguridad de puertas).

Paso 6. Fijación de espadín al carro.

v1.00, MAY. 06

PÁG.88

CFA_AEEs
CURSO DE FORMACIÓN DE ASCENSORES

TEMA

3. ASCENSOR ELÉCTRICO

Paso 7. Posicionado de las ruedas de arrastre de la puerta de piso.

Paso 8. Montaje del mecanismo de apertura de puerta semiautomática. Puede haber 2
mecanismos: resbalón o electroleva.
- Montaje del resbalón

- Montaje de la electroleva

v1.00, MAY. 06

PÁG.89

CFA_AEEs
CURSO DE FORMACIÓN DE ASCENSORES

TEMA 4. ASCENSOR HIDRÁULICO

Tema 4

ASCENSOR HIDRÁULICO

En este tema se va a explicar en profundidad los elementos que se pueden
encontrar en un ascensor hidráulico, para más tarde determinar cómo se realiza el
montaje del mismo y definir su instalación completa.
Los componentes principales son los siguientes:

- equipo hidráulico impulsor

central hidráulica
grupo cilindro-pistón
canalizaciones

- instalación eléctrica
- dispositivo de guiado del pistón
- guías
- sistemas de protección contra movimientos incontrolados
- cabina
- puertas de cabina y de piso
- cables de suspensión (en caso de accionamiento indirecto, también llamado
de suspensión 2:1)
- amortiguadores de foso
A continuación sólo se analizan aquéllos componentes específicos de este tipo
de ascensores, ya que el resto son completamente análogos a los de los ascensores E
vistos en el Tema anterior.

v1.00, MAY. 06

PÁG.90

CFA_AHEs
CURSO DE FORMACIÓN DE ASCENSORES

TEMA 4. ASCENSOR HIDRÁULICO

4.1. EQUIPO HIDRÁULICO IMPULSOR

Figura 4.1. Esquema del grupo impulso de un ascensor hidráulico.

4.1.1. Central hidráulica
Los ascensores hidráulicos, pioneros del transporte vertical, se usan
principalmente como:
-

ascensores de viviendas de baja altura (limitación de 8 plantas)
montacargas y montacoches

Un ascensor hidráulico tiene como componente principal la denominada central
hidráulica, cuyo objetivo es generar la presión adecuada en el aceite hidráulico para
elevar el pistón del cilindro.
La central está compuesta por un motor eléctrico que acciona una bomba, la
cual impulsa el aceite a presión a través de las válvulas de maniobra y seguridad por
una tubería hasta un cilindro, cuyo pistón sostiene y empuja la cabina (o en el caso de
los indirectos la polea a la que va sujeta ésta). Se puede observar que la misión de la
central es equivalente a la que hacía el grupo tractor de los E, y el cilindro trasmite la
potencia del motor en la de nominada potencia de elevación, que define la velocidad a
la que se eleva la carga.
Los ascensores H se fueron incorporando de una forma creciente y sus más
recientes innovaciones se centran en el bloque de válvulas que se explicará a
continuación.
El aceite utilizado como fluido para transmitir el movimiento funciona en circuito
cerrado, siendo necesario completar la instalación con un depósito de aceite. Por
tanto, la central hidráulica puede considerarse formada por 4 elementos principales:
-

v1.00, MAY. 06

Motor
Bomba
Bloque de válvulas
Depósito o tanque de aceite

PÁG.91

CFA_AHEs
CURSO DE FORMACIÓN DE ASCENSORES

TEMA 4. ASCENSOR HIDRÁULICO

Figura 4.2. Componentes de una central hidráulica.

4.1.1.1. Motor
Los motores son asíncronos con arranque en cortocircuito para bajas
potencias, pero los motores de potencia elevada a unos 15 CV deberán estar
equipados por lo menos con arrancadores estrella-triángulo de funcionamiento
automático. En principio, los ascensores de viviendas de bajas prestaciones no
requerirán este tipo de arrancador ya que suelen necesitar potencias bajas, siendo
suficiente el arranque en cortocircuito. Para montacargas y montacoches, donde la
carga útil suele ser elevada, se requerirá el arrancador estrella-triángulo.
Normalmente, tanto los arranques en cortocircuito como los arrancadores
estrella-triángulo, generan intensidades en el arranque del orden de tres veces la
nominal. Con este nuevo sistema de control la intensidad en el arranque se duplica
respecto a la nominal, consiguiéndose las siguientes ventajas:
- protección del motor contra los picos de intensidad (mayor vida de la
instalación).
- reducción de la potencia requerida para la instalación.
4.1.1.2. Bomba
Las bombas utilizadas en los grupos impulsores de los ascensores H son de
husillos múltiples.
El accionamiento de la bomba por el motor eléctrico se realiza directamente
formando un sólo cuerpo. La bomba y el motor están prácticamente siempre
sumergidos en el aceite.
- Presión de trabajo
Las presiones de trabajo dependen de la carga nominal del ascensor y del
diámetro del pistón. Suelen ser necesarios diámetros elevados de pistón para
recorridos grandes con objeto de aumentar la resistencia al pandeo. Por otra parte, la
superficie del pistón es proporcional al cuadrado del diámetro. Parece que todo es
favorable a los diámetros grandes, excepto el coste, por eso se utilizan los pistones de
menor diámetro posible aunque se tenga que aumentar la presión. Generalmente se
usan presiones entre 25 y 40 kg/cm2.

v1.00, MAY. 06

PÁG.92

CFA_AHEs
CURSO DE FORMACIÓN DE ASCENSORES

TEMA 4. ASCENSOR HIDRÁULICO

Los ascensores H deberán llevar una válvula de seguridad que asegure una
limitación de la presión y un manómetro para la lectura de las presiones de trabajo.
Además, todo el circuito hidráulico deberá someterse a una presión de prueba igual al
200 % de la nominal.
4.1.1.3. Bloque de válvulas
El bloque de válvulas, que generalmente se instala sobre el depósito de aceite
del grupo impulsor, está compuesto por las válvulas de maniobra del circuito hidráulico
del ascensor. Algunas son de accionamiento electromagnético comandas por la
maniobra eléctrica del ascensor.
Recientemente se están incorporando sistemas electrónicos basados en un
microprocesador en el que se memorizan las aceleraciones y deceleraciones a aplicar
en función de la carga del ascensor y de la temperatura de la instalación. Sus ventajas
son:
- mayor confort
- tiempo de recorrido constante e independiente del tráfico vertical
- recorrido constante durante la nivelación
- en casos normales, se pueden conseguir hasta 60 arranques/hora sin
necesidad de recurrir a refrigerador
- la velocidad nominal puede alcanzar 1 m/s
Finalmente, se están implementando nuevos sistemas con la válvula de cierre
duplicada para efectuar la parada del ascensor. Este doble cierre, ya reglamentario en
otros países como Australia, aumenta el nivel de seguridad y dota a cada operación de
un doble control.

Figura 4.3. Bloque de válvulas de una central hidráulica.

v1.00, MAY. 06

PÁG.93

CFA_AHEs
CURSO DE FORMACIÓN DE ASCENSORES

TEMA 4. ASCENSOR HIDRÁULICO

4.1.1.4. Depósito de aceite
En la Norma EN 81 se afirma que el depósito de aceite deberá ser de
capacidad suficiente para permitir el funcionamiento del ascensor en circuito cerrado.
El depósito suele ser de chapa de acero con un tapón de carga en su tapa y otro para
descarga en la parte inferior de un costado. Conviene, además, equipar el depósito
con un nivel de cristal o una varilla para revisar el nivel de aceite existente.
4.1.2. Pistón hidráulico
El cilindro y su pistón constituyen el accionamiento mecánico del ascensor H.
ya se han comentado los 2 tipos de accionamiento, directo e indirecto, y los dos tiros
directos existentes: central y lateral.
El cilindro es un tubo de acero que se instala siempre verticalmente, cuyo
extremo inferior está cerrado estando abierto el superior. Se compone de los
siguientes elementos:
1) Una cabeza soldada en su extremo superior que contiene las guarniciones, y
que ajusta con el pistón que se mueve deslizándose por el interior del cilindro.
2) Un racor al que se fija la válvula paracaídas.
3) Unos anclajes para fijar el cilindro al hueco.
Si el cilindro es muy largo, se suelen fabricar dos o más secciones que se
acoplan entre sí en la obra. El pistón está formado por un tubo de acero estirado en
frío, mecanizado, rectificado, pulido y bruñido a 2 micras, y lleva un aro roscado en su
extremo inferior para evitar su eventual salida del cilindro. Este aro puede actuar como
un fin de carrera amortiguador si dispone de un alojamiento en el extremo superior del
cilindro en el que pueda encajar el émbolo, amortiguando su recorrido final el mismo
aceite comprimido por el aro en el citado alojamiento.
Si el pistón es muy largo, se fabrica de forma similar al cilindro en dos o más
secciones que se unen mediante rosca en la obra. Si el ascensor es de acción directa,
la parte superior del émbolo empuja el chasis de la cabina a través de un acoplamiento
con una rótula esférica que absorbe las variaciones del nivel del suelo de la cabina sin
transmitirlas al pistón. A veces, la placa de la rótula se fija al chasis por medio de tacos
elásticos para evitar la transmisión de vibraciones.
Otro elemento que nos encontramos en los ascensores H es la mocheta, que
se trata del pilar de hierro sobre el que se apoya el pistón.
Pistón enterrado
En este tipo de pistón, tanto él como su cilindro se entierran bajo suelo, (ver
Figura 4.4.c) de forma que empujan la cabina directamente desde la parte inferior de
ésta (es lo que hemos denominado tiro directo).
Su mayor aplicación es en los ascensores panorámicos, en los que el cliente
tiene una cabina con paños de cristal y no quiere que se vea el chasis por uno de
ellos. Cuando el chasis es pórtico, por razones estéticas, también el pistón es
enterrado.

v1.00, MAY. 06

PÁG.94

CFA_AHEs
CURSO DE FORMACIÓN DE ASCENSORES

a)

TEMA 4. ASCENSOR HIDRÁULICO

b)

c)

Figura 4.4. Detalle del pistón hidráulico: a)b) con cabezal y apoyado sobre una mocheta, c) enterrado.

Pistones telescópicos
Los pistones telescópicos con dos o más secciones tienen la ventaja de
duplicar o triplicar el recorrido y la velocidad del ascensor para una misma longitud del
cilindro, pero tiene el inconveniente de un mayor coste de construcción.
Para obtener una velocidad uniforme con émbolos telescópicos se deben
dimensionar correctamente de manera que las secciones anulares que haya entre dos
elementos sean iguales.
4.1.3. Canalizaciones
Las canalizaciones son las tuberías rígidas o flexibles que comunican la central
hidráulica con el cilindro, intentando mantener la menor pérdida posible de presión. Se
aconseja que no haya más de 10 m entre la central y el pistón.

4.2. ASPECTOS ESPECÍFICOS DE UN ASCENSOR HIDRÁULICO
A parte del grupo impulsor, como gran novedad en un ascensor H respecto a
uno E, existen otra serie de elementos que son específicos de este tipo de ascensores
o que cambian sustancialmente respecto a lo visto en el Tema anterior. Aquellos
elementos que no se comenten a continuación (cabinas, cables, puertas…) se
entienden de iguales o similares características que las explicaciones dadas en el
ascensor E.
4.2.1. Sistema de guiado del pistón
Consiste en un sistema de brazos, situado en el extremo superior del pistón,
que permite el prefecto desplazamiento vertical del pistón. Los brazos se conectan a la
guías del ascensor mediante dispositivos adecuados de deslizamientos (similares a los
de la cabina).
4.2.2. Guías
Como ya se ha dicho varias veces, en los ascensores H el tipo de guía es
apoyada ya que, al no haber cuarto de máquinas en la parte superior, no se pueden
suspender del techo del hueco como pasaba en los ascensores E.

v1.00, MAY. 06

PÁG.95

CFA_AHEs
CURSO DE FORMACIÓN DE ASCENSORES

TEMA 4. ASCENSOR HIDRÁULICO

4.2.3. Sistemas de protección contra movimientos incontrolados de la cabina
Las situaciones de movimiento incontrolado de cabina que pueden darse en un
ascensor H son las siguientes:
-

velocidad excesiva de descenso
caída libre
desnivelación

Y como métodos o herramientas para paliar las anteriores situaciones de riesgo
se utilizan los siguientes dispositivos de seguridad:
4.2.3.1. Válvula paracaídas
Es un dispositivo hidráulico de seguridad conectado solidariamente al cilindro
entre la canalización hidráulica de alimentación y éste, que impide la caída libre o
embalamiento descendente de la cabina cuando se produce un fallo catastrófico
(rápida pérdida de presión) en el circuito hidráulico.
La válvula paracaídas debe ser regulada por el fabricante para parar y
mantener parada la cabina en las peores condiciones de carga sin que se superen los
valores de deceleración establecidos.

Figura 4.5. Válvula paracaídas.

4.2.3.2. Paracaídas
Es un mecanismo completamente análogo al que incorporan los ascensores E
pero que sólo actúa en sentido descendente de la cabina.
El paracaídas de los ascensores H se activa generalmente por un mecanismo
de palancas que entra en funcionamiento cuando se produce la rotura o aflojamiento
de uno o más cables de suspensión. También puede ser activado por un limitador de
velocidad.
4.2.3.3. Sistema de renivelación
Constituye una prestación adicional de la maniobra eléctrica implementada
para compensar los desplazamientos indeseables de la cabina por variaciones de
presión del aceite hidráulico. Realiza las siguientes funciones:

v1.00, MAY. 06

PÁG.96

CFA_AHEs
CURSO DE FORMACIÓN DE ASCENSORES

TEMA 4. ASCENSOR HIDRÁULICO

-

Renivelación con puerta abierta, es decir, generación de presión en el
pistón para garantizar la posición estable de la cabina durante las
operaciones de carga y descarga de la misma (variación de carga).

-

Envío de la cabina al rellano más bajo si el ascensor permanece parado en
planta por más tiempo del establecido en la maniobra.

4.2.4. Sistemas de rescate
Es un sistema no mecánico, a diferencia de los ascensores E, compuesto por:
-

Válvula de emergencia: válvula situada en la central que se abre cuando
detecta que no hay corriente liberando así el aceite, y dejando la cabina en la
planta inferior más cercana. Para su funcionamiento hace falta una pequeña
batería.

-

Sistema de emergencia de apertura de puertas: en MP es el RESCATAMACH, y complementa al sistema de válvulas.

4.3. MONTAJE E INSTALACIÓN
4.3.1. Instalación de chasis de cabina hidráulico
A continuación se detalla el montaje de un chasis mochila, pero nos
podríamos encontrar también en los ascensores H con chasis pórticos (se suelen
usar en ascensores de acción directa). Basándonos en el esquema general de este
primer tipo de chasis, podemos identificar claramente sus distintos elementos.

v1.00, MAY. 06

PÁG.97

CFA_AHEs
CURSO DE FORMACIÓN DE ASCENSORES

TEMA 4. ASCENSOR HIDRÁULICO

Paso 1. Colocación de los terminales de cable en el chasis hidráulico.

Paso 2. Instalación del conjunto base de replanteo.

v1.00, MAY. 06

PÁG.98

CFA_AHEs
CURSO DE FORMACIÓN DE ASCENSORES

TEMA 4. ASCENSOR HIDRÁULICO

Paso 3. Instalación del cabezal hidráulico (en caso de tiro indirecto lleva una polea).

v1.00, MAY. 06

PÁG.99

CFA_AHEs
CURSO DE FORMACIÓN DE ASCENSORES

TEMA 4. ASCENSOR HIDRÁULICO

Paso 4. Montaje del chasis a las guías: primero deslizar el chasis sobre los dos
primeros tramos de guía y luego montar los tramos restantes de guía.

En el caso de llevar rodaderas la regulación se realiza de la siguiente forma:

v1.00, MAY. 06

PÁG.100

CFA_AHEs
CURSO DE FORMACIÓN DE ASCENSORES

TEMA 4. ASCENSOR HIDRÁULICO

Paso 5. Instalación de paracaídas. En las siguientes figuras se muestra un esquema
de la actuación del paracaídas.
-

Dispositivo en funcionamiento normal

-

Dispositivo actuado por aflojamiento o rotura de cables

v1.00, MAY. 06

PÁG.101

CFA_AHEs
CURSO DE FORMACIÓN DE ASCENSORES

TEMA 4. ASCENSOR HIDRÁULICO

Paso 6. Fijación de cabina a chasis.

4.3.2. Instalación del pistón
Para mayor claridad definimos el significado de las siguientes palabras:
- Camisa o Cilindro: parte externa que se fija a la base y al muro mediante
abarcones.
- Émbolo: parte móvil que desliza por el interior del cilindro y eleva al ascensor.
- Pistón: conjunto de la parte móvil y fija.
A continuación se detallan las operaciones a realizar para el montaje del pistón:
Paso 1. Desembalar y preparar las dos partes del pistón. Quitar los protectores de
goma de los tramos del émbolo.
Paso 2. Ayudado con un tractel levantar el tramo inferior del pistón y emplazarlo lo
más vertical posible en el hueco del ascensor. Asegurar que esté instalado y sujeto a
la pared para que no se mueva mediante abrazaderas.

v1.00, MAY. 06

PÁG.102

CFA_AHEs
CURSO DE FORMACIÓN DE ASCENSORES

TEMA 4. ASCENSOR HIDRÁULICO

Paso 3. Suspender el tramo superior del pistón a su posición con la ayuda del tractel.
Asegurarse de que está alineada con la parte inferior del pistón.
Paso 4. Limpiar las roscas usando un disolvente adecuado. Comprobar que no hay
arañazos. Cubrir las roscas con “locktite”. Atornillar las partes del émbolo usando llave
de cadena rápidamente hasta la línea de pintura antes de que se sequen.
Paso 5. Repetir el mismo procedimiento para los cilindros. Cuando las dos piezas
estén atornilladas juntas, asegurarse que el conjunto esta limpio. Si es necesario,
alinear las zonas desiguales con papel de lija montado en trozo de madera.
Paso 6. Instalar la cabeza del cilindro.
Paso 7. Montar abrazaderas del tramo superior y aplomar el pistón.
Paso 8.Esperar 24 horas antes de llenar el cilindro con aceite.
NOTA: Asegurarse que las juntas y retenes están en posición correcta y no han sido
quitados de sus alojamientos.
4.3.3. Instalación de la central hidráulica.
Situaremos la central hidráulica en su posición definitiva dentro del cuarto de
máquinas o en el recinto destinado para ello. Comprobaremos que se encuentra a
nivel.

v1.00, MAY. 06

PÁG.103

CFA_AHEs
CURSO DE FORMACIÓN DE ASCENSORES

TEMA 4. ASCENSOR HIDRÁULICO

Paso 1. Pasaremos la manguera del cuarto de máquinas al hueco.

Paso 2. Procederemos al llenado de aceite de la central. Para ello quitaremos la tapa
del depósito y comprobaremos que no existen rastros de humedad. Si hay humedad
debemos secarlo antes de verter el aceite en su interior. Si la temperatura del cuarto
de máquina es muy fría o muy húmeda, es necesario calentar el aceite con una
resistencia.

Paso 3. Una vez cerrada la central montaremos la palanca de la bomba de mano.
Paso 4. Realizar las conexiones eléctricas del motor de la central.

v1.00, MAY. 06

PÁG.104

CFA_AHEs
CURSO DE FORMACIÓN DE ASCENSORES

TEMA 4. ASCENSOR HIDRÁULICO

Paso 5. Conectar la manguera al pistón.
Paso 6. En caso de unión con tuberías rígidas, debemos asegurarnos, mediante una
escuadra, que la superficie en la que termina el tubo se encuentra perfectamente
perpendicular al eje del tubo mismo. En caso contrario, quitaremos un tramo de tubo
de modo que el corte sea exactamente transversal (perpendicular al eje del tubo).
Limpiaremos las posibles rebabas internas y externas.
Paso 7. Por último, habrá que regular el grupo de válvulas de la central hidráulica.

v1.00, MAY. 06

PÁG.105

CFA_AHEs
CURSO DE FORMACIÓN DE ASCENSORES

TEMA 4. ASCENSOR HIDRÁULICO

4.3.4. Instalación del limitador de velocidad
Antes de presentar la figura explicativa que detalla todas las partes a instalar,
se incluye una composición descriptiva de como queda instalado el limitador,
diferenciando 3 partes.
- La parte superior “limitador de velocidad” (situada en el ejemplo sobre la losa del
cuarto de maquinas).
- El sistema de amarre del cable para el accionamiento de los paracaídas (situado en
el chasis).
- La parte inferior “conjunto polea tensora” (situada cerca del nivel del suelo de foso).

v1.00, MAY. 06

PÁG.106

CFA_AHEs
CURSO DE FORMACIÓN DE ASCENSORES

TEMA 4. ASCENSOR HIDRÁULICO

4.4. COMPONENTES DE LOS KIT’S HIDRÁULICOS DE MP

v1.00, MAY. 06

PÁG.107

CFA_AHEs
CURSO DE FORMACIÓN DE ASCENSORES

TEMA 5. MANIOBRAS

Tema 5

MANIOBRAS

Muchas son las soluciones proyectadas para el sistema de control y gobierno
de los ascensores, así como de los dispositivos de señalización óptica o acústica que
sirven de orientación a los usuarios.
Una maniobra es el proceso automático que permite a un pasajero embarcado
en la cabina, pulsar un instante el botón del piso al que desea ir y conseguir que se
cierren las puertas, se ponga en marcha suavemente la cabina, se detenga al nivel
exacto del piso de su destino, y se abran las puertas el tiempo prudencial para que
pueda salir cómodamente y sin peligro de que se ponga en marcha mientras está
saliendo por cualquier otra llamada de otro pasajero

5.1. TIPOS DE MANIOBRAS
Vamos hacer distinciones de funcionamiento del ascensor dependiendo del tipo
de maniobra:

v1.00, MAY. 06

PÁG.108

CFA_MEs
CURSO DE FORMACIÓN DE ASCENSORES

TEMA 5. MANIOBRAS

5.1.1. Maniobra Automática Simplex o Universal
En el momento que las puertas de cabina se cierran, el pasajero de cabina
dispone de una preferencia de 3 segundos frente a los pasajeros de rellano para
ordenar la marcha de la cabina.
Funcionamiento de la maniobra en subida: una vez pulsado el nivel deseado la
cabina irá directamente al nivel elegido. Si son varios los pasajeros, debe pulsar
primero el del piso más bajo. Una vez alcanzado el nivel deseado y desembarcado el
pasajero, se cerrarán las puertas y entonces se procederá a pulsar el nivel del piso
siguiente y así sucesivamente.
Funcionamiento de la maniobra en bajada: los pasajeros de los pisos llamarán
a la cabina pulsando el pulsador de llamada siempre que no esté encendida la señal
de ocupado, pues en caso contrario no quedará registrada la llamada, ni será
atendida. Una vez la cabina se encuentre en el piso, se advierte su presencia a través
de la mirilla de la puerta o por señal luminosa y se podrá abrir las puertas de piso y
cabina. En los segundos de preferencia que dispone sobre cualquier otro pasajero de
piso puede ordenar la marcha de la cabina, como hemos visto antes, sin temor a
ninguna interferencia.

Figura 5.1. Esquema de maniobra simplex o universal.

v1.00, MAY. 06

PÁG.109

CFA_MEs
CURSO DE FORMACIÓN DE ASCENSORES

TEMA 5. MANIOBRAS

5.1.2. Maniobra Simplex colectiva selectiva en Bajada
Los ascensores provistos de esta maniobra disponen de una memoria que va
registrando las órdenes de subida y bajada de los pasajeros de la cabina. En cambio,
sólo registra en esa memoria las órdenes de bajada de los pasajeros que esperan en
los pisos, pero no las de subida.
Funcionamiento de la maniobra en subida: los mandos de cabina tienen
también una preferencia de 3 segundos sobre los de pisos a partir del momento en
que el ascensor está en posición de marcha (puertas cerradas). También tienen
preferencia a partir de la entrada en la cabina de cada pasajero en los ascensores de
puertas automáticas con célula fotoeléctrica en el umbral de la puerta. A medida que
entran los pasajeros en la cabina van pulsando los pulsadores correspondientes a los
niveles que les interesan. Una vez embarcado el último pasajero se pone en marcha la
cabina automáticamente y va parando en los pisos solicitados, poniéndose otra vez en
marcha una vez salido el último pasajero con destino a ese piso y cerradas las
puertas. Durante la subida no atiende ninguna llamada de piso, salvo la del piso más
alto, siempre que esté por encima del más elevado registrado por los pasajeros de la
cabina para subir. Una vez en este piso, embarca el pasajero, y como siempre, éstos
tienen 3 segundos de preferencia una vez cerradas las puertas sobre todas las
llamadas de pisos para decidir el sentido de la marcha. Si pulsan un botón para subir
más alto, el ascensor ascenderá aunque hubiese registradas llamadas de bajada.
Funcionamiento de la maniobra de bajada: los pasajeros ordenarán la bajada y
el ascensor descenderá deteniéndose automáticamente en todos los pisos en los que
hubiera registradas llamadas para bajar.

Figura 5.2. Esquema de maniobra simplex colectiva selectiva en bajada.

v1.00, MAY. 06

PÁG.110

CFA_MEs
CURSO DE FORMACIÓN DE ASCENSORES

TEMA 5. MANIOBRAS

5.1.3. Maniobra Simplex colectiva selectiva en Subida y Bajada
Con la maniobra simple colectiva en subida y bajada, la cabina no sólo se
detiene y recoge pasajeros de pisos en el descenso como hace la maniobra anterior,
sino también en la de subida.
Funcionamiento de la maniobra en subida: a medida que los pasajeros entran
en cabina irán pulsando los botones correspondientes a los niveles deseados, las
órdenes quedarán registradas en la memoria. Una vez entrado el último y cerradas las
puertas, la cabina se pone en marcha y va parando sucesivamente en los niveles
solicitados por los pasajeros de la cabina, y además en los niveles en los que los
pasajeros de pisos hayan pulsado el botón de llamada para subir. No responderá a las
llamadas de pisos para bajar aunque los registre la memoria. Atenderá, sin embargo,
la llamada para bajar del piso más elevado por encima del último al que haya sido
llamado para subir.
Funcionamiento de la maniobra en bajada: la cabina va recogiendo a todos los
pasajeros de todos los niveles que hayan pulsado el pulsador de bajada. A medida
que los pasajeros entran, pulsan el botón correspondiente al nivel que les interesa
para registrarlo en la memoria y, siempre bajando, la cabina se irá deteniendo en
todos los niveles ordenados por los pasajeros de la cabina y de los pisos hasta llegar a
la planta baja.

Figura 5.3. Esquema de maniobra simplex colectiva selectiva en los dos sentidos.

v1.00, MAY. 06

PÁG.111

CFA_MEs
CURSO DE FORMACIÓN DE ASCENSORES

TEMA 5. MANIOBRAS

5.1.4. Maniobra Dúplex
La maniobra dúplex es una maniobra única para dos ascensores. En esta
maniobra hay una sóla botonera en cada piso y sólo se puede llamar a un ascensor.
Siempre acudirá la cabina que esté libre.
El funcionamiento de los mandos de las cabinas es exactamente igual al de los
ascensores con maniobra automática simple. Los pasajeros ordenarán sus llamadas
pulsando primero el botón del nivel más bajo. Una vez llegado a él y desembarcado el
pasajero, se pulsará el botón del nivel siguiente y así sucesivamente se van pulsando
los pulsadores de los pisos a los que deseen ir los pasajeros embarcados, y en orden
del más bajo al más alto. Los pasajeros de los pisos pulsarán el botón de llamada sólo
cuando esté apagada la señal roja de ocupado, acudiendo la cabina del ascensor que
esté libre. Si están los dos libres acudirá la cabina del ascensor que esté más cercano.
Si sólo había un ascensor libre después de pulsar el botón de llamada, se encenderá
éste para indicar que ha quedado registrada la llamada, y además se iluminará la
señal roja de ocupado. Si estaban las dos cabinas libres se encenderá el pulsador
blanco de llamada pero no la señal de ocupado, puesto que queda un ascensor
disponible.

Figura 5.4. Esquema de maniobra dúplex.

v1.00, MAY. 06

PÁG.112

CFA_MEs
CURSO DE FORMACIÓN DE ASCENSORES

TEMA 5. MANIOBRAS

5.1.5. Maniobra Dúplex colectiva selectiva en Bajada
Esta maniobra es una combinación de la maniobra dúplex y de la simple
colectiva en bajada. Su disposición y funcionamiento es igual a la colectiva en bajada
en cuanto a los mandos y señales y cumplimiento de las órdenes para los pasajeros
de las cabinas. La diferencia está en que lleva un mando único en cada piso para los
dos ascensores.
Funcionamiento de la maniobra en subida: a medida que los pasajeros entran
en la cabina van pulsando los botones correspondientes al nivel de destino, y quedan
las órdenes registradas en la memoria de la maniobra. Una vez entrado el último
pasajero y cerradas las puertas, la cabina se pone en marcha automáticamente y va
parando sucesivamente en los niveles registrados, reanudando su marcha en cuanto
hayan salido y vuelvan a estar cerradas las puertas. Durante la subida no atiende
ninguna llamada de pasajero de piso para bajar, salvo la del piso más alto, siempre
que esté por encima del más elevado registrado por los pasajeros de la cabina para
subir. Una vez en este piso embarca el pasajero, y como siempre, disponen de 3
segundos para pulsar la botonera y decidir el sentido de la marcha de la cabina. Si
pulsan para subir la cabina ascenderá aunque hubiera registrado llamadas para bajar.
Funcionamiento de la maniobra en bajada: si los pasajeros ordenan bajada,
descenderá deteniéndose automáticamente en todos los pisos que hubiera registradas
llamadas y en los que ordenen los pasajeros que hayan entrado en la cabina siempre
que sea a pisos inferiores hasta completar su carga, no atendiendo desde entonces
las llamadas desde pisos inferiores.
5.1.6. Maniobra dúplex colectiva selectiva en subida y bajada
Esta maniobra es una combinación de maniobra dúplex y de la colectiva en
subida y bajada, de forma que los funcionamientos en uno y otro sentido ya han sido
explicados con anterioridad.
5.1.7. Maniobra mixta
Existe un tipo de maniobra que puede combinar las maniobras anteriores: la
denominada maniobra mixta.
Imaginemos un edificio de 6 paradas, donde 3 de ellas son de aparcamiento
subterráneo. En este caso, es lógico pensar que los pasajeros de las plantas de
aparcamiento desean “normalmente” subir, y no bajar, por lo que se proyectará una
maniobra selectiva de subida (es igual que la de bajada explicada en el apartado 5.1.2
pero en sentido contrario). Pero en el resto de plantas (las no subterráneas) se puede
seguir utilizando una maniobra colectiva selectiva en subida y bajada.
Se observa pues que los diferentes tipos de maniobras pueden convivir juntas
(maniobra mixta), y será el cuadro de maniobra el que programe una u otra según
proceda.

v1.00, MAY. 06

PÁG.113

CFA_MEs
CURSO DE FORMACIÓN DE ASCENSORES

TEMA 5. MANIOBRAS

5.2. INSTALACIÓN ELÉCTRICA PREMONTADA
Los elementos de la Instalación Eléctrica Premontada se suelen agrupar en
varios bloques, cada uno de ellos nombrados como IPX.
A continuación se detallan todos estos elementos, indicándose a qué bloque
pertenece cada uno, el nombre que recibe, donde se encuentra en la instalación, así
como una breve descripción del mismo.

v1.00, MAY. 06

PÁG.114

CFA_MEs
CURSO DE FORMACIÓN DE ASCENSORES

v1.00, MAY. 06

TEMA 5. MANIOBRAS

PÁG.115

CFA_MEs
CURSO DE FORMACIÓN DE ASCENSORES

TEMA 5. MANIOBRAS

Ver 5.3.2.4.

v1.00, MAY. 06

PÁG.116

CFA_MEs
CURSO DE FORMACIÓN DE ASCENSORES

TEMA 5. MANIOBRAS

Esquema general de la instalación
La siguiente figura da una idea clara de la ubicación de los elementos de la
instalación. Debido a que se trata de un esquema general, no todas las instalaciones
coincidirán con él en su totalidad.

Figura 5.5. Esquema general de la instalación eléctrica.

v1.00, MAY. 06

PÁG.117

CFA_MEs
CURSO DE FORMACIÓN DE ASCENSORES

TEMA 5. MANIOBRAS

5.3. INSTALACIÓN ELÉCTRICA PREMONTADA MicroBASIC
En el Tema 1 ya se comentó brevemente qué es la maniobra MicroBASIC. Con
esta maniobra se controlan ascensores eléctricos de 1 ó 2 velocidades, con variador
de frecuencia y oleodinámicos (H), todo ello mediante una o varias placas de circuito
impreso de control, según la complejidad de la instalación.
En la tabla siguiente se muestran las distintas instalaciones posibles y las
arquitecturas de control correspondientes en función del tipo de maniobra y del
número de ascensores.

Tabla 5.1. Instalaciones posibles en función del tipo de maniobra con MicroBASIC.

siendo AMB1, AMB2 y AMB3 ampliaciones de la placa MicroBASIC.

Figura 5.6. Cuadro de maniobra MicroBASIC.

v1.00, MAY. 06

PÁG.118

CFA_MEs
CURSO DE FORMACIÓN DE ASCENSORES

TEMA 5. MANIOBRAS

5.3.1. Esquemas eléctricos generales
5.3.1.1. Ascensor eléctrico de una velocidad

v1.00, MAY. 06

PÁG.119

CFA_MEs
CURSO DE FORMACIÓN DE ASCENSORES

TEMA 5. MANIOBRAS

5.3.1.2. Ascensor eléctrico de dos velocidades

v1.00, MAY. 06

PÁG.120

CFA_MEs
CURSO DE FORMACIÓN DE ASCENSORES

TEMA 5. MANIOBRAS

5.3.1.3. Ascensor eléctrico con variación de velocidad

v1.00, MAY. 06

PÁG.121

CFA_MEs
CURSO DE FORMACIÓN DE ASCENSORES

TEMA 5. MANIOBRAS

5.3.1.4. Ascensor hidráulico con arranque directo

v1.00, MAY. 06

PÁG.122

CFA_MEs
CURSO DE FORMACIÓN DE ASCENSORES

TEMA 5. MANIOBRAS

5.3.1.5. Ascensor hidráulico con arranque estrella-triángulo

v1.00, MAY. 06

PÁG.123

CFA_MEs
CURSO DE FORMACIÓN DE ASCENSORES

TEMA 5. MANIOBRAS

5.3.2. Montaje y conexionado
5.3.2.1. Consideraciones generales
En el presente apartado se pretende dar un método que pueda ayudar y
orientar, de una forma sencilla al montaje de la instalación premontada, estableciendo
además un orden a seguir. Todo el proceso que se describe a continuación parte de la
base de que la instalación mecánica haya sido finalizada.
A continuación se van presentarán los 3 esquemas generales de conexión de
una instalación estándar: cuarto de máquinas, cabina y hueco, y dentro de éstos, las
conexiones de las partes que se han considerado más importantes.
5.3.2.2. Identificación de conexiones
Todos los cables de la instalación eléctrica premontada se suministran con una
serie de etiquetas en sus extremos, que indican mediante símbolos representativos, el
lugar o elemento donde se debe conectar cada uno de ellos. Estas etiquetas nos las
encontraremos en los esquemas generales siguientes, y hacen referencia a los
siguientes elementos:

v1.00, MAY. 06

PÁG.124

CFA_MEs
CURSO DE FORMACIÓN DE ASCENSORES

TEMA 5. MANIOBRAS

5.3.2.3. Instalación del cuarto de máquinas

Conexión cuadro-máquina
En el carril del cuadro hay una serie de conectores de conexión rápida donde
se realizan todas las conexiones de la máquina. La manguera de acometida se
conecta a las bornas U,V,W (y además U1,V1,W1 en caso de 2 velocidades y X,Y,Z
en caso de H con arranque estrella-triángulo). En caso de instalaciones de 1 y 2
velocidades e H, la tierra se conectará a la borna de tierra que se encuentra en el
carril. En caso de instalaciones 3VF se conectará directamente sobre la chapa.
- Ascensor eléctrico

v1.00, MAY. 06

PÁG.125

CFA_MEs
CURSO DE FORMACIÓN DE ASCENSORES

TEMA 5. MANIOBRAS

- Ascensor hidráulico

Conexión cuadro-acometida
En primer lugar, cortar la corriente en la caja de protecciones. (ATENCIÓN:
mantenga cortada la alimentación del cuadro hasta que haya finalizado la instalación
en el Cuarto de Máquinas y Cabina). En caso de desconectar toda la instalación, la
tierra debe ser la última en quitarse. La acometida de alumbrado y cabina deben ser
independientes de la de la maniobra y entre sí. Conectar las tres fases R,S,T de la
manguera de acometida a las bornas del cuadro identificadas con estas letras.
En caso de instalaciones de ascensores E de 1 y 2 velocidades y ascensores
H, la tierra se conectará a la borna de tierra que se encuentra en el carril. En caso de
instalaciones 3VF se conectará directamente sobre la chapa.
Conexión de cuerdas de maniobra
Las cuerdas de maniobra conectan eléctricamente el cuadro de maniobra con
la cabina; tanto con la caja de revisión como con la botonera y otros elementos. Estas
cuerdas vienen enrolladas de tal forma que los conectores que quedan en la parte
exterior de la bobina son los que se conectan en cabina y los del otro extremo al
cuadro. En cada extremo una etiqueta adhesiva identifica el elemento al que éste va
conectado.
En primer lugar, habrá que lanzar el extremo exterior de la bobina al hueco y
después desenrollar la cuerda de forma que ésta quede colgando a lo largo del hueco
sin ninguna doblez. (Realizar la misma operación con todas las cuerdas de maniobra).

v1.00, MAY. 06

PÁG.126

CFA_MEs
CURSO DE FORMACIÓN DE ASCENSORES

TEMA 5. MANIOBRAS

A continuación, sujetar de forma provisional las cuerdas en su salida al hueco,
de manera que no exista tracción sobre los conectores, y realizar las conexiones de
los mismos en el cuadro según se indica en el esquema adjunto.

Figura 5.7. Esquema del conexionado de las cuerdas de maniobra en el cuadro.

Conexionado instalación de hueco-cuadro de maniobra

v1.00, MAY. 06

PÁG.127

CFA_MEs
CURSO DE FORMACIÓN DE ASCENSORES

TEMA 5. MANIOBRAS

5.3.2.4. Instalación de cabina

Fijación de la cuerda de maniobra a la base de la cabina-chasis
Sujetar las cuerdas de maniobra a la base del chasis o de la cabina, según se
muestra en la figura. Procurar que las cuerdas formen un arco de 25 a 35 cm de
diámetro y seguidamente subir el extremo al techo de la cabina, atravesando la omega
de protección de la botonera.

Figura 5.8. Detalle de la fijación de la cuerda de maniobra al chasis de cabina.

Colocación de Caja de Revisión
La caja de revisión se fijará sobre el larguero del chasis con la ayuda del
soporte suministrado dentro de la IP5 según se indica en la figura.

Figura 5.9. Colocación de la caja de revisión.

v1.00, MAY. 06

PÁG.128

CFA_MEs
CURSO DE FORMACIÓN DE ASCENSORES

TEMA 5. MANIOBRAS

Colocación de Magnéticos
Montar el magnético sobre el soporte correspondiente suministrado dentro de
la IP5 y fijarlo al soporte deslizadera o al chasis (según se indica en la figura) de
manera que la distancia de los extremos de la caja del magnético a la base de la guía
sea inferior a 2 cm. Si hay dos magnéticos, montar uno sobre cada deslizadera o
sobre cada lado del chasis.

Figura 5.10. Colocación de los magnéticos.

Conexionado de caja de revisión y elementos de cabina
Una vez fijados todos los elementos, habrá que hacer las conexiones
eléctricas. A continuación se representan las conexiones generales en caja de revisión
y en los elementos que cuelgan de ella.

v1.00, MAY. 06

PÁG.129

CFA_MEs
CURSO DE FORMACIÓN DE ASCENSORES

TEMA 5. MANIOBRAS

Conexionado de operador

Figura 5.11. Conexionado de un operador monofásico de simple embarque.

Conexionado de botonera de cabina

v1.00, MAY. 06

PÁG.130

CFA_MEs
CURSO DE FORMACIÓN DE ASCENSORES

TEMA 5. MANIOBRAS

5.3.2.5. Instalación de hueco

v1.00, MAY. 06

PÁG.131

CFA_MEs
CURSO DE FORMACIÓN DE ASCENSORES

TEMA 5. MANIOBRAS

Colocación de soportes de cuerdas de maniobra
Se suministran dos elementos de fijación dentro de la IP5; el primero se
colocará en la huida y el segundo a la mitad del hueco. Fijar las bases a la pared
empleando los tacos y tirafondos suministrados en la IP5. Después hacer pasar las
cuerdas por el interior de las bases y fijarlas introduciendo las cuñas, presionando de
arriba a abajo, hasta quedar el conjunto como se muestra en la figura.

Figura 5.12. Colocación de los soportes de la cuerda de maniobra.

Colocación de imanes
En la colocación de imanes se ha de poner especial atención en la posición de
éstos con respecto a los interruptores magnéticos, orientando las caras de los imanes
adecuadamente y manteniendo las distancias indicadas. Seguir siempre las siguientes
pautas:
• Es conveniente limpiar previamente la guía.
• No es necesario utilizar ningún tipo de pegamento.
• No colocarlos cerca del cable del limitador.
• Colocar los imanes en la base de la guía. Si no es posible, por coincidir la
posición del imán con los tornillos de un empalme de guías, colocar el imán sobre el
alma de la guía (ver figuras adjuntas) cuidando que éste no interfiera con las
deslizaderas o el paracaídas.
• La distancia del imán al extremo del magnético debe ser como máximo de 2
cm (ver figura de la izquierda). En caso de guías con alma de gran altura, en las que
no pueda cumplirse esta condición con el imán pegado en la base, colocar el imán
sobre el alma igual que en el caso anterior.
• Pegar siempre los imanes a la guía por su cara norte, excepto en el caso de
los imanes de impulsos con interruptor magnético 326, en el que los imanes se
pegarán por su cara sur. La cara norte aparece marcada con una ranura longitudinal
(según aparece en la figura).

v1.00, MAY. 06

PÁG.132

CFA_MEs
CURSO DE FORMACIÓN DE ASCENSORES

TEMA 5. MANIOBRAS

Figura 5.13. Colocación y detalle de los interruptores magnéticos (imanes).

En la figura siguiente se muestran las diferentes configuraciones posibles de
interruptores magnéticos / hileras de imanes en función del tipo de ascensor. Siendo:
324: sólo para instalaciones de una velocidad
325: para instalaciones eléctricas sin aproximación con puertas abiertas
327 y 328: para instalaciones eléctricas con aproximación con puertas abiertas
(preapertura) e instalaciones hidráulicas con renivelación con puertas abiertas
N: señal de nivel
NL:
señal
de
emergencia
P: señal de pulso

FB: señal de renivelación en
bajada
FS: señal de renivelación en
subida
FZS: señal de zona de
seguridad

nivel

de

Figura 5.14. Configuraciones posibles de interruptores magnéticos según el tipo de ascensor.

v1.00, MAY. 06

PÁG.133

CFA_MEs
CURSO DE FORMACIÓN DE ASCENSORES

TEMA 5. MANIOBRAS

5.4. INSTALACIÓN ELÉCTRICA PREMONTADA Vía Serie
5.4.1. Características generales
La característica principal de esta instalación es la gran simplificación del
cableado independientemente de las variantes y prestaciones de ésta, debido a su
electrónica distribuida. Se añade la ventaja del sistema de conexión enchufable visto
en la MicroBASIC que hace del montaje de la instalación mucho más rápido y sencillo.
5.4.2. Prestaciones de la maniobra Vía Serie
Con esta maniobra es posible controlar una batería de hasta 6 ascensores de
32 niveles cada uno. La configuración en el caso más complejo no difiere mucho de la
más simple, salvo por la utilización en algunos casos de unas placas amplificadoras de
la señal de comunicación. Otras prestaciones son:
• Muy amplio rango de funcionalidades parametrizables desde los propios PCB’s de la
instalación mediante la utilización de un dispositivo de infrarrojos (PALM).
• Menú de fallos. Se discretiza entre los fallos de cabina, de hueco, de sala de
máquinas y generales del ascensor. Se dispone de un histórico de fallos.
• Leds en PCB MicroBASIC que presenta en tiempo real:
- Maniobra en maniobra
- Serie de seguridad
eléctrica de socorro
- Salida de contactores
- Pulsos
- Tensión de distintos circuitos
- Reset
- No nivel
- Sentido de renivelación
- Estado de antefinales
- Maniobra en inspección
5.4.3. Esquemas generales de control
5.4.3.1. Ascensor eléctrico de una velocidad

v1.00, MAY. 06

PÁG.134

CFA_MEs
CURSO DE FORMACIÓN DE ASCENSORES

TEMA 5. MANIOBRAS

5.4.3.2. Ascensor eléctrico de dos velocidades

5.4.3.3. Ascensor eléctrico con variación de velocidad

v1.00, MAY. 06

PÁG.135

CFA_MEs
CURSO DE FORMACIÓN DE ASCENSORES

TEMA 5. MANIOBRAS

5.4.3.4. Ascensor hidráulico con arranque directo

5.4.3.5. Ascensor hidráulico con arranque estrella triángulo

v1.00, MAY. 06

PÁG.136

CFA_MEs
CURSO DE FORMACIÓN DE ASCENSORES

TEMA 5. MANIOBRAS

5.4.4. Esquema general de alumbrado

5.4.5. Esquema general de telefonía

v1.00, MAY. 06

PÁG.137

CFA_MEs
CURSO DE FORMACIÓN DE ASCENSORES

TEMA 5. MANIOBRAS

5.4.6. Serie de seguridad

v1.00, MAY. 06

PÁG.138

CFA_MEs
CURSO DE FORMACIÓN DE ASCENSORES

TEMA 5. MANIOBRAS

5.4.7. Esquema general de la maniobra Vía Serie

Cuadro de
maniobra de Sala
de máquinas

RST

Motor

INSTALACIÓN DE HUECO
Limitador de velocidad

Magnetorruptor

Final de carrera superior
Botonera de revisión
Cuerda de maniobra
Antefinal de carrera superior
Luz de hueco

Botonera de cabina

Botonera de piso (planta n)

Cuadro de maniobra de cabina

CABINA

Luz de hueco
Botonera de piso (planta 1)
Magnético
Antefinal de carrera inferior
Final de carrera inferior
Contacto tensor del
Limitador de velocidad

v1.00, MAY. 06

PÁG.139

CFA_MEs

90131824 curso-formacion-ascensores

  • 1.
    CURSO DE FORMACIÓNDE ASCENSORES v1.00, MAY. 06 Español / CFAEs
  • 2.
    CURSO DE FORMACIÓNDE ASCENSORES Curso de Formación de Ascensores v1.00, MAY. 06 Español / CFAEs v1.00, MAY. 06 CFAEs
  • 3.
    CURSO DE FORMACIÓNDE ASCENSORES ÍNDICE ÍNDICE TEMA 1. TEORÍA DEL ASCENSOR 1 1.1. INTRODUCCIÓN.................................................................................................1 1.2. NORMATIVA........................................................................................................2 1.3. EVOLUCIÓN HISTÓRICA...................................................................................2 1.4. CLASIFICACIÓN DE ASCENSORES...............................................................11 1.4.1. Eléctricos.............................................................................................12 1.4.1.1. De 1 velocidad................................................................................... 12 1.4.1.2. De 2 velocidades................................................................................12 1.4.1.3. Con Variación de Frecuencia.............................................................12 1.4.2. Hidráulicos..........................................................................................13 1.4.2.1. De acción directa................................................................................14 1.4.2.2. De acción indirecta.............................................................................14 1.4.3. Comparación entre el ascensor ELÉCTRICO e HIDRÁULICO..........14 1.5. COMPOSICIÓN DE UN ASCENSOR................................................................16 1.5.1. Ascensor Eléctrico..............................................................................17 1.5.2. Ascensor Hidráulico............................................................................21 1.5.3. Ascensores Sin Cuarto de Máquinas..................................................22 1.6. MODELOS DE ASCENSORES EN MP.............................................................23 1.6.1. Codificación o nomenclatura de los ascensores.................................24 TEMA 2. REPLANTEO 26 2.1. INTERPRETACIÓN DE PLANOS......................................................................26 2.1.1. Perspectivas en el plano.....................................................................27 2.1.2. Medidas y acotaciones........................................................................28 2.1.3. Lectura de características generales..................................................28 2.1.4. Identificación de elementos.................................................................29 2.1.4.1. Ascensor ECCM.................................................................................30 2.1.4.2. Ascensor HCCM (tiro indirecto)..........................................................35 2.2. REPLANTEO DE UN ASCENSOR....................................................................39 2.2.1. Aspectos a tener en cuenta según el tipo de ascensor......................42 TEMA 3. ASCENSOR ELÉCTRICO 43 3.1. GRUPO TRACTOR...........................................................................................43 3.1.1. Motores...............................................................................................44 3.1.1.1. Motores de 1 velocidad.......................................................................44 3.1.1.2. Motores de 2 velocidades...................................................................45 3.1.1.3. Motores con convertidor de frecuencia...............................................45 3.1.1.4. Gearless.............................................................................................46 3.1.2. Freno...................................................................................................46 3.1.2.1. Freno mecánico..................................................................................46 3.1.2.2. Freno eléctrico....................................................................................47 3.1.2.3. Accionamiento de emergencia...........................................................48 3.1.3. Reductor..............................................................................................48 3.1.4. Poleas de tracción...............................................................................50 3.1.5. Volante de inercia...............................................................................50 3.1.6. Elementos de amortiguación y aislamiento de ruido...........................51 3.1.7. Polea de desvío..................................................................................51 v1.00, MAY. 06 CFAEs
  • 4.
    CURSO DE FORMACIÓNDE ASCENSORES ÍNDICE 3.2. HUECO..............................................................................................................52 3.2.1. Cabina.................................................................................................52 3.2.2. Contrapeso..........................................................................................54 3.2.3. Guías y fijación de guías.....................................................................54 3.2.3.1. Sistemas de deslizamiento.................................................................55 3.2.4. Cables.................................................................................................56 3.2.4.1. Cables para ascensores y montacargas............................................57 3.3. COMPONENTES DE SEGURIDAD..................................................................59 3.3.1. Limitador de velocidad........................................................................60 3.3.2. Paracaídas..........................................................................................61 3.3.3. Amortiguadores...................................................................................62 3.3.4. Protección de las máquinas................................................................63 3.4. PUERTAS DE CABINA Y PUERTAS DE PISO.................................................63 3.4.1. Puertas de cabina...............................................................................63 3.4.2. Puertas de piso o rellano....................................................................63 3.4.3. Sistema de emergencia (RESCATAMAC)..........................................64 3.4.3.1. Descripciones.....................................................................................64 3.4.3.2. Diagrama General (Cuadro)...............................................................66 3.4.3.3. Descripción de Características...........................................................66 3.5. MONTAJE E INSTALACIÓN.............................................................................67 3.5.1. Montaje de los soportes de guías.......................................................67 3.5.2. Montaje de la base de arranque.........................................................68 3.5.3. Montaje de las guías de cabina y contrapeso.....................................68 3.5.4. Montaje del chasis de contrapeso.......................................................69 3.5.5. Montaje del chasis de cabina..............................................................71 3.5.6. Montaje de los cables de tracción.......................................................72 3.5.7. Montaje del limitador de velocidad......................................................74 3.5.8. Montaje de los amortiguadores de cabina..........................................75 3.5.9. Montaje de los amortiguadores de contrapeso...................................76 3.5.10. Montaje de las puertas de rellano.....................................................76 3.5.10.1. Puertas Automáticas.........................................................................77 3.5.10.2. Puertas Semiautomáticas.................................................................84 3.5.11. Montaje de la cabina.........................................................................85 3.5.12. Instalación Eléctrica Premontada de hueco y cabina.......................86 3.5.13. Montaje del conjunto de operador en puertas de cabina..................86 TEMA 4. ASCENSOR HIDRÁULICO 90 4.1. GRUPO IMPULSOR..........................................................................................91 4.1.1. Central hidráulica................................................................................91 4.1.1.1. Motor...................................................................................................92 4.1.1.2. Bomba................................................................................................92 4.1.1.3. Bloque de válvulas..............................................................................93 4.1.1.4. Depósito de aceite..............................................................................94 4.1.2. Pistón hidráulico..................................................................................94 4.1.3. Canalizaciones....................................................................................95 4.2. ASPECTOS ESPECÍFICOS DE UN ASCENSOR HIDRÁULICO......................95 4.2.1. Sistema de guiado del pistón..............................................................95 4.2.2. Guías...................................................................................................95 4.2.3. Sistemas protección contra movimientos incontrolados de cabina.....96 4.2.3.1. Válvula paracaídas............................................................................96 4.2.3.2. Paracaídas..........................................................................................96 4.2.3.3. Sistema de renivelación......................................................................96 4.2.4. Sistema de rescate.............................................................................97 4.3. MONTAJE E INSTALACIÓN.............................................................................97 v1.00, MAY. 06 CFAEs
  • 5.
    CURSO DE FORMACIÓNDE ASCENSORES ÍNDICE 4.3.1. Instalación de chasis de cabina hidráulico..........................................97 4.3.2. Instalación del pistón.........................................................................102 4.3.3. Instalación de la central hidráulica....................................................103 4.3.4. Instalación del limitador de velocidad...............................................106 4.4. COMPONENTES DE LOS KIT’S HIDRÁULICOS DE MP...............................107 TEMA 5. MANIOBRAS 108 5.1. TIPOS DE MANIOBRA....................................................................................108 5.1.1. Maniobra Automática Simplex o Universal.......................................109 5.1.2. Maniobra Simplex colectiva selectiva en Bajada..............................110 5.1.3. Maniobra Simplex colectiva selectiva en Subida y Bajada...............111 5.1.4. Maniobra Dúplex...............................................................................112 5.1.5. Maniobra Dúplex colectiva selectiva en Bajada................................113 5.1.6. Maniobra Dúplex colectiva selectiva en Subida y Bajada.................113 5.1.7. Maniobra Mixta..................................................................................113 5.2. INSTALACIÓN ELÉCTRICA PREMONTADA.................................................114 5.3. INSTALACIÓN ELÉCTRICA PREMONTADA MICROBASIC..........................118 5.3.1. Esquemas eléctricos generales........................................................119 5.3.1.1. Ascensor eléctrico de una velocidad................................................119 5.3.1.2. Ascensor eléctrico de dos velocidades.............................................120 5.3.1.3. Ascensor eléctrico con variación de velocidad.................................121 5.3.1.4. Ascensor hidráulico con arranque directo........................................122 5.3.1.5. Ascensor hidráulico con arranque estrella-triángulo.........................123 5.3.2. Montaje y conexionado.....................................................................124 5.3.2.1. Consideraciones generales..............................................................124 5.3.2.2. Identificación de conexiones.............................................................124 5.3.2.3. Instalación del cuarto de máquinas..................................................125 5.3.2.4. Instalación de cabina........................................................................128 5.3.2.5. Instalación de hueco.........................................................................131 5.4. INSTALACIÓN ELÉCTRICA PREMONTADA VÍA SERIE...............................134 5.4.1. Características generales.................................................................134 5.4.2. Prestaciones de la maniobra Vía Serie.............................................134 5.4.3. Esquemas generales de control........................................................134 5.4.3.1. Ascensor eléctrico de una velocidad................................................134 5.4.3.2. Ascensor eléctrico de dos velocidades.............................................135 5.4.3.3. Ascensor eléctrico con variación de velocidad.................................135 5.4.3.4. Ascensor hidráulico con arranque directo........................................136 5.4.3.5. Ascensor hidráulico con arranque estrella-triángulo.........................136 5.4.4. Esquema general de alumbrado.......................................................137 5.4.5. Esquema general de telefonía..........................................................137 5.4.6. Serie de seguridad............................................................................138 5.4.7. Esquema general de la maniobra Vía Serie.....................................139 v1.00, MAY. 06 CFAEs
  • 6.
    CURSO DE FORMACIÓNDE ASCENSORES TEMA 1. TEORÍA DEL ASCENSOR Tema 1 TEORÍA DEL ASCENSOR 1.1. INTRODUCCIÓN Como cualquier otra idea de la Humanidad, el transporte vertical nace con la necesidad del hombre por desplazar objetos, o así mismo, de un lugar a otro más elevado. Lógicamente sólo se tuvo conciencia de que el trasporte de personas era posible cuando todos los procesos que conllevan la maniobra de elevación fueran supeditados a un mínimo de seguridad. Dicho esto, el hombre ha construido diversos tipos de elevadores, siendo el más común por su utilización diaria el ascensor. Pero cabe destacar que, dependiendo de la carga transportada, también se pueden definir otros tipos de elevadores, tales como el montacargas, montacoches, montaplatos, montacamas etc… Es necesario remarcar que cualquier dispositivo que transporte verticalmente una carga puede considerarse un elevador, esto engloba desde las poleas o planos inclinados que se utilizaban en la antigüedad hasta sus equivalentes de hoy en día: las escaleras mecánicas. v1.00, MAY. 06 PÁG.1 CFA_TAEs
  • 7.
    CURSO DE FORMACIÓNDE ASCENSORES TEMA 1. TEORÍA DEL ASCENSOR Definición Un ascensor es un aparato elevador instalado permanentemente que sirve niveles definidos, y que utiliza una cabina en la que las dimensiones y constitución permiten evidentemente el acceso de personas, desplazándose al menos parcialmente a lo largo de guías verticales o cuya inclinación sobre la horizontal es superior a 15º. 1.2. NORMATIVA Se pueden citar las siguientes Normas y disposiciones Europeas de seguridad y Normas para la planificación e instalación de ascensores, montacargas y montaplatos: - Norma Internacional ISO 4190/2 (2001). Montacargas. - Norma Internacional ISO 4190/1 (1999). Montaplatos. - Norma Internacional ISO 4190/1 (1999). Selección de ascensores de personas y montacargas para edificios residenciales. - Norma Europea EN 81-1 (1998). Normas de seguridad para la construcción e instalación de ascensores de personas, montacargas y montaplatos. Parte I: ascensores eléctricos. - Norma Europea EN 81-2 (1998). Normas de seguridad para la construcción e instalación de ascensores de personas, montacargas y montaplatos. Parte II: ascensores hidráulicos. - Norma Internacional ISO 4190/1 montacamillas y montacargas. - Directiva Europea 95/16/CE (1995). Aproximación de las legislaciones de los Estados miembros relativas a los ascensores. (1999). Ascensores de personas, 1.3. EVOLUCIÓN HISTÓRICA Hasta que Elisha Graves Otis inventó el ascensor con seguridad para personas en 1853, la Humanidad había recurrido a medios con grúas, poleas y aparejos para transportar cargas pesadas a lugares elevados. La Antigüedad Los primeros mecanismos de elevación y transporte fueron palancas, poleas, rodillos y planos inclinados. La realización de grandes trabajos de construcción de este tipo exigía un gran número de personas implicadas, así en la construcción de la pirámide de Keops (s. XXII a.C.), de 147 m de altura, estuvieron ocupadas permanentemente cerca de cien mil personas. v1.00, MAY. 06 PÁG.2 CFA_TAEs
  • 8.
    CURSO DE FORMACIÓNDE ASCENSORES TEMA 1. TEORÍA DEL ASCENSOR Hacia el 2820 a.C. se obtienen en China fibras resistentes a partir de la planta del cáñamo, de forma que los artesanos son capaces de fabricar las primeras cuerdas. También aparecen sobre esta época los elevadores de palanca, prototipos primitivos de nuestros aparatos elevadores actuales, con una pluma en voladizo para elevar agua. En Egipto y Mesopotamia (1550 a.C.) se generaliza el empleo del shadoof (Figura 1.1), un mecanismo de palanca utilizado para elevar el agua procedente de los ríos con el fin de regar los campos. Se trata de una forma más compleja de una construcción basada en la palanca. Sobre una columna fija se monta una palanca de dos brazos alrededor de un eje que puede girar horizontalmente. Los brazos son de longitudes diferentes, disponiendo el más corto de ellos de una piedra, como contrapeso, suficiente para elevar el cubo lleno que está sujeto al brazo más largo. Solo hacía falta una persona que se situaba bajo el brazo más largo para bajarlo e introducir el cubo en el río. Figura 1.1. Utilización del contrapeso en el shadoof para reducir el esfuerzo en elevaciones. Hacia el 1510 a.C. se aplica la rueda, hasta ahora sólo utilizada en los carros, tornos de alfarero y en las ruecas, a dispositivos mecánicos, convirtiéndose de este modo en instrumento para la utilización de las fuerzas y la simplificación del trabajo. Gracias a ello, la resistencia debida a la fricción se reduce a la existente entre el eje y el cojinete (Figura 1.2). Además en esta civilización también se utilizaba como primera máquina accionada por fuerza muscular ruedas huecas de varios metros de diámetro, en cuyo interior o sobre cuya superficie externa corría una persona. La fuerza generada por dichas ruedas se emplea para accionar dispositivos de extracción de agua. v1.00, MAY. 06 PÁG.3 CFA_TAEs
  • 9.
    CURSO DE FORMACIÓNDE ASCENSORES TEMA 1. TEORÍA DEL ASCENSOR Figura 1.2. Mecanismo de elevación por ruedas (Mesopotamia). El período greco-romano Desde que el hombre ha ocupado más de un piso en un edificio, ha tomado en consideración de alguna manera el transporte vertical. Las formas más primitivas fueron, por supuesto, escaleras de mano, grúas movidas por tracción animal o tornos accionados manualmente. Ruinas de la Antigua Roma muestran signos de guías por las que se desplazaban plataformas de elevación. Hacia el 700 a.C. los mecánicos griegos desarrollan la técnica de la descomposición de las fuerzas con ayuda de los llamados polipastos. El polipasto se compone de una polea fija y una segunda sujeta al objeto a desplazar. Una cuerda discurre, partiendo de un punto fijo, primero alrededor de la polea móvil y después de la fija. Estirando del extremo libre la carga se desplaza únicamente la mitad de la distancia que lo hace este extremo, pero se consigue un esfuerzo menor para ello. Figura 1.3. Esquemas de polipastos. Relación recorrido-esfuerzo de elevación. v1.00, MAY. 06 PÁG.4 CFA_TAEs
  • 10.
    CURSO DE FORMACIÓNDE ASCENSORES TEMA 1. TEORÍA DEL ASCENSOR Tres inventores griegos deben ser mencionados en la historia de la elevación: Ctesibio, Arquímedes y Herón de Alejandría. Ctesibio vivió en Alejandría hacia el 270 a.C. y fabricó el primer cilindro provisto de un émbolo, al que cabe considerar como la primera bomba de pistón. Arquímedes (287 – 212 a.C.) desarrolló una extensa teoría acerca de los polipastos con las transmisiones de fuerza 2:1, 3:1 (tripastos) y 5:1 (pentapastos). Sin duda, Herón de Alejandría (s. I a.C.) dio un impulso importante a varias técnicas relacionadas con la elevación. En su obra Mechanica, además de la cuña, el tornillo y la rueda con un eje, describe la polea compuesta. Todos se basan en el mismo principio de la palanca: una pequeña fuerza que actúa desde una gran distancia se transforma en una gran fuerza que actúa desde una pequeña distancia. Sin embargo, fueron los romanos los que sacaron un mayor partido a todas estas teorías griegas, logrando una realización técnica de gran rendimiento. Disponían de cuerdas suficientemente resistentes, incluso cordeles de alambre, que hacían que todos los procedimientos de elevación creados por sus precursores fueran llevados a la práctica con una mayor eficiencia. De esta forma, se sabe que en la Antigua Roma el ascensor era ya conocido, como lo demuestra la documentación hallada respecto a uno instalado en el Palacio de Nerón, o más tarde (80 d.C.), cuando el emperador Tito mandó instalar en el Coliseo doce grandes montacargas para elevar a los gladiadores. Tras la caída del Imperio Romano los ascensores desaparecieron durante un largo período de tiempo. La Edad Media Esta época fue realmente parca prácticamente en cualquier disciplina humana, y por analogía, también en cuanto a técnicas y mecanismos de elevación se refiere. De esta forma las instalaciones de elevación conocidas apenas difieren de las antiguas. Hasta la llegada de Leonardo Da Vinci no se producen grandes saltos cualitativos en el tema que nos interesa. Este polifacético personaje de la historia acumula entre sus grandes y sorprendentes invenciones una grúa móvil para facilitar las labores de construcción en las que hay que elevar cargas pesadas. Dicha grúa está montada sobre un vehículo y se gobierna con una manivela dotada de transmisión por ruedas dentadas. El gancho que sujeta la carga dispone de un dispositivo automático accionado a distancia para soltarla. Para hacer navegables ríos y canales, Leonardo también construyó una excavadora flotante con ruedas de cangilones, instalada sobre dos barcazas amarradas que descarga el lodo en carros. Lo genial de Leonardo no es que sólo propone y construye estos dispositivos, sino que con ello va creando e inventando una serie de elementos que solucionan cualquier mínimo detalle que encontrara, por ejemplo: tornillos sinfín, engranajes helicoidales, una cadena articulada, diversos cojinetes de rodillos y bolas, así como rodamientos axiales. Georg Bauer (1490 – 1565) trabajó como médico en los centros mineros de Sajonia y su obra De re metallica constituye una guía exacta de los sistemas v1.00, MAY. 06 PÁG.5 CFA_TAEs
  • 11.
    CURSO DE FORMACIÓNDE ASCENSORES TEMA 1. TEORÍA DEL ASCENSOR empleados durante la Edad Media. Menciona el uso de ruedas dentadas y de cadenas movidas por caballos. Figura 1.4. Máquina de elevación accionada mediante tracción animal. En 1687, el matemático Erhardt Weigel inventa una “silla de ascenso” que se mueve lentamente y sin esfuerzo entre dos pisos. Este aparato, semejante a una silla sobre la que se sienta la persona, va montado en un nicho construido en la pared sobre guías de 1 m de longitud y es accionado con un contrapeso. El propio usuario es el que acciona manualmente el mecanismo tirando de una palanca. Ingeniosas técnicas de elevación son creadas durante toda la época en Europa y Estados Unidos, principalmente. En lo que se refiere a nuestro país, cabe mencionar el Catálogo del Real Gabinete de Máquinas publicado en 1794 por Juan López de Peñalver, en el que aparecen diferentes planos de máquinas de elevación existentes en la época. Es de interés remarcar las mejoras mecánicas implantadas en las minas de Almadén en el sistema de bajada y extracción de mineral. También expone este autor que los diámetros de las poleas no guardaban ninguna relación con el diámetro del cable. Comentario inoportuno ya que en la normativa vigente es de obligado cumplimiento una relación de 1:40 sobre los mismos. El sistema de elevación se componía de un tambor y un freno mecánico que permitía la detención de la operación de una forma simple y cómoda así como el diseño de una cabina que se desplazaba sobre guías y que podía ser utilizada para subir el mineral por los pozos inclinados en sustitución de los cubos. El autor de estas contribuciones fue Agustín de Betancourt. v1.00, MAY. 06 PÁG.6 CFA_TAEs
  • 12.
    CURSO DE FORMACIÓNDE ASCENSORES TEMA 1. TEORÍA DEL ASCENSOR Figura 1.5. Máquina de elevación utilizada en las minas de Almadénl. El vapor como sistema de tracción Cuando James Watt inventó la máquina de vapor comenzó a considerarse la posibilidad de utilizar esta forma de energía en los dispositivos de elevación, haciéndose uso de ella por primera vez para subir el mineral desde el fondo de una mina de carbón hacia el año 1800. Merece la pena mencionar el ascensor “Teagle” desarrollado en Inglaterra en 1845. Este elevador contemplaba ya el concepto de la polea de tracción con contrapeso, aspecto que se aplica hoy en día a la gran mayoría de los ascensores. El accionamiento era llevado a acabo por los propios usuarios que desplazaban el cable manualmente desde la cabina. Figura 1.6. Máquina Ascensor “Teagle” (Inglaterra, 1845). En 1850, se utilizaba por primera vez en Estados Unidos montacargas movidos por vapor, instalándose en ese mismo año el primer sistema de corona y tornillo sinfín para mover un gran tambor de arrollamiento. Sin embargo, los industriales y el público en general seguían esperando el ascensor de aplicación universal, válido para el transporte de personas y sin problemas de seguridad. v1.00, MAY. 06 PÁG.7 CFA_TAEs
  • 13.
    CURSO DE FORMACIÓNDE ASCENSORES TEMA 1. TEORÍA DEL ASCENSOR Elisha Graves Otis: la seguridad Elisha Graves Otis nació en 1811 en Vermont (Estados Unidos). Trabajando como mecánico en una empresa de camas fue enviado a Nueva York para montar una nueva factoría e instalar su maquinaria. Allí diseño e instaló lo que el llamó el “ascensor seguro”, el primer elevador con un dispositivo automático de seguridad que evitaba su caída cuando el cable se rompía. En 1854 hizo una demostración pública en el Palacio de Cristal de Nueva York. Su ascensor disponía de un sistema de seguridad consistente en una cabina con trinquetes que unos resortes obligaban a engranar con muescas dispuestas a los lados del hueco del ascensor en el momento que se rompía el cable. Figura 1.7. Demostración del primer ascensor para personas por E. G. Otis en el Palacio de Nueva York (1854). En 1867 el francés Leon Edoux presentó en la Exposición Universal de París dos aparatos elevadores que utilizaban la presión del agua para elevar una cabina montada en el extremo de un pistón hidráulico. Este ascensor tuvo una gran aceptación una vez que se multiplicaron sus posibilidades de recorrido y velocidad con la inclusión de la acción indirecta, en el que el émbolo no impulsa la cabina directamente, sino un juego de poleas, o una cremallera y un tambor, que enrollaba y desenrollaba uno o varios cables de los que se suspendía la cabina Más tarde se construye la primera fábrica de ascensores en Nueva York y los arquitectos e ingenieros empiezan a plantearse la idea de poder construir edificios más altos (por ejemplo, el edificio Monadnock con 16 plantas en Chicago). Simultáneamente, Europa empieza su andadura en la industria de la elevación fundándose en 1874 la empresa Schindler, la cual construye su primer ascensor para la Oficina de Correos de Londres. El ascensor hidráulico Se utilizó por primera vez en 1878 usando agua en lugar de vapor para simplificar las instalaciones y conseguir mayores velocidades y recorridos. Así se evolucionó hacia un ascensor hidráulico que accionaba directamente la plataforma, solucionando los problemas de espacio que ya aparecían en la época y permitiendo v1.00, MAY. 06 PÁG.8 CFA_TAEs
  • 14.
    CURSO DE FORMACIÓNDE ASCENSORES TEMA 1. TEORÍA DEL ASCENSOR que las grandes ciudades comenzaran a crecer hasta un tamaño como el que tenemos hoy en nuestros días. El siguiente paso fue la implantación de un ascensor hidráulico compuesto por un cilindro que accionaba un sistema de poleas. El emplazamiento del cilindro la y polea se realizaba en posición vertical para los pisos más elevados y se disponían sistemas de poleas múltiples. Fue en estos años cuando se incorporan muchos de los aspectos que tenemos en los ascensores actuales. Los huecos se cerraron, instándose puertas en cada piso (hasta la fecha se hacía un agujero en cada piso). Se registraban las llamadas mediante campanas o bocinas. Comenzaron a instalarse grupos de ascensores y surgió la figura del “mayordomo de ascensor” que dirigía las maniobras de la máquina. Los ascensores hidráulicos tenían un funcionamiento silencioso y bastante seguro, con arranques y paradas suaves, y una precisión de parada relativamente alta. Sin embrago, tenía como contrapartida el complicado, voluminoso y costoso equipo de bombeo que era necesario. Así, a finales del siglo XIX, perdieron popularidad en favor de los ascensores eléctricos que, en pocos años, los sustituyeron en los edificios de viviendas, aunque como se verá más adelante se ha vuelto a utilizar hoy en día en una versión modernizada y mejorada. La tracción eléctrica El primer ascensor eléctrico hizo su aparición en el Demarest Building en Nueva York. Fue una modificación directa del primitivo ascensor con tambor accionado por vapor pero sustituyendo esta fuente de energía por la eléctrica mediante un motor de corriente continua. El ascensor eléctrico tuvo en sus comienzos un gran éxito por su menor coste de instalación y funcionamiento pero tenía el inconveniente de la poca precisión de sus paradas. Este defecto fue corregido con los grupos de regulación de velocidad Ward Leonard. Los ascensores cambiaron drásticamente a principios del siglo XX conforme la electricidad se iba extendiendo por todo el mundo. Así, el ascensor eléctrico con polea de tracción se hace fuerte frente a la limitación del tamaño del ascensor de tambor y la longitud del cilindro del hidráulico. En el año 1900 las maniobras accionadas por cable son sustituidas por maniobras accionadas por pulsadores, y el sistema Ward Leonard introducido con posterioridad hace que se alcancen velocidades de 2 m/s, dando paso a los ascensores modernos. Los comienzos del siglo XX: La electromecánica En los ascensores primitivos, el dispositivo de operación era un cable que recorría todo el hueco del ascensor y que hacía actuar una válvula dispuesta en el fondo del hueco. Para subir se tiraba del cable hacia abajo para introducir vapor o agua en el circuito y hacer elevar la plataforma. Para bajar se tiraba del cable hacia arriba para expulsar vapor o agua y hacer bajar la plataforma. Con la introducción del ascensor eléctrico, el paso natural era colocar un interruptor en la cabina que hiciera accionar al ascensor en ambos sentidos y pararlo cuando se estuviera en el piso deseado. Progresivamente se fueron introduciendo los dispositivos de seguridad en el cierre de puertas y la emisión de una señal acústica o visual para anunciar la llegada del ascensor. v1.00, MAY. 06 PÁG.9 CFA_TAEs
  • 15.
    CURSO DE FORMACIÓNDE ASCENSORES TEMA 1. TEORÍA DEL ASCENSOR Se empezaron a desarrollar sistemas automáticos con una serie de botones en cabina y en cada piso, de forma que el ascensor es gobernado con prioridad desde cabina, y al finalizar la maniobra en ésta, desde cualquiera de los pisos a los que el ascensor tiene acceso. Este sistema de maniobra es usado hoy en día en ascensores donde los usuarios prefieren esperar y tener uso exclusivo cuando se encuentran en la cabina. Los sistemas operativos colectivos permiten guardar en memoria llamadas de forma colectiva tanto en la dirección del ascensor como en sentido contrario. A finales de la década de los 40 se concibe por primera vez un sistema basado en dispositivos electrónicos que mide la cantidad de llamadas, suma el tiempo en que se hacen y automáticamente combina estos datos con los actuales de las cabinas para programar y hacer funcionar grupos de ascensores conjuntamente. Década de los 70: los circuitos integrados En esta década se desarrolla el primer sistema de control con microprocesador integrado para grupos de ascensores, iniciando con ello la gestación de un nuevo sistema que, basado en la electrónica y los sofisticados controles espaciales, alcanza un grado de eficiencia, rendimiento y disponibilidad jamás alcanzado. La pesada y cara electromecánica iba a ser sustituida por el circuito integrado. Su reducido tamaño y coste energético jugaban a su favor, y la importante barrera psicológica que lo limitaba se superaría con el paso del tiempo. Década de los 80: el microprocesador Los circuitos de maniobra fueron progresivamente evolucionando hasta integrarse en pequeñas placas que ejecutaban un programa donde se establecen todas las órdenes y acciones que el ascensor debe realizar. A la disminución del tamaño y consumo se unía la notable ventaja de flexibilidad y capacidad funcional que un programa de ordenador puede ejercer. A mitad de la década de los 80 se introduce el Remote Elevador Monitoring, consistente en un telesistema para la verificación del funcionamiento de diversos componentes del ascensor a distancia. De forma optativa el sistema permite la comunicación oral de una persona en cabina atrapada accidentalmente con un centro de servicio. En 1986 se introduce el sistema de frecuencia variable para el control de ascensores de alta velocidad. Dos años más tarde se implanta el motor lineal para ascensores que, al estar acoplado al contrapeso, elimina la necesidad del cuarto de máquinas con el consiguiente ahorro económico y de espacio. En la actualidad La tecnología del ascensor ha evolucionado, avanzando paralelamente con las nuevas tecnologías que han ido surgiendo en los últimos años. Esto quiere decir que el campo de la elevación se alimenta de las nuevas tecnologías que van apareciendo, a la vez que colabora creando nuevos avances que puedan igualmente ser aplicados a otros campos. Con el nacimiento del siglo XXI son varios las novedades que se han producido en el tema del ascensor, por ejemplo: ascensores de frecuencia variable, eliminación v1.00, MAY. 06 PÁG.10 CFA_TAEs
  • 16.
    CURSO DE FORMACIÓNDE ASCENSORES TEMA 1. TEORÍA DEL ASCENSOR del cuarto de máquinas (en una versión reducida y mejorada) y simplificación de la instalación eléctrica de la maniobra del ascensor. Los ascensores eléctricos con frecuencia variable son utilizados para conseguir distintas velocidades a lo largo del recorrido del ascensor, con esto se logran arrancadas y frenadas más suaves para los pasajeros. En MP el convertidor de frecuencia se llama 3VFMAC. La tecnología de variación de frecuencia también se ha llegado a incluir en la apertura de puertas, así MP posee un modelo de menor tamaño que el nombrado con anterioridad, llamado VVVF REVECO II, que regula la velocidad con la que se abren/cierran las puertas. La supresión del cuarto de máquinas ha sido posible gracias a la considerable disminución del tamaño de los diferentes elementos que lo componen, pudiéndose desplazar al mismo hueco del ascensor con la notoria ganancia de espacio que esto conlleva (aspecto muy demandado en estos días). Algunos fabricantes han conseguido tecnologías que permiten fabricar cintas plásticas que resistan el peso de la cabina, salvando así la limitación existente entre la relación del radio del cable y de la polea motriz (40 veces mayor), y consiguiendo hacer elementos motores de menor tamaño. Al final de este capítulo se dedicará un apartado a hablar de esta nueva innovación. Finalmente, cabe destacar el paso del automatismo a la electrónica, que en MP ha significado la creación de la MICROBASIC. Además, antes cada pulsador (de cabina y de piso) necesitaba más de un hilo para conectarse con el cuadro de maniobras, juntándose en dicho cuadro un mazo enorme de hilos necesarios para el correcto funcionamiento del ascensor. En MP se ha desarrollado un modelo de maniobra llamada Vía Serie, donde sólo son necesarios un par de canales de comunicación por donde va la información codificada y un codificador/decodificador que se encargue de interpretarla y traducirla en una orden concreta. De esta forma se ha conseguido simplificar el conjunto de la instalación eléctrica de la maniobra del ascensor. Aunque, como se ha visto, existen grandes logros en la tecnología del ascensor, siempre es posible mejorar para conseguir prestaciones tales como: - mayores velocidad de marcha (8 – 10 m/s) mejor confort en los viajes nivelaciones más exactas e independientes de la carga disminución de los tiempos de espera en planta con el desarrollo de maniobras de tráfico más flexibles máxima seguridad de uso y funcionamiento máxima fiabilidad de respuesta en las de mandas de servicio 1.4. CLASIFICACIÓN DE ASCENSORES La clasificación más sencilla divide los Ascensores (A) en 2 tipos según su sistema de tracción: A electromecánicos o ELÉCTRICOS (E) y A oleodinámicos o HIDRÁULICOS (H). Dentro de cada uno podemos distinguir varios tipos, junto a los cuales se colocarán sus abreviaturas en MP: v1.00, MAY. 06 PÁG.11 CFA_TAEs
  • 17.
    CURSO DE FORMACIÓNDE ASCENSORES ELÉCTRICOS (E) TEMA 1. TEORÍA DEL ASCENSOR - De 1 velocidad…….……………………....E - De 2 velocidades…………..……………...E - Con Variación de Frecuencia…………….V lateral HIDRÁULICOS (H) - De acción directa central - De acción indirecta 1.4.1. ELÉCTRICOS 1.4.1.1. De 1 velocidad La velocidad nominal es la de desplazamiento de la cabina para la que ha sido construido el ascensor, y que es la que garantiza el constructor del aparato en funcionamiento normal. La velocidad del ascensor, medida en descenso, a media carga nominal en la zona media del recorrido y excluidos los periodos de aceleración y deceleración, no debe diferir en ± 5% de la velocidad nominal, con el motor suministrando energía eléctrica a su valor nominal también. Los ascensores de una velocidad arrancan y paran a la misma velocidad, de forma que la parada es más brusca y la nivelación menos precisa. Este hecho determina que la velocidad típica sea de unos 0.63 m/s. 1.4.1.2. De 2 velocidades En este caso el ascensor antes de parar reduce su velocidad mejorando considerablemente las desventajas del caso anterior. Las dos velocidades típicas de estos ascensores suelen ser 1 y 0.25 m/s, aunque también se pueden encontrar ascensores a 0.63 y 0.15 m/s. En la siguiente gráfica se representa la velocidad en función de la distancia entre 2 paradas consecutivas. El ascensor de 2 velocidades llevará a cabo el recorrido con menores deceleraciones y, por tanto, con mayor confort para los pasajeros. V V H H Figura 1.8. Diagrama velocidad-recorrido para ascensores de 1 y 2 velocidades. 1.4.1.3. Con Variación de Frecuencia La tendencia actual es la integración de un variador de frecuencia que permita regular la velocidad del ascensor para optimizar la marcha del mismo y conseguir v1.00, MAY. 06 PÁG.12 CFA_TAEs
  • 18.
    CURSO DE FORMACIÓNDE ASCENSORES TEMA 1. TEORÍA DEL ASCENSOR que el usuario recorra la distancia requerida en el menor tiempo posible y con el máximo confort. Estos ascensores tienen la trayectoria de su velocidad curva permitiendo una arrancada y parada más suave y confortable, y una nivelación aún más exacta respecto al de 2 velocidades. Otras ventajas son que esa curva se puede regular, los consumos son más bajos al hacer arrancadas más suaves y, por tanto, el desgaste de los frenos y el sufrimiento de los componentes mecánicos es menor. En MP se llega a velocidades de 1.6 m/s. Para velocidades mayores se usan otras tecnologías (otros fabricantes llegan hasta 2.5 m/s). El más rápido del mundo es de 8 m/s. Figura 1.9. Variador de Frecuencia de MP (3VFMAC) y su diagrama de velocidad. - Influencia de la velocidad en la nivelación El frenado final en los ascensores se efectúa aprisionando entre dos zapatas el tambor montado en el eje motriz. Según sea el apriete de las zapatas así será la eficacia del freno. El problema se complica con las variaciones de carga de la cabina que se traducen en variaciones en la nivelación de su parada. Se observará que en ascensores de 1 velocidad hasta 0.63 m/s el error de nivel es aceptable para los aparatos elevadores corrientes, ya que es inferior a 5 cm. Sin embargo, estos errores no son admisibles para los montacamas/montacargas, para los que se exige una nivelación de ± 2 cm, para lo cual la cabina tendría que ir a una velocidad de 0.25 m/s. Para velocidades mayores a 0.63 m/s los errores son totalmente inadmisibles pues ya alcanzarían los 10 cm de desnivel. Para estos casos la solución es utilizar ascensores de 2 velocidades o con variador de frecuencia (de hecho en las nuevas instalaciones no se aconseja los de 1 velocidad). 1.4.2. HIDRÁULICOS Como se ha visto en la clasificación anterior los ascensores hidráulicos se pueden dividir en dos tipos dependiendo de la forma en la que se accione el pistón hidráulico. v1.00, MAY. 06 PÁG.13 CFA_TAEs
  • 19.
    CURSO DE FORMACIÓNDE ASCENSORES TEMA 1. TEORÍA DEL ASCENSOR 1.4.2.1. De acción directa Donde el pistón impulsa directamente el chasis de la cabina. Se observa que, en este caso, por cada metro que se desplace el émbolo del pistón también lo hace la cabina. Existen, a su vez, dos tipos de acción de este tipo: - Tiro directo lateral: el pistón está apoyado en el foso, cerca de alguna de sus paredes, de forma que empuja al bastidor desde la parte posterior Tiro directo central: el pistón está enterrado y empuja el bastidor de la cabina desde abajo. 1.4.2.2. De acción indirecta Esta vez la cabina es impulsada por el pistón por medio de cables. La instalación más usual es la que se muestra en la Figura 1.10.c, con una suspensión 2:1, es decir, la cabina se desplaza el doble de la distancia de la que lo hace el émbolo del pistón. La suspensión 4:1 con dos poleas móviles y una fija es menos utilizada. - Diferencias entre los tipos de accionamiento Los mejores ascensores hidráulicos son los de tiro directo, en cuanto son los más sencillos de instalar y su coste es mucho menor que el indirecto. El inconveniente que presentan es su limitación en cuanto al número máximo de paradas (plantas), que suelen ser de 2. Por esta razón los indirectos son más demandados ya que la limitación de altura es mucho más generosa (8 plantas o paradas). a) b) c) Figura 1.10. a) Acción directa central, b) acción directa lateral, c) acción indirecta. 1.4.3. Comparación entre el ascensor ELÉCTRICO e HIDRÁULICO Son varias las ventajas e inconvenientes que presenta un ascensor eléctrico frente a uno hidráulico, de manera que la elección de uno u otro depende de las condiciones específicas del edificio en el que se quiera instalar. Así que las oportunidades de mercado actualmente son similares en los dos casos. La mayor ventaja de un ascensor hidráulico radica en que no necesita un cuarto de máquinas en la parte superior del recinto, sino que se puede colocar en cualquier parte del edificio. Además el aprovechamiento de este recinto es total, en cuanto no llevan contrapeso, y sobre todo, en los ascensores de acción directa en los que el cilindro va colocado en el fondo del foso. Su principal inconveniente es su mayor coste respecto a uno eléctrico de las mismas prestaciones. Esta diferencia queda compensada en parte por el ahorro v1.00, MAY. 06 PÁG.14 CFA_TAEs
  • 20.
    CURSO DE FORMACIÓNDE ASCENSORES TEMA 1. TEORÍA DEL ASCENSOR del cuarto de máquinas en la parte superior del edificio. Otra diferencia es que, a igualdad de condiciones, la potencia es más elevada en un ascensor eléctrico ya que el hidráulico no lleva contrapeso. Además la central hidráulica sólo trabaja en las subidas de la cabina (esto realmente se trata de una consigna que funciona muy bien comercialmente hablando, en cuanto aunque es cierto que sólo consume potencia en las subidas, ésta suele ser aproximadamente igual que la consumida en las subidas y bajadas de un eléctrico). Una ventaja más a favor de la utilización de ascensores hidráulicos es que se consiguen nivelaciones de mayor precisión, ya que disponen de dos velocidades (nominal y nivelación). Por otro lado, las velocidades que se alcanzan son menores que en el eléctrico, y además hay una dependencia respecto a la temperatura del aceite. En caso de avería en el grupo impulsor, o rotura de tuberías, una simple válvula a la entrada del cilindro regula la salida del aceite para que la cabina descienda hasta el nivel de piso inmediatamente inferior, imposibilitando así que los usuarios que se encuentren dentro de la cabina queden atrapados. Para prevenir la parada por fallo de suministro eléctrico se puede equipar el ascensor con una batería que abra automáticamente esta electroválvula. A modo de esquema se ha realizado la siguiente tabla: ELÉCTRICO HIDRÁULICO Coste instalación (de venta) mayor (cuarto de máquinas arriba y contrapeso) menor (sin cuarto de máquinas arriba ni contrapeso) Flexibilidad instalación menor (cuarto máquinas en la parte superior) mayor (cuarto máquinas en cualquier parte del edificio) Velocidades mayores (>1 m/s) menores (0.63 m/s) Precisión de la nivelación Con variador de frecuencia mejor que el Hidráulico (peor en el resto de casos) - Potencia eléctrica sensiblemente mayor (en subida y en bajada) sensiblemente menor (sólo en subida pero mayor que en el Eléctrico) Altura cualquiera máximo 8 plantas (21 m) Carga menor capacidad de carga mayor capacidad de carga Ruido maquinaria más ruidosa maquinaria más silenciosa Otros no hay dependencia con la temperatura del aceite mayor seguridad ante avería y fallos eléctricos Tabla 1.1. Ventajas e inconvenientes entre ascensor Eléctrico e Hidráulico. v1.00, MAY. 06 PÁG.15 CFA_TAEs
  • 21.
    CURSO DE FORMACIÓNDE ASCENSORES TEMA 1. TEORÍA DEL ASCENSOR 1.5. COMPOSICIÓN DE UN ASCENSOR A continuación se van a diferenciar y comentar las distintas partes que componen un ascensor. En primer lugar se mostrará un esquema general y, seguidamente, se pasará a describir cada uno de los elementos del ascensor eléctrico e hidráulico. huida cabina recorrido Figura 1.11. Esquema general de las partes de un ascensor Como ya se ha comentado, en un ascensor hidráulico la situación del cuarto de máquinas es más flexible, siendo lo habitual que esté cercano al hueco, preferiblemente adyacente a la planta inferior. v1.00, MAY. 06 PÁG.16 CFA_TAEs
  • 22.
    CURSO DE FORMACIÓNDE ASCENSORES TEMA 1. TEORÍA DEL ASCENSOR 1.5.1. ASCENSOR ELÉCTRICO Partiendo de la instalación típica de la Figura 1.12 se irán comentado los diferentes elementos del ascensor eléctrico así como su funcionamiento. Algunos de ellos serán tratados con mayor profundidad en sucesivos capítulos de este documento. Figura 1.12. Esquema de un ascensor eléctrico. v1.00, MAY. 06 PÁG.17 CFA_TAEs
  • 23.
    CURSO DE FORMACIÓNDE ASCENSORES TEMA 1. TEORÍA DEL ASCENSOR - Puertas de piso o de rellano: son las puertas situadas en cada planta del edificio. Pueden ser de dos tipos: - Automáticas (A): se abren junto con la puerta de cabina cuando ésta llega a la planta donde se solicitó el ascensor. Semiautomáticas (S): las tiene que abrir el usuario del ascensor, pero se cierran solas. - Guías. Los elementos que acompañan a las guías son: - Empalmes: placas de acero para unir los diferentes tramos de la guía. - Fijaciones: elementos de metal para fijar las guías a las paredes del hueco. Dependiendo del tamaño del hueco hay diferentes tipos de fijaciones. Se suelen colocar cada 3 m en el eléctrico y 1.5 m en el hidráulico, aunque esto también depende del tipo de ascensor. En un ascensor eléctrico hay 2 tipos de guías: - De cabina: constituyen los raíles por donde se desliza el chasis de la cabina. Cada ascensor suele tener 2. Dependiendo del tamaño y tipo de cabina la dimensión de ésta variará, a mayor carga mayor dimensión de la guía. Cuando nos referimos a dimensión no hablamos de longitud, sino de ancho × alma × espesor. Figura 1.13. Dimensiones de una guía. - De contrapeso: son los raíles por donde se desliza el chasis del contrapeso. Es un elemento de los ascensores eléctricos ya que los hidráulicos no tienen contrapeso. Las guías están siempre suspendidas del techo del hueco. Normalmente se compran en tramos de 5 m para poder manipularlos con facilidad en el hueco y el tramo final se corta según la longitud requerida. - Máquina: es el grupo tractor de elementos que mueven los cables del ascensor. El sistema de tracción de los eléctricos puede ser por adherencia o arrollamiento (se suele usar menos). Dentro de la máquina podemos distinguir los siguientes elementos: - Motor eléctrico: el que provoca el movimiento (marcha o parada) siguiendo las órdenes del cuadro de maniobra. Electroimán de freno: para el motor siguiendo las órdenes del cuadro. Reductor: reduce la velocidad del motor a las necesidades de movimiento del ascensor. Polea motriz: donde van los cables de tracción. El reductor es el que le transmite el movimiento. Con la nueva normativa todas las poleas deben llevar una protección para recibirlas. v1.00, MAY. 06 PÁG.18 CFA_TAEs
  • 24.
    CURSO DE FORMACIÓNDE ASCENSORES - - TEMA 1. TEORÍA DEL ASCENSOR Polea de desvío: polea auxiliar que se coloca cuando la motriz no se adecua a la entrecaída (distancia entre la caída de cables de la cabina y la caída de cables del contrapeso). Bancada: estructura de metal donde se coloca la máquina. - Cables de tracción: van desde el chasis de la cabina, al que se unen por medio de los terminales, al del contrapeso pasando por la polea motriz. Son de acero y su espesor y número depende de la carga del ascensor. Bajo los terminales de la cabina además están colocados unos contactos de seguridad que detectan el aflojamiento de cables, transmitiendo esta información al cuadro para que paralice la maniobra. - Limitador: elemento de seguridad que detecta los excesos de velocidad de la cabina y el contrapeso. Consta de parte superior (en el cuarto de máquinas), parte inferior (en el extremo inferior de la guía) y un cable que pasa por las dos poleas colocadas en cada una de las partes. Los extremos de este cable van enganchados al chasis con lo que se consigue el circuito cerrado. Esta unión solidaria hace que las poleas del limitador se muevan a la misma velocidad que la cabina, cuando ésta supera una velocidad considerada anómala (suele ser del 20% superior a la nominal), el limitador se dispara y saltan dos bloqueos: uno eléctrico que manda una orden al cuadro de maniobra para que corte, y otro mecánico que hace actuar el sistema de paracaídas. - Contrapeso: elemento que se encuentra al otro extremo de los cables de tracción y cuya función, claramente, es contrapesar la cabina. Consta de: - Pesas: su número depende de la carga, y suelen ser de hormigón o metálicas. Chasis: estructura donde van colocadas las pesas. Pantallas de protección: chapa colocada al final del hueco que aísla el contrapeso de la cabina. - Cadena de compensación: se usan en ascensores de gran recorrido (a partir de 9 plantas) para compensar el peso considerable de los cables. Va del chasis de la cabina de contrapeso y también es usado para conseguir mejores nivelaciones en la parada, por lo que lo llevan todos los ascensores V. - Amortiguador de foso (puffer): su función es amortiguar una pasada de la carrera de la cabina. Tiene 2 partes: el pilar de apoyo y el puffer propiamente dicho, que suele ser de goma negra. Cada ascensor lleva como mínimo dos (cabina y contrapeso). - IPH (Instalación Premontada en Hueco). Consta de varias partes: - - Cuadro de maniobra: situado en el Cuarto de Máquinas (CM). Es el “cerebro” del ascensor. Instalación de hueco: mazo de hilos de colores que van por la pared conectando tanto las botoneras, puertas de rellano y el resto de elementos fijos del hueco como el alumbrado. Canaletas: elementos de plástico por donde van los hilos anteriores. Instalación de cabina o cordón de maniobra: cable plano negro que conecta los elementos de la cabina con el cuadro de maniobra. Caja de revisión: caja situada encima de la cabina en la que se hacen todas las interconexiones de la cabina con el cordón de maniobra. Botoneras: dispositivos mediante los cuales los usuarios del ascensor transmiten las órdenes y reciben información. Las hay de cabina y de piso. Fotocélula: dispositivo situado en la embocadura de la cabina o en las hojas de la puerta de cabina cuya función es evitar que las puertas se cierren cuando hay una persona. v1.00, MAY. 06 PÁG.19 CFA_TAEs
  • 25.
    CURSO DE FORMACIÓNDE ASCENSORES TEMA 1. TEORÍA DEL ASCENSOR - Fotorruptores: contadores de piso y de nivelación de cabina. Van encima del techo de la cabina situados de tal forma que la guía queda dentro y así va leyendo las señales de nivelación y de pulso que van en la guía. o Señales de nivelación: imanes a nivel de planta. o Señales de pulso: otros imanes para saber dónde está el ascensor. Su detección provoca el cambio de velocidad en la planta destino. - Finales de carrera: elementos de seguridad, inferior y superior, que no debe pasar el ascensor. Marca los límites del recorrido del mismo. Antefinales de carrera: elementos de seguridad que asegura el cambio de velocidad (también hay uno inferior y otro superior). - - Chasis: estructura donde se ubica la cabina. Hay de 2 tipos: pórtico (se suele usar en eléctrico) y de mochila (se usa en hidráulico). En el chasis existen varios elementos: - Terminales de cables. Rozaderas: elementos por los que se desliza el chasis sobre las guías. Cada chasis lleva 4 (2 para cada guía). Paracaídas: sistema de seguridad asociado al limitador de velocidad. Está formado por dos cajas de cuñas (una en cada guía) y una barra que las une para que salten al mismo tiempo. El funcionamiento del sistema se basa en que las guías pasan por las cajas de cuña y cuando el limitador salta por sobrepasar la velocidad de disparo, se accionan las cajas de cuña aprisionando el sistema contra las guías. Hay 2 tipos: o Instantáneo (v ≤ 0.63 m/s): la parada es brusca por lo que sólo está permitido en A de baja velocidad. o Progresivo (v > 0.63 m/s): la parada se va produciendo de forma más suave que el anterior, por eso se puede utilizar con A de mayor velocidad. - Cabina: elemento donde viajan los pasajeros, va dentro del chasis. Es muy importante su diseño ya que junto con las puertas y la botonera son las partes que el usuario ve. - Puertas de cabina: pueden ser automáticas o de bus. Las componen dos partes fundamentales: hojas y operador (mecanismo que hace realmente abrir las puertas). - Pesacargas: detecta cuando el ascensor está al límite o ha sobrepasado su carga nominal, informando de ello al cuadro de maniobra. Tienen dos partes: sensores que detectan la situación y la parte de control que informa al cuadro de que no inicie la maniobra o no recoja a más personas. Esta parte de control puede llevar adicionalmente un control de presencia. Existen varios tipos: - De cables: va encima de los terminales y según la tensión del cable calcula el peso. - De bancadas: van bajo los apoyos de la bancada de la máquina - De cabinas: entre el chasis y la cabina, con cuatro sensores situados en la parte inferior de la estructura. - Electromecánico: entre el chasis y los cables. - Sistema de rescate de personas: además del sistema manual de la máquina, los E pueden tener auxiliarmente un cuadro similar al de maniobra por el que pasan todas las corrientes y series de seguridad en su paso a éste, y que, ante falta de corriente, actúa con una serie de baterías que hacen mover la máquina y el operador de la v1.00, MAY. 06 PÁG.20 CFA_TAEs
  • 26.
    CURSO DE FORMACIÓNDE ASCENSORES TEMA 1. TEORÍA DEL ASCENSOR puerta para rescatar a personas que hayan quedado en el interior del A. En MP este sistema se llama RESCATAMAC. - Sistema de comunicación permanente bidireccional: dispositivo electrónico que conecta la cabina con un centro de atención permanente para comunicarse en caso necesario. En MP este producto es el FONOMAC. 1.5.2. ASCENSOR HIDRÁULICO Ya se han visto las ventajas e inconvenientes entre este tipo de A y el E, así como los tipos de H que existen, de forma que a continuación se describirán los elementos que lo diferencian del E. Magnéticos (imanes) Guía Final de carrera superior Contacto de nivelación Contacto de puerta CABINA Botonera de cabina Rozadera Puerta de cabina Soporte de guía Magnéticos (imanes) ÉMBOLO Final de carrera inferior Bloque de válvulas CENTRAL HIDRÁULICA Amortiguador de resorte Depósito de aceite Cuadro de maniobra Bomba Motor Arena Aro de límite Hormigón CILINDRO Figura 1.14. Esquema de un ascensor hidráulico de tiro directo. v1.00, MAY. 06 PÁG.21 CFA_TAEs
  • 27.
    CURSO DE FORMACIÓNDE ASCENSORES TEMA 1. TEORÍA DEL ASCENSOR - Central hidráulica: compuesta por: - Depósito o tanque de aceite: espacio donde se almacena el aceite. - Bomba hidráulica: elemento que impulsa el aceite. - Bloque de válvulas: conjunto de elementos (válvulas) que dan paso al aceite desde el tanque (mínimo una de subida y otra de bajada). Son gobernadas por el cuadro de maniobras. - Latiguillo: tubería por donde va el aceite desde la central al pistón. - Pistón: cilindro con un émbolo en su interior que presiona el aceite para las subidas del ascensor o se relaja en las bajadas del mismo. - Mocheta: elemento de hierro sobre el que se apoya el pistón. - Base de replanteo: base de hierro situado en el fondo del foso sobre la que se colocan la mocheta y las guías (en los H son apoyadas). - Guías: a diferencia de los E son apoyadas. - Válvula paracaídas: válvula de seguridad de los H situada entre el latiguillo y el pistón. Cuando el flujo de aceite sobrepasa el límite impuesto como normal bloquea el pistón. - Sistema de rescate. Sistema no mecánico (a diferencia del E) compuesto por: - - Válvula de emergencia: válvula situada en la central que se abre cuando detecta que no hay corriente liberando así el aceite, y dejando la cabina en la planta inferior más cercana. Para su funcionamiento hace falta una pequeña batería. Sistema de emergencia de apertura de puertas: en MP es el RESCATAMACH, y complementa al sistema de válvulas. - Pesacargas. En los H sólo hay 2 tipos: - De cabina: igual que en E. Presostato: tipo de barómetro situado en la central que mide la presión del aceite (no es tan exacto como el anterior). 1.5.3. ASCENSORES SIN CUARTO DE MÁQUINAS (SCM) Se trata de situar los elementos que van normalmente en el CM en el interior del hueco del A de tal forma que no se incrementen las dimensiones de la huída, el foso y el hueco. Por tanto, el CM queda eliminado, pudiéndose destinar estos metros a otros usos arquitectónicos y permitiendo el aprovechamiento de la altura máxima permitida para un edificio con pisos útiles. Este hecho ha llevado que se conviertan en un gran producto de cara a la problemática de espacio existente en la actualidad, además de mejorar la estética del edificio. Se practica tanto con los E como con los H. A continuación se detallarán los elementos que lo diferencian de uno Con Cuarto de Máquinas (CCM). v1.00, MAY. 06 PÁG.22 CFA_TAEs
  • 28.
    CURSO DE FORMACIÓNDE ASCENSORES TEMA 1. TEORÍA DEL ASCENSOR ESCM (Eléctrico Sin Cuarto de Máquinas) - - - Máquina: en la configuración de MP va situada en una bancada especial. Pueden ser de 2 velocidades o V (con variador de frecuencia), aunque en MP sólo se sirven de tipo V. Guías: son apoyadas (a diferencia de los ECCM). Tienen una posición diferente debido a la nueva ubicación del contrapeso. Cuadro de maniobras: va junto a la puerta del último piso. En el cuadro se encuentran separados de forma independiente la parte de control (abajo), y la parte de fuerza, protecciones eléctricas, botonera de revisión y timonería del sistema mecánico de rescate (arriba). Chasis de cabina: la configuración de MP es de mochila. Chasis de contrapeso: en MP se sitúa entre las guías de la cabina. HSCM (Hidráulico Sin Cuarto de Máquinas) - La central va ubicada en la parte inferior del armario donde está el cuadro. Éste se puede colocar a distancias considerables del hueco aunque será el constructor el que determine su situación exacta (normalmente en la planta inferior pegado al hueco). 1.6. MODELOS DE ASCENSORES EN MP Para familiarizarnos con las configuraciones y modelos de ascensores de MP, se detallará la nomenclatura que se utiliza dentro de la empresa, así como un listado de modelos clasificados según las necesidades del cliente y requerimientos del edificio. En primer lugar, cabe destacar que MP clasifica sus modelos en diferentes categorías según el uso del edificio en el que va a estar instalado: - Residencial, Oficinas y Edificios de Uso público (MP PASSENGER). Indicados para el transporte exclusivo de personas. Prevalecen los aspectos estéticos, ergonómicos, cinemáticas y de confort sobre la robustez. - Hospitales/Clínicas/Residencias (MP MEDIC). Utilizados en ambiente hospitalario o similar para el transporte de camas y camillas con sus ocupantes y acompañantes. Las dimensiones de cabina y de paso libre de puertas están normalizadas para permitir su uso. - Doméstico (MP MINI). Indicados para viviendas unifamiliares o de pequeñas dimensiones. - Montacoches (MP PARKING). Destinados al transporte de vehículos (generalmente turismos) hasta los lugares de estacionamiento así como de los ocupantes del mismo. - Montacargas (MP STRONGO). Pueden estar destinados exclusivamente al transporte de mercancías y tener que estar inaccesibles a las personas, u orientados para el transporte de cargas con operarios dentro de la cabina. En cualquier, caso prima la robustez y la capacidad de carga sobre los demás aspectos. - Ascensores singulares v1.00, MAY. 06 PÁG.23 CFA_TAEs
  • 29.
    CURSO DE FORMACIÓNDE ASCENSORES TEMA 1. TEORÍA DEL ASCENSOR Dentro de estas categorías existen diferentes modelos que se adecuan al presupuesto del cliente y a las necesidades del edificio (número de paradas). Algunos de estos modelos tienen su homólogo Sin cuarto de máquinas, lo que se denomina en MP la “Serie S” (la “Serie C” sería Con cuarto de máquinas). Además de la serie de ascensores listada con anterioridad, que se correspondería con ascensores de hueco opaco con elementos no visibles desde el exterior, existe una gama de ascensores panorámicos con elementos interiores visibles. En estos ascensores prevalecen los criterios estéticos de diseño puesto que constituyen un elemento arquitectónico de primer orden el edificio. Figura 1.15. Cabinas y ascensores panorámicos de MP (gama MP GLASS). 1.6.1. Codificación o nomenclatura de los ascensores (según aspectos técnicos) La nomenclatura típica que se usa en MP es la siguiente: Carga nominal (nº personas) Velocidad nominal (m/s) 3, 4, 6, 8, 10, 13, 16, 20 XX -> X.X m/s Tipo A MP 05 -> 0.5 m/s 06 -> 0.6 m/s 10 -> 1.0 m/s … v1.00, MAY. 06 PÁG.24 E - Eléctrico H - Hidráulico V - Variador Frecuencia G - Gearless CFA_TAEs
  • 30.
    CURSO DE FORMACIÓNDE ASCENSORES TEMA 1. TEORÍA DEL ASCENSOR Por ejemplo, un ascensor eléctrico Gearless para 13 personas y con velocidad de 1 m/s se codifica en MP como MP1310G, y un Hidráulico de 20 personas de 0.5 m/s sería un MP2005H. Otra codificación de modelos, ya en desuso, pero que se incluye aquí por si algún día se revisan planos antiguos, es la siguiente: Tipo A E - Eléctrico H - Hidráulico V - Variador Frecuencia G - Gearless Carga nominal (Kg) Peso persona = 75 Kg 300 Kg -> 4 personas 450 Kg -> 6 personas … Tipo puerta cabina Tipo puerta rellano (o de piso) A - Automáticas (ahora por A - Automáticas ley en nueva instalación son todas Automáticas) S - Semiautomáticas B - de Bus (sólo en reforma) Así, un ascensor eléctrico para 6 personas con puertas de cabina y de piso automáticas se corresponde con el código E 450 AA. Hay que señalar que la carga nominal puede estar dada tanto en número de personas como en peso que soporta la cabina. v1.00, MAY. 06 PÁG.25 CFA_TAEs
  • 31.
    CURSO DE FORMACIÓNDE ASCENSORES TEMA 2. REPLANTEO Tema 2 REPLANTEO El proceso de replanteo de la instalación de un ascensor se realiza para comprobar que las dimensiones que se han proyectado con anterioridad han sido satisfechas por parte del constructor del edificio, es decir, lo que se hace es ver que realmente el hueco, foso y cuarto de máquinas, si lo hubiera, tienen el tamaño suficiente para que se pueda instalar el modelo de ascensor seleccionado. 2.1. INTERPRETACIÓN DE PLANOS En primer lugar, se va a explicar como se interpreta o lee un plano, ya que en el replanteo lo que se utiliza es un plano acotado donde aparecen todas las vistas de la instalación del ascensor, y en cada una de ellas los elementos y dimensiones de los mismos. La PLANTA sería la vista desde arriba, mientras que los ALZADOS son las vistas que se tienen desde los laterales de la figura: v1.00, MAY. 06 PÁG.26 CFA_REs
  • 32.
    CURSO DE FORMACIÓNDE ASCENSORES TEMA 2. REPLANTEO PLANTA ALZADO LATERAL ALZADO FRONTAL Figura 2.1. Vistas o perspectivas de un ascensor. 2.1.1. Perspectivas en el plano Como ya se ha comentado, lo que se representa en el plano son las 3 perspectivas principales de las diferentes partes de la instalación. De esta forma, podemos visualizar la planta de la instalación, la planta del foso y del cuarto de máquinas, y el alzado lateral y frontal de toda la instalación. PLANTA ESCALA 1:15 ALZADO ESCALA 1:105 v1.00, MAY. 06 PÁG.27 CFA_REs
  • 33.
    CURSO DE FORMACIÓNDE ASCENSORES TEMA 2. REPLANTEO DETALLE DE FOSO ESCALA 1:30 Figura 2.2. Algunas perspectivas de la instalación (Planta de hueco, Detalle de foso y Alzado). Pero hay que señalar que, dependiendo del tipo y el modelo de ascensor, se pueden representar también vistas de otras partes del ascensor, como el DETALLE DE HUECO DE LA PUERTA o el DETALLE DE LOSA (ya que en los ECCM las guías están suspendidas del techo del cuarto de máquinas) donde se visualicen partes específicas del mismo. 2.1.2. Medidas y acotaciones Las medidas y distancias de los elementos de un ascensor están dadas en cotas (normalmente en milímetros, mm), pero obviamente se dibujan a escala para poder visualizarlo en su totalidad en el papel. La escala nos sirve para saber las medidas exactas de algo que no ha sido acotado en el plano, es decir, podemos conocer las dimensiones reales de cualquier elemento del plano midiéndolo con una regla y aplicándole la escala correspondiente (se pueden usar también escalímetros que directamente aplican la escala al medir sobre el plano). Lo normal es encontrarnos en el plano del ascensor varias representaciones de las diversas partes del mismo con diferentes escalas, según sean las dimensiones reales de lo que queremos plasmar en el papel. Por ejemplo, en la Figura 2.2 se observa que mientras que la PLANTA DE HUECO y el DETALLE DE FOSO tienen una escala de 1:15 y 1:30 respectivamente, la escala del ALZADO es de 1:105. Las escalas dadas en todos los planos A3 de este Tema no se corresponden con las verdaderas, sino con la de los planos reales de replanteo representados en formato A1. 2.1.3. Lectura de características principales El plano A1 es una de las principales herramientas del montador ya que debe replantear el hueco según las vistas que aparecen en este plano: PLANTA, ALZADO, DETALLES DE FOSO, etc. Además, las características técnicas generales aparecen en una tabla en el margen derecho de este A1. v1.00, MAY. 06 PÁG.28 CFA_REs
  • 34.
    CURSO DE FORMACIÓNDE ASCENSORES TEMA 2. REPLANTEO En la parte superior de la tabla se listan las CARACTERÍSTICAS GENERALES del ascensor: codificación del modelo, velocidad, número de paradas, carga útil (kg), tipo de maniobra, etc. Más abajo se detallan los CÁLCULOS que se han realizado en el diseño de los elementos del ascensor. En la parte inferior, además de la referencia del proyecto, se incluyen una serie de comentarios de interés que informan sobre diferentes aspectos de la propia instalación. Figura 2.3. Algunas características generales del ascensor. 2.1.4. Identificación de elementos A continuación se va a proceder a ver una serie de planos reales (no tener en cuenta las escalas que aparecen) de instalaciones de un ascensor ECCM y otro HCCM, en los que se irán identificando cada uno de los elementos que ya se han comentado brevemente en el Tema anterior. v1.00, MAY. 06 PÁG.29 CFA_REs
  • 35.
    CURSO DE FORMACIÓNDE ASCENSORES TEMA 2. REPLANTEO 2.1.4.1. Ascensor ECCM soporte de guía de contrapeso contrapeso guías contrapeso chasis cabina tipo pórtico espadines soporte de guía de cabina guías de cabina tipo T limitador de velocidad operador de puerta de cabina con VF (REVECO II de MP) pesa del limitador de velocidad pisadera de puerta de cabina motor del operador de puerta pisadera de puerta de piso caja de control del operador de puertas fijaciones del operador de puerta v1.00, MAY. 06 PÁG.30 puertas de cabina y de pìso telescópicas CFA_REs
  • 36.
    CURSO DE FORMACIÓNDE ASCENSORES TEMA 2. REPLANTEO guías de contrapeso cables de suspensión de contrapeso guías de cabina cables del limitador de velocidad cables de suspensión de cabina instalación eléctrica del hueco v1.00, MAY. 06 PÁG.31 CFA_REs
  • 37.
    CURSO DE FORMACIÓNDE ASCENSORES TEMA 2. REPLANTEO bancada del grupo tractor zonas de trabajo y seguridad ventilación polea motriz máquina cuadro de maniobra interruptor de luz cuadro de acometida eléctrica v1.00, MAY. 06 PÁG.32 CFA_REs
  • 38.
    CURSO DE FORMACIÓNDE ASCENSORES TEMA 2. REPLANTEO amortiguador de contrapeso amortiguador de cabina cargas o reacciones a tener en cuenta por el constructor zona de seguridad acceso a planta barandilla y zona de trabajo botonera de seguridad cabina amortiguador pilar del amortiguador v1.00, MAY. 06 zona de seguridad PÁG.33 CFA_REs
  • 39.
    CURSO DE FORMACIÓNDE ASCENSORES TEMA 2. REPLANTEO NOTA: el recorrido real del edificio es de 9 paradas v1.00, MAY. 06 PÁG.34 CFA_REs
  • 40.
    CURSO DE FORMACIÓNDE ASCENSORES TEMA 2. REPLANTEO 2.1.4.2. Ascensor HCCM (tiro indirecto) chasis de cabina tipo mochila guía tipo T con sus dimensiones polea caja de la botonera operador de puerta de cabina puertas de cabina y de piso telescópicas v1.00, MAY. 06 PÁG.35 CFA_REs
  • 41.
    CURSO DE FORMACIÓNDE ASCENSORES caja de conexiones bloque de válvulas TEMA 2. REPLANTEO salida de la tubería central hidráulica (en el interior motor, bomba y depósito aceite) cuadro eléctrico de acometida zonas de trabajo y seguridad interruptor eléctrico cuadro de maniobra ventilación del hueco guías polea cabezal del pistón cabina acceso a planta v1.00, MAY. 06 émbolo del pistón PÁG.36 CFA_REs
  • 42.
    CURSO DE FORMACIÓNDE ASCENSORES TEMA 2. REPLANTEO émbolo del pistón chasis de cabina tipo mochila cilindro del pistón amortiguador zona de seguridad cargas o reacciones a tener en cuenta por el constructor zona de seguridad v1.00, MAY. 06 amortiguador de cabina PÁG.37 CFA_REs
  • 43.
    CURSO DE FORMACIÓNDE ASCENSORES TEMA 2. REPLANTEO émbolo cilindro del pistón mocheta del pistón amortiguador de cabina v1.00, MAY. 06 PÁG.38 CFA_REs
  • 44.
    CURSO DE FORMACIÓNDE ASCENSORES TEMA 2. REPLANTEO 2.2. REPLANTEO DE UN ASCENSOR El replanteo del ascensor, como ya se ha explicado, es la verificación que se hace en la parte destinada al mismo en un edificio, en cuanto a dimensiones y especificaciones del modelo y tipo de ascensor que se va a instalar. Es un paso fundamental ya que determinará que la instalación se pueda llevar a cabo y, sobre todo, con la mejor calidad posible. Este proceso tiene sus pasos y aunque varían sensiblemente para cada tipo y modelo de ascensor, en términos generales, se puede seguir la guía que se presenta a continuación. Paso 0. Preparación y Seguridad para entrar en el hueco La primera operación que realizaremos será asegurar el hueco colocando las correspondientes barreras de protección de hueco descubierto para evitar caídas de objetos y demás. Seguidamente se instalará en el interior del hueco la “cuerda de vida” preparada para soportar el peso de dos personas, y de enganches en cada uno de los accesos al hueco, al mismo tiempo nos dispondremos a colocarnos los cinturones de seguridad. Estas operaciones se realizarán estando también sujetos a algún punto fijo de la obra. Paso 1. Replanteo del hueco en planta 1.1. Se comprueba las dimensiones del ancho y fondo del hueco con la ayuda de los útiles de replanteo suministrados. Figura 2.4. Útiles para el replanteo. v1.00, MAY. 06 PÁG.39 CFA_REs
  • 45.
    CURSO DE FORMACIÓNDE ASCENSORES TEMA 2. REPLANTEO 1.2. Se empieza el proceso de replanteo en la zona de huida del hueco del ascensor fijando el tubo rasgado correspondiente. Se colocarán las escuadras procurando que vayan fijadas al último forjado y no interfiera con el último soporte de guías. 1.3. En el foso se procede de forma análoga a la anterior con su tubo rasgado correspondiente. Figura 2.5. Detalle de fijación del tubo rasgado y las escuadras (en huida y foso). 1.4. Luego se suspenden las plomadas desde el tubo de la huida y se modificarán las posiciones de las escuadras del hueco y de la huida para que los cordeles queden en la posición exacta marcada en el esquema de plomadas (depende de la carga útil del ascensor). Figura 2.6. Ejemplo de Esquema de plomadas para el ESCM de 300 kg. 1.5. Se verificará en cada planta que se cumplen las medidas mínimas de los ejes dadas en el plano. En caso de no ser así, se procede a modificar las escuadras v1.00, MAY. 06 PÁG.40 CFA_REs
  • 46.
    CURSO DE FORMACIÓNDE ASCENSORES TEMA 2. REPLANTEO en la zona de huida y se procede a repetir el proceso de replanteo desde la huida, de nuevo, planta por planta. 1.6. Por último, se fijan las plomadas a las escuadras del tubo rasgado del foso para que no se muevan y tener así una referencia fija. Paso 2. Replanteo del hueco en alzado, cotas verticales Se comprobará y marcarán las cotas verticales guiándonos por el alzado representado en el plano para evitar los errores derivados de diferencias entre el hueco real y el ideal representado en el plano en la posterior instalación de las guías. 2.1. En primer lugar, se marcan en la pared del hueco los soportes y empalmes de guías (de cabina y contrapeso), el recorrido total y las alturas del foso y la huida. 2.2. Se comprueba, piso a piso y en forma descendente hasta el suelo del foso, la no interferencia entre empalmes y soportes. Si no es el caso se procederá a modificar ligeramente la posición de estos últimos. Figura 2.7. Soportes de guías en el hueco. Paso 3. Replanteo de hueco, cordel colorante 3.1. Se fija el cordel colorante al tubo rasgado de la zona de huida y se tenderá hasta el foso, en la posición exacta que se indica en el esquema de plomada. 3.2. Se marcará en la pared del hueco, en todo el recorrido del ascensor, el punto medio de cada soporte de guía a la altura en la que está representado en el plano de replanteo. 3.3. Para finalizar, se retira el cordel. Con estos 3 pasos ya se habrá comprobado las medidas del hueco del ascensor y se habrán marcado las posiciones en los que se colocarán los soportes de las guías, con lo que el Replanteo habrá finalizado. v1.00, MAY. 06 PÁG.41 CFA_REs
  • 47.
    CURSO DE FORMACIÓNDE ASCENSORES TEMA 2. REPLANTEO 2.2.1. Aspectos a tener en cuenta según el tipo de ascensor Aunque se han dado los pasos generales para realizar el proceso de Replanteo de un ascensor, éste puede variar dependiendo del tipo que sea. En primer lugar, es obvio destacar que las dimensiones y distancias que aparezcan en el plano de replanteo cambiarán según el tipo y modelo de ascensor. Ascensor ECCM En este caso, en el plano veremos que hay una planta adicional con el título DETALLE DE LOSA. Como sabemos, en los ascensores E las guías van suspendidas del techo del cuarto de máquinas, de forma que hay que hacer un replanteo del suelo de cuarto de máquinas. En este replanteo verificaremos el número de taladros que hay y las dimensiones de los mismos. Los taladros que normalmente nos encontramos son nueve: - 2 de las guías de cabina 2 de las guías de contrapeso 1 de los cables de cabina 1 de los cables de contrapeso 2 de los cables del limitador de velocidad 1 de la instalación eléctrica (puede ser que se aproveche uno de los taladros para pasar los cables de la instalación eléctrica) Ascensor ESCM En este caso, al no haber cuarto de máquinas, NO existirá el DETALLE DE LOSA anterior. En los ESCM además de comprobar las dimensiones del hueco de todas las plantas (Paso 1.5) también hay que comprobar las dimensiones de las cotas X e Y que nos facilitará la ubicación de la bancada de la máquina en el techo de la cabina del ascensor. Ascensor H Los aspectos singulares del ascensor H son: - NO existe CONTRAPESO, por tanto, no hay que replantear la ubicación de las guías de contrapeso. - Al igual que el ESCM NO hay DETALLE DE LOSA, ya que las guías de la cabina son apoyadas en el foso. - Las medidas serán diferentes. Por ejemplo, la huida de un ascensor H es menor que en el E ya que la velocidad nominal también lo es y, por tanto, se necesita menos tiempo de reacción por parte del operario en el caso de una maniobra de subida de cabina no prevista. v1.00, MAY. 06 PÁG.42 CFA_REs
  • 48.
    CURSO DE FORMACIÓNDE ASCENSORES TEMA 3. ASCENSOR ELÉCTRICO Tema 3 ASCENSOR ELÉCTRICO En este tema se va a explicar en profundidad los elementos que se pueden encontrar en un ascensor eléctrico, para más tarde determinar cómo se realiza el montaje del mismo y definir su instalación completa. 3.1. GRUPO TRACTOR Figura 3.1. Situación y componentes del grupo tractor. v1.00, MAY. 06 PÁG.43 CFA_AEEs
  • 49.
    CURSO DE FORMACIÓNDE ASCENSORES TEMA 3. ASCENSOR ELÉCTRICO 3.1.1. Motores La construcción y características de los grupos tractores y, sobre todo, de los motores con que van equipados, varía según sea la velocidad nominal del ascensor y el servicio que deben prestar. Se puede establecer la siguiente clasificación: A) Motores de corriente alterna - motores de 1 velocidad - motores de 2 velocidades - motores con convertidor de frecuencia Asíncronos Síncronos -> motores gearless (sin reductor) B) Motores de corriente continua con convertidor continua-alterna (no se usan) Los motores de corriente continua han desaparecido ya en las nuevas instalaciones y fueron suplantados por los de corriente alterna, de forma que sólo nos centraremos a comentar estos últimos. 3.1.1.1. Motores de 1 velocidad Los grupos tractores con motores de 1 velocidad sólo se utilizan para ascensores de velocidades hasta 0.63 m/s. La curva par/velocidad de un motor de estas características apenas deja margen de variación para la velocidad. El nivel de confort es bajo, por lo que suelen usarse en ascensores industriales de gran carga pero de velocidad reducida (0.2-0.3 m/s) y en ascensores de viviendas de 4 personas, de tipo económico en las que el constructor ha buscado la solución más sencilla y de menor coste de fabricación. Los más empleados son los siguientes: a) Con el eje de la polea de adherencia en voladizo. En este caso el grupo tractor debe estar provisto de un dispositivo que impida la salida de los cables. b) Con el rotor del motor montado en el mismo eje del sinfín y el motor acoplado al cárter del reductor por medio de bridas. c) Con motor de eje vertical. d) Con un motor especial montado en posición vertical u horizontal, y cuyo estator está en el centro del motor y el rotor lo rodea exteriormente. El rotor está montado sobre el eje del sinfín y unido a él por una chaveta. El cilindro que rodea y protege el rotor, sustituye el tambor de freno sobre el que actúan las zapatas. Nº polos r.p.m. 2 4 6 8 12 16 18 24 3000 1500 1000 750 500 372 333 250 Tabla 3.1. Velocidades síncronas de los motores en función del número de polos (EN 81-1). v1.00, MAY. 06 PÁG.44 CFA_AEEs
  • 50.
    CURSO DE FORMACIÓNDE ASCENSORES TEMA 3. ASCENSOR ELÉCTRICO 3.1.1.2. Motores de 2 velocidades El sistema es sencillo por lo que se usa más en la actualidad que el de 1 velocidad, ya que por medio de la velocidad de nivelación se consigue un frenado con el mínimo error. El confort aumenta también respecto al de 1 velocidad. Este sistema se aplica en ascensores hasta 1 m/s y se suele implementar en ascensores de bajas cargas y montacargas de cargas elevadas. En este caso, se equipan los grupos tractores con motores trifásicos de polos conmutables que funcionen a una velocidad rápida y a otra lenta según la conexión de los polos, obtenida automáticamente con un dispositivo que se introduce en el circuito de maniobra (realmente son 2 motores independientes incorporados en un mismo dispositivo). Por lo demás, los motores son de ejecución similar a los de 1 velocidad y se construyen, normalmente, para una velocidad alta de 1500 rpm y una velocidad baja de 375 rpm (16 polos). Las velocidades que figuran en la Tabla 3.1 son las teóricas síncronas, pero como los motores son asíncronos y su movimiento tiene un cierto deslizamiento con respecto al teórico, las velocidades reales son menores. Por ejemplo, para los motores que más se emplean, que son de 4 y 18 polos, sus velocidades reales son 1450 y 350 rpm respectivamente. 3.1.1.3. Motores con convertidor de frecuencia En un motor de un ascensor es de gran utilidad disponer de accionamientos capaces de trabajar en un amplio rango de velocidades. Una de las más relevantes innovaciones, como ya se ha visto en temas anteriores, consiste en incorporar un variador o convertidor de frecuencia en el motor. Se utilizan con reductor para velocidades hasta 2.5 m/s y cargas máximas de 2500 kg. La parada se realiza en este caso a nivel de piso, sin micronivelación, con lo que se reduce el tiempo de marcha y aumenta la capacidad en lo que se refiere al tráfico. Se pueden obtener velocidades hasta 5 m/s y cargas de 2000 kg suprimiendo el reductor. En este caso se regula totalmente la aceleración, deceleración y velocidad, y la parada es directa a nivel de piso. Existen varias alternativas para conseguir modificar la velocidad del motor, sin embargo, la evolución de los semiconductores ha permitido desarrollar convertidores de frecuencia estáticos cada día más competitivos. De manera que los sistemas compuestos por motor de jaula y convertidor de frecuencia permiten velocidades variables con un motor robusto, seguro y de mínimo mantenimiento. Principio básico del funcionamiento del convertidor de frecuencia La mayoría de los convertidores de frecuencia trabajan según el principio que se detalle en el esquema de la Figura 3.2, es decir, la tensión alterna de la red (50 Hz) alimenta, a través de un rectificador, a un circuito intermedio de corriente continua. Un convertidor situado en el circuito de salida invierte esta tensión continua intermedia y la convierte, mediante la conmutación adecuada de los transistores V1 a V6, en un sistema de tensiones alternas trifásicas de frecuencia y tensión variables, o sea, opera como un rectificador invertido al que se suele denominar inversor. v1.00, MAY. 06 PÁG.45 CFA_AEEs
  • 51.
    CURSO DE FORMACIÓNDE ASCENSORES TEMA 3. ASCENSOR ELÉCTRICO El bloque de control realiza la regulación de tensión con respecto a la frecuencia y asume las tareas de control, monitorización y protección, de forma que el sistema no pueda ser sobrecargado. inversor circuito intermedio rectificador V1 V3 V5 RED (50 Hz) motor V4 V6 V2 Bloque de control y proceso de datos Figura 3.2. Esquema de un convertidor de frecuencia. 3.1.1.4. Gearless En este caso el motor eléctrico y la polea de tracción se montan sobre el mismo eje mediante un acoplamiento directo sin ningún sistema de engranaje, así pues la velocidad de rotación del motor y la polea es la misma. Mejora sustancialmente el rendimiento mecánico y el nivel de ruido, y se consiguen mayores velocidades (a partir de 2 m/s) y capacidad de carga (más de 1000 kg). También incorpora convertidor de frecuencia por lo que el freno actúa de la misma manera que en éste, es decir, sólo asegura la inmovilización de la cabina una vez que ésta se ha detenido. 3.1.2. Freno 3.1.2.1. Freno mecánico El sistema de frenada del ascensor debe ponerse en funcionamiento automáticamente en caso de una perdida de energía eléctrica en los circuitos de control. Este sistema se lleva a cabo mediante un freno de fricción electromecánico. De acuerdo con la Norma 81-1, el par de frenada debe ser capaz de frenar de forma segura el ascensor con una carga equivalente al 125% de la carga nominal y de bloquearlo después de la parada. En el mismo eje sinfín del reductor va generalmente montado el tambor del freno, que muchas veces actúa también como mangón de acoplamiento con el motor. En cualquier caso el tambor sobre el que actúa el freno debe estar acoplado por un enlace mecánico a la polea, piñón o tambor de arrollamiento que haga la tracción. v1.00, MAY. 06 PÁG.46 CFA_AEEs
  • 52.
    CURSO DE FORMACIÓNDE ASCENSORES TEMA 3. ASCENSOR ELÉCTRICO Figura 3.3. Freno electromagnético de un ascensor. Sobre el tambor del freno actúan las zapatas empujadas fuertemente por sendos resortes cuya tensión es regulable para disminuir o aumentar la tensión de los muelles. Las zapatas son separadas del tambor cuando se pone en tensión el electroimán que las acciona. Por tanto, en posición de reposo, o sea cuando no hay tensión, el grupo tractor está frenado. De esta forma cualquier fallo en el suministro eléctrico produce la parada inmediata del ascensor. La Norma 81-1 recomienda que el corte de la corriente eléctrica que produce la apertura del freno debe ser efectuada al menos por dos dispositivos eléctricos independientes. - Eficacia del frenado. El sistema de frenado debe ser capaz de parar en descenso la cabina con una carga equivalente al 125% de la nominal, y en subida en vacío (casos extremos en los que se puede encontrar el ascensor). La Norma EN 81 recomienda que el frenado no debe producir una deceleración superior a la resultante de la actuación del paracaídas o del impacto sobre los amortiguadores. 3.1.2.2. Freno eléctrico El freno de corrientes parásitas de Foucault sin anillos ni colector forma un sólo bloque con el motor. Consta también de un programador con los valores nominales de frenado y una dinamo tacométrica colocada en el eje del grupo tractor que suministra una tensión proporcional a la velocidad de éste. De esta forma, la tensión es transmitida a un comparador que produce una tensión amplificada que se aplica al electrodo de mando o puerta de los tiristores que producen la corriente continua que, actuando sobre el freno de Foucault, va produciendo el frenado justo para la parada suave y a nivel. Al iniciarse el frenado se desconecta el motor de la red y con la tensión remanente se va produciendo el frenado eléctrico de la cabina hasta su inmovilización a nivel de piso. El freno mecánico sólo actúa para inmovilizar el ascensor una vez que se ha detenido totalmente la cabina. v1.00, MAY. 06 PÁG.47 CFA_AEEs
  • 53.
    CURSO DE FORMACIÓNDE ASCENSORES TEMA 3. ASCENSOR ELÉCTRICO 3.1.2.3. Accionamiento de emergencia En el extremo libre del motor se puede acoplar un volante sin manivela ni agujeros para accionar manualmente el motor, separando previamente las zapatas de freno manualmente por medio de la palanca adecuada. Así, en caso de avería o corte de suministro eléctrico, puede ponerse el suelo de la cabina al nivel del piso más próximo para facilitar la salida de los viajeros. Como norma de seguridad, antes de realizar un accionamiento de emergencia debe desconectarse el interruptor principal para aislar el motor de la red. El desbloqueo del freno debe exigir el esfuerzo permanente de la persona que lo efectúa. En el volante debe marcarse con flechas el sentido de giro para subir y bajar el ascensor. La Norma EN 81 añade 3 recomendaciones más: - El esfuerzo para el accionamiento a mano del ascensor no debe ser superior a 400 N, y si lo es, debe equiparse con una maniobra eléctrica de socorro. - Si el volante es desmontable, debe encontrarse en un lugar accesible del cuarto de máquinas. Si hay más de una máquina, cada volante debe estar identificado para evitar confusiones. - Debe ser posible controlar desde el cuarto de máquinas si la cabina se encuentra a nivel de un piso. Este control puede realizarse por medio de marcas sobre los cables de suspensión o sobre el cable del limitador de velocidad. 3.1.3. Reductor En primer lugar hay que señalar que, excepto los grupos tractores Gearless, el resto introduce un reductor entre el freno y la polea tractora. En la actualidad, prácticamente todos los reductores son del tipo sinfín-corona. El reductor está formado por un sinfín de acero engranado con una corona de bronce, montados en una carcasa o cárter de fundición que muchas veces forma un conjunto con las guías sobre las que se asienta el motor. La Norma EN 81-1 recomienda proteger las poleas y piñones (si se utilizan cadenas) de tracción para prevenir la caída de cuerpos extraños entre los cables y las gargantas de las poleas cuando la máquina está en la parte inferior del recinto. En la actualidad, la mayoría de los ascensores incorporan el tipo de transmisión de corona y tornillo sinfín. Su justificación es motivada por las siguientes ventajas: a) Transmisión muy compacta en comparación con otros tipos para una potencia y un índice de transmisión dados. b) Es el tipo de transmisión que presenta el menor número de piezas móviles, minimizándose, por tanto, los gastos de mantenimiento y de recambio de piezas. c) Es muy silenciosa. v1.00, MAY. 06 PÁG.48 CFA_AEEs
  • 54.
    CURSO DE FORMACIÓNDE ASCENSORES TEMA 3. ASCENSOR ELÉCTRICO d) Tiene una alta resistencia al impacto, algo de suma importancia en un ascensor. Figura 3.4. Transmisión típica de un ascensor: 1) motor eléctrico de tracción, 2) freno, 3) eje y tornillo sinfín, 4) corona, 5) polea de tracción, 6) apoyo del eje. El eje del tornillo sinfín está biapoyado. Normalmente este eje está dispuesto en la parte inferior de la corona. Sólo en algunos casos de cargas medias o bajas está dispuesto en la parte superior. Las ventajas para su ubicación en la parte inferior son: a) El cerramiento de la carcasa se hace más simple. b) El control de la transmisión también se lleva a cabo de la forma más ventajosa. c) La lubricación también se realiza de modo más favorable. d) Finalmente, en operaciones de frenada, la velocidad puede no ser suficientemente elevada como para tener que lubricar un tornillo sinfín dispuesto en la parte superior. El ángulo de elevación del tornillo sinfín suele ser de 15 a 20 grados. Si se aumenta, los dientes estarán sometidos a elevadas cargas de compresión y se requerirá la utilización de lubricantes para altas presiones. Figura 3.5. Transmisión sinfín-corona. Este tipo de engranaje se utiliza para conectar ejes que no son ni concurrentes ni paralelos y se compone de un piñón y una corona. Los dientes tienen un punto de contacto y la relación de velocidades no tiene porqué ser inversamente proporcional al tamaño de los diámetros de la corona. v1.00, MAY. 06 PÁG.49 CFA_AEEs
  • 55.
    CURSO DE FORMACIÓNDE ASCENSORES TEMA 3. ASCENSOR ELÉCTRICO 3.1.4. Poleas de tracción La polea superior de los ascensores es siempre tractora, y por este motivo se debe diseñar de forma cuidadosa, para que además de soportar los esfuerzos que le transmite el cable, sea capaz de transmitir la tracción a éste por adherencia. Las poleas que arrastran los cables por adherencia tienen 3 características: - Diámetro Perfil de sus gargantas o canales Material en el que están construidas El diámetro viene en parte determinado por la velocidad de desplazamiento que se fije en la cabina. Así, es normal que se utilice un mismo grupo tractor para la obtención de varias velocidades utilizando poleas de arrastre de diámetros adecuados. Sin embargo, este diámetro tiene un límite inferior, ya que la duración del cable es mayor cuanto mayor sea la relación entre el diámetro de la polea y el diámetro del cable. La Norma EN 81-1 establece un mínimo de 40. El perfil de los canales de las poleas de arrastre tiene una influencia en la duración de los cables. Si la garganta de la polea es demasiado estrecha, el cable quedará enclavado en ella, y si es demasiado ancha, no encuentra el apoyo necesario y el cable se aplasta. En cualquiera de los dos casos anteriores se produce un desgaste anormal y prematuro del cable. Existen diferentes perfiles de canales, aunque los más utilizados son los trapezoidales y los semicirculares. De todos ellos, el más usado en las poleas de tracción de los ascensores es el semicircular con entalla o ranura ya que mejora la adherencia del perfil semicircular normal, y evita el rozamiento y deformación del fondo del canal o garganta. a) b) c) Figura 3.6. a) Perfil trapezoidal, b) semiesférico con entalla o ranura, c) semiesférico sin entalla. El material empleado en la fabricación de las poleas de tracción de los ascensores es la fundición de hierro gris, de resistencia suficiente para soportar la presión específica del cable sobre la garganta, sin que se produzca un desgaste anormal. 3.1.5. Volante de inercia El volante de inercia tiene como objeto asegurar la adecuada amortiguación de velocidad en la aceleración y deceleración cuando el motor utilizado es de 1 ó 2 velocidades. En base a esto, se comprende que su uso no es necesario en motores con convertidor de frecuencia ya que, en estos casos, es el propio motor el encargado de ir disminuyendo su velocidad eléctricamente. En aquellas instalaciones antiguas en las que el motor sea de 1 ó 2 velocidades, se tiene que hacer un cálculo de la inercia necesaria para equilibrar la v1.00, MAY. 06 PÁG.50 CFA_AEEs
  • 56.
    CURSO DE FORMACIÓNDE ASCENSORES TEMA 3. ASCENSOR ELÉCTRICO masa móvil para que ésta pueda ser controlada y nivelada con cada piso dentro de las tolerancias normalizadas. 3.1.6. Elementos de amortiguación y aislamiento de ruido Existen 3 fuentes de ruido en la instalación de un ascensor: 1) La maquinaria de tracción. La maquinaria (motor, freno, reductor, polea, ejes, rodamientos y carcasas) suele ir montada sobre unas vigas de apoyo, denomina bancada. El conjunto, maquinaria y bancada, va acoplado a la estructura de hormigón mediante una serie de silentblocks. 2) Armario de control. Lo más simple es montarlo sobre una placa base que sirva de aislante acústico y de vibraciones. 3) Fuentes de ruido en el hueco: puertas de apertura, guías, cables y mecanismos de tensionado de cable. La mejor solución consiste en la instalación de bloques prefabricados ensamblados y separados de la estructura del edificio mediante una junta de dilatación. 3.1.7. Polea de desvío Como se ha comentado con anterioridad, la polea de tracción debe ser capaz de accionar la cabina y el contrapeso sin deslizamientos. Para ello, los cables han de tener contacto con la polea de tracción en un arco superior al mínimo necesario. Con el grupo tractor en la parte superior del recinto, el ángulo máximo del arco de contacto será 180º si el diámetro de la polea de tracción es igual a la distancia entre el amarre de los cables en el chasis de la cabina y el amarre del contrapeso. Si esta distancia, como ocurre generalmente, es mayor, es necesario instalar una polea de desvío para situar los cables de suspensión de la cabina y contrapeso a una distancia prudencial. Si esta polea se coloca al mismo nivel que la de tracción, el ángulo del arco de contacto de los cables con la polea de tracción se reduciría a 90º, insuficiente para evitar el deslizamiento. Por eso se colocan poleas de desvío a una altura inferior, con lo cual se consiguen ángulos muy superiores. En casos de elevadores de grandes dimensiones (montacamas y montacoches) se hace imposible aplicar la solución anterior, por lo que la polea de desvío se coloca como suspensión de cabina y contrapeso. A continuación se presentan varios grupos tractores de MP: a) b) c) Figura 3.7. a) Grupo tractor general, b) máquina vertical, c) con polea de desvío. v1.00, MAY. 06 PÁG.51 CFA_AEEs
  • 57.
    CURSO DE FORMACIÓNDE ASCENSORES TEMA 3. ASCENSOR ELÉCTRICO 3.2. HUECO Siguiendo la denominación de la Norma EN 81-1, el hueco es el espacio destinado al emplazamiento del ascensor y del contrapeso (ya hemos visto que en lo SCM el hueco hace las veces de cuarto de máquinas, en cuanto aloja algunos de los elementos que se encontraban normalmente en él), sin que pueda ser utilizado para ninguna instalación ajena a la del propio ascensor, es decir, conductos eléctricos, tuberías de agua, etc. La Directiva 95/16/CE señala que el ascensor deberá estar diseñado y fabricado de forma que sea imposible el acceso al hueco, excepto por los trabajos de mantenimiento y casos de emergencia. En los edificios actuales no está permitida la instalación de ascensores en los huecos de las escaleras ni patios interiores, mientras que su instalación en estructuras especiales, como torres metálicas, depósitos elevados y demás, requerirá una autorización especial. Las paredes del hueco deberán ser de materiales que no originen polvo y tener la suficiente resistencia para soportar las reacciones de las guías ancladas a ellas, así como el descentrado de las cargas de la cabina y, sobre todo, por la actuación del paracaídas. Además deben ser incombustibles y sin revestimientos que puedan originar grandes volúmenes de gases y humos. Un hueco puede ser un recinto común para varios ascensores, en cuyo caso, debe existir un elemento de separación en toda la altura del mismo. Pero el contrapeso debe siempre estar en el mismo hueco que la cabina correspondiente. Los recintos de los ascensores llevan únicamente 5 clases de aberturas: 1) Las puertas de piso. Si la distancia entre los umbrales de 2 puertas de acceso de piso consecutivas es superior a 10 m, debe disponerse entre las dos una puerta de socorro para evacuar pasajeros si fuera necesario 2) Las puertas de socorro y puertas (mínimo 1.4 × 0.6) y trampillas de visita (mínimo 0.5 × 0.35), para hacer posible la inspección o reparación de elementos del ascensor (en los SCM estos elementos están más accesibles). 3) Las aperturas de emergencia para la evacuación de gases y humos en caso de incendio. 4) Las aperturas de ventilación. 5) Las aperturas para el paso de cables entre el techo del hueco y el suelo del cuarto de máquinas. 3.2.1. Cabina La cabina es el elemento portante del ascensor y está formado por la cabina propiamente dicha y su chasis (o bastidor). Las nuevas tecnologías que se están aplicando a la cabina van encaminadas a la fabricación de un chasis con materiales menos pesados respecto al chasis tradicional metálico. La Directiva europea 95/16/CE indica que las cabinas deben estar dotadas de un equipo de comunicación bidireccional que permita una comunicación permanente con un servicio de intervención rápida. También deberán diseñarse de manera que garanticen una ventilación suficiente para sus ocupantes, incluso en caso de parada v1.00, MAY. 06 PÁG.52 CFA_AEEs
  • 58.
    CURSO DE FORMACIÓNDE ASCENSORES TEMA 3. ASCENSOR ELÉCTRICO prolongada. Finalmente, se cita que la cabina debe disponer de iluminación suficiente cuando se use o cuando hay una puerta abierta, y que contará con iluminación de socorro. Las partes principales de la cabina son: a) El chasis de acero es el elemento resistente al que se fijan los cables de tracción y el mecanismo de paracaídas. Este chasis debe ser robusto para resistir las cargas normales y las que puedan producirse al entrar en funcionamiento el paracaídas y quedar acuñada bruscamente la cabina. Las uniones se efectuarán por remachado o pernos múltiples con arandelas de seguridad o pasadores. También pueden usarse soldaduras cuyas garantías habrá que comprobar. b) La caja o cabina propiamente dicha, está fijada sobre el chasis. La cabina debe estar totalmente cerrada por paredes, suelo y techo de superficie continua o llena, salvo la abertura. Las paredes, suelo y techo deben estar constituidos por materiales preferiblemente metálicos o por otros de resistencia equivalente que sean incombustibles, y conservar su resistencia mecánica en caso de incendio sin producir humos ni gases. Resistencia mecánica de la cabina La Directiva europea 95/16/CE señala que la cabina deberá estar diseñada y fabricada de forma que su espacio y resistencia correspondan al número máximo de personas y a la carga nominal del ascensor fijada por el instalador. Cuando el ascensor se destine al transporte de personas y sus dimensiones lo permitan, la cabina estará diseñada y fabricada de forma que, por sus características estructurales, no dificulte o impida el acceso y utilización a minusválidos, y permita toda adaptación destinada a facilitar su utilización. Dimensiones y carga de a cabina La altura de la cabina deberá ser como mínimo 2 m, y la de la sus puertas 1,90 m. La carga mínima que se debe prever por persona es de 75 kg por persona, pero no hay inconveniente en que los constructores prevean una carga mayor por persona. Nº pasajeros Carga mínima equivalente 2 3 4 5 6 7 8 9 10 Superficie útil en m2 máxima mínima 150 225 300 375 450 525 600 675 750 0.6 0.8 1 1.2 1.4 1.55 1.7 1.85 2 0.5 0.61 0.81 1.01 1.21 1.41 1.56 1.71 1.86 Tabla 3.2. Número de pasajeros y carga máxima autorizada según la superficie de la cabina (EN 81-1). v1.00, MAY. 06 PÁG.53 CFA_AEEs
  • 59.
    CURSO DE FORMACIÓNDE ASCENSORES TEMA 3. ASCENSOR ELÉCTRICO Los limitadores de carga se instalan siempre en los ascensores con maniobra colectiva. Cuando la carga llega al 80 % de la máxima permitida, el limitador impide la parada de la cabina en todos los pisos que hayan solicitado su atención hasta que no se produzca una descarga de pasajeros en algunas de las paradas ya programadas. Si por subirse al ascensor demasiados usuarios, se llega a cargar la cabina por encima del 100 % de su carga máxima, el ascensor no arranca, suena una señal y se enciende un luminoso que avisa que la carga es excesiva. Hasta que no se libere carga por debajo de la permitida el ascensor no arrancará. 3.2.2. Contrapeso El contrapeso tiene como objeto equilibrar el peso de la cabina y una parte de la carga nominal, que suele estar entorno al 50 %. De esta forma se reduce considerablemente el peso que debe arrastrar el grupo tractor, disminuyendo así la potencia para elevar la cabina. Figura 3.8. Esquemas de fuerzas en cabina y contrapeso. Cuando el edificio es de gran altura, el peso del cable no es despreciable y hay que incluir el cable de compensación (ver apartado 3.2.4.1). 3.2.3. Guías y fijación de guías Las guías conducen la cabina en su trayectoria exacta y le sirven de apoyo en caso de rotura de los cables, por lo que deben tener una resistencia de acuerdo con el peso total de la cabina cargada, y estar perfectamente alineadas. Pueden ser de 2 tipos: - Guías suspendidas: ECCM Guías apoyadas: resto de casos También el contrapeso tiene guías, que en general no tienen más misión que conducirlo, aunque en algunos casos, también deben soportarlo en caso de rotura de los cables. v1.00, MAY. 06 PÁG.54 CFA_AEEs
  • 60.
    CURSO DE FORMACIÓNDE ASCENSORES TEMA 3. ASCENSOR ELÉCTRICO Guías de cabina El desplazamiento de la cabina se asegura por medio de guías rígidas, preferiblemente en forma de T, y perfectamente calibradas y enderezadas en tramos empalmados con placas adecuadas. Se recomienda la instalación de las guías suspendidas, excepto en ascensores H, ya que así su propio peso favorece el mantenimiento de la alineación inicial. Las guías de los ascensores deben tener la suficiente resistencia mecánica para soportar sin romperse ni sufrir deformaciones permanentes, 2 clases de esfuerzo: - El empuje horizontal debido a posibles excentricidades de la carga. El esfuerzo de frenado que puede transmitir la cabina a las guías al ser detenida por el paracaídas, brusca o progresivamente, según sea éste de tipo instantáneo o progresivo respectivamente. Guías de contrapeso Las guías de contrapeso se construyen también en perfiles T, similares a los utilizados en las de cabina. En el caso de que se instale paracaídas en el contrapeso, por encontrarse el recinto en la vertical de lugares accesibles a personas, deberán calcularse las guías del contrapeso para que resistan con un coeficiente de seguridad alto. Lo normal, en estos casos, es instalar guías iguales a las de la cabina. 3.2.3.1. Sistemas de deslizamiento Tanto la cabina como el contrapeso deben ir equipados en su parte inferior y superior de unos apoyos que tienen como misión servir de enlace entre el elemento móvil, cabina o contrapeso, y la guía. Estos apoyos constituyen el sistema de deslizamiento. - Rozaderas (apoyo deslizante). Se usan en elevadores de velocidad inferior a 2 m/s. Son de acero, y disponen en la superficie de contacto con el carril de un material de bajo coeficiente de rozamiento para disminuir la oposición al movimiento de cabina y contrapeso. En estos casos se utiliza neopreno y nylon. Los carriles deben ser lubricados para disminuir las fuerzas de rozamiento entre guía y apoyo. Normalmente se utilizan lubricadores automáticos de grasa o aceite pesado. El flujo se regula mediante un tornillo de ajuste. Este tipo de apoyo presenta problemas en su lubricación, ya que resulta extremadamente difícil mantener unas condiciones de trabajo constantes en las superficies de contacto guía-apoyo, dado que siempre se acumulará suciedad y polvo, variaciones de temperatura, humedad etc., lo cual hará cambiar las condiciones de estas superficies y, por tanto, de la lubricación. - Rodaderas (apoyo mediante rodillos). Se usan en ascensores de alta velocidad y también de baja velocidad, debido a su silenciosa marcha y mayor eficiencia de la rodadera frente a las rozaderas en términos de rozamiento. v1.00, MAY. 06 PÁG.55 CFA_AEEs
  • 61.
    CURSO DE FORMACIÓNDE ASCENSORES TEMA 3. ASCENSOR ELÉCTRICO Se componen de tres rodillos que están en contacto permanente con las guías ya que otros resortes o bases de caucho los mantiene presionados. Dado que estos rodillos son de caucho o poliuretano, el ruido y las vibraciones son mínimas siendo su rodadura óptima en términos de potencia. Operan en seco y las guías no necesitan lubricación, evitándose acumulaciones de aceite o grasa y eliminando problemas de fuego. 3.2.4. Cables Las cabinas y contrapesos están suspendidos en la práctica por cables de acero. La Directiva 95/16/CE señala que el número de cables independientes será por los menos 2, con sus respectivos sistemas de enganche. Un cable metálico es un elemento constituido por alambres agrupados formando cordones, que a su vez se enrollan sobre un alma formando un conjunto apto para resistir esfuerzos de tensión. Los elementos componentes del cable son: - ALAMBRES: generalmente de acero trefilado al horno. ALMAS: son los núcleos en torno a los cuales se enrollan los alambres y los cordones. CORDONES: son las estructuras más simples que podemos construir con alambres y almas. Se forman trenzando los alambres. CABOS: agrupaciones de varios cordones entorno a un alma secundaria utilizados para formar otras estructuras. Figura 3.9. Constitución de un cable. Estructura transversal de los cordones de los cables Está estrechamente relacionada con el trenzado longitudinal de los alambres, pudiendo ser éste: - De pasos iguales en cordones de alambres diferentes. En ellos los alambres no se entrecruzan si no que se apoyan unos con otros en toda su longitud consiguiéndose una mayor flexibilidad. v1.00, MAY. 06 PÁG.56 CFA_AEEs
  • 62.
    CURSO DE FORMACIÓNDE ASCENSORES - TEMA 3. ASCENSOR ELÉCTRICO Normal o de ángulos iguales. Todos los alambres son de igual diámetro. a) b) c) d) Figura 3.10. a) Cordones de alambres de igual diámetro, Cordones de alambres de diferente diámetro: b) Seale, c) Warrington, d) Filler-Wire. Estructura transversal de los cables - Monocordes: un sólo cordón. Cables de cordones (los más usados en la práctica): varios cordones. Cables de cabos: varios cables. Tan importante como la estructura transversal de los cables es el sistema de trenzado longitudinal de los mismos. Podemos encontrarnos con: - Torsión cruzada o normal (el más usado): el sentido del trenzado de los alambres es contrario al de los cordones Puede ser a derecha o a izquierda. Torsión Lang o de sentido único: los alambres en el cordón se tuercen en el mismo sentido que los cordones. * Cables preformados. En estos cables, los alambres y cordones reciben antes de trenzarlos la forma helicoidal que adoptarán más tarde. Con ello se evitan tensiones internas en el cable obteniendo una mayor vida útil del cable. Notación de las estructuras de cables nº cordones del cable × nº de alambres de los cordones × nº de almas del cable Por ejemplo, 6 x 19 + 1 es un cable de 6 cordones, 19 alambres por cordón y un alma. A veces se suele utilizar una formula desarrollada en la que se detalla entre paréntesis la disposición de los alambres dentro del cordón. 3.2.4.1. Cables para ascensores y montacargas En un ascensor o montacargas se utilizan los cables para 3 aplicaciones distintas: - Cables de tracción (o suspensión) Cables/cadenas de compensación Cables del limitador de velocidad v1.00, MAY. 06 PÁG.57 CFA_AEEs
  • 63.
    CURSO DE FORMACIÓNDE ASCENSORES TEMA polea de tracción 3. ASCENSOR ELÉCTRICO limitador de velocidad cable de tracción mecanismo paracaídas cable del limitador de velocidad cable de compensación polea tensora del limitador de velocidad Figura 3.11. Cables que se pueden encontrar en un ascensor eléctrico. El cable de compensación es obligatorio en aquellos edificios de gran altura (10 plantas) en los que, por tanto, hay que tener ya en cuenta el peso de los cables. De esta forma, se hace necesario implantar un cable que compense el peso de los cables no incluido en el estudio del contrapeso. A veces, en edificios a partir de 10 plantas y velocidades hasta 1 m/s, no se trata de un cable tal cual se aprecia en la Figura 3.11, sino de una cadena que simplemente equilibre el peso no contemplado de los cables. La configuración mixta Warrington-Seale es la más utilizada en estos cables. El cable que accione el limitador de velocidad debe ser muy flexible protegido contra la oxidación y con un diámetro mínimo de 6 mm. En la Norma EN 81 se afirma que el cable debe estar tensado mediante una polea tensora. También en la citada Norma se añade que la relación entre el diámetro de la polea de tracción, del limitador (y la tensora), y el del cable debe ser como mínimo 40. Para los cables de tracción la configuración Seale es la más utilizada ya que los alambres más exteriores son muy gruesos con gran resistencia a la rotura por abrasión y además es muy fácil de utilizar ya que sólo se necesitan tres tipos de alambres. En aquellos casos en los que se considere más importante la fatiga que la abrasión se usará la configuración Warrington que posee más alambres y de menor grosor. Sistemas de suspensión del cable La maquinaria puede estar en la parte superior (Figura 3.12.a) o en la parte inferior (Figura 3.12.b) del edificio. Por otra parte, para cargas hasta 1600 kg se usa la suspensión directa o 1:1 (Figura 3.12.a y b) y de ellas la más usada es la primera en la que la cabina cuelga en un extremo de los cables y el contrapeso de otro, suspendido el conjunto en la polea del grupo tractor cuando el arrastre es por adherencia, tal como v1.00, MAY. 06 PÁG.58 CFA_AEEs
  • 64.
    CURSO DE FORMACIÓNDE ASCENSORES TEMA 3. ASCENSOR ELÉCTRICO hemos visto en todos los esquemas que se han mostrado en este documento. Para cargas superiores a 1600 kg se utiliza la suspensión indirecta o 2:1 (Figura 3.12.c) en la que los cables están sometidos a una tensión que es la mitad respecto a la suspensión directa, aunque también la velocidad de la cabina se ve reducida a la mitad. a) b) c) Figura 3.12. Diferentes esquemas de arrastre por adherencia de los cables de tracción: a) máquina arriba con polea desviadora y suspensión 1:1, b) máquina abajo con suspensión 1:1, c) máquina arriba con suspensión 2:1. La tracción de los cables puede realizarse por 2 procedimientos: - Por adherencia de los cables en la garganta de la polea de arrastre del grupo tractor. Es la que se usa en realidad, ya que se consigue mayor seguridad para el caso de que fallen los finales de carrera, permite la instalación de ascensores a cualquier altura, y ésta es más sencilla y económica. - Por fricción de los cables dándole dos vueltas en la polea motriz. Sólo en este caso se usaría el perfil de garganta semiesférico sin entalla. 3.3. COMPONENTES DE SEGURIDAD Como ya se ha comentado en la Evolución histórica del transporte vertical en el Tema 1, la seguridad es, sin duda, el aspecto más crítico en el diseño y concepto de un ascensor. De hecho, hasta que Elisha G. Otis no demostró que la rotura del cable no significaba la caída de la plataforma del elevador, no se tomó en serio esta tecnología. Hoy en día, todos los ascensores disponen de un circuito de seguridad (Figura 3.13) cuyo objetivo es detener la cabina en caso de que ésta adquiera una velocidad superior a la que debiera tener. Este circuito se compone de un cable limitador de velocidad que recorre un circuito cerrado compuesto por dos poleas: la superior o limitador de velocidad, y la inferior o polea tensora del limitador. Este cable va anclado a la cabina y, cuando el ascensor circula con una velocidad dentro de los márgenes admisibles, circula a través de las poleas a la misma velocidad que la cabina. v1.00, MAY. 06 PÁG.59 CFA_AEEs
  • 65.
    CURSO DE FORMACIÓNDE ASCENSORES TEMA 3. ASCENSOR ELÉCTRICO Figura 3.13. Esquema del circuito de seguridad de un ascensor. La polea superior está diseñada para que cuando el cable que circula a través de ella supere una determinada velocidad, éste quede frenado, originando un tiro del cable sobre su amarre con la cabina. Este tiro acciona un sistema mecánico que frena la cabina al poner en marcha un dispositivo que bloquea las guías (caja de cuñas). En este apartado se van a analizar los dispositivos de seguridad que actúan en caso de fallo o rotura de algunos elementos funcionales. 3.3.1. Limitador de velocidad La Directiva europea 95/16/CE señala que los ascensores deberán poseer un dispositivo que limite el exceso de velocidad. Este limitador de velocidad es un aparato, que se instala generalmente en el cuarto de máquinas, si existe, o en un lugar específico en caso de ser un SCM, provisto de una polea acanalada y otra tensora en el foso del recinto, entre las cuales se mueve un cable de acero unido por uno de sus ramales al mecanismo de paracaídas de la cabina. Mientras la cabina se desplaza a su velocidad nominal, el cable del limitador se desplaza con ella (Figura 3.13), pero en cuanto, por rotura de los cables de suspensión u otra causa, la cabina empieza a descender aceleradamente, al llegar a adquirir una velocidad determinada, se bloquea la polea del limitador y con ella el cable, dando un tirón a la palanca del paracaídas, y accionando así el mecanismo que presionará las zapatas sobre las guías y detendrá finalmente la cabina. v1.00, MAY. 06 PÁG.60 CFA_AEEs
  • 66.
    CURSO DE FORMACIÓNDE ASCENSORES TEMA 3. ASCENSOR ELÉCTRICO Las velocidades del ascensor para las que debe actuar el limitador de velocidad vienen determinadas por el Reglamento de Ascensores. En otros reglamentos, como el norteamericano, además se establecen las distancias mínimas y máximas de parada. Cuando el contrapeso está también dotado de paracaídas accionado por limitador de velocidad, debe actuar a velocidad superior a la fijada para la actuación del paracaídas de la cabina sin que pueda excederla en más del 10 %. Existen 2 tipos de poleas del limitador de velocidad: - Limitador de velocidad oscilante Limitador de velocidad centrífuga En el primero de ellos es un gatillo oscilante el que se enclava al acelerarse, y en el segundo es la acción de la fuerza centrífuga la causante de la operación de frenada. La única ventaja que tiene uno sobre otro es que el centrífugo es más silencioso aún a velocidades elevadas, motivo por el que se emplea en mayor medida. a) b) Figura 3.14. a) Limitador de velocidad oscilante: 1) cable, 2) polea, 3-4) rueda cuadrada, 5) gatillo oscilante, 6) resorte que tira del gatillo, 7) eje de giro del gatillo, 8) conjunto tensor del cable. b) Limitador de velocidad centrífugo: 1) cable, 2) polea, 3) contrapesos, 4) resortes, 5) topes fijos que detienen los contrapesos al separarse por la fuerza centrífuga. Finalmente, sobre el bastidor o chasis del limitador de velocidad debe colocarse una placa en la que el fabricante indique la velocidad de disparo, el diámetro del cable y el tipo del mismo. Además, de acuerdo con la Norma EN 81, todos los limitadores deber ir equipados con un interruptor que corte el circuito del motor o del freno ligeramente antes, o como máximo, en el mismo momento de bloqueo 3.3.2. Paracaídas Los paracaídas de aceleración actúan cuando la cabina adquiere una velocidad superior a la normal, a partir de un porcentaje establecido, cualquiera que sea la causa de la aceleración: rotura de cables, del grupo tractor, etc. Cuando el cable del limitador se detiene a consecuencia del propio funcionamiento del limitador de velocidad, tira, accionando una timonería que hace desplazar en dirección vertical unas varillas de actuación. Se construyen 2 tipos de paracaídas: - Paracaídas de acción instantánea. El cable del limitador no hace más que tirar de la timonería que acciona las zapatas, las cuales presionan y se agarran cada vez con más fuerzas sobre las guías hasta llegar a producir el v1.00, MAY. 06 PÁG.61 CFA_AEEs
  • 67.
    CURSO DE FORMACIÓNDE ASCENSORES TEMA 3. ASCENSOR ELÉCTRICO acuñamiento total del chasis de cabina o contrapeso. Las zapatas más usadas son las de cuña. Se trata de una forma brusca de parada ya que, tanto el material como los pasajeros, sufren el efecto del choque cuando las cuñas se agarran a las guías, por eso su empleo está limitado a ascensores de velocidades reducidas aún con un dispositivo amortiguador bajo el suelo de la cabina. Los paracaídas instantáneos sólo se permiten en ascensores de velocidades hasta 0.8 m/s y montacargas hasta 1.5 m/s. No obstante, se pueden usar en ascensores de velocidades hasta 1 m/s siempre que se dote a la cabina de algún dispositivo amortiguador que evite el golpe seco del frenado. Este dispositivo suele ser de caucho y se coloca entre el suelo de la cabina y su chasis. - Paracaídas de acción progresiva. Frenan la caída aplicando sobre las zapatas de freno una fuerza de magnitud controlada. Los más utilizados son los de husillo, resorte y rodillo. En las nuevas instalaciones se recomienda el uso de paracaídas progresivos. En MP existe un modelo propio de acuñamiento en subida y bajada. Según la Norma EN 81-1 los paracaídas de la cabina deben llevar un dispositivo eléctrico de seguridad que, al actuar, corten la serie general de la maniobra, produciendo la parada del grupo tractor antes o, lo más tarde, al mismo tiempo que se produce el frenado de la cabina sobre las guías. El paracaídas de rotura o de desequilibrio de cables es un mecanismo que se instala en el chasis del contrapeso, capaz de detener éste en plena carga en su descenso en caso de rotura, aflojamiento o desequilibrio de sus cables de suspensión. Sólo se permiten estos paracaídas cuando el recinto del contrapeso está sobre pasos de personas y la velocidad del ascensor es inferior a 1.5 m/s. La Norma EN 81-1 dice que los paracaídas, tanto de cabina como de contrapeso, después de haber actuado deben desbloquearse solamente desplazando la cabina o el contrapeso hacia arriba. Después del desbloqueo, la puesta en macha del ascensor debe requerir la intervención de una persona cualificada. 3.3.3. Amortiguadores Los ascensores deben estar provistos de amortiguadores para detener la cabina o el contrapeso en caso necesario. Se sitúan generalmente en el foso al final del recorrido de la cabina o del contrapeso, aunque también pueden montarse en la parte inferior del bastidor de éstos. En este caso, según la Norma EN 81-1, deben golpear en el foso sobre un pedestal de 0.5 m de altura para que quede espacio de protección en que resguardarse en caso necesario por parte del personal de conservación que esté eventualmente trabajando en el foso. Los amortiguadores pueden ser elásticos (de caucho), de resorte (o muelle) o hidráulicos en lo que a su estructura se refiere. La Norma EN 81-1 distingue 3 clases de amortiguadores atendiendo a otras prestaciones: - Amortiguadores de acumulación de energía (elástico), que no pueden emplearse más que para ascensores de velocidad nominal no superior a 0.63 m/s. v1.00, MAY. 06 PÁG.62 CFA_AEEs
  • 68.
    CURSO DE FORMACIÓNDE ASCENSORES TEMA 3. ASCENSOR ELÉCTRICO - Amortiguadores de acumulación de energía con amortiguación del movimiento de retorno (de resorte), para ascensores de velocidad no superior a 1 m/s. - Amortiguadores de disipación de energía (hidráulico), que pueden ser empleados en ascensores de cualquier velocidad. Todos estos amortiguadores deben estar equipados con un dispositivo eléctrico de seguridad que impida el funcionamiento del ascensor mientras no retornen a sus posiciones normales. 3.3.4. Protección de las máquinas La Norma EN 81 recomienda que se coloquen protecciones adecuadas en las piezas giratorias que puedan golpear o arrastrar la ropa del personal encargado de la conservación y reparación de ascensores. 3.4. PUERTAS DE CABINA Y PUERTAS DE PISO La Directiva 95/16/CE señala que la cabina de los ascensores deberá estar completamente cerrada por paredes incluidos el suelo y el techo, con excepción de orificios de ventilación, y equipadas de puertas. Este hecho llevó a los constructores de ascensores a la creación de la doble puerta: la de cabina y la de piso. 3.4.1. Puertas de cabina Constituyen el medio de acceso a la cabina y están ligadas mecánicamente a ella. En la mayoría de los casos son de funcionamiento automático gobernado por la maniobra del ascensor. La hoja u hojas de la apertura se deslizan horizontalmente accionadas por un motor y guiadas en sus extremos superior e inferior. Deben poseer resistencia mecánica adecuada y mínimas holguras de funcionamiento. La apertura de la puerta solo es posible en determinadas circunstancias: - cuando la cabina esté detenida en un rellano. - cuando la cabina está aproximándose a un rellano con velocidad reducida y controlada (preapertura de puertas). Muy empleado en aparatos de trafico muy elevado pues permite agilizar el mismo reduciendo los tiempos. Todas las puertas de cabina de nueva instalación deben ser automáticas. Este tipo de puertas está formado de 2 componentes que se verán con más profundidad en el apartado de Montaje e Instalación: - El operador telescópicas - Las hojas, que pueden ser centrales 3.4.2. Puertas de piso o rellano Son los accesos a la cabina desde los rellanos o pisos, estando completamente ligados al cerramiento del hueco generalmente de obra. Sus características mecánicas deben ser idénticas a las de cabina. Incorporan un dispositivo electromagnético de seguridad que imposibilita su apertura en situaciones potencialmente peligrosas. v1.00, MAY. 06 PÁG.63 CFA_AEEs
  • 69.
    CURSO DE FORMACIÓNDE ASCENSORES TEMA 3. ASCENSOR ELÉCTRICO El funcionamiento de las puertas de piso está subordinado al de las puertas de cabina de 2 formas distintas: - desactivando el enclavamiento (cerradura) de seguridad y arrastrando las hojas, caso de las puertas automáticas. - desactivando el enclavamiento y permitiendo al usuario abrir manualmente la puerta, caso de las puertas semiautomáticas (o batientes). Las puertas de piso pueden ser: telescópicas - Automáticas (igual que las de cabina) centrales de una hoja - Semiautomáticas o batientes de dos hojas La utilización de puertas de piso automáticas permite el uso del ascensor a personas con discapacidades y mejora la capacidad de tráfico reduciendo el tiempo de apertura. 3.4.3. Sistema de emergencia (RESCATAMAC) Se trata de un cuadro opcional para acoplar al cuadro de maniobras en cualquier modelo de ascensor que, además de abrir las puertas en caso de emergencia, mueve la cabina en la dirección óptima para la evacuación de pasajeros. Su versión hidráulica, que se verá en el Tema 4, sólo abre las puertas ya que el sistema de movimiento de la cabina lo realiza el propio cuadro de maniobra. 3.4.3.1. Descripciones • Completo para ascensores eléctricos, que permite el accionamiento de todos los elementos del ascensor en situaciones donde los elementos de control normales dejan de estar operativos, como consecuencia de la ausencia de fluido en la red eléctrica o por cualquier otra causa externa. • Incorpora sistema electrónico de autochequeo permanente con avisador acústico, que hace que el mismo equipo detecte sus propias anomalías, imposibilitando el funcionamiento del SISTEMA DE EMERGENCIA cuando fuera necesario (baterías descargadas, fusibles fundidos, etc.). v1.00, MAY. 06 PÁG.64 CFA_AEEs
  • 70.
    CURSO DE FORMACIÓNDE ASCENSORES Placa de circuito impreso (PCB) TEMA 3. ASCENSOR ELÉCTRICO magnetotérmico de protección transformador contactotes canalización eléctrica conexionado para el motor y entrada de acometida baterías v1.00, MAY. 06 PÁG.65 CFA_AEEs
  • 71.
    CURSO DE FORMACIÓNDE ASCENSORES TEMA 3. ASCENSOR ELÉCTRICO 3.4.3.2. Diagrama General (Cuadro) 3.4.3.3. Descripción de Características • Todas las funcionalidades del SISTEMA DE EMERGENCIA se encuentran en una sola placa de circuito impreso: PCB RescataMAC 30 totalmente configurable. • Rescatapersonas aplicable a ascensores eléctricos con las siguientes características: • Motor de tracción: 380 Vac . . . . . . . . .. . . . . . . . . . 15 CV (como opción bajo pedido hasta 25 CV) 220 Vac . . . . . . . . . . . .. . . . . . . .. 9 CV (como opción bajo pedido hasta 15 CV) v1.00, MAY. 06 PÁG.66 CFA_AEEs
  • 72.
    CURSO DE FORMACIÓNDE ASCENSORES TEMA 3. ASCENSOR ELÉCTRICO • Freno y leva ‘estándar’: 220 Vdc, 190 Vdc, 180 Vdc . . . . . . . . . . . . . . . 1.5 A 125 Vdc, 110 Vdc . . . . . . . . . . . . . . . . . . . . . . 2 A 48 Vdc, 60 Vdc . . . . . . . . . . . . . . . . . . . . . . . . 4 A (Es posible generar otras tensiones para freno y leva ‘bajo demanda’). • Motor del operador de puerta, Monofásico o Trifásico: 380 Vac . . . . . . . . . . . . . . . . . . . . . . . . . . . . . 0.75 A 220 Vac . . . . . . . . . . . . . . . . . . . . . . . . . . . . . 1.4 A 125 Vac . . . . . . . . . . . . . . . . . . . . . . . . . . . . . 2 A Es posible accionar el motor del operador de puerta cuando se mueve la cabina (opcional). • Todas la salidas de potencia son cortocircuitables con protección electrónica: la aparición de cualquier cortocircuito no provoca la destrucción de ningún fusible; electrónicamente se detecta, reintentando la operación y almacenando el error para posterior visualización. • Detección de derivaciones a tierra en series de seguridad. • Salida para dos indicadores luminosos para situar en cabina: - Fallo en sistema de emergencia. - Sistema de emergencia en operación. • Líneas y órganos conmutados por el SISTEMA DE EMERGENCIA: - acometida general. - motor de tracción. - freno. - leva. - motor del operador de puerta. - contactos de series de seguridad - nivelador ‘contacto a nivel y alimentación’. 3.5. MONTAJE E INSTALACIÓN A continuación se explicará el proceso de instalación y montaje de los elementos del ascensor eléctrico detallados en los apartados anteriores. La siguiente información debe servir de guía ya que, hay que tener en cuenta que, la instalación de un ESCM no es la misma que en un ECCM. Para más detalle de la instalación de algunos elementos que nos interesen con más profundidad o no aparezcan en este documento habrá que revisar los manuales técnicos del modelo y elemento en concreto. 3.5.1 Montaje de los soportes de guías Siguiendo las cotas indicadas en el plano de ALZADO iremos colocando los soportes de guías comenzando por el último piso. Pondremos especial cuidado en hacer coincidir la marca de color de la pared obtenida en el Replanteo realizado con anterioridad (ver Tema 2), con la muesca existente en el punto medio del soporte. Comprobaremos el perfecto nivel del soporte tanto en el plano vertical como en el horizontal. v1.00, MAY. 06 PÁG.67 CFA_AEEs
  • 73.
    CURSO DE FORMACIÓNDE ASCENSORES TEMA 3. ASCENSOR ELÉCTRICO Figura 3.15. Marca colorante horizontal y vertical en la pared del hueco (ESCM). En los ESCM, para fijar cada soporte a pared, se hace uso en primer lugar del rasgado horizontal. Una vez prefijado en esa posición, se comprueba el perfecto nivel de la pieza en el plano vertical y horizontal, y se coloca la fijación del taladro vertical del extremo (Figura 3.15). Seguiremos con el resto de fijaciones hasta completar los 4 anclajes a pared tal como aparece en la Figura 3.16. Una vez fijado el soporte a pared y nivelado, montaremos los brazos del soporte sin apretarlos con el fin de facilitar la posterior colocación de las guías. Este proceso se repetirá en cada uno de los soportes. Figura 3.16. Esquema de fijaciones en el soporte. 3.5.2. Montaje de la base de arranque En la zona de foso y, como paso previo al montaje de las guías de cabina y contrapeso, llevaremos a cabo la colocación de la base de arranque de guías. La ubicación de la base se realizará sin fijarla por el momento al suelo a la espera de concretar las posiciones de las guías con respecto a las plomadas. La base replanteo sólo se usa en los ESCM, ya que en los ECCM las guías se posicionan según las cotas de replanteo. 3.5.3. Montaje de las guías de cabina y contrapeso Corte en las guías de contrapeso Para que la máquina quede siempre en su posición adecuada, accesible desde el último rellano con independencia de las medidas de cada hueco, procederemos a cortar las guías de contrapeso a la longitud específica en el plano de ALZADO. En el caso en que las medidas reales del hueco fueran distintas a las indicadas en el plano corregiríamos la longitud cortando la guía. Montaje de las guías de cabina y contrapeso En los ascensores ESCM, as guías de contrapeso se montan con todas las hembras hacia arriba (1) y en las guías de cabina todas las hembras hacia abajo (2). v1.00, MAY. 06 PÁG.68 CFA_AEEs
  • 74.
    CURSO DE FORMACIÓNDE ASCENSORES TEMA 3. ASCENSOR ELÉCTRICO Los tramos de guías de diferente longitud se montarán en el orden indicado en el plano de ALZADO correspondiente. Figura 3.17. Detalle de instalación de guías (el machihembrado es propio de los ESCM). Procederemos a una limpieza provisional de las guías con líquido desengrasante para eliminar totalmente la cera de la parte de deslizamiento. Para introducir las guías de cabina y contrapeso al hueco, haremos uso de un mosquetón que se introducirá en uno de los agujeros superiores del empalme de guías. La unión de guías se realizara mediante una placa de empalme y su tornillería. En los ESCM, si coincidiera algún empalme de guías con los soportes, éstos se montarán salvando el empalme y, en caso que coincidiera sólo el soporte tipo 2, éste se montaría por debajo. Corte de guías de cabina El corte se realizara en el último tramo de guías si fuese necesario, tal como se ha comentado antes. Con la ayuda de los dos andamios portátiles que MP puede suministrar, montaremos el resto de tramos de guías. Pondremos especial atención en el montaje de estos andamios, fijándolos como se muestra en las siguientes fotografías (IMPORTANTE: Carga máxima por andamio 150 kg). Figura 3.18. Figuras explicativas del montaje del andamio portátil suministrado. 3.5.4. Montaje del chasis de contrapeso Para el montaje de los chasis tendremos en cuenta las cotas y medidas que aparecen en el plano de ALZADO Y PLANTA del pedido realizado para su correcta ubicación en el hueco. v1.00, MAY. 06 PÁG.69 CFA_AEEs
  • 75.
    CURSO DE FORMACIÓNDE ASCENSORES TEMA 3. ASCENSOR ELÉCTRICO El siguiente paso a abordar es el ensamblaje en la obra del montaje del chasis de contrapeso. Previamente se habrá tenido en cuenta ensamblar al chasis sólo las deslizaderas de un lado para proceder a introducirlo a una de las guías y una vez presentado proceder a introducir las deslizaderas por la parte superior, dejándolas deslizarse por la guía, hasta estar concéntricas con los taladros de ensamblaje al chasis y proceder a atornillar. Luego se procede a colocar el chasis de contrapeso entre las guías Figura 3.19. Introducción del chasis de contrapeso en sus guías (SCM-02). Figura 3.20. Introducción de las deslizaderas del chasis de contrapeso. Introducción de pesas en el chasis de contrapeso (I) Como siguiente paso del montaje, y antes de colocar el ascensor en tiro (cuando la cabina y el contrapeso están sujetos por medio de los cables de tracción), llevaremos a cabo desde la zona de foso la introducción en el contrapeso de aproximadamente la mitad de las pesas. v1.00, MAY. 06 PÁG.70 CFA_AEEs
  • 76.
    CURSO DE FORMACIÓNDE ASCENSORES TEMA 3. ASCENSOR ELÉCTRICO Tras ello, procederemos a elevarlo con la ayuda de un tractel hasta la cota sobre la bancada indicada en el plano de ALZADO. Allí concluiremos esta fase del montaje amarrando el chasis a la bancada, de forma provisional pero firme. Figura 3.21. Introducción de pesas en el chasis de contrapeso. 3.5.5. Montaje del chasis de cabina Para el montaje de los chasis, tendremos en cuenta las cotas y medidas que aparecen en el plano de ALZADO Y PLANTA del pedido realizado para su correcta ubicación en el hueco. Esta fase del montaje se realizará en la zona de foso, donde fijaremos todas sus piezas utilizando las herramientas apropiadas, prestando una especial atención a la hora de montar el travesaño superior en función de la altura de la cabina. Tras su montaje e introducción en las guías de cabina, el chasis deberá elevarse con la ayuda del tractel hasta la altura indicada en el plano de alzado, teniendo en cuenta que si esta cota se modifica deberemos hacer lo propio con la correspondiente en el chasis de contrapeso. Figura 3.22. Elevación del chasis de cabina a la altura indicada en el plano de ALZADO. v1.00, MAY. 06 PÁG.71 CFA_AEEs
  • 77.
    CURSO DE FORMACIÓNDE ASCENSORES TEMA 3. ASCENSOR ELÉCTRICO 3.5.6. Montaje de los cables de tracción Los cables se suministran en rollos o bobinas. Los de pequeño diámetro, flexibles y de corta longitud, se suministran en rollos, así como los cables fácilmente manejables. Los cables muy gruesos y los de gran longitud se embalan en carretes. Existen varias maneras de desenrollar un cable, pero todas ellas deben efectuarse con ciertas precauciones con el fin de evitar el rizado del cable. El rizado puede provocar deformaciones puntuales que desequilibran gravemente el cable de una manera irremediable (Figura 3.23a). Aunque posteriormente se enderece antes de montar el cable, esos puntos son de débil resistencia a causa de la deformación y además siempre quedan salientes que se deterioran prematuramente por abrasión (Figura 3.23b). a) b) Figura 3.23. Deformaciones de cables por su mal desenrollado. Cuando el cable se suministra enrollado sobre carrete, para desenrollarlo se coloca el carrete de modo que pueda girar libremente sobre un eje apoyado en dos soportes. (Figura 3.24a) Si el cable se encuentra embalado en rollo, éste se deslía haciéndolo rodar hacia adelante de manera que las vueltas del mismo se deshagan sin distorsión alguna. (Figura 3.24b) Si se trata de rollos de mucho peso y volumen, difíciles de manejar a mano, es preferible colocar el rollo en un soporte en forma de rueda, y sobre este dispositivo se hace girar el rollo. (Figura 3.24c) a) b) c) Figura 3.24. Formas de desenrollar los cables. Si se desenrollan los cables desatendiendo estas recomendaciones como aparece en la Figura 3.25, se producirán unas torsiones muy intensas en los cables y pueden aparecer deformaciones permanentes, o como mínimo los cables quedarán “nerviosos” y reaccionarán irregularmente sobre los dispositivos de apoyo y accionamiento de la instalación. v1.00, MAY. 06 PÁG.72 CFA_AEEs
  • 78.
    CURSO DE FORMACIÓNDE ASCENSORES TEMA 3. ASCENSOR ELÉCTRICO Figura 3.25. Formas inapropiadas y no recomendadas de desenrollar los cables. En la Figura 3.26 se muestra el amarre de los cables a los tensores. Esta figura nos sirve tanto para mostrar el amarre de los cables al chasis de cabina como para el chasis de contrapeso. En primer lugar se muestra el detalle de como se pasa el cable a través del tensor. Figura 3.26. Amarre de los cables a los tensores. En la siguiente figura se muestra el detalle de sujeción del sujetacables. Colocaremos dos horquillas sujetacables por cada uno de ellos. Es conveniente una vez amarrado el cable sujetar el extremo del cable con el mismo (por ejemplo con cinta aislante). Los amarracables cortos con muelles los colocaremos en el contrapeso, y los largos sin muelles en el chasis de cabina. v1.00, MAY. 06 PÁG.73 CFA_AEEs
  • 79.
    CURSO DE FORMACIÓNDE ASCENSORES TEMA 3. ASCENSOR ELÉCTRICO Figura 3.27. Detalle de sujeción del sujetacables. Comenzando ya el montaje, nos colocaremos en la zona de huída donde pasaremos el cable de tracción a través de las gargantas de la polea de máquina. Tras esta operación llevaremos a cabo desde el último piso el amarre al tiro de chasis de contrapeso, utilizando los terminales de suspensión del tipo corto dotados de muelles o elastómeros (respetando siempre las distancias indicadas en el manual del montaje). Seguidamente nos trasladaremos a la zona de foso, donde fijaremos los terminales de suspensión del tipo largo al tiro de chasis de cabina. Una vez amarrados los cables apretaremos las tuercas y contratuercas, colocaremos los pasadores de seguridad y sujetaremos los extremos sobrantes con cinta aislante. 3.5.7. Montaje del limitador de velocidad En esta fase del montaje instalaremos el limitador de velocidad, lo que nos permitirá movernos con el ascensor de forma segura. Para la correcta instalación de los soportes del limitador habrá que ver el plano en PLANTA y ALZADO del pedido realizado de la instalación donde aparecen las cotas correspondientes para una perfecta ubicación, tanto de la parte superior como inferior. En primer lugar, montaremos la parte superior en la huida del hueco, a continuación ya en la zona de foso fijaremos la parte inferior. Finalmente, fijaremos el cable del limitador a las poleas (inferior y superior) del limitador y a la biela de la timonería, que previamente habrá sido correctamente ajustada. v1.00, MAY. 06 PÁG.74 CFA_AEEs
  • 80.
    CURSO DE FORMACIÓNDE ASCENSORES TEMA 3. ASCENSOR ELÉCTRICO Figura 3.28. Poleas superior e inferior del limitador de velocidad y detalle de agarre de sus cables (Modelo E-90 de MP). 3.5.8. Montaje de los amortiguadores de cabina Llegado el momento de montar en la zona de foso los amortiguadores y sus pilares de apoyo, los colocaremos siguiendo las indicaciones que a tal efecto se recojan en el plano en PLANTA de la instalación del pedido realizado y manual de montaje de componentes de hueco. Estos elementos de seguridad deberán estar instalados antes de llevar a cabo ningún accionamiento del ascensor. Dependiendo de la velocidad del ascensor llevará un modelo de pilar de apoyo puffer, para 1m/s, o un modelo hidráulico para 1.6 m/s. Para fijar la mocheta al suelo se suministran dos tacos en el cajón de mecánica junto al resto de tornillería de los componentes de hueco, éstos se fijarán en diagonal. v1.00, MAY. 06 PÁG.75 CFA_AEEs
  • 81.
    CURSO DE FORMACIÓNDE ASCENSORES TEMA 3. ASCENSOR ELÉCTRICO Figura 3.29. Amortiguador de cabina. 3.5.9. Montaje de los amortiguadores de contrapeso El amortiguador de contrapeso va integrado en la base de arranque, fijado con dos tacos en diagonal o con uno central dependiendo del modelo de amortiguador. Para el ascensor ESCM habrá que tener atención al replanteo ya que se utilizan unos taladros u otros dependiendo de la mano que tenga la puerta. 3.5.10. Montaje de las puertas de rellano Como paso previo se llevará a cabo el montaje del suelo de cabina, siguiendo las indicaciones recogidas en el manual de instalación del pesacargas, el manual de montaje de la cabina y las medidas ofrecidas en el plano de la instalación. Figura 3.30. Montaje del suelo de cabina. Una vez colocado el suelo de cabina, podremos ya proceder al accionamiento del ascensor en revisión y de forma segura, prestando siempre atención a que las personas no utilicen la cuerda de vida en el momento del trayecto, así como a que no haya ningún obstáculo en el hueco y que todos los accesos a éste se encuentren debidamente protegidos. Comenzando el montaje por la puerta del rellano del piso superior, aprovecharemos para culminar la colocación del frontis y del armario eléctrico. v1.00, MAY. 06 PÁG.76 CFA_AEEs
  • 82.
    CURSO DE FORMACIÓNDE ASCENSORES TEMA 3. ASCENSOR ELÉCTRICO Figura 3.31. Instalación de la puerta de rellano (o de piso) en la planta superior. Seguidamente continuaremos en sentido descendente con los demás pisos, evitando así cualquier interferencia con las puertas ya montadas. A lo largo del montaje pondremos especial cuidado en seguir las indicaciones del manual de montaje de puertas de rellano, así como en comprobar que cada puerta instalada queda bien nivelada y bloqueada con su correspondiente cerradura. Figura 3.32. Comprobación de puertas niveladas vertical y horizontalmente. 3.5.10.1. Puertas Automáticas Paso 1. Se fijan las escuadras del marco al muro, marcando las posiciones para taladrar. A continuación se colocarán los tacos y las escuadras en la posición deseada. v1.00, MAY. 06 PÁG.77 CFA_AEEs
  • 83.
    CURSO DE FORMACIÓNDE ASCENSORES TEMA 3. ASCENSOR ELÉCTRICO Paso 2. Comprobaremos el nivel entre escuadras así como su correcta posición y se procederá al apriete de la tornillería (en caso necesario las escuadras se pueden regular). Repetiremos la operación para la instalación de las escuadras en la parte superior de la puerta. En este caso debemos dejar la tornillería sin apretar hasta haber presentado el marco, así podremos introducir la tornillería de amarre de la puerta a las escuadras sin ningún tipo de problema. v1.00, MAY. 06 PÁG.78 CFA_AEEs
  • 84.
    CURSO DE FORMACIÓNDE ASCENSORES TEMA 3. ASCENSOR ELÉCTRICO Paso 3. Antes de proceder al apriete total de la tornillería de unión de las escuadras a los marcos deberemos asegurarnos de la correcta alineación de todos los marcos, para ello podemos utilizar una plomada tomando como referencia los tacos verdes de alineación situados en el tope del carro de mecanismo. v1.00, MAY. 06 PÁG.79 CFA_AEEs
  • 85.
    CURSO DE FORMACIÓNDE ASCENSORES TEMA 3. ASCENSOR ELÉCTRICO Paso 4. A continuación se amarra el marco sobre las escuadras inferiores, para después amarrar el marco en las escuadras superiores. v1.00, MAY. 06 PÁG.80 CFA_AEEs
  • 86.
    CURSO DE FORMACIÓNDE ASCENSORES TEMA 3. ASCENSOR ELÉCTRICO Paso 5. Una vez instalado el marco en el hueco podemos proceder al montaje de las hojas. v1.00, MAY. 06 PÁG.81 CFA_AEEs
  • 87.
    CURSO DE FORMACIÓNDE ASCENSORES TEMA 3. ASCENSOR ELÉCTRICO Paso 5.1. REGULACION HORIZONTAL. Desplazando el tornillo de fijación de la hoja a lo largo del agujero rasgado del carro, variaremos la posición horizontal de las hojas. Paso 5.2. REGULACION DE ALTURA Y HOLGURA ENTRE HOJAS. Variando la posición de las tuercas de sujeción de la hoja lograremos posicionarlo en altura. Comprobar que existan 5 mm de holgura entre la pisadera y las hojas. Además comprobaremos que ambas hojas queden paralelas al marco de puerta, y entre sí, manteniendo una holgura máxima de 5 mm. Paso 5.3. REGULACION DE HOLGURA ENTRE HOJAS. Girando el soporte deslizadera por el hexágono de la excéntrica, ajustaremos las holguras entre las hojas. v1.00, MAY. 06 PÁG.82 CFA_AEEs
  • 88.
    CURSO DE FORMACIÓNDE ASCENSORES TEMA 3. ASCENSOR ELÉCTRICO Paso 6. En la siguiente figura se detalla la instalación del muelle de emergencia. Para ello deberemos colocar el gancho fijación en el soporte pisadera. v1.00, MAY. 06 PÁG.83 CFA_AEEs
  • 89.
    CURSO DE FORMACIÓNDE ASCENSORES TEMA 3. ASCENSOR ELÉCTRICO 3.5.10.2. Puertas Semiautomáticas A continuación se muestra en la figura un ejemplo de una puerta semiautomática lisa con mirilla. v1.00, MAY. 06 PÁG.84 CFA_AEEs
  • 90.
    CURSO DE FORMACIÓNDE ASCENSORES TEMA 3. ASCENSOR ELÉCTRICO 3.5.11. Montaje de la cabina El montaje de la cabina del ascensor sobre el chasis de cabina se llevará a cabo desde la planta inferior, a partir de las indicaciones del correspondiente manual. Como elemento diferenciador de los ascensores SCM hay que resaltar que el techo de cabina hará las veces de cuarto de máquinas, lo que conlleva a la existencia de una barandilla de protección que delimitará la zona segura de trabajo. Figura 3.33. Techo de cabina del SCM-02. Puede darse el caso de que sea necesario optar por una posición alternativa del anclaje de la barandilla cuando observemos que se produce interferencia con el cerrojo de enclavamiento. Figura 3.34. Posibilidad de montaje en función del cerrojo de enclavamiento. Introducción de pesas en el chasis de contrapeso (II) Terminado el proceso de montaje de la cabina moveremos el ascensor hasta que el contrapeso quede en la zona de foso, para una vez allí introducir en él las pesas restantes. v1.00, MAY. 06 PÁG.85 CFA_AEEs
  • 91.
    CURSO DE FORMACIÓNDE ASCENSORES TEMA 3. ASCENSOR ELÉCTRICO Tras ello, colocaremos como elementos de seguridad, el sistema antisalida de pesas y la pantalla de protección en foso. Con este paso se concluye el montaje de la parte mecánica del ascensor. Figura 3.35. Chasis de contrapeso con todas sus pesas y su correspondiente pantalla de protección. 3.5.12. Instalación Eléctrica Premontada de hueco y cabina Procederemos en este paso a la instalación eléctrica del ascensor conectando todos sus componentes. Para esta fase del montaje deberemos seguir las indicaciones recogidas en el manual de Instalación Eléctrica Premontada así como en los manuales de todos aquellos componentes afectados (ver Tema de Maniobras). 3.5.13. Montaje del conjunto de operador en puertas de cabina Este componente será el encargado de la adecuada apertura y cierre de las hojas telescópicas que conforman las puertas. A continuación se detallan brevemente los pasos a seguir en el proceso de montaje de las puertas de cabina: Figura 3.36. Conjunto del operador de puerta de cabina automático (Modelo Reveco II de MP). v1.00, MAY. 06 PÁG.86 CFA_AEEs
  • 92.
    CURSO DE FORMACIÓNDE ASCENSORES TEMA 3. ASCENSOR ELÉCTRICO Paso 1. Fijación del operador de la cabina. Paso 2. Fijación de la pisadera a la cabina. Paso 3. Fijación de las hojas del operador. v1.00, MAY. 06 PÁG.87 CFA_AEEs
  • 93.
    CURSO DE FORMACIÓNDE ASCENSORES TEMA 3. ASCENSOR ELÉCTRICO Paso 4. Colocación de deslizaderas. Paso 5. Regulación del contacto eléctrico de presencia de hoja de cabina (Serie de seguridad de puertas). Paso 6. Fijación de espadín al carro. v1.00, MAY. 06 PÁG.88 CFA_AEEs
  • 94.
    CURSO DE FORMACIÓNDE ASCENSORES TEMA 3. ASCENSOR ELÉCTRICO Paso 7. Posicionado de las ruedas de arrastre de la puerta de piso. Paso 8. Montaje del mecanismo de apertura de puerta semiautomática. Puede haber 2 mecanismos: resbalón o electroleva. - Montaje del resbalón - Montaje de la electroleva v1.00, MAY. 06 PÁG.89 CFA_AEEs
  • 95.
    CURSO DE FORMACIÓNDE ASCENSORES TEMA 4. ASCENSOR HIDRÁULICO Tema 4 ASCENSOR HIDRÁULICO En este tema se va a explicar en profundidad los elementos que se pueden encontrar en un ascensor hidráulico, para más tarde determinar cómo se realiza el montaje del mismo y definir su instalación completa. Los componentes principales son los siguientes: - equipo hidráulico impulsor central hidráulica grupo cilindro-pistón canalizaciones - instalación eléctrica - dispositivo de guiado del pistón - guías - sistemas de protección contra movimientos incontrolados - cabina - puertas de cabina y de piso - cables de suspensión (en caso de accionamiento indirecto, también llamado de suspensión 2:1) - amortiguadores de foso A continuación sólo se analizan aquéllos componentes específicos de este tipo de ascensores, ya que el resto son completamente análogos a los de los ascensores E vistos en el Tema anterior. v1.00, MAY. 06 PÁG.90 CFA_AHEs
  • 96.
    CURSO DE FORMACIÓNDE ASCENSORES TEMA 4. ASCENSOR HIDRÁULICO 4.1. EQUIPO HIDRÁULICO IMPULSOR Figura 4.1. Esquema del grupo impulso de un ascensor hidráulico. 4.1.1. Central hidráulica Los ascensores hidráulicos, pioneros del transporte vertical, se usan principalmente como: - ascensores de viviendas de baja altura (limitación de 8 plantas) montacargas y montacoches Un ascensor hidráulico tiene como componente principal la denominada central hidráulica, cuyo objetivo es generar la presión adecuada en el aceite hidráulico para elevar el pistón del cilindro. La central está compuesta por un motor eléctrico que acciona una bomba, la cual impulsa el aceite a presión a través de las válvulas de maniobra y seguridad por una tubería hasta un cilindro, cuyo pistón sostiene y empuja la cabina (o en el caso de los indirectos la polea a la que va sujeta ésta). Se puede observar que la misión de la central es equivalente a la que hacía el grupo tractor de los E, y el cilindro trasmite la potencia del motor en la de nominada potencia de elevación, que define la velocidad a la que se eleva la carga. Los ascensores H se fueron incorporando de una forma creciente y sus más recientes innovaciones se centran en el bloque de válvulas que se explicará a continuación. El aceite utilizado como fluido para transmitir el movimiento funciona en circuito cerrado, siendo necesario completar la instalación con un depósito de aceite. Por tanto, la central hidráulica puede considerarse formada por 4 elementos principales: - v1.00, MAY. 06 Motor Bomba Bloque de válvulas Depósito o tanque de aceite PÁG.91 CFA_AHEs
  • 97.
    CURSO DE FORMACIÓNDE ASCENSORES TEMA 4. ASCENSOR HIDRÁULICO Figura 4.2. Componentes de una central hidráulica. 4.1.1.1. Motor Los motores son asíncronos con arranque en cortocircuito para bajas potencias, pero los motores de potencia elevada a unos 15 CV deberán estar equipados por lo menos con arrancadores estrella-triángulo de funcionamiento automático. En principio, los ascensores de viviendas de bajas prestaciones no requerirán este tipo de arrancador ya que suelen necesitar potencias bajas, siendo suficiente el arranque en cortocircuito. Para montacargas y montacoches, donde la carga útil suele ser elevada, se requerirá el arrancador estrella-triángulo. Normalmente, tanto los arranques en cortocircuito como los arrancadores estrella-triángulo, generan intensidades en el arranque del orden de tres veces la nominal. Con este nuevo sistema de control la intensidad en el arranque se duplica respecto a la nominal, consiguiéndose las siguientes ventajas: - protección del motor contra los picos de intensidad (mayor vida de la instalación). - reducción de la potencia requerida para la instalación. 4.1.1.2. Bomba Las bombas utilizadas en los grupos impulsores de los ascensores H son de husillos múltiples. El accionamiento de la bomba por el motor eléctrico se realiza directamente formando un sólo cuerpo. La bomba y el motor están prácticamente siempre sumergidos en el aceite. - Presión de trabajo Las presiones de trabajo dependen de la carga nominal del ascensor y del diámetro del pistón. Suelen ser necesarios diámetros elevados de pistón para recorridos grandes con objeto de aumentar la resistencia al pandeo. Por otra parte, la superficie del pistón es proporcional al cuadrado del diámetro. Parece que todo es favorable a los diámetros grandes, excepto el coste, por eso se utilizan los pistones de menor diámetro posible aunque se tenga que aumentar la presión. Generalmente se usan presiones entre 25 y 40 kg/cm2. v1.00, MAY. 06 PÁG.92 CFA_AHEs
  • 98.
    CURSO DE FORMACIÓNDE ASCENSORES TEMA 4. ASCENSOR HIDRÁULICO Los ascensores H deberán llevar una válvula de seguridad que asegure una limitación de la presión y un manómetro para la lectura de las presiones de trabajo. Además, todo el circuito hidráulico deberá someterse a una presión de prueba igual al 200 % de la nominal. 4.1.1.3. Bloque de válvulas El bloque de válvulas, que generalmente se instala sobre el depósito de aceite del grupo impulsor, está compuesto por las válvulas de maniobra del circuito hidráulico del ascensor. Algunas son de accionamiento electromagnético comandas por la maniobra eléctrica del ascensor. Recientemente se están incorporando sistemas electrónicos basados en un microprocesador en el que se memorizan las aceleraciones y deceleraciones a aplicar en función de la carga del ascensor y de la temperatura de la instalación. Sus ventajas son: - mayor confort - tiempo de recorrido constante e independiente del tráfico vertical - recorrido constante durante la nivelación - en casos normales, se pueden conseguir hasta 60 arranques/hora sin necesidad de recurrir a refrigerador - la velocidad nominal puede alcanzar 1 m/s Finalmente, se están implementando nuevos sistemas con la válvula de cierre duplicada para efectuar la parada del ascensor. Este doble cierre, ya reglamentario en otros países como Australia, aumenta el nivel de seguridad y dota a cada operación de un doble control. Figura 4.3. Bloque de válvulas de una central hidráulica. v1.00, MAY. 06 PÁG.93 CFA_AHEs
  • 99.
    CURSO DE FORMACIÓNDE ASCENSORES TEMA 4. ASCENSOR HIDRÁULICO 4.1.1.4. Depósito de aceite En la Norma EN 81 se afirma que el depósito de aceite deberá ser de capacidad suficiente para permitir el funcionamiento del ascensor en circuito cerrado. El depósito suele ser de chapa de acero con un tapón de carga en su tapa y otro para descarga en la parte inferior de un costado. Conviene, además, equipar el depósito con un nivel de cristal o una varilla para revisar el nivel de aceite existente. 4.1.2. Pistón hidráulico El cilindro y su pistón constituyen el accionamiento mecánico del ascensor H. ya se han comentado los 2 tipos de accionamiento, directo e indirecto, y los dos tiros directos existentes: central y lateral. El cilindro es un tubo de acero que se instala siempre verticalmente, cuyo extremo inferior está cerrado estando abierto el superior. Se compone de los siguientes elementos: 1) Una cabeza soldada en su extremo superior que contiene las guarniciones, y que ajusta con el pistón que se mueve deslizándose por el interior del cilindro. 2) Un racor al que se fija la válvula paracaídas. 3) Unos anclajes para fijar el cilindro al hueco. Si el cilindro es muy largo, se suelen fabricar dos o más secciones que se acoplan entre sí en la obra. El pistón está formado por un tubo de acero estirado en frío, mecanizado, rectificado, pulido y bruñido a 2 micras, y lleva un aro roscado en su extremo inferior para evitar su eventual salida del cilindro. Este aro puede actuar como un fin de carrera amortiguador si dispone de un alojamiento en el extremo superior del cilindro en el que pueda encajar el émbolo, amortiguando su recorrido final el mismo aceite comprimido por el aro en el citado alojamiento. Si el pistón es muy largo, se fabrica de forma similar al cilindro en dos o más secciones que se unen mediante rosca en la obra. Si el ascensor es de acción directa, la parte superior del émbolo empuja el chasis de la cabina a través de un acoplamiento con una rótula esférica que absorbe las variaciones del nivel del suelo de la cabina sin transmitirlas al pistón. A veces, la placa de la rótula se fija al chasis por medio de tacos elásticos para evitar la transmisión de vibraciones. Otro elemento que nos encontramos en los ascensores H es la mocheta, que se trata del pilar de hierro sobre el que se apoya el pistón. Pistón enterrado En este tipo de pistón, tanto él como su cilindro se entierran bajo suelo, (ver Figura 4.4.c) de forma que empujan la cabina directamente desde la parte inferior de ésta (es lo que hemos denominado tiro directo). Su mayor aplicación es en los ascensores panorámicos, en los que el cliente tiene una cabina con paños de cristal y no quiere que se vea el chasis por uno de ellos. Cuando el chasis es pórtico, por razones estéticas, también el pistón es enterrado. v1.00, MAY. 06 PÁG.94 CFA_AHEs
  • 100.
    CURSO DE FORMACIÓNDE ASCENSORES a) TEMA 4. ASCENSOR HIDRÁULICO b) c) Figura 4.4. Detalle del pistón hidráulico: a)b) con cabezal y apoyado sobre una mocheta, c) enterrado. Pistones telescópicos Los pistones telescópicos con dos o más secciones tienen la ventaja de duplicar o triplicar el recorrido y la velocidad del ascensor para una misma longitud del cilindro, pero tiene el inconveniente de un mayor coste de construcción. Para obtener una velocidad uniforme con émbolos telescópicos se deben dimensionar correctamente de manera que las secciones anulares que haya entre dos elementos sean iguales. 4.1.3. Canalizaciones Las canalizaciones son las tuberías rígidas o flexibles que comunican la central hidráulica con el cilindro, intentando mantener la menor pérdida posible de presión. Se aconseja que no haya más de 10 m entre la central y el pistón. 4.2. ASPECTOS ESPECÍFICOS DE UN ASCENSOR HIDRÁULICO A parte del grupo impulsor, como gran novedad en un ascensor H respecto a uno E, existen otra serie de elementos que son específicos de este tipo de ascensores o que cambian sustancialmente respecto a lo visto en el Tema anterior. Aquellos elementos que no se comenten a continuación (cabinas, cables, puertas…) se entienden de iguales o similares características que las explicaciones dadas en el ascensor E. 4.2.1. Sistema de guiado del pistón Consiste en un sistema de brazos, situado en el extremo superior del pistón, que permite el prefecto desplazamiento vertical del pistón. Los brazos se conectan a la guías del ascensor mediante dispositivos adecuados de deslizamientos (similares a los de la cabina). 4.2.2. Guías Como ya se ha dicho varias veces, en los ascensores H el tipo de guía es apoyada ya que, al no haber cuarto de máquinas en la parte superior, no se pueden suspender del techo del hueco como pasaba en los ascensores E. v1.00, MAY. 06 PÁG.95 CFA_AHEs
  • 101.
    CURSO DE FORMACIÓNDE ASCENSORES TEMA 4. ASCENSOR HIDRÁULICO 4.2.3. Sistemas de protección contra movimientos incontrolados de la cabina Las situaciones de movimiento incontrolado de cabina que pueden darse en un ascensor H son las siguientes: - velocidad excesiva de descenso caída libre desnivelación Y como métodos o herramientas para paliar las anteriores situaciones de riesgo se utilizan los siguientes dispositivos de seguridad: 4.2.3.1. Válvula paracaídas Es un dispositivo hidráulico de seguridad conectado solidariamente al cilindro entre la canalización hidráulica de alimentación y éste, que impide la caída libre o embalamiento descendente de la cabina cuando se produce un fallo catastrófico (rápida pérdida de presión) en el circuito hidráulico. La válvula paracaídas debe ser regulada por el fabricante para parar y mantener parada la cabina en las peores condiciones de carga sin que se superen los valores de deceleración establecidos. Figura 4.5. Válvula paracaídas. 4.2.3.2. Paracaídas Es un mecanismo completamente análogo al que incorporan los ascensores E pero que sólo actúa en sentido descendente de la cabina. El paracaídas de los ascensores H se activa generalmente por un mecanismo de palancas que entra en funcionamiento cuando se produce la rotura o aflojamiento de uno o más cables de suspensión. También puede ser activado por un limitador de velocidad. 4.2.3.3. Sistema de renivelación Constituye una prestación adicional de la maniobra eléctrica implementada para compensar los desplazamientos indeseables de la cabina por variaciones de presión del aceite hidráulico. Realiza las siguientes funciones: v1.00, MAY. 06 PÁG.96 CFA_AHEs
  • 102.
    CURSO DE FORMACIÓNDE ASCENSORES TEMA 4. ASCENSOR HIDRÁULICO - Renivelación con puerta abierta, es decir, generación de presión en el pistón para garantizar la posición estable de la cabina durante las operaciones de carga y descarga de la misma (variación de carga). - Envío de la cabina al rellano más bajo si el ascensor permanece parado en planta por más tiempo del establecido en la maniobra. 4.2.4. Sistemas de rescate Es un sistema no mecánico, a diferencia de los ascensores E, compuesto por: - Válvula de emergencia: válvula situada en la central que se abre cuando detecta que no hay corriente liberando así el aceite, y dejando la cabina en la planta inferior más cercana. Para su funcionamiento hace falta una pequeña batería. - Sistema de emergencia de apertura de puertas: en MP es el RESCATAMACH, y complementa al sistema de válvulas. 4.3. MONTAJE E INSTALACIÓN 4.3.1. Instalación de chasis de cabina hidráulico A continuación se detalla el montaje de un chasis mochila, pero nos podríamos encontrar también en los ascensores H con chasis pórticos (se suelen usar en ascensores de acción directa). Basándonos en el esquema general de este primer tipo de chasis, podemos identificar claramente sus distintos elementos. v1.00, MAY. 06 PÁG.97 CFA_AHEs
  • 103.
    CURSO DE FORMACIÓNDE ASCENSORES TEMA 4. ASCENSOR HIDRÁULICO Paso 1. Colocación de los terminales de cable en el chasis hidráulico. Paso 2. Instalación del conjunto base de replanteo. v1.00, MAY. 06 PÁG.98 CFA_AHEs
  • 104.
    CURSO DE FORMACIÓNDE ASCENSORES TEMA 4. ASCENSOR HIDRÁULICO Paso 3. Instalación del cabezal hidráulico (en caso de tiro indirecto lleva una polea). v1.00, MAY. 06 PÁG.99 CFA_AHEs
  • 105.
    CURSO DE FORMACIÓNDE ASCENSORES TEMA 4. ASCENSOR HIDRÁULICO Paso 4. Montaje del chasis a las guías: primero deslizar el chasis sobre los dos primeros tramos de guía y luego montar los tramos restantes de guía. En el caso de llevar rodaderas la regulación se realiza de la siguiente forma: v1.00, MAY. 06 PÁG.100 CFA_AHEs
  • 106.
    CURSO DE FORMACIÓNDE ASCENSORES TEMA 4. ASCENSOR HIDRÁULICO Paso 5. Instalación de paracaídas. En las siguientes figuras se muestra un esquema de la actuación del paracaídas. - Dispositivo en funcionamiento normal - Dispositivo actuado por aflojamiento o rotura de cables v1.00, MAY. 06 PÁG.101 CFA_AHEs
  • 107.
    CURSO DE FORMACIÓNDE ASCENSORES TEMA 4. ASCENSOR HIDRÁULICO Paso 6. Fijación de cabina a chasis. 4.3.2. Instalación del pistón Para mayor claridad definimos el significado de las siguientes palabras: - Camisa o Cilindro: parte externa que se fija a la base y al muro mediante abarcones. - Émbolo: parte móvil que desliza por el interior del cilindro y eleva al ascensor. - Pistón: conjunto de la parte móvil y fija. A continuación se detallan las operaciones a realizar para el montaje del pistón: Paso 1. Desembalar y preparar las dos partes del pistón. Quitar los protectores de goma de los tramos del émbolo. Paso 2. Ayudado con un tractel levantar el tramo inferior del pistón y emplazarlo lo más vertical posible en el hueco del ascensor. Asegurar que esté instalado y sujeto a la pared para que no se mueva mediante abrazaderas. v1.00, MAY. 06 PÁG.102 CFA_AHEs
  • 108.
    CURSO DE FORMACIÓNDE ASCENSORES TEMA 4. ASCENSOR HIDRÁULICO Paso 3. Suspender el tramo superior del pistón a su posición con la ayuda del tractel. Asegurarse de que está alineada con la parte inferior del pistón. Paso 4. Limpiar las roscas usando un disolvente adecuado. Comprobar que no hay arañazos. Cubrir las roscas con “locktite”. Atornillar las partes del émbolo usando llave de cadena rápidamente hasta la línea de pintura antes de que se sequen. Paso 5. Repetir el mismo procedimiento para los cilindros. Cuando las dos piezas estén atornilladas juntas, asegurarse que el conjunto esta limpio. Si es necesario, alinear las zonas desiguales con papel de lija montado en trozo de madera. Paso 6. Instalar la cabeza del cilindro. Paso 7. Montar abrazaderas del tramo superior y aplomar el pistón. Paso 8.Esperar 24 horas antes de llenar el cilindro con aceite. NOTA: Asegurarse que las juntas y retenes están en posición correcta y no han sido quitados de sus alojamientos. 4.3.3. Instalación de la central hidráulica. Situaremos la central hidráulica en su posición definitiva dentro del cuarto de máquinas o en el recinto destinado para ello. Comprobaremos que se encuentra a nivel. v1.00, MAY. 06 PÁG.103 CFA_AHEs
  • 109.
    CURSO DE FORMACIÓNDE ASCENSORES TEMA 4. ASCENSOR HIDRÁULICO Paso 1. Pasaremos la manguera del cuarto de máquinas al hueco. Paso 2. Procederemos al llenado de aceite de la central. Para ello quitaremos la tapa del depósito y comprobaremos que no existen rastros de humedad. Si hay humedad debemos secarlo antes de verter el aceite en su interior. Si la temperatura del cuarto de máquina es muy fría o muy húmeda, es necesario calentar el aceite con una resistencia. Paso 3. Una vez cerrada la central montaremos la palanca de la bomba de mano. Paso 4. Realizar las conexiones eléctricas del motor de la central. v1.00, MAY. 06 PÁG.104 CFA_AHEs
  • 110.
    CURSO DE FORMACIÓNDE ASCENSORES TEMA 4. ASCENSOR HIDRÁULICO Paso 5. Conectar la manguera al pistón. Paso 6. En caso de unión con tuberías rígidas, debemos asegurarnos, mediante una escuadra, que la superficie en la que termina el tubo se encuentra perfectamente perpendicular al eje del tubo mismo. En caso contrario, quitaremos un tramo de tubo de modo que el corte sea exactamente transversal (perpendicular al eje del tubo). Limpiaremos las posibles rebabas internas y externas. Paso 7. Por último, habrá que regular el grupo de válvulas de la central hidráulica. v1.00, MAY. 06 PÁG.105 CFA_AHEs
  • 111.
    CURSO DE FORMACIÓNDE ASCENSORES TEMA 4. ASCENSOR HIDRÁULICO 4.3.4. Instalación del limitador de velocidad Antes de presentar la figura explicativa que detalla todas las partes a instalar, se incluye una composición descriptiva de como queda instalado el limitador, diferenciando 3 partes. - La parte superior “limitador de velocidad” (situada en el ejemplo sobre la losa del cuarto de maquinas). - El sistema de amarre del cable para el accionamiento de los paracaídas (situado en el chasis). - La parte inferior “conjunto polea tensora” (situada cerca del nivel del suelo de foso). v1.00, MAY. 06 PÁG.106 CFA_AHEs
  • 112.
    CURSO DE FORMACIÓNDE ASCENSORES TEMA 4. ASCENSOR HIDRÁULICO 4.4. COMPONENTES DE LOS KIT’S HIDRÁULICOS DE MP v1.00, MAY. 06 PÁG.107 CFA_AHEs
  • 113.
    CURSO DE FORMACIÓNDE ASCENSORES TEMA 5. MANIOBRAS Tema 5 MANIOBRAS Muchas son las soluciones proyectadas para el sistema de control y gobierno de los ascensores, así como de los dispositivos de señalización óptica o acústica que sirven de orientación a los usuarios. Una maniobra es el proceso automático que permite a un pasajero embarcado en la cabina, pulsar un instante el botón del piso al que desea ir y conseguir que se cierren las puertas, se ponga en marcha suavemente la cabina, se detenga al nivel exacto del piso de su destino, y se abran las puertas el tiempo prudencial para que pueda salir cómodamente y sin peligro de que se ponga en marcha mientras está saliendo por cualquier otra llamada de otro pasajero 5.1. TIPOS DE MANIOBRAS Vamos hacer distinciones de funcionamiento del ascensor dependiendo del tipo de maniobra: v1.00, MAY. 06 PÁG.108 CFA_MEs
  • 114.
    CURSO DE FORMACIÓNDE ASCENSORES TEMA 5. MANIOBRAS 5.1.1. Maniobra Automática Simplex o Universal En el momento que las puertas de cabina se cierran, el pasajero de cabina dispone de una preferencia de 3 segundos frente a los pasajeros de rellano para ordenar la marcha de la cabina. Funcionamiento de la maniobra en subida: una vez pulsado el nivel deseado la cabina irá directamente al nivel elegido. Si son varios los pasajeros, debe pulsar primero el del piso más bajo. Una vez alcanzado el nivel deseado y desembarcado el pasajero, se cerrarán las puertas y entonces se procederá a pulsar el nivel del piso siguiente y así sucesivamente. Funcionamiento de la maniobra en bajada: los pasajeros de los pisos llamarán a la cabina pulsando el pulsador de llamada siempre que no esté encendida la señal de ocupado, pues en caso contrario no quedará registrada la llamada, ni será atendida. Una vez la cabina se encuentre en el piso, se advierte su presencia a través de la mirilla de la puerta o por señal luminosa y se podrá abrir las puertas de piso y cabina. En los segundos de preferencia que dispone sobre cualquier otro pasajero de piso puede ordenar la marcha de la cabina, como hemos visto antes, sin temor a ninguna interferencia. Figura 5.1. Esquema de maniobra simplex o universal. v1.00, MAY. 06 PÁG.109 CFA_MEs
  • 115.
    CURSO DE FORMACIÓNDE ASCENSORES TEMA 5. MANIOBRAS 5.1.2. Maniobra Simplex colectiva selectiva en Bajada Los ascensores provistos de esta maniobra disponen de una memoria que va registrando las órdenes de subida y bajada de los pasajeros de la cabina. En cambio, sólo registra en esa memoria las órdenes de bajada de los pasajeros que esperan en los pisos, pero no las de subida. Funcionamiento de la maniobra en subida: los mandos de cabina tienen también una preferencia de 3 segundos sobre los de pisos a partir del momento en que el ascensor está en posición de marcha (puertas cerradas). También tienen preferencia a partir de la entrada en la cabina de cada pasajero en los ascensores de puertas automáticas con célula fotoeléctrica en el umbral de la puerta. A medida que entran los pasajeros en la cabina van pulsando los pulsadores correspondientes a los niveles que les interesan. Una vez embarcado el último pasajero se pone en marcha la cabina automáticamente y va parando en los pisos solicitados, poniéndose otra vez en marcha una vez salido el último pasajero con destino a ese piso y cerradas las puertas. Durante la subida no atiende ninguna llamada de piso, salvo la del piso más alto, siempre que esté por encima del más elevado registrado por los pasajeros de la cabina para subir. Una vez en este piso, embarca el pasajero, y como siempre, éstos tienen 3 segundos de preferencia una vez cerradas las puertas sobre todas las llamadas de pisos para decidir el sentido de la marcha. Si pulsan un botón para subir más alto, el ascensor ascenderá aunque hubiese registradas llamadas de bajada. Funcionamiento de la maniobra de bajada: los pasajeros ordenarán la bajada y el ascensor descenderá deteniéndose automáticamente en todos los pisos en los que hubiera registradas llamadas para bajar. Figura 5.2. Esquema de maniobra simplex colectiva selectiva en bajada. v1.00, MAY. 06 PÁG.110 CFA_MEs
  • 116.
    CURSO DE FORMACIÓNDE ASCENSORES TEMA 5. MANIOBRAS 5.1.3. Maniobra Simplex colectiva selectiva en Subida y Bajada Con la maniobra simple colectiva en subida y bajada, la cabina no sólo se detiene y recoge pasajeros de pisos en el descenso como hace la maniobra anterior, sino también en la de subida. Funcionamiento de la maniobra en subida: a medida que los pasajeros entran en cabina irán pulsando los botones correspondientes a los niveles deseados, las órdenes quedarán registradas en la memoria. Una vez entrado el último y cerradas las puertas, la cabina se pone en marcha y va parando sucesivamente en los niveles solicitados por los pasajeros de la cabina, y además en los niveles en los que los pasajeros de pisos hayan pulsado el botón de llamada para subir. No responderá a las llamadas de pisos para bajar aunque los registre la memoria. Atenderá, sin embargo, la llamada para bajar del piso más elevado por encima del último al que haya sido llamado para subir. Funcionamiento de la maniobra en bajada: la cabina va recogiendo a todos los pasajeros de todos los niveles que hayan pulsado el pulsador de bajada. A medida que los pasajeros entran, pulsan el botón correspondiente al nivel que les interesa para registrarlo en la memoria y, siempre bajando, la cabina se irá deteniendo en todos los niveles ordenados por los pasajeros de la cabina y de los pisos hasta llegar a la planta baja. Figura 5.3. Esquema de maniobra simplex colectiva selectiva en los dos sentidos. v1.00, MAY. 06 PÁG.111 CFA_MEs
  • 117.
    CURSO DE FORMACIÓNDE ASCENSORES TEMA 5. MANIOBRAS 5.1.4. Maniobra Dúplex La maniobra dúplex es una maniobra única para dos ascensores. En esta maniobra hay una sóla botonera en cada piso y sólo se puede llamar a un ascensor. Siempre acudirá la cabina que esté libre. El funcionamiento de los mandos de las cabinas es exactamente igual al de los ascensores con maniobra automática simple. Los pasajeros ordenarán sus llamadas pulsando primero el botón del nivel más bajo. Una vez llegado a él y desembarcado el pasajero, se pulsará el botón del nivel siguiente y así sucesivamente se van pulsando los pulsadores de los pisos a los que deseen ir los pasajeros embarcados, y en orden del más bajo al más alto. Los pasajeros de los pisos pulsarán el botón de llamada sólo cuando esté apagada la señal roja de ocupado, acudiendo la cabina del ascensor que esté libre. Si están los dos libres acudirá la cabina del ascensor que esté más cercano. Si sólo había un ascensor libre después de pulsar el botón de llamada, se encenderá éste para indicar que ha quedado registrada la llamada, y además se iluminará la señal roja de ocupado. Si estaban las dos cabinas libres se encenderá el pulsador blanco de llamada pero no la señal de ocupado, puesto que queda un ascensor disponible. Figura 5.4. Esquema de maniobra dúplex. v1.00, MAY. 06 PÁG.112 CFA_MEs
  • 118.
    CURSO DE FORMACIÓNDE ASCENSORES TEMA 5. MANIOBRAS 5.1.5. Maniobra Dúplex colectiva selectiva en Bajada Esta maniobra es una combinación de la maniobra dúplex y de la simple colectiva en bajada. Su disposición y funcionamiento es igual a la colectiva en bajada en cuanto a los mandos y señales y cumplimiento de las órdenes para los pasajeros de las cabinas. La diferencia está en que lleva un mando único en cada piso para los dos ascensores. Funcionamiento de la maniobra en subida: a medida que los pasajeros entran en la cabina van pulsando los botones correspondientes al nivel de destino, y quedan las órdenes registradas en la memoria de la maniobra. Una vez entrado el último pasajero y cerradas las puertas, la cabina se pone en marcha automáticamente y va parando sucesivamente en los niveles registrados, reanudando su marcha en cuanto hayan salido y vuelvan a estar cerradas las puertas. Durante la subida no atiende ninguna llamada de pasajero de piso para bajar, salvo la del piso más alto, siempre que esté por encima del más elevado registrado por los pasajeros de la cabina para subir. Una vez en este piso embarca el pasajero, y como siempre, disponen de 3 segundos para pulsar la botonera y decidir el sentido de la marcha de la cabina. Si pulsan para subir la cabina ascenderá aunque hubiera registrado llamadas para bajar. Funcionamiento de la maniobra en bajada: si los pasajeros ordenan bajada, descenderá deteniéndose automáticamente en todos los pisos que hubiera registradas llamadas y en los que ordenen los pasajeros que hayan entrado en la cabina siempre que sea a pisos inferiores hasta completar su carga, no atendiendo desde entonces las llamadas desde pisos inferiores. 5.1.6. Maniobra dúplex colectiva selectiva en subida y bajada Esta maniobra es una combinación de maniobra dúplex y de la colectiva en subida y bajada, de forma que los funcionamientos en uno y otro sentido ya han sido explicados con anterioridad. 5.1.7. Maniobra mixta Existe un tipo de maniobra que puede combinar las maniobras anteriores: la denominada maniobra mixta. Imaginemos un edificio de 6 paradas, donde 3 de ellas son de aparcamiento subterráneo. En este caso, es lógico pensar que los pasajeros de las plantas de aparcamiento desean “normalmente” subir, y no bajar, por lo que se proyectará una maniobra selectiva de subida (es igual que la de bajada explicada en el apartado 5.1.2 pero en sentido contrario). Pero en el resto de plantas (las no subterráneas) se puede seguir utilizando una maniobra colectiva selectiva en subida y bajada. Se observa pues que los diferentes tipos de maniobras pueden convivir juntas (maniobra mixta), y será el cuadro de maniobra el que programe una u otra según proceda. v1.00, MAY. 06 PÁG.113 CFA_MEs
  • 119.
    CURSO DE FORMACIÓNDE ASCENSORES TEMA 5. MANIOBRAS 5.2. INSTALACIÓN ELÉCTRICA PREMONTADA Los elementos de la Instalación Eléctrica Premontada se suelen agrupar en varios bloques, cada uno de ellos nombrados como IPX. A continuación se detallan todos estos elementos, indicándose a qué bloque pertenece cada uno, el nombre que recibe, donde se encuentra en la instalación, así como una breve descripción del mismo. v1.00, MAY. 06 PÁG.114 CFA_MEs
  • 120.
    CURSO DE FORMACIÓNDE ASCENSORES v1.00, MAY. 06 TEMA 5. MANIOBRAS PÁG.115 CFA_MEs
  • 121.
    CURSO DE FORMACIÓNDE ASCENSORES TEMA 5. MANIOBRAS Ver 5.3.2.4. v1.00, MAY. 06 PÁG.116 CFA_MEs
  • 122.
    CURSO DE FORMACIÓNDE ASCENSORES TEMA 5. MANIOBRAS Esquema general de la instalación La siguiente figura da una idea clara de la ubicación de los elementos de la instalación. Debido a que se trata de un esquema general, no todas las instalaciones coincidirán con él en su totalidad. Figura 5.5. Esquema general de la instalación eléctrica. v1.00, MAY. 06 PÁG.117 CFA_MEs
  • 123.
    CURSO DE FORMACIÓNDE ASCENSORES TEMA 5. MANIOBRAS 5.3. INSTALACIÓN ELÉCTRICA PREMONTADA MicroBASIC En el Tema 1 ya se comentó brevemente qué es la maniobra MicroBASIC. Con esta maniobra se controlan ascensores eléctricos de 1 ó 2 velocidades, con variador de frecuencia y oleodinámicos (H), todo ello mediante una o varias placas de circuito impreso de control, según la complejidad de la instalación. En la tabla siguiente se muestran las distintas instalaciones posibles y las arquitecturas de control correspondientes en función del tipo de maniobra y del número de ascensores. Tabla 5.1. Instalaciones posibles en función del tipo de maniobra con MicroBASIC. siendo AMB1, AMB2 y AMB3 ampliaciones de la placa MicroBASIC. Figura 5.6. Cuadro de maniobra MicroBASIC. v1.00, MAY. 06 PÁG.118 CFA_MEs
  • 124.
    CURSO DE FORMACIÓNDE ASCENSORES TEMA 5. MANIOBRAS 5.3.1. Esquemas eléctricos generales 5.3.1.1. Ascensor eléctrico de una velocidad v1.00, MAY. 06 PÁG.119 CFA_MEs
  • 125.
    CURSO DE FORMACIÓNDE ASCENSORES TEMA 5. MANIOBRAS 5.3.1.2. Ascensor eléctrico de dos velocidades v1.00, MAY. 06 PÁG.120 CFA_MEs
  • 126.
    CURSO DE FORMACIÓNDE ASCENSORES TEMA 5. MANIOBRAS 5.3.1.3. Ascensor eléctrico con variación de velocidad v1.00, MAY. 06 PÁG.121 CFA_MEs
  • 127.
    CURSO DE FORMACIÓNDE ASCENSORES TEMA 5. MANIOBRAS 5.3.1.4. Ascensor hidráulico con arranque directo v1.00, MAY. 06 PÁG.122 CFA_MEs
  • 128.
    CURSO DE FORMACIÓNDE ASCENSORES TEMA 5. MANIOBRAS 5.3.1.5. Ascensor hidráulico con arranque estrella-triángulo v1.00, MAY. 06 PÁG.123 CFA_MEs
  • 129.
    CURSO DE FORMACIÓNDE ASCENSORES TEMA 5. MANIOBRAS 5.3.2. Montaje y conexionado 5.3.2.1. Consideraciones generales En el presente apartado se pretende dar un método que pueda ayudar y orientar, de una forma sencilla al montaje de la instalación premontada, estableciendo además un orden a seguir. Todo el proceso que se describe a continuación parte de la base de que la instalación mecánica haya sido finalizada. A continuación se van presentarán los 3 esquemas generales de conexión de una instalación estándar: cuarto de máquinas, cabina y hueco, y dentro de éstos, las conexiones de las partes que se han considerado más importantes. 5.3.2.2. Identificación de conexiones Todos los cables de la instalación eléctrica premontada se suministran con una serie de etiquetas en sus extremos, que indican mediante símbolos representativos, el lugar o elemento donde se debe conectar cada uno de ellos. Estas etiquetas nos las encontraremos en los esquemas generales siguientes, y hacen referencia a los siguientes elementos: v1.00, MAY. 06 PÁG.124 CFA_MEs
  • 130.
    CURSO DE FORMACIÓNDE ASCENSORES TEMA 5. MANIOBRAS 5.3.2.3. Instalación del cuarto de máquinas Conexión cuadro-máquina En el carril del cuadro hay una serie de conectores de conexión rápida donde se realizan todas las conexiones de la máquina. La manguera de acometida se conecta a las bornas U,V,W (y además U1,V1,W1 en caso de 2 velocidades y X,Y,Z en caso de H con arranque estrella-triángulo). En caso de instalaciones de 1 y 2 velocidades e H, la tierra se conectará a la borna de tierra que se encuentra en el carril. En caso de instalaciones 3VF se conectará directamente sobre la chapa. - Ascensor eléctrico v1.00, MAY. 06 PÁG.125 CFA_MEs
  • 131.
    CURSO DE FORMACIÓNDE ASCENSORES TEMA 5. MANIOBRAS - Ascensor hidráulico Conexión cuadro-acometida En primer lugar, cortar la corriente en la caja de protecciones. (ATENCIÓN: mantenga cortada la alimentación del cuadro hasta que haya finalizado la instalación en el Cuarto de Máquinas y Cabina). En caso de desconectar toda la instalación, la tierra debe ser la última en quitarse. La acometida de alumbrado y cabina deben ser independientes de la de la maniobra y entre sí. Conectar las tres fases R,S,T de la manguera de acometida a las bornas del cuadro identificadas con estas letras. En caso de instalaciones de ascensores E de 1 y 2 velocidades y ascensores H, la tierra se conectará a la borna de tierra que se encuentra en el carril. En caso de instalaciones 3VF se conectará directamente sobre la chapa. Conexión de cuerdas de maniobra Las cuerdas de maniobra conectan eléctricamente el cuadro de maniobra con la cabina; tanto con la caja de revisión como con la botonera y otros elementos. Estas cuerdas vienen enrolladas de tal forma que los conectores que quedan en la parte exterior de la bobina son los que se conectan en cabina y los del otro extremo al cuadro. En cada extremo una etiqueta adhesiva identifica el elemento al que éste va conectado. En primer lugar, habrá que lanzar el extremo exterior de la bobina al hueco y después desenrollar la cuerda de forma que ésta quede colgando a lo largo del hueco sin ninguna doblez. (Realizar la misma operación con todas las cuerdas de maniobra). v1.00, MAY. 06 PÁG.126 CFA_MEs
  • 132.
    CURSO DE FORMACIÓNDE ASCENSORES TEMA 5. MANIOBRAS A continuación, sujetar de forma provisional las cuerdas en su salida al hueco, de manera que no exista tracción sobre los conectores, y realizar las conexiones de los mismos en el cuadro según se indica en el esquema adjunto. Figura 5.7. Esquema del conexionado de las cuerdas de maniobra en el cuadro. Conexionado instalación de hueco-cuadro de maniobra v1.00, MAY. 06 PÁG.127 CFA_MEs
  • 133.
    CURSO DE FORMACIÓNDE ASCENSORES TEMA 5. MANIOBRAS 5.3.2.4. Instalación de cabina Fijación de la cuerda de maniobra a la base de la cabina-chasis Sujetar las cuerdas de maniobra a la base del chasis o de la cabina, según se muestra en la figura. Procurar que las cuerdas formen un arco de 25 a 35 cm de diámetro y seguidamente subir el extremo al techo de la cabina, atravesando la omega de protección de la botonera. Figura 5.8. Detalle de la fijación de la cuerda de maniobra al chasis de cabina. Colocación de Caja de Revisión La caja de revisión se fijará sobre el larguero del chasis con la ayuda del soporte suministrado dentro de la IP5 según se indica en la figura. Figura 5.9. Colocación de la caja de revisión. v1.00, MAY. 06 PÁG.128 CFA_MEs
  • 134.
    CURSO DE FORMACIÓNDE ASCENSORES TEMA 5. MANIOBRAS Colocación de Magnéticos Montar el magnético sobre el soporte correspondiente suministrado dentro de la IP5 y fijarlo al soporte deslizadera o al chasis (según se indica en la figura) de manera que la distancia de los extremos de la caja del magnético a la base de la guía sea inferior a 2 cm. Si hay dos magnéticos, montar uno sobre cada deslizadera o sobre cada lado del chasis. Figura 5.10. Colocación de los magnéticos. Conexionado de caja de revisión y elementos de cabina Una vez fijados todos los elementos, habrá que hacer las conexiones eléctricas. A continuación se representan las conexiones generales en caja de revisión y en los elementos que cuelgan de ella. v1.00, MAY. 06 PÁG.129 CFA_MEs
  • 135.
    CURSO DE FORMACIÓNDE ASCENSORES TEMA 5. MANIOBRAS Conexionado de operador Figura 5.11. Conexionado de un operador monofásico de simple embarque. Conexionado de botonera de cabina v1.00, MAY. 06 PÁG.130 CFA_MEs
  • 136.
    CURSO DE FORMACIÓNDE ASCENSORES TEMA 5. MANIOBRAS 5.3.2.5. Instalación de hueco v1.00, MAY. 06 PÁG.131 CFA_MEs
  • 137.
    CURSO DE FORMACIÓNDE ASCENSORES TEMA 5. MANIOBRAS Colocación de soportes de cuerdas de maniobra Se suministran dos elementos de fijación dentro de la IP5; el primero se colocará en la huida y el segundo a la mitad del hueco. Fijar las bases a la pared empleando los tacos y tirafondos suministrados en la IP5. Después hacer pasar las cuerdas por el interior de las bases y fijarlas introduciendo las cuñas, presionando de arriba a abajo, hasta quedar el conjunto como se muestra en la figura. Figura 5.12. Colocación de los soportes de la cuerda de maniobra. Colocación de imanes En la colocación de imanes se ha de poner especial atención en la posición de éstos con respecto a los interruptores magnéticos, orientando las caras de los imanes adecuadamente y manteniendo las distancias indicadas. Seguir siempre las siguientes pautas: • Es conveniente limpiar previamente la guía. • No es necesario utilizar ningún tipo de pegamento. • No colocarlos cerca del cable del limitador. • Colocar los imanes en la base de la guía. Si no es posible, por coincidir la posición del imán con los tornillos de un empalme de guías, colocar el imán sobre el alma de la guía (ver figuras adjuntas) cuidando que éste no interfiera con las deslizaderas o el paracaídas. • La distancia del imán al extremo del magnético debe ser como máximo de 2 cm (ver figura de la izquierda). En caso de guías con alma de gran altura, en las que no pueda cumplirse esta condición con el imán pegado en la base, colocar el imán sobre el alma igual que en el caso anterior. • Pegar siempre los imanes a la guía por su cara norte, excepto en el caso de los imanes de impulsos con interruptor magnético 326, en el que los imanes se pegarán por su cara sur. La cara norte aparece marcada con una ranura longitudinal (según aparece en la figura). v1.00, MAY. 06 PÁG.132 CFA_MEs
  • 138.
    CURSO DE FORMACIÓNDE ASCENSORES TEMA 5. MANIOBRAS Figura 5.13. Colocación y detalle de los interruptores magnéticos (imanes). En la figura siguiente se muestran las diferentes configuraciones posibles de interruptores magnéticos / hileras de imanes en función del tipo de ascensor. Siendo: 324: sólo para instalaciones de una velocidad 325: para instalaciones eléctricas sin aproximación con puertas abiertas 327 y 328: para instalaciones eléctricas con aproximación con puertas abiertas (preapertura) e instalaciones hidráulicas con renivelación con puertas abiertas N: señal de nivel NL: señal de emergencia P: señal de pulso FB: señal de renivelación en bajada FS: señal de renivelación en subida FZS: señal de zona de seguridad nivel de Figura 5.14. Configuraciones posibles de interruptores magnéticos según el tipo de ascensor. v1.00, MAY. 06 PÁG.133 CFA_MEs
  • 139.
    CURSO DE FORMACIÓNDE ASCENSORES TEMA 5. MANIOBRAS 5.4. INSTALACIÓN ELÉCTRICA PREMONTADA Vía Serie 5.4.1. Características generales La característica principal de esta instalación es la gran simplificación del cableado independientemente de las variantes y prestaciones de ésta, debido a su electrónica distribuida. Se añade la ventaja del sistema de conexión enchufable visto en la MicroBASIC que hace del montaje de la instalación mucho más rápido y sencillo. 5.4.2. Prestaciones de la maniobra Vía Serie Con esta maniobra es posible controlar una batería de hasta 6 ascensores de 32 niveles cada uno. La configuración en el caso más complejo no difiere mucho de la más simple, salvo por la utilización en algunos casos de unas placas amplificadoras de la señal de comunicación. Otras prestaciones son: • Muy amplio rango de funcionalidades parametrizables desde los propios PCB’s de la instalación mediante la utilización de un dispositivo de infrarrojos (PALM). • Menú de fallos. Se discretiza entre los fallos de cabina, de hueco, de sala de máquinas y generales del ascensor. Se dispone de un histórico de fallos. • Leds en PCB MicroBASIC que presenta en tiempo real: - Maniobra en maniobra - Serie de seguridad eléctrica de socorro - Salida de contactores - Pulsos - Tensión de distintos circuitos - Reset - No nivel - Sentido de renivelación - Estado de antefinales - Maniobra en inspección 5.4.3. Esquemas generales de control 5.4.3.1. Ascensor eléctrico de una velocidad v1.00, MAY. 06 PÁG.134 CFA_MEs
  • 140.
    CURSO DE FORMACIÓNDE ASCENSORES TEMA 5. MANIOBRAS 5.4.3.2. Ascensor eléctrico de dos velocidades 5.4.3.3. Ascensor eléctrico con variación de velocidad v1.00, MAY. 06 PÁG.135 CFA_MEs
  • 141.
    CURSO DE FORMACIÓNDE ASCENSORES TEMA 5. MANIOBRAS 5.4.3.4. Ascensor hidráulico con arranque directo 5.4.3.5. Ascensor hidráulico con arranque estrella triángulo v1.00, MAY. 06 PÁG.136 CFA_MEs
  • 142.
    CURSO DE FORMACIÓNDE ASCENSORES TEMA 5. MANIOBRAS 5.4.4. Esquema general de alumbrado 5.4.5. Esquema general de telefonía v1.00, MAY. 06 PÁG.137 CFA_MEs
  • 143.
    CURSO DE FORMACIÓNDE ASCENSORES TEMA 5. MANIOBRAS 5.4.6. Serie de seguridad v1.00, MAY. 06 PÁG.138 CFA_MEs
  • 144.
    CURSO DE FORMACIÓNDE ASCENSORES TEMA 5. MANIOBRAS 5.4.7. Esquema general de la maniobra Vía Serie Cuadro de maniobra de Sala de máquinas RST Motor INSTALACIÓN DE HUECO Limitador de velocidad Magnetorruptor Final de carrera superior Botonera de revisión Cuerda de maniobra Antefinal de carrera superior Luz de hueco Botonera de cabina Botonera de piso (planta n) Cuadro de maniobra de cabina CABINA Luz de hueco Botonera de piso (planta 1) Magnético Antefinal de carrera inferior Final de carrera inferior Contacto tensor del Limitador de velocidad v1.00, MAY. 06 PÁG.139 CFA_MEs