Incrustar presentación
Descargar para leer sin conexión



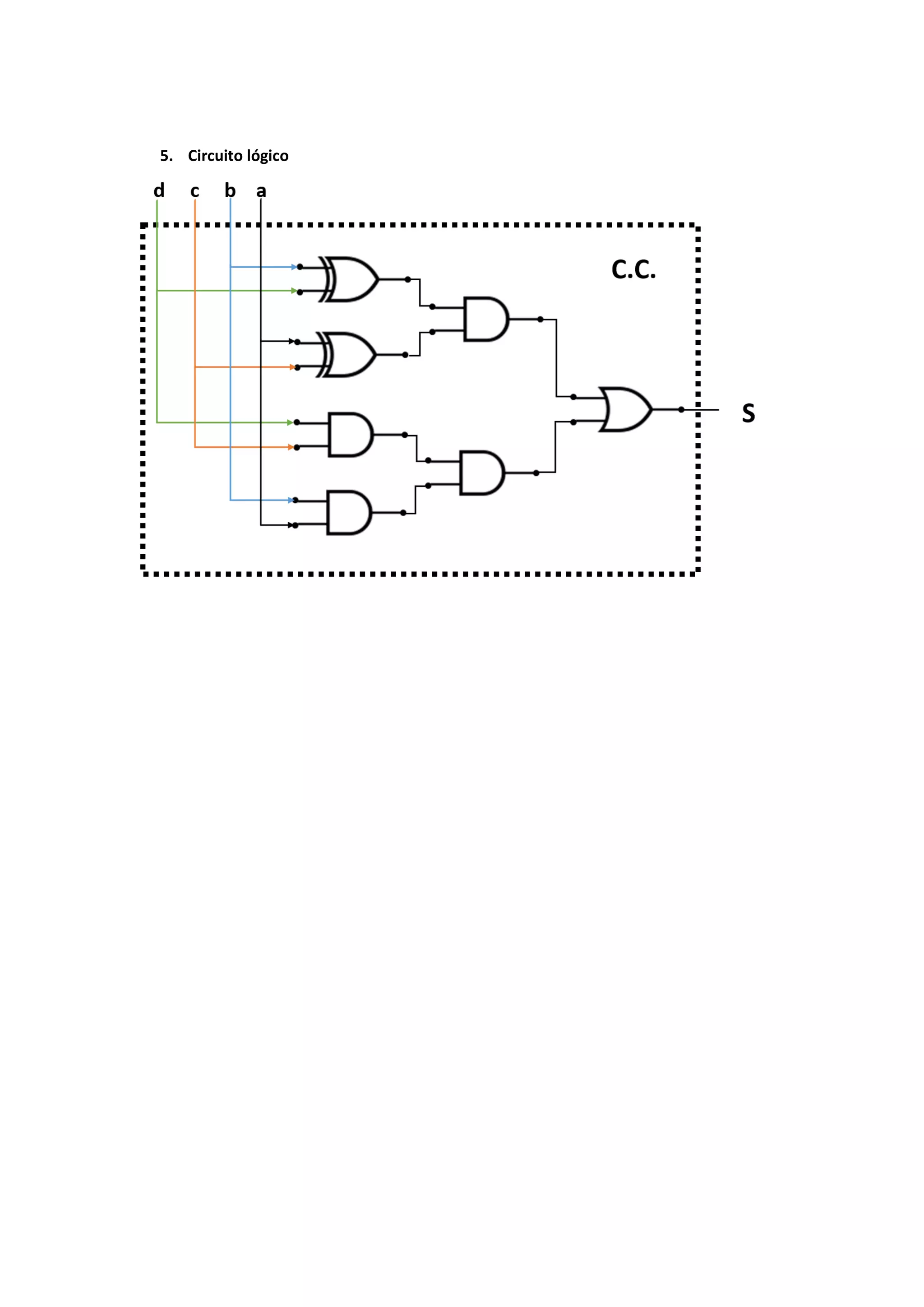
El documento detalla la creación de un circuito combinacional para detectar si un número de 4 bits es múltiplo de tres. Se incluye una tabla de verdad, una función lógica y un proceso de simplificación. Finalmente, se presenta el circuito lógico resultante.

