44
3. MÉTODO DE LA RESISTENCIA ÚLTIMA
Los problemas se pueden considerar de dos tipos:
1. De Análisis: Se da la sección, el refuerzo, esfuerzos en el concreto y acero, para calcular la
resistencia y comparar con unos esfuerzos admisibles.
2. De Diseño: Se evalúan las cargas, la luz o la geometría, para seleccionar la sección y el
refuerzo.
La ecuación de diseño es:
MuMn ≥φ
Donde: Mn: Resistencia nominal o momento nominal resistente.
φ: Factor de reducción de resistencia (C.9.3 del NSR-10)
Mu: Momento producido por las cargas mayoradas.
El factor de reducción de resistencia φ se basa de acuerdo al CR9.3 en:
• Probabilidad de existencia de elementos con una resistencia baja debida a variaciones en
la resistencia de los materiales y las dimensiones.
• Inexactitudes en las ecuaciones de diseño.
• El grado de ductilidad y la confiabilidad bajo los efectos de la carga bajo consideración
• Importancia del elemento en la estructura
El ACI 318 del 2005, los factores de reducción de resistencia fueron ajustados para hacerlos
compatibles con las combinaciones de carga del SEI/ASCE7, y que son los mismos del NSR-10.
3.1 TEORÍA DE LA FLEXIÓN.
Se hacen las siguientes suposiciones:
1. Las secciones transversales de la viga, perpendicular al plano de flexión, permanecen planas
durante la flexión. (Ver Figuras 3.1).
2. La deformación en el acero es igual a la del concreto en el mismo nivel.
3. Los esfuerzos en el concreto y en el acero, se calculan de la curva esfuerzo deformación del
concreto. La distribución lineal de los esfuerzos, deja de ser válida para vigas peraltadas y con
una luz menor a 4 veces la altura del elemento.
4. Se supone que el concreto no resiste esfuerzos de tensión, ya que la resistencia a la tensión
cf ′= 62.0fR para concretos de peso normal (C.9.5.2.3), es muy baja comparada con la del
acero, por lo tanto la capacidad del concreto para resistir esfuerzos de tensión puede ser
despreciada.
45
5. Se asume que el concreto falla cuando alcanza el valor límite. Esto ocurre cuando la pendiente
en el diagrama Momento – Curvatura dM /dφ es negativa, correspondiente a una formación de
una rotula y decremento de carga. (Ver Figuras 3.1)
Figura 3.1 Diagrama M – φ. Fuente: Reinforced Concrete, MacGregor.
6. La deformación máxima unitaria en la fibra extrema sometida a compresión del concreto
reforzado, obtenida de ensayos de vigas es: 003.0=cuε (C.10.2.3 del NSR-10) (Ver Figura 3.2)
Figura 3.2 Deformación compresión límite en el concreto. Fuente: Reinforced Concrete, MacGregor
46
7. La relación esfuerzo – deformación, para el concreto se puede asumir rectangular, trapezoidal,
parabólica, etc.
3.1.1 Esfuerzos en el Concreto Reforzado
Los esfuerzos en el concreto, son los esfuerzos de compresión y tensión. Los esfuerzos de
compresión adoptan una forma geométrica llamada el bloque de Whitney. Para facilidad de
cálculos se ha transformado esta figura en un cubo.
La forma del bloque de esfuerzos de los ensayos en una viga sometida al momento último, se
puede expresar en términos de 3 constantes k1, k2 y k3
Fuerza Compresión
Fuerza Tensión
47
k3: Relación entre el máximo esfuerzo f’’c de compresión de una viga en flexión y el esfuerzo de
compresión f’c en el cilindro de concreto.
cf
cf
k
´
´´
3 =
k2: Relación entre la distancia desde la fibra extrema en compresión, hasta la resultante de la
fuerza de compresión y la distancia desde la fibra extrema en compresión hasta el eje neutro.
c
a
k
2/
2 = = β
k1: Relación del esfuerzo promedio en compresión y el máximo esfuerzo.
rectángulodelArea
sombreadaArea
k =1
Para una viga rectangular de ancho b, la fuerza resultante en compresión es:
= 	 	
Para simplificar, se puede usar un rectángulo equivalente como distribución de esfuerzos en el
concreto, conocido como el bloque de esfuerzos de Whitney.
CR10.2.7 — Para el diseño, el Título C del Reglamento NSR-10 permite el uso de una distribución
rectangular de esfuerzos de comprensión (bloque de esfuerzos) como reemplazo de distribuciones de
esfuerzos más exactas. En el bloque rectangular equivalente de esfuerzos, se utiliza un esfuerzo promedio
de 0.85 fc′ con un rectángulo de altura a = β1c. Se ha determinado experimentalmente un valor β1 igual a
0.85 para concreto f´c<=28 MPa y menor en 0.05 por cada 7 MPa de f´c sobre 28 MPa.
48
En el suplemento de 1976 del ACI 318-71, se adoptó un límite inferior de β1 igual a 0.65 para
resistencias delconcreto mayores de 55 MPa. Los datos obtenidos en ensayos con concreto de alta
resistenciaC.10.1,C.10.2 respaldan el uso del bloque de esfuerzos rectangular equivalente para
resistencias del concreto que excedan los 55 MPa, con un β1 igual a 0.65. El uso de la distribución
rectangular equivalente de esfuerzos especificada en el ACI 318-71 sin límite inferior para β1 , tuvo
como resultado diseños inconsistentes para concreto de alta resistencia en elementos sometidos a cargas
axiales y de flexión combinadas.
El bloque rectangular de esfuerzos es descrito por dos constantes α1 y β1 (C.10.2.7.3), pero β1 no
debe ser menor a 0.65. Isométricamente el bloque de esfuerzos queda:
Sección transversal
Sección transversal.
49
Vista lateral viga
La distribución rectangular de esfuerzos tiene las siguientes características:
1. El esfuerzo uniforme de compresión α1*f’c, se asume distribuido sobre una zona de compresión
limitado por los bordes de la sección y una línea paralela al eje neutro, localizada a una distancia
a = β1*c medida desde la fibra extrema en compresión.
2. La distancia c se mide desde la fibra extrema en compresión hasta el eje neutro
3. β1 se toma en el sistema inglés como:
3.1 β1 = 0.85 para f’c hasta 28 MPa o 4000 psi.
3.2 β1
1000
05.005,1
cf ′
−= para 4000 < f’c ≤ 8000 psi
3.3 β1 = 0.65 para f’c > 8000 psi
En el SI es:
β1 = 0,85 para f’c ≤ 28 MPa
β1 = cf ′− 008,009,1 para 28MPa < f’c ≤ 56 MPa
β1 = 0,65 para f’c > 56 MPa
Ensayos para cargas sostenidas en vigas y columnas, han dado como resultado que α1 se puede
tomar como 0.85. La resistencia a compresión debe ser mayor a f´c > 17 MPa, según C1.1.1 del
NSR-10.
50
Fuente: Reinforced Concrete, MacGregor
En la figura anterior, la línea del contorno inferior corresponde a α1=0.85 y β1, el cual se toma de
la ecuación anterior.
Se presenta una buena correlación para α1 = 0.85 y β1 de la ecuación anterior con k1, k2 y k3 en
vigas. En columnas la correlación es buena hasta f’c ≤ 6000 psi y se puede usar:
α1= 0,85 para f’c ≤ 8000 psi
α1 73,0
50000
8000
85,0 ≥
−′
−=
cf
para f’c > 8000 psi
β1 = 0,85 para f’c ≤ 4000 psi
β1 7,0
10000
4000
15,085,0 ≥




 −′
−=
cf para f’c > 4000 psi
51
3.1.2 Falla en el concreto Reforzado
Dependiendo de las propiedades geométricas de la sección, cantidad de acero y resistencia de los
materiales, la falla puede ocurrir por:
Falla en tensión o subrefrozada: El refuerzo fluye antes que el concreto falle en compresión.
La viga es subreforzada
Falla en compresión o sebrerefrozada: El concreto falla antes que el acero alcance la fluencia,
la viga es sobre reforzada.
Falla balanceada: El concreto falla simultáneamente cuando el acero alcanza la fluencia.
3.1.3 Ductilidad
Este comportamiento se presenta cuando la relación en el diagrama Momento – Curvatura, Carga
–Deflexión, Torque –Giro, etc. tiene una gran región plástica. Una falla dúctil avisa, ya que los
ocupantes se dan cuenta por deflexiones excesivas y la aparición de grietas. Para un sistema
elastoplástico se tiene que la ductilidad al desplazamiento se define como:
Uy
Uu
=µ
µ: Ductilidad solicitada o demanda
de ductilidad. Corresponde a la
máxima ductilidad que se le puede
exigir al sistema.
Cuando el sistema no es elástoplástico,
el límite de fluencia no está definido y
debe ser conservador, la ductilidad µ
se denomina coeficiente de daño.
Según el A.13.1 del NSR-10, se define la ductilidad y algunos tipos de ductilidad.
Ductilidad - Capacidad que tiene un material estructural de resistir, sin fallar, deformaciones que
lleven al material estructural más allá del límite elástico, o límite donde las deformaciones son
linealmente proporcionales al esfuerzo o fuerza aplicada.
Dependiendo del parámetro que describe las deformaciones, la ductilidad puede hacer referencia,
entre otras, a:
(a) ductilidad de curvatura φ - cuando la ductilidad se mide con respecto a la curvatura de la
sección del elemento estructural. La curvatura se define como el cociente entre el momento
flector aplicado y la rigidez de la sección
52
(b) ductilidad de rotación θ - cuando la ductilidad se mide con respecto a la rotación que tiene
un sector longitudinal del elemento estructural. La rotación se define como la pendiente de la
línea elástica del elemento medida con respecto a la posición original del eje longitudinal del
elemento.
(c) ductilidad de desplazamiento δ - cuando la ductilidad se mide con respecto al
desplazamiento o deflexión que tiene el elemento estructural. El desplazamiento se mide con
respecto a la posición original del eje longitudinal del elemento.
(d) ductilidad de deformación ε - cuando la ductilidad se mide con respecto a la deformación
unitaria de una fibra paralela al eje neutro de la sección.
3.1.4 Tenacidad
Se define como el área bajo la curva esfuerzo – deformación de un material que se lleva hasta la
falla. Es una medida de la cantidad de energía por unidad de volumen que puede absorber o
disipar un elemento hasta la falla.
3.1.5 Capacidad de disipación de energía. Si se tiene un sistema elástico y uno plástico.
El coeficiente de reducción de resistencia se define como:
kRo
Fe
Ro
Ue
Uy
Ro
Fe
Fy
Uy
Ue
Fy
Fe
Ro
==
=
==
Uy: Desplazamiento en el nivel del fluencia
Ue: Desplazamiento máximo del sistema
elástico
kRo
Fe
Ro
Ue
Uy
Ro
Fe
Fy
Uy
Ue
Fy
Fe
Ro
==
=
==
Ro: Coeficiente de reducción de resistencia para un sistema de un grado de libertad, indicado por
el subíndice o. La capacidad de disipación de energía de un sistema inelástico de un grado de
libertad, corresponde a la capacidad que tiene el sistema para reducir la fuerza elástica Fe
producida por una carga externa, a una fuerza necesaria para producir fluencia Fy.
53
De acuerdo al NSR-10 – Capítulo A.13.1 – Definiciones y nomenclatura del Título A, se tiene:
CAP A.13.1
Capacidad de disipación de energía — Es la capacidad que tiene un sistema estructural, un
elemento estructural, o una sección de un elemento estructural, de trabajar dentro del rango
inelástico de respuesta sin perder su resistencia.
Se cuantifica por medio de la energía de deformación que el sistema, elemento o sección es
capaz de disipar en ciclos histeréticos consecutivos. Cuando hace referencia al sistema de
resistencia sísmica de la edificación como un todo, se define por medio del coeficiente de
capacidad de disipación de energía básico R0, el cual después se afecta debido a
irregularidades de la estructura y a ausencia de redundancia en el sistema de resistencia
sísmica, para obtener el coeficiente de disipación de energía R (R = φa φp φr Ro). El grado
de capacidad de disipación de energía se clasifica como especial (DES), moderado (DMO) y
mínimo (DMI).
Capacidad de rotación de la sección - Es la capacidad que tiene una sección de un
elemento estructural de admitir rotaciones en el rango inelástico sin perder su capacidad de
resistir momentos flectores y fuerzas cortantes. Se mide en términos de su capacidad de
disipación de energía a la rotación
A continuación se presentan 4 vigas con la misma sección, pero con variación en el refuerzo
54
55
56
Las vigas 3 y 4 desarrollan una falla en tensión y tiene un diagrama Momento - Curvatura dúctil,
mientras que en las Vigas 1 y 2 el concreto en la fibra extrema a compresión alcanza el
agrietamiento más rápido, aunque el acero fluye mucho después, y el diagrama momento –
curvatura no tiene una respuesta dúctil, aunque la resistencia es mucho mayor que en las vigas 3
y 4.
3.2 VIGAS RECTANGULARES CON REFUERZO EN TENSIÓN
Para satisfacer las condiciones de análisis y diseño, se debe cumplir que los esfuerzos en
cualquier punto deber ser siempre proporcionales a las deformaciones y debe existir equilibrio
entre las fuerzas internas y externas. Para vigas cortas y peraltadas, lo anterior no se cumple.
La fuerza en compresión es:
C=0.85 f´c* b*a donde a = β1 c
La fuerza en tensión es:
T = As fy
Del equilibrio:
T = C
As fy = 0.85 f’c b a
cbf
Asfy
a
´85.0
= Profundidad del rectángulo de esfuerzos equivalente en compresión
57
Se define
bd
As
=ρ como la cuantía o porcentaje de acero en la sección efectiva. Reemplazando As
= ρbd se obtiene:
cf
dfy
cbf
bdfy
a
´85.0´85.0
ρρ
== (1)
El par interno en la sección es:
TjdMn =






−=
2
a
dAsfyMn
El par interno en la sección también es:
CjdMn =






−=
2
´85.0
a
dcbafMn
φC.9.3.71-La resistencia de diseño proporcionada por un elemento, sus conexiones con otros elementos,
así como sus secciones transversales, en términos de flexión, carga axial, cortante y torsión, deben
tomarse como la resistencia nominal calculada de acuerdo con los requisitos y suposiciones del Título C
del Reglamento.
C.9.3.2.1 — Secciones controladas por tracción como se define en 10.3.4 ................................. 0.90
CR9.3.2.2 — Con anterioridad a la edición de 2002, el Reglamento ACI 318 especificaba la magnitud del
factor φ para los casos de carga axial o de flexión, o ambos, en términos del tipo de carga. Para estos
casos, el factor φ queda ahora determinado por las condiciones de deformación unitaria en las secciones
transversales, en el estado de resistencia nominal.
Se usa un factor φ más bajo para las secciones controladas por compresión que para las secciones
controladas por tracción porque las secciones controladas por compresión tienen menor ductilidad, son
más sensibles a las variaciones en la resistencia del concreto y, en general, se presentan en elementos que
soportan mayores áreas cargadas que los elementos con secciones controladas por tracción. A los
elementos con espirales se les asigna un φ más alto que para las columnas con estribos ya que poseen
mayor ductilidad o tenacidad.
Para secciones sometidas a carga axial con flexión, se determina las resistencias de diseño multiplicando
tanto Pn como Mn por un único valor apropiado de φ. Las secciones controladas por compresión y
controladas por tracción se encuentran definidas en C.10.3.3 y C.10.3.4 como aquellas con deformación
unitaria neta de tracción en el acero extremo en tracción, en el estado de resistencia nominal, menor o
58
igual al límite de deformación unitaria de secciones controladas por compresión, e igual o mayor a 0.005
respectivamente. Para las secciones con deformación unitaria neta a tracción εt en el acero extremo en
tracción, en resistencia nominal, entre los límites anteriores, el valor de φ puede ser determinado por
interpolación lineal, como se aprecia en la figura CR9.3.2. El concepto de la deformación unitaria neta de
tracción en el acero extremo en tracción, ε t , se discute en CR10.3.3
Como en C.10.2.3 se supone la deformación unitaria a la compresión del concreto, en el estado de
resistencia nominal, igual a 0.003, los límites de deformación unitaria neta de tracción para los elementos
controlados por compresión también pueden ser establecidos en términos de la relación c/dt , donde c es la
distancia desde la fibra extrema en compresión al eje neutro cuando se llega a la resistencia nominal, y dt
es la distancia desde la fibra extrema en compresión hasta la fibra extrema del acero en tracción. Los
límites de c/dt para las secciones controladas por compresión y controladas por tracción son 0.6 y 0.375
respectivamente. El límite de 0.6 se aplica a las secciones reforzadas con acero Grado 420 y a las
secciones preesforzadas. En la figura CR9.3.2 también se presentan las ecuaciones para φ como una
función de c/dt .
CURVA DE VARIACION DE φφφφ CR3.2.2






−=
2
a
dAsfyMn φφ (2) Ecuación básica de capacidad en flexión de vigas






−′=
2
85.0
a
dcbafMn φφ (3)
Reemplazo (1) en (3)
59






′
−=
cf
dfy
dbdfyMn
)85.0(2
ρ
φρφ






−=
cf
fy
fybdMn
´
59.012 ρ
φρφ
Solución:
22
2
*59.0*
´*
*59.0*2
´
*59.0*2
´
fybd
cfMu
fy
cf
fy
cf
φ
ρ −





−=
Ecuación de diseño para encontrar la cuantía en una sección de concreto con refuerzo a tensión.
3.2.1 Diseño Balanceado
Se debe revisar que fs = fy. Se supone que el concreto falla cuando el acero empieza a fluir. Para
la siguiente viga, la profundidad del eje neutro cb se define para falla balanceada.
C.10.3.2 — La condición de deformación balanceada existe en una sección transversal cuando el refuerzo
en tracción alcanza la deformación unitaria correspondiente a fy al mismo tiempo que el concreto en
compresión alcanza su deformación unitaria última supuesta de 0.003.
C.10.3.3 — Las secciones se denominan controladas por compresión si la deformación unitaria neta de
tracción en el acero extremo en tracción, εt , es igual o menor que el límite de deformación unitaria
controlada por compresión cuando el concreto en compresión alcanza su límite de deformación supuesto
de 0.003. El límite de deformación unitaria controlada por compresión es la deformación unitaria neta de
tracción del refuerzo en condiciones de deformación unitaria balanceada. Para refuerzo Grado 420, y para
todos los refuerzos preesforzados, se permite fijar el límite de deformación unitaria controlada por
compresión en 0.002.
CR10.3.3 — La resistencia nominal a la flexión de un elemento se alcanza cuando la deformación unitaria
en la fibra extrema en compresión alcanza el límite de deformación unitaria asumido de 0.003. La
deformación unitaria neta de tracción ε t es la deformación unitaria de tracción en el refuerzo de acero
extremo en tracción en el estado de resistencia nominal, sin considerar las deformaciones unitarias debidas
60
al preesforzado, flujo plástico, retracción y temperatura. La deformación unitaria neta de tracción en el
refuerzo de acero extremo en tracción se determina a partir de una distribución de deformaciones unitarias
lineal en el estado de resistencia nominal, como se aprecia en la figura. CR10.3.3, usando triángulos
semejantes.
Con anterioridad al desarrollo de estas disposiciones, el límite de deformación unitaria por tracción para
los elementos sometidos a flexión no estaba establecido, pero se encontraba implícito en la cuantía
máxima de refuerzo a tracción dada como una fracción deρb , que dependía de la resistencia a la fluencia
del refuerzo. El límite de deformación unitaria neta de tracción de 0.005 para las secciones controladas por
tracción se eligió de manera que fuera un valor único para todos los tipos de refuerzo de acero
(preesforzado y no preesforzado) permitidos por este Título C del Reglamento NSR-10.
De la semejanza de triángulos
d
y
c
cu
b
cu εεε +
=
003.0
003.0
+
=
+
=
εεε
ε
ycuy
cub
d
c
Multiplicando por Es = 200.000 MPa y se tiene que 003.0=cuε (C.10.3.2 del NSR – 10)
600
600
+
=
fyd
cb
Si el eje neutro c ≤ cb, la deformación en el acero excede εy entonces se toma fs = fy. Donde fs es
el esfuerzo en el acero.
Como a = β1 c, es la profundidad del bloque equivalente de esfuerzos, para diseño balanceado se
tiene:
ba = β1 bc
β1
b
b
a
c =






+
=
600
600
1
fyd
ab
β fy en MPa
Para diseñar se revisa que fs (esfuerzo en el acero) = fy (Esfuerzo de fluencia) y se debe cumplir
que:
d
a
d
a b
≤ ba = 1β *cb
61
NSR-10 C.10.3.3
Los elementos sometidos a flexión en general son controlados por tracción, mientras que los elementos en
compresión en general son controlados por compresión.
La resistencia nominal a la flexión de un elemento se alcanza cuando la deformación unitaria en la fibra
extrema en compresión alcanza el límite de deformación unitaria asumido de 0.003.
Cuando la deformación unitaria neta de tracción en el acero de refuerzo extremo en tracción es
suficientemente grande (igual o mayor a 0.005), la sección se define como controlada por tracción
donde se puede esperar un claro aviso previo de falla con deflexión y agrietamiento excesivo. Cuando la
deformación unitaria neta en tracción en el refuerzo de acero extremo en tracción es pequeña (menor o
igual al límite de deformación unitaria controlada por compresión), se puede esperar una condición de
falla frágil, sin un claro aviso de una falla inminente.
Gráficamente:
A continuación se calculará la cuantía balanceada. Para diseño balanceado se tiene que fs = fy;
se puede usar
d
cb , donde cb es la profundidad del eje neutro balanceado.
cf
dfy
a b
b
´85.0
ρ
= Para ab = cb β1
cf
dfy
c b
b
´85.0
1
ρ
β =
cf
fy
d
c bb
´85.0 1β
ρ
= Pero
cu
cub
yd
c
εε
ε
+
=
Igualamos las 2 expresiones
62








+
′
=
cuy
cu
b
fy
cf
εε
εβ
ρ 185.0
)200000(
003.0
003.085.0 1
MPa
fy
cf
y
b 







+
′
=
ε
β
ρ






+
′
=
600
60085.0 1
fyfy
cf
b
β
ρ
Donde f’c y fy en MPa.
bρ se compara con la cuantía ρ de la ecuación de diseño y se puede asumir bρρ 75.0max = ,
según NSR-98, pero para NSR-10 usar bρρ 65.0max =
.
1. Problema: Hallar el momento nominal resistente de una viga de concreto simplemente
reforzado, con f’c = 21 MPa, As = 3φ7/8” y fy = 420 MPa.
1. Se asume que fs = fy en tensión
T = As f y
As = 3(3,87) = 11,61 cm2
fy = 420 MPa
kNfyAsT 6.48710*420*
100
61.11
* 6
2
===
Si el acero ha fluido, se soluciona normalmente, sino, es una solución más compleja.
2. Cálculo del área del bloque a compresión
El bloque de esfuerzos en compresión, consiste en una carga uniformemente distribuida de altura
a = β1c y base 0.85 f’c.
C = T = 487.62 kN
C = 0.85f’c β1 c b
bcf
C
c
1´85.0 β
=
Para f’c < 28 MPa β1 = 0.85
63
cmc 03.810*03.8
40.0*85.0*10*21*85.0
10*6.487 2
6
3
=== −
a = β1 c = 0.85 (8,03) = 6,83 cm
3. Revisión fs = fy. Por triángulos semejantes.
ctdcdc
tscu
−
=
−
=
εεε
2
2
2
10*38.1003.0*
10*03.8
10*03.845.0 −
−
−
=
−
=
−
= cut
c
ctd
εε m
Para un acero grado 60
0021.0
10*200
10*420
9
6
==yε
Por lo tanto 00210140.0 ≥=Sε y fs = fy, es decir que el acero fluye
4. Cálculo del Momento nominal resistente φMn
jdTMu =
jd: distancia entre la fuerza resultante a tensión y la fuerza resultante a compresión
cm
a
djd 59.41
2
83.6
45
2
=−=−=












−=
2
a
dAsfyMn φφ
φ: Coeficiente de reducción de resistencia igual a 0,9 para flexión. (C.9.3 del NSR98)
φMn = 0,9 [487,6 *103
*0,4159]= 182,5 kN.m Momento nominal de diseño o resistente
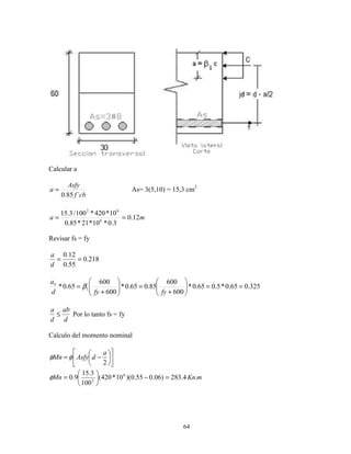
2. Problema: Calcular el momento nominal resistente φMn para la siguiente Viga, fc=21 MPa
y fy
= 420 MPa
64
Calcular a
cbf
Asfy
a
´85.0
= As= 3(5,10) = 15,3 cm2
ma 12.0
3.0*10*21*85.0
10*420*100/3.15
6
62
==
Revisar fs = fy
218.0
55.0
12.0
==
d
a
325.065.0*5.065.0*
600
600
85.065.0*
600
600
65.0* 1 ==





+
=





+
=
fyfyd
ab
β
d
ab
d
a
≤ Por lo tanto fs = fy
Calculo del momento nominal












−=
2
a
dAsfyMn φφ
mKnMn .4.283)06.055.0)(10*420(
100
3.15
9.0 6
2
=−





=φ
65
3.2.2 Diseño de Vigas Rectangulares
La deflexión máxima en una viga es de la forma:
EI
wlK
MAX
4
1
=δ La Tabla C.9.5.2.del NSR-
10, se especifican los espesores mínimos de losas y vigas en una dirección para que no haya
necesidad de calcular deflexiones.
C.7.7 Recubrimientos: Se debe recubrir el acero de refuerzo con un espesor de concreto para:
1. Evitar que la carbonatación (Electrolito) producida por el CO2 del medio ambiente sobre el
concreto llegue al refuerzo y se produzca corrosión en el acero. El recubrimiento varía
dependiendo del medio ambiente.
2. Que actué como un solo material.
3. Protección contra el fuego y pérdida de resistencia de las barras de acero.
En el C.7.7 del NSR 10 se dan los recubrimientos mínimos para concreto vaciado en sitio. A
continuación se transcribe lo que dice el reglamento al respecto.
C.7.7 - RECUBRIMIENTO DEL REFUERZO
C.7.7.1 - CONCRETO VACIADO EN SITIO (NO PREESFORZADO) - Las barras del
refuerzo deben tener los recubrimientos mínimos dados a continuación. En ambientes agresivos
deben utilizarse recubrimientos mayores que los mencionados, los cuales dependen de las
condiciones de exposición.
Recubrimiento mínimo
(a) Concreto colocado directamente sobre el suelo
y en contacto permanente con la tierra ....................................................................... 75 mm
(b) Concreto expuesto a la intemperie o en contacto con suelo de relleno:
Barras Nº 6 (3/4") y 18M (18 mm) a
Nº 18 (2-1/4") y 55M (55 mm)..................................................................... 50 mm
Barras Nº 5 (5/8") y 16M (16 mm) y menores............................................. 40 mm
(c) Concreto no expuesto a la intemperie, ni en contacto con la tierra:
66
Todos los tipos de refuerzo en losas, muros y viguetas:
Barras Nº 14 (1-3/4"), 45M (45 mm),
Nº 18 (2-1/4") y 55M (55 mm)..............................................................40 mm
Barras Nº 11 (1-3/8") y 32M (32 mm) y menores................................. 20 mm
En vigas y columnas:
Refuerzo principal..................................................................................40 mm
Estribos y espirales................................................................................ 30 mm
En cascarones y losas plegadas
Barras Nº 6 (3/4") y 18M (18 mm) y mayores...................................... 20 mm
Barras Nº 5 (5/8") y 16M (16 mm) y menores...................................... 15 mm
Para ver los recubrimientos de elementos prefabricados ver el numeral C.7.7.2 y para pre
esforzado ver el C.7.7.3.
3.2.2.2 Refuerzo mínimo a Flexión: Si el momento de falla es excedido por el momento
actuante en una viga, puede ocurrir una falla súbita y colapsar, por esto es necesario las normas
sismo resistentes NSR 98, que limita la cantidad de refuerzo a tensión.
Según el C.10.5 del NSR 98, el As suministrado para un elemento a flexión, no debe ser menor a:
dbw
fy
dbw
fy
cf
dbwAs
4.1
4
minmin ≥
′
== ρ f’c en M Pa
Para fy = 420 MPa 0033,0
4.1
min ==
fy
ρ
3. Problema: Diseñar una viga de luz exterior que carga su propio peso, una carga muerta de 10
kN/m, una carga viva de 5 kN/m. f’c =21 MPa y fy = 420 MPa, y la planta se presenta a
continuación.
1. Pre dimensionamiento
Se supone inicialmente b = 0,30 m b ≥ 0,25 m (C.21.3)
m
l
h 45.043.0
5.18
0.8
5.18
≈=== , Usaremos 0.5m
Sección de vigas: 40cm*50cm
67
Separación Viguetas
Smax 2.5hlosa
Smax 2.5(0.5m)
Smax 1.25m
Smax 1.20m
8/1.2 = 6.67 vigas
8m/(7vigas) = 1.14m
Utilizaremos separación de 1.14m de centro de vigueta a centro de vigueta
hloseta = Luz libre entre viguetas/20
hloseta= 1.14/20 ≃0.06
No de Viguetas= 8/1.25 =6.4 viguetas ≈7 viguetas
Separación de eje a eje=luz / viguetas= 8/7=1.14m
h (Altura de viguetas )
h 5bw
h 5(0.12)
68
h 0.6
Para efectos prácticos se utilizara una altura igual a la losa.
Evaluación de Cargas.
Viguetas…..(24kN/m3
)*0.12*(0.5-0.05)/(Separación entre viguetas) 1.137 kN/m2
Muros…. 3.5kN/ m2
Baldosa…… 1.0 kN/m2
Cielo raso…. 0.3 kN/m2
Alistado……….. (22 kN/m3
)*0.05 = 1.1 kN/m2
Casetón…. 0.3 kN/m2
--------------------
7.34 kN/m2
Carga muerta = 7.34*L aferente = 7.34*4 = 29.36 kN/m
Peso propio( 24 KN/m3
)*0.4*0.5 =4.8 kN/m
Carga viva(vivienda ) : 1.8kN/m2
Peso carga viva ( 1.8 KN/m2
)*4 =7.2 kN/m
Se realiza el avaluó de la carga ultima mediante 2 combinaciones, el primero es 1.4D (Carga
Muerta) y la otra es 1.2D (Carga Muerta) + 1.6L(Carga viva), de estos 2 combos se deja el que
arroje mayor carga. (NSR-10)
Combo #1 = 1.4( 29.36+4.8) = 47.83 kN/m
Combo #2 = 1.2( 29.36+4.8)+1.6(7.2 KN/m) = 52.52 kN/m
Utilizare Wu= 52.52 kN/m.
Utilizaremos f´c = 28MPa.
0138.065.0*02125.0
02125.0
600
60085.0
max
1
==
=





+
′
=
ρ
β
ρ
fyfy
cf
b
ρmax (28mpa) = 0.01842
69






9
2
wl
= 373.48 kN-m 





14
2
wl
= 240.1 kN-m 





16
2
wl
= 210.08 kN-m
3. Calculo del refuerzo
3.1 Refuerzo positivo en centro de la luz






−=
cf
fy
fybdMn
´
59.012 ρ
φρφ
22
2
*59.0*
´*
*59.0*2
´
*59.0*2
´
fybd
cfMu
fy
cf
fy
cf
φ
ρ −





−=
Luz Larga L = 8,0 m, b = 0,40, d = 0,4
φ Mn= Mu(-) kN-m 210.1 373.5
φ Mn= Mu(+) kN-m 240.1
ρ (−) 0.00754 0.0033 0.01478
ρ (+) 0.0033 0.008744 0.0033
As (-) [cm 2
] 13.572 26.61
As (+) [cm 2
] 15.74
Refuerzo superior 2#8 + 1#7 3#6 4#8 + 1#7
Refuerzo inferior 3#6 2#8 + 2#7 3#6
Separación 12.27cm 12.14cm 4.86 cm
12.14cm 9.4cm 12.14cm
Separación
S=
( 	 	 ∗( 	 	 	 	 	 	 	!	 ) #$ ∗% á' 	 )	
(()' 	 	 	 	* ' 	 	 	 )
+ ∗ ,
16
+ ∗ ,
9
70
4. Refuerzo balanceado (C.8.5.12.2)
4.1 Cuantía
01478.001381.065.0*02125.0
02125.0
600
60085.0
max
1
<==
=





+
′
=
ρ
β
ρ
fyfy
cf
b
No cumple
4.2 Alternativamente se puede usar:
Borde con mayor refuerzo (Si cumple la fluencia para el extremo con mayor acero requerido,
cumplirá para el centro de la luz y el otro extremo de la viga ya que requieren menor acero lo que
mantendrá el diseño dúctil )
cm
cbf
Asfy
a 74.1111739.0
4.0*10*21*85.0
10*420*100
61.26
´85.0 6
62
====
261.0
45.0
1174.0
==
d
a
5.0
600420
600
85.01 =





+
=












+
=
fy
Ed
a
S
cu
cub
ε
ε
β *0.65=0.325,
0.261<0.325
65.0*
d
ab
d
a
≤ Por lo tanto fs = fy
3.3 VIGAS T
Resultan de fundir monolíticamente el ala y el alma, o deben estar efectivamente unidas entre sí
dando como resultado la viga T. En el C.8.12 “Sistemas de vigas T”, del NSR-10 se presentan las
reglas para estimar el ancho de losa efectivo.
71
3.3.1 Análisis de Vigas T
Cuando el centroide del área de compresión, cae dentro del alma, se tiene:
Para evitar localizar el centroide, se pueden asumir 2 vigas:
3.3.1.1 Viga 1: Las alas resisten la compresión. Un área de compresión Asf, que corresponde al
área de las alas que resiste la compresión, bajo esfuerzos de 0.85f`c, y cuya resultante es Cf. El
área del acero que resiste la tensión es Asf.
Asf: Área de acero que resiste la tensión.
Tf: Resultante fuerza en tensión.
Cf: Resultante fuerza en compresión.
Mnf: Momento resistente de la viga.
72
)2/(
)2/()(´85,0
2/
)(´85,0
)(´85,0
0
)(´85,0
hfdfyAsMn
hfdhfbwbcfMnf
hfdjd
CjdTjdMnf
fy
hfbwbcf
Asf
hfbwbcffyAsf
CfTfF
fyAsfTf
hfbwbcfCf
f −=
−−=
−=
==
−
=
−=⋅
==
⋅=
−=
∑
3.3.1.2 Viga 2: El alma resiste la compresión
Asw=As-Asf. Acero que resiste tensión correspondiente a compresión en el alma
Tw: Fuerza en tensión.
Cw: Fuerza en compresión.
)2/(
)2/(´85,0
2/
0
Pr
´85,0
´85,0
0
adfyAsMnw
adacbfMnw
adjd
CjdTjdMnw
M
compresionrectánguloofundidad
cbwf
fyAsw
a
cabwffyAsw
CwTwF
w
w
−=
−=
−=
==
=
⋅
=
=⋅
==
∑
∑
El momento nominal resistente en la sección es
73
)2/()2/(
)2/(´85,0)2/()(´85,0
9,0
)(
adfyAshfdfyAsMn
adcbwafhfdhfbwbcfMn
MnwMnfMn
wf −+−=
−+−−=
=
+=
φφφ
φφφ
φ
φφ
3.3.2 Diseño balanceado fs = fy
C.10.2.3 La máxima deformación unitaria del concreto es 0.003.






+
=
+
=
+
=
fyd
a
fyd
c
b
ycu
cub
600
600
600
600
1β
εε
ε
3.3.3 Limite del refuerzo en vigas T.
Según el C.10.5.1 C.10.5.2 del NSR-10, en todo elemento sometido a flexión el refuerzo no
debe ser menor que el mínimo obtenido con:
db
fy
As
db
fy
cf
As
w
w
4.1
min
´25.0
min
=
=
Para los elementos estáticamente determinados con el ala en tracción, As min debe ser mayor
que el valor dado por la ecuación anterior usando 2bw o el ancho del ala, el que sea menor.
Para asegurar el comportamiento dúctil, el NSR-10 en el C.10.3.3 determina que las secciones se
definen controladas por tensión o compresión.
Las secciones se denominan controladas por compresión si la deformación unitaria neta de
tracción en el acero extremo en tracción, εt, es igual o menor que el límite de deformación
unitaria controlada por compresión cuando el concreto en compresión alcanza su límite de
deformación supuesto de 0.003.
Cuando la deformación unitaria neta de tracción en el acero de refuerzo extremo en tracción es
suficientemente grande (igual o mayor a 0.005), la sección se define como controlada por
tracción donde se puede esperar un claro aviso previo de falla con deflexión y agrietamiento
excesivo.
74
Para asegurar el comportamiento dúctil el NSR-10 en el C.10.3.3 exige que bρρ 75,0≤ , donde
bρ es la cuantía balanceada para elementos sometidos a flexión sin fuerza axial. El NSR-10,
para que la sección sea controlada pro tracción, se puede usar bρρ 65.0≤ aproximadamente.
Se puede revisar de 3 maneras:
1. Si la zona de compresión es rectangular, fs = fy y si a/d<0.65*ab/d y
)/(65.0/65.0 dabaentonces bb ≤≤ ρρ .
2. Si la zona de compresión tiene forma de T.
2.1 El área de acero corresponde a la balanceada
fy
C
As b
b = El área máxima de acero es 0.65Asb.
Cb: Fuerza resultante del rectángulo de compresión con profundidad ab.
2.2 Para fs = fy y bρρ 65,0≤ , se puede usar una modificación para viga T.
)( fbRbT
b
bw
ρρρ +=
bRρ : Cuantía balanceada para rectángulo en compresión donde b = bw y
bwd
Asf
f =ρ
4. Problema: Analizar una viga T interior que tiene una luz libre de 6 m, f´c=21MPa y fy = 420
MPa.
Corte transversal
1. El Cálculo del ancho efectivo b de la losa debe cumplir con el C.8.12.2, y no debe exceder 1/4
de la luz de la viga, y el ancho sobresaliente efectivo del ala a cada lado del alma no debe
exceder:-
(a) 8 veces el espesor de losa
(b) la mitad de la distancia libre a la siguiente alma
75
Según el C.8.12.3 en vigas que tengan losa a un solo lado, el ancho efectivo del ala debe ser
menor a:
(a) 1/12 de la luz de la viga,
(b) 6 veces el espesor de la losa, y
(c) la mitad de la distancia libre a la siguiente alma., en el centro de la luz .Momento positivo.
1.1 mlb 5.1
4
1
1 =≤ .
1.2 mbt
bwb
85,180,010,0*88
2
≤==≤
−
.
1.3 mb
lbwb
0.2875.0
2
75.1
22
2
≤==≤
−
.
Usar el menor valor de b = 1.50 m.
2. Cálculo de a: Profundidad del rectángulo de esfuerzos en el centro de la luz (Momento
Positivo).
m
cbf
Asfy
a 036.0
50.1*10*21*85.0
10*420*100/87.3*6
´85,0 6
62
===
,10,0036.0 maComo ≤= La zona de compresión es rectangular.
3. Revisión de minAsAs ≥
22
22.235.12150*25*
420
4.14,1
cmcmdbw
fy
As <==≥ Cumple
22
22.2322.10150*25*
420
21*25.0´25.0
cmcmdbw
fy
cf
As <==≥ Cumple
4. Revisar que fs = fy. Diseño balanceado.
76
dosubreforzadiseño
d
a
d
a
Como
fyd
a
d
a
b
b
65.0
5.0
420600
600
85,0
600
600
144.0
25.0
036.0
1
<
=





+
=





+
=
==
β
5. Momento nominal resistente
[ ])2/( adAsfyMn −= φφ
mkNMn
Mn
.63.203
)2/036.025.0(10*420*
100
22.23
9,0 6
2
=




−=
φ
φ
5. Análisis del momento negativo. Calculo del ancho efectivo. b=25cm
6. Cálculo de a:
m
cbf
Asfy
a
w
106.0
25.0*10*21*85.0
10*420*100/84.2*4
´85,0 6
62
===
7. Revisión
22
04.171.225*25*
420
4.14,1
cmcmdbw
fy
As <==≥ Cumple
22
04.177.125*25*
420
21*25.0´25.0
cmcmdbw
fy
cf
As <==≥ Cumple
8. Revisión fs = fy Diseño Balanceado
5,065.0*43.0
25.0
106.0
=<==
d
a
d
a b
*0.65=0.325
9. Momento nominal resistente
77
[ ] [ ]
mKNMn
adAsfyMn
.6.84
2/106.025.0(10*420*100/36.119.0)2/( 62
=
−=−=
φ
φφ
5. Problema: Calcular el momento nominal positivo de diseño de la viga mostrada si f´c=21
MPa , fy = 420 MPa
C.8.12.4 — En vigas aisladas, en las que solamente se utilice la forma T para proporcionar con el ala un
área adicional de compresión, el ala debe tener un espesor no menor de 1/2 del ancho del alma, y un
ancho efectivo no mayor de 4 veces el ancho del alma.
1. Calculo profundidad efectiva d
cmd
cmY
70,513,860
3,8
10,5*5
35,11*10,5*227,6*10,5*3
=−=
=
+
=
2. Cálculo de la profundidad del bloque de esfuerzos (Se supone viga rectangular):
m
x
x
cbf
Asfy
a 13,0
45,0*1021*85,0
10420*100/10,5*5
´85,0 6
62
===
Como 10,013,0 >=a el rectángulo de esfuerzos cae en el alma.
3. Se divide la viga en dos, Viga 1 y 2
78
3.1 Viga 1.
mkNMnf
xMnf
hfdfyAsMnohfdhfbwbcfMnf
cmmxAsf
x
Asf
fy
hfbwbcf
Asf
f
.72,166
)2/1,0517,0(1,0)25,045,0(1021*85,0
)2/()2/()('85,0
5,81085
10420
10,0)25,045,0(1021*85,0
)('85,0
6
225
6
6
=
−−=
−=−−=
==
−×
=
−
=
−
3.2 Viga 2:
m
x
x
a
cmAsfAsAsw
cbwf
fyAsw
a
16,0
25,0*1021*85,0
10420*
100
17
175,85,25
'85,0
6
6
2
2
==
=−=−=
⋅
=
mkNMn
xadfyAswMn
mKNMn
xMn
adcbwafMn
w
w
w
w
w
.02,312
)2/16,0517,0(10420*
100
7
)2/(*
.02,312
)2/16,0517,0(*16,0*1021*85,0
)2/(`85,0
6
2
6
=
−=−=
=
−=
−=
4. Momento nominal resistente nMφ
mkNMMM nwnfn .866,43002,312*9,072,166*9,0 =+=+= φφφ
5. Revisar minmin ρρ ≥≥ oAsAs
79
22
22
5,2535,6
4
`
min
5,2505,7
2
`
min
cmcmdbf
fy
cf
As
cmcmdbw
fy
cf
As
<==
<==
6. Diseño balanceado. Revisar fs = fy
325.065.0*5.0329.0
7.51
17
==<==
d
a
b
a b
6. Problema: Diseñar la viga T del eje B para el sistema viga placa mostrado. La viga forma
parte de una luz interior de 10 m f´c=21MPa, fy=420MPa.
1. Pre dimensionamiento:
80
1.1 Viga
b= 0,30 m
h = ln / 21 = 0,48 Usar 0,50 m (Tabla C.9.5 del NSR–10).
1.2 Placa maciza.
Espesor de la placa t = Ln / 28 = 3,70m / 28 = 0,13 Usar 0,15 m
Ln: Luz libre.
Ancho efectivo b. (C.9.5. NSR – 10).
mbUsar
mbm
lbwb
mbt
bwb
mb
0.2
0,485,1
2
70,3
22
3.1.1
7,220,18
2
2.1.1
50.2
4
10
ln
4
1
1.1.1
2
=
===≤
−
==≤
−
==≤
1.2 Calculo de profundidad efectiva d = 50-8,0 = 42cm suponiendo 2 filas de acero
2. Evaluación de cargas sobre la viga usando el método del área aferente.
81
Carga Muerta (No hay muros divisorios)
Peso propio de la viga 24*0,50*0,30= 3,6 kN/m
Peso propio de la losa 24*0,15*3,70= 13,07 kN/m
Alistado superior e inferior 22*0,08*4,0= 7.04 kN/m
Baldosa cemento 1,0kN/m2
*4,0 = 4,0 kN/m
Total wcm = 28 kN/m
Carga Viva (vivienda)
wcv = 1,80 kN/m2
* 4,0 m = 7,2 kN / m
Carga última
wu = 1,2*27,5 + 1,6 * 7,2 = 45.1 kN /m
La Viga T es:
82
3. Calculo de As






−=
cf
fy
fybdMn
´
59.012 ρ
φρφ
2
2
3
22
35.197#5:
68.18
10*017.2
.875.281
16
10*1.45
16
ln*
cmUsar
cmAs
mkN
wu
Mu
=
=
=
===
−
ρ
4. Revisión Asmin
Asmin = (1,4 / fy )*dbw = 0.0033*240*42=33.6 cm2
Usar 2
7.358#7 cm=
Calculo de a (Se supone viga rectangular)
0 =	
12 3
0.85 ∗ ´ ∗ 9
cmm
x
x
a 82.10182.0
4.2*1021*85,0
10420*100/6.18
6
62
===
Viga rectangular ya que 1.82cm<15cm
5. Diseño Balanceado. Revisión fs = fy
a/d= 1.82 / 42 = 0,043<0.65ab/d = 0,325 Bien
83
6. Cálculo nMφ
[ ]
mkNM
M
adAsfyM
n
n
n
.9.288
)2/018.042.0(10*420*
100
2.18
9.0
)2/(
6
2
=




−=
−=
φ
φ
φφ
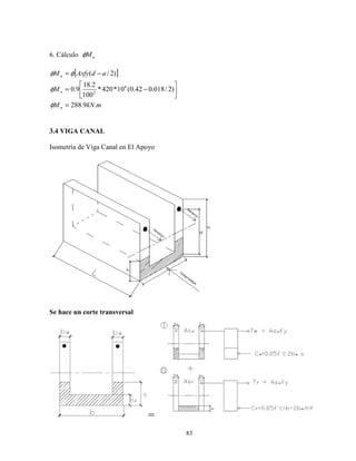
3.4 VIGA CANAL
Isometría de Viga Canal en El Apoyo
Se hace un corte transversal
=
84
Viga I
Asw*fy= 0.85f´c*2bw*a
0 =	
129 ∗ 3
1.7 ´ 9






−=
cf
fy
fybdMnw
´
59.012 ρ
φρ
( ) 





−−=






−=
2
**
2
***´7.1
a
dfyAsfAsMnw
a
dabwcfMnw
Viga II
12 =
0.85 ´ ( − 2 9)ℎ
3
Mnf =(Asf*fy (d-hf/2)
Mnf =0.85f´cfy (b-2bw)
Mnw+Mnf=Mn
ISOMETRIA DE VIGA CANAL (CENTRO DE LA LUZ)
Se hace un corte transversal
85
7. PROBLEMA: Diseñar la viga canal que se muestra a continuación
L = 6m
CM = 25
kN
m
CV = 5
kN
m
W = 2.5
kN
m
Peso	propio = γ × A
Peso	propio = 24
kN
m
× (0.5m × 0.35m − 0.3m × 0.3m)
Peso	propio = 2.04
kN
m
W) = 1.2 × (CM + PP) + 1.6 × CV + 0.8 × W
W) = 1.2 × S25
kN
m
+ 2.04
kN
m
T + 1.6 × 5
kN
m
+ 0.8 × 2.5
kN
m
W) = 42.45
kN
m
M' =
UV× W
X
→ M' = 152.82	kN. m
M' Z =
W) × l
14
→ M' Z = 109.16	kN. m
86
Refuerzo Negativo
A =
152.82		Nm × 10
0.9 × 420
N
m
× 0.95 × 0.3m
= 1.4 × 10 m = 14cm
Por tratarse de un refuerzo que debe ser colocado en las 2 aletas de la viga, el refuerzo tiene que
colocarse en pares.
Usar 3#6+2#7
a =
12.8 × 420 × 10^ N
m
0.85 × 21 × 10^ 	
N
m
× 0.5
= 0.06m = 6.0cm
A * =
0.85 × 21 × 10^ N
m
× (0.5m − 2 × 0.1m) × 0.05m
420
= 6.4cm
∅M * = 0.75 × f 	
´
× (b − 2 × bb) × h* × dd −
fg
h → ∅M = 64.9kN. m
(Este es el momento resistido por el hf sin contar el espesor de las aletas), Gráficamente:
El resto de la compresión será absorbida por el par de aletas. Gráficamente:
A b = A 	 − A *
A b = 12.83cm − 6.4cm
A b = 6.45cm
a =
i.jkl
mnnW ×o X× Xi p
lW
.q× . × Xi p
lW×X.
=7.59cm
Como la profundidad es mayor que los 5 cm de alma. El comportamiento mecánico es de viga
canal en los apoyos.
87
∅M b =Asw*fy *(d-a/2)
∅M b =73.19	kN. m
∅M r	∅M b + ∅M *
∅M r	73.19kN. m + 64.97kN. m
∅M r	138.1 kN. m
Isométricamente el diseño a flexión nos queda así: un par de varillas #7 en cada aleta
3.5 VIGAS CON REFUERZO A COMPRESIÓN
Caso I: Viga con refuerzo a tensión
88
Caso II: Viga con refuerzo a compresión
Consideraciones
1. a2 < a1 ya que cierta parte de la compresión la resiste el acero Cs, por lo tanto la fuerza de
compresión en el concreto Cc es menor que en la viga con solo refuerzo en tensión.
2. j1d<j2d. El momento adicional en compresión tiene poco efecto sobre el momento resistente
Mn
Mn1 = Asfyj1d Mn2 = Asfyj2d
Fuente: Reinforced Concrete, MacGregor. Incremento del Momento Resistente debido al acero de compresión
89
3. Se reduce considerablemente la deflexión a largo plazo en la viga por cargas sostenidas, debido
a que el flujo plástico en el concreto se reduce al bajar los esfuerzos.
Fuente: Reinforced Concrete, MacGregor. Incremento del Momento Resistente debido al acero de compresión
4. Se incrementa la ductilidad, ya que a decrece, aumentando la deformación en el acero de
tensión 2sε . Esto es recomendable en caso de sismos, ya que la redundancia de la estructura con
una buena ductilidad, permite la redistribución de momentos.
3.5.1. Análisis de vigas con refuerzo a tensión y compresión
Cs: Resultante de compresión en el acero
Cc: Resultante de compresión en el concreto
A´s: Acero de compresión
As: Acero de tensión
90
T: Resultante de tensión
Del diagrama de deformación
003.0
'
1003.0
''
'
'
´






−=⋅




 −
=
−
=
−
=
c
d
c
dc
c
dc
dcc
cus
scu
εε
εε
Si ys εε ≥' , entonces f´s el esfuerzo de compresión en el acero A’s, es igual a fy y se toma
f´s=fy.






−=
=
a
d
a
c
s
'
1003,0' 1
1
β
ε
β
En la fluencia ys εε ≥' = fy/Es, donde Es = 200 GPa.






−=





=−
600
1
1'
600
'
1
1lim
1
fy
a
d
fy
a
d
β
β
Cuando 





a
d'
es mayor que el valor anterior, el acero en compresión no ha alcanzado la fluencia
f´s = fy cuando
lim
''






≤
a
d
d
d
Se divide la viga en dos:
Viga 1: T1 = Cs
91
Viga 2: Cc= T2
3.4.1.1 Caso I: El acero en compresión fluye
En la viga 1, se supone que A’s está bajo 0,85f’c, el esfuerzo adicional para alcanzar la fluencia
en la viga 1 es (fy-0,85f’c)
T1 = Cs
)'(
'85,0
1'
'85,0
1'
)'85,0('
1
1
1
ddfy
fy
cf
sAMn
fy
cf
sAAs
cffysAfyAs
−





−=






−=
−=
Se puede simplificar, asumiendo que los esfuerzos de compresión en el acero son cero en Viga 1:
Cs = T1
A’s fy = As1 fy
A’s = As1
El momento nominal es: Mn1 = A’s fy (d-d’)
Para la viga 2
Cc = T2
As2 = As – As1= As – A´s
92
cbf
fyAsAs
a
fyAsAscbaf
fyAscbaf
TCc
'85,0
)(
)('85,0
'85,0
1
1
2
2
−
=
−=
=
=
Momento nominal resistente.
)
2
()( 12
a
dfyAsAsMn −−=
El momento nominal resistente total para el caso simplificado será:






−−+−=
+=
2
)()'(' 1
21
a
dfyAsAsddsfyAMn
MnMnMn
φφφ
φφφ
En momento nominal resistente total será:
cbf
fy
cf
sAAs
a
adfyAsAsddfy
fy
cf
sAMn
'85,0
'85,0
1'
)2/()()'(
'85,0
1' 1












−−
=
−−+−





−= φφφ
Otra forma es comparando las cuantías como se muestra a continuación.
El acero superior ha fluido: ε´S= ε ´, f´s=fy.
ρmax = 0.65ρb +ρ ´
εcu
=	
εct − εy
v´
93
c =
εwx
εwx εy
v´
∑ Fh= 0
T = Cc + Cs
ρ.b.d.fy = 0.85.f´c.β1.c.b+ρ´b.d.fy dividiendo por: b.d.fy
ρ = 0.85β1
z	´w			
zy
	w
		{
+ ρ´
La cuantía mínima de acero a tracción
ρmin =0.85β1
z	´w					
zy
{			
{´
d
εwx ε!
{´
h
εcu= 0.003 εy= fy/Es
Cuantía Límite en el momento que el acero de compresión ha fluido. Si ε´s>εy. Es la cuantía
mínima de acero a tracción correspondiente a la fluencia del acero en compresión:
ρmin =0.85β1
z	´w					
zy
{			
{´
d
^XX
^XX ^XXzy´
h + ρ´
Si el acero Superior ha fluido entonces ρ =
|}
~{
≥ ρmin
Si la cuantía de acero es menor a este límite, el acero en compresión no ha fluido f´s<fy
ρ =
|}
~{
≤ ρmin
∑Fh=0
T = Cc + Cs
fyρ bd=0.85f´cβ1bc+ ρ´bdf´s divido por : bdfy ´
ρ = 0.85β1
		z	´	w
zy
w
{
+ρ´
z	´	}
zy
La cuantía balanceada de la sección doblemente reforzada:
ρbT: cuantía refuerzo en tensión.
ρbT = ρb + ρ´
z	´}
zy
94
f´s = Es* ε´s =Es[εcu -
{	´
{
(εy + εy) ≤fy
ρbT = 0.65ρb+ ρ´
z	´}
zy
Si el acero a tracción es menor a ρ´b y ρmin, el refuerzo en tracción se encuentra en fluencia pero
el de compresión no.
f´s = Es* E´´S=Es Ecu(
• {	´
w
	)
∑ FH = 0
Asfy = 0.85f´cβ1bc + A´s Es εcu 	(
w {´
w
)
Asfy = 0.85f´cab+A´sEs εcu ( 1-´
β ´
€
) Despejo a
Mu = φ[0.85f´c*a*b(d -
€
) + A´s f´s (d-d´)]
E ´s=0.003(
w {´
w
) < E y (A´S no fluye)
E ´s=0.003(
{ w
w
) > E y (A´S fluye)
Para diseño balanceado fs=fy, se asume que el acero de compresión y tensión fluyen.
( )
( )
( ) balanceadaCuantia
fyfy
cf
db
sA
y
bd
As
emplazo
cdbf
fyAsAs
fy
cdbf
fyAsAs
d
a
fyd
a
b
b






+
=−
==
−
=





+
−
=






+
=
600
600'85,0
'
'
'Re
`85,0600
600
`85,0
600
600
1
1
1
1
1
β
ρρ
ρρ
β
β
3.5.1.2 Caso II: El acero de compresión no fluye, pero el de tensión si:
Momento nominal resistente (Para vigas que no fluye el acero a compresión)
95
φMn = φ[Cc( d-
€
)+Cs(d-d´)]
φMn = φ[0.85f´c ba(d-	
€
)+ φ0.003EsA´s( 1-
βm{´
€
)(d-d´)
La fuerza en compresión es:
0''003,0)'003,0('85,0
003,0*
'
1''85,0
''''
1
2
1
=−−+
=





−+
=+
==
dsEsAaAsfysEsAcbaf
Asfy
a
d
sEsAcbaf
TCsCc
equilibrioDel
sAEsssAfCs s
β
β
ε
Resolviendo la ecuación cuadrática, se encuentra la profundidad del rectángulo de compresión.
( )
)'(
'
1'003,0
2
'85,0
'
2
min
'85,0
''003,0
'85,0*2
)'003,0(
'85,0*2
)'003,0(
1
1
2
dd
a
d
sEsA
a
dcbafMn
ddCs
a
dCcMn
resistentealnoMomento
cbf
dsEsA
cbf
AsfysEsA
cbf
AsfysEsA
a
−





−+





−=






−+





−=
+




 −
±
−
−=
β
φφφ
φφ
β
Diseño Balanceado fs = fy
Para que esto ocurra se debe cumplir que el acero en tensión fluya.
bd
sA
y
bd
As
emplazo
cbdf
ssfAAsfy
d
a
fyd
a
fysfpero
d
a
d
a
b
b
'
'Re
'85,0
)''(
600
600
',
1
1
==
−
=






+
≤
<





≤
ρρ
β
β
96
.,,
'
'
'
'
600
600'85,0'
' 1
dosubreforzadiseñotensionenaceroparafyfs
fy
sf
fy
sf
Si
fyfy
cf
fy
sf
balanceadaCuantia
b
b
=





−<





−






+
=





−
ρρρρ
β
ρρ
8. Problema: Calcule el momento nominal resistente Mnφ para la viga mostrada (Caso I)
1. Cálculo de la profundidad del rectángulo de compresión a.
Se asume que f s=fy y f’s=fy
As2 = As – As1 =6*5,10 – 2*3,87 = 22,86 cm2
Profundidad de a para la viga 2
m
x
x
a 18,0
3,0*1021*85,0
10420*
100
86,22
6
6
2
==
2. Revisión f’s=fy
35,0
600
420
1
85,0
1
600
1
1'
333,0
18,0
06,0'
1lim
=





−=





−=





==
fy
a
d
a
d
β
97
Como 35.0
'
33,0
'
lim
=





<=
a
d
a
d
, el acero en compresión fluyo
3. Revisión f’s=fy
325.065.0*5,065.0*32,0
56,0
18,0
==≤==
d
a
d
a b
0.32<0.325 CUMPLE OK
Chequeo grafico
X.XX Z•‚
X.ƒ^
=
X.XX
X.
„… = 5.0*10
CUMPLE OK
4. Revisar
2
2
2
6,30
6,556*30*
420
4,1
min
58,456*30*
420*4
21
min
min
cmAs
cmAs
cmAs
AsAs
=






==
==
≥
5. Momento nominal resistente
εt
98
mKNMn
xxMn
:4,552
)
2
18,0
56,0(*10420*
100
86,22
*9,0)06,056,0(*10420*
100
87,3*2
*9,0 6
2
6
2
=
−+−=
φ
φ
9. Problema: Calcule el momento nominal resistente (Caso II).
1. Profundidad rectángulo compresión. Se asume f’s = fy y que fs = fy
As2 = As – As1 = 3*5,1 = 15,3 cm2
m
x
x
cbf
fyAsAs
a 12,0
3,0*1021*85,0
10420*
100
3,15
'85,0
)(
6
6
2
1
==
−
=
3. Revisión si f’s = fy
lim
lim
''
35,0
'
5,0
12,0
06,0'






>
=





==
a
d
a
d
Como
a
d
a
d
El acero f’s no fluye
4. Recalcular a
99
cmma
xxxa
axax
dsEsAaAsfysEsAcbaf
4,13134,0
10743,8101755,1104286,3
046818102,367105355
0''003,0)'003,0('85,0
332
323
1
2
≈=
++=
=−−
=−−+
−−−
β
5. Revisar fs = fy
325.065.0*5,0065*24,0
56,0
134,0
==≤==
d
a
d
a b
5.1 Sección controlada por tensión.
Bien
d
a
d
a
ltlt
32,0375,023,0
00665,0
134,0
1 ==





≤=
−
= β
5.2 Método grafico (NSR -10)
X.XX Z„…
X.ƒ^
=
X.XX
X. ƒq^
„… = 7.6*10 CUMPLE OK
Mnφ = 573.86 kN.m
10. Problema: Diseñar el refuerzo a flexión en la viga de luz interior con una luz de 8.0m, f´c =
21Mpa, fy = 420mpa, CM = 7.16 KN/m2 (Incluye pesos propio de viga) , CV=2.0kn/m2
(Oficinas) , Longitud aferente de 6.0m .
Usar sección de 30*50cm
εt
100
1) Carga Ultima
Wu = 1.2*6(7.16)+1.6*6(2) = 70.8Kn.m
2) Momentos actuantes (Vano interior)
3. Momento Nominal Resistente.
φMn=φρbd2
fy (1-0.59	
ρzy	
z´w
)
Calculamos el φMn, con el ρMax y si es menor que el M actuante, diseñamos la viga como
doblemente reforzada
ρMax = 0.65ρbal
014.065.0*02125.0
02125.0
600
60085.0
)21max(
1
≈=
=





+
′
=
Mpa
b
fyfy
cf
ρ
β
ρ
φMn2 = 0.9*0.014*0.3*0.452
*420*106
(1-0.59*		
X.X o∗o X∗ Xi
∗ Xi
)
φMn2 =268.4Kn.m
4. φMn1 = Mu - φMn2
4.1 Bordes
φMn1 = Mu - φMn2
φMn1 = 411.93 – 268= 143.53
101
4.2 Centro de luz
φMn1 = 283.2 – 268 = 14.8
5 Refuerzo en tensión
As = Asmax+As1
As = ρMax*b*d +
†‡
φzy({ {´)
5.1 Borde
As =0.014*30*42+		
qˆ. ƒ∗ X‰
				X.Š∗(o X∗ Xi)(X.o X.Xƒ)
As = 18.6 + 9.5cm2
= 28.1 cm2
Usar 6 #8 =30.6 cm2
5.2 Centro de la Luz
As =0.014*30*42+		
oŠ.ƒƒ∗ X‰
				X.Š∗(o X∗ Xi)(X.o X.Xƒ)
As = 17.64+ 3.12 = 20.76
Usar 7#6+1#5 = 21.87cm2
6. Refuerzo a compresión
f´s= fy-0.85f´c
A´s =
†‡
φz´}({ {´)
6.1 Borde
A´s =
qˆ. ˆ∗ X‰
				X.Š∗(o X X.ˆƒ∗ )∗ Xi∗(X.o X.Xƒ)
A´s = 13.313 cm2
Usar 2#8 + 1#7 = 14.07 cm2
6.2 Centro de la Luz
102
A´s =
oŠ.ƒƒ∗ X‰
				X.Š∗(o X X.ˆƒ∗ )∗ Xi∗(X.o X.Xƒ)
A´s = 3.7 cm2
Usar 1#5+1#6= 4.83 cm2
GRAFICAMENTE EL REFUERZO DE LA VIGA SERIA ASI
7 Revision de cuantías
(ρ−ρ ´)max= 0.65ρbal






+
′
=
600
60085.0 1
fyfy
cf
b
β
ρ
ρbal(21mpa) = 0.02125
ρmax (21mpa)= 0.02125*0.65 = 0.014
7.1
Bordes (ρ−ρ ´) =
X.^ o.Xq
X∗o
= 0.01312
7.2 Centro de luz
(ρ−ρ ´) =
.ˆq o.ˆ
X∗o
= 0.01352
8 		(
{´
€
)Lim =
βm
(1-
zy
^XX
) =
X.ˆƒ
(1-
o X
^XX
)
		(
‹´
Œ
)Lim =0.3529
103
9. (Profundidad de compresión)
0 =
[|} |´}d	 	
n.Žk•´•
•‘
h]zy
X.ˆƒz´w	~
9.1 Bordes
0 = 		
X.^ o.Xq(	 	
n.Žk(Wm∗mni)
jWn∗mni )o X∗ Xi
X.ˆƒ∗( ∗ Xi)∗X.
= 0.1343
9.1.1
´
€
=
X.Xƒ
X. o
=0.3723, como
´
€
> (
{´
€
)Lim, El acero en compresión no fluye
9.2 Centro de la Luz
0 = 		
.ˆq o.ˆ (	 	
n.Žk(Wm∗mni)
jWn∗mni )o X∗ Xi
X.ˆƒ∗( ∗ Xi)∗X.
= 0.135257 = 13.526cm
9.2.1
´
€
=
X.Xƒ
X. ƒ ƒq
= 0.36966 como
´
€
> (
{´
€
)Lim, El acero en compresión no fluye
Como el acero en compresión no fluyo, hay que recalcular a con la sgte ecuación
0.85f´cba2
+(0.003EsA´s-As.fy )a-0.003EsA´sβ1d´= o
Después de recalcular a, hay que recalcular el Mn con la siguiente ecuación
*Momento Nominal resistente
φMn = φ [Cc(d-
€
)+Cs(d-d´)]
φMn = φ0.85f’c ba(d -
€
)+ φ0.003EsA´s( 1-
βm{´
€
)(d-d´)
Este momento nominal seria el Mn Con este momento se recalcularía de nuevo la sección y el
refuerzo tanto en tensión como en compresión.
Nota: Mayor acero en compresión garantiza un diseño controlado por tensión
10. Recalcular 0
10.1 Recalculando a (Borde)
0 = 0.1328
10.1.1 Chequeo mediante el método grafico para saber si el diseño es controlado por tracción
104
X.XX Z•‚
X.o
=
X.XX
X. ƒ^
„… = 0.005263 CUMPLE OK
10.2
Recalculando a (Centro de luz)
0 = 0.13451
10.2.1
				
X.XX Z”‚
X.o
=
X.XX
X. ƒˆ
Et= 0.005 CUMPLE OK
11 Recalcular Mn
11.1 Recalculando Mn (Borde)
Mn = 417.47 Kn.m
εt
εt
105
11.2 Recalculando Mn (centro de luz)
Mn = 294.68 Kn.m
Conclusiones
1) El doble refuerzo mejoro significativamente el momento nominal resistente de la viga
haciendo que el φMn sea ligeramente mayor que el momento actuante, tanto en los bordes, como
en el centro de la luz.
2) Una opción alternativa a realizar el diseño de una viga doblemente reforzada es aumentar las
dimensiones de la viga y otra opción es aumentar la resistencia al concreto f´c., La decisión de
cambiar el diseño de la viga por alguna de estas 2 alternativas mencionadas anteriormente, recae
en evaluaciones técnicas (Arquitectónicas) y económicas.
3) Se puede apreciar que el diseño es controlado por tracción, ya que „… ≥0.005 y que el acero en
compresión no fluyo, esto da como resultado un aumento significativo del Momento nominal
resistente. (Mayor acero en compresión mejora la resistencia a la flexión y garantiza con mayor
seguridad un diseño controlado por tracción).
4) El despiece en vigas se debe hacer con barras de refuerzo con el menor diámetro posible esto
disminuye los efectos de la fisuración por retracción de fraguado y flujo plástico., usando un
refuerzo base o principal con barra no menor a la #5, se pueden usar taches (barras rectas) y
bastones de barra #3 y #4, siempre y cuando no haya más de un diámetro de por medio en las
barras utilizadas. En columnas es preferible lo contrario, se despieza con barras de mayor
diámetro.

ensayo de flexión de vigas

  • 1.
    44 3. MÉTODO DELA RESISTENCIA ÚLTIMA Los problemas se pueden considerar de dos tipos: 1. De Análisis: Se da la sección, el refuerzo, esfuerzos en el concreto y acero, para calcular la resistencia y comparar con unos esfuerzos admisibles. 2. De Diseño: Se evalúan las cargas, la luz o la geometría, para seleccionar la sección y el refuerzo. La ecuación de diseño es: MuMn ≥φ Donde: Mn: Resistencia nominal o momento nominal resistente. φ: Factor de reducción de resistencia (C.9.3 del NSR-10) Mu: Momento producido por las cargas mayoradas. El factor de reducción de resistencia φ se basa de acuerdo al CR9.3 en: • Probabilidad de existencia de elementos con una resistencia baja debida a variaciones en la resistencia de los materiales y las dimensiones. • Inexactitudes en las ecuaciones de diseño. • El grado de ductilidad y la confiabilidad bajo los efectos de la carga bajo consideración • Importancia del elemento en la estructura El ACI 318 del 2005, los factores de reducción de resistencia fueron ajustados para hacerlos compatibles con las combinaciones de carga del SEI/ASCE7, y que son los mismos del NSR-10. 3.1 TEORÍA DE LA FLEXIÓN. Se hacen las siguientes suposiciones: 1. Las secciones transversales de la viga, perpendicular al plano de flexión, permanecen planas durante la flexión. (Ver Figuras 3.1). 2. La deformación en el acero es igual a la del concreto en el mismo nivel. 3. Los esfuerzos en el concreto y en el acero, se calculan de la curva esfuerzo deformación del concreto. La distribución lineal de los esfuerzos, deja de ser válida para vigas peraltadas y con una luz menor a 4 veces la altura del elemento. 4. Se supone que el concreto no resiste esfuerzos de tensión, ya que la resistencia a la tensión cf ′= 62.0fR para concretos de peso normal (C.9.5.2.3), es muy baja comparada con la del acero, por lo tanto la capacidad del concreto para resistir esfuerzos de tensión puede ser despreciada.
  • 2.
    45 5. Se asumeque el concreto falla cuando alcanza el valor límite. Esto ocurre cuando la pendiente en el diagrama Momento – Curvatura dM /dφ es negativa, correspondiente a una formación de una rotula y decremento de carga. (Ver Figuras 3.1) Figura 3.1 Diagrama M – φ. Fuente: Reinforced Concrete, MacGregor. 6. La deformación máxima unitaria en la fibra extrema sometida a compresión del concreto reforzado, obtenida de ensayos de vigas es: 003.0=cuε (C.10.2.3 del NSR-10) (Ver Figura 3.2) Figura 3.2 Deformación compresión límite en el concreto. Fuente: Reinforced Concrete, MacGregor
  • 3.
    46 7. La relaciónesfuerzo – deformación, para el concreto se puede asumir rectangular, trapezoidal, parabólica, etc. 3.1.1 Esfuerzos en el Concreto Reforzado Los esfuerzos en el concreto, son los esfuerzos de compresión y tensión. Los esfuerzos de compresión adoptan una forma geométrica llamada el bloque de Whitney. Para facilidad de cálculos se ha transformado esta figura en un cubo. La forma del bloque de esfuerzos de los ensayos en una viga sometida al momento último, se puede expresar en términos de 3 constantes k1, k2 y k3 Fuerza Compresión Fuerza Tensión
  • 4.
    47 k3: Relación entreel máximo esfuerzo f’’c de compresión de una viga en flexión y el esfuerzo de compresión f’c en el cilindro de concreto. cf cf k ´ ´´ 3 = k2: Relación entre la distancia desde la fibra extrema en compresión, hasta la resultante de la fuerza de compresión y la distancia desde la fibra extrema en compresión hasta el eje neutro. c a k 2/ 2 = = β k1: Relación del esfuerzo promedio en compresión y el máximo esfuerzo. rectángulodelArea sombreadaArea k =1 Para una viga rectangular de ancho b, la fuerza resultante en compresión es: = Para simplificar, se puede usar un rectángulo equivalente como distribución de esfuerzos en el concreto, conocido como el bloque de esfuerzos de Whitney. CR10.2.7 — Para el diseño, el Título C del Reglamento NSR-10 permite el uso de una distribución rectangular de esfuerzos de comprensión (bloque de esfuerzos) como reemplazo de distribuciones de esfuerzos más exactas. En el bloque rectangular equivalente de esfuerzos, se utiliza un esfuerzo promedio de 0.85 fc′ con un rectángulo de altura a = β1c. Se ha determinado experimentalmente un valor β1 igual a 0.85 para concreto f´c<=28 MPa y menor en 0.05 por cada 7 MPa de f´c sobre 28 MPa.
  • 5.
    48 En el suplementode 1976 del ACI 318-71, se adoptó un límite inferior de β1 igual a 0.65 para resistencias delconcreto mayores de 55 MPa. Los datos obtenidos en ensayos con concreto de alta resistenciaC.10.1,C.10.2 respaldan el uso del bloque de esfuerzos rectangular equivalente para resistencias del concreto que excedan los 55 MPa, con un β1 igual a 0.65. El uso de la distribución rectangular equivalente de esfuerzos especificada en el ACI 318-71 sin límite inferior para β1 , tuvo como resultado diseños inconsistentes para concreto de alta resistencia en elementos sometidos a cargas axiales y de flexión combinadas. El bloque rectangular de esfuerzos es descrito por dos constantes α1 y β1 (C.10.2.7.3), pero β1 no debe ser menor a 0.65. Isométricamente el bloque de esfuerzos queda: Sección transversal Sección transversal.
  • 6.
    49 Vista lateral viga Ladistribución rectangular de esfuerzos tiene las siguientes características: 1. El esfuerzo uniforme de compresión α1*f’c, se asume distribuido sobre una zona de compresión limitado por los bordes de la sección y una línea paralela al eje neutro, localizada a una distancia a = β1*c medida desde la fibra extrema en compresión. 2. La distancia c se mide desde la fibra extrema en compresión hasta el eje neutro 3. β1 se toma en el sistema inglés como: 3.1 β1 = 0.85 para f’c hasta 28 MPa o 4000 psi. 3.2 β1 1000 05.005,1 cf ′ −= para 4000 < f’c ≤ 8000 psi 3.3 β1 = 0.65 para f’c > 8000 psi En el SI es: β1 = 0,85 para f’c ≤ 28 MPa β1 = cf ′− 008,009,1 para 28MPa < f’c ≤ 56 MPa β1 = 0,65 para f’c > 56 MPa Ensayos para cargas sostenidas en vigas y columnas, han dado como resultado que α1 se puede tomar como 0.85. La resistencia a compresión debe ser mayor a f´c > 17 MPa, según C1.1.1 del NSR-10.
  • 7.
    50 Fuente: Reinforced Concrete,MacGregor En la figura anterior, la línea del contorno inferior corresponde a α1=0.85 y β1, el cual se toma de la ecuación anterior. Se presenta una buena correlación para α1 = 0.85 y β1 de la ecuación anterior con k1, k2 y k3 en vigas. En columnas la correlación es buena hasta f’c ≤ 6000 psi y se puede usar: α1= 0,85 para f’c ≤ 8000 psi α1 73,0 50000 8000 85,0 ≥ −′ −= cf para f’c > 8000 psi β1 = 0,85 para f’c ≤ 4000 psi β1 7,0 10000 4000 15,085,0 ≥      −′ −= cf para f’c > 4000 psi
  • 8.
    51 3.1.2 Falla enel concreto Reforzado Dependiendo de las propiedades geométricas de la sección, cantidad de acero y resistencia de los materiales, la falla puede ocurrir por: Falla en tensión o subrefrozada: El refuerzo fluye antes que el concreto falle en compresión. La viga es subreforzada Falla en compresión o sebrerefrozada: El concreto falla antes que el acero alcance la fluencia, la viga es sobre reforzada. Falla balanceada: El concreto falla simultáneamente cuando el acero alcanza la fluencia. 3.1.3 Ductilidad Este comportamiento se presenta cuando la relación en el diagrama Momento – Curvatura, Carga –Deflexión, Torque –Giro, etc. tiene una gran región plástica. Una falla dúctil avisa, ya que los ocupantes se dan cuenta por deflexiones excesivas y la aparición de grietas. Para un sistema elastoplástico se tiene que la ductilidad al desplazamiento se define como: Uy Uu =µ µ: Ductilidad solicitada o demanda de ductilidad. Corresponde a la máxima ductilidad que se le puede exigir al sistema. Cuando el sistema no es elástoplástico, el límite de fluencia no está definido y debe ser conservador, la ductilidad µ se denomina coeficiente de daño. Según el A.13.1 del NSR-10, se define la ductilidad y algunos tipos de ductilidad. Ductilidad - Capacidad que tiene un material estructural de resistir, sin fallar, deformaciones que lleven al material estructural más allá del límite elástico, o límite donde las deformaciones son linealmente proporcionales al esfuerzo o fuerza aplicada. Dependiendo del parámetro que describe las deformaciones, la ductilidad puede hacer referencia, entre otras, a: (a) ductilidad de curvatura φ - cuando la ductilidad se mide con respecto a la curvatura de la sección del elemento estructural. La curvatura se define como el cociente entre el momento flector aplicado y la rigidez de la sección
  • 9.
    52 (b) ductilidad derotación θ - cuando la ductilidad se mide con respecto a la rotación que tiene un sector longitudinal del elemento estructural. La rotación se define como la pendiente de la línea elástica del elemento medida con respecto a la posición original del eje longitudinal del elemento. (c) ductilidad de desplazamiento δ - cuando la ductilidad se mide con respecto al desplazamiento o deflexión que tiene el elemento estructural. El desplazamiento se mide con respecto a la posición original del eje longitudinal del elemento. (d) ductilidad de deformación ε - cuando la ductilidad se mide con respecto a la deformación unitaria de una fibra paralela al eje neutro de la sección. 3.1.4 Tenacidad Se define como el área bajo la curva esfuerzo – deformación de un material que se lleva hasta la falla. Es una medida de la cantidad de energía por unidad de volumen que puede absorber o disipar un elemento hasta la falla. 3.1.5 Capacidad de disipación de energía. Si se tiene un sistema elástico y uno plástico. El coeficiente de reducción de resistencia se define como: kRo Fe Ro Ue Uy Ro Fe Fy Uy Ue Fy Fe Ro == = == Uy: Desplazamiento en el nivel del fluencia Ue: Desplazamiento máximo del sistema elástico kRo Fe Ro Ue Uy Ro Fe Fy Uy Ue Fy Fe Ro == = == Ro: Coeficiente de reducción de resistencia para un sistema de un grado de libertad, indicado por el subíndice o. La capacidad de disipación de energía de un sistema inelástico de un grado de libertad, corresponde a la capacidad que tiene el sistema para reducir la fuerza elástica Fe producida por una carga externa, a una fuerza necesaria para producir fluencia Fy.
  • 10.
    53 De acuerdo alNSR-10 – Capítulo A.13.1 – Definiciones y nomenclatura del Título A, se tiene: CAP A.13.1 Capacidad de disipación de energía — Es la capacidad que tiene un sistema estructural, un elemento estructural, o una sección de un elemento estructural, de trabajar dentro del rango inelástico de respuesta sin perder su resistencia. Se cuantifica por medio de la energía de deformación que el sistema, elemento o sección es capaz de disipar en ciclos histeréticos consecutivos. Cuando hace referencia al sistema de resistencia sísmica de la edificación como un todo, se define por medio del coeficiente de capacidad de disipación de energía básico R0, el cual después se afecta debido a irregularidades de la estructura y a ausencia de redundancia en el sistema de resistencia sísmica, para obtener el coeficiente de disipación de energía R (R = φa φp φr Ro). El grado de capacidad de disipación de energía se clasifica como especial (DES), moderado (DMO) y mínimo (DMI). Capacidad de rotación de la sección - Es la capacidad que tiene una sección de un elemento estructural de admitir rotaciones en el rango inelástico sin perder su capacidad de resistir momentos flectores y fuerzas cortantes. Se mide en términos de su capacidad de disipación de energía a la rotación A continuación se presentan 4 vigas con la misma sección, pero con variación en el refuerzo
  • 11.
  • 12.
  • 13.
    56 Las vigas 3y 4 desarrollan una falla en tensión y tiene un diagrama Momento - Curvatura dúctil, mientras que en las Vigas 1 y 2 el concreto en la fibra extrema a compresión alcanza el agrietamiento más rápido, aunque el acero fluye mucho después, y el diagrama momento – curvatura no tiene una respuesta dúctil, aunque la resistencia es mucho mayor que en las vigas 3 y 4. 3.2 VIGAS RECTANGULARES CON REFUERZO EN TENSIÓN Para satisfacer las condiciones de análisis y diseño, se debe cumplir que los esfuerzos en cualquier punto deber ser siempre proporcionales a las deformaciones y debe existir equilibrio entre las fuerzas internas y externas. Para vigas cortas y peraltadas, lo anterior no se cumple. La fuerza en compresión es: C=0.85 f´c* b*a donde a = β1 c La fuerza en tensión es: T = As fy Del equilibrio: T = C As fy = 0.85 f’c b a cbf Asfy a ´85.0 = Profundidad del rectángulo de esfuerzos equivalente en compresión
  • 14.
    57 Se define bd As =ρ comola cuantía o porcentaje de acero en la sección efectiva. Reemplazando As = ρbd se obtiene: cf dfy cbf bdfy a ´85.0´85.0 ρρ == (1) El par interno en la sección es: TjdMn =       −= 2 a dAsfyMn El par interno en la sección también es: CjdMn =       −= 2 ´85.0 a dcbafMn φC.9.3.71-La resistencia de diseño proporcionada por un elemento, sus conexiones con otros elementos, así como sus secciones transversales, en términos de flexión, carga axial, cortante y torsión, deben tomarse como la resistencia nominal calculada de acuerdo con los requisitos y suposiciones del Título C del Reglamento. C.9.3.2.1 — Secciones controladas por tracción como se define en 10.3.4 ................................. 0.90 CR9.3.2.2 — Con anterioridad a la edición de 2002, el Reglamento ACI 318 especificaba la magnitud del factor φ para los casos de carga axial o de flexión, o ambos, en términos del tipo de carga. Para estos casos, el factor φ queda ahora determinado por las condiciones de deformación unitaria en las secciones transversales, en el estado de resistencia nominal. Se usa un factor φ más bajo para las secciones controladas por compresión que para las secciones controladas por tracción porque las secciones controladas por compresión tienen menor ductilidad, son más sensibles a las variaciones en la resistencia del concreto y, en general, se presentan en elementos que soportan mayores áreas cargadas que los elementos con secciones controladas por tracción. A los elementos con espirales se les asigna un φ más alto que para las columnas con estribos ya que poseen mayor ductilidad o tenacidad. Para secciones sometidas a carga axial con flexión, se determina las resistencias de diseño multiplicando tanto Pn como Mn por un único valor apropiado de φ. Las secciones controladas por compresión y controladas por tracción se encuentran definidas en C.10.3.3 y C.10.3.4 como aquellas con deformación unitaria neta de tracción en el acero extremo en tracción, en el estado de resistencia nominal, menor o
  • 15.
    58 igual al límitede deformación unitaria de secciones controladas por compresión, e igual o mayor a 0.005 respectivamente. Para las secciones con deformación unitaria neta a tracción εt en el acero extremo en tracción, en resistencia nominal, entre los límites anteriores, el valor de φ puede ser determinado por interpolación lineal, como se aprecia en la figura CR9.3.2. El concepto de la deformación unitaria neta de tracción en el acero extremo en tracción, ε t , se discute en CR10.3.3 Como en C.10.2.3 se supone la deformación unitaria a la compresión del concreto, en el estado de resistencia nominal, igual a 0.003, los límites de deformación unitaria neta de tracción para los elementos controlados por compresión también pueden ser establecidos en términos de la relación c/dt , donde c es la distancia desde la fibra extrema en compresión al eje neutro cuando se llega a la resistencia nominal, y dt es la distancia desde la fibra extrema en compresión hasta la fibra extrema del acero en tracción. Los límites de c/dt para las secciones controladas por compresión y controladas por tracción son 0.6 y 0.375 respectivamente. El límite de 0.6 se aplica a las secciones reforzadas con acero Grado 420 y a las secciones preesforzadas. En la figura CR9.3.2 también se presentan las ecuaciones para φ como una función de c/dt . CURVA DE VARIACION DE φφφφ CR3.2.2       −= 2 a dAsfyMn φφ (2) Ecuación básica de capacidad en flexión de vigas       −′= 2 85.0 a dcbafMn φφ (3) Reemplazo (1) en (3)
  • 16.
    59       ′ −= cf dfy dbdfyMn )85.0(2 ρ φρφ       −= cf fy fybdMn ´ 59.012 ρ φρφ Solución: 22 2 *59.0* ´* *59.0*2 ´ *59.0*2 ´ fybd cfMu fy cf fy cf φ ρ −      −= Ecuaciónde diseño para encontrar la cuantía en una sección de concreto con refuerzo a tensión. 3.2.1 Diseño Balanceado Se debe revisar que fs = fy. Se supone que el concreto falla cuando el acero empieza a fluir. Para la siguiente viga, la profundidad del eje neutro cb se define para falla balanceada. C.10.3.2 — La condición de deformación balanceada existe en una sección transversal cuando el refuerzo en tracción alcanza la deformación unitaria correspondiente a fy al mismo tiempo que el concreto en compresión alcanza su deformación unitaria última supuesta de 0.003. C.10.3.3 — Las secciones se denominan controladas por compresión si la deformación unitaria neta de tracción en el acero extremo en tracción, εt , es igual o menor que el límite de deformación unitaria controlada por compresión cuando el concreto en compresión alcanza su límite de deformación supuesto de 0.003. El límite de deformación unitaria controlada por compresión es la deformación unitaria neta de tracción del refuerzo en condiciones de deformación unitaria balanceada. Para refuerzo Grado 420, y para todos los refuerzos preesforzados, se permite fijar el límite de deformación unitaria controlada por compresión en 0.002. CR10.3.3 — La resistencia nominal a la flexión de un elemento se alcanza cuando la deformación unitaria en la fibra extrema en compresión alcanza el límite de deformación unitaria asumido de 0.003. La deformación unitaria neta de tracción ε t es la deformación unitaria de tracción en el refuerzo de acero extremo en tracción en el estado de resistencia nominal, sin considerar las deformaciones unitarias debidas
  • 17.
    60 al preesforzado, flujoplástico, retracción y temperatura. La deformación unitaria neta de tracción en el refuerzo de acero extremo en tracción se determina a partir de una distribución de deformaciones unitarias lineal en el estado de resistencia nominal, como se aprecia en la figura. CR10.3.3, usando triángulos semejantes. Con anterioridad al desarrollo de estas disposiciones, el límite de deformación unitaria por tracción para los elementos sometidos a flexión no estaba establecido, pero se encontraba implícito en la cuantía máxima de refuerzo a tracción dada como una fracción deρb , que dependía de la resistencia a la fluencia del refuerzo. El límite de deformación unitaria neta de tracción de 0.005 para las secciones controladas por tracción se eligió de manera que fuera un valor único para todos los tipos de refuerzo de acero (preesforzado y no preesforzado) permitidos por este Título C del Reglamento NSR-10. De la semejanza de triángulos d y c cu b cu εεε + = 003.0 003.0 + = + = εεε ε ycuy cub d c Multiplicando por Es = 200.000 MPa y se tiene que 003.0=cuε (C.10.3.2 del NSR – 10) 600 600 + = fyd cb Si el eje neutro c ≤ cb, la deformación en el acero excede εy entonces se toma fs = fy. Donde fs es el esfuerzo en el acero. Como a = β1 c, es la profundidad del bloque equivalente de esfuerzos, para diseño balanceado se tiene: ba = β1 bc β1 b b a c =       + = 600 600 1 fyd ab β fy en MPa Para diseñar se revisa que fs (esfuerzo en el acero) = fy (Esfuerzo de fluencia) y se debe cumplir que: d a d a b ≤ ba = 1β *cb
  • 18.
    61 NSR-10 C.10.3.3 Los elementossometidos a flexión en general son controlados por tracción, mientras que los elementos en compresión en general son controlados por compresión. La resistencia nominal a la flexión de un elemento se alcanza cuando la deformación unitaria en la fibra extrema en compresión alcanza el límite de deformación unitaria asumido de 0.003. Cuando la deformación unitaria neta de tracción en el acero de refuerzo extremo en tracción es suficientemente grande (igual o mayor a 0.005), la sección se define como controlada por tracción donde se puede esperar un claro aviso previo de falla con deflexión y agrietamiento excesivo. Cuando la deformación unitaria neta en tracción en el refuerzo de acero extremo en tracción es pequeña (menor o igual al límite de deformación unitaria controlada por compresión), se puede esperar una condición de falla frágil, sin un claro aviso de una falla inminente. Gráficamente: A continuación se calculará la cuantía balanceada. Para diseño balanceado se tiene que fs = fy; se puede usar d cb , donde cb es la profundidad del eje neutro balanceado. cf dfy a b b ´85.0 ρ = Para ab = cb β1 cf dfy c b b ´85.0 1 ρ β = cf fy d c bb ´85.0 1β ρ = Pero cu cub yd c εε ε + = Igualamos las 2 expresiones
  • 19.
    62         + ′ = cuy cu b fy cf εε εβ ρ 185.0 )200000( 003.0 003.085.0 1 MPa fy cf y b        + ′ = ε β ρ       + ′ = 600 60085.0 1 fyfy cf b β ρ Donde f’c y fy en MPa. bρ se compara con la cuantía ρ de la ecuación de diseño y se puede asumir bρρ 75.0max = , según NSR-98, pero para NSR-10 usar bρρ 65.0max = . 1. Problema: Hallar el momento nominal resistente de una viga de concreto simplemente reforzado, con f’c = 21 MPa, As = 3φ7/8” y fy = 420 MPa. 1. Se asume que fs = fy en tensión T = As f y As = 3(3,87) = 11,61 cm2 fy = 420 MPa kNfyAsT 6.48710*420* 100 61.11 * 6 2 === Si el acero ha fluido, se soluciona normalmente, sino, es una solución más compleja. 2. Cálculo del área del bloque a compresión El bloque de esfuerzos en compresión, consiste en una carga uniformemente distribuida de altura a = β1c y base 0.85 f’c. C = T = 487.62 kN C = 0.85f’c β1 c b bcf C c 1´85.0 β = Para f’c < 28 MPa β1 = 0.85
  • 20.
    63 cmc 03.810*03.8 40.0*85.0*10*21*85.0 10*6.487 2 6 3 ===− a = β1 c = 0.85 (8,03) = 6,83 cm 3. Revisión fs = fy. Por triángulos semejantes. ctdcdc tscu − = − = εεε 2 2 2 10*38.1003.0* 10*03.8 10*03.845.0 − − − = − = − = cut c ctd εε m Para un acero grado 60 0021.0 10*200 10*420 9 6 ==yε Por lo tanto 00210140.0 ≥=Sε y fs = fy, es decir que el acero fluye 4. Cálculo del Momento nominal resistente φMn jdTMu = jd: distancia entre la fuerza resultante a tensión y la fuerza resultante a compresión cm a djd 59.41 2 83.6 45 2 =−=−=             −= 2 a dAsfyMn φφ φ: Coeficiente de reducción de resistencia igual a 0,9 para flexión. (C.9.3 del NSR98) φMn = 0,9 [487,6 *103 *0,4159]= 182,5 kN.m Momento nominal de diseño o resistente 2. Problema: Calcular el momento nominal resistente φMn para la siguiente Viga, fc=21 MPa y fy = 420 MPa
  • 21.
    64 Calcular a cbf Asfy a ´85.0 = As=3(5,10) = 15,3 cm2 ma 12.0 3.0*10*21*85.0 10*420*100/3.15 6 62 == Revisar fs = fy 218.0 55.0 12.0 == d a 325.065.0*5.065.0* 600 600 85.065.0* 600 600 65.0* 1 ==      + =      + = fyfyd ab β d ab d a ≤ Por lo tanto fs = fy Calculo del momento nominal             −= 2 a dAsfyMn φφ mKnMn .4.283)06.055.0)(10*420( 100 3.15 9.0 6 2 =−      =φ
  • 22.
    65 3.2.2 Diseño deVigas Rectangulares La deflexión máxima en una viga es de la forma: EI wlK MAX 4 1 =δ La Tabla C.9.5.2.del NSR- 10, se especifican los espesores mínimos de losas y vigas en una dirección para que no haya necesidad de calcular deflexiones. C.7.7 Recubrimientos: Se debe recubrir el acero de refuerzo con un espesor de concreto para: 1. Evitar que la carbonatación (Electrolito) producida por el CO2 del medio ambiente sobre el concreto llegue al refuerzo y se produzca corrosión en el acero. El recubrimiento varía dependiendo del medio ambiente. 2. Que actué como un solo material. 3. Protección contra el fuego y pérdida de resistencia de las barras de acero. En el C.7.7 del NSR 10 se dan los recubrimientos mínimos para concreto vaciado en sitio. A continuación se transcribe lo que dice el reglamento al respecto. C.7.7 - RECUBRIMIENTO DEL REFUERZO C.7.7.1 - CONCRETO VACIADO EN SITIO (NO PREESFORZADO) - Las barras del refuerzo deben tener los recubrimientos mínimos dados a continuación. En ambientes agresivos deben utilizarse recubrimientos mayores que los mencionados, los cuales dependen de las condiciones de exposición. Recubrimiento mínimo (a) Concreto colocado directamente sobre el suelo y en contacto permanente con la tierra ....................................................................... 75 mm (b) Concreto expuesto a la intemperie o en contacto con suelo de relleno: Barras Nº 6 (3/4") y 18M (18 mm) a Nº 18 (2-1/4") y 55M (55 mm)..................................................................... 50 mm Barras Nº 5 (5/8") y 16M (16 mm) y menores............................................. 40 mm (c) Concreto no expuesto a la intemperie, ni en contacto con la tierra:
  • 23.
    66 Todos los tiposde refuerzo en losas, muros y viguetas: Barras Nº 14 (1-3/4"), 45M (45 mm), Nº 18 (2-1/4") y 55M (55 mm)..............................................................40 mm Barras Nº 11 (1-3/8") y 32M (32 mm) y menores................................. 20 mm En vigas y columnas: Refuerzo principal..................................................................................40 mm Estribos y espirales................................................................................ 30 mm En cascarones y losas plegadas Barras Nº 6 (3/4") y 18M (18 mm) y mayores...................................... 20 mm Barras Nº 5 (5/8") y 16M (16 mm) y menores...................................... 15 mm Para ver los recubrimientos de elementos prefabricados ver el numeral C.7.7.2 y para pre esforzado ver el C.7.7.3. 3.2.2.2 Refuerzo mínimo a Flexión: Si el momento de falla es excedido por el momento actuante en una viga, puede ocurrir una falla súbita y colapsar, por esto es necesario las normas sismo resistentes NSR 98, que limita la cantidad de refuerzo a tensión. Según el C.10.5 del NSR 98, el As suministrado para un elemento a flexión, no debe ser menor a: dbw fy dbw fy cf dbwAs 4.1 4 minmin ≥ ′ == ρ f’c en M Pa Para fy = 420 MPa 0033,0 4.1 min == fy ρ 3. Problema: Diseñar una viga de luz exterior que carga su propio peso, una carga muerta de 10 kN/m, una carga viva de 5 kN/m. f’c =21 MPa y fy = 420 MPa, y la planta se presenta a continuación. 1. Pre dimensionamiento Se supone inicialmente b = 0,30 m b ≥ 0,25 m (C.21.3) m l h 45.043.0 5.18 0.8 5.18 ≈=== , Usaremos 0.5m Sección de vigas: 40cm*50cm
  • 24.
    67 Separación Viguetas Smax 2.5hlosa Smax2.5(0.5m) Smax 1.25m Smax 1.20m 8/1.2 = 6.67 vigas 8m/(7vigas) = 1.14m Utilizaremos separación de 1.14m de centro de vigueta a centro de vigueta hloseta = Luz libre entre viguetas/20 hloseta= 1.14/20 ≃0.06 No de Viguetas= 8/1.25 =6.4 viguetas ≈7 viguetas Separación de eje a eje=luz / viguetas= 8/7=1.14m h (Altura de viguetas ) h 5bw h 5(0.12)
  • 25.
    68 h 0.6 Para efectosprácticos se utilizara una altura igual a la losa. Evaluación de Cargas. Viguetas…..(24kN/m3 )*0.12*(0.5-0.05)/(Separación entre viguetas) 1.137 kN/m2 Muros…. 3.5kN/ m2 Baldosa…… 1.0 kN/m2 Cielo raso…. 0.3 kN/m2 Alistado……….. (22 kN/m3 )*0.05 = 1.1 kN/m2 Casetón…. 0.3 kN/m2 -------------------- 7.34 kN/m2 Carga muerta = 7.34*L aferente = 7.34*4 = 29.36 kN/m Peso propio( 24 KN/m3 )*0.4*0.5 =4.8 kN/m Carga viva(vivienda ) : 1.8kN/m2 Peso carga viva ( 1.8 KN/m2 )*4 =7.2 kN/m Se realiza el avaluó de la carga ultima mediante 2 combinaciones, el primero es 1.4D (Carga Muerta) y la otra es 1.2D (Carga Muerta) + 1.6L(Carga viva), de estos 2 combos se deja el que arroje mayor carga. (NSR-10) Combo #1 = 1.4( 29.36+4.8) = 47.83 kN/m Combo #2 = 1.2( 29.36+4.8)+1.6(7.2 KN/m) = 52.52 kN/m Utilizare Wu= 52.52 kN/m. Utilizaremos f´c = 28MPa. 0138.065.0*02125.0 02125.0 600 60085.0 max 1 == =      + ′ = ρ β ρ fyfy cf b ρmax (28mpa) = 0.01842
  • 26.
    69       9 2 wl = 373.48 kN-m      14 2 wl = 240.1 kN-m       16 2 wl = 210.08 kN-m 3. Calculo del refuerzo 3.1 Refuerzo positivo en centro de la luz       −= cf fy fybdMn ´ 59.012 ρ φρφ 22 2 *59.0* ´* *59.0*2 ´ *59.0*2 ´ fybd cfMu fy cf fy cf φ ρ −      −= Luz Larga L = 8,0 m, b = 0,40, d = 0,4 φ Mn= Mu(-) kN-m 210.1 373.5 φ Mn= Mu(+) kN-m 240.1 ρ (−) 0.00754 0.0033 0.01478 ρ (+) 0.0033 0.008744 0.0033 As (-) [cm 2 ] 13.572 26.61 As (+) [cm 2 ] 15.74 Refuerzo superior 2#8 + 1#7 3#6 4#8 + 1#7 Refuerzo inferior 3#6 2#8 + 2#7 3#6 Separación 12.27cm 12.14cm 4.86 cm 12.14cm 9.4cm 12.14cm Separación S= ( ∗( ! ) #$ ∗% á' ) (()' * ' ) + ∗ , 16 + ∗ , 9
  • 27.
    70 4. Refuerzo balanceado(C.8.5.12.2) 4.1 Cuantía 01478.001381.065.0*02125.0 02125.0 600 60085.0 max 1 <== =      + ′ = ρ β ρ fyfy cf b No cumple 4.2 Alternativamente se puede usar: Borde con mayor refuerzo (Si cumple la fluencia para el extremo con mayor acero requerido, cumplirá para el centro de la luz y el otro extremo de la viga ya que requieren menor acero lo que mantendrá el diseño dúctil ) cm cbf Asfy a 74.1111739.0 4.0*10*21*85.0 10*420*100 61.26 ´85.0 6 62 ==== 261.0 45.0 1174.0 == d a 5.0 600420 600 85.01 =      + =             + = fy Ed a S cu cub ε ε β *0.65=0.325, 0.261<0.325 65.0* d ab d a ≤ Por lo tanto fs = fy 3.3 VIGAS T Resultan de fundir monolíticamente el ala y el alma, o deben estar efectivamente unidas entre sí dando como resultado la viga T. En el C.8.12 “Sistemas de vigas T”, del NSR-10 se presentan las reglas para estimar el ancho de losa efectivo.
  • 28.
    71 3.3.1 Análisis deVigas T Cuando el centroide del área de compresión, cae dentro del alma, se tiene: Para evitar localizar el centroide, se pueden asumir 2 vigas: 3.3.1.1 Viga 1: Las alas resisten la compresión. Un área de compresión Asf, que corresponde al área de las alas que resiste la compresión, bajo esfuerzos de 0.85f`c, y cuya resultante es Cf. El área del acero que resiste la tensión es Asf. Asf: Área de acero que resiste la tensión. Tf: Resultante fuerza en tensión. Cf: Resultante fuerza en compresión. Mnf: Momento resistente de la viga.
  • 29.
    72 )2/( )2/()(´85,0 2/ )(´85,0 )(´85,0 0 )(´85,0 hfdfyAsMn hfdhfbwbcfMnf hfdjd CjdTjdMnf fy hfbwbcf Asf hfbwbcffyAsf CfTfF fyAsfTf hfbwbcfCf f −= −−= −= == − = −=⋅ == ⋅= −= ∑ 3.3.1.2 Viga2: El alma resiste la compresión Asw=As-Asf. Acero que resiste tensión correspondiente a compresión en el alma Tw: Fuerza en tensión. Cw: Fuerza en compresión. )2/( )2/(´85,0 2/ 0 Pr ´85,0 ´85,0 0 adfyAsMnw adacbfMnw adjd CjdTjdMnw M compresionrectánguloofundidad cbwf fyAsw a cabwffyAsw CwTwF w w −= −= −= == = ⋅ = =⋅ == ∑ ∑ El momento nominal resistente en la sección es
  • 30.
    73 )2/()2/( )2/(´85,0)2/()(´85,0 9,0 )( adfyAshfdfyAsMn adcbwafhfdhfbwbcfMn MnwMnfMn wf −+−= −+−−= = += φφφ φφφ φ φφ 3.3.2 Diseñobalanceado fs = fy C.10.2.3 La máxima deformación unitaria del concreto es 0.003.       + = + = + = fyd a fyd c b ycu cub 600 600 600 600 1β εε ε 3.3.3 Limite del refuerzo en vigas T. Según el C.10.5.1 C.10.5.2 del NSR-10, en todo elemento sometido a flexión el refuerzo no debe ser menor que el mínimo obtenido con: db fy As db fy cf As w w 4.1 min ´25.0 min = = Para los elementos estáticamente determinados con el ala en tracción, As min debe ser mayor que el valor dado por la ecuación anterior usando 2bw o el ancho del ala, el que sea menor. Para asegurar el comportamiento dúctil, el NSR-10 en el C.10.3.3 determina que las secciones se definen controladas por tensión o compresión. Las secciones se denominan controladas por compresión si la deformación unitaria neta de tracción en el acero extremo en tracción, εt, es igual o menor que el límite de deformación unitaria controlada por compresión cuando el concreto en compresión alcanza su límite de deformación supuesto de 0.003. Cuando la deformación unitaria neta de tracción en el acero de refuerzo extremo en tracción es suficientemente grande (igual o mayor a 0.005), la sección se define como controlada por tracción donde se puede esperar un claro aviso previo de falla con deflexión y agrietamiento excesivo.
  • 31.
    74 Para asegurar elcomportamiento dúctil el NSR-10 en el C.10.3.3 exige que bρρ 75,0≤ , donde bρ es la cuantía balanceada para elementos sometidos a flexión sin fuerza axial. El NSR-10, para que la sección sea controlada pro tracción, se puede usar bρρ 65.0≤ aproximadamente. Se puede revisar de 3 maneras: 1. Si la zona de compresión es rectangular, fs = fy y si a/d<0.65*ab/d y )/(65.0/65.0 dabaentonces bb ≤≤ ρρ . 2. Si la zona de compresión tiene forma de T. 2.1 El área de acero corresponde a la balanceada fy C As b b = El área máxima de acero es 0.65Asb. Cb: Fuerza resultante del rectángulo de compresión con profundidad ab. 2.2 Para fs = fy y bρρ 65,0≤ , se puede usar una modificación para viga T. )( fbRbT b bw ρρρ += bRρ : Cuantía balanceada para rectángulo en compresión donde b = bw y bwd Asf f =ρ 4. Problema: Analizar una viga T interior que tiene una luz libre de 6 m, f´c=21MPa y fy = 420 MPa. Corte transversal 1. El Cálculo del ancho efectivo b de la losa debe cumplir con el C.8.12.2, y no debe exceder 1/4 de la luz de la viga, y el ancho sobresaliente efectivo del ala a cada lado del alma no debe exceder:- (a) 8 veces el espesor de losa (b) la mitad de la distancia libre a la siguiente alma
  • 32.
    75 Según el C.8.12.3en vigas que tengan losa a un solo lado, el ancho efectivo del ala debe ser menor a: (a) 1/12 de la luz de la viga, (b) 6 veces el espesor de la losa, y (c) la mitad de la distancia libre a la siguiente alma., en el centro de la luz .Momento positivo. 1.1 mlb 5.1 4 1 1 =≤ . 1.2 mbt bwb 85,180,010,0*88 2 ≤==≤ − . 1.3 mb lbwb 0.2875.0 2 75.1 22 2 ≤==≤ − . Usar el menor valor de b = 1.50 m. 2. Cálculo de a: Profundidad del rectángulo de esfuerzos en el centro de la luz (Momento Positivo). m cbf Asfy a 036.0 50.1*10*21*85.0 10*420*100/87.3*6 ´85,0 6 62 === ,10,0036.0 maComo ≤= La zona de compresión es rectangular. 3. Revisión de minAsAs ≥ 22 22.235.12150*25* 420 4.14,1 cmcmdbw fy As <==≥ Cumple 22 22.2322.10150*25* 420 21*25.0´25.0 cmcmdbw fy cf As <==≥ Cumple 4. Revisar que fs = fy. Diseño balanceado.
  • 33.
    76 dosubreforzadiseño d a d a Como fyd a d a b b 65.0 5.0 420600 600 85,0 600 600 144.0 25.0 036.0 1 < =      + =      + = == β 5. Momento nominalresistente [ ])2/( adAsfyMn −= φφ mkNMn Mn .63.203 )2/036.025.0(10*420* 100 22.23 9,0 6 2 =     −= φ φ 5. Análisis del momento negativo. Calculo del ancho efectivo. b=25cm 6. Cálculo de a: m cbf Asfy a w 106.0 25.0*10*21*85.0 10*420*100/84.2*4 ´85,0 6 62 === 7. Revisión 22 04.171.225*25* 420 4.14,1 cmcmdbw fy As <==≥ Cumple 22 04.177.125*25* 420 21*25.0´25.0 cmcmdbw fy cf As <==≥ Cumple 8. Revisión fs = fy Diseño Balanceado 5,065.0*43.0 25.0 106.0 =<== d a d a b *0.65=0.325 9. Momento nominal resistente
  • 34.
    77 [ ] [] mKNMn adAsfyMn .6.84 2/106.025.0(10*420*100/36.119.0)2/( 62 = −=−= φ φφ 5. Problema: Calcular el momento nominal positivo de diseño de la viga mostrada si f´c=21 MPa , fy = 420 MPa C.8.12.4 — En vigas aisladas, en las que solamente se utilice la forma T para proporcionar con el ala un área adicional de compresión, el ala debe tener un espesor no menor de 1/2 del ancho del alma, y un ancho efectivo no mayor de 4 veces el ancho del alma. 1. Calculo profundidad efectiva d cmd cmY 70,513,860 3,8 10,5*5 35,11*10,5*227,6*10,5*3 =−= = + = 2. Cálculo de la profundidad del bloque de esfuerzos (Se supone viga rectangular): m x x cbf Asfy a 13,0 45,0*1021*85,0 10420*100/10,5*5 ´85,0 6 62 === Como 10,013,0 >=a el rectángulo de esfuerzos cae en el alma. 3. Se divide la viga en dos, Viga 1 y 2
  • 35.
    78 3.1 Viga 1. mkNMnf xMnf hfdfyAsMnohfdhfbwbcfMnf cmmxAsf x Asf fy hfbwbcf Asf f .72,166 )2/1,0517,0(1,0)25,045,0(1021*85,0 )2/()2/()('85,0 5,81085 10420 10,0)25,045,0(1021*85,0 )('85,0 6 225 6 6 = −−= −=−−= == −× = − = − 3.2Viga 2: m x x a cmAsfAsAsw cbwf fyAsw a 16,0 25,0*1021*85,0 10420* 100 17 175,85,25 '85,0 6 6 2 2 == =−=−= ⋅ = mkNMn xadfyAswMn mKNMn xMn adcbwafMn w w w w w .02,312 )2/16,0517,0(10420* 100 7 )2/(* .02,312 )2/16,0517,0(*16,0*1021*85,0 )2/(`85,0 6 2 6 = −=−= = −= −= 4. Momento nominal resistente nMφ mkNMMM nwnfn .866,43002,312*9,072,166*9,0 =+=+= φφφ 5. Revisar minmin ρρ ≥≥ oAsAs
  • 36.
    79 22 22 5,2535,6 4 ` min 5,2505,7 2 ` min cmcmdbf fy cf As cmcmdbw fy cf As <== <== 6. Diseño balanceado.Revisar fs = fy 325.065.0*5.0329.0 7.51 17 ==<== d a b a b 6. Problema: Diseñar la viga T del eje B para el sistema viga placa mostrado. La viga forma parte de una luz interior de 10 m f´c=21MPa, fy=420MPa. 1. Pre dimensionamiento:
  • 37.
    80 1.1 Viga b= 0,30m h = ln / 21 = 0,48 Usar 0,50 m (Tabla C.9.5 del NSR–10). 1.2 Placa maciza. Espesor de la placa t = Ln / 28 = 3,70m / 28 = 0,13 Usar 0,15 m Ln: Luz libre. Ancho efectivo b. (C.9.5. NSR – 10). mbUsar mbm lbwb mbt bwb mb 0.2 0,485,1 2 70,3 22 3.1.1 7,220,18 2 2.1.1 50.2 4 10 ln 4 1 1.1.1 2 = ===≤ − ==≤ − ==≤ 1.2 Calculo de profundidad efectiva d = 50-8,0 = 42cm suponiendo 2 filas de acero 2. Evaluación de cargas sobre la viga usando el método del área aferente.
  • 38.
    81 Carga Muerta (Nohay muros divisorios) Peso propio de la viga 24*0,50*0,30= 3,6 kN/m Peso propio de la losa 24*0,15*3,70= 13,07 kN/m Alistado superior e inferior 22*0,08*4,0= 7.04 kN/m Baldosa cemento 1,0kN/m2 *4,0 = 4,0 kN/m Total wcm = 28 kN/m Carga Viva (vivienda) wcv = 1,80 kN/m2 * 4,0 m = 7,2 kN / m Carga última wu = 1,2*27,5 + 1,6 * 7,2 = 45.1 kN /m La Viga T es:
  • 39.
    82 3. Calculo deAs       −= cf fy fybdMn ´ 59.012 ρ φρφ 2 2 3 22 35.197#5: 68.18 10*017.2 .875.281 16 10*1.45 16 ln* cmUsar cmAs mkN wu Mu = = = === − ρ 4. Revisión Asmin Asmin = (1,4 / fy )*dbw = 0.0033*240*42=33.6 cm2 Usar 2 7.358#7 cm= Calculo de a (Se supone viga rectangular) 0 = 12 3 0.85 ∗ ´ ∗ 9 cmm x x a 82.10182.0 4.2*1021*85,0 10420*100/6.18 6 62 === Viga rectangular ya que 1.82cm<15cm 5. Diseño Balanceado. Revisión fs = fy a/d= 1.82 / 42 = 0,043<0.65ab/d = 0,325 Bien
  • 40.
    83 6. Cálculo nMφ [] mkNM M adAsfyM n n n .9.288 )2/018.042.0(10*420* 100 2.18 9.0 )2/( 6 2 =     −= −= φ φ φφ 3.4 VIGA CANAL Isometría de Viga Canal en El Apoyo Se hace un corte transversal =
  • 41.
    84 Viga I Asw*fy= 0.85f´c*2bw*a 0= 129 ∗ 3 1.7 ´ 9       −= cf fy fybdMnw ´ 59.012 ρ φρ ( )       −−=       −= 2 ** 2 ***´7.1 a dfyAsfAsMnw a dabwcfMnw Viga II 12 = 0.85 ´ ( − 2 9)ℎ 3 Mnf =(Asf*fy (d-hf/2) Mnf =0.85f´cfy (b-2bw) Mnw+Mnf=Mn ISOMETRIA DE VIGA CANAL (CENTRO DE LA LUZ) Se hace un corte transversal
  • 42.
    85 7. PROBLEMA: Diseñarla viga canal que se muestra a continuación L = 6m CM = 25 kN m CV = 5 kN m W = 2.5 kN m Peso propio = γ × A Peso propio = 24 kN m × (0.5m × 0.35m − 0.3m × 0.3m) Peso propio = 2.04 kN m W) = 1.2 × (CM + PP) + 1.6 × CV + 0.8 × W W) = 1.2 × S25 kN m + 2.04 kN m T + 1.6 × 5 kN m + 0.8 × 2.5 kN m W) = 42.45 kN m M' = UV× W X → M' = 152.82 kN. m M' Z = W) × l 14 → M' Z = 109.16 kN. m
  • 43.
    86 Refuerzo Negativo A = 152.82 Nm× 10 0.9 × 420 N m × 0.95 × 0.3m = 1.4 × 10 m = 14cm Por tratarse de un refuerzo que debe ser colocado en las 2 aletas de la viga, el refuerzo tiene que colocarse en pares. Usar 3#6+2#7 a = 12.8 × 420 × 10^ N m 0.85 × 21 × 10^ N m × 0.5 = 0.06m = 6.0cm A * = 0.85 × 21 × 10^ N m × (0.5m − 2 × 0.1m) × 0.05m 420 = 6.4cm ∅M * = 0.75 × f ´ × (b − 2 × bb) × h* × dd − fg h → ∅M = 64.9kN. m (Este es el momento resistido por el hf sin contar el espesor de las aletas), Gráficamente: El resto de la compresión será absorbida por el par de aletas. Gráficamente: A b = A − A * A b = 12.83cm − 6.4cm A b = 6.45cm a = i.jkl mnnW ×o X× Xi p lW .q× . × Xi p lW×X. =7.59cm Como la profundidad es mayor que los 5 cm de alma. El comportamiento mecánico es de viga canal en los apoyos.
  • 44.
    87 ∅M b =Asw*fy*(d-a/2) ∅M b =73.19 kN. m ∅M r ∅M b + ∅M * ∅M r 73.19kN. m + 64.97kN. m ∅M r 138.1 kN. m Isométricamente el diseño a flexión nos queda así: un par de varillas #7 en cada aleta 3.5 VIGAS CON REFUERZO A COMPRESIÓN Caso I: Viga con refuerzo a tensión
  • 45.
    88 Caso II: Vigacon refuerzo a compresión Consideraciones 1. a2 < a1 ya que cierta parte de la compresión la resiste el acero Cs, por lo tanto la fuerza de compresión en el concreto Cc es menor que en la viga con solo refuerzo en tensión. 2. j1d<j2d. El momento adicional en compresión tiene poco efecto sobre el momento resistente Mn Mn1 = Asfyj1d Mn2 = Asfyj2d Fuente: Reinforced Concrete, MacGregor. Incremento del Momento Resistente debido al acero de compresión
  • 46.
    89 3. Se reduceconsiderablemente la deflexión a largo plazo en la viga por cargas sostenidas, debido a que el flujo plástico en el concreto se reduce al bajar los esfuerzos. Fuente: Reinforced Concrete, MacGregor. Incremento del Momento Resistente debido al acero de compresión 4. Se incrementa la ductilidad, ya que a decrece, aumentando la deformación en el acero de tensión 2sε . Esto es recomendable en caso de sismos, ya que la redundancia de la estructura con una buena ductilidad, permite la redistribución de momentos. 3.5.1. Análisis de vigas con refuerzo a tensión y compresión Cs: Resultante de compresión en el acero Cc: Resultante de compresión en el concreto A´s: Acero de compresión As: Acero de tensión
  • 47.
    90 T: Resultante detensión Del diagrama de deformación 003.0 ' 1003.0 '' ' ' ´       −=⋅      − = − = − = c d c dc c dc dcc cus scu εε εε Si ys εε ≥' , entonces f´s el esfuerzo de compresión en el acero A’s, es igual a fy y se toma f´s=fy.       −= = a d a c s ' 1003,0' 1 1 β ε β En la fluencia ys εε ≥' = fy/Es, donde Es = 200 GPa.       −=      =− 600 1 1' 600 ' 1 1lim 1 fy a d fy a d β β Cuando       a d' es mayor que el valor anterior, el acero en compresión no ha alcanzado la fluencia f´s = fy cuando lim ''       ≤ a d d d Se divide la viga en dos: Viga 1: T1 = Cs
  • 48.
    91 Viga 2: Cc=T2 3.4.1.1 Caso I: El acero en compresión fluye En la viga 1, se supone que A’s está bajo 0,85f’c, el esfuerzo adicional para alcanzar la fluencia en la viga 1 es (fy-0,85f’c) T1 = Cs )'( '85,0 1' '85,0 1' )'85,0(' 1 1 1 ddfy fy cf sAMn fy cf sAAs cffysAfyAs −      −=       −= −= Se puede simplificar, asumiendo que los esfuerzos de compresión en el acero son cero en Viga 1: Cs = T1 A’s fy = As1 fy A’s = As1 El momento nominal es: Mn1 = A’s fy (d-d’) Para la viga 2 Cc = T2 As2 = As – As1= As – A´s
  • 49.
    92 cbf fyAsAs a fyAsAscbaf fyAscbaf TCc '85,0 )( )('85,0 '85,0 1 1 2 2 − = −= = = Momento nominal resistente. ) 2 ()(12 a dfyAsAsMn −−= El momento nominal resistente total para el caso simplificado será:       −−+−= += 2 )()'(' 1 21 a dfyAsAsddsfyAMn MnMnMn φφφ φφφ En momento nominal resistente total será: cbf fy cf sAAs a adfyAsAsddfy fy cf sAMn '85,0 '85,0 1' )2/()()'( '85,0 1' 1             −− = −−+−      −= φφφ Otra forma es comparando las cuantías como se muestra a continuación. El acero superior ha fluido: ε´S= ε ´, f´s=fy. ρmax = 0.65ρb +ρ ´ εcu = εct − εy v´
  • 50.
    93 c = εwx εwx εy v´ ∑Fh= 0 T = Cc + Cs ρ.b.d.fy = 0.85.f´c.β1.c.b+ρ´b.d.fy dividiendo por: b.d.fy ρ = 0.85β1 z ´w zy w { + ρ´ La cuantía mínima de acero a tracción ρmin =0.85β1 z ´w zy { {´ d εwx ε! {´ h εcu= 0.003 εy= fy/Es Cuantía Límite en el momento que el acero de compresión ha fluido. Si ε´s>εy. Es la cuantía mínima de acero a tracción correspondiente a la fluencia del acero en compresión: ρmin =0.85β1 z ´w zy { {´ d ^XX ^XX ^XXzy´ h + ρ´ Si el acero Superior ha fluido entonces ρ = |} ~{ ≥ ρmin Si la cuantía de acero es menor a este límite, el acero en compresión no ha fluido f´s<fy ρ = |} ~{ ≤ ρmin ∑Fh=0 T = Cc + Cs fyρ bd=0.85f´cβ1bc+ ρ´bdf´s divido por : bdfy ´ ρ = 0.85β1 z ´ w zy w { +ρ´ z ´ } zy La cuantía balanceada de la sección doblemente reforzada: ρbT: cuantía refuerzo en tensión. ρbT = ρb + ρ´ z ´} zy
  • 51.
    94 f´s = Es*ε´s =Es[εcu - { ´ { (εy + εy) ≤fy ρbT = 0.65ρb+ ρ´ z ´} zy Si el acero a tracción es menor a ρ´b y ρmin, el refuerzo en tracción se encuentra en fluencia pero el de compresión no. f´s = Es* E´´S=Es Ecu( • { ´ w ) ∑ FH = 0 Asfy = 0.85f´cβ1bc + A´s Es εcu ( w {´ w ) Asfy = 0.85f´cab+A´sEs εcu ( 1-´ β ´ € ) Despejo a Mu = φ[0.85f´c*a*b(d - € ) + A´s f´s (d-d´)] E ´s=0.003( w {´ w ) < E y (A´S no fluye) E ´s=0.003( { w w ) > E y (A´S fluye) Para diseño balanceado fs=fy, se asume que el acero de compresión y tensión fluyen. ( ) ( ) ( ) balanceadaCuantia fyfy cf db sA y bd As emplazo cdbf fyAsAs fy cdbf fyAsAs d a fyd a b b       + =− == − =      + − =       + = 600 600'85,0 ' ' 'Re `85,0600 600 `85,0 600 600 1 1 1 1 1 β ρρ ρρ β β 3.5.1.2 Caso II: El acero de compresión no fluye, pero el de tensión si: Momento nominal resistente (Para vigas que no fluye el acero a compresión)
  • 52.
    95 φMn = φ[Cc(d- € )+Cs(d-d´)] φMn = φ[0.85f´c ba(d- € )+ φ0.003EsA´s( 1- βm{´ € )(d-d´) La fuerza en compresión es: 0''003,0)'003,0('85,0 003,0* ' 1''85,0 '''' 1 2 1 =−−+ =      −+ =+ == dsEsAaAsfysEsAcbaf Asfy a d sEsAcbaf TCsCc equilibrioDel sAEsssAfCs s β β ε Resolviendo la ecuación cuadrática, se encuentra la profundidad del rectángulo de compresión. ( ) )'( ' 1'003,0 2 '85,0 ' 2 min '85,0 ''003,0 '85,0*2 )'003,0( '85,0*2 )'003,0( 1 1 2 dd a d sEsA a dcbafMn ddCs a dCcMn resistentealnoMomento cbf dsEsA cbf AsfysEsA cbf AsfysEsA a −      −+      −=       −+      −= +      − ± − −= β φφφ φφ β Diseño Balanceado fs = fy Para que esto ocurra se debe cumplir que el acero en tensión fluya. bd sA y bd As emplazo cbdf ssfAAsfy d a fyd a fysfpero d a d a b b ' 'Re '85,0 )''( 600 600 ', 1 1 == − =       + ≤ <      ≤ ρρ β β
  • 53.
    96 .,, ' ' ' ' 600 600'85,0' ' 1 dosubreforzadiseñotensionenaceroparafyfs fy sf fy sf Si fyfy cf fy sf balanceadaCuantia b b =      −<      −       + =      − ρρρρ β ρρ 8. Problema:Calcule el momento nominal resistente Mnφ para la viga mostrada (Caso I) 1. Cálculo de la profundidad del rectángulo de compresión a. Se asume que f s=fy y f’s=fy As2 = As – As1 =6*5,10 – 2*3,87 = 22,86 cm2 Profundidad de a para la viga 2 m x x a 18,0 3,0*1021*85,0 10420* 100 86,22 6 6 2 == 2. Revisión f’s=fy 35,0 600 420 1 85,0 1 600 1 1' 333,0 18,0 06,0' 1lim =      −=      −=      == fy a d a d β
  • 54.
    97 Como 35.0 ' 33,0 ' lim =      <= a d a d , elacero en compresión fluyo 3. Revisión f’s=fy 325.065.0*5,065.0*32,0 56,0 18,0 ==≤== d a d a b 0.32<0.325 CUMPLE OK Chequeo grafico X.XX Z•‚ X.ƒ^ = X.XX X. „… = 5.0*10 CUMPLE OK 4. Revisar 2 2 2 6,30 6,556*30* 420 4,1 min 58,456*30* 420*4 21 min min cmAs cmAs cmAs AsAs =       == == ≥ 5. Momento nominal resistente εt
  • 55.
    98 mKNMn xxMn :4,552 ) 2 18,0 56,0(*10420* 100 86,22 *9,0)06,056,0(*10420* 100 87,3*2 *9,0 6 2 6 2 = −+−= φ φ 9. Problema:Calcule el momento nominal resistente (Caso II). 1. Profundidad rectángulo compresión. Se asume f’s = fy y que fs = fy As2 = As – As1 = 3*5,1 = 15,3 cm2 m x x cbf fyAsAs a 12,0 3,0*1021*85,0 10420* 100 3,15 '85,0 )( 6 6 2 1 == − = 3. Revisión si f’s = fy lim lim '' 35,0 ' 5,0 12,0 06,0'       > =      == a d a d Como a d a d El acero f’s no fluye 4. Recalcular a
  • 56.
    99 cmma xxxa axax dsEsAaAsfysEsAcbaf 4,13134,0 10743,8101755,1104286,3 046818102,367105355 0''003,0)'003,0('85,0 332 323 1 2 ≈= ++= =−− =−−+ −−− β 5. Revisar fs= fy 325.065.0*5,0065*24,0 56,0 134,0 ==≤== d a d a b 5.1 Sección controlada por tensión. Bien d a d a ltlt 32,0375,023,0 00665,0 134,0 1 ==      ≤= − = β 5.2 Método grafico (NSR -10) X.XX Z„… X.ƒ^ = X.XX X. ƒq^ „… = 7.6*10 CUMPLE OK Mnφ = 573.86 kN.m 10. Problema: Diseñar el refuerzo a flexión en la viga de luz interior con una luz de 8.0m, f´c = 21Mpa, fy = 420mpa, CM = 7.16 KN/m2 (Incluye pesos propio de viga) , CV=2.0kn/m2 (Oficinas) , Longitud aferente de 6.0m . Usar sección de 30*50cm εt
  • 57.
    100 1) Carga Ultima Wu= 1.2*6(7.16)+1.6*6(2) = 70.8Kn.m 2) Momentos actuantes (Vano interior) 3. Momento Nominal Resistente. φMn=φρbd2 fy (1-0.59 ρzy z´w ) Calculamos el φMn, con el ρMax y si es menor que el M actuante, diseñamos la viga como doblemente reforzada ρMax = 0.65ρbal 014.065.0*02125.0 02125.0 600 60085.0 )21max( 1 ≈= =      + ′ = Mpa b fyfy cf ρ β ρ φMn2 = 0.9*0.014*0.3*0.452 *420*106 (1-0.59* X.X o∗o X∗ Xi ∗ Xi ) φMn2 =268.4Kn.m 4. φMn1 = Mu - φMn2 4.1 Bordes φMn1 = Mu - φMn2 φMn1 = 411.93 – 268= 143.53
  • 58.
    101 4.2 Centro deluz φMn1 = 283.2 – 268 = 14.8 5 Refuerzo en tensión As = Asmax+As1 As = ρMax*b*d + †‡ φzy({ {´) 5.1 Borde As =0.014*30*42+ qˆ. ƒ∗ X‰ X.Š∗(o X∗ Xi)(X.o X.Xƒ) As = 18.6 + 9.5cm2 = 28.1 cm2 Usar 6 #8 =30.6 cm2 5.2 Centro de la Luz As =0.014*30*42+ oŠ.ƒƒ∗ X‰ X.Š∗(o X∗ Xi)(X.o X.Xƒ) As = 17.64+ 3.12 = 20.76 Usar 7#6+1#5 = 21.87cm2 6. Refuerzo a compresión f´s= fy-0.85f´c A´s = †‡ φz´}({ {´) 6.1 Borde A´s = qˆ. ˆ∗ X‰ X.Š∗(o X X.ˆƒ∗ )∗ Xi∗(X.o X.Xƒ) A´s = 13.313 cm2 Usar 2#8 + 1#7 = 14.07 cm2 6.2 Centro de la Luz
  • 59.
    102 A´s = oŠ.ƒƒ∗ X‰ X.Š∗(oX X.ˆƒ∗ )∗ Xi∗(X.o X.Xƒ) A´s = 3.7 cm2 Usar 1#5+1#6= 4.83 cm2 GRAFICAMENTE EL REFUERZO DE LA VIGA SERIA ASI 7 Revision de cuantías (ρ−ρ ´)max= 0.65ρbal       + ′ = 600 60085.0 1 fyfy cf b β ρ ρbal(21mpa) = 0.02125 ρmax (21mpa)= 0.02125*0.65 = 0.014 7.1 Bordes (ρ−ρ ´) = X.^ o.Xq X∗o = 0.01312 7.2 Centro de luz (ρ−ρ ´) = .ˆq o.ˆ X∗o = 0.01352 8 ( {´ € )Lim = βm (1- zy ^XX ) = X.ˆƒ (1- o X ^XX ) ( ‹´ Œ )Lim =0.3529
  • 60.
    103 9. (Profundidad decompresión) 0 = [|} |´}d n.Žk•´• •‘ h]zy X.ˆƒz´w ~ 9.1 Bordes 0 = X.^ o.Xq( n.Žk(Wm∗mni) jWn∗mni )o X∗ Xi X.ˆƒ∗( ∗ Xi)∗X. = 0.1343 9.1.1 ´ € = X.Xƒ X. o =0.3723, como ´ € > ( {´ € )Lim, El acero en compresión no fluye 9.2 Centro de la Luz 0 = .ˆq o.ˆ ( n.Žk(Wm∗mni) jWn∗mni )o X∗ Xi X.ˆƒ∗( ∗ Xi)∗X. = 0.135257 = 13.526cm 9.2.1 ´ € = X.Xƒ X. ƒ ƒq = 0.36966 como ´ € > ( {´ € )Lim, El acero en compresión no fluye Como el acero en compresión no fluyo, hay que recalcular a con la sgte ecuación 0.85f´cba2 +(0.003EsA´s-As.fy )a-0.003EsA´sβ1d´= o Después de recalcular a, hay que recalcular el Mn con la siguiente ecuación *Momento Nominal resistente φMn = φ [Cc(d- € )+Cs(d-d´)] φMn = φ0.85f’c ba(d - € )+ φ0.003EsA´s( 1- βm{´ € )(d-d´) Este momento nominal seria el Mn Con este momento se recalcularía de nuevo la sección y el refuerzo tanto en tensión como en compresión. Nota: Mayor acero en compresión garantiza un diseño controlado por tensión 10. Recalcular 0 10.1 Recalculando a (Borde) 0 = 0.1328 10.1.1 Chequeo mediante el método grafico para saber si el diseño es controlado por tracción
  • 61.
    104 X.XX Z•‚ X.o = X.XX X. ƒ^ „…= 0.005263 CUMPLE OK 10.2 Recalculando a (Centro de luz) 0 = 0.13451 10.2.1 X.XX Z”‚ X.o = X.XX X. ƒˆ Et= 0.005 CUMPLE OK 11 Recalcular Mn 11.1 Recalculando Mn (Borde) Mn = 417.47 Kn.m εt εt
  • 62.
    105 11.2 Recalculando Mn(centro de luz) Mn = 294.68 Kn.m Conclusiones 1) El doble refuerzo mejoro significativamente el momento nominal resistente de la viga haciendo que el φMn sea ligeramente mayor que el momento actuante, tanto en los bordes, como en el centro de la luz. 2) Una opción alternativa a realizar el diseño de una viga doblemente reforzada es aumentar las dimensiones de la viga y otra opción es aumentar la resistencia al concreto f´c., La decisión de cambiar el diseño de la viga por alguna de estas 2 alternativas mencionadas anteriormente, recae en evaluaciones técnicas (Arquitectónicas) y económicas. 3) Se puede apreciar que el diseño es controlado por tracción, ya que „… ≥0.005 y que el acero en compresión no fluyo, esto da como resultado un aumento significativo del Momento nominal resistente. (Mayor acero en compresión mejora la resistencia a la flexión y garantiza con mayor seguridad un diseño controlado por tracción). 4) El despiece en vigas se debe hacer con barras de refuerzo con el menor diámetro posible esto disminuye los efectos de la fisuración por retracción de fraguado y flujo plástico., usando un refuerzo base o principal con barra no menor a la #5, se pueden usar taches (barras rectas) y bastones de barra #3 y #4, siempre y cuando no haya más de un diámetro de por medio en las barras utilizadas. En columnas es preferible lo contrario, se despieza con barras de mayor diámetro.