2
Versión 5.1: 09-06-03
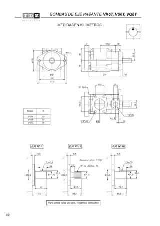
BOMBAS HIDRAULICA DE PALETAS
-Tipos BHP, VK, VS y VQ (Pag. 2)
-Tipo DT (Pag. 56)
3
Las bombas de paletas TDZ se fabrican en una amplia gama de caudales, que
abarcan desde 2 cc./rev. hasta 236 cc./rev. en las bombas simples, 377 cc./rev. en las
dobles y 462 cc./rev. en las triples.
Todas ellas se caracterizan por su reducido tamaño en relación con la potencia
suministrada, excelente rendimiento, funcionamiento silencioso, flexibilidad en las
posiciones de entrada y salida de aceite y mantenimiento económico.
La economía de mantenimiento viene determinada por su construcción con el
elemento de bombeo en forma de cartucho intercambiable. Este cartucho contiene todas las
piezas que se desgastan, y puede cambiarse en muy pocos minutos sin separar el cuerpo
de la bomba del motor y de las tuberías. Además, su diseño equilabrado hidráulicamente
reduce los desgastes y anula las cargas sobre los rodamientos.
La posibilidad de orientar las salidas de aceite en diferentes posiciones con respecto
a la entrada, proporciona gran flexibilidad y facilidad de montaje.
En función de la aplicación de la bomba, en los modelos mayores simples, dobles y
triples existen tres gamas diferentes: Industrial de bajo nivel sonoro (tipos VS y BHS), móvil
(tipos VQ y BHQ) y el tipo VK y BHP para usos polivalentes.
Los tres modelos superiores de bombas simples disponen de dos ejecuciones
diferentes: los tipos VK, VS y VQ están construidas en pulgadas, y los tipos BHP, BHS y BHQ
en métrica, y aunque internamente son parecidas, los cuerpos disponen de los orificios de
aspiración y presión en posiciones inversas.Apesar de ello son intercambiables al coincidir
los mismos tipos de ejes, bridas de sujeción, caudales, velocidades y presiones.
i
4
ACCIONAMIENTO
Se recomienda el accionamiento axial directo mediante acoplamiento flexible. Si ha de utilizarse un tipo de
accionamiento que produzca cargas radiales sobre el eje, (Ej.: poleas) deberá consultarse a HIDRAULICA TDZ.
SENTIDODEGIRO
Intercambiable invirtiendo la posición del estator o anillo volumétrico. (en las BH*-4, 6 y 7; V*25, 35 y 45 y las dobles
correspondientes, también la del rotor con sus paletas). La entrada y salida del aceite no intercambian su posición
al invertir el sentido de giro. Para determinar el sentido de giroha de mirarse la bomba desde el extremo del eje.
PUESTAENMARCHAINICIAL
Si es posible, llenar la bomba de aceite antes de su puesta en marcha. Si no se cebara inmediatamente, soltar
ligeramente la línea de salida con la bomba en marcha con el objeto de dejar salir el aire retenido.
FILTRACIÓN
Para garantizar una larga vida de la bomba y demás elementos del circuito, es necesario utilizar un filtro de
aspiración de 100-150 micras, y otro de presión o retorno de 25 micras o más fino.
FLUIDOSHIDRÁULICOS
Se recomienda el uso de aceite hidráulico mineral con aditivos antidesgaste, y una viscosidad a la temperatura
de trabajo de 25-49 cSt (3,5-6,5ºE).
Sólo en caso de no poder conseguir aceite de estas características, se podrá utilizar aceite de motor SAE-10 o
SAE-20, según sea la temperatura de utilización.
Recomendamos una temperatura de trabajo de 50ºC, siendo 70ºC el máximo permisible. A temperaturas
superiores, la degradación del aceite y de la goma de las juntas, retenes, tuberías, etc., se produce muy
rápidamente, y en poco tiempo pueden aparecer fugas y fallos en el funcionamiento del sistema.
Para utilizar fluidos ininflamables, deberán usarse cartuchos y bombas versión "F3" con juntas especiales, y
reducir las velocidades y presiones máximas como se indica más abajo.
VELOCIDADESMÁXIMAS
Con aceite hidráulico antidesgaste: de 1800 a 2500 rpm, según modelos. (Ver tabla).
Con aceites sintéticos y emulsiones de agua-glicol y agua-aceite: 1200 rpm.
Las velocidades indicadas son orientativas y basadas en el uso del aceite recomendado y en un correcto diseño
del sistema de aspiración. Un conducto de aspiración demasiado largo, demasiado estrecho o con demasiadas
curvas, influye negativamente en la velocidad máxima alcanzable, lo mismo que el uso de un aceite demasiado
viscoso, o de un filtro de aspiración sucio o de tamaño insuficiente.
Por el contrario, al utilizar las versiones de menor caudal de cada bomba, y un sistema de aspiración muy corto
y sobredimensionado, podremos alcanzar una velocidad máxima ligeramente superior a la indicada en la tabla.
En todo caso, es fundamental que a la velocidad máxima de trabajo, las pérdidas de carga originadas en todo el
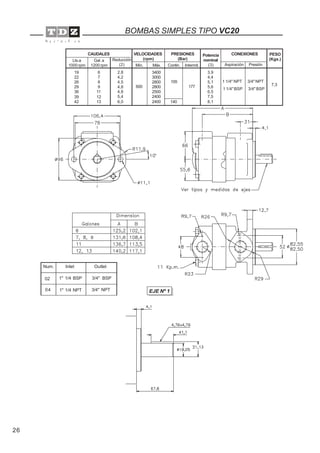
conducto de aspiración, no produzcan en la entrada de la bomba unadepresión superior a 0,2 Bar para aceite
hidráulico y emulsiones agua-glicol y 0,1 Bar para fluidos sintéticos y emulsiones de agua-aceite. De lo
contrario, se producirá cavitación, muy perjudicial para toda la bomba hidráulica por ocasionar un desgaste
prematuro y un ruido excesivo.
VELOCIDAD MÍNIMA: 600 rpm.
PRESIONESMÁXIMAS
Aceite hidráulico antidesgaste: 175 a 210 Bar.
Aceite sintético: 175 a 210 Bar.
Emulsiones agua-glicol: 160 Bar.
Emulsiones agua-aceite: 70 Bar.
Estos datos se refieren a los modelos V*20, V*25, V* 35 y V* 45, BH*4, BH*6 y BH*7 y bombas dobles y triples.
Para otras bombas ver tabla.
Las presiones intermitentes que figuran en la tabla pueden mantenerse durante el 10% del tiempo, con una
duración máxima de 6 segundos por minuto
5
NIVELSONORO
Bombas simples:
VS25 y BHS4: 62 dB (A)
VS35 y BHS6: 65 dB (A)
VS45 y BHS7: 71 dB (A)
Bombas dobles:
VS43: 68 dB (A)
VS63: 69 dB (A)
VS73: 71 dB (A)
VS64: 69 dB (A)
VS74: 71 dB (A)
VS76: 72 dB (A)
Niveles sonoros medidos con aceite hidráulico a 140 Bar, 1500 rpm y 0,17 Bar de vacío en la aspiración.
PARESADMISIBLES POR LOS EJES
Todos los ejes disponibles para nuestras bombas simples y motores son suficientes para trabajar a la
presión máxima especificada para cada modelo.
Sin embargo, en el caso de bombas dobles y bombas con eje pasante, si ambos cartuchos/bombas
trabajan simultáneamente a presión, la suma de los pares absorbidos por cada uno de ellos puede exceder
la resistencia del eje.
A efectos prácticos, el par absorbido por cada cartucho/bomba puede calcularse con la fórmula:
T = Donde: T = Par en N.m.
P = Presión de trabajo en Bares
V = Cubicaje en Cm3
/rev. o Caudal en Lts/min a 1000 R.P.M..
Para escoger el tipo de eje adecuado, calcúlese dicha suma de pares en las condiciones de trabajo más
desfavorables, y compárese con los valores de par admitidos por cada eje, que se indican en la tabla 1.
Análogamente, en las bombas de eje pasante se calculará el par absorbido por la segunda bomba en las
condiciones más desfavorables, y se comprobará que no excede los valores de par admisibles indicados
en la tabla 2 para cada conexión.
i
59
P x V
Tabla 1
Tipo
bomba
Eje nº
Par max.
Nm
1
11
86
1
11
86
1
11
86
313
313
392
V*42
V*43
V*4T
V*63
V*64
V*6T
V*73
V*74
V*76
V*7T
392
568
588
588
803
803
Brida
trasera
(conexión)
Par max.
transmitido
Nm
130
315
440 (V*6TC)
700 (V*7TC)
A
B
C
Tabla 2
6
7
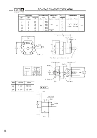
BOMBAS SIMPLES
- Bombas simples tipos BH* y V*
Bs
8
CODIFICACIÓNDEBOMBASSIMPLES
1 - "F3" indica juntas especiales para fluidos ininflamables. Omitir si estas no son necesarias.
2 - Tipo de bomba:
BHP = Bomba de 10 paletas, uso móvil e industrial, roscas en métrica
BHS = Bomba de 12 paletas, uso industrial (muy silenciosas), roscas en métrica
BHQ = Bomba de 10 paletas y placas de bronce, uso móvil, roscas en métrica
VK = Bomba de 10 paletas, uso móvil e industrial, roscas en pulgadas
VS = Bomba de 12 paletas, uso industrial (muy silenciosas), roscas en pulgadas
VQ = Bomba de 10 paletas y placas de bronce, uso móvil, roscas en pulgadas
3 - Modelo de bomba: VC10, VC20; 20, 25, 35 y 45 en los tipos VK, VS y VQ
1, 2 y 3 en los tipos BHP; y 4, 6 y 7 en los tipos BHP, BHS y BHQ
4 - Caudal: Tipos VC, VK, VS y VQ en Galones por minuto a 1200 rpm y 7 Bar.
Tipos BHP, BHS y BHQ en Litros por minuto a 1000 rpm y 7 Bar.
5 - D = Sentido de giro Derecha (Sentido de rotación de las agujas del reloj).
Y = Sentido de giro Izquierda.
(Para averiguar el sentido de giro deberemos mirar la bomba desde el extremo del eje) .
6 - Tipo de eje:Ver en cada bomba
7 - Posición de la salida vista desde el eje:
A: En línea con la entrada
B: 90° a la derecha con la entrada
C: 180° con la entrada
D: 90° a la izquierda con la entrada
8- Características especiales. Omitir si no son necesrias.
Ejemplo: 02 : Roscas BSP
03 : Roscas UNF
04 : Roscas NPT
F3 BHP 4 67 D 1 A 00
F3 VK 25 21 D 1 A 00
1 2 3 4 5 6 7 8
9
CARACTERÍSTICAS DE LAS BOMBAS SIMPLES DE PALETAS
TIPO
CAUDALES VELOCIDADES
(rpm)
PRESIONES
(Bar)
Intermit.Máx.Mín.
Lts.a
1000 rpm Contin.
PESO
(Kgs.)
Aspiración Presión
CONEXIONES
600 2500
0,18
0,18
0,36
0,36
0,36
0,6
0,9
1,2
1,7
2
150 175 1
0,5
0,7
1
1,4
1,6
2
3
4,5
5,5
6,5
BHP2
(1)
0,7
1,1
1,1
1,1
1,1
600 2500 150 175
1,8
2
2,5
3
3,7
BHP3 600 2500
2000
1500
150 175
BHP1
600 175 210
8,6
9
10
11,4
11,4
13,1
600 175 210
16,8
20,3
24,3
27,4
29,3
33,3
15
15,7
14,3
17,9
18,6
22
26
600 155
32,3
36,3
37,9
43,2
46,1
51,2
57,4
175
Reducción
(2)
Potencia
nominal
(3)
BHP4
BHS4
BHQ4
BHP6
BHS6
BHQ6
BHP7
BHS7
BHQ7
2500
1800
(BHS)
2400
1800
(BHS)
2200
1800
(BHS)
Bs
4,5
5,7
5,7
5,8
5,8
6
6,2
6,5
6,9
10,4
11,6
13,8
14,6
16,8
20,3
22,4
0,9
1,7
2,8
4,5
4,8
4,8
5,4
6,6
7,8
1,9
4,3
5,3
6,9
7,6
8,8
10,2
11,9
13,6
7
8
10
12
15
6
16
18
25
27
35
38
44
50
66
81
97
112
121
142
138
148
162
180
193
214
240
(4) (4)
(4)
(4)
(4)
(4)
Ø26Ø38
3,6
7,1
14,5
26,3Ø60 Ø32
Ø38Ø75 38,3
2,2
2,5
3,2
3,8
4,7
2
5
6
8
9
11
12
14
16
8
12
14
17
19
21
24
27*
21
25
30
35
38
45
42
47
50
57
60
67
75
100 125
1500 125 150
1500 125 150
* En la bomba BHQ4 no se montan cartuchos de 88lts. (27 gal.)
(1) Existe una versión de esta bomba con válvulas reguladora de caudal y limitadora de presión incorporadas. Su referencia es B2V.
Si además lleva depósito de aceite con filtro incorporado, su referencia seráB2VC(depósito de 1,5 Ltrs.) o B2VA (de 1 Ltr.).
(2) Reducción de caudaldesalidaenLtrs./min.a100Bar.conunaceitedeviscosidad22cSta temperaturadetrabajo. Paracalcular
elcaudalaproximadodesalidaaunavelocidadypresióndadasutilizaremoslafórmulareseñadamásadelanteconlosvaloresdecaudal
teórico y de reducción de caudal indicados en el cuadro. Los valores de reducción de caudal son independientes de las revoluciones
deleje.
Caudal aprox. de salida (Ltrs./min) = Caudal teórico x Reducción x
(3) Potencia nominal enCVa100Bary1000rpm.(ParaconvertirenKwmultiplicarpor0,735).Paraobtenerlapotenciarealabsorbida
a una presión y revoluciones diferentes utilizar la siguiente fórmula:
Potencia Real absorbida = Potencia nominal x x
(4) Ver opciones en las hojas de dimensiones.
R.P.M.
1000
Presión (Bar)
100
Gal. a
1200 rpm
BOMBAS DISEÑO TDZ
R.P.M.
1000
Presión (Bar)
100
26
40
45
55
60
67
80
88*
10
11
600 175 210
600 175
600 155
16,8
20,3
24,3
27,4
29,3
33,3
32,3
36,3
37,9
43,2
46,1
51,2
57,4
VK25
VS25
VQ25
2500
1800
(VS)
2200
1800
(VS)
2400
1800
(VS)
6,9
10,4
11,6
13,8
14,6
16,8
20,3
21,1
26
40
45
55
60
67
80
88*
66
81
97
112
121
142
138
148
162
180
193
214
240
Ø1"
Ø1¼"
Ø1½"
Ø1½"
Ø2"
Ø3"
15
23
35,5
8
12
14
17
19
21
24
27
21
25
30
35
38
45
42
47
50
57
60
67
75
VK20
VQ20 12
8
18
27
29
36
39
46
2
5
8
9
11
12
14
0,9
2,1
2,8
3,5
4,3
4,3
5,3
1800
1,9
4
6,6
6,9
7,3
7,4
7,6
175 210 Ø1½" Ø3/4"600
1500 125 150
1500 125 150
CARACTERÍSTICAS DE LAS BOMBAS SIMPLES DE PALETAS
TIPO
CAUDALES VELOCIDADES
(rpm)
PRESIONES
(Bar)
Intermit.Máx.Mín.
Gal. a
1200 rpm
Lts.a
1000 rpm Contin.
PESO
(Kgs.)
Aspiración Presión
CONEXIONES
Reducción
(2)
Potencia
nominal
(3)
VC10
3
6
9
13
16
19
22
1
2
3
4
5
6
7
VC20
19
22
26
29
36
39
42
6
7
8
9
11
12
13
(1) Existe una versión de esta bomba con válvulas reguladora de caudal y limitadora de presión incorporadas. Su referencia es B2V.
Si además lleva depósito de aceite con filtro incorporado, su referencia seráB2VC(depósito de 1,5 Ltrs.) o B2VA (de 1 Ltr.).
(2) Reducción de caudaldesalidaenLtrs./min.a100Bar.conunaceitedeviscosidad22cSta temperaturadetrabajo. Paracalcular
elcaudalaproximadodesalidaaunavelocidadypresióndadasutilizaremoslafórmulareseñadamásadelanteconlosvaloresdecaudal
teórico y de reducción de caudal indicados en el cuadro. Los valores de reducción de caudal son independientes de las revoluciones
deleje.
Caudal aprox. de salida (Ltrs./min) = Caudal teórico x Reducción x
(3) Potencia nominal enCVa100Bary1000rpm.(ParaconvertirenKwmultiplicarpor0,735).Paraobtenerlapotenciarealabsorbida
a una presión y revoluciones diferentes utilizar la siguiente fórmula:
Potencia Real absorbida = Potencia nominal x x
BOMBAS DISEÑO VICKERS
0,8
0,9
1,2
1,6
1,7
1,8
1,9
2,8
4,2
4,5
4,8
4,8
5,4
6,0
600
600
0,7
1,4
2,1
2,7
3,2
3,7
4,2
4800
4500
4000
3400
3200
3000
2800
155
140
4,5
3400
3000
2800
2800
2500
2400
2400
155
140
3,9
4,4
5,1
5,6
6,5
7,5
8,1
7,3
R.P.M.
1000
Presión (Bar)
100
R.P.M.
1000
Presión (Bar)
100
Bs
(4)
177
175
177
* En la bomba VQ25 no se montan cartuchos de 88 lts. (27 gal.)
(4)
(4) (4)
VK35
VS35
VQ35
VK45
VS45
VQ45
210
210
8,6
9
10
11,4
11,4
13,1
15
15,7
14,3
17,9
18,6
22
26
4,5
5,7
5,7
5,8
5,8
6
6,2
6,5
12
VELOC. (rpm) PRES. (Bar)
Máx.Mín.
CONEXIONES PESO
(Kgs.)
2 3 4,5 5,5 6,5
0,6 0,9 1,2 1,7 2
Lts.a 1000 rpm
Gal.a1200rpm
PresiónAspiraciónIntermit.Contin.
11/4" BSP1/2" BSP1751502500600
CAUDALES
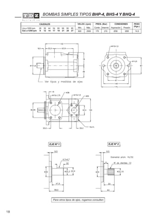
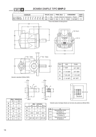
BOMBA SIMPLE TIPO BHP-1
EJE Nº 2
EJE Nº 1
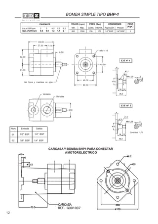
Entrada SalidaNum.
02
01 1/2" BSP 1/4" BSP
3/8" BSP 1/4" BSP
Vertabla
Vertabla
CARCASA Y BOMBA BHP1 PARA CONECTAR
AMOTORELÉCTRICO
13
Bs
BOMBA SIMPLE TIPO BHP-1
DIAGRAMASDECAUDALY
POTENCIAABSORBIDA
14
Vertabla
VELOC. (rpm) PRES. (Bar)
Máx.Mín.
CONEXIONES PESO
(Kgs.)
Lts.a 1000 rpm
Gal. a 1200 rpm
PresiónAspiraciónIntermit.Contin.
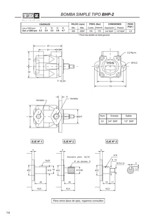
3,61/2" BSP3/4" BSP1751502500*600
CAUDALES
7 8 10 12 15
2,2 2,5 3,2 3,8 4,7
* Para más detalle ver tabla general
Para otros tipos de ejes, rogamos consulten
EJE Nº 2 EJE Nº 3EJE Nº 1
BOMBA SIMPLE TIPO BHP-2
Entrada SalidaNum.
02 3/4" BSP
Vertabla
20
11
61
93
112
97
5
80
40
53
Ø10,2
ø50 f7
1/2" BSP
2,2 Kp.m.
15
Bs
BOMBA SIMPLE TIPO BHP-2
DIAGRAMASDECAUDALY
POTENCIAABSORBIDA
5
10
15
20
25
30
35
40
l/min
500 1000 1500 2000 2500 R.P.M.
0 BAR 175 BAR
500 1000 1500 2000 2500 R.P.M.
100 BAR 175 BAR
5
5
12
12
15
15
7
7
8
8
10
10
15
15
12
12
10
10
8
7
5 5
7
8
4
8
12
16
HP
2
6
10
14
3,0
6,0
9,0
12,0
Kw
1,5
4,5
7,5
10,5
1,3
2,6
3,9
5,3
6,6
7,9
9,2
10,6
US Gal/min
16
A
B
C
D
E
F
G
VELOC. (rpm) PRES. (Bar)
Máx.Mín.
CONEXIONES PESO
(Kgs.)
PresiónAspiraciónIntermit.Contin.
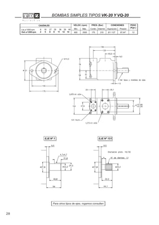
7,13/4" BSP1"BSP1751502500*600
CAUDALES
Lts. a 1000 rpm
Gal.a1200rpm
6 16 18 25 27 35 38 44 50
2 5 6 8 9 11 12 14 16
* Para más detalle ver tabla general
BOMBA SIMPLE TIPO BHP-3
47
1
Ø25
15
Ø21,80
A
B
C
D
F
30
1
Ø25
4
Ø17,1
Ejes estriados
Nº 2 Nº 4 Nº 5
24,5
1
Ø25
3,5
Ø15,82
E
Diametral pitch 16/32
Nº dientes:13
DIN 5482 B18x15
Nº dientes:10
Nº 2
Nº 4
Eje
Diametral pitch 16/32
Nº dientes:9
Nº 5
Versión para montaje directo en la toma de potencia (Brida ISO)45
2
Ø25
30
5
Ø19
21,1
Ejes cilíndricos
Nº 1 Nº 6
Inlet OutletNum.
02
03
04
01 1" BSP 3/4" BSP
1" 1/4 BSP 3/4" BSP
1" 5/8 UNF 1" 1/16 UNF
1" 1/4 NPT 3/4" NPT
Versión standard (Brida SAE)
62.5
1
Ø25
41
4,75
Ø19
21,1
17
Bs
BOMBA SIMPLE TIPO BHP-3
DIAGRAMASDECAUDALY
POTENCIAABSORBIDA
15
30
45
60
75
90
105
120
l/min
500 1000 1500 2000 2500 R.P.M.
0 BAR 175 BAR
500 1000 1500 2000 2500 R.P.M.
100 BAR 175 BAR
19
19
37
37
43
43
24
24
28
28
34
34
43
43
37
37
34
34
28
28
24
24
19
19
10
20
30
40
HP
5
15
25
35
7,4
14,9
22,4
29,8
Kw
3,7
11,2
18,6
26,1
3,9
7,9
11,9
15,9
19,8
23,8
27,7
31,7
US Gal/min
18
EJE Nº 1 EJE Nº 2
VELOC. (rpm) PRES. (Bar)
Máx.Mín.
CONEXIONES PESO
(Kgs.)
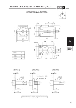
26 39 44 54 60 66 80 85
8 12 14 17 19 21 24 27
Lts.a 1000 rpm
Gal.a1200rpm
PresiónAspiraciónIntermit.Contin.
14,5Ø26Ø382101752500600
CAUDALES
Para otros tipos de ejes, rogamos consulten
BOMBAS SIMPLES TIPOS BHP-4, BHS-4 Y BHQ-4
19
BOMBAS SIMPLES TIPOS BHP-4, BHS-4 Y BHQ-4
Bs
DIAGRAMAS DE CAUDALY
POTENCIAABSORBIDA
20
40
60
80
100
120
140
160
l/min
500 1000 1500 2000 2500 R.P.M.
0 BAR 210 BAR
500 1000 1500 2000 2500 R.P.M.
100 BAR 210 BAR
39
39
66
66
44
44
54
54
60
60
39 39
44 44
54 54
60 60
66 66
20
40
60
80
HP
10
30
50
70
14,9
29,8
44,7
59,7
Kw
7,5
22,4
37,3
52,2
5,3
10,6
15,9
21,1
26,4
31,7
37,0
42,3
US Gal/min
20
BOMBAS SIMPLES TIPOS BHP-6, BHS-6 Y BHQ-6
EJE Nº 1 EJE Nº 2
VELOC. (rpm) PRES. (Bar)
Máx.Mín.
CONEXIONES PESO
(Kgs.)
66 81 97 112 121 142
21 25 30 35 38 45
Lts.a 1000 rpm
Gal.a1200rpm
PresiónAspiraciónIntermit.Contin.
26,3Ø32Ø602101752400600
CAUDALES
Para otros tipos de ejes, rogamos consulten
21
BOMBAS SIMPLES TIPOS BHP-6, BHS-6 Y BHQ-6
Bs
DIAGRAMAS DE CAUDALY
POTENCIAABSORBIDA
40
80
120
160
200
240
280
320
l/min
500 1000 1500 2000 2500 R.P.M.
0 BAR 210 BAR
500 1000 1500 2000 2500 R.P.M.
100 BAR 175 BAR
66
66
118
118
78
78
94
94
112
112
118 118
112 112
94 94
78 78
66 66
40
80
120
160
HP
20
60
100
140
29,8
59,6
89,5
119,3
Kw
14,9
44,7
74,6
104,4
10,6
21,1
31,7
42,3
52,8
63,4
74,0
84,5
US Gal/min
22
BOMBAS SIMPLES TIPOS BHP-7, BHS-7 Y BHQ-7
VELOC. (rpm) PRES. (Bar)
Máx.Mín.
CONEXIONES PESO
(Kgs.)
138 148 162 180 193 214 240
42 47 50 57 60 67 75
Lts.a 1000 rpm
Gal.a1200rpm
PresiónAspiraciónIntermit.Contin.
38,3Ø38Ø751751552200*600
CAUDALES
* Para más detalle ver tabla general
EJE Nº 2EJE Nº 1
Para otros tipos de ejes, rogamos consulten
23
BOMBAS SIMPLES TIPOS BHP-7, BHS-7 Y BHQ-7
Bs
DIAGRAMAS DE CAUDALY
POTENCIA ABSORBIDA
70
140
210
280
350
420
490
560
l/min
500 1000 1500 2000 2500 R.P.M.
0 BAR 175 BAR
500 1000 1500 2000 2500 R.P.M.
100 BAR 175 BAR
180
160
195
195
135
135
148
180
160
148
195
195
180
160 160
148 148
135 135
180
50
100
150
200
HP
25
75
125
175
37,3
74,6
111,8
149,1
Kw
18,6
55,9
93,2
130,5
18,5
37,0
55,5
74,0
92,5
111,0
129,4
147,9
US Gal/min
24
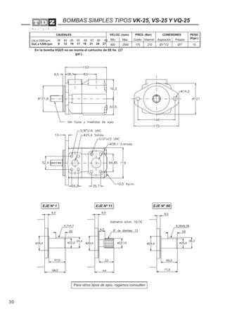
BOMBAS SIMPLES TIPO VC10
EJE Nº 1
CAUDALES VELOCIDADES
(rpm)
PRESIONES
(Bar)
Intermit.Máx.Mín.
Gal. a
1200 rpm
Lts.a
1000 rpm Contin.
PESO
(Kgs.)
Aspiración Presión
CONEXIONES
Reducción
(2)
Potencia
nominal
(3)
3
6
9
13
16
19
22
1
2
3
4
5
6
7
0,8
0,9
1,2
1,6
1,7
1,8
1,9
600
0,7
1,4
2,1
2,7
3,2
3,7
4,2
4800
4500
4000
3400
3200
3000
2800
155
140
4,5
1" NPT 1/2" NPT
177
1"BSP 1/2" BSP
Entrada SalidaNum.
04
02 1" BSP 1/2 BSP
1" NPT 1/2" NPT
25
Bs
DIAGRAMAS DE CAUDALY
POTENCIA ABSORBIDA
Min. presión (bar)Max. presión (bar)
BOMBAS SIMPLES TIPO VC10
0
800 1600 2400 3200 4000 4800
2
4
6
8
10
12
14
16
18
20
1,5
3
4,5
6
7,4
8,9
10,4
11,9
13,4
14,9
3 (7)
1 (7)
CV Kw
1 (172)
3 (172)
0
2
4
6
8
10
12
14
16
18
20
CV
1,5
3
4,5
6
7,4
8,9
10,4
11,9
13,4
14,9
Kw
22
24
16,4
17,9
6 (7)
6 (152)
4 (172)
2 (172)
4 (7)
2 (7)
800 1600 2400 3200 R.P.M.
R.P.M.
800 1600 2400 3200 4000 4800 R.P.M.
0
2
4
6
8
10
12
14
16
18
20
CV
1,5
3
4,5
6
7,4
8,9
10,4
11,9
13,4
14,9
Kw
22
24
16,4
17,9
26 19,4
7 (7)
5 (7)
5 (172)
7 (138)
800 1600 2400 3200 R.P.M.
2
3
4
5
6
7
8
9
10
l/min.
11
15
19
23
27
30
34
38
42
45
Gal./min.
11
12
49
53
57
61
64
13
14
15
16
17
8
5 (172)
5 (7)
7 (138)
7 (7)
0
0 0
800 1600 2400 3200 4000 4800 R.P.M.0
11
15
19
23
27
30
34
38
61
8
4
2
3
4
5
6
7
8
9
10
1
6 (7)
6 (152)
0
4 (7)
4 (172)
2 (7)
2 (172)
l/min. Gal./min.
800 1600 2400 3200 4000 4800 R.P.M.0
0
11
15
19
23
27
30
34
38
42
45
49
53
57
8
4
2
3
4
5
6
7
8
9
10
11
12
13
14
15
1
16
0 0
l/min. Gal./min.
3 (7)
3 (172)
1 (7)
1 (172)
0
26
BOMBAS SIMPLES TIPO VC20
EJE Nº 1
19
22
26
29
36
39
42
6
7
8
9
11
12
13
2,8
4,2
4,5
4,8
4,8
5,4
6,0
600
3400
3000
2800
2800
2500
2400
2400
155
140
3,9
4,4
5,1
5,6
6,5
7,5
8,1
7,3
1 1/4" NPT 3/4" NPT
177
1 1/4" BSP 3/4" BSP
CAUDALES VELOCIDADES
(rpm)
PRESIONES
(Bar)
Intermit.Máx.Mín.
Gal. a
1200 rpm
Lts.a
1000 rpm Contin.
PESO
(Kgs.)
Aspiración Presión
CONEXIONES
Reducción
(2)
Potencia
nominal
(3)
Inlet OutletNum.
04
02 1" 1/4 BSP 3/4" BSP
1" 1/4 NPT 3/4" NPT
27
Bs
DIAGRAMAS DE CAUDALY
POTENCIA ABSORBIDA
Min. presión (bar)Max. presión (bar)
BOMBAS SIMPLES TIPO VC20
0
5
10
15
20
25
30
35
40
3,7
7,5
11,2
14,9
18,6
22,4
26,1
29,8
CV Kw
800 1200 1600 2000 2400 2800 R.P.M.
l/min. Gal./min.
800 1200 1600 2000 2400 2800 R.P.M.400
61
15
23
30
38
45
53
8 2
26
4
28
6
8
10
12
14
24
16
0 0
400
68
76
83
91
98
106
18
20
22
7 (175)
7 (7)
9 (7)
11 (175)
11 (7)
13 (150)
13 (7)
9 (175)
l/min. Gal./min.
800 1200 1600 2000 2400 2800 R.P.M.400
61
15
23
30
38
45
53
8 2
26
4
28
6
8
10
12
14
24
16
0 0
68
76
83
91
98
106
18
20
22
3200
6 (7)
12 (7)
12 (150)
8 (7)
8 (175)
6 (175)
0
5
10
15
20
25
30
35
40
3,7
7,5
11,2
14,9
18,6
22,4
26,1
29,8
CV Kw
800 1200 1600 2000 2400 2800 R.P.M.400 3200
7 (7)
9 (7)
13 (150) 11 (175)
9 (175)
7 (175)
11 (7)
13 (7)
12 (150)
8 (175)
6 (175)
8 (7)
12 (7)
6 (7)
28
EJE Nº 151EJE Nº 1
Para otros tipos de ejes, rogamos consulten
BOMBAS SIMPLES TIPOS VK-20 Y VQ-20
VELOC. (rpm) PRES. (Bar)
Máx.Mín.
CONEXIONES PESO
(Kgs.)
8 18 27 29 36 39 46
2 5 8 9 11 12 14
Lts.a 1000 rpm
Gal.a1200rpm
PresiónAspiraciónIntermit.Contin.
12Ø 3/4"Ø 1 1/2"2101752500600
CAUDALES
29
BOMBAS SIMPLES TIPOS VK-20 Y VQ-20
Bs
DIAGRAMAS DE CAUDALY
POTENCIA ABSORBIDA
Min. presión (bar)Max. presión (bar)
400 800 1200 1500 2000 R.P.M.
2,64
5,28
7,93
10,58
13,21
15,85
18,49
21,13
23,78
10
20
30
40
50
60
70
80
90
Gal/min. Gal/min.
2,64
5,28
7,93
10,58
13,21
15,85
18,49
21,13
23,78
10
20
30
40
50
60
70
80
90
400 800 1200 1500 2000 R.P.M.
l/min. l/min.
12 (7)
14 (7)
8 (7)
5 (7)
11 (7)
9 (7)
2 (7)
400 800 1200 1500 2000 R.P.M.
4
8
12
16
20
24
5,36
10,73
16,09
21,46
26,28
32,18
KwCV
5 (7)
12 (7)
9 (7)
400 800 1200 1500 2000 R.P.M.
4
8
12
16
20
24
5,36
10,73
16,09
21,46
26,28
32,18
KwCV
8 (7)
11(7)
14(7)
37,55 28
0
10
5
7,5
3,75
2 (7)
12 (160)
8 (210)
5 (210)
2 (140)
12 (160)
5(210)
9 (207)
14 (140)
11 (210)
8 (210)
2 (140)
14 (140)
11 (210)
9 (207)
30
BOMBAS SIMPLES TIPOS VK-25, VS-25 Y VQ-25
VELOC. (rpm) PRES. (Bar)
Máx.Mín.
CONEXIONES PESO
(Kgs.)
26 40 45 55 60 67 80 88
8 12 14 17 19 21 24 27
Lts.a 1000 rpm
Gal.a1200rpm
PresiónAspiraciónIntermit.Contin.
15Ø1"Ø1"1/22101752500600
CAUDALES
Para otros tipos de ejes, rogamos consulten
EJE Nº 1 EJE Nº 11 EJE Nº 86
En la bomba VQ25 no se monta el cartucho de 88 lts. (27
gal.).
31
BOMBAS SIMPLES TIPOS VK-25, VS-25 Y VQ-25
Bs
DIAGRAMAS DE CAUDALY
POTENCIA ABSORBIDA
20
40
60
80
100
120
140
160
l/min
500 1000 1500 2000 2500 R.P.M.
0 BAR 210 BAR
500 1000 1500 2000 2500 R.P.M.
100 BAR 210 BAR
12
12
21
21
14
14
17
17
19
19
12 12
14 14
17 17
19 19
21 21
20
40
60
80
HP
10
30
50
70
14,9
29,8
44,7
59,7
Kw
7,5
22,4
37,3
52,2
5,3
10,6
15,9
21,1
26,4
31,7
37,0
42,3
US Gal/min
32
BOMBAS SIMPLES TIPOS VK-35, VS-35 Y VQ-35
VELOC. (rpm) PRES. (Bar)
Máx.Mín.
CONEXIONES PESO
(Kgs.)
66 81 97 112 121 142
21 25 30 35 38 45
Lts.a 1000 rpm
Gal.a1200rpm
PresiónAspiraciónIntermit.Contin.
23Ø2"2101752400600
CAUDALES
Ø1"1/4
Para otros tipos de ejes, rogamos consulten
EJE Nº 1 EJE Nº 11 EJE Nº 86
33
Bs
BOMBAS SIMPLES TIPOS VK-35,VS-35 Y VQ-35
DIAGRAMAS DE CAUDALY
POTENCIA ABSORBIDA
40
80
120
160
200
240
280
320
l/min
500 1000 1500 2000 2500 R.P.M.
0 BAR 210 BAR
500 1000 1500 2000 2500 R.P.M.
100 BAR 175 BAR
21
21
38
38
25
25
30
30
35
35
38
38
35
35
30 30
25 25
21 21
40
80
120
160
HP
20
60
100
140
29,8
59,6
89,5
119,3
Kw
14,9
44,7
74,6
104,4
10,6
21,1
31,7
42,3
52,8
63,4
74,0
84,5
US Gal/min
34
BOMBAS SIMPLES TIPOS VK-45, VS-45 Y VQ-45
EJE Nº 1 EJE Nº 86EJE Nº 11
VELOC. (rpm) PRES. (Bar)
Máx.Mín.
CONEXIONES PESO
(Kgs.)
Lts.a 1000 rpm
Gal.a1200rpm
PresiónAspiraciónIntermit.Contin.
35,5Ø1"1/2Ø3"1751552200*600
CAUDALES
* Para más detalle ver tabla general
Para otros tipos de ejes, rogamos consulten
138 148 162 180 193 214 240
42 47 50 57 60 67 75
35
BOMBAS SIMPLES TIPOS VK-45, VS-45 Y VQ-45
Bs
DIAGRAMAS DE CAUDALY
POTENCIA ABSORBIDA
70
140
210
280
350
420
490
560
l/min
500 1000 1500 2000 2500 R.P.M.
0 BAR 175 BAR
500 1000 1500 2000 2500 R.P.M.
100 BAR 175 BAR
57
50
60
60
42
42
47
57
50
47
60
60
57
50 50
47 47
42 42
57
50
100
150
200
HP
25
75
125
175
37,3
74,6
111,8
149,1
Kw
18,6
55,9
93,2
130,5
18,5
37,0
55,5
74,0
92,5
111,0
129,4
147,9
US Gal/min
36
37
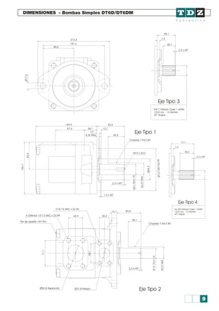
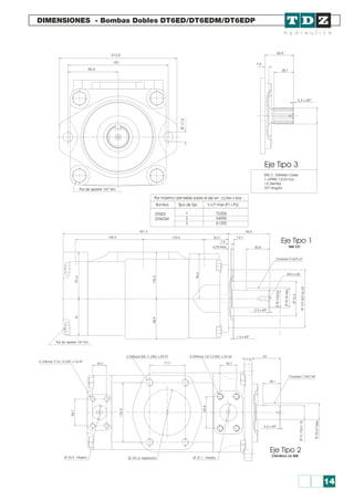
- Bombas simples de eje pasante tipo V**T
BOMBAS SIMPLES DE EJE PASANTE
(Para los gráficos de caudal y potencia, ver los de
las correspondientes bombas simples.)
Be
Bomba de eje pasante VK7TC con bomba doble VK64
38
F3 VK 7T C 60 D 86 A A
1 2 3 4 5 6 7 8 9
1 - "F3" indica juntas especiales para fluidos ininflamables. Omitir si estas no son necesarias.
2 - Tipo de bomba:
VK = Bomba de 10 paletas, uso móvil e industrial, roscas en pulgadas
VS = Bomba de 12 paletas, uso industrial (muy silenciosas), roscas en pulgadas
VQ = Bomba de 10 paletas y placas de bronce, uso móvil, roscas en pulgadas
3 - Modelo de bomba: 4T, 6T y 7T.
4 - Montaje de bomba trasera: Con brida SAE de 2 agujeros.
A: Brida SAE-A
B: Brida SAE-B
C: Brida SAE-C
5 - Caudal: En galones por minuto a 1200 rpm y 7 bar. y en litros por minuto a 1000 rpm y 7 bar.
6 - D = Sentido de giro Derecha (Sentido de rotación de las agujas del reloj).
Y = Sentido de giro Izquierda.
(Para averiguar el sentido de giro deberemos mirar la bomba desde el extremo del eje) .
7 - Tipo de eje:
1: Cilíndrico con chaveta
11: Estriado
86: Cilíndrico con chaveta, reforzado
8 - Posición de la salida vista desde el eje:
A: En línea con la entrada
B: 90° a la derecha con la entrada
C: 180° con la entrada
D: 90° a la izquierda con la entrada
9 - Posición de la brida de acoplamiento vista desde la brida:
A: Girada 45º a la derecha (sentido horario)
B: Girada 45º a la izquierda
Bridas SAE-B y SAE-C:
A: En línea con la brida delantera
B: Girada 90° con la brida delantera
39
CARACTERÍSTICAS DE LAS BOMBAS SIMPLES DE EJE PASANTE
TIPO
CAUDALES VELOCIDADES
(rpm)
PRESIONES
(Bar)
Intermit.Máx.Mín.
Gal. a
1200 rpm
Lts.a
1000 rpm Contin.
PESO
(Kgs.)
Aspiración Presión
CONEXIONES
Reducción
(1)
Potencia
nominal
(2)
600
175 210
19,5Ø25,4Ø64
8
12
14
17
19
21
24
27
26
40
45
55
60
67
80
88*
66
81
97
112
121
142
21
25
30
35
38
45
600
175 210 29,5Ø31,8Ø76
138
148
162
180
193
214
240
42
47
50
57
60
67
75
600 155 175 38Ø38,1Ø89
6,9
10,4
11,6
13,8
14,6
16,8
20,3
23,8
16,8
20,3
24,3
27,4
29,3
33,3
32,3
36,3
37,9
43,2
46,1
51,2
57,4
VK4T
VS4T
VQ4T
VK6T
VS6T
VQ6T
VK7T
VS7T
VQ7T
2500
1800
(VS)
2200
1800
(VS)
2400
1800
(VS)
Be
La bomba acoplada a la bomba V**T* tendrá la brida y el eje de acuerdo a la siguiente tabla:
Modelo
V**TA 16/32 9 30º SAE-A
V**TB 16/32 13 30º SAE-B
V**TC 12/24 14 30º SAE-C
Estriado DP Brida
Eje bomba acoplada
Angulo pres.Nº dientes
La suma de los pares de la bomba V**T y la bomba acoplada a ésta, ambas en presión, no excederá a
los pares dados a continuación:
Nº eje
1 313
11 313
86 392
Par máximo
Nm
Nº eje
1 392
11 568
86 588
Par máximo
Nm
Nº eje
1 588
11 803
86 803
Par máximo
Nm
V*4T V*6T V*7T
Reducción de caudalde salida en Ltrs./min. a 100 Bar. con un aceite de viscosidad 22 cSt a temperatura de trabajo. Para calcular
elcaudalaproximadodesalidaaunavelocidadypresióndadasutilizaremoslafórmulareseñadamásadelanteconlosvaloresdecaudal
teórico y de reducción de caudal indicados en el cuadro. Los valores de reducción de caudal son independientes de las revoluciones
deleje.
Caudal aprox. de salida (Ltrs./min) = Caudal teórico x Reducción x
Potencia nominal en CV a 100 Bar y 1000 rpm. (Para convertir en Kw multiplicar por 0,735). Para obtener la potencia real absorbida
a una presión y revoluciones diferentes utilizar la siguiente fórmula:
Potencia Real absorbida = Potencia nominal x x
(1)
(2)
Presión (Bar)
100
R.P.M.
1000
R.P.M.
1000
Presión (Bar)
100
1500 125 150
1500 125 150
ACOPLAMIENTODELEJEPASANTE
PARMAXIMOTRANSMISIBLE
PAR MAXIMO DE LABOMBAACOPLADA
* En la bomba VQ4T no se montan cartuchos de 88 lts. (27 gal.)
El par de la bomba acoplada a la bomba V**T, en presión, no excederá a los pares dados en la página
siguiente según el tipo de conexión.
8,6
9
10
11,4
11,4
13,1
15
15,7
14,3
17,9
18,6
22
26
4,5
5,7
5,7
5,8
5,8
6
6,2
6,5
40
DIMENSIONESDELASBRIDASTRASERASDEACOPLAMIENTOEN
LAS BOMBAS DE EJE PASANTE TIPO V**T*
Brida
trasera
(conexión)
Par max.
transmitido
Nm
130
315
440 (V*6TC)
700 (V*7TC)
A
B
C
Par de apriete de los tornillos 6,5 Kp.m.
41
EJE Nº 1 EJE Nº 11
Para otros tipos de ejes, rogamos consulten
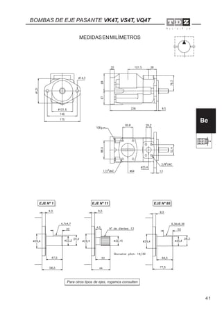
BOMBAS DE EJE PASANTE VK4T, VS4T, VQ4T
Be
EJE Nº 86
MEDIDASENMILÍMETROS
42
Para otros tipos de ejes, rogamos consulten
V*6TA 20
V*6TB 30
V*6TC 38
AModelo
BOMBAS DE EJE PASANTE VK6T, VS6T, VQ6T
EJE Nº 1 EJE Nº 11 EJE Nº 86
MEDIDASENMILÍMETROS
43
Para otros tipos de ejes, rogamos consulten
BOMBAS DE EJE PASANTE VK7T, VS7T, VQ7T
V*7TA 20
V*7TB 30
V*7TC 38
AModelo
Be
EJE Nº 11EJE Nº 1 EJE Nº 86
MEDIDASENMILÍMETROS
44
45
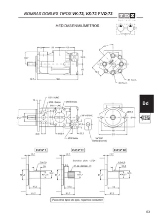
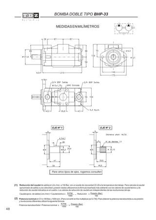
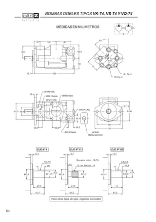
-Bombas dobles tipo BHP, VK , VS y VQ (Móvil e Industrial)
(Para los gráficos de caudal y potencia, ver los de las correspondientes
bombas simples.)
Bd
BOMBAS DOBLES
46
F3 VK 43 21 8 D 1 A A
1 2 3 4 5 6 7 8 9
1 - "F3" indica juntas especiales para fluidos ininflamables. Omitir si estas no son necesarias.
2 - Tipo de bomba:
BHP = Bomba de 10 paletas, uso Móvil e Industrial, roscas en métrica.
VK = Bomba de 10 paletas, uso Móvil e industrial, roscas en pulgadas.
VS = Bomba de 12 paletas, (excepto en los cartuchos de lado tapa de las bombas VS*3,
que son de 10 paletas), uso Industrial (muy silenciosas), roscas en pulgadas.
VQ = Bomba de 10 paletas, placas de bronce, uso móvil, roscas en pulgadas.
3 - Modelo de bomba: 33,42,42V,43,63,64,73,74 y 76.
La bomba VK42 puede llevar en el cartucho pequeño una tapa con válvulas reguladora de
caudal y limitadora de presión. En ese caso se añadirá una V: VK42V.
4 - Caudal de la bomba lado eje: En el modelo BHP33 en litros por minuto a 1000 rpm y 7 Bar.
En el resto de modelos en galones por minuto a 1200 rpm y 7 Bar.
(Ver tabla de características).
5 - Caudal de la bomba lado tapa: En los modelos BHP33 y VK42-VS42 en litros por minuto a
1000 rpm y 7 Bar. En el resto de modelos en galones por minuto a 1200 rpm y 7 Bar.
(Ver tabla de características).
6 - D = Sentido de giro Derecha (Sentido de rotación de las agujas del reloj).
Y = Sentido de giro Izquierda.
(Para averiguar el sentido de giro deberemos mirar desde el extremo del eje) .
7 - Tipo de eje:1= Cilíndrico con chaveta
2 = Estriado
11 = Estriado
86 = Cilíndrico con chaveta reforzado
8 - Posición de la salida de la bomba lado eje:
A: En línea con la entrada
B: 90° a la derecha con la entrada
C: 180° con la entrada
D: 90° a la izquierda con la entrada
(Vista desde el eje)
9 - Posición de la salida de la bomba lado tapa:
A: 45° a la derecha con la entrada
B: 135° a la derecha con la entrada
C: 135° a la izquierda con la entrada
D: 45° a la izquierda con la entrada
(Vista desde el eje)
Bomba lado Eje
Bomba lado Tapa
47
2000
15
PESO
(Kgs.)
7
8
10
12
15
26
40
45
55
60
67
80
88*
8
18
27
29
36
39
46
2
5
8
9
11
12
14
8
12
14
17
19
21
24
27
26
40
45
55
60
67
80
88*
66
81
97
112
121
142
21
25
30
35
38
45
2500 150 175
CAUDALES PRESIONES
(Bar)
Contin. Interm.
Lts.a
1000 rpm
Gal. a
1200 rpm
2500 150 175 16
2500 175 210
21
BOMBA LADO TAPA
2500 175 210 31
33
2500
1800
(VS)
175 210 46
175 2102500
1800
(VS)
45
2400
1800
(VS)
175 210
175 2102500
1800
(VS)
55
2500 150 175
CAUDALES PRESIONES
(Bar)
Contin.
6
16
18
25
27
35
38
44
50
26
40
45
55
60
67
80
88*
8
12
14
17
19
21
24
27
66
81
97
112
121
142
42
47
50
57
60
67
75
138 42 15
148 47 15,7
162 50 14,3
180 57 17,9
193 60 18,6
214 67 22
240 75 26
Interm.
Lts.a
1000 rpm
Gal. a
1200 rpm
175 210
2500
1800
(VS)
175 210
BOMBA LADO EJE
2400
1800
(VS)
175 210
175 210
155 175
175155
155 175
2400
1800
(VS)
BHP33
VK43
VS43
VQ43
VK63
VS63
VQ63
VK64
VS64
VQ64
Reducc.
(2)
2200
1800
(VS)
2200
1800
(VS)
Reducc.
(2)
Potenc.
nomin.
(3)
Potenc.
nomin.
(3)
MAX.
rpm
TIPO MAX.
rpm
2,2
2,5
3,2
3,8
4,7
0,7
1,1
1,1
1,1
1,1
8
18
27
29
36
39
46
2
5
8
9
11
12
14
0,9
2,1
2,8
3,5
4,3
4,3
4,3
1,9
4
6,6
6,9
7,3
7,4
7,6
0,9
2,1
2,8
3,5
4,3
4,3
4,3
6,9
10,4
11,6
13,8
15,2
16,8
20,3
22,4
16,8
20,3
24,3
27,4
29,3
33,3
6,9
10,4
11,6
13,8
15,2
16,8
20,3
22,4
16,8
20,3
24,3
27,4
29,3
33,3
32,3
36,3
37,9
43,2
46,1
51,2
57,4
16,8
20,3
24,3
27,4
29,3
33,3
6,9
10,4
11,6
13,8
15,2
16,8
20,3
22,4
6,9
10,4
11,6
13,8
15,2
16,8
20,3
22,4
1,9
4
6,6
6,9
7,3
7,4
7,6
1,8
2
2,5
3
3,7
2500
1800
(VS)
Bd
2
5
6
8
9
11
12
14
16
0,9
1,7
2,8
4,5
4,8
4,8
5,4
6,6
7,8
1,9
4,3
5,3
6,9
7,6
8,8
10,2
11,9
13,6
6
16
18
25
27
35
38
44
50
2
5
6
8
9
11
12
14
16
0,9
1,7
2,8
4,5
4,8
4,8
5,4
6,6
7,8
1,9
4,3
5,3
6,9
7,6
8,8
10,2
11,9
13,6
26
40
45
55
60
67
80
88*
8
12
14
17
19
21
24
27
21
25
30
35
38
45
66
81
97
112
121
142
8
18
27
29
36
39
46
2
5
8
9
11
12
14
0,9
2,1
2,8
3,5
4,3
4,3
4,3
1,9
4
6,6
6,9
7,3
7,4
7,6
8
12
14
17
19
21
24
27
2000
21
25
30
35
38
45
138
148
162
180
193
214
240
42
47
50
57
60
67
75
VK42
VS42
VQ42
(1)
VK73
VS73
VQ73
VK74
VS74
VQ74
VK76
VS76
VQ76
2200
1800
(VS)
(Continuaenpiedelapáginasiguiente.)
1500 100 125
1500 125 150
1500 125 150
1500 125 150
1500 125 150 1500 125 150
1500 125 150
1500 125 150
1500 125100
* Las bombas VQ42, VQ43, VQ64, VQ74 no montan cartuchos de 88 lts. (27 gal.)
CARACTERÍSTICAS DE LAS BOMBAS DOBLES DE PALETAS
138
148
162
180
193
214
240
32,3
36,3
37,9
43,2
46,1
51,2
57,4
32,3
36,3
37,9
43,2
46,1
51,2
57,4
4,5
5,7
5,7
5,8
5,8
6
6,2
6,5
4,5
5,7
5,7
5,8
5,8
6
6,2
6,5
4,5
5,7
5,7
5,8
5,8
6
6,2
6,5
4,5
5,7
5,7
5,8
5,8
6
6,2
6,5
8,6
9
10
11,4
11,4
13,1
8,6
9
10
11,4
11,4
13,1
8,6
9
10
11,4
11,4
13,1
15
15,7
14,3
17,9
18,6
22
26
15
15,7
14,3
17,9
18,6
22
26
48
Reducción del caudal de salida en Ltrs./min. a 100 Bar. con un aceite de viscosidad 22 cSt a la temperatura de trabajo. Para calcular el caudal
aproximado de salida a una velocidad y presión dadas utilizaremos la fórmula reseñada más adelante con los valores de caudal teórico y de
reducción de caudal indicados en el cuadro. Los valores de reducción de caudal son independientes de las revoluciones del eje.
Caudal aprox. de salida (Ltrs./min) = Caudal teórico x Reducción x
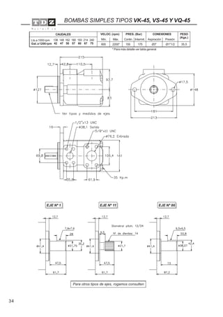
BOMBA DOBLE TIPO BHP-33
EJE Nº 1
Potencia nominal enCVa100Bary1000rpm.(ParaconvertirenKwmultiplicarpor0,735).Paraobtenerlapotenciarealabsorbidaaunapresión
y revoluciones diferentes utilizar la siguiente fórmula:
Potencia real absorbida = Potencia nominal x x
(2)
R.P.M.
1000
Presión (Bar)
100
R.P.M.
1000
Presión (Bar)
100
(1)
EJE Nº 2
Para otros tipos de ejes, rogamos consulten
MEDIDASENMILÍMETROS
49
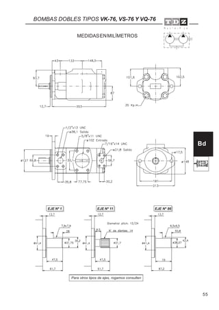
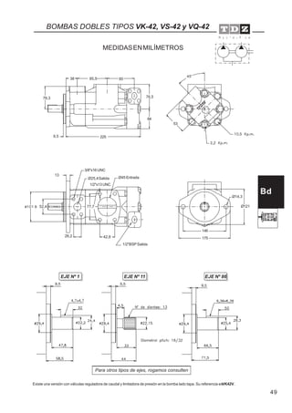
BOMBAS DOBLES TIPOS VK-42, VS-42 y VQ-42
38 85,5 85
76,5
64
2259,5
76,3
53
Ø121
Ø14,3
146
175
13
52,4
26,2 42,8
3/8"x16 UNC
1/2"x13 UNC
Ø25,4Salida Ø45 Entrada
1/2"BSPSalida
77,7
Para otros tipos de ejes, rogamos consulten
Bd
EJE Nº 11EJE Nº 1 EJE Nº 86
MEDIDASENMILÍMETROS
Existe una versión con válvulas reguladora de caudal y limitadora de presión en la bomba lado tapa. Su referencia esVK42V.
50
38 101,5 89,5
84
64
2509,5
76,3
76,3
Ø121Ø101,6
Ø14,3
146
175
52,4
26,2 50,8
3/8"x16UNC
1/2"x13UNC
89
3/8"x16UNC
47,6
22,2
13
6,5
10,5
BOMBAS DOBLES TIPOS VK-43, VS-43 Y VQ-43
Ø25,4Salida Ø64 Entrada
Ø19 Salida 3/4"BSP
(Salidaopcional)
Para otros tipos de ejes, rogamos consulten
EJE Nº 11EJE Nº 1 EJE Nº 86
MEDIDASENMILÍMETROS
51
38 110,9 98
89,5
78
2759,5
82,5
76,3
Ø148Ø127
Ø17,5
181
213
58,7
30,2 61,9
7/16"x14 UNC
5/8"x11UNC
3/8"x16UNC
47,6
16
106,3
22,2
6,5
22,5
BOMBAS DOBLES TIPOS VK-63, VS-63 Y VQ-63
Ø31,8Salida Ø76 Entrada
Ø19 Salida
3/4"BSP
(Salidaopcional)
Para otros tipos de ejes, rogamos consulten
Bd
EJE Nº 1 EJE Nº 11 EJE Nº 86
MEDIDASENMILÍMETROS
52
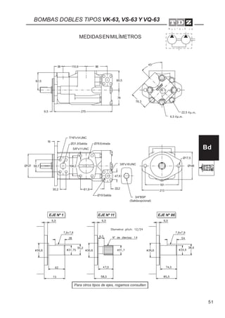
BOMBAS DOBLES TIPOS VK-64, VS-64 Y VQ-64
38 116,9 110
89,5
78
2919,5
82,5
75
Ø148Ø127
Ø17,5
3/4"BSP
(Opcional)
181
213
58,7
30,2 61,9
7/16"x14 UNC
5/8"x11 UNC
Ø31,8Salida Ø76 Entrada
Ø25,4Salida
3/8"x16 UNC
52,4
16
106,3
EJE Nº 1 EJE Nº 11 EJE Nº 86
Para otros tipos de ejes, rogamos consulten
MEDIDASENMILÍMETROS
26,2
10,5
22,5
53
BOMBAS DOBLES TIPOS VK-73, VS-73 Y VQ-73
43 120 120
102,5
85
30412,7
93,7
76,3
Ø148Ø127
Ø17,5
181
213
69,8
35,8 69,8
1/2"x13 UNC
5/8"x11UNC
Ø38,1Salida Ø89 Entrada
Ø19 Salida
3/8"x16 UNC
47,6
22,2
16
120,6
3/4"BSP
(Salidaopcional)
Bd
EJE Nº 1 EJE Nº 11 EJE Nº 86
Para otros tipos de ejes, rogamos consulten
MEDIDASENMILÍMETROS
6,5
35
54
BOMBAS DOBLES TIPOS VK-74, VS-74 Y VQ-74
43 120 136
102,5
83
32512,7
93,7
75
Ø148Ø127
Ø17,5
181
213
69,8
35,8 69,8
1/2"x13 UNC
5/8"x11 UNC
Ø38,1Salida Ø89 Entrada
Ø25,4Salida
3/8"x16 UNC
52,4
26,2
16
120,6
3/4"BSP
(Salidaopcional)
Para otros tipos de ejes, rogamos consulten
EJE Nº 1 EJE Nº 11 EJE Nº 86
MEDIDASENMILÍMETROS
10,5
35
55
BOMBAS DOBLES TIPOS VK-76, VS-76 Y VQ-76
3/4"BSP
(Salidaopcional)
Bd
Para otros tipos de ejes, rogamos consulten
EJE Nº 1 EJE Nº 11 EJE Nº 86
MEDIDASENMILÍMETROS
BOMBAS DE PALETAS - Simples y Múltiples
Bomba Simple Bomba Doble Bomba Triple
CARACTERÍSTICAS
Las bombas de paletas de la serie DT son bombas de
caudal fijo y alto rendimiento. La gama comprende bombas
simples, dobles y triples según múltiples configuraciones.
LARGA DURACIÓN
Debido al efecto de la compensación hidrostática y a la
rigidez de los cojinetes las bombas de paletas de la serie DT
poseen una mayor duración.
ALTA PRESIÓN
Presiones de trabajo hasta 320 bar.
AMPLIA GAMA
Las bombas de paletas de la serie DT tienen una muy amplia
gama de cilindradas tanto en montajes de bombas simples
como múltiples, combinando para éstas últimas las bombas
con presiones de trabajo más altas. Todas las bombas
tienen un diseño ligero y compacto con lo que la relación
peso/potencia es excepcional.
ALTOS CAUDALES
Debido al tamaño constructivo de la bomba se consiguen
grandes caudales simplemente cambiando los cartuchos y
manteniendo el mismo cuerpo. Así el “B” de 15 gpm, el “C”
de 31 gpm , el “D” de 61 gpm y el “E” de 85 gpm.
BAJO NIVEL SONORO
En la industria actual cada vez es más importante el nivel
sonoro. El diseño de los cartuchos optimiza grandemente la
reducción del ruido y hace que el resultado final sea muy
aceptable.
FLEXIBILIDAD DE MONTAJE
Una instalación muy flexible y económica viene garantizada
debido a la configuración y disposición de las bocas de
presión y aspiración (4 posiciones para las bombas simples,
32 para las bombas dobles y 128 para las triples ).
DURACIÓN
Un excelente resultado en arranques en frío y una resistencia
superior garantizan a las bombas de las series DT una
máxima eficiencia y rendimiento además de una larga
duración.
DISEÑO DE CARTUCHOS
Las bombas de la serie DT vienen con una amplia gama de
cartuchos intercambiables a fin de garantizar una mayor
flexibilidad en el montaje además de disponer así mismo de
una variedad de caudales muy extensa.
ALTAS VELOCIDADES DE ROTACIÓN
La velocidad de rotación de una bomba viene influenciada
por la el peso específico y viscosidad del aceite así como por
la capacidad de aspiración. La máxima velocidad que se
alcanza es de 3600 rpm. La mínima operativa es de 400 rpm
en aplicaciones móviles y 600 rpm en aplicaciones
industriales.
De todas formas para cada velocidad, caudal y presión de
trabajo recomendamos consultar en todo momento las
características de cada bomba .
ALTO RENDIMIENTO
El elevado rendimiento volumétrico (normalmente 94%)
reduce grandemente la generación de calor. Asimismo a
bajas velocidades y altas presiones el elevado rendimiento
mecánico (normalmente 94%) reduce el consumo de
energía. Un elevado rendimiento incrementa la
productividad.
AMPLIA GAMA DE VISCOSIDADES ACEPTADAS
Viscosidades desde 2000 a 10 cst, permiten eficazmente el
arranque en frío o el pesado trabajo continuo. De todas
formas la viscosidad óptima del aceite está entre los 16 cst
(80 SUS) y los 40 cst (180 SUS).
VERSATILIDAD DE APLICACIONES
Las bombas de la serie DT se utilizan en la práctica totalidad
de las aplicaciones tanto móviles como industriales,
basadas en la utilización de aceites con base mineral o
incluso aceites ignífugos.
FLUIDOS IGNíFUGOS
Ester fosfatos, hidrocarburos clorados, glicoles basados en
agua y otras emulsiones están entre los aceites con los que
pueden trabajar sin ningún tipo de problema las bombas de
la serie DT.
VENTAJAS
Alta resistencia a la contaminación del aceite debido al
diseño de la paleta de doble labio.
Amplia variedad de opciones (de cilindrada por el cambio
de cartucho, de ejes de salida y de posición de bocas)
• Ideales para aplicaciones de baja presión, baja velocidad y
una alta viscosidad ya que se consigue una reducción del
consumo de energía.
• El diseño constructivo de los cartuchos lo hacen ideal para
aplicaciones pesadas.
• Los orificios laterales reducen el drenaje interno, ayuda a
equilibrar el balance de presiones internas y mejora la
lubricación además de actuar como refrigerante.
1
BOMBAS DE PALETAS - Descripción
Cartucho de Bomba Serie DT
DESCRIPCIÓN DE LA BOMBA
Las bombas de la serie DT poseen una amplia gama de
caudales debido a la intercambiabilidad de sus cartuchos.
Todas las bombas se pueden servir con bridas de presión
y aspiración y con soporte y acoplamiento.
CARACTERÍSTICAS
Debido al equilibrio hidrostático, el rotor no tiene movimiento
radial con lo cual transmite todo el par de fuerza originado
por la presión de la bomba. El drenaje interno se ve reducido
al mínimo gracias al diseño de la placa de presión. Se puede
trabajar así mismo con una amplia variedad de viscosidades
de aceite y a temperaturas de trabajo extremas.
FUNCIONAMIENTO
El funcionamiento de la bomba de paletas se describe en la
figura superior. La fuente de potencia se transmite al rotor
interno a través del cartucho y el eje principal. Cuando dicho
rotor gira, hacen que se muevan las paletas siguiendo la
trayectoria de la excéntrica consiguiéndose así dos ciclos de
aspiración completos y uno de presión por cada revolución.
Debido al diseño de la excéntrica el rotor se mantiene en
carga cuando las paletas trabajan sobre los ángulos mayor o
menor.
La cilindrada de la bomba depende del tamaño del cartucho
y del rotor y se consigue cuando la paleta está a la máxima
distancia de la superficie del rotor.
Los componentes del cartucho son la excéntrica, el rotor,
dos placas y las paletas. El caudal entrante de la bomba
pasa a través de los orificios a ambas partes del cartucho.
Cuando se alcanza el caudal de salida el volumen de la
cámara desciende y el fluido se ve forzado a salir del
sistema.
2
VENTAJAS COMPARATIVAS - VISTA RAPIDA
Aspiración
Presión
La placa de presión está cortada axialmente a fin de
reducir el drenaje interno de la bomba.
Cojinetes de rodillos estudiados para corregir las
posibles desalineaciones del eje principal.
ORIFICIOS LATERALES
Amplia variación de ejes de salida estriados
y cilíndricos siguiendo las normas SAE e ISO 3019-1
Cartucho intercambiable
* Reduce el drenaje interno y el calentamiento
* Mejora el balance de presión
* Mejora la lubricación
Orificios en la excéntrica
mejoran la aspiración
Descarga progresiva del
aceite cuando se desplaza
la paleta hacia afuera
Cuando la paleta trabaja en el
ángulo mayor la bomba comprime
el aceite y consecuentemente da
presión
Orificios laterales adicionales mejoran
el rendimiento de la bomba.Cuando la paleta trabaja en el
ángulo menor la bomba aspira
La paleta se mueve rápidamente hacia
afuera por efecto de la fuerza centrífuga
y del movimiento del eje intermedio
La cavidad del eje intermedio iguala las
diferencias de presión existentes entre la
aspiración y la descarga.
Conducto de presión
que se llena cuando
la paleta se mueve
DISEÑO DE LA EXCENTRICA
DISEÑO DE PALETA CON DOBLE LABIO
* Incrementa la vida útil
* Reduce la fricción
* Elimina problemas de
aspiración
* Mejora el rendimiento
* Reduce el esfuerzo
* Se incrementa la presión
de trabajo de la bomba
DISEÑO DEL EJE INTERMEDIO
* Optimiza el esfuerzo de la paleta
* Reduce el drenaje interno
* Reduce el nivel sonoro
vista A-A
B
B
vista B-B
A
A
3
CODIFICACION - Bombas de paletas Series DT
DT6C - B17 - 1 - R - 00 - B - 1 - M
Modificaciones
Tipo de Juntas
Número de Serie
Sentido de giro
Tipo de eje
Tamaño de cartucho o cilindrada
Bombas de paletas de la serie DT
Posición de Bocas (ver diagramas)
4
BOMBAS DE PALETAS - Características generales
DT6C/
DT6CM/
DT6CP
003
005
006
008
010
012
014
017
020
022
025
028
031
10.8
17.2
21.3
26.4
34.1
37.1
46.0
58.3
63.8
70.3
79.3
88.8
100
Series Cartucho Cilindrada Presión Max Velocidad Max Peso Brida Montaje Bridas SAE 4 agujeros
3
Tipo cm/rev bar rpm Kgs Standard
SAE j744c Aspiración Presión
ISO 3019-1
BOMBAS SIMPLES
BOMBAS DOBLES
275 2800 15 SAE B 1 ½” 1”
210 2500
Modelo DT6CP monta sólo cartuchos del B14 al B31
B - B15 - 280 bar máximo intermitente
C - 025,028,031 - 2500 rpm max 028,031 - 210 bar max intermitente
D - 042,045,050 - 2200 rpm max 050 - 210 bar max intermitente - 061 - 120 bar max intermitente
E - 085 - 2000 rpm max - 90 bar max intermitente
DT6D/
DT6DM/
DT6DP
DT6E/
DT6EM/
DT6EP
014
020
024
028
031
035
038
042
045
050
061
042
045
050
052
062
066
072
085
47.6
66.0
79.5
89.7
98.3
111.0
120.3
136.0
145.7
158.0
190.5
132.3
142.4
158.5
164.8
196.7
213.3
227.1
269.8
240 2500 24 SAE C 2” 1 1/4”
240 2200 44 SAE C 3” 1 ½”
210
90
120
2200
2000
1800
Series Cartucho Cilindrada Presión
3
Tipo cm/rev Max. bar
Cartucho Cilindrada Presión
3
Tipo cm/rev Max. bar
P1 P2
Velocidad
Max
Peso
Kgs
Brida de
Montaje
standard
SAE j744c
ISO 3019-1
Bridas SAE 4
agujeros
Aspiración
S
Presión
P1 P2
DT6CC/M 003 a 031 10.8 a 100 275 003 a 031 10.8 a 100 275 2800 SAE B 26
DT6DC/M 014 a 061
DT6EC/M 042 a 085
DT6ED/M 042 a 085
2 ½”ó 3” 1” 1” ó 3/4”
47.6 a 190.5
47.6 a 190.5
132.3 a 269.8
132.3 a 268.8
240 003 a 031 10.8 a 100 275 2800 SAE C 37
240 003 a 031 10.8 a 100 275 2200 SAE C 55
240 2200 SAE C 66240 014 a 061
3” 1 1/4” 1”
4” 1 ½” 1”
3 ½” 1 ½” 1”
5
BOMBAS DE PALETAS - Características generales
BOMBAS DOBLES DE PALETAS - Diagrama de posición de bocas
BOMBAS TRIPLES
B - B15 - 280 bar máximo intermitente
C - 025,028,031 - 2500 rpm max 028,031 - 210 bar max intermitente
D - 042,045,050 - 2200 rpm max 050 - 210 bar max intermitente - 061 - 120 bar max intermitente
E - 085 - 2000 rpm max - 90 bar max intermitente
Series Cartucho Cilindrada Presión
3
Tipo cm/rev Max. bar
Cartucho Cilindrada Presión
3
Tipo cm/rev Max. bar
Cartucho Cilindrada Presión
3
Tipo cm/rev Max. bar
P1 P2 P3
Velocidad
Max
Peso
Kgs
Brida de
Montaje
standard
SAE j744c
ISO 3019-1
Bridas SAE 4
agujeros
Aspiración
S
Presión
P1 P2 P3
DT6DCC 014 a 061
DT6EDC 042 a 085
47.6 a 190.5
132.3 a 269.8
10.8 a 100
47.6 a 190.5
10.8 a 100
10.8 a 100
4”
4”
1”
1 1/4”
1 1/4”
1 ½”
1”ó3/4”
1”ó3/4”
240
240
275
240
275
275
2500 SAE C 61
2200 ISO 3019-2 100
003 a 031
014 a 061
003 a 031
003 a 031
P1-P2
P1-P2
P1-P2
P1-P2
P1-P2
P1-P2
P1
P1
P1
P1
P1 P1 P1 P1
P1 P1 P1 P1
P1 P1 P1
P1
P1
P1
P1
P1
P1
P1
P1
P1
P1
P1
P1
P1
P1
P1-S
P1-S
P1-S
P1-S
P1-S P1-S P1-S P1-S
P1-S
P1-S
P1-S
P2
P2
P2
P2
P2
P2
P2 P2
P2 P2
P2
P2 P2
P2
P2 P2
P2
P2
P2
P2
P2
P2
P2
P2
P2
P2
P2
P2
P2 P2
P2
P2
P2
P2
P2
P2
P2
P2
S-P2
S-P2
S
S
S
S
S
S
S
S
S
S
S S S
S
S S S S
S S S
S
S
S
S
S
S
S
S
S
S
S
S-P1-P2
S-P1-P2
00 01 02 03 04 05 06 07
00 01 02 03 04 05 06 07
08 09 10 11 12 13 14 15
08 09 10 11 12 13 14 15
16 17 18 19 20 21 22 23
24 25 26 27 28 29 30 31
DT6CC-DT6DC-DT6EC
DT6ED
6
BOMBAS TRIPLES DE PALETAS - Diagrama de posición de bocas
P1-P2-P3 P1-P2-P3 P1-P2-P3 P1
P1
P1-P2 P1
P1-P2 P1-P2 P1-P3 P1 P1-P3
P1 P1 P1-S
P1-S
P1
P1-S
P1-P3
P1
P1
P1
P1
P1
P1
P1
P1
P1
P1
P1
P1
P1-P3
P1-S
P1 P1
P1-P2
P1-P3
P1-P3
P1-P2
P1-P3
P1-P2
P1-P3
P1-P2
P1-P3
P1-P2
P1
P1
P1
P1
P1
P1
P2
P2
P2
P2
P2
P2
P1-P2
P1-S P1-S P1-S P1-S
S-P1-P2 S-P1-P2 S-P1-P2 S-P1-P3 S-P1-P3 S-P1-P3
P1-S
P2
P3 P3 P3
P2-P3
P3
P3
P3
P2
P2
P2
P3
P2
P2
P2
P2
S
S
S
S
S
S
S
S
S
S
P2 P2
P2 P3
P2
P3
P3
P2
P2-P3
P2
P2-P3
P2
P2
P2
P2
P2
P3
P3
P3
P3
P3
P3
P3
P3
P3
P3
P2
P2
P2
P2
P2 P2
P2
P2
P3
P3
S
S
S
S
S
S S S
S
S
P3
P3
P3
P3
P2
P3
P2
S-P2
P3
P2
P2
P2
S-P2-P3S
S S
S
S
P3
S
S
S S
S
S
S
S-P2 S-P2 S-P3 S-P3
S
S
P3
P3
P2
P2
P2
P3
P3
P3
P3
P3
P3
P3
P3
P3
P3
S S
S-P3
S S S S
S
S-P1-P2-P3
00 01 02 03 04 05 06 07
08 09 10 11 12 13 14 15
16 17 18 19 20 21 22 23
24 25 26 27 28 29 30 31
32 33 34 35 36 37 38 39
40 41 42 43 44 45 46 47
48 49 50 51 52 53 54 55
56 57 58 59 60 61 62 63
DT6DCC-DT6EDC
7
DIMENSIONES - Bombas Simples DT6C/DT6CM
174,5
146,0
73,0
Ø14,2
1,3 x 45º
1,5 x 45º
Chaveta 6,35/6,30
38,1
71,4161,5
Par de apriete 159Nm
82,3 38,1
9,7
7,9
6,35 Max
Mx1608,
76,2
134,6
24,54Max
Ø513,
Ø0,6/0,5110115
Ø22,22/2220,
Eje Tipo 1
35,7 26,2
12,7
58,2
31,8
Chaveta 4,762/4,712
6,869
3,349
,524
26,2
Ø22,22/22,20
,4M245ax
7,9
13,1017,851/2-13 UNC x 22.35 Profundidad
3/8-16 UNC x 19.05 Profundidad
Ø38,1 Aspiración Ø25,4 Presión
1,5 x 45º
Eje Tipo 2
40,7
7,9
24,5
1,5 x 45º
SAE B Estriado Clase 1-J498b
16/32 d.p. - 13 Dientes
30º ángulo
Eje Tipo 3
45,5
7,9
24,5
1,5 x 45º
SAE BB Estriado Clase 1-J498b
16/32 d.p. - 15 Dientes
30º ángulo
Eje Tipo 4
8
DIMENSIONES - Bombas Simples DT6D/DT6DM
212,4
83,6
12,7
49,3
Chaveta 7,94/7,89
M10 x 20,0
2,3 x 45º
1,3 x 45º
7/16-14 UNC x 22.35
42,9 30,2
15,7 83,6
38,1
2,3 x 45º
Ø31,8 PresiónØ50,8 Aspiración
Chaveta 7,94/7,89
4 Orificios 1/2-13 UNC x 23.88
Par de apriete 187 Nm
Ø27,026,9510/1
Ø4,36
82,6
156,7
7530Ø31,/1,7
35,M27ax
184,9
87,4 38,1
7,9
6,35 Max
55,1
77,7
7,9
48,0
2,3 x 45º
38,1
2,3 x 45º
7,9
181,0
90,5
Ø7,51
Eje Tipo 3
Eje Tipo 4
Eje Tipo 1
SAE C Estriado Clase 1-J498b
12/24 d.p. - 14 Dientes
30º ángulo
No SAE Estriado Clase 1-J498b
12/24 d.p. - 14 Dientes
30º ángulo
,2a357Mx
35Ø1,7/31,70
58,7
7,77
Eje Tipo 2
9
DIMENSIONES - Bombas Simples DT6E/DT6EM
213
181
90,5
Ø 147,6
55,9 62,2
38,1 31,5
2,3 x 45º
2,3 x 45º
7,9 7,9
175Ø,
Eje Tipo 3
Eje Tipo 1
Eje Tipo 2
SAE C-C
Eje Tipo 4
SAE C Estriado Clase 1-J498b
12/24 d.p. - 14 Dientes
30º ángulo
SAE C-C Estriado Clase
1-J498b 12/24 d.p. -
17 Dientes
30º ángulo
Par de apriete 187 Nm 225,3
110 52,3
7,9
6,35 Max
90,9
Chaveta 9,52/9,47
Chaveta 7,94/7,89
2,3 x 45º
1,3 x 45º
2,3 x 45º
4 Orificios 1/2-13 UNC x 23.37
Ø 37,10 PresiónØ 76,20 Aspiración
61,9
35,761,94 Orificios 5/8-11 UNC x 23.88 17,5
38,1
M10 x 20
12,7
50,8
12700/126,5Ø,9
6,410
31Ø5,3Max
7531Ø31,/,70
69,8
Ø76,2
87,51
,698
Ø38,10/38,05
42,36Max
10
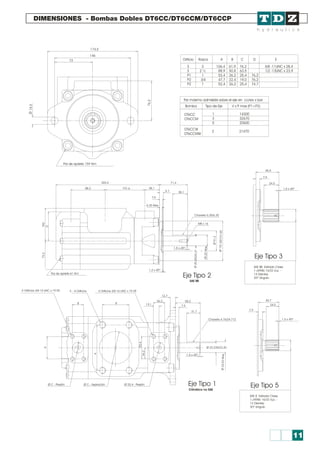
DIMENSIONES - Bombas Dobles DT6CC/DT6CCM/DT6CCP
174,5
Orificio Rosca A B C D E
Par máximo admisible sobre el eje en cc/rev x bar
Bomba Tipo de Eje V x P max (P1+P2)
1 14300
3 32670
5 20600
2 21470
DT6CC
DT6CCM
DT6CCW
DT6CCMW
S 3 106,4 61,9 76,2 5/8 -11UNC x 28,4
S 2 ½ 88,9 50,8 63,5 1/2 -13UNC x 23,9
P1 1 52,4 26,2 25,4 76,2
P2 3/4 47,7 22,4 19,0 76,2
P2 1 52,4 26,2 25,4 74,7
146
Par de apriete 159 Nm
265,6
88,2 101,6 38,1
7,9
9,7 38,1
Chaveta 6,35/6,30
M8 x 16
1,5 x 45º
1,3 x 45º
Par de apriete 61 Nm
E - 4 Orificios
B B
4 Orificios 3/8-16 UNC x 19.05
12,7
58,2
7,9
31,7
Chaveta 4,762/4,712
Ø 22,225/22,20
1,5 x 45º
Ø C - Presión Ø 25,4 - PresiónØ C - Aspiración
26,2
13,1
4 Orificios 3/8-16 UNC x 19.05
6,35 Max
71,4
45,5
40,7
7,9
1,5 x 45º
24,5
7,9
24,5
1,5 x 45º
73
67,2
Ø101,60/101,55
Ø51,3
282,2Max
Ø5,0/25,3724
Ø24,53Max
62,2
25,4
A
A
73,2841,
D
14,3Ø
Eje Tipo 2
Eje Tipo 3
Eje Tipo 5Eje Tipo 1
SAE BB
Cilíndrico no SAE
SAE BB Estriado Clase
1-J498b 16/32 d.p. -
15 Dientes
30º ángulo
SAE B Estriado Clase
1-J498b 16/32 d.p. -
13 Dientes
30º ángulo
11
DIMENSIONES - Bombas Dobles DT6DC/DT6DCM/DT6DCP
212,3
181
90,5
28,6
Ø17,5
Par de apriete 187 Nm
Eje Tipo 3 Eje Tipo 4
SAE C Estriado Clase
1-J498b 12/24 d.p. -
14 Dientes
30º ángulo
Eje Estriado no SAE Clase
1-J498b 12/24 d.p. -
14 Dientes
30º ángulo
55,1
77,7
7,9
7,9
48
38,1
2,3 x 45º
2,3 x 45º
286
109,5 112,3 38,1
83,6
12,7
49,3
Chaveta 7,95/7,90
M10 x 20
2,3 x 45º
1,3 x 45º
6222,4 30,2
15,7
73,2
7,9
38,1
Chaveta 7,95/7,90
2,3 x 45º
Ø 19 - Presión
Ø 31,8 - Presión
Ø 76 - Aspiración
6,35 Max
7,9
Eje Tipo 1
SAE C
7012,9Ø12,0/65
,Ø645
88,9
747,
73,9
283,2Max
Ø1,5/31,7037
Par de apriete 80 Nm
4 Orificios 5/8-11 UNC x 28.44
4 Orificios 3/8-16 UNC x 19.05
4 Orificios 7/16-14 UNC x 22.86
,axØ3528M
,Ø31,75/3170
85,7
106,4
47,8
Eje Tipo 2
Par máximo admisible sobre el eje en cc/rev x bar
Bomba Tipo de Eje V x P max (P1+P2)
1 43240
2 38996
DT6DC
DT6DCM
12
DIMENSIONES - Bombas Dobles DT6EC/DT6ECM/DT6ECP
Par máximo admisible sobre el eje en cc/rev x bar
Bomba Tipo de Eje V x P max (P1+P2)
1 72306
2 34590
3 61200
DT6EC
DT6ECM
212,5
181
90,5
1,5Ø7
Par de apriete 187 Nm
55,9
7,9
38,1
2,3 x 45º
Eje Tipo 3
SAE C Estriado Clase
1-J498b 12/24 d.p. -
14 Dientes
30º ángulo
331,6
136,7 118,5 52,3
90,9
50,8
Chaveta 9,52/9,47
Chaveta 7,94/7,89
M10 x 20
2,3 x 45º
1,3 x 45º
61,9
17,5
23,469,226,2
4 Orificios 1/2-13 UNC x 23.364 Orificios 5/8-11 UNC x 29.46
4 Orificios 3/8-16 UNC x 19.05
Ø 25,4 - Presión
Ø 37,1 - PresiónØ 88,9 - Aspiración
7,9
38,1
2,3 x 45º
12,7
7,9
6,35 Max
Ø2700126,951,/
Ø76,2
Ø5,7ax32M
,Ø31,75/3170
698,
120,6
25,4
984,
102,4
47,776,2
889,
Ø42,36Max
Ø38,10/38,05
Eje Tipo 1
Eje Tipo 2
SAE CC
Par de apriete 68 Nm
13
DIMENSIONES - Bombas Dobles DT6ED/DT6EDM/DT6EDP
212,5
181
90,5
1,5Ø7
Par de apriete 187 Nm
55,9
7,9
38,1
2,3 x 45º
Eje Tipo 3
SAE C Estriado Clase
1-J498b 12/24 d.p. -
14 Dientes
30º ángulo
361,2
148,3 133,6
90,9
52,3
7,9
12,7
50,86,35 Max
Chaveta 9,52/9,47
M10 x 20
Ø7012,912,0/65
Ø,762
Ø42,6ax3M
Ø8,0/380531,
2,3 x 45º
1,3 x 45º
Eje Tipo 1
SAE CC
Cilíndrico no SAE
98,4
0412,889,
18101,6
Par de apriete 187 Nm
4 Orificios 1/2-13 UNC x 23.364 Orificios 5/8-11 UNC x 29.97
77,730,2 35,7
17,5
62
38,1
Chaveta 7,94/7,89
Ø35,27Max
Ø1,5/31,7037
2,3 x 45º
Eje Tipo 2
698,
Ø 37,1 - PresiónØ 101,6- AspiraciónØ 29,5 - Presión
13,20
85,7
4 Orificios 7/16-14 UNC x 23.87
Par máximo admisible sobre el eje en cc/rev x bar
Bomba Tipo de Eje V x P max (P1+P2)
1 72306
2 34590
3 61200
DT6ED
DT6EDM
14
DIMENSIONES - Bombas Triples DT6DCC/DT6DCCM
212,5
181
90,5
7,Ø 1 5
Par de apriete 187 Nm
61 55,1
31,4 38,1
2,3 x 45º 2,3 x 45º
7,9 7,9
Eje Tipo 3Eje Tipo 4
SAE C Estriado Clase
1-J498b 12/24 d.p. -
14 Dientes
30º ángulo
SAE CC Estriado Clase
1-J498b 12/24 d.p. -
17 Dientes
30º ángulo
404
119,384,4 138 38,1
93,6
49,3
Chaveta 6,35/6,30
12,7
6,35 Max
7,9
Ø7012,912,0/65
,MØ346ax
,/10Ø31753,7
2,3 x 45º
1,3 x 45º Eje Tipo 1
Cilíndrico no SAEPar de apriete 187 Nm
4 Orificios 7/16-11 UNC x 22.09
Chaveta 9,52/9,47
M10 x 20
30,2
15,7 89,7
7,9
50,8
77.826,2B
4 Orificios 5/8-11 UNC x 30.48
4 Orificios 3/8-16 UNC x 19.05
4 Orificios 3/8-16 UNC x 19.05
Par de apriete 69 Nm
127
101,6
58
SAE CC
Eje Tipo 2
Ø,643
Ø8,0/38,0531
2,3 x 45º
587,
524,
A
3210,
Ø 31,8 - PresiónØ 25,4 - PresiónØ C - Presión Ø 101,6- Aspiración
Par máximo admisible sobre el eje en cc/rev x bar
Bomba Tipo de Eje V x P max (P1+P2+P3) Tipo de Eje V x P max (P1+P2+P3)
Tomas alternativas
1 43240
2 66500
3 61200
4 66500
DT6DCC
DT6DCCM
Orificio Código A B C
P3 00 52,4 26,2 25,4
P3 01 47,6 22,1 19,0
15

Fher vq dt_bombas_de_paletas

  • 1.
    2 Versión 5.1: 09-06-03 BOMBASHIDRAULICA DE PALETAS -Tipos BHP, VK, VS y VQ (Pag. 2) -Tipo DT (Pag. 56)
  • 2.
    3 Las bombas depaletas TDZ se fabrican en una amplia gama de caudales, que abarcan desde 2 cc./rev. hasta 236 cc./rev. en las bombas simples, 377 cc./rev. en las dobles y 462 cc./rev. en las triples. Todas ellas se caracterizan por su reducido tamaño en relación con la potencia suministrada, excelente rendimiento, funcionamiento silencioso, flexibilidad en las posiciones de entrada y salida de aceite y mantenimiento económico. La economía de mantenimiento viene determinada por su construcción con el elemento de bombeo en forma de cartucho intercambiable. Este cartucho contiene todas las piezas que se desgastan, y puede cambiarse en muy pocos minutos sin separar el cuerpo de la bomba del motor y de las tuberías. Además, su diseño equilabrado hidráulicamente reduce los desgastes y anula las cargas sobre los rodamientos. La posibilidad de orientar las salidas de aceite en diferentes posiciones con respecto a la entrada, proporciona gran flexibilidad y facilidad de montaje. En función de la aplicación de la bomba, en los modelos mayores simples, dobles y triples existen tres gamas diferentes: Industrial de bajo nivel sonoro (tipos VS y BHS), móvil (tipos VQ y BHQ) y el tipo VK y BHP para usos polivalentes. Los tres modelos superiores de bombas simples disponen de dos ejecuciones diferentes: los tipos VK, VS y VQ están construidas en pulgadas, y los tipos BHP, BHS y BHQ en métrica, y aunque internamente son parecidas, los cuerpos disponen de los orificios de aspiración y presión en posiciones inversas.Apesar de ello son intercambiables al coincidir los mismos tipos de ejes, bridas de sujeción, caudales, velocidades y presiones. i
  • 3.
    4 ACCIONAMIENTO Se recomienda elaccionamiento axial directo mediante acoplamiento flexible. Si ha de utilizarse un tipo de accionamiento que produzca cargas radiales sobre el eje, (Ej.: poleas) deberá consultarse a HIDRAULICA TDZ. SENTIDODEGIRO Intercambiable invirtiendo la posición del estator o anillo volumétrico. (en las BH*-4, 6 y 7; V*25, 35 y 45 y las dobles correspondientes, también la del rotor con sus paletas). La entrada y salida del aceite no intercambian su posición al invertir el sentido de giro. Para determinar el sentido de giroha de mirarse la bomba desde el extremo del eje. PUESTAENMARCHAINICIAL Si es posible, llenar la bomba de aceite antes de su puesta en marcha. Si no se cebara inmediatamente, soltar ligeramente la línea de salida con la bomba en marcha con el objeto de dejar salir el aire retenido. FILTRACIÓN Para garantizar una larga vida de la bomba y demás elementos del circuito, es necesario utilizar un filtro de aspiración de 100-150 micras, y otro de presión o retorno de 25 micras o más fino. FLUIDOSHIDRÁULICOS Se recomienda el uso de aceite hidráulico mineral con aditivos antidesgaste, y una viscosidad a la temperatura de trabajo de 25-49 cSt (3,5-6,5ºE). Sólo en caso de no poder conseguir aceite de estas características, se podrá utilizar aceite de motor SAE-10 o SAE-20, según sea la temperatura de utilización. Recomendamos una temperatura de trabajo de 50ºC, siendo 70ºC el máximo permisible. A temperaturas superiores, la degradación del aceite y de la goma de las juntas, retenes, tuberías, etc., se produce muy rápidamente, y en poco tiempo pueden aparecer fugas y fallos en el funcionamiento del sistema. Para utilizar fluidos ininflamables, deberán usarse cartuchos y bombas versión "F3" con juntas especiales, y reducir las velocidades y presiones máximas como se indica más abajo. VELOCIDADESMÁXIMAS Con aceite hidráulico antidesgaste: de 1800 a 2500 rpm, según modelos. (Ver tabla). Con aceites sintéticos y emulsiones de agua-glicol y agua-aceite: 1200 rpm. Las velocidades indicadas son orientativas y basadas en el uso del aceite recomendado y en un correcto diseño del sistema de aspiración. Un conducto de aspiración demasiado largo, demasiado estrecho o con demasiadas curvas, influye negativamente en la velocidad máxima alcanzable, lo mismo que el uso de un aceite demasiado viscoso, o de un filtro de aspiración sucio o de tamaño insuficiente. Por el contrario, al utilizar las versiones de menor caudal de cada bomba, y un sistema de aspiración muy corto y sobredimensionado, podremos alcanzar una velocidad máxima ligeramente superior a la indicada en la tabla. En todo caso, es fundamental que a la velocidad máxima de trabajo, las pérdidas de carga originadas en todo el conducto de aspiración, no produzcan en la entrada de la bomba unadepresión superior a 0,2 Bar para aceite hidráulico y emulsiones agua-glicol y 0,1 Bar para fluidos sintéticos y emulsiones de agua-aceite. De lo contrario, se producirá cavitación, muy perjudicial para toda la bomba hidráulica por ocasionar un desgaste prematuro y un ruido excesivo. VELOCIDAD MÍNIMA: 600 rpm. PRESIONESMÁXIMAS Aceite hidráulico antidesgaste: 175 a 210 Bar. Aceite sintético: 175 a 210 Bar. Emulsiones agua-glicol: 160 Bar. Emulsiones agua-aceite: 70 Bar. Estos datos se refieren a los modelos V*20, V*25, V* 35 y V* 45, BH*4, BH*6 y BH*7 y bombas dobles y triples. Para otras bombas ver tabla. Las presiones intermitentes que figuran en la tabla pueden mantenerse durante el 10% del tiempo, con una duración máxima de 6 segundos por minuto
  • 4.
    5 NIVELSONORO Bombas simples: VS25 yBHS4: 62 dB (A) VS35 y BHS6: 65 dB (A) VS45 y BHS7: 71 dB (A) Bombas dobles: VS43: 68 dB (A) VS63: 69 dB (A) VS73: 71 dB (A) VS64: 69 dB (A) VS74: 71 dB (A) VS76: 72 dB (A) Niveles sonoros medidos con aceite hidráulico a 140 Bar, 1500 rpm y 0,17 Bar de vacío en la aspiración. PARESADMISIBLES POR LOS EJES Todos los ejes disponibles para nuestras bombas simples y motores son suficientes para trabajar a la presión máxima especificada para cada modelo. Sin embargo, en el caso de bombas dobles y bombas con eje pasante, si ambos cartuchos/bombas trabajan simultáneamente a presión, la suma de los pares absorbidos por cada uno de ellos puede exceder la resistencia del eje. A efectos prácticos, el par absorbido por cada cartucho/bomba puede calcularse con la fórmula: T = Donde: T = Par en N.m. P = Presión de trabajo en Bares V = Cubicaje en Cm3 /rev. o Caudal en Lts/min a 1000 R.P.M.. Para escoger el tipo de eje adecuado, calcúlese dicha suma de pares en las condiciones de trabajo más desfavorables, y compárese con los valores de par admitidos por cada eje, que se indican en la tabla 1. Análogamente, en las bombas de eje pasante se calculará el par absorbido por la segunda bomba en las condiciones más desfavorables, y se comprobará que no excede los valores de par admisibles indicados en la tabla 2 para cada conexión. i 59 P x V Tabla 1 Tipo bomba Eje nº Par max. Nm 1 11 86 1 11 86 1 11 86 313 313 392 V*42 V*43 V*4T V*63 V*64 V*6T V*73 V*74 V*76 V*7T 392 568 588 588 803 803 Brida trasera (conexión) Par max. transmitido Nm 130 315 440 (V*6TC) 700 (V*7TC) A B C Tabla 2
  • 5.
  • 6.
    7 BOMBAS SIMPLES - Bombassimples tipos BH* y V* Bs
  • 7.
    8 CODIFICACIÓNDEBOMBASSIMPLES 1 - "F3"indica juntas especiales para fluidos ininflamables. Omitir si estas no son necesarias. 2 - Tipo de bomba: BHP = Bomba de 10 paletas, uso móvil e industrial, roscas en métrica BHS = Bomba de 12 paletas, uso industrial (muy silenciosas), roscas en métrica BHQ = Bomba de 10 paletas y placas de bronce, uso móvil, roscas en métrica VK = Bomba de 10 paletas, uso móvil e industrial, roscas en pulgadas VS = Bomba de 12 paletas, uso industrial (muy silenciosas), roscas en pulgadas VQ = Bomba de 10 paletas y placas de bronce, uso móvil, roscas en pulgadas 3 - Modelo de bomba: VC10, VC20; 20, 25, 35 y 45 en los tipos VK, VS y VQ 1, 2 y 3 en los tipos BHP; y 4, 6 y 7 en los tipos BHP, BHS y BHQ 4 - Caudal: Tipos VC, VK, VS y VQ en Galones por minuto a 1200 rpm y 7 Bar. Tipos BHP, BHS y BHQ en Litros por minuto a 1000 rpm y 7 Bar. 5 - D = Sentido de giro Derecha (Sentido de rotación de las agujas del reloj). Y = Sentido de giro Izquierda. (Para averiguar el sentido de giro deberemos mirar la bomba desde el extremo del eje) . 6 - Tipo de eje:Ver en cada bomba 7 - Posición de la salida vista desde el eje: A: En línea con la entrada B: 90° a la derecha con la entrada C: 180° con la entrada D: 90° a la izquierda con la entrada 8- Características especiales. Omitir si no son necesrias. Ejemplo: 02 : Roscas BSP 03 : Roscas UNF 04 : Roscas NPT F3 BHP 4 67 D 1 A 00 F3 VK 25 21 D 1 A 00 1 2 3 4 5 6 7 8
  • 8.
    9 CARACTERÍSTICAS DE LASBOMBAS SIMPLES DE PALETAS TIPO CAUDALES VELOCIDADES (rpm) PRESIONES (Bar) Intermit.Máx.Mín. Lts.a 1000 rpm Contin. PESO (Kgs.) Aspiración Presión CONEXIONES 600 2500 0,18 0,18 0,36 0,36 0,36 0,6 0,9 1,2 1,7 2 150 175 1 0,5 0,7 1 1,4 1,6 2 3 4,5 5,5 6,5 BHP2 (1) 0,7 1,1 1,1 1,1 1,1 600 2500 150 175 1,8 2 2,5 3 3,7 BHP3 600 2500 2000 1500 150 175 BHP1 600 175 210 8,6 9 10 11,4 11,4 13,1 600 175 210 16,8 20,3 24,3 27,4 29,3 33,3 15 15,7 14,3 17,9 18,6 22 26 600 155 32,3 36,3 37,9 43,2 46,1 51,2 57,4 175 Reducción (2) Potencia nominal (3) BHP4 BHS4 BHQ4 BHP6 BHS6 BHQ6 BHP7 BHS7 BHQ7 2500 1800 (BHS) 2400 1800 (BHS) 2200 1800 (BHS) Bs 4,5 5,7 5,7 5,8 5,8 6 6,2 6,5 6,9 10,4 11,6 13,8 14,6 16,8 20,3 22,4 0,9 1,7 2,8 4,5 4,8 4,8 5,4 6,6 7,8 1,9 4,3 5,3 6,9 7,6 8,8 10,2 11,9 13,6 7 8 10 12 15 6 16 18 25 27 35 38 44 50 66 81 97 112 121 142 138 148 162 180 193 214 240 (4) (4) (4) (4) (4) (4) Ø26Ø38 3,6 7,1 14,5 26,3Ø60 Ø32 Ø38Ø75 38,3 2,2 2,5 3,2 3,8 4,7 2 5 6 8 9 11 12 14 16 8 12 14 17 19 21 24 27* 21 25 30 35 38 45 42 47 50 57 60 67 75 100 125 1500 125 150 1500 125 150 * En la bomba BHQ4 no se montan cartuchos de 88lts. (27 gal.) (1) Existe una versión de esta bomba con válvulas reguladora de caudal y limitadora de presión incorporadas. Su referencia es B2V. Si además lleva depósito de aceite con filtro incorporado, su referencia seráB2VC(depósito de 1,5 Ltrs.) o B2VA (de 1 Ltr.). (2) Reducción de caudaldesalidaenLtrs./min.a100Bar.conunaceitedeviscosidad22cSta temperaturadetrabajo. Paracalcular elcaudalaproximadodesalidaaunavelocidadypresióndadasutilizaremoslafórmulareseñadamásadelanteconlosvaloresdecaudal teórico y de reducción de caudal indicados en el cuadro. Los valores de reducción de caudal son independientes de las revoluciones deleje. Caudal aprox. de salida (Ltrs./min) = Caudal teórico x Reducción x (3) Potencia nominal enCVa100Bary1000rpm.(ParaconvertirenKwmultiplicarpor0,735).Paraobtenerlapotenciarealabsorbida a una presión y revoluciones diferentes utilizar la siguiente fórmula: Potencia Real absorbida = Potencia nominal x x (4) Ver opciones en las hojas de dimensiones. R.P.M. 1000 Presión (Bar) 100 Gal. a 1200 rpm BOMBAS DISEÑO TDZ R.P.M. 1000 Presión (Bar) 100 26 40 45 55 60 67 80 88*
  • 9.
  • 10.
    11 600 175 210 600175 600 155 16,8 20,3 24,3 27,4 29,3 33,3 32,3 36,3 37,9 43,2 46,1 51,2 57,4 VK25 VS25 VQ25 2500 1800 (VS) 2200 1800 (VS) 2400 1800 (VS) 6,9 10,4 11,6 13,8 14,6 16,8 20,3 21,1 26 40 45 55 60 67 80 88* 66 81 97 112 121 142 138 148 162 180 193 214 240 Ø1" Ø1¼" Ø1½" Ø1½" Ø2" Ø3" 15 23 35,5 8 12 14 17 19 21 24 27 21 25 30 35 38 45 42 47 50 57 60 67 75 VK20 VQ20 12 8 18 27 29 36 39 46 2 5 8 9 11 12 14 0,9 2,1 2,8 3,5 4,3 4,3 5,3 1800 1,9 4 6,6 6,9 7,3 7,4 7,6 175 210 Ø1½" Ø3/4"600 1500 125 150 1500 125 150 CARACTERÍSTICAS DE LAS BOMBAS SIMPLES DE PALETAS TIPO CAUDALES VELOCIDADES (rpm) PRESIONES (Bar) Intermit.Máx.Mín. Gal. a 1200 rpm Lts.a 1000 rpm Contin. PESO (Kgs.) Aspiración Presión CONEXIONES Reducción (2) Potencia nominal (3) VC10 3 6 9 13 16 19 22 1 2 3 4 5 6 7 VC20 19 22 26 29 36 39 42 6 7 8 9 11 12 13 (1) Existe una versión de esta bomba con válvulas reguladora de caudal y limitadora de presión incorporadas. Su referencia es B2V. Si además lleva depósito de aceite con filtro incorporado, su referencia seráB2VC(depósito de 1,5 Ltrs.) o B2VA (de 1 Ltr.). (2) Reducción de caudaldesalidaenLtrs./min.a100Bar.conunaceitedeviscosidad22cSta temperaturadetrabajo. Paracalcular elcaudalaproximadodesalidaaunavelocidadypresióndadasutilizaremoslafórmulareseñadamásadelanteconlosvaloresdecaudal teórico y de reducción de caudal indicados en el cuadro. Los valores de reducción de caudal son independientes de las revoluciones deleje. Caudal aprox. de salida (Ltrs./min) = Caudal teórico x Reducción x (3) Potencia nominal enCVa100Bary1000rpm.(ParaconvertirenKwmultiplicarpor0,735).Paraobtenerlapotenciarealabsorbida a una presión y revoluciones diferentes utilizar la siguiente fórmula: Potencia Real absorbida = Potencia nominal x x BOMBAS DISEÑO VICKERS 0,8 0,9 1,2 1,6 1,7 1,8 1,9 2,8 4,2 4,5 4,8 4,8 5,4 6,0 600 600 0,7 1,4 2,1 2,7 3,2 3,7 4,2 4800 4500 4000 3400 3200 3000 2800 155 140 4,5 3400 3000 2800 2800 2500 2400 2400 155 140 3,9 4,4 5,1 5,6 6,5 7,5 8,1 7,3 R.P.M. 1000 Presión (Bar) 100 R.P.M. 1000 Presión (Bar) 100 Bs (4) 177 175 177 * En la bomba VQ25 no se montan cartuchos de 88 lts. (27 gal.) (4) (4) (4) VK35 VS35 VQ35 VK45 VS45 VQ45 210 210 8,6 9 10 11,4 11,4 13,1 15 15,7 14,3 17,9 18,6 22 26 4,5 5,7 5,7 5,8 5,8 6 6,2 6,5
  • 11.
    12 VELOC. (rpm) PRES.(Bar) Máx.Mín. CONEXIONES PESO (Kgs.) 2 3 4,5 5,5 6,5 0,6 0,9 1,2 1,7 2 Lts.a 1000 rpm Gal.a1200rpm PresiónAspiraciónIntermit.Contin. 11/4" BSP1/2" BSP1751502500600 CAUDALES BOMBA SIMPLE TIPO BHP-1 EJE Nº 2 EJE Nº 1 Entrada SalidaNum. 02 01 1/2" BSP 1/4" BSP 3/8" BSP 1/4" BSP Vertabla Vertabla CARCASA Y BOMBA BHP1 PARA CONECTAR AMOTORELÉCTRICO
  • 12.
    13 Bs BOMBA SIMPLE TIPOBHP-1 DIAGRAMASDECAUDALY POTENCIAABSORBIDA
  • 13.
    14 Vertabla VELOC. (rpm) PRES.(Bar) Máx.Mín. CONEXIONES PESO (Kgs.) Lts.a 1000 rpm Gal. a 1200 rpm PresiónAspiraciónIntermit.Contin. 3,61/2" BSP3/4" BSP1751502500*600 CAUDALES 7 8 10 12 15 2,2 2,5 3,2 3,8 4,7 * Para más detalle ver tabla general Para otros tipos de ejes, rogamos consulten EJE Nº 2 EJE Nº 3EJE Nº 1 BOMBA SIMPLE TIPO BHP-2 Entrada SalidaNum. 02 3/4" BSP Vertabla 20 11 61 93 112 97 5 80 40 53 Ø10,2 ø50 f7 1/2" BSP 2,2 Kp.m.
  • 14.
    15 Bs BOMBA SIMPLE TIPOBHP-2 DIAGRAMASDECAUDALY POTENCIAABSORBIDA 5 10 15 20 25 30 35 40 l/min 500 1000 1500 2000 2500 R.P.M. 0 BAR 175 BAR 500 1000 1500 2000 2500 R.P.M. 100 BAR 175 BAR 5 5 12 12 15 15 7 7 8 8 10 10 15 15 12 12 10 10 8 7 5 5 7 8 4 8 12 16 HP 2 6 10 14 3,0 6,0 9,0 12,0 Kw 1,5 4,5 7,5 10,5 1,3 2,6 3,9 5,3 6,6 7,9 9,2 10,6 US Gal/min
  • 15.
    16 A B C D E F G VELOC. (rpm) PRES.(Bar) Máx.Mín. CONEXIONES PESO (Kgs.) PresiónAspiraciónIntermit.Contin. 7,13/4" BSP1"BSP1751502500*600 CAUDALES Lts. a 1000 rpm Gal.a1200rpm 6 16 18 25 27 35 38 44 50 2 5 6 8 9 11 12 14 16 * Para más detalle ver tabla general BOMBA SIMPLE TIPO BHP-3 47 1 Ø25 15 Ø21,80 A B C D F 30 1 Ø25 4 Ø17,1 Ejes estriados Nº 2 Nº 4 Nº 5 24,5 1 Ø25 3,5 Ø15,82 E Diametral pitch 16/32 Nº dientes:13 DIN 5482 B18x15 Nº dientes:10 Nº 2 Nº 4 Eje Diametral pitch 16/32 Nº dientes:9 Nº 5 Versión para montaje directo en la toma de potencia (Brida ISO)45 2 Ø25 30 5 Ø19 21,1 Ejes cilíndricos Nº 1 Nº 6 Inlet OutletNum. 02 03 04 01 1" BSP 3/4" BSP 1" 1/4 BSP 3/4" BSP 1" 5/8 UNF 1" 1/16 UNF 1" 1/4 NPT 3/4" NPT Versión standard (Brida SAE) 62.5 1 Ø25 41 4,75 Ø19 21,1
  • 16.
    17 Bs BOMBA SIMPLE TIPOBHP-3 DIAGRAMASDECAUDALY POTENCIAABSORBIDA 15 30 45 60 75 90 105 120 l/min 500 1000 1500 2000 2500 R.P.M. 0 BAR 175 BAR 500 1000 1500 2000 2500 R.P.M. 100 BAR 175 BAR 19 19 37 37 43 43 24 24 28 28 34 34 43 43 37 37 34 34 28 28 24 24 19 19 10 20 30 40 HP 5 15 25 35 7,4 14,9 22,4 29,8 Kw 3,7 11,2 18,6 26,1 3,9 7,9 11,9 15,9 19,8 23,8 27,7 31,7 US Gal/min
  • 17.
    18 EJE Nº 1EJE Nº 2 VELOC. (rpm) PRES. (Bar) Máx.Mín. CONEXIONES PESO (Kgs.) 26 39 44 54 60 66 80 85 8 12 14 17 19 21 24 27 Lts.a 1000 rpm Gal.a1200rpm PresiónAspiraciónIntermit.Contin. 14,5Ø26Ø382101752500600 CAUDALES Para otros tipos de ejes, rogamos consulten BOMBAS SIMPLES TIPOS BHP-4, BHS-4 Y BHQ-4
  • 18.
    19 BOMBAS SIMPLES TIPOSBHP-4, BHS-4 Y BHQ-4 Bs DIAGRAMAS DE CAUDALY POTENCIAABSORBIDA 20 40 60 80 100 120 140 160 l/min 500 1000 1500 2000 2500 R.P.M. 0 BAR 210 BAR 500 1000 1500 2000 2500 R.P.M. 100 BAR 210 BAR 39 39 66 66 44 44 54 54 60 60 39 39 44 44 54 54 60 60 66 66 20 40 60 80 HP 10 30 50 70 14,9 29,8 44,7 59,7 Kw 7,5 22,4 37,3 52,2 5,3 10,6 15,9 21,1 26,4 31,7 37,0 42,3 US Gal/min
  • 19.
    20 BOMBAS SIMPLES TIPOSBHP-6, BHS-6 Y BHQ-6 EJE Nº 1 EJE Nº 2 VELOC. (rpm) PRES. (Bar) Máx.Mín. CONEXIONES PESO (Kgs.) 66 81 97 112 121 142 21 25 30 35 38 45 Lts.a 1000 rpm Gal.a1200rpm PresiónAspiraciónIntermit.Contin. 26,3Ø32Ø602101752400600 CAUDALES Para otros tipos de ejes, rogamos consulten
  • 20.
    21 BOMBAS SIMPLES TIPOSBHP-6, BHS-6 Y BHQ-6 Bs DIAGRAMAS DE CAUDALY POTENCIAABSORBIDA 40 80 120 160 200 240 280 320 l/min 500 1000 1500 2000 2500 R.P.M. 0 BAR 210 BAR 500 1000 1500 2000 2500 R.P.M. 100 BAR 175 BAR 66 66 118 118 78 78 94 94 112 112 118 118 112 112 94 94 78 78 66 66 40 80 120 160 HP 20 60 100 140 29,8 59,6 89,5 119,3 Kw 14,9 44,7 74,6 104,4 10,6 21,1 31,7 42,3 52,8 63,4 74,0 84,5 US Gal/min
  • 21.
    22 BOMBAS SIMPLES TIPOSBHP-7, BHS-7 Y BHQ-7 VELOC. (rpm) PRES. (Bar) Máx.Mín. CONEXIONES PESO (Kgs.) 138 148 162 180 193 214 240 42 47 50 57 60 67 75 Lts.a 1000 rpm Gal.a1200rpm PresiónAspiraciónIntermit.Contin. 38,3Ø38Ø751751552200*600 CAUDALES * Para más detalle ver tabla general EJE Nº 2EJE Nº 1 Para otros tipos de ejes, rogamos consulten
  • 22.
    23 BOMBAS SIMPLES TIPOSBHP-7, BHS-7 Y BHQ-7 Bs DIAGRAMAS DE CAUDALY POTENCIA ABSORBIDA 70 140 210 280 350 420 490 560 l/min 500 1000 1500 2000 2500 R.P.M. 0 BAR 175 BAR 500 1000 1500 2000 2500 R.P.M. 100 BAR 175 BAR 180 160 195 195 135 135 148 180 160 148 195 195 180 160 160 148 148 135 135 180 50 100 150 200 HP 25 75 125 175 37,3 74,6 111,8 149,1 Kw 18,6 55,9 93,2 130,5 18,5 37,0 55,5 74,0 92,5 111,0 129,4 147,9 US Gal/min
  • 23.
    24 BOMBAS SIMPLES TIPOVC10 EJE Nº 1 CAUDALES VELOCIDADES (rpm) PRESIONES (Bar) Intermit.Máx.Mín. Gal. a 1200 rpm Lts.a 1000 rpm Contin. PESO (Kgs.) Aspiración Presión CONEXIONES Reducción (2) Potencia nominal (3) 3 6 9 13 16 19 22 1 2 3 4 5 6 7 0,8 0,9 1,2 1,6 1,7 1,8 1,9 600 0,7 1,4 2,1 2,7 3,2 3,7 4,2 4800 4500 4000 3400 3200 3000 2800 155 140 4,5 1" NPT 1/2" NPT 177 1"BSP 1/2" BSP Entrada SalidaNum. 04 02 1" BSP 1/2 BSP 1" NPT 1/2" NPT
  • 24.
    25 Bs DIAGRAMAS DE CAUDALY POTENCIAABSORBIDA Min. presión (bar)Max. presión (bar) BOMBAS SIMPLES TIPO VC10 0 800 1600 2400 3200 4000 4800 2 4 6 8 10 12 14 16 18 20 1,5 3 4,5 6 7,4 8,9 10,4 11,9 13,4 14,9 3 (7) 1 (7) CV Kw 1 (172) 3 (172) 0 2 4 6 8 10 12 14 16 18 20 CV 1,5 3 4,5 6 7,4 8,9 10,4 11,9 13,4 14,9 Kw 22 24 16,4 17,9 6 (7) 6 (152) 4 (172) 2 (172) 4 (7) 2 (7) 800 1600 2400 3200 R.P.M. R.P.M. 800 1600 2400 3200 4000 4800 R.P.M. 0 2 4 6 8 10 12 14 16 18 20 CV 1,5 3 4,5 6 7,4 8,9 10,4 11,9 13,4 14,9 Kw 22 24 16,4 17,9 26 19,4 7 (7) 5 (7) 5 (172) 7 (138) 800 1600 2400 3200 R.P.M. 2 3 4 5 6 7 8 9 10 l/min. 11 15 19 23 27 30 34 38 42 45 Gal./min. 11 12 49 53 57 61 64 13 14 15 16 17 8 5 (172) 5 (7) 7 (138) 7 (7) 0 0 0 800 1600 2400 3200 4000 4800 R.P.M.0 11 15 19 23 27 30 34 38 61 8 4 2 3 4 5 6 7 8 9 10 1 6 (7) 6 (152) 0 4 (7) 4 (172) 2 (7) 2 (172) l/min. Gal./min. 800 1600 2400 3200 4000 4800 R.P.M.0 0 11 15 19 23 27 30 34 38 42 45 49 53 57 8 4 2 3 4 5 6 7 8 9 10 11 12 13 14 15 1 16 0 0 l/min. Gal./min. 3 (7) 3 (172) 1 (7) 1 (172) 0
  • 25.
    26 BOMBAS SIMPLES TIPOVC20 EJE Nº 1 19 22 26 29 36 39 42 6 7 8 9 11 12 13 2,8 4,2 4,5 4,8 4,8 5,4 6,0 600 3400 3000 2800 2800 2500 2400 2400 155 140 3,9 4,4 5,1 5,6 6,5 7,5 8,1 7,3 1 1/4" NPT 3/4" NPT 177 1 1/4" BSP 3/4" BSP CAUDALES VELOCIDADES (rpm) PRESIONES (Bar) Intermit.Máx.Mín. Gal. a 1200 rpm Lts.a 1000 rpm Contin. PESO (Kgs.) Aspiración Presión CONEXIONES Reducción (2) Potencia nominal (3) Inlet OutletNum. 04 02 1" 1/4 BSP 3/4" BSP 1" 1/4 NPT 3/4" NPT
  • 26.
    27 Bs DIAGRAMAS DE CAUDALY POTENCIAABSORBIDA Min. presión (bar)Max. presión (bar) BOMBAS SIMPLES TIPO VC20 0 5 10 15 20 25 30 35 40 3,7 7,5 11,2 14,9 18,6 22,4 26,1 29,8 CV Kw 800 1200 1600 2000 2400 2800 R.P.M. l/min. Gal./min. 800 1200 1600 2000 2400 2800 R.P.M.400 61 15 23 30 38 45 53 8 2 26 4 28 6 8 10 12 14 24 16 0 0 400 68 76 83 91 98 106 18 20 22 7 (175) 7 (7) 9 (7) 11 (175) 11 (7) 13 (150) 13 (7) 9 (175) l/min. Gal./min. 800 1200 1600 2000 2400 2800 R.P.M.400 61 15 23 30 38 45 53 8 2 26 4 28 6 8 10 12 14 24 16 0 0 68 76 83 91 98 106 18 20 22 3200 6 (7) 12 (7) 12 (150) 8 (7) 8 (175) 6 (175) 0 5 10 15 20 25 30 35 40 3,7 7,5 11,2 14,9 18,6 22,4 26,1 29,8 CV Kw 800 1200 1600 2000 2400 2800 R.P.M.400 3200 7 (7) 9 (7) 13 (150) 11 (175) 9 (175) 7 (175) 11 (7) 13 (7) 12 (150) 8 (175) 6 (175) 8 (7) 12 (7) 6 (7)
  • 27.
    28 EJE Nº 151EJENº 1 Para otros tipos de ejes, rogamos consulten BOMBAS SIMPLES TIPOS VK-20 Y VQ-20 VELOC. (rpm) PRES. (Bar) Máx.Mín. CONEXIONES PESO (Kgs.) 8 18 27 29 36 39 46 2 5 8 9 11 12 14 Lts.a 1000 rpm Gal.a1200rpm PresiónAspiraciónIntermit.Contin. 12Ø 3/4"Ø 1 1/2"2101752500600 CAUDALES
  • 28.
    29 BOMBAS SIMPLES TIPOSVK-20 Y VQ-20 Bs DIAGRAMAS DE CAUDALY POTENCIA ABSORBIDA Min. presión (bar)Max. presión (bar) 400 800 1200 1500 2000 R.P.M. 2,64 5,28 7,93 10,58 13,21 15,85 18,49 21,13 23,78 10 20 30 40 50 60 70 80 90 Gal/min. Gal/min. 2,64 5,28 7,93 10,58 13,21 15,85 18,49 21,13 23,78 10 20 30 40 50 60 70 80 90 400 800 1200 1500 2000 R.P.M. l/min. l/min. 12 (7) 14 (7) 8 (7) 5 (7) 11 (7) 9 (7) 2 (7) 400 800 1200 1500 2000 R.P.M. 4 8 12 16 20 24 5,36 10,73 16,09 21,46 26,28 32,18 KwCV 5 (7) 12 (7) 9 (7) 400 800 1200 1500 2000 R.P.M. 4 8 12 16 20 24 5,36 10,73 16,09 21,46 26,28 32,18 KwCV 8 (7) 11(7) 14(7) 37,55 28 0 10 5 7,5 3,75 2 (7) 12 (160) 8 (210) 5 (210) 2 (140) 12 (160) 5(210) 9 (207) 14 (140) 11 (210) 8 (210) 2 (140) 14 (140) 11 (210) 9 (207)
  • 29.
    30 BOMBAS SIMPLES TIPOSVK-25, VS-25 Y VQ-25 VELOC. (rpm) PRES. (Bar) Máx.Mín. CONEXIONES PESO (Kgs.) 26 40 45 55 60 67 80 88 8 12 14 17 19 21 24 27 Lts.a 1000 rpm Gal.a1200rpm PresiónAspiraciónIntermit.Contin. 15Ø1"Ø1"1/22101752500600 CAUDALES Para otros tipos de ejes, rogamos consulten EJE Nº 1 EJE Nº 11 EJE Nº 86 En la bomba VQ25 no se monta el cartucho de 88 lts. (27 gal.).
  • 30.
    31 BOMBAS SIMPLES TIPOSVK-25, VS-25 Y VQ-25 Bs DIAGRAMAS DE CAUDALY POTENCIA ABSORBIDA 20 40 60 80 100 120 140 160 l/min 500 1000 1500 2000 2500 R.P.M. 0 BAR 210 BAR 500 1000 1500 2000 2500 R.P.M. 100 BAR 210 BAR 12 12 21 21 14 14 17 17 19 19 12 12 14 14 17 17 19 19 21 21 20 40 60 80 HP 10 30 50 70 14,9 29,8 44,7 59,7 Kw 7,5 22,4 37,3 52,2 5,3 10,6 15,9 21,1 26,4 31,7 37,0 42,3 US Gal/min
  • 31.
    32 BOMBAS SIMPLES TIPOSVK-35, VS-35 Y VQ-35 VELOC. (rpm) PRES. (Bar) Máx.Mín. CONEXIONES PESO (Kgs.) 66 81 97 112 121 142 21 25 30 35 38 45 Lts.a 1000 rpm Gal.a1200rpm PresiónAspiraciónIntermit.Contin. 23Ø2"2101752400600 CAUDALES Ø1"1/4 Para otros tipos de ejes, rogamos consulten EJE Nº 1 EJE Nº 11 EJE Nº 86
  • 32.
    33 Bs BOMBAS SIMPLES TIPOSVK-35,VS-35 Y VQ-35 DIAGRAMAS DE CAUDALY POTENCIA ABSORBIDA 40 80 120 160 200 240 280 320 l/min 500 1000 1500 2000 2500 R.P.M. 0 BAR 210 BAR 500 1000 1500 2000 2500 R.P.M. 100 BAR 175 BAR 21 21 38 38 25 25 30 30 35 35 38 38 35 35 30 30 25 25 21 21 40 80 120 160 HP 20 60 100 140 29,8 59,6 89,5 119,3 Kw 14,9 44,7 74,6 104,4 10,6 21,1 31,7 42,3 52,8 63,4 74,0 84,5 US Gal/min
  • 33.
    34 BOMBAS SIMPLES TIPOSVK-45, VS-45 Y VQ-45 EJE Nº 1 EJE Nº 86EJE Nº 11 VELOC. (rpm) PRES. (Bar) Máx.Mín. CONEXIONES PESO (Kgs.) Lts.a 1000 rpm Gal.a1200rpm PresiónAspiraciónIntermit.Contin. 35,5Ø1"1/2Ø3"1751552200*600 CAUDALES * Para más detalle ver tabla general Para otros tipos de ejes, rogamos consulten 138 148 162 180 193 214 240 42 47 50 57 60 67 75
  • 34.
    35 BOMBAS SIMPLES TIPOSVK-45, VS-45 Y VQ-45 Bs DIAGRAMAS DE CAUDALY POTENCIA ABSORBIDA 70 140 210 280 350 420 490 560 l/min 500 1000 1500 2000 2500 R.P.M. 0 BAR 175 BAR 500 1000 1500 2000 2500 R.P.M. 100 BAR 175 BAR 57 50 60 60 42 42 47 57 50 47 60 60 57 50 50 47 47 42 42 57 50 100 150 200 HP 25 75 125 175 37,3 74,6 111,8 149,1 Kw 18,6 55,9 93,2 130,5 18,5 37,0 55,5 74,0 92,5 111,0 129,4 147,9 US Gal/min
  • 35.
  • 36.
    37 - Bombas simplesde eje pasante tipo V**T BOMBAS SIMPLES DE EJE PASANTE (Para los gráficos de caudal y potencia, ver los de las correspondientes bombas simples.) Be Bomba de eje pasante VK7TC con bomba doble VK64
  • 37.
    38 F3 VK 7TC 60 D 86 A A 1 2 3 4 5 6 7 8 9 1 - "F3" indica juntas especiales para fluidos ininflamables. Omitir si estas no son necesarias. 2 - Tipo de bomba: VK = Bomba de 10 paletas, uso móvil e industrial, roscas en pulgadas VS = Bomba de 12 paletas, uso industrial (muy silenciosas), roscas en pulgadas VQ = Bomba de 10 paletas y placas de bronce, uso móvil, roscas en pulgadas 3 - Modelo de bomba: 4T, 6T y 7T. 4 - Montaje de bomba trasera: Con brida SAE de 2 agujeros. A: Brida SAE-A B: Brida SAE-B C: Brida SAE-C 5 - Caudal: En galones por minuto a 1200 rpm y 7 bar. y en litros por minuto a 1000 rpm y 7 bar. 6 - D = Sentido de giro Derecha (Sentido de rotación de las agujas del reloj). Y = Sentido de giro Izquierda. (Para averiguar el sentido de giro deberemos mirar la bomba desde el extremo del eje) . 7 - Tipo de eje: 1: Cilíndrico con chaveta 11: Estriado 86: Cilíndrico con chaveta, reforzado 8 - Posición de la salida vista desde el eje: A: En línea con la entrada B: 90° a la derecha con la entrada C: 180° con la entrada D: 90° a la izquierda con la entrada 9 - Posición de la brida de acoplamiento vista desde la brida: A: Girada 45º a la derecha (sentido horario) B: Girada 45º a la izquierda Bridas SAE-B y SAE-C: A: En línea con la brida delantera B: Girada 90° con la brida delantera
  • 38.
    39 CARACTERÍSTICAS DE LASBOMBAS SIMPLES DE EJE PASANTE TIPO CAUDALES VELOCIDADES (rpm) PRESIONES (Bar) Intermit.Máx.Mín. Gal. a 1200 rpm Lts.a 1000 rpm Contin. PESO (Kgs.) Aspiración Presión CONEXIONES Reducción (1) Potencia nominal (2) 600 175 210 19,5Ø25,4Ø64 8 12 14 17 19 21 24 27 26 40 45 55 60 67 80 88* 66 81 97 112 121 142 21 25 30 35 38 45 600 175 210 29,5Ø31,8Ø76 138 148 162 180 193 214 240 42 47 50 57 60 67 75 600 155 175 38Ø38,1Ø89 6,9 10,4 11,6 13,8 14,6 16,8 20,3 23,8 16,8 20,3 24,3 27,4 29,3 33,3 32,3 36,3 37,9 43,2 46,1 51,2 57,4 VK4T VS4T VQ4T VK6T VS6T VQ6T VK7T VS7T VQ7T 2500 1800 (VS) 2200 1800 (VS) 2400 1800 (VS) Be La bomba acoplada a la bomba V**T* tendrá la brida y el eje de acuerdo a la siguiente tabla: Modelo V**TA 16/32 9 30º SAE-A V**TB 16/32 13 30º SAE-B V**TC 12/24 14 30º SAE-C Estriado DP Brida Eje bomba acoplada Angulo pres.Nº dientes La suma de los pares de la bomba V**T y la bomba acoplada a ésta, ambas en presión, no excederá a los pares dados a continuación: Nº eje 1 313 11 313 86 392 Par máximo Nm Nº eje 1 392 11 568 86 588 Par máximo Nm Nº eje 1 588 11 803 86 803 Par máximo Nm V*4T V*6T V*7T Reducción de caudalde salida en Ltrs./min. a 100 Bar. con un aceite de viscosidad 22 cSt a temperatura de trabajo. Para calcular elcaudalaproximadodesalidaaunavelocidadypresióndadasutilizaremoslafórmulareseñadamásadelanteconlosvaloresdecaudal teórico y de reducción de caudal indicados en el cuadro. Los valores de reducción de caudal son independientes de las revoluciones deleje. Caudal aprox. de salida (Ltrs./min) = Caudal teórico x Reducción x Potencia nominal en CV a 100 Bar y 1000 rpm. (Para convertir en Kw multiplicar por 0,735). Para obtener la potencia real absorbida a una presión y revoluciones diferentes utilizar la siguiente fórmula: Potencia Real absorbida = Potencia nominal x x (1) (2) Presión (Bar) 100 R.P.M. 1000 R.P.M. 1000 Presión (Bar) 100 1500 125 150 1500 125 150 ACOPLAMIENTODELEJEPASANTE PARMAXIMOTRANSMISIBLE PAR MAXIMO DE LABOMBAACOPLADA * En la bomba VQ4T no se montan cartuchos de 88 lts. (27 gal.) El par de la bomba acoplada a la bomba V**T, en presión, no excederá a los pares dados en la página siguiente según el tipo de conexión. 8,6 9 10 11,4 11,4 13,1 15 15,7 14,3 17,9 18,6 22 26 4,5 5,7 5,7 5,8 5,8 6 6,2 6,5
  • 39.
    40 DIMENSIONESDELASBRIDASTRASERASDEACOPLAMIENTOEN LAS BOMBAS DEEJE PASANTE TIPO V**T* Brida trasera (conexión) Par max. transmitido Nm 130 315 440 (V*6TC) 700 (V*7TC) A B C Par de apriete de los tornillos 6,5 Kp.m.
  • 40.
    41 EJE Nº 1EJE Nº 11 Para otros tipos de ejes, rogamos consulten BOMBAS DE EJE PASANTE VK4T, VS4T, VQ4T Be EJE Nº 86 MEDIDASENMILÍMETROS
  • 41.
    42 Para otros tiposde ejes, rogamos consulten V*6TA 20 V*6TB 30 V*6TC 38 AModelo BOMBAS DE EJE PASANTE VK6T, VS6T, VQ6T EJE Nº 1 EJE Nº 11 EJE Nº 86 MEDIDASENMILÍMETROS
  • 42.
    43 Para otros tiposde ejes, rogamos consulten BOMBAS DE EJE PASANTE VK7T, VS7T, VQ7T V*7TA 20 V*7TB 30 V*7TC 38 AModelo Be EJE Nº 11EJE Nº 1 EJE Nº 86 MEDIDASENMILÍMETROS
  • 43.
  • 44.
    45 -Bombas dobles tipoBHP, VK , VS y VQ (Móvil e Industrial) (Para los gráficos de caudal y potencia, ver los de las correspondientes bombas simples.) Bd BOMBAS DOBLES
  • 45.
    46 F3 VK 4321 8 D 1 A A 1 2 3 4 5 6 7 8 9 1 - "F3" indica juntas especiales para fluidos ininflamables. Omitir si estas no son necesarias. 2 - Tipo de bomba: BHP = Bomba de 10 paletas, uso Móvil e Industrial, roscas en métrica. VK = Bomba de 10 paletas, uso Móvil e industrial, roscas en pulgadas. VS = Bomba de 12 paletas, (excepto en los cartuchos de lado tapa de las bombas VS*3, que son de 10 paletas), uso Industrial (muy silenciosas), roscas en pulgadas. VQ = Bomba de 10 paletas, placas de bronce, uso móvil, roscas en pulgadas. 3 - Modelo de bomba: 33,42,42V,43,63,64,73,74 y 76. La bomba VK42 puede llevar en el cartucho pequeño una tapa con válvulas reguladora de caudal y limitadora de presión. En ese caso se añadirá una V: VK42V. 4 - Caudal de la bomba lado eje: En el modelo BHP33 en litros por minuto a 1000 rpm y 7 Bar. En el resto de modelos en galones por minuto a 1200 rpm y 7 Bar. (Ver tabla de características). 5 - Caudal de la bomba lado tapa: En los modelos BHP33 y VK42-VS42 en litros por minuto a 1000 rpm y 7 Bar. En el resto de modelos en galones por minuto a 1200 rpm y 7 Bar. (Ver tabla de características). 6 - D = Sentido de giro Derecha (Sentido de rotación de las agujas del reloj). Y = Sentido de giro Izquierda. (Para averiguar el sentido de giro deberemos mirar desde el extremo del eje) . 7 - Tipo de eje:1= Cilíndrico con chaveta 2 = Estriado 11 = Estriado 86 = Cilíndrico con chaveta reforzado 8 - Posición de la salida de la bomba lado eje: A: En línea con la entrada B: 90° a la derecha con la entrada C: 180° con la entrada D: 90° a la izquierda con la entrada (Vista desde el eje) 9 - Posición de la salida de la bomba lado tapa: A: 45° a la derecha con la entrada B: 135° a la derecha con la entrada C: 135° a la izquierda con la entrada D: 45° a la izquierda con la entrada (Vista desde el eje) Bomba lado Eje Bomba lado Tapa
  • 46.
    47 2000 15 PESO (Kgs.) 7 8 10 12 15 26 40 45 55 60 67 80 88* 8 18 27 29 36 39 46 2 5 8 9 11 12 14 8 12 14 17 19 21 24 27 26 40 45 55 60 67 80 88* 66 81 97 112 121 142 21 25 30 35 38 45 2500 150 175 CAUDALESPRESIONES (Bar) Contin. Interm. Lts.a 1000 rpm Gal. a 1200 rpm 2500 150 175 16 2500 175 210 21 BOMBA LADO TAPA 2500 175 210 31 33 2500 1800 (VS) 175 210 46 175 2102500 1800 (VS) 45 2400 1800 (VS) 175 210 175 2102500 1800 (VS) 55 2500 150 175 CAUDALES PRESIONES (Bar) Contin. 6 16 18 25 27 35 38 44 50 26 40 45 55 60 67 80 88* 8 12 14 17 19 21 24 27 66 81 97 112 121 142 42 47 50 57 60 67 75 138 42 15 148 47 15,7 162 50 14,3 180 57 17,9 193 60 18,6 214 67 22 240 75 26 Interm. Lts.a 1000 rpm Gal. a 1200 rpm 175 210 2500 1800 (VS) 175 210 BOMBA LADO EJE 2400 1800 (VS) 175 210 175 210 155 175 175155 155 175 2400 1800 (VS) BHP33 VK43 VS43 VQ43 VK63 VS63 VQ63 VK64 VS64 VQ64 Reducc. (2) 2200 1800 (VS) 2200 1800 (VS) Reducc. (2) Potenc. nomin. (3) Potenc. nomin. (3) MAX. rpm TIPO MAX. rpm 2,2 2,5 3,2 3,8 4,7 0,7 1,1 1,1 1,1 1,1 8 18 27 29 36 39 46 2 5 8 9 11 12 14 0,9 2,1 2,8 3,5 4,3 4,3 4,3 1,9 4 6,6 6,9 7,3 7,4 7,6 0,9 2,1 2,8 3,5 4,3 4,3 4,3 6,9 10,4 11,6 13,8 15,2 16,8 20,3 22,4 16,8 20,3 24,3 27,4 29,3 33,3 6,9 10,4 11,6 13,8 15,2 16,8 20,3 22,4 16,8 20,3 24,3 27,4 29,3 33,3 32,3 36,3 37,9 43,2 46,1 51,2 57,4 16,8 20,3 24,3 27,4 29,3 33,3 6,9 10,4 11,6 13,8 15,2 16,8 20,3 22,4 6,9 10,4 11,6 13,8 15,2 16,8 20,3 22,4 1,9 4 6,6 6,9 7,3 7,4 7,6 1,8 2 2,5 3 3,7 2500 1800 (VS) Bd 2 5 6 8 9 11 12 14 16 0,9 1,7 2,8 4,5 4,8 4,8 5,4 6,6 7,8 1,9 4,3 5,3 6,9 7,6 8,8 10,2 11,9 13,6 6 16 18 25 27 35 38 44 50 2 5 6 8 9 11 12 14 16 0,9 1,7 2,8 4,5 4,8 4,8 5,4 6,6 7,8 1,9 4,3 5,3 6,9 7,6 8,8 10,2 11,9 13,6 26 40 45 55 60 67 80 88* 8 12 14 17 19 21 24 27 21 25 30 35 38 45 66 81 97 112 121 142 8 18 27 29 36 39 46 2 5 8 9 11 12 14 0,9 2,1 2,8 3,5 4,3 4,3 4,3 1,9 4 6,6 6,9 7,3 7,4 7,6 8 12 14 17 19 21 24 27 2000 21 25 30 35 38 45 138 148 162 180 193 214 240 42 47 50 57 60 67 75 VK42 VS42 VQ42 (1) VK73 VS73 VQ73 VK74 VS74 VQ74 VK76 VS76 VQ76 2200 1800 (VS) (Continuaenpiedelapáginasiguiente.) 1500 100 125 1500 125 150 1500 125 150 1500 125 150 1500 125 150 1500 125 150 1500 125 150 1500 125 150 1500 125100 * Las bombas VQ42, VQ43, VQ64, VQ74 no montan cartuchos de 88 lts. (27 gal.) CARACTERÍSTICAS DE LAS BOMBAS DOBLES DE PALETAS 138 148 162 180 193 214 240 32,3 36,3 37,9 43,2 46,1 51,2 57,4 32,3 36,3 37,9 43,2 46,1 51,2 57,4 4,5 5,7 5,7 5,8 5,8 6 6,2 6,5 4,5 5,7 5,7 5,8 5,8 6 6,2 6,5 4,5 5,7 5,7 5,8 5,8 6 6,2 6,5 4,5 5,7 5,7 5,8 5,8 6 6,2 6,5 8,6 9 10 11,4 11,4 13,1 8,6 9 10 11,4 11,4 13,1 8,6 9 10 11,4 11,4 13,1 15 15,7 14,3 17,9 18,6 22 26 15 15,7 14,3 17,9 18,6 22 26
  • 47.
    48 Reducción del caudalde salida en Ltrs./min. a 100 Bar. con un aceite de viscosidad 22 cSt a la temperatura de trabajo. Para calcular el caudal aproximado de salida a una velocidad y presión dadas utilizaremos la fórmula reseñada más adelante con los valores de caudal teórico y de reducción de caudal indicados en el cuadro. Los valores de reducción de caudal son independientes de las revoluciones del eje. Caudal aprox. de salida (Ltrs./min) = Caudal teórico x Reducción x BOMBA DOBLE TIPO BHP-33 EJE Nº 1 Potencia nominal enCVa100Bary1000rpm.(ParaconvertirenKwmultiplicarpor0,735).Paraobtenerlapotenciarealabsorbidaaunapresión y revoluciones diferentes utilizar la siguiente fórmula: Potencia real absorbida = Potencia nominal x x (2) R.P.M. 1000 Presión (Bar) 100 R.P.M. 1000 Presión (Bar) 100 (1) EJE Nº 2 Para otros tipos de ejes, rogamos consulten MEDIDASENMILÍMETROS
  • 48.
    49 BOMBAS DOBLES TIPOSVK-42, VS-42 y VQ-42 38 85,5 85 76,5 64 2259,5 76,3 53 Ø121 Ø14,3 146 175 13 52,4 26,2 42,8 3/8"x16 UNC 1/2"x13 UNC Ø25,4Salida Ø45 Entrada 1/2"BSPSalida 77,7 Para otros tipos de ejes, rogamos consulten Bd EJE Nº 11EJE Nº 1 EJE Nº 86 MEDIDASENMILÍMETROS Existe una versión con válvulas reguladora de caudal y limitadora de presión en la bomba lado tapa. Su referencia esVK42V.
  • 49.
    50 38 101,5 89,5 84 64 2509,5 76,3 76,3 Ø121Ø101,6 Ø14,3 146 175 52,4 26,250,8 3/8"x16UNC 1/2"x13UNC 89 3/8"x16UNC 47,6 22,2 13 6,5 10,5 BOMBAS DOBLES TIPOS VK-43, VS-43 Y VQ-43 Ø25,4Salida Ø64 Entrada Ø19 Salida 3/4"BSP (Salidaopcional) Para otros tipos de ejes, rogamos consulten EJE Nº 11EJE Nº 1 EJE Nº 86 MEDIDASENMILÍMETROS
  • 50.
    51 38 110,9 98 89,5 78 2759,5 82,5 76,3 Ø148Ø127 Ø17,5 181 213 58,7 30,261,9 7/16"x14 UNC 5/8"x11UNC 3/8"x16UNC 47,6 16 106,3 22,2 6,5 22,5 BOMBAS DOBLES TIPOS VK-63, VS-63 Y VQ-63 Ø31,8Salida Ø76 Entrada Ø19 Salida 3/4"BSP (Salidaopcional) Para otros tipos de ejes, rogamos consulten Bd EJE Nº 1 EJE Nº 11 EJE Nº 86 MEDIDASENMILÍMETROS
  • 51.
    52 BOMBAS DOBLES TIPOSVK-64, VS-64 Y VQ-64 38 116,9 110 89,5 78 2919,5 82,5 75 Ø148Ø127 Ø17,5 3/4"BSP (Opcional) 181 213 58,7 30,2 61,9 7/16"x14 UNC 5/8"x11 UNC Ø31,8Salida Ø76 Entrada Ø25,4Salida 3/8"x16 UNC 52,4 16 106,3 EJE Nº 1 EJE Nº 11 EJE Nº 86 Para otros tipos de ejes, rogamos consulten MEDIDASENMILÍMETROS 26,2 10,5 22,5
  • 52.
    53 BOMBAS DOBLES TIPOSVK-73, VS-73 Y VQ-73 43 120 120 102,5 85 30412,7 93,7 76,3 Ø148Ø127 Ø17,5 181 213 69,8 35,8 69,8 1/2"x13 UNC 5/8"x11UNC Ø38,1Salida Ø89 Entrada Ø19 Salida 3/8"x16 UNC 47,6 22,2 16 120,6 3/4"BSP (Salidaopcional) Bd EJE Nº 1 EJE Nº 11 EJE Nº 86 Para otros tipos de ejes, rogamos consulten MEDIDASENMILÍMETROS 6,5 35
  • 53.
    54 BOMBAS DOBLES TIPOSVK-74, VS-74 Y VQ-74 43 120 136 102,5 83 32512,7 93,7 75 Ø148Ø127 Ø17,5 181 213 69,8 35,8 69,8 1/2"x13 UNC 5/8"x11 UNC Ø38,1Salida Ø89 Entrada Ø25,4Salida 3/8"x16 UNC 52,4 26,2 16 120,6 3/4"BSP (Salidaopcional) Para otros tipos de ejes, rogamos consulten EJE Nº 1 EJE Nº 11 EJE Nº 86 MEDIDASENMILÍMETROS 10,5 35
  • 54.
    55 BOMBAS DOBLES TIPOSVK-76, VS-76 Y VQ-76 3/4"BSP (Salidaopcional) Bd Para otros tipos de ejes, rogamos consulten EJE Nº 1 EJE Nº 11 EJE Nº 86 MEDIDASENMILÍMETROS
  • 56.
    BOMBAS DE PALETAS- Simples y Múltiples Bomba Simple Bomba Doble Bomba Triple CARACTERÍSTICAS Las bombas de paletas de la serie DT son bombas de caudal fijo y alto rendimiento. La gama comprende bombas simples, dobles y triples según múltiples configuraciones. LARGA DURACIÓN Debido al efecto de la compensación hidrostática y a la rigidez de los cojinetes las bombas de paletas de la serie DT poseen una mayor duración. ALTA PRESIÓN Presiones de trabajo hasta 320 bar. AMPLIA GAMA Las bombas de paletas de la serie DT tienen una muy amplia gama de cilindradas tanto en montajes de bombas simples como múltiples, combinando para éstas últimas las bombas con presiones de trabajo más altas. Todas las bombas tienen un diseño ligero y compacto con lo que la relación peso/potencia es excepcional. ALTOS CAUDALES Debido al tamaño constructivo de la bomba se consiguen grandes caudales simplemente cambiando los cartuchos y manteniendo el mismo cuerpo. Así el “B” de 15 gpm, el “C” de 31 gpm , el “D” de 61 gpm y el “E” de 85 gpm. BAJO NIVEL SONORO En la industria actual cada vez es más importante el nivel sonoro. El diseño de los cartuchos optimiza grandemente la reducción del ruido y hace que el resultado final sea muy aceptable. FLEXIBILIDAD DE MONTAJE Una instalación muy flexible y económica viene garantizada debido a la configuración y disposición de las bocas de presión y aspiración (4 posiciones para las bombas simples, 32 para las bombas dobles y 128 para las triples ). DURACIÓN Un excelente resultado en arranques en frío y una resistencia superior garantizan a las bombas de las series DT una máxima eficiencia y rendimiento además de una larga duración. DISEÑO DE CARTUCHOS Las bombas de la serie DT vienen con una amplia gama de cartuchos intercambiables a fin de garantizar una mayor flexibilidad en el montaje además de disponer así mismo de una variedad de caudales muy extensa. ALTAS VELOCIDADES DE ROTACIÓN La velocidad de rotación de una bomba viene influenciada por la el peso específico y viscosidad del aceite así como por la capacidad de aspiración. La máxima velocidad que se alcanza es de 3600 rpm. La mínima operativa es de 400 rpm en aplicaciones móviles y 600 rpm en aplicaciones industriales. De todas formas para cada velocidad, caudal y presión de trabajo recomendamos consultar en todo momento las características de cada bomba . ALTO RENDIMIENTO El elevado rendimiento volumétrico (normalmente 94%) reduce grandemente la generación de calor. Asimismo a bajas velocidades y altas presiones el elevado rendimiento mecánico (normalmente 94%) reduce el consumo de energía. Un elevado rendimiento incrementa la productividad. AMPLIA GAMA DE VISCOSIDADES ACEPTADAS Viscosidades desde 2000 a 10 cst, permiten eficazmente el arranque en frío o el pesado trabajo continuo. De todas formas la viscosidad óptima del aceite está entre los 16 cst (80 SUS) y los 40 cst (180 SUS). VERSATILIDAD DE APLICACIONES Las bombas de la serie DT se utilizan en la práctica totalidad de las aplicaciones tanto móviles como industriales, basadas en la utilización de aceites con base mineral o incluso aceites ignífugos. FLUIDOS IGNíFUGOS Ester fosfatos, hidrocarburos clorados, glicoles basados en agua y otras emulsiones están entre los aceites con los que pueden trabajar sin ningún tipo de problema las bombas de la serie DT. VENTAJAS Alta resistencia a la contaminación del aceite debido al diseño de la paleta de doble labio. Amplia variedad de opciones (de cilindrada por el cambio de cartucho, de ejes de salida y de posición de bocas) • Ideales para aplicaciones de baja presión, baja velocidad y una alta viscosidad ya que se consigue una reducción del consumo de energía. • El diseño constructivo de los cartuchos lo hacen ideal para aplicaciones pesadas. • Los orificios laterales reducen el drenaje interno, ayuda a equilibrar el balance de presiones internas y mejora la lubricación además de actuar como refrigerante. 1
  • 57.
    BOMBAS DE PALETAS- Descripción Cartucho de Bomba Serie DT DESCRIPCIÓN DE LA BOMBA Las bombas de la serie DT poseen una amplia gama de caudales debido a la intercambiabilidad de sus cartuchos. Todas las bombas se pueden servir con bridas de presión y aspiración y con soporte y acoplamiento. CARACTERÍSTICAS Debido al equilibrio hidrostático, el rotor no tiene movimiento radial con lo cual transmite todo el par de fuerza originado por la presión de la bomba. El drenaje interno se ve reducido al mínimo gracias al diseño de la placa de presión. Se puede trabajar así mismo con una amplia variedad de viscosidades de aceite y a temperaturas de trabajo extremas. FUNCIONAMIENTO El funcionamiento de la bomba de paletas se describe en la figura superior. La fuente de potencia se transmite al rotor interno a través del cartucho y el eje principal. Cuando dicho rotor gira, hacen que se muevan las paletas siguiendo la trayectoria de la excéntrica consiguiéndose así dos ciclos de aspiración completos y uno de presión por cada revolución. Debido al diseño de la excéntrica el rotor se mantiene en carga cuando las paletas trabajan sobre los ángulos mayor o menor. La cilindrada de la bomba depende del tamaño del cartucho y del rotor y se consigue cuando la paleta está a la máxima distancia de la superficie del rotor. Los componentes del cartucho son la excéntrica, el rotor, dos placas y las paletas. El caudal entrante de la bomba pasa a través de los orificios a ambas partes del cartucho. Cuando se alcanza el caudal de salida el volumen de la cámara desciende y el fluido se ve forzado a salir del sistema. 2
  • 58.
    VENTAJAS COMPARATIVAS -VISTA RAPIDA Aspiración Presión La placa de presión está cortada axialmente a fin de reducir el drenaje interno de la bomba. Cojinetes de rodillos estudiados para corregir las posibles desalineaciones del eje principal. ORIFICIOS LATERALES Amplia variación de ejes de salida estriados y cilíndricos siguiendo las normas SAE e ISO 3019-1 Cartucho intercambiable * Reduce el drenaje interno y el calentamiento * Mejora el balance de presión * Mejora la lubricación Orificios en la excéntrica mejoran la aspiración Descarga progresiva del aceite cuando se desplaza la paleta hacia afuera Cuando la paleta trabaja en el ángulo mayor la bomba comprime el aceite y consecuentemente da presión Orificios laterales adicionales mejoran el rendimiento de la bomba.Cuando la paleta trabaja en el ángulo menor la bomba aspira La paleta se mueve rápidamente hacia afuera por efecto de la fuerza centrífuga y del movimiento del eje intermedio La cavidad del eje intermedio iguala las diferencias de presión existentes entre la aspiración y la descarga. Conducto de presión que se llena cuando la paleta se mueve DISEÑO DE LA EXCENTRICA DISEÑO DE PALETA CON DOBLE LABIO * Incrementa la vida útil * Reduce la fricción * Elimina problemas de aspiración * Mejora el rendimiento * Reduce el esfuerzo * Se incrementa la presión de trabajo de la bomba DISEÑO DEL EJE INTERMEDIO * Optimiza el esfuerzo de la paleta * Reduce el drenaje interno * Reduce el nivel sonoro vista A-A B B vista B-B A A 3
  • 59.
    CODIFICACION - Bombasde paletas Series DT DT6C - B17 - 1 - R - 00 - B - 1 - M Modificaciones Tipo de Juntas Número de Serie Sentido de giro Tipo de eje Tamaño de cartucho o cilindrada Bombas de paletas de la serie DT Posición de Bocas (ver diagramas) 4
  • 60.
    BOMBAS DE PALETAS- Características generales DT6C/ DT6CM/ DT6CP 003 005 006 008 010 012 014 017 020 022 025 028 031 10.8 17.2 21.3 26.4 34.1 37.1 46.0 58.3 63.8 70.3 79.3 88.8 100 Series Cartucho Cilindrada Presión Max Velocidad Max Peso Brida Montaje Bridas SAE 4 agujeros 3 Tipo cm/rev bar rpm Kgs Standard SAE j744c Aspiración Presión ISO 3019-1 BOMBAS SIMPLES BOMBAS DOBLES 275 2800 15 SAE B 1 ½” 1” 210 2500 Modelo DT6CP monta sólo cartuchos del B14 al B31 B - B15 - 280 bar máximo intermitente C - 025,028,031 - 2500 rpm max 028,031 - 210 bar max intermitente D - 042,045,050 - 2200 rpm max 050 - 210 bar max intermitente - 061 - 120 bar max intermitente E - 085 - 2000 rpm max - 90 bar max intermitente DT6D/ DT6DM/ DT6DP DT6E/ DT6EM/ DT6EP 014 020 024 028 031 035 038 042 045 050 061 042 045 050 052 062 066 072 085 47.6 66.0 79.5 89.7 98.3 111.0 120.3 136.0 145.7 158.0 190.5 132.3 142.4 158.5 164.8 196.7 213.3 227.1 269.8 240 2500 24 SAE C 2” 1 1/4” 240 2200 44 SAE C 3” 1 ½” 210 90 120 2200 2000 1800 Series Cartucho Cilindrada Presión 3 Tipo cm/rev Max. bar Cartucho Cilindrada Presión 3 Tipo cm/rev Max. bar P1 P2 Velocidad Max Peso Kgs Brida de Montaje standard SAE j744c ISO 3019-1 Bridas SAE 4 agujeros Aspiración S Presión P1 P2 DT6CC/M 003 a 031 10.8 a 100 275 003 a 031 10.8 a 100 275 2800 SAE B 26 DT6DC/M 014 a 061 DT6EC/M 042 a 085 DT6ED/M 042 a 085 2 ½”ó 3” 1” 1” ó 3/4” 47.6 a 190.5 47.6 a 190.5 132.3 a 269.8 132.3 a 268.8 240 003 a 031 10.8 a 100 275 2800 SAE C 37 240 003 a 031 10.8 a 100 275 2200 SAE C 55 240 2200 SAE C 66240 014 a 061 3” 1 1/4” 1” 4” 1 ½” 1” 3 ½” 1 ½” 1” 5
  • 61.
    BOMBAS DE PALETAS- Características generales BOMBAS DOBLES DE PALETAS - Diagrama de posición de bocas BOMBAS TRIPLES B - B15 - 280 bar máximo intermitente C - 025,028,031 - 2500 rpm max 028,031 - 210 bar max intermitente D - 042,045,050 - 2200 rpm max 050 - 210 bar max intermitente - 061 - 120 bar max intermitente E - 085 - 2000 rpm max - 90 bar max intermitente Series Cartucho Cilindrada Presión 3 Tipo cm/rev Max. bar Cartucho Cilindrada Presión 3 Tipo cm/rev Max. bar Cartucho Cilindrada Presión 3 Tipo cm/rev Max. bar P1 P2 P3 Velocidad Max Peso Kgs Brida de Montaje standard SAE j744c ISO 3019-1 Bridas SAE 4 agujeros Aspiración S Presión P1 P2 P3 DT6DCC 014 a 061 DT6EDC 042 a 085 47.6 a 190.5 132.3 a 269.8 10.8 a 100 47.6 a 190.5 10.8 a 100 10.8 a 100 4” 4” 1” 1 1/4” 1 1/4” 1 ½” 1”ó3/4” 1”ó3/4” 240 240 275 240 275 275 2500 SAE C 61 2200 ISO 3019-2 100 003 a 031 014 a 061 003 a 031 003 a 031 P1-P2 P1-P2 P1-P2 P1-P2 P1-P2 P1-P2 P1 P1 P1 P1 P1 P1 P1 P1 P1 P1 P1 P1 P1 P1 P1 P1 P1 P1 P1 P1 P1 P1 P1 P1 P1 P1 P1 P1 P1 P1-S P1-S P1-S P1-S P1-S P1-S P1-S P1-S P1-S P1-S P1-S P2 P2 P2 P2 P2 P2 P2 P2 P2 P2 P2 P2 P2 P2 P2 P2 P2 P2 P2 P2 P2 P2 P2 P2 P2 P2 P2 P2 P2 P2 P2 P2 P2 P2 P2 P2 P2 P2 S-P2 S-P2 S S S S S S S S S S S S S S S S S S S S S S S S S S S S S S S S S-P1-P2 S-P1-P2 00 01 02 03 04 05 06 07 00 01 02 03 04 05 06 07 08 09 10 11 12 13 14 15 08 09 10 11 12 13 14 15 16 17 18 19 20 21 22 23 24 25 26 27 28 29 30 31 DT6CC-DT6DC-DT6EC DT6ED 6
  • 62.
    BOMBAS TRIPLES DEPALETAS - Diagrama de posición de bocas P1-P2-P3 P1-P2-P3 P1-P2-P3 P1 P1 P1-P2 P1 P1-P2 P1-P2 P1-P3 P1 P1-P3 P1 P1 P1-S P1-S P1 P1-S P1-P3 P1 P1 P1 P1 P1 P1 P1 P1 P1 P1 P1 P1 P1-P3 P1-S P1 P1 P1-P2 P1-P3 P1-P3 P1-P2 P1-P3 P1-P2 P1-P3 P1-P2 P1-P3 P1-P2 P1 P1 P1 P1 P1 P1 P2 P2 P2 P2 P2 P2 P1-P2 P1-S P1-S P1-S P1-S S-P1-P2 S-P1-P2 S-P1-P2 S-P1-P3 S-P1-P3 S-P1-P3 P1-S P2 P3 P3 P3 P2-P3 P3 P3 P3 P2 P2 P2 P3 P2 P2 P2 P2 S S S S S S S S S S P2 P2 P2 P3 P2 P3 P3 P2 P2-P3 P2 P2-P3 P2 P2 P2 P2 P2 P3 P3 P3 P3 P3 P3 P3 P3 P3 P3 P2 P2 P2 P2 P2 P2 P2 P2 P3 P3 S S S S S S S S S S P3 P3 P3 P3 P2 P3 P2 S-P2 P3 P2 P2 P2 S-P2-P3S S S S S P3 S S S S S S S S-P2 S-P2 S-P3 S-P3 S S P3 P3 P2 P2 P2 P3 P3 P3 P3 P3 P3 P3 P3 P3 P3 S S S-P3 S S S S S S-P1-P2-P3 00 01 02 03 04 05 06 07 08 09 10 11 12 13 14 15 16 17 18 19 20 21 22 23 24 25 26 27 28 29 30 31 32 33 34 35 36 37 38 39 40 41 42 43 44 45 46 47 48 49 50 51 52 53 54 55 56 57 58 59 60 61 62 63 DT6DCC-DT6EDC 7
  • 63.
    DIMENSIONES - BombasSimples DT6C/DT6CM 174,5 146,0 73,0 Ø14,2 1,3 x 45º 1,5 x 45º Chaveta 6,35/6,30 38,1 71,4161,5 Par de apriete 159Nm 82,3 38,1 9,7 7,9 6,35 Max Mx1608, 76,2 134,6 24,54Max Ø513, Ø0,6/0,5110115 Ø22,22/2220, Eje Tipo 1 35,7 26,2 12,7 58,2 31,8 Chaveta 4,762/4,712 6,869 3,349 ,524 26,2 Ø22,22/22,20 ,4M245ax 7,9 13,1017,851/2-13 UNC x 22.35 Profundidad 3/8-16 UNC x 19.05 Profundidad Ø38,1 Aspiración Ø25,4 Presión 1,5 x 45º Eje Tipo 2 40,7 7,9 24,5 1,5 x 45º SAE B Estriado Clase 1-J498b 16/32 d.p. - 13 Dientes 30º ángulo Eje Tipo 3 45,5 7,9 24,5 1,5 x 45º SAE BB Estriado Clase 1-J498b 16/32 d.p. - 15 Dientes 30º ángulo Eje Tipo 4 8
  • 64.
    DIMENSIONES - BombasSimples DT6D/DT6DM 212,4 83,6 12,7 49,3 Chaveta 7,94/7,89 M10 x 20,0 2,3 x 45º 1,3 x 45º 7/16-14 UNC x 22.35 42,9 30,2 15,7 83,6 38,1 2,3 x 45º Ø31,8 PresiónØ50,8 Aspiración Chaveta 7,94/7,89 4 Orificios 1/2-13 UNC x 23.88 Par de apriete 187 Nm Ø27,026,9510/1 Ø4,36 82,6 156,7 7530Ø31,/1,7 35,M27ax 184,9 87,4 38,1 7,9 6,35 Max 55,1 77,7 7,9 48,0 2,3 x 45º 38,1 2,3 x 45º 7,9 181,0 90,5 Ø7,51 Eje Tipo 3 Eje Tipo 4 Eje Tipo 1 SAE C Estriado Clase 1-J498b 12/24 d.p. - 14 Dientes 30º ángulo No SAE Estriado Clase 1-J498b 12/24 d.p. - 14 Dientes 30º ángulo ,2a357Mx 35Ø1,7/31,70 58,7 7,77 Eje Tipo 2 9
  • 65.
    DIMENSIONES - BombasSimples DT6E/DT6EM 213 181 90,5 Ø 147,6 55,9 62,2 38,1 31,5 2,3 x 45º 2,3 x 45º 7,9 7,9 175Ø, Eje Tipo 3 Eje Tipo 1 Eje Tipo 2 SAE C-C Eje Tipo 4 SAE C Estriado Clase 1-J498b 12/24 d.p. - 14 Dientes 30º ángulo SAE C-C Estriado Clase 1-J498b 12/24 d.p. - 17 Dientes 30º ángulo Par de apriete 187 Nm 225,3 110 52,3 7,9 6,35 Max 90,9 Chaveta 9,52/9,47 Chaveta 7,94/7,89 2,3 x 45º 1,3 x 45º 2,3 x 45º 4 Orificios 1/2-13 UNC x 23.37 Ø 37,10 PresiónØ 76,20 Aspiración 61,9 35,761,94 Orificios 5/8-11 UNC x 23.88 17,5 38,1 M10 x 20 12,7 50,8 12700/126,5Ø,9 6,410 31Ø5,3Max 7531Ø31,/,70 69,8 Ø76,2 87,51 ,698 Ø38,10/38,05 42,36Max 10
  • 66.
    DIMENSIONES - BombasDobles DT6CC/DT6CCM/DT6CCP 174,5 Orificio Rosca A B C D E Par máximo admisible sobre el eje en cc/rev x bar Bomba Tipo de Eje V x P max (P1+P2) 1 14300 3 32670 5 20600 2 21470 DT6CC DT6CCM DT6CCW DT6CCMW S 3 106,4 61,9 76,2 5/8 -11UNC x 28,4 S 2 ½ 88,9 50,8 63,5 1/2 -13UNC x 23,9 P1 1 52,4 26,2 25,4 76,2 P2 3/4 47,7 22,4 19,0 76,2 P2 1 52,4 26,2 25,4 74,7 146 Par de apriete 159 Nm 265,6 88,2 101,6 38,1 7,9 9,7 38,1 Chaveta 6,35/6,30 M8 x 16 1,5 x 45º 1,3 x 45º Par de apriete 61 Nm E - 4 Orificios B B 4 Orificios 3/8-16 UNC x 19.05 12,7 58,2 7,9 31,7 Chaveta 4,762/4,712 Ø 22,225/22,20 1,5 x 45º Ø C - Presión Ø 25,4 - PresiónØ C - Aspiración 26,2 13,1 4 Orificios 3/8-16 UNC x 19.05 6,35 Max 71,4 45,5 40,7 7,9 1,5 x 45º 24,5 7,9 24,5 1,5 x 45º 73 67,2 Ø101,60/101,55 Ø51,3 282,2Max Ø5,0/25,3724 Ø24,53Max 62,2 25,4 A A 73,2841, D 14,3Ø Eje Tipo 2 Eje Tipo 3 Eje Tipo 5Eje Tipo 1 SAE BB Cilíndrico no SAE SAE BB Estriado Clase 1-J498b 16/32 d.p. - 15 Dientes 30º ángulo SAE B Estriado Clase 1-J498b 16/32 d.p. - 13 Dientes 30º ángulo 11
  • 67.
    DIMENSIONES - BombasDobles DT6DC/DT6DCM/DT6DCP 212,3 181 90,5 28,6 Ø17,5 Par de apriete 187 Nm Eje Tipo 3 Eje Tipo 4 SAE C Estriado Clase 1-J498b 12/24 d.p. - 14 Dientes 30º ángulo Eje Estriado no SAE Clase 1-J498b 12/24 d.p. - 14 Dientes 30º ángulo 55,1 77,7 7,9 7,9 48 38,1 2,3 x 45º 2,3 x 45º 286 109,5 112,3 38,1 83,6 12,7 49,3 Chaveta 7,95/7,90 M10 x 20 2,3 x 45º 1,3 x 45º 6222,4 30,2 15,7 73,2 7,9 38,1 Chaveta 7,95/7,90 2,3 x 45º Ø 19 - Presión Ø 31,8 - Presión Ø 76 - Aspiración 6,35 Max 7,9 Eje Tipo 1 SAE C 7012,9Ø12,0/65 ,Ø645 88,9 747, 73,9 283,2Max Ø1,5/31,7037 Par de apriete 80 Nm 4 Orificios 5/8-11 UNC x 28.44 4 Orificios 3/8-16 UNC x 19.05 4 Orificios 7/16-14 UNC x 22.86 ,axØ3528M ,Ø31,75/3170 85,7 106,4 47,8 Eje Tipo 2 Par máximo admisible sobre el eje en cc/rev x bar Bomba Tipo de Eje V x P max (P1+P2) 1 43240 2 38996 DT6DC DT6DCM 12
  • 68.
    DIMENSIONES - BombasDobles DT6EC/DT6ECM/DT6ECP Par máximo admisible sobre el eje en cc/rev x bar Bomba Tipo de Eje V x P max (P1+P2) 1 72306 2 34590 3 61200 DT6EC DT6ECM 212,5 181 90,5 1,5Ø7 Par de apriete 187 Nm 55,9 7,9 38,1 2,3 x 45º Eje Tipo 3 SAE C Estriado Clase 1-J498b 12/24 d.p. - 14 Dientes 30º ángulo 331,6 136,7 118,5 52,3 90,9 50,8 Chaveta 9,52/9,47 Chaveta 7,94/7,89 M10 x 20 2,3 x 45º 1,3 x 45º 61,9 17,5 23,469,226,2 4 Orificios 1/2-13 UNC x 23.364 Orificios 5/8-11 UNC x 29.46 4 Orificios 3/8-16 UNC x 19.05 Ø 25,4 - Presión Ø 37,1 - PresiónØ 88,9 - Aspiración 7,9 38,1 2,3 x 45º 12,7 7,9 6,35 Max Ø2700126,951,/ Ø76,2 Ø5,7ax32M ,Ø31,75/3170 698, 120,6 25,4 984, 102,4 47,776,2 889, Ø42,36Max Ø38,10/38,05 Eje Tipo 1 Eje Tipo 2 SAE CC Par de apriete 68 Nm 13
  • 69.
    DIMENSIONES - BombasDobles DT6ED/DT6EDM/DT6EDP 212,5 181 90,5 1,5Ø7 Par de apriete 187 Nm 55,9 7,9 38,1 2,3 x 45º Eje Tipo 3 SAE C Estriado Clase 1-J498b 12/24 d.p. - 14 Dientes 30º ángulo 361,2 148,3 133,6 90,9 52,3 7,9 12,7 50,86,35 Max Chaveta 9,52/9,47 M10 x 20 Ø7012,912,0/65 Ø,762 Ø42,6ax3M Ø8,0/380531, 2,3 x 45º 1,3 x 45º Eje Tipo 1 SAE CC Cilíndrico no SAE 98,4 0412,889, 18101,6 Par de apriete 187 Nm 4 Orificios 1/2-13 UNC x 23.364 Orificios 5/8-11 UNC x 29.97 77,730,2 35,7 17,5 62 38,1 Chaveta 7,94/7,89 Ø35,27Max Ø1,5/31,7037 2,3 x 45º Eje Tipo 2 698, Ø 37,1 - PresiónØ 101,6- AspiraciónØ 29,5 - Presión 13,20 85,7 4 Orificios 7/16-14 UNC x 23.87 Par máximo admisible sobre el eje en cc/rev x bar Bomba Tipo de Eje V x P max (P1+P2) 1 72306 2 34590 3 61200 DT6ED DT6EDM 14
  • 70.
    DIMENSIONES - BombasTriples DT6DCC/DT6DCCM 212,5 181 90,5 7,Ø 1 5 Par de apriete 187 Nm 61 55,1 31,4 38,1 2,3 x 45º 2,3 x 45º 7,9 7,9 Eje Tipo 3Eje Tipo 4 SAE C Estriado Clase 1-J498b 12/24 d.p. - 14 Dientes 30º ángulo SAE CC Estriado Clase 1-J498b 12/24 d.p. - 17 Dientes 30º ángulo 404 119,384,4 138 38,1 93,6 49,3 Chaveta 6,35/6,30 12,7 6,35 Max 7,9 Ø7012,912,0/65 ,MØ346ax ,/10Ø31753,7 2,3 x 45º 1,3 x 45º Eje Tipo 1 Cilíndrico no SAEPar de apriete 187 Nm 4 Orificios 7/16-11 UNC x 22.09 Chaveta 9,52/9,47 M10 x 20 30,2 15,7 89,7 7,9 50,8 77.826,2B 4 Orificios 5/8-11 UNC x 30.48 4 Orificios 3/8-16 UNC x 19.05 4 Orificios 3/8-16 UNC x 19.05 Par de apriete 69 Nm 127 101,6 58 SAE CC Eje Tipo 2 Ø,643 Ø8,0/38,0531 2,3 x 45º 587, 524, A 3210, Ø 31,8 - PresiónØ 25,4 - PresiónØ C - Presión Ø 101,6- Aspiración Par máximo admisible sobre el eje en cc/rev x bar Bomba Tipo de Eje V x P max (P1+P2+P3) Tipo de Eje V x P max (P1+P2+P3) Tomas alternativas 1 43240 2 66500 3 61200 4 66500 DT6DCC DT6DCCM Orificio Código A B C P3 00 52,4 26,2 25,4 P3 01 47,6 22,1 19,0 15