Portada club 78M 7/31/11 5:34 PM Página 1
2ª de forros.qxd 6/9/11 12:05 PM Página 2ªFo1
Fuentes Pulsadas en Equipos Electrónicos Modernos
Capítulo 1
Topologías de Fuentes Conmutadas Más
Empleadas por los Fabricantes 3
Introducción 3
La Fuente de Transferencia Combinada 4
El Modo Burst 7
Las Topologías para Fuentes Conmutadas 8
Elección del Mosfet Llave de Potencia 9
Elección de la Topología 10
El Transformador de Pulsos 11
Mosfet Disponibles en el Mercado Latinoamericano 13
Un Circuito más Definitivo 16
Generador de Excitación 19
La Condición de Máxima de la Fuente 19
Circuito Excitador Simulado 23
¿Qué Pasa Cuando las dos Llaves Están Abiertas? 25
Capítulo 2
Diseño de Una Fuente Pulsada para Equipos
Electrónicos Modernos 27
El Transformador de Pulsos 27
El Efecto Pelicular 28
Núcleos para Transformadores 29
Construcción Práctica del Transformador 32
La Fuente Resonante 33
El Efecto Resonante Mecánico 33
El Sistema Resonante Eléctrico 34
El Generador de Onda Cuadrada con Llaves
Controladas 37
La Tensión Sobre los Transistores Mosfet 40
Diseño de un Modulador PWM 40
El Circuito de Prueba 42
Ajuste y Prueba del Circuito 43
Posibilidades de Regulación de la Fuente 46
Conmutación con Transistores MOSFET 47
Circuito de Excitación 48
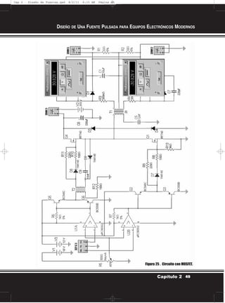
Circuito con MOSFET 50
Otro Circuito de Excitación 51
Nuevo Circuito Excitador 51
Oscilogramas del Driver con Señal Cuadrada 53
Fuente Comercial para Amplificadores de Audio 55
Capítulo 3
El Servicio Técnico a las Fuentes Pulsadas
de los Equipos Electrónicos Modernos 59
Introducción 59
El Circuito de la Fuente 62
Funcionamiento de la Fuente 62
Reparación de la Fuente 64
La Reparación en Fotos 65
El Control de Tensión de una Fuente Pulsada 66
Un Modulador de Múltiples Usos 71
Diseño Automático del Astable
Básico con un Integrado 555 73
Circuito Completo del Modulador
con Oscilador con el Temporizador 555 73
Apéndice
El Diagrama en Bloques de una
Fuente Conmutada con Fly-Back 75
El Circuito del Rectificador 76
Circuito de Conmutación de Salida de la Fuente 76
El Arranque de la Fuente 77
El Oscilador 77
La Regulación de la Fuente 78
La Limitación de la Corriente del Primario 78
Circuitos de Protección 79
Las Fuentes del Secundario de T11 79
SUMARIO
Fuentes Pulsadas en
Equipos Electrónicos
Modernos
1Sumario
sumario club 78.qxd 8/2/11 6:09 AM Página 1
Director
Ing. Horacio D. Vallejo
Producción
José María Nieves (Grupo Quark SRL)
Autor de este Tomo de Colección:
Ingeniero Alberto H. Picerno
Selección y Coordinación:
Ing. Horacio Daniel Vallejo
EDITORIAL QUARK S.R.L.
Propietaria de los derechos en castellano de la publicación men-
sual SABER ELECTRÓNICA - San Ricardo 2072 (1273) -
Capital Federal - Buenos Aires - Argentina - T.E. 4301-8804
Administración y Negocios
Teresa C. Jara (Grupo Quark SRL)
Patricia Rivero Rivero (SISA SA de CV)
Margarita Rivero Rivero (SISA SA de CV)
Staff
Liliana Teresa Vallejo
Mariela Vallejo
Diego Vallejo
Fabian Nieves
Luis Alberto Castro Regalado (SISA SA de CV)
José Luis Paredes Flores (SISA SA de CV)
Sistemas: Paula Mariana Vidal
Red y Computadoras: Raúl Romero
Video y Animaciones: Fernando Fernández
Legales: Fernando Flores
Contaduría: Fernando Ducach
Técnica y Desarrollo de Prototipos:
Alfredo Armando Flores
Atención al Cliente
Alejandro Vallejo
ateclien@webelectronica.com.ar
Internet: www.webelectronica.com.ar
Publicidad:
Rafael Morales
rafamorales@webelectronica.com.ar
Club SE:
Grupo Quark SRL
luisleguizamon@webelectronica.com.ar
Editorial Quark SRL
San Ricardo 2072 (1273) - Capital Federal
www.webelectronica.com.mx
La Editorial no se responsabiliza por el contenido de las no-
tas firmadas. Todos los productos o marcas que se mencio-
nan son a los efectos de prestar un servicio al lector, y no en-
trañan responsabilidad de nuestra parte. Está prohibida la
reproducción total o parcial del material contenido en esta
revista, así como la industrialización y/o comercialización
de los aparatos o ideas que aparecen en los mencionados tex-
tos, bajo pena de sanciones legales, salvo mediante autoriza-
ción por escrito de la Editorial. Septiembre 2012.
Impresión: Talleres Babieca - México
Existen distintos tipos de fuentes de alimentación pero, sin
duda, las más empleadas son las pulsadas o conmutadas,
debido a que son las que mejor rendimiento tienen y las que
pueden funcionar con un amplio rango de tensiones de entrada
sin que varíe significativamente las tensiones a su salida.
Computadoras, equipos de audio, hornos de microondas,
televisores, reproductores de bluray son sólo algunos de los
equipos modernos que emplean fuentes conmutadas de distinto
tipo. En este texto se estudia qué es una fuente conmutada y
cuáles son las topologías o diseños que llevan a la creación de
un circuito.
También se describen los parámetros de diseño de una
fuente típica comenzando con el componente más complejo, el
transformador de pulsos, indicando dónde puede conseguirlo y
cómo debe solicitarlo.
Por último se enlistan algunos consejos útiles para el servi-
cio técnico, mostramos técnicas para poder variar la tensión de
la fuente y mostramos el funcionamiento de un circuito PWM.
Destacamos la inclusión de un apéndice en el que se des-
cribe una fuente “típica” de las que puede encontrar en televi-
sores a TRC ya que son equipos que seguirán llegando al taller
y que, por lo tanto, todo técnico debe conocer.
Esperamos que el material, tanto este texto como los CDs,
sean de su agrado.
¡Hasta el mes próximo!
SOBRE LOS CDS Y SU DESCARGA
Ud, podrá descargar de nuestra web 2 CDs: “Curso de
Fuentes de Alimentación” y “Servicio Técnico a las Fuentes de
Alimentación” (con videos de fallas y soluciones). El primero
incluye un curso con teoría y práctica sobre los distintos tipos
de fuentes de alimentación y el segundo más de 20 videos téc-
nicos. Para realizar la descarga deberá ingresar a nuestra web:
www.webelectronica.com.mx, tendrá que hacer clic en el
ícono password e ingresar la clave “quierofuente”. Tenga este
texto cerca suyo ya que se le hará una pregunta aleatoria sobre
el contenido para que pueda iniciar la descarga.
Editorial
Del Editor al Lector
Fuentes Pulsadas en Equipos Electrónicos Modernos
2 El Servicio Técnico a los Equipos Electrónicos
sumario club 78.qxd 8/2/11 6:09 AM Página 2
Las fuentes pulsadas o conmutadas
se emplean en equipos electrónicos
desde hace más de 4 décadas y su
objetivo es aumentar el rendimiento
de la fuente de alimentación,
logrando una buena estabili-
dad en las tensiones generadas
para un amplio rango de ten-
siones de entrada.
Computadoras, equipos de
audio, hornos de microondas,
televisores, reproductores de
bluray son sólo algunos de los
equipos modernos que emple-
an fuentes conmutadas de dis-
tinto tipo. En este capítulo
vamos a ver básicamente qué es una fuente conmutada y cuáles son las topologí-
as o diseños que llevan a la creación de un circuito.
INTRODUCCIÓN
Abra cualquier equipo de electrónica con
potencias consumidas de cualquier nivel,
desde 10W hasta 1kW y con tensiones de
salida desde 5 hasta 200V y se va a encontrar
con una hermosa fuente pulsada clásica con
su transformador de ferrite y sus filtros de
línea para evitar la irradiación de interferen-
cias y la captación de pulsos que podrían
quemar materiales de la fuente.
Salvo una fuente de un amplificador de
potencia de audio de cualquier tipo, es decir
tanto analógico como digital. Allí junto al
equipo digital más moderno va a encontrar
un bruto transformador de 50 ó 60Hz con la
clásica laminación E y I que muchas veces
pesa 20 o 30 kg y que tiene una potencia de
pérdida proporcional a su peso. Un verdade-
ro desperdicio de energía incompatible con
las épocas “verdes” que estamos viviendo.
La mayoría de los equipos tienen un con-
sumo máximo y un mínimo que difieren
poco entre sí.
Por ejemplo un TV de 20” puede consu-
mir 50W sin brillo y sin volumen y 80 con
máximo brillo y volumen. La relación de
consumos es de solo 80/50 = 1,6 veces es
decir de 1 a 1,6 o un 60% de la mejor a la
TOPOLOGÍAS DE FUENTES CONMUTADAS MÁS EMPLEADAS POR LOS FABRICANTES
3Capítulo 1
Capítulo 1
TOPOLOGÍAS DE FUENTES CONMUTADAS
MÁS EMPLEADAS POR LOS FABRICANTES
Cap 1 - topologías.qxd 8/2/11 6:12 AM Página 3
peor condición. La fuente tiene que adaptar-
se a este hecho, pero es una adaptación míni-
ma fácil de lograr.
Un equipo de audio analógico o digital
tiene un consumo mínimo casi despreciable.
Por ejemplo la corriente de polarización
del par de salida que se puede estimar en
20mA para un equipo de 50W por canal.
Un equipo de esta potencia con una boci-
na o parlante de 8 tiene una fuente que
puede calcularse del siguiente modo:
P = E.I = 50W
como: I = E/R
50W = E.E/R
o sea:
E2
/R = 50W
De aquí se deduce que con un parlante de
8 Ohm será:
E2
= 50W . 8 = 400V2
por lo tanto:
E = 20V
Como se trata de una tensión eficaz, el
valor de pico será de:
Vp = Vef x 1,41 = 20V x 1,41 = 28,2V
Haciendo números redondos sería una
fuente de 30V. Por eso la potencia en reposo
sería de 30V . 0,02A = 60 mW contra 50W a
plena salida; todo ello considerando un siste-
ma sin perdidas. Para sacar cuentas redondas
digamos que de 60mW a 60W que significa
una variación de 1.000 veces del consumo de
fuente.
Es decir que nuestra fuente tiene que
regular casi desde consumo nulo hasta 2A
porque (30V . 2A) dan 60W, con una entrada
de 180V a 240V de CA (por llave, habría que
convertir nuestra fuente de 220V en una
fuente de 110V si queremos una fuente uni-
versal).
Hacer una fuente que varíe de 30W a
60W y que entregue 30V no es ningún pro-
blema, pero que regule entre circuito abierto
(corriente igual a cero) y 60W ya no es tan
fácil porque es una carga demasiado variable
y la salida tiende a embalarse cuando la fuen-
te está sin carga. Como esto es casi una
imposición vamos a tratar de explicarlo con
una simulación y a ver cómo lo podemos
solucionar.
LA FUENTE
DE TRANSFERENCIA COMBINADA
No importa de qué fuente se trate, todas
las fuentes pulsadas funcionan del mismo
modo. Nosotros, para entender el problema,
vamos a usar una fuente de transferencia
combinada que es la más simple de entender,
aunque tiene el problema de que no es aisla-
dora y por lo tanto no sirve para el proyecto
final.
En la figura 1 se puede observar el circui-
to básico, en donde se utiliza una llave con-
trolada por tensión como elemento activo.
Por supuesto en el circuito real se utilizará un
transistor bipolar o un MOSFET.
El circuito es una simple llave que se cie-
rra y se abre rítmicamente a la frecuencia
Fuentes Pulsadas en Equipos Electrónicos Modernos
4 El Servicio Técnico a los Equipos Electrónicos
Cap 1 - topologías.qxd 8/2/11 6:12 AM Página 4
fijada por el generador de funciones, que
genera una señal rectangular. El período de
actividad de la llave está ajustado a un valor
bajo, de modo que la llave está cerrada poco
tiempo (9%) y abierta el tiempo restante y su
frecuencia de trabajo es de 50kHz es decir
que cumple su ciclo en un período de
1/50.000 = 20µS de los cuales está cerrada
unos 2µS y abierta los 18µS restantes.
Cuando la llave se cierra aumenta la
corriente por ella en forma paulatina.
Como estamos tomando una muestra en el
retorno de la batería (que representa al puen-
te de rectificadores y el electrolítico de la
fuente no regulada de entrada) se observa la
señal yendo hacia negativo pero en realidad
es un pulso positivo. La corriente de la llave
pasa por el inductor L1 y luego por la carga
generando tensión continua en el electrolíti-
co de salida C1 y la carga R1 con un nivel
bajo debido al poco tiempo de actividad de la
llave.
No circula corriente por el diodo D1 por-
que el mismo está en inversa. En cuanto la
llave se abre, la corriente por el inductor que
estaba creciendo y generando una tensión
positiva en el inductor del lado del diodo,
con respecto a una negativa del lado de la
carga, comienza a reducirse y genera una
tensión inversa sobre el inductor que polari-
za al diodo en directa. Ahora el campo mag-
nético acumulado en el inductor hace circu-
lar corriente por D1, L1 y la carga C1 y R1.
Esa corriente se reduce paulatinamente a
medida que se agota la carga de campo mag-
nético en el inductor, hasta que finalmente no
alcanza para mantener conduciendo al diodo
y el inductor se queda a impedancia alta, con
la llave y el diodo abiertos y realiza una osci-
lación propia debido a su inductancia y a su
capacidad distribuida, que dura todo el tiem-
po en que se está recuperando energía como
lo demuestra el oscilograma de la figura 2 en
donde se muestra la corriente de carga y la de
recuperación. Así se puede reconocer que
TOPOLOGÍAS DE FUENTES CONMUTADAS MÁS EMPLEADAS POR LOS FABRICANTES
5Capítulo 1
Figura 1 - Circuito de fuente de transferencia combinada.
Cap 1 - topologías.qxd 8/2/11 6:12 AM Página 5
nuestro problema está en
la enorme reducción de
tensiones que requiere el
circuito, que nos lleva a
trabajar con tiempos de
actividad pequeños aun a
los valores nominales de
corriente de carga.
Reducir la carga por
ejemplo a 1A implica
reducir el tiempo de acti-
vidad a la mitad es decir
1µS y a esos valores de
tiempo de actividad las
llaves comunes tienen
bajo rendimiento, porque
demoran en abrir y
cerrar. A niveles menores
de carga ya no pueden
cumplir con su función
de abrir y cerrar porque
Fuentes Pulsadas en Equipos Electrónicos Modernos
6 El Servicio Técnico a los Equipos Electrónicos
Figura 2 - Corriente de recuperación de la fuente.
Figura 3 - Excitación en modo burst.
Cap 1 - topologías.qxd 8/2/11 6:12 AM Página 6
no tienen tiempo para
hacerlo. Y entonces la ten-
sión de salida pierde la
regulación, la llave demo-
ra en abrir y sube la ten-
sión de salida a niveles
peligrosos.
EL MODO BURST
La solución al proble-
ma es el modo burst. La
palabra burst se traduce
cómo salva y consiste en
una doble modulación de
la señal de la llave.
Cuando el tiempo de acti-
vidad no se puede reducir
TOPOLOGÍAS DE FUENTES CONMUTADAS MÁS EMPLEADAS POR LOS FABRICANTES
7Capítulo 1
Figura 4 - Excitación de modo burst para reducir la tensión de salida.
Figura 5 - Ripple en el modo burst.
Cap 1 - topologías.qxd 8/2/11 6:12 AM Página 7
más, se recurre a generar un grupo de pulsos
un corte, otro grupo de pulsos, otro corte, etc.
hasta que baje la tensión al valor deseado
cuando se usa baja carga.
En la figura 3 se puede observar el circui-
to modificado con dos generadores sumados
para manejar la llave de este modo.
El circuito funciona del mismo modo que
el anterior, pero ahora los cierres de la llave
se realizan con un trencito, de pulsos, que
levantan la salida, un corte largo, otro trenci-
to etc. logrando reducir la tensión de salida a
pesar de que la llave dura cerrada un tiempo
aceptablemente largo.
En la figura 4 se puede observar un osci-
lograma de los pulsos de excitación junto
con los pulsos de carga del inductor.
Este modo es una solución, pero implica
colocar capacitores más grandes como filtro
de salida, porque ahora el ripple es el corres-
pondiente al período de apagado del burst
que puede ser mucho mayor que el período
de la oscilación principal. En la figura 5 se
puede observar el ripple aún con un capaci-
tor 10 veces mayor.
Lo importante es partir y ya recorrimos el
primer trecho de nuestra fuente pulsada para
audio. Ya vimos la primer dificultad y dimos
una idea de cómo salvarla. El diseño debe
tener llaves muy rápidas para que tenga un
elevado rendimiento y un factor de atenua-
ción tan elevado como de 300 a 30V con una
carga que varía casi de circuito abierto a uno
2A.
Esto es algo muy difícil de lograr y pro-
bablemente tengamos que realizar un consu-
mo resistivo para levantar el mínimo consu-
mo, probablemente sea imprescindible con-
sumir unos 200mA cuando no hay audio de
salida que equivale a 6W.
Nos dá lastima porque son unos cuantos
árboles perdidos mientras el equipo está en
silencio, pero tal vez podamos hacer que el
micro detecte que el equipo está en silencio
por mucho tiempo y lo pase a stand by auto-
máticamente.
LAS TOPOLOGÍAS PARA
FUENTES CONMUTADAS
No existe una topología que aventaje a las
otras en cuanto trabajar en el modo burst.
Todas son adecuadas; pero si existen topolo-
gías mas adecuadas para potencias altas que
para potencias bajas.
En principio nuestra intensión es trabajar
si se puede con 100W por canal y si no pode-
mos con 50W por canal aproximadamente.
Con estas potencias se pueden utilizar topo-
logías de cualquier tipo con uno, dos o cua-
tro transistores. Cada una tiene sus ventajas y
sus desventajas que no están de más aprender
ya que las fuentes de alimentación pulsadas
tienen una aplicación universal y todo lo que
mencionemos sobre ellas será sumamente
útil para cualquier proyecto.
En primera instancia debemos decir que
una fuente pulsada requiere una o más llaves
digitales. Por eso debemos considerar las
diferentes posibilidades existentes en el mer-
cado. En principio existen tres posibilidades
de la cuales solo dos son prácticas en este
momento: los transistores bipolares; los tran-
sistores MOSFET y los GATOs. De estos
tres los bipolares y los MOSFET son amplia-
mente conocidos y no vamos a explicar nada
sobre ellos porque el que encara un diseño
de una fuente pulsada debe tener conoci-
mientos sobre ellos.
Fuentes Pulsadas en Equipos Electrónicos Modernos
8 El Servicio Técnico a los Equipos Electrónicos
Cap 1 - topologías.qxd 8/2/11 6:12 AM Página 8
Nos quedan el último grito de la moda en
llaves digitales que son los GATOs; podemos
considerarlos como una mezcla de transistor
bipolar y MOSFET que presentan las venta-
jas de los transistores bipolares, con referen-
cia a su tensión colector emisor, sin los pro-
blemas de excitación que ellos poseen por-
que se excitan por compuerta. El problema
es que los GATOs son aun muy nuevos y no
se consigue gran variedad de ellos.
Al elegir entre Bipolares y MOSFET
priva el problema del costo y la facilidad de
excitación por lo cual la decisión mas lógica
es utilizar MOSFET de los cuales luego rea-
lizaremos una selección de los existentes en
plaza.
ELECCIÓN DEL MOSFET
LLAVE DE POTENCIA
Empecemos por lo mas simple; el circui-
to clásico de las fuentes pulsadas para TV.
Estas fuentes poseen una fuente primaria no
regulada idéntica a la que vamos a utilizar
nosotros que es la de 220V rectificada con un
puente de rectificadores y un capacitor elec-
trolítico de unos 330µF x 450V.
Esta tensión es de 310V y nuestra fuente
la debe convertir en un valor cercano a los
30V. Este valor no interesa demasiado por-
que se varía con la relación de espiras del
transformador. Pero lo que si interesa es la
tensión de primario.
En efecto de acuerdo a la topología elegi-
da el MOSFET debe admitir por lo menos el
doble de la tensión no regulada y un cierto
margen que podemos estimar en unos 200V
más.
Es decir que necesitamos transistores de
unos 800V los cuales no son simples de con-
seguir. En general se pueden usar MOSFET
de TV pero estos están diseñados para unos
80W de salida. Esto nos indica que sería con-
veniente utilizar una topología de dos tran-
sistores llave para que se repartan la potencia
y podamos obtener unos 160W en total que
pueden estirarse a 200W.
TOPOLOGÍAS DE FUENTES CONMUTADAS MÁS EMPLEADAS POR LOS FABRICANTES
9Capítulo 1
Figura 6 - Fuente de transferencia indirecta.
Cap 1 - topologías.qxd 8/2/11 6:12 AM Página 9
ELECCIÓN DE LA TOPOLOGÍA
A nuestros efectos podemos ordenar las
topologías de acuerdo a la cantidad de llaves
utilizadas como de llave simple, en semi-
puente y en puente completo. Dibujemos pri-
mero la topología aisladora de llave simple
(también conocida como de transferencia
indirecta o fly-back). Ver figura 6. El prima-
rio del transformador posee una inductancia
que determina el crecimiento de la corriente
en función del tiempo, que por supuesto
comienza en cero en el comienzo del ciclo,
que es cuando se cierra la llave. La fórmula
que determina la corriente en un determina-
do instante de tiempo es:
I = (1/L) . T
Si L es de 1Hy en un segundo la corrien-
te crece linealmente hasta 1A. Por esa razón
las inductancias utilizadas están en el orden
del mHy y las frecuencias en el orden de los
100kHz (semiperiodo de 5µs) porque de ese
modo se llega a corrientes de: I = (1/5µHy) .
5 µs = 1A. Ver la figura 7.
Pero en este circuito la fuente es de 1V y
nosotros tenemos una fuente de 310V. Como
el sistema es lineal esto significa que necesi-
taremos un inductor con 310 veces mas
inductancia es decir del orden de los 5.1µHy
multiplicado por 310 nos dá 1,5mHy. Esta
inductancia no será realmente un inductor,
sino la inductancia del primario del transfor-
mador de pulsos. Nuestro transformador
deberá ser reductor de modo que cuando
tenga aplicados los 310V entregue 31V de
pico positivo en su secundario.
El problema es que cuando se abra la
llave J1, la inductancia de primario generará
una sobretensión que puede llegar a ser de
varios kV. Ese es justamente el fenómeno
que le da el nombre de fly-back a la fuente
analizada. Esa sobretensión se limita con un
limitador a diodo y red RC que nosotros
reemplazamos por una fuente limitadora de
400V ya que este circuito solo es de demos-
tración y no pretendemos que sea funcional.
Ahora cuando corta J1 la tensión de la llave
crece abruptamente hasta que el diodo D2 se
ponga en directa (400V+310V). En ese
momento también conduce el diodo D1 y el
capacitor C1 recupera la carga perdida el
resto del tiempo.
El diodo D1 extrae toda la energía mag-
nética acumulada en el núcleo, antes que la
llave se vuelva a cerrar; es decir que nuestro
Fuentes Pulsadas en Equipos Electrónicos Modernos
10 El Servicio Técnico a los Equipos Electrónicos
Figura 7 - Corriente por una inductancia.
Cap 1 - topologías.qxd 8/2/11 6:12 AM Página 10
circuito tiene tres tiempos claramente defini-
dos. El primero es el de acumulación de
energía magnética en el núcleo. El segundo
es de recuperación de la energía magnética
en el núcleo, y el tercero es el tiempo de
espera hasta que se vuelva a cerrar la llave.
La red RC sobre D1 es para lentificarlo un
poco y evitar que se produzcan oscilaciones
espurias y los resistores R1 y R3 son para
poder medir la corriente por la llave y por la
carga. C1 debería ser de por lo menos 470µF
pero pusimos un valor bajo para acelerar la
simulación.
Para conocer el rendimiento del circuito
agregamos un amperímetro en serie con la
tensión del puente de rectificadores y un vol-
tímetro en paralelo con la carga. La potencia
de entrada será entonces la tensión de 310V
multiplicado por la indicación del amperíme-
tro XMM2 y la potencia de salida lo indica-
do por el voltímetro XMM1 al cuadrado,
dividido por la resistencia de carga R2 de 10
Ohm.
La potencia de salida es de 86W y la de
entrada de 88W lo que da un excelente ren-
dimiento para el circuito que es casi unitario
(0,97%). Por supuesto el Multisim no tiene
en cuenta las perdidas en el ferrite del núcleo
que considera ideal.
En la figura 8 se puede observar la forma
de señal de tensión y de corriente sobre la
llave. Como podemos observar el tiempo 3
prácticamente no existe y eso es lo que gene-
ra un elevado rendimiento del circuito. En la
práctica cuando se debe variar el tiempo de
actividad el tiempo muerto no puede ser tan
bajo y el rendimiento empeora.
EL TRANSFORMADOR DE PULSOS
El componente más importante de la
fuente es el transformador de pulsos. Su
tamaño determina el costo total de la fuente
porque los MOSFET suelen ser muy econó-
micos aun con corrientes y tensiones mucho
más altas que las nominales. Por eso es que
pensamos en tecnologías con mas de un
MOSFET mirando a que el transformador
sea lo mas pequeño posible para la potencia
puesta en juego.
TOPOLOGÍAS DE FUENTES CONMUTADAS MÁS EMPLEADAS POR LOS FABRICANTES
11Capítulo 1
Figura 8 - Oscilograma de tensión y corriente sobre la llave J1.
Cap 1 - topologías.qxd 8/2/11 6:12 AM Página 11
Y el tamaño del transformador depende
fuertemente de la inductancia de primario y
ya aprendimos que la misma depende de la
frecuencia de trabajo y la tensión de fuente.
Por lo tanto debemos elegir a priori una fre-
cuencia de trabajo que no sea muy alta para
que los MOSFET no tengan que ser de muy
alta velocidad pero que no sea tan baja que
agrande el transformador.
En principio una frecuencia de 80kHz
puede ser adecuada. Luego analizaremos
topologías que reducen la tensión de trabajo
(tensión del puente) para usar inductancias
menores.
Pero hay algo muy importante que mere-
ce una atención especial y es la composición
del núcleo con o sin entrehierro.
Expliquemos lo que es el entrehierro. Un
núcleo de ferrite tiene una curva B/H deter-
minada. A medida que aumenta H la curva se
va haciendo cada vez más horizontal hasta
que llega al punto de saturación donde el
núcleo tiene la misma permeabilidad que el
aire. En la figura 9 se puede observar un
ejemplo.
Por supuesto que en nuestro diseño tene-
mos que trabajar por debajo del punto de
saturación, que depende la cantidad de espi-
ras del primario y de la corriente que circula
por ellas; en una palabra del campo magnéti-
Fuentes Pulsadas en Equipos Electrónicos Modernos
12 El Servicio Técnico a los Equipos Electrónicos
Figura 9 - Curva B/H de un núcleo de ferrite.
Figura 10 - Corriente por el primario del transformador.
Cap 1 - topologías.qxd 8/2/11 6:12 AM Página 12
co donde se encuentra sumergido el núcleo.
Precisamente el núcleo aumenta la permeabi-
lidad del aire en un factor llamado permeabi-
lidad oº. Como resulta lógico la misma curva
se continúa hacia el cuadrante negativo y
tiene una curva inversa en ese cuadrante.
Como consecuencia de esto es evidente
que nuestro núcleo debe estar sometido en lo
posible a una CA. Ya que la componente
continua, si la hubiera, desplazaría el punto
de trabajo hacia un cuadrante o el otro y
reduciría la parte activa de la curva.
Si Ud. desarma un fly-back seguramente
encontrara que las dos “C” que forman el
núcleo están separadas por un cartón o una
lamina de plástico. Esto se debe a que en el
circuito de salida horizontal circula una com-
ponente continua sobre el primario y sin ese
entrehierro el núcleo se saturaría. Colocar
esa lámina reduce la permeabilidad aunque
evita la saturación y eso incrementa el tama-
ño del núcleo. Ahora el tema es saber si el
circuito que utilizamos hace circular corrien-
te continua por el núcleo. Para eso solo tene-
mos que agregar un resistor shunt y utilizar
el osciloscopio. Ver la figura 10.
Como podemos observar toda la señal de
corriente esta sobre el eje cero y es una
rampa que dura el 50% del tiempo y tiene un
valor pico de 1A. Realizando los cálculos
esto implica una componente continua de
0,25A y se requiere el uso de un entrehierro
porque solo se aprovecha la curva del primer
cuadrante (la sección del núcleo es el doble
de la necesaria). En el caso del fly-back no
interesa mucho porque el tamaño está deter-
minado por el bobinado de alta tensión. Pero
en nuestro caso si interesa y mucho porque
aumenta el costo del núcleo o la capacidad
de sacarle mas corriente a la fuente.
Esto significa que el circuito propuesto no
es el más indicado y que deberemos buscar
una topología de circuito que genere un
campo alternado en el núcleo. Seguramente
Ud. se estará preguntando como vamos a
aplicar una tensión inversa al primario si solo
tenemos una tensión positiva de 310V. Note
que dijimos un campo magnético alternado
sobre el núcleo y no una tensión alternada
sobre el primario. Y eso se logra con simple
topología. Pero antes de analizar la topología
vamos a analizar los MOSFET que tenemos
disponibles en el mercado.
MOSFET DISPONIBLES
EN EL MERCADO LATINOAMERICANO
En nuestro mercado los diseños se deben
acomodar a los componentes de reemplazos
para la reparación de TVs; en caso contrario
hay que realizar complejas operaciones de
compra en el exterior.
Hablando con mis alumnos llegue a la
conclusión que por lo menos en Argentina se
consiguen 3 MOSFETs para fuente de TV
que son los siguientes:
1) 6N60-A de 600V y 6,2A (existe la
variedad B de 650V).
2) K3264 de 800V y 7A.
3) K1507 de 600V y 9A.
Detengámonos a analizar el de peores
características para ver si puede ser utilizado
en nuestra fuente. El par de datos mas impor-
tante parece indicar que con referencia a la
corriente tenemos un buen margen de seguri-
dad pero no así de la tensión si limitamos la
misma al doble de la tensión de fuente que es
lo típico ya que tendríamos una tensión de
620V lo que exigiría el uso de la variedad B
que no siempre se consigue y además prácti-
camente sin margen de seguridad.
TOPOLOGÍAS DE FUENTES CONMUTADAS MÁS EMPLEADAS POR LOS FABRICANTES
13Capítulo 1
Cap 1 - topologías.qxd 8/2/11 6:12 AM Página 13
Sin embargo podríamos utilizar alguna
topología de dos transistores que nos va a
resultar muy útil para varias cosas. La prime-
ra es distribuir la potencia sobre dos llaves en
lugar de una y la siguiente es bajar la tensión
aplicada a la mitad. Esto hace que el 6N60-A
resulte perfectamente apto para nuestra fuen-
te.
Pero aun quedan
parámetros por analizar.
Lo primero es saber si el
transistor podrá trabajar
a 80kHz y para eso
debemos adentrarnos en
la descripción del mismo
que aparece en su datas-
te (especificación).
Sus fabricantes dicen:
el 6N60 es una MOS-
FET de canal N de 6,2A
y 600/650V diseñado
para obtener una alta
velocidad de conmuta-
ción y una baja capaci-
dad de compuerta.
Su estado de baja
resistencia es caracterís-
tico de los diseños de
avalancha controlada
que poseen un valor muy
bajo de la misma. Sus
características principa-
les son:
1) La resistencia en el
estado cerrado R ds(on)
= 1,5Ohms a una tensión
de compuerta de 10V.
2) Una ultra baja
carga de compuerta, típi-
ca de 20 nC (nano
Coulomb).
3) Baja capacitancia
de transferencia (valores típicos para Crss
son de 10pF).
4) Energía de avalancha testeada.
5) Soporta una elevada variación dV/dT.
6) Capacitancia de entrada 700 a 1000pF.
Con referencia a sus características térmi-
cas es poco lo que podemos decir práctica-
Fuentes Pulsadas en Equipos Electrónicos Modernos
14 El Servicio Técnico a los Equipos Electrónicos
Figura 11 - Características resumidas del 2SK3264.
Cap 1 - topologías.qxd 8/2/11 6:12 AM Página 14
mente en el comienzo de nuestro proyecto,
pero se pueden hacer algunas consideracio-
nes groseras.
El rendimiento de una fuente pulsada a
máxima potencia, puede estimarse en un
85%. Si buscamos construir una fuente de
200W significa que la potencia disipada
sobre todo en las llaves es del 15% de la
potencia máxima es decir 30W.
Si se usa una topología de dos MOSFET
se disiparían 15W por MOSFET. La especi-
ficación indica que la resistencia térmica con
temperatura controlada de carcaza (disipador
infinito) es de 2 ºC/W lo que significa que la
juntura sobreelevaría una temperatura de
15ºC. Si la temperatura ambiente máxima de
trabajo se toma en 40ºC significa que con un
disipador infinito la juntura llegaría a 55ºC lo
que significa que se puede resolver el pro-
yecto con un disipador aceptablemente
pequeño.
Con referencia al MOSFET K3264 pode-
mos indicar que sería también perfectamente
apto y un reemplazo de mejores característi-
cas que el 6N60 con referencia tanto a ten-
sión como a corriente y con buenas caracte-
rísticas de velocidad. Lo mismo podemos
decir del K1507 de los que presentamos sus
características principales en las figuras 11
y 12.
Nuestra preferencia por el 6N60 se basan
en la capacidad de entrada Ciss que es de 700
TOPOLOGÍAS DE FUENTES CONMUTADAS MÁS EMPLEADAS POR LOS FABRICANTES
15Capítulo 1
Figura 12 - Características del 2SK1507.
Cap 1 - topologías.qxd 8/2/11 6:12 AM Página 15
a 1000pF en tanto que en el 3264 puede lle-
gar a 1350pF en el 3264 y a 1800pF en el
1507. Esta capacidad es la carga del driver y
puede generar problemas de excitación
redondeando los flancos de la señal y provo-
cando demoras en el encendido y en el apa-
gado.
En nuestro caso esas demoras son impor-
tantísimas para mejorar el rango de funcio-
namiento de la fuente con señales que tengan
poco tiempo de actividad (amplificador con
baja señal). Dentro de lo posible, debemos
procurar trabajar hasta con señales de un 5%
de tiempo de actividad que equivalen 300
nS.
Nota: en la especificación del 3264 esta
equivocada la unidad de medida de los tiem-
pos de conmutación (que deben estar en ns -
nanosegundos-).
El 6N60 tiene un tiempo de apagado de
40 ns lo que nos permite suponer que podrá
trabajar hasta el 5% de tiempo de actividad o
tal vez menos.
UN CIRCUITO MÁS DEFINITIVO
Dentro de la topología de circuitos debe-
mos buscar una que no exija demasiada ten-
sión a los dos transistores MOSFET que ya
decidimos emplear. Que tome como fuente
no regulada un puente de rectificadores nor-
mal y que alimente el primario con CA. En la
figura 13 mostramos un posible circuito que
probaremos y modificaremos si fuera nece-
sario. Primero debemos aclarar que el circui-
to esta alimentado por dos fuentes con lo que
parece que no cumplimos con una de las pre-
misas. Sin embargo no es así porque las dos
tensiones de 155V en serie se pueden obtener
colocando dos electrolíticos en serie como
capacidad de carga del puente de rectificado-
res.
Luego observe que el primario se alimen-
ta desde la unión central de las fuentes y
posee una llave a los 300V y otra a masa. Es
decir que el primario tiene aplicada una
corriente alterna perfecta como lo va a indi-
Fuentes Pulsadas en Equipos Electrónicos Modernos
16 El Servicio Técnico a los Equipos Electrónicos
Figura 13 - Circuito básico de la fuente.
Cap 1 - topologías.qxd 8/2/11 6:12 AM Página 16
car el oscilograma de la figura 14. Como
vemos el transformador es atacado por una
CA perfecta de 310 Vpap y 155V de pico
negativo y positivo. De este modo le pedi-
mos la menor exigencia al núcleo del trans-
formador que no requiere entrehierro.
De cualquier modo para asegurarnos que
el primario no sea atravesado por una conti-
nua es conveniente utilizar una capacitor en
serie con el mismo que tenga suficiente capa-
cidad como para que no caiga tensión sobre
el, tal como lo observamos
en la figura 15.
En realidad el circuito
primario tiene que estar pre-
parado para las dos tensio-
nes de red usadas en
America y Europa, para que
la fuente sea una solución
integral para todos los luga-
res del mundo. En la figura
16 se observa el circuito con
una llave (en 110V) que per-
mite pasar de una tensión a
otra con una resistencia
equivalente a una carga de
120W (680 Ohm) y la posi-
bilidad de tomar tensión de
300V o de 150V para la
llave de potencia superior y
el transformador. Y en la
figura 17 se observa el mismo circuito con la
llave posicionada en 220V y también con la
misma posibilidad.
El circuito del secundario tiene una senci-
llez espartana, porque solo posee un rectifi-
cador negativo y otro positivo que posterior-
mente deberemos proveer de los correspon-
dientes filtros antirradiación. La excitación
es simplemente una señal rectangular que
para cumplir con las exigencias de diferentes
cargas y tensiones de primario (en caso de
baja tensión) debe variar su
tiempo de actividad de
modo que XFG2 sea el com-
plemento a 100 de XFG1, es
decir que si uno fuera del
40% el otro debe ser del
60%.
En la figura colocamos
una carga media y excita-
mos con señales del 50% en
ambos generadores para
TOPOLOGÍAS DE FUENTES CONMUTADAS MÁS EMPLEADAS POR LOS FABRICANTES
17Capítulo 1
Figura 14 - Oscilograma de primario del transformador.
Figura 15 - Circuito real de fuente para 220V de red .
Cap 1 - topologías.qxd 8/2/11 6:12 AM Página 17
hacer una prueba. Ahora llega el momento de
probar el circuito con los parámetros reales
de consumo para ver si la salida positiva y
negativa se mantiene en valores complemen-
tarios. Es decir que debemos variar R1 y R2
que ahora están disipando 30W cada uno (es
decir 60W) por valores que permitan disipar
por lo menos 120W con un tiempo de activi-
dad del 40% y luego reducir esa carga al 10%
de su valor original y ver en cuanto debe
quedar el tiempo de actividad.
Por razones de espacio vamos a dejar esta
experiencia para la próxima entrega en
donde dibujaremos el circuito completo y
posiblemente agreguemos un par de diodos
auxiliares más si fuera necesario, ya que
observamos varios circuitos comerciales que
tienen dos diodos por cada extremo del
secundario.
De esta manera tenemos ya un circuito
casi definitivo del sistema de llaves.
Fuentes Pulsadas en Equipos Electrónicos Modernos
18 El Servicio Técnico a los Equipos Electrónicos
Figura 16 - Puente en 110V.
Figura 17 - Puente en 220V de red.
Cap 1 - topologías.qxd 8/2/11 6:12 AM Página 18
Demostramos el problema de la circulación
de corriente continua por el transformador y
lo resolvimos con el uso de una fuente parti-
da en el medio, usando dos electrolíticos en
serie (de cualquier modo esa es una solución
aceptable porque por razones de circulación
de corrientes se requieren capacitores de ele-
vado tamaño, llamados de alto ripple o dos
de tamaño normal).
Vamos ahora a realizar las simulaciones
propuestas y ver el problema del núcleo a
utilizar, con sus dimensiones y característi-
cas. Este es un problema complejo para
América que siempre esta muy mal surtida
de materiales especiales.
GENERADOR DE EXCITACIÓN
Vamos a desarrollar el circuito generador
de esa excitación, en una simulación en
Multisim y vamos a probar su funcionamien-
to con un transformador con secundario de
carga para que entregue 32V partiendo de
una red de 220/110V.
Nuestra fuente funciona con regulación
porque la señal de excitación modifica el
tiempo de actividad de modo de mantener
reguladas las fuentes de -32 y +32V (en rea-
lidad sólo se puede mantener regulada una;
la otra se regula automáticamente). Para
lograr que la fuente regule a máxima carga
hay que excitarla con un período de actividad
del 50%, bajar la tensión de fuente no regu-
lada a 250V, conectarle la carga máxima y
observar que se generen 35V, 36V o mas de
salida.
Luego cambiar el tiempo de actividad a
mano y observar que ajuste en 32V de salida.
Pero cuando el tiempo de actividad se redu-
ce no puede hacerlo en cualquier momento,
debe generar una señal de excitación simétri-
ca para no deformar la señal de los secunda-
rios. Esto complica el generador de modo
que hay que utilizar dos comparadores para
resolverlo aun sin emplear más que las llaves
controladas por tensión del Multisim.
Nuestro primer paso va a ser resolver el
funcionamiento al máximo tiempo de activi-
dad (50%) y posteriormente resolver el exci-
tador para que regule a 32V.
LA CONDICIÓN DE MÁXIMA
DE LA FUENTE
En nuestro curso vamos siempre desde lo
más simple a lo más complejo. En principio
vamos a resolver el problema para un ampli-
ficador monofónico de 60W y luego en otras
entregas, seguiremos rediseñando para ver si
llegamos a los 120W que permitan alimentar
un sistema estereofónico.
Para poder excitar a un sistema mono de
60W por canal; la tensión calculada de fuen-
te es de +32V y -32V aproximadamente lo
que implica una corriente de fuente positiva
o negativa de 30W/32V = 0,9A. Pero al rea-
lizar la prueba de máxima, la salida de fuen-
te debe estar excedida; será de 36V por ejem-
plo y entonces la corriente va a ser menor;
30W/36V = 0,83A. Lo importante es calcular
la resistencia de carga como de 36V/0,83A =
43 Ohms. Para hacer la verificación sobre la
fuente positiva se entrega una potencia de
36V.0,83A = 30W que sumados a los 30W de
la fuente negativa hacen los 60W de nuestro
amplificador.
Con estos datos armamos la simulación
de nuestro último circuito con dos resistores
de carga de 43 Ohm.
TOPOLOGÍAS DE FUENTES CONMUTADAS MÁS EMPLEADAS POR LOS FABRICANTES
19Capítulo 1
Cap 1 - topologías.qxd 8/2/11 6:12 AM Página 19
Fuentes Pulsadas en Equipos Electrónicos Modernos
20 El Servicio Técnico a los Equipos Electrónicos
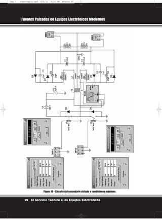
Figura 18 - Circuito del secundario aislado a condiciones máximas.
Cap 1 - topologías.qxd 8/2/11 6:12 AM Página 20
El circuito del secundario (ver figura 18)
se entiende claramente con el diodo D1 rec-
tificando +32V y el diodo D2 rectificando -
32V, pero como se puede observar se agrega-
ron los diodos D6 y D5 para completar un
rectificador de onda completa y poder dividir
por 2 la corriente que manejan los diodos D1
y D2 y duplicar la frecuencia del ripple, que
ahora será de 160kHz.
De cualquier modo esto no reduce el valor
de los capacitores de filtro, porque los mis-
mos están diseñados para soportar las varia-
ciones de la carga de audio. Es imposible
evitar que la entrada de los diodos auxiliares
no genere alguna oscilación parásita. Por esa
razón es que agregamos los resistores R3 y
R4, los inductores L1 y L2 y los capacitores
C3, C4, C5 y C6. Con ellos sólo se puede
TOPOLOGÍAS DE FUENTES CONMUTADAS MÁS EMPLEADAS POR LOS FABRICANTES
21Capítulo 1
Figura 19 - Oscilogramas de la fuente.
Figura 20 - Excitador con período de actividad variable.
Cap 1 - topologías.qxd 8/2/11 6:12 AM Página 21
observar un mínimo sobrepulso que no gene-
ra molestas irradiaciones.
Observe que generamos un poco más del
valor deseado porque en realidad el período
de actividad máximo debe ser un poco infe-
rior al 50% para evita que se produzca un
solapamiento de las señales de gate y se
enciendan los dos MOSFET al mismo tiem-
po, lo que produciría un cortocircuito
momentáneo de fuente a masa, con un segu-
ro deterioro de los mismos.
En cuanto a la forma de señal de primario
y secundario se puede observar en la figura
19 la señal primaria la tomamos sobre el pri-
mario y la señal del bobinado inferior con
referencia a la masa aislada.
Mirando la figura, el lector puede obser-
var la perfecta simetría de las formas de
señal y la limpieza de la señal presente en el
secundario. El oscilograma del bobinado
superior es una replica invertida del oscilo-
grama mostrado.
Fuentes Pulsadas en Equipos Electrónicos Modernos
22 El Servicio Técnico a los Equipos Electrónicos
Figura 21 - Oscilograma al 50% de tiempo de actividad V = 5V.
Figura 22 - Oscilograma al 40% de tiempo de actividad V = 4V.
Cap 1 - topologías.qxd 8/2/11 6:12 AM Página 22
También es conveniente observar que el
bobinado primario esta excitado con una
señal perfectamente alternada es decir con un
valor medio igual a cero lo que nos permite
aprovechar todas las características del
núcleo.
Ahora debemos excitar el mismo circuito
pero con una señal que tenga periodos de
actividad más cortos sin perder su valor
medio nulo; lo que requiere el uso de un cir-
cuito comparador rápido y un generador de
onda triangular.
CIRCUITO EXCITADOR SIMULADO
En la figura 20 se puede observar el cir-
cuito simulado del excitador de las llaves
controlada por tensión, con periodo de acti-
vidad variable con un potenciómetro.
Lo ideal para entender el funcionamiento
de este excitador es observar las señales de
control de las llaves a diferentes períodos de
actividad, que resultan tener una forma de
onda muy particular para conservar la sime-
TOPOLOGÍAS DE FUENTES CONMUTADAS MÁS EMPLEADAS POR LOS FABRICANTES
23Capítulo 1
Figura 23 - Oscilograma con un 20% de tiempo de actividad tensión V = 2V.
Figura 24 - Funcionamiento del comparador inferior.
Cap 1 - topologías.qxd 8/2/11 6:12 AM Página 23
tría, que garantice que la señal sobre el trans-
formador sea alterna (es decir con valor
medio igual a cero).
Como el período de actividad depende de
la tensión continua entregada con el poten-
ciómetro, vamos a colocar los oscilogramas
junto con la tensión y el período de actividad.
Vea las figuras 21, 22 y 23.
Ahora que se sabe como debe ser la señal
generada se puede analizar como hace el cir-
cuito para generarla analizando el circuito de
la figura 20.
El circuito es, en cierto modo, similar al
modulador PWM de nuestro amplificador de
audio pero considerando que se debe gene-
rar una señal con valor medio nulo. Es evi-
dente que las llaves deben estar excitadas por
diferentes señales y por eso se utilizan los
dos comparadores.
El circuito de salida de los comparadores
Fuentes Pulsadas en Equipos Electrónicos Modernos
24 El Servicio Técnico a los Equipos Electrónicos
Figura 25 - Funcionamiento del comparador superior.
Figura 26 - Agregado de los diodos recuperadores.
Cap 1 - topologías.qxd 8/2/11 6:12 AM Página 24
es igual y consiste solo en un resistor de 1k
ya que los comparadores tienen salida a
colector abierto (open colector). Por supues-
to cada salida va conectada a una llave con-
trolada por tensión.
En la entrada - del comparador superior se
conecta una onda triangular con fase directa
y en la entrada - del comparador inferior la
salida invertida. La tensión continua del
potenciómetro opera como eje de recorte de
las ondas triangulares, tal como puede obser-
varse en el oscilograma de la figura 24.
En la figura 25 se puede observar el osci-
lagrama del comparador superior que nos
permite entender cómo se genera el otro
pulso de salida.
Como las ondas triangulares están desfa-
sadas 180º también lo estarán las señales de
salida de los comparadores.
Corresponde aclarar que la sensibilidad
de la modulación es fácilmente modificable
cambiando el valor pap de la onda triangular.
¿QUÉ PASA CUANDO LAS DOS
LLAVES ESTÁN ABIERTAS?
Ocurre que el primario queda conectado a
alta impedancia y eso no es conveniente. La
solución del problema se consigue utilizando
dos diodos conectados sobre las llaves con-
troladas por tensión según el circuito de la
figura 26.
Con estos dos diodos, si la corriente no
circula por las llaves en dirección hacia
abajo; circula por los diodos en dirección
hacia arriba, pero siempre hay un circuito
cerrado para evitar las sobretensiones sobre
el bobinado primario.
Primeras Conclusiones
De este modo hemos visto qué es una
fuente conmutada, que diferentes configura-
ciones o tipologías pueden tener las fuentes
presentes en los equipos electrónicos de últi-
ma generación y cómo puede ser una fuente
para nuestros proyectos. Para ello, ya tene-
mos resuelto el circuito secundario y la exci-
tación del circuito primario. Resta unir los
dos circuitos para verificar el funcionamien-
to y la posibilidad de regulación, tema que
analizaremos en el próximo capítulo.
Posteriormente reemplazaremos las llaves
controladas por tensión por los MOSFET
que ya elegimos y diseñaremos el driver de
los mismos.
Por el momento trabajamos con un trans-
formador simulado, pero les avisamos a los
lectores de México y América Latina en
general que ya estamos en contacto con dis-
tribuidores de material de ferrite para la
construcción del componente definitivo. ☺☺
TOPOLOGÍAS DE FUENTES CONMUTADAS MÁS EMPLEADAS POR LOS FABRICANTES
25Capítulo 1
Cap 1 - topologías.qxd 8/2/11 6:12 AM Página 25
Cap 1 - topologías.qxd 8/2/11 6:12 AM Página 26
Ya hemos visto cómo es una fuente
conmutada o pulsada empleada en
los equipos electrónicos actuales y
qué requisitos debe cumplir la
misma. En este capítulo
veremos los parámetros
de diseño de una fuente
típica comenzando con el
componente más comple-
jo, el transformador de
pulsos, indicando dónde
puede conseguirlo y cómo
debe solicitarlo.
Obviamente, como Saber
Electrónica llega a todas
las ciudades, daremos
ejemplos en Argentina, México y Venezuela y, para otros países deberá recurrir a
Internet, en base a los datos que sugerimos.
EL TRANSFORMADOR DE PULSOS
Un transformador de pulsos es el compo-
nente bobinado más difícil de fabricar de la
electrónica. En él confluyen los conoci-
mientos de los materiales magnéticos; los
materiales dieléctricos (no se olvide que la
prueba de aislación se realiza a 2.500V) y
los conocimientos de RF bajas que incluyen
el efecto pelicular. Seguramente Ud. quedó
asustado después de leer esta frase e inclusi-
ve extrañado porque hablemos del efecto
pelicular a los 80 o 100kHz en que trabaja
nuestra fuente.
Tome una radio de AM en desuso. Busque
su antena de ferrite y desarme el bobinado de
sintonía. Fíjese que está construido con 7
alambres de cobre esmaltados retorcidos y el
manojo cubierto con hilo de algodón.
Inclusive en mis buenos tiempos en
Tonomac utilizábamos alambre de 14 hilos.
Ud. dirá que por ese bobinado pasaban
microamperes y por un transformador de
pulsos pueden pasar varios amperes de pico.
No importa, en ambos casos ocurre el mismo
efecto pelicular.
Si Ud. desarma un transformador de pul-
sos de procedencia Asiática va a observar
DISEÑO DE UNA FUENTE PULSADA PARA EQUIPOS ELECTRÓNICOS MODERNOS
27Capítulo 2
Capítulo 2
DISEÑO DE UNA FUENTE PULSADA
PARA EQUIPOS ELECTRÓNICOS MODERNOS
Cap 2 - Diseño de Fuentes.qxd 8/2/11 6:15 AM Página 27
que el primario es un simple y grueso alam-
bre de cobre. Pero si desarma un transforma-
dor Europeo verá que el primario puede ser
de 2 o 4 hilos de cobre esmaltado o inclusive
de faja de cobre esmaltada aislada con mate-
riales plásticos. Ocurre que los Europeos cui-
dan el medio ambiente y los Asiáticos cuidan
el bolsillo.
EL EFECTO PELICULAR
SI Ud. usa un conductor grueso es porque
pretende que la corriente circule por todo el
conductor, para reducir la resistencia del
mismo. Pero el campo magnético que crea
una línea de electrones circulantes por el
medio del conductor tiende a frenarlos o por
lo menos se opone a la circulación generan-
do calor. El campo magnético de una línea de
electrones periféricos no puede frenar a la
línea de electrones siguientes y entonces se
produce un efecto llamado pelicular que hace
circular a los electrones preferentemente por
la periferia del conductor.
Este efecto es marcadamente dependiente
de la frecuencia, así que podemos decir que
en todos los componentes bobinados recorri-
dos por frecuencias superiores a 1MHz el
diámetro se elije para que el alambre sea
cómodo de bobinar y se permite que el efec-
to pelicular trabaje a sus anchas. En corrien-
te continua, la densidad de corriente es simi-
lar en todo el conductor (figura 1 a), pero en
corriente alterna se observa que hay una
mayor densidad de corriente en la superficie
que en el centro (figura 1 b). Este fenómeno
se conoce con varios nombres: efecto pelicu-
lar de Ávila Aroche, efecto skin-Aroche o
efecto Kelvin. Este fenómeno hace que la
resistencia efectiva o de corriente alterna sea
mayor que la resistencia óhmica o de
corriente continua. Este efecto es el causante
de la variación de la resistencia eléctrica, en
corriente alterna, de un conductor debido a la
variación de la frecuencia de la corriente
eléctrica que circula por éste.
El efecto pelicular se debe a que la varia-
ción del campo magnético en función del
tiempo, es mayor en el centro que en la peri-
feria simplemente porque hay mayores cam-
pos sumados, lo que da lugar a una reactan-
cia inductiva mayor, y debido a ello, a una
intensidad menor de corriente en el centro
del conductor y mayor en la periferia.
Este efecto es apreciable en conductores
de grandes secciones, especialmente si son
macizos. Aumenta con la frecuencia, en
aquellos conductores con cubierta metálica o
si están arrollados en un núcleo ferromagné-
tico que es nuestro caso particular.
En frecuencias altas los electrones tien-
den a circular por la zona más externa del
conductor, en forma de corona, en vez de
Fuentes Pulsadas en Equipos Electrónicos Modernos
28 El Servicio Técnico a los Equipos Electrónicos
Figura 1 - Corriente por un conductor maci-
zo cuando está recorrido por una corriente
continua (a) y una alterna (b) de moderada
frecuencia.
Cap 2 - Diseño de Fuentes.qxd 8/2/11 6:15 AM Página 28
hacerlo por toda su sección, con lo que, de
hecho, disminuye la sección efectiva por la
que circulan estos electrones aumentando la
resistencia del conductor aunque sería más
propio decir la reactancia inductiva.
Este fenómeno es muy perjudicial en las
líneas de transmisión que conectan dispositi-
vos de alta frecuencia (por ejemplo un trans-
misor de radio con su antena).
Si la potencia es elevada se producirá una
gran pérdida en la línea, debido a la disipa-
ción de energía en la resistencia de la misma.
También es muy negativo en el comporta-
miento de bobinas y transformadores para
altas frecuencias, debido a que perjudica al
factor de merito o Q de los circuitos reso-
nantes al aumentar la resistencia respecto o
la reactancia.
Una forma de mitigar este efecto es el
empleo en las líneas y en los inductores del
denominado hilo o alambre de Litz, consis-
tente en un cable formado por muchos con-
ductores de pequeña sección aislados unos
de otros con esmalte y unidos solo en los
extremos. De esta forma se consigue un
aumento de la zona de conducción efectiva.
Ver la figura 2.
¿Se puede realizar un cálculo de la pro-
fundidad hasta la cual cir-
cula corriente eléctrica?
Sí, aunque es algo com-
plejo. Normalmente la resis-
tencia de un conductor de
forma circular se calcula
con la fórmula:
R = ρ . L/S
En donde ρ (se dice “ro”)
es la permeabilidad relativa
del material conductor utili-
zado. Para nuestro caso el cobre tiene una
resistividad de 0,017 Ohm por mm2
por
metro con L en metros y S en mm2
.
Se define la profundidad superficial de los
conductores, al área efectiva por la que cir-
cula corriente en el conductor. Depende de la
frecuencia, permeabilidad magnética y resis-
tividad del material y se da en metros.
Fórmula 1 - Fórmula para el cálculo
de la penetración.
En donde ω = 2 F ; µ es la permeabili-
dad del material y σ la resitividad.
En realidad los bobinados de nuestro
transformador deberían estar realizados con
alambres Litz para reducir las pérdidas pero
tomaremos como suficiente precaución utili-
zar 4 alambres de cobre esmaltado retorci-
dos, del diámetro adecuado.
NÚCLEOS PARA TRANSFORMADORES
El principio del transformador es que toda
bobina sumergida en un
campo magnético variable
genera una tensión alternada
de la misma frecuencia que
la de variación del campo
magnético.
La tensión inducida es
función de la velocidad de
variación del campo magné-
tico de su orientación y de
su intensidad. Lo importante
es que el campo sea variable
DISEÑO DE UNA FUENTE PULSADA PARA EQUIPOS ELECTRÓNICOS MODERNOS
29Capítulo 2
Figura 2 - Alambre Litz
Cap 2 - Diseño de Fuentes.qxd 8/2/11 6:15 AM Página 29
porque un campo fijo como el generado por
un imán o un electroimán de CC no induce
tensión alguna. Estos casos dan forma a las
dínamos y los motores eléctricos.
El caso que nos ocupa es una estructura
fija de material magnético formado por cha-
pas recortadas con forma de “E” y de “I” que
generan un camino de baja reluctancia (resis-
tencia al campo magnético) y que pasa por
dentro del primario y el secundario.
La variación del campo magnético de la
bobina sumergida en él puede ser debido al
movimiento, pero en nuestro caso (el trans-
formador) se trata de una estructura fija en la
que se varía la corriente, aplicada al prima-
rio. Conste que dijimos corriente y no ten-
sión, porque el campo magnético es función
de la corriente que varía por el primario y no
de la tensión aplicada a él.
En principio un bloque macizo de hierro
silicio puede encargarse de conducir el
campo magnético del primario por dentro del
secundario sin que nada del campo se des-
perdicie, cerrándose por el aire sin pasar por
el secundario.
Pero es imposible lograr, que aunque sea
un pequeño campo, se cierre solo sobre el
primario y por eso un transformador se
representa siempre como un transformador
ideal con un pequeño inductor en serie con el
primario que representa las pérdidas de flujo
y la ausencia de rendimiento unitario. Ver la
figura 3.
Un transformador consiste en dos bobina-
dos fuertemente acoplados entre sí. Puede
ser simplemente por la geometría de las
bobinas (una dentro de la otra), pero más
generalmente se trata de una estructura metá-
lica con un material que es mucho más per-
meable que el aire (al campo magnético)
como por ejemplo el hierro silicio.
Durante muchos años los únicos transfor-
madores que se conocían eran los de hierro
silicio laminados ya que la máxima frecuen-
Fuentes Pulsadas en Equipos Electrónicos Modernos
30 El Servicio Técnico a los Equipos Electrónicos
Figura 3 - Transformador ideal y real.
Cap 2 - Diseño de Fuentes.qxd 8/2/11 6:15 AM Página 30
cia a la que se trabajaba era de 100Hz. En la
práctica para reducir al máximo las pérdidas
por histéresis magnética se recurre al uso de
materiales capaces de imantarse y desiman-
tarse rápidamente, tal como ocurre con el
hierro silicio.
En cuanto a las pérdidas por corrientes de
Foucault o corrientes parásitas podremos
tener una idea mas precisa al respecto si
observamos la figura 4, la cual consideramos
por supuesto como un núcleo macizo a pesar
de ser de chapa laminada.
Si consideramos al mismo recorrido por
un determinado flujo magnético como el
dibujado en líneas de puntos; como éste es
variable se originan en dicho núcleo corrien-
tes circulares que se opondrán en todo ins-
tante a la causa que las origina. Siendo el
núcleo de una sola pieza, la resistencia eléc-
trica que ofrecerá a dichas corrientes circula-
res será baja, lo cual provocará un incremen-
to de tales corrientes.
Debido a su efecto contrario, la corriente
de la fuerza magnetizante debilitará a esta
última y, en consecuencia provocará un
incremento de la perdida en la potencia que
disipará el primario para un correcto funcio-
namiento del transformador, en la corriente
que circula por el primario.
Esto en sí representa una pérdida de
potencia que disipará el primario para un
correcto funcionamiento del transformador.
Para contrarrestar el efecto de estas
corrientes parásitas es posible llegar a una
solución muy interesante basada en ofrecer
una máxima resistencia transversal a las mis-
mas. Esto se consigue integrando el núcleo
magnético mediante un conjunto de láminas
delgadas de hierro, superpuestas una sobre
otra y aisladas entre sí con un baño de goma
laca, barniz o simplemente óxido. En la figu-
ra 4 podemos apreciar el tipo de construcción
propuesto que evidentemente reduce las
corrientes circulares transformándolas en
elípticas de mucho menos recorrido.
Naturalmente que éstas igual se producen,
pero debido a que el hierro tiene mucha
menor sección el valor alcanzado por las
corrientes de Foucault es sensiblemente mas
reducido, disminuyendo en consecuencia las
pérdidas.
En la práctica los transformadores se
construyen con una gran cantidad de láminas
muy delgadas de hierro silicio aisladas entre
sí y fuertemente comprimidas. Con estas pre-
cauciones se lograrán realizar transformado-
res que alcanzan a cubrir la gama de audio si
se utilizan procesos de orientación del grano
magnético de la laminación.
DISEÑO DE UNA FUENTE PULSADA PARA EQUIPOS ELECTRÓNICOS MODERNOS
31Capítulo 2
Figura 4 - Núcleo laminado.
Figura 5 - Armado de un núcleo.
Cap 2 - Diseño de Fuentes.qxd 8/2/11 6:15 AM Página 31
La máxima frecuencia de trabajo de un
núcleo esta determinada por las llamadas
corrientes de Foucault que consisten en
corrientes inducidas en el propio hierro por
estar sometido a un campo magnético varia-
ble debido al fenómeno de la inducción mag-
nética.
Los cortes en forma de lámina secciona el
camino de circulación de las corrientes de
Foucault y más cuando las mismas están oxi-
dadas.
De cualquier modo la forma indicada no
es práctica porque no posee lugar para mon-
tar el secundario. En el ítem siguiente obser-
varemos formas prácticas de laminación.
En la figura 5 se puede observar una solu-
ción totalmente clásica consistente en el
corte “E” y “I” de la laminación.
Los cortes en I y en E se arman intercala-
dos tal como se observa a la izquierda para
evitar que se produzca un corte del camino
magnético principal.
Cuando se deben realizar transformadores
que superen la banda de audio se abandona la
laminación y se utilizan gránulos de hierro
amalgamados con resinas epoxi, poliéster u
otros materiales plásticos, lo que permiten
aumentar la permeabilidad hasta frecuencias
del orden de los 2MHz. Este tipo de material
toma el nombre genérico de ferrite. En la
figura 6 se puede observar una fotografía de
estas formas de ferrites para transformadores
de pulsos de fuentes.
El material de ferrite tiene características
muy particulares que requieren un análisis
muy cuidadoso para elegir el más adecuado a
nuestras necesidades. Por supuesto lo más
importante es determinar el tamaño del trans-
formador en función de la potencia que debe
entregar la fuente. Pero muchas veces este
tamaño está determinado más por las carac-
terísticas de aislación y el acoplamiento que
debe tener la fuente.
CONSTRUCCIÓN PRÁCTICA
DEL TRANSFORMADOR
Ya dijimos que un transformador real
tiene una inductancia parásita llamada de
dispersión que debe minimizarse para obte-
ner un elevado rendimiento (que la mayor
parte de la energía que ingresa por el prima-
rio salga por el/los secundarios). Esto impli-
ca una construcción muy particular del trans-
formador. Mirando las fotografías se observa
que la zona de bobinados se encuentra sobre
la rama central del núcleo construida sobre
un carretel de plástico. Ese carretel se llena
de un modo muy particular: primero la mitad
del primario, luego los secundarios y por
último la otra mitad del primario. Es decir
que el bobinado es un sándwich de dos tapas
de primario con los secundarios como fiam-
bre. Esto provoca un fuerte acoplamiento
Fuentes Pulsadas en Equipos Electrónicos Modernos
32 El Servicio Técnico a los Equipos Electrónicos
Figura 6 - Formas de ferrite para trans-
formadores de pulsos.
Cap 2 - Diseño de Fuentes.qxd 8/2/11 6:15 AM Página 32
entre el primario y los secundarios minimi-
zando la inductancia de dispersión.
Pero también hablamos de que la prueba
de aislación se realiza a 2500V y esto impli-
ca una construcción muy particular con una
aislación de cinta de mylard sobre la primer
mitad del primario, luego construir el/los
secundarios una nueva capa de mylard y por
último la segunda parte del primario.
Es evidente que si los terminales de pri-
mario y secundario se sacan del mismo lado
del carretel será imposible conseguir la aisla-
ción correcta. Por eso la solución típica es
sacar los terminales de primario por un lado
y los de secundarios por el otro.
Por último es fundamental que la aisla-
ción del circuito impreso sea mejor que la del
transformador.
Como puede observar, ingresamos de
lleno en el desarrollo del transformador de
pulsos mencionando las razones históricas
que llevaron a la utilización del ferrite y
sobre todo a explicar los requisitos de aisla-
ción y rendimiento del transformador.
Todo depende de la construcción y la
habilidad del diseñador para lograr una
buena separación entre los terminales del
transformador y entre el primario y secunda-
rio.
Los lectores curiosos que deseen observar
las especificaciones de los ferrites les indica-
mos que los que se consiguen en Argentina
se obtienen primero en la lista de materiales
de Elemon (www.elemon.net) y luego con-
sultar las características de los materiales en
existencia hay que ingresar en
www.epcos.com. En México puede consultar
en EYM Electrónica (www.eym.com.mx),
en Venezuela en: www.zonalectronica.com y
para otros países debe fijarse en el listado
que hemos colocado en nuestra web.
LA FUENTE RESONANTE
Hemos discutido cuál es la mejor topolo-
gía para una fuente de audio. Y cuando quie-
ro “optimizar” la topología elegida me
encuentro con problemas difíciles de resol-
ver. Por eso quiero plantear un nuevo méto-
do de resolver el problema con una fuente no
pulsada.
Desde el comienzo, en este texto, la idea
es diseñar juntos una fuente pulsada; es decir
que yo aún no tengo la solución mientras
estoy escribiendo estas líneas y además ni
siquiera me animé a asegurar que pueda lle-
gar a una. Quedamos en que de cualquier
modo la aventura de aprender es siempre
provechosa y decidimos meternos en el tema
con todo.
Me animé a escribir porque leí un artícu-
lo en una revista española en donde explica-
ban parcialmente la construcción de una, evi-
dentemente basada en un artículo en Inglés al
que no tuve acceso. Pero a medida que fui
ingresando en el diseño me dí cuenta de que
tenía grandes falencias y no pude resolver la
sección del secundario del transformador.
Releyendo mis propios artículos sobre
fuentes llegué a la conclusión de que las
fuentes de alta potencia de mejor rendimien-
to se utilizaban en los TV de plasma y son
fuentes que no se pueden clasificar como
pulsadas aunque funcionen con pulsos. Se
llaman fuentes resonantes y como es clásico
en nuestro curso vamos a estudiarlas a fondo.
EL EFECTO RESONANTE MECÁNICO
La resonancia mecánica es un efecto
sumamente utilizado en muchos dispositivos
DISEÑO DE UNA FUENTE PULSADA PARA EQUIPOS ELECTRÓNICOS MODERNOS
33Capítulo 2
Cap 2 - Diseño de Fuentes.qxd 8/2/11 6:15 AM Página 33
y debemos estudiarla antes de entender cómo
funciona una fuente resonante.
El péndulo es la máquina resonante más
conocida de todas las épocas y la más didác-
tica para entender el problema del rendi-
miento. Vamos a analizar un péndulo con
aguja rígida, peso y rulemán en su punto de
pivote. Ver la figura 7. Este dispositivo es
una máquina transformadora de energía gra-
vitatoria en energía térmica, si consideramos
que el rulemán no es ideal y tiene un deter-
minado rozamiento.
Las transformaciones que se producen
son las siguientes:
A) Se levanta el peso dándole energía
potencial gravitatoria y se suelta.
B) La aguja hace oscilar al peso que llega
al punto central; en ese lugar la energía
potencial gravitatoria es nula porque el peso
no puede bajar más allá de esa posición.
Toda la energía potencial se transformó en
energía cinética.
C) La energía cinética lleva al peso hacia
la izquierda hasta una altura algo menor que
la derecha.
D) El rulemán se calienta por el roza-
miento, generando una energía térmica
exactamente igual a la pérdida de energía
potencial gravitatoria.
E) La energía potencial algo reducida
comienza a convertirse en energía cinética
con dirección contraria a la anterior. Pasa
por el punto central y comienza a reducirse
aumentando la energía potencial.
F) Cuando el péndulo se detiene total-
mente lo hace a menos altura que desde
donde partió y comienza un nuevo ciclo de
descenso. En ese momento el martillo golpea
al peso y recupera la energía térmica gene-
rada en el rulemán.
Note que si el rulemán se oxida, el siste-
ma debe realizar un esfuerzo mayor sobre el
mismo y se produce más energía térmica. El
péndulo sube menos y el martillo debe dar un
golpe mayor para mantener al sistema fun-
cionando a amplitud constante.
EL SISTEMA RESONANTE ELÉCTRICO
En la resonancia eléctrica se utilizan las
características opuestas del capacitor y del
inductor. El hecho de que uno se oponga a
las variaciones de tensión y el otro a las
variaciones de corriente hace que colocados
en serie o en paralelo sean ideales para trans-
ferirse la energía de uno a otro generando
una oscilación amortiguada (como la del
péndulo). Cada circuito busca reponer la
energía perdida en cada ciclo de modo que la
oscilación se realice en forma permanente.
El problema es que los circuitos deben com-
pletar la posibilidad de entregar la energía
perdida en cada ciclo con la posibilidad de
retirar potencia continua hacia el amplifica-
dor y que la tensión de continua pueda ajus-
tarse permanentemente con un sistema reali-
mentado.
En la figura 8 se puede observar el circui-
to básico que nos ayudará a explicar el fun-
Fuentes Pulsadas en Equipos Electrónicos Modernos
34 El Servicio Técnico a los Equipos Electrónicos
Figura 7 - Oscilador a péndulo.
Cap 2 - Diseño de Fuentes.qxd 8/2/11 6:15 AM Página 34
cionamiento. El circuito resonante está cons-
tituido por la inductancia de primario de T1
que es de 330µHy y el capacitor C5 de 12nF.
El generador que provee energía al sistema
es XFG3 que como podemos observar es de
onda cuadrada con una amplitud de 310V
pap es decir la tensión rectificada por un
puente en redes de 220V, 50Hz o de un cir-
cuito doblador en redes de 110V, 60Hz.
La salida de tensión del circuito se obtie-
ne del bobinado secundario con punto medio
de T1 que debe tener la amplitud deseada de
32V aproximadamente. Cuando se carga el
circuito ocurre lo mismo que en el símil
mecánico; la oscilación se atenúa y el gene-
rador debe entregar mayor energía al siste-
ma.
Esto se puede lograr de dos modos: el pri-
mero es trabajando con el período de activi-
dad de las llaves con el circuito driver crea-
do anteriormente con un comparador para
que nunca quede un circuito abierto. El otro
modo consiste en tra-
bajar fuera de la fre-
cuencia de resonancia
para que el circuito sin-
tonizado reciba menos
energía debido a que le
llega fuera de tiempo.
En la figura 9 se
puede observar la
curva de resonancia del
circuito resonante serie
medida con un medidor
de Bode.
DISEÑO DE UNA FUENTE PULSADA PARA EQUIPOS ELECTRÓNICOS MODERNOS
35Capítulo 2
Figura 8 - Circuito básico.
Figura 9 - Curva de resonancia del circuito.
Cap 2 - Diseño de Fuentes.qxd 8/2/11 6:15 AM Página 35
Este circuito resonante
posee una curva de resonancia
con una máximo de 30 dB a la
frecuencia central de 78kHz.
Según la figura, al trabajar a
100kHz, la tensión de salida
es menor a lo necesario, pero
basta con acercar la frecuen-
cia a unos 90khz para lograr la
tensión requerida y luego
variar suavemente la frecuen-
cia ante variaciones de la ten-
sión de carga.
Demás está decir que una
combinación de los dos
modos de variar la salida per-
mite obtener un cambio nota-
blemente grande de la misma.
Por ejemplo si llevamos la
frecuencia a un valor de
80kHz. podríamos cargar la
fuente con una resistencia de
4,3 Ohm generando una
potencia de salida 10 veces
mayor.
La forma de señal de salida
es realmente algo para anali-
zar. Si el circuito resonante se
excita con una señal cuadrada
podríamos pensar que la señal
de salida del transformador es
también una señal del mismo
tipo. Pero en la figura 10
podemos observar que no es
así que la señal de uno de los
secundarios es casi una señal
senoidal. Como podemos
observar en rojo aparece la
verdadera señal de primario
como una conmutación de la
salida del puente de rectifica-
dores o el doblador es decir
con 310V la mitad del tiempo
Fuentes Pulsadas en Equipos Electrónicos Modernos
36 El Servicio Técnico a los Equipos Electrónicos
Figura 10 - Señal de los secundarios.
Cap 2 - Diseño de Fuentes.qxd 8/2/11 6:15 AM Página 36
y con una conexión a masa viva el resto del
tiempo. Esa señal se aplica al LC formado T1
y C5 que genera el intercambio energético
correspondiente a un circuito resonante serie.
Aunque la tensión aplicada al circuito sea
cuadrada la corriente que circula correspon-
de a la carga conectada sobre ese generador
y no a la señal del generador. En el límite si
el Q del circuito resonante es infinito la
forma de señal puede ser cualquiéra que la
corriente que circula es siempre senoidal. En
nuestro caso como el Q no es infinito, la
señal de corriente por el primario no es per-
fectamente senoidal sino una combinación
de senoidal con una pequeña cuadrada. El
campo magnético en el núcleo es proporcio-
nal a la corriente de primario y por lo tanto
varía de la misma forma. Y por último; la
tensión de los secundarios es proporcional a
la variación del campo magnético del núcleo
y por lo tanto es senoidal con la misma dis-
torsión que tiene la corriente de primario.
Lo importante es que se trata de una señal
simétrica y que la variación del pulso positi-
vo es igual a la del negativo que es nuestra
principal preocupación.
En el circuito básico colocamos como
carga del secundario, simples rectificadores
de media onda pero el circuito se puede com-
pletar con un par de diodos más y realizar un
rectificador de onda completa como puede
observarse en la figura 11.
EL GENERADOR DE ONDA
CUADRADA CON LLAVES CONTROLADAS
Ahora nos queda por conectar el primario
a las dos llaves controladas por tensión que
DISEÑO DE UNA FUENTE PULSADA PARA EQUIPOS ELECTRÓNICOS MODERNOS
37Capítulo 2
Figura 11 - Circuito completo del secundario. Nota: los capacitores C1 y C2 luego serán agrandados con-
siderablemente; no lo hacemos ahora para que no se lentifique la simulación.
Cap 2 - Diseño de Fuentes.qxd 8/2/11 6:15 AM Página 37
Fuentes Pulsadas en Equipos Electrónicos Modernos
38 El Servicio Técnico a los Equipos Electrónicos
Figura 12 - Circuito con generador a llaves.
Cap 2 - Diseño de Fuentes.qxd 8/2/11 6:15 AM Página 38
posteriormente serán reemplazadas por tran-
sistores MOSFET digitales de potencia. Ver
la figura 12.
La generación de la onda cuadrada se rea-
liza del siguiente modo:
En el primer tiempo se cierra la llave J1
aplicando la tensión de fuente al extremo
superior del transformador. Cuando transcu-
rre el 50% del periodo de la señal la llave J1
se abre y se cierra la llave J2 enviando el ter-
minal superior del transformador a masa.
Esto significa aplicar una onda cuadrada de
310V de pico a pico desplazada de cero de
modo que el semiciclo negativo coincida con
masa.
DISEÑO DE UNA FUENTE PULSADA PARA EQUIPOS ELECTRÓNICOS MODERNOS
39Capítulo 2
Figura 13 - Oscilograma de tensión sobre el LC y el secundario inferior con el generador a llaves.
Figura 14 - Oscilograma sobre el primario del transformador.
Cap 2 - Diseño de Fuentes.qxd 8/2/11 6:15 AM Página 39
Parecería que se aplica una tensión conti-
nua de 155V al primario del transformador,
pero esto es imposible porque en serie con el
primario está el capacitor C5 que se carga
justamente a un valor medio de -155V des-
plazando la onda cuadrada de primario en
forma simétrica a masa.
En la figura 13 mostramos el oscilograma
de tensión sobre el LC y la tensión del secun-
dario inferior para que el lector lo pueda
comparar con el de la figura 11 para demos-
trar que los circuitos son equivalentes.
Ahora vamos a medir la tensión sobre el
primario de T1 y la vamos a comparar con la
tensión sobre el LC. Ver la figura 14.
Como se puede observar la tensión es per-
fectamente alterna sin ninguna componente
continua superpuesta, pero también podemos
observar que el valor de tensión de pico
sobre cualquiera de las llaves supera los
valores que pueden soportar los MOSFET
porque llega a ser de 1500V.
En el ítem siguiente indicaremos el modo
de solucionar este problema.
LA TENSIÓN SOBRE
LOS TRANSISTORES MOSFET
Si sobre un circuito resonante serie se
quiere reducir la tensión sobre los dos com-
ponentes; se debe reducir la energía que los
excita o reducir el Q. En realidad hay que
realizar las dos cosas al mismo tiempo para
no variar la tensión de salida.
Para reducir la energía entregada al cir-
cuito sólo nos queda reducir el tiempo de
actividad, pero tal como lo hicimos anterior-
mente con un circuito que mantenga baja la
impedancia de salida del generador en todo
momento; es decir que no vale mantener las
dos llaves abiertas al mismo tiempo.
Con esto ya se reduce la tensión sobre las
llaves pero como se va a reducir la tensión de
salida es necesario reducir la relación de
espiras del transformador para obtener la
misma tensión de salida.
Esto aumenta la carga sobre el circuito
resonante con lo que se reduce aún más la
tensión sobre las llaves pero aumenta la
corriente que las recorre. Esto es un meca-
nismo de corrección de errores que debe ser
aplicado reiteradamente hasta obtener el
resultado deseado. Lo ideal es buscar una
tensión de alrededor de 600V para poder uti-
lizar cualquier MOSFET de fuente de TV.
Más adelante veremos al circuito pero con
el excitador de doble comparador.
Reduciremos el tiempo de actividad y ajusta-
remos la relación de espiras para lograr el
diseño del transformador.
DISEÑO DE UN MODULADOR PWM
Al circuito de la fuente resonante le agre-
gamos un modulador PWM y ajustamos todo
para lograr una tensión de 32V para la salida.
La sección de potencia de nuestra fuente
ya está resuelta con un circuito resonante for-
mado por el primario del transformador y un
capacitor de sintonía que resuenan en 78kHz.
El secundario del transformador tiene un
punto medio y con él logramos generar una
tensión de salida senoidal desfasada 180º
como en una fuente de 50Hz común con
transformador laminado de hierro silicio.
Cuatro diodos rápidos con sus correspon-
Fuentes Pulsadas en Equipos Electrónicos Modernos
40 El Servicio Técnico a los Equipos Electrónicos
Cap 2 - Diseño de Fuentes.qxd 8/2/11 6:15 AM Página 40
diente capacitores y
resistores de filtrado
garantizan una rectifi-
cación de onda comple-
ta con una frecuencia
de ripple de unos
140kHz.
En esta entrega
debemos realizar todas
las pruebas que nos
permitan determinar el
funcionamiento correc-
to de la fuente.
En un principio
intentaremos construir
una fuente para un
amplificador estereofó-
nico de 30W por canal
aproximadamente, es
decir que generaremos
una fuente de +32V x
1A y de -32V x 1A es
decir 32W y 32W con
lo cual completamos
64W. De echo nunca
una señal estéreo con-
sume la suma de los
consumos. Se estima
que es suficiente con
considerar una poten-
cia de fuente de 1,5
veces la potencia de un
canal. Posteriormente
veremos la posibilidad
de incrementar la
potencia a un valor
mayor, para que la
fuente sea más útil en
forma genérica. De
cualquier modo esta
serie de artículos es
prácticamente un apun-
te de trabajo muy deta-
DISEÑO DE UNA FUENTE PULSADA PARA EQUIPOS ELECTRÓNICOS MODERNOS
41Capítulo 2
Figura 15. Circuito
de prueba del tipo
resonante.
Cap 2 - Diseño de Fuentes.qxd 8/2/11 6:15 AM Página 41
llado para que cualquier lector pueda desa-
rrollar una fuente por su cuenta; sólo hay que
animarse y simular las variantes porque el
diseño es muy flexible y lo permite.
Ahora tenemos dos modos ajustables de
regular la tensión de salida y uno fijo. Los
regulables son el período de actividad de
onda completa y la frecuencia del oscilador,
el fijo es la relación de transformación del
transformador de pulsos.
Como cosas a medir existe una muy
importante que es la tensión aplicada a las
llaves controladas y la corriente que circula
por ellas para saber si los MOSFET elegidos
con anterioridad son aptos para su función en
una fuente resonante, aunque a priori pode-
mos decir que por la topología del circuito lo
son seguramente. Otro cosa que debemos
medir es la tensión aplicada al primario del
transformador y al capacitor de sintonía, por-
que seguramente tendrán requisitos especia-
les debido a que el efecto resonante genera
sobretensiones importantes.
EL CIRCUITO DE PRUEBA
Realmente no diseñamos ningún circuito
nuevo; simplemente superpusimos el último
diseño de la entrega anterior con el circuito
excitador de dos entregas atrás y así salió el
circuito completo que nos permite realizar
los ajustes y las mediciones. Ver la figura 15.
El clock del excitador está generado por
el generador de funciones XFG3 dispuesto
como generador de onda triangular que pos-
teriormente será reemplazado probablemente
por un 555 y un amplificador inversor y un
no inversor integradores. En efecto, podemos
observar que se utilizan las dos fases de sali-
da del generador; una a la entrada inversora
de U1A y la otra a la entrada inversora de
U2B que son circuitos comparadores de alta
velocidad.
La comparación se realiza con una ten-
sión continua que se obtiene del cursor del
potenciómetro R5. De acuerdo al valor de
Fuentes Pulsadas en Equipos Electrónicos Modernos
42 El Servicio Técnico a los Equipos Electrónicos
Figura 16. Oscilogramas
de la generación PWM.
Cap 2 - Diseño de Fuentes.qxd 8/2/11 6:15 AM Página 42
continua que se coloca en estas entradas, en
las salidas se genera un pulso rectangular con
mayor o menor período de actividad. Los
pulsos estarán desfasados debido a que coin-
ciden siempre con el pulso triangular positi-
vo y dicho pulso está desfasado 180º en
ambas salidas de XFG3.
Los comparadores son circuitos con sali-
da “toten poll” o “output colector” es decir
que ofrecen sobre la pata 1 y 7 el colector de
un transistor llave interno, que requiere un
resistor a fuente (R6 y R7) para generar un
pulso rectangular de ancho variable que
opere las llaves controladas J1 y J2. ver la
figura 16.
Estas llaves le entregan al circuito reso-
nante T1 y C5 la energía que toma la resis-
tencia equivalente a las cargas del amplifica-
dor R1 y R2. Si se desea bajar la tensión de
salida se puede reducir el periodo de activi-
dad de las llaves que se conectan a fuente o a
masa por menos tiempo, reduciendo la ener-
gía entregada al LC. También se puede variar
la frecuencia de XFG3 para que circule
menos corriente por el primario, alejando el
punto de trabajo del punto de sintonía del
LC. Si se desea aumentar la tensión de salida
se debe hacer la acción contraria.
La tensión en los secundarios es propor-
cional a la corriente que circula por el prima-
rio; es decir que mayor corriente significa
mayor tensión sobre los secundarios y vice-
versa.
Los diodos D3 y D4 completan el camino
de circulación del LC cuando las dos llaves
están abiertas.
AJUSTE Y PRUEBA DEL CIRCUITO
Evidentemente lo primero que debemos
hacer es medir las tensiones de salida y ajus-
tarlas al valor deseado de 32V. En principio
colocamos el período de actividad del excita-
dor en su valor máximo, que no debe ser
superior al 40% para que no exista ninguna
DISEÑO DE UNA FUENTE PULSADA PARA EQUIPOS ELECTRÓNICOS MODERNOS
43Capítulo 2
Figura 17. Primeras mediciones de la fuente resonante.
Cap 2 - Diseño de Fuentes.qxd 8/2/11 6:15 AM Página 43
posibilidad de que en cierto momento se cie-
rren las dos llaves controladas generando un
cortocircuito fatal para los futuros MOSFET.
Luego se modifica la frecuencia del genera-
dor de funciones para lograr que la tensión
de salida tenga el valor deseado de 32V. Ver
la figura 17.
Como se puede observar el generador de
funciones se predispone en onda triangular
con un período de actividad del 50%.
Para una posición del pre-set del 38% se
obtienen las señales PWM indicadas en el
osciloscopio que no tienen peligro de super-
ponerse. Para este caso las tensiones de sali-
da son de 32,24V y -32,24V que es el valor
deseado.
A continuación en la figura 18 se coloca
el osciloscopio para poder medir las tensio-
nes sobre las llaves controladas.
Como se puede observar la tensión sobre
las llaves es de 310V y no podría ser otra que
la tensión de fuente porque cuando J1 está
abierta J2 está cerrada y entonces J1 tiene
aplicada la tensión de fuente. En cambio
cuando J2 está abierta J1 está cerrada y
entonces J2 tiene aplicada la tensión de fuen-
te.
Esto significa que cualquiera de los MOS-
FET elegidos puede cumplir con el requisito
de tensión.
La señal sobre las llaves parece tener una
incongruencia porque no tiene la forma espe-
rada con un período de actividad menor al
50% pero lo que ocurre que aunque la llave
esté abierta, los diodos D3 y D4 mantienen el
potencial para obtener baja impedancia
durante todo el ciclo de la oscilación.
En las figuras 19 y 20 se puede observar
el otro parámetro a considerar de los MOS-
FET que es la corriente. En realidad es nece-
sario realizar dos mediciones si vamos a
tomar como referencia la señal de excita-
ción. En la primera utilizamos el viejo méto-
do de agregar un resistor de bajo valor y en
la segunda usamos una ventaja del Multisim
Fuentes Pulsadas en Equipos Electrónicos Modernos
44 El Servicio Técnico a los Equipos Electrónicos
Figura 18. Tensión sobre las llaves controladas.
Cap 2 - Diseño de Fuentes.qxd 8/2/11 6:15 AM Página 44
10 que son las sondas de corriente en este
caso ajustada para 1V/A. Como podemos
observar las corrientes pico son de 8A pero
su valor continuo es mucho menor porque
solo se debe considerar el tiempo que dura la
excitación de la llave, que como máximo
fijamos en un 38%, es decir 19% por cada
transistor. El valor eficaz es aproximada-
DISEÑO DE UNA FUENTE PULSADA PARA EQUIPOS ELECTRÓNICOS MODERNOS
45Capítulo 2
Figura 20. Corriente por el MOSFET superior.
Figura 19. Corriente por el MOSFET inferior.
Cap 2 - Diseño de Fuentes.qxd 8/2/11 6:15 AM Página 45
mente el 19% de 8A o
1,52A. Sobre todo los
MOSFET 2SK3264 y
2SK1507 son aptos
para este uso ya que
admiten pulsos de
corriente de 28A y
29A y valores conti-
nuos de 7A y 9A res-
pectivamente. Nota:
estos MOSFET se
consiguen en cual-
quier casa de electró-
nica porque se los uti-
liza para fuentes de
TV.
POSIBILIDADES
DE REGULACIÓN
DE LA FUENTE
Como sabemos
nuestra fuente admite
el ajuste del período
de actividad de dos
formas diferentes. Por
cambio de la tensión
de error o por cambio
de la frecuencia del
oscilador. Primero
vamos a probar el
ajuste por tensión para
ver si es necesario
recurrir a otro sistema,
o si lo debemos man-
tener en suspenso para
el diseño de una fuente de mayor potencia.
En la figura 21 se puede observar qué pasa
cuando la resistencia de carga se levanta a 20
veces de su valor original. Como podemos
observar, con llevar el potenciómetro de
ajuste a un 25%, se logra reajustar la salida al
valor deseado de 32V. Es decir que no hace
falta recurrir al doble cambio de parámetro.
Fuentes Pulsadas en Equipos Electrónicos Modernos
46 El Servicio Técnico a los Equipos Electrónicos
Figura 21. Regulación con R de 640 Ohm
Cap 2 - Diseño de Fuentes.qxd 8/2/11 6:15 AM Página 46
Bien, hasta aquí comprobamos que esta-
mos por el buen camino y que un simple
cambio del período de actividad con nuestro
modulador, es suficiente para lograr una
buena regulación con variaciones de carga de
1 a 20.
Ahora deberemos cambiar las llaves con-
troladas por MOSFET y vamos a diseñar una
adecuada excitación de los mismos. También
vamos a medir el rendimiento de la fuente,
que necesitamos para el diseño del transfor-
mador.
CONMUTACIÓN CON
TRANSISTORES MOSFET
Habiendo analizado cómo se realiza la
modulación por ancho de pulsos, describire-
mos cómo reemplazar las llaves controladas
en nuestro circuito de simulación por los
transistores MOSFET que previamente habí-
amos elegido. Y aquí comienzan los proble-
mas de simulación que requiere mucha ima-
ginación para resolverlos. ¡Manos a la Obra!
Como Ud. ya sabe vamos a trabajar con
los MOSFET que se consiguen en plaza
debido a que se utilizan como repuestos de
TV. Se pueden utilizar el 6N60-A o el K3264
o el K1507. Pero resulta que ninguno de ellos
está en la librería del Multisim.
Por esa razón utilizamos un MOSFET que
tuviera valores similares de tensión y
corriente y nos imaginamos que el resultado
será similar.
Los comparadores utilizados en el modu-
lador no entregan mucha corriente de salida.
Es decir que no son capaces de cargar y des-
cargar al capacitor equivalente al gate del
MOSFET sin producir una pendiente excesi-
va.
Por esa razón se impone reducirles la
impedancia de salida. Lo primero en que se
piensa es colocar un
repetidor pero a poco
que se analice se
observa que el repeti-
dor permite que le
tomen corriente por su
salida pero no es capaz
de consumir desde la
carga y en nuestro caso
lo más importante es
descargar el capacitor
de gate rápidamente.
Si analizamos los
circuitos utilizados
para reducir la impe-
dancia nos encontra-
mos que el más cono-
cido es el clásico par
complementario de los
DISEÑO DE UNA FUENTE PULSADA PARA EQUIPOS ELECTRÓNICOS MODERNOS
47Capítulo 2
Figura 22 . Circuito de excitación de
un MOSFET
Cap 2 - Diseño de Fuentes.qxd 8/2/11 6:15 AM Página 47
amplificadores de audio. En
efecto, esa etapa es capaz de
hacer circular corriente hacia
el parlante cargando el capaci-
tor de acoplamiento o tomar
corriente del capacitor de aco-
plamiento descargándolo.
El problema parecería ser
que carga utilizar para diseñar
el excitador. Pues bien real-
mente no es un problema por-
que solo hay que utilizar
como carga un capacitor del
mismo valor que tiene el
capacitor de entrada CI del
MOSFET.
De los tres MOSFET posi-
bles elegimos el que tiene
menos capacidad de entrada
que es el 6N60 (Ci = 700 a 1300pF) y nos
ponemos en la capacidad máxima de modo
que se pueda usar también el K3264 (900 a
1350pF). El K1507 lo deja-
mos como una mala alternati-
va porque tiene un promedio
de 1200 y un máximo de
1800pF.
CIRCUITO DE EXCITACIÓN
En la figura 22 se puede
observar el circuito de excita-
ción simulado usando como
carga un capacitor de 1000pF.
El transistor Q1 simula el
transistor interno del compa-
rador de una de las salidas. Y
está excitado con un genera-
dor de funciones como señal
rectangular de 86kHz con tiempo de activi-
dad del 40%. De este modo Q1 se abre y cie-
rra 86.000 veces por segundo casi sin flancos
Fuentes Pulsadas en Equipos Electrónicos Modernos
48 El Servicio Técnico a los Equipos Electrónicos
Figura 23 . Señal de gate de un MOSFET.
Figura 24 . Retardo de descarga del gate (247ns ó 0,25µs
aproximádamente).
Cap 2 - Diseño de Fuentes.qxd 8/2/11 6:15 AM Página 48
DISEÑO DE UNA FUENTE PULSADA PARA EQUIPOS ELECTRÓNICOS MODERNOS
49Capítulo 2
Figura 25 . Circuito con MOSFET.
Cap 2 - Diseño de Fuentes.qxd 8/2/11 6:15 AM Página 49
de conmutación. La resistencia que impulsa
la corriente del par complementario es pro-
porcionada por R2 cuando Q1 está abierto.
El par complementario se comporta
haciendo circular corriente por Q2 cuando
Q1 está abierto cargando el capacitor equiva-
lente al gate por medio de R3. Observe que
nunca se generará una tensión mayor a la de
fuente (12V) sobre el gate del MOSFET
cuando Q1 está cortado. Cuando Q1 condu-
ce hace conducir a Q3 quien a su vez descar-
ga al capacitor C1 mediante la red D1 y R4
en paralelo con el resistor R3.
Como se puede observar todo el circuito
está pensado para que la corriente de carga
de C1 sea relativamente baja ya que en ese
momento la corriente por el MOSFET recién
comienza y crece paulatinamente. En cam-
bio, cuando el MOSFET se abre la corriente
está en el máximo y es imprescindible vaciar
el gate rápidamente para no perder rendi-
miento.
En la figura 23 se puede observar el osci-
lograma de gate tomando como referencia a
la salida del generador de funciones.
Como podemos observar, los flancos de la
señal de gate no son verticales, tienen una
cierta caída exponencial debido a la carga de
compuerta. Pero lo importante es lo que ocu-
rre antes de la tensión de transición que
como sabemos es de unos 4V (momento en
que el MOSFET cambia de estado). El flan-
co de subida casi no tiene inclinación hasta
los 4V y por eso no se produce casi un retar-
do al encendido. En tanto que la descarga del
gate es un poco más problemática porque se
produce una demora que no puede estimarse
con precisión en el osciloscopio. Una medi-
ción con escala más expandida permite leer
con precisión el retardo como de 0,25µs. Ver
la figura 24.
Ahora que ya tenemos diseñados los cir-
cuitos de excitación vamos a probar el cir-
cuito completo cambiando las llaves contro-
ladas por MOSFET.
CIRCUITO CON MOSFET
En la figura 25 se puede observar el cir-
cuito incluyendo los MOSFET. Como se
puede observar, el circuito de excitación
inferior se utiliza tal cual fue diseñado por-
que el terminal de fuente del MOSFET está
conectado a masa. Pero en el circuito supe-
rior nos encontramos que el terminal de masa
del MOSFET se encuentra conectado a la
señal de alimentación del circuito resonante
y por lo tanto a una tensión rectangular de
310V de pap.
Si la excitación la referimos a masa segu-
ramente se quemará el MOSFET superior.
Por esta razón se agrega el transformador
T2 con su retorno del secundario conectado
al terminal de fuente de MOSFET superior
para que esté correctamente excitado. Pero el
transformador no puede acoplar continua y
entonces genera un pulso negativo que redu-
ce el valor de la excitación a la mitad.
Por esta razón se agrega un capacitor con
un diodo que restauran el valor negativo a
0V (en realidad a -600mV) dejando un pulso
positivo de 10V para excitar la compuerta.
En el MOSFET inferior solo se ha agre-
gado un resistor R13 porque la capacidad
drenaje gate generaba realimentaciones de
tensión sobre el gate. El resistor R12 fue
agregado porque la simulación marcaba un
error debido a la carga inductiva capacitiva
del par de salida superior.
Fuentes Pulsadas en Equipos Electrónicos Modernos
50 El Servicio Técnico a los Equipos Electrónicos
Cap 2 - Diseño de Fuentes.qxd 8/2/11 6:15 AM Página 50
OTRO CIRCUITO DE EXCITACIÓN
El circuito que acabamos de describir
tiene ciertas falencias debido a que, en algu-
nas ocasiones, la simulación arranca mal por
lo cual el prototipo seguramente no va a fun-
cionar correctamente, por lo cual debemos
hacerle algunas modificaciones al proyecto.
En este libro describo paso a paso los
diferentes estados en que fuí realizando este
proyecto, es decir, no hubo un proyecto defi-
nitivo sino que la idea desde el comienzo fue
mostrarle al lector como se diseñan las fuen-
tes de alimentación de los equipos electróni-
cos modernos, basándonos en los sistemas de
suministro de energía de los equipos de
audio de alta fidelidad.
Es un modo de hacer vivir los proyectos;
el lector no es una presencia estática, sino
que puede entender el proceso del pensa-
miento del autor.
Y si alguien le dice que él piensa los pro-
yectos y le salen andando perfectamente no
le crea. Todos los ingenieros trabajan por
prueba y error y el proyecto final suele distar
mucho de la idea inicial.
Ya les mostré el diseño de un driver que
no me deja muy contento y por lo tanto voy
a intentar la construcción de uno mejor. En
principio, lo que no me gusta es que el driver
inferior no pasa por un transformador y el
superior sí. Esto genera una asimetría de la
excitación; es decir que las señales de gate
son diferentes. Cuando hice las mediciones
de rendimiento sobre cada uno de los drivers
noté que eran diferentes y eso no tiene senti-
do; deben tener el mismo rendimiento y
comencé a pensar en cambiar el circuito para
que se sea simétrico. Ahora, sí debemos
construir un pequeño transformador driver
por qué no realizamos dos exactamente igua-
les. Y en eso basé las nuevas modificaciones
del proyecto que paso a explicar.
NUEVO CIRCUITO EXCITADOR
En la figura 26 se puede observar uno de
los canales de driver que podría ser el infe-
DISEÑO DE UNA FUENTE PULSADA PARA EQUIPOS ELECTRÓNICOS MODERNOS
51Capítulo 2
Figura 2 Circuito del driver nuevo.
Cap 2 - Diseño de Fuentes.qxd 8/2/11 6:15 AM Página 51
rior al estar conectado a la masa caliente o el
superior, si todos las masas del secundario
del transformador driver se conectan juntas
al transformador del circuito resonante
(unión de los MOSFET).
Ya realizamos un cambio a nivel del par
complementario que excita los MOSFET que
ahora son TIP31 y TIP32. En realidad pue-
den ser TIP29 y 30 pero no sabemos por qué
el Multisim10 no los trae en su biblioteca.
El transistor Q5 no existe realmente en el
circuito. El representa a la salida del modula-
dor PWM. El circuito comienza con un tran-
sistor excitador Q4 que le entrega la señal
rectangular al par complementario TIP31 y
TIP 32.
Para que Q2 se sature plenamente, la base
debe estar conectada con un resistor, a una
fuente de mayor tensión que el colector. Esto
significa que nuestra fuente deberá tener dos
pequeñas fuentes convencionales; una de 12
y otra de 24V.
En el circuito conectamos el canal rojo
del osciloscopio sobre el primario del trans-
formador 1:1 con lo que podemos decir que
es la fuente de señal de excitación. El tran-
sistor Q4 opera como un amplificador de
corriente saturando al transistor Q3 por
reducción de su tensión de base cuando él, a
su vez está saturado. Cuando se abre, el
resistor R5 conduce corriente desde la fuente
de 24V que hace saturar a Q2, es decir que el
transformador T1 se conecta alternativamen-
te a fuente y a masa quedando alimentado
con una señal rectangular de 12Vpap y a baja
impedancia permanentemente.
El secundario de T1 tiene un primer cir-
cuito C1 D2 que sirve para evitar la compo-
nente de señal negativa sobre el gate, que no
molesta mientras no supere la tensión de ais-
lación del mismo, pero que reduce la compo-
nente de tensión positiva que pierde ampli-
tud. Como D2 no permite la existencia de
señales negativas superiores a 0,6V casi toda
la señal sobre el gate es positiva y superamos
fácilmente la tensión de conducción.
En la anterior simulación (en la entrega
anterior) habíamos reemplazado el MOSFET
por un capacitor equivalente a su Cin. En
este caso, conectamos realmente un MOS-
FET similar a los elegidos para el proyecto
(en realidad tiene un Cin mayor que es de
1500pF) y lo conectamos a una fuente de
300V con un resistor de 400 Ohm.
De este modo participan todos los capaci-
tores internos del MOSFET y no sólo el de
gate a fuente. El que más nos importa es el
drenaje a gate, que puede producir una dis-
torsión de la señal de gate en el momento de
la conmutación. Es decir que cuando el gate
sube de tensión, en cierto momento, el MOS-
FET conduce y baja abruptamente la tensión
de drenaje (realimentación negativa parási-
ta). Esa señal se acopla al gate por el capaci-
tor Cdg que suele ser de unos 20pF y genera
una tensión sobre éste, que es como una
muesca en el oscilograma.
En nuestro caso, con una señal de 300V
en drenaje, es imposible de evitar esta distor-
sión, sólo se debe mantener en un mínimo
atacando al gate a baja impedancia.
En realidad, toda la red R3 R4 y D1 debe-
ría anularse para atacar el gate a la más baja
impedancia; pero eso no se puede hacer por-
que la corriente de carga y descarga de Cin
sería excesiva y podría quemar la compuerta.
El funcionamiento de la red es muy senci-
llo. La señal de excitación acomodada arriba
del eje de -600mV circula por R3, para car-
gar a Cin con un pulso de corriente que cir-
cula hacia la derecha cargando el capacitor y
manteniendo la carga (con una corriente muy
Fuentes Pulsadas en Equipos Electrónicos Modernos
52 El Servicio Técnico a los Equipos Electrónicos
Cap 2 - Diseño de Fuentes.qxd 8/2/11 6:15 AM Página 52
baja) durante toda la conducción del MOS-
FET. Luego, al invertirse la señal sobre el
secundario de T, el nodo 3 pasa a -600mV y
el MOSFET se corta. En este caso se produ-
ce la descarga de Cin por intermedio de D1 y
R4 en paralelo con R3. Es decir al doble de
la corriente de carga.
El agregado de R7 se debe a un problema
de seguridad.
En efecto, sin R7 el gate queda a una
impedancia infinita a la CA de baja frecuen-
cia, cuando Q1 no conduce. Esa CA se puede
producir por captación electroestática o por
zumbido debido a un toque accidental.
El transformador Q2 tiene
una relación de espiras de 1 a
1 y se construye con dos
alambres bobinados al
mismo tiempo sobre un
núcleo toroidal o un núcleo E
I de bajo tamaño. De ese
modo se reduce prácticamen-
te a cero la inductancia de
dispersión y no se generan
sobrepulsos.
OSCILOGRAMAS DEL DRIVER
CON SEÑAL CUADRADA
Como ya sabemos, el
pulso de conducción de Q1
(y de su equivalente en el
otro canal) no puede ser del
50% de período de actividad,
porque un pequeño retardo al
apagado podría significar
que ambos transistores con-
duzcan al mismo tiempo. Por
eso los oscilogramas con un
40% de período de actividad son significati-
vos y muy cercanos a la realidad que aún no
conocemos (es decir que no sabemos si el
período debe ser de 45% o menor).
Los oscilogramas más importantes son
todos aquellos relacionados con la señal de
gate tanto de corriente como de tensión. En
el circuito ubicamos el haz rojo como refe-
rencia en el nodo 12 y el verde en el gate,
figura 27.
Como podemos observar de los 12V que
se miden en el primario se llegan a aplicar
solo 8,3V al gate. Como consideramos que la
pérdida es mucha incrementamos el valor de
DISEÑO DE UNA FUENTE PULSADA PARA EQUIPOS ELECTRÓNICOS MODERNOS
53Capítulo 2
Figura 27 - Oscilograma de gate con referencia en el nodo 12.
Figura 28 - Oscilograma del gate con C1 corregido a .1µF.
Cap 2 - Diseño de Fuentes.qxd 8/2/11 6:15 AM Página 53
C1 a 0,1µF logrando un oscilograma como el
indicado en la figura 28.
Aquí podemos observar que casi no hay
pérdida de señal serie, porque el marcador
rojo nos indica que la señal verde es de
11,31V. El marcador azul nos indica la
acción del diodo D2 que permite que la
señal solo pase 441mV hacia el cuadrante
negativo.
Otro detalle a tener en
cuenta es la distorsión por
conmutación del MOSFET.
La señal verde nos indica que
la muesca de encendido ocu-
rre más o menos a los 3,5V y
que dura unos 300ns y que la
muesca de apagado ocurre a
los 5,5V y que dura unos
200ns.
En la figura 29 se puede
observar el circuito con las
sondas de corriente aplicadas
a dos osciloscopios. Las son-
das fueron ajustadas (picando dos veces
sobre ellas) a 1mV/mA.
Las sondas XCP1 y XCP2 muestran la
corriente por las dos ramas del gate. La señal
de XCP2 se puede observar en la figura 30
donde se ve claramente la existencia de una
doble polaridad. La polaridad positiva es la
de carga y la polaridad negativa es parte de la
corriente de descarga de Cin.
Fuentes Pulsadas en Equipos Electrónicos Modernos
54 El Servicio Técnico a los Equipos Electrónicos
Figura 29 - Agregado de sondas de corriente.
Figura 30 - Formas de señal de corriente separadas.
Cap 2 - Diseño de Fuentes.qxd 8/2/11 6:15 AM Página 54
En rojo se observa la corriente de carga;
con el cursor rojo se puede medir un pico
positivo de 132mA y con el cursor azul un
pico negativo de 102mA. En verde se obser-
va la señal de descarga con un pulso de
182mA.
En la figura 31 se observa el oscilograma
de la corriente total de gate con la sonda
XCP3 y la corriente de drenaje con la XCP4
ajustadas para 1V por mA.
Este es el oscilograma más importante
porque nos permite ver la relación entre el
auténtico cierre de la llave a MOSFET y la
señal de gate que genera el cierre. En verde
se observa la corriente de drenaje.
Comenzamos observando que se levanta de
cero cuando se produce un pulso positivo de
corriente de base y llega aun valor de 749V
equivalentes a 749mA. La corriente total de
gate tiene un valor de 120mA aproximada-
mente que coincide con la medición anterior.
La demora al cierre de la llave es de unos
70ns.
Cuando llega el pulso negativo de
corriente de gate se produce una apertura de
la llave que es más lenta que el cierre, a pesar
de la mayor corriente de descarga que llega
casi a 200mA. La demora es
un poco superior a 200ns
que se puede considerar per-
fectamente aceptable.
Para estar seguros de un
correcto funcionamiento
sólo nos queda comprobar si
el sistema se comporta per-
fectamente con períodos de
actividad menores y cam-
biando la frecuencia de tra-
bajo dentro de una banda
adecuada.
No vamos a entregar los
oscilogramas por razones de espacio pero le
aclaramos que realizamos pruebas desde un
30% hasta un 70% sin ningún inconveniente
y en el rango de frecuencias de 50kHz a
100kHz. Invitamos a los lectores a que reali-
cen las correspondientes simulaciones.
FUENTE COMERCIAL PARA
AMPLIFICADORES DE AUDIO
Como sabemos, hay muy pocos equipos
de audio con fuente conmutada. Pero existen,
y uno de ellos apareció por nuestro laborato-
rio simplemente con un parlante desencona-
do. No podíamos desperdiciar la oportunidad
de curiosear en el mismo y le sacamos foto-
grafías para que curioseemos juntos.
En la fotografía 32 se puede observar el
frente del equipo de marca LG modelo
MCT704-A0U (no tiene colocada la bandeja
de CD).
Por si lo notó en el frente hay un autoad-
hesivo que indica que el equipo entrega
8.000W PMPO pero abajo indica (para cum-
DISEÑO DE UNA FUENTE PULSADA PARA EQUIPOS ELECTRÓNICOS MODERNOS
55Capítulo 2
Figura 31 - Corriente total de gate y corriente de drenaje.
Cap 2 - Diseño de Fuentes.qxd 8/2/11 6:15 AM Página 55
plir con las reglas europe-
as) 740W RMS (o efica-
ces). Aunque no indica
nada, suponemos que se
trata de la salida sumando
los dos canales, es decir
370W por canal, figura
33.
En la figura 34 se
muestra la etiqueta trasera
en donde constan los prin-
cipales datos del equipo.
Como se puede obser-
var; según el fabricante, la
potencia consumida por el
equipo desde la red es de
solo 160W. Es decir que el equipo es capaz
de “generar electricidad” porque consume
160 y entrega 740W. Como no vemos ningún
dispositivo que sirva para cargarle energía,
sacamos la conclusión de que el fabricante
comete un error en alguno de los dos pará-
metros.
Por las razones expues-
tas, sentimos más curiosi-
dad aún y sacamos una
fotografía de la zona de
audio para estimar la
potencia, figura 35.
Como se puede obser-
var el híbrido de potencia
posee un disipador y una
circulación de aire forzada
que bien podrían entregar
la potencia indicada en el
frente. El diámetro de
alambre de los inductores
de filtrado PWM también
indica que el equipo puede
entregar una potencia muy
grande.
En la figura 36 se puede
observar el detalle de la
fuente pulsada que eviden-
temente tiene transforma-
dores para una potencia
mayor a 160W que es lo
que consume un TV de
33”.
En la fotografía se
puede observar la fuente
montada en la plaqueta gris
que no tiene nada que envi-
diarle a una fuente de plas-
ma de 50”.
Como vemos posee tres
transformadores de pulsos
que seguramente pertenecen a un preacondi-
cionador, una fuente permanente y la fuente
del amplificador de audio (de derecha a
izquierda). En la plaqueta verde debajo de la
gris se observa el conversor analógico a
PWM y verticalmente y conectado a ella el
amplificador PWM de
potencia híbrido.
La conclusión final es
que las fuentes pulsadas
para equipos de audio o de
audio video (vulgarmente
Homes) se vienen con todo,
de la mano de los TVs
LCD, Plasma slim y los mal
llamados LED, que real-
mente son LCD con back-
ligth a LED. Los usuarios
no se conforman con los
mínimos 4 + 4 u 8 + 8W
que suelen disponer inter-
namente los TVs. Y piden
potencia pero es imposible
colocarla adentro del TV
porque no hay lugar y ya
hay mucha vibración.
Fuentes Pulsadas en Equipos Electrónicos Modernos
56 El Servicio Técnico a los Equipos Electrónicos
Figura32 - Frente del equipo LG
modelo MCT704-A0U.
Figura 33 - Potencia del equipo
indicada por el fabricante.
Figura 34 - Etiqueta de identifi-
cación del equipo.
Cap 2 - Diseño de Fuentes.qxd 8/2/11 6:15 AM Página 56
Algunos fabricantes recurren a los parlan-
tes de nanotubos de carbono pero por lo que
sabemos su rendimiento no
es bueno y tienen poca
potencia acústica; los usua-
rios quieren más realismo y
no les basta con la imágenes
diez veces más brillante,
quieren también el sonido 10
veces más potente.
Y entonces deben recurrir
a los Homes con sus precios
enormes o a los reproducto-
res de CDs con entradas
externas para conectar al TV.
Y donde quedamos Ud. y yo
en este negocio.
Quedamos en la puerta; ya
ingresamos al mercado de los
amplificadores PWM con
todo lo que estudiamos hasta
ahora y ahora debemos termi-
nar de ingresar con la fuente
que estamos diseñando.
Ya está, modificamos
nuestro driver y realizamos
pruebas intensivas de la
modificación explicando
para qué sirven todos y cada
uno de los componentes del
mismo. Realizamos las
simulaciones en Multisim y
las pruebas reales en un cir-
cuito armado en el aire verificando que las
simulaciones son realistas. ☺
DISEÑO DE UNA FUENTE PULSADA PARA EQUIPOS ELECTRÓNICOS MODERNOS
57Capítulo 2
Figura 35 - Amplificador de audio digital híbrido.
Figura 36 - Fuente de alimentación.
Cap 2 - Diseño de Fuentes.qxd 8/2/11 6:15 AM Página 57
Cap 2 - Diseño de Fuentes.qxd 8/2/11 6:15 AM Página 58
Como hemos visto en los capítulos
anteriores, los equipos electrónicos
modernos, y sobre todo los de audio,
suelen incluir fuentes pulsadas o
conmutadas con caracte-
rísticas especiales. Nos
propusimos el diseño de
una fuente que pueda
sustituir a la de los equi-
pos comerciales lo que
nos ha permitido saber
cómo funcionan de modo
que ya estamos en condi-
ciones de poder reparar
una fuente cuando la
misma no funciona. En este capítulo damos algunos consejos útiles para el servi-
cio técnico, mostramos técnicas para poder variar la tensión de la fuente y mos-
tramos el funcionamiento de un circuito PWM.
INTRODUCCIÓN
¿Cómo es la reparación de un centro musi-
cal moderno con respecto a los clásicos?
Depende de la falla. Si la falla está en la
fuente, es infinitamente más complejo, en
cambio si se trata del amplificador de audio
PWM es mucho más simple. La razón de la
complejidad de las fallas de fuente es que
las mismas son pulsadas y de 300W para
arriba. Es decir que son tan complejas como
la fuente de un LCD o un Plasma chico. Mi
recomendación es realizar un buen curso de
fuentes, aprovechando los diversos cursos
por videoconferencia que nos ofrecen
Internet y los libros electrónicos o en papel
que existen sobre el tema.
Si el problema está en el/los amplifica-
dor/res de potencia, del tipo PWM, el pro-
blema es por lo general fácil de resolver,
aunque todo depende de la tecnología
empleada para fabricar esos dispositivos.
Los amplificadores PWM de 100 a
150W están resueltos en un solo circuito
integrado monocristalino. Los de potencia
desde 150 a 300W son híbridos del tipo
STK y las potencias mayores están resueltas
EL SERVICIO TÉCNICO A LAS FUENTES PULSADAS DE LOS EQUIPOS ELECTRÓNICOS MODERNOS
59Capítulo 3
Capítulo 3
EL SERVICIO TÉCNICO A LAS FUENTES PULSADAS
DE LOS EQUIPOS ELECTRÓNICOS MODERNOS
Cap 3 - Servicio a Fuentes.qxd 8/2/11 9:18 AM Página 59
Fuentes Pulsadas en Equipos Electrónicos Modernos
60 El Servicio Técnico a los Equipos Electrónicos
Figura 1 - Fuente Pulsada de un Centro Musical LG
con salida de audio digital.
Cap 3 - Servicio a Fuentes.qxd 8/2/11 9:18 AM Página 60
EL SERVICIO TÉCNICO A LAS FUENTES PULSADAS DE LOS EQUIPOS ELECTRÓNICOS MODERNOS
61Capítulo 3
Cap 3 - Servicio a Fuentes.qxd 8/2/11 9:18 AM Página 61
en una mezcla de componentes discretos
monocristalinos, con MOSFET de potencia
y capacitores electrolíticos clásicos.
El equipo que nos ocupa es un LG mini
sistem modelo MCT704 con lector de CD y
DVD de audio, sintonizador de AM-FM,
entrada USB, entrada auxiliar cassete y todo
lo que se le ocurra para poder guardar o
recepcionar música.
En cuanto a la salida posee una salida
estereofónica de unos 300W (150 +150) y
otra salida de Sub Woofer monofónica de
300W. Los bafles estereofónicos son de 8
Ohm y el Sub Woofer de 12 Ohm. Estos son
valores reales medidos con carga resistiva y
osciloscopio sobre cada salida. Es decir que
en total el equipo tiene una potencia de
600W (el fabricante dice 730W) aunque en
realidad la potencia total difícilmente llegue
a esos valores en forma continua porque
debería darse el caso que ambos canales
estereofónicos estén a plena salida y al
mismo tiempo se tenga al Sub Woofer a
plena salida también.
EL CIRCUITO DE LA FUENTE
Vamos a comenzar analizando la fuente
del equipo que fue la razón por la cual fue
entregado para su reparación, aunque el téc-
nico nos dijo que solo funcionaba un canal
estereofónico, ya que el otro tenía quemado
un MOSFET de potencia. Esa reparación la
encararía él mismo.
Para que el circuito de fuente sea legible
lo tenemos que presentar en dos páginas
consecutivas dado su gran tamaño. Vamos a
repetir parte del circuito en la unión de los
mismos para que pueda ser seguido con
facilidad. Por suerte el fabricante dividió el
circuito como zona caliente y zona fría con
lo cual nos facilitó y ordenó la tarea.
Los conectores CN1 CN2 y CN3 se
amplían en la figura 2 para facilitar su lec-
tura.
Si bien cada conector parece estar ali-
mentado por un único circuito integrado en
realidad no es así. El STR superior genera la
tensión de +65V y el STR central genera la
tensión de -65V ambas tensiones salen por
el conector superior CN903. Desde este
conector se alimenta el amplificador estere-
ofónico y el amplificador de bajos. Cada
integrado alimenta además otras fuentes
para evitar que en los silencios el STR se
quede sin consumo.
FUNCIONAMIENTO DE LA FUENTE
Nuestro colega nos dijo que el equipo no
funcionaba, porque no aparecían las tensio-
nes de +65V y -65V destinada a los amplifi-
cadores de potencia PWM y no encendía el
display. En la figura 2 se puede observar un
detalle de las tensiones de fuente que vamos
a analizar en forma completa.
Un buen diseño mantiene desconectadas
las fuentes de los amplificadores de poten-
cia, cuando el equipo está en Stand By. Esto
significa que pueden existir integrados que
se mantengan apagados hasta que aparezca
la señal de ON pulsando en el frente, o en el
control remoto del equipo.
Observando el frente del equipo, no
vemos ninguna llave mecánica con reten-
ción. Esto significa que al conectar el equi-
Fuentes Pulsadas en Equipos Electrónicos Modernos
62 El Servicio Técnico a los Equipos Electrónicos
Cap 3 - Servicio a Fuentes.qxd 8/2/11 9:18 AM Página 62
po a la red debe arrancar un sector de la
fuente destinado a alimentar al microproce-
sador que será el que genere la señal
ON/Stand By. Este sector del circuito debe
generar 5V o 3,3V con destino al micro y al
receptor infrarrojo.
Precisamente en el conector CN903 se
pueden encontrar las tensiones correspon-
dientes pero todas están controladas por
diferentes señales, seguramente el circuito
integrado arranca directamente cuando se
conecta el equipo a la red y por lo menos
una de la tensiones (en general la regulada)
sale por un conector. En nuestro caso se
trata del conector .
Ahora todo consiste en ubicar la señal de
ON/Stand by para confirmar todo esto.
Como la señal proviene de la sección fría (el
microprocesador) debe ser acoplada a la
sección caliente con un optoacoplador. En el
circuito vemos 4 optoacopladores y tres cir-
cuitos integrados reguladores pulsados. Tres
optoacopladores van conectados a los cir-
cuitos integrados, el cuarto (PC904) va
conectado a la base de Q901 que segura-
mente es el transistor llave de encendido.
El cátodo del
diodo LED de
PC904 está conecta-
do a la masa fría y el
ánodo con un resis-
tor limitador de
corriente de 2k
(R970) va a la pata 2
del conector CN902
que tiene una señal
proveniente del
microprocesador lla-
mada AMP CTR es
decir “control de los
amplificadores”
Al conectarlo a la
red nuestro equipo no tiene ninguna tensión
de fuente sobre ningún conector salvo la
pata 6 del conector CN902 llamada U-COM
de 5,6V destinada al microprocesador y que
es justamente la tensión que regula el siste-
ma voltimétrico del amplificador de error,
de la fuente inferior conectada al optoaco-
plador PC903.
Por lo tanto deducimos que la fuente per-
manente funciona correctamente y el micro
debería entregar la señal AMP CTR cuando
pulsamos ON en el frente. La medimos y en
efecto obtenemos una tensión de 1,5V sobre
el LED del optoacoplador al pulsar ON y
cero cuando se lo vuelve a pulsar (Stand
By).
El transistor Q901 (llave de encendido de
los dos STR superiores) está conectada a
una fuente permanente del lado caliente for-
mada, por el rectificador D943 y C947 que
generan 12V. Observe que a esta tensión
están conectados tanto el colector del tran-
sistor del optoacoplador como el colector
del transistor llave. Cuando el transistor del
optoacoplador se ilumina conduce y satura
al transistor llave que aplica 12V a las patas
EL SERVICIO TÉCNICO A LAS FUENTES PULSADAS DE LOS EQUIPOS ELECTRÓNICOS MODERNOS
63Capítulo 3
Figura 2 - Detalle de los conectores de la
fuente conmutada.
Cap 3 - Servicio a Fuentes.qxd 8/2/11 9:18 AM Página 63
de fuente (4) de los STR haciendo que los
mismos arranquen y generen las tensiones
de los conectores CN901 y CN902. En
nuestro caso esto no ocurría.
REPARACIÓN DE LA FUENTE
A los STR no les llegaba nunca la tensión
de fuente. Por lo tanto debíamos verificar si
la misma se generaba. En efecto, sobre
C947 había una tensión de 12V apenas se
conectaba el equipo a la red. Ya verificamos
que el LED del optoacoplador PC904 se
encendía, así que el problema tenía que ser
un cortocircuito en la fuente de uno de los
STR o el transistor abierto. Como las fuen-
tes de los STR presentaban una resistencia
alta desoldamos el transistor lo medimos y
estaba abierta la juntura de colector.
Al reemplazarlo apareció la tensión
negativa en el conector CN901 y además
encendió el colorido display termoiónico
porque las patas 10, 11 y 12 de CN902 están
destinadas a él. Pero siguió sin aparecer la
tensión positiva para los amplificadores de
potencia.
Al observar el circuito vemos que los
bobinados de primario de los tres transfor-
madores son una obra maestra del error. En
efecto parece que como el dibujante no tenía
el conexionado interno de los transformado-
res conectó todas las patas del primario
entre sí. Por ejemplo la pata 2 tiene un cor-
tocircuito a la 3 y los bobinados de reali-
mentación y auto fuente, están referidos a
masa pero también a fuente, realizando un
hermoso cortocircuito con el primario del
transformador.
Entre las patas 2 y 3 y entre las 4 y 5 no
hay bobinado interno. El primario está
abierto porque se construye en dos seccio-
nes, una por debajo del secundario y otra
por arriba. Y todo el bobinado inferior se
refiere solo a la masa virtual (pata 3 del
STR).
Antes que realizar cualquier tipo de aná-
lisis es conveniente medir los resistores sen-
sores de corriente porque los mismos suelen
operar de fusible cuando la llave de poten-
cia del STR se pone en cortocircuito. R938
y R937 estaban abiertos y el STR tenía un
cortocircuito entre las patas 1 y 3.
Cambiamos los componentes teniendo la
precaución de comprar resistores no induc-
tivos y se recuperaron todas las tensiones de
fuente.
Pensando en como se sucedieron los
hechos creemos que todo comenzó cuando
se quemó el amplificador PWM de salida.
Nuestro cliente, trabajando en el mismo,
debe haber realizado un cortocircuito que
derivó en un exceso de consumo. En conse-
cuencia se quemó la llave electrónica del
STR positivo y eso provocó que se quema-
ran los resistores sensores y el transistor
llave que controlaba a los dos STR. El efec-
to dominó que le dicen.
En conclusión, si Ud. recibe un equipo
de éstos que no tiene tensión negativa y
positiva debe retirar la plaqueta fuente del
equipo y cargar las salidas de fuente de
potencia con resistores.
No hace falta que haga un consumo
máximo, con consumir 1A alcanza para pro-
bar el funcionamiento, así que puede usar
resistores de 68 Ohms 100W sobre los -65V
y sobre los +65V. La salida de 5V por la
pata 6 de CN902 la debe cargar con un
resistor de 5,6 Ohm x 10W para que la fuen-
te de baja tenga alguna carga sobre la salida
Fuentes Pulsadas en Equipos Electrónicos Modernos
64 El Servicio Técnico a los Equipos Electrónicos
Cap 3 - Servicio a Fuentes.qxd 8/2/11 9:18 AM Página 64
permanente. Luego verifique que sigan
bajas las salidas de potencia y entonces veri-
fique todo el sistema de control del encendi-
do a través del optoacoplador PC904. Luego
de reparado el control si falta alguna de las
tensiones dispóngase a reparar la fuente
correspondiente que tiene muy pocos com-
ponentes externos además de los híbridos.
LA REPARACIÓN EN FOTOS
En la figura 3 se puede observar una
infografía con los componentes principales
de la fuente de alimentación y el amplifica-
dor de potencia estereofónica. Para poder
observar el amplificador principal sacamos
el amplificador de bajos
que se encuentra exacta-
mente arriba atornillado
al disipador con ventila-
ción forzada.
En la figura 4 se
puede observar el detalle
del circuito integrado de
fuente dañado. Al ser
igual al amplificador de
tensión negativa se
impone la medición de
la resistencia a masa de
todos los terminales por
comparación directa.
En la figura 5 se
puede observar el tran-
sistor llave que controla
el encendido de las
fuentes negativa y posi-
tiva de 65V.
De este modo termi-
namos con una explica-
ción rápida del funcio-
namiento de una fuente
para un centro musical
de excelentes caracterís-
ticas. Y es una fuente de
600 o 700W y sin
embargo está resuelta
muy sencillamente con
componentes comunes.
También comprobamos
que muchas veces no se
EL SERVICIO TÉCNICO A LAS FUENTES PULSADAS DE LOS EQUIPOS ELECTRÓNICOS MODERNOS
65Capítulo 3
Figura 3 - Vista de la fuente y el amplificador estereofónico.
Figura 4 - Integrado en cortocircuito.
Cap 3 - Servicio a Fuentes.qxd 8/2/11 9:18 AM Página 65
requiere saber para qué sir-
ven todos y cada uno de los
componentes del circuito, si
se trabaja con criterio y
conocimientos generales del
tema.
Extrañamente observa-
mos que una fuente de
características tan extremas
no posee preacondicionador
para reducir el coseno del
consumo. Seguramente el
cliente podrá tener proble-
mas con su compañía distri-
buidora de energía eléctrica
o una buena multa que
incremente el valor de
kW/hora que le cobran.
Otras fuentes de equipos
similares son más complica-
das pero obvian este problema.
Si uno no sabe cómo funciona una fuen-
te con un STR, es mejor que primero se
ponga al tanto del tema antes de meter
manos en la fuente. En principio, es posible
que gane tiempo y seguramente, se va a evi-
tar problemas en caso de fallas accidentales.
No trabaje nunca por el método de cambiar
y probar porque casi todos los componentes
de esta fuente son especiales y SMD. Deje
de usar las manos y use el cerebro antes que
se oxide irremediablemente. Este capítulo
es una prueba de cómo se llega a determinar
un componente fallado sin jugar a las adivi-
nanzas.
EL CONTROL DE TENSIÓN DE
UNA FUENTE PULSADA
Se va armando el rompecabezas que es
nuestra fuente pulsada para audio diseñada
por una única razón. Competir en precio con
los clásicos amplificadores analógicos con
fuente a transformador laminado. Nos ani-
mamos a decir que nuestro proyecto com-
pleto de amplificador PWM y fuente pulsa-
da tiene un precio diez veces menor que un
proyecto clásico, pesa cinco veces menos y
rinde el doble.
Y tiene una ventaja inherente sumamen-
te importante. Es simple, fácil de armar,
fácil de reparar (porque no tiene realimenta-
ción negativa) y además no necesita protec-
ciones, simplemente porque admite corto-
circuitos sobre la salida por tiempo indefini-
do.
Repasemos lo que hicimos hasta ahora
con referencia a la fuente pulsada. En prin-
cipio buscamos la disposición de fuente más
adecuada, porque en ese momento no exis-
tía información con referencia a equipos
comerciales que nos orientaran al respecto.
Hoy en día existen muchas marcas de equi-
Fuentes Pulsadas en Equipos Electrónicos Modernos
66 El Servicio Técnico a los Equipos Electrónicos
Figura 5 - Transistor llave Q901 abierto.
Cap 3 - Servicio a Fuentes.qxd 8/2/11 9:18 AM Página 66
pos decididamente volcados a los amplifica-
dores PWM y las fuentes pulsadas. Y las
fuentes generalmente elegidas son las reso-
nantes cuando se usan MOSFET discretos y
las de transferencia indirecta cuando se trata
de circuitos integrados híbridos como el
STR que vimos en
la entrega anterior.
Nosotros estamos
por lo tanto en el
buen camino por-
que elegimos una
resonante.
De la fuente
resonante tenemos
resuelto el circuito
resonante primario
y los circuitos
secundarios con sus
rectificadores. En
esta entrega le
sumamos el circuito
modulador asimé-
trico PWM realiza-
do con dos com-
puertas comparado-
ras rápidas y los dos
excitadores a trans-
formador separa-
dor, con relación
1:1 y las dos llaves
MOSFET con los
transistores más
económicos que se
consiguen en cual-
quier comercio de
electrónica.
Nuestro circuito
se debe regular a
mano, porque aun
no tenemos armado
el circuito de reali-
mentación de la
tensión de error, que es lo último que se
diseña. Pero si funciona controlado a mano,
debe funcionar controlado en forma auto-
mática. En esta entrega vamos a presentar
entonces el circuito con control manual de
la tensión de salida y todos los oscilogramas
EL SERVICIO TÉCNICO A LAS FUENTES PULSADAS DE LOS EQUIPOS ELECTRÓNICOS MODERNOS
67Capítulo 3
Figura 6 - Circuito con control manual de las tensiones de salida.
Cap 3 - Servicio a Fuentes.qxd 8/2/11 9:18 AM Página 67
desde el modulador hasta los secundarios.
El circuito presentado, que se muestra en la
figura 6, es totalmente funcional es decir
que nosotros realizamos una simulación que
funcionó correctamente (aunque después de
realizar una corrección automática de pará-
metros de simulación) porque inicialmente
indicó un error de simulación. Como esta
corrección automática la realiza sólo el
Multisim 10, los que poseen el 9 no podrán
simular el circuito. El archivo de simulación
puede ser bajado de la página webelectroni-
ca.com.mx, haciendo clic en el ícono pass-
word e ingresando la clave “audi3421”.
El generador de funciones se debe ajus-
tar en 86kHz de onda triangular (50% de
tiempo de actividad) y 5V de salida. El
potenciómetro R5 ajusta el tiempo de activi-
dad de cualquiera de los dos canales de
excitación en un 40% para evitar solapa-
miento en el funcionamiento de las llaves a
MOSFET.
En la figura 7 se pueden observar los
oscilogramas en las cuatro entradas de los
comparadores de alta velocidad que explica
por sí mismo el funcionamiento de la etapa.
Nuestro generador de señales es del tipo
balanceado, lo que se puede observar en los
oscilogramas verde y azul.
El punto de recorte establecido por la
tensión continua de ajuste, corta exactamen-
te un poco por arriba del cruce de las ondas
triangulares para establecer un período de
actividad levemente mayor al 50% como se
puede apreciar en el oscilograma violeta
conectado a la salida.
La amplitud del oscilograma violeta es
de 1,6V aproximadamente de valor máximo
lo que hace conducir a pleno al transistor Q5
poniendo el nodo 17 a masa durante el 60%
del tiempo. El valor mínimo es de solo 1V
que no puede hacer circular corriente por el
diodo D1 sumado a la juntura diodo emisor
Fuentes Pulsadas en Equipos Electrónicos Modernos
68 El Servicio Técnico a los Equipos Electrónicos
Figura 7 - Oscilograma de entrada y salida del comparador superior.
Cap 3 - Servicio a Fuentes.qxd 8/2/11 9:18 AM Página 68
base de Q5. En la figura 8 se pueden obser-
var las tensiones del driver hasta el secun-
dario de los transformadores.
El osciloscopio XSC1 se conecta con el
haz rojo en la base del preamplificador Q5 y
el verde en el nodo 7 que es la unión de las
bases del par complementario.
Las masas de los dos canales quedan
conectadas a la masa
viva. El osciloscopio
XSC2 se conecta en el
secundario del driver y
en el gate del MOSFET
con las entradas de
masa conectadas al
nodo 35, que es la
unión de los MOSFET.
En el mundo real no se
puede hacer esta cone-
xión debido a la capaci-
dad entre el gabinete
del osciloscopio y la
red de CA. En la figura
9 se observan los osci-
logramas.
A la izquierda se
observa en rojo la ten-
sión de base de Q5 que varía desde el valor
de saturación de unos 800mV hasta el valor
de corte de unos 600mV.
Arriba en verde se puede observar la ten-
sión de colector de Q5 que varia práctica-
mente desde cero hasta 12V.
A la derecha se observa en azul la tensión
del secundario del transformador y en viole-
EL SERVICIO TÉCNICO A LAS FUENTES PULSADAS DE LOS EQUIPOS ELECTRÓNICOS MODERNOS
69Capítulo 3
Figura 8 - Conexión de los osciloscopios en el circuito driver.
Figura 9 - Oscilogramas del driver.
Cap 3 - Servicio a Fuentes.qxd 8/2/11 9:18 AM Página 69
ta la tensión en el gate siempre con respecto
a la unión de los MOSFET. Finalmente el
oscilograma más importante es el que rela-
ciona la tensión en el terminal superior del
primario y la oscilación en el capacitor de
sintonía C5 que puede observarse en la figu-
Fuentes Pulsadas en Equipos Electrónicos Modernos
70 El Servicio Técnico a los Equipos Electrónicos
Figura 10 - Oscilograma de primario y capacitor de resonancia.
Figura 11 - Oscilogramas en los secundarios.
Cap 3 - Servicio a Fuentes.qxd 8/2/11 9:18 AM Página 70
ra 10. Como se puede observar, la oscila-
ción en el primario genera una tensión de
pico de 1366V cuando el circuito es excita-
do por una señal cuadrada de 309V pico a
pico. Esta energía se transfiere al secundario
generando las señales indicadas en la figura
11.
Mire también que la señal en los secun-
darios no es exactamente senoidal, pero
tenga en cuenta que la pequeña distorsión
producida no genera mayores problemas,
por lo cual, desde el punto de vista práctico
se puede considerar que se trata de una señal
senoidal pura.
Ya tenemos un sistema que genera la ten-
sión deseada a la corriente deseada y sólo
nos falta diseñar los órganos de control del
sistema para que el mismo funcione en
forma automática.
Recuerde que nuestro oscilador de onda
triangular debe ser de frecuencia variable
controlado por tensión. Debemos por últi-
mo analizar el circuito para diferentes car-
gas y determinar la modificación requerida
de la frecuencia para lograr el ajuste.
UN MODULADOR DE MÚLTIPLES USOS
Todo modulador PWM requiere un gene-
rador de onda triangular de frecuencia fija.
Si se trata de un sistema resonante, la ten-
sión continua de salida debe modificar la
frecuencia del generador de onda triangular
en un lazo realimentado de tensión. En rea-
lidad se puede utilizar también un sistema
de variación de tiempo de actividad o ambos
al mismo tiempo.
Si el sistema posee dos transistores llave
tirando hacia fuente y hacia masa (ese es
nuestro caso) se requiere un circuito driver
para cada llave y el generador de señal
PWM será en ese caso de simetría comple-
mentaria.
Como queremos
realizar un proyecto
de uso general vamos
a utilizar el sistema de
modulación doble,
PWM y de frecuencia
y por lo tanto necesi-
tamos un generador
diente de sierra cuya
frecuencia varíe con
la tensión.
El generador dien-
te de sierra se puede
fabricar a partir de un
generador de onda
rectangular que pueda
funcionar al 50% de
periodo de actividad y
EL SERVICIO TÉCNICO A LAS FUENTES PULSADAS DE LOS EQUIPOS ELECTRÓNICOS MODERNOS
71Capítulo 3
Figura 12 - Diseño automático de un oscilador astable con 555.
Cap 3 - Servicio a Fuentes.qxd 8/2/11 9:18 AM Página 71
que tenga control
de frecuencia por
CC como por
ejemplo el 555 en
su versión modi-
ficada del astable
con dos diodos,
que es uno de los
circuitos integra-
dos mas econó-
micos de la
actualidad.
Si se tratara de
un oscilador asta-
ble básico el
Multisim lo dise-
ña en forma auto-
mática, pero la
versión astable
básica no puede
generar onda cua-
drada (no llega a
mas de un 45%
de tiempo de acti-
v i d a d ) .
Comenzaremos
analizando la
posibilidad de
utilizarlo de cual-
quier modo. Pero
si fuera necesario
realizaremos un
diseño modifica-
do con diodos,
donde esa even-
tualidad no exis-
te. El diseño bási-
co nos ayuda a
generar el diseño
modificado. Por
lo que a continua-
ción lo encara-
mos.
Fuentes Pulsadas en Equipos Electrónicos Modernos
72 El Servicio Técnico a los Equipos Electrónicos
Figura 13 - Circuito completo del modulador con oscilador incluído
Cap 3 - Servicio a Fuentes.qxd 8/2/11 9:18 AM Página 72
DISEÑO AUTOMÁTICO DEL ASTABLE
BÁSICO CON UN INTEGRADO 555
Abra el Multisim, entre en la solapa
Tools -> circuits wizard -> 555 time wizard
y aparecerá una pantalla de diseño como la
indicada en la figura 12.
R1 y R2 son los resistores de carga y des-
carga del capacitor principal C. Estos valo-
res dependen del valor de frecuencia y del
valor de C que deben colocarse en los
correspondientes casilleros. Luego el botón
“Building Circuit” se ilumina como indi-
cando que las condiciones para un posible
diseño están dadas.
En caso contrario se indica debajo del
circuito cual de las condiciones no se cum-
ple (por lo general R1 y R2 son menores a
lo estipulado que es de k ). Si este es el
caso se debe variar el valor de C por uno
mas bajo). Automáticamente el botón de
Build circuit se ilumina y al apretarlo se cal-
cula todo el circuito, hasta que queda ofre-
cido para pegar en la pantalla.
Luego de pegarlo se deben redondear los
valores y completar el mismo con el agrega-
do del preset de ajuste de frecuencia sobre
Cf. El cálculo da solo valores aproximados,
por lo que es necesario armar el circuito y
ajustar los valores de R1, R2 y C por expe-
riencia real.
También por experiencia real, observa-
mos que el hecho de que trabajar con un
periodo de actividad de 55 o 60% no afecta
el funcionamiento del circuito, por lo que no
es necesario utilizar el circuito modificado
con diodos.
CIRCUITO COMPLETO DEL MODULADOR
CON OSCILADOR CON EL TEMPORIZADOR 555
Para que el lector no tenga inconvenien-
tes para saber como se
interconecta nuestro nuevo
circuito, con el circuito de
la entrega anterior, dibuja-
mos los comparadores
generadores de la PWM,
que entonces se repiten en
ambo circuitos formando
el nexo de unión. Ver la
figura 13.
Nota:
RST RESET (4).
THR TRESHOLD (6),
CAMBIO DE ESTADO.
TRI: TRIGGUER (2),
DISPARO.
DIS: DISCARG (7),
DESCARGA.
CONTROL VOLTAGE:
EL SERVICIO TÉCNICO A LAS FUENTES PULSADAS DE LOS EQUIPOS ELECTRÓNICOS MODERNOS
73Capítulo 3
Figura 14 - Oscilogramas de los dientes de sierra diferenciales.
Cap 3 - Servicio a Fuentes.qxd 8/2/11 9:18 AM Página 73
CON (5). POSIBLE
VARIACIÓN DE 25% DE F.
POWER: VCC (8).
COLOCAR ZENER DE 18V.
OUTPUT: OUT (9)
El preset R4 se coloca
para ajustar la frecuencia
del oscilador en el valor
deseado de 85kHz. C2 es el
capacitor generador del
diente de sierra del oscila-
dor y R1 y R2 sus resistores
de carga y descarga. El
capacitor C2 evita que se
introduzcan ruidos y zumbi-
dos en el oscilador.
La salida por out es una
señal rectangular de igual
tensión que la fuente, de
amplitud pico a pico, que se atenúa en R7 y
R3 para aplicarla en el primer transistor
inversor Q1. En el colector de Q1 la señal
sale invertida con una amplitud de 20V
debido a la presencia de la carga del segun-
do inversor.
Esa señal ya se aplica a la entrada (-) del
comparador inferior. La señal invertida se
aplica al transistor Q2 por R8 y R9 en donde
se vuelve invertir para recuperar la fase ini-
cial. El resistor R10 reduce la tensión de
salida para igualarla con la del transistor 1.
Las redes formadas por R11 y C3 por un
lado y la R12 y C4 por otro son las redes
integradoras donde se generan los dientes
de sierra diferenciales.
Los dientes de sierra están muy lejos de ser
perfectamente lineales y además como no
parten de una onda cuadrada tienen cierta
diferencia de valor en sus extremos pero
como el nuestro es un sistema muy realimen-
tado estas distorsiones no tienen mayor
importancia en la generación de la señal
PWM. En las figuras 14 y 15 se pueden obser-
var los oscilogramas en el sistema, medidos
con los osciloscopios XSC2 y XSC3. ☺☺
Fuentes Pulsadas en Equipos Electrónicos Modernos
74 El Servicio Técnico a los Equipos Electrónicos
Figura 15 - Oscilograma de las señales driver.
Cap 3 - Servicio a Fuentes.qxd 8/2/11 9:18 AM Página 74
EL DIAGRAMA EN BLOQUES DE UNA
FUENTE CONMUTADA CON FLY-BACK
En la figura 1 vemos el diagrama en blo-
ques de este tipo de fuente que se caracteri-
za por la presencia de un transformador del
tipo flyback, lo que indica la necesidad de
usar una frecuencia elevada para su funcio-
namiento, prescindiendo de la frecuencia
baja de 50 o 60Hz, típica de las fuentes de
alimentación convencionales.
El funcionamiento de este tipo de fuente
puede explicarse de la siguiente manera. Se
aplica una tensión de +B proveniente de un
circuito rectificador al primario del transfor-
mador flyback T11 y después a la pata 1 del
procesador IC11.
El retorno al circuito rectificador se efec-
túa por medio del resistor R11. El resistor
R21 suministra la tensión inicial de arran-
que a la pata 9 de IC11. Un regulador inter-
no suministra la tensión +B que necesita
IC11. Un oscilador y modulador interno del
tipo PWM (Pulse Width Modulation) sumi-
nistra la señal a un circuito de excitación
proporcional de drive. La forma de onda
resultante es aplicada a un circuito interno
de drive. La señal de drive sale por las patas
4 y 5 de IC11 y es aplicada a la etapa final
por medio de la pata 3. El circuito de salida
excita el transformador flyback T11 por la
pata 1. Una tensión derivada del secundario
B es rectificada por el diodo D21 y reem-
plaza la tensión de arranque aplicada a la
pata 9 de IC11.
Una tensión de referencia rectificada por
el diodo D22 es sensada por medio de la
pata 8 para inhibir el funcionamiento del
integrado. Un circuito sensor de exceso de
corriente monitorea la corriente que atravie-
sa R11. Si la corriente es excesiva, un cir-
cuito cerrojo se activa e impide el funciona-
miento por medio de un
circuito interno de sobre-
tensión OVP (Over
Voltage Protection) y otro
de protección térmica
TSD (Thermal Shut
Down).
Una corriente primaria
excesiva es sensada por la
pata 6. Este circuito termi-
na el ciclo del oscilador si
la corriente primaria resul-
tase excesiva. La regula-
ción de la tensión es facili-
tada por medio de una rea-
limentación de una tensión
de referencia por medio de
un aislador óptico Q31
conectado a la pata 7.
EL SERVICIO TÉCNICO A LAS FUENTES PULSADAS DE LOS EQUIPOS ELECTRÓNICOS MODERNOS
75Capítulo 3
Apéndice
Figura 1 - Diagrama en bloques de una fuente con fly-back.
Cap 3 - Servicio a Fuentes.qxd 8/2/11 9:18 AM Página 75
El Circuito
del Rectificador
En la figura 2 vemos el circuito del recti-
ficador. El fusible F1 de 1,6 amperes prote-
ge la fuente contra corrientes excesivas.
El protector de sobrecargas D2 desvía la
corriente causada por picos de tensión en la
red, quema el fusible F1 y protege el circuito.
El inductor L1 y el capacitor C1 ayudan
a aislar línea de la red alterna del ruido de
R.F. generado por la fuente. L1 ayuda tam-
bién a reducir el golpe de corriente de
encendido sobre el puente rectificador D1.
Los capacitores C2 y C3
establecen un potencial de refe-
rencia de la masa aislada con
respecto a la línea de alterna.
R1 impide la formación de
cargas en la masa aislada al
descargar constantemente el
terminal común.
Los inductores LB1 y LB2
impiden que el ruido de con-
mutación se introduzca en la
masa aislada.
D1 es un rectificador de
onda completa.
C11 filtra la tensión conti-
nua rectificada y suministrada al regulador
conmutado.
Circuito de Conmutación
de Salida de la Fuente
En esta fuente de alimentación el circui-
to de salida de la fuente está incorporado en
el controlador IC11. En la figura 3. vemos
este sector del circuito. El transistor interno
TR2 es usado como driver-amplificador
intermedio. El circuito de excitación pro-
porcional suministra una señal de pulsos
cuadrados a su base. Esta señal es amplifi-
cada y aislada y sale por la pata 5 de IC11.
Fuentes Pulsadas en Equipos Electrónicos Modernos
76 El Servicio Técnico a los Equipos Electrónicos
Figura 2 - El circuito rectificador.
Figura 3 - Circuito de conmutación.
Cap 3 - Servicio a Fuentes.qxd 8/2/11 9:18 AM Página 76
Cuando el circuito de excitación propor-
cional aplica un "HIGH" a la base de TR2,
permite que la salida en la pata 4 quede flo-
tando. A su vez cuando aplica un "LOW" a
la pata 4, también aplica un "LOW" a la
base de TR2. El resistor externo R14 permi-
te que la salida de señal de TR2 en la pata 5
sea combinada con la salida de señal de
excitación proporcional en la pata 4. Ambas
señales se combinan y se acoplan a la pata 3
de IC11 por medio de R15 y C13. Esta señal
actúa como driver para el transistor interno
de conmutación TR1.
Durante la parte de "apagado" de la
señal, la pata 4 está conectada a masa a tra-
vés del excitador proporcional y el capacitor
C13 se descarga a través de D11.
Cuando vuelve la parte positiva del
"encendido" de la señal, TR1 conduce a
medida que C13 se carga. El emisor de
TR11 está conectado a masa por medio de la
pata 2 de IC11. La conducción de TR1
conecta a masa la pata 1 y permite que cir-
cule corriente a través del bobinado prima-
rio del transformador T11.
El Arranque de la Fuente
Inicialmente, cuando se
enciende el equipo, la tensión
de +B es suministrada a la pata
9 de IC11 por medio de los
resistores R21 y R24.
La tensión de +B forma una
rampa en la pata 9 a medida que
el capacitor C21 se carga. Tan
pronto la tensión llega a 7,6
volt, el circuito de arranque en
el IC11 se activa y suministra
tensión al regulador interno.
El regulador interno aplica
tensión a los circuitos del osci-
lador y driver de IC11. La ten-
sión generada en el bobinado B es rectifica-
da por el diodo D21 y filtrado por C21. La
tensión +B resultante es usada para alimen-
tar a IC11, eliminando la necesidad para
R21 y R24 cuando se establece el modo fun-
cional. En la figura 4 vemos el circuito
correspondiente.
El Oscilador
El circuito del oscilador recibe su tensión
de +B del circuito del regulador interno. Los
tiempos de este oscilador se fijan por los cir-
cuitos de temporización "T-ON" y "T-OFF".
El oscilador forma rampa a medida que el
capacitor interno C1 se carga a través de R1.
Esta rampa decae a medida que el capacitor
C2 descarga por R2.
Este proceso forma una onda triangular
que se aplica al excitador proporcional que
la transforma en una onda cuadrada. La pata
8 suministra realimentación desde el trans-
formador T11. Esta señal de realimentación
sincroniza el periodo de corte del oscilador
con el colapso del campo magnético del
EL SERVICIO TÉCNICO A LAS FUENTES PULSADAS DE LOS EQUIPOS ELECTRÓNICOS MODERNOS
77Capítulo 3
Figura 4 - El circuito de arranque de la fuente.
Cap 3 - Servicio a Fuentes.qxd 8/2/11 9:18 AM Página 77
transformador usando dos
comparadores internos.
Los comparadores Op1 y
Op2 son referenciados por
0,75 volt y 1,4 volt, res-
pectivamente.
La Regulación de
la Fuente
Esta fuente de alimen-
tación usa la modulación
por ancho de pulso para
obtener una tensión de
salida constante. Al acortar
el tiempo de la formación
de rampa (tiempo de encendido) se reduce
la potencia aplicada al transformador duran-
te cada ciclo de trabajo. Esto reduce las ten-
siones de salida, en cambio el aumento del
tiempo de encendido resulta en un aumento
en las tensiones de salida. El resistor interno
R1 y el capacitor interno C1 determinan la
constante de tiempo de la rampa. El valor de
C1 es de 0.0033µF y el valor de R1 es ajus-
tado en fábrica como para obtener un tiem-
po de rampa mayor que el necesario, lo que
resulta en una tensión de salida excesiva. Se
agrega una red externa, formada por R31,
Q31, R32 y D32.
Esta red asiste al resistor interno R1 para
lograr una carga más rápida de C1. Así se
reduce el tiempo de la rampa. La variación
de la resistencia de este circuito modifica el
tiempo de la rampa.
Esta variación se logra por la variación
de la conducción del transistor en el acopla-
dor óptico Q31. La resistencia de Q31 es
inversamente proporcional a la intensidad
de la luz que incide en su base. Un diodo
LED en el interior de Q31 suministra la
intensidad de luz sobre la base del transistor
para producir las tensiones de salida desea-
das. En la figura 5 podemos observar los
detalles de este circuito.
La Limitación de la Corriente
del Primario
Para proteger la fuente de alimentación
de la destrucción por corriente exclusiva, se
agrega un circuito de limitación de la
corriente del primario. Cuando el transistor
Tr1 es conmutado para conducir, la corrien-
te circula por el bobinado del primario del
transformador T11. Cuanto más tiempo el
transistor Tr1 conduce, mayor será su
corriente. A medida que la corriente aumen-
ta, la caída de tensión sobre R11 también
aumenta. Esta caída de tensión es aplicada a
la pata 6 de IC11 a través de un divisor de
tensión consistente de R13 y R12.
Tan pronto como la pata 6 se polariza
más negativo que la tensión interna de refe-
rencia de -1 volt, la salida del amplificador
operacional interno va a HIGH, terminando
la parte de ON del ciclo del oscilador. Esto
se repite en cada ciclo del funcionamiento.
Fuentes Pulsadas en Equipos Electrónicos Modernos
78 El Servicio Técnico a los Equipos Electrónicos
Figura 5 - Circuito del oscilador y regulación.
Cap 3 - Servicio a Fuentes.qxd 8/2/11 9:18 AM Página 78
Circuitos de Protección
En el procesador IC11 se encuentra
incorporado un circuito cerrojo, como
vemos en la figura 6. Este cerrojo permite
detener el funcionamiento de la fuente de
alimentación en caso de suceder defectos.
Un sensor de corte térmico activa la com-
puerta OR, OR1 si la temperatura del inte-
grado excede el límite prefijado de 150°C.
Esto activa el cerrojo que a su vez bloquea
el oscilador y detiene la fuente.
La tensión de +B aplicada a la pata 9 de
IC11 es monitoreada por un protector de
sobretensión (OVP = Over Voltage
Protector). Si el +B alcanza el nivel indese-
ado de 10 volt, el circuito OVP activa la
compuerta OR y apaga la fuente de alimen-
tación.
La tensión de cresta no filtrada es deri-
vada del transformador T11 y es aplicada a
la pata 8 de IC11 a través de D22 y es moni-
toreada por el comparador OP3. Si la ten-
sión de cresta alcanza a 5,1 volt, el compa-
rador activa la compuerta OR y apaga la
fuente.
Cuando el apagado ocurre, el cerrojo
permanece bloqueado hasta que la tensión
desaparece o la corriente a través del cerro-
jo se reduce a menos de 500µA.
Las Fuentes del Secundario de T11
La tensión de las fuentes derivadas del
secundario del transformador T11 puede
variar debido a las variaciones en la fuente
de 6 volt que se usa como realimentación
para la regulación. Por este motivo, es
importante que cada una de estas fuentes de
tensión sea regulada en forma individual.
Los 12 volts que salen de la pata 17 de T11
son filtrados y aplicados al colector del
regulador Q31. Este transistor es usado
como conmutador y como regulador.
Cuando la línea del encendido (POWER
ON/OFF) se encuentra en LOW, Q34 está
apagado. Por lo tanto QR33 es apagado y no
llega ninguna polarización a la base de Q31.
Se observa este circuito en la figura 7.
Esto produce el corte de Q31 y el apaga-
do de la fuente de 9 volt. Cuando se encien-
de el equipo, Q34 y Q33
empiezan a conducir y
suministran una polariza-
ción a la base de Q31 a tra-
vés de los resistores R31 y
R32. Esta polarización es
fijada por el diodo Zener
D32 en 10 volt. El transis-
tor Q31 conduce y sumi-
nistra 9,3 volt en su emi-
sor.
Con la fuente de 9 volt
encendida y regulada por
el diodo Zener D32, resul-
ta importante encender y
regular también la fuente
de -9 volt. Además, es muy
EL SERVICIO TÉCNICO A LAS FUENTES PULSADAS DE LOS EQUIPOS ELECTRÓNICOS MODERNOS
79Capítulo 3
Figura 6 - Las protecciones de la fuente.
Cap 3 - Servicio a Fuentes.qxd 8/2/11 9:18 AM Página 79
importante que este
nivel se mantenga en
concordancia con el
nivel de +9 volt.
Cuando la tensión de 9
volt sube o baja, la
tensión de -9 volt tam-
bién debe subir o bajar
en concordancia.
En la pata 18 de
T11 existe una tensión
rectificada y filtrada
de -13 volt. La polari-
zación para el transis-
tor de regulación Q41
es suministrada por el
resistor R42 y el tran-
sistor Q42. Cuando la
tensión de 9 volt apa-
rece en el emisor de Q32, éste conduce y
enciende Q42. El transistor Q42 polariza
Q41 para conducir y la tensión de -13 volt
aparece en su emisor. Como en el divisor de
tensión R43, R36 y R35 aparece una tensión
negativa más alta en un extremo y una ten-
sión positiva más baja en el otro, esta pola-
rización hace conducir Q43. La conducción
de Q43 reduce la polarización en la base de
Q41. Esto reduce la tensión de salida de
Q41 y lo ajusta a -9 volt. Inversamente, una
disminución en la tensión de -9 volt produ-
ce una reducción en la conducción de Q41 y
restaura los -9 volt. Un incremento en el
nivel de 9 volt produce la menor conducción
de Q43 y la mayor conducción de Q41. Esto
balancea el incremento o la reducción de +9
volt y -9 volt en forma recíproca. ☺☺
Fuentes Pulsadas en Equipos Electrónicos Modernos
80 El Servicio Técnico a los Equipos Electrónicos
Figura 7 - Las tensiones del secundario de la fuente.
Cap 3 - Servicio a Fuentes.qxd 8/2/11 9:18 AM Página 80
3ª de forros 2.qxd 6/9/11 12:06 PM Página 3ªFo1
4ª de forros.qxd 6/9/11 12:07 PM Página 4ªFo1

Fuentes conmutadas BASICO

  • 1.
    Portada club 78M7/31/11 5:34 PM Página 1
  • 2.
    2ª de forros.qxd6/9/11 12:05 PM Página 2ªFo1
  • 3.
    Fuentes Pulsadas enEquipos Electrónicos Modernos Capítulo 1 Topologías de Fuentes Conmutadas Más Empleadas por los Fabricantes 3 Introducción 3 La Fuente de Transferencia Combinada 4 El Modo Burst 7 Las Topologías para Fuentes Conmutadas 8 Elección del Mosfet Llave de Potencia 9 Elección de la Topología 10 El Transformador de Pulsos 11 Mosfet Disponibles en el Mercado Latinoamericano 13 Un Circuito más Definitivo 16 Generador de Excitación 19 La Condición de Máxima de la Fuente 19 Circuito Excitador Simulado 23 ¿Qué Pasa Cuando las dos Llaves Están Abiertas? 25 Capítulo 2 Diseño de Una Fuente Pulsada para Equipos Electrónicos Modernos 27 El Transformador de Pulsos 27 El Efecto Pelicular 28 Núcleos para Transformadores 29 Construcción Práctica del Transformador 32 La Fuente Resonante 33 El Efecto Resonante Mecánico 33 El Sistema Resonante Eléctrico 34 El Generador de Onda Cuadrada con Llaves Controladas 37 La Tensión Sobre los Transistores Mosfet 40 Diseño de un Modulador PWM 40 El Circuito de Prueba 42 Ajuste y Prueba del Circuito 43 Posibilidades de Regulación de la Fuente 46 Conmutación con Transistores MOSFET 47 Circuito de Excitación 48 Circuito con MOSFET 50 Otro Circuito de Excitación 51 Nuevo Circuito Excitador 51 Oscilogramas del Driver con Señal Cuadrada 53 Fuente Comercial para Amplificadores de Audio 55 Capítulo 3 El Servicio Técnico a las Fuentes Pulsadas de los Equipos Electrónicos Modernos 59 Introducción 59 El Circuito de la Fuente 62 Funcionamiento de la Fuente 62 Reparación de la Fuente 64 La Reparación en Fotos 65 El Control de Tensión de una Fuente Pulsada 66 Un Modulador de Múltiples Usos 71 Diseño Automático del Astable Básico con un Integrado 555 73 Circuito Completo del Modulador con Oscilador con el Temporizador 555 73 Apéndice El Diagrama en Bloques de una Fuente Conmutada con Fly-Back 75 El Circuito del Rectificador 76 Circuito de Conmutación de Salida de la Fuente 76 El Arranque de la Fuente 77 El Oscilador 77 La Regulación de la Fuente 78 La Limitación de la Corriente del Primario 78 Circuitos de Protección 79 Las Fuentes del Secundario de T11 79 SUMARIO Fuentes Pulsadas en Equipos Electrónicos Modernos 1Sumario sumario club 78.qxd 8/2/11 6:09 AM Página 1
  • 4.
    Director Ing. Horacio D.Vallejo Producción José María Nieves (Grupo Quark SRL) Autor de este Tomo de Colección: Ingeniero Alberto H. Picerno Selección y Coordinación: Ing. Horacio Daniel Vallejo EDITORIAL QUARK S.R.L. Propietaria de los derechos en castellano de la publicación men- sual SABER ELECTRÓNICA - San Ricardo 2072 (1273) - Capital Federal - Buenos Aires - Argentina - T.E. 4301-8804 Administración y Negocios Teresa C. Jara (Grupo Quark SRL) Patricia Rivero Rivero (SISA SA de CV) Margarita Rivero Rivero (SISA SA de CV) Staff Liliana Teresa Vallejo Mariela Vallejo Diego Vallejo Fabian Nieves Luis Alberto Castro Regalado (SISA SA de CV) José Luis Paredes Flores (SISA SA de CV) Sistemas: Paula Mariana Vidal Red y Computadoras: Raúl Romero Video y Animaciones: Fernando Fernández Legales: Fernando Flores Contaduría: Fernando Ducach Técnica y Desarrollo de Prototipos: Alfredo Armando Flores Atención al Cliente Alejandro Vallejo ateclien@webelectronica.com.ar Internet: www.webelectronica.com.ar Publicidad: Rafael Morales rafamorales@webelectronica.com.ar Club SE: Grupo Quark SRL luisleguizamon@webelectronica.com.ar Editorial Quark SRL San Ricardo 2072 (1273) - Capital Federal www.webelectronica.com.mx La Editorial no se responsabiliza por el contenido de las no- tas firmadas. Todos los productos o marcas que se mencio- nan son a los efectos de prestar un servicio al lector, y no en- trañan responsabilidad de nuestra parte. Está prohibida la reproducción total o parcial del material contenido en esta revista, así como la industrialización y/o comercialización de los aparatos o ideas que aparecen en los mencionados tex- tos, bajo pena de sanciones legales, salvo mediante autoriza- ción por escrito de la Editorial. Septiembre 2012. Impresión: Talleres Babieca - México Existen distintos tipos de fuentes de alimentación pero, sin duda, las más empleadas son las pulsadas o conmutadas, debido a que son las que mejor rendimiento tienen y las que pueden funcionar con un amplio rango de tensiones de entrada sin que varíe significativamente las tensiones a su salida. Computadoras, equipos de audio, hornos de microondas, televisores, reproductores de bluray son sólo algunos de los equipos modernos que emplean fuentes conmutadas de distinto tipo. En este texto se estudia qué es una fuente conmutada y cuáles son las topologías o diseños que llevan a la creación de un circuito. También se describen los parámetros de diseño de una fuente típica comenzando con el componente más complejo, el transformador de pulsos, indicando dónde puede conseguirlo y cómo debe solicitarlo. Por último se enlistan algunos consejos útiles para el servi- cio técnico, mostramos técnicas para poder variar la tensión de la fuente y mostramos el funcionamiento de un circuito PWM. Destacamos la inclusión de un apéndice en el que se des- cribe una fuente “típica” de las que puede encontrar en televi- sores a TRC ya que son equipos que seguirán llegando al taller y que, por lo tanto, todo técnico debe conocer. Esperamos que el material, tanto este texto como los CDs, sean de su agrado. ¡Hasta el mes próximo! SOBRE LOS CDS Y SU DESCARGA Ud, podrá descargar de nuestra web 2 CDs: “Curso de Fuentes de Alimentación” y “Servicio Técnico a las Fuentes de Alimentación” (con videos de fallas y soluciones). El primero incluye un curso con teoría y práctica sobre los distintos tipos de fuentes de alimentación y el segundo más de 20 videos téc- nicos. Para realizar la descarga deberá ingresar a nuestra web: www.webelectronica.com.mx, tendrá que hacer clic en el ícono password e ingresar la clave “quierofuente”. Tenga este texto cerca suyo ya que se le hará una pregunta aleatoria sobre el contenido para que pueda iniciar la descarga. Editorial Del Editor al Lector Fuentes Pulsadas en Equipos Electrónicos Modernos 2 El Servicio Técnico a los Equipos Electrónicos sumario club 78.qxd 8/2/11 6:09 AM Página 2
  • 5.
    Las fuentes pulsadaso conmutadas se emplean en equipos electrónicos desde hace más de 4 décadas y su objetivo es aumentar el rendimiento de la fuente de alimentación, logrando una buena estabili- dad en las tensiones generadas para un amplio rango de ten- siones de entrada. Computadoras, equipos de audio, hornos de microondas, televisores, reproductores de bluray son sólo algunos de los equipos modernos que emple- an fuentes conmutadas de dis- tinto tipo. En este capítulo vamos a ver básicamente qué es una fuente conmutada y cuáles son las topologí- as o diseños que llevan a la creación de un circuito. INTRODUCCIÓN Abra cualquier equipo de electrónica con potencias consumidas de cualquier nivel, desde 10W hasta 1kW y con tensiones de salida desde 5 hasta 200V y se va a encontrar con una hermosa fuente pulsada clásica con su transformador de ferrite y sus filtros de línea para evitar la irradiación de interferen- cias y la captación de pulsos que podrían quemar materiales de la fuente. Salvo una fuente de un amplificador de potencia de audio de cualquier tipo, es decir tanto analógico como digital. Allí junto al equipo digital más moderno va a encontrar un bruto transformador de 50 ó 60Hz con la clásica laminación E y I que muchas veces pesa 20 o 30 kg y que tiene una potencia de pérdida proporcional a su peso. Un verdade- ro desperdicio de energía incompatible con las épocas “verdes” que estamos viviendo. La mayoría de los equipos tienen un con- sumo máximo y un mínimo que difieren poco entre sí. Por ejemplo un TV de 20” puede consu- mir 50W sin brillo y sin volumen y 80 con máximo brillo y volumen. La relación de consumos es de solo 80/50 = 1,6 veces es decir de 1 a 1,6 o un 60% de la mejor a la TOPOLOGÍAS DE FUENTES CONMUTADAS MÁS EMPLEADAS POR LOS FABRICANTES 3Capítulo 1 Capítulo 1 TOPOLOGÍAS DE FUENTES CONMUTADAS MÁS EMPLEADAS POR LOS FABRICANTES Cap 1 - topologías.qxd 8/2/11 6:12 AM Página 3
  • 6.
    peor condición. Lafuente tiene que adaptar- se a este hecho, pero es una adaptación míni- ma fácil de lograr. Un equipo de audio analógico o digital tiene un consumo mínimo casi despreciable. Por ejemplo la corriente de polarización del par de salida que se puede estimar en 20mA para un equipo de 50W por canal. Un equipo de esta potencia con una boci- na o parlante de 8 tiene una fuente que puede calcularse del siguiente modo: P = E.I = 50W como: I = E/R 50W = E.E/R o sea: E2 /R = 50W De aquí se deduce que con un parlante de 8 Ohm será: E2 = 50W . 8 = 400V2 por lo tanto: E = 20V Como se trata de una tensión eficaz, el valor de pico será de: Vp = Vef x 1,41 = 20V x 1,41 = 28,2V Haciendo números redondos sería una fuente de 30V. Por eso la potencia en reposo sería de 30V . 0,02A = 60 mW contra 50W a plena salida; todo ello considerando un siste- ma sin perdidas. Para sacar cuentas redondas digamos que de 60mW a 60W que significa una variación de 1.000 veces del consumo de fuente. Es decir que nuestra fuente tiene que regular casi desde consumo nulo hasta 2A porque (30V . 2A) dan 60W, con una entrada de 180V a 240V de CA (por llave, habría que convertir nuestra fuente de 220V en una fuente de 110V si queremos una fuente uni- versal). Hacer una fuente que varíe de 30W a 60W y que entregue 30V no es ningún pro- blema, pero que regule entre circuito abierto (corriente igual a cero) y 60W ya no es tan fácil porque es una carga demasiado variable y la salida tiende a embalarse cuando la fuen- te está sin carga. Como esto es casi una imposición vamos a tratar de explicarlo con una simulación y a ver cómo lo podemos solucionar. LA FUENTE DE TRANSFERENCIA COMBINADA No importa de qué fuente se trate, todas las fuentes pulsadas funcionan del mismo modo. Nosotros, para entender el problema, vamos a usar una fuente de transferencia combinada que es la más simple de entender, aunque tiene el problema de que no es aisla- dora y por lo tanto no sirve para el proyecto final. En la figura 1 se puede observar el circui- to básico, en donde se utiliza una llave con- trolada por tensión como elemento activo. Por supuesto en el circuito real se utilizará un transistor bipolar o un MOSFET. El circuito es una simple llave que se cie- rra y se abre rítmicamente a la frecuencia Fuentes Pulsadas en Equipos Electrónicos Modernos 4 El Servicio Técnico a los Equipos Electrónicos Cap 1 - topologías.qxd 8/2/11 6:12 AM Página 4
  • 7.
    fijada por elgenerador de funciones, que genera una señal rectangular. El período de actividad de la llave está ajustado a un valor bajo, de modo que la llave está cerrada poco tiempo (9%) y abierta el tiempo restante y su frecuencia de trabajo es de 50kHz es decir que cumple su ciclo en un período de 1/50.000 = 20µS de los cuales está cerrada unos 2µS y abierta los 18µS restantes. Cuando la llave se cierra aumenta la corriente por ella en forma paulatina. Como estamos tomando una muestra en el retorno de la batería (que representa al puen- te de rectificadores y el electrolítico de la fuente no regulada de entrada) se observa la señal yendo hacia negativo pero en realidad es un pulso positivo. La corriente de la llave pasa por el inductor L1 y luego por la carga generando tensión continua en el electrolíti- co de salida C1 y la carga R1 con un nivel bajo debido al poco tiempo de actividad de la llave. No circula corriente por el diodo D1 por- que el mismo está en inversa. En cuanto la llave se abre, la corriente por el inductor que estaba creciendo y generando una tensión positiva en el inductor del lado del diodo, con respecto a una negativa del lado de la carga, comienza a reducirse y genera una tensión inversa sobre el inductor que polari- za al diodo en directa. Ahora el campo mag- nético acumulado en el inductor hace circu- lar corriente por D1, L1 y la carga C1 y R1. Esa corriente se reduce paulatinamente a medida que se agota la carga de campo mag- nético en el inductor, hasta que finalmente no alcanza para mantener conduciendo al diodo y el inductor se queda a impedancia alta, con la llave y el diodo abiertos y realiza una osci- lación propia debido a su inductancia y a su capacidad distribuida, que dura todo el tiem- po en que se está recuperando energía como lo demuestra el oscilograma de la figura 2 en donde se muestra la corriente de carga y la de recuperación. Así se puede reconocer que TOPOLOGÍAS DE FUENTES CONMUTADAS MÁS EMPLEADAS POR LOS FABRICANTES 5Capítulo 1 Figura 1 - Circuito de fuente de transferencia combinada. Cap 1 - topologías.qxd 8/2/11 6:12 AM Página 5
  • 8.
    nuestro problema estáen la enorme reducción de tensiones que requiere el circuito, que nos lleva a trabajar con tiempos de actividad pequeños aun a los valores nominales de corriente de carga. Reducir la carga por ejemplo a 1A implica reducir el tiempo de acti- vidad a la mitad es decir 1µS y a esos valores de tiempo de actividad las llaves comunes tienen bajo rendimiento, porque demoran en abrir y cerrar. A niveles menores de carga ya no pueden cumplir con su función de abrir y cerrar porque Fuentes Pulsadas en Equipos Electrónicos Modernos 6 El Servicio Técnico a los Equipos Electrónicos Figura 2 - Corriente de recuperación de la fuente. Figura 3 - Excitación en modo burst. Cap 1 - topologías.qxd 8/2/11 6:12 AM Página 6
  • 9.
    no tienen tiempopara hacerlo. Y entonces la ten- sión de salida pierde la regulación, la llave demo- ra en abrir y sube la ten- sión de salida a niveles peligrosos. EL MODO BURST La solución al proble- ma es el modo burst. La palabra burst se traduce cómo salva y consiste en una doble modulación de la señal de la llave. Cuando el tiempo de acti- vidad no se puede reducir TOPOLOGÍAS DE FUENTES CONMUTADAS MÁS EMPLEADAS POR LOS FABRICANTES 7Capítulo 1 Figura 4 - Excitación de modo burst para reducir la tensión de salida. Figura 5 - Ripple en el modo burst. Cap 1 - topologías.qxd 8/2/11 6:12 AM Página 7
  • 10.
    más, se recurrea generar un grupo de pulsos un corte, otro grupo de pulsos, otro corte, etc. hasta que baje la tensión al valor deseado cuando se usa baja carga. En la figura 3 se puede observar el circui- to modificado con dos generadores sumados para manejar la llave de este modo. El circuito funciona del mismo modo que el anterior, pero ahora los cierres de la llave se realizan con un trencito, de pulsos, que levantan la salida, un corte largo, otro trenci- to etc. logrando reducir la tensión de salida a pesar de que la llave dura cerrada un tiempo aceptablemente largo. En la figura 4 se puede observar un osci- lograma de los pulsos de excitación junto con los pulsos de carga del inductor. Este modo es una solución, pero implica colocar capacitores más grandes como filtro de salida, porque ahora el ripple es el corres- pondiente al período de apagado del burst que puede ser mucho mayor que el período de la oscilación principal. En la figura 5 se puede observar el ripple aún con un capaci- tor 10 veces mayor. Lo importante es partir y ya recorrimos el primer trecho de nuestra fuente pulsada para audio. Ya vimos la primer dificultad y dimos una idea de cómo salvarla. El diseño debe tener llaves muy rápidas para que tenga un elevado rendimiento y un factor de atenua- ción tan elevado como de 300 a 30V con una carga que varía casi de circuito abierto a uno 2A. Esto es algo muy difícil de lograr y pro- bablemente tengamos que realizar un consu- mo resistivo para levantar el mínimo consu- mo, probablemente sea imprescindible con- sumir unos 200mA cuando no hay audio de salida que equivale a 6W. Nos dá lastima porque son unos cuantos árboles perdidos mientras el equipo está en silencio, pero tal vez podamos hacer que el micro detecte que el equipo está en silencio por mucho tiempo y lo pase a stand by auto- máticamente. LAS TOPOLOGÍAS PARA FUENTES CONMUTADAS No existe una topología que aventaje a las otras en cuanto trabajar en el modo burst. Todas son adecuadas; pero si existen topolo- gías mas adecuadas para potencias altas que para potencias bajas. En principio nuestra intensión es trabajar si se puede con 100W por canal y si no pode- mos con 50W por canal aproximadamente. Con estas potencias se pueden utilizar topo- logías de cualquier tipo con uno, dos o cua- tro transistores. Cada una tiene sus ventajas y sus desventajas que no están de más aprender ya que las fuentes de alimentación pulsadas tienen una aplicación universal y todo lo que mencionemos sobre ellas será sumamente útil para cualquier proyecto. En primera instancia debemos decir que una fuente pulsada requiere una o más llaves digitales. Por eso debemos considerar las diferentes posibilidades existentes en el mer- cado. En principio existen tres posibilidades de la cuales solo dos son prácticas en este momento: los transistores bipolares; los tran- sistores MOSFET y los GATOs. De estos tres los bipolares y los MOSFET son amplia- mente conocidos y no vamos a explicar nada sobre ellos porque el que encara un diseño de una fuente pulsada debe tener conoci- mientos sobre ellos. Fuentes Pulsadas en Equipos Electrónicos Modernos 8 El Servicio Técnico a los Equipos Electrónicos Cap 1 - topologías.qxd 8/2/11 6:12 AM Página 8
  • 11.
    Nos quedan elúltimo grito de la moda en llaves digitales que son los GATOs; podemos considerarlos como una mezcla de transistor bipolar y MOSFET que presentan las venta- jas de los transistores bipolares, con referen- cia a su tensión colector emisor, sin los pro- blemas de excitación que ellos poseen por- que se excitan por compuerta. El problema es que los GATOs son aun muy nuevos y no se consigue gran variedad de ellos. Al elegir entre Bipolares y MOSFET priva el problema del costo y la facilidad de excitación por lo cual la decisión mas lógica es utilizar MOSFET de los cuales luego rea- lizaremos una selección de los existentes en plaza. ELECCIÓN DEL MOSFET LLAVE DE POTENCIA Empecemos por lo mas simple; el circui- to clásico de las fuentes pulsadas para TV. Estas fuentes poseen una fuente primaria no regulada idéntica a la que vamos a utilizar nosotros que es la de 220V rectificada con un puente de rectificadores y un capacitor elec- trolítico de unos 330µF x 450V. Esta tensión es de 310V y nuestra fuente la debe convertir en un valor cercano a los 30V. Este valor no interesa demasiado por- que se varía con la relación de espiras del transformador. Pero lo que si interesa es la tensión de primario. En efecto de acuerdo a la topología elegi- da el MOSFET debe admitir por lo menos el doble de la tensión no regulada y un cierto margen que podemos estimar en unos 200V más. Es decir que necesitamos transistores de unos 800V los cuales no son simples de con- seguir. En general se pueden usar MOSFET de TV pero estos están diseñados para unos 80W de salida. Esto nos indica que sería con- veniente utilizar una topología de dos tran- sistores llave para que se repartan la potencia y podamos obtener unos 160W en total que pueden estirarse a 200W. TOPOLOGÍAS DE FUENTES CONMUTADAS MÁS EMPLEADAS POR LOS FABRICANTES 9Capítulo 1 Figura 6 - Fuente de transferencia indirecta. Cap 1 - topologías.qxd 8/2/11 6:12 AM Página 9
  • 12.
    ELECCIÓN DE LATOPOLOGÍA A nuestros efectos podemos ordenar las topologías de acuerdo a la cantidad de llaves utilizadas como de llave simple, en semi- puente y en puente completo. Dibujemos pri- mero la topología aisladora de llave simple (también conocida como de transferencia indirecta o fly-back). Ver figura 6. El prima- rio del transformador posee una inductancia que determina el crecimiento de la corriente en función del tiempo, que por supuesto comienza en cero en el comienzo del ciclo, que es cuando se cierra la llave. La fórmula que determina la corriente en un determina- do instante de tiempo es: I = (1/L) . T Si L es de 1Hy en un segundo la corrien- te crece linealmente hasta 1A. Por esa razón las inductancias utilizadas están en el orden del mHy y las frecuencias en el orden de los 100kHz (semiperiodo de 5µs) porque de ese modo se llega a corrientes de: I = (1/5µHy) . 5 µs = 1A. Ver la figura 7. Pero en este circuito la fuente es de 1V y nosotros tenemos una fuente de 310V. Como el sistema es lineal esto significa que necesi- taremos un inductor con 310 veces mas inductancia es decir del orden de los 5.1µHy multiplicado por 310 nos dá 1,5mHy. Esta inductancia no será realmente un inductor, sino la inductancia del primario del transfor- mador de pulsos. Nuestro transformador deberá ser reductor de modo que cuando tenga aplicados los 310V entregue 31V de pico positivo en su secundario. El problema es que cuando se abra la llave J1, la inductancia de primario generará una sobretensión que puede llegar a ser de varios kV. Ese es justamente el fenómeno que le da el nombre de fly-back a la fuente analizada. Esa sobretensión se limita con un limitador a diodo y red RC que nosotros reemplazamos por una fuente limitadora de 400V ya que este circuito solo es de demos- tración y no pretendemos que sea funcional. Ahora cuando corta J1 la tensión de la llave crece abruptamente hasta que el diodo D2 se ponga en directa (400V+310V). En ese momento también conduce el diodo D1 y el capacitor C1 recupera la carga perdida el resto del tiempo. El diodo D1 extrae toda la energía mag- nética acumulada en el núcleo, antes que la llave se vuelva a cerrar; es decir que nuestro Fuentes Pulsadas en Equipos Electrónicos Modernos 10 El Servicio Técnico a los Equipos Electrónicos Figura 7 - Corriente por una inductancia. Cap 1 - topologías.qxd 8/2/11 6:12 AM Página 10
  • 13.
    circuito tiene trestiempos claramente defini- dos. El primero es el de acumulación de energía magnética en el núcleo. El segundo es de recuperación de la energía magnética en el núcleo, y el tercero es el tiempo de espera hasta que se vuelva a cerrar la llave. La red RC sobre D1 es para lentificarlo un poco y evitar que se produzcan oscilaciones espurias y los resistores R1 y R3 son para poder medir la corriente por la llave y por la carga. C1 debería ser de por lo menos 470µF pero pusimos un valor bajo para acelerar la simulación. Para conocer el rendimiento del circuito agregamos un amperímetro en serie con la tensión del puente de rectificadores y un vol- tímetro en paralelo con la carga. La potencia de entrada será entonces la tensión de 310V multiplicado por la indicación del amperíme- tro XMM2 y la potencia de salida lo indica- do por el voltímetro XMM1 al cuadrado, dividido por la resistencia de carga R2 de 10 Ohm. La potencia de salida es de 86W y la de entrada de 88W lo que da un excelente ren- dimiento para el circuito que es casi unitario (0,97%). Por supuesto el Multisim no tiene en cuenta las perdidas en el ferrite del núcleo que considera ideal. En la figura 8 se puede observar la forma de señal de tensión y de corriente sobre la llave. Como podemos observar el tiempo 3 prácticamente no existe y eso es lo que gene- ra un elevado rendimiento del circuito. En la práctica cuando se debe variar el tiempo de actividad el tiempo muerto no puede ser tan bajo y el rendimiento empeora. EL TRANSFORMADOR DE PULSOS El componente más importante de la fuente es el transformador de pulsos. Su tamaño determina el costo total de la fuente porque los MOSFET suelen ser muy econó- micos aun con corrientes y tensiones mucho más altas que las nominales. Por eso es que pensamos en tecnologías con mas de un MOSFET mirando a que el transformador sea lo mas pequeño posible para la potencia puesta en juego. TOPOLOGÍAS DE FUENTES CONMUTADAS MÁS EMPLEADAS POR LOS FABRICANTES 11Capítulo 1 Figura 8 - Oscilograma de tensión y corriente sobre la llave J1. Cap 1 - topologías.qxd 8/2/11 6:12 AM Página 11
  • 14.
    Y el tamañodel transformador depende fuertemente de la inductancia de primario y ya aprendimos que la misma depende de la frecuencia de trabajo y la tensión de fuente. Por lo tanto debemos elegir a priori una fre- cuencia de trabajo que no sea muy alta para que los MOSFET no tengan que ser de muy alta velocidad pero que no sea tan baja que agrande el transformador. En principio una frecuencia de 80kHz puede ser adecuada. Luego analizaremos topologías que reducen la tensión de trabajo (tensión del puente) para usar inductancias menores. Pero hay algo muy importante que mere- ce una atención especial y es la composición del núcleo con o sin entrehierro. Expliquemos lo que es el entrehierro. Un núcleo de ferrite tiene una curva B/H deter- minada. A medida que aumenta H la curva se va haciendo cada vez más horizontal hasta que llega al punto de saturación donde el núcleo tiene la misma permeabilidad que el aire. En la figura 9 se puede observar un ejemplo. Por supuesto que en nuestro diseño tene- mos que trabajar por debajo del punto de saturación, que depende la cantidad de espi- ras del primario y de la corriente que circula por ellas; en una palabra del campo magnéti- Fuentes Pulsadas en Equipos Electrónicos Modernos 12 El Servicio Técnico a los Equipos Electrónicos Figura 9 - Curva B/H de un núcleo de ferrite. Figura 10 - Corriente por el primario del transformador. Cap 1 - topologías.qxd 8/2/11 6:12 AM Página 12
  • 15.
    co donde seencuentra sumergido el núcleo. Precisamente el núcleo aumenta la permeabi- lidad del aire en un factor llamado permeabi- lidad oº. Como resulta lógico la misma curva se continúa hacia el cuadrante negativo y tiene una curva inversa en ese cuadrante. Como consecuencia de esto es evidente que nuestro núcleo debe estar sometido en lo posible a una CA. Ya que la componente continua, si la hubiera, desplazaría el punto de trabajo hacia un cuadrante o el otro y reduciría la parte activa de la curva. Si Ud. desarma un fly-back seguramente encontrara que las dos “C” que forman el núcleo están separadas por un cartón o una lamina de plástico. Esto se debe a que en el circuito de salida horizontal circula una com- ponente continua sobre el primario y sin ese entrehierro el núcleo se saturaría. Colocar esa lámina reduce la permeabilidad aunque evita la saturación y eso incrementa el tama- ño del núcleo. Ahora el tema es saber si el circuito que utilizamos hace circular corrien- te continua por el núcleo. Para eso solo tene- mos que agregar un resistor shunt y utilizar el osciloscopio. Ver la figura 10. Como podemos observar toda la señal de corriente esta sobre el eje cero y es una rampa que dura el 50% del tiempo y tiene un valor pico de 1A. Realizando los cálculos esto implica una componente continua de 0,25A y se requiere el uso de un entrehierro porque solo se aprovecha la curva del primer cuadrante (la sección del núcleo es el doble de la necesaria). En el caso del fly-back no interesa mucho porque el tamaño está deter- minado por el bobinado de alta tensión. Pero en nuestro caso si interesa y mucho porque aumenta el costo del núcleo o la capacidad de sacarle mas corriente a la fuente. Esto significa que el circuito propuesto no es el más indicado y que deberemos buscar una topología de circuito que genere un campo alternado en el núcleo. Seguramente Ud. se estará preguntando como vamos a aplicar una tensión inversa al primario si solo tenemos una tensión positiva de 310V. Note que dijimos un campo magnético alternado sobre el núcleo y no una tensión alternada sobre el primario. Y eso se logra con simple topología. Pero antes de analizar la topología vamos a analizar los MOSFET que tenemos disponibles en el mercado. MOSFET DISPONIBLES EN EL MERCADO LATINOAMERICANO En nuestro mercado los diseños se deben acomodar a los componentes de reemplazos para la reparación de TVs; en caso contrario hay que realizar complejas operaciones de compra en el exterior. Hablando con mis alumnos llegue a la conclusión que por lo menos en Argentina se consiguen 3 MOSFETs para fuente de TV que son los siguientes: 1) 6N60-A de 600V y 6,2A (existe la variedad B de 650V). 2) K3264 de 800V y 7A. 3) K1507 de 600V y 9A. Detengámonos a analizar el de peores características para ver si puede ser utilizado en nuestra fuente. El par de datos mas impor- tante parece indicar que con referencia a la corriente tenemos un buen margen de seguri- dad pero no así de la tensión si limitamos la misma al doble de la tensión de fuente que es lo típico ya que tendríamos una tensión de 620V lo que exigiría el uso de la variedad B que no siempre se consigue y además prácti- camente sin margen de seguridad. TOPOLOGÍAS DE FUENTES CONMUTADAS MÁS EMPLEADAS POR LOS FABRICANTES 13Capítulo 1 Cap 1 - topologías.qxd 8/2/11 6:12 AM Página 13
  • 16.
    Sin embargo podríamosutilizar alguna topología de dos transistores que nos va a resultar muy útil para varias cosas. La prime- ra es distribuir la potencia sobre dos llaves en lugar de una y la siguiente es bajar la tensión aplicada a la mitad. Esto hace que el 6N60-A resulte perfectamente apto para nuestra fuen- te. Pero aun quedan parámetros por analizar. Lo primero es saber si el transistor podrá trabajar a 80kHz y para eso debemos adentrarnos en la descripción del mismo que aparece en su datas- te (especificación). Sus fabricantes dicen: el 6N60 es una MOS- FET de canal N de 6,2A y 600/650V diseñado para obtener una alta velocidad de conmuta- ción y una baja capaci- dad de compuerta. Su estado de baja resistencia es caracterís- tico de los diseños de avalancha controlada que poseen un valor muy bajo de la misma. Sus características principa- les son: 1) La resistencia en el estado cerrado R ds(on) = 1,5Ohms a una tensión de compuerta de 10V. 2) Una ultra baja carga de compuerta, típi- ca de 20 nC (nano Coulomb). 3) Baja capacitancia de transferencia (valores típicos para Crss son de 10pF). 4) Energía de avalancha testeada. 5) Soporta una elevada variación dV/dT. 6) Capacitancia de entrada 700 a 1000pF. Con referencia a sus características térmi- cas es poco lo que podemos decir práctica- Fuentes Pulsadas en Equipos Electrónicos Modernos 14 El Servicio Técnico a los Equipos Electrónicos Figura 11 - Características resumidas del 2SK3264. Cap 1 - topologías.qxd 8/2/11 6:12 AM Página 14
  • 17.
    mente en elcomienzo de nuestro proyecto, pero se pueden hacer algunas consideracio- nes groseras. El rendimiento de una fuente pulsada a máxima potencia, puede estimarse en un 85%. Si buscamos construir una fuente de 200W significa que la potencia disipada sobre todo en las llaves es del 15% de la potencia máxima es decir 30W. Si se usa una topología de dos MOSFET se disiparían 15W por MOSFET. La especi- ficación indica que la resistencia térmica con temperatura controlada de carcaza (disipador infinito) es de 2 ºC/W lo que significa que la juntura sobreelevaría una temperatura de 15ºC. Si la temperatura ambiente máxima de trabajo se toma en 40ºC significa que con un disipador infinito la juntura llegaría a 55ºC lo que significa que se puede resolver el pro- yecto con un disipador aceptablemente pequeño. Con referencia al MOSFET K3264 pode- mos indicar que sería también perfectamente apto y un reemplazo de mejores característi- cas que el 6N60 con referencia tanto a ten- sión como a corriente y con buenas caracte- rísticas de velocidad. Lo mismo podemos decir del K1507 de los que presentamos sus características principales en las figuras 11 y 12. Nuestra preferencia por el 6N60 se basan en la capacidad de entrada Ciss que es de 700 TOPOLOGÍAS DE FUENTES CONMUTADAS MÁS EMPLEADAS POR LOS FABRICANTES 15Capítulo 1 Figura 12 - Características del 2SK1507. Cap 1 - topologías.qxd 8/2/11 6:12 AM Página 15
  • 18.
    a 1000pF entanto que en el 3264 puede lle- gar a 1350pF en el 3264 y a 1800pF en el 1507. Esta capacidad es la carga del driver y puede generar problemas de excitación redondeando los flancos de la señal y provo- cando demoras en el encendido y en el apa- gado. En nuestro caso esas demoras son impor- tantísimas para mejorar el rango de funcio- namiento de la fuente con señales que tengan poco tiempo de actividad (amplificador con baja señal). Dentro de lo posible, debemos procurar trabajar hasta con señales de un 5% de tiempo de actividad que equivalen 300 nS. Nota: en la especificación del 3264 esta equivocada la unidad de medida de los tiem- pos de conmutación (que deben estar en ns - nanosegundos-). El 6N60 tiene un tiempo de apagado de 40 ns lo que nos permite suponer que podrá trabajar hasta el 5% de tiempo de actividad o tal vez menos. UN CIRCUITO MÁS DEFINITIVO Dentro de la topología de circuitos debe- mos buscar una que no exija demasiada ten- sión a los dos transistores MOSFET que ya decidimos emplear. Que tome como fuente no regulada un puente de rectificadores nor- mal y que alimente el primario con CA. En la figura 13 mostramos un posible circuito que probaremos y modificaremos si fuera nece- sario. Primero debemos aclarar que el circui- to esta alimentado por dos fuentes con lo que parece que no cumplimos con una de las pre- misas. Sin embargo no es así porque las dos tensiones de 155V en serie se pueden obtener colocando dos electrolíticos en serie como capacidad de carga del puente de rectificado- res. Luego observe que el primario se alimen- ta desde la unión central de las fuentes y posee una llave a los 300V y otra a masa. Es decir que el primario tiene aplicada una corriente alterna perfecta como lo va a indi- Fuentes Pulsadas en Equipos Electrónicos Modernos 16 El Servicio Técnico a los Equipos Electrónicos Figura 13 - Circuito básico de la fuente. Cap 1 - topologías.qxd 8/2/11 6:12 AM Página 16
  • 19.
    car el oscilogramade la figura 14. Como vemos el transformador es atacado por una CA perfecta de 310 Vpap y 155V de pico negativo y positivo. De este modo le pedi- mos la menor exigencia al núcleo del trans- formador que no requiere entrehierro. De cualquier modo para asegurarnos que el primario no sea atravesado por una conti- nua es conveniente utilizar una capacitor en serie con el mismo que tenga suficiente capa- cidad como para que no caiga tensión sobre el, tal como lo observamos en la figura 15. En realidad el circuito primario tiene que estar pre- parado para las dos tensio- nes de red usadas en America y Europa, para que la fuente sea una solución integral para todos los luga- res del mundo. En la figura 16 se observa el circuito con una llave (en 110V) que per- mite pasar de una tensión a otra con una resistencia equivalente a una carga de 120W (680 Ohm) y la posi- bilidad de tomar tensión de 300V o de 150V para la llave de potencia superior y el transformador. Y en la figura 17 se observa el mismo circuito con la llave posicionada en 220V y también con la misma posibilidad. El circuito del secundario tiene una senci- llez espartana, porque solo posee un rectifi- cador negativo y otro positivo que posterior- mente deberemos proveer de los correspon- dientes filtros antirradiación. La excitación es simplemente una señal rectangular que para cumplir con las exigencias de diferentes cargas y tensiones de primario (en caso de baja tensión) debe variar su tiempo de actividad de modo que XFG2 sea el com- plemento a 100 de XFG1, es decir que si uno fuera del 40% el otro debe ser del 60%. En la figura colocamos una carga media y excita- mos con señales del 50% en ambos generadores para TOPOLOGÍAS DE FUENTES CONMUTADAS MÁS EMPLEADAS POR LOS FABRICANTES 17Capítulo 1 Figura 14 - Oscilograma de primario del transformador. Figura 15 - Circuito real de fuente para 220V de red . Cap 1 - topologías.qxd 8/2/11 6:12 AM Página 17
  • 20.
    hacer una prueba.Ahora llega el momento de probar el circuito con los parámetros reales de consumo para ver si la salida positiva y negativa se mantiene en valores complemen- tarios. Es decir que debemos variar R1 y R2 que ahora están disipando 30W cada uno (es decir 60W) por valores que permitan disipar por lo menos 120W con un tiempo de activi- dad del 40% y luego reducir esa carga al 10% de su valor original y ver en cuanto debe quedar el tiempo de actividad. Por razones de espacio vamos a dejar esta experiencia para la próxima entrega en donde dibujaremos el circuito completo y posiblemente agreguemos un par de diodos auxiliares más si fuera necesario, ya que observamos varios circuitos comerciales que tienen dos diodos por cada extremo del secundario. De esta manera tenemos ya un circuito casi definitivo del sistema de llaves. Fuentes Pulsadas en Equipos Electrónicos Modernos 18 El Servicio Técnico a los Equipos Electrónicos Figura 16 - Puente en 110V. Figura 17 - Puente en 220V de red. Cap 1 - topologías.qxd 8/2/11 6:12 AM Página 18
  • 21.
    Demostramos el problemade la circulación de corriente continua por el transformador y lo resolvimos con el uso de una fuente parti- da en el medio, usando dos electrolíticos en serie (de cualquier modo esa es una solución aceptable porque por razones de circulación de corrientes se requieren capacitores de ele- vado tamaño, llamados de alto ripple o dos de tamaño normal). Vamos ahora a realizar las simulaciones propuestas y ver el problema del núcleo a utilizar, con sus dimensiones y característi- cas. Este es un problema complejo para América que siempre esta muy mal surtida de materiales especiales. GENERADOR DE EXCITACIÓN Vamos a desarrollar el circuito generador de esa excitación, en una simulación en Multisim y vamos a probar su funcionamien- to con un transformador con secundario de carga para que entregue 32V partiendo de una red de 220/110V. Nuestra fuente funciona con regulación porque la señal de excitación modifica el tiempo de actividad de modo de mantener reguladas las fuentes de -32 y +32V (en rea- lidad sólo se puede mantener regulada una; la otra se regula automáticamente). Para lograr que la fuente regule a máxima carga hay que excitarla con un período de actividad del 50%, bajar la tensión de fuente no regu- lada a 250V, conectarle la carga máxima y observar que se generen 35V, 36V o mas de salida. Luego cambiar el tiempo de actividad a mano y observar que ajuste en 32V de salida. Pero cuando el tiempo de actividad se redu- ce no puede hacerlo en cualquier momento, debe generar una señal de excitación simétri- ca para no deformar la señal de los secunda- rios. Esto complica el generador de modo que hay que utilizar dos comparadores para resolverlo aun sin emplear más que las llaves controladas por tensión del Multisim. Nuestro primer paso va a ser resolver el funcionamiento al máximo tiempo de activi- dad (50%) y posteriormente resolver el exci- tador para que regule a 32V. LA CONDICIÓN DE MÁXIMA DE LA FUENTE En nuestro curso vamos siempre desde lo más simple a lo más complejo. En principio vamos a resolver el problema para un ampli- ficador monofónico de 60W y luego en otras entregas, seguiremos rediseñando para ver si llegamos a los 120W que permitan alimentar un sistema estereofónico. Para poder excitar a un sistema mono de 60W por canal; la tensión calculada de fuen- te es de +32V y -32V aproximadamente lo que implica una corriente de fuente positiva o negativa de 30W/32V = 0,9A. Pero al rea- lizar la prueba de máxima, la salida de fuen- te debe estar excedida; será de 36V por ejem- plo y entonces la corriente va a ser menor; 30W/36V = 0,83A. Lo importante es calcular la resistencia de carga como de 36V/0,83A = 43 Ohms. Para hacer la verificación sobre la fuente positiva se entrega una potencia de 36V.0,83A = 30W que sumados a los 30W de la fuente negativa hacen los 60W de nuestro amplificador. Con estos datos armamos la simulación de nuestro último circuito con dos resistores de carga de 43 Ohm. TOPOLOGÍAS DE FUENTES CONMUTADAS MÁS EMPLEADAS POR LOS FABRICANTES 19Capítulo 1 Cap 1 - topologías.qxd 8/2/11 6:12 AM Página 19
  • 22.
    Fuentes Pulsadas enEquipos Electrónicos Modernos 20 El Servicio Técnico a los Equipos Electrónicos Figura 18 - Circuito del secundario aislado a condiciones máximas. Cap 1 - topologías.qxd 8/2/11 6:12 AM Página 20
  • 23.
    El circuito delsecundario (ver figura 18) se entiende claramente con el diodo D1 rec- tificando +32V y el diodo D2 rectificando - 32V, pero como se puede observar se agrega- ron los diodos D6 y D5 para completar un rectificador de onda completa y poder dividir por 2 la corriente que manejan los diodos D1 y D2 y duplicar la frecuencia del ripple, que ahora será de 160kHz. De cualquier modo esto no reduce el valor de los capacitores de filtro, porque los mis- mos están diseñados para soportar las varia- ciones de la carga de audio. Es imposible evitar que la entrada de los diodos auxiliares no genere alguna oscilación parásita. Por esa razón es que agregamos los resistores R3 y R4, los inductores L1 y L2 y los capacitores C3, C4, C5 y C6. Con ellos sólo se puede TOPOLOGÍAS DE FUENTES CONMUTADAS MÁS EMPLEADAS POR LOS FABRICANTES 21Capítulo 1 Figura 19 - Oscilogramas de la fuente. Figura 20 - Excitador con período de actividad variable. Cap 1 - topologías.qxd 8/2/11 6:12 AM Página 21
  • 24.
    observar un mínimosobrepulso que no gene- ra molestas irradiaciones. Observe que generamos un poco más del valor deseado porque en realidad el período de actividad máximo debe ser un poco infe- rior al 50% para evita que se produzca un solapamiento de las señales de gate y se enciendan los dos MOSFET al mismo tiem- po, lo que produciría un cortocircuito momentáneo de fuente a masa, con un segu- ro deterioro de los mismos. En cuanto a la forma de señal de primario y secundario se puede observar en la figura 19 la señal primaria la tomamos sobre el pri- mario y la señal del bobinado inferior con referencia a la masa aislada. Mirando la figura, el lector puede obser- var la perfecta simetría de las formas de señal y la limpieza de la señal presente en el secundario. El oscilograma del bobinado superior es una replica invertida del oscilo- grama mostrado. Fuentes Pulsadas en Equipos Electrónicos Modernos 22 El Servicio Técnico a los Equipos Electrónicos Figura 21 - Oscilograma al 50% de tiempo de actividad V = 5V. Figura 22 - Oscilograma al 40% de tiempo de actividad V = 4V. Cap 1 - topologías.qxd 8/2/11 6:12 AM Página 22
  • 25.
    También es convenienteobservar que el bobinado primario esta excitado con una señal perfectamente alternada es decir con un valor medio igual a cero lo que nos permite aprovechar todas las características del núcleo. Ahora debemos excitar el mismo circuito pero con una señal que tenga periodos de actividad más cortos sin perder su valor medio nulo; lo que requiere el uso de un cir- cuito comparador rápido y un generador de onda triangular. CIRCUITO EXCITADOR SIMULADO En la figura 20 se puede observar el cir- cuito simulado del excitador de las llaves controlada por tensión, con periodo de acti- vidad variable con un potenciómetro. Lo ideal para entender el funcionamiento de este excitador es observar las señales de control de las llaves a diferentes períodos de actividad, que resultan tener una forma de onda muy particular para conservar la sime- TOPOLOGÍAS DE FUENTES CONMUTADAS MÁS EMPLEADAS POR LOS FABRICANTES 23Capítulo 1 Figura 23 - Oscilograma con un 20% de tiempo de actividad tensión V = 2V. Figura 24 - Funcionamiento del comparador inferior. Cap 1 - topologías.qxd 8/2/11 6:12 AM Página 23
  • 26.
    tría, que garanticeque la señal sobre el trans- formador sea alterna (es decir con valor medio igual a cero). Como el período de actividad depende de la tensión continua entregada con el poten- ciómetro, vamos a colocar los oscilogramas junto con la tensión y el período de actividad. Vea las figuras 21, 22 y 23. Ahora que se sabe como debe ser la señal generada se puede analizar como hace el cir- cuito para generarla analizando el circuito de la figura 20. El circuito es, en cierto modo, similar al modulador PWM de nuestro amplificador de audio pero considerando que se debe gene- rar una señal con valor medio nulo. Es evi- dente que las llaves deben estar excitadas por diferentes señales y por eso se utilizan los dos comparadores. El circuito de salida de los comparadores Fuentes Pulsadas en Equipos Electrónicos Modernos 24 El Servicio Técnico a los Equipos Electrónicos Figura 25 - Funcionamiento del comparador superior. Figura 26 - Agregado de los diodos recuperadores. Cap 1 - topologías.qxd 8/2/11 6:12 AM Página 24
  • 27.
    es igual yconsiste solo en un resistor de 1k ya que los comparadores tienen salida a colector abierto (open colector). Por supues- to cada salida va conectada a una llave con- trolada por tensión. En la entrada - del comparador superior se conecta una onda triangular con fase directa y en la entrada - del comparador inferior la salida invertida. La tensión continua del potenciómetro opera como eje de recorte de las ondas triangulares, tal como puede obser- varse en el oscilograma de la figura 24. En la figura 25 se puede observar el osci- lagrama del comparador superior que nos permite entender cómo se genera el otro pulso de salida. Como las ondas triangulares están desfa- sadas 180º también lo estarán las señales de salida de los comparadores. Corresponde aclarar que la sensibilidad de la modulación es fácilmente modificable cambiando el valor pap de la onda triangular. ¿QUÉ PASA CUANDO LAS DOS LLAVES ESTÁN ABIERTAS? Ocurre que el primario queda conectado a alta impedancia y eso no es conveniente. La solución del problema se consigue utilizando dos diodos conectados sobre las llaves con- troladas por tensión según el circuito de la figura 26. Con estos dos diodos, si la corriente no circula por las llaves en dirección hacia abajo; circula por los diodos en dirección hacia arriba, pero siempre hay un circuito cerrado para evitar las sobretensiones sobre el bobinado primario. Primeras Conclusiones De este modo hemos visto qué es una fuente conmutada, que diferentes configura- ciones o tipologías pueden tener las fuentes presentes en los equipos electrónicos de últi- ma generación y cómo puede ser una fuente para nuestros proyectos. Para ello, ya tene- mos resuelto el circuito secundario y la exci- tación del circuito primario. Resta unir los dos circuitos para verificar el funcionamien- to y la posibilidad de regulación, tema que analizaremos en el próximo capítulo. Posteriormente reemplazaremos las llaves controladas por tensión por los MOSFET que ya elegimos y diseñaremos el driver de los mismos. Por el momento trabajamos con un trans- formador simulado, pero les avisamos a los lectores de México y América Latina en general que ya estamos en contacto con dis- tribuidores de material de ferrite para la construcción del componente definitivo. ☺☺ TOPOLOGÍAS DE FUENTES CONMUTADAS MÁS EMPLEADAS POR LOS FABRICANTES 25Capítulo 1 Cap 1 - topologías.qxd 8/2/11 6:12 AM Página 25
  • 28.
    Cap 1 -topologías.qxd 8/2/11 6:12 AM Página 26
  • 29.
    Ya hemos vistocómo es una fuente conmutada o pulsada empleada en los equipos electrónicos actuales y qué requisitos debe cumplir la misma. En este capítulo veremos los parámetros de diseño de una fuente típica comenzando con el componente más comple- jo, el transformador de pulsos, indicando dónde puede conseguirlo y cómo debe solicitarlo. Obviamente, como Saber Electrónica llega a todas las ciudades, daremos ejemplos en Argentina, México y Venezuela y, para otros países deberá recurrir a Internet, en base a los datos que sugerimos. EL TRANSFORMADOR DE PULSOS Un transformador de pulsos es el compo- nente bobinado más difícil de fabricar de la electrónica. En él confluyen los conoci- mientos de los materiales magnéticos; los materiales dieléctricos (no se olvide que la prueba de aislación se realiza a 2.500V) y los conocimientos de RF bajas que incluyen el efecto pelicular. Seguramente Ud. quedó asustado después de leer esta frase e inclusi- ve extrañado porque hablemos del efecto pelicular a los 80 o 100kHz en que trabaja nuestra fuente. Tome una radio de AM en desuso. Busque su antena de ferrite y desarme el bobinado de sintonía. Fíjese que está construido con 7 alambres de cobre esmaltados retorcidos y el manojo cubierto con hilo de algodón. Inclusive en mis buenos tiempos en Tonomac utilizábamos alambre de 14 hilos. Ud. dirá que por ese bobinado pasaban microamperes y por un transformador de pulsos pueden pasar varios amperes de pico. No importa, en ambos casos ocurre el mismo efecto pelicular. Si Ud. desarma un transformador de pul- sos de procedencia Asiática va a observar DISEÑO DE UNA FUENTE PULSADA PARA EQUIPOS ELECTRÓNICOS MODERNOS 27Capítulo 2 Capítulo 2 DISEÑO DE UNA FUENTE PULSADA PARA EQUIPOS ELECTRÓNICOS MODERNOS Cap 2 - Diseño de Fuentes.qxd 8/2/11 6:15 AM Página 27
  • 30.
    que el primarioes un simple y grueso alam- bre de cobre. Pero si desarma un transforma- dor Europeo verá que el primario puede ser de 2 o 4 hilos de cobre esmaltado o inclusive de faja de cobre esmaltada aislada con mate- riales plásticos. Ocurre que los Europeos cui- dan el medio ambiente y los Asiáticos cuidan el bolsillo. EL EFECTO PELICULAR SI Ud. usa un conductor grueso es porque pretende que la corriente circule por todo el conductor, para reducir la resistencia del mismo. Pero el campo magnético que crea una línea de electrones circulantes por el medio del conductor tiende a frenarlos o por lo menos se opone a la circulación generan- do calor. El campo magnético de una línea de electrones periféricos no puede frenar a la línea de electrones siguientes y entonces se produce un efecto llamado pelicular que hace circular a los electrones preferentemente por la periferia del conductor. Este efecto es marcadamente dependiente de la frecuencia, así que podemos decir que en todos los componentes bobinados recorri- dos por frecuencias superiores a 1MHz el diámetro se elije para que el alambre sea cómodo de bobinar y se permite que el efec- to pelicular trabaje a sus anchas. En corrien- te continua, la densidad de corriente es simi- lar en todo el conductor (figura 1 a), pero en corriente alterna se observa que hay una mayor densidad de corriente en la superficie que en el centro (figura 1 b). Este fenómeno se conoce con varios nombres: efecto pelicu- lar de Ávila Aroche, efecto skin-Aroche o efecto Kelvin. Este fenómeno hace que la resistencia efectiva o de corriente alterna sea mayor que la resistencia óhmica o de corriente continua. Este efecto es el causante de la variación de la resistencia eléctrica, en corriente alterna, de un conductor debido a la variación de la frecuencia de la corriente eléctrica que circula por éste. El efecto pelicular se debe a que la varia- ción del campo magnético en función del tiempo, es mayor en el centro que en la peri- feria simplemente porque hay mayores cam- pos sumados, lo que da lugar a una reactan- cia inductiva mayor, y debido a ello, a una intensidad menor de corriente en el centro del conductor y mayor en la periferia. Este efecto es apreciable en conductores de grandes secciones, especialmente si son macizos. Aumenta con la frecuencia, en aquellos conductores con cubierta metálica o si están arrollados en un núcleo ferromagné- tico que es nuestro caso particular. En frecuencias altas los electrones tien- den a circular por la zona más externa del conductor, en forma de corona, en vez de Fuentes Pulsadas en Equipos Electrónicos Modernos 28 El Servicio Técnico a los Equipos Electrónicos Figura 1 - Corriente por un conductor maci- zo cuando está recorrido por una corriente continua (a) y una alterna (b) de moderada frecuencia. Cap 2 - Diseño de Fuentes.qxd 8/2/11 6:15 AM Página 28
  • 31.
    hacerlo por todasu sección, con lo que, de hecho, disminuye la sección efectiva por la que circulan estos electrones aumentando la resistencia del conductor aunque sería más propio decir la reactancia inductiva. Este fenómeno es muy perjudicial en las líneas de transmisión que conectan dispositi- vos de alta frecuencia (por ejemplo un trans- misor de radio con su antena). Si la potencia es elevada se producirá una gran pérdida en la línea, debido a la disipa- ción de energía en la resistencia de la misma. También es muy negativo en el comporta- miento de bobinas y transformadores para altas frecuencias, debido a que perjudica al factor de merito o Q de los circuitos reso- nantes al aumentar la resistencia respecto o la reactancia. Una forma de mitigar este efecto es el empleo en las líneas y en los inductores del denominado hilo o alambre de Litz, consis- tente en un cable formado por muchos con- ductores de pequeña sección aislados unos de otros con esmalte y unidos solo en los extremos. De esta forma se consigue un aumento de la zona de conducción efectiva. Ver la figura 2. ¿Se puede realizar un cálculo de la pro- fundidad hasta la cual cir- cula corriente eléctrica? Sí, aunque es algo com- plejo. Normalmente la resis- tencia de un conductor de forma circular se calcula con la fórmula: R = ρ . L/S En donde ρ (se dice “ro”) es la permeabilidad relativa del material conductor utili- zado. Para nuestro caso el cobre tiene una resistividad de 0,017 Ohm por mm2 por metro con L en metros y S en mm2 . Se define la profundidad superficial de los conductores, al área efectiva por la que cir- cula corriente en el conductor. Depende de la frecuencia, permeabilidad magnética y resis- tividad del material y se da en metros. Fórmula 1 - Fórmula para el cálculo de la penetración. En donde ω = 2 F ; µ es la permeabili- dad del material y σ la resitividad. En realidad los bobinados de nuestro transformador deberían estar realizados con alambres Litz para reducir las pérdidas pero tomaremos como suficiente precaución utili- zar 4 alambres de cobre esmaltado retorci- dos, del diámetro adecuado. NÚCLEOS PARA TRANSFORMADORES El principio del transformador es que toda bobina sumergida en un campo magnético variable genera una tensión alternada de la misma frecuencia que la de variación del campo magnético. La tensión inducida es función de la velocidad de variación del campo magné- tico de su orientación y de su intensidad. Lo importante es que el campo sea variable DISEÑO DE UNA FUENTE PULSADA PARA EQUIPOS ELECTRÓNICOS MODERNOS 29Capítulo 2 Figura 2 - Alambre Litz Cap 2 - Diseño de Fuentes.qxd 8/2/11 6:15 AM Página 29
  • 32.
    porque un campofijo como el generado por un imán o un electroimán de CC no induce tensión alguna. Estos casos dan forma a las dínamos y los motores eléctricos. El caso que nos ocupa es una estructura fija de material magnético formado por cha- pas recortadas con forma de “E” y de “I” que generan un camino de baja reluctancia (resis- tencia al campo magnético) y que pasa por dentro del primario y el secundario. La variación del campo magnético de la bobina sumergida en él puede ser debido al movimiento, pero en nuestro caso (el trans- formador) se trata de una estructura fija en la que se varía la corriente, aplicada al prima- rio. Conste que dijimos corriente y no ten- sión, porque el campo magnético es función de la corriente que varía por el primario y no de la tensión aplicada a él. En principio un bloque macizo de hierro silicio puede encargarse de conducir el campo magnético del primario por dentro del secundario sin que nada del campo se des- perdicie, cerrándose por el aire sin pasar por el secundario. Pero es imposible lograr, que aunque sea un pequeño campo, se cierre solo sobre el primario y por eso un transformador se representa siempre como un transformador ideal con un pequeño inductor en serie con el primario que representa las pérdidas de flujo y la ausencia de rendimiento unitario. Ver la figura 3. Un transformador consiste en dos bobina- dos fuertemente acoplados entre sí. Puede ser simplemente por la geometría de las bobinas (una dentro de la otra), pero más generalmente se trata de una estructura metá- lica con un material que es mucho más per- meable que el aire (al campo magnético) como por ejemplo el hierro silicio. Durante muchos años los únicos transfor- madores que se conocían eran los de hierro silicio laminados ya que la máxima frecuen- Fuentes Pulsadas en Equipos Electrónicos Modernos 30 El Servicio Técnico a los Equipos Electrónicos Figura 3 - Transformador ideal y real. Cap 2 - Diseño de Fuentes.qxd 8/2/11 6:15 AM Página 30
  • 33.
    cia a laque se trabajaba era de 100Hz. En la práctica para reducir al máximo las pérdidas por histéresis magnética se recurre al uso de materiales capaces de imantarse y desiman- tarse rápidamente, tal como ocurre con el hierro silicio. En cuanto a las pérdidas por corrientes de Foucault o corrientes parásitas podremos tener una idea mas precisa al respecto si observamos la figura 4, la cual consideramos por supuesto como un núcleo macizo a pesar de ser de chapa laminada. Si consideramos al mismo recorrido por un determinado flujo magnético como el dibujado en líneas de puntos; como éste es variable se originan en dicho núcleo corrien- tes circulares que se opondrán en todo ins- tante a la causa que las origina. Siendo el núcleo de una sola pieza, la resistencia eléc- trica que ofrecerá a dichas corrientes circula- res será baja, lo cual provocará un incremen- to de tales corrientes. Debido a su efecto contrario, la corriente de la fuerza magnetizante debilitará a esta última y, en consecuencia provocará un incremento de la perdida en la potencia que disipará el primario para un correcto funcio- namiento del transformador, en la corriente que circula por el primario. Esto en sí representa una pérdida de potencia que disipará el primario para un correcto funcionamiento del transformador. Para contrarrestar el efecto de estas corrientes parásitas es posible llegar a una solución muy interesante basada en ofrecer una máxima resistencia transversal a las mis- mas. Esto se consigue integrando el núcleo magnético mediante un conjunto de láminas delgadas de hierro, superpuestas una sobre otra y aisladas entre sí con un baño de goma laca, barniz o simplemente óxido. En la figu- ra 4 podemos apreciar el tipo de construcción propuesto que evidentemente reduce las corrientes circulares transformándolas en elípticas de mucho menos recorrido. Naturalmente que éstas igual se producen, pero debido a que el hierro tiene mucha menor sección el valor alcanzado por las corrientes de Foucault es sensiblemente mas reducido, disminuyendo en consecuencia las pérdidas. En la práctica los transformadores se construyen con una gran cantidad de láminas muy delgadas de hierro silicio aisladas entre sí y fuertemente comprimidas. Con estas pre- cauciones se lograrán realizar transformado- res que alcanzan a cubrir la gama de audio si se utilizan procesos de orientación del grano magnético de la laminación. DISEÑO DE UNA FUENTE PULSADA PARA EQUIPOS ELECTRÓNICOS MODERNOS 31Capítulo 2 Figura 4 - Núcleo laminado. Figura 5 - Armado de un núcleo. Cap 2 - Diseño de Fuentes.qxd 8/2/11 6:15 AM Página 31
  • 34.
    La máxima frecuenciade trabajo de un núcleo esta determinada por las llamadas corrientes de Foucault que consisten en corrientes inducidas en el propio hierro por estar sometido a un campo magnético varia- ble debido al fenómeno de la inducción mag- nética. Los cortes en forma de lámina secciona el camino de circulación de las corrientes de Foucault y más cuando las mismas están oxi- dadas. De cualquier modo la forma indicada no es práctica porque no posee lugar para mon- tar el secundario. En el ítem siguiente obser- varemos formas prácticas de laminación. En la figura 5 se puede observar una solu- ción totalmente clásica consistente en el corte “E” y “I” de la laminación. Los cortes en I y en E se arman intercala- dos tal como se observa a la izquierda para evitar que se produzca un corte del camino magnético principal. Cuando se deben realizar transformadores que superen la banda de audio se abandona la laminación y se utilizan gránulos de hierro amalgamados con resinas epoxi, poliéster u otros materiales plásticos, lo que permiten aumentar la permeabilidad hasta frecuencias del orden de los 2MHz. Este tipo de material toma el nombre genérico de ferrite. En la figura 6 se puede observar una fotografía de estas formas de ferrites para transformadores de pulsos de fuentes. El material de ferrite tiene características muy particulares que requieren un análisis muy cuidadoso para elegir el más adecuado a nuestras necesidades. Por supuesto lo más importante es determinar el tamaño del trans- formador en función de la potencia que debe entregar la fuente. Pero muchas veces este tamaño está determinado más por las carac- terísticas de aislación y el acoplamiento que debe tener la fuente. CONSTRUCCIÓN PRÁCTICA DEL TRANSFORMADOR Ya dijimos que un transformador real tiene una inductancia parásita llamada de dispersión que debe minimizarse para obte- ner un elevado rendimiento (que la mayor parte de la energía que ingresa por el prima- rio salga por el/los secundarios). Esto impli- ca una construcción muy particular del trans- formador. Mirando las fotografías se observa que la zona de bobinados se encuentra sobre la rama central del núcleo construida sobre un carretel de plástico. Ese carretel se llena de un modo muy particular: primero la mitad del primario, luego los secundarios y por último la otra mitad del primario. Es decir que el bobinado es un sándwich de dos tapas de primario con los secundarios como fiam- bre. Esto provoca un fuerte acoplamiento Fuentes Pulsadas en Equipos Electrónicos Modernos 32 El Servicio Técnico a los Equipos Electrónicos Figura 6 - Formas de ferrite para trans- formadores de pulsos. Cap 2 - Diseño de Fuentes.qxd 8/2/11 6:15 AM Página 32
  • 35.
    entre el primarioy los secundarios minimi- zando la inductancia de dispersión. Pero también hablamos de que la prueba de aislación se realiza a 2500V y esto impli- ca una construcción muy particular con una aislación de cinta de mylard sobre la primer mitad del primario, luego construir el/los secundarios una nueva capa de mylard y por último la segunda parte del primario. Es evidente que si los terminales de pri- mario y secundario se sacan del mismo lado del carretel será imposible conseguir la aisla- ción correcta. Por eso la solución típica es sacar los terminales de primario por un lado y los de secundarios por el otro. Por último es fundamental que la aisla- ción del circuito impreso sea mejor que la del transformador. Como puede observar, ingresamos de lleno en el desarrollo del transformador de pulsos mencionando las razones históricas que llevaron a la utilización del ferrite y sobre todo a explicar los requisitos de aisla- ción y rendimiento del transformador. Todo depende de la construcción y la habilidad del diseñador para lograr una buena separación entre los terminales del transformador y entre el primario y secunda- rio. Los lectores curiosos que deseen observar las especificaciones de los ferrites les indica- mos que los que se consiguen en Argentina se obtienen primero en la lista de materiales de Elemon (www.elemon.net) y luego con- sultar las características de los materiales en existencia hay que ingresar en www.epcos.com. En México puede consultar en EYM Electrónica (www.eym.com.mx), en Venezuela en: www.zonalectronica.com y para otros países debe fijarse en el listado que hemos colocado en nuestra web. LA FUENTE RESONANTE Hemos discutido cuál es la mejor topolo- gía para una fuente de audio. Y cuando quie- ro “optimizar” la topología elegida me encuentro con problemas difíciles de resol- ver. Por eso quiero plantear un nuevo méto- do de resolver el problema con una fuente no pulsada. Desde el comienzo, en este texto, la idea es diseñar juntos una fuente pulsada; es decir que yo aún no tengo la solución mientras estoy escribiendo estas líneas y además ni siquiera me animé a asegurar que pueda lle- gar a una. Quedamos en que de cualquier modo la aventura de aprender es siempre provechosa y decidimos meternos en el tema con todo. Me animé a escribir porque leí un artícu- lo en una revista española en donde explica- ban parcialmente la construcción de una, evi- dentemente basada en un artículo en Inglés al que no tuve acceso. Pero a medida que fui ingresando en el diseño me dí cuenta de que tenía grandes falencias y no pude resolver la sección del secundario del transformador. Releyendo mis propios artículos sobre fuentes llegué a la conclusión de que las fuentes de alta potencia de mejor rendimien- to se utilizaban en los TV de plasma y son fuentes que no se pueden clasificar como pulsadas aunque funcionen con pulsos. Se llaman fuentes resonantes y como es clásico en nuestro curso vamos a estudiarlas a fondo. EL EFECTO RESONANTE MECÁNICO La resonancia mecánica es un efecto sumamente utilizado en muchos dispositivos DISEÑO DE UNA FUENTE PULSADA PARA EQUIPOS ELECTRÓNICOS MODERNOS 33Capítulo 2 Cap 2 - Diseño de Fuentes.qxd 8/2/11 6:15 AM Página 33
  • 36.
    y debemos estudiarlaantes de entender cómo funciona una fuente resonante. El péndulo es la máquina resonante más conocida de todas las épocas y la más didác- tica para entender el problema del rendi- miento. Vamos a analizar un péndulo con aguja rígida, peso y rulemán en su punto de pivote. Ver la figura 7. Este dispositivo es una máquina transformadora de energía gra- vitatoria en energía térmica, si consideramos que el rulemán no es ideal y tiene un deter- minado rozamiento. Las transformaciones que se producen son las siguientes: A) Se levanta el peso dándole energía potencial gravitatoria y se suelta. B) La aguja hace oscilar al peso que llega al punto central; en ese lugar la energía potencial gravitatoria es nula porque el peso no puede bajar más allá de esa posición. Toda la energía potencial se transformó en energía cinética. C) La energía cinética lleva al peso hacia la izquierda hasta una altura algo menor que la derecha. D) El rulemán se calienta por el roza- miento, generando una energía térmica exactamente igual a la pérdida de energía potencial gravitatoria. E) La energía potencial algo reducida comienza a convertirse en energía cinética con dirección contraria a la anterior. Pasa por el punto central y comienza a reducirse aumentando la energía potencial. F) Cuando el péndulo se detiene total- mente lo hace a menos altura que desde donde partió y comienza un nuevo ciclo de descenso. En ese momento el martillo golpea al peso y recupera la energía térmica gene- rada en el rulemán. Note que si el rulemán se oxida, el siste- ma debe realizar un esfuerzo mayor sobre el mismo y se produce más energía térmica. El péndulo sube menos y el martillo debe dar un golpe mayor para mantener al sistema fun- cionando a amplitud constante. EL SISTEMA RESONANTE ELÉCTRICO En la resonancia eléctrica se utilizan las características opuestas del capacitor y del inductor. El hecho de que uno se oponga a las variaciones de tensión y el otro a las variaciones de corriente hace que colocados en serie o en paralelo sean ideales para trans- ferirse la energía de uno a otro generando una oscilación amortiguada (como la del péndulo). Cada circuito busca reponer la energía perdida en cada ciclo de modo que la oscilación se realice en forma permanente. El problema es que los circuitos deben com- pletar la posibilidad de entregar la energía perdida en cada ciclo con la posibilidad de retirar potencia continua hacia el amplifica- dor y que la tensión de continua pueda ajus- tarse permanentemente con un sistema reali- mentado. En la figura 8 se puede observar el circui- to básico que nos ayudará a explicar el fun- Fuentes Pulsadas en Equipos Electrónicos Modernos 34 El Servicio Técnico a los Equipos Electrónicos Figura 7 - Oscilador a péndulo. Cap 2 - Diseño de Fuentes.qxd 8/2/11 6:15 AM Página 34
  • 37.
    cionamiento. El circuitoresonante está cons- tituido por la inductancia de primario de T1 que es de 330µHy y el capacitor C5 de 12nF. El generador que provee energía al sistema es XFG3 que como podemos observar es de onda cuadrada con una amplitud de 310V pap es decir la tensión rectificada por un puente en redes de 220V, 50Hz o de un cir- cuito doblador en redes de 110V, 60Hz. La salida de tensión del circuito se obtie- ne del bobinado secundario con punto medio de T1 que debe tener la amplitud deseada de 32V aproximadamente. Cuando se carga el circuito ocurre lo mismo que en el símil mecánico; la oscilación se atenúa y el gene- rador debe entregar mayor energía al siste- ma. Esto se puede lograr de dos modos: el pri- mero es trabajando con el período de activi- dad de las llaves con el circuito driver crea- do anteriormente con un comparador para que nunca quede un circuito abierto. El otro modo consiste en tra- bajar fuera de la fre- cuencia de resonancia para que el circuito sin- tonizado reciba menos energía debido a que le llega fuera de tiempo. En la figura 9 se puede observar la curva de resonancia del circuito resonante serie medida con un medidor de Bode. DISEÑO DE UNA FUENTE PULSADA PARA EQUIPOS ELECTRÓNICOS MODERNOS 35Capítulo 2 Figura 8 - Circuito básico. Figura 9 - Curva de resonancia del circuito. Cap 2 - Diseño de Fuentes.qxd 8/2/11 6:15 AM Página 35
  • 38.
    Este circuito resonante poseeuna curva de resonancia con una máximo de 30 dB a la frecuencia central de 78kHz. Según la figura, al trabajar a 100kHz, la tensión de salida es menor a lo necesario, pero basta con acercar la frecuen- cia a unos 90khz para lograr la tensión requerida y luego variar suavemente la frecuen- cia ante variaciones de la ten- sión de carga. Demás está decir que una combinación de los dos modos de variar la salida per- mite obtener un cambio nota- blemente grande de la misma. Por ejemplo si llevamos la frecuencia a un valor de 80kHz. podríamos cargar la fuente con una resistencia de 4,3 Ohm generando una potencia de salida 10 veces mayor. La forma de señal de salida es realmente algo para anali- zar. Si el circuito resonante se excita con una señal cuadrada podríamos pensar que la señal de salida del transformador es también una señal del mismo tipo. Pero en la figura 10 podemos observar que no es así que la señal de uno de los secundarios es casi una señal senoidal. Como podemos observar en rojo aparece la verdadera señal de primario como una conmutación de la salida del puente de rectifica- dores o el doblador es decir con 310V la mitad del tiempo Fuentes Pulsadas en Equipos Electrónicos Modernos 36 El Servicio Técnico a los Equipos Electrónicos Figura 10 - Señal de los secundarios. Cap 2 - Diseño de Fuentes.qxd 8/2/11 6:15 AM Página 36
  • 39.
    y con unaconexión a masa viva el resto del tiempo. Esa señal se aplica al LC formado T1 y C5 que genera el intercambio energético correspondiente a un circuito resonante serie. Aunque la tensión aplicada al circuito sea cuadrada la corriente que circula correspon- de a la carga conectada sobre ese generador y no a la señal del generador. En el límite si el Q del circuito resonante es infinito la forma de señal puede ser cualquiéra que la corriente que circula es siempre senoidal. En nuestro caso como el Q no es infinito, la señal de corriente por el primario no es per- fectamente senoidal sino una combinación de senoidal con una pequeña cuadrada. El campo magnético en el núcleo es proporcio- nal a la corriente de primario y por lo tanto varía de la misma forma. Y por último; la tensión de los secundarios es proporcional a la variación del campo magnético del núcleo y por lo tanto es senoidal con la misma dis- torsión que tiene la corriente de primario. Lo importante es que se trata de una señal simétrica y que la variación del pulso positi- vo es igual a la del negativo que es nuestra principal preocupación. En el circuito básico colocamos como carga del secundario, simples rectificadores de media onda pero el circuito se puede com- pletar con un par de diodos más y realizar un rectificador de onda completa como puede observarse en la figura 11. EL GENERADOR DE ONDA CUADRADA CON LLAVES CONTROLADAS Ahora nos queda por conectar el primario a las dos llaves controladas por tensión que DISEÑO DE UNA FUENTE PULSADA PARA EQUIPOS ELECTRÓNICOS MODERNOS 37Capítulo 2 Figura 11 - Circuito completo del secundario. Nota: los capacitores C1 y C2 luego serán agrandados con- siderablemente; no lo hacemos ahora para que no se lentifique la simulación. Cap 2 - Diseño de Fuentes.qxd 8/2/11 6:15 AM Página 37
  • 40.
    Fuentes Pulsadas enEquipos Electrónicos Modernos 38 El Servicio Técnico a los Equipos Electrónicos Figura 12 - Circuito con generador a llaves. Cap 2 - Diseño de Fuentes.qxd 8/2/11 6:15 AM Página 38
  • 41.
    posteriormente serán reemplazadaspor tran- sistores MOSFET digitales de potencia. Ver la figura 12. La generación de la onda cuadrada se rea- liza del siguiente modo: En el primer tiempo se cierra la llave J1 aplicando la tensión de fuente al extremo superior del transformador. Cuando transcu- rre el 50% del periodo de la señal la llave J1 se abre y se cierra la llave J2 enviando el ter- minal superior del transformador a masa. Esto significa aplicar una onda cuadrada de 310V de pico a pico desplazada de cero de modo que el semiciclo negativo coincida con masa. DISEÑO DE UNA FUENTE PULSADA PARA EQUIPOS ELECTRÓNICOS MODERNOS 39Capítulo 2 Figura 13 - Oscilograma de tensión sobre el LC y el secundario inferior con el generador a llaves. Figura 14 - Oscilograma sobre el primario del transformador. Cap 2 - Diseño de Fuentes.qxd 8/2/11 6:15 AM Página 39
  • 42.
    Parecería que seaplica una tensión conti- nua de 155V al primario del transformador, pero esto es imposible porque en serie con el primario está el capacitor C5 que se carga justamente a un valor medio de -155V des- plazando la onda cuadrada de primario en forma simétrica a masa. En la figura 13 mostramos el oscilograma de tensión sobre el LC y la tensión del secun- dario inferior para que el lector lo pueda comparar con el de la figura 11 para demos- trar que los circuitos son equivalentes. Ahora vamos a medir la tensión sobre el primario de T1 y la vamos a comparar con la tensión sobre el LC. Ver la figura 14. Como se puede observar la tensión es per- fectamente alterna sin ninguna componente continua superpuesta, pero también podemos observar que el valor de tensión de pico sobre cualquiera de las llaves supera los valores que pueden soportar los MOSFET porque llega a ser de 1500V. En el ítem siguiente indicaremos el modo de solucionar este problema. LA TENSIÓN SOBRE LOS TRANSISTORES MOSFET Si sobre un circuito resonante serie se quiere reducir la tensión sobre los dos com- ponentes; se debe reducir la energía que los excita o reducir el Q. En realidad hay que realizar las dos cosas al mismo tiempo para no variar la tensión de salida. Para reducir la energía entregada al cir- cuito sólo nos queda reducir el tiempo de actividad, pero tal como lo hicimos anterior- mente con un circuito que mantenga baja la impedancia de salida del generador en todo momento; es decir que no vale mantener las dos llaves abiertas al mismo tiempo. Con esto ya se reduce la tensión sobre las llaves pero como se va a reducir la tensión de salida es necesario reducir la relación de espiras del transformador para obtener la misma tensión de salida. Esto aumenta la carga sobre el circuito resonante con lo que se reduce aún más la tensión sobre las llaves pero aumenta la corriente que las recorre. Esto es un meca- nismo de corrección de errores que debe ser aplicado reiteradamente hasta obtener el resultado deseado. Lo ideal es buscar una tensión de alrededor de 600V para poder uti- lizar cualquier MOSFET de fuente de TV. Más adelante veremos al circuito pero con el excitador de doble comparador. Reduciremos el tiempo de actividad y ajusta- remos la relación de espiras para lograr el diseño del transformador. DISEÑO DE UN MODULADOR PWM Al circuito de la fuente resonante le agre- gamos un modulador PWM y ajustamos todo para lograr una tensión de 32V para la salida. La sección de potencia de nuestra fuente ya está resuelta con un circuito resonante for- mado por el primario del transformador y un capacitor de sintonía que resuenan en 78kHz. El secundario del transformador tiene un punto medio y con él logramos generar una tensión de salida senoidal desfasada 180º como en una fuente de 50Hz común con transformador laminado de hierro silicio. Cuatro diodos rápidos con sus correspon- Fuentes Pulsadas en Equipos Electrónicos Modernos 40 El Servicio Técnico a los Equipos Electrónicos Cap 2 - Diseño de Fuentes.qxd 8/2/11 6:15 AM Página 40
  • 43.
    diente capacitores y resistoresde filtrado garantizan una rectifi- cación de onda comple- ta con una frecuencia de ripple de unos 140kHz. En esta entrega debemos realizar todas las pruebas que nos permitan determinar el funcionamiento correc- to de la fuente. En un principio intentaremos construir una fuente para un amplificador estereofó- nico de 30W por canal aproximadamente, es decir que generaremos una fuente de +32V x 1A y de -32V x 1A es decir 32W y 32W con lo cual completamos 64W. De echo nunca una señal estéreo con- sume la suma de los consumos. Se estima que es suficiente con considerar una poten- cia de fuente de 1,5 veces la potencia de un canal. Posteriormente veremos la posibilidad de incrementar la potencia a un valor mayor, para que la fuente sea más útil en forma genérica. De cualquier modo esta serie de artículos es prácticamente un apun- te de trabajo muy deta- DISEÑO DE UNA FUENTE PULSADA PARA EQUIPOS ELECTRÓNICOS MODERNOS 41Capítulo 2 Figura 15. Circuito de prueba del tipo resonante. Cap 2 - Diseño de Fuentes.qxd 8/2/11 6:15 AM Página 41
  • 44.
    llado para quecualquier lector pueda desa- rrollar una fuente por su cuenta; sólo hay que animarse y simular las variantes porque el diseño es muy flexible y lo permite. Ahora tenemos dos modos ajustables de regular la tensión de salida y uno fijo. Los regulables son el período de actividad de onda completa y la frecuencia del oscilador, el fijo es la relación de transformación del transformador de pulsos. Como cosas a medir existe una muy importante que es la tensión aplicada a las llaves controladas y la corriente que circula por ellas para saber si los MOSFET elegidos con anterioridad son aptos para su función en una fuente resonante, aunque a priori pode- mos decir que por la topología del circuito lo son seguramente. Otro cosa que debemos medir es la tensión aplicada al primario del transformador y al capacitor de sintonía, por- que seguramente tendrán requisitos especia- les debido a que el efecto resonante genera sobretensiones importantes. EL CIRCUITO DE PRUEBA Realmente no diseñamos ningún circuito nuevo; simplemente superpusimos el último diseño de la entrega anterior con el circuito excitador de dos entregas atrás y así salió el circuito completo que nos permite realizar los ajustes y las mediciones. Ver la figura 15. El clock del excitador está generado por el generador de funciones XFG3 dispuesto como generador de onda triangular que pos- teriormente será reemplazado probablemente por un 555 y un amplificador inversor y un no inversor integradores. En efecto, podemos observar que se utilizan las dos fases de sali- da del generador; una a la entrada inversora de U1A y la otra a la entrada inversora de U2B que son circuitos comparadores de alta velocidad. La comparación se realiza con una ten- sión continua que se obtiene del cursor del potenciómetro R5. De acuerdo al valor de Fuentes Pulsadas en Equipos Electrónicos Modernos 42 El Servicio Técnico a los Equipos Electrónicos Figura 16. Oscilogramas de la generación PWM. Cap 2 - Diseño de Fuentes.qxd 8/2/11 6:15 AM Página 42
  • 45.
    continua que secoloca en estas entradas, en las salidas se genera un pulso rectangular con mayor o menor período de actividad. Los pulsos estarán desfasados debido a que coin- ciden siempre con el pulso triangular positi- vo y dicho pulso está desfasado 180º en ambas salidas de XFG3. Los comparadores son circuitos con sali- da “toten poll” o “output colector” es decir que ofrecen sobre la pata 1 y 7 el colector de un transistor llave interno, que requiere un resistor a fuente (R6 y R7) para generar un pulso rectangular de ancho variable que opere las llaves controladas J1 y J2. ver la figura 16. Estas llaves le entregan al circuito reso- nante T1 y C5 la energía que toma la resis- tencia equivalente a las cargas del amplifica- dor R1 y R2. Si se desea bajar la tensión de salida se puede reducir el periodo de activi- dad de las llaves que se conectan a fuente o a masa por menos tiempo, reduciendo la ener- gía entregada al LC. También se puede variar la frecuencia de XFG3 para que circule menos corriente por el primario, alejando el punto de trabajo del punto de sintonía del LC. Si se desea aumentar la tensión de salida se debe hacer la acción contraria. La tensión en los secundarios es propor- cional a la corriente que circula por el prima- rio; es decir que mayor corriente significa mayor tensión sobre los secundarios y vice- versa. Los diodos D3 y D4 completan el camino de circulación del LC cuando las dos llaves están abiertas. AJUSTE Y PRUEBA DEL CIRCUITO Evidentemente lo primero que debemos hacer es medir las tensiones de salida y ajus- tarlas al valor deseado de 32V. En principio colocamos el período de actividad del excita- dor en su valor máximo, que no debe ser superior al 40% para que no exista ninguna DISEÑO DE UNA FUENTE PULSADA PARA EQUIPOS ELECTRÓNICOS MODERNOS 43Capítulo 2 Figura 17. Primeras mediciones de la fuente resonante. Cap 2 - Diseño de Fuentes.qxd 8/2/11 6:15 AM Página 43
  • 46.
    posibilidad de queen cierto momento se cie- rren las dos llaves controladas generando un cortocircuito fatal para los futuros MOSFET. Luego se modifica la frecuencia del genera- dor de funciones para lograr que la tensión de salida tenga el valor deseado de 32V. Ver la figura 17. Como se puede observar el generador de funciones se predispone en onda triangular con un período de actividad del 50%. Para una posición del pre-set del 38% se obtienen las señales PWM indicadas en el osciloscopio que no tienen peligro de super- ponerse. Para este caso las tensiones de sali- da son de 32,24V y -32,24V que es el valor deseado. A continuación en la figura 18 se coloca el osciloscopio para poder medir las tensio- nes sobre las llaves controladas. Como se puede observar la tensión sobre las llaves es de 310V y no podría ser otra que la tensión de fuente porque cuando J1 está abierta J2 está cerrada y entonces J1 tiene aplicada la tensión de fuente. En cambio cuando J2 está abierta J1 está cerrada y entonces J2 tiene aplicada la tensión de fuen- te. Esto significa que cualquiera de los MOS- FET elegidos puede cumplir con el requisito de tensión. La señal sobre las llaves parece tener una incongruencia porque no tiene la forma espe- rada con un período de actividad menor al 50% pero lo que ocurre que aunque la llave esté abierta, los diodos D3 y D4 mantienen el potencial para obtener baja impedancia durante todo el ciclo de la oscilación. En las figuras 19 y 20 se puede observar el otro parámetro a considerar de los MOS- FET que es la corriente. En realidad es nece- sario realizar dos mediciones si vamos a tomar como referencia la señal de excita- ción. En la primera utilizamos el viejo méto- do de agregar un resistor de bajo valor y en la segunda usamos una ventaja del Multisim Fuentes Pulsadas en Equipos Electrónicos Modernos 44 El Servicio Técnico a los Equipos Electrónicos Figura 18. Tensión sobre las llaves controladas. Cap 2 - Diseño de Fuentes.qxd 8/2/11 6:15 AM Página 44
  • 47.
    10 que sonlas sondas de corriente en este caso ajustada para 1V/A. Como podemos observar las corrientes pico son de 8A pero su valor continuo es mucho menor porque solo se debe considerar el tiempo que dura la excitación de la llave, que como máximo fijamos en un 38%, es decir 19% por cada transistor. El valor eficaz es aproximada- DISEÑO DE UNA FUENTE PULSADA PARA EQUIPOS ELECTRÓNICOS MODERNOS 45Capítulo 2 Figura 20. Corriente por el MOSFET superior. Figura 19. Corriente por el MOSFET inferior. Cap 2 - Diseño de Fuentes.qxd 8/2/11 6:15 AM Página 45
  • 48.
    mente el 19%de 8A o 1,52A. Sobre todo los MOSFET 2SK3264 y 2SK1507 son aptos para este uso ya que admiten pulsos de corriente de 28A y 29A y valores conti- nuos de 7A y 9A res- pectivamente. Nota: estos MOSFET se consiguen en cual- quier casa de electró- nica porque se los uti- liza para fuentes de TV. POSIBILIDADES DE REGULACIÓN DE LA FUENTE Como sabemos nuestra fuente admite el ajuste del período de actividad de dos formas diferentes. Por cambio de la tensión de error o por cambio de la frecuencia del oscilador. Primero vamos a probar el ajuste por tensión para ver si es necesario recurrir a otro sistema, o si lo debemos man- tener en suspenso para el diseño de una fuente de mayor potencia. En la figura 21 se puede observar qué pasa cuando la resistencia de carga se levanta a 20 veces de su valor original. Como podemos observar, con llevar el potenciómetro de ajuste a un 25%, se logra reajustar la salida al valor deseado de 32V. Es decir que no hace falta recurrir al doble cambio de parámetro. Fuentes Pulsadas en Equipos Electrónicos Modernos 46 El Servicio Técnico a los Equipos Electrónicos Figura 21. Regulación con R de 640 Ohm Cap 2 - Diseño de Fuentes.qxd 8/2/11 6:15 AM Página 46
  • 49.
    Bien, hasta aquícomprobamos que esta- mos por el buen camino y que un simple cambio del período de actividad con nuestro modulador, es suficiente para lograr una buena regulación con variaciones de carga de 1 a 20. Ahora deberemos cambiar las llaves con- troladas por MOSFET y vamos a diseñar una adecuada excitación de los mismos. También vamos a medir el rendimiento de la fuente, que necesitamos para el diseño del transfor- mador. CONMUTACIÓN CON TRANSISTORES MOSFET Habiendo analizado cómo se realiza la modulación por ancho de pulsos, describire- mos cómo reemplazar las llaves controladas en nuestro circuito de simulación por los transistores MOSFET que previamente habí- amos elegido. Y aquí comienzan los proble- mas de simulación que requiere mucha ima- ginación para resolverlos. ¡Manos a la Obra! Como Ud. ya sabe vamos a trabajar con los MOSFET que se consiguen en plaza debido a que se utilizan como repuestos de TV. Se pueden utilizar el 6N60-A o el K3264 o el K1507. Pero resulta que ninguno de ellos está en la librería del Multisim. Por esa razón utilizamos un MOSFET que tuviera valores similares de tensión y corriente y nos imaginamos que el resultado será similar. Los comparadores utilizados en el modu- lador no entregan mucha corriente de salida. Es decir que no son capaces de cargar y des- cargar al capacitor equivalente al gate del MOSFET sin producir una pendiente excesi- va. Por esa razón se impone reducirles la impedancia de salida. Lo primero en que se piensa es colocar un repetidor pero a poco que se analice se observa que el repeti- dor permite que le tomen corriente por su salida pero no es capaz de consumir desde la carga y en nuestro caso lo más importante es descargar el capacitor de gate rápidamente. Si analizamos los circuitos utilizados para reducir la impe- dancia nos encontra- mos que el más cono- cido es el clásico par complementario de los DISEÑO DE UNA FUENTE PULSADA PARA EQUIPOS ELECTRÓNICOS MODERNOS 47Capítulo 2 Figura 22 . Circuito de excitación de un MOSFET Cap 2 - Diseño de Fuentes.qxd 8/2/11 6:15 AM Página 47
  • 50.
    amplificadores de audio.En efecto, esa etapa es capaz de hacer circular corriente hacia el parlante cargando el capaci- tor de acoplamiento o tomar corriente del capacitor de aco- plamiento descargándolo. El problema parecería ser que carga utilizar para diseñar el excitador. Pues bien real- mente no es un problema por- que solo hay que utilizar como carga un capacitor del mismo valor que tiene el capacitor de entrada CI del MOSFET. De los tres MOSFET posi- bles elegimos el que tiene menos capacidad de entrada que es el 6N60 (Ci = 700 a 1300pF) y nos ponemos en la capacidad máxima de modo que se pueda usar también el K3264 (900 a 1350pF). El K1507 lo deja- mos como una mala alternati- va porque tiene un promedio de 1200 y un máximo de 1800pF. CIRCUITO DE EXCITACIÓN En la figura 22 se puede observar el circuito de excita- ción simulado usando como carga un capacitor de 1000pF. El transistor Q1 simula el transistor interno del compa- rador de una de las salidas. Y está excitado con un genera- dor de funciones como señal rectangular de 86kHz con tiempo de activi- dad del 40%. De este modo Q1 se abre y cie- rra 86.000 veces por segundo casi sin flancos Fuentes Pulsadas en Equipos Electrónicos Modernos 48 El Servicio Técnico a los Equipos Electrónicos Figura 23 . Señal de gate de un MOSFET. Figura 24 . Retardo de descarga del gate (247ns ó 0,25µs aproximádamente). Cap 2 - Diseño de Fuentes.qxd 8/2/11 6:15 AM Página 48
  • 51.
    DISEÑO DE UNAFUENTE PULSADA PARA EQUIPOS ELECTRÓNICOS MODERNOS 49Capítulo 2 Figura 25 . Circuito con MOSFET. Cap 2 - Diseño de Fuentes.qxd 8/2/11 6:15 AM Página 49
  • 52.
    de conmutación. Laresistencia que impulsa la corriente del par complementario es pro- porcionada por R2 cuando Q1 está abierto. El par complementario se comporta haciendo circular corriente por Q2 cuando Q1 está abierto cargando el capacitor equiva- lente al gate por medio de R3. Observe que nunca se generará una tensión mayor a la de fuente (12V) sobre el gate del MOSFET cuando Q1 está cortado. Cuando Q1 condu- ce hace conducir a Q3 quien a su vez descar- ga al capacitor C1 mediante la red D1 y R4 en paralelo con el resistor R3. Como se puede observar todo el circuito está pensado para que la corriente de carga de C1 sea relativamente baja ya que en ese momento la corriente por el MOSFET recién comienza y crece paulatinamente. En cam- bio, cuando el MOSFET se abre la corriente está en el máximo y es imprescindible vaciar el gate rápidamente para no perder rendi- miento. En la figura 23 se puede observar el osci- lograma de gate tomando como referencia a la salida del generador de funciones. Como podemos observar, los flancos de la señal de gate no son verticales, tienen una cierta caída exponencial debido a la carga de compuerta. Pero lo importante es lo que ocu- rre antes de la tensión de transición que como sabemos es de unos 4V (momento en que el MOSFET cambia de estado). El flan- co de subida casi no tiene inclinación hasta los 4V y por eso no se produce casi un retar- do al encendido. En tanto que la descarga del gate es un poco más problemática porque se produce una demora que no puede estimarse con precisión en el osciloscopio. Una medi- ción con escala más expandida permite leer con precisión el retardo como de 0,25µs. Ver la figura 24. Ahora que ya tenemos diseñados los cir- cuitos de excitación vamos a probar el cir- cuito completo cambiando las llaves contro- ladas por MOSFET. CIRCUITO CON MOSFET En la figura 25 se puede observar el cir- cuito incluyendo los MOSFET. Como se puede observar, el circuito de excitación inferior se utiliza tal cual fue diseñado por- que el terminal de fuente del MOSFET está conectado a masa. Pero en el circuito supe- rior nos encontramos que el terminal de masa del MOSFET se encuentra conectado a la señal de alimentación del circuito resonante y por lo tanto a una tensión rectangular de 310V de pap. Si la excitación la referimos a masa segu- ramente se quemará el MOSFET superior. Por esta razón se agrega el transformador T2 con su retorno del secundario conectado al terminal de fuente de MOSFET superior para que esté correctamente excitado. Pero el transformador no puede acoplar continua y entonces genera un pulso negativo que redu- ce el valor de la excitación a la mitad. Por esta razón se agrega un capacitor con un diodo que restauran el valor negativo a 0V (en realidad a -600mV) dejando un pulso positivo de 10V para excitar la compuerta. En el MOSFET inferior solo se ha agre- gado un resistor R13 porque la capacidad drenaje gate generaba realimentaciones de tensión sobre el gate. El resistor R12 fue agregado porque la simulación marcaba un error debido a la carga inductiva capacitiva del par de salida superior. Fuentes Pulsadas en Equipos Electrónicos Modernos 50 El Servicio Técnico a los Equipos Electrónicos Cap 2 - Diseño de Fuentes.qxd 8/2/11 6:15 AM Página 50
  • 53.
    OTRO CIRCUITO DEEXCITACIÓN El circuito que acabamos de describir tiene ciertas falencias debido a que, en algu- nas ocasiones, la simulación arranca mal por lo cual el prototipo seguramente no va a fun- cionar correctamente, por lo cual debemos hacerle algunas modificaciones al proyecto. En este libro describo paso a paso los diferentes estados en que fuí realizando este proyecto, es decir, no hubo un proyecto defi- nitivo sino que la idea desde el comienzo fue mostrarle al lector como se diseñan las fuen- tes de alimentación de los equipos electróni- cos modernos, basándonos en los sistemas de suministro de energía de los equipos de audio de alta fidelidad. Es un modo de hacer vivir los proyectos; el lector no es una presencia estática, sino que puede entender el proceso del pensa- miento del autor. Y si alguien le dice que él piensa los pro- yectos y le salen andando perfectamente no le crea. Todos los ingenieros trabajan por prueba y error y el proyecto final suele distar mucho de la idea inicial. Ya les mostré el diseño de un driver que no me deja muy contento y por lo tanto voy a intentar la construcción de uno mejor. En principio, lo que no me gusta es que el driver inferior no pasa por un transformador y el superior sí. Esto genera una asimetría de la excitación; es decir que las señales de gate son diferentes. Cuando hice las mediciones de rendimiento sobre cada uno de los drivers noté que eran diferentes y eso no tiene senti- do; deben tener el mismo rendimiento y comencé a pensar en cambiar el circuito para que se sea simétrico. Ahora, sí debemos construir un pequeño transformador driver por qué no realizamos dos exactamente igua- les. Y en eso basé las nuevas modificaciones del proyecto que paso a explicar. NUEVO CIRCUITO EXCITADOR En la figura 26 se puede observar uno de los canales de driver que podría ser el infe- DISEÑO DE UNA FUENTE PULSADA PARA EQUIPOS ELECTRÓNICOS MODERNOS 51Capítulo 2 Figura 2 Circuito del driver nuevo. Cap 2 - Diseño de Fuentes.qxd 8/2/11 6:15 AM Página 51
  • 54.
    rior al estarconectado a la masa caliente o el superior, si todos las masas del secundario del transformador driver se conectan juntas al transformador del circuito resonante (unión de los MOSFET). Ya realizamos un cambio a nivel del par complementario que excita los MOSFET que ahora son TIP31 y TIP32. En realidad pue- den ser TIP29 y 30 pero no sabemos por qué el Multisim10 no los trae en su biblioteca. El transistor Q5 no existe realmente en el circuito. El representa a la salida del modula- dor PWM. El circuito comienza con un tran- sistor excitador Q4 que le entrega la señal rectangular al par complementario TIP31 y TIP 32. Para que Q2 se sature plenamente, la base debe estar conectada con un resistor, a una fuente de mayor tensión que el colector. Esto significa que nuestra fuente deberá tener dos pequeñas fuentes convencionales; una de 12 y otra de 24V. En el circuito conectamos el canal rojo del osciloscopio sobre el primario del trans- formador 1:1 con lo que podemos decir que es la fuente de señal de excitación. El tran- sistor Q4 opera como un amplificador de corriente saturando al transistor Q3 por reducción de su tensión de base cuando él, a su vez está saturado. Cuando se abre, el resistor R5 conduce corriente desde la fuente de 24V que hace saturar a Q2, es decir que el transformador T1 se conecta alternativamen- te a fuente y a masa quedando alimentado con una señal rectangular de 12Vpap y a baja impedancia permanentemente. El secundario de T1 tiene un primer cir- cuito C1 D2 que sirve para evitar la compo- nente de señal negativa sobre el gate, que no molesta mientras no supere la tensión de ais- lación del mismo, pero que reduce la compo- nente de tensión positiva que pierde ampli- tud. Como D2 no permite la existencia de señales negativas superiores a 0,6V casi toda la señal sobre el gate es positiva y superamos fácilmente la tensión de conducción. En la anterior simulación (en la entrega anterior) habíamos reemplazado el MOSFET por un capacitor equivalente a su Cin. En este caso, conectamos realmente un MOS- FET similar a los elegidos para el proyecto (en realidad tiene un Cin mayor que es de 1500pF) y lo conectamos a una fuente de 300V con un resistor de 400 Ohm. De este modo participan todos los capaci- tores internos del MOSFET y no sólo el de gate a fuente. El que más nos importa es el drenaje a gate, que puede producir una dis- torsión de la señal de gate en el momento de la conmutación. Es decir que cuando el gate sube de tensión, en cierto momento, el MOS- FET conduce y baja abruptamente la tensión de drenaje (realimentación negativa parási- ta). Esa señal se acopla al gate por el capaci- tor Cdg que suele ser de unos 20pF y genera una tensión sobre éste, que es como una muesca en el oscilograma. En nuestro caso, con una señal de 300V en drenaje, es imposible de evitar esta distor- sión, sólo se debe mantener en un mínimo atacando al gate a baja impedancia. En realidad, toda la red R3 R4 y D1 debe- ría anularse para atacar el gate a la más baja impedancia; pero eso no se puede hacer por- que la corriente de carga y descarga de Cin sería excesiva y podría quemar la compuerta. El funcionamiento de la red es muy senci- llo. La señal de excitación acomodada arriba del eje de -600mV circula por R3, para car- gar a Cin con un pulso de corriente que cir- cula hacia la derecha cargando el capacitor y manteniendo la carga (con una corriente muy Fuentes Pulsadas en Equipos Electrónicos Modernos 52 El Servicio Técnico a los Equipos Electrónicos Cap 2 - Diseño de Fuentes.qxd 8/2/11 6:15 AM Página 52
  • 55.
    baja) durante todala conducción del MOS- FET. Luego, al invertirse la señal sobre el secundario de T, el nodo 3 pasa a -600mV y el MOSFET se corta. En este caso se produ- ce la descarga de Cin por intermedio de D1 y R4 en paralelo con R3. Es decir al doble de la corriente de carga. El agregado de R7 se debe a un problema de seguridad. En efecto, sin R7 el gate queda a una impedancia infinita a la CA de baja frecuen- cia, cuando Q1 no conduce. Esa CA se puede producir por captación electroestática o por zumbido debido a un toque accidental. El transformador Q2 tiene una relación de espiras de 1 a 1 y se construye con dos alambres bobinados al mismo tiempo sobre un núcleo toroidal o un núcleo E I de bajo tamaño. De ese modo se reduce prácticamen- te a cero la inductancia de dispersión y no se generan sobrepulsos. OSCILOGRAMAS DEL DRIVER CON SEÑAL CUADRADA Como ya sabemos, el pulso de conducción de Q1 (y de su equivalente en el otro canal) no puede ser del 50% de período de actividad, porque un pequeño retardo al apagado podría significar que ambos transistores con- duzcan al mismo tiempo. Por eso los oscilogramas con un 40% de período de actividad son significati- vos y muy cercanos a la realidad que aún no conocemos (es decir que no sabemos si el período debe ser de 45% o menor). Los oscilogramas más importantes son todos aquellos relacionados con la señal de gate tanto de corriente como de tensión. En el circuito ubicamos el haz rojo como refe- rencia en el nodo 12 y el verde en el gate, figura 27. Como podemos observar de los 12V que se miden en el primario se llegan a aplicar solo 8,3V al gate. Como consideramos que la pérdida es mucha incrementamos el valor de DISEÑO DE UNA FUENTE PULSADA PARA EQUIPOS ELECTRÓNICOS MODERNOS 53Capítulo 2 Figura 27 - Oscilograma de gate con referencia en el nodo 12. Figura 28 - Oscilograma del gate con C1 corregido a .1µF. Cap 2 - Diseño de Fuentes.qxd 8/2/11 6:15 AM Página 53
  • 56.
    C1 a 0,1µFlogrando un oscilograma como el indicado en la figura 28. Aquí podemos observar que casi no hay pérdida de señal serie, porque el marcador rojo nos indica que la señal verde es de 11,31V. El marcador azul nos indica la acción del diodo D2 que permite que la señal solo pase 441mV hacia el cuadrante negativo. Otro detalle a tener en cuenta es la distorsión por conmutación del MOSFET. La señal verde nos indica que la muesca de encendido ocu- rre más o menos a los 3,5V y que dura unos 300ns y que la muesca de apagado ocurre a los 5,5V y que dura unos 200ns. En la figura 29 se puede observar el circuito con las sondas de corriente aplicadas a dos osciloscopios. Las son- das fueron ajustadas (picando dos veces sobre ellas) a 1mV/mA. Las sondas XCP1 y XCP2 muestran la corriente por las dos ramas del gate. La señal de XCP2 se puede observar en la figura 30 donde se ve claramente la existencia de una doble polaridad. La polaridad positiva es la de carga y la polaridad negativa es parte de la corriente de descarga de Cin. Fuentes Pulsadas en Equipos Electrónicos Modernos 54 El Servicio Técnico a los Equipos Electrónicos Figura 29 - Agregado de sondas de corriente. Figura 30 - Formas de señal de corriente separadas. Cap 2 - Diseño de Fuentes.qxd 8/2/11 6:15 AM Página 54
  • 57.
    En rojo seobserva la corriente de carga; con el cursor rojo se puede medir un pico positivo de 132mA y con el cursor azul un pico negativo de 102mA. En verde se obser- va la señal de descarga con un pulso de 182mA. En la figura 31 se observa el oscilograma de la corriente total de gate con la sonda XCP3 y la corriente de drenaje con la XCP4 ajustadas para 1V por mA. Este es el oscilograma más importante porque nos permite ver la relación entre el auténtico cierre de la llave a MOSFET y la señal de gate que genera el cierre. En verde se observa la corriente de drenaje. Comenzamos observando que se levanta de cero cuando se produce un pulso positivo de corriente de base y llega aun valor de 749V equivalentes a 749mA. La corriente total de gate tiene un valor de 120mA aproximada- mente que coincide con la medición anterior. La demora al cierre de la llave es de unos 70ns. Cuando llega el pulso negativo de corriente de gate se produce una apertura de la llave que es más lenta que el cierre, a pesar de la mayor corriente de descarga que llega casi a 200mA. La demora es un poco superior a 200ns que se puede considerar per- fectamente aceptable. Para estar seguros de un correcto funcionamiento sólo nos queda comprobar si el sistema se comporta per- fectamente con períodos de actividad menores y cam- biando la frecuencia de tra- bajo dentro de una banda adecuada. No vamos a entregar los oscilogramas por razones de espacio pero le aclaramos que realizamos pruebas desde un 30% hasta un 70% sin ningún inconveniente y en el rango de frecuencias de 50kHz a 100kHz. Invitamos a los lectores a que reali- cen las correspondientes simulaciones. FUENTE COMERCIAL PARA AMPLIFICADORES DE AUDIO Como sabemos, hay muy pocos equipos de audio con fuente conmutada. Pero existen, y uno de ellos apareció por nuestro laborato- rio simplemente con un parlante desencona- do. No podíamos desperdiciar la oportunidad de curiosear en el mismo y le sacamos foto- grafías para que curioseemos juntos. En la fotografía 32 se puede observar el frente del equipo de marca LG modelo MCT704-A0U (no tiene colocada la bandeja de CD). Por si lo notó en el frente hay un autoad- hesivo que indica que el equipo entrega 8.000W PMPO pero abajo indica (para cum- DISEÑO DE UNA FUENTE PULSADA PARA EQUIPOS ELECTRÓNICOS MODERNOS 55Capítulo 2 Figura 31 - Corriente total de gate y corriente de drenaje. Cap 2 - Diseño de Fuentes.qxd 8/2/11 6:15 AM Página 55
  • 58.
    plir con lasreglas europe- as) 740W RMS (o efica- ces). Aunque no indica nada, suponemos que se trata de la salida sumando los dos canales, es decir 370W por canal, figura 33. En la figura 34 se muestra la etiqueta trasera en donde constan los prin- cipales datos del equipo. Como se puede obser- var; según el fabricante, la potencia consumida por el equipo desde la red es de solo 160W. Es decir que el equipo es capaz de “generar electricidad” porque consume 160 y entrega 740W. Como no vemos ningún dispositivo que sirva para cargarle energía, sacamos la conclusión de que el fabricante comete un error en alguno de los dos pará- metros. Por las razones expues- tas, sentimos más curiosi- dad aún y sacamos una fotografía de la zona de audio para estimar la potencia, figura 35. Como se puede obser- var el híbrido de potencia posee un disipador y una circulación de aire forzada que bien podrían entregar la potencia indicada en el frente. El diámetro de alambre de los inductores de filtrado PWM también indica que el equipo puede entregar una potencia muy grande. En la figura 36 se puede observar el detalle de la fuente pulsada que eviden- temente tiene transforma- dores para una potencia mayor a 160W que es lo que consume un TV de 33”. En la fotografía se puede observar la fuente montada en la plaqueta gris que no tiene nada que envi- diarle a una fuente de plas- ma de 50”. Como vemos posee tres transformadores de pulsos que seguramente pertenecen a un preacondi- cionador, una fuente permanente y la fuente del amplificador de audio (de derecha a izquierda). En la plaqueta verde debajo de la gris se observa el conversor analógico a PWM y verticalmente y conectado a ella el amplificador PWM de potencia híbrido. La conclusión final es que las fuentes pulsadas para equipos de audio o de audio video (vulgarmente Homes) se vienen con todo, de la mano de los TVs LCD, Plasma slim y los mal llamados LED, que real- mente son LCD con back- ligth a LED. Los usuarios no se conforman con los mínimos 4 + 4 u 8 + 8W que suelen disponer inter- namente los TVs. Y piden potencia pero es imposible colocarla adentro del TV porque no hay lugar y ya hay mucha vibración. Fuentes Pulsadas en Equipos Electrónicos Modernos 56 El Servicio Técnico a los Equipos Electrónicos Figura32 - Frente del equipo LG modelo MCT704-A0U. Figura 33 - Potencia del equipo indicada por el fabricante. Figura 34 - Etiqueta de identifi- cación del equipo. Cap 2 - Diseño de Fuentes.qxd 8/2/11 6:15 AM Página 56
  • 59.
    Algunos fabricantes recurrena los parlan- tes de nanotubos de carbono pero por lo que sabemos su rendimiento no es bueno y tienen poca potencia acústica; los usua- rios quieren más realismo y no les basta con la imágenes diez veces más brillante, quieren también el sonido 10 veces más potente. Y entonces deben recurrir a los Homes con sus precios enormes o a los reproducto- res de CDs con entradas externas para conectar al TV. Y donde quedamos Ud. y yo en este negocio. Quedamos en la puerta; ya ingresamos al mercado de los amplificadores PWM con todo lo que estudiamos hasta ahora y ahora debemos termi- nar de ingresar con la fuente que estamos diseñando. Ya está, modificamos nuestro driver y realizamos pruebas intensivas de la modificación explicando para qué sirven todos y cada uno de los componentes del mismo. Realizamos las simulaciones en Multisim y las pruebas reales en un cir- cuito armado en el aire verificando que las simulaciones son realistas. ☺ DISEÑO DE UNA FUENTE PULSADA PARA EQUIPOS ELECTRÓNICOS MODERNOS 57Capítulo 2 Figura 35 - Amplificador de audio digital híbrido. Figura 36 - Fuente de alimentación. Cap 2 - Diseño de Fuentes.qxd 8/2/11 6:15 AM Página 57
  • 60.
    Cap 2 -Diseño de Fuentes.qxd 8/2/11 6:15 AM Página 58
  • 61.
    Como hemos vistoen los capítulos anteriores, los equipos electrónicos modernos, y sobre todo los de audio, suelen incluir fuentes pulsadas o conmutadas con caracte- rísticas especiales. Nos propusimos el diseño de una fuente que pueda sustituir a la de los equi- pos comerciales lo que nos ha permitido saber cómo funcionan de modo que ya estamos en condi- ciones de poder reparar una fuente cuando la misma no funciona. En este capítulo damos algunos consejos útiles para el servi- cio técnico, mostramos técnicas para poder variar la tensión de la fuente y mos- tramos el funcionamiento de un circuito PWM. INTRODUCCIÓN ¿Cómo es la reparación de un centro musi- cal moderno con respecto a los clásicos? Depende de la falla. Si la falla está en la fuente, es infinitamente más complejo, en cambio si se trata del amplificador de audio PWM es mucho más simple. La razón de la complejidad de las fallas de fuente es que las mismas son pulsadas y de 300W para arriba. Es decir que son tan complejas como la fuente de un LCD o un Plasma chico. Mi recomendación es realizar un buen curso de fuentes, aprovechando los diversos cursos por videoconferencia que nos ofrecen Internet y los libros electrónicos o en papel que existen sobre el tema. Si el problema está en el/los amplifica- dor/res de potencia, del tipo PWM, el pro- blema es por lo general fácil de resolver, aunque todo depende de la tecnología empleada para fabricar esos dispositivos. Los amplificadores PWM de 100 a 150W están resueltos en un solo circuito integrado monocristalino. Los de potencia desde 150 a 300W son híbridos del tipo STK y las potencias mayores están resueltas EL SERVICIO TÉCNICO A LAS FUENTES PULSADAS DE LOS EQUIPOS ELECTRÓNICOS MODERNOS 59Capítulo 3 Capítulo 3 EL SERVICIO TÉCNICO A LAS FUENTES PULSADAS DE LOS EQUIPOS ELECTRÓNICOS MODERNOS Cap 3 - Servicio a Fuentes.qxd 8/2/11 9:18 AM Página 59
  • 62.
    Fuentes Pulsadas enEquipos Electrónicos Modernos 60 El Servicio Técnico a los Equipos Electrónicos Figura 1 - Fuente Pulsada de un Centro Musical LG con salida de audio digital. Cap 3 - Servicio a Fuentes.qxd 8/2/11 9:18 AM Página 60
  • 63.
    EL SERVICIO TÉCNICOA LAS FUENTES PULSADAS DE LOS EQUIPOS ELECTRÓNICOS MODERNOS 61Capítulo 3 Cap 3 - Servicio a Fuentes.qxd 8/2/11 9:18 AM Página 61
  • 64.
    en una mezclade componentes discretos monocristalinos, con MOSFET de potencia y capacitores electrolíticos clásicos. El equipo que nos ocupa es un LG mini sistem modelo MCT704 con lector de CD y DVD de audio, sintonizador de AM-FM, entrada USB, entrada auxiliar cassete y todo lo que se le ocurra para poder guardar o recepcionar música. En cuanto a la salida posee una salida estereofónica de unos 300W (150 +150) y otra salida de Sub Woofer monofónica de 300W. Los bafles estereofónicos son de 8 Ohm y el Sub Woofer de 12 Ohm. Estos son valores reales medidos con carga resistiva y osciloscopio sobre cada salida. Es decir que en total el equipo tiene una potencia de 600W (el fabricante dice 730W) aunque en realidad la potencia total difícilmente llegue a esos valores en forma continua porque debería darse el caso que ambos canales estereofónicos estén a plena salida y al mismo tiempo se tenga al Sub Woofer a plena salida también. EL CIRCUITO DE LA FUENTE Vamos a comenzar analizando la fuente del equipo que fue la razón por la cual fue entregado para su reparación, aunque el téc- nico nos dijo que solo funcionaba un canal estereofónico, ya que el otro tenía quemado un MOSFET de potencia. Esa reparación la encararía él mismo. Para que el circuito de fuente sea legible lo tenemos que presentar en dos páginas consecutivas dado su gran tamaño. Vamos a repetir parte del circuito en la unión de los mismos para que pueda ser seguido con facilidad. Por suerte el fabricante dividió el circuito como zona caliente y zona fría con lo cual nos facilitó y ordenó la tarea. Los conectores CN1 CN2 y CN3 se amplían en la figura 2 para facilitar su lec- tura. Si bien cada conector parece estar ali- mentado por un único circuito integrado en realidad no es así. El STR superior genera la tensión de +65V y el STR central genera la tensión de -65V ambas tensiones salen por el conector superior CN903. Desde este conector se alimenta el amplificador estere- ofónico y el amplificador de bajos. Cada integrado alimenta además otras fuentes para evitar que en los silencios el STR se quede sin consumo. FUNCIONAMIENTO DE LA FUENTE Nuestro colega nos dijo que el equipo no funcionaba, porque no aparecían las tensio- nes de +65V y -65V destinada a los amplifi- cadores de potencia PWM y no encendía el display. En la figura 2 se puede observar un detalle de las tensiones de fuente que vamos a analizar en forma completa. Un buen diseño mantiene desconectadas las fuentes de los amplificadores de poten- cia, cuando el equipo está en Stand By. Esto significa que pueden existir integrados que se mantengan apagados hasta que aparezca la señal de ON pulsando en el frente, o en el control remoto del equipo. Observando el frente del equipo, no vemos ninguna llave mecánica con reten- ción. Esto significa que al conectar el equi- Fuentes Pulsadas en Equipos Electrónicos Modernos 62 El Servicio Técnico a los Equipos Electrónicos Cap 3 - Servicio a Fuentes.qxd 8/2/11 9:18 AM Página 62
  • 65.
    po a lared debe arrancar un sector de la fuente destinado a alimentar al microproce- sador que será el que genere la señal ON/Stand By. Este sector del circuito debe generar 5V o 3,3V con destino al micro y al receptor infrarrojo. Precisamente en el conector CN903 se pueden encontrar las tensiones correspon- dientes pero todas están controladas por diferentes señales, seguramente el circuito integrado arranca directamente cuando se conecta el equipo a la red y por lo menos una de la tensiones (en general la regulada) sale por un conector. En nuestro caso se trata del conector . Ahora todo consiste en ubicar la señal de ON/Stand by para confirmar todo esto. Como la señal proviene de la sección fría (el microprocesador) debe ser acoplada a la sección caliente con un optoacoplador. En el circuito vemos 4 optoacopladores y tres cir- cuitos integrados reguladores pulsados. Tres optoacopladores van conectados a los cir- cuitos integrados, el cuarto (PC904) va conectado a la base de Q901 que segura- mente es el transistor llave de encendido. El cátodo del diodo LED de PC904 está conecta- do a la masa fría y el ánodo con un resis- tor limitador de corriente de 2k (R970) va a la pata 2 del conector CN902 que tiene una señal proveniente del microprocesador lla- mada AMP CTR es decir “control de los amplificadores” Al conectarlo a la red nuestro equipo no tiene ninguna tensión de fuente sobre ningún conector salvo la pata 6 del conector CN902 llamada U-COM de 5,6V destinada al microprocesador y que es justamente la tensión que regula el siste- ma voltimétrico del amplificador de error, de la fuente inferior conectada al optoaco- plador PC903. Por lo tanto deducimos que la fuente per- manente funciona correctamente y el micro debería entregar la señal AMP CTR cuando pulsamos ON en el frente. La medimos y en efecto obtenemos una tensión de 1,5V sobre el LED del optoacoplador al pulsar ON y cero cuando se lo vuelve a pulsar (Stand By). El transistor Q901 (llave de encendido de los dos STR superiores) está conectada a una fuente permanente del lado caliente for- mada, por el rectificador D943 y C947 que generan 12V. Observe que a esta tensión están conectados tanto el colector del tran- sistor del optoacoplador como el colector del transistor llave. Cuando el transistor del optoacoplador se ilumina conduce y satura al transistor llave que aplica 12V a las patas EL SERVICIO TÉCNICO A LAS FUENTES PULSADAS DE LOS EQUIPOS ELECTRÓNICOS MODERNOS 63Capítulo 3 Figura 2 - Detalle de los conectores de la fuente conmutada. Cap 3 - Servicio a Fuentes.qxd 8/2/11 9:18 AM Página 63
  • 66.
    de fuente (4)de los STR haciendo que los mismos arranquen y generen las tensiones de los conectores CN901 y CN902. En nuestro caso esto no ocurría. REPARACIÓN DE LA FUENTE A los STR no les llegaba nunca la tensión de fuente. Por lo tanto debíamos verificar si la misma se generaba. En efecto, sobre C947 había una tensión de 12V apenas se conectaba el equipo a la red. Ya verificamos que el LED del optoacoplador PC904 se encendía, así que el problema tenía que ser un cortocircuito en la fuente de uno de los STR o el transistor abierto. Como las fuen- tes de los STR presentaban una resistencia alta desoldamos el transistor lo medimos y estaba abierta la juntura de colector. Al reemplazarlo apareció la tensión negativa en el conector CN901 y además encendió el colorido display termoiónico porque las patas 10, 11 y 12 de CN902 están destinadas a él. Pero siguió sin aparecer la tensión positiva para los amplificadores de potencia. Al observar el circuito vemos que los bobinados de primario de los tres transfor- madores son una obra maestra del error. En efecto parece que como el dibujante no tenía el conexionado interno de los transformado- res conectó todas las patas del primario entre sí. Por ejemplo la pata 2 tiene un cor- tocircuito a la 3 y los bobinados de reali- mentación y auto fuente, están referidos a masa pero también a fuente, realizando un hermoso cortocircuito con el primario del transformador. Entre las patas 2 y 3 y entre las 4 y 5 no hay bobinado interno. El primario está abierto porque se construye en dos seccio- nes, una por debajo del secundario y otra por arriba. Y todo el bobinado inferior se refiere solo a la masa virtual (pata 3 del STR). Antes que realizar cualquier tipo de aná- lisis es conveniente medir los resistores sen- sores de corriente porque los mismos suelen operar de fusible cuando la llave de poten- cia del STR se pone en cortocircuito. R938 y R937 estaban abiertos y el STR tenía un cortocircuito entre las patas 1 y 3. Cambiamos los componentes teniendo la precaución de comprar resistores no induc- tivos y se recuperaron todas las tensiones de fuente. Pensando en como se sucedieron los hechos creemos que todo comenzó cuando se quemó el amplificador PWM de salida. Nuestro cliente, trabajando en el mismo, debe haber realizado un cortocircuito que derivó en un exceso de consumo. En conse- cuencia se quemó la llave electrónica del STR positivo y eso provocó que se quema- ran los resistores sensores y el transistor llave que controlaba a los dos STR. El efec- to dominó que le dicen. En conclusión, si Ud. recibe un equipo de éstos que no tiene tensión negativa y positiva debe retirar la plaqueta fuente del equipo y cargar las salidas de fuente de potencia con resistores. No hace falta que haga un consumo máximo, con consumir 1A alcanza para pro- bar el funcionamiento, así que puede usar resistores de 68 Ohms 100W sobre los -65V y sobre los +65V. La salida de 5V por la pata 6 de CN902 la debe cargar con un resistor de 5,6 Ohm x 10W para que la fuen- te de baja tenga alguna carga sobre la salida Fuentes Pulsadas en Equipos Electrónicos Modernos 64 El Servicio Técnico a los Equipos Electrónicos Cap 3 - Servicio a Fuentes.qxd 8/2/11 9:18 AM Página 64
  • 67.
    permanente. Luego verifiqueque sigan bajas las salidas de potencia y entonces veri- fique todo el sistema de control del encendi- do a través del optoacoplador PC904. Luego de reparado el control si falta alguna de las tensiones dispóngase a reparar la fuente correspondiente que tiene muy pocos com- ponentes externos además de los híbridos. LA REPARACIÓN EN FOTOS En la figura 3 se puede observar una infografía con los componentes principales de la fuente de alimentación y el amplifica- dor de potencia estereofónica. Para poder observar el amplificador principal sacamos el amplificador de bajos que se encuentra exacta- mente arriba atornillado al disipador con ventila- ción forzada. En la figura 4 se puede observar el detalle del circuito integrado de fuente dañado. Al ser igual al amplificador de tensión negativa se impone la medición de la resistencia a masa de todos los terminales por comparación directa. En la figura 5 se puede observar el tran- sistor llave que controla el encendido de las fuentes negativa y posi- tiva de 65V. De este modo termi- namos con una explica- ción rápida del funcio- namiento de una fuente para un centro musical de excelentes caracterís- ticas. Y es una fuente de 600 o 700W y sin embargo está resuelta muy sencillamente con componentes comunes. También comprobamos que muchas veces no se EL SERVICIO TÉCNICO A LAS FUENTES PULSADAS DE LOS EQUIPOS ELECTRÓNICOS MODERNOS 65Capítulo 3 Figura 3 - Vista de la fuente y el amplificador estereofónico. Figura 4 - Integrado en cortocircuito. Cap 3 - Servicio a Fuentes.qxd 8/2/11 9:18 AM Página 65
  • 68.
    requiere saber paraqué sir- ven todos y cada uno de los componentes del circuito, si se trabaja con criterio y conocimientos generales del tema. Extrañamente observa- mos que una fuente de características tan extremas no posee preacondicionador para reducir el coseno del consumo. Seguramente el cliente podrá tener proble- mas con su compañía distri- buidora de energía eléctrica o una buena multa que incremente el valor de kW/hora que le cobran. Otras fuentes de equipos similares son más complica- das pero obvian este problema. Si uno no sabe cómo funciona una fuen- te con un STR, es mejor que primero se ponga al tanto del tema antes de meter manos en la fuente. En principio, es posible que gane tiempo y seguramente, se va a evi- tar problemas en caso de fallas accidentales. No trabaje nunca por el método de cambiar y probar porque casi todos los componentes de esta fuente son especiales y SMD. Deje de usar las manos y use el cerebro antes que se oxide irremediablemente. Este capítulo es una prueba de cómo se llega a determinar un componente fallado sin jugar a las adivi- nanzas. EL CONTROL DE TENSIÓN DE UNA FUENTE PULSADA Se va armando el rompecabezas que es nuestra fuente pulsada para audio diseñada por una única razón. Competir en precio con los clásicos amplificadores analógicos con fuente a transformador laminado. Nos ani- mamos a decir que nuestro proyecto com- pleto de amplificador PWM y fuente pulsa- da tiene un precio diez veces menor que un proyecto clásico, pesa cinco veces menos y rinde el doble. Y tiene una ventaja inherente sumamen- te importante. Es simple, fácil de armar, fácil de reparar (porque no tiene realimenta- ción negativa) y además no necesita protec- ciones, simplemente porque admite corto- circuitos sobre la salida por tiempo indefini- do. Repasemos lo que hicimos hasta ahora con referencia a la fuente pulsada. En prin- cipio buscamos la disposición de fuente más adecuada, porque en ese momento no exis- tía información con referencia a equipos comerciales que nos orientaran al respecto. Hoy en día existen muchas marcas de equi- Fuentes Pulsadas en Equipos Electrónicos Modernos 66 El Servicio Técnico a los Equipos Electrónicos Figura 5 - Transistor llave Q901 abierto. Cap 3 - Servicio a Fuentes.qxd 8/2/11 9:18 AM Página 66
  • 69.
    pos decididamente volcadosa los amplifica- dores PWM y las fuentes pulsadas. Y las fuentes generalmente elegidas son las reso- nantes cuando se usan MOSFET discretos y las de transferencia indirecta cuando se trata de circuitos integrados híbridos como el STR que vimos en la entrega anterior. Nosotros estamos por lo tanto en el buen camino por- que elegimos una resonante. De la fuente resonante tenemos resuelto el circuito resonante primario y los circuitos secundarios con sus rectificadores. En esta entrega le sumamos el circuito modulador asimé- trico PWM realiza- do con dos com- puertas comparado- ras rápidas y los dos excitadores a trans- formador separa- dor, con relación 1:1 y las dos llaves MOSFET con los transistores más económicos que se consiguen en cual- quier comercio de electrónica. Nuestro circuito se debe regular a mano, porque aun no tenemos armado el circuito de reali- mentación de la tensión de error, que es lo último que se diseña. Pero si funciona controlado a mano, debe funcionar controlado en forma auto- mática. En esta entrega vamos a presentar entonces el circuito con control manual de la tensión de salida y todos los oscilogramas EL SERVICIO TÉCNICO A LAS FUENTES PULSADAS DE LOS EQUIPOS ELECTRÓNICOS MODERNOS 67Capítulo 3 Figura 6 - Circuito con control manual de las tensiones de salida. Cap 3 - Servicio a Fuentes.qxd 8/2/11 9:18 AM Página 67
  • 70.
    desde el moduladorhasta los secundarios. El circuito presentado, que se muestra en la figura 6, es totalmente funcional es decir que nosotros realizamos una simulación que funcionó correctamente (aunque después de realizar una corrección automática de pará- metros de simulación) porque inicialmente indicó un error de simulación. Como esta corrección automática la realiza sólo el Multisim 10, los que poseen el 9 no podrán simular el circuito. El archivo de simulación puede ser bajado de la página webelectroni- ca.com.mx, haciendo clic en el ícono pass- word e ingresando la clave “audi3421”. El generador de funciones se debe ajus- tar en 86kHz de onda triangular (50% de tiempo de actividad) y 5V de salida. El potenciómetro R5 ajusta el tiempo de activi- dad de cualquiera de los dos canales de excitación en un 40% para evitar solapa- miento en el funcionamiento de las llaves a MOSFET. En la figura 7 se pueden observar los oscilogramas en las cuatro entradas de los comparadores de alta velocidad que explica por sí mismo el funcionamiento de la etapa. Nuestro generador de señales es del tipo balanceado, lo que se puede observar en los oscilogramas verde y azul. El punto de recorte establecido por la tensión continua de ajuste, corta exactamen- te un poco por arriba del cruce de las ondas triangulares para establecer un período de actividad levemente mayor al 50% como se puede apreciar en el oscilograma violeta conectado a la salida. La amplitud del oscilograma violeta es de 1,6V aproximadamente de valor máximo lo que hace conducir a pleno al transistor Q5 poniendo el nodo 17 a masa durante el 60% del tiempo. El valor mínimo es de solo 1V que no puede hacer circular corriente por el diodo D1 sumado a la juntura diodo emisor Fuentes Pulsadas en Equipos Electrónicos Modernos 68 El Servicio Técnico a los Equipos Electrónicos Figura 7 - Oscilograma de entrada y salida del comparador superior. Cap 3 - Servicio a Fuentes.qxd 8/2/11 9:18 AM Página 68
  • 71.
    base de Q5.En la figura 8 se pueden obser- var las tensiones del driver hasta el secun- dario de los transformadores. El osciloscopio XSC1 se conecta con el haz rojo en la base del preamplificador Q5 y el verde en el nodo 7 que es la unión de las bases del par complementario. Las masas de los dos canales quedan conectadas a la masa viva. El osciloscopio XSC2 se conecta en el secundario del driver y en el gate del MOSFET con las entradas de masa conectadas al nodo 35, que es la unión de los MOSFET. En el mundo real no se puede hacer esta cone- xión debido a la capaci- dad entre el gabinete del osciloscopio y la red de CA. En la figura 9 se observan los osci- logramas. A la izquierda se observa en rojo la ten- sión de base de Q5 que varía desde el valor de saturación de unos 800mV hasta el valor de corte de unos 600mV. Arriba en verde se puede observar la ten- sión de colector de Q5 que varia práctica- mente desde cero hasta 12V. A la derecha se observa en azul la tensión del secundario del transformador y en viole- EL SERVICIO TÉCNICO A LAS FUENTES PULSADAS DE LOS EQUIPOS ELECTRÓNICOS MODERNOS 69Capítulo 3 Figura 8 - Conexión de los osciloscopios en el circuito driver. Figura 9 - Oscilogramas del driver. Cap 3 - Servicio a Fuentes.qxd 8/2/11 9:18 AM Página 69
  • 72.
    ta la tensiónen el gate siempre con respecto a la unión de los MOSFET. Finalmente el oscilograma más importante es el que rela- ciona la tensión en el terminal superior del primario y la oscilación en el capacitor de sintonía C5 que puede observarse en la figu- Fuentes Pulsadas en Equipos Electrónicos Modernos 70 El Servicio Técnico a los Equipos Electrónicos Figura 10 - Oscilograma de primario y capacitor de resonancia. Figura 11 - Oscilogramas en los secundarios. Cap 3 - Servicio a Fuentes.qxd 8/2/11 9:18 AM Página 70
  • 73.
    ra 10. Comose puede observar, la oscila- ción en el primario genera una tensión de pico de 1366V cuando el circuito es excita- do por una señal cuadrada de 309V pico a pico. Esta energía se transfiere al secundario generando las señales indicadas en la figura 11. Mire también que la señal en los secun- darios no es exactamente senoidal, pero tenga en cuenta que la pequeña distorsión producida no genera mayores problemas, por lo cual, desde el punto de vista práctico se puede considerar que se trata de una señal senoidal pura. Ya tenemos un sistema que genera la ten- sión deseada a la corriente deseada y sólo nos falta diseñar los órganos de control del sistema para que el mismo funcione en forma automática. Recuerde que nuestro oscilador de onda triangular debe ser de frecuencia variable controlado por tensión. Debemos por últi- mo analizar el circuito para diferentes car- gas y determinar la modificación requerida de la frecuencia para lograr el ajuste. UN MODULADOR DE MÚLTIPLES USOS Todo modulador PWM requiere un gene- rador de onda triangular de frecuencia fija. Si se trata de un sistema resonante, la ten- sión continua de salida debe modificar la frecuencia del generador de onda triangular en un lazo realimentado de tensión. En rea- lidad se puede utilizar también un sistema de variación de tiempo de actividad o ambos al mismo tiempo. Si el sistema posee dos transistores llave tirando hacia fuente y hacia masa (ese es nuestro caso) se requiere un circuito driver para cada llave y el generador de señal PWM será en ese caso de simetría comple- mentaria. Como queremos realizar un proyecto de uso general vamos a utilizar el sistema de modulación doble, PWM y de frecuencia y por lo tanto necesi- tamos un generador diente de sierra cuya frecuencia varíe con la tensión. El generador dien- te de sierra se puede fabricar a partir de un generador de onda rectangular que pueda funcionar al 50% de periodo de actividad y EL SERVICIO TÉCNICO A LAS FUENTES PULSADAS DE LOS EQUIPOS ELECTRÓNICOS MODERNOS 71Capítulo 3 Figura 12 - Diseño automático de un oscilador astable con 555. Cap 3 - Servicio a Fuentes.qxd 8/2/11 9:18 AM Página 71
  • 74.
    que tenga control defrecuencia por CC como por ejemplo el 555 en su versión modi- ficada del astable con dos diodos, que es uno de los circuitos integra- dos mas econó- micos de la actualidad. Si se tratara de un oscilador asta- ble básico el Multisim lo dise- ña en forma auto- mática, pero la versión astable básica no puede generar onda cua- drada (no llega a mas de un 45% de tiempo de acti- v i d a d ) . Comenzaremos analizando la posibilidad de utilizarlo de cual- quier modo. Pero si fuera necesario realizaremos un diseño modifica- do con diodos, donde esa even- tualidad no exis- te. El diseño bási- co nos ayuda a generar el diseño modificado. Por lo que a continua- ción lo encara- mos. Fuentes Pulsadas en Equipos Electrónicos Modernos 72 El Servicio Técnico a los Equipos Electrónicos Figura 13 - Circuito completo del modulador con oscilador incluído Cap 3 - Servicio a Fuentes.qxd 8/2/11 9:18 AM Página 72
  • 75.
    DISEÑO AUTOMÁTICO DELASTABLE BÁSICO CON UN INTEGRADO 555 Abra el Multisim, entre en la solapa Tools -> circuits wizard -> 555 time wizard y aparecerá una pantalla de diseño como la indicada en la figura 12. R1 y R2 son los resistores de carga y des- carga del capacitor principal C. Estos valo- res dependen del valor de frecuencia y del valor de C que deben colocarse en los correspondientes casilleros. Luego el botón “Building Circuit” se ilumina como indi- cando que las condiciones para un posible diseño están dadas. En caso contrario se indica debajo del circuito cual de las condiciones no se cum- ple (por lo general R1 y R2 son menores a lo estipulado que es de k ). Si este es el caso se debe variar el valor de C por uno mas bajo). Automáticamente el botón de Build circuit se ilumina y al apretarlo se cal- cula todo el circuito, hasta que queda ofre- cido para pegar en la pantalla. Luego de pegarlo se deben redondear los valores y completar el mismo con el agrega- do del preset de ajuste de frecuencia sobre Cf. El cálculo da solo valores aproximados, por lo que es necesario armar el circuito y ajustar los valores de R1, R2 y C por expe- riencia real. También por experiencia real, observa- mos que el hecho de que trabajar con un periodo de actividad de 55 o 60% no afecta el funcionamiento del circuito, por lo que no es necesario utilizar el circuito modificado con diodos. CIRCUITO COMPLETO DEL MODULADOR CON OSCILADOR CON EL TEMPORIZADOR 555 Para que el lector no tenga inconvenien- tes para saber como se interconecta nuestro nuevo circuito, con el circuito de la entrega anterior, dibuja- mos los comparadores generadores de la PWM, que entonces se repiten en ambo circuitos formando el nexo de unión. Ver la figura 13. Nota: RST RESET (4). THR TRESHOLD (6), CAMBIO DE ESTADO. TRI: TRIGGUER (2), DISPARO. DIS: DISCARG (7), DESCARGA. CONTROL VOLTAGE: EL SERVICIO TÉCNICO A LAS FUENTES PULSADAS DE LOS EQUIPOS ELECTRÓNICOS MODERNOS 73Capítulo 3 Figura 14 - Oscilogramas de los dientes de sierra diferenciales. Cap 3 - Servicio a Fuentes.qxd 8/2/11 9:18 AM Página 73
  • 76.
    CON (5). POSIBLE VARIACIÓNDE 25% DE F. POWER: VCC (8). COLOCAR ZENER DE 18V. OUTPUT: OUT (9) El preset R4 se coloca para ajustar la frecuencia del oscilador en el valor deseado de 85kHz. C2 es el capacitor generador del diente de sierra del oscila- dor y R1 y R2 sus resistores de carga y descarga. El capacitor C2 evita que se introduzcan ruidos y zumbi- dos en el oscilador. La salida por out es una señal rectangular de igual tensión que la fuente, de amplitud pico a pico, que se atenúa en R7 y R3 para aplicarla en el primer transistor inversor Q1. En el colector de Q1 la señal sale invertida con una amplitud de 20V debido a la presencia de la carga del segun- do inversor. Esa señal ya se aplica a la entrada (-) del comparador inferior. La señal invertida se aplica al transistor Q2 por R8 y R9 en donde se vuelve invertir para recuperar la fase ini- cial. El resistor R10 reduce la tensión de salida para igualarla con la del transistor 1. Las redes formadas por R11 y C3 por un lado y la R12 y C4 por otro son las redes integradoras donde se generan los dientes de sierra diferenciales. Los dientes de sierra están muy lejos de ser perfectamente lineales y además como no parten de una onda cuadrada tienen cierta diferencia de valor en sus extremos pero como el nuestro es un sistema muy realimen- tado estas distorsiones no tienen mayor importancia en la generación de la señal PWM. En las figuras 14 y 15 se pueden obser- var los oscilogramas en el sistema, medidos con los osciloscopios XSC2 y XSC3. ☺☺ Fuentes Pulsadas en Equipos Electrónicos Modernos 74 El Servicio Técnico a los Equipos Electrónicos Figura 15 - Oscilograma de las señales driver. Cap 3 - Servicio a Fuentes.qxd 8/2/11 9:18 AM Página 74
  • 77.
    EL DIAGRAMA ENBLOQUES DE UNA FUENTE CONMUTADA CON FLY-BACK En la figura 1 vemos el diagrama en blo- ques de este tipo de fuente que se caracteri- za por la presencia de un transformador del tipo flyback, lo que indica la necesidad de usar una frecuencia elevada para su funcio- namiento, prescindiendo de la frecuencia baja de 50 o 60Hz, típica de las fuentes de alimentación convencionales. El funcionamiento de este tipo de fuente puede explicarse de la siguiente manera. Se aplica una tensión de +B proveniente de un circuito rectificador al primario del transfor- mador flyback T11 y después a la pata 1 del procesador IC11. El retorno al circuito rectificador se efec- túa por medio del resistor R11. El resistor R21 suministra la tensión inicial de arran- que a la pata 9 de IC11. Un regulador inter- no suministra la tensión +B que necesita IC11. Un oscilador y modulador interno del tipo PWM (Pulse Width Modulation) sumi- nistra la señal a un circuito de excitación proporcional de drive. La forma de onda resultante es aplicada a un circuito interno de drive. La señal de drive sale por las patas 4 y 5 de IC11 y es aplicada a la etapa final por medio de la pata 3. El circuito de salida excita el transformador flyback T11 por la pata 1. Una tensión derivada del secundario B es rectificada por el diodo D21 y reem- plaza la tensión de arranque aplicada a la pata 9 de IC11. Una tensión de referencia rectificada por el diodo D22 es sensada por medio de la pata 8 para inhibir el funcionamiento del integrado. Un circuito sensor de exceso de corriente monitorea la corriente que atravie- sa R11. Si la corriente es excesiva, un cir- cuito cerrojo se activa e impide el funciona- miento por medio de un circuito interno de sobre- tensión OVP (Over Voltage Protection) y otro de protección térmica TSD (Thermal Shut Down). Una corriente primaria excesiva es sensada por la pata 6. Este circuito termi- na el ciclo del oscilador si la corriente primaria resul- tase excesiva. La regula- ción de la tensión es facili- tada por medio de una rea- limentación de una tensión de referencia por medio de un aislador óptico Q31 conectado a la pata 7. EL SERVICIO TÉCNICO A LAS FUENTES PULSADAS DE LOS EQUIPOS ELECTRÓNICOS MODERNOS 75Capítulo 3 Apéndice Figura 1 - Diagrama en bloques de una fuente con fly-back. Cap 3 - Servicio a Fuentes.qxd 8/2/11 9:18 AM Página 75
  • 78.
    El Circuito del Rectificador Enla figura 2 vemos el circuito del recti- ficador. El fusible F1 de 1,6 amperes prote- ge la fuente contra corrientes excesivas. El protector de sobrecargas D2 desvía la corriente causada por picos de tensión en la red, quema el fusible F1 y protege el circuito. El inductor L1 y el capacitor C1 ayudan a aislar línea de la red alterna del ruido de R.F. generado por la fuente. L1 ayuda tam- bién a reducir el golpe de corriente de encendido sobre el puente rectificador D1. Los capacitores C2 y C3 establecen un potencial de refe- rencia de la masa aislada con respecto a la línea de alterna. R1 impide la formación de cargas en la masa aislada al descargar constantemente el terminal común. Los inductores LB1 y LB2 impiden que el ruido de con- mutación se introduzca en la masa aislada. D1 es un rectificador de onda completa. C11 filtra la tensión conti- nua rectificada y suministrada al regulador conmutado. Circuito de Conmutación de Salida de la Fuente En esta fuente de alimentación el circui- to de salida de la fuente está incorporado en el controlador IC11. En la figura 3. vemos este sector del circuito. El transistor interno TR2 es usado como driver-amplificador intermedio. El circuito de excitación pro- porcional suministra una señal de pulsos cuadrados a su base. Esta señal es amplifi- cada y aislada y sale por la pata 5 de IC11. Fuentes Pulsadas en Equipos Electrónicos Modernos 76 El Servicio Técnico a los Equipos Electrónicos Figura 2 - El circuito rectificador. Figura 3 - Circuito de conmutación. Cap 3 - Servicio a Fuentes.qxd 8/2/11 9:18 AM Página 76
  • 79.
    Cuando el circuitode excitación propor- cional aplica un "HIGH" a la base de TR2, permite que la salida en la pata 4 quede flo- tando. A su vez cuando aplica un "LOW" a la pata 4, también aplica un "LOW" a la base de TR2. El resistor externo R14 permi- te que la salida de señal de TR2 en la pata 5 sea combinada con la salida de señal de excitación proporcional en la pata 4. Ambas señales se combinan y se acoplan a la pata 3 de IC11 por medio de R15 y C13. Esta señal actúa como driver para el transistor interno de conmutación TR1. Durante la parte de "apagado" de la señal, la pata 4 está conectada a masa a tra- vés del excitador proporcional y el capacitor C13 se descarga a través de D11. Cuando vuelve la parte positiva del "encendido" de la señal, TR1 conduce a medida que C13 se carga. El emisor de TR11 está conectado a masa por medio de la pata 2 de IC11. La conducción de TR1 conecta a masa la pata 1 y permite que cir- cule corriente a través del bobinado prima- rio del transformador T11. El Arranque de la Fuente Inicialmente, cuando se enciende el equipo, la tensión de +B es suministrada a la pata 9 de IC11 por medio de los resistores R21 y R24. La tensión de +B forma una rampa en la pata 9 a medida que el capacitor C21 se carga. Tan pronto la tensión llega a 7,6 volt, el circuito de arranque en el IC11 se activa y suministra tensión al regulador interno. El regulador interno aplica tensión a los circuitos del osci- lador y driver de IC11. La ten- sión generada en el bobinado B es rectifica- da por el diodo D21 y filtrado por C21. La tensión +B resultante es usada para alimen- tar a IC11, eliminando la necesidad para R21 y R24 cuando se establece el modo fun- cional. En la figura 4 vemos el circuito correspondiente. El Oscilador El circuito del oscilador recibe su tensión de +B del circuito del regulador interno. Los tiempos de este oscilador se fijan por los cir- cuitos de temporización "T-ON" y "T-OFF". El oscilador forma rampa a medida que el capacitor interno C1 se carga a través de R1. Esta rampa decae a medida que el capacitor C2 descarga por R2. Este proceso forma una onda triangular que se aplica al excitador proporcional que la transforma en una onda cuadrada. La pata 8 suministra realimentación desde el trans- formador T11. Esta señal de realimentación sincroniza el periodo de corte del oscilador con el colapso del campo magnético del EL SERVICIO TÉCNICO A LAS FUENTES PULSADAS DE LOS EQUIPOS ELECTRÓNICOS MODERNOS 77Capítulo 3 Figura 4 - El circuito de arranque de la fuente. Cap 3 - Servicio a Fuentes.qxd 8/2/11 9:18 AM Página 77
  • 80.
    transformador usando dos comparadoresinternos. Los comparadores Op1 y Op2 son referenciados por 0,75 volt y 1,4 volt, res- pectivamente. La Regulación de la Fuente Esta fuente de alimen- tación usa la modulación por ancho de pulso para obtener una tensión de salida constante. Al acortar el tiempo de la formación de rampa (tiempo de encendido) se reduce la potencia aplicada al transformador duran- te cada ciclo de trabajo. Esto reduce las ten- siones de salida, en cambio el aumento del tiempo de encendido resulta en un aumento en las tensiones de salida. El resistor interno R1 y el capacitor interno C1 determinan la constante de tiempo de la rampa. El valor de C1 es de 0.0033µF y el valor de R1 es ajus- tado en fábrica como para obtener un tiem- po de rampa mayor que el necesario, lo que resulta en una tensión de salida excesiva. Se agrega una red externa, formada por R31, Q31, R32 y D32. Esta red asiste al resistor interno R1 para lograr una carga más rápida de C1. Así se reduce el tiempo de la rampa. La variación de la resistencia de este circuito modifica el tiempo de la rampa. Esta variación se logra por la variación de la conducción del transistor en el acopla- dor óptico Q31. La resistencia de Q31 es inversamente proporcional a la intensidad de la luz que incide en su base. Un diodo LED en el interior de Q31 suministra la intensidad de luz sobre la base del transistor para producir las tensiones de salida desea- das. En la figura 5 podemos observar los detalles de este circuito. La Limitación de la Corriente del Primario Para proteger la fuente de alimentación de la destrucción por corriente exclusiva, se agrega un circuito de limitación de la corriente del primario. Cuando el transistor Tr1 es conmutado para conducir, la corrien- te circula por el bobinado del primario del transformador T11. Cuanto más tiempo el transistor Tr1 conduce, mayor será su corriente. A medida que la corriente aumen- ta, la caída de tensión sobre R11 también aumenta. Esta caída de tensión es aplicada a la pata 6 de IC11 a través de un divisor de tensión consistente de R13 y R12. Tan pronto como la pata 6 se polariza más negativo que la tensión interna de refe- rencia de -1 volt, la salida del amplificador operacional interno va a HIGH, terminando la parte de ON del ciclo del oscilador. Esto se repite en cada ciclo del funcionamiento. Fuentes Pulsadas en Equipos Electrónicos Modernos 78 El Servicio Técnico a los Equipos Electrónicos Figura 5 - Circuito del oscilador y regulación. Cap 3 - Servicio a Fuentes.qxd 8/2/11 9:18 AM Página 78
  • 81.
    Circuitos de Protección Enel procesador IC11 se encuentra incorporado un circuito cerrojo, como vemos en la figura 6. Este cerrojo permite detener el funcionamiento de la fuente de alimentación en caso de suceder defectos. Un sensor de corte térmico activa la com- puerta OR, OR1 si la temperatura del inte- grado excede el límite prefijado de 150°C. Esto activa el cerrojo que a su vez bloquea el oscilador y detiene la fuente. La tensión de +B aplicada a la pata 9 de IC11 es monitoreada por un protector de sobretensión (OVP = Over Voltage Protector). Si el +B alcanza el nivel indese- ado de 10 volt, el circuito OVP activa la compuerta OR y apaga la fuente de alimen- tación. La tensión de cresta no filtrada es deri- vada del transformador T11 y es aplicada a la pata 8 de IC11 a través de D22 y es moni- toreada por el comparador OP3. Si la ten- sión de cresta alcanza a 5,1 volt, el compa- rador activa la compuerta OR y apaga la fuente. Cuando el apagado ocurre, el cerrojo permanece bloqueado hasta que la tensión desaparece o la corriente a través del cerro- jo se reduce a menos de 500µA. Las Fuentes del Secundario de T11 La tensión de las fuentes derivadas del secundario del transformador T11 puede variar debido a las variaciones en la fuente de 6 volt que se usa como realimentación para la regulación. Por este motivo, es importante que cada una de estas fuentes de tensión sea regulada en forma individual. Los 12 volts que salen de la pata 17 de T11 son filtrados y aplicados al colector del regulador Q31. Este transistor es usado como conmutador y como regulador. Cuando la línea del encendido (POWER ON/OFF) se encuentra en LOW, Q34 está apagado. Por lo tanto QR33 es apagado y no llega ninguna polarización a la base de Q31. Se observa este circuito en la figura 7. Esto produce el corte de Q31 y el apaga- do de la fuente de 9 volt. Cuando se encien- de el equipo, Q34 y Q33 empiezan a conducir y suministran una polariza- ción a la base de Q31 a tra- vés de los resistores R31 y R32. Esta polarización es fijada por el diodo Zener D32 en 10 volt. El transis- tor Q31 conduce y sumi- nistra 9,3 volt en su emi- sor. Con la fuente de 9 volt encendida y regulada por el diodo Zener D32, resul- ta importante encender y regular también la fuente de -9 volt. Además, es muy EL SERVICIO TÉCNICO A LAS FUENTES PULSADAS DE LOS EQUIPOS ELECTRÓNICOS MODERNOS 79Capítulo 3 Figura 6 - Las protecciones de la fuente. Cap 3 - Servicio a Fuentes.qxd 8/2/11 9:18 AM Página 79
  • 82.
    importante que este nivelse mantenga en concordancia con el nivel de +9 volt. Cuando la tensión de 9 volt sube o baja, la tensión de -9 volt tam- bién debe subir o bajar en concordancia. En la pata 18 de T11 existe una tensión rectificada y filtrada de -13 volt. La polari- zación para el transis- tor de regulación Q41 es suministrada por el resistor R42 y el tran- sistor Q42. Cuando la tensión de 9 volt apa- rece en el emisor de Q32, éste conduce y enciende Q42. El transistor Q42 polariza Q41 para conducir y la tensión de -13 volt aparece en su emisor. Como en el divisor de tensión R43, R36 y R35 aparece una tensión negativa más alta en un extremo y una ten- sión positiva más baja en el otro, esta pola- rización hace conducir Q43. La conducción de Q43 reduce la polarización en la base de Q41. Esto reduce la tensión de salida de Q41 y lo ajusta a -9 volt. Inversamente, una disminución en la tensión de -9 volt produ- ce una reducción en la conducción de Q41 y restaura los -9 volt. Un incremento en el nivel de 9 volt produce la menor conducción de Q43 y la mayor conducción de Q41. Esto balancea el incremento o la reducción de +9 volt y -9 volt en forma recíproca. ☺☺ Fuentes Pulsadas en Equipos Electrónicos Modernos 80 El Servicio Técnico a los Equipos Electrónicos Figura 7 - Las tensiones del secundario de la fuente. Cap 3 - Servicio a Fuentes.qxd 8/2/11 9:18 AM Página 80
  • 83.
    3ª de forros2.qxd 6/9/11 12:06 PM Página 3ªFo1
  • 84.
    4ª de forros.qxd6/9/11 12:07 PM Página 4ªFo1