Incrustar presentación
Descargar como PDF, PPTX












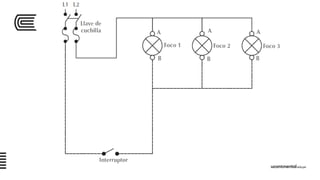
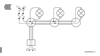
El documento trata sobre proyectos de instalaciones eléctricas en interiores. Cubre prototipos de proyectos eléctricos residenciales y una práctica de laboratorio. También incluye información sobre instalaciones domiciliarias varias en serie, paralelo y mixto.











