Incrustar presentación
Descargado 11 veces










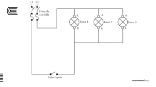
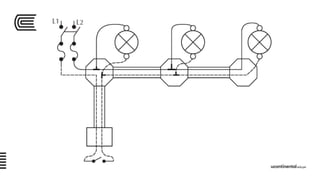
El documento presenta dos temas sobre proyectos de instalaciones eléctricas en interiores. El primer tema cubre prototipos de proyectos eléctricos residenciales y prácticas de laboratorio. El segundo tema trata sobre diferentes tipos de instalaciones domiciliarias, incluyendo circuitos en serie, paralelo y mixto.









