Resumen del programa
Vc!lllulasdirecci
Mando
directo
ItlectrIco
Mecanico
Manual
de
ResClmen
proxima carilla
TN 6, 10
Pmax.'" 630 bar
Omax. =36 I/rnin
Aceite f1ineral
Direccionalesde asiento para: Emulsion aceite-agtfa
Agua
Mando
directo
TN 10 hasta 82
Pmax. '" 500 bar
Omax. =4000 I/min
Mando indirecto
91
Resumen del programa
92
Valvulas direccionales
de corredera
,
Mando Mando
directo indirecto
11
TN 5 hasta 32 Mando.
TN 6 hasta 102
Mando Pmax. =315 bar electro- Pmax. = 350 bar
manual Omax. = 1500 I/min hidraulico Omc1x.=7000 I/min
TN5.6.10
Mando Pmax. = 315 bar
mecanico Omc1x.=100 I/min
-,
TN 5 hasta 102
Mando Pmax. =350 bar
hidrc1ulico Omax. =7000 I/min
TN5.6.10
Mando Pmax. = 315 bar
neumc1tico Omc1x.=100 I/min
TN5.6.8.10 a
Mando Pmax. =315 bar
electrico Omc1x.=100 I/min
Valvulas direccionales
FuncicSn
Con una valvuladireccional se controla el arranque, la deten-
cion y la direccion del flujo de un fluido y con ello la direc-
cion del movimiento y las posicionesde detencion de un con-
sumidor (cilindro 0 motor hidraulico).
La denominacion de las valvulas direccionales se realiza en
base al numero de las conexiones de trabajo y al numero de
las posiciones factibles (Ias conexiones de pilotaje y fuga no
intervienen).
Una valvula con dos conexiones y dos posiciones se denomina
entonces "valvulas direccionals 2/2".
Esquema
A
p
Una valvulacon cuatro conexiones y tres posiciones se llama
en consecuencia"valvula direccional 4/3".
p = conexion de presion
(de la bomba)
=tanque
=conexiones al consumid9r
T
A,S
I
~.
Valvulas direccionales
de asiento
Esquema
A B
p T
La indicacion de las conexiones se hace siempre en la posi-
cion en que la valvulano esta accionada.
Las valvulas direccionales se pueden, por su construccion, di-
vidir en dos grupos:
1) Viflvula direccional de asiento
2) Viflvula direccional de corredera
Ademas pueden ser de mando directo 0 de mando indirecto
o pilotadas.
Que una valvula sea de mando directo 0 indirecto depende en
primera instancia de las fuerzas necesarias para su acciona-
miento y con ello del tamaiio nominal.
1) Viflvulas direccionales de asiento
Las valvulas direccionales de asiento se diferencian de sus
similaresde corredera fundamentalmentepor la capacidad
de brindar un cierre sin fugas.
Esto no es posible en lasvalvulasde corredera debido al juego
necesario entre carcasay corredera para permitir el movimien-
to de esta.
La figura muestra vdlvu-
las direccionalesde asien-
to con mando eldctrico,
por rodillo y manual.
93
Valvulas direccionales de asiento
Fig. 1
Valvuladireccional de asiento 3/2 con mando electrico di-
recto y versioncon una bola, Tipo SE.. U
Esquema
A
PI IT
El elemento de cierre es una bola 1, que en la posici6n inicial
es apretada por el resorte 2 al asiento 3 (Fig. 1).
Lasconexiones P y A est~n comunicadas y la conexi6n T est~
cerrada. El cambio a la otra posici6n se realiza con un elec-
troim~n 0 manualmente.
El nucleo del electroim~n empuja a la palanca 5 (alojada en
el adaptador 4) y esta desplaza al v~stagode ataque 6 que le-
vanta a la bola de su asiento y la empuja contra el resorte 2.
Ahora la conexi6n P est~ cerrada y la comunicaci6n entre A
y T est~establecida.
Por medio de un canal interno se conect6 la parte posterior
del v~stagode ataque con la presi6n P.
AsIse logracompensar la fuerza que resulta de la presi6n que
actua sobre la superficie expuesta de la bola. Las fuerzas en
el v~stago est~n en equilibrio y la fuerza necesaria del elec-
troim~n para el cambio de posici6n es menor.
Dos retenes impiden las fugas en el v~stago de ataque.
La presi6n de servicio es hasta de 630 bar.
94
Durante la conmutacion las conexiones se encuentran comu-
nicadas entre si durante un corto tiempo (ver superposici6n
negativa).
En estas v~lvulasno se logra la diversidad de posibilidades de
influir sobre el flujo como en lasde corredera; la razon es de
Indole constructiva.
Si se quieren invertir lasposiciones de la v~lvulade 1 bola, se
debe utilizar la v~lvulade dos bolas (Fig.2).
Fig.2
TAP
Valvula direccional de dos bolas con mando eltfctrico directo
Tipo SE.. C
Esquema
p T
En la posicion inicialde la v~lvulade dos bolas lasconexiones
Ay T est~n comunicadas y la conexi6n P est~ cerrada.
La presi6n en P y el resorte aprietan a la bola derecha contra
su asiento.
En la otra posicion la bola derecha es levantada de su asiento
y la bola izquierda es apretada contra su respectivo asiento
por el v~stagode ataque.
La palanca est~ disef'iadaen funcion del electroim~n. En las
v~lvulas con electroim~n de corriente alterna la palanca es
el~stica; en lasv~lvulascon electroim~n de corriente continua
la palanca es m~srlgida.
Valvulas direccionales
de asiento
Con una placa intermedia debajo de la valvuladireccional de
asiento 3/2 se obtiene una valvuladireccional de asiento 4/2.
El funcionamiento se explica con lasfiguras 3 y 4.
PosicicSn inicial
Fig.3
La parte superior 1 representa a la valvula direccional de
asiento 3/2 y la parte inferior 2 es la placa intermedia.
En la posicion inicial, la bola de la parte 1 esta apretada con-
tra el asiento izquierdo. Laconexion de P haciaA esta abierta.
-
Una conexion piloto actua desde A sobre la corredera de la
parte 2. La diferencia de lassuperficies sabre lascuales actua
la presion, provocaque lacorredera se deslice hacia la derecha
y sea apretada contra su asiento derecho. Laconexion Besta
interrumpida con P y comunicada con T.
Cambio de posicicSn
Fig.4
A
Valvulas direccionales
de corredera
AI accionar la valvula direccional de asiento 3/2 se cierra arri-
ba la conexion con P y se establece la conexion entre A y T.
La presion en P empuja la corredera hacia la izquierda inte-
rrumpiendo la comunicacion entre B y T y estableciendola
entre P y B.
Datos tecnicos
Tamanos nominales: TN 6 y 10
Caudal: hasta 36 I/min
Presion de servicio: hasta 630 bar
2) Vdlvulas direccionales de corredera
Las valvulas direccionales de corredera pueden ser de corre-
dera lineal (embolo) y de corredera giratoria.
Dadas las multiples ventajas que ofrece el sistema de corre-
dera lineal, esel masutilizado:
Ventajas: construccion relativamente sencilla
en comparacion con la corredera giratoria, muy
buen rendimiento
buena compensacion de presiones y con ello
fuerzas reducidas de accionamiento
(ver valvula de asiento)
reducidas perd idas
multiples espectros de funciones
Fig. 5
TAP B T
Vdlvula direccional de corredera 4/3 Tipo WMM,
con mando manual por palanca
95
pi IT
Construcci6n (Fig. 5)
En una carcasa 1 hay una perforaci6n longitudinal y una se-
rie de canales perifericos a esta 2. Los canales interrumpen a
la perforaci6n longitudinal formandose asl cantos de control 3.
Una corredera de control 4 se mueveaxialmente en la perfo-
raci6n estableciendo0 interrumpiendo conexiones en los can-
tos de control. Loscanales peritericos estan comunicados con
lasconexiones al exterior.
El establecimientoy lainterrupci6n de conexiones son sincr6-
nicosy el proceso se puede determinar exactamente.
Lasdiferentes funciones de control se logran de manera rela-
tivamente sencilla, utilizando correderas de distintas formas.
Engeneralla carcasapermanece invariable.
En nuestro ejemplo la valvulase encuentra en la posici6n ini-
cial (no actua ningunafuerza externa sobre lacorredera) y las
conexiones P, T, A y B estan interrumpidas. Si ahora move-
mos la corredera, por ejemplo. hacia la derecha, se establecen
las conexiones entre P y B y entre A y T. El escaso juego
entre corredera y carcasa adopta la_funci6nde junta. Sin em-
bargo no es posible lograr una hermeticidad total, como en
lasvalvulasde asiento.
Las fugas, que siempre existen, dependen del juego, de la
presi6n y de la viscosidad del fluido. Es por ello que estas
valvulasno son aptas para funcionar con agua, pero con acei-
te la hermeticidad que se alcanza es suficiente.
Posiciones de trabajo
Lasdistintas funciones de control del flujo son logradascon
el empleo de lasrespectivascorrederas y pueden ser represen-
tadas esquematicamente. Cada compartimento representa
una posicidnde la corredera.
Como ejemplo mostramos los esquemas mas comunes que
han sido denominados con letras.
Las posiciones con las flechas paralelas y cruzadas son las lIa-
madas "posiciones de trabajo".
96
Las posiciones centrales en las valvulas con tres posiciones se
Ilaman "posiciones iniciales".
Todas las conexiones, por ejemplo, pueden estar interrumpi-
das (E) 0 todas comunicadas (H); muchas combinaciones de
ambos casos son posibles.
Cual posici6n inicial se adopta depende de la instalaci6n y
del efecto deseado en losconsumidores.
SuperposicitSn. posiciones intermedias
Es importante conocer cual es la funci6n cuando la valvula
esta en una posici6n intermedia. Esta funci6n depende de la
superposici6n.
Se distinguen tres tipos de superposici6n.
1) SuperposicitSn positiva (Fig. 6)
En la superposici6n positiva, al moverse la corredera hacia la
derecha, se cierra la conexi6n entre P y T antes de que se
establezca la conexi6n entre P y A. Durante el cambio de po-
sici6n estan cerradas transitoriamente todas las conexiones.
Valvulas direccionales de corredera
Esquema Esquema
AI IB
[L]LJ =A (8) [XIH[]=M
[X[] =c []E]X] =p
[X[O] =D(Y) [Z]H[[] = Q
[Zb[] = E =R
[]]E[X] =F []JDIX] =T
[]8IX] =G [Xk][] = u
OOEJI]] =H 00HIl] =v
[XIE[]] =J OOHII] =w
[X]B[] =L
Valvulas direccionales de corredera
Fig.6
carcasa
corredera
Se produce una elevaci6n de la presi6n, cuya magnitud de-
pende del caudal y del tiempo necesario para el cambio.
Ventaja: un consumidor solicitado con una carga no se podra
mover; una presi6n piloto tomada antes de la valvula queda
mantenida.
2) Superposici6nnegativa (Fig.7)
Fig. 7
carcasa
corredera
Aqul la conexi6n entre A y P se establece antes de que quede
interrumpida la conexi6n entre P y T. Durante el cambio de
posici6n las conexiones estan comunicadas transitoriamente
entre sI.
El resultado es un cambio suavedel flujo, pero pueden lIegar
a aparecer movimientos indeseadosen el consumidor.
3) Superposici6nnula (Fig.8)
La superposici6n nula es el caso intermedio.
Los espacios son iguales (Xl = x2). Ello significa que en el
mismo momento en que se interrumpe la conexi6n entre P y T,
se establece entre P y A.
Esta superposici6n se utiliza generalmente en servo-valvulas,
en las cuales se desea que ya un pequeno movimiento de la
corredera influyaen el flujo.
Fig. 8
carcasa
corredera
Representaci6n de las posiciones intermedias
Dado que en la elecci6n correcta de una valvulase debe tener
en cuenta tambien las posiciones intermedias, se integr6 a
estas en la representaci6n.
Como no son posiciones estables sine de transici6n, la repre-
sentaci6n se hace con IIneasfinas y de trazos.
Esquema
rvITlTTIl - C~ -
I X!~ ~iDJ == D
IX!~ ~:~ ~!~ ~!DJ =E
IX!%i8Jh[] =M
97
Valvulas direccionales de corredera
Vdlvulas direccionales de corredera con mando directo
La corredera de estas valvulas es comandada directamente.
El comando puede ser mecanico, hidraulico, neumMico 0
electrico. El dispositivo de mando esta montado lateralmente
a la valvula.
Mandos mecdnicos
~--
t
~ ...
.. .
· - ,.. l .-";.,. "t~
~
'
'
...'...
'.
J'
.
;'.-
..
.
~- j~
..;! '., . -. ~
'-- -. i.. ~"-
En la fotograffa se muestran de izquierda a derecha:
Mando por rodillo Tipo WMR
Mando por boton giratorio Tipo WMD
Mando por palanca Tipo WMM
Mando por palanca Tipo WMM
98
En el corte de la figura 9 se muestra el mando por medio de
una palanca 1.
La corredera esta fija al dispositivo de mando 2 y sigue al
movimiento de este.
El retorn.ode lacorredera a su posici6n inicialse produce por
medio de los resorte 3 (cuando del dispositivo de mando no
actua ninguna fuerza: soltar la palanca).
Si la valvula esta equipada con anclaje, se puede trabar una
de las posiciones de trabajo. Solamente con una fuerza ex-
terna se puede regresar a la posici6n inicial (no es posible en
el mando con rodillo).
Mando hidrdulico y neumcitico
La foto muestra vdlvulascon mando hidrdulico 0 neumdtico
de tamanos nominales 5,6 y 10 (de la derecha)
Esquema
mando neumatico y mando hidraulico con centraje por re-
sortes.
-+-
Valvulas direccionales de corredera
Fig. 10
En este corte se muestra una valvula de dos posiciones
(Fig. 10).
Por medio de una presi6n sobre el embolo de mando 2, se
empuja la corredera 1 hacia la posici6n derecha. AlII queda
fijadacon el mecanismode anclaje 3.
La corredera no esta unida con el embolo de mando. En las
valvulascon dos posiciones con anclaje 0 sin retorno por re-
sorte, as! como en las valvulasde tres posiciones, se necesi-
tan siempredos embolos de mando.
Un solo embolo de mando se necesita cuando la valvula es
de dos posiciones y el retorno a la posici6n inicial se realiza
por mediode resorte.
Mandoseldctricos
Mando par electraimdn
en diferentes versianes
Este mando es el mas comun por ser el mas apto para los pro-
cesos actuales automatizados.
Existen cuatro modelos basicos de electroimanes:
Electroimilnde corriente continua, funcionando en seco
Tambien se los denomina "electroimanes secos"
Electroimilnde corrientecontinua, funcionandoen aceite
Tambien se los denomina "electroimanes humedos". El
nucleo esta sumergido en aceite a presi6n.
Electroimiln de corriente alterna, funcionando en seco
Electroimdnde corriente alterna, funcionando en aceite
El electroimilnde corrientecontinuaofrece una alta seguridad
en su funci6n y es suave. No se quema cuando se traba la
corredera.
Es apto para una gran frecuencia de cambio de posiciones.
99
v61vulasdireccionales de corredera
El electroimclndecorrientealternase caracterizapor la alta
velocidad del nucleo. Si el nucleo no lIegahasta la posicion
final,se quema despues de un cierto tiempo (1 a 1 1/2 horas).
El electroimcln que funciona en aceite es apto para instalacio-
nes en la interperie y en clima humedo. El nucleo se mueve
en aceite, 10 que provoca un reducido desgaste, buena eva-
cuacion del calor y un funcionamiento amortiguado.
El electroimcln funcionando en seco, es la construccion mas
simple.
Para una mejor comparacion se enfrentaron en la figura 11
un electroiman seco de corriente alterna 1, a la izquierda, y
un electroiman secode corriente continua 2, a la derecha.
En este ejemplo la valvula es de dos posiciones y sobre la
corredera no actuan resortes de retorno.
Es una denominada "valvula de impulso".
AI exitar al electroiman 1, el nucleo se desliza y empuja a la
corredera por medio del vastago de control, hacia laderecha,
que es la posicion indicada en el carte.
El nucleo de los electroimanes secos, esta aislado del aceite
del canal T por lasjuntas en el casquillo 3.
Aquf los resortes tienen la funcion de sujetar a los casquillos
haciaafuera.
100
Valvulas direccionales de corredera
En la figura 12 se muestra, a la izquierda, un electroiman hu-
medo de corriente continua 4 y, a la derecha, un electroiman
humedo de corriente alterna 5. El nucleo esta siempre comu-
nicado con el canal T y sumergido en aceite. Esta es una val-
vula de tres posiciones.
Los resortes 6 se apoyan contra las carcasas de los electroi-
manes y por medio de un casquillo y una arandela, ubican a
la corredera en su posici6n central.
La corredera es plana en sus extremos y a diferencia de las
valvulas con electroiman seco, el vastago de mando no esta
unido a la corredera, sino al nucleo.
En las figuras 11 y 12 se muestra tambien el accionamiento
auxiliar manual 7; desde el exterior se puede mover aslla co-
rredera. De esta manera es simple de controlar el funciona-
miento de los electroimanes.
Las valvulas de corredera, hasta ahora tratadas, son de tres
camaras. Los canales P, A Y B estan aislados entre si por los
cantos en la carcasa. El canal T no esta aislado, sino que tiene
comunicaci6n al exterior y es aislado recien con el montaje
del dispositivo de mando.
Vd/vu/as de cinco cdmaras
Fig. 13
En las valvulas de cinco camaras tambien el canal Testa ais-
lado en ambos extremos, asl como las camaras P, A Y B.
(Fig. 13).
Las dos camaras extremas estan comunicadas entre si por un
canal (amarillo).
AI moverse la corredera,el fluido es desplazado de una cama-
ra hacia la otra y por medio de una tobera en el canal de co-
municaci6n se puede regular la velocidad del desplazamiento
de la corredera en funci6n del (/) de la tobera.
'-, -.---.......
."----.
'"
.- ~
-. I
j
/
~'
101
Valvulas direccionales de corredera
Vdlvulas direccionales de corredera - Datos Tecnicos
102
.9 "0 u... Q)u ...Q) :c.: c: Omax. Pmax.1j
Elemento de mando
0 0
Tipo {I/min} (bar) TN1j 1j
c: c:
<V <V
:2 :2
Rodillo x WMR 14 315 5
Rodillo x WMR 30 315 6
Rodillo x WMR 80 315 10
Palancamanual x WMM 30 315 6
Palancamanual x WMM 80 315 10
Palancamanual x H-WMM 180 350 16
Palancamanual x H-WMM 450 350 25
Palancamanual x H-WMM 1500 350 32
Bot6n giratorio x WMD 14 315 5
Bot6n giratorio x WMD 30 315 6
Bot6n giratorio x WMD 80 315 10
Neumatico x WP 30 315 6
Neumatico, PSt = 4,5 hasta 12 bar x WP 80 315 10
Neumatico, PSt = 1,5 hasta 6 bar x WN 80 315 10
Hidraulico x WH 30 315 6
Hidraulico x WH 80 315 10
Hidrdulico x H-WH 180 350 16
Hidrdulico - x H-WH 450. 350 25
Hidraulico x H-WH 1500 350 32
Electroimanesde corriente alterna 0 continua x WE 14 250 5
hUmedos
Electroimanesde corriente alterna 0 continua x WE 60 315 6
hUmedos
Electroimanesde corriente continua, secos x WE 100 210 10
Electroimanesde corriente alterna, secos x WE 100 210 10
Electroimanesde corriente continua, h{Jmedos x WE 100 315 10
Electroimanesde corriente alterna, h{Jmedos x WE 100 315 10
Electroimanesde corriente continua, h{Jmedos, x WE 30 60 6
protecci6n contra explosi6n
Electroimanesde corriente continua, h{Jmedos, x WEH 30 100 6
protecci6n contra explosi6n por baja tensi6n
Electroimanesde corriente continua, humedos, x WE 80 210 lD
protecci6n contra explosi6n, contra explosi6n
y ambiente salino, contra explosi6n y a prueba
de grisu
Electroimanesde corriente continua, secos, x WE 80 315 10
con interruptor en el fin de carrera
'- /
Valvulas direccionales de corredera
Vcllvuladireccional de corredera
Mando indirecto (pilotadas)
,.
,,
Vd/vu/as direcciona/es de corredera, pilotadas, mando e/ectro-
hidrdu/ico para conexion por p/aca base y bridas
Valvulas de tamanos nominales grandes, es decir, con gran ca-
pacidad hidraulica (= p x Q) son pilotadas.
La razdn es la elevada fuerza que se necesita para mover la
corredera y las consiguientes dimensiones que tendrlan los
electroimanes. Es por ello que lasvalvulasde tamaf'onominal
mayor que 10 son pilotadas. Una excepci6n son las valvulas
con mando directo por palanca, que lIeganhasta TN 32, con
lasconsiguientesdimensionesde la palanca.
Una valvula pilotada esta compuesta de la valvulaprincipal 1
y de lavalvulapiloto 2 (Fig. 14).
La valvulapiloto es comandada generalmente por un electroi-
man (mando electrico). La senal electrica que actua sobre la
valvula piloto es amplificada hidraulicamente y mueve a la
corredera principal.
En las valvulas de TN 102 (hasta 7000 I/min) la valvula pi-
loto es a su vez una valvulapilotada.
En este caso la raz6n del doble pilotaje no son lasfuerzas si-
no los caudales de mando necesarios.
103
Valvulas direccionales de corredera
Vcllvuladireccional con mando electro-hidnfulico, centraje
por resortes
Fig. 14
(j)
.:.:.:.:.:.:.:::.:.:::::::::::::::::::.1...............................................................................................
':-:':';':':';':':':';':-:':':':-:':':
1
.........................................................."I........................................ . . . . . . . . . . . . . . . . . ...................... . . . . . . . . . . . . . . . . . .......................................................... . . . . . . . . . . . . . . . . . ........................................................... . . . . . . . . . . . . . . . . . .............................................................................................
y
Esquema detail ado
X = externa; Y = externa (por ejemplo)
Simplificado
a b
La valvula piloto es una valvula direccional 4/3 con mando
electrico (Fig. 14).
p T
La corredera principal 3, en laversionde centraje por resortes,
es mantenida en su posicion central por los resortes 4. En la
posicion inicial (central), ambas camaras en donde estan alo-
jados los resortes (amarilloJ, estan descomprimidas hacia el
tanque (azul) por lavalvulapiloto.
I °
--+0'-
I I
XY
-.0_.
104
,----- -
-,.
la,Xr
0
0
,b,Y I
I
I I .
L -' _ _ _ -, . I I.
I
r 1- - - - .J
I
ab
Valvulas direccionales de corredera
(x) P T (y)
La valvu'lade pilotaje es alimentada con fluido por el canal
de pilotaje 5. La alimentaci6n puede ser externa 0 interna
(masdetalles ver pagina 107),
Si, por ejemplo, exitamos al electroiman izquierdo, la corre-
dera de la valvula piloto se movera hacia laderecha; sobre la
camara 7 actuara la presi6n piloto y la camara 6 estara conec-
tada con el tanque (descomprimida).
La presi6n piloto actua sobre lacorredera y la empuja contra
el resorte 4.1 hacia la izquierda hasta la tapa. Aslen la valvu-
la principalse establece la conexi6n de P con A y de B con T.
AIdesexitaralelectroiman,la corredera piloto se centrara y la
camara 7 es comunicada con el tanque, descomprimiendose.
El resorte 4.1 empujara a la corredera principal hacia la de-
recha hasta el platillo del resorte 4.2. Lacorredera estara cen-
trada, El fluido de la camara 7 es evacuado hacia el tanque
a traves de la valvula piloto por el canal Y, siendo la evacua-
cion entonces externa.
Tambien puede ser interna.
El proceso para la otra posici6n es similar.
Para mover la corredera princip.al se necesita, segun la funci6n
y la construcci6n, distintas presiones piloto,
105
Valvulas direccionales de corredera
Vdlvula direccional, mando electro-hidnlulico,
centraje por presi6n
Fig. 15
Esquema detallado
X=interno; Y =externa (por ejemplo)
Simplificado
a b
En la version con centraje por presion, en la posicion central,
ambas camaras 6 y 7 estan solicitadas con presion.
La corredera principal es mantenida en su posicion central
por la accion simultanea de la presion sobre la cara 3, el cas-
quillo de centraje 8 y el vastago de centraje 9.
106
,-
-
-I
I a,Y
b
"'lb.X !
r-
I
I
I
-- ___J ,
I
b II
a
- - - -.. I
.
I
.J-----k-+. -
L P XY T
Valvulas direccionales de corredera
Posici6ncentral de lavalvulapiloto:
(x) P T (y)
Si se exita al electroiman derecho de la valvula piloto, la co-
rredera piloto se movera hacia la izquierda. Lacamara 6 que-
da comunicada con la presi6n y la camara 7 es descomprimi-
da hacia el tanque. El casquillo de centraje 8 esta apoyado
contra la carcasa y el vastago de centraje 9 empuja a la co-
rredera hacia laderecha hasta el tope.
Los resortes en las camaras 6 y 7 estan previstos para mante-
ner a la corredera en su posici6n central cuando la valvula
esta montada verticalmente. AI desexitar al electroiman, la
corredera piloto retorna a su posici6n central y la camara 7
es comunicada nuevamente con la presi6n.
La superficie 3 de lacorredera es mayor que la del vastago de
centraje 8. La corredera principal se movera hacia la izquier-
da hasta que el canto 10 se apoye sobre el casquillo de cen-
traje. La suma de lassuperficiesde casquillo y vastago es ma-
yor que la superficie de lacorredera, quedando esta detenida
en su posici6n central.
Si se exita al electroiman izquierdo, la corredera piloto se
movera hacia la derecha. Lacamara 7 queda comunicada con
lapresi6n y la 6 es descomprimiga hacia el tanque.
La presi6n sobre la superficie 3 mueve a la corredera princi-
pal hacia la izquierda hasta que el vastago de centraje 9 toque
la tapa. El casquillo 8 tambien es desplazado. La posici6n
deseada en la valvulase ha logrado. AI desexitar al electroi-
man, la corredera piloto vuelve a su posici6n central y la
camara6 es comunicada nuevamente con la presi6n.
La suma de las superficies de casquillo 8 y vastago 9, es ma-
yor que la superficie 3 de la corredera y esta se mueve hacia
la derecha hasta que el casquillo se apoya contra la carcasa.
Ahora la superficie 3 de la corredera es mayor que la del
vastago 9 y la corredera queda detenida en su posici6n cen-
tral.
Para descomprimir la camara entre corredera y casquillo esta
previstalaconexi6n necesaria L (violetaJ.
Alimentacioninternade fluido piloto (Fig. 15, Pos. 12)
En este caso el fluido piloto se obtiene del canal P y por una
conexi6n interna (rojo) se abastece a la valvulapiloto.
La coneci6n X debe estar interrumpida y el vastago 11 debe
estar como muestra la figura.
Con el fluido piloto interno no se necesita un circuito de pi-
lotaje adicional. Sin embargo se deben considerar algunos
factores:
Si la corredera principal tiene superposici6n negativa 0 si
en la posici6n central el fluido circula (sin presi6n), no se
obtiene la presi6n piloto necesaria para mover a la corre-
dera principal.
Hay que instalar, por ejemplo, una pequef)a valvulade pre-
si6n en el canal P para producir la presi6n previa requerida
para el pilotaje. La conexi6n X esta delante de'la valvula
que abre recien cuando la presi6n piloto es 10suficiente-
mente elevada. Esta soluci6n implica una perdida perma-
nente de presi6n (ver valvula de presi6n previa. Pag. 108).
Si al circuito esta conectado, por ejemplo, un acumulador
se puede producir, en algun momento, un caudal tan gran-
de que puede destruir a la valvula de presi6n previa. Hay
que instalar delante de la valvula, en el canal P, un estran-
gulador (tobera) para reduclr el caudal.
Ademas se debe tener en cuenta que la presi6n maxima de
servicio no sea mayor que la presi6n maxima admisible de
pilotaje. .
En caso constrario, hay que instalar una valvulareductora
de presi6n. La reducci6n requerida en estas valvulases de
1 : 0,66.
Naturalmente se debe observar tambien que la presi6n re-
ducida no sea menor que la presi6n minima de pilotaje
necesaria.
Alimentacionexternade fluido piloto (Fig. 14, Pos. 13).
El fluido piloto se obtiene de un circuito separado cuyas ca-
racterfsticas de presi6n y caudal se acomodan mejor a los re-
querimientos que en el caso anterior.
En lasvalvulasmostradas, el cambio de "interno" a "externo"
o viceversa,se lografacilmente cambiando de posici6n alvasta-
go 11; s610se necesita desmontar la tapa para poder realizar
esta operaci6n.
La posici6n correcta del vastago 11 para fluido piloto externa
se muestra en la figura 14. El vastago interrumpe la conexi6n
a P.
107
Valvulas direccionales de corredera
Evacuacioninterna de fluido piloto (Fig. 15, Pos. 14)
El fluido que regresa de la valvulapiloto es dirigido en la val-
vulaprincipal hacia el canal T (tanque).
Hayque notar, que al cambiar de posicion la corredera princi-
pal, se producen golpes de presion en el canal T y que estos.
a traves de la valvula piloto, pueden influir en la descompre-
sion de la respectivacamara.
Evacuacionexterna de fluido piloto (Fig. 15, Pos. 15)
El fluido que regresa de la valvula piloto no es lIevadoal ca-
nal T, sine directamente al tanque por una conexion separa-
da Y (celeste).
En la Fig. 15 se muestran ambas posibilidades, "interna" y
"externa", para una mejor comparacion (pos. 14 y pos. 15).
Regulaciondel tiempo de conmutacion (Fig. 15, Pos. 16)
Tambien se muestra el dispositivo que regula el tiempo de
conmutacion. Esta disenado como placa intermedia y puede
ser montado entre valvulaprincipal y valvulapiloto.
Se trata de un doble antirretorno-estrangulador. Segun la po-
sicion de montaje se estrangula (limita) al caudal del fluido
de alimentacion 0 al de evacuacion y asl se influye en el tiem-
po de conmutacion de la corredera principal. Cuando se mon-
ta como en la figura, se limita al fluido que se evacua.
El flujo de alimentacion es libre por el antirretorno.
Vcllvulasdireccionales de corredera - Datos Tecnicos
Equipamiento adicional
Es posible equipar a la valvula con un dispositivo limitador
de la carrera. As!se logra, limitando la seccion de pasajeen el
canto de control, una regulacion bastante grosera del caudal
en ladireccion que corresponda.
Ademas es posible instalar un control de final de carrera que
posibilita conocer la posicion de la corredera en cualquier
momento.
Vcllvula de presion previa
En las valvulasdireccionales con circulacion del fluido en la
posicion central y conexion interna del fluido piloto, es ne-
cesaria la instalacion de la valvula de presion previa en el ca-
nal P para producir la presion de pilotaje.
Se trata de un antirretorno cuya apertura se produce recien
a la presion piloto.
1.........
@
1 Valvulade presion previa
2 Canal P en la carcasa
3 CanalX
4 Placabase
108
/ 0 "0 ....
.... (J(J Cl)Cl) ...
.: '5
Gmax.-c .5 Pmax.
0 0 (J/min) (bar) TNElemento de mando -c Tipoc: -c
co c:
:E co
:E
Electro-hidraulico x WEH 300 350 16
Electro-hidrclulico x WEH 650 350 25
Electro-hidrclulico x WEH 1200 350 32
Hidraulico,electro-hidrclulico x x WH!WEH 2000 350 52
Hidraulico.electro-hidrclulico x x WH/WEH 3000 350 62
Hidraulico,electro-hidraulico x x WH!WEH 4500 350 82
'- Hidrclulico,electro-hidrclulico x x WH!WEH 7000 350 102 ./
Training hidraulico rexroth
Training hidraulico rexroth
Training hidraulico rexroth
Training hidraulico rexroth
Training hidraulico rexroth
Training hidraulico rexroth
Training hidraulico rexroth
Training hidraulico rexroth
Training hidraulico rexroth
Training hidraulico rexroth
Training hidraulico rexroth
Training hidraulico rexroth
Training hidraulico rexroth
Training hidraulico rexroth
Training hidraulico rexroth
Training hidraulico rexroth
Training hidraulico rexroth
Training hidraulico rexroth
Training hidraulico rexroth
Training hidraulico rexroth
Training hidraulico rexroth
Training hidraulico rexroth
Training hidraulico rexroth
Training hidraulico rexroth
Training hidraulico rexroth
Training hidraulico rexroth
Training hidraulico rexroth
Training hidraulico rexroth
Training hidraulico rexroth
Training hidraulico rexroth
Training hidraulico rexroth
Training hidraulico rexroth
Training hidraulico rexroth
Training hidraulico rexroth
Training hidraulico rexroth
Training hidraulico rexroth
Training hidraulico rexroth
Training hidraulico rexroth
Training hidraulico rexroth
Training hidraulico rexroth
Training hidraulico rexroth
Training hidraulico rexroth
Training hidraulico rexroth
Training hidraulico rexroth
Training hidraulico rexroth
Training hidraulico rexroth
Training hidraulico rexroth
Training hidraulico rexroth
Training hidraulico rexroth
Training hidraulico rexroth
Training hidraulico rexroth
Training hidraulico rexroth
Training hidraulico rexroth
Training hidraulico rexroth
Training hidraulico rexroth
Training hidraulico rexroth
Training hidraulico rexroth
Training hidraulico rexroth
Training hidraulico rexroth

Training hidraulico rexroth

  • 144.
    Resumen del programa Vc!lllulasdirecci Mando directo ItlectrIco Mecanico Manual de ResClmen proximacarilla TN 6, 10 Pmax.'" 630 bar Omax. =36 I/rnin Aceite f1ineral Direccionalesde asiento para: Emulsion aceite-agtfa Agua Mando directo TN 10 hasta 82 Pmax. '" 500 bar Omax. =4000 I/min Mando indirecto 91
  • 145.
    Resumen del programa 92 Valvulasdireccionales de corredera , Mando Mando directo indirecto 11 TN 5 hasta 32 Mando. TN 6 hasta 102 Mando Pmax. =315 bar electro- Pmax. = 350 bar manual Omax. = 1500 I/min hidraulico Omc1x.=7000 I/min TN5.6.10 Mando Pmax. = 315 bar mecanico Omc1x.=100 I/min -, TN 5 hasta 102 Mando Pmax. =350 bar hidrc1ulico Omax. =7000 I/min TN5.6.10 Mando Pmax. = 315 bar neumc1tico Omc1x.=100 I/min TN5.6.8.10 a Mando Pmax. =315 bar electrico Omc1x.=100 I/min
  • 146.
    Valvulas direccionales FuncicSn Con unavalvuladireccional se controla el arranque, la deten- cion y la direccion del flujo de un fluido y con ello la direc- cion del movimiento y las posicionesde detencion de un con- sumidor (cilindro 0 motor hidraulico). La denominacion de las valvulas direccionales se realiza en base al numero de las conexiones de trabajo y al numero de las posiciones factibles (Ias conexiones de pilotaje y fuga no intervienen). Una valvula con dos conexiones y dos posiciones se denomina entonces "valvulas direccionals 2/2". Esquema A p Una valvulacon cuatro conexiones y tres posiciones se llama en consecuencia"valvula direccional 4/3". p = conexion de presion (de la bomba) =tanque =conexiones al consumid9r T A,S I ~. Valvulas direccionales de asiento Esquema A B p T La indicacion de las conexiones se hace siempre en la posi- cion en que la valvulano esta accionada. Las valvulas direccionales se pueden, por su construccion, di- vidir en dos grupos: 1) Viflvula direccional de asiento 2) Viflvula direccional de corredera Ademas pueden ser de mando directo 0 de mando indirecto o pilotadas. Que una valvula sea de mando directo 0 indirecto depende en primera instancia de las fuerzas necesarias para su acciona- miento y con ello del tamaiio nominal. 1) Viflvulas direccionales de asiento Las valvulas direccionales de asiento se diferencian de sus similaresde corredera fundamentalmentepor la capacidad de brindar un cierre sin fugas. Esto no es posible en lasvalvulasde corredera debido al juego necesario entre carcasay corredera para permitir el movimien- to de esta. La figura muestra vdlvu- las direccionalesde asien- to con mando eldctrico, por rodillo y manual. 93
  • 147.
    Valvulas direccionales deasiento Fig. 1 Valvuladireccional de asiento 3/2 con mando electrico di- recto y versioncon una bola, Tipo SE.. U Esquema A PI IT El elemento de cierre es una bola 1, que en la posici6n inicial es apretada por el resorte 2 al asiento 3 (Fig. 1). Lasconexiones P y A est~n comunicadas y la conexi6n T est~ cerrada. El cambio a la otra posici6n se realiza con un elec- troim~n 0 manualmente. El nucleo del electroim~n empuja a la palanca 5 (alojada en el adaptador 4) y esta desplaza al v~stagode ataque 6 que le- vanta a la bola de su asiento y la empuja contra el resorte 2. Ahora la conexi6n P est~ cerrada y la comunicaci6n entre A y T est~establecida. Por medio de un canal interno se conect6 la parte posterior del v~stagode ataque con la presi6n P. AsIse logracompensar la fuerza que resulta de la presi6n que actua sobre la superficie expuesta de la bola. Las fuerzas en el v~stago est~n en equilibrio y la fuerza necesaria del elec- troim~n para el cambio de posici6n es menor. Dos retenes impiden las fugas en el v~stago de ataque. La presi6n de servicio es hasta de 630 bar. 94 Durante la conmutacion las conexiones se encuentran comu- nicadas entre si durante un corto tiempo (ver superposici6n negativa). En estas v~lvulasno se logra la diversidad de posibilidades de influir sobre el flujo como en lasde corredera; la razon es de Indole constructiva. Si se quieren invertir lasposiciones de la v~lvulade 1 bola, se debe utilizar la v~lvulade dos bolas (Fig.2). Fig.2 TAP Valvula direccional de dos bolas con mando eltfctrico directo Tipo SE.. C Esquema p T En la posicion inicialde la v~lvulade dos bolas lasconexiones Ay T est~n comunicadas y la conexi6n P est~ cerrada. La presi6n en P y el resorte aprietan a la bola derecha contra su asiento. En la otra posicion la bola derecha es levantada de su asiento y la bola izquierda es apretada contra su respectivo asiento por el v~stagode ataque. La palanca est~ disef'iadaen funcion del electroim~n. En las v~lvulas con electroim~n de corriente alterna la palanca es el~stica; en lasv~lvulascon electroim~n de corriente continua la palanca es m~srlgida.
  • 148.
    Valvulas direccionales de asiento Conuna placa intermedia debajo de la valvuladireccional de asiento 3/2 se obtiene una valvuladireccional de asiento 4/2. El funcionamiento se explica con lasfiguras 3 y 4. PosicicSn inicial Fig.3 La parte superior 1 representa a la valvula direccional de asiento 3/2 y la parte inferior 2 es la placa intermedia. En la posicion inicial, la bola de la parte 1 esta apretada con- tra el asiento izquierdo. Laconexion de P haciaA esta abierta. - Una conexion piloto actua desde A sobre la corredera de la parte 2. La diferencia de lassuperficies sabre lascuales actua la presion, provocaque lacorredera se deslice hacia la derecha y sea apretada contra su asiento derecho. Laconexion Besta interrumpida con P y comunicada con T. Cambio de posicicSn Fig.4 A Valvulas direccionales de corredera AI accionar la valvula direccional de asiento 3/2 se cierra arri- ba la conexion con P y se establece la conexion entre A y T. La presion en P empuja la corredera hacia la izquierda inte- rrumpiendo la comunicacion entre B y T y estableciendola entre P y B. Datos tecnicos Tamanos nominales: TN 6 y 10 Caudal: hasta 36 I/min Presion de servicio: hasta 630 bar 2) Vdlvulas direccionales de corredera Las valvulas direccionales de corredera pueden ser de corre- dera lineal (embolo) y de corredera giratoria. Dadas las multiples ventajas que ofrece el sistema de corre- dera lineal, esel masutilizado: Ventajas: construccion relativamente sencilla en comparacion con la corredera giratoria, muy buen rendimiento buena compensacion de presiones y con ello fuerzas reducidas de accionamiento (ver valvula de asiento) reducidas perd idas multiples espectros de funciones Fig. 5 TAP B T Vdlvula direccional de corredera 4/3 Tipo WMM, con mando manual por palanca 95
  • 149.
    pi IT Construcci6n (Fig.5) En una carcasa 1 hay una perforaci6n longitudinal y una se- rie de canales perifericos a esta 2. Los canales interrumpen a la perforaci6n longitudinal formandose asl cantos de control 3. Una corredera de control 4 se mueveaxialmente en la perfo- raci6n estableciendo0 interrumpiendo conexiones en los can- tos de control. Loscanales peritericos estan comunicados con lasconexiones al exterior. El establecimientoy lainterrupci6n de conexiones son sincr6- nicosy el proceso se puede determinar exactamente. Lasdiferentes funciones de control se logran de manera rela- tivamente sencilla, utilizando correderas de distintas formas. Engeneralla carcasapermanece invariable. En nuestro ejemplo la valvulase encuentra en la posici6n ini- cial (no actua ningunafuerza externa sobre lacorredera) y las conexiones P, T, A y B estan interrumpidas. Si ahora move- mos la corredera, por ejemplo. hacia la derecha, se establecen las conexiones entre P y B y entre A y T. El escaso juego entre corredera y carcasa adopta la_funci6nde junta. Sin em- bargo no es posible lograr una hermeticidad total, como en lasvalvulasde asiento. Las fugas, que siempre existen, dependen del juego, de la presi6n y de la viscosidad del fluido. Es por ello que estas valvulasno son aptas para funcionar con agua, pero con acei- te la hermeticidad que se alcanza es suficiente. Posiciones de trabajo Lasdistintas funciones de control del flujo son logradascon el empleo de lasrespectivascorrederas y pueden ser represen- tadas esquematicamente. Cada compartimento representa una posicidnde la corredera. Como ejemplo mostramos los esquemas mas comunes que han sido denominados con letras. Las posiciones con las flechas paralelas y cruzadas son las lIa- madas "posiciones de trabajo". 96 Las posiciones centrales en las valvulas con tres posiciones se Ilaman "posiciones iniciales". Todas las conexiones, por ejemplo, pueden estar interrumpi- das (E) 0 todas comunicadas (H); muchas combinaciones de ambos casos son posibles. Cual posici6n inicial se adopta depende de la instalaci6n y del efecto deseado en losconsumidores. SuperposicitSn. posiciones intermedias Es importante conocer cual es la funci6n cuando la valvula esta en una posici6n intermedia. Esta funci6n depende de la superposici6n. Se distinguen tres tipos de superposici6n. 1) SuperposicitSn positiva (Fig. 6) En la superposici6n positiva, al moverse la corredera hacia la derecha, se cierra la conexi6n entre P y T antes de que se establezca la conexi6n entre P y A. Durante el cambio de po- sici6n estan cerradas transitoriamente todas las conexiones. Valvulas direccionales de corredera Esquema Esquema AI IB [L]LJ =A (8) [XIH[]=M [X[] =c []E]X] =p [X[O] =D(Y) [Z]H[[] = Q [Zb[] = E =R []]E[X] =F []JDIX] =T []8IX] =G [Xk][] = u OOEJI]] =H 00HIl] =v [XIE[]] =J OOHII] =w [X]B[] =L
  • 150.
    Valvulas direccionales decorredera Fig.6 carcasa corredera Se produce una elevaci6n de la presi6n, cuya magnitud de- pende del caudal y del tiempo necesario para el cambio. Ventaja: un consumidor solicitado con una carga no se podra mover; una presi6n piloto tomada antes de la valvula queda mantenida. 2) Superposici6nnegativa (Fig.7) Fig. 7 carcasa corredera Aqul la conexi6n entre A y P se establece antes de que quede interrumpida la conexi6n entre P y T. Durante el cambio de posici6n las conexiones estan comunicadas transitoriamente entre sI. El resultado es un cambio suavedel flujo, pero pueden lIegar a aparecer movimientos indeseadosen el consumidor. 3) Superposici6nnula (Fig.8) La superposici6n nula es el caso intermedio. Los espacios son iguales (Xl = x2). Ello significa que en el mismo momento en que se interrumpe la conexi6n entre P y T, se establece entre P y A. Esta superposici6n se utiliza generalmente en servo-valvulas, en las cuales se desea que ya un pequeno movimiento de la corredera influyaen el flujo. Fig. 8 carcasa corredera Representaci6n de las posiciones intermedias Dado que en la elecci6n correcta de una valvulase debe tener en cuenta tambien las posiciones intermedias, se integr6 a estas en la representaci6n. Como no son posiciones estables sine de transici6n, la repre- sentaci6n se hace con IIneasfinas y de trazos. Esquema rvITlTTIl - C~ - I X!~ ~iDJ == D IX!~ ~:~ ~!~ ~!DJ =E IX!%i8Jh[] =M 97
  • 151.
    Valvulas direccionales decorredera Vdlvulas direccionales de corredera con mando directo La corredera de estas valvulas es comandada directamente. El comando puede ser mecanico, hidraulico, neumMico 0 electrico. El dispositivo de mando esta montado lateralmente a la valvula. Mandos mecdnicos ~-- t ~ ... .. . · - ,.. l .-";.,. "t~ ~ ' ' ...'... '. J' . ;'.- .. . ~- j~ ..;! '., . -. ~ '-- -. i.. ~"- En la fotograffa se muestran de izquierda a derecha: Mando por rodillo Tipo WMR Mando por boton giratorio Tipo WMD Mando por palanca Tipo WMM Mando por palanca Tipo WMM 98 En el corte de la figura 9 se muestra el mando por medio de una palanca 1. La corredera esta fija al dispositivo de mando 2 y sigue al movimiento de este. El retorn.ode lacorredera a su posici6n inicialse produce por medio de los resorte 3 (cuando del dispositivo de mando no actua ninguna fuerza: soltar la palanca). Si la valvula esta equipada con anclaje, se puede trabar una de las posiciones de trabajo. Solamente con una fuerza ex- terna se puede regresar a la posici6n inicial (no es posible en el mando con rodillo). Mando hidrdulico y neumcitico La foto muestra vdlvulascon mando hidrdulico 0 neumdtico de tamanos nominales 5,6 y 10 (de la derecha) Esquema mando neumatico y mando hidraulico con centraje por re- sortes. -+-
  • 152.
    Valvulas direccionales decorredera Fig. 10 En este corte se muestra una valvula de dos posiciones (Fig. 10). Por medio de una presi6n sobre el embolo de mando 2, se empuja la corredera 1 hacia la posici6n derecha. AlII queda fijadacon el mecanismode anclaje 3. La corredera no esta unida con el embolo de mando. En las valvulascon dos posiciones con anclaje 0 sin retorno por re- sorte, as! como en las valvulasde tres posiciones, se necesi- tan siempredos embolos de mando. Un solo embolo de mando se necesita cuando la valvula es de dos posiciones y el retorno a la posici6n inicial se realiza por mediode resorte. Mandoseldctricos Mando par electraimdn en diferentes versianes Este mando es el mas comun por ser el mas apto para los pro- cesos actuales automatizados. Existen cuatro modelos basicos de electroimanes: Electroimilnde corriente continua, funcionando en seco Tambien se los denomina "electroimanes secos" Electroimilnde corrientecontinua, funcionandoen aceite Tambien se los denomina "electroimanes humedos". El nucleo esta sumergido en aceite a presi6n. Electroimiln de corriente alterna, funcionando en seco Electroimdnde corriente alterna, funcionando en aceite El electroimilnde corrientecontinuaofrece una alta seguridad en su funci6n y es suave. No se quema cuando se traba la corredera. Es apto para una gran frecuencia de cambio de posiciones. 99
  • 153.
    v61vulasdireccionales de corredera Elelectroimclndecorrientealternase caracterizapor la alta velocidad del nucleo. Si el nucleo no lIegahasta la posicion final,se quema despues de un cierto tiempo (1 a 1 1/2 horas). El electroimcln que funciona en aceite es apto para instalacio- nes en la interperie y en clima humedo. El nucleo se mueve en aceite, 10 que provoca un reducido desgaste, buena eva- cuacion del calor y un funcionamiento amortiguado. El electroimcln funcionando en seco, es la construccion mas simple. Para una mejor comparacion se enfrentaron en la figura 11 un electroiman seco de corriente alterna 1, a la izquierda, y un electroiman secode corriente continua 2, a la derecha. En este ejemplo la valvula es de dos posiciones y sobre la corredera no actuan resortes de retorno. Es una denominada "valvula de impulso". AI exitar al electroiman 1, el nucleo se desliza y empuja a la corredera por medio del vastago de control, hacia laderecha, que es la posicion indicada en el carte. El nucleo de los electroimanes secos, esta aislado del aceite del canal T por lasjuntas en el casquillo 3. Aquf los resortes tienen la funcion de sujetar a los casquillos haciaafuera. 100
  • 154.
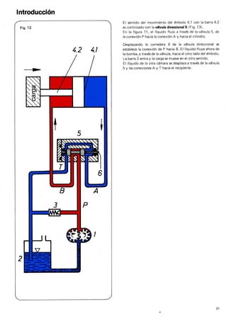
    Valvulas direccionales decorredera En la figura 12 se muestra, a la izquierda, un electroiman hu- medo de corriente continua 4 y, a la derecha, un electroiman humedo de corriente alterna 5. El nucleo esta siempre comu- nicado con el canal T y sumergido en aceite. Esta es una val- vula de tres posiciones. Los resortes 6 se apoyan contra las carcasas de los electroi- manes y por medio de un casquillo y una arandela, ubican a la corredera en su posici6n central. La corredera es plana en sus extremos y a diferencia de las valvulas con electroiman seco, el vastago de mando no esta unido a la corredera, sino al nucleo. En las figuras 11 y 12 se muestra tambien el accionamiento auxiliar manual 7; desde el exterior se puede mover aslla co- rredera. De esta manera es simple de controlar el funciona- miento de los electroimanes. Las valvulas de corredera, hasta ahora tratadas, son de tres camaras. Los canales P, A Y B estan aislados entre si por los cantos en la carcasa. El canal T no esta aislado, sino que tiene comunicaci6n al exterior y es aislado recien con el montaje del dispositivo de mando. Vd/vu/as de cinco cdmaras Fig. 13 En las valvulas de cinco camaras tambien el canal Testa ais- lado en ambos extremos, asl como las camaras P, A Y B. (Fig. 13). Las dos camaras extremas estan comunicadas entre si por un canal (amarillo). AI moverse la corredera,el fluido es desplazado de una cama- ra hacia la otra y por medio de una tobera en el canal de co- municaci6n se puede regular la velocidad del desplazamiento de la corredera en funci6n del (/) de la tobera. '-, -.---....... ."----. '" .- ~ -. I j / ~' 101
  • 155.
    Valvulas direccionales decorredera Vdlvulas direccionales de corredera - Datos Tecnicos 102 .9 "0 u... Q)u ...Q) :c.: c: Omax. Pmax.1j Elemento de mando 0 0 Tipo {I/min} (bar) TN1j 1j c: c: <V <V :2 :2 Rodillo x WMR 14 315 5 Rodillo x WMR 30 315 6 Rodillo x WMR 80 315 10 Palancamanual x WMM 30 315 6 Palancamanual x WMM 80 315 10 Palancamanual x H-WMM 180 350 16 Palancamanual x H-WMM 450 350 25 Palancamanual x H-WMM 1500 350 32 Bot6n giratorio x WMD 14 315 5 Bot6n giratorio x WMD 30 315 6 Bot6n giratorio x WMD 80 315 10 Neumatico x WP 30 315 6 Neumatico, PSt = 4,5 hasta 12 bar x WP 80 315 10 Neumatico, PSt = 1,5 hasta 6 bar x WN 80 315 10 Hidraulico x WH 30 315 6 Hidraulico x WH 80 315 10 Hidrdulico x H-WH 180 350 16 Hidrdulico - x H-WH 450. 350 25 Hidraulico x H-WH 1500 350 32 Electroimanesde corriente alterna 0 continua x WE 14 250 5 hUmedos Electroimanesde corriente alterna 0 continua x WE 60 315 6 hUmedos Electroimanesde corriente continua, secos x WE 100 210 10 Electroimanesde corriente alterna, secos x WE 100 210 10 Electroimanesde corriente continua, h{Jmedos x WE 100 315 10 Electroimanesde corriente alterna, h{Jmedos x WE 100 315 10 Electroimanesde corriente continua, h{Jmedos, x WE 30 60 6 protecci6n contra explosi6n Electroimanesde corriente continua, h{Jmedos, x WEH 30 100 6 protecci6n contra explosi6n por baja tensi6n Electroimanesde corriente continua, humedos, x WE 80 210 lD protecci6n contra explosi6n, contra explosi6n y ambiente salino, contra explosi6n y a prueba de grisu Electroimanesde corriente continua, secos, x WE 80 315 10 con interruptor en el fin de carrera '- /
  • 156.
    Valvulas direccionales decorredera Vcllvuladireccional de corredera Mando indirecto (pilotadas) ,. ,, Vd/vu/as direcciona/es de corredera, pilotadas, mando e/ectro- hidrdu/ico para conexion por p/aca base y bridas Valvulas de tamanos nominales grandes, es decir, con gran ca- pacidad hidraulica (= p x Q) son pilotadas. La razdn es la elevada fuerza que se necesita para mover la corredera y las consiguientes dimensiones que tendrlan los electroimanes. Es por ello que lasvalvulasde tamaf'onominal mayor que 10 son pilotadas. Una excepci6n son las valvulas con mando directo por palanca, que lIeganhasta TN 32, con lasconsiguientesdimensionesde la palanca. Una valvula pilotada esta compuesta de la valvulaprincipal 1 y de lavalvulapiloto 2 (Fig. 14). La valvulapiloto es comandada generalmente por un electroi- man (mando electrico). La senal electrica que actua sobre la valvula piloto es amplificada hidraulicamente y mueve a la corredera principal. En las valvulas de TN 102 (hasta 7000 I/min) la valvula pi- loto es a su vez una valvulapilotada. En este caso la raz6n del doble pilotaje no son lasfuerzas si- no los caudales de mando necesarios. 103
  • 157.
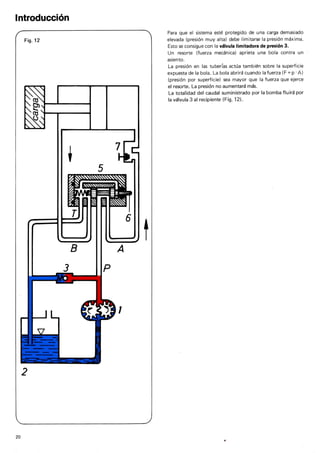
    Valvulas direccionales decorredera Vcllvuladireccional con mando electro-hidnfulico, centraje por resortes Fig. 14 (j) .:.:.:.:.:.:.:::.:.:::::::::::::::::::.1............................................................................................... ':-:':';':':';':':':';':-:':':':-:':': 1 .........................................................."I........................................ . . . . . . . . . . . . . . . . . ...................... . . . . . . . . . . . . . . . . . .......................................................... . . . . . . . . . . . . . . . . . ........................................................... . . . . . . . . . . . . . . . . . ............................................................................................. y Esquema detail ado X = externa; Y = externa (por ejemplo) Simplificado a b La valvula piloto es una valvula direccional 4/3 con mando electrico (Fig. 14). p T La corredera principal 3, en laversionde centraje por resortes, es mantenida en su posicion central por los resortes 4. En la posicion inicial (central), ambas camaras en donde estan alo- jados los resortes (amarilloJ, estan descomprimidas hacia el tanque (azul) por lavalvulapiloto. I ° --+0'- I I XY -.0_. 104 ,----- - -,. la,Xr 0 0 ,b,Y I I I I . L -' _ _ _ -, . I I. I r 1- - - - .J I ab
  • 158.
    Valvulas direccionales decorredera (x) P T (y) La valvu'lade pilotaje es alimentada con fluido por el canal de pilotaje 5. La alimentaci6n puede ser externa 0 interna (masdetalles ver pagina 107), Si, por ejemplo, exitamos al electroiman izquierdo, la corre- dera de la valvula piloto se movera hacia laderecha; sobre la camara 7 actuara la presi6n piloto y la camara 6 estara conec- tada con el tanque (descomprimida). La presi6n piloto actua sobre lacorredera y la empuja contra el resorte 4.1 hacia la izquierda hasta la tapa. Aslen la valvu- la principalse establece la conexi6n de P con A y de B con T. AIdesexitaralelectroiman,la corredera piloto se centrara y la camara 7 es comunicada con el tanque, descomprimiendose. El resorte 4.1 empujara a la corredera principal hacia la de- recha hasta el platillo del resorte 4.2. Lacorredera estara cen- trada, El fluido de la camara 7 es evacuado hacia el tanque a traves de la valvula piloto por el canal Y, siendo la evacua- cion entonces externa. Tambien puede ser interna. El proceso para la otra posici6n es similar. Para mover la corredera princip.al se necesita, segun la funci6n y la construcci6n, distintas presiones piloto, 105
  • 159.
    Valvulas direccionales decorredera Vdlvula direccional, mando electro-hidnlulico, centraje por presi6n Fig. 15 Esquema detallado X=interno; Y =externa (por ejemplo) Simplificado a b En la version con centraje por presion, en la posicion central, ambas camaras 6 y 7 estan solicitadas con presion. La corredera principal es mantenida en su posicion central por la accion simultanea de la presion sobre la cara 3, el cas- quillo de centraje 8 y el vastago de centraje 9. 106 ,- - -I I a,Y b "'lb.X ! r- I I I -- ___J , I b II a - - - -.. I . I .J-----k-+. - L P XY T
  • 160.
    Valvulas direccionales decorredera Posici6ncentral de lavalvulapiloto: (x) P T (y) Si se exita al electroiman derecho de la valvula piloto, la co- rredera piloto se movera hacia la izquierda. Lacamara 6 que- da comunicada con la presi6n y la camara 7 es descomprimi- da hacia el tanque. El casquillo de centraje 8 esta apoyado contra la carcasa y el vastago de centraje 9 empuja a la co- rredera hacia laderecha hasta el tope. Los resortes en las camaras 6 y 7 estan previstos para mante- ner a la corredera en su posici6n central cuando la valvula esta montada verticalmente. AI desexitar al electroiman, la corredera piloto retorna a su posici6n central y la camara 7 es comunicada nuevamente con la presi6n. La superficie 3 de lacorredera es mayor que la del vastago de centraje 8. La corredera principal se movera hacia la izquier- da hasta que el canto 10 se apoye sobre el casquillo de cen- traje. La suma de lassuperficiesde casquillo y vastago es ma- yor que la superficie de lacorredera, quedando esta detenida en su posici6n central. Si se exita al electroiman izquierdo, la corredera piloto se movera hacia la derecha. Lacamara 7 queda comunicada con lapresi6n y la 6 es descomprimiga hacia el tanque. La presi6n sobre la superficie 3 mueve a la corredera princi- pal hacia la izquierda hasta que el vastago de centraje 9 toque la tapa. El casquillo 8 tambien es desplazado. La posici6n deseada en la valvulase ha logrado. AI desexitar al electroi- man, la corredera piloto vuelve a su posici6n central y la camara6 es comunicada nuevamente con la presi6n. La suma de las superficies de casquillo 8 y vastago 9, es ma- yor que la superficie 3 de la corredera y esta se mueve hacia la derecha hasta que el casquillo se apoya contra la carcasa. Ahora la superficie 3 de la corredera es mayor que la del vastago 9 y la corredera queda detenida en su posici6n cen- tral. Para descomprimir la camara entre corredera y casquillo esta previstalaconexi6n necesaria L (violetaJ. Alimentacioninternade fluido piloto (Fig. 15, Pos. 12) En este caso el fluido piloto se obtiene del canal P y por una conexi6n interna (rojo) se abastece a la valvulapiloto. La coneci6n X debe estar interrumpida y el vastago 11 debe estar como muestra la figura. Con el fluido piloto interno no se necesita un circuito de pi- lotaje adicional. Sin embargo se deben considerar algunos factores: Si la corredera principal tiene superposici6n negativa 0 si en la posici6n central el fluido circula (sin presi6n), no se obtiene la presi6n piloto necesaria para mover a la corre- dera principal. Hay que instalar, por ejemplo, una pequef)a valvulade pre- si6n en el canal P para producir la presi6n previa requerida para el pilotaje. La conexi6n X esta delante de'la valvula que abre recien cuando la presi6n piloto es 10suficiente- mente elevada. Esta soluci6n implica una perdida perma- nente de presi6n (ver valvula de presi6n previa. Pag. 108). Si al circuito esta conectado, por ejemplo, un acumulador se puede producir, en algun momento, un caudal tan gran- de que puede destruir a la valvula de presi6n previa. Hay que instalar delante de la valvula, en el canal P, un estran- gulador (tobera) para reduclr el caudal. Ademas se debe tener en cuenta que la presi6n maxima de servicio no sea mayor que la presi6n maxima admisible de pilotaje. . En caso constrario, hay que instalar una valvulareductora de presi6n. La reducci6n requerida en estas valvulases de 1 : 0,66. Naturalmente se debe observar tambien que la presi6n re- ducida no sea menor que la presi6n minima de pilotaje necesaria. Alimentacionexternade fluido piloto (Fig. 14, Pos. 13). El fluido piloto se obtiene de un circuito separado cuyas ca- racterfsticas de presi6n y caudal se acomodan mejor a los re- querimientos que en el caso anterior. En lasvalvulasmostradas, el cambio de "interno" a "externo" o viceversa,se lografacilmente cambiando de posici6n alvasta- go 11; s610se necesita desmontar la tapa para poder realizar esta operaci6n. La posici6n correcta del vastago 11 para fluido piloto externa se muestra en la figura 14. El vastago interrumpe la conexi6n a P. 107
  • 161.
    Valvulas direccionales decorredera Evacuacioninterna de fluido piloto (Fig. 15, Pos. 14) El fluido que regresa de la valvulapiloto es dirigido en la val- vulaprincipal hacia el canal T (tanque). Hayque notar, que al cambiar de posicion la corredera princi- pal, se producen golpes de presion en el canal T y que estos. a traves de la valvula piloto, pueden influir en la descompre- sion de la respectivacamara. Evacuacionexterna de fluido piloto (Fig. 15, Pos. 15) El fluido que regresa de la valvula piloto no es lIevadoal ca- nal T, sine directamente al tanque por una conexion separa- da Y (celeste). En la Fig. 15 se muestran ambas posibilidades, "interna" y "externa", para una mejor comparacion (pos. 14 y pos. 15). Regulaciondel tiempo de conmutacion (Fig. 15, Pos. 16) Tambien se muestra el dispositivo que regula el tiempo de conmutacion. Esta disenado como placa intermedia y puede ser montado entre valvulaprincipal y valvulapiloto. Se trata de un doble antirretorno-estrangulador. Segun la po- sicion de montaje se estrangula (limita) al caudal del fluido de alimentacion 0 al de evacuacion y asl se influye en el tiem- po de conmutacion de la corredera principal. Cuando se mon- ta como en la figura, se limita al fluido que se evacua. El flujo de alimentacion es libre por el antirretorno. Vcllvulasdireccionales de corredera - Datos Tecnicos Equipamiento adicional Es posible equipar a la valvula con un dispositivo limitador de la carrera. As!se logra, limitando la seccion de pasajeen el canto de control, una regulacion bastante grosera del caudal en ladireccion que corresponda. Ademas es posible instalar un control de final de carrera que posibilita conocer la posicion de la corredera en cualquier momento. Vcllvula de presion previa En las valvulasdireccionales con circulacion del fluido en la posicion central y conexion interna del fluido piloto, es ne- cesaria la instalacion de la valvula de presion previa en el ca- nal P para producir la presion de pilotaje. Se trata de un antirretorno cuya apertura se produce recien a la presion piloto. 1......... @ 1 Valvulade presion previa 2 Canal P en la carcasa 3 CanalX 4 Placabase 108 / 0 "0 .... .... (J(J Cl)Cl) ... .: '5 Gmax.-c .5 Pmax. 0 0 (J/min) (bar) TNElemento de mando -c Tipoc: -c co c: :E co :E Electro-hidraulico x WEH 300 350 16 Electro-hidrclulico x WEH 650 350 25 Electro-hidrclulico x WEH 1200 350 32 Hidraulico,electro-hidrclulico x x WH!WEH 2000 350 52 Hidraulico.electro-hidrclulico x x WH/WEH 3000 350 62 Hidraulico,electro-hidraulico x x WH!WEH 4500 350 82 '- Hidrclulico,electro-hidrclulico x x WH!WEH 7000 350 102 ./