CENTRAL HIDROELÉCTRICA
CH AYANUNGA
CH PACCHAC
ESTUDIO DE PRE OPERATIVIDAD
2018-2022
RESUMEN EJECUTIVO DEL PROYECTO
Versión 03
JULIO 2015
Resumen Ejecutivo del Proyecto
Estudio de Pre Operatividad - C.H.Ayanunga-CH Pacchac
02-2015
Página 2 de 26
ÍNDICE
Nº Pág
1. INTRODUCCIÓN..............................................................................................................3
2. ALCANCES DEL PROYECTO .......................................................................................3
3. UBICACION Y RECURSO HIDRICO CENTRAL AYANUNGA...............................3
3.1 UBICACIÓN CH YANUNGA ..............................................................................3
3.2 ESQUEMA HIDROLOGICO CH AYANUNGA................................................4
3.2.1 Ramal izquierdo-Quebrada Ayanunga ................................................................5
3.2.2 Ramal derecho-Quebrada Pan de Azucar............................................................5
3.3 CAUDALES CH RIO AYANUNGA ....................................................................5
3.3.1 Caudal de diseño.....................................................................................................5
3.3.2 Caudal de diseño.....................................................................................................5
4. EQUIPAMIENTO CENTRAL AYANUNGA ................................................................7
4.1 EQUIPAMIENTO CH AYANUNGA...................................................................7
4.1.1 Casa de Maquinas...................................................................................................7
5. UBICACION Y RECURSO HIDRICO CENTRAL RIO PACCHAC .......................10
5.1 UBICACIÓN CH PACCHAC............................................................................10
5.2 ESQUEMA HIDROLOGICO CH RIO PACCHAC ........................................11
5.3 CAUDALES CH RIO PACCHAC......................................................................11
5.3.1 Caudal de diseño...................................................................................................11
6. EQUIPAMIENTO CENTRAL PACCHAC .................................................................12
6.1 EQUIPAMIENTO CH RIO PACCHAC ...........................................................12
6.1.1 Casa de maquinas.................................................................................................12
7. DIAGRAMA UNIFILAR DEL PROYECTO................................................................16
8. EQUIPAMIENTO............................................................................................................18
8.1 Subestación de la CH Ayanunga.........................................................................18
9. SISTEMA DE TELECOMUNICACIONES..................................................................20
10. LINEA DE TRANSMISION 33 kV CONEXION Central Hidráulica Ayanunga y CH
Pacchac ..............................................................................................................................20
10.1 Características y recorrido de la Línea ..............................................................20
10.2 Coordenadas UTM ...............................................................................................20
10.3 Selección del Conductor de las Líneas de Transmisión ....................................22
11. CONCLUSIONES DE LOS ESTUDIOS ELECTRICOS ............................................23
11.1 Análisis de Resultados Casos Base......................................................................23
11.1.1 Análisis año 2018 ..................................................................................................23
11.1.2 Análisis año 2022 ..................................................................................................23
11.2 Análisis de Resultados en Contingencia .............................................................24
11.2.1 Análisis de Resultados en Contingencia Anillo Cerrado ..................................24
11.2.2 Análisis de Resultados en Contingencia Anillo Abierto....................................24
11.3 Análisis de Resultados Corto Circuito................................................................25
11.4 Análisis de Resultados de Estabilidad ................................................................26
11.5 Conclusiones del Estudio de Estabilidad Permanente ......................................26
Resumen Ejecutivo del Proyecto
Estudio de Pre Operatividad - C.H.Ayanunga-CH Pacchac
02-2015
Página 3 de 26
ESTUDIO DE PRE OPERATIVIDAD
COMPLEJO HIDROELÉCTRICO DE CENTRALES AYANUNGA Y PACCHAC
RESUMEN EJECUTIVO DEL PROYECTO
1. INTRODUCCIÓN
Como parte del estudio de Pre-Operatividad en este volumen se dan las características
generales de las Centrales Hidráulicas de Ayanunga y Pacchac.
Se dan los alcances del proyecto y sus características turbina-generador.
Se dan las características del sistema de transmisión.
Se dan los resultados del estudio del sistema eléctrico.
2. ALCANCES DEL PROYECTO
Las dos centrales hidroeléctricas, Ayanunga (2x9.95 MW = 19.9 MW) y Pacchac
(13.67W) se encuentran ubicadas en se encuentran localizado en el distrito de Monzón,
provincia de Huamalies, en el departamento de Huánuco.
Las dos centrales se conectaran a la SE Pacchac y de la SE Pacchac se conectara al SEIN
seccionando la LT 138 kV 8Agosto-Muchcapata. Utiliza la LT 138 Muchcapata-Tingo
María en construcción para la barra de Tingo María 138kV.
Las centrales iniciaran su operación el año 2018.
3. UBICACION Y RECURSO HIDRICO CENTRAL AYANUNGA
3.1 UBICACIÓN CH YANUNGA
El proyecto de la CH Ayanunga se encuentra localizado en el distrito de Monzón,
provincia de Huamalies, en el departamento de Huánuco.
El proyecto aprovechara las aguas de los ríos Ayanunga y Pan de azúcar, los cuales al
converger forman un afluente del rio Monzón (forman el rio maravillas del rio Monzón),
cerca de la ciudad de Monzón y entre las siguientes coordenadas:
Obras de toma
(Bocatoma Ayanunga): UTM (WGS 84) 8996713 N, 335180 E, nivel del lecho del rio:
1400msnm
(Bocatoma Pan de Azucar): UTM (WGS 84) 8966 222 N, 337666 E, nivel del lecho del
rio: 1396.00 msnm
Casa de Maquinas
Casa de Maquinas: UTM (WGS 84) 8968462 N, 338404 E, novel del rio: 1192.00 msnm
Resumen Ejecutivo del Proyecto
Estudio de Pre Operatividad - C.H.Ayanunga-CH Pacchac
02-2015
Página 4 de 26
3.2 ESQUEMA HIDROLOGICO CH AYANUNGA
En el diagrama siguiente se muestra el esquema hidrológico:
BOCATOMA
ANAYUNGA
Qd=7.5 m3/s
(65% Persistencia)
BOCATOMA
PAN DE
AZUCAR
Qd=4.9 m3/s
(65% Persistencia)
Qd=12.4 m3/s
ΔH=190 m
CÁMARA
DE CARGA CASA DE
MÁQUINAS
P=20.00MW
CANAL RAMAL IZQUIERDO
L=3,464, S=0.002
CANAL RAMAL DERECHO
L=2,193, S=0.002
TUBERIA FORZADA
D=1.80 m, L=378
Resumen Ejecutivo del Proyecto
Estudio de Pre Operatividad - C.H.Ayanunga-CH Pacchac
02-2015
Página 5 de 26
3.2.1 Ramal izquierdo-Quebrada Ayanunga
El esquema hidráulico considera captar las aguas del rio Ayanunga en la cota 1400 msnm
y derivarlas hacia un desarenador de 45 metros de longitud y posteriormente mediante un
canal de sección rectangular de 1.50x1.80 m de 3527 m de longitud y 0.002 de pendiente
hacia una cámara de carga de aproximadamente 360 m3 de capacidad útil, que estará
provista de un aliviadero para evacuar el exceso de caudal producido por las aperturas y
cierres instantáneos de la válvula que controla el ingreso del flujo.
Este ramal se desarrolla íntegramente en la margen derecha del rio Ayanunga, sobre el
cual el canal de conducción cruzara quebradas en las progresivas indicadas. La cota de
captación permitirá que el trazo del canal de conducción se desarrolle sobre los farallones
presentes a lo largo terreno en el trazo, y de esta manera evitar el diseño de obras de paso,
estructuras puente, acueductos, etc.
De la cámara de carga y mediante una tubería forzada se llega a la casa de máquinas, y
luego sus aguas turbinadas se descargan a la quebrada Ayanunga.
La tubería de presión (o conducto forzado) tiene una longitud de unos 400 m y ha sido
dimensionada para un diámetro D=2.10m, la misma que se emplazara sobre apoyos de
concreto armado y fijados a anclajes en los cambios de dirección, dispuestos al exterior.
3.2.2 Ramal derecho-Quebrada Pan de Azucar
El esquema hidráulico considera captar las aguas del rio Pan de Azucar en la cota
1397.00 msnm y derivarlas hacia un desarenador de 31 metros de longitud y
posteriormente mediante un canal de sección rectangular de 1.20x1.30 m de 2270 m de
longitud y 0.002 de pendiente hacia una cámara de carga ya descrita en el ítem anterior.
Este ramal se desarrolla íntegramente sobre la margen izquierda del rio Pan de Azucar, en
donde el trazo del canal de conducción cruzara queradas, y en donde son raros los tramos
con presencia de farallones o taludes bastantes escarpados.
3.3 CAUDALES CH RIO AYANUNGA
3.3.1 Caudal de diseño
3.3.2 Caudal de diseño
El cuadro siguiente muestra la potencia generada, factor de planta anual y producción
media de energía según el régimen de persistencia y dejando pasar el caudal ecológico. Se
ha considerado una altura neta igual a 190 m y un factor de eficiencia total de la turbina y
generador del 87.8%.
Resumen Ejecutivo del Proyecto
Estudio de Pre Operatividad - C.H.Ayanunga-CH Pacchac
02-2015
Página 6 de 26
Se selecciona la persistencia de 65%
Resumen Ejecutivo del Proyecto
Estudio de Pre Operatividad - C.H.Ayanunga-CH Pacchac
02-2015
Página 7 de 26
4. EQUIPAMIENTO CENTRAL AYANUNGA
4.1 EQUIPAMIENTO CH AYANUNGA
4.1.1 Casa de Maquinas
La casa de máquinas estará ubicada superficialmente sobre la margen derecha del rio
Ayanunga, antes de su confluencia con la quebrada Pan de Azucar.
La casa de máquinas tendrá una altura máxima de 30.0 m con un ancho de 15.0 m y una
longitud de 30.0 m. El nivel del piso de la casa de máquinas se ubicara en la cota 1190.9
msnm y el eje de la turbina Francis en la cota 1196.0 msnm. Las aguas serán descargadas
al rio Ayanunga a la cota 1192.0 msnm.
Para las operaciones de montaje y desmontaje se contara con un puente grúa apoyado
sobre una viga longitudinal apoyado sobre los muros de la estructura.
EQUIPAMIENTO TURBINA CH AYANUNGA
unidades
Tipo de turbina Francis
Nro. de unidades 2
Disposicion de eje horizontal
Caudal unitario 6.10 m3/s
Altura neta nominal 190.3 m
Velocidad de rotacion 600 rpm
Potencia mecanica por turbina 9.95 MW
Carga minima de operación 40% %
Rendimiento a plena carga mayor 91% %
Numero especifico de velocidad 98.9 m-CV
Numero especifico de velocidad 72.7 m-kW
Altura de montaje 1200 msnm
Velocidad de embalamiento 987 rpm
Mecanismo de regulacion
Servomotores a
aceite a presion
accionado alabes
en el distribuidor
Tiempo de cierre distribuidor 4 a 7 seg.
Altura de sumergencia (succion) -1.00 m
Sobrepresion por golpe de ariete <30% %
Elevacion transitoria de velocidad generador <35% %
Enfriamiento de cojinetes Agua
Resumen Ejecutivo del Proyecto
Estudio de Pre Operatividad - C.H.Ayanunga-CH Pacchac
02-2015
Página 8 de 26
b) Generador
FICHA TECNICA N° 1
CENTRALES Y UNIDADES DE GENERACIÓN HIDROELÉCTRICA
1 DATOS DE LA UNIDAD
1.1
1.2 Código del grupo
1.3
1.4 2018
3 GENERADOR ELÉCTRICO
3.1 Potencia [MVA] 12.00
3.2 Velocidad de rotación [rpm] 600
3.3 Velocidad de embalamiento [rpm] 1,380
3.4 Número de polos 12
3.5 Curva de capabilidad de las unidades de generación (MW-MVAr) -
3.6 Capacidad de 3.6.1 Capacitiva 3.6.1.1 En mínimo técnico [MVAr]
generación 3.6.1.2 Al 50 % de la potencia efectiva [MVAr]
reactiva 3.6.1.3 Al 100 % de la potencia efectiva [MVAr]
3.6.2 Inductiva 3.6.2.1 En mínimo técnico [MVAr]
3.6.2.2 Al 50 % de la potencia efectiva [MVAr]
3.6.2.3 Al 100 % de la potencia efectiva [MVAr]
3.7 Tensión 3.6.3 Generación 3.6.3.1 Nominal [kV] 6.90
3.6.3.2 Mínima [kV]
3.6.3.3 Máxima [kV]
3.6.4 Excitación 3.6.4.1 Mínima de excitación VDC [V] -
3.6.4.2 Máxima de excitación VDC [V] -
3.6.5 Servicios 3.6.5.1 Mínima [V] -
Auxiliares 3.6.5.2 Máxima [V]
3.8 Factor de Potencia 0.85
3.9 Arranque en negro (Black Start) [si/no] -
3.10 Parámetros (reactancias y 3.10.1 Reactancia transitoria de eje directo (X'd) 0.340
constantes de tiempo) y 3.10.2 Reactancia subtransitoria de eje directo (X''d) 0.222
Constante de Inercia de los 3.10.3 Reactancia de armadura de secuencia negativa (X2) 0.222
generadores, requeridos para 3.10.4 Reactancia de armadura de secuencia cero (X0) 0.034
realizar estudios de estado 3.10.5 Cte. tiempo transitoria de eje directo en cortocircuito (T'd) 0.853
estacionario y dinámico. 3.10.6 Cte. de tiempo transitoria de eje en cuadratura a circuito abierto (T'qo) 0.000
3.10.7 Cte. tiempo subtransitoria eje en cuadratura a circuito abierto (T''qo) 0.030
3.10.8 Constante de tiempo de la componente de segundo armonico de cortocircuito (Ta) 0.051
3.10.9 Reactancia de Potier 0.230
3.10.10 Reactancia de dispercion 0.000
3.10.11 Momento de inercia del conjunto maquina electrica, excitatriz y turbina 0.000
3.10.12 Resistencia de armadura sec. Positiva (Ra) 0.005
3.10.13 Relación de potencia de cortocircuito 0.000
3.10.14 S(1.0) 0.000
3.10.15 S(1.2) 0.000
3.10.16 Cte. tiempo subtransitoria eje en cuadratura en cortocircuito (T''q) 0.017
3.10.17 Sobrefrecuencia 0.000
3.10.18 Cte. tiempo transitoria de eje cuadratura en cortocircuito (T'q) 0.000
3.10.19 Corriente de excitación en vacio a tensión 1.0 p.u. 0.000
3.10.20 Corriente de excitación en vacio a tensión 1.2 p.u. 0.000
3.10.21 Resistencia de armadura de secuencia negativa (R2) 0.015
3.10.22 Resistencia de neutro (reflejada al estator:3*Rn) 0.000
3.10.23 Reactancia de neutro (reflejada al estator:3*Xn) 0.000
3.10.24 Cte. de tiempo subtransitoria de eje directo a circuito abierto (T''do) 0.017
3.10.25 Constante de inercia del conjunto maquina electrica, excitatriz y turbina 0.000
3.10.26 Reactancia sincrónica de eje en cuadratura (Xq) 0.682
3.10.27 Reactancia transitoria de eje cuadratura (X'q) 0.600
3.10.28 Cte. de tiempo transitoria de eje directo a circuito abierto (T'do) 2.558
3.10.29 Reactancia subtransitoria de eje cuadratura (X''q) 0.300
3.10.30 Resistencia de armadura de secuencia cero (R0) 0.000
3.10.31 Cte. tiempo subtransitoria de eje directo en cortocircuito (T''d) 0.015
3.10.32 Reactancia sincrónica de eje directo (Xd) 1.023
CH. AYANUNGA 2X9.95MW
Código de la Central
Datos de placa, de pruebas en fábrica y de puesta en servicio, de las unidades de las turbinas y de los generadores eléctricos.
Fecha de Ingreso en operación comercial
Resumen Ejecutivo del Proyecto
Estudio de Pre Operatividad - C.H.Ayanunga-CH Pacchac
02-2015
Página 9 de 26
c) Transformador Elevador
Se ha previsto la instalación de un transformador elevador de potencia a ser ubicado al
exterior de la casa de máquinas que permitirá transformar la tensión de 6.9 kV del
sistema de generación al nivel de 33 kV, para su transmisión al sistema interconectado
con un transformar elevador a 138 kV.
EQUIPAMIENTO DE TRANSFORMACION CH AYANUNGA
Cantidad 1 unidad
Tensión Primario 33 kV
Tensión Secundario 6.9 kV
Grupo de Conexión YNd5
Potencia ONAN 24 MVA
Potencia ONAF 24 MVA
TAPS Tipo Fijo
TAPS Alta (%) ±2x2.5 %
Impedancias Ucc(+) 7 %
Impedancia Ucc(o) 7 %
BIL 7.2 60 kVc
BIL 36 170 kVc
Frecuencia 60 Hz
Resumen Ejecutivo del Proyecto
Estudio de Pre Operatividad - C.H.Ayanunga-CH Pacchac
02-2015
Página 10 de 26
5. UBICACION Y RECURSO HIDRICO CENTRAL PACCHAC
5.1 UBICACIÓN CH PACCHAC
El proyecto de la CH Pacchac se encuentra localizado en el distrito de Monzón, provincia
de Huamiles, en el departamento de Huánuco.
El proyecto aprovechara las aguas del río Monzón en la siguiente ubicación:
Eje Presa
UTM (WGS 84) 8973835 N, 344678E, nivel del lecho del rio: 938.00 msnm
Figura 5.5.1 Trazo de puntos CH Pacchac
Resumen Ejecutivo del Proyecto
Estudio de Pre Operatividad - C.H.Ayanunga-CH Pacchac
02-2015
Página 11 de 26
5.2 ESQUEMA HIDROLOGICO CH PACCHAC
La toma, cámara de carga y casa de máquinas están ubicadas en el eje de presa.
5.3 CAUDALES CH PACCHAC
5.3.1 Caudal de diseño
El cuadro siguiente muestra la potencia generada, factor de planta anual y producción
media de energía según el régimen de persistencia y dejando pasar el caudal ecológico. Se
ha considerado una altura neta igual a 28.5 m y un factor de eficiencia total de la turbina y
generador del 87.8%.
Resumen Ejecutivo del Proyecto
Estudio de Pre Operatividad - C.H.Ayanunga-CH Pacchac
02-2015
Página 12 de 26
6. EQUIPAMIENTO CENTRAL PACCHAC
6.1 EQUIPAMIENTO CH PACCHAC
6.1.1 Casa de maquinas
La casa de máquinas será subterránea de 27 m de largo, 21 m de ancho y 19 m de altura
ubicada al pie dela presa y dentro de la margen derecha del rio, conformada por un
edificio o fortificación de concreto armado dentro del cual estará ubicado los
componentes electromecánicos y de generación hidroeléctrica (turbina, generador y
regulador); y un conducto de descarga por donde se evacuaran las aguas turbinadas.
Las obras de excedencia se componen de dos vertederos uno frontal compuesto por 5
ventanas de 7.0 m de longitud y 3.5 m de altura, y un vertedero de sección transversal
tipo trapezoidal de ancho de fondo de 5 m y altura de 6 m, de 30 m de longitud de
desarrollo emplazado sobre la margen izquierda del rio.
Las obras de desvió estarán conformados por un túnel de sección tipo baúl de 6.0x6.0 m y
de 113 m de longitud en roca y emplazado dentro de la margen izquierda del rio, y dos
ataguías de desvió temporales ubicadas aguas arriba y aguas abajo respectivamente.
A continuación se describen cada uno de estos componentes principales
a) Turbina
La selección de las turbinas se ha efectuado de acuerdo con la altura de caída o salto neto
del aprovechamiento, caudal unitario, número específico de velocidad y el rango de
caudales del recurso hídrico disponible, siendo más conveniente la utilización de turbinas
del tipo Kaplan, la que estará acoplado directamente al generador.
Resumen Ejecutivo del Proyecto
Estudio de Pre Operatividad - C.H.Ayanunga-CH Pacchac
02-2015
Página 13 de 26
EQUIPAMIENTO TURBINA CH PACCHAC
unidades
Tipo de turbina Kaplan
Nro. de unidades 1
Disposicion de eje horizontal
Caudal unitario 55.63 m3/s
Altura neta nominal 28.5 m
Velocidad de rotacion 225 rpm
Potencia mecanica al eje 13670 kW
Carga minima de operación 40% %
Rendimiento a plena carga mayor 91% %
Numero especifico de velocidad 465 m-CV
Numero especifico de velocidad 342 m-kW
Altura de montaje 1200 msnm
Velocidad de embalamiento 540 rpm
Mecanismo de regulacion
Servomotores a
aceite a presion
accionado alabes
en el distribuidor
Tiempo de cierre distribuidor 4 a 7 seg.
Altura de sumergencia (succion) -1.00 m
Sobrepresion por golpe de ariete <30% %
Elevacion transitoria de velocidad generador <35% %
Enfriamiento de cojinetes Agua
Resumen Ejecutivo del Proyecto
Estudio de Pre Operatividad - C.H.Ayanunga-CH Pacchac
02-2015
Página 14 de 26
b) Generador
FICHA TECNICA N° 1
CENTRALES Y UNIDADES DE GENERACIÓN HIDROELÉCTRICA
1 DATOS DE LA UNIDAD
1.1
1.2 Código del grupo
1.3
1.4 2018
3 GENERADOR ELÉCTRICO
3.1 Potencia [MVA] 17.00
3.2 Velocidad de rotación [rpm] 225
3.3 Velocidad de embalamiento [rpm] 540
3.4 Número de polos 32
3.5 Curva de capabilidad de las unidades de generación (MW-MVAr) -
3.6 Capacidad de 3.6.1 Capacitiva 3.6.1.1 En mínimo técnico [MVAr]
generación 3.6.1.2 Al 50 % de la potencia efectiva [MVAr]
reactiva 3.6.1.3 Al 100 % de la potencia efectiva [MVAr]
3.6.2 Inductiva 3.6.2.1 En mínimo técnico [MVAr]
3.6.2.2 Al 50 % de la potencia efectiva [MVAr]
3.6.2.3 Al 100 % de la potencia efectiva [MVAr]
3.7 Tensión 3.6.3 Generación 3.6.3.1 Nominal [kV] 6.90
3.6.3.2 Mínima [kV]
3.6.3.3 Máxima [kV]
3.6.4 Excitación 3.6.4.1 Mínima de excitación VDC [V] -
3.6.4.2 Máxima de excitación VDC [V] -
3.6.5 Servicios 3.6.5.1 Mínima [V] -
Auxiliares 3.6.5.2 Máxima [V]
3.8 Factor de Potencia 0.85
3.9 Arranque en negro (Black Start) [si/no] no
3.10 Parámetros (reactancias y 3.10.1 Reactancia transitoria de eje directo (X'd) 0.340
constantes de tiempo) y 3.10.2 Reactancia subtransitoria de eje directo (X''d) 0.222
Constante de Inercia de los 3.10.3 Reactancia de armadura de secuencia negativa (X2) 0.222
generadores, requeridos para 3.10.4 Reactancia de armadura de secuencia cero (X0) 0.034
realizar estudios de estado 3.10.5 Cte. tiempo transitoria de eje directo en cortocircuito (T'd) 0.853
estacionario y dinámico. 3.10.6 Cte. de tiempo transitoria de eje en cuadratura a circuito abierto (T'qo) 0.000
3.10.7 Cte. tiempo subtransitoria eje en cuadratura a circuito abierto (T''qo) 0.030
3.10.8 Constante de tiempo de la componente de segundo armonico de cortocircuito (Ta) 0.051
3.10.9 Reactancia de Potier 0.230
3.10.10 Reactancia de dispercion 0.000
3.10.11 Momento de inercia del conjunto maquina electrica, excitatriz y turbina 0.000
3.10.12 Resistencia de armadura sec. Positiva (Ra) 0.005
3.10.13 Relación de potencia de cortocircuito 0.000
3.10.14 S(1.0) 0.000
3.10.15 S(1.2) 0.000
3.10.16 Cte. tiempo subtransitoria eje en cuadratura en cortocircuito (T''q) 0.017
3.10.17 Sobrefrecuencia 0.000
3.10.18 Cte. tiempo transitoria de eje cuadratura en cortocircuito (T'q) 0.000
3.10.19 Corriente de excitación en vacio a tensión 1.0 p.u. 0.000
3.10.20 Corriente de excitación en vacio a tensión 1.2 p.u. 0.000
3.10.21 Resistencia de armadura de secuencia negativa (R2) 0.015
3.10.22 Resistencia de neutro (reflejada al estator:3*Rn) 0.000
3.10.23 Reactancia de neutro (reflejada al estator:3*Xn) 0.000
3.10.24 Cte. de tiempo subtransitoria de eje directo a circuito abierto (T''do) 0.017
3.10.25 Constante de inercia del conjunto maquina electrica, excitatriz y turbina 0.000
3.10.26 Reactancia sincrónica de eje en cuadratura (Xq) 0.682
3.10.27 Reactancia transitoria de eje cuadratura (X'q) 0.600
3.10.28 Cte. de tiempo transitoria de eje directo a circuito abierto (T'do) 2.558
3.10.29 Reactancia subtransitoria de eje cuadratura (X''q) 0.300
3.10.30 Resistencia de armadura de secuencia cero (R0) 0.000
3.10.31 Cte. tiempo subtransitoria de eje directo en cortocircuito (T''d) 0.015
3.10.32 Reactancia sincrónica de eje directo (Xd) 1.023
CH. PACCHAC 1 X13.67MW
Código de la Central
Datos de placa, de pruebas en fábrica y de puesta en servicio, de las unidades de las turbinas y de los generadores eléctricos.
Fecha de Ingreso en operación comercial
Resumen Ejecutivo del Proyecto
Estudio de Pre Operatividad - C.H.Ayanunga-CH Pacchac
02-2015
Página 15 de 26
f) Transformador Elevador
Se ha previsto la instalación de un transformador elevador de potencia a ser ubicado al
exterior de la casa de máquinas que permitirá transformar la tensión de 6.9 kV del
sistema de generación al nivel de 33 kV, para su transmisión al sistema interconectado
con un transformar elevador a 138 kV.
EQUIPAMIENTO DE TRANSFORMACION CH PACCHAC
Cantidad 1 unidad
Tensión Primario 33 kV
Tensión Secundario 6.9 kV
Grupo de Conexión YNd5
Potencia ONAN 17 MVA
Potencia ONAF 20 MVA
TAPS Tipo Fijo
TAPS Alta (%) ±2x2.5 %
Impedancias Ucc(+) 7 %
Impedancia Ucc(o) 7 %
BIL 7.2 60 kVc
BIL 36 170 kVc
Frecuencia 60 Hz
Resumen Ejecutivo del Proyecto
Estudio de Pre Operatividad - C.H.Ayanunga-CH Pacchac
02-2015
Página 16 de 26
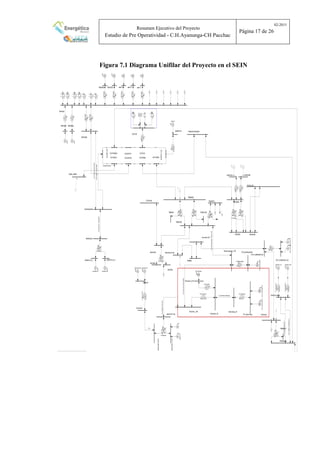
7. DIAGRAMA UNIFILAR DEL PROYECTO
El Diagrama unifilar del sistema eléctrico correspondiente a las CH Ayanunga y CH
Pacchac y la conexión al SEIN en la SE Pacchac se presenta a continuación en la figura.
Figura 7.1 Diagrama Ubicación en Google
Figura 7.1 Diagrama Unifilar del Proyecto
CH- AYANUNGA
AYANUNGA 33KV
9.95 MW
6.9KV
PACCHAC 33KV
PACCHAC 138kV
24MVA
33/6.9KV
CH- PACCHAC
13.67 MW
6.9KV
SE. 8 DE AGOSTO 138kV SE. MUCHCAPATA 138kV
41MVA
138/33KV
17MVA
33/6.9KVAAAC 300 mm2 9km
9.95 MW
Resumen Ejecutivo del Proyecto
Estudio de Pre Operatividad - C.H.Ayanunga-CH Pacchac
02-2015
Página 17 de 26
Figura 7.1 Diagrama Unifilar del Proyecto en el SEIN
CHAGLLA220
STA LORENZA13.8
STA LORENZA138
Amarilis138
PBLANCA138
MARA13.8_2MARA13.8_1
MARA220
YUNGAS220
ECarm4
ECarm23
8AGOST13.8
8AGOST22.9
8AGOST138
asm Casm Basm A
CONOCOCHA220
TMAR10B
KARPA-VIZ
VIZ-PARAG
VIZ-HUALL VIZ-PANU VIZ-TMAR
HUAR-VIZ
VIZ-ANTA2
VIZ-ANTA1
HUALL_N220
MOLBOLMOLSAG
ANTA6A2ANTA6A1
CH_Muschcapata
Muschcapata_138
Pacchac_6.9
AUCA23
AUCA60
CH_Ayanunga
Ayanunga_33
Pacchac_33
Pacchac_138
PARAG10
PARAGII
TOCA138
AUCA138
SVCVIZ
HUANU
TMARI10
PARAG220
KARPA10
PUCAL138
TMAR220
AGUA23 AGUA138
AGUA13A
TMAR10
TMAR138
AGUA13B
AGUA220
ANTA220
ANTA23
VIZ-SVC
PowerFactory 15.0.1
PRE-OPERATIVIDAD
CASO CORTOCIRCUITO TRIFASICO
2018
Project:
Graphic: AYANUNGA_PA
Date: 7/26/2015
Annex:
Nodes Branches
Lne_Muschcapata-TMaria_138
G
~
StaLoren_G2
G
~
StaLoren_G1
Tr2ChagllaG2
0
Tr2ChagllaG1
0 LneChaglla-Paragsha2_2
LneChaglla-Paragsha2_1
0
0
Tr3 Aguay..
-2
G
~
CHAGLLA G2
G
~
CHAGLLA G1
LneYungas-Vizcarra220
LneYungas-Antamina220
LneMarañon-Yungas220
G
~
Marañon G2
G
~
Marañon G1 G
~
ElCarmen G2
G
~
ElCarmen G1
tr2ELCarmen
0
Lne ..
G
~
8AgosG2
G
~
Lne_Pacchac-Mushcapata
Lne_8Agosto-Pacchac
tr3 8Agosto
0
Breaker/Switch(3)
0
M
~
-5
11
0
1
0
2
SG
~
Syn_Pacchac
tr2_Mushcapata
0
SG
~
Syn_Mushcapata
1
tr2_Pacchac
Lne_Pacchac-Ayanunga
SG
~
Syn_Ayanunga-G2
SG
~
Syn_Ayanunga-G1
tr2_Ayanungatr2_Pacchac_P
-2-2
0
1
G
~
KARPA
0
0 0
M
~
M
~
-2
G
~
0
G
~
0
0
2
G
~
0
1
3333333
G
~
0
M
~
0
M
~
SVS
Resumen Ejecutivo del Proyecto
Estudio de Pre Operatividad - C.H.Ayanunga-CH Pacchac
02-2015
Página 18 de 26
8. EQUIPAMIENTO
8.1 Subestación de la CH Ayanunga
Tendrá un patio de Transformador Principal, Transformador de SSAA y Equipos de
Maniobras.
A1) Equipamiento principal SE Ayanunga:
SE AYANUNGA
ITEM Ubicación Potencia Primario Secundario Grupo Taps Cantidad
MVA kV kV Conexión Primario 1
Transformador Potencia Patio Llaves 24 33 6.9 Dyn1 ±2x2.5% 1
Transformador SSAA Patio Llaves 0.5 6.9 0.38 Dyn11 ±2x2.5% 1
ITEM Corriente Nominal Corriente Ruptura Tensión BIL Control
Interruptores trifásicos A kA kV kVp Vdc Fases Cantidad
Interruptor de Grupo 1 Patio Llaves 1250 40 7.2 60 110 trifásico 1
Interruptor de Grupo 2 Patio Llaves 1250 40 7.2 60 110 trifásico 1
Interruptor de Transformador Potencia-Primario Patio Llaves 630 16 36 170 110 trifásico 1
Interruptor de Transformador SSAA Patio Llaves 50 16 7.2 60 110 trifásico 1
Interruptor de Linea YANUNGA-PACCHA Patio Llaves 630 16 36 170 110 trifásico 1
ITEM Corriente Nominal Corriente Ruptura Tensión BIL Control
Seccionadores trifásicos A kA kV kVp Vdc Cantidad
Seccionador de Transformador Potencia-Secundario Patio Llaves 2500 - 7.2 60 110 3
Seccionador de Linea AYANUNGA-PACCHA Patio Llaves 630 - 36 170 110 3
ITEM Tipo Primario Secundario Potencia Clase Clase
kV kV VA Precisión Precisión
patio Llaves Protección Medición Cantidad
Transformadores de Tension Grupo 1 Patio Llaves Inductivo 7.2 0.1 30 3P 0.2 3
Transformadores de Tension AYANUNGA-PACCHA Patio Llaves Inductivo 36 0.1 30 3P 0.2 3
Transformadores de Tension Barra 6.6 kV Patio Llaves Inductivo 7.2 0.1 30 3P 0.2 3
ITEM Tipo Primario Secundario Potencia Clase Clase
A A VA Precisión Precisión
Protección Medición Cantidad
Transformador de Corriente Grupo 1 Patio Llaves 3 devanados 1250 5 30 5P20 0.2 3
Transformador de Corriente Grupo 2 Patio Llaves 3 devanados 1250 5 30 5P20 0.2 3
Transformador de Corriente de Transformador Potencia Patio Llaves 1 devanado 400 5 30 5P20 0.2 3
Transformador de Corriente de Transformador SSAA Patio Llaves 1 devanado 40 5 30 5P20 0.2 3
Transformador de Corriente de Linea AYANUNGA-PACCHA Patio Llaves 3 devanados 400 5 30 5P20 0.2 3
ITEM Tipo Tension Tensión Onda Onda BIL
Sistema Nominal Maniobra-3kA Atmosferica-10kA
kVrms kVrms kV kV kVp Cantidad
Pararrayos Grupo 1 Patio Llaves ZnO 7.2 6 13.8 18.3 60 3
Pararrayos Transformador Potencia-Secundario Patio Llaves ZnO 7.2 6 13.8 18.3 60 3
Pararrayos Linea AYANUNGA-PACCHA Patio Llaves ZnO 36 30 61.8 69 170 3
ITEM Tipo Tension Nominal Frecuencia Carga flotantante Carga equilibrioCorriente nominal
V Hz V V A
Cargador rectificador de respaldo Patio Llaves Trifasico 380 60 110 ±3% 110±5% 27.3 1
Lado corriente alterna lado corriente continua
Resumen Ejecutivo del Proyecto
Estudio de Pre Operatividad - C.H.Ayanunga-CH Pacchac
02-2015
Página 19 de 26
A2) Equipamiento principal SE Pacchac
SE PACCHAC
ITEM Ubicación Potencia Primario Secundario Grupo Taps Cantidad
MVA kV kV Conexión Primario
Transformador Potencia Patio Llaves 17 33 6.9 YNyn0 ±2x2.5% 1
Transformador Potencia de 138/33kV Patio Llaves 41 138 33 YNyn0 ±2x2.5% 1
Transformador SSAA Patio Llaves 0.5 6.9 0.38 Dyn11 ±2x2.5% 1
ITEM Corriente Nominal Corriente Ruptura Tensión BIL Control
A kA kV kVp Vdc Fases Cantidad
Interruptor de Grupo 1 Patio Llaves 1600 31.5 7.2 60 110 trifásico 1
Interruptor de Transformador Potencia -Primario 138kV Patio Llaves 250 40 145 650 110 trifásico 1
Interruptor de Transformador Potencia - Secundario 138/33kV 41 MVAPatio Llaves 800 40 36 170 110 trifásico 1
Interruptor de Transformador SSAA Patio Llaves 50 16 7.2 60 110 trifásico 1
Interruptor de Linea A SE. AYANUNGA Patio Llaves 630 16 36 170 110 trifásico 1
Interruptor de Linea A SE. 8 DE AGOSTO Patio Llaves 600 40 145 650 110 monofásico 3x1
Interruptor de Linea A SE. MUCHCAPATA Patio Llaves 600 40 145 650 110 monofásico 3x1
ITEM Corriente Nominal Corriente Ruptura Tensión BIL Control
Seccionadores trifásicos A kA kV kVp Vdc Cantidad
Seccionador de Transformador Potencia-Secundario Patio Llaves 1600 - 7.2 60 110 3
Seccionador de Transformador SSAA Patio Llaves 50 - 7.2 60 110 3
Seccionador de Linea A SE. AYANUNGA Patio Llaves 630 - 36 170 110 3
Seccionador de Linea A SE. 8 DE AGOSTO Patio Llaves 600 - 145 650 110 3
Seccionador de Linea A SE. TINGO MARIA Patio Llaves 600 - 145 650 110 3
ITEM Tipo Primario Secundario Potencia Clase Clase
kV kV VA Precisión Precisión
Protección Medición Cantidad
Transformadores de Tension Grupo 1 Patio Llaves Inductivo 7.2 0.1 30 5P20 0.2 3
Transformadores de Tension Barra 6.9 kV Patio Llaves Inductivo 7.2 0.1 30 5P20 0.2 3
Transformadores de Tension Barra 33kV Patio Llaves Inductivo 36 0.1 30 5P20 0.2 3
Transformadores de Tension de Linea A SE. AYANUNGA Patio Llaves Inductivo 36 0.1 30 5P20 0.2 3
Transformadores de Tension de Linea A SE. 8 DE AGOSTO Patio Llaves Inductivo 145 0.1 30 5P20 0.2 3
Transformadores de Tension de Linea A SE. TINGO MARIA Patio Llaves Inductivo 145 0.1 30 5P20 0.2 3
ITEM Tipo Primario Secundario Potencia Clase Clase
A A VA Precisión Precisión
Protección Medición Cantidad
Transformador de Corriente Grupo 1 Patio Llaves 3 devanados 1600 5 30 5P20 0.2 3
Transformador de Corriente de Transformador Potencia Patio Llaves 1 devanado 1600 5 30 5P20 0.2 3
Transformador de Corriente de Transformador SSAA Patio Llaves 1 devanado 40 5 30 5P20 0.2 3
Transformador de Corriente de Linea A SE. AYANUNGA Patio Llaves 1 devanados 400 5 30 5P20 0.2 3
Transformador de Corriente de Linea A SE. 8 DE AGOSTO Patio Llaves 1devanados 600 5 30 5P20 0.2 3
Transformador de Corriente de Linea A SE. TINGO MARIA Patio Llaves 1devanados 600 5 30 5P20 0.2 3
ITEM Tipo Tension Tensión Onda Onda BIL
Sistema Nominal Maniobra-3kA Atmosferica-10kA
kVrms kVrms kV kV kVp Cantidad
Pararrayos Grupo 1 Patio Llaves ZnO 7.2 6 13.8 18.3 60 3
Pararrayos Transformador Potencia Patio Llaves ZnO 7.2 6 13.8 18.3 60 3
Pararrayos Transformador SSAA Patio Llaves ZnO 7.2 6 13.8 18.3 60 3
Pararrayos Transformador Potencia 138/33kV Patio Llaves ZnO 145 120 248 276 650 3
ITEM Tipo Tension Nominal Frecuencia Carga flotantante Carga equilibrio Corriente nominal
V Hz V V A
Cargador rectificador de respaldo Patio Llaves Trifasico 380 60 110 ±3% 110±5% 27.3 1
Lado corriente alterna lado corriente continua
Resumen Ejecutivo del Proyecto
Estudio de Pre Operatividad - C.H.Ayanunga-CH Pacchac
02-2015
Página 20 de 26
9. SISTEMA DE TELECOMUNICACIONES
Características básicas del proyecto
En este caso se utilizara el Sistema de Fibra óptica para las comunicaciones de
transmisión de datos entre la SE Ayanunga y Pacchac en el nivel de 33 kV, y en el nivel
de 138 kV desde la SE Pacchac hacia Muchcapata y Tingo María en el SEIN.
Sistemas de Telecomunicaciones existente
La Subestación Tingo María cuenta actualmente con una Unidad Terminal Remota
(UTR) que captura los datos de la subestación y los remite al SCADA del Centro de
Control del COES en Lima. Asimismo las comunicaciones lo realizan telefónicamente
por intermedio de una empresa que les alquila este medio.
10. LINEA DE TRANSMISION 33 KV CONEXION CH AYANUNGA Y CH
PACCHAC
10.1 Características y recorrido de la Línea
La línea de transmisión en 33 kV unirá las Centrales.
Comprenderán los siguientes tramos:
 LT 33 kV Ayanunga-Pacchac. Una terna de 9 km.
10.2 Coordenadas UTM
El recorrido de las líneas y las coordenadas en el siguiente cuadro.
El recorrido de la línea se muestra en la siguiente lámina donde se muestra que recorre
cercana al rio y a la ciudad libre de espacios arqueológicos.
Se adjunta el archivo Google Earth.
Este(m) Norte(m)/Google Earth(S)
C.MAYANUNGA 338404 8968462 1215 - 0.000 0.000
V1 338805 8969186 1221 61° 1' 9.6" 827.633 827.633
V2 339113 8969872 1197 65° 49' 15.2" 751.971 1579.604
V3 339381 8970579 1213 69° 14' 23.8" 756.091 2335.695
V4 339523 8971880 1091 83° 46' 15.6" 1308.726 3644.421
V5 340360 8971811 1212 - 4° 42' 45.5" 839.839 4484.260
V6 341229 8971850 1289 2° 34' 10.78" 869.875 5354.135
V7 342109 8972151 1181 18° 52' 58.8" 930.054 6284.189
V8 343128 8972481 1215 17° 56' 39.7" 1071.103 7355.292
V9 344053 8973060 1217 32° 2' 39.62" 1091.268 8446.560
V10 344658 8973779 978 49° 55' 16.2" 939.673 9386.234
C.MPACCHA 344694 8973846 967 61° 45' 0.95" 76.059 9462.293
Distancia Acumulada(m)Vertice
Coordendas WGS84
Cota (m) Angulo Vano adelante(m)
Resumen Ejecutivo del Proyecto
Estudio de Pre Operatividad - C.H.Ayanunga-CH Pacchac
02-2015
Página 21 de 26
Figura 10.1 Trazo de puntos Líneas asociadas al Proyecto
Resumen Ejecutivo del Proyecto
Estudio de Pre Operatividad - C.H.Ayanunga-CH Pacchac
02-2015
Página 22 de 26
10.3 Selección del Conductor de las Líneas de Transmisión
Para la selección del conductor de la LT 33 kV Ayanunga –Pacchac se consideraron la
potencia a transmitir y las condiciones de no viento y sol. Los parámetros de la línea de
transmisión, han sido calculados considerando las características de la torre de
transmisión 33 kV.
Cuadro Nº 8.2.1: Configuración Geométrica y Datos de Conductores
Cuadro Nº 8.2: Parámetros de la Línea
TIPO CODIGO
CALIBRE
( AWG o
MCM)
SECCION
(mm2)
DIAMETRO
(mm)
CARGA DE
ROTURA
(Kg)
RESISTENCIA
ELECTRICA
20°C
(Ω/Km)
RESISTENCIA
ELECTRICA
75°C
(Ω/Km)
FACTOR DE
CORRECCION DE
RESISTENCIA POR
TEMPERATURA
(1/°C)
RMG
(mm)
AMPERAJE
(Amperios)
AAAC 600 300 22.63 9069 0.1100 0.1101 0.0000193 8.6800 540
TIPO SECCION
DIAMETRO
EXTERIOR
(mm)
CARGA DE
ROTURA
(Kg)
MODULO DE
ELASTICIDAD
(Kg/mm²)
HILOS
RESISTENCIA
ELECTRICA
20°C
(Ω/Km)
RESISTENCIA
ELECTRICA
50°C
(Ω/Km)
FACTOR DE
CORRECCION DE
RESISTENCIA POR
TEMPERATURA
(1/°C)
RMG
(mm)
AMPERAJE
(Amperios)
OPGW 70mm² 30 6370 12700 0.0500 0.0500 0.000015 11.6820 100
CARACTERISTICA DEL CONDUCTOR
CARACTERISTICAS DE LOS CABLES DE GUARDA
N°
Ternas BARRA1 BARRA2 TIPO Calibre mm2 kV Km r1(Ω/Km) x1(Ω/Km) b1(uS/Km) r0(Ω/Km) x0(Ω/Km) b0(uS/Km) Amperios
AYANUNGA-PACCHA 1 AYANUNGA PACCHAC AAAC 300 33 9 0.111 0.479 3.464 0.195 1.257 2.062 540
Resumen Ejecutivo del Proyecto
Estudio de Pre Operatividad - C.H.Ayanunga-CH Pacchac
02-2015
Página 23 de 26
11. CONCLUSIONES DE LOS ESTUDIOS ELECTRICOS
11.1 Análisis de Resultados Casos Base
11.1.1 Análisis año 2018
Los resultados indican que, en los casos sin los proyectos de Ayanunga y Paccchac, del
año 2018, no se advierte la presencia de sobrecargas en las instalaciones de transmisión
del SEIN en la zona de influencia del proyecto.
En cuanto a los resultados de los casos con los proyectos Ayanunga y Pacchac.
En Anillo cerrado en Moyobamba se presentan cargas menores del 105 % en la LT Tingo
María-Aucayacu.
En Anillo Abierto con Proyecto, no se advierte la presencia de sobrecargas en el sistema,
debido a que en los escenarios de Avenida y Estiaje en demanda máxima y media
demanda se ha abierto la LT 138 Bellavista-Tarapoto.
Dado lo anterior, para que la conexión de los 77.5 MW del conjunto de proyectos
hidroeléctricos del sistema de 138 kV Tingo Maria-8Agosto sea factible, se propone
anticipar la apertura del enlace Tarapoto-Bellavista 138 kV, que en primera instancia está
prevista posterior al 2018. Lo anterior es requerido solo en caso que dicho conjunto
supere una potencia total de 70 MW.
11.1.2 Análisis año 2022
Los resultados indican que, tanto en los casos con y sin los proyectos Ayanunga y
Pacchac, no se advierte la presencia de sobrecargas en las instalaciones de transmisión
del SEIN en la zona de influencia del proyecto. Lo anterior se debe a los refuerzos del
sistema de 220 kV que entran en el año 2020 y debido a que el sistema opera con el anillo
de 138 kV Tingo María-Moyobamba abierto en el tramo Tarapoto-Bellavista.
Resumen Ejecutivo del Proyecto
Estudio de Pre Operatividad - C.H.Ayanunga-CH Pacchac
02-2015
Página 24 de 26
11.2 Análisis de Resultados en Contingencia
11.2.1 Análisis de Resultados en Contingencia Anillo Cerrado
Los resultados revelan la presencia de sobrecargas por sobre el 120% en el sistema de
transmisión en la zona del proyecto, ante las contingencias en las líneas de 220 kV Tingo
María - Aguaytía y Tingo María Vizcarra en los escenarios de media y máxima demanda,
tanto en condiciones de las épocas de Avenida y Estiaje. Las magnitudes de las
sobrecargas en la zona del proyecto alcanzan un máximo valor para el escenario de
demanda máxima y en condiciones de Estiaje, donde la peor condición se presenta ante
la salida de la línea Tingo María – Vizcarra 220 kV, en la cual la línea Tingo María –
Piedra Blanca 138 kV alcanza una sobrecarga de 150. %. Dichas sobrecargas se ven
bastante aliviadas por la entrada del proyecto. De hecho, las sobrecargas en demanda
máxima y media desaparecen por la entrada de los proyecto Ayanunga y Pacchac.
En adición a los problemas de sobrecarga, en los escenarios de demanda máxima se
generan problemas de sub-tensión en las barras Tingo María 220 kV, Piedra Blanca 138
kV y Amarilis 138 kV, cuyas tensiones se ven bastante mejoradas con la entrada de los
proyectos Ayanunga y Pacchac.
11.2.2 Análisis de Resultados en Contingencia Anillo Abierto
Los resultados indican que, con la conexión de los proyectos Ayanunga y Pacchac, no se
presentan sobrecargas en las instalaciones del SEIN en la zona de influencia del proyecto.
La ausencia de los proyectos Ayanunga y Paccchac provoca un aumento en la
cargabilidad del sistema, apareciendo nuevas sobrecargas que no existen ante la presencia
de los proyectos.
En cuanto a los perfiles de tensión, en los escenarios de demanda máxima se generan
problemas de sub-tensión en las barras Tingo María 220 kV y Piedra Blanca, Amarilis,
Tocache y Bellavista 138 kV, cuyas tensiones se ven bastante mejoradas con la entrada
de los proyectos Ayanunga y Pacchac.
Dado lo anterior se concluye que el proyecto mejora las condiciones sistémicas de la zona
del SEIN bajo estudio.
Resumen Ejecutivo del Proyecto
Estudio de Pre Operatividad - C.H.Ayanunga-CH Pacchac
02-2015
Página 25 de 26
11.3 Análisis de Resultados Corto Circuito
En el caso sin proyecto año 2018 los niveles de cortocircuito son:
Tingo María
Nivel 220kV 1.92 kA
Nivel 138 kV 2.64 kA
En el caso con proyecto año 2018 los niveles de cortocircuito son:
Tingo María
Nivel 220kV 2.04 kA
Nivel 138 kV 3.06 kA
Ayanunga
Nivel 33 kV 4.39 kA
Pacchac
Nivel 33 kV 7.12 kA
En el caso con proyecto año 2022 los niveles de cortocircuito son:
Tingo María
Nivel 220kV 8.56 kA
Nivel 138 kV 4.48 kA
Ayanunga
Nivel 33 kV 4.48 kA
Pacchac
Nivel 33 kV 7.55 kA
En el caso con proyecto año 2022 especial los niveles de cortocircuito son:
Tingo María
Nivel 220kV 10.24 kA
Nivel 138 kV 4.76 kA
Pacchac
Nivel 138 kV 3.0 kA
Nivel 33 kV 7.61 kA
Ayanunga
Nivel 33 kV 4.49 kA
Los interruptores seleccionados con corriente de ruptura de:
Nivel 138 kV 16-24-40 kA
Nivel 33 kV 16 kA
Que están por encima de las corrientes de cortocircuito calculadas.
La puesta a tierra de los generadores de Ayanunga son de 120 ohm con lo que se limita la
corriente de falla a tierra en bornes de los generadores a un valor de 66 Amperios.
La puesta a tierra del generador de Pacchac es de 120 ohm con lo que se limita la
corriente de falla a tierra en bornes de los generadores a un valor de 33 Amperios.
Resumen Ejecutivo del Proyecto
Estudio de Pre Operatividad - C.H.Ayanunga-CH Pacchac
02-2015
Página 26 de 26
11.4 Análisis de Resultados de Estabilidad
Estabilidad de la regulación de la central hidroeléctrica
El sistema de reguladores HYGOV, EXPIC1, regulan las Fallas con recierre monofásico
en la zona del Estudio.
Tolerancia a corrientes de secuencia negativa
El grupo del Proyecto Hidroeléctrico de Ayanunga tiene corriente de secuencia negativa
de i2 = 0.757 pu. Y soporta el tiempo de 52.8 s.
El grupo de Pacchac tiene corriente de secuencia negativa de valor i2=2.195 pu. Soporta
tiempos de corriente de secuencia negativa en bornes de generación de 8.3 segundos.
Y la protección de secuencia negativa debe tener un tiempo de actuación menor de 8.23
segundos.
Estabilidad Transitoria-Tiempos críticos de despeje de falla
Ante Falla trifásica en barra de 33 kV en Ayanunga o Pacchac el sistema del Proyecto
Hidroeléctrico Ayanunga-Pacchac soporta fallas trifásicas en alta 33 kV por un tiempo de
0.150 segundos.
11.5 Conclusiones del Estudio de Estabilidad Permanente
Los grupos del Proyecto Hidroeléctrico Ayanunga y Pacchac están provistos de
estabilizadores PSS2B y reguladores de tensión modelo EXPIC1 y de velocidad HYGOV
cuyos parámetros se dan en el estudio de estabilidad transitoria.
Los casos sin reguladores no presentan oscilaciones permanentes, siendo el valor más
bajo de factor de amortiguación de =0.084.
Los casos con reguladores de parámetros presentados en el estudio de estabilidad
transitoria, no presentan oscilaciones permanentes, siendo el valor más bajo del factor de
amortiguación de  = 0.076.
Por lo que la operación de las CH Ayanunga y CH Pacchac no afectará la operación de
las centrales de su zona de influencia.
*****

07.centrales hidroeléctricas ayanunga y pacchac

  • 1.
    CENTRAL HIDROELÉCTRICA CH AYANUNGA CHPACCHAC ESTUDIO DE PRE OPERATIVIDAD 2018-2022 RESUMEN EJECUTIVO DEL PROYECTO Versión 03 JULIO 2015
  • 2.
    Resumen Ejecutivo delProyecto Estudio de Pre Operatividad - C.H.Ayanunga-CH Pacchac 02-2015 Página 2 de 26 ÍNDICE Nº Pág 1. INTRODUCCIÓN..............................................................................................................3 2. ALCANCES DEL PROYECTO .......................................................................................3 3. UBICACION Y RECURSO HIDRICO CENTRAL AYANUNGA...............................3 3.1 UBICACIÓN CH YANUNGA ..............................................................................3 3.2 ESQUEMA HIDROLOGICO CH AYANUNGA................................................4 3.2.1 Ramal izquierdo-Quebrada Ayanunga ................................................................5 3.2.2 Ramal derecho-Quebrada Pan de Azucar............................................................5 3.3 CAUDALES CH RIO AYANUNGA ....................................................................5 3.3.1 Caudal de diseño.....................................................................................................5 3.3.2 Caudal de diseño.....................................................................................................5 4. EQUIPAMIENTO CENTRAL AYANUNGA ................................................................7 4.1 EQUIPAMIENTO CH AYANUNGA...................................................................7 4.1.1 Casa de Maquinas...................................................................................................7 5. UBICACION Y RECURSO HIDRICO CENTRAL RIO PACCHAC .......................10 5.1 UBICACIÓN CH PACCHAC............................................................................10 5.2 ESQUEMA HIDROLOGICO CH RIO PACCHAC ........................................11 5.3 CAUDALES CH RIO PACCHAC......................................................................11 5.3.1 Caudal de diseño...................................................................................................11 6. EQUIPAMIENTO CENTRAL PACCHAC .................................................................12 6.1 EQUIPAMIENTO CH RIO PACCHAC ...........................................................12 6.1.1 Casa de maquinas.................................................................................................12 7. DIAGRAMA UNIFILAR DEL PROYECTO................................................................16 8. EQUIPAMIENTO............................................................................................................18 8.1 Subestación de la CH Ayanunga.........................................................................18 9. SISTEMA DE TELECOMUNICACIONES..................................................................20 10. LINEA DE TRANSMISION 33 kV CONEXION Central Hidráulica Ayanunga y CH Pacchac ..............................................................................................................................20 10.1 Características y recorrido de la Línea ..............................................................20 10.2 Coordenadas UTM ...............................................................................................20 10.3 Selección del Conductor de las Líneas de Transmisión ....................................22 11. CONCLUSIONES DE LOS ESTUDIOS ELECTRICOS ............................................23 11.1 Análisis de Resultados Casos Base......................................................................23 11.1.1 Análisis año 2018 ..................................................................................................23 11.1.2 Análisis año 2022 ..................................................................................................23 11.2 Análisis de Resultados en Contingencia .............................................................24 11.2.1 Análisis de Resultados en Contingencia Anillo Cerrado ..................................24 11.2.2 Análisis de Resultados en Contingencia Anillo Abierto....................................24 11.3 Análisis de Resultados Corto Circuito................................................................25 11.4 Análisis de Resultados de Estabilidad ................................................................26 11.5 Conclusiones del Estudio de Estabilidad Permanente ......................................26
  • 3.
    Resumen Ejecutivo delProyecto Estudio de Pre Operatividad - C.H.Ayanunga-CH Pacchac 02-2015 Página 3 de 26 ESTUDIO DE PRE OPERATIVIDAD COMPLEJO HIDROELÉCTRICO DE CENTRALES AYANUNGA Y PACCHAC RESUMEN EJECUTIVO DEL PROYECTO 1. INTRODUCCIÓN Como parte del estudio de Pre-Operatividad en este volumen se dan las características generales de las Centrales Hidráulicas de Ayanunga y Pacchac. Se dan los alcances del proyecto y sus características turbina-generador. Se dan las características del sistema de transmisión. Se dan los resultados del estudio del sistema eléctrico. 2. ALCANCES DEL PROYECTO Las dos centrales hidroeléctricas, Ayanunga (2x9.95 MW = 19.9 MW) y Pacchac (13.67W) se encuentran ubicadas en se encuentran localizado en el distrito de Monzón, provincia de Huamalies, en el departamento de Huánuco. Las dos centrales se conectaran a la SE Pacchac y de la SE Pacchac se conectara al SEIN seccionando la LT 138 kV 8Agosto-Muchcapata. Utiliza la LT 138 Muchcapata-Tingo María en construcción para la barra de Tingo María 138kV. Las centrales iniciaran su operación el año 2018. 3. UBICACION Y RECURSO HIDRICO CENTRAL AYANUNGA 3.1 UBICACIÓN CH YANUNGA El proyecto de la CH Ayanunga se encuentra localizado en el distrito de Monzón, provincia de Huamalies, en el departamento de Huánuco. El proyecto aprovechara las aguas de los ríos Ayanunga y Pan de azúcar, los cuales al converger forman un afluente del rio Monzón (forman el rio maravillas del rio Monzón), cerca de la ciudad de Monzón y entre las siguientes coordenadas: Obras de toma (Bocatoma Ayanunga): UTM (WGS 84) 8996713 N, 335180 E, nivel del lecho del rio: 1400msnm (Bocatoma Pan de Azucar): UTM (WGS 84) 8966 222 N, 337666 E, nivel del lecho del rio: 1396.00 msnm Casa de Maquinas Casa de Maquinas: UTM (WGS 84) 8968462 N, 338404 E, novel del rio: 1192.00 msnm
  • 4.
    Resumen Ejecutivo delProyecto Estudio de Pre Operatividad - C.H.Ayanunga-CH Pacchac 02-2015 Página 4 de 26 3.2 ESQUEMA HIDROLOGICO CH AYANUNGA En el diagrama siguiente se muestra el esquema hidrológico: BOCATOMA ANAYUNGA Qd=7.5 m3/s (65% Persistencia) BOCATOMA PAN DE AZUCAR Qd=4.9 m3/s (65% Persistencia) Qd=12.4 m3/s ΔH=190 m CÁMARA DE CARGA CASA DE MÁQUINAS P=20.00MW CANAL RAMAL IZQUIERDO L=3,464, S=0.002 CANAL RAMAL DERECHO L=2,193, S=0.002 TUBERIA FORZADA D=1.80 m, L=378
  • 5.
    Resumen Ejecutivo delProyecto Estudio de Pre Operatividad - C.H.Ayanunga-CH Pacchac 02-2015 Página 5 de 26 3.2.1 Ramal izquierdo-Quebrada Ayanunga El esquema hidráulico considera captar las aguas del rio Ayanunga en la cota 1400 msnm y derivarlas hacia un desarenador de 45 metros de longitud y posteriormente mediante un canal de sección rectangular de 1.50x1.80 m de 3527 m de longitud y 0.002 de pendiente hacia una cámara de carga de aproximadamente 360 m3 de capacidad útil, que estará provista de un aliviadero para evacuar el exceso de caudal producido por las aperturas y cierres instantáneos de la válvula que controla el ingreso del flujo. Este ramal se desarrolla íntegramente en la margen derecha del rio Ayanunga, sobre el cual el canal de conducción cruzara quebradas en las progresivas indicadas. La cota de captación permitirá que el trazo del canal de conducción se desarrolle sobre los farallones presentes a lo largo terreno en el trazo, y de esta manera evitar el diseño de obras de paso, estructuras puente, acueductos, etc. De la cámara de carga y mediante una tubería forzada se llega a la casa de máquinas, y luego sus aguas turbinadas se descargan a la quebrada Ayanunga. La tubería de presión (o conducto forzado) tiene una longitud de unos 400 m y ha sido dimensionada para un diámetro D=2.10m, la misma que se emplazara sobre apoyos de concreto armado y fijados a anclajes en los cambios de dirección, dispuestos al exterior. 3.2.2 Ramal derecho-Quebrada Pan de Azucar El esquema hidráulico considera captar las aguas del rio Pan de Azucar en la cota 1397.00 msnm y derivarlas hacia un desarenador de 31 metros de longitud y posteriormente mediante un canal de sección rectangular de 1.20x1.30 m de 2270 m de longitud y 0.002 de pendiente hacia una cámara de carga ya descrita en el ítem anterior. Este ramal se desarrolla íntegramente sobre la margen izquierda del rio Pan de Azucar, en donde el trazo del canal de conducción cruzara queradas, y en donde son raros los tramos con presencia de farallones o taludes bastantes escarpados. 3.3 CAUDALES CH RIO AYANUNGA 3.3.1 Caudal de diseño 3.3.2 Caudal de diseño El cuadro siguiente muestra la potencia generada, factor de planta anual y producción media de energía según el régimen de persistencia y dejando pasar el caudal ecológico. Se ha considerado una altura neta igual a 190 m y un factor de eficiencia total de la turbina y generador del 87.8%.
  • 6.
    Resumen Ejecutivo delProyecto Estudio de Pre Operatividad - C.H.Ayanunga-CH Pacchac 02-2015 Página 6 de 26 Se selecciona la persistencia de 65%
  • 7.
    Resumen Ejecutivo delProyecto Estudio de Pre Operatividad - C.H.Ayanunga-CH Pacchac 02-2015 Página 7 de 26 4. EQUIPAMIENTO CENTRAL AYANUNGA 4.1 EQUIPAMIENTO CH AYANUNGA 4.1.1 Casa de Maquinas La casa de máquinas estará ubicada superficialmente sobre la margen derecha del rio Ayanunga, antes de su confluencia con la quebrada Pan de Azucar. La casa de máquinas tendrá una altura máxima de 30.0 m con un ancho de 15.0 m y una longitud de 30.0 m. El nivel del piso de la casa de máquinas se ubicara en la cota 1190.9 msnm y el eje de la turbina Francis en la cota 1196.0 msnm. Las aguas serán descargadas al rio Ayanunga a la cota 1192.0 msnm. Para las operaciones de montaje y desmontaje se contara con un puente grúa apoyado sobre una viga longitudinal apoyado sobre los muros de la estructura. EQUIPAMIENTO TURBINA CH AYANUNGA unidades Tipo de turbina Francis Nro. de unidades 2 Disposicion de eje horizontal Caudal unitario 6.10 m3/s Altura neta nominal 190.3 m Velocidad de rotacion 600 rpm Potencia mecanica por turbina 9.95 MW Carga minima de operación 40% % Rendimiento a plena carga mayor 91% % Numero especifico de velocidad 98.9 m-CV Numero especifico de velocidad 72.7 m-kW Altura de montaje 1200 msnm Velocidad de embalamiento 987 rpm Mecanismo de regulacion Servomotores a aceite a presion accionado alabes en el distribuidor Tiempo de cierre distribuidor 4 a 7 seg. Altura de sumergencia (succion) -1.00 m Sobrepresion por golpe de ariete <30% % Elevacion transitoria de velocidad generador <35% % Enfriamiento de cojinetes Agua
  • 8.
    Resumen Ejecutivo delProyecto Estudio de Pre Operatividad - C.H.Ayanunga-CH Pacchac 02-2015 Página 8 de 26 b) Generador FICHA TECNICA N° 1 CENTRALES Y UNIDADES DE GENERACIÓN HIDROELÉCTRICA 1 DATOS DE LA UNIDAD 1.1 1.2 Código del grupo 1.3 1.4 2018 3 GENERADOR ELÉCTRICO 3.1 Potencia [MVA] 12.00 3.2 Velocidad de rotación [rpm] 600 3.3 Velocidad de embalamiento [rpm] 1,380 3.4 Número de polos 12 3.5 Curva de capabilidad de las unidades de generación (MW-MVAr) - 3.6 Capacidad de 3.6.1 Capacitiva 3.6.1.1 En mínimo técnico [MVAr] generación 3.6.1.2 Al 50 % de la potencia efectiva [MVAr] reactiva 3.6.1.3 Al 100 % de la potencia efectiva [MVAr] 3.6.2 Inductiva 3.6.2.1 En mínimo técnico [MVAr] 3.6.2.2 Al 50 % de la potencia efectiva [MVAr] 3.6.2.3 Al 100 % de la potencia efectiva [MVAr] 3.7 Tensión 3.6.3 Generación 3.6.3.1 Nominal [kV] 6.90 3.6.3.2 Mínima [kV] 3.6.3.3 Máxima [kV] 3.6.4 Excitación 3.6.4.1 Mínima de excitación VDC [V] - 3.6.4.2 Máxima de excitación VDC [V] - 3.6.5 Servicios 3.6.5.1 Mínima [V] - Auxiliares 3.6.5.2 Máxima [V] 3.8 Factor de Potencia 0.85 3.9 Arranque en negro (Black Start) [si/no] - 3.10 Parámetros (reactancias y 3.10.1 Reactancia transitoria de eje directo (X'd) 0.340 constantes de tiempo) y 3.10.2 Reactancia subtransitoria de eje directo (X''d) 0.222 Constante de Inercia de los 3.10.3 Reactancia de armadura de secuencia negativa (X2) 0.222 generadores, requeridos para 3.10.4 Reactancia de armadura de secuencia cero (X0) 0.034 realizar estudios de estado 3.10.5 Cte. tiempo transitoria de eje directo en cortocircuito (T'd) 0.853 estacionario y dinámico. 3.10.6 Cte. de tiempo transitoria de eje en cuadratura a circuito abierto (T'qo) 0.000 3.10.7 Cte. tiempo subtransitoria eje en cuadratura a circuito abierto (T''qo) 0.030 3.10.8 Constante de tiempo de la componente de segundo armonico de cortocircuito (Ta) 0.051 3.10.9 Reactancia de Potier 0.230 3.10.10 Reactancia de dispercion 0.000 3.10.11 Momento de inercia del conjunto maquina electrica, excitatriz y turbina 0.000 3.10.12 Resistencia de armadura sec. Positiva (Ra) 0.005 3.10.13 Relación de potencia de cortocircuito 0.000 3.10.14 S(1.0) 0.000 3.10.15 S(1.2) 0.000 3.10.16 Cte. tiempo subtransitoria eje en cuadratura en cortocircuito (T''q) 0.017 3.10.17 Sobrefrecuencia 0.000 3.10.18 Cte. tiempo transitoria de eje cuadratura en cortocircuito (T'q) 0.000 3.10.19 Corriente de excitación en vacio a tensión 1.0 p.u. 0.000 3.10.20 Corriente de excitación en vacio a tensión 1.2 p.u. 0.000 3.10.21 Resistencia de armadura de secuencia negativa (R2) 0.015 3.10.22 Resistencia de neutro (reflejada al estator:3*Rn) 0.000 3.10.23 Reactancia de neutro (reflejada al estator:3*Xn) 0.000 3.10.24 Cte. de tiempo subtransitoria de eje directo a circuito abierto (T''do) 0.017 3.10.25 Constante de inercia del conjunto maquina electrica, excitatriz y turbina 0.000 3.10.26 Reactancia sincrónica de eje en cuadratura (Xq) 0.682 3.10.27 Reactancia transitoria de eje cuadratura (X'q) 0.600 3.10.28 Cte. de tiempo transitoria de eje directo a circuito abierto (T'do) 2.558 3.10.29 Reactancia subtransitoria de eje cuadratura (X''q) 0.300 3.10.30 Resistencia de armadura de secuencia cero (R0) 0.000 3.10.31 Cte. tiempo subtransitoria de eje directo en cortocircuito (T''d) 0.015 3.10.32 Reactancia sincrónica de eje directo (Xd) 1.023 CH. AYANUNGA 2X9.95MW Código de la Central Datos de placa, de pruebas en fábrica y de puesta en servicio, de las unidades de las turbinas y de los generadores eléctricos. Fecha de Ingreso en operación comercial
  • 9.
    Resumen Ejecutivo delProyecto Estudio de Pre Operatividad - C.H.Ayanunga-CH Pacchac 02-2015 Página 9 de 26 c) Transformador Elevador Se ha previsto la instalación de un transformador elevador de potencia a ser ubicado al exterior de la casa de máquinas que permitirá transformar la tensión de 6.9 kV del sistema de generación al nivel de 33 kV, para su transmisión al sistema interconectado con un transformar elevador a 138 kV. EQUIPAMIENTO DE TRANSFORMACION CH AYANUNGA Cantidad 1 unidad Tensión Primario 33 kV Tensión Secundario 6.9 kV Grupo de Conexión YNd5 Potencia ONAN 24 MVA Potencia ONAF 24 MVA TAPS Tipo Fijo TAPS Alta (%) ±2x2.5 % Impedancias Ucc(+) 7 % Impedancia Ucc(o) 7 % BIL 7.2 60 kVc BIL 36 170 kVc Frecuencia 60 Hz
  • 10.
    Resumen Ejecutivo delProyecto Estudio de Pre Operatividad - C.H.Ayanunga-CH Pacchac 02-2015 Página 10 de 26 5. UBICACION Y RECURSO HIDRICO CENTRAL PACCHAC 5.1 UBICACIÓN CH PACCHAC El proyecto de la CH Pacchac se encuentra localizado en el distrito de Monzón, provincia de Huamiles, en el departamento de Huánuco. El proyecto aprovechara las aguas del río Monzón en la siguiente ubicación: Eje Presa UTM (WGS 84) 8973835 N, 344678E, nivel del lecho del rio: 938.00 msnm Figura 5.5.1 Trazo de puntos CH Pacchac
  • 11.
    Resumen Ejecutivo delProyecto Estudio de Pre Operatividad - C.H.Ayanunga-CH Pacchac 02-2015 Página 11 de 26 5.2 ESQUEMA HIDROLOGICO CH PACCHAC La toma, cámara de carga y casa de máquinas están ubicadas en el eje de presa. 5.3 CAUDALES CH PACCHAC 5.3.1 Caudal de diseño El cuadro siguiente muestra la potencia generada, factor de planta anual y producción media de energía según el régimen de persistencia y dejando pasar el caudal ecológico. Se ha considerado una altura neta igual a 28.5 m y un factor de eficiencia total de la turbina y generador del 87.8%.
  • 12.
    Resumen Ejecutivo delProyecto Estudio de Pre Operatividad - C.H.Ayanunga-CH Pacchac 02-2015 Página 12 de 26 6. EQUIPAMIENTO CENTRAL PACCHAC 6.1 EQUIPAMIENTO CH PACCHAC 6.1.1 Casa de maquinas La casa de máquinas será subterránea de 27 m de largo, 21 m de ancho y 19 m de altura ubicada al pie dela presa y dentro de la margen derecha del rio, conformada por un edificio o fortificación de concreto armado dentro del cual estará ubicado los componentes electromecánicos y de generación hidroeléctrica (turbina, generador y regulador); y un conducto de descarga por donde se evacuaran las aguas turbinadas. Las obras de excedencia se componen de dos vertederos uno frontal compuesto por 5 ventanas de 7.0 m de longitud y 3.5 m de altura, y un vertedero de sección transversal tipo trapezoidal de ancho de fondo de 5 m y altura de 6 m, de 30 m de longitud de desarrollo emplazado sobre la margen izquierda del rio. Las obras de desvió estarán conformados por un túnel de sección tipo baúl de 6.0x6.0 m y de 113 m de longitud en roca y emplazado dentro de la margen izquierda del rio, y dos ataguías de desvió temporales ubicadas aguas arriba y aguas abajo respectivamente. A continuación se describen cada uno de estos componentes principales a) Turbina La selección de las turbinas se ha efectuado de acuerdo con la altura de caída o salto neto del aprovechamiento, caudal unitario, número específico de velocidad y el rango de caudales del recurso hídrico disponible, siendo más conveniente la utilización de turbinas del tipo Kaplan, la que estará acoplado directamente al generador.
  • 13.
    Resumen Ejecutivo delProyecto Estudio de Pre Operatividad - C.H.Ayanunga-CH Pacchac 02-2015 Página 13 de 26 EQUIPAMIENTO TURBINA CH PACCHAC unidades Tipo de turbina Kaplan Nro. de unidades 1 Disposicion de eje horizontal Caudal unitario 55.63 m3/s Altura neta nominal 28.5 m Velocidad de rotacion 225 rpm Potencia mecanica al eje 13670 kW Carga minima de operación 40% % Rendimiento a plena carga mayor 91% % Numero especifico de velocidad 465 m-CV Numero especifico de velocidad 342 m-kW Altura de montaje 1200 msnm Velocidad de embalamiento 540 rpm Mecanismo de regulacion Servomotores a aceite a presion accionado alabes en el distribuidor Tiempo de cierre distribuidor 4 a 7 seg. Altura de sumergencia (succion) -1.00 m Sobrepresion por golpe de ariete <30% % Elevacion transitoria de velocidad generador <35% % Enfriamiento de cojinetes Agua
  • 14.
    Resumen Ejecutivo delProyecto Estudio de Pre Operatividad - C.H.Ayanunga-CH Pacchac 02-2015 Página 14 de 26 b) Generador FICHA TECNICA N° 1 CENTRALES Y UNIDADES DE GENERACIÓN HIDROELÉCTRICA 1 DATOS DE LA UNIDAD 1.1 1.2 Código del grupo 1.3 1.4 2018 3 GENERADOR ELÉCTRICO 3.1 Potencia [MVA] 17.00 3.2 Velocidad de rotación [rpm] 225 3.3 Velocidad de embalamiento [rpm] 540 3.4 Número de polos 32 3.5 Curva de capabilidad de las unidades de generación (MW-MVAr) - 3.6 Capacidad de 3.6.1 Capacitiva 3.6.1.1 En mínimo técnico [MVAr] generación 3.6.1.2 Al 50 % de la potencia efectiva [MVAr] reactiva 3.6.1.3 Al 100 % de la potencia efectiva [MVAr] 3.6.2 Inductiva 3.6.2.1 En mínimo técnico [MVAr] 3.6.2.2 Al 50 % de la potencia efectiva [MVAr] 3.6.2.3 Al 100 % de la potencia efectiva [MVAr] 3.7 Tensión 3.6.3 Generación 3.6.3.1 Nominal [kV] 6.90 3.6.3.2 Mínima [kV] 3.6.3.3 Máxima [kV] 3.6.4 Excitación 3.6.4.1 Mínima de excitación VDC [V] - 3.6.4.2 Máxima de excitación VDC [V] - 3.6.5 Servicios 3.6.5.1 Mínima [V] - Auxiliares 3.6.5.2 Máxima [V] 3.8 Factor de Potencia 0.85 3.9 Arranque en negro (Black Start) [si/no] no 3.10 Parámetros (reactancias y 3.10.1 Reactancia transitoria de eje directo (X'd) 0.340 constantes de tiempo) y 3.10.2 Reactancia subtransitoria de eje directo (X''d) 0.222 Constante de Inercia de los 3.10.3 Reactancia de armadura de secuencia negativa (X2) 0.222 generadores, requeridos para 3.10.4 Reactancia de armadura de secuencia cero (X0) 0.034 realizar estudios de estado 3.10.5 Cte. tiempo transitoria de eje directo en cortocircuito (T'd) 0.853 estacionario y dinámico. 3.10.6 Cte. de tiempo transitoria de eje en cuadratura a circuito abierto (T'qo) 0.000 3.10.7 Cte. tiempo subtransitoria eje en cuadratura a circuito abierto (T''qo) 0.030 3.10.8 Constante de tiempo de la componente de segundo armonico de cortocircuito (Ta) 0.051 3.10.9 Reactancia de Potier 0.230 3.10.10 Reactancia de dispercion 0.000 3.10.11 Momento de inercia del conjunto maquina electrica, excitatriz y turbina 0.000 3.10.12 Resistencia de armadura sec. Positiva (Ra) 0.005 3.10.13 Relación de potencia de cortocircuito 0.000 3.10.14 S(1.0) 0.000 3.10.15 S(1.2) 0.000 3.10.16 Cte. tiempo subtransitoria eje en cuadratura en cortocircuito (T''q) 0.017 3.10.17 Sobrefrecuencia 0.000 3.10.18 Cte. tiempo transitoria de eje cuadratura en cortocircuito (T'q) 0.000 3.10.19 Corriente de excitación en vacio a tensión 1.0 p.u. 0.000 3.10.20 Corriente de excitación en vacio a tensión 1.2 p.u. 0.000 3.10.21 Resistencia de armadura de secuencia negativa (R2) 0.015 3.10.22 Resistencia de neutro (reflejada al estator:3*Rn) 0.000 3.10.23 Reactancia de neutro (reflejada al estator:3*Xn) 0.000 3.10.24 Cte. de tiempo subtransitoria de eje directo a circuito abierto (T''do) 0.017 3.10.25 Constante de inercia del conjunto maquina electrica, excitatriz y turbina 0.000 3.10.26 Reactancia sincrónica de eje en cuadratura (Xq) 0.682 3.10.27 Reactancia transitoria de eje cuadratura (X'q) 0.600 3.10.28 Cte. de tiempo transitoria de eje directo a circuito abierto (T'do) 2.558 3.10.29 Reactancia subtransitoria de eje cuadratura (X''q) 0.300 3.10.30 Resistencia de armadura de secuencia cero (R0) 0.000 3.10.31 Cte. tiempo subtransitoria de eje directo en cortocircuito (T''d) 0.015 3.10.32 Reactancia sincrónica de eje directo (Xd) 1.023 CH. PACCHAC 1 X13.67MW Código de la Central Datos de placa, de pruebas en fábrica y de puesta en servicio, de las unidades de las turbinas y de los generadores eléctricos. Fecha de Ingreso en operación comercial
  • 15.
    Resumen Ejecutivo delProyecto Estudio de Pre Operatividad - C.H.Ayanunga-CH Pacchac 02-2015 Página 15 de 26 f) Transformador Elevador Se ha previsto la instalación de un transformador elevador de potencia a ser ubicado al exterior de la casa de máquinas que permitirá transformar la tensión de 6.9 kV del sistema de generación al nivel de 33 kV, para su transmisión al sistema interconectado con un transformar elevador a 138 kV. EQUIPAMIENTO DE TRANSFORMACION CH PACCHAC Cantidad 1 unidad Tensión Primario 33 kV Tensión Secundario 6.9 kV Grupo de Conexión YNd5 Potencia ONAN 17 MVA Potencia ONAF 20 MVA TAPS Tipo Fijo TAPS Alta (%) ±2x2.5 % Impedancias Ucc(+) 7 % Impedancia Ucc(o) 7 % BIL 7.2 60 kVc BIL 36 170 kVc Frecuencia 60 Hz
  • 16.
    Resumen Ejecutivo delProyecto Estudio de Pre Operatividad - C.H.Ayanunga-CH Pacchac 02-2015 Página 16 de 26 7. DIAGRAMA UNIFILAR DEL PROYECTO El Diagrama unifilar del sistema eléctrico correspondiente a las CH Ayanunga y CH Pacchac y la conexión al SEIN en la SE Pacchac se presenta a continuación en la figura. Figura 7.1 Diagrama Ubicación en Google Figura 7.1 Diagrama Unifilar del Proyecto CH- AYANUNGA AYANUNGA 33KV 9.95 MW 6.9KV PACCHAC 33KV PACCHAC 138kV 24MVA 33/6.9KV CH- PACCHAC 13.67 MW 6.9KV SE. 8 DE AGOSTO 138kV SE. MUCHCAPATA 138kV 41MVA 138/33KV 17MVA 33/6.9KVAAAC 300 mm2 9km 9.95 MW
  • 17.
    Resumen Ejecutivo delProyecto Estudio de Pre Operatividad - C.H.Ayanunga-CH Pacchac 02-2015 Página 17 de 26 Figura 7.1 Diagrama Unifilar del Proyecto en el SEIN CHAGLLA220 STA LORENZA13.8 STA LORENZA138 Amarilis138 PBLANCA138 MARA13.8_2MARA13.8_1 MARA220 YUNGAS220 ECarm4 ECarm23 8AGOST13.8 8AGOST22.9 8AGOST138 asm Casm Basm A CONOCOCHA220 TMAR10B KARPA-VIZ VIZ-PARAG VIZ-HUALL VIZ-PANU VIZ-TMAR HUAR-VIZ VIZ-ANTA2 VIZ-ANTA1 HUALL_N220 MOLBOLMOLSAG ANTA6A2ANTA6A1 CH_Muschcapata Muschcapata_138 Pacchac_6.9 AUCA23 AUCA60 CH_Ayanunga Ayanunga_33 Pacchac_33 Pacchac_138 PARAG10 PARAGII TOCA138 AUCA138 SVCVIZ HUANU TMARI10 PARAG220 KARPA10 PUCAL138 TMAR220 AGUA23 AGUA138 AGUA13A TMAR10 TMAR138 AGUA13B AGUA220 ANTA220 ANTA23 VIZ-SVC PowerFactory 15.0.1 PRE-OPERATIVIDAD CASO CORTOCIRCUITO TRIFASICO 2018 Project: Graphic: AYANUNGA_PA Date: 7/26/2015 Annex: Nodes Branches Lne_Muschcapata-TMaria_138 G ~ StaLoren_G2 G ~ StaLoren_G1 Tr2ChagllaG2 0 Tr2ChagllaG1 0 LneChaglla-Paragsha2_2 LneChaglla-Paragsha2_1 0 0 Tr3 Aguay.. -2 G ~ CHAGLLA G2 G ~ CHAGLLA G1 LneYungas-Vizcarra220 LneYungas-Antamina220 LneMarañon-Yungas220 G ~ Marañon G2 G ~ Marañon G1 G ~ ElCarmen G2 G ~ ElCarmen G1 tr2ELCarmen 0 Lne .. G ~ 8AgosG2 G ~ Lne_Pacchac-Mushcapata Lne_8Agosto-Pacchac tr3 8Agosto 0 Breaker/Switch(3) 0 M ~ -5 11 0 1 0 2 SG ~ Syn_Pacchac tr2_Mushcapata 0 SG ~ Syn_Mushcapata 1 tr2_Pacchac Lne_Pacchac-Ayanunga SG ~ Syn_Ayanunga-G2 SG ~ Syn_Ayanunga-G1 tr2_Ayanungatr2_Pacchac_P -2-2 0 1 G ~ KARPA 0 0 0 M ~ M ~ -2 G ~ 0 G ~ 0 0 2 G ~ 0 1 3333333 G ~ 0 M ~ 0 M ~ SVS
  • 18.
    Resumen Ejecutivo delProyecto Estudio de Pre Operatividad - C.H.Ayanunga-CH Pacchac 02-2015 Página 18 de 26 8. EQUIPAMIENTO 8.1 Subestación de la CH Ayanunga Tendrá un patio de Transformador Principal, Transformador de SSAA y Equipos de Maniobras. A1) Equipamiento principal SE Ayanunga: SE AYANUNGA ITEM Ubicación Potencia Primario Secundario Grupo Taps Cantidad MVA kV kV Conexión Primario 1 Transformador Potencia Patio Llaves 24 33 6.9 Dyn1 ±2x2.5% 1 Transformador SSAA Patio Llaves 0.5 6.9 0.38 Dyn11 ±2x2.5% 1 ITEM Corriente Nominal Corriente Ruptura Tensión BIL Control Interruptores trifásicos A kA kV kVp Vdc Fases Cantidad Interruptor de Grupo 1 Patio Llaves 1250 40 7.2 60 110 trifásico 1 Interruptor de Grupo 2 Patio Llaves 1250 40 7.2 60 110 trifásico 1 Interruptor de Transformador Potencia-Primario Patio Llaves 630 16 36 170 110 trifásico 1 Interruptor de Transformador SSAA Patio Llaves 50 16 7.2 60 110 trifásico 1 Interruptor de Linea YANUNGA-PACCHA Patio Llaves 630 16 36 170 110 trifásico 1 ITEM Corriente Nominal Corriente Ruptura Tensión BIL Control Seccionadores trifásicos A kA kV kVp Vdc Cantidad Seccionador de Transformador Potencia-Secundario Patio Llaves 2500 - 7.2 60 110 3 Seccionador de Linea AYANUNGA-PACCHA Patio Llaves 630 - 36 170 110 3 ITEM Tipo Primario Secundario Potencia Clase Clase kV kV VA Precisión Precisión patio Llaves Protección Medición Cantidad Transformadores de Tension Grupo 1 Patio Llaves Inductivo 7.2 0.1 30 3P 0.2 3 Transformadores de Tension AYANUNGA-PACCHA Patio Llaves Inductivo 36 0.1 30 3P 0.2 3 Transformadores de Tension Barra 6.6 kV Patio Llaves Inductivo 7.2 0.1 30 3P 0.2 3 ITEM Tipo Primario Secundario Potencia Clase Clase A A VA Precisión Precisión Protección Medición Cantidad Transformador de Corriente Grupo 1 Patio Llaves 3 devanados 1250 5 30 5P20 0.2 3 Transformador de Corriente Grupo 2 Patio Llaves 3 devanados 1250 5 30 5P20 0.2 3 Transformador de Corriente de Transformador Potencia Patio Llaves 1 devanado 400 5 30 5P20 0.2 3 Transformador de Corriente de Transformador SSAA Patio Llaves 1 devanado 40 5 30 5P20 0.2 3 Transformador de Corriente de Linea AYANUNGA-PACCHA Patio Llaves 3 devanados 400 5 30 5P20 0.2 3 ITEM Tipo Tension Tensión Onda Onda BIL Sistema Nominal Maniobra-3kA Atmosferica-10kA kVrms kVrms kV kV kVp Cantidad Pararrayos Grupo 1 Patio Llaves ZnO 7.2 6 13.8 18.3 60 3 Pararrayos Transformador Potencia-Secundario Patio Llaves ZnO 7.2 6 13.8 18.3 60 3 Pararrayos Linea AYANUNGA-PACCHA Patio Llaves ZnO 36 30 61.8 69 170 3 ITEM Tipo Tension Nominal Frecuencia Carga flotantante Carga equilibrioCorriente nominal V Hz V V A Cargador rectificador de respaldo Patio Llaves Trifasico 380 60 110 ±3% 110±5% 27.3 1 Lado corriente alterna lado corriente continua
  • 19.
    Resumen Ejecutivo delProyecto Estudio de Pre Operatividad - C.H.Ayanunga-CH Pacchac 02-2015 Página 19 de 26 A2) Equipamiento principal SE Pacchac SE PACCHAC ITEM Ubicación Potencia Primario Secundario Grupo Taps Cantidad MVA kV kV Conexión Primario Transformador Potencia Patio Llaves 17 33 6.9 YNyn0 ±2x2.5% 1 Transformador Potencia de 138/33kV Patio Llaves 41 138 33 YNyn0 ±2x2.5% 1 Transformador SSAA Patio Llaves 0.5 6.9 0.38 Dyn11 ±2x2.5% 1 ITEM Corriente Nominal Corriente Ruptura Tensión BIL Control A kA kV kVp Vdc Fases Cantidad Interruptor de Grupo 1 Patio Llaves 1600 31.5 7.2 60 110 trifásico 1 Interruptor de Transformador Potencia -Primario 138kV Patio Llaves 250 40 145 650 110 trifásico 1 Interruptor de Transformador Potencia - Secundario 138/33kV 41 MVAPatio Llaves 800 40 36 170 110 trifásico 1 Interruptor de Transformador SSAA Patio Llaves 50 16 7.2 60 110 trifásico 1 Interruptor de Linea A SE. AYANUNGA Patio Llaves 630 16 36 170 110 trifásico 1 Interruptor de Linea A SE. 8 DE AGOSTO Patio Llaves 600 40 145 650 110 monofásico 3x1 Interruptor de Linea A SE. MUCHCAPATA Patio Llaves 600 40 145 650 110 monofásico 3x1 ITEM Corriente Nominal Corriente Ruptura Tensión BIL Control Seccionadores trifásicos A kA kV kVp Vdc Cantidad Seccionador de Transformador Potencia-Secundario Patio Llaves 1600 - 7.2 60 110 3 Seccionador de Transformador SSAA Patio Llaves 50 - 7.2 60 110 3 Seccionador de Linea A SE. AYANUNGA Patio Llaves 630 - 36 170 110 3 Seccionador de Linea A SE. 8 DE AGOSTO Patio Llaves 600 - 145 650 110 3 Seccionador de Linea A SE. TINGO MARIA Patio Llaves 600 - 145 650 110 3 ITEM Tipo Primario Secundario Potencia Clase Clase kV kV VA Precisión Precisión Protección Medición Cantidad Transformadores de Tension Grupo 1 Patio Llaves Inductivo 7.2 0.1 30 5P20 0.2 3 Transformadores de Tension Barra 6.9 kV Patio Llaves Inductivo 7.2 0.1 30 5P20 0.2 3 Transformadores de Tension Barra 33kV Patio Llaves Inductivo 36 0.1 30 5P20 0.2 3 Transformadores de Tension de Linea A SE. AYANUNGA Patio Llaves Inductivo 36 0.1 30 5P20 0.2 3 Transformadores de Tension de Linea A SE. 8 DE AGOSTO Patio Llaves Inductivo 145 0.1 30 5P20 0.2 3 Transformadores de Tension de Linea A SE. TINGO MARIA Patio Llaves Inductivo 145 0.1 30 5P20 0.2 3 ITEM Tipo Primario Secundario Potencia Clase Clase A A VA Precisión Precisión Protección Medición Cantidad Transformador de Corriente Grupo 1 Patio Llaves 3 devanados 1600 5 30 5P20 0.2 3 Transformador de Corriente de Transformador Potencia Patio Llaves 1 devanado 1600 5 30 5P20 0.2 3 Transformador de Corriente de Transformador SSAA Patio Llaves 1 devanado 40 5 30 5P20 0.2 3 Transformador de Corriente de Linea A SE. AYANUNGA Patio Llaves 1 devanados 400 5 30 5P20 0.2 3 Transformador de Corriente de Linea A SE. 8 DE AGOSTO Patio Llaves 1devanados 600 5 30 5P20 0.2 3 Transformador de Corriente de Linea A SE. TINGO MARIA Patio Llaves 1devanados 600 5 30 5P20 0.2 3 ITEM Tipo Tension Tensión Onda Onda BIL Sistema Nominal Maniobra-3kA Atmosferica-10kA kVrms kVrms kV kV kVp Cantidad Pararrayos Grupo 1 Patio Llaves ZnO 7.2 6 13.8 18.3 60 3 Pararrayos Transformador Potencia Patio Llaves ZnO 7.2 6 13.8 18.3 60 3 Pararrayos Transformador SSAA Patio Llaves ZnO 7.2 6 13.8 18.3 60 3 Pararrayos Transformador Potencia 138/33kV Patio Llaves ZnO 145 120 248 276 650 3 ITEM Tipo Tension Nominal Frecuencia Carga flotantante Carga equilibrio Corriente nominal V Hz V V A Cargador rectificador de respaldo Patio Llaves Trifasico 380 60 110 ±3% 110±5% 27.3 1 Lado corriente alterna lado corriente continua
  • 20.
    Resumen Ejecutivo delProyecto Estudio de Pre Operatividad - C.H.Ayanunga-CH Pacchac 02-2015 Página 20 de 26 9. SISTEMA DE TELECOMUNICACIONES Características básicas del proyecto En este caso se utilizara el Sistema de Fibra óptica para las comunicaciones de transmisión de datos entre la SE Ayanunga y Pacchac en el nivel de 33 kV, y en el nivel de 138 kV desde la SE Pacchac hacia Muchcapata y Tingo María en el SEIN. Sistemas de Telecomunicaciones existente La Subestación Tingo María cuenta actualmente con una Unidad Terminal Remota (UTR) que captura los datos de la subestación y los remite al SCADA del Centro de Control del COES en Lima. Asimismo las comunicaciones lo realizan telefónicamente por intermedio de una empresa que les alquila este medio. 10. LINEA DE TRANSMISION 33 KV CONEXION CH AYANUNGA Y CH PACCHAC 10.1 Características y recorrido de la Línea La línea de transmisión en 33 kV unirá las Centrales. Comprenderán los siguientes tramos:  LT 33 kV Ayanunga-Pacchac. Una terna de 9 km. 10.2 Coordenadas UTM El recorrido de las líneas y las coordenadas en el siguiente cuadro. El recorrido de la línea se muestra en la siguiente lámina donde se muestra que recorre cercana al rio y a la ciudad libre de espacios arqueológicos. Se adjunta el archivo Google Earth. Este(m) Norte(m)/Google Earth(S) C.MAYANUNGA 338404 8968462 1215 - 0.000 0.000 V1 338805 8969186 1221 61° 1' 9.6" 827.633 827.633 V2 339113 8969872 1197 65° 49' 15.2" 751.971 1579.604 V3 339381 8970579 1213 69° 14' 23.8" 756.091 2335.695 V4 339523 8971880 1091 83° 46' 15.6" 1308.726 3644.421 V5 340360 8971811 1212 - 4° 42' 45.5" 839.839 4484.260 V6 341229 8971850 1289 2° 34' 10.78" 869.875 5354.135 V7 342109 8972151 1181 18° 52' 58.8" 930.054 6284.189 V8 343128 8972481 1215 17° 56' 39.7" 1071.103 7355.292 V9 344053 8973060 1217 32° 2' 39.62" 1091.268 8446.560 V10 344658 8973779 978 49° 55' 16.2" 939.673 9386.234 C.MPACCHA 344694 8973846 967 61° 45' 0.95" 76.059 9462.293 Distancia Acumulada(m)Vertice Coordendas WGS84 Cota (m) Angulo Vano adelante(m)
  • 21.
    Resumen Ejecutivo delProyecto Estudio de Pre Operatividad - C.H.Ayanunga-CH Pacchac 02-2015 Página 21 de 26 Figura 10.1 Trazo de puntos Líneas asociadas al Proyecto
  • 22.
    Resumen Ejecutivo delProyecto Estudio de Pre Operatividad - C.H.Ayanunga-CH Pacchac 02-2015 Página 22 de 26 10.3 Selección del Conductor de las Líneas de Transmisión Para la selección del conductor de la LT 33 kV Ayanunga –Pacchac se consideraron la potencia a transmitir y las condiciones de no viento y sol. Los parámetros de la línea de transmisión, han sido calculados considerando las características de la torre de transmisión 33 kV. Cuadro Nº 8.2.1: Configuración Geométrica y Datos de Conductores Cuadro Nº 8.2: Parámetros de la Línea TIPO CODIGO CALIBRE ( AWG o MCM) SECCION (mm2) DIAMETRO (mm) CARGA DE ROTURA (Kg) RESISTENCIA ELECTRICA 20°C (Ω/Km) RESISTENCIA ELECTRICA 75°C (Ω/Km) FACTOR DE CORRECCION DE RESISTENCIA POR TEMPERATURA (1/°C) RMG (mm) AMPERAJE (Amperios) AAAC 600 300 22.63 9069 0.1100 0.1101 0.0000193 8.6800 540 TIPO SECCION DIAMETRO EXTERIOR (mm) CARGA DE ROTURA (Kg) MODULO DE ELASTICIDAD (Kg/mm²) HILOS RESISTENCIA ELECTRICA 20°C (Ω/Km) RESISTENCIA ELECTRICA 50°C (Ω/Km) FACTOR DE CORRECCION DE RESISTENCIA POR TEMPERATURA (1/°C) RMG (mm) AMPERAJE (Amperios) OPGW 70mm² 30 6370 12700 0.0500 0.0500 0.000015 11.6820 100 CARACTERISTICA DEL CONDUCTOR CARACTERISTICAS DE LOS CABLES DE GUARDA N° Ternas BARRA1 BARRA2 TIPO Calibre mm2 kV Km r1(Ω/Km) x1(Ω/Km) b1(uS/Km) r0(Ω/Km) x0(Ω/Km) b0(uS/Km) Amperios AYANUNGA-PACCHA 1 AYANUNGA PACCHAC AAAC 300 33 9 0.111 0.479 3.464 0.195 1.257 2.062 540
  • 23.
    Resumen Ejecutivo delProyecto Estudio de Pre Operatividad - C.H.Ayanunga-CH Pacchac 02-2015 Página 23 de 26 11. CONCLUSIONES DE LOS ESTUDIOS ELECTRICOS 11.1 Análisis de Resultados Casos Base 11.1.1 Análisis año 2018 Los resultados indican que, en los casos sin los proyectos de Ayanunga y Paccchac, del año 2018, no se advierte la presencia de sobrecargas en las instalaciones de transmisión del SEIN en la zona de influencia del proyecto. En cuanto a los resultados de los casos con los proyectos Ayanunga y Pacchac. En Anillo cerrado en Moyobamba se presentan cargas menores del 105 % en la LT Tingo María-Aucayacu. En Anillo Abierto con Proyecto, no se advierte la presencia de sobrecargas en el sistema, debido a que en los escenarios de Avenida y Estiaje en demanda máxima y media demanda se ha abierto la LT 138 Bellavista-Tarapoto. Dado lo anterior, para que la conexión de los 77.5 MW del conjunto de proyectos hidroeléctricos del sistema de 138 kV Tingo Maria-8Agosto sea factible, se propone anticipar la apertura del enlace Tarapoto-Bellavista 138 kV, que en primera instancia está prevista posterior al 2018. Lo anterior es requerido solo en caso que dicho conjunto supere una potencia total de 70 MW. 11.1.2 Análisis año 2022 Los resultados indican que, tanto en los casos con y sin los proyectos Ayanunga y Pacchac, no se advierte la presencia de sobrecargas en las instalaciones de transmisión del SEIN en la zona de influencia del proyecto. Lo anterior se debe a los refuerzos del sistema de 220 kV que entran en el año 2020 y debido a que el sistema opera con el anillo de 138 kV Tingo María-Moyobamba abierto en el tramo Tarapoto-Bellavista.
  • 24.
    Resumen Ejecutivo delProyecto Estudio de Pre Operatividad - C.H.Ayanunga-CH Pacchac 02-2015 Página 24 de 26 11.2 Análisis de Resultados en Contingencia 11.2.1 Análisis de Resultados en Contingencia Anillo Cerrado Los resultados revelan la presencia de sobrecargas por sobre el 120% en el sistema de transmisión en la zona del proyecto, ante las contingencias en las líneas de 220 kV Tingo María - Aguaytía y Tingo María Vizcarra en los escenarios de media y máxima demanda, tanto en condiciones de las épocas de Avenida y Estiaje. Las magnitudes de las sobrecargas en la zona del proyecto alcanzan un máximo valor para el escenario de demanda máxima y en condiciones de Estiaje, donde la peor condición se presenta ante la salida de la línea Tingo María – Vizcarra 220 kV, en la cual la línea Tingo María – Piedra Blanca 138 kV alcanza una sobrecarga de 150. %. Dichas sobrecargas se ven bastante aliviadas por la entrada del proyecto. De hecho, las sobrecargas en demanda máxima y media desaparecen por la entrada de los proyecto Ayanunga y Pacchac. En adición a los problemas de sobrecarga, en los escenarios de demanda máxima se generan problemas de sub-tensión en las barras Tingo María 220 kV, Piedra Blanca 138 kV y Amarilis 138 kV, cuyas tensiones se ven bastante mejoradas con la entrada de los proyectos Ayanunga y Pacchac. 11.2.2 Análisis de Resultados en Contingencia Anillo Abierto Los resultados indican que, con la conexión de los proyectos Ayanunga y Pacchac, no se presentan sobrecargas en las instalaciones del SEIN en la zona de influencia del proyecto. La ausencia de los proyectos Ayanunga y Paccchac provoca un aumento en la cargabilidad del sistema, apareciendo nuevas sobrecargas que no existen ante la presencia de los proyectos. En cuanto a los perfiles de tensión, en los escenarios de demanda máxima se generan problemas de sub-tensión en las barras Tingo María 220 kV y Piedra Blanca, Amarilis, Tocache y Bellavista 138 kV, cuyas tensiones se ven bastante mejoradas con la entrada de los proyectos Ayanunga y Pacchac. Dado lo anterior se concluye que el proyecto mejora las condiciones sistémicas de la zona del SEIN bajo estudio.
  • 25.
    Resumen Ejecutivo delProyecto Estudio de Pre Operatividad - C.H.Ayanunga-CH Pacchac 02-2015 Página 25 de 26 11.3 Análisis de Resultados Corto Circuito En el caso sin proyecto año 2018 los niveles de cortocircuito son: Tingo María Nivel 220kV 1.92 kA Nivel 138 kV 2.64 kA En el caso con proyecto año 2018 los niveles de cortocircuito son: Tingo María Nivel 220kV 2.04 kA Nivel 138 kV 3.06 kA Ayanunga Nivel 33 kV 4.39 kA Pacchac Nivel 33 kV 7.12 kA En el caso con proyecto año 2022 los niveles de cortocircuito son: Tingo María Nivel 220kV 8.56 kA Nivel 138 kV 4.48 kA Ayanunga Nivel 33 kV 4.48 kA Pacchac Nivel 33 kV 7.55 kA En el caso con proyecto año 2022 especial los niveles de cortocircuito son: Tingo María Nivel 220kV 10.24 kA Nivel 138 kV 4.76 kA Pacchac Nivel 138 kV 3.0 kA Nivel 33 kV 7.61 kA Ayanunga Nivel 33 kV 4.49 kA Los interruptores seleccionados con corriente de ruptura de: Nivel 138 kV 16-24-40 kA Nivel 33 kV 16 kA Que están por encima de las corrientes de cortocircuito calculadas. La puesta a tierra de los generadores de Ayanunga son de 120 ohm con lo que se limita la corriente de falla a tierra en bornes de los generadores a un valor de 66 Amperios. La puesta a tierra del generador de Pacchac es de 120 ohm con lo que se limita la corriente de falla a tierra en bornes de los generadores a un valor de 33 Amperios.
  • 26.
    Resumen Ejecutivo delProyecto Estudio de Pre Operatividad - C.H.Ayanunga-CH Pacchac 02-2015 Página 26 de 26 11.4 Análisis de Resultados de Estabilidad Estabilidad de la regulación de la central hidroeléctrica El sistema de reguladores HYGOV, EXPIC1, regulan las Fallas con recierre monofásico en la zona del Estudio. Tolerancia a corrientes de secuencia negativa El grupo del Proyecto Hidroeléctrico de Ayanunga tiene corriente de secuencia negativa de i2 = 0.757 pu. Y soporta el tiempo de 52.8 s. El grupo de Pacchac tiene corriente de secuencia negativa de valor i2=2.195 pu. Soporta tiempos de corriente de secuencia negativa en bornes de generación de 8.3 segundos. Y la protección de secuencia negativa debe tener un tiempo de actuación menor de 8.23 segundos. Estabilidad Transitoria-Tiempos críticos de despeje de falla Ante Falla trifásica en barra de 33 kV en Ayanunga o Pacchac el sistema del Proyecto Hidroeléctrico Ayanunga-Pacchac soporta fallas trifásicas en alta 33 kV por un tiempo de 0.150 segundos. 11.5 Conclusiones del Estudio de Estabilidad Permanente Los grupos del Proyecto Hidroeléctrico Ayanunga y Pacchac están provistos de estabilizadores PSS2B y reguladores de tensión modelo EXPIC1 y de velocidad HYGOV cuyos parámetros se dan en el estudio de estabilidad transitoria. Los casos sin reguladores no presentan oscilaciones permanentes, siendo el valor más bajo de factor de amortiguación de =0.084. Los casos con reguladores de parámetros presentados en el estudio de estabilidad transitoria, no presentan oscilaciones permanentes, siendo el valor más bajo del factor de amortiguación de  = 0.076. Por lo que la operación de las CH Ayanunga y CH Pacchac no afectará la operación de las centrales de su zona de influencia. *****