OBJETIVOS
 Coordinaciónde protecciones.
 Protecciónde unalíneade distribuciónenconfiguraciónanillosimple.
MARCO TEORICO
Uno de los fenómenos más comunes que se presentan durante las anormalidades en un
sistema eléctrico de potencia y en especial en los cortocircuitos, es el aumento de la
corriente por sobre los valores normales de operación. Este aumento se utiliza para
discriminar la ocurrencia de fallas, ya sea como protección principal o de respaldo y el relé
se denomina de sobre corriente. Es uno de los sistemas más simples y se usa
ampliamente, especialmente en alimentadores radiales de distribución y transformadores
de poca potencia. Como protección de respaldo se usa en equipos más importantes
dentro del SEP, tales como: generadores, transformadores de mayor potencia, líneas de
media tensión, etc. El funcionamiento de un relé de sobre corriente es simple ya que su
operación depende de dos variables básicas:
− El nivel de corriente mínima de operación (o corriente de pickup), que es aquel valor que
produce el cambio de estado del relé.
− La característica de tiempo de operación, es decir la forma en que el relé responde en
cuanto al tiempo.
Protección Direccional. Las protecciones direccionales se pueden catalogar como un tipo
particular de las protecciones de Sobre corriente, porque al igual que estas, reaccionan a
un valor prefijado de corriente, pero actúan cuando la potencia de falla circula en un
sentido determinado (el sentido positivo de operación, en la protección de líneas, es de la
barra a la línea donde está conectada la protección).
Las protecciones direccionales constan de órganos de medida (de corriente ó de
potencia), relés de tiempo y relés auxiliares, todos los cuales deben actuar para que
el Interruptor opere. De los componentes, el que tipifica la protección es el órgano de
medida direccional de potencia que generalmente es un relé, y se conecta de manera que
responda únicamente en caso que la potencia, circule en el sentido prefijado
anteriormente. El relé direccional de potencia es alimentado a través de transformadores
de corriente y potencial y se conecta de manera que responda solo a un sentido de la
potencia de cortocircuito. Los relés direccionales deben ser alimentados por dos
cantidades eléctricas distintas, propias del sistema que se pretende proteger, una de las
cuales se toma como referencia. De acuerdo a las magnitudes necesarias para su
alimentación los relés pueden ser:
a) Corriente-corriente. b) Voltaje-voltaje. c) Voltaje - corriente.
El último es el más utilizado y se le conoce como relé direccional de potencia.
CONFIGURACIONEN ANILLO DE UN
SISTEMA DE DISTRIBUCCION
La distribucion se puede construir y operar en
configuracion anillo, en la cual la potencia fluye en
cada terminal de un alimentador primario y´puede
aislar una unica zona que tenga falla.
Cuando se construyey secoordinan
apropiadamentelas protecciones estetipo de
configuracion proveedeuna muy alta confiabilidad
a los abonados.
Cualquier falla que ocurra dentro del sistema las
protecciones actuan de manera eficiente, aislando a un
grupo muy pequeño de consumidores al abrirse los
interruptores simultaneamente.
Para realizar una correcta coordinacion de sus
protecciones se deben realizar los estudios de
cortocircuito del todo el sistema, este tipo de
configuracion es un poco mas complejo de operar que
los sistemas de configuracion radial.
VENTAJA: alimentacion allternativa desde otro
alimentador primario u otra fuente. interrupciones mas
cortas en casos de fallas en el anillo.
DESVENTAJA: las lineas de transmision deben ser
diseñadas con un sobre dimensionamiento para que
momento de fallas las lineas pueden soportar toda la
carga de manera momentanea. Altos costos en
sistemas de protecciones.
DESCRIPCIÓN DEL PROBLEMA
Para realizar la simulación de la protección de una línea en paralelo de distribución con
una longitud aproximadamente de 29 Km, con un conductor tipo ACSR calibre 336.4 MCM
(Tipo de conductor estipulado en la norma CATEG-2008), cuyo nivel de voltaje es de
13.8KV. Esta línea servirá para alimentar a una carga de una mediana industrial de 500KVA
con factor de potencia unitario (fp=1).
Para la protección de la línea se procederá a utilizar relés de sobre corriente de tiempo
inverso, relé de sobre corriente con unidad direccional, estos últimos serán los encargados
de dar la orden de disparo de los interruptores en caso de presentarse una falla en el
sistema. El diagrama unifilar del sistema se muestra en la Figura1.
Para la simulación del sistema, la carga estará representada por un conjunto de
resistencias, la empresa distribuidora exige a estas tipos de industrias que el factor de
potencia sea mayor a 0.92, es por ello que se va a considerar una carga con fp=1 el cual
sería el mejor de los casos, el valor de la carga corresponderá a 110Ω lo que equivale a
500KVA.
La carga está alimentada por 120VAC por medio de dos líneas de distribución en paralelo,
donde la representación de la impedancia de la línea estará dada por una resistencia de
5Ω y una inductancia de 4.7 mH. A continuación se muestra el diagrama unifilar que
representa la simulación de la línea de distribución en operación normal del sistema
(figura 2).
FIGURA 1 DIAGRAMA UNIFILAR DEL SISTEMA.
FIGURA 2 DIAGRAMA UNIFILAR DEL SISTEMAUTILIZADO EN LA PRACTICA.
METODOLOGIA
PROCEDIMIENTO:
1) Identificar los terminales de los relés de sobre corriente direccional y no
direccional. (Ver Anexo 1 y 2).
2) Identificar los terminales del Circuit Breaker convencional y motorizado. (Ver
Anexo 3).
3) Realizar las conexiones de la parte DC, como se muestra en el Diagrama 1.
4) Realizar las conexiones de la parte AC, tomando en cuenta la respectiva
numeración de las borneras y de los equipos, como se muestra en el Diagrama2.
5) Realizar el ajuste de Tap y TD de los relés direccional y no direccional para la
coordinación de la protección.
6) Energizar el circuito para simular el funcionamiento del sistema en operación
normal (desconectar ) y verificar el funcionamiento de la protección.
7) Energizar el circuito para simular el funcionamiento del sistema en condición de
falla para Situación 1 (conectar en S1) y verificar el funcionamiento de la
protección.
8) Energizar el circuito para simular el funcionamiento del sistema en condición de
falla para Situación 2 (conectar en S2) y verificar el funcionamiento de la
protección.
9) Analizar los resultados obtenidos en la práctica.
MATERIALES UTILIZADOS
 4 Circuit breaker Schneider Compact NSX 100F.
 2 Overcurrent Relay Type CO-11 – WESTINGHOUSE.
 2 Directional overcurrent Relay Type CR2 – WESTINGHOUSE.
 1 Fuente de alimentación DC (120 VDC).
 1 Fuente de alimentación AC (120 VAC).
 8 Resistencias de 5 Ω c/u – DALE ELECTRONICS.
 2 Resistencias de 51 Ω c/u – CLAROTAT.
 Cables de conexión
FIGURA 3 OVERCURRENT RELAY TYPE CO -
11 - WESTINGHOUSE
FIGURA4 DIRECTIONAL
OVERCURRENT RELAY
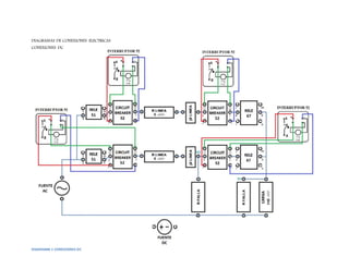
DIAGRAMAS DE CONEXIONES ELECTRICAS
CONEXIONES DC
DIAGRAMA 1 CONEXIONES DC
CONEXIONES AC
DIAGRAMA 2 CONEXIONES AC
CONCLUSIONES
 La coordinación de los relés debe ser de manera correcta ya que deben operar al
momento adecuado y actuar para fallas en cualquier parte del sistema y aislar la parte
afectada.
 Las protecciones actuaran para ambas fallas tanto como la máxima y la mínima corriente
de falla que se presentó en el sistema simulado.
 El ajuste del tap de los relés se lo debe efectuar con la corriente mínima de falla ya que
para valoressuperioresalasdel pickup el relé operara y protegerá al elemento al cual le
de respaldo.
 El time dual de losrelésse loajustotomandoencuentael valor de la corriente máximade
falla ya que mientras mayor sea la corriente los relés actuaran de manera más rápida.
 Se debe realizar la coordinación con mucho análisis previo ya que no todas las
protecciones deben actuar al momento de una falla, sino que deben hacerlo las
protecciones más cercanas y las más capacitada para el despeje de la misma.
ANEXOS
1.- Característicasdel relé de sobre-corriente direccional
Este relé estáhechopara proteccióncontra fallasde fase yla unidaddireccional tiene sumáximo
torque cuandola corriente adelantaal voltaje aproximadamente en30o.El valormínimode
pickupesde 1V y 2A para el rango de 0.5-2.5 A.
Ilustración 1 CONEXIONES INTERNAS DEL RELE 67.
CURVA 1 CURVA CARACTERISTICA DEL RELE 67.
2. Característica del relé de sobre-corriente
La operaciónde este tipode protecciónse basaenel aumentode corriente que provocanlos
cortocircuitosenlalínea de distribuciónprotegida.
Las magnitudessobre lasque se debe actuarpara su aplicaciónsonlacorriente mínimade
operación“pick-up”ylacurva de operación“lever”.El “pick-up”fijalasensibilidadde la
protección,loque permite detectarcualquiertipo de cortocircuitoensuzona protegida,incluida
la zonaen que debe darrespaldo.El “lever”nospermite seleccionaracurva de tiempode
operacióndel relé,de modoque seaselectivoconlaoperaciónde relésubicadosenzonas
adyacentes.
Ilustración 2 CONEXIONES INTERNAS DEL RELE 51.
CURVA 2 CURVA CARACTERISTICA DEL RELE 51
3. Características del CircuitbreakerSchneiderCompactNSX100f

Terminales1,3,5 entradasde laslíneas.
 Terminales2,4 , 6 salidasde laslíneas.
 Terminalesx1-x2alimentacióndel interruptor(125Vdc)
 Terminalesx3-x4contactode relé auxiliarN.O.(Normalmente abierto)
 Luz verde (Breakercerrado)
 Luz ambar (Aperturadel breakerporcierre de contactoN.O.Rele auxiliar)
 Luz roja (Aperturade breakerporfalla,CORTOCIRCUITO-SOBRECARGA)
Ilustración 3 CONEXIONES INTERNAS DEL
INTERRUPTOR 52
BIBLIOGRAFIA
 http://es.lucas-nuelle.com/
 http://web.ing.puc.cl/
 http://dspace.ups.edu.ec/bitstream/123456789/763/5/CAPITULO3.pdf
 PROYECTO DE LABORATORIODE SISTEMA DE POTENCIA “PROTECCION DE UNA LINEA DE
DISTRIBUCION CONFIGURACION ANILLOSIMPLE”I TERMINO 2013-2014.

Anillo configuracion

  • 1.
    OBJETIVOS  Coordinaciónde protecciones. Protecciónde unalíneade distribuciónenconfiguraciónanillosimple. MARCO TEORICO Uno de los fenómenos más comunes que se presentan durante las anormalidades en un sistema eléctrico de potencia y en especial en los cortocircuitos, es el aumento de la corriente por sobre los valores normales de operación. Este aumento se utiliza para discriminar la ocurrencia de fallas, ya sea como protección principal o de respaldo y el relé se denomina de sobre corriente. Es uno de los sistemas más simples y se usa ampliamente, especialmente en alimentadores radiales de distribución y transformadores de poca potencia. Como protección de respaldo se usa en equipos más importantes dentro del SEP, tales como: generadores, transformadores de mayor potencia, líneas de media tensión, etc. El funcionamiento de un relé de sobre corriente es simple ya que su operación depende de dos variables básicas: − El nivel de corriente mínima de operación (o corriente de pickup), que es aquel valor que produce el cambio de estado del relé. − La característica de tiempo de operación, es decir la forma en que el relé responde en cuanto al tiempo. Protección Direccional. Las protecciones direccionales se pueden catalogar como un tipo particular de las protecciones de Sobre corriente, porque al igual que estas, reaccionan a un valor prefijado de corriente, pero actúan cuando la potencia de falla circula en un sentido determinado (el sentido positivo de operación, en la protección de líneas, es de la barra a la línea donde está conectada la protección). Las protecciones direccionales constan de órganos de medida (de corriente ó de potencia), relés de tiempo y relés auxiliares, todos los cuales deben actuar para que el Interruptor opere. De los componentes, el que tipifica la protección es el órgano de medida direccional de potencia que generalmente es un relé, y se conecta de manera que responda únicamente en caso que la potencia, circule en el sentido prefijado anteriormente. El relé direccional de potencia es alimentado a través de transformadores de corriente y potencial y se conecta de manera que responda solo a un sentido de la potencia de cortocircuito. Los relés direccionales deben ser alimentados por dos cantidades eléctricas distintas, propias del sistema que se pretende proteger, una de las cuales se toma como referencia. De acuerdo a las magnitudes necesarias para su alimentación los relés pueden ser: a) Corriente-corriente. b) Voltaje-voltaje. c) Voltaje - corriente. El último es el más utilizado y se le conoce como relé direccional de potencia.
  • 2.
    CONFIGURACIONEN ANILLO DEUN SISTEMA DE DISTRIBUCCION La distribucion se puede construir y operar en configuracion anillo, en la cual la potencia fluye en cada terminal de un alimentador primario y´puede aislar una unica zona que tenga falla. Cuando se construyey secoordinan apropiadamentelas protecciones estetipo de configuracion proveedeuna muy alta confiabilidad a los abonados. Cualquier falla que ocurra dentro del sistema las protecciones actuan de manera eficiente, aislando a un grupo muy pequeño de consumidores al abrirse los interruptores simultaneamente. Para realizar una correcta coordinacion de sus protecciones se deben realizar los estudios de cortocircuito del todo el sistema, este tipo de configuracion es un poco mas complejo de operar que los sistemas de configuracion radial. VENTAJA: alimentacion allternativa desde otro alimentador primario u otra fuente. interrupciones mas cortas en casos de fallas en el anillo. DESVENTAJA: las lineas de transmision deben ser diseñadas con un sobre dimensionamiento para que momento de fallas las lineas pueden soportar toda la carga de manera momentanea. Altos costos en sistemas de protecciones.
  • 3.
    DESCRIPCIÓN DEL PROBLEMA Pararealizar la simulación de la protección de una línea en paralelo de distribución con una longitud aproximadamente de 29 Km, con un conductor tipo ACSR calibre 336.4 MCM (Tipo de conductor estipulado en la norma CATEG-2008), cuyo nivel de voltaje es de 13.8KV. Esta línea servirá para alimentar a una carga de una mediana industrial de 500KVA con factor de potencia unitario (fp=1). Para la protección de la línea se procederá a utilizar relés de sobre corriente de tiempo inverso, relé de sobre corriente con unidad direccional, estos últimos serán los encargados de dar la orden de disparo de los interruptores en caso de presentarse una falla en el sistema. El diagrama unifilar del sistema se muestra en la Figura1. Para la simulación del sistema, la carga estará representada por un conjunto de resistencias, la empresa distribuidora exige a estas tipos de industrias que el factor de potencia sea mayor a 0.92, es por ello que se va a considerar una carga con fp=1 el cual sería el mejor de los casos, el valor de la carga corresponderá a 110Ω lo que equivale a 500KVA. La carga está alimentada por 120VAC por medio de dos líneas de distribución en paralelo, donde la representación de la impedancia de la línea estará dada por una resistencia de 5Ω y una inductancia de 4.7 mH. A continuación se muestra el diagrama unifilar que representa la simulación de la línea de distribución en operación normal del sistema (figura 2). FIGURA 1 DIAGRAMA UNIFILAR DEL SISTEMA. FIGURA 2 DIAGRAMA UNIFILAR DEL SISTEMAUTILIZADO EN LA PRACTICA.
  • 4.
    METODOLOGIA PROCEDIMIENTO: 1) Identificar losterminales de los relés de sobre corriente direccional y no direccional. (Ver Anexo 1 y 2). 2) Identificar los terminales del Circuit Breaker convencional y motorizado. (Ver Anexo 3). 3) Realizar las conexiones de la parte DC, como se muestra en el Diagrama 1. 4) Realizar las conexiones de la parte AC, tomando en cuenta la respectiva numeración de las borneras y de los equipos, como se muestra en el Diagrama2. 5) Realizar el ajuste de Tap y TD de los relés direccional y no direccional para la coordinación de la protección. 6) Energizar el circuito para simular el funcionamiento del sistema en operación normal (desconectar ) y verificar el funcionamiento de la protección. 7) Energizar el circuito para simular el funcionamiento del sistema en condición de falla para Situación 1 (conectar en S1) y verificar el funcionamiento de la protección. 8) Energizar el circuito para simular el funcionamiento del sistema en condición de falla para Situación 2 (conectar en S2) y verificar el funcionamiento de la protección. 9) Analizar los resultados obtenidos en la práctica. MATERIALES UTILIZADOS  4 Circuit breaker Schneider Compact NSX 100F.  2 Overcurrent Relay Type CO-11 – WESTINGHOUSE.  2 Directional overcurrent Relay Type CR2 – WESTINGHOUSE.  1 Fuente de alimentación DC (120 VDC).  1 Fuente de alimentación AC (120 VAC).  8 Resistencias de 5 Ω c/u – DALE ELECTRONICS.  2 Resistencias de 51 Ω c/u – CLAROTAT.  Cables de conexión FIGURA 3 OVERCURRENT RELAY TYPE CO - 11 - WESTINGHOUSE FIGURA4 DIRECTIONAL OVERCURRENT RELAY
  • 5.
    DIAGRAMAS DE CONEXIONESELECTRICAS CONEXIONES DC DIAGRAMA 1 CONEXIONES DC
  • 6.
  • 7.
    CONCLUSIONES  La coordinaciónde los relés debe ser de manera correcta ya que deben operar al momento adecuado y actuar para fallas en cualquier parte del sistema y aislar la parte afectada.  Las protecciones actuaran para ambas fallas tanto como la máxima y la mínima corriente de falla que se presentó en el sistema simulado.  El ajuste del tap de los relés se lo debe efectuar con la corriente mínima de falla ya que para valoressuperioresalasdel pickup el relé operara y protegerá al elemento al cual le de respaldo.  El time dual de losrelésse loajustotomandoencuentael valor de la corriente máximade falla ya que mientras mayor sea la corriente los relés actuaran de manera más rápida.  Se debe realizar la coordinación con mucho análisis previo ya que no todas las protecciones deben actuar al momento de una falla, sino que deben hacerlo las protecciones más cercanas y las más capacitada para el despeje de la misma.
  • 8.
    ANEXOS 1.- Característicasdel reléde sobre-corriente direccional Este relé estáhechopara proteccióncontra fallasde fase yla unidaddireccional tiene sumáximo torque cuandola corriente adelantaal voltaje aproximadamente en30o.El valormínimode pickupesde 1V y 2A para el rango de 0.5-2.5 A. Ilustración 1 CONEXIONES INTERNAS DEL RELE 67.
  • 9.
    CURVA 1 CURVACARACTERISTICA DEL RELE 67.
  • 10.
    2. Característica delrelé de sobre-corriente La operaciónde este tipode protecciónse basaenel aumentode corriente que provocanlos cortocircuitosenlalínea de distribuciónprotegida. Las magnitudessobre lasque se debe actuarpara su aplicaciónsonlacorriente mínimade operación“pick-up”ylacurva de operación“lever”.El “pick-up”fijalasensibilidadde la protección,loque permite detectarcualquiertipo de cortocircuitoensuzona protegida,incluida la zonaen que debe darrespaldo.El “lever”nospermite seleccionaracurva de tiempode operacióndel relé,de modoque seaselectivoconlaoperaciónde relésubicadosenzonas adyacentes. Ilustración 2 CONEXIONES INTERNAS DEL RELE 51.
  • 11.
    CURVA 2 CURVACARACTERISTICA DEL RELE 51
  • 12.
    3. Características delCircuitbreakerSchneiderCompactNSX100f  Terminales1,3,5 entradasde laslíneas.  Terminales2,4 , 6 salidasde laslíneas.  Terminalesx1-x2alimentacióndel interruptor(125Vdc)  Terminalesx3-x4contactode relé auxiliarN.O.(Normalmente abierto)  Luz verde (Breakercerrado)  Luz ambar (Aperturadel breakerporcierre de contactoN.O.Rele auxiliar)  Luz roja (Aperturade breakerporfalla,CORTOCIRCUITO-SOBRECARGA) Ilustración 3 CONEXIONES INTERNAS DEL INTERRUPTOR 52
  • 13.
    BIBLIOGRAFIA  http://es.lucas-nuelle.com/  http://web.ing.puc.cl/ http://dspace.ups.edu.ec/bitstream/123456789/763/5/CAPITULO3.pdf  PROYECTO DE LABORATORIODE SISTEMA DE POTENCIA “PROTECCION DE UNA LINEA DE DISTRIBUCION CONFIGURACION ANILLOSIMPLE”I TERMINO 2013-2014.