CIRCUITO DE DISPARO DE Triodo ac (triac)Prof. Ing. RUBEN MERELESELECTRÓNICA 4Integrantes:  Derlis García.         40541
 Antonio Resquin.   41144
 Javier Narváez.     41076
PROTAGONISTAS DEL CIRCUITOTransistor  UJT.Transformador de Pulsos.TRIAC
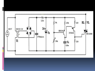
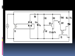
Transistor  UJTUn UJT  tiene tres terminales, conocidas como emisor E, base uno B1 y base dos B2. Dispone de un cruce y una base de diodos dobles. Entre la monounión tiene las características de una resistencia ordinaria (la resistencia entre bases Rbb tiene valores en el rango de 4,7 a 9,1 kOhm)
Cuando se aplica un voltaje de alimentación Vs en cd, se carga el capacitor C a través de la resistencia R, dado que el circuito emisor del UJT está en estado abierto. La constante de tiempo del circuito de carga es                      .Cuando el voltaje emisor Ve, el mismo que el voltaje del capacitor Vc, llega al Voltaje pico, Vp, se activa el UJT y el capacitor C se descarga a través de Rb1 a una velocidad determinada por la constante de tiempo 	      . El tiempo 2 es mucho menor que el tiempo 1. Cuando el voltaje Ve se reduce al punto de valle Vv, el emisor deja de conducir, se desactiva el UJT y se repite el ciclo de carga. La forma de onda del voltaje de disparo Vb1 es idéntica a la corriente de descarga del capacitor C1. el voltaje de disparo Vb1 debe diseñarse lo suficientemente grande como para activar al SCR.
Transformador de PulsosEs un tipo especial de transformador, proyectado para transmitir señales pulsados en circuitos electrónicos. Como tales señales son extremamente  rápidos alcanzan valores elevados de tensión, el  transformador debe poseer características bien particulares, que eviten deformación o retardo en los pulsos. Por eso, es necesario tener, entre los bobinados, un buen aislamiento de alta tensión y una baja capacitancia, además una  reactancia reducida en cada bobinado.
Triodo AC-TriacComo el SCR, otro tiristor de amplia utilización es el TRIAC. Este actúa también como un switch, con una compuerta que controla los estados de conducción obloqueo a los que se puede llevar. A diferencia del SCR, el TRIAC es un dispositivo bidireccional, pudiendo ser activado con niveles de polaridad positivao negativa en compuerta. La gran ventaja que presenta el TRIAC es que puedeser utilizado en aplicaciones en las cuales se requiere ejercer control sobre cargas ac, tales como control de motores y sistemas de calentamiento.
Adaptación

Circuito de disparo

  • 1.
    CIRCUITO DE DISPARODE Triodo ac (triac)Prof. Ing. RUBEN MERELESELECTRÓNICA 4Integrantes: Derlis García. 40541
  • 2.
  • 3.
  • 4.
    PROTAGONISTAS DEL CIRCUITOTransistor UJT.Transformador de Pulsos.TRIAC
  • 6.
    Transistor UJTUnUJT tiene tres terminales, conocidas como emisor E, base uno B1 y base dos B2. Dispone de un cruce y una base de diodos dobles. Entre la monounión tiene las características de una resistencia ordinaria (la resistencia entre bases Rbb tiene valores en el rango de 4,7 a 9,1 kOhm)
  • 8.
    Cuando se aplicaun voltaje de alimentación Vs en cd, se carga el capacitor C a través de la resistencia R, dado que el circuito emisor del UJT está en estado abierto. La constante de tiempo del circuito de carga es .Cuando el voltaje emisor Ve, el mismo que el voltaje del capacitor Vc, llega al Voltaje pico, Vp, se activa el UJT y el capacitor C se descarga a través de Rb1 a una velocidad determinada por la constante de tiempo . El tiempo 2 es mucho menor que el tiempo 1. Cuando el voltaje Ve se reduce al punto de valle Vv, el emisor deja de conducir, se desactiva el UJT y se repite el ciclo de carga. La forma de onda del voltaje de disparo Vb1 es idéntica a la corriente de descarga del capacitor C1. el voltaje de disparo Vb1 debe diseñarse lo suficientemente grande como para activar al SCR.
  • 9.
    Transformador de PulsosEsun tipo especial de transformador, proyectado para transmitir señales pulsados en circuitos electrónicos. Como tales señales son extremamente rápidos alcanzan valores elevados de tensión, el transformador debe poseer características bien particulares, que eviten deformación o retardo en los pulsos. Por eso, es necesario tener, entre los bobinados, un buen aislamiento de alta tensión y una baja capacitancia, además una reactancia reducida en cada bobinado.
  • 10.
    Triodo AC-TriacComo elSCR, otro tiristor de amplia utilización es el TRIAC. Este actúa también como un switch, con una compuerta que controla los estados de conducción obloqueo a los que se puede llevar. A diferencia del SCR, el TRIAC es un dispositivo bidireccional, pudiendo ser activado con niveles de polaridad positivao negativa en compuerta. La gran ventaja que presenta el TRIAC es que puedeser utilizado en aplicaciones en las cuales se requiere ejercer control sobre cargas ac, tales como control de motores y sistemas de calentamiento.
  • 16.