INFORMACIÓN GENERAL 1A-1
CAPÍTULO 1
1A. INFORMACIÓN GENERAL
VEHICLE .......................................................................................................... 1A - 2
IDENTIFICACIÓN DEL VEHÍCULO .................................................. .................................................. 1A - 5
PAR DE APRIETE DE COMÚN .................................................. 1A ......................................... - 8
APOYO PUNTOS DE ELEVACIÓN DEL VEHÍCULO .................................................. ... 1A - 9
Precauciones ..................................................................................................................................... 1A - 11
Inspección antes de su venta .................................................. 1A ......................................... - 13
1A-2 INFORMACIÓN GENERAL
VEHICLE (SÓLO sin plomo)
Característica
1. Dimensiones
Longitud
Ancho
Altura
Distancia entre ejes
Gauge vs.
Trasero
Distancia mínima al suelo
2. Masas
El objetivo
Carga
3. Rendimiento
Velocidad máxima (km / h)
La pendiente máxima (tanθ)
Radio de giro mínimo (m)
4. Motor
Tipo de motor
Diámetro x golf (mm)
Nr. cilindro
Capacidad del motor (cc)
Relación de compresión
Potencia máxima (CV / rpm)
Par (daN.m / rpm)
5. Sistema de encendido
Tipo
Avance inicial (° CA vs. p.m.i. /
rpm)
Orden de encendido
Tipo tapones
Integridad
8 ° / 950 RPM
(General)
4 ° / 950 RPM
(BRASIL, CHILE)
1-3-2
RNIIYC-4
F8C, bencina f. Pb
(BRASIL: gasohol)
68.5 x 72.0
3 Cilindro
796
9.3
41/5500
6.0 / 2500
143
0,382
4.4
(Kg)
(Kg)
635
1010
(Mm)
(Mm)
(Mm)
(Mm)
(Mm)
(Mm)
(Mm)
3340
1400
1395
2335
1220
1200
160
Valor
Válvulas,
Característica
Consumo
Valor
ADSA - 12 °
IISA - 36 °
ADSE - 46 ° de escape
IISE - 10 °
fría (mm) 0,15 ± 0,02 entrada
evacuare0,20 ± 0,02
caliente (mm) 0,25 ± 0,02 admisión
evacuare0,30 ± 0,02
Juego térmica,
6. La fuente de alimentación
Carburador
Bombas de gasolina
Gasolina Filtro
Tanque
7. Sistema de lubricación
Tipo
Bomba de aceite
Filtro de aceite
La capacidad de aceite
(Con filtro)
8. sistema de refrigeración
Tipo
Bomba
Termostato
Capacidad Circuito
Con líquido
Axial
Cera
4
Mixto
Trohoidã
Filtro de cartucho
2.5
(2.7)
Doble de Apelación revocó
Diafragma
Filtro de cartucho
30
(L)
(L)
(L)
INFORMACIÓN GENERAL 1A-3
VEHICLE (SOLO para plomo)
Característica
1. Dimensiones
Longitud
Ancho
Altura
Distancia entre ejes
Gauge vs.
Trasero
Distancia mínima al suelo
2. Masas
El objetivo
Carga
3. Rendimiento
Velocidad máxima (km / h)
La pendiente máxima (tanθ)
Radio de giro mínimo (m)
4. Motor
F8C, motor de gasolina con PbTip
72,0Alezaj x 68,5 x cursor (mm)
3 CilindriNr. cilindro
796Capacitate cilindro (cc)
Compresión 9,3Raport
Potencia máxima (CV / rpm) 41/5500
Par (daN.m / RPM) 6.0 / 2500
5. Sistema de encendido
Tipo
Avance inicial (° CA vs. p.m.i. /
rpm)
Orden de encendido
Tipo tapones
Válvulas, Ensenada
Escape
Integridad
8 ° / 950 RPM
1-3-2
RNIIYC-4
ADSA - 12 °
IISA - 36 °
ADSE - 46 °
IISE - 10 °
143
0,382
4.4
(Kg)
(Kg)
635
1010
(Mm)
(Mm)
(Mm)
(Mm)
(Mm)
(Mm)
(Mm)
3340
1400
1395
2335
1220
1200
160
Valor Característica
Juego térmica,
Valor
fría (mm) 0,15 ± 0,02 entrada
evacuare0,20 ± 0,02
caliente (mm) 0,25 ± 0,02 admisión
evacuare0,30 ± 0,02
6. La fuente de alimentación
Carburador
Bombas de gasolina
Gasolina Filtro
Tanque
7. Sistema de lubricación
Tipo
Bomba de aceite
Filtro de aceite
La capacidad de aceite
(Con filtro)
8. sistema de refrigeración
Tipo
Bomba
Termostato
Capacidad Circuito
Con líquido
Axial
Cera
4
Mixto
Trohoidã
Filtro de cartucho
2.5
(2.7)
Doble de Apelación revocó
Diafragma
Filtro de cartucho
30
(L)
(L)
(L)
1A-4 INFORMACIÓN GENERAL
Característica
9. Transmisión
Etapa I
Etapa II
Etapa III
Etapa IV
Etapa V tiene
Reverse
10. Embrague
Tipo
Tamaño
11. Frenos
Cara
Trasero
12. puentes
Escriba eje delantero
Eje trasero Tipo
13. La dirección
Tipo
Ángulo de dirección,
Interior (°)
Exterior (°)
El diámetro de la rueda (mm)
Convergencia (mm)
Tomas de ángulo (°)
El ángulo de escape (°)
Ángulo de giro (TRANSVAL.) (°)
Estante
42 °
35 °
365
1 ± 2
30 '± 1
3 ° 35 '± 1 °
12.5 °
Articular
Eje semirrígido
Disco
tambor
(Mm)
Dry Monodisc
diafragma
170x110x3,2
Valor
CV. 4
3818
2210
1423
0971
3583
CV. 5
3818
2210
1423
0971
0,837
3583
Característica
14. Suspensión
Cara
Trasero
Mofles
Muelles
Estabilización, Cara
Trasero
15. Sistema eléctrico
Batería
Alternador
Motor de arranque
16. Neumáticos
Cara
Trasero
(V-AH)
(V-A)
(KW)
Estándar
McPherson
Con celebran sus brazos
Con el gas
Helicoidal
Torsión
Bar Cruz
12-28
12-50
0.8
135 SR 12
(155/70 R 12)
135 SR 12
(155/70 R 12)
INFORMACIÓN GENERAL 1A-5
IDENTIFICACIÓN DEL VEHÍCULO
El número de chasis
Tabla de la plataforma Center
en el compartimiento del motor
Placa de identificación del vehículo
El lado derecho de la plataforma
pensión en el compartimiento del motor
KL Y3S11 BBMC 000001
FIG. 1A - 1
Número de identificación del motor se encuentra como se muestra
a continuación.
F8C - 000001 en la parte inferior del bloque del motor
TRASERO
FIG. 1A - 2
DELANTERO
FIG. 1A - 3
1A-6 INFORMACIÓN GENERAL
Sujetadores
La mayoría de los pernos y tuercas utilizados en este
tipo de vehículo son métricas. Al reemplazar un tornillo o
de una nuez, es muy importante que se respete
de diámetro, el tono y la resistencia.
Con rosca métrica
cruce
Diámetro
nominal
M1,6
M2
M2,2
M2.5
M3 x 0.5
M 3,5
M4 x 0,7
M4,5
M5 x 0.8
M6
M7
M8
M10
M12
Paso
(Mm)
0.35
0.4
0.45
0.45
0.45
0.6
0.7
0.75
0.8
Uno
Uno
1.25
1.5
1.75
Febrero
Febrero
2.5
2.5
2.5
Tres
Tres
3.5
3.5
4
4
Con rosca métrica
salida
Diámetro
nominal
Paso
(Mm)
Identificación de elementos de fijación de resistencia
Las clases más utilizadas de la resistencia de los hilos
4T y 7T son métricas, y la clase está marcada en la cabeza
cada tornillo. Algunos tuercas métricas eran Especificación de
resistencia marcada en la frente. En la Fig. 1A - 4 se muestran
diferentes formas de marcar la resistencia.
Al sustituir los pernos y tuercas obligada métrica
artículos usados con la misma resistencia o resistencia
superior (mismo número marcado o superior).
Con pocas excepciones, el paso de rosca es como es
dada en la tabla siguiente.
M8 x 1
M10 x 1.25
M12 x 1.25
M14 x 1,5
M16 x 1,5
M18 x 1,5
M20 x 1,5
M22 x 1,5
M24 x 2
M27 x 2
M30 x 2
M33 x 2
M36 x 3
M39 x 3
Uno
1.25
1.25
1.5
1.5
1.5
1.5
1.5
Febrero
Febrero
Febrero
Febrero
Febrero
Febrero
PRECAUCIÓN
Roscas estándar utilizadas en este vehículo son
cruzando hilos con diámetro nominal de hasta M8 y
hilos para salir de la M10 hacia arriba.
En la tabla, la relación entre el nominal y el paso
se reproduce en función de cómo el hilo (con cruce
o salida). Al reemplazar un tornillo o
tuercas deben mantenerse en mente y pisan las discusiones con
mismo diámetro nominal.
M14
M16
M18
M20
M22
M24
M27
M30
M33
M36
M39
INFORMACIÓN GENERAL 1A-7
Número de Identificación Resistencia
Tornillos métricos - CLASE DE RESISTENCIA A número corresponde Tornillos
RESISTENCIA - El número es más alto y la resistencia es mayor.
FIG. 1A - 4 Marcado Tornillos Resistencia
1A-8 INFORMACIÓN GENERAL
PAREJA COMÚN DE APRIETE
Cada tornillo debe apretarse con el par especificado en dicho capítulo. Si se proporciona una especificación es
utilizando los valores de pares de torsión en la tabla siguiente. Cuando se utiliza un tornillo con mayor dureza
que el original, se apriete al par especificado por el hilo original.
PRECAUCIÓN
• Para los tornillos y tuercas con el collar, el par debe ser un 10% superior
dada en la tabla siguiente.
• Los valores de la tabla de abajo son sólo para los pernos y tuercas de metal y aleación fácilmente.
Dureza
Diámetro
Tornillo
(Mm)
4
5
6
8
10
12
14
16
18
Pareja (Kgfm)
Tornillos 4T convencional
0,10 a 0,20
0,20 a 0,40
,40-,70
1,00-1,60
2,20-3,50
3,50-5,50
5,00-8,00
8,00-13,00
13,00-19,00
FIG. 1A - 5 Tabla PAR DE APRIETE
Pareja (Kgfm)
Tornillos 7T
,15-0,30
0,30-0,60
0,80 a 1,20
1,80-2,80
4,00-6,00
7,00-10,00
11,00-16,00
17,00-25,00
20,00-28,00
INFORMACIÓN GENERAL 1A-9
APOYO PUNTOS DE ELEVACIÓN DEL VEHÍCULO
Uno
Tres
Febrero
5
4
1.
2.
3.
4.
5.
PUNTO POR ADELANTADO
BACK UP PUNTO
DELANTERO IZQUIERDO DE
NEUMÁTICOS
IZQUIERDA TRASERA DE NEUMÁTICOS
BRAZO SUSPENSION
FIG. 1A - 6 puntos por vehículo elevador
Para levantar el vehículo debe ser apoyado
puntos indicados por las flechas como se muestra en la Fig. 1A - 6.
En la Fig. 1A - 7 y Fig. 1A - 8 indica cómo el apoyo
elevación con un ascensor, y la Fig. 1A - 9 y
1A - 10 muestra cómo el apoyo para un jack
garaje hidráulico.
PRECAUCIÓN
• Cuando utilice ascensores, lugar
almohadillas en las posiciones indicadas (las mismas para
el lado izquierdo y derecho) y levante el
vehículo hasta que las cuatro ruedas son
piso alto.
• Antes de colocar las almohadillas debajo del vehículo
debe tener en cuenta el equilibrio del vehículo
Durante las operaciones de servicio. Equilibrio
vehículo puede cambiar dependiendo de
se retiran las piezas.
• Asegúrese de bloquear el ascensor después
Levantar el vehículo.
Si el vehículo se eleva unilateralmente o en frente
espalda, que ha proporcionado a no moverse en
inesperadamente.
PRECAUCIÓN
Ajuste las ruedas están a punto de lock pie izquierdo en el suelo.
1A-10 INFORMACIÓN GENERAL
Modo cuando se utiliza el soporte de elevación
FIG. 1A - 7 FORMA DE APOYO A FRENTE FIG. APOYO 8 MODO DE TRASERO - 1A
Compatibilidad con el modo cuando se utiliza un gato hidráulico
FIG. 1A - 9 MÉTODO DE APOYO A FRENTE FIG. 1A - 10 MÉTODO DE APOYO TRASERO
INFORMACIÓN GENERAL 1A-11
Precauciones
1. Protección de Vehículos
Siempre use el dispositivo para las alas y por
para proteger a las partes pintadas sillas y tapicería para
suciedad.
5. Sistema eléctrico
• Al desconectar los conectores, sostenga el elemento
conector de cierre. Al conectar diapositiva
hasta que el conector está totalmente asegurada.
Dispositivo
Alas
2. Con el gato
Al levantar el vehículo con el gato, el gato debe
instalado en posición y vehículo adecuado
debe garantizarse.
• Cablejele deben ser colocados correctamente.
•
3. S.D.V.
Utilice siempre S.D.V. cuando las operaciones realizadas
una necesidad. No utilice otras herramientas según sea necesario
El S.D.V. Para evitar daños.
Cuando se utiliza un conector de comprobación del equipo
medición, unidad de varilla se inserta desde
lado de entrada del alambre.
ROD UNIDAD
DE MEDICIÓN
4. Engrase
Para la lubricación se utiliza únicamente lubricantes
recomandaþi siempre que sea necesario.
• Durante la colocación de cableado, por lo que su captura
probable que
no entrar en contacto con el movimiento de rotación de las
piezas,
vibrando partes o piezas calientes.
Regiones
Movimiento de rotación
1A-12 INFORMACIÓN GENERAL
6. Vuelva a colocar las juntas, las juntas tóricas y pines con
algún nuevo reasentamiento después de haber sido eliminado.
10. Después del montaje comprobar el funcionamiento de las piezas
para prevenir defecto reapariþia.
7. Los tornillos y tuercas deben apretarse según
con la recopilación de datos a fin y el par
especificado.
11. Antes de realizar operaciones de mantenimiento,
vehículo debe limpiar para mantener las partes
suciedad eliminada.
8. Todos los componentes desmontados deben arreglar con
cuidado de no perder o dañar y necesidades
limpiado y lubricado adecuadamente.
12. Cuando dos o más personas trabajan
En conjunto, estas medidas deben tener en cuenta la
de seguridad para evitar lesiones.
9. Se debe manejar cuidadosamente en forma de líquidos
Ácido de la batería o del líquido de frenos porque
que pueden causar lesiones o daños a la
partes.
INFORMACIÓN GENERAL 1A-13
Inspección antes de su venta
El vehículo se comprueba en la fábrica antes minuþiozitate
la entrega. Sin embargo, debido a las múltiples etapas de transporte,
han hecho una inspección muy cuidadosa antes
la venta.
- Lista de los controles llevados a cabo para la inspección -
• La operación es la dirección del juego.
• el recorrido del pedal de freno y la distancia a la
piso cuando el pedal está pisado a fondo.
• Jugar la palanca del freno de estacionamiento.
• El sistema de tuberías y mangueras de estado
de frenado, si está instalado correctamente, si son de-
Dañado y si hay pérdidas.
• El nivel del líquido de frenos.
• Tornillos de las ruedas y la cubierta si son
suelto.
• pedal del embrague viajes gratis y la distancia a
el suelo cuando el pedal está pisado a fondo.
• El nivel de aceite y si hay pérdida de transmisión.
• palanca de funcionamiento para cambiar de marcha.
• Estado de la batería.
• El nivel de aceite y si hay fugas en el motor.
• Si se produce una pérdida de la gasolina.
• Nivel de refrigerante y si hay pérdidas.
• Si la correa de transmisión está floja o
dañado.
• Las luces del sistema de operación, cuerno y
sistema de iluminación bordo.
• Nivel de operación y el líquido limpiaparabrisas
Lavado del parabrisas.
• cerraduras en las puertas de la Operación.
• asiento se desliza Operación.
• Si hay un daño en el cuerpo o finiþiei
interior.
• Si hay compañeros de la documentación del vehículo
como manual de usuario, servicio de usuario
Y otros.
• Instale la placa de matrícula.
1A-14 INFORMACIÓN GENERAL
Página en blanco
INFORMACIÓN GENERAL 1B-1 (TÉCNICO)
1B. ESPECIFICACIONES TÉCNICAS
MOTOR ........................................................................................................................................ 1B - 2
SISTEMA DE ALIMENTACIÓN ........................................................................................................ 1B - 3
Sistema de enfriamiento .................................................................................................................. 1B - 3
Sistema de lubricación ................................................................................................................ 1B - 3
TRANSMISION .................................................................................................................................... 1B - 4
FRENOS .............................................................................................................. 1B - 4
Departamento ......................................................................................................................................... 1B - 4
SISTEMA ELÉCTRICO .................................................................................................................... 1B - 5
Roth ............................................................................................................................................. 1B - 5
1B-2 INFORMACIÓN GENERAL (TÉCNICO)
MOTOR
StandardCaracteristicã
12.5 - compresión 400Presiunea (kgf / cm2 - rpm)
2Más menor que la presión de compresión 1,0Diferenþa
(kgf / cm)
TransmisieNouã cinturón 7-9Sãgeata
7-11 (mm) Antiguo
0.15 L frío
AD
0.25l caliente
0,20Jocul las válvulas (mm) Fría
EV
Hot 0,30La
950 ± 50Turaþia ralentí (rpm)
1,5 ± 1,0% de CO
Escape
Bajo 400 ppmHC
La desviación de la culata planitud
La desviación de la galería de área planitud
1.46 ~ 1,66ADLungime
1.46 ~ contacto 1,66EVScaun
AD = 60, EV = 75supapã
Ángulo (°) 45
15
Guía Diámetro supapã5,500 ~ 5,512AD
(Mm) 5500 ~ 5,512EV
Diámetro de varilla supapã5,465 ~ 5,480AD
(Mm) 5450 ~ 5,465EV
0,020 ~ 0,047Joc guía - varilla (mm) ANUNCIO
0,035 ~ 0,062EV
14,0Lungime guía de la válvula de la cabeza (mm)
54,45Lungime primavera libre (mm)
Arco supapãAbatere de
ortogonalidad (mm)
El juego entre balancín y ax0,005 ~ 0.04 (mm)
Sacude árbol de levas (mm)
36,13AD
Cam altura (mm)
36,14EV
43425 ~ 43.4501
43625 ~ 43.6502
Niveles Diámetro
43825 ~ 43.8503
árbol de levas (mm)
44,025 ~ 44.0504
-5
43500 ~ 43.5161
43700 ~ 43.7162
Teniendo diámetro (mm)
43900 ~ 43.9163
44100 ~ 44.1164
-5
Came0,050 lubricación del eje Juego ~ 0,091 (mm)
Desviación del bloque del motor planitud (mm)
Diámetro (mm) 68 500 68 520 ~
Cilindros
Límite Realezare (mm)
Cilindro
Límite
10,0-400
Consejos
Cuando se aplica 10kgf
la correa de centro
10 min. después de calentar
10 min. después de calentar
0.15
0.10
5.54
5.54
0.07
0.09
53.4
2.4
0.06
0.10
36.00
36.00
43375
43575
43775
43975
-
43525
43725
43925
44125
-
0.15
0.05
68570
69000
Comienza cuenta regresiva
la polea
Comienza cuenta regresiva
la polea
Mide 8 lugares
Y promediado.
INFORMACIÓN GENERAL 1B-3 (TÉCNICO)
Pistón
Biel
Estándar
68.465 ~ 68.465 (mm)
0,025 ~ 0,045 (mm)
0.15 ~ 0,030Segment no. Uno
0.10 ~ 0,030Segment no. Febrero
0,020 ~ 0,060Segment no. Uno
0,020 ~ 0,060Segment no. Febrero
Lubricación 0.06 ~ 0,10Segment
Piston16,006 jefe diámetro interior ~ 16014 (Ø)
Bolþ15,995 Diámetro exterior ~ 16000 (Ø)
La flecha (mm)
Torsión (mm)
Juego axial bielei0,1 final ~ 0.2 (mm)
Cuzineþi0,020 lubricación Juego ~ 0,040 (mm)
Vibración (mm)
Característica
Pistón Diámetro
Juego de pistón-cilindro
Segmento Fanta
(Mm)
El canal de juegos
(Mm)
Use muñequilla parcial
Los rodamientos de diámetro
Diámetro muñequilla
Juego de lubricación del rodamiento
Juego axial
(Mm)
(Mm)
(Mm)
(Mm)
Límite
0.10
0.7
0.7
0.10
0.10
Consejos
Segmenþi
0.05
0.10
0.35
0065
0.03
0.02
En 100mm
Se gira y se considera un tour
Dera medio de la lectura
Árbol
serpenteante 43,982 ~ 44.00
37982 ~ 38000
0.020 ~ 0.040
0.11 ~ 0.31
0065
0.40
SISTEMA DE ALIMENTACIÓN
Característica
Ajuste de la distancia del flotador (Mm)
Estándar
17.2
Límite Consejos
Sistema de enfriamiento
Calentador
Termostato
Característica
La presión del fluido (kgf / cm2)
Temperatura poner en marcha el ventilador (° C)
Temperatura iniciar la operación (° C)
Temperatura completamente abierta (° C)
Estándar
0.75 ~ 1.05
93
82
95
Límite Consejos
Sistema de lubricación
Característica
La presión de aceite (kgf / cm2)
Reemplazar
Reemplazo CantitateaLa juntos
El aceite (L) con el filtro
Al retirar
Diferencia entre la cantidad de aceite
Indicaciones min. Y máx. la varilla (L)
La calidad del aceite
El intervalo de cambio de aceite
El intervalo de cambio de filtro
Estándar
2,5-2000
2.5
2.7
3.0
1.0
SF / CC 10W-30
En 10.000 kilometros
En 10.000 kilometros
Límite Consejos
Aceite
motor
1B-4 INFORMACIÓN GENERAL (TÉCNICO)
TRANSMISION
Característica
Pedal (mm) fluir libremente
Distancia del suelo (mm)
(Mm) Espesor
Rotación libre DiscCursa (mm)
(Mm) remache cabeza Altura
Placa de presión de planitud (mm)
Aceite de Calidad
Cantidad de aceite (L)
Juego piñón - anillo de sincronización (mm)
Profundidad caneluriTreapta 1
sincronizada (mm) Los pasos 2, 3, 4
Ajuste 5
Manºon Juego balada - tenedor (mm)
Cabezas Espesor de horquillas (mm) 1.2 Pasos
Pasos 3,4,5 (mm)
Estándar
20 ~ 30
Más de 60
7.9
Límite Consejos
Embrague
Bajo 0,03
75W / 85
2,0 (2,1)
1.0
8.2
9.6
9.4
0.2 ~ 0.6
8.7
7.8
1.0
0.5
0.15
Medir la periferia
Transmisió
n 0.5
8.6
10.0
9.8
1.0
8.1
7.2
FRENOS
Pedal
Cilindro
principal
Caracteristcã
Carrera plana
Distancia desde el suelo
Diámetro (mm)
(Mm)
(Mm)
(Mm)
(Mm)
(Mm)
(Mm)
(Mm)
(Mm)
(Mm)
(Mm)
(Mm)
(Mm)
(Mm)
Estándar
1- 8
Más de 75
19.05
48.1
9.0
10.0
17.46
180
4.3
0.5
3-8
180
4.3
0.5
Límite Consejos
Haga clic para 30kgf
Pinza Diámetro de la cámara
Espesor de la placa de freno
disco (delantero) Espesor de disco
Ictus Side
Rueda Cilindro diámetro
Brake diámetro del tambor
tambor
Espesor de la placa
(Trasero)
Tambor Juego - placa
Dientes
Tambor FrânãDiametru
espesor de la placa de estacionamiento
Tambor Juego - placa
8.0
0.15 Las medidas en virtud de la periferia
La dirección
Ruedas
Geometría
hacia
Característica
Paralelismo
Gota
Carrera
Ángulo de dirección
(Mm)
(° C)
(° C)
Dentro
Al aire libre
La desviación de la dirección de desplazamiento (m /
km)
Volante Juego (mm)
Par de giro del piñón cuadro requerido (kgfcm)
Estándar
1 ± 2
30 '± 1 °
3 ° 35 '± 1 °
40 °
35 °
int. 0,5 ± 1,5
0 ~ 30
8- 13
Límite Consejos
INFORMACIÓN GENERAL 1B-5 (TÉCNICO)
SISTEMA ELÉCTRICO
Característica
Chispa
Sin plomo
Plomo
Tipo
Distancia
Tipo
Distancia
(Mm)
Estándar
RNIIYC-4-II BPR5EY
1,0 ~ 1,1 mm
RNIIYC, BPR5E
0.7 ~ 0.8 mm
0.25 ~ 0.35
Uno??Tres??Febrero
8 ± 1/950
8 °
15.5 °
16.5 °
0 °
8,4 °
16 °
10 ~ 22
1.2
12,1kΩ
1280
35
0.8
2.8 ~ 3.0
14.2??14.8
10 ~ 12
1000 ± 50
Límite Consejos
Batería
Alternador
Aire
acondicionamiento
Distribuidor Gap
Orden de encendido
Avance de encendido (° CA, grados / rpm)
1800 rpm
Centrifugal3000 rpm
4500 rpm
- 80 mm Hg
Vacío
- 154 mmHg
- 250 mmHg
Hojas de Datos de la chispa de la resistencia (kW / m)
Bobina de encendido resistencia primaria (Ω)
Bobina de encendido resistencia secundaria
Electrolito gravedad específica (temp. 20 ° C)
Capacidad
(Ah)
Motor de arranque de potencia (kW)
Resistencia del rotor (Ω)
Voltaje ajustable (V)
Cinturón Flecha compresor (mm)
Inactivo Turath con A / C en (rpm)
Avanzar
Sistema de
encendido
25 ° C, 10A
Roth
Característica
Llantas Cojinete axial Juego
Vibración
Tamaño
Neumático
Presión
Cara
Trasero
(Mm)
Cara
Trasero
Cara
(Kgf / cm2)
Trasero
(Mm)
Estándar
0 ~ 0.35
0 ~ 0.35
Bajo 2.5
Límite Consejos
Mida desde la periferia
135SR12
1,8kgf / cm2
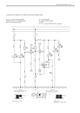
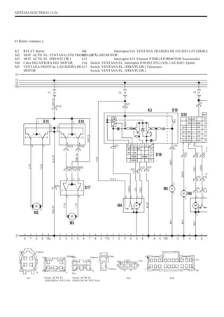
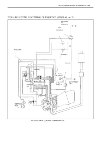
Y AIRE ACONDICIONADO acondicionado (calefacción, ventilación) 2A-1
CAPÍTULO 2
Acondicionado y el aire acondicionado
2A. Calefacción, ventilación
DESCRIPCIÓN GENERAL ............................................................................................................... 2A - 2
Calentador de Órdenes .................................................. 2A ................................... - 3
Circuito de ventilación ........................................................................................................... 2A - 3
DIAGNÓSTICO ............................................................................................................................ 2A - 5
VEHICULO ................................................................................................................... 2A - 5
El esquema eléctrico ................................................................................................................... 2A - 5
Motor del ventilador ....................................................................................................................... 2A - 6
Blower Resistencia ................................................................................................................... 2A - 6
Interruptor del motor del ventilador .................................................. 2A ................................................. - 6
Unidad de acondicionado ................................................................................................................ 2A - 9
2A-2 AIRE ACONDICIONADO Y acondicionado (calefacción, ventilación)
DESCRIPCIÓN GENERAL
Este calentador vehículo funciona con agua caliente y se puede utilizar cualquiera de aire fresco desde el exterior como
Y se recircula aire. Calefacción y ventilación se proporciona a través de rejillas de ventilación en el centro, izquierda y derecha
el tablero de instrumentos, un aireador para el aire caliente en el suelo debajo del asiento del copiloto y de bocas de desempañado
a lo largo de los lados de la parabrisas y el tablero de instrumentos para las ventanas laterales.
5 5 5 5
Febrero Febrero
Uno Uno
4 4
1.
2.
3.
4.
5.
Los aireadores SIDE
Los aireadores ventana lateral antivaho
Los aireadores CENTRAL
Los aireadores PISO
Los aireadores desempañado
FIG. 2A - 1
Y AIRE ACONDICIONADO acondicionado (calefacción, ventilación) 2A-3
CONTROLES DEL SISTEMA DE CALEFACCIÓN B: selección de fuente de aire Palanca
Aire de retorno
Aire exterior
FIG. 2A - 4
FIG. 2A - 2 C: palanca de control de la temperatura
La temperatura del aire en el interior del coche
Esta palanca se puede ajustar usando. Empujar
palanca hacia la derecha aumenta la temperatura.
A: modo de entrega palanca de selección
Aire
Bocas de desempañado del parabrisas y
ventanas laterales
Los aireadores de desempañado y aireador
piso
Piso Aireador
Rejillas centrales y laterales
el tablero de instrumentos y el piso aireador
Rejillas centrales y laterales
el tablero de instrumentos
FIG. 2A - 3
D: palanca de control del ventilador
Con esta palanca de control de velocidad
soplador. Palanca de velocidad guiada a la izquierda
Y mientras que los aumentos de los ventiladores y la cantidad de
aire
entrar en el vehículo.
Ventilación CIRCUITO
Aireado
Desempañado
VENTANA LATERAL
Aireado
Desempañado
PARABRISAS
Aireado
Desempañado
VENTANA LATERAL
Los aireadores SIDE
Los aireadores CENTRAL
Los aireadores SIDE
Los aireadores PISO
Aire fresco
AL AIRE LIBRE
AIRE
Reciclado
FIG. 2A - 5
2A-4 Y AIRE ACONDICIONADO acondicionado (calefacción, ventilación)
CIRCUITO aire libre climatizada
Aireado
Desempañado
VENTANA LATERAL
PARABRISAS aireadores desempañado Aireado
Desempañado
VENTANA LATERAL
Los aireadores SIDE
Los aireadores CENTRAL
Los aireadores SIDE
Los aireadores PISO
Aire fresco
AL AIRE LIBRE
AIRE
Reciclado
FIG. 2A - 6
CIRCUITO recirculación de calefacción de aire
Aireado
Desempañado
VENTANA LATERAL
PARABRISAS aireadores desempañado Aireado
Desempañado
VENTANA LATERAL
Los aireadores SIDE
Los aireadores PISO
Los aireadores CENTRAL
Aireado
LATERAL Aire fresco
AL AIRE LIBRE
AIRE
Reciclado
FIG. 2A - 7
CIRCUITO DE MODO DE ENTREGA CONJUNTA DE AIRE
Aireado
Desempañado
VENTANA LATERAL
Aireado
LATERAL
Aireado
CENTRAL
Aireado
LATERAL Aire fresco
AL AIRE LIBRE
PARABRISAS aireadores desempañado Aireado
Desempañado
VENTANA LATERAL
Los aireadores PISO
AIRE
Reciclado
FIG. 2A - 8
Y AIRE ACONDICIONADO acondicionado (calefacción, ventilación) 2A-5
DIAGNÓSTICO
Síntoma
Soplador no funciona
incluso si se ordenó
•
•
•
•
No temperatura de salida
corresponde a la ajustada
•
•
•
•
•
Causa probable
Soplador de Seguridad se quema
Resistencia de control de velocidad
El ventilador está defectuoso
El motor del ventilador está defectuoso
El cableado está defectuoso
Cables de control del calentador
o defectos de control de la caseta de gobierno
Aire defecto amortiguador
Los conductos de aire bloqueadas
Radiador de la calefacción se bloquea
o tiene pérdida
Mangueras del radiador de calefacción
tienen pérdidas o se bloquean
•
•
•
•
•
•
•
•
•
La acción correctiva
Reemplace el fusible
Compruebe la resistencia y es
Reemplace si es necesario
Reemplace el motor
Reparación
Compruebe el estado de los cables y
el puente de gobierno
Bono de reparación
Reparación de tuberías
Reemplace radiador
calentar
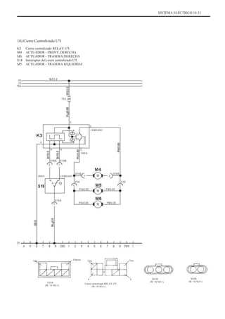
Reemplace las mangueras
VEHICULO
Esquema de conexiones
H
M
L
R / N
R / N
5
7
M
Enfermedad
venérea
R / N
R / L R
6
R
A / V
Febrero
Uno
Tres
G / N
15A
4
1.
2.
3.
4.
5.
6.
7.
BATERÍA
Conexiones de fusibles
Contacto clave
CAJA DE SEGURIDAD
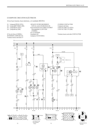
Blower MOTOR INTERRUPTOR
Blower MOTOR RESISTENCIA
Motor del ventilador
A / V:
G / N:
Vd:
N / A:
R / L:
R:
N:
BLANCO / VERDE
AMARILLO / NEGRO
Verde
ROSA / NEGRO
PINK / BLUE
ROSA
NEGRO
FIG. 2A - 9
2A-6 Y AIRE ACONDICIONADO acondicionado (calefacción, ventilación)
Motor del ventilador
Eliminación
1. Desconecte el terminal a terminal "-" de la batería.
2. Desconecte el conector del motor y de la resistencia
control.
3. Retire los tres tornillos que sujetan
unidad de calentamiento del motor.
Comprobar
Medir la resistencia entre los terminales de la resistencia.
PRECAUCIÓN
Medición de la resistencia se hace después de que el aparato
medición se pone a cero.
Terminales
H-F
Uno
Resistencia (ohmios)
1.3
3.0
1.7
H-L
M-L
Si la resistencia medida está fuera de
prescrito Reemplazar resistencia.
PRECAUCIÓN
No utilice la improvisación cuando înfãºurarea
resistor está dañado. Reemplace resistencia
con un parecido
FIG. 2A - 10
Montaje
La resistencia montado con el tornillo.
1. Tornillos
Montaje
Realizar las operaciones con el fin demonatare
revertir.
Blower MOTOR INTERRUPTOR
Desmontaje y verificación
1. Tire de la palanca de control de la manija.
2. Retire el panel de la palanca de control finiþia
soplador.
3. Retire el panel de la palanca de control
soplador.
4. Conjunto de la palanca de control deºurubeazã.
5. Compruebe la continuidad entre los terminales
interruptor del motor del ventilador.
N
H
R / N R / L R
Golpe RESISTENCIA
Eliminación
Debilita el tornillo y quitar la resistencia
soplador.
Febrero Tres
Uno
M
L
N: Negro
A: Pink
A / N: Rosa / Negro
R / L: rosa / azul
4
1.
2.
3.
4.
Tornillos
M (velocidad media)
H (alta velocidad)
L (baja velocidad)
FIG. 2A - 11
Y AIRE ACONDICIONADO acondicionado (calefacción, ventilación) 2A-7
Montaje
Proceder en el orden inverso de
desmontaje.
Cable B. El control de temperatura
1. Coloque la palanca de control en la posición de aire fresco.
Ajuste
Un modo de entrega de aire del cable de control
1. Coloque la palanca de control en la posición de desempañado
el parabrisas.
FIG. 2A - 14
2. Saque completamente la palanca en la dirección de
flecha en la figura y luego ajustar el cable.
3. A continuación, comprobar el funcionamiento del cable
apropiado.
FIG. 2A - 12
2. Tire de la palanca por completo y conexión de elementos en
dirección de la flecha en la figura y luego
asegurar el cable.
Tres
4
Febrero
Uno
Febrero
4
Uno
Tres
1.
2.
3.
4.
CABLE DE MANDO DE AIRE MÉTODO DE ENTREGA
MODO DE ENTREGA DE PALANCA DE MANDO DE
AIRE
UNIDAD DE CALEFACCIÓN
UNIDAD DE ENFRIAMIENTO
1.
2.
Palanca de control TEMP.
CABLE COMANDÃTEMP.
3.
4.
CABLE DE MANDO DE AIRE
CONEXION
FIG. 2A - 15
FIG. 2A - 13
3. A continuación, comprobar el funcionamiento del cable
apropiado.
Y AIRE ACONDICIONADO 2A-8 acondicionado (calefacción, ventilación)
Selección C. Cable de fuente de aire
1. Coloque la palanca en la posición de recirculación
desde el interior.
FIG. 2A - 16
2. Saque completamente la palanca en la dirección de
flecha en la figura y luego ajustar el cable.
Tres
Febrero
Uno
1.
2.
3.
AIR VOLET
Fuente de aire CABLE SELECT
Fuente de aire PALANCA SELECT
FIG. 2A - 17
3. A continuación, comprobar el funcionamiento del cable
apropiado.
Y AIRE ACONDICIONADO acondicionado (calefacción, ventilación) 2A-9
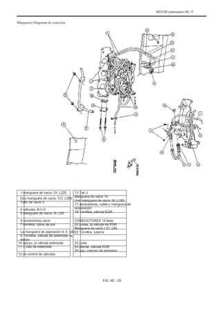
AIRE ACONDICIONADO UNIDAD
Uno
4
Tres
Febrero
7
6
5
8
9 10
11 12
13
14 15
1.
2.
3.
4.
5.
6.
7.
8.
AIRE ACONDICIONADO UNIDAD
Golpe
MOTOR DE JUNTAS
Motor del ventilador
Golpe RESISTENCIA
SOPORTE RESISTENCIA
Calefacción por radiadores
AIRE DISTRIBUCIÓN VOLET
9.
10.
11.
12.
13.
14.
15.
Temperatura VOLET
UNIDAD DE ACONDICIONAMIENTO Vivienda (DERECHA)
UNIDAD DE ACONDICIONAMIENTO Vivienda (IZQUIERDA)
Controles de cable TEMPERATURA
CABLE DE MANDO DE AIRE MÉTODO DE ENTREGA
Fuente de aire CABLE SELECT
ACONDICIONADO DE PALANCA DE MANDO DE AIRE
FIG. 2A - 18
2A-10 Y AIRE ACONDICIONADO acondicionado (calefacción, ventilación)
Eliminación
1. Se debilita el tornillo de drenaje del radiador y es
despeja el refrigerante, retire las mangueras
(2) unidad de aire acondicionado.
2. Retire el panel de instrumentos y las piezas asociadas.
3. desacopla los conectores del cableado.
4. Retire los pernos y tuercas de la unidad de vivienda
acondicionado.
Uno
Montaje
Realizar operaciones de desmontaje descritos en el orden
revertir. Los siguientes aspectos deben ser considerados:
• Ajuste los cables de control;
• Llene el refrigerante.
Febrero
1.
2.
Tornillos de montaje
Tuerca de montaje
FIG. 2A - 19
5. Retire la unidad de calefacción por radiadores
acondicionado.
Uno
1. Calefacción por radiadores
FIG. 2A - 20
Y AIRE ACONDICIONADO acondicionado (aire acondicionado) 2B-11
Sistema de vacío y la carga de refrigeración
Cargando
temporalmente
sistema para la
verificación
Haga una
prueba
el rendimiento
del sistema
Freon R - 12 (500 g)
PÉRDIDA DE GAS
Recoge más conexiones
Uno ABRIR SU
PAPA REZERVO-
El RULUI carga
CÚAL.
Detiene la
aspiradora
Compruebe si
hay fugas
conexiones
Se inicia la
aspiradora
Compruebe
que no
la pérdida de
refrigerante
Aprox. 15
min. (Más
750 mmHg)
Permitir 5
minutos
La indicación
dispositivo
es nor-
maíz molido
Además 15min
(750 mmHg)
Sistema de carga de modo
que el manómetro para indicar
1 kgf / cm2
Apriete las conexiones
menos aún
1. Se hace pasar la aspiradora durante 15 minutos usando una
bomba de vacío.
Válvula de alta presión
(OPEN)
BOMBA DE VACÍO
(Obras)
3. Comprobar el apriete después de unos 5 minutos.
VALVULA DE BAJA PRESIÓN
(Cerrada)
OPEN
Después de 5 minutos
NORMAL
FIG. 2B - 13 de vacío
2. Cierre las válvulas de alta y baja presión de
herramientas del sistema y bomba
vacío.
Válvula de alta presión
(Cerrada)
FIG. 2B - 15 CONEXIONES tensan aún
Poco
4. Retire la manguera de aire antes de la carga
cargar el refrigerante.
VALVULA DE BAJA PRESIÓN
(Cerrada)
VALVULA DE BAJA PRESIÓN
(Cerrada)
Febrero
Tres
SE debilita
Tuerca de la manguera.
Apriete la tuerca
Una vez transcurrido
Poco
Cooler.
BOMBA DE VACÍO
(Detenido después
CIERRE
Válvulas)
MANGUERA
Cargando
LA COMPRESORREZERVOR carga
FIG. 2B - 14 APAGAR EN CIERRE
Elevación de la válvula
FIG. MANGUERA 16 VENTILACIÓN - 2B
Cargando
Se facilita la
carga
sistema final con
refrigerante
Repita la
operación
vacío
Válvula de alta presión
(Cerrada)
2B-12 Y AIRE ACONDICIONADO acondicionado (aire acondicionado)
5. Sistema de carga temporalmente refrigerante.
Lado Gauge
Indicador de baja presión 1 kgf / cm2
VALVULA DE BAJA PRESIÓN
(Cerrada)
Válvula de alta presión
(OPEN)
TANQUE DE VALVULA
Cargando
(OPEN)
VALVULA DE BAJA PRESIÓN
(Cerrada)
8. El final de carga se inicia en la parte alta
presión.
Válvula de alta presión
(OPEN)
TANQUE DE VALVULA
Cargando
(OPEN)
TANQUE
La
Cargando
Compruebe que las fugas
TANQUE
La
Cargando
Es después de que el motor
NO ABRA LA VALVULA baja presión
FIG. 2B - 17 de carga temporal
6. vacuumeazã más de 15 minutos.
Válvula de alta presión
(OPEN)
FIG. 2B - 20 extremo de carga
Refrigerante
9. El sistema se prepara para la carga final.
CALIBRE
EN
(ATENCIÓN)
Donde
OPEN
TANQUE
PUEDE CARGAR
DAÑADO
VALVULA DE BAJA PRESIÓN
(Cerrada)
OPEN
Después de 5 minutos
BOMBA DE VACÍO
(Obras) 5 puertas
INTERRUPTOR A / C: ON
Interruptor del ventilador: ON
TEMP Palanca C-DA:. FRÍO
FIG. 2B - 18 recuperan vacío
7. Retire la manguera de aire de carga antes
cargar el refrigerante.
FIG. 2B - 21 extremo de carga
Refrigerante
Final de carga 10.Se comienza a partir de la baja
presión y el compresor funciona hasta que el
500 g de carga de refrigerante.
Válvula de alta presión
(OPEN)
TANQUE DE VALVULA
Cargando
(OPEN)
VALVULA DE BAJA PRESIÓN
(Cerrada)
Febrero
Tres
SE debilita
Tuerca de la manguera.
Apriete la tuerca
Una vez transcurrido
Poco
Cooler.
Compresión
Válvula de alta presión
(Cerrada)
VALVULA DE BAJA PRESIÓN
(OPEN)
Uno
MANGUERA
Cargando
ABRIR SU
PAPA REZERVO-
El RULUI carga
CÚAL.
Depósito de carga
TANQUE
La
Cargando
Para cerrar la válvula Después de la UA
500 g de carga de refrigerante
FIG. MANGUERA 19 VENTILACIÓN - 2B
Cargando
FIG. Carga de refrigerante 22 - 2B
Y AIRE ACONDICIONADO acondicionado (aire acondicionado) 2B-13
11.Se comprobar la carga.
• A medida que la presión indicada por el aparato de medición
influenciado por las lecturas de temperatura ambiente
debe interpretarse de acuerdo con el siguiente esquema.
Los indicadores de indicación
(Temperatura ambiente superior a 30 ° C)
La alta presión:
La baja presión:
La presión
de la alta
presión (kgf
/ cm2)
La presión
en el de
baja
presión (kgf
/ cm2)
12 ~ 15 kgf / cm2
2 ~ 3 kgf / cm2
10 20
5 15
102030
Temperatura ambiente (° C)
10 10 20 30
Temperatura ambiente (° C)
FIG. 2B - 23 Relación entre la temperatura AMBIENTE Y SISTEMAS DE PRESIÓN A / C
Tenga cuidado al cargar el sistema con refrigerante
1. Al cargar el sistema con refrigerante inmediatamente después de la instalación de nuevo sistema de A / C:
• Hace que la aspiradora en la parte alta de cinco minutos, y luego hacer la aspiradora
ambos lados del sistema (presión alta y baja presión).
• Cuando el compresor está en el sistema de carga en servicio, está en el lado bajo.
2. Cuando para recargar el sistema:
• Cuando el sistema está descargando, el refrigerante no debe salirse de la parte alta.
Advertencia: Si demasiada tiene una fuga de refrigerante del compresor puede estar dañado, así que
prestar mucha atención.
• Recomendaciones de refrigerante debe ser utilizado al añadir refrigerante en el sistema.
3. Otras observaciones:
• Utilice siempre el refrigerante recomendado.
• Un ruido inusual, un "estruendo" se escuchó durante unos segundos cuando comience el compresor
funcionar inmediatamente después del llenado con refrigerante, pero es normal. (Suena particularmente cuando el sistema
es cargado o cuando la temperatura ambiente es demasiado baja).
• ventana, el secador de receptor puede ser de color blanco, pero es una situación normal.
2B-14 Y AIRE ACONDICIONADO acondicionado (aire acondicionado)
Velocidades de aire acondicionado de ajuste de ralentí
1. El interruptor A / C: en. El apalancamiento de control del ventilador: alta
velocidad
FIG. 2B - 24 velocidades RGLAREA IDLE
2. Ajuste el tornillo de ajuste de ralentí
La velocidad del motor (rpm)
El aire acondicionado dejó
El aire acondicionado en
950 ± 50
1100 ± 50
ABAJO
TOP
FIG. 2B - 25 ajustando los tornillos
IDLE
RENDIMIENTO DE PRUEBA
CONDICIONES DE PRUEBA: interruptor A / C: ON, la palanca de control del ventilador: alta velocidad
FIG. TEST 26 RENDIMIENTO - 2B
Y AIRE ACONDICIONADO acondicionado (aire acondicionado) 2B-15
Rango de temperatura de entrada y salida de ventilación centrales
(Temperatura ambiente 20 ~ 35 ° C)
40
35
La
temperatura
a la entrada
del
evaporador
(° C)
30
25
(24)
20
15
10
5
0 5 10 (12) 15
Zo
n / a
de
luc
ru
20 25 30
La temperatura de salida de ventilación central (° C)
Ejemplo:
La temperatura de entrada del evaporador
Ventilación central temperatura de salida
24 ° C
12 ° C
En este caso, se obtiene el punto en el área de trabajo como se muestra en la figura anterior, y la situación es correcta.
Si el rendimiento de la refrigeración no es correcto, compruebe el refrigerante a través de la ventana en el receptor
secadora.
SUSPENSIÓN DELANTERA 3-1
CAPÍTULO 3
SUSPENSIÓN
DELANTERA
SUSPENSIÓN DELANTERA
DESCRIPCIÓN GENERAL ................................................................................................................. 3-2
VEHICULO ..................................................................................................................... 4.3
Conjunto amortiguador ................................................................................................................... 4.3
Rodamientos de rueda .............................................................................................................................. 7.3
Baja buje del brazo ..................................................................................................................... 3-8
Inspección y mantenimiento .............................................................................................................. 3-8
PAREJA DE LA CADENA ............................................................................................................. 3-10
TREN DELANTERO
DESCRIPCIÓN GENERAL ............................................................................................................... 3-11
DESMONTAJE Y MONTAJE .................................................. ............................................. 3-12
SDV ................................................................................................................................................. 3-13
SUSPENSIÓN DELANTERA 3-2
3A. SUSPENSIÓN
DELANTERA
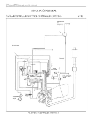
DESCRIPCIÓN GENERAL
Cuando se utiliza este sistema de vehículo con suspensión independiente con amortiguador instalado en el brazo para que
rigidez rollo a mejorar.
Uno
Febrero
Tres
4 8
7
5
6
1.
2.
3.
4.
CHOQUE DE APOYO
BUFFER
Muelle
ASAMBLEA DE CHOQUE
5.
6.
7.
8.
BRAZO SUSPENSION
Barra estabilizadora BUCªÃ
Estabilizador de torsión Bisagra
Barra estabilizadora
FIG. 3-1 SUSPENSIÓN DELANTERA
SUSPENSIÓN DELANTERA 3-3
Sistema de suspensión independiente
Tipo
Escribe las dos brazos
McPherson
Suspensión con sus brazos dos
Se compone de brazo superior e inferior,
nudillo, muelle helicoidal, etc. Y es de 2 maneras: por tipo
brazo paralelogramo tipo y corto - largo brazo dependiendo
la longitud del brazo superior e inferior.
TIP "paralelogramo" TIPO "brazo corto - BRAZO LARGO"
FIG. 3-2 TIP DOS brazo
Tipo McPherson
Brazo pero no hay amortiguador es fijo
el husillo. Esta configuración es simplificada y el número
partes componentes más pequeños; Este sistema de
suspensión ocupa un espacio más pequeño que permite
motor de crecimiento espacio del compartimiento.
Este sistema es ampliamente adoptada como una suspensión
en comparación con los tipos de vehículos con tracción delantera.
FIG. 3-3 McPherson
SUSPENSIÓN DELANTERA 3-4
VEHICULO
ASAMBLEA DE CHOQUE
12
11
10
9
7
6
5
8
13
14
Tres
4
Uno
Febrero
1.
2.
3.
4.
5.
6.
7.
8.
9.
10.
11.
12.
13.
14.
Eje
BRAZO DELANTERO
SHOCK
ARC
BUFFER LIMITED
Montaje Race
De soporte superior
TENIENDO
Cojinete
Montaje inferior
Montaje superior
CHOQUE DE APOYO
APOYO EN EL INTERIOR
BUFFER
FIG. 4.3 MONTAJE DE CHOQUE
Eliminación
1. Se plantea la parte delantera del vehículo con un gato.
2. Retire las ruedas delanteras.
3. Retire el fusible (en forma de S)
tubo del freno correcciones; Retire las tuercas y
Los tornillos que sujetan el amortiguador
husillo.
4. off conjunto del eje del amortiguador.
¡CUIDADO!
Tenga cuidado de no dañar las conexiones de freno.
Uno
Uno
Febrero
Febrero
1.
2.
SEGURIDAD (E-RING)
Y tuerca Tornillos de montaje del amortiguador
Chasis tuerca 1. CHOQUE
DESCARGA 2. APOYO
FIG. DESCARGA 3-5 EXTRACCIÓN
FIG. 3-6
SUSPENSIÓN DELANTERA 3-5
Desmontaje
1. Retire la tuerca de retención amorizorului después
han comprimido el muelle por los dispositivos
especial.
¡CUIDADO!
• Retire la tuerca después de la compresión
primavera suficiente.
• Cuando se utiliza un dispositivo especial, adjuntar el arco
así que no relajarse.
• Durante la compresión, no apunte el arco
por compañeros de trabajo.
Inspección
Inspeccione cada una de las partes que se describen en la siguiente
figura.
Deforman DAÑADO
Rayado
Doblado
Dejar caer ACEITE
DAÑADO
Uno
Tres
FIG. 3-8 INSPECCIÓN DE ASAMBLEA
SHOCK
Febrero
Montaje
Ir a través de los pasos en orden inverso al desmontaje.
Observe lo siguiente:
• Al colocar el cojinete de empuje y protección contra el polvo
engrasar la grasa todas las superficies de contacto.
1.
2.
3.
Dispositivo especial (ARC presión 09940-71430)
ARC
ASAMBLEA DE CHOQUE
FIG. Compresión 3-7 primavera
Uno
1. Empuje
FIG. 3.9 grasas lubricantes
SUSPENSIÓN DELANTERA 3-6
• Al colocar asegurarse de que la protección del cojinete de empuje
El polvo no está dañado o mal colocada.
Extracción de la rótula de dirección, cubo de la rueda y el brazo
inferior
1. Se debilita la tuerca de la rueda.
2. Retire la tuerca autoblocante.
3. Instale el conector.
4. Retire la pinza.
5. Retire el cubo de la rueda utilizando dispositivos especiales.
Uno
Febrero
Febrero
Tres
Polvo 1. PROTECCIÓN
2. Cojinete
FIG. Protección contra el polvo 3-10 INSTALACIÓN Uno
1. El cubo de la rueda
2. Disposición especial (extractos tambor de freno
09943-17910)
3. dispositivo especial (inercia martillo 09942-
15510)
• Instale el resorte de modo que sea seguro.
FIG. 3-12 EXTRACCIÓN cubo de la rueda
DELANTERO
6. Retire la rótula utilizando barras de dirección
Dispositivos especiales.
Uno
Febrero
1. APOYO SUPERIOR ARC
2. monte ARC (plástico)
Uno
FIG. 3-11 INSTALACIÓN DEL ARCO
Instalación
Ir a través de los pasos en orden inverso al desmontaje.
1. Disposición Especial (PRENSA Rotui 09913-65210)
FIG. 3-13 EXTRACCIÓN DE barras rótula
Departamento
SUSPENSIÓN DELANTERA 3-7
7. Retire los tornillos y tuercas en el brazo.
8. Retire la rótula del brazo inferior.
9. Retire el cabezal.
Retire 10.Se barra inferior del brazo junto con
estabilizador.
¡CUIDADO!
Enlace pinza con un alambre de acero
no dañar los tubos de freno.
Rueda Rulmentul
•
Sustituya el cojinete si tiene juego.
Utilizando una varilla de latón, bateþi (martillo) y
sacar rulmenþii exterior y el interior.
Uno
Uno
Febrero
1. varilla de latón
FIG. 3-15 RULMENÞILOR RETIRAR
•
Tres
1.
2.
3.
MANGUERA DE FRENO
Cable de acero
Estribos
Después de la lubricación con grasa y que lleva el
interior del cojinete del cubo usando presaþi
dispositivo especial.
FIG. 3-14 mangueras PROTECCIÓN
Freno
Uno
1. dispositivo especial (presión RULMENÞI 09.913-85.210)
FIG. 3-16 RULMENÞILOR PRESIONAR
SUSPENSIÓN DELANTERA 3-8
¡CUIDADO!
• Facilitar el conjunto del cubo es
distanþierul pulsa rodamiento y que era
Aplique grasa.
• rodamiento externo cuando se instala, sello
debe ser hacia afuera.
Y MANTENIMIENTO Inspección
Rotula brazo inferior
Inspeccione si hay grietas o fuelles rótula
daños. Si hay algún daño, la operación será
inadecuados debido a las impurezas que pueden
penetrar (arena, polvo, etc.).
Uno Tres
4
Febrero
5 1. Teniendo EXTERIOR
2. junta de estanqueidad
3. TENIENDO INTERIOR
4. ACEITE junta de estanqueidad
5. DISTANÞIER
Uno Febrero
FIG. Hub 3-17 rueda
1. Bellows rótula
2. BRAZO INFERIOR
BRAZO INFERIOR BUCªÃ
Reemplace el buje dañado.
FIG. 3-19 articulaciones Inspección
Instalación
Ir a través de los pasos en orden inverso a la extracción.
Asegúrese de lo siguiente:
• Cuando el freno de disco de montaje de la junta, comprobar
el posicionamiento correcto.
Uno
Set
1. Disposición Especial (BUCªÃ EXTRACTOR 09.943 hasta 77.910)
Uno
FIG. 3-18 extracción BUCªÃ
1. disco de freno
2. Hub
Febrero
FIG. 3-20 Freno Disco
SUSPENSIÓN DELANTERA 3-9
• disco de instalación y cubo de la rueda utlizând
Dispositivos especiales.
Uno
1. dispositivo especial (HUB ASAMBLEA DISPOSITIVO 09.913 a 85.210)
FIG. Hub 3-21 INSTALACIÓN
• Tuerca del eje
Apriete la tuerca con un eje
llave de torsión con el par especificado o menos
borde inferior de la tuerca y batir con un mandril para
para evitar que se afloje.
Torque nogal
de transmisión (piuliþãcu
bloqueo) (kgf • cm)
1500 - 2000
FIG. 3-22 INSTALACIÓN nogal
TRANSMISION
SUSPENSIÓN DELANTERA 3-10
PAR DE APRIETE
Elementos de cerca
Damper tuerca-chasis
Los tornillos y tuercas de husillo de sujeción del
amortiguador
Barras de dirección de tuerca de la rótula
Eje de tuerca autoblocante
Pares de apriete (kgf • cm)
180-280
700-900
350-550
1500 - 2000
SUSPENSIÓN DELANTERA 3-11
3B. DELANTERO EJE DE TRANSMISIÓN
DESCRIPCIÓN GENERAL
Una bisagra se UTILIZA homocinética lado de la rueda del eje de accionamiento para transmitir la fuerza de
de tracción sin cambiar el ángulo de choque de transmisión. En el diferencial lado usando una bisagra
trípode homocinética o pequeñas bolas de resistencia al deslizamiento.
Diferencial Side
Faldas de rueda PARTE
La
Trípodes TIP bisagra
Faldas de rueda PARTE
Diferencial Side
BOLA TIPO Bisagra
FIG. 3-23 trípode bisagra bisagra Y BOLA
TIP
Derecho
Izquierda
M / T
521.0
335.5
22
A / T
526.1
335.1
22
TAMAÑO
Longitud
"A" (mm)
diámetro del eje (mm)
SUSPENSIÓN DELANTERA 3-12
Desmontaje y montaje
Eje de transmisión
Fuelle ROTOS
JUEGO DE SPIN
Fuelle ROTOS
JUEGO DE SPIN
GROOVE USADO
Eje defectuoso
GROOVE USADO
FIG. 3-24 DESMONTAJE E INSPECCIÓN ejes
Desmontaje
¡CUIDADO!
• No desmonte articulación de las ruedas de
Nunca. Para volver a colocar el fuelle es
dezasambleazãarticulaþiadinspre
diferencial.
• Al sustituir el eje, asegúrese de que
juntas de fuelle no se dañen.
1. Retire la camisa exterior y collar
articulación de diferencial (para la articulación con
Retire la bola anillo hacia arriba).
Tres
Febrero
2. Después de la eliminación de la grasa y de seguridad para circular
eliminar la cruz (de trípode) del eje.
Uno
1. CRUZ Trípodes
2. TIENE
Circular 3. SEGURIDAD
Uno
FIG. 3-26 Seguridad RETIRAR
(Bisagra trípode)
(Si articulación Retire los rodamientos de bolas 6).
1. camisa exterior
FIG. 3-25 Extracción de la CÃMêII EXTERNO
SUSPENSIÓN DELANTERA 3-13
Montar
Ir a través de los pasos en orden inverso al desmontaje.
Asegúrese de lo siguiente:
• Compruebe defectos antes y después del desmontaje;
Reemplace las piezas defectuosas y luego armar
correctamente.
Después curãþirea cãmãºii seco del aire exterior
comprimido y borra con un paño.
Aplique grasa de articulación de las ruedas o
dentro del fuelle de goma.
Se instala eje fuelle de goma.
•
•
•
•
•
Después de llenar con fuelle de grasa, es
usar cerraduras de la correa de sujeción.
Se instala eje de arranque de la diferencia,
Aplique grasa a la bisagra y el fuelle.
Después de insertar el trípode articulación (o articulación
De bolas) en el eje, circular seguro con seguridad.
Después de llenar el fuelle del diferencial
grasa, instalar articulación.
Fije la bisagra utilizando pinza de fuelle
de sujeción.
•
•
•
SDV
Uno Febrero Tres 4
09940 a 71430
Arco Presión
5
09.913 hasta 85.210
Montaje de dispositivos y el cubo
rulmenþi extracción
6
09942 a 15510
Martillo con inercia
09943-17910
Freno de tambor Extractor
09943 a 77910
Casquillo Extractor
09.913-65.210
Varillas rótula Extractor de
dirección
FIG. 3-27
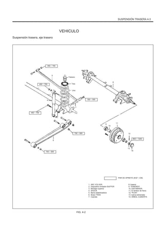
SUSPENSIÓN TRASERA 4-1
CAPÍTULO 4
SUSPENSIÓN TRASERA
DESCRIPCIÓN GENERAL ................................................................................................................4 - 2
VEHICULO ....................................................................................................................4 - 3
La suspensión trasera, eje trasero .................................................. ............................................. 4-4
Inspección y mantenimiento .............................................................................................................4 - 5
PAR DE APRIETE ............................................................................................................4 - 8
SDV ..................................................................................................................................................4 - 8
SUSPENSIÓN TRASERA 4-2
DESCRIPCIÓN GENERAL
Escriba suspensión trasera se utiliza en este vehículo se tira sus brazos.
4
Tres
Uno
4
Febrero Uno
5
1.
2.
3.
4.
5.
ARC VOLVER
SHOCK
Barra estabilizadora
Dispositivo limitador BUFFER
Brazo TRAS
FIG. 4.1 SUSPENSIÓN TRASERA
SUSPENSIÓN TRASERA 4-3
VEHICULO
Suspensión trasera, eje trasero
450 ~ 700
5
Febrero
Tres
Uno
8
450 ~ 700
4
7
450 ~ 700
350 ~ 550
9
10
11
700 ~ 900
6
12
800 ~ 1200
13
700 ~ 900
14
: PAR DE APRIETE (KGF • CM)
1.
2.
3.
4.
5.
6.
7.
ARC VOLVER
Dispositivo limitador BUFFER
Montaje superior
SHOCK
Barra estabilizadora
Brazo TRAS
Cojinete
8. trasera
9. TENIENDO
10. DISTANÞIER
11. El tambor de freno
12. ºPLINT
13. tuerca almenada
14. ÁRBOL CUBIERTA
FIG. 4-2
SUSPENSIÓN TRASERA 4-4
Suspensión trasera, eje trasero
Eliminación
1. Levante el vehículo sobre un elevador. Retire la rueda
espalda.
3. Retire los tubos de freno y tuberías.
• Utilice una llave para quitar el pago
conductos de freno.
• Coloque un tapón de goma en el extremo de la tubería
de freno.
MANGUERA DE FRENO
FIG. 4-5 mangueras REMOCIÓN
Freno
FIG. 4-3 POSICIÓN EN ASCENSOR
2. Retire el tambor de freno utilizando
Dispositivos especiales.
4. Afloje el tornillo inferior del amortiguador.
SHOCK
Uno Febrero INFERIOR silenciador tornillo
1. dispositivo especial (martillo inercia 09942 hasta 15500)
2. dispositivo especial (freno de tambor EXTRACTOR 09.943 a 17.910)
FIG. 6.4 Extracción de los tornillos INFERIORES
Apagador
FIG. Tambor de freno 4-4 EXTRACCIÓN
5. Retire la barra estabilizadora y baje menos
ascensor.
SUSPENSIÓN TRASERA 4-5
6. Tire de la primavera y retire el brazo. Rueda trasera cambio de rodamientos
• Retire uso rulmenþii interiores y exteriores
un mandril de latón.
Brazo TRAS Brazo TRAS
DORN latón
FIG. 4-7 EXTRACCIÓN brazo TRAS
7. Retire el eje trasero. FIG. RULMENÞILOR 4-9 EXTRACCIÓN
• Al instalar rulmenþilor aplique grasa suficiente
rulmenþi y en la superficie interior del cubo
rueda, a continuación, pulse hub rulmenþii usando
Dispositivos especiales.
Inspección y mantenimiento
Cojinete de la rueda trasera
Inserte el conector y comprobar el juego axial moviendo la rueda
en la dirección axial. Si el juego es demasiado alto, sustituya
Teniendo.
Rodamiento axial Juego (mm) 0-0,35
Uno
1. Disposición Especial (PRENSA RULMENÞI 09.913-85.210)
FIG. 4-10 RULMENÞILOR PRESIONAR
FIG. Controle los cojinetes de las ruedas 8.4 JUEGO
TRASERO
SUSPENSIÓN TRASERA 4-6
¡CUIDADO!
Para colocar correctamente el conjunto de cojinete
junta de estanqueidad.
El amortiguador de muelle
El conjunto de muelles se poziþioneazã así terminar
ser cerrado sobre el extremo abierto. De este modo
arco se encuentra segura en los lugares de culto.
TENIENDO EXTERIOR RODAMIENTO INTERIOR
Set
DISTANÞIER
El extremo abierto
FIG. 4-11 Posicionamiento RULMENÞILOR
FIG. 4-13 ARCO DE MONTAJE
Instalación
Ir a través de los pasos en orden inverso para desinstalar.
Observe lo siguiente:
Tuerca del eje trasero
Apriete la tuerca del eje trasero con el par especificado.
Tuerca Par
eje trasero (kgf • cm)
800 - 1200
Brazo sacó
Al montar el brazo con el tornillo final es poziþioneazã
al eje del vehículo.
Brazo TRAS FIG. 4-14 tuerca ESTANQUEIDAD CUBIERTA
TRASERO
FIG. 4-12 MONTAJE TRAS brazo
SUSPENSIÓN TRASERA 4-7
ªplintul
Asegúrese de que ambos extremos de ºplintului correctamente
tuerca almenada inclinó de modo que puede ser
cubierta amueblada.
ºPLINT
FIG. 4-15 ªPLINTULUI MONTAJE
SUSPENSIÓN TRASERA 4-8
PAR DE APRIETE
Piezas cercanos
Barra de estabilidad (en el cuerpo)
Barra de estabilidad (en la cubierta)
Damper (telescopio)
Brazo sacó
Tuerca almenada
Par (kg • cm)
450-700
350-550
450-700
700-900
800 - 1200
SDV
Uno Febrero Tres
Inercia 09942-15.510 martillo 09.943-17.911 freno de tambor Extractor 09.913 hasta 85.210 Releases rulmenþi
FRENOS 5-1
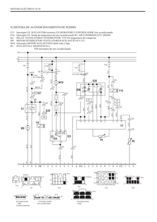
CAPÍTULO 5
FRENOS
DESCRIPCIÓN GENERAL ................................................................................................................ 5-2
Pinza de freno de disco ................................................................................................................... 5-3
Tambor del freno ........................................................................................................................ 5-5
Cilindro maestro ......................................................................................................................5 - 7
Válvula de alivio de presión .................................................. ............................................ 5-9
El conjunto de servofreno ..............................................................................................................5 - 10
SOLUCIÓN DE PROBLEMAS .....................................................................................................................................5 - 14
VEHICULO ..................................................................................................................5 - 16
El freno de estacionamiento .....................................................................................................................5 - 17
Inspección .................................................................................................................................5 - 18
Cilindro maestro ....................................................................................................................5 - 20
Ajuste el vástago actuador de freno servo .................................................. ......................... 5-20
SDV ................................................................................................................................................5 - 21
FRENOS 5-2
DESCRIPCIÓN GENERAL
Cuando se pisa el pedal de freno, se crea la presión del cilindro maestro y es operado pistones (dos
por delante y dos hacia atrás). Trabajar en el cilindro maestro en tándem en dos circuitos independientes. Circuito de frenos
cara es un circuito en paralelo (izquierda y derecha) y el circuito de freno trasero está un circuito en serie (izquierda y derecha). Entre
y el circuito de la bomba de freno trasero se monta una válvula de alivio de presión. Disco de freno delantero es y
Tambor de freno trasero saboþilor actuador independiente. Cable del freno de estacionamiento mecánico y
que actúa sobre las ruedas traseras.
Tres
4
Febrero
Uno
1. cilindro
2. palanca de freno de estacionamiento
3. La válvula de alivio de presión
4. DISTRIBUIDOR 2 vías
FIG. 5-1 FRENO CIRCUITO (Tipo H)
Tres
4
Febrero
Uno
1. cilindro
2. palanca del freno de estacionamiento
3. La válvula de alivio de presión
4. DISTRIBUIDOR cinco caballos
FIG. 5-2 FRENO CIRCUITO (TIPO X)
FRENOS 5-3
Frenos de disco con pinza
Las ruedas delanteras están equipadas con frenos de disco.
4
Tres
Febrero
5
Uno
Uno
5 1.
2.
3.
4.
5.
Placa de freno
PISTON
Disco de freno
Tapa antipolvo
PLACA DE SOPORTE
FIG. 5-3 pinza
Pinza de Operación
Pinza del freno delantero es de tipo pistón móvil.
La presión generada en los actos cilindro maestro
la placa de freno (1) del pistón y la
se presiona. Al mismo tiempo se mueve la pinza
debido a la presión del pistón (2) de modo que
la otra placa presiona el disco de freno, por lo tanto
realizando tanto la placa de prensado.
El freno de disco se requiere una presión de trabajo
elevado a la rueda de pistón. Para este diámetro
orificio del pistón es grande.
Incluso un pequeño cambio en el intersticio entre el disco y
placa tiene una gran influencia en el recorrido del pedal
de freno. Es necesario que la distancia entre el disco y la placa son
se mantiene a un mínimo. Es
realizado a través de una junta de goma.
FRENOS 5-4
C O R P
Estribos
U L
CILINDRO CILINDRO
G A R I N T U R
Sellado
G A R I N T U R
Sellado
Disco de freno
FIG. Pinza 5-4 FUNCIONAMIENTO PISTON PISTON
Calibración intersticio entre el disco y la placa
Cuando se opera pinza de pistón
desplazará hacia la izquierda (en la imagen). Conjuntos
de sellado es una fuerte presión sobre el pistón y se mueve una vez
el cilindro (Fig. 5-5). El movimiento del pistón, el sello
sellado adquiere una deformación constante y
almacenar energía elástica.
Cuando se suelta el pedal de freno y desaparece
la presión de funcionamiento, la fuerza elástica almacenada en
junta de empujar el pistón hacia atrás a la posición correcta
inicial. Si las pastillas de freno se desgastan, la carrera
pistón a la izquierda será mayor, pero la raza
retorno (a la derecha) tendrá el mismo valor de
Debido deformaþiei junta de estanqueidad constante.
Por lo tanto, independientemente del tamaño de usar protectores,
intersticio
del disco de freno y la placa es constante.
Sin actuador de presión Actuador de presión
FIG. 5-5 SELLO QUE FORMA
ETANªARE
FRENOS 5-5
Frenos de tambor
Conjunto de freno de tambor incluye un sistema de autorregulación y el juego entre el tambor saboþi.
Tres
Febrero
Febrero
Uno
5
4
1.
2.
3.
4.
5.
REGULADOR DE ASAMBLEA
SABOÞI
CILINDRO DE RUEDA
TAMBOR
ARC RETORNO
FIG. 6.5 Frenos de tambor
Tambor de freno Operación
Cuando el pedal de freno con la son impulsados
dos pistones de los cilindros de rueda que empujan
saboþii hacia el exterior y evita la rotación del tambor.
Con el desgaste aumento saboþilor y carrera del pistón, por lo
ser presionado más en el pedal del freno.
Intersticio entre el tambor y saboþi ajustarse
ajuste saboþilor mediante tornillos. Este modelo
freno trasero tiene un sistema de autorregulación (general
regulador) de espacio entre el tambor y saboþi cuando
cambia debido al desgaste saboþilor.
6.5 FRENOS
El sistema de autorregulación y el juego entre saboþi
tambor
1 Cuando el juego es apropiado.
Menos de 1 DIENTE
Rueda de trinquete no gira
2 Cuando el juego es demasiado alto.
Una articulación o varios
Rueda de trinquete gira y disminuye el juego.
3 Cuando se lleva puesto el zapato.
Zuecos desgastado -> REGULADOR se extiende.
FIG. 7.5 CALIBRADO DEL JUEGO
FRENOS 5-7
Cilindro
Uno
Febrero
Tres
1. TANQUE
2. pistón primario
3. EXTERIOR PISTON
FIG. 5-8 cilindro
Conjunto del cilindro maestro
Cilindro maestro contiene dos pistones y tres juntas de estanqueidad. Se crea una presión hidráulica en la habitación
principal ("a") y la cámara secundaria ("b"). Se transmite presión hidráulica producida en la cámara secundaria ("b")
freno trasero y los principales elementos de la habitación ("a") se transmite freno delantero (izquierdo y derecho).
<Si el sistema de freno de presión hidráulica-X diagonal produce en la cámara secundaria ("b") es transmitida
Frenos frenos derecha los principales elementos de la habitación ("a") delantera y trasera izquierda y se transmite delantera izquierda
Y el lateral derecho>.
7
6
5 4 Tres Febrero Uno
1. El pistón primario
2. junta de estanqueidad
3. sellado de la junta del pistón secundario
4.
5.
6.
7.
EXTERIOR PISTON
Junta de cierre
Secundaria muelle de retorno de pistón
PRINCIPAL CILINDRO CORP
FIG. Cilindro 5-9 ESTRUCTURA
FRENOS 5-8
Cilindro Operación
El pedal de freno pistón primario se mueve a la presión hidráulica a la izquierda se produce en
cámara "a". A través de esta presión y el principal resorte de retorno del pistón, el pistón secundario
Mover a la izquierda creando presión hidráulica en la cámara "b".
Febrero
Uno
1. El pistón primario
2. EXTERIOR PISTON
FIG. Cilindro 5-10 FUNCIONAMIENTO
FRENOS 5-9
Válvula de alivio de presión
Válvula de alivio de presión controla la ruedas traseras de freno de presión hidráulica producida por el cilindro de control
freno trasero.
Uno
Tres
Febrero
Cilindros
Roth
TRASERO
EL RODILLO
PRINCIPAL
4 1.
2.
3.
4.
PISTON
ARC
Válvula
El asiento de válvula
FIG. 5-11 PRESIÓN válvula de alivio de freno trasero
No funciona
Cuando la presión en el cilindro maestro es menor
que el límite de presión
El émbolo es empujado a la izquierda de la primavera (2) la creación
de
un juego entre la válvula y su asiento. La presión en el cilindro
principal cilindro de rueda trasera se transmite.
Funcionar
Cuando la presión del cilindro principal es mayor
que el límite de presión
La válvula (3) se mueve a la derecha debido a la presión
productos hidráulicos en la "A" hasta que te sientas en
el asiento (4) que cierra el circuito de freno trasero.
Tres
Uno
Febrero
Uno
Febrero
Tres
Contrapresión en
CILINDRULROAT
Ã
4
4
1.
2.
3.
4.
PISTON
ARC
Válvula
El asiento de válvula
Presión Limited
Cilindro de presión
1.
2.
3.
4.
PISTON
ARC
Válvula
El asiento de válvula
FIG. 5-12
FIG. 5-13
5-10 FRENOS
Servofreno GENERAL
Brake es un sistema que reduce la fuerza necesaria para empujar el pedal de freno a través de la diferencia de tiempo
de presión entre el colector de admisión y el medio ambiente.
5
Tres
Febrero
Uno
4
7
6
1. ARC PISTON servofreno
2. La barra de émbolos de carrera
TON
3. servofreno PISTON
4.
5.
6.
7.
Vástago de émbolo
LÍMITE DE VALVULA DE SEGURIDAD
Fuelle
Vástago de pistón Tenedor
FIG. 5.14
FRENOS 5-11
Operación de refuerzo
13
Uno
Febrero 9 7 Tres
5
17
16
15
13
1214
4
6
8
CUBIERTA 1. DELANTERO
2. Contraportada
3. La varilla de accionamiento de la válvula
FILTRO DE AIRE 4.
5. Forks
6. Deje de Válvulas ARC
7. DEVOLUCION ARC Válvulas
Válvula de control 8. PARADA ARC
Válvula de control 9.
10. Válvulas servofreno
11. PISTON servofreno
12. LIMITACIÓN VALVULA DE SEGURIDAD
13. La membrana servofreno
Reacción 14. DISCO
15. ARC retorno del pistón servofreno
Servo varilla de pistón 16. El freno
Varilla roscada 17. AJUSTE
10 11
FIG. 5-15 servofreno GENERAL
Cuando se pisa el pedal de freno, la fuerza de pistón del cilindro maestro se transmite a través del vástago accionador de la válvula,
Frenos de aire de la válvula servo, reacción servofreno disco y vástago. Al mismo tiempo, forzando al pistón servofreno
desarrollado debido a las diferencias de presión entre las dos cámaras "A" y "B" se añade una vez que la fuerza del pedal. Válvula
de control tiene una doble función de válvula de vacío y la válvula de aire. Como se observa en la siguiente figura,
válvula de control se cierra entre las cámaras de "A" y "B", mientras que su lado exterior "C" entra en contacto con el asiento
pistón de refuerzo y se abre a medida que la caída "C" en el pistón del asiento (función de válvula
de vacío). La sala está cerrada entre "B" y el aire exterior, mientras que su parte interior "D" entre en
en contacto con el asiento de la válvula de aire, y al abrir la caída "D" en el asiento de la válvula de aire (dependiendo
La válvula de aire).
Cuando el pedal de freno no está presionado
Varilla del actuador de la válvula es empujado primavera derecha (15). También se mueve la válvula de aire
derecha a través de la fusible limitador (12). En este caso, la válvula de vacío (la válvula "C"
control) está abierta y la válvula de aire (la válvula de control "D") está cerrada. Tales cámaras de "A" y "B"
se crea mismo vacío que permite muelle de retorno (15), que salió bien servofreno pistón.
Tres Febrero Uno
Válvula de vacío "C"
La válvula de aire "D"
"A"
"B"
Válvula de Control 1.
2. Válvulas servofreno
3. servofreno PISTON
FIG. 5-16 servofreno (CUANDO NO FUNCIONA)
5-12 FRENOS
Cuando se pisa el pedal del freno
Al estar presionado el vástago del actuador, la válvula de aire
El servofreno se mueve a la izquierda. Válvula
el control es empujado para asentar el pistón
por freno de resorte de la válvula servo.
Válvula de vacío (la válvula de control "C")
está cerrada y la comunicación entre las cámaras de "A" cortar y
"B". Al mismo tiempo, la válvula de aire (la válvula de "D"
control) todavía está cerrado.
Tres Febrero Uno
"A"
Tres Febrero Uno
"B"
Válvula de Control 1.
2. Válvulas servofreno
3. servofreno PISTON
"A"
FIG. 5-18 servofreno (RUN)
Cuando se suelta el pedal de freno
Cuando se suelta el pedal de freno, la válvula de aire
El servofreno desplazamiento hacia la derecha debido a la primavera
volver. Válvula de vacío (la válvula "C"
control) se abre y se crea así la depresión
cámara "B". Debido a este pistón depresión
cilindro maestro del freno y de refuerzo pistón se mueve
las posiciones iniciales. Ellos están en la misma posición que el
se describe la situación cuando el pedal de freno está
deprimido.
"B"
Válvula de Control 1.
2. Válvulas servofreno
3. servofreno PISTON
FIG. 5-17 servofreno (TOP
Operación)
Aire válvula servo de freno (la válvula "D"
comando) es empujado más hacia la izquierda, la
abrir y permitir que circule el aire en la sala "B".
Esto crea una diferencia de presión entre las cámaras
"A" y "B". Cuando la presión supera la presión
ejercida por el resorte de retorno del pistón, el pistón del reforzador
de freno
se mueve hacia atrás (a la izquierda) junto con la válvula
control. La válvula de aire (la válvula "D"
control) al obstruir la cámara de flujo de aire "B". En
De esta manera una vez que la fuerza del pedal de freno se
transforma
la alta presión hidráulica en el cilindro principal.
Tres Uno 4
Febrero
"A"
"B"
1.
2.
3.
4.
Válvulas servofreno
ARC válvulas de retorno
PISTON servofreno
Válvula de control
FIG. 5-19 servofreno (SFÂRªITUL
Operación)
FRENOS 5-13
Nota
Si cualquiera de los componentes es servofrînei defectuoso
la fuerza del pedal de freno no será amplificado. Sin embargo,
fuerza de empuje del pedal de freno se transmite a la varilla
actuador de la válvula, frenos de aire de la válvula servo,
limitar la válvula de seguridad, servofreno pistón y más
lejos de la varilla del cilindro maestro. Circuito de frenado
operar incluso cuando el servofreno es defectuoso.
Febrero Uno
Tres
1. El vástago de la válvula
2. Válvulas servofreno
4
3. LÍMITE DE SEGURIDAD
4. servofreno PISTON
FIG. Refuerzo 5-20 freno
5-14 FRENOS
SOLUCIÓN DE
PROBLEMAS
Los síntomas
La fuerza de frenado
insuficiente
•
•
•
•
•
•
•
•
•
Frenado desigual
(Freno no funciona
equilibrada)
•
•
•
•
•
•
•
•
•
•
Sin el ruido de los frenos
ser encendido
•
•
Causa probable
Las fugas en el circuito de frenos
O pastillas de frenos
aceite pãtaþe
Frenos de sobrecalentamiento
Juego incorrectamente saboþi freno
Placa de freno Saboþi manchada de aceite
Saboþi placa de freno gastadas
Defecto cilindro de freno de rueda
Pinza defecto de montaje
Aire en los circuitos de freno
Saboþi la placa de freno pãtaþe
aceite
Tambor Juego saboþi inadecuada
vez más (sin sistema de juego de-
fect)
Drum pasó
Presión inadecuada
Ruedas
Alinear las ruedas delanteras no aptos
ade-
Defecto cilindro de freno de rueda
Neumáticos diámetro diferente
Los tubos y mangueras de freno
defectos
Pinza defecto de montaje
Conjuntos de suspensión sueltos
Pinza debilitado
Residuos Plate
•
•
•
•
•
•
•
•
•
•
•
•
•
•
•
•
•
•
•
•
•
Remedio
Determinar y fijar el lugar
Limpie o reemplace
Determinar la causa y corregir
Ajuste el tamaño prescrito
Reemplazar
Reemplazar
Repare o reemplace
Repare o reemplace
Purgar el circuito de frenado
Reemplazar
Comprobar y reparar el
Reemplazar
Presión correcta
La alineación correcta
Repare o reemplace
Utilice el mismo tipo de neumáticos
Reemplace las mangueras y tuberías
freno
Compruebe que los pistones están bloqueados,
Si pinzas son guías y bucºele
aceitado y reparado si es necesario
Revise todos los subconjuntos
suspensión
Compruebe y apriete los tornillos
pares especificados
Reemplace las pastillas
FRENOS 5-15
Los síntomas
El movimiento excesivo de
Pedal
•
•
Causa probable
Circuito defecto freno
Líquido de frenos insuficiente
•
•
Remedio
Compruebe y sustituya donde
necesario
Llene el depósito con líquido de frenos
correctamente, compruebe si hay fugas
Y prueba de frenos Bleed
luces de advertencia.
Purgar el circuito de frenado
Juego de tambor saboþi correcta,
comprobar y reparar el mecanismo
juego de tuning
Reemplace saboþii
Reemplace saboþii
Reparación del cilindro maestro
Reemplace las mangueras y tuberías
freno dañado
Ajustar
Vuelva a colocar el cable del freno de
estacionamiento
Reemplace los resortes
Reparación
Reemplace rulmenþii ruedas
Reemplace husillo
Reparación de disco o sustituirla
Tambor de reparación o sustituirla
Revisar y reparar las almohadillas de zapatos
o sustituir si es necesario
Cojines del zapato reemplazados
Reemplace cojinete de la rueda
Pastillas de freno reemplazados, apriete
Los pernos o reemplazarlos
•
•
•
•
•
•
•
•
•
•
Zvâcneºte Pedal
•
•
•
•
•
•
•
•
Freno de bloqueo después
pedal de freno
se libera
Aire en los circuitos de freno
Jocultambur-saboþi
insuficiente (mecanismo
auto de juego defecto)
Saboþi curva
Saboþi uzaþi
Carrera de retorno del pistón
cilindro bloqueado
Tubos de freno o tuberías bloqueadas
Ajuste del freno de estacionamiento inadecuada
Zator
Cable defecto del freno de estacionamiento
Muelles de retorno sueltas o rotas
Cilindro de rueda o pinza de pistón de
obstruido
Daños en las ruedas Rulmenþi o aflojar
Husillo defectuoso
Disco ictus lado del freno
Drum deformado
Placa de la zapata Brillante o materiales
el aprendizaje a través de ellos
Placa de calzado desgastado o deformado
Rodamientos de las ruedas delanteras
debilitados
Placa de freno Warped o tornillos
pinza suelta
•
•
•
•
•
•
•
•
•
•
•
•
•
•
•
•
•
•
Frenos ruidosos
5-16 FRENOS
VEHICULO
Compruebe el recorrido del pedal de freno
1. Arranque el motor.
2. Pulse el pedal de freno 2 o 3 veces
3. Presione el pedal del freno aproximadamente 30 kg y
se mide la distancia "B" del pedal al piso.
Debe ser inferior a 75 mm.
Comprobar el juego del pedal de freno
Inspeccione el juego del pedal de freno. Comprobar tornillo
agarre el pedal, pasador de centrado del cilindro princi-
pálida y strâgeþi ellos o corregir los defectos.
'B"
FIG. 5-21 lejos del pedal presionado
EL PISO
4. Si la distancia "B" es de menos de 75 mm, el
causa más probable es que el freno trasero es saboþii
uzaþi son excesivas o hay aire en el circuito de frenos.
Si la distancia "B" sigue siendo inferior a 75 mm
Después de reemplazar el saboþilor freno trasero y ventilación
freno de circuito, entonces Otra causa posible puede ser
conjunto del regulador fracaso (sistema
auto-carrete juego saboþi) o longitud de la varilla
mal ajustada servofreno pistón.
• Revise el conjunto del regulador se realiza después
retirar el tambor de freno. Defectuoso
Reparar o reemplazar.
REPRODUCCIÓN DE PEDAL: 1 ~ 8
mm
FIG. 5-22 INSPECCIÓN pedal JUEGO
Freno
Pedal de freno Juego (mm) 1-8
FRENOS 5-17
FRENO DE ESTACIONAMIENTO
Inspección y mantenimiento
1. Tire del freno de estacionamiento con unos 20 kg y
numãraþi en los últimos dientes de trinquete.
Intervalo especificado
Juego
3-8 dientes
menos de 2 dientes
2. Si el valor medido es diferente de la
longitud del cable de freno especificada por Escala
apretar las tuercas de ajuste.
Tuerca CABLE DE FRENO SET
FIG. 5-24 Ajuste del cable de freno
FIG. 23.05 Freno de estacionamiento Controlar
5-18 FRENOS
INSPECCIÓN
4
Tres
Febrero
Uno
1.
2.
3.
4.
Placa de freno
PISTON
FRENOS DE DISCO
Polvo Aparato
FIG. 5-25 DISCO pinza de freno, disco de freno
Pastillas de freno
Mida el espesor de la placa de freno (sólo material de
La fricción)
Espesor de la placa de freno mínimo (mm) 1.0
Freno de disco
• Compruebe el golpe lateral
Instalar un comparador en la superficie del disco y
Mida golpe lateral, girando ligeramente.
Mínimo (mm) menos de 0,15
FIG. 26.5 CONTROL DE LA placa ESPESOR
Freno FIG. 27.5 CONTROL DE LA paliza SIDE
FRENOS 5-19
• Medir el espesor del disco de freno
Use un micrómetro para medir el espesor
freno de disco.
Espesor mínimo del disco de freno (mm) 8.0
Freno Saboþi
Compruebe defectos, desgaste saboþilor, las manchas
Mida el espesor de la aceite y luego (sólo saboþilor).
Saboþi Espesor mínimo
(Mm)
1.0
FIG. Espesor del disco 5-28 CONTROL
Freno
Freno de tambor
Compruebe ovalitãþi tambor, deformaþii y defectos
superficie de contacto de la placa de zapata, manchas de aceite.
Si algunas de las afueras de tambor o tambor son
entonces deformado reparación o sustitución de tambor.
Diámetro mínimo (mm) 182.0
FIG. 5-30 Control del freno SABOÞILOR
COMPAS
T A M B U R
Freno
FIG. 5-29 Comprobación del TAMBOR DE FRENO
5-20 FRENOS
Cilindro
Desmontaje
1. Retire el pistón primario.
2. Retire el tornillo de sujeción y el pistón secundario
El servofreno
Ajuste
1. Retire el cilindro maestro. Configure el dispositivo
especial (dispositivo de ajuste de 09.950-96.010 varilla) para
que el vástago y estar en contacto con el primer pistón
el cilindro maestro (junta debe adjuntarse
cilindro).
Febrero
Febrero
Uno
1. el tornillo de fijación
2. LÍQUIDO DE FRENOS DEPÓSITO
Uno
1. El pistón primario
2. DISPOSITIVO ESPECIAL (ajuste de la varilla de 09.950 hasta 96.010)
FIG. 5-31 cilindro
Montaje
Pasos de desmontaje estarán en el orden inverso.
Actuador AJUSTE tallo A
PRECAUCIÓN
Antes del montaje, lavar cada pieza con
líquido de frenos.
FIG. 5-32 Montaje de la ESPECIAL
2. Coloque el dispositivo como se muestra. Mida la
distancia libre entre la varilla y el dispositivo de varilla
madre especial y actuador.
3. El uso de un dispositivo especial (configuración remota
Tres
Uno
Febrero
1. dispositivo especial (DISPOSITIVO
ROD AJUSTE 09.950 a 96.010)
Varilla 2. actuador
3. El servofreno
FIG. 5-33 EJE longitud de medición
PISTON servofreno actuador
FRENOS 5-21
Longitud de la barra) y tecla T (7 mm) ajustar la longitud
vástago de pistón actuador de forma que la distancia entre la
varilla
dispositivo y servofreno vástago del actuador es 0.
Febrero
Uno
1. Disposición Especial (ajuste de longitud de la varilla
Desde 09952 hasta 16010)
2. CLAVE T (7 mm)
FIG. Ajuste de la longitud 5-34 varilla
Accionistas PISTON
SDV
Ajuste de la varilla 09950-96010
LUNGIJME ajuste de la varilla de 09952 hasta 16010
MOTOR (descripción general Y Diagnostic) 6A-1
CAPÍTULO 6
MOTOR
6A. DESCRIPCIÓN GENERAL Y DIAGNÓSTICO .................................... 6A-2
6B. Mecánica ................................................ .............................. 6B-1
6C. SISTEMA DE REFRIGERACION DEL MOTOR ............................................. ... 6C-1
6D. SISTEMA DE ALIMENTACIÓN ............................................... 6D-1 ..................
6E. Carburadores ................................................. ................................... 6E-1
6F. SISTEMA DE ENCENDIDO ............................................... ..................... 6F-1
6G. ................................................. Arranque ......................................... 6G-1
6H. Sistema de carga ............................................... .................... 6H-1
6I. Sistemas de control emitido .......................................... 6 I- uno
6J. SISTEMA DE ESCAPE ............................................... ...................... 6J-1
6A-2 MOTOR (descripción general Y diagnóstico)
6A. Descripción general y
DIAGNÓSTICO
DESCRIPCIÓN GENERAL ............................................................................................................... 6A - 2
DIAGNÓSTICO DEL MOTOR ................................................ .................................................. 6A - 4
DESCRIPCIÓN GENERAL
Precauciones a la Intervención
Febrero
El motor incluye muchas partes que fueron procesados y
terminado con una tolerancia de 1 / 1.000 mm, por lo que debe
Manejar con cuidado en términos curãþirea después
la reparación y comprobación de sus partes internas. Mantenimiento
en perfecto estado del motor es importante ser un
habilidad después de la reparación y el procesamiento de rutina
superficies de abrasión.
• Al volver a montar, aplique aceite de motor suficiente
las superficies de abrasión para la protección de la lubricación.
• Al retirar las válvulas, pistones, segmenþilor,
la varilla de conexión, conectando cuzineþilor varilla, cuzineþilor de
tiempo y
Los cojinetes deben sentarse para no ser confundido
reensamblaje.
• Desconecte siempre el cable del terminal negativo (-) de la batería
antes de reparar el motor debe prevenirse
posibles daños en el sistema eléctrico.
Cilindros del motor son anote los números 1, 2 y 3
(Desde el volante a la polea del cigüeñal).
Uno
Tres
1.
2.
3.
Cilindro 1
ROLLER 2
Cilindros 3
FIG. 6A - 1 CILINDROS DE NUMERACIÓN
MOTOR (descripción general Y Diagnostic) 6A-3
Asesoramiento sobre VERIFICACIÓN
Y el mantenimiento del motor
Para evitar los posibles daños y
Obtenga se tomará la mejor eficiencia siguiente
Asesoramiento.
• No apoyar gato debajo del cárter de aceite del motor.
Debido al pequeño espacio entre el baño y el colador de la bomba
aceite, apoyando el gato debajo del cárter de aceite del motor
puede destruir el filtro a través del contacto directo.
• Desconecte el cable del terminal negativo (-) de la batería
para trabajar en el motor de seguridad.
• Al retirar el filtro de aire o colector
la admisión estará cubierta con una tapa protectora
ingesta para evitar la entrada
extranjera al motor. Si estos organismos extraños
el cilindro a través del colector de admisión, puede causar
daños graves en el motor durante
operación.
Por un corto ºtuþ, inserte la manguera hasta
el punto de unión.
MANGUERA
ºTUÞ
Abrazadera
7.3 MM
Coloque la manguera a la ºtuþului hombro
Asesoramiento sobre VERIFICACIÓN
Y SISTEMA mantenimiento
PODER
•
•
•
•
•
•
•
Trabajar en un lugar bien ventilado y libre de fuentes
fuego. No está permitido fumar.
Al apretar los tornillos del filtro de combustible,
junta y reemplazarla por una nueva apretará
con el par especificado.
Al apretar la tuerca cónica tubo de gasolina
reunirá a primera mano y luego de par
especificado.
Los métodos de conexión mangueras de gasolina
dependerá del tipo ºtuþurilor. Ver métodos mostrados
se muestra.
Antes de aplicar los siguientes procedimientos
Revise el sistema de combustible en busca de fugas
gasolina.
Tubo de presión se hace tirando de la bomba de
como se describe en "Procedimientos de reparación en
bomba de gasolina de automóviles ".
En este punto, comprobar la pérdida de puntos
sistema de suministro.
7.3 MM
Si ºtuþului manguera codo insertar hasta
comenzando curvatura ºtuþului. Longitud conjunta es
aprox. ÷ 30mm 25mm.
25 ~ 30 mm
7.3 MM
Si ºtuþului derecha, inserte una manguera
÷ longitud 25mm 30mm.
MANGUERA
25 ~ 30 mm
Abrazadera
7.3 MM
FIG. 6A - dos tubos de conexión
6A-4 MOTOR (descripción general Y diagnóstico)
DIAGNÓSTICO DEL MOTOR
Evento
Iniciar pesada
(Con el tiempo de inicio)
Causa probable
Mal funcionamiento del encendido
• Fusibles
• Bujías defectuosas
Enchufe eléctrico Dejar caer alta tensión
Conexiones defectuosas o de enchufe de alto voltaje
Tapones MSDS
• Ajuste el interruptor defectuoso
• El ajuste incorrecto de ignición
• bobina de encendido defectuosa
• dañado tapa del distribuidor o el rotor
Mal funcionamiento de la oferta
• No gasolina en el tanque
• gasolina filtro sucio o tapado
• tubo de gasolina obstruido
• Mal funcionamiento de la bomba de gasolina
Reducción de la presión en la compresión
• Bujías junta nestrânse o dañado
•
•
•
Válvulas de juego inadecuados
Dejar caer por válvulas
El ruido en la válvula de la línea
Decalibrat Arco o válvula dañada
Fugas de juntas
Ruido anormal o daños en los pistones y
cilindros
El desgaste excesivo de los pistones, y segmenþilor
cilindros
•
•
Remedio
Reemplazar
Limpia, ajusta
distancia entre electrodos
o reemplazado
Reemplazar
Reemplazar
Ajustar
Ajustar
Reemplazar
Reemplazar
Carga
Reemplazar
Limpia
Reemplazar
Apretar al par
specificatsause
Reemplace la junta
Ajustar
Reparación Asiento
La reparación o
válvula înlocuiºte o
guía de la válvula
Reemplazar
Reemplazar
Reemplace segmenþii
Reemplace segmenþii y
pistones y es honuiesc
o reemplazado cilindros
Reemplazar
Comprobar y reemplazar
si es necesario
Conecte la derecha o
es manguera înlocuiºte
Ver arriba
Ajustar
Ajuste o reemplace
Reparará o reemplazará
incluyendo rotor
Cambie o
conecta correctamente
Ajuste o
Reemplazar
•
•
•
•
Otros
• Cinturón desgarrado distribución
• Mal funcionamiento de la válvula P.C.V.
(Ventilación positiva del cárter)
Dejar caer debido al debilitamiento o la manguera de deterioro
Vacío
El motor no desarrolla
energía
Reducción de la presión en la compresión
Mal funcionamiento del encendido
• Ajuste de encendido defectuoso
• Bujías defectuosas
• Distribuidor
•
•
Fallos eléctricos o mala conexión en el enchufe
alto voltaje
Mal funcionamiento del sistema de control
ángulo de avance
MOTOR (descripción general Y Diagnostic) 6 A-5
Manifestación
El motor no desarrolla
energía
Causa probable
Mal funcionamiento de la oferta
Carburador sucio
Tubo de gasolina obstruido
Filtro obstruido o gasolina sucia
Obstrucción o filtro de aire sucio
Junta del múltiple de admisión dañada
Otros
Frenos bloqueados
Embrague de fricción
Gasolina de mala calidad
Mal funcionamiento de la oferta
Carburador sucio u obstruido
Obstrucción o filtro de aire sucio
Junta del múltiple de admisión dañada
Mal funcionamiento del sistema
ignición
?? Mal funcionamiento del sistema de encendido
Fallas eléctricas, la mala conexión de enchufe de alta
tensión
Rotor Distribuidor utilizado
Distribución perturbado
Tapa del distribuidor dañado o debilitado
Reducción de la presión en la compresión
Otros
Dejar caer debido al debilitamiento o la manguera de deterioro
Vacío
Por avería en la P.C.V.
(Ventilación positiva del cárter)
Remedio
?? Y desmontarlo
limpia
?? Limpia
?? Reemplazar
?? Cambie o limpia
?? Reemplazar
?? Repare o reemplace
?? Ajuste o reemplace
Idle irregular
?? Y desmontarlo
limpia
?? Cambie o limpia
?? Reemplazar
?? Ajuste o reemplace
?? Sustituya o conecte
derecho
?? Reemplazar
?? Ajustar
?? Reemplazar
?? Sustituya o conecte
derecho
Comprobar y reemplazar
si es necesario
?? Ajustar
?? Reemplazar, ajustar
distancia entre electrodos
?? Sustituya o conecte
derecho
?? Cambie o limpia
?? Reemplazar
?? Ver la página anterior
Dude Engine
(El pedal
deacceleraþie,
motor responde con
demora.
Esta situación es
notable caminar lentamente
o en el arranque.)
Mal funcionamiento del sistema
ignición
Distribución perturbado
Bujías gastadas, la distancia entre los electrodos no regulada
Fallas eléctricas, la mala conexión de enchufe de alta
tensión
Mal funcionamiento de la oferta
El mal funcionamiento del filtro de aire
fuga de la junta del múltiple
Reducción de la presión en la compresión
Mal funcionamiento de la oferta
Filtro de combustible obstruido
Tubo de gasolina o la manguera obstruida o
estropeado
Pérdida de vacío en el colector de admisión.
Mal funcionamiento del sistema
ignición
Distribución perturbado
Mal funcionamiento del sistema de control
ángulo de avance
(Sistema de vacío para ajustar el ángulo de
avance)
La unidad de motor
irregular
(Potencia del motor
fijo y variar la velocidad
cambios de velocidad sin
para deprimir
aceleración.)
?? Reemplazar
?? Cambie o limpia
?? Reemplace la junta y es
Apriete los tornillos o
nueces
?? Ajustar
Comprobar y reemplazar
si es necesario
6A-6 Engine (descripción general Y diagnóstico)
Manifestación
La unidad de motor
irregular
(Potencia del motor
fijo y variar la velocidad
cambios de velocidad sin
para deprimir
aceleración.)
Causa probable
Fallos eléctricos o mala conexión en el enchufe
alto voltaje
Bujías depósitos de carbón defectuosos (excesivas,
distancia inadecuada entre los electrodos, electrodos topiþi)
Dañado tapa del distribuidor o el rotor
Reducción de la presión en la compresión
Otros
Dejar caer la manguera de vacío
Sobrecalentamiento del motor
Mal funcionamiento del encendido
Bujías defectuosas
Distribución perturbado
Fallos eléctricos o mala conexión en el enchufe
alto voltaje
Mal funcionamiento de la oferta
Filtro de gasolina o tubo obstruido
Dejar caer la junta del colector de admisión
Otros
Depósitos de carbono en exceso debido a un holocausto
anormal
Por defecto refrigeración líquida
Mal funcionamiento del termostato
La bomba de agua funciona sin eficacia
Distribución Dereglearea
Radiador obstruido o pérdida
Petróleo incorrectamente
Filtro de aceite bloqueado, obstruido
Aceite defecto
La bomba de aceite funciona sin eficacia
Pérdida de aceite
Frenos bloqueados
El embrague patina
El daño a la junta de culata
Remedio
Cambie o
conecta correctamente
Reemplazar
Reemplazar
Ver la página anterior
Cambie o
Conecte el correcto
Ver capítulo
sobrecalentamiento "
"Motor
Elimine el exceso de
(Înfuncþiede
apertura de la mariposa
deacceleraþie,
Carpintero metálico
hacer expolzie
Anormal.)
Reemplazar
Ajustar
Cambie o
conecta correctamente
Cambiar o limpia
Reemplace la junta
Retire carbono
Complementa
Reemplazar
Reemplazar
Ajustar
Limpia, se repara,
Reemplazar
Sustituir por el
especificado
Cambie o limpia
Llenar
Reemplace o repare
Reparación
Reparación
Regula o sustituye
Reemplazar
Reparación
Limpia y reemplaza
Ajustar
Cambie o
conecta correctamente
Calentamiento excesivo
Consumo anormal
gasolina
La fuente de alimentación
Pérdida de la gasolina
El filtro de aire obstruido
Mal funcionamiento del encendido
Distribución perturbado
Fallos eléctricos o mala conexión en el enchufe
alto voltaje
MOTOR (descripción general Y Diagnostic) 6 A-7
Manifestación
El alto consumo de
gasolina
Causa probable
Tapones, depósitos de carbón anormales (exceso,
distancia inadecuada entre los electrodos, electrodos arºi)
Mal funcionamiento del sistema de control
ángulo de avance
(Sistema de control de vacío del ángulo de
avance)
Reducción de la presión en la compresión
Otros
Válvulas anormales del Juego
Embrague de fricción
Mal funcionamiento del termostato
Baja presión de los neumáticos
Pérdida de aceite
Tapón de drenaje de aceite Debilitado
Tornillos en baño de aceite suelto
Fuga de retén del cigüeñal
Cilindro de escape junta de tapa de la culata
Filtro de aceite debilita
Aceite debilitado Manocontact
Junta destruida
Las pérdidas del sello de aceite del árbol de levas
Aceite en la cámara de combustión
Segmento de bloque
Pistón, cilindro rayado
Segmento, segmento ranura rayado
Segmento hendidura posición inadecuada
Zgârirea o destruir el sistema de válvulas
Remedio
Reemplazar
Cheque, que sustituye
si es necesario
• Ver la página anterior
Ajustar
Ajuste o reemplace
Reemplazar
Ajustar
Abrazo
Apretar
Reemplazar
Reemplazar
Abrazo
Abrazo
Reemplazar
Reemplazar
Retire carbono
Y reemplaza el segmento
Sehonuieºtesau
Reemplazar
Reemplace el pistón,
segmento
Posición Ajuste
Reemplazar
Sustituir por el
especificado
Abrazo
Llenar
Limpia
Reemplazar
Reemplazar
El consumo de petróleo
exceso
Baja presión
aceite
La viscosidad del aceite inapropiado
Aceite debilitado Manocontact
Aceite defecto
Filtro de aceite bloqueado
Operación mal la bomba de aceite
Los arañazos, válvula de alivio de la destrucción
bomba de aceite
Válvula de ruido
Válvulas de juego inadecuados
Rascarse válvula cola para guiar
Mal funcionamiento del resorte de válvula
Ruido en el segmento de cilindro
Pistón de trazado o segmento de cilindro
Ruido Biel
Trazado de conexión bujes de la barra
Bolth Scribing
Afloje la tuerca de Biel
Árbol de ruido
La presión de aceite baja
Scribing bujes de rodamientos
Scribing rodamiento muñequilla
Afloje los casquillos de rosca cubierta
El exceso de juego en el hombro del cojinete del cigüeñal
(Axial juego)
El ruido del motor
Ajustar
Reemplazar
Reemplazar
Se honuieºte, / Replace
Reemplazar
Reemplazar
Reemplazar
Ver la página anterior
Ver la página anterior
Seºlefuieºtesau
Reemplazar
Apretar al par
Ajuste o reemplace
6A-8 MOTOR (descripción general Y diagnóstico)
BLANCO
MOTOR (Mecánica) 6B-1
6B. Los sistemas mecánicos
DESCRIPCIÓN GENERAL ............................................................................................................... 6B - 2
VEHICULO ................................................................................................................... 6B - 6
Revise la presión de compresión .............................................. .................................................. 6B - 6
Comprobar vacío .................................................................................................................. 6B - 6
Revise la presión de aceite .......................................................................................................... 6B - 7
Cambio del filtro de aceite ........................................................................................................... 6B - 7
Cambie el aceite del motor ...................................................................................................... 6B - 7
Rockero Ajuste de Luz ........................................................................................................... 6B - 8
El filtro de aire filtro ............................................ .................................................. .. 6B - 9
Distribuidor .................................................................................................................................. 6B - 9
El carburador y el colector de admisión ............................................. ................................................ 6B - 10
Colector de escape ................................................................................................................... 6B - 11
Selección de fuente de entrada de aire palanca ......................................... ............................... 6B - 11
El tensor de la correa de distribución y correa ............................................ .................................. 6B - 12
Bomba de aceite ............................................................................................................................. 6B - 15
El eje de la culata, árbol de levas, válvulas y balancines ........................................ ................ 6B - 18
Pistons, segmenþi, varillas y cilindro de conexión ........................................... ................................................. 6B - 28
DESMONTAJE .......................................................................................................................... 6B - 33
El conjunto del motor ......................................................................................................................... 6B - 33
Cuzineþii, cigüeñal y bloque motor ........................................... ........................................... 6B - 36
PAR DE APRIETE ......................................................................................................... 6B - 41
SVD-URI ......................................................................................................................................... 6B - 42
6B-2 MOTOR (Mecánica)
DESCRIPCIÓN GENERAL
TIPO DE MOTOR F8C
Este tipo de motor m.a.s. 4 - apoplejía, de 3 cilindros refrigerado por agua, cilindrada 796cc.
Diámetro x carrera 68,5 x = 72.0 (mm)
Escriba F8C - SOHC - 2 válvulas - Carburador - 41 caballos de fuerza
Modelo del motor (especificaciones)
Potencia máxima (CV / rpm)
Par (kgf • m / rpm)
Relación de compresión
Tipo SOHC F8C
2 válvulas - carburador
41/5500
6/2500
9.3
FIG. 6B - 1 motor
MOTOR (Mecánica) 6B-3
LUBRICACIÓN DEL MOTOR
Unción de presión del aceite del motor niebla está hecha por la bomba de aceite.
La bomba de aceite es de tipo trohoid y está montado en la polea del cigüeñal a lado. El aceite se extrae a través del filtro
Y enviado por correo a la bomba del filtro de aceite. Aceite filtró a través de dos circuitos en el bloque del motor.
A través de uno de los dos circuitos de aceite cuzineþii llegó al rellano del cigüeñal. Desde allí, el aceite se suministra a
manetoanelor cuzineþii través canalizaþiilor lubricación cigüeñal procesado, donde a través de pequeños agujeros
proporcionado en los extremos de las bielas, pistones asegurar la lubricación, segmenþilor y las paredes del cilindro. Por otra cir-
aceite de cuchillo alcanza la cabeza del cilindro que proporciona la lubricación del eje de balancín, válvula, árbol de levas, etc. directamente por su
canales del eje de balancín.
FIG. LUBRICACION 2 MOTOR - 6B
6B-4 MOTOR (Mecánica)
Y cilindro TREN elevación de la válvula de cabeza
La culata es de aleación de aluminio fundido
mejor dureza y peso tan bajo y ofertas
apoyar un formato de línea de eje de balancín y
árbol de levas.
Las cámaras de combustión se ampliaron el espacio para la turbulencia
aumento de la eficiencia de combustión y el colector de admisión y la
Escapar encuentra cara de nalgas transversal.
Balancines de rodillos se mueven hacia arriba y hacia abajo para cerrar y
De admisión y la válvula de escape de apertura
Ordenadas tanto el árbol de levas de admisión como
Y de escape.
Cigüeñal
Esta pieza es la que convierte el movimiento
movimiento rectilíneo de rotación a través de bielas
transmitir potencia desarrollado por la combustión.
En uno de sus extremos se encuentra la polea de la bomba de aceite y
la distribución de la rueda se encuentra en el otro sello y
volante de inercia. Para hacer frente a cargas de flexión y
Este par está fabricado a partir de un acero especial de alta
aliado.
Hacer el Cuzineþii son de una aleación a base de material
de aluminio. Cartuchos de aterrizaje tipo de cuello No.3 es.
Varillas
Las bielas son de acero forjado, tienen el perfil de la sección
escriba "I".
La parte más grande es extraíble mientras poco tiene
bujes presionados.
AXE excursionistas
Los excursionistas
ÁRBOL
FAO
Válvula de admisión VÁLVULAS DE ESCAPE
FIG. 6B - 3 culata y válvulas de elevación TREN
Bloque motor
Es el componente más importante del motor y tiene todo
piezas necesarias unidos en su superficie exterior.
Por dentro está cilindros prelucraþi cuyas superficies
se perfeccionó. En el exterior se proporcionan canalizaþii de
circuito de la refrigeración y lubricación como. Bloque
motor está hecho de hierro fundido de alta aleación. FIG. 6B - bloque de cilindros 4, cigüeñal y
Varillas
MOTOR (Mecánica) 6B-5
PISTON SEGMENÞI y pernos
• Pistons
Los pistones son de tipo falda corta. Pistons
están hechos de una aleación de aluminio fundido que es
fácilmente y tiene una excelente conductividad térmica para
para cumplir los requisitos impuestos por el movimiento continuo,
a alta velocidad.
Segmenþii
Son el número tres, dos y una compresión
lubricación y montaje radica en ºanþurile proporcionada en
objetivo de mantener el pistón y durante el movimiento
Extremadamente rápido a cuerpos etanºeitãþi.
Tener un papel crítico en términos de presión
compresión, el consumo de petróleo, compresión, explosión y,
En general, el rendimiento del motor.
Pernos de pistón
Bolþul pistón no está montado en el pistón o en Biel
estar abierto en ambos extremos. Su función es la de transmitir
pistón de potencia que conecta cabeza de la varilla.
DISTRIBUCIÓN rueda CORREA
RUEDA DE UNA DISTRIBUCIÓN
Árbol de levas
•
Bombas de agua
•
ALTERNADOR
Tensor de correa de distribución PIÑÓN DISTRIBUCIÓN
FIG. CORREA 6 DISTRIBUCIÓN - 6B
Suporþii
Su propósito es reducir las vibraciones del motor y las de
impacto en su facturación. Salir un soporte
tanto en la admisión y escape y dos como medios
a la caja de cambios.
Febrero
SOPORTE TRASERO
Tres SOPORTE DELANTERO
Uno
4
5
SOPORTE CAJA
1.
2.
3.
4.
5.
PISTON
COMPRESIÓN SEGMENÞI
LUBRICANTE SEGMENTO
Bolth pistón
Anillo de seguridad
ALMOHADAS
FIG. 6B - 7 Localización SUPORÞILOR
FIG. 6B - 5 PISTON SEGMENÞI, bolth,
Anillo de seguridad
6B-6 motor (Mecánico)
VEHICULO
PRESION DE COMPRESION CHEQUE
Llevar a cabo las siguientes acciones:
1. motor se calienta a la temperatura de funcionamiento
servicio.
2. El motor se para.
3. Retire las bujías y bujías hojas de datos de distribuidor.
4. Retire el filtro de aire.
5. Introduzca compresmetrul en un agujero de la bujía.
VERIFICACIÓN DE vacío alcanzó
MOTOR
El colector de vacío hizo un buen
indicador del motor, y se verifica como
de la siguiente manera:
1. motor se calienta a la temperatura de funcionamiento
servicio.
2. Se detiene el motor, y se conecta al vacío
o la manguera de vacío al colector de admisión.
1. COMPRESMETRU (09.915-64.510)
1. Vacumn (09915 a 67310)
FIG. 6B - 8 COMPRESMETRULUI de montaje
6. debreiazã (para aliviar la carga de arranque)
el acelerador se presiona totalmente a
abrir completamente el acelerador.
7. motor de la actuación y se lee el motor de arranque
mayor presión sobre compresmetru.
Estándar
La presión en
Compresión
(Kgf / cm2)
300 ÷ 400 rpm
Límite
Diferencias
cilindro
entre
12.5
12 a 13
1,0 o superior
menos
FIG. 6B - 9 Conexión de vacío
3. Hacer funcionar el motor al ralentí, y en este
se lee la indicación de condición de medición en
vacumn.
De vacío estándar (mm Hg) 460 ± 20
4. Cuando se mide, Vacío y retírela
conectar la manguera de vacío.
8. Durante la verificación se asegurará una mejor
etanºeitate de compresmetrului el orificio de la bujía.
MOTOR (Mecánica) 6B-7
VERIFICACIÓN DEL ACEITE PRESION
¡CUIDADO!
Antes de comprobar la presión de aceite será
compruebe lo siguiente.
• Comprobar el nivel de aceite y se completará
si es necesario.
• Cambie el aceite se diluye si está desgastada o
desvanecido.
• Revisar y reparar si las pérdidas
caso.
5. Tras la verificación, el hilo etanºeazã manocontactului
con cinta aislante y apretar al par
especificado.
6. Botas y comprobar el aceite del motor no fluirá
en manocontact.
Par de apriete de
manocontactului (kgf • m) 1,2 ÷ 1,6
¡CUIDADO!
La cinta será único hilo no entre en
agujero manocontactului.
CAMBIO DEL FILTRO DE ACEITE
Se va a cambiar usando el filtro de Chie.
¡CUIDADO!
Al instalar el filtro debe ser lubricado junta
su aceite de goma.
Uno
Par de apriete
el filtro de aceite (kgf • m)
1. MANOCONTACT
1,2 ÷ 1,6
cada 10.000 kilometros
FIG. 6B - 10 MANOCONTACT
1. Retire la manocontactul bloque del motor.
2. Monte el medidor en su lugar manocontactului.
3. El motor arranca y se calienta hasta
temperatura de funcionamiento.
4. El número de vueltas a 2.000 rpm y se lee
presión de aceite.
La presión de aceite (kg / cm2) 2,5 a 3,0
Filtro cambiará a
1. FILTRO DE ACEITE CLAVE (09915-47.340)
FIG. 6B - 12 FILTRO DE ACEITE DE MONTAJE
CAMBIO DE ACEITE DEL MOTOR
1. Vacíe el aceite del motor desenroscando el relleno
Vaciar el cárter de aceite.
2. Después de drenar el tapón del aceite está montada en el lugar de
Vaciar el cárter de aceite y apriete bien.
3. Verter aceite a través del agujero en la tapa tapa
culata.
4. Consulte la tabla siguiente para aceite recomendado
Y la capacidad de:
FIG. 6B - 11 ASAMBLEA manómetro de aceite
6B-8 MOTOR (Mecánica)
Capacidad
aceite (L)
Intercambio Regular
(Incl. Filtro de aceite)
Después de la reparación del motor
2.5
(2.7)
3.0
ESTADO
NO. CIL.
EN
EX
EN
EX
Uno
Uno
Uno
Febrero
Uno
Tres
TDC en el cilindro
No.1 (compresión)
BDC al cilindro
No. 1 (una rotación de punto
el punto muerto superior)
Uno
Uno
Uno
-30
La temperatura ambiente
Aire ° C
-20-1.001.020
SAE 10W -30
30
Una X. símbolos indican donde el juego de balancín
puede ser medido y ajustado.
Febrero
1.
2.
3.
Tuerca de seguridad
Juego de tornillos
Juego de tornillos
Válvula Tail
La
Uno
SAE 5W -30
¡CUIDADO!
Use solamente el aceite recomendado.
Tres
FIG. 6B - 14 JUEGO PARA excursionistas
Rockero Ajuste de Luz
1. Retire la tapa de la culata.
2. gira el cigüeñal hasta que el cilindro # 1
llega a la compresión TDC.
(Marque llegar en punto muerto despedido
de compresión que el distribuidor rotor es
en la dirección del cilindro de cocción de secuencia nº 1)
FIG. 6B - 15 MEDICIÓN DEL JUEGO PARA
Los excursionistas
Juega el balancín (A)
FRÍO
EN
EX
EN
EX
0.15 ± 0.02
0.20 ± 0.02
0.25 ± 0.02
0.30 ± 0.02
FIG. 6B - 13 TDC EN
COMPRESIÓN
3. Compruebe y ajusta el juego rockero usando
medidores.
Joculla
balancín
(Mm)
CALIENTE
4. debilita tuerca de seguridad y ajusta el juego
rockero tornillo de ajuste girando a la izquierda o
a la derecha. Después de esto, apriete la tuerca de seguridad
con el par especificado y vuelva a comprobar el juego es el rockero.
MOTOR (Mecánica) 6B-9
¡CUIDADO!
Si el motor caliente, trae
el punto en el que comienza el ventilador eléctrico,
luego se detiene y después de 20 ~ 30 minutos
cambiar a control. Pero es recomendable
ajuste de frío.
DISTRIBUIDOR
Desmontaje
1.
2.
3.
4.
Desconecte el negativo (-) de la batería.
Retire la caja distribuidora.
Retire la bomba de combustible.
Al retirar la carcasa de distribución, se escapará
un poco de aceite de motor, por lo que poner un trapo debajo
ella.
Apriete la tuerca
bloquear (kgf • m)
1,5 ÷ 2,0
FILTRO DE AIRE
El elemento de filtro de la carcasa del filtro de aire que se encuentra
es de tipo seco. Periódicamente verifica su condición
limpieza y limpiará o sustituir, según corresponda.
Reemplace el elemento filtrante
de aire (en condiciones normales
cada 20.000 kilometros
caminar)
Tres
FIG. 6B - 17 DISTRIBUIDOR,
El dispensador
Febrero
Uno
Montaje
Los retrocesos en el desmontaje. Va a
cuidar de los siguientes:
•
•
utilizará una nueva junta.
ajustará la distribución, teniendo en cuenta la
dijo que el vehículo de servicio.
1.
2.
3.
4.
MONTAJE FILTRO DE AIRE
Filtros
CUBIERTA DEL FILTRO DE AIRE
Set
4
FIG. ELEMENTO 16 QUITAR - 6B
FILTRADO
6B-10 MOTOR (Mecánica)
Carburador y el colector de admisión
Uno
Febrero
Tres
4
5
1.
2.
3.
4.
5.
Cable del acelerador
ASAMBLEA CARBURADOR
CARBURADOR AISLAMIENTO
Colector
Set
FIG. 6B - 18 carburador y el colector de admisión
Eliminación
1. Retire la carcasa del filtro de aire. 9. Desconecte el circuito de derivación de manguera
enfriarse.
10.Se Retire el colector de admisión.
Tres
Montaje
Los retrocesos en el desmontaje.
Asegúrese de lo siguiente:
•
Uno
Febrero reunirá a los tornillos de montaje del carburador
con el par especificado
1.
2.
3.
4.
MONTAJE FILTRO DE AIRE
Filtros
CUBIERTA DEL FILTRO DE AIRE
Set
par para
carburador (kgf • m)
4
1,8 ÷ 2,8
•
FIG. 6B - 19 Extracción FILTRO
AIRE
2. Desconecte el cable del acelerador de
carburador.
3. Retire las mangueras de refrigeración.
4. Desconecte la manguera de combustible.
5. Desconecte la manguera de vacío.
6. Retire el conjunto del carburador.
7. Retire el colector de la válvula EGR
de admisión.
8. Retire la manguera de la servo freno de tambor.
pernos y tuercas deben apretarse montaje
colector de admisión con el par especificado
par para
colector (kgf • m) 1,8 ÷ 2,8
MOTOR (Mecánica) 6B-11
Colector de escape FUENTE palanca selectora
AIRE
4
Tres
INVIERNO
-
15 ° C
+
PALANCA
Febrero
VERANO
Uno
1. el aire secundario
2. ESCAPE CUBIERTA GALERÍA
3. Colector de escape
4. Juntas
FIG. Colector 20 de escape - 6B
par para
colector de escape (kgf • m) 1,8 ÷ 2,8
FIG. Selección de la fuente 21 de palanca - 6B
AIRE
Posición de la palanca selectora se selecciona la fuente
posición estándar de aire 15 ° C en verano o en invierno después
caso.
Eliminación
1. Retire el aire secundario.
2. Retire la tapa del colector de escape.
3. Retire los tornillos de la galería
panel.
4. Retire el colector de escape a la culata.
¡CUIDADO!
Selección de una palanca en la dirección equivocada puede
causar
un motor de marcha irregular. Se maniobrar
Dependiendo de la temperatura ambiente.
Montaje
Los retrocesos en el desmontaje. Ella
se hará cargo de los siguientes:
• Comprobar la estanqueidad y si dañado
Sustituir por uno nuevo.
• Se ha especificado par Instale apriete.
6B-12 MOTOR (Mecánica)
CORREA distribución y tensor de la correa
Uno
Febrero
Tres
5
6
1.
2.
3.
4.
5.
6.
DISTRIBUCIÓN INTERIOR CUBIERTA CORREA
Rueda DISTRIBUCIÓN
DISTRIBUCIÓN EXTERIOR CUBIERTA CORREA
DISTRIBUCIÓN EXTERIOR CUBIERTA CORREA
Tensor de correa de distribución
CORREA DE DISTRIBUCIÓN
4
FIG. 6B - 22 CORREA DE DISTRIBUCIÓN, cubierta de la correa de estiramiento, DISTRIBUCIÓN
Eliminación
1. Mueva el cilindro no. 1 a TDC por
rotación de la polea del cigüeñal.
2. la polea del cigüeñal.
3. Cubra la parte exterior.
4. tensor de correa.
5. Distribución de la correa.
Bombas de agua
RUEDA DE DISTRIBUCIÓN
ALTERNADOR
Tensor de correa de distribución PIÑÓN DISTRIBUCIÓN
FIG. 6B - 23 ÁRBOL DE REMOCION Pulley
Serpenteando
FIG. 6B - 24 DISTRIBUCION DESMONTAJE DE LA CORREA
MOTOR (Mecánica) 6B-13
Febrero
Tres
¡CUIDADO!
No gire el cigüeñal o del árbol de levas
mientras que la correa de distribución es desmontable.
Los pistones saldrán a las válvulas si el cigüeñal
girará por 30 ° o más hacia puntos de referencia
montando la distribución.
Uno
Inspección
•
•
Cambie la correa si la distribución
dañadas o desgastadas.
Compruebe el buen funcionamiento del tensor.
1.
2.
3.
Rueda DISTRIBUCIÓN
Caballo BANDERA
DISTRIBUCIÓN INTERIOR CUBIERTA CORREA
Montaje
Los retrocesos en el desmontaje. Ella
se hará cargo de los siguientes:
• Asegúrese de apretar la mano los tornillos antes de montar
tensor.
FIG. 6B - 26 MARCAS paseos a DISTRIBUCIÓN
(Árbol de levas)
Uno Uno
Febrero
Febrero
1.
2.
1.
2.
Tensor
Tornillo tensor
BANDERA estampada en la superficie de la bomba de aceite
Punzonado piñón BANDERA
FIG. 6B - 25 soportes A
Tensor
¡CUIDADO!
Se reemplazará el resorte del tensor con una nueva.
• Cualquiera de las dos partes de la rueda de distribución
debe coincidir con la cubierta integral
•
•
FIG. 6B - 27 DESTACADOS DE DISTRIBUCIÓN (PIÑÓN
DISTRIBUCIÓN)
cinturón consiguiente.
Y en forma que gira el cigüeñal marcan en
piñón en la superficie junto a la bomba de aceite.
Alinear las marcas en la rueda con la distribución
la distribución de la rueda dentada y luego instalar
la distribución y el resorte tensor de la correa está montado.
¡CUIDADO!
Antes de instalar la correa de distribución, verificar
dirección de la flecha sobre la cinta y está montado de modo
que corresponden a la dirección de rotación.
6B-14 MOTOR (Mecánica)
•
Rueda DISTRIBUCIÓN
Apriete la polea del cigüeñal con el par especificado.
Par de apriete de la polea
cigüeñal (kgf • m)
6,5 ÷ 7,5
Bombas de agua
ALTERNADOR
Tensor de correa de distribución PIÑÓN DISTRIBUCIÓN
FIG. 6B - 28 CORREA DE DISTRIBUCIÓN DE MONTAJE
• Monte la distribución gira correa y
el cigüeñal dos vueltas en el sentido de giro, entonces
Apriete el tornillo tensor con el par especificado.
Vuelva a comprobar la alineación de todas las partes
distribución.
Apriete el tornillo
tensor (kgf • m) 1,5 ÷ 2,3
FIG. 6B - 30 MONTAJE polea del cigüeñal
• Ajuste las válvulas de admisión y de escape juego
consultando la página 6B-18.
Uno
Febrero
1.
2.
Tensor
Tornillo tensor
FIG. Tornillo 29 ESTANQUEIDAD - 6B
Tensor
MOTOR (Mecánica) 6B-15
Bomba de aceite
Principio de funcionamiento
Bomba de Rotary
ABSORÞIE NO. Uno
EXTERIOR ROTOR
ABSORÞIE NO. Febrero ABSORÞIE NO. Tres ENTREGA
ENTRADA
FIG. 6B - 31 bomba rotativa
Bomba rotativa también se conoce como la trohoidã bomba, que consta de dos rotores uno en el interior y una
trohoidã exterior, de conformidad con la curva.
Número rotor interior diente dientes hacia el rotor exterior. Tanto el interior y el rotor
bomba rotativa carcasa exterior, spinning rotor externo dentro de la acceaºi porque la dirección de
, y por lo que el cigüeñal.
El impulsor giratorio, sus dientes engrana con el rotor exterior, uno tras otro objetivo diente realizându-
así un transporte de petróleo de volumen variable. El aceite es empujado hacia el mar de vacío y luego transportado
el lado opuesto en un espacio más pequeño y por lo tanto se presiona hacia fuera en el puerto de descarga debido a la restricción de espacio.
Especificaciones
Lubricación
La capacidad de aceite
Cambie el aceite
Cambio del filtro de aceite
Aceite recomendado
Bomba de aceite Tipo
Filtro de aceite Tipo
Presión operacional
la manocontactului
La presión de aceite (2000 rpm)
Tipo forzada
para cambiar el filtro una vez: 2,7L
Después de la disolución del motor: 3,0L
cada 10.000 kilometros o cada 6 meses
cada 10.000 kilometros
más grados, SAE 10W-30
de tipo rotativo (trohoid)
Elemento de filtro
0,3 ± 0,1 kg / cm2
2,5-3,0kg / cm2
6B-16 MOTOR (Mecánica)
Inspección
4
Uno
Tres
Febrero
•
•
Verificar el estado y Sustituya el retén si
está dañado.
Compruebe el estado de desgaste, la placa del rotor y la
la vivienda.
Medición
Medir la distancia entre el rotor exterior y el alojamiento
a la utilización de galga, y si eso es por encima de la
especificado se sustituyen o rotor exterior o la vivienda.
Distaþa del rotor exterior y
carcasa (mm)
0.31
menos
Y Mayo
1.
2.
3.
4.
5.
Bomba de aceite GENERAL
INTERIOR ROTOR
EXTERIOR ROTOR
Lugar ROTOR
Válvulas Descargar
Uno
FIG. 6B - 32 bomba de aceite
Eliminación
1. polea del cigüeñal, tapa exterior, tensor de la correa
distribución
2. Distribución del piñón
3. Apoyar el motor delantero
4. Aceite de Baño
5. Sorb
6. La bomba de aceite
Febrero
1.
2.
EXTERIOR ROTOR
INTERIOR ROTOR
FIG. 6B - 34 midiendo la distancia
Distancia lateral
Medir la distancia usando un lado calibre borde y espesores recta.
Distancia lateral (mm) 0,15 y menos
FIG. 6B - 33 tornillos REMOCIÓN
BOMBA DE ACEITE
MOTOR (Mecánica) 6B-17
• Monte el par de apriete de la bomba de aceite es
especificado.
Bomba de par
aceite (kgf • m) 0,9 ÷ 1,2
FIG. 6B - 35 la medición de la distancia SIDE
Montaje
Los retrocesos en el desmontaje. Ella
se hará cargo de los siguientes:
• Al instalar la bomba de aceite protegerá
sellar con un guía.
•
FIG. 6B - 37 COGE bomba de aceite
Se corta con una bomba de sello de borde de cuchillo
aceite que sale por el borde del bloque del motor
por lo que es de la misma altura con el bloque del motor.
Uno
Febrero
1.
2.
Cigüeñal
GUÍA Seal
FIG. 6B - 36 GUÍA DE MONTAJE
Sello
FIG. 6B - 38 VANGUARDIA SEAL
• Consulte las páginas anteriores para el montaje
correa de distribución.
6B-18 MOTOR (Mecánica)
Culata, árbol de levas, válvulas, balancines EJES
1.
2.
3.
4.
5.
6.
7.
8.
4
Cilindro
Guía de la válvula
Árboles de levas
AX excursionistas
Los excursionistas
Válvulas del ARCO
Válvula de admisión
VÁLVULAS DE ESCAPE
5 Tres
6
Uno
7
Febrero
8
FIG. 6B - 39 culata, árbol de levas, EJES
Balancín
Eliminación
1. Buclier cara, máscara facial
2. Desconecte la manguera inferior del radiador y es
se vacía de líquido refrigerante
3. filtro de aire de la carcasa
4. manguera refrigerante
5. Las mangueras de vacío
6. Las zapatas de freno
7. cable del acelerador
8. Cableado
9. distribución cubierta exterior y correa del cinturón
distribución.
Tensor.
Distribución cinturón interior 10.Capac
Centros de evacuación 11.Þeavã
12.Galerie escape
13.Distribuitor
Cilindro 14.Capac
Retire los tornillos de culata 15.Se (8) y todo
culata.
Febrero 8 6
4
Tres 5
7 Uno
FIG. 6B - 40 tornillos REMOCIÓN
Culata
MOTOR (Mecánica) 6B-19
Desmontaje
1. Retire el dispensador y galería
salida para el desmontaje fácil.
2. Tornillos del eje de balancín
5. Monte el dispositivo de resorte comprimido
válvulas, muelles de válvula se comprimen y se
Retire válvulas fusibles.
1.
2.
Dispositivo Tablet resortes de válvula (09916 a 14510)
Tablet ADAPTADOR resortes dispositivo
VÁLVULAS (09916 a 48210)
Febrero
FIG. Tornillo 41 QUITAR - 6B
Rockero EJE
3. Retire los ejes basculantes de admisión y
escape balancines y manantiales.
Uno
FIG. 6B - 44 DISPOSITIVO DE MONTAJE
Resortes de válvula comprimido
FIG. 6B - 42 REMOCIÓN AXE excursionistas
4. Retire el árbol de levas en la culata.
Febrero
Uno
Uno
1. Árboles de levas
1.
2.
Pinzas (09.916 a 84.510)
VALVULA DE SEGURIDAD
FIG. Árbol 43 QUITAR - 6B
CAME
FIG. 6B - 45 VALVULA DE SEGURIDAD DE REMOCION
6B-20 MOTOR (Mecánica)
6. Retire los resortes de dispositivos tablet
y luego dejar de resorte de válvula y resorte de la válvula.
7. Retire las válvulas.
8. Retire la junta de la válvula y el asiento del resorte
la válvula.
¡CUIDADO!
Será reemplazado Seal eliminado.
No vuelva a usar.
Tamaño
Altura de leva
(Mm)
EN
EX
Estándar
36132
36135
Límite
36.10
36.11
H
Uno
Febrero
Tres
FIG. 6B - 48 MEDICIÓN altura cameo
1.
2.
3.
Válvulas de Seal
Destornillador
ARC asiento de la válvula
La medición de la flexión del árbol de levas
Flexión del árbol de levas de medición se realiza utilizando
comparador, y si el valor medido está por encima
límite especificado, sustituya el árbol de levas.
Doblar Límite (mm) 0,03 y menos
FIG. 6B - 46 Separación Válvulas Seal
9. martillo y extractores guías de válvulas
Retire la guía de válvula de la cámara de combustión
dirección por el resorte de la válvula.
¡CUIDADO!
Guía desmontado válvula sustituida
Nueva un tamaño más grande.
No vuelva a utilizar la guía de la válvula.
Uno
FIG. 6B - 49 MEDICIÓN flexión del eje
CAME
1. Válvula GUÍA EXTRACTOR (09916 a 44910)
Use cojinetes del árbol de levas
Mida el diámetro exterior de cada desembarque en 4 lugares
diferente y, usando un micrómetro interior, medir
diámetro interior de los rodamientos de la culata en 4 lugares.
El nivel de juego está dada por la diferencia entre el diámetro
y el taladro del eje del cojinete. Sustituirá
árbol de levas (o de la culata, si es necesario) si
no entran dentro de los límites especificados.
FIG. GUÍA DE REMOCION 47 VALVULA - 6B
Inspección
Use levas
Medir la altura de la leva usando un micrómetro, y
reemplazará el árbol de levas si el valor medido
es menor que el límite especificado.
MOTOR (Mecánica) 6B-21
Tamaño
El juego Rodamientos (mm)
Estándar
0.050 ~ 0.091
Límite
0.15
Diámetro exterior, diámetro interior,
El tamaño del cojinete del eje de rodamiento del cilindro
leva (orificio)
Estándar
a
Límite
Estándar
b
Límite
Estándar
c
Límite
Estándar
d
Límite
43450 ÷ 43425
43375
43625 ÷ 43650
43575
43825 ÷ 43850
43775
44025 ÷ 44050
43975
43500 ÷ 43516
43525
43700 ÷ 43716
43725
43900 ÷ 43916
43925
44100 ÷ 44116
44125
FIG. 6B - 51 midiendo el diámetro
Diámetro (DIN aterrizaje
Cilindro)
La desviación del eje de balancín
Mida la deflexión utilizando bloques V y com-
tor. Se reemplazará el eje basculante cuya desviación es
por encima del límite.
ARBORECUCAME
Frente a la polea
PARTE A LA BOMBA
GASOLINA
Límite de flexión (mm) 0.10
FIG. 6B - 52 MEDICIÓN DEL EJE flexión
Balancín
FIG. 6B - 50 midiendo el diámetro
Los rodamientos del árbol de levas
El juego entre el balancín y el eje
Estándar
0.005 ~ 0.040
Límite
0.06
El juego entre el balancín y el eje
Mida el diámetro del eje de balancín y el diámetro
rockero interior y exterior usando un micrómetro
cuencia y una interior. Sustituirá a los brazos del eje o del eje de balancín
6B-22 MOTOR (Mecánica)
o uno y otro, y si la diferencia está por encima del límite de
diámetro interior y exterior.
Si hay micrómetro interior, juego medida
utilizando un comparador moviendo el borde de cola
direcciones 1, 2.
El usuario deberá reemplazar la válvula si el valor medido
es fuera de serie.
El juego limita la cola
12 (mm)
EN
EX
0.14
0.18
Uno
FIG. 6B - 53 medición del diámetro del eje
Los excursionistas y el diámetro
INTERIOR excursionistas
Guía de la válvula
Medir el diámetro del vástago de la válvula y el diámetro
guía (al menos en un sentido longitudinal), y es
Calcular el juego entre la cola y guía
Tamaño
Diámetro del vástago
válvula (mm)
Diámetro interno
guía de la válvula (mm)
El juego entre la cola y
guía (mm)
EN
EX
EN
EX
EN
EX
Estándar
5465 ÷ 5480
5440 ÷ 5455
5500 ÷ 5512
5500 ÷ 5512
0.020 ÷ 0.047
0.045 ÷ 0.072
Límite
-
-
5.53
5.53
0.07
0.09
Febrero
FIG. 6B - 55 MEDICIÓN DEL JUEGO LA COLA
VALVULA
Válvulas
•
•
•
Eliminar los depósitos en las válvulas.
La válvula de retención para el desgaste o la cola, ardor,
Doblado y será sustituido en caso de necesidad.
Compruebe el desgaste de cada punta de la válvula de la cola.
El área de contacto de la cola del eje de balancín de la válvula
se puede producir un desgaste desigual. Reparación de la superficie
hasta 0,5 mm en su caso, o Reemplazar si
ser tratados posteriormente.
El pico superficie
válvula (mm)
cola de
0,5 y menos
FIG. 6B - 54 midiendo el diámetro de la cola
Válvula integrada y una anchura
Ty de la guía
MOTOR (Mecánica) 6B-23
• Medir la desviación en la dirección de rotación usando
un comparador de reloj y un bloque V girando lentamente
la válvula. Si el valor medido excede el límite
reemplazará la válvula.
Desviación límite a la cesta
válvula en la dirección de
rotación (mm)
0.08
Uno
1. Bandejas anchura de contacto de una válvula
FIG. 6B - 57 bandejas anchura de contacto
VALVULA
en toda la superficie.
Reparar el asiento de la válvula
FIG. 6B - 56 DESVIACIÓN DE MEDICIÓN EN
Sentido de giro
Fresado y reparación por si lamiendo ancho de
contacto no es uniforme o fuera de especificación.
• El asiento de molienda utilizará primero un corte de pelo
con un ángulo inferior, y aumenta el ángulo en el
procesamiento de la final, que será un corte de pelo en
45 °.
¡CUIDADO!
• durante la molienda se hará cargo de ancho
Contacto.
• El fresado final será reducir gradualmente el poder
empujar a no permanecer signos
arañado la superficie.
Compruebe lãþimii Contacto
Se limpia el asiento de válvula y la válvula y se aplica una capa de
El rojo tuº la superficie de contacto del asiento de válvula.
Pisa suavemente la válvula de retención está sentado después de la
él. Un buen contacto significa una anchura de los contactos igual
Ancho de contacto
el asiento de válvula (mm)
a
EN
EX
1,46-1,66
Uno
1. Asiento de la válvula Mills
FIG. Asiento de la válvula 58 FRESADO - 6B
6B-24 MOTOR (Mecánica)
¡CUIDADO!
Medir la planeidad superficie de la cabeza del cilindro
cada diagonal.
15
45
15
45
(Admisión) (SALIDA)
FIG. 6B - 59 ángulos de asiento
Válvula
Ovalidad máxima admisible
la cabeza de válvula (mm)
FIG. Culata 60 MEDIDA - 6B
0.05
El límite de la deformación del colector (mm) 0.10
Culata
•
•
Retire depósitos en la cámara de combustión.
Tenga cuidado de no zgâriaþi agujeros en la cabeza del cilindro
De escape y de admisión, cámara de combustión y
superficie de los asientos de la culata y válvulas.
¡CUIDADO!
Todos los depósitos deben ser removidos sin
rayar las superficies de la cabeza del cilindro, válvulas y
asientos de válvula.
Culata planitud
Medida planitud 6 lugares diferentes con una regla
derecho y un calibrador. Si el valor medido está por encima
límite permisible está marcada por la distorsionada
colocado sobre una superficie plana y reparado por abrasión
Fine. Si la reparación no es posible, culata
reemplazará.
La deformación de la superficie de la cabeza del cilindro puede
reducir
pérdida de potencia debido a la compresión.
La deformación de la superficie de la galería de los
asentamientos
Inspeccione la superficie de la galería de los asentamientos
culata utilizando una regla y una galga y reparación
o reemplazar la culata si es necesario.
FIG. 6B - 61 Las mediciones de deformación
Las superficies de los asentamientos A
Colector de admisión
Resortes de válvula
Muelles de válvulas débiles pueden causar vibraciones, sin
hablar de la posibilidad de la potencia del motor debido a la
disminución
escape de los gases producidos por la reducción de la presión
colocar el asiento de la válvula.
Reemplace los resortes de válvula cuya longitud
libre y estado de carga son inferiores a los
admisible.
MOTOR (Mecánica) 6B-25
FIG. 6B - Longitud 62 de medición ARC
En gratuita
FIG. 6B - 64 MEDICIÓN
ORTOGONALITÃÞII
CARTUCHOS DE PRIMAVERA
Montaje
1. Antes de instalar las nuevas guías de las válvulas de la culata,
Acabará aburrirlos con un escariador 11mm
para eliminar las rebabas.
Se pretende que sea agujeros perfectamente circulares.
Uno
FIG. 6B - Longitud 63 de medición ARC
TABLETA
Nombre
En la longitud de arco estado libre (mm)
Arco largometraje
(Kg / 44,2mm)
Resortes de ortogonalidad
Mide cada primavera utilizando una ortogonalidad gobernante
Y una ley del cuadrado.
Sustituirá resortes de válvula cuya salida es
por encima del límite.
Límite de desviación de ortogonalidad
resortes de válvula (mm) 2.4
¡CUIDADO!
Una vez desmontado una guía de válvula no
reutilizar, pero será reemplazado por uno de tamaño
ampliar.
Estándar Límite
54.45
23,4 ÷ 27
53.4
22
2. Monte la guía de la válvula.
• Será calienta uniformemente a una temperatura de culata
80 ÷ 100 ° C para no distorsionada, y es
introducir nuevas directrices por completo con el carro
inserte las guías de válvulas.
• Después de la instalación, compruebe la culata de
guiar.
3. rehacer agujero de guía de válvulas con un escariador
de 5,5 mm, y se elimina cualquier material extraño.
1. Escariador 11 mm (desde 09916 hasta 38210)
FIG. 6B - 65 Escariador
6B-26 MOTOR (Mecánica)
La salchicha cecina de gran tamaño
válvula (mm)
La profundidad de penetración
guía de la válvula (mm)
0.03
14
5. Monte la válvula en la guía. Antes de instalarlos,
debe ser lubricado con aceite de motor y el orificio de la válvula de
la cola
guiar.
Tres
Febrero
Uno
1.
2.
3.
Guía de la válvula Installer (09.917-98.220)
Dispositivo DORN GUÍA válvula de montaje (09916 hasta 58210)
Válvula Penetración GUÍA distancia (14MM)
FIG. 6B - 68 Conjunto de válvula
6. Instale el resorte de la válvula y la seguridad de la primavera.
• Cada resorte de la válvula tiene un extremo superior (paso
de gama alta) y un menor paso (extremo inferior).
Se lo colocará correctamente con el extremo inferior (paso
El extremo inferior) para el asiento del resorte.
Tres
FIG. Válvula 66 GUÍA DE INSTALACIÓN - 6B
Febrero
Uno Uno
1.
2.
3.
1. Guía de la válvula 2. Escariador 2,5mm 4.
Zancada
Pasito
Termine de
SEGURIDAD
Termine de ASIENTO
Febrero
4
FIG. Válvula GUÍA 67 ENMIENDA - 6B
4. Coloque una nueva guía de la válvula Sello
la válvula.
• Después está equipado grasa y aceite de motor
la guía de la válvula, que será bien sujeta Comprueba
en el mismo.
¡CUIDADO!
• No vuelva a usar el sello de edad, pero lo hará
utilice uno nuevo.
• Durante la instalación, el dispositivo no le ganará
martillo o algo. Se montará sello
la guía por el levantamiento de la
gotas de miel. Golpear el dispositivo puede provocar
dañar el sello de aceite.
FIG. 6B - 69 válvulas del ARCO
7. Utilice las válvulas montadas comprimidos
y la carga del muelle de válvula con pinzas fusibles
válvula en la zanja en la cola.
8. Aplique aceite de motor en la leva y los niveles
árbol de levas.
9. Monte el árbol de levas de la caja
engranajes.
MOTOR (Mecánica) 6B-27
Tres
Uno
Montaje
Se realiza en orden inverso al desmontaje. Ten cuidado
la siguiente:
Febrero Y la junta de la culata
Se reemplazará la junta de culata por una nueva
Después del partido se confirma agujeros de aceite. El agujero
aceite en juntas de culata son para el
polea del cigüeñal.
APERTURA DE ACEITE
1.
2.
3.
DISP. Monte VÁLVULAS
Pinzas
VALVULA DE SEGURIDAD
FIG. 6B - 70 INTRODUCCIÓN FUSE
VALVULA
FIG. 6B - 73 SELLO DE MONTAJE
Cilindro
Culata
Cepille los tornillos de culata con aceite de motor, y es
Apretar al par especificado en el orden indicado.
FIG. 6B - 71 de levas MONTAJE
10. Cepillo con petróleo y axel balancines
rockero, y está montada basculante brazos, muelles y
ejes de balancín. Rocker ejes para
válvulas de admisión y escape son idénticos, pero
instrucciones de montaje difieren.
Par de apriete de
tornillos de culata (kgf • m) 6,5 ÷ 7,0
7 Uno Tres 5
8 4 Febrero 6
FIG. 6B - 74 secuencia de apriete
Tornillos de culata
•
FIG. 6B - 72 Instrucciones de montaje
EJES rockero
Será apriete al par la polea del cigüeñal,
mediante dispositivo especial (inmovilizador
árbol).
6B-28 MOTOR (Mecánica)
5.5 ÷ 6.0 El par de apriete de la polea del cigüeñal
(Kgf • m)
• Consulte la página anterior para los ajustes
Válvulas de admisión y escape.
7. Marca el pistón y el cilindro número Biel
con un marcador.
8. Proceda con pistones y bielas de cilindros # 2
Y 3 para la secuencia de los párrafos 3 ÷ 7.
PISTON SEGMENÞI Biel y CILINDROS
Desmontaje
•
•
Retire la compresión segmenþii y lubricación
Utilice la segmenþi eliminado, y es
tener cuidado a fin de no mezclar.
Retire circular seguridad y eliminar bolþul
para separar pistón pistón biela.
Uno
Febrero
Tres
4
Limpiar
• Eliminar los depósitos de carbono en los pistones
Y segmenþi con un paño suave. En este proceso
para limpiar No utilice herramientas de metal o de fuerza
en exceso.
8
9
5
7
6
1.
2.
3.
4.
5.
6.
7.
8.
9.
NO.1 SEGMENTO
SEGMENTO NO. Febrero
LUBRICANTE SEGMENTO
PISTON
Biel
CUBIERTA Biel
CUZINEÞI
Bolth pistón
Anillo de seguridad
Inspección
Cilindros
• Limpia y comprobar las paredes del cilindro con el tiempo
arañazos o desgaste excesivo. Habrá, mate a un
Si usted usa el tamaño cotas superiores.
• Medir el diámetro de los cilindros utilizando una
las direcciones longitudinales dentro de micrómetros y
cruzar. Se medirá en tres lugares (véase el gráfico).
En los siguientes casos tamaño honuieºte
siguiente:
1. límites de desgaste del cilindro.
2. Taper resultado de la medición en el 3
puntos es por encima del límite (perpendicular).
3. ovalidad resultado de la medición en el 3
puntos es sobre el límite.
FIG. 6B - 75 Despiece
Pistón asamblea Biel
Eliminación
1. Retire las piezas montadas en el bloque del motor.
2. Invierta el bloque del motor para eliminar baño
Aceite y el filtro.
3. gira lentamente el cigüeñal para llevar el
posición de la biela gran final, y Loosen
Conexión pernos de la barra.
4. Retire la tapa de la biela.
5. Inserta un tornillos de manguera
las barras para evitar rayar las paredes del cilindro
o cigüeñal.
6. Retire la cabeza del pistón del cilindro y la varilla de empuje.
Tamaño
Diámetro del cilindro (mm)
Taper (mm)
Oval (mm)
Límite
Ø68,570
0,10 y menos
0,05 y menos
Uno
1. MANGUERA
FIG. 6B - 76 mangueras INTRODUCCIÓN
MOTOR (Mecánica) 6B-29
PRECAUCIÓN
• Para aumentar el tamaño, debe ser
hacer el mismo valor en los tres cilindros.
• ampliaciones estarán en el rango de 0.25, 0.50,
0.75 y 1.00, y el tamaño que deben adoptarse
mismo para el cilindro, el pistón y segmenþi a
rectificado y luego la instalación.
Pistons
•
•
Limpia pistones con un paño suave y verificación
si debe ser reemplazado.
Use un micrómetro para medir
el diámetro exterior del pistón. Diámetro exterior
el pistón se mide en la dirección perpendicular a la
bolþul 15 mm altura de pistón desde la base de la falda.
Uno
Febrero
Uno
Tres
1. 15MM
FIG. 6B - 78 Medir el diámetro exterior de
Cuencia pistón
Estándar
Comparto 0.25
Diámetro
al aire libre
pistón (mm)
tamaño
superior
Ø68,465 ÷ Ø68,485
Ø68,715 ÷ Ø68,735
cuota II Ø68,965 0,50 ÷ Ø68,985
Juego Pistón
Calcular la diferencia entre el valor medido
diámetro interior del cilindro (50 mm por debajo de la
superficie de la cabeza del cilindro) y el diámetro exterior
pistón (15 mm por encima del borde de la falda del pistón).
Juega el pistón (mm) 0.025 ÷ 0.045
FIG. 6B - 77 Y puntos de medición
Medición de diámetro
CILINDRO
PRECAUCIÓN
Al medir el diámetro interior del cilindro
Y el diámetro exterior del pistón es
valores calculados miden tanto juego
direþia movimiento y la dirección del eje como se
pistón bolþului.
6B-30 MOTOR (Mecánica)
El segmento de juego en el canal
Se limpia los escombros de canal antes de montar
segmento, y se mide holgura entre el segmento y el canal
un calibrador.
Si el valor medido excede el límite, que sustituye
pistón.
Segmento
Juego
segmento en el
Canal (mm)
Estándar Límite
0.10
0.10
4
Febrero
Uno
Segmento 1 0,02 ÷ 0,06
Segmento 2 0,02 ÷ 0,06
Segmento
Lubricación
0,06 ÷ 0,1
Tres
1.
2.
3.
Bloque motor
Lera
SEGMENTO
FIG. 6B - 80 Medición SEGMENTO hendidura
Uno
Bolth pistón
Medir la holgura entre el pistón y el jefe bolþul
de pistón, y si el resultado de la medición es más de Stan-
dard bolþul Reemplazar pistón.
Medición
Diámetro exterior pistón bolth
Febrero
Estándar
15.995 ÷ 16.00
16006 ÷ 16014
0.006 ÷ 0.019
Dentro de diámetro de pistón jefe
Juego pistón bolth
1.
2.
SEGMENTO
Lera
FIG. 6B - 79 medir segmento de canal
Segmento Fanta
Para medir la ranura de inserción del segmento
segmento de cilindro hasta la posición de punto muerto inferior
guiente, y luego usar una ranura galga se mide.
Si la diferencia es mayor que el límite, el
segmenþii reemplazado. FIG. 6B - 81 medir bolth PISTON
Biele
• Juega alta extremo axial
Comprobar el juego final en el extremo grande de la biela, que tiene
montado en el cigüeñal biela normalmente. Donde
medido el juego ha terminado límite o cuando
descubierto ningún daño a una de las superficies
en ambos extremos axiales, la varilla de conexión respectiva
o el cigüeñal debe ser reemplazado.
Juego de gama alta axial
de la varilla (mm)
Estándar
0,10 ÷ 0,20
Límite
0.35
PRECAUCIÓN
Se va a limpiar los cilindros antes de colocar
segmenþilor.
Segmento
Fanta
segmento (mm)
Estándar Límite
0.7
0.7
1.8
Segmento 1 0.15 ÷ 0.30
Segmento 2
Segmento
Lubricación
0,1 ÷ 0,3
0,2 ÷ 0,7
MOTOR (Mecánica) 6B-31
•
•
Se prepara mediante la reducción de un portaobjetos de plástico a
una
rodamiento longitud-anchura y está clasificado
axialmente sobre la muñequilla, sin tapón del orificio de
lubricación.
Monte la varilla y el cojinete tapa de cierre y apriete
con el par especificado. Durante este tiempo no girará en absoluto
cigüeñal.
Par de apriete de
la tapa del rodamiento (kgf • m) 3.1 a 3.5
•
Fig. 6B-82 MEDICIÓN axial LA
La parte más grande de Biel
Flecha torsión
Compruebe flecha y barra de torsión dispositivo
varillas revisados, y si el límite se supera es
Reemplazar.
Medición
Flecha
Torsión
Límite
0.05 (a 100 mm)
0.10 (a 100 mm)
Retire la tapa, y se mide la anchura
escala de medición de deslizamiento de plástico en la carcasa
cuchillas de caja. Para esta medición,
realizado en la parte más ancha de la zona de compresión
Posando con cuidado los valores medidos en ambos
extremos de la hoja.
Lubricación Juego
el rodamiento (mm)
Estándar
0020 ÷ 0040
Límite
0065
Si el juego supera el límite reemplazará el rodamiento.
Bujes Tamaño
Tamaño
Estándar
Diámetro exterior muñequilla (mm)
37982 ÷ 38000
100MM
100MM
DISPOSITIVO DE CONTROL
BIELE
Fig. 6B-83 de medición flecha torsión
Jugando en cuzineþi
Verifique que las superficies en busca de rastros cuzineþiIor
daños, fusión, ardor, etc. Y se observó después de
Contacto. Cuzineþii encontrar defectuoso después de comprobar
debe reemplazar.
PRECAUCIÓN
No Cuzineþii ser reparado por el procesamiento
no papel de lija abrasivo mecánico y
sin herramientas en las máquinas.
• Mida el juego de lubricación de los cojinetes utilizando un
plástico laminado.
Fig. 6B-84
Uno
Febrero
1. lengüeta de plástico
2. Escala
JUEGO lubricación medición
Cojinetes de biela
6B-32 MOTOR (Mecánica)
Montaje
El revés de someterse a procedimientos de desmontaje. Va a
cuidar de los siguientes:
1. en el conjunto del pistón Biel.
• Instale la biela y pistón lejos extremo inferior sobre bolþul
pistón y segura con fusible circular.
Departamentos están marcados en el montaje de cabeza
de pistón, un agujero de flecha y la lubricación en Biel. (ver
figura de abajo)
Uno Febrero
3. Instale los tres segmenþi ellos posicionando ranuras
Fig. 6B-85.
5
4
Uno
7
7
7
7
Febrero
A la polea del cigüeñal
1. MARCADO
2. hendidura SEGMENTO NO.1
Tres
3. SEGMENTO NO.2 hendidura
4. SEGMENTO raja LUBRICACIÓN (raspadura ANILLO
06 de agosto
SUPERIOR)
5. LA ENTRADA
Evacuación 6. PARTE
7. 45 °
8. SEGMENTO distancia hendidura LUBRICACIÓN
9. SEGMENTO ranura de lubricación (raspar anillo inferior)
9
Tres
4
Fig. 6B-87 Ranuras Posiciones SEGMENÞILOR
1. PISTON
2. FLECHA
3. Biel
4. Los orificios de lubricación (por
Lado de admisión)
Montaje
1. Aplique aceite de motor a los pistones, segmenþi, paredes
cilindros, cuzineþi, pernos de pistón y el
muñequillas.
2. Al instalar bielas y pistones están equipados
mangas para proteger a los pernos de la biela.
3. Inserte el pistón en el cilindro con la flecha que indica
a la polea del cigüeñal.
Fig. 6B-85 ASAMBLEA Biel y el pistón
• Existe una marcada "R" en la parte superior frontal
Segmento no. 2, ya que aparece en la Fig. 6B-86.
Al instalar el pistón se sentará con el
marcado.
No.1 y No.2 • Segmenþii tienen diferentes espesores, así como
forma y color de la zona de contacto con el cilindro.
Para la identificación, véase la fig. 6B-86.
• Cuando se introduce la instalación segmento de lubricación
distanþorul primero y luego los dos anillos de raspador. Uno Febrero
TAGS
Uno
Febrero
Tres
1 PARTE 2 PARTE polea del cigüeñal volante
Fig. 6B-88 MARCAS EN CABEZAS
PISTON
4. tablet Comprimir segmenþii
segmeþi, sentarse dispositivo de tableta
se inserta cilindro segmenþi y cabeza del pistón
el cilindro por el pistón golpea fácil.
R
1. Segmento 1
2. Segmento 2
3.SEGMENT
Lubricación. La
Fig. Posición 6B-86 y Mark pistón
MOTOR (Mecánica) 6B-33
5. desemboca manguera de refrigerante en la parte inferior
radiador.
Uno
1. Tablet SEGMENÞI (09916 hasta 77310)
Fig. 6B-89 INTRODUCCIÓN pistón en un cilindro
5. Monte la tapa de la biela con la flecha apuntando
a la polea del cigüeñal y apriete la tuerca de torque
especificado.
Apriete la tapa
varilla (kgf • m) 3.1 a 3.5
Fig. 6B-91 EXTRACCIÓN DE LA BATERÍA DE APOYO
6. carcasa del filtro de aire
Disipador de calor 7.
8. cable del acelerador
9. Campana Latch
10. cabezal y cuerno
11. La manguera de servofreno
12. Desconecte los siguientes cables
• El cableado del motor principal Conector
• cableado del motor de fusibles principales
• caja de cambios Arnés
• Motor de arranque
• Cable de alta tensión
• Contacto del conector revertir
• mangas de corte de suministro de gasolina Solenoide
BVSV (control de vacío bimetal válvula)
13. calentador de la manguera, exterior
14. calentador de la manguera, interior
15. Manguera de gasolina
16. Cable del embrague
Pipe 17. Escape
18. cable velocímetro
19. cambiador de varilla, varilla selectora
20. Frente Piñón (izquierda)
Manguera de freno 21.
Febrero Uno
Tres
4
1.
2.
Tapa del rodamiento
FLECHA
3.
4.
PARTE polea del cigüeñal
Tuerca tapa del cojinete
Fig. 6B-90 MONTAJE COJINETE PLACA
6. Monte las otras partes en el orden inverso
desmantelamiento. Consulte cinturón párrafo "
distribución y tensor de la correa "en el Capítulo 6B.
7 se inserta en el aceite del motor.
8. relleno con líquido refrigerante (véase el Capítulo 6C).
9. Revisar y ajustar la distribución (véase el capítulo 6F
"Configuración de la distribución").
10. Por último, comprobar posibles fugas
o gasolina o aceite refrigerante en cada junta.
DESMONTAJE
CONJUNTO DE MOTOR
Clamp-E
Eliminación
1.
2.
3.
4.
Bata
Batería
Ayuda Batería
Cara Buclier y el cableado.
Fig. 6B-92 MANGUERA DE FRENO OFF
6B-34 MOTOR (Mecánica)
22. Tornillos amortiguador de apoyo (arriba) 27. Apoyo a la caja de cambios se fue
Fig. 6B-93 tornillos RETIRO (DE
SUS) CHOQUE DE APOYO
23. El eje de transmisión
Motor delantero 24. Apoyo
Fig. 6B-96 tornillos de soporte izquierdo CAJA
ENGRANAJE
28. El conjunto de motor montado el dispositivo de elevación
Fig. 6B-97 LIFT MOTOR ASAMBLEA
Fig. 6B - 94 FRENTE DEL MOTOR DE APOYO
Motor trasero 25. Apoyo
Caja de cambios trasera 26. Apoyo
PRECAUCIÓN
Antes de levantar el motor completo
su dispositivo, se comprueba de nuevo como mangueras
Y el cableado alrededor del motor para ser
desconectado y libre.
Fig. 6B - 95 TRASERO SOPORTE CAJA
MOTOR (Mecánica) 6B-35
Montaje
Los procedimientos inversos de enrutamiento de desmontaje, teniendo cuidado de que se hiciera la colección en los pares
especificados.
8
3,0-5,0
3.5-4.5
11
7
3,0-5,0
3.5-4.5
3.5-4.5
10
3.5-4.5
6
5
3.5-4.5
Tres
4
Uno
9
3.5-4.5 4,0 a 6,0
Febrero
3.5-4.5
4,0 a 6,0
Fig. 6B-98 MOTOR MONTAJE SUPORÞI
6B-36 MOTOR (Mecánica)
CUZINEÞI Cojinetes de cigüeñales, bloque del motor
Uno
10
9
6
7
Febrero
Tres
4
5
8
1.
2.
3.
4.
5.
Bloque motor
DELANTERO Seal
CAJAS DE RODAMIENTO
Cigüeñal
Hombro del cojinete
6.
7.
8.
9.
10.
Sello TRASERO
Sellos Sello de Vivienda
Sello de Vivienda
EJE DE ENTRADA TENIENDO
VOLANTE
Fig. 6B - 99 CUZINEÞI Cojinetes de cigüeñales, bloque del motor
MOTOR (Mecánica) 6B-37
Eliminación
1. Retire el motor del cuerpo.
2. Conjunto de la caja de cambios.
3. Soporte alternador, polea del cigüeñal, cinturón
distribución
4. Cilindro
5. baño de aceite e hidromasaje
6. Pistones y bielas
7. Los cojinetes y tapa del cojinete del cigüeñal
Uno
Inspección
Use cigüeñal
Medir el desgaste en el comparador meseta central
Reloj y soporte de bloque por el cigüeñal rotativo. Donde
desgaste excede el límite, que reemplaza el cigüeñal.
Límite de desgaste (mm) 0.03
1. axiales
Fig. 6B - cojinete axial 101
PRECAUCIÓN
Para medir cigüeñal gira de desgaste
una vez para posicionar el comparador
nivel, y leer valores en medio reþinându
valor máximo leer.
Fig. 6B-102 medir juego axial
Cigüeñal
Ovalidad y cónico (desgaste desigual) de los cojinetes
Medir el diámetro de los cojinetes de las fluctuaciones direcciones
axial y perpendicular al cigüeñal, y confirman
desgaste posiblemente desigual. Si encuentra un desgaste
grave, o si tiene más de las desviaciones límite son
Cambie o repare el mecanizado de cigüeñales
mecánico.
Ovalidad Límite y cónico (mm) 0.01
Fig. 6B-100 MEDICIÓN flecha EJE
Serpenteando
Juego axial del cigüeñal
Monte el cuzineþii (aterrizaje y axial) y apriete
Pernos de la tapa al par especificado, a continuación,
Medir el juego axial del cigüeñal. Si el valor
se mide sobre el límite, que sustituye cojinete con
hombro con una norma o un tamaño inmediatamente
parte superior.
Tornillo Torque
casquillos de cojinete de cabeza (kgf •
m)
Juego axial del eje
Manivela (mm)
Estándar
0,11 ÷ 0,31
5,5 ÷ 6,0
Límite
0.4
6B-38 MOTOR (Mecánica)
Juego de lubricación del rodamiento
cigüeñal (mm)
Estándar
0020 ÷ 0040
Límite
0065
PRECAUCIÓN
Cuando cigüeñal instalar cuidará
cuzineþii utilizar correctamente.
Medición Estándar
OD cojinete del cigüeñal (mm) 43 982 ÷ 44000
Fig. 6B-103 CONSULTAR desgaste parcial
Cuzineþi cigüeñal
Compruebe la superficie de contacto de desgaste, ardor,
rascarse, etc. Y si es necesario, sustituido.
PRECAUCIÓN
No intente reparar superficies cuzineþilor.
Uno
Febrero
Juego Medición lubricante medidor de plástico
• Cortar un medidor de plástico longitud-anchura
cojinete axial y está clasificado en el rellano, evitando
cubierta del orificio de lubricación.
• Monte el eje o cojinete y la cubierta
cigüeñal y apriete al par especificado. En este paso
no girar el cigüeñal.
Par (kgf • m)
1.
2.
Lera PLÁSTICO
Escala
Fig. 6B-105 lubricación JUEGO medición
Cartuchos RECINTOS
Sello trasero
Compruebe bordes del sello de aceite de llevar,
daño y la intrusión de cuerpos extraños. Sustituirá
si está dañado.
5,5 ÷ 6,0
Uno
1. Sello TRASERO
Fig. 6B-104 PAREJA apriete
ESPECIFICADO
• Retire la cubierta y el cólera se mide la anchura
Escala de plástico marcado en la caja con medidores. Éste
medición, el área más amplia
dando como resultado la deformación, además de dar atención
los valores medidos en las dos extremidades de cólera.
Si la lubricación juego supera el límite, sustituir
cojinete.
Fly ruedas
• Compruebe si hay daños, grietas y desgaste
corona anormal, o superficie de contacto
placa de presión. Si es necesario, sustituya
volante de inercia.
• Medir la deformación del volante utilizando
Bloque Reloj y comparador descansa, y es
Reemplace si sobrepasa el límite.
Límite de deformación (mm) 0.2
Fig. 6B-106 Sello TRASERO
MOTOR (Mecánica) 6B-39
Uno
Febrero
1. Cuello TENIENDO 2. Surco
Fig. 6B-107 MEDIDA DE DEFORMACIÓN VOLANT
Bloque motor
Las liquidaciones de las mediciones de deformación de la superficie
junta (planitud)
Medida 6 lugares diferentes utilizando galga y regla
justo después del mismo método que en la cabeza del cilindro. Ella
ºlefuieºte y reparación, si la deformación, flecha o
de torsión excede el límite. Si los medios ºlefuirea
más de 0,15 mm, será reemplazado por uno nuevo.
Dará atención planeitãþii la superficie de las habitaciones
quema.
•
Fig. 6B-109 MONTAJE RODAMIENTO CON EL COLLAR
Montar los arbustos con orificio de lubricación
bloque del motor y la cubierta sin orificio de lubricación
Los casquillos.
Uno
Febrero
Límite de Deformación (mm)
Planitud estándar (mm)
0.05
0.03
Tres
1.
2.
3.
Bloque motor
CAJAS DE RODAMIENTO
APERTURA DE LUBRICACIÓN
Fig. 6B-110 MONTAJE RODAMIENTO
•
•
unción con aceite a la superficie del interior
teniendo, el cigüeñal del rodamiento a la superficie
antes de montar el cojinete.
Las cubiertas están marcados aterrizando cuzineþilor
números de orden del 1 al 3. Se reunirán con el fin,
con el par especificado, con la flecha apuntando hacia
la polea del cigüeñal.
Par (kgf • m) 5,5 ÷ 6,0
Fig. 6B-108 medidor de planeidad
Montaje
El revés de someterse a procedimientos de desmontaje. Va a
cuidar de:
• Motor de lubricación de aceite de la zanja rodamiento
cuello, y será colocado (zanja) en el exterior de
aterrizaje.
6B-40 MOTOR (Mecánica)
Uno
Febrero
1. Herramienta especial (09.924-17810) 2. Tornillo VOLANT
Fig. 6B-111 colocar cubiertas
CUZINEÞILOR aterrizaje
• Vivienda y sello de aceite de foca.
No vuelva a utilizar la junta vieja, pero una nueva. Ella
aceite de motor lubrica la superficie de contacto
sello de aceite, instale y apriete los tornillos
vivienda con el par especificado.
Par de apriete de
Tornillos de caja (kgf • m)
•
0,9 ÷ 1,2
•
•
•
Fig. 6B-113 VOLANTE
Par de apriete de
Pernos del volante (kgf • m) 4,0 ÷ 4,5
Montar los pistones (ver página anterior).
Montar la sartén colador y el aceite.
Conjunto de cabeza de cilindro está montado en el bloque del
motor.
Después de montar el retén de vivienda si los bordes
junta que sobresale del contorno se corta con un cuchillo.
PRECAUCIÓN
• Cuando se monta en una cabeza de cilindro bloque del motor
nuevo
pernos deben apretarse con el fin de
centro a las extremidades, con un par de
aumento de 50% de la inicialmente, seguido por 80%
de la misma y se desarrollan, a continuación, busque
secuencia de apriete con 50% y después 100%
el par especificado.
Par (kgf • m)
•
•
•
6,5 ÷ 7,0
Se monta en la distribución rueda dentada del cigüeñal,
Rueda de distribución del árbol de levas, polea de la bomba
agua.
Consulte el Capítulo 2B para montar el embrague.
El motor montado en el cuerpo (vea la página
antes).
Fig. 6B-112 VANGUARDIA SEAL
•
•
Para instalar el capítulo sede de la bomba de aceite
respectivamente
Apretar al par el volante con el útil
especial.
MOTOR (Mecánica) 6B-41
PAR DE APRIETE
Aspectos destacados de
cerca
Tornillos de culata
Chispa
Galerías - admisión y escape nueces
Distribución Tornillos Rueda (árbol de levas)
Nueces, tornillo de ajuste de la válvula
Nut, distribución correa tapón de rosca
Tornillos de la polea del cigüeñal
Biela teniendo tuercas
Teniendo pernos de la tapa Rodamientos
Pernos del volante
Manocontact
Filtro de aceite
Filtro de aceite Soporte de montaje
Tornillos baño de aceite
Tapón de drenaje de aceite
Tornillos de la tapa de cilindros
Eje de balancín Tornillos
Carburador Tornillos de montaje
Aceite de la bomba de succión
Cuerpo Tornillos bomba de aceite
Tornillos de la placa de rotor de la bomba de
aceite
Tornillos correa de distribución tensor
Tensor de la correa de distribución Studs
Tornillos de la bomba de agua
Tornillos de vivienda retén del cigüeñal
La compatibilidad de controladores Tuerca
Soporte del motor
Motor del ventilador de refrigeración térmica
Par (kgf • m)
6,5 ÷ 7,0
2,0 ÷ 3,0
1,8 ÷ 2,8
5,0 ÷ 6,0
1,5 ÷ 2,0
0,9 ÷ 1,2
6,5 ÷ 7,5
3.1 a 3.5
5,5 ÷ 6,0
4,0 ÷ 4,5
1,2 ÷ 1,5
1,2 ÷ 1,6
2,0 ÷ 2,5
0,9 ÷ 1,2
3,0 ÷ 4,0
0,9 ÷ 1,2
0,9 ÷ 1,2
1,8 ÷ 2,2
0,9 ÷ 1,2
0,9 ÷ 1,2
0,9 ÷ 1,2
1,5 ÷ 2,3
0,9 ÷ 1,2
0,9 ÷ 1,2
0,9 ÷ 1,2
3,5 ÷ 4,5
3,0 ÷ 5,0
1,2 ÷ 1,5
6B-42 MOTOR (Mecánica)
HERRAMIENTAS
ESPECIALES
09.915-47.341
FILTRO DE ACEITE CLAVE
1. 09916 a 14510 DISP. TABLETA
Válvulas del ARCO
2. 09916-48210 ADAPTADOR
09.916-44.910
DISP. Guía de la válvula REMOCIÓN
09917 a 88220
Montaje de la guía de válvula adaptador
09.916-58.210
MANEJAR DISP. Válvula GUÍA DE INSTALACIÓN
09.916-37.320
Desarrollo (5MM)
09916-38.210
Desarrollo (11MM)
09.916-34.541
Aburrido MANGO
09.927 a 56.020
DISP. Reclamado
Cigüeñal
Polea
09917-68220
DISP. Polea partidario
Árboles de levas
09916 a 84510
Pinzas
09900-00410
Tecla SET Allen
09918-08210
MEDIDOR DE MANGUERA ADAPTADOR
VACÍO
09926 hasta 18210
GUÍA Seal (resinas de vinilo)
09.915-64.510
CALIBRE
09915-77310
Manómetro de aceite
09.915 a 67.310
Vacuómetro
09.924 hasta 17.810
DISP. INMOVILIZADOR VOLANT
09916-77310
DISP. TABLETA SEGMENÞI
MOTOR (sistema de refrigeración) 6C-1
6C. SISTEMA DE REFRIGERACION DEL MOTOR
DESCRIPCIÓN GENERAL ............................................................................................................ 6C - 2
SOLUCIÓN DE PROBLEMAS .................................................................................................................................. 6C - 5
Inspección y mantenimiento ............................................... .................................................. . 6C - 5
La refrigeración líquida ............................................................................................................................... 6C - 5
Nivel de refrigerante ....................................................................................................................... 6C - 6
Reparar el sistema de refrigeración ............................................. .................................................. ..... 6C - 6
Sistema de enfriamiento, escurrir y volver a llenar .......................................... .................................................. . 6C - 6
VEHICULO ............................................................................................................... 6C - 7
Refrigeración por líquido Claro ...................................................................................................................... 6C - 7
Tubos y mangueras ............................................................................................................................ 6C - 7
Termostato ................................................................................................................................... 6C - 7
Calentador ..................................................................................................................................... 6C - 8
Bombas de agua ........................................................................................................................... 6C - 8
6C-2 MOTOR (sistema de refrigeración)
DESCRIPCIÓN GENERAL
La circulación del refrigerante
El sistema está compuesto por: bomba de agua, radiador, termostato, ventilador de refrigeración, tubos de goma, y sirve
enfriar el motor para evitar el sobrecalentamiento y mantener una temperatura adecuada.
DISIPADOR DE CALOR
Calentadores
TERMOSTATO
Cilindro
Bomba
Agua
Bloque motor
Fig. 6C - 1
DISIPADOR DE CALOR
Sobrecalentar
DISIPADOR DE CALOR
Enfriador
TANQUE
Tapón de radiador
Para reservas
DISIPADOR DE CALOR
Calefacción
(A)
TANQUE
Tapón de radiador
EL TANQUE
DISIPADOR DE CALOR
Enfriador
(B)
Fig. 6C - 2
Radiador del tipo de presión herméticamente elemento de sellado es una tapa que permite que el fluido se expanda
fugas en el tanque para evitar la fuga de diferencia.
Fig. (A) muestra el refrigerante calentado y expandido, y extra de la expansión de volumen de fluido que resulta de fugas del radiador
tor en el tanque. Con la creciente presión en el sistema de refrigeración a lo largo de un cierto límite, la válvula de presión
tapa del radiador se abre para permitir que el líquido drene a través dilatado El tanque de expansión de la tubería. En la figura
(B) muestra una situación en la que la temperatura del refrigerante a disminuir este contrato. En este momento
presión de vacío cae y se abre la válvula de llenado, la diferencia de presión "tirando" de líquido refrigerante en
disipador de calor.
MOTOR (sistema de refrigeración) 6C-3
Cuando el motor está frío
DISIPADOR DE CALOR
MOTOR
Bombas de agua
Colector
Calentadores
MANGUERA
La
BYPASS
TERMOSTATO
TANQUE
Fig. 6C - 3
Cuando el motor está frío, el termostato permite que el resorte para cerrar el paso de refrigerante como se muestra, motor ->
colector de admisión -> manguera de derivación -> bomba de agua para calentar el motor rápidamente.
Cuando la temperatura del refrigerante está por encima de 82 ° C
Fig. 6C - 4
El termostato empieza a abrirse a los 82 ° C y es totalmente abierta a 95 ° C. Mientras tanto, el refrigerante circula
para bombear agua a través de la manguera de derivación y, al mismo tiempo y termostato -> entrada de la manguera de radiador -> radiador
-> Manguera de salida del radiador -> bomba de agua. La cantidad de refrigerante que fluye al radiador depende de
abre termostato.
6C-4 MOTOR (sistema de refrigeración)
Tapón de radiador
Tapa del radiador del tipo de válvula está teniendo una
y una válvula de presión de vacío. Válvula
La presión es la presión sobre el asiento por un resorte calibrado con
función de proteger el sistema de refrigeración automática a
presión si la presión del sistema aumenta con el
0,9kgf / cm².
Válvula de vacío se lleva a cabo en su sede por
un resorte débil que permite la apertura de la válvula más
permitir la igualación de presión en el sistema cuando se crea
vacío fluido refrigerante a través del sistema, que de otra
puede dañar el radiador. La tapa tiene inscrpþionatã
número superficie 9 que significa que la válvula
presión se abre 0,9kgf / cm².
Tres Uno
Febrero
Tres
1.
2.
3.
Bombas de agua
CORREA DE DISTRIBUCIÓN
Polea de la bomba de agua
Fig. 6C - 6 bombas de agua
Uno
Febrero
4
Termostato
El tipo de cera y se coloca en el pasaje de salida
refrigerante del motor, que actúa ajustando fluir
y para ajustar el líquido, por lo que la temperatura.
La cera está contenido en una caja de metal, y se dilatan
el calentamiento y enfriamiento de contracción.
El calentamiento y la expansión de la cera, empujan la caja de metal
la válvula hacia abajo para abrirla.
La cera de refrigeración permita la contratación de la primavera
cerrar la válvula. La válvula permanecerá cerrada como
siempre y cuando el refrigerante está frío, evitando
su circulación a través del radiador. En esta situación
sólo circula refrigerante a través del motor
calentar rápidamente y uniformemente. Como el motor
se calienta, la cera se expande y se abre la válvula de
termostato, permitiendo que el fluido fluya a través del radiador
tor. El termostato es un cuerpo de válvula de
ventilación, que tiene como objetivo eliminar cualquier gas o
aire, en su caso, el circuito devengados
6
5
1.
Tres
5.
Válvula de presión
Para reservas
SUMINISTRO DE VACIO
2.
4.
6.
VALVULA DE VACIO
SUMINISTRO DE PRESION
EL TANQUE
Fig. 6C - 5 TIPO tapa de la válvula RADIADOR
Vaso de expansión
Está conectado al radiador mediante una manguera. En funþionare,
refrigerante caliente y se expanda. La cantidad de
El líquido pasa a través del depósito de expansión del radiador
a través de esta manguera.
Después de parar el motor, refrigerante del encogimiento
Y se dibuja de nuevo en la diferencia de presión del radiador.
El radiador se mantiene llena de líquido refrigerante
todo el tiempo, dando como resultado más eficaz en el
el proceso de enfriamiento.
Bombas de agua
Se utiliza el tipo de bomba centrífuga. Impulsor es
totalmente soportado por un cojinete con fuerza. Bombas de agua
no se puede desmontar.
Uno
1. Vent válvulas
Fig. 6C - 7 TERMOSTATO
MOTOR (sistema de refrigeración) 6C-5
Características de funcionamiento del termostato (± 1,5 ° C)
La temperatura a la que la válvula
comienza a abrirse (° C)
La temperatura a la que la válvula
está completamente abierto (° C)
Carrera de la válvula (mm)
82
95
> 8-95 ° C PARA MOTOR
Uno
PARA MOTOR
AIRE
LÍQUIDO
Enfriamiento
TERMOSTATO
AX
(1)
LÍQUIDO
Enfriamiento
Válvula
Al abrir (2) Cuando para cerrar
Figura 6C - válvulas de ventilación 9 FUNCIÓN
Cuerpo
Cera
Cera
OPEN
Fig. Termostato 8 Operación - 6C
SOLUCIÓN DE
PROBLEMAS
Manifestación
Motor sobrecalentado •
•
•
•
•
•
•
•
•
•
•
Causa probable
Refrigerante por defecto
El mal funcionamiento del termostato
El mal funcionamiento de la bomba de agua
ªtuþ radiador obstruido
Pérdida de líquido refrigerante
Defecto del ventilador térmica
Radiador obstruido
Una deficiente regulación de la distribución
Tapa del radiador mal funcionamiento
Los frenos desajustados
Embrague de deslizamiento
•
•
•
•
•
•
•
•
•
•
•
Remedio
Comprobar el nivel y ser completado
Reemplazar
Reemplazar
Limpia o reparado
Reparación
Comprobación o sustitución
Reemplazar
Ajustar
Reemplazar
Ajustar
Ajuste o reemplace
Inspección y Mantenimiento
Refrigerante
PRECAUCIÓN
La recuperación de refrigerante es estándar.
El refrigerante en el radiador se expande con el aumento de
la temperatura, y el exceso se recoge en el tanque. Cuándo
sistema se enfría, el refrigerante se dibuja de nuevo en
disipador de calor. Relación de mezcla anticongelante depende
La temperatura más baja de la zona geográfica.
Además del efecto de protección contra las heladas líquida
El elemento de refrigeración y un buen anti-corrosión
Y un inhibidor del efecto de la formación de espuma. A
buen rendimiento refrigerante voluntad
mantener su concentración de los valores
en la siguiente tabla.
6C-6 motor (sistema de refrigeración)
Temperatura
líquido de congelación
Concentración de
anticongelante puro
-14.5 ° C
30%
-25 ° C
40%
-34 ° C
50%
SERVICIO DE SISTEMA DE ENFRIAMIENTO
Al sistema de enfriamiento, realice lo siguiente:
1. Compruebe pérdida o daño.
2. Lave la tapa del radiador y boca de llenado
agua limpia por remover la tapa con el motor
fría.
3. Comprobar el nivel del líquido y las propiedades.
4. El uso de un manómetro, comprobar el sistema y
tapón del radiador para mantener la presión
0,9kgf / cm². Si es necesario Sustituya tapa
uno correctamente.
5. Apriete todas las abrazaderas de manguera e inspeccionar.
Las mangueras dañadas (grietas, hinchado, etc.)
reemplazar
6. limpia la superficie frontal del radiador.
PRECAUCIÓN
Al montar el llenado del radiador, se alineará
manguera sus oídos al tanque.
Nivel de refrigerante
Para comprobar, levante el capó y se trata de
tanque. No es necesario quitar la tapa
el radiador para comprobar el líquido fluido
enfriarse.
PRECAUCIÓN
No afloje el tapón de combustible, mientras que
refrigerante hierve.
Compruebe el nivel de refrigerante en el depósito cuando
el motor está frío. Un nivel normal del líquido será
encontrado en partes "FULL" y "LOW" en el tanque.
Si el nivel está por debajo de la marca se encuentra "baja"
Afloje la tapa del combustible y se llena de líquido
apropiado para llevar en el nivel adecuado
hito "FULL".
PRECAUCIÓN
• El anticongelante calidad
apropiado, extra innecesaria
inhibidores o aditivos que pretenden mejorar
sistema. Por el contrario, puede perjudicar el buen
operación.
Uno Febrero Tres
1.
TANQUE
Tapón de radiador 2. EAR 3. MANGUERA DE TANQUE
Fig. RADIADOR 11 cap - 6C
DRENAJE y refrigeración recarga sistema
MAXIM
MÍNIMO
1. Retire la tapa del radiador cuando el motor
es frío. La tapa gira hacia la izquierda lentamente
se confirma la despresurización (no escuchados
"Fâºâitul"), a continuación, empuje hacia abajo la tapa y gira
y dejó de ser eliminado.
PRECAUCIÓN
Para no hacerte daño No quite la tapa
radiador cuando el motor y el radiador estén
todavía caliente. Si la tapa se retira en estos
condiciones podrían vapor y líquido a tâºneascã
caliente.
Fig. 6C - 10 Comprobación del nivel de refrigerante
ENFRIARSE
La cantidad de refrigerante
Motor, radiador y calentador
Capacidad (L) tanque
Total
3.3
0.6
3.9
MOTOR (sistema de refrigeración) 6C-7
2. Con la tapa quitada, el motor en marcha ralentí hasta
cuando la manguera superior del radiador se calienta
debido al refrigerante que fluye a través del termostato
abierto.
3. detiene el motor y soltar la manguera inferior
para borrar el refrigerante del radiador.
4. Monte la manguera inferior del radiador y es
llenar el sistema con agua. El motor funciona vacía
hasta que la manguera de radiador superior se calienta.
5. Repita estos pasos 3 o 4 veces hasta que el líquido
refrigeración se vuelve incolora.
6. Limpia el interior del tanque con agua y jabón. Ella
clãteºte bien con agua y se vacía. Monte el
tanque y manguera.
7. Vierta la mezcla de 50% de agua - anticongelante en el radiador y
en el tanque (llene el radiador hasta el cuello
y llene el depósito hasta la marca "FULL").
Después de llenar la tapa de combustible se alinea con
flecha en el tanque.
8. Hacer funcionar el motor con la tapa retirada, hasta que
radiador caliente manguera superior.
9. Con el motor al ralentí, que se llena de líquido
enfriar el radiador hasta que el nivel llegue al cuello
Relleno. Montar el tapón del radiador,
estar alineados con los oídos de la manguera
tanque.
TERMOSTATO
Eliminación
1. Los envases vacíos del sistema
2. Retire la tapa de la batería de la carcasa,
que está montado entre el colector de admisión y
distribuidor.
Uno
Tres
1.
2.
3.
Febrero
DISTRIBUIDOR
Caja termostato
TERMOSTATO
VEHICULO
PRECAUCIÓN
Antes de desmontar el sistema de refrigeración
comprobar el refrigerante a ser frío y el cable
eliminado de la batería.
Fig. TERMOSTATO 12 QUITAR - 6C
Inspección
1. Asegúrese de que la válvula de ventilación está limpio (si
válvula está atascada, el motor tiene una tendencia
sobrecalentamiento).
VACÍO
1. Retire la tapa del radiador.
2. Desconecte la manguera inferior del radiador y es
despeja el refrigerante.
3. Después del drenaje, instalar la manguera y apriete
Collar Bueno.
4. Ver pág. 75 para el llenado.
Uno 1. Vent válvulas
Tormenta y tuberías SISTEMA
ENFRIARSE
Eliminación
1. El sistema se vacía.
2. Para extraer estos tubos y mangueras, Afloje
Todas las abrazaderas y tornillos se quitan.
Montaje
El revés de someterse a procedimientos de desmontaje. Va a
cuidar de los siguientes:
• Apriete los tornillos suficientes tiras.
• Ver pág. 75 para el llenado.
Fig. VALVULA 13 VENT - 6C
TERMOSTATO
2. Compruebe el asiento de la válvula para cuerpos extraños
que puede causar asentamientos indebidos.
3. Compruebe el termostato se abre así:
• Sumerja el termostato en el agua, y se calienta
agua gradualmente.
• Comprobar inicio de la apertura que se celebrará en
temperatura especificada.
• Cuando se inicia la apertura a una temperatura mucho
por encima o por debajo de la especificada, el termostato debe
reemplazado por uno nuevo, porque de lo contrario podría parecer
Tendencias sobrecalentamiento o enfriamiento excesivo.
6C-8 MOTOR (sistema de refrigeración)
Montaje
Febrero
El revés de someterse a procedimientos de desmontaje.
PRECAUCIÓN
• Para llenar el sistema ver pág. 6C-5
"Refrigerante".
• Comprobar las pérdidas de las articulaciones.
Uno
Tres
Bombas de agua
TERMOSTATO
TERMÓMETRO
Calentadores
1.
2.
3.
Eliminación
1. Desconecte el terminal "-" de la batería.
2. se vacía de líquido refrigerante.
3. Retire la polea del cigüeñal.
4. Retire el cinturón exterior
distribución.
Fig. 6C - 14 revisar el termostato
Montaje
1. Instale la caja del termostato a tener
válvula de purga frente al motor.
2. Instale una nueva junta en la vivienda.
3. Llenar el circuito.
DISIPADOR DE
CALOR
Eliminación
1. Desconecte el terminal "-" de la batería.
2. Retire la manguera inferior del radiador y es
despeja el refrigerante.
3. Desconecte el conetorul ventilador de refrigeración.
4. Retire las mangueras del radiador.
5. Extraiga el disipador de calor.
Inspección
Compruebe calentador por cualquier pérdida o daño, ya sea
ahi esta.
Limpia
Se limpia delante del radiador.
Fig. 6C - 16 EXTERIOR CORREA CUBIERTA
DISTRIBUCIÓN
5. Afloje el tensor y la distribución de la correa.
Febrero
Uno
1.
2.
Tensor
Tornillo tensor
Fig. 6C - 15 RADIADOR limpio
Fig. 6C - 17
MOTOR (sistema de refrigeración) 6C-9
6. Retire la bomba de agua Montaje
1. Instale una nueva junta en la bomba de bloque
motor.
2. Instale la bomba de agua para el bloque del motor.
Par de apriete
Tornillos y tuercas (kgf • m)
Febrero
Tres Uno 1,0 ÷ 1,3
3. Instale el tensor de la correa, correa
distribución y la distribución cinturón exterior.
PRECAUCIÓN
• Se prestará especial atención a la instalación
tensor de la correa y la correa. Consulte la página
33 de este manual.
• Apriete cada par tornillo y la tuerca
especificado.
4. Conecte el terminal "-" de la batería.
5. Llene el sistema.
6. Después de la instalación, comprobar cada lado
pérdidas.
1.
2.
3.
Bombas de agua
CORREA DE DISTRIBUCIÓN
Polea de la bomba de agua
Fig. Polea de la bomba de agua 18 - 6C
Inspección
PRECAUCIÓN
No desmonte la bomba de agua.
Si necesitas algo reparado la bomba se
reemplazar por uno nuevo.
Bomba de agua gira con la mano para verificar
Funciona de manera sencilla. Si usted no trabaja fácilmente y sin problemas o
hacer reemplazará el ruido anormal.
Fig. Bomba de agua 19 VERIFICACIÓN - 6C
6C-10 motor (sistema de refrigeración)
BLANCO
Motor (sistema de combustible) 6D-1
6D. SISTEMA DE ALIMENTACIÓN
DESCRIPCIÓN GENERAL ................................................................................................................. 6D-2
La fuente de alimentación .................................................................................................................... 6D-2
VEHICULO ..................................................................................................................... 6D-3
PRECAUCIÓN
Motor TICO requiere el uso de combustible modelo especificado (con o sin plomo). El uso de otro
combustible que se especifica puede resultar en pérdida de potencia y daños del motor. Combustible
especificado se menciona en la tapa del depósito.
6D-2 Motor (sistema de combustible)
DESCRIPCIÓN GENERAL
SISTEMA DE ALIMENTACIÓN
Los principales componentes del sistema de combustible son tanque, bomba, el filtro y el calibre plus
3 líneas (de flujo, líneas de vapor de retorno). Para los vapores del combustible, consulte 1H "SISTEMA DE CONTROL DE EMISIONES"
en este manual.
Uno
4
Tres
Febrero
5
1.
2.
3.
4.
5.
TANQUE
GASOLINA FILTRO
Pipe TUR
RETORNO Pipe
Bombas de gasolina
FIG. 6D - 1 SISTEMA DE ALIMENTACIÓN
Bombas de gasolina
Se utiliza una bomba de diafragma, operación intentada por un
situado excéntricamente en el dispensador.
FIG. 6D - dos bombas de gasolina
Motor (sistema de combustible) 6D-3
VEHICULO
En los tubos curvos pegar la manguera al principio
curva o movimiento hasta 20 ÷ 30 mm del borde.
20 a 30 mm
PRECAUCIÓN
El sistema de inspección de los alimentos debe ser
considerar las siguientes medidas
prestación:
• Desconecte el terminal "-" de la batería.
• No fume.
• Coloque los signos con "NO FUMAR"
"NO FUMAR".
• Tenga a mano un extintor de CO2.
• Trabaje siempre en un lugar bien ventilado y sin
fuentes de ignición.
• Utilice gafas protectoras.
• Afloje la tapa del combustible y poner
volver después de vapores de gasolina.
• El sistema de vacío será lenta
a no împroºca vapores de gasolina
debido a la presión en el sistema después
parar el motor.
• Conecte la manguera depende del tipo
ºtuþurilor. Se conectará la manguera propiamente
Como se muestra en la siguiente figura.
Apriete la abrazadera 3 ÷ 7 mm
Al final de la manguera.
En las tuberías înfive recta es la manguera de 25 ÷ 30 mm más
Maginéa la tubería.
25 ÷ 30MM
COLLAR
Apretar la abrazadera 3 ÷ 7 mm en el extremo de la manguera.
En tubos cortos, pegar la manguera hasta la articulación.
Filtro de aceite
MANGUERA
Eliminación
1. Desconecte el terminal "-" de la batería.
2. Retire la tapa de combustible y poner en su lugar después
vapor que sale del tanque.
3. Suspender el vehículo.
4. Coloque un recipiente debajo del filtro de combustible.
5. Retire el soporte del filtro.
ºTUÞ
COLLAR
3 ~ 7 mm
Apriete la abrazadera 3 ÷ 7 mm
Al final de la manguera.
Los tubos como se muestra a continuación, se pegan la
manguera hasta
el hombro en el tubo.
3 ~ 7 mm
Apriete la abrazadera 3 ÷ 7 mm
Al final de la manguera.
6D-4 Motor (sistema de combustible)
BLANCO
MOTOR (carburador) 6E-1
6E. Carburadores
DESCRIPCIÓN GENERAL ................................................................................................................ 6E - 2
Esquema carburador ...................................................................................................................................... 6E - 2
Principio carburatorului..................................................................................................................................... 6E - 4
Características del carburador .................................................................................................................................... 6E - 6
El funcionamiento de cada sistema de ............................................................................................................................. 6E - 8
El funcionamiento del sistema de choque automáticamente ............................................................................................................. 6E - 14
SOLUCIÓN DE PROBLEMAS .................................................................................................................................................. 6E - 18
VEHICULO .............................................................................................................................. 6E - 21
DESMONTAJE ....................................................................................................................................... 6E - 23
Combustibl
e
ESQUEMA
(sin plomo
SOLAMEN
TE)
6E-2 MOTO
(carburador
Choque AUTOMÁTICO
Piñón Choque de apertura de la cápsula
Termopar (cera)
Leva
Vacío
Comando
cápsula
segunda
etapa
Mezcla
Aire
Retorno por muelle
Ajuste choque Tornillos
Palanca Cam
Los bidones
Flotante
Poantou
Pezón
Boquilla de aire
Rociar
Boquilla de aire no.
Febrero
Fig. 6E - 1
ESQUEMA
CARBURA
DOR
DESCRI
PCIÓN
GENER
AL
Choque Tab
Pequeño altavoz
Abertura
Freno mezcla Boquilla
motor
Frenos de aire Boquilla 2
Frenos de aire 1 de la
boquilla
Boquilla de aire
frenado
Boquilla de aire C.R.C.
Frenos de aire Boquilla
motor
Boquilla Gasolina
Boquilla Gasolina
Boquilla
Boquilla Gasolina motorPrizã freno de vacío
bomba principal tr1Jiclor ºpriþ
Tr cápsula. 2 principal segunda etapa Adjika
Altavoz mareTub emulsorClapetã acelerador
Tornillos reglajPompã acceleraþieOrificii progresiuneTub emulsionante
Agujeros progresión Tab salida de vacío del acelerador
ESQUEMA
combustibl
e (gasolina
con plomo
SOLAMEN
TE)
Choque AUTOMÁTICO
Choque de apertura de la cápsula
Termopar (cera)
Leva
Retorno por muelle
Ajuste choque Tornillos
Palanca Cam
Abertura
Choque Tab
Pequeño altavoz
FIG. 6E -
CARBURA
DOR
Esquema
1b
Piñón
Vacío
Comando
cápsula
segunda
etapa
Mezcla
Aire
Flotante
Poantou
Pezón
Boquilla de aire
Rociar
Boquilla de aire no.
Febrero
Frenos de aire Boquilla 2
Frenos de aire 1 de la
boquilla
Freno mezcla Boquilla
motor
Boquilla de aire
frenado
Boquilla de aire C.R.C.
Frenos de aire Boquilla
motor
MOTOR
(carburador
6E-3
Boquilla Gasolina
Boquilla Gasolina
Boquilla
Boquilla Gasolina motorPrizã freno de vacío
tr1 principal
ºpriþ bomba de chorro
Tr cápsula. 2 principal segunda etapa Adjika
Altavoz grande
Acelerador Tab
Tubo Emulsionante TR2
Tornillos reglajPompã acelerador
Tr1 tubo Emulsionante
Agujeros progresión
Agujeros Tab progresión del acelerador
Salida de vacío
6E-4 MOTOR (carburador)
PRINCIPIO CARBURADOR
El venturi
El venturi se ilustra en la figura.
El flujo de aire a través del venturi, el flujo de
amplia sección "A" es más lenta que en la sección
estrecho "B". Como resultado, la presión de aire en "A"
es mayor que la de "B".
Así, el paso de aire desde "A" a "C", debido a la reducción
la presión de aire en la "B", donde el înþeapã tubería
absorþie presión delgada figura en el mismo. Al mismo
Mientras que en la superficie se ejerce "D" presión de la gasolina
diferencia de presión atmosférica causando la gasolina
para ser absorbida por el tubo de aire y rociar una vez
por el cilindro.
La B C
E
D
GASOLINA
Ajuste de la gasolina flotador
FIG. Tubo de absorción dos de gasolina - 6E
VENTURI
E 'E
Las bombas de gasolina
POANTOU
FLOTANTE
Cámara de flotación
(A) (B)
FIG. 6E - tres de gasolina ajuste niveles
La cantidad de gasolina absorbe a través de la corriente de aire venturi depende de la velocidad y la distancia entre el tubo y
gasolina superficie. En la figura anterior, mayor será la distancia "E" acorta el más gasolina se absorbe,
Por lo tanto, debe mantener el mismo nivel de gasolina. En la figura, la reducción de la gasolina en la habitación, fig. (A),
bajar el pasador del flotador poantou abierta que permite el flujo de la gasolina en la habitación. Medida que se recupera la
Cámara Gasolina levantando el flotador cierra pin poantou. Así, la gasolina se mantiene entre
alturas "E" y "E ''.
MOTOR (carburador) 6E-5
Mezcla de gasolina con emulsión de aire
Una mezcla aire-gasolina mejor se obtiene a través de un
buena mezcla de aire y gasolina. En la Fig. unirse
se muestra principio de emulsificación. Como una mezcla de mayo
bueno como un absorþie más fácil y se realiza por
Adición de un tubo tubo de suministro de aire
gasolina absorþie. Este proceso se llama
agentes emulsionantes.
AIRE
EMULSION
GASOLINA
FIG. 6E - 4 Principios de emulsificación
Ajuste de la gasolina y aire por pestaña
Amortiguadores de choque
ALTAVOZ MIC
Boquilla
PRINCIPAL
Solapa
Acelerar
APERTURA
Ocioso
(A) válvula de mariposa OPEN
MAXIM
(B) válvula de mariposa parcial
OPEN
(C) amortiguadores de choque CERRADAS
FIG. 6E - 5 ajustes cantidades de gasolina y AER
En general, cantidades de gasolina y de aire suministrado al motor son controlados por el choque del amortiguador y la aceleración.
Válvula de mariposa en la parte inferior del tubo de Venturi (difusor) control de la depresión (vacío) de
tubo al cambiar de posición, y por lo tanto la cantidad de gasolina absorbida por la boquilla principal.
Pestaña de choque en la parte superior del tubo Venturi (altavoz) controla la cantidad de aire.
Figura (a) debido al importante flujo de aire de alta altavoz depresión creada por la tobera principal pasa una cantidad
que la gasolina.
La figura (b) válvula de mariposa está cerrada, el flujo de aire tiene la mayor velocidad hasta que el cuerpo del carburador
haciendo que el agujero de pulverización inactivo gasolina.
La Figura (c) muestra el amortiguador de choque cerrada. Depresión tras orador se incrementa debido a limitar el flujo
de aire de entrada se pulveriza y por lo tanto una gran cantidad de gasolina a través de cada boquilla. La mezcla, en este caso,
muy rico.
6E-6 MOTOR (carburador)
Estaciones CARACTERÍSTICAS (MT)
Artículo
Tipo
Paso
Tapa del carburador Diámetro
Carburaþie Diámetro de la cámara
Mayor Diámetro del altavoz
Diámetro del altavoz pequeño
Diámetro de salida de ventilación
Conjunto de cámara
constante
Dentro diámetro del asiento de válvula de
aguja
Nivel de gasolina
De retorno de combustible Jet
De presión de combustible
Diámetro de la boquilla principal
Boquilla principal
Boquilla de aire compensador
Tubo Emulsionante
Boquilla de aire Progreso / inactivo
Boquilla Gasolina Progreso / inactivo
Los flujos de aire
Progresión Circuito Diámetro • Altura • orificiu1
Diámetro • Altura • orificiu2
Diámetro • Altura • orificiu3
Tornillos de ajuste ralentí
Aceleración Tab / apagado, control remoto
Agujero Inactivo
Bomba
aceleración
Membrana Diámetro
Rociador de la bomba Diámetro
Actuador ángulo
Diámetro retorno boquilla
Bomba de Flujo
C.R.C. Boquilla de diámetro
Apertura de inicio
Apertura total
mm
mm
mm
mm
mm
mm
mm
mm
mm
mm
mm
mm
mm
mm
mm
mm
mm
mm
mm
mm
mm
kg / cm2
mm
Un I-
Dentro
24
21
9-14
7
1.7
55.5
1.5
0,2 ± 0,05
2.5
98,8 M
A 0,8; 0.6
n
A 2.0 F 2.0
46,3 M
2.5
1.0 -a1,89
1.2 -b3,70
1.1 -c5,88
25/8
8 ° / 90 ° T 1.5
1.4
24
0.35
60 ° ± 10 °
0.4
0,35 ± 0,05CC / raza
1.4
65 ° C
80 ° C
15 ° / 90 ° t 1.5
1.8 -d4,91
1.4 -e8,21
2.3
A 180
1.1
M
B 1.0
Un 72,5
Tamaño
Doble de Apelación revocó en pasos
II
59 Exterior
30
26
9.12
63
MOTOR (carburador) 6E-7
Artículo
Apertura etapa II
Etapa II Comience abriendo la etapa II
Juego de obturación completamente
cerrada
Agujero vacío
1. Cierre por completo el choque amortiguador ángulo de apertura /
Lengüeta de apertura choque 2. Temperatura
Auto Choque 3. Temperatura apertura ampliado al ralentí
Choque pestaña 4. Distancia,
apertura activación del circuito (mm)
Choque pestaña 5. Distancia,
dispositivo de vacío de choque de apertura de activación en el
embarazo
6. obturador efecto ángulo de choque apertura forzada
Motor freno Cerrar circuito
Activación Depresión
El freno motor Freno motor de gasolina Boquilla
Freno motor de mezcla Boquilla
Freno de motor a reacción de aire
Agujero Diámetro 1
Salida de vacío Agujero Diámetro 2
Agujero Diámetro 3
I de membrana
Membrana II
mm 54
45 °
Tamaño
0,18 ± 0,025
1.4
32 ° ± 2 °
(23 ° C) 10 ° 42 '± 30'
1,8 ± 0,1
2,3 ± 0,1
-50 - 70 mmHg
3,1 ± 0,8
55 °
61mmHg o menos
540 ± 10 mmHg
La
La
1.0
1,4mm
1.6mm
1.6mm
45
60
1.7
25 ° ± 2 ° / 90 ° ± 2 °
6E-8 MOTOR (carburador)
FUNCIONAMIENTO Cada sistema
Flotador
El flotador actúa con el fin de mantener un nivel constante de la gasolina en la constante de habitación, la disminución
nivel, poantoul flotador en forma conjunta con la gasolina se abre el acceso a la sala. El nivel se mantiene a una
valor constante porque estos movimientos ascendentes y descendentes de solidaridad con poantoului flotador.
5
Febrero
Tres
Uno
4
1.
2.
3.
4.
5.
FLOTANTE
POANTOU
LOGIN GASOLINA
Nivel constante VIDEOCÁMARA
RETORNO DE GASOLINA
FIG. 6E - 6 OPERACIÓN FLOTANTE
Circuito de inactividad y la progresión
Solenoide está montado en el circuito para interrumpir la alimentación de una vez la mezcla de combustible del motor
desconexión del encendido. La gasolina es absorbida por el dispensador de boquilla de chorro principal 5 y se mezcla con
de aire medido a través jicloarele de aire 1 y 2. La mezcla es aspirada luego en el colector de admisión a través del agujero de
inactividad
Y el progreso a través de los agujeros en función de la apertura de la mariposa del acelerador.
4
Tres
Febrero
5
1.
2.
3.
4.
5.
6.
7.
8.
Tobera principal
Solenoide
NO chorro de aire. Uno
NO chorro de aire. Febrero
Boquilla de gasolina
AGUJEROS progreso
Inactivo APERTURA
Tornillo SET CO
6
8
Uno 7
FIG. 6E - FUNCIÓN 7 CIRCUITO inactivo y progresión
MOTOR (carburador) 6E-9
Etapa del circuito principal 1
Gasolina absorbe cámara de constante es precisamente el principal dispensador de chorro de este paso. Más tarde lo hará
tubo emulsionante se mezcla con el aire llegó a través del aire jicloarele no. 1 y 2. La mezcla se aspiró a continuación, consigue
principalmente en boquilla pequeña difusor.
Febrero Uno
Tres
4
5
1.
2.
3.
4.
5.
NO chorro de aire. Uno
NO chorro de aire. Febrero
Tobera principal
Tobera principal
TINA emulsión
FIG. 6E - 8 CIRCUITO PRINCIPAL FUNCIÓN etapa 1
Progresión Circuito de la segunda etapa
Este circuito funciona hasta la entrada en funcionamiento del circuito principal de la segunda etapa. La apertura de la mariposa
aceleración de engranajes 1-45 °, y en una depresión en la "A" en la figura anterior el valor especificado en el diafragma
arco tirar arrastró 5 comienza apertura válvula de mariposa sistema 2ª marcha debido a la liberación
La
Uno
Febrero
5
Tres
4
1.
2.
3.
4.
5.
Depresión cerrado
Abertura
Una etapa compuerta reguladora 1
Una válvula de estrangulación gradual 2-A
Salvado de ARC
FIG. 6E - 9
6E-10 MOTOR (carburador)
bloquear.
La apertura de la mariposa del acelerador de la etapa 1 a 45 ° y cuando el segundo engranaje comienza apertura, gasolina
cámara de constante se mezcla con aire medido boquilla de aire 2. La mezcla de combustible resultante
aspirado en el colector de admisión a través de los agujeros en progreso.
Febrero
Tres
Uno
1.
2.
3.
4.
4
Tobera principal
Jet Air
Boquilla de gasolina
AGUJEROS progreso
FIG. 6E - 10 CIRCUITO DE FUNCIONAMIENTO Una etapa progresiva 2
Circuito principal segunda etapa
Cada vez que el acelerador del acelerador está completamente abierto a la etapa 1, el circuito de la etapa 2 teniendo un funcþionând,
apertura
con una fuerza que actúa subida al alza dada la mayor depresión. El acelerador solapa 2ª marcha es
de par en par en función del ángulo de la primera. Ahora, el nivel de la cámara de gas
chorro principal dispensador constante se mezcla con boquilla de aire y combustible y aire dosificada mezcla de pasado
tubo de emulsionante, donde es aspirado a través de la boquilla principalmente pequeño altavoz.
Tres
4
Febrero
5 Uno
1.
2.
3.
4.
5.
Tobera principal
TINA emulsión
Jet Air
Tobera principal
ALTAVOZ MIC
FIG. 6E - 11 FUNCIONAMIENTO DEL CIRCUITO PRINCIPAL 2-A gradual
MOTOR (carburador) 6E-11
Circuito de la bomba del acelerador
Aceleración acelerador abierto desde presionando repente el pedal del acelerador. Durante este tiempo, empezar a trabajar
bomba de aceleración para entregar suficiente combustible. Cuando se presiona el pedal del acelerador, empuje la membrana de la
bomba
boquilla de la bomba de gasolina al altavoz mediante la superación de la resistencia y de la bola de peso contrario de lo que constituye
la válvula
descarga de la bomba. Al regresar a la posición normal del pedal del acelerador, cámara de gas nivel consistió
bomba de aceleración para un nuevo aerosol.
Uno
Febrero 5
Tres
4 6
1.
2.
3.
4.
5.
6.
PESO
VALVULA DE BOLA DE ENTREGA
Membranoso
VALVULA DE BOLA DE ENTRADA
Bombas Boquillas
RETORNO
FIG. Acelerador 12 BOMBA - 6E
6E-12 MOTOR (carburador)
Nivel constante de habitaciones circuito de ventilación (sólo sin plomo)
Al arrancar el motor, la membrana se estira debido a la depresión en el colector de admisión. Este estado se mantiene
la fuerza magnética del solenoide, y por lo tanto la válvula (que se encuentra en el mismo eje) paso de salida abierta de la ventilación y
ambiente constante y cerrar el paso a la lata. Para detener el motor (ya no existe la depresión en la galería
Primavera de admisión) de retorno es de membrana cerrado hace que el paso de ventilación de entrada y el nivel de habitación
constante, y por lo tanto la constante de cámara de vapor de generación de llegar a la lata.
7
Uno
Febrero
4 5
Tres
1.
2.
3.
4.
SOLENOIDE
Válvula
Salida de ventilación
ARC
5.
6.
7.
Membranoso
Salida de vacío
Bote
6
FIG. 6E - 13 Sala de sistema de ventilación está funcionando NIVEL CONSTANTE
MOTOR (carburador) 6E-13
Circuito de frenado del motor
Si CV válvula de desaceleración (frenado del motor) funciona cuando la membrana se estira debido
gran depresión creada en el colector de admisión. Mientras tanto, la cámara de constante de gasolina se dosifica por
freno motor a reacción y mezclado con el aire medido de frenado del motor de chorro de aire. La mezcla se dosifica
la boquilla de mezcla para el frenado del motor y luego aspirado en el colector de admisión.
5
Uno
Febrero
4
Tres
1.
2.
3.
4.
5.
6.
Freno motor de válvulas
Membranoso
Freno de motor a reacción GASOLINA
Freno de motor a reacción AIRE
MEZCLA freno motor a reacción
Salida de vacío
6
FIG. Freno motor FUNCIONAMIENTO DEL CIRCUITO 14 - 6E
Circuito Compensador caliente al ralentí
Cuando la gasolina entra en el carburador a una temperatura alta se evapora, dando como resultado un enriquecimiento de la mezcla
de combustible y por lo tanto un funcionamiento inestable del motor. Para el propósito de mantener la relación de mezcla adecuada, la
válvula
alta temperatura bimetálico se abre para permitir que el aire cantitãþii complementar colector de admisión.
Uno
1. HIC (despejada inactivo HOT)
FIG. 6E - 15 FUNCIONAMIENTO compensatoria inactivo CALIENTE
6E-14 MOTOR (carburador)
Solenoide
MEZCLA progreso Pasaj
Solenoide
FIG. 6E - 16 de solenoide
El encendido de corte debido a la inercia, el motor sigue girando, la absorción de la mezcla de combustible. Aunque
En esta situación ya no aparecen chispas continúan ardiendo mezcla de combustible debido a la alta temperatura de
cámara de combustión, resultando en un movimiento irregular del motor. Para evitar esta situación, el solenoide
cerca progresión circuito para interrumpir el poder después de cortar la mezcla de combustible de ignición. A
cuando el motor está alimentado y solenoide de circuito abierto.
Choque FUNCIONAMIENTO AUTOMÁTICO
Comenzando a baja temperatura
Termopar (cera) y la palanca de leva retráctil baja temperatura gira hacia la baja temperatura
debido a la fuerza de resorte, presionando la leva del acelerador acelerador para conseguir la abertura del acelerador más apropiado.
A medida que la rueda dentada (que es eje común amortiguador de choque) se está moviendo en los dientes, cierra los amortiguadores
de choque
fuerza debida a la rotación del piñón por un resorte.
Febrero
Uno
8
11
10
9
12
7
1.
2.
3.
4.
5.
6.
7.
8.
9.
10.
11.
12.
ARC
PIÑÓN
PALANCA camisas
ARC Devoluciones PALANCA camisas
Válvula de mariposa PALANCA
Refrigerante
Termopar (cera)
APERTURA choque ASAMBLEA
Depresión del múltiple de producto (2)
Amortiguadores de choque
PALANCA DE APERTURA
Colector de admisión Depresión (1)
4
Tres
5
6
FIG. 6E - 17 golpes FUNCIONAMIENTO AUTOMÁTICO
MOTOR (carburador) 6E-15
Después de arrancar el motor
Después de arrancar el motor, la depresión del colector de admisión aumentó desde forzada amortiguador de choque abierto en la
posición 1
para evitar el aumento de la concentración en la mezcla de combustible. A medida que el motor se calienta, tan fluido y
refrigeración, termopar se dilatan y la palanca de leva gira hacia la alta temperatura que provoca el movimiento
en los dientes de la corona a la apertura del amortiguador de choque. Al mismo tiempo, cerrar la leva palanca de flaps
metino acelerador al motor en condiciones adecuadas hasta que la temperatura especificada se alcanza por el líquido
enfriamiento, cuando la depresión en el colector de admisión aleta obliga al choque para abrir en la posición 2 a
mantener una relación de mezcla apropiada de la concentración de CO en la prevención de crecimiento y HC en los gases de escape.
En el caso de que el motor del vehículo en marcha se caliente antes de la apertura de la palanca trabajará para la apertura
amortiguador de choque para evitar la concentración crºterea en la mezcla de combustible.
Operación apertura membrana posición de estrangulamiento 2
FILTRO DE AIRE
# 2
No. 1
B.V.S.V
Boquilla
Colector
FIG. 6E - 18 Apertura membrana choque en la posición 2
Apertura amortiguador de choque en la posición 1 se inmediatamente después de comenzar debido a la creación de la depresión en
colector de admisión para evitar el enriquecimiento de la mezcla de combustible.
Amortiguador de choque se abre en la posición 2 cuando el motor se caliente en parte para reducir el CO y HC a través de una mezcla
de
disparando correctamente.
Válvula bimetálico (BVSV) controla la apertura de la modificación temperatura adecuada segunda posición de shock damper
colector de admisión de refrigerante. Bajo temperatura especificada estrecha salida BVSV colector de vacío
Admisión y durante la toma de la temperatura especificada amortiguador de choque para abrir la segunda posición.
La temperatura del refrigerante
por debajo de 18 °
C
más de 18 ° C
* Operación BVSV
abierto
Choque abrió en la posición 1
EN
EN
Choque abrió en la posición 2
OFF
EN
Choque Tab
1,8mm Apertura
2,3mm Apertura
cerrado 8 ° C 18 ± 4 ° C
FIG. 6E - 19 BVSV
6E-16 MOTOR (carburador)
Esquema de conexión de la manguera (sólo sin plomo)
A
principios.
Uno
Febrero
Tres
4
5
6
7
8
9
10
11
12
13
14
15
16
Manguera de vacío L220
Manguera de vacío L260
P.C.V conductiva
Manguera de vacío L80
B.V.S.V
Manguera de vacío L95
Vacío conductiva
Conductor lug P.C.V
Manguera de vacío L65
Manguera de vacío L120
B.V.S.V
Tornillos de apoyo solenoide
Soporte solenoide
3-way válvula de solenoide
Control de la válvula
Abrazadera
17
18
19
20
21
22
23
24
25
26
27
28
29
30
31
Abrazadera
Bote Manguera
Manguera de vacío L150
Mangueras B.V.V.
Bote
Manguera de vacío L350
Manguera de vacío L370
Manguera de vacío L180
Abrazadera
E.G.R. válvula Tornillos
Bote conductiva
Válvula E.G.R.
Válvula sello E.G.R.
Manguera de vacío L50
Tubería Tornillos
En E.G.R.
Bote El distrib.
FIG. 6E - 20
MOTOR (carburador) 6E-17
Mangueras Diagrama de conexión
1 manguera de vacío, OI, L220
Dos manguera de vacío, CO, L260
Tubo de vacío 3
4 válvulas, B.V.S
5 manguera de vacío, III, L95
6 conductores vacío
7 tornillos, tubos de pvc
La manguera de aspiración 8, II. L80
9 Tornillos, válvula de solenoide de
apoyo
10 Apoyo, la válvula solenoide
11 3 vías de solenoide
12 de control de válvulas
13 Tab 2
Manguera de vacío 14
Una manguera de vacío 16, L180
17 abrazaderas, cable y manguera de
aceleración
18 Tornillos, válvula EGR
CONDUCTORES 19 latas
20 juntas, la válvula de EGR
Manguera de vacío I 21, L65
22 Tornillos, tubería
23 junta
24 placas, válvula EGR
25 cap, colector de admisión
FIG. 6E - 20
6E-18 MOTOR (carburador)
SOLUCIÓN DE
PROBLEMAS
Manifestación
• Iniciar el mal tiempo
frío
•
•
Ralentí y la velocidad •
• inestable que
•
•
•
•
•
•
• Problemas Velocidad
medianas y grandes
•
•
•
Aceleración pobres •
•
•
Causa probable
Amortiguador de choque no se cierra
completamente
Amortiguador de choque se sienta bien
Mal funcionamiento de la membrana
Tornillos CO no regulados
Tornillos ficha de control de aceleración no regulada
Boquilla principal sucio o decalibrat
Pérdidas carburador (junta dañada, pernos
debilitado)
Volver mala aceleración del acelerador (înþepenire,
poca adherencia)
Neetanºeitate en contacto con la superficie del cuerpo
(Junta defectuosa, tornillo de fijación se debilitó,
deformación de la superficie de contacto)
Mal funcionamiento del obturador automático (abierto
débil palanca de deflexión o varilla)
Servofreno accidentado o mangueras sueltas
Surtidor principal obstruido o decalibrat
•
•
•
•
•
•
•
•
•
•
•
•
Remedio
Limpia la solapa y es
su grasa de eje
Compruebe y reparación
Seînlocuieºtesau
Ajustar
Ajustar
Ajustar
Limpia o reemplaza
Reemplazar, apriete
Reparación, reemplaza
Reemplazar, reparación
Ajustar
La reparación, reemplazo
Aire de soplado es
reunir, reemplaza
Reemplazar
Limpia, que sustituye
Limpia, que sustituye
Limpia, que sustituye
Reemplazar
Limpia, que sustituye
Sello de la boquilla principal dañado •
• obstruido de aire principal jet
Gasolinas poco constante cámara (filtro obstruido •
poantou dañado)
Tobera obstruida o decalibrat principal •
Sello de la boquilla principal dañado •
Bajo la bomba del acelerador de descarga (boquilla de la bomba •
obstruido, la válvula de descarga funcþionând defectuoso)
Las pérdidas en el poantoului asiento (poantou materiales gastó •
flotante deforme, flotador roto extranjera)
• cámara de desagüe
constante
Reemplazar
MOTOR (carburador) 6E-19
El motor no arranca
Compruebe el nivel de
ambiente constante
SÍ
Compruebe que hay gasolina en
ambiente constante (cheque
descarga de la boquilla de la bomba
acelerador)
a)
b)
c)
d)
e)
NO
La altura del flotador perturbado
Mal funcionamiento del flotador
Poantoului Mal funcionamiento
Poantou utilizado
Varilla Mal funcionamiento
empuje
f) materia extraña entre poantou y silla
g) pobre asiento agarre
NO
Retire la tapa de la cámara
existencia constante y verificación
gasolina
OKAY
a) mal funcionamiento
solenoide
b) Boquilla obstruida
c) agua en la constante de habitación
d) Emulsorul bloqueado
e) ángulo inadecuado para
posición 1 inactivo (frío)
f) tornillo de ajuste defectuoso
aceleración del acelerador
g) el tornillo de ajuste defectuoso
ajuste
h) Boquilla principal obstruido
i) pernos de montaje del carburador
débil cerca
j) tornillo de ajuste defectuoso
amortiguador de choque (frío)
SÍ
a) Pompãdeacceleraþie
Impropio
b) boquilla de la bomba del acelerador
sofocado
a)
b)
c)
d)
e)
NO
Tanque vacío
Flotante no regulada
Filtro de gasolina obstruido
Poantou bloqueado
Necores- Bomba de gasolina
ade-
6E-20 MOTOR (carburador)
Idle irregular
Medir las emisiones de CO
SÍ
Tornillo de ajuste defectuoso
aceleración del acelerador
NO
CO más
a) Boquilla obstruida aire
b) mal funcionamiento
par termoeléctrico
c) establecer incorrectamente
el tornillo de ajuste
CO menos
a) materiales extraños presentes en la sala de
constante
b) de boquilla de gasolina boquilla obstruida principal
c) montaje del carburador pernos nestrânse
d) ajustar orejeta no regulada
e) Compensador caliente al ralentí
f) el mal funcionamiento del solenoide
g) Las mangueras dañadas o para aumento de frenado
netanºe
Comenzó Motor
Compruebe el estado de funcionamiento del solenoide
SÍ
a) ajuste de CO defectuoso
b) mal funcionamiento
par termoeléctrico
c) Vuelva a la posición de los pobres
aceleración del acelerador
NO
Solenoide defectuoso
MOTOR (carburador) 6E-21
VEHICULO
SET inactivo
1. Desconecte el compensador ocioso
caliente (H.I.C.) y cubrir con un tapón.
1.
2.
3.
Febrero
MANGUERA HIC
CUBIERTA
Válvula de EGR
(NUMAIFÃRÃ
LEAD)
8 ± 1/950
(En general)
Avance de encendido (° / rpm)
4 ± 1/950
(En el Brasil, Chile)
Uno
Tres
FIG. 6E - 21 HIC
2. calienta se inicia el ventilador del motor
refrigeración. (es necesario realizar ajustes después de parar
ventilador.)
FIG. 6E - 23 AJUSTE antelación para
FLASH
5. Espere ventilador apagado, ajustar la velocidad del motor
ralentí en los valores especificados girando
Tornillo de ajuste de aceleración del acelerador.
Revs en rpm de ralentí 950 ± 50
FIG. 6E - 22 de calefacción
3. Compruebe carburador y buenas conexiones
funcionamiento de la válvula.
4. Compruebe la distribución de los límites especificados (puede
diferir de un país a otro, para adaptarse a la figura
la gasolina de octanaje).
FIG. 6E - 24 velocidades creación corriendo
GOL
6E-22 MOTOR (carburador)
6. CO y HC probador instalados para medir
concentración de CO y HC. Si los resultados son
más allá de los límites especificados, ajustar las concentraciones
CO y HC girando el tornillo de ajuste poco a
menos con una herramienta especial (se mide y es
estableciendo al ralentí).
7. reconecta como HIC. El pedal
aceleración de hasta 2500 rpm para verificar
El ventilador de refrigeración del motor cuando camina
meta, y que mide la concentración de CO y HC.
En general La concentración de CO (%) 1,5 ± 1
COºiHC
HC (ppm) 300 ~ 800
impuesto
CO (%) 0,5 o <
"
HC (ppm) 100 o <
"
"
CO (%)
CO (%)
0,5 o <
0,5 o <
HC (ppm) 125 o <
HC (ppm) 100 o <
Uno
BRASIL
GUATEMALA
POLONIA
1. Herramientas especiales (SET CO 09913-18010)
FIG. 6E - 25 tornillo SET CO
FIG. 6E - 26 concentraciones MEDICIÓN
CO y HC
MOTOR (carburador) 6E-23
DESMONTAJE
COMPONENTES (SÓLO sin plomo)
Uno
Febrero
Tres
4
5
11
6
7
10
8
9
12
13
1.
2.
3.
4.
5.
6.
7.
Conjunto de la tapa
Membrana GENERAL
NIPPLE
Set
ASAMBLEA DEL FILTRO
FLOTANTE
POANTOU GENERAL
8.
9.
10.
11.
12.
13.
Membrana GENERAL
Solenoide
Set
Membranoso
Tornillo SET CO
MANGUERA
FIG. 6E - 27 PIEZAS DEL CARBURADOR
6E-24 MOTOR (carburador)
DESMONTAJE
COMPONENTES (única pista)
Uno
Febrero
Tres
4
5
8
6
7
10
11
12
13
1.
2.
3.
4.
5.
6.
Conjunto de la tapa
Membrana GENERAL
NIPPLE
Set
ASAMBLEA DEL FILTRO
FLOTANTE
7.
8.
10.
11.
12.
13.
POANTOU GENERAL
Placer
Set
Membranoso
Tornillo SET CO
MANGUERA
FIG. 6E - 27 PIEZAS DEL CARBURADOR
MOTOR (carburador) 6E-25
Precauciones desmontaje
•
•
•
Para retirar la junta de la brida del carburador en la superficie tendrá cuidado de no dañar la superficie de la brida.
El flotador será manejado con cuidado para no ser deformada o rota.
Tenga cuidado de no perder peso y bolas de acero bomba de aceleración.
Destacados No desarme
Las siguientes piezas requieren un ajuste de precisión. No van a desmontar.
Febrero
5
Uno
Tres
6
4
1.
2.
3.
4.
5.
6.
Tornillos de mariposa del acelerador (SET 1 y segundo)
Pernos de choque SET solapa
Aceleración del acelerador
Choque SISTEMA AUTOMÁTICO
DIAFRAGMAS
Sistema de bomba del acelerador
FIG. 6E - 28 MARCAS carburador NO desarme
6E-26 MOTOR (carburador)
INSPECCIÓN
Nivel del flotador
Coloque el flotador en la parte superior del cuerpo e incline
gradualmente
la posición vertical hasta que el flotador alcanza poantoul.
Compruebe en comparación con el valor especificado.
Ajuste de la distancia del flotador (mm) 17.2
Febrero
Uno
PRECAUCIÓN
Medir sin el flotador para llegar poantoul.
1.
2.
Abridor de Choque
PALANCA
FIG. 6E - 30 COMPROBAR membrana
3. Aplicar un vacío de 400 mm Hg o mayor
la membrana mediante la apertura del estrangulador
conectado a una bomba de vacío.
4. En este estado, consulte el intersticio solapa
Shock (Fig. A).
Amortiguador de choque intersticio (mm)
Uno
17.2
Distancia de Plan B
ABAJO PARA PLANIFICAR flotador
Pos. 1
pos. 2
1.8
2.3
PLA
NB
1. FLOTANTE
FIG. 6E - 29 Nivel FLOTANTE medición
Choque frontal
1. Mantenga la palanca, tapón de la manguera de mano
vacío y comprobar la posición de la palanca de retorno
origen (1 ÷ 2 mm de retorno se debe a la fuerza
Retorno de la membrana).
2. Compruebe que la palanca de volver rápidamente a tomar la mano
La manguera de aspiración.
La
FIG. 6E - 31 COMPROBAR membrana OPEN
Shock (pos. 1)
MOTOR (carburador) 6E-27
2. En este estado, se mide solapa intersticio
Shock "B".
Bomba del acelerador
Febrero
Uno
FIG. 6E - 32 COMPROBAR membrana OPEN
Shock (pos. 2)
5. Compruebe que la membrana se mantuvo gasolina.
1.
2.
Bombas Boquillas
CARBURADOR
Asamblea inaugural
1. Abra acelerar al máximo con
amortiguador de choque totalmente cerrada.
FIG. 6E - 34 CONSULTAR bomba
Acelerar
1. Retire la carcasa del filtro de aire.
2. Compruebe que la boquilla de la bomba se rocía
combustible presionando el pedal del acelerador.
Si se rocía no hay combustible, comprobar bro
Brana si los agujeros, grietas, si la bola está bloqueado
o canalizaþia obstruido. Si hay problemas,
limpia, reparar o reemplazar.
Amortiguador de choque intersticio (mm) 2,3 ÷ 3,9
FIG. 6E - 33 INSPECCION GENERAL
APERTURA
6E-28 MOTOR (carburador)
Membrana 2
1. Retire la carcasa del filtro de aire y subidas
colector de admisión del carburador.
2. Retire el segundo carburador de membrana.
3. Pulse inclinarás a la membrana, fuertemente
usando un dedo como se muestra. Entonces todo el Stopper
un vacío agujero para el dedo se libera y la primavera.
4. Compruebe que el resorte permanece en su posición después de
presionar
lo que llevó a liberarlo.
5. Después de verificar que el arco se ha mantenido en la posición
El aire de barrido
En general, soplado de aire medios de soplado de aire
arma comprimido. En estas condiciones, se recomienda
para soplar aire en que es admisible. (ver
Fig. a continuación)
Si soplas las salidas de aire, polvo o suciedad
canalizaþii es empujado en zonas de difícil acceso,
convirtiéndose imposible quitar después.
Febrero
Uno
POLVO
INGESTA
1.
2.
ARC
Si se presiona AIRE COMPRIMIDO
FIG. 6E - 35 COMPROBAR membrana 2-A
Mantenga, levante el dedo del orificio de vacío y es
tiene como objetivo si la primavera regresa a su posición original sin
problemas.
6. Si se producen problemas en las secciones 4 y 5, que sustituye
2 de la membrana.
FIG. 6E - 36 dirección soplador
Precauciones de reunión
•
•
•
•
Sustituirá a todas las juntas por otras nuevas.
Asegúrese de que ha instalado y que los sellos de membrana
mover el dañado o no está montado en su posición.
No permita que la existencia de polvo en el carburador.
Después del montaje, comprobar el buen funcionamiento
piezas ensambladas en estado montado.
Limpiar
1. Aplique aire limpia jicloarele (progresión,
la gasolina principal y aire).
2. Aplique aire limpia el cuerpo canalizaþiile
carburador.
3. Retire la cámara del flotador y poantoul
agujero de golpe de aire constante y limpio
de entrada de la gasolina poantoului.
MOTOR (sistema de encendido) 6F-1
6F. Sistemas de encendido
DESCRIPCIÓN GENERAL .............................................................................................................. 6F - 2
Sistema de encendido .......................................................................................................... 6F - 2
Bobina de encendido ............................................................................................................. 6F - 2
Chispa ......................................................................................................................................... 6F - 3
Distribuidor ............................................................................................................................. 6F - 3
SOLUCIÓN DE PROBLEMAS ...................................................................................................................................... 6F - 7
VEHICULO .................................................................................................................. 6F - 7
Los horarios de alto voltaje ........................................................................................................ 6F - 7
Bobinas de encendido ............................................................................................................. 6F - 8
Distribuidor ............................................................................................................................. 6F - 8
Distribución ............................................................................................................................... 6F - 9
6F-2 MOTOR (sistema de encendido)
DESCRIPCIÓN GENERAL
Sistema de encendido logra quemar combustible en las cámaras de combustión mediante la generación de chispas
poder en un orden adecuado. El sistema consta de: batería, bobina de encendido, distribuidor, hojas de datos de alta tensión
Y las bujías.
Sistemas de encendido
6
7
4
Tres
Febrero
Uno
9
8
10 11
13
5
12
1.
2.
3.
4.
5.
6.
7.
BATERÍA
SEGURIDAD PRINCIPAL
ENCENDIDO DE CONTACTO
SEGURIDAD
Bobina de encendido
DISTRIBUIDOR
ROTOR DISTRIBUIDOR
8.
9.
10.
11.
12.
13.
Bobina rota
MÉTODO Elctronic
Rotor roto
VACÍO ADVANCE REGULADOR
Reglas avanzadas CENTRIFUGOS
SPARK
FIG. 6F - 1 ESQUEMA DEL SISTEMA DE ENCENDIDO
Bobinas de encendido
ALTO VOLTAJE TERMINAL empalme
Bobina de encendido es un tipo de transformador
de alta tensión (15.000 ÷ 25000V) que puede generar
bujías y tener el núcleo magnético de hierro, cir-
circuito cerrado.
Núcleo magnético de la bobina de encendido está cerrado
utilizado para el sistema de encendido de alta energía
(H.E.I.).
Cara del circuito magnético cerca abierto cerrado
sin pérdida de flujo magnético es más pequeña en tamaño,
Y producir el lado de alta energía.
TERMINAL BAJA TENSIÓN
Bobina primaria
Bobina secundaria
(A)
COLUMNA CENTRAL
Postes
Estructura de circuito cerrado magenetic
(B) Magenetic cuna cerrada
FIG. 6F - 2 BOBINA DE ENCENDIDO BÁSICO
Magnético cerrado
MOTOR (sistema de encendido) 6F-3
SPARK
Ellos son parte del circuito secundario de la ignición, haciendo
por el alto voltaje chispas encendiendo
mezcla de combustible.
Sin plomo
Fabricante
Tipo
La distancia entre los electrodos
(Mm)
LEAD
Fabricante
Tipo
La distancia entre los electrodos
(Mm)
CHAMPION / ORO
RNIIYC / BPR5E
0,7 ÷ 0,8
FIG. 6F - 3 SPARK
CHAMPION / ORO
RNIIYC-4 / BPR5EY-11
1,0 ÷ 1,1
RN
IIYC
-4
CHAMPION
ES
LD
GO
DISTRIBUIDOR
El distribuidor distribuye bobina de alta tensión inducida
cada cilindro de encendido por chispa con el fin
ignición. También ajusta avance de encendido
dependiendo de la carga del motor. Todo concesionario es el
que realiza el fallo de energía primaria
un alto voltaje aparece en la secundaria. Componentes
son: regulador de Avance regulador de vacío
avance centrífugo, rotor, interruptor de la bobina, módulo electrónico
rotor interruptor magnético, etc.
Dirección del movimiento del peso
Leva APOYO Pin
Placer
ORIENTACIÓN
PESO
ARC Devoluciones
Perno
ÁNGULO DE AVANCE
Sentido de giro
Eje
(A) ANTES DE AVANZAR (B) Después de ADVANCE
1. El RSS
a. Avance centrífugo
FIG. 6F - 4 FUNCIÓN CENTRIFUGAS ADVANCE
CARBURADOR
Reglas avanzadas
Vacío
ARC Devoluciones
CONEXION
b. Avance de vacío VACÍO
Conductor
Aceleración del acelerador
MEMBRANA DE VACÍO
ÁNGULO DE AVANCE
Placa intermedia
(A) de carga alta (B) bajo carga
FIG. 6F - 5 FUNCIONAMIENTO vacío AVANZADA
6F-4 MOTOR (sistema de encendido)
2. El circuito de alta tensión (secundaria)
Ignición Para interrumpir la corriente en el circuito primario se adoptó solución transistorizado (electrónico).
El distribuidor contiene un generador de señal que distribuye transistores señal de control. Carente
partes mecánicas en movimiento, no hay fallos se producen debido a los contactos.
(1) rotor roto (o generador)
Al girar el rotor en el interruptor distribuidor es
tensión alterna en la bobina induce disyuntor
variaciones debidas al flujo magnético. Éste
activa el circuito de control de voltaje
transistores cuales realiza el parpadeo de
corriente en el circuito primario.
El generador de señal de encendido
consiste en el eje del rotor que gira una vez
estando montado sobre el mismo distribuidor, bobina y
imán montado en la placa fija.
Cuando el rotor no gira, hay una variación de
flujo magnético que generan voltaje
bobina del interruptor alternativa. Cuando gira
aparece tensión alterna (señal de encendido).
En la secuencia A B C de la figura. 6F - 7 entrehierro
varía debido a la rotación del rotor causando
variación del flujo magnético en la bobina. Desde
que recoge voltaje terminal alternativo
correspondientes variaciones de flujo magnético.
Así tensión se genera en ese
variar el flujo magnético. Por lo tanto, este cambio
la polaridad del diente del rotor se aproxima
bobina (aumentos de flujo magnético a su vencimiento
disminución del espacio de aire, ver fig. 6F - 7), y
se aparte del mismo (cuando el flujo de
disminuye debido al aumento de espacio de aire sede
magnética
Fig. 6F - 7 C).
Tal parece tensión alternativa.
Aumento de la frecuencia de la variación del flujo mag-
cinética implica el aumento de la tensión generada.
Cuando los dientes del rotor vienen en
posición simétrica hacia el centro de la bobina (Fig. 6F
- 7 B), tales como flujo magnético y voltaje
producto llega al "A" y antes o después de
que (A, C) se convierte en el máximo, el incremento máximo
Con el motor turþiei creciente.
IMÁN
Bobina rota
ROTOR
Cuando el diente
Alcanza el imán
FIG. 6F - 6 ROTOR roto y carretes
(ENCENDIDO DE SEÑAL)
(Salida de nivel alto)
Bobina
APOYO
(Salida de nivel alto)
La
Rotor roto
B
IMÁN
C
FIG. 6F - 7 SISTEMA DE GENERACIÓN DE SEÑALES
FLASH
MOTOR (sistema de encendido) 6F-5
(2) Sistema de encendido Operación
(Circuito principal)
1 de encendido "ON"
Cuando el motor de encendido (ON)
el voltaje en el punto P a aplicar sobre
R1 y R2 divisor de tensión es un poco más
voltaje de apertura
el transistor Tr. Por esta razón, es Tr
abierta que permite el flujo de corriente en
circuito primario. (Para el propio circuito,
punto de tensión de P se establece en menos
que opera como no dejar
el flujo de corriente primaria a través de él.)
2 voltaje de la bobina se genera en el sentido de
"+".
Cuando el motor está funcionando y el rotor gira
distribuidor, que aparece voltaje AC
bobina. En la tensión de generación de "+"
se aplica y luego el punto P y
la base del transistor Tr, tales actual
mover el circuito primario de la bobina
ignición.
3 voltaje de la bobina se genera en el sentido de
"-".
Tr está bloqueada debido a una tensión inferior a
la operación del punto P. De este
preocupados, la corriente en el circuito primario de la
bobina
Flash está bloqueada, por lo que el secundario
voltaje inducido es ampliada. Como el
tensión generada por la bobina del rotor
en el sentido 2 Tr permanecen en el estado bloqueado.
Estos pasos 2 y 3 se repiten en la operación
del motor, permitiendo y bloqueando sucesivamente Tr
flujo de corriente. Siempre que Tr es
estado bloqueado, la bobina secundaria
se genera alta tensión de encendido. En
circuito principal tipo completamente transistorizado,
T. R. se bloquea hasta que la tensión "-"
generada por el interruptor de bobina no
superposiciones que especificó.
Sistema de encendido Totalmente transistorizado
método de control de ángulo adoptado
Cerca de disminuir el voltaje
en altas velocidades de secundaria.
MÉTODO
Resistencia EXTRANJERA
EN
CONTACTOS
FLASH
R1
P
Alta R2
R3 TR
R5
FIG. 6F - 8 DE CONTACTO DE ENCENDIDO "ON" (PUS)
MÉTODO
Resistencia
EXTERIOR
EN
Bobina de encendido
R5
(+)
R1
P
R3 TR
(-)
R2
FIG. 6F - Septiembre voltaje de la bobina rota "+"
MÉTODO
Resistencia EXTRANJERA
CONTACTOS
FLASH
-
+
R1
P
R2
R3
OFF
R5
Bobina
FLASH
FIG. 6F - 10 Tensión bobina rota "-"
6F-6 MOTOR (sistema de encendido)
4 sistema de encendido completamente transistorizado
mando del cierre del ángulo de leva.
a. La necesidad de controlar el ángulo
leva de cierre
Orden del cierre del ángulo de leva
controla el período de transición
actual (levas de ángulo cerrado)
en el circuito primario. Esto significa que
a baja velocidad del motor, de ángulo cerrado
cam para limitar la corriente disminuye, entonces
aumenta. Tensión en la bobina secundaria
de encendido se disminuye al aumentar
la velocidad del motor. Sistema de encendido
comando totalmente transistorizado
el cierre del ángulo de leva era
adoptado para evitar la caída
tensión en la bobina secundaria
ignición.
Tensión
generada (KV)
40
La
30
Ángulo controlado
Cam cerca
20
10 B ORDEN SIN EL ÁNGULO
Cam cerca
1000 2000 3000
TURÞIE DISTRIBUIDOR (RPM)
FIG. 6F - 11 COMPARACIÓN generado tensión
EN EXTERIOR
FORMULARIO para bobina de salida
Rompedor
TURÞIE agrandar
NIVEL DE FUNCIONES TR1
b. El ángulo de comando de operación
cierre de leva.
El circuito primario está atravesada por la corriente
el motor apagado porque el voltaje
punto P se fija por debajo
tensión fucþionare de T. R. En este
caso, la señal del rotor y formas regulares
tarde en la figura. Las velocidades crecientes
distribuidor aumenta la generación de voltaje
bobina del interruptor de erratas, y se acorta
Durante la apertura de T.R .. En este caso,
el bloqueo de período T. R. Restante
sin cambios, el período ampliado
funcionamiento de T. R. (Ángulo de Clausura
la leva superior). Ventaja Ofrenda
cambio en la forma de onda de voltaje
bobina del interruptor, de ángulo cerrado
leva es aumenta con la in-
acelerar.
OFF
FUNCIÓN TR1
EN
ROTOR rotación UNGHIL
FIG. 6F - 12 Principios de Control
ÁNGULO DE BLOQUEO leva
MÉTODO
R1
R3
TR
CONTACTOS
FLASH
R4
Bobina
FLASH BATERÍA
Bobina
Broken R2
FIG. 6F - 13 SISTEMA BÁSICO DEL CIRCUITO
CONTROL DE ENCENDIDO
ÁNGULO DE BLOQUEO leva
MOTOR (sistema de encendido) 6F-7
SOLUCIÓN DE
PROBLEMAS
Manifestación
El motor no arranca
(Pero gira)
Chispas por defecto
• Bujías defectuosas
•
•
•
•
•
•
•
•
•
Las pérdidas en horarios de alta tensión
Rotor o tapa defectuosa
Cómo defecto
Espacio de aire inadecuada al interruptor rotor
Bobina de encendido defectuoso
Hojas de Datos débilmente conectados alta tensión
Seguridad defectuoso
Mofles defecto
Ajuste de encendido defectuoso
Causa probable
•
•
•
•
•
•
•
•
•
•
Remedio
Ajuste la distancia entre
electrodos o reemplazado
Reemplazar
Reemplazar
Reemplazar
Ajustar
Reemplazar
Apriete las conexiones
Reemplazar
Reemplazar
Ajustar
VEHICULO
Hojas para alta tensión
1. Retire las hojas de chispa de alto voltaje.
PRECAUCIÓN
No tire del cable, no dudando para
no se dañará el interior.
Cuando mavreazã actuará en
manºonului goma.
Bobinas de encendido
Mida la resistencia óhmica de cada înfãºurãri
para verificar el cumplimiento de los límites especificados.
Resistencia primaria Înfãºurare 1.2 
Înfãºurare secundaria 12,1 kW
SPARK
CHAMPION / ORO
LEAD RNIIYC / BPR5E
Distancia entre
Los electrodos (mm)
0,7 ÷ 0,8
1,0 ÷ 1,1
Sin plomo RNIIYC??4 / BPR5EY??11
2. Medir la distancia entre los electrodos, y si
masa grande se ajusta doblando el electrodo.
"A"
FIG. 6F - 15 bobinas de encendido VER
A: distancia entre electrodos
FIG. 6F - 14 AJUSTE ENTRE distancia
ELECTRODOS
6F-8 MOTOR (sistema de encendido)
DISTRIBUIDOR
1. Compruebe el espacio de aire entre el rotor y el interruptor de la
bobina
Rutor. Si el valor es superior al límite se ajusta.
2. Medir la resistencia de la bobina del rotor.
Espacio de aire (mm) 0,25 ÷ 0,35
Resistencia de la bobina del disyuntor entre
+??(Ω) 425 ÷ 505
FIG. 6F ?? 18 SET revoluciones ociosas
3. Compruebe el control de ignición.
EN GENERAL
CHILE
COLOMBIA
MYANMAR
BRASIL
Avance de encendido
(° / rpm)
"
"
"
"
8 ± 1/950
4 ± 1/950
"
0 ± 1/950
"
FIG. 6F ?? 16 COMPROBAR bobina rota
CONTROL DE ENCENDIDO
1. calienta el motor hasta que arranque el ventilador
enfriamiento (ajuste se realiza después de parar
Fan).
2. Compruebe las revoluciones de ralentí. FIG. 6F - 19 DE ENCENDIDO adelantar el ajuste
4. Si el valor medido excede el límite,
ajusta ángulo de encendido girando
cuerpo distribuidor.
FIG. 6F - 17 caliente el motor
Con motor en vacío (rpm) 950 ± 50
Motor (entrante) 6G-1
6G. Motor de arranque
DESCRIPCIÓN GENERAL ............................................................................................................. 6G - 2
Circuito de arranque ............................................................................................................ 6G - 2
Motor de arranque ...............................................................................................................................6G - 2
SOLUCIÓN DE PROBLEMAS .................................................................................................................................... 6G - 4
INSPECCIÓN ................................................................................................................................. 6G - 5
Motor de arranque ...............................................................................................................................6G - 5
6G-2 motor (arranque)
DESCRIPCIÓN GENERAL
ARRANQUE CIRCUITO
Circuito de arranque consiste en la batería, motor de arranque, el contacto de encendido y el cableado
asociado.
Bobina de encendido
ENCENDIDO DE CONTACTO DISTRIBUIDOR
Elemento fusible
ARRANQUE
BATERÍA
FIG. 6G - 1 CIRCUITO DE ARRANQUE
ARRANQUE
Tipo
Potencia (Kw)
DAEWOO
0.8
Motor (entrante) 6G-3
El motor de arranque se compone de partes de la figura. 6G - 2 y tiene un imán permanente montado en el tenedor (marco).
Piezas de montaje Acoplamiento magnético y de arranque están alojados en una carcasa que protege el agua y
suciedad. En el circuito, que se muestra en la figura. 6G - 1 solenoide se magnetiza a la ignición de encendido "ON", el piñón
comprometerse con los anillos de engranaje del volante debido a su empuje por teléfono. Esta acción le hace
conseguir un acoplamiento magnético y la rotación del motor a tener lugar. Después de arrancar el motor, de un solo sentido piñón
embrague
protege el rotor para acelerar cuando el encendido está apagado, cuando el muelle de retorno hace que el piñón de salir
los dientes.
Uno
Tres
Febrero
4
5
6
8
1.
2.
3.
4.
Conjunto de solenoide
Montaje Tenedor
ROTOR
ACOPLAMIENTO ASAMBLEA
5.
6.
7.
8.
Asamblea de Vivienda
Conjunto de marco
Partidarios GENERALES
Conjunto de marco
7
FIG. 6G - composición 2 ARRANQUE de
6G-4 motor (arranque)
SOLUCIÓN DE
PROBLEMAS
Siguientes síntomas se deben a la operación
arranque defectuoso.
• El motor de arranque no funciona (al final de revoluciones).
• El motor no gira, el trabajo de arranque.
• ruidos anormales
• Localizar las causas probables de la batería, cableado,
motor de arranque o en cualquier parte del motor.
Manifestación
El motor de arranque no
obras
Compruebe causas probables montado el motor de arranque
motor porque el motor no puede empezar sin motor de arranque.
1. Datos del disfuncþionãrii
2. Condición de la (tabla de conexión del motor) de la batería
Y condición terminal de arranque
3. Carga de la batería
4. Instale el motor de arranque
Remedio
•
•
•
•
•
•
•
•
•
•
•
•
•
•
•
•
•
•
Carga de la batería
Reemplace la batería
Apriete o reemplace
Abrazo
Apretar o reemplazar
Reemplazar
Apretar
Reparación
Reemplazar
Reemplazar
Carga de la batería
Reemplace la batería
Apretar
Reemplace el solenoide
Repare o reemplace
Reemplazar
Reemplazar
Reemplazar
Causa probable
No hay ruido de funcionamiento del solenoide
• Batería baja
• Batería desgastada
• Terminal de contacto Pobre
• mala conexión en la mesa
• elemento fusible suelto o cortado
• Contacto incorrectamente motor
• mala conexión
• Cable cortado entre el motor y el contacto del solenoide
• bobina interrumpida
• Lubricación inadecuada del pistón
Ruidos de funcionamiento del solenoide
• Batería baja
• Batería desgastada
• Terminal de contacto Pobre
• Puntos de quemaduras por contacto, solenoide dañados
• Las escobillas están bien asentados
• Cepillo de Arco con poca elasticidad
• Colector quemado
• disfuncional Rotor
El motor de arranque gira,
pero demasiado lentamente (pareja
insuficiente)
Inspeccione el motor de arranque en caso de que no se encontró
nada de malo con la batería o el cableado.
• Mal contacto del solenoide
• disfuncional Rotor
• Colector desconectado, quemado o desgastado
• Cepillos gastados o quemados
• Cepillo de Arco con poca elasticidad
•
•
•
•
Sprocket
Lubricación débil embrague unidireccional
El acoplamiento funciona muy bien debido a los daños
rollito de primavera
Coronas dentadas desgastadas
El desgaste anormal de los cepillos
Corona piñón diferencial - usado
Lubricación pobres piñón
Dientes internos engranaje intermedio, desgastadas
Contactos solenoide derritió
Solenoide disfuncional
Ignición no vuelve
•
•
•
•
•
•
•
•
•
•
•
•
•
•
•
•
Reemplazar
Reemplazar
Reparará o reemplazará
Reemplazar
Reemplazar
Reemplazar
Reemplazar embrague unidireccional
Reemplazar embrague unidireccional
Reemplace el volante
Reemplazar
Reemplace el engranaje, el volante
Reemplazar
Reemplazar
Repare o reemplace
Reemplazar
Reemplazar
El motor de arranque funciona,
pero el motor no gira
Ruido •
•
•
•
•
•
•
El motor de arranque no se detiene
Motor (entrante) 6G-5
INSPECCIÓN
ARRANQUE
1. Inspeccione rotor
Reemplazar si el diámetro exterior del rotor
colector se utiliza como el siguiente patrón.
Colector de diámetro exterior
(Mm)
Estándar
31.90 ÷ 32.60
Límite
Inspeccione si hay suciedad o el colector de combustión.
Retirar con papel de lija, si es necesario.
# 300 ~ 400
FIG. 6G - 3
Compruebe colector desgaste desigual. Si Desviar
comparador está sobre el límite, reparación o
Reemplazar.
PRECAUCIÓN
Si el valor es más alto que se especifica a continuación,
Vuelva a colocar el rotor.
Estándar
0.05
Hoja
FIG. 6G - 5
Controlar el espesor de la parte inferior de las palas
colector. Reparado o reemplazado si es menor
límite.
Estándar
más de 1,0
Límite
Espesor de capa entre Pequeño
fichas
Collector (mm)
Colector Oval (mm)
Límite
MICA
0,5 ~ 0,8
DERECHO
INCORRECTO
FIG. 6G - 6
FIG. 6G - 4
6G-6 motor (arranque)
Tabla de prueba
Revise entre el colector y el rotor. Si hay
continuidad, el rotor se coloca sobre la mesa, y debe ser
reemplazado.
3. Prueba de rendimiento
PRECAUCIÓN
No va a tomar más de 3 ÷ 5 segundos para no
bobinado quemadura.
Atracción de prueba
Conectar la batería al solenoide como en la figura
a continuación, y verificar que el pistón se mueve hacia el exterior.
Si el émbolo no se mueve, que sustituye el solenoide.
S BAT
FIG. 6G - 7
Prueba Circuito Abierto
Compruebe la continuidad entre las cuchillas. Si hay en
uno cualquiera de los puntos, hay una abierta y
el rotor debe ser reemplazado.
M
FIG. 6G - 10
Prueba de mantenimiento
Mantener la conexión anterior con el pistón salido, la
Desconecte el cable de terminal "-" de M, y comprobar
el retorno del pistón. Si el pistón regresa, reemplaza
solenoide.
2.
FIG. 6G - 8
Inspeccione los cepillos
Si la longitud del cepillo se desgasta por debajo de la más
abajo, reemplazar el cepillo.
Estándar
7,00 ÷ 7,25
Límite
Longitud Pincel (mm)
FIG. 6G - 11
FIG. 6G - 9
Motor (entrante) 6G-7
Compruebe el retorno del pistón
Desconecte el cable "-" de la electroválvula y comprobar si
rendimientos del pistón, si no, se reemplaza el solenoide.
FIG. 6G - 12
Sin carga prueba de rendimiento
a) Conecte la batería de arranque y amperímetro
como se muestra a continuación.
b) Comprobar que el motor de arranque gira lentamente y con firmeza
tener engranaje aparte. Compruebe lectura actual
el amperímetro.
Corriente especificada (A) Menos de 53A a 11,5V
FIG. 6G - 13
6G-8 motor (arranque)
BLANCO
Sistema de motor (con cargo) 6H-1
6H. Sistema de carga
DESCRIPCIÓN GENERAL ............................................................................................................. 6H - 1
Batería ..................................................................................................................................... 6H - 1
Alternador ................................................................................................................................ 6H - 1
VEHICULO ................................................................................................................... 6H - 3
Batería ..................................................................................................................................... 6H - 3
Remoción y reemplazo ......................................................................................................... 6H - 4
Alternador ................................................................................................................................ 6H - 5
DESCRIPCIÓN GENERAL
BATERÍA
La batería tiene 3 funciones en el sistema eléctrico. En primer lugar,
la
arrancar el motor. Luego de actuar como un regulador de la
sistema eléctrico. La tercera, la energía suministrada
un período de tiempo limitado cuando la carga excede
nivel de energía dado el alternador.
Tipo
Capacidad (Ah)
PT28 - 20BL
35
ALTERNADOR
FIG. 6H - 1 Batería
Fue adoptado la solución con regulador incorporado.
Salir (A)
Diámetro de la polea (mm)
50
58.5
6H-2 MOTOR (carga del sistema)
Uno
Febrero
Tres
6
7
4
5
1.
2.
3.
4.
5.
6.
7.
8.
9.
Polea
ESTATOR ASAMBLEA DE LA PORTADA
ROTOR
ROTOR ASAMBLEA
Contraportada
CEPILLO ASAMBLEA y regular
RECTIFICADOR ASAMBLEA
Cubierta trasera
SOPORTE ALTERNADOR
8
9
FIG. 6H - 2 ALTERNADOR
7
Tres
Febrero
4
5
8
Uno
1.
2.
3.
4.
REGULADOR
REGULADOR IC
Bobina de encendido
DIODO
5.
6.
7.
8.
Bobina ROTOR
TESTIMONIO estado de carga
PRINCIPAL CONTACTO
EMBARAZO
FIG. CIRCUITO 3 ALTERNADOR - 6H
Sistema de motor (con cargo) 6H-3
VEHICULO
BATERÍA
Soporte y abrazaderas
Antes de instalar la batería esté limpia y apoyo
clips de retención. Apriete bien los tornillos
sujeción para evitar el movimiento de la batería
apoyo. No suprastrânge.
PRECAUCIÓN
• El líquido de la batería es un ácido fuerte. Evitar
en contacto con la piel, la ropa
o materiales de pintado.
• Si entra en contacto con la voluntad de electrolitos
se lavó a fondo con agua en lugar.
• Para evitar cortocircuitos no funcionarán
cerca de la terminal de la batería "+" con herramientas
Metal.
• Mantenga a los niños lejos de la batería.
La inspección visual
Caso revisión de la batería no se agrietó
perderá electrolito, si nota cualquiera
Reemplace la batería. Compruebe y causar grietas
Y será eliminado.
OFF motor y apagar todas las luces.
2. Compruebe el nivel del electrolito y si está por debajo de la
bajo aceptable Reemplace la batería.
PRECAUCIÓN
• Al arrancar el motor con
equipos de carga, verifique
cualquiera de los terminales 12V "-" en la mesa.
• No utilice el equipo a 24V. Voluntad
dañar el sistema eléctrico.
3. Conecte el cable al terminal de la batería "+"
terminal auxiliar "+" de la batería descargada. Para
prevenir puesta a tierra y más fácil de trabajar
remota mantendrá los dos vehículos. Batería
se utilizará sólo 12V auxiliar.
4. Conecte el cable al terminal "-" de la batería
auxiliar. Otro extremo de la mesa se une
el vehículo tiene una batería descargada (para apoyo
Un compresor C / o el alternador) a
menos 50 cm de distancia de la batería usada (Nunca
No se conectará directamente a la terminal "-" de la batería
utilizada).
5. Motor Vehicle comienza con una buena batería
todos los accesorios desacoplar y luego empieza la otra
motor.
6. Desconecte los cables de conexión con el fin
revertir la conexión. En primer lugar para desconectarse de
buena batería.
A partir de una batería de ayudas de emergencia
1. El freno de mano puesto en libertad y es poziþioneazã
palanca selectora en punto muerto. Los interruptores de contacto
PRECAUCIÓN
• No empuje ni remolque el vehículo a ser
, lo cual puede dañar el sistema
evacuación o de otras partes del motor.
• El uso de estas baterías será
Manejar con cuidado.
• El daño puede ocurrir como:
Lesiones 1. (especialmente los ojos) explosión de la batería,
la quema de cableado o electrolito.
Dispositivos posibible 2. Daños
potencia del vehículo.
• No coloque la batería cerca de fuentes de
fuego podría producir vapores inflamables
explosivos.
• Manejo de la batería será libre de usar
anillos, relojes, etc ..
6H??Sistema 4 Motor (con cargo)
REMOCIÓN DE REEMPLAZO y
Se tomarán las baterías Manejo siguiente
medidas de protección.
??
??
El gas hidrógeno se desprende en la batería. Una llama o
chispa cerca de la batería podría encender el gas.
El líquido de la batería es ácido fuerte. Evite el
electrolito para llegar a la ropa u otros materiales.
Si llega al lugar se lavó completamente con agua y limpiar
inmediatamente. Para quitar o reemplazar la batería,
siempre primero el terminal de desconexión ????"Entonces,
terminal ??+ ".
FIG. 6H ?? 5
Ajuste de tensión de la correa en V
PRECAUCIÓN
Compruebe la tensión de la correa V después
terminal de desconexión ????"Batería.
1. Revise la banda en busca de grietas, daños,
deformación y si es necesario, reemplace
correa.
2. Cuando se pulse el cinturón con el dedo debe tener
flecha siguiente.
Nueva cinta
Correa desgastada
7 a 9
7 a 11
La flecha (mm)
10kgf
FIG. 6H ?? 4
3. Si el cinturón no es întindrea conformable
alternador repoziþioneazã para ajustar.
4. Apriete los tornillos y ajuste de pivote
alternador.
5. Conecte el terminal ????"Batería.
Sistema de motor (con cargo) 6H??5
ALTERNADOR
Mal funcionamiento del estado testigo de cargo
Manifestación
Con el contacto de encendido
palabras, el motor apagado, testigo
sin carga
luz
Motor comenzó, y el testimonio
Estado de carga de la batería
es todavía lit.
??
??
??
??
??
??
??
??
Causa probable
Quemado Seguridad
Bombilla
Conexión floja
Defecto Regulador IC
Cepillos con colector de contacto débil
V-correa floja o desgastada
Regulador IC o alternador defectuoso
Cableado defectuoso
??
??
??
??
??
??
??
??
Remedio
Control de seguridad:
Reemplazar
Limitamos
Comprobar alternador
Repare o reemplace
Ajuste o reemplace
Revise el sistema de carga
Reparación
La batería no se está cargando
Compruebe el alternador de la siguiente manera, si la batería
descargada se mantiene muy por debajo de su capacidad.
1. Conecte un voltímetro y un amperímetro como
a continuación.
PRECAUCIÓN
Utilice una batería completamente cargada.
PRECAUCIÓN
Recuerde que la corrección de la tensión de carga
A medida que el controlador de temperatura de la cámara es
Vea abajo.
VOLTAJE
16.0
15.34
15.0
14.8 14.8
Uno
6
5 4
14.0
Febrero
Tres
13.0
14.2 14.2
13.3
-25 ° C 25 ° C 125 ° C
1.
2.
3.
ALTERNADOR
Amperímetro
VOLTIMETRO
4.
5.
6.
BATERÍA
Sistema de carga
CONTACTOS
FIG. 6H ?? 7
3. Compruebe las escobillas de tierra en el caso de que
tensión está por encima de la norma. Reemplazar
regulador IC si la masa es cepillo normal.
4. Si el voltaje es menor que el límite estándar,
faros de luz y calefacción con motor de altas revoluciones
a 2000 rpm, la corriente se mide, y la corrección se hace
el alternador, si se mide la corriente es menor que
20A.
FIG. 6H ?? 6
2. El número de vueltas a 2.000 rpm.
PRECAUCIÓN
Todos los accesorios no se utilizan (ºtergãtoare,
calentador, etc.).
Estándar actual
Voltaje ajustable
Max. 50A
14,2 ÷ 14,8V (25 ° C)
6H??Sistema 6 Motor (con cargo)
BLANCO
MOTOR (sistema de control de emisiones) 6I??Uno
6I. SISTEMA DE CONTROL DE EMISIONES
DESCRIPCIÓN GENERAL ............................................................................................................... 6I ?? Febrero
Emisión diagrama de sistema de control .................................................. 6I .............. ?? Febrero
La recirculación de los gases de escape .................................................. 6I ............. ?? 4
Sistema de control de emisiones .................................................. 6I ................................... ?? 6
BVV .......................................................................................................................................... 6I ?? 8
Sistema de control de la contaminación ......................................................................................................... 6I ?? 9
6I??FebreroMOTOR (sistema de control de emisiones)
DESCRIPCIÓN GENERAL
TABLA DE SISTEMA DE CONTROL DE EMISIONES (GENERAL:
ENCENDIDO
DE
CONTACTO
M / T)
Razonable
Solenoide
APERTURA
choque
cápsula
Ocioso
ACTUADOR
Solenoide
CARBURADO
R
Boquilla
DISTRIBUI
DOR
Válvulas de
PCV
FILTRO DE
AIRE
FIG. SISTEMA DE CONTROL DE EMISIONES 6I
SUPAPÃCON
TROL
DISTRIBUI
DOR
Razonable
APERTURA
choque
cápsula
FILTRO DE
AIRE
Boquilla
Válvulas de
PCV
Solenoide
CARBURADO
R
ACTUADOR
Ocioso
RELAY F / C
Solenoide
CONTACTOS
Vacío
ENCENDIDO
DE
CONTACTO
TABLA DE SISTEMA DE CONTROL DE EMISIONES (GENERAL: A / T)
FIG. SISTEMA DE CONTROL DE EMISIONES 6I
SUPAPÃCON
TROL
MOTOR (sistema de control de emisiones) 6I??Tres
6I??4MOTOR (sistema de control de emisiones)
Sistema de recirculación de gases (EGR) ??
SÓLO sin plomo
Las emisiones de NOx está estrechamente relacionada con la proporción de mezcla para la combustión completa, y una eficiencia de
combustión ampliada.
Eso significa que los NOx aumento de las emisiones con el aumento de temperatura de cocción.
En consecuencia, se adoptó el sistema EGR para reducir las emisiones de NOx mediante la reducción de la temperatura del gas
de escape. Sistema de EGR toma una parte del colector de escape a mezclar con el aire
Fresh. En este momento, la temperatura desciende y la emisión de NOx se reduce.
Los gases de escape entre en la cámara de combustión va a cambiar la relación de mezcla final. Por lo tanto, es
necesario para minimizar esta influencia por referencia a la temperatura del refrigerante y la depresión
el motor.
6
Escape
Depresión MOTOR (vacío)
4 Uno
1.
2.
3.
4.
5.
6.
7.
8.
Válvula de EGR
BIMETAL válvula BVSV
Colector
Membranoso
Válvula
CARBURADOR
Unidad 1
Premio 2
5
Tres
Febrero
7
8
FIG. 6I ?? 2 EGR SISTEMA
Funcionamiento de la válvula EGR depende de la temperatura del refrigerante del motor y la depresión. Como es
se muestra en la figura anterior, salida de vacío se coloca en el borde superior de la aceleración del acelerador. Al abrir
aceleración del acelerador con un cierto ángulo, se aplica la válvula de salida de vacío 2 BVSV bimetal. Válvula bimetálico
BVSV se coloca en el refrigerante, y cuando se tiene más de 50 ± 4 ° C, es la comunicación abierta entre la unidad 1
Y dos de salida para activar la acción de vacío de la válvula de EGR de la clavija 2.
MOTOR (sistema de control de emisiones) 6I??5
Comprobación de los componentes (SÓLO sin plomo)
La válvula EGR (SÓLO sin plomo)
a.
b.
c.
d.
e.
Desconecte la manguera de vacío
Válvula BVSV.
Conecte la bomba de vacío a la válvula
EGR Como se muestra en la figura.
Compruebe que la membrana de la válvula EGR es
soplar suavemente a través de la aplicación de un vacío de
200 mm Hg
(Bar de 260 mm) en la válvula.
Si la membrana no se mueve, que sustituye
debido a que la válvula EGR se ha quedado atascado en una
posición.
Revise la manguera de vacío entre BVSV y
EGR.
1.
2.
3.
POSICIÓN DE SOLICITUD DE VACÍO
Presión atmosférica POSICIÓN
Membranoso
Tres
Febrero
Uno
FIG. 6I ?? 3 Compruebe la válvula EGR
* Depresión para activar la válvula de EGR.
?? 60 ± 8 mmHg (?? 80 ± 10 mm bar)
(Temperatura del refrigerante)
Compruebe BVSV (SÓLO sin plomo)
BVSV abre para activar la válvula de EGR cuando
temperatura del refrigerante es 50 ± 4 ° C, y
desactiva la válvula EGR cuando la temperatura cae por debajo
40 ° C.
A. Compruebe BVSV (paso 1)
Prepara la verificación como se muestra, y golpe
BVSV salida de aire (3 en la Fig.) Cuando la temperatura
refrigerante está por debajo de 40 ° C. El aire no debe
salida a través de la otra salida (Fig 4).
Si los tapones (3 y 4 en la Fig.) Se comunican entre sí,
significa que BVSV es defectuoso, por lo que debe
reemplazado.
EN
OFF
Cerrado
(40 ° C)
Abierto
(50 ± 4 ° C)
5
4
Tres
Uno
Febrero
1.
2.
3.
4.
5.
BVSV
Refrigerante
Soplando aire
Salida de vacío
TERMÓMETRO
FIG. 6I ?? 4 Compruebe BVSV
6I??6MOTOR (sistema de control de emisiones)
B. Compruebe BVSV (paso 2)
Entrada de la misma manera como en el paso 1.
Pero para el Paso 2, cuando el refrigerante es
calienta por encima de 50 ° C de entrada BVSV (3 y 4 en la
Fig.)
deben comunicarse entre sí. La falta de comunicación
entre las dosis indican un BVSV válvula defectuosa que
reemplazará.
5 Tres
4
Uno
6
Febrero
1.
2.
3.
4.
5.
6.
BVSV
Refrigerante
Soplando aire
Salir AIRE
TERMÓMETRO
Calentadores
FIG. 6I ?? 5 Compruebe BVSV
SISTEMA DE CONTROL DE EMISIONES (SÓLO sin plomo)
Bote de vapor de gasolina acumula en el depósito y la cámara constante, lugares donde existen condiciones de
producir la misma. Aceºtia luego entrar en la cámara de combustión a través del colector de admisión para ser quemado.
BVV (válvula de ventilación)
CONTACTOS
FLASH
BATERÍA
Bote
TANQUE
FIG. 6I ?? 6 TABLA vaporizador COMBUSTIBLE SISTEMA DE CONTROL
MOTOR (sistema de control de emisiones) 6I??7
Componentes (SÓLO sin plomo)
Bote
Los vapores de gasolina se acumulan en el tanque y el
produºi cámara constante para parar el motor.
Los vapores del combustible son vacío recuperar y
colector de introduºi bajo ciertas condiciones
motor funcionando.
POR LA GALERÍA
INGESTA
Los vapores de gasolina a partir de combustibles
Los vapores de gasolina desde el tanque
Bote
Carbón
FILTRO
FIG. 6I ?? 7 contenedores
a. Marque una
Blow entrada de aire por la fuerza aérea
ingesta para verificar el movimiento del aire.
INGESTA
Las entradas de aire
FIG. 6I ?? REVISE ocho latas
b. Comprobación 2
Cierre el dedo entrada bote y es
soplar aire por la entrada de aire de comprobar la
la circulación de aire de escape.
INGESTA
ESCAPE
Las entradas de aire
FIG. 6I ?? 9 Compruebe bote
6I??8MOTOR (sistema de control de emisiones)
Válvula de 2 vías
a. Retire la válvula de 2 vías.
b. El aire que sopla desde el negro por el
naranja para verificar la continuidad del flujo de
aire.
c. Si es poco o nada de flujo de aire
Válvula de 2 vías reemplazado.
Uno
Febrero
Tres 4
1.
2.
3.
4.
LA NARANJA
El lado oscuro
POR LA bote
EL TANQUE
FIG. 6I ?? 8 válvula de 2 vías
BVV (válvula de ventilación) ?? (SÓLO sin plomo)
Para ponerse en contacto de encendido cortar un aumento de la temperatura en el compartimiento del motor para vaporizar la gasolina
ambiente constante derrame en la atmósfera HC. Válvula de ventilación BVV es evitar el desalojo
HC a la atmósfera. El encendido de corte, BVV cerrar el paso de ventilación del carburador para dirigir
por la gasolina bote de vapor.
B.V.V. (válvula de ventilación)
CONTACTOS
FLASH
BATERÍA
Bote
TANQUE
FIG. 6I ?? 11 FUNCIÓN BVV
MOTOR (sistema de control de emisiones) 6I??9
Sistema de control de la contaminación
Uno
Es un dispositivo que circuló en los gases del cárter
recombustie entrada de evitar su dispersión en el
atmósfera.
Válvula PCV (ventilación positiva del cárter) trabaja
para la introducción en el colector de admisión de cantidades
gas reduce cuando gran depresión en la galería
Y, de grandes cantidades de gas cuando la depresión en
galería es pequeña.
Febrero
1.
2.
MANGUERA DE GAS
Válvulas de PCV
FIG. 6I ?? SISTEMA DE 12 DE REPARACIÓN
En general, la cantidad de gas en el cárter depende de la
carga del motor. A baja carga, se produjo una
pequeña cantidad de abertura de la válvula PCV gas menos,
y gran carga una cantidad más grande que se abrirá
Válvula amplia PCV.
INGESTA a la galería
Baja carga Alta carga PARA DETENER EL MOTOR
FIG. 6I ?? PCV VALVULA 13
6I??10 MOTOR (sistema de control de emisiones)
BLANCO
MOTOR (sistema de escape) 6J??Uno
6J. SISTEMA DE ESCAPE
DESCRIPCIÓN GENERAL .............................................................................................................. 6J ?? Febrero
INSPECCIÓN .................................................................................................................................. 6J ?? 4
VEHICULO .................................................................................................................. 6J ?? 4
6J??2 MOTOR (sistema de escape)
DESCRIPCIÓN GENERAL
El sistema de escape consta de colector de escape, catalizador, Tubería silenciador de escape central
Trasera Pipe junta de estanqueidad, etc.
LEAD ?? EN GENERAL
5
Febrero
4
Uno
Tres
1.
2.
3.
4.
5.
Colector de escape
Colector de escape Junta
La junta de estanqueidad de tuberías DE
ESCAPE
Tambor ESCAPE
Silenciador
FIG. 6J ?? SISTEMA DE ESCAPE 1
MOTOR (sistema de escape) 6J??Tres
Sin plomo ?? EN GENERAL
5
6
Uno Febrero
4
Tres
1.
2.
3.
4.
5.
6.
Colector de escape
Colector de escape Junta
ESCAPE JUNTA Pipe
Tambor ESCAPE
Silenciador
Panal Catalizador
FIG. 6J ?? SISTEMA DE ESCAPE 1b
6J??4 Motor (escape)
INSPECCIÓN
PRECAUCIÓN
Para evitar quemaduras, no toque el sistema
mientras escape caliente. Cualquier operación
aupra a realizarse después del enfriamiento.
VEHICULO
??
??
??
Consulte la Fig. 1A??20 para los procesos de
montaje - desmontaje del colector de escape.
Compruebe que los sellos no están dañados
retirar el colector de escape. Si es necesario
debe ser reemplazado.
Al volver a montar apretar al par especificado
Pernos y tuercas.
Si întreþinerii normal ser verificada como
de la siguiente manera:
??
??
??
Compruebe suporþii no dañar la goma de
o mover las posiciones.
El sistema verifica cualquier neetanºeitãþi
empresas o daños débiles.
Compruebe dañar el cuerpo, partes movieron,
Conexión agrietados, agujeros que podrían permitir
llegar a la cabina de escape.
Asegúrese de que haya suficiente distancia entre
sistema de escape y el piso del vehículo
Para evitar daños por sobrecalentamiento alfombra.
??
1,8 ÷ 2,8
5
1,8 ÷ 2,8
1,8 ÷ 2,8
Febrero
4
Uno
Tres
5.0
4,0 ÷ 5,0
1,8 ÷ 2,8
PAREJAS DE APRIETE (KGF · M)
FIG. 6J ?? 2 Vista de pares
MOTOR (sistema de escape) 6J??5
1,8 ÷ 2,8
5
1,8 ÷ 2,8
6
Uno Febrero
4
4,0 ÷ 6,0
1,8 ÷ 2,8
0,8 ÷ 1,2
Tres
5.0
1,8 ÷ 2,8
4,0 ÷ 6,0
PAREJAS DE APRIETE (KGF · M)
FIG. 6J ?? 2 VEA LAS PAREJAS
6J??6 Engine (escape)
BLANCO
CAJA DE CAMBIOS, EMBRAGUE Y diferenciación (caja de cambios) 8A??Uno
CAPÍTULO 8
CAJA DE CAMBIOS, EMBRAGUE
Y la diferenciación
8A. CAJA
DESCRIPCIÓN GENERAL ......................................................................................................
Diagnóstico .............................................................................................................................
VEHICULO ........................................................................................................
REVISE EL ACEITE Y EL INTERCAMBIO .................................................. ......................................
La articulación del cambio de marchas .................................................. ..........................
8A ?? Febrero
8A ?? 8
8A ?? 9
8A ?? 9
8A ?? 10
DESMONTAJE CAJA ..................................................................................................... 8A ?? 11
Conjunto Cutie................................................................................................................. 8A ?? 11
Desmontaje Box ............................................................................................................ 8A ?? 13
Entrada Asamblea Eje .............................................. .............................................. 8A ?? 16
............................................... Conjunto del eje de Secundaria ............................................. 8A ?? 18
Comprobar ........................................................................................................................... 8A ?? 22
Montaje Cutie................................................................................................................ 8A ?? 24
PAREJA DE STRÎNGERE......................................................................................................
S.D.V ......................................................................................................................................
8A ?? 27
8A ?? 28
8A??2 caja de cambios, el embrague y la diferenciación (caja de cambios)
La transferencia de funciones y el par
Descripción principal
Funciones C.V.
a) Cambios en el par motor.
b) Los cambios de marcha.
c) Dejar reposar sin detener el motor.
d) Se mueve dio marcha atrás del vehículo.
TIPOS:
Rueda Balada
Con el compromiso constante
Con equipo sincronizado
Ruedas
ACOPLADOR
Árbol primario
Balada
ACOPLAMIENTO Forks
Baladas RUEDAS
<Rueda Balada>
Rueda motriz
Marcha de RETROCESO
Subtrees
FIG. 8A ?? Uno baladas ruedas
<El compromiso constante>
NEUTRAL ACOPLADO
FIG. 8A ?? 2 Unidad Constant
CAJA DE CAMBIOS, EMBRAGUE Y diferenciación (caja de cambios) 8A??Tres
<Unidad sincronizado>
Uno Febrero
Tres4 5 6 7 8 9
Uno
Febrero
Tres
4
5
: Árbol primario
: Rueda loca
Ruedas Canela
: Anillo sincronizador
: Perros
6: Manºon sincronizador
7: Arco sincronizador
8: cubo sincronizador
9: Rodamiento de agujas
FIG. 8A ?? 3 unidad sincronizada
TICO adoptará sincronizado compromiso para 4 o 5 velocidades hacia adelante y una hacia atrás.
La presentación del informe
Etapa 1
Etapa 2
Tercera etapa
Cuarto paso
5º paso
Revertir
Informe final
3,818
2,210
1423
0971
0837
3,583
4263
RULMENÞI:
Tipo
Cojinete del eje de entrada
Cojinete del eje secundario
Teniendo diferencial
Velocímetro
Rueda de piñón del velocímetro es de plástico más fácil.
Rodamiento de bolas
Rodamientos de rodillos en ambos extremos
Rodamiento de bolas
8A??4 caja de cambios, el embrague y la diferenciación (caja de cambios)
4 velocidades 5 velocidades
FIG. 8A ?? 4 En la sección Vista de la caja de cambios de 4 y 5 pasos.
CAJA DE CAMBIOS, EMBRAGUE Y diferenciación (caja de cambios) 8A??5
Cambio de marcha ORDEN (varilla TIP)
Uno
4
Febrero
Tres
5
6
8
7
9
10
20
10
9
15
16
17
18
7
13
14
21
19
11
12
11
1.
2.
3.
4.
5.
6.
7.
8.
9.
10.
11.
Palanca de cambio gradual ORNAMENTO
Palanca de cambio gradual
Palanca de cambios polaina NR.1
Palanca de cambios polaina NO.2
Eje de extensión
CAMBIO velocidad varilla gradualmente
Cambiando tenedor 1 y 2
Tenedor Shifting 3 y 4
PALANCA DE CAMBIO MARCHA ATRÁS
5ª marcha tenedor CAMBIO A
CAMBIO AX
12.
13.
14.
15.
16.
17.
18.
19.
20.
21.
LED PIÑÓN VELOCIMETRO
Tornillo INTERLOCK
Palanca
5ª marcha tenedor AX A
AX RETROCESO PALANCA
Pasos 3 y 4 tenedores AX
Brazo CAMBIO
AX Forks Pasos 1 y 2
Camisas quinto y REVERSE cambiantes
Tornillo LOCK
FIG. 8A ?? 5 ORDEN cambio de marcha
8A??6 CAJA DE CAMBIOS, EMBRAGUE Y diferenciación (caja de cambios)
MECANISMO DE SEGURIDAD
Marcha atrás
PARA
Evita cambiar directamente desde la 5ª a la marcha
marcha atrás.
2. Cuando la palanca se mueve la selección de marchas
la derecha desde la posición neutral, la selección del eje
plantea detener, comprime el muelle recuperador 3 debido
la interferencia con el pasador de guía.
1.
2.
3.
4.
Febrero
Tres
5
6.
Palanca de cambios
DETÉNGASE
ARC READUCERE-
(Comprimido)
ARC SELECT REVERSE
(Comprimido)
PALANCA DE SELECCIÓN
Bolth ORIENTACIÓN
Uno
6
4
5
FIG. 8A ?? 6 Shifters posición
1. Cuando la palanca selectora se encuentra en la posición neutral,
bolþul parada es en el eje de guía
selección puede girar a la izquierda oa la derecha.
FIG. 8A ?? 8-STEP quinto neutral
3. Cuando la selección del eje de acoplamiento 5ª marcha es
gira hacia la derecha, retén del muelle es alta
restaurar 3 direcciones bolþului correctas.
Así, guía bolþului debido es imposible
acoplamiento de marcha atrás accidentalmente de engranajes.
1.
2.
3.
4.
5.
6.
7.
Palanca de cambio de la velocidad.
DETÉNGASE
ARC READUCERE-
(Comprimido)
CUBIERTA DE ORIENTACIÓN
ARC SELECT REVERSE
(Comprimido)
PALANCA DE SELECCIÓN
Bolth ORIENTACIÓN
Uno
Febrero
Tres
4
5
7
1.
2.
3.
4.
5.
6.
7.
Palanca de cambios
DETÉNGASE
ARC regresa -
(Sin comprimir)
CUBIERTA DE ORIENTACIÓN
ARC DRIVE SELECT
VOLVER
(Sin comprimir)
PALANCA DE SELECCIÓN
Bolth ORIENTACIÓN
Uno 7
Febrero
Tres
4
5
6
6
FIG. 8A ?? 7 PUNTO MUERTO FIG. 8A ?? 05 de septiembre de
engranajes A
CAJA DE CAMBIOS, EMBRAGUE Y diferenciación (caja de cambios) 8A??7
4. Cuando la participación en la marcha atrás está hecha de
posición neutra, parada y por lo tanto dejó rota
acoplamiento es posible.
1.
2.
3.
4.
5.
6.
Palanca de cambios CAMBIO
DETÉNGASE
ARC READUCERE-
(Comprimido)
ARC SELECT REVERSE
(Comprimido)
PALANCA DE SELECCIÓN
Bolth ORIENTACIÓN
Uno
6
Febrero
Tres
4
5
FIG. 8A ?? 10 INVERSA
8A??8 CAJA DE CAMBIOS, EMBRAGUE Y diferenciación (caja de cambios)
Tabla de diagnóstico
EFECTO
Las salidas de inesperado
velocidades
??
??
??
??
??
??
??
??
Causa probable
Desgaste tenedor acoplamiento
Desgaste manºon sincronizador
Afloje o desgaste arcos
Desgaste rulmenþi eje de entrada o de salida
Los dientes se desgastan las ruedas dentadas
Anillos de seguridad de la pérdida o debilitamiento
Anillos sincronizadores de seguridad débil
Doblado y horquillas de mando
??
??
??
??
??
??
??
??
??
??
??
??
??
??
??
??
??
??
??
REPARACIONES
Sustituido
Sustituido
Sustituido
Sustituido
Sustituido
Sustituido
Sustituido
Sustituido
Ajustado
Sustituido
Placa de presión Sustituido
Sustituido
Manºon o rueda sustituida
Sustituido
reemplazado o añadido
Sustituido
Sustituido
Sustituido
Sustituido
Bloquear un paso
velocidad
Cambiar engorroso
velocidades
?? Embrague pedal libre juego de inadecuada
?? Disco de presión roto o desgastado
?? Placa de presión de deserción
?? Anillo de sincronización de deserción
?? Teºiturilor manºoanelor desgaste o ruedas
?? Doblado y horquillas de mando
??
??
??
??
??
Aceite insuficiente o inadecuado
La rotura o desgaste rulmenþi
Ruedas de rotura o desgaste
Sincronizador rotura del anillo o desgaste
Teºiturilor manºoanelor desgaste o ruedas
Ruidos
CAJA DE CAMBIOS, EMBRAGUE Y diferenciación (caja de cambios) 8A??9
VEHICULO
Comprobación del nivel de aceite
1. Compruebe el nivel de aceite antes de colocar
límite de nivel de aceite
2. Si el nivel está bajo, agregue aceite a través del agujero
Relleno.
Caja de cambios de aceite 75W ?? 85 (GL ?? 4)
Febrero
Tres
CAMBIO DE ACEITE
Uno
1. Para un ligero cambio de aceite, vehículo
sentarse en una caja de superficie plana y aceite debe
ser cool.
2. Apague el motor y abrir la tapa de drenaje.
3. Aplique un sellador en el tapón del desagüe
aceite y apretar al par especificado.
4. Introducir el aceite nuevo y apriete el tapón de nivel
con el par especificado.
Tapa
drenar
250 ?? 300
Tapa
nivel
360 ?? 540
1.
2.
3.
Drenaje de aceite BUªON
Eje IZQUIERDA
BUªON NIVEL DE ACEITE
Par de apriete
(Kg??cm)
FIG. 8A ?? 11 posición BUªON VACÍO
BUªON Y NIVEL.
Capacidad de la cisterna
(L)
4 velocidades
5 velocidades
2.0
2.1
Estante
Cambios de Aceite
A los 2 años o 20.000 kilometros
8A??10 caja de cambios, el embrague y la diferenciación (caja de cambios)
ORDEN de cambio de marcha
Uno
Febrero
150 ~ 200
250 ~ 400
10
9
5
8
150 ~ 200
5
Tres
4
6
11
7
150 ~ 200
12
80 ~ 120
1.
2.
3.
4.
5.
6.
7.
8.
9.
10.
11.
12.
Pomo de cambio de marchas
Palanca de cambio gradual
Sellos de Vivienda
Vivienda LEIER
Respaldo PALANCA
FIJACIÓN CUBIERTA DE PALANCA
Almohadas
Barras de extensión
Distancia
BUCªÃ
VARILLAS bisagra C-DA
Varilla C-DA
: Esfuerzo de torsión (KG??CM)
: Engrase el
150 ~ 200
FIG. 8A ?? 12 Control de cambio de marcha
Eliminación
1. consola Box
Palanca de cambios 2. Retire tiene su caso
velocidades.
3. Resuelve tapa de la carcasa y la palanca.
4. Tire de la palanca tiene su árbol.
5. Afloje tiene su palanca bucºele.
6. Lleve obtener su palanca de cambios.
Montaje
Observe el orden inverso de las operaciones de desmontaje.
Tenga en cuenta las siguientes instrucciones:
?? La grasa de acuerdo con la Fig. 8A ?? 12.
?? Pares de apriete mostrados en la Fig. 8A ?? 12.
CAJA DE CAMBIOS, EMBRAGUE Y diferenciación (caja de cambios) 8A??11
REMOCIÓN
CAJA DE ASAMBLEA
REMOCIÓN
1. Batería
2. El titular de la batería
ANILLO
Frenos 12.Racordul
FIG. 8A ?? 14 CONEXIÓN DE LOS FRENOS
Hermanos 13.Prezonul (izquierda).
FIG. 8A ?? 13 RETIRE TITULAR DE LA BATERÍA
3. Traiga tiene su líquido refrigerante en el radiador.
4. Ruedas chica
5. Protección barra chica
6. radiador Racoardele
7. disipador de calor
8. Desconecte:
?? El cableado eléctrico
?? Cableado a tierra
?? Cableado del interruptor de la lámpara de la parte
posterior
9. cable velocímetro
Embrague 10.Cablu
11.Electromotorul
FIG. 8A ?? Freno 15 REMOCIÓN
Salida 14.Arborele (Izquierda)
15.Garnitura rulmenþi sellado (Izquierda)
16.Þeava escape
8A??12 caja de cambios, el embrague y la diferenciación (caja de cambios)
17. Retire los tornillos de unión de la caja y
el bloque del motor.
18. Retire la varilla de cambio y la biela
para la caja.
19. La tapa de la caja.
20. La carcasa del embrague placa inferior.
21. Retire la caja del motor.
22. Los tornillos y tuercas de caja.
23. Bajo la caja entera.
PRECAUCIÓN
Durante el ajuste del cable del embrague
peligroso acercarse a usted las aletas.
Usted trabaja antes de detener el motor.
MONTAJE
Ejercicio opuesto de la demontare.Respectaþi
siguiendo las instrucciones.
??Arreglarþi y el cableado stângeþi bien.
??AjustarþMe agarro el juego del cable.
Pares de apriete (kg??cm)
Los tornillos y tuercas para la sujeción
caja del motor.
Tornillos del conducto de tubería
de escape.
560 ?? 660
400 ?? 600
CAJA DE CAMBIOS, EMBRAGUE Y diferenciación (caja de cambios) 8A??13
CAJA DE EXTRACCIÓN
1. Cárter de mecanismos
2. Tornillos
7. Tratar el quinto Seguridad
Uno
1. La posición del tornillo
FIG. 8A ?? 18 SEGURIDAD DE REMOCION anillo
8. quinta tenedor selector de marchas de, sin duda, el anillo.
FIG. 8A ?? 16 Tornillos REMOCIÓN
3. Cubra el mecanismo de selección
4. Los tornillos del mecanismo de
selección
FIG. 8A ?? Brazo tenedor 19 REMOCIÓN
1.
Uno
Forks SELECT
Un quinto engranaje
2.SCULÃ Especial
(Anillo de refuerzo EXTRACTOR
09925??78210)
FIG. 8A ?? REMOCIÓN lug 17 ADJUNTO
Tenedor
5. Mecanismo de la selección del cuadro
6. La cubierta cubierta lateral
Febrero
FIG. 8A ?? 20 ANILLO DE SEGURIDAD DE REMOCION
8A??14 caja de cambios, el embrague y la diferenciación (caja de cambios)
9. placa para rodamientos.
10. Usando el extractor deshacer todo
hub manºon.
12. Piñón quinto engranaje en el eje de entrada.
13. engranaje de piñón del eje secundario quinto.
Febrero
Uno
Tres
Uno
Febrero
1.
2.
3.
EXTRACTOR
Tenedor
MANºON
1.
2.
A PIÑÓN 5-velocidad en el eje EXTERIOR
EXTRACTOR
FIG. 8A ?? 21 DESMONTAJE E ANSANBLU MANªON
Butuc
11. El eje secundario: después de velocidades de conmutación de
1 a 3
o 2 y 4 Retire la tuerca.
FIG. 8A ?? 23 ELIMINACIÓN DE VELOCIDAD DEL PIÑON quinto
El eje exterior
14.Placã portlagãre.
.
Uno
1. Subárboles Nut FIG. 8A ?? 24 EXTRACCION Poner PORTLAGÃRE.
Seguridad 15.Inel.
FIG. 8A ?? 22 subárboles remoción.
CAJA DE CAMBIOS, EMBRAGUE Y diferenciación (caja de cambios) 8A??15
16.Demontaþi primavera eje de cambio y la bola
usando un imán.
18.Capacul dejó la caja de cambios.
1. DISPOZITIVSPECIAL 09912??34510
FIG. 8A ?? 25 EXTRACCIÓN Y ARC BOLA FIG. 8A ?? 27 Extracción de la izquierda
CAJA
19.Levier revertir el cambio de marcha.
Eje de entrada 20.Demontare y el eje accionado
junto con tenedor de cambio de marcha.
17.ªurubul revertir el eje del piñón.
Uno
Febrero
FIG. 8A ?? 26 BOLÞUL PIÑÓN DE EJE
Revertir
PRECAUCIÓN
La tapa no se puede quitar sin aflojar
bolþului revertir el eje del piñón.
1.
2.
Subtrees
Eje de entrada
FIG. 8A ?? 28 Eje de entrada REMOCIÓN
Y EJE SECUNDARIO
21. Ruedas diferencial.
8A??16 caja de cambios, el embrague y la diferenciación (caja de cambios)
Eje de entrada 22.Simering y el eje accionado.
Uno
ENTRADA DE ASAMBLEA DEL EJE
Eliminación
1. Al fijar el extractor de cojinetes para eliminar
utilizando los medios de comunicación.
1.
2.
3.
Eje de entrada
TENIENDO
EXTRACTOR RULMENÞI
09920????57810
Febrero
Tres
4
Uno
Febrero
1.
2.
3.
4.
Herramientas specila (prensa hidráulica 09 930??30102)
Herramientas Especiales (09923 EXTRACTOR??74510)
Entrada del sello del eje
Subárboles LOCAª TENIENDO (09941 EXTRACTOR??
64511)
Tres
FIG. 8A ?? REMOCIÓN 29 TENIENDO
PRECAUCIÓN
Extractos USO (09 923 ?? 74510)
CUANDO Retire Rodamientos
PAPEL.
FIG. 8A ?? 30DEMONTARE RULMENT
Eje de entrada (a la derecha)
2. Retire la distancia engranaje de piñón de la 5ª
el cojinete del engranaje de piñón izquierda y cuarto.
Uno
Febrero
Tres
4
5
1.
2.
3.
4.
5.
Árbol primario
Distancia PIÑÓN quinto
TENIENDO
PIÑÓN cuarto de GEAR
Extractor de rodamientos 09 921??57810
FIG. 8A ?? 31 Extracción del cojinete
Eje de entrada (IZQUIERDA)
CAJA DE CAMBIOS, EMBRAGUE Y diferenciación (caja de cambios) 8A??17
3. Desmontar el anillo de seguridad ?? Si el conjunto manºonului y el cubo
Sincronizador, obedecer A = B
1.
2.
3.
4.
Anillo sincronizador
Rombo
Butuc
MANªON
Uno
Febrero
C
4
Uno
B
Febrero
Tres
A = B
C: IZQUIERDA (brida estrecha)
D: Groove
1.
2.
3.
CLEºTE SEGURIDAD
Anillo de seguridad
Butuc MANªON sincronizado
Tres
La
FIG. 8A ?? Anillo REMOCIÓN 32 SEGURIDAD FIG. 8A ?? 34 ASAMBLEA MANªON
4. Desmontar manºon conjunto del cubo sincronizador
3-4 piñón diferencial junto con la tercera etapa.
1.
2.
3.
4.
Árbol primario
HUB - MANºON sincronizado PASO 3-4.
PIÑÓN tercero
EXTRACTOR PINION1
Febrero
Tres
?? La instalación se realiza mediante el rodamiento
Rulmenþi montaje (09925 ?? 98221) y el martillo.
Uno
Febrero
4
Tres
1.
2.
3.
MONTAJE RULMENÞI DISPOSITIVO
09925 ?? 98221
TENIENDO
Árbol primario
FIG. 8A ?? 33 DESMONTAJE E MANªON
ENGRANAJE HUB 3-4 FIG. 8A ?? 35 EJE DE MONTAJE RODAMIENTO
MAYOR (DERECHA)
Montaje
Proceda demontãrii.Respectaþi inversa
las siguientes indicaciones:
?? Cepillo piñones de engranaje dentro de la
caja de aceite.
8A??18 caja de cambios, el embrague y la diferenciación (caja de cambios)
??
??
Intoduceþi seguridad anillo en su lugar.
Rulmenþii y asamblaþii Gresaþi.
EXTERIOR DEL EJE DE ASAMBLEA
Eliminación
Uno 02 de marzo 4
5
1. Retire el piñón girando a la izquierda, junto con
4ª marcha utilizando el extractor y prensa.
Uno
Febrero
Tres
4
1.
2.
3.
Anillo de seguridad
TENIENDO
ARC sincronizado
4.
5.
PIÑÓN cuarto de GEAR
Árbol primario
1.
2.
3.
4.
Subtrees
(EXTRACTOR 09921 ?? 57810)
TENIENDO (IZQUIERDA)
PIÑÓN gradualmente cuarto
EXTRACTOR RULMENÞI
FIG. 8A ?? 36 INSTALACIÓN DE SEGURIDAD ARC
?? Después teniendo monte dejó con una herramienta
y un martillo especial, instale el distanþorul piñón
Quinto paso.
1.
2.
3.
TENIENDO ASAMBLEA DISPOSITIVO 09925 ?? 98221
Distancia PIÑÓN quinto
TENIENDO (IZQUIERDA)
Uno
Febrero
FIG. 8A ?? 38 PIÑÓN cuarto Desmontaje del engranaje
DE EJE EXTERIOR
2. Retire la tercera ruedas dentadas del engranaje y cuarto,
junto con el equipo de 2ª velocidad, estableciendo
el extractor de engranaje de piñón 2 a.
1.
2.
Subtrees
Distancia PIÑÓN
3er PASO y cuarto
PIÑÓN tercero
PIÑÓN A 2-A
EXTRACTOR
09921 ?? 57810
Uno
Febrero
Tres
4
5
Tres
3.
4.
5.
FIG. 8A ?? 37 INSTALACIÓN Y TENIENDO distancia
FIG. 8A ?? 39 EXTRACCIÓN Y DISTANCIA
Engranajes los pasos 2 y 3
CAJA DE CAMBIOS, EMBRAGUE Y diferenciación (caja de cambios) 8A??19
3. Retire el resorte de seguridad.
Uno
Febrero
5. El uso de extractor extraer el cojinete (derecha).
Uno
Febrero
Tres
Tres
1.
2.
3.
MANºON sincronizado PASO 1-2
Anillo de seguridad
09900 Herramientas Especiales ?? 06107
1.
2.
3.
Varillas metálicas
Teniendo (derecha)
EXTRACTOR 09921 ?? 57810
FIG. 8A ?? 40 SEGURIDAD DE REMOCION INEÞARÃ
4. Coloque el extractor de engranajes y retire primero TREP
1-2 engrane de manºon conjunto del cubo
junto con el piñón.
FIG. 8A ?? 42 extraer el cojinete (derecha)
Montaje
Proceder en orden inverso al desmontaje. Siga orden
operación y las siguientes indicaciones.
?? Engrase el aceite dentro de la caja y la corona
cada piñón.
?? En la asamblea, sincronizador hub-manºon
Observar A = B.
Uno
Febrero
Tres
Uno
1.
2.
3.
MANºON sincronizado PASO 1-2
1ª marcha PIÑÓN
EXTRACTOR
B
C
4
Tres
Febrero
La
FIG. 8A ?? 41 DESMONTAJE DEL CONJUNTO BUTUC-
MANªON sincronizado PASO 1-2 1.
2.
3.
4.
ARC sincronizado PASO 1-2
Rombo
Butuc
MANºON
FIG. 8A ?? HUB ASAMBLEA 43 MANªON
Poco a poco sincronizar 1-2
8A??20 caja de cambios, el embrague y la diferenciación (caja de cambios)
?? Instale el cojinete (derecha) usando el dispositivo
Montaje y martillo.
Uno
?? Instale el cubo sincronizador y el engranaje manºonul
1-2 usando el dispositivo y un martillo especial.
Febrero
Tres
1.
2.
3.
4.
5.
6.
7.
MONTAJE RULMENÞI DISPOSITIVO
09925 ?? 18010
MONTAJE RULMENÞI DISPOSITIVO
09940 ?? 53111
MANºON y Butuc TREATA1-2
Anillo sincronizador gradualmente 1-
La
1ª marcha PIÑÓN EN
El eje de accionamiento
TENIENDO
MONTAJE RULMENÞI DISPOSITIVO
09923 ?? 78210
Uno
Febrero
Tres
4
5
1.
2.
3.
MONTAJE DEL DISPOSITIVO RULMENÞI 09923 ?? 78210
Teniendo (derecha)
Subtrees
6
7
FIG. 8A ?? 44 conjunto de apoyo (DERECHA)
?? Ranura más diferentes anillos
Sincronizador 1ª marcha y 2ª marcha.
Uno Febrero
FIG. 8A ?? 46 INSTALACIÓN Butuc MANªON
PASO sincronizada 1-2
?? Instale el resorte de seguridad en su lugar.
Uno
La B
Febrero
Tres 4 5 6
1.
2.
A:
B:
Anillo sincronizador de 1ª marcha
Segundo engranaje de anillo sincronizador A
8.2mm
9.6mm
FIG. 8A ?? 45 ANILLOS DE IDENTIFICACIÓN
Sincronizar
1.
2.
3.
Etapa PIÑON 1-A
MANªON Y HUB
PASO 1-2
ARC DE SEGURIDAD
4.
5.
6.
Rodamiento de agujas
ANILLO DE PASO SINCRÓNICO
A 2-A
PIÑÓN A 2-A
FIG. 8A ?? 47 INSTALACIÓN DE SEGURIDAD ARC
CAJA DE CAMBIOS, EMBRAGUE Y diferenciación (caja de cambios) 8A??21
?? Después de insertar (prensado) correspondiente a
piñón 3ª marcha y el distanþorului, ajuste
(Presaþi) correspondiente al cuarto piñón.
1.
2.
3.
4.
5.
MONTAJE RULMENÞI DISPOSITIVO
09925 ?? 98221
PIÑÓN tercero, cuarto y
Distancia
Poco a poco PIÑÓN tercero
PIÑÓN A 2-A
MONTAJE RULMENÞI DISPOSITIVO
09923 ?? 78210
Uno
Febrero
Tres
4
5
FIG. 8A ?? 48 INSTALACIÓN Y PIÑON distancia
?? Para proteger presaþii cónicos rulmenþii
correctamente con el soporte
rulmenþi.
1.
2.
3.
4.
5.
MONTAJE RULMENÞI DISPOSITIVO
09925 ?? 98221
TENIENDO (IZQUIERDA)
PIÑÓN cuarto de GEAR
Teniendo (derecha)
MONTAJE RULMENÞI DISPOSITIVO
(09923 ?? 78210)
Uno
Febrero
Tres
4
5
FIG. 8A ?? 49 correspondiente presionando
TENIENDO (IZQUIERDA)
8A??22 caja de cambios, el embrague y la diferenciación (caja de cambios)
CHEQUE
Compruebe superficie cónica
Después de girar el piñón realizar anillo síncrono
Medición juego como se muestra a continuación. Si el juego
está por debajo del anillo va a cambiar de forma sincrónica.
Juego
anillo piñón
Estándar
1.0
Límite
0.5
Anillo de cierre profundidad de la ranura síncrona
(Mm)
Estándar
Primero piñón
Engranajes Tr. 2,3 y 4
piñón tr. 5-A
8.2
9.6
9.4
Límite
8.6
10
9.8
FIG. 8A ?? 52 CONTROL DE PROFUNDIDAD
Groove-cierre
FIG. 8A ?? Desgaste 50 de Cheques
Superficie cónica
Comprobación compromiso cónico. Condiciones.
Cuando el temporizador no funciona condiciones nor-
masculina, la conexión entre la superficie interior del anillo y
Piñón superficie cónica, se logra en parte
a pesar de un mal juego de corona y piñón admitido. De
Por lo tanto, comprobar: superficie cónica y la rueda dentada
superficie interior del piñón. En este caso la superficie
anillo interior debe ser perfectamente lisa. Donde
verificación es difícil, superficie trasera está desgastado,
para una inspección exhaustiva mayo Aplique una capa de
pintura roja. Superficie cónica se puede usar de forma desigual
(Olas).
FIG. 8A ?? 50 Verificar cónica unidad
CAJA DE CAMBIOS, EMBRAGUE Y diferenciación (caja de cambios) 8A??23
Tenedor y manºonul sincronizador
1. Mida la holgura entre baladas manºonul y tenedor. Donde
está por encima del cheque tenedor permisible.
Estándar
0.2 ?? 0.6
Límite
1.0
Juego de manºonul
baladas y tenedor (mm)
FIG. 8A ?? 54 VER Forks
Manºon y cubo sincronizador
1. hub Asamblaþi y sincronizador manºonul y
compruebe que funciona en silencio.
2. Controlar el desgaste del cubo.
FIG. 8A ?? 53 VERIFICACIÓN Límite juego
2. Medir el espesor de armas termina furcã.Dacã
están por debajo del límite debe cambiarse.
Espesor termina sus brazos
tenedor
(Mm)
Poco a poco la horquilla 1 y 2
Paso Forks 3 y 4
Quinto tenedor de engranajes
Estándar
8.7
7.8
7.8
Límite
8.1
7.2
7.2
FIG. 8A ?? 55 VERIFICACIÓN Y HUB MANªON
Sincronizar
8A??24 caja de cambios, el embrague y la diferenciación (caja de cambios)
??
LA CAJA DE TRANSMISIÓN
Proceder en orden inverso al desmontaje. Seguir
siguiendo las instrucciones.
?? Instale el eje de entrada y el eje de accionamiento por
Vivienda Derecho.
??
Apretar tornillos árboles y valor de la canal
especificado.
Torque (kg??cm)
Tornillos árbol
Tornillos vivienda
180 ?? 280
150 ?? 220
Utilizando el rulmenþi mount (09.913 ??
84510) y el eje de montaje martillo teniendo
secundaria.
Uno
Febrero
Febrero
Uno
1.
2.
Subtrees
Eje de entrada
FIG. 8A ?? 56 EJE DE ENTRADA ASAMBLEA
Y EJE SECUNDARIO
?? Instale revertir agujero eje del piñón
(A) el signo correcto (B) de la caja
1.
2.
3.
Tres
Eje de entrada
MONTAJE DEL DISPOSITIVO RULMENÞI 09913 ?? 84510
Ranura TENIENDO
FIG. 8A ?? ASAMBLEA 58 TENIENDO
Uno
Febrero La
??
Tres
4
5
1.
2.
3.
Eje del piñón
Revertir
Vivienda DERECHO
PIÑÓN DE Apalancamiento
Revertir
B
4.
5.
Lavadoras
PIÑÓN paseo
VOLVER
La??B?? Escritor
Al colocar el eje del rodamiento de rodillos cónicos
, establezca juego distanþier lavadora secundaria.
1Verificaþi si bien sentado rodamiento,
girar el eje de accionamiento.
2 Ajuste la holgura entre la carcasa y la superficie de apoyo
utilizando arandelas distanþier conocidos espesor.
FIG. 8A ?? 57 MONTAJE DEL EJE PIÑÓN DE
Revertir
CAJA DE CAMBIOS, EMBRAGUE Y diferenciación (caja de cambios) 8A??25
TresArandela de desplazamiento con el fin de distanþier juego
a ser estándar.
(Mm)
Los valores medidos
0.33 ?? 0.37
0.38 ?? 0.42
0.43 ?? 0.47
0.48 ?? 0.52
0.53 ?? 0.57
0.58 ?? 0.62
0.63 ?? 0.67
0.68 ?? 0.72
0.73 ?? 0.77
0.78 ?? 0.82
0.83 ?? 0.87
0.88 ?? 0.92
0.93 ?? 0.97
0.98 ?? 1.02
1.03 ?? 1.07
Arandelas de espesor
0.45
0.50
0.55
0.60
0.65
0.70
0.75
0.80
0.85
0.90
0.95
1.00
1.05
1.10
1.15
Febrero Uno
C
Tres
La
Uno
C:
D:
E:
F:
B
E
Tres
FIG. 8A ?? Vivienda de montaje 60 cubierta
?? Manºonul Asamblaþi y sincronizador hub
Quinto paso, como se muestra.
1. ARC sincronizado
Un quinto engranaje
2. píldora
3. Butuc
Febrero
4. MANºON
Balada
D
F
4
A = B
La
INTERIOR ARC
Cubo
Pestillo de la ranura
Estriado
4
FIG. 8A ?? Y HUB ASAMBLEA 61 MANªON
Un quinto engranaje
?? Quinto engranaje de piñón se montará con la superficie
controlador del concentrador procesada dentro.
Uno
Tres
1.
2.
3.
4.
5.
Derecho
Subtrees
TENIENDO
Lavadora DISTANÞIER
BANDERA
5 Febrero
FIG. 8A ?? 59 ELECCIÓN DE ESPESOR Lavadora
DISTANÞIER
?? Después de aplicar Loctite en el agarre de superficie
vivienda, apretar al valor especificado.
Par de apriete
Tapa de la carcasa
1.
2.
3.
PIÑÓN quinto
Plomo Butuc
LED Butuc
60 ?? 70
FIG. 8A ?? 62 PIÑÓN quinto
8A??26 caja de cambios, el embrague y la diferenciación (caja de cambios)
?? Después de encender los pasos 1 a 3 (2 y 4) apriete la tuerca
eje secundario en el valor especificado. ?? Apriete la 5ª marcha pin tenedor y ºtemuiþi a
Para evitar la pérdida.
ºTEMUIRE
Uno
1. Subárboles Nut
FIG. 8A ?? 63 apretando la tuerca ÁRBOL
EXTERIOR
Tuerca Par
eje secundario (kg??cm)
??
600 ?? 800
FIG. 8A ?? 65 ªTEMUIRE ªTIFT Forks
Un quinto engranaje
100 ?? 180
Par de apriete
Forks (kg??cm)
??
Ajuste el manºonul cubo y zanja al lado
lubricación agujero A y B.
Limpiar y engrasar la superficie de contacto de la tapa
Y la carcasa (izquierda)
Uno
Uno
La
Febrero
02 de marzo Uno
C
1.
2.
A:
CUBIERTA LATERAL
Vivienda (IZQUIERDA)
APLICACIÓN Loctite
La
B
FIG. 8A ?? 66 MONTAJE PLACA LATERAL
1.
2.
3.
Forks PIÑÓN Un 5-
La
ANILLO ARC SINCRON
ANILLO DE PASO SINCRÓNICO A5
La
Par de apriete
cubierta lateral (kg??cm) 80 ?? 120
A. ªANÞ ACEITE (marcado B)
B. APERTURA
FIG. 8A ?? 64 MONTAREC.
ºTEMUIRE
MANªON Y HUB
Un quinto engranaje
CAJA DE CAMBIOS, EMBRAGUE Y diferenciación (caja de cambios) 8A??27
PAR DE APRIETE
Spare cerca
Tapón de drenaje de
aceite
Nivel de aceite Cap
Tornillos controlan palanca
Extensión de la barra Studs
Extensión tuerca de la varilla
Palanca de tuercas de seguridad y selector de
revoluciones
Lug rueda velocímetro
Tornillos y caja de montaje del motor nueces
Cuadro de oreja de soporte
Tornillos del tubo de escape
Tornillos revertir la palanca de cambios
Piñón de salida Tornillos
Tornillos caja de alojamiento
Lug eje de marcha atrás
Tornillos eje conducido
Cuadro lug Tenedor
Bloqueo cuadro carcasa lug
Guía cuadro carcasa lug
Cubierta tornillos de la caja (a la
izquierda)
Luces contactor inversor
Torque (kg??cm)
360 ?? 540
250 ?? 300
150 ?? 200
150 ?? 200
250 ?? 400
150 ?? 200
40 ?? 70
560 ?? 660
300 ?? 500
400 ?? 600
180 ?? 280
800 ?? 1000
150 ?? 220
180 ?? 280
600 ?? 800
320 ?? 360
180 ?? 280
80 ?? 120
80 ?? 120
200 ?? 260
8A??28 caja de cambios, el embrague y la diferenciación (caja de cambios)
HERRAMIENTAS
ESPECIALES
Uno Febrero Tres 4
09930 ?? 30102
Extractor con inercia
5
009912 ?? 34510
Cilindro Extractor
6
09900 ?? 06107
Anillo fusible Cleºte
7
09917 ?? 58010
Rulmenþi Extractor
8
09923 ?? 74510
Rulmenþi Extractor
9
09941 ?? 64511
Rulmenþi Extractor
09925 ?? 78210
Perno Extractor
arco
09925 ?? 98221
Dispositivo de montaje
rulmenþi
09923 ?? 78210
Rulmenþi montaje Manºon
Caja de cambios, diferencial y embrague (clutch) 8B??Uno
8B. EMBRAGUE
DESCRIPCIÓN GENERAL ....................................................................................................... 8B ?? Febrero
8B ?? Tres
8B ?? 4
TABLA DE DIAGNÓSTICO .................................................. ..................................................
VEHICULO ............................................................................................................
REMOCIÓN ............................................................................................................................ 8B ?? 5
Tapa del embrague, disco de embrague Y VOLANTE ........................................... .............
Eliminación
Inspección
Montaje
8B ?? 5
......................................................................................................................... 8B ?? 5
.............................................................................................................................. 8B ?? 7
........................................................................................................................... 8B ?? 8
PAR DE APRIETE .................................................. .................................................. 8B ?? 10
HERRAMIENTAS
ESPECIALES
.................................................................................................................. 8B ?? 10
8B??2 caja de cambios, diferencial y embrague (clutch)
DESCRIPCIÓN GENERAL
Disco de embrague sencillo es de tipo seco muelle de diafragma y se acciona mecánicamente.
C A R A S C
EMBRAGUE
Diafragma de resorte
VOLANTE
Disco de embrague
Cigüeñal
Tren motriz
EJE DE ENTRADA TENIENDO
A R B O R E
EXTERIOR
CAJA
VELOCIDAD
(PLACÃDE
PRESIÓN)
FIG. 8B ?? 1 VER EL sección EMBRAGUE
Dimensiones Disco de embrague (mm)
Diámetro exterior x diámetro
interior x grosor 170 x 110 x 3,2
La transmisión de par del embrague prorrogados
el motor a la caja de cambios. El conjunto de embrague incluye:
disco de embrague, placa de presión, diafragma,
tapa de embrague, rodamientos de embrague, etc. Placa madre
presión presiona el disco de embrague en el volante por
el resorte de diafragma.
Disco de embrague se mueve la dirección axial es
fija entre la placa de presión y el volante, toma movimiento
rotación del volante y lo presentará a la caja de cambios
a través del eje de entrada spline.
FIG. 8B ?? 2 DISCOS Y PLACA DE PRESIÓN
EMBRAGUE
Caja de cambios, diferencial y embrague (clutch) 8B??Tres
Diagnóstico
Fuera De
Servicio
Patinado ??
??
??
??
??
Debraiere
Impropio
(Deslizamiento)
??
??
??
??
Causa probable
Pedal de carreras inadecuada
Desgaste o aceite en el disco de embrague
Deformación o placa de presión de aceite o
volar ruedas
Diafragma débil o roto
Cable utilizado
Remedio
??Ajuste el cable
??Reemplazar
??Vuelva a colocar la placa de presión
o el volante
??Vuelva a colocar la placa de presión
??Reemplace el cable
??Ajuste el cable
??Vuelva a colocar la placa de presión
??Se gresezã
??Reemplace el eje de entrada
??Reemplace el disco
??Reemplace el disco
??Reemplace el disco
??La grasa
??Reemplace el disco
??Reemplace el disco
??Reemplace el disco
??Vuelva a colocar la placa de presión
o el volante
??Apriete o reemplace
??Reemplace los rodamientos
debraiere
??Vuelva a colocar el árbol de apoyo
entrada
??Reemplace el disco
??Reemplace el disco
??Vuelva a colocar la placa de presión
??Reemplace el disco
??Reemplace el disco
??Reemplace el disco
??Reemplace el disco
Pedal de carreras inadecuada
Diafragma resortes débiles o suelta de rebote
Rust estrías del eje de entrada
Estrías del eje de entrada rotos o desgastados
Transaxle
?? Placa de embrague se deforma
?? Óleo sobre disco de embrague
??
??
??
??
??
??
??
??
Óleo sobre suprafeþe.Suprafeþe quemado o pulido
Rodamiento Debraiere desliza eje duro
entrada
Defecto de disco de embrague o de contacto superficies
Residuos
Pérdida remaches del disco de embrague
Muelles de retorno suelta
La placa de presión o el volante utilizado
Afloje los tornillos de sujeción o de embrague nueces
bloque de motor
Desgaste de los rodamientos o debraiere lágrima
Desgaste del cojinete del eje de entrada
Jarring
(RAPA)
Ruidos ??
?? El ruido excesivo del cubo del disco de embrague
?? Repartir el embrague de discos
?? Ruidos y resorte de presión placa del diafragma
Retumbar
??
??
??
??
Óleo sobre superficies de los discos de embrague
El desgaste excesivo de las superficies de los discos
Frote la superficie de las cabezas de los remaches del disco
Disco de embrague resortes sueltos
8B??4 caja de cambios, diferencial y embrague (clutch)
VEHICULO
Inspección
Pedal de carreras gratis
Holgura del pedal (mm) 20 ?? 30
La distancia entre el pedal y el piso cuando
antes de la conexión del embrague.
Cuando el motor está encendido, compruebe que la distancia
entre el pedal y el piso está dentro de las condiciones especificadas
inactivo, guiada y soltar el pedal del freno de estacionamiento
embrague.
La distancia entre el pedal y el piso
antes de acoplar el embrague
(Mm)
60 y más
C R U S A
Liberă
PRECAUCIÓN
Durante las inspecciones, asegúrese de que el vehículo
No empiece pronto.
FIG. 8B ?? Viajes gratis 3 pedal
EMBRAGUE
Carrera pedal de embrague libre
Cuando la holgura del pedal es mayor que
especificada, ajuste como se muestra.
Distancia desde el suelo
FIG. 8B ?? 5 Entre la distancia PEDAL Y SUELO
CUANDO ANTES acoplamiento
EMBRAGUE
Cable del embrague
Compruebe el cable del embrague y lo reemplaza si
observe alguna de las siguientes situaciones.
?? El cable se utiliza en exceso
?? El cable está suelto
?? El cable se deforma
?? El fuelle se deforma
?? Extremo del cable está desgastado
La
A: 2??3 (MM)
FIG. 8B ?? 4 Palanca de elevación libre
Desconectado
Caja de cambios, diferencial y embrague (clutch) 8B??5
REMOCIÓN
Tapa del embrague, disco de embrague y el volante
Uno
Tres
4
7
6
Febrero 5
1.
2.
3.
4.
5.
6.
7.
Carcasa del embrague
Disco de embrague
Teniendo DEBRAIERE
Buje NR.1
NO.2 buje
AX DEBRAIERE tenedor
Palanca DEBRAIERE
FIG. 8B ?? 6 EMBRAGUE
REMOCIÓN
1. El uso de una disposición especial para la fijación del volante,
tornillos y retire la carcasa del embrague
disco de embrague (montaje de placa de presión).
2. Usando extractor, retire teniendo en
el eje de entrada.
Tres
Uno
Febrero
Uno
Febrero
Tres
1.
2.
3.
Carcasa del embrague
Tornillos de fijación
VOLANTE sujeción
1.
2.
3.
EXTRACTOR 09.817 hasta 58.010
Eje de entrada Rulmentul
VOLANTE
FIG. 8B ?? 7 Desmontaje de la carcasa del embrague
FIG. 8B ?? REMOCIÓN 8 TENIENDO
Eje de entrada
8B??6 caja de cambios, diferencial y embrague (clutch)
3. Retire el cojinete del eje de rotación debraiere tenedor
El debraiere
4. Retire No.2 buje mediante dispositivo
desmontaje.
7. Saque el casquillo con un equipo especial.
Uno
Uno Febrero
1.
2.
3.
Febrero
Tres
Tres
1.
2.
AX DEBRAIERE tenedor
Eliminación del dispositivo buje 09 925??48210
DORN
Disposición especial 09 923 ?? 46030
Disposición especial 09 930 ?? 30102
FIG. 8B ?? 9 EXTRACCIÓN BUCªÃ NO.2
Debraiere eje 5. tenedor
6. Retire el buje M14 x 1,5 No.1 usando mandril.
FIG. 8B ?? 11 EXTRACCIÓN BUCªÃ
Uno
1. DORN (M14 X 1.5)
FIG. 8B ?? 10 FIJACIÓN DORN
Caja de cambios, diferencial y embrague (clutch) 8B??7
INSPECCIÓN
Cojinete del eje de entrada
Compruebe gira fácilmente y cambiarla si
funcionando de manera anormal.
Tren motriz
Compruebe los rodamientos de embrague por desgaste
anormales y si gira fácilmente. Reemplazarlo por uno nuevo
Si los defectos.
Placa de embrague
Mide si las cabezas de los remaches del disco de embrague
están dentro de los límites establecidos.
Altura de la cabeza del remache
(mm)
Estándar
1.2
Límite
0.5
Uno
Febrero
FIG. 8B ?? 13 VER cojinetes
Desconectado
Embrague semi-eje
Asegúrese de que el eje está deformado o desgastado, y si
eje bucºele están desgastados.
Tres
1.
2.
3.
DISPOSITIVO DE MEDICIÓN
Disco de embrague
Agujero NIT
FIG. 8B ?? 12 Medición de la ENDS altura
Remaches
Carrera embrague disco libre en la dirección
rotación
Compruebe el sentido de flujo de la rotación libremente en el disco
embrague montado sobre las estrías del eje de entrada.
Curso gratuito tanto da lugar a una descarga eléctrica al embrague
Y el ruido anormal. Si el juego supera el límite, sustituir
disco de embrague.
Carrera libre en disco
el embrague (mm) 1.0
8B??8 CAJA DE CAMBIOS, EMBRAGUE Y diferenciación (embrague)
Sujetadores
Proceder en orden inverso al desmontaje. Seguir
siguiendo las indicaciones.
?? Instale el buje Nº 1 utilizando un dispositivo especial.
Uno
Al colocar el eje centraþi disco de embrague
serpenteante
disco de embrague con el centrador.
Instale la carcasa del embrague y apretar los tornillos (6)
el valor especificado.
Par de apriete de los tornillos
180 ?? 280
cárter del embrague (kg??cm)
Febrero
Febrero
Tres
Tres
Uno
1.
2.
3.
ESPECIAL centrador 09923??36330
Tornillos de la carcasa del embrague
Sujeción VOLANT 09924??17810
1.
2.
3.
09943 PRENSA ?? 88211
ESPECIAL DISPOZITOV 09923 ?? 46040
Buje NR.1
FIG. 8B ?? 16 ASAMBLEA EMBRAGUE DISCO
?? Apriete los pernos que conectan el volante y el eje
Haga girar el valor especificado.
Apriete los pernos del volante de par
570 ?? 650
(Kg??cm)
PRECAUCIÓN
Antes de la instalación, limpiar las superficies con-
tacto de la placa del volante y de la presión y seco
por completo.
FIG. 8B ?? 14 MONTAJE NO.1 BUCªÃ
?? Instale y utilice el buje No.2 ºtemuiþi dispositivo
especial.
Uno
Tres
4
Febrero
La
Febrero
Uno
1.
2.
3.
4.
A:
Casquillo EXTRACTOR 09 915??48220
NO.2 buje
Sello
DEBRAIERE eje AX
ºTEMUIRE
FIG. 8B ?? 15 INSTALACIÓN Y BUCªÃ NO.2
Sello
1.
2.
Tornillos VOLANT
VOLANTE sujeción
FIG. 8B ?? VOLANTE 17 MONTAJE
Caja de cambios, diferencial y embrague (clutch) 8B??9
?? Instale el volante cojinete del eje de entrada
utilizando el rulmenþi montura.
??
??
Inserte grasa para rodamientos después debraiere
dentro del rodamiento y eje debraiere eje.
Eje de entrada spline Gresaþi.
La
Febrero
Uno
B
Tres
Uno
1. TENIENDO ASAMBLEA DISPOSITIVO 09925??98210
FIG. 8B ?? 18 herraje de apoyo
Eje de entrada
?? Instale el eje y la palanca de embrague en la derecha
Regístrate punzón y apretar con el valor especificado.
Par de apriete de la palanca
de
embrague (kg??cm)
100 ?? 160
1.
2.
3.
A, B:
Teniendo DEBRAIERE
Palanca DEBRAIERE
Eje de entrada
Engrase el
FIG. 8B ?? 20
Uno
La
1.
2.
3.
Tornillo, tuerca
Palanca DEBRAIERE
SIGNOS ponche
FIG. 8B ?? 19 SEÑALES ªTANÞATE la palanca
El DEBRAIERE
8B??10 caja de cambios, diferencial y embrague (clutch)
PAR DE APRIETE
Spare cerca
??
??
??
??
??
Cãmãºii terminal de cable de embrague
Soporte Cable
Tornillos del volante
Tornillos de la carcasa del embrague
Los tornillos y tuercas debraiere palanca
Torque (kg??cm)
90 ?? 130
180 ?? 280
570 ?? 650
180 ?? 280
100 ?? 160
DISPOSITIVOS ESPECIALES
Uno Febrero Tres 4
09924 ?? 17810
Volante de sujeción
5
09917 ?? 58010
Rulmenþi Extractor
6
09925 ?? 98210
Montaje Manºon
cojinete
7
09923 ?? 36330
Cruz de dispositivo
8
09925 ?? 48220
Casquillo Extractor
09923 ?? 46040
Dispositivo de montaje
09930 ?? 30102
Extractor con inercia
009943 ?? 88211
Montaje rulmenþi dispositivo
CAJA DE CAMBIOS, EMBRAGUE Y diferencial (diferencial) 8C??Uno
8C. Diferencial
DESCRIPCIÓN GENERAL ......................................................................................................... 8C ?? Febrero
Diferencial .......................................................................................................................... 8C ?? Febrero
Diagnóstico ................................................................................................................................. 8C ?? Tres
REMOCIÓN ............................................................................................................................. 8C ?? 4
Sujetadores ............................................................................................................................. 8C ?? 4
8C??2 caja de cambios, el embrague y diferencial (diferencial)
DESCRIPCIÓN GENERAL
Diferencial
El diferencial es la misma caja de cambios y la caja de cambios de montaje chasis del sistema se comparte con
del motor.
El eje de los anillos de transmisión final es paralelo al eje de accionamiento de la caja de cambios y es con los dientes
helicoidal. Dientes de la corona debe ser fijada de vivienda diferencial.
Uno
Febrero
Tres
1.
2.
3.
4.
5.
6.
7.
8.
9.
10.
Uno
Piñones araña
Piñones planetarios
Piñones araña AX
Vivienda LED PIÑÓN VELOCIMETRO
LED PIÑÓN VELOCIMETRO
Sello
Diferenciación RULMENÞI (BOLA)
Engranaje impulsor VELOCIMETRO
CASO diferencial
Anillos de transmisión final
Febrero
4
5
6
7 10
9
8
6
7
FIG. 8C ?? 1 Configure diferencial
Cambios diferenciales dirección y aumenta el tiempo dependiendo de la velocidad periférica de las ruedas.
Diferencial puede ser considerado como una final de engranajes de reducción y engranaje de accionamiento debido corona diferencial.
Diferencial
garantizar un buen funcionamiento de las ruedas cuando la velocidad es diferente periférica (rueda exterior en las curvas a través de un
camino más largo que el interior).
CAJA DE CAMBIOS, EMBRAGUE Y diferencial (diferencial) 8C??Tres
Diagnóstico
Fuera De
Servicio
Ruido en las ruedas ??
??
??
??
??
??
a ??
??
??
??
Causa probable
Aceite de la transmisión de agua insuficiente o contaminado
Cantidad insuficiente de aceite en la caja de cambios
Tracción piñones defectuoso
Póngase en contacto con las ruedas de dientes defectuosos
Afloje piñones
Piñón Desgaste o ataque corona
Aceite de la transmisión de agua insuficiente o contaminado
(El ruido continuo) Aceite insuficiente o la caja de cambios
insuficiente
Rodamiento del diferencial de deserción
Rodamiento del piñón diferencial o cojinete ataque desgaste
??
??
??
??
??
??
??
??
??
??
Remedio
Sustituido o complementado
Lleno
Ajuste
Ajuste o reemplazo
Înlocuiresau
colección
Reemplazo
Sustituido o complementado
Sustituido o complementado
Sustituido
Sustituido
Ruido
rulmenþi
8C??4 caja de cambios, el embrague y diferencial (diferencial)
REMOCIÓN
1. Retire el diferencial que lleva utilizando extractor.
Sujetadores
Proceder en orden inverso al desmontaje. Asegúrese de
siguiendo las instrucciones.
?? Ajuste el libre juego de los engranajes planetarios a tamaño
distancia estándar utilizando arandelas.
Uno
Juegos gratis piñón planetario
Febrero
Tres
(IZQUIERDA)
4
Uno
(Mm) 0.05 ?? 0.33
Tres
Uno
1.
2.
3.
4.
Garra extractora RULMENÞI 09913??65810
ADAPTADOR 09925??88210
Teniendo (derecha)
PIÑÓN VELOCIMETRO
4
Febrero
FIG. 8C ?? Febrero
2.
3.
4.
5.
Extracción del cojinete
Diferenciación
Velocímetro Piñón
Teniendo diferencial (izquierda)
Corona Diferencial
Desmontar los anillos de retención.
(DERECHA)
Tres
Febrero
4
Uno
Febrero
Tres
4
1.
2.
3.
4.
Destornillador
PLANETARIO DEL PIÑON
CADRAN
Magnético
FIG. 8C ?? 4 MEDICIÓN DEL JUEGO LIBRE
Piñones de eje
1.
2.
3.
4.
FIG. 8C ?? 3 ANILLOS DE SEGURIDAD DE REMOCION
DISPOSITIVO DEMONNTARE ANILLOS DE MONTAJE 09922??
85811
Vivienda diferencial
PLANETARIO DEL PIÑON
Cachorro PIÑÓN
Arandelas de espesor de distancia
(Mm)
0,9, 0,95, 1,0, 1,05,
1.1, 1.15, 1.2
CAJA DE CAMBIOS, EMBRAGUE Y diferencial (diferencial) 8C??5
?? Presaþi mediante dispositivo rodamiento del diferencial
especial.
Uno
Febrero
Tres
4
5
7
6
1.
2.
3.
4.
5.
6.
7.
MONTAJE DEL DISPOSITIVO RULMENÞI 09951??76010
Diferenciación TENIENDO (derecha)
PIÑÓN VELOCIMETRO
EJE PIÑÓN SATELITE
Vivienda diferencial
Diferenciación TENIENDO (IZQUIERDA)
Sujeción 09951??16060
FIG. 8C ?? 5
??
MONTAJE diferenciación RULMENÞI
Tornillos corona diferenciales aprietan en
valor especificado.
Pares de apriete para tornillos
diferenciales curoanã (kg??cm) 800 ?? 1000
Uno Febrero
Tres
1.
2.
3.
Tornillos de la corona del diferencial
Tornillos de la corona del diferencial
APOYO
FIG. 8C ?? 6 anillos de engranajes diferenciales
Dirección (piñón-cremallera) 10A??Uno
CAPÍTULO 10
Departamento
10A. Piñón-cremallera
DESCRIPCIÓN GENERAL ....................................................................................................... 10A ?? Uno
Caja de dirección .............................................................................................................. 10A ?? Uno
VEHICULO ........................................................................................................... 10A ?? Febrero
PAR DE APRIETE .................................................. ................................................. 10A ?? 7
S.D.V SITIOS .................................................................................................................................. 10A ?? 7
DESCRIPCIÓN GENERAL
Dirección CAJA
FIG. 10A ?? Uno
Tamaño de la rueda
310 mm
Rueda Especificación
135 SR 12
10A??2 de dirección (piñón y cremallera)
VEHICULO
Los componentes de la dirección
13
12
16
11
15
14
21
7
19
5
4
6
17
18 Febrero
Tres
Uno
9
8
10
16
20
1.
2.
3.
4.
5.
6.
Caja de dirección
PIÑÓN
Sello
Cojinete
TENIENDO
ANILLO
7.
8.
9.
Juntas PIÑÓN
Partes de presión
ªURUBAMORTIZARE
Estante
10. CUBIERTA tornillo Amortización
11. estante
12.
13.
14.
15.
16.
Set
Varillas
COLLAR
Fuelle
R O T T L
Departamento
17.
18.
19.
20.
21.
COLLAR
Casquillo de guía
APOYO
Varillas
Fuelle
FIG. 10A ?? 2 componente de dirección
Dirección (piñón-cremallera) 10A??Tres
Eliminación
1. Tornillos articulación de giro
Febrero
Uno
Uno
1. Caja de dirección
FIG. 10A ?? Caja de dirección 5 EXTRACCIÓN
1.
2.
Pedal de freno
Dirección PALANCA
FIG. 10A ?? 3 articulaciones REMOCIÓN
2. Las tuercas de rueda, derecha e izquierda
3. Desmontar la derecha y rotule izquierda
Quitar
1. estante Bellows
Anillo amortiguador 2. choque
3. Belet dirección
Uno
Uno
Febrero
1. Rotui EXTRACTOR 09913 ?? 65210
FIG. 10A ?? 4 REMOCIÓN Rotui
1.
2.
Barras de dirección
Estante
FIG. 10A ?? 6 barras REMOCIÓN
4. Desmontar los tornillos de sujeción alojamiento de casete
dirección y caja de dirección de montaje 4. Ajuste Bucºele
5. Apoyo y presión pieza elástica
10A??4 Dirección (piñón y cremallera)
6. Desmontar la junta de piñón Desmontaje buje de cremallera
1. Anillo de Seguridad
2. Demotaþi bucºele cremalierelei mediante dispositivo
especial. Compruebe bucºele si están desgastados o rotos
Y reemplace si está defectuoso.
Uno
FIG. 10A ?? 7 Desmontaje PIÑÓN junta
7. Seguridad de anillo
8. Piñón 1. Casquillo EXTRACTOR 09 944 ?? 48210
FIG. 10A ?? 9 EXTRACCIÓN estante BUCªE
3. Cuando asemblaþi estante buje, el uso
disposición especial y el anillo de montaje del martillo
seguridad gresaþi y la superficie interior de la tuerca del vástago.
Uno
YO NEL
SEGURIDAD
Febrero
1. PIÑÓN
FIG. 10A ?? 8 EXTRACCIÓN DEL PIÑON
Uno
9. rack
1.
2.
MONTAJE DEL DISPOSITIVO buje 09 943 ?? 78210
MARTILLO
PRECAUCIÓN
Al quitar la rejilla, puede ser bucºele
deteliorate; retire el soporte en la dirección
caja.
FIG. 10A ?? Estante 10 Montaje BUCªÃ
Dirección (piñón-cremallera) 10A??5
Montaje del rodamiento del piñón
1. Retire rodamiento del piñón de utilizar el dispositivo
especial.
Rotula
PRECAUCIÓN
Al quitar la rótula, se recomienda
marcar la posición original de las barras finales "B".
Uno
Febrero
B
1.
2.
Hammer inercia 09930 ?? 30102
Extractor de rodamientos 09 921 ?? 20200
Maraj
FIG. 10A ?? 11 PIÑÓN TENIENDO REMOCIÓN
2. Gresaþi teniendo e instalarlo con
dispositivo especial.
FIG. 10A ?? 13 barras MARCADO
Montaje
Observar las operaciones, invierta el desmontaje.
Uno
PRECAUCIÓN
Al colocar la rejilla en la caja, asegúrese
stricaþi no para acumular buje.
1. TENIENDO ASAMBLEA DISPOSITIVO 09943 ?? 88211
FIG. 10A ?? PIÑÓN conjunto de cojinete 12
10A??6 dirección (piñón-cremallera)
Ajuste buje de cremallera
Después de apretar la tuerca del vástago completamente, afloje con ~
90 ° después
restrângeþi un par de juegos de ajuste de rotación
piñón especifica mediante dispositivo especial.
De par de giro del piñón (kg??cm) 8?? 13
Uno
FIG. 10A ?? 15 varillas de montaje
PRECAUCIÓN
Engranajes Gresaþi y cremalira antes de la instalación.
1. Llave 09944 ?? 18211
FIG. 10A ?? CONTROL DE PAR 14 SPIN
PIÑÓN
Varillas
Conecte el enlace de alimentación del bastidor con el par
especificado.
Pares de apriete (kg??cm) 680 ?? 980
Dirección (piñón-cremallera) 10A??7
PAR DE APRIETE
Componentes
Tornillos juntas barras de dirección
Rótula Tuerca
La rótula de bloqueo de barras de
nueces
Piñón rotativo joven
Varillas de rack
Torque (kg??cm)
200 ?? 300
350 ?? 550
350 ?? 550
8?? 13
680 ?? 980
S.D.V. SITIOS
09913 ?? 65210
Rótula Extractor
09944 ?? 18211
Dispositivo de montaje del piñón
09944 ?? 48210
Casquillo Extractor
09943 ?? 78210
Casquillo de montaje de dispositivo
09930 ?? 30102
Martillo con inercia
09921 ?? 20200
Piñón extractor de cojinetes
09943 ?? 88211
Dispozitivmontare
rodamiento del piñón
10A??8 dirección (piñón y cremallera)
10B Dirección??Uno
10B. Departamento
DESCRIPCIÓN GENERAL ......................................................................................................
VEHICULO ........................................................................................................
10B ?? Febrero
10B ?? 4
Volante ................................................................................................................................ 10B ?? 4
Interruptor de señal .................................................. .................................................. 10B ?? 5
Columna de dirección ......................................................................................................... 10B ?? 5
10B ?? 7
Dispositivo de bloqueo de la dirección .................................................. ............................................. 10B ?? 6
PAR DE APRIETE .................................................. ................................................
S.D.V. SITIOS ................................................................................................................................ 10B ?? 7
10B??2 Dirección
DESCRIPCIÓN GENERAL
FIG. 10B ?? 1 VOLANUL
Uno
1. Columna de dirección
FIG. 10B ?? 2 Columna de dirección GENERAL
10B Dirección??Tres
La manipulación de direcciones y la columna de dirección
Departamento telescópica
?? Hace posicionar el volante. Se puede ajustar la inclinación del volante o la apropiación o fuera hacia
Conductor.
FIG. 10B ?? Volante 3
FIG. 10B ?? 4 Dirección telescópica
Compruebe manejo de dirección
1. Se hace con el motor y la rueda posicionada para
hacia adelante. Si el volante vibra menos, Cheque
Si juego circumferenþial pertenece límites estándares
dard.
Juegos gratis volante de dirección
circumferenþialã (mm) 0 ~ 30
2. Haga palanca en la dirección de la rueda y axial normal y
Compruebe el juego.
3. Antes de comprobar fuerza motriz operativo,
colocar el vehículo sobre una superficie plana y
posicionar el volante hacia adelante.
4. Compruebe la presión de los neumáticos es estándar
Y arrancar el motor.
Comprobación del controlador 5. dispositivo Agãþaþi y Medida
fuerza de accionamiento por el dispositivo de tracción
dirección de rotación.
3.5 o puþinForþa operativo (kg)
FIG. 10B ?? 5 MEDICIÓN Y VERIFICACIÓN
VOLANTE MANEVRABILITÃÞII
10B??Departamento 4
VEHICULO
VOLANUL
Eliminación
1.
2.
3.
4.
5.
Terminal de desconexión (??) De la batería.
Bellows Retire la llave de encendido.
Retire la tuerca de la columna de dirección.
Marque la posición de la columna de dirección y la dirección.
Retire el volante utilizando el dispositivo especial.
Instalación
1. Alinee el volante y la columna de dirección a la derecha
marcas hechas.
Columna de dirección de par tuerca 2. ªtrângeþi
especificado.
Uno
1. Maraj
FIG. 10B ?? 6 MARCADO Y COLUMNA DE DIRECCIÓN
Departamento
FIG. 10B ?? Columna tuerca 8 DE APRIETE
Departamento
Par de apriete de la tuerca (kg??m)
2.50 ?? 4.50
Uno
Febrero
3. Coloque la tapa de ignición.
4. Conecte el terminal (??) De la batería.
1.
2.
CONDUCCIÓN
VOLANTE EXTRACTOR (09.944??
36010)
FIG. 10B ?? 7 VOLANTE DE REMOCION
10B Dirección??5
Señal del interruptor
Eliminación
Terminal de desconexión (??) De la batería.
Retire la rueda.
Retirar la columna de dirección.
Retire el conector del interruptor de palanca
de señalización.
5. Retire el interruptor de palanca de la columna
volante.
Uno
Proceder en orden inverso al desmontaje.
Columna de dirección
Eliminación
1.
2.
3.
4.
5.
1.
2.
3.
4.
Terminal de Diconectaþi (??) De la batería.
Retire la rueda.
Retire el interruptor.
Cables de encendido de contacto Dconectaþi.
Desenroscar completamente la parte inferior de la articulación
columna de dirección y aflojar la parte superior.
Uno
1. TORNILLOS DE MONTAJE
1. Tornillos de las bisagras
FIG. 10B ?? REMOCIÓN 9 INTERRUPTOR
SEÑAL
FIG. 10B ?? Columna de bisagra 10 REMOCIÓN
Departamento
6. Retire las tuercas de fijación de la columna de dirección.
Instalación
FIG. 10B ?? 11 EXTRACCIÓN tuerca de fijación
Columna de dirección
10B??Departamento 6
Instalación
Proceder en orden inverso al desmontaje.
Tornillo Torque
bisagra (kg??cm)
200 ?? 280
Instalación
Proceder en orden inverso al desmontaje. Asegúrese de
siguiendo las instrucciones. Cuando asamblaþi, posición
ranura de bloqueo de teclas y verificación
bloqueo.
Uno
1. Tornillo de la bisagra
FIG. 10B ?? 12 montaje de la zapata de la bisagra
BLOQUEO dirección DISPOSITIVO
Eliminación
1. Retire el conjunto de la columna de dirección.
2. Retire con un punzón y coleando cioconul
en el movimiento de dirección hacia la derecha inverso.
Uno
Febrero
1.
2.
Punción
Tornillos
FIG. 10B ?? 13 EXTRACCIÓN DEL DISPOSITIVO DE BLOQUEO
10B Dirección??7
PAR DE APRIETE
Spare cerca
La columna de dirección 1. Tuerca
Lug 2. bisagra
Columna tuerca 3. Instalación
Torque (kg??m)
2.50 ?? 4.50
2.00 ?? 2.80
1.10 ?? 1.70
1. 2. 3.
FIG. 10B ?? 15 pistas cerca
DISPOSITIVOS ESPECIALES
Disposición especial 09 944 ?? 36010 (extractos del volante)
ROTH Y NEUMÁTICOS 11A??Uno
CAPÍTULO 11
11A. ROTH Y NEUMÁTICOS
DESCRIPCIÓN GENERAL ............................................................................................................. 11A ?? Uno
Ruedas ............................................................................................................................................. 11A ?? Febrero
Comprobar ........................................................................................................................................ 11A ?? 7
Diagnóstico ..................................................................................................................................... 11A ?? 8
VEHICULO ............................................................................................................... 11A ?? 11
DESCRIPCIÓN GENERAL
FIG. 11A ?? 1 NEUMÁTICOS Y LLANTAS
Tamaño de los neumáticos adecuada y la presión del aire
Presión atmosférica
Tamaño
135 SR 12
SR 155/70 12 (Opcional)
kg / cm2
1.8
1.9
PSI
26
27
11A??2 ROTH Y NEUMÁTICOS
Neumático
Construcción y operación
Uno
Febrero
Tres
4
5
6
7
8
9
Pisada
Cinturón de seguridad de los
neumáticos
Viviendas
La pared lateral
Protección Perfil
Cámara
Cupón
Refuerzo de talón
Sensación
Uno
Febrero
Tres
4
5
6
7
8
9
FIG. 11A ?? 2 estructura del neumático
?? La superficie
carrera
: es la parte que entra en contacto directo con la superficie de la carretera, estando fijado a la parte exterior de la caja y
el cinturón de seguridad del neumático, siendo una revestimientos de goma con alto rendimiento
anti-abrasión. El rendimiento de la operación depende del perfil de superficie.
se encuentra entre la banda de rodadura y la carcasa, evitando cualquier daño al interior de la parte
neumático debido a un shock externo y la vibración.
parte importante del neumático está hecho de fibras sintéticas resistentes que componen la estructura
neumático. Tire, manteniendo la presión de aire y el cojinete de la carga del vehículo, así como los choques
que es el tema de gran resistencia a la fatiga.
está representado por un înfãºurare alambre de acero dispuesta radialmente en el interior de la carcasa,
chapada con un caucho delgado y cubierto con una película radial cuerda de nylon.
Ayuda a fijar el neumático sobre la llanta.
vehículos están equipados, en principio, con los neumáticos sin cámara.
se proporciona para mejorar el confort de conducción mediante la protección de la carcasa y que tiene
Para lograr una mejor amortiguación.
?? Cinturón:
seguridad de
neumático
Viviendas :
??
?? Talonario de
cheques
:
??
??
Cámara
Pared
lateral
:
:
ROTH Y NEUMÁTICOS 11A??Tres
Tipo y nombre
(Tipo de neumático)
Faja
SEGURIDAD
Faja
SEGURIDAD
CABLE
RADIAL
CABLE
] Arcos
FIG. 11A ?? Tres
TIPO DE
NEUMÁTICOS
(Nomenclatura)
(Ejemplo) ?? 6.40 ?? 13 6.40
??
13
155
SR
13
185
/ 70
SR
13
175
/ 70
R
13
82
S
SESGO DE NEUMÁTICOS RADIAL NEUMÁTICOS
Anchura (6,40 pulgadas)
Bias Neumáticos (hasta 150 km / h)
Diámetro de la llanta (= d.i .. Neumáticos) (13
pulgadas)
Ancho (155 mm)
Symbol & Radial velocidad
Diámetro de la llanta (= d.i .. Neumáticos) (13
pulgadas)
Ancho (185mm)
Alto / Ancho = 70%
Symbol & Radial velocidad
Diámetro de la llanta (= d.i .. Neumáticos) (13
pulgadas)
Ancho (175mm)
Alto / Ancho = 70% (70% * Informe planitud)
Radial
Diámetro de la llanta (= d.i .. Neumáticos) (13 pulgadas)
Índice de carga máxima
Símbolo máxima velocidad (hasta 210 km / h)
?? 155 SR 13
?? 185/70 SR 13
??
Ancho
175/70 R 13 82 S
Ancho
Neumático
I.D.O.D
Altura
Neumático
FIG. 11A ?? 4 TIPO DE
NEUMÁTICOS
11A??4 ROTH Y NEUMÁTICOS
Fenómenos asociados y explicaciones sobre el comportamiento de los neumáticos
Hidroplanarea, aquaplaning
El movimiento rápido del ºoselele vehículo cuya superficie está cubierta de agua, puede conducir a un contacto
llanta baja con superficie de rodadura de la carretera, lo que resulta en los neumáticos a flote en la superficie
La carretera. Esta condición se conoce como hidroplanare. Puede conducir a un funcionamiento anormal de los frenos,
tracción fuerza disminución y pérdida de control de la dirección, que implica la condición vulnerable del vehículo.
Velocidad LEJOS
MUY ALTA
LEJOS baja velocidad
FIG. 11A ?? 5 HIDROPLANAREA
Formación Wave
Cuando se conduce, el neumático estaba en movimiento, deformación
repetida
MATH, reanudar el movimiento de rodadura. Entonces
Cuando la rotación de la rueda aumenta la velocidad, la siguiente
deformar el neumático que debe ser aplicado antes de reanudar la última
deformaþii dará lugar a la formación de una onda que aparece
el área de contacto entre las superficies de los neumáticos y de la carretera.
Presión
Low neumático puede conducir a una ola
más grave.
Las principales causas que llevan a la disminución
-La vida del neumático:
1. estilo de conducción del conductor y obiºnuinþa a
conducir;
2. El estado de la carretera, la carretera;
3. La presión del aire dentro del neumático;
4. El estado de carga del vehículo;
5. ruedas geometría - frente;
6. ruedas de equilibrio;
7. velocidad;
8. amortiguación suspensión conjunto.
FIG. 11A ?? 6 FORMACIÓN VELO
ROTH Y NEUMÁTICOS 11A??5
Las principales causas de la mala desgaste
Disposición Desgaste Estado Zona de Verificación
Desgaste irregular (banda de rodamiento es
cambia gradualmente en un polígono)
Nivel de vibración 1.Verificare de neumático y rueda
2.Verificare cubo de la rueda y la bisagra
3.Verificareastãriideungere
rulmenþilor, las articulaciones
4.Dezechilibrarea partes vecinas
a
El desgaste excesivo en un lado
1.Dezechilibrarea partes vecinas
Nivel de vibración 2.Verificare de neumático y rueda
Hub 3.Verificarea y bisagra (vibración, inclinación)
El desgaste excesivo en un solo punto
1.Porniri y fuertes frenadas
Desgaste excesivo de la Parte in- lateral
prafeþei corriente (desgaste excesivo
re-
Zulte superficie más exterior
Cara de la revista Rolling desgastado)
1.Reglare camber incorrecta y convergencia
2.Uzurã suprarotaþiei exceso de cobro
Desgaste excesivo de la diametralmente
lado opuesto de la superficie a una parte de
banda de rodadura gastada
Nivel de vibración 1.Verificare de neumático y rueda
Condiciones de funcionamiento 2.Verificare y lubricación
teniendo
articulaciones cubo y esféricas
Use la superficie lateral del RU
lar
Neumático 1.Utilizarea en aire a baja presión
Use el perfil Ajustes pro-
pisada tecþie
1.Cauzã debido a la alta velocidad de rotación
2.Convergenþã y camber desregulado
11A??6 ROTH Y NEUMÁTICOS
Los neumáticos de reemplazo
Si es necesario cambiar, se recomienda utilizar
tamaño de neumático especificado por el fabricante,
la aplicación de presión apropiada. Reemplazo
Los neumáticos va a tener la misma
tamaño, capacidad de carga, y la construcción como
Si los neumáticos originales con la que el vehículo estaba equipado
cle. El uso de otros tipos de neumáticos de diferentes tamaños
puede influir en el movimiento, manipulación,
calibración del velocímetro, la distancia al suelo del cuerpo o
El chasis.
¡CUIDADO!
Echipaþi no diferente en los neumáticos de vehículos
dimensiones, excepto en casos de emergencia,
Puesto que la gestión se podrían ver seriamente afectada,
y pérdida de control puede ser una de
efectos no deseados.
Se recomienda que los neumáticos nuevos, que tienen la misma
dimensiones, a ser montados en el mismo eje. Si es
necesario sustituir un neumático tendrá que ser
emparejado con el neumático cuyo es
la menos desgastado para disminuir la variación fuerza
de frenado.
MAX. 2.5 MM
FIG. 11A ?? Reborde 7 RESISTENCIA ELEMENTO
Indicador de Vibración máxima
Vibración debido a soldaduras o pintura
se ignora.
Jenþilor Sustitución
Jenþile ser reemplazado cuando se deforman,
presenta una vibración excesiva, lateral o radial, o cuando
cuando se expone soldaduras, agujeros o deformación
agarre y la corrosión apariencia.
Reemplazo Jenþii se hará con una llanta cumple con la parte
la carga, diámetro, ancho, de forma original
montaje y desmontaje. El uso de cualquier otro tipo de
jenþi de diferentes tamaños puede afectar la vida de la batería
la rueda en su conjunto, o que llevan sistema de refrigeración
frenado, indicación del velocímetro y la distancia al suelo
vehículo.
Equilibrio
Curva de oscilación
45
114.3
Tamaño
anchura (mm)
ROTH Y NEUMÁTICOS 11A??7
CHEQUE
Comprobación de la presión del
aire
Durante la conducción de presión de aire tiende a subir.
Compruebe la presión de los neumáticos existente cuando
temperatura es baja.
ANTES
Rotación de los neumáticos
Para igualar el desgaste de los neumáticos, cambiarlos periódicamente.
Una presión superior a la presión recomendada
tiempo puede causar:
1. no aptos para las condiciones de conducción;
2. La destrucción de la vivienda;
3. desgaste prematuro central para la banda de rodadura Parte.
CUANDO rueda de repuesto
Usado
ANTES
Una presión inferior a la presión recomendada
tiempo puede causar:
1.
2.
3.
4.
5.
6.
7.
8.
fuerza de fricción en las curvas;
control de la dirección engorroso;
desgaste adicional de rodadura;
posibles daños en el neumático debido jenþii;
aumentar la temperatura del neumático;
descansos para cuerdas de neumáticos;
manejo incierto;
alto consumo de combustible.
CUANDO rueda de repuesto
NO GASTADO
FIG. 11A ?? 8 NEUMÁTICOS DE ROTACIÓN
Tamaño de los neumáticos y la presión recomendada
Clavos de las ruedas
Presión de los neumáticos desigual de los puentes puede
porque:
1.
2.
3.
4.
reducir el rendimiento de frenado;
manejo del choque;
dirección incierta;
Si la desviación trayectoria de aceleración.
Tamaño
Presión (kg / cm) Febrero
135 R 12 (155 / 70R12)
1,8 (1,9)
Tornillo, tuerca M10 X 1.25
FIG. 11A ?? 9 Y perno tuerca de la rueda
11A??8 ROTH Y NEUMÁTICOS
Solución de problemas (de dirección, suspensión, llantas o JENÞI)
Deben hacerse la prueba de carretera y un cheque antes de la depuración preliminar porque dirección y suspensión, jenþile
Y neumáticos son interdependientes.
Controles preliminares
Presión de los neumáticos 1. Revise y desgaste del neumático.
2. Levante el vehículo sobre un elevador y compruebe la suspensión delantera y trasera, y un sistema de dirección para la observación
desgaste, posibles daños y deformaþii.
3. Retire las ruedas para equilibrar su deformaþii de curvatura jenþii notar ningún desgaste y juegos
rulmenþilor estado de desgaste de la banda de rodadura.
Condición
Desgaste del neumático 1.
2.
3.
4.
5.
6.
Causa probable
Los neumáticos asimétricos de desgaste irregular
Presión incorrecta de los neumáticos
Arco roto o debilitado
Lado del desgaste de los neumáticos
Ruedas de geometría impropias
Sistema operativo incorrecto
frenado
7. Afloje, deformación, suspensión destrucción
1.
2.
3.
4.
5.
6.
7.
8.
9.
Arco roto
Rueda desequilibrada
Geometría ruedas defectuosas
Amortiguador Wear
Trayectos de alta velocidad
Sobrecarga
Afloje o desgaste rulmenþi
Rotación de las ruedas desequilibradas
Presión incorrecta de los neumáticos
Reparación
Los neumáticos de reemplazo
Ajuste la presión de los neumáticos
Reemplace el resorte
Los neumáticos de reemplazo
Comprobar y ajustar la geometría de la rueda
Revisar y reparar el sistema de frenos
Apretar o reemplazar partes de la suspensión
Reemplace el resorte
El equilibrio, la sustitución de los neumáticos
Comprobación y ajuste de la geometría, equilibrando
Reposición depreciado
Los neumáticos de reemplazo
Los neumáticos de reemplazo
Cojinete de reemplazo
Reemplace la llanta o neumático
El control de presión
Desgaste de los neumáticos anormal
(El desgaste excesivo)
1. Expansión de movimiento parcial rueda defectuosa pneuÎnlocuire neumáticos
2. Vuelva a colocar defectuoso funcionamiento del amortiguador amortiguador
Shakes 1. Ruedas desequilibrada
Rulmenþi 2. Desgaste
Rótula 3. Desgaste
4. Wear rótula del brazo inferior
5. Shakes excesivo de las ruedas
6. neumáticos deformaciones parciales
7. Shakes conjunto de rueda radial
8. Geometría ruedas delanteras defectuoso
9. Afloje el sistema de dirección o desgaste
Caja de dirección 10.Slãbire pernos de montaje
El equilibrado de ruedas de repuesto o neumáticos
Rulmenþi reemplazo
Rótula de reemplazo
Rótula de reemplazo
Reemplace el control de la suspensión delantera de brazo
Los neumáticos de repuesto o jenþi
Los neumáticos de repuesto o jenþi
Geometría ruedas Puesta a punto
Apriete o reemplace el sistema de dirección
Apriete los tornillos de montaje
ROTH Y NEUMÁTICOS 11A??9
Condición
Liderazgo difícil
Causa probable
1. mal funcionamiento debido a una lubricación
articulación defectuosa o rótula
inferior
2. Geometría ruedas delanteras defectuoso
3. Ajuste la caja de dirección incorrecta
4. La presión incorrecta de los neumáticos
5. Lubricación columna defectuoso
dirección
1.
2.
3.
4.
5.
1.
2.
3.
4.
5.
Use rulmenþi
Cremallera y piñón posición Trastorno
Pad desgaste con fuerza. caja de dirección
Rótula Wear
Menor desgaste de pivote
Aprovechar las barras de dirección rótula
Aprovechando rótula
Aprovechando la columna de dirección
Geometría ruedas delanteras defectuosos
Presión incorrecta de los neumáticos
Reparación
Frente reemplazo rótula del brazo de control de suspensión o
Ajustar la geometría
Repare o reemplace la caja de dirección
Ajuste la presión de los neumáticos
Reparación
Cinta excesivo
gobierno
Rulmenþi reemplazo
Cremallera y piñón Comprobación y ajuste
Reemplace sellado de la junta
Rótula de reemplazo
Suspensión de control inferior Reemplazo pivote del brazo
Rótula de reemplazo
Rótula de reemplazo
La reparación o sustitución
Ajustar la geometría
Ajuste la presión de los neumáticos al valor indicado
Colección
Reemplazo
Reemplazo
Reemplace extremo de la barra, brazo de control, rótula
Y el eje
Reemplace o repare
Reemplace el buje
Tornillo de apriete o buje de reemplazo
Colección
Apriete los tornillos o tuercas
Ruedas de repuesto rulmenþi
Reemplace el resorte
La lubricación o reemplazo rulmenþi
Manejo
defectuoso
Neobiº- Ruido
Casete Nuit
dirección
Ruido anormal
1. Los pernos de aflojamiento y nueces
2. desgaste o daño ruedas rulmenþi
3. Lleve o rótula incautación
1. desgaste, mortificantes varillas juego de rótula
dirección, bajo la rótula, juntas
caja de dirección
Amortiguador 2. Desgaste
3. Control de desgaste de los bujes del brazo
4. Afloje la barra estabilizadora
5. Afloje la tuerca de la rueda
6. Afloje los tornillos o tuercas de suspensión
7. desgaste o daño ruedas rulmenþi
8. Use o primavera daños suspensión
9. La lubricación defectuosa o usar un
caminar rulmenþilor
1. Los neumáticos desequilibrados
Rótula 2. Juego
3. amortiguador de desgaste o de montaje
amortiguador defectuoso
4. Afloje la barra estabilizadora
5. Fractura o arco deformación
6. caja de dirección montado
7. Geometría ruedas defectuosas
Inestabilidad o vi-
Braþii Sistema
gobierno
Ajuste la presión de los neumáticos al valor indicado
Reemplace brazo de control o cabeza de articulación
Reposición depreciado y reparación
Apriete la barra estabilizadora
Reemplace el resorte
Ajuste la caja de dirección
Geometría ruedas Puesta a punto
11A??10 ROTH Y NEUMÁTICOS
Condición
Manejo defectuoso
muestra señales en condiciones de
frenado
Causa probable
Rulmenþi 1. Wear
2. Fractura o arco deformación
3. Pérdidas de líquido de frenos del cilindro o
Calibre
Disco 4. Deformación
5. Lleve junta freno parcial
6. Shakes freno de tambor admitido
Neumático 7. Expansión
Cilindro de freno 8. Use
9. Geometría ruedas delanteras defectuoso
1. rotura o deformación de arco
2. La sobrecarga
3. Arco incorrectamente
1. Estado amortiguador defectuoso o
Jambi
1. Sobrecarga
2. amortiguador desgaste o Jamba
3. Disminución actuaciones, desgarro o
arco debilitamiento
1. Afloje la barra estabilizadora
2. Desgaste silenciador, Jamba o
instalación defectuosa
3. Fractura, el debilitamiento o reducción
actuaciones de primavera
4. Sobrecarga
1.
2.
3.
4.
5.
Use Jambi
Desgaste de los rodamientos de la rueda o daños
Rueda vibración excesiva
Rótula Wear
Desequilibrio de la rueda
Reparación
Cojinete de reemplazo
Reemplace el resorte
La reparación o sustitución del tambor de freno o pinza
Reemplace el disco
Junta de freno de repuesto
Tambor de freno de repuesto
Ajuste la presión de los neumáticos al valor indicado
Reemplace Tambor de freno
Comprobación y ajuste de la geometría de la rueda delantera
Reemplace el resorte
Compruebe la carga
Reemplace el resorte
Reposición depreciado o Jamba
Compruebe la carga
Reposición depreciado o Jamba
Reemplace el resorte
Altura inadecuada
ala corres-
Suspensión demasiado suave
Suspensión Wear
Ruido, deviaþii en
mientras se conduce
Tornillo de apriete o buje de reemplazo
Reemplace amortiguador, Jambi, instalación
correcto
Reemplace el resorte
Compruebe la carga
Reemplazo Jambi
Reemplace cojinete de la rueda
Sustitución de neumáticos o la llanta
Reemplace suspensión de brazo de control
Comprobación y equilibrado de ruedas
Un rápido desgaste de los
neumáticos
ROTH Y NEUMÁTICOS 11A??11
VEHICULO
Eliminación
1. Afloje las tuercas de las ruedas sobre 180 °
2. Suspender la rueda con el gato.
3. Afloje las tuercas y quite la rueda.
Los neumáticos de
repuesto
Al sustituir los neumáticos, obedecer orientación
fabricante. Sustitución de neumáticos que utilizan palancas o
herramientas inadecuadas pueden provocar daños
talón del neumático y el talón de la válvula del neumático.
Aplicar una capa de aceite sobre la superficie de la perla, después de
Retire cualquier objeto extraño que de antemano cómo
tales como residuos de caucho, o manchas de corrosión.
Después de la instalación, se inflará el neumático a la presión límite
especificado para el talón del neumático puede tener una
perfecto contacto con la llanta.
Montaje
Instale y apriete las tuercas de rueda en cruz para evitar
jenþii deformación, tambor o disco de freno.
Volante
Los dos tipos de equilibrio, estáticas y dinámicas, voluntad
ajustar después de equilibrar la rueda.
ATENCIÓN !!!
No conecte más de dos contragreutãþi
en el mismo lado de jenþii. Peso de las piezas
debe ser inferior a 100 g. Si el ajuste
es imposible, el ajuste se realiza girando
jenþii, o el neumático.
La
FIG. 11A ?? 10 Ruedas de montaje
Para ser añadido
CONTRAGREUTÃÞI
ATENCIÓN !!!
Puntos Antes de instalar la rueda, limpias
la corrosión en la superficie de montaje
jenþii, la superficie de montaje del tambor o
freno de disco con un cepillo de alambre o
un raspador. Aplique torque
recomendada. De lo contrario, es posible aflojamiento
frutos secos durante la conducción.
Eje - balanceo de la línea
Fuertes vibraciones
La rueda
Después de la equilibración
FIG. 11A ?? 11 ruedas de equilibrio estático
11A??12 ROTH Y NEUMÁTICOS
Esfuerzo de torsión
Tuerca Par
ruedas (kg??cm)
Para ser añadido
CONTRAGREUTÃÞI
500 ?? 800
Eje - balanceo de la línea
Fuertes vibraciones
La rueda
DESPUÉSPESOS
La
FIG. 11A ?? 12 Equilibrio de Ruedas
ATENCIÓN !!!
Recomendamos extracción de cuerpos extraños
operación de las superficies de las piezas sometidas '
echiibrare, con el fin de evitar errores
medición para el equilibrio correcto de la rueda.
FIG. 11A ?? 13 rueda tuerca de apriete
JENÞI y neumáticos (llantas delanteras Geometría)
11B??Uno
11B. GEOMETRÍA Roth DELANTERO
DESCRIPCIÓN GENERAL ............................................................................................................ 11B ?? Uno
Comba ........................................................................................................................... 11B ?? Uno
Caster ............................................................................................................................... 11B ?? Febrero
Convergencia .................................................................................................................................. 11B ?? Febrero
Ángulo de giro Knuckle .................................................................................................................. 11B ?? Tres
Informe pivote husillo ...................................................................................................................... 11B ?? Tres
Medición ................................................................................................................................. 11B ?? Tres
Comba ........................................................................................................................... 11B ?? Tres
Caster ............................................................................................................................... 11B ?? 4
Ángulo de giro Knuckle .................................................................................................................. 11B ?? 4
Convergencia .................................................................................................................................. 11B ?? 4
Deslizamiento de prueba ............................................................................................................................. 11B ?? 5
AJUSTE ....................................................................................................................................... 11B ?? 5
DESCRIPCIÓN GENERAL
Las ruedas delanteras están montadas en el eje delantero en un ángulo que permite la conducción, la manipulación y
la estabilidad. En otras palabras, la relación angular ruedas delanteras posición geométrica se conoce como el
geometría ruedas delantera.
Comba
La pendiente de la rueda interior y exterior
consiguiente, el ángulo entre el eje y la rueda vertical.
* Camber Importancia
1. Evita la apertura de la rueda hacia abajo cuando
cuando el vehículo está cargado.
2. evitar que la rueda de escape durante la conducción.
3. Contribuir a la operación de la caja de dirección.
4. Evita la flexión o deformación de las articulaciones
la dirección.
AXA
Rueda
A
CUERPO
90
Comba
POSITIVO
FIG. 11B ?? 1 camber POSITIVO
11B??2 JENÞI y neumáticos (llantas delanteras Geometría)
Caster
La pendiente del eje longitudinal del pivote,
hacia adelante o hacia atrás, hacia el eje vertical, donde
miró a la dirección de avance.
* Lanzador Importancia
1.Revenirea en una caja de dirección en línea recta
2.Stabilitatea marchar hacia adelante en línea recta
Convergencia
El estado en el que la parte delantera de las ruedas está cerrado
que la parte posterior de las ruedas cuando se ve
arriba en la dirección de avance. FIG. 11B ?? 2 lanzador Positivo
* Importancia de la convergencia
Divergencia 1.Previne debido comba.
Divergencia 2.Previne entre la resistencia al movimiento y
Fuerza de reacción de la tracción.
ANTES ?? "A"
"B"
"B" - "A" = Convergencia
FIG. 11B ?? 3 Convergencia
* divergencia de dirección 20 °
Represente sobreviraje rueda interior de la rueda delantera
fuera en las curvas, la divergencia de dirección de 20 °
requerido para la verificación de posibles fallos
mecanismo de dirección trapezoidal.
18
Divergencia
20
FIG. 11B ?? Cuatro direcciones La divergencia con el 20 °
JENÞI y neumáticos (llantas delanteras Geometría)
11B??Tres
Ángulo del cabezal PIVOT (ejes o en ángulo)
La pendiente del eje de pivote de nudillos y vertical cuando se ve desde la parte
delantera.
* Importancia de inclinación de pivote muñón de la dirección
1.Reducerea ahogarse durante la conducción y el frenado.
2.Creºte regresar a la caja de dirección recta.
3.Previne bailar ruedas delanteras.
Eje de dirección de inclinación
(Ángulo de giro)
Comba
Verticalmente
INFORME PIVOT husillo
La distancia entre el punto de cruce de eje de la rueda
con la superficie de la carretera, y el punto de cruce del eje
husillo de pivote con la superficie de la carretera, tal como se
determina
la inclinación del perno rey y la comba.
INFORME PIVOT husillo
FIG. 11B ?? 5 PIVOT ángulo del cabezal E INFORME
Medición
Camber, Caster y la inclinación del perno rey
se mide juntos.
Comba
1. Señale las ruedas delanteras en la dirección de avance (derecha).
2. Retire la cubierta de la rueda delantera, así como la cubierta
cubo de la rueda.
3. Superficie Degresaþi que es tapa equipada
cubo y compruebe que no está dañado.
4. Instale el instrumento (ángulo de caída
fuga, nudillo pivote inclinación) con barra central
superpuesta en el centro del eje de rueda.
5. Después de montar la unidad, fije el indicador
posición cero soporte rotatorio.
6. Coloque la unidad en posición horizontal y lea el ángulo
caída, utilizando el indicador de inclinación.
Aparato de medición
ÁNGULO TIP
Desvanecimiento
FE
ÁNGULO TIP
Caer
Base giratoria
FIG. 11B ?? 6 comba, ÁNGULO
Correr,
Ángulo del cabezal PIVOT
11B??4 JENÞI y neumáticos (llantas delanteras Geometría)
Caster
1. Establezca el rotativo apoya indicadores (para las ruedas delanteras) a la posición cero, y viraþi ruedas delanteras 20 ° con respecto
al exterior
riormente.
2. dispositivo indicador de control (indicación testigo de la posición cero).
3. Ajuste la posición del indicador de control de ángulo de avance cero, pero la lectura se hace girando el tornillo de ajuste.
4. Viraþi ruedas delanteras 20 ° hacia el interior.
5. dispositivo indicador testigo.
6. Lea el valor indicado por lanzador en blanco.
Ángulo de giro Knuckle
1. Establezca la dirección examinó el testimonio de la posición cero moviendo el puntero.
2. Viraþi ruedas delanteras 20 ° hacia el exterior.
3. Coloque el puntero en la posición cero girando el pivote înclinaþiei tornillo de ajuste, en la parte posterior de la escala,
si se deja la rueda delantera, se toma como una lectura de referencia de la rueda delantera izquierda y derecha en el caso, el contacto
de leer ahora
como referencia.
4. Viraþi ruedas en la dirección de avance de 20 °, y leer inclinación capo indicados en la escala.
Convergencia
1. Antes de medir, las articulaciones de verificación juego
dirección, condición rulmenþilor y la presión de los neumáticos.
2. Visite el sitio de medición.
3. Levante las ruedas delanteras con un gato y un trasaþi
la línea central de la banda de rodadura del neumático.
4. Coloque las ruedas delanteras en la dirección de avance.
5. Ajustar la altura en el centro de la máquina de neumáticos
(Punþii).
6. Establecer el micrómetro a la posición cero.
7. Después de colocar el conjunto en el frente de las ruedas
(delantera) y después
ajustar de acuerdo a los ejes de los neumáticos (de libras., PhD.)
por
aflojando manºonului reunirá manºonul.
8. Después de aflojar el mecanismo de bloqueo del tornillo
ajuste, ajuste el indicador de posición de acuerdo con
ejes neumáticos se apriete el tornillo de bloqueo.
9. Instale y ajuste el indicador detrás de las ruedas
micrómetros y el puntero del indicador opuesto en
De acuerdo a los ejes de los neumáticos.
10.Después indicador apropiado en relación a los ejes
neumáticos girando el micrómetro, leen indicación
micrómetro.
INDICADOR Convergencia
FIG. 11B ?? La figura 7 muestra la convergencia
JENÞI y neumáticos (llantas delanteras Geometría) 11B??5
Patín PRUEBA
Es una prueba de la geometría de las ruedas, si se ajusta correctamente, y se realiza mediante la medición de
el tamaño derrape cuando el vehículo pasa lentamente en el banco de pruebas. El valor por defecto de derrape
es inferior a 5 m, para una distancia de 1 kilometro recorrido. Se utilizan dos tipos de indicadores: la
cilíndrica y los que tienen la indicación remota.
1. Coloque el vehículo en la unidad de estado, a lo largo del eje probador.
2. Pasar la zona de ensayo deberá hacerse lentamente y durante la realización de la prueba y no viraþi no frânaþi
vehículo. No cargue el vehículo, excepto el conductor.
3. Lea el valor en el después de la prueba y establecer si es positivo o negativo.
4. Después de la prueba, conecte el teclado utilizando el pasador de seguridad.
AJUSTE
?? Cuando el deslizamiento está por encima de tamaño estándar,
con-
vergenþa ruedas delanteras no es correcta.
Tamaño de deslizamiento (mm) En 0,5 ± 1,5
500-800KG??CM
?? Convergencia se ajusta cambiando la longitud
conexión de la barra. En primer lugar, afloje los extremos de la
barra
(Stg., PhD.) Y colóquelas correctamente. Después del ajuste,
apriete
bloquear el valor del par indicado nueces
apriete.
FIG. 11B ?? Convergencia 8 AJUSTE
?? Si la barra de conexión o cambio
varilla final, comprobar el ángulo máximo de dirección,
girando el soporte rotatorio.
Ángulo máximo de giro (°)
Dentro
Al aire libre
40
35
?? Cuando el valor de inclinación, o el ángulo
de fuga, es diferente del valor normal, verificar
debido a la ocurrencia de la perturbación. En el caso de
destrucción,
aflojamiento, deformación o desgaste partes suspensión
reemplazar o reparar estas piezas. Para medir
correcta, avance, puede
Verifique si hay movimiento varias veces, y
debajo de la carrocería.
Convergencia (mm)
Desnivel (°)
El ángulo de escape (°)
Pivot (°)
1 ± 2
0 ° 30 '± 1 °
3 ° 35 '± 1 °
12.5
CUERPO 12A??Uno
CAPÍTULO 12
CARROCERÍA
12A. SERVICIO
DESCRIPCIÓN GENERAL ....................................................................................................... 12A ?? Uno
VEHICULO ........................................................................................................... 12A ?? Tres
Puerta de entrada, puerta de atrás ............................................................................................................ 12A ?? Tres
Ventanas ............................................................................................................................ 12A ?? 4
Mecanismo de cierre de la puerta .................................................. ................................................. 12A ?? 6
Cierra la puerta ......................................................................................................................... 12A ?? 7
Mecanismo de cierre de la puerta .................................................. ................................................. 12A ?? 9
Las ventanas laterales .................................................................................................................12A ?? 14
Cuerpo Dimensiones .........................................................................................................12A ?? 15
Puntos de sellado ...........................................................................................................12A ?? 19
DESCRIPCIÓN GENERAL
Marco estructurado Cortesía está construido en una sola pieza sin estar integrados con el lado del cuerpo a
reducir el peso del vehículo y también para aumentar la rigidez de la carrocería. La planta es alargada y
compartimiento del motor compacto está dispuesto a obtener la mayor cantidad de espacio en la cabina.
FIG. 12A ?? 1 CUERPO GENERAL
12A??2 CUERPO
Puerta principal
Mecanismo de cierre de la puerta
El control se logra mediante un cierre suave
dos pasos, que doten a esta máquina.
Mecanismo de la cerradura de la puerta
Para utilizar el botón de bloqueo de clics que
se logra por la leva y el alojamiento de bloqueo, y que
confirma el bloqueo.
5
Febrero
A M O R T E N Z
Bloquear
Tuerca
BLOQUEO DE BOLA
Tres
Cierres COVER 4
Uno
6
1.
2.
3.
4.
5.
6.
FIG. 12A ?? Febrero
El frente de cristal de la grúa
La grúa está dentro de la puerta principal.
FIG. 12A ?? 4
Bolth Percusión
BOTÓN DE SEGURIDAD
MANGO OPEN
Butuc CLAVE
Tirador de puerta exterior
MECANISMO DE CIERRE
Puerta
Curãtaþi buena superficie de agarre del vidrio antes
los montaje de la palanca de guía, y cierres de la puerta.
Tres
Una sección
-A
4
Uno
Febrero
La
La
La
La
1.
2.
3.
4.
Las moscas
GRÚA
VENTANA
GUÍA DE VENTANA
FIG. 12A ?? Tres FIG. 12A ?? 5
CUERPO 12A??Tres
VEHICULO
Puerta principal, puerta trasera
Puerta principal
Uno
Tres
Febrero
Febrero
6
7
8
5
4 10
9
Puerta trasera
Uno
Tres
8
Febrero
Febrero
10
6
7
9
5
1.
2.
3.
4.
5.
VENTANA
Juntas ETANªARE VENTANA
Puerta marco de la ventana
GRÚA manivela VENTANA
GRÚA DE CRISTAL
6.
7.
8.
9.
10.
Juntas de diapositivas
Ventana corredera
UªA MANGO
Mimbre UªÃ
DEFLECTOR FOIL
4
FIG. 12A ?? 6 COMPONENTES Y UªÃ TRASERO DELANTERO UªÃ
12A??4 CUERPO
VENTANAS
Eliminación
Quitar los siguientes componentes:
1. panel de la puerta interior
2. brazo transversal de la grúa
3. Haga girar el mango del anillo ventana desmantelado
Seguridad con un columpio de tela con
manos, como se muestra a continuación.
Tres
7. ventana desmontaje.
FIG. 12A ?? 9 EXTRACCIÓN DE CRISTAL
Uno
Febrero
Montaje, instalación
1.
2.
3.
MANIVELAMACARALEI
VENTANA
Paño o toalla
EQUILIBRIO CON LAS MANOS
FIG. 12A ?? 7 Desmontaje GRÚA manivela
Observe que la operación inversa cuidado demontare.Aveþi
Las siguientes instrucciones.
?? Al colocar la corredera de cristal Observar
Guía de tallas de posicionamiento.
DELANTERO
4. puerta del panel.
5. deflector papel de
aluminio.
6. correderas de vidrio.
120.4
Febrero
Uno
TRASERO
Febrero
34.5
Uno 1.
2.
Ventana corredera
VENTANA
(MM)
FIG. 12A ?? GUÍA DE 8 DE REMOCION DE VENTANA FIG. 12A ??GUÍA DE INSTALACIÓN 10 VENTANA
CUERPO 12A??5
?? Cuando coloque seguro vidrio se mantenga firme
en el marco.
?? Fit manivela cuando trabaje con vidrio
ventana está completamente decepcionado.
Uno
45 ° ± 15 ° 45 ° ± 15 °
1. MARCO
FIG. 12A ?? 11
??
??
Al colocar la grúa asegurarse la ventana
podría estar suelto.
De inclinación correcta geamlui con tornillos
el control del brazo de grúa.
FIG. 12A ?? 13 Manivela MONTAJE
MANIPULACIÓN
1.
FIG. 12A ?? 12 ajustar la inclinación
VENTANA
Tornillos
VIDRIO
AJUSTE TILT
12A??6 CUERPO
Closure System UªILOR
5
Febrero 5
Febrero
Tres
4
Tres
Uno
Uno
6
6
FIG. 12A ??14 COMPONENTES
Bolth
Percusión
2.B U T O N
LOCK
MECANISMO DE BLOQUEO DE INTE-
3.MÂNER
Rior
1. 4.
5.
6.
Butuc CLAVE
MANGO EXTERIOR
UªÃ pestillo VOLVER
CUERPO 12A??7
Latch Asamblea UªÃ
Ajuste
Al colocar la varilla móvil, actuación de la manilla exterior intentó
consiguiente la puerta, gire la varilla de tal manera que todo el juego
pestillo de puerta "A" es de 0 ~ 2 mm.
Ajuste la posición del delantero en el bolþului centro derecha
cerradura de pestillo de la puerta.
Pestillo de la cerradura
UªÃ
Uno
5
Bolth pestillo
La
4
Febrero
Tres
1.
2.
3.
4.
5.
FIG. 12A ?? 15 Varilla móvil INSTALACIÓN
Varilla Mobile
PALANCA DE EMPUJE
Devoluciones PALANCA
Cierre de puerta
Manija de accionamiento exterior
Rior
FIG. 12A ?? 17 Posición bolth montaje
Bloquear
Ajuste la altura de montaje de enganche tan bolþului
ese juego zona "C" de la cerradura de la puerta y bolth ser
12,6 mm.
Al colocar la palanca del actuador dentro del juego
"B" de la palanca de abertura interior y la palanca
empuje es 0 ~ 2 mm.
Uno Febrero
DELANTERO
Tres
4
1.
2.
3.
4.FIG. 12A ?? 16 MECANISMO
Barra
APERTURA DE PALANCA EX-
Teri
PALANCA IN-
Teri
INTERIOR ZÃVORZÃVOR
FIG. 12A ?? 18 Ajuste de la altura bolth
Bloquear
12A??8 CUERPO
El montaje de cada varilla de empuje es seguro
Y cerrarlos pulsando.
Barra
SEGURIDAD
FIG. 12A ?? 19 varillas de montaje
CUERPO 12A??9
Parabrisas
Parabrisas montaje sólo está utilizando adhesivo, su elección es muy importante. Asegúrese de
utilizar sólo es adecuado para adhesiva parabrisas.
Uno
Tres
Febrero
4
5
7
6
1.
2.
3.
4.
5.
6.
7.
ORNAMENTO
ORNAMENTO SIDE
Burlete
PARABRISAS
Distancia
Tornillo
GARITURÃ CUBIERTA
FIG. 12A ?? PARABRISAS 20 INSTALACIÓN
PRECAUCIÓN
?? La vida útil de la SR adhesivo es
3 meses fecha de fabricación. No utilice
vida útil es de adhesivos
superado.
?? Adhesivos SR se almacenan en un solo lugar
oscuro y frío.
?? Utilice SR adhesivo en un tiempo máximo de 1
horas después de la apertura del tubo (ADAT tubo
abierto no se puede cerrar).
?? Utilice soluciones No.35 primaria (por
parabrisas) No.67 (para el cuerpo) y
No.38 (ornamental). No andar por ellos!
Utilice adhesivo tipo y especificado con el siguiente
propiedades.
Shear Fuerza 40 kg / cm2
??
??
??
??
Boquilla de plástico (2 piezas)
Cap-asa (para
adhesivo de llenado)
Lezna
Cuerda de piano
?? Cortador
?? Cartucho de pistola de plástico
(Para aplicar el adhesivo)
?? Alcohol
?? La cinta protectora
Eliminación
1. Retire los limpiaparabrisas, cubrir plasma
tic y accesorios.
2. quitar el parabrisas con un paño limpio empapado en
alcohol (interior y exterior).
3. Retire el marco.
4. Con la cinta de protección, cubra la superficie
Cuerpo alrededor parabrisas (para protección).
5. Retire el espejo interior y burlete.
Febrero
Materiales y dispositivos para la instalación adhesivas
parabrisas:
?? SR adhesiva conjunto: 99000-34130
Adhesivo: Uretano U-80
Solución parabrisas 35
Solución para el cuerpo: 67
Solución para los ornamentos: 38
Cepillos para las soluciones de aplicación (3 piezas)
Uno
1.
2.
ORNAMENTO
PARABRISAS
??
FIG. 12A ?? 21
12A??10 CARROCERÍA
6. Uso de la lezna hacer un agujero en el adhesivo y entrar
cuerda de piano.
8. Cortar el adhesivo en el cuerpo usando
cuchillo de manera que el adhesivo restante en la superficie
Administración a ser 1 ~ 2 mm.
PRECAUCIÓN
Antes de usar el cuchillo limpiarlo con alcohol
para eliminar cualquier aceite sobre ella.
Uno
Uno
1. Lezna
FIG. 12A ?? 22
7. Cortar el adhesivo alrededor de la cuerda parabrisas con
piano.
Precaución
Cortan lo más cerca al adhesivo de vidrio para
para proteger la pintura en el cuerpo.
1.
2.
Cuchillos
ADHESIVO
Febrero
FIG. 12A ?? 25
9. Cuando retire el adhesivo de la refolosiþi parabrisas
parabrisas usado, teniendo cuidado de no dañar el
superficie de contacto.
Uno
Febrero
Tres
5
4
1. 6 cuerdas PIAN4.
2.PARBRIZ5.
3.BANDÃ PROTECTORA 6.
ADHESIVO
GUÍA DE PARABRISAS
Burlete
Febrero
1.
2.
Uno
ADHESIVO
La superficie de contacto (adhesión del parabrisas)
FIG. 12A ?? 23
FIG. 12A ?? 26
FIG. 12A ?? 24
CUERPO 12A??11
Instalación. Instalación
1. El uso de alcohol, limpie la superficie de contacto
parabrisas, el cuerpo y dejar que se sequen
durante 10 minutos.
2. Coloque la ventanilla del lado del ajuste.
3. Instale burletes cuerpo.
Uno
Uno 1. SEÑALES PARA LA INSTALACIÓN
FIG. 12A ?? 29
6. El uso de un cepillo nuevo, aplique una cantidad
fluido primario suficiente para que el cuerpo
Superficie del cuerpo donde será montado burlete.
1.
2.
CUERPO
Burlete
Febrero
PRECAUCIÓN
Siga las instrucciones de instalación y durante
secado del adhesivo.
FIG. 12A ?? 27
4. Instale dos suporþi la ventana como se muestra.
Febrero
Uno
Febrero
Febrero
Uno
Uno
1.
2.
Pincel (nuevo)
Solución primaria
PARA
CUERPO
FIG. 12A ??30
1.
2.
SUPORÞI
Tornillo ORNAMENTO
FIG. 12A ?? 28
5. Para determinar el modo correcto de los asentamientos
Mira el parabrisas distancia en el cuerpo hacia arriba y hacia abajo
A derecha e izquierda del parabrisas y el cuerpo será
mismo. Los signos de la correcta instalación en el parabrisas y
cuerpo se indican.
7. Cãþaþi superficie de unión parabrisas con un paño
seco. Cuando se utiliza la licencia de alcohol para secar
durante 10 minutos.
8. El uso de un nuevo pincel aplique una cantidad suficiente
La solución primaria para el vidrio en la superficie de
unir el parabrisas.
PRECAUCIÓN
Tineþi parabrisas limpio y superficie corporal
agua, aceite y polvo, también no tocan el
gotas de miel.
12A??12 CARROCERÍA
Bancos GOMA
Uno
Parabrisas)
(MANIPULADOR
Easy A
Febrero
1.
2.
Pincel (nuevo)
Solución primaria
DE VIDRIO
FIG. 12A ?? 31
9. Aplicar superficie de unión adhesiva del parabrisas.
PRECAUCIÓN
?? Después de la aplicación de las soluciones primarias le
permiten ser
seco durante más de 10 minutos. Comienzo
aplicación de la parte inferior central de
vidrio.
?? El espesor del adhesivo se debe mantener
los que se señalan a continuación.
?? Aplique adhesivo uniformemente.
?? Tenga cuidado de no detelioraþi superficie
Cubierto con la solución primaria.
?? Ventana Presaþi dentro de los 5 minutos después
de haber aplicado el adhesivo.
La?? A '
FIG. 12A ?? 33
10.Folosind soporte de parabrisas ventosas en el cuerpo
La colocación de signos ley (véase el punto 5) y
presaþi en el cuerpo.
14
8
A '
B
B '
C '
C?? C '
C
La
B
B?? B '
17
B '
FIG. 12A ?? 34
8
20
FIG. 12A ?? 32
CUERPO 12A??13
Tubo de dirección 11.Schimbaþi con una cabeza de tubo
Reparación para añadir adhesivo a los espacios de pegamento
insuficientes. Înlãturaþi exceso de medios adhesivos
un paño seco. Si el adhesivo se aplica a la
cuerpo o el parabrisas con un trapo para eliminar
alcohol.
PRECAUCIÓN
?? La presión del agua no puede ser alto.
?? No utilice aire comprimido para el secado
la superficie del adhesivo.
?? No utilice la lámpara de infrarrojos para secado
la superficie del adhesivo.
Uno
1. TUBO PT HEAD. Retocado
FIG. 12A ?? 35
Adornos 12.Montare.
FIG. 12A ?? 37
Tres
Uno
PRECAUCIÓN
Después de la instalación, observar
siguiendo las instrucciones.
?? No abra la puerta.
?? Mantenga pulsado con una tira de ajuste
adhesivo hasta que el adhesivo esté completamente seco.
?? 4 horas adhesivo debe ser
fortalecer no mover el coche durante 2 horas.
Febrero
1.
2.
3.
CUERPO
Burlete
ORNAMENTO
FIG. 12A ?? 36
13.Verificaþi verter estanqueidad alrededor de parabrisas
a una hora después de la instalación.
Si hay infiltraþii, seque el parabrisas y aplicar
adhesivo. Si la infiltración persiste, retire
ventana y repetir todo el procedimiento.
12A??14 CARROCERÍA
Ventana lateral
Febrero
Tres
Uno
1.
2.
3.
Burlete
VENTANA
ORNAMENTO
FIG. 12A ?? 38
Desmontaje y montaje de ventana lateral es el mismo
montar parabrisas y observar lo siguiente
instrucciones.
?? Aplicar el adhesivo como se muestra.
La
La
SECCIÓN A ?? La
15MM
7mm
FIG. 12A ?? 39
CUERPO 12A??15
Dimensiones del cuerpo
Frente del cuerpo
VISTA
G
K '
A "
K
l(O7)
H
F (O7)
C (Ø9.3)
C '
A (tornillo M6) A '
B '
VISTA B '
L
B (tornillo M6)
YO
Uno
D
E (tornillo M10)
J (O7)
D '(Ø10)
H ..................... longitud horizontal
X ........ .............. LONGITUD ENTRE PUNTOS
CUERPO .... visto desde el interior
NO.
Uno
Febrero
Tres
4
5
6
7
8
9
10
11
12
13
14
15
16
17
18
19
20
21
22
23
ARTÍCULOS
La?? A '
La??B
La?? B '
La??C
C?? B '
C??C '
C?? D '
C??E
D??E
D?? D '
D??F
E??F
G??H
YO?? YO '
YO??J
YO??K
YO??L
J?? J '
J??K
J??L
K??K
K??L
L??YO
DIMENSIONES
H
H
H
H
H
H
X
X
H
H
X
X
X
H
X
X
X
H
X
X
H
X
H
820
574
1114
431
960
792
835
758
525
526
606
654
1170
1187
720
1284
648
1189
876
846
954
847
1149
FIG. 12A ?? 40
12A??16 CARROCERÍA
H: PUNTO campana superior G: PUNTO DE FRENTE DEL TECHO
Puedo ver B ' PUNTO DE IZQUIERDA FRENTE PISO K CUENTA
A '
FIG. 12A ?? 41
CUERPO 12A??17
La parte posterior del cuerpo
M
S
M
S '(Ø6)
M
U (O85)
PLAN
PLAN C '
D "
Uno
P
T
V
V
PLAN
C '
T
Q (Ø12)
U '
T '
M '
M
A '
P '
(Tornillo M6)
R (Ø5)
PLAN
D "
V
Uno
ARTÍCULOS
M?? M '
M??Uno
M??Q
Uno?? M '
Uno?? A '
P?? P '
R?? M '
S?? S '
S??T
S??U
S??V
T?? T '
T?? U '
T??V
U?? U '
U??V
V??V
DIMENSIONES
H
X
X
X
H
H
X
H
X
X
X
H
X
X
H
X
H
747
574
845
1094
1162
1190
761
948
978
787
923
1189
814
632
1192
261
1203
R
FIG. 12A ?? 42
12A??18 CARROCERÍA
El suelo
PLAN DEBAZÃ
Tuerca
FIG. 12A ?? 43
CUERPO 12A??19
PUNTOS sellado
VISTA F
REMOCIÓN
MASILLA
100MM
VISTA La
VISTA B
MASILLA
VISTA L
Eliminar después de la aplicación
Capa de masilla
VISTA D
50MM VISTA D
50
M
M
VISTA E VISTA F
MASILLA
MASILLA VISTA B ' Eliminar después de aplicar la capa de masilla
VISTA
E MASILLA
MASILLA
Retire DESPUÉS
APLICACIÓN
SELLADORES
MASILLA
MASILLA M ?? M
2 APLICACIÓN DEL PARTIDO
DEMONTAREDUPÃ
APLICACIÓN
SELLADORES
MASILLA
MASILLA
FIG. 12A ?? 44
12A??20 CARROCERÍA
SECCIÓN G ?? G
SIN MASTIQUE SECCIÓN J ?? J SECCIÓN I ?? YO
MASILLA
MASILLA
Superficie MAESTRO
TIC
SECCIÓN K ?? K
YO
G YO K J
J
Superficie MAESTRO
TIC
Sin MASTIQUE
G K
FIG. 12A ?? 45
CUERPO (máscara, campana, alas) 12B??Uno
12B. Máscara, capó, las aletas
DESCRIPCIÓN GENERAL ............................................................................................................ 12B ?? Febrero
MÁSCARA DELANTERO ......................................................................................................................... 12B ?? Febrero
VEHICULO ................................................................................................................. 12B ?? Tres
Capucha ...................................................................................................................................... 12B ?? Tres
Alas delanteras ................................................................................................................................. 12B ?? 4
12B??2 CUERPO (máscara, campana, alas)
DESCRIPCIÓN GENERAL
MÁSCARA
Mascarilla
4
5
Febrero
Tres
Febrero
Febrero
1.
2.
3.
4.
5.
DELANTERO 2MASCÃ
Tornillo
CUBIERTA
Empuñadura lateral Hombre
DETÉNGASE
Febrero
Uno
Máscara de nuevo
Febrero
Tres
5
4
Febrero
Tres
Uno
1.
2.
3.
4.
Tres 5.
MÁSCARA DE NUEVO
Empuñadura lateral Hombre
Tornillos
NÚMERO Lámparas
REGISTRO
Tornillos
FIG. 12B ?? 1 FRENTE masculino, TRASERO
CUERPO (máscara, campana, alas) 12B??Tres
VEHICULO
HOOD
Eliminación
Demonaþi los cuatro tornillos para quitar la capucha.
Uno
1.
FIG. 12B ?? 4 Ajuste el capó distancia
D I S T O R A N Þ
GOMA
1.
FIG. 12B ?? Febrero
º U R U B T R I
ADJUNTO
Ajuste
1. Ajuste el capó posición (izquierda-derecha) es de
los cuatro tornillos de fijación.
3. Ajuste el pasador de cierre del capó.
Si no se realiza el capó y
bloqueándolos, afloje el perno de la tuerca de seguridad y gire
en sentido horario para aumentar la altura.
Uno
Febrero
42
1.
2.
ªTIFT
Tuerca de seguridad
FIG. 12B ?? ªTIFTULUI ajuste 5 Altura
FIG. 12B ?? Tres
2. Ajuste la vertical.
Si la altura de los asentamientos del bonete (izquierda o
derecha) no coincide con la altura de los asentamientos
ala, se puede ajustar apretando o soltando dos
Distancia de goma.
Instalación
Siga el procedimiento en orden inverso al desmontaje.
12B??4 CUERPO (máscara, campana, alas)
Alerón delantero
Tres
Tres
Uno
Febrero
6
5
6 4 4
1.
2.
3.
4.
5.
6.
Aletas delanteras
Aparece rueda
Tornillos
Aparece MONTAJE FRONTAL
SEGURIDAD
Tuerca
FIG. 12B ?? WING 6 DELANTERO
Eliminación
1. Desmontar el guardabarros delantero.
2. Retire aparece la rueda.
3. Retire el ala.
Montaje
Proceder en orden inverso al desmontaje.
DIAGNÓSTICO dirección, suspensión, JENÞILOR Y NEUMÁTICOS 13??Uno
CAPÍTULO 13
DIAGNÓSTICO dirección y suspensión
JENÞILOR Y NEUMÁTICOS
DIAGNÓSTICO ............................................................................................................................ 13 ?? Uno
VER NEUMÁTICOS ..................................................................................................................... 13 ?? 5
El desgaste anormal o principios .................................................. ........................................... 13 ?? 5
Indicadores de desgaste .................................................. ........................................ 13 ?? 5
13??Dirección 2 DIAGNÓSTICO, suspensión, JENÞILOR Y NEUMÁTICOS
DIAGNÓSTICO
Diagnóstico de dirección, suspensión y funcionalidad ruedas está relacionado con otros sistemas, y por lo tanto el rendimiento
que han considerado estos sistemas. En primer lugar la prueba de carretera se debe realizar.
Como comprobación preliminar debe llevarse a cabo las siguientes operaciones.
1. Revisar la presión de los neumáticos y en caso de desgaste anormal.
2. Al levantar los componentes de la suspensión del vehículo y la dirección verificar dañado o suelto.
3. ruecas. Compruebe que son equilibrados y ajustados, si hay rulmenþi juego.
Síntoma
Durante la marcha
Se siente efecto
frenado
??
??
??
??
??
??
??
Neumáticos excesivamente
gastados
o desigual
??
??
??
??
??
??
??
??
??
Descentramiento de la rueda
??
??
??
??
??
??
??
??
??
??
??
??
Causa probable
Neumáticos o tamaño desequilibradas
diferente
Presión incorrecta de los neumáticos
Arco roto o debilitado
Descentramiento de ruedas
Ruedas de geometría impropias
Frenado desigual
Componentes de la suspensión dañados
o suelto
Arco roto
Rueda desequilibrada
Ruedas de geometría impropias
Amortiguador roto
Conducción inadecuada
Vehículo sobrecargado
Cojinetes de las ruedas desgastadas
Los neumáticos se rotaron en el vehículo sin
ser equilibrada
Presión incorrecta de los neumáticos
Presión de neumáticos despareja
Operación inadecuada
amortiguadores
Rueda desequilibrada
Cojinetes de las ruedas dañadas
Patella desgastado barras de dirección
Rótula de suspensión desgastado
Golpe lateral excesivo de las llantas
Deformación parcial del neumático
Asamblea centrado excesivo
rueda
Ruedas de geometría impropias
hacia
O barras de dirección dañados
suelto
Montaje de la caja de dirección debilitado
??
??
??
??
??
??
??
??
??
??
??
??
??
??
??
??
??
??
??
??
??
??
??
??
??
??
??
??
La acción correctiva
Reemplace los neumáticos
Ajuste la presión de los neumáticos
Reemplace el resorte
Reemplace la llanta
Verifica y ajusta la geometría
ruedas
Revisar y reparar los frenos
Reemplace o apriete
componentes de la suspensión
Reemplace el resorte
Equilibra la rueda o
Reemplace la llanta
Verifica y ajusta la geometría
Reemplace amortiguador
Reemplace la llanta
Reemplace la llanta
Reemplace teniendo
Reemplace la llanta o neumático
Ajuste la presión de los neumáticos
Ajuste la presión de los neumáticos
Reemplace amortiguador
Equilibra la rueda
Reemplace teniendo
Reemplace rótula
Vuelva a colocar la parte inferior del brazo
Reemplace la llanta o neumático
Reemplace la llanta o neumático
Reemplace la llanta o neumático
Ajustar la geometría
Apriete o reemplace bieletele
Caja Apriete
Shakes o de estancamiento
DIAGNÓSTICO dirección, suspensión, JENÞILOR Y NEUMÁTICOS 13??Tres
Síntoma
Manejo
reducido
??
??
??
??
??
Juego excesivo
volante
??
??
??
??
??
Volver Rough
volante
??
??
??
??
??
??
??
??
Causa probable
Operación inadecuada
rótula o rótula barras de dirección
brazo inferior
Geometría incorrecta
ruedas delanteras
El ajuste inadecuado de la caja
gobierno
Presión inadecuada
neumáticos
Bloquear o lubricación insuficiente de
columna de dirección
Cojinetes de las ruedas desgastadas
Poor mecanismo de ajuste
acumular caja de dirección de piñón
La columna de dirección del eje de la bisagra
usado
Patella desgastado barras de dirección
Rótula desgastado brazo inferior
Barras de dirección Bloquear rótula
Bloquear rótula del brazo inferior
Caja de dirección de atascos
La geometría de las ruedas delanteras
defectuoso
Presión inadecuada
neumáticos
Cojinetes de las ruedas dañadas
Use o bloquear la rótula varillas
dirección
Use o aflojar la rótula de bloqueo
barras de dirección rótula del brazo
varas inferiores o articulación
el eje de accionamiento
Bumpers dañados
Suspensión del brazo inferior del buje
desgastado
Barra estabilizadora Debilitado
Tuerca de rueda se debilitó
Sujetadores de suspensión floja
Cojinetes de las ruedas dañadas
Arco dañado suspensión
Cojinete dañado o amortiguador aceitado
insuficiente
Ruedas desequilibradas
Rotui sueltos
Bumpers defecto
Barra estabilizadora Debilitado
Arco dañado
Caja de dirección ajustado mal
La geometría de las ruedas delanteras necores-
ade-
??
??
??
??
??
??
??
??
??
??
??
??
??
??
??
??
??
??
La acción correctiva
Reemplace las barras de la rótula o brazo
suspensión más baja
Ajustar la geometría
Verificación y ajuste, reparación o
Reemplazar caja de dirección
Ajuste la presión de los neumáticos
La columna de dirección Reparación
Reemplace teniendo
Verificación y ajuste de cremallera
Y piñón
Reemplace articulación
Reemplace rótula
Vuelva a colocar la parte inferior del brazo
suspensión
Reemplace rótula
Vuelva a colocar la parte inferior del
brazo
Repare o Reemplace
Ajustar la geometría
Ajuste la presión
Reemplace teniendo
Reemplace rótula
Sustituir el componente afectado
Dirección de ruido
Ruido anormal
??
??
??
??
??
??
??
??
Shakes o in-
dirección bilidad
??
??
??
??
??
??
??
??
??
??
??
??
??
??
??
??
??
??
??
??
??
??
Reemplace o repare
Reemplazar
Apriete el tornillo o sustituye
cojinete
Abrazo
Apretar
Reemplace teniendo
Reemplace el resorte
Grease o reemplaza rodamiento
Equilibra las ruedas
Vuelva a colocar la parte inferior del brazo o de la
rótula
barras de dirección
Reemplace amortiguador.
Apriete o Cambie la barra
bar buje
Reemplace el resorte
Se verifica y ajusta par
Apriete la caja
Ajuste las ruedas de geometría
13??4 Dirección DIAGNÓSTICO, suspensión, JENÞILOR Y NEUMÁTICOS
Condición
Tendencia de Desvío
la dirección de
fue a la frenada
??
??
??
??
??
??
??
??
??
Distancia al suelo desigual ??
??
??
??
??
??
??
??
??
??
??
Desgaste precoz
neumáticos
??
??
??
??
??
Causa probable
Cojinetes de las ruedas desgastadas
Arco dañado
La pérdida de aceite a las ruedas o rodillos
los estribos
Disco deformado
El desgaste desigual de las pastillas de freno
La deformación del tambor
Hinchazón desigual del neumático
Cilindro de rueda defectuosa
La geometría de las ruedas delanteras necores-
ade-
Arco dañado suspensión
Sobrecarga
Arco inapropiado
Bumpers defecto
Sobrecarga
Bumpers defecto
Arco dañado o inadecuado
Barra estabilizadora Debilitado
Bumpers atrapado defecto o debilidad
Arco dañado
Sobrecarga
Bumpers defecto
Cojinetes de las ruedas desgastadas o
dañadas
Rueda vibración excesiva
Rótula desgastado brazo inferior
Rueda desequilibrada
??
??
??
??
??
??
??
??
??
??
??
??
??
??
??
??
??
??
??
??
??
??
??
??
??
Corrección
Reemplace teniendo
Reemplace el resorte
Repare o Reemplace cilindro
o pinza defectuosa
Reemplace el disco
Reemplace las pastillas
Reemplace tambor
Ajuste la presión de la inflación
Cambie el cilindro
Verifica y ajusta la geometría
ruedas delanteras
Reemplace el resorte
Compruebe la carga
Reemplace el resorte
Reemplace amortiguador
Compruebe la carga
Reemplace amortiguador
Reemplace el resorte
Apretar o reemplazar el buje
Reemplace el amortiguador o
apretar
Reemplace el resorte
Compruebe la carga
Reemplace amortiguador
Reemplace teniendo
Reemplace la llanta o neumático
Vuelva a colocar la parte inferior del brazo
Compruebe y son el balance de ensamblaje
Suspensión
??suave??
demasiado
Altura demasiado pequeño
para
suspensión
Desviación del eje
curvas vehículo
DIAGNÓSTICO dirección, suspensión, JENÞILOR Y NEUMÁTICOS 13??5
VER NEUMÁTICOS
El desgaste anormal O TEMPRANO
Las posibles causas de un desgaste anormal o demasiado temprano
neumáticos son diferentes. Estos incluyen
Presión de inflado inadecuada, nerotirea
neumáticos oportunas y adecuadas, ruedas desequilibradas
los hábitos de conducción, etc.
En tales casos, compruebe lo siguiente:
1. Si el desgaste del neumático delantero es diferente desgaste
neumáticos traseros.
2. Si el desgaste de los neumáticos curmeziºul es desigual.
3. Si el desgaste de los neumáticos delantero comparación es
desigual.
4. Si el desgaste de los neumáticos traseros comparación es
desigual.
5. Los neumáticos están desgastados en exceso.
En los siguientes casos se debe comprobar la geometría
ruedas:
1. Si el desgaste de los neumáticos delantero comparación es
desigual.
2. El desgaste es desigual a cualquier perfil curmeziºul
neumático delantero.
3. Los perfiles aparecen rayados bordes de neumáticos delanteros
??panã ?? en un lado del perfil.
Llevar indicadores Perfil
Los neumáticos nuevos tienen indicadores de desgaste para
señalizar
cuando se debe sustituir el neumático. Los indicadores son bandas
12,7 mm de ancho cuando se reduce la profundidad del dibujo
a 1,6 mm. Cuando los indicadores aparecen en dos o más
Perfil ºanþuri en más de 3 lugares neumático debe
reemplazado.
??
??
??
ESQUINA súbita
Neumático Presión insuficiente
Neumáticos rotativos incorrectos
VEHÍCULO
??
??
??
Rueda desequilibrada
NEUMÁTICOS desigual
Aceleración súbita
FIG. 13 ?? 2 muestra el perfil de desgaste
FIG. 13 ?? 1 Comprobación de desgaste de los
neumáticos
SISTEMA ELÉCTRICO 14-1
CAPÍTULO 14
SISTEMA ELÉCTRICO
DESCRIPCIÓN GENERAL .............................................................................................................. 14 ?? Febrero
Sistema de Iluminación ............................................................................................................................ 14 ?? Febrero
Salpicadero ................................................................................................................................ 14 ?? Tres
Batería de regulación de carga ................................................................................................................ 14 ?? Tres
Testigo de presión de aceite, control de líquido de frenos .......................................... ................................... 14 ?? 4
Cinturones de seguridad de los testigos, indicador de nivel de combustible, velocímetro ........................... 14 ?? 5
Indicador de la temperatura del refrigerante, eliminar ........................................... ........................... 14 ?? 6
Boquilla Lavadora .................................................................................................................... 14 ?? 7
VEHICULO ................................................................................................................... 14 ?? 8
Puesta a punto Faros ................................................................................................................................... 14 ?? 8
Clasificación Estándar .......................................................................................................................... 14 ?? 9
Verificación de la batería ............................................................................................................................ 14 ?? 9
El cableado eléctrico ............................................................................................................................. 14 ?? 9
CIRCUITOS ELÉCTRICOS ................................................................................................................. 14 ?? 10
Diagrama de cableado eléctrico ............................................... .................................................. ... 14 ?? 10
El cableado eléctrico diagrama de localización .............................................. ..................................... 14 ?? 13
Ubicación de los conectores y las conexiones a tierra ............................................ ........................ 14 ?? 14
Conexiones y conexiones a tierra ............................................ ubicación ........................... 14 ?? 15
Disposición de circuito ................................................................................................................ 14 ?? 16
Ubicación y distribución Fusibles ............................................. ........................ 14 ?? 17
Diagrama de cableado eléctrico ............................................... .................................................. ... 14 ?? 20
1) START, y el encendido de carga
2) suministro SISTEMA DE CONTROL
3) circuito de control de la caja de cambios automática
4) luces traseras luces interiores, trompa y zumbador
Cinco) CIRCUITO DE LA LUZ Y EL RELOJ DIGITAL
6) Eliminar el cristal del parabrisas y los accionistas de circuito automático
7) ENCENDEDORES Y SISTEMA DE AUDIO
8) PANEL
9) ACONDICIONADO sistema de control
10) Cierre Centralizado UªI
11) DISPOSITIVO HLLD (nivelación de faros)
SISTEMA ELÉCTRICO 14-2
DESCRIPCIÓN GENERAL
Iluminación
Luces interiores Luz trasera de niebla La luz de placa
La
LEJOS
INDICADOR DELANTERO
A: indicador lateral
(NOTA: ACCESO PARA SX)
Luces traseras
SISTEMA ELÉCTRICO 14-3
MARCADOR
NOTA: El "Fallo" ()
Se puede instalar en LUGAR DE FE
ADVERTENCIA "combustible mínimo"
Para los coches para la exportación
POLONIA
4 5 13 6
Indicación de carga de la batería 1.
2. MOTOR INDICADOR DE PRESION DE ACEITE
3. CONTROL DE ADVERTENCIA freno de mano
Combinado con el nivel del líquido de frenos
4. SEÑAL INDICADOR / DAÑOS
5. testigos fases TAMBOR
Cinturón 6. FE
INDICADOR 7. COMBUSTIBLE
8. Kilómetro
9. Un cero BOTÓN
JURNALIERULUI
10. kilometraje parcial (JURNALIER)
11. VELOCIMETRO
Indicador de la temperatura del líquido refrigerante 12.
13. LUZ DE ADVERTENCIA bajo
GASOLINA
Uno
FebreroTres
12 11:10 9 8 7
FIG. 14 ?? 1 Instrumentos GRÁFICO
FE La carga de la batería
Sea testigo de la carga de la batería es una advertencia
la luz que indica el estado de carga del conductor
de la batería (si genera tensión o no).
Cuando el interruptor de encendido está en "cerrado" y
el motor está en marcha, el control de carga de la batería
se encenderá sólo cuando el estado de carga
La batería es insuficiente.
Tensión en bornes L: 10.5 ~ 13.5V
B + terminal de tensión: 14.2 ~ 14.8V
BATERÍA
CONTACTOS FLASH
ALTERNADOR
IG
B
L
E
FE
Cargando
BATERÍA
BATERÍA
FIG. 14 ?? 2 CIRCUITO DE CARGA DE LA BATERÍA
SISTEMA ELÉCTRICO 14-4
MOTOR DE CONTROL DE PRESIÓN DE ACEITE
Manocontactul la presión del aceite del motor es
solo terminal. Actuando sobre el testimonio de
la presión de aceite del motor. Cuando la presión del aceite
es menor que el valor especificado, manocon-
interruptor del tacto a la posición "cerrada" y control de la presión
luz del aceite. Cuando la presión del aceite tiene más valor
a la especificada, manocontactul pase
posición "abierta" y el control de la presión de aceite
off.
COMBINADO DE CONTROL DE NIVEL DEL LÍQUIDO DE
FRENOS
LA FE DE freno de mano
Cuando se aplica testigo del freno de mano de
nivel de líquido de freno y el freno de mano está activado.
Cuando el nivel de líquido de freno está bajo, o ya no
Hay líquido de frenos en el depósito del líquido de frenos,
póngase en contacto con el líquido de frenos está abierto
y luces de control.
Uno
FIG. 14 ?? 3 CIRCUITO LOCALIZACIÓN MANOCONTACT
ACEITE DEL MOTOR PRESION
FIG. 14 ?? 5 posición CONTACTOR FE
Freno de mano (UP) CONTACTOR posición
Nivel de líquido de frenos FE (ABAJO)
CONTACTOS
FLASH
FE
PRESION
ACEITE DEL MOTOR
BATERÍA B +
B +
CONTACTOS
FLASH
BATERÍA B +
B +
FE DE LÍQUIDO
Freno / freno
Mano
MANOCONTACT
PRESION
ACEITE DEL MOTOR
CONTACTOR
NIVEL DE LÍQUIDO
Freno CONTACTOR
Freno
Mano
FIG. 14 ?? CONTROL DE PRESIÓN DE ACEITE DEL CIRCUITO 4
MOTOR
FIG. 14 ?? 6 CIRCUITO Y NIVEL freno de mano
Líquido de los frenos
SISTEMA ELÉCTRICO 14-5
Cinturón FE
Contactor está instalado hebilla del cinturón de ajuste
Seguridad y diseñado para permanecer en
"Cerrado", siempre y cuando el conductor no estaba provisto de cinturón
seguridad, cinturones de seguridad de testigos restante
en.
BATERÍA B +
CONTACTOS
FLASH
INDICADOR
Mínimo
COMBUSTIBLE
INDICADOR
NIVEL
COMBUSTIBLE
BATERÍA B +
CONTACTOS
FLASH
FE
CINTURONES
SEGURIDAD
ADVERTENCIA
Mínimo
COMBUSTIBLE
PANORAMA
Medición
NIVEL
COMBUSTIBLE
CONTACTOR
CINTURONES
SEGURIDAD
FIG. 14 ?? 9 CIRCUITO CALIBRE
COMBUSTIBLE
VELOCIMETRO
El velocímetro indica la velocidad del coche
Y la distancia y está conectado con el cable de transmisión.
El valor máximo indicado en la escala de 160 km / h.
FIG. 14 ?? 7 ASIENTO CIRCUITO DE CONTROL
SEGURIDAD
INDICADOR DE COMBUSTIBLE
Indicador de nivel de combustible proporciona la facilidad
Conductor Permanente para saber la cantidad de combustible
restante en el tanque. Este conjunto de medición y
Señalando consiste en una resistencia variable.
FIG. 14 ?? 10 VELOCIMETRO
FIG. 14 ??8 CONTACTOR ASAMBLEA UBICACIÓN
NIVEL DE COMBUSTIBLE
SISTEMA ELÉCTRICO 14-6
INDICADOR DE TEMPERATURA DE FLUIDO
Refrigeración del motor
Indica controlador de temperatura del refrigerante
radica motor instalado y el colector de admisión.
Claro
Contactor Wiper se instala junto con
combinación contactor y sustituye a la totalidad.
FIG. 14 ?? 11 UBICACIÓN instalar
Medición de la temperatura
El refrigerante del motor
FIG. 14 ?? CONTACTOR 13 REPRESENTACIÓN
Claro
BATERÍA B +
CONTACTOS
FLASH INDICADOR
TEMPERATURA
FLUIDO
M O T O R refrigeración
PANORAMA
Medición
TEMPERATURA
Refrigerante
MOTOR FIG. 14 ?? 14 UBICACIÓN instalar
MOTOR Borrar
FIG. 14 ?? 12 CIRCUITO DE INDICADOR DE TEMPERATURA
El refrigerante del motor
FIG. 14 ?? 15 REEMPLAZO DEL MOTOR Borrar
SISTEMA ELÉCTRICO 14-7
Boquilla Lavadora
La boquilla está instalado en el techo y el tanque con líquido
Limpieza del parabrisas se instala en
motor en la banda izquierda.
FIG. 14-16 lavaparabrisas Boquilla
FIG. Arandela 14-17 TANQUE
SISTEMA ELÉCTRICO 14-8
VEHICULO
ILUMINACIÓN SET
Ajuste del enfoque
Hay varias maneras de nivelación de faros, pero uno
sobre el ajuste del soporte (probador) luz faros es
se describe a continuación.
Coche 1.Parcaþi de tal manera que la distancia entre
3.Orientaþi el gabinete con vidrio hasta el faro.
4.Se ajusta el probador verticalmente de tal manera que la
indicar valor de escala "0". Busque el probador
centro de la luz del punto proyectado, leer este valor
0275 M
3M
FIG. 14 ?? 20 MEDIDOR DE POSICION "0"
escala fotométrica, lo que indica la intensidad luminosa
el faro. En condiciones donde el eje principal del panel
proyecciones ópticas es referencia exterior, posición establecida
faro vertical y horizontal con dos tornillos
ajuste, situado en la parte superior del faro.
FIG. 14 ?? 18 SET luces del foco
de pie y faros de los coches sean 3 m.
2.Privind receptor de luz es probador poziþioneazã,
por encima del valor medido.
1. Los tornillos de ajuste
TESTER
Luces delanteras
FIG. 14 ?? 21 FAROS SET
FIG. 14 ?? 19 AJUSTE DE LA LUZ SPOT
SISTEMA ELÉCTRICO 14-9
EVALUACIÓN ESTÁNDAR
La dirección del punto de luz es el eje óptico principal
paralelo a la dirección de avance del vehículo, este
dirección del eje óptico principal no debe ser
mirando hacia arriba. A una distancia de 10 metros antes de la amplificación
certeza horizontal puede ser de hasta 30 cm y
amplitud vertical puede ser de hasta 3/10 en
iluminación altura faro instalado para la izquierda y
amplitud (izquierda) puede ser de hasta 15 cm y
amplitud vertical para el vehículo en movimiento
puede ser de hasta 30 cm.
VERDE
NEGRO
INCOLORO
(Transparente)
CONTROL DE BATERÍA
Compruebe la batería MF se puede lograr utilizando indi-
res para el estado de carga de la batería, instalados
dentro del vehículo.
?? Verde: Cuando el estado de carga es
de 50% ~ 60% en peso
electrolito específico es
gran testigo verde
se eleva y alcanza el extremo inferior
la varilla poa- tan verde
He observado en la superficie.
?? Negro: Cuando el estado de carga es
por debajo de 50% ~ 60%, negro
se puede observar.
?? Transparencia: Cuando el electrolito disminuye
por debajo del extremo inferior de la varilla,
color desaparece e indica
Descargas. En general, estos
condiciones, la batería no puede ser
utilizado.
FIG. 14 ?? 23 estado de carga de la batería MF
CABLEADO
Comprobación y mantenimiento
?? Hacer cableado firme y fija en puntos particulares
clips destinados como aislamiento de protección
el cableado puede ser dañado por el contacto directo con
una pieza en movimiento por la vibración y la elongación, etc.
Cubrir los extremos de los cables y no
conectado con cinta aislante.
Cubra con cinta que puede penetrar en las zonas de aislamiento
en contacto con varias piezas de metal.
Los conectores que proporcionan diferentes conexiones de cableado
o terminales se mantienen apoyo de desconexión
conector de enlace.
La instalación de red en el compartimiento del motor, evitar
en la medida de lo posible, la zona de alta temperatura, la
por ejemplo, el sistema de escape, y hacer que la instalación
??
??
??
??
FIG. 14 ?? 22 BATERÍA MF FIG. 14 ?? 24 CABLEADO MÉTODO DE MONTAJE
Presilla
SISTEMA ELÉCTRICO 14-10
CIRCUITO ELÉCTRICO
CIRCUITO ELECTRICO ESQUEMA
1) Designación y Uso
Los nombres de todos los componentes son mencionados en una lista situada por encima de diagrama.
Están ordenados alfabéticamente posible nombres de los componentes, siendo colocado por encima de los símbolos.
Todas las líneas verticales se limitan trayectorias eléctricas y sentados línea horizontal en el diagrama inferior indica
terminales de puesta a tierra.
También, rutas eléctricos limitados están numerados ascendente desde la parte inferior del esquema
superposición eléctrica, y si parcial de dos líneas verticales, evitar la duplicación de simplificar el régimen
de energía. Los números de estas líneas se colocarán en rectángulos como en el ejemplo de abajo, e indican que
esa línea está conectado a la línea con el número asignado rectángulo.
Ejemplo) 98 y 166
Los fusibles se mencionan en la parte superior del diagrama. En todos los circuitos, si utiliza
Los fusibles que tienen el mismo valor pueden ser indistinguibles entre sí. Ejemplo: F5.15A, "F5", afirmando
posición de fusibles en el número 5 en el panel de fusibles. La primera y la segunda línea horizontal, situado en el más
muy superior del diagrama, es el terminal Nº 30, que está conectado directamente a la batería. La tercera y la
cuarta línea horizontal representa el terminal Nº 15 y la quinta línea representa la 15A terminal, que es
suministrado con energía eléctrica cuando el contactor de encendido está cerrado.
Para saber usted está leyendo circuitos es importante establecer el diagnóstico. No diagramas de cableado
indica la existencia de corrientes en el circuito y contactores y componentes son neoperaþionale.
La posición está marcada con una de las señales por encima de la línea paralela o perpendicular. Las líneas son
marcada en particular, para evitar cruzar las líneas eléctricas de circuitos.
El saber es no sólo el modo importante para el conjunto del esquema de lectura y simbolización conocimiento
circuito eléctrico.
Como contactores, relés y otros componentes se indican con símbolos.
Además, la identificación de colores y el número de terminal (conector) están etiquetados específicamente para
fácil como plan de lectura.
SISTEMA ELÉCTRICO 14-11
Símbolos principales elementos del circuito
Los componentes no electrónicos
Componentes de protección
Componentes de advertencia
Batería
Masa
Mass General
Energía
Generador
Motor eléctrico
Lámpara
Altoparlante
Cuerno
Imán Permanente
Indicador (unidad de medida)
Cableado de Zona
Terminal
Punto de soldadura
Intersección (los cables no están pegadas)
Punto común
Código de colores
Interruptor mecánico manual
Energía
Ejecución de funciones (por ejemplo. Pistón)
Válvula de control eléctrico
Sensor de Pasillo
Sensor electrónico
Interruptor listón
Resistencia
Resistencia variable
Termorezistenþã
Fusible
Bobina
Condensador
Conector
Contacto normalmente abierto con remontada
Contacto normalmente cerrado con remontada
Interruptor
Interruptor con múltiples posiciones
Limitador
Interruptor manual giratorio
Interruptor activado manualmente pulsando
Interruptor activado manualmente por el dibujo
Interruptor activado manualmente pulsando
Interruptor manual giratorio
Otros interruptores operados en
externo (por ejemplo. pierna operada)
Cambie actuador rotativo Manual
Diodos
Diodos Zenner
LED
Elemento de Protección Térmica
Secuencia de elementos (por ejemplo. Compresor de aire
acondicionado, embrague, embrague)
Temperatura Relay
Transistor PNP
NPN Transistor
Normalmente los contactos de relé abierto
Relé contactos normalmente cerrados
SISTEMA ELÉCTRICO 14-12
Símbolos de identificación componentes del circuito
Símbolo
E
F
G
H
K
L
M
P
R
S
X
Y
Componentes
Diversos componentes
Elementos de protección
Energía
Elementos de la comunicación
Elementos de conexión
Bobinas
Motores
Metro
Resistencia
Interruptores
Conectores
Dispositivos
electromecánico
Nombre de piezas
Diversos componentes
Disyuntor, la seguridad, el relé de protección,
etcétera
Generador, Batería
Señales visibles o audibles
Relés, relés de temporización
Bobinas de encendido
Limpiaparabrisas, ventanas eléctricas
Cuentarrevoluciones, reloj, voltímetro
Elemento de circuito-calor, divisor de voltaje
Parabrisas, señalización, señales
Terminales Embragues
Compresor de solenoide, dispositivos eléctricos
ascensor
Cables de color de cableado
Cada terminal se identifica mediante el interruptor de arranque y el color del cable se basa en estándares de la industria.
(Ejemplo) Br R 0.85
Br: Color básico
Color
Negro
Rayas Negro
Blanco
Maron con
raya blanca
Rayas Negro
verde
Rayas Negro
amarillo
Rayas Negro
rojo
Rayas Negro
azul
Maron
Franja verde
rojo
Símbolo
GY
GW
GL
L
LG
LR
LW
LB
P
Color
Franja verde
amarillo
Franja verde
Blanco
Franja verde
azul
Azul
Azul
raya verde
Azul
raya roja
Azul
raya blanca
Azul
raya negro
Rosa
A: Estiércol
Símbolo
PL
PB
R
RY
RB
RW
WL
WY
WG
Color
Rayas rosa
azul
Rayas rosa
negro
Rojo
Rayas roja
amarillo
Rayas roja
negro
Rayas roja
Blanco
Blanco a rayas
azul
Blanco a rayas
amarillo
Blanco a rayas
verde
0.85: Sección nominal del hilo
Símbolo
WR
WB
YB
YW
YL
YG
Y
Color
Blanco a rayas
rojo
Blanco a rayas
negro
Amarillo con
raya negro
Amarillo con
raya blanca
Amarillo con
rayas azules
Amarillo con
raya verde
Amarillo
Símbolo
B
BW
BRW
BG
POR
BR
BL
Br
GR
SISTEMA ELÉCTRICO 14-13
Diagrama de cableado UBICACIÓN
Uno
5
Febrero
8
Tres
4
1.
2.
3.
4.
5.
6.
CABLEADO NR.1
ARNÉS NO.2
ARNÉS NO.3
CABLEADO NR.4
CABLEADO NR.5
CABLEADO TRASERO UªÃ (CIRCUITO Nr.8)
FIG. 14 -25 diagrama UBICACIÓN CABLAJE
SISTEMA ELÉCTRICO 14-14
Las conexiones a tierra diagrama y ubicación de los conectores
LEJOS
IZQUIERDA
LEJOS
DERECHO
CONTROLADOR DE INTERRUPTOR
AIRE ACONDICIONADO COND.AER.
RELOJ
CAJA
Seguridad
DIGITAL
Sonda
TANQUE
Claro
TRASERO
Lámpara
TRASERO (STG).
Lámpara
TRASERO (DR).
FIG. 14 -26
SISTEMA ELÉCTRICO 14-15
CONEXUNI
IDENTIFICACIÓN
CONECTOR
X2
X3
X3a
X4
X4a
X5
X9
X10
X11
X12
X14
X16
X16A
X20
X26
X42
X43
X61A
X61B
X62A
X62B
X70
NÚMERO
PIN
18
10
14
6
4
1 + 9
10
13
10
12
13
18
4
20
8
8
6
4
Tres
Tres
Febrero
10 + 14
W / H # 1
W / H # 1
W / H # 1
W / H # 1
W / H # 1
W / H # 1
INTERRUPTOR P / N
W / H # 1 W / H # 5
Conector de E / P
Conector de E / P
Conector de Radio
W / H # 1
W / H # 1
W / H # 3
W / H # 1
W / H # 1
W / H # 1
W / H # 1
W / H # 1
W / H # 1
W / H # 3
W / H # 3
W / H # 4
A / C, W / H
A / C, W / H
Puerta W / H (FR / LH)
Puerta W / H (FR / LH)
Puerta W / H (FR / SR)
Puerta W / H (FR / SR)
(Ventanas eléctricas W / H)
(Bloqueo de la puerta central W / H)
(Ventanas eléctricas W / H)
(Bloqueo de la puerta central W / H)
Cola SOLO TIPO niebla
CONEXION
W / H # 2
W / H # 2
W / H # 2
W / H # 2
W / H # 2
W / H # 5
Auto-T / M
Auto-T / M
SOLO TIPO HLLD
Cola SOLO TIPO niebla
AVISO
Conector - combinaciones
Conector controlador ATM
UBICACIÓN tierra
IDENTIFICACIÓN
G1
G2
G3
G4
G5
G6
G7
?? Al lado de los fusibles de la caja
?? En la parte trasera del faro izquierdo
?? En la parte posterior del faro como
?? Al lado de la bobina de inducción
?? Debajo del asiento del pasajero
?? Bloque de motor
?? Al lado de cableado trasero
SISTEMA ELÉCTRICO 14-16
ESTRUCTURA DEL CIRCUITO ELÉCTRICO
# En el siguiente diagrama, contactores y relés están en el estado abierto (OFF).
30
15
15A
(Batería "+")
(Contacto de encendido apagado ("ON"))
(Contacto de encendido cierra o se abre cuando
arrancador es operado)
Los pormenores de la simplificación del circuito
(Línea 123)
Dispositivo electrónico conectado (fusible Nº 5)
La
B
Track y de identificación del terminal símbolo símbolo
K7: Símbolo Relay
85, 86, 30, 87: Terminal Número
C
Conector Indicación para la conexión a dos tipos
cableado (conector nr.X50, el terminal Nº 3)
D
Aislamiento indicación del color y denominación
(Maron 0.5mm2)
* Se refiere a la tabla de colores para înveliºurile iso
nentes.
E
Terminal de puesta a tierra Indicación (posición No. 3)
* Se refiere a "Diagrama de unión a la mesa" para
llegar a la mesa ubicación del terminal.
Los cables no tienen una identificación para la localidad
ing el terminal de puesta a tierra y el color
envoltura aislante indica que está directamente relacionado
la masa, el cuerpo o el motor.
Línea a tierra (batería "??") (CUERPO)
31
F Línea número de serie / columna (circuito Number)
SISTEMA ELÉCTRICO 14-17
Compartir la ubicación y Fusibles
Imágenes Ubicación fusibles
Fusibles IMAGEN
Fusibles UBICACIÓN
WGr0.5
WY3.0
WR0.85
Uno
15A
8
15A
BW1.25
WL0.85
Febrero
15A
9
15A
YL0.5
BL2.0
WR1.25
16
15A
17
15A
LY0.5
W0.5
Tres
15A
10
15A
Y0.5
WGr0.85
4
15A
11
15A
GR1.25
12
15A
YGr0.85
LgR1.25
5
15
20A
WGr3.0
LW1.25
6
20A
13
15A
WB0.85
L1.25
YB2.0
-
7
30A
14
PGr0.85
YB2.0
WR1.25 BrB0.5
Fusibles EMPLEO
BATERÍA CONEXION
Fusible (60 A)
LÍNEA
NO. 30
WG 3.0
F6, F15
CONTACTOR
FLASH
"ON" LÍNEA
NO. 15
BL 2.0
YB 2.0
F8, F9, F10
F7, F11, F12
F13
"START" LÍNEA
NO. 15A
L 1.25
CONEXION
Fusible
A)
(40
LÍNEA
NO. 30
WY 3.0
F1, F2, F3, F14, F16
WR1.25 F16
F17
ECE SOLAMENTE
CO MB SW
SISTEMA ELÉCTRICO 14-18
Fusibles USO
CAPACITATENUMÃR
[A] SEGURIDAD
15AF1
F2
F3
15A
15A
USO
?? Lejos (Dr.)
?? Lejos (L.)
?? Carretera Phase_pointer
?? Interruptor de freno
?? Luces antiniebla traseras
AVISO
AJUSTE ECE
?? Interruptores. freno ?? F16
?? Luces interiores ?? F17
?? Luces de los interruptores
?? Luces interiores?? Nr.înmatriculare Lámparas
?? Luces de los interruptores
F4
F5
F6
F7
F8
F9
F10
F11
F12
F13
F14
F15
F16
15A
15A
20A
30A
10A
10A
10A
15A
15A
15A
??
20A
15A
?? Radio
?? Reloj digital
?? Cuerno
?? Fallo de la lámpara
?? Luces antiniebla delanteras
?? Ventilador eléctrico
?? Actuador eléctrico de cristal
?? Bobinas de encendido
?? Mot.ªtergãtor / Wash?? Salpicadero
?? Ventilador eléctrico
?? Luces de marcha atrás ?? Indicador
?? Motor del ventilador?? Relé de señal
?? Controlador Aire acondicionado
?? Desempañado del cristal trasero
?? Encendedor
?? No se utiliza
?? Zumbador
?? Velocidad caja de cambios
automática
?? Velocidad caja de cambios manual
?? Puerta cierre centralizado
?? HLLD
AJUSTE ECE
?? HLLD?? Radio
?? Reloj digital
?? Luces antiniebla traseras
F17 15A ?? No se utiliza
?? Luz lateral (L.)
AJUSTE ECE
?? Luz lateral (Dr.)
SISTEMA ELÉCTRICO 14-19
RELES - INFORMACIÓN Y LOCALIZACIÓN
DESCRIPCIÓN
BANDERA
?? Relé del ventilador
?? Relé de señal
?? Relevo eliminar
?? Advertencia Relay
sonar
?? Alimentación de control del relé
combustible cional
?? Cierre de relé
puerta central
?? Controlador A / C
NÚMERO
BANDERA
?? P38850A60A02
??000
?? P38610A78B00
??000
?? 37400A78B11
??5PK
?? 39700A78B00
??000
?? 38850A60D10
??000
?? 38810A78B00
??000
?? 95510A78B01
??000
UBICACIÓN
?? En la parte frontal izquierda del compartimiento
Motor Parlamento (además de receptor de pelo)
?? Junto a fusionar el panel
(En el lado izquierdo del salpicadero)
?? Salpicadero interior
(Detrás del interruptor de combinación)
?? Al lado de la caja de fusibles
?? Al lado de la caja de fusibles
?? Bajo guantera
?? Bajo guantera
?? Variante G.C.C.
?? Transmisión
Automático
AVISO
?? Aire acondicionado
INTERRUPTOR
P.C.B COMBINADO
FAN RELAY RELAY Borrar
IMAGEN Seguridad
Fusibles
RELAY
SEÑAL RELÉ
SISTEMA ELÉCTRICO 14-20
CIRCUITO ELECTRICO ESQUEMA
ENERGÍA ELÉCTRICA CIRCUITO
1) START, y el encendido de carga
G1
G2
L1
BATERIEM1 DEMARORS2 INTERRUPTOR P / N
ALTERNATORR1 BUJIEY1 VSV - Turath CREªTERE solenoide IDLE
Interruptor de encendido Bobina de encendido S1 Y2 DISTRIBUIDOR
LOCK
ACC - ON
CONEXION
Fusible
Uno 4
Uno 4
Febrero
6
Uno
Febrero
Uno
7
X9 X5
9
Bobina de encendido DISTRIBUIDOR
Uno Febrero
5
5
LLAVE DE ENCENDIDO
7 7
6
10
SISTEMA ELÉCTRICO 14-21
2) SISTEMA DE ORDEN DE ALIMENTACIÓN DE COMBUSTIBLE
Relé K1 ALIMENTACIÓN ORDEN
RUIDO resistencia L2 ANTIPARAZIÞI
Filtro de L3 (atenuada) RUIDO
S3
Y3
Y4
Y5
VACUOMETRO
Bobina CARBURADOR
B.V.V.
V.S.V. Turath CREªTERE IDLE solenoide
SOLO PT. VEHÍCULO CON CAJA
TRANSMISIÓN MANUAL
Uno
Febrero
Tres
Uno
4 7
Febrero
SOLO PT. VEHÍCULO CON CAJA
TRANSMISION AUTOMATICA
6
Uno
Febrero
Tres
Febrero
4
ORDEN RELE
SUMINISTRO DE COMBUSTIBLE
9
X5
FILTRO (atenuado) RUIDO
SISTEMA ELÉCTRICO 14-22
3) CIRCUITO ELÉCTRICO - caja de cambios automática
P5 V.S.S
P6 T.P.S
S2 INTERRUPTOR P / N
BOBINA No.1 X70 Y6 T.C.M. COMPUTER caja de cambios automática
Y7 COIL No.2
Y8 COIL No.3
TERMINAL
CHEQUE
(VERDE)
Uno Febrero
Tres
TERMINAL
CHEQUE
(NEGRO)
SOLENOIDE
Uno Febrero
Tres
Y.P.S '
Uno Febrero
V.S.S '
Uno 4
11
Uno
16
4
Tres
8
13
X10
Uno 4
5
7
X9
6
10
5
10
17
X70
24 9
SISTEMA ELÉCTRICO 14-23
CUERPO DE CIRCUITOS ELÉCTRICOS
4) Las luces traseras, luces interiores, y el zumbador BOCINA
E1
E2
E3
E4
Lámpara
Lámpara
Lámpara
Lámpara
ATRÁS (STG).
REVERSE (DR).
Fran (STG).
Fran (DR).
APAGUE E8 DEZABURIRES5
LED de control (NARANJA) S6
Posicionamiento E9 COMUTATORS7
Desempañado LUNETÃS8
(VERDE)
H1 CLAXONS9
Zumbador H2
Lámparas S4 INVERSA
CUERNO CONTACTOR
Contactor de freno
CONTACTOR UªÃ (STG).
CONTACTOR UªÃ (DR).
Ventana trasera antivaho CONTACTOR
E5 luz de freno (CHMSL)
INTERIOR LÁMPARA E6
Ventana trasera antivaho E7
SÓLO E.C.E.
Uno
Uno
9
8
18
X2
Uno Febrero
5
Uno
4
5
4
9
14
G
S
B
Tres
INTERRUPTOR
Desempañado
Vidrio
6 10
X3
10 M
ADVERTENCIA
SONOR
SISTEMA ELÉCTRICO 14-24
5) -1 circuito de iluminación eléctrica y un reloj digital (locale)
E8
E9
E10
E11
E12
E13
E14
E15
E16
E17
Viga - FAR (STG).
Viga - FAR (STG).
Viga - FAR (DR).
Viga - FAR (DR).
Luces indicadoras Side (. STG FRENTE)
Luces indicadoras laterales (DR. FRONTAL)
Luces indicadoras laterales (DR. TRASERO)
LÁMPARA LUZ. SELECCIONAR A / T
Luces indicadoras laterales (STG.
TRASERO)
Lámpara NÚMERO DE REGISTRO
E18
E19
E20
E21
E22
E23
E34
E35
E36
E37
Indicador (STG. FRONTAL)
Indicador (STG. TRASERO)
Indicador (DR. TRASERO)
Indicador (DR. FRONTAL)
INDICADOR DE LADO (STG).
Lado Indicador (DR).
Luz trasera de niebla
Interruptor de la lámpara antiniebla trasera
Luz trasera de niebla
Luces antiniebla delanteras
E38
E39
E40
H3
K1
S10
S12
S13
S14
S15
APAGUE las luces antiniebla delanteras
Luz antiniebla delantera (STG).
Luz antiniebla delantera (DR).
Reloj digital
SEÑAL RELÉ
Interruptor de la lámpara antiniebla trasera
Fase REUNIÓN DEL INTERRUPTOR
INTERRUPTOR DE LA LUZ
PELIGRO DE LUCES INTERRUPTOR
Señal del interruptor
Uno
Uno
10
Febrero
11
X20
20
Faros (STG., DR.)
Tres
9
X16
18
4
X26
8 9
X2
18
Uno 8 Uno TresUno 8
SISTEMA ELÉCTRICO 14-25
?? 244 está continuando con el indicador de haz situado en el salpicadero.
?? S12: Interruptor de haz de cruce S13: Interruptor de las luces
?? Interruptor de haz y el interruptor de la luz se muestran por separado, pero estos son en realidad los interruptores combinados
en uno.
?? Línea número 58
?? Si cambia el interruptor de la luz a la posición 1 o 2, la corriente suministrará lámparas laterales, faros antiniebla, y otras lámparas
el número de la línea 58.
?? H3: Reloj digital
?? La corriente pasa desde terminales no.30 línea "1" y "2".
?? Si el cambio de la posición del interruptor 1, la luz de fondo del reloj disminuirá debido al flujo de corriente a través del no.58 línea.
Uno
5
10
4
9
Uno
Uno
Febrero
6 Tres
Febrero
Uno
Febrero
4
X4
Uno
L
Tres
E
8
X26
SEÑAL RELÉ
B
14 de marzo
X3a
4
INTERRUPTOR DIGITAL RELOJ
Faros antiniebla
SISTEMA ELÉCTRICO 14-26
6) Retire ventanas y
K3
M2
M3
M4
M5
RELAY Borrar
MOT. ACTH. EL. VENTANA (STG FRONTAL.)
MOT. ACTH. EL. (FRENTE DR.)
Claro DELANTERA DEL MOTOR
VENTANA FRONTAL LAVADORA DE
MOTOR
M6
M7
S15
S16
S17
Interruptor S18. VENTANA TRASERA DE FLUIDO LAVADORA
SPÃLAREMOTOR
Interruptor S19. Eliminar STERGÃTORMOTOR francotirador
Switch. VENTANA EL. Interruptor (FRONT STG.) S20. LAVADO / Quitar
Switch. VENTANA EL. (FRENTE DR.) Telescopio
Switch. VENTANA EL. (FRENTE DR.)
Uno Febrero
Uno Febrero
Uno Febrero Uno
Uno Tres
7
X62 X20
Uno
10
Tres
X61
4
Tres
5
Switch. ACTH. EL.
IZQUIERDA VENTANA
Tres
5
Febrero
20
Switch. ACTH. EL.
DERECHO DE VENTANA
SISTEMA ELÉCTRICO 14-27
Eliminar. LAVAR
Claro
Interruptor COMUT.SPÃLARE.
/ Borrar Borra
OFF
EN
EN
EN
EN
OFF
EN
OFF
FUNCIÓN
LAVAR
?? Operar solamente eliminar motor
?? Operar sólo motor de lavado
fluido
?? El motor del limpiaparabrisas funciona tanto como
Motor y la arandela (líquido)
?? El motor del limpiaparabrisas funciona tanto como
Motor y la arandela (líquido)
Uno
9
X2
Uno 8
Uno Febrero
Uno
8
18
Uno Febrero
Uno Uno
Febrero
Tres
Switch. FLUIDO
LAVAR
(TRASERO)
Febrero Uno
6 Febrero
MOTOR - MOTOR DE FLUIDO - FLUIDO
SPÃLARESPÃLARE
(FRONT) (FRENTE)
Febrero
4
9
X16
18 de marzo
Tres
Uno
4 Tres
SISTEMA ELÉCTRICO 14-28
7) los encendedores y SISTEMA DE AUDIO
(2 altavoces / 4 altavoces, antenas de coche)
E24 encendedor
Antena E36
H4 RADIO
H5
H6
H7
H8
ALTAVOZ (FRONT DR.)
ALTAVOZ (TRASERO DR.)
ALTAVOZ (FRONT STG).
ALTAVOZ (TRASERO STG).
M8
R2
Antenas de coches
Encendedor
NUM DE E.C.E. NUM DE E.C.E.
Uno
Uno
9
X2
Uno
8
18
5
X3
6
Uno
4
5
10 10
X3a
4
9
14
Uno
8
9
X16
18
Antenas de coches
7
X14
13
SISTEMA ELÉCTRICO 14-29
8) EL MARCADOR
E25
E26
E27
E28
E29
E30
E31
ILUMINACIÓN
ILUMINACIÓN
TESTIMONIO freno de mano
TESTIMONIO batería Carga
CINTURONES DE SEGURIDAD FE
MOTOR DE CONTROL DE NIVEL DE
ACEITE
FE baja
COMBUSTIBLE
CONTROL DE SEÑAL (STG).
CONTROL DE SEÑAL (DR).
Haz INDICADOR
MEDIDOR de combustible,
TIBLE
Indicador de la temperatura H10
Sonda de nivel de combustible R6
Sonda de temperatura R7
E32
E32
E34
H9
R8
S22
S23
S24
S25
S26
U2
Indica el nivel de combustible,
TIBLE
FRENO DE NIVEL FLUIDO INTERRUPTOR
Freno de mano INTERRUPTOR
CINTURONES DE SEGURIDAD
INTERRUPTOR
PRES MANOCONTACT. ACEITE DEL
MOTOR
INTERRUPTOR DE VELOCIDAD DEL
VEHICULO
TABLERO
SÓLO E.C.E.
FUENTE
VOLTAJE
Uno 10 Uno 12
X12
Uno
9
X2
6
8
18
X11
Uno
5
10
X3a
Uno
4
9
8
9
14 X16
18
Uno
7
X5
9
SISTEMA ELÉCTRICO 14-30
9) SISTEMA DE ACONDICIONAMIENTO DE PEDIDO
E33
E34
K4
M9
M10
R3
Interruptor FE. SUFLANTÃR4 termistor EVAPORATORU3 CONTROLADOR Aire acondicionado
Interruptor FE. Sonda de temperatura del aire acondicionado R5. AIR CONDIÞIONATV1 DIODO
RELAY VENTILATORS27 INTERRUPTOR. Y9 FAN temperatura del compresor
MOTOR INTERRUPTOR VENTILATORS28 SUFLANTÃY10 V.S.V
Interruptor MOTOR SUFLANTÃS29 doble (alta y baja
SUFLANTÃA.C RESISTENCIA.)
S30 interruptor del aire acondicionado
ECE SOLAMENTE
CAJA
AUTOMÁTICO
ECE SOLAMENTE
Febrero Uno
6
4
Tres
Uno
8
Tres
X10
Uno
X43
Tres
6
Febrero
Uno
5
10
X3a
4
9
14
Uno Tres
8
X42
Uno
7 X5
Uno
9
9 4
Uno 6
INTERRUPTOR
AIRE
Acondicionamiento
Uno
CONTROLADOR
Aire acondicionado
16
4
INTERRUPTOR
Golpe
6
SISTEMA ELÉCTRICO 14-31
10) Cierre Centralizado UªI
K3
M4
M6
S18
M5
Cierre centralizado RELAY UªI
ACTUADOR - FRONT, DERECHA
ACTUADOR - TRASERA DERECHA
Interruptor del cierre centralizado UªI
ACTUADOR - TRASERA IZQUIERDA
CERRADO
OPEN
OPEN CERRADO
Uno Febrero Uno Tres
4
X16A
(W / H NO.1)
8
Cierre centralizado RELAY UªI
(W / H NO.1)
X61B
(W / H NO.1)
X62B
(W / H NO.1)
SISTEMA ELÉCTRICO 14-32
11) para nivelar los faros DISPOSITIVO - HLLD +
S31
M11
M12
HLLD INTERRUPTOR
MOTOR HLLD (IZQUIERDA)
MOTOR HLLD (DERECHA)
SISTEMA ELÉCTRICO 14-33
Tico
MANUAL DE SERVICIO
EXPEDIDO POR
SERVICIO DE ULTRAMAR
DAEWOO MOTOR CO., LTD.
CHONG CHON 2-dong 426-1, PU Pyong-KU,
Inchon, Corea
TELÉFONO: 82-32-510-1762 ~ 1782
Fax: 82-32-519 ~ 3463
6A-TC-SM-500A
Tico
MANUAL DE SERVICIO
EXPEDIDO POR
SERVICIO DE ULTRAMAR
DAEWOO MOTOR CO., LTD.
CHONG CHON 2-dong 426-1, PU Pyong-KU,
Inchon, Corea
TELÉFONO: 82-32-510-1762 ~ 1782
Fax: 82-32-519 ~ 3463
TC-6 A-1000 MS-

Daewoo-Tico_1998_ES__manual_de_taller_78f95ad86b.pdf

  • 1.
    INFORMACIÓN GENERAL 1A-1 CAPÍTULO1 1A. INFORMACIÓN GENERAL VEHICLE .......................................................................................................... 1A - 2 IDENTIFICACIÓN DEL VEHÍCULO .................................................. .................................................. 1A - 5 PAR DE APRIETE DE COMÚN .................................................. 1A ......................................... - 8 APOYO PUNTOS DE ELEVACIÓN DEL VEHÍCULO .................................................. ... 1A - 9 Precauciones ..................................................................................................................................... 1A - 11 Inspección antes de su venta .................................................. 1A ......................................... - 13
  • 2.
    1A-2 INFORMACIÓN GENERAL VEHICLE(SÓLO sin plomo) Característica 1. Dimensiones Longitud Ancho Altura Distancia entre ejes Gauge vs. Trasero Distancia mínima al suelo 2. Masas El objetivo Carga 3. Rendimiento Velocidad máxima (km / h) La pendiente máxima (tanθ) Radio de giro mínimo (m) 4. Motor Tipo de motor Diámetro x golf (mm) Nr. cilindro Capacidad del motor (cc) Relación de compresión Potencia máxima (CV / rpm) Par (daN.m / rpm) 5. Sistema de encendido Tipo Avance inicial (° CA vs. p.m.i. / rpm) Orden de encendido Tipo tapones Integridad 8 ° / 950 RPM (General) 4 ° / 950 RPM (BRASIL, CHILE) 1-3-2 RNIIYC-4 F8C, bencina f. Pb (BRASIL: gasohol) 68.5 x 72.0 3 Cilindro 796 9.3 41/5500 6.0 / 2500 143 0,382 4.4 (Kg) (Kg) 635 1010 (Mm) (Mm) (Mm) (Mm) (Mm) (Mm) (Mm) 3340 1400 1395 2335 1220 1200 160 Valor Válvulas, Característica Consumo Valor ADSA - 12 ° IISA - 36 ° ADSE - 46 ° de escape IISE - 10 ° fría (mm) 0,15 ± 0,02 entrada evacuare0,20 ± 0,02 caliente (mm) 0,25 ± 0,02 admisión evacuare0,30 ± 0,02 Juego térmica, 6. La fuente de alimentación Carburador Bombas de gasolina Gasolina Filtro Tanque 7. Sistema de lubricación Tipo Bomba de aceite Filtro de aceite La capacidad de aceite (Con filtro) 8. sistema de refrigeración Tipo Bomba Termostato Capacidad Circuito Con líquido Axial Cera 4 Mixto Trohoidã Filtro de cartucho 2.5 (2.7) Doble de Apelación revocó Diafragma Filtro de cartucho 30 (L) (L) (L)
  • 3.
    INFORMACIÓN GENERAL 1A-3 VEHICLE(SOLO para plomo) Característica 1. Dimensiones Longitud Ancho Altura Distancia entre ejes Gauge vs. Trasero Distancia mínima al suelo 2. Masas El objetivo Carga 3. Rendimiento Velocidad máxima (km / h) La pendiente máxima (tanθ) Radio de giro mínimo (m) 4. Motor F8C, motor de gasolina con PbTip 72,0Alezaj x 68,5 x cursor (mm) 3 CilindriNr. cilindro 796Capacitate cilindro (cc) Compresión 9,3Raport Potencia máxima (CV / rpm) 41/5500 Par (daN.m / RPM) 6.0 / 2500 5. Sistema de encendido Tipo Avance inicial (° CA vs. p.m.i. / rpm) Orden de encendido Tipo tapones Válvulas, Ensenada Escape Integridad 8 ° / 950 RPM 1-3-2 RNIIYC-4 ADSA - 12 ° IISA - 36 ° ADSE - 46 ° IISE - 10 ° 143 0,382 4.4 (Kg) (Kg) 635 1010 (Mm) (Mm) (Mm) (Mm) (Mm) (Mm) (Mm) 3340 1400 1395 2335 1220 1200 160 Valor Característica Juego térmica, Valor fría (mm) 0,15 ± 0,02 entrada evacuare0,20 ± 0,02 caliente (mm) 0,25 ± 0,02 admisión evacuare0,30 ± 0,02 6. La fuente de alimentación Carburador Bombas de gasolina Gasolina Filtro Tanque 7. Sistema de lubricación Tipo Bomba de aceite Filtro de aceite La capacidad de aceite (Con filtro) 8. sistema de refrigeración Tipo Bomba Termostato Capacidad Circuito Con líquido Axial Cera 4 Mixto Trohoidã Filtro de cartucho 2.5 (2.7) Doble de Apelación revocó Diafragma Filtro de cartucho 30 (L) (L) (L)
  • 4.
    1A-4 INFORMACIÓN GENERAL Característica 9.Transmisión Etapa I Etapa II Etapa III Etapa IV Etapa V tiene Reverse 10. Embrague Tipo Tamaño 11. Frenos Cara Trasero 12. puentes Escriba eje delantero Eje trasero Tipo 13. La dirección Tipo Ángulo de dirección, Interior (°) Exterior (°) El diámetro de la rueda (mm) Convergencia (mm) Tomas de ángulo (°) El ángulo de escape (°) Ángulo de giro (TRANSVAL.) (°) Estante 42 ° 35 ° 365 1 ± 2 30 '± 1 3 ° 35 '± 1 ° 12.5 ° Articular Eje semirrígido Disco tambor (Mm) Dry Monodisc diafragma 170x110x3,2 Valor CV. 4 3818 2210 1423 0971 3583 CV. 5 3818 2210 1423 0971 0,837 3583 Característica 14. Suspensión Cara Trasero Mofles Muelles Estabilización, Cara Trasero 15. Sistema eléctrico Batería Alternador Motor de arranque 16. Neumáticos Cara Trasero (V-AH) (V-A) (KW) Estándar McPherson Con celebran sus brazos Con el gas Helicoidal Torsión Bar Cruz 12-28 12-50 0.8 135 SR 12 (155/70 R 12) 135 SR 12 (155/70 R 12)
  • 5.
    INFORMACIÓN GENERAL 1A-5 IDENTIFICACIÓNDEL VEHÍCULO El número de chasis Tabla de la plataforma Center en el compartimiento del motor Placa de identificación del vehículo El lado derecho de la plataforma pensión en el compartimiento del motor KL Y3S11 BBMC 000001 FIG. 1A - 1 Número de identificación del motor se encuentra como se muestra a continuación. F8C - 000001 en la parte inferior del bloque del motor TRASERO FIG. 1A - 2 DELANTERO FIG. 1A - 3
  • 6.
    1A-6 INFORMACIÓN GENERAL Sujetadores Lamayoría de los pernos y tuercas utilizados en este tipo de vehículo son métricas. Al reemplazar un tornillo o de una nuez, es muy importante que se respete de diámetro, el tono y la resistencia. Con rosca métrica cruce Diámetro nominal M1,6 M2 M2,2 M2.5 M3 x 0.5 M 3,5 M4 x 0,7 M4,5 M5 x 0.8 M6 M7 M8 M10 M12 Paso (Mm) 0.35 0.4 0.45 0.45 0.45 0.6 0.7 0.75 0.8 Uno Uno 1.25 1.5 1.75 Febrero Febrero 2.5 2.5 2.5 Tres Tres 3.5 3.5 4 4 Con rosca métrica salida Diámetro nominal Paso (Mm) Identificación de elementos de fijación de resistencia Las clases más utilizadas de la resistencia de los hilos 4T y 7T son métricas, y la clase está marcada en la cabeza cada tornillo. Algunos tuercas métricas eran Especificación de resistencia marcada en la frente. En la Fig. 1A - 4 se muestran diferentes formas de marcar la resistencia. Al sustituir los pernos y tuercas obligada métrica artículos usados con la misma resistencia o resistencia superior (mismo número marcado o superior). Con pocas excepciones, el paso de rosca es como es dada en la tabla siguiente. M8 x 1 M10 x 1.25 M12 x 1.25 M14 x 1,5 M16 x 1,5 M18 x 1,5 M20 x 1,5 M22 x 1,5 M24 x 2 M27 x 2 M30 x 2 M33 x 2 M36 x 3 M39 x 3 Uno 1.25 1.25 1.5 1.5 1.5 1.5 1.5 Febrero Febrero Febrero Febrero Febrero Febrero PRECAUCIÓN Roscas estándar utilizadas en este vehículo son cruzando hilos con diámetro nominal de hasta M8 y hilos para salir de la M10 hacia arriba. En la tabla, la relación entre el nominal y el paso se reproduce en función de cómo el hilo (con cruce o salida). Al reemplazar un tornillo o tuercas deben mantenerse en mente y pisan las discusiones con mismo diámetro nominal. M14 M16 M18 M20 M22 M24 M27 M30 M33 M36 M39
  • 7.
    INFORMACIÓN GENERAL 1A-7 Númerode Identificación Resistencia Tornillos métricos - CLASE DE RESISTENCIA A número corresponde Tornillos RESISTENCIA - El número es más alto y la resistencia es mayor. FIG. 1A - 4 Marcado Tornillos Resistencia
  • 8.
    1A-8 INFORMACIÓN GENERAL PAREJACOMÚN DE APRIETE Cada tornillo debe apretarse con el par especificado en dicho capítulo. Si se proporciona una especificación es utilizando los valores de pares de torsión en la tabla siguiente. Cuando se utiliza un tornillo con mayor dureza que el original, se apriete al par especificado por el hilo original. PRECAUCIÓN • Para los tornillos y tuercas con el collar, el par debe ser un 10% superior dada en la tabla siguiente. • Los valores de la tabla de abajo son sólo para los pernos y tuercas de metal y aleación fácilmente. Dureza Diámetro Tornillo (Mm) 4 5 6 8 10 12 14 16 18 Pareja (Kgfm) Tornillos 4T convencional 0,10 a 0,20 0,20 a 0,40 ,40-,70 1,00-1,60 2,20-3,50 3,50-5,50 5,00-8,00 8,00-13,00 13,00-19,00 FIG. 1A - 5 Tabla PAR DE APRIETE Pareja (Kgfm) Tornillos 7T ,15-0,30 0,30-0,60 0,80 a 1,20 1,80-2,80 4,00-6,00 7,00-10,00 11,00-16,00 17,00-25,00 20,00-28,00
  • 9.
    INFORMACIÓN GENERAL 1A-9 APOYOPUNTOS DE ELEVACIÓN DEL VEHÍCULO Uno Tres Febrero 5 4 1. 2. 3. 4. 5. PUNTO POR ADELANTADO BACK UP PUNTO DELANTERO IZQUIERDO DE NEUMÁTICOS IZQUIERDA TRASERA DE NEUMÁTICOS BRAZO SUSPENSION FIG. 1A - 6 puntos por vehículo elevador Para levantar el vehículo debe ser apoyado puntos indicados por las flechas como se muestra en la Fig. 1A - 6. En la Fig. 1A - 7 y Fig. 1A - 8 indica cómo el apoyo elevación con un ascensor, y la Fig. 1A - 9 y 1A - 10 muestra cómo el apoyo para un jack garaje hidráulico. PRECAUCIÓN • Cuando utilice ascensores, lugar almohadillas en las posiciones indicadas (las mismas para el lado izquierdo y derecho) y levante el vehículo hasta que las cuatro ruedas son piso alto. • Antes de colocar las almohadillas debajo del vehículo debe tener en cuenta el equilibrio del vehículo Durante las operaciones de servicio. Equilibrio vehículo puede cambiar dependiendo de se retiran las piezas. • Asegúrese de bloquear el ascensor después Levantar el vehículo. Si el vehículo se eleva unilateralmente o en frente espalda, que ha proporcionado a no moverse en inesperadamente. PRECAUCIÓN Ajuste las ruedas están a punto de lock pie izquierdo en el suelo.
  • 10.
    1A-10 INFORMACIÓN GENERAL Modocuando se utiliza el soporte de elevación FIG. 1A - 7 FORMA DE APOYO A FRENTE FIG. APOYO 8 MODO DE TRASERO - 1A Compatibilidad con el modo cuando se utiliza un gato hidráulico FIG. 1A - 9 MÉTODO DE APOYO A FRENTE FIG. 1A - 10 MÉTODO DE APOYO TRASERO
  • 11.
    INFORMACIÓN GENERAL 1A-11 Precauciones 1.Protección de Vehículos Siempre use el dispositivo para las alas y por para proteger a las partes pintadas sillas y tapicería para suciedad. 5. Sistema eléctrico • Al desconectar los conectores, sostenga el elemento conector de cierre. Al conectar diapositiva hasta que el conector está totalmente asegurada. Dispositivo Alas 2. Con el gato Al levantar el vehículo con el gato, el gato debe instalado en posición y vehículo adecuado debe garantizarse. • Cablejele deben ser colocados correctamente. • 3. S.D.V. Utilice siempre S.D.V. cuando las operaciones realizadas una necesidad. No utilice otras herramientas según sea necesario El S.D.V. Para evitar daños. Cuando se utiliza un conector de comprobación del equipo medición, unidad de varilla se inserta desde lado de entrada del alambre. ROD UNIDAD DE MEDICIÓN 4. Engrase Para la lubricación se utiliza únicamente lubricantes recomandaþi siempre que sea necesario. • Durante la colocación de cableado, por lo que su captura probable que no entrar en contacto con el movimiento de rotación de las piezas, vibrando partes o piezas calientes. Regiones Movimiento de rotación
  • 12.
    1A-12 INFORMACIÓN GENERAL 6.Vuelva a colocar las juntas, las juntas tóricas y pines con algún nuevo reasentamiento después de haber sido eliminado. 10. Después del montaje comprobar el funcionamiento de las piezas para prevenir defecto reapariþia. 7. Los tornillos y tuercas deben apretarse según con la recopilación de datos a fin y el par especificado. 11. Antes de realizar operaciones de mantenimiento, vehículo debe limpiar para mantener las partes suciedad eliminada. 8. Todos los componentes desmontados deben arreglar con cuidado de no perder o dañar y necesidades limpiado y lubricado adecuadamente. 12. Cuando dos o más personas trabajan En conjunto, estas medidas deben tener en cuenta la de seguridad para evitar lesiones. 9. Se debe manejar cuidadosamente en forma de líquidos Ácido de la batería o del líquido de frenos porque que pueden causar lesiones o daños a la partes.
  • 13.
    INFORMACIÓN GENERAL 1A-13 Inspecciónantes de su venta El vehículo se comprueba en la fábrica antes minuþiozitate la entrega. Sin embargo, debido a las múltiples etapas de transporte, han hecho una inspección muy cuidadosa antes la venta. - Lista de los controles llevados a cabo para la inspección - • La operación es la dirección del juego. • el recorrido del pedal de freno y la distancia a la piso cuando el pedal está pisado a fondo. • Jugar la palanca del freno de estacionamiento. • El sistema de tuberías y mangueras de estado de frenado, si está instalado correctamente, si son de- Dañado y si hay pérdidas. • El nivel del líquido de frenos. • Tornillos de las ruedas y la cubierta si son suelto. • pedal del embrague viajes gratis y la distancia a el suelo cuando el pedal está pisado a fondo. • El nivel de aceite y si hay pérdida de transmisión. • palanca de funcionamiento para cambiar de marcha. • Estado de la batería. • El nivel de aceite y si hay fugas en el motor. • Si se produce una pérdida de la gasolina. • Nivel de refrigerante y si hay pérdidas. • Si la correa de transmisión está floja o dañado. • Las luces del sistema de operación, cuerno y sistema de iluminación bordo. • Nivel de operación y el líquido limpiaparabrisas Lavado del parabrisas. • cerraduras en las puertas de la Operación. • asiento se desliza Operación. • Si hay un daño en el cuerpo o finiþiei interior. • Si hay compañeros de la documentación del vehículo como manual de usuario, servicio de usuario Y otros. • Instale la placa de matrícula.
  • 14.
  • 15.
    INFORMACIÓN GENERAL 1B-1(TÉCNICO) 1B. ESPECIFICACIONES TÉCNICAS MOTOR ........................................................................................................................................ 1B - 2 SISTEMA DE ALIMENTACIÓN ........................................................................................................ 1B - 3 Sistema de enfriamiento .................................................................................................................. 1B - 3 Sistema de lubricación ................................................................................................................ 1B - 3 TRANSMISION .................................................................................................................................... 1B - 4 FRENOS .............................................................................................................. 1B - 4 Departamento ......................................................................................................................................... 1B - 4 SISTEMA ELÉCTRICO .................................................................................................................... 1B - 5 Roth ............................................................................................................................................. 1B - 5
  • 16.
    1B-2 INFORMACIÓN GENERAL(TÉCNICO) MOTOR StandardCaracteristicã 12.5 - compresión 400Presiunea (kgf / cm2 - rpm) 2Más menor que la presión de compresión 1,0Diferenþa (kgf / cm) TransmisieNouã cinturón 7-9Sãgeata 7-11 (mm) Antiguo 0.15 L frío AD 0.25l caliente 0,20Jocul las válvulas (mm) Fría EV Hot 0,30La 950 ± 50Turaþia ralentí (rpm) 1,5 ± 1,0% de CO Escape Bajo 400 ppmHC La desviación de la culata planitud La desviación de la galería de área planitud 1.46 ~ 1,66ADLungime 1.46 ~ contacto 1,66EVScaun AD = 60, EV = 75supapã Ángulo (°) 45 15 Guía Diámetro supapã5,500 ~ 5,512AD (Mm) 5500 ~ 5,512EV Diámetro de varilla supapã5,465 ~ 5,480AD (Mm) 5450 ~ 5,465EV 0,020 ~ 0,047Joc guía - varilla (mm) ANUNCIO 0,035 ~ 0,062EV 14,0Lungime guía de la válvula de la cabeza (mm) 54,45Lungime primavera libre (mm) Arco supapãAbatere de ortogonalidad (mm) El juego entre balancín y ax0,005 ~ 0.04 (mm) Sacude árbol de levas (mm) 36,13AD Cam altura (mm) 36,14EV 43425 ~ 43.4501 43625 ~ 43.6502 Niveles Diámetro 43825 ~ 43.8503 árbol de levas (mm) 44,025 ~ 44.0504 -5 43500 ~ 43.5161 43700 ~ 43.7162 Teniendo diámetro (mm) 43900 ~ 43.9163 44100 ~ 44.1164 -5 Came0,050 lubricación del eje Juego ~ 0,091 (mm) Desviación del bloque del motor planitud (mm) Diámetro (mm) 68 500 68 520 ~ Cilindros Límite Realezare (mm) Cilindro Límite 10,0-400 Consejos Cuando se aplica 10kgf la correa de centro 10 min. después de calentar 10 min. después de calentar 0.15 0.10 5.54 5.54 0.07 0.09 53.4 2.4 0.06 0.10 36.00 36.00 43375 43575 43775 43975 - 43525 43725 43925 44125 - 0.15 0.05 68570 69000 Comienza cuenta regresiva la polea Comienza cuenta regresiva la polea Mide 8 lugares Y promediado.
  • 17.
    INFORMACIÓN GENERAL 1B-3(TÉCNICO) Pistón Biel Estándar 68.465 ~ 68.465 (mm) 0,025 ~ 0,045 (mm) 0.15 ~ 0,030Segment no. Uno 0.10 ~ 0,030Segment no. Febrero 0,020 ~ 0,060Segment no. Uno 0,020 ~ 0,060Segment no. Febrero Lubricación 0.06 ~ 0,10Segment Piston16,006 jefe diámetro interior ~ 16014 (Ø) Bolþ15,995 Diámetro exterior ~ 16000 (Ø) La flecha (mm) Torsión (mm) Juego axial bielei0,1 final ~ 0.2 (mm) Cuzineþi0,020 lubricación Juego ~ 0,040 (mm) Vibración (mm) Característica Pistón Diámetro Juego de pistón-cilindro Segmento Fanta (Mm) El canal de juegos (Mm) Use muñequilla parcial Los rodamientos de diámetro Diámetro muñequilla Juego de lubricación del rodamiento Juego axial (Mm) (Mm) (Mm) (Mm) Límite 0.10 0.7 0.7 0.10 0.10 Consejos Segmenþi 0.05 0.10 0.35 0065 0.03 0.02 En 100mm Se gira y se considera un tour Dera medio de la lectura Árbol serpenteante 43,982 ~ 44.00 37982 ~ 38000 0.020 ~ 0.040 0.11 ~ 0.31 0065 0.40 SISTEMA DE ALIMENTACIÓN Característica Ajuste de la distancia del flotador (Mm) Estándar 17.2 Límite Consejos Sistema de enfriamiento Calentador Termostato Característica La presión del fluido (kgf / cm2) Temperatura poner en marcha el ventilador (° C) Temperatura iniciar la operación (° C) Temperatura completamente abierta (° C) Estándar 0.75 ~ 1.05 93 82 95 Límite Consejos Sistema de lubricación Característica La presión de aceite (kgf / cm2) Reemplazar Reemplazo CantitateaLa juntos El aceite (L) con el filtro Al retirar Diferencia entre la cantidad de aceite Indicaciones min. Y máx. la varilla (L) La calidad del aceite El intervalo de cambio de aceite El intervalo de cambio de filtro Estándar 2,5-2000 2.5 2.7 3.0 1.0 SF / CC 10W-30 En 10.000 kilometros En 10.000 kilometros Límite Consejos Aceite motor
  • 18.
    1B-4 INFORMACIÓN GENERAL(TÉCNICO) TRANSMISION Característica Pedal (mm) fluir libremente Distancia del suelo (mm) (Mm) Espesor Rotación libre DiscCursa (mm) (Mm) remache cabeza Altura Placa de presión de planitud (mm) Aceite de Calidad Cantidad de aceite (L) Juego piñón - anillo de sincronización (mm) Profundidad caneluriTreapta 1 sincronizada (mm) Los pasos 2, 3, 4 Ajuste 5 Manºon Juego balada - tenedor (mm) Cabezas Espesor de horquillas (mm) 1.2 Pasos Pasos 3,4,5 (mm) Estándar 20 ~ 30 Más de 60 7.9 Límite Consejos Embrague Bajo 0,03 75W / 85 2,0 (2,1) 1.0 8.2 9.6 9.4 0.2 ~ 0.6 8.7 7.8 1.0 0.5 0.15 Medir la periferia Transmisió n 0.5 8.6 10.0 9.8 1.0 8.1 7.2 FRENOS Pedal Cilindro principal Caracteristcã Carrera plana Distancia desde el suelo Diámetro (mm) (Mm) (Mm) (Mm) (Mm) (Mm) (Mm) (Mm) (Mm) (Mm) (Mm) (Mm) (Mm) (Mm) Estándar 1- 8 Más de 75 19.05 48.1 9.0 10.0 17.46 180 4.3 0.5 3-8 180 4.3 0.5 Límite Consejos Haga clic para 30kgf Pinza Diámetro de la cámara Espesor de la placa de freno disco (delantero) Espesor de disco Ictus Side Rueda Cilindro diámetro Brake diámetro del tambor tambor Espesor de la placa (Trasero) Tambor Juego - placa Dientes Tambor FrânãDiametru espesor de la placa de estacionamiento Tambor Juego - placa 8.0 0.15 Las medidas en virtud de la periferia La dirección Ruedas Geometría hacia Característica Paralelismo Gota Carrera Ángulo de dirección (Mm) (° C) (° C) Dentro Al aire libre La desviación de la dirección de desplazamiento (m / km) Volante Juego (mm) Par de giro del piñón cuadro requerido (kgfcm) Estándar 1 ± 2 30 '± 1 ° 3 ° 35 '± 1 ° 40 ° 35 ° int. 0,5 ± 1,5 0 ~ 30 8- 13 Límite Consejos
  • 19.
    INFORMACIÓN GENERAL 1B-5(TÉCNICO) SISTEMA ELÉCTRICO Característica Chispa Sin plomo Plomo Tipo Distancia Tipo Distancia (Mm) Estándar RNIIYC-4-II BPR5EY 1,0 ~ 1,1 mm RNIIYC, BPR5E 0.7 ~ 0.8 mm 0.25 ~ 0.35 Uno??Tres??Febrero 8 ± 1/950 8 ° 15.5 ° 16.5 ° 0 ° 8,4 ° 16 ° 10 ~ 22 1.2 12,1kΩ 1280 35 0.8 2.8 ~ 3.0 14.2??14.8 10 ~ 12 1000 ± 50 Límite Consejos Batería Alternador Aire acondicionamiento Distribuidor Gap Orden de encendido Avance de encendido (° CA, grados / rpm) 1800 rpm Centrifugal3000 rpm 4500 rpm - 80 mm Hg Vacío - 154 mmHg - 250 mmHg Hojas de Datos de la chispa de la resistencia (kW / m) Bobina de encendido resistencia primaria (Ω) Bobina de encendido resistencia secundaria Electrolito gravedad específica (temp. 20 ° C) Capacidad (Ah) Motor de arranque de potencia (kW) Resistencia del rotor (Ω) Voltaje ajustable (V) Cinturón Flecha compresor (mm) Inactivo Turath con A / C en (rpm) Avanzar Sistema de encendido 25 ° C, 10A Roth Característica Llantas Cojinete axial Juego Vibración Tamaño Neumático Presión Cara Trasero (Mm) Cara Trasero Cara (Kgf / cm2) Trasero (Mm) Estándar 0 ~ 0.35 0 ~ 0.35 Bajo 2.5 Límite Consejos Mida desde la periferia 135SR12 1,8kgf / cm2
  • 20.
    Y AIRE ACONDICIONADOacondicionado (calefacción, ventilación) 2A-1 CAPÍTULO 2 Acondicionado y el aire acondicionado 2A. Calefacción, ventilación DESCRIPCIÓN GENERAL ............................................................................................................... 2A - 2 Calentador de Órdenes .................................................. 2A ................................... - 3 Circuito de ventilación ........................................................................................................... 2A - 3 DIAGNÓSTICO ............................................................................................................................ 2A - 5 VEHICULO ................................................................................................................... 2A - 5 El esquema eléctrico ................................................................................................................... 2A - 5 Motor del ventilador ....................................................................................................................... 2A - 6 Blower Resistencia ................................................................................................................... 2A - 6 Interruptor del motor del ventilador .................................................. 2A ................................................. - 6 Unidad de acondicionado ................................................................................................................ 2A - 9
  • 21.
    2A-2 AIRE ACONDICIONADOY acondicionado (calefacción, ventilación) DESCRIPCIÓN GENERAL Este calentador vehículo funciona con agua caliente y se puede utilizar cualquiera de aire fresco desde el exterior como Y se recircula aire. Calefacción y ventilación se proporciona a través de rejillas de ventilación en el centro, izquierda y derecha el tablero de instrumentos, un aireador para el aire caliente en el suelo debajo del asiento del copiloto y de bocas de desempañado a lo largo de los lados de la parabrisas y el tablero de instrumentos para las ventanas laterales. 5 5 5 5 Febrero Febrero Uno Uno 4 4 1. 2. 3. 4. 5. Los aireadores SIDE Los aireadores ventana lateral antivaho Los aireadores CENTRAL Los aireadores PISO Los aireadores desempañado FIG. 2A - 1
  • 22.
    Y AIRE ACONDICIONADOacondicionado (calefacción, ventilación) 2A-3 CONTROLES DEL SISTEMA DE CALEFACCIÓN B: selección de fuente de aire Palanca Aire de retorno Aire exterior FIG. 2A - 4 FIG. 2A - 2 C: palanca de control de la temperatura La temperatura del aire en el interior del coche Esta palanca se puede ajustar usando. Empujar palanca hacia la derecha aumenta la temperatura. A: modo de entrega palanca de selección Aire Bocas de desempañado del parabrisas y ventanas laterales Los aireadores de desempañado y aireador piso Piso Aireador Rejillas centrales y laterales el tablero de instrumentos y el piso aireador Rejillas centrales y laterales el tablero de instrumentos FIG. 2A - 3 D: palanca de control del ventilador Con esta palanca de control de velocidad soplador. Palanca de velocidad guiada a la izquierda Y mientras que los aumentos de los ventiladores y la cantidad de aire entrar en el vehículo. Ventilación CIRCUITO Aireado Desempañado VENTANA LATERAL Aireado Desempañado PARABRISAS Aireado Desempañado VENTANA LATERAL Los aireadores SIDE Los aireadores CENTRAL Los aireadores SIDE Los aireadores PISO Aire fresco AL AIRE LIBRE AIRE Reciclado FIG. 2A - 5
  • 23.
    2A-4 Y AIREACONDICIONADO acondicionado (calefacción, ventilación) CIRCUITO aire libre climatizada Aireado Desempañado VENTANA LATERAL PARABRISAS aireadores desempañado Aireado Desempañado VENTANA LATERAL Los aireadores SIDE Los aireadores CENTRAL Los aireadores SIDE Los aireadores PISO Aire fresco AL AIRE LIBRE AIRE Reciclado FIG. 2A - 6 CIRCUITO recirculación de calefacción de aire Aireado Desempañado VENTANA LATERAL PARABRISAS aireadores desempañado Aireado Desempañado VENTANA LATERAL Los aireadores SIDE Los aireadores PISO Los aireadores CENTRAL Aireado LATERAL Aire fresco AL AIRE LIBRE AIRE Reciclado FIG. 2A - 7 CIRCUITO DE MODO DE ENTREGA CONJUNTA DE AIRE Aireado Desempañado VENTANA LATERAL Aireado LATERAL Aireado CENTRAL Aireado LATERAL Aire fresco AL AIRE LIBRE PARABRISAS aireadores desempañado Aireado Desempañado VENTANA LATERAL Los aireadores PISO AIRE Reciclado FIG. 2A - 8
  • 24.
    Y AIRE ACONDICIONADOacondicionado (calefacción, ventilación) 2A-5 DIAGNÓSTICO Síntoma Soplador no funciona incluso si se ordenó • • • • No temperatura de salida corresponde a la ajustada • • • • • Causa probable Soplador de Seguridad se quema Resistencia de control de velocidad El ventilador está defectuoso El motor del ventilador está defectuoso El cableado está defectuoso Cables de control del calentador o defectos de control de la caseta de gobierno Aire defecto amortiguador Los conductos de aire bloqueadas Radiador de la calefacción se bloquea o tiene pérdida Mangueras del radiador de calefacción tienen pérdidas o se bloquean • • • • • • • • • La acción correctiva Reemplace el fusible Compruebe la resistencia y es Reemplace si es necesario Reemplace el motor Reparación Compruebe el estado de los cables y el puente de gobierno Bono de reparación Reparación de tuberías Reemplace radiador calentar Reemplace las mangueras VEHICULO Esquema de conexiones H M L R / N R / N 5 7 M Enfermedad venérea R / N R / L R 6 R A / V Febrero Uno Tres G / N 15A 4 1. 2. 3. 4. 5. 6. 7. BATERÍA Conexiones de fusibles Contacto clave CAJA DE SEGURIDAD Blower MOTOR INTERRUPTOR Blower MOTOR RESISTENCIA Motor del ventilador A / V: G / N: Vd: N / A: R / L: R: N: BLANCO / VERDE AMARILLO / NEGRO Verde ROSA / NEGRO PINK / BLUE ROSA NEGRO FIG. 2A - 9
  • 25.
    2A-6 Y AIREACONDICIONADO acondicionado (calefacción, ventilación) Motor del ventilador Eliminación 1. Desconecte el terminal a terminal "-" de la batería. 2. Desconecte el conector del motor y de la resistencia control. 3. Retire los tres tornillos que sujetan unidad de calentamiento del motor. Comprobar Medir la resistencia entre los terminales de la resistencia. PRECAUCIÓN Medición de la resistencia se hace después de que el aparato medición se pone a cero. Terminales H-F Uno Resistencia (ohmios) 1.3 3.0 1.7 H-L M-L Si la resistencia medida está fuera de prescrito Reemplazar resistencia. PRECAUCIÓN No utilice la improvisación cuando înfãºurarea resistor está dañado. Reemplace resistencia con un parecido FIG. 2A - 10 Montaje La resistencia montado con el tornillo. 1. Tornillos Montaje Realizar las operaciones con el fin demonatare revertir. Blower MOTOR INTERRUPTOR Desmontaje y verificación 1. Tire de la palanca de control de la manija. 2. Retire el panel de la palanca de control finiþia soplador. 3. Retire el panel de la palanca de control soplador. 4. Conjunto de la palanca de control deºurubeazã. 5. Compruebe la continuidad entre los terminales interruptor del motor del ventilador. N H R / N R / L R Golpe RESISTENCIA Eliminación Debilita el tornillo y quitar la resistencia soplador. Febrero Tres Uno M L N: Negro A: Pink A / N: Rosa / Negro R / L: rosa / azul 4 1. 2. 3. 4. Tornillos M (velocidad media) H (alta velocidad) L (baja velocidad) FIG. 2A - 11
  • 26.
    Y AIRE ACONDICIONADOacondicionado (calefacción, ventilación) 2A-7 Montaje Proceder en el orden inverso de desmontaje. Cable B. El control de temperatura 1. Coloque la palanca de control en la posición de aire fresco. Ajuste Un modo de entrega de aire del cable de control 1. Coloque la palanca de control en la posición de desempañado el parabrisas. FIG. 2A - 14 2. Saque completamente la palanca en la dirección de flecha en la figura y luego ajustar el cable. 3. A continuación, comprobar el funcionamiento del cable apropiado. FIG. 2A - 12 2. Tire de la palanca por completo y conexión de elementos en dirección de la flecha en la figura y luego asegurar el cable. Tres 4 Febrero Uno Febrero 4 Uno Tres 1. 2. 3. 4. CABLE DE MANDO DE AIRE MÉTODO DE ENTREGA MODO DE ENTREGA DE PALANCA DE MANDO DE AIRE UNIDAD DE CALEFACCIÓN UNIDAD DE ENFRIAMIENTO 1. 2. Palanca de control TEMP. CABLE COMANDÃTEMP. 3. 4. CABLE DE MANDO DE AIRE CONEXION FIG. 2A - 15 FIG. 2A - 13 3. A continuación, comprobar el funcionamiento del cable apropiado.
  • 27.
    Y AIRE ACONDICIONADO2A-8 acondicionado (calefacción, ventilación) Selección C. Cable de fuente de aire 1. Coloque la palanca en la posición de recirculación desde el interior. FIG. 2A - 16 2. Saque completamente la palanca en la dirección de flecha en la figura y luego ajustar el cable. Tres Febrero Uno 1. 2. 3. AIR VOLET Fuente de aire CABLE SELECT Fuente de aire PALANCA SELECT FIG. 2A - 17 3. A continuación, comprobar el funcionamiento del cable apropiado.
  • 28.
    Y AIRE ACONDICIONADOacondicionado (calefacción, ventilación) 2A-9 AIRE ACONDICIONADO UNIDAD Uno 4 Tres Febrero 7 6 5 8 9 10 11 12 13 14 15 1. 2. 3. 4. 5. 6. 7. 8. AIRE ACONDICIONADO UNIDAD Golpe MOTOR DE JUNTAS Motor del ventilador Golpe RESISTENCIA SOPORTE RESISTENCIA Calefacción por radiadores AIRE DISTRIBUCIÓN VOLET 9. 10. 11. 12. 13. 14. 15. Temperatura VOLET UNIDAD DE ACONDICIONAMIENTO Vivienda (DERECHA) UNIDAD DE ACONDICIONAMIENTO Vivienda (IZQUIERDA) Controles de cable TEMPERATURA CABLE DE MANDO DE AIRE MÉTODO DE ENTREGA Fuente de aire CABLE SELECT ACONDICIONADO DE PALANCA DE MANDO DE AIRE FIG. 2A - 18
  • 29.
    2A-10 Y AIREACONDICIONADO acondicionado (calefacción, ventilación) Eliminación 1. Se debilita el tornillo de drenaje del radiador y es despeja el refrigerante, retire las mangueras (2) unidad de aire acondicionado. 2. Retire el panel de instrumentos y las piezas asociadas. 3. desacopla los conectores del cableado. 4. Retire los pernos y tuercas de la unidad de vivienda acondicionado. Uno Montaje Realizar operaciones de desmontaje descritos en el orden revertir. Los siguientes aspectos deben ser considerados: • Ajuste los cables de control; • Llene el refrigerante. Febrero 1. 2. Tornillos de montaje Tuerca de montaje FIG. 2A - 19 5. Retire la unidad de calefacción por radiadores acondicionado. Uno 1. Calefacción por radiadores FIG. 2A - 20
  • 30.
    Y AIRE ACONDICIONADOacondicionado (aire acondicionado) 2B-11 Sistema de vacío y la carga de refrigeración Cargando temporalmente sistema para la verificación Haga una prueba el rendimiento del sistema Freon R - 12 (500 g) PÉRDIDA DE GAS Recoge más conexiones Uno ABRIR SU PAPA REZERVO- El RULUI carga CÚAL. Detiene la aspiradora Compruebe si hay fugas conexiones Se inicia la aspiradora Compruebe que no la pérdida de refrigerante Aprox. 15 min. (Más 750 mmHg) Permitir 5 minutos La indicación dispositivo es nor- maíz molido Además 15min (750 mmHg) Sistema de carga de modo que el manómetro para indicar 1 kgf / cm2 Apriete las conexiones menos aún 1. Se hace pasar la aspiradora durante 15 minutos usando una bomba de vacío. Válvula de alta presión (OPEN) BOMBA DE VACÍO (Obras) 3. Comprobar el apriete después de unos 5 minutos. VALVULA DE BAJA PRESIÓN (Cerrada) OPEN Después de 5 minutos NORMAL FIG. 2B - 13 de vacío 2. Cierre las válvulas de alta y baja presión de herramientas del sistema y bomba vacío. Válvula de alta presión (Cerrada) FIG. 2B - 15 CONEXIONES tensan aún Poco 4. Retire la manguera de aire antes de la carga cargar el refrigerante. VALVULA DE BAJA PRESIÓN (Cerrada) VALVULA DE BAJA PRESIÓN (Cerrada) Febrero Tres SE debilita Tuerca de la manguera. Apriete la tuerca Una vez transcurrido Poco Cooler. BOMBA DE VACÍO (Detenido después CIERRE Válvulas) MANGUERA Cargando LA COMPRESORREZERVOR carga FIG. 2B - 14 APAGAR EN CIERRE Elevación de la válvula FIG. MANGUERA 16 VENTILACIÓN - 2B Cargando Se facilita la carga sistema final con refrigerante Repita la operación vacío Válvula de alta presión (Cerrada)
  • 31.
    2B-12 Y AIREACONDICIONADO acondicionado (aire acondicionado) 5. Sistema de carga temporalmente refrigerante. Lado Gauge Indicador de baja presión 1 kgf / cm2 VALVULA DE BAJA PRESIÓN (Cerrada) Válvula de alta presión (OPEN) TANQUE DE VALVULA Cargando (OPEN) VALVULA DE BAJA PRESIÓN (Cerrada) 8. El final de carga se inicia en la parte alta presión. Válvula de alta presión (OPEN) TANQUE DE VALVULA Cargando (OPEN) TANQUE La Cargando Compruebe que las fugas TANQUE La Cargando Es después de que el motor NO ABRA LA VALVULA baja presión FIG. 2B - 17 de carga temporal 6. vacuumeazã más de 15 minutos. Válvula de alta presión (OPEN) FIG. 2B - 20 extremo de carga Refrigerante 9. El sistema se prepara para la carga final. CALIBRE EN (ATENCIÓN) Donde OPEN TANQUE PUEDE CARGAR DAÑADO VALVULA DE BAJA PRESIÓN (Cerrada) OPEN Después de 5 minutos BOMBA DE VACÍO (Obras) 5 puertas INTERRUPTOR A / C: ON Interruptor del ventilador: ON TEMP Palanca C-DA:. FRÍO FIG. 2B - 18 recuperan vacío 7. Retire la manguera de aire de carga antes cargar el refrigerante. FIG. 2B - 21 extremo de carga Refrigerante Final de carga 10.Se comienza a partir de la baja presión y el compresor funciona hasta que el 500 g de carga de refrigerante. Válvula de alta presión (OPEN) TANQUE DE VALVULA Cargando (OPEN) VALVULA DE BAJA PRESIÓN (Cerrada) Febrero Tres SE debilita Tuerca de la manguera. Apriete la tuerca Una vez transcurrido Poco Cooler. Compresión Válvula de alta presión (Cerrada) VALVULA DE BAJA PRESIÓN (OPEN) Uno MANGUERA Cargando ABRIR SU PAPA REZERVO- El RULUI carga CÚAL. Depósito de carga TANQUE La Cargando Para cerrar la válvula Después de la UA 500 g de carga de refrigerante FIG. MANGUERA 19 VENTILACIÓN - 2B Cargando FIG. Carga de refrigerante 22 - 2B
  • 32.
    Y AIRE ACONDICIONADOacondicionado (aire acondicionado) 2B-13 11.Se comprobar la carga. • A medida que la presión indicada por el aparato de medición influenciado por las lecturas de temperatura ambiente debe interpretarse de acuerdo con el siguiente esquema. Los indicadores de indicación (Temperatura ambiente superior a 30 ° C) La alta presión: La baja presión: La presión de la alta presión (kgf / cm2) La presión en el de baja presión (kgf / cm2) 12 ~ 15 kgf / cm2 2 ~ 3 kgf / cm2 10 20 5 15 102030 Temperatura ambiente (° C) 10 10 20 30 Temperatura ambiente (° C) FIG. 2B - 23 Relación entre la temperatura AMBIENTE Y SISTEMAS DE PRESIÓN A / C Tenga cuidado al cargar el sistema con refrigerante 1. Al cargar el sistema con refrigerante inmediatamente después de la instalación de nuevo sistema de A / C: • Hace que la aspiradora en la parte alta de cinco minutos, y luego hacer la aspiradora ambos lados del sistema (presión alta y baja presión). • Cuando el compresor está en el sistema de carga en servicio, está en el lado bajo. 2. Cuando para recargar el sistema: • Cuando el sistema está descargando, el refrigerante no debe salirse de la parte alta. Advertencia: Si demasiada tiene una fuga de refrigerante del compresor puede estar dañado, así que prestar mucha atención. • Recomendaciones de refrigerante debe ser utilizado al añadir refrigerante en el sistema. 3. Otras observaciones: • Utilice siempre el refrigerante recomendado. • Un ruido inusual, un "estruendo" se escuchó durante unos segundos cuando comience el compresor funcionar inmediatamente después del llenado con refrigerante, pero es normal. (Suena particularmente cuando el sistema es cargado o cuando la temperatura ambiente es demasiado baja). • ventana, el secador de receptor puede ser de color blanco, pero es una situación normal.
  • 33.
    2B-14 Y AIREACONDICIONADO acondicionado (aire acondicionado) Velocidades de aire acondicionado de ajuste de ralentí 1. El interruptor A / C: en. El apalancamiento de control del ventilador: alta velocidad FIG. 2B - 24 velocidades RGLAREA IDLE 2. Ajuste el tornillo de ajuste de ralentí La velocidad del motor (rpm) El aire acondicionado dejó El aire acondicionado en 950 ± 50 1100 ± 50 ABAJO TOP FIG. 2B - 25 ajustando los tornillos IDLE RENDIMIENTO DE PRUEBA CONDICIONES DE PRUEBA: interruptor A / C: ON, la palanca de control del ventilador: alta velocidad FIG. TEST 26 RENDIMIENTO - 2B
  • 34.
    Y AIRE ACONDICIONADOacondicionado (aire acondicionado) 2B-15 Rango de temperatura de entrada y salida de ventilación centrales (Temperatura ambiente 20 ~ 35 ° C) 40 35 La temperatura a la entrada del evaporador (° C) 30 25 (24) 20 15 10 5 0 5 10 (12) 15 Zo n / a de luc ru 20 25 30 La temperatura de salida de ventilación central (° C) Ejemplo: La temperatura de entrada del evaporador Ventilación central temperatura de salida 24 ° C 12 ° C En este caso, se obtiene el punto en el área de trabajo como se muestra en la figura anterior, y la situación es correcta. Si el rendimiento de la refrigeración no es correcto, compruebe el refrigerante a través de la ventana en el receptor secadora.
  • 35.
    SUSPENSIÓN DELANTERA 3-1 CAPÍTULO3 SUSPENSIÓN DELANTERA SUSPENSIÓN DELANTERA DESCRIPCIÓN GENERAL ................................................................................................................. 3-2 VEHICULO ..................................................................................................................... 4.3 Conjunto amortiguador ................................................................................................................... 4.3 Rodamientos de rueda .............................................................................................................................. 7.3 Baja buje del brazo ..................................................................................................................... 3-8 Inspección y mantenimiento .............................................................................................................. 3-8 PAREJA DE LA CADENA ............................................................................................................. 3-10 TREN DELANTERO DESCRIPCIÓN GENERAL ............................................................................................................... 3-11 DESMONTAJE Y MONTAJE .................................................. ............................................. 3-12 SDV ................................................................................................................................................. 3-13
  • 36.
    SUSPENSIÓN DELANTERA 3-2 3A.SUSPENSIÓN DELANTERA DESCRIPCIÓN GENERAL Cuando se utiliza este sistema de vehículo con suspensión independiente con amortiguador instalado en el brazo para que rigidez rollo a mejorar. Uno Febrero Tres 4 8 7 5 6 1. 2. 3. 4. CHOQUE DE APOYO BUFFER Muelle ASAMBLEA DE CHOQUE 5. 6. 7. 8. BRAZO SUSPENSION Barra estabilizadora BUCªÃ Estabilizador de torsión Bisagra Barra estabilizadora FIG. 3-1 SUSPENSIÓN DELANTERA
  • 37.
    SUSPENSIÓN DELANTERA 3-3 Sistemade suspensión independiente Tipo Escribe las dos brazos McPherson Suspensión con sus brazos dos Se compone de brazo superior e inferior, nudillo, muelle helicoidal, etc. Y es de 2 maneras: por tipo brazo paralelogramo tipo y corto - largo brazo dependiendo la longitud del brazo superior e inferior. TIP "paralelogramo" TIPO "brazo corto - BRAZO LARGO" FIG. 3-2 TIP DOS brazo Tipo McPherson Brazo pero no hay amortiguador es fijo el husillo. Esta configuración es simplificada y el número partes componentes más pequeños; Este sistema de suspensión ocupa un espacio más pequeño que permite motor de crecimiento espacio del compartimiento. Este sistema es ampliamente adoptada como una suspensión en comparación con los tipos de vehículos con tracción delantera. FIG. 3-3 McPherson
  • 38.
    SUSPENSIÓN DELANTERA 3-4 VEHICULO ASAMBLEADE CHOQUE 12 11 10 9 7 6 5 8 13 14 Tres 4 Uno Febrero 1. 2. 3. 4. 5. 6. 7. 8. 9. 10. 11. 12. 13. 14. Eje BRAZO DELANTERO SHOCK ARC BUFFER LIMITED Montaje Race De soporte superior TENIENDO Cojinete Montaje inferior Montaje superior CHOQUE DE APOYO APOYO EN EL INTERIOR BUFFER FIG. 4.3 MONTAJE DE CHOQUE Eliminación 1. Se plantea la parte delantera del vehículo con un gato. 2. Retire las ruedas delanteras. 3. Retire el fusible (en forma de S) tubo del freno correcciones; Retire las tuercas y Los tornillos que sujetan el amortiguador husillo. 4. off conjunto del eje del amortiguador. ¡CUIDADO! Tenga cuidado de no dañar las conexiones de freno. Uno Uno Febrero Febrero 1. 2. SEGURIDAD (E-RING) Y tuerca Tornillos de montaje del amortiguador Chasis tuerca 1. CHOQUE DESCARGA 2. APOYO FIG. DESCARGA 3-5 EXTRACCIÓN FIG. 3-6
  • 39.
    SUSPENSIÓN DELANTERA 3-5 Desmontaje 1.Retire la tuerca de retención amorizorului después han comprimido el muelle por los dispositivos especial. ¡CUIDADO! • Retire la tuerca después de la compresión primavera suficiente. • Cuando se utiliza un dispositivo especial, adjuntar el arco así que no relajarse. • Durante la compresión, no apunte el arco por compañeros de trabajo. Inspección Inspeccione cada una de las partes que se describen en la siguiente figura. Deforman DAÑADO Rayado Doblado Dejar caer ACEITE DAÑADO Uno Tres FIG. 3-8 INSPECCIÓN DE ASAMBLEA SHOCK Febrero Montaje Ir a través de los pasos en orden inverso al desmontaje. Observe lo siguiente: • Al colocar el cojinete de empuje y protección contra el polvo engrasar la grasa todas las superficies de contacto. 1. 2. 3. Dispositivo especial (ARC presión 09940-71430) ARC ASAMBLEA DE CHOQUE FIG. Compresión 3-7 primavera Uno 1. Empuje FIG. 3.9 grasas lubricantes
  • 40.
    SUSPENSIÓN DELANTERA 3-6 •Al colocar asegurarse de que la protección del cojinete de empuje El polvo no está dañado o mal colocada. Extracción de la rótula de dirección, cubo de la rueda y el brazo inferior 1. Se debilita la tuerca de la rueda. 2. Retire la tuerca autoblocante. 3. Instale el conector. 4. Retire la pinza. 5. Retire el cubo de la rueda utilizando dispositivos especiales. Uno Febrero Febrero Tres Polvo 1. PROTECCIÓN 2. Cojinete FIG. Protección contra el polvo 3-10 INSTALACIÓN Uno 1. El cubo de la rueda 2. Disposición especial (extractos tambor de freno 09943-17910) 3. dispositivo especial (inercia martillo 09942- 15510) • Instale el resorte de modo que sea seguro. FIG. 3-12 EXTRACCIÓN cubo de la rueda DELANTERO 6. Retire la rótula utilizando barras de dirección Dispositivos especiales. Uno Febrero 1. APOYO SUPERIOR ARC 2. monte ARC (plástico) Uno FIG. 3-11 INSTALACIÓN DEL ARCO Instalación Ir a través de los pasos en orden inverso al desmontaje. 1. Disposición Especial (PRENSA Rotui 09913-65210) FIG. 3-13 EXTRACCIÓN DE barras rótula Departamento
  • 41.
    SUSPENSIÓN DELANTERA 3-7 7.Retire los tornillos y tuercas en el brazo. 8. Retire la rótula del brazo inferior. 9. Retire el cabezal. Retire 10.Se barra inferior del brazo junto con estabilizador. ¡CUIDADO! Enlace pinza con un alambre de acero no dañar los tubos de freno. Rueda Rulmentul • Sustituya el cojinete si tiene juego. Utilizando una varilla de latón, bateþi (martillo) y sacar rulmenþii exterior y el interior. Uno Uno Febrero 1. varilla de latón FIG. 3-15 RULMENÞILOR RETIRAR • Tres 1. 2. 3. MANGUERA DE FRENO Cable de acero Estribos Después de la lubricación con grasa y que lleva el interior del cojinete del cubo usando presaþi dispositivo especial. FIG. 3-14 mangueras PROTECCIÓN Freno Uno 1. dispositivo especial (presión RULMENÞI 09.913-85.210) FIG. 3-16 RULMENÞILOR PRESIONAR
  • 42.
    SUSPENSIÓN DELANTERA 3-8 ¡CUIDADO! •Facilitar el conjunto del cubo es distanþierul pulsa rodamiento y que era Aplique grasa. • rodamiento externo cuando se instala, sello debe ser hacia afuera. Y MANTENIMIENTO Inspección Rotula brazo inferior Inspeccione si hay grietas o fuelles rótula daños. Si hay algún daño, la operación será inadecuados debido a las impurezas que pueden penetrar (arena, polvo, etc.). Uno Tres 4 Febrero 5 1. Teniendo EXTERIOR 2. junta de estanqueidad 3. TENIENDO INTERIOR 4. ACEITE junta de estanqueidad 5. DISTANÞIER Uno Febrero FIG. Hub 3-17 rueda 1. Bellows rótula 2. BRAZO INFERIOR BRAZO INFERIOR BUCªÃ Reemplace el buje dañado. FIG. 3-19 articulaciones Inspección Instalación Ir a través de los pasos en orden inverso a la extracción. Asegúrese de lo siguiente: • Cuando el freno de disco de montaje de la junta, comprobar el posicionamiento correcto. Uno Set 1. Disposición Especial (BUCªÃ EXTRACTOR 09.943 hasta 77.910) Uno FIG. 3-18 extracción BUCªÃ 1. disco de freno 2. Hub Febrero FIG. 3-20 Freno Disco
  • 43.
    SUSPENSIÓN DELANTERA 3-9 •disco de instalación y cubo de la rueda utlizând Dispositivos especiales. Uno 1. dispositivo especial (HUB ASAMBLEA DISPOSITIVO 09.913 a 85.210) FIG. Hub 3-21 INSTALACIÓN • Tuerca del eje Apriete la tuerca con un eje llave de torsión con el par especificado o menos borde inferior de la tuerca y batir con un mandril para para evitar que se afloje. Torque nogal de transmisión (piuliþãcu bloqueo) (kgf • cm) 1500 - 2000 FIG. 3-22 INSTALACIÓN nogal TRANSMISION
  • 44.
    SUSPENSIÓN DELANTERA 3-10 PARDE APRIETE Elementos de cerca Damper tuerca-chasis Los tornillos y tuercas de husillo de sujeción del amortiguador Barras de dirección de tuerca de la rótula Eje de tuerca autoblocante Pares de apriete (kgf • cm) 180-280 700-900 350-550 1500 - 2000
  • 45.
    SUSPENSIÓN DELANTERA 3-11 3B.DELANTERO EJE DE TRANSMISIÓN DESCRIPCIÓN GENERAL Una bisagra se UTILIZA homocinética lado de la rueda del eje de accionamiento para transmitir la fuerza de de tracción sin cambiar el ángulo de choque de transmisión. En el diferencial lado usando una bisagra trípode homocinética o pequeñas bolas de resistencia al deslizamiento. Diferencial Side Faldas de rueda PARTE La Trípodes TIP bisagra Faldas de rueda PARTE Diferencial Side BOLA TIPO Bisagra FIG. 3-23 trípode bisagra bisagra Y BOLA TIP Derecho Izquierda M / T 521.0 335.5 22 A / T 526.1 335.1 22 TAMAÑO Longitud "A" (mm) diámetro del eje (mm)
  • 46.
    SUSPENSIÓN DELANTERA 3-12 Desmontajey montaje Eje de transmisión Fuelle ROTOS JUEGO DE SPIN Fuelle ROTOS JUEGO DE SPIN GROOVE USADO Eje defectuoso GROOVE USADO FIG. 3-24 DESMONTAJE E INSPECCIÓN ejes Desmontaje ¡CUIDADO! • No desmonte articulación de las ruedas de Nunca. Para volver a colocar el fuelle es dezasambleazãarticulaþiadinspre diferencial. • Al sustituir el eje, asegúrese de que juntas de fuelle no se dañen. 1. Retire la camisa exterior y collar articulación de diferencial (para la articulación con Retire la bola anillo hacia arriba). Tres Febrero 2. Después de la eliminación de la grasa y de seguridad para circular eliminar la cruz (de trípode) del eje. Uno 1. CRUZ Trípodes 2. TIENE Circular 3. SEGURIDAD Uno FIG. 3-26 Seguridad RETIRAR (Bisagra trípode) (Si articulación Retire los rodamientos de bolas 6). 1. camisa exterior FIG. 3-25 Extracción de la CÃMêII EXTERNO
  • 47.
    SUSPENSIÓN DELANTERA 3-13 Montar Ira través de los pasos en orden inverso al desmontaje. Asegúrese de lo siguiente: • Compruebe defectos antes y después del desmontaje; Reemplace las piezas defectuosas y luego armar correctamente. Después curãþirea cãmãºii seco del aire exterior comprimido y borra con un paño. Aplique grasa de articulación de las ruedas o dentro del fuelle de goma. Se instala eje fuelle de goma. • • • • • Después de llenar con fuelle de grasa, es usar cerraduras de la correa de sujeción. Se instala eje de arranque de la diferencia, Aplique grasa a la bisagra y el fuelle. Después de insertar el trípode articulación (o articulación De bolas) en el eje, circular seguro con seguridad. Después de llenar el fuelle del diferencial grasa, instalar articulación. Fije la bisagra utilizando pinza de fuelle de sujeción. • • • SDV Uno Febrero Tres 4 09940 a 71430 Arco Presión 5 09.913 hasta 85.210 Montaje de dispositivos y el cubo rulmenþi extracción 6 09942 a 15510 Martillo con inercia 09943-17910 Freno de tambor Extractor 09943 a 77910 Casquillo Extractor 09.913-65.210 Varillas rótula Extractor de dirección FIG. 3-27
  • 48.
    SUSPENSIÓN TRASERA 4-1 CAPÍTULO4 SUSPENSIÓN TRASERA DESCRIPCIÓN GENERAL ................................................................................................................4 - 2 VEHICULO ....................................................................................................................4 - 3 La suspensión trasera, eje trasero .................................................. ............................................. 4-4 Inspección y mantenimiento .............................................................................................................4 - 5 PAR DE APRIETE ............................................................................................................4 - 8 SDV ..................................................................................................................................................4 - 8
  • 49.
    SUSPENSIÓN TRASERA 4-2 DESCRIPCIÓNGENERAL Escriba suspensión trasera se utiliza en este vehículo se tira sus brazos. 4 Tres Uno 4 Febrero Uno 5 1. 2. 3. 4. 5. ARC VOLVER SHOCK Barra estabilizadora Dispositivo limitador BUFFER Brazo TRAS FIG. 4.1 SUSPENSIÓN TRASERA
  • 50.
    SUSPENSIÓN TRASERA 4-3 VEHICULO Suspensióntrasera, eje trasero 450 ~ 700 5 Febrero Tres Uno 8 450 ~ 700 4 7 450 ~ 700 350 ~ 550 9 10 11 700 ~ 900 6 12 800 ~ 1200 13 700 ~ 900 14 : PAR DE APRIETE (KGF • CM) 1. 2. 3. 4. 5. 6. 7. ARC VOLVER Dispositivo limitador BUFFER Montaje superior SHOCK Barra estabilizadora Brazo TRAS Cojinete 8. trasera 9. TENIENDO 10. DISTANÞIER 11. El tambor de freno 12. ºPLINT 13. tuerca almenada 14. ÁRBOL CUBIERTA FIG. 4-2
  • 51.
    SUSPENSIÓN TRASERA 4-4 Suspensióntrasera, eje trasero Eliminación 1. Levante el vehículo sobre un elevador. Retire la rueda espalda. 3. Retire los tubos de freno y tuberías. • Utilice una llave para quitar el pago conductos de freno. • Coloque un tapón de goma en el extremo de la tubería de freno. MANGUERA DE FRENO FIG. 4-5 mangueras REMOCIÓN Freno FIG. 4-3 POSICIÓN EN ASCENSOR 2. Retire el tambor de freno utilizando Dispositivos especiales. 4. Afloje el tornillo inferior del amortiguador. SHOCK Uno Febrero INFERIOR silenciador tornillo 1. dispositivo especial (martillo inercia 09942 hasta 15500) 2. dispositivo especial (freno de tambor EXTRACTOR 09.943 a 17.910) FIG. 6.4 Extracción de los tornillos INFERIORES Apagador FIG. Tambor de freno 4-4 EXTRACCIÓN 5. Retire la barra estabilizadora y baje menos ascensor.
  • 52.
    SUSPENSIÓN TRASERA 4-5 6.Tire de la primavera y retire el brazo. Rueda trasera cambio de rodamientos • Retire uso rulmenþii interiores y exteriores un mandril de latón. Brazo TRAS Brazo TRAS DORN latón FIG. 4-7 EXTRACCIÓN brazo TRAS 7. Retire el eje trasero. FIG. RULMENÞILOR 4-9 EXTRACCIÓN • Al instalar rulmenþilor aplique grasa suficiente rulmenþi y en la superficie interior del cubo rueda, a continuación, pulse hub rulmenþii usando Dispositivos especiales. Inspección y mantenimiento Cojinete de la rueda trasera Inserte el conector y comprobar el juego axial moviendo la rueda en la dirección axial. Si el juego es demasiado alto, sustituya Teniendo. Rodamiento axial Juego (mm) 0-0,35 Uno 1. Disposición Especial (PRENSA RULMENÞI 09.913-85.210) FIG. 4-10 RULMENÞILOR PRESIONAR FIG. Controle los cojinetes de las ruedas 8.4 JUEGO TRASERO
  • 53.
    SUSPENSIÓN TRASERA 4-6 ¡CUIDADO! Paracolocar correctamente el conjunto de cojinete junta de estanqueidad. El amortiguador de muelle El conjunto de muelles se poziþioneazã así terminar ser cerrado sobre el extremo abierto. De este modo arco se encuentra segura en los lugares de culto. TENIENDO EXTERIOR RODAMIENTO INTERIOR Set DISTANÞIER El extremo abierto FIG. 4-11 Posicionamiento RULMENÞILOR FIG. 4-13 ARCO DE MONTAJE Instalación Ir a través de los pasos en orden inverso para desinstalar. Observe lo siguiente: Tuerca del eje trasero Apriete la tuerca del eje trasero con el par especificado. Tuerca Par eje trasero (kgf • cm) 800 - 1200 Brazo sacó Al montar el brazo con el tornillo final es poziþioneazã al eje del vehículo. Brazo TRAS FIG. 4-14 tuerca ESTANQUEIDAD CUBIERTA TRASERO FIG. 4-12 MONTAJE TRAS brazo
  • 54.
    SUSPENSIÓN TRASERA 4-7 ªplintul Asegúresede que ambos extremos de ºplintului correctamente tuerca almenada inclinó de modo que puede ser cubierta amueblada. ºPLINT FIG. 4-15 ªPLINTULUI MONTAJE
  • 55.
    SUSPENSIÓN TRASERA 4-8 PARDE APRIETE Piezas cercanos Barra de estabilidad (en el cuerpo) Barra de estabilidad (en la cubierta) Damper (telescopio) Brazo sacó Tuerca almenada Par (kg • cm) 450-700 350-550 450-700 700-900 800 - 1200 SDV Uno Febrero Tres Inercia 09942-15.510 martillo 09.943-17.911 freno de tambor Extractor 09.913 hasta 85.210 Releases rulmenþi
  • 56.
    FRENOS 5-1 CAPÍTULO 5 FRENOS DESCRIPCIÓNGENERAL ................................................................................................................ 5-2 Pinza de freno de disco ................................................................................................................... 5-3 Tambor del freno ........................................................................................................................ 5-5 Cilindro maestro ......................................................................................................................5 - 7 Válvula de alivio de presión .................................................. ............................................ 5-9 El conjunto de servofreno ..............................................................................................................5 - 10 SOLUCIÓN DE PROBLEMAS .....................................................................................................................................5 - 14 VEHICULO ..................................................................................................................5 - 16 El freno de estacionamiento .....................................................................................................................5 - 17 Inspección .................................................................................................................................5 - 18 Cilindro maestro ....................................................................................................................5 - 20 Ajuste el vástago actuador de freno servo .................................................. ......................... 5-20 SDV ................................................................................................................................................5 - 21
  • 57.
    FRENOS 5-2 DESCRIPCIÓN GENERAL Cuandose pisa el pedal de freno, se crea la presión del cilindro maestro y es operado pistones (dos por delante y dos hacia atrás). Trabajar en el cilindro maestro en tándem en dos circuitos independientes. Circuito de frenos cara es un circuito en paralelo (izquierda y derecha) y el circuito de freno trasero está un circuito en serie (izquierda y derecha). Entre y el circuito de la bomba de freno trasero se monta una válvula de alivio de presión. Disco de freno delantero es y Tambor de freno trasero saboþilor actuador independiente. Cable del freno de estacionamiento mecánico y que actúa sobre las ruedas traseras. Tres 4 Febrero Uno 1. cilindro 2. palanca de freno de estacionamiento 3. La válvula de alivio de presión 4. DISTRIBUIDOR 2 vías FIG. 5-1 FRENO CIRCUITO (Tipo H) Tres 4 Febrero Uno 1. cilindro 2. palanca del freno de estacionamiento 3. La válvula de alivio de presión 4. DISTRIBUIDOR cinco caballos FIG. 5-2 FRENO CIRCUITO (TIPO X)
  • 58.
    FRENOS 5-3 Frenos dedisco con pinza Las ruedas delanteras están equipadas con frenos de disco. 4 Tres Febrero 5 Uno Uno 5 1. 2. 3. 4. 5. Placa de freno PISTON Disco de freno Tapa antipolvo PLACA DE SOPORTE FIG. 5-3 pinza Pinza de Operación Pinza del freno delantero es de tipo pistón móvil. La presión generada en los actos cilindro maestro la placa de freno (1) del pistón y la se presiona. Al mismo tiempo se mueve la pinza debido a la presión del pistón (2) de modo que la otra placa presiona el disco de freno, por lo tanto realizando tanto la placa de prensado. El freno de disco se requiere una presión de trabajo elevado a la rueda de pistón. Para este diámetro orificio del pistón es grande. Incluso un pequeño cambio en el intersticio entre el disco y placa tiene una gran influencia en el recorrido del pedal de freno. Es necesario que la distancia entre el disco y la placa son se mantiene a un mínimo. Es realizado a través de una junta de goma.
  • 59.
    FRENOS 5-4 C OR P Estribos U L CILINDRO CILINDRO G A R I N T U R Sellado G A R I N T U R Sellado Disco de freno FIG. Pinza 5-4 FUNCIONAMIENTO PISTON PISTON Calibración intersticio entre el disco y la placa Cuando se opera pinza de pistón desplazará hacia la izquierda (en la imagen). Conjuntos de sellado es una fuerte presión sobre el pistón y se mueve una vez el cilindro (Fig. 5-5). El movimiento del pistón, el sello sellado adquiere una deformación constante y almacenar energía elástica. Cuando se suelta el pedal de freno y desaparece la presión de funcionamiento, la fuerza elástica almacenada en junta de empujar el pistón hacia atrás a la posición correcta inicial. Si las pastillas de freno se desgastan, la carrera pistón a la izquierda será mayor, pero la raza retorno (a la derecha) tendrá el mismo valor de Debido deformaþiei junta de estanqueidad constante. Por lo tanto, independientemente del tamaño de usar protectores, intersticio del disco de freno y la placa es constante. Sin actuador de presión Actuador de presión FIG. 5-5 SELLO QUE FORMA ETANªARE
  • 60.
    FRENOS 5-5 Frenos detambor Conjunto de freno de tambor incluye un sistema de autorregulación y el juego entre el tambor saboþi. Tres Febrero Febrero Uno 5 4 1. 2. 3. 4. 5. REGULADOR DE ASAMBLEA SABOÞI CILINDRO DE RUEDA TAMBOR ARC RETORNO FIG. 6.5 Frenos de tambor Tambor de freno Operación Cuando el pedal de freno con la son impulsados dos pistones de los cilindros de rueda que empujan saboþii hacia el exterior y evita la rotación del tambor. Con el desgaste aumento saboþilor y carrera del pistón, por lo ser presionado más en el pedal del freno. Intersticio entre el tambor y saboþi ajustarse ajuste saboþilor mediante tornillos. Este modelo freno trasero tiene un sistema de autorregulación (general regulador) de espacio entre el tambor y saboþi cuando cambia debido al desgaste saboþilor.
  • 61.
    6.5 FRENOS El sistemade autorregulación y el juego entre saboþi tambor 1 Cuando el juego es apropiado. Menos de 1 DIENTE Rueda de trinquete no gira 2 Cuando el juego es demasiado alto. Una articulación o varios Rueda de trinquete gira y disminuye el juego. 3 Cuando se lleva puesto el zapato. Zuecos desgastado -> REGULADOR se extiende. FIG. 7.5 CALIBRADO DEL JUEGO
  • 62.
    FRENOS 5-7 Cilindro Uno Febrero Tres 1. TANQUE 2.pistón primario 3. EXTERIOR PISTON FIG. 5-8 cilindro Conjunto del cilindro maestro Cilindro maestro contiene dos pistones y tres juntas de estanqueidad. Se crea una presión hidráulica en la habitación principal ("a") y la cámara secundaria ("b"). Se transmite presión hidráulica producida en la cámara secundaria ("b") freno trasero y los principales elementos de la habitación ("a") se transmite freno delantero (izquierdo y derecho). <Si el sistema de freno de presión hidráulica-X diagonal produce en la cámara secundaria ("b") es transmitida Frenos frenos derecha los principales elementos de la habitación ("a") delantera y trasera izquierda y se transmite delantera izquierda Y el lateral derecho>. 7 6 5 4 Tres Febrero Uno 1. El pistón primario 2. junta de estanqueidad 3. sellado de la junta del pistón secundario 4. 5. 6. 7. EXTERIOR PISTON Junta de cierre Secundaria muelle de retorno de pistón PRINCIPAL CILINDRO CORP FIG. Cilindro 5-9 ESTRUCTURA
  • 63.
    FRENOS 5-8 Cilindro Operación Elpedal de freno pistón primario se mueve a la presión hidráulica a la izquierda se produce en cámara "a". A través de esta presión y el principal resorte de retorno del pistón, el pistón secundario Mover a la izquierda creando presión hidráulica en la cámara "b". Febrero Uno 1. El pistón primario 2. EXTERIOR PISTON FIG. Cilindro 5-10 FUNCIONAMIENTO
  • 64.
    FRENOS 5-9 Válvula dealivio de presión Válvula de alivio de presión controla la ruedas traseras de freno de presión hidráulica producida por el cilindro de control freno trasero. Uno Tres Febrero Cilindros Roth TRASERO EL RODILLO PRINCIPAL 4 1. 2. 3. 4. PISTON ARC Válvula El asiento de válvula FIG. 5-11 PRESIÓN válvula de alivio de freno trasero No funciona Cuando la presión en el cilindro maestro es menor que el límite de presión El émbolo es empujado a la izquierda de la primavera (2) la creación de un juego entre la válvula y su asiento. La presión en el cilindro principal cilindro de rueda trasera se transmite. Funcionar Cuando la presión del cilindro principal es mayor que el límite de presión La válvula (3) se mueve a la derecha debido a la presión productos hidráulicos en la "A" hasta que te sientas en el asiento (4) que cierra el circuito de freno trasero. Tres Uno Febrero Uno Febrero Tres Contrapresión en CILINDRULROAT Ã 4 4 1. 2. 3. 4. PISTON ARC Válvula El asiento de válvula Presión Limited Cilindro de presión 1. 2. 3. 4. PISTON ARC Válvula El asiento de válvula FIG. 5-12 FIG. 5-13
  • 65.
    5-10 FRENOS Servofreno GENERAL Brakees un sistema que reduce la fuerza necesaria para empujar el pedal de freno a través de la diferencia de tiempo de presión entre el colector de admisión y el medio ambiente. 5 Tres Febrero Uno 4 7 6 1. ARC PISTON servofreno 2. La barra de émbolos de carrera TON 3. servofreno PISTON 4. 5. 6. 7. Vástago de émbolo LÍMITE DE VALVULA DE SEGURIDAD Fuelle Vástago de pistón Tenedor FIG. 5.14
  • 66.
    FRENOS 5-11 Operación derefuerzo 13 Uno Febrero 9 7 Tres 5 17 16 15 13 1214 4 6 8 CUBIERTA 1. DELANTERO 2. Contraportada 3. La varilla de accionamiento de la válvula FILTRO DE AIRE 4. 5. Forks 6. Deje de Válvulas ARC 7. DEVOLUCION ARC Válvulas Válvula de control 8. PARADA ARC Válvula de control 9. 10. Válvulas servofreno 11. PISTON servofreno 12. LIMITACIÓN VALVULA DE SEGURIDAD 13. La membrana servofreno Reacción 14. DISCO 15. ARC retorno del pistón servofreno Servo varilla de pistón 16. El freno Varilla roscada 17. AJUSTE 10 11 FIG. 5-15 servofreno GENERAL Cuando se pisa el pedal de freno, la fuerza de pistón del cilindro maestro se transmite a través del vástago accionador de la válvula, Frenos de aire de la válvula servo, reacción servofreno disco y vástago. Al mismo tiempo, forzando al pistón servofreno desarrollado debido a las diferencias de presión entre las dos cámaras "A" y "B" se añade una vez que la fuerza del pedal. Válvula de control tiene una doble función de válvula de vacío y la válvula de aire. Como se observa en la siguiente figura, válvula de control se cierra entre las cámaras de "A" y "B", mientras que su lado exterior "C" entra en contacto con el asiento pistón de refuerzo y se abre a medida que la caída "C" en el pistón del asiento (función de válvula de vacío). La sala está cerrada entre "B" y el aire exterior, mientras que su parte interior "D" entre en en contacto con el asiento de la válvula de aire, y al abrir la caída "D" en el asiento de la válvula de aire (dependiendo La válvula de aire). Cuando el pedal de freno no está presionado Varilla del actuador de la válvula es empujado primavera derecha (15). También se mueve la válvula de aire derecha a través de la fusible limitador (12). En este caso, la válvula de vacío (la válvula "C" control) está abierta y la válvula de aire (la válvula de control "D") está cerrada. Tales cámaras de "A" y "B" se crea mismo vacío que permite muelle de retorno (15), que salió bien servofreno pistón. Tres Febrero Uno Válvula de vacío "C" La válvula de aire "D" "A" "B" Válvula de Control 1. 2. Válvulas servofreno 3. servofreno PISTON FIG. 5-16 servofreno (CUANDO NO FUNCIONA)
  • 67.
    5-12 FRENOS Cuando sepisa el pedal del freno Al estar presionado el vástago del actuador, la válvula de aire El servofreno se mueve a la izquierda. Válvula el control es empujado para asentar el pistón por freno de resorte de la válvula servo. Válvula de vacío (la válvula de control "C") está cerrada y la comunicación entre las cámaras de "A" cortar y "B". Al mismo tiempo, la válvula de aire (la válvula de "D" control) todavía está cerrado. Tres Febrero Uno "A" Tres Febrero Uno "B" Válvula de Control 1. 2. Válvulas servofreno 3. servofreno PISTON "A" FIG. 5-18 servofreno (RUN) Cuando se suelta el pedal de freno Cuando se suelta el pedal de freno, la válvula de aire El servofreno desplazamiento hacia la derecha debido a la primavera volver. Válvula de vacío (la válvula "C" control) se abre y se crea así la depresión cámara "B". Debido a este pistón depresión cilindro maestro del freno y de refuerzo pistón se mueve las posiciones iniciales. Ellos están en la misma posición que el se describe la situación cuando el pedal de freno está deprimido. "B" Válvula de Control 1. 2. Válvulas servofreno 3. servofreno PISTON FIG. 5-17 servofreno (TOP Operación) Aire válvula servo de freno (la válvula "D" comando) es empujado más hacia la izquierda, la abrir y permitir que circule el aire en la sala "B". Esto crea una diferencia de presión entre las cámaras "A" y "B". Cuando la presión supera la presión ejercida por el resorte de retorno del pistón, el pistón del reforzador de freno se mueve hacia atrás (a la izquierda) junto con la válvula control. La válvula de aire (la válvula "D" control) al obstruir la cámara de flujo de aire "B". En De esta manera una vez que la fuerza del pedal de freno se transforma la alta presión hidráulica en el cilindro principal. Tres Uno 4 Febrero "A" "B" 1. 2. 3. 4. Válvulas servofreno ARC válvulas de retorno PISTON servofreno Válvula de control FIG. 5-19 servofreno (SFÂRªITUL Operación)
  • 68.
    FRENOS 5-13 Nota Si cualquierade los componentes es servofrînei defectuoso la fuerza del pedal de freno no será amplificado. Sin embargo, fuerza de empuje del pedal de freno se transmite a la varilla actuador de la válvula, frenos de aire de la válvula servo, limitar la válvula de seguridad, servofreno pistón y más lejos de la varilla del cilindro maestro. Circuito de frenado operar incluso cuando el servofreno es defectuoso. Febrero Uno Tres 1. El vástago de la válvula 2. Válvulas servofreno 4 3. LÍMITE DE SEGURIDAD 4. servofreno PISTON FIG. Refuerzo 5-20 freno
  • 69.
    5-14 FRENOS SOLUCIÓN DE PROBLEMAS Lossíntomas La fuerza de frenado insuficiente • • • • • • • • • Frenado desigual (Freno no funciona equilibrada) • • • • • • • • • • Sin el ruido de los frenos ser encendido • • Causa probable Las fugas en el circuito de frenos O pastillas de frenos aceite pãtaþe Frenos de sobrecalentamiento Juego incorrectamente saboþi freno Placa de freno Saboþi manchada de aceite Saboþi placa de freno gastadas Defecto cilindro de freno de rueda Pinza defecto de montaje Aire en los circuitos de freno Saboþi la placa de freno pãtaþe aceite Tambor Juego saboþi inadecuada vez más (sin sistema de juego de- fect) Drum pasó Presión inadecuada Ruedas Alinear las ruedas delanteras no aptos ade- Defecto cilindro de freno de rueda Neumáticos diámetro diferente Los tubos y mangueras de freno defectos Pinza defecto de montaje Conjuntos de suspensión sueltos Pinza debilitado Residuos Plate • • • • • • • • • • • • • • • • • • • • • Remedio Determinar y fijar el lugar Limpie o reemplace Determinar la causa y corregir Ajuste el tamaño prescrito Reemplazar Reemplazar Repare o reemplace Repare o reemplace Purgar el circuito de frenado Reemplazar Comprobar y reparar el Reemplazar Presión correcta La alineación correcta Repare o reemplace Utilice el mismo tipo de neumáticos Reemplace las mangueras y tuberías freno Compruebe que los pistones están bloqueados, Si pinzas son guías y bucºele aceitado y reparado si es necesario Revise todos los subconjuntos suspensión Compruebe y apriete los tornillos pares especificados Reemplace las pastillas
  • 70.
    FRENOS 5-15 Los síntomas Elmovimiento excesivo de Pedal • • Causa probable Circuito defecto freno Líquido de frenos insuficiente • • Remedio Compruebe y sustituya donde necesario Llene el depósito con líquido de frenos correctamente, compruebe si hay fugas Y prueba de frenos Bleed luces de advertencia. Purgar el circuito de frenado Juego de tambor saboþi correcta, comprobar y reparar el mecanismo juego de tuning Reemplace saboþii Reemplace saboþii Reparación del cilindro maestro Reemplace las mangueras y tuberías freno dañado Ajustar Vuelva a colocar el cable del freno de estacionamiento Reemplace los resortes Reparación Reemplace rulmenþii ruedas Reemplace husillo Reparación de disco o sustituirla Tambor de reparación o sustituirla Revisar y reparar las almohadillas de zapatos o sustituir si es necesario Cojines del zapato reemplazados Reemplace cojinete de la rueda Pastillas de freno reemplazados, apriete Los pernos o reemplazarlos • • • • • • • • • • Zvâcneºte Pedal • • • • • • • • Freno de bloqueo después pedal de freno se libera Aire en los circuitos de freno Jocultambur-saboþi insuficiente (mecanismo auto de juego defecto) Saboþi curva Saboþi uzaþi Carrera de retorno del pistón cilindro bloqueado Tubos de freno o tuberías bloqueadas Ajuste del freno de estacionamiento inadecuada Zator Cable defecto del freno de estacionamiento Muelles de retorno sueltas o rotas Cilindro de rueda o pinza de pistón de obstruido Daños en las ruedas Rulmenþi o aflojar Husillo defectuoso Disco ictus lado del freno Drum deformado Placa de la zapata Brillante o materiales el aprendizaje a través de ellos Placa de calzado desgastado o deformado Rodamientos de las ruedas delanteras debilitados Placa de freno Warped o tornillos pinza suelta • • • • • • • • • • • • • • • • • • Frenos ruidosos
  • 71.
    5-16 FRENOS VEHICULO Compruebe elrecorrido del pedal de freno 1. Arranque el motor. 2. Pulse el pedal de freno 2 o 3 veces 3. Presione el pedal del freno aproximadamente 30 kg y se mide la distancia "B" del pedal al piso. Debe ser inferior a 75 mm. Comprobar el juego del pedal de freno Inspeccione el juego del pedal de freno. Comprobar tornillo agarre el pedal, pasador de centrado del cilindro princi- pálida y strâgeþi ellos o corregir los defectos. 'B" FIG. 5-21 lejos del pedal presionado EL PISO 4. Si la distancia "B" es de menos de 75 mm, el causa más probable es que el freno trasero es saboþii uzaþi son excesivas o hay aire en el circuito de frenos. Si la distancia "B" sigue siendo inferior a 75 mm Después de reemplazar el saboþilor freno trasero y ventilación freno de circuito, entonces Otra causa posible puede ser conjunto del regulador fracaso (sistema auto-carrete juego saboþi) o longitud de la varilla mal ajustada servofreno pistón. • Revise el conjunto del regulador se realiza después retirar el tambor de freno. Defectuoso Reparar o reemplazar. REPRODUCCIÓN DE PEDAL: 1 ~ 8 mm FIG. 5-22 INSPECCIÓN pedal JUEGO Freno Pedal de freno Juego (mm) 1-8
  • 72.
    FRENOS 5-17 FRENO DEESTACIONAMIENTO Inspección y mantenimiento 1. Tire del freno de estacionamiento con unos 20 kg y numãraþi en los últimos dientes de trinquete. Intervalo especificado Juego 3-8 dientes menos de 2 dientes 2. Si el valor medido es diferente de la longitud del cable de freno especificada por Escala apretar las tuercas de ajuste. Tuerca CABLE DE FRENO SET FIG. 5-24 Ajuste del cable de freno FIG. 23.05 Freno de estacionamiento Controlar
  • 73.
    5-18 FRENOS INSPECCIÓN 4 Tres Febrero Uno 1. 2. 3. 4. Placa defreno PISTON FRENOS DE DISCO Polvo Aparato FIG. 5-25 DISCO pinza de freno, disco de freno Pastillas de freno Mida el espesor de la placa de freno (sólo material de La fricción) Espesor de la placa de freno mínimo (mm) 1.0 Freno de disco • Compruebe el golpe lateral Instalar un comparador en la superficie del disco y Mida golpe lateral, girando ligeramente. Mínimo (mm) menos de 0,15 FIG. 26.5 CONTROL DE LA placa ESPESOR Freno FIG. 27.5 CONTROL DE LA paliza SIDE
  • 74.
    FRENOS 5-19 • Medirel espesor del disco de freno Use un micrómetro para medir el espesor freno de disco. Espesor mínimo del disco de freno (mm) 8.0 Freno Saboþi Compruebe defectos, desgaste saboþilor, las manchas Mida el espesor de la aceite y luego (sólo saboþilor). Saboþi Espesor mínimo (Mm) 1.0 FIG. Espesor del disco 5-28 CONTROL Freno Freno de tambor Compruebe ovalitãþi tambor, deformaþii y defectos superficie de contacto de la placa de zapata, manchas de aceite. Si algunas de las afueras de tambor o tambor son entonces deformado reparación o sustitución de tambor. Diámetro mínimo (mm) 182.0 FIG. 5-30 Control del freno SABOÞILOR COMPAS T A M B U R Freno FIG. 5-29 Comprobación del TAMBOR DE FRENO
  • 75.
    5-20 FRENOS Cilindro Desmontaje 1. Retireel pistón primario. 2. Retire el tornillo de sujeción y el pistón secundario El servofreno Ajuste 1. Retire el cilindro maestro. Configure el dispositivo especial (dispositivo de ajuste de 09.950-96.010 varilla) para que el vástago y estar en contacto con el primer pistón el cilindro maestro (junta debe adjuntarse cilindro). Febrero Febrero Uno 1. el tornillo de fijación 2. LÍQUIDO DE FRENOS DEPÓSITO Uno 1. El pistón primario 2. DISPOSITIVO ESPECIAL (ajuste de la varilla de 09.950 hasta 96.010) FIG. 5-31 cilindro Montaje Pasos de desmontaje estarán en el orden inverso. Actuador AJUSTE tallo A PRECAUCIÓN Antes del montaje, lavar cada pieza con líquido de frenos. FIG. 5-32 Montaje de la ESPECIAL 2. Coloque el dispositivo como se muestra. Mida la distancia libre entre la varilla y el dispositivo de varilla madre especial y actuador. 3. El uso de un dispositivo especial (configuración remota Tres Uno Febrero 1. dispositivo especial (DISPOSITIVO ROD AJUSTE 09.950 a 96.010) Varilla 2. actuador 3. El servofreno FIG. 5-33 EJE longitud de medición PISTON servofreno actuador
  • 76.
    FRENOS 5-21 Longitud dela barra) y tecla T (7 mm) ajustar la longitud vástago de pistón actuador de forma que la distancia entre la varilla dispositivo y servofreno vástago del actuador es 0. Febrero Uno 1. Disposición Especial (ajuste de longitud de la varilla Desde 09952 hasta 16010) 2. CLAVE T (7 mm) FIG. Ajuste de la longitud 5-34 varilla Accionistas PISTON SDV Ajuste de la varilla 09950-96010 LUNGIJME ajuste de la varilla de 09952 hasta 16010
  • 77.
    MOTOR (descripción generalY Diagnostic) 6A-1 CAPÍTULO 6 MOTOR 6A. DESCRIPCIÓN GENERAL Y DIAGNÓSTICO .................................... 6A-2 6B. Mecánica ................................................ .............................. 6B-1 6C. SISTEMA DE REFRIGERACION DEL MOTOR ............................................. ... 6C-1 6D. SISTEMA DE ALIMENTACIÓN ............................................... 6D-1 .................. 6E. Carburadores ................................................. ................................... 6E-1 6F. SISTEMA DE ENCENDIDO ............................................... ..................... 6F-1 6G. ................................................. Arranque ......................................... 6G-1 6H. Sistema de carga ............................................... .................... 6H-1 6I. Sistemas de control emitido .......................................... 6 I- uno 6J. SISTEMA DE ESCAPE ............................................... ...................... 6J-1
  • 78.
    6A-2 MOTOR (descripcióngeneral Y diagnóstico) 6A. Descripción general y DIAGNÓSTICO DESCRIPCIÓN GENERAL ............................................................................................................... 6A - 2 DIAGNÓSTICO DEL MOTOR ................................................ .................................................. 6A - 4 DESCRIPCIÓN GENERAL Precauciones a la Intervención Febrero El motor incluye muchas partes que fueron procesados y terminado con una tolerancia de 1 / 1.000 mm, por lo que debe Manejar con cuidado en términos curãþirea después la reparación y comprobación de sus partes internas. Mantenimiento en perfecto estado del motor es importante ser un habilidad después de la reparación y el procesamiento de rutina superficies de abrasión. • Al volver a montar, aplique aceite de motor suficiente las superficies de abrasión para la protección de la lubricación. • Al retirar las válvulas, pistones, segmenþilor, la varilla de conexión, conectando cuzineþilor varilla, cuzineþilor de tiempo y Los cojinetes deben sentarse para no ser confundido reensamblaje. • Desconecte siempre el cable del terminal negativo (-) de la batería antes de reparar el motor debe prevenirse posibles daños en el sistema eléctrico. Cilindros del motor son anote los números 1, 2 y 3 (Desde el volante a la polea del cigüeñal). Uno Tres 1. 2. 3. Cilindro 1 ROLLER 2 Cilindros 3 FIG. 6A - 1 CILINDROS DE NUMERACIÓN
  • 79.
    MOTOR (descripción generalY Diagnostic) 6A-3 Asesoramiento sobre VERIFICACIÓN Y el mantenimiento del motor Para evitar los posibles daños y Obtenga se tomará la mejor eficiencia siguiente Asesoramiento. • No apoyar gato debajo del cárter de aceite del motor. Debido al pequeño espacio entre el baño y el colador de la bomba aceite, apoyando el gato debajo del cárter de aceite del motor puede destruir el filtro a través del contacto directo. • Desconecte el cable del terminal negativo (-) de la batería para trabajar en el motor de seguridad. • Al retirar el filtro de aire o colector la admisión estará cubierta con una tapa protectora ingesta para evitar la entrada extranjera al motor. Si estos organismos extraños el cilindro a través del colector de admisión, puede causar daños graves en el motor durante operación. Por un corto ºtuþ, inserte la manguera hasta el punto de unión. MANGUERA ºTUÞ Abrazadera 7.3 MM Coloque la manguera a la ºtuþului hombro Asesoramiento sobre VERIFICACIÓN Y SISTEMA mantenimiento PODER • • • • • • • Trabajar en un lugar bien ventilado y libre de fuentes fuego. No está permitido fumar. Al apretar los tornillos del filtro de combustible, junta y reemplazarla por una nueva apretará con el par especificado. Al apretar la tuerca cónica tubo de gasolina reunirá a primera mano y luego de par especificado. Los métodos de conexión mangueras de gasolina dependerá del tipo ºtuþurilor. Ver métodos mostrados se muestra. Antes de aplicar los siguientes procedimientos Revise el sistema de combustible en busca de fugas gasolina. Tubo de presión se hace tirando de la bomba de como se describe en "Procedimientos de reparación en bomba de gasolina de automóviles ". En este punto, comprobar la pérdida de puntos sistema de suministro. 7.3 MM Si ºtuþului manguera codo insertar hasta comenzando curvatura ºtuþului. Longitud conjunta es aprox. ÷ 30mm 25mm. 25 ~ 30 mm 7.3 MM Si ºtuþului derecha, inserte una manguera ÷ longitud 25mm 30mm. MANGUERA 25 ~ 30 mm Abrazadera 7.3 MM FIG. 6A - dos tubos de conexión
  • 80.
    6A-4 MOTOR (descripcióngeneral Y diagnóstico) DIAGNÓSTICO DEL MOTOR Evento Iniciar pesada (Con el tiempo de inicio) Causa probable Mal funcionamiento del encendido • Fusibles • Bujías defectuosas Enchufe eléctrico Dejar caer alta tensión Conexiones defectuosas o de enchufe de alto voltaje Tapones MSDS • Ajuste el interruptor defectuoso • El ajuste incorrecto de ignición • bobina de encendido defectuosa • dañado tapa del distribuidor o el rotor Mal funcionamiento de la oferta • No gasolina en el tanque • gasolina filtro sucio o tapado • tubo de gasolina obstruido • Mal funcionamiento de la bomba de gasolina Reducción de la presión en la compresión • Bujías junta nestrânse o dañado • • • Válvulas de juego inadecuados Dejar caer por válvulas El ruido en la válvula de la línea Decalibrat Arco o válvula dañada Fugas de juntas Ruido anormal o daños en los pistones y cilindros El desgaste excesivo de los pistones, y segmenþilor cilindros • • Remedio Reemplazar Limpia, ajusta distancia entre electrodos o reemplazado Reemplazar Reemplazar Ajustar Ajustar Reemplazar Reemplazar Carga Reemplazar Limpia Reemplazar Apretar al par specificatsause Reemplace la junta Ajustar Reparación Asiento La reparación o válvula înlocuiºte o guía de la válvula Reemplazar Reemplazar Reemplace segmenþii Reemplace segmenþii y pistones y es honuiesc o reemplazado cilindros Reemplazar Comprobar y reemplazar si es necesario Conecte la derecha o es manguera înlocuiºte Ver arriba Ajustar Ajuste o reemplace Reparará o reemplazará incluyendo rotor Cambie o conecta correctamente Ajuste o Reemplazar • • • • Otros • Cinturón desgarrado distribución • Mal funcionamiento de la válvula P.C.V. (Ventilación positiva del cárter) Dejar caer debido al debilitamiento o la manguera de deterioro Vacío El motor no desarrolla energía Reducción de la presión en la compresión Mal funcionamiento del encendido • Ajuste de encendido defectuoso • Bujías defectuosas • Distribuidor • • Fallos eléctricos o mala conexión en el enchufe alto voltaje Mal funcionamiento del sistema de control ángulo de avance
  • 81.
    MOTOR (descripción generalY Diagnostic) 6 A-5 Manifestación El motor no desarrolla energía Causa probable Mal funcionamiento de la oferta Carburador sucio Tubo de gasolina obstruido Filtro obstruido o gasolina sucia Obstrucción o filtro de aire sucio Junta del múltiple de admisión dañada Otros Frenos bloqueados Embrague de fricción Gasolina de mala calidad Mal funcionamiento de la oferta Carburador sucio u obstruido Obstrucción o filtro de aire sucio Junta del múltiple de admisión dañada Mal funcionamiento del sistema ignición ?? Mal funcionamiento del sistema de encendido Fallas eléctricas, la mala conexión de enchufe de alta tensión Rotor Distribuidor utilizado Distribución perturbado Tapa del distribuidor dañado o debilitado Reducción de la presión en la compresión Otros Dejar caer debido al debilitamiento o la manguera de deterioro Vacío Por avería en la P.C.V. (Ventilación positiva del cárter) Remedio ?? Y desmontarlo limpia ?? Limpia ?? Reemplazar ?? Cambie o limpia ?? Reemplazar ?? Repare o reemplace ?? Ajuste o reemplace Idle irregular ?? Y desmontarlo limpia ?? Cambie o limpia ?? Reemplazar ?? Ajuste o reemplace ?? Sustituya o conecte derecho ?? Reemplazar ?? Ajustar ?? Reemplazar ?? Sustituya o conecte derecho Comprobar y reemplazar si es necesario ?? Ajustar ?? Reemplazar, ajustar distancia entre electrodos ?? Sustituya o conecte derecho ?? Cambie o limpia ?? Reemplazar ?? Ver la página anterior Dude Engine (El pedal deacceleraþie, motor responde con demora. Esta situación es notable caminar lentamente o en el arranque.) Mal funcionamiento del sistema ignición Distribución perturbado Bujías gastadas, la distancia entre los electrodos no regulada Fallas eléctricas, la mala conexión de enchufe de alta tensión Mal funcionamiento de la oferta El mal funcionamiento del filtro de aire fuga de la junta del múltiple Reducción de la presión en la compresión Mal funcionamiento de la oferta Filtro de combustible obstruido Tubo de gasolina o la manguera obstruida o estropeado Pérdida de vacío en el colector de admisión. Mal funcionamiento del sistema ignición Distribución perturbado Mal funcionamiento del sistema de control ángulo de avance (Sistema de vacío para ajustar el ángulo de avance) La unidad de motor irregular (Potencia del motor fijo y variar la velocidad cambios de velocidad sin para deprimir aceleración.) ?? Reemplazar ?? Cambie o limpia ?? Reemplace la junta y es Apriete los tornillos o nueces ?? Ajustar Comprobar y reemplazar si es necesario
  • 82.
    6A-6 Engine (descripcióngeneral Y diagnóstico) Manifestación La unidad de motor irregular (Potencia del motor fijo y variar la velocidad cambios de velocidad sin para deprimir aceleración.) Causa probable Fallos eléctricos o mala conexión en el enchufe alto voltaje Bujías depósitos de carbón defectuosos (excesivas, distancia inadecuada entre los electrodos, electrodos topiþi) Dañado tapa del distribuidor o el rotor Reducción de la presión en la compresión Otros Dejar caer la manguera de vacío Sobrecalentamiento del motor Mal funcionamiento del encendido Bujías defectuosas Distribución perturbado Fallos eléctricos o mala conexión en el enchufe alto voltaje Mal funcionamiento de la oferta Filtro de gasolina o tubo obstruido Dejar caer la junta del colector de admisión Otros Depósitos de carbono en exceso debido a un holocausto anormal Por defecto refrigeración líquida Mal funcionamiento del termostato La bomba de agua funciona sin eficacia Distribución Dereglearea Radiador obstruido o pérdida Petróleo incorrectamente Filtro de aceite bloqueado, obstruido Aceite defecto La bomba de aceite funciona sin eficacia Pérdida de aceite Frenos bloqueados El embrague patina El daño a la junta de culata Remedio Cambie o conecta correctamente Reemplazar Reemplazar Ver la página anterior Cambie o Conecte el correcto Ver capítulo sobrecalentamiento " "Motor Elimine el exceso de (Înfuncþiede apertura de la mariposa deacceleraþie, Carpintero metálico hacer expolzie Anormal.) Reemplazar Ajustar Cambie o conecta correctamente Cambiar o limpia Reemplace la junta Retire carbono Complementa Reemplazar Reemplazar Ajustar Limpia, se repara, Reemplazar Sustituir por el especificado Cambie o limpia Llenar Reemplace o repare Reparación Reparación Regula o sustituye Reemplazar Reparación Limpia y reemplaza Ajustar Cambie o conecta correctamente Calentamiento excesivo Consumo anormal gasolina La fuente de alimentación Pérdida de la gasolina El filtro de aire obstruido Mal funcionamiento del encendido Distribución perturbado Fallos eléctricos o mala conexión en el enchufe alto voltaje
  • 83.
    MOTOR (descripción generalY Diagnostic) 6 A-7 Manifestación El alto consumo de gasolina Causa probable Tapones, depósitos de carbón anormales (exceso, distancia inadecuada entre los electrodos, electrodos arºi) Mal funcionamiento del sistema de control ángulo de avance (Sistema de control de vacío del ángulo de avance) Reducción de la presión en la compresión Otros Válvulas anormales del Juego Embrague de fricción Mal funcionamiento del termostato Baja presión de los neumáticos Pérdida de aceite Tapón de drenaje de aceite Debilitado Tornillos en baño de aceite suelto Fuga de retén del cigüeñal Cilindro de escape junta de tapa de la culata Filtro de aceite debilita Aceite debilitado Manocontact Junta destruida Las pérdidas del sello de aceite del árbol de levas Aceite en la cámara de combustión Segmento de bloque Pistón, cilindro rayado Segmento, segmento ranura rayado Segmento hendidura posición inadecuada Zgârirea o destruir el sistema de válvulas Remedio Reemplazar Cheque, que sustituye si es necesario • Ver la página anterior Ajustar Ajuste o reemplace Reemplazar Ajustar Abrazo Apretar Reemplazar Reemplazar Abrazo Abrazo Reemplazar Reemplazar Retire carbono Y reemplaza el segmento Sehonuieºtesau Reemplazar Reemplace el pistón, segmento Posición Ajuste Reemplazar Sustituir por el especificado Abrazo Llenar Limpia Reemplazar Reemplazar El consumo de petróleo exceso Baja presión aceite La viscosidad del aceite inapropiado Aceite debilitado Manocontact Aceite defecto Filtro de aceite bloqueado Operación mal la bomba de aceite Los arañazos, válvula de alivio de la destrucción bomba de aceite Válvula de ruido Válvulas de juego inadecuados Rascarse válvula cola para guiar Mal funcionamiento del resorte de válvula Ruido en el segmento de cilindro Pistón de trazado o segmento de cilindro Ruido Biel Trazado de conexión bujes de la barra Bolth Scribing Afloje la tuerca de Biel Árbol de ruido La presión de aceite baja Scribing bujes de rodamientos Scribing rodamiento muñequilla Afloje los casquillos de rosca cubierta El exceso de juego en el hombro del cojinete del cigüeñal (Axial juego) El ruido del motor Ajustar Reemplazar Reemplazar Se honuieºte, / Replace Reemplazar Reemplazar Reemplazar Ver la página anterior Ver la página anterior Seºlefuieºtesau Reemplazar Apretar al par Ajuste o reemplace
  • 84.
    6A-8 MOTOR (descripcióngeneral Y diagnóstico) BLANCO
  • 85.
    MOTOR (Mecánica) 6B-1 6B.Los sistemas mecánicos DESCRIPCIÓN GENERAL ............................................................................................................... 6B - 2 VEHICULO ................................................................................................................... 6B - 6 Revise la presión de compresión .............................................. .................................................. 6B - 6 Comprobar vacío .................................................................................................................. 6B - 6 Revise la presión de aceite .......................................................................................................... 6B - 7 Cambio del filtro de aceite ........................................................................................................... 6B - 7 Cambie el aceite del motor ...................................................................................................... 6B - 7 Rockero Ajuste de Luz ........................................................................................................... 6B - 8 El filtro de aire filtro ............................................ .................................................. .. 6B - 9 Distribuidor .................................................................................................................................. 6B - 9 El carburador y el colector de admisión ............................................. ................................................ 6B - 10 Colector de escape ................................................................................................................... 6B - 11 Selección de fuente de entrada de aire palanca ......................................... ............................... 6B - 11 El tensor de la correa de distribución y correa ............................................ .................................. 6B - 12 Bomba de aceite ............................................................................................................................. 6B - 15 El eje de la culata, árbol de levas, válvulas y balancines ........................................ ................ 6B - 18 Pistons, segmenþi, varillas y cilindro de conexión ........................................... ................................................. 6B - 28 DESMONTAJE .......................................................................................................................... 6B - 33 El conjunto del motor ......................................................................................................................... 6B - 33 Cuzineþii, cigüeñal y bloque motor ........................................... ........................................... 6B - 36 PAR DE APRIETE ......................................................................................................... 6B - 41 SVD-URI ......................................................................................................................................... 6B - 42
  • 86.
    6B-2 MOTOR (Mecánica) DESCRIPCIÓNGENERAL TIPO DE MOTOR F8C Este tipo de motor m.a.s. 4 - apoplejía, de 3 cilindros refrigerado por agua, cilindrada 796cc. Diámetro x carrera 68,5 x = 72.0 (mm) Escriba F8C - SOHC - 2 válvulas - Carburador - 41 caballos de fuerza Modelo del motor (especificaciones) Potencia máxima (CV / rpm) Par (kgf • m / rpm) Relación de compresión Tipo SOHC F8C 2 válvulas - carburador 41/5500 6/2500 9.3 FIG. 6B - 1 motor
  • 87.
    MOTOR (Mecánica) 6B-3 LUBRICACIÓNDEL MOTOR Unción de presión del aceite del motor niebla está hecha por la bomba de aceite. La bomba de aceite es de tipo trohoid y está montado en la polea del cigüeñal a lado. El aceite se extrae a través del filtro Y enviado por correo a la bomba del filtro de aceite. Aceite filtró a través de dos circuitos en el bloque del motor. A través de uno de los dos circuitos de aceite cuzineþii llegó al rellano del cigüeñal. Desde allí, el aceite se suministra a manetoanelor cuzineþii través canalizaþiilor lubricación cigüeñal procesado, donde a través de pequeños agujeros proporcionado en los extremos de las bielas, pistones asegurar la lubricación, segmenþilor y las paredes del cilindro. Por otra cir- aceite de cuchillo alcanza la cabeza del cilindro que proporciona la lubricación del eje de balancín, válvula, árbol de levas, etc. directamente por su canales del eje de balancín. FIG. LUBRICACION 2 MOTOR - 6B
  • 88.
    6B-4 MOTOR (Mecánica) Ycilindro TREN elevación de la válvula de cabeza La culata es de aleación de aluminio fundido mejor dureza y peso tan bajo y ofertas apoyar un formato de línea de eje de balancín y árbol de levas. Las cámaras de combustión se ampliaron el espacio para la turbulencia aumento de la eficiencia de combustión y el colector de admisión y la Escapar encuentra cara de nalgas transversal. Balancines de rodillos se mueven hacia arriba y hacia abajo para cerrar y De admisión y la válvula de escape de apertura Ordenadas tanto el árbol de levas de admisión como Y de escape. Cigüeñal Esta pieza es la que convierte el movimiento movimiento rectilíneo de rotación a través de bielas transmitir potencia desarrollado por la combustión. En uno de sus extremos se encuentra la polea de la bomba de aceite y la distribución de la rueda se encuentra en el otro sello y volante de inercia. Para hacer frente a cargas de flexión y Este par está fabricado a partir de un acero especial de alta aliado. Hacer el Cuzineþii son de una aleación a base de material de aluminio. Cartuchos de aterrizaje tipo de cuello No.3 es. Varillas Las bielas son de acero forjado, tienen el perfil de la sección escriba "I". La parte más grande es extraíble mientras poco tiene bujes presionados. AXE excursionistas Los excursionistas ÁRBOL FAO Válvula de admisión VÁLVULAS DE ESCAPE FIG. 6B - 3 culata y válvulas de elevación TREN Bloque motor Es el componente más importante del motor y tiene todo piezas necesarias unidos en su superficie exterior. Por dentro está cilindros prelucraþi cuyas superficies se perfeccionó. En el exterior se proporcionan canalizaþii de circuito de la refrigeración y lubricación como. Bloque motor está hecho de hierro fundido de alta aleación. FIG. 6B - bloque de cilindros 4, cigüeñal y Varillas
  • 89.
    MOTOR (Mecánica) 6B-5 PISTONSEGMENÞI y pernos • Pistons Los pistones son de tipo falda corta. Pistons están hechos de una aleación de aluminio fundido que es fácilmente y tiene una excelente conductividad térmica para para cumplir los requisitos impuestos por el movimiento continuo, a alta velocidad. Segmenþii Son el número tres, dos y una compresión lubricación y montaje radica en ºanþurile proporcionada en objetivo de mantener el pistón y durante el movimiento Extremadamente rápido a cuerpos etanºeitãþi. Tener un papel crítico en términos de presión compresión, el consumo de petróleo, compresión, explosión y, En general, el rendimiento del motor. Pernos de pistón Bolþul pistón no está montado en el pistón o en Biel estar abierto en ambos extremos. Su función es la de transmitir pistón de potencia que conecta cabeza de la varilla. DISTRIBUCIÓN rueda CORREA RUEDA DE UNA DISTRIBUCIÓN Árbol de levas • Bombas de agua • ALTERNADOR Tensor de correa de distribución PIÑÓN DISTRIBUCIÓN FIG. CORREA 6 DISTRIBUCIÓN - 6B Suporþii Su propósito es reducir las vibraciones del motor y las de impacto en su facturación. Salir un soporte tanto en la admisión y escape y dos como medios a la caja de cambios. Febrero SOPORTE TRASERO Tres SOPORTE DELANTERO Uno 4 5 SOPORTE CAJA 1. 2. 3. 4. 5. PISTON COMPRESIÓN SEGMENÞI LUBRICANTE SEGMENTO Bolth pistón Anillo de seguridad ALMOHADAS FIG. 6B - 7 Localización SUPORÞILOR FIG. 6B - 5 PISTON SEGMENÞI, bolth, Anillo de seguridad
  • 90.
    6B-6 motor (Mecánico) VEHICULO PRESIONDE COMPRESION CHEQUE Llevar a cabo las siguientes acciones: 1. motor se calienta a la temperatura de funcionamiento servicio. 2. El motor se para. 3. Retire las bujías y bujías hojas de datos de distribuidor. 4. Retire el filtro de aire. 5. Introduzca compresmetrul en un agujero de la bujía. VERIFICACIÓN DE vacío alcanzó MOTOR El colector de vacío hizo un buen indicador del motor, y se verifica como de la siguiente manera: 1. motor se calienta a la temperatura de funcionamiento servicio. 2. Se detiene el motor, y se conecta al vacío o la manguera de vacío al colector de admisión. 1. COMPRESMETRU (09.915-64.510) 1. Vacumn (09915 a 67310) FIG. 6B - 8 COMPRESMETRULUI de montaje 6. debreiazã (para aliviar la carga de arranque) el acelerador se presiona totalmente a abrir completamente el acelerador. 7. motor de la actuación y se lee el motor de arranque mayor presión sobre compresmetru. Estándar La presión en Compresión (Kgf / cm2) 300 ÷ 400 rpm Límite Diferencias cilindro entre 12.5 12 a 13 1,0 o superior menos FIG. 6B - 9 Conexión de vacío 3. Hacer funcionar el motor al ralentí, y en este se lee la indicación de condición de medición en vacumn. De vacío estándar (mm Hg) 460 ± 20 4. Cuando se mide, Vacío y retírela conectar la manguera de vacío. 8. Durante la verificación se asegurará una mejor etanºeitate de compresmetrului el orificio de la bujía.
  • 91.
    MOTOR (Mecánica) 6B-7 VERIFICACIÓNDEL ACEITE PRESION ¡CUIDADO! Antes de comprobar la presión de aceite será compruebe lo siguiente. • Comprobar el nivel de aceite y se completará si es necesario. • Cambie el aceite se diluye si está desgastada o desvanecido. • Revisar y reparar si las pérdidas caso. 5. Tras la verificación, el hilo etanºeazã manocontactului con cinta aislante y apretar al par especificado. 6. Botas y comprobar el aceite del motor no fluirá en manocontact. Par de apriete de manocontactului (kgf • m) 1,2 ÷ 1,6 ¡CUIDADO! La cinta será único hilo no entre en agujero manocontactului. CAMBIO DEL FILTRO DE ACEITE Se va a cambiar usando el filtro de Chie. ¡CUIDADO! Al instalar el filtro debe ser lubricado junta su aceite de goma. Uno Par de apriete el filtro de aceite (kgf • m) 1. MANOCONTACT 1,2 ÷ 1,6 cada 10.000 kilometros FIG. 6B - 10 MANOCONTACT 1. Retire la manocontactul bloque del motor. 2. Monte el medidor en su lugar manocontactului. 3. El motor arranca y se calienta hasta temperatura de funcionamiento. 4. El número de vueltas a 2.000 rpm y se lee presión de aceite. La presión de aceite (kg / cm2) 2,5 a 3,0 Filtro cambiará a 1. FILTRO DE ACEITE CLAVE (09915-47.340) FIG. 6B - 12 FILTRO DE ACEITE DE MONTAJE CAMBIO DE ACEITE DEL MOTOR 1. Vacíe el aceite del motor desenroscando el relleno Vaciar el cárter de aceite. 2. Después de drenar el tapón del aceite está montada en el lugar de Vaciar el cárter de aceite y apriete bien. 3. Verter aceite a través del agujero en la tapa tapa culata. 4. Consulte la tabla siguiente para aceite recomendado Y la capacidad de: FIG. 6B - 11 ASAMBLEA manómetro de aceite
  • 92.
    6B-8 MOTOR (Mecánica) Capacidad aceite(L) Intercambio Regular (Incl. Filtro de aceite) Después de la reparación del motor 2.5 (2.7) 3.0 ESTADO NO. CIL. EN EX EN EX Uno Uno Uno Febrero Uno Tres TDC en el cilindro No.1 (compresión) BDC al cilindro No. 1 (una rotación de punto el punto muerto superior) Uno Uno Uno -30 La temperatura ambiente Aire ° C -20-1.001.020 SAE 10W -30 30 Una X. símbolos indican donde el juego de balancín puede ser medido y ajustado. Febrero 1. 2. 3. Tuerca de seguridad Juego de tornillos Juego de tornillos Válvula Tail La Uno SAE 5W -30 ¡CUIDADO! Use solamente el aceite recomendado. Tres FIG. 6B - 14 JUEGO PARA excursionistas Rockero Ajuste de Luz 1. Retire la tapa de la culata. 2. gira el cigüeñal hasta que el cilindro # 1 llega a la compresión TDC. (Marque llegar en punto muerto despedido de compresión que el distribuidor rotor es en la dirección del cilindro de cocción de secuencia nº 1) FIG. 6B - 15 MEDICIÓN DEL JUEGO PARA Los excursionistas Juega el balancín (A) FRÍO EN EX EN EX 0.15 ± 0.02 0.20 ± 0.02 0.25 ± 0.02 0.30 ± 0.02 FIG. 6B - 13 TDC EN COMPRESIÓN 3. Compruebe y ajusta el juego rockero usando medidores. Joculla balancín (Mm) CALIENTE 4. debilita tuerca de seguridad y ajusta el juego rockero tornillo de ajuste girando a la izquierda o a la derecha. Después de esto, apriete la tuerca de seguridad con el par especificado y vuelva a comprobar el juego es el rockero.
  • 93.
    MOTOR (Mecánica) 6B-9 ¡CUIDADO! Siel motor caliente, trae el punto en el que comienza el ventilador eléctrico, luego se detiene y después de 20 ~ 30 minutos cambiar a control. Pero es recomendable ajuste de frío. DISTRIBUIDOR Desmontaje 1. 2. 3. 4. Desconecte el negativo (-) de la batería. Retire la caja distribuidora. Retire la bomba de combustible. Al retirar la carcasa de distribución, se escapará un poco de aceite de motor, por lo que poner un trapo debajo ella. Apriete la tuerca bloquear (kgf • m) 1,5 ÷ 2,0 FILTRO DE AIRE El elemento de filtro de la carcasa del filtro de aire que se encuentra es de tipo seco. Periódicamente verifica su condición limpieza y limpiará o sustituir, según corresponda. Reemplace el elemento filtrante de aire (en condiciones normales cada 20.000 kilometros caminar) Tres FIG. 6B - 17 DISTRIBUIDOR, El dispensador Febrero Uno Montaje Los retrocesos en el desmontaje. Va a cuidar de los siguientes: • • utilizará una nueva junta. ajustará la distribución, teniendo en cuenta la dijo que el vehículo de servicio. 1. 2. 3. 4. MONTAJE FILTRO DE AIRE Filtros CUBIERTA DEL FILTRO DE AIRE Set 4 FIG. ELEMENTO 16 QUITAR - 6B FILTRADO
  • 94.
    6B-10 MOTOR (Mecánica) Carburadory el colector de admisión Uno Febrero Tres 4 5 1. 2. 3. 4. 5. Cable del acelerador ASAMBLEA CARBURADOR CARBURADOR AISLAMIENTO Colector Set FIG. 6B - 18 carburador y el colector de admisión Eliminación 1. Retire la carcasa del filtro de aire. 9. Desconecte el circuito de derivación de manguera enfriarse. 10.Se Retire el colector de admisión. Tres Montaje Los retrocesos en el desmontaje. Asegúrese de lo siguiente: • Uno Febrero reunirá a los tornillos de montaje del carburador con el par especificado 1. 2. 3. 4. MONTAJE FILTRO DE AIRE Filtros CUBIERTA DEL FILTRO DE AIRE Set par para carburador (kgf • m) 4 1,8 ÷ 2,8 • FIG. 6B - 19 Extracción FILTRO AIRE 2. Desconecte el cable del acelerador de carburador. 3. Retire las mangueras de refrigeración. 4. Desconecte la manguera de combustible. 5. Desconecte la manguera de vacío. 6. Retire el conjunto del carburador. 7. Retire el colector de la válvula EGR de admisión. 8. Retire la manguera de la servo freno de tambor. pernos y tuercas deben apretarse montaje colector de admisión con el par especificado par para colector (kgf • m) 1,8 ÷ 2,8
  • 95.
    MOTOR (Mecánica) 6B-11 Colectorde escape FUENTE palanca selectora AIRE 4 Tres INVIERNO - 15 ° C + PALANCA Febrero VERANO Uno 1. el aire secundario 2. ESCAPE CUBIERTA GALERÍA 3. Colector de escape 4. Juntas FIG. Colector 20 de escape - 6B par para colector de escape (kgf • m) 1,8 ÷ 2,8 FIG. Selección de la fuente 21 de palanca - 6B AIRE Posición de la palanca selectora se selecciona la fuente posición estándar de aire 15 ° C en verano o en invierno después caso. Eliminación 1. Retire el aire secundario. 2. Retire la tapa del colector de escape. 3. Retire los tornillos de la galería panel. 4. Retire el colector de escape a la culata. ¡CUIDADO! Selección de una palanca en la dirección equivocada puede causar un motor de marcha irregular. Se maniobrar Dependiendo de la temperatura ambiente. Montaje Los retrocesos en el desmontaje. Ella se hará cargo de los siguientes: • Comprobar la estanqueidad y si dañado Sustituir por uno nuevo. • Se ha especificado par Instale apriete.
  • 96.
    6B-12 MOTOR (Mecánica) CORREAdistribución y tensor de la correa Uno Febrero Tres 5 6 1. 2. 3. 4. 5. 6. DISTRIBUCIÓN INTERIOR CUBIERTA CORREA Rueda DISTRIBUCIÓN DISTRIBUCIÓN EXTERIOR CUBIERTA CORREA DISTRIBUCIÓN EXTERIOR CUBIERTA CORREA Tensor de correa de distribución CORREA DE DISTRIBUCIÓN 4 FIG. 6B - 22 CORREA DE DISTRIBUCIÓN, cubierta de la correa de estiramiento, DISTRIBUCIÓN Eliminación 1. Mueva el cilindro no. 1 a TDC por rotación de la polea del cigüeñal. 2. la polea del cigüeñal. 3. Cubra la parte exterior. 4. tensor de correa. 5. Distribución de la correa. Bombas de agua RUEDA DE DISTRIBUCIÓN ALTERNADOR Tensor de correa de distribución PIÑÓN DISTRIBUCIÓN FIG. 6B - 23 ÁRBOL DE REMOCION Pulley Serpenteando FIG. 6B - 24 DISTRIBUCION DESMONTAJE DE LA CORREA
  • 97.
    MOTOR (Mecánica) 6B-13 Febrero Tres ¡CUIDADO! Nogire el cigüeñal o del árbol de levas mientras que la correa de distribución es desmontable. Los pistones saldrán a las válvulas si el cigüeñal girará por 30 ° o más hacia puntos de referencia montando la distribución. Uno Inspección • • Cambie la correa si la distribución dañadas o desgastadas. Compruebe el buen funcionamiento del tensor. 1. 2. 3. Rueda DISTRIBUCIÓN Caballo BANDERA DISTRIBUCIÓN INTERIOR CUBIERTA CORREA Montaje Los retrocesos en el desmontaje. Ella se hará cargo de los siguientes: • Asegúrese de apretar la mano los tornillos antes de montar tensor. FIG. 6B - 26 MARCAS paseos a DISTRIBUCIÓN (Árbol de levas) Uno Uno Febrero Febrero 1. 2. 1. 2. Tensor Tornillo tensor BANDERA estampada en la superficie de la bomba de aceite Punzonado piñón BANDERA FIG. 6B - 25 soportes A Tensor ¡CUIDADO! Se reemplazará el resorte del tensor con una nueva. • Cualquiera de las dos partes de la rueda de distribución debe coincidir con la cubierta integral • • FIG. 6B - 27 DESTACADOS DE DISTRIBUCIÓN (PIÑÓN DISTRIBUCIÓN) cinturón consiguiente. Y en forma que gira el cigüeñal marcan en piñón en la superficie junto a la bomba de aceite. Alinear las marcas en la rueda con la distribución la distribución de la rueda dentada y luego instalar la distribución y el resorte tensor de la correa está montado. ¡CUIDADO! Antes de instalar la correa de distribución, verificar dirección de la flecha sobre la cinta y está montado de modo que corresponden a la dirección de rotación.
  • 98.
    6B-14 MOTOR (Mecánica) • RuedaDISTRIBUCIÓN Apriete la polea del cigüeñal con el par especificado. Par de apriete de la polea cigüeñal (kgf • m) 6,5 ÷ 7,5 Bombas de agua ALTERNADOR Tensor de correa de distribución PIÑÓN DISTRIBUCIÓN FIG. 6B - 28 CORREA DE DISTRIBUCIÓN DE MONTAJE • Monte la distribución gira correa y el cigüeñal dos vueltas en el sentido de giro, entonces Apriete el tornillo tensor con el par especificado. Vuelva a comprobar la alineación de todas las partes distribución. Apriete el tornillo tensor (kgf • m) 1,5 ÷ 2,3 FIG. 6B - 30 MONTAJE polea del cigüeñal • Ajuste las válvulas de admisión y de escape juego consultando la página 6B-18. Uno Febrero 1. 2. Tensor Tornillo tensor FIG. Tornillo 29 ESTANQUEIDAD - 6B Tensor
  • 99.
    MOTOR (Mecánica) 6B-15 Bombade aceite Principio de funcionamiento Bomba de Rotary ABSORÞIE NO. Uno EXTERIOR ROTOR ABSORÞIE NO. Febrero ABSORÞIE NO. Tres ENTREGA ENTRADA FIG. 6B - 31 bomba rotativa Bomba rotativa también se conoce como la trohoidã bomba, que consta de dos rotores uno en el interior y una trohoidã exterior, de conformidad con la curva. Número rotor interior diente dientes hacia el rotor exterior. Tanto el interior y el rotor bomba rotativa carcasa exterior, spinning rotor externo dentro de la acceaºi porque la dirección de , y por lo que el cigüeñal. El impulsor giratorio, sus dientes engrana con el rotor exterior, uno tras otro objetivo diente realizându- así un transporte de petróleo de volumen variable. El aceite es empujado hacia el mar de vacío y luego transportado el lado opuesto en un espacio más pequeño y por lo tanto se presiona hacia fuera en el puerto de descarga debido a la restricción de espacio. Especificaciones Lubricación La capacidad de aceite Cambie el aceite Cambio del filtro de aceite Aceite recomendado Bomba de aceite Tipo Filtro de aceite Tipo Presión operacional la manocontactului La presión de aceite (2000 rpm) Tipo forzada para cambiar el filtro una vez: 2,7L Después de la disolución del motor: 3,0L cada 10.000 kilometros o cada 6 meses cada 10.000 kilometros más grados, SAE 10W-30 de tipo rotativo (trohoid) Elemento de filtro 0,3 ± 0,1 kg / cm2 2,5-3,0kg / cm2
  • 100.
    6B-16 MOTOR (Mecánica) Inspección 4 Uno Tres Febrero • • Verificarel estado y Sustituya el retén si está dañado. Compruebe el estado de desgaste, la placa del rotor y la la vivienda. Medición Medir la distancia entre el rotor exterior y el alojamiento a la utilización de galga, y si eso es por encima de la especificado se sustituyen o rotor exterior o la vivienda. Distaþa del rotor exterior y carcasa (mm) 0.31 menos Y Mayo 1. 2. 3. 4. 5. Bomba de aceite GENERAL INTERIOR ROTOR EXTERIOR ROTOR Lugar ROTOR Válvulas Descargar Uno FIG. 6B - 32 bomba de aceite Eliminación 1. polea del cigüeñal, tapa exterior, tensor de la correa distribución 2. Distribución del piñón 3. Apoyar el motor delantero 4. Aceite de Baño 5. Sorb 6. La bomba de aceite Febrero 1. 2. EXTERIOR ROTOR INTERIOR ROTOR FIG. 6B - 34 midiendo la distancia Distancia lateral Medir la distancia usando un lado calibre borde y espesores recta. Distancia lateral (mm) 0,15 y menos FIG. 6B - 33 tornillos REMOCIÓN BOMBA DE ACEITE
  • 101.
    MOTOR (Mecánica) 6B-17 •Monte el par de apriete de la bomba de aceite es especificado. Bomba de par aceite (kgf • m) 0,9 ÷ 1,2 FIG. 6B - 35 la medición de la distancia SIDE Montaje Los retrocesos en el desmontaje. Ella se hará cargo de los siguientes: • Al instalar la bomba de aceite protegerá sellar con un guía. • FIG. 6B - 37 COGE bomba de aceite Se corta con una bomba de sello de borde de cuchillo aceite que sale por el borde del bloque del motor por lo que es de la misma altura con el bloque del motor. Uno Febrero 1. 2. Cigüeñal GUÍA Seal FIG. 6B - 36 GUÍA DE MONTAJE Sello FIG. 6B - 38 VANGUARDIA SEAL • Consulte las páginas anteriores para el montaje correa de distribución.
  • 102.
    6B-18 MOTOR (Mecánica) Culata,árbol de levas, válvulas, balancines EJES 1. 2. 3. 4. 5. 6. 7. 8. 4 Cilindro Guía de la válvula Árboles de levas AX excursionistas Los excursionistas Válvulas del ARCO Válvula de admisión VÁLVULAS DE ESCAPE 5 Tres 6 Uno 7 Febrero 8 FIG. 6B - 39 culata, árbol de levas, EJES Balancín Eliminación 1. Buclier cara, máscara facial 2. Desconecte la manguera inferior del radiador y es se vacía de líquido refrigerante 3. filtro de aire de la carcasa 4. manguera refrigerante 5. Las mangueras de vacío 6. Las zapatas de freno 7. cable del acelerador 8. Cableado 9. distribución cubierta exterior y correa del cinturón distribución. Tensor. Distribución cinturón interior 10.Capac Centros de evacuación 11.Þeavã 12.Galerie escape 13.Distribuitor Cilindro 14.Capac Retire los tornillos de culata 15.Se (8) y todo culata. Febrero 8 6 4 Tres 5 7 Uno FIG. 6B - 40 tornillos REMOCIÓN Culata
  • 103.
    MOTOR (Mecánica) 6B-19 Desmontaje 1.Retire el dispensador y galería salida para el desmontaje fácil. 2. Tornillos del eje de balancín 5. Monte el dispositivo de resorte comprimido válvulas, muelles de válvula se comprimen y se Retire válvulas fusibles. 1. 2. Dispositivo Tablet resortes de válvula (09916 a 14510) Tablet ADAPTADOR resortes dispositivo VÁLVULAS (09916 a 48210) Febrero FIG. Tornillo 41 QUITAR - 6B Rockero EJE 3. Retire los ejes basculantes de admisión y escape balancines y manantiales. Uno FIG. 6B - 44 DISPOSITIVO DE MONTAJE Resortes de válvula comprimido FIG. 6B - 42 REMOCIÓN AXE excursionistas 4. Retire el árbol de levas en la culata. Febrero Uno Uno 1. Árboles de levas 1. 2. Pinzas (09.916 a 84.510) VALVULA DE SEGURIDAD FIG. Árbol 43 QUITAR - 6B CAME FIG. 6B - 45 VALVULA DE SEGURIDAD DE REMOCION
  • 104.
    6B-20 MOTOR (Mecánica) 6.Retire los resortes de dispositivos tablet y luego dejar de resorte de válvula y resorte de la válvula. 7. Retire las válvulas. 8. Retire la junta de la válvula y el asiento del resorte la válvula. ¡CUIDADO! Será reemplazado Seal eliminado. No vuelva a usar. Tamaño Altura de leva (Mm) EN EX Estándar 36132 36135 Límite 36.10 36.11 H Uno Febrero Tres FIG. 6B - 48 MEDICIÓN altura cameo 1. 2. 3. Válvulas de Seal Destornillador ARC asiento de la válvula La medición de la flexión del árbol de levas Flexión del árbol de levas de medición se realiza utilizando comparador, y si el valor medido está por encima límite especificado, sustituya el árbol de levas. Doblar Límite (mm) 0,03 y menos FIG. 6B - 46 Separación Válvulas Seal 9. martillo y extractores guías de válvulas Retire la guía de válvula de la cámara de combustión dirección por el resorte de la válvula. ¡CUIDADO! Guía desmontado válvula sustituida Nueva un tamaño más grande. No vuelva a utilizar la guía de la válvula. Uno FIG. 6B - 49 MEDICIÓN flexión del eje CAME 1. Válvula GUÍA EXTRACTOR (09916 a 44910) Use cojinetes del árbol de levas Mida el diámetro exterior de cada desembarque en 4 lugares diferente y, usando un micrómetro interior, medir diámetro interior de los rodamientos de la culata en 4 lugares. El nivel de juego está dada por la diferencia entre el diámetro y el taladro del eje del cojinete. Sustituirá árbol de levas (o de la culata, si es necesario) si no entran dentro de los límites especificados. FIG. GUÍA DE REMOCION 47 VALVULA - 6B Inspección Use levas Medir la altura de la leva usando un micrómetro, y reemplazará el árbol de levas si el valor medido es menor que el límite especificado.
  • 105.
    MOTOR (Mecánica) 6B-21 Tamaño Eljuego Rodamientos (mm) Estándar 0.050 ~ 0.091 Límite 0.15 Diámetro exterior, diámetro interior, El tamaño del cojinete del eje de rodamiento del cilindro leva (orificio) Estándar a Límite Estándar b Límite Estándar c Límite Estándar d Límite 43450 ÷ 43425 43375 43625 ÷ 43650 43575 43825 ÷ 43850 43775 44025 ÷ 44050 43975 43500 ÷ 43516 43525 43700 ÷ 43716 43725 43900 ÷ 43916 43925 44100 ÷ 44116 44125 FIG. 6B - 51 midiendo el diámetro Diámetro (DIN aterrizaje Cilindro) La desviación del eje de balancín Mida la deflexión utilizando bloques V y com- tor. Se reemplazará el eje basculante cuya desviación es por encima del límite. ARBORECUCAME Frente a la polea PARTE A LA BOMBA GASOLINA Límite de flexión (mm) 0.10 FIG. 6B - 52 MEDICIÓN DEL EJE flexión Balancín FIG. 6B - 50 midiendo el diámetro Los rodamientos del árbol de levas El juego entre el balancín y el eje Estándar 0.005 ~ 0.040 Límite 0.06 El juego entre el balancín y el eje Mida el diámetro del eje de balancín y el diámetro rockero interior y exterior usando un micrómetro cuencia y una interior. Sustituirá a los brazos del eje o del eje de balancín
  • 106.
    6B-22 MOTOR (Mecánica) ouno y otro, y si la diferencia está por encima del límite de diámetro interior y exterior. Si hay micrómetro interior, juego medida utilizando un comparador moviendo el borde de cola direcciones 1, 2. El usuario deberá reemplazar la válvula si el valor medido es fuera de serie. El juego limita la cola 12 (mm) EN EX 0.14 0.18 Uno FIG. 6B - 53 medición del diámetro del eje Los excursionistas y el diámetro INTERIOR excursionistas Guía de la válvula Medir el diámetro del vástago de la válvula y el diámetro guía (al menos en un sentido longitudinal), y es Calcular el juego entre la cola y guía Tamaño Diámetro del vástago válvula (mm) Diámetro interno guía de la válvula (mm) El juego entre la cola y guía (mm) EN EX EN EX EN EX Estándar 5465 ÷ 5480 5440 ÷ 5455 5500 ÷ 5512 5500 ÷ 5512 0.020 ÷ 0.047 0.045 ÷ 0.072 Límite - - 5.53 5.53 0.07 0.09 Febrero FIG. 6B - 55 MEDICIÓN DEL JUEGO LA COLA VALVULA Válvulas • • • Eliminar los depósitos en las válvulas. La válvula de retención para el desgaste o la cola, ardor, Doblado y será sustituido en caso de necesidad. Compruebe el desgaste de cada punta de la válvula de la cola. El área de contacto de la cola del eje de balancín de la válvula se puede producir un desgaste desigual. Reparación de la superficie hasta 0,5 mm en su caso, o Reemplazar si ser tratados posteriormente. El pico superficie válvula (mm) cola de 0,5 y menos FIG. 6B - 54 midiendo el diámetro de la cola Válvula integrada y una anchura Ty de la guía
  • 107.
    MOTOR (Mecánica) 6B-23 •Medir la desviación en la dirección de rotación usando un comparador de reloj y un bloque V girando lentamente la válvula. Si el valor medido excede el límite reemplazará la válvula. Desviación límite a la cesta válvula en la dirección de rotación (mm) 0.08 Uno 1. Bandejas anchura de contacto de una válvula FIG. 6B - 57 bandejas anchura de contacto VALVULA en toda la superficie. Reparar el asiento de la válvula FIG. 6B - 56 DESVIACIÓN DE MEDICIÓN EN Sentido de giro Fresado y reparación por si lamiendo ancho de contacto no es uniforme o fuera de especificación. • El asiento de molienda utilizará primero un corte de pelo con un ángulo inferior, y aumenta el ángulo en el procesamiento de la final, que será un corte de pelo en 45 °. ¡CUIDADO! • durante la molienda se hará cargo de ancho Contacto. • El fresado final será reducir gradualmente el poder empujar a no permanecer signos arañado la superficie. Compruebe lãþimii Contacto Se limpia el asiento de válvula y la válvula y se aplica una capa de El rojo tuº la superficie de contacto del asiento de válvula. Pisa suavemente la válvula de retención está sentado después de la él. Un buen contacto significa una anchura de los contactos igual Ancho de contacto el asiento de válvula (mm) a EN EX 1,46-1,66 Uno 1. Asiento de la válvula Mills FIG. Asiento de la válvula 58 FRESADO - 6B
  • 108.
    6B-24 MOTOR (Mecánica) ¡CUIDADO! Medirla planeidad superficie de la cabeza del cilindro cada diagonal. 15 45 15 45 (Admisión) (SALIDA) FIG. 6B - 59 ángulos de asiento Válvula Ovalidad máxima admisible la cabeza de válvula (mm) FIG. Culata 60 MEDIDA - 6B 0.05 El límite de la deformación del colector (mm) 0.10 Culata • • Retire depósitos en la cámara de combustión. Tenga cuidado de no zgâriaþi agujeros en la cabeza del cilindro De escape y de admisión, cámara de combustión y superficie de los asientos de la culata y válvulas. ¡CUIDADO! Todos los depósitos deben ser removidos sin rayar las superficies de la cabeza del cilindro, válvulas y asientos de válvula. Culata planitud Medida planitud 6 lugares diferentes con una regla derecho y un calibrador. Si el valor medido está por encima límite permisible está marcada por la distorsionada colocado sobre una superficie plana y reparado por abrasión Fine. Si la reparación no es posible, culata reemplazará. La deformación de la superficie de la cabeza del cilindro puede reducir pérdida de potencia debido a la compresión. La deformación de la superficie de la galería de los asentamientos Inspeccione la superficie de la galería de los asentamientos culata utilizando una regla y una galga y reparación o reemplazar la culata si es necesario. FIG. 6B - 61 Las mediciones de deformación Las superficies de los asentamientos A Colector de admisión Resortes de válvula Muelles de válvulas débiles pueden causar vibraciones, sin hablar de la posibilidad de la potencia del motor debido a la disminución escape de los gases producidos por la reducción de la presión colocar el asiento de la válvula. Reemplace los resortes de válvula cuya longitud libre y estado de carga son inferiores a los admisible.
  • 109.
    MOTOR (Mecánica) 6B-25 FIG.6B - Longitud 62 de medición ARC En gratuita FIG. 6B - 64 MEDICIÓN ORTOGONALITÃÞII CARTUCHOS DE PRIMAVERA Montaje 1. Antes de instalar las nuevas guías de las válvulas de la culata, Acabará aburrirlos con un escariador 11mm para eliminar las rebabas. Se pretende que sea agujeros perfectamente circulares. Uno FIG. 6B - Longitud 63 de medición ARC TABLETA Nombre En la longitud de arco estado libre (mm) Arco largometraje (Kg / 44,2mm) Resortes de ortogonalidad Mide cada primavera utilizando una ortogonalidad gobernante Y una ley del cuadrado. Sustituirá resortes de válvula cuya salida es por encima del límite. Límite de desviación de ortogonalidad resortes de válvula (mm) 2.4 ¡CUIDADO! Una vez desmontado una guía de válvula no reutilizar, pero será reemplazado por uno de tamaño ampliar. Estándar Límite 54.45 23,4 ÷ 27 53.4 22 2. Monte la guía de la válvula. • Será calienta uniformemente a una temperatura de culata 80 ÷ 100 ° C para no distorsionada, y es introducir nuevas directrices por completo con el carro inserte las guías de válvulas. • Después de la instalación, compruebe la culata de guiar. 3. rehacer agujero de guía de válvulas con un escariador de 5,5 mm, y se elimina cualquier material extraño. 1. Escariador 11 mm (desde 09916 hasta 38210) FIG. 6B - 65 Escariador
  • 110.
    6B-26 MOTOR (Mecánica) Lasalchicha cecina de gran tamaño válvula (mm) La profundidad de penetración guía de la válvula (mm) 0.03 14 5. Monte la válvula en la guía. Antes de instalarlos, debe ser lubricado con aceite de motor y el orificio de la válvula de la cola guiar. Tres Febrero Uno 1. 2. 3. Guía de la válvula Installer (09.917-98.220) Dispositivo DORN GUÍA válvula de montaje (09916 hasta 58210) Válvula Penetración GUÍA distancia (14MM) FIG. 6B - 68 Conjunto de válvula 6. Instale el resorte de la válvula y la seguridad de la primavera. • Cada resorte de la válvula tiene un extremo superior (paso de gama alta) y un menor paso (extremo inferior). Se lo colocará correctamente con el extremo inferior (paso El extremo inferior) para el asiento del resorte. Tres FIG. Válvula 66 GUÍA DE INSTALACIÓN - 6B Febrero Uno Uno 1. 2. 3. 1. Guía de la válvula 2. Escariador 2,5mm 4. Zancada Pasito Termine de SEGURIDAD Termine de ASIENTO Febrero 4 FIG. Válvula GUÍA 67 ENMIENDA - 6B 4. Coloque una nueva guía de la válvula Sello la válvula. • Después está equipado grasa y aceite de motor la guía de la válvula, que será bien sujeta Comprueba en el mismo. ¡CUIDADO! • No vuelva a usar el sello de edad, pero lo hará utilice uno nuevo. • Durante la instalación, el dispositivo no le ganará martillo o algo. Se montará sello la guía por el levantamiento de la gotas de miel. Golpear el dispositivo puede provocar dañar el sello de aceite. FIG. 6B - 69 válvulas del ARCO 7. Utilice las válvulas montadas comprimidos y la carga del muelle de válvula con pinzas fusibles válvula en la zanja en la cola. 8. Aplique aceite de motor en la leva y los niveles árbol de levas. 9. Monte el árbol de levas de la caja engranajes.
  • 111.
    MOTOR (Mecánica) 6B-27 Tres Uno Montaje Serealiza en orden inverso al desmontaje. Ten cuidado la siguiente: Febrero Y la junta de la culata Se reemplazará la junta de culata por una nueva Después del partido se confirma agujeros de aceite. El agujero aceite en juntas de culata son para el polea del cigüeñal. APERTURA DE ACEITE 1. 2. 3. DISP. Monte VÁLVULAS Pinzas VALVULA DE SEGURIDAD FIG. 6B - 70 INTRODUCCIÓN FUSE VALVULA FIG. 6B - 73 SELLO DE MONTAJE Cilindro Culata Cepille los tornillos de culata con aceite de motor, y es Apretar al par especificado en el orden indicado. FIG. 6B - 71 de levas MONTAJE 10. Cepillo con petróleo y axel balancines rockero, y está montada basculante brazos, muelles y ejes de balancín. Rocker ejes para válvulas de admisión y escape son idénticos, pero instrucciones de montaje difieren. Par de apriete de tornillos de culata (kgf • m) 6,5 ÷ 7,0 7 Uno Tres 5 8 4 Febrero 6 FIG. 6B - 74 secuencia de apriete Tornillos de culata • FIG. 6B - 72 Instrucciones de montaje EJES rockero Será apriete al par la polea del cigüeñal, mediante dispositivo especial (inmovilizador árbol).
  • 112.
    6B-28 MOTOR (Mecánica) 5.5÷ 6.0 El par de apriete de la polea del cigüeñal (Kgf • m) • Consulte la página anterior para los ajustes Válvulas de admisión y escape. 7. Marca el pistón y el cilindro número Biel con un marcador. 8. Proceda con pistones y bielas de cilindros # 2 Y 3 para la secuencia de los párrafos 3 ÷ 7. PISTON SEGMENÞI Biel y CILINDROS Desmontaje • • Retire la compresión segmenþii y lubricación Utilice la segmenþi eliminado, y es tener cuidado a fin de no mezclar. Retire circular seguridad y eliminar bolþul para separar pistón pistón biela. Uno Febrero Tres 4 Limpiar • Eliminar los depósitos de carbono en los pistones Y segmenþi con un paño suave. En este proceso para limpiar No utilice herramientas de metal o de fuerza en exceso. 8 9 5 7 6 1. 2. 3. 4. 5. 6. 7. 8. 9. NO.1 SEGMENTO SEGMENTO NO. Febrero LUBRICANTE SEGMENTO PISTON Biel CUBIERTA Biel CUZINEÞI Bolth pistón Anillo de seguridad Inspección Cilindros • Limpia y comprobar las paredes del cilindro con el tiempo arañazos o desgaste excesivo. Habrá, mate a un Si usted usa el tamaño cotas superiores. • Medir el diámetro de los cilindros utilizando una las direcciones longitudinales dentro de micrómetros y cruzar. Se medirá en tres lugares (véase el gráfico). En los siguientes casos tamaño honuieºte siguiente: 1. límites de desgaste del cilindro. 2. Taper resultado de la medición en el 3 puntos es por encima del límite (perpendicular). 3. ovalidad resultado de la medición en el 3 puntos es sobre el límite. FIG. 6B - 75 Despiece Pistón asamblea Biel Eliminación 1. Retire las piezas montadas en el bloque del motor. 2. Invierta el bloque del motor para eliminar baño Aceite y el filtro. 3. gira lentamente el cigüeñal para llevar el posición de la biela gran final, y Loosen Conexión pernos de la barra. 4. Retire la tapa de la biela. 5. Inserta un tornillos de manguera las barras para evitar rayar las paredes del cilindro o cigüeñal. 6. Retire la cabeza del pistón del cilindro y la varilla de empuje. Tamaño Diámetro del cilindro (mm) Taper (mm) Oval (mm) Límite Ø68,570 0,10 y menos 0,05 y menos Uno 1. MANGUERA FIG. 6B - 76 mangueras INTRODUCCIÓN
  • 113.
    MOTOR (Mecánica) 6B-29 PRECAUCIÓN •Para aumentar el tamaño, debe ser hacer el mismo valor en los tres cilindros. • ampliaciones estarán en el rango de 0.25, 0.50, 0.75 y 1.00, y el tamaño que deben adoptarse mismo para el cilindro, el pistón y segmenþi a rectificado y luego la instalación. Pistons • • Limpia pistones con un paño suave y verificación si debe ser reemplazado. Use un micrómetro para medir el diámetro exterior del pistón. Diámetro exterior el pistón se mide en la dirección perpendicular a la bolþul 15 mm altura de pistón desde la base de la falda. Uno Febrero Uno Tres 1. 15MM FIG. 6B - 78 Medir el diámetro exterior de Cuencia pistón Estándar Comparto 0.25 Diámetro al aire libre pistón (mm) tamaño superior Ø68,465 ÷ Ø68,485 Ø68,715 ÷ Ø68,735 cuota II Ø68,965 0,50 ÷ Ø68,985 Juego Pistón Calcular la diferencia entre el valor medido diámetro interior del cilindro (50 mm por debajo de la superficie de la cabeza del cilindro) y el diámetro exterior pistón (15 mm por encima del borde de la falda del pistón). Juega el pistón (mm) 0.025 ÷ 0.045 FIG. 6B - 77 Y puntos de medición Medición de diámetro CILINDRO PRECAUCIÓN Al medir el diámetro interior del cilindro Y el diámetro exterior del pistón es valores calculados miden tanto juego direþia movimiento y la dirección del eje como se pistón bolþului.
  • 114.
    6B-30 MOTOR (Mecánica) Elsegmento de juego en el canal Se limpia los escombros de canal antes de montar segmento, y se mide holgura entre el segmento y el canal un calibrador. Si el valor medido excede el límite, que sustituye pistón. Segmento Juego segmento en el Canal (mm) Estándar Límite 0.10 0.10 4 Febrero Uno Segmento 1 0,02 ÷ 0,06 Segmento 2 0,02 ÷ 0,06 Segmento Lubricación 0,06 ÷ 0,1 Tres 1. 2. 3. Bloque motor Lera SEGMENTO FIG. 6B - 80 Medición SEGMENTO hendidura Uno Bolth pistón Medir la holgura entre el pistón y el jefe bolþul de pistón, y si el resultado de la medición es más de Stan- dard bolþul Reemplazar pistón. Medición Diámetro exterior pistón bolth Febrero Estándar 15.995 ÷ 16.00 16006 ÷ 16014 0.006 ÷ 0.019 Dentro de diámetro de pistón jefe Juego pistón bolth 1. 2. SEGMENTO Lera FIG. 6B - 79 medir segmento de canal Segmento Fanta Para medir la ranura de inserción del segmento segmento de cilindro hasta la posición de punto muerto inferior guiente, y luego usar una ranura galga se mide. Si la diferencia es mayor que el límite, el segmenþii reemplazado. FIG. 6B - 81 medir bolth PISTON Biele • Juega alta extremo axial Comprobar el juego final en el extremo grande de la biela, que tiene montado en el cigüeñal biela normalmente. Donde medido el juego ha terminado límite o cuando descubierto ningún daño a una de las superficies en ambos extremos axiales, la varilla de conexión respectiva o el cigüeñal debe ser reemplazado. Juego de gama alta axial de la varilla (mm) Estándar 0,10 ÷ 0,20 Límite 0.35 PRECAUCIÓN Se va a limpiar los cilindros antes de colocar segmenþilor. Segmento Fanta segmento (mm) Estándar Límite 0.7 0.7 1.8 Segmento 1 0.15 ÷ 0.30 Segmento 2 Segmento Lubricación 0,1 ÷ 0,3 0,2 ÷ 0,7
  • 115.
    MOTOR (Mecánica) 6B-31 • • Seprepara mediante la reducción de un portaobjetos de plástico a una rodamiento longitud-anchura y está clasificado axialmente sobre la muñequilla, sin tapón del orificio de lubricación. Monte la varilla y el cojinete tapa de cierre y apriete con el par especificado. Durante este tiempo no girará en absoluto cigüeñal. Par de apriete de la tapa del rodamiento (kgf • m) 3.1 a 3.5 • Fig. 6B-82 MEDICIÓN axial LA La parte más grande de Biel Flecha torsión Compruebe flecha y barra de torsión dispositivo varillas revisados, y si el límite se supera es Reemplazar. Medición Flecha Torsión Límite 0.05 (a 100 mm) 0.10 (a 100 mm) Retire la tapa, y se mide la anchura escala de medición de deslizamiento de plástico en la carcasa cuchillas de caja. Para esta medición, realizado en la parte más ancha de la zona de compresión Posando con cuidado los valores medidos en ambos extremos de la hoja. Lubricación Juego el rodamiento (mm) Estándar 0020 ÷ 0040 Límite 0065 Si el juego supera el límite reemplazará el rodamiento. Bujes Tamaño Tamaño Estándar Diámetro exterior muñequilla (mm) 37982 ÷ 38000 100MM 100MM DISPOSITIVO DE CONTROL BIELE Fig. 6B-83 de medición flecha torsión Jugando en cuzineþi Verifique que las superficies en busca de rastros cuzineþiIor daños, fusión, ardor, etc. Y se observó después de Contacto. Cuzineþii encontrar defectuoso después de comprobar debe reemplazar. PRECAUCIÓN No Cuzineþii ser reparado por el procesamiento no papel de lija abrasivo mecánico y sin herramientas en las máquinas. • Mida el juego de lubricación de los cojinetes utilizando un plástico laminado. Fig. 6B-84 Uno Febrero 1. lengüeta de plástico 2. Escala JUEGO lubricación medición Cojinetes de biela
  • 116.
    6B-32 MOTOR (Mecánica) Montaje Elrevés de someterse a procedimientos de desmontaje. Va a cuidar de los siguientes: 1. en el conjunto del pistón Biel. • Instale la biela y pistón lejos extremo inferior sobre bolþul pistón y segura con fusible circular. Departamentos están marcados en el montaje de cabeza de pistón, un agujero de flecha y la lubricación en Biel. (ver figura de abajo) Uno Febrero 3. Instale los tres segmenþi ellos posicionando ranuras Fig. 6B-85. 5 4 Uno 7 7 7 7 Febrero A la polea del cigüeñal 1. MARCADO 2. hendidura SEGMENTO NO.1 Tres 3. SEGMENTO NO.2 hendidura 4. SEGMENTO raja LUBRICACIÓN (raspadura ANILLO 06 de agosto SUPERIOR) 5. LA ENTRADA Evacuación 6. PARTE 7. 45 ° 8. SEGMENTO distancia hendidura LUBRICACIÓN 9. SEGMENTO ranura de lubricación (raspar anillo inferior) 9 Tres 4 Fig. 6B-87 Ranuras Posiciones SEGMENÞILOR 1. PISTON 2. FLECHA 3. Biel 4. Los orificios de lubricación (por Lado de admisión) Montaje 1. Aplique aceite de motor a los pistones, segmenþi, paredes cilindros, cuzineþi, pernos de pistón y el muñequillas. 2. Al instalar bielas y pistones están equipados mangas para proteger a los pernos de la biela. 3. Inserte el pistón en el cilindro con la flecha que indica a la polea del cigüeñal. Fig. 6B-85 ASAMBLEA Biel y el pistón • Existe una marcada "R" en la parte superior frontal Segmento no. 2, ya que aparece en la Fig. 6B-86. Al instalar el pistón se sentará con el marcado. No.1 y No.2 • Segmenþii tienen diferentes espesores, así como forma y color de la zona de contacto con el cilindro. Para la identificación, véase la fig. 6B-86. • Cuando se introduce la instalación segmento de lubricación distanþorul primero y luego los dos anillos de raspador. Uno Febrero TAGS Uno Febrero Tres 1 PARTE 2 PARTE polea del cigüeñal volante Fig. 6B-88 MARCAS EN CABEZAS PISTON 4. tablet Comprimir segmenþii segmeþi, sentarse dispositivo de tableta se inserta cilindro segmenþi y cabeza del pistón el cilindro por el pistón golpea fácil. R 1. Segmento 1 2. Segmento 2 3.SEGMENT Lubricación. La Fig. Posición 6B-86 y Mark pistón
  • 117.
    MOTOR (Mecánica) 6B-33 5.desemboca manguera de refrigerante en la parte inferior radiador. Uno 1. Tablet SEGMENÞI (09916 hasta 77310) Fig. 6B-89 INTRODUCCIÓN pistón en un cilindro 5. Monte la tapa de la biela con la flecha apuntando a la polea del cigüeñal y apriete la tuerca de torque especificado. Apriete la tapa varilla (kgf • m) 3.1 a 3.5 Fig. 6B-91 EXTRACCIÓN DE LA BATERÍA DE APOYO 6. carcasa del filtro de aire Disipador de calor 7. 8. cable del acelerador 9. Campana Latch 10. cabezal y cuerno 11. La manguera de servofreno 12. Desconecte los siguientes cables • El cableado del motor principal Conector • cableado del motor de fusibles principales • caja de cambios Arnés • Motor de arranque • Cable de alta tensión • Contacto del conector revertir • mangas de corte de suministro de gasolina Solenoide BVSV (control de vacío bimetal válvula) 13. calentador de la manguera, exterior 14. calentador de la manguera, interior 15. Manguera de gasolina 16. Cable del embrague Pipe 17. Escape 18. cable velocímetro 19. cambiador de varilla, varilla selectora 20. Frente Piñón (izquierda) Manguera de freno 21. Febrero Uno Tres 4 1. 2. Tapa del rodamiento FLECHA 3. 4. PARTE polea del cigüeñal Tuerca tapa del cojinete Fig. 6B-90 MONTAJE COJINETE PLACA 6. Monte las otras partes en el orden inverso desmantelamiento. Consulte cinturón párrafo " distribución y tensor de la correa "en el Capítulo 6B. 7 se inserta en el aceite del motor. 8. relleno con líquido refrigerante (véase el Capítulo 6C). 9. Revisar y ajustar la distribución (véase el capítulo 6F "Configuración de la distribución"). 10. Por último, comprobar posibles fugas o gasolina o aceite refrigerante en cada junta. DESMONTAJE CONJUNTO DE MOTOR Clamp-E Eliminación 1. 2. 3. 4. Bata Batería Ayuda Batería Cara Buclier y el cableado. Fig. 6B-92 MANGUERA DE FRENO OFF
  • 118.
    6B-34 MOTOR (Mecánica) 22.Tornillos amortiguador de apoyo (arriba) 27. Apoyo a la caja de cambios se fue Fig. 6B-93 tornillos RETIRO (DE SUS) CHOQUE DE APOYO 23. El eje de transmisión Motor delantero 24. Apoyo Fig. 6B-96 tornillos de soporte izquierdo CAJA ENGRANAJE 28. El conjunto de motor montado el dispositivo de elevación Fig. 6B-97 LIFT MOTOR ASAMBLEA Fig. 6B - 94 FRENTE DEL MOTOR DE APOYO Motor trasero 25. Apoyo Caja de cambios trasera 26. Apoyo PRECAUCIÓN Antes de levantar el motor completo su dispositivo, se comprueba de nuevo como mangueras Y el cableado alrededor del motor para ser desconectado y libre. Fig. 6B - 95 TRASERO SOPORTE CAJA
  • 119.
    MOTOR (Mecánica) 6B-35 Montaje Losprocedimientos inversos de enrutamiento de desmontaje, teniendo cuidado de que se hiciera la colección en los pares especificados. 8 3,0-5,0 3.5-4.5 11 7 3,0-5,0 3.5-4.5 3.5-4.5 10 3.5-4.5 6 5 3.5-4.5 Tres 4 Uno 9 3.5-4.5 4,0 a 6,0 Febrero 3.5-4.5 4,0 a 6,0 Fig. 6B-98 MOTOR MONTAJE SUPORÞI
  • 120.
    6B-36 MOTOR (Mecánica) CUZINEÞICojinetes de cigüeñales, bloque del motor Uno 10 9 6 7 Febrero Tres 4 5 8 1. 2. 3. 4. 5. Bloque motor DELANTERO Seal CAJAS DE RODAMIENTO Cigüeñal Hombro del cojinete 6. 7. 8. 9. 10. Sello TRASERO Sellos Sello de Vivienda Sello de Vivienda EJE DE ENTRADA TENIENDO VOLANTE Fig. 6B - 99 CUZINEÞI Cojinetes de cigüeñales, bloque del motor
  • 121.
    MOTOR (Mecánica) 6B-37 Eliminación 1.Retire el motor del cuerpo. 2. Conjunto de la caja de cambios. 3. Soporte alternador, polea del cigüeñal, cinturón distribución 4. Cilindro 5. baño de aceite e hidromasaje 6. Pistones y bielas 7. Los cojinetes y tapa del cojinete del cigüeñal Uno Inspección Use cigüeñal Medir el desgaste en el comparador meseta central Reloj y soporte de bloque por el cigüeñal rotativo. Donde desgaste excede el límite, que reemplaza el cigüeñal. Límite de desgaste (mm) 0.03 1. axiales Fig. 6B - cojinete axial 101 PRECAUCIÓN Para medir cigüeñal gira de desgaste una vez para posicionar el comparador nivel, y leer valores en medio reþinându valor máximo leer. Fig. 6B-102 medir juego axial Cigüeñal Ovalidad y cónico (desgaste desigual) de los cojinetes Medir el diámetro de los cojinetes de las fluctuaciones direcciones axial y perpendicular al cigüeñal, y confirman desgaste posiblemente desigual. Si encuentra un desgaste grave, o si tiene más de las desviaciones límite son Cambie o repare el mecanizado de cigüeñales mecánico. Ovalidad Límite y cónico (mm) 0.01 Fig. 6B-100 MEDICIÓN flecha EJE Serpenteando Juego axial del cigüeñal Monte el cuzineþii (aterrizaje y axial) y apriete Pernos de la tapa al par especificado, a continuación, Medir el juego axial del cigüeñal. Si el valor se mide sobre el límite, que sustituye cojinete con hombro con una norma o un tamaño inmediatamente parte superior. Tornillo Torque casquillos de cojinete de cabeza (kgf • m) Juego axial del eje Manivela (mm) Estándar 0,11 ÷ 0,31 5,5 ÷ 6,0 Límite 0.4
  • 122.
    6B-38 MOTOR (Mecánica) Juegode lubricación del rodamiento cigüeñal (mm) Estándar 0020 ÷ 0040 Límite 0065 PRECAUCIÓN Cuando cigüeñal instalar cuidará cuzineþii utilizar correctamente. Medición Estándar OD cojinete del cigüeñal (mm) 43 982 ÷ 44000 Fig. 6B-103 CONSULTAR desgaste parcial Cuzineþi cigüeñal Compruebe la superficie de contacto de desgaste, ardor, rascarse, etc. Y si es necesario, sustituido. PRECAUCIÓN No intente reparar superficies cuzineþilor. Uno Febrero Juego Medición lubricante medidor de plástico • Cortar un medidor de plástico longitud-anchura cojinete axial y está clasificado en el rellano, evitando cubierta del orificio de lubricación. • Monte el eje o cojinete y la cubierta cigüeñal y apriete al par especificado. En este paso no girar el cigüeñal. Par (kgf • m) 1. 2. Lera PLÁSTICO Escala Fig. 6B-105 lubricación JUEGO medición Cartuchos RECINTOS Sello trasero Compruebe bordes del sello de aceite de llevar, daño y la intrusión de cuerpos extraños. Sustituirá si está dañado. 5,5 ÷ 6,0 Uno 1. Sello TRASERO Fig. 6B-104 PAREJA apriete ESPECIFICADO • Retire la cubierta y el cólera se mide la anchura Escala de plástico marcado en la caja con medidores. Éste medición, el área más amplia dando como resultado la deformación, además de dar atención los valores medidos en las dos extremidades de cólera. Si la lubricación juego supera el límite, sustituir cojinete. Fly ruedas • Compruebe si hay daños, grietas y desgaste corona anormal, o superficie de contacto placa de presión. Si es necesario, sustituya volante de inercia. • Medir la deformación del volante utilizando Bloque Reloj y comparador descansa, y es Reemplace si sobrepasa el límite. Límite de deformación (mm) 0.2 Fig. 6B-106 Sello TRASERO
  • 123.
    MOTOR (Mecánica) 6B-39 Uno Febrero 1.Cuello TENIENDO 2. Surco Fig. 6B-107 MEDIDA DE DEFORMACIÓN VOLANT Bloque motor Las liquidaciones de las mediciones de deformación de la superficie junta (planitud) Medida 6 lugares diferentes utilizando galga y regla justo después del mismo método que en la cabeza del cilindro. Ella ºlefuieºte y reparación, si la deformación, flecha o de torsión excede el límite. Si los medios ºlefuirea más de 0,15 mm, será reemplazado por uno nuevo. Dará atención planeitãþii la superficie de las habitaciones quema. • Fig. 6B-109 MONTAJE RODAMIENTO CON EL COLLAR Montar los arbustos con orificio de lubricación bloque del motor y la cubierta sin orificio de lubricación Los casquillos. Uno Febrero Límite de Deformación (mm) Planitud estándar (mm) 0.05 0.03 Tres 1. 2. 3. Bloque motor CAJAS DE RODAMIENTO APERTURA DE LUBRICACIÓN Fig. 6B-110 MONTAJE RODAMIENTO • • unción con aceite a la superficie del interior teniendo, el cigüeñal del rodamiento a la superficie antes de montar el cojinete. Las cubiertas están marcados aterrizando cuzineþilor números de orden del 1 al 3. Se reunirán con el fin, con el par especificado, con la flecha apuntando hacia la polea del cigüeñal. Par (kgf • m) 5,5 ÷ 6,0 Fig. 6B-108 medidor de planeidad Montaje El revés de someterse a procedimientos de desmontaje. Va a cuidar de: • Motor de lubricación de aceite de la zanja rodamiento cuello, y será colocado (zanja) en el exterior de aterrizaje.
  • 124.
    6B-40 MOTOR (Mecánica) Uno Febrero 1.Herramienta especial (09.924-17810) 2. Tornillo VOLANT Fig. 6B-111 colocar cubiertas CUZINEÞILOR aterrizaje • Vivienda y sello de aceite de foca. No vuelva a utilizar la junta vieja, pero una nueva. Ella aceite de motor lubrica la superficie de contacto sello de aceite, instale y apriete los tornillos vivienda con el par especificado. Par de apriete de Tornillos de caja (kgf • m) • 0,9 ÷ 1,2 • • • Fig. 6B-113 VOLANTE Par de apriete de Pernos del volante (kgf • m) 4,0 ÷ 4,5 Montar los pistones (ver página anterior). Montar la sartén colador y el aceite. Conjunto de cabeza de cilindro está montado en el bloque del motor. Después de montar el retén de vivienda si los bordes junta que sobresale del contorno se corta con un cuchillo. PRECAUCIÓN • Cuando se monta en una cabeza de cilindro bloque del motor nuevo pernos deben apretarse con el fin de centro a las extremidades, con un par de aumento de 50% de la inicialmente, seguido por 80% de la misma y se desarrollan, a continuación, busque secuencia de apriete con 50% y después 100% el par especificado. Par (kgf • m) • • • 6,5 ÷ 7,0 Se monta en la distribución rueda dentada del cigüeñal, Rueda de distribución del árbol de levas, polea de la bomba agua. Consulte el Capítulo 2B para montar el embrague. El motor montado en el cuerpo (vea la página antes). Fig. 6B-112 VANGUARDIA SEAL • • Para instalar el capítulo sede de la bomba de aceite respectivamente Apretar al par el volante con el útil especial.
  • 125.
    MOTOR (Mecánica) 6B-41 PARDE APRIETE Aspectos destacados de cerca Tornillos de culata Chispa Galerías - admisión y escape nueces Distribución Tornillos Rueda (árbol de levas) Nueces, tornillo de ajuste de la válvula Nut, distribución correa tapón de rosca Tornillos de la polea del cigüeñal Biela teniendo tuercas Teniendo pernos de la tapa Rodamientos Pernos del volante Manocontact Filtro de aceite Filtro de aceite Soporte de montaje Tornillos baño de aceite Tapón de drenaje de aceite Tornillos de la tapa de cilindros Eje de balancín Tornillos Carburador Tornillos de montaje Aceite de la bomba de succión Cuerpo Tornillos bomba de aceite Tornillos de la placa de rotor de la bomba de aceite Tornillos correa de distribución tensor Tensor de la correa de distribución Studs Tornillos de la bomba de agua Tornillos de vivienda retén del cigüeñal La compatibilidad de controladores Tuerca Soporte del motor Motor del ventilador de refrigeración térmica Par (kgf • m) 6,5 ÷ 7,0 2,0 ÷ 3,0 1,8 ÷ 2,8 5,0 ÷ 6,0 1,5 ÷ 2,0 0,9 ÷ 1,2 6,5 ÷ 7,5 3.1 a 3.5 5,5 ÷ 6,0 4,0 ÷ 4,5 1,2 ÷ 1,5 1,2 ÷ 1,6 2,0 ÷ 2,5 0,9 ÷ 1,2 3,0 ÷ 4,0 0,9 ÷ 1,2 0,9 ÷ 1,2 1,8 ÷ 2,2 0,9 ÷ 1,2 0,9 ÷ 1,2 0,9 ÷ 1,2 1,5 ÷ 2,3 0,9 ÷ 1,2 0,9 ÷ 1,2 0,9 ÷ 1,2 3,5 ÷ 4,5 3,0 ÷ 5,0 1,2 ÷ 1,5
  • 126.
    6B-42 MOTOR (Mecánica) HERRAMIENTAS ESPECIALES 09.915-47.341 FILTRODE ACEITE CLAVE 1. 09916 a 14510 DISP. TABLETA Válvulas del ARCO 2. 09916-48210 ADAPTADOR 09.916-44.910 DISP. Guía de la válvula REMOCIÓN 09917 a 88220 Montaje de la guía de válvula adaptador 09.916-58.210 MANEJAR DISP. Válvula GUÍA DE INSTALACIÓN 09.916-37.320 Desarrollo (5MM) 09916-38.210 Desarrollo (11MM) 09.916-34.541 Aburrido MANGO 09.927 a 56.020 DISP. Reclamado Cigüeñal Polea 09917-68220 DISP. Polea partidario Árboles de levas 09916 a 84510 Pinzas 09900-00410 Tecla SET Allen 09918-08210 MEDIDOR DE MANGUERA ADAPTADOR VACÍO 09926 hasta 18210 GUÍA Seal (resinas de vinilo) 09.915-64.510 CALIBRE 09915-77310 Manómetro de aceite 09.915 a 67.310 Vacuómetro 09.924 hasta 17.810 DISP. INMOVILIZADOR VOLANT 09916-77310 DISP. TABLETA SEGMENÞI
  • 127.
    MOTOR (sistema derefrigeración) 6C-1 6C. SISTEMA DE REFRIGERACION DEL MOTOR DESCRIPCIÓN GENERAL ............................................................................................................ 6C - 2 SOLUCIÓN DE PROBLEMAS .................................................................................................................................. 6C - 5 Inspección y mantenimiento ............................................... .................................................. . 6C - 5 La refrigeración líquida ............................................................................................................................... 6C - 5 Nivel de refrigerante ....................................................................................................................... 6C - 6 Reparar el sistema de refrigeración ............................................. .................................................. ..... 6C - 6 Sistema de enfriamiento, escurrir y volver a llenar .......................................... .................................................. . 6C - 6 VEHICULO ............................................................................................................... 6C - 7 Refrigeración por líquido Claro ...................................................................................................................... 6C - 7 Tubos y mangueras ............................................................................................................................ 6C - 7 Termostato ................................................................................................................................... 6C - 7 Calentador ..................................................................................................................................... 6C - 8 Bombas de agua ........................................................................................................................... 6C - 8
  • 128.
    6C-2 MOTOR (sistemade refrigeración) DESCRIPCIÓN GENERAL La circulación del refrigerante El sistema está compuesto por: bomba de agua, radiador, termostato, ventilador de refrigeración, tubos de goma, y sirve enfriar el motor para evitar el sobrecalentamiento y mantener una temperatura adecuada. DISIPADOR DE CALOR Calentadores TERMOSTATO Cilindro Bomba Agua Bloque motor Fig. 6C - 1 DISIPADOR DE CALOR Sobrecalentar DISIPADOR DE CALOR Enfriador TANQUE Tapón de radiador Para reservas DISIPADOR DE CALOR Calefacción (A) TANQUE Tapón de radiador EL TANQUE DISIPADOR DE CALOR Enfriador (B) Fig. 6C - 2 Radiador del tipo de presión herméticamente elemento de sellado es una tapa que permite que el fluido se expanda fugas en el tanque para evitar la fuga de diferencia. Fig. (A) muestra el refrigerante calentado y expandido, y extra de la expansión de volumen de fluido que resulta de fugas del radiador tor en el tanque. Con la creciente presión en el sistema de refrigeración a lo largo de un cierto límite, la válvula de presión tapa del radiador se abre para permitir que el líquido drene a través dilatado El tanque de expansión de la tubería. En la figura (B) muestra una situación en la que la temperatura del refrigerante a disminuir este contrato. En este momento presión de vacío cae y se abre la válvula de llenado, la diferencia de presión "tirando" de líquido refrigerante en disipador de calor.
  • 129.
    MOTOR (sistema derefrigeración) 6C-3 Cuando el motor está frío DISIPADOR DE CALOR MOTOR Bombas de agua Colector Calentadores MANGUERA La BYPASS TERMOSTATO TANQUE Fig. 6C - 3 Cuando el motor está frío, el termostato permite que el resorte para cerrar el paso de refrigerante como se muestra, motor -> colector de admisión -> manguera de derivación -> bomba de agua para calentar el motor rápidamente. Cuando la temperatura del refrigerante está por encima de 82 ° C Fig. 6C - 4 El termostato empieza a abrirse a los 82 ° C y es totalmente abierta a 95 ° C. Mientras tanto, el refrigerante circula para bombear agua a través de la manguera de derivación y, al mismo tiempo y termostato -> entrada de la manguera de radiador -> radiador -> Manguera de salida del radiador -> bomba de agua. La cantidad de refrigerante que fluye al radiador depende de abre termostato.
  • 130.
    6C-4 MOTOR (sistemade refrigeración) Tapón de radiador Tapa del radiador del tipo de válvula está teniendo una y una válvula de presión de vacío. Válvula La presión es la presión sobre el asiento por un resorte calibrado con función de proteger el sistema de refrigeración automática a presión si la presión del sistema aumenta con el 0,9kgf / cm². Válvula de vacío se lleva a cabo en su sede por un resorte débil que permite la apertura de la válvula más permitir la igualación de presión en el sistema cuando se crea vacío fluido refrigerante a través del sistema, que de otra puede dañar el radiador. La tapa tiene inscrpþionatã número superficie 9 que significa que la válvula presión se abre 0,9kgf / cm². Tres Uno Febrero Tres 1. 2. 3. Bombas de agua CORREA DE DISTRIBUCIÓN Polea de la bomba de agua Fig. 6C - 6 bombas de agua Uno Febrero 4 Termostato El tipo de cera y se coloca en el pasaje de salida refrigerante del motor, que actúa ajustando fluir y para ajustar el líquido, por lo que la temperatura. La cera está contenido en una caja de metal, y se dilatan el calentamiento y enfriamiento de contracción. El calentamiento y la expansión de la cera, empujan la caja de metal la válvula hacia abajo para abrirla. La cera de refrigeración permita la contratación de la primavera cerrar la válvula. La válvula permanecerá cerrada como siempre y cuando el refrigerante está frío, evitando su circulación a través del radiador. En esta situación sólo circula refrigerante a través del motor calentar rápidamente y uniformemente. Como el motor se calienta, la cera se expande y se abre la válvula de termostato, permitiendo que el fluido fluya a través del radiador tor. El termostato es un cuerpo de válvula de ventilación, que tiene como objetivo eliminar cualquier gas o aire, en su caso, el circuito devengados 6 5 1. Tres 5. Válvula de presión Para reservas SUMINISTRO DE VACIO 2. 4. 6. VALVULA DE VACIO SUMINISTRO DE PRESION EL TANQUE Fig. 6C - 5 TIPO tapa de la válvula RADIADOR Vaso de expansión Está conectado al radiador mediante una manguera. En funþionare, refrigerante caliente y se expanda. La cantidad de El líquido pasa a través del depósito de expansión del radiador a través de esta manguera. Después de parar el motor, refrigerante del encogimiento Y se dibuja de nuevo en la diferencia de presión del radiador. El radiador se mantiene llena de líquido refrigerante todo el tiempo, dando como resultado más eficaz en el el proceso de enfriamiento. Bombas de agua Se utiliza el tipo de bomba centrífuga. Impulsor es totalmente soportado por un cojinete con fuerza. Bombas de agua no se puede desmontar. Uno 1. Vent válvulas Fig. 6C - 7 TERMOSTATO
  • 131.
    MOTOR (sistema derefrigeración) 6C-5 Características de funcionamiento del termostato (± 1,5 ° C) La temperatura a la que la válvula comienza a abrirse (° C) La temperatura a la que la válvula está completamente abierto (° C) Carrera de la válvula (mm) 82 95 > 8-95 ° C PARA MOTOR Uno PARA MOTOR AIRE LÍQUIDO Enfriamiento TERMOSTATO AX (1) LÍQUIDO Enfriamiento Válvula Al abrir (2) Cuando para cerrar Figura 6C - válvulas de ventilación 9 FUNCIÓN Cuerpo Cera Cera OPEN Fig. Termostato 8 Operación - 6C SOLUCIÓN DE PROBLEMAS Manifestación Motor sobrecalentado • • • • • • • • • • • Causa probable Refrigerante por defecto El mal funcionamiento del termostato El mal funcionamiento de la bomba de agua ªtuþ radiador obstruido Pérdida de líquido refrigerante Defecto del ventilador térmica Radiador obstruido Una deficiente regulación de la distribución Tapa del radiador mal funcionamiento Los frenos desajustados Embrague de deslizamiento • • • • • • • • • • • Remedio Comprobar el nivel y ser completado Reemplazar Reemplazar Limpia o reparado Reparación Comprobación o sustitución Reemplazar Ajustar Reemplazar Ajustar Ajuste o reemplace Inspección y Mantenimiento Refrigerante PRECAUCIÓN La recuperación de refrigerante es estándar. El refrigerante en el radiador se expande con el aumento de la temperatura, y el exceso se recoge en el tanque. Cuándo sistema se enfría, el refrigerante se dibuja de nuevo en disipador de calor. Relación de mezcla anticongelante depende La temperatura más baja de la zona geográfica. Además del efecto de protección contra las heladas líquida El elemento de refrigeración y un buen anti-corrosión Y un inhibidor del efecto de la formación de espuma. A buen rendimiento refrigerante voluntad mantener su concentración de los valores en la siguiente tabla.
  • 132.
    6C-6 motor (sistemade refrigeración) Temperatura líquido de congelación Concentración de anticongelante puro -14.5 ° C 30% -25 ° C 40% -34 ° C 50% SERVICIO DE SISTEMA DE ENFRIAMIENTO Al sistema de enfriamiento, realice lo siguiente: 1. Compruebe pérdida o daño. 2. Lave la tapa del radiador y boca de llenado agua limpia por remover la tapa con el motor fría. 3. Comprobar el nivel del líquido y las propiedades. 4. El uso de un manómetro, comprobar el sistema y tapón del radiador para mantener la presión 0,9kgf / cm². Si es necesario Sustituya tapa uno correctamente. 5. Apriete todas las abrazaderas de manguera e inspeccionar. Las mangueras dañadas (grietas, hinchado, etc.) reemplazar 6. limpia la superficie frontal del radiador. PRECAUCIÓN Al montar el llenado del radiador, se alineará manguera sus oídos al tanque. Nivel de refrigerante Para comprobar, levante el capó y se trata de tanque. No es necesario quitar la tapa el radiador para comprobar el líquido fluido enfriarse. PRECAUCIÓN No afloje el tapón de combustible, mientras que refrigerante hierve. Compruebe el nivel de refrigerante en el depósito cuando el motor está frío. Un nivel normal del líquido será encontrado en partes "FULL" y "LOW" en el tanque. Si el nivel está por debajo de la marca se encuentra "baja" Afloje la tapa del combustible y se llena de líquido apropiado para llevar en el nivel adecuado hito "FULL". PRECAUCIÓN • El anticongelante calidad apropiado, extra innecesaria inhibidores o aditivos que pretenden mejorar sistema. Por el contrario, puede perjudicar el buen operación. Uno Febrero Tres 1. TANQUE Tapón de radiador 2. EAR 3. MANGUERA DE TANQUE Fig. RADIADOR 11 cap - 6C DRENAJE y refrigeración recarga sistema MAXIM MÍNIMO 1. Retire la tapa del radiador cuando el motor es frío. La tapa gira hacia la izquierda lentamente se confirma la despresurización (no escuchados "Fâºâitul"), a continuación, empuje hacia abajo la tapa y gira y dejó de ser eliminado. PRECAUCIÓN Para no hacerte daño No quite la tapa radiador cuando el motor y el radiador estén todavía caliente. Si la tapa se retira en estos condiciones podrían vapor y líquido a tâºneascã caliente. Fig. 6C - 10 Comprobación del nivel de refrigerante ENFRIARSE La cantidad de refrigerante Motor, radiador y calentador Capacidad (L) tanque Total 3.3 0.6 3.9
  • 133.
    MOTOR (sistema derefrigeración) 6C-7 2. Con la tapa quitada, el motor en marcha ralentí hasta cuando la manguera superior del radiador se calienta debido al refrigerante que fluye a través del termostato abierto. 3. detiene el motor y soltar la manguera inferior para borrar el refrigerante del radiador. 4. Monte la manguera inferior del radiador y es llenar el sistema con agua. El motor funciona vacía hasta que la manguera de radiador superior se calienta. 5. Repita estos pasos 3 o 4 veces hasta que el líquido refrigeración se vuelve incolora. 6. Limpia el interior del tanque con agua y jabón. Ella clãteºte bien con agua y se vacía. Monte el tanque y manguera. 7. Vierta la mezcla de 50% de agua - anticongelante en el radiador y en el tanque (llene el radiador hasta el cuello y llene el depósito hasta la marca "FULL"). Después de llenar la tapa de combustible se alinea con flecha en el tanque. 8. Hacer funcionar el motor con la tapa retirada, hasta que radiador caliente manguera superior. 9. Con el motor al ralentí, que se llena de líquido enfriar el radiador hasta que el nivel llegue al cuello Relleno. Montar el tapón del radiador, estar alineados con los oídos de la manguera tanque. TERMOSTATO Eliminación 1. Los envases vacíos del sistema 2. Retire la tapa de la batería de la carcasa, que está montado entre el colector de admisión y distribuidor. Uno Tres 1. 2. 3. Febrero DISTRIBUIDOR Caja termostato TERMOSTATO VEHICULO PRECAUCIÓN Antes de desmontar el sistema de refrigeración comprobar el refrigerante a ser frío y el cable eliminado de la batería. Fig. TERMOSTATO 12 QUITAR - 6C Inspección 1. Asegúrese de que la válvula de ventilación está limpio (si válvula está atascada, el motor tiene una tendencia sobrecalentamiento). VACÍO 1. Retire la tapa del radiador. 2. Desconecte la manguera inferior del radiador y es despeja el refrigerante. 3. Después del drenaje, instalar la manguera y apriete Collar Bueno. 4. Ver pág. 75 para el llenado. Uno 1. Vent válvulas Tormenta y tuberías SISTEMA ENFRIARSE Eliminación 1. El sistema se vacía. 2. Para extraer estos tubos y mangueras, Afloje Todas las abrazaderas y tornillos se quitan. Montaje El revés de someterse a procedimientos de desmontaje. Va a cuidar de los siguientes: • Apriete los tornillos suficientes tiras. • Ver pág. 75 para el llenado. Fig. VALVULA 13 VENT - 6C TERMOSTATO 2. Compruebe el asiento de la válvula para cuerpos extraños que puede causar asentamientos indebidos. 3. Compruebe el termostato se abre así: • Sumerja el termostato en el agua, y se calienta agua gradualmente. • Comprobar inicio de la apertura que se celebrará en temperatura especificada. • Cuando se inicia la apertura a una temperatura mucho por encima o por debajo de la especificada, el termostato debe reemplazado por uno nuevo, porque de lo contrario podría parecer Tendencias sobrecalentamiento o enfriamiento excesivo.
  • 134.
    6C-8 MOTOR (sistemade refrigeración) Montaje Febrero El revés de someterse a procedimientos de desmontaje. PRECAUCIÓN • Para llenar el sistema ver pág. 6C-5 "Refrigerante". • Comprobar las pérdidas de las articulaciones. Uno Tres Bombas de agua TERMOSTATO TERMÓMETRO Calentadores 1. 2. 3. Eliminación 1. Desconecte el terminal "-" de la batería. 2. se vacía de líquido refrigerante. 3. Retire la polea del cigüeñal. 4. Retire el cinturón exterior distribución. Fig. 6C - 14 revisar el termostato Montaje 1. Instale la caja del termostato a tener válvula de purga frente al motor. 2. Instale una nueva junta en la vivienda. 3. Llenar el circuito. DISIPADOR DE CALOR Eliminación 1. Desconecte el terminal "-" de la batería. 2. Retire la manguera inferior del radiador y es despeja el refrigerante. 3. Desconecte el conetorul ventilador de refrigeración. 4. Retire las mangueras del radiador. 5. Extraiga el disipador de calor. Inspección Compruebe calentador por cualquier pérdida o daño, ya sea ahi esta. Limpia Se limpia delante del radiador. Fig. 6C - 16 EXTERIOR CORREA CUBIERTA DISTRIBUCIÓN 5. Afloje el tensor y la distribución de la correa. Febrero Uno 1. 2. Tensor Tornillo tensor Fig. 6C - 15 RADIADOR limpio Fig. 6C - 17
  • 135.
    MOTOR (sistema derefrigeración) 6C-9 6. Retire la bomba de agua Montaje 1. Instale una nueva junta en la bomba de bloque motor. 2. Instale la bomba de agua para el bloque del motor. Par de apriete Tornillos y tuercas (kgf • m) Febrero Tres Uno 1,0 ÷ 1,3 3. Instale el tensor de la correa, correa distribución y la distribución cinturón exterior. PRECAUCIÓN • Se prestará especial atención a la instalación tensor de la correa y la correa. Consulte la página 33 de este manual. • Apriete cada par tornillo y la tuerca especificado. 4. Conecte el terminal "-" de la batería. 5. Llene el sistema. 6. Después de la instalación, comprobar cada lado pérdidas. 1. 2. 3. Bombas de agua CORREA DE DISTRIBUCIÓN Polea de la bomba de agua Fig. Polea de la bomba de agua 18 - 6C Inspección PRECAUCIÓN No desmonte la bomba de agua. Si necesitas algo reparado la bomba se reemplazar por uno nuevo. Bomba de agua gira con la mano para verificar Funciona de manera sencilla. Si usted no trabaja fácilmente y sin problemas o hacer reemplazará el ruido anormal. Fig. Bomba de agua 19 VERIFICACIÓN - 6C
  • 136.
    6C-10 motor (sistemade refrigeración) BLANCO
  • 137.
    Motor (sistema decombustible) 6D-1 6D. SISTEMA DE ALIMENTACIÓN DESCRIPCIÓN GENERAL ................................................................................................................. 6D-2 La fuente de alimentación .................................................................................................................... 6D-2 VEHICULO ..................................................................................................................... 6D-3 PRECAUCIÓN Motor TICO requiere el uso de combustible modelo especificado (con o sin plomo). El uso de otro combustible que se especifica puede resultar en pérdida de potencia y daños del motor. Combustible especificado se menciona en la tapa del depósito.
  • 138.
    6D-2 Motor (sistemade combustible) DESCRIPCIÓN GENERAL SISTEMA DE ALIMENTACIÓN Los principales componentes del sistema de combustible son tanque, bomba, el filtro y el calibre plus 3 líneas (de flujo, líneas de vapor de retorno). Para los vapores del combustible, consulte 1H "SISTEMA DE CONTROL DE EMISIONES" en este manual. Uno 4 Tres Febrero 5 1. 2. 3. 4. 5. TANQUE GASOLINA FILTRO Pipe TUR RETORNO Pipe Bombas de gasolina FIG. 6D - 1 SISTEMA DE ALIMENTACIÓN Bombas de gasolina Se utiliza una bomba de diafragma, operación intentada por un situado excéntricamente en el dispensador. FIG. 6D - dos bombas de gasolina
  • 139.
    Motor (sistema decombustible) 6D-3 VEHICULO En los tubos curvos pegar la manguera al principio curva o movimiento hasta 20 ÷ 30 mm del borde. 20 a 30 mm PRECAUCIÓN El sistema de inspección de los alimentos debe ser considerar las siguientes medidas prestación: • Desconecte el terminal "-" de la batería. • No fume. • Coloque los signos con "NO FUMAR" "NO FUMAR". • Tenga a mano un extintor de CO2. • Trabaje siempre en un lugar bien ventilado y sin fuentes de ignición. • Utilice gafas protectoras. • Afloje la tapa del combustible y poner volver después de vapores de gasolina. • El sistema de vacío será lenta a no împroºca vapores de gasolina debido a la presión en el sistema después parar el motor. • Conecte la manguera depende del tipo ºtuþurilor. Se conectará la manguera propiamente Como se muestra en la siguiente figura. Apriete la abrazadera 3 ÷ 7 mm Al final de la manguera. En las tuberías înfive recta es la manguera de 25 ÷ 30 mm más Maginéa la tubería. 25 ÷ 30MM COLLAR Apretar la abrazadera 3 ÷ 7 mm en el extremo de la manguera. En tubos cortos, pegar la manguera hasta la articulación. Filtro de aceite MANGUERA Eliminación 1. Desconecte el terminal "-" de la batería. 2. Retire la tapa de combustible y poner en su lugar después vapor que sale del tanque. 3. Suspender el vehículo. 4. Coloque un recipiente debajo del filtro de combustible. 5. Retire el soporte del filtro. ºTUÞ COLLAR 3 ~ 7 mm Apriete la abrazadera 3 ÷ 7 mm Al final de la manguera. Los tubos como se muestra a continuación, se pegan la manguera hasta el hombro en el tubo. 3 ~ 7 mm Apriete la abrazadera 3 ÷ 7 mm Al final de la manguera.
  • 140.
    6D-4 Motor (sistemade combustible) BLANCO
  • 141.
    MOTOR (carburador) 6E-1 6E.Carburadores DESCRIPCIÓN GENERAL ................................................................................................................ 6E - 2 Esquema carburador ...................................................................................................................................... 6E - 2 Principio carburatorului..................................................................................................................................... 6E - 4 Características del carburador .................................................................................................................................... 6E - 6 El funcionamiento de cada sistema de ............................................................................................................................. 6E - 8 El funcionamiento del sistema de choque automáticamente ............................................................................................................. 6E - 14 SOLUCIÓN DE PROBLEMAS .................................................................................................................................................. 6E - 18 VEHICULO .............................................................................................................................. 6E - 21 DESMONTAJE ....................................................................................................................................... 6E - 23
  • 142.
    Combustibl e ESQUEMA (sin plomo SOLAMEN TE) 6E-2 MOTO (carburador ChoqueAUTOMÁTICO Piñón Choque de apertura de la cápsula Termopar (cera) Leva Vacío Comando cápsula segunda etapa Mezcla Aire Retorno por muelle Ajuste choque Tornillos Palanca Cam Los bidones Flotante Poantou Pezón Boquilla de aire Rociar Boquilla de aire no. Febrero Fig. 6E - 1 ESQUEMA CARBURA DOR DESCRI PCIÓN GENER AL Choque Tab Pequeño altavoz Abertura Freno mezcla Boquilla motor Frenos de aire Boquilla 2 Frenos de aire 1 de la boquilla Boquilla de aire frenado Boquilla de aire C.R.C. Frenos de aire Boquilla motor Boquilla Gasolina Boquilla Gasolina Boquilla Boquilla Gasolina motorPrizã freno de vacío bomba principal tr1Jiclor ºpriþ Tr cápsula. 2 principal segunda etapa Adjika Altavoz mareTub emulsorClapetã acelerador Tornillos reglajPompã acceleraþieOrificii progresiuneTub emulsionante Agujeros progresión Tab salida de vacío del acelerador
  • 143.
    ESQUEMA combustibl e (gasolina con plomo SOLAMEN TE) ChoqueAUTOMÁTICO Choque de apertura de la cápsula Termopar (cera) Leva Retorno por muelle Ajuste choque Tornillos Palanca Cam Abertura Choque Tab Pequeño altavoz FIG. 6E - CARBURA DOR Esquema 1b Piñón Vacío Comando cápsula segunda etapa Mezcla Aire Flotante Poantou Pezón Boquilla de aire Rociar Boquilla de aire no. Febrero Frenos de aire Boquilla 2 Frenos de aire 1 de la boquilla Freno mezcla Boquilla motor Boquilla de aire frenado Boquilla de aire C.R.C. Frenos de aire Boquilla motor MOTOR (carburador 6E-3 Boquilla Gasolina Boquilla Gasolina Boquilla Boquilla Gasolina motorPrizã freno de vacío tr1 principal ºpriþ bomba de chorro Tr cápsula. 2 principal segunda etapa Adjika Altavoz grande Acelerador Tab Tubo Emulsionante TR2 Tornillos reglajPompã acelerador Tr1 tubo Emulsionante Agujeros progresión Agujeros Tab progresión del acelerador Salida de vacío
  • 144.
    6E-4 MOTOR (carburador) PRINCIPIOCARBURADOR El venturi El venturi se ilustra en la figura. El flujo de aire a través del venturi, el flujo de amplia sección "A" es más lenta que en la sección estrecho "B". Como resultado, la presión de aire en "A" es mayor que la de "B". Así, el paso de aire desde "A" a "C", debido a la reducción la presión de aire en la "B", donde el înþeapã tubería absorþie presión delgada figura en el mismo. Al mismo Mientras que en la superficie se ejerce "D" presión de la gasolina diferencia de presión atmosférica causando la gasolina para ser absorbida por el tubo de aire y rociar una vez por el cilindro. La B C E D GASOLINA Ajuste de la gasolina flotador FIG. Tubo de absorción dos de gasolina - 6E VENTURI E 'E Las bombas de gasolina POANTOU FLOTANTE Cámara de flotación (A) (B) FIG. 6E - tres de gasolina ajuste niveles La cantidad de gasolina absorbe a través de la corriente de aire venturi depende de la velocidad y la distancia entre el tubo y gasolina superficie. En la figura anterior, mayor será la distancia "E" acorta el más gasolina se absorbe, Por lo tanto, debe mantener el mismo nivel de gasolina. En la figura, la reducción de la gasolina en la habitación, fig. (A), bajar el pasador del flotador poantou abierta que permite el flujo de la gasolina en la habitación. Medida que se recupera la Cámara Gasolina levantando el flotador cierra pin poantou. Así, la gasolina se mantiene entre alturas "E" y "E ''.
  • 145.
    MOTOR (carburador) 6E-5 Mezclade gasolina con emulsión de aire Una mezcla aire-gasolina mejor se obtiene a través de un buena mezcla de aire y gasolina. En la Fig. unirse se muestra principio de emulsificación. Como una mezcla de mayo bueno como un absorþie más fácil y se realiza por Adición de un tubo tubo de suministro de aire gasolina absorþie. Este proceso se llama agentes emulsionantes. AIRE EMULSION GASOLINA FIG. 6E - 4 Principios de emulsificación Ajuste de la gasolina y aire por pestaña Amortiguadores de choque ALTAVOZ MIC Boquilla PRINCIPAL Solapa Acelerar APERTURA Ocioso (A) válvula de mariposa OPEN MAXIM (B) válvula de mariposa parcial OPEN (C) amortiguadores de choque CERRADAS FIG. 6E - 5 ajustes cantidades de gasolina y AER En general, cantidades de gasolina y de aire suministrado al motor son controlados por el choque del amortiguador y la aceleración. Válvula de mariposa en la parte inferior del tubo de Venturi (difusor) control de la depresión (vacío) de tubo al cambiar de posición, y por lo tanto la cantidad de gasolina absorbida por la boquilla principal. Pestaña de choque en la parte superior del tubo Venturi (altavoz) controla la cantidad de aire. Figura (a) debido al importante flujo de aire de alta altavoz depresión creada por la tobera principal pasa una cantidad que la gasolina. La figura (b) válvula de mariposa está cerrada, el flujo de aire tiene la mayor velocidad hasta que el cuerpo del carburador haciendo que el agujero de pulverización inactivo gasolina. La Figura (c) muestra el amortiguador de choque cerrada. Depresión tras orador se incrementa debido a limitar el flujo de aire de entrada se pulveriza y por lo tanto una gran cantidad de gasolina a través de cada boquilla. La mezcla, en este caso, muy rico.
  • 146.
    6E-6 MOTOR (carburador) EstacionesCARACTERÍSTICAS (MT) Artículo Tipo Paso Tapa del carburador Diámetro Carburaþie Diámetro de la cámara Mayor Diámetro del altavoz Diámetro del altavoz pequeño Diámetro de salida de ventilación Conjunto de cámara constante Dentro diámetro del asiento de válvula de aguja Nivel de gasolina De retorno de combustible Jet De presión de combustible Diámetro de la boquilla principal Boquilla principal Boquilla de aire compensador Tubo Emulsionante Boquilla de aire Progreso / inactivo Boquilla Gasolina Progreso / inactivo Los flujos de aire Progresión Circuito Diámetro • Altura • orificiu1 Diámetro • Altura • orificiu2 Diámetro • Altura • orificiu3 Tornillos de ajuste ralentí Aceleración Tab / apagado, control remoto Agujero Inactivo Bomba aceleración Membrana Diámetro Rociador de la bomba Diámetro Actuador ángulo Diámetro retorno boquilla Bomba de Flujo C.R.C. Boquilla de diámetro Apertura de inicio Apertura total mm mm mm mm mm mm mm mm mm mm mm mm mm mm mm mm mm mm mm mm mm kg / cm2 mm Un I- Dentro 24 21 9-14 7 1.7 55.5 1.5 0,2 ± 0,05 2.5 98,8 M A 0,8; 0.6 n A 2.0 F 2.0 46,3 M 2.5 1.0 -a1,89 1.2 -b3,70 1.1 -c5,88 25/8 8 ° / 90 ° T 1.5 1.4 24 0.35 60 ° ± 10 ° 0.4 0,35 ± 0,05CC / raza 1.4 65 ° C 80 ° C 15 ° / 90 ° t 1.5 1.8 -d4,91 1.4 -e8,21 2.3 A 180 1.1 M B 1.0 Un 72,5 Tamaño Doble de Apelación revocó en pasos II 59 Exterior 30 26 9.12 63
  • 147.
    MOTOR (carburador) 6E-7 Artículo Aperturaetapa II Etapa II Comience abriendo la etapa II Juego de obturación completamente cerrada Agujero vacío 1. Cierre por completo el choque amortiguador ángulo de apertura / Lengüeta de apertura choque 2. Temperatura Auto Choque 3. Temperatura apertura ampliado al ralentí Choque pestaña 4. Distancia, apertura activación del circuito (mm) Choque pestaña 5. Distancia, dispositivo de vacío de choque de apertura de activación en el embarazo 6. obturador efecto ángulo de choque apertura forzada Motor freno Cerrar circuito Activación Depresión El freno motor Freno motor de gasolina Boquilla Freno motor de mezcla Boquilla Freno de motor a reacción de aire Agujero Diámetro 1 Salida de vacío Agujero Diámetro 2 Agujero Diámetro 3 I de membrana Membrana II mm 54 45 ° Tamaño 0,18 ± 0,025 1.4 32 ° ± 2 ° (23 ° C) 10 ° 42 '± 30' 1,8 ± 0,1 2,3 ± 0,1 -50 - 70 mmHg 3,1 ± 0,8 55 ° 61mmHg o menos 540 ± 10 mmHg La La 1.0 1,4mm 1.6mm 1.6mm 45 60 1.7 25 ° ± 2 ° / 90 ° ± 2 °
  • 148.
    6E-8 MOTOR (carburador) FUNCIONAMIENTOCada sistema Flotador El flotador actúa con el fin de mantener un nivel constante de la gasolina en la constante de habitación, la disminución nivel, poantoul flotador en forma conjunta con la gasolina se abre el acceso a la sala. El nivel se mantiene a una valor constante porque estos movimientos ascendentes y descendentes de solidaridad con poantoului flotador. 5 Febrero Tres Uno 4 1. 2. 3. 4. 5. FLOTANTE POANTOU LOGIN GASOLINA Nivel constante VIDEOCÁMARA RETORNO DE GASOLINA FIG. 6E - 6 OPERACIÓN FLOTANTE Circuito de inactividad y la progresión Solenoide está montado en el circuito para interrumpir la alimentación de una vez la mezcla de combustible del motor desconexión del encendido. La gasolina es absorbida por el dispensador de boquilla de chorro principal 5 y se mezcla con de aire medido a través jicloarele de aire 1 y 2. La mezcla es aspirada luego en el colector de admisión a través del agujero de inactividad Y el progreso a través de los agujeros en función de la apertura de la mariposa del acelerador. 4 Tres Febrero 5 1. 2. 3. 4. 5. 6. 7. 8. Tobera principal Solenoide NO chorro de aire. Uno NO chorro de aire. Febrero Boquilla de gasolina AGUJEROS progreso Inactivo APERTURA Tornillo SET CO 6 8 Uno 7 FIG. 6E - FUNCIÓN 7 CIRCUITO inactivo y progresión
  • 149.
    MOTOR (carburador) 6E-9 Etapadel circuito principal 1 Gasolina absorbe cámara de constante es precisamente el principal dispensador de chorro de este paso. Más tarde lo hará tubo emulsionante se mezcla con el aire llegó a través del aire jicloarele no. 1 y 2. La mezcla se aspiró a continuación, consigue principalmente en boquilla pequeña difusor. Febrero Uno Tres 4 5 1. 2. 3. 4. 5. NO chorro de aire. Uno NO chorro de aire. Febrero Tobera principal Tobera principal TINA emulsión FIG. 6E - 8 CIRCUITO PRINCIPAL FUNCIÓN etapa 1 Progresión Circuito de la segunda etapa Este circuito funciona hasta la entrada en funcionamiento del circuito principal de la segunda etapa. La apertura de la mariposa aceleración de engranajes 1-45 °, y en una depresión en la "A" en la figura anterior el valor especificado en el diafragma arco tirar arrastró 5 comienza apertura válvula de mariposa sistema 2ª marcha debido a la liberación La Uno Febrero 5 Tres 4 1. 2. 3. 4. 5. Depresión cerrado Abertura Una etapa compuerta reguladora 1 Una válvula de estrangulación gradual 2-A Salvado de ARC FIG. 6E - 9
  • 150.
    6E-10 MOTOR (carburador) bloquear. Laapertura de la mariposa del acelerador de la etapa 1 a 45 ° y cuando el segundo engranaje comienza apertura, gasolina cámara de constante se mezcla con aire medido boquilla de aire 2. La mezcla de combustible resultante aspirado en el colector de admisión a través de los agujeros en progreso. Febrero Tres Uno 1. 2. 3. 4. 4 Tobera principal Jet Air Boquilla de gasolina AGUJEROS progreso FIG. 6E - 10 CIRCUITO DE FUNCIONAMIENTO Una etapa progresiva 2 Circuito principal segunda etapa Cada vez que el acelerador del acelerador está completamente abierto a la etapa 1, el circuito de la etapa 2 teniendo un funcþionând, apertura con una fuerza que actúa subida al alza dada la mayor depresión. El acelerador solapa 2ª marcha es de par en par en función del ángulo de la primera. Ahora, el nivel de la cámara de gas chorro principal dispensador constante se mezcla con boquilla de aire y combustible y aire dosificada mezcla de pasado tubo de emulsionante, donde es aspirado a través de la boquilla principalmente pequeño altavoz. Tres 4 Febrero 5 Uno 1. 2. 3. 4. 5. Tobera principal TINA emulsión Jet Air Tobera principal ALTAVOZ MIC FIG. 6E - 11 FUNCIONAMIENTO DEL CIRCUITO PRINCIPAL 2-A gradual
  • 151.
    MOTOR (carburador) 6E-11 Circuitode la bomba del acelerador Aceleración acelerador abierto desde presionando repente el pedal del acelerador. Durante este tiempo, empezar a trabajar bomba de aceleración para entregar suficiente combustible. Cuando se presiona el pedal del acelerador, empuje la membrana de la bomba boquilla de la bomba de gasolina al altavoz mediante la superación de la resistencia y de la bola de peso contrario de lo que constituye la válvula descarga de la bomba. Al regresar a la posición normal del pedal del acelerador, cámara de gas nivel consistió bomba de aceleración para un nuevo aerosol. Uno Febrero 5 Tres 4 6 1. 2. 3. 4. 5. 6. PESO VALVULA DE BOLA DE ENTREGA Membranoso VALVULA DE BOLA DE ENTRADA Bombas Boquillas RETORNO FIG. Acelerador 12 BOMBA - 6E
  • 152.
    6E-12 MOTOR (carburador) Nivelconstante de habitaciones circuito de ventilación (sólo sin plomo) Al arrancar el motor, la membrana se estira debido a la depresión en el colector de admisión. Este estado se mantiene la fuerza magnética del solenoide, y por lo tanto la válvula (que se encuentra en el mismo eje) paso de salida abierta de la ventilación y ambiente constante y cerrar el paso a la lata. Para detener el motor (ya no existe la depresión en la galería Primavera de admisión) de retorno es de membrana cerrado hace que el paso de ventilación de entrada y el nivel de habitación constante, y por lo tanto la constante de cámara de vapor de generación de llegar a la lata. 7 Uno Febrero 4 5 Tres 1. 2. 3. 4. SOLENOIDE Válvula Salida de ventilación ARC 5. 6. 7. Membranoso Salida de vacío Bote 6 FIG. 6E - 13 Sala de sistema de ventilación está funcionando NIVEL CONSTANTE
  • 153.
    MOTOR (carburador) 6E-13 Circuitode frenado del motor Si CV válvula de desaceleración (frenado del motor) funciona cuando la membrana se estira debido gran depresión creada en el colector de admisión. Mientras tanto, la cámara de constante de gasolina se dosifica por freno motor a reacción y mezclado con el aire medido de frenado del motor de chorro de aire. La mezcla se dosifica la boquilla de mezcla para el frenado del motor y luego aspirado en el colector de admisión. 5 Uno Febrero 4 Tres 1. 2. 3. 4. 5. 6. Freno motor de válvulas Membranoso Freno de motor a reacción GASOLINA Freno de motor a reacción AIRE MEZCLA freno motor a reacción Salida de vacío 6 FIG. Freno motor FUNCIONAMIENTO DEL CIRCUITO 14 - 6E Circuito Compensador caliente al ralentí Cuando la gasolina entra en el carburador a una temperatura alta se evapora, dando como resultado un enriquecimiento de la mezcla de combustible y por lo tanto un funcionamiento inestable del motor. Para el propósito de mantener la relación de mezcla adecuada, la válvula alta temperatura bimetálico se abre para permitir que el aire cantitãþii complementar colector de admisión. Uno 1. HIC (despejada inactivo HOT) FIG. 6E - 15 FUNCIONAMIENTO compensatoria inactivo CALIENTE
  • 154.
    6E-14 MOTOR (carburador) Solenoide MEZCLAprogreso Pasaj Solenoide FIG. 6E - 16 de solenoide El encendido de corte debido a la inercia, el motor sigue girando, la absorción de la mezcla de combustible. Aunque En esta situación ya no aparecen chispas continúan ardiendo mezcla de combustible debido a la alta temperatura de cámara de combustión, resultando en un movimiento irregular del motor. Para evitar esta situación, el solenoide cerca progresión circuito para interrumpir el poder después de cortar la mezcla de combustible de ignición. A cuando el motor está alimentado y solenoide de circuito abierto. Choque FUNCIONAMIENTO AUTOMÁTICO Comenzando a baja temperatura Termopar (cera) y la palanca de leva retráctil baja temperatura gira hacia la baja temperatura debido a la fuerza de resorte, presionando la leva del acelerador acelerador para conseguir la abertura del acelerador más apropiado. A medida que la rueda dentada (que es eje común amortiguador de choque) se está moviendo en los dientes, cierra los amortiguadores de choque fuerza debida a la rotación del piñón por un resorte. Febrero Uno 8 11 10 9 12 7 1. 2. 3. 4. 5. 6. 7. 8. 9. 10. 11. 12. ARC PIÑÓN PALANCA camisas ARC Devoluciones PALANCA camisas Válvula de mariposa PALANCA Refrigerante Termopar (cera) APERTURA choque ASAMBLEA Depresión del múltiple de producto (2) Amortiguadores de choque PALANCA DE APERTURA Colector de admisión Depresión (1) 4 Tres 5 6 FIG. 6E - 17 golpes FUNCIONAMIENTO AUTOMÁTICO
  • 155.
    MOTOR (carburador) 6E-15 Despuésde arrancar el motor Después de arrancar el motor, la depresión del colector de admisión aumentó desde forzada amortiguador de choque abierto en la posición 1 para evitar el aumento de la concentración en la mezcla de combustible. A medida que el motor se calienta, tan fluido y refrigeración, termopar se dilatan y la palanca de leva gira hacia la alta temperatura que provoca el movimiento en los dientes de la corona a la apertura del amortiguador de choque. Al mismo tiempo, cerrar la leva palanca de flaps metino acelerador al motor en condiciones adecuadas hasta que la temperatura especificada se alcanza por el líquido enfriamiento, cuando la depresión en el colector de admisión aleta obliga al choque para abrir en la posición 2 a mantener una relación de mezcla apropiada de la concentración de CO en la prevención de crecimiento y HC en los gases de escape. En el caso de que el motor del vehículo en marcha se caliente antes de la apertura de la palanca trabajará para la apertura amortiguador de choque para evitar la concentración crºterea en la mezcla de combustible. Operación apertura membrana posición de estrangulamiento 2 FILTRO DE AIRE # 2 No. 1 B.V.S.V Boquilla Colector FIG. 6E - 18 Apertura membrana choque en la posición 2 Apertura amortiguador de choque en la posición 1 se inmediatamente después de comenzar debido a la creación de la depresión en colector de admisión para evitar el enriquecimiento de la mezcla de combustible. Amortiguador de choque se abre en la posición 2 cuando el motor se caliente en parte para reducir el CO y HC a través de una mezcla de disparando correctamente. Válvula bimetálico (BVSV) controla la apertura de la modificación temperatura adecuada segunda posición de shock damper colector de admisión de refrigerante. Bajo temperatura especificada estrecha salida BVSV colector de vacío Admisión y durante la toma de la temperatura especificada amortiguador de choque para abrir la segunda posición. La temperatura del refrigerante por debajo de 18 ° C más de 18 ° C * Operación BVSV abierto Choque abrió en la posición 1 EN EN Choque abrió en la posición 2 OFF EN Choque Tab 1,8mm Apertura 2,3mm Apertura cerrado 8 ° C 18 ± 4 ° C FIG. 6E - 19 BVSV
  • 156.
    6E-16 MOTOR (carburador) Esquemade conexión de la manguera (sólo sin plomo) A principios. Uno Febrero Tres 4 5 6 7 8 9 10 11 12 13 14 15 16 Manguera de vacío L220 Manguera de vacío L260 P.C.V conductiva Manguera de vacío L80 B.V.S.V Manguera de vacío L95 Vacío conductiva Conductor lug P.C.V Manguera de vacío L65 Manguera de vacío L120 B.V.S.V Tornillos de apoyo solenoide Soporte solenoide 3-way válvula de solenoide Control de la válvula Abrazadera 17 18 19 20 21 22 23 24 25 26 27 28 29 30 31 Abrazadera Bote Manguera Manguera de vacío L150 Mangueras B.V.V. Bote Manguera de vacío L350 Manguera de vacío L370 Manguera de vacío L180 Abrazadera E.G.R. válvula Tornillos Bote conductiva Válvula E.G.R. Válvula sello E.G.R. Manguera de vacío L50 Tubería Tornillos En E.G.R. Bote El distrib. FIG. 6E - 20
  • 157.
    MOTOR (carburador) 6E-17 ManguerasDiagrama de conexión 1 manguera de vacío, OI, L220 Dos manguera de vacío, CO, L260 Tubo de vacío 3 4 válvulas, B.V.S 5 manguera de vacío, III, L95 6 conductores vacío 7 tornillos, tubos de pvc La manguera de aspiración 8, II. L80 9 Tornillos, válvula de solenoide de apoyo 10 Apoyo, la válvula solenoide 11 3 vías de solenoide 12 de control de válvulas 13 Tab 2 Manguera de vacío 14 Una manguera de vacío 16, L180 17 abrazaderas, cable y manguera de aceleración 18 Tornillos, válvula EGR CONDUCTORES 19 latas 20 juntas, la válvula de EGR Manguera de vacío I 21, L65 22 Tornillos, tubería 23 junta 24 placas, válvula EGR 25 cap, colector de admisión FIG. 6E - 20
  • 158.
    6E-18 MOTOR (carburador) SOLUCIÓNDE PROBLEMAS Manifestación • Iniciar el mal tiempo frío • • Ralentí y la velocidad • • inestable que • • • • • • • Problemas Velocidad medianas y grandes • • • Aceleración pobres • • • Causa probable Amortiguador de choque no se cierra completamente Amortiguador de choque se sienta bien Mal funcionamiento de la membrana Tornillos CO no regulados Tornillos ficha de control de aceleración no regulada Boquilla principal sucio o decalibrat Pérdidas carburador (junta dañada, pernos debilitado) Volver mala aceleración del acelerador (înþepenire, poca adherencia) Neetanºeitate en contacto con la superficie del cuerpo (Junta defectuosa, tornillo de fijación se debilitó, deformación de la superficie de contacto) Mal funcionamiento del obturador automático (abierto débil palanca de deflexión o varilla) Servofreno accidentado o mangueras sueltas Surtidor principal obstruido o decalibrat • • • • • • • • • • • • Remedio Limpia la solapa y es su grasa de eje Compruebe y reparación Seînlocuieºtesau Ajustar Ajustar Ajustar Limpia o reemplaza Reemplazar, apriete Reparación, reemplaza Reemplazar, reparación Ajustar La reparación, reemplazo Aire de soplado es reunir, reemplaza Reemplazar Limpia, que sustituye Limpia, que sustituye Limpia, que sustituye Reemplazar Limpia, que sustituye Sello de la boquilla principal dañado • • obstruido de aire principal jet Gasolinas poco constante cámara (filtro obstruido • poantou dañado) Tobera obstruida o decalibrat principal • Sello de la boquilla principal dañado • Bajo la bomba del acelerador de descarga (boquilla de la bomba • obstruido, la válvula de descarga funcþionând defectuoso) Las pérdidas en el poantoului asiento (poantou materiales gastó • flotante deforme, flotador roto extranjera) • cámara de desagüe constante Reemplazar
  • 159.
    MOTOR (carburador) 6E-19 Elmotor no arranca Compruebe el nivel de ambiente constante SÍ Compruebe que hay gasolina en ambiente constante (cheque descarga de la boquilla de la bomba acelerador) a) b) c) d) e) NO La altura del flotador perturbado Mal funcionamiento del flotador Poantoului Mal funcionamiento Poantou utilizado Varilla Mal funcionamiento empuje f) materia extraña entre poantou y silla g) pobre asiento agarre NO Retire la tapa de la cámara existencia constante y verificación gasolina OKAY a) mal funcionamiento solenoide b) Boquilla obstruida c) agua en la constante de habitación d) Emulsorul bloqueado e) ángulo inadecuado para posición 1 inactivo (frío) f) tornillo de ajuste defectuoso aceleración del acelerador g) el tornillo de ajuste defectuoso ajuste h) Boquilla principal obstruido i) pernos de montaje del carburador débil cerca j) tornillo de ajuste defectuoso amortiguador de choque (frío) SÍ a) Pompãdeacceleraþie Impropio b) boquilla de la bomba del acelerador sofocado a) b) c) d) e) NO Tanque vacío Flotante no regulada Filtro de gasolina obstruido Poantou bloqueado Necores- Bomba de gasolina ade-
  • 160.
    6E-20 MOTOR (carburador) Idleirregular Medir las emisiones de CO SÍ Tornillo de ajuste defectuoso aceleración del acelerador NO CO más a) Boquilla obstruida aire b) mal funcionamiento par termoeléctrico c) establecer incorrectamente el tornillo de ajuste CO menos a) materiales extraños presentes en la sala de constante b) de boquilla de gasolina boquilla obstruida principal c) montaje del carburador pernos nestrânse d) ajustar orejeta no regulada e) Compensador caliente al ralentí f) el mal funcionamiento del solenoide g) Las mangueras dañadas o para aumento de frenado netanºe Comenzó Motor Compruebe el estado de funcionamiento del solenoide SÍ a) ajuste de CO defectuoso b) mal funcionamiento par termoeléctrico c) Vuelva a la posición de los pobres aceleración del acelerador NO Solenoide defectuoso
  • 161.
    MOTOR (carburador) 6E-21 VEHICULO SETinactivo 1. Desconecte el compensador ocioso caliente (H.I.C.) y cubrir con un tapón. 1. 2. 3. Febrero MANGUERA HIC CUBIERTA Válvula de EGR (NUMAIFÃRÃ LEAD) 8 ± 1/950 (En general) Avance de encendido (° / rpm) 4 ± 1/950 (En el Brasil, Chile) Uno Tres FIG. 6E - 21 HIC 2. calienta se inicia el ventilador del motor refrigeración. (es necesario realizar ajustes después de parar ventilador.) FIG. 6E - 23 AJUSTE antelación para FLASH 5. Espere ventilador apagado, ajustar la velocidad del motor ralentí en los valores especificados girando Tornillo de ajuste de aceleración del acelerador. Revs en rpm de ralentí 950 ± 50 FIG. 6E - 22 de calefacción 3. Compruebe carburador y buenas conexiones funcionamiento de la válvula. 4. Compruebe la distribución de los límites especificados (puede diferir de un país a otro, para adaptarse a la figura la gasolina de octanaje). FIG. 6E - 24 velocidades creación corriendo GOL
  • 162.
    6E-22 MOTOR (carburador) 6.CO y HC probador instalados para medir concentración de CO y HC. Si los resultados son más allá de los límites especificados, ajustar las concentraciones CO y HC girando el tornillo de ajuste poco a menos con una herramienta especial (se mide y es estableciendo al ralentí). 7. reconecta como HIC. El pedal aceleración de hasta 2500 rpm para verificar El ventilador de refrigeración del motor cuando camina meta, y que mide la concentración de CO y HC. En general La concentración de CO (%) 1,5 ± 1 COºiHC HC (ppm) 300 ~ 800 impuesto CO (%) 0,5 o < " HC (ppm) 100 o < " " CO (%) CO (%) 0,5 o < 0,5 o < HC (ppm) 125 o < HC (ppm) 100 o < Uno BRASIL GUATEMALA POLONIA 1. Herramientas especiales (SET CO 09913-18010) FIG. 6E - 25 tornillo SET CO FIG. 6E - 26 concentraciones MEDICIÓN CO y HC
  • 163.
    MOTOR (carburador) 6E-23 DESMONTAJE COMPONENTES(SÓLO sin plomo) Uno Febrero Tres 4 5 11 6 7 10 8 9 12 13 1. 2. 3. 4. 5. 6. 7. Conjunto de la tapa Membrana GENERAL NIPPLE Set ASAMBLEA DEL FILTRO FLOTANTE POANTOU GENERAL 8. 9. 10. 11. 12. 13. Membrana GENERAL Solenoide Set Membranoso Tornillo SET CO MANGUERA FIG. 6E - 27 PIEZAS DEL CARBURADOR
  • 164.
    6E-24 MOTOR (carburador) DESMONTAJE COMPONENTES(única pista) Uno Febrero Tres 4 5 8 6 7 10 11 12 13 1. 2. 3. 4. 5. 6. Conjunto de la tapa Membrana GENERAL NIPPLE Set ASAMBLEA DEL FILTRO FLOTANTE 7. 8. 10. 11. 12. 13. POANTOU GENERAL Placer Set Membranoso Tornillo SET CO MANGUERA FIG. 6E - 27 PIEZAS DEL CARBURADOR
  • 165.
    MOTOR (carburador) 6E-25 Precaucionesdesmontaje • • • Para retirar la junta de la brida del carburador en la superficie tendrá cuidado de no dañar la superficie de la brida. El flotador será manejado con cuidado para no ser deformada o rota. Tenga cuidado de no perder peso y bolas de acero bomba de aceleración. Destacados No desarme Las siguientes piezas requieren un ajuste de precisión. No van a desmontar. Febrero 5 Uno Tres 6 4 1. 2. 3. 4. 5. 6. Tornillos de mariposa del acelerador (SET 1 y segundo) Pernos de choque SET solapa Aceleración del acelerador Choque SISTEMA AUTOMÁTICO DIAFRAGMAS Sistema de bomba del acelerador FIG. 6E - 28 MARCAS carburador NO desarme
  • 166.
    6E-26 MOTOR (carburador) INSPECCIÓN Niveldel flotador Coloque el flotador en la parte superior del cuerpo e incline gradualmente la posición vertical hasta que el flotador alcanza poantoul. Compruebe en comparación con el valor especificado. Ajuste de la distancia del flotador (mm) 17.2 Febrero Uno PRECAUCIÓN Medir sin el flotador para llegar poantoul. 1. 2. Abridor de Choque PALANCA FIG. 6E - 30 COMPROBAR membrana 3. Aplicar un vacío de 400 mm Hg o mayor la membrana mediante la apertura del estrangulador conectado a una bomba de vacío. 4. En este estado, consulte el intersticio solapa Shock (Fig. A). Amortiguador de choque intersticio (mm) Uno 17.2 Distancia de Plan B ABAJO PARA PLANIFICAR flotador Pos. 1 pos. 2 1.8 2.3 PLA NB 1. FLOTANTE FIG. 6E - 29 Nivel FLOTANTE medición Choque frontal 1. Mantenga la palanca, tapón de la manguera de mano vacío y comprobar la posición de la palanca de retorno origen (1 ÷ 2 mm de retorno se debe a la fuerza Retorno de la membrana). 2. Compruebe que la palanca de volver rápidamente a tomar la mano La manguera de aspiración. La FIG. 6E - 31 COMPROBAR membrana OPEN Shock (pos. 1)
  • 167.
    MOTOR (carburador) 6E-27 2.En este estado, se mide solapa intersticio Shock "B". Bomba del acelerador Febrero Uno FIG. 6E - 32 COMPROBAR membrana OPEN Shock (pos. 2) 5. Compruebe que la membrana se mantuvo gasolina. 1. 2. Bombas Boquillas CARBURADOR Asamblea inaugural 1. Abra acelerar al máximo con amortiguador de choque totalmente cerrada. FIG. 6E - 34 CONSULTAR bomba Acelerar 1. Retire la carcasa del filtro de aire. 2. Compruebe que la boquilla de la bomba se rocía combustible presionando el pedal del acelerador. Si se rocía no hay combustible, comprobar bro Brana si los agujeros, grietas, si la bola está bloqueado o canalizaþia obstruido. Si hay problemas, limpia, reparar o reemplazar. Amortiguador de choque intersticio (mm) 2,3 ÷ 3,9 FIG. 6E - 33 INSPECCION GENERAL APERTURA
  • 168.
    6E-28 MOTOR (carburador) Membrana2 1. Retire la carcasa del filtro de aire y subidas colector de admisión del carburador. 2. Retire el segundo carburador de membrana. 3. Pulse inclinarás a la membrana, fuertemente usando un dedo como se muestra. Entonces todo el Stopper un vacío agujero para el dedo se libera y la primavera. 4. Compruebe que el resorte permanece en su posición después de presionar lo que llevó a liberarlo. 5. Después de verificar que el arco se ha mantenido en la posición El aire de barrido En general, soplado de aire medios de soplado de aire arma comprimido. En estas condiciones, se recomienda para soplar aire en que es admisible. (ver Fig. a continuación) Si soplas las salidas de aire, polvo o suciedad canalizaþii es empujado en zonas de difícil acceso, convirtiéndose imposible quitar después. Febrero Uno POLVO INGESTA 1. 2. ARC Si se presiona AIRE COMPRIMIDO FIG. 6E - 35 COMPROBAR membrana 2-A Mantenga, levante el dedo del orificio de vacío y es tiene como objetivo si la primavera regresa a su posición original sin problemas. 6. Si se producen problemas en las secciones 4 y 5, que sustituye 2 de la membrana. FIG. 6E - 36 dirección soplador Precauciones de reunión • • • • Sustituirá a todas las juntas por otras nuevas. Asegúrese de que ha instalado y que los sellos de membrana mover el dañado o no está montado en su posición. No permita que la existencia de polvo en el carburador. Después del montaje, comprobar el buen funcionamiento piezas ensambladas en estado montado. Limpiar 1. Aplique aire limpia jicloarele (progresión, la gasolina principal y aire). 2. Aplique aire limpia el cuerpo canalizaþiile carburador. 3. Retire la cámara del flotador y poantoul agujero de golpe de aire constante y limpio de entrada de la gasolina poantoului.
  • 169.
    MOTOR (sistema deencendido) 6F-1 6F. Sistemas de encendido DESCRIPCIÓN GENERAL .............................................................................................................. 6F - 2 Sistema de encendido .......................................................................................................... 6F - 2 Bobina de encendido ............................................................................................................. 6F - 2 Chispa ......................................................................................................................................... 6F - 3 Distribuidor ............................................................................................................................. 6F - 3 SOLUCIÓN DE PROBLEMAS ...................................................................................................................................... 6F - 7 VEHICULO .................................................................................................................. 6F - 7 Los horarios de alto voltaje ........................................................................................................ 6F - 7 Bobinas de encendido ............................................................................................................. 6F - 8 Distribuidor ............................................................................................................................. 6F - 8 Distribución ............................................................................................................................... 6F - 9
  • 170.
    6F-2 MOTOR (sistemade encendido) DESCRIPCIÓN GENERAL Sistema de encendido logra quemar combustible en las cámaras de combustión mediante la generación de chispas poder en un orden adecuado. El sistema consta de: batería, bobina de encendido, distribuidor, hojas de datos de alta tensión Y las bujías. Sistemas de encendido 6 7 4 Tres Febrero Uno 9 8 10 11 13 5 12 1. 2. 3. 4. 5. 6. 7. BATERÍA SEGURIDAD PRINCIPAL ENCENDIDO DE CONTACTO SEGURIDAD Bobina de encendido DISTRIBUIDOR ROTOR DISTRIBUIDOR 8. 9. 10. 11. 12. 13. Bobina rota MÉTODO Elctronic Rotor roto VACÍO ADVANCE REGULADOR Reglas avanzadas CENTRIFUGOS SPARK FIG. 6F - 1 ESQUEMA DEL SISTEMA DE ENCENDIDO Bobinas de encendido ALTO VOLTAJE TERMINAL empalme Bobina de encendido es un tipo de transformador de alta tensión (15.000 ÷ 25000V) que puede generar bujías y tener el núcleo magnético de hierro, cir- circuito cerrado. Núcleo magnético de la bobina de encendido está cerrado utilizado para el sistema de encendido de alta energía (H.E.I.). Cara del circuito magnético cerca abierto cerrado sin pérdida de flujo magnético es más pequeña en tamaño, Y producir el lado de alta energía. TERMINAL BAJA TENSIÓN Bobina primaria Bobina secundaria (A) COLUMNA CENTRAL Postes Estructura de circuito cerrado magenetic (B) Magenetic cuna cerrada FIG. 6F - 2 BOBINA DE ENCENDIDO BÁSICO Magnético cerrado
  • 171.
    MOTOR (sistema deencendido) 6F-3 SPARK Ellos son parte del circuito secundario de la ignición, haciendo por el alto voltaje chispas encendiendo mezcla de combustible. Sin plomo Fabricante Tipo La distancia entre los electrodos (Mm) LEAD Fabricante Tipo La distancia entre los electrodos (Mm) CHAMPION / ORO RNIIYC / BPR5E 0,7 ÷ 0,8 FIG. 6F - 3 SPARK CHAMPION / ORO RNIIYC-4 / BPR5EY-11 1,0 ÷ 1,1 RN IIYC -4 CHAMPION ES LD GO DISTRIBUIDOR El distribuidor distribuye bobina de alta tensión inducida cada cilindro de encendido por chispa con el fin ignición. También ajusta avance de encendido dependiendo de la carga del motor. Todo concesionario es el que realiza el fallo de energía primaria un alto voltaje aparece en la secundaria. Componentes son: regulador de Avance regulador de vacío avance centrífugo, rotor, interruptor de la bobina, módulo electrónico rotor interruptor magnético, etc. Dirección del movimiento del peso Leva APOYO Pin Placer ORIENTACIÓN PESO ARC Devoluciones Perno ÁNGULO DE AVANCE Sentido de giro Eje (A) ANTES DE AVANZAR (B) Después de ADVANCE 1. El RSS a. Avance centrífugo FIG. 6F - 4 FUNCIÓN CENTRIFUGAS ADVANCE CARBURADOR Reglas avanzadas Vacío ARC Devoluciones CONEXION b. Avance de vacío VACÍO Conductor Aceleración del acelerador MEMBRANA DE VACÍO ÁNGULO DE AVANCE Placa intermedia (A) de carga alta (B) bajo carga FIG. 6F - 5 FUNCIONAMIENTO vacío AVANZADA
  • 172.
    6F-4 MOTOR (sistemade encendido) 2. El circuito de alta tensión (secundaria) Ignición Para interrumpir la corriente en el circuito primario se adoptó solución transistorizado (electrónico). El distribuidor contiene un generador de señal que distribuye transistores señal de control. Carente partes mecánicas en movimiento, no hay fallos se producen debido a los contactos. (1) rotor roto (o generador) Al girar el rotor en el interruptor distribuidor es tensión alterna en la bobina induce disyuntor variaciones debidas al flujo magnético. Éste activa el circuito de control de voltaje transistores cuales realiza el parpadeo de corriente en el circuito primario. El generador de señal de encendido consiste en el eje del rotor que gira una vez estando montado sobre el mismo distribuidor, bobina y imán montado en la placa fija. Cuando el rotor no gira, hay una variación de flujo magnético que generan voltaje bobina del interruptor alternativa. Cuando gira aparece tensión alterna (señal de encendido). En la secuencia A B C de la figura. 6F - 7 entrehierro varía debido a la rotación del rotor causando variación del flujo magnético en la bobina. Desde que recoge voltaje terminal alternativo correspondientes variaciones de flujo magnético. Así tensión se genera en ese variar el flujo magnético. Por lo tanto, este cambio la polaridad del diente del rotor se aproxima bobina (aumentos de flujo magnético a su vencimiento disminución del espacio de aire, ver fig. 6F - 7), y se aparte del mismo (cuando el flujo de disminuye debido al aumento de espacio de aire sede magnética Fig. 6F - 7 C). Tal parece tensión alternativa. Aumento de la frecuencia de la variación del flujo mag- cinética implica el aumento de la tensión generada. Cuando los dientes del rotor vienen en posición simétrica hacia el centro de la bobina (Fig. 6F - 7 B), tales como flujo magnético y voltaje producto llega al "A" y antes o después de que (A, C) se convierte en el máximo, el incremento máximo Con el motor turþiei creciente. IMÁN Bobina rota ROTOR Cuando el diente Alcanza el imán FIG. 6F - 6 ROTOR roto y carretes (ENCENDIDO DE SEÑAL) (Salida de nivel alto) Bobina APOYO (Salida de nivel alto) La Rotor roto B IMÁN C FIG. 6F - 7 SISTEMA DE GENERACIÓN DE SEÑALES FLASH
  • 173.
    MOTOR (sistema deencendido) 6F-5 (2) Sistema de encendido Operación (Circuito principal) 1 de encendido "ON" Cuando el motor de encendido (ON) el voltaje en el punto P a aplicar sobre R1 y R2 divisor de tensión es un poco más voltaje de apertura el transistor Tr. Por esta razón, es Tr abierta que permite el flujo de corriente en circuito primario. (Para el propio circuito, punto de tensión de P se establece en menos que opera como no dejar el flujo de corriente primaria a través de él.) 2 voltaje de la bobina se genera en el sentido de "+". Cuando el motor está funcionando y el rotor gira distribuidor, que aparece voltaje AC bobina. En la tensión de generación de "+" se aplica y luego el punto P y la base del transistor Tr, tales actual mover el circuito primario de la bobina ignición. 3 voltaje de la bobina se genera en el sentido de "-". Tr está bloqueada debido a una tensión inferior a la operación del punto P. De este preocupados, la corriente en el circuito primario de la bobina Flash está bloqueada, por lo que el secundario voltaje inducido es ampliada. Como el tensión generada por la bobina del rotor en el sentido 2 Tr permanecen en el estado bloqueado. Estos pasos 2 y 3 se repiten en la operación del motor, permitiendo y bloqueando sucesivamente Tr flujo de corriente. Siempre que Tr es estado bloqueado, la bobina secundaria se genera alta tensión de encendido. En circuito principal tipo completamente transistorizado, T. R. se bloquea hasta que la tensión "-" generada por el interruptor de bobina no superposiciones que especificó. Sistema de encendido Totalmente transistorizado método de control de ángulo adoptado Cerca de disminuir el voltaje en altas velocidades de secundaria. MÉTODO Resistencia EXTRANJERA EN CONTACTOS FLASH R1 P Alta R2 R3 TR R5 FIG. 6F - 8 DE CONTACTO DE ENCENDIDO "ON" (PUS) MÉTODO Resistencia EXTERIOR EN Bobina de encendido R5 (+) R1 P R3 TR (-) R2 FIG. 6F - Septiembre voltaje de la bobina rota "+" MÉTODO Resistencia EXTRANJERA CONTACTOS FLASH - + R1 P R2 R3 OFF R5 Bobina FLASH FIG. 6F - 10 Tensión bobina rota "-"
  • 174.
    6F-6 MOTOR (sistemade encendido) 4 sistema de encendido completamente transistorizado mando del cierre del ángulo de leva. a. La necesidad de controlar el ángulo leva de cierre Orden del cierre del ángulo de leva controla el período de transición actual (levas de ángulo cerrado) en el circuito primario. Esto significa que a baja velocidad del motor, de ángulo cerrado cam para limitar la corriente disminuye, entonces aumenta. Tensión en la bobina secundaria de encendido se disminuye al aumentar la velocidad del motor. Sistema de encendido comando totalmente transistorizado el cierre del ángulo de leva era adoptado para evitar la caída tensión en la bobina secundaria ignición. Tensión generada (KV) 40 La 30 Ángulo controlado Cam cerca 20 10 B ORDEN SIN EL ÁNGULO Cam cerca 1000 2000 3000 TURÞIE DISTRIBUIDOR (RPM) FIG. 6F - 11 COMPARACIÓN generado tensión EN EXTERIOR FORMULARIO para bobina de salida Rompedor TURÞIE agrandar NIVEL DE FUNCIONES TR1 b. El ángulo de comando de operación cierre de leva. El circuito primario está atravesada por la corriente el motor apagado porque el voltaje punto P se fija por debajo tensión fucþionare de T. R. En este caso, la señal del rotor y formas regulares tarde en la figura. Las velocidades crecientes distribuidor aumenta la generación de voltaje bobina del interruptor de erratas, y se acorta Durante la apertura de T.R .. En este caso, el bloqueo de período T. R. Restante sin cambios, el período ampliado funcionamiento de T. R. (Ángulo de Clausura la leva superior). Ventaja Ofrenda cambio en la forma de onda de voltaje bobina del interruptor, de ángulo cerrado leva es aumenta con la in- acelerar. OFF FUNCIÓN TR1 EN ROTOR rotación UNGHIL FIG. 6F - 12 Principios de Control ÁNGULO DE BLOQUEO leva MÉTODO R1 R3 TR CONTACTOS FLASH R4 Bobina FLASH BATERÍA Bobina Broken R2 FIG. 6F - 13 SISTEMA BÁSICO DEL CIRCUITO CONTROL DE ENCENDIDO ÁNGULO DE BLOQUEO leva
  • 175.
    MOTOR (sistema deencendido) 6F-7 SOLUCIÓN DE PROBLEMAS Manifestación El motor no arranca (Pero gira) Chispas por defecto • Bujías defectuosas • • • • • • • • • Las pérdidas en horarios de alta tensión Rotor o tapa defectuosa Cómo defecto Espacio de aire inadecuada al interruptor rotor Bobina de encendido defectuoso Hojas de Datos débilmente conectados alta tensión Seguridad defectuoso Mofles defecto Ajuste de encendido defectuoso Causa probable • • • • • • • • • • Remedio Ajuste la distancia entre electrodos o reemplazado Reemplazar Reemplazar Reemplazar Ajustar Reemplazar Apriete las conexiones Reemplazar Reemplazar Ajustar VEHICULO Hojas para alta tensión 1. Retire las hojas de chispa de alto voltaje. PRECAUCIÓN No tire del cable, no dudando para no se dañará el interior. Cuando mavreazã actuará en manºonului goma. Bobinas de encendido Mida la resistencia óhmica de cada înfãºurãri para verificar el cumplimiento de los límites especificados. Resistencia primaria Înfãºurare 1.2  Înfãºurare secundaria 12,1 kW SPARK CHAMPION / ORO LEAD RNIIYC / BPR5E Distancia entre Los electrodos (mm) 0,7 ÷ 0,8 1,0 ÷ 1,1 Sin plomo RNIIYC??4 / BPR5EY??11 2. Medir la distancia entre los electrodos, y si masa grande se ajusta doblando el electrodo. "A" FIG. 6F - 15 bobinas de encendido VER A: distancia entre electrodos FIG. 6F - 14 AJUSTE ENTRE distancia ELECTRODOS
  • 176.
    6F-8 MOTOR (sistemade encendido) DISTRIBUIDOR 1. Compruebe el espacio de aire entre el rotor y el interruptor de la bobina Rutor. Si el valor es superior al límite se ajusta. 2. Medir la resistencia de la bobina del rotor. Espacio de aire (mm) 0,25 ÷ 0,35 Resistencia de la bobina del disyuntor entre +??(Ω) 425 ÷ 505 FIG. 6F ?? 18 SET revoluciones ociosas 3. Compruebe el control de ignición. EN GENERAL CHILE COLOMBIA MYANMAR BRASIL Avance de encendido (° / rpm) " " " " 8 ± 1/950 4 ± 1/950 " 0 ± 1/950 " FIG. 6F ?? 16 COMPROBAR bobina rota CONTROL DE ENCENDIDO 1. calienta el motor hasta que arranque el ventilador enfriamiento (ajuste se realiza después de parar Fan). 2. Compruebe las revoluciones de ralentí. FIG. 6F - 19 DE ENCENDIDO adelantar el ajuste 4. Si el valor medido excede el límite, ajusta ángulo de encendido girando cuerpo distribuidor. FIG. 6F - 17 caliente el motor Con motor en vacío (rpm) 950 ± 50
  • 177.
    Motor (entrante) 6G-1 6G.Motor de arranque DESCRIPCIÓN GENERAL ............................................................................................................. 6G - 2 Circuito de arranque ............................................................................................................ 6G - 2 Motor de arranque ...............................................................................................................................6G - 2 SOLUCIÓN DE PROBLEMAS .................................................................................................................................... 6G - 4 INSPECCIÓN ................................................................................................................................. 6G - 5 Motor de arranque ...............................................................................................................................6G - 5
  • 178.
    6G-2 motor (arranque) DESCRIPCIÓNGENERAL ARRANQUE CIRCUITO Circuito de arranque consiste en la batería, motor de arranque, el contacto de encendido y el cableado asociado. Bobina de encendido ENCENDIDO DE CONTACTO DISTRIBUIDOR Elemento fusible ARRANQUE BATERÍA FIG. 6G - 1 CIRCUITO DE ARRANQUE ARRANQUE Tipo Potencia (Kw) DAEWOO 0.8
  • 179.
    Motor (entrante) 6G-3 Elmotor de arranque se compone de partes de la figura. 6G - 2 y tiene un imán permanente montado en el tenedor (marco). Piezas de montaje Acoplamiento magnético y de arranque están alojados en una carcasa que protege el agua y suciedad. En el circuito, que se muestra en la figura. 6G - 1 solenoide se magnetiza a la ignición de encendido "ON", el piñón comprometerse con los anillos de engranaje del volante debido a su empuje por teléfono. Esta acción le hace conseguir un acoplamiento magnético y la rotación del motor a tener lugar. Después de arrancar el motor, de un solo sentido piñón embrague protege el rotor para acelerar cuando el encendido está apagado, cuando el muelle de retorno hace que el piñón de salir los dientes. Uno Tres Febrero 4 5 6 8 1. 2. 3. 4. Conjunto de solenoide Montaje Tenedor ROTOR ACOPLAMIENTO ASAMBLEA 5. 6. 7. 8. Asamblea de Vivienda Conjunto de marco Partidarios GENERALES Conjunto de marco 7 FIG. 6G - composición 2 ARRANQUE de
  • 180.
    6G-4 motor (arranque) SOLUCIÓNDE PROBLEMAS Siguientes síntomas se deben a la operación arranque defectuoso. • El motor de arranque no funciona (al final de revoluciones). • El motor no gira, el trabajo de arranque. • ruidos anormales • Localizar las causas probables de la batería, cableado, motor de arranque o en cualquier parte del motor. Manifestación El motor de arranque no obras Compruebe causas probables montado el motor de arranque motor porque el motor no puede empezar sin motor de arranque. 1. Datos del disfuncþionãrii 2. Condición de la (tabla de conexión del motor) de la batería Y condición terminal de arranque 3. Carga de la batería 4. Instale el motor de arranque Remedio • • • • • • • • • • • • • • • • • • Carga de la batería Reemplace la batería Apriete o reemplace Abrazo Apretar o reemplazar Reemplazar Apretar Reparación Reemplazar Reemplazar Carga de la batería Reemplace la batería Apretar Reemplace el solenoide Repare o reemplace Reemplazar Reemplazar Reemplazar Causa probable No hay ruido de funcionamiento del solenoide • Batería baja • Batería desgastada • Terminal de contacto Pobre • mala conexión en la mesa • elemento fusible suelto o cortado • Contacto incorrectamente motor • mala conexión • Cable cortado entre el motor y el contacto del solenoide • bobina interrumpida • Lubricación inadecuada del pistón Ruidos de funcionamiento del solenoide • Batería baja • Batería desgastada • Terminal de contacto Pobre • Puntos de quemaduras por contacto, solenoide dañados • Las escobillas están bien asentados • Cepillo de Arco con poca elasticidad • Colector quemado • disfuncional Rotor El motor de arranque gira, pero demasiado lentamente (pareja insuficiente) Inspeccione el motor de arranque en caso de que no se encontró nada de malo con la batería o el cableado. • Mal contacto del solenoide • disfuncional Rotor • Colector desconectado, quemado o desgastado • Cepillos gastados o quemados • Cepillo de Arco con poca elasticidad • • • • Sprocket Lubricación débil embrague unidireccional El acoplamiento funciona muy bien debido a los daños rollito de primavera Coronas dentadas desgastadas El desgaste anormal de los cepillos Corona piñón diferencial - usado Lubricación pobres piñón Dientes internos engranaje intermedio, desgastadas Contactos solenoide derritió Solenoide disfuncional Ignición no vuelve • • • • • • • • • • • • • • • • Reemplazar Reemplazar Reparará o reemplazará Reemplazar Reemplazar Reemplazar Reemplazar embrague unidireccional Reemplazar embrague unidireccional Reemplace el volante Reemplazar Reemplace el engranaje, el volante Reemplazar Reemplazar Repare o reemplace Reemplazar Reemplazar El motor de arranque funciona, pero el motor no gira Ruido • • • • • • • El motor de arranque no se detiene
  • 181.
    Motor (entrante) 6G-5 INSPECCIÓN ARRANQUE 1.Inspeccione rotor Reemplazar si el diámetro exterior del rotor colector se utiliza como el siguiente patrón. Colector de diámetro exterior (Mm) Estándar 31.90 ÷ 32.60 Límite Inspeccione si hay suciedad o el colector de combustión. Retirar con papel de lija, si es necesario. # 300 ~ 400 FIG. 6G - 3 Compruebe colector desgaste desigual. Si Desviar comparador está sobre el límite, reparación o Reemplazar. PRECAUCIÓN Si el valor es más alto que se especifica a continuación, Vuelva a colocar el rotor. Estándar 0.05 Hoja FIG. 6G - 5 Controlar el espesor de la parte inferior de las palas colector. Reparado o reemplazado si es menor límite. Estándar más de 1,0 Límite Espesor de capa entre Pequeño fichas Collector (mm) Colector Oval (mm) Límite MICA 0,5 ~ 0,8 DERECHO INCORRECTO FIG. 6G - 6 FIG. 6G - 4
  • 182.
    6G-6 motor (arranque) Tablade prueba Revise entre el colector y el rotor. Si hay continuidad, el rotor se coloca sobre la mesa, y debe ser reemplazado. 3. Prueba de rendimiento PRECAUCIÓN No va a tomar más de 3 ÷ 5 segundos para no bobinado quemadura. Atracción de prueba Conectar la batería al solenoide como en la figura a continuación, y verificar que el pistón se mueve hacia el exterior. Si el émbolo no se mueve, que sustituye el solenoide. S BAT FIG. 6G - 7 Prueba Circuito Abierto Compruebe la continuidad entre las cuchillas. Si hay en uno cualquiera de los puntos, hay una abierta y el rotor debe ser reemplazado. M FIG. 6G - 10 Prueba de mantenimiento Mantener la conexión anterior con el pistón salido, la Desconecte el cable de terminal "-" de M, y comprobar el retorno del pistón. Si el pistón regresa, reemplaza solenoide. 2. FIG. 6G - 8 Inspeccione los cepillos Si la longitud del cepillo se desgasta por debajo de la más abajo, reemplazar el cepillo. Estándar 7,00 ÷ 7,25 Límite Longitud Pincel (mm) FIG. 6G - 11 FIG. 6G - 9
  • 183.
    Motor (entrante) 6G-7 Compruebeel retorno del pistón Desconecte el cable "-" de la electroválvula y comprobar si rendimientos del pistón, si no, se reemplaza el solenoide. FIG. 6G - 12 Sin carga prueba de rendimiento a) Conecte la batería de arranque y amperímetro como se muestra a continuación. b) Comprobar que el motor de arranque gira lentamente y con firmeza tener engranaje aparte. Compruebe lectura actual el amperímetro. Corriente especificada (A) Menos de 53A a 11,5V FIG. 6G - 13
  • 184.
  • 185.
    Sistema de motor(con cargo) 6H-1 6H. Sistema de carga DESCRIPCIÓN GENERAL ............................................................................................................. 6H - 1 Batería ..................................................................................................................................... 6H - 1 Alternador ................................................................................................................................ 6H - 1 VEHICULO ................................................................................................................... 6H - 3 Batería ..................................................................................................................................... 6H - 3 Remoción y reemplazo ......................................................................................................... 6H - 4 Alternador ................................................................................................................................ 6H - 5 DESCRIPCIÓN GENERAL BATERÍA La batería tiene 3 funciones en el sistema eléctrico. En primer lugar, la arrancar el motor. Luego de actuar como un regulador de la sistema eléctrico. La tercera, la energía suministrada un período de tiempo limitado cuando la carga excede nivel de energía dado el alternador. Tipo Capacidad (Ah) PT28 - 20BL 35 ALTERNADOR FIG. 6H - 1 Batería Fue adoptado la solución con regulador incorporado. Salir (A) Diámetro de la polea (mm) 50 58.5
  • 186.
    6H-2 MOTOR (cargadel sistema) Uno Febrero Tres 6 7 4 5 1. 2. 3. 4. 5. 6. 7. 8. 9. Polea ESTATOR ASAMBLEA DE LA PORTADA ROTOR ROTOR ASAMBLEA Contraportada CEPILLO ASAMBLEA y regular RECTIFICADOR ASAMBLEA Cubierta trasera SOPORTE ALTERNADOR 8 9 FIG. 6H - 2 ALTERNADOR 7 Tres Febrero 4 5 8 Uno 1. 2. 3. 4. REGULADOR REGULADOR IC Bobina de encendido DIODO 5. 6. 7. 8. Bobina ROTOR TESTIMONIO estado de carga PRINCIPAL CONTACTO EMBARAZO FIG. CIRCUITO 3 ALTERNADOR - 6H
  • 187.
    Sistema de motor(con cargo) 6H-3 VEHICULO BATERÍA Soporte y abrazaderas Antes de instalar la batería esté limpia y apoyo clips de retención. Apriete bien los tornillos sujeción para evitar el movimiento de la batería apoyo. No suprastrânge. PRECAUCIÓN • El líquido de la batería es un ácido fuerte. Evitar en contacto con la piel, la ropa o materiales de pintado. • Si entra en contacto con la voluntad de electrolitos se lavó a fondo con agua en lugar. • Para evitar cortocircuitos no funcionarán cerca de la terminal de la batería "+" con herramientas Metal. • Mantenga a los niños lejos de la batería. La inspección visual Caso revisión de la batería no se agrietó perderá electrolito, si nota cualquiera Reemplace la batería. Compruebe y causar grietas Y será eliminado. OFF motor y apagar todas las luces. 2. Compruebe el nivel del electrolito y si está por debajo de la bajo aceptable Reemplace la batería. PRECAUCIÓN • Al arrancar el motor con equipos de carga, verifique cualquiera de los terminales 12V "-" en la mesa. • No utilice el equipo a 24V. Voluntad dañar el sistema eléctrico. 3. Conecte el cable al terminal de la batería "+" terminal auxiliar "+" de la batería descargada. Para prevenir puesta a tierra y más fácil de trabajar remota mantendrá los dos vehículos. Batería se utilizará sólo 12V auxiliar. 4. Conecte el cable al terminal "-" de la batería auxiliar. Otro extremo de la mesa se une el vehículo tiene una batería descargada (para apoyo Un compresor C / o el alternador) a menos 50 cm de distancia de la batería usada (Nunca No se conectará directamente a la terminal "-" de la batería utilizada). 5. Motor Vehicle comienza con una buena batería todos los accesorios desacoplar y luego empieza la otra motor. 6. Desconecte los cables de conexión con el fin revertir la conexión. En primer lugar para desconectarse de buena batería. A partir de una batería de ayudas de emergencia 1. El freno de mano puesto en libertad y es poziþioneazã palanca selectora en punto muerto. Los interruptores de contacto PRECAUCIÓN • No empuje ni remolque el vehículo a ser , lo cual puede dañar el sistema evacuación o de otras partes del motor. • El uso de estas baterías será Manejar con cuidado. • El daño puede ocurrir como: Lesiones 1. (especialmente los ojos) explosión de la batería, la quema de cableado o electrolito. Dispositivos posibible 2. Daños potencia del vehículo. • No coloque la batería cerca de fuentes de fuego podría producir vapores inflamables explosivos. • Manejo de la batería será libre de usar anillos, relojes, etc ..
  • 188.
    6H??Sistema 4 Motor(con cargo) REMOCIÓN DE REEMPLAZO y Se tomarán las baterías Manejo siguiente medidas de protección. ?? ?? El gas hidrógeno se desprende en la batería. Una llama o chispa cerca de la batería podría encender el gas. El líquido de la batería es ácido fuerte. Evite el electrolito para llegar a la ropa u otros materiales. Si llega al lugar se lavó completamente con agua y limpiar inmediatamente. Para quitar o reemplazar la batería, siempre primero el terminal de desconexión ????"Entonces, terminal ??+ ". FIG. 6H ?? 5 Ajuste de tensión de la correa en V PRECAUCIÓN Compruebe la tensión de la correa V después terminal de desconexión ????"Batería. 1. Revise la banda en busca de grietas, daños, deformación y si es necesario, reemplace correa. 2. Cuando se pulse el cinturón con el dedo debe tener flecha siguiente. Nueva cinta Correa desgastada 7 a 9 7 a 11 La flecha (mm) 10kgf FIG. 6H ?? 4 3. Si el cinturón no es întindrea conformable alternador repoziþioneazã para ajustar. 4. Apriete los tornillos y ajuste de pivote alternador. 5. Conecte el terminal ????"Batería.
  • 189.
    Sistema de motor(con cargo) 6H??5 ALTERNADOR Mal funcionamiento del estado testigo de cargo Manifestación Con el contacto de encendido palabras, el motor apagado, testigo sin carga luz Motor comenzó, y el testimonio Estado de carga de la batería es todavía lit. ?? ?? ?? ?? ?? ?? ?? ?? Causa probable Quemado Seguridad Bombilla Conexión floja Defecto Regulador IC Cepillos con colector de contacto débil V-correa floja o desgastada Regulador IC o alternador defectuoso Cableado defectuoso ?? ?? ?? ?? ?? ?? ?? ?? Remedio Control de seguridad: Reemplazar Limitamos Comprobar alternador Repare o reemplace Ajuste o reemplace Revise el sistema de carga Reparación La batería no se está cargando Compruebe el alternador de la siguiente manera, si la batería descargada se mantiene muy por debajo de su capacidad. 1. Conecte un voltímetro y un amperímetro como a continuación. PRECAUCIÓN Utilice una batería completamente cargada. PRECAUCIÓN Recuerde que la corrección de la tensión de carga A medida que el controlador de temperatura de la cámara es Vea abajo. VOLTAJE 16.0 15.34 15.0 14.8 14.8 Uno 6 5 4 14.0 Febrero Tres 13.0 14.2 14.2 13.3 -25 ° C 25 ° C 125 ° C 1. 2. 3. ALTERNADOR Amperímetro VOLTIMETRO 4. 5. 6. BATERÍA Sistema de carga CONTACTOS FIG. 6H ?? 7 3. Compruebe las escobillas de tierra en el caso de que tensión está por encima de la norma. Reemplazar regulador IC si la masa es cepillo normal. 4. Si el voltaje es menor que el límite estándar, faros de luz y calefacción con motor de altas revoluciones a 2000 rpm, la corriente se mide, y la corrección se hace el alternador, si se mide la corriente es menor que 20A. FIG. 6H ?? 6 2. El número de vueltas a 2.000 rpm. PRECAUCIÓN Todos los accesorios no se utilizan (ºtergãtoare, calentador, etc.). Estándar actual Voltaje ajustable Max. 50A 14,2 ÷ 14,8V (25 ° C)
  • 190.
    6H??Sistema 6 Motor(con cargo) BLANCO
  • 191.
    MOTOR (sistema decontrol de emisiones) 6I??Uno 6I. SISTEMA DE CONTROL DE EMISIONES DESCRIPCIÓN GENERAL ............................................................................................................... 6I ?? Febrero Emisión diagrama de sistema de control .................................................. 6I .............. ?? Febrero La recirculación de los gases de escape .................................................. 6I ............. ?? 4 Sistema de control de emisiones .................................................. 6I ................................... ?? 6 BVV .......................................................................................................................................... 6I ?? 8 Sistema de control de la contaminación ......................................................................................................... 6I ?? 9
  • 192.
    6I??FebreroMOTOR (sistema decontrol de emisiones) DESCRIPCIÓN GENERAL TABLA DE SISTEMA DE CONTROL DE EMISIONES (GENERAL: ENCENDIDO DE CONTACTO M / T) Razonable Solenoide APERTURA choque cápsula Ocioso ACTUADOR Solenoide CARBURADO R Boquilla DISTRIBUI DOR Válvulas de PCV FILTRO DE AIRE FIG. SISTEMA DE CONTROL DE EMISIONES 6I SUPAPÃCON TROL
  • 193.
    DISTRIBUI DOR Razonable APERTURA choque cápsula FILTRO DE AIRE Boquilla Válvulas de PCV Solenoide CARBURADO R ACTUADOR Ocioso RELAYF / C Solenoide CONTACTOS Vacío ENCENDIDO DE CONTACTO TABLA DE SISTEMA DE CONTROL DE EMISIONES (GENERAL: A / T) FIG. SISTEMA DE CONTROL DE EMISIONES 6I SUPAPÃCON TROL MOTOR (sistema de control de emisiones) 6I??Tres
  • 194.
    6I??4MOTOR (sistema decontrol de emisiones) Sistema de recirculación de gases (EGR) ?? SÓLO sin plomo Las emisiones de NOx está estrechamente relacionada con la proporción de mezcla para la combustión completa, y una eficiencia de combustión ampliada. Eso significa que los NOx aumento de las emisiones con el aumento de temperatura de cocción. En consecuencia, se adoptó el sistema EGR para reducir las emisiones de NOx mediante la reducción de la temperatura del gas de escape. Sistema de EGR toma una parte del colector de escape a mezclar con el aire Fresh. En este momento, la temperatura desciende y la emisión de NOx se reduce. Los gases de escape entre en la cámara de combustión va a cambiar la relación de mezcla final. Por lo tanto, es necesario para minimizar esta influencia por referencia a la temperatura del refrigerante y la depresión el motor. 6 Escape Depresión MOTOR (vacío) 4 Uno 1. 2. 3. 4. 5. 6. 7. 8. Válvula de EGR BIMETAL válvula BVSV Colector Membranoso Válvula CARBURADOR Unidad 1 Premio 2 5 Tres Febrero 7 8 FIG. 6I ?? 2 EGR SISTEMA Funcionamiento de la válvula EGR depende de la temperatura del refrigerante del motor y la depresión. Como es se muestra en la figura anterior, salida de vacío se coloca en el borde superior de la aceleración del acelerador. Al abrir aceleración del acelerador con un cierto ángulo, se aplica la válvula de salida de vacío 2 BVSV bimetal. Válvula bimetálico BVSV se coloca en el refrigerante, y cuando se tiene más de 50 ± 4 ° C, es la comunicación abierta entre la unidad 1 Y dos de salida para activar la acción de vacío de la válvula de EGR de la clavija 2.
  • 195.
    MOTOR (sistema decontrol de emisiones) 6I??5 Comprobación de los componentes (SÓLO sin plomo) La válvula EGR (SÓLO sin plomo) a. b. c. d. e. Desconecte la manguera de vacío Válvula BVSV. Conecte la bomba de vacío a la válvula EGR Como se muestra en la figura. Compruebe que la membrana de la válvula EGR es soplar suavemente a través de la aplicación de un vacío de 200 mm Hg (Bar de 260 mm) en la válvula. Si la membrana no se mueve, que sustituye debido a que la válvula EGR se ha quedado atascado en una posición. Revise la manguera de vacío entre BVSV y EGR. 1. 2. 3. POSICIÓN DE SOLICITUD DE VACÍO Presión atmosférica POSICIÓN Membranoso Tres Febrero Uno FIG. 6I ?? 3 Compruebe la válvula EGR * Depresión para activar la válvula de EGR. ?? 60 ± 8 mmHg (?? 80 ± 10 mm bar) (Temperatura del refrigerante) Compruebe BVSV (SÓLO sin plomo) BVSV abre para activar la válvula de EGR cuando temperatura del refrigerante es 50 ± 4 ° C, y desactiva la válvula EGR cuando la temperatura cae por debajo 40 ° C. A. Compruebe BVSV (paso 1) Prepara la verificación como se muestra, y golpe BVSV salida de aire (3 en la Fig.) Cuando la temperatura refrigerante está por debajo de 40 ° C. El aire no debe salida a través de la otra salida (Fig 4). Si los tapones (3 y 4 en la Fig.) Se comunican entre sí, significa que BVSV es defectuoso, por lo que debe reemplazado. EN OFF Cerrado (40 ° C) Abierto (50 ± 4 ° C) 5 4 Tres Uno Febrero 1. 2. 3. 4. 5. BVSV Refrigerante Soplando aire Salida de vacío TERMÓMETRO FIG. 6I ?? 4 Compruebe BVSV
  • 196.
    6I??6MOTOR (sistema decontrol de emisiones) B. Compruebe BVSV (paso 2) Entrada de la misma manera como en el paso 1. Pero para el Paso 2, cuando el refrigerante es calienta por encima de 50 ° C de entrada BVSV (3 y 4 en la Fig.) deben comunicarse entre sí. La falta de comunicación entre las dosis indican un BVSV válvula defectuosa que reemplazará. 5 Tres 4 Uno 6 Febrero 1. 2. 3. 4. 5. 6. BVSV Refrigerante Soplando aire Salir AIRE TERMÓMETRO Calentadores FIG. 6I ?? 5 Compruebe BVSV SISTEMA DE CONTROL DE EMISIONES (SÓLO sin plomo) Bote de vapor de gasolina acumula en el depósito y la cámara constante, lugares donde existen condiciones de producir la misma. Aceºtia luego entrar en la cámara de combustión a través del colector de admisión para ser quemado. BVV (válvula de ventilación) CONTACTOS FLASH BATERÍA Bote TANQUE FIG. 6I ?? 6 TABLA vaporizador COMBUSTIBLE SISTEMA DE CONTROL
  • 197.
    MOTOR (sistema decontrol de emisiones) 6I??7 Componentes (SÓLO sin plomo) Bote Los vapores de gasolina se acumulan en el tanque y el produºi cámara constante para parar el motor. Los vapores del combustible son vacío recuperar y colector de introduºi bajo ciertas condiciones motor funcionando. POR LA GALERÍA INGESTA Los vapores de gasolina a partir de combustibles Los vapores de gasolina desde el tanque Bote Carbón FILTRO FIG. 6I ?? 7 contenedores a. Marque una Blow entrada de aire por la fuerza aérea ingesta para verificar el movimiento del aire. INGESTA Las entradas de aire FIG. 6I ?? REVISE ocho latas b. Comprobación 2 Cierre el dedo entrada bote y es soplar aire por la entrada de aire de comprobar la la circulación de aire de escape. INGESTA ESCAPE Las entradas de aire FIG. 6I ?? 9 Compruebe bote
  • 198.
    6I??8MOTOR (sistema decontrol de emisiones) Válvula de 2 vías a. Retire la válvula de 2 vías. b. El aire que sopla desde el negro por el naranja para verificar la continuidad del flujo de aire. c. Si es poco o nada de flujo de aire Válvula de 2 vías reemplazado. Uno Febrero Tres 4 1. 2. 3. 4. LA NARANJA El lado oscuro POR LA bote EL TANQUE FIG. 6I ?? 8 válvula de 2 vías BVV (válvula de ventilación) ?? (SÓLO sin plomo) Para ponerse en contacto de encendido cortar un aumento de la temperatura en el compartimiento del motor para vaporizar la gasolina ambiente constante derrame en la atmósfera HC. Válvula de ventilación BVV es evitar el desalojo HC a la atmósfera. El encendido de corte, BVV cerrar el paso de ventilación del carburador para dirigir por la gasolina bote de vapor. B.V.V. (válvula de ventilación) CONTACTOS FLASH BATERÍA Bote TANQUE FIG. 6I ?? 11 FUNCIÓN BVV
  • 199.
    MOTOR (sistema decontrol de emisiones) 6I??9 Sistema de control de la contaminación Uno Es un dispositivo que circuló en los gases del cárter recombustie entrada de evitar su dispersión en el atmósfera. Válvula PCV (ventilación positiva del cárter) trabaja para la introducción en el colector de admisión de cantidades gas reduce cuando gran depresión en la galería Y, de grandes cantidades de gas cuando la depresión en galería es pequeña. Febrero 1. 2. MANGUERA DE GAS Válvulas de PCV FIG. 6I ?? SISTEMA DE 12 DE REPARACIÓN En general, la cantidad de gas en el cárter depende de la carga del motor. A baja carga, se produjo una pequeña cantidad de abertura de la válvula PCV gas menos, y gran carga una cantidad más grande que se abrirá Válvula amplia PCV. INGESTA a la galería Baja carga Alta carga PARA DETENER EL MOTOR FIG. 6I ?? PCV VALVULA 13
  • 200.
    6I??10 MOTOR (sistemade control de emisiones) BLANCO
  • 201.
    MOTOR (sistema deescape) 6J??Uno 6J. SISTEMA DE ESCAPE DESCRIPCIÓN GENERAL .............................................................................................................. 6J ?? Febrero INSPECCIÓN .................................................................................................................................. 6J ?? 4 VEHICULO .................................................................................................................. 6J ?? 4
  • 202.
    6J??2 MOTOR (sistemade escape) DESCRIPCIÓN GENERAL El sistema de escape consta de colector de escape, catalizador, Tubería silenciador de escape central Trasera Pipe junta de estanqueidad, etc. LEAD ?? EN GENERAL 5 Febrero 4 Uno Tres 1. 2. 3. 4. 5. Colector de escape Colector de escape Junta La junta de estanqueidad de tuberías DE ESCAPE Tambor ESCAPE Silenciador FIG. 6J ?? SISTEMA DE ESCAPE 1
  • 203.
    MOTOR (sistema deescape) 6J??Tres Sin plomo ?? EN GENERAL 5 6 Uno Febrero 4 Tres 1. 2. 3. 4. 5. 6. Colector de escape Colector de escape Junta ESCAPE JUNTA Pipe Tambor ESCAPE Silenciador Panal Catalizador FIG. 6J ?? SISTEMA DE ESCAPE 1b
  • 204.
    6J??4 Motor (escape) INSPECCIÓN PRECAUCIÓN Paraevitar quemaduras, no toque el sistema mientras escape caliente. Cualquier operación aupra a realizarse después del enfriamiento. VEHICULO ?? ?? ?? Consulte la Fig. 1A??20 para los procesos de montaje - desmontaje del colector de escape. Compruebe que los sellos no están dañados retirar el colector de escape. Si es necesario debe ser reemplazado. Al volver a montar apretar al par especificado Pernos y tuercas. Si întreþinerii normal ser verificada como de la siguiente manera: ?? ?? ?? Compruebe suporþii no dañar la goma de o mover las posiciones. El sistema verifica cualquier neetanºeitãþi empresas o daños débiles. Compruebe dañar el cuerpo, partes movieron, Conexión agrietados, agujeros que podrían permitir llegar a la cabina de escape. Asegúrese de que haya suficiente distancia entre sistema de escape y el piso del vehículo Para evitar daños por sobrecalentamiento alfombra. ?? 1,8 ÷ 2,8 5 1,8 ÷ 2,8 1,8 ÷ 2,8 Febrero 4 Uno Tres 5.0 4,0 ÷ 5,0 1,8 ÷ 2,8 PAREJAS DE APRIETE (KGF · M) FIG. 6J ?? 2 Vista de pares
  • 205.
    MOTOR (sistema deescape) 6J??5 1,8 ÷ 2,8 5 1,8 ÷ 2,8 6 Uno Febrero 4 4,0 ÷ 6,0 1,8 ÷ 2,8 0,8 ÷ 1,2 Tres 5.0 1,8 ÷ 2,8 4,0 ÷ 6,0 PAREJAS DE APRIETE (KGF · M) FIG. 6J ?? 2 VEA LAS PAREJAS
  • 206.
  • 207.
    CAJA DE CAMBIOS,EMBRAGUE Y diferenciación (caja de cambios) 8A??Uno CAPÍTULO 8 CAJA DE CAMBIOS, EMBRAGUE Y la diferenciación 8A. CAJA DESCRIPCIÓN GENERAL ...................................................................................................... Diagnóstico ............................................................................................................................. VEHICULO ........................................................................................................ REVISE EL ACEITE Y EL INTERCAMBIO .................................................. ...................................... La articulación del cambio de marchas .................................................. .......................... 8A ?? Febrero 8A ?? 8 8A ?? 9 8A ?? 9 8A ?? 10 DESMONTAJE CAJA ..................................................................................................... 8A ?? 11 Conjunto Cutie................................................................................................................. 8A ?? 11 Desmontaje Box ............................................................................................................ 8A ?? 13 Entrada Asamblea Eje .............................................. .............................................. 8A ?? 16 ............................................... Conjunto del eje de Secundaria ............................................. 8A ?? 18 Comprobar ........................................................................................................................... 8A ?? 22 Montaje Cutie................................................................................................................ 8A ?? 24 PAREJA DE STRÎNGERE...................................................................................................... S.D.V ...................................................................................................................................... 8A ?? 27 8A ?? 28
  • 208.
    8A??2 caja decambios, el embrague y la diferenciación (caja de cambios) La transferencia de funciones y el par Descripción principal Funciones C.V. a) Cambios en el par motor. b) Los cambios de marcha. c) Dejar reposar sin detener el motor. d) Se mueve dio marcha atrás del vehículo. TIPOS: Rueda Balada Con el compromiso constante Con equipo sincronizado Ruedas ACOPLADOR Árbol primario Balada ACOPLAMIENTO Forks Baladas RUEDAS <Rueda Balada> Rueda motriz Marcha de RETROCESO Subtrees FIG. 8A ?? Uno baladas ruedas <El compromiso constante> NEUTRAL ACOPLADO FIG. 8A ?? 2 Unidad Constant
  • 209.
    CAJA DE CAMBIOS,EMBRAGUE Y diferenciación (caja de cambios) 8A??Tres <Unidad sincronizado> Uno Febrero Tres4 5 6 7 8 9 Uno Febrero Tres 4 5 : Árbol primario : Rueda loca Ruedas Canela : Anillo sincronizador : Perros 6: Manºon sincronizador 7: Arco sincronizador 8: cubo sincronizador 9: Rodamiento de agujas FIG. 8A ?? 3 unidad sincronizada TICO adoptará sincronizado compromiso para 4 o 5 velocidades hacia adelante y una hacia atrás. La presentación del informe Etapa 1 Etapa 2 Tercera etapa Cuarto paso 5º paso Revertir Informe final 3,818 2,210 1423 0971 0837 3,583 4263 RULMENÞI: Tipo Cojinete del eje de entrada Cojinete del eje secundario Teniendo diferencial Velocímetro Rueda de piñón del velocímetro es de plástico más fácil. Rodamiento de bolas Rodamientos de rodillos en ambos extremos Rodamiento de bolas
  • 210.
    8A??4 caja decambios, el embrague y la diferenciación (caja de cambios) 4 velocidades 5 velocidades FIG. 8A ?? 4 En la sección Vista de la caja de cambios de 4 y 5 pasos.
  • 211.
    CAJA DE CAMBIOS,EMBRAGUE Y diferenciación (caja de cambios) 8A??5 Cambio de marcha ORDEN (varilla TIP) Uno 4 Febrero Tres 5 6 8 7 9 10 20 10 9 15 16 17 18 7 13 14 21 19 11 12 11 1. 2. 3. 4. 5. 6. 7. 8. 9. 10. 11. Palanca de cambio gradual ORNAMENTO Palanca de cambio gradual Palanca de cambios polaina NR.1 Palanca de cambios polaina NO.2 Eje de extensión CAMBIO velocidad varilla gradualmente Cambiando tenedor 1 y 2 Tenedor Shifting 3 y 4 PALANCA DE CAMBIO MARCHA ATRÁS 5ª marcha tenedor CAMBIO A CAMBIO AX 12. 13. 14. 15. 16. 17. 18. 19. 20. 21. LED PIÑÓN VELOCIMETRO Tornillo INTERLOCK Palanca 5ª marcha tenedor AX A AX RETROCESO PALANCA Pasos 3 y 4 tenedores AX Brazo CAMBIO AX Forks Pasos 1 y 2 Camisas quinto y REVERSE cambiantes Tornillo LOCK FIG. 8A ?? 5 ORDEN cambio de marcha
  • 212.
    8A??6 CAJA DECAMBIOS, EMBRAGUE Y diferenciación (caja de cambios) MECANISMO DE SEGURIDAD Marcha atrás PARA Evita cambiar directamente desde la 5ª a la marcha marcha atrás. 2. Cuando la palanca se mueve la selección de marchas la derecha desde la posición neutral, la selección del eje plantea detener, comprime el muelle recuperador 3 debido la interferencia con el pasador de guía. 1. 2. 3. 4. Febrero Tres 5 6. Palanca de cambios DETÉNGASE ARC READUCERE- (Comprimido) ARC SELECT REVERSE (Comprimido) PALANCA DE SELECCIÓN Bolth ORIENTACIÓN Uno 6 4 5 FIG. 8A ?? 6 Shifters posición 1. Cuando la palanca selectora se encuentra en la posición neutral, bolþul parada es en el eje de guía selección puede girar a la izquierda oa la derecha. FIG. 8A ?? 8-STEP quinto neutral 3. Cuando la selección del eje de acoplamiento 5ª marcha es gira hacia la derecha, retén del muelle es alta restaurar 3 direcciones bolþului correctas. Así, guía bolþului debido es imposible acoplamiento de marcha atrás accidentalmente de engranajes. 1. 2. 3. 4. 5. 6. 7. Palanca de cambio de la velocidad. DETÉNGASE ARC READUCERE- (Comprimido) CUBIERTA DE ORIENTACIÓN ARC SELECT REVERSE (Comprimido) PALANCA DE SELECCIÓN Bolth ORIENTACIÓN Uno Febrero Tres 4 5 7 1. 2. 3. 4. 5. 6. 7. Palanca de cambios DETÉNGASE ARC regresa - (Sin comprimir) CUBIERTA DE ORIENTACIÓN ARC DRIVE SELECT VOLVER (Sin comprimir) PALANCA DE SELECCIÓN Bolth ORIENTACIÓN Uno 7 Febrero Tres 4 5 6 6 FIG. 8A ?? 7 PUNTO MUERTO FIG. 8A ?? 05 de septiembre de engranajes A
  • 213.
    CAJA DE CAMBIOS,EMBRAGUE Y diferenciación (caja de cambios) 8A??7 4. Cuando la participación en la marcha atrás está hecha de posición neutra, parada y por lo tanto dejó rota acoplamiento es posible. 1. 2. 3. 4. 5. 6. Palanca de cambios CAMBIO DETÉNGASE ARC READUCERE- (Comprimido) ARC SELECT REVERSE (Comprimido) PALANCA DE SELECCIÓN Bolth ORIENTACIÓN Uno 6 Febrero Tres 4 5 FIG. 8A ?? 10 INVERSA
  • 214.
    8A??8 CAJA DECAMBIOS, EMBRAGUE Y diferenciación (caja de cambios) Tabla de diagnóstico EFECTO Las salidas de inesperado velocidades ?? ?? ?? ?? ?? ?? ?? ?? Causa probable Desgaste tenedor acoplamiento Desgaste manºon sincronizador Afloje o desgaste arcos Desgaste rulmenþi eje de entrada o de salida Los dientes se desgastan las ruedas dentadas Anillos de seguridad de la pérdida o debilitamiento Anillos sincronizadores de seguridad débil Doblado y horquillas de mando ?? ?? ?? ?? ?? ?? ?? ?? ?? ?? ?? ?? ?? ?? ?? ?? ?? ?? ?? REPARACIONES Sustituido Sustituido Sustituido Sustituido Sustituido Sustituido Sustituido Sustituido Ajustado Sustituido Placa de presión Sustituido Sustituido Manºon o rueda sustituida Sustituido reemplazado o añadido Sustituido Sustituido Sustituido Sustituido Bloquear un paso velocidad Cambiar engorroso velocidades ?? Embrague pedal libre juego de inadecuada ?? Disco de presión roto o desgastado ?? Placa de presión de deserción ?? Anillo de sincronización de deserción ?? Teºiturilor manºoanelor desgaste o ruedas ?? Doblado y horquillas de mando ?? ?? ?? ?? ?? Aceite insuficiente o inadecuado La rotura o desgaste rulmenþi Ruedas de rotura o desgaste Sincronizador rotura del anillo o desgaste Teºiturilor manºoanelor desgaste o ruedas Ruidos
  • 215.
    CAJA DE CAMBIOS,EMBRAGUE Y diferenciación (caja de cambios) 8A??9 VEHICULO Comprobación del nivel de aceite 1. Compruebe el nivel de aceite antes de colocar límite de nivel de aceite 2. Si el nivel está bajo, agregue aceite a través del agujero Relleno. Caja de cambios de aceite 75W ?? 85 (GL ?? 4) Febrero Tres CAMBIO DE ACEITE Uno 1. Para un ligero cambio de aceite, vehículo sentarse en una caja de superficie plana y aceite debe ser cool. 2. Apague el motor y abrir la tapa de drenaje. 3. Aplique un sellador en el tapón del desagüe aceite y apretar al par especificado. 4. Introducir el aceite nuevo y apriete el tapón de nivel con el par especificado. Tapa drenar 250 ?? 300 Tapa nivel 360 ?? 540 1. 2. 3. Drenaje de aceite BUªON Eje IZQUIERDA BUªON NIVEL DE ACEITE Par de apriete (Kg??cm) FIG. 8A ?? 11 posición BUªON VACÍO BUªON Y NIVEL. Capacidad de la cisterna (L) 4 velocidades 5 velocidades 2.0 2.1 Estante Cambios de Aceite A los 2 años o 20.000 kilometros
  • 216.
    8A??10 caja decambios, el embrague y la diferenciación (caja de cambios) ORDEN de cambio de marcha Uno Febrero 150 ~ 200 250 ~ 400 10 9 5 8 150 ~ 200 5 Tres 4 6 11 7 150 ~ 200 12 80 ~ 120 1. 2. 3. 4. 5. 6. 7. 8. 9. 10. 11. 12. Pomo de cambio de marchas Palanca de cambio gradual Sellos de Vivienda Vivienda LEIER Respaldo PALANCA FIJACIÓN CUBIERTA DE PALANCA Almohadas Barras de extensión Distancia BUCªÃ VARILLAS bisagra C-DA Varilla C-DA : Esfuerzo de torsión (KG??CM) : Engrase el 150 ~ 200 FIG. 8A ?? 12 Control de cambio de marcha Eliminación 1. consola Box Palanca de cambios 2. Retire tiene su caso velocidades. 3. Resuelve tapa de la carcasa y la palanca. 4. Tire de la palanca tiene su árbol. 5. Afloje tiene su palanca bucºele. 6. Lleve obtener su palanca de cambios. Montaje Observe el orden inverso de las operaciones de desmontaje. Tenga en cuenta las siguientes instrucciones: ?? La grasa de acuerdo con la Fig. 8A ?? 12. ?? Pares de apriete mostrados en la Fig. 8A ?? 12.
  • 217.
    CAJA DE CAMBIOS,EMBRAGUE Y diferenciación (caja de cambios) 8A??11 REMOCIÓN CAJA DE ASAMBLEA REMOCIÓN 1. Batería 2. El titular de la batería ANILLO Frenos 12.Racordul FIG. 8A ?? 14 CONEXIÓN DE LOS FRENOS Hermanos 13.Prezonul (izquierda). FIG. 8A ?? 13 RETIRE TITULAR DE LA BATERÍA 3. Traiga tiene su líquido refrigerante en el radiador. 4. Ruedas chica 5. Protección barra chica 6. radiador Racoardele 7. disipador de calor 8. Desconecte: ?? El cableado eléctrico ?? Cableado a tierra ?? Cableado del interruptor de la lámpara de la parte posterior 9. cable velocímetro Embrague 10.Cablu 11.Electromotorul FIG. 8A ?? Freno 15 REMOCIÓN Salida 14.Arborele (Izquierda) 15.Garnitura rulmenþi sellado (Izquierda) 16.Þeava escape
  • 218.
    8A??12 caja decambios, el embrague y la diferenciación (caja de cambios) 17. Retire los tornillos de unión de la caja y el bloque del motor. 18. Retire la varilla de cambio y la biela para la caja. 19. La tapa de la caja. 20. La carcasa del embrague placa inferior. 21. Retire la caja del motor. 22. Los tornillos y tuercas de caja. 23. Bajo la caja entera. PRECAUCIÓN Durante el ajuste del cable del embrague peligroso acercarse a usted las aletas. Usted trabaja antes de detener el motor. MONTAJE Ejercicio opuesto de la demontare.Respectaþi siguiendo las instrucciones. ??Arreglarþi y el cableado stângeþi bien. ??AjustarþMe agarro el juego del cable. Pares de apriete (kg??cm) Los tornillos y tuercas para la sujeción caja del motor. Tornillos del conducto de tubería de escape. 560 ?? 660 400 ?? 600
  • 219.
    CAJA DE CAMBIOS,EMBRAGUE Y diferenciación (caja de cambios) 8A??13 CAJA DE EXTRACCIÓN 1. Cárter de mecanismos 2. Tornillos 7. Tratar el quinto Seguridad Uno 1. La posición del tornillo FIG. 8A ?? 18 SEGURIDAD DE REMOCION anillo 8. quinta tenedor selector de marchas de, sin duda, el anillo. FIG. 8A ?? 16 Tornillos REMOCIÓN 3. Cubra el mecanismo de selección 4. Los tornillos del mecanismo de selección FIG. 8A ?? Brazo tenedor 19 REMOCIÓN 1. Uno Forks SELECT Un quinto engranaje 2.SCULÃ Especial (Anillo de refuerzo EXTRACTOR 09925??78210) FIG. 8A ?? REMOCIÓN lug 17 ADJUNTO Tenedor 5. Mecanismo de la selección del cuadro 6. La cubierta cubierta lateral Febrero FIG. 8A ?? 20 ANILLO DE SEGURIDAD DE REMOCION
  • 220.
    8A??14 caja decambios, el embrague y la diferenciación (caja de cambios) 9. placa para rodamientos. 10. Usando el extractor deshacer todo hub manºon. 12. Piñón quinto engranaje en el eje de entrada. 13. engranaje de piñón del eje secundario quinto. Febrero Uno Tres Uno Febrero 1. 2. 3. EXTRACTOR Tenedor MANºON 1. 2. A PIÑÓN 5-velocidad en el eje EXTERIOR EXTRACTOR FIG. 8A ?? 21 DESMONTAJE E ANSANBLU MANªON Butuc 11. El eje secundario: después de velocidades de conmutación de 1 a 3 o 2 y 4 Retire la tuerca. FIG. 8A ?? 23 ELIMINACIÓN DE VELOCIDAD DEL PIÑON quinto El eje exterior 14.Placã portlagãre. . Uno 1. Subárboles Nut FIG. 8A ?? 24 EXTRACCION Poner PORTLAGÃRE. Seguridad 15.Inel. FIG. 8A ?? 22 subárboles remoción.
  • 221.
    CAJA DE CAMBIOS,EMBRAGUE Y diferenciación (caja de cambios) 8A??15 16.Demontaþi primavera eje de cambio y la bola usando un imán. 18.Capacul dejó la caja de cambios. 1. DISPOZITIVSPECIAL 09912??34510 FIG. 8A ?? 25 EXTRACCIÓN Y ARC BOLA FIG. 8A ?? 27 Extracción de la izquierda CAJA 19.Levier revertir el cambio de marcha. Eje de entrada 20.Demontare y el eje accionado junto con tenedor de cambio de marcha. 17.ªurubul revertir el eje del piñón. Uno Febrero FIG. 8A ?? 26 BOLÞUL PIÑÓN DE EJE Revertir PRECAUCIÓN La tapa no se puede quitar sin aflojar bolþului revertir el eje del piñón. 1. 2. Subtrees Eje de entrada FIG. 8A ?? 28 Eje de entrada REMOCIÓN Y EJE SECUNDARIO 21. Ruedas diferencial.
  • 222.
    8A??16 caja decambios, el embrague y la diferenciación (caja de cambios) Eje de entrada 22.Simering y el eje accionado. Uno ENTRADA DE ASAMBLEA DEL EJE Eliminación 1. Al fijar el extractor de cojinetes para eliminar utilizando los medios de comunicación. 1. 2. 3. Eje de entrada TENIENDO EXTRACTOR RULMENÞI 09920????57810 Febrero Tres 4 Uno Febrero 1. 2. 3. 4. Herramientas specila (prensa hidráulica 09 930??30102) Herramientas Especiales (09923 EXTRACTOR??74510) Entrada del sello del eje Subárboles LOCAª TENIENDO (09941 EXTRACTOR?? 64511) Tres FIG. 8A ?? REMOCIÓN 29 TENIENDO PRECAUCIÓN Extractos USO (09 923 ?? 74510) CUANDO Retire Rodamientos PAPEL. FIG. 8A ?? 30DEMONTARE RULMENT Eje de entrada (a la derecha) 2. Retire la distancia engranaje de piñón de la 5ª el cojinete del engranaje de piñón izquierda y cuarto. Uno Febrero Tres 4 5 1. 2. 3. 4. 5. Árbol primario Distancia PIÑÓN quinto TENIENDO PIÑÓN cuarto de GEAR Extractor de rodamientos 09 921??57810 FIG. 8A ?? 31 Extracción del cojinete Eje de entrada (IZQUIERDA)
  • 223.
    CAJA DE CAMBIOS,EMBRAGUE Y diferenciación (caja de cambios) 8A??17 3. Desmontar el anillo de seguridad ?? Si el conjunto manºonului y el cubo Sincronizador, obedecer A = B 1. 2. 3. 4. Anillo sincronizador Rombo Butuc MANªON Uno Febrero C 4 Uno B Febrero Tres A = B C: IZQUIERDA (brida estrecha) D: Groove 1. 2. 3. CLEºTE SEGURIDAD Anillo de seguridad Butuc MANªON sincronizado Tres La FIG. 8A ?? Anillo REMOCIÓN 32 SEGURIDAD FIG. 8A ?? 34 ASAMBLEA MANªON 4. Desmontar manºon conjunto del cubo sincronizador 3-4 piñón diferencial junto con la tercera etapa. 1. 2. 3. 4. Árbol primario HUB - MANºON sincronizado PASO 3-4. PIÑÓN tercero EXTRACTOR PINION1 Febrero Tres ?? La instalación se realiza mediante el rodamiento Rulmenþi montaje (09925 ?? 98221) y el martillo. Uno Febrero 4 Tres 1. 2. 3. MONTAJE RULMENÞI DISPOSITIVO 09925 ?? 98221 TENIENDO Árbol primario FIG. 8A ?? 33 DESMONTAJE E MANªON ENGRANAJE HUB 3-4 FIG. 8A ?? 35 EJE DE MONTAJE RODAMIENTO MAYOR (DERECHA) Montaje Proceda demontãrii.Respectaþi inversa las siguientes indicaciones: ?? Cepillo piñones de engranaje dentro de la caja de aceite.
  • 224.
    8A??18 caja decambios, el embrague y la diferenciación (caja de cambios) ?? ?? Intoduceþi seguridad anillo en su lugar. Rulmenþii y asamblaþii Gresaþi. EXTERIOR DEL EJE DE ASAMBLEA Eliminación Uno 02 de marzo 4 5 1. Retire el piñón girando a la izquierda, junto con 4ª marcha utilizando el extractor y prensa. Uno Febrero Tres 4 1. 2. 3. Anillo de seguridad TENIENDO ARC sincronizado 4. 5. PIÑÓN cuarto de GEAR Árbol primario 1. 2. 3. 4. Subtrees (EXTRACTOR 09921 ?? 57810) TENIENDO (IZQUIERDA) PIÑÓN gradualmente cuarto EXTRACTOR RULMENÞI FIG. 8A ?? 36 INSTALACIÓN DE SEGURIDAD ARC ?? Después teniendo monte dejó con una herramienta y un martillo especial, instale el distanþorul piñón Quinto paso. 1. 2. 3. TENIENDO ASAMBLEA DISPOSITIVO 09925 ?? 98221 Distancia PIÑÓN quinto TENIENDO (IZQUIERDA) Uno Febrero FIG. 8A ?? 38 PIÑÓN cuarto Desmontaje del engranaje DE EJE EXTERIOR 2. Retire la tercera ruedas dentadas del engranaje y cuarto, junto con el equipo de 2ª velocidad, estableciendo el extractor de engranaje de piñón 2 a. 1. 2. Subtrees Distancia PIÑÓN 3er PASO y cuarto PIÑÓN tercero PIÑÓN A 2-A EXTRACTOR 09921 ?? 57810 Uno Febrero Tres 4 5 Tres 3. 4. 5. FIG. 8A ?? 37 INSTALACIÓN Y TENIENDO distancia FIG. 8A ?? 39 EXTRACCIÓN Y DISTANCIA Engranajes los pasos 2 y 3
  • 225.
    CAJA DE CAMBIOS,EMBRAGUE Y diferenciación (caja de cambios) 8A??19 3. Retire el resorte de seguridad. Uno Febrero 5. El uso de extractor extraer el cojinete (derecha). Uno Febrero Tres Tres 1. 2. 3. MANºON sincronizado PASO 1-2 Anillo de seguridad 09900 Herramientas Especiales ?? 06107 1. 2. 3. Varillas metálicas Teniendo (derecha) EXTRACTOR 09921 ?? 57810 FIG. 8A ?? 40 SEGURIDAD DE REMOCION INEÞARÃ 4. Coloque el extractor de engranajes y retire primero TREP 1-2 engrane de manºon conjunto del cubo junto con el piñón. FIG. 8A ?? 42 extraer el cojinete (derecha) Montaje Proceder en orden inverso al desmontaje. Siga orden operación y las siguientes indicaciones. ?? Engrase el aceite dentro de la caja y la corona cada piñón. ?? En la asamblea, sincronizador hub-manºon Observar A = B. Uno Febrero Tres Uno 1. 2. 3. MANºON sincronizado PASO 1-2 1ª marcha PIÑÓN EXTRACTOR B C 4 Tres Febrero La FIG. 8A ?? 41 DESMONTAJE DEL CONJUNTO BUTUC- MANªON sincronizado PASO 1-2 1. 2. 3. 4. ARC sincronizado PASO 1-2 Rombo Butuc MANºON FIG. 8A ?? HUB ASAMBLEA 43 MANªON Poco a poco sincronizar 1-2
  • 226.
    8A??20 caja decambios, el embrague y la diferenciación (caja de cambios) ?? Instale el cojinete (derecha) usando el dispositivo Montaje y martillo. Uno ?? Instale el cubo sincronizador y el engranaje manºonul 1-2 usando el dispositivo y un martillo especial. Febrero Tres 1. 2. 3. 4. 5. 6. 7. MONTAJE RULMENÞI DISPOSITIVO 09925 ?? 18010 MONTAJE RULMENÞI DISPOSITIVO 09940 ?? 53111 MANºON y Butuc TREATA1-2 Anillo sincronizador gradualmente 1- La 1ª marcha PIÑÓN EN El eje de accionamiento TENIENDO MONTAJE RULMENÞI DISPOSITIVO 09923 ?? 78210 Uno Febrero Tres 4 5 1. 2. 3. MONTAJE DEL DISPOSITIVO RULMENÞI 09923 ?? 78210 Teniendo (derecha) Subtrees 6 7 FIG. 8A ?? 44 conjunto de apoyo (DERECHA) ?? Ranura más diferentes anillos Sincronizador 1ª marcha y 2ª marcha. Uno Febrero FIG. 8A ?? 46 INSTALACIÓN Butuc MANªON PASO sincronizada 1-2 ?? Instale el resorte de seguridad en su lugar. Uno La B Febrero Tres 4 5 6 1. 2. A: B: Anillo sincronizador de 1ª marcha Segundo engranaje de anillo sincronizador A 8.2mm 9.6mm FIG. 8A ?? 45 ANILLOS DE IDENTIFICACIÓN Sincronizar 1. 2. 3. Etapa PIÑON 1-A MANªON Y HUB PASO 1-2 ARC DE SEGURIDAD 4. 5. 6. Rodamiento de agujas ANILLO DE PASO SINCRÓNICO A 2-A PIÑÓN A 2-A FIG. 8A ?? 47 INSTALACIÓN DE SEGURIDAD ARC
  • 227.
    CAJA DE CAMBIOS,EMBRAGUE Y diferenciación (caja de cambios) 8A??21 ?? Después de insertar (prensado) correspondiente a piñón 3ª marcha y el distanþorului, ajuste (Presaþi) correspondiente al cuarto piñón. 1. 2. 3. 4. 5. MONTAJE RULMENÞI DISPOSITIVO 09925 ?? 98221 PIÑÓN tercero, cuarto y Distancia Poco a poco PIÑÓN tercero PIÑÓN A 2-A MONTAJE RULMENÞI DISPOSITIVO 09923 ?? 78210 Uno Febrero Tres 4 5 FIG. 8A ?? 48 INSTALACIÓN Y PIÑON distancia ?? Para proteger presaþii cónicos rulmenþii correctamente con el soporte rulmenþi. 1. 2. 3. 4. 5. MONTAJE RULMENÞI DISPOSITIVO 09925 ?? 98221 TENIENDO (IZQUIERDA) PIÑÓN cuarto de GEAR Teniendo (derecha) MONTAJE RULMENÞI DISPOSITIVO (09923 ?? 78210) Uno Febrero Tres 4 5 FIG. 8A ?? 49 correspondiente presionando TENIENDO (IZQUIERDA)
  • 228.
    8A??22 caja decambios, el embrague y la diferenciación (caja de cambios) CHEQUE Compruebe superficie cónica Después de girar el piñón realizar anillo síncrono Medición juego como se muestra a continuación. Si el juego está por debajo del anillo va a cambiar de forma sincrónica. Juego anillo piñón Estándar 1.0 Límite 0.5 Anillo de cierre profundidad de la ranura síncrona (Mm) Estándar Primero piñón Engranajes Tr. 2,3 y 4 piñón tr. 5-A 8.2 9.6 9.4 Límite 8.6 10 9.8 FIG. 8A ?? 52 CONTROL DE PROFUNDIDAD Groove-cierre FIG. 8A ?? Desgaste 50 de Cheques Superficie cónica Comprobación compromiso cónico. Condiciones. Cuando el temporizador no funciona condiciones nor- masculina, la conexión entre la superficie interior del anillo y Piñón superficie cónica, se logra en parte a pesar de un mal juego de corona y piñón admitido. De Por lo tanto, comprobar: superficie cónica y la rueda dentada superficie interior del piñón. En este caso la superficie anillo interior debe ser perfectamente lisa. Donde verificación es difícil, superficie trasera está desgastado, para una inspección exhaustiva mayo Aplique una capa de pintura roja. Superficie cónica se puede usar de forma desigual (Olas). FIG. 8A ?? 50 Verificar cónica unidad
  • 229.
    CAJA DE CAMBIOS,EMBRAGUE Y diferenciación (caja de cambios) 8A??23 Tenedor y manºonul sincronizador 1. Mida la holgura entre baladas manºonul y tenedor. Donde está por encima del cheque tenedor permisible. Estándar 0.2 ?? 0.6 Límite 1.0 Juego de manºonul baladas y tenedor (mm) FIG. 8A ?? 54 VER Forks Manºon y cubo sincronizador 1. hub Asamblaþi y sincronizador manºonul y compruebe que funciona en silencio. 2. Controlar el desgaste del cubo. FIG. 8A ?? 53 VERIFICACIÓN Límite juego 2. Medir el espesor de armas termina furcã.Dacã están por debajo del límite debe cambiarse. Espesor termina sus brazos tenedor (Mm) Poco a poco la horquilla 1 y 2 Paso Forks 3 y 4 Quinto tenedor de engranajes Estándar 8.7 7.8 7.8 Límite 8.1 7.2 7.2 FIG. 8A ?? 55 VERIFICACIÓN Y HUB MANªON Sincronizar
  • 230.
    8A??24 caja decambios, el embrague y la diferenciación (caja de cambios) ?? LA CAJA DE TRANSMISIÓN Proceder en orden inverso al desmontaje. Seguir siguiendo las instrucciones. ?? Instale el eje de entrada y el eje de accionamiento por Vivienda Derecho. ?? Apretar tornillos árboles y valor de la canal especificado. Torque (kg??cm) Tornillos árbol Tornillos vivienda 180 ?? 280 150 ?? 220 Utilizando el rulmenþi mount (09.913 ?? 84510) y el eje de montaje martillo teniendo secundaria. Uno Febrero Febrero Uno 1. 2. Subtrees Eje de entrada FIG. 8A ?? 56 EJE DE ENTRADA ASAMBLEA Y EJE SECUNDARIO ?? Instale revertir agujero eje del piñón (A) el signo correcto (B) de la caja 1. 2. 3. Tres Eje de entrada MONTAJE DEL DISPOSITIVO RULMENÞI 09913 ?? 84510 Ranura TENIENDO FIG. 8A ?? ASAMBLEA 58 TENIENDO Uno Febrero La ?? Tres 4 5 1. 2. 3. Eje del piñón Revertir Vivienda DERECHO PIÑÓN DE Apalancamiento Revertir B 4. 5. Lavadoras PIÑÓN paseo VOLVER La??B?? Escritor Al colocar el eje del rodamiento de rodillos cónicos , establezca juego distanþier lavadora secundaria. 1Verificaþi si bien sentado rodamiento, girar el eje de accionamiento. 2 Ajuste la holgura entre la carcasa y la superficie de apoyo utilizando arandelas distanþier conocidos espesor. FIG. 8A ?? 57 MONTAJE DEL EJE PIÑÓN DE Revertir
  • 231.
    CAJA DE CAMBIOS,EMBRAGUE Y diferenciación (caja de cambios) 8A??25 TresArandela de desplazamiento con el fin de distanþier juego a ser estándar. (Mm) Los valores medidos 0.33 ?? 0.37 0.38 ?? 0.42 0.43 ?? 0.47 0.48 ?? 0.52 0.53 ?? 0.57 0.58 ?? 0.62 0.63 ?? 0.67 0.68 ?? 0.72 0.73 ?? 0.77 0.78 ?? 0.82 0.83 ?? 0.87 0.88 ?? 0.92 0.93 ?? 0.97 0.98 ?? 1.02 1.03 ?? 1.07 Arandelas de espesor 0.45 0.50 0.55 0.60 0.65 0.70 0.75 0.80 0.85 0.90 0.95 1.00 1.05 1.10 1.15 Febrero Uno C Tres La Uno C: D: E: F: B E Tres FIG. 8A ?? Vivienda de montaje 60 cubierta ?? Manºonul Asamblaþi y sincronizador hub Quinto paso, como se muestra. 1. ARC sincronizado Un quinto engranaje 2. píldora 3. Butuc Febrero 4. MANºON Balada D F 4 A = B La INTERIOR ARC Cubo Pestillo de la ranura Estriado 4 FIG. 8A ?? Y HUB ASAMBLEA 61 MANªON Un quinto engranaje ?? Quinto engranaje de piñón se montará con la superficie controlador del concentrador procesada dentro. Uno Tres 1. 2. 3. 4. 5. Derecho Subtrees TENIENDO Lavadora DISTANÞIER BANDERA 5 Febrero FIG. 8A ?? 59 ELECCIÓN DE ESPESOR Lavadora DISTANÞIER ?? Después de aplicar Loctite en el agarre de superficie vivienda, apretar al valor especificado. Par de apriete Tapa de la carcasa 1. 2. 3. PIÑÓN quinto Plomo Butuc LED Butuc 60 ?? 70 FIG. 8A ?? 62 PIÑÓN quinto
  • 232.
    8A??26 caja decambios, el embrague y la diferenciación (caja de cambios) ?? Después de encender los pasos 1 a 3 (2 y 4) apriete la tuerca eje secundario en el valor especificado. ?? Apriete la 5ª marcha pin tenedor y ºtemuiþi a Para evitar la pérdida. ºTEMUIRE Uno 1. Subárboles Nut FIG. 8A ?? 63 apretando la tuerca ÁRBOL EXTERIOR Tuerca Par eje secundario (kg??cm) ?? 600 ?? 800 FIG. 8A ?? 65 ªTEMUIRE ªTIFT Forks Un quinto engranaje 100 ?? 180 Par de apriete Forks (kg??cm) ?? Ajuste el manºonul cubo y zanja al lado lubricación agujero A y B. Limpiar y engrasar la superficie de contacto de la tapa Y la carcasa (izquierda) Uno Uno La Febrero 02 de marzo Uno C 1. 2. A: CUBIERTA LATERAL Vivienda (IZQUIERDA) APLICACIÓN Loctite La B FIG. 8A ?? 66 MONTAJE PLACA LATERAL 1. 2. 3. Forks PIÑÓN Un 5- La ANILLO ARC SINCRON ANILLO DE PASO SINCRÓNICO A5 La Par de apriete cubierta lateral (kg??cm) 80 ?? 120 A. ªANÞ ACEITE (marcado B) B. APERTURA FIG. 8A ?? 64 MONTAREC. ºTEMUIRE MANªON Y HUB Un quinto engranaje
  • 233.
    CAJA DE CAMBIOS,EMBRAGUE Y diferenciación (caja de cambios) 8A??27 PAR DE APRIETE Spare cerca Tapón de drenaje de aceite Nivel de aceite Cap Tornillos controlan palanca Extensión de la barra Studs Extensión tuerca de la varilla Palanca de tuercas de seguridad y selector de revoluciones Lug rueda velocímetro Tornillos y caja de montaje del motor nueces Cuadro de oreja de soporte Tornillos del tubo de escape Tornillos revertir la palanca de cambios Piñón de salida Tornillos Tornillos caja de alojamiento Lug eje de marcha atrás Tornillos eje conducido Cuadro lug Tenedor Bloqueo cuadro carcasa lug Guía cuadro carcasa lug Cubierta tornillos de la caja (a la izquierda) Luces contactor inversor Torque (kg??cm) 360 ?? 540 250 ?? 300 150 ?? 200 150 ?? 200 250 ?? 400 150 ?? 200 40 ?? 70 560 ?? 660 300 ?? 500 400 ?? 600 180 ?? 280 800 ?? 1000 150 ?? 220 180 ?? 280 600 ?? 800 320 ?? 360 180 ?? 280 80 ?? 120 80 ?? 120 200 ?? 260
  • 234.
    8A??28 caja decambios, el embrague y la diferenciación (caja de cambios) HERRAMIENTAS ESPECIALES Uno Febrero Tres 4 09930 ?? 30102 Extractor con inercia 5 009912 ?? 34510 Cilindro Extractor 6 09900 ?? 06107 Anillo fusible Cleºte 7 09917 ?? 58010 Rulmenþi Extractor 8 09923 ?? 74510 Rulmenþi Extractor 9 09941 ?? 64511 Rulmenþi Extractor 09925 ?? 78210 Perno Extractor arco 09925 ?? 98221 Dispositivo de montaje rulmenþi 09923 ?? 78210 Rulmenþi montaje Manºon
  • 235.
    Caja de cambios,diferencial y embrague (clutch) 8B??Uno 8B. EMBRAGUE DESCRIPCIÓN GENERAL ....................................................................................................... 8B ?? Febrero 8B ?? Tres 8B ?? 4 TABLA DE DIAGNÓSTICO .................................................. .................................................. VEHICULO ............................................................................................................ REMOCIÓN ............................................................................................................................ 8B ?? 5 Tapa del embrague, disco de embrague Y VOLANTE ........................................... ............. Eliminación Inspección Montaje 8B ?? 5 ......................................................................................................................... 8B ?? 5 .............................................................................................................................. 8B ?? 7 ........................................................................................................................... 8B ?? 8 PAR DE APRIETE .................................................. .................................................. 8B ?? 10 HERRAMIENTAS ESPECIALES .................................................................................................................. 8B ?? 10
  • 236.
    8B??2 caja decambios, diferencial y embrague (clutch) DESCRIPCIÓN GENERAL Disco de embrague sencillo es de tipo seco muelle de diafragma y se acciona mecánicamente. C A R A S C EMBRAGUE Diafragma de resorte VOLANTE Disco de embrague Cigüeñal Tren motriz EJE DE ENTRADA TENIENDO A R B O R E EXTERIOR CAJA VELOCIDAD (PLACÃDE PRESIÓN) FIG. 8B ?? 1 VER EL sección EMBRAGUE Dimensiones Disco de embrague (mm) Diámetro exterior x diámetro interior x grosor 170 x 110 x 3,2 La transmisión de par del embrague prorrogados el motor a la caja de cambios. El conjunto de embrague incluye: disco de embrague, placa de presión, diafragma, tapa de embrague, rodamientos de embrague, etc. Placa madre presión presiona el disco de embrague en el volante por el resorte de diafragma. Disco de embrague se mueve la dirección axial es fija entre la placa de presión y el volante, toma movimiento rotación del volante y lo presentará a la caja de cambios a través del eje de entrada spline. FIG. 8B ?? 2 DISCOS Y PLACA DE PRESIÓN EMBRAGUE
  • 237.
    Caja de cambios,diferencial y embrague (clutch) 8B??Tres Diagnóstico Fuera De Servicio Patinado ?? ?? ?? ?? ?? Debraiere Impropio (Deslizamiento) ?? ?? ?? ?? Causa probable Pedal de carreras inadecuada Desgaste o aceite en el disco de embrague Deformación o placa de presión de aceite o volar ruedas Diafragma débil o roto Cable utilizado Remedio ??Ajuste el cable ??Reemplazar ??Vuelva a colocar la placa de presión o el volante ??Vuelva a colocar la placa de presión ??Reemplace el cable ??Ajuste el cable ??Vuelva a colocar la placa de presión ??Se gresezã ??Reemplace el eje de entrada ??Reemplace el disco ??Reemplace el disco ??Reemplace el disco ??La grasa ??Reemplace el disco ??Reemplace el disco ??Reemplace el disco ??Vuelva a colocar la placa de presión o el volante ??Apriete o reemplace ??Reemplace los rodamientos debraiere ??Vuelva a colocar el árbol de apoyo entrada ??Reemplace el disco ??Reemplace el disco ??Vuelva a colocar la placa de presión ??Reemplace el disco ??Reemplace el disco ??Reemplace el disco ??Reemplace el disco Pedal de carreras inadecuada Diafragma resortes débiles o suelta de rebote Rust estrías del eje de entrada Estrías del eje de entrada rotos o desgastados Transaxle ?? Placa de embrague se deforma ?? Óleo sobre disco de embrague ?? ?? ?? ?? ?? ?? ?? ?? Óleo sobre suprafeþe.Suprafeþe quemado o pulido Rodamiento Debraiere desliza eje duro entrada Defecto de disco de embrague o de contacto superficies Residuos Pérdida remaches del disco de embrague Muelles de retorno suelta La placa de presión o el volante utilizado Afloje los tornillos de sujeción o de embrague nueces bloque de motor Desgaste de los rodamientos o debraiere lágrima Desgaste del cojinete del eje de entrada Jarring (RAPA) Ruidos ?? ?? El ruido excesivo del cubo del disco de embrague ?? Repartir el embrague de discos ?? Ruidos y resorte de presión placa del diafragma Retumbar ?? ?? ?? ?? Óleo sobre superficies de los discos de embrague El desgaste excesivo de las superficies de los discos Frote la superficie de las cabezas de los remaches del disco Disco de embrague resortes sueltos
  • 238.
    8B??4 caja decambios, diferencial y embrague (clutch) VEHICULO Inspección Pedal de carreras gratis Holgura del pedal (mm) 20 ?? 30 La distancia entre el pedal y el piso cuando antes de la conexión del embrague. Cuando el motor está encendido, compruebe que la distancia entre el pedal y el piso está dentro de las condiciones especificadas inactivo, guiada y soltar el pedal del freno de estacionamiento embrague. La distancia entre el pedal y el piso antes de acoplar el embrague (Mm) 60 y más C R U S A Liberă PRECAUCIÓN Durante las inspecciones, asegúrese de que el vehículo No empiece pronto. FIG. 8B ?? Viajes gratis 3 pedal EMBRAGUE Carrera pedal de embrague libre Cuando la holgura del pedal es mayor que especificada, ajuste como se muestra. Distancia desde el suelo FIG. 8B ?? 5 Entre la distancia PEDAL Y SUELO CUANDO ANTES acoplamiento EMBRAGUE Cable del embrague Compruebe el cable del embrague y lo reemplaza si observe alguna de las siguientes situaciones. ?? El cable se utiliza en exceso ?? El cable está suelto ?? El cable se deforma ?? El fuelle se deforma ?? Extremo del cable está desgastado La A: 2??3 (MM) FIG. 8B ?? 4 Palanca de elevación libre Desconectado
  • 239.
    Caja de cambios,diferencial y embrague (clutch) 8B??5 REMOCIÓN Tapa del embrague, disco de embrague y el volante Uno Tres 4 7 6 Febrero 5 1. 2. 3. 4. 5. 6. 7. Carcasa del embrague Disco de embrague Teniendo DEBRAIERE Buje NR.1 NO.2 buje AX DEBRAIERE tenedor Palanca DEBRAIERE FIG. 8B ?? 6 EMBRAGUE REMOCIÓN 1. El uso de una disposición especial para la fijación del volante, tornillos y retire la carcasa del embrague disco de embrague (montaje de placa de presión). 2. Usando extractor, retire teniendo en el eje de entrada. Tres Uno Febrero Uno Febrero Tres 1. 2. 3. Carcasa del embrague Tornillos de fijación VOLANTE sujeción 1. 2. 3. EXTRACTOR 09.817 hasta 58.010 Eje de entrada Rulmentul VOLANTE FIG. 8B ?? 7 Desmontaje de la carcasa del embrague FIG. 8B ?? REMOCIÓN 8 TENIENDO Eje de entrada
  • 240.
    8B??6 caja decambios, diferencial y embrague (clutch) 3. Retire el cojinete del eje de rotación debraiere tenedor El debraiere 4. Retire No.2 buje mediante dispositivo desmontaje. 7. Saque el casquillo con un equipo especial. Uno Uno Febrero 1. 2. 3. Febrero Tres Tres 1. 2. AX DEBRAIERE tenedor Eliminación del dispositivo buje 09 925??48210 DORN Disposición especial 09 923 ?? 46030 Disposición especial 09 930 ?? 30102 FIG. 8B ?? 9 EXTRACCIÓN BUCªÃ NO.2 Debraiere eje 5. tenedor 6. Retire el buje M14 x 1,5 No.1 usando mandril. FIG. 8B ?? 11 EXTRACCIÓN BUCªÃ Uno 1. DORN (M14 X 1.5) FIG. 8B ?? 10 FIJACIÓN DORN
  • 241.
    Caja de cambios,diferencial y embrague (clutch) 8B??7 INSPECCIÓN Cojinete del eje de entrada Compruebe gira fácilmente y cambiarla si funcionando de manera anormal. Tren motriz Compruebe los rodamientos de embrague por desgaste anormales y si gira fácilmente. Reemplazarlo por uno nuevo Si los defectos. Placa de embrague Mide si las cabezas de los remaches del disco de embrague están dentro de los límites establecidos. Altura de la cabeza del remache (mm) Estándar 1.2 Límite 0.5 Uno Febrero FIG. 8B ?? 13 VER cojinetes Desconectado Embrague semi-eje Asegúrese de que el eje está deformado o desgastado, y si eje bucºele están desgastados. Tres 1. 2. 3. DISPOSITIVO DE MEDICIÓN Disco de embrague Agujero NIT FIG. 8B ?? 12 Medición de la ENDS altura Remaches Carrera embrague disco libre en la dirección rotación Compruebe el sentido de flujo de la rotación libremente en el disco embrague montado sobre las estrías del eje de entrada. Curso gratuito tanto da lugar a una descarga eléctrica al embrague Y el ruido anormal. Si el juego supera el límite, sustituir disco de embrague. Carrera libre en disco el embrague (mm) 1.0
  • 242.
    8B??8 CAJA DECAMBIOS, EMBRAGUE Y diferenciación (embrague) Sujetadores Proceder en orden inverso al desmontaje. Seguir siguiendo las indicaciones. ?? Instale el buje Nº 1 utilizando un dispositivo especial. Uno Al colocar el eje centraþi disco de embrague serpenteante disco de embrague con el centrador. Instale la carcasa del embrague y apretar los tornillos (6) el valor especificado. Par de apriete de los tornillos 180 ?? 280 cárter del embrague (kg??cm) Febrero Febrero Tres Tres Uno 1. 2. 3. ESPECIAL centrador 09923??36330 Tornillos de la carcasa del embrague Sujeción VOLANT 09924??17810 1. 2. 3. 09943 PRENSA ?? 88211 ESPECIAL DISPOZITOV 09923 ?? 46040 Buje NR.1 FIG. 8B ?? 16 ASAMBLEA EMBRAGUE DISCO ?? Apriete los pernos que conectan el volante y el eje Haga girar el valor especificado. Apriete los pernos del volante de par 570 ?? 650 (Kg??cm) PRECAUCIÓN Antes de la instalación, limpiar las superficies con- tacto de la placa del volante y de la presión y seco por completo. FIG. 8B ?? 14 MONTAJE NO.1 BUCªÃ ?? Instale y utilice el buje No.2 ºtemuiþi dispositivo especial. Uno Tres 4 Febrero La Febrero Uno 1. 2. 3. 4. A: Casquillo EXTRACTOR 09 915??48220 NO.2 buje Sello DEBRAIERE eje AX ºTEMUIRE FIG. 8B ?? 15 INSTALACIÓN Y BUCªÃ NO.2 Sello 1. 2. Tornillos VOLANT VOLANTE sujeción FIG. 8B ?? VOLANTE 17 MONTAJE
  • 243.
    Caja de cambios,diferencial y embrague (clutch) 8B??9 ?? Instale el volante cojinete del eje de entrada utilizando el rulmenþi montura. ?? ?? Inserte grasa para rodamientos después debraiere dentro del rodamiento y eje debraiere eje. Eje de entrada spline Gresaþi. La Febrero Uno B Tres Uno 1. TENIENDO ASAMBLEA DISPOSITIVO 09925??98210 FIG. 8B ?? 18 herraje de apoyo Eje de entrada ?? Instale el eje y la palanca de embrague en la derecha Regístrate punzón y apretar con el valor especificado. Par de apriete de la palanca de embrague (kg??cm) 100 ?? 160 1. 2. 3. A, B: Teniendo DEBRAIERE Palanca DEBRAIERE Eje de entrada Engrase el FIG. 8B ?? 20 Uno La 1. 2. 3. Tornillo, tuerca Palanca DEBRAIERE SIGNOS ponche FIG. 8B ?? 19 SEÑALES ªTANÞATE la palanca El DEBRAIERE
  • 244.
    8B??10 caja decambios, diferencial y embrague (clutch) PAR DE APRIETE Spare cerca ?? ?? ?? ?? ?? Cãmãºii terminal de cable de embrague Soporte Cable Tornillos del volante Tornillos de la carcasa del embrague Los tornillos y tuercas debraiere palanca Torque (kg??cm) 90 ?? 130 180 ?? 280 570 ?? 650 180 ?? 280 100 ?? 160 DISPOSITIVOS ESPECIALES Uno Febrero Tres 4 09924 ?? 17810 Volante de sujeción 5 09917 ?? 58010 Rulmenþi Extractor 6 09925 ?? 98210 Montaje Manºon cojinete 7 09923 ?? 36330 Cruz de dispositivo 8 09925 ?? 48220 Casquillo Extractor 09923 ?? 46040 Dispositivo de montaje 09930 ?? 30102 Extractor con inercia 009943 ?? 88211 Montaje rulmenþi dispositivo
  • 245.
    CAJA DE CAMBIOS,EMBRAGUE Y diferencial (diferencial) 8C??Uno 8C. Diferencial DESCRIPCIÓN GENERAL ......................................................................................................... 8C ?? Febrero Diferencial .......................................................................................................................... 8C ?? Febrero Diagnóstico ................................................................................................................................. 8C ?? Tres REMOCIÓN ............................................................................................................................. 8C ?? 4 Sujetadores ............................................................................................................................. 8C ?? 4
  • 246.
    8C??2 caja decambios, el embrague y diferencial (diferencial) DESCRIPCIÓN GENERAL Diferencial El diferencial es la misma caja de cambios y la caja de cambios de montaje chasis del sistema se comparte con del motor. El eje de los anillos de transmisión final es paralelo al eje de accionamiento de la caja de cambios y es con los dientes helicoidal. Dientes de la corona debe ser fijada de vivienda diferencial. Uno Febrero Tres 1. 2. 3. 4. 5. 6. 7. 8. 9. 10. Uno Piñones araña Piñones planetarios Piñones araña AX Vivienda LED PIÑÓN VELOCIMETRO LED PIÑÓN VELOCIMETRO Sello Diferenciación RULMENÞI (BOLA) Engranaje impulsor VELOCIMETRO CASO diferencial Anillos de transmisión final Febrero 4 5 6 7 10 9 8 6 7 FIG. 8C ?? 1 Configure diferencial Cambios diferenciales dirección y aumenta el tiempo dependiendo de la velocidad periférica de las ruedas. Diferencial puede ser considerado como una final de engranajes de reducción y engranaje de accionamiento debido corona diferencial. Diferencial garantizar un buen funcionamiento de las ruedas cuando la velocidad es diferente periférica (rueda exterior en las curvas a través de un camino más largo que el interior).
  • 247.
    CAJA DE CAMBIOS,EMBRAGUE Y diferencial (diferencial) 8C??Tres Diagnóstico Fuera De Servicio Ruido en las ruedas ?? ?? ?? ?? ?? ?? a ?? ?? ?? ?? Causa probable Aceite de la transmisión de agua insuficiente o contaminado Cantidad insuficiente de aceite en la caja de cambios Tracción piñones defectuoso Póngase en contacto con las ruedas de dientes defectuosos Afloje piñones Piñón Desgaste o ataque corona Aceite de la transmisión de agua insuficiente o contaminado (El ruido continuo) Aceite insuficiente o la caja de cambios insuficiente Rodamiento del diferencial de deserción Rodamiento del piñón diferencial o cojinete ataque desgaste ?? ?? ?? ?? ?? ?? ?? ?? ?? ?? Remedio Sustituido o complementado Lleno Ajuste Ajuste o reemplazo Înlocuiresau colección Reemplazo Sustituido o complementado Sustituido o complementado Sustituido Sustituido Ruido rulmenþi
  • 248.
    8C??4 caja decambios, el embrague y diferencial (diferencial) REMOCIÓN 1. Retire el diferencial que lleva utilizando extractor. Sujetadores Proceder en orden inverso al desmontaje. Asegúrese de siguiendo las instrucciones. ?? Ajuste el libre juego de los engranajes planetarios a tamaño distancia estándar utilizando arandelas. Uno Juegos gratis piñón planetario Febrero Tres (IZQUIERDA) 4 Uno (Mm) 0.05 ?? 0.33 Tres Uno 1. 2. 3. 4. Garra extractora RULMENÞI 09913??65810 ADAPTADOR 09925??88210 Teniendo (derecha) PIÑÓN VELOCIMETRO 4 Febrero FIG. 8C ?? Febrero 2. 3. 4. 5. Extracción del cojinete Diferenciación Velocímetro Piñón Teniendo diferencial (izquierda) Corona Diferencial Desmontar los anillos de retención. (DERECHA) Tres Febrero 4 Uno Febrero Tres 4 1. 2. 3. 4. Destornillador PLANETARIO DEL PIÑON CADRAN Magnético FIG. 8C ?? 4 MEDICIÓN DEL JUEGO LIBRE Piñones de eje 1. 2. 3. 4. FIG. 8C ?? 3 ANILLOS DE SEGURIDAD DE REMOCION DISPOSITIVO DEMONNTARE ANILLOS DE MONTAJE 09922?? 85811 Vivienda diferencial PLANETARIO DEL PIÑON Cachorro PIÑÓN Arandelas de espesor de distancia (Mm) 0,9, 0,95, 1,0, 1,05, 1.1, 1.15, 1.2
  • 249.
    CAJA DE CAMBIOS,EMBRAGUE Y diferencial (diferencial) 8C??5 ?? Presaþi mediante dispositivo rodamiento del diferencial especial. Uno Febrero Tres 4 5 7 6 1. 2. 3. 4. 5. 6. 7. MONTAJE DEL DISPOSITIVO RULMENÞI 09951??76010 Diferenciación TENIENDO (derecha) PIÑÓN VELOCIMETRO EJE PIÑÓN SATELITE Vivienda diferencial Diferenciación TENIENDO (IZQUIERDA) Sujeción 09951??16060 FIG. 8C ?? 5 ?? MONTAJE diferenciación RULMENÞI Tornillos corona diferenciales aprietan en valor especificado. Pares de apriete para tornillos diferenciales curoanã (kg??cm) 800 ?? 1000 Uno Febrero Tres 1. 2. 3. Tornillos de la corona del diferencial Tornillos de la corona del diferencial APOYO FIG. 8C ?? 6 anillos de engranajes diferenciales
  • 250.
    Dirección (piñón-cremallera) 10A??Uno CAPÍTULO10 Departamento 10A. Piñón-cremallera DESCRIPCIÓN GENERAL ....................................................................................................... 10A ?? Uno Caja de dirección .............................................................................................................. 10A ?? Uno VEHICULO ........................................................................................................... 10A ?? Febrero PAR DE APRIETE .................................................. ................................................. 10A ?? 7 S.D.V SITIOS .................................................................................................................................. 10A ?? 7 DESCRIPCIÓN GENERAL Dirección CAJA FIG. 10A ?? Uno Tamaño de la rueda 310 mm Rueda Especificación 135 SR 12
  • 251.
    10A??2 de dirección(piñón y cremallera) VEHICULO Los componentes de la dirección 13 12 16 11 15 14 21 7 19 5 4 6 17 18 Febrero Tres Uno 9 8 10 16 20 1. 2. 3. 4. 5. 6. Caja de dirección PIÑÓN Sello Cojinete TENIENDO ANILLO 7. 8. 9. Juntas PIÑÓN Partes de presión ªURUBAMORTIZARE Estante 10. CUBIERTA tornillo Amortización 11. estante 12. 13. 14. 15. 16. Set Varillas COLLAR Fuelle R O T T L Departamento 17. 18. 19. 20. 21. COLLAR Casquillo de guía APOYO Varillas Fuelle FIG. 10A ?? 2 componente de dirección
  • 252.
    Dirección (piñón-cremallera) 10A??Tres Eliminación 1.Tornillos articulación de giro Febrero Uno Uno 1. Caja de dirección FIG. 10A ?? Caja de dirección 5 EXTRACCIÓN 1. 2. Pedal de freno Dirección PALANCA FIG. 10A ?? 3 articulaciones REMOCIÓN 2. Las tuercas de rueda, derecha e izquierda 3. Desmontar la derecha y rotule izquierda Quitar 1. estante Bellows Anillo amortiguador 2. choque 3. Belet dirección Uno Uno Febrero 1. Rotui EXTRACTOR 09913 ?? 65210 FIG. 10A ?? 4 REMOCIÓN Rotui 1. 2. Barras de dirección Estante FIG. 10A ?? 6 barras REMOCIÓN 4. Desmontar los tornillos de sujeción alojamiento de casete dirección y caja de dirección de montaje 4. Ajuste Bucºele 5. Apoyo y presión pieza elástica
  • 253.
    10A??4 Dirección (piñóny cremallera) 6. Desmontar la junta de piñón Desmontaje buje de cremallera 1. Anillo de Seguridad 2. Demotaþi bucºele cremalierelei mediante dispositivo especial. Compruebe bucºele si están desgastados o rotos Y reemplace si está defectuoso. Uno FIG. 10A ?? 7 Desmontaje PIÑÓN junta 7. Seguridad de anillo 8. Piñón 1. Casquillo EXTRACTOR 09 944 ?? 48210 FIG. 10A ?? 9 EXTRACCIÓN estante BUCªE 3. Cuando asemblaþi estante buje, el uso disposición especial y el anillo de montaje del martillo seguridad gresaþi y la superficie interior de la tuerca del vástago. Uno YO NEL SEGURIDAD Febrero 1. PIÑÓN FIG. 10A ?? 8 EXTRACCIÓN DEL PIÑON Uno 9. rack 1. 2. MONTAJE DEL DISPOSITIVO buje 09 943 ?? 78210 MARTILLO PRECAUCIÓN Al quitar la rejilla, puede ser bucºele deteliorate; retire el soporte en la dirección caja. FIG. 10A ?? Estante 10 Montaje BUCªÃ
  • 254.
    Dirección (piñón-cremallera) 10A??5 Montajedel rodamiento del piñón 1. Retire rodamiento del piñón de utilizar el dispositivo especial. Rotula PRECAUCIÓN Al quitar la rótula, se recomienda marcar la posición original de las barras finales "B". Uno Febrero B 1. 2. Hammer inercia 09930 ?? 30102 Extractor de rodamientos 09 921 ?? 20200 Maraj FIG. 10A ?? 11 PIÑÓN TENIENDO REMOCIÓN 2. Gresaþi teniendo e instalarlo con dispositivo especial. FIG. 10A ?? 13 barras MARCADO Montaje Observar las operaciones, invierta el desmontaje. Uno PRECAUCIÓN Al colocar la rejilla en la caja, asegúrese stricaþi no para acumular buje. 1. TENIENDO ASAMBLEA DISPOSITIVO 09943 ?? 88211 FIG. 10A ?? PIÑÓN conjunto de cojinete 12
  • 255.
    10A??6 dirección (piñón-cremallera) Ajustebuje de cremallera Después de apretar la tuerca del vástago completamente, afloje con ~ 90 ° después restrângeþi un par de juegos de ajuste de rotación piñón especifica mediante dispositivo especial. De par de giro del piñón (kg??cm) 8?? 13 Uno FIG. 10A ?? 15 varillas de montaje PRECAUCIÓN Engranajes Gresaþi y cremalira antes de la instalación. 1. Llave 09944 ?? 18211 FIG. 10A ?? CONTROL DE PAR 14 SPIN PIÑÓN Varillas Conecte el enlace de alimentación del bastidor con el par especificado. Pares de apriete (kg??cm) 680 ?? 980
  • 256.
    Dirección (piñón-cremallera) 10A??7 PARDE APRIETE Componentes Tornillos juntas barras de dirección Rótula Tuerca La rótula de bloqueo de barras de nueces Piñón rotativo joven Varillas de rack Torque (kg??cm) 200 ?? 300 350 ?? 550 350 ?? 550 8?? 13 680 ?? 980 S.D.V. SITIOS 09913 ?? 65210 Rótula Extractor 09944 ?? 18211 Dispositivo de montaje del piñón 09944 ?? 48210 Casquillo Extractor 09943 ?? 78210 Casquillo de montaje de dispositivo 09930 ?? 30102 Martillo con inercia 09921 ?? 20200 Piñón extractor de cojinetes 09943 ?? 88211 Dispozitivmontare rodamiento del piñón
  • 257.
  • 258.
    10B Dirección??Uno 10B. Departamento DESCRIPCIÓNGENERAL ...................................................................................................... VEHICULO ........................................................................................................ 10B ?? Febrero 10B ?? 4 Volante ................................................................................................................................ 10B ?? 4 Interruptor de señal .................................................. .................................................. 10B ?? 5 Columna de dirección ......................................................................................................... 10B ?? 5 10B ?? 7 Dispositivo de bloqueo de la dirección .................................................. ............................................. 10B ?? 6 PAR DE APRIETE .................................................. ................................................ S.D.V. SITIOS ................................................................................................................................ 10B ?? 7
  • 259.
    10B??2 Dirección DESCRIPCIÓN GENERAL FIG.10B ?? 1 VOLANUL Uno 1. Columna de dirección FIG. 10B ?? 2 Columna de dirección GENERAL
  • 260.
    10B Dirección??Tres La manipulaciónde direcciones y la columna de dirección Departamento telescópica ?? Hace posicionar el volante. Se puede ajustar la inclinación del volante o la apropiación o fuera hacia Conductor. FIG. 10B ?? Volante 3 FIG. 10B ?? 4 Dirección telescópica Compruebe manejo de dirección 1. Se hace con el motor y la rueda posicionada para hacia adelante. Si el volante vibra menos, Cheque Si juego circumferenþial pertenece límites estándares dard. Juegos gratis volante de dirección circumferenþialã (mm) 0 ~ 30 2. Haga palanca en la dirección de la rueda y axial normal y Compruebe el juego. 3. Antes de comprobar fuerza motriz operativo, colocar el vehículo sobre una superficie plana y posicionar el volante hacia adelante. 4. Compruebe la presión de los neumáticos es estándar Y arrancar el motor. Comprobación del controlador 5. dispositivo Agãþaþi y Medida fuerza de accionamiento por el dispositivo de tracción dirección de rotación. 3.5 o puþinForþa operativo (kg) FIG. 10B ?? 5 MEDICIÓN Y VERIFICACIÓN VOLANTE MANEVRABILITÃÞII
  • 261.
    10B??Departamento 4 VEHICULO VOLANUL Eliminación 1. 2. 3. 4. 5. Terminal dedesconexión (??) De la batería. Bellows Retire la llave de encendido. Retire la tuerca de la columna de dirección. Marque la posición de la columna de dirección y la dirección. Retire el volante utilizando el dispositivo especial. Instalación 1. Alinee el volante y la columna de dirección a la derecha marcas hechas. Columna de dirección de par tuerca 2. ªtrângeþi especificado. Uno 1. Maraj FIG. 10B ?? 6 MARCADO Y COLUMNA DE DIRECCIÓN Departamento FIG. 10B ?? Columna tuerca 8 DE APRIETE Departamento Par de apriete de la tuerca (kg??m) 2.50 ?? 4.50 Uno Febrero 3. Coloque la tapa de ignición. 4. Conecte el terminal (??) De la batería. 1. 2. CONDUCCIÓN VOLANTE EXTRACTOR (09.944?? 36010) FIG. 10B ?? 7 VOLANTE DE REMOCION
  • 262.
    10B Dirección??5 Señal delinterruptor Eliminación Terminal de desconexión (??) De la batería. Retire la rueda. Retirar la columna de dirección. Retire el conector del interruptor de palanca de señalización. 5. Retire el interruptor de palanca de la columna volante. Uno Proceder en orden inverso al desmontaje. Columna de dirección Eliminación 1. 2. 3. 4. 5. 1. 2. 3. 4. Terminal de Diconectaþi (??) De la batería. Retire la rueda. Retire el interruptor. Cables de encendido de contacto Dconectaþi. Desenroscar completamente la parte inferior de la articulación columna de dirección y aflojar la parte superior. Uno 1. TORNILLOS DE MONTAJE 1. Tornillos de las bisagras FIG. 10B ?? REMOCIÓN 9 INTERRUPTOR SEÑAL FIG. 10B ?? Columna de bisagra 10 REMOCIÓN Departamento 6. Retire las tuercas de fijación de la columna de dirección. Instalación FIG. 10B ?? 11 EXTRACCIÓN tuerca de fijación Columna de dirección
  • 263.
    10B??Departamento 6 Instalación Proceder enorden inverso al desmontaje. Tornillo Torque bisagra (kg??cm) 200 ?? 280 Instalación Proceder en orden inverso al desmontaje. Asegúrese de siguiendo las instrucciones. Cuando asamblaþi, posición ranura de bloqueo de teclas y verificación bloqueo. Uno 1. Tornillo de la bisagra FIG. 10B ?? 12 montaje de la zapata de la bisagra BLOQUEO dirección DISPOSITIVO Eliminación 1. Retire el conjunto de la columna de dirección. 2. Retire con un punzón y coleando cioconul en el movimiento de dirección hacia la derecha inverso. Uno Febrero 1. 2. Punción Tornillos FIG. 10B ?? 13 EXTRACCIÓN DEL DISPOSITIVO DE BLOQUEO
  • 264.
    10B Dirección??7 PAR DEAPRIETE Spare cerca La columna de dirección 1. Tuerca Lug 2. bisagra Columna tuerca 3. Instalación Torque (kg??m) 2.50 ?? 4.50 2.00 ?? 2.80 1.10 ?? 1.70 1. 2. 3. FIG. 10B ?? 15 pistas cerca DISPOSITIVOS ESPECIALES Disposición especial 09 944 ?? 36010 (extractos del volante)
  • 265.
    ROTH Y NEUMÁTICOS11A??Uno CAPÍTULO 11 11A. ROTH Y NEUMÁTICOS DESCRIPCIÓN GENERAL ............................................................................................................. 11A ?? Uno Ruedas ............................................................................................................................................. 11A ?? Febrero Comprobar ........................................................................................................................................ 11A ?? 7 Diagnóstico ..................................................................................................................................... 11A ?? 8 VEHICULO ............................................................................................................... 11A ?? 11 DESCRIPCIÓN GENERAL FIG. 11A ?? 1 NEUMÁTICOS Y LLANTAS Tamaño de los neumáticos adecuada y la presión del aire Presión atmosférica Tamaño 135 SR 12 SR 155/70 12 (Opcional) kg / cm2 1.8 1.9 PSI 26 27
  • 266.
    11A??2 ROTH YNEUMÁTICOS Neumático Construcción y operación Uno Febrero Tres 4 5 6 7 8 9 Pisada Cinturón de seguridad de los neumáticos Viviendas La pared lateral Protección Perfil Cámara Cupón Refuerzo de talón Sensación Uno Febrero Tres 4 5 6 7 8 9 FIG. 11A ?? 2 estructura del neumático ?? La superficie carrera : es la parte que entra en contacto directo con la superficie de la carretera, estando fijado a la parte exterior de la caja y el cinturón de seguridad del neumático, siendo una revestimientos de goma con alto rendimiento anti-abrasión. El rendimiento de la operación depende del perfil de superficie. se encuentra entre la banda de rodadura y la carcasa, evitando cualquier daño al interior de la parte neumático debido a un shock externo y la vibración. parte importante del neumático está hecho de fibras sintéticas resistentes que componen la estructura neumático. Tire, manteniendo la presión de aire y el cojinete de la carga del vehículo, así como los choques que es el tema de gran resistencia a la fatiga. está representado por un înfãºurare alambre de acero dispuesta radialmente en el interior de la carcasa, chapada con un caucho delgado y cubierto con una película radial cuerda de nylon. Ayuda a fijar el neumático sobre la llanta. vehículos están equipados, en principio, con los neumáticos sin cámara. se proporciona para mejorar el confort de conducción mediante la protección de la carcasa y que tiene Para lograr una mejor amortiguación. ?? Cinturón: seguridad de neumático Viviendas : ?? ?? Talonario de cheques : ?? ?? Cámara Pared lateral : :
  • 267.
    ROTH Y NEUMÁTICOS11A??Tres Tipo y nombre (Tipo de neumático) Faja SEGURIDAD Faja SEGURIDAD CABLE RADIAL CABLE ] Arcos FIG. 11A ?? Tres TIPO DE NEUMÁTICOS (Nomenclatura) (Ejemplo) ?? 6.40 ?? 13 6.40 ?? 13 155 SR 13 185 / 70 SR 13 175 / 70 R 13 82 S SESGO DE NEUMÁTICOS RADIAL NEUMÁTICOS Anchura (6,40 pulgadas) Bias Neumáticos (hasta 150 km / h) Diámetro de la llanta (= d.i .. Neumáticos) (13 pulgadas) Ancho (155 mm) Symbol & Radial velocidad Diámetro de la llanta (= d.i .. Neumáticos) (13 pulgadas) Ancho (185mm) Alto / Ancho = 70% Symbol & Radial velocidad Diámetro de la llanta (= d.i .. Neumáticos) (13 pulgadas) Ancho (175mm) Alto / Ancho = 70% (70% * Informe planitud) Radial Diámetro de la llanta (= d.i .. Neumáticos) (13 pulgadas) Índice de carga máxima Símbolo máxima velocidad (hasta 210 km / h) ?? 155 SR 13 ?? 185/70 SR 13 ?? Ancho 175/70 R 13 82 S Ancho Neumático I.D.O.D Altura Neumático FIG. 11A ?? 4 TIPO DE NEUMÁTICOS
  • 268.
    11A??4 ROTH YNEUMÁTICOS Fenómenos asociados y explicaciones sobre el comportamiento de los neumáticos Hidroplanarea, aquaplaning El movimiento rápido del ºoselele vehículo cuya superficie está cubierta de agua, puede conducir a un contacto llanta baja con superficie de rodadura de la carretera, lo que resulta en los neumáticos a flote en la superficie La carretera. Esta condición se conoce como hidroplanare. Puede conducir a un funcionamiento anormal de los frenos, tracción fuerza disminución y pérdida de control de la dirección, que implica la condición vulnerable del vehículo. Velocidad LEJOS MUY ALTA LEJOS baja velocidad FIG. 11A ?? 5 HIDROPLANAREA Formación Wave Cuando se conduce, el neumático estaba en movimiento, deformación repetida MATH, reanudar el movimiento de rodadura. Entonces Cuando la rotación de la rueda aumenta la velocidad, la siguiente deformar el neumático que debe ser aplicado antes de reanudar la última deformaþii dará lugar a la formación de una onda que aparece el área de contacto entre las superficies de los neumáticos y de la carretera. Presión Low neumático puede conducir a una ola más grave. Las principales causas que llevan a la disminución -La vida del neumático: 1. estilo de conducción del conductor y obiºnuinþa a conducir; 2. El estado de la carretera, la carretera; 3. La presión del aire dentro del neumático; 4. El estado de carga del vehículo; 5. ruedas geometría - frente; 6. ruedas de equilibrio; 7. velocidad; 8. amortiguación suspensión conjunto. FIG. 11A ?? 6 FORMACIÓN VELO
  • 269.
    ROTH Y NEUMÁTICOS11A??5 Las principales causas de la mala desgaste Disposición Desgaste Estado Zona de Verificación Desgaste irregular (banda de rodamiento es cambia gradualmente en un polígono) Nivel de vibración 1.Verificare de neumático y rueda 2.Verificare cubo de la rueda y la bisagra 3.Verificareastãriideungere rulmenþilor, las articulaciones 4.Dezechilibrarea partes vecinas a El desgaste excesivo en un lado 1.Dezechilibrarea partes vecinas Nivel de vibración 2.Verificare de neumático y rueda Hub 3.Verificarea y bisagra (vibración, inclinación) El desgaste excesivo en un solo punto 1.Porniri y fuertes frenadas Desgaste excesivo de la Parte in- lateral prafeþei corriente (desgaste excesivo re- Zulte superficie más exterior Cara de la revista Rolling desgastado) 1.Reglare camber incorrecta y convergencia 2.Uzurã suprarotaþiei exceso de cobro Desgaste excesivo de la diametralmente lado opuesto de la superficie a una parte de banda de rodadura gastada Nivel de vibración 1.Verificare de neumático y rueda Condiciones de funcionamiento 2.Verificare y lubricación teniendo articulaciones cubo y esféricas Use la superficie lateral del RU lar Neumático 1.Utilizarea en aire a baja presión Use el perfil Ajustes pro- pisada tecþie 1.Cauzã debido a la alta velocidad de rotación 2.Convergenþã y camber desregulado
  • 270.
    11A??6 ROTH YNEUMÁTICOS Los neumáticos de reemplazo Si es necesario cambiar, se recomienda utilizar tamaño de neumático especificado por el fabricante, la aplicación de presión apropiada. Reemplazo Los neumáticos va a tener la misma tamaño, capacidad de carga, y la construcción como Si los neumáticos originales con la que el vehículo estaba equipado cle. El uso de otros tipos de neumáticos de diferentes tamaños puede influir en el movimiento, manipulación, calibración del velocímetro, la distancia al suelo del cuerpo o El chasis. ¡CUIDADO! Echipaþi no diferente en los neumáticos de vehículos dimensiones, excepto en casos de emergencia, Puesto que la gestión se podrían ver seriamente afectada, y pérdida de control puede ser una de efectos no deseados. Se recomienda que los neumáticos nuevos, que tienen la misma dimensiones, a ser montados en el mismo eje. Si es necesario sustituir un neumático tendrá que ser emparejado con el neumático cuyo es la menos desgastado para disminuir la variación fuerza de frenado. MAX. 2.5 MM FIG. 11A ?? Reborde 7 RESISTENCIA ELEMENTO Indicador de Vibración máxima Vibración debido a soldaduras o pintura se ignora. Jenþilor Sustitución Jenþile ser reemplazado cuando se deforman, presenta una vibración excesiva, lateral o radial, o cuando cuando se expone soldaduras, agujeros o deformación agarre y la corrosión apariencia. Reemplazo Jenþii se hará con una llanta cumple con la parte la carga, diámetro, ancho, de forma original montaje y desmontaje. El uso de cualquier otro tipo de jenþi de diferentes tamaños puede afectar la vida de la batería la rueda en su conjunto, o que llevan sistema de refrigeración frenado, indicación del velocímetro y la distancia al suelo vehículo. Equilibrio Curva de oscilación 45 114.3 Tamaño anchura (mm)
  • 271.
    ROTH Y NEUMÁTICOS11A??7 CHEQUE Comprobación de la presión del aire Durante la conducción de presión de aire tiende a subir. Compruebe la presión de los neumáticos existente cuando temperatura es baja. ANTES Rotación de los neumáticos Para igualar el desgaste de los neumáticos, cambiarlos periódicamente. Una presión superior a la presión recomendada tiempo puede causar: 1. no aptos para las condiciones de conducción; 2. La destrucción de la vivienda; 3. desgaste prematuro central para la banda de rodadura Parte. CUANDO rueda de repuesto Usado ANTES Una presión inferior a la presión recomendada tiempo puede causar: 1. 2. 3. 4. 5. 6. 7. 8. fuerza de fricción en las curvas; control de la dirección engorroso; desgaste adicional de rodadura; posibles daños en el neumático debido jenþii; aumentar la temperatura del neumático; descansos para cuerdas de neumáticos; manejo incierto; alto consumo de combustible. CUANDO rueda de repuesto NO GASTADO FIG. 11A ?? 8 NEUMÁTICOS DE ROTACIÓN Tamaño de los neumáticos y la presión recomendada Clavos de las ruedas Presión de los neumáticos desigual de los puentes puede porque: 1. 2. 3. 4. reducir el rendimiento de frenado; manejo del choque; dirección incierta; Si la desviación trayectoria de aceleración. Tamaño Presión (kg / cm) Febrero 135 R 12 (155 / 70R12) 1,8 (1,9) Tornillo, tuerca M10 X 1.25 FIG. 11A ?? 9 Y perno tuerca de la rueda
  • 272.
    11A??8 ROTH YNEUMÁTICOS Solución de problemas (de dirección, suspensión, llantas o JENÞI) Deben hacerse la prueba de carretera y un cheque antes de la depuración preliminar porque dirección y suspensión, jenþile Y neumáticos son interdependientes. Controles preliminares Presión de los neumáticos 1. Revise y desgaste del neumático. 2. Levante el vehículo sobre un elevador y compruebe la suspensión delantera y trasera, y un sistema de dirección para la observación desgaste, posibles daños y deformaþii. 3. Retire las ruedas para equilibrar su deformaþii de curvatura jenþii notar ningún desgaste y juegos rulmenþilor estado de desgaste de la banda de rodadura. Condición Desgaste del neumático 1. 2. 3. 4. 5. 6. Causa probable Los neumáticos asimétricos de desgaste irregular Presión incorrecta de los neumáticos Arco roto o debilitado Lado del desgaste de los neumáticos Ruedas de geometría impropias Sistema operativo incorrecto frenado 7. Afloje, deformación, suspensión destrucción 1. 2. 3. 4. 5. 6. 7. 8. 9. Arco roto Rueda desequilibrada Geometría ruedas defectuosas Amortiguador Wear Trayectos de alta velocidad Sobrecarga Afloje o desgaste rulmenþi Rotación de las ruedas desequilibradas Presión incorrecta de los neumáticos Reparación Los neumáticos de reemplazo Ajuste la presión de los neumáticos Reemplace el resorte Los neumáticos de reemplazo Comprobar y ajustar la geometría de la rueda Revisar y reparar el sistema de frenos Apretar o reemplazar partes de la suspensión Reemplace el resorte El equilibrio, la sustitución de los neumáticos Comprobación y ajuste de la geometría, equilibrando Reposición depreciado Los neumáticos de reemplazo Los neumáticos de reemplazo Cojinete de reemplazo Reemplace la llanta o neumático El control de presión Desgaste de los neumáticos anormal (El desgaste excesivo) 1. Expansión de movimiento parcial rueda defectuosa pneuÎnlocuire neumáticos 2. Vuelva a colocar defectuoso funcionamiento del amortiguador amortiguador Shakes 1. Ruedas desequilibrada Rulmenþi 2. Desgaste Rótula 3. Desgaste 4. Wear rótula del brazo inferior 5. Shakes excesivo de las ruedas 6. neumáticos deformaciones parciales 7. Shakes conjunto de rueda radial 8. Geometría ruedas delanteras defectuoso 9. Afloje el sistema de dirección o desgaste Caja de dirección 10.Slãbire pernos de montaje El equilibrado de ruedas de repuesto o neumáticos Rulmenþi reemplazo Rótula de reemplazo Rótula de reemplazo Reemplace el control de la suspensión delantera de brazo Los neumáticos de repuesto o jenþi Los neumáticos de repuesto o jenþi Geometría ruedas Puesta a punto Apriete o reemplace el sistema de dirección Apriete los tornillos de montaje
  • 273.
    ROTH Y NEUMÁTICOS11A??9 Condición Liderazgo difícil Causa probable 1. mal funcionamiento debido a una lubricación articulación defectuosa o rótula inferior 2. Geometría ruedas delanteras defectuoso 3. Ajuste la caja de dirección incorrecta 4. La presión incorrecta de los neumáticos 5. Lubricación columna defectuoso dirección 1. 2. 3. 4. 5. 1. 2. 3. 4. 5. Use rulmenþi Cremallera y piñón posición Trastorno Pad desgaste con fuerza. caja de dirección Rótula Wear Menor desgaste de pivote Aprovechar las barras de dirección rótula Aprovechando rótula Aprovechando la columna de dirección Geometría ruedas delanteras defectuosos Presión incorrecta de los neumáticos Reparación Frente reemplazo rótula del brazo de control de suspensión o Ajustar la geometría Repare o reemplace la caja de dirección Ajuste la presión de los neumáticos Reparación Cinta excesivo gobierno Rulmenþi reemplazo Cremallera y piñón Comprobación y ajuste Reemplace sellado de la junta Rótula de reemplazo Suspensión de control inferior Reemplazo pivote del brazo Rótula de reemplazo Rótula de reemplazo La reparación o sustitución Ajustar la geometría Ajuste la presión de los neumáticos al valor indicado Colección Reemplazo Reemplazo Reemplace extremo de la barra, brazo de control, rótula Y el eje Reemplace o repare Reemplace el buje Tornillo de apriete o buje de reemplazo Colección Apriete los tornillos o tuercas Ruedas de repuesto rulmenþi Reemplace el resorte La lubricación o reemplazo rulmenþi Manejo defectuoso Neobiº- Ruido Casete Nuit dirección Ruido anormal 1. Los pernos de aflojamiento y nueces 2. desgaste o daño ruedas rulmenþi 3. Lleve o rótula incautación 1. desgaste, mortificantes varillas juego de rótula dirección, bajo la rótula, juntas caja de dirección Amortiguador 2. Desgaste 3. Control de desgaste de los bujes del brazo 4. Afloje la barra estabilizadora 5. Afloje la tuerca de la rueda 6. Afloje los tornillos o tuercas de suspensión 7. desgaste o daño ruedas rulmenþi 8. Use o primavera daños suspensión 9. La lubricación defectuosa o usar un caminar rulmenþilor 1. Los neumáticos desequilibrados Rótula 2. Juego 3. amortiguador de desgaste o de montaje amortiguador defectuoso 4. Afloje la barra estabilizadora 5. Fractura o arco deformación 6. caja de dirección montado 7. Geometría ruedas defectuosas Inestabilidad o vi- Braþii Sistema gobierno Ajuste la presión de los neumáticos al valor indicado Reemplace brazo de control o cabeza de articulación Reposición depreciado y reparación Apriete la barra estabilizadora Reemplace el resorte Ajuste la caja de dirección Geometría ruedas Puesta a punto
  • 274.
    11A??10 ROTH YNEUMÁTICOS Condición Manejo defectuoso muestra señales en condiciones de frenado Causa probable Rulmenþi 1. Wear 2. Fractura o arco deformación 3. Pérdidas de líquido de frenos del cilindro o Calibre Disco 4. Deformación 5. Lleve junta freno parcial 6. Shakes freno de tambor admitido Neumático 7. Expansión Cilindro de freno 8. Use 9. Geometría ruedas delanteras defectuoso 1. rotura o deformación de arco 2. La sobrecarga 3. Arco incorrectamente 1. Estado amortiguador defectuoso o Jambi 1. Sobrecarga 2. amortiguador desgaste o Jamba 3. Disminución actuaciones, desgarro o arco debilitamiento 1. Afloje la barra estabilizadora 2. Desgaste silenciador, Jamba o instalación defectuosa 3. Fractura, el debilitamiento o reducción actuaciones de primavera 4. Sobrecarga 1. 2. 3. 4. 5. Use Jambi Desgaste de los rodamientos de la rueda o daños Rueda vibración excesiva Rótula Wear Desequilibrio de la rueda Reparación Cojinete de reemplazo Reemplace el resorte La reparación o sustitución del tambor de freno o pinza Reemplace el disco Junta de freno de repuesto Tambor de freno de repuesto Ajuste la presión de los neumáticos al valor indicado Reemplace Tambor de freno Comprobación y ajuste de la geometría de la rueda delantera Reemplace el resorte Compruebe la carga Reemplace el resorte Reposición depreciado o Jamba Compruebe la carga Reposición depreciado o Jamba Reemplace el resorte Altura inadecuada ala corres- Suspensión demasiado suave Suspensión Wear Ruido, deviaþii en mientras se conduce Tornillo de apriete o buje de reemplazo Reemplace amortiguador, Jambi, instalación correcto Reemplace el resorte Compruebe la carga Reemplazo Jambi Reemplace cojinete de la rueda Sustitución de neumáticos o la llanta Reemplace suspensión de brazo de control Comprobación y equilibrado de ruedas Un rápido desgaste de los neumáticos
  • 275.
    ROTH Y NEUMÁTICOS11A??11 VEHICULO Eliminación 1. Afloje las tuercas de las ruedas sobre 180 ° 2. Suspender la rueda con el gato. 3. Afloje las tuercas y quite la rueda. Los neumáticos de repuesto Al sustituir los neumáticos, obedecer orientación fabricante. Sustitución de neumáticos que utilizan palancas o herramientas inadecuadas pueden provocar daños talón del neumático y el talón de la válvula del neumático. Aplicar una capa de aceite sobre la superficie de la perla, después de Retire cualquier objeto extraño que de antemano cómo tales como residuos de caucho, o manchas de corrosión. Después de la instalación, se inflará el neumático a la presión límite especificado para el talón del neumático puede tener una perfecto contacto con la llanta. Montaje Instale y apriete las tuercas de rueda en cruz para evitar jenþii deformación, tambor o disco de freno. Volante Los dos tipos de equilibrio, estáticas y dinámicas, voluntad ajustar después de equilibrar la rueda. ATENCIÓN !!! No conecte más de dos contragreutãþi en el mismo lado de jenþii. Peso de las piezas debe ser inferior a 100 g. Si el ajuste es imposible, el ajuste se realiza girando jenþii, o el neumático. La FIG. 11A ?? 10 Ruedas de montaje Para ser añadido CONTRAGREUTÃÞI ATENCIÓN !!! Puntos Antes de instalar la rueda, limpias la corrosión en la superficie de montaje jenþii, la superficie de montaje del tambor o freno de disco con un cepillo de alambre o un raspador. Aplique torque recomendada. De lo contrario, es posible aflojamiento frutos secos durante la conducción. Eje - balanceo de la línea Fuertes vibraciones La rueda Después de la equilibración FIG. 11A ?? 11 ruedas de equilibrio estático
  • 276.
    11A??12 ROTH YNEUMÁTICOS Esfuerzo de torsión Tuerca Par ruedas (kg??cm) Para ser añadido CONTRAGREUTÃÞI 500 ?? 800 Eje - balanceo de la línea Fuertes vibraciones La rueda DESPUÉSPESOS La FIG. 11A ?? 12 Equilibrio de Ruedas ATENCIÓN !!! Recomendamos extracción de cuerpos extraños operación de las superficies de las piezas sometidas ' echiibrare, con el fin de evitar errores medición para el equilibrio correcto de la rueda. FIG. 11A ?? 13 rueda tuerca de apriete
  • 277.
    JENÞI y neumáticos(llantas delanteras Geometría) 11B??Uno 11B. GEOMETRÍA Roth DELANTERO DESCRIPCIÓN GENERAL ............................................................................................................ 11B ?? Uno Comba ........................................................................................................................... 11B ?? Uno Caster ............................................................................................................................... 11B ?? Febrero Convergencia .................................................................................................................................. 11B ?? Febrero Ángulo de giro Knuckle .................................................................................................................. 11B ?? Tres Informe pivote husillo ...................................................................................................................... 11B ?? Tres Medición ................................................................................................................................. 11B ?? Tres Comba ........................................................................................................................... 11B ?? Tres Caster ............................................................................................................................... 11B ?? 4 Ángulo de giro Knuckle .................................................................................................................. 11B ?? 4 Convergencia .................................................................................................................................. 11B ?? 4 Deslizamiento de prueba ............................................................................................................................. 11B ?? 5 AJUSTE ....................................................................................................................................... 11B ?? 5 DESCRIPCIÓN GENERAL Las ruedas delanteras están montadas en el eje delantero en un ángulo que permite la conducción, la manipulación y la estabilidad. En otras palabras, la relación angular ruedas delanteras posición geométrica se conoce como el geometría ruedas delantera. Comba La pendiente de la rueda interior y exterior consiguiente, el ángulo entre el eje y la rueda vertical. * Camber Importancia 1. Evita la apertura de la rueda hacia abajo cuando cuando el vehículo está cargado. 2. evitar que la rueda de escape durante la conducción. 3. Contribuir a la operación de la caja de dirección. 4. Evita la flexión o deformación de las articulaciones la dirección. AXA Rueda A CUERPO 90 Comba POSITIVO FIG. 11B ?? 1 camber POSITIVO
  • 278.
    11B??2 JENÞI yneumáticos (llantas delanteras Geometría) Caster La pendiente del eje longitudinal del pivote, hacia adelante o hacia atrás, hacia el eje vertical, donde miró a la dirección de avance. * Lanzador Importancia 1.Revenirea en una caja de dirección en línea recta 2.Stabilitatea marchar hacia adelante en línea recta Convergencia El estado en el que la parte delantera de las ruedas está cerrado que la parte posterior de las ruedas cuando se ve arriba en la dirección de avance. FIG. 11B ?? 2 lanzador Positivo * Importancia de la convergencia Divergencia 1.Previne debido comba. Divergencia 2.Previne entre la resistencia al movimiento y Fuerza de reacción de la tracción. ANTES ?? "A" "B" "B" - "A" = Convergencia FIG. 11B ?? 3 Convergencia * divergencia de dirección 20 ° Represente sobreviraje rueda interior de la rueda delantera fuera en las curvas, la divergencia de dirección de 20 ° requerido para la verificación de posibles fallos mecanismo de dirección trapezoidal. 18 Divergencia 20 FIG. 11B ?? Cuatro direcciones La divergencia con el 20 °
  • 279.
    JENÞI y neumáticos(llantas delanteras Geometría) 11B??Tres Ángulo del cabezal PIVOT (ejes o en ángulo) La pendiente del eje de pivote de nudillos y vertical cuando se ve desde la parte delantera. * Importancia de inclinación de pivote muñón de la dirección 1.Reducerea ahogarse durante la conducción y el frenado. 2.Creºte regresar a la caja de dirección recta. 3.Previne bailar ruedas delanteras. Eje de dirección de inclinación (Ángulo de giro) Comba Verticalmente INFORME PIVOT husillo La distancia entre el punto de cruce de eje de la rueda con la superficie de la carretera, y el punto de cruce del eje husillo de pivote con la superficie de la carretera, tal como se determina la inclinación del perno rey y la comba. INFORME PIVOT husillo FIG. 11B ?? 5 PIVOT ángulo del cabezal E INFORME Medición Camber, Caster y la inclinación del perno rey se mide juntos. Comba 1. Señale las ruedas delanteras en la dirección de avance (derecha). 2. Retire la cubierta de la rueda delantera, así como la cubierta cubo de la rueda. 3. Superficie Degresaþi que es tapa equipada cubo y compruebe que no está dañado. 4. Instale el instrumento (ángulo de caída fuga, nudillo pivote inclinación) con barra central superpuesta en el centro del eje de rueda. 5. Después de montar la unidad, fije el indicador posición cero soporte rotatorio. 6. Coloque la unidad en posición horizontal y lea el ángulo caída, utilizando el indicador de inclinación. Aparato de medición ÁNGULO TIP Desvanecimiento FE ÁNGULO TIP Caer Base giratoria FIG. 11B ?? 6 comba, ÁNGULO Correr, Ángulo del cabezal PIVOT
  • 280.
    11B??4 JENÞI yneumáticos (llantas delanteras Geometría) Caster 1. Establezca el rotativo apoya indicadores (para las ruedas delanteras) a la posición cero, y viraþi ruedas delanteras 20 ° con respecto al exterior riormente. 2. dispositivo indicador de control (indicación testigo de la posición cero). 3. Ajuste la posición del indicador de control de ángulo de avance cero, pero la lectura se hace girando el tornillo de ajuste. 4. Viraþi ruedas delanteras 20 ° hacia el interior. 5. dispositivo indicador testigo. 6. Lea el valor indicado por lanzador en blanco. Ángulo de giro Knuckle 1. Establezca la dirección examinó el testimonio de la posición cero moviendo el puntero. 2. Viraþi ruedas delanteras 20 ° hacia el exterior. 3. Coloque el puntero en la posición cero girando el pivote înclinaþiei tornillo de ajuste, en la parte posterior de la escala, si se deja la rueda delantera, se toma como una lectura de referencia de la rueda delantera izquierda y derecha en el caso, el contacto de leer ahora como referencia. 4. Viraþi ruedas en la dirección de avance de 20 °, y leer inclinación capo indicados en la escala. Convergencia 1. Antes de medir, las articulaciones de verificación juego dirección, condición rulmenþilor y la presión de los neumáticos. 2. Visite el sitio de medición. 3. Levante las ruedas delanteras con un gato y un trasaþi la línea central de la banda de rodadura del neumático. 4. Coloque las ruedas delanteras en la dirección de avance. 5. Ajustar la altura en el centro de la máquina de neumáticos (Punþii). 6. Establecer el micrómetro a la posición cero. 7. Después de colocar el conjunto en el frente de las ruedas (delantera) y después ajustar de acuerdo a los ejes de los neumáticos (de libras., PhD.) por aflojando manºonului reunirá manºonul. 8. Después de aflojar el mecanismo de bloqueo del tornillo ajuste, ajuste el indicador de posición de acuerdo con ejes neumáticos se apriete el tornillo de bloqueo. 9. Instale y ajuste el indicador detrás de las ruedas micrómetros y el puntero del indicador opuesto en De acuerdo a los ejes de los neumáticos. 10.Después indicador apropiado en relación a los ejes neumáticos girando el micrómetro, leen indicación micrómetro. INDICADOR Convergencia FIG. 11B ?? La figura 7 muestra la convergencia
  • 281.
    JENÞI y neumáticos(llantas delanteras Geometría) 11B??5 Patín PRUEBA Es una prueba de la geometría de las ruedas, si se ajusta correctamente, y se realiza mediante la medición de el tamaño derrape cuando el vehículo pasa lentamente en el banco de pruebas. El valor por defecto de derrape es inferior a 5 m, para una distancia de 1 kilometro recorrido. Se utilizan dos tipos de indicadores: la cilíndrica y los que tienen la indicación remota. 1. Coloque el vehículo en la unidad de estado, a lo largo del eje probador. 2. Pasar la zona de ensayo deberá hacerse lentamente y durante la realización de la prueba y no viraþi no frânaþi vehículo. No cargue el vehículo, excepto el conductor. 3. Lea el valor en el después de la prueba y establecer si es positivo o negativo. 4. Después de la prueba, conecte el teclado utilizando el pasador de seguridad. AJUSTE ?? Cuando el deslizamiento está por encima de tamaño estándar, con- vergenþa ruedas delanteras no es correcta. Tamaño de deslizamiento (mm) En 0,5 ± 1,5 500-800KG??CM ?? Convergencia se ajusta cambiando la longitud conexión de la barra. En primer lugar, afloje los extremos de la barra (Stg., PhD.) Y colóquelas correctamente. Después del ajuste, apriete bloquear el valor del par indicado nueces apriete. FIG. 11B ?? Convergencia 8 AJUSTE ?? Si la barra de conexión o cambio varilla final, comprobar el ángulo máximo de dirección, girando el soporte rotatorio. Ángulo máximo de giro (°) Dentro Al aire libre 40 35 ?? Cuando el valor de inclinación, o el ángulo de fuga, es diferente del valor normal, verificar debido a la ocurrencia de la perturbación. En el caso de destrucción, aflojamiento, deformación o desgaste partes suspensión reemplazar o reparar estas piezas. Para medir correcta, avance, puede Verifique si hay movimiento varias veces, y debajo de la carrocería. Convergencia (mm) Desnivel (°) El ángulo de escape (°) Pivot (°) 1 ± 2 0 ° 30 '± 1 ° 3 ° 35 '± 1 ° 12.5
  • 282.
    CUERPO 12A??Uno CAPÍTULO 12 CARROCERÍA 12A.SERVICIO DESCRIPCIÓN GENERAL ....................................................................................................... 12A ?? Uno VEHICULO ........................................................................................................... 12A ?? Tres Puerta de entrada, puerta de atrás ............................................................................................................ 12A ?? Tres Ventanas ............................................................................................................................ 12A ?? 4 Mecanismo de cierre de la puerta .................................................. ................................................. 12A ?? 6 Cierra la puerta ......................................................................................................................... 12A ?? 7 Mecanismo de cierre de la puerta .................................................. ................................................. 12A ?? 9 Las ventanas laterales .................................................................................................................12A ?? 14 Cuerpo Dimensiones .........................................................................................................12A ?? 15 Puntos de sellado ...........................................................................................................12A ?? 19 DESCRIPCIÓN GENERAL Marco estructurado Cortesía está construido en una sola pieza sin estar integrados con el lado del cuerpo a reducir el peso del vehículo y también para aumentar la rigidez de la carrocería. La planta es alargada y compartimiento del motor compacto está dispuesto a obtener la mayor cantidad de espacio en la cabina. FIG. 12A ?? 1 CUERPO GENERAL
  • 283.
    12A??2 CUERPO Puerta principal Mecanismode cierre de la puerta El control se logra mediante un cierre suave dos pasos, que doten a esta máquina. Mecanismo de la cerradura de la puerta Para utilizar el botón de bloqueo de clics que se logra por la leva y el alojamiento de bloqueo, y que confirma el bloqueo. 5 Febrero A M O R T E N Z Bloquear Tuerca BLOQUEO DE BOLA Tres Cierres COVER 4 Uno 6 1. 2. 3. 4. 5. 6. FIG. 12A ?? Febrero El frente de cristal de la grúa La grúa está dentro de la puerta principal. FIG. 12A ?? 4 Bolth Percusión BOTÓN DE SEGURIDAD MANGO OPEN Butuc CLAVE Tirador de puerta exterior MECANISMO DE CIERRE Puerta Curãtaþi buena superficie de agarre del vidrio antes los montaje de la palanca de guía, y cierres de la puerta. Tres Una sección -A 4 Uno Febrero La La La La 1. 2. 3. 4. Las moscas GRÚA VENTANA GUÍA DE VENTANA FIG. 12A ?? Tres FIG. 12A ?? 5
  • 284.
    CUERPO 12A??Tres VEHICULO Puerta principal,puerta trasera Puerta principal Uno Tres Febrero Febrero 6 7 8 5 4 10 9 Puerta trasera Uno Tres 8 Febrero Febrero 10 6 7 9 5 1. 2. 3. 4. 5. VENTANA Juntas ETANªARE VENTANA Puerta marco de la ventana GRÚA manivela VENTANA GRÚA DE CRISTAL 6. 7. 8. 9. 10. Juntas de diapositivas Ventana corredera UªA MANGO Mimbre UªÃ DEFLECTOR FOIL 4 FIG. 12A ?? 6 COMPONENTES Y UªÃ TRASERO DELANTERO UªÃ
  • 285.
    12A??4 CUERPO VENTANAS Eliminación Quitar lossiguientes componentes: 1. panel de la puerta interior 2. brazo transversal de la grúa 3. Haga girar el mango del anillo ventana desmantelado Seguridad con un columpio de tela con manos, como se muestra a continuación. Tres 7. ventana desmontaje. FIG. 12A ?? 9 EXTRACCIÓN DE CRISTAL Uno Febrero Montaje, instalación 1. 2. 3. MANIVELAMACARALEI VENTANA Paño o toalla EQUILIBRIO CON LAS MANOS FIG. 12A ?? 7 Desmontaje GRÚA manivela Observe que la operación inversa cuidado demontare.Aveþi Las siguientes instrucciones. ?? Al colocar la corredera de cristal Observar Guía de tallas de posicionamiento. DELANTERO 4. puerta del panel. 5. deflector papel de aluminio. 6. correderas de vidrio. 120.4 Febrero Uno TRASERO Febrero 34.5 Uno 1. 2. Ventana corredera VENTANA (MM) FIG. 12A ?? GUÍA DE 8 DE REMOCION DE VENTANA FIG. 12A ??GUÍA DE INSTALACIÓN 10 VENTANA
  • 286.
    CUERPO 12A??5 ?? Cuandocoloque seguro vidrio se mantenga firme en el marco. ?? Fit manivela cuando trabaje con vidrio ventana está completamente decepcionado. Uno 45 ° ± 15 ° 45 ° ± 15 ° 1. MARCO FIG. 12A ?? 11 ?? ?? Al colocar la grúa asegurarse la ventana podría estar suelto. De inclinación correcta geamlui con tornillos el control del brazo de grúa. FIG. 12A ?? 13 Manivela MONTAJE MANIPULACIÓN 1. FIG. 12A ?? 12 ajustar la inclinación VENTANA Tornillos VIDRIO AJUSTE TILT
  • 287.
    12A??6 CUERPO Closure SystemUªILOR 5 Febrero 5 Febrero Tres 4 Tres Uno Uno 6 6 FIG. 12A ??14 COMPONENTES Bolth Percusión 2.B U T O N LOCK MECANISMO DE BLOQUEO DE INTE- 3.MÂNER Rior 1. 4. 5. 6. Butuc CLAVE MANGO EXTERIOR UªÃ pestillo VOLVER
  • 288.
    CUERPO 12A??7 Latch AsambleaUªÃ Ajuste Al colocar la varilla móvil, actuación de la manilla exterior intentó consiguiente la puerta, gire la varilla de tal manera que todo el juego pestillo de puerta "A" es de 0 ~ 2 mm. Ajuste la posición del delantero en el bolþului centro derecha cerradura de pestillo de la puerta. Pestillo de la cerradura UªÃ Uno 5 Bolth pestillo La 4 Febrero Tres 1. 2. 3. 4. 5. FIG. 12A ?? 15 Varilla móvil INSTALACIÓN Varilla Mobile PALANCA DE EMPUJE Devoluciones PALANCA Cierre de puerta Manija de accionamiento exterior Rior FIG. 12A ?? 17 Posición bolth montaje Bloquear Ajuste la altura de montaje de enganche tan bolþului ese juego zona "C" de la cerradura de la puerta y bolth ser 12,6 mm. Al colocar la palanca del actuador dentro del juego "B" de la palanca de abertura interior y la palanca empuje es 0 ~ 2 mm. Uno Febrero DELANTERO Tres 4 1. 2. 3. 4.FIG. 12A ?? 16 MECANISMO Barra APERTURA DE PALANCA EX- Teri PALANCA IN- Teri INTERIOR ZÃVORZÃVOR FIG. 12A ?? 18 Ajuste de la altura bolth Bloquear
  • 289.
    12A??8 CUERPO El montajede cada varilla de empuje es seguro Y cerrarlos pulsando. Barra SEGURIDAD FIG. 12A ?? 19 varillas de montaje
  • 290.
    CUERPO 12A??9 Parabrisas Parabrisas montajesólo está utilizando adhesivo, su elección es muy importante. Asegúrese de utilizar sólo es adecuado para adhesiva parabrisas. Uno Tres Febrero 4 5 7 6 1. 2. 3. 4. 5. 6. 7. ORNAMENTO ORNAMENTO SIDE Burlete PARABRISAS Distancia Tornillo GARITURÃ CUBIERTA FIG. 12A ?? PARABRISAS 20 INSTALACIÓN PRECAUCIÓN ?? La vida útil de la SR adhesivo es 3 meses fecha de fabricación. No utilice vida útil es de adhesivos superado. ?? Adhesivos SR se almacenan en un solo lugar oscuro y frío. ?? Utilice SR adhesivo en un tiempo máximo de 1 horas después de la apertura del tubo (ADAT tubo abierto no se puede cerrar). ?? Utilice soluciones No.35 primaria (por parabrisas) No.67 (para el cuerpo) y No.38 (ornamental). No andar por ellos! Utilice adhesivo tipo y especificado con el siguiente propiedades. Shear Fuerza 40 kg / cm2 ?? ?? ?? ?? Boquilla de plástico (2 piezas) Cap-asa (para adhesivo de llenado) Lezna Cuerda de piano ?? Cortador ?? Cartucho de pistola de plástico (Para aplicar el adhesivo) ?? Alcohol ?? La cinta protectora Eliminación 1. Retire los limpiaparabrisas, cubrir plasma tic y accesorios. 2. quitar el parabrisas con un paño limpio empapado en alcohol (interior y exterior). 3. Retire el marco. 4. Con la cinta de protección, cubra la superficie Cuerpo alrededor parabrisas (para protección). 5. Retire el espejo interior y burlete. Febrero Materiales y dispositivos para la instalación adhesivas parabrisas: ?? SR adhesiva conjunto: 99000-34130 Adhesivo: Uretano U-80 Solución parabrisas 35 Solución para el cuerpo: 67 Solución para los ornamentos: 38 Cepillos para las soluciones de aplicación (3 piezas) Uno 1. 2. ORNAMENTO PARABRISAS ?? FIG. 12A ?? 21
  • 291.
    12A??10 CARROCERÍA 6. Usode la lezna hacer un agujero en el adhesivo y entrar cuerda de piano. 8. Cortar el adhesivo en el cuerpo usando cuchillo de manera que el adhesivo restante en la superficie Administración a ser 1 ~ 2 mm. PRECAUCIÓN Antes de usar el cuchillo limpiarlo con alcohol para eliminar cualquier aceite sobre ella. Uno Uno 1. Lezna FIG. 12A ?? 22 7. Cortar el adhesivo alrededor de la cuerda parabrisas con piano. Precaución Cortan lo más cerca al adhesivo de vidrio para para proteger la pintura en el cuerpo. 1. 2. Cuchillos ADHESIVO Febrero FIG. 12A ?? 25 9. Cuando retire el adhesivo de la refolosiþi parabrisas parabrisas usado, teniendo cuidado de no dañar el superficie de contacto. Uno Febrero Tres 5 4 1. 6 cuerdas PIAN4. 2.PARBRIZ5. 3.BANDÃ PROTECTORA 6. ADHESIVO GUÍA DE PARABRISAS Burlete Febrero 1. 2. Uno ADHESIVO La superficie de contacto (adhesión del parabrisas) FIG. 12A ?? 23 FIG. 12A ?? 26 FIG. 12A ?? 24
  • 292.
    CUERPO 12A??11 Instalación. Instalación 1.El uso de alcohol, limpie la superficie de contacto parabrisas, el cuerpo y dejar que se sequen durante 10 minutos. 2. Coloque la ventanilla del lado del ajuste. 3. Instale burletes cuerpo. Uno Uno 1. SEÑALES PARA LA INSTALACIÓN FIG. 12A ?? 29 6. El uso de un cepillo nuevo, aplique una cantidad fluido primario suficiente para que el cuerpo Superficie del cuerpo donde será montado burlete. 1. 2. CUERPO Burlete Febrero PRECAUCIÓN Siga las instrucciones de instalación y durante secado del adhesivo. FIG. 12A ?? 27 4. Instale dos suporþi la ventana como se muestra. Febrero Uno Febrero Febrero Uno Uno 1. 2. Pincel (nuevo) Solución primaria PARA CUERPO FIG. 12A ??30 1. 2. SUPORÞI Tornillo ORNAMENTO FIG. 12A ?? 28 5. Para determinar el modo correcto de los asentamientos Mira el parabrisas distancia en el cuerpo hacia arriba y hacia abajo A derecha e izquierda del parabrisas y el cuerpo será mismo. Los signos de la correcta instalación en el parabrisas y cuerpo se indican. 7. Cãþaþi superficie de unión parabrisas con un paño seco. Cuando se utiliza la licencia de alcohol para secar durante 10 minutos. 8. El uso de un nuevo pincel aplique una cantidad suficiente La solución primaria para el vidrio en la superficie de unir el parabrisas. PRECAUCIÓN Tineþi parabrisas limpio y superficie corporal agua, aceite y polvo, también no tocan el gotas de miel.
  • 293.
    12A??12 CARROCERÍA Bancos GOMA Uno Parabrisas) (MANIPULADOR EasyA Febrero 1. 2. Pincel (nuevo) Solución primaria DE VIDRIO FIG. 12A ?? 31 9. Aplicar superficie de unión adhesiva del parabrisas. PRECAUCIÓN ?? Después de la aplicación de las soluciones primarias le permiten ser seco durante más de 10 minutos. Comienzo aplicación de la parte inferior central de vidrio. ?? El espesor del adhesivo se debe mantener los que se señalan a continuación. ?? Aplique adhesivo uniformemente. ?? Tenga cuidado de no detelioraþi superficie Cubierto con la solución primaria. ?? Ventana Presaþi dentro de los 5 minutos después de haber aplicado el adhesivo. La?? A ' FIG. 12A ?? 33 10.Folosind soporte de parabrisas ventosas en el cuerpo La colocación de signos ley (véase el punto 5) y presaþi en el cuerpo. 14 8 A ' B B ' C ' C?? C ' C La B B?? B ' 17 B ' FIG. 12A ?? 34 8 20 FIG. 12A ?? 32
  • 294.
    CUERPO 12A??13 Tubo dedirección 11.Schimbaþi con una cabeza de tubo Reparación para añadir adhesivo a los espacios de pegamento insuficientes. Înlãturaþi exceso de medios adhesivos un paño seco. Si el adhesivo se aplica a la cuerpo o el parabrisas con un trapo para eliminar alcohol. PRECAUCIÓN ?? La presión del agua no puede ser alto. ?? No utilice aire comprimido para el secado la superficie del adhesivo. ?? No utilice la lámpara de infrarrojos para secado la superficie del adhesivo. Uno 1. TUBO PT HEAD. Retocado FIG. 12A ?? 35 Adornos 12.Montare. FIG. 12A ?? 37 Tres Uno PRECAUCIÓN Después de la instalación, observar siguiendo las instrucciones. ?? No abra la puerta. ?? Mantenga pulsado con una tira de ajuste adhesivo hasta que el adhesivo esté completamente seco. ?? 4 horas adhesivo debe ser fortalecer no mover el coche durante 2 horas. Febrero 1. 2. 3. CUERPO Burlete ORNAMENTO FIG. 12A ?? 36 13.Verificaþi verter estanqueidad alrededor de parabrisas a una hora después de la instalación. Si hay infiltraþii, seque el parabrisas y aplicar adhesivo. Si la infiltración persiste, retire ventana y repetir todo el procedimiento.
  • 295.
    12A??14 CARROCERÍA Ventana lateral Febrero Tres Uno 1. 2. 3. Burlete VENTANA ORNAMENTO FIG.12A ?? 38 Desmontaje y montaje de ventana lateral es el mismo montar parabrisas y observar lo siguiente instrucciones. ?? Aplicar el adhesivo como se muestra. La La SECCIÓN A ?? La 15MM 7mm FIG. 12A ?? 39
  • 296.
    CUERPO 12A??15 Dimensiones delcuerpo Frente del cuerpo VISTA G K ' A " K l(O7) H F (O7) C (Ø9.3) C ' A (tornillo M6) A ' B ' VISTA B ' L B (tornillo M6) YO Uno D E (tornillo M10) J (O7) D '(Ø10) H ..................... longitud horizontal X ........ .............. LONGITUD ENTRE PUNTOS CUERPO .... visto desde el interior NO. Uno Febrero Tres 4 5 6 7 8 9 10 11 12 13 14 15 16 17 18 19 20 21 22 23 ARTÍCULOS La?? A ' La??B La?? B ' La??C C?? B ' C??C ' C?? D ' C??E D??E D?? D ' D??F E??F G??H YO?? YO ' YO??J YO??K YO??L J?? J ' J??K J??L K??K K??L L??YO DIMENSIONES H H H H H H X X H H X X X H X X X H X X H X H 820 574 1114 431 960 792 835 758 525 526 606 654 1170 1187 720 1284 648 1189 876 846 954 847 1149 FIG. 12A ?? 40
  • 297.
    12A??16 CARROCERÍA H: PUNTOcampana superior G: PUNTO DE FRENTE DEL TECHO Puedo ver B ' PUNTO DE IZQUIERDA FRENTE PISO K CUENTA A ' FIG. 12A ?? 41
  • 298.
    CUERPO 12A??17 La parteposterior del cuerpo M S M S '(Ø6) M U (O85) PLAN PLAN C ' D " Uno P T V V PLAN C ' T Q (Ø12) U ' T ' M ' M A ' P ' (Tornillo M6) R (Ø5) PLAN D " V Uno ARTÍCULOS M?? M ' M??Uno M??Q Uno?? M ' Uno?? A ' P?? P ' R?? M ' S?? S ' S??T S??U S??V T?? T ' T?? U ' T??V U?? U ' U??V V??V DIMENSIONES H X X X H H X H X X X H X X H X H 747 574 845 1094 1162 1190 761 948 978 787 923 1189 814 632 1192 261 1203 R FIG. 12A ?? 42
  • 299.
    12A??18 CARROCERÍA El suelo PLANDEBAZÃ Tuerca FIG. 12A ?? 43
  • 300.
    CUERPO 12A??19 PUNTOS sellado VISTAF REMOCIÓN MASILLA 100MM VISTA La VISTA B MASILLA VISTA L Eliminar después de la aplicación Capa de masilla VISTA D 50MM VISTA D 50 M M VISTA E VISTA F MASILLA MASILLA VISTA B ' Eliminar después de aplicar la capa de masilla VISTA E MASILLA MASILLA Retire DESPUÉS APLICACIÓN SELLADORES MASILLA MASILLA M ?? M 2 APLICACIÓN DEL PARTIDO DEMONTAREDUPÃ APLICACIÓN SELLADORES MASILLA MASILLA FIG. 12A ?? 44
  • 301.
    12A??20 CARROCERÍA SECCIÓN G?? G SIN MASTIQUE SECCIÓN J ?? J SECCIÓN I ?? YO MASILLA MASILLA Superficie MAESTRO TIC SECCIÓN K ?? K YO G YO K J J Superficie MAESTRO TIC Sin MASTIQUE G K FIG. 12A ?? 45
  • 302.
    CUERPO (máscara, campana,alas) 12B??Uno 12B. Máscara, capó, las aletas DESCRIPCIÓN GENERAL ............................................................................................................ 12B ?? Febrero MÁSCARA DELANTERO ......................................................................................................................... 12B ?? Febrero VEHICULO ................................................................................................................. 12B ?? Tres Capucha ...................................................................................................................................... 12B ?? Tres Alas delanteras ................................................................................................................................. 12B ?? 4
  • 303.
    12B??2 CUERPO (máscara,campana, alas) DESCRIPCIÓN GENERAL MÁSCARA Mascarilla 4 5 Febrero Tres Febrero Febrero 1. 2. 3. 4. 5. DELANTERO 2MASCÃ Tornillo CUBIERTA Empuñadura lateral Hombre DETÉNGASE Febrero Uno Máscara de nuevo Febrero Tres 5 4 Febrero Tres Uno 1. 2. 3. 4. Tres 5. MÁSCARA DE NUEVO Empuñadura lateral Hombre Tornillos NÚMERO Lámparas REGISTRO Tornillos FIG. 12B ?? 1 FRENTE masculino, TRASERO
  • 304.
    CUERPO (máscara, campana,alas) 12B??Tres VEHICULO HOOD Eliminación Demonaþi los cuatro tornillos para quitar la capucha. Uno 1. FIG. 12B ?? 4 Ajuste el capó distancia D I S T O R A N Þ GOMA 1. FIG. 12B ?? Febrero º U R U B T R I ADJUNTO Ajuste 1. Ajuste el capó posición (izquierda-derecha) es de los cuatro tornillos de fijación. 3. Ajuste el pasador de cierre del capó. Si no se realiza el capó y bloqueándolos, afloje el perno de la tuerca de seguridad y gire en sentido horario para aumentar la altura. Uno Febrero 42 1. 2. ªTIFT Tuerca de seguridad FIG. 12B ?? ªTIFTULUI ajuste 5 Altura FIG. 12B ?? Tres 2. Ajuste la vertical. Si la altura de los asentamientos del bonete (izquierda o derecha) no coincide con la altura de los asentamientos ala, se puede ajustar apretando o soltando dos Distancia de goma. Instalación Siga el procedimiento en orden inverso al desmontaje.
  • 305.
    12B??4 CUERPO (máscara,campana, alas) Alerón delantero Tres Tres Uno Febrero 6 5 6 4 4 1. 2. 3. 4. 5. 6. Aletas delanteras Aparece rueda Tornillos Aparece MONTAJE FRONTAL SEGURIDAD Tuerca FIG. 12B ?? WING 6 DELANTERO Eliminación 1. Desmontar el guardabarros delantero. 2. Retire aparece la rueda. 3. Retire el ala. Montaje Proceder en orden inverso al desmontaje.
  • 306.
    DIAGNÓSTICO dirección, suspensión,JENÞILOR Y NEUMÁTICOS 13??Uno CAPÍTULO 13 DIAGNÓSTICO dirección y suspensión JENÞILOR Y NEUMÁTICOS DIAGNÓSTICO ............................................................................................................................ 13 ?? Uno VER NEUMÁTICOS ..................................................................................................................... 13 ?? 5 El desgaste anormal o principios .................................................. ........................................... 13 ?? 5 Indicadores de desgaste .................................................. ........................................ 13 ?? 5
  • 307.
    13??Dirección 2 DIAGNÓSTICO,suspensión, JENÞILOR Y NEUMÁTICOS DIAGNÓSTICO Diagnóstico de dirección, suspensión y funcionalidad ruedas está relacionado con otros sistemas, y por lo tanto el rendimiento que han considerado estos sistemas. En primer lugar la prueba de carretera se debe realizar. Como comprobación preliminar debe llevarse a cabo las siguientes operaciones. 1. Revisar la presión de los neumáticos y en caso de desgaste anormal. 2. Al levantar los componentes de la suspensión del vehículo y la dirección verificar dañado o suelto. 3. ruecas. Compruebe que son equilibrados y ajustados, si hay rulmenþi juego. Síntoma Durante la marcha Se siente efecto frenado ?? ?? ?? ?? ?? ?? ?? Neumáticos excesivamente gastados o desigual ?? ?? ?? ?? ?? ?? ?? ?? ?? Descentramiento de la rueda ?? ?? ?? ?? ?? ?? ?? ?? ?? ?? ?? ?? Causa probable Neumáticos o tamaño desequilibradas diferente Presión incorrecta de los neumáticos Arco roto o debilitado Descentramiento de ruedas Ruedas de geometría impropias Frenado desigual Componentes de la suspensión dañados o suelto Arco roto Rueda desequilibrada Ruedas de geometría impropias Amortiguador roto Conducción inadecuada Vehículo sobrecargado Cojinetes de las ruedas desgastadas Los neumáticos se rotaron en el vehículo sin ser equilibrada Presión incorrecta de los neumáticos Presión de neumáticos despareja Operación inadecuada amortiguadores Rueda desequilibrada Cojinetes de las ruedas dañadas Patella desgastado barras de dirección Rótula de suspensión desgastado Golpe lateral excesivo de las llantas Deformación parcial del neumático Asamblea centrado excesivo rueda Ruedas de geometría impropias hacia O barras de dirección dañados suelto Montaje de la caja de dirección debilitado ?? ?? ?? ?? ?? ?? ?? ?? ?? ?? ?? ?? ?? ?? ?? ?? ?? ?? ?? ?? ?? ?? ?? ?? ?? ?? ?? ?? La acción correctiva Reemplace los neumáticos Ajuste la presión de los neumáticos Reemplace el resorte Reemplace la llanta Verifica y ajusta la geometría ruedas Revisar y reparar los frenos Reemplace o apriete componentes de la suspensión Reemplace el resorte Equilibra la rueda o Reemplace la llanta Verifica y ajusta la geometría Reemplace amortiguador Reemplace la llanta Reemplace la llanta Reemplace teniendo Reemplace la llanta o neumático Ajuste la presión de los neumáticos Ajuste la presión de los neumáticos Reemplace amortiguador Equilibra la rueda Reemplace teniendo Reemplace rótula Vuelva a colocar la parte inferior del brazo Reemplace la llanta o neumático Reemplace la llanta o neumático Reemplace la llanta o neumático Ajustar la geometría Apriete o reemplace bieletele Caja Apriete Shakes o de estancamiento
  • 308.
    DIAGNÓSTICO dirección, suspensión,JENÞILOR Y NEUMÁTICOS 13??Tres Síntoma Manejo reducido ?? ?? ?? ?? ?? Juego excesivo volante ?? ?? ?? ?? ?? Volver Rough volante ?? ?? ?? ?? ?? ?? ?? ?? Causa probable Operación inadecuada rótula o rótula barras de dirección brazo inferior Geometría incorrecta ruedas delanteras El ajuste inadecuado de la caja gobierno Presión inadecuada neumáticos Bloquear o lubricación insuficiente de columna de dirección Cojinetes de las ruedas desgastadas Poor mecanismo de ajuste acumular caja de dirección de piñón La columna de dirección del eje de la bisagra usado Patella desgastado barras de dirección Rótula desgastado brazo inferior Barras de dirección Bloquear rótula Bloquear rótula del brazo inferior Caja de dirección de atascos La geometría de las ruedas delanteras defectuoso Presión inadecuada neumáticos Cojinetes de las ruedas dañadas Use o bloquear la rótula varillas dirección Use o aflojar la rótula de bloqueo barras de dirección rótula del brazo varas inferiores o articulación el eje de accionamiento Bumpers dañados Suspensión del brazo inferior del buje desgastado Barra estabilizadora Debilitado Tuerca de rueda se debilitó Sujetadores de suspensión floja Cojinetes de las ruedas dañadas Arco dañado suspensión Cojinete dañado o amortiguador aceitado insuficiente Ruedas desequilibradas Rotui sueltos Bumpers defecto Barra estabilizadora Debilitado Arco dañado Caja de dirección ajustado mal La geometría de las ruedas delanteras necores- ade- ?? ?? ?? ?? ?? ?? ?? ?? ?? ?? ?? ?? ?? ?? ?? ?? ?? ?? La acción correctiva Reemplace las barras de la rótula o brazo suspensión más baja Ajustar la geometría Verificación y ajuste, reparación o Reemplazar caja de dirección Ajuste la presión de los neumáticos La columna de dirección Reparación Reemplace teniendo Verificación y ajuste de cremallera Y piñón Reemplace articulación Reemplace rótula Vuelva a colocar la parte inferior del brazo suspensión Reemplace rótula Vuelva a colocar la parte inferior del brazo Repare o Reemplace Ajustar la geometría Ajuste la presión Reemplace teniendo Reemplace rótula Sustituir el componente afectado Dirección de ruido Ruido anormal ?? ?? ?? ?? ?? ?? ?? ?? Shakes o in- dirección bilidad ?? ?? ?? ?? ?? ?? ?? ?? ?? ?? ?? ?? ?? ?? ?? ?? ?? ?? ?? ?? ?? ?? Reemplace o repare Reemplazar Apriete el tornillo o sustituye cojinete Abrazo Apretar Reemplace teniendo Reemplace el resorte Grease o reemplaza rodamiento Equilibra las ruedas Vuelva a colocar la parte inferior del brazo o de la rótula barras de dirección Reemplace amortiguador. Apriete o Cambie la barra bar buje Reemplace el resorte Se verifica y ajusta par Apriete la caja Ajuste las ruedas de geometría
  • 309.
    13??4 Dirección DIAGNÓSTICO,suspensión, JENÞILOR Y NEUMÁTICOS Condición Tendencia de Desvío la dirección de fue a la frenada ?? ?? ?? ?? ?? ?? ?? ?? ?? Distancia al suelo desigual ?? ?? ?? ?? ?? ?? ?? ?? ?? ?? ?? Desgaste precoz neumáticos ?? ?? ?? ?? ?? Causa probable Cojinetes de las ruedas desgastadas Arco dañado La pérdida de aceite a las ruedas o rodillos los estribos Disco deformado El desgaste desigual de las pastillas de freno La deformación del tambor Hinchazón desigual del neumático Cilindro de rueda defectuosa La geometría de las ruedas delanteras necores- ade- Arco dañado suspensión Sobrecarga Arco inapropiado Bumpers defecto Sobrecarga Bumpers defecto Arco dañado o inadecuado Barra estabilizadora Debilitado Bumpers atrapado defecto o debilidad Arco dañado Sobrecarga Bumpers defecto Cojinetes de las ruedas desgastadas o dañadas Rueda vibración excesiva Rótula desgastado brazo inferior Rueda desequilibrada ?? ?? ?? ?? ?? ?? ?? ?? ?? ?? ?? ?? ?? ?? ?? ?? ?? ?? ?? ?? ?? ?? ?? ?? ?? Corrección Reemplace teniendo Reemplace el resorte Repare o Reemplace cilindro o pinza defectuosa Reemplace el disco Reemplace las pastillas Reemplace tambor Ajuste la presión de la inflación Cambie el cilindro Verifica y ajusta la geometría ruedas delanteras Reemplace el resorte Compruebe la carga Reemplace el resorte Reemplace amortiguador Compruebe la carga Reemplace amortiguador Reemplace el resorte Apretar o reemplazar el buje Reemplace el amortiguador o apretar Reemplace el resorte Compruebe la carga Reemplace amortiguador Reemplace teniendo Reemplace la llanta o neumático Vuelva a colocar la parte inferior del brazo Compruebe y son el balance de ensamblaje Suspensión ??suave?? demasiado Altura demasiado pequeño para suspensión Desviación del eje curvas vehículo
  • 310.
    DIAGNÓSTICO dirección, suspensión,JENÞILOR Y NEUMÁTICOS 13??5 VER NEUMÁTICOS El desgaste anormal O TEMPRANO Las posibles causas de un desgaste anormal o demasiado temprano neumáticos son diferentes. Estos incluyen Presión de inflado inadecuada, nerotirea neumáticos oportunas y adecuadas, ruedas desequilibradas los hábitos de conducción, etc. En tales casos, compruebe lo siguiente: 1. Si el desgaste del neumático delantero es diferente desgaste neumáticos traseros. 2. Si el desgaste de los neumáticos curmeziºul es desigual. 3. Si el desgaste de los neumáticos delantero comparación es desigual. 4. Si el desgaste de los neumáticos traseros comparación es desigual. 5. Los neumáticos están desgastados en exceso. En los siguientes casos se debe comprobar la geometría ruedas: 1. Si el desgaste de los neumáticos delantero comparación es desigual. 2. El desgaste es desigual a cualquier perfil curmeziºul neumático delantero. 3. Los perfiles aparecen rayados bordes de neumáticos delanteros ??panã ?? en un lado del perfil. Llevar indicadores Perfil Los neumáticos nuevos tienen indicadores de desgaste para señalizar cuando se debe sustituir el neumático. Los indicadores son bandas 12,7 mm de ancho cuando se reduce la profundidad del dibujo a 1,6 mm. Cuando los indicadores aparecen en dos o más Perfil ºanþuri en más de 3 lugares neumático debe reemplazado. ?? ?? ?? ESQUINA súbita Neumático Presión insuficiente Neumáticos rotativos incorrectos VEHÍCULO ?? ?? ?? Rueda desequilibrada NEUMÁTICOS desigual Aceleración súbita FIG. 13 ?? 2 muestra el perfil de desgaste FIG. 13 ?? 1 Comprobación de desgaste de los neumáticos
  • 311.
    SISTEMA ELÉCTRICO 14-1 CAPÍTULO14 SISTEMA ELÉCTRICO DESCRIPCIÓN GENERAL .............................................................................................................. 14 ?? Febrero Sistema de Iluminación ............................................................................................................................ 14 ?? Febrero Salpicadero ................................................................................................................................ 14 ?? Tres Batería de regulación de carga ................................................................................................................ 14 ?? Tres Testigo de presión de aceite, control de líquido de frenos .......................................... ................................... 14 ?? 4 Cinturones de seguridad de los testigos, indicador de nivel de combustible, velocímetro ........................... 14 ?? 5 Indicador de la temperatura del refrigerante, eliminar ........................................... ........................... 14 ?? 6 Boquilla Lavadora .................................................................................................................... 14 ?? 7 VEHICULO ................................................................................................................... 14 ?? 8 Puesta a punto Faros ................................................................................................................................... 14 ?? 8 Clasificación Estándar .......................................................................................................................... 14 ?? 9 Verificación de la batería ............................................................................................................................ 14 ?? 9 El cableado eléctrico ............................................................................................................................. 14 ?? 9 CIRCUITOS ELÉCTRICOS ................................................................................................................. 14 ?? 10 Diagrama de cableado eléctrico ............................................... .................................................. ... 14 ?? 10 El cableado eléctrico diagrama de localización .............................................. ..................................... 14 ?? 13 Ubicación de los conectores y las conexiones a tierra ............................................ ........................ 14 ?? 14 Conexiones y conexiones a tierra ............................................ ubicación ........................... 14 ?? 15 Disposición de circuito ................................................................................................................ 14 ?? 16 Ubicación y distribución Fusibles ............................................. ........................ 14 ?? 17 Diagrama de cableado eléctrico ............................................... .................................................. ... 14 ?? 20 1) START, y el encendido de carga 2) suministro SISTEMA DE CONTROL 3) circuito de control de la caja de cambios automática 4) luces traseras luces interiores, trompa y zumbador Cinco) CIRCUITO DE LA LUZ Y EL RELOJ DIGITAL 6) Eliminar el cristal del parabrisas y los accionistas de circuito automático 7) ENCENDEDORES Y SISTEMA DE AUDIO 8) PANEL 9) ACONDICIONADO sistema de control 10) Cierre Centralizado UªI 11) DISPOSITIVO HLLD (nivelación de faros)
  • 312.
    SISTEMA ELÉCTRICO 14-2 DESCRIPCIÓNGENERAL Iluminación Luces interiores Luz trasera de niebla La luz de placa La LEJOS INDICADOR DELANTERO A: indicador lateral (NOTA: ACCESO PARA SX) Luces traseras
  • 313.
    SISTEMA ELÉCTRICO 14-3 MARCADOR NOTA:El "Fallo" () Se puede instalar en LUGAR DE FE ADVERTENCIA "combustible mínimo" Para los coches para la exportación POLONIA 4 5 13 6 Indicación de carga de la batería 1. 2. MOTOR INDICADOR DE PRESION DE ACEITE 3. CONTROL DE ADVERTENCIA freno de mano Combinado con el nivel del líquido de frenos 4. SEÑAL INDICADOR / DAÑOS 5. testigos fases TAMBOR Cinturón 6. FE INDICADOR 7. COMBUSTIBLE 8. Kilómetro 9. Un cero BOTÓN JURNALIERULUI 10. kilometraje parcial (JURNALIER) 11. VELOCIMETRO Indicador de la temperatura del líquido refrigerante 12. 13. LUZ DE ADVERTENCIA bajo GASOLINA Uno FebreroTres 12 11:10 9 8 7 FIG. 14 ?? 1 Instrumentos GRÁFICO FE La carga de la batería Sea testigo de la carga de la batería es una advertencia la luz que indica el estado de carga del conductor de la batería (si genera tensión o no). Cuando el interruptor de encendido está en "cerrado" y el motor está en marcha, el control de carga de la batería se encenderá sólo cuando el estado de carga La batería es insuficiente. Tensión en bornes L: 10.5 ~ 13.5V B + terminal de tensión: 14.2 ~ 14.8V BATERÍA CONTACTOS FLASH ALTERNADOR IG B L E FE Cargando BATERÍA BATERÍA FIG. 14 ?? 2 CIRCUITO DE CARGA DE LA BATERÍA
  • 314.
    SISTEMA ELÉCTRICO 14-4 MOTORDE CONTROL DE PRESIÓN DE ACEITE Manocontactul la presión del aceite del motor es solo terminal. Actuando sobre el testimonio de la presión de aceite del motor. Cuando la presión del aceite es menor que el valor especificado, manocon- interruptor del tacto a la posición "cerrada" y control de la presión luz del aceite. Cuando la presión del aceite tiene más valor a la especificada, manocontactul pase posición "abierta" y el control de la presión de aceite off. COMBINADO DE CONTROL DE NIVEL DEL LÍQUIDO DE FRENOS LA FE DE freno de mano Cuando se aplica testigo del freno de mano de nivel de líquido de freno y el freno de mano está activado. Cuando el nivel de líquido de freno está bajo, o ya no Hay líquido de frenos en el depósito del líquido de frenos, póngase en contacto con el líquido de frenos está abierto y luces de control. Uno FIG. 14 ?? 3 CIRCUITO LOCALIZACIÓN MANOCONTACT ACEITE DEL MOTOR PRESION FIG. 14 ?? 5 posición CONTACTOR FE Freno de mano (UP) CONTACTOR posición Nivel de líquido de frenos FE (ABAJO) CONTACTOS FLASH FE PRESION ACEITE DEL MOTOR BATERÍA B + B + CONTACTOS FLASH BATERÍA B + B + FE DE LÍQUIDO Freno / freno Mano MANOCONTACT PRESION ACEITE DEL MOTOR CONTACTOR NIVEL DE LÍQUIDO Freno CONTACTOR Freno Mano FIG. 14 ?? CONTROL DE PRESIÓN DE ACEITE DEL CIRCUITO 4 MOTOR FIG. 14 ?? 6 CIRCUITO Y NIVEL freno de mano Líquido de los frenos
  • 315.
    SISTEMA ELÉCTRICO 14-5 CinturónFE Contactor está instalado hebilla del cinturón de ajuste Seguridad y diseñado para permanecer en "Cerrado", siempre y cuando el conductor no estaba provisto de cinturón seguridad, cinturones de seguridad de testigos restante en. BATERÍA B + CONTACTOS FLASH INDICADOR Mínimo COMBUSTIBLE INDICADOR NIVEL COMBUSTIBLE BATERÍA B + CONTACTOS FLASH FE CINTURONES SEGURIDAD ADVERTENCIA Mínimo COMBUSTIBLE PANORAMA Medición NIVEL COMBUSTIBLE CONTACTOR CINTURONES SEGURIDAD FIG. 14 ?? 9 CIRCUITO CALIBRE COMBUSTIBLE VELOCIMETRO El velocímetro indica la velocidad del coche Y la distancia y está conectado con el cable de transmisión. El valor máximo indicado en la escala de 160 km / h. FIG. 14 ?? 7 ASIENTO CIRCUITO DE CONTROL SEGURIDAD INDICADOR DE COMBUSTIBLE Indicador de nivel de combustible proporciona la facilidad Conductor Permanente para saber la cantidad de combustible restante en el tanque. Este conjunto de medición y Señalando consiste en una resistencia variable. FIG. 14 ?? 10 VELOCIMETRO FIG. 14 ??8 CONTACTOR ASAMBLEA UBICACIÓN NIVEL DE COMBUSTIBLE
  • 316.
    SISTEMA ELÉCTRICO 14-6 INDICADORDE TEMPERATURA DE FLUIDO Refrigeración del motor Indica controlador de temperatura del refrigerante radica motor instalado y el colector de admisión. Claro Contactor Wiper se instala junto con combinación contactor y sustituye a la totalidad. FIG. 14 ?? 11 UBICACIÓN instalar Medición de la temperatura El refrigerante del motor FIG. 14 ?? CONTACTOR 13 REPRESENTACIÓN Claro BATERÍA B + CONTACTOS FLASH INDICADOR TEMPERATURA FLUIDO M O T O R refrigeración PANORAMA Medición TEMPERATURA Refrigerante MOTOR FIG. 14 ?? 14 UBICACIÓN instalar MOTOR Borrar FIG. 14 ?? 12 CIRCUITO DE INDICADOR DE TEMPERATURA El refrigerante del motor FIG. 14 ?? 15 REEMPLAZO DEL MOTOR Borrar
  • 317.
    SISTEMA ELÉCTRICO 14-7 BoquillaLavadora La boquilla está instalado en el techo y el tanque con líquido Limpieza del parabrisas se instala en motor en la banda izquierda. FIG. 14-16 lavaparabrisas Boquilla FIG. Arandela 14-17 TANQUE
  • 318.
    SISTEMA ELÉCTRICO 14-8 VEHICULO ILUMINACIÓNSET Ajuste del enfoque Hay varias maneras de nivelación de faros, pero uno sobre el ajuste del soporte (probador) luz faros es se describe a continuación. Coche 1.Parcaþi de tal manera que la distancia entre 3.Orientaþi el gabinete con vidrio hasta el faro. 4.Se ajusta el probador verticalmente de tal manera que la indicar valor de escala "0". Busque el probador centro de la luz del punto proyectado, leer este valor 0275 M 3M FIG. 14 ?? 20 MEDIDOR DE POSICION "0" escala fotométrica, lo que indica la intensidad luminosa el faro. En condiciones donde el eje principal del panel proyecciones ópticas es referencia exterior, posición establecida faro vertical y horizontal con dos tornillos ajuste, situado en la parte superior del faro. FIG. 14 ?? 18 SET luces del foco de pie y faros de los coches sean 3 m. 2.Privind receptor de luz es probador poziþioneazã, por encima del valor medido. 1. Los tornillos de ajuste TESTER Luces delanteras FIG. 14 ?? 21 FAROS SET FIG. 14 ?? 19 AJUSTE DE LA LUZ SPOT
  • 319.
    SISTEMA ELÉCTRICO 14-9 EVALUACIÓNESTÁNDAR La dirección del punto de luz es el eje óptico principal paralelo a la dirección de avance del vehículo, este dirección del eje óptico principal no debe ser mirando hacia arriba. A una distancia de 10 metros antes de la amplificación certeza horizontal puede ser de hasta 30 cm y amplitud vertical puede ser de hasta 3/10 en iluminación altura faro instalado para la izquierda y amplitud (izquierda) puede ser de hasta 15 cm y amplitud vertical para el vehículo en movimiento puede ser de hasta 30 cm. VERDE NEGRO INCOLORO (Transparente) CONTROL DE BATERÍA Compruebe la batería MF se puede lograr utilizando indi- res para el estado de carga de la batería, instalados dentro del vehículo. ?? Verde: Cuando el estado de carga es de 50% ~ 60% en peso electrolito específico es gran testigo verde se eleva y alcanza el extremo inferior la varilla poa- tan verde He observado en la superficie. ?? Negro: Cuando el estado de carga es por debajo de 50% ~ 60%, negro se puede observar. ?? Transparencia: Cuando el electrolito disminuye por debajo del extremo inferior de la varilla, color desaparece e indica Descargas. En general, estos condiciones, la batería no puede ser utilizado. FIG. 14 ?? 23 estado de carga de la batería MF CABLEADO Comprobación y mantenimiento ?? Hacer cableado firme y fija en puntos particulares clips destinados como aislamiento de protección el cableado puede ser dañado por el contacto directo con una pieza en movimiento por la vibración y la elongación, etc. Cubrir los extremos de los cables y no conectado con cinta aislante. Cubra con cinta que puede penetrar en las zonas de aislamiento en contacto con varias piezas de metal. Los conectores que proporcionan diferentes conexiones de cableado o terminales se mantienen apoyo de desconexión conector de enlace. La instalación de red en el compartimiento del motor, evitar en la medida de lo posible, la zona de alta temperatura, la por ejemplo, el sistema de escape, y hacer que la instalación ?? ?? ?? ?? FIG. 14 ?? 22 BATERÍA MF FIG. 14 ?? 24 CABLEADO MÉTODO DE MONTAJE Presilla
  • 320.
    SISTEMA ELÉCTRICO 14-10 CIRCUITOELÉCTRICO CIRCUITO ELECTRICO ESQUEMA 1) Designación y Uso Los nombres de todos los componentes son mencionados en una lista situada por encima de diagrama. Están ordenados alfabéticamente posible nombres de los componentes, siendo colocado por encima de los símbolos. Todas las líneas verticales se limitan trayectorias eléctricas y sentados línea horizontal en el diagrama inferior indica terminales de puesta a tierra. También, rutas eléctricos limitados están numerados ascendente desde la parte inferior del esquema superposición eléctrica, y si parcial de dos líneas verticales, evitar la duplicación de simplificar el régimen de energía. Los números de estas líneas se colocarán en rectángulos como en el ejemplo de abajo, e indican que esa línea está conectado a la línea con el número asignado rectángulo. Ejemplo) 98 y 166 Los fusibles se mencionan en la parte superior del diagrama. En todos los circuitos, si utiliza Los fusibles que tienen el mismo valor pueden ser indistinguibles entre sí. Ejemplo: F5.15A, "F5", afirmando posición de fusibles en el número 5 en el panel de fusibles. La primera y la segunda línea horizontal, situado en el más muy superior del diagrama, es el terminal Nº 30, que está conectado directamente a la batería. La tercera y la cuarta línea horizontal representa el terminal Nº 15 y la quinta línea representa la 15A terminal, que es suministrado con energía eléctrica cuando el contactor de encendido está cerrado. Para saber usted está leyendo circuitos es importante establecer el diagnóstico. No diagramas de cableado indica la existencia de corrientes en el circuito y contactores y componentes son neoperaþionale. La posición está marcada con una de las señales por encima de la línea paralela o perpendicular. Las líneas son marcada en particular, para evitar cruzar las líneas eléctricas de circuitos. El saber es no sólo el modo importante para el conjunto del esquema de lectura y simbolización conocimiento circuito eléctrico. Como contactores, relés y otros componentes se indican con símbolos. Además, la identificación de colores y el número de terminal (conector) están etiquetados específicamente para fácil como plan de lectura.
  • 321.
    SISTEMA ELÉCTRICO 14-11 Símbolosprincipales elementos del circuito Los componentes no electrónicos Componentes de protección Componentes de advertencia Batería Masa Mass General Energía Generador Motor eléctrico Lámpara Altoparlante Cuerno Imán Permanente Indicador (unidad de medida) Cableado de Zona Terminal Punto de soldadura Intersección (los cables no están pegadas) Punto común Código de colores Interruptor mecánico manual Energía Ejecución de funciones (por ejemplo. Pistón) Válvula de control eléctrico Sensor de Pasillo Sensor electrónico Interruptor listón Resistencia Resistencia variable Termorezistenþã Fusible Bobina Condensador Conector Contacto normalmente abierto con remontada Contacto normalmente cerrado con remontada Interruptor Interruptor con múltiples posiciones Limitador Interruptor manual giratorio Interruptor activado manualmente pulsando Interruptor activado manualmente por el dibujo Interruptor activado manualmente pulsando Interruptor manual giratorio Otros interruptores operados en externo (por ejemplo. pierna operada) Cambie actuador rotativo Manual Diodos Diodos Zenner LED Elemento de Protección Térmica Secuencia de elementos (por ejemplo. Compresor de aire acondicionado, embrague, embrague) Temperatura Relay Transistor PNP NPN Transistor Normalmente los contactos de relé abierto Relé contactos normalmente cerrados
  • 322.
    SISTEMA ELÉCTRICO 14-12 Símbolosde identificación componentes del circuito Símbolo E F G H K L M P R S X Y Componentes Diversos componentes Elementos de protección Energía Elementos de la comunicación Elementos de conexión Bobinas Motores Metro Resistencia Interruptores Conectores Dispositivos electromecánico Nombre de piezas Diversos componentes Disyuntor, la seguridad, el relé de protección, etcétera Generador, Batería Señales visibles o audibles Relés, relés de temporización Bobinas de encendido Limpiaparabrisas, ventanas eléctricas Cuentarrevoluciones, reloj, voltímetro Elemento de circuito-calor, divisor de voltaje Parabrisas, señalización, señales Terminales Embragues Compresor de solenoide, dispositivos eléctricos ascensor Cables de color de cableado Cada terminal se identifica mediante el interruptor de arranque y el color del cable se basa en estándares de la industria. (Ejemplo) Br R 0.85 Br: Color básico Color Negro Rayas Negro Blanco Maron con raya blanca Rayas Negro verde Rayas Negro amarillo Rayas Negro rojo Rayas Negro azul Maron Franja verde rojo Símbolo GY GW GL L LG LR LW LB P Color Franja verde amarillo Franja verde Blanco Franja verde azul Azul Azul raya verde Azul raya roja Azul raya blanca Azul raya negro Rosa A: Estiércol Símbolo PL PB R RY RB RW WL WY WG Color Rayas rosa azul Rayas rosa negro Rojo Rayas roja amarillo Rayas roja negro Rayas roja Blanco Blanco a rayas azul Blanco a rayas amarillo Blanco a rayas verde 0.85: Sección nominal del hilo Símbolo WR WB YB YW YL YG Y Color Blanco a rayas rojo Blanco a rayas negro Amarillo con raya negro Amarillo con raya blanca Amarillo con rayas azules Amarillo con raya verde Amarillo Símbolo B BW BRW BG POR BR BL Br GR
  • 323.
    SISTEMA ELÉCTRICO 14-13 Diagramade cableado UBICACIÓN Uno 5 Febrero 8 Tres 4 1. 2. 3. 4. 5. 6. CABLEADO NR.1 ARNÉS NO.2 ARNÉS NO.3 CABLEADO NR.4 CABLEADO NR.5 CABLEADO TRASERO UªÃ (CIRCUITO Nr.8) FIG. 14 -25 diagrama UBICACIÓN CABLAJE
  • 324.
    SISTEMA ELÉCTRICO 14-14 Lasconexiones a tierra diagrama y ubicación de los conectores LEJOS IZQUIERDA LEJOS DERECHO CONTROLADOR DE INTERRUPTOR AIRE ACONDICIONADO COND.AER. RELOJ CAJA Seguridad DIGITAL Sonda TANQUE Claro TRASERO Lámpara TRASERO (STG). Lámpara TRASERO (DR). FIG. 14 -26
  • 325.
    SISTEMA ELÉCTRICO 14-15 CONEXUNI IDENTIFICACIÓN CONECTOR X2 X3 X3a X4 X4a X5 X9 X10 X11 X12 X14 X16 X16A X20 X26 X42 X43 X61A X61B X62A X62B X70 NÚMERO PIN 18 10 14 6 4 1+ 9 10 13 10 12 13 18 4 20 8 8 6 4 Tres Tres Febrero 10 + 14 W / H # 1 W / H # 1 W / H # 1 W / H # 1 W / H # 1 W / H # 1 INTERRUPTOR P / N W / H # 1 W / H # 5 Conector de E / P Conector de E / P Conector de Radio W / H # 1 W / H # 1 W / H # 3 W / H # 1 W / H # 1 W / H # 1 W / H # 1 W / H # 1 W / H # 1 W / H # 3 W / H # 3 W / H # 4 A / C, W / H A / C, W / H Puerta W / H (FR / LH) Puerta W / H (FR / LH) Puerta W / H (FR / SR) Puerta W / H (FR / SR) (Ventanas eléctricas W / H) (Bloqueo de la puerta central W / H) (Ventanas eléctricas W / H) (Bloqueo de la puerta central W / H) Cola SOLO TIPO niebla CONEXION W / H # 2 W / H # 2 W / H # 2 W / H # 2 W / H # 2 W / H # 5 Auto-T / M Auto-T / M SOLO TIPO HLLD Cola SOLO TIPO niebla AVISO Conector - combinaciones Conector controlador ATM UBICACIÓN tierra IDENTIFICACIÓN G1 G2 G3 G4 G5 G6 G7 ?? Al lado de los fusibles de la caja ?? En la parte trasera del faro izquierdo ?? En la parte posterior del faro como ?? Al lado de la bobina de inducción ?? Debajo del asiento del pasajero ?? Bloque de motor ?? Al lado de cableado trasero
  • 326.
    SISTEMA ELÉCTRICO 14-16 ESTRUCTURADEL CIRCUITO ELÉCTRICO # En el siguiente diagrama, contactores y relés están en el estado abierto (OFF). 30 15 15A (Batería "+") (Contacto de encendido apagado ("ON")) (Contacto de encendido cierra o se abre cuando arrancador es operado) Los pormenores de la simplificación del circuito (Línea 123) Dispositivo electrónico conectado (fusible Nº 5) La B Track y de identificación del terminal símbolo símbolo K7: Símbolo Relay 85, 86, 30, 87: Terminal Número C Conector Indicación para la conexión a dos tipos cableado (conector nr.X50, el terminal Nº 3) D Aislamiento indicación del color y denominación (Maron 0.5mm2) * Se refiere a la tabla de colores para înveliºurile iso nentes. E Terminal de puesta a tierra Indicación (posición No. 3) * Se refiere a "Diagrama de unión a la mesa" para llegar a la mesa ubicación del terminal. Los cables no tienen una identificación para la localidad ing el terminal de puesta a tierra y el color envoltura aislante indica que está directamente relacionado la masa, el cuerpo o el motor. Línea a tierra (batería "??") (CUERPO) 31 F Línea número de serie / columna (circuito Number)
  • 327.
    SISTEMA ELÉCTRICO 14-17 Compartirla ubicación y Fusibles Imágenes Ubicación fusibles Fusibles IMAGEN Fusibles UBICACIÓN WGr0.5 WY3.0 WR0.85 Uno 15A 8 15A BW1.25 WL0.85 Febrero 15A 9 15A YL0.5 BL2.0 WR1.25 16 15A 17 15A LY0.5 W0.5 Tres 15A 10 15A Y0.5 WGr0.85 4 15A 11 15A GR1.25 12 15A YGr0.85 LgR1.25 5 15 20A WGr3.0 LW1.25 6 20A 13 15A WB0.85 L1.25 YB2.0 - 7 30A 14 PGr0.85 YB2.0 WR1.25 BrB0.5 Fusibles EMPLEO BATERÍA CONEXION Fusible (60 A) LÍNEA NO. 30 WG 3.0 F6, F15 CONTACTOR FLASH "ON" LÍNEA NO. 15 BL 2.0 YB 2.0 F8, F9, F10 F7, F11, F12 F13 "START" LÍNEA NO. 15A L 1.25 CONEXION Fusible A) (40 LÍNEA NO. 30 WY 3.0 F1, F2, F3, F14, F16 WR1.25 F16 F17 ECE SOLAMENTE CO MB SW
  • 328.
    SISTEMA ELÉCTRICO 14-18 FusiblesUSO CAPACITATENUMÃR [A] SEGURIDAD 15AF1 F2 F3 15A 15A USO ?? Lejos (Dr.) ?? Lejos (L.) ?? Carretera Phase_pointer ?? Interruptor de freno ?? Luces antiniebla traseras AVISO AJUSTE ECE ?? Interruptores. freno ?? F16 ?? Luces interiores ?? F17 ?? Luces de los interruptores ?? Luces interiores?? Nr.înmatriculare Lámparas ?? Luces de los interruptores F4 F5 F6 F7 F8 F9 F10 F11 F12 F13 F14 F15 F16 15A 15A 20A 30A 10A 10A 10A 15A 15A 15A ?? 20A 15A ?? Radio ?? Reloj digital ?? Cuerno ?? Fallo de la lámpara ?? Luces antiniebla delanteras ?? Ventilador eléctrico ?? Actuador eléctrico de cristal ?? Bobinas de encendido ?? Mot.ªtergãtor / Wash?? Salpicadero ?? Ventilador eléctrico ?? Luces de marcha atrás ?? Indicador ?? Motor del ventilador?? Relé de señal ?? Controlador Aire acondicionado ?? Desempañado del cristal trasero ?? Encendedor ?? No se utiliza ?? Zumbador ?? Velocidad caja de cambios automática ?? Velocidad caja de cambios manual ?? Puerta cierre centralizado ?? HLLD AJUSTE ECE ?? HLLD?? Radio ?? Reloj digital ?? Luces antiniebla traseras F17 15A ?? No se utiliza ?? Luz lateral (L.) AJUSTE ECE ?? Luz lateral (Dr.)
  • 329.
    SISTEMA ELÉCTRICO 14-19 RELES- INFORMACIÓN Y LOCALIZACIÓN DESCRIPCIÓN BANDERA ?? Relé del ventilador ?? Relé de señal ?? Relevo eliminar ?? Advertencia Relay sonar ?? Alimentación de control del relé combustible cional ?? Cierre de relé puerta central ?? Controlador A / C NÚMERO BANDERA ?? P38850A60A02 ??000 ?? P38610A78B00 ??000 ?? 37400A78B11 ??5PK ?? 39700A78B00 ??000 ?? 38850A60D10 ??000 ?? 38810A78B00 ??000 ?? 95510A78B01 ??000 UBICACIÓN ?? En la parte frontal izquierda del compartimiento Motor Parlamento (además de receptor de pelo) ?? Junto a fusionar el panel (En el lado izquierdo del salpicadero) ?? Salpicadero interior (Detrás del interruptor de combinación) ?? Al lado de la caja de fusibles ?? Al lado de la caja de fusibles ?? Bajo guantera ?? Bajo guantera ?? Variante G.C.C. ?? Transmisión Automático AVISO ?? Aire acondicionado INTERRUPTOR P.C.B COMBINADO FAN RELAY RELAY Borrar IMAGEN Seguridad Fusibles RELAY SEÑAL RELÉ
  • 330.
    SISTEMA ELÉCTRICO 14-20 CIRCUITOELECTRICO ESQUEMA ENERGÍA ELÉCTRICA CIRCUITO 1) START, y el encendido de carga G1 G2 L1 BATERIEM1 DEMARORS2 INTERRUPTOR P / N ALTERNATORR1 BUJIEY1 VSV - Turath CREªTERE solenoide IDLE Interruptor de encendido Bobina de encendido S1 Y2 DISTRIBUIDOR LOCK ACC - ON CONEXION Fusible Uno 4 Uno 4 Febrero 6 Uno Febrero Uno 7 X9 X5 9 Bobina de encendido DISTRIBUIDOR Uno Febrero 5 5 LLAVE DE ENCENDIDO 7 7 6 10
  • 331.
    SISTEMA ELÉCTRICO 14-21 2)SISTEMA DE ORDEN DE ALIMENTACIÓN DE COMBUSTIBLE Relé K1 ALIMENTACIÓN ORDEN RUIDO resistencia L2 ANTIPARAZIÞI Filtro de L3 (atenuada) RUIDO S3 Y3 Y4 Y5 VACUOMETRO Bobina CARBURADOR B.V.V. V.S.V. Turath CREªTERE IDLE solenoide SOLO PT. VEHÍCULO CON CAJA TRANSMISIÓN MANUAL Uno Febrero Tres Uno 4 7 Febrero SOLO PT. VEHÍCULO CON CAJA TRANSMISION AUTOMATICA 6 Uno Febrero Tres Febrero 4 ORDEN RELE SUMINISTRO DE COMBUSTIBLE 9 X5 FILTRO (atenuado) RUIDO
  • 332.
    SISTEMA ELÉCTRICO 14-22 3)CIRCUITO ELÉCTRICO - caja de cambios automática P5 V.S.S P6 T.P.S S2 INTERRUPTOR P / N BOBINA No.1 X70 Y6 T.C.M. COMPUTER caja de cambios automática Y7 COIL No.2 Y8 COIL No.3 TERMINAL CHEQUE (VERDE) Uno Febrero Tres TERMINAL CHEQUE (NEGRO) SOLENOIDE Uno Febrero Tres Y.P.S ' Uno Febrero V.S.S ' Uno 4 11 Uno 16 4 Tres 8 13 X10 Uno 4 5 7 X9 6 10 5 10 17 X70 24 9
  • 333.
    SISTEMA ELÉCTRICO 14-23 CUERPODE CIRCUITOS ELÉCTRICOS 4) Las luces traseras, luces interiores, y el zumbador BOCINA E1 E2 E3 E4 Lámpara Lámpara Lámpara Lámpara ATRÁS (STG). REVERSE (DR). Fran (STG). Fran (DR). APAGUE E8 DEZABURIRES5 LED de control (NARANJA) S6 Posicionamiento E9 COMUTATORS7 Desempañado LUNETÃS8 (VERDE) H1 CLAXONS9 Zumbador H2 Lámparas S4 INVERSA CUERNO CONTACTOR Contactor de freno CONTACTOR UªÃ (STG). CONTACTOR UªÃ (DR). Ventana trasera antivaho CONTACTOR E5 luz de freno (CHMSL) INTERIOR LÁMPARA E6 Ventana trasera antivaho E7 SÓLO E.C.E. Uno Uno 9 8 18 X2 Uno Febrero 5 Uno 4 5 4 9 14 G S B Tres INTERRUPTOR Desempañado Vidrio 6 10 X3 10 M ADVERTENCIA SONOR
  • 334.
    SISTEMA ELÉCTRICO 14-24 5)-1 circuito de iluminación eléctrica y un reloj digital (locale) E8 E9 E10 E11 E12 E13 E14 E15 E16 E17 Viga - FAR (STG). Viga - FAR (STG). Viga - FAR (DR). Viga - FAR (DR). Luces indicadoras Side (. STG FRENTE) Luces indicadoras laterales (DR. FRONTAL) Luces indicadoras laterales (DR. TRASERO) LÁMPARA LUZ. SELECCIONAR A / T Luces indicadoras laterales (STG. TRASERO) Lámpara NÚMERO DE REGISTRO E18 E19 E20 E21 E22 E23 E34 E35 E36 E37 Indicador (STG. FRONTAL) Indicador (STG. TRASERO) Indicador (DR. TRASERO) Indicador (DR. FRONTAL) INDICADOR DE LADO (STG). Lado Indicador (DR). Luz trasera de niebla Interruptor de la lámpara antiniebla trasera Luz trasera de niebla Luces antiniebla delanteras E38 E39 E40 H3 K1 S10 S12 S13 S14 S15 APAGUE las luces antiniebla delanteras Luz antiniebla delantera (STG). Luz antiniebla delantera (DR). Reloj digital SEÑAL RELÉ Interruptor de la lámpara antiniebla trasera Fase REUNIÓN DEL INTERRUPTOR INTERRUPTOR DE LA LUZ PELIGRO DE LUCES INTERRUPTOR Señal del interruptor Uno Uno 10 Febrero 11 X20 20 Faros (STG., DR.) Tres 9 X16 18 4 X26 8 9 X2 18 Uno 8 Uno TresUno 8
  • 335.
    SISTEMA ELÉCTRICO 14-25 ??244 está continuando con el indicador de haz situado en el salpicadero. ?? S12: Interruptor de haz de cruce S13: Interruptor de las luces ?? Interruptor de haz y el interruptor de la luz se muestran por separado, pero estos son en realidad los interruptores combinados en uno. ?? Línea número 58 ?? Si cambia el interruptor de la luz a la posición 1 o 2, la corriente suministrará lámparas laterales, faros antiniebla, y otras lámparas el número de la línea 58. ?? H3: Reloj digital ?? La corriente pasa desde terminales no.30 línea "1" y "2". ?? Si el cambio de la posición del interruptor 1, la luz de fondo del reloj disminuirá debido al flujo de corriente a través del no.58 línea. Uno 5 10 4 9 Uno Uno Febrero 6 Tres Febrero Uno Febrero 4 X4 Uno L Tres E 8 X26 SEÑAL RELÉ B 14 de marzo X3a 4 INTERRUPTOR DIGITAL RELOJ Faros antiniebla
  • 336.
    SISTEMA ELÉCTRICO 14-26 6)Retire ventanas y K3 M2 M3 M4 M5 RELAY Borrar MOT. ACTH. EL. VENTANA (STG FRONTAL.) MOT. ACTH. EL. (FRENTE DR.) Claro DELANTERA DEL MOTOR VENTANA FRONTAL LAVADORA DE MOTOR M6 M7 S15 S16 S17 Interruptor S18. VENTANA TRASERA DE FLUIDO LAVADORA SPÃLAREMOTOR Interruptor S19. Eliminar STERGÃTORMOTOR francotirador Switch. VENTANA EL. Interruptor (FRONT STG.) S20. LAVADO / Quitar Switch. VENTANA EL. (FRENTE DR.) Telescopio Switch. VENTANA EL. (FRENTE DR.) Uno Febrero Uno Febrero Uno Febrero Uno Uno Tres 7 X62 X20 Uno 10 Tres X61 4 Tres 5 Switch. ACTH. EL. IZQUIERDA VENTANA Tres 5 Febrero 20 Switch. ACTH. EL. DERECHO DE VENTANA
  • 337.
    SISTEMA ELÉCTRICO 14-27 Eliminar.LAVAR Claro Interruptor COMUT.SPÃLARE. / Borrar Borra OFF EN EN EN EN OFF EN OFF FUNCIÓN LAVAR ?? Operar solamente eliminar motor ?? Operar sólo motor de lavado fluido ?? El motor del limpiaparabrisas funciona tanto como Motor y la arandela (líquido) ?? El motor del limpiaparabrisas funciona tanto como Motor y la arandela (líquido) Uno 9 X2 Uno 8 Uno Febrero Uno 8 18 Uno Febrero Uno Uno Febrero Tres Switch. FLUIDO LAVAR (TRASERO) Febrero Uno 6 Febrero MOTOR - MOTOR DE FLUIDO - FLUIDO SPÃLARESPÃLARE (FRONT) (FRENTE) Febrero 4 9 X16 18 de marzo Tres Uno 4 Tres
  • 338.
    SISTEMA ELÉCTRICO 14-28 7)los encendedores y SISTEMA DE AUDIO (2 altavoces / 4 altavoces, antenas de coche) E24 encendedor Antena E36 H4 RADIO H5 H6 H7 H8 ALTAVOZ (FRONT DR.) ALTAVOZ (TRASERO DR.) ALTAVOZ (FRONT STG). ALTAVOZ (TRASERO STG). M8 R2 Antenas de coches Encendedor NUM DE E.C.E. NUM DE E.C.E. Uno Uno 9 X2 Uno 8 18 5 X3 6 Uno 4 5 10 10 X3a 4 9 14 Uno 8 9 X16 18 Antenas de coches 7 X14 13
  • 339.
    SISTEMA ELÉCTRICO 14-29 8)EL MARCADOR E25 E26 E27 E28 E29 E30 E31 ILUMINACIÓN ILUMINACIÓN TESTIMONIO freno de mano TESTIMONIO batería Carga CINTURONES DE SEGURIDAD FE MOTOR DE CONTROL DE NIVEL DE ACEITE FE baja COMBUSTIBLE CONTROL DE SEÑAL (STG). CONTROL DE SEÑAL (DR). Haz INDICADOR MEDIDOR de combustible, TIBLE Indicador de la temperatura H10 Sonda de nivel de combustible R6 Sonda de temperatura R7 E32 E32 E34 H9 R8 S22 S23 S24 S25 S26 U2 Indica el nivel de combustible, TIBLE FRENO DE NIVEL FLUIDO INTERRUPTOR Freno de mano INTERRUPTOR CINTURONES DE SEGURIDAD INTERRUPTOR PRES MANOCONTACT. ACEITE DEL MOTOR INTERRUPTOR DE VELOCIDAD DEL VEHICULO TABLERO SÓLO E.C.E. FUENTE VOLTAJE Uno 10 Uno 12 X12 Uno 9 X2 6 8 18 X11 Uno 5 10 X3a Uno 4 9 8 9 14 X16 18 Uno 7 X5 9
  • 340.
    SISTEMA ELÉCTRICO 14-30 9)SISTEMA DE ACONDICIONAMIENTO DE PEDIDO E33 E34 K4 M9 M10 R3 Interruptor FE. SUFLANTÃR4 termistor EVAPORATORU3 CONTROLADOR Aire acondicionado Interruptor FE. Sonda de temperatura del aire acondicionado R5. AIR CONDIÞIONATV1 DIODO RELAY VENTILATORS27 INTERRUPTOR. Y9 FAN temperatura del compresor MOTOR INTERRUPTOR VENTILATORS28 SUFLANTÃY10 V.S.V Interruptor MOTOR SUFLANTÃS29 doble (alta y baja SUFLANTÃA.C RESISTENCIA.) S30 interruptor del aire acondicionado ECE SOLAMENTE CAJA AUTOMÁTICO ECE SOLAMENTE Febrero Uno 6 4 Tres Uno 8 Tres X10 Uno X43 Tres 6 Febrero Uno 5 10 X3a 4 9 14 Uno Tres 8 X42 Uno 7 X5 Uno 9 9 4 Uno 6 INTERRUPTOR AIRE Acondicionamiento Uno CONTROLADOR Aire acondicionado 16 4 INTERRUPTOR Golpe 6
  • 341.
    SISTEMA ELÉCTRICO 14-31 10)Cierre Centralizado UªI K3 M4 M6 S18 M5 Cierre centralizado RELAY UªI ACTUADOR - FRONT, DERECHA ACTUADOR - TRASERA DERECHA Interruptor del cierre centralizado UªI ACTUADOR - TRASERA IZQUIERDA CERRADO OPEN OPEN CERRADO Uno Febrero Uno Tres 4 X16A (W / H NO.1) 8 Cierre centralizado RELAY UªI (W / H NO.1) X61B (W / H NO.1) X62B (W / H NO.1)
  • 342.
    SISTEMA ELÉCTRICO 14-32 11)para nivelar los faros DISPOSITIVO - HLLD + S31 M11 M12 HLLD INTERRUPTOR MOTOR HLLD (IZQUIERDA) MOTOR HLLD (DERECHA)
  • 343.
    SISTEMA ELÉCTRICO 14-33 Tico MANUALDE SERVICIO EXPEDIDO POR SERVICIO DE ULTRAMAR DAEWOO MOTOR CO., LTD. CHONG CHON 2-dong 426-1, PU Pyong-KU, Inchon, Corea TELÉFONO: 82-32-510-1762 ~ 1782 Fax: 82-32-519 ~ 3463 6A-TC-SM-500A Tico MANUAL DE SERVICIO EXPEDIDO POR SERVICIO DE ULTRAMAR DAEWOO MOTOR CO., LTD. CHONG CHON 2-dong 426-1, PU Pyong-KU, Inchon, Corea TELÉFONO: 82-32-510-1762 ~ 1782 Fax: 82-32-519 ~ 3463 TC-6 A-1000 MS-