Técnicas
                 Digitales II


Profesor:
    Ing. Daniel
      Remondegui
Integrantes:
  Mario Marin
  Tomás Prieto
Objetivos

 Diseñar un dispositivo que permita
  generar y regular el desfasaje de una
  señal senoidal.
 Mostrar en pantalla los parámetros del
  desfasaje.
 Poder seleccionar el desfasaje por
  medio de teclado.
Características:

• Operating speed: DC - 20 MHz clock input
• Up to 8K x 14 words of FLASH Program
     Memory,
Up to 368 x 8 bytes of Data Memory (RAM)
Up to 256 x 8 bytes of EEPROM Data Memory
• Interrupt capability (up to 14 sources)
• Selectable oscillator options
• Low power, high speed CMOS LASH/EEPROM
technology
• Fully static design
• In-Circuit Serial Programming (ICSP) via two
     pins
• Programming capability
• In-Circuit Debugging via two pins
• Commercial, Industrial and Extended
     temperature ranges
Consideraciones
El desfasaje de la señal es producido por
electrónica discreta.

Este circuito fue diseñado para poder
desfasar una señal con respecto a otra
de 0 a 175 grados por medio de una
resistencia variable.

El parámetros que puede ser controlado
por el microcontrolador para intervenir en
el desfasaje es solamente un valor de
resistencia que debe oscilar entre los 0 y
25 kOhms.

Los componentes electrónicos presentan
una resistencia interna que afecta
considerablemente al proceso de control
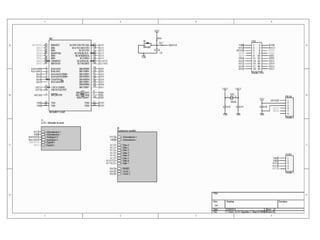
Circuito esquemático
Circuito eléctrico
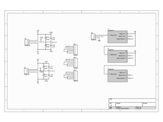
Placa de control
Placa de control
Circuito esquemático
Circuito eléctrico
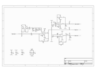
Placa desfasadora
Placa desfasadora
Fotos del proyecto
Tecnicas digitales 2

Tecnicas digitales 2

  • 1.
    Técnicas Digitales II Profesor: Ing. Daniel Remondegui Integrantes: Mario Marin Tomás Prieto
  • 2.
    Objetivos  Diseñar undispositivo que permita generar y regular el desfasaje de una señal senoidal.  Mostrar en pantalla los parámetros del desfasaje.  Poder seleccionar el desfasaje por medio de teclado.
  • 3.
    Características: • Operating speed:DC - 20 MHz clock input • Up to 8K x 14 words of FLASH Program Memory, Up to 368 x 8 bytes of Data Memory (RAM) Up to 256 x 8 bytes of EEPROM Data Memory • Interrupt capability (up to 14 sources) • Selectable oscillator options • Low power, high speed CMOS LASH/EEPROM technology • Fully static design • In-Circuit Serial Programming (ICSP) via two pins • Programming capability • In-Circuit Debugging via two pins • Commercial, Industrial and Extended temperature ranges
  • 4.
    Consideraciones El desfasaje dela señal es producido por electrónica discreta. Este circuito fue diseñado para poder desfasar una señal con respecto a otra de 0 a 175 grados por medio de una resistencia variable. El parámetros que puede ser controlado por el microcontrolador para intervenir en el desfasaje es solamente un valor de resistencia que debe oscilar entre los 0 y 25 kOhms. Los componentes electrónicos presentan una resistencia interna que afecta considerablemente al proceso de control
  • 5.
  • 9.
  • 10.
  • 13.
  • 14.