TEMA I.
CONTENIDO:
Introducción a los automatismos.
Controlador Lógico Programable (PLC)
Breve Historia.
Clasificación de sistemas y señales.
Lógica cableada vs. Programada.
Ventajas y desventajas.
05/04/2022 1
Asig. PLC - Prof. José Borjas
Componentes de un lazo
automático de control
PROCESO
ALARMA
SALIDA
TRANSMISOR
REGISTRADOR INDICADOR
Controlador
PUNTO DE OPERACIÓN
(CONSIGNA)
ENTRADA
AGENTE
PERTURBACION
ELEMENTO FINAL DE
CONTROL
05/04/2022 2
Asig. PLC - Prof. José Borjas
Componentes de un lazo
automático de control
05/04/2022 3
Asig. PLC - Prof. José Borjas
Autómatas programables
Dispositivos programables orientados
a implementar funciones lógicas y
secuenciales conectados a un proceso
•CPU
•Comunicaciones
•Tarjetas I/O
•Alimentación
05/04/2022 4
Asig. PLC - Prof. José Borjas
05/04/2022 5
Asig. PLC - Prof. José Borjas
Desarrollo histórico de los PLC.
.- Los PLC fueron inventados en respuesta a las necesidades de la automatización
de la industria automotriz norteamericana por el ingeniero Estadounidense
Dick Morley.
.- En 1969, el primer controlador programable entro al mercado en la
industria automotriz. La empresa Bedford Associates (Bedford, MA) propuso un
sistema al que llamó Modular Digital Controller o MODICON.
El MODICON 084 fue el primer PLC producido comercialmente
.- En 1974 – 1975. El desarrollo de los microprocesadores incremento el
poder de los PLC.
Operaciones aritmeticas.
Manipulación de datos.
Unidades de programación con CRTs.
Lenguajes de programación.
05/04/2022 6
Asig. PLC - Prof. José Borjas
Desarrollo histórico de los PLC.
.- La habilidad de comunicación entre ellos apareció aproximadamente en el año 1973.
El primer sistema que lo hacía fue el Modbus de Modicon
.- En 1976 – 1979. En esta etapa se tuvieron mejoras en:
Manejo de memoria, control de posicionamiento, manejo de señales
analogicas, I/O remotas, mejoras en el software.
.- En los años 80 se intentó estandarizar la comunicación entre PLCs.
.- En los años 90 se introdujeron nuevos protocolos y se mejoraron algunos anteriores.
El estándar IEC 1131-3 intentó combinar los lenguajes de programación de los PLC
en un solo estándar internacional.
05/04/2022 7
Asig. PLC - Prof. José Borjas
Desarrollo histórico de los PLC.
.- Hoy en día, los PLC's no sólo controlan la lógica de funcionamiento de máquinas,
plantas y procesos industriales, sino que también pueden realizar operaciones
aritméticas, manejar señales analógicas para realizar estrategias de control, tales
los controladores proporcional integral derivativo (PID).
.- Los PLC's actuales pueden comunicarse con otros controladores y computadoras en
redes de área local, y son una parte fundamental de los modernos sistemas de control
distribuido.
.
05/04/2022 8
Asig. PLC - Prof. José Borjas
Funciones que puede realizar un PLC.
.- Remplazar sistemas de control.
.- Remplaza timer y contadores electromecanicos.
.- Realiza operaciones de comparación.
.- Realiza operaciones matematicas complejas.
.- Remplaza controladores analogicos.
.- Realiza diagnosticos de fallas.
.- Realiza autodiagnostico del hardware.
.- Realiza manejo de información.
.- Monitoreo y supervisión de procesos.
.- Control de alarmas.
-
-
-
05/04/2022 9
Asig. PLC - Prof. José Borjas
Ventajas
Menor tiempo empleado en la elaboración de proyectos debido a que:
No es necesario dibujar el esquema de contactos
No es necesario simplificar las ecuaciones lógicas, ya que, por lo general la
capacidad de almacenamiento del módulo de memoria es lo suficientemente grande.
La lista de materiales queda sensiblemente reducida, y al elaborar el
presupuesto correspondiente eliminaremos parte del problema que supone el contar con
diferentes proveedores, distintos plazos de entrega.
 Posibilidad de introducir modificaciones sin cambiar el cableado ni añadir aparatos.
Mínimo espacio de ocupación.
Menor coste de mano de obra de la instalación.
Economía de mantenimiento.
Además de aumentar la fiabilidad del sistema, al eliminar contactos móviles, los mismos
autómatas pueden indicar y detectar averías.
Posibilidad de gobernar varias máquinas con un mismo autómata.
Menor tiempo para la puesta en funcionamiento del proceso al quedar reducido el tiempo
cableado.
Si por alguna razón la máquina queda fuera de servicio, el autómata sigue siendo útil para
otra máquina o sistema de producción.
05/04/2022 10
Asig. PLC - Prof. José Borjas
Inconvenientes
Como inconvenientes podríamos hablar, en primer lugar, de que hace falta un programador, lo
que obliga a adiestrar a uno de los técnicos en tal sentido, pero hoy en día ese inconveniente esta
solucionado porque las universidades ya se encargan de dicho adiestramiento.
El coste inicial también puede ser un inconveniente.
05/04/2022 11
Asig. PLC - Prof. José Borjas
Sistemas de eventos discretos
 Muchos procesos no son continuos
 Sus variables solo admiten un número
finito de valores
 Los valores de las variables no cambian
de forma continua en el tiempo, sino en
instantes determinados.
 Problemas de control lógicos y
secuenciales
05/04/2022 12
Asig. PLC - Prof. José Borjas
ALGUNOS TIPOS DE SEÑALES
Señales Análogas
Señales Discretas
05/04/2022 13
Asig. PLC - Prof. José Borjas
Estados discretos
Motor:
En marcha o
parado
Depósito:
Con líquido o
vacio
Válvula:
Abierta o
cerrada
05/04/2022 14
Asig. PLC - Prof. José Borjas
Instrumentación
Circuito
cerrado
Circuito
abierto
Detector de nivel
mínimo: cuando
el nivel
desciende del
valor mínimo se
activa / o
desactiva la
señal del sensor
05/04/2022 15
Asig. PLC - Prof. José Borjas
Instrumentación
Proceso
PS
TS
Termostato:
Cuando la
temperatura
supera un
límite se
activa/desactiva
el sensor
Presostato
05/04/2022 16
Asig. PLC - Prof. José Borjas
Instrumentación
Detector de
presencia
Emisor
Receptor
Final de
carrera
05/04/2022 17
Asig. PLC - Prof. José Borjas
Instrumentación
Válvula on/off
Electroválvula
Arrancador de
motor
~
05/04/2022 18
Asig. PLC - Prof. José Borjas
Sistemas combinacionales
 Asociados a alarmas o lógicas de
operación
 Las respuestas dependen solo de las
entradas a través de las funciones lógicas
Y, O, NO
 SI ( condiciones lógicas )
ENTONCES ( acciones)
05/04/2022 19
Asig. PLC - Prof. José Borjas
Lógica combinacional
AND 1 0
1 1 0
0 0 0
OR 1 0
1 1 1
0 1 0
NOT 1 0
0 1
A.B AND
A+B OR
A NOT
B
A
B
.
A
B
.
A
)
B
A
(




Leyes de
Morgan
05/04/2022 20
Asig. PLC - Prof. José Borjas
Puertas lógicas
&
A
B
 1
A
B
A.B
A+B
 1
A A
Nomenclatura
DIN
Las expresiones lógicas pueden asimilarse a circuitos
eléctricos en que las condiciones cierto o falso
corresponden a presencia o ausencia de señal y la
conclusión se expresa en términos de la señal de salida
05/04/2022 21
Asig. PLC - Prof. José Borjas
Circuitos lógicos
&
 1
B
C (C+B).A
 1
&
A
B
D
&
C
A.B + C.D
 1
A A
05/04/2022 22
Asig. PLC - Prof. José Borjas
Diagramas de contactos
Contacto normalmente
abierto
Contacto normalmente
cerrado
Las expresiones lógicas pueden asimilarse a circuitos
eléctricos en que las condiciones cierto o falso
corresponden a contactos cerrados o abiertos y la
conclusión se expresa en términos de circula corriente o no
05/04/2022 23
Asig. PLC - Prof. José Borjas
Diagramas de contactos
A
A
B
B
A.B
A+B
La lampara se
enciende si A y
B están cerrados
La lampara
se enciende
si A ó B
están
cerrados
05/04/2022 24
Asig. PLC - Prof. José Borjas
Diagramas de contactos
A
B
C D
+ -
Función lógica: (A+B).C. D
05/04/2022 25
Asig. PLC - Prof. José Borjas
Relés
Dispositivo que permite implementar acciones
lógicas y actuar sobre elementos físicos
~
Carga
S1
S2
SI (S1= cerrado y S2= cerrado)
ENTONCES carga activada
bobina
05/04/2022 26
Asig. PLC - Prof. José Borjas
Diagrama de contactos
bobina de relé
S1 S2
X1
Pulsador normalmente
abierto
Pulsador normalmente
cerrado
S1 ó S2 no tienen
por que ser
contactos, sino
cualquier otro
elemento:
temporizadores,
contadores,
pulsadores, etc.
que de una señal
lógica 0 - 1
+ -
05/04/2022 27
Asig. PLC - Prof. José Borjas
Ejemplo
M
~
relé
S1 P1
X1
+
-
S1
P1
X1
X1 X2
X2
S2
S2
La botella debe
detenerse al final
de la cinta y
recibir la dosis de
producto
05/04/2022 28
Asig. PLC - Prof. José Borjas
Logica Cableada o a relé.
Ejm. Control de la puerta de un garage.
05/04/2022 29
Asig. PLC - Prof. José Borjas
Logica Programada.
Ejm. Control de la puerta de un garage.
05/04/2022 30
Asig. PLC - Prof. José Borjas
Lógica cableada vs lógica programada.
LOGICA CABLEADA (Lógica a relé).
.- Se refiere a el control de equipos o sistemas a través de la conexión de dispositivos
lógicos como, contactores, relés , push buttons, etc.
.- Este término describe los extensos paneles de control a relés que existían o existen
antes de la era de los PLCs.
.- Lógica cableada es fija y puede ser alterada solo con el recableado de los relés en el
panel de control.
El PLC ( Lógica programada) utiliza un lenguaje de programación que monitorea las
entradas de los dispositivos lógicos, toma decisiones lógicas, y activa o desactiva los
dispositivos de salida.
.- El cambio en las condiciones o decisiones lógicas se realiza modificando el
programa que el PLC ejecuta. No es necesario cambiar las interconexiones
entre los dispositivos.
31
Asig. PLC - Prof. José Borjas
Procesos Secuenciales
A
B
Descarga
Sucesión de etapas
de operación con
acciones específicas
y condiciones de
transición entre ellas
1 Espera
2 Carga
3 Operación
4 Descarga
M
05/04/2022 32
Asig. PLC - Prof. José Borjas
Grafos de transición de estados
A B
M
1
2
3
4
Arranque
Tanque lleno
Operación
terminada
Tanque
vacio
Estados
Transiciones
Espera
Carga
Operación
Descarga
05/04/2022 33
Asig. PLC - Prof. José Borjas
TEMA II.
CONTENIDO:
Estructura Física de los PLC.
Arquitectura interna.
Fuente. CPU. Tarjetas I/O.
Comunicación.
Tarjetas específicas.
Modos de funcionamiento: Cíclico,
Por interrupciones.
Introducción a los controladores S7
de Siemens.
05/04/2022 34
Asig. PLC - Prof. José Borjas
Estructura Física de los PLC:
1.- Autómatas Compactos.
05/04/2022 35
Asig. PLC - Prof. José Borjas
Estructura Física de los PLC:
1.- Autómatas Semimodulares.
05/04/2022 36
Asig. PLC - Prof. José Borjas
Estructura Física de los PLC:
1.- Autómatas modulares.
05/04/2022 37
Asig. PLC - Prof. José Borjas
05/04/2022 38
Asig. PLC - Prof. José Borjas
05/04/2022 39
Asig. PLC - Prof. José Borjas
05/04/2022 40
Asig. PLC - Prof. José Borjas
05/04/2022 41
Asig. PLC - Prof. José Borjas
Controladores Lógicos Programables . Prof. José Borjas 05/04/2022 42
Asig. PLC - Prof. José Borjas
05/04/2022 43
Asig. PLC - Prof. José Borjas
05/04/2022 44
Asig. PLC - Prof. José Borjas
05/04/2022 45
Asig. PLC - Prof. José Borjas
05/04/2022 46
Asig. PLC - Prof. José Borjas
05/04/2022 47
Asig. PLC - Prof. José Borjas
05/04/2022 48
Asig. PLC - Prof. José Borjas
05/04/2022 49
Asig. PLC - Prof. José Borjas
05/04/2022 50
Asig. PLC - Prof. José Borjas
05/04/2022 51
Asig. PLC - Prof. José Borjas
05/04/2022 52
Asig. PLC - Prof. José Borjas
05/04/2022 53
Asig. PLC - Prof. José Borjas
-32-
05/04/2022 54
Asig. PLC - Prof. José Borjas
05/04/2022 55
Asig. PLC - Prof. José Borjas
Modulos o tarjetas de Entrada/Salida (I/O).
Realizan las siguientes funciones basicas:
1.- Terminales de conexión.
2.- Acondicionamiento de las señales.
3.- Aislamiento.
4.- Indicación.
05/04/2022 56
Asig. PLC - Prof. José Borjas
05/04/2022 57
Asig. PLC - Prof. José Borjas
Esquema de conexiones y de principio del módulo SM
321; DI 16 DC 24 V
05/04/2022 58
Asig. PLC - Prof. José Borjas
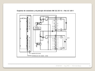
Esquema de conexiones y de principio del módulo
SM 322; DO 16 DC 24 V/0,5 A
05/04/2022 59
Asig. PLC - Prof. José Borjas
05/04/2022 60
Asig. PLC - Prof. José Borjas
Fuente de Alimentación.
Función: Adapta la tensión de red de 120/220 volt.
a la de funcionamiento de los circuitos
electrónicos internos del PLC.
Esquema de principio de PS 307; 5 A
05/04/2022 61
Asig. PLC - Prof. José Borjas
05/04/2022 62
Asig. PLC - Prof. José Borjas
Ejecución cíclica de programas
05/04/2022 63
Asig. PLC - Prof. José Borjas
Ejecución del programa controlada por alarmas
05/04/2022 64
Asig. PLC - Prof. José Borjas
05/04/2022 65
Asig. PLC - Prof. José Borjas
05/04/2022 66
Asig. PLC - Prof. José Borjas
05/04/2022 67
Asig. PLC - Prof. José Borjas
05/04/2022 68
Asig. PLC - Prof. José Borjas
05/04/2022 69
Asig. PLC - Prof. José Borjas
05/04/2022 70
Asig. PLC - Prof. José Borjas
05/04/2022 71
Asig. PLC - Prof. José Borjas

Transp plc i

  • 1.
    TEMA I. CONTENIDO: Introducción alos automatismos. Controlador Lógico Programable (PLC) Breve Historia. Clasificación de sistemas y señales. Lógica cableada vs. Programada. Ventajas y desventajas. 05/04/2022 1 Asig. PLC - Prof. José Borjas
  • 2.
    Componentes de unlazo automático de control PROCESO ALARMA SALIDA TRANSMISOR REGISTRADOR INDICADOR Controlador PUNTO DE OPERACIÓN (CONSIGNA) ENTRADA AGENTE PERTURBACION ELEMENTO FINAL DE CONTROL 05/04/2022 2 Asig. PLC - Prof. José Borjas
  • 3.
    Componentes de unlazo automático de control 05/04/2022 3 Asig. PLC - Prof. José Borjas
  • 4.
    Autómatas programables Dispositivos programablesorientados a implementar funciones lógicas y secuenciales conectados a un proceso •CPU •Comunicaciones •Tarjetas I/O •Alimentación 05/04/2022 4 Asig. PLC - Prof. José Borjas
  • 5.
    05/04/2022 5 Asig. PLC- Prof. José Borjas
  • 6.
    Desarrollo histórico delos PLC. .- Los PLC fueron inventados en respuesta a las necesidades de la automatización de la industria automotriz norteamericana por el ingeniero Estadounidense Dick Morley. .- En 1969, el primer controlador programable entro al mercado en la industria automotriz. La empresa Bedford Associates (Bedford, MA) propuso un sistema al que llamó Modular Digital Controller o MODICON. El MODICON 084 fue el primer PLC producido comercialmente .- En 1974 – 1975. El desarrollo de los microprocesadores incremento el poder de los PLC. Operaciones aritmeticas. Manipulación de datos. Unidades de programación con CRTs. Lenguajes de programación. 05/04/2022 6 Asig. PLC - Prof. José Borjas
  • 7.
    Desarrollo histórico delos PLC. .- La habilidad de comunicación entre ellos apareció aproximadamente en el año 1973. El primer sistema que lo hacía fue el Modbus de Modicon .- En 1976 – 1979. En esta etapa se tuvieron mejoras en: Manejo de memoria, control de posicionamiento, manejo de señales analogicas, I/O remotas, mejoras en el software. .- En los años 80 se intentó estandarizar la comunicación entre PLCs. .- En los años 90 se introdujeron nuevos protocolos y se mejoraron algunos anteriores. El estándar IEC 1131-3 intentó combinar los lenguajes de programación de los PLC en un solo estándar internacional. 05/04/2022 7 Asig. PLC - Prof. José Borjas
  • 8.
    Desarrollo histórico delos PLC. .- Hoy en día, los PLC's no sólo controlan la lógica de funcionamiento de máquinas, plantas y procesos industriales, sino que también pueden realizar operaciones aritméticas, manejar señales analógicas para realizar estrategias de control, tales los controladores proporcional integral derivativo (PID). .- Los PLC's actuales pueden comunicarse con otros controladores y computadoras en redes de área local, y son una parte fundamental de los modernos sistemas de control distribuido. . 05/04/2022 8 Asig. PLC - Prof. José Borjas
  • 9.
    Funciones que puederealizar un PLC. .- Remplazar sistemas de control. .- Remplaza timer y contadores electromecanicos. .- Realiza operaciones de comparación. .- Realiza operaciones matematicas complejas. .- Remplaza controladores analogicos. .- Realiza diagnosticos de fallas. .- Realiza autodiagnostico del hardware. .- Realiza manejo de información. .- Monitoreo y supervisión de procesos. .- Control de alarmas. - - - 05/04/2022 9 Asig. PLC - Prof. José Borjas
  • 10.
    Ventajas Menor tiempo empleadoen la elaboración de proyectos debido a que: No es necesario dibujar el esquema de contactos No es necesario simplificar las ecuaciones lógicas, ya que, por lo general la capacidad de almacenamiento del módulo de memoria es lo suficientemente grande. La lista de materiales queda sensiblemente reducida, y al elaborar el presupuesto correspondiente eliminaremos parte del problema que supone el contar con diferentes proveedores, distintos plazos de entrega.  Posibilidad de introducir modificaciones sin cambiar el cableado ni añadir aparatos. Mínimo espacio de ocupación. Menor coste de mano de obra de la instalación. Economía de mantenimiento. Además de aumentar la fiabilidad del sistema, al eliminar contactos móviles, los mismos autómatas pueden indicar y detectar averías. Posibilidad de gobernar varias máquinas con un mismo autómata. Menor tiempo para la puesta en funcionamiento del proceso al quedar reducido el tiempo cableado. Si por alguna razón la máquina queda fuera de servicio, el autómata sigue siendo útil para otra máquina o sistema de producción. 05/04/2022 10 Asig. PLC - Prof. José Borjas
  • 11.
    Inconvenientes Como inconvenientes podríamoshablar, en primer lugar, de que hace falta un programador, lo que obliga a adiestrar a uno de los técnicos en tal sentido, pero hoy en día ese inconveniente esta solucionado porque las universidades ya se encargan de dicho adiestramiento. El coste inicial también puede ser un inconveniente. 05/04/2022 11 Asig. PLC - Prof. José Borjas
  • 12.
    Sistemas de eventosdiscretos  Muchos procesos no son continuos  Sus variables solo admiten un número finito de valores  Los valores de las variables no cambian de forma continua en el tiempo, sino en instantes determinados.  Problemas de control lógicos y secuenciales 05/04/2022 12 Asig. PLC - Prof. José Borjas
  • 13.
    ALGUNOS TIPOS DESEÑALES Señales Análogas Señales Discretas 05/04/2022 13 Asig. PLC - Prof. José Borjas
  • 14.
    Estados discretos Motor: En marchao parado Depósito: Con líquido o vacio Válvula: Abierta o cerrada 05/04/2022 14 Asig. PLC - Prof. José Borjas
  • 15.
    Instrumentación Circuito cerrado Circuito abierto Detector de nivel mínimo:cuando el nivel desciende del valor mínimo se activa / o desactiva la señal del sensor 05/04/2022 15 Asig. PLC - Prof. José Borjas
  • 16.
    Instrumentación Proceso PS TS Termostato: Cuando la temperatura supera un límitese activa/desactiva el sensor Presostato 05/04/2022 16 Asig. PLC - Prof. José Borjas
  • 17.
  • 18.
  • 19.
    Sistemas combinacionales  Asociadosa alarmas o lógicas de operación  Las respuestas dependen solo de las entradas a través de las funciones lógicas Y, O, NO  SI ( condiciones lógicas ) ENTONCES ( acciones) 05/04/2022 19 Asig. PLC - Prof. José Borjas
  • 20.
    Lógica combinacional AND 10 1 1 0 0 0 0 OR 1 0 1 1 1 0 1 0 NOT 1 0 0 1 A.B AND A+B OR A NOT B A B . A B . A ) B A (     Leyes de Morgan 05/04/2022 20 Asig. PLC - Prof. José Borjas
  • 21.
    Puertas lógicas & A B  1 A B A.B A+B 1 A A Nomenclatura DIN Las expresiones lógicas pueden asimilarse a circuitos eléctricos en que las condiciones cierto o falso corresponden a presencia o ausencia de señal y la conclusión se expresa en términos de la señal de salida 05/04/2022 21 Asig. PLC - Prof. José Borjas
  • 22.
    Circuitos lógicos &  1 B C(C+B).A  1 & A B D & C A.B + C.D  1 A A 05/04/2022 22 Asig. PLC - Prof. José Borjas
  • 23.
    Diagramas de contactos Contactonormalmente abierto Contacto normalmente cerrado Las expresiones lógicas pueden asimilarse a circuitos eléctricos en que las condiciones cierto o falso corresponden a contactos cerrados o abiertos y la conclusión se expresa en términos de circula corriente o no 05/04/2022 23 Asig. PLC - Prof. José Borjas
  • 24.
    Diagramas de contactos A A B B A.B A+B Lalampara se enciende si A y B están cerrados La lampara se enciende si A ó B están cerrados 05/04/2022 24 Asig. PLC - Prof. José Borjas
  • 25.
    Diagramas de contactos A B CD + - Función lógica: (A+B).C. D 05/04/2022 25 Asig. PLC - Prof. José Borjas
  • 26.
    Relés Dispositivo que permiteimplementar acciones lógicas y actuar sobre elementos físicos ~ Carga S1 S2 SI (S1= cerrado y S2= cerrado) ENTONCES carga activada bobina 05/04/2022 26 Asig. PLC - Prof. José Borjas
  • 27.
    Diagrama de contactos bobinade relé S1 S2 X1 Pulsador normalmente abierto Pulsador normalmente cerrado S1 ó S2 no tienen por que ser contactos, sino cualquier otro elemento: temporizadores, contadores, pulsadores, etc. que de una señal lógica 0 - 1 + - 05/04/2022 27 Asig. PLC - Prof. José Borjas
  • 28.
    Ejemplo M ~ relé S1 P1 X1 + - S1 P1 X1 X1 X2 X2 S2 S2 Labotella debe detenerse al final de la cinta y recibir la dosis de producto 05/04/2022 28 Asig. PLC - Prof. José Borjas
  • 29.
    Logica Cableada oa relé. Ejm. Control de la puerta de un garage. 05/04/2022 29 Asig. PLC - Prof. José Borjas
  • 30.
    Logica Programada. Ejm. Controlde la puerta de un garage. 05/04/2022 30 Asig. PLC - Prof. José Borjas
  • 31.
    Lógica cableada vslógica programada. LOGICA CABLEADA (Lógica a relé). .- Se refiere a el control de equipos o sistemas a través de la conexión de dispositivos lógicos como, contactores, relés , push buttons, etc. .- Este término describe los extensos paneles de control a relés que existían o existen antes de la era de los PLCs. .- Lógica cableada es fija y puede ser alterada solo con el recableado de los relés en el panel de control. El PLC ( Lógica programada) utiliza un lenguaje de programación que monitorea las entradas de los dispositivos lógicos, toma decisiones lógicas, y activa o desactiva los dispositivos de salida. .- El cambio en las condiciones o decisiones lógicas se realiza modificando el programa que el PLC ejecuta. No es necesario cambiar las interconexiones entre los dispositivos. 31 Asig. PLC - Prof. José Borjas
  • 32.
    Procesos Secuenciales A B Descarga Sucesión deetapas de operación con acciones específicas y condiciones de transición entre ellas 1 Espera 2 Carga 3 Operación 4 Descarga M 05/04/2022 32 Asig. PLC - Prof. José Borjas
  • 33.
    Grafos de transiciónde estados A B M 1 2 3 4 Arranque Tanque lleno Operación terminada Tanque vacio Estados Transiciones Espera Carga Operación Descarga 05/04/2022 33 Asig. PLC - Prof. José Borjas
  • 34.
    TEMA II. CONTENIDO: Estructura Físicade los PLC. Arquitectura interna. Fuente. CPU. Tarjetas I/O. Comunicación. Tarjetas específicas. Modos de funcionamiento: Cíclico, Por interrupciones. Introducción a los controladores S7 de Siemens. 05/04/2022 34 Asig. PLC - Prof. José Borjas
  • 35.
    Estructura Física delos PLC: 1.- Autómatas Compactos. 05/04/2022 35 Asig. PLC - Prof. José Borjas
  • 36.
    Estructura Física delos PLC: 1.- Autómatas Semimodulares. 05/04/2022 36 Asig. PLC - Prof. José Borjas
  • 37.
    Estructura Física delos PLC: 1.- Autómatas modulares. 05/04/2022 37 Asig. PLC - Prof. José Borjas
  • 38.
    05/04/2022 38 Asig. PLC- Prof. José Borjas
  • 39.
    05/04/2022 39 Asig. PLC- Prof. José Borjas
  • 40.
    05/04/2022 40 Asig. PLC- Prof. José Borjas
  • 41.
    05/04/2022 41 Asig. PLC- Prof. José Borjas
  • 42.
    Controladores Lógicos Programables. Prof. José Borjas 05/04/2022 42 Asig. PLC - Prof. José Borjas
  • 43.
    05/04/2022 43 Asig. PLC- Prof. José Borjas
  • 44.
    05/04/2022 44 Asig. PLC- Prof. José Borjas
  • 45.
    05/04/2022 45 Asig. PLC- Prof. José Borjas
  • 46.
    05/04/2022 46 Asig. PLC- Prof. José Borjas
  • 47.
    05/04/2022 47 Asig. PLC- Prof. José Borjas
  • 48.
    05/04/2022 48 Asig. PLC- Prof. José Borjas
  • 49.
    05/04/2022 49 Asig. PLC- Prof. José Borjas
  • 50.
    05/04/2022 50 Asig. PLC- Prof. José Borjas
  • 51.
    05/04/2022 51 Asig. PLC- Prof. José Borjas
  • 52.
    05/04/2022 52 Asig. PLC- Prof. José Borjas
  • 53.
    05/04/2022 53 Asig. PLC- Prof. José Borjas
  • 54.
    -32- 05/04/2022 54 Asig. PLC- Prof. José Borjas
  • 55.
    05/04/2022 55 Asig. PLC- Prof. José Borjas
  • 56.
    Modulos o tarjetasde Entrada/Salida (I/O). Realizan las siguientes funciones basicas: 1.- Terminales de conexión. 2.- Acondicionamiento de las señales. 3.- Aislamiento. 4.- Indicación. 05/04/2022 56 Asig. PLC - Prof. José Borjas
  • 57.
    05/04/2022 57 Asig. PLC- Prof. José Borjas
  • 58.
    Esquema de conexionesy de principio del módulo SM 321; DI 16 DC 24 V 05/04/2022 58 Asig. PLC - Prof. José Borjas
  • 59.
    Esquema de conexionesy de principio del módulo SM 322; DO 16 DC 24 V/0,5 A 05/04/2022 59 Asig. PLC - Prof. José Borjas
  • 60.
    05/04/2022 60 Asig. PLC- Prof. José Borjas
  • 61.
    Fuente de Alimentación. Función:Adapta la tensión de red de 120/220 volt. a la de funcionamiento de los circuitos electrónicos internos del PLC. Esquema de principio de PS 307; 5 A 05/04/2022 61 Asig. PLC - Prof. José Borjas
  • 62.
    05/04/2022 62 Asig. PLC- Prof. José Borjas
  • 63.
    Ejecución cíclica deprogramas 05/04/2022 63 Asig. PLC - Prof. José Borjas
  • 64.
    Ejecución del programacontrolada por alarmas 05/04/2022 64 Asig. PLC - Prof. José Borjas
  • 65.
    05/04/2022 65 Asig. PLC- Prof. José Borjas
  • 66.
    05/04/2022 66 Asig. PLC- Prof. José Borjas
  • 67.
    05/04/2022 67 Asig. PLC- Prof. José Borjas
  • 68.
    05/04/2022 68 Asig. PLC- Prof. José Borjas
  • 69.
    05/04/2022 69 Asig. PLC- Prof. José Borjas
  • 70.
    05/04/2022 70 Asig. PLC- Prof. José Borjas
  • 71.
    05/04/2022 71 Asig. PLC- Prof. José Borjas