44
Tec. En Mecánica Automotriz Manuel Alberto Bautista Valiente
45
Tec. En Mecánica Automotriz Manuel Alberto Bautista Valiente
INTRODUCCIÓN
La caja de cambios es un elemento de transmisión que se interpone entre el motor y las ruedas para
modificar el número de revoluciones de las mismas e invertir el sentido de giro cuando las necesidades de la
marcha así lo requieran. Actúa, por tanto, como transformador de velocidad y convertidor mecánico de par.
Si un motor de explosión transmitiera directamente el par a las ruedas, probablemente sería suficiente para
que el vehículo se moviese en terreno llano. Pero al subir una pendiente, el par resistente aumentaría,
entonces el motor no tendría suficiente fuerza para continuar a la misma velocidad, disminuyendo esta
gradualmente, el motor perdería potencia y llegaría a pararse; para evitar esto y poder superar el par
resistente, es necesario colocar un órgano que permita hacer variar el par motor, según las necesidades de
la marcha. En resumen, con la caja de cambios se “disminuye” o “aumenta” la velocidad del vehículo y de
igual forma se “aumenta” o “disminuye” la fuerza del vehículo.
Como el par motor se transmite a las ruedas y origina en ellas una fuerza de impulsión que vence la
resistencia que se opone al movimiento, la potencia transmitida (Wf) debe ser igual, en todo momento, a la
potencia absorbida en llanta.
Este informe tiene como finalidad conocer el funcionamiento de un Sistema de transmisión automática o
caja de cambios automática, elementos componentes, tipos de mecanismos de control y sus distintas
clasificaciones.
El automóvil en la actualidad se ha convertido en un complemento indispensable de nuestras vidas. El
parque automovilístico mundial se ha desarrollado de una manera espectacular a lo largo de la segunda
mitad del siglo xx, llegando a pasar de 63 a los más de 500 millones de automóviles que circulan por nuestro
planeta. Desde que en 1910 la empresa Ford puso en marcha la primera cadena de producción en serie en
los estados unidos con su modelo ¨t¨, la industria del automóvil no ha parado de mejorar y perfeccionar este
medio de transporte gracias a los continuos logros tecnológicos que así lo han permitido.
En este manual toca el turno de mención a las cajas de cambios automáticas llamadas también
transmisiones automáticas (esto es según su localización y forma de trabajo) las cuales aparte de comodidad
en el manejo del automóvil han servido de puente para una infinidad de descubrimientos tecnológicos
desarrollados a partir de la necesidad de mejorar las mismas.
Toda la información que usted obtendrá tiene la finalidad de despejar la mayoría de las dudas más comunes
que surgen en cuanto a lo que transmisiones automáticas se refiere.
46
Tec. En Mecánica Automotriz Manuel Alberto Bautista Valiente
OBJETIVOS
OBJETIVO GENERAL: Al concluir el estudio de este módulo los participantes serán capaces de realizar las
distintas estrategias de Diagnostico Electrónico en las transmisiones Automáticas del Automóvil de mayor
circulación en nuestro territorio, tomando en cuenta las características propias de estas y las
especificaciones técnicas de los fabricantes, sin olvidar las medidas de seguridad en cada caso.
OBJETIVOS ESPECÍFICOS: AI finalizar el modulo el participante estará en la capacidad de:
 Identificar y conocer las herramientas y equipo para el diagnóstico de las Transmisiones, y
considerar como están constituidas en el vehículo con la ayuda del equipo necesario empleado en
el taller automotriz.
 El alumno podrá identificar, los componentes de la transmisión de un vehículo según lo adquirido
en clases para poder describir la constitución del mismo.
 Diagnosticara los distintos componentes electrónicos de la transmisión en el vehículo.
47
Tec. En Mecánica Automotriz Manuel Alberto Bautista Valiente
HISTORIA DE LA TRANSMISION AUTOMATICA
El desarrollo de la transmisión automática se remonta a los primeros años de la década de 1930, aunque la
primera transmisión automática verdadera (que no necesita embrague) no apareció en las líneas de
producción sino hasta 1939. Su historia se origina en el Ford modelo T, cuyo engranaje planetario operaba
con el pie, tomo parte en la impulsión de Mas de 15 millones unidades que salieron de la línea de montaje
entre1908 y 1927. También ayudaron los logros de otras compañías: el trabajo de Chrysler sobre impulsión
hidráulica y el desarrollo del sistema de control hidráulico por General Motors, así como su convertidor de
Par como los más significativos.
Fue la división Hidra-Matic de General Motors, anteriormente la Detroit Transmisión división, la que
inicialmente completo la primera transmisión totalmente automática en modelos de línea, en Octubre de
1939, seis meses después de haberse formado esa división. Sus transmisiones fueron fabricadas para los
Oldsmobile. Un ano después, Hidra-Matic producía unas 220 transmisiones diarias, y comenzaron los
embarques para Cadillac. Las transmisiones automáticas se usaron en algunos vehículos militares durante
los anos de la guerra, y su continuo desarrollo condujo al convertidor de Par, un ingenioso acoplamiento de
impulsión, hidráulico, que casi no transmitía par a bajas velocidades del vehículo, pero a velocidad de
crucero era un acoplamiento hidráulico muy eficiente.
Para 1950, todos los principales fabricantes de automóviles ofrecían transmisiones automáticas, y poco
tiempo después en muchos modelos se ofrecía como equipo estándar.
Así podemos decir que los principales elementos de la transmisión automática –el acoplamiento hidráulico,
los engranajes planetarios y los sistemas de control hidráulico- aparecieron en los últimos años de la década
de 1940. Desde entonces, los ingenieros han cambiado el diseño, aplicación y ubicación de esos elementos,
pero no han hecho cambios de importancia o adiciones a los elementos mismos. Ha habido otros
desarrollos, como el cambio de velocidades controlado por computadora, que apareció en los primeros años
de la década de 1980, pero el cambio automático mismo, desde el punto de vista del conductor, ha
cambiado poco desde 1948.
48
Tec. En Mecánica Automotriz Manuel Alberto Bautista Valiente
OPERACIÓN DE LA TRANSMISIÓN AUTOMÁTICA
Funcionamiento
Cuando el motor gira, el aceite contenido en la carcasa
es impulsado por la bomba, proyectándose por su
periferia hacia la turbina, en cuyos alabes incide
paralelamente al eje. Dicho aceite es arrastrado por la
propia rotación de la bomba o rotor conductor,
formándose así un torbellino tórico.
La energía cinética del aceite que choca contra los
alabes de la turbina, produce en ella una fuerza que
tiende a hacerla girar.
Cuando el motor gira a ralentí, la energía cinética del aceite es pequeña y la fuerza transmitida a la turbina
es insuficiente para vencer el par resistente. En estas condiciones, hay un resbalamiento total entre bomba y
turbina con lo que la turbina permanece inmóvil. El aceite resbala por los alabes de la turbina y es devuelto
desde el centro de ésta al centro de la bomba, en donde es impulsado nuevamente a la periferia para seguir
el ciclo.
A medida que aumentan las revoluciones del motor, el torbellino de aceite se va haciendo más consistente,
incidiendo con más fuerza sobre los alabes de la turbina. Esta acción vence al par resistente y hace girar la
turbina, mientras se verifica un resbalamiento de aceite entre bomba y turbina que supone el acoplamiento
progresivo del embrague.
Cuando el motor gira rápidamente desarrollando su par máximo, el aceite es impulsado con gran fuerza en
la turbina y ésta es arrastrada a gran velocidad sin que exista apenas resbalamiento entre ambas (éste suele
ser de un 2 % aproximadamente con par de transmisión máximo).
49
Tec. En Mecánica Automotriz Manuel Alberto Bautista Valiente
COMPONENTES DE LA TRANSMISION AUTOMATICA
Mecanismo de Cambio
Cuando se usa la palanca de cambios, este mecanismo
cambia el circuito hidráulico en el sistema de control
hidráulico de acuerdo con la posición de la palanca de
cambios que se está moviendo hacia un engranaje para
adelante, marcha atrás o estacionamiento o parada.
La mayoría de las transmisiones automáticas permiten
seleccionar mecánicamente entre un conjunto de
rangos de marchas, que como mínimo comprenden el
siguiente orden:
1) "P" (Parking) de estacionamiento en la que no hay transmisión de fuerza, y además bloquea el eje de
salida de la transmisión mecánicamente.
2) "R" (Reverse) para marcha atrás.
3) "N" (Neutral) En la cual no hay transmisión de fuerza, equivale al punto muerto de un cambio manual.
4) "D" (Drive) Para marcha hacia adelante, en la cual entran todas las desmultiplicaciones, desde la primera
hasta la cuarta, quinta o más según el fabricante.
Además de estas 4 posiciones, es muy frecuente:
5) "S" (Sport) de funcionamiento similar a la posición "D" pero con cambios más rápidos, bruscos y a unas
revoluciones mayores.
6) "L" (Low) Para impedir que entren las marchas más largas, sólo primera y segunda, en caso de fuertes
pendientes, además permite retener al bajar las mismas pendientes. En algunos fabricantes se sustituye la
"L" por "3", "2", "1" dependiendo del fabricante en las cuales se obliga a mantener como máximo la
desmultiplicación mayor.
7) "M" (Manual) Suele encontrarse al
lado de la posición "D" en la cual los
movimientos de la palanca, marcados
con "+" y con "-", permiten subir y bajar
de marchas a voluntad, con la cual hay
además posibilidad de retención en los
descensos.
8) "W" (Winter) No es muy común y
menos como posición. Se puede
encontrar como un funcionamiento
especial de la posición "D" en la cual la
salida y los cambios de marcha se
realizan de forma más suave para evitar
que las ruedas patinen cuando el suelo
se encuentra con escaso agarre.
Como dispositivo de seguridad, el
accionamiento del motor de arranque
sólo es posible en "P" y en "N", siendo
incluso imposible en vehículos recientes sacar la llave del contacto si no está la palanca en "P", o sacar la
palanca de "P" con el motor parado si no se mantiene el freno pisado.
50
Tec. En Mecánica Automotriz Manuel Alberto Bautista Valiente
Convertidor del Par
Consiste en un impulsor de bomba y en un
rodete de turbina, que se encara uno frente al
otro, y un estator que se coloca entre ellos.
Este es llenado con aceite. Cuando el impulsor
de bomba, que es conectado directamente al
cigüeñal del motor, gira el aceite en el
convertidor del torque es dirigido bajo
presión al rodete de turbina, causando la
rotación y la transmisión de la potencia.
Funcionamiento
Al girar la bomba accionada directamente por
el movimiento del cigüeñal, el aceite se
impulsa desde la rueda de bomba hasta la
rueda turbina. A la salida de ésta el aceite
tropieza con los alabes del reactor que tienen
una curvatura opuesta a los de las ruedas de
bomba y turbina. Esta corriente de aceite
empuja al reactor en un giro de sentido contrario al de la bomba y la turbina. Como el reactor no puede
realizar ese giro ya que está retenido por la rueda libre, el aceite se frena y el empuje se transmite a través
del aceite sobre la bomba. De esta forma mientras exista diferencia de velocidad de giro entre la bomba y la
turbina el momento de giro (par) será mayor en la turbina que en la bomba. El par cedido por la turbina será
pues la suma del transmitido por la bomba a través del aceite y del par adicional que se produce por
reacción desde el reactor sobre la bomba y que a su vez es transmitido de nuevo sobre la turbina. Cuanto
mayor sea la diferencia de giro entre turbina y bomba mayor será la diferencia de par entre la entrada y la
salida del convertidor, llegando a ser a la salida hasta tres veces superior.
Conforme disminuye la diferencia de velocidad va disminuyendo la desviación de la corriente de aceite y por
lo tanto el empuje adicional sobre la turbina con lo que la relación de par entre salida y entrada va
disminuyendo progresivamente.
Cuando las velocidades de giro de turbina
e impulsor se igualan, el reactor gira
incluso en su mismo sentido sin
producirse ningún empuje adicional de
forma que la transmisión de par no se ve
aumentada comportándose el
convertidor como un embrague
hidráulico convencional. A esta situación
se le llama
"punto de embrague"
La ventaja fundamental del convertidor
hidráulico de par sobre el embrague
hidráulico es que el primero permite, en
situaciones donde se necesita mayor
tracción como subida de pendientes o
arranques, el movimiento del reactor con lo que el par transmitido se ve aumentado respecto al
proporcionado por el motor en caso de necesidad. Además el convertidor hidráulico amortigua a través del
aceite cualquier vibración del motor antes de que pase a cualquier parte de la transmisión.
A pesar de ser el convertidor hidráulico un transformador de par, no es posible su utilización de forma
directa sobre un vehículo ya que en determinadas circunstancias de bajos regímenes de giro tendría un
51
Tec. En Mecánica Automotriz Manuel Alberto Bautista Valiente
rendimiento muy bajo. Además no podría aumentar el par más del triple. Todo esto obliga a equipar a los
vehículos, además de con un convertidor, con un mecanismo de engranajes planetarios que permitan un
cambio casi progresivo de par.
Unidad de Engranaje Planetario
También llamado "engranaje epicicloidal", son
utilizados por las cajas de cambio
automáticas. Estos engranajes están
accionados mediante sistemas de mando
normalmente hidráulicos o electrónicos que
accionan frenos y embragues que controlan
los movimientos de los distintos elementos de
los engranajes.
La ventaja fundamental de los engranajes
planetarios frente a los engranajes utilizados
por las cajas de cambio manuales es que su
forma es más compacta y permiten un reparto
de par en distintos puntos a través de los
satélites, pudiendo transmitir pares más
elevados. En el interior (centro), el planeta gira en torno de un eje central.
Los satélites engranan en el dentado del piñón central. Además los satélites pueden girar tanto en torno de
su propio eje como también en un circuito alrededor del piñón central.
Los satélites se alojan con sus ejes en la porta satélites. El porta satélites inicia el movimiento rotatorio de
los satélites alrededor del piñón central; con ello, lógicamente, también en torno del eje central.
La corona engrana con su dentado interior en los satélites y encierra todo el tren epicicloidal. El eje central
es también centro de giro para la corona. La unidad de engranaje planetario está configurada por tres tipos
de engranaje: el Engranaje Anular, el Engranaje Piñón, y el Engranaje Planetario. El cambio se realiza a través
del cambio de la combinación de los engranajes que está a la entrada, del engranaje que está a la salida y
del engranaje fijado.
RELACION DE UN TREN EPICICLOIDAL
Las relaciones que se pueden obtener en un tren epicicloidal dependen de si ante una entrada o giro de uno
de sus elementos existe otro que haga de reacción. En función de la elección del elemento que hace de
entrada o que hace de reacción se obtienen cuatro relaciones distintas que se pueden identificar con tres
posibles marchas y una marcha invertida. El funcionamiento de un tren epicicloidal es el siguiente:
* 1ª relación: si el movimiento entra por el planetario y se frena la corona, los satélites se ven arrastrados
por su engrane con el planetario rodando por el interior de la corona fija. Esto produce el movimiento del
porta satélites. El resultado es una desmultiplicación del giro de forma que el porta satélites se mueve de
forma mucho más lenta que el planetario o entrada.
* 2ª relación: si el movimiento entra por la corona y se frena el planetario, los satélites se ven arrastrados
rodando sobre el planetario por el movimiento de la corona. El efecto es el movimiento del porta satélites
con una desmultiplicación menor que en el caso anterior.
* 3ª relación: si el movimiento entra por el planetario y, la corona o el porta satélites se hace solidario en su
movimiento al planetario mediante un embrague entonces todo el conjunto gira simultáneamente
produciéndose una transmisión directa girando todo el conjunto a la misma velocidad que el motor.
* 4ª relación: si el movimiento entra por el planetario y se frena el porta satélites, se provoca el giro de los
planetarios sobre su propio eje y a su vez estos producen el movimiento de la corona en sentido contrario,
invirtiéndose el sentido de giro y produciéndose una desmultiplicación grande.
52
Tec. En Mecánica Automotriz Manuel Alberto Bautista Valiente
Relación Corona Planeta Porta satélites Desmultiplicación
1ª Fija Salida de fuerza Impulsión Grande
2ª Salida de fuerza Fijo Impulsión Menor
3ª Fija Fijo Salida de fuerza Sin desmultiplicación
4ª Impulsión Salida de fuerza Fijo Inversión de giro
Sistema de Control Hidráulico
EI sistema de control hidráulico envía la presión hidráulica necesaria para los cambios de los engranajes a la
unidad del engranaje planetario de acuerdo con el incremento o disminución en la velocidad del vehículo y
en razón a la cantidad de presión que se ejerce sobre el pedal del acelerador.
Embrague hidráulico
El paquete de embragues es una combinación
de discos metálicos con espigas y discos de
materiales de fricción con sus dientes de
enganche.
Estos materiales pueden ser de varios
componentes y contener diversos sistemas de
canales de escurrimiento, enfriamiento y
ventilación. Cada diseño tiene un coeficiente
de fricción especial para brindar una
característica especial a la transmisión, sea
cambios suaves, alto torque, alta carga, etc.
Este diseño es determinado por el fabricante
del vehículo o equipo pesado de acuerdo al
comportamiento y vida útil que quieren los
ingenieros de fábrica.
Una de las ventajas de la transmisión automática es que el conductor u operario no puede abusar de los
embragues como lo hacen con los embragues manuales. El control de los embragues y su eficiencia es fijado
por las computadoras y el aceite.
El número de embragues, tal como el número de satélites varía de acuerdo a la cantidad de velocidades en
cada transmisión. Los más simples son de 2 o 3 velocidades, mientras que los más sofisticados son de 6
velocidades.
Por lo que cada uno de estos materiales tiene un coeficiente de fricción diferente, y frecuentemente son
accionados a distintas presiones hidráulicas, las exigencias a los aceites son extremas. Si el aceite es muy
viscoso, no escurre o no escurre una vez que los embragues tengan un poco de desgaste. Si el aceite está
oxidado o permite la formación de barniz, no mantiene la misma fricción, “pegando” los discos o evitando su
frenado. El barniz o aceite oxidado que haya penetrado o cubierto el disco puede ser disuelto por un aditivo
acondicionador o a veces con dos cambios de aceite de buena calidad.
Uno de los problemas que encontramos es que los mecánicos empíricos y lúbricos frecuentemente colocan
aceite SAE 80W-90 GL-5 en las transmisiones automáticas, pensando que todas las transmisiones son
iguales. El paquete de aditivos de extrema presión
(azufre/fósforo) de estos aceites “penetra” en los discos y no sale más. Esto requiere una reparación y
cambio de embragues, bandas y válvulas dañadas.
53
Tec. En Mecánica Automotriz Manuel Alberto Bautista Valiente
El sistema hidráulico
El sistema hidráulico es el corazón del sistema. Esta pasa presiones a los embragues y las bandas para
accionarlas y debe hacerlo con precisión. Los sensores de temperatura, presión, contra presión y velocidad
tienen que mandar las señales correctas en el momento preciso.
Mostramos el esquema típico de una transmisión. El aceite tiene que ser bien “delgado”, sin aditivos
agresivos que formen capas químicas sobre los sensores. Debe que tener bastante detergente para
mantener el sistema libre del barniz que evite el trabajo eficiente de las válvulas.
El nivel de aceite es crítico. Para revisarlo hay que calentar la transmisión y medir siempre en Neutro o “P”.
El exceso de aceite es tan perjudicial como la escasez. En el gráfico podemos ver el efecto de la temperatura
en el nivel de aceite, este muestra el nivel de aceite desde 70° F (21° C) cuando está “frío”, y 180° F (82° C)
en operación. Si medimos el aceite en frío o una temperatura intermediaria, tenemos que considerar esta
diferencia. Cualquier diferencia causará la formación de espuma, desgaste y pérdida de fuerza.
SISTEMA DE TRANSMISIÓN AUTOMÁTICA CONTROLADA
ELECTRÓNICAMENTE
El modulo de control del tren de potencia (PCM) es la computadora que funciona como el cerebro de la
transmisión automática controlada electrónicamente. El PCM recibe entradas electrónicas de varios
sensores del vehículo y procesa esta información para determinar las condiciones de operación del vehículo.
Dependiendo de estas condiciones de operación el PCM controla lo siguiente:
1) Los cambios ascendentes y descendentes operando un par de solenoides de cambios en una secuencia
ON/OFF.
2) La calidad de cambio de la transmisión, controlando electrónicamente al solenoide de control de presión.
(PCS) el cual ajusta la presión de línea.
54
Tec. En Mecánica Automotriz Manuel Alberto Bautista Valiente
3) El tiempo de aplicación y liberación del embrague del convertidor de par y en algunas aplicaciones la
sensación de aplicación del TCC, por medio de control de solenoide del embrague del convertidor de par o
solenoide dependiendo de la aplicación.
El control electrónico de estas características de
operación de la transmisión proporciona calidad y
puntos de cambios consistentes y precisos, y calidad de
cambio basados en las condiciones de operación del
vehículo.
En este sistema, las funciones del sistema de control
hidráulico son controladas por un ordenador. Las
señales eléctricas salen por sensores que detectan el
grado en el cual el pedal del acelerador está siendo
presionado, la velocidad del vehículo, la posición del
cambio y otras cuantas condiciones. El ordenador
analiza y juzga estas señales eléctricas y controla las
válvulas interiores del sistema de control hidráulico,
abriendo o interrumpiendo el flujo hidráulico y realizando así, de este modo, los cambios de engranajes.
Señal de entrada:
Función
sensor del regulador
sensor de vacío (carb)
Detecta la abertura del regulador y determina el punto de cambio, la presión de línea y la
velocidad del vehículo en enclavamiento, de acuerdo con la carga del vehículo.
Sensor de velocidad
del vehículo 1 (montado
en la transmisión)
Detecta la velocidad del vehículo. Esta señal se emplea para controlar el cambio,
enclavamiento, presión de línea y embrague de caja de renvío.
Sensor de velocidad del
vehículo 2 (incorporado
en el medidor )
FWD…Utilizando como refuerzo en caso de fallo del sensor de revoluciones del vehículo 1.
4WD…Utilizando para controlar el embrague de caja de renvío y como refuerzo en caso de
fallo del sensor del vehículo 1.
Revoluciones del motor Detecta la velocidad del motor. Esta señal se emplea para suavizar el embrague de
enclavamiento, controlar el enclavamiento y para evitar que el motor se sobre revolucione en
las gamas ´´2´´ y ´´1´´.
Interruptor inhibidor Se emplea para determinar el cambio y la presión de línea las gamas respectivas ´P´´, ´R´´, ´N´´
´´D´´, ´´3´´, ´´2´´, ´´1´´.
Interruptor de marcha
en vacío (I/D)
Detecta el cierre del regulador. Esta señal se emplea para liberar el enclavamiento y para
controlar la presión de línea.
Interruptor de crucero
(Control de crucero).
Detecta el funcionamiento del control de crucero y amplia la gama de operación “4at”
Sensor de
temperatura ATF
Detecta la temperatura de ATF. Esta señal se emplea para inhibir el enclavamiento, liberar la
directa y detectar la temperatura de ATF.
Interruptor manual Se emplea para mantener la transmisión en la gama seleccionada, 2da., 3ra., al subir o bajar
cuestas inclinadas, al circular sobre arena, barro, o superficies deslizantes.
Interruptor de
economía
Cuando esta interruptor está en ´´ON´´, se fija un patrón de cambio en modo económico para
mejorar el consumo de combustible.
Interruptor de FWD Se emplea para cambiar el modo 4WD a FWD. También se usa para adaptar el vehículo al
rodillo comprobador de FWD. El cambio de 4WD a FWD puede completarse insertando un
fusible en el porta fusibles. (Sólo para 4WD).
55
Tec. En Mecánica Automotriz Manuel Alberto Bautista Valiente
Señal de ABS Al operar el ABS, para mejorar el control del ABS, el par del embrague de caja de renvío se
controla para eliminar la influencia de la reducción con el motor y para reducir el grado de
acoplamiento entre las ruedas delanteras y traseras.
Interruptor de
Aceleración
forzada
Detecta la abertura del regulador. Esta señal se emplea para controlar la aceleración forzada
Señal de salida:
Componentes de Control Electrónico de la Transmisión
Relé de control de la transmisión.
El relé de la transmisión se localiza en el centro de distribución de
tensión (PDC), del lado izquierdo del compartimiento del motor.
Funcionamiento:
El relé recibe voltaje de la batería (+) protegida por fusible y se excita
desde el TCM. Se utiliza para suministrar alimentación al conjunto de
solenoides cuando la transmisión esta en el modo de funcionamiento
normal.
Nombre de la señal Función
Solenoides de cambio 1,
2
Controlan la etapa del cambio alternando el solenoide a ON/ OFF. La relación entre la operación de
los solenoides y la etapa del cambio se muestra n la tabla siguiente. Al cambiar, se control la
sincronización de cada solenoide para reducir el impacto.
Solenoide de cambio 3
( embrague de libre)
Controla la sincronización del cambio 3-2 y la operación del embrague de rueda libre. La
sincronización del cambio se controla controlando la velocidad de liberación de la presión de aceite
para reducir el impacto al reducir velocidad. Embrague de rueda libre se controla para que actúe el
desembrague para la retención con el motor.
Solenoide de servicio A
( presión de línea)
Regula la presión de línea de acuerdo con las condiciones de conducción.
Solenoide de servicio B
(presión de línea)
Regula la presión hidráulica del embrague de enclavamiento y opera en tres modalidades (abierto,
suave y enclavado).
Solenoide de servicio C
(presión de caja de
renvío)
Regula la presión hidráulica del embrague de caja de renvío y controla la fuerza motriz al eje
impulsor posterior.
Luz indicadora de
´´Potencia´´
Indica si el patrón del cambio está en ´´Normal´´ o en ´´Potencia´´. El indicador se enciende en el
modo ´´potencia´´. Esta luz también se emplea para el ´´autodiagnóstico´´.
Luz de aviso de
temperatura ATF
Se enciende cuando se calienta el ATF (cuando excede un nivel fijado de temperatura). (Sólo para
4WD).
Luz piloto FWD. Se enciende cuando el fusible esta en el conector FWD.
56
Tec. En Mecánica Automotriz Manuel Alberto Bautista Valiente
Cuando el relé esta en OFF (desactivado), no se suministra potencia al conjunto de solenoides y la
transmisión esta en modo de fallo. Después de un restablecimiento del controlador (llave de encendido en
la posición
RUN o después de hacer girar el motor),el TCM excita el relé. Antes de esto, el TCM verifica que todos los
contactos estén abiertos, comprobando que no haya voltaje de los conmutadores de presión del conjunto
de solenoides. Después de la excitación del relé, el TCM verifica los terminales para comprobar que el
voltaje este por encima de 3 voltios.
Conmutadores de presión
El TCM se basa en tres conmutadores de presión para verificar la presión de líquido en los circuitos
hidráulicos de L/R (baja y marcha atrás), 2-4 y OD (sobremarcha). El propósito primario de estos
conmutadores es ayudar Al TCM a detectar cundo se producen fallos de circuito hidráulicos de embrague.
La escala para los puntos de cierre y abertura del conmutador de presión es de 76-158 kPa (11-23 psi).
Generalmente el punto de abertura del conmutador será mas menos de 7 kPa (1psi) menor que el punto de
cierre. Por ejemplo, un conmutador puede cerrar a 124 kPa (18psi) y abrirse al 117 kPa (17psi).
El TCM verifica constantemente los estados correctos (apertura o cierre) de los conmutadores en cada
cambio, según se indica en el cuadro siguiente:
Estado De conmutadores de presión
Engrane Baja y marcha atrás 2-4 sobremarcha
R Abierto Abierto Abierto
P/N Cerrado Abierto Abierto
1 Cerrado Abierto Abierto
2 Abierto Cerrado Abierto
57
Tec. En Mecánica Automotriz Manuel Alberto Bautista Valiente
D Abierto Cerrado Cerrado
SOBREMARCHA Abierto Cerrado Cerrado
Sensor de escala de posiciones de la transmisión
El sensor de posición de la transmisión (TRS) esta montado en
la parte superior del cuerpo de válvulas dentro del transeje; el
servicio puede realizarse únicamente retirando el cuerpo de
válvulas. El conector eléctrico se extiende a través de la caja
del transeje.
El sensor de posición de la transmisión (TRS) tiene 4 contactos
de conmutador que controlan la posición de la palanca de
cambios y envía información al TCM. El TRS tiene también un
sensor de temperatura integrado que comunica la
temperatura del transeje al TCM y al PCM.
Funcionamiento:
El TRS comunica ala TCM la posición de la palanca de cambios (SLP), como una combinación de
conmutadores abiertos y cerrados. Cada posición de la palanca de cambios tiene asignada una combinación
de estados de conmutadores que recibe el TCM provenientes de los cuatros circuitos de detección. El TCM
interpreta esta información y determina la posición de los engranes del transeje y la programación de los
cambios apropiada.
Estados de conmutación de TRS.
Posición de la
palanca de cambios T42 T41 T3 T1
P Cerrado Cerrado Cerrado Abierto
R Cerrado Abierto Abierto Abierto
N Cerrado Cerrado Abierto Cerrado
SOBREMARCHA Abierto Abierto Abierto Cerrado
3 Abierto Abierto Cerrado Abierto
L Cerrado Abierto Cerrado Cerrado
58
Tec. En Mecánica Automotriz Manuel Alberto Bautista Valiente
Sensor del regulador o posición del acelerador
El sensor del regulador de acelerador proporciona señales eléctricas correspondientes a la abertura del
regulador. La abertura del regulador y la velocidad de accionamiento del acelerador son detestadas por la
salida del Sensor de regulador.
Sensor de temperatura de la transmisión (ATF)
Este sensor va montado en la válvula de control de la transmisión. Detecta el cambio de temperatura como
una señal eléctrica analógica.
Este sensor sirve para controlar la temperatura de la transmisión. Puesto que la temperatura del líquido
puede afectar a la calidad de los cambios de la transmisión y el bloqueo de l convertidor, el TCM requiere
esta información para determinar en que programación de los cambios debe funcionar.
El PCM verifica también estos datos de temperatura a fin de excitar los ventiladores de refrigeración del
vehículo cuando se produce una condición de recalentamiento de la transmisión.
Sensor de velocidad – entrada.
Este sensor de velocidad de impulsión es un dispositivo
fonocaptador magnético de dos cables que genera señales de
CA mientras gira. Esta roscado dentro de la caja del transeje,
sellado con un anillo y se considera una entrada fundamental al
modulo de control de la transmisión (TCM)
Funcionamiento:
El sensor de velocidad de impulsión proporciona información
acerca de la velocidad a la que gira el eje impulsor. A medida
que los dientes de la maza del embrague de impulsión pasan
59
Tec. En Mecánica Automotriz Manuel Alberto Bautista Valiente
por la bobina del sensor, se genera voltaje corriente alterna que recibe el TCM. El TCM interpreta esta
información como las rpm del eje impulsor.
El TCM compara la señal de velocidad de transmisión para
determinar lo siguiente:
 Relación de engrane de la transmisión.
 Detección de error de relación de velocidades.
 Calculo de CVI (índice de volumen del embrague).
El TCM también compara la señal de velocidad de
impulsión y la señal de velocidad del motor para
determinar lo siguiente:
 Resbalamiento de embrague del convertidor de
par.
 Relación de velocidades de los elementos del
convertidor de par.
Sensor de velocidad – salida
Este sensor de velocidad de impulsión es un
dispositivo fonocaptador magnético de dos cables
que genera señales de CA mientras gira. Esta roscado
dentro de la caja del transeje, sellado con un anillo y
se considera una entrada fundamental al modulo de
control de la transmisión (TCM)
Funcionamiento:
Este sensor proporciona información sobre la
rapidez sobre la rapidez con que gira el eje
transmisor. A medida que las orejas del trinquete de
estacionamiento de la caja de satélites trasera pasa
por la bobina del sensor, se genera voltaje de CA que recibe el TCM
El TCM compara las señales de velocidad de impulsión y transmisión para determinar lo siguiente:
• Relación de engranes de la transmisión.
• Detección de error de relación de velocidades
• Calculo de CVI
60
Tec. En Mecánica Automotriz Manuel Alberto Bautista Valiente
Sensor de velocidad del vehículo VSS.
Este sensor proporciona al PCM una señal que corresponde a la velocidad del vehículo .El VSS esta montado
en la carcasa de la transmisión. El rotor del sensor VSS esta montado en el eje de salida o en el diferencial.
Por lo tanto el rotor del sensor VSS siempre esta girando a la velocidad
del vehículo.
A medida que el rotor gira, los dientes del rotor pasan enfrente del imán
del sensor Esta acción genera un impulso de corriente alterna en el
sensor, el cual es interpretado por el PCM como velocidad del vehículo,
los dientes del rotor pasan mas beses en frente del imán en un
determinado tiempo, generando mas pulsos de CA El PCM interpreta
este incremento en frecuencia como un incremento en la velocidad del
vehículo.
61
Tec. En Mecánica Automotriz Manuel Alberto Bautista Valiente
Sensor de presión absoluta del múltiple de admisión (MAP)
El sensor MAP mide los cambios relativos a la presión de múltiple
de admisión que son el resultado de los cambios en la velocidad y
carga del motor, Estos cambios son monitoreados por el PCM
con el fin de ajustar la presión de línea y secuencia de cambio.
Luz indicadora de potencia (POWER)
El vehículo equipado con la transmisión automática es capas de
seleccionar automáticamente dos patrones de conducción; un
patrón normal apropiado para la conducción ordinaria y un
patrón de potencia, apropiado para conducir subiendo cuestas o
acelerar rápidamente. La luz de indicador de potencia se
enciende cuando selecciona el patrón de potencia. Consulte la tabla siguiente:
Posición
palanca
selectora
Cambio del patrón normal
Al patrón de potencia
Luz indicador de potencia
ON/OFF
Gama d, 3, 2 El patrón se cambia automáticamente de
acuerdo con la pisada del pedal del
acelerador
Patron “Normal”: OFF
Patron “power”: ON
Tipos de mecanismo de control
Control de la transmisión:
Control de
cambio de
velocidad.
Control de cambio norma ·
Patrón normal ·
Patrón de potencia
Para cada gama se fijan cambios a mayor y reducciones, posición
de velocidad y patrón, de acuerdo con la abertura del regulador
y la velocidad del vehículo.
Control con ABS La velocidad de bloquea en posición de 3ra. Cuando entra la
señal de ABS.
Control con controlador de
crucero
Cuando se activa el controlador de crucero, se amplia la gama
operativa de la 4ta. Velocidad.
Control de baja
temperatura de ATF
Se evita el cambio a 4ta. Cuando la temperatura de ATF está por
debajo del valor prestablecido.
62
Tec. En Mecánica Automotriz Manuel Alberto Bautista Valiente
Control manual La velocidad se mantiene en la gama seleccionada cuando el
interruptor manual está en ON. (Sólo en las gamas 2 y 3).
Control de caja de renvío
ordinario
Se regula la presión del aceite de caja de renvío de acuerdo
con el ángulo de abertura del regulador y la velocidad del
vehículo.
Control de
enclavamiento
Control de enclavamiento
normal
 ´´Normal´´ : sólo en la
gama ´´D´´
 ´´Potencia´´ : gamas R,
3, 2
Para cada gama, posición de la velocidad y patrón, se fija el ON/
OFF de enclavamiento, de acuerdo con la abertura del regulador
y la velocidad del vehículo. (Básicamente, el enclavamiento está
en OFF durante el cambio de velocidades).
Control suave El enclavamiento suave se realiza cuando el enclavamiento está
en ON.
Control de
embrague
de rueda libre.
Control del freno de motor El embrague de rueda libre se acciona de acuerdo con las
señales de gama, velocidad de vehículo y controlador de
crucero, para aplicar apropiadamente la retención o freno con el
motor.
Control de sincronización 3-
2
Este control acelera la liberación de la presión del pistón servo
3R al reducir de 3ra. A 2da. Evitando así que el motor se acelere
demasiado.
Control de presión
de
Línea.
Control ordinario La presión de línea se regula de acuerdo con las señales de
abertura del regulador, velocidad del vehículo y gama.
Control de cambios de
velocidad
La presión de línea se reduce al cambiar, para disminuir el
impacto del cambio.
Control de arranque La presión de línea está al mínimo para reducir la carga de
arranque del motor.
Control de
selección
Del patrón
automático.
Control del patrón potencia
(la luz de POWER en ON)
El patrón de potencia se selecciona cuando la velocidad de
cambio de abertura de regulador excede el valor prefijado.
Control de patrón normal Cuando la abertura del regulador es menor del valor prefijado,
se continúa con el patrón normal.
Control de
sincronización del
cambio.
Control de etapa de cambio Se controla la sincronización ON/ OFF para el solenoide de
cambio.
Control de enclavamiento Al cambiar, se libera temporalmente el embrague de
enclavamiento.
Control del embrague de
rueda libre (3ra. A 2da. :
Pequeña abertura del
regulador al desembragar,
2da. A 1ra. : Al
desembargar).
Al reducir velocidades, se desconecta temporalmente el
embrague de rueda libre para reducir el impacto del cambio.
Control de presión de línea AL cambiar, se controla la presión de línea al nivel óptimo para
reducir el impacto del cambio.
63
Tec. En Mecánica Automotriz Manuel Alberto Bautista Valiente
Control del
embrague de
baja de renvío
de 4WD
Control de la gama 1ra. Se incrementa la presión de aceite de caja de renvío
Control de deslizamiento Inmediatamente después de detectar un deslizamiento o
patinazo, la presión de aceite se controla a la misma presión
que en gama de 1ra. (Este control se cancela si V 60km/ h
(37MPH), o cuando el regulador se cierra del todo).
Control de giro La presión de aceite de caja de renvío se reduce después de
detectar el giro.
Control de ABS La presión de aceite de caja de renvío se ajusta al nivel
fijado, inmediatamente después de recibir la señal de ABS.
UNIDAD DE CONTROL DE LA TRANSMISIÓN (TCU)
La TCU recibe varias señales de sensores y determina las condiciones
de marcha del vehículo. Luego envía señales de control a cada
solenoide de acuerdo con los datos de características de cambio de
velocidades preseleccionados, datos de operación de enclavamiento
y datos de par de embrague de la caja de renvío (régimen de
servicio).
Control del cambio
El cambio de velocidades se controla en respuesta a las condiciones
de conducción, de acuerdo con los datos característicos del punto de
cambio, como se muestra en el siguiente diagrama, almacenado en la TCU. Los solenoides se activan en el
momento adecuado correspondiente al patrón de cambios, abertura del regulador, y a la velocidad del
vehículo para cambiar suavemente.
Control de enclavamiento
Las condiciones de engranamiento y desengranamiento del enclavamiento se fijan para cada gama de
cambio de velocidades, posición de velocidad y patrón de cambio, y corresponden a la abertura del
regulador y a la velocidad del vehículo, y el solenoide de servicio es controlado electrónicamente por los
controles de la TCU
Sobre el embrague de enclavamiento. El engranamiento y desengranamiento del embrague de
enclavamiento se controlan mediante válvulas de control de enclavamiento (al engranar y desengranar).
La válvula de cambio de lanzadera D es accionada por la presión hidráulica de la válvula de cambio A.
Controla la posición de la válvula de enclavamiento para engranar o desengranar el embrague de
enclavamiento.
Solenoide
1
Solenoide
2
primer
a
o o
segund
a
x o
tercera x x
cuarta o x
64
Tec. En Mecánica Automotriz Manuel Alberto Bautista Valiente
Primera velocidad en gamas N, R Y P
Como no se genera presión operativa en la válvula de cambio A, la válvula de cambio de lanzadera D fija la
válvula de control de enclavamiento en la posición “desengranada”.
La presión de operación de enclavamiento (presión regulador de convertidor de par) actúa en el circuito de
desgranamiento del embrague de enclavamiento, mientras que el circuito de engranamiento se comunica
con el circuito del enfriador de aceite. Así pues, el embrague de enclavamiento se desengrana por diferencia
de presión.
Segunda, 3ra., 4ta velocidad
La presión operativa de generada por la válvula de cambio A se aplica a la válvula de cambio de lanzadera D,
que empuja la válvula de control de enclavamiento a la posición de engranamiento. Como se aplica presión
operativa de enclavamiento al circuito de engrane de engranamiento mientras se drena el circuito de
desengranamiento, el embrague de enclavamiento engrana por diferencia de presión (Control suave).
El solenoide de servicio B esta controlado por la TCU y controla la operación de la válvula de control de
enclavamiento. Como la presión operativa de enclavamiento esta controlada por la válvula de control de
enclavamiento, se controla para una mayor suavidad de operación del embrague. A l enclavarse, el
embrague se dispone de antemano en la operación de desembriagado. Después de esto la operación
operativa de enclavamiento se incrementa gradualmente para conseguir un enclavamiento suave.
65
Tec. En Mecánica Automotriz Manuel Alberto Bautista Valiente
66
Tec. En Mecánica Automotriz Manuel Alberto Bautista Valiente
Control de presión de línea
1) La presión de entrega de la bomba de aceite (presión de línea) se regula de acuerdo con la presión
piloto mediante la válvula piloto.
2) La presión piloto aplicada a la válvula del modificador de presión se regula mediante el solenoide
de servicio A que controla la presión de línea y se cambia a la presión de modificación de presión.
3) La válvula de modificación de presión es una válvula auxiliar de la válvula del regulador de presión y
crea una presión de señal (presión de modificador de presión) para regular la presión de línea a la
presión óptima correspondiente a las condiciones de conducción.
4) Esta presión de modificador de presión se aplica ala válvula de regulador de presión para controlar
la presión a la bomba de aceite.
5) La presión de entrega a la bomba de aceite se regula mediante a la presión apropiada (presión de
línea) correspondiente a la condición de conducción, para reducir perdidas de tiempo de impulso
de la bomba de aceite y el impacto de la aceleración.
6) La presión del modificador de presión regulada por la válvula del modificador de presión, se suaviza
por medio del acumulador modificador de presión, eliminándose la pulsación de la presión de línea.
67
Tec. En Mecánica Automotriz Manuel Alberto Bautista Valiente
Control de cambio de presión de línea
La presión de aceite que engrana los embragues de cambio (para proporcionar las velocidades de 1ra. A
4ta.) Se controla electrónicamente para cubrir diversas condiciones de operación.
En otras palabras, la presión de línea disminuye para coincidir con la posición seleccionada del cambio,
minimizando el impacto del cambio.
 Resumen de control electrónico de la presión de aceite del embrague.
1. Los solenoides son activados por la TCU que recibe varias señales de control
2. Las señales de control se convierten en presión de regulador, que se transmite a la válvula del
regulador de presión.
3. La válvula reguladora de presión regula óptimamente la presión de línea (creada por la bomba
de aceite) en respuesta a la presión sobre el acelerador, coincidiendo con las diversas
condiciones de operación.
Control de sección del patrón de cambio
El patrón de cambio es seleccionado automáticamente entre un patrón normal apropiado para una
conducción económica ordinaria y un patrón de potencia apropiado para subir cuestas o acelerar
rápidamente.
En el patrón de potencia, el punto de reducción de velocidades y el cambio de mayor se fija más alto que
para el patrón normal.
Al seleccionarse el patrón de potencia se enciente la luz indicadora de potencia del medidor.
Posición del
selector
Cambio de patrón normal a potencia Indicación del medidor
Gama d,3,2 Realizando automáticamente en
correspondencia al accionamiento del
pedal del acelerador
 patrón normal OFF
 patrón de potencia
ON
68
Tec. En Mecánica Automotriz Manuel Alberto Bautista Valiente
 Esto solo ocurre cuando el interruptor manual y el de economía están ambos conectados.
Patrón normal a patrón de potencia:
PALANCA SELECTORA GAMA D,3,2
VELOCIDAD DE ACCIONAMIENTO DEL PEDAL DEL
ACELERADOR MAYOR QUE EL VALOR FIJADO
Dependiendo de la abertura del regulador del acelerador y de la velocidad del vehículo, se fijan 16 áreas La
velocidad de accionamiento del pedal del acelerador se fija para cada área para el cambio de patrones.
Cuando la velocidad de accionamiento del pedal excede este valor fijado, el patrón cambia normal a
potencia.
Esto ocurre en la gama 3 ò 2, solo cuando el interruptor manual esta en OFF
El patrón de potencia cambia al patrón normal, dependiendo de la velocidad del vehículo. El cambio al
patrón normal esta determinado por la posición del regulador. El intervalo de tiempo al cambiar también
esta determinado por la velocidad del vehículo. El máximo intervalo es de 3 segundos.
CONTROL DE FRENO DE MOTOR
La TCU controla el solenoide de cambio correspondiente a señales de entrada tales como la de aberturas del
regulador, velocidad del vehículo, gama de cambios, y controlador de crucero para controlar
automáticamente la operación del embrague de ruede libre para aplicar positivamente el freno de motor.
1. En las gamas d y 3 el embrague de rueda libre se mantiene inoperante por la acción de la
válvula de cambio la lanzadera S cuando la abertura del regulador es grande. Con aberturas
más pequeñas, el embrague de rueda libre se engrana por la acción de solenoide de cambio 3.
2. En la gama 2, se engrana el embrague de rueda libre por la operación del solenoide de cambio
3. En la gama 1, se engrana el embrague de rueda libre respectivamente de la operación del
solenoide de cambio 3.
69
Tec. En Mecánica Automotriz Manuel Alberto Bautista Valiente
Control de caja de renvió
Cuerpo de la válvula de renvió acoplado a la cara lateral de la caja de extensión vía el segmento y una placa
separada.
El aceite hidráulico de la unidad de control de presión hidráulica de la caja de renvió y conducido desde el
circuito de presión de entrega de la bomba de aceite en la parte delantera de la caja de transmisión de la
caja de la transmisión .desde allí se sigue conduciendo la caja de extensión donde se suministra al circuito
hidráulico La unidad de control de la presión hidráulica de la caja de renvió tiene el del cuerpo de la válvula
de caja de renvió.
La presión de aceite hidráulico (presión de línea) se regula por medio de la válvula piloto de caja de renvió,
el solenoide de servicio c y la válvula de control de caja de renvió para obtener la distribución optima de par
trasero correspondientes a las condiciones de conducción.
1. La presión de línea regulada a la presión apropiada correspondiente a la condición de la
marcha se vuelve a regular a una presión piloto constante por medio de la válvula piloto de la
caja de renvío.
2. la presión piloto se regula la presión de servicio de caja de renvió mediante el solenoide de
servicio C cuyo régimen de servicio es controlada por la TCU correspondiente a la conducción
de marcha. (la presión de servicio de la caja de renvió varia con el grado de control de servicio).
3. La presión de servicio de caja de renvió se aplica a la válvula de control de la caja de renvió.
4. La presión de línea se conduce también a la válvula de control de caja de renvío en donde la
presión se regula a la presión del embrague de caja de renvió mediante la presión de la caja de
renvío. (la presión del embrague de caja e renvío varia con la presión de servicio de la caja de
renvío).
5. La presión del embrague de caja de renvío se aplica al embrague de caja de renvío y engrana el
embrague. De esta forma la presión del embragué de caja de renvío varia para poder obtener
la optima distribución del par trasero que corresponde a las condiciones de marcha del
vehículo.
70
Tec. En Mecánica Automotriz Manuel Alberto Bautista Valiente
Función y funcionamiento del mecanismo de selección de marchas
Interruptor inhibidor
 El interruptor inhibidor
proporciona seguridad al
arrancar el motor. Este
interruptor va montado en el
lado derecho de la caja de la
transmisión, y es accionado por
la palanca selectora de gama.
 Cuando la palanca selectora está
en “P” o “N”, se conecta el
circuito eléctrico del interruptor
inhibidor y se energiza el circuito
del motor de arranque para
arrancar el motor.
 Cuando la palanca selectora está
en las gamas “R”, “D”, “3”, “2”, o
“1”. Se desconecta el circuito
eléctrico del interruptor inhibidor.
Así no es posible arrancar el motor.
En la gama “R”, se cierre el circuito
de luz de marcha atrás en el
interruptor, y se enciende la luz de
marcha atrás.
 Además de esta función, el interruptor inhibidor incorpora un circuito para detectar la posición de
gama seleccionada y enviar la señal de gama al TCM.
Solenoides
Los solenoides reciben alimentación
eléctrica desde el relé de control de la
transmisión a través de un único cable. El
TCM excita o activa los solenoides
individualmente al poner a masa el cable
el cable de retorno del solenoide
necesario. Cuando se excita un solenoide,
la válvula solenoide conmuta, lo que
implica que abre o cierra un pasaje de
liquido (ventea o aplica), según sea su
estado de funcionamiento por defecto. El resultado es la aplicación o el retorno de un elemento de fricción.
Normalmente, los solenoides de 2-4 y submultiplicación están aplicados permitiendo, a raíz del diseño, que
el líquido pase a través de ellos cuando están en reposo o en posición OFF (desactivado). De este modo el
transeje puede entrar en modo de fallo (P, R, N, 2) en caso de producirse un fallo electrónico.
La continuidad de los solenoides y los circuitos se prueba periódicamente. Cada solenoide se activa o
desactiva según sea su estado actual. El TCM debe detectar un punto de descarga inductivo durante esta
71
Tec. En Mecánica Automotriz Manuel Alberto Bautista Valiente
prueba. En caso contrario, el circuito se prueba nuevamente para verificar el fallo. Además de la prueba
periódica, los circuitos de los solenoides se verifican al producirse un error de relación de velocidades o de
conmutador de presión.
Solenoides de regulación de la presión de línea
El solenoide de control de presión regula una alimentación de fluido (presión de línea) que afecta la presión
de fluida de la señal de par. Cuando es necesaria una alta presión para aplicar un embrague, el PCM
disminuye la corriente del PCS. Esta disminución de la corriente causa que el PCS incremente la presión de
fluido en la señal de par. El fluido de la señal de par es dirigido a la válvula reforzadora, moviéndola para
incrementar la presión de línea en la válvula reguladora de presión -. El incremento en la presión de línea
proporciona una aplicación rápida del embrague y una mayor fuerza de retención, también conocido como
una aplicación firme.
La presión de fluido de la señal de par también es dirigido a la válvula del acumulador de 1-2/ 3-4 para
ayudar a regular la presión del acumulador. Incrementando la presión del acumulador se cera un cambio
mas firme; por ejemplo durante aceleraciones severas.
El solenoide de control de presión esta conectado al PCM por medio de dos circuitos. El PCM usa un ciclo de
trabajo con el fin da variar la corriente que fluye a través del solenoide. La operación del solenoide de
control de presión es de la siguiente manera:
 A medida que disminuye la corriente del solenoide (el ciclo de trabajo se reduce), la presión
hidráulica en el circuito de línea aumenta.
 A medida que incrementa la corriente en el solenoide (el ciclo de trabajo se incrementa), la
presión hidráulica en el circuito de línea disminuye.
Si el solenoide no tiene alimentación de corriente, la presión hidráulica en el circuito de línea esta en su
máximo nivel.
El PCM monitorea los circuitos del solenoide de control de presión para detectar fallas.
Solenoide de cambio
Las trasmisiones automáticas controladas electrónicamente usan dos solenoides de cambio, de 1-2 y 2-3,
llamadas también Ay B para controlar la secuencia de cambio de la transmisión, los solenoides de cambio
son solenoides On/OFF localizados en los extremos de las válvulas.
Los solenoides permiten el escape del fluido cuando están en OFF o bloquean el fluido evitando que escape
cuando esta en ON. Cuando los solenoides están en ON, se crea una presión de fluido. El PCM opera a los
72
Tec. En Mecánica Automotriz Manuel Alberto Bautista Valiente
solenoides de cambio de una combinación de secuencia ON y OFF para controlar la posición de las válvulas
de cambios 1-2, 2-3, 3-4, El PCM cambia el estado ON /OFF de uno de los solenoides para cambiar
automáticamente la transmisión diferente.
Solenoide de cambio 1-2
El solenoide de cambio 1-2 recibe alimentación de energía cuando el interruptor de ignición esta la posición
Run. El PCM controla al solenoide proporcionándole una línea a tierra a través de un modulo controlador de
salida. El solenoide esta ON en 1era y 4ta velocidad.
El PCM monitorea los circuitos del solenoide de cambios 1-2 para detectar fallas.
Solenoide de cambio 2-3
El solenoide de cambios 2-3 recibe alimentación de energía cuando el interruptor de ignición está en la
posición de RUN. El PCM controla al solenoide proporcionándole una línea a tierra a través de un modulo
controlador de salida. El solenoide está ON en tercera y cuarta velocidad.
El PCM monitorea los circuitos del solenoide de cambio 2-3 para detectar fallas.
Solenoide de control de 3-2
En estas transmisiones el PCM usa un solenoide de control 3-2 para regular el escape del acumulador de
tercera. El solenoide de control de 3- 2 puede ser PWM u ON/OFF.
Durante el control electrónico, el solenoide regula la presión hidráulica de acuerdo al ciclo de trabajo,
permitiendo el escape parcial de fluido. El fluido hidráulico del solenoide de control de 3-2 posiciona a la
válvula de control 3-2 para regular el escape del circuito del acumulador de tercera, durante un cambio
descendente de 3-2. a bajas velocidades del vehículo, el ciclo de trabajo es bajo y permite que el escape de
fluido del acumulador de tercera sea mas rápido. A alta velocidades del vehículo, el ciclo de trabajo es
mayor y permite que el escape de fluido del acumulador sea más lento.
El solenoide de control de 3-2 recibe alimentación de energía cuando el interruptor de ignición esta en la
posición de RUN. El PCM controla al solenoide proporcionándole una línea a tierra a través de un modulo
controlador de salida. El solenoide puede estar en ON durante el cambio descendente de 3-2.
El PCM monitorea los circuitos del solenoide de cambios 2-3 para detectar fallas.
Solenoide de aplicación de la banda de primera y segunda velocidad
En algunas transmisiones el TCM usa un solenoide de aplicación de la banda de primera y segunda
velocidad. El solenoide se localiza en el cuerpo de válvula de control y controla el flujo de fluido del servo de
la banda .El TCM controla al solenoide con una señal moduladora por ancho de pulso. (PWM).
El solenoide de aplicación de la banda de primera y segunda velocidad recibe alimentación de energía del
TCM .El TVM controla el solenoide proporcionando una línea de tierra a través de un modulo de controlador
de salida. La banda siempre esta aplicada en primera y segunda velocidad.
El TCM monitorea los circuitos del solenoide de aplicación de la banda de primera y segunda velocidad para
detectar fallas.
73
Tec. En Mecánica Automotriz Manuel Alberto Bautista Valiente
Solenoide del embrague del convertidor
Dependiendo del diseño de la transmisión se puede
usar uno o dos solenoides TCC. El diseño básico usa un
solenoide TCC ON/OFF, que funciona de forma similar
a los solenoides recambios y simplemente controla el
tiempo de aplicación y liberación del TCC. Cuando el
solenoide esta en OFF, el fluido escapa a través del
solenoide y la fuerza del resorte mantiene a la válvula
del TCC en la posición de liberación. Cuando el
solenoide es energizado (ON) por el PCM, el fluido es
bloqueado evitando que escape. Con el escape de
fluido bloqueado, la presión del fluido se incrementa,
la válvula del TCC se mueve a la posición de aplicación
y el TCC es aplicado.
Solenoide del TCC modulado por ancho de pulso
(PWM)
El solenoide del TCC modulado por ancho de pulso (PWM) recibe alimentación de energía, cuando el
interruptor de ignición esta en posición de RUN. El PCM opera al solenoide controlando una línea a tierra a
través de un modulo controlador de salida. El solenoide puede esta ON en tercera o cuarta velocidad
.También es posible la aplicación del TCC en segunda velocidad durante la operación del modo caliente.
El deslizamiento del embrague del convertidor de par es proporcional al ciclo de trabajo proporcionado por
el PCM.
 Aun porcentaje bajo de ciclo de trabajo, el TCC es liberado.
 Aun porcentaje alto de ciclo de trabajo, el TCC es aplicado.
 A un porcentaje moderado de ciclo de trabajo, el TCC es aplicado parcialmente para controlar el
deslizamiento.
Solenoide Del TCC ON/OFF
Esta solenoide recibe alimentación de energía, cuando el interruptor de ignición esta en la posición de RUN.
El PCM opera al solenoide controlando la línea a tierra a través de un modulo controlador de salida.
También es posible la aplicación del TCC en segunda velocidad durante la operación en modo caliente.
74
Tec. En Mecánica Automotriz Manuel Alberto Bautista Valiente
Controles o mediciones de averías Luz mil
El PCM usa la luz mil (luz indicadora de fallas) para
avisar al conductor que ha detectado una falla que
requiere diagnostico y reparación. La LUZ MIL esta
ubicada en el panel de conjunto de instrumentos
(IPC). Algunas fallas que detecta el PCM no provocan
que este encienda la luz mil.
La LUZ MIL recibe alimentación del interruptor de
ignición y el PCM enciende a la luz cerrando el circuito
a tierra.
El PCM se autodiagnóstica y monitorea a la línea de
datos seriados clase 2 y a la LUZ MIL. Cuando el PCM
detecta una falla, puede tomar las siguientes acciones
de diagnostico:
 Almacenar en su memoria uno o mas códigos de diagnostico de falla (DTCs).
1. DTC PO560 para el sistema de voltaje.
2. DTC PO601 para el PCM y sus funciones criticas.
3. DTC Pxxxx Y Uxxxx (los números varían) para la comunicación de la línea de datos seriados clase 2.
4. DTC Pxxxx para la luz mil.
 Almacenar información de los DTCs capturados, relacionados con emisiones.
 Encender la LUZ MIL cuando detecta determinadas fallas.
Autodiagnóstico
El sistema de auto diagnostico es capas de
detestar cualquier problema que haya ocurrido en
cualquiera de lo siguientes sistemas de señales de
entrada y de salida.
1. Sensor de velocidad del vehículo 1
2. Sensor velocidad del vehículo 2
3. Sensor el regulador
4. Solenoide de cambio 1
5. Solenoide de cambio 2
6. Solenoide de cambio 3
7. Solenoide de servicio B
8. Solenoide de servicio C (Solo 4WD)
9. Sensor de temperatura ATF
10. Impulso de encendido
11. Solenoide de servicio A
12. Sensor de presión atmosférica.
Los resultados de autodiagnóstico se indican por el parpadeo de la lámpara indicadora de potencia.
75
Tec. En Mecánica Automotriz Manuel Alberto Bautista Valiente
Obtención de Códigos Formato OBD I
MITSUBISHI
Con Multímetro o Led
Por Parpadeo en MIL Con Multímetro o Led
Códigos de Fallas OBD I
37 Park/Neutral Position Switch Failure
15 No Vehicle Speed Sensor Signal
24 Throttle Position Sensor Voltage High.
61 Torque Reduction Signal (A/T).
24 Vehicle Speed Sensor
NISSAN
Auto Repair Manual - How to read codes (No Special Tools Needed)
1 Drive the vehicle until transmission reaches operating temperature.
2 With ignition ON and engine OFF place gear selector into D position.
3 Turn the power shift button to POWER.
4 Cycle the ignition switch OFF-ON.
5 Move the gear selector into position 2.
6 Turn the power shift button to AUTO.
76
Tec. En Mecánica Automotriz Manuel Alberto Bautista Valiente
7 Move the gear selector into position 1.
8 Turn the power shift button to POWER.
9 Depress the throttle pedal and release.
10 The Power Light on either the instrument cluster or the Power switch will begin flashing.
11 Read codes as described in the Code Format Description below.
12 Press the continue button to enter the code numbers and get the code description.
Auto Repair Manual - How to read codes (No Special Tools Needed)
1 Drive the vehicle until transmission reaches operating temperature.
2 With ignition ON and engine OFF place gear selector into D position.
3 Turn the O/D switch to OFF.
4 Cycle the ignition switch OFF-ON.
5 Move the gear selector into position 3.
6 Depress the throttle pedal and release.
7 Move the gear selector into position 2.
8 Depress the throttle pedal and release.
9 Move the gear selector into position 1.
10 Depress the throttle pedal and release.
11 The AT Light will begin flashing.
12 Read codes as described in the Code Format Description below.
13 Press the continue button to enter the code numbers and get the code description.
Codigos de Fallas OBD I
14 Vehicle Speed (VSS) sensor
23 Throttle Valve Switch
24 Transmission Switch
54 A/T Control
HONDA
Auto Repair Manual - How to read codes (No Special Tools Needed)
1 Drive the vehicle until transmission reaches operating temperature.
2 Stop the vehicle, place in park, or neutral and turn ignition OFF.
3 Locate the electronic transmission control module, if the LED
inside the control module is flashing; it indicates that a fault is
stored.
4 Turn ignition ON. If LED not flashing, then there are NO codes
present.
5 Read codes as described in the Code Format Description below.
6 Press the continue button to enter the code numbers and get the code description.
77
Tec. En Mecánica Automotriz Manuel Alberto Bautista Valiente
Codigos de Fallas OBD I
7
TP Sensor{2}
M/T Clutch Switch Signal{1}
A/T Shift Position Signal{1}
17 VSS
19 Lock-Up Solenoid Valve
30 A/T FI Signal A
31 A/T FI Signal B
ISUZU
24
Vehicle Speed Sensor (VSS) circuit - V6 models
Pressure regulator vacuum switching valve - 1988 to 1994 four-cylinder, also Impulse
TOYOTA
78
Tec. En Mecánica Automotriz Manuel Alberto Bautista Valiente
Codigos de Fallas OBD I
9 Vehicle Speed Sensor signal
81 TCM Communication.
83 TCM Communication.
84 TCM Communication.
85 TCM Communication
CHRYSLER
94 TCC, No RPM Drop At Lockup
0C TCC Solenoid/Trans Relay Circuits (3 Speed Auto RH Trans Only)
32 Trans 3–4 Shift Sol/Trans Relay Circuits
A5 3–4 Shift Solenoid, No RPM Drop At 3–4 Shift
8D Governor Sensor Input Not At 10–25 PSI On Request
8E Governor Pressure Above 3 PSI When Request Is 0 PSI
A9 Governor Pressure Sensor Offset Improper Voltage
79
Tec. En Mecánica Automotriz Manuel Alberto Bautista Valiente
Códigos de Ejemplo adicionales
Código de averías ITEM
11 Solenoide de servicio A
12 Solenoide de servicio B
13 Solenoide de cambio 3
14 Solenoide de cambio 2
15 Solenoide de cambio 1
21 Sensor de temperatura de ATF
23 Revoluciones del motor
24 Solenoide de servicio C
31 Sensor del regulador
32 Sensor de velocidad de vehículo 1
33 Sensor de velocidad del vehículo 2
Códigos de Fallas Genéricos OBD II
P0700 Transmission Control System Malfunction
P0701 Transmission Control System Range/Performance
P0702 Transmission Control System Electrical
P0703 Torque Converter/Brake Switch B Circuit Malfunction
P0704 Clutch Switch Input Circuit Malfunction
P0705 Transmission Range Sensor Circuit malfunction (PRNDL Input)
P0706 Transmission Range Sensor Circuit Range/Performance
P0707 Transmission Range Sensor Circuit Low Input
P0708 Transmission Range Sensor Circuit High Input
P0709 Transmission Range Sensor Circuit Intermittent
P0710 Transmission Fluid Temperature Sensor Circuit Malfunction
P0711 Transmission Fluid Temperature Sensor Circuit Range/Performance
P0712 Transmission Fluid Temperature Sensor Circuit Low Input
P0713 Transmission Fluid Temperature Sensor Circuit High Input
P0714 Transmission Fluid Temperature Sensor Circuit Intermittent
P0715 Input/Turbine Speed Sensor Circuit Malfunction
P0716 Input/Turbine Speed Sensor Circuit Range/Performance
P0717 Input/Turbine Speed Sensor Circuit No Signal
P0718 Input/Turbine Speed Sensor Circuit Intermittent
P0719 Torque Converter/Brake Switch B Circuit Low
P0720 Output Speed Sensor Circuit Malfunction
80
Tec. En Mecánica Automotriz Manuel Alberto Bautista Valiente
P0721 Output Speed Sensor Range/Performance
P0722 Output Speed Sensor No Signal
P0723 Output Speed Sensor Intermittent
P0724 Torque Converter/Brake Switch B Circuit High
P0725 Engine Speed input Circuit Malfunction
P0726 Engine Speed Input Circuit Range/Performance
P0727 Engine Speed Input Circuit No Signal
P0728 Engine Speed Input Circuit Intermittent
P0730 Incorrect Gear Ratio
P0731 Gear 1 Incorrect ratio
P0732 Gear 2 Incorrect ratio
P0733 Gear 3 Incorrect ratio
P0734 Gear 4 Incorrect ratio
81
Tec. En Mecánica Automotriz Manuel Alberto Bautista Valiente
NISSAN PATHFINDER 2002 DIAGRAMAS
82
Tec. En Mecánica Automotriz Manuel Alberto Bautista Valiente
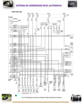
FORD FOCUS 2002
83
Tec. En Mecánica Automotriz Manuel Alberto Bautista Valiente
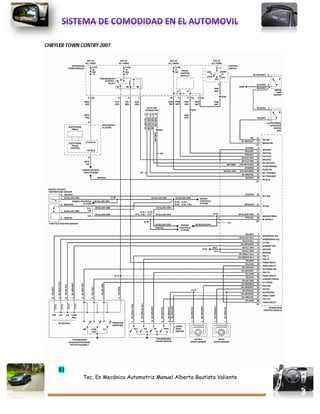
CHRYLER TOWN CONTRY 2007
84
Tec. En Mecánica Automotriz Manuel Alberto Bautista Valiente
HYUNDAI ELANTRA 2002
85
Tec. En Mecánica Automotriz Manuel Alberto Bautista Valiente
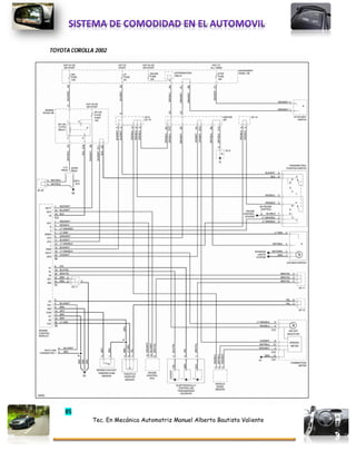
TOYOTA COROLLA 2002
86
Tec. En Mecánica Automotriz Manuel Alberto Bautista Valiente
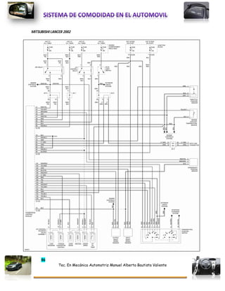
MITSUBISHI LANCER 2002
87
Tec. En Mecánica Automotriz Manuel Alberto Bautista Valiente
NUEVAS TECNOLOGIAS EN TRANMISIONES
Cambio automático de 5 marchas Tiptronic
Esta caja de cambios de 5 marchas, esta
adaptada para vehículos con el motor
montado en posición transversal. Es
utilizada por vehículos de la marca Audi-
Volkswagen y fabricada por la marca
"Jatco". La escasez de espacio en el vano
motor en estos vehículos ha hecho
necesario disponer tres engranajes
planetarios a dos niveles.
En el árbol de salida del convertidor de
par están dispuestos directamente los
engranajes planetarios I y II. Debajo se
encuentra el engranaje planetario III en
un árbol por separado. Los engranajes
planetarios I y II están comunicados con
el engranaje planetario III a través de los
piñones cilíndricos A y B.
La salida de par se realiza siempre a través del piñón de salida sobre el árbol del engranaje planetario III. A
partir del piñón de salida, el par se transmite hacia el grupo diferencial y los semiejes.
Este cambio se caracteriza por los siguientes componentes y funciones:
 Cambio automático de las cinco marchas mediante programas de conducción supeditados al
conductor y a las condiciones de la marcha
 Un programa de conducción en función de la resistencia que se opone a la marcha (detecta
resistencias a la marcha, tales como subidas y bajadas, conducción con remolque y viento
contrario)
 Tiptronic
 Indicador de las marchas en el cuadro de instrumentos
 Bloqueo anti-extracción de la llave de contacto
 Convertidor de par con embrague anulador del convertidor de par
 Desacoplamiento en parado
Selección de marchas
Pista de cambios automáticos
En la posición «D», la transmisión selecciona
de forma automática las marchas de 1 a 5, en
función de las cargas momentáneas.
Sin embargo, el conductor no puede
seleccionar directamente la primera marcha,
sino que es seleccionada por la unidad de
control en función de la carga momentánea
del vehículo.
La I marcha sólo puede ser engranada de
88
Tec. En Mecánica Automotriz Manuel Alberto Bautista Valiente
forma directa teniendo la palanca en la pista de selección Tiptronic. En ese caso trabaja con freno motor.
Pista de selección Tiptronic
Si se lleva la palanca selectora a la pista de selección de la derecha, la transmisión pasa al programa
Tiptronic. Si con este programa se pulsa brevemente la palanca selectora hacia delante o hacia atrás, la
transmisión cambia respectivamente hacia una marcha superior o inferior.
Breve pulsación en dirección «+»: La transmisión cambia una marcha a mayor.
Breve pulsación en dirección «–»: La transmisión cambia una marcha a menor.
En el cuadro de instrumentos se visualiza la marcha que se encuentra engranada momentáneamente.
Caja de cambios de "variador continuo" CVT (Continuously Variable Transmission)
El variador continuo para la transmisión
es muy utilizado en los ciclomotores.
También se esta empezando a utilizar
en los automóviles desde los años 60,
aunque no ha tenido mucho éxito hasta
ahora. En teoría, las cajas de cambio de
variación continua son la transmisión
ideal, ya que varían la relación de
velocidades continuamente, por lo que
podemos decir que es una transmisión
automática con un número infinito de
relaciones. Esta característica nos
permite movernos en la curva de
potencia máxima, algo imposible con
las cajas automáticas o manuales, en
las que se produce un escalonamiento o salto entre las diferentes velocidades.
Un variador continuo es un sistema de transmisión que cuenta
con dos poleas cuyo diámetro interior efectivo es variable. La
transmisión entre las dos poleas se realiza mediante una
"correa" elaborada con eslabones metálicos de forma que al
variar el diámetro de las poleas se va variando progresivamente
la relación de desmultiplicación. Al ser la correa un elemento
inextensible, la apertura de una de las poleas implica la
reducción del diámetro de la otra, aun asi, se consigue un
número infinito de desarrollos consiguiendo una variación
continua de la marcha. De ahí que a este sistema también se le
denomine cambio automático de transmisión continua.
En la figura inferior se muestra la disposición de estas dos poleas. Si la cara desplazable de la polea
conductora que transmite el par del motor se acerca a la otra cara, el diámetro efectivo de la polea se hace
mayor. La correa al tener una longitud prácticamente constante gira en la polea conducida en diámetros
89
Tec. En Mecánica Automotriz Manuel Alberto Bautista Valiente
efectivos menores como consecuencia de la apertura de la polea mediante el desplazamiento de una de sus
caras por lo que la desmultiplicación será menor.
El cambio de anchura de poleas y por tanto de
diámetro efectivo se realiza mediante un
control hidráulico que distribuye la cantidad de
aceite a presión adecuada en cada instante. El
control hidráulico tiene en cuenta en todo
momento parámetros como la posición del
acelerador, condiciones de utilización,
velocidad del vehículo, régimen del motor y
relación de desmultiplicación. Este mismo
aceite a presión sirve además para lubricar
todo el conjunto y para mantener tensada la
correa de arrastre aplicando la justa presión
sobre la polea conducida.
Actualmente la correa, transmite los esfuerzos
por compresión, empujando el eslabón que le
precede, en lugar de por tracción, como trabaja
una correa convencional. Por tanto la tensión
de la correa es un dato importante en el
funcionamiento correcto de este sistema de
cambio continuo. La tensión depende tanto del par motor que hay que transmitir en cada momento como
de la relación de transmisión.
Al principio este tipo de cambio se utilizaba en automóviles de baja cilindrada, ya que la cadena solo resistía
los esfuerzos producidos por motores de bajo par. En la actualidad se han conseguido cadenas o correas más
resistentes, que soportan mejor los valores de par de los automóviles de alta cilindrada.
Multitronic
90
Tec. En Mecánica Automotriz Manuel Alberto Bautista Valiente
Se trata de una transmisión CVT (Continuously Variable Transmission) fabricada por la empresa Luk,
actualmente la más elaborada, sofisticada y eficaz del mercado. Audi es la marca que esta utilizando esta
transmisión en sus vehículos.
Audi con su novedosa transmisión ha logrado doblar la frontera de los 15 kgm de par, situándolo en los 30
kgm. La clave principal de esta superación está en
el elemento de transmisión. El Multitronic no
monta una correa metálica sino una cadena, cuya
configuración rompe por completo con las correas
utilizadas hasta el momento. La cadena funciona en
tensión en un baño de aceite entre dos pares de
ruedas cónicas de diámetro variable.
El diseño y el peso reducido de este cambio
reducen el consumo de combustible. Al igual que
en el cambio Tiptronic de 5 velocidades, está
disponible el modo de selección de marcha manual,
pudiéndose seleccionar hasta seis etapas de
marcha simuladas. En el modo automático del
Multitronic que calcula la relación de transmisión óptima con ayuda de un programa de regulación dinámico
(DRP) según la carga del motor, las preferencias del conductor y las condiciones de marcha.
Una ventaja básica del variador en el sistema Multitronic es la amplia relación entre la mayor y la menor
desmultiplicación posible en la transmisión (1: 2,1 hasta 1:12,7) siendo, de este modo, superior a 6, lo cual
representa casi un caso ideal para la transmisión que hasta ahora apenas sobrepasaba un valor de 5.
Gracias a esta característica, por una parte, se puede acelerar de forma deportiva y dinámica, debido a la
mayor desmultiplicación posible y, por otra parte, se puede aprovechar completamente la menor
desmultiplicación para potenciar el ahorro del combustible.
Las características de este cambio permiten un doble manejo:
 Automático. Se ha desarrollado una gestión con cierta capacidad adaptativa. Reconoce la forma de
conducir y el perfil de la carretera, escogiendo los desarrollos más adecuados en cada momento.
Audi lo llama DRP (Programa Dinámico de Regulación).
 Secuencial. Mediante palanca tradicional o con mandos al volante. Para ello se fijan seis posiciones
concretas de las poleas del variador.
91
Tec. En Mecánica Automotriz Manuel Alberto Bautista Valiente
Caja de Cambios D.S.G. (Direct Shift Gearbox)
El fabricante Volkswagen dio un paso importante
en el desarrollo de los sistemas de transmisión
automática con el lanzamiento de esta caja de
cambios automática de doble embrague
(engranamiento doble, DSG). Se trata de un
dispositivo, heredado de la competición, que
permite cambios de velocidad mucho más
rápidos, más suaves y con menor gasto
energético. Su manejo es una simbiosis de la
facilidad de uso de una caja de cambios
automática secuencial y el placer de conducción
de una caja de cambios manual de seis
relaciones.
Con el DSG, Volkswagen es el primer fabricante
mundial en desarrollar una caja de cambios de
embrague doble producida en serie. Este tipo de transmisiones ya habían sido utilizadas en competición,
pero la incomodidad del cambio (por falta de medios adecuados de control mecánico y electrónico)
impidieron su utilización en coches de serie. Volkswagen encontró la solución; sumados a una serie de
nuevos componentes hidráulicos, se desarrolló la compleja unidad de control mecánico-electrónica
(Mechatronic), que ha hecho posible la utilización del DSG en algunos modelos como el VW Golf o Touran.
Secuencial Shift TM
Todos los modelos Jaguar XF cuentan con
control electrónico de la transmisión y el
aclamado sistema de cambio secuencial de
Jaguar –cuyo éxito ha sido reafirmado por los
propietarios de los deportivos XK — siendo
esta la primera vez que se utilizará en una
berlina. El sistema shift-by-wire sustituye la
tirantería del selector manual del cambio
automático, por instrucciones electrónicas y
brinda al XF un cambio de marchas rápido y
muy fluido, más veloz, incluso, que la famosa
transmisión del XK.
El sistema Sequential ShiftTM de Jaguar
ofrece al conductor la opción de control manual mediante un toque en las levas montadas en el volante.
También, el Sistema Jaguar Drive ControlTM ha sido diseñado para adaptarse a múltiples modos de
conducción, en función de la progresión del pedal del acelerador, los umbrales del Control Dinámico de la
Estabilidad (DSC) y la estrategia de cambio de marchas, adaptándose así al perfil del conductor y a las
condiciones exteriores, como por ejemplo, con los modos Dinámico o de Invierno.
Sin embargo, la característica más atractiva del control de la transmisión del XF es el flamante Jaguar Drive
SelectorTM, el primer selector de cambio giratorio que combina un control preciso e intuitivo con el ahorro
de espacio, para a provechar al máximo las opciones de almacenamiento en el interior.
92
Tec. En Mecánica Automotriz Manuel Alberto Bautista Valiente
CONCLUSION
Esperamos que el material proporcionado a la comunidad estudiantil, sea de mucho beneficio en el área
laboral en la sociedad.
El material que se proporciono fue tomado de acuerdo a las necesidades que los estudiantes muestran en el
desarrollo de sus actividades de aprendizaje.
Reforzamos sus indicios del conocimiento básico en el Diagnostico de Controles Electrónicos de la
Transmisión Automática, en las diferentes marcas de mayor circulación en el mercado salvadoreño.
93
Tec. En Mecánica Automotriz Manuel Alberto Bautista Valiente
Anexos
94
Tec. En Mecánica Automotriz Manuel Alberto Bautista Valiente
95
Tec. En Mecánica Automotriz Manuel Alberto Bautista Valiente
96
Tec. En Mecánica Automotriz Manuel Alberto Bautista Valiente
97
Tec. En Mecánica Automotriz Manuel Alberto Bautista Valiente
98
Tec. En Mecánica Automotriz Manuel Alberto Bautista Valiente
99
Tec. En Mecánica Automotriz Manuel Alberto Bautista Valiente
100
Tec. En Mecánica Automotriz Manuel Alberto Bautista Valiente
101
Tec. En Mecánica Automotriz Manuel Alberto Bautista Valiente
BIBLIOGRAFIA
www.autorepair.about.com
www.aa1car.com
www.autozone.com
www.moddedmustangs.com
www.automecanico.com
www.chevy-rezzo.narod.ru
www.gruposomovil.com
www.codes.rennacs.com

217846222 manual-de-control-electronico-de-la-transmision-automatica

  • 1.
    44 Tec. En MecánicaAutomotriz Manuel Alberto Bautista Valiente
  • 2.
    45 Tec. En MecánicaAutomotriz Manuel Alberto Bautista Valiente INTRODUCCIÓN La caja de cambios es un elemento de transmisión que se interpone entre el motor y las ruedas para modificar el número de revoluciones de las mismas e invertir el sentido de giro cuando las necesidades de la marcha así lo requieran. Actúa, por tanto, como transformador de velocidad y convertidor mecánico de par. Si un motor de explosión transmitiera directamente el par a las ruedas, probablemente sería suficiente para que el vehículo se moviese en terreno llano. Pero al subir una pendiente, el par resistente aumentaría, entonces el motor no tendría suficiente fuerza para continuar a la misma velocidad, disminuyendo esta gradualmente, el motor perdería potencia y llegaría a pararse; para evitar esto y poder superar el par resistente, es necesario colocar un órgano que permita hacer variar el par motor, según las necesidades de la marcha. En resumen, con la caja de cambios se “disminuye” o “aumenta” la velocidad del vehículo y de igual forma se “aumenta” o “disminuye” la fuerza del vehículo. Como el par motor se transmite a las ruedas y origina en ellas una fuerza de impulsión que vence la resistencia que se opone al movimiento, la potencia transmitida (Wf) debe ser igual, en todo momento, a la potencia absorbida en llanta. Este informe tiene como finalidad conocer el funcionamiento de un Sistema de transmisión automática o caja de cambios automática, elementos componentes, tipos de mecanismos de control y sus distintas clasificaciones. El automóvil en la actualidad se ha convertido en un complemento indispensable de nuestras vidas. El parque automovilístico mundial se ha desarrollado de una manera espectacular a lo largo de la segunda mitad del siglo xx, llegando a pasar de 63 a los más de 500 millones de automóviles que circulan por nuestro planeta. Desde que en 1910 la empresa Ford puso en marcha la primera cadena de producción en serie en los estados unidos con su modelo ¨t¨, la industria del automóvil no ha parado de mejorar y perfeccionar este medio de transporte gracias a los continuos logros tecnológicos que así lo han permitido. En este manual toca el turno de mención a las cajas de cambios automáticas llamadas también transmisiones automáticas (esto es según su localización y forma de trabajo) las cuales aparte de comodidad en el manejo del automóvil han servido de puente para una infinidad de descubrimientos tecnológicos desarrollados a partir de la necesidad de mejorar las mismas. Toda la información que usted obtendrá tiene la finalidad de despejar la mayoría de las dudas más comunes que surgen en cuanto a lo que transmisiones automáticas se refiere.
  • 3.
    46 Tec. En MecánicaAutomotriz Manuel Alberto Bautista Valiente OBJETIVOS OBJETIVO GENERAL: Al concluir el estudio de este módulo los participantes serán capaces de realizar las distintas estrategias de Diagnostico Electrónico en las transmisiones Automáticas del Automóvil de mayor circulación en nuestro territorio, tomando en cuenta las características propias de estas y las especificaciones técnicas de los fabricantes, sin olvidar las medidas de seguridad en cada caso. OBJETIVOS ESPECÍFICOS: AI finalizar el modulo el participante estará en la capacidad de:  Identificar y conocer las herramientas y equipo para el diagnóstico de las Transmisiones, y considerar como están constituidas en el vehículo con la ayuda del equipo necesario empleado en el taller automotriz.  El alumno podrá identificar, los componentes de la transmisión de un vehículo según lo adquirido en clases para poder describir la constitución del mismo.  Diagnosticara los distintos componentes electrónicos de la transmisión en el vehículo.
  • 4.
    47 Tec. En MecánicaAutomotriz Manuel Alberto Bautista Valiente HISTORIA DE LA TRANSMISION AUTOMATICA El desarrollo de la transmisión automática se remonta a los primeros años de la década de 1930, aunque la primera transmisión automática verdadera (que no necesita embrague) no apareció en las líneas de producción sino hasta 1939. Su historia se origina en el Ford modelo T, cuyo engranaje planetario operaba con el pie, tomo parte en la impulsión de Mas de 15 millones unidades que salieron de la línea de montaje entre1908 y 1927. También ayudaron los logros de otras compañías: el trabajo de Chrysler sobre impulsión hidráulica y el desarrollo del sistema de control hidráulico por General Motors, así como su convertidor de Par como los más significativos. Fue la división Hidra-Matic de General Motors, anteriormente la Detroit Transmisión división, la que inicialmente completo la primera transmisión totalmente automática en modelos de línea, en Octubre de 1939, seis meses después de haberse formado esa división. Sus transmisiones fueron fabricadas para los Oldsmobile. Un ano después, Hidra-Matic producía unas 220 transmisiones diarias, y comenzaron los embarques para Cadillac. Las transmisiones automáticas se usaron en algunos vehículos militares durante los anos de la guerra, y su continuo desarrollo condujo al convertidor de Par, un ingenioso acoplamiento de impulsión, hidráulico, que casi no transmitía par a bajas velocidades del vehículo, pero a velocidad de crucero era un acoplamiento hidráulico muy eficiente. Para 1950, todos los principales fabricantes de automóviles ofrecían transmisiones automáticas, y poco tiempo después en muchos modelos se ofrecía como equipo estándar. Así podemos decir que los principales elementos de la transmisión automática –el acoplamiento hidráulico, los engranajes planetarios y los sistemas de control hidráulico- aparecieron en los últimos años de la década de 1940. Desde entonces, los ingenieros han cambiado el diseño, aplicación y ubicación de esos elementos, pero no han hecho cambios de importancia o adiciones a los elementos mismos. Ha habido otros desarrollos, como el cambio de velocidades controlado por computadora, que apareció en los primeros años de la década de 1980, pero el cambio automático mismo, desde el punto de vista del conductor, ha cambiado poco desde 1948.
  • 5.
    48 Tec. En MecánicaAutomotriz Manuel Alberto Bautista Valiente OPERACIÓN DE LA TRANSMISIÓN AUTOMÁTICA Funcionamiento Cuando el motor gira, el aceite contenido en la carcasa es impulsado por la bomba, proyectándose por su periferia hacia la turbina, en cuyos alabes incide paralelamente al eje. Dicho aceite es arrastrado por la propia rotación de la bomba o rotor conductor, formándose así un torbellino tórico. La energía cinética del aceite que choca contra los alabes de la turbina, produce en ella una fuerza que tiende a hacerla girar. Cuando el motor gira a ralentí, la energía cinética del aceite es pequeña y la fuerza transmitida a la turbina es insuficiente para vencer el par resistente. En estas condiciones, hay un resbalamiento total entre bomba y turbina con lo que la turbina permanece inmóvil. El aceite resbala por los alabes de la turbina y es devuelto desde el centro de ésta al centro de la bomba, en donde es impulsado nuevamente a la periferia para seguir el ciclo. A medida que aumentan las revoluciones del motor, el torbellino de aceite se va haciendo más consistente, incidiendo con más fuerza sobre los alabes de la turbina. Esta acción vence al par resistente y hace girar la turbina, mientras se verifica un resbalamiento de aceite entre bomba y turbina que supone el acoplamiento progresivo del embrague. Cuando el motor gira rápidamente desarrollando su par máximo, el aceite es impulsado con gran fuerza en la turbina y ésta es arrastrada a gran velocidad sin que exista apenas resbalamiento entre ambas (éste suele ser de un 2 % aproximadamente con par de transmisión máximo).
  • 6.
    49 Tec. En MecánicaAutomotriz Manuel Alberto Bautista Valiente COMPONENTES DE LA TRANSMISION AUTOMATICA Mecanismo de Cambio Cuando se usa la palanca de cambios, este mecanismo cambia el circuito hidráulico en el sistema de control hidráulico de acuerdo con la posición de la palanca de cambios que se está moviendo hacia un engranaje para adelante, marcha atrás o estacionamiento o parada. La mayoría de las transmisiones automáticas permiten seleccionar mecánicamente entre un conjunto de rangos de marchas, que como mínimo comprenden el siguiente orden: 1) "P" (Parking) de estacionamiento en la que no hay transmisión de fuerza, y además bloquea el eje de salida de la transmisión mecánicamente. 2) "R" (Reverse) para marcha atrás. 3) "N" (Neutral) En la cual no hay transmisión de fuerza, equivale al punto muerto de un cambio manual. 4) "D" (Drive) Para marcha hacia adelante, en la cual entran todas las desmultiplicaciones, desde la primera hasta la cuarta, quinta o más según el fabricante. Además de estas 4 posiciones, es muy frecuente: 5) "S" (Sport) de funcionamiento similar a la posición "D" pero con cambios más rápidos, bruscos y a unas revoluciones mayores. 6) "L" (Low) Para impedir que entren las marchas más largas, sólo primera y segunda, en caso de fuertes pendientes, además permite retener al bajar las mismas pendientes. En algunos fabricantes se sustituye la "L" por "3", "2", "1" dependiendo del fabricante en las cuales se obliga a mantener como máximo la desmultiplicación mayor. 7) "M" (Manual) Suele encontrarse al lado de la posición "D" en la cual los movimientos de la palanca, marcados con "+" y con "-", permiten subir y bajar de marchas a voluntad, con la cual hay además posibilidad de retención en los descensos. 8) "W" (Winter) No es muy común y menos como posición. Se puede encontrar como un funcionamiento especial de la posición "D" en la cual la salida y los cambios de marcha se realizan de forma más suave para evitar que las ruedas patinen cuando el suelo se encuentra con escaso agarre. Como dispositivo de seguridad, el accionamiento del motor de arranque sólo es posible en "P" y en "N", siendo incluso imposible en vehículos recientes sacar la llave del contacto si no está la palanca en "P", o sacar la palanca de "P" con el motor parado si no se mantiene el freno pisado.
  • 7.
    50 Tec. En MecánicaAutomotriz Manuel Alberto Bautista Valiente Convertidor del Par Consiste en un impulsor de bomba y en un rodete de turbina, que se encara uno frente al otro, y un estator que se coloca entre ellos. Este es llenado con aceite. Cuando el impulsor de bomba, que es conectado directamente al cigüeñal del motor, gira el aceite en el convertidor del torque es dirigido bajo presión al rodete de turbina, causando la rotación y la transmisión de la potencia. Funcionamiento Al girar la bomba accionada directamente por el movimiento del cigüeñal, el aceite se impulsa desde la rueda de bomba hasta la rueda turbina. A la salida de ésta el aceite tropieza con los alabes del reactor que tienen una curvatura opuesta a los de las ruedas de bomba y turbina. Esta corriente de aceite empuja al reactor en un giro de sentido contrario al de la bomba y la turbina. Como el reactor no puede realizar ese giro ya que está retenido por la rueda libre, el aceite se frena y el empuje se transmite a través del aceite sobre la bomba. De esta forma mientras exista diferencia de velocidad de giro entre la bomba y la turbina el momento de giro (par) será mayor en la turbina que en la bomba. El par cedido por la turbina será pues la suma del transmitido por la bomba a través del aceite y del par adicional que se produce por reacción desde el reactor sobre la bomba y que a su vez es transmitido de nuevo sobre la turbina. Cuanto mayor sea la diferencia de giro entre turbina y bomba mayor será la diferencia de par entre la entrada y la salida del convertidor, llegando a ser a la salida hasta tres veces superior. Conforme disminuye la diferencia de velocidad va disminuyendo la desviación de la corriente de aceite y por lo tanto el empuje adicional sobre la turbina con lo que la relación de par entre salida y entrada va disminuyendo progresivamente. Cuando las velocidades de giro de turbina e impulsor se igualan, el reactor gira incluso en su mismo sentido sin producirse ningún empuje adicional de forma que la transmisión de par no se ve aumentada comportándose el convertidor como un embrague hidráulico convencional. A esta situación se le llama "punto de embrague" La ventaja fundamental del convertidor hidráulico de par sobre el embrague hidráulico es que el primero permite, en situaciones donde se necesita mayor tracción como subida de pendientes o arranques, el movimiento del reactor con lo que el par transmitido se ve aumentado respecto al proporcionado por el motor en caso de necesidad. Además el convertidor hidráulico amortigua a través del aceite cualquier vibración del motor antes de que pase a cualquier parte de la transmisión. A pesar de ser el convertidor hidráulico un transformador de par, no es posible su utilización de forma directa sobre un vehículo ya que en determinadas circunstancias de bajos regímenes de giro tendría un
  • 8.
    51 Tec. En MecánicaAutomotriz Manuel Alberto Bautista Valiente rendimiento muy bajo. Además no podría aumentar el par más del triple. Todo esto obliga a equipar a los vehículos, además de con un convertidor, con un mecanismo de engranajes planetarios que permitan un cambio casi progresivo de par. Unidad de Engranaje Planetario También llamado "engranaje epicicloidal", son utilizados por las cajas de cambio automáticas. Estos engranajes están accionados mediante sistemas de mando normalmente hidráulicos o electrónicos que accionan frenos y embragues que controlan los movimientos de los distintos elementos de los engranajes. La ventaja fundamental de los engranajes planetarios frente a los engranajes utilizados por las cajas de cambio manuales es que su forma es más compacta y permiten un reparto de par en distintos puntos a través de los satélites, pudiendo transmitir pares más elevados. En el interior (centro), el planeta gira en torno de un eje central. Los satélites engranan en el dentado del piñón central. Además los satélites pueden girar tanto en torno de su propio eje como también en un circuito alrededor del piñón central. Los satélites se alojan con sus ejes en la porta satélites. El porta satélites inicia el movimiento rotatorio de los satélites alrededor del piñón central; con ello, lógicamente, también en torno del eje central. La corona engrana con su dentado interior en los satélites y encierra todo el tren epicicloidal. El eje central es también centro de giro para la corona. La unidad de engranaje planetario está configurada por tres tipos de engranaje: el Engranaje Anular, el Engranaje Piñón, y el Engranaje Planetario. El cambio se realiza a través del cambio de la combinación de los engranajes que está a la entrada, del engranaje que está a la salida y del engranaje fijado. RELACION DE UN TREN EPICICLOIDAL Las relaciones que se pueden obtener en un tren epicicloidal dependen de si ante una entrada o giro de uno de sus elementos existe otro que haga de reacción. En función de la elección del elemento que hace de entrada o que hace de reacción se obtienen cuatro relaciones distintas que se pueden identificar con tres posibles marchas y una marcha invertida. El funcionamiento de un tren epicicloidal es el siguiente: * 1ª relación: si el movimiento entra por el planetario y se frena la corona, los satélites se ven arrastrados por su engrane con el planetario rodando por el interior de la corona fija. Esto produce el movimiento del porta satélites. El resultado es una desmultiplicación del giro de forma que el porta satélites se mueve de forma mucho más lenta que el planetario o entrada. * 2ª relación: si el movimiento entra por la corona y se frena el planetario, los satélites se ven arrastrados rodando sobre el planetario por el movimiento de la corona. El efecto es el movimiento del porta satélites con una desmultiplicación menor que en el caso anterior. * 3ª relación: si el movimiento entra por el planetario y, la corona o el porta satélites se hace solidario en su movimiento al planetario mediante un embrague entonces todo el conjunto gira simultáneamente produciéndose una transmisión directa girando todo el conjunto a la misma velocidad que el motor. * 4ª relación: si el movimiento entra por el planetario y se frena el porta satélites, se provoca el giro de los planetarios sobre su propio eje y a su vez estos producen el movimiento de la corona en sentido contrario, invirtiéndose el sentido de giro y produciéndose una desmultiplicación grande.
  • 9.
    52 Tec. En MecánicaAutomotriz Manuel Alberto Bautista Valiente Relación Corona Planeta Porta satélites Desmultiplicación 1ª Fija Salida de fuerza Impulsión Grande 2ª Salida de fuerza Fijo Impulsión Menor 3ª Fija Fijo Salida de fuerza Sin desmultiplicación 4ª Impulsión Salida de fuerza Fijo Inversión de giro Sistema de Control Hidráulico EI sistema de control hidráulico envía la presión hidráulica necesaria para los cambios de los engranajes a la unidad del engranaje planetario de acuerdo con el incremento o disminución en la velocidad del vehículo y en razón a la cantidad de presión que se ejerce sobre el pedal del acelerador. Embrague hidráulico El paquete de embragues es una combinación de discos metálicos con espigas y discos de materiales de fricción con sus dientes de enganche. Estos materiales pueden ser de varios componentes y contener diversos sistemas de canales de escurrimiento, enfriamiento y ventilación. Cada diseño tiene un coeficiente de fricción especial para brindar una característica especial a la transmisión, sea cambios suaves, alto torque, alta carga, etc. Este diseño es determinado por el fabricante del vehículo o equipo pesado de acuerdo al comportamiento y vida útil que quieren los ingenieros de fábrica. Una de las ventajas de la transmisión automática es que el conductor u operario no puede abusar de los embragues como lo hacen con los embragues manuales. El control de los embragues y su eficiencia es fijado por las computadoras y el aceite. El número de embragues, tal como el número de satélites varía de acuerdo a la cantidad de velocidades en cada transmisión. Los más simples son de 2 o 3 velocidades, mientras que los más sofisticados son de 6 velocidades. Por lo que cada uno de estos materiales tiene un coeficiente de fricción diferente, y frecuentemente son accionados a distintas presiones hidráulicas, las exigencias a los aceites son extremas. Si el aceite es muy viscoso, no escurre o no escurre una vez que los embragues tengan un poco de desgaste. Si el aceite está oxidado o permite la formación de barniz, no mantiene la misma fricción, “pegando” los discos o evitando su frenado. El barniz o aceite oxidado que haya penetrado o cubierto el disco puede ser disuelto por un aditivo acondicionador o a veces con dos cambios de aceite de buena calidad. Uno de los problemas que encontramos es que los mecánicos empíricos y lúbricos frecuentemente colocan aceite SAE 80W-90 GL-5 en las transmisiones automáticas, pensando que todas las transmisiones son iguales. El paquete de aditivos de extrema presión (azufre/fósforo) de estos aceites “penetra” en los discos y no sale más. Esto requiere una reparación y cambio de embragues, bandas y válvulas dañadas.
  • 10.
    53 Tec. En MecánicaAutomotriz Manuel Alberto Bautista Valiente El sistema hidráulico El sistema hidráulico es el corazón del sistema. Esta pasa presiones a los embragues y las bandas para accionarlas y debe hacerlo con precisión. Los sensores de temperatura, presión, contra presión y velocidad tienen que mandar las señales correctas en el momento preciso. Mostramos el esquema típico de una transmisión. El aceite tiene que ser bien “delgado”, sin aditivos agresivos que formen capas químicas sobre los sensores. Debe que tener bastante detergente para mantener el sistema libre del barniz que evite el trabajo eficiente de las válvulas. El nivel de aceite es crítico. Para revisarlo hay que calentar la transmisión y medir siempre en Neutro o “P”. El exceso de aceite es tan perjudicial como la escasez. En el gráfico podemos ver el efecto de la temperatura en el nivel de aceite, este muestra el nivel de aceite desde 70° F (21° C) cuando está “frío”, y 180° F (82° C) en operación. Si medimos el aceite en frío o una temperatura intermediaria, tenemos que considerar esta diferencia. Cualquier diferencia causará la formación de espuma, desgaste y pérdida de fuerza. SISTEMA DE TRANSMISIÓN AUTOMÁTICA CONTROLADA ELECTRÓNICAMENTE El modulo de control del tren de potencia (PCM) es la computadora que funciona como el cerebro de la transmisión automática controlada electrónicamente. El PCM recibe entradas electrónicas de varios sensores del vehículo y procesa esta información para determinar las condiciones de operación del vehículo. Dependiendo de estas condiciones de operación el PCM controla lo siguiente: 1) Los cambios ascendentes y descendentes operando un par de solenoides de cambios en una secuencia ON/OFF. 2) La calidad de cambio de la transmisión, controlando electrónicamente al solenoide de control de presión. (PCS) el cual ajusta la presión de línea.
  • 11.
    54 Tec. En MecánicaAutomotriz Manuel Alberto Bautista Valiente 3) El tiempo de aplicación y liberación del embrague del convertidor de par y en algunas aplicaciones la sensación de aplicación del TCC, por medio de control de solenoide del embrague del convertidor de par o solenoide dependiendo de la aplicación. El control electrónico de estas características de operación de la transmisión proporciona calidad y puntos de cambios consistentes y precisos, y calidad de cambio basados en las condiciones de operación del vehículo. En este sistema, las funciones del sistema de control hidráulico son controladas por un ordenador. Las señales eléctricas salen por sensores que detectan el grado en el cual el pedal del acelerador está siendo presionado, la velocidad del vehículo, la posición del cambio y otras cuantas condiciones. El ordenador analiza y juzga estas señales eléctricas y controla las válvulas interiores del sistema de control hidráulico, abriendo o interrumpiendo el flujo hidráulico y realizando así, de este modo, los cambios de engranajes. Señal de entrada: Función sensor del regulador sensor de vacío (carb) Detecta la abertura del regulador y determina el punto de cambio, la presión de línea y la velocidad del vehículo en enclavamiento, de acuerdo con la carga del vehículo. Sensor de velocidad del vehículo 1 (montado en la transmisión) Detecta la velocidad del vehículo. Esta señal se emplea para controlar el cambio, enclavamiento, presión de línea y embrague de caja de renvío. Sensor de velocidad del vehículo 2 (incorporado en el medidor ) FWD…Utilizando como refuerzo en caso de fallo del sensor de revoluciones del vehículo 1. 4WD…Utilizando para controlar el embrague de caja de renvío y como refuerzo en caso de fallo del sensor del vehículo 1. Revoluciones del motor Detecta la velocidad del motor. Esta señal se emplea para suavizar el embrague de enclavamiento, controlar el enclavamiento y para evitar que el motor se sobre revolucione en las gamas ´´2´´ y ´´1´´. Interruptor inhibidor Se emplea para determinar el cambio y la presión de línea las gamas respectivas ´P´´, ´R´´, ´N´´ ´´D´´, ´´3´´, ´´2´´, ´´1´´. Interruptor de marcha en vacío (I/D) Detecta el cierre del regulador. Esta señal se emplea para liberar el enclavamiento y para controlar la presión de línea. Interruptor de crucero (Control de crucero). Detecta el funcionamiento del control de crucero y amplia la gama de operación “4at” Sensor de temperatura ATF Detecta la temperatura de ATF. Esta señal se emplea para inhibir el enclavamiento, liberar la directa y detectar la temperatura de ATF. Interruptor manual Se emplea para mantener la transmisión en la gama seleccionada, 2da., 3ra., al subir o bajar cuestas inclinadas, al circular sobre arena, barro, o superficies deslizantes. Interruptor de economía Cuando esta interruptor está en ´´ON´´, se fija un patrón de cambio en modo económico para mejorar el consumo de combustible. Interruptor de FWD Se emplea para cambiar el modo 4WD a FWD. También se usa para adaptar el vehículo al rodillo comprobador de FWD. El cambio de 4WD a FWD puede completarse insertando un fusible en el porta fusibles. (Sólo para 4WD).
  • 12.
    55 Tec. En MecánicaAutomotriz Manuel Alberto Bautista Valiente Señal de ABS Al operar el ABS, para mejorar el control del ABS, el par del embrague de caja de renvío se controla para eliminar la influencia de la reducción con el motor y para reducir el grado de acoplamiento entre las ruedas delanteras y traseras. Interruptor de Aceleración forzada Detecta la abertura del regulador. Esta señal se emplea para controlar la aceleración forzada Señal de salida: Componentes de Control Electrónico de la Transmisión Relé de control de la transmisión. El relé de la transmisión se localiza en el centro de distribución de tensión (PDC), del lado izquierdo del compartimiento del motor. Funcionamiento: El relé recibe voltaje de la batería (+) protegida por fusible y se excita desde el TCM. Se utiliza para suministrar alimentación al conjunto de solenoides cuando la transmisión esta en el modo de funcionamiento normal. Nombre de la señal Función Solenoides de cambio 1, 2 Controlan la etapa del cambio alternando el solenoide a ON/ OFF. La relación entre la operación de los solenoides y la etapa del cambio se muestra n la tabla siguiente. Al cambiar, se control la sincronización de cada solenoide para reducir el impacto. Solenoide de cambio 3 ( embrague de libre) Controla la sincronización del cambio 3-2 y la operación del embrague de rueda libre. La sincronización del cambio se controla controlando la velocidad de liberación de la presión de aceite para reducir el impacto al reducir velocidad. Embrague de rueda libre se controla para que actúe el desembrague para la retención con el motor. Solenoide de servicio A ( presión de línea) Regula la presión de línea de acuerdo con las condiciones de conducción. Solenoide de servicio B (presión de línea) Regula la presión hidráulica del embrague de enclavamiento y opera en tres modalidades (abierto, suave y enclavado). Solenoide de servicio C (presión de caja de renvío) Regula la presión hidráulica del embrague de caja de renvío y controla la fuerza motriz al eje impulsor posterior. Luz indicadora de ´´Potencia´´ Indica si el patrón del cambio está en ´´Normal´´ o en ´´Potencia´´. El indicador se enciende en el modo ´´potencia´´. Esta luz también se emplea para el ´´autodiagnóstico´´. Luz de aviso de temperatura ATF Se enciende cuando se calienta el ATF (cuando excede un nivel fijado de temperatura). (Sólo para 4WD). Luz piloto FWD. Se enciende cuando el fusible esta en el conector FWD.
  • 13.
    56 Tec. En MecánicaAutomotriz Manuel Alberto Bautista Valiente Cuando el relé esta en OFF (desactivado), no se suministra potencia al conjunto de solenoides y la transmisión esta en modo de fallo. Después de un restablecimiento del controlador (llave de encendido en la posición RUN o después de hacer girar el motor),el TCM excita el relé. Antes de esto, el TCM verifica que todos los contactos estén abiertos, comprobando que no haya voltaje de los conmutadores de presión del conjunto de solenoides. Después de la excitación del relé, el TCM verifica los terminales para comprobar que el voltaje este por encima de 3 voltios. Conmutadores de presión El TCM se basa en tres conmutadores de presión para verificar la presión de líquido en los circuitos hidráulicos de L/R (baja y marcha atrás), 2-4 y OD (sobremarcha). El propósito primario de estos conmutadores es ayudar Al TCM a detectar cundo se producen fallos de circuito hidráulicos de embrague. La escala para los puntos de cierre y abertura del conmutador de presión es de 76-158 kPa (11-23 psi). Generalmente el punto de abertura del conmutador será mas menos de 7 kPa (1psi) menor que el punto de cierre. Por ejemplo, un conmutador puede cerrar a 124 kPa (18psi) y abrirse al 117 kPa (17psi). El TCM verifica constantemente los estados correctos (apertura o cierre) de los conmutadores en cada cambio, según se indica en el cuadro siguiente: Estado De conmutadores de presión Engrane Baja y marcha atrás 2-4 sobremarcha R Abierto Abierto Abierto P/N Cerrado Abierto Abierto 1 Cerrado Abierto Abierto 2 Abierto Cerrado Abierto
  • 14.
    57 Tec. En MecánicaAutomotriz Manuel Alberto Bautista Valiente D Abierto Cerrado Cerrado SOBREMARCHA Abierto Cerrado Cerrado Sensor de escala de posiciones de la transmisión El sensor de posición de la transmisión (TRS) esta montado en la parte superior del cuerpo de válvulas dentro del transeje; el servicio puede realizarse únicamente retirando el cuerpo de válvulas. El conector eléctrico se extiende a través de la caja del transeje. El sensor de posición de la transmisión (TRS) tiene 4 contactos de conmutador que controlan la posición de la palanca de cambios y envía información al TCM. El TRS tiene también un sensor de temperatura integrado que comunica la temperatura del transeje al TCM y al PCM. Funcionamiento: El TRS comunica ala TCM la posición de la palanca de cambios (SLP), como una combinación de conmutadores abiertos y cerrados. Cada posición de la palanca de cambios tiene asignada una combinación de estados de conmutadores que recibe el TCM provenientes de los cuatros circuitos de detección. El TCM interpreta esta información y determina la posición de los engranes del transeje y la programación de los cambios apropiada. Estados de conmutación de TRS. Posición de la palanca de cambios T42 T41 T3 T1 P Cerrado Cerrado Cerrado Abierto R Cerrado Abierto Abierto Abierto N Cerrado Cerrado Abierto Cerrado SOBREMARCHA Abierto Abierto Abierto Cerrado 3 Abierto Abierto Cerrado Abierto L Cerrado Abierto Cerrado Cerrado
  • 15.
    58 Tec. En MecánicaAutomotriz Manuel Alberto Bautista Valiente Sensor del regulador o posición del acelerador El sensor del regulador de acelerador proporciona señales eléctricas correspondientes a la abertura del regulador. La abertura del regulador y la velocidad de accionamiento del acelerador son detestadas por la salida del Sensor de regulador. Sensor de temperatura de la transmisión (ATF) Este sensor va montado en la válvula de control de la transmisión. Detecta el cambio de temperatura como una señal eléctrica analógica. Este sensor sirve para controlar la temperatura de la transmisión. Puesto que la temperatura del líquido puede afectar a la calidad de los cambios de la transmisión y el bloqueo de l convertidor, el TCM requiere esta información para determinar en que programación de los cambios debe funcionar. El PCM verifica también estos datos de temperatura a fin de excitar los ventiladores de refrigeración del vehículo cuando se produce una condición de recalentamiento de la transmisión. Sensor de velocidad – entrada. Este sensor de velocidad de impulsión es un dispositivo fonocaptador magnético de dos cables que genera señales de CA mientras gira. Esta roscado dentro de la caja del transeje, sellado con un anillo y se considera una entrada fundamental al modulo de control de la transmisión (TCM) Funcionamiento: El sensor de velocidad de impulsión proporciona información acerca de la velocidad a la que gira el eje impulsor. A medida que los dientes de la maza del embrague de impulsión pasan
  • 16.
    59 Tec. En MecánicaAutomotriz Manuel Alberto Bautista Valiente por la bobina del sensor, se genera voltaje corriente alterna que recibe el TCM. El TCM interpreta esta información como las rpm del eje impulsor. El TCM compara la señal de velocidad de transmisión para determinar lo siguiente:  Relación de engrane de la transmisión.  Detección de error de relación de velocidades.  Calculo de CVI (índice de volumen del embrague). El TCM también compara la señal de velocidad de impulsión y la señal de velocidad del motor para determinar lo siguiente:  Resbalamiento de embrague del convertidor de par.  Relación de velocidades de los elementos del convertidor de par. Sensor de velocidad – salida Este sensor de velocidad de impulsión es un dispositivo fonocaptador magnético de dos cables que genera señales de CA mientras gira. Esta roscado dentro de la caja del transeje, sellado con un anillo y se considera una entrada fundamental al modulo de control de la transmisión (TCM) Funcionamiento: Este sensor proporciona información sobre la rapidez sobre la rapidez con que gira el eje transmisor. A medida que las orejas del trinquete de estacionamiento de la caja de satélites trasera pasa por la bobina del sensor, se genera voltaje de CA que recibe el TCM El TCM compara las señales de velocidad de impulsión y transmisión para determinar lo siguiente: • Relación de engranes de la transmisión. • Detección de error de relación de velocidades • Calculo de CVI
  • 17.
    60 Tec. En MecánicaAutomotriz Manuel Alberto Bautista Valiente Sensor de velocidad del vehículo VSS. Este sensor proporciona al PCM una señal que corresponde a la velocidad del vehículo .El VSS esta montado en la carcasa de la transmisión. El rotor del sensor VSS esta montado en el eje de salida o en el diferencial. Por lo tanto el rotor del sensor VSS siempre esta girando a la velocidad del vehículo. A medida que el rotor gira, los dientes del rotor pasan enfrente del imán del sensor Esta acción genera un impulso de corriente alterna en el sensor, el cual es interpretado por el PCM como velocidad del vehículo, los dientes del rotor pasan mas beses en frente del imán en un determinado tiempo, generando mas pulsos de CA El PCM interpreta este incremento en frecuencia como un incremento en la velocidad del vehículo.
  • 18.
    61 Tec. En MecánicaAutomotriz Manuel Alberto Bautista Valiente Sensor de presión absoluta del múltiple de admisión (MAP) El sensor MAP mide los cambios relativos a la presión de múltiple de admisión que son el resultado de los cambios en la velocidad y carga del motor, Estos cambios son monitoreados por el PCM con el fin de ajustar la presión de línea y secuencia de cambio. Luz indicadora de potencia (POWER) El vehículo equipado con la transmisión automática es capas de seleccionar automáticamente dos patrones de conducción; un patrón normal apropiado para la conducción ordinaria y un patrón de potencia, apropiado para conducir subiendo cuestas o acelerar rápidamente. La luz de indicador de potencia se enciende cuando selecciona el patrón de potencia. Consulte la tabla siguiente: Posición palanca selectora Cambio del patrón normal Al patrón de potencia Luz indicador de potencia ON/OFF Gama d, 3, 2 El patrón se cambia automáticamente de acuerdo con la pisada del pedal del acelerador Patron “Normal”: OFF Patron “power”: ON Tipos de mecanismo de control Control de la transmisión: Control de cambio de velocidad. Control de cambio norma · Patrón normal · Patrón de potencia Para cada gama se fijan cambios a mayor y reducciones, posición de velocidad y patrón, de acuerdo con la abertura del regulador y la velocidad del vehículo. Control con ABS La velocidad de bloquea en posición de 3ra. Cuando entra la señal de ABS. Control con controlador de crucero Cuando se activa el controlador de crucero, se amplia la gama operativa de la 4ta. Velocidad. Control de baja temperatura de ATF Se evita el cambio a 4ta. Cuando la temperatura de ATF está por debajo del valor prestablecido.
  • 19.
    62 Tec. En MecánicaAutomotriz Manuel Alberto Bautista Valiente Control manual La velocidad se mantiene en la gama seleccionada cuando el interruptor manual está en ON. (Sólo en las gamas 2 y 3). Control de caja de renvío ordinario Se regula la presión del aceite de caja de renvío de acuerdo con el ángulo de abertura del regulador y la velocidad del vehículo. Control de enclavamiento Control de enclavamiento normal  ´´Normal´´ : sólo en la gama ´´D´´  ´´Potencia´´ : gamas R, 3, 2 Para cada gama, posición de la velocidad y patrón, se fija el ON/ OFF de enclavamiento, de acuerdo con la abertura del regulador y la velocidad del vehículo. (Básicamente, el enclavamiento está en OFF durante el cambio de velocidades). Control suave El enclavamiento suave se realiza cuando el enclavamiento está en ON. Control de embrague de rueda libre. Control del freno de motor El embrague de rueda libre se acciona de acuerdo con las señales de gama, velocidad de vehículo y controlador de crucero, para aplicar apropiadamente la retención o freno con el motor. Control de sincronización 3- 2 Este control acelera la liberación de la presión del pistón servo 3R al reducir de 3ra. A 2da. Evitando así que el motor se acelere demasiado. Control de presión de Línea. Control ordinario La presión de línea se regula de acuerdo con las señales de abertura del regulador, velocidad del vehículo y gama. Control de cambios de velocidad La presión de línea se reduce al cambiar, para disminuir el impacto del cambio. Control de arranque La presión de línea está al mínimo para reducir la carga de arranque del motor. Control de selección Del patrón automático. Control del patrón potencia (la luz de POWER en ON) El patrón de potencia se selecciona cuando la velocidad de cambio de abertura de regulador excede el valor prefijado. Control de patrón normal Cuando la abertura del regulador es menor del valor prefijado, se continúa con el patrón normal. Control de sincronización del cambio. Control de etapa de cambio Se controla la sincronización ON/ OFF para el solenoide de cambio. Control de enclavamiento Al cambiar, se libera temporalmente el embrague de enclavamiento. Control del embrague de rueda libre (3ra. A 2da. : Pequeña abertura del regulador al desembragar, 2da. A 1ra. : Al desembargar). Al reducir velocidades, se desconecta temporalmente el embrague de rueda libre para reducir el impacto del cambio. Control de presión de línea AL cambiar, se controla la presión de línea al nivel óptimo para reducir el impacto del cambio.
  • 20.
    63 Tec. En MecánicaAutomotriz Manuel Alberto Bautista Valiente Control del embrague de baja de renvío de 4WD Control de la gama 1ra. Se incrementa la presión de aceite de caja de renvío Control de deslizamiento Inmediatamente después de detectar un deslizamiento o patinazo, la presión de aceite se controla a la misma presión que en gama de 1ra. (Este control se cancela si V 60km/ h (37MPH), o cuando el regulador se cierra del todo). Control de giro La presión de aceite de caja de renvío se reduce después de detectar el giro. Control de ABS La presión de aceite de caja de renvío se ajusta al nivel fijado, inmediatamente después de recibir la señal de ABS. UNIDAD DE CONTROL DE LA TRANSMISIÓN (TCU) La TCU recibe varias señales de sensores y determina las condiciones de marcha del vehículo. Luego envía señales de control a cada solenoide de acuerdo con los datos de características de cambio de velocidades preseleccionados, datos de operación de enclavamiento y datos de par de embrague de la caja de renvío (régimen de servicio). Control del cambio El cambio de velocidades se controla en respuesta a las condiciones de conducción, de acuerdo con los datos característicos del punto de cambio, como se muestra en el siguiente diagrama, almacenado en la TCU. Los solenoides se activan en el momento adecuado correspondiente al patrón de cambios, abertura del regulador, y a la velocidad del vehículo para cambiar suavemente. Control de enclavamiento Las condiciones de engranamiento y desengranamiento del enclavamiento se fijan para cada gama de cambio de velocidades, posición de velocidad y patrón de cambio, y corresponden a la abertura del regulador y a la velocidad del vehículo, y el solenoide de servicio es controlado electrónicamente por los controles de la TCU Sobre el embrague de enclavamiento. El engranamiento y desengranamiento del embrague de enclavamiento se controlan mediante válvulas de control de enclavamiento (al engranar y desengranar). La válvula de cambio de lanzadera D es accionada por la presión hidráulica de la válvula de cambio A. Controla la posición de la válvula de enclavamiento para engranar o desengranar el embrague de enclavamiento. Solenoide 1 Solenoide 2 primer a o o segund a x o tercera x x cuarta o x
  • 21.
    64 Tec. En MecánicaAutomotriz Manuel Alberto Bautista Valiente Primera velocidad en gamas N, R Y P Como no se genera presión operativa en la válvula de cambio A, la válvula de cambio de lanzadera D fija la válvula de control de enclavamiento en la posición “desengranada”. La presión de operación de enclavamiento (presión regulador de convertidor de par) actúa en el circuito de desgranamiento del embrague de enclavamiento, mientras que el circuito de engranamiento se comunica con el circuito del enfriador de aceite. Así pues, el embrague de enclavamiento se desengrana por diferencia de presión. Segunda, 3ra., 4ta velocidad La presión operativa de generada por la válvula de cambio A se aplica a la válvula de cambio de lanzadera D, que empuja la válvula de control de enclavamiento a la posición de engranamiento. Como se aplica presión operativa de enclavamiento al circuito de engrane de engranamiento mientras se drena el circuito de desengranamiento, el embrague de enclavamiento engrana por diferencia de presión (Control suave). El solenoide de servicio B esta controlado por la TCU y controla la operación de la válvula de control de enclavamiento. Como la presión operativa de enclavamiento esta controlada por la válvula de control de enclavamiento, se controla para una mayor suavidad de operación del embrague. A l enclavarse, el embrague se dispone de antemano en la operación de desembriagado. Después de esto la operación operativa de enclavamiento se incrementa gradualmente para conseguir un enclavamiento suave.
  • 22.
    65 Tec. En MecánicaAutomotriz Manuel Alberto Bautista Valiente
  • 23.
    66 Tec. En MecánicaAutomotriz Manuel Alberto Bautista Valiente Control de presión de línea 1) La presión de entrega de la bomba de aceite (presión de línea) se regula de acuerdo con la presión piloto mediante la válvula piloto. 2) La presión piloto aplicada a la válvula del modificador de presión se regula mediante el solenoide de servicio A que controla la presión de línea y se cambia a la presión de modificación de presión. 3) La válvula de modificación de presión es una válvula auxiliar de la válvula del regulador de presión y crea una presión de señal (presión de modificador de presión) para regular la presión de línea a la presión óptima correspondiente a las condiciones de conducción. 4) Esta presión de modificador de presión se aplica ala válvula de regulador de presión para controlar la presión a la bomba de aceite. 5) La presión de entrega a la bomba de aceite se regula mediante a la presión apropiada (presión de línea) correspondiente a la condición de conducción, para reducir perdidas de tiempo de impulso de la bomba de aceite y el impacto de la aceleración. 6) La presión del modificador de presión regulada por la válvula del modificador de presión, se suaviza por medio del acumulador modificador de presión, eliminándose la pulsación de la presión de línea.
  • 24.
    67 Tec. En MecánicaAutomotriz Manuel Alberto Bautista Valiente Control de cambio de presión de línea La presión de aceite que engrana los embragues de cambio (para proporcionar las velocidades de 1ra. A 4ta.) Se controla electrónicamente para cubrir diversas condiciones de operación. En otras palabras, la presión de línea disminuye para coincidir con la posición seleccionada del cambio, minimizando el impacto del cambio.  Resumen de control electrónico de la presión de aceite del embrague. 1. Los solenoides son activados por la TCU que recibe varias señales de control 2. Las señales de control se convierten en presión de regulador, que se transmite a la válvula del regulador de presión. 3. La válvula reguladora de presión regula óptimamente la presión de línea (creada por la bomba de aceite) en respuesta a la presión sobre el acelerador, coincidiendo con las diversas condiciones de operación. Control de sección del patrón de cambio El patrón de cambio es seleccionado automáticamente entre un patrón normal apropiado para una conducción económica ordinaria y un patrón de potencia apropiado para subir cuestas o acelerar rápidamente. En el patrón de potencia, el punto de reducción de velocidades y el cambio de mayor se fija más alto que para el patrón normal. Al seleccionarse el patrón de potencia se enciente la luz indicadora de potencia del medidor. Posición del selector Cambio de patrón normal a potencia Indicación del medidor Gama d,3,2 Realizando automáticamente en correspondencia al accionamiento del pedal del acelerador  patrón normal OFF  patrón de potencia ON
  • 25.
    68 Tec. En MecánicaAutomotriz Manuel Alberto Bautista Valiente  Esto solo ocurre cuando el interruptor manual y el de economía están ambos conectados. Patrón normal a patrón de potencia: PALANCA SELECTORA GAMA D,3,2 VELOCIDAD DE ACCIONAMIENTO DEL PEDAL DEL ACELERADOR MAYOR QUE EL VALOR FIJADO Dependiendo de la abertura del regulador del acelerador y de la velocidad del vehículo, se fijan 16 áreas La velocidad de accionamiento del pedal del acelerador se fija para cada área para el cambio de patrones. Cuando la velocidad de accionamiento del pedal excede este valor fijado, el patrón cambia normal a potencia. Esto ocurre en la gama 3 ò 2, solo cuando el interruptor manual esta en OFF El patrón de potencia cambia al patrón normal, dependiendo de la velocidad del vehículo. El cambio al patrón normal esta determinado por la posición del regulador. El intervalo de tiempo al cambiar también esta determinado por la velocidad del vehículo. El máximo intervalo es de 3 segundos. CONTROL DE FRENO DE MOTOR La TCU controla el solenoide de cambio correspondiente a señales de entrada tales como la de aberturas del regulador, velocidad del vehículo, gama de cambios, y controlador de crucero para controlar automáticamente la operación del embrague de ruede libre para aplicar positivamente el freno de motor. 1. En las gamas d y 3 el embrague de rueda libre se mantiene inoperante por la acción de la válvula de cambio la lanzadera S cuando la abertura del regulador es grande. Con aberturas más pequeñas, el embrague de rueda libre se engrana por la acción de solenoide de cambio 3. 2. En la gama 2, se engrana el embrague de rueda libre por la operación del solenoide de cambio 3. En la gama 1, se engrana el embrague de rueda libre respectivamente de la operación del solenoide de cambio 3.
  • 26.
    69 Tec. En MecánicaAutomotriz Manuel Alberto Bautista Valiente Control de caja de renvió Cuerpo de la válvula de renvió acoplado a la cara lateral de la caja de extensión vía el segmento y una placa separada. El aceite hidráulico de la unidad de control de presión hidráulica de la caja de renvió y conducido desde el circuito de presión de entrega de la bomba de aceite en la parte delantera de la caja de transmisión de la caja de la transmisión .desde allí se sigue conduciendo la caja de extensión donde se suministra al circuito hidráulico La unidad de control de la presión hidráulica de la caja de renvió tiene el del cuerpo de la válvula de caja de renvió. La presión de aceite hidráulico (presión de línea) se regula por medio de la válvula piloto de caja de renvió, el solenoide de servicio c y la válvula de control de caja de renvió para obtener la distribución optima de par trasero correspondientes a las condiciones de conducción. 1. La presión de línea regulada a la presión apropiada correspondiente a la condición de la marcha se vuelve a regular a una presión piloto constante por medio de la válvula piloto de la caja de renvío. 2. la presión piloto se regula la presión de servicio de caja de renvió mediante el solenoide de servicio C cuyo régimen de servicio es controlada por la TCU correspondiente a la conducción de marcha. (la presión de servicio de la caja de renvió varia con el grado de control de servicio). 3. La presión de servicio de caja de renvió se aplica a la válvula de control de la caja de renvió. 4. La presión de línea se conduce también a la válvula de control de caja de renvío en donde la presión se regula a la presión del embrague de caja de renvió mediante la presión de la caja de renvío. (la presión del embrague de caja e renvío varia con la presión de servicio de la caja de renvío). 5. La presión del embrague de caja de renvío se aplica al embrague de caja de renvío y engrana el embrague. De esta forma la presión del embragué de caja de renvío varia para poder obtener la optima distribución del par trasero que corresponde a las condiciones de marcha del vehículo.
  • 27.
    70 Tec. En MecánicaAutomotriz Manuel Alberto Bautista Valiente Función y funcionamiento del mecanismo de selección de marchas Interruptor inhibidor  El interruptor inhibidor proporciona seguridad al arrancar el motor. Este interruptor va montado en el lado derecho de la caja de la transmisión, y es accionado por la palanca selectora de gama.  Cuando la palanca selectora está en “P” o “N”, se conecta el circuito eléctrico del interruptor inhibidor y se energiza el circuito del motor de arranque para arrancar el motor.  Cuando la palanca selectora está en las gamas “R”, “D”, “3”, “2”, o “1”. Se desconecta el circuito eléctrico del interruptor inhibidor. Así no es posible arrancar el motor. En la gama “R”, se cierre el circuito de luz de marcha atrás en el interruptor, y se enciende la luz de marcha atrás.  Además de esta función, el interruptor inhibidor incorpora un circuito para detectar la posición de gama seleccionada y enviar la señal de gama al TCM. Solenoides Los solenoides reciben alimentación eléctrica desde el relé de control de la transmisión a través de un único cable. El TCM excita o activa los solenoides individualmente al poner a masa el cable el cable de retorno del solenoide necesario. Cuando se excita un solenoide, la válvula solenoide conmuta, lo que implica que abre o cierra un pasaje de liquido (ventea o aplica), según sea su estado de funcionamiento por defecto. El resultado es la aplicación o el retorno de un elemento de fricción. Normalmente, los solenoides de 2-4 y submultiplicación están aplicados permitiendo, a raíz del diseño, que el líquido pase a través de ellos cuando están en reposo o en posición OFF (desactivado). De este modo el transeje puede entrar en modo de fallo (P, R, N, 2) en caso de producirse un fallo electrónico. La continuidad de los solenoides y los circuitos se prueba periódicamente. Cada solenoide se activa o desactiva según sea su estado actual. El TCM debe detectar un punto de descarga inductivo durante esta
  • 28.
    71 Tec. En MecánicaAutomotriz Manuel Alberto Bautista Valiente prueba. En caso contrario, el circuito se prueba nuevamente para verificar el fallo. Además de la prueba periódica, los circuitos de los solenoides se verifican al producirse un error de relación de velocidades o de conmutador de presión. Solenoides de regulación de la presión de línea El solenoide de control de presión regula una alimentación de fluido (presión de línea) que afecta la presión de fluida de la señal de par. Cuando es necesaria una alta presión para aplicar un embrague, el PCM disminuye la corriente del PCS. Esta disminución de la corriente causa que el PCS incremente la presión de fluido en la señal de par. El fluido de la señal de par es dirigido a la válvula reforzadora, moviéndola para incrementar la presión de línea en la válvula reguladora de presión -. El incremento en la presión de línea proporciona una aplicación rápida del embrague y una mayor fuerza de retención, también conocido como una aplicación firme. La presión de fluido de la señal de par también es dirigido a la válvula del acumulador de 1-2/ 3-4 para ayudar a regular la presión del acumulador. Incrementando la presión del acumulador se cera un cambio mas firme; por ejemplo durante aceleraciones severas. El solenoide de control de presión esta conectado al PCM por medio de dos circuitos. El PCM usa un ciclo de trabajo con el fin da variar la corriente que fluye a través del solenoide. La operación del solenoide de control de presión es de la siguiente manera:  A medida que disminuye la corriente del solenoide (el ciclo de trabajo se reduce), la presión hidráulica en el circuito de línea aumenta.  A medida que incrementa la corriente en el solenoide (el ciclo de trabajo se incrementa), la presión hidráulica en el circuito de línea disminuye. Si el solenoide no tiene alimentación de corriente, la presión hidráulica en el circuito de línea esta en su máximo nivel. El PCM monitorea los circuitos del solenoide de control de presión para detectar fallas. Solenoide de cambio Las trasmisiones automáticas controladas electrónicamente usan dos solenoides de cambio, de 1-2 y 2-3, llamadas también Ay B para controlar la secuencia de cambio de la transmisión, los solenoides de cambio son solenoides On/OFF localizados en los extremos de las válvulas. Los solenoides permiten el escape del fluido cuando están en OFF o bloquean el fluido evitando que escape cuando esta en ON. Cuando los solenoides están en ON, se crea una presión de fluido. El PCM opera a los
  • 29.
    72 Tec. En MecánicaAutomotriz Manuel Alberto Bautista Valiente solenoides de cambio de una combinación de secuencia ON y OFF para controlar la posición de las válvulas de cambios 1-2, 2-3, 3-4, El PCM cambia el estado ON /OFF de uno de los solenoides para cambiar automáticamente la transmisión diferente. Solenoide de cambio 1-2 El solenoide de cambio 1-2 recibe alimentación de energía cuando el interruptor de ignición esta la posición Run. El PCM controla al solenoide proporcionándole una línea a tierra a través de un modulo controlador de salida. El solenoide esta ON en 1era y 4ta velocidad. El PCM monitorea los circuitos del solenoide de cambios 1-2 para detectar fallas. Solenoide de cambio 2-3 El solenoide de cambios 2-3 recibe alimentación de energía cuando el interruptor de ignición está en la posición de RUN. El PCM controla al solenoide proporcionándole una línea a tierra a través de un modulo controlador de salida. El solenoide está ON en tercera y cuarta velocidad. El PCM monitorea los circuitos del solenoide de cambio 2-3 para detectar fallas. Solenoide de control de 3-2 En estas transmisiones el PCM usa un solenoide de control 3-2 para regular el escape del acumulador de tercera. El solenoide de control de 3- 2 puede ser PWM u ON/OFF. Durante el control electrónico, el solenoide regula la presión hidráulica de acuerdo al ciclo de trabajo, permitiendo el escape parcial de fluido. El fluido hidráulico del solenoide de control de 3-2 posiciona a la válvula de control 3-2 para regular el escape del circuito del acumulador de tercera, durante un cambio descendente de 3-2. a bajas velocidades del vehículo, el ciclo de trabajo es bajo y permite que el escape de fluido del acumulador de tercera sea mas rápido. A alta velocidades del vehículo, el ciclo de trabajo es mayor y permite que el escape de fluido del acumulador sea más lento. El solenoide de control de 3-2 recibe alimentación de energía cuando el interruptor de ignición esta en la posición de RUN. El PCM controla al solenoide proporcionándole una línea a tierra a través de un modulo controlador de salida. El solenoide puede estar en ON durante el cambio descendente de 3-2. El PCM monitorea los circuitos del solenoide de cambios 2-3 para detectar fallas. Solenoide de aplicación de la banda de primera y segunda velocidad En algunas transmisiones el TCM usa un solenoide de aplicación de la banda de primera y segunda velocidad. El solenoide se localiza en el cuerpo de válvula de control y controla el flujo de fluido del servo de la banda .El TCM controla al solenoide con una señal moduladora por ancho de pulso. (PWM). El solenoide de aplicación de la banda de primera y segunda velocidad recibe alimentación de energía del TCM .El TVM controla el solenoide proporcionando una línea de tierra a través de un modulo de controlador de salida. La banda siempre esta aplicada en primera y segunda velocidad. El TCM monitorea los circuitos del solenoide de aplicación de la banda de primera y segunda velocidad para detectar fallas.
  • 30.
    73 Tec. En MecánicaAutomotriz Manuel Alberto Bautista Valiente Solenoide del embrague del convertidor Dependiendo del diseño de la transmisión se puede usar uno o dos solenoides TCC. El diseño básico usa un solenoide TCC ON/OFF, que funciona de forma similar a los solenoides recambios y simplemente controla el tiempo de aplicación y liberación del TCC. Cuando el solenoide esta en OFF, el fluido escapa a través del solenoide y la fuerza del resorte mantiene a la válvula del TCC en la posición de liberación. Cuando el solenoide es energizado (ON) por el PCM, el fluido es bloqueado evitando que escape. Con el escape de fluido bloqueado, la presión del fluido se incrementa, la válvula del TCC se mueve a la posición de aplicación y el TCC es aplicado. Solenoide del TCC modulado por ancho de pulso (PWM) El solenoide del TCC modulado por ancho de pulso (PWM) recibe alimentación de energía, cuando el interruptor de ignición esta en posición de RUN. El PCM opera al solenoide controlando una línea a tierra a través de un modulo controlador de salida. El solenoide puede esta ON en tercera o cuarta velocidad .También es posible la aplicación del TCC en segunda velocidad durante la operación del modo caliente. El deslizamiento del embrague del convertidor de par es proporcional al ciclo de trabajo proporcionado por el PCM.  Aun porcentaje bajo de ciclo de trabajo, el TCC es liberado.  Aun porcentaje alto de ciclo de trabajo, el TCC es aplicado.  A un porcentaje moderado de ciclo de trabajo, el TCC es aplicado parcialmente para controlar el deslizamiento. Solenoide Del TCC ON/OFF Esta solenoide recibe alimentación de energía, cuando el interruptor de ignición esta en la posición de RUN. El PCM opera al solenoide controlando la línea a tierra a través de un modulo controlador de salida. También es posible la aplicación del TCC en segunda velocidad durante la operación en modo caliente.
  • 31.
    74 Tec. En MecánicaAutomotriz Manuel Alberto Bautista Valiente Controles o mediciones de averías Luz mil El PCM usa la luz mil (luz indicadora de fallas) para avisar al conductor que ha detectado una falla que requiere diagnostico y reparación. La LUZ MIL esta ubicada en el panel de conjunto de instrumentos (IPC). Algunas fallas que detecta el PCM no provocan que este encienda la luz mil. La LUZ MIL recibe alimentación del interruptor de ignición y el PCM enciende a la luz cerrando el circuito a tierra. El PCM se autodiagnóstica y monitorea a la línea de datos seriados clase 2 y a la LUZ MIL. Cuando el PCM detecta una falla, puede tomar las siguientes acciones de diagnostico:  Almacenar en su memoria uno o mas códigos de diagnostico de falla (DTCs). 1. DTC PO560 para el sistema de voltaje. 2. DTC PO601 para el PCM y sus funciones criticas. 3. DTC Pxxxx Y Uxxxx (los números varían) para la comunicación de la línea de datos seriados clase 2. 4. DTC Pxxxx para la luz mil.  Almacenar información de los DTCs capturados, relacionados con emisiones.  Encender la LUZ MIL cuando detecta determinadas fallas. Autodiagnóstico El sistema de auto diagnostico es capas de detestar cualquier problema que haya ocurrido en cualquiera de lo siguientes sistemas de señales de entrada y de salida. 1. Sensor de velocidad del vehículo 1 2. Sensor velocidad del vehículo 2 3. Sensor el regulador 4. Solenoide de cambio 1 5. Solenoide de cambio 2 6. Solenoide de cambio 3 7. Solenoide de servicio B 8. Solenoide de servicio C (Solo 4WD) 9. Sensor de temperatura ATF 10. Impulso de encendido 11. Solenoide de servicio A 12. Sensor de presión atmosférica. Los resultados de autodiagnóstico se indican por el parpadeo de la lámpara indicadora de potencia.
  • 32.
    75 Tec. En MecánicaAutomotriz Manuel Alberto Bautista Valiente Obtención de Códigos Formato OBD I MITSUBISHI Con Multímetro o Led Por Parpadeo en MIL Con Multímetro o Led Códigos de Fallas OBD I 37 Park/Neutral Position Switch Failure 15 No Vehicle Speed Sensor Signal 24 Throttle Position Sensor Voltage High. 61 Torque Reduction Signal (A/T). 24 Vehicle Speed Sensor NISSAN Auto Repair Manual - How to read codes (No Special Tools Needed) 1 Drive the vehicle until transmission reaches operating temperature. 2 With ignition ON and engine OFF place gear selector into D position. 3 Turn the power shift button to POWER. 4 Cycle the ignition switch OFF-ON. 5 Move the gear selector into position 2. 6 Turn the power shift button to AUTO.
  • 33.
    76 Tec. En MecánicaAutomotriz Manuel Alberto Bautista Valiente 7 Move the gear selector into position 1. 8 Turn the power shift button to POWER. 9 Depress the throttle pedal and release. 10 The Power Light on either the instrument cluster or the Power switch will begin flashing. 11 Read codes as described in the Code Format Description below. 12 Press the continue button to enter the code numbers and get the code description. Auto Repair Manual - How to read codes (No Special Tools Needed) 1 Drive the vehicle until transmission reaches operating temperature. 2 With ignition ON and engine OFF place gear selector into D position. 3 Turn the O/D switch to OFF. 4 Cycle the ignition switch OFF-ON. 5 Move the gear selector into position 3. 6 Depress the throttle pedal and release. 7 Move the gear selector into position 2. 8 Depress the throttle pedal and release. 9 Move the gear selector into position 1. 10 Depress the throttle pedal and release. 11 The AT Light will begin flashing. 12 Read codes as described in the Code Format Description below. 13 Press the continue button to enter the code numbers and get the code description. Codigos de Fallas OBD I 14 Vehicle Speed (VSS) sensor 23 Throttle Valve Switch 24 Transmission Switch 54 A/T Control HONDA Auto Repair Manual - How to read codes (No Special Tools Needed) 1 Drive the vehicle until transmission reaches operating temperature. 2 Stop the vehicle, place in park, or neutral and turn ignition OFF. 3 Locate the electronic transmission control module, if the LED inside the control module is flashing; it indicates that a fault is stored. 4 Turn ignition ON. If LED not flashing, then there are NO codes present. 5 Read codes as described in the Code Format Description below. 6 Press the continue button to enter the code numbers and get the code description.
  • 34.
    77 Tec. En MecánicaAutomotriz Manuel Alberto Bautista Valiente Codigos de Fallas OBD I 7 TP Sensor{2} M/T Clutch Switch Signal{1} A/T Shift Position Signal{1} 17 VSS 19 Lock-Up Solenoid Valve 30 A/T FI Signal A 31 A/T FI Signal B ISUZU 24 Vehicle Speed Sensor (VSS) circuit - V6 models Pressure regulator vacuum switching valve - 1988 to 1994 four-cylinder, also Impulse TOYOTA
  • 35.
    78 Tec. En MecánicaAutomotriz Manuel Alberto Bautista Valiente Codigos de Fallas OBD I 9 Vehicle Speed Sensor signal 81 TCM Communication. 83 TCM Communication. 84 TCM Communication. 85 TCM Communication CHRYSLER 94 TCC, No RPM Drop At Lockup 0C TCC Solenoid/Trans Relay Circuits (3 Speed Auto RH Trans Only) 32 Trans 3–4 Shift Sol/Trans Relay Circuits A5 3–4 Shift Solenoid, No RPM Drop At 3–4 Shift 8D Governor Sensor Input Not At 10–25 PSI On Request 8E Governor Pressure Above 3 PSI When Request Is 0 PSI A9 Governor Pressure Sensor Offset Improper Voltage
  • 36.
    79 Tec. En MecánicaAutomotriz Manuel Alberto Bautista Valiente Códigos de Ejemplo adicionales Código de averías ITEM 11 Solenoide de servicio A 12 Solenoide de servicio B 13 Solenoide de cambio 3 14 Solenoide de cambio 2 15 Solenoide de cambio 1 21 Sensor de temperatura de ATF 23 Revoluciones del motor 24 Solenoide de servicio C 31 Sensor del regulador 32 Sensor de velocidad de vehículo 1 33 Sensor de velocidad del vehículo 2 Códigos de Fallas Genéricos OBD II P0700 Transmission Control System Malfunction P0701 Transmission Control System Range/Performance P0702 Transmission Control System Electrical P0703 Torque Converter/Brake Switch B Circuit Malfunction P0704 Clutch Switch Input Circuit Malfunction P0705 Transmission Range Sensor Circuit malfunction (PRNDL Input) P0706 Transmission Range Sensor Circuit Range/Performance P0707 Transmission Range Sensor Circuit Low Input P0708 Transmission Range Sensor Circuit High Input P0709 Transmission Range Sensor Circuit Intermittent P0710 Transmission Fluid Temperature Sensor Circuit Malfunction P0711 Transmission Fluid Temperature Sensor Circuit Range/Performance P0712 Transmission Fluid Temperature Sensor Circuit Low Input P0713 Transmission Fluid Temperature Sensor Circuit High Input P0714 Transmission Fluid Temperature Sensor Circuit Intermittent P0715 Input/Turbine Speed Sensor Circuit Malfunction P0716 Input/Turbine Speed Sensor Circuit Range/Performance P0717 Input/Turbine Speed Sensor Circuit No Signal P0718 Input/Turbine Speed Sensor Circuit Intermittent P0719 Torque Converter/Brake Switch B Circuit Low P0720 Output Speed Sensor Circuit Malfunction
  • 37.
    80 Tec. En MecánicaAutomotriz Manuel Alberto Bautista Valiente P0721 Output Speed Sensor Range/Performance P0722 Output Speed Sensor No Signal P0723 Output Speed Sensor Intermittent P0724 Torque Converter/Brake Switch B Circuit High P0725 Engine Speed input Circuit Malfunction P0726 Engine Speed Input Circuit Range/Performance P0727 Engine Speed Input Circuit No Signal P0728 Engine Speed Input Circuit Intermittent P0730 Incorrect Gear Ratio P0731 Gear 1 Incorrect ratio P0732 Gear 2 Incorrect ratio P0733 Gear 3 Incorrect ratio P0734 Gear 4 Incorrect ratio
  • 38.
    81 Tec. En MecánicaAutomotriz Manuel Alberto Bautista Valiente NISSAN PATHFINDER 2002 DIAGRAMAS
  • 39.
    82 Tec. En MecánicaAutomotriz Manuel Alberto Bautista Valiente FORD FOCUS 2002
  • 40.
    83 Tec. En MecánicaAutomotriz Manuel Alberto Bautista Valiente CHRYLER TOWN CONTRY 2007
  • 41.
    84 Tec. En MecánicaAutomotriz Manuel Alberto Bautista Valiente HYUNDAI ELANTRA 2002
  • 42.
    85 Tec. En MecánicaAutomotriz Manuel Alberto Bautista Valiente TOYOTA COROLLA 2002
  • 43.
    86 Tec. En MecánicaAutomotriz Manuel Alberto Bautista Valiente MITSUBISHI LANCER 2002
  • 44.
    87 Tec. En MecánicaAutomotriz Manuel Alberto Bautista Valiente NUEVAS TECNOLOGIAS EN TRANMISIONES Cambio automático de 5 marchas Tiptronic Esta caja de cambios de 5 marchas, esta adaptada para vehículos con el motor montado en posición transversal. Es utilizada por vehículos de la marca Audi- Volkswagen y fabricada por la marca "Jatco". La escasez de espacio en el vano motor en estos vehículos ha hecho necesario disponer tres engranajes planetarios a dos niveles. En el árbol de salida del convertidor de par están dispuestos directamente los engranajes planetarios I y II. Debajo se encuentra el engranaje planetario III en un árbol por separado. Los engranajes planetarios I y II están comunicados con el engranaje planetario III a través de los piñones cilíndricos A y B. La salida de par se realiza siempre a través del piñón de salida sobre el árbol del engranaje planetario III. A partir del piñón de salida, el par se transmite hacia el grupo diferencial y los semiejes. Este cambio se caracteriza por los siguientes componentes y funciones:  Cambio automático de las cinco marchas mediante programas de conducción supeditados al conductor y a las condiciones de la marcha  Un programa de conducción en función de la resistencia que se opone a la marcha (detecta resistencias a la marcha, tales como subidas y bajadas, conducción con remolque y viento contrario)  Tiptronic  Indicador de las marchas en el cuadro de instrumentos  Bloqueo anti-extracción de la llave de contacto  Convertidor de par con embrague anulador del convertidor de par  Desacoplamiento en parado Selección de marchas Pista de cambios automáticos En la posición «D», la transmisión selecciona de forma automática las marchas de 1 a 5, en función de las cargas momentáneas. Sin embargo, el conductor no puede seleccionar directamente la primera marcha, sino que es seleccionada por la unidad de control en función de la carga momentánea del vehículo. La I marcha sólo puede ser engranada de
  • 45.
    88 Tec. En MecánicaAutomotriz Manuel Alberto Bautista Valiente forma directa teniendo la palanca en la pista de selección Tiptronic. En ese caso trabaja con freno motor. Pista de selección Tiptronic Si se lleva la palanca selectora a la pista de selección de la derecha, la transmisión pasa al programa Tiptronic. Si con este programa se pulsa brevemente la palanca selectora hacia delante o hacia atrás, la transmisión cambia respectivamente hacia una marcha superior o inferior. Breve pulsación en dirección «+»: La transmisión cambia una marcha a mayor. Breve pulsación en dirección «–»: La transmisión cambia una marcha a menor. En el cuadro de instrumentos se visualiza la marcha que se encuentra engranada momentáneamente. Caja de cambios de "variador continuo" CVT (Continuously Variable Transmission) El variador continuo para la transmisión es muy utilizado en los ciclomotores. También se esta empezando a utilizar en los automóviles desde los años 60, aunque no ha tenido mucho éxito hasta ahora. En teoría, las cajas de cambio de variación continua son la transmisión ideal, ya que varían la relación de velocidades continuamente, por lo que podemos decir que es una transmisión automática con un número infinito de relaciones. Esta característica nos permite movernos en la curva de potencia máxima, algo imposible con las cajas automáticas o manuales, en las que se produce un escalonamiento o salto entre las diferentes velocidades. Un variador continuo es un sistema de transmisión que cuenta con dos poleas cuyo diámetro interior efectivo es variable. La transmisión entre las dos poleas se realiza mediante una "correa" elaborada con eslabones metálicos de forma que al variar el diámetro de las poleas se va variando progresivamente la relación de desmultiplicación. Al ser la correa un elemento inextensible, la apertura de una de las poleas implica la reducción del diámetro de la otra, aun asi, se consigue un número infinito de desarrollos consiguiendo una variación continua de la marcha. De ahí que a este sistema también se le denomine cambio automático de transmisión continua. En la figura inferior se muestra la disposición de estas dos poleas. Si la cara desplazable de la polea conductora que transmite el par del motor se acerca a la otra cara, el diámetro efectivo de la polea se hace mayor. La correa al tener una longitud prácticamente constante gira en la polea conducida en diámetros
  • 46.
    89 Tec. En MecánicaAutomotriz Manuel Alberto Bautista Valiente efectivos menores como consecuencia de la apertura de la polea mediante el desplazamiento de una de sus caras por lo que la desmultiplicación será menor. El cambio de anchura de poleas y por tanto de diámetro efectivo se realiza mediante un control hidráulico que distribuye la cantidad de aceite a presión adecuada en cada instante. El control hidráulico tiene en cuenta en todo momento parámetros como la posición del acelerador, condiciones de utilización, velocidad del vehículo, régimen del motor y relación de desmultiplicación. Este mismo aceite a presión sirve además para lubricar todo el conjunto y para mantener tensada la correa de arrastre aplicando la justa presión sobre la polea conducida. Actualmente la correa, transmite los esfuerzos por compresión, empujando el eslabón que le precede, en lugar de por tracción, como trabaja una correa convencional. Por tanto la tensión de la correa es un dato importante en el funcionamiento correcto de este sistema de cambio continuo. La tensión depende tanto del par motor que hay que transmitir en cada momento como de la relación de transmisión. Al principio este tipo de cambio se utilizaba en automóviles de baja cilindrada, ya que la cadena solo resistía los esfuerzos producidos por motores de bajo par. En la actualidad se han conseguido cadenas o correas más resistentes, que soportan mejor los valores de par de los automóviles de alta cilindrada. Multitronic
  • 47.
    90 Tec. En MecánicaAutomotriz Manuel Alberto Bautista Valiente Se trata de una transmisión CVT (Continuously Variable Transmission) fabricada por la empresa Luk, actualmente la más elaborada, sofisticada y eficaz del mercado. Audi es la marca que esta utilizando esta transmisión en sus vehículos. Audi con su novedosa transmisión ha logrado doblar la frontera de los 15 kgm de par, situándolo en los 30 kgm. La clave principal de esta superación está en el elemento de transmisión. El Multitronic no monta una correa metálica sino una cadena, cuya configuración rompe por completo con las correas utilizadas hasta el momento. La cadena funciona en tensión en un baño de aceite entre dos pares de ruedas cónicas de diámetro variable. El diseño y el peso reducido de este cambio reducen el consumo de combustible. Al igual que en el cambio Tiptronic de 5 velocidades, está disponible el modo de selección de marcha manual, pudiéndose seleccionar hasta seis etapas de marcha simuladas. En el modo automático del Multitronic que calcula la relación de transmisión óptima con ayuda de un programa de regulación dinámico (DRP) según la carga del motor, las preferencias del conductor y las condiciones de marcha. Una ventaja básica del variador en el sistema Multitronic es la amplia relación entre la mayor y la menor desmultiplicación posible en la transmisión (1: 2,1 hasta 1:12,7) siendo, de este modo, superior a 6, lo cual representa casi un caso ideal para la transmisión que hasta ahora apenas sobrepasaba un valor de 5. Gracias a esta característica, por una parte, se puede acelerar de forma deportiva y dinámica, debido a la mayor desmultiplicación posible y, por otra parte, se puede aprovechar completamente la menor desmultiplicación para potenciar el ahorro del combustible. Las características de este cambio permiten un doble manejo:  Automático. Se ha desarrollado una gestión con cierta capacidad adaptativa. Reconoce la forma de conducir y el perfil de la carretera, escogiendo los desarrollos más adecuados en cada momento. Audi lo llama DRP (Programa Dinámico de Regulación).  Secuencial. Mediante palanca tradicional o con mandos al volante. Para ello se fijan seis posiciones concretas de las poleas del variador.
  • 48.
    91 Tec. En MecánicaAutomotriz Manuel Alberto Bautista Valiente Caja de Cambios D.S.G. (Direct Shift Gearbox) El fabricante Volkswagen dio un paso importante en el desarrollo de los sistemas de transmisión automática con el lanzamiento de esta caja de cambios automática de doble embrague (engranamiento doble, DSG). Se trata de un dispositivo, heredado de la competición, que permite cambios de velocidad mucho más rápidos, más suaves y con menor gasto energético. Su manejo es una simbiosis de la facilidad de uso de una caja de cambios automática secuencial y el placer de conducción de una caja de cambios manual de seis relaciones. Con el DSG, Volkswagen es el primer fabricante mundial en desarrollar una caja de cambios de embrague doble producida en serie. Este tipo de transmisiones ya habían sido utilizadas en competición, pero la incomodidad del cambio (por falta de medios adecuados de control mecánico y electrónico) impidieron su utilización en coches de serie. Volkswagen encontró la solución; sumados a una serie de nuevos componentes hidráulicos, se desarrolló la compleja unidad de control mecánico-electrónica (Mechatronic), que ha hecho posible la utilización del DSG en algunos modelos como el VW Golf o Touran. Secuencial Shift TM Todos los modelos Jaguar XF cuentan con control electrónico de la transmisión y el aclamado sistema de cambio secuencial de Jaguar –cuyo éxito ha sido reafirmado por los propietarios de los deportivos XK — siendo esta la primera vez que se utilizará en una berlina. El sistema shift-by-wire sustituye la tirantería del selector manual del cambio automático, por instrucciones electrónicas y brinda al XF un cambio de marchas rápido y muy fluido, más veloz, incluso, que la famosa transmisión del XK. El sistema Sequential ShiftTM de Jaguar ofrece al conductor la opción de control manual mediante un toque en las levas montadas en el volante. También, el Sistema Jaguar Drive ControlTM ha sido diseñado para adaptarse a múltiples modos de conducción, en función de la progresión del pedal del acelerador, los umbrales del Control Dinámico de la Estabilidad (DSC) y la estrategia de cambio de marchas, adaptándose así al perfil del conductor y a las condiciones exteriores, como por ejemplo, con los modos Dinámico o de Invierno. Sin embargo, la característica más atractiva del control de la transmisión del XF es el flamante Jaguar Drive SelectorTM, el primer selector de cambio giratorio que combina un control preciso e intuitivo con el ahorro de espacio, para a provechar al máximo las opciones de almacenamiento en el interior.
  • 49.
    92 Tec. En MecánicaAutomotriz Manuel Alberto Bautista Valiente CONCLUSION Esperamos que el material proporcionado a la comunidad estudiantil, sea de mucho beneficio en el área laboral en la sociedad. El material que se proporciono fue tomado de acuerdo a las necesidades que los estudiantes muestran en el desarrollo de sus actividades de aprendizaje. Reforzamos sus indicios del conocimiento básico en el Diagnostico de Controles Electrónicos de la Transmisión Automática, en las diferentes marcas de mayor circulación en el mercado salvadoreño.
  • 50.
    93 Tec. En MecánicaAutomotriz Manuel Alberto Bautista Valiente Anexos
  • 51.
    94 Tec. En MecánicaAutomotriz Manuel Alberto Bautista Valiente
  • 52.
    95 Tec. En MecánicaAutomotriz Manuel Alberto Bautista Valiente
  • 53.
    96 Tec. En MecánicaAutomotriz Manuel Alberto Bautista Valiente
  • 54.
    97 Tec. En MecánicaAutomotriz Manuel Alberto Bautista Valiente
  • 55.
    98 Tec. En MecánicaAutomotriz Manuel Alberto Bautista Valiente
  • 56.
    99 Tec. En MecánicaAutomotriz Manuel Alberto Bautista Valiente
  • 57.
    100 Tec. En MecánicaAutomotriz Manuel Alberto Bautista Valiente
  • 58.
    101 Tec. En MecánicaAutomotriz Manuel Alberto Bautista Valiente BIBLIOGRAFIA www.autorepair.about.com www.aa1car.com www.autozone.com www.moddedmustangs.com www.automecanico.com www.chevy-rezzo.narod.ru www.gruposomovil.com www.codes.rennacs.com