Juan Pablo Diaz Osorio
Julian David Hernandez Cubillos
                           10G
Condensador eléctrico
   Un condensador (en inglés, capacitor),es
    un      dispositivo  pasivo,     utilizado
    en electricidad y electrónica, capaz de
    almacenar energía sustentando un campo
    eléctrico.
   Está     formado     por    un    par   de
    superficies conductoras, generalmente en
    forma de láminas o placas, en situación
    de influencia total separadas por un
    material dieléctrico o por el vacío. Las
    placas, sometidas a una diferencia de
    potencial,          adquieren          una
    determinada carga eléctrica, positiva en
    una de ellas y negativa en la otra, siendo
    nula la variación de carga total.
Funcionamiento
   La carga almacenada en una de las placas
    es proporcional a la diferencia de potencial
    entre esta placa y la otra, siendo la
    constante      de    proporcionalidad     la
    llamada capacidad o capacitancia. En
    el Sistema internacional de unidades se
    mide en Faradios (F), siendo 1faradio la
    capacidad de un condensador en el que,
    sometidas sus armaduras a una d.d.p. de
    1 voltio, estas adquieren una carga
    eléctrica de 1 culombio.
Energía almacenada

   El condensador almacena carga eléctrica,
    debido a la presencia de un campo
    eléctrico en su interior, cuando aumenta la
    diferencia de potencial en sus terminales,
    devolviéndola     cuando    ésta  disminuye.
    Matemáticamente se puede obtener que la
    energía , almacenada por un condensador con
    capacidad , que es conectado a una diferencia
    de potencial , viene dada por:
Comportamiento en corriente
continua
   Un condensador real en CC (DC en
    inglés) se comporta prácticamente como
    uno ideal, es decir, como un circuito
    abierto. Esto es así en régimen
    permanente ya que en régimen
    transitorio, esto es, al conectar o
    desconectar        un     circuito    con
    condensador,       suceden     fenómenos
    eléctricos transitorios que inciden sobre
    la d.d.p.
Comportamiento en corriente
alterna
   En CA, un condensador ideal ofrece una
    resistencia al paso de la corriente que
    recibe el nombre de reactancia
    capacitiva, XC, cuyo valor viene dado
    por la inversa del producto de la
    pulsación () por la capacidad, C:
Carga y descarga
   Al conectar un condensador en un circuito, la
    corriente empieza a circular por el mismo. A la
    vez, el condensador va acumulando carga entre
    sus placas. Cuando el condensador se encuentra
    totalmente cargado, deja de circular corriente por
    el circuito. Si se quita la fuente y se coloca el
    condensador y la resistencia en paralelo, la carga
    empieza a fluir de una de las placas del
    condensador a la otra a través de la resistencia,
    hasta que la carga es nula en las dos placas. En
    este caso, la corriente circulará en sentido
    contrario al que circulaba mientras el condensador
    se estaba cargando.
Carga
V(t)=Vº (1-e-t/RC)
I(t)=vº/R (e-t/RC)
Descarga
V(t)=Vº (e-t/RC)
I(t)= - vº/R (e-t/RC)
En donde:
V(t) es la tensión en el condensador.
V0 es la tensión de la fuente.
I(t) la intensidad de corriente que circula por el
circuito.
RC es la capitancia del condensador en faradios
multiplicada por la resistencia del circuito en
Ohmnios.
Usos

Los condensadores suelen usarse para:
 Baterías, por su cualidad de almacenar energía.
 Memorias, por la misma cualidad.
 Filtros.
 Adaptación de impedancias, haciéndolas
  resonar a una frecuencia dada con otros
  componentes.
 Demodular AM, junto con un diodo.
 El flash de las cámaras fotográficas.
 Tubos fluorescentes.
 Mantener corriente en el circuito y evitar caídas
  de tensión.
Transformador
   El transformador es un dispositivo que
    convierte la energía eléctrica alterna de
    un cierto nivel de tensión, en energía
    alterna de otro nivel de tensión, por
    medio de interacción electromagnética.
Funcionamiento
   Si      se      aplica     una     fuerza
    electromotriz alterna en el devanado
    primario, circulará por éste una corriente
    alterna que creará a su vez un campo
    magnético      variable.   Este    campo
    magnético         variable      originará,
    por inducción electromagnética, la
    aparición de una fuerza electromotriz en
    los extremos del devanado secundario.
Historia

 Primeros pasos: los experimentos con
  bobinas de inducción
 La primera "bobina de inducción" para ver
  el uso de ancho fueron inventadas por el
  Rev. Nicholas Callan College de Maynooth,
  Irlanda en 1836, uno de los primeros
  investigadores en darse cuenta de que
  cuantas más espiras hay en el secundario,
  en relación con el bobinado primario, más
  grande es el aumento de la FEM.
El nacimiento del primer
transformador
   Entre 1884 y 1885, los ingenieros húngaros
    Zipernowsky, Bláthy y Deri de la compañía Ganz
    crearon en Budapest el modelo “ZBD” de
    transformador de corriente alterna, basado en un
    diseño de Gaulard y Gibbs (Gaulard y Gibbs sólo
    diseñaron un modelo de núcleo abierto).
    Descubrieron la fórmula matemática de los
    transformadores:
Tipos de transformadores
Según sus
aplicaciones
 Transformador elevador/reductor de
   tensión
 Transformadores elevadores
 Transformadores variables
 Transformador de aislamiento
 Transformador de alimentación
 Transformador trifásico
 Transformador de pulsos
 Transformador de línea o Flyback
 Transformador diferencial de variación
   lineal
 Transformador con diodo dividido
 Transformador de impedancia
 Estabilizador de tensión
 Transformador híbrido o bobina
  híbrida
 Balun
 Transformador electrónico
 Transformador de frecuencia variable
 Transformadores de medida
Según su construcción

 Autotransformador
 Transformador con núcleo toroidal
 Transformador de grano orientado
 Transformador de núcleo de aire
 Transformador de núcleo envolvente
 Transformador piezoeléctrico
Inductor o bobina
   Un      inductor    o    bobina    es
    un componente pasivo de un circuito
    eléctrico que, debido al fenómeno de
    la autoinducción, almacena energía en
    forma de campo magnético.
Construcción

   Un     inductor     está     constituido
    normalmente por una cabeza hueca de
    una      bobina       de     conductor,
    típicamente alambre o hilo de cobre
    esmaltado. Existen inductores con
    núcleo de aire o con núcleo hecho
    de material ferroso (por ejemplo, acero
    magnético), para incrementar su
    capacidad de magnetismo.
El inductor consta de las
siguientes partes:
 Devanado inductor: Es el conjunto
  de espiras destinado a producir el flujo
  magnético, al ser recorrido por la corriente
  eléctrica.
 Culata: Es una pieza de sustancia ferro
  magnética, no rodeada por devanados, y
  destinada a unir los polos de la máquina.
 Pieza polar: Es la parte del circuito
  magnético situada entre la culata y el
  entrehierro, incluyendo el núcleo y la
  expansión polar.
 Núcleo: Es la parte del circuito
  magnético rodeada por el devanado
  inductor.
 Expansión polar: Es la parte de la
  pieza polar próxima al inducido y que
  bordea al entrehierro.
 Polo auxiliar o de conmutación: Es un
  polo magnético suplementario, provisto
  o no, de devanados y destinado a
  mejorar    la    conmutación.  Suelen
  emplearse en las máquinas de mediana
  y gran potencia.
Energía almacenada

   La bobina almacena energía eléctrica en
    forma de campo magnético cuando
    aumenta la intensidad de corriente,
    devolviéndola cuando ésta disminuye.
    Matemáticamente se puede demostrar que
    la energía , almacenada por una bobina
    con inductancia , que es recorrida por una
    corriente de intensidad , viene dada por:
Comportamiento en corriente
continua
   Una    bobina    ideal   en    corriente
    continua     se     comporta      como
    un cortocircuito (conductor ideal), ya
    que al ser i(t) constante, es decir, no
    varía con el tiempo, no hay
    autoinducción de ninguna f.e.m.
Comportamiento en corriente
alterna
   En corriente alterna, una bobina ideal
    ofrece una resistencia al paso de la
    corriente eléctrica que recibe el nombre
    de reactancia inductiva, , cuyo valor
    viene dado por el producto de la
    pulsación () por la inductancia, L:
Asociaciones comunes

   Al igual que las resistencias, las bobinas
    pueden asociarse en serie (figura 6),
    paralelo (figura 7) o de forma mixta. En
    estos casos, y siempre que no
    exista acoplamiento magnético, la
    inductancia     equivalente      para   la
    asociación en serie vendrá dada por:
Para la asociación en paralelo
tenemos:
Comportamiento a la
interrupción del circuito
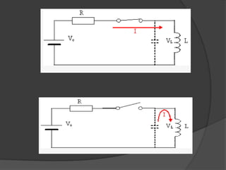
   Examinemos       el     comportamiento
    práctico de un inductor cuando se
    interrumpe el circuito que lo alimenta.
    En el dibujo de derecha aparece un
    inductor que se carga a través una
    resistencia y un interruptor. El
    condensador dibujado en punteado
    representa las capacidades parásitas
    del inductor.
Análisis de transitorios

   La regla es que, para evitar los arcos o las
    sobretensiones, hay que proteger los circuitos
    previendo un pasaje para la corriente del inductor
    cuando el circuito se interrumpe. En el diagrama
    de la derecha hay un ejemplo de un transistor que
    controla la corriente en una bobina (la de un relé,
    por ejemplo).
Muchas gracias
      Juan Pablo Diaz Osorio:
       juanpa11@yahoo.es
      Julián David Hernández Cubillos:
      juliandhc95@gmail.com

Condensadores, transformadores y bobinas

  • 1.
    Juan Pablo DiazOsorio Julian David Hernandez Cubillos 10G
  • 2.
    Condensador eléctrico  Un condensador (en inglés, capacitor),es un dispositivo pasivo, utilizado en electricidad y electrónica, capaz de almacenar energía sustentando un campo eléctrico.
  • 3.
    Está formado por un par de superficies conductoras, generalmente en forma de láminas o placas, en situación de influencia total separadas por un material dieléctrico o por el vacío. Las placas, sometidas a una diferencia de potencial, adquieren una determinada carga eléctrica, positiva en una de ellas y negativa en la otra, siendo nula la variación de carga total.
  • 4.
    Funcionamiento  La carga almacenada en una de las placas es proporcional a la diferencia de potencial entre esta placa y la otra, siendo la constante de proporcionalidad la llamada capacidad o capacitancia. En el Sistema internacional de unidades se mide en Faradios (F), siendo 1faradio la capacidad de un condensador en el que, sometidas sus armaduras a una d.d.p. de 1 voltio, estas adquieren una carga eléctrica de 1 culombio.
  • 5.
    Energía almacenada  El condensador almacena carga eléctrica, debido a la presencia de un campo eléctrico en su interior, cuando aumenta la diferencia de potencial en sus terminales, devolviéndola cuando ésta disminuye. Matemáticamente se puede obtener que la energía , almacenada por un condensador con capacidad , que es conectado a una diferencia de potencial , viene dada por:
  • 6.
    Comportamiento en corriente continua  Un condensador real en CC (DC en inglés) se comporta prácticamente como uno ideal, es decir, como un circuito abierto. Esto es así en régimen permanente ya que en régimen transitorio, esto es, al conectar o desconectar un circuito con condensador, suceden fenómenos eléctricos transitorios que inciden sobre la d.d.p.
  • 7.
    Comportamiento en corriente alterna  En CA, un condensador ideal ofrece una resistencia al paso de la corriente que recibe el nombre de reactancia capacitiva, XC, cuyo valor viene dado por la inversa del producto de la pulsación () por la capacidad, C:
  • 8.
    Carga y descarga  Al conectar un condensador en un circuito, la corriente empieza a circular por el mismo. A la vez, el condensador va acumulando carga entre sus placas. Cuando el condensador se encuentra totalmente cargado, deja de circular corriente por el circuito. Si se quita la fuente y se coloca el condensador y la resistencia en paralelo, la carga empieza a fluir de una de las placas del condensador a la otra a través de la resistencia, hasta que la carga es nula en las dos placas. En este caso, la corriente circulará en sentido contrario al que circulaba mientras el condensador se estaba cargando.
  • 9.
    Carga V(t)=Vº (1-e-t/RC) I(t)=vº/R (e-t/RC) Descarga V(t)=Vº(e-t/RC) I(t)= - vº/R (e-t/RC) En donde: V(t) es la tensión en el condensador. V0 es la tensión de la fuente. I(t) la intensidad de corriente que circula por el circuito. RC es la capitancia del condensador en faradios multiplicada por la resistencia del circuito en Ohmnios.
  • 10.
    Usos Los condensadores suelenusarse para:  Baterías, por su cualidad de almacenar energía.  Memorias, por la misma cualidad.  Filtros.  Adaptación de impedancias, haciéndolas resonar a una frecuencia dada con otros componentes.  Demodular AM, junto con un diodo.  El flash de las cámaras fotográficas.  Tubos fluorescentes.  Mantener corriente en el circuito y evitar caídas de tensión.
  • 11.
    Transformador  El transformador es un dispositivo que convierte la energía eléctrica alterna de un cierto nivel de tensión, en energía alterna de otro nivel de tensión, por medio de interacción electromagnética.
  • 12.
    Funcionamiento  Si se aplica una fuerza electromotriz alterna en el devanado primario, circulará por éste una corriente alterna que creará a su vez un campo magnético variable. Este campo magnético variable originará, por inducción electromagnética, la aparición de una fuerza electromotriz en los extremos del devanado secundario.
  • 13.
    Historia  Primeros pasos:los experimentos con bobinas de inducción  La primera "bobina de inducción" para ver el uso de ancho fueron inventadas por el Rev. Nicholas Callan College de Maynooth, Irlanda en 1836, uno de los primeros investigadores en darse cuenta de que cuantas más espiras hay en el secundario, en relación con el bobinado primario, más grande es el aumento de la FEM.
  • 14.
    El nacimiento delprimer transformador  Entre 1884 y 1885, los ingenieros húngaros Zipernowsky, Bláthy y Deri de la compañía Ganz crearon en Budapest el modelo “ZBD” de transformador de corriente alterna, basado en un diseño de Gaulard y Gibbs (Gaulard y Gibbs sólo diseñaron un modelo de núcleo abierto). Descubrieron la fórmula matemática de los transformadores:
  • 15.
    Tipos de transformadores Segúnsus aplicaciones  Transformador elevador/reductor de tensión  Transformadores elevadores  Transformadores variables  Transformador de aislamiento  Transformador de alimentación  Transformador trifásico  Transformador de pulsos  Transformador de línea o Flyback  Transformador diferencial de variación lineal
  • 16.
     Transformador condiodo dividido  Transformador de impedancia  Estabilizador de tensión  Transformador híbrido o bobina híbrida  Balun  Transformador electrónico  Transformador de frecuencia variable  Transformadores de medida
  • 17.
    Según su construcción Autotransformador  Transformador con núcleo toroidal  Transformador de grano orientado  Transformador de núcleo de aire  Transformador de núcleo envolvente  Transformador piezoeléctrico
  • 18.
    Inductor o bobina  Un inductor o bobina es un componente pasivo de un circuito eléctrico que, debido al fenómeno de la autoinducción, almacena energía en forma de campo magnético.
  • 19.
    Construcción  Un inductor está constituido normalmente por una cabeza hueca de una bobina de conductor, típicamente alambre o hilo de cobre esmaltado. Existen inductores con núcleo de aire o con núcleo hecho de material ferroso (por ejemplo, acero magnético), para incrementar su capacidad de magnetismo.
  • 20.
    El inductor constade las siguientes partes:  Devanado inductor: Es el conjunto de espiras destinado a producir el flujo magnético, al ser recorrido por la corriente eléctrica.  Culata: Es una pieza de sustancia ferro magnética, no rodeada por devanados, y destinada a unir los polos de la máquina.  Pieza polar: Es la parte del circuito magnético situada entre la culata y el entrehierro, incluyendo el núcleo y la expansión polar.
  • 21.
     Núcleo: Esla parte del circuito magnético rodeada por el devanado inductor.  Expansión polar: Es la parte de la pieza polar próxima al inducido y que bordea al entrehierro.  Polo auxiliar o de conmutación: Es un polo magnético suplementario, provisto o no, de devanados y destinado a mejorar la conmutación. Suelen emplearse en las máquinas de mediana y gran potencia.
  • 22.
    Energía almacenada  La bobina almacena energía eléctrica en forma de campo magnético cuando aumenta la intensidad de corriente, devolviéndola cuando ésta disminuye. Matemáticamente se puede demostrar que la energía , almacenada por una bobina con inductancia , que es recorrida por una corriente de intensidad , viene dada por:
  • 23.
    Comportamiento en corriente continua  Una bobina ideal en corriente continua se comporta como un cortocircuito (conductor ideal), ya que al ser i(t) constante, es decir, no varía con el tiempo, no hay autoinducción de ninguna f.e.m.
  • 24.
    Comportamiento en corriente alterna  En corriente alterna, una bobina ideal ofrece una resistencia al paso de la corriente eléctrica que recibe el nombre de reactancia inductiva, , cuyo valor viene dado por el producto de la pulsación () por la inductancia, L:
  • 25.
    Asociaciones comunes  Al igual que las resistencias, las bobinas pueden asociarse en serie (figura 6), paralelo (figura 7) o de forma mixta. En estos casos, y siempre que no exista acoplamiento magnético, la inductancia equivalente para la asociación en serie vendrá dada por:
  • 26.
    Para la asociaciónen paralelo tenemos:
  • 27.
    Comportamiento a la interrupcióndel circuito  Examinemos el comportamiento práctico de un inductor cuando se interrumpe el circuito que lo alimenta. En el dibujo de derecha aparece un inductor que se carga a través una resistencia y un interruptor. El condensador dibujado en punteado representa las capacidades parásitas del inductor.
  • 29.
    Análisis de transitorios  La regla es que, para evitar los arcos o las sobretensiones, hay que proteger los circuitos previendo un pasaje para la corriente del inductor cuando el circuito se interrumpe. En el diagrama de la derecha hay un ejemplo de un transistor que controla la corriente en una bobina (la de un relé, por ejemplo).
  • 30.
    Muchas gracias  Juan Pablo Diaz Osorio: juanpa11@yahoo.es  Julián David Hernández Cubillos:  juliandhc95@gmail.com