A. CARRASCO C. MUESES C. FERNÁNDEZ
CPM
Critical Path Method
Ayleen Carrasco 1087446
Cesar A. Mueses 1089545
Carlos Fernández 1042594
Planificación, Programación y Control de Proyectos
“CPM Critial Path Method”
Proyecto:
Construcción Cancha San Sebastián Moca
Arq. Derby González
Fecha de entrega:
16 de Enero 2020
Santo Domingo de Guzmán, D.N., República Dominicana
INTEGRANTES
ASIGNATURA:
TEMA:
PROFESOR:
1ERA EDICIÓN
DISEÑO Y DIAGRAMACIÓN
IMPRESIÓN
FACILITADOR
AUTORES
PREFACIO
PRÓLOGO
CONTENIDO
Enero 2019
Grupo – 6 Planificación, Programación y Control
de Proyecto.
Distrito Nacional, Republica Dominicana
Todos los Derechos Resevados © INTEC
Av. Los Proceres, Gala, Santo Domingo, Rep. Dom.
www.intec.edu.do
Queda prohibido la reproducción de cualquier tipo, distri-
bución, comunicación pública y transformación de cual-
quier parte de esta publicación, sin la previa autorización es-
crita del titular de la propiedad intelectual y editorial. Este
documento es de exclusiva responsabilidad de los autores.
I
II
III
IV
V
AYLEEN CARRASCO
INGENIERA
CARLOS FERNÁNDEZ
ADMINISTRADOR
DE EMPRESA
CESAR MUESES
INGENIERO
FACILITADOR
DERBY GONZÁLEZ
ARQUITECTO
AUTORES
Graduado del Instituto
Tecnológico de Santo Do-
mingo (INTEC) de la carre-
ra de Administración de em-
presa, certificado Auditor
líder ISO 9001 y 19011, con
diplomado en “compras y
contrataciones públicas”
en la Gaceta Judicial. Expe-
riencia en montaje de siste-
mas de detección y control
de incendio certificado
por la empresa “Aguilera
Electrónica”, montaje de
sistema CCTV “Circuito
Cerrado de Televisión”y
en el área de Subestacio-
nes Eléctricas, manejo de
personal y contrato de
mantenimientos de redes
eléctricas. Actualmente
labora en “GRUPO CESA”, y
está cursando la maestría
en “Ciencias de Administra-
ción de la Construcción”.
Graduado de la Universi-
dad Autónoma de Santo
Domingo (UASD) de Inge-
niería Civil, Dibujante
Mecánico, Ingeniero Su-
pervisor de fabricación,
montaje de tuberías in-
dustriales y soportes en
proyecto Punta Catalina.
Actualmente se desem-
peña como Inspector de
Riesgos Generales en
Departamento de Ingenie-
ría de Seguros Reservas.
Se encuentra cursando
la Maestría en Ciencias
de Administración de la
Construcción en el Insti-
tuto Tecnológico de San-
to Domingo INTEC.
Graduada de la universi-
dad Pontificia universidad
católica madre y maestra
(PUCMM) de ingeniería ci-
vil, actualmente labora
para la Constructora Ri-
zek y Asociados.
actualmente se desem-
peña como Ingeniero de
Control de Proyectos.
Se encuentra cursando
la Maestría en Ciencias
de Administración de la
Construcción en el Insti-
tuto Tecnológico de San-
to Domingo INTEC.
Graduado de arquitecto Urbanis-
ta en la Universidad Autónoma de
Santo Domingo (UASD). Maestría
en Ciencias de la Arquitectura en
el Instituto Politécnico Nacional
de México (IPN). Profesor y Ase-
sor Metodológico en la Maestría
en Administración de la Cons-
trucción en el Instituto Tecnoló-
gico de Santo Domingo (INTEC).
PREFACIO PRÓLOGO
Este libro tiene como finalidad presentar a través del pro-
yecto “CANCHA DE MOCA” una guía para la planificación
de proyectos en el área de la construcción este ejem-
plo de estudio de caso. Se busca mostrar las cuestiones
prácticas de la programación que deben de conocer los
lectores para ampliar sus conocimientos en el ambiente
de los proyectos. Es un reto para los interesados en los
principios de la programación de proyectos desarrollar un
sentido crítico de forma que se pueda aplicar los conoci-
mientos teóricos en el mundo real.
En ocasiones en la vida diaria se actúa de forma no plani-
ficada sin tener agenda de actividades a desarrollar en un
plazo determinado, y mucho menos cotidianamente, no
se toma en cuenta el tiempo o costo que implica tal esti-
lo de vida no planificado.
La programación establece tiempos para realización de
las diversas fases de un proyecto. En estas se consideran
la interdependencia de todas las actividades, y se coor-
dinan todas las actividades o tareas para de esta forma
asegurar una transición fluida desde el inicio hasta el
final de un proyecto.
Existen diferentes métodos de programación que pueden
cumplir con los requisitos necesarios para llevar a cabo
un proyecto, donde cada cual pone en manifiesto distin-
tas formas de evaluar y representar las líneas de tiempo
en el siguiente libro se utiliza el método de “CAMINO
CRITICO”.
Conocer la camino crítico es clave para un gerente de
proyectos ya que utilizando esta herramienta para saber
cuales seran las actividades que conforman el proyecto
y que deben ser realizadas por cada responsable de su
equipo para evitar el retraso de la mejor manera posible
y que pueda cumplir con los plazos ya estimados con
anterioridad.
Ademas , cuando se aplica el metodo de la ruta critica en
la planificaicon de proyecto se ayuda al equipo a traba-
jar de una manera mas logica. Si se aprovechan todos los
recursos y se tienen en cuenta las graficas de consumo
que arrojan informaicones del esfuerzo aplicado en cada
actividad se logra planificar de una manera mas eficiente
y mas proximo a la realidad.
Unos de los mayores errores de la mayoria de los GEREN-
TES DE PROYECTOS o Project manager es que su plani-
ficación no corresponde en muchos casos, con la reali-
dad de situaciones, riesgos e incertidumbre que puedan
presentarse a lo largo de un proyecto y por lo tanto es
importante hacerse auxiliar de esta herramienta para asi
lograr resultados as eficientes y soluciones eficases para
cad auno de estos riesgos que podrian aparecer dentro
de nuestra programacion.
1 METODO DEL CAMINO CRITICO
1.1 INTRODUCCION
1.2 METODOLOGIA
1.3 RESUMEN EJECUTIVO
1.4 ANTECEDENTES
1.5 DEFINICION
1.6 CAMPOS DE APLICACIÓN
PROYECTO: CONSTRUCCION DE
CANCHA SAN SEBASTIAN MOCA
2.1 DESCRIPCION DEL PROYECTO
2.2 GENERALIDADES
2.3 PLANOS
2.4 PRESUPUESTO
2.5 LISTA DE ACTRIVIDADES
2.6 ESPECIFICAICONES TECNICAS
2.7 PRESUPUESTO POR ACTIVIDADES
MATRICES
3.1 MATRIZ DE ANTECEDENTES
3.2 MATRIZ DE SECUENCIA
3.3 MATRIZ DE TIEMPOS
3.4 MATRIZ DE INFORMACIO3.5 MATRIZ DE
DEPENDENCIA
REDES
4.1 RED DE ACTIVIDADES A TIEMPO ESTANDAR
4.2 RED DE ACTIVIDADES A VENCIMIENTO
SUCESIVO
COMPRESION DE LA RED
5.1 MATRIZ DE PENDIENTES
5.2 MATRIZ DE COMPRESIONES MULTIPLES
5.3 RED DE COMPRESIONES MULTIPLES
5.4 RED COMPRIMIDA A MENOR COSTO
5.5 TABLA DE COSTOS Y PENDIENTES + COSTOS
FIJOS
Contenido
Pág. 2
Pág. 3
Pág. 5
Pág. 6
Pág. 7
Pág. 9
Pág. 10
Pág. 11
Pág. 13
Pág. 61
Pág. 17
Pág. 16
Pág. 15
Pág. 23
Pág. 25
Pág. 27
Pág. 63
Pág. 65
Pág. 66
Pág. 67
Pág. 68
Pág. 69
Pág. 71
Pág. 71
Pág. 73
Pág. 77
Pág. 79
Pág. 80
Pág. 81
Pág. 86
Pág. 88
2
3
4
5
12.1 GLOSARIO DE TÉRMINOS
12.2 BIBLIOGRAFÍA
12.2 INTERNETGRAFIA
12.3 IMAGENGRAFIA
LIMITACIONES EN LA EJECUCION DEL
PROYECTO
6.1 DEFINICION
6.2 LIMITACIONES DEL PROYECTO
6.3 RED CON LIMITACIONES
COMPRESION DE LA RED CON LIMITA-
CIONES
7.1 RED DEFINITIVA DEL PROYECTO
7.2 DIAGRAMA DE GANTT
7.3 GRAFICA DIAGRAMA DE GANTT
MATRIZ DE ELASTICIDAD
8.1 DEFINICION + MATRIZ DE ELASTICIDAD
8.2 CALCULO DE HOLGURAS
8.3 TABLA DE HOLGURAS
8.4 DESVIACION ESTANDAR
8.5 TABLA DE PROBABILIDAD DE RETRASO
8.6 RESPUESTAS A PREGUNTAS DE RETRASO
PROGRAMACION DE RECURSOS
9.1 POLITICA DE PAGO
9.2 FLUJO DE CAJA
9.3 PROGRAMA CALENDARIO
9.4 TABLA DE PROGRAMACION DE RECURSOS
9.5 METODO DE BURGESS
9.6 MATRIZ DE PREVENCION DE RIESGOS
INFOGRAFIA
CONCLUSION Y RECOMENDACIÓN
REFERENCIAS
Pag. 3
11.1 CONCLUSIONES Y RECOMENDACIONES
6
7
8
9
10
11
12
Pág. 91
Pág. 93
Pág. 94
Pág. 95
Pág. 98
Pág. 100
Pág. 102
Pág. 103
Pág. 106
Pág. 108
Pág. 112
Pág. 118
Pág. 115
Pág. 115
Pág. 114
Pág. 121
Pág. 123
Pág. 124
Pág. 125
Pág. 127
Pág. 131
Pág. 127
10.1 INFOGRAFIA
Pág. 134
Pág. 135
Pág. 136
Pág. 137
Pág. 138
Pág. 143
Pág. 142
Pág. 141
Pág. 140
Pág. 03 Pag. 04
1
1.1 INTRODUCCIÓN
1.2 METODOLOGÍA
1.3 RESUMEN EJECUTIVO
1.4 ANTECEDENTES
1.5 DEFINICIÓN
1.6 CAMPO DE APLICACIÓN
MÉTODO
DEL
CAMINO CRITICO
Planeación, Programación y Control De Proyectos
Pag. 06Pág. 05
Planeación, Programación y Control De Proyectos
Hoy en día existen en la Republica Dominicana un sin número de
profesionales del área de la construcción que entiendes que
ejecutar, programar y planificar un proyecto consiste en obte-
ner y realiza un presupuesto con un diagrama de GANTT y hacer
la toma de decisiones en base a experiencia propia lo cual no es la
mejor manera para ser eficientes.
Para lograr un buen manejo en las obras del sector de la cons-
trucción es necesario lograr un manejo de los tiempos de la me-
jor manera de las distintas actividades que conforman el proyec-
to, lo que impulsa que todos los procesos de estas actividades
La metodología utilizada para realizar esta programación dentro
del marco de la maestría de administración de la construcción
fue la siguiente:
01 MÉTODO DE RUTA CRITICA
Para lograr un buen mane-
jo en las obras del sector de
la construcción es necesa-
rio lograr un manejo de los
tiempos de la mejor manera
de las distintas actividades
que conforman el proyecto.
Para lograr un buen mane-
jo en las obras del sector
de la construcción es ne-
cesario lograr un manejo
de los tiempos de la mejor
manera de las distintas ac-
tividades que conforman
el proyecto, lo que impul-
sa que todos los proce-
sos de estas actividades
determinen que el proyec-
to pueda realizarse en el
tiempo estipulado plani-
ficado anteriormente y
con sus limitaciones pro-
puestas por el cliente o
impuestas por el entorno en el que se desarrolla el proyecto.
Es de suma importancia para gestionar un proyecto de manera efi-
caz comprender todos los pasos necesarios para que se lleve a
cabo la metodología del “CAMINO CRITICO”. Este documento se
ha desarrollado con el objetivo de que otras personas puedan
auxiliarse de este como guía para y herramienta de referencia para
sus proyectos
•	 Investigar fuentes bibliográficas sobre
los métodos del camino crítico.
•	 Búsqueda de información en la red, encon-
tramos una gran fuente de información de apoyo
para sustentar lo expuesto en este documento.
•	 Complementamos con la asistencia a todas
las clases de nuestro facilitador para compren-
der mejor nuestro reto hacia adelante y poder
elaborar este caso lo más completo posible.
•	 Tuvimos diferentes charlas y discusiones
sobre los temas debatidos en este libro con los
integrantes de este equipo, así como también com-
pañeros de otros grupos.
•	 Desarrollar nuestras asignaciones impues-
tas por nuestro facilitador para así lograr una
mejor comprensión de los temas aplicados en
este caso.
•	 Acudir con dudas, luego correcciones y
feedback de parte de nuestro facilitador.
Como resultado final hemos obtenidos este documento el cual
presenta lo que pudimos aprender en las clases impartida por
nuestro facilitador Arq. Derby González en la maestría de cien-
cias en la administración de la construcción.
2.1. METODOLOGÍA2.1. INTRODUCCIÓN
Pág. 07 Pag. 08
Planeación, Programación y Control De Proyectos Planeación, Programación y Control De Proyectos
En este documento presentamos los procesos, planteamientos
y pautas para la implementación del método de camino crítico,
este consistirá en la ejecución de una ruta anteriormente plani-
ficada que nos brindará los datos tales como: Costos, duración,
plazos, orden de ejecución y el planteamiento a lo largo del pro-
yecto junto con el desarrollo del mismo para divisar las dificulta-
des, situaciones y o retrasos que podrían presentarse a lo largo
del proyecto. Aquí presentaremos el caso de aplicación de este mé-
todo en el proceso constructivo de una cancha de construcción
primera especial, fundación y piso de concreto, levantada sobre
estructuras metálicas y cobertura de techo en perfiles metálicos
y zinc, muros perimetrales de mampostería.
Iniciamos con la descripción de nuestro proyecto y definimos en
que consiste el mismo con informaciones como su ubicación, alcan-
ce, necesidades y generalidades, que nos permite apreciar una vi-
sión más amplia de lo que se pretende desarrollar.
Estamos presentando documentos de aprobación respecto a la
programación del proyecto. Dentro de estos se encuentra todos
los necesarios para definir el alcance de proyecto en cuestión de
cantidades, volúmenes, dimensiones, costos, materiales y equipos a
ser utilizados en la ejecución del mismo.
Inmediatamente se encuentra definido el alcance del proyecto,
procederemos con la elaboración del listado de actividades, to-
mando en cuenta la sucesión de las mismas, así como también la uni-
dad programática adecuada para cada una de ellas, representadas
en esta lista para su medición a lo largo de la elaboración de la
programación. Procederemos a desarrollar las especificaciones
técnicas de las actividades mencionadas anteriormente donde des-
cribiremos los recursos a utilizar dentro de cada una de ellas
como son: Recursos materiales, recursos humanos, procedimien-
to de ejecución, tiempo de ejecución y maquinaria a utilizar. Luego
seguimos con la preparación del presupuesto por actividad, asig-
nando de manera detallada los costos normales (CN) y los costos
límites (CL) de cada una de las actividades mencionadas.
Presentamos las matrices de antecedentes, secuencia y tiempo,
donde lograremos identificar las actividades que anteceden y sus
sucesiones, posteriormente asignaremos los tiempos más proba-
bles (M), optimo (O), pésimo (P), donde estos serán utilizados para
realizar el cálculo del tiempo estándar de las actividades para la
elaboración de la Red de Actividades a Tiempo Estándar y la Red de
Vencimientos Sucesivos.
Luego procedemos a realizar compresiones a la red de actividades
buscando disminuir los costos y los tiempos previamente progra-
mados, de acuerdo a las necesidades exigidas por el cliente, pos-
teriormente resolvemos las limitaciones de recursos económicos,
humanos, maquinarias, equipos y tiempo. Todo esto se logra calcu-
lando las pendientes (RD$/DÍA) de las actividades, comparando
los costos fijos diarios incurridos en el proyecto y los costos
que conllevan cada una de las compresiones realizadas.
Después de lo mencionado, realizamos la red definitiva de activida-
des y programamos estas actividades en un diagrama de Gantt, don-
de podremos visualizar los trabajos programas cada uno de los
días y sus duraciones.
Definimos las holguras de las actividades mencionadas, cada una
de sus desviaciones estándares, evaluando el porcentaje de proba-
bilidad de retraso de alguna de las actividades o retrasos genera-
les en el proyecto, elaborando la matriz de elasticidad conjunto a
la gráfica que representara los márgenes de tolerancia de retra-
so que posee el proyecto.
Estableceremos las políticas de pago por parte de nuestro clien-
te, donde tomaremos en cuenta las provisiones necesarias y como
serán saldadas las mismas para ejecutar las actividades programa-
das, luego procederemos a la elaboración de flujo de caja, calen-
darización, programación y distribución de los recursos financie-
ros, humanos y administrativos. Luego agregamos las evaluaciones
de las actividades menos criticas mediante el método de Burguess,
donde podremos definir la distribución de los recursos humanos o
mano de obra para ejecutar las actividades menos criticas hacien-
do de nuestras holguras, este personal se estaría disponiendo
para realizar las actividades presentadas en nuestra ruta crítica.
Finalmente elaboramos una matriz de prevención de riesgo, donde
representamos por nivel de importancia, prioridad y gravedad los
posibles inconvenientes que podrían presentarse durante la eje-
cución del proyecto donde presentaremos nuestras posibles medi-
das de prevención y contingencia para la corrección de estas.
2.1. RESUMEN EJECUTIVO
Planeación, Programación y Control De Proyectos
Pág. 09 Pag. 10
Planeación, Programación y Control De Proyectos
Como parte de la anterioridad al método
del camino crítico se presentan dos méto-
dos de suma importancia que dan paso a la
metodología utilizad en este proyecto. Es-
tos métodos son conocidos como:
2.1. ANTECEDENTES 2.1. DEFINICIÓN
CPM este método fue desarrollado por los Es-
tados Unidos en el año 1957, se buscaba el con-
trol y optimización de los costos de operacio-
nes mediante una planeación de actividades que
conforman un proyecto, fue desarrollado por
un centro de investigación de operaciones para
la firma DUPONT y REMINGTON RAND.
PERT Desarrollado en el mismo año que el CPM,
con la intensión de controlar los tiempos de
ejecución de las actividades dentro de los pro-
yectos espaciales, ya que existía la necesidad de
terminar las actividades dentro del proyecto
con los intervalos de tiempo disponibles. Ac-
tualmente es utilizado en todos los programas
espaciales y es conocido por haberse empleado
en el proyecto Polaris.
1 Iniciacion al metodo del camino critico – Agustin Montaño
2 https://www.eoi.es/blogs/madeon/2013/04/14/metodo-de-ruta-critica-cpm-cri-
tical-path-method/
3 https://www.ingenieriaindustrialonline.com/herramientas-para-el-ingeniero-in-
dustrial/investigaci%C3%B3n-de-operaciones/cpm-metodo-de-la-ruta-critica/
A.	 Método CPM (Crithical Path Method).
B.	 Método PERT
(Program Evalation and Review Tecnique).
El método del camino critico es un proceso administrativo de planeación, programa-
ción, ejecución y control de todas y cada una de las actividades componentes de un
proyecto que debe desarrollarse dentro de un tiempo crítico y al costo óptimo. 1
Una herramienta que me permita estimar el tiempo más corto en el que es posible com-
pletar un proyecto es el método de la ruta crítica (CPM-Critical Path Method) o del
camino crítico. Este es un algoritmo utilizado para el cálculo de tiempos y plazos en la
planificación de proyectos. 2
El método de la ruta crítica CPM (Critical Path Method), es un algoritmo basado en la
teoría de redes diseñado para facilitar la planificación de proyectos. El resultado final
del CPM será un cronograma para el proyecto, en el cual se podrá conocer la duración
total del mismo, y la clasificación de las actividades según su criticidad. El algoritmo
CPM se desarrolla mediante intervalos determinísticos, lo cual lo diferencia del método
PERT que supone tiempos probabilísticos.3
Pág. 11
Planeación, Programación y Control De Proyectos
Pag. 12
Planeación, Programación y Control De Proyectos
2.1. CAMPOS DE APLICACIÓN
Para obtener los mejores resultados este método debe aplicarse
en proyectos que posean las siguientes características:
A. ÚNICO, Proyecto no repetitivo, en algunas
partes o en su totalidad
B. TIEMPO CRITICO, que se deba ejecutar todo
el proyecto o en parte de él, en un tiempo míni-
mo, sin variaciones, es decir, en tiempo crítico.
C. COSTOS BAJOS, que se desee el costo de
operación más bajo posible dentro de un tiempo
disponible.
Entre las numerosas ventajas de aplicar el método del camino
crítico en nuestra planificación, destacan seis razones por las
cuales debemos empezar a utilizar el CPM ya mismo: cálculo de la
duración total del proyecto
Sin embargo, entre los inconvenientes del camino crítico de un
proyecto podemos encontrar con que cualquier mínimo cambio
podría afectar a toda la ruta crítica del proyecto. Todo lo que
teníamos planificado como flujo de trabajo optimizado podría
variar de manera inmediata, trayendo consigo consecuencias im-
portantes en la planificación total del proyecto. De manera que,
el uso del camino crítico de un proyecto no es flexible ni acepta
modificaciones de última hora.
Son utilizados en campos de estudios económicos, áreas de inge-
niería, ampliaciones de fábricas, construcciones de presas, pavi-
mentación, edificaciones y cualquier campo que requiera planifi-
cación.
Cálculo de la duración total del proyecto.
Gestión de la incertidumbre y posibles riesgos.
Optimización del presupuesto.
Toma de decisiones rápida y eficaz.
Respuesta más exacta al cliente.
Gestión del consumo de recursos optimizado.
01
02
03
04
06
05
Pág. 13 Pag. 14
2
2.1 DESCRIPCIÓN DEL PROYECTO
2.2 GENERALIDADES
2.3 PLANOS
2.4 PRESUPUESTO POR PARTIDAS
2.5 LISTA DE ACTIVIDADES
2.6 ESPECIFICACIONES TÉCNICAS
2.7 PRESUPUESTO POR ACTIVIDADES
PROYECTO:
CANCHA
SAN SEBASTIAN
MOCA
Pag. 16Pág. 15
Planeación, Programación y Control De Proyectos
CONSTRUCCIÓN
2.1. DESCRIPCIÓN DEL PROYECTO
Nuestro cliente a la hora de contactarnos para la realización de
este proyecto ya tenía varias necesidades a ser provistas durante
la ejecución del proyecto, luego de un sin número de reuniones
con el cliente y el involucramiento de diferentes profesionales
de otras disciplinas definimos todas las inquietudes y necesida-
des que el cliente necesitara que le suplamos a lo largo de la
ejecución del proyecto.
El proyecto se encuentra en el sector de San Sebastián, en la
provincia Moca, se demolerá y limpiará la estructura existente,
se hará una construcción de primera clase especial, fundada de
hormigón armado, levantada en estructura metálica con cober-
tura de aluzinc. La cancha tiene un tamaño de 35mts x 25mts que
cuenta con 2 postes para tableros, 2 gradas laterales, muro peri-
metral, pintura de superficie y instalaciones eléctricas.
La obra será́ construida según las especificaciones exigidas por
la alcaldía de moca y de existir algún cambio en el diseño será́
presentado para su aprobación.
Este Proyecto será desarrollado con la intención de suplir una
necesidad que existía en la comunidad del sector San Sebastián,
provincia Moca. Este proyecto fue otorgado por el gobierno de
la República Dominicana como parte de la iniciativa Juegos Esco-
lares Nacionales.
Este Proyecto estará bajo la dirección de la Constructora G6
con total autoridad en la administración de costes y recursos
asociados al proyecto y cambios en alcance y tiempo los cuales
deberán ser a su vez acordados con el cliente.
En vista del deterioro que presenta la cancha comunitaria que se
encuentra en sitio actualmente, la alcaldía se vio en la necesidad
de remodelar la cancha existente y algunas de sus instalaciones,
para esto se realizó el concurso para la construcción del polide-
portivo, divido en varios sub-proyectos. De este se nos fue adjudi-
cada la reconstrucción de la Cancha.
El objetivo de este proyecto es terminarlo en el tiempo y costos
previsto para los juegos escolares nacionales en los cuales par-
ticiparan diversas escuelas a nivel nacional.
2.2 GENERALIDADES
02
CANCHA SAN SEBASTIAN MOCA
Planeación, Programación y Control De Proyectos
Pág. 17 Pag. 18
Planeación, Programación y Control De Proyectos
2.3. PLANOS
hp12x53
hp12x53
W21X44
CAE135X10CAE135X10IPE220
CorreaZ8''
CorreaZ8''
CorreaZ8''
CorreaZ8''
CorreaZ8''
CorreaZ8''
CorreaZ8''
CorreaZ8''
CorreaZ8''
CorreaZ8''
CorreaZ8''
CorreaZ8''
CorreaZ8''
CorreaZ8''
CorreaZ8''
CorreaZ8''
CorreaZ8''
CorreaZ8''
CorreaZ8''
CorreaZ8''
CorreaZ8''
CorreaZ8''
CorreaZ8''
CorreaZ8''
CorreaZ8''
hp12x53
hp12x53
hp12x53
hp12x53
hp12x53
hp12x53
hp12x53
hp12x53
hp12x53
hp12x53
W21X44
W21X44
W21X44
W21X44
W21X44
R
B
3/4''
R
B
3/4''
R
B
3/4''
R
B
3/4''
R
B
3/4''
RB
3/4''
R
B
3/4''
R
B
3/4''
R
B
3/4''
R
B
3/4''
R
B
3/4''
R
B
3/4''
PLANTA ESTRUCTURAL PLANTA DIMENSIONADA
Planeación, Programación y Control De Proyectos
Pág. 19 Pag. 20
Planeación, Programación y Control De Proyectos










































R
B
3/4''
Correa Z 8''
HP12X53HP12X53HP12X53HP12X53HP12X53HP12X53
W21X44
W21X44
W21X44
W21X44
W21X44
W21X44
Correa Z 8''
Correa Z 8''
Correa Z 8''
Correa Z 8''
Correa Z 8''
Correa Z 8''
Correa Z 8''
Correa Z 8''
Correa Z 8''
Correa Z 8''
Correa Z 8''
R
B
3/4''
R
B
3/4''
R
B
3/4''
R
B
3/4''
R
B
3/4''
R
B
3/4''
Correa Z 8''
HP12X53HP12X53HP12X53HP12X53HP12X53HP12X53
W21X44
W21X44
W21X44
W21X44
W21X44
W21X44
Correa Z 8''
Correa Z 8''
Correa Z 8''
Correa Z 8''
Correa Z 8''
Correa Z 8''
Correa Z 8''
Correa Z 8''
Correa Z 8''
Correa Z 8''
Correa Z 8''
R
B
3/4''
R
B
3/4''
R
B
3/4''
R
B
3/4''
R
B
3/4''
R
B
3/4''
Correa Z 8''
HP12X53HP12X53HP12X53HP12X53HP12X53HP12X53
W21X44
W21X44
W21X44
W21X44
W21X44
W21X44
Correa Z 8''
Correa Z 8''
Correa Z 8''
Correa Z 8''
Correa Z 8''
Correa Z 8''
Correa Z 8''
Correa Z 8''
Correa Z 8''
Correa Z 8''
Correa Z 8''
R
B
3/4''
R
B
3/4''
R
B
3/4''
R
B
3/4''
R
B
3/4''
ELEVACIÓN ESTRUCTURAL
SECCIÓN
ZAPATA
Planeación, Programación y Control De Proyectos
Pág. 21 Pag. 22
Planeación, Programación y Control De Proyectos















































W
21X44
HP12X53
DET. CONEXION COLUMNAS
W 21X44 HP 12X53













































W
21X44
HP12X53
DET. CONEXION COLUMNAS
W 21X44 HP 12X53
W
21X44
HP12X53
DET. CONEXION COLUMNAS
W 21X44 HP 12X53
W
21X44
HP12X53
DET. CONEXION COLUMNAS
W 21X44 HP 12X53
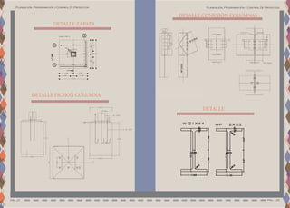
DETALLE ZAPATA
DETALLE PICHON COLUMNA
DETALLE CONEXIÓN COLUMNAS
DETALLE
Planeación, Programación y Control De Proyectos
Pág. 23 Pag. 24
Planeación, Programación y Control De Proyectos
2.4. PRESUPUESTO
ACT. DESCRIPCION CANT UND PRECIO PRECIO TOTAL
PRELIMINARES
DESMONTES Y DEMOLICIONES
1 Cierre perimetral y Letrero de Obra 1.00 P.A. 13,138.18 13,138.18
2 Demolicion de Pisos 730.59 M2 90.00 65,753.10
3 Bote Producto de Demoliciones y Excavaciones (E=1.25) 136.32 M3 300.00 40,896.00
4 Limpieza de Terreno en Area de Demolicion 1.00 P.A. 15,000.00 15,000.00
5 Replanteo con Charrancha 1.00 P.A. 15,000.00 15,000.00
CONSTRUCCIÓN DE VERJA PERIMETRAL
6 Excavacion de Zapata de block 13.61 m3 300.00 4,083.75
7 Hormigon Armado Zapata de Bordillos 13.61 m3 8,809.85 119,924.08
8 Hormigon Armado en Columnas de Amarre 0.38 m3 8,809.85 3,382.98
9 Muros de blocks de 6" 80.73 m2 756.57 61,077.90
10 Pañete 161.46 Mt2 229.88 37,116.42
11 Cantos 210.60 Mtl 99.88 21,034.73
12 Pintura Acrilica en Muros y Columnas 161.46 m2 85.43 13,793.53
CONSTRUCCIÓN TECHADO DE CANCHA
MOVIMIENTO DE TIERRA
13 Excavación en Tierra 334.29 m3 300.00 100,287.00
14 Fumigacion de Terreno 1.00 P.A. 13,000.00 13,000.00
17 Relleno Material compactado (Caliche) 330.10 m3 440.00 145,243.41
18 Bote de Material Sobrante (e=1.30) 434.58 Mt³ 300.00 130,373.10
HORMIGON ARMADO
15
Zapata de Columnas Base (3.25*3.25*0.50) Ø3/4''@10 AD,
2Camadas
63.38 Mt³ 20,092.65 1,273,371.69
Zapata Viga Riostra (0.80m, Esp=0.30) 4Ø1/2" EstØ3/8"@0.20 7.56 Mt³ 8,084.23 61,116.78
16 Columna 0.68*0.68, 12Ø1', Est. Ø3/8''@15 12.21 Mt³ 16,415.91 200,394.97
ESTRUCTURA METÁLICA
19 Izaje de Columnas 58,808.16 lb 60.00 3,528,489.60
20 Izaje de Estructura Metalica y cierre de Techo 1,349.00 m2 2,085.00 2,812,665.00
REHABILITACION DE ÁREA DEPORTIVA (CANCHA MIXTA)
MOVIMIENTO DE TIERRA
30 Excavación en Tierra 334.29 m3 300.00 100,287.00
34 RELLENO COMPACTADO (0.10 MTS) 55.00 M3 440.00 24,200.00
31 Bote de Material Sobrante (e=1.30) 287.54 M3 300.00 86,262.00
HORMIGON ARMADO
32 Zapata de Bordillo de Muro 30.00 m3 8,809.85 264,295.50
35
H.A MALLA ELECTROSOLDADAS. 10*10 (H=0.10) PULIDO
HELICOP., C/ JUNTA
900.53 M2 991.75 893,100.63
MURO DE BLOCKS
33 BORDILLOS DE BLOCKS DE 6" BNP 38.68 M2 739.57 28,606.54
TERMINACION DE SUPERFICIES
38 Tablero Profesional Spalding 48" translucidos 2.00 UD 38,500.00 77,000.00
PINTURA
37 PINT. DE DEMARC. (VER ESPECIFICACIONES) 730.59 m2 160.23 117,058.78
INSTALACIONES ELECTRICAS
36 Instalaciones electricas 1.00 pa 249,855.00 249,855.00
CONSTRUCCIÓN DE GRADAS
21 Excavacion Zapata de Muro 12.05 Mt3 300.00 3,614.63
25 Relleno Material Compactado 8.29 Mt3 440.00 3,648.15
22 Bote de Material (e=1.25) 20.00 Mt3 300.00 6,000.00
23 Zapt. Muro de 6" (0.45x0.25) 3Ø3/8" 3.54 Mt3 8,334.03 29,533.72
26 Losas Ø3/8"@0.20 Adic.Ø1/2" @0.25 y @0.35 7.55 Mt3 13,169.00 99,431.22
MUROS
24 Bloques en Muros de 6" B.N.P. 48.08 Mt² 954.44 45,889.48
TERMINACION DE SUPERFICIE
27 Pañete en Muros y asientos 170.52 Mt² 188.78 32,191.42
28 Cantos en General 432.0 ML 99.88 43,148.16
PINTURA
29 Pintura Acrílica (muros) 92.62 Mt² 85.43 7,912.06
LIMPIEZA FINAL
39 LIMPIEZA FINAL 1.00 p.a. 10,000.00 10,000.00
TOTAL COSTOS DIRECTOS = 10,797,176.49$
III RESUMEN GENERAL 10,797,176.49
IV GASTOS INDIRECTOS
4.01 DIRECC. TECNICA Y RESP. ADM. 10.00% 10.00% 1,079,717.65
4.02 GASTOS ADMINISTRATIVOS 5.00% 5.00% 539,858.82
4.03 TRANSPORTE 3.50% 3.50% 377,901.18
4.04 SEGUROS Y FIANZAS 4.50% 4.50% 485,872.94
4.05 IMPREVISTOS 5.00% 5.00% 539,858.82
4.06 ITBIS DIRECC. TECNICA Y RESP. ADM.(Norma 07-2007) 18.00% 18.00% 19,434.92
TOTAL
GRAL
RD$13,839,820.83
Planeación, Programación y Control De Proyectos
Pág. 25 Pag. 26
Planeación, Programación y Control De Proyectos
Actividades Descripcion
1 Cierre perimetral y Letrero de Obra
2 Demolicion de Piso de Cancha existente
3 Bote Producto de demoliciones y Excavaciones (E=1.25)
4 Limpieza de Terreno en Area de Demolicion
5 Replanteo general de verja, estructura, cancha y gradas
6 Excavacion de Zapata de block
7 Hormigon Armado Zapata de Bordillos
9 Muros de blocks de 6"
8 Hormigon Armado en Columnas de Amarre
10 Pañete en muros
11 Cantos en generales
12 Pintura Acrilica en Muros y Columnas
13 Excavación en Tierra zapatas de Columnas base
14 Fumigacion de Terreno
15
Hormigon armado Zapata de Columnas y Viga Riostra
(3.25*3.25*0.50) Ø3/4''@10 AD, 2Camadas
16
Hormigon Armado Columnas Base 0.68*0.68, 12Ø1', Est.
Ø3/8''@15
17 Relleno material compactado (Caliche)
18 Bote de Material Sobrante (e=1.30)
19 Izaje de Columnas de estructura
Listado de Actividades 20 Izaje de Estructura Metalica y cierre de Techo
21 Excavacion Zapata de Muro
22
Bote de Material producto de excavación (e=1.25)
(ESTRUCTURA)
23 Zapt. Muro de 6" (0.45x0.25) 3Ø3/8"
24 Bloques en Muros de 6"
25 Relleno material compactado (Caliche)
26 Losas de asiento Ø3/8"@0.20 Adic.Ø1/2" @0.25 y @0.35
27 Pañete en muros y asientos de cancha
28 Cantos en generales
29 Pintura acrílica en muros y losas
30 Excavación en Tierra Zapata de Bordillo
31 Bote de Material producto de excavación (e=1.25)
32 Zapata de Bordillo de Muro
33 Bordillo de Blocks de 6"BNP
34 Relleno material compactado (Caliche)
35
Hormigon Armado con Malla Electrosoldada 10*10
(H=0.10), Pulido de piso y Corte de Juntas
36 Instalaciones Electricas
37 Pintura de demarcacion y logo de cancha
38 Instalaciones de Tableros
39 Limpieza final
2.5. LISTA DE ACTIVIDADES
Pág. 27 Pag. 28
No. Actividad: 1 Nombre de la Actividad:
2
Imágenes y Esquemas:
Hilo
Zinc Nivel (2) Ayudantes
Cal Plomo
Madera Escuadra (1) Topógrafo
Clavos Martillo (1) Carpintero
Alcance:
1- Materiales
2- Equipos y Herramientas
3- Mano de Obra
Materiales: Equipos y Herramientas: Mano de Obra:
Cierre perimetral y Letrero en Obra
Descripción: Consiste en cercar y delimitar el área de trabajo del proyecto, asi como la colocación del letero con las
especificaciones de la obra.
Tiempo Ejecución: Actividades Previas: N/A
Procedimientos de
Ejecución:
1- Uso de topografía para delimitacion de área de trabajo.
2- Construcción de cierre perimetral con madera y zinc, de área de trabajo.
3- Construcción de Estructura Metálica para letrero (Según planos).
4- Colocacián de vaya o letrero de obra en estructura de montaje (Según esp. plano).
No. Actividad: 2 Nombre de la Actividad:
2
Imágenes y Esquemas:
N/A (1) Excavadora 200TON + Martillo (1) Operador Exc.
Alcance:
1- Equipos y Herramientas
2- Mano de Obra
Materiales: Equipos y Herramientas: Mano de Obra:
Descripción: Consiste en la demolición del piso de hormigón armado existente en la cancha a remodelar, el cual será
realizado con compresores de aire y martillos neumáticos.
Tiempo Ejecucion: Actividades Previas: 1 - Cierre perimetral y Letrero de obra
Procedimientos de
Ejecución:
1- Uso de Excavadora con martillo neumático o compresores de aire.
2-Demolición de la estructura
3- Acopio de material producto de demolición.
Demolición de piso de Cancha existente
2.6. ESPECIFICACIONES TECNICAS
Pág. 29 Pag. 30
No. Actividad: 3 Nombre de la Actividad:
3
Imágenes y Esquemas:
(1) Ayudante
N/A (1) Retropala (1) Operador Exc.
(1) Camión (1) Operador de Camión
Alcance:
1- Equipos y Herramientas
2- Mano de Obra
Materiales: Equipos y Herramientas: Mano de Obra:
Descripción: Se procede con el bote del material excavado y el piso demolido, mediante camiones desde 6 a 18m³
para acarreo a botaderos de los desperdicios generados.
Tiempo Ejecucion: Actividades Previas: 2 - Demolición de piso de cancha existente
Procedimientos de
Ejecución:
1- Ubicar e identificar el material acopiado producto demolición, de no estar acopiado
proceder a acopiarlo.
2- Con ayuda de equipos proceder a llenar los camiones hasta su capacidad maxina.
3- Autorizar la salida o bote de material, siempre y cuando sea a un vertedero
autorizado.
Bote producto de demoliciones y Excavaciones
No. Actividad: 4 Nombre de la Actividad:
1
Imágenes y Esquemas:
N/A (1) Gredar o Retropala (1) Operador Exc.
(1) Ayudante
Alcance:
1- Equipos y Herramientas
2- Mano de Obra
Materiales: Equipos y Herramientas: Mano de Obra:
Descripción: Consiste en la limpieza, preparación y nivelación del terreno en el cual se encontraba el piso
anteriormente demolido para proceder con trabajos posteriores de replanteo.
Tiempo Ejecucion: Actividades Previas: 2 - Demolición de piso de cancha existente
Procedimientos de
Ejecución:
1- De ser necesario procedemos a la tala de arboles que se encuentren en el área de
trabajo.
2- Se procede a remover la capa vegetal de las demas areas de trabajo donde no hubo
demolición.
3- Acopio de todo material sobrante
Limpieza de terreno en área de demolición
No. Actividad: 5 Nombre de la Actividad:
2
Imágenes y Esquemas:
Hilo Plomo
Clavos Martillo (1) Carpintero
Cal Nivel (2) Ayudantes
Materiales: Equipos y Herramientas: Mano de Obra:
Madera Escuadra (1) Topografo
Procedimientos de
Ejecución:
1- Con ayuda topográfica se procede a localizar ejes segun el plano de replanteo
2- Se procede a construir la charrancha a nivel y a la altura mas conveniente
3- Se procede a marcar la geometria de los elementos con hilo y cal para referencia de
la excavación de los cimientos (zapatas aisladas, zapatas de muros y vigas riostras)
Alcance:
1- Materiales
2- Equipos y Herramientas
3- Mano de Obra
Replanteo gral. verja, estructura, cancha y gradas
Descripción: Es la acción de ubicar en el terreno, ya sea manual o con apoyo de un topografo, los puntos de
referencia para localizacion de cada estructura requerida en el proyecto.
Tiempo Ejecucion: Actividades Previas: 4 - Limpieza de terreno en area de demolición
Pág. 31 Pag. 32
No. Actividad: 6 Nombre de la Actividad:
2
Imágenes y Esquemas:
N/A (1) Retropala (1) Operador Exc.
(1) Ayudante
Alcance:
1- Materiales
2- Equipos y Herramientas
3- Mano de Obra
Materiales: Equipos y Herramientas: Mano de Obra:
Descripción: Consiste en la realización de zanjas o zurcos en el terreno, ya sea a mano o con maquinaria pesada, para
poder satisfacer el nivel de desplante en el cual seran realizadas las zapatas de los muros de bloques.
Tiempo Ejecucion: Actividades Previas: 5 - Replanteo gral. verja, estructura, cancha y gradas
Procedimientos de
Ejecución:
1- Una vez marcadas la geometria de las zapatas se procede a excavar con maquinarias
y equipos a la profundidad especificada en los planos.
2- Mientras se va excavando se procede a perfilar cada excavacion para evitar
derrumbes.
3- Se procede a acopiar el material de bote a un lado y el de reposicion en otro.
Excavación de Zapata Muro de block No. Actividad: 7 Nombre de la Actividad:
2
Imágenes y Esquemas:
Grava Palas
Agua Herramientas menores
Cemento Vibrador de concreto (2) Ayudantes
Arena Carretillas
Acero Ø 3/8" - G60 Cizalla manual Brigada de varilleros
Alambre galv. Cal. 16 Ligadora de concreto Brigada de vaciado
Alcance:
1- Materiales
2- Equipos y Herramientas
3- Mano de Obra
Materiales: Equipos y Herramientas: Mano de Obra:
Procedimientos de
Ejecución:
1- Corte, armado y colocación de acero segun planos.
2- Verificar que la estructura este armada como las especificaciones de los planos
3- Colocar calzos. Calzar la estructura para lograr el recubrimiento especificado
4- Ligado de materiales en ligadora de 2 fundas
5- Vertir hormigón ligado en carretillas
6- Vaciar hormigón en área de zapatas hasta nivel deseado
7- Vibrar el hormigón
8- Curado de hormigón
Hormigon Armado Zapata de Bordillos
Descripción: Trata de la confección y colocación del armado de acero, guarderas de delimitación y mezcla de
concreto para conformación de elementos de fundación sobre los cuales se colocarán los bordillos.
Tiempo Ejecucion: Actividades Previas: 6 - Excavacion de Zapata Muro de block
Pág. 33 Pag. 34
No. Actividad: 8 Nombre de la Actividad:
4
Imágenes y Esquemas:
Acero Ø 3/8" - G60
Alambre galv. Cal. 16
Arena Itabo Plomada
Agua Herramientas menores
Bloques de 6" Hilo (3) Albañiles
Cemento Escuadra (2) Ayudantes
Alcance:
1- Materiales
2- Equipos y Herramientas
3- Mano de Obra
Materiales: Equipos y Herramientas: Mano de Obra:
Procedimientos de
Ejecución:
1- Replantear muros de cara a cara.
2- Colocación de bloque al inicio y al final del muro con hilo, para guía.
3- Colocación de morteo de base y nivelación.
4- Colocación de bloques con mortero de juntas.
5- Colocación de refuerzos a medida que sean requeridos según planos.
6- A medida que se van subiendo bloques, ir verificando: plomo, escuadra y línea.
Muros de blocks de 6"
Descripción: Consiste en la colocación de unidades de bloques para la conformación de muros o paredes de la
estructura.
Tiempo Ejecucion: Actividades Previas: 7 - Hormigon Armado Zapata de Bordillos
No. Actividad: 9 Nombre de la Actividad:
4
Imágenes y Esquemas:
Grava Herramientas menores
Agua
Cemento Palas
Arena Cubos
Acero Ø 1/2" - G60 Vibrador de concreto Brigada de Vaciados
Alambre galv. Cal. 16 Carretillas (3) Ayudantes
Madera Cizalla manual Brigada de Carpinteria
Acero Ø 3/8" - G60 Ligadora de concreto Brigada de Varilleros
Alcance:
1- Materiales
2- Equipos y Herramientas
3- Mano de Obra
Materiales: Equipos y Herramientas: Mano de Obra:
Procedimientos de
Ejecución:
1- Enconfrado de columnas "a dos caras", aprovechando los muros como apoyo
2- Corte, armado y colocación de acero segun planos.
3- Verificar que la estructura este armada como las especificaciones de los planos
4- Colocar calzos. Calzar la estructura para lograr el recubrimiento especificado
5- Ligado de materiales en ligadora de 2 fundas
6- Vertir hormigón ligado en carretillas
7- Vaciar hormigón en área de zapatas hasta nivel deseado
8- Vibrar el hormigón
9- Curado de hormigón
Hormigón Armado en Columnas de Amarre
Descripción: Consiste en la confección y colocación de armado de acero, encofrados de madera y mezcla de concreto
para la conformación de elementos de confinamiento como columnas de amarre.
Tiempo Ejecucion: Actividades Previas: 8 - Muros de blocks de 6"
Pág. 35 Pag. 36
No. Actividad: 10 Nombre de la Actividad:
5 8 - Muros de blocks de 6"
Herramientas menores
Imágenes y Esquemas:
Arena Cubos (3) Ayudantes
Agua Plomo
Cemento Llana/Plana/Esponja (3) Albañiles
Cal Hilos (3) Terminadores
Alcance:
1- Materiales
2- Equipos y Herramientas
3- Mano de Obra
Materiales: Equipos y Herramientas: Mano de Obra:
Procedimientos de
Ejecución:
1- La superficie debe estar lo mas limpia y rustica posible para que el pañete agarre.
2- Debe humedecerse la superficie para que no le reste agua a la mezcla aplicada.
3- Hacer mezcla o liga 1:3 (cal: arena fina (arena de río)) y esta liga la mezclamos con
cemento en la proporción 1:6
4- Colocar mezcla de mortero, su espesor será entre 2 y 2.5 cm, según especificaciones
en plano y según plomo.
5- Usar el borde plano de un tablón de madera o aluminio, para raspar la superficie a
fin de nivelarla.
6- Pasar esponja humeda sombre la superficie nivelada para lograr terminació lisa.
Pañete en muros
Descripción: Es la terminación lisa aplicada en muros y elementos de hormigon, conseguida con la aplicacion de una
mezcla homogenea de arena lavada, agua y cemento, con el fin de tener una superficie regular y evitar filtraciones.
Tiempo Ejecucion: Actividades Previas:
No. Actividad: 11 Nombre de la Actividad:
3 10 - Pañete en muros
Prensas de Acero Ø 3/8" - G60 Herramientas menores
Imágenes y Esquemas:
Arena Cubos
Agua Plomo
Cemento Llana/Plana/Esponja (2) Terminadores
Cal Hilos (2) Ayudantes
Alcance:
1- Materiales
2- Equipos y Herramientas
3- Mano de Obra
Materiales: Equipos y Herramientas: Mano de Obra:
Descripción: Son la conformación de quicios o esquinas en uniones de muros, confeccionada con mortero.
Tiempo Ejecucion: Actividades Previas:
Procedimientos de
Ejecución:
1- Poner 2 molduras rodeando la terminación del vano y afirmarlas con un par de
prensas.
2- Hay que dejar las molduras pasadas en 3 cms, eso será lo que hay que rellenar con
mortero.
3- Comprobar que las guías estén aplomadas y que la separación de 3 cms es pareja a
lo largo de las maestras.
4- Hacer procedimiento de pañete
Cantos generales
Pág. 37 Pag. 38
No. Actividad: 12 Nombre de la Actividad:
3
Apliacador de Masilla
Imágenes y Esquemas:
Masilla acrilica Brochas
Lijas / Espatulas Espatulas
Pinturas Mango telescopico (2) Pintores
Tape para pintar Rolos / Motas (1) Ayudante
Alcance:
1- Materiales
2- Equipos y Herramientas
3- Mano de Obra
Materiales: Equipos y Herramientas: Mano de Obra:
Descripción: Consiste en la aplicación de pintura a base de agua en muros y columnas para, además de lograr un
cambio estético en la estructura, conseguir una uniformidad en el acabado de los elementos.
Tiempo Ejecucion: Actividades Previas: 10-Pañete en muros // 11-Cantos en generales
Procedimientos de
Ejecución:
1- Se debe tener la superficie totalmente limpia y libre de polvo para lograr
adherencia.
2- Pintar con rolo toda la superficie con pintura primer.
3- Pintar con rolo la superficie con el tono de color indicado en los planos.
4- Utilizar brochar para pintar los recortes dejados con el rolo.
5- Evitar pintar en dias lluviosos o húmedos.
Pintura Acrilica en Muros y Columnas No. Actividad: 13 Nombre de la Actividad:
3
Imágenes y Esquemas:
N/A (1) Excavadora (1) Operador Exc.
(1) Ayudante
Alcance:
1- Equipos y Herramientas
2- Mano de Obra
Materiales: Equipos y Herramientas: Mano de Obra:
Descripción: Consiste en la realización de zanjas o zurcos en el terreno, ya sea a mano o con maquinaria pesada, para
poder satisfacer el nivel de desplante en el cual seran fundadas las columnas estructurales.
Tiempo Ejecucion: Actividades Previas: 6-Excavacion de Zapata Muro de block
Procedimientos de
Ejecución:
1- Una vez marcadas la geometria de las zapatas se procede a excavar con maquinarias
y equipos a la profundidad especificada en los planos.
2- Mientras se va excavando se procede a perfilar cada excavacion para evitar
derrumbes.
3- Se procede a acopiar el material de bote a un lado y el de reposicion en otro.
Excavación Zapatas de Columnas base
No. Actividad: 14 Nombre de la Actividad:
1
N/A N/A N/A
Imágenes y Esquemas:
Procedimientos de
Ejecución:
1- Roceado de químico exterminante
Alcance: 1- Sub-contratado
Materiales: Equipos y Herramientas: Mano de Obra:
Fumigación de Terreno
Descripción: Consiste en el regado de compuestos químicos en las excavaciones para prevención y exterminación de
cualquier insecto o agente no deseado presente.
Tiempo Ejecucion: Actividades Previas: 13- Excavación Zapatas de Columnas base
Pág. 39 Pag. 40
No. Actividad: 15 Nombre de la Actividad:
3
Imágenes y Esquemas:
Alambre galv. Cal. 16 Equipo de bombeo Brigada de Vaciados
Hormigón 240 kg/cm² Planta eléctrica (2) Ayudantes
Madera Cizalla manual Brigada de Carpinteria
Acero G-60, Ø Segun planos Carretillas Brigada de Varilleros
Alcance:
1- Materiales
2- Equipos y Herramientas
3- Mano de Obra
Materiales: Equipos y Herramientas: Mano de Obra:
6- Evaluar si necesita equipo de bombeo y colocación para vaciar el concreto en el
elemento, o si en su defecto puede ser directo desde el camión y transportado con
ayuda de carretillas.
7- Una vez recibido el camión de concreto, evaluar: temperatura, hacer prueba del
cono de Slump o revenimiento del concreto y tomar provetas de muestras.
8- Marcar las probetas con nombre, fecha e identificar el area vaciada con la misma.
9- Vaciar hormigón en área de zapatas hasta nivel deseado
10- Vibrar el hormigón
11- Curado de hormigón
Descripción: Una zapata es un elemento estructural que sirve de cimentación a un pilar, muro u otro elemento
superficial, transmitiendo los esfuerzos que recibe de este al terreno. Una viga riostra es un elemento estructural que
unen dos o más cimientos o zapatas con el fin de absorber las posibles acciones horizontales que pueden recibir los
cimientos, evitando de esta forma el desplazamiento horizontal de uno respecto a otro.
Tiempo Ejecucion: Actividades Previas: 14-Fumigacion de Terreno
Procedimientos de
Ejecución:
1- En dado de tener sobreancho en la geometria de las zapatas, proceder a
enguarderar para lograr el área deseada.
2- Corte, armado y colocación de acero segun planos.
3- Verificar que la estructura este armada como las especificaciones de los planos
4- Colocar calzos. Calzar la estructura para lograr el recubrimiento especificado
5- El Hormigón no puede ser ligado in situ, debe ser hormigón industrial resistencia
240kg/cm².
Hormigón Armado Zap. Col. Base y Viga Riostra No. Actividad: 16 Nombre de la Actividad:
5
Hormigón 240 kg/cm² Planta eléctrica (2) Ayudantes
Imágenes y Esquemas:
Acero G-60, Ø Segun planos Carretillas Brigada de Varilleros
Alambre galv. Cal. 16 Equipo de bombeo Brigada de Vaciados
Materiales: Equipos y Herramientas: Mano de Obra:
Madera Cizalla manual Brigada de Carpinteria
10- Vibrar el hormigón
11- Desencofrar el elemento despues de la cantidad de días especifiacad en planos.
12- Curado de hormigón
Alcance:
1- Materiales
2- Equipos y Herramientas
3- Mano de Obra
Procedimientos de
Ejecución:
1- Revisar lineas de ejes y proceder a encofrar las columas según las especificaciones y
el área de los planos.
2- Corte, armado y colocación de acero segun planos.
3- Verificar que la estructura este armada como las especificaciones de los planos
4- Colocar calzos. Calzar la estructura para lograr el recubrimiento especificado
5- El Hormigón no puede ser ligado in situ, debe ser hormigón industrial resistencia
240kg/cm².
6- Evaluar si necesita equipo de bombeo y colocación para vaciar el concreto en el
elemento, o si en su defecto puede ser directo desde el camión y transportado con
ayuda de carretillas.
7- Una vez recibido el camión de concreto, evaluar: temperatura, hacer prueba del
cono de Slump o revenimiento del concreto y tomar provetas de muestras.
8- Marcar las probetas con nombre, fecha e identificar el area vaciada con la misma.
9- Vaciar hormigón en área de zapatas hasta nivel deseado
Hormigón Armado Columnas Base
Descripción: Son las estructuras verticales que se encargan de transmitir esfuerzos y cargas de una edificación hacia
la tierra, utilizando a las zapatas como estructuras intermediarias de apoyo para dicho evento.
Tiempo Ejecucion: Actividades Previas: 15- Hormigón Armado Zap. Col. Base y Viga Riostra
Pág. 41 Pag. 42
No. Actividad: 17 Nombre de la Actividad:
3
Imágenes y Esquemas:
Material granular de relleno Equipo de compactación (1) Operador por equipo
Agua Palas (1) Ayudante
Alcance:
1- Materiales
2- Equipos y Herramientas
3- Mano de Obra
Materiales: Equipos y Herramientas: Mano de Obra:
Descripción: Son trabajos de extensión y compactación de suelos de origen de la misma excavación o de préstamos
de zanjas, cimentaciones, trasdós de muro, o cualquier zona. Es el proceso de aplicar energía al suelo suelto para
eliminar espacios vacíos aumentando así su densidad y logrando su compactación óptima.
Tiempo Ejecucion: Actividades Previas: 16- Hormigón Armado Columnas Base
Procedimientos de
Ejecución:
1- Se procede a colocar capas de 0.20mt de material granular - caliche-
2- Se procede compactar el material suelto aplicando energía por compactación
estática o de impacto. Ej: rodillos, apisonador, etc.
3- Humedecer el área con agua para lograr consolidar la compactación.
4- Se repite el proceso cada capa de relleno de 20 cm hasta lograr el nivel estipulado
en planos.
Relleno material compactado (Caliche) No. Actividad: 18 Nombre de la Actividad:
4
Imágenes y Esquemas:
(1) Camión (1) Operador de Camión
(1) Ayudante
Materiales: Equipos y Herramientas: Mano de Obra:
N/A (1) Retropala (1) Operador Exc.
Procedimientos de
Ejecución:
1- Ubicar e identificar el material acopiado producto de molicion, de no estar acopiado
proceder a acopiarlo.
2- Con ayuda de equipos proceder a llenar los camiones hasta su capacidad maxina.
3- Autorizar la salida o bote de material, siempre y cuando sea a un vertedero
autorizado.
Alcance:
1- Equipos y Herramientas
2- Mano de Obra
Bote de Material Sobrante
Descripción: Se procede con el bote del material excavado y el piso demolido, mediante camiones desde 6 a 18m³
para acarreo a botaderos de los desperdicios generados.
Tiempo Ejecucion: Actividades Previas: 13- Excavación Zapatas de Columnas base
Pág. 43 Pag. 44
No. Actividad: 19 Nombre de la Actividad:
3
Imágenes y Esquemas:
Placas
Materiales de conexión
Columnas estructurales Grúa de Izaje N/A
Pernos Herramientas menores
Alcance:
1- Equipos y Materiales
2- Mano de obra sub-contratada
Materiales: Equipos y Herramientas: Mano de Obra:
Procedimientos de
Ejecución:
1- Previamente se debe establecer un área de trabajo para trabajos preliminares de
cortes y soldaduras de elementos que deben ser armados previamente antes de ser
elevados.
2- Planear el montaje de acuerdo a la forma del conjunto de columnas o partes a
elevar, asegurar tener la grúa de izaje el dia previsto, así como tener el área debimante
asegurada.
3- Antes de inicar el izaje se debe realizar un último chequeo y supervisión a los
cimientos y/o columnas base de concreto. Verificar que las placas y los pernos hayan
sido correctamente instaladas, verficar la alineacion y replanteo de los ejes para evitar
columnas con giros de su eje, verificar el curado del concreto.
4- Iniciar el izaje de columnas con la grúa, tener personal topográfico para orientar en
los puntos de anclaje con los pernos.
5- Se eleva la columna y se fija sobre el grupo de pernos pertenecientes a la placa base
y que son previamente evaluados, se nivela la columna frente a cuñas que garantizarán
la linealidad de la estructura
6- Se ponen as tuercas , verifica la plomada de la columna y se aprietan las tuercas y se
liberan las columnas de la grúa.
Izaje de Columnas de estructura
Descripción: Izaje de las columnas base que componen o soportan la estructura techada. Las columnas deben de
cumplir con las espcificaciones de diseño solicitadas, tanto en las dimesiones como en la calidad.
Tiempo Ejecucion: Actividades Previas: 16- Hormigón Armado Columnas Base
No. Actividad: 20 Nombre de la Actividad:
20
Materiales de conexión
Imágenes y Esquemas:
Viguetillas y tijerillas
Caballete y bajantes pluviales
Vigas Estructurales Grúa de Izaje N/A
Aluzinc Herramientas menores
Alcance:
1- Equipos y Materiales
2- Mano de obra sub-contratada
Materiales: Equipos y Herramientas: Mano de Obra:
Procedimientos de
Ejecución:
1- Previamente se debe establecer un área de trabajo para trabajos preliminares de
cortes y soldaduras de elementos que deben ser armados previamente antes de ser
elevados.
2- Planear el montaje de acuerdo a la forma del conjunto y a la previa evaluación del
diseño de las conexiones que son los puntos de importancia para las uniones de la
viga.
3- Se dispone a estabilizar las columnas elevando y montando las vigas y tijerillas realizando unio
5- Se procede a colocar las planchas de aluzinc segun el calibre y color especificado.
6- Se procede a colocar el caballete y los bajantes pluviales.
7- Por ultimo se revisan las juntas, sellos y revisión o apriete de todas las uniones.
Izaje de Estructura Metalica y cierre de Techo
Descripción: La preparación de la estructura puede necesitar tener elementos de apoyo temporales que serán
definidos por el diseñador estructural y deben estar acorde a los esfuerzos de diseño y las cargas de la estructura. se
debe tener especial cuidado con el concreto prefabricado que se evalué al momento del diseño, estos elementos
pueden desestabilizar la estructura en acero y causar el colapso de la edificación
Tiempo Ejecucion: Actividades Previas: 19- Izaje de Columnas de estructura
Pág. 45 Pag. 46
No. Actividad: 21 Nombre de la Actividad:
1
Imágenes y Esquemas:
N/A (1) Retropala (1) Operador Exc.
(1) Ayudante
Alcance:
1- Equipos y Herramientas
2- Mano de Obra
Materiales: Equipos y Herramientas: Mano de Obra:
Descripción: Consiste en la realización de zanjas o zurcos en el terreno, ya sea a mano o con maquinaria pesada, para
poder satisfacer el nivel de desplante en el cual seran realizadas las zapatas de los muros de bloques.
Tiempo Ejecucion: Actividades Previas: 13- Excavación Zapatas de Columnas base
Procedimientos de
Ejecución:
1- Una vez marcadas la geometria de las zapatas se procede a excavar con maquinarias
y equipos a la profundidad especificada en los planos.
2- Mientras se va excavando se procede a perfilar cada excavacion para evitar
derrumbes.
3- Se procede a acopiar el material de bote a un lado y el de reposicion en otro.
Excavación Zapata de Muro Gradas
No. Actividad: 22 Nombre de la Actividad:
2
Imágenes y Esquemas:
(1) Camión (1) Operador de Camión
(1) Ayudante
Materiales: Equipos y Herramientas: Mano de Obra:
N/A (1) Retropala (1) Operador Exc.
Procedimientos de
Ejecución:
1- Ubica e identifaicar el material acopiado producto de molicion, de no estar acopiado
proceder a acopiarlo.
2- Con ayuda de equipos proceder a llenar los camiones hasta su capacidad maxina.
3- Autorizar la salida o bote de material, siempre y cuando sea a un vertedero
autorizado.
Alcance:
1- Equipos y Herramientas
2- Mano de Obra
Bote de Material producto de excavación
Descripción: Se procede con el bote del material excavado y el piso demolido, mediante camiones desde 6 a 18m³
para acarreo a botaderos de los desperdicios generados.
Tiempo Ejecucion: Actividades Previas: 21- Excavación Zapata de Muro Gradas
No. Actividad: 23 Nombre de la Actividad:
2
Imágenes y Esquemas:
Grava Palas
Agua Herramientas menores
Cemento Vibrador de concreto (2) Ayudantes
Arena Carretillas
Acero Ø 3/8" - G60 Cizalla manual Brigada de varilleros
Alambre galv. Cal. 16 Ligadora de concreto Brigada de vaciado
Alcance:
1- Materiales
2- Equipos y Herramientas
3- Mano de Obra
Materiales: Equipos y Herramientas: Mano de Obra:
Procedimientos de
Ejecución:
1- Corte, armado y colocación de acero segun planos.
2- Verificar que la estructura este armada como las especificaciones de los planos
3- Colocar calzos. Calzar la estructura para lograr el recubrimiento especificado
4- Ligado de materiales en ligadora de 2 fundas
5- Vertir hormigón ligado en carretillas
6- Vaciar hormigón en área de zapatas hasta nivel deseado
7- Vibrar el hormigón
8- Curado de hormigón
Zapt. Muro de 6" de Gradas
Descripción: Consiste en la realización de zanjas o zurcos en el terreno, ya sea a mano o con maquinaria pesada, para
poder satisfacer el nivel de desplante en el cual seran realizadas las zapatas de los muros de bloques.
Tiempo Ejecucion: Actividades Previas: 21- Excavación Zapata de Muro Gradas
Pág. 47 Pag. 48
No. Actividad: 24 Nombre de la Actividad:
2
Imágenes y Esquemas:
Procedimientos de
Ejecución:
1- Replantear muros de cara a cara.
2- Colocación de bloque al inicio y al final del muro con hilo, para guía.
3- Colocación de morteo de base y nivelación.
4- Colocación de bloques con mortero de juntas.
5- Colocación de refuerzos a medida que sean requeridos según planos.
6- A medida que se van subiendo bloques, ir verificando: plomo, escuadra y línea.
Bloques en Muros de 6" de Gradas
Descripción: Consiste en la colocación de unidades de bloques para la conformación de muros o paredes de la
estructura.
Tiempo Ejecucion: Actividades Previas: 23- Zapt. Muro de 6" de Gradas
Arena Itabo Plomada
Agua Herramientas menores
Bloques de 6" Hilo (3) Albañiles
Cemento Escuadra (2) Ayudantes
Alcance:
1- Materiales
2- Equipos y Herramientas
3- Mano de Obra
Materiales: Equipos y Herramientas: Mano de Obra:
Acero Ø 3/8" - G60
Alambre galv. Cal. 16
No. Actividad: 25 Nombre de la Actividad:
2
Imágenes y Esquemas:
Procedimientos de
Ejecución:
1- Se procede a colocar capas de 0.20mt de material granular - caliche-
2- Se procede compactar el material suelto aplicando energía por compactación
estática o de impacto. Ej: rodillos, apisonador, etc.
3- Humedecer el área con agua para lograr consolidar la compactación.
4- Se repite el proceso cada capa de relleno de 20 cm hasta lograr el nivel estipulado
en planos.
Alcance:
1- Materiales
2- Equipos y Herramientas
3- Mano de Obra
Relleno material compactado (Caliche)
Descripción: Son trabajos de extensión y compactación de suelos de origen de la misma excavación o de préstamos
de zanjas, cimentaciones, trasdós de muro, o cualquier zona. Es el proceso de aplicar energía al suelo suelto para
eliminar espacios vacíos aumentando así su densidad y logrando su compactación óptima.
Tiempo Ejecucion: Actividades Previas: 24- Bloques en Muros de 6" de Gradas
Agua Palas (1) Ayudante
Materiales: Equipos y Herramientas: Mano de Obra:
Material granular de relleno Equipo de compactación (1) Operador por equipo
Pág. 49 Pag. 50
No. Actividad: 26 Nombre de la Actividad:
4
Imágenes y Esquemas:
Descripción: La losa de concreto armado es un elemento estructural, tiene la intención de servir de separación entre
pisos y/o al mismo tiempo, servir como soporte para las cargas de ocupación como son cargas vivas y cargas
muertas.
Tiempo Ejecucion: Actividades Previas: 25- Relleno material compactado (Caliche)
Procedimientos de
Ejecución:
1- Revisar lineas de ejes y proceder a encofrar las losas según las especificaciones y el
área de los planos.
2- Corte, armado y colocación de acero segun planos.
3- Verificar que la estructura este armada como las especificaciones de los planos
4- Colocar calzos. Calzar la estructura para lograr el recubrimiento especificado
5- El Hormigón no puede ser ligado in situ, debe ser hormigón industrial resistencia
240kg/cm².
Hormigón en Losas de asiento
Madera Cizalla manual Brigada de Carpinteria
Acero G-60, Ø Segun planos Carretillas Brigada de Varilleros
12- Curado de hormigón
Alcance:
1- Materiales
2- Equipos y Herramientas
3- Mano de Obra
Materiales: Equipos y Herramientas: Mano de Obra:
6- Evaluar si necesita equipo de bombeo y colocación para vaciar el concreto en el
elemento, o si en su defecto puede ser directo desde el camión y transportado con
ayuda de carretillas.
7- Una vez recibido el camión de concreto, evaluar: temperatura, hacer prueba del
cono de Slump o revenimiento del concreto y tomar provetas de muestras.
8- Marcar las probetas con nombre, fecha e identificar el area vaciada con la misma.
9- Vaciar hormigón en área de zapatas hasta nivel deseado
10- Vibrar el hormigón
11- Desencofrar el elemento despues de la cantidad de días especifiacad en planos.
Alambre galv. Cal. 16 Equipo de bombeo Brigada de Vaciados
Hormigón 240 kg/cm² Planta eléctrica (2) Ayudantes
No. Actividad: 27 Nombre de la Actividad:
4
Imágenes y Esquemas:
Procedimientos de
Ejecución:
1- La superficie debe estar lo mas limpia y rustica posible para que el pañete agarre.
2- Debe humedecerse la superficie para que no le reste agua a la mezcla aplicada.
3- Hacer mezcla o liga 1:3 (cal: arena fina (arena de río)) y esta liga la mezclamos con
cemento en la proporción 1:6
4- Colocar mezcla de mortero, su espesor será entre 2 y 2.5 cm, según especificaciones
en plano y según plomo.
5- Usar el borde plano de un tablón de madera o aluminio, para raspar la superficie a
fin de nivelarla.
6- Pasar esponja humeda sombre la superficie nivelada para lograr terminació lisa.
Pañete en muros y asientos de cancha
Descripción: Es la terminación lisa aplicada en muros y elementos de hormigon, conseguida con la aplicacion de una
mezcla homogenea de arena lavada, agua y cemento, con el fin de tener una superficie regular y evitar filtraciones.
Tiempo Ejecucion: Actividades Previas: 26- Hormigón en Losas de asiento
Arena Cubos (3) Ayudantes
Agua Plomo
Cemento Llana/Plana/Esponja (3) Albañiles
Cal Hilos (3) Terminadores
Alcance:
1- Materiales
2- Equipos y Herramientas
3- Mano de Obra
Materiales: Equipos y Herramientas: Mano de Obra:
Herramientas menores
Pág. 51 Pag. 52
No. Actividad: 28 Nombre de la Actividad:
2
Imágenes y Esquemas:
Alcance:
1- Materiales
2- Equipos y Herramientas
3- Mano de Obra
Materiales: Equipos y Herramientas: Mano de Obra:
Descripción: Son la conformación de quicios o esquinas en uniones de muros, confeccionada con mortero.
Tiempo Ejecucion: Actividades Previas: 27- Pañete en muros y asientos de cancha
Procedimientos de
Ejecución:
1- Poner 2 molduras rodeando la terminación del vano y afirmarlas con un par de
prensas.
2- Hay que dejar las molduras pasadas en 3 cms, eso será lo que hay que rellenar con
mortero.
3- Comprobar que las guías estén aplomadas y que la separación de 3 cms es pareja a
lo largo de las maestras.
4- Hacer procedimiento de pañete
Cantos en generales
Prensas de Acero Ø 3/8" - G60 Herramientas menores
Arena Cubos
Agua Plomo
Cemento Llana/Plana/Esponja (2) Terminadores
Cal Hilos (2) Ayudantes
No. Actividad: 29 Nombre de la Actividad:
2
Imágenes y Esquemas:
Pintura acrílica en muros y losas
Pinturas Mango telescopico (2) Pintores
Tape para pintar Rolos / Motas (1) Ayudante
Alcance:
1- Materiales
2- Equipos y Herramientas
3- Mano de Obra
Materiales: Equipos y Herramientas: Mano de Obra:
Descripción: Consiste en la aplicación de pintura a base de agua en muros y columnas para, además de lograr un
cambio estético en la estructura, conseguir una uniformidad en el acabado de los elementos.
Tiempo Ejecucion: Actividades Previas: 28- Cantos en generales
Procedimientos de
Ejecución:
1- Se debe tener la superficie totalmente limpia y libre de polvo para lograr
adherencia.
2- Pintar con rolo toda la superficie con pintura primer.
3- Pintar con rolo la superficie con el tono de color indicado en los planos.
4- Utilizar brochar para pintar los recortes dejados con el rolo.
5- Evitar pintar en dias lluviosos o húmedos.
Apliacador de Masilla
Masilla acrilica Brochas
Lijas / Espatulas Espatulas
Pág. 53 Pag. 54
No. Actividad: 30 Nombre de la Actividad:
1
Imágenes y Esquemas:
Descripción: Consiste en la realización de zanjas o zurcos en el terreno, ya sea a mano o con maquinaria pesada, para
poder satisfacer el nivel de desplante en el cual seran realizadas las zapatas de los muros de bloques.
Tiempo Ejecucion: Actividades Previas: 21- Excavación Zapata de Muro Gradas
Procedimientos de
Ejecución:
1- Corte, armado y colocación de acero segun planos.
2- Verificar que la estructura este armada como las especificaciones de los planos
3- Colocar calzos. Calzar la estructura para lograr el recubrimiento especificado
4- Ligado de materiales en ligadora de 2 fundas
5- Vertir hormigón ligado en carretillas
Excavación en Tierra Zapata de Bordillo
Alambre galv. Cal. 16 Ligadora de concreto Brigada de vaciado
Cemento Vibrador de concreto (2) Ayudantes
Materiales: Equipos y Herramientas: Mano de Obra:
Acero Ø 3/8" - G60 Cizalla manual Brigada de varilleros
6- Vaciar hormigón en área de zapatas hasta nivel deseado
7- Vibrar el hormigón
8- Curado de hormigón
Alcance:
1- Materiales
2- Equipos y Herramientas
3- Mano de Obra
Agua Herramientas menores
Arena Carretillas
Grava Palas
No. Actividad: 31 Nombre de la Actividad:
1
Descripción: Se procede con el bote del material excavado y el piso demolido, mediante camiones desde 6 a 18m³
para acarreo a botaderos de los desperdicios generados.
Tiempo Ejecucion: Actividades Previas: 30- Excavación en Tierra Zapata de Bordillo
Procedimientos de
Ejecución:
1- Ubica e identifaicar el material acopiado producto de molicion, de no estar acopiado
proceder a acopiarlo.
2- Con ayuda de equipos proceder a llenar los camiones hasta su capacidad maxina.
3- Autorizar la salida o bote de material, siempre y cuando sea a un vertedero
autorizado.
Bote de Material producto de excavación
(1) Ayudante
N/A (1) Retropala (1) Operador Exc.
(1) Camión (1) Operador de Camión
Alcance:
1- Equipos y Herramientas
2- Mano de Obra
Materiales: Equipos y Herramientas: Mano de Obra:
Imágenes y Esquemas:
Pág. 55 Pag. 56
No. Actividad: 32 Nombre de la Actividad:
2
Zapata de Bordillo de Muro
Materiales: Equipos y Herramientas: Mano de Obra:
Acero Ø 3/8" - G60 Cizalla manual Brigada de varilleros
6- Vaciar hormigón en área de zapatas hasta nivel deseado
7- Vibrar el hormigón
8- Curado de hormigón
Alcance:
1- Materiales
2- Equipos y Herramientas
3- Mano de Obra
Descripción: Trata de la confección y colocación del armado de acero, guarderas de delimitación y mezcla de
concreto para conformación de elementos de fundación sobre los cuales se colocarán los bordillos.
Tiempo Ejecucion: Actividades Previas: 30- Excavación en Tierra Zapata de Bordillo
Procedimientos de
Ejecución:
1- Corte, armado y colocación de acero segun planos.
2- Verificar que la estructura este armada como las especificaciones de los planos
3- Colocar calzos. Calzar la estructura para lograr el recubrimiento especificado
4- Ligado de materiales en ligadora de 2 fundas
5- Vertir hormigón ligado en carretillas
Agua Herramientas menores
Arena Carretillas
Grava Palas
Alambre galv. Cal. 16 Ligadora de concreto Brigada de vaciado
Cemento Vibrador de concreto (2) Ayudantes
Imágenes y Esquemas:
No. Actividad: 33 Nombre de la Actividad:
1
Bordillo de Blocks de 6"BNP
6- A medida que se van subiendo bloques, ir verificando: plomo, escuadra y línea.
Alcance:
1- Materiales
2- Equipos y Herramientas
3- Mano de Obra
Materiales: Equipos y Herramientas: Mano de Obra:
Descripción: Consiste en la colocación de unidades de bloques para la conformación de muros o paredes de
confinación ya sea para una losa de piso o acera.
Tiempo Ejecucion: Actividades Previas: 32- Zapata de Bordillo de Muro
Procedimientos de
Ejecución:
1- Replantear muros de cara a cara.
2- Colocación de bloque al inicio y al final del muro con hilo, para guía.
3- Colocación de morteo de base y nivelación.
4- Colocación de bloques con mortero de juntas.
5- Colocación de refuerzos a medida que sean requeridos según planos.
Acero Ø 3/8" - G60
Alambre galv. Cal. 16
Arena Itabo Plomada
Agua Herramientas menores
Bloques de 6" Hilo (3) Albañiles
Cemento Escuadra (2) Ayudantes
Imágenes y Esquemas:
Pág. 57 Pag. 58
No. Actividad: 34 Nombre de la Actividad:
2
Materiales: Equipos y Herramientas: Mano de Obra:
Material granular de relleno Equipo de compactación (1) Operador por equipo
Procedimientos de
Ejecución:
1- Se procede a colocar capas de 0.20mt de material granular - caliche-
2- Se procede compactar el material suelto aplicando energía por compactación
estática o de impacto. Ej: rodillos, apisonador, etc.
3- Humedecer el área con agua para lograr consolidar la compactación.
4- Se repite el proceso cada capa de relleno de 20 cm hasta lograr el nivel estipulado
en planos.
Alcance:
1- Materiales
2- Equipos y Herramientas
3- Mano de Obra
Relleno material compactado (Caliche)
Descripción: Son trabajos de extensión y compactación de suelos de origen de la misma excavación o de préstamos
de zanjas, cimentaciones, trasdós de muro, o cualquier zona. Es el proceso de aplicar energía al suelo suelto para
eliminar espacios vacíos aumentando así su densidad y logrando su compactación óptima.
Tiempo Ejecucion: Actividades Previas: 33- Bordillo de Blocks de 6"BNP
Agua Palas (1) Ayudante
Imágenes y Esquemas:
No. Actividad: 35 Nombre de la Actividad:
4
6- Evaluar si necesita equipo de bombeo y colocación para vaciar el concreto en el
elemento, o si en su defecto puede ser directo desde el camión y transportado con
ayuda de carretillas.
7- Una vez recibido el camión de concreto, evaluar: temperatura, hacer prueba del
cono de Slump o revenimiento del concreto y tomar provetas de muestras.
8- Marcar las probetas con nombre, fecha e identificar el area vaciada con la misma.
9- Vaciar hormigón en área de zapatas hasta nivel deseado
10- Vibrar el hormigón
11- Desencofrar el elemento despues de la cantidad de días especifiacad en planos.
Descripción: La losa de concreto armado es un elemento estructural, tiene la intención de servir de separación entre
pisos y/o al mismo tiempo, servir como soporte para las cargas de ocupación como son cargas vivas y cargas
muertas.
Tiempo Ejecucion: Actividades Previas: 20- Estructura Metalica y cierre de Techo / 34- Relleno
Procedimientos de
Ejecución:
1- Revisar lineas de ejes y proceder a encofrar las columas según las especificaciones y
el área de los planos.
2- Corte, armado y colocación de acero segun planos.
3- Verificar que la estructura este armada como las especificaciones de los planos
4- Colocar calzos. Calzar la estructura para lograr el recubrimiento especificado
5- El Hormigón no puede ser ligado in situ, debe ser hormigón industrial resistencia
240kg/cm².
Hormigón Armado con Malla Electrosoldada
Malla electrosoldada 10*10 Carretillas Brigada de Varilleros
Alambre galv. Cal. 16 Equipo de bombeo Brigada de Vaciados
Materiales: Equipos y Herramientas: Mano de Obra:
Madera Cizalla manual Brigada de Carpinteria
12 - Corte de juntas y pulido
12- Curado de hormigón
Alcance:
1- Materiales
2- Equipos y Herramientas
3- Mano de Obra
Hormigón 240 kg/cm² Planta eléctrica (2) Ayudantes
Imágenes y Esquemas:
Pág. 59 Pag. 60
No. Actividad: 36 Nombre de la Actividad:
4
Alcance: 1- Sub-contratada
Materiales: Equipos y Herramientas: Mano de Obra:
N/A N/A N/A
Descripción: Es el conjunto de circuitos eléctricos que tiene como objetivo dotar de energía eléctrica las
instalaciones. Incluye los equipos, alambres y materiales necesarios para asegurar su correcto funcionamiento y la
conexión con los aparatos eléctricos correspondientes.
Tiempo Ejecucion: Actividades Previas: 35- Hormigón Armado con Malla Electrosoldada
Procedimientos de
Ejecución:
1- Esta actividad será subcontratada por lo que debe de haber una supervisión
constante a los subcontratista de la ejecución.
2- El subcontratista deberá proveer materiales nuevos, de calidad, homologados y
certificados por las autoridades competentes.
3- El cableado de los componentes deberá ser limpio, ordenado y debidamente
identificado con los colores.
Instalaciones Eléctricas
Imágenes y Esquemas:
No. Actividad: 37 Nombre de la Actividad:
3
Alcance:
1- Materiales
2- Equipos y Herramientas
3- Mano de Obra
Materiales: Equipos y Herramientas: Mano de Obra:
Procedimientos de
Ejecución:
1- Se debe tener la superficie totalmente limpia y libre de polvo para lograr
adherencia.
2- Replantear con tape la demarcación de la cancha con sus diferentes limitaciones.
3- Proceder a pintar con rollos las áreas mayores.
4- Pintar con brochas para los recortes.
5- Evitar pintar en días lluviosos o húmedos.
Pintura de demarcación y logo de cancha
Descripción: pintura tráfico señalización y demarcación 100 % acrílica base agua, de secado rápido, resistente a la
intemperie y de alta visibilidad. Está diseñada especialmente para la señalización de vías residenciales,
parqueaderos, pasos peatonales y centros comerciales, en concreto, asfalto y otras superficies
Tiempo Ejecucion: Actividades Previas: 35- Hormigón Armado con Malla Electrosoldada
Apliacador de Masilla
Masilla acrilica Brochas
Lijas / Espatulas Espatulas
Pinturas Mango telescopico (2) Pintores
Tape para pintar Rolos / Motas (1) Ayudante
Imágenes y Esquemas:
No. Actividad: 38 Nombre de la Actividad:
1
Instalaciones de Tableros
Tablero fiberglass Herramientas menores (1) Técnico calificado
Alcance:
1- Materiales
2- Equipos y Herramientas
3- Mano de Obra
Materiales: Equipos y Herramientas: Mano de Obra:
Descripción: Tableros de metacrilato en distintos grosores. Elevación manual del tablero mediante poleas con
trinquete y manivela, o eléctrica mediante moto reductores y cuadro de maniobra. Aros fijos macizos con redes. Aros
de basket fabricados en tubo de hierro macizo de 20 mm con 12 ganchos. reforzado en todo su perímetro con una
pletina de hierro.
Tiempo Ejecucion: Actividades Previas: 37- Pintura de demarcacion y logo de cancha
Procedimientos de
Ejecución:
1- Tableros de fiberglass, que cumpla con todas las especificaciones requeridas por las
autoridades competentes.
2- Instalar en la estructura de techo de acuerdo a lo indicado en planos.
3- Hacer prueba de los mismos antes de entrega formal.
Imágenes y Esquemas:
No. Actividad: 39 Nombre de la Actividad:
2
Imágenes y Esquemas:
3- Hacer prueba de los mismos antes de entrega formal.
Limpieza final
Agua Cubetas
Detergentes Escobillones (1) Terminador
Brillos Suapes (4) Ayudantes
Alcance:
1- Materiales
2- Equipos y Herramientas
3- Mano de Obra
Materiales: Equipos y Herramientas: Mano de Obra:
Descripción: Finalizados todos los trabajos de ejecucion como vaciados, albañileria, pintura, etc. se limpian las
instalaciones para proceder a su entrega o utilización. Esto es lo que da por concluido el proyecto.
Tiempo Ejecucion: Actividades Previas: 38- Instalaciones de Tableros
Procedimientos de
Ejecución:
1- Tableros de fiberglass, que cumpla con todas las especificaciones requeridas por las
autoridades competentes.
2- Instalar en la estructura de techo de acuerdo a lo indicado en planos.
Pág. 61
Planeación, Programación y Control De Proyectos
2.7. PRESUPUESTO POR ACTIVIDADES
ACT. Descripcion Costo Directo
1 Cierre perimetral y Letrero de Obra $ 13,138.18
2 Demolicion de Piso de Cancha existente $ 65,753.10
3 Bote Producto de demoliciones y Excavaciones (E=1.25) $ 40,896.00
4 Limpieza de Terreno en Area de Demolicion $ 15,000.00
5 Replanteo general de verja, estructura, cancha y gradas $ 15,000.00
6 Excavacion de Zapata de block $ 4,083.75
7 Hormigon Armado Zapata de Bordillos $ 119,924.08
8 Muros de blocks de 6" $ 61,077.90
9 Hormigon Armado en Columnas de Amarre $ 3,382.98
10 Pañete en muros $ 37,116.42
11 Cantos en generales $ 21,034.73
12 Pintura Acrilica en Muros y Columnas $ 13,793.53
13 Excavación en Tierra zapatas de Columnas base $ 100,287.00
14 Fumigacion de Terreno $ 13,000.00
15
Hormigon armado Zapata de Columnas y Viga Riostra (3.25*3.25*0.50) Ø3/4''@10 AD,
2Camadas
$ 1,334,488.47
16 Hormigon Armado Columnas Base 0.68*0.68, 12Ø1', Est. Ø3/8''@15 $ 200,394.97
17 Relleno material compactado (Caliche) $ 145,243.41
18 Bote de Material Sobrante (e=1.30) (ESTRUCTURA) $ 130,373.10
19 Izaje de Columnas de estructura $ 3,528,489.60
20 Izaje de Estructura Metalica y cierre de Techo $ 2,812,665.00
21 Excavacion Zapata de Muro $ 3,614.63
22 Bote de Material producto de excavación (e=1.25) $ 6,000.00
23 Zapt. Muro de 6" (0.45x0.25) 3Ø3/8" $ 29,533.72
24 Bloques en Muros de 6" $ 45,889.48
25 Relleno material compactado (Caliche) $ 3,648.15
26 Losas de asiento Ø3/8"@0.20 Adic.Ø1/2" @0.25 y @0.35 $ 99,431.22
27 Pañete en muros y asientos de cancha $ 32,191.42
28 Cantos en generales $ 43,148.16
29 Pintura acrílica en muros y losas $ 7,912.06
30 Excavación en Tierra Zapata de Bordillo $ 100,287.00
31 Bote de Material producto de excavación (e=1.25) $ 86,262.00
32 Zapata de Bordillo de Muro $ 264,295.50
33 Bordillo de Blocks de 6"BNP $ 28,606.54
34 Relleno material compactado (Caliche) $ 24,200.00
35 Hormigon Armado con Malla Electrosoldada 10*10 (H=0.10), Pulido de piso y Corte de Juntas $ 893,100.63
36 Instalaciones Electricas $ 249,855.00
37 Pintura de demarcacion y logo de cancha $ 117,058.78
38 Instalaciones de Tableros $ 77,000.00
39 Limpieza final $ 10,000.00
10,797,176.49$
PRESUPUESTO DE ACTIVIDADES
Paso a Paso
Elaboramos un
análisis de la lis-
ta de actividades
a realizar en el
transcurso del
proyecto.
07
01
02
03
04
05
06
Empezamos descri-
biendo cuidadosa-
mente el alcance
del proyecto.
Realizamos nuestro
presupuesto por ac-
tividades.
Elaboramos nues-
tras especifica-
ciones técnicas
de todas las acti-
vidades a realizar
en el proyecto.
Sacamos el presu-
puesto por partidas
de nuestro proyecto
y analizamos cada una
de las partidas.
Generamos y obte-
nemos los planos de
nuestro proyecto ya
aprobados.
Describimos las gene-
ralidades de nuestro
proyecto.
Pág. 63 Pag. 64
3
3.1 MATRIZ DE ANTECEDENCIA
3.2 MATRIZ DE SECUENCIA
3.3 MATRIZ DE TIEMPOS
3.4 MATRIZ DE INFORMACIÓN
3.5 MATRIZ DE DEPENDENCIA
MATRICES
Planeación, Programación y Control De Proyectos
Pág. 65 Pag. 66
Planeación, Programación y Control De Proyectos
3.1. MATRIZ DE ANTECEDENTE 3.2. MATRIZ DE SECUENCIA
No. Actividades Secuencias
1 Cierre perimetral y Letrero de Obra 2
2 Demolicion de Piso de Cancha existente 3,4
3 Bote Producto de demoliciones y Excavaciones (E=1.25) -
4 Limpieza de Terreno en Area de Demolicion 5
5 Replanteo general de verja, estructura, cancha y gradas 6
6 Excavacion de Zapata de block 7,13
7 Hormigon Armado Zapata 8
8 Muros de blocks de 6" 9
9 Hormigon Armado en Columnas de Amarre 10
10 Pañete en muros 11
11 Cantos en generales 12
12 Pintura Acrilica en Muros y Columnas -
13 Excavación en Tierra zapatas de Columnas base 14,19,22
14 Fumigacion de Terreno 15
15
Hormigon armado Zapata de Columnas y Vigas Riostras
(3.25*3.25*0.50) Ø3/4''@10 AD, 2Camadas
16
16 Hormigon Armado Columnas Base 0.68*0.68, 12Ø1', Est. Ø3/8''@15 17,19
17 Relleno material compactado (Caliche) -
18 Bote de Material Sobrante (e=1.30) -
19 Izaje de Columnas de estructura 20
20 Izaje de Estructura Metalica y cierre de Techo 35
21 Excavacion Zapata de Muro 22,23,32
22 Bote de Material producto de excavación (e=1.25) -
23 Zapt. Muro de 6" (0.45x0.25) 3Ø3/8" 24
24 Bloques en Muros de 6" 25,26
25 Relleno material compactado (Caliche) -
26 Losas de asiento Ø3/8"@0.20 Adic.Ø1/2" @0.25 y @0.35 27
27 Pañete en muros y asientos de cancha 28
28 Cantos en generales 29
29 Pintura acrílica en muros y losas -
30 Excavación en Tierra Zapata de Bordillo 31,32
31 Bote de Material producto de excavación (e=1.25) -
32 Zapata de Bordillo de Muro 33
33 Bordillo de Blocks de 6"BNP 34
34 Relleno material compactado (Caliche) 35
35
Hormigon Armado con Malla Electrosoldada 10*10 (H=0.10), Pulido
de piso y Corte de Juntas
36,37
36 Instalaciones Electricas -
37 Pintura de demarcacion y logo de cancha 38
38 Tablero Profesional Spalding 48" translucidos 39
39 Limpieza final -
Matriz de Secuencias
No. Actividades Antecedentes
1 Cierre perimetral y Letrero de Obra -
2 Demolicion de Piso de Cancha existente 1
3 Bote Producto de demoliciones y Excavaciones (E=1.25) 2
4 Limpieza de Terreno en Area de Demolicion 2
5 Replanteo general de verja, estructura, cancha y gradas 4
6 Excavacion de Zapata de block 5
7 Hormigon Armado Zapata de Bordillos 6
8 Muros de blocks de 6" 7
9 Hormigon Armado en Columnas de Amarre 8
10 Pañete en muros 9
11 Cantos en generales 10
12 Pintura Acrilica en Muros y Columnas 10,11
13 Excavación en Tierra zapatas de Columnas base 6
14 Fumigacion de Terreno 13
15
Hormigon armado Zapata de Columnas y Viga Riostra (3.25*3.25*0.50)
Ø3/4''@10 AD, 2Camadas
14
16 Hormigon Armado Columnas Base 0.68*0.68, 12Ø1', Est. Ø3/8''@15 15
17 Relleno material compactado (Caliche) 16
18 Bote de Material Sobrante (e=1.30) 13
19 Izaje de Columnas de estructura 16
20 Izaje de Estructura Metalica y cierre de Techo 19
21 Excavacion Zapata de Muro 13
22 Bote de Material producto de excavación (e=1.25) 21
23 Zapt. Muro de 6" (0.45x0.25) 3Ø3/8" 21
24 Bloques en Muros de 6" 23
25 Relleno material compactado (Caliche) 24
26 Losas de asiento Ø3/8"@0.20 Adic.Ø1/2" @0.25 y @0.35 25
27 Pañete en muros y asientos de cancha 26
28 Cantos en generales 27
29 Pintura acrílica en muros y losas 28
30 Excavación en Tierra Zapata de Bordillo 21
31 Bote de Material producto de excavación (e=1.25) 30
32 Zapata de Bordillo de Muro 30
33 Bordillo de Blocks de 6"BNP 32
34 Relleno material compactado (Caliche) 33
35
Hormigon Armado con Malla Electrosoldada 10*10 (H=0.10), Pulido de piso y
Corte de Juntas
20,34
36 Instalaciones Electricas 35
37 Pintura de demarcacion y logo de cancha 35
38 Instalaciones de Tableros 37
39 Limpieza final 38
Matriz de Antecedentes
MATRICES03
Planeación, Programación y Control De Proyectos
Pág. 67 Pag. 68
Planeación, Programación y Control De Proyectos
3.3. MATRIZ DE TIEMPOS
No. Actividades O (Optimo) M (Mas Probable) P (Pesimo) T (Standar)
1 Cierre perimetral y Letrero de Obra 1 2 3 2
2 Demolicion de Piso de Cancha existente 2 2 2 2
3
Bote Producto de demoliciones y Excavaciones
(E=1.25)
2 3 4 3
4 Limpieza de Terreno en Area de Demolicion 1 1 1 1
5
Replanteo general de verja, estructura, cancha y
gradas
1 2 3 2
6 Excavacion de Zapata de block 1 2 3 2
7 Hormigon Armado Zapata de Bordillos 1 2 3 2
8 Muros de blocks de 6" 3 4 5 4
9 Hormigon Armado en Columnas de Amarre 3 4 5 4
10 Pañete en muros 3 5 7 5
11 Cantos en generales 2 3 4 3
12 Pintura Acrilica en Muros y Columnas 2 3 4 3
13 Excavación en Tierra zapatas de Columnas base 2 3 4 3
14 Fumigacion de Terreno 1 1 1 1
15
Hormigon armado Zapata de Columnas y Viga
Riostra (3.25*3.25*0.50) Ø3/4''@10 AD,
2Camadas
2 3 4 3
16
Hormigon Armado Columnas Base 0.68*0.68,
12Ø1', Est. Ø3/8''@15
4 5 6 5
17 Relleno material compactado (Caliche) 2 3 4 3
18 Bote de Material Sobrante (e=1.30) 3 4 5 4
19 Izaje de Columnas de estructura 2 3 4 3
20 Izaje de Estructura Metalica y cierre de Techo 15 20 25 20
21 Excavacion Zapata de Muro 1 1 1 1
22
Bote de Material producto de excavación
(e=1.25)
1 2 3 2
23 Zapt. Muro de 6" (0.45x0.25) 3Ø3/8" 2 2 2 2
24 Bloques en Muros de 6" 2 2 2 2
25 Relleno material compactado (Caliche) 2 2 2 2
26
Losas de asiento Ø3/8"@0.20 Adic.Ø1/2"
@0.25 y @0.35
3 4 5 4
27 Pañete en muros y asientos de cancha 3 4 5 4
28 Cantos en generales 1 2 3 2
29 Pintura acrílica en muros y losas 1 2 3 2
30 Excavación en Tierra Zapata de Bordillo 1 1 1 1
31
Bote de Material producto de excavación
(e=1.25)
1 1 1 2
32 Zapata de Bordillo de Muro 2 2 2 2
33 Bordillo de Blocks de 6"BNP 1 1 1 1
34 Relleno material compactado (Caliche) 2 3 4 3
35
Hormigon Armado con Malla Electrosoldada
10*10 (H=0.10), Pulido de piso y Corte de
Juntas
3 4 5 4
36 Instalaciones Electricas 3 4 5 4
37 Pintura de demarcacion y logo de cancha 2 3 4 3
38 Tablero Profesional Spalding 48" translucidos 1 1 1 1
39 Limpieza final 2 2 2 2
MATRIZ DE TIEMPOS (Duración en días)
3.4. MATRIZ DE INFORMACIÓN
No. Actividad Secuencias Tiempo
1 Cierre perimetral y Letrero de Obra 2 2
2 Demolicion de Piso de Cancha existente 3,4 2
3 Bote Producto de demoliciones y Excavaciones (E=1.25) - 3
4 Limpieza de Terreno en Area de Demolicion 5 1
5 Replanteo general de verja, estructura, cancha y gradas 6 2
6 Excavacion de Zapata de block 7,13 2
7 Hormigon Armado Zapata de Bordillos 8 2
9 Muros de blocks de 6" 9 4
8 Hormigon Armado en Columnas de Amarre 10 4
10 Pañete en muros 11 5
11 Cantos en generales 12 3
12 Pintura Acrilica en Muros y Columnas - 3
13 Excavación en Tierra zapatas de Columnas base 14,19,22 3
14 Fumigacion de Terreno 15 1
15
Hormigon armado Zapata de Columnas y Viga Riostra
(3.25*3.25*0.50) Ø3/4''@10 AD, 2Camadas
16 3
16
Hormigon Armado Columnas Base 0.68*0.68, 12Ø1', Est.
Ø3/8''@15
17,19 5
17 Relleno material compactado (Caliche) - 3
18 Bote de Material Sobrante (e=1.30) - 4
19 Izaje de Columnas de estructura 20 3
20 Izaje de Estructura Metalica y cierre de Techo 35 20
21 Excavacion Zapata de Muro 22,23,32 1
22 Bote de Material producto de excavación (e=1.25) - 2
23 Zapt. Muro de 6" (0.45x0.25) 3Ø3/8" 24 2
24 Bloques en Muros de 6" 25,26 2
25 Relleno material compactado (Caliche) - 2
26 Losas de asiento Ø3/8"@0.20 Adic.Ø1/2" @0.25 y @0.35 27 4
27 Pañete en muros y asientos de cancha 28 4
28 Cantos en generales 29 2
29 Pintura acrílica en muros y losas - 2
30 Excavación en Tierra Zapata de Bordillo 31,32 1
31 Bote de Material producto de excavación (e=1.25) - 2
32 Zapata de Bordillo de Muro 33 2
33 Bordillo de Blocks de 6"BNP 34 1
34 Relleno material compactado (Caliche) 35 2
35
Hormigon Armado con Malla Electrosoldada 10*10 (H=0.10),
Pulido de piso y Corte de Juntas
36,37 4
36 Instalaciones Electricas - 4
37 Pintura de demarcacion y logo de cancha 38 3
38 Instalaciones de Tableros 39 1
39 Limpieza final - 2
MATRIZ DE INFORMACION
Planeación, Programación y Control De Proyectos
Pag. 70Pág. 69
Planeación, Programación y Control De Proyectos
CierreperimetralyLetrerodeObra
DemoliciondePisodeCanchaexistente
BoteProductodedemolicionesyExcavaciones(E=1.25)
LimpiezadeTerrenoenAreadeDemolicion
Replanteogeneraldeverja,estructura,canchaygradas
ExcavaciondeZapatadeblock
HormigonArmadoZapatadeBordillos
Murosdeblocksde6"
HormigonArmadoenColumnasdeAmarre
Pañeteenmuros
Cantosengenerales
PinturaAcrilicaenMurosyColumnas
ExcavaciónenTierrazapatasdeColumnasbase
FumigaciondeTerreno
HormigonarmadoZapatadeColumnasyVigaRiostra(3.25*3.25*0.50)
Ø3/4''@10AD,2Camadas
HormigonArmadoColumnasBase0.68*0.68,12Ø1',Est.Ø3/8''@15
Rellenomaterialcompactado(Caliche)
BotedeMaterialSobrante(e=1.30)
IzajedeColumnasdeestructura
IzajedeEstructuraMetalicaycierredeTecho
ExcavacionZapatadeMuro
BotedeMaterialproductodeexcavación(e=1.25)(ESTRUCTURA)
Zapt.Murode6"(0.45x0.25)3Ø3/8"
BloquesenMurosde6"
Rellenomaterialcompactado(Caliche)
LosasdeasientoØ3/8"@0.20Adic.Ø1/2"@0.25y@0.35
Pañeteenmurosyasientosdecancha
Cantosengenerales
Pinturaacrílicaenmurosylosas
ExcavaciónenTierraZapatadeBordillo
BotedeMaterialproductodeexcavación(e=1.25)
ZapatadeBordillodeMuro
BordillodeBlocksde6"BNP
Rellenomaterialcompactado(Caliche)
HormigonArm.c/MallaElect.10*10(H=0.10),PulidodepisoyCortedeJuntas
InstalacionesElectricas
Pinturadedemarcacionylogodecancha
InstalacionesdeTableros
Limpiezafinal
Cierre perimetral y Letrero de Obra
X
Demolicion de Piso de Cancha existente X
X X
Bote Producto de demoliciones y Excavaciones (E=1.25)
X
Limpieza de Terreno en Area de Demolicion
X X
Replanteo general de verja, estructura, cancha y gradas
X X
Excavacion de Zapata de block
X X X
Hormigon Armado Zapata de Bordillos
X X
Muros de blocks de 6"
X X
Hormigon Armado en Columnas de Amarre
X X
Pañete en muros
X X
Cantos en generales
X X
Pintura Acrilica en Muros y Columnas
X X
Excavación en Tierra zapatas de Columnas base
X X X X
Fumigacion de Terreno
X X
Hormigon armado Zapata de Columnas y Viga Riostra
(3.25*3.25*0.50) Ø3/4''@10 AD, 2Camadas X X
Hormigon Armado Columnas Base 0.68*0.68, 12Ø1', Est. Ø3/8''@15
X X X
Relleno material compactado (Caliche)
X
Bote de Material Sobrante (e=1.30)
X
Izaje de Columnas de estructura
X X
Izaje de Estructura Metalica y cierre de Techo
X X
Excavacion Zapata de Muro
X X X X
Bote de Material producto de excavación (e=1.25) (ESTRUCTURA)
X
Zapt. Muro de 6" (0.45x0.25) 3Ø3/8"
X X
Bloques en Muros de 6"
X X X
Relleno material compactado (Caliche)
X
Losas de asiento Ø3/8"@0.20 Adic.Ø1/2" @0.25 y @0.35
X X
Pañete en muros y asientos de cancha
X X
Cantos en generales
X X
Pintura acrílica en muros y losas
X
Excavación en Tierra Zapata de Bordillo
X X X
Bote de Material producto de excavación (e=1.25)
X X
Zapata de Bordillo de Muro
X X
Bordillo de Blocks de 6"BNP
X X
Relleno material compactado (Caliche)
X X
Hormigon Armado con Malla Electrosoldada 10*10 (H=0.10), Pulido
de piso y Corte de Juntas X X X X
Instalaciones Electricas
X
Pintura de demarcacion y logo de cancha
X X
Instalaciones de Tableros
X X
Limpieza final
X
3.5. MATRIZ DE DEPENDENCIA Paso a Paso
1
2
3
4
5
Comenzaremos con nuestra MATRIZ DE ANTECE-
DENCIA, aquí examinaremos dentro de nuestro
listado de actividades todas las actividades que
deben de ser realizadas antes de la siguiente para
así llevar un control de todas las actividades.
Luego continuamos con la elaboración de la MA-
TRIZ DE SECUENCIA donde analizaremos dentro
de la lista de actividades todas las que van luego
de cada una de las actividades.
Al obtener las matrices anteriores realizamos
una MATRIZ DE TIEMPOS donde colocamos la
duración de cada una de las actividades dentro
del listado para saber su duración en diversas
variantes que son tiempo (O) Optimo, Tiempo (P) Pé-
simo, Tiempo (M) Mas probable y luego hacemos el
siguiente calculo: t = (o + 4m + p)/6 y obtendre-
mos el tiempo estándar.
Procederemos a realizar nuestra MATRIZ DE IN-
FORMACIÓN donde incluiremos los datos de la
secuencia de la matriz de secuencia y los tiempos
de la matriz de tiempo los cual nos servirá para
realizar una matriz de dependencia.
Para realizar la MATRIZ DE DEPENDENCIA nece-
sitamos la matriz de secuencia y de dependencia
y la combinamos en esta matriz conveniente para
la ilustración de como seria el desarrollo de
las actividades durante el proyecto.
Pág. 71 Pag. 72
4
4.1 RED DE ACTIVIDADES A TIEMPO ESTÁNDAR
4.2 RED DE ACTIVIDADES DE VENCIMIENTO SUCESIVOS
REDES
Pag. 74Pág. 73
21 21
24Cierre perimetral Demolición de cancha
2
Limpieza de terreno
1
Bote de material producto
demo.
Replanteo
general
Hormigón armado
zapata de bordillo
2
4
Bote de material sobrante e=1.30
Excavación de columna base
Muro perimetral de bloques
4
Fumigación
de terreno Izaje de columna estructura metálica
3
3
5
2
3
2
Excavación de zapata
2
0 1 2 3 4 5 6 7 8 9 10 11 12 13 14 15 16 17 18 19 20 21 22 23 24
Hormigón armado columna de amarre
4
Pañete de muros
5
Cantos en general
3
Pintura de muro
perimetral
3
2 1
Hormigón armado zapata de
columnas y vigas riostras
3
Hormigón armado columnas bases
Relleno de material compacto
2 2
1
0 0
0
4 4
2
5 5
3
7 7
4
9 9
6
12 12
8
13 13
9
16 16
17
24 24
27
79
5
1125
7
1529
15
1933
23
1621
16
2444
26
2438
28
2741
31
2742
30
2540
29
2136
25
1936
21
1732
19
1530
13
1532
12
1328
10
1439
11
1641
18
1742
20
1944
22
1541
14
Excavación
zapata de
muro
1
2
2 2 4 4 2 2
1 22
2
Bote de material producto excavación
Relleno material
compactado
2
Zapata de muro de 6" Muro de 6" Losa de asiento Pañete en muros y asientos de cancha Cantos en general
Pintura acrílica en
muros y losa
Excavación en
tierra zapata de
bordillo
Bote de material
producto de
excavación
Zapata de bordillo de muro
Bordillo de
bloques de
6''
Relleno de material
compactado
1
3
25 26 27 28
0 1 2 3 4 5 6 7 8 9 10 11 12 13 14 15 16 17 18 19 20 21 22 23 24 25 26 27 28
52 52
37
Izaje de estructura metálica cierre de techo
20 4 1 23
H.A Malla electro soldada Pintura demarcación y logo de cancha
Instalación
de tablero Limpieza final
44 44
34
48 48
35
51 51
36
54 54
39
3044
33
2944
32
5254
38Instalaciones eléctricas
4
29 30 31 32 33 34 35 36 37 38 39 40 41 42 43 44 45 46 47 48 49 50 51 52 53 54
29 30 31 32 33 34 35 36 37 38 39 40 41 42 43 44 45 46 47 48 49 50 51 52 53 54
3
2
28
28
2741
31
2742
30
27
27
Pintura acrílica en muros y
losa
Pintura de muro perimetral
4.1
RED
ATIEMPO
STANDARD
Pág. 75 Pag. 76
4.2 RED DEVENCIMIENTO SUCESIVOS
52 52
37
21 21
24
Cierre
perimetral
Demolición de
cancha
2
Limpieza de
terreno
1
Bote de material
producto demo.
Replanteo
general
Hormigón armado
zapata de bordillo 2
4
Bote de material sobrante e=1.30
Excavación de
columna base
Muro perimetral de bloques
4
Fumigación
de terreno
Izaje de columna
estructura
metálica
3
3
Izaje de estructura metálica cierre de techo
52
3
2
Excavación de
zapata
2
0 2 4 5 7 9 11 12 13 14 15 16 17 19 21 24 25 27 29 30 44 48 51 52 54
Hormigón armado columna de amarre
4
Pañete de muros
5
Cantos en general
3
Pintura de muro perimetral
3
2 1
Hormigón armado zapata de
columnas y vigas riostras
3
Hormigón armado columnas bases
Rellenode
materialcompacto
20 4 1 23
H.A Malla electro
soldada
Pintura
demarcación y
logo de cancha
Instalación de
tablero
Limpieza final
2 2
1
0 0
0
4 4
2
5 5
3
7 7
4
9 9
6
12 12
8
13 13
9
16 16
17
24 24
27
44 44
34
48 48
35
51 51
36
54 54
39
79
5
1125
7
1529
15
1933
23
1621
16
2444
26
2438
28
2741
31
3044
33
2944
32
2742
30
2540
29
2136
25
1936
21
1732
19
1530
13
1532
12
1328
10
1439
11
1641
18
1742
20
1944
22
1541
14
Excavación
zapata de muro
1
2
2 2 4 4 2 2
1 22
2
Bote de material
producto excavación
Rellenomaterial
compactado
2
Zapata de muro de 6" Muro de 6" Losa de asiento
Pañete en muros y
asientos de cancha
Cantos en
general
Pintura acrílica en
muros y losa
Excavación en tierra
zapata de bordillo
Bote de material
producto de excavación
Zapata de bordillo de muro
Bordillo de
bloques de 6''
Relleno de
material
compactado
1
5254
38
Instalaciones eléctricas
4
0 2 4 5 7 9 11 12 13 14 15 16 17 19 21 24 25 27 29 30 44 48 51 52 54
3
Pág. 77 Pag. 78
Planeación, Programación y Control De Proyectos
Analizamos la lista de actividades.
Paso a Paso
3
4
5
6
7
8
9
10
11
12
13
En una cuadricula dibujamos la linea de tiempo de duracion de
las actividades totales del proyecto.
Tanto en el borde superior o inferior dividimos la cuadricula
en la unidad de tiempo que utilizamos para analizar la planea-
ción del proyecto. Para la red de vencimiento sucesivo se utili-
zaran los valores dentro de los nodos denominados como IP
(inicio proximo).
Empezamos por dibujar un circulo llamado nodo y dividiendolo
en tres partes, dos inferiores y una sola superior donde inl-
cuiremos el numero del nodo (inicio o finalización de una acti-
vidad) y en las dos partes inferiores pondremos de lado dere-
cho el IP(inicio proximo) y en el lado izquierdo TR (Terminacion
remota).
Dibujamos una linea de nodo a nodo la cual sera la representa-
cion de cada actividad y su duracion a lo largo de la red, ya sea
continua para las actividades que representan la rua critica o
punteada para las actividades ficticia.
1
2
Al final de la actividad dibujamos otro nodo.
Analizamos nuestra matriz de dependecia la cual nos se rivra
para poder elbaorar esta red.
Analizamos los tiempos de todas las actividades a relizarse
dentro del proyecto incluidas en las matrices.
Luego seguimos dibujando lineas y nodos hasta haber termina-
do con todas las actividades.
El primer nodo lo enumeramos con 0, tanto en la mitad de arri-
ba como en las dos mitades de abajo.
En la mitad de arriba enumeramos cada nodo, con un orden es-
pecifico que toma en cuenta de la siguiente manera: de izquier-
da a derecha, y si dos nodos coinciden se enumera de arriba ha-
cia abajo.
Llenamos las dos mitades de abajo con la información corres-
pondiente a la actividad que esta inmediatamente antes del
nodo con los días correspondientes a su inicio más próximo (IP)
en la casilla de la izquierda y su terminación más tardía (TR) en
la casilla de la derecha, información que ya tenemos de la red
a tiempo estándar.
Pintamos de color rojo las actividades que corresponden a
la ruta crítica, que será la que tenga el numero en la casilla
de IP igual al número en la casilla del TR y también será la
ruta más larga de la red ya que no cuenta con ningún tiempo
de holgura.
Pág. 79 Pag. 80
5
5.1 MATRIZ DE PENDIENTES
5.2 MATRIZ DE COMPRESIONES MÚLTIPLES
5.3 RED DE COMPRESIONES MÚLTIPLES
5.4 RED COMPRIMIDA A MENOR COSTO
5.5 TABLA DE COSTOS Y PENDIENTES + COSTOS FIJOS
COMPRENSIÓN
DE LA RED
Pag. 82Pág. 81
Planeación, Programación y Control De Proyectos
5.1. MATRIZ DE PENDIENTES
Tiempo
Normal
Tiempo
Limite
Costo
Normal
Costo
Limite
Pendiente
(CL-CN/t-σ)
NODO ACT. DESCRIPCION TN TL CN CL RD$/Día
0-1 1 Cierre perimetral y Letrero de Obra 2 1 13,138.18 22,334.90 9,196.72$
1-2 2 Demolicion de Piso de Cancha existente 2 2 65,753.10 65,753.10 -$
2-3 4 Limpieza de Terreno en Area de Demolicion 1 1 15,000.00 15,000.00 -$
3-5
5 Replanteo general de verja, estructura, cancha y gradas
2 1 15,000.00 25,500.00 10,500.00$
5-6 6 Excavacion de Zapata de block 2 1 4,083.75 6,942.38 2,858.63$
6-8 13 Excavación en Tierra zapatas de Columnas base 3 2 100,287.00 127,865.93 27,578.93$
8-9 14 Fumigacion de Terreno 1 1 13,000.00 13,000.00 -$
9-17
15
Hormigon armado Zapata de Columnas y Viga Riostra
(3.25*3.25*0.50) Ø3/4''@10 AD, 2Camadas
3 2 1,334,488.47 1,701,472.80 366,984.33$
17-24
16
Hormigon Armado Columnas Base 0.68*0.68, 12Ø1',
Est. Ø3/8''@15 5 4 200,394.97 212,919.66 12,524.69$
24-28 19 Izaje de Columnas de estructura 3 2 3,528,489.60 4,498,824.24 970,334.64$
28-34 20 Izaje de Estructura Metalica y cierre de Techo 20 15 2,812,665.00 3,187,687.00 75,004.40$
34-35
35
Hormigon Armado con Malla Electrosoldada 10*10
(H=0.10), Pulido de piso y Corte de Juntas 4 3 893,100.63 1,012,180.71 119,080.08$
35-36 37 Pintura de demarcacion y logo de cancha 3 2 117,058.78 149,249.95 32,191.17$
36-38 38 Tablero Profesional Spalding 48" translucidos 1 1 77,000.00 77,000.00 -$
38-39 39 Limpieza final 2 2 10,000.00 10,000.00 -$
2-4
3
Bote Producto de demoliciones y Excavaciones
(E=1.25) 3 2 40,896.00 52,142.40 11,246.40$
4-6 0 0 0 0 0 0
6-7 7 Hormigon Armado Zapata de Bordillos 2 1 119,924.08 203,870.94 83,946.86$
7-12 8 Muros de blocks de 6" 4 3 61,077.90 69,221.62 8,143.72$
12-21 9 Hormigon Armado en Columnas de Amarre 4 3 3,382.98 3,834.05 451.06$
21-26 10 Pañete en muros 5 3 37,116.42 52,581.60 7,732.59$
26-30 11 Cantos en generales 3 2 21,034.73 26,819.28 5,784.55$
30-33 12 Pintura Acrilica en Muros y Columnas 3 2 13,793.53 17,586.75 3,793.22$
33-34 0 0 0 0 0 0
8-16
18 Bote de Material Sobrante (e=1.30) (ESTRUCTURA)
4 3 130,373.10 147,756.18 17,383.08$
16-24 0 0 0 0 0 0
8-10 21 Excavacion Zapata de Muro 1 1 3,614.63 3,614.63 -$
10-14 23 Zapt. Muro de 6" (0.45x0.25) 3Ø3/8" 2 2 29,533.72 29,533.72 -$
14-19 24 Bloques en Muros de 6" 2 2 45,889.48 45,889.48 -$
19-25
26
Losas de asiento Ø3/8"@0.20 Adic.Ø1/2" @0.25 y
@0.35 4 3 99,431.22 112,688.71 13,257.50$
25-29 27 Pañete en muros y asientos de cancha 4 3 32,191.42 36,483.61 4,292.19$
29-31 28 Cantos en generales 2 1 43,148.16 73,351.87 30,203.71$
31-32 29 Pintura acrílica en muros y losas 2 1 7,912.06 13,450.51 5,538.44$
32-34 0 0 0 0 0 0 0
10-13
22
Bote de Material producto de excavación (e=1.25)
(GRADA) 2 1 6,000.00 10,200.00 4,200.00$
13-19 0 0 0 0 0 0 0
19-22 25 Relleno material compactado (Caliche) 2 2 3,648.15 3,648.15 -$
22-25 0 0 0 0 0 0 0
10-11 30 Excavación en Tierra Zapata de Bordillo 1 1 100,287.00 100,287.00 -$
11-18 32 Zapata de Bordillo de Muro 2 2 264,295.50 264,295.50 -$
18-20 33 Bordillo de Blocks de 6"BNP 1 1 28,606.54 28,606.54 -$
20-23 34 Relleno material compactado (Caliche) 2 2 24,200.00 24,200.00 -$
23-34 0 0 0 0 0 0 0
11-15
31 Bote de Material producto de excavación (e=1.25)
1 1 86,262.00 86,262.00 -$
15-18 0 0 0 0 0 0 0
24-27 17 Relleno material compactado (Caliche) 3 2 145,243.41 185,185.34 39,941.94$
27-34 0 0 0 0 0 0
35-37 36 Instalaciones Electricas 4 3 249,855.00 283,169.00 33,314.00$
37-39 0 0 0 0 0 0
NOTA: El Costo Limite (CL) fue calculado ralizando una regla de tres invertida,, reducida en un 15% procediendo a realizarlo de
esta forma por conveniencia en el tiempo de la ejecución del proyecto, para fines académicos.
5.2. MATRIZ DE COMPRESIONES MÚLTIPLES
Tiempo
Normal
Tiempo
Limite
Costo
Normal
Costo
Limite
Pendiente
(CL-CN/t-σ)
NODO ACT. DESCRIPCION TN TL CN CL RD$/Día
0-1 1 Cierre perimetral y Letrero de Obra 2 1 13,138.18 22,334.90 9,196.72$ C
1-2 2 Demolicion de Piso de Cancha existente 2 2 65,753.10 65,753.10 -$ C
2-3 4 Limpieza de Terreno en Area de Demolicion 1 1 15,000.00 15,000.00 -$ C
3-5
5 Replanteo general de verja, estructura, cancha y gradas
2 1 15,000.00 25,500.00 10,500.00$ C
5-6 6 Excavacion de Zapata de block 2 1 4,083.75 6,942.38 2,858.63$ C
6-8 13 Excavación en Tierra zapatas de Columnas base 3 2 100,287.00 127,865.93 27,578.93$ C
8-9 14 Fumigacion de Terreno 1 1 13,000.00 13,000.00 -$ C
9-17 15
Hormigon armado Zapata de Columnas y Viga Riostra
(3.25*3.25*0.50) Ø3/4''@10 AD, 2Camadas 3 2 1,334,488.47 1,701,472.80 366,984.33$ C
17-24
16
Hormigon Armado Columnas Base 0.68*0.68, 12Ø1',
Est. Ø3/8''@15 5 4 200,394.97 212,919.66 12,524.69$ C
24-28 19 Izaje de Columnas de estructura 3 2 3,528,489.60 4,498,824.24 970,334.64$ C
28-34 20 Izaje de Estructura Metalica y cierre de Techo 20 15 2,812,665.00 3,187,687.00 75,004.40$ C
34-35 35
Hormigon Armado con Malla Electrosoldada 10*10
(H=0.10), Pulido de piso y Corte de Juntas 4 3 893,100.63 1,012,180.71 119,080.08$ C
35-36 37 Pintura de demarcacion y logo de cancha 3 2 117,058.78 149,249.95 32,191.17$ C
36-38 38 Tablero Profesional Spalding 48" translucidos 1 1 77,000.00 77,000.00 -$ C
38-39 39 Limpieza final 2 2 10,000.00 10,000.00 -$ C
2-4
3
Bote Producto de demoliciones y Excavaciones
(E=1.25) 3 2 40,896.00 52,142.40 11,246.40$
4-6 0 0 0 0 0 0
6-7 7 Hormigon Armado Zapata de Bordillos 2 1 119,924.08 203,870.94 83,946.86$
7-12 8 Muros de blocks de 6" 4 3 61,077.90 69,221.62 8,143.72$
12-21 9 Hormigon Armado en Columnas de Amarre 4 3 3,382.98 3,834.05 451.06$
21-26 10 Pañete en muros 5 3 37,116.42 52,581.60 7,732.59$
26-30 11 Cantos en generales 3 2 21,034.73 26,819.28 5,784.55$
30-33 12 Pintura Acrilica en Muros y Columnas 3 2 13,793.53 17,586.75 3,793.22$
33-34 0 0 0 0 0 0
8-16
18 Bote de Material Sobrante (e=1.30) (ESTRUCTURA)
4 3 130,373.10 147,756.18 17,383.08$
16-24 0 0 0 0 0 0
8-10 21 Excavacion Zapata de Muro 1 1 3,614.63 3,614.63 -$
10-14 23 Zapt. Muro de 6" (0.45x0.25) 3Ø3/8" 2 2 29,533.72 29,533.72 -$
14-19 24 Bloques en Muros de 6" 2 2 45,889.48 45,889.48 -$
19-25
26
Losas de asiento Ø3/8"@0.20 Adic.Ø1/2" @0.25 y
@0.35 4 3 99,431.22 112,688.71 13,257.50$
25-29 27 Pañete en muros y asientos de cancha 4 3 32,191.42 36,483.61 4,292.19$
29-31 28 Cantos en generales 2 1 43,148.16 73,351.87 30,203.71$
31-32 29 Pintura acrílica en muros y losas 2 1 7,912.06 13,450.51 5,538.44$
32-34 0 0 0 0 0 0 0
10-13
22
Bote de Material producto de excavación (e=1.25)
(GRADA) 2 1 6,000.00 10,200.00 4,200.00$
13-19 0 0 0 0 0 0 0
19-22 25 Relleno material compactado (Caliche) 2 2 3,648.15 3,648.15 -$
22-25 0 0 0 0 0 0 0
10-11 30 Excavación en Tierra Zapata de Bordillo 1 1 100,287.00 100,287.00 -$
11-18 32 Zapata de Bordillo de Muro 2 2 264,295.50 264,295.50 -$
18-20 33 Bordillo de Blocks de 6"BNP 1 1 28,606.54 28,606.54 -$
20-23 34 Relleno material compactado (Caliche) 2 2 24,200.00 24,200.00 -$
23-34 0 0 0 0 0 0 0
11-15
31 Bote de Material producto de excavación (e=1.25)
1 1 86,262.00 86,262.00 -$
15-18 0 0 0 0 0 0 0
24-27 17 Relleno material compactado (Caliche) 3 2 145,243.41 185,185.34 39,941.94$
27-34 0 0 0 0 0 0
35-37 36 Instalaciones Electricas 4 3 249,855.00 283,169.00 33,314.00$
37-39 0 0 0 0 0 0
Actividades Camino Critico
Actividades Comprimidas
Ruta
Critica
LEYENDA
COMPRESIÓN DE LA RED
05
Pag. 84Pág. 83
Cierre
perimetral
2
Demolición de
cancha
2
Limpieza de
terreno
1
Botedematerial
productodemo.
Replanteo
general
2
Hormigónarmadozapatadebordillo
2
4
Bote de material sobrante e=1.30
Excavación de
columna base
3
Muro perimetral de bloques
4
Fumigación
de terreno
2 5
Izaje de columna
estructura
metálica
3
3
Izaje de estructura metálica cierre de techo
0
0
0
0
0
0
0
0
0
0
0
0
0
1
1
1
1
2
2
1
1
1
1
2
2
1
3
3
3
3
3
4
3
3
3
3
3
4
2
4
4
4
4
4
5
4
4
4
4
4
5
3
9
8
6
6
6
6
7
7
6
6
6
6
4
5
5
5
6
7
7
5
5
5
6
7
7
5
25
25
23
22
21
20
11
10
9
8
8
8
7
21
20
19
18
17
16
16
15
14
13
13
12
16
8
9
9
10
11
12
8
9
9
10
11
12
8
29
28
27
26
25
24
15
14
13
12
12
12
12
9
10
10
11
12
13
9
10
10
11
12
13
9
12
13
13
14
15
16
12
13
13
14
15
16
17
16
17
18
19
20
21
16
17
18
19
20
21
24
19
20
21
22
23
24
19
20
21
22
23
24
28
44
43
42
41
40
39
24
23
22
21
20
19
27
44
43
42
41
40
39
30
29
28
27
27
27
33
4
0 2 4 5 7 9 11 12 13 14 15 16 17 19 21 24 25 27 29 30 44 48 51 52 54
1
3
1
6
6
6
7
8
9
6
6
6
7
8
9
6
Excavación de
zapata
2
1
0 2 4 5 7 9 11 12 13 14 15 16 17 19 21 24 25 27 29 30 44 48 51 52 54
33
32
31
30
29
28
19
18
17
16
16
16
21Hormigón armado columna de amarre
4 38
37
36
35
34
33
24
23
22
21
21
21
26
41
40
39
38
37
36
27
26
25
24
24
24
30Pañete de muros
5
Cantos en general
3
Pintura de muro perimetral
3
2
1
Hormigón armado zapata de
columnas y vigas riostras
3
Hormigón armado columnas bases
Rellenodematerialcompacto
39
40
41
42
43
44
39
40
41
42
43
44
34
20
43
44
45
46
47
48
43
44
45
46
47
48
35
46
47
48
49
50
51
46
47
48
49
50
51
36
47
48
49
50
51
52
47
48
49
50
51
52
38
49
50
51
52
53
54
49
50
51
52
53
54
39
4 3 1 2
2
H.A Malla electro
soldada
Pintura
demarcación y
logo de cancha
Instalación de
tablero Limpieza final
7
8
8
8
8
8
7
8
8
8
8
8
10
7
8
8
8
8
8
7
8
8
8
8
8
8
7
8
8
8
8
8
7
8
8
8
8
8
8
7
8
8
8
8
8
7
8
8
8
8
8
8
7
8
8
8
8
8
7
8
8
8
8
8
8
7
8
8
8
8
8
7
8
8
8
8
8
8
7
8
8
8
8
8
7
8
8
8
8
8
8
7
8
8
8
8
8
7
8
8
8
8
8
8
7
8
8
8
8
8
7
8
8
8
8
8
8
7
8
8
8
8
8
7
8
8
8
8
8
8
7
8
8
8
8
8
7
8
8
8
8
8
8
7
8
8
8
8
8
7
8
8
8
8
8
8
32
31
30
29
28
27
15
14
13
12
12
11
13
36
35
34
33
32
31
19
18
17
16
16
15
22
30
29
28
27
26
25
15
14
13
13
12
11
14
32
31
30
29
28
27
17
16
15
14
14
13
19
36
35
34
33
32
31
21
20
19
18
18
17
25
44
43
42
41
40
39
19
18
17
16
16
15
23
42
41
40
39
38
37
17
16
15
14
14
13
20
41
40
39
38
37
36
16
15
14
13
13
12
18
39
38
37
36
35
34
14
13
12
11
11
10
11
28
27
26
25
24
23
13
12
11
10
10
9
10
41
40
39
38
37
36
15
14
13
12
12
11
15
40
39
38
37
36
35
25
24
23
22
22
21
29
42
41
40
39
38
37
27
26
25
24
24
23
31
44
43
42
41
40
39
29
28
27
26
26
25
32
Excavación
zapatademuro
1
2
1
2 2 4 4 2 2
1 22
2
Botedematerial
producto
excavación
Rellenomaterial
compactado
2
Zapata de muro de 6" Muro de 6" Losa de asiento
Pañete en muros y
asientos de cancha
Cantos en
general
Pintura acrílica en
muros y losa
Excavación en tierra
zapata de bordillo
Bote de material
producto de excavación
Zapata de bordillo de muro
Bordillo de
bloques de 6''
Relleno de
material
compactado
54
53
52
51
50
44
52
51
50
49
48
47
37
Instalaciones
eléctricas
4
48 4846 4645 4543 4339391919161612129988665544331100
5.3
REDDE
COMPRESIONES
MÚLTIPLES
Planeación, Programación y Control De Proyectos
Pag. 86Pág. 85
ELABORACIÓN
Para realizar la red de compresiones múltiples se elaboran
diversas iteraciones para hacer reducciones del tiempo es-
tándar hasta donde la red no los permita. Con esta técnica
podremos lograr identificar donde el costo de elaboración
del proyecto es el menor.
El proceso se realizará para poder verificar los datos de la ta-
bla siguiente y podamos generar una curva de comparación
de costos versus tiempo de ejecución del proyecto.
Como podemos observar el menor costo fue encon-
trado al comprimir el proyecto a 48 días de
ejecución con una diferencia de 6 días del programado
de 54 días.
El cálculo de costo fijo se
obtuvo del total de indirectos divididos en-
tre la cantidad de días del proyecto que en
este caso fueron 54 días y los indirec-
tos se obtuvieron del 28% de los costos
directos del presupuestos.
NOTA
Pag. 90Pág. 89
Cierre
perimetral
Demolición de
cancha
2
Limpieza de
terreno
1
Bote de material
producto demo.
Replanteo
general
Hormigón armado
zapata de bordillo 2
4
Bote de material sobrante e=1.30
Excavación de
columna base
Muro perimetral de bloques
4
Fumigación
de terreno
Izaje de columna
estructura metálica
3
3
Izaje de estructura metálica cierre de techo
41
3
1
Excavación de
zapata
1
0 1 3 4 5 6 8 9 10 11 12 13 15 16 17 19 21 23 24 25 27 39 43 45 46
Hormigón armado columna de amarre
4
Pañete de muros
5
Cantos en general
3
Pintura de muro perimetral
3
2 1
Hormigón armado zapata de
columnas y vigas riostras
3
Hormigón armado columnas bases
R
elleno
de
m
ateria
lcom
pacto
20 4 1 22
H.A Malla electro
soldada
Pintura
demarcación y
logo de cancha
Instalación de
tablero
Limpieza final
1 1
1
0 0
0
3 3
2
4 4
3
5 5
4
6 6
6
8 8
8
9 9
9
12 12
17
16 16
24
19 19
27
39 39
34
43 43
35
45 45
36
46 46
37
48 48
39
66
5
820
7
1224
15
1628
23
1216
16
1939
26
2133
28
2436
31
2739
33
2543
32
2337
30
2135
29
1731
25
1531
21
1327
19
1125
13
1127
12
923
10
1034
11
1236
18
1337
20
1539
22
1136
14
Excavación
zapata de muro
1
2
2 2 4 4 2 2
1 22
2
Bote de material
producto excavación
Rellenomaterial
compactado
2
Zapata de muro de 6" Muro de 6" Losa de asiento
Pañete en muros y
asientos de cancha
Cantos en
general
Pintura acrílica en
muros y losa
Excavación en tierra
zapata de bordillo
Bote de material
producto de excavación
Zapata de bordillo de muro
Bordillo de
bloques de 6''
Relleno de
material
compactado
47 48
0 1 3 4 5 6 8 9 10 11 12 13 15 16 17 19 21 23 24 25 27 39 43 45 46 47 48
1
4748
38
Instalaciones eléctricas
4
3
5.4
RED
COMPRIMIDA
AMENOR
COSTO
Pág. 91
Planeación, Programación y Control De Proyectos
Pag. 92
5.5 TABLA DE COSTOS Y PENDIENTES +
COSTOS FIJOS
C Descripcion COSTO TIEMPO
1 Cierre perimetral y Letrero de Obra $ 13,138.18 1
2 Demolicion de Piso de Cancha existente $ 65,753.10 2
3 Bote Producto de demoliciones y Excavaciones (E=1.25) $ 40,896.00 3
4 Limpieza de Terreno en Area de Demolicion $ 15,000.00 1
5 Replanteo general de verja, estructura, cancha y gradas $ 15,000.00 1
6 Excavacion de Zapata de block $ 4,083.75 1
7 Hormigon Armado Zapata de Bordillos $ 119,924.08 2
8 Muros de blocks de 6" $ 61,077.90 4
9 Hormigon Armado en Columnas de Amarre $ 3,382.98 4
10 Pañete en muros $ 37,116.42 5
11 Cantos en generales $ 21,034.73 3
12 Pintura Acrilica en Muros y Columnas $ 13,793.53 3
13 Excavación en Tierra zapatas de Columnas base $ 100,287.00 2
14 Fumigacion de Terreno $ 13,000.00 1
15
Hormigon armado Zapata de Columnas y Viga Riostra
(3.25*3.25*0.50) Ø3/4''@10 AD, 2Camadas
$ 1,334,488.47 3
16
Hormigon Armado Columnas Base 0.68*0.68, 12Ø1', Est.
Ø3/8''@15
$ 200,394.97 4
17 Relleno material compactado (Caliche) $ 145,243.41 3
18 Bote de Material Sobrante (e=1.30) (ESTRUCTURA) $ 130,373.10 4
19 Izaje de Columnas de estructura $ 3,528,489.60 3
20 Izaje de Estructura Metalica y cierre de Techo $ 2,812,665.00 20
21 Excavacion Zapata de Muro $ 3,614.63 1
22 Bote de Material producto de excavación (e=1.25) $ 6,000.00 2
23 Zapt. Muro de 6" (0.45x0.25) 3Ø3/8" $ 29,533.72 2
24 Bloques en Muros de 6" $ 45,889.48 2
25 Relleno material compactado (Caliche) $ 3,648.15 2
26 Losas de asiento Ø3/8"@0.20 Adic.Ø1/2" @0.25 y @0.35 $ 99,431.22 4
27 Pañete en muros y asientos de cancha $ 32,191.42 4
28 Cantos en generales $ 43,148.16 2
29 Pintura acrílica en muros y losas $ 7,912.06 2
30 Excavación en Tierra Zapata de Bordillo $ 100,287.00 1
31 Bote de Material producto de excavación (e=1.25) $ 86,262.00 2
32 Zapata de Bordillo de Muro $ 264,295.50 2
33 Bordillo de Blocks de 6"BNP $ 28,606.54 1
34 Relleno material compactado (Caliche) $ 24,200.00 2
35
Hormigon Armado con Malla Electrosoldada 10*10 (H=0.10),
Pulido de piso y Corte de Juntas
$ 893,100.63 4
36 Instalaciones Electricas $ 249,855.00 4
37 Pintura de demarcacion y logo de cancha $ 117,058.78 2
38 Instalaciones de Tableros $ 77,000.00 1
39 Limpieza final $ 10,000.00 2
10,797,176.49$
3,042,644.34$
48
63,388.42$
3,042,644.34$
13,839,820.83$
COSTO FIJO POR DIA (RD$/dias)
COSTO FIJO DLE PROYECTO (RD$)
COSTO TOTAL DEL PROYECTO (RD$)
TABLA - RED COMPRIMIDA AL MENOR COSTO
COSTO DIRECTO (RD$)
COSTO INDIRECTO (RD$)
DURACION TOTAL (dias)
Pág. 93 Pag. 94
Planeación, Programación y Control De Proyectos
Luego de la identificación de cuáles son
nuestras actividades y nodos que pueden
ser comprimidas comenzamos con las acti-
vidades de pendiente menor a mayor.
Comenzaremos realizando una matriz de pen-
dientes donde incluiremos los datos de todas
las rutas existentes dentro de la red, de cada
una de estas incluiremos en la matriz las in-
formaciones siguientes: tiempo normal, tiempo
límite, costo normal y costo limite aquí proce-
deremos a hacer el cálculo de las pendientes
de cada una de estas rutas, este cálculo sería
el siguientes: (CL – CN/t- σ) aquí obtendremos
la pendiente de cada ruta y de aquí podemos ob-
tener los costos diarios de las actividades de
cada ruta.
	
Luego de obtener la matriz
de pendientes procedemos a identi-
ficar los nodos que se encuentran
en la ruta crítica de nuestra red a
partir de aquí podemos comenzar a
relizar nuestras compresiones múl-
tiples
Comenzamos nuestra compresión múltiple den-
tro de la red, esto se hace de la siguiente ma-
nera, Procedemos a verificar de manera numé-
rica con la matriz de pendientes cuales nodos
y actividades tienen holgura y cuando nos cos-
taría esta actividad diariamente es decir si deci-
dimos comprimir una actividad en x días cuanto
podría multiplicar su costo diario.
Luego cada vez que comprimimos la activi-
dad debemos de recalcular la red comple-
ta y se recalcula la red tantas compresio-
nes tengamos.
Luego de haber realizado al menos seis
compresiones evaluamos se elige la que
represente el menor costo con la siguien-
te formula: Costo Inicial + Pendiente x
(día) - Costo Fijo
Realizamos este cálculo hasta que nues-
tro costo comience a subir de esta forma
nos percatamos que la compresión antes
de que suba el costo es nuestro COMPRE-
SION A MENOR COSTO.
Procedemos a realizar nuestra gráfica to-
mando en cuenta el costo del proyecto vs
los dias del proyecto.
Paso a Paso
1
2
3
4
5
7
6
8
Pág. 95 Pag. 96
6
6.1 DEFINICIÓN
6.2 LIMITACIONES
6.3 RED DE LIMITACIONES
LIMITACIONES
EN LA EJECUCIÓN
DEL PROYECTO
Pág. 97 Pag. 98
Planeación, Programación y Control De Proyectos
6.1 DEFINICIÓN
Por lo general existen tres tipos de limitaciones y estas vienen da-
das por parte del cliente, si existiese la necesidad de terminar el
proyecto en un tiempo menor o mayor al programado originalmen-
te estas limitaciones entran en juego.
Económicas: Determinaremos el costo optimo del proyecto para
así conocer si podemos elaborarlo con la cantidad de recursos
económicos disponibles para nosotros y de ser así se buscará el
tiempo más favorable para cumplir con nuestros objetivos y nece-
sidades.
Tiempo: Determinaremos el tiempo normal en que se ejecutará el
proyecto y si se pasa del intervalo de tiempo que quiere nuestro
cliente entonces comprimiremos la red de actividades de venci-
mientos sucesivo y calculando el incremento del costo por la
compresión. Cuando terminemos obtendremos el tiempo óptimo de
ejecución y podremos determinar si el proyecto puede ser ejecuta-
do en este tiempo si o no.
Recursos: Cuando en un proyecto se tienen recursos humanos, ma-
teriales o maquinarias pueden presentarse limitaciones de alguno
de estos y por lo tanto actividades que necesitasen alguno de es-
tos recursos y que se ejecuten al mismo tiempo podría acarrear
una limitante y no tendríamos más opción que retrasar una de las
actividades que necesiten de los mismos recursos.
6.2 LIMITACIONES
Para esta documentación las limitaciones que tendremos serán
las siguientes; una de aspecto limitación de maquinaria y una de re-
cursos humanos.
Limitación No. 1 (Maquinaria): En la Actividad #25 relleno material
compactado (caliche) de excavación de columnas base y la activi-
dad #18 relleno de material compactado (caliche) de excavación
zapata de bordillo; la maquinaria que se usará para estos botes
será la misma en las dos actividades.
A) Solución aplicada: Modificaremos la fecha de inicio de la acti-
vidad #34 para que inicie el día 16 a diferencia de su inicio original
que es el día 13.
Limitación No. 2 (Recursos Humanos): Actividad #29 que es pintura
de gradas y la actividad #12 Muros perimetrales; en estas dos ac-
tividades se usara la misma cuadrilla de mano de obra calificada
para hacer los trabajos.
B) Solución aplicada: Modificaremos el inicio de la actividad no.
29 para que inicie el día 28 a diferencia de su inicio original el día
25 para si evitar superposición de actividades con la mano de obra
calificada.
Aplicando estas limitaciones a nuestra red ya comprimida, no nece-
sitamos de descomprimirla ya que haremos uso de las holguras de
estas actividades lo cual no causara ninguna modificación a la red
ya comprimida que obtuvimos anteriormente. Por lo tanto, no rea-
lizamos una nueva compresión múltiple buscando un menor costo.
06 LIMITACIONES EN LA EJECUCIÓN
DE PROYECTOS
Pag. 100Pág. 99
Cierre
perimetral
Demolición de
cancha
2
Limpieza de
terreno
1
Bote de material
producto demo.
Replanteo
general
Hormigón armado
zapata de bordillo 2
4
Bote de material sobrante e=1.30
Excavación de
columna base
Muro perimetral de bloques
4
Fumigación
de terreno
Izaje de columna
estructura metálica
3
3
Izaje de estructura metálica cierre de techo
41
3
1
Excavación de
zapata
1
0 1 3 4 5 6 8 9 10 11 12 13 15 16 17 19 21 23 24 25 27 39 43 45 46
Hormigón armado columna de amarre
4
Pañete de muros
5
Cantos en general
3
Pintura de muro perimetral
3
2 1
Hormigón armado zapata de
columnas y vigas riostras
3
Hormigón armado columnas bases
R
elleno
de
m
aterialcom
pacto
20 4 1 22
H.A Malla electro
soldada
Pintura
demarcación y
logo de cancha
Instalación de
tablero
Limpieza final
1 1
1
0 0
0
3 3
2
4 4
3
5 5
4
6 6
6
8 8
8
9 9
9
12 12
17
16 16
24
19 19
27
39 39
34
43 43
35
45 45
36
46 46
37
48 48
39
66
5
820
7
1224
15
1628
23
1216
16
1939
26
2133
28
2436
31
2739
33
2543
32
2337
30
2135
29
1731
25
1531
21
1327
19
1125
13
1127
12
923
10
1034
11
1236
18
1337
20
1539
22
1136
14
Excavación
zapata de muro
1
2
2 2 4 4 2 2
1 22
2
Bote de material
producto excavación
Rellenomaterial
compactado
2
Zapata de muro de 6" Muro de 6" Losa de asiento
Pañete en muros y
asientos de cancha
Cantos en
general
Pintura acrílica en
muros y losa
Excavación en tierra
zapata de bordillo
Bote de material
producto de excavación
Zapata de bordillo de muro
Bordillo de
bloques de 6''
Relleno de
material
compactado
47 48
0 1 3 4 5 6 8 9 10 11 12 13 15 16 17 19 21 23 24 25 27 39 43 45 46 47 48
1
4748
38
Instalaciones eléctricas
4
LIMITACIÓN
MANO DE OBRA
LIMITACIÓN
MANO DE OBRA
LIMITACIÓN EQUIPO
COMPACTACIÓN
LIMITACIÓN EQUIPO
COMPACTACIÓN
3
6.3
RED
DE
LIMITACIONES
Planeación, Programación y Control De Proyectos
Pág. 101 Pag. 102
Planeación, Programación y Control De Proyectos
1
Paso a Paso
Luego procedemos a graficar nuestra red con
limitación y su solución para que pueda ser vi-
sualizada enla red la resaltamos con un color
diferente en este caso el color fue verde.
Procedemos a definir nuestras limitaciones
dentro del proyecto que pueden ser económi-
cas, de recursos humanos o de materiales.
Estos pueden ser dados por el dueño del
proyecto o por el tipo de proyecto y disponi-
bilidad de recursos, teniendo en cuenta esto
analizamos nuestra posible limitación la iden-
tificamos y procedemos a enumerarlas.
Estas limitaciones le buscamos solución más
factible para la red de actividades de nuestro
proyecto ya sea desplazando alguna actividad
o previendo la falta de algún recurso
2
3
4
Pág. 103 Pag. 104
7
7.1 RED DEFINITIVA DEL PROYECTO
7.2 DIAGRAMA DE GANTT
7.3 GRÁFICA DE DIAGRAMA DE GANTT
PROGRAMACIÓN
DEL PROYECTO
Pag. 106Pág. 105
Cierre
perimetral
Demolición de
cancha
2
Limpieza de
terreno
1
Bote de material
producto demo.
Replanteo
general
Hormigón armado
zapata de bordillo 2
4
Bote de material sobrante e=1.30
Excavación de
columna base
Muro perimetral de bloques
4
Fumigación
de terreno
Izaje de columna
estructura metálica
3
3
Izaje de estructura metálica cierre de techo
41
3
1
Excavación de
zapata
1
0 1 3 4 5 6 8 9 10 11 12 13 15 16 17 19 21 23 24 25 27 39 43 45 46
Hormigón armado columna de amarre
4
Pañete de muros
5
Cantos en general
3
Pintura de muro perimetral
3
2 1
Hormigón armado zapata de
columnas y vigas riostras
3
Hormigón armado columnas bases
R
elleno
de
m
ateria
l com
pacto
20 4 1 22
H.A Malla electro
soldada
Pintura
demarcación y
logo de cancha
Instalación de
tablero
Limpieza final
1 1
1
0 0
0
3 3
2
4 4
3
5 5
4
6 6
6
8 8
8
9 9
9
12 12
17
16 16
24
19 19
27
39 39
34
43 43
35
45 45
36
46 46
37
48 48
39
66
5
820
7
1224
15
1628
23
1216
16
1939
26
2133
28
2436
31
2739
33
2939
32
2337
30
2135
29
1731
25
1531
21
1327
19
1125
13
1127
12
923
10
1034
11
1236
18
1337
20
1739
22
1136
14
Excavación
zapata de muro
1
2
2 2 4 4 2
2
1
2
2
2
Bote de material
producto excavación
Rellenomaterial
compactado
2
Zapata de muro de 6" Muro de 6" Losa de asiento
Pañete en muros y
asientos de cancha
Cantos en
general
Pintura acrílica en
muros y losa
Excavación en tierra
zapata de bordillo
Bote de material
producto de excavación
Zapata de bordillo de muro
Bordillo de
bloques de 6''
Relleno de
material
compactado
47 48
0 1 3 4 5 6 8 9 10 11 12 13 15 16 17 19 21 23 24 25 27 39 43 45 46 47 48
1
4748
38
Instalaciones eléctricas
4
LIMITACIÓN
MANO DE OBRA
LIMITACIÓN EQUIPO
COMPACTACIÓN
29
29
3
7.1
RED
DEFINITIVA
DE
PROYECTO
Planeación, Programación y Control De Proyectos
Pag. 108Pág. 107
7.2. DIAGRAMA DE GANTT
El Diagrama de Gantt es una herramienta para programar y planifi-
car a lo largo de los periodos determinados. Visualizamos de ma-
nera fácil y cómoda de las actividades nos permite dar seguimiento
y control de cada una de las etapas del proyecto y reproducimos
gráficamente la duración, secuencia, duración y la calendariza-
ción de las actividades.
Este diagrama muestra un gráfico de barra horizontales ordena-
das por actividades a realizar en secuencias de tiempo concretas
donde vemos las acciones vinculadas por su posición en el crono-
grama. Si el inicio de una actividad dependerá de la conclusión de
otra lo visualizaremos por medio de un enlace del tipo fin-inicio.
También podremos visualizar las actividades que transcurren de
manera paralela a otras para un mejor control en base a costos
y recursos necesarios.
En base al tipo de actividad que conforman el proyecto los valo-
res ubicados en el eje horizontal deben de definirse en factores o
intervalos de tiempos los cuales pueden ser días, semanas, meses,
semestres o incluso años. Luego se podría asignar a cada una de
las actividades una barra que indique el porcentaje de progreso y
lo que le faltaría para su terminación.
Hoy en día existen diversos programas que facilitan su elabora-
ción ya que ya no tiene por qué ser de manera manual, algunos pro-
gramas como Excel, Microsoft Project, Gantt Chart Solutions
entre otros, pueden ser usados para finanzas, marketing, educa-
ción y por supuesto en el área de la construcción.
Fácil actualización de los ejes ho-
rizontales y verticales.
Fácil identificación de los puntos
críticos.
Ayuda a administrar proyectos y
reduce problemas de programa-
ción.
Forma simple de visualizar las ta-
reas y representa todas las etapas
y actividades de un proyecto en un
único lugar.
Entre los beneficios que nos puede brindar el diagrama de
Gantt podemos encontrar los siguientes:
Pag. 110Pág. 109
7.3
GRÁFICA
DIAGRAMA
DEGANTT
Id Modo
de
tarea
Nombre de tarea DuraciónPredecesoras
0 Proyecto Cancha Ayleen - RED
COMPRESION (3)
48
días
1 Cierre perimetral y Letrero de Obra 1 día
2 Demolicion de Piso de Cancha existente 2 días 1
3 Bote Producto de demoliciones y
Excavaciones (E=1.25)
3 días 2
4 Limpieza de Terreno en Area de
Demolicion
1 día 2
5 Replanteo general de verja, estructura,
cancha y gradas
1 día 4
6 Excavacion de Zapata de block 1 día 5
7 Hormigon Armado Zapata de Bordillos 2 días 6
8 Muros de blocks de 6" 4 días 7
9 Hormigon Armado en Columnas de
Amarre
4 días 8
10 Pañete en muros 5 días 9
11 Cantos en generales 3 días 10
12 Pintura Acrilica en Muros y Columnas 3 días 10,11
13 Excavación en Tierra zapatas de Columnas
base
3 días 6
14 Fumigacion de Terreno 1 día 13
15 Hormigon armado Zapata de Columnas
Base y Zapata Viga Riostra
2 días 14
16 Hormigon Armado Columnas Base
0.68*0.68, 12Ø1', Est. Ø3/8''@15
4 días 15
17 Relleno material compactado (Caliche) 3 días 16
18 Bote de Material Sobrante (e=1.30) 4 días 13
19 Izaje de Columnas de estructura 3 días 16
20 Izaje de Estructura Metalica y cierre de
Techo
20 días 19
21 Excavacion Zapata de Muro 1 día 13
22 Bote de Material producto de excavación
(e=1.25)
2 días 21
23 Zapt. Muro de 6" (0.45x0.25) 3Ø3/8" 2 días 21
24 Bloques en Muros de 6" 2 días 23
25 Relleno material compactado (Caliche) 2 días 24
26 Losas de asiento Ø3/8"@0.20 Adic.Ø1/2"
@0.25 y @0.35
4 días 25
27 Pañete en muros y asientos de cancha 4 días 24,26
28 Cantos en generales 2 días 27
29 Pintura acrílica en muros y losas 2 días 28
30 Excavación en Tierra Zapata de Bordillo 1 día 21
31 Bote de Material producto de excavación
(e=1.25)
2 días 30
32 Zapata de Bordillo de Muro 2 días 30
33 Bordillo de Blocks de 6"BNP 1 día 32
34 Relleno material compactado (Caliche) 2 días 33
35 Hormigon Armado con Malla
Electrosoldada 10*10 (H=0.10), Pulido de
piso y Corte de Juntas
4 días 34,20
36 Instalaciones Electricas 4 días 35
37 Pintura de demarcacion y logo de cancha 2 días 35
38 Tablero Profesional Spalding 48"
translucidos
1 día 37
39 Limpieza final 2 días 38
D M J S L X V D M J S L X V D M J S L X V D M J S L X V D M J S L
ene 20 '20 ene 27 '20 feb 3 '20 feb 10 '20 feb 17 '20 feb 24 '20 mar 2 '20 mar 9 '20 mar 16 '20 mar 23 '2
Tarea
División
Hito
Resumen
Resumen del proyecto
Tarea inactiva
Hito inactivo
Resumen inactivo
Tarea manual
solo duración
Informe de resumen manual
Resumen manual
solo el comienzo
solo fin
Tareas externas
Hito externo
Fecha límite
Tareas críticas
División crítica
Progreso
Progreso manual
Página 1
Proyecto: Proyecto Cancha Ayle
Pag. 112
Planeación, Programación y Control De Proyectos
Pág. 111
Procedemos a graficar la red definitiva
del proyecto con sus limitaciones so-
lucionadas, sus compresiones ya realiza-
das y sus tiempos finales ya definidos.
Paso a Paso
Procedemos a identificar las tareas crí-
ticas a través del comando formato en
la barra de herramientas y seleccionamos
en la casilla donde dice tareas críticas.
Una vez colocadas estas informaciones
el programa de manera automática va
realizando el diagrama de Gantt.
Colocaremos cuales son las depen-
dencia de cada tarea con ayuda de las
matrices ya realizadas.
Colamos la duración de cada tarea.
Colocaremos la lista de actividades (ta-
reas) de todo el proyecto.
Para realizar el diagrama de Gantt pro-
cedemos a programar el calendario
del programa Microsoft Project. (fecha
de inicio y dias laborables)
1
2
3
4
5
6
7
Pág. 113 Pag. 114
8
8.1 DEFINICIÓN + MATRIZ
8.2 CÁLCULOS DE HOLGURAS
8.3 TABLA DE HOLGURAS
8.4 DESVIACIÓN ESTÁNDAR
8.5 TABLA DE PROBABILIDAD DE RETRASO
8.6 RESPUESTAS A PREGUNTAS DE RETRASO
MATRIZ DE
ELASTICIDAD
Planeación, Programación y Control De Proyectos
Pág. 115 Pag. 116
Planeación, Programación y Control De Proyectos
8.1. DEFINICIÓN + MATRIZ
Para la buena toma de decisiones y de manera eficaz a lo largo del
proyecto es imprescindible obtener los datos de la posibilidad
de retraso o adelantamiento de cada actividad que conforma el
proyecto a lo que nos referimos a la elasticidad de la actividad.
Para lograr esto debemos de calcular las holguras de cada una
de ellas para determinar cuál puede retrasar o adelantarse sin
afectar a las demás actividades.
08 MATRIZ DE ELASTICIDAD
Holgura total: (HT) = Uj – Pi – t
Holgura libre: (HL) = Pj – Pi – t
Holgura independiente (HI) = Pj – Ui – t
Porcentaje de expansión (%HT) = HT/t
Porcentaje de Compresión (%Compre-
sión) = (t-o)/t
Desviación Estándar (σ) = (p-o)/6
Significa lo más tarde que puede terminar una activi-
dad.
Para definir las holguras se procede a contar los tiempos de las
actividades de inicio a fin de izquierda a derecha para los tiempos
de iniciación y luego en sentido contrario de derecha a izquierda
para determinar los tiempos de terminación de las actividades que
conforman la red.
Holgura independiente
este tipo son las que no afecta la finalización de ac-
tividades o procesos anteriores y tampoco la inicia-
ción de procesos o actividades posteriores. Es de
suma importancia para la coordinación de trabajos a
lo largo del proyecto.
esta holgura es la que no modifica la terminación de
un proceso, pero la importancia es para el responsa-
ble de la actividad o proceso para identificar la fina-
lización de la actividad.
Holgura libre
Esta es la holgura que no afecta la finalización del
proyecto, este tipo de holgura es de suma importan-
cia para los responsables ya que es la que se utiliza-
ra para finalizar el proyecto a tiempo.
Holgura Total
Existen 3 tipos de holguras:
1
2
3
Nomenclaturasaconocerparaelbuen
manejo de las holguras:
Pi
Ui
Uj
Pj
Significa lo más temprano en que se puede iniciar una
actividad.
Significa lo más tarde que puede iniciar una actividad.
Significa lo más temprano que puede terminarse una
actividad.
Mas adelante presentamos la matriz de elasticidad para el proyec-
to construcción de cancha San Sebastián y así como también el
ejemplo de cálculo de holguras.
Por medio de las siguientes formulas procedemos a calcular las
diversas holguras que existen en la red.
Planeación, Programación y Control De Proyectos
Pág. 117 Pag. 118
Planeación, Programación y Control De Proyectos
COSTO NORMAL COSTO LIMITE PENDIENTE
Actividades Descripcion O M P E CN CL M
Cierre perimetral y Letrero de Obra
2 1 2 3 2
13,138.18$ 22,334.90$ 9,196.72$
2
Demolicion de Piso de Cancha
existente
3,4 2 2 2 2
65,753.10$ 65,753.10$ -$
3
Bote Producto de demoliciones y
Excavaciones (E=1.25)
- 2 3 4 3
15,000.00$ 15,000.00$ -$
4
Limpieza de Terreno en Area de
Demolicion
5 1 1 1 1
15,000.00$ 25,500.00$ 10,500.00$
5
Replanteo general de verja,
estructura, cancha y gradas
6 1 2 3 2
4,083.75$ 6,942.38$ 2,858.63$
6 Excavacion de Zapata de block 7,13 1 2 3 2 100,287.00$ 127,865.93$ 27,578.93$
7
Hormigon Armado Zapata de
Bordillos
8 1 2 3 2
13,000.00$ 13,000.00$ -$
9 Muros de blocks de 6" 9 3 4 5 4 1,334,488.47$ 1,701,472.80$ 366,984.33$
8
Hormigon Armado en Columnas de
Amarre
10 3 4 5 4
200,394.97$ 212,919.66$ 12,524.69$
10 Pañete en muros 11 3 5 7 5 3,528,489.60$ 4,498,824.24$ 970,334.64$
11 Cantos en generales 12 2 3 4 3 2,812,665.00$ 3,187,687.00$ 75,004.40$
12
Pintura Acrilica en Muros y
Columnas
- 2 3 4 3
893,100.63$ 1,012,180.71$ 119,080.08$
13
Excavación en Tierra zapatas de
Columnas base
14,19,22 2 3 4 2
117,058.78$ 149,249.95$ 32,191.17$
14 Fumigacion de Terreno
15 1 1 1 1
77,000.00$ 77,000.00$ -$
15
Hormigon armado Zapata de
Columnas y Viga Riostra
(3.25*3.25*0.50) Ø3/4''@10 AD,
2Camadas
16 2 3 4 3
10,000.00$ 10,000.00$ -$
16
Hormigon Armado Columnas Base
0.68*0.68, 12Ø1', Est. Ø3/8''@15
17,19 4 5 6 5
40,896.00$ 52,142.40$ 11,246.40$
17
Relleno material compactado
(Caliche)
- 2 3 4 3
119,924.08$ 203,870.94$ 83,946.86$
18 Bote de Material Sobrante (e=1.30)
- 3 4 5 4
61,077.90$ 69,221.62$ 8,143.72$
19 Izaje de Columnas de estructura 20 2 3 4 3 3,382.98$ 3,834.05$ 451.06$
20
Izaje de Estructura Metalica y cierre
de Techo
35 15 20 25 20
37,116.42$ 52,581.60$ 7,732.59$
21 Excavacion Zapata de Muro 22,23,32 1 1 1 1 21,034.73$ 26,819.28$ 5,784.55$
22
Bote de Material producto de
excavación (e=1.25)
(ESTRUCTURA)
- 1 2 3 2
13,793.53$ 17,586.75$ 3,793.22$
23
Zapt. Muro de 6" (0.45x0.25)
3Ø3/8"
24 2 2 2 2
130,373.10$ 147,756.18$ 17,383.08$
24 Bloques en Muros de 6" 25,26 2 2 2 2 3,614.63$ 3,614.63$ -$
25
Relleno material compactado
(Caliche)
- 2 2 2 2
29,533.72$ 29,533.72$ -$
26
Losas de asiento Ø3/8"@0.20
Adic.Ø1/2" @0.25 y @0.35
27 3 4 5 4
45,889.48$ 45,889.48$ -$
27
Pañete en muros y asientos de
cancha
28 3 4 5 4
99,431.22$ 112,688.71$ 13,257.50$
28 Cantos en generales 29 1 2 3 2 32,191.42$ 36,483.61$ 4,292.19$
29 Pintura acrílica en muros y losas - 1 2 3 2 43,148.16$ 73,351.87$ 30,203.71$
30
Excavación en Tierra Zapata de
Bordillo
31,32 1 1 1 1
7,912.06$ 13,450.51$ 5,538.44$
31
Bote de Material producto de
excavación (e=1.25)
- 1 1 1 1
6,000.00$ 10,200.00$ 4,200.00$
32 Zapata de Bordillo de Muro 33 2 2 2 2 3,648.15$ 3,648.15$ -$
33 Bordillo de Blocks de 6"BNP 34 1 1 1 1 100,287.00$ 100,287.00$ -$
34
Relleno material compactado
(Caliche)
35 2 3 4 3
264,295.50$ 264,295.50$ -$
35
Hormigon Armado con Malla
Electrosoldada 10*10 (H=0.10),
Pulido de piso y Corte de Juntas
36,37 3 4 5 4
28,606.54$ 28,606.54$ -$
36 Instalaciones Electricas - 3 4 5 4 24,200.00$ 24,200.00$ -$
37
Pintura de demarcacion y logo de
cancha
38 2 3 4 3
86,262.00$ 86,262.00$ -$
38 Instalaciones de Tableros 39 1 1 1 1 145,243.41$ 185,185.34$ 39,941.94$
39 Limpieza final - 2 2 2 2 249,855.00$ 283,169.00$ 33,314.00$
MATRIZ DE ELASTICIDAD
Listado de Actividades
SECUENCIA
DURACION (DIAS)
LECTURAS HT HL HI
COMPRESIO
N
Pi Ui Pj Uj Días % Cl D D D % 𝝈𝝈
0 0 1 1 0 0 C 0 0 1 0.5 0.33
1 1 3 3 0 0 C 0 0 0 0 0.00
3 3 6 6 0 0 C 0 0 1 0.33 0.33
3 3 4 4 0 0 C 0 0 0 0 0.00
4 4 5 5 0 0 C 0 0 1 0.5 0.33
5 5 6 6 0 0 C 0 0 1 0.5 0.33
6 6 8 20 12 6 0 0 1 0.5 0.33
8 20 12 24 12 3 0 -12 1 0.25 0.33
12 24 16 28 12 3 0 -12 1 0.25 0.33
16 28 21 33 12 2.4 0 -12 2 0.4 0.67
21 33 24 36 12 4 0 -12 1 0.33 0.33
24 36 39 39 12 4 12 0 1 0.33 0.33
6 6 8 8 0 0 C 0 0 0 0 0.33
8 8 9 9 0 0 C 0 0 0 0 0.00
9 9 12 12 0 0 C 0 0 1 0.33 0.33
12 12 16 16 0 0 C 0 0 1 0.2 0.33
16 16 39 39 20 6.67 20 20 1 0.33 0.33
8 8 16 16 4 1 4 4 1 0.25 0.33
16 16 19 19 0 0 C 0 0 1 0.33 0.33
19 19 39 39 0 0 C 0 0 5 0.25 1.67
8 8 9 23 14 14 0 0 0 0 0.00
9 23 13 27 16 8 2 -12 1 0.5 0.33
9 23 12 25 14 7 0 -14 0 0 0.00
12 25 13 27 13 6.5 0 -14 0 0 0.00
13 27 17 31 16 8 2 -12 0 0 0.00
13 27 17 31 14 3.5 0 -14 1 0.25 0.33
17 31 21 35 14 3.5 0 -14 1 0.25 0.33
21 35 23 37 14 7 0 -14 1 0.5 0.33
23 37 39 39 14 7 14 0 1 0.5 0.33
9 23 10 34 24 24 0 -14 0 0 0.00
10 34 18 39 27 27 6 -18 0 0 0.00
10 34 12 36 24 12 0 -24 0 0 0.00
12 36 16 37 24 24 3 -21 0 0 0.00
16 37 39 39 21 7 21 0 1 0.33 0.33
39 39 43 43 0 0 C 0 0 1 0.25 0.33
43 43 48 48 1 0.25 1 1 1 0.25 0.33
43 43 45 45 0 0 C 0 0 1 0.33 0.33
45 45 46 46 0 0 C 0 0 0 0 0.00
46 46 48 48 0 0 C 0 0 0 0 0.00
8.2. CÁLCULO DE HOLGURAS
Como se definió anteriormente las holguras presentes en nuestra
red nos permiten retrasar o adelantar cualquier actividad que las
tengas sin obtener cambios para las demás actividades, a continua-
ción, procedemos a presentar la forma de calcular las holguras li-
bres y totales de este proyecto.
Actividad #12 – Pintura de Muros y Columna
Actividad #18 – Bote de Material Sobrante de excava-
ción de Columnas.
Planeación, Programación y Control De Proyectos
Pág. 121 Pag. 122
Planeación, Programación y Control De Proyectos
	
8.3 TABLA DE HOLGURAS
Actividades Descripcion IP TP IR TR
1 Cierre perimetral y Letrero de Obra 0 0 1 1 1 0 0 0
2
Demolicion de Piso de Cancha
existente 1 1 3 3 2 0 0 0
3
Bote Producto de demoliciones y
Excavaciones (E=1.25) 3 3 6 6 3 0 0 0
4
Limpieza de Terreno en Area de
Demolicion 3 3 4 4 1 0 0 0
5
Replanteo general de verja, estructura,
cancha y gradas 4 4 5 5 1 0 0 0
6 Excavacion de Zapata de block 5 5 6 6 1 0 0 0
7 Hormigon Armado Zapata de Bordillos 6 6 8 20 2 12 0 0
9 Muros de blocks de 6" 8 20 12 24 4 12 0 -12
8
Hormigon Armado en Columnas de
Amarre 12 24 16 28 4 12 0 -12
10 Pañete en muros 16 28 21 33 5 12 0 -12
11 Cantos en generales 21 33 24 36 3 12 0 -12
12 Pintura Acrilica en Muros y Columnas 24 36 39 39 3 12 12 0
13
Excavación en Tierra zapatas de
Columnas base 6 6 8 8 2 0 0 0
14 Fumigacion de Terreno 8 8 9 9 1 0 0 0
15
Hormigon armado Zapata de
Columnas y Viga Riostra
(3.25*3.25*0.50) Ø3/4''@10 AD,
2Camadas 9 9 12 12 3 0 0 0
16
Hormigon Armado Columnas Base
0.68*0.68, 12Ø1', Est. Ø3/8''@15 12 12 16 16 4 0 0 0
17 Relleno material compactado (Caliche) 16 16 39 39 3 20 20 20
18 Bote de Material Sobrante (e=1.30) 8 8 16 16 4 4 4 4
19 Izaje de Columnas de estructura 16 16 19 19 3 0 0 0
20
Izaje de Estructura Metalica y cierre de
Techo 19 19 39 39 20 0 0 0
21 Excavacion Zapata de Muro 8 8 9 23 1 14 0 0
22
Bote de Material producto de
excavación (e=1.25) (ESTRUCTURA) 9 23 13 27 2 16 2 -12
23 Zapt. Muro de 6" (0.45x0.25) 3Ø3/8" 9 23 11 25 2 14 0 -14
24 Bloques en Muros de 6" 11 25 13 27 2 14 0 -14
25 Relleno material compactado (Caliche) 13 27 17 31 2 16 2 -12
26
Losas de asiento Ø3/8"@0.20
Adic.Ø1/2" @0.25 y @0.35 13 27 17 31 4 14 0 -14
27 Pañete en muros y asientos de cancha 17 31 21 35 4 14 0 -14
28 Cantos en generales 21 35 23 37 2 14 0 -14
29 Pintura acrílica en muros y losas 23 37 39 39 2 14 14 0
30
Excavación en Tierra Zapata de
Bordillo 9 23 10 34 1 24 0 -14
31
Bote de Material producto de
excavación (e=1.25) 10 34 18 39 2 27 6 -18
32 Zapata de Bordillo de Muro 10 34 12 36 2 24 0 -24
33 Bordillo de Blocks de 6"BNP 12 36 16 37 1 24 3 -21
34 Relleno material compactado (Caliche) 16 37 39 39 2 21 21 0
35
Hormigon Armado con Malla
Electrosoldada 10*10 (H=0.10), Pulido
de piso y Corte de Juntas 39 39 43 43 4 0 0 0
36 Instalaciones Electricas 43 43 48 48 4 1 1 1
37
Pintura de demarcacion y logo de
cancha 43 43 45 45 2 0 0 0
38 Instalaciones de Tableros 45 45 46 46 1 0 0 0
39 Limpieza final 46 46 48 48 2 0 0 0
TABLA DE HOLGURAS
Dias
Listado de Actividades LECTURAS
HT HL HI
8.4 DESVIACIÓN ESTÁNDAR
Podemos determinar la probabilidad de que una actividad o todo
el proyecto se retrase, esto lo hacemos calculando la desviación
estándar a los días deseados y se busca en la tabla siguiente:
σ PROBABILIDAD DE RETRASO σ PROBABILIDAD DE RETRASO
0.1 0.9204 1.6 0.1096
0.2 0.8414 1.7 0.0892
0.3 0.7642 1.8 0.0718
0.4 0.6892 1.9 0.0574
0.5 0.617 2 0.0456
0.6 0.5486 2.1 0.0358
0.7 0.484 2.2 0.0278
0.8 0.4238 2.3 0.0214
0.9 0.3682 2.4 0.0164
1 0.3174 2.5 0.0142
1.1 0.2714 2.6 0.0094
1.2 0.2302 2.7 0.007
1.3 0.1936 2.8 0.0052
1.4 0.1616 2.9 0.0038
1.5 0.1336 3 0.0026
TABLA - DESVIACION ESTANDAR
La sumatoria de todas las desviaciones estándar de la ruta crítica
será la desviación estándar del proyecto total.
Para el proyecto Construcción de cancha moca usando el método
demostrado en esta guía calculamos la probabilidad total del re-
traso total con una seguridad del 95% de finalización planificada.
El tiempo programado fue de 48 días con una probabilidad de re-
traso de unos 9 días, Obteniendo una fecha de finalización de unos
57 días
8.5 TABLA DE PROBABILIDAD DE RETRASO
Por norma esta desviación tiene un 68% de certeza, pero si hace-
mos 2 desviaciones tendremos una certeza de 95% y si aun necesitá-
ramos mayor certeza pues hacemos 3 desviaciones que nos garan-
tizan un 99%.
Pag. 124Pág. 123
Planeación, Programación y Control De Proyectos
En el siguientes gráfico se representa la probabilidad de retraso
en días, donde podremos ver días programados vs días tolerados.
Para terminar el proyecto en lo establecido anteriormente la lí-
nea que represente la ejecución del proyecto debe estar entre las
líneas ya presentadas aquí que son días tolerados y días programa-
dos los que nos indica el margen que tenemos durante la duración
el proyecto completo.
Actividades Descripcion e 𝝨𝝨t 𝝈𝝈 t+(2𝝈𝝈) 𝝨𝝨(t+2𝝈𝝈)
1 Cierre perimetral y Letrero de Obra 1 1 0.33 1.67 1.67
2 Demolicion de Piso de Cancha existente 2 3 0.00 2.00 3.67
4 Limpieza de Terreno en Area de Demolicion 1 4 0.00 1.00 4.67
5 Replanteo general de verja, estructura, cancha y gradas 1 5 0.33 1.67 6.33
6 Excavacion de Zapata de block 1 6 0.33 1.67 8.00
13 Excavación en Tierra zapatas de Columnas base 2 8 0.33 2.67 10.67
14 Fumigacion de Terreno 1 9 0.00 1.00 11.67
15
Hormigon armado Zapata de Columnas y Viga Riostra
(3.25*3.25*0.50) Ø3/4''@10 AD, 2Camadas 3 12 0.33 3.67 15.33
16
Hormigon Armado Columnas Base 0.68*0.68, 12Ø1', Est.
Ø3/8''@15 4 16 0.33 4.67 20.00
19 Izaje de Columnas de estructura 3 19 0.33 3.67 23.67
20 Izaje de Estructura Metalica y cierre de Techo 20 39 1.67 23.33 47.00
35
Hormigon Armado con Malla Electrosoldada 10*10 (H=0.10),
Pulido de piso y Corte de Juntas 4 43 0.33 4.67 51.67
37 Pintura de demarcacion y logo de cancha 2 45 0.33 2.67 54.33
38 Instalaciones de Tableros 1 46 0.00 1.00 55.33
39 Limpieza final 2 48 0.00 2.00 57.33
48
57
TABLA - PROBABILIDAD DE RETRASO O ADELANTO EN CAMINO CRITICO CON UN 95% DE SEGURIDAD
TIEMPO PROGRAMADO
TIEMPO TOLERADO DE RESTRASO CON 95% DE SEGURIDAD
Cierre
perimetral
Demolición de
cancha
2
Limpieza de
terreno
1
Bote de material
producto demo.
Replanteo
general
Hormigón armado
zapata de bordillo 2
4
Bote de material sobrante e=1.30
Excavación de
columna base
Muro perimetral de bloques
4
Fumigación
de terreno
Izaje de columna
estructura metálica
3
3
Izaje de estructura metálica cierre de techo
41
3
1
Excavación de
zapata
1
0 1 3 4 5 6 8 9 10 11 12 13 15 16 17 19 21 23 24 25 27 39 43 45 46
Hormigón armado columna de amarre
4
Pañete de muros
5
Cantos en general
3
Pintura de muro perimetral
3
2 1
Hormigón armado zapata de
columnas y vigas riostras
3
Hormigón armado columnas bases
R
elleno
de
m
ateria
l com
pacto
20 4 1 22
H.A Malla electro
soldada
Pintura
demarcación y
logo de cancha
Instalación de
tablero
Limpieza final
1 1
1
0 0
0
3 3
2
4 4
3
5 5
4
6 6
6
8 8
8
9 9
9
12 12
17
16 16
24
19 19
27
39 39
34
43 43
35
45 45
36
46 46
37
48 48
39
66
5
820
7
1224
15
1628
23
1216
16
1939
26
2133
28
2436
31
2739
33
2939
32
2337
30
2135
29
1731
25
1531
21
1327
19
1125
13
1127
12
923
10
1034
11
1236
18
1337
20
1739
22
1136
14
Excavación
zapata de muro
1
2
2 2 4 4 2
2
1
2
2
2
Bote de material
producto excavación
Rellenomaterial
compactado
2
Zapata de muro de 6" Muro de 6" Losa de asiento
Pañete en muros y
asientos de cancha
Cantos en
general
Pintura acrílica en
muros y losa
Excavación en tierra
zapata de bordillo
Bote de material
producto de excavación
Zapata de bordillo de muro
Bordillo de
bloques de 6''
Relleno de
material
compactado
47 48
0 1 3 4 5 6 8 9 10 11 12 13 15 16 17 19 21 23 24 25 27 39 43 45 46 47 48
1
4748
38
Instalaciones eléctricas
4
LIMITACIÓN
MANO DE OBRA
LIMITACIÓN EQUIPO
COMPACTACIÓN
29
29
3
57
57 57
40
57
Probabilidad de
retraso (95%)
9
RED DEFINITIVA CON PROBALIDAD DE RETRASO
Planeación, Programación y Control De Proyectos
Pág. 125 Pag. 126
Planeación, Programación y Control De Proyectos
8.6 PREGUNTAS Y RESPUESTAS DE RETRASO
Tomando como referencia la Tabla de Probabilidad de Retraso del
Camino Crítico del proyecto, para una seguridad de 95%, la suma-
toria de la desviación estándar total (σ) del proyecto es de 9.00.
1: 9.00 :: X:4.64
X = 1.94
Se busca este valor en la tabla-Desviación Estándar y tomamos
una media entre los valores 1.9 y 2 y se obtuvo una probabilidad de
un 5.74 % de que el proyecto se retrase 9 días.
¿ Cuál es la probabilidad de que el Proyecto se retrase 9 días?
Tomando como referencia la Tabla-De Probabilidad de Retraso de
Camino Critico del Proyecto, que para una seguridad de 95%, don-
de la desviación estándar (σ) de esta actividad es de 1.67
1: 1.67 :: X: 5
X = 3
Se busca este valor en la Tabla-Desviación Estándar y se obtiene
una probabilidad de un 0.26 % de que esta actividad se retrase 5
día.
¿ Cuál es la probabilidad de que la actividad #20-Izaje de es-
tructura metálica y cierre de techo se retrase 5 día?
Planeación, Programación y Control De Proyectos
Pág. 127 Pag. 128
Planeación, Programación y Control De Proyectos
Luego de tener la red de actividades defini-
da se toman las lecturas de Iniciación próxima
y Tiempos más retrasados de cada actividad. (Es
decir lo más temprano y lo más tarde que pue-
de iniciarse una actividad y lo más temprano y lo
más tarde que puede terminarse la actividad).
Paso a Paso
1
Calcular las 3 Holguras:
Holgura Total – Las que no afectan la termi-
nación del proyecto.
Holgura Libre – Las que no modifican la ter-
minación del proceso.
Holgura Independiente – Las que no afec-
tan la terminación de actividades anteriores ni
la iniciación de actividades posteriores.
2
Luego se dividen el número de días de holgu-
ra total entre el tiempo estándar de cada acti-
vidad para obtener el porcentaje de expansión.
3
Calculamos el porcentaje de compre-
sión con los días comprimidos, divididos
entre el tiempo estándar de cada activi-
dad.
Una vez obtenidas estas desviaciones
de Días tolerados vs Días programados
procedemos a graficar para tener una
visual de la probabilidad de retraso del
proyecto.
4
5
6
7
Procedemos a calcular la desviación
estándar de cada actividad de la ruta crí-
tica con la siguiente formula:
𝝈=(Tiempo  Pésimo –  Tiempo  óptimo)/6
Luego de tener la desviación estándar
calculamos la probabilidad de retraso
tabulando las actividades de ruta crítica
con su tiempo estándar y la desviación de
cada actividad.
Una vez tabulados los datos previos
calculamos la probabilidad de retraso
con la siguiente formula:
t+(2𝝈)  ->  Representa  los  días  programa-
dos
Donde:
t=Tiempo Estándar
𝝈=Desviación 
Y
𝝨(t+2𝝈)  ->  Representa  los  días  de  retra-
so Tolerados
(Que será una sumatoria acumulativa)
Pág. 129 Pag. 130
9
9.1 POLÍTICA DE PAGO
9.2 FLUJO DE CAJA
9.3 PROGRAMA CALENDARIO
9.4 TABLA DE PROGRAMACIÓN DE RECURSOS
9.5 MÉTODO DE BURGESS
9.6 MATRIZ DE PREVENCIÓN DE RIESGOS
PROGRAMACIÓN
DE RECURSOS
Planeación, Programación y Control De Proyectos
Pág. 131 Pag. 132
Planeación, Programación y Control De Proyectos
9.1 POLÍTICA DE PAGO
Para establecer las políticas de pago debemos previamente debe-
mos tener definido: las actividades y paquetes de actividades, el
tiempo de duración, precio final luego de haber realizado las com-
presiones y limitaciones de la red y por ultimo tener definidas aque-
llas actividades que realizaremos y cuáles serán sub-contratadas.
Así mismo debemos tener el flujo de caja y tener definida contrac-
tualmente la forma de pago de las provisiones por parte del clien-
te, a fin de evaluar si las provisiones nos permitirán costear las
actividades o paquetes de actividades sin tener que recurrir a un
financiamiento y en su defecto de necesitarlo evaluar si se puede
incurrir en el mismo sin afectar los beneficios del proyecto.
Cinco días antes de iniciar el proyecto (-5) se pagará una
provisión equivalente al 30% del precio total del proyec-
to.
El día 30, se pagará una provisión equivalente al 45% del
precio total del proyecto.
El día 48 (día final), se saldará el 25% restante del precio
del total del proyecto.
9.2 FLUJO DE CAJA
La programación por medio del método de la Ruta Critica nos per-
mite desarrollar flujos de cajas de ingresos y egresos donde
podemos señalar donde y cuando necesitaremos la inyección de
recursos económicos y para que será utilizada que cantidad den-
tro del avance del proyecto. También pueden representar distintas
formas de financiamiento que se tomen en la duración del proyec-
to y los créditos que tenemos y hasta cuando tenemos para pagar
estos créditos.
El flujo de caja se elabora de la siguiente manera:
09 PROGRAMACIÓN DE RECURSOS
Luego de haber evaluado todo lo mencionado para este proyecto
se establecen las siguientes políticas de pago para el Proyecto
Construcción de Cancha deportiva techada:
1 Políticas de pagos – Provisiones:
Políticas de pago – Gastos Actividades:2
A la hora de tomar decisiones en base al flujo de caja se deberán
tomar en cuenta las opciones más económicas o más rentables y
que representen el menor riesgo posible.
Con las políticas de pago ya determinadas para nuestro proyecto
procedemos a mostrar nuestro flujo de caja representado en la
siguiente tabla correspondiente a la programación de recursos
económicos del proyecto
Determinar las fechas y cantidades importante que servirán
para la provisión.
Determinar las políticas de pago que será aplicadas a las
actividades o a lo largo del proyecto.
Determinar las fechas que van a corresponder al pago de
los costos fijos del proyecto.
1
2
3
Pag. 134Pág. 133
Cierre
perimetral
Demolición de
cancha
2
Limpieza de
terreno
1
Bote de material
producto demo.
Replanteo
general
Hormigón armado
zapata de bordillo 2
4
Bote de material sobrante e=1.30
Excavación de
columna base
Muro perimetral de bloques
4
Fumigación
de terreno
Izaje de columna
estructura metálica
3
3
Izaje de estructura metálica cierre de techo
41
3
1
Excavación de
zapata
1
0 1 3 4 5 6 8 9 10 11 12 13 15 16 17 19 21 23 24 25 27 39 43 45 46
Hormigón armado columna de amarre
4
Pañete de muros
5
Cantos en general
3
Pintura de muro perimetral
3
2 1
Hormigón armado zapata de
columnas y vigas riostras
3
Hormigón armado columnas bases
R
elleno
de
m
ateria
lcom
pacto
20 4 1 22
H.A Malla electro
soldada
Pintura
demarcación y
logo de cancha
Instalación de
tablero
Limpieza final
1 1
1
0 0
0
3 3
2
4 4
3
5 5
4
6 6
6
8 8
8
9 9
9
12 12
17
16 16
24
19 19
27
39 39
34
43 43
35
45 45
36
46 46
37
48 48
39
66
5
820
7
1224
15
1628
23
1216
16
1939
26
2133
28
2436
31
2739
33
2939
32
2337
30
2135
29
1731
25
1531
21
1327
19
1125
13
1127
12
923
10
1034
11
1236
18
1337
20
1739
22
1136
14
Excavación
zapata de muro
1
2
2 2 4 4 2
2
1
2
2
2
Bote de material
producto excavación
Rellenomaterial
compactado
2
Zapata de muro de 6" Muro de 6" Losa de asiento
Pañete en muros y
asientos de cancha
Cantos en
general
Pintura acrílica en
muros y losa
Excavación en tierra
zapata de bordillo
Bote de material
producto de excavación
Zapata de bordillo de muro
Bordillo de
bloques de 6''
Relleno de
material
compactado
47 48
0 1 3 4 5 6 8 9 10 11 12 13 15 16 17 19 21 23 24 25 27 39 43 45 46 47 48
1
4748
38
Instalaciones eléctricas
4
LIMITACIÓN
MANO DE OBRA
LIMITACIÓN EQUIPO
COMPACTACIÓN
29
29
3
Lun20/Ene/2020
Mie22/Ene/2020
Jue23/Ene/2020
Vie24/Ene/2020
Sab25/Ene/2020
Lun27/Ene/2020
Mie29/Ene/2020
Jue30/Ene/2020
Vie31/Ene/2020
Sab01/Feb/2020
Lun03/Feb/2020
Mar04/Feb/2020
Jue06/Feb/2020
Jue19/Mar/2020
Vie07/Feb/2020
Sab08/Feb/2020
Mar11/Feb/2020
Jue13/Feb/2020
Sab15/Feb/2020
Lun17/Feb/2020
Mar18/Feb/2020
Jue20/Feb/2020
Sab22/Feb/2020
Sab07/Mar/2020
Jue12/Mar/2020
Sab14/Mar/2020
Mar17/Mar/2020
Mie18/Mar/2020
9.3
PROGRAMA
CALENDARIO
Planeación, Programación y Control De Proyectos
Pág. 135 Pag. 136
Planeación, Programación y Control De Proyectos
9.4 TABLA DE PROGRAMACIÓN DE
RECURSOS
9.5 MÉTODO DE BURGUES
Cada Actividad requiere recursos para realizarse. Siendo un tema
de importancia en la programación de los recursos disponibles
para lograr que el proyecto concluya en los plazos y costes es-
tablecidos.
El método de Burgess emplea los recursos asociados a cada tarea
representando de manera gráfica los recursos necesarios a lo
largo de la duración de la actividad esta gráfica recibe el nombre
de Diagrama de carga. Con esta herramienta nos permite observar
cómo evoluciona la actividad en el tiempo y nos permite analizar si
existirá carencia en algún momento para preverlas dependiendo
de los recursos disponibles.
EJEMPLO
Actividad #12 Pintura de Muros y Columnas
42
+ 02
+02
=16
32
+ 12
+02
=10
22
+ 22
+02
=8
22
+ 12
+1=6
42
+ 02
+02
=16
EJEMPLO
Actividad # 27 Pañetes en muros y asientos de gradas
62
+ 02
+02
+02
=36
52
+ 12
+02
+02
=26
42
+ 12
+12
+02
=18
32
+ 12
+12
+12
=12
Planeación, Programación y Control De Proyectos
Pág. 139 Pag. 140
Planeación, Programación y Control De Proyectos
32
+ 32
+02
+02
=18
22
+ 22
+22
+02
=12
22
+ 22
+12
+1=10
9.6 MATRIZ DE PREVENCIÓN DE RIESGO
EVENTOS
RIESGO/OPORTUNIDAD
DESCRIPCION DE
EVENTO
CAUSA DETONANTE CALIFICACION % PROBABILIDAD
RETRASO POR LLUVIA POSIBLES VAGUADAS MAL TIEMPO LLUVIA CONSTANTES 0.35 35%
PARO SINDICAL
HUELDAS CREADAS
POR GRUPOS
EXTERNOS
DESCONTENTO
DE
INCUMBENTES
NO ACUERDO ENTRE
SINDICALISTAS Y
CONSTRUCTORA
0.14 14%
CAMBIOS POLITICOS
POSIBLES
SUCESIONES DENTRO
DEL MINISTERIO
FRAUDE,
INSTEABILIDAD
POLITICA
MALA GESTION
ADMINISTRATIVA
0.2 20%
VARIACION DE LA TASA
USD
ALZA DE TASA
CAMBIANTE
CAMBIO
SITUACION
ECONOMICA
GLOBAL
RESECION
ECONOMICA
0.05 5%
EXISTENCIA DE EQUIPOS
DISPONIBILIDAD DE
EQUIPOS EN LA ZONA
FALTA DE PIEZAS FALLA MECANICAS 0.1 10%
RETRASO EN
FABRICACION DE
ESTRUCTURAS
METALICAS
EXISTENCIA DE
MATERIALES DE
MONTAJE EN AREA
MALA GESTION
DE PROCURA,
PEDIDOS FUERA
DE TIEMPO,
ERRORES DE
FABRICACION
MALA
INTERPRETACION DE
ESPECIFICACIONES
TECNICAS
0.15 15%
ANALISIS CUALITATIVOMATRIZ DE PREVENCION DE RIESGO
TIPO PROBABILIDAD IMPACTO ESTRATEGIA RESPONSIBLE PLAN DE ACCION
COSTO/TIEMPO ALTO ALTO EQUIPOS DE BOMBEO
DIRECTOR DE
PROYECTO
USO DE BOMBAS DE
ACHIQUE/LONAS/ACTIVIDADES
CON HOLGURA
COSTO/TIEMPO MEDIA MEDIO
GESTION Y CONTROL
DE STAKEHOLDERS
DIRECTOR DE
PROYECTO
REALIZAR ACUERDOS CON LOS
SINDICALISTAS, INVOLUCRARLOS
EN LAS DECISIONES QUE LES
COMPETEN
COSTO/TIEMPO BAJA ALTO
GESTION Y CONTROL
DE STAKEHOLDERS
CEO
LLEVAR A CABO LOS ACUERDOS
CON EL MINISTERIO CONFORME
A CUMPLIMINETO DE CONTRATO
COSTO BAJA ALTO
ACAPARAR LOS
RECURSOS
MONETARIOS
NECESARIOS
DIRECTOR
FINANCIERO
ADELANTARSE A LOS POSIBLES
CAMBIOS DE MERCADO
COSTO/TIEMPO ALTA ALTO
ACUERDOS Y
RELACION CON
DIVERSOS SUPLIDORES
ENCARGADO DE
COMPRAS
MANTENER UN STOCK DE
PIEZAS, PARTES Y LUBRICANTES
DISPONIBLES EN OBRA POR
POSIBLES FALLOS MECANICOS
COSTO/TIEMPO ALTA ALTO
BUENA
PLANIFICACION Y
EXIGENCIA DE
CONTROL DE CALIDAD
ENCARGADO DE
COMPRAS
COLOCACION DE INSPECTOR DE
CALIDAD EN TALLER DE
FABRICACION
ESTRATEGIA/ RESPUESTAANALISIS CUALITATIVO
42
+ 22
+02
+02
=20
Planeación, Programación y Control De Proyectos
Pág. 141 Pag. 142
Planeación, Programación y Control De Proyectos
En esta etapa procedemos a definir las POLÍTI-
CAS DE PAGO del proyecto, estas políticas te
permiten tener noción de cómo será la forma
de ingresos al proyecto para saber con qué
recursos económicos contaremos y para qué
fecha.
El MÉTODO DE BURGESS es un método donde
podemos definir con el diagrama de carga de una
actividad, podemos visualizar la evolución de una
actividad dependiendo de la cantidad de personal
y cantidad de días disponibles para realizar esta
actividad.
Antes de definir las políticas de pago debemos
obtener de FLUJO DE CAJA para saber cuándo
necesitaremos y como recibiremos los recur-
sos económicos a lo largo del proyecto de
esta manera definiremos con que cantidad de
recursos económicos en cualquier punto del
proyecto y que porcentaje debemos de tener
completado del mismo.probabilidad de que ocu-
rra y también si el impacto es bajo, medio o alto
esta se le llama MATRIZ DE PREVENCIÓN DE
RIESGOS, esta matriz nos facilita el manejo y
visualización de riesgos para el proyecto.
Procedemos a elaborar nuestra red definitiva,
pero con la particularidad de que ahora den-
tro de la red tendremos la fecha exacta calen-
dario dentro de la red a esto le llamamos PRO-
GRAMA CALENDARIO.
Luego de haber realizado el programa calenda-
rizado del proyecto procedemos a elaborar una
tabla donde organizamos los costos por fecha y
por actividades esta es la TABLA DE PROGRAMA-
CIÓN DE RECURSOS nos servirá para identificar
también ya sea día por día, semanal o quincenal el
flujo de recursos económicos que estaremos ne-
cesitando en el transcurso del proyecto.
Luego de todo lo anterior realizamos una evalua-
ción de las siguientes características del pro-
yecto evento, causa, detonante, tipo de impacto,
estrategia, plan de acción y responsable asignán-
dole una probabilidad de que ocurra y también si
el impacto es bajo, medio o alto esta se le llama
MATRIZ DE PREVENCIÓN DE RIESGOS, esta matriz
nos facilita el manejo y visualización de riesgos
para el proyecto.
Con el cálculo siguiente: A²+B²+…+ n²: Donde
cada termino será igual a cantidad de recursos
utilizados diariamente en esta actividad.
Paso a Paso
1
2
3
4
5
6
7
Pág. 143 Pag. 144
10
INFOGRAFIA
Pág. 145
El método de la Ruta Crítica es una herramienta que nos facilitara
el manejo de cualquier proyecto analizando las actividades que
son parte de la programación del mismo, secuencia y antecedente
de cada una de ellas para identificar en cada momento cual será
realizada y cuando. Por lo tanto, utilizando este método identifi-
camos cuales son las actividades más neurálgicas del proyecto
para brindarle mayor atención e importancia incluso si de ser ne-
cesario necesitase mayores recursos económicos, humanos o ma-
teriales específicos para estas actividades.
El proyecto construcción de cancha san Sebastián descrito en
este libro, se recomendó una excelente gestión de la programa-
ción y ejecución de las actividades resalto así el hecho que las
actividades que eran críticas no debían de retrases sino solo las
que poseían holguras para así no afectar la fecha final de entrega
de la obra.
Pudimos observar a lo largo de todo el proyecto que las herra-
mientas brindadas por el método de la ruta crítica para el cálculo
efectivo de la duración, gestión de los riesgos, optimización de los
recursos necesarios, toma de decisiones y cambios de manera efi-
caz y sobre todo satisfacer las necesidades puntuales del cliente.
Por todo lo mencionado a lo largo del libro es importante des-
tacar que aun así siendo un método que tiene tanto tiempo sigue
siendo uno de las maneras más eficaces y eficiente de llevar cual-
quier proyecto que tengamos ya que cubre casi todas las áreas de
cualquier programación y nos permite jugar con los tiempos y re-
cursos de la manera más optima.
CONCLUSIÓN Y RECOMEDACIÓN
11
RECOMEDANCIONES
CONCLUSIONES
11
Pág. 147 Pag. 148
12
12.1 GLOSARIO DE TÉRMINOS
12.2 BIBLIOGRAFÍA
12.3 INTERNETGRAFIA
12.4 IMAGENGRAFIA 
REFERENCIAS
Planeación, Programación y Control De Proyectos
Pág. 149 Pag. 150
Planeación, Programación y Control De Proyectos
12.1 GLOSARIO DE TÉRMINOS
Lista de Actividades
12.2 BIBLIOGRAFÍA
De León, S. D., Mieses, A. M., & González, D. G. (2013). CPM-PERT Mé-
todo del camino critico (Ed. rev.). Santo Domingo, República Domi-
nicana: Intec.
Guido, J. G., & Clements, J. C. (s.f.). Administración exitosa de pro-
yectos (5ª ed.). Medellín, Colombia: Censage Learning.
Montaño, A. M. (2010). Iniciación al Método del camino crítico (4ª
ed.). D.F., México: Trillas.
O’Brien, J. J., & Plotnick, F. L. (2016). CPM in Construction Manage-
ment, Eighth Edition (8ª ed.). Chicago, Estados Unidos: McGraw-Hi-
ll Education.
Salazar, C. S. (1997). ADMINISTRACION DE EMPRESAS CONSTRUC-
TORAS (Ed. rev.). D.F., México: Editorial Limusa S.A. De C.V..
12 REFERENCIAS
es el tiempo requerido para terminar una actividad si esta se reali-
za de forma normal. Es el tiempo máximo para terminar una activi-
dad con el uso mínimo de recursos, el tiempo normal es aproximado
al tiempo probable.
Es una lista elaborada con precisión y ordenada donde se recopi-
las todas las actividades que intervienen en la realización de un
proyecto.
Ruta Crítica
es una secuencia de actividades conectadas, que conduce del prin-
cipio del proyecto al final del mismo, por lo que aquel camino que
requiera el mayor trabajo, es decir, el camino más largo dentro de
la red, viene siendo la ruta crítica de la red del proyecto.
Diagrama de Red
Es una red e círculos numerados y conectados con flechas, don-
de se muestran todas las actividades que intervienen en un deter-
minado proyecto y la relación de prioridad entre las actividades
en la red.
Actividad Ficticia
Actividades imaginarias que existen dentro del diagrama de red,
solo con el propósito de establecer las relaciones de presidencia
y no se les asigna tiempo alguno, es decir, que la actividad ficticia
permite dibujar redes con las relaciones de precedencia apropia-
das, se representa por medio de una línea punteada.
Holguras
Es el tiempo libre en la red, es decir, la cantidad de tiempo que pue-
de demorar una actividad sin afectar la fecha de terminación del
proyecto total.
Tiempo optimo
es el tiempo mínimo o más corto posible en el cual es probable que
sea terminada una actividad si todo marcha de manera perfecta.
Tiempo más probable
Es el tiempo que una actividad sea mas probable que tome si se re-
pitiera una y otra vez, es decir el tiempo normal que se necesita en
circunstancias ordinarias.
Tiempo pésimo
es el tiempo máximo o mas largo posible en el cual es problable sea
temrinada una actividad bajo las condiciones más desfavorables.
Tiempo normal
Planeación, Programación y Control De Proyectos
Pág. 151 Pag. 152
Planeación, Programación y Control De Proyectos
12.3 INTERNETGRAFIA
•	 Recuperado el 18 de diciembre de:
https://prezi.com/p/pqttbimrhfau/?present=1
•	 Recuperado el 17 de diciembre de:	
https://issuu.com/kathzd/docs/final_01._camino_cr_tico
•	 Recuperado el 17 de diciembre de:
https://www.ingenieriaindustrialonline.com/herramientas-pa-
ra-el-ingeniero-industrial/investigaci%C3%B3n-de-operaciones/
cpm-metodo-de-la-ruta-critica/
•	 Recuperado el 16 de diciembre de:
https://www.wordreference.com/sinonimos/Repesenta
•	 Recuperado el 15 de diciembre de:
https://es.slideshare.net/fredpezoa12/metodo-del-ca-
m i n o - c r i t i c o - c p m - p e r t - a r q - d e r b y - g o n z a l e z - i n t e c ? q i -
d=2f956024-36fc-4364-8409-5f1d8aef5a1c&v=&b=&from_
search=1
•	 Recuperado el 14 de diciembre de:
h t t p s : / / e s . s l i d e s h a r e . n e t / a i c i t e l 6 6 6 / i n f o g r a -
f i a - g r u p o - 7 - d e p s i t o - r e g u l a d o r - d e - a g u a - p o ta b l e ? q i -
d=2f956024-36fc-4364-8409-5f1d8aef5a1c&v=&b=&from_
search=3
•	 Recuperado el 12 de diciembre de:
https://do.linkedin.com/in/derby-gonzalez-468580a4
•	 Recuperado el 12 de diciembre de:
https://www.google.com/search?rlz=1C5CHFA_enDO-
866DO867&sxsrf=ACYBGNS_Ted6fqa-_gnzWn4Qhz0pgU_Eq-
g:1576351831485&q=Derby+Gonzalez&tbm=isch&source=univ&-
sa=X&ved=2ahUKEwiksdOX8LXmAhVlRN8KHWwhAaUQ7Al6BAg-
JECQ&biw=1440&bih=789#imgrc=072J55GsiThDzM:
•	 Recuperado el 12 de diciembre de:	
https://es.wikipedia.org/wiki/M%C3%A9todo_de_la_ruta_
cr%C3%ADtica
12.4 IMAGENGRAFIA
Figura (1).gif Figura (2).png Figura (3).gif
Figura (4).gif Figura (5).gif Figura (6).gif
Figura (7).gif Figura (8).gif Figura (9).gif
Figura (10).jpg Figura (11).gif Figura (12).gif
Planeación, Programación y Control De Proyectos
Pág. 153 Pag. 154
Planeación, Programación y Control De Proyectos
Figura (13).gif Figura (14).gif Figura (15).gif
Figura (16).gif Figura (17).gif Figura (18).gif
Figura (19).gif Figura (20).jpg Figura (21).jpg
Figura (22).jpg Figura (23).jpg Figura (24).jpg
Figura (31).jpg Figura (32).jpg Figura (33).jpg
Figura (34).jpg Figura (35).jpg Figura (36).jpg
Figura (25).jpg Figura (26).jpg Figura (27).jpg
Figura (28).jpg Figura (29).jpg
Planeación, Programación y Control De Proyectos
Pág. 155 Pag. 156
Planeación, Programación y Control De Proyectos
Figura (37-).jpg Figura (38).jpg Figura (39).jpg
Figura (40).jpg Figura (41).jpg Figura (42).jpg
Figura (43).jpg Figura (44).jpg Figura (45).jpg
Figura (46).jpg Figura (47).jpg Figura (48).jpg
No. Figura Recuperado del enlace:
Figura 1 https://www.ecologiahoy.com/residuos-de-demolicion
Figura 2 http://www.ramhoist.com/Cranes-Components2/422.html
Figura 3 https://www.textures.com/download/debrisstone0022/9504
Figura 4
https://www.diariodelaconstruccion.cl/las-construcciones-transparentes-mas-espectaculares-del-
mundo/portada-22/
Figura 5 http://93.25.pro.anspack.de/125cc-chinese-atv-wiring-diagram.html
Figura 6
https://www.menards.com/main/flooring-rugs/tile-stone/porcelain-tile/ms-international-capella-brick-5-
x-10-porcelain-floor-and-wall-tile/ncapredbri5x10/p-1555914868654.htm
Figura 7 https://www.shutterstock.com/search/mud+roads
Figura 8 http://wesemanhomes.com/tree-repair/
Figura 9 https://www.pinterest.com/pin/500744052301332460/?lp=true
Figura 10 https://www.emaze.com/@ACZOCQWZ
Figura 11 https://www.pinterest.de/tbeiderkellen/mauer-im-garten/
Figura 12 https://www.quora.com/Why-do-brick-walls-used-for-fencing-have-RCC-columns-at-equal-intervals
Figura 13 https://bit.ly/2MFSGbS
Figura 14 https://cutt.ly/zriurNq
Figura 15 https://bit.ly/2MFSGbS
Figura 16 https://cutt.ly/Qriutte
Figura 17 https://bit.ly/2MFSGbS
Figura 18 https://cutt.ly/triutUR
Figura 19 https://cutt.ly/HriuyiH
Figura 20 https://cutt.ly/briuyU9
Figura 21 https://cutt.ly/YriuyV1
Figura 22 Creación propia
Figura 23 Creación propia
Figura 24 Creación propia
Figura 25 https://bit.ly/2MFSGbS
Figura 26 https://cutt.ly/qriuy6u
Figura 27 https://bit.ly/2MFSGbS
Figura 28 https://cutt.ly/griuuha
Figura 29 https://bit.ly/2MFSGbS
Figura 30 https://cutt.ly/6riuuRu
Figura 31 https://bit.ly/2MFSGbS
Figura 32 https://cutt.ly/sriuuCq
Figura 33 https://bit.ly/2MFSGbS
Figura 34 https://cutt.ly/Criuu3G
Figura 35 https://bit.ly/2MFSGbS
Figura 36 https://cutt.ly/7riuipF
Figura 37 https://bit.ly/2MFSGbS
Figura 38 https://cutt.ly/Rriuikq
Figura 39 https://bit.ly/2MFSGbS
Figura 40 https://cutt.ly/7riuiOc
Figura 41 https://bit.ly/2MFSGbS
Figura 42 https://cutt.ly/zriuiB3
Figura 43 https://bit.ly/2MFSGbS
Figura 44 https://cutt.ly/6riui5P
Figura 45 https://bit.ly/2MFSGbS
Figura 46 https://cutt.ly/xriuour
Figura 47 https://bit.ly/2MFSGbS
Figura 48 https://cutt.ly/yriuolp

CPM Critical Pad Method

  • 1.
    A. CARRASCO C.MUESES C. FERNÁNDEZ CPM Critical Path Method
  • 2.
    Ayleen Carrasco 1087446 CesarA. Mueses 1089545 Carlos Fernández 1042594 Planificación, Programación y Control de Proyectos “CPM Critial Path Method” Proyecto: Construcción Cancha San Sebastián Moca Arq. Derby González Fecha de entrega: 16 de Enero 2020 Santo Domingo de Guzmán, D.N., República Dominicana INTEGRANTES ASIGNATURA: TEMA: PROFESOR:
  • 3.
    1ERA EDICIÓN DISEÑO YDIAGRAMACIÓN IMPRESIÓN FACILITADOR AUTORES PREFACIO PRÓLOGO CONTENIDO Enero 2019 Grupo – 6 Planificación, Programación y Control de Proyecto. Distrito Nacional, Republica Dominicana Todos los Derechos Resevados © INTEC Av. Los Proceres, Gala, Santo Domingo, Rep. Dom. www.intec.edu.do Queda prohibido la reproducción de cualquier tipo, distri- bución, comunicación pública y transformación de cual- quier parte de esta publicación, sin la previa autorización es- crita del titular de la propiedad intelectual y editorial. Este documento es de exclusiva responsabilidad de los autores. I II III IV V
  • 4.
    AYLEEN CARRASCO INGENIERA CARLOS FERNÁNDEZ ADMINISTRADOR DEEMPRESA CESAR MUESES INGENIERO FACILITADOR DERBY GONZÁLEZ ARQUITECTO AUTORES Graduado del Instituto Tecnológico de Santo Do- mingo (INTEC) de la carre- ra de Administración de em- presa, certificado Auditor líder ISO 9001 y 19011, con diplomado en “compras y contrataciones públicas” en la Gaceta Judicial. Expe- riencia en montaje de siste- mas de detección y control de incendio certificado por la empresa “Aguilera Electrónica”, montaje de sistema CCTV “Circuito Cerrado de Televisión”y en el área de Subestacio- nes Eléctricas, manejo de personal y contrato de mantenimientos de redes eléctricas. Actualmente labora en “GRUPO CESA”, y está cursando la maestría en “Ciencias de Administra- ción de la Construcción”. Graduado de la Universi- dad Autónoma de Santo Domingo (UASD) de Inge- niería Civil, Dibujante Mecánico, Ingeniero Su- pervisor de fabricación, montaje de tuberías in- dustriales y soportes en proyecto Punta Catalina. Actualmente se desem- peña como Inspector de Riesgos Generales en Departamento de Ingenie- ría de Seguros Reservas. Se encuentra cursando la Maestría en Ciencias de Administración de la Construcción en el Insti- tuto Tecnológico de San- to Domingo INTEC. Graduada de la universi- dad Pontificia universidad católica madre y maestra (PUCMM) de ingeniería ci- vil, actualmente labora para la Constructora Ri- zek y Asociados. actualmente se desem- peña como Ingeniero de Control de Proyectos. Se encuentra cursando la Maestría en Ciencias de Administración de la Construcción en el Insti- tuto Tecnológico de San- to Domingo INTEC. Graduado de arquitecto Urbanis- ta en la Universidad Autónoma de Santo Domingo (UASD). Maestría en Ciencias de la Arquitectura en el Instituto Politécnico Nacional de México (IPN). Profesor y Ase- sor Metodológico en la Maestría en Administración de la Cons- trucción en el Instituto Tecnoló- gico de Santo Domingo (INTEC).
  • 5.
    PREFACIO PRÓLOGO Este librotiene como finalidad presentar a través del pro- yecto “CANCHA DE MOCA” una guía para la planificación de proyectos en el área de la construcción este ejem- plo de estudio de caso. Se busca mostrar las cuestiones prácticas de la programación que deben de conocer los lectores para ampliar sus conocimientos en el ambiente de los proyectos. Es un reto para los interesados en los principios de la programación de proyectos desarrollar un sentido crítico de forma que se pueda aplicar los conoci- mientos teóricos en el mundo real. En ocasiones en la vida diaria se actúa de forma no plani- ficada sin tener agenda de actividades a desarrollar en un plazo determinado, y mucho menos cotidianamente, no se toma en cuenta el tiempo o costo que implica tal esti- lo de vida no planificado. La programación establece tiempos para realización de las diversas fases de un proyecto. En estas se consideran la interdependencia de todas las actividades, y se coor- dinan todas las actividades o tareas para de esta forma asegurar una transición fluida desde el inicio hasta el final de un proyecto. Existen diferentes métodos de programación que pueden cumplir con los requisitos necesarios para llevar a cabo un proyecto, donde cada cual pone en manifiesto distin- tas formas de evaluar y representar las líneas de tiempo en el siguiente libro se utiliza el método de “CAMINO CRITICO”. Conocer la camino crítico es clave para un gerente de proyectos ya que utilizando esta herramienta para saber cuales seran las actividades que conforman el proyecto y que deben ser realizadas por cada responsable de su equipo para evitar el retraso de la mejor manera posible y que pueda cumplir con los plazos ya estimados con anterioridad. Ademas , cuando se aplica el metodo de la ruta critica en la planificaicon de proyecto se ayuda al equipo a traba- jar de una manera mas logica. Si se aprovechan todos los recursos y se tienen en cuenta las graficas de consumo que arrojan informaicones del esfuerzo aplicado en cada actividad se logra planificar de una manera mas eficiente y mas proximo a la realidad. Unos de los mayores errores de la mayoria de los GEREN- TES DE PROYECTOS o Project manager es que su plani- ficación no corresponde en muchos casos, con la reali- dad de situaciones, riesgos e incertidumbre que puedan presentarse a lo largo de un proyecto y por lo tanto es importante hacerse auxiliar de esta herramienta para asi lograr resultados as eficientes y soluciones eficases para cad auno de estos riesgos que podrian aparecer dentro de nuestra programacion.
  • 6.
    1 METODO DELCAMINO CRITICO 1.1 INTRODUCCION 1.2 METODOLOGIA 1.3 RESUMEN EJECUTIVO 1.4 ANTECEDENTES 1.5 DEFINICION 1.6 CAMPOS DE APLICACIÓN PROYECTO: CONSTRUCCION DE CANCHA SAN SEBASTIAN MOCA 2.1 DESCRIPCION DEL PROYECTO 2.2 GENERALIDADES 2.3 PLANOS 2.4 PRESUPUESTO 2.5 LISTA DE ACTRIVIDADES 2.6 ESPECIFICAICONES TECNICAS 2.7 PRESUPUESTO POR ACTIVIDADES MATRICES 3.1 MATRIZ DE ANTECEDENTES 3.2 MATRIZ DE SECUENCIA 3.3 MATRIZ DE TIEMPOS 3.4 MATRIZ DE INFORMACIO3.5 MATRIZ DE DEPENDENCIA REDES 4.1 RED DE ACTIVIDADES A TIEMPO ESTANDAR 4.2 RED DE ACTIVIDADES A VENCIMIENTO SUCESIVO COMPRESION DE LA RED 5.1 MATRIZ DE PENDIENTES 5.2 MATRIZ DE COMPRESIONES MULTIPLES 5.3 RED DE COMPRESIONES MULTIPLES 5.4 RED COMPRIMIDA A MENOR COSTO 5.5 TABLA DE COSTOS Y PENDIENTES + COSTOS FIJOS Contenido Pág. 2 Pág. 3 Pág. 5 Pág. 6 Pág. 7 Pág. 9 Pág. 10 Pág. 11 Pág. 13 Pág. 61 Pág. 17 Pág. 16 Pág. 15 Pág. 23 Pág. 25 Pág. 27 Pág. 63 Pág. 65 Pág. 66 Pág. 67 Pág. 68 Pág. 69 Pág. 71 Pág. 71 Pág. 73 Pág. 77 Pág. 79 Pág. 80 Pág. 81 Pág. 86 Pág. 88 2 3 4 5 12.1 GLOSARIO DE TÉRMINOS 12.2 BIBLIOGRAFÍA 12.2 INTERNETGRAFIA 12.3 IMAGENGRAFIA LIMITACIONES EN LA EJECUCION DEL PROYECTO 6.1 DEFINICION 6.2 LIMITACIONES DEL PROYECTO 6.3 RED CON LIMITACIONES COMPRESION DE LA RED CON LIMITA- CIONES 7.1 RED DEFINITIVA DEL PROYECTO 7.2 DIAGRAMA DE GANTT 7.3 GRAFICA DIAGRAMA DE GANTT MATRIZ DE ELASTICIDAD 8.1 DEFINICION + MATRIZ DE ELASTICIDAD 8.2 CALCULO DE HOLGURAS 8.3 TABLA DE HOLGURAS 8.4 DESVIACION ESTANDAR 8.5 TABLA DE PROBABILIDAD DE RETRASO 8.6 RESPUESTAS A PREGUNTAS DE RETRASO PROGRAMACION DE RECURSOS 9.1 POLITICA DE PAGO 9.2 FLUJO DE CAJA 9.3 PROGRAMA CALENDARIO 9.4 TABLA DE PROGRAMACION DE RECURSOS 9.5 METODO DE BURGESS 9.6 MATRIZ DE PREVENCION DE RIESGOS INFOGRAFIA CONCLUSION Y RECOMENDACIÓN REFERENCIAS Pag. 3 11.1 CONCLUSIONES Y RECOMENDACIONES 6 7 8 9 10 11 12 Pág. 91 Pág. 93 Pág. 94 Pág. 95 Pág. 98 Pág. 100 Pág. 102 Pág. 103 Pág. 106 Pág. 108 Pág. 112 Pág. 118 Pág. 115 Pág. 115 Pág. 114 Pág. 121 Pág. 123 Pág. 124 Pág. 125 Pág. 127 Pág. 131 Pág. 127 10.1 INFOGRAFIA Pág. 134 Pág. 135 Pág. 136 Pág. 137 Pág. 138 Pág. 143 Pág. 142 Pág. 141 Pág. 140
  • 7.
    Pág. 03 Pag.04 1 1.1 INTRODUCCIÓN 1.2 METODOLOGÍA 1.3 RESUMEN EJECUTIVO 1.4 ANTECEDENTES 1.5 DEFINICIÓN 1.6 CAMPO DE APLICACIÓN MÉTODO DEL CAMINO CRITICO
  • 8.
    Planeación, Programación yControl De Proyectos Pag. 06Pág. 05 Planeación, Programación y Control De Proyectos Hoy en día existen en la Republica Dominicana un sin número de profesionales del área de la construcción que entiendes que ejecutar, programar y planificar un proyecto consiste en obte- ner y realiza un presupuesto con un diagrama de GANTT y hacer la toma de decisiones en base a experiencia propia lo cual no es la mejor manera para ser eficientes. Para lograr un buen manejo en las obras del sector de la cons- trucción es necesario lograr un manejo de los tiempos de la me- jor manera de las distintas actividades que conforman el proyec- to, lo que impulsa que todos los procesos de estas actividades La metodología utilizada para realizar esta programación dentro del marco de la maestría de administración de la construcción fue la siguiente: 01 MÉTODO DE RUTA CRITICA Para lograr un buen mane- jo en las obras del sector de la construcción es necesa- rio lograr un manejo de los tiempos de la mejor manera de las distintas actividades que conforman el proyecto. Para lograr un buen mane- jo en las obras del sector de la construcción es ne- cesario lograr un manejo de los tiempos de la mejor manera de las distintas ac- tividades que conforman el proyecto, lo que impul- sa que todos los proce- sos de estas actividades determinen que el proyec- to pueda realizarse en el tiempo estipulado plani- ficado anteriormente y con sus limitaciones pro- puestas por el cliente o impuestas por el entorno en el que se desarrolla el proyecto. Es de suma importancia para gestionar un proyecto de manera efi- caz comprender todos los pasos necesarios para que se lleve a cabo la metodología del “CAMINO CRITICO”. Este documento se ha desarrollado con el objetivo de que otras personas puedan auxiliarse de este como guía para y herramienta de referencia para sus proyectos • Investigar fuentes bibliográficas sobre los métodos del camino crítico. • Búsqueda de información en la red, encon- tramos una gran fuente de información de apoyo para sustentar lo expuesto en este documento. • Complementamos con la asistencia a todas las clases de nuestro facilitador para compren- der mejor nuestro reto hacia adelante y poder elaborar este caso lo más completo posible. • Tuvimos diferentes charlas y discusiones sobre los temas debatidos en este libro con los integrantes de este equipo, así como también com- pañeros de otros grupos. • Desarrollar nuestras asignaciones impues- tas por nuestro facilitador para así lograr una mejor comprensión de los temas aplicados en este caso. • Acudir con dudas, luego correcciones y feedback de parte de nuestro facilitador. Como resultado final hemos obtenidos este documento el cual presenta lo que pudimos aprender en las clases impartida por nuestro facilitador Arq. Derby González en la maestría de cien- cias en la administración de la construcción. 2.1. METODOLOGÍA2.1. INTRODUCCIÓN
  • 9.
    Pág. 07 Pag.08 Planeación, Programación y Control De Proyectos Planeación, Programación y Control De Proyectos En este documento presentamos los procesos, planteamientos y pautas para la implementación del método de camino crítico, este consistirá en la ejecución de una ruta anteriormente plani- ficada que nos brindará los datos tales como: Costos, duración, plazos, orden de ejecución y el planteamiento a lo largo del pro- yecto junto con el desarrollo del mismo para divisar las dificulta- des, situaciones y o retrasos que podrían presentarse a lo largo del proyecto. Aquí presentaremos el caso de aplicación de este mé- todo en el proceso constructivo de una cancha de construcción primera especial, fundación y piso de concreto, levantada sobre estructuras metálicas y cobertura de techo en perfiles metálicos y zinc, muros perimetrales de mampostería. Iniciamos con la descripción de nuestro proyecto y definimos en que consiste el mismo con informaciones como su ubicación, alcan- ce, necesidades y generalidades, que nos permite apreciar una vi- sión más amplia de lo que se pretende desarrollar. Estamos presentando documentos de aprobación respecto a la programación del proyecto. Dentro de estos se encuentra todos los necesarios para definir el alcance de proyecto en cuestión de cantidades, volúmenes, dimensiones, costos, materiales y equipos a ser utilizados en la ejecución del mismo. Inmediatamente se encuentra definido el alcance del proyecto, procederemos con la elaboración del listado de actividades, to- mando en cuenta la sucesión de las mismas, así como también la uni- dad programática adecuada para cada una de ellas, representadas en esta lista para su medición a lo largo de la elaboración de la programación. Procederemos a desarrollar las especificaciones técnicas de las actividades mencionadas anteriormente donde des- cribiremos los recursos a utilizar dentro de cada una de ellas como son: Recursos materiales, recursos humanos, procedimien- to de ejecución, tiempo de ejecución y maquinaria a utilizar. Luego seguimos con la preparación del presupuesto por actividad, asig- nando de manera detallada los costos normales (CN) y los costos límites (CL) de cada una de las actividades mencionadas. Presentamos las matrices de antecedentes, secuencia y tiempo, donde lograremos identificar las actividades que anteceden y sus sucesiones, posteriormente asignaremos los tiempos más proba- bles (M), optimo (O), pésimo (P), donde estos serán utilizados para realizar el cálculo del tiempo estándar de las actividades para la elaboración de la Red de Actividades a Tiempo Estándar y la Red de Vencimientos Sucesivos. Luego procedemos a realizar compresiones a la red de actividades buscando disminuir los costos y los tiempos previamente progra- mados, de acuerdo a las necesidades exigidas por el cliente, pos- teriormente resolvemos las limitaciones de recursos económicos, humanos, maquinarias, equipos y tiempo. Todo esto se logra calcu- lando las pendientes (RD$/DÍA) de las actividades, comparando los costos fijos diarios incurridos en el proyecto y los costos que conllevan cada una de las compresiones realizadas. Después de lo mencionado, realizamos la red definitiva de activida- des y programamos estas actividades en un diagrama de Gantt, don- de podremos visualizar los trabajos programas cada uno de los días y sus duraciones. Definimos las holguras de las actividades mencionadas, cada una de sus desviaciones estándares, evaluando el porcentaje de proba- bilidad de retraso de alguna de las actividades o retrasos genera- les en el proyecto, elaborando la matriz de elasticidad conjunto a la gráfica que representara los márgenes de tolerancia de retra- so que posee el proyecto. Estableceremos las políticas de pago por parte de nuestro clien- te, donde tomaremos en cuenta las provisiones necesarias y como serán saldadas las mismas para ejecutar las actividades programa- das, luego procederemos a la elaboración de flujo de caja, calen- darización, programación y distribución de los recursos financie- ros, humanos y administrativos. Luego agregamos las evaluaciones de las actividades menos criticas mediante el método de Burguess, donde podremos definir la distribución de los recursos humanos o mano de obra para ejecutar las actividades menos criticas hacien- do de nuestras holguras, este personal se estaría disponiendo para realizar las actividades presentadas en nuestra ruta crítica. Finalmente elaboramos una matriz de prevención de riesgo, donde representamos por nivel de importancia, prioridad y gravedad los posibles inconvenientes que podrían presentarse durante la eje- cución del proyecto donde presentaremos nuestras posibles medi- das de prevención y contingencia para la corrección de estas. 2.1. RESUMEN EJECUTIVO
  • 10.
    Planeación, Programación yControl De Proyectos Pág. 09 Pag. 10 Planeación, Programación y Control De Proyectos Como parte de la anterioridad al método del camino crítico se presentan dos méto- dos de suma importancia que dan paso a la metodología utilizad en este proyecto. Es- tos métodos son conocidos como: 2.1. ANTECEDENTES 2.1. DEFINICIÓN CPM este método fue desarrollado por los Es- tados Unidos en el año 1957, se buscaba el con- trol y optimización de los costos de operacio- nes mediante una planeación de actividades que conforman un proyecto, fue desarrollado por un centro de investigación de operaciones para la firma DUPONT y REMINGTON RAND. PERT Desarrollado en el mismo año que el CPM, con la intensión de controlar los tiempos de ejecución de las actividades dentro de los pro- yectos espaciales, ya que existía la necesidad de terminar las actividades dentro del proyecto con los intervalos de tiempo disponibles. Ac- tualmente es utilizado en todos los programas espaciales y es conocido por haberse empleado en el proyecto Polaris. 1 Iniciacion al metodo del camino critico – Agustin Montaño 2 https://www.eoi.es/blogs/madeon/2013/04/14/metodo-de-ruta-critica-cpm-cri- tical-path-method/ 3 https://www.ingenieriaindustrialonline.com/herramientas-para-el-ingeniero-in- dustrial/investigaci%C3%B3n-de-operaciones/cpm-metodo-de-la-ruta-critica/ A. Método CPM (Crithical Path Method). B. Método PERT (Program Evalation and Review Tecnique). El método del camino critico es un proceso administrativo de planeación, programa- ción, ejecución y control de todas y cada una de las actividades componentes de un proyecto que debe desarrollarse dentro de un tiempo crítico y al costo óptimo. 1 Una herramienta que me permita estimar el tiempo más corto en el que es posible com- pletar un proyecto es el método de la ruta crítica (CPM-Critical Path Method) o del camino crítico. Este es un algoritmo utilizado para el cálculo de tiempos y plazos en la planificación de proyectos. 2 El método de la ruta crítica CPM (Critical Path Method), es un algoritmo basado en la teoría de redes diseñado para facilitar la planificación de proyectos. El resultado final del CPM será un cronograma para el proyecto, en el cual se podrá conocer la duración total del mismo, y la clasificación de las actividades según su criticidad. El algoritmo CPM se desarrolla mediante intervalos determinísticos, lo cual lo diferencia del método PERT que supone tiempos probabilísticos.3
  • 11.
    Pág. 11 Planeación, Programacióny Control De Proyectos Pag. 12 Planeación, Programación y Control De Proyectos 2.1. CAMPOS DE APLICACIÓN Para obtener los mejores resultados este método debe aplicarse en proyectos que posean las siguientes características: A. ÚNICO, Proyecto no repetitivo, en algunas partes o en su totalidad B. TIEMPO CRITICO, que se deba ejecutar todo el proyecto o en parte de él, en un tiempo míni- mo, sin variaciones, es decir, en tiempo crítico. C. COSTOS BAJOS, que se desee el costo de operación más bajo posible dentro de un tiempo disponible. Entre las numerosas ventajas de aplicar el método del camino crítico en nuestra planificación, destacan seis razones por las cuales debemos empezar a utilizar el CPM ya mismo: cálculo de la duración total del proyecto Sin embargo, entre los inconvenientes del camino crítico de un proyecto podemos encontrar con que cualquier mínimo cambio podría afectar a toda la ruta crítica del proyecto. Todo lo que teníamos planificado como flujo de trabajo optimizado podría variar de manera inmediata, trayendo consigo consecuencias im- portantes en la planificación total del proyecto. De manera que, el uso del camino crítico de un proyecto no es flexible ni acepta modificaciones de última hora. Son utilizados en campos de estudios económicos, áreas de inge- niería, ampliaciones de fábricas, construcciones de presas, pavi- mentación, edificaciones y cualquier campo que requiera planifi- cación. Cálculo de la duración total del proyecto. Gestión de la incertidumbre y posibles riesgos. Optimización del presupuesto. Toma de decisiones rápida y eficaz. Respuesta más exacta al cliente. Gestión del consumo de recursos optimizado. 01 02 03 04 06 05
  • 12.
    Pág. 13 Pag.14 2 2.1 DESCRIPCIÓN DEL PROYECTO 2.2 GENERALIDADES 2.3 PLANOS 2.4 PRESUPUESTO POR PARTIDAS 2.5 LISTA DE ACTIVIDADES 2.6 ESPECIFICACIONES TÉCNICAS 2.7 PRESUPUESTO POR ACTIVIDADES PROYECTO: CANCHA SAN SEBASTIAN MOCA
  • 13.
    Pag. 16Pág. 15 Planeación,Programación y Control De Proyectos CONSTRUCCIÓN 2.1. DESCRIPCIÓN DEL PROYECTO Nuestro cliente a la hora de contactarnos para la realización de este proyecto ya tenía varias necesidades a ser provistas durante la ejecución del proyecto, luego de un sin número de reuniones con el cliente y el involucramiento de diferentes profesionales de otras disciplinas definimos todas las inquietudes y necesida- des que el cliente necesitara que le suplamos a lo largo de la ejecución del proyecto. El proyecto se encuentra en el sector de San Sebastián, en la provincia Moca, se demolerá y limpiará la estructura existente, se hará una construcción de primera clase especial, fundada de hormigón armado, levantada en estructura metálica con cober- tura de aluzinc. La cancha tiene un tamaño de 35mts x 25mts que cuenta con 2 postes para tableros, 2 gradas laterales, muro peri- metral, pintura de superficie y instalaciones eléctricas. La obra será́ construida según las especificaciones exigidas por la alcaldía de moca y de existir algún cambio en el diseño será́ presentado para su aprobación. Este Proyecto será desarrollado con la intención de suplir una necesidad que existía en la comunidad del sector San Sebastián, provincia Moca. Este proyecto fue otorgado por el gobierno de la República Dominicana como parte de la iniciativa Juegos Esco- lares Nacionales. Este Proyecto estará bajo la dirección de la Constructora G6 con total autoridad en la administración de costes y recursos asociados al proyecto y cambios en alcance y tiempo los cuales deberán ser a su vez acordados con el cliente. En vista del deterioro que presenta la cancha comunitaria que se encuentra en sitio actualmente, la alcaldía se vio en la necesidad de remodelar la cancha existente y algunas de sus instalaciones, para esto se realizó el concurso para la construcción del polide- portivo, divido en varios sub-proyectos. De este se nos fue adjudi- cada la reconstrucción de la Cancha. El objetivo de este proyecto es terminarlo en el tiempo y costos previsto para los juegos escolares nacionales en los cuales par- ticiparan diversas escuelas a nivel nacional. 2.2 GENERALIDADES 02 CANCHA SAN SEBASTIAN MOCA
  • 14.
    Planeación, Programación yControl De Proyectos Pág. 17 Pag. 18 Planeación, Programación y Control De Proyectos 2.3. PLANOS hp12x53 hp12x53 W21X44 CAE135X10CAE135X10IPE220 CorreaZ8'' CorreaZ8'' CorreaZ8'' CorreaZ8'' CorreaZ8'' CorreaZ8'' CorreaZ8'' CorreaZ8'' CorreaZ8'' CorreaZ8'' CorreaZ8'' CorreaZ8'' CorreaZ8'' CorreaZ8'' CorreaZ8'' CorreaZ8'' CorreaZ8'' CorreaZ8'' CorreaZ8'' CorreaZ8'' CorreaZ8'' CorreaZ8'' CorreaZ8'' CorreaZ8'' CorreaZ8'' hp12x53 hp12x53 hp12x53 hp12x53 hp12x53 hp12x53 hp12x53 hp12x53 hp12x53 hp12x53 W21X44 W21X44 W21X44 W21X44 W21X44 R B 3/4'' R B 3/4'' R B 3/4'' R B 3/4'' R B 3/4'' RB 3/4'' R B 3/4'' R B 3/4'' R B 3/4'' R B 3/4'' R B 3/4'' R B 3/4'' PLANTA ESTRUCTURAL PLANTA DIMENSIONADA
  • 15.
    Planeación, Programación yControl De Proyectos Pág. 19 Pag. 20 Planeación, Programación y Control De Proyectos                                           R B 3/4'' Correa Z 8'' HP12X53HP12X53HP12X53HP12X53HP12X53HP12X53 W21X44 W21X44 W21X44 W21X44 W21X44 W21X44 Correa Z 8'' Correa Z 8'' Correa Z 8'' Correa Z 8'' Correa Z 8'' Correa Z 8'' Correa Z 8'' Correa Z 8'' Correa Z 8'' Correa Z 8'' Correa Z 8'' R B 3/4'' R B 3/4'' R B 3/4'' R B 3/4'' R B 3/4'' R B 3/4'' Correa Z 8'' HP12X53HP12X53HP12X53HP12X53HP12X53HP12X53 W21X44 W21X44 W21X44 W21X44 W21X44 W21X44 Correa Z 8'' Correa Z 8'' Correa Z 8'' Correa Z 8'' Correa Z 8'' Correa Z 8'' Correa Z 8'' Correa Z 8'' Correa Z 8'' Correa Z 8'' Correa Z 8'' R B 3/4'' R B 3/4'' R B 3/4'' R B 3/4'' R B 3/4'' R B 3/4'' Correa Z 8'' HP12X53HP12X53HP12X53HP12X53HP12X53HP12X53 W21X44 W21X44 W21X44 W21X44 W21X44 W21X44 Correa Z 8'' Correa Z 8'' Correa Z 8'' Correa Z 8'' Correa Z 8'' Correa Z 8'' Correa Z 8'' Correa Z 8'' Correa Z 8'' Correa Z 8'' Correa Z 8'' R B 3/4'' R B 3/4'' R B 3/4'' R B 3/4'' R B 3/4'' ELEVACIÓN ESTRUCTURAL SECCIÓN ZAPATA
  • 16.
    Planeación, Programación yControl De Proyectos Pág. 21 Pag. 22 Planeación, Programación y Control De Proyectos                                                W 21X44 HP12X53 DET. CONEXION COLUMNAS W 21X44 HP 12X53                                              W 21X44 HP12X53 DET. CONEXION COLUMNAS W 21X44 HP 12X53 W 21X44 HP12X53 DET. CONEXION COLUMNAS W 21X44 HP 12X53 W 21X44 HP12X53 DET. CONEXION COLUMNAS W 21X44 HP 12X53 DETALLE ZAPATA DETALLE PICHON COLUMNA DETALLE CONEXIÓN COLUMNAS DETALLE
  • 17.
    Planeación, Programación yControl De Proyectos Pág. 23 Pag. 24 Planeación, Programación y Control De Proyectos 2.4. PRESUPUESTO ACT. DESCRIPCION CANT UND PRECIO PRECIO TOTAL PRELIMINARES DESMONTES Y DEMOLICIONES 1 Cierre perimetral y Letrero de Obra 1.00 P.A. 13,138.18 13,138.18 2 Demolicion de Pisos 730.59 M2 90.00 65,753.10 3 Bote Producto de Demoliciones y Excavaciones (E=1.25) 136.32 M3 300.00 40,896.00 4 Limpieza de Terreno en Area de Demolicion 1.00 P.A. 15,000.00 15,000.00 5 Replanteo con Charrancha 1.00 P.A. 15,000.00 15,000.00 CONSTRUCCIÓN DE VERJA PERIMETRAL 6 Excavacion de Zapata de block 13.61 m3 300.00 4,083.75 7 Hormigon Armado Zapata de Bordillos 13.61 m3 8,809.85 119,924.08 8 Hormigon Armado en Columnas de Amarre 0.38 m3 8,809.85 3,382.98 9 Muros de blocks de 6" 80.73 m2 756.57 61,077.90 10 Pañete 161.46 Mt2 229.88 37,116.42 11 Cantos 210.60 Mtl 99.88 21,034.73 12 Pintura Acrilica en Muros y Columnas 161.46 m2 85.43 13,793.53 CONSTRUCCIÓN TECHADO DE CANCHA MOVIMIENTO DE TIERRA 13 Excavación en Tierra 334.29 m3 300.00 100,287.00 14 Fumigacion de Terreno 1.00 P.A. 13,000.00 13,000.00 17 Relleno Material compactado (Caliche) 330.10 m3 440.00 145,243.41 18 Bote de Material Sobrante (e=1.30) 434.58 Mt³ 300.00 130,373.10 HORMIGON ARMADO 15 Zapata de Columnas Base (3.25*3.25*0.50) Ø3/4''@10 AD, 2Camadas 63.38 Mt³ 20,092.65 1,273,371.69 Zapata Viga Riostra (0.80m, Esp=0.30) 4Ø1/2" EstØ3/8"@0.20 7.56 Mt³ 8,084.23 61,116.78 16 Columna 0.68*0.68, 12Ø1', Est. Ø3/8''@15 12.21 Mt³ 16,415.91 200,394.97 ESTRUCTURA METÁLICA 19 Izaje de Columnas 58,808.16 lb 60.00 3,528,489.60 20 Izaje de Estructura Metalica y cierre de Techo 1,349.00 m2 2,085.00 2,812,665.00 REHABILITACION DE ÁREA DEPORTIVA (CANCHA MIXTA) MOVIMIENTO DE TIERRA 30 Excavación en Tierra 334.29 m3 300.00 100,287.00 34 RELLENO COMPACTADO (0.10 MTS) 55.00 M3 440.00 24,200.00 31 Bote de Material Sobrante (e=1.30) 287.54 M3 300.00 86,262.00 HORMIGON ARMADO 32 Zapata de Bordillo de Muro 30.00 m3 8,809.85 264,295.50 35 H.A MALLA ELECTROSOLDADAS. 10*10 (H=0.10) PULIDO HELICOP., C/ JUNTA 900.53 M2 991.75 893,100.63 MURO DE BLOCKS 33 BORDILLOS DE BLOCKS DE 6" BNP 38.68 M2 739.57 28,606.54 TERMINACION DE SUPERFICIES 38 Tablero Profesional Spalding 48" translucidos 2.00 UD 38,500.00 77,000.00 PINTURA 37 PINT. DE DEMARC. (VER ESPECIFICACIONES) 730.59 m2 160.23 117,058.78 INSTALACIONES ELECTRICAS 36 Instalaciones electricas 1.00 pa 249,855.00 249,855.00 CONSTRUCCIÓN DE GRADAS 21 Excavacion Zapata de Muro 12.05 Mt3 300.00 3,614.63 25 Relleno Material Compactado 8.29 Mt3 440.00 3,648.15 22 Bote de Material (e=1.25) 20.00 Mt3 300.00 6,000.00 23 Zapt. Muro de 6" (0.45x0.25) 3Ø3/8" 3.54 Mt3 8,334.03 29,533.72 26 Losas Ø3/8"@0.20 Adic.Ø1/2" @0.25 y @0.35 7.55 Mt3 13,169.00 99,431.22 MUROS 24 Bloques en Muros de 6" B.N.P. 48.08 Mt² 954.44 45,889.48 TERMINACION DE SUPERFICIE 27 Pañete en Muros y asientos 170.52 Mt² 188.78 32,191.42 28 Cantos en General 432.0 ML 99.88 43,148.16 PINTURA 29 Pintura Acrílica (muros) 92.62 Mt² 85.43 7,912.06 LIMPIEZA FINAL 39 LIMPIEZA FINAL 1.00 p.a. 10,000.00 10,000.00 TOTAL COSTOS DIRECTOS = 10,797,176.49$ III RESUMEN GENERAL 10,797,176.49 IV GASTOS INDIRECTOS 4.01 DIRECC. TECNICA Y RESP. ADM. 10.00% 10.00% 1,079,717.65 4.02 GASTOS ADMINISTRATIVOS 5.00% 5.00% 539,858.82 4.03 TRANSPORTE 3.50% 3.50% 377,901.18 4.04 SEGUROS Y FIANZAS 4.50% 4.50% 485,872.94 4.05 IMPREVISTOS 5.00% 5.00% 539,858.82 4.06 ITBIS DIRECC. TECNICA Y RESP. ADM.(Norma 07-2007) 18.00% 18.00% 19,434.92 TOTAL GRAL RD$13,839,820.83
  • 18.
    Planeación, Programación yControl De Proyectos Pág. 25 Pag. 26 Planeación, Programación y Control De Proyectos Actividades Descripcion 1 Cierre perimetral y Letrero de Obra 2 Demolicion de Piso de Cancha existente 3 Bote Producto de demoliciones y Excavaciones (E=1.25) 4 Limpieza de Terreno en Area de Demolicion 5 Replanteo general de verja, estructura, cancha y gradas 6 Excavacion de Zapata de block 7 Hormigon Armado Zapata de Bordillos 9 Muros de blocks de 6" 8 Hormigon Armado en Columnas de Amarre 10 Pañete en muros 11 Cantos en generales 12 Pintura Acrilica en Muros y Columnas 13 Excavación en Tierra zapatas de Columnas base 14 Fumigacion de Terreno 15 Hormigon armado Zapata de Columnas y Viga Riostra (3.25*3.25*0.50) Ø3/4''@10 AD, 2Camadas 16 Hormigon Armado Columnas Base 0.68*0.68, 12Ø1', Est. Ø3/8''@15 17 Relleno material compactado (Caliche) 18 Bote de Material Sobrante (e=1.30) 19 Izaje de Columnas de estructura Listado de Actividades 20 Izaje de Estructura Metalica y cierre de Techo 21 Excavacion Zapata de Muro 22 Bote de Material producto de excavación (e=1.25) (ESTRUCTURA) 23 Zapt. Muro de 6" (0.45x0.25) 3Ø3/8" 24 Bloques en Muros de 6" 25 Relleno material compactado (Caliche) 26 Losas de asiento Ø3/8"@0.20 Adic.Ø1/2" @0.25 y @0.35 27 Pañete en muros y asientos de cancha 28 Cantos en generales 29 Pintura acrílica en muros y losas 30 Excavación en Tierra Zapata de Bordillo 31 Bote de Material producto de excavación (e=1.25) 32 Zapata de Bordillo de Muro 33 Bordillo de Blocks de 6"BNP 34 Relleno material compactado (Caliche) 35 Hormigon Armado con Malla Electrosoldada 10*10 (H=0.10), Pulido de piso y Corte de Juntas 36 Instalaciones Electricas 37 Pintura de demarcacion y logo de cancha 38 Instalaciones de Tableros 39 Limpieza final 2.5. LISTA DE ACTIVIDADES
  • 19.
    Pág. 27 Pag.28 No. Actividad: 1 Nombre de la Actividad: 2 Imágenes y Esquemas: Hilo Zinc Nivel (2) Ayudantes Cal Plomo Madera Escuadra (1) Topógrafo Clavos Martillo (1) Carpintero Alcance: 1- Materiales 2- Equipos y Herramientas 3- Mano de Obra Materiales: Equipos y Herramientas: Mano de Obra: Cierre perimetral y Letrero en Obra Descripción: Consiste en cercar y delimitar el área de trabajo del proyecto, asi como la colocación del letero con las especificaciones de la obra. Tiempo Ejecución: Actividades Previas: N/A Procedimientos de Ejecución: 1- Uso de topografía para delimitacion de área de trabajo. 2- Construcción de cierre perimetral con madera y zinc, de área de trabajo. 3- Construcción de Estructura Metálica para letrero (Según planos). 4- Colocacián de vaya o letrero de obra en estructura de montaje (Según esp. plano). No. Actividad: 2 Nombre de la Actividad: 2 Imágenes y Esquemas: N/A (1) Excavadora 200TON + Martillo (1) Operador Exc. Alcance: 1- Equipos y Herramientas 2- Mano de Obra Materiales: Equipos y Herramientas: Mano de Obra: Descripción: Consiste en la demolición del piso de hormigón armado existente en la cancha a remodelar, el cual será realizado con compresores de aire y martillos neumáticos. Tiempo Ejecucion: Actividades Previas: 1 - Cierre perimetral y Letrero de obra Procedimientos de Ejecución: 1- Uso de Excavadora con martillo neumático o compresores de aire. 2-Demolición de la estructura 3- Acopio de material producto de demolición. Demolición de piso de Cancha existente 2.6. ESPECIFICACIONES TECNICAS
  • 20.
    Pág. 29 Pag.30 No. Actividad: 3 Nombre de la Actividad: 3 Imágenes y Esquemas: (1) Ayudante N/A (1) Retropala (1) Operador Exc. (1) Camión (1) Operador de Camión Alcance: 1- Equipos y Herramientas 2- Mano de Obra Materiales: Equipos y Herramientas: Mano de Obra: Descripción: Se procede con el bote del material excavado y el piso demolido, mediante camiones desde 6 a 18m³ para acarreo a botaderos de los desperdicios generados. Tiempo Ejecucion: Actividades Previas: 2 - Demolición de piso de cancha existente Procedimientos de Ejecución: 1- Ubicar e identificar el material acopiado producto demolición, de no estar acopiado proceder a acopiarlo. 2- Con ayuda de equipos proceder a llenar los camiones hasta su capacidad maxina. 3- Autorizar la salida o bote de material, siempre y cuando sea a un vertedero autorizado. Bote producto de demoliciones y Excavaciones No. Actividad: 4 Nombre de la Actividad: 1 Imágenes y Esquemas: N/A (1) Gredar o Retropala (1) Operador Exc. (1) Ayudante Alcance: 1- Equipos y Herramientas 2- Mano de Obra Materiales: Equipos y Herramientas: Mano de Obra: Descripción: Consiste en la limpieza, preparación y nivelación del terreno en el cual se encontraba el piso anteriormente demolido para proceder con trabajos posteriores de replanteo. Tiempo Ejecucion: Actividades Previas: 2 - Demolición de piso de cancha existente Procedimientos de Ejecución: 1- De ser necesario procedemos a la tala de arboles que se encuentren en el área de trabajo. 2- Se procede a remover la capa vegetal de las demas areas de trabajo donde no hubo demolición. 3- Acopio de todo material sobrante Limpieza de terreno en área de demolición No. Actividad: 5 Nombre de la Actividad: 2 Imágenes y Esquemas: Hilo Plomo Clavos Martillo (1) Carpintero Cal Nivel (2) Ayudantes Materiales: Equipos y Herramientas: Mano de Obra: Madera Escuadra (1) Topografo Procedimientos de Ejecución: 1- Con ayuda topográfica se procede a localizar ejes segun el plano de replanteo 2- Se procede a construir la charrancha a nivel y a la altura mas conveniente 3- Se procede a marcar la geometria de los elementos con hilo y cal para referencia de la excavación de los cimientos (zapatas aisladas, zapatas de muros y vigas riostras) Alcance: 1- Materiales 2- Equipos y Herramientas 3- Mano de Obra Replanteo gral. verja, estructura, cancha y gradas Descripción: Es la acción de ubicar en el terreno, ya sea manual o con apoyo de un topografo, los puntos de referencia para localizacion de cada estructura requerida en el proyecto. Tiempo Ejecucion: Actividades Previas: 4 - Limpieza de terreno en area de demolición
  • 21.
    Pág. 31 Pag.32 No. Actividad: 6 Nombre de la Actividad: 2 Imágenes y Esquemas: N/A (1) Retropala (1) Operador Exc. (1) Ayudante Alcance: 1- Materiales 2- Equipos y Herramientas 3- Mano de Obra Materiales: Equipos y Herramientas: Mano de Obra: Descripción: Consiste en la realización de zanjas o zurcos en el terreno, ya sea a mano o con maquinaria pesada, para poder satisfacer el nivel de desplante en el cual seran realizadas las zapatas de los muros de bloques. Tiempo Ejecucion: Actividades Previas: 5 - Replanteo gral. verja, estructura, cancha y gradas Procedimientos de Ejecución: 1- Una vez marcadas la geometria de las zapatas se procede a excavar con maquinarias y equipos a la profundidad especificada en los planos. 2- Mientras se va excavando se procede a perfilar cada excavacion para evitar derrumbes. 3- Se procede a acopiar el material de bote a un lado y el de reposicion en otro. Excavación de Zapata Muro de block No. Actividad: 7 Nombre de la Actividad: 2 Imágenes y Esquemas: Grava Palas Agua Herramientas menores Cemento Vibrador de concreto (2) Ayudantes Arena Carretillas Acero Ø 3/8" - G60 Cizalla manual Brigada de varilleros Alambre galv. Cal. 16 Ligadora de concreto Brigada de vaciado Alcance: 1- Materiales 2- Equipos y Herramientas 3- Mano de Obra Materiales: Equipos y Herramientas: Mano de Obra: Procedimientos de Ejecución: 1- Corte, armado y colocación de acero segun planos. 2- Verificar que la estructura este armada como las especificaciones de los planos 3- Colocar calzos. Calzar la estructura para lograr el recubrimiento especificado 4- Ligado de materiales en ligadora de 2 fundas 5- Vertir hormigón ligado en carretillas 6- Vaciar hormigón en área de zapatas hasta nivel deseado 7- Vibrar el hormigón 8- Curado de hormigón Hormigon Armado Zapata de Bordillos Descripción: Trata de la confección y colocación del armado de acero, guarderas de delimitación y mezcla de concreto para conformación de elementos de fundación sobre los cuales se colocarán los bordillos. Tiempo Ejecucion: Actividades Previas: 6 - Excavacion de Zapata Muro de block
  • 22.
    Pág. 33 Pag.34 No. Actividad: 8 Nombre de la Actividad: 4 Imágenes y Esquemas: Acero Ø 3/8" - G60 Alambre galv. Cal. 16 Arena Itabo Plomada Agua Herramientas menores Bloques de 6" Hilo (3) Albañiles Cemento Escuadra (2) Ayudantes Alcance: 1- Materiales 2- Equipos y Herramientas 3- Mano de Obra Materiales: Equipos y Herramientas: Mano de Obra: Procedimientos de Ejecución: 1- Replantear muros de cara a cara. 2- Colocación de bloque al inicio y al final del muro con hilo, para guía. 3- Colocación de morteo de base y nivelación. 4- Colocación de bloques con mortero de juntas. 5- Colocación de refuerzos a medida que sean requeridos según planos. 6- A medida que se van subiendo bloques, ir verificando: plomo, escuadra y línea. Muros de blocks de 6" Descripción: Consiste en la colocación de unidades de bloques para la conformación de muros o paredes de la estructura. Tiempo Ejecucion: Actividades Previas: 7 - Hormigon Armado Zapata de Bordillos No. Actividad: 9 Nombre de la Actividad: 4 Imágenes y Esquemas: Grava Herramientas menores Agua Cemento Palas Arena Cubos Acero Ø 1/2" - G60 Vibrador de concreto Brigada de Vaciados Alambre galv. Cal. 16 Carretillas (3) Ayudantes Madera Cizalla manual Brigada de Carpinteria Acero Ø 3/8" - G60 Ligadora de concreto Brigada de Varilleros Alcance: 1- Materiales 2- Equipos y Herramientas 3- Mano de Obra Materiales: Equipos y Herramientas: Mano de Obra: Procedimientos de Ejecución: 1- Enconfrado de columnas "a dos caras", aprovechando los muros como apoyo 2- Corte, armado y colocación de acero segun planos. 3- Verificar que la estructura este armada como las especificaciones de los planos 4- Colocar calzos. Calzar la estructura para lograr el recubrimiento especificado 5- Ligado de materiales en ligadora de 2 fundas 6- Vertir hormigón ligado en carretillas 7- Vaciar hormigón en área de zapatas hasta nivel deseado 8- Vibrar el hormigón 9- Curado de hormigón Hormigón Armado en Columnas de Amarre Descripción: Consiste en la confección y colocación de armado de acero, encofrados de madera y mezcla de concreto para la conformación de elementos de confinamiento como columnas de amarre. Tiempo Ejecucion: Actividades Previas: 8 - Muros de blocks de 6"
  • 23.
    Pág. 35 Pag.36 No. Actividad: 10 Nombre de la Actividad: 5 8 - Muros de blocks de 6" Herramientas menores Imágenes y Esquemas: Arena Cubos (3) Ayudantes Agua Plomo Cemento Llana/Plana/Esponja (3) Albañiles Cal Hilos (3) Terminadores Alcance: 1- Materiales 2- Equipos y Herramientas 3- Mano de Obra Materiales: Equipos y Herramientas: Mano de Obra: Procedimientos de Ejecución: 1- La superficie debe estar lo mas limpia y rustica posible para que el pañete agarre. 2- Debe humedecerse la superficie para que no le reste agua a la mezcla aplicada. 3- Hacer mezcla o liga 1:3 (cal: arena fina (arena de río)) y esta liga la mezclamos con cemento en la proporción 1:6 4- Colocar mezcla de mortero, su espesor será entre 2 y 2.5 cm, según especificaciones en plano y según plomo. 5- Usar el borde plano de un tablón de madera o aluminio, para raspar la superficie a fin de nivelarla. 6- Pasar esponja humeda sombre la superficie nivelada para lograr terminació lisa. Pañete en muros Descripción: Es la terminación lisa aplicada en muros y elementos de hormigon, conseguida con la aplicacion de una mezcla homogenea de arena lavada, agua y cemento, con el fin de tener una superficie regular y evitar filtraciones. Tiempo Ejecucion: Actividades Previas: No. Actividad: 11 Nombre de la Actividad: 3 10 - Pañete en muros Prensas de Acero Ø 3/8" - G60 Herramientas menores Imágenes y Esquemas: Arena Cubos Agua Plomo Cemento Llana/Plana/Esponja (2) Terminadores Cal Hilos (2) Ayudantes Alcance: 1- Materiales 2- Equipos y Herramientas 3- Mano de Obra Materiales: Equipos y Herramientas: Mano de Obra: Descripción: Son la conformación de quicios o esquinas en uniones de muros, confeccionada con mortero. Tiempo Ejecucion: Actividades Previas: Procedimientos de Ejecución: 1- Poner 2 molduras rodeando la terminación del vano y afirmarlas con un par de prensas. 2- Hay que dejar las molduras pasadas en 3 cms, eso será lo que hay que rellenar con mortero. 3- Comprobar que las guías estén aplomadas y que la separación de 3 cms es pareja a lo largo de las maestras. 4- Hacer procedimiento de pañete Cantos generales
  • 24.
    Pág. 37 Pag.38 No. Actividad: 12 Nombre de la Actividad: 3 Apliacador de Masilla Imágenes y Esquemas: Masilla acrilica Brochas Lijas / Espatulas Espatulas Pinturas Mango telescopico (2) Pintores Tape para pintar Rolos / Motas (1) Ayudante Alcance: 1- Materiales 2- Equipos y Herramientas 3- Mano de Obra Materiales: Equipos y Herramientas: Mano de Obra: Descripción: Consiste en la aplicación de pintura a base de agua en muros y columnas para, además de lograr un cambio estético en la estructura, conseguir una uniformidad en el acabado de los elementos. Tiempo Ejecucion: Actividades Previas: 10-Pañete en muros // 11-Cantos en generales Procedimientos de Ejecución: 1- Se debe tener la superficie totalmente limpia y libre de polvo para lograr adherencia. 2- Pintar con rolo toda la superficie con pintura primer. 3- Pintar con rolo la superficie con el tono de color indicado en los planos. 4- Utilizar brochar para pintar los recortes dejados con el rolo. 5- Evitar pintar en dias lluviosos o húmedos. Pintura Acrilica en Muros y Columnas No. Actividad: 13 Nombre de la Actividad: 3 Imágenes y Esquemas: N/A (1) Excavadora (1) Operador Exc. (1) Ayudante Alcance: 1- Equipos y Herramientas 2- Mano de Obra Materiales: Equipos y Herramientas: Mano de Obra: Descripción: Consiste en la realización de zanjas o zurcos en el terreno, ya sea a mano o con maquinaria pesada, para poder satisfacer el nivel de desplante en el cual seran fundadas las columnas estructurales. Tiempo Ejecucion: Actividades Previas: 6-Excavacion de Zapata Muro de block Procedimientos de Ejecución: 1- Una vez marcadas la geometria de las zapatas se procede a excavar con maquinarias y equipos a la profundidad especificada en los planos. 2- Mientras se va excavando se procede a perfilar cada excavacion para evitar derrumbes. 3- Se procede a acopiar el material de bote a un lado y el de reposicion en otro. Excavación Zapatas de Columnas base No. Actividad: 14 Nombre de la Actividad: 1 N/A N/A N/A Imágenes y Esquemas: Procedimientos de Ejecución: 1- Roceado de químico exterminante Alcance: 1- Sub-contratado Materiales: Equipos y Herramientas: Mano de Obra: Fumigación de Terreno Descripción: Consiste en el regado de compuestos químicos en las excavaciones para prevención y exterminación de cualquier insecto o agente no deseado presente. Tiempo Ejecucion: Actividades Previas: 13- Excavación Zapatas de Columnas base
  • 25.
    Pág. 39 Pag.40 No. Actividad: 15 Nombre de la Actividad: 3 Imágenes y Esquemas: Alambre galv. Cal. 16 Equipo de bombeo Brigada de Vaciados Hormigón 240 kg/cm² Planta eléctrica (2) Ayudantes Madera Cizalla manual Brigada de Carpinteria Acero G-60, Ø Segun planos Carretillas Brigada de Varilleros Alcance: 1- Materiales 2- Equipos y Herramientas 3- Mano de Obra Materiales: Equipos y Herramientas: Mano de Obra: 6- Evaluar si necesita equipo de bombeo y colocación para vaciar el concreto en el elemento, o si en su defecto puede ser directo desde el camión y transportado con ayuda de carretillas. 7- Una vez recibido el camión de concreto, evaluar: temperatura, hacer prueba del cono de Slump o revenimiento del concreto y tomar provetas de muestras. 8- Marcar las probetas con nombre, fecha e identificar el area vaciada con la misma. 9- Vaciar hormigón en área de zapatas hasta nivel deseado 10- Vibrar el hormigón 11- Curado de hormigón Descripción: Una zapata es un elemento estructural que sirve de cimentación a un pilar, muro u otro elemento superficial, transmitiendo los esfuerzos que recibe de este al terreno. Una viga riostra es un elemento estructural que unen dos o más cimientos o zapatas con el fin de absorber las posibles acciones horizontales que pueden recibir los cimientos, evitando de esta forma el desplazamiento horizontal de uno respecto a otro. Tiempo Ejecucion: Actividades Previas: 14-Fumigacion de Terreno Procedimientos de Ejecución: 1- En dado de tener sobreancho en la geometria de las zapatas, proceder a enguarderar para lograr el área deseada. 2- Corte, armado y colocación de acero segun planos. 3- Verificar que la estructura este armada como las especificaciones de los planos 4- Colocar calzos. Calzar la estructura para lograr el recubrimiento especificado 5- El Hormigón no puede ser ligado in situ, debe ser hormigón industrial resistencia 240kg/cm². Hormigón Armado Zap. Col. Base y Viga Riostra No. Actividad: 16 Nombre de la Actividad: 5 Hormigón 240 kg/cm² Planta eléctrica (2) Ayudantes Imágenes y Esquemas: Acero G-60, Ø Segun planos Carretillas Brigada de Varilleros Alambre galv. Cal. 16 Equipo de bombeo Brigada de Vaciados Materiales: Equipos y Herramientas: Mano de Obra: Madera Cizalla manual Brigada de Carpinteria 10- Vibrar el hormigón 11- Desencofrar el elemento despues de la cantidad de días especifiacad en planos. 12- Curado de hormigón Alcance: 1- Materiales 2- Equipos y Herramientas 3- Mano de Obra Procedimientos de Ejecución: 1- Revisar lineas de ejes y proceder a encofrar las columas según las especificaciones y el área de los planos. 2- Corte, armado y colocación de acero segun planos. 3- Verificar que la estructura este armada como las especificaciones de los planos 4- Colocar calzos. Calzar la estructura para lograr el recubrimiento especificado 5- El Hormigón no puede ser ligado in situ, debe ser hormigón industrial resistencia 240kg/cm². 6- Evaluar si necesita equipo de bombeo y colocación para vaciar el concreto en el elemento, o si en su defecto puede ser directo desde el camión y transportado con ayuda de carretillas. 7- Una vez recibido el camión de concreto, evaluar: temperatura, hacer prueba del cono de Slump o revenimiento del concreto y tomar provetas de muestras. 8- Marcar las probetas con nombre, fecha e identificar el area vaciada con la misma. 9- Vaciar hormigón en área de zapatas hasta nivel deseado Hormigón Armado Columnas Base Descripción: Son las estructuras verticales que se encargan de transmitir esfuerzos y cargas de una edificación hacia la tierra, utilizando a las zapatas como estructuras intermediarias de apoyo para dicho evento. Tiempo Ejecucion: Actividades Previas: 15- Hormigón Armado Zap. Col. Base y Viga Riostra
  • 26.
    Pág. 41 Pag.42 No. Actividad: 17 Nombre de la Actividad: 3 Imágenes y Esquemas: Material granular de relleno Equipo de compactación (1) Operador por equipo Agua Palas (1) Ayudante Alcance: 1- Materiales 2- Equipos y Herramientas 3- Mano de Obra Materiales: Equipos y Herramientas: Mano de Obra: Descripción: Son trabajos de extensión y compactación de suelos de origen de la misma excavación o de préstamos de zanjas, cimentaciones, trasdós de muro, o cualquier zona. Es el proceso de aplicar energía al suelo suelto para eliminar espacios vacíos aumentando así su densidad y logrando su compactación óptima. Tiempo Ejecucion: Actividades Previas: 16- Hormigón Armado Columnas Base Procedimientos de Ejecución: 1- Se procede a colocar capas de 0.20mt de material granular - caliche- 2- Se procede compactar el material suelto aplicando energía por compactación estática o de impacto. Ej: rodillos, apisonador, etc. 3- Humedecer el área con agua para lograr consolidar la compactación. 4- Se repite el proceso cada capa de relleno de 20 cm hasta lograr el nivel estipulado en planos. Relleno material compactado (Caliche) No. Actividad: 18 Nombre de la Actividad: 4 Imágenes y Esquemas: (1) Camión (1) Operador de Camión (1) Ayudante Materiales: Equipos y Herramientas: Mano de Obra: N/A (1) Retropala (1) Operador Exc. Procedimientos de Ejecución: 1- Ubicar e identificar el material acopiado producto de molicion, de no estar acopiado proceder a acopiarlo. 2- Con ayuda de equipos proceder a llenar los camiones hasta su capacidad maxina. 3- Autorizar la salida o bote de material, siempre y cuando sea a un vertedero autorizado. Alcance: 1- Equipos y Herramientas 2- Mano de Obra Bote de Material Sobrante Descripción: Se procede con el bote del material excavado y el piso demolido, mediante camiones desde 6 a 18m³ para acarreo a botaderos de los desperdicios generados. Tiempo Ejecucion: Actividades Previas: 13- Excavación Zapatas de Columnas base
  • 27.
    Pág. 43 Pag.44 No. Actividad: 19 Nombre de la Actividad: 3 Imágenes y Esquemas: Placas Materiales de conexión Columnas estructurales Grúa de Izaje N/A Pernos Herramientas menores Alcance: 1- Equipos y Materiales 2- Mano de obra sub-contratada Materiales: Equipos y Herramientas: Mano de Obra: Procedimientos de Ejecución: 1- Previamente se debe establecer un área de trabajo para trabajos preliminares de cortes y soldaduras de elementos que deben ser armados previamente antes de ser elevados. 2- Planear el montaje de acuerdo a la forma del conjunto de columnas o partes a elevar, asegurar tener la grúa de izaje el dia previsto, así como tener el área debimante asegurada. 3- Antes de inicar el izaje se debe realizar un último chequeo y supervisión a los cimientos y/o columnas base de concreto. Verificar que las placas y los pernos hayan sido correctamente instaladas, verficar la alineacion y replanteo de los ejes para evitar columnas con giros de su eje, verificar el curado del concreto. 4- Iniciar el izaje de columnas con la grúa, tener personal topográfico para orientar en los puntos de anclaje con los pernos. 5- Se eleva la columna y se fija sobre el grupo de pernos pertenecientes a la placa base y que son previamente evaluados, se nivela la columna frente a cuñas que garantizarán la linealidad de la estructura 6- Se ponen as tuercas , verifica la plomada de la columna y se aprietan las tuercas y se liberan las columnas de la grúa. Izaje de Columnas de estructura Descripción: Izaje de las columnas base que componen o soportan la estructura techada. Las columnas deben de cumplir con las espcificaciones de diseño solicitadas, tanto en las dimesiones como en la calidad. Tiempo Ejecucion: Actividades Previas: 16- Hormigón Armado Columnas Base No. Actividad: 20 Nombre de la Actividad: 20 Materiales de conexión Imágenes y Esquemas: Viguetillas y tijerillas Caballete y bajantes pluviales Vigas Estructurales Grúa de Izaje N/A Aluzinc Herramientas menores Alcance: 1- Equipos y Materiales 2- Mano de obra sub-contratada Materiales: Equipos y Herramientas: Mano de Obra: Procedimientos de Ejecución: 1- Previamente se debe establecer un área de trabajo para trabajos preliminares de cortes y soldaduras de elementos que deben ser armados previamente antes de ser elevados. 2- Planear el montaje de acuerdo a la forma del conjunto y a la previa evaluación del diseño de las conexiones que son los puntos de importancia para las uniones de la viga. 3- Se dispone a estabilizar las columnas elevando y montando las vigas y tijerillas realizando unio 5- Se procede a colocar las planchas de aluzinc segun el calibre y color especificado. 6- Se procede a colocar el caballete y los bajantes pluviales. 7- Por ultimo se revisan las juntas, sellos y revisión o apriete de todas las uniones. Izaje de Estructura Metalica y cierre de Techo Descripción: La preparación de la estructura puede necesitar tener elementos de apoyo temporales que serán definidos por el diseñador estructural y deben estar acorde a los esfuerzos de diseño y las cargas de la estructura. se debe tener especial cuidado con el concreto prefabricado que se evalué al momento del diseño, estos elementos pueden desestabilizar la estructura en acero y causar el colapso de la edificación Tiempo Ejecucion: Actividades Previas: 19- Izaje de Columnas de estructura
  • 28.
    Pág. 45 Pag.46 No. Actividad: 21 Nombre de la Actividad: 1 Imágenes y Esquemas: N/A (1) Retropala (1) Operador Exc. (1) Ayudante Alcance: 1- Equipos y Herramientas 2- Mano de Obra Materiales: Equipos y Herramientas: Mano de Obra: Descripción: Consiste en la realización de zanjas o zurcos en el terreno, ya sea a mano o con maquinaria pesada, para poder satisfacer el nivel de desplante en el cual seran realizadas las zapatas de los muros de bloques. Tiempo Ejecucion: Actividades Previas: 13- Excavación Zapatas de Columnas base Procedimientos de Ejecución: 1- Una vez marcadas la geometria de las zapatas se procede a excavar con maquinarias y equipos a la profundidad especificada en los planos. 2- Mientras se va excavando se procede a perfilar cada excavacion para evitar derrumbes. 3- Se procede a acopiar el material de bote a un lado y el de reposicion en otro. Excavación Zapata de Muro Gradas No. Actividad: 22 Nombre de la Actividad: 2 Imágenes y Esquemas: (1) Camión (1) Operador de Camión (1) Ayudante Materiales: Equipos y Herramientas: Mano de Obra: N/A (1) Retropala (1) Operador Exc. Procedimientos de Ejecución: 1- Ubica e identifaicar el material acopiado producto de molicion, de no estar acopiado proceder a acopiarlo. 2- Con ayuda de equipos proceder a llenar los camiones hasta su capacidad maxina. 3- Autorizar la salida o bote de material, siempre y cuando sea a un vertedero autorizado. Alcance: 1- Equipos y Herramientas 2- Mano de Obra Bote de Material producto de excavación Descripción: Se procede con el bote del material excavado y el piso demolido, mediante camiones desde 6 a 18m³ para acarreo a botaderos de los desperdicios generados. Tiempo Ejecucion: Actividades Previas: 21- Excavación Zapata de Muro Gradas No. Actividad: 23 Nombre de la Actividad: 2 Imágenes y Esquemas: Grava Palas Agua Herramientas menores Cemento Vibrador de concreto (2) Ayudantes Arena Carretillas Acero Ø 3/8" - G60 Cizalla manual Brigada de varilleros Alambre galv. Cal. 16 Ligadora de concreto Brigada de vaciado Alcance: 1- Materiales 2- Equipos y Herramientas 3- Mano de Obra Materiales: Equipos y Herramientas: Mano de Obra: Procedimientos de Ejecución: 1- Corte, armado y colocación de acero segun planos. 2- Verificar que la estructura este armada como las especificaciones de los planos 3- Colocar calzos. Calzar la estructura para lograr el recubrimiento especificado 4- Ligado de materiales en ligadora de 2 fundas 5- Vertir hormigón ligado en carretillas 6- Vaciar hormigón en área de zapatas hasta nivel deseado 7- Vibrar el hormigón 8- Curado de hormigón Zapt. Muro de 6" de Gradas Descripción: Consiste en la realización de zanjas o zurcos en el terreno, ya sea a mano o con maquinaria pesada, para poder satisfacer el nivel de desplante en el cual seran realizadas las zapatas de los muros de bloques. Tiempo Ejecucion: Actividades Previas: 21- Excavación Zapata de Muro Gradas
  • 29.
    Pág. 47 Pag.48 No. Actividad: 24 Nombre de la Actividad: 2 Imágenes y Esquemas: Procedimientos de Ejecución: 1- Replantear muros de cara a cara. 2- Colocación de bloque al inicio y al final del muro con hilo, para guía. 3- Colocación de morteo de base y nivelación. 4- Colocación de bloques con mortero de juntas. 5- Colocación de refuerzos a medida que sean requeridos según planos. 6- A medida que se van subiendo bloques, ir verificando: plomo, escuadra y línea. Bloques en Muros de 6" de Gradas Descripción: Consiste en la colocación de unidades de bloques para la conformación de muros o paredes de la estructura. Tiempo Ejecucion: Actividades Previas: 23- Zapt. Muro de 6" de Gradas Arena Itabo Plomada Agua Herramientas menores Bloques de 6" Hilo (3) Albañiles Cemento Escuadra (2) Ayudantes Alcance: 1- Materiales 2- Equipos y Herramientas 3- Mano de Obra Materiales: Equipos y Herramientas: Mano de Obra: Acero Ø 3/8" - G60 Alambre galv. Cal. 16 No. Actividad: 25 Nombre de la Actividad: 2 Imágenes y Esquemas: Procedimientos de Ejecución: 1- Se procede a colocar capas de 0.20mt de material granular - caliche- 2- Se procede compactar el material suelto aplicando energía por compactación estática o de impacto. Ej: rodillos, apisonador, etc. 3- Humedecer el área con agua para lograr consolidar la compactación. 4- Se repite el proceso cada capa de relleno de 20 cm hasta lograr el nivel estipulado en planos. Alcance: 1- Materiales 2- Equipos y Herramientas 3- Mano de Obra Relleno material compactado (Caliche) Descripción: Son trabajos de extensión y compactación de suelos de origen de la misma excavación o de préstamos de zanjas, cimentaciones, trasdós de muro, o cualquier zona. Es el proceso de aplicar energía al suelo suelto para eliminar espacios vacíos aumentando así su densidad y logrando su compactación óptima. Tiempo Ejecucion: Actividades Previas: 24- Bloques en Muros de 6" de Gradas Agua Palas (1) Ayudante Materiales: Equipos y Herramientas: Mano de Obra: Material granular de relleno Equipo de compactación (1) Operador por equipo
  • 30.
    Pág. 49 Pag.50 No. Actividad: 26 Nombre de la Actividad: 4 Imágenes y Esquemas: Descripción: La losa de concreto armado es un elemento estructural, tiene la intención de servir de separación entre pisos y/o al mismo tiempo, servir como soporte para las cargas de ocupación como son cargas vivas y cargas muertas. Tiempo Ejecucion: Actividades Previas: 25- Relleno material compactado (Caliche) Procedimientos de Ejecución: 1- Revisar lineas de ejes y proceder a encofrar las losas según las especificaciones y el área de los planos. 2- Corte, armado y colocación de acero segun planos. 3- Verificar que la estructura este armada como las especificaciones de los planos 4- Colocar calzos. Calzar la estructura para lograr el recubrimiento especificado 5- El Hormigón no puede ser ligado in situ, debe ser hormigón industrial resistencia 240kg/cm². Hormigón en Losas de asiento Madera Cizalla manual Brigada de Carpinteria Acero G-60, Ø Segun planos Carretillas Brigada de Varilleros 12- Curado de hormigón Alcance: 1- Materiales 2- Equipos y Herramientas 3- Mano de Obra Materiales: Equipos y Herramientas: Mano de Obra: 6- Evaluar si necesita equipo de bombeo y colocación para vaciar el concreto en el elemento, o si en su defecto puede ser directo desde el camión y transportado con ayuda de carretillas. 7- Una vez recibido el camión de concreto, evaluar: temperatura, hacer prueba del cono de Slump o revenimiento del concreto y tomar provetas de muestras. 8- Marcar las probetas con nombre, fecha e identificar el area vaciada con la misma. 9- Vaciar hormigón en área de zapatas hasta nivel deseado 10- Vibrar el hormigón 11- Desencofrar el elemento despues de la cantidad de días especifiacad en planos. Alambre galv. Cal. 16 Equipo de bombeo Brigada de Vaciados Hormigón 240 kg/cm² Planta eléctrica (2) Ayudantes No. Actividad: 27 Nombre de la Actividad: 4 Imágenes y Esquemas: Procedimientos de Ejecución: 1- La superficie debe estar lo mas limpia y rustica posible para que el pañete agarre. 2- Debe humedecerse la superficie para que no le reste agua a la mezcla aplicada. 3- Hacer mezcla o liga 1:3 (cal: arena fina (arena de río)) y esta liga la mezclamos con cemento en la proporción 1:6 4- Colocar mezcla de mortero, su espesor será entre 2 y 2.5 cm, según especificaciones en plano y según plomo. 5- Usar el borde plano de un tablón de madera o aluminio, para raspar la superficie a fin de nivelarla. 6- Pasar esponja humeda sombre la superficie nivelada para lograr terminació lisa. Pañete en muros y asientos de cancha Descripción: Es la terminación lisa aplicada en muros y elementos de hormigon, conseguida con la aplicacion de una mezcla homogenea de arena lavada, agua y cemento, con el fin de tener una superficie regular y evitar filtraciones. Tiempo Ejecucion: Actividades Previas: 26- Hormigón en Losas de asiento Arena Cubos (3) Ayudantes Agua Plomo Cemento Llana/Plana/Esponja (3) Albañiles Cal Hilos (3) Terminadores Alcance: 1- Materiales 2- Equipos y Herramientas 3- Mano de Obra Materiales: Equipos y Herramientas: Mano de Obra: Herramientas menores
  • 31.
    Pág. 51 Pag.52 No. Actividad: 28 Nombre de la Actividad: 2 Imágenes y Esquemas: Alcance: 1- Materiales 2- Equipos y Herramientas 3- Mano de Obra Materiales: Equipos y Herramientas: Mano de Obra: Descripción: Son la conformación de quicios o esquinas en uniones de muros, confeccionada con mortero. Tiempo Ejecucion: Actividades Previas: 27- Pañete en muros y asientos de cancha Procedimientos de Ejecución: 1- Poner 2 molduras rodeando la terminación del vano y afirmarlas con un par de prensas. 2- Hay que dejar las molduras pasadas en 3 cms, eso será lo que hay que rellenar con mortero. 3- Comprobar que las guías estén aplomadas y que la separación de 3 cms es pareja a lo largo de las maestras. 4- Hacer procedimiento de pañete Cantos en generales Prensas de Acero Ø 3/8" - G60 Herramientas menores Arena Cubos Agua Plomo Cemento Llana/Plana/Esponja (2) Terminadores Cal Hilos (2) Ayudantes No. Actividad: 29 Nombre de la Actividad: 2 Imágenes y Esquemas: Pintura acrílica en muros y losas Pinturas Mango telescopico (2) Pintores Tape para pintar Rolos / Motas (1) Ayudante Alcance: 1- Materiales 2- Equipos y Herramientas 3- Mano de Obra Materiales: Equipos y Herramientas: Mano de Obra: Descripción: Consiste en la aplicación de pintura a base de agua en muros y columnas para, además de lograr un cambio estético en la estructura, conseguir una uniformidad en el acabado de los elementos. Tiempo Ejecucion: Actividades Previas: 28- Cantos en generales Procedimientos de Ejecución: 1- Se debe tener la superficie totalmente limpia y libre de polvo para lograr adherencia. 2- Pintar con rolo toda la superficie con pintura primer. 3- Pintar con rolo la superficie con el tono de color indicado en los planos. 4- Utilizar brochar para pintar los recortes dejados con el rolo. 5- Evitar pintar en dias lluviosos o húmedos. Apliacador de Masilla Masilla acrilica Brochas Lijas / Espatulas Espatulas
  • 32.
    Pág. 53 Pag.54 No. Actividad: 30 Nombre de la Actividad: 1 Imágenes y Esquemas: Descripción: Consiste en la realización de zanjas o zurcos en el terreno, ya sea a mano o con maquinaria pesada, para poder satisfacer el nivel de desplante en el cual seran realizadas las zapatas de los muros de bloques. Tiempo Ejecucion: Actividades Previas: 21- Excavación Zapata de Muro Gradas Procedimientos de Ejecución: 1- Corte, armado y colocación de acero segun planos. 2- Verificar que la estructura este armada como las especificaciones de los planos 3- Colocar calzos. Calzar la estructura para lograr el recubrimiento especificado 4- Ligado de materiales en ligadora de 2 fundas 5- Vertir hormigón ligado en carretillas Excavación en Tierra Zapata de Bordillo Alambre galv. Cal. 16 Ligadora de concreto Brigada de vaciado Cemento Vibrador de concreto (2) Ayudantes Materiales: Equipos y Herramientas: Mano de Obra: Acero Ø 3/8" - G60 Cizalla manual Brigada de varilleros 6- Vaciar hormigón en área de zapatas hasta nivel deseado 7- Vibrar el hormigón 8- Curado de hormigón Alcance: 1- Materiales 2- Equipos y Herramientas 3- Mano de Obra Agua Herramientas menores Arena Carretillas Grava Palas No. Actividad: 31 Nombre de la Actividad: 1 Descripción: Se procede con el bote del material excavado y el piso demolido, mediante camiones desde 6 a 18m³ para acarreo a botaderos de los desperdicios generados. Tiempo Ejecucion: Actividades Previas: 30- Excavación en Tierra Zapata de Bordillo Procedimientos de Ejecución: 1- Ubica e identifaicar el material acopiado producto de molicion, de no estar acopiado proceder a acopiarlo. 2- Con ayuda de equipos proceder a llenar los camiones hasta su capacidad maxina. 3- Autorizar la salida o bote de material, siempre y cuando sea a un vertedero autorizado. Bote de Material producto de excavación (1) Ayudante N/A (1) Retropala (1) Operador Exc. (1) Camión (1) Operador de Camión Alcance: 1- Equipos y Herramientas 2- Mano de Obra Materiales: Equipos y Herramientas: Mano de Obra: Imágenes y Esquemas:
  • 33.
    Pág. 55 Pag.56 No. Actividad: 32 Nombre de la Actividad: 2 Zapata de Bordillo de Muro Materiales: Equipos y Herramientas: Mano de Obra: Acero Ø 3/8" - G60 Cizalla manual Brigada de varilleros 6- Vaciar hormigón en área de zapatas hasta nivel deseado 7- Vibrar el hormigón 8- Curado de hormigón Alcance: 1- Materiales 2- Equipos y Herramientas 3- Mano de Obra Descripción: Trata de la confección y colocación del armado de acero, guarderas de delimitación y mezcla de concreto para conformación de elementos de fundación sobre los cuales se colocarán los bordillos. Tiempo Ejecucion: Actividades Previas: 30- Excavación en Tierra Zapata de Bordillo Procedimientos de Ejecución: 1- Corte, armado y colocación de acero segun planos. 2- Verificar que la estructura este armada como las especificaciones de los planos 3- Colocar calzos. Calzar la estructura para lograr el recubrimiento especificado 4- Ligado de materiales en ligadora de 2 fundas 5- Vertir hormigón ligado en carretillas Agua Herramientas menores Arena Carretillas Grava Palas Alambre galv. Cal. 16 Ligadora de concreto Brigada de vaciado Cemento Vibrador de concreto (2) Ayudantes Imágenes y Esquemas: No. Actividad: 33 Nombre de la Actividad: 1 Bordillo de Blocks de 6"BNP 6- A medida que se van subiendo bloques, ir verificando: plomo, escuadra y línea. Alcance: 1- Materiales 2- Equipos y Herramientas 3- Mano de Obra Materiales: Equipos y Herramientas: Mano de Obra: Descripción: Consiste en la colocación de unidades de bloques para la conformación de muros o paredes de confinación ya sea para una losa de piso o acera. Tiempo Ejecucion: Actividades Previas: 32- Zapata de Bordillo de Muro Procedimientos de Ejecución: 1- Replantear muros de cara a cara. 2- Colocación de bloque al inicio y al final del muro con hilo, para guía. 3- Colocación de morteo de base y nivelación. 4- Colocación de bloques con mortero de juntas. 5- Colocación de refuerzos a medida que sean requeridos según planos. Acero Ø 3/8" - G60 Alambre galv. Cal. 16 Arena Itabo Plomada Agua Herramientas menores Bloques de 6" Hilo (3) Albañiles Cemento Escuadra (2) Ayudantes Imágenes y Esquemas:
  • 34.
    Pág. 57 Pag.58 No. Actividad: 34 Nombre de la Actividad: 2 Materiales: Equipos y Herramientas: Mano de Obra: Material granular de relleno Equipo de compactación (1) Operador por equipo Procedimientos de Ejecución: 1- Se procede a colocar capas de 0.20mt de material granular - caliche- 2- Se procede compactar el material suelto aplicando energía por compactación estática o de impacto. Ej: rodillos, apisonador, etc. 3- Humedecer el área con agua para lograr consolidar la compactación. 4- Se repite el proceso cada capa de relleno de 20 cm hasta lograr el nivel estipulado en planos. Alcance: 1- Materiales 2- Equipos y Herramientas 3- Mano de Obra Relleno material compactado (Caliche) Descripción: Son trabajos de extensión y compactación de suelos de origen de la misma excavación o de préstamos de zanjas, cimentaciones, trasdós de muro, o cualquier zona. Es el proceso de aplicar energía al suelo suelto para eliminar espacios vacíos aumentando así su densidad y logrando su compactación óptima. Tiempo Ejecucion: Actividades Previas: 33- Bordillo de Blocks de 6"BNP Agua Palas (1) Ayudante Imágenes y Esquemas: No. Actividad: 35 Nombre de la Actividad: 4 6- Evaluar si necesita equipo de bombeo y colocación para vaciar el concreto en el elemento, o si en su defecto puede ser directo desde el camión y transportado con ayuda de carretillas. 7- Una vez recibido el camión de concreto, evaluar: temperatura, hacer prueba del cono de Slump o revenimiento del concreto y tomar provetas de muestras. 8- Marcar las probetas con nombre, fecha e identificar el area vaciada con la misma. 9- Vaciar hormigón en área de zapatas hasta nivel deseado 10- Vibrar el hormigón 11- Desencofrar el elemento despues de la cantidad de días especifiacad en planos. Descripción: La losa de concreto armado es un elemento estructural, tiene la intención de servir de separación entre pisos y/o al mismo tiempo, servir como soporte para las cargas de ocupación como son cargas vivas y cargas muertas. Tiempo Ejecucion: Actividades Previas: 20- Estructura Metalica y cierre de Techo / 34- Relleno Procedimientos de Ejecución: 1- Revisar lineas de ejes y proceder a encofrar las columas según las especificaciones y el área de los planos. 2- Corte, armado y colocación de acero segun planos. 3- Verificar que la estructura este armada como las especificaciones de los planos 4- Colocar calzos. Calzar la estructura para lograr el recubrimiento especificado 5- El Hormigón no puede ser ligado in situ, debe ser hormigón industrial resistencia 240kg/cm². Hormigón Armado con Malla Electrosoldada Malla electrosoldada 10*10 Carretillas Brigada de Varilleros Alambre galv. Cal. 16 Equipo de bombeo Brigada de Vaciados Materiales: Equipos y Herramientas: Mano de Obra: Madera Cizalla manual Brigada de Carpinteria 12 - Corte de juntas y pulido 12- Curado de hormigón Alcance: 1- Materiales 2- Equipos y Herramientas 3- Mano de Obra Hormigón 240 kg/cm² Planta eléctrica (2) Ayudantes Imágenes y Esquemas:
  • 35.
    Pág. 59 Pag.60 No. Actividad: 36 Nombre de la Actividad: 4 Alcance: 1- Sub-contratada Materiales: Equipos y Herramientas: Mano de Obra: N/A N/A N/A Descripción: Es el conjunto de circuitos eléctricos que tiene como objetivo dotar de energía eléctrica las instalaciones. Incluye los equipos, alambres y materiales necesarios para asegurar su correcto funcionamiento y la conexión con los aparatos eléctricos correspondientes. Tiempo Ejecucion: Actividades Previas: 35- Hormigón Armado con Malla Electrosoldada Procedimientos de Ejecución: 1- Esta actividad será subcontratada por lo que debe de haber una supervisión constante a los subcontratista de la ejecución. 2- El subcontratista deberá proveer materiales nuevos, de calidad, homologados y certificados por las autoridades competentes. 3- El cableado de los componentes deberá ser limpio, ordenado y debidamente identificado con los colores. Instalaciones Eléctricas Imágenes y Esquemas: No. Actividad: 37 Nombre de la Actividad: 3 Alcance: 1- Materiales 2- Equipos y Herramientas 3- Mano de Obra Materiales: Equipos y Herramientas: Mano de Obra: Procedimientos de Ejecución: 1- Se debe tener la superficie totalmente limpia y libre de polvo para lograr adherencia. 2- Replantear con tape la demarcación de la cancha con sus diferentes limitaciones. 3- Proceder a pintar con rollos las áreas mayores. 4- Pintar con brochas para los recortes. 5- Evitar pintar en días lluviosos o húmedos. Pintura de demarcación y logo de cancha Descripción: pintura tráfico señalización y demarcación 100 % acrílica base agua, de secado rápido, resistente a la intemperie y de alta visibilidad. Está diseñada especialmente para la señalización de vías residenciales, parqueaderos, pasos peatonales y centros comerciales, en concreto, asfalto y otras superficies Tiempo Ejecucion: Actividades Previas: 35- Hormigón Armado con Malla Electrosoldada Apliacador de Masilla Masilla acrilica Brochas Lijas / Espatulas Espatulas Pinturas Mango telescopico (2) Pintores Tape para pintar Rolos / Motas (1) Ayudante Imágenes y Esquemas: No. Actividad: 38 Nombre de la Actividad: 1 Instalaciones de Tableros Tablero fiberglass Herramientas menores (1) Técnico calificado Alcance: 1- Materiales 2- Equipos y Herramientas 3- Mano de Obra Materiales: Equipos y Herramientas: Mano de Obra: Descripción: Tableros de metacrilato en distintos grosores. Elevación manual del tablero mediante poleas con trinquete y manivela, o eléctrica mediante moto reductores y cuadro de maniobra. Aros fijos macizos con redes. Aros de basket fabricados en tubo de hierro macizo de 20 mm con 12 ganchos. reforzado en todo su perímetro con una pletina de hierro. Tiempo Ejecucion: Actividades Previas: 37- Pintura de demarcacion y logo de cancha Procedimientos de Ejecución: 1- Tableros de fiberglass, que cumpla con todas las especificaciones requeridas por las autoridades competentes. 2- Instalar en la estructura de techo de acuerdo a lo indicado en planos. 3- Hacer prueba de los mismos antes de entrega formal. Imágenes y Esquemas: No. Actividad: 39 Nombre de la Actividad: 2 Imágenes y Esquemas: 3- Hacer prueba de los mismos antes de entrega formal. Limpieza final Agua Cubetas Detergentes Escobillones (1) Terminador Brillos Suapes (4) Ayudantes Alcance: 1- Materiales 2- Equipos y Herramientas 3- Mano de Obra Materiales: Equipos y Herramientas: Mano de Obra: Descripción: Finalizados todos los trabajos de ejecucion como vaciados, albañileria, pintura, etc. se limpian las instalaciones para proceder a su entrega o utilización. Esto es lo que da por concluido el proyecto. Tiempo Ejecucion: Actividades Previas: 38- Instalaciones de Tableros Procedimientos de Ejecución: 1- Tableros de fiberglass, que cumpla con todas las especificaciones requeridas por las autoridades competentes. 2- Instalar en la estructura de techo de acuerdo a lo indicado en planos.
  • 36.
    Pág. 61 Planeación, Programacióny Control De Proyectos 2.7. PRESUPUESTO POR ACTIVIDADES ACT. Descripcion Costo Directo 1 Cierre perimetral y Letrero de Obra $ 13,138.18 2 Demolicion de Piso de Cancha existente $ 65,753.10 3 Bote Producto de demoliciones y Excavaciones (E=1.25) $ 40,896.00 4 Limpieza de Terreno en Area de Demolicion $ 15,000.00 5 Replanteo general de verja, estructura, cancha y gradas $ 15,000.00 6 Excavacion de Zapata de block $ 4,083.75 7 Hormigon Armado Zapata de Bordillos $ 119,924.08 8 Muros de blocks de 6" $ 61,077.90 9 Hormigon Armado en Columnas de Amarre $ 3,382.98 10 Pañete en muros $ 37,116.42 11 Cantos en generales $ 21,034.73 12 Pintura Acrilica en Muros y Columnas $ 13,793.53 13 Excavación en Tierra zapatas de Columnas base $ 100,287.00 14 Fumigacion de Terreno $ 13,000.00 15 Hormigon armado Zapata de Columnas y Viga Riostra (3.25*3.25*0.50) Ø3/4''@10 AD, 2Camadas $ 1,334,488.47 16 Hormigon Armado Columnas Base 0.68*0.68, 12Ø1', Est. Ø3/8''@15 $ 200,394.97 17 Relleno material compactado (Caliche) $ 145,243.41 18 Bote de Material Sobrante (e=1.30) (ESTRUCTURA) $ 130,373.10 19 Izaje de Columnas de estructura $ 3,528,489.60 20 Izaje de Estructura Metalica y cierre de Techo $ 2,812,665.00 21 Excavacion Zapata de Muro $ 3,614.63 22 Bote de Material producto de excavación (e=1.25) $ 6,000.00 23 Zapt. Muro de 6" (0.45x0.25) 3Ø3/8" $ 29,533.72 24 Bloques en Muros de 6" $ 45,889.48 25 Relleno material compactado (Caliche) $ 3,648.15 26 Losas de asiento Ø3/8"@0.20 Adic.Ø1/2" @0.25 y @0.35 $ 99,431.22 27 Pañete en muros y asientos de cancha $ 32,191.42 28 Cantos en generales $ 43,148.16 29 Pintura acrílica en muros y losas $ 7,912.06 30 Excavación en Tierra Zapata de Bordillo $ 100,287.00 31 Bote de Material producto de excavación (e=1.25) $ 86,262.00 32 Zapata de Bordillo de Muro $ 264,295.50 33 Bordillo de Blocks de 6"BNP $ 28,606.54 34 Relleno material compactado (Caliche) $ 24,200.00 35 Hormigon Armado con Malla Electrosoldada 10*10 (H=0.10), Pulido de piso y Corte de Juntas $ 893,100.63 36 Instalaciones Electricas $ 249,855.00 37 Pintura de demarcacion y logo de cancha $ 117,058.78 38 Instalaciones de Tableros $ 77,000.00 39 Limpieza final $ 10,000.00 10,797,176.49$ PRESUPUESTO DE ACTIVIDADES Paso a Paso Elaboramos un análisis de la lis- ta de actividades a realizar en el transcurso del proyecto. 07 01 02 03 04 05 06 Empezamos descri- biendo cuidadosa- mente el alcance del proyecto. Realizamos nuestro presupuesto por ac- tividades. Elaboramos nues- tras especifica- ciones técnicas de todas las acti- vidades a realizar en el proyecto. Sacamos el presu- puesto por partidas de nuestro proyecto y analizamos cada una de las partidas. Generamos y obte- nemos los planos de nuestro proyecto ya aprobados. Describimos las gene- ralidades de nuestro proyecto.
  • 37.
    Pág. 63 Pag.64 3 3.1 MATRIZ DE ANTECEDENCIA 3.2 MATRIZ DE SECUENCIA 3.3 MATRIZ DE TIEMPOS 3.4 MATRIZ DE INFORMACIÓN 3.5 MATRIZ DE DEPENDENCIA MATRICES
  • 38.
    Planeación, Programación yControl De Proyectos Pág. 65 Pag. 66 Planeación, Programación y Control De Proyectos 3.1. MATRIZ DE ANTECEDENTE 3.2. MATRIZ DE SECUENCIA No. Actividades Secuencias 1 Cierre perimetral y Letrero de Obra 2 2 Demolicion de Piso de Cancha existente 3,4 3 Bote Producto de demoliciones y Excavaciones (E=1.25) - 4 Limpieza de Terreno en Area de Demolicion 5 5 Replanteo general de verja, estructura, cancha y gradas 6 6 Excavacion de Zapata de block 7,13 7 Hormigon Armado Zapata 8 8 Muros de blocks de 6" 9 9 Hormigon Armado en Columnas de Amarre 10 10 Pañete en muros 11 11 Cantos en generales 12 12 Pintura Acrilica en Muros y Columnas - 13 Excavación en Tierra zapatas de Columnas base 14,19,22 14 Fumigacion de Terreno 15 15 Hormigon armado Zapata de Columnas y Vigas Riostras (3.25*3.25*0.50) Ø3/4''@10 AD, 2Camadas 16 16 Hormigon Armado Columnas Base 0.68*0.68, 12Ø1', Est. Ø3/8''@15 17,19 17 Relleno material compactado (Caliche) - 18 Bote de Material Sobrante (e=1.30) - 19 Izaje de Columnas de estructura 20 20 Izaje de Estructura Metalica y cierre de Techo 35 21 Excavacion Zapata de Muro 22,23,32 22 Bote de Material producto de excavación (e=1.25) - 23 Zapt. Muro de 6" (0.45x0.25) 3Ø3/8" 24 24 Bloques en Muros de 6" 25,26 25 Relleno material compactado (Caliche) - 26 Losas de asiento Ø3/8"@0.20 Adic.Ø1/2" @0.25 y @0.35 27 27 Pañete en muros y asientos de cancha 28 28 Cantos en generales 29 29 Pintura acrílica en muros y losas - 30 Excavación en Tierra Zapata de Bordillo 31,32 31 Bote de Material producto de excavación (e=1.25) - 32 Zapata de Bordillo de Muro 33 33 Bordillo de Blocks de 6"BNP 34 34 Relleno material compactado (Caliche) 35 35 Hormigon Armado con Malla Electrosoldada 10*10 (H=0.10), Pulido de piso y Corte de Juntas 36,37 36 Instalaciones Electricas - 37 Pintura de demarcacion y logo de cancha 38 38 Tablero Profesional Spalding 48" translucidos 39 39 Limpieza final - Matriz de Secuencias No. Actividades Antecedentes 1 Cierre perimetral y Letrero de Obra - 2 Demolicion de Piso de Cancha existente 1 3 Bote Producto de demoliciones y Excavaciones (E=1.25) 2 4 Limpieza de Terreno en Area de Demolicion 2 5 Replanteo general de verja, estructura, cancha y gradas 4 6 Excavacion de Zapata de block 5 7 Hormigon Armado Zapata de Bordillos 6 8 Muros de blocks de 6" 7 9 Hormigon Armado en Columnas de Amarre 8 10 Pañete en muros 9 11 Cantos en generales 10 12 Pintura Acrilica en Muros y Columnas 10,11 13 Excavación en Tierra zapatas de Columnas base 6 14 Fumigacion de Terreno 13 15 Hormigon armado Zapata de Columnas y Viga Riostra (3.25*3.25*0.50) Ø3/4''@10 AD, 2Camadas 14 16 Hormigon Armado Columnas Base 0.68*0.68, 12Ø1', Est. Ø3/8''@15 15 17 Relleno material compactado (Caliche) 16 18 Bote de Material Sobrante (e=1.30) 13 19 Izaje de Columnas de estructura 16 20 Izaje de Estructura Metalica y cierre de Techo 19 21 Excavacion Zapata de Muro 13 22 Bote de Material producto de excavación (e=1.25) 21 23 Zapt. Muro de 6" (0.45x0.25) 3Ø3/8" 21 24 Bloques en Muros de 6" 23 25 Relleno material compactado (Caliche) 24 26 Losas de asiento Ø3/8"@0.20 Adic.Ø1/2" @0.25 y @0.35 25 27 Pañete en muros y asientos de cancha 26 28 Cantos en generales 27 29 Pintura acrílica en muros y losas 28 30 Excavación en Tierra Zapata de Bordillo 21 31 Bote de Material producto de excavación (e=1.25) 30 32 Zapata de Bordillo de Muro 30 33 Bordillo de Blocks de 6"BNP 32 34 Relleno material compactado (Caliche) 33 35 Hormigon Armado con Malla Electrosoldada 10*10 (H=0.10), Pulido de piso y Corte de Juntas 20,34 36 Instalaciones Electricas 35 37 Pintura de demarcacion y logo de cancha 35 38 Instalaciones de Tableros 37 39 Limpieza final 38 Matriz de Antecedentes MATRICES03
  • 39.
    Planeación, Programación yControl De Proyectos Pág. 67 Pag. 68 Planeación, Programación y Control De Proyectos 3.3. MATRIZ DE TIEMPOS No. Actividades O (Optimo) M (Mas Probable) P (Pesimo) T (Standar) 1 Cierre perimetral y Letrero de Obra 1 2 3 2 2 Demolicion de Piso de Cancha existente 2 2 2 2 3 Bote Producto de demoliciones y Excavaciones (E=1.25) 2 3 4 3 4 Limpieza de Terreno en Area de Demolicion 1 1 1 1 5 Replanteo general de verja, estructura, cancha y gradas 1 2 3 2 6 Excavacion de Zapata de block 1 2 3 2 7 Hormigon Armado Zapata de Bordillos 1 2 3 2 8 Muros de blocks de 6" 3 4 5 4 9 Hormigon Armado en Columnas de Amarre 3 4 5 4 10 Pañete en muros 3 5 7 5 11 Cantos en generales 2 3 4 3 12 Pintura Acrilica en Muros y Columnas 2 3 4 3 13 Excavación en Tierra zapatas de Columnas base 2 3 4 3 14 Fumigacion de Terreno 1 1 1 1 15 Hormigon armado Zapata de Columnas y Viga Riostra (3.25*3.25*0.50) Ø3/4''@10 AD, 2Camadas 2 3 4 3 16 Hormigon Armado Columnas Base 0.68*0.68, 12Ø1', Est. Ø3/8''@15 4 5 6 5 17 Relleno material compactado (Caliche) 2 3 4 3 18 Bote de Material Sobrante (e=1.30) 3 4 5 4 19 Izaje de Columnas de estructura 2 3 4 3 20 Izaje de Estructura Metalica y cierre de Techo 15 20 25 20 21 Excavacion Zapata de Muro 1 1 1 1 22 Bote de Material producto de excavación (e=1.25) 1 2 3 2 23 Zapt. Muro de 6" (0.45x0.25) 3Ø3/8" 2 2 2 2 24 Bloques en Muros de 6" 2 2 2 2 25 Relleno material compactado (Caliche) 2 2 2 2 26 Losas de asiento Ø3/8"@0.20 Adic.Ø1/2" @0.25 y @0.35 3 4 5 4 27 Pañete en muros y asientos de cancha 3 4 5 4 28 Cantos en generales 1 2 3 2 29 Pintura acrílica en muros y losas 1 2 3 2 30 Excavación en Tierra Zapata de Bordillo 1 1 1 1 31 Bote de Material producto de excavación (e=1.25) 1 1 1 2 32 Zapata de Bordillo de Muro 2 2 2 2 33 Bordillo de Blocks de 6"BNP 1 1 1 1 34 Relleno material compactado (Caliche) 2 3 4 3 35 Hormigon Armado con Malla Electrosoldada 10*10 (H=0.10), Pulido de piso y Corte de Juntas 3 4 5 4 36 Instalaciones Electricas 3 4 5 4 37 Pintura de demarcacion y logo de cancha 2 3 4 3 38 Tablero Profesional Spalding 48" translucidos 1 1 1 1 39 Limpieza final 2 2 2 2 MATRIZ DE TIEMPOS (Duración en días) 3.4. MATRIZ DE INFORMACIÓN No. Actividad Secuencias Tiempo 1 Cierre perimetral y Letrero de Obra 2 2 2 Demolicion de Piso de Cancha existente 3,4 2 3 Bote Producto de demoliciones y Excavaciones (E=1.25) - 3 4 Limpieza de Terreno en Area de Demolicion 5 1 5 Replanteo general de verja, estructura, cancha y gradas 6 2 6 Excavacion de Zapata de block 7,13 2 7 Hormigon Armado Zapata de Bordillos 8 2 9 Muros de blocks de 6" 9 4 8 Hormigon Armado en Columnas de Amarre 10 4 10 Pañete en muros 11 5 11 Cantos en generales 12 3 12 Pintura Acrilica en Muros y Columnas - 3 13 Excavación en Tierra zapatas de Columnas base 14,19,22 3 14 Fumigacion de Terreno 15 1 15 Hormigon armado Zapata de Columnas y Viga Riostra (3.25*3.25*0.50) Ø3/4''@10 AD, 2Camadas 16 3 16 Hormigon Armado Columnas Base 0.68*0.68, 12Ø1', Est. Ø3/8''@15 17,19 5 17 Relleno material compactado (Caliche) - 3 18 Bote de Material Sobrante (e=1.30) - 4 19 Izaje de Columnas de estructura 20 3 20 Izaje de Estructura Metalica y cierre de Techo 35 20 21 Excavacion Zapata de Muro 22,23,32 1 22 Bote de Material producto de excavación (e=1.25) - 2 23 Zapt. Muro de 6" (0.45x0.25) 3Ø3/8" 24 2 24 Bloques en Muros de 6" 25,26 2 25 Relleno material compactado (Caliche) - 2 26 Losas de asiento Ø3/8"@0.20 Adic.Ø1/2" @0.25 y @0.35 27 4 27 Pañete en muros y asientos de cancha 28 4 28 Cantos en generales 29 2 29 Pintura acrílica en muros y losas - 2 30 Excavación en Tierra Zapata de Bordillo 31,32 1 31 Bote de Material producto de excavación (e=1.25) - 2 32 Zapata de Bordillo de Muro 33 2 33 Bordillo de Blocks de 6"BNP 34 1 34 Relleno material compactado (Caliche) 35 2 35 Hormigon Armado con Malla Electrosoldada 10*10 (H=0.10), Pulido de piso y Corte de Juntas 36,37 4 36 Instalaciones Electricas - 4 37 Pintura de demarcacion y logo de cancha 38 3 38 Instalaciones de Tableros 39 1 39 Limpieza final - 2 MATRIZ DE INFORMACION
  • 40.
    Planeación, Programación yControl De Proyectos Pag. 70Pág. 69 Planeación, Programación y Control De Proyectos CierreperimetralyLetrerodeObra DemoliciondePisodeCanchaexistente BoteProductodedemolicionesyExcavaciones(E=1.25) LimpiezadeTerrenoenAreadeDemolicion Replanteogeneraldeverja,estructura,canchaygradas ExcavaciondeZapatadeblock HormigonArmadoZapatadeBordillos Murosdeblocksde6" HormigonArmadoenColumnasdeAmarre Pañeteenmuros Cantosengenerales PinturaAcrilicaenMurosyColumnas ExcavaciónenTierrazapatasdeColumnasbase FumigaciondeTerreno HormigonarmadoZapatadeColumnasyVigaRiostra(3.25*3.25*0.50) Ø3/4''@10AD,2Camadas HormigonArmadoColumnasBase0.68*0.68,12Ø1',Est.Ø3/8''@15 Rellenomaterialcompactado(Caliche) BotedeMaterialSobrante(e=1.30) IzajedeColumnasdeestructura IzajedeEstructuraMetalicaycierredeTecho ExcavacionZapatadeMuro BotedeMaterialproductodeexcavación(e=1.25)(ESTRUCTURA) Zapt.Murode6"(0.45x0.25)3Ø3/8" BloquesenMurosde6" Rellenomaterialcompactado(Caliche) LosasdeasientoØ3/8"@0.20Adic.Ø1/2"@0.25y@0.35 Pañeteenmurosyasientosdecancha Cantosengenerales Pinturaacrílicaenmurosylosas ExcavaciónenTierraZapatadeBordillo BotedeMaterialproductodeexcavación(e=1.25) ZapatadeBordillodeMuro BordillodeBlocksde6"BNP Rellenomaterialcompactado(Caliche) HormigonArm.c/MallaElect.10*10(H=0.10),PulidodepisoyCortedeJuntas InstalacionesElectricas Pinturadedemarcacionylogodecancha InstalacionesdeTableros Limpiezafinal Cierre perimetral y Letrero de Obra X Demolicion de Piso de Cancha existente X X X Bote Producto de demoliciones y Excavaciones (E=1.25) X Limpieza de Terreno en Area de Demolicion X X Replanteo general de verja, estructura, cancha y gradas X X Excavacion de Zapata de block X X X Hormigon Armado Zapata de Bordillos X X Muros de blocks de 6" X X Hormigon Armado en Columnas de Amarre X X Pañete en muros X X Cantos en generales X X Pintura Acrilica en Muros y Columnas X X Excavación en Tierra zapatas de Columnas base X X X X Fumigacion de Terreno X X Hormigon armado Zapata de Columnas y Viga Riostra (3.25*3.25*0.50) Ø3/4''@10 AD, 2Camadas X X Hormigon Armado Columnas Base 0.68*0.68, 12Ø1', Est. Ø3/8''@15 X X X Relleno material compactado (Caliche) X Bote de Material Sobrante (e=1.30) X Izaje de Columnas de estructura X X Izaje de Estructura Metalica y cierre de Techo X X Excavacion Zapata de Muro X X X X Bote de Material producto de excavación (e=1.25) (ESTRUCTURA) X Zapt. Muro de 6" (0.45x0.25) 3Ø3/8" X X Bloques en Muros de 6" X X X Relleno material compactado (Caliche) X Losas de asiento Ø3/8"@0.20 Adic.Ø1/2" @0.25 y @0.35 X X Pañete en muros y asientos de cancha X X Cantos en generales X X Pintura acrílica en muros y losas X Excavación en Tierra Zapata de Bordillo X X X Bote de Material producto de excavación (e=1.25) X X Zapata de Bordillo de Muro X X Bordillo de Blocks de 6"BNP X X Relleno material compactado (Caliche) X X Hormigon Armado con Malla Electrosoldada 10*10 (H=0.10), Pulido de piso y Corte de Juntas X X X X Instalaciones Electricas X Pintura de demarcacion y logo de cancha X X Instalaciones de Tableros X X Limpieza final X 3.5. MATRIZ DE DEPENDENCIA Paso a Paso 1 2 3 4 5 Comenzaremos con nuestra MATRIZ DE ANTECE- DENCIA, aquí examinaremos dentro de nuestro listado de actividades todas las actividades que deben de ser realizadas antes de la siguiente para así llevar un control de todas las actividades. Luego continuamos con la elaboración de la MA- TRIZ DE SECUENCIA donde analizaremos dentro de la lista de actividades todas las que van luego de cada una de las actividades. Al obtener las matrices anteriores realizamos una MATRIZ DE TIEMPOS donde colocamos la duración de cada una de las actividades dentro del listado para saber su duración en diversas variantes que son tiempo (O) Optimo, Tiempo (P) Pé- simo, Tiempo (M) Mas probable y luego hacemos el siguiente calculo: t = (o + 4m + p)/6 y obtendre- mos el tiempo estándar. Procederemos a realizar nuestra MATRIZ DE IN- FORMACIÓN donde incluiremos los datos de la secuencia de la matriz de secuencia y los tiempos de la matriz de tiempo los cual nos servirá para realizar una matriz de dependencia. Para realizar la MATRIZ DE DEPENDENCIA nece- sitamos la matriz de secuencia y de dependencia y la combinamos en esta matriz conveniente para la ilustración de como seria el desarrollo de las actividades durante el proyecto.
  • 41.
    Pág. 71 Pag.72 4 4.1 RED DE ACTIVIDADES A TIEMPO ESTÁNDAR 4.2 RED DE ACTIVIDADES DE VENCIMIENTO SUCESIVOS REDES
  • 42.
    Pag. 74Pág. 73 2121 24Cierre perimetral Demolición de cancha 2 Limpieza de terreno 1 Bote de material producto demo. Replanteo general Hormigón armado zapata de bordillo 2 4 Bote de material sobrante e=1.30 Excavación de columna base Muro perimetral de bloques 4 Fumigación de terreno Izaje de columna estructura metálica 3 3 5 2 3 2 Excavación de zapata 2 0 1 2 3 4 5 6 7 8 9 10 11 12 13 14 15 16 17 18 19 20 21 22 23 24 Hormigón armado columna de amarre 4 Pañete de muros 5 Cantos en general 3 Pintura de muro perimetral 3 2 1 Hormigón armado zapata de columnas y vigas riostras 3 Hormigón armado columnas bases Relleno de material compacto 2 2 1 0 0 0 4 4 2 5 5 3 7 7 4 9 9 6 12 12 8 13 13 9 16 16 17 24 24 27 79 5 1125 7 1529 15 1933 23 1621 16 2444 26 2438 28 2741 31 2742 30 2540 29 2136 25 1936 21 1732 19 1530 13 1532 12 1328 10 1439 11 1641 18 1742 20 1944 22 1541 14 Excavación zapata de muro 1 2 2 2 4 4 2 2 1 22 2 Bote de material producto excavación Relleno material compactado 2 Zapata de muro de 6" Muro de 6" Losa de asiento Pañete en muros y asientos de cancha Cantos en general Pintura acrílica en muros y losa Excavación en tierra zapata de bordillo Bote de material producto de excavación Zapata de bordillo de muro Bordillo de bloques de 6'' Relleno de material compactado 1 3 25 26 27 28 0 1 2 3 4 5 6 7 8 9 10 11 12 13 14 15 16 17 18 19 20 21 22 23 24 25 26 27 28 52 52 37 Izaje de estructura metálica cierre de techo 20 4 1 23 H.A Malla electro soldada Pintura demarcación y logo de cancha Instalación de tablero Limpieza final 44 44 34 48 48 35 51 51 36 54 54 39 3044 33 2944 32 5254 38Instalaciones eléctricas 4 29 30 31 32 33 34 35 36 37 38 39 40 41 42 43 44 45 46 47 48 49 50 51 52 53 54 29 30 31 32 33 34 35 36 37 38 39 40 41 42 43 44 45 46 47 48 49 50 51 52 53 54 3 2 28 28 2741 31 2742 30 27 27 Pintura acrílica en muros y losa Pintura de muro perimetral 4.1 RED ATIEMPO STANDARD
  • 43.
    Pág. 75 Pag.76 4.2 RED DEVENCIMIENTO SUCESIVOS 52 52 37 21 21 24 Cierre perimetral Demolición de cancha 2 Limpieza de terreno 1 Bote de material producto demo. Replanteo general Hormigón armado zapata de bordillo 2 4 Bote de material sobrante e=1.30 Excavación de columna base Muro perimetral de bloques 4 Fumigación de terreno Izaje de columna estructura metálica 3 3 Izaje de estructura metálica cierre de techo 52 3 2 Excavación de zapata 2 0 2 4 5 7 9 11 12 13 14 15 16 17 19 21 24 25 27 29 30 44 48 51 52 54 Hormigón armado columna de amarre 4 Pañete de muros 5 Cantos en general 3 Pintura de muro perimetral 3 2 1 Hormigón armado zapata de columnas y vigas riostras 3 Hormigón armado columnas bases Rellenode materialcompacto 20 4 1 23 H.A Malla electro soldada Pintura demarcación y logo de cancha Instalación de tablero Limpieza final 2 2 1 0 0 0 4 4 2 5 5 3 7 7 4 9 9 6 12 12 8 13 13 9 16 16 17 24 24 27 44 44 34 48 48 35 51 51 36 54 54 39 79 5 1125 7 1529 15 1933 23 1621 16 2444 26 2438 28 2741 31 3044 33 2944 32 2742 30 2540 29 2136 25 1936 21 1732 19 1530 13 1532 12 1328 10 1439 11 1641 18 1742 20 1944 22 1541 14 Excavación zapata de muro 1 2 2 2 4 4 2 2 1 22 2 Bote de material producto excavación Rellenomaterial compactado 2 Zapata de muro de 6" Muro de 6" Losa de asiento Pañete en muros y asientos de cancha Cantos en general Pintura acrílica en muros y losa Excavación en tierra zapata de bordillo Bote de material producto de excavación Zapata de bordillo de muro Bordillo de bloques de 6'' Relleno de material compactado 1 5254 38 Instalaciones eléctricas 4 0 2 4 5 7 9 11 12 13 14 15 16 17 19 21 24 25 27 29 30 44 48 51 52 54 3
  • 44.
    Pág. 77 Pag.78 Planeación, Programación y Control De Proyectos Analizamos la lista de actividades. Paso a Paso 3 4 5 6 7 8 9 10 11 12 13 En una cuadricula dibujamos la linea de tiempo de duracion de las actividades totales del proyecto. Tanto en el borde superior o inferior dividimos la cuadricula en la unidad de tiempo que utilizamos para analizar la planea- ción del proyecto. Para la red de vencimiento sucesivo se utili- zaran los valores dentro de los nodos denominados como IP (inicio proximo). Empezamos por dibujar un circulo llamado nodo y dividiendolo en tres partes, dos inferiores y una sola superior donde inl- cuiremos el numero del nodo (inicio o finalización de una acti- vidad) y en las dos partes inferiores pondremos de lado dere- cho el IP(inicio proximo) y en el lado izquierdo TR (Terminacion remota). Dibujamos una linea de nodo a nodo la cual sera la representa- cion de cada actividad y su duracion a lo largo de la red, ya sea continua para las actividades que representan la rua critica o punteada para las actividades ficticia. 1 2 Al final de la actividad dibujamos otro nodo. Analizamos nuestra matriz de dependecia la cual nos se rivra para poder elbaorar esta red. Analizamos los tiempos de todas las actividades a relizarse dentro del proyecto incluidas en las matrices. Luego seguimos dibujando lineas y nodos hasta haber termina- do con todas las actividades. El primer nodo lo enumeramos con 0, tanto en la mitad de arri- ba como en las dos mitades de abajo. En la mitad de arriba enumeramos cada nodo, con un orden es- pecifico que toma en cuenta de la siguiente manera: de izquier- da a derecha, y si dos nodos coinciden se enumera de arriba ha- cia abajo. Llenamos las dos mitades de abajo con la información corres- pondiente a la actividad que esta inmediatamente antes del nodo con los días correspondientes a su inicio más próximo (IP) en la casilla de la izquierda y su terminación más tardía (TR) en la casilla de la derecha, información que ya tenemos de la red a tiempo estándar. Pintamos de color rojo las actividades que corresponden a la ruta crítica, que será la que tenga el numero en la casilla de IP igual al número en la casilla del TR y también será la ruta más larga de la red ya que no cuenta con ningún tiempo de holgura.
  • 45.
    Pág. 79 Pag.80 5 5.1 MATRIZ DE PENDIENTES 5.2 MATRIZ DE COMPRESIONES MÚLTIPLES 5.3 RED DE COMPRESIONES MÚLTIPLES 5.4 RED COMPRIMIDA A MENOR COSTO 5.5 TABLA DE COSTOS Y PENDIENTES + COSTOS FIJOS COMPRENSIÓN DE LA RED
  • 46.
    Pag. 82Pág. 81 Planeación,Programación y Control De Proyectos 5.1. MATRIZ DE PENDIENTES Tiempo Normal Tiempo Limite Costo Normal Costo Limite Pendiente (CL-CN/t-σ) NODO ACT. DESCRIPCION TN TL CN CL RD$/Día 0-1 1 Cierre perimetral y Letrero de Obra 2 1 13,138.18 22,334.90 9,196.72$ 1-2 2 Demolicion de Piso de Cancha existente 2 2 65,753.10 65,753.10 -$ 2-3 4 Limpieza de Terreno en Area de Demolicion 1 1 15,000.00 15,000.00 -$ 3-5 5 Replanteo general de verja, estructura, cancha y gradas 2 1 15,000.00 25,500.00 10,500.00$ 5-6 6 Excavacion de Zapata de block 2 1 4,083.75 6,942.38 2,858.63$ 6-8 13 Excavación en Tierra zapatas de Columnas base 3 2 100,287.00 127,865.93 27,578.93$ 8-9 14 Fumigacion de Terreno 1 1 13,000.00 13,000.00 -$ 9-17 15 Hormigon armado Zapata de Columnas y Viga Riostra (3.25*3.25*0.50) Ø3/4''@10 AD, 2Camadas 3 2 1,334,488.47 1,701,472.80 366,984.33$ 17-24 16 Hormigon Armado Columnas Base 0.68*0.68, 12Ø1', Est. Ø3/8''@15 5 4 200,394.97 212,919.66 12,524.69$ 24-28 19 Izaje de Columnas de estructura 3 2 3,528,489.60 4,498,824.24 970,334.64$ 28-34 20 Izaje de Estructura Metalica y cierre de Techo 20 15 2,812,665.00 3,187,687.00 75,004.40$ 34-35 35 Hormigon Armado con Malla Electrosoldada 10*10 (H=0.10), Pulido de piso y Corte de Juntas 4 3 893,100.63 1,012,180.71 119,080.08$ 35-36 37 Pintura de demarcacion y logo de cancha 3 2 117,058.78 149,249.95 32,191.17$ 36-38 38 Tablero Profesional Spalding 48" translucidos 1 1 77,000.00 77,000.00 -$ 38-39 39 Limpieza final 2 2 10,000.00 10,000.00 -$ 2-4 3 Bote Producto de demoliciones y Excavaciones (E=1.25) 3 2 40,896.00 52,142.40 11,246.40$ 4-6 0 0 0 0 0 0 6-7 7 Hormigon Armado Zapata de Bordillos 2 1 119,924.08 203,870.94 83,946.86$ 7-12 8 Muros de blocks de 6" 4 3 61,077.90 69,221.62 8,143.72$ 12-21 9 Hormigon Armado en Columnas de Amarre 4 3 3,382.98 3,834.05 451.06$ 21-26 10 Pañete en muros 5 3 37,116.42 52,581.60 7,732.59$ 26-30 11 Cantos en generales 3 2 21,034.73 26,819.28 5,784.55$ 30-33 12 Pintura Acrilica en Muros y Columnas 3 2 13,793.53 17,586.75 3,793.22$ 33-34 0 0 0 0 0 0 8-16 18 Bote de Material Sobrante (e=1.30) (ESTRUCTURA) 4 3 130,373.10 147,756.18 17,383.08$ 16-24 0 0 0 0 0 0 8-10 21 Excavacion Zapata de Muro 1 1 3,614.63 3,614.63 -$ 10-14 23 Zapt. Muro de 6" (0.45x0.25) 3Ø3/8" 2 2 29,533.72 29,533.72 -$ 14-19 24 Bloques en Muros de 6" 2 2 45,889.48 45,889.48 -$ 19-25 26 Losas de asiento Ø3/8"@0.20 Adic.Ø1/2" @0.25 y @0.35 4 3 99,431.22 112,688.71 13,257.50$ 25-29 27 Pañete en muros y asientos de cancha 4 3 32,191.42 36,483.61 4,292.19$ 29-31 28 Cantos en generales 2 1 43,148.16 73,351.87 30,203.71$ 31-32 29 Pintura acrílica en muros y losas 2 1 7,912.06 13,450.51 5,538.44$ 32-34 0 0 0 0 0 0 0 10-13 22 Bote de Material producto de excavación (e=1.25) (GRADA) 2 1 6,000.00 10,200.00 4,200.00$ 13-19 0 0 0 0 0 0 0 19-22 25 Relleno material compactado (Caliche) 2 2 3,648.15 3,648.15 -$ 22-25 0 0 0 0 0 0 0 10-11 30 Excavación en Tierra Zapata de Bordillo 1 1 100,287.00 100,287.00 -$ 11-18 32 Zapata de Bordillo de Muro 2 2 264,295.50 264,295.50 -$ 18-20 33 Bordillo de Blocks de 6"BNP 1 1 28,606.54 28,606.54 -$ 20-23 34 Relleno material compactado (Caliche) 2 2 24,200.00 24,200.00 -$ 23-34 0 0 0 0 0 0 0 11-15 31 Bote de Material producto de excavación (e=1.25) 1 1 86,262.00 86,262.00 -$ 15-18 0 0 0 0 0 0 0 24-27 17 Relleno material compactado (Caliche) 3 2 145,243.41 185,185.34 39,941.94$ 27-34 0 0 0 0 0 0 35-37 36 Instalaciones Electricas 4 3 249,855.00 283,169.00 33,314.00$ 37-39 0 0 0 0 0 0 NOTA: El Costo Limite (CL) fue calculado ralizando una regla de tres invertida,, reducida en un 15% procediendo a realizarlo de esta forma por conveniencia en el tiempo de la ejecución del proyecto, para fines académicos. 5.2. MATRIZ DE COMPRESIONES MÚLTIPLES Tiempo Normal Tiempo Limite Costo Normal Costo Limite Pendiente (CL-CN/t-σ) NODO ACT. DESCRIPCION TN TL CN CL RD$/Día 0-1 1 Cierre perimetral y Letrero de Obra 2 1 13,138.18 22,334.90 9,196.72$ C 1-2 2 Demolicion de Piso de Cancha existente 2 2 65,753.10 65,753.10 -$ C 2-3 4 Limpieza de Terreno en Area de Demolicion 1 1 15,000.00 15,000.00 -$ C 3-5 5 Replanteo general de verja, estructura, cancha y gradas 2 1 15,000.00 25,500.00 10,500.00$ C 5-6 6 Excavacion de Zapata de block 2 1 4,083.75 6,942.38 2,858.63$ C 6-8 13 Excavación en Tierra zapatas de Columnas base 3 2 100,287.00 127,865.93 27,578.93$ C 8-9 14 Fumigacion de Terreno 1 1 13,000.00 13,000.00 -$ C 9-17 15 Hormigon armado Zapata de Columnas y Viga Riostra (3.25*3.25*0.50) Ø3/4''@10 AD, 2Camadas 3 2 1,334,488.47 1,701,472.80 366,984.33$ C 17-24 16 Hormigon Armado Columnas Base 0.68*0.68, 12Ø1', Est. Ø3/8''@15 5 4 200,394.97 212,919.66 12,524.69$ C 24-28 19 Izaje de Columnas de estructura 3 2 3,528,489.60 4,498,824.24 970,334.64$ C 28-34 20 Izaje de Estructura Metalica y cierre de Techo 20 15 2,812,665.00 3,187,687.00 75,004.40$ C 34-35 35 Hormigon Armado con Malla Electrosoldada 10*10 (H=0.10), Pulido de piso y Corte de Juntas 4 3 893,100.63 1,012,180.71 119,080.08$ C 35-36 37 Pintura de demarcacion y logo de cancha 3 2 117,058.78 149,249.95 32,191.17$ C 36-38 38 Tablero Profesional Spalding 48" translucidos 1 1 77,000.00 77,000.00 -$ C 38-39 39 Limpieza final 2 2 10,000.00 10,000.00 -$ C 2-4 3 Bote Producto de demoliciones y Excavaciones (E=1.25) 3 2 40,896.00 52,142.40 11,246.40$ 4-6 0 0 0 0 0 0 6-7 7 Hormigon Armado Zapata de Bordillos 2 1 119,924.08 203,870.94 83,946.86$ 7-12 8 Muros de blocks de 6" 4 3 61,077.90 69,221.62 8,143.72$ 12-21 9 Hormigon Armado en Columnas de Amarre 4 3 3,382.98 3,834.05 451.06$ 21-26 10 Pañete en muros 5 3 37,116.42 52,581.60 7,732.59$ 26-30 11 Cantos en generales 3 2 21,034.73 26,819.28 5,784.55$ 30-33 12 Pintura Acrilica en Muros y Columnas 3 2 13,793.53 17,586.75 3,793.22$ 33-34 0 0 0 0 0 0 8-16 18 Bote de Material Sobrante (e=1.30) (ESTRUCTURA) 4 3 130,373.10 147,756.18 17,383.08$ 16-24 0 0 0 0 0 0 8-10 21 Excavacion Zapata de Muro 1 1 3,614.63 3,614.63 -$ 10-14 23 Zapt. Muro de 6" (0.45x0.25) 3Ø3/8" 2 2 29,533.72 29,533.72 -$ 14-19 24 Bloques en Muros de 6" 2 2 45,889.48 45,889.48 -$ 19-25 26 Losas de asiento Ø3/8"@0.20 Adic.Ø1/2" @0.25 y @0.35 4 3 99,431.22 112,688.71 13,257.50$ 25-29 27 Pañete en muros y asientos de cancha 4 3 32,191.42 36,483.61 4,292.19$ 29-31 28 Cantos en generales 2 1 43,148.16 73,351.87 30,203.71$ 31-32 29 Pintura acrílica en muros y losas 2 1 7,912.06 13,450.51 5,538.44$ 32-34 0 0 0 0 0 0 0 10-13 22 Bote de Material producto de excavación (e=1.25) (GRADA) 2 1 6,000.00 10,200.00 4,200.00$ 13-19 0 0 0 0 0 0 0 19-22 25 Relleno material compactado (Caliche) 2 2 3,648.15 3,648.15 -$ 22-25 0 0 0 0 0 0 0 10-11 30 Excavación en Tierra Zapata de Bordillo 1 1 100,287.00 100,287.00 -$ 11-18 32 Zapata de Bordillo de Muro 2 2 264,295.50 264,295.50 -$ 18-20 33 Bordillo de Blocks de 6"BNP 1 1 28,606.54 28,606.54 -$ 20-23 34 Relleno material compactado (Caliche) 2 2 24,200.00 24,200.00 -$ 23-34 0 0 0 0 0 0 0 11-15 31 Bote de Material producto de excavación (e=1.25) 1 1 86,262.00 86,262.00 -$ 15-18 0 0 0 0 0 0 0 24-27 17 Relleno material compactado (Caliche) 3 2 145,243.41 185,185.34 39,941.94$ 27-34 0 0 0 0 0 0 35-37 36 Instalaciones Electricas 4 3 249,855.00 283,169.00 33,314.00$ 37-39 0 0 0 0 0 0 Actividades Camino Critico Actividades Comprimidas Ruta Critica LEYENDA COMPRESIÓN DE LA RED 05
  • 47.
    Pag. 84Pág. 83 Cierre perimetral 2 Demoliciónde cancha 2 Limpieza de terreno 1 Botedematerial productodemo. Replanteo general 2 Hormigónarmadozapatadebordillo 2 4 Bote de material sobrante e=1.30 Excavación de columna base 3 Muro perimetral de bloques 4 Fumigación de terreno 2 5 Izaje de columna estructura metálica 3 3 Izaje de estructura metálica cierre de techo 0 0 0 0 0 0 0 0 0 0 0 0 0 1 1 1 1 2 2 1 1 1 1 2 2 1 3 3 3 3 3 4 3 3 3 3 3 4 2 4 4 4 4 4 5 4 4 4 4 4 5 3 9 8 6 6 6 6 7 7 6 6 6 6 4 5 5 5 6 7 7 5 5 5 6 7 7 5 25 25 23 22 21 20 11 10 9 8 8 8 7 21 20 19 18 17 16 16 15 14 13 13 12 16 8 9 9 10 11 12 8 9 9 10 11 12 8 29 28 27 26 25 24 15 14 13 12 12 12 12 9 10 10 11 12 13 9 10 10 11 12 13 9 12 13 13 14 15 16 12 13 13 14 15 16 17 16 17 18 19 20 21 16 17 18 19 20 21 24 19 20 21 22 23 24 19 20 21 22 23 24 28 44 43 42 41 40 39 24 23 22 21 20 19 27 44 43 42 41 40 39 30 29 28 27 27 27 33 4 0 2 4 5 7 9 11 12 13 14 15 16 17 19 21 24 25 27 29 30 44 48 51 52 54 1 3 1 6 6 6 7 8 9 6 6 6 7 8 9 6 Excavación de zapata 2 1 0 2 4 5 7 9 11 12 13 14 15 16 17 19 21 24 25 27 29 30 44 48 51 52 54 33 32 31 30 29 28 19 18 17 16 16 16 21Hormigón armado columna de amarre 4 38 37 36 35 34 33 24 23 22 21 21 21 26 41 40 39 38 37 36 27 26 25 24 24 24 30Pañete de muros 5 Cantos en general 3 Pintura de muro perimetral 3 2 1 Hormigón armado zapata de columnas y vigas riostras 3 Hormigón armado columnas bases Rellenodematerialcompacto 39 40 41 42 43 44 39 40 41 42 43 44 34 20 43 44 45 46 47 48 43 44 45 46 47 48 35 46 47 48 49 50 51 46 47 48 49 50 51 36 47 48 49 50 51 52 47 48 49 50 51 52 38 49 50 51 52 53 54 49 50 51 52 53 54 39 4 3 1 2 2 H.A Malla electro soldada Pintura demarcación y logo de cancha Instalación de tablero Limpieza final 7 8 8 8 8 8 7 8 8 8 8 8 10 7 8 8 8 8 8 7 8 8 8 8 8 8 7 8 8 8 8 8 7 8 8 8 8 8 8 7 8 8 8 8 8 7 8 8 8 8 8 8 7 8 8 8 8 8 7 8 8 8 8 8 8 7 8 8 8 8 8 7 8 8 8 8 8 8 7 8 8 8 8 8 7 8 8 8 8 8 8 7 8 8 8 8 8 7 8 8 8 8 8 8 7 8 8 8 8 8 7 8 8 8 8 8 8 7 8 8 8 8 8 7 8 8 8 8 8 8 7 8 8 8 8 8 7 8 8 8 8 8 8 7 8 8 8 8 8 7 8 8 8 8 8 8 32 31 30 29 28 27 15 14 13 12 12 11 13 36 35 34 33 32 31 19 18 17 16 16 15 22 30 29 28 27 26 25 15 14 13 13 12 11 14 32 31 30 29 28 27 17 16 15 14 14 13 19 36 35 34 33 32 31 21 20 19 18 18 17 25 44 43 42 41 40 39 19 18 17 16 16 15 23 42 41 40 39 38 37 17 16 15 14 14 13 20 41 40 39 38 37 36 16 15 14 13 13 12 18 39 38 37 36 35 34 14 13 12 11 11 10 11 28 27 26 25 24 23 13 12 11 10 10 9 10 41 40 39 38 37 36 15 14 13 12 12 11 15 40 39 38 37 36 35 25 24 23 22 22 21 29 42 41 40 39 38 37 27 26 25 24 24 23 31 44 43 42 41 40 39 29 28 27 26 26 25 32 Excavación zapatademuro 1 2 1 2 2 4 4 2 2 1 22 2 Botedematerial producto excavación Rellenomaterial compactado 2 Zapata de muro de 6" Muro de 6" Losa de asiento Pañete en muros y asientos de cancha Cantos en general Pintura acrílica en muros y losa Excavación en tierra zapata de bordillo Bote de material producto de excavación Zapata de bordillo de muro Bordillo de bloques de 6'' Relleno de material compactado 54 53 52 51 50 44 52 51 50 49 48 47 37 Instalaciones eléctricas 4 48 4846 4645 4543 4339391919161612129988665544331100 5.3 REDDE COMPRESIONES MÚLTIPLES
  • 48.
    Planeación, Programación yControl De Proyectos Pag. 86Pág. 85 ELABORACIÓN Para realizar la red de compresiones múltiples se elaboran diversas iteraciones para hacer reducciones del tiempo es- tándar hasta donde la red no los permita. Con esta técnica podremos lograr identificar donde el costo de elaboración del proyecto es el menor. El proceso se realizará para poder verificar los datos de la ta- bla siguiente y podamos generar una curva de comparación de costos versus tiempo de ejecución del proyecto.
  • 49.
    Como podemos observarel menor costo fue encon- trado al comprimir el proyecto a 48 días de ejecución con una diferencia de 6 días del programado de 54 días. El cálculo de costo fijo se obtuvo del total de indirectos divididos en- tre la cantidad de días del proyecto que en este caso fueron 54 días y los indirec- tos se obtuvieron del 28% de los costos directos del presupuestos. NOTA
  • 50.
    Pag. 90Pág. 89 Cierre perimetral Demoliciónde cancha 2 Limpieza de terreno 1 Bote de material producto demo. Replanteo general Hormigón armado zapata de bordillo 2 4 Bote de material sobrante e=1.30 Excavación de columna base Muro perimetral de bloques 4 Fumigación de terreno Izaje de columna estructura metálica 3 3 Izaje de estructura metálica cierre de techo 41 3 1 Excavación de zapata 1 0 1 3 4 5 6 8 9 10 11 12 13 15 16 17 19 21 23 24 25 27 39 43 45 46 Hormigón armado columna de amarre 4 Pañete de muros 5 Cantos en general 3 Pintura de muro perimetral 3 2 1 Hormigón armado zapata de columnas y vigas riostras 3 Hormigón armado columnas bases R elleno de m ateria lcom pacto 20 4 1 22 H.A Malla electro soldada Pintura demarcación y logo de cancha Instalación de tablero Limpieza final 1 1 1 0 0 0 3 3 2 4 4 3 5 5 4 6 6 6 8 8 8 9 9 9 12 12 17 16 16 24 19 19 27 39 39 34 43 43 35 45 45 36 46 46 37 48 48 39 66 5 820 7 1224 15 1628 23 1216 16 1939 26 2133 28 2436 31 2739 33 2543 32 2337 30 2135 29 1731 25 1531 21 1327 19 1125 13 1127 12 923 10 1034 11 1236 18 1337 20 1539 22 1136 14 Excavación zapata de muro 1 2 2 2 4 4 2 2 1 22 2 Bote de material producto excavación Rellenomaterial compactado 2 Zapata de muro de 6" Muro de 6" Losa de asiento Pañete en muros y asientos de cancha Cantos en general Pintura acrílica en muros y losa Excavación en tierra zapata de bordillo Bote de material producto de excavación Zapata de bordillo de muro Bordillo de bloques de 6'' Relleno de material compactado 47 48 0 1 3 4 5 6 8 9 10 11 12 13 15 16 17 19 21 23 24 25 27 39 43 45 46 47 48 1 4748 38 Instalaciones eléctricas 4 3 5.4 RED COMPRIMIDA AMENOR COSTO
  • 51.
    Pág. 91 Planeación, Programacióny Control De Proyectos Pag. 92 5.5 TABLA DE COSTOS Y PENDIENTES + COSTOS FIJOS C Descripcion COSTO TIEMPO 1 Cierre perimetral y Letrero de Obra $ 13,138.18 1 2 Demolicion de Piso de Cancha existente $ 65,753.10 2 3 Bote Producto de demoliciones y Excavaciones (E=1.25) $ 40,896.00 3 4 Limpieza de Terreno en Area de Demolicion $ 15,000.00 1 5 Replanteo general de verja, estructura, cancha y gradas $ 15,000.00 1 6 Excavacion de Zapata de block $ 4,083.75 1 7 Hormigon Armado Zapata de Bordillos $ 119,924.08 2 8 Muros de blocks de 6" $ 61,077.90 4 9 Hormigon Armado en Columnas de Amarre $ 3,382.98 4 10 Pañete en muros $ 37,116.42 5 11 Cantos en generales $ 21,034.73 3 12 Pintura Acrilica en Muros y Columnas $ 13,793.53 3 13 Excavación en Tierra zapatas de Columnas base $ 100,287.00 2 14 Fumigacion de Terreno $ 13,000.00 1 15 Hormigon armado Zapata de Columnas y Viga Riostra (3.25*3.25*0.50) Ø3/4''@10 AD, 2Camadas $ 1,334,488.47 3 16 Hormigon Armado Columnas Base 0.68*0.68, 12Ø1', Est. Ø3/8''@15 $ 200,394.97 4 17 Relleno material compactado (Caliche) $ 145,243.41 3 18 Bote de Material Sobrante (e=1.30) (ESTRUCTURA) $ 130,373.10 4 19 Izaje de Columnas de estructura $ 3,528,489.60 3 20 Izaje de Estructura Metalica y cierre de Techo $ 2,812,665.00 20 21 Excavacion Zapata de Muro $ 3,614.63 1 22 Bote de Material producto de excavación (e=1.25) $ 6,000.00 2 23 Zapt. Muro de 6" (0.45x0.25) 3Ø3/8" $ 29,533.72 2 24 Bloques en Muros de 6" $ 45,889.48 2 25 Relleno material compactado (Caliche) $ 3,648.15 2 26 Losas de asiento Ø3/8"@0.20 Adic.Ø1/2" @0.25 y @0.35 $ 99,431.22 4 27 Pañete en muros y asientos de cancha $ 32,191.42 4 28 Cantos en generales $ 43,148.16 2 29 Pintura acrílica en muros y losas $ 7,912.06 2 30 Excavación en Tierra Zapata de Bordillo $ 100,287.00 1 31 Bote de Material producto de excavación (e=1.25) $ 86,262.00 2 32 Zapata de Bordillo de Muro $ 264,295.50 2 33 Bordillo de Blocks de 6"BNP $ 28,606.54 1 34 Relleno material compactado (Caliche) $ 24,200.00 2 35 Hormigon Armado con Malla Electrosoldada 10*10 (H=0.10), Pulido de piso y Corte de Juntas $ 893,100.63 4 36 Instalaciones Electricas $ 249,855.00 4 37 Pintura de demarcacion y logo de cancha $ 117,058.78 2 38 Instalaciones de Tableros $ 77,000.00 1 39 Limpieza final $ 10,000.00 2 10,797,176.49$ 3,042,644.34$ 48 63,388.42$ 3,042,644.34$ 13,839,820.83$ COSTO FIJO POR DIA (RD$/dias) COSTO FIJO DLE PROYECTO (RD$) COSTO TOTAL DEL PROYECTO (RD$) TABLA - RED COMPRIMIDA AL MENOR COSTO COSTO DIRECTO (RD$) COSTO INDIRECTO (RD$) DURACION TOTAL (dias)
  • 52.
    Pág. 93 Pag.94 Planeación, Programación y Control De Proyectos Luego de la identificación de cuáles son nuestras actividades y nodos que pueden ser comprimidas comenzamos con las acti- vidades de pendiente menor a mayor. Comenzaremos realizando una matriz de pen- dientes donde incluiremos los datos de todas las rutas existentes dentro de la red, de cada una de estas incluiremos en la matriz las in- formaciones siguientes: tiempo normal, tiempo límite, costo normal y costo limite aquí proce- deremos a hacer el cálculo de las pendientes de cada una de estas rutas, este cálculo sería el siguientes: (CL – CN/t- σ) aquí obtendremos la pendiente de cada ruta y de aquí podemos ob- tener los costos diarios de las actividades de cada ruta. Luego de obtener la matriz de pendientes procedemos a identi- ficar los nodos que se encuentran en la ruta crítica de nuestra red a partir de aquí podemos comenzar a relizar nuestras compresiones múl- tiples Comenzamos nuestra compresión múltiple den- tro de la red, esto se hace de la siguiente ma- nera, Procedemos a verificar de manera numé- rica con la matriz de pendientes cuales nodos y actividades tienen holgura y cuando nos cos- taría esta actividad diariamente es decir si deci- dimos comprimir una actividad en x días cuanto podría multiplicar su costo diario. Luego cada vez que comprimimos la activi- dad debemos de recalcular la red comple- ta y se recalcula la red tantas compresio- nes tengamos. Luego de haber realizado al menos seis compresiones evaluamos se elige la que represente el menor costo con la siguien- te formula: Costo Inicial + Pendiente x (día) - Costo Fijo Realizamos este cálculo hasta que nues- tro costo comience a subir de esta forma nos percatamos que la compresión antes de que suba el costo es nuestro COMPRE- SION A MENOR COSTO. Procedemos a realizar nuestra gráfica to- mando en cuenta el costo del proyecto vs los dias del proyecto. Paso a Paso 1 2 3 4 5 7 6 8
  • 53.
    Pág. 95 Pag.96 6 6.1 DEFINICIÓN 6.2 LIMITACIONES 6.3 RED DE LIMITACIONES LIMITACIONES EN LA EJECUCIÓN DEL PROYECTO
  • 54.
    Pág. 97 Pag.98 Planeación, Programación y Control De Proyectos 6.1 DEFINICIÓN Por lo general existen tres tipos de limitaciones y estas vienen da- das por parte del cliente, si existiese la necesidad de terminar el proyecto en un tiempo menor o mayor al programado originalmen- te estas limitaciones entran en juego. Económicas: Determinaremos el costo optimo del proyecto para así conocer si podemos elaborarlo con la cantidad de recursos económicos disponibles para nosotros y de ser así se buscará el tiempo más favorable para cumplir con nuestros objetivos y nece- sidades. Tiempo: Determinaremos el tiempo normal en que se ejecutará el proyecto y si se pasa del intervalo de tiempo que quiere nuestro cliente entonces comprimiremos la red de actividades de venci- mientos sucesivo y calculando el incremento del costo por la compresión. Cuando terminemos obtendremos el tiempo óptimo de ejecución y podremos determinar si el proyecto puede ser ejecuta- do en este tiempo si o no. Recursos: Cuando en un proyecto se tienen recursos humanos, ma- teriales o maquinarias pueden presentarse limitaciones de alguno de estos y por lo tanto actividades que necesitasen alguno de es- tos recursos y que se ejecuten al mismo tiempo podría acarrear una limitante y no tendríamos más opción que retrasar una de las actividades que necesiten de los mismos recursos. 6.2 LIMITACIONES Para esta documentación las limitaciones que tendremos serán las siguientes; una de aspecto limitación de maquinaria y una de re- cursos humanos. Limitación No. 1 (Maquinaria): En la Actividad #25 relleno material compactado (caliche) de excavación de columnas base y la activi- dad #18 relleno de material compactado (caliche) de excavación zapata de bordillo; la maquinaria que se usará para estos botes será la misma en las dos actividades. A) Solución aplicada: Modificaremos la fecha de inicio de la acti- vidad #34 para que inicie el día 16 a diferencia de su inicio original que es el día 13. Limitación No. 2 (Recursos Humanos): Actividad #29 que es pintura de gradas y la actividad #12 Muros perimetrales; en estas dos ac- tividades se usara la misma cuadrilla de mano de obra calificada para hacer los trabajos. B) Solución aplicada: Modificaremos el inicio de la actividad no. 29 para que inicie el día 28 a diferencia de su inicio original el día 25 para si evitar superposición de actividades con la mano de obra calificada. Aplicando estas limitaciones a nuestra red ya comprimida, no nece- sitamos de descomprimirla ya que haremos uso de las holguras de estas actividades lo cual no causara ninguna modificación a la red ya comprimida que obtuvimos anteriormente. Por lo tanto, no rea- lizamos una nueva compresión múltiple buscando un menor costo. 06 LIMITACIONES EN LA EJECUCIÓN DE PROYECTOS
  • 55.
    Pag. 100Pág. 99 Cierre perimetral Demoliciónde cancha 2 Limpieza de terreno 1 Bote de material producto demo. Replanteo general Hormigón armado zapata de bordillo 2 4 Bote de material sobrante e=1.30 Excavación de columna base Muro perimetral de bloques 4 Fumigación de terreno Izaje de columna estructura metálica 3 3 Izaje de estructura metálica cierre de techo 41 3 1 Excavación de zapata 1 0 1 3 4 5 6 8 9 10 11 12 13 15 16 17 19 21 23 24 25 27 39 43 45 46 Hormigón armado columna de amarre 4 Pañete de muros 5 Cantos en general 3 Pintura de muro perimetral 3 2 1 Hormigón armado zapata de columnas y vigas riostras 3 Hormigón armado columnas bases R elleno de m aterialcom pacto 20 4 1 22 H.A Malla electro soldada Pintura demarcación y logo de cancha Instalación de tablero Limpieza final 1 1 1 0 0 0 3 3 2 4 4 3 5 5 4 6 6 6 8 8 8 9 9 9 12 12 17 16 16 24 19 19 27 39 39 34 43 43 35 45 45 36 46 46 37 48 48 39 66 5 820 7 1224 15 1628 23 1216 16 1939 26 2133 28 2436 31 2739 33 2543 32 2337 30 2135 29 1731 25 1531 21 1327 19 1125 13 1127 12 923 10 1034 11 1236 18 1337 20 1539 22 1136 14 Excavación zapata de muro 1 2 2 2 4 4 2 2 1 22 2 Bote de material producto excavación Rellenomaterial compactado 2 Zapata de muro de 6" Muro de 6" Losa de asiento Pañete en muros y asientos de cancha Cantos en general Pintura acrílica en muros y losa Excavación en tierra zapata de bordillo Bote de material producto de excavación Zapata de bordillo de muro Bordillo de bloques de 6'' Relleno de material compactado 47 48 0 1 3 4 5 6 8 9 10 11 12 13 15 16 17 19 21 23 24 25 27 39 43 45 46 47 48 1 4748 38 Instalaciones eléctricas 4 LIMITACIÓN MANO DE OBRA LIMITACIÓN MANO DE OBRA LIMITACIÓN EQUIPO COMPACTACIÓN LIMITACIÓN EQUIPO COMPACTACIÓN 3 6.3 RED DE LIMITACIONES
  • 56.
    Planeación, Programación yControl De Proyectos Pág. 101 Pag. 102 Planeación, Programación y Control De Proyectos 1 Paso a Paso Luego procedemos a graficar nuestra red con limitación y su solución para que pueda ser vi- sualizada enla red la resaltamos con un color diferente en este caso el color fue verde. Procedemos a definir nuestras limitaciones dentro del proyecto que pueden ser económi- cas, de recursos humanos o de materiales. Estos pueden ser dados por el dueño del proyecto o por el tipo de proyecto y disponi- bilidad de recursos, teniendo en cuenta esto analizamos nuestra posible limitación la iden- tificamos y procedemos a enumerarlas. Estas limitaciones le buscamos solución más factible para la red de actividades de nuestro proyecto ya sea desplazando alguna actividad o previendo la falta de algún recurso 2 3 4
  • 57.
    Pág. 103 Pag.104 7 7.1 RED DEFINITIVA DEL PROYECTO 7.2 DIAGRAMA DE GANTT 7.3 GRÁFICA DE DIAGRAMA DE GANTT PROGRAMACIÓN DEL PROYECTO
  • 58.
    Pag. 106Pág. 105 Cierre perimetral Demoliciónde cancha 2 Limpieza de terreno 1 Bote de material producto demo. Replanteo general Hormigón armado zapata de bordillo 2 4 Bote de material sobrante e=1.30 Excavación de columna base Muro perimetral de bloques 4 Fumigación de terreno Izaje de columna estructura metálica 3 3 Izaje de estructura metálica cierre de techo 41 3 1 Excavación de zapata 1 0 1 3 4 5 6 8 9 10 11 12 13 15 16 17 19 21 23 24 25 27 39 43 45 46 Hormigón armado columna de amarre 4 Pañete de muros 5 Cantos en general 3 Pintura de muro perimetral 3 2 1 Hormigón armado zapata de columnas y vigas riostras 3 Hormigón armado columnas bases R elleno de m ateria l com pacto 20 4 1 22 H.A Malla electro soldada Pintura demarcación y logo de cancha Instalación de tablero Limpieza final 1 1 1 0 0 0 3 3 2 4 4 3 5 5 4 6 6 6 8 8 8 9 9 9 12 12 17 16 16 24 19 19 27 39 39 34 43 43 35 45 45 36 46 46 37 48 48 39 66 5 820 7 1224 15 1628 23 1216 16 1939 26 2133 28 2436 31 2739 33 2939 32 2337 30 2135 29 1731 25 1531 21 1327 19 1125 13 1127 12 923 10 1034 11 1236 18 1337 20 1739 22 1136 14 Excavación zapata de muro 1 2 2 2 4 4 2 2 1 2 2 2 Bote de material producto excavación Rellenomaterial compactado 2 Zapata de muro de 6" Muro de 6" Losa de asiento Pañete en muros y asientos de cancha Cantos en general Pintura acrílica en muros y losa Excavación en tierra zapata de bordillo Bote de material producto de excavación Zapata de bordillo de muro Bordillo de bloques de 6'' Relleno de material compactado 47 48 0 1 3 4 5 6 8 9 10 11 12 13 15 16 17 19 21 23 24 25 27 39 43 45 46 47 48 1 4748 38 Instalaciones eléctricas 4 LIMITACIÓN MANO DE OBRA LIMITACIÓN EQUIPO COMPACTACIÓN 29 29 3 7.1 RED DEFINITIVA DE PROYECTO
  • 59.
    Planeación, Programación yControl De Proyectos Pag. 108Pág. 107 7.2. DIAGRAMA DE GANTT El Diagrama de Gantt es una herramienta para programar y planifi- car a lo largo de los periodos determinados. Visualizamos de ma- nera fácil y cómoda de las actividades nos permite dar seguimiento y control de cada una de las etapas del proyecto y reproducimos gráficamente la duración, secuencia, duración y la calendariza- ción de las actividades. Este diagrama muestra un gráfico de barra horizontales ordena- das por actividades a realizar en secuencias de tiempo concretas donde vemos las acciones vinculadas por su posición en el crono- grama. Si el inicio de una actividad dependerá de la conclusión de otra lo visualizaremos por medio de un enlace del tipo fin-inicio. También podremos visualizar las actividades que transcurren de manera paralela a otras para un mejor control en base a costos y recursos necesarios. En base al tipo de actividad que conforman el proyecto los valo- res ubicados en el eje horizontal deben de definirse en factores o intervalos de tiempos los cuales pueden ser días, semanas, meses, semestres o incluso años. Luego se podría asignar a cada una de las actividades una barra que indique el porcentaje de progreso y lo que le faltaría para su terminación. Hoy en día existen diversos programas que facilitan su elabora- ción ya que ya no tiene por qué ser de manera manual, algunos pro- gramas como Excel, Microsoft Project, Gantt Chart Solutions entre otros, pueden ser usados para finanzas, marketing, educa- ción y por supuesto en el área de la construcción. Fácil actualización de los ejes ho- rizontales y verticales. Fácil identificación de los puntos críticos. Ayuda a administrar proyectos y reduce problemas de programa- ción. Forma simple de visualizar las ta- reas y representa todas las etapas y actividades de un proyecto en un único lugar. Entre los beneficios que nos puede brindar el diagrama de Gantt podemos encontrar los siguientes:
  • 60.
    Pag. 110Pág. 109 7.3 GRÁFICA DIAGRAMA DEGANTT IdModo de tarea Nombre de tarea DuraciónPredecesoras 0 Proyecto Cancha Ayleen - RED COMPRESION (3) 48 días 1 Cierre perimetral y Letrero de Obra 1 día 2 Demolicion de Piso de Cancha existente 2 días 1 3 Bote Producto de demoliciones y Excavaciones (E=1.25) 3 días 2 4 Limpieza de Terreno en Area de Demolicion 1 día 2 5 Replanteo general de verja, estructura, cancha y gradas 1 día 4 6 Excavacion de Zapata de block 1 día 5 7 Hormigon Armado Zapata de Bordillos 2 días 6 8 Muros de blocks de 6" 4 días 7 9 Hormigon Armado en Columnas de Amarre 4 días 8 10 Pañete en muros 5 días 9 11 Cantos en generales 3 días 10 12 Pintura Acrilica en Muros y Columnas 3 días 10,11 13 Excavación en Tierra zapatas de Columnas base 3 días 6 14 Fumigacion de Terreno 1 día 13 15 Hormigon armado Zapata de Columnas Base y Zapata Viga Riostra 2 días 14 16 Hormigon Armado Columnas Base 0.68*0.68, 12Ø1', Est. Ø3/8''@15 4 días 15 17 Relleno material compactado (Caliche) 3 días 16 18 Bote de Material Sobrante (e=1.30) 4 días 13 19 Izaje de Columnas de estructura 3 días 16 20 Izaje de Estructura Metalica y cierre de Techo 20 días 19 21 Excavacion Zapata de Muro 1 día 13 22 Bote de Material producto de excavación (e=1.25) 2 días 21 23 Zapt. Muro de 6" (0.45x0.25) 3Ø3/8" 2 días 21 24 Bloques en Muros de 6" 2 días 23 25 Relleno material compactado (Caliche) 2 días 24 26 Losas de asiento Ø3/8"@0.20 Adic.Ø1/2" @0.25 y @0.35 4 días 25 27 Pañete en muros y asientos de cancha 4 días 24,26 28 Cantos en generales 2 días 27 29 Pintura acrílica en muros y losas 2 días 28 30 Excavación en Tierra Zapata de Bordillo 1 día 21 31 Bote de Material producto de excavación (e=1.25) 2 días 30 32 Zapata de Bordillo de Muro 2 días 30 33 Bordillo de Blocks de 6"BNP 1 día 32 34 Relleno material compactado (Caliche) 2 días 33 35 Hormigon Armado con Malla Electrosoldada 10*10 (H=0.10), Pulido de piso y Corte de Juntas 4 días 34,20 36 Instalaciones Electricas 4 días 35 37 Pintura de demarcacion y logo de cancha 2 días 35 38 Tablero Profesional Spalding 48" translucidos 1 día 37 39 Limpieza final 2 días 38 D M J S L X V D M J S L X V D M J S L X V D M J S L X V D M J S L ene 20 '20 ene 27 '20 feb 3 '20 feb 10 '20 feb 17 '20 feb 24 '20 mar 2 '20 mar 9 '20 mar 16 '20 mar 23 '2 Tarea División Hito Resumen Resumen del proyecto Tarea inactiva Hito inactivo Resumen inactivo Tarea manual solo duración Informe de resumen manual Resumen manual solo el comienzo solo fin Tareas externas Hito externo Fecha límite Tareas críticas División crítica Progreso Progreso manual Página 1 Proyecto: Proyecto Cancha Ayle
  • 61.
    Pag. 112 Planeación, Programacióny Control De Proyectos Pág. 111 Procedemos a graficar la red definitiva del proyecto con sus limitaciones so- lucionadas, sus compresiones ya realiza- das y sus tiempos finales ya definidos. Paso a Paso Procedemos a identificar las tareas crí- ticas a través del comando formato en la barra de herramientas y seleccionamos en la casilla donde dice tareas críticas. Una vez colocadas estas informaciones el programa de manera automática va realizando el diagrama de Gantt. Colocaremos cuales son las depen- dencia de cada tarea con ayuda de las matrices ya realizadas. Colamos la duración de cada tarea. Colocaremos la lista de actividades (ta- reas) de todo el proyecto. Para realizar el diagrama de Gantt pro- cedemos a programar el calendario del programa Microsoft Project. (fecha de inicio y dias laborables) 1 2 3 4 5 6 7
  • 62.
    Pág. 113 Pag.114 8 8.1 DEFINICIÓN + MATRIZ 8.2 CÁLCULOS DE HOLGURAS 8.3 TABLA DE HOLGURAS 8.4 DESVIACIÓN ESTÁNDAR 8.5 TABLA DE PROBABILIDAD DE RETRASO 8.6 RESPUESTAS A PREGUNTAS DE RETRASO MATRIZ DE ELASTICIDAD
  • 63.
    Planeación, Programación yControl De Proyectos Pág. 115 Pag. 116 Planeación, Programación y Control De Proyectos 8.1. DEFINICIÓN + MATRIZ Para la buena toma de decisiones y de manera eficaz a lo largo del proyecto es imprescindible obtener los datos de la posibilidad de retraso o adelantamiento de cada actividad que conforma el proyecto a lo que nos referimos a la elasticidad de la actividad. Para lograr esto debemos de calcular las holguras de cada una de ellas para determinar cuál puede retrasar o adelantarse sin afectar a las demás actividades. 08 MATRIZ DE ELASTICIDAD Holgura total: (HT) = Uj – Pi – t Holgura libre: (HL) = Pj – Pi – t Holgura independiente (HI) = Pj – Ui – t Porcentaje de expansión (%HT) = HT/t Porcentaje de Compresión (%Compre- sión) = (t-o)/t Desviación Estándar (σ) = (p-o)/6 Significa lo más tarde que puede terminar una activi- dad. Para definir las holguras se procede a contar los tiempos de las actividades de inicio a fin de izquierda a derecha para los tiempos de iniciación y luego en sentido contrario de derecha a izquierda para determinar los tiempos de terminación de las actividades que conforman la red. Holgura independiente este tipo son las que no afecta la finalización de ac- tividades o procesos anteriores y tampoco la inicia- ción de procesos o actividades posteriores. Es de suma importancia para la coordinación de trabajos a lo largo del proyecto. esta holgura es la que no modifica la terminación de un proceso, pero la importancia es para el responsa- ble de la actividad o proceso para identificar la fina- lización de la actividad. Holgura libre Esta es la holgura que no afecta la finalización del proyecto, este tipo de holgura es de suma importan- cia para los responsables ya que es la que se utiliza- ra para finalizar el proyecto a tiempo. Holgura Total Existen 3 tipos de holguras: 1 2 3 Nomenclaturasaconocerparaelbuen manejo de las holguras: Pi Ui Uj Pj Significa lo más temprano en que se puede iniciar una actividad. Significa lo más tarde que puede iniciar una actividad. Significa lo más temprano que puede terminarse una actividad. Mas adelante presentamos la matriz de elasticidad para el proyec- to construcción de cancha San Sebastián y así como también el ejemplo de cálculo de holguras. Por medio de las siguientes formulas procedemos a calcular las diversas holguras que existen en la red.
  • 64.
    Planeación, Programación yControl De Proyectos Pág. 117 Pag. 118 Planeación, Programación y Control De Proyectos COSTO NORMAL COSTO LIMITE PENDIENTE Actividades Descripcion O M P E CN CL M Cierre perimetral y Letrero de Obra 2 1 2 3 2 13,138.18$ 22,334.90$ 9,196.72$ 2 Demolicion de Piso de Cancha existente 3,4 2 2 2 2 65,753.10$ 65,753.10$ -$ 3 Bote Producto de demoliciones y Excavaciones (E=1.25) - 2 3 4 3 15,000.00$ 15,000.00$ -$ 4 Limpieza de Terreno en Area de Demolicion 5 1 1 1 1 15,000.00$ 25,500.00$ 10,500.00$ 5 Replanteo general de verja, estructura, cancha y gradas 6 1 2 3 2 4,083.75$ 6,942.38$ 2,858.63$ 6 Excavacion de Zapata de block 7,13 1 2 3 2 100,287.00$ 127,865.93$ 27,578.93$ 7 Hormigon Armado Zapata de Bordillos 8 1 2 3 2 13,000.00$ 13,000.00$ -$ 9 Muros de blocks de 6" 9 3 4 5 4 1,334,488.47$ 1,701,472.80$ 366,984.33$ 8 Hormigon Armado en Columnas de Amarre 10 3 4 5 4 200,394.97$ 212,919.66$ 12,524.69$ 10 Pañete en muros 11 3 5 7 5 3,528,489.60$ 4,498,824.24$ 970,334.64$ 11 Cantos en generales 12 2 3 4 3 2,812,665.00$ 3,187,687.00$ 75,004.40$ 12 Pintura Acrilica en Muros y Columnas - 2 3 4 3 893,100.63$ 1,012,180.71$ 119,080.08$ 13 Excavación en Tierra zapatas de Columnas base 14,19,22 2 3 4 2 117,058.78$ 149,249.95$ 32,191.17$ 14 Fumigacion de Terreno 15 1 1 1 1 77,000.00$ 77,000.00$ -$ 15 Hormigon armado Zapata de Columnas y Viga Riostra (3.25*3.25*0.50) Ø3/4''@10 AD, 2Camadas 16 2 3 4 3 10,000.00$ 10,000.00$ -$ 16 Hormigon Armado Columnas Base 0.68*0.68, 12Ø1', Est. Ø3/8''@15 17,19 4 5 6 5 40,896.00$ 52,142.40$ 11,246.40$ 17 Relleno material compactado (Caliche) - 2 3 4 3 119,924.08$ 203,870.94$ 83,946.86$ 18 Bote de Material Sobrante (e=1.30) - 3 4 5 4 61,077.90$ 69,221.62$ 8,143.72$ 19 Izaje de Columnas de estructura 20 2 3 4 3 3,382.98$ 3,834.05$ 451.06$ 20 Izaje de Estructura Metalica y cierre de Techo 35 15 20 25 20 37,116.42$ 52,581.60$ 7,732.59$ 21 Excavacion Zapata de Muro 22,23,32 1 1 1 1 21,034.73$ 26,819.28$ 5,784.55$ 22 Bote de Material producto de excavación (e=1.25) (ESTRUCTURA) - 1 2 3 2 13,793.53$ 17,586.75$ 3,793.22$ 23 Zapt. Muro de 6" (0.45x0.25) 3Ø3/8" 24 2 2 2 2 130,373.10$ 147,756.18$ 17,383.08$ 24 Bloques en Muros de 6" 25,26 2 2 2 2 3,614.63$ 3,614.63$ -$ 25 Relleno material compactado (Caliche) - 2 2 2 2 29,533.72$ 29,533.72$ -$ 26 Losas de asiento Ø3/8"@0.20 Adic.Ø1/2" @0.25 y @0.35 27 3 4 5 4 45,889.48$ 45,889.48$ -$ 27 Pañete en muros y asientos de cancha 28 3 4 5 4 99,431.22$ 112,688.71$ 13,257.50$ 28 Cantos en generales 29 1 2 3 2 32,191.42$ 36,483.61$ 4,292.19$ 29 Pintura acrílica en muros y losas - 1 2 3 2 43,148.16$ 73,351.87$ 30,203.71$ 30 Excavación en Tierra Zapata de Bordillo 31,32 1 1 1 1 7,912.06$ 13,450.51$ 5,538.44$ 31 Bote de Material producto de excavación (e=1.25) - 1 1 1 1 6,000.00$ 10,200.00$ 4,200.00$ 32 Zapata de Bordillo de Muro 33 2 2 2 2 3,648.15$ 3,648.15$ -$ 33 Bordillo de Blocks de 6"BNP 34 1 1 1 1 100,287.00$ 100,287.00$ -$ 34 Relleno material compactado (Caliche) 35 2 3 4 3 264,295.50$ 264,295.50$ -$ 35 Hormigon Armado con Malla Electrosoldada 10*10 (H=0.10), Pulido de piso y Corte de Juntas 36,37 3 4 5 4 28,606.54$ 28,606.54$ -$ 36 Instalaciones Electricas - 3 4 5 4 24,200.00$ 24,200.00$ -$ 37 Pintura de demarcacion y logo de cancha 38 2 3 4 3 86,262.00$ 86,262.00$ -$ 38 Instalaciones de Tableros 39 1 1 1 1 145,243.41$ 185,185.34$ 39,941.94$ 39 Limpieza final - 2 2 2 2 249,855.00$ 283,169.00$ 33,314.00$ MATRIZ DE ELASTICIDAD Listado de Actividades SECUENCIA DURACION (DIAS) LECTURAS HT HL HI COMPRESIO N Pi Ui Pj Uj Días % Cl D D D % 𝝈𝝈 0 0 1 1 0 0 C 0 0 1 0.5 0.33 1 1 3 3 0 0 C 0 0 0 0 0.00 3 3 6 6 0 0 C 0 0 1 0.33 0.33 3 3 4 4 0 0 C 0 0 0 0 0.00 4 4 5 5 0 0 C 0 0 1 0.5 0.33 5 5 6 6 0 0 C 0 0 1 0.5 0.33 6 6 8 20 12 6 0 0 1 0.5 0.33 8 20 12 24 12 3 0 -12 1 0.25 0.33 12 24 16 28 12 3 0 -12 1 0.25 0.33 16 28 21 33 12 2.4 0 -12 2 0.4 0.67 21 33 24 36 12 4 0 -12 1 0.33 0.33 24 36 39 39 12 4 12 0 1 0.33 0.33 6 6 8 8 0 0 C 0 0 0 0 0.33 8 8 9 9 0 0 C 0 0 0 0 0.00 9 9 12 12 0 0 C 0 0 1 0.33 0.33 12 12 16 16 0 0 C 0 0 1 0.2 0.33 16 16 39 39 20 6.67 20 20 1 0.33 0.33 8 8 16 16 4 1 4 4 1 0.25 0.33 16 16 19 19 0 0 C 0 0 1 0.33 0.33 19 19 39 39 0 0 C 0 0 5 0.25 1.67 8 8 9 23 14 14 0 0 0 0 0.00 9 23 13 27 16 8 2 -12 1 0.5 0.33 9 23 12 25 14 7 0 -14 0 0 0.00 12 25 13 27 13 6.5 0 -14 0 0 0.00 13 27 17 31 16 8 2 -12 0 0 0.00 13 27 17 31 14 3.5 0 -14 1 0.25 0.33 17 31 21 35 14 3.5 0 -14 1 0.25 0.33 21 35 23 37 14 7 0 -14 1 0.5 0.33 23 37 39 39 14 7 14 0 1 0.5 0.33 9 23 10 34 24 24 0 -14 0 0 0.00 10 34 18 39 27 27 6 -18 0 0 0.00 10 34 12 36 24 12 0 -24 0 0 0.00 12 36 16 37 24 24 3 -21 0 0 0.00 16 37 39 39 21 7 21 0 1 0.33 0.33 39 39 43 43 0 0 C 0 0 1 0.25 0.33 43 43 48 48 1 0.25 1 1 1 0.25 0.33 43 43 45 45 0 0 C 0 0 1 0.33 0.33 45 45 46 46 0 0 C 0 0 0 0 0.00 46 46 48 48 0 0 C 0 0 0 0 0.00
  • 65.
    8.2. CÁLCULO DEHOLGURAS Como se definió anteriormente las holguras presentes en nuestra red nos permiten retrasar o adelantar cualquier actividad que las tengas sin obtener cambios para las demás actividades, a continua- ción, procedemos a presentar la forma de calcular las holguras li- bres y totales de este proyecto. Actividad #12 – Pintura de Muros y Columna Actividad #18 – Bote de Material Sobrante de excava- ción de Columnas.
  • 66.
    Planeación, Programación yControl De Proyectos Pág. 121 Pag. 122 Planeación, Programación y Control De Proyectos 8.3 TABLA DE HOLGURAS Actividades Descripcion IP TP IR TR 1 Cierre perimetral y Letrero de Obra 0 0 1 1 1 0 0 0 2 Demolicion de Piso de Cancha existente 1 1 3 3 2 0 0 0 3 Bote Producto de demoliciones y Excavaciones (E=1.25) 3 3 6 6 3 0 0 0 4 Limpieza de Terreno en Area de Demolicion 3 3 4 4 1 0 0 0 5 Replanteo general de verja, estructura, cancha y gradas 4 4 5 5 1 0 0 0 6 Excavacion de Zapata de block 5 5 6 6 1 0 0 0 7 Hormigon Armado Zapata de Bordillos 6 6 8 20 2 12 0 0 9 Muros de blocks de 6" 8 20 12 24 4 12 0 -12 8 Hormigon Armado en Columnas de Amarre 12 24 16 28 4 12 0 -12 10 Pañete en muros 16 28 21 33 5 12 0 -12 11 Cantos en generales 21 33 24 36 3 12 0 -12 12 Pintura Acrilica en Muros y Columnas 24 36 39 39 3 12 12 0 13 Excavación en Tierra zapatas de Columnas base 6 6 8 8 2 0 0 0 14 Fumigacion de Terreno 8 8 9 9 1 0 0 0 15 Hormigon armado Zapata de Columnas y Viga Riostra (3.25*3.25*0.50) Ø3/4''@10 AD, 2Camadas 9 9 12 12 3 0 0 0 16 Hormigon Armado Columnas Base 0.68*0.68, 12Ø1', Est. Ø3/8''@15 12 12 16 16 4 0 0 0 17 Relleno material compactado (Caliche) 16 16 39 39 3 20 20 20 18 Bote de Material Sobrante (e=1.30) 8 8 16 16 4 4 4 4 19 Izaje de Columnas de estructura 16 16 19 19 3 0 0 0 20 Izaje de Estructura Metalica y cierre de Techo 19 19 39 39 20 0 0 0 21 Excavacion Zapata de Muro 8 8 9 23 1 14 0 0 22 Bote de Material producto de excavación (e=1.25) (ESTRUCTURA) 9 23 13 27 2 16 2 -12 23 Zapt. Muro de 6" (0.45x0.25) 3Ø3/8" 9 23 11 25 2 14 0 -14 24 Bloques en Muros de 6" 11 25 13 27 2 14 0 -14 25 Relleno material compactado (Caliche) 13 27 17 31 2 16 2 -12 26 Losas de asiento Ø3/8"@0.20 Adic.Ø1/2" @0.25 y @0.35 13 27 17 31 4 14 0 -14 27 Pañete en muros y asientos de cancha 17 31 21 35 4 14 0 -14 28 Cantos en generales 21 35 23 37 2 14 0 -14 29 Pintura acrílica en muros y losas 23 37 39 39 2 14 14 0 30 Excavación en Tierra Zapata de Bordillo 9 23 10 34 1 24 0 -14 31 Bote de Material producto de excavación (e=1.25) 10 34 18 39 2 27 6 -18 32 Zapata de Bordillo de Muro 10 34 12 36 2 24 0 -24 33 Bordillo de Blocks de 6"BNP 12 36 16 37 1 24 3 -21 34 Relleno material compactado (Caliche) 16 37 39 39 2 21 21 0 35 Hormigon Armado con Malla Electrosoldada 10*10 (H=0.10), Pulido de piso y Corte de Juntas 39 39 43 43 4 0 0 0 36 Instalaciones Electricas 43 43 48 48 4 1 1 1 37 Pintura de demarcacion y logo de cancha 43 43 45 45 2 0 0 0 38 Instalaciones de Tableros 45 45 46 46 1 0 0 0 39 Limpieza final 46 46 48 48 2 0 0 0 TABLA DE HOLGURAS Dias Listado de Actividades LECTURAS HT HL HI 8.4 DESVIACIÓN ESTÁNDAR Podemos determinar la probabilidad de que una actividad o todo el proyecto se retrase, esto lo hacemos calculando la desviación estándar a los días deseados y se busca en la tabla siguiente: σ PROBABILIDAD DE RETRASO σ PROBABILIDAD DE RETRASO 0.1 0.9204 1.6 0.1096 0.2 0.8414 1.7 0.0892 0.3 0.7642 1.8 0.0718 0.4 0.6892 1.9 0.0574 0.5 0.617 2 0.0456 0.6 0.5486 2.1 0.0358 0.7 0.484 2.2 0.0278 0.8 0.4238 2.3 0.0214 0.9 0.3682 2.4 0.0164 1 0.3174 2.5 0.0142 1.1 0.2714 2.6 0.0094 1.2 0.2302 2.7 0.007 1.3 0.1936 2.8 0.0052 1.4 0.1616 2.9 0.0038 1.5 0.1336 3 0.0026 TABLA - DESVIACION ESTANDAR La sumatoria de todas las desviaciones estándar de la ruta crítica será la desviación estándar del proyecto total. Para el proyecto Construcción de cancha moca usando el método demostrado en esta guía calculamos la probabilidad total del re- traso total con una seguridad del 95% de finalización planificada. El tiempo programado fue de 48 días con una probabilidad de re- traso de unos 9 días, Obteniendo una fecha de finalización de unos 57 días 8.5 TABLA DE PROBABILIDAD DE RETRASO Por norma esta desviación tiene un 68% de certeza, pero si hace- mos 2 desviaciones tendremos una certeza de 95% y si aun necesitá- ramos mayor certeza pues hacemos 3 desviaciones que nos garan- tizan un 99%.
  • 67.
    Pag. 124Pág. 123 Planeación,Programación y Control De Proyectos En el siguientes gráfico se representa la probabilidad de retraso en días, donde podremos ver días programados vs días tolerados. Para terminar el proyecto en lo establecido anteriormente la lí- nea que represente la ejecución del proyecto debe estar entre las líneas ya presentadas aquí que son días tolerados y días programa- dos los que nos indica el margen que tenemos durante la duración el proyecto completo. Actividades Descripcion e 𝝨𝝨t 𝝈𝝈 t+(2𝝈𝝈) 𝝨𝝨(t+2𝝈𝝈) 1 Cierre perimetral y Letrero de Obra 1 1 0.33 1.67 1.67 2 Demolicion de Piso de Cancha existente 2 3 0.00 2.00 3.67 4 Limpieza de Terreno en Area de Demolicion 1 4 0.00 1.00 4.67 5 Replanteo general de verja, estructura, cancha y gradas 1 5 0.33 1.67 6.33 6 Excavacion de Zapata de block 1 6 0.33 1.67 8.00 13 Excavación en Tierra zapatas de Columnas base 2 8 0.33 2.67 10.67 14 Fumigacion de Terreno 1 9 0.00 1.00 11.67 15 Hormigon armado Zapata de Columnas y Viga Riostra (3.25*3.25*0.50) Ø3/4''@10 AD, 2Camadas 3 12 0.33 3.67 15.33 16 Hormigon Armado Columnas Base 0.68*0.68, 12Ø1', Est. Ø3/8''@15 4 16 0.33 4.67 20.00 19 Izaje de Columnas de estructura 3 19 0.33 3.67 23.67 20 Izaje de Estructura Metalica y cierre de Techo 20 39 1.67 23.33 47.00 35 Hormigon Armado con Malla Electrosoldada 10*10 (H=0.10), Pulido de piso y Corte de Juntas 4 43 0.33 4.67 51.67 37 Pintura de demarcacion y logo de cancha 2 45 0.33 2.67 54.33 38 Instalaciones de Tableros 1 46 0.00 1.00 55.33 39 Limpieza final 2 48 0.00 2.00 57.33 48 57 TABLA - PROBABILIDAD DE RETRASO O ADELANTO EN CAMINO CRITICO CON UN 95% DE SEGURIDAD TIEMPO PROGRAMADO TIEMPO TOLERADO DE RESTRASO CON 95% DE SEGURIDAD Cierre perimetral Demolición de cancha 2 Limpieza de terreno 1 Bote de material producto demo. Replanteo general Hormigón armado zapata de bordillo 2 4 Bote de material sobrante e=1.30 Excavación de columna base Muro perimetral de bloques 4 Fumigación de terreno Izaje de columna estructura metálica 3 3 Izaje de estructura metálica cierre de techo 41 3 1 Excavación de zapata 1 0 1 3 4 5 6 8 9 10 11 12 13 15 16 17 19 21 23 24 25 27 39 43 45 46 Hormigón armado columna de amarre 4 Pañete de muros 5 Cantos en general 3 Pintura de muro perimetral 3 2 1 Hormigón armado zapata de columnas y vigas riostras 3 Hormigón armado columnas bases R elleno de m ateria l com pacto 20 4 1 22 H.A Malla electro soldada Pintura demarcación y logo de cancha Instalación de tablero Limpieza final 1 1 1 0 0 0 3 3 2 4 4 3 5 5 4 6 6 6 8 8 8 9 9 9 12 12 17 16 16 24 19 19 27 39 39 34 43 43 35 45 45 36 46 46 37 48 48 39 66 5 820 7 1224 15 1628 23 1216 16 1939 26 2133 28 2436 31 2739 33 2939 32 2337 30 2135 29 1731 25 1531 21 1327 19 1125 13 1127 12 923 10 1034 11 1236 18 1337 20 1739 22 1136 14 Excavación zapata de muro 1 2 2 2 4 4 2 2 1 2 2 2 Bote de material producto excavación Rellenomaterial compactado 2 Zapata de muro de 6" Muro de 6" Losa de asiento Pañete en muros y asientos de cancha Cantos en general Pintura acrílica en muros y losa Excavación en tierra zapata de bordillo Bote de material producto de excavación Zapata de bordillo de muro Bordillo de bloques de 6'' Relleno de material compactado 47 48 0 1 3 4 5 6 8 9 10 11 12 13 15 16 17 19 21 23 24 25 27 39 43 45 46 47 48 1 4748 38 Instalaciones eléctricas 4 LIMITACIÓN MANO DE OBRA LIMITACIÓN EQUIPO COMPACTACIÓN 29 29 3 57 57 57 40 57 Probabilidad de retraso (95%) 9 RED DEFINITIVA CON PROBALIDAD DE RETRASO
  • 68.
    Planeación, Programación yControl De Proyectos Pág. 125 Pag. 126 Planeación, Programación y Control De Proyectos 8.6 PREGUNTAS Y RESPUESTAS DE RETRASO Tomando como referencia la Tabla de Probabilidad de Retraso del Camino Crítico del proyecto, para una seguridad de 95%, la suma- toria de la desviación estándar total (σ) del proyecto es de 9.00. 1: 9.00 :: X:4.64 X = 1.94 Se busca este valor en la tabla-Desviación Estándar y tomamos una media entre los valores 1.9 y 2 y se obtuvo una probabilidad de un 5.74 % de que el proyecto se retrase 9 días. ¿ Cuál es la probabilidad de que el Proyecto se retrase 9 días? Tomando como referencia la Tabla-De Probabilidad de Retraso de Camino Critico del Proyecto, que para una seguridad de 95%, don- de la desviación estándar (σ) de esta actividad es de 1.67 1: 1.67 :: X: 5 X = 3 Se busca este valor en la Tabla-Desviación Estándar y se obtiene una probabilidad de un 0.26 % de que esta actividad se retrase 5 día. ¿ Cuál es la probabilidad de que la actividad #20-Izaje de es- tructura metálica y cierre de techo se retrase 5 día?
  • 69.
    Planeación, Programación yControl De Proyectos Pág. 127 Pag. 128 Planeación, Programación y Control De Proyectos Luego de tener la red de actividades defini- da se toman las lecturas de Iniciación próxima y Tiempos más retrasados de cada actividad. (Es decir lo más temprano y lo más tarde que pue- de iniciarse una actividad y lo más temprano y lo más tarde que puede terminarse la actividad). Paso a Paso 1 Calcular las 3 Holguras: Holgura Total – Las que no afectan la termi- nación del proyecto. Holgura Libre – Las que no modifican la ter- minación del proceso. Holgura Independiente – Las que no afec- tan la terminación de actividades anteriores ni la iniciación de actividades posteriores. 2 Luego se dividen el número de días de holgu- ra total entre el tiempo estándar de cada acti- vidad para obtener el porcentaje de expansión. 3 Calculamos el porcentaje de compre- sión con los días comprimidos, divididos entre el tiempo estándar de cada activi- dad. Una vez obtenidas estas desviaciones de Días tolerados vs Días programados procedemos a graficar para tener una visual de la probabilidad de retraso del proyecto. 4 5 6 7 Procedemos a calcular la desviación estándar de cada actividad de la ruta crí- tica con la siguiente formula: 𝝈=(Tiempo Pésimo – Tiempo óptimo)/6 Luego de tener la desviación estándar calculamos la probabilidad de retraso tabulando las actividades de ruta crítica con su tiempo estándar y la desviación de cada actividad. Una vez tabulados los datos previos calculamos la probabilidad de retraso con la siguiente formula: t+(2𝝈) -> Representa los días programa- dos Donde: t=Tiempo Estándar 𝝈=Desviación Y 𝝨(t+2𝝈) -> Representa los días de retra- so Tolerados (Que será una sumatoria acumulativa)
  • 70.
    Pág. 129 Pag.130 9 9.1 POLÍTICA DE PAGO 9.2 FLUJO DE CAJA 9.3 PROGRAMA CALENDARIO 9.4 TABLA DE PROGRAMACIÓN DE RECURSOS 9.5 MÉTODO DE BURGESS 9.6 MATRIZ DE PREVENCIÓN DE RIESGOS PROGRAMACIÓN DE RECURSOS
  • 71.
    Planeación, Programación yControl De Proyectos Pág. 131 Pag. 132 Planeación, Programación y Control De Proyectos 9.1 POLÍTICA DE PAGO Para establecer las políticas de pago debemos previamente debe- mos tener definido: las actividades y paquetes de actividades, el tiempo de duración, precio final luego de haber realizado las com- presiones y limitaciones de la red y por ultimo tener definidas aque- llas actividades que realizaremos y cuáles serán sub-contratadas. Así mismo debemos tener el flujo de caja y tener definida contrac- tualmente la forma de pago de las provisiones por parte del clien- te, a fin de evaluar si las provisiones nos permitirán costear las actividades o paquetes de actividades sin tener que recurrir a un financiamiento y en su defecto de necesitarlo evaluar si se puede incurrir en el mismo sin afectar los beneficios del proyecto. Cinco días antes de iniciar el proyecto (-5) se pagará una provisión equivalente al 30% del precio total del proyec- to. El día 30, se pagará una provisión equivalente al 45% del precio total del proyecto. El día 48 (día final), se saldará el 25% restante del precio del total del proyecto. 9.2 FLUJO DE CAJA La programación por medio del método de la Ruta Critica nos per- mite desarrollar flujos de cajas de ingresos y egresos donde podemos señalar donde y cuando necesitaremos la inyección de recursos económicos y para que será utilizada que cantidad den- tro del avance del proyecto. También pueden representar distintas formas de financiamiento que se tomen en la duración del proyec- to y los créditos que tenemos y hasta cuando tenemos para pagar estos créditos. El flujo de caja se elabora de la siguiente manera: 09 PROGRAMACIÓN DE RECURSOS Luego de haber evaluado todo lo mencionado para este proyecto se establecen las siguientes políticas de pago para el Proyecto Construcción de Cancha deportiva techada: 1 Políticas de pagos – Provisiones: Políticas de pago – Gastos Actividades:2 A la hora de tomar decisiones en base al flujo de caja se deberán tomar en cuenta las opciones más económicas o más rentables y que representen el menor riesgo posible. Con las políticas de pago ya determinadas para nuestro proyecto procedemos a mostrar nuestro flujo de caja representado en la siguiente tabla correspondiente a la programación de recursos económicos del proyecto Determinar las fechas y cantidades importante que servirán para la provisión. Determinar las políticas de pago que será aplicadas a las actividades o a lo largo del proyecto. Determinar las fechas que van a corresponder al pago de los costos fijos del proyecto. 1 2 3
  • 72.
    Pag. 134Pág. 133 Cierre perimetral Demoliciónde cancha 2 Limpieza de terreno 1 Bote de material producto demo. Replanteo general Hormigón armado zapata de bordillo 2 4 Bote de material sobrante e=1.30 Excavación de columna base Muro perimetral de bloques 4 Fumigación de terreno Izaje de columna estructura metálica 3 3 Izaje de estructura metálica cierre de techo 41 3 1 Excavación de zapata 1 0 1 3 4 5 6 8 9 10 11 12 13 15 16 17 19 21 23 24 25 27 39 43 45 46 Hormigón armado columna de amarre 4 Pañete de muros 5 Cantos en general 3 Pintura de muro perimetral 3 2 1 Hormigón armado zapata de columnas y vigas riostras 3 Hormigón armado columnas bases R elleno de m ateria lcom pacto 20 4 1 22 H.A Malla electro soldada Pintura demarcación y logo de cancha Instalación de tablero Limpieza final 1 1 1 0 0 0 3 3 2 4 4 3 5 5 4 6 6 6 8 8 8 9 9 9 12 12 17 16 16 24 19 19 27 39 39 34 43 43 35 45 45 36 46 46 37 48 48 39 66 5 820 7 1224 15 1628 23 1216 16 1939 26 2133 28 2436 31 2739 33 2939 32 2337 30 2135 29 1731 25 1531 21 1327 19 1125 13 1127 12 923 10 1034 11 1236 18 1337 20 1739 22 1136 14 Excavación zapata de muro 1 2 2 2 4 4 2 2 1 2 2 2 Bote de material producto excavación Rellenomaterial compactado 2 Zapata de muro de 6" Muro de 6" Losa de asiento Pañete en muros y asientos de cancha Cantos en general Pintura acrílica en muros y losa Excavación en tierra zapata de bordillo Bote de material producto de excavación Zapata de bordillo de muro Bordillo de bloques de 6'' Relleno de material compactado 47 48 0 1 3 4 5 6 8 9 10 11 12 13 15 16 17 19 21 23 24 25 27 39 43 45 46 47 48 1 4748 38 Instalaciones eléctricas 4 LIMITACIÓN MANO DE OBRA LIMITACIÓN EQUIPO COMPACTACIÓN 29 29 3 Lun20/Ene/2020 Mie22/Ene/2020 Jue23/Ene/2020 Vie24/Ene/2020 Sab25/Ene/2020 Lun27/Ene/2020 Mie29/Ene/2020 Jue30/Ene/2020 Vie31/Ene/2020 Sab01/Feb/2020 Lun03/Feb/2020 Mar04/Feb/2020 Jue06/Feb/2020 Jue19/Mar/2020 Vie07/Feb/2020 Sab08/Feb/2020 Mar11/Feb/2020 Jue13/Feb/2020 Sab15/Feb/2020 Lun17/Feb/2020 Mar18/Feb/2020 Jue20/Feb/2020 Sab22/Feb/2020 Sab07/Mar/2020 Jue12/Mar/2020 Sab14/Mar/2020 Mar17/Mar/2020 Mie18/Mar/2020 9.3 PROGRAMA CALENDARIO
  • 73.
    Planeación, Programación yControl De Proyectos Pág. 135 Pag. 136 Planeación, Programación y Control De Proyectos 9.4 TABLA DE PROGRAMACIÓN DE RECURSOS 9.5 MÉTODO DE BURGUES Cada Actividad requiere recursos para realizarse. Siendo un tema de importancia en la programación de los recursos disponibles para lograr que el proyecto concluya en los plazos y costes es- tablecidos. El método de Burgess emplea los recursos asociados a cada tarea representando de manera gráfica los recursos necesarios a lo largo de la duración de la actividad esta gráfica recibe el nombre de Diagrama de carga. Con esta herramienta nos permite observar cómo evoluciona la actividad en el tiempo y nos permite analizar si existirá carencia en algún momento para preverlas dependiendo de los recursos disponibles.
  • 74.
    EJEMPLO Actividad #12 Pinturade Muros y Columnas 42 + 02 +02 =16 32 + 12 +02 =10 22 + 22 +02 =8 22 + 12 +1=6 42 + 02 +02 =16 EJEMPLO Actividad # 27 Pañetes en muros y asientos de gradas 62 + 02 +02 +02 =36 52 + 12 +02 +02 =26 42 + 12 +12 +02 =18 32 + 12 +12 +12 =12
  • 75.
    Planeación, Programación yControl De Proyectos Pág. 139 Pag. 140 Planeación, Programación y Control De Proyectos 32 + 32 +02 +02 =18 22 + 22 +22 +02 =12 22 + 22 +12 +1=10 9.6 MATRIZ DE PREVENCIÓN DE RIESGO EVENTOS RIESGO/OPORTUNIDAD DESCRIPCION DE EVENTO CAUSA DETONANTE CALIFICACION % PROBABILIDAD RETRASO POR LLUVIA POSIBLES VAGUADAS MAL TIEMPO LLUVIA CONSTANTES 0.35 35% PARO SINDICAL HUELDAS CREADAS POR GRUPOS EXTERNOS DESCONTENTO DE INCUMBENTES NO ACUERDO ENTRE SINDICALISTAS Y CONSTRUCTORA 0.14 14% CAMBIOS POLITICOS POSIBLES SUCESIONES DENTRO DEL MINISTERIO FRAUDE, INSTEABILIDAD POLITICA MALA GESTION ADMINISTRATIVA 0.2 20% VARIACION DE LA TASA USD ALZA DE TASA CAMBIANTE CAMBIO SITUACION ECONOMICA GLOBAL RESECION ECONOMICA 0.05 5% EXISTENCIA DE EQUIPOS DISPONIBILIDAD DE EQUIPOS EN LA ZONA FALTA DE PIEZAS FALLA MECANICAS 0.1 10% RETRASO EN FABRICACION DE ESTRUCTURAS METALICAS EXISTENCIA DE MATERIALES DE MONTAJE EN AREA MALA GESTION DE PROCURA, PEDIDOS FUERA DE TIEMPO, ERRORES DE FABRICACION MALA INTERPRETACION DE ESPECIFICACIONES TECNICAS 0.15 15% ANALISIS CUALITATIVOMATRIZ DE PREVENCION DE RIESGO TIPO PROBABILIDAD IMPACTO ESTRATEGIA RESPONSIBLE PLAN DE ACCION COSTO/TIEMPO ALTO ALTO EQUIPOS DE BOMBEO DIRECTOR DE PROYECTO USO DE BOMBAS DE ACHIQUE/LONAS/ACTIVIDADES CON HOLGURA COSTO/TIEMPO MEDIA MEDIO GESTION Y CONTROL DE STAKEHOLDERS DIRECTOR DE PROYECTO REALIZAR ACUERDOS CON LOS SINDICALISTAS, INVOLUCRARLOS EN LAS DECISIONES QUE LES COMPETEN COSTO/TIEMPO BAJA ALTO GESTION Y CONTROL DE STAKEHOLDERS CEO LLEVAR A CABO LOS ACUERDOS CON EL MINISTERIO CONFORME A CUMPLIMINETO DE CONTRATO COSTO BAJA ALTO ACAPARAR LOS RECURSOS MONETARIOS NECESARIOS DIRECTOR FINANCIERO ADELANTARSE A LOS POSIBLES CAMBIOS DE MERCADO COSTO/TIEMPO ALTA ALTO ACUERDOS Y RELACION CON DIVERSOS SUPLIDORES ENCARGADO DE COMPRAS MANTENER UN STOCK DE PIEZAS, PARTES Y LUBRICANTES DISPONIBLES EN OBRA POR POSIBLES FALLOS MECANICOS COSTO/TIEMPO ALTA ALTO BUENA PLANIFICACION Y EXIGENCIA DE CONTROL DE CALIDAD ENCARGADO DE COMPRAS COLOCACION DE INSPECTOR DE CALIDAD EN TALLER DE FABRICACION ESTRATEGIA/ RESPUESTAANALISIS CUALITATIVO 42 + 22 +02 +02 =20
  • 76.
    Planeación, Programación yControl De Proyectos Pág. 141 Pag. 142 Planeación, Programación y Control De Proyectos En esta etapa procedemos a definir las POLÍTI- CAS DE PAGO del proyecto, estas políticas te permiten tener noción de cómo será la forma de ingresos al proyecto para saber con qué recursos económicos contaremos y para qué fecha. El MÉTODO DE BURGESS es un método donde podemos definir con el diagrama de carga de una actividad, podemos visualizar la evolución de una actividad dependiendo de la cantidad de personal y cantidad de días disponibles para realizar esta actividad. Antes de definir las políticas de pago debemos obtener de FLUJO DE CAJA para saber cuándo necesitaremos y como recibiremos los recur- sos económicos a lo largo del proyecto de esta manera definiremos con que cantidad de recursos económicos en cualquier punto del proyecto y que porcentaje debemos de tener completado del mismo.probabilidad de que ocu- rra y también si el impacto es bajo, medio o alto esta se le llama MATRIZ DE PREVENCIÓN DE RIESGOS, esta matriz nos facilita el manejo y visualización de riesgos para el proyecto. Procedemos a elaborar nuestra red definitiva, pero con la particularidad de que ahora den- tro de la red tendremos la fecha exacta calen- dario dentro de la red a esto le llamamos PRO- GRAMA CALENDARIO. Luego de haber realizado el programa calenda- rizado del proyecto procedemos a elaborar una tabla donde organizamos los costos por fecha y por actividades esta es la TABLA DE PROGRAMA- CIÓN DE RECURSOS nos servirá para identificar también ya sea día por día, semanal o quincenal el flujo de recursos económicos que estaremos ne- cesitando en el transcurso del proyecto. Luego de todo lo anterior realizamos una evalua- ción de las siguientes características del pro- yecto evento, causa, detonante, tipo de impacto, estrategia, plan de acción y responsable asignán- dole una probabilidad de que ocurra y también si el impacto es bajo, medio o alto esta se le llama MATRIZ DE PREVENCIÓN DE RIESGOS, esta matriz nos facilita el manejo y visualización de riesgos para el proyecto. Con el cálculo siguiente: A²+B²+…+ n²: Donde cada termino será igual a cantidad de recursos utilizados diariamente en esta actividad. Paso a Paso 1 2 3 4 5 6 7
  • 77.
    Pág. 143 Pag.144 10 INFOGRAFIA
  • 78.
    Pág. 145 El métodode la Ruta Crítica es una herramienta que nos facilitara el manejo de cualquier proyecto analizando las actividades que son parte de la programación del mismo, secuencia y antecedente de cada una de ellas para identificar en cada momento cual será realizada y cuando. Por lo tanto, utilizando este método identifi- camos cuales son las actividades más neurálgicas del proyecto para brindarle mayor atención e importancia incluso si de ser ne- cesario necesitase mayores recursos económicos, humanos o ma- teriales específicos para estas actividades. El proyecto construcción de cancha san Sebastián descrito en este libro, se recomendó una excelente gestión de la programa- ción y ejecución de las actividades resalto así el hecho que las actividades que eran críticas no debían de retrases sino solo las que poseían holguras para así no afectar la fecha final de entrega de la obra. Pudimos observar a lo largo de todo el proyecto que las herra- mientas brindadas por el método de la ruta crítica para el cálculo efectivo de la duración, gestión de los riesgos, optimización de los recursos necesarios, toma de decisiones y cambios de manera efi- caz y sobre todo satisfacer las necesidades puntuales del cliente. Por todo lo mencionado a lo largo del libro es importante des- tacar que aun así siendo un método que tiene tanto tiempo sigue siendo uno de las maneras más eficaces y eficiente de llevar cual- quier proyecto que tengamos ya que cubre casi todas las áreas de cualquier programación y nos permite jugar con los tiempos y re- cursos de la manera más optima. CONCLUSIÓN Y RECOMEDACIÓN 11 RECOMEDANCIONES CONCLUSIONES 11
  • 79.
    Pág. 147 Pag.148 12 12.1 GLOSARIO DE TÉRMINOS 12.2 BIBLIOGRAFÍA 12.3 INTERNETGRAFIA 12.4 IMAGENGRAFIA  REFERENCIAS
  • 80.
    Planeación, Programación yControl De Proyectos Pág. 149 Pag. 150 Planeación, Programación y Control De Proyectos 12.1 GLOSARIO DE TÉRMINOS Lista de Actividades 12.2 BIBLIOGRAFÍA De León, S. D., Mieses, A. M., & González, D. G. (2013). CPM-PERT Mé- todo del camino critico (Ed. rev.). Santo Domingo, República Domi- nicana: Intec. Guido, J. G., & Clements, J. C. (s.f.). Administración exitosa de pro- yectos (5ª ed.). Medellín, Colombia: Censage Learning. Montaño, A. M. (2010). Iniciación al Método del camino crítico (4ª ed.). D.F., México: Trillas. O’Brien, J. J., & Plotnick, F. L. (2016). CPM in Construction Manage- ment, Eighth Edition (8ª ed.). Chicago, Estados Unidos: McGraw-Hi- ll Education. Salazar, C. S. (1997). ADMINISTRACION DE EMPRESAS CONSTRUC- TORAS (Ed. rev.). D.F., México: Editorial Limusa S.A. De C.V.. 12 REFERENCIAS es el tiempo requerido para terminar una actividad si esta se reali- za de forma normal. Es el tiempo máximo para terminar una activi- dad con el uso mínimo de recursos, el tiempo normal es aproximado al tiempo probable. Es una lista elaborada con precisión y ordenada donde se recopi- las todas las actividades que intervienen en la realización de un proyecto. Ruta Crítica es una secuencia de actividades conectadas, que conduce del prin- cipio del proyecto al final del mismo, por lo que aquel camino que requiera el mayor trabajo, es decir, el camino más largo dentro de la red, viene siendo la ruta crítica de la red del proyecto. Diagrama de Red Es una red e círculos numerados y conectados con flechas, don- de se muestran todas las actividades que intervienen en un deter- minado proyecto y la relación de prioridad entre las actividades en la red. Actividad Ficticia Actividades imaginarias que existen dentro del diagrama de red, solo con el propósito de establecer las relaciones de presidencia y no se les asigna tiempo alguno, es decir, que la actividad ficticia permite dibujar redes con las relaciones de precedencia apropia- das, se representa por medio de una línea punteada. Holguras Es el tiempo libre en la red, es decir, la cantidad de tiempo que pue- de demorar una actividad sin afectar la fecha de terminación del proyecto total. Tiempo optimo es el tiempo mínimo o más corto posible en el cual es probable que sea terminada una actividad si todo marcha de manera perfecta. Tiempo más probable Es el tiempo que una actividad sea mas probable que tome si se re- pitiera una y otra vez, es decir el tiempo normal que se necesita en circunstancias ordinarias. Tiempo pésimo es el tiempo máximo o mas largo posible en el cual es problable sea temrinada una actividad bajo las condiciones más desfavorables. Tiempo normal
  • 81.
    Planeación, Programación yControl De Proyectos Pág. 151 Pag. 152 Planeación, Programación y Control De Proyectos 12.3 INTERNETGRAFIA • Recuperado el 18 de diciembre de: https://prezi.com/p/pqttbimrhfau/?present=1 • Recuperado el 17 de diciembre de: https://issuu.com/kathzd/docs/final_01._camino_cr_tico • Recuperado el 17 de diciembre de: https://www.ingenieriaindustrialonline.com/herramientas-pa- ra-el-ingeniero-industrial/investigaci%C3%B3n-de-operaciones/ cpm-metodo-de-la-ruta-critica/ • Recuperado el 16 de diciembre de: https://www.wordreference.com/sinonimos/Repesenta • Recuperado el 15 de diciembre de: https://es.slideshare.net/fredpezoa12/metodo-del-ca- m i n o - c r i t i c o - c p m - p e r t - a r q - d e r b y - g o n z a l e z - i n t e c ? q i - d=2f956024-36fc-4364-8409-5f1d8aef5a1c&v=&b=&from_ search=1 • Recuperado el 14 de diciembre de: h t t p s : / / e s . s l i d e s h a r e . n e t / a i c i t e l 6 6 6 / i n f o g r a - f i a - g r u p o - 7 - d e p s i t o - r e g u l a d o r - d e - a g u a - p o ta b l e ? q i - d=2f956024-36fc-4364-8409-5f1d8aef5a1c&v=&b=&from_ search=3 • Recuperado el 12 de diciembre de: https://do.linkedin.com/in/derby-gonzalez-468580a4 • Recuperado el 12 de diciembre de: https://www.google.com/search?rlz=1C5CHFA_enDO- 866DO867&sxsrf=ACYBGNS_Ted6fqa-_gnzWn4Qhz0pgU_Eq- g:1576351831485&q=Derby+Gonzalez&tbm=isch&source=univ&- sa=X&ved=2ahUKEwiksdOX8LXmAhVlRN8KHWwhAaUQ7Al6BAg- JECQ&biw=1440&bih=789#imgrc=072J55GsiThDzM: • Recuperado el 12 de diciembre de: https://es.wikipedia.org/wiki/M%C3%A9todo_de_la_ruta_ cr%C3%ADtica 12.4 IMAGENGRAFIA Figura (1).gif Figura (2).png Figura (3).gif Figura (4).gif Figura (5).gif Figura (6).gif Figura (7).gif Figura (8).gif Figura (9).gif Figura (10).jpg Figura (11).gif Figura (12).gif
  • 82.
    Planeación, Programación yControl De Proyectos Pág. 153 Pag. 154 Planeación, Programación y Control De Proyectos Figura (13).gif Figura (14).gif Figura (15).gif Figura (16).gif Figura (17).gif Figura (18).gif Figura (19).gif Figura (20).jpg Figura (21).jpg Figura (22).jpg Figura (23).jpg Figura (24).jpg Figura (31).jpg Figura (32).jpg Figura (33).jpg Figura (34).jpg Figura (35).jpg Figura (36).jpg Figura (25).jpg Figura (26).jpg Figura (27).jpg Figura (28).jpg Figura (29).jpg
  • 83.
    Planeación, Programación yControl De Proyectos Pág. 155 Pag. 156 Planeación, Programación y Control De Proyectos Figura (37-).jpg Figura (38).jpg Figura (39).jpg Figura (40).jpg Figura (41).jpg Figura (42).jpg Figura (43).jpg Figura (44).jpg Figura (45).jpg Figura (46).jpg Figura (47).jpg Figura (48).jpg No. Figura Recuperado del enlace: Figura 1 https://www.ecologiahoy.com/residuos-de-demolicion Figura 2 http://www.ramhoist.com/Cranes-Components2/422.html Figura 3 https://www.textures.com/download/debrisstone0022/9504 Figura 4 https://www.diariodelaconstruccion.cl/las-construcciones-transparentes-mas-espectaculares-del- mundo/portada-22/ Figura 5 http://93.25.pro.anspack.de/125cc-chinese-atv-wiring-diagram.html Figura 6 https://www.menards.com/main/flooring-rugs/tile-stone/porcelain-tile/ms-international-capella-brick-5- x-10-porcelain-floor-and-wall-tile/ncapredbri5x10/p-1555914868654.htm Figura 7 https://www.shutterstock.com/search/mud+roads Figura 8 http://wesemanhomes.com/tree-repair/ Figura 9 https://www.pinterest.com/pin/500744052301332460/?lp=true Figura 10 https://www.emaze.com/@ACZOCQWZ Figura 11 https://www.pinterest.de/tbeiderkellen/mauer-im-garten/ Figura 12 https://www.quora.com/Why-do-brick-walls-used-for-fencing-have-RCC-columns-at-equal-intervals Figura 13 https://bit.ly/2MFSGbS Figura 14 https://cutt.ly/zriurNq Figura 15 https://bit.ly/2MFSGbS Figura 16 https://cutt.ly/Qriutte Figura 17 https://bit.ly/2MFSGbS Figura 18 https://cutt.ly/triutUR Figura 19 https://cutt.ly/HriuyiH Figura 20 https://cutt.ly/briuyU9 Figura 21 https://cutt.ly/YriuyV1 Figura 22 Creación propia Figura 23 Creación propia Figura 24 Creación propia Figura 25 https://bit.ly/2MFSGbS Figura 26 https://cutt.ly/qriuy6u Figura 27 https://bit.ly/2MFSGbS Figura 28 https://cutt.ly/griuuha Figura 29 https://bit.ly/2MFSGbS Figura 30 https://cutt.ly/6riuuRu Figura 31 https://bit.ly/2MFSGbS Figura 32 https://cutt.ly/sriuuCq Figura 33 https://bit.ly/2MFSGbS Figura 34 https://cutt.ly/Criuu3G Figura 35 https://bit.ly/2MFSGbS Figura 36 https://cutt.ly/7riuipF Figura 37 https://bit.ly/2MFSGbS Figura 38 https://cutt.ly/Rriuikq Figura 39 https://bit.ly/2MFSGbS Figura 40 https://cutt.ly/7riuiOc Figura 41 https://bit.ly/2MFSGbS Figura 42 https://cutt.ly/zriuiB3 Figura 43 https://bit.ly/2MFSGbS Figura 44 https://cutt.ly/6riui5P Figura 45 https://bit.ly/2MFSGbS Figura 46 https://cutt.ly/xriuour Figura 47 https://bit.ly/2MFSGbS Figura 48 https://cutt.ly/yriuolp