Colegio de estudios Científicos y Tecnológicos 
del Estado de Michoacán 
Instrumentación 
Modulo 4 
Submodulo 2 
Reporte de Proyecto 
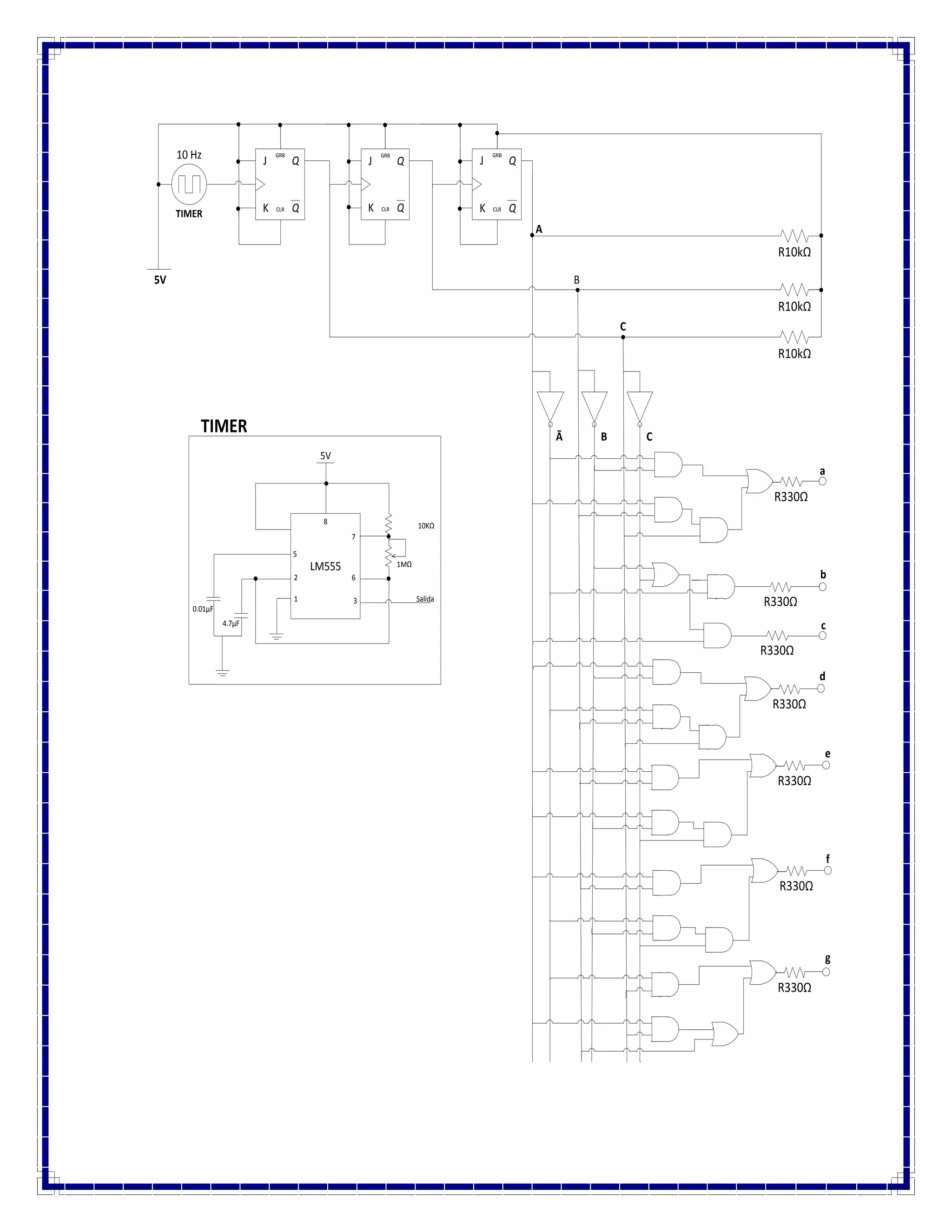
Display de 7 segmentos, secuencia giratoria. 
Profesor: ING. Gonzalo Serafín Reyes 
Integrantes: 
Luis Harmodio Bastien Valdovinos 
Freddy Edgar Martinez Vargas
Material: 
4 Compuertas 74LS08 (AND) 
2 Compuertas 74LS32 (OR) 
1 Compuerta 74LS04 (NOT) 
2 Compuertas 74LS76 (FLIP-FLOP J-K) 
7 Resistencias de 330Ω 
3 Resistencias de 10KΩ 
1 Display de 7 segmentos de cátodo común 
Fuente de 5V 
2 Protoboards 
Cable 
Pinzas 
TIMER 
1 LM555 
1 Potenciómetro 1MΩ 
1 Resistencia de 10KΩ 
1 Capacitor 4.7μF 
1 Capacitor .01μF
FUNCIONAMIENTO 
Este proyecto esta diseñado para obtener una secuencia que se 
muestra en un display, en el cual se mostrara lo siguiente: 
En primer lugar para hacer que el circuito funcione automáticamente 
se incorporará a este un TIMER que se realiza con un LM555 
configurado para que a su salida se obtengan pulsos de voltaje 
correspondientes a los valores de 1 y 0 lógicos. 
Los pulsos del TIMER se entregaran a un CONTADOR DE 3 BITS 
construido con flip-flops J-K 74LS76 con el que se obtendrán las 
diferentes combinaciones que se aplicaran al circuito para que a sus 
salidas se obtengan los valores logicos con los que se obtendrá una 
figura con cada combinación. 
Al obtenerse cada una de las figuras anteriores siguiendo la secuencia 
del 1 al 8 se podrá observar una animación parecida a la de un 
gusanito que da vueltas en el display cuando el circuito esté en 
funcionamiento.
J 
Q 
Q 
K 
GRB 
CLR 
J 
Q 
Q 
K 
GRB 
CLR 
J 
Q 
Q 
K 
GRB 
CLR 
10 Hz 
R10kΩ 
R10kΩ 
R10kΩ 
R330Ω 
R330Ω 
R330Ω 
R330Ω 
R330Ω 
R330Ω 
R330Ω 
5V 
8 
LM555 
7 
6 
1MΩ 
10KΩ 
3 Salida 
5 
2 
1 
TIMER 
0.01μF 
4.7μF 
TIMER 
5V 
A 
B 
C 
Ā B C 
a 
b 
c 
d 
e 
f 
g
Tabla de verdad 
Entradas y salidas 
Tabla del circuito completo 
A B C a b c d e f g 
0 0 0 1 1 0 0 0 1 0 
0 0 1 1 1 0 0 0 0 1 
0 1 0 0 1 0 0 1 0 1 
0 1 1 0 0 0 1 1 0 1 
1 0 0 0 0 1 1 1 0 0 
1 0 1 0 0 1 1 0 0 1 
1 1 0 0 0 1 0 0 1 1 
1 1 1 1 0 0 0 0 1 1 
A B C A B C AB ABC B+C AB ABC AB ABC AB ABC AC AC a b c d e f g 
0 0 0 1 1 1 1 0 1 0 0 0 0 0 1 0 0 1 1 0 0 0 1 0 
0 0 1 1 1 0 1 0 1 0 0 0 0 0 0 1 0 1 1 0 0 0 0 1 
0 1 0 1 0 1 0 0 1 0 0 1 0 0 0 0 0 0 1 0 0 1 0 1 
0 1 1 1 0 0 0 0 0 0 1 1 0 0 0 0 0 0 0 0 1 1 0 1 
1 0 0 0 1 1 0 0 1 1 0 0 1 0 0 0 0 0 0 1 1 1 0 0 
1 0 1 0 1 0 0 0 1 1 0 0 0 0 0 0 0 0 0 1 1 0 0 1 
1 1 0 0 0 1 0 0 1 0 0 0 0 1 0 0 0 0 0 1 0 0 1 1 
1 1 1 0 0 0 0 1 0 0 0 0 0 1 0 0 1 1 0 0 0 0 1 1

Display de 7 segmentos, secuencia giratoria.

  • 1.
    Colegio de estudiosCientíficos y Tecnológicos del Estado de Michoacán Instrumentación Modulo 4 Submodulo 2 Reporte de Proyecto Display de 7 segmentos, secuencia giratoria. Profesor: ING. Gonzalo Serafín Reyes Integrantes: Luis Harmodio Bastien Valdovinos Freddy Edgar Martinez Vargas
  • 2.
    Material: 4 Compuertas74LS08 (AND) 2 Compuertas 74LS32 (OR) 1 Compuerta 74LS04 (NOT) 2 Compuertas 74LS76 (FLIP-FLOP J-K) 7 Resistencias de 330Ω 3 Resistencias de 10KΩ 1 Display de 7 segmentos de cátodo común Fuente de 5V 2 Protoboards Cable Pinzas TIMER 1 LM555 1 Potenciómetro 1MΩ 1 Resistencia de 10KΩ 1 Capacitor 4.7μF 1 Capacitor .01μF
  • 3.
    FUNCIONAMIENTO Este proyectoesta diseñado para obtener una secuencia que se muestra en un display, en el cual se mostrara lo siguiente: En primer lugar para hacer que el circuito funcione automáticamente se incorporará a este un TIMER que se realiza con un LM555 configurado para que a su salida se obtengan pulsos de voltaje correspondientes a los valores de 1 y 0 lógicos. Los pulsos del TIMER se entregaran a un CONTADOR DE 3 BITS construido con flip-flops J-K 74LS76 con el que se obtendrán las diferentes combinaciones que se aplicaran al circuito para que a sus salidas se obtengan los valores logicos con los que se obtendrá una figura con cada combinación. Al obtenerse cada una de las figuras anteriores siguiendo la secuencia del 1 al 8 se podrá observar una animación parecida a la de un gusanito que da vueltas en el display cuando el circuito esté en funcionamiento.
  • 4.
    J Q Q K GRB CLR J Q Q K GRB CLR J Q Q K GRB CLR 10 Hz R10kΩ R10kΩ R10kΩ R330Ω R330Ω R330Ω R330Ω R330Ω R330Ω R330Ω 5V 8 LM555 7 6 1MΩ 10KΩ 3 Salida 5 2 1 TIMER 0.01μF 4.7μF TIMER 5V A B C Ā B C a b c d e f g
  • 5.
    Tabla de verdad Entradas y salidas Tabla del circuito completo A B C a b c d e f g 0 0 0 1 1 0 0 0 1 0 0 0 1 1 1 0 0 0 0 1 0 1 0 0 1 0 0 1 0 1 0 1 1 0 0 0 1 1 0 1 1 0 0 0 0 1 1 1 0 0 1 0 1 0 0 1 1 0 0 1 1 1 0 0 0 1 0 0 1 1 1 1 1 1 0 0 0 0 1 1 A B C A B C AB ABC B+C AB ABC AB ABC AB ABC AC AC a b c d e f g 0 0 0 1 1 1 1 0 1 0 0 0 0 0 1 0 0 1 1 0 0 0 1 0 0 0 1 1 1 0 1 0 1 0 0 0 0 0 0 1 0 1 1 0 0 0 0 1 0 1 0 1 0 1 0 0 1 0 0 1 0 0 0 0 0 0 1 0 0 1 0 1 0 1 1 1 0 0 0 0 0 0 1 1 0 0 0 0 0 0 0 0 1 1 0 1 1 0 0 0 1 1 0 0 1 1 0 0 1 0 0 0 0 0 0 1 1 1 0 0 1 0 1 0 1 0 0 0 1 1 0 0 0 0 0 0 0 0 0 1 1 0 0 1 1 1 0 0 0 1 0 0 1 0 0 0 0 1 0 0 0 0 0 1 0 0 1 1 1 1 1 0 0 0 0 1 0 0 0 0 0 1 0 0 1 1 0 0 0 0 1 1