Universidad Nacional de Ingeniería
Facultad de Ingeniería Mecánica
SolidWorks 2009 Nivel I 1
Ejercicios (Material = Cobre)
Universidad Nacional de Ingeniería
Facultad de Ingeniería Mecánica
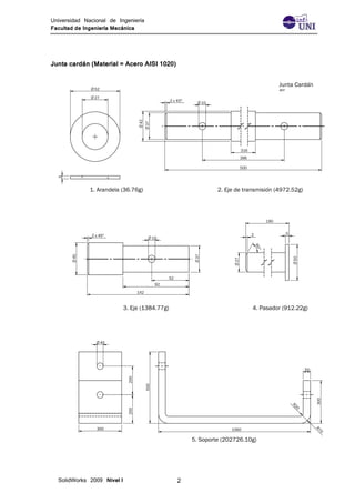
SolidWorks 2009 Nivel I 2
Junta cardán (Material = Acero AISI 1020)
Universidad Nacional de Ingeniería
Facultad de Ingeniería Mecánica
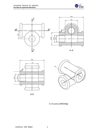
SolidWorks 2009 Nivel I 3
Universidad Nacional de Ingeniería
Facultad de Ingeniería Mecánica
SolidWorks 2009 Nivel I 4
Universidad Nacional de Ingeniería
Facultad de Ingeniería Mecánica
SolidWorks 2009 Nivel I 5
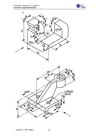
Universidad Nacional de Ingeniería
Facultad de Ingeniería Mecánica
SolidWorks 2009 Nivel I 6
Prensa para tubos (material = Acero AISI 304)
Universidad Nacional de Ingeniería
Facultad de Ingeniería Mecánica
SolidWorks 2009 Nivel I 7
Universidad Nacional de Ingeniería
Facultad de Ingeniería Mecánica
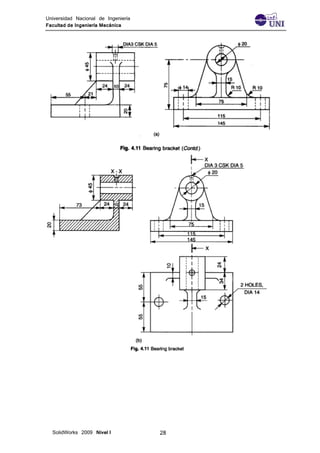
SolidWorks 2009 Nivel I 8
Motor V8
Motor V8 (Material = Acero aleado)
Universidad Nacional de Ingeniería
Facultad de Ingeniería Mecánica
SolidWorks 2009 Nivel I 9
Universidad Nacional de Ingeniería
Facultad de Ingeniería Mecánica
SolidWorks 2009 Nivel I 10
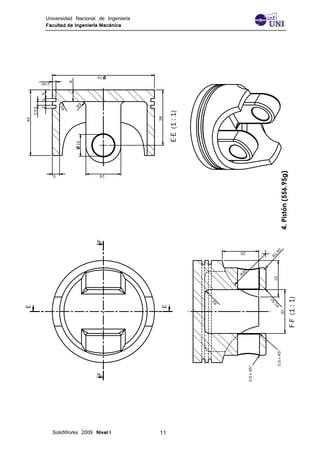
Universidad Nacional de Ingeniería
Facultad de Ingeniería Mecánica
SolidWorks 2009 Nivel I 11
Universidad Nacional de Ingeniería
Facultad de Ingeniería Mecánica
SolidWorks 2009 Nivel I 12
Universidad Nacional de Ingeniería
Facultad de Ingeniería Mecánica
SolidWorks 2009 Nivel I 13
Universidad Nacional de Ingeniería
Facultad de Ingeniería Mecánica
SolidWorks 2009 Nivel I 14
Universidad Nacional de Ingeniería
Facultad de Ingeniería Mecánica
SolidWorks 2009 Nivel I 15
Ejercicios adicionales
Universidad Nacional de Ingeniería
Facultad de Ingeniería Mecánica
SolidWorks 2009 Nivel I 16
Universidad Nacional de Ingeniería
Facultad de Ingeniería Mecánica
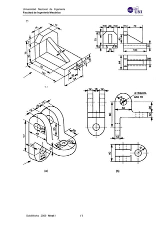
SolidWorks 2009 Nivel I 17
Universidad Nacional de Ingeniería
Facultad de Ingeniería Mecánica
SolidWorks 2009 Nivel I 18
Universidad Nacional de Ingeniería
Facultad de Ingeniería Mecánica
SolidWorks 2009 Nivel I 19
Universidad Nacional de Ingeniería
Facultad de Ingeniería Mecánica
SolidWorks 2009 Nivel I 20
Universidad Nacional de Ingeniería
Facultad de Ingeniería Mecánica
SolidWorks 2009 Nivel I 21
Universidad Nacional de Ingeniería
Facultad de Ingeniería Mecánica
SolidWorks 2009 Nivel I 22
Universidad Nacional de Ingeniería
Facultad de Ingeniería Mecánica
SolidWorks 2009 Nivel I 23
Universidad Nacional de Ingeniería
Facultad de Ingeniería Mecánica
SolidWorks 2009 Nivel I 24
Universidad Nacional de Ingeniería
Facultad de Ingeniería Mecánica
SolidWorks 2009 Nivel I 25
Universidad Nacional de Ingeniería
Facultad de Ingeniería Mecánica
SolidWorks 2009 Nivel I 26
Universidad Nacional de Ingeniería
Facultad de Ingeniería Mecánica
SolidWorks 2009 Nivel I 27
Universidad Nacional de Ingeniería
Facultad de Ingeniería Mecánica
SolidWorks 2009 Nivel I 28
Universidad Nacional de Ingeniería
Facultad de Ingeniería Mecánica
SolidWorks 2009 Nivel I 29
Universidad Nacional de Ingeniería
Facultad de Ingeniería Mecánica
SolidWorks 2009 Nivel I 30
Universidad Nacional de Ingeniería
Facultad de Ingeniería Mecánica
SolidWorks 2009 Nivel I 31
Universidad Nacional de Ingeniería
Facultad de Ingeniería Mecánica
SolidWorks 2009 Nivel I 32

ejercicios-solidwork-1