Incrustar presentación
Descargar para leer sin conexión


















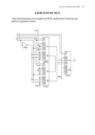
Este documento describe los sistemas combinacionales MSI (Medium Scale Integration). Explica que los circuitos MSI contienen entre 100 y 1000 puertas lógicas y pueden usarse para implementar funciones complejas más eficientemente que usando solo puertas lógicas. Describe algunos circuitos MSI comunes como decodificadores, codificadores, convertidores de códigos y multiplexores, y cómo se pueden usar para funciones como decodificación de direcciones, codificación de prioridades y conversión entre diferentes sistemas numéricos.
















