William Alberto Mendez Benavides
MECYDICE-G6
 Introducción
 Sensores
 ópticos
 Efectos hall
 home posición
 Paper end
 Diagrama de bloques
 Diagrama electrónico
 Conclusiones
 Cybergrafia
 Este trabajo se realiza con el fin de relacionar
el diagrama de bloques de una impresora
matriz de punto con el diagrama electrónico
para así conocer la ubicación de cada bloque
funcional que conforma el diagrama de
bloques, también se dará a conocer las
definiciones de algunos sensores.
 Un sensor óptico es un dispositivo que detecta,
o censa manifestaciones de cualidades o
fenómenos físicos, como la energía, velocidad,
aceleración, tamaño, cantidad, etc.
 Principio básico de funcionamiento: emisión y
recepción de luz tanto en el emisor como en el
receptor existen pequeñas lentes ópticas que
permiten conocer el haz de luz y se encuentran
en un mismo encapsulado.
Generalmente trabajan por reflexión de la luz,
es decir, el emisor emite luz y si esta luz es
reflejada por un objeto, el receptor lo detecta.
 Fuentes
 Receptor
 Lentes
 Circuito de salida
 El sensor de efecto hall o simplemente sensor
hall o sonda hall (denominado según Edwin
Herbert hall) se sirve del efecto hall para la
medición de campos magnéticos o corrientes o
para la determinación de la posición.
 Si fluye corriente por un sensor hall y se
aproxima a un campo magnético que fluye en
dirección vertical al sensor, entonces el sensor
crea un voltaje saliente proporcional al
producto der la fuerza de campo magnético y
de la corriente. Si se conoce el valor de la
corriente, entonces se puede calcular la fuerza
del campo magnético, si se crea el campo
magnético por medio de corriente que circula
por una bobina o un conductor, entonces se
puede medir el valor de la corriente en el
conductor o bobina.
 Un sistema de sensor de posición inicial y
método capaz de acostar la cantidad de tiempo
consumido para detectar una posición de
reposo.
 El sistema de sensor de posición inicial que
incluye un carro en el que un cabezal de impresión
esta montada y siendo movible en una dirección
horizontal, dos costillas de detección separados
por un intervalo constante entre si a lo largo de la
dirección de movimiento del carro.
 para mover el carro y un controlador en una
dirección horizontal a través del controlador de
trasporte de conformidad con los estados de
detención de la sensor hogar de los dos nervios
sensores para detectar asi una posición de
reposo.
 El pd781 es una matriz de punto chip controlador
de impresora lsi que contiene todas las funciones
del circuito y el control para la interfaz de procesos
de 8 bits para el modelo Epson 512522 y 542
impresora matriciales. Estas impresoras son
capaces de imprimir 40 columnas por fila bruja una
matriz de 5 x 7 puntos. El pd781 es ideal para los
registros de bajo costo en efectivo electrónicas y
los sistemas de punto de venta, que ya que libera
al procesador de control directo d la impresora y
simplifica.
 El Hitachi HM6264B es RAM estática 64 bits
organizando 8-kword x 8 bits. Se da un
rendimiento mas alto y un bajo consumo de
energía mediante la tecnología de proceso CMOS
de 1,5 micras. El dispositivo, empaquetado en 450
mil.
 SOP (pies ancho campo de impresión), 600DIP
plástico mil, 300 mil DIP plástico, esta disponible
para la alta densidad montaje.
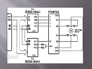
 El mecanismo de trasporte de la impresora es
impulsar por el motor del carro. La inversión de la
rotación del motor, sostiene y de conmutación para
el motor paso a paso. Este CI es controlado por un
conjunto de puertas (IC3A:E05A15HA)que se
controla por la CPU. La velocidad de rotación del
motor del carro es controlada por otra matriz de
puertas (IC3A:E05A16GA). Esta matriz de puertas
también emite la señal de apagado (PD1) que
apaga el transporte motor de accionamiento.
 Para obtener los conocimientos necesarios del
funcionamiento de una impresora matricial
tendremos que consultar e investigar que hace
cada bloque funcional que conforma la
impresora de matriz de punto.
 http:/www.datasheetcatalog.com/datasheets_p
df/2/7/5/27256.shtml
 http:/www.datasheetcatalog.com
 http://www.wikipedia.com

Impresora matriz de punto

  • 1.
    William Alberto MendezBenavides MECYDICE-G6
  • 2.
     Introducción  Sensores ópticos  Efectos hall  home posición  Paper end  Diagrama de bloques  Diagrama electrónico  Conclusiones  Cybergrafia
  • 3.
     Este trabajose realiza con el fin de relacionar el diagrama de bloques de una impresora matriz de punto con el diagrama electrónico para así conocer la ubicación de cada bloque funcional que conforma el diagrama de bloques, también se dará a conocer las definiciones de algunos sensores.
  • 4.
     Un sensoróptico es un dispositivo que detecta, o censa manifestaciones de cualidades o fenómenos físicos, como la energía, velocidad, aceleración, tamaño, cantidad, etc.
  • 5.
     Principio básicode funcionamiento: emisión y recepción de luz tanto en el emisor como en el receptor existen pequeñas lentes ópticas que permiten conocer el haz de luz y se encuentran en un mismo encapsulado. Generalmente trabajan por reflexión de la luz, es decir, el emisor emite luz y si esta luz es reflejada por un objeto, el receptor lo detecta.
  • 6.
     Fuentes  Receptor Lentes  Circuito de salida
  • 7.
     El sensorde efecto hall o simplemente sensor hall o sonda hall (denominado según Edwin Herbert hall) se sirve del efecto hall para la medición de campos magnéticos o corrientes o para la determinación de la posición.
  • 8.
     Si fluyecorriente por un sensor hall y se aproxima a un campo magnético que fluye en dirección vertical al sensor, entonces el sensor crea un voltaje saliente proporcional al producto der la fuerza de campo magnético y de la corriente. Si se conoce el valor de la corriente, entonces se puede calcular la fuerza del campo magnético, si se crea el campo magnético por medio de corriente que circula por una bobina o un conductor, entonces se puede medir el valor de la corriente en el conductor o bobina.
  • 9.
     Un sistemade sensor de posición inicial y método capaz de acostar la cantidad de tiempo consumido para detectar una posición de reposo.
  • 10.
     El sistemade sensor de posición inicial que incluye un carro en el que un cabezal de impresión esta montada y siendo movible en una dirección horizontal, dos costillas de detección separados por un intervalo constante entre si a lo largo de la dirección de movimiento del carro.  para mover el carro y un controlador en una dirección horizontal a través del controlador de trasporte de conformidad con los estados de detención de la sensor hogar de los dos nervios sensores para detectar asi una posición de reposo.
  • 12.
     El pd781es una matriz de punto chip controlador de impresora lsi que contiene todas las funciones del circuito y el control para la interfaz de procesos de 8 bits para el modelo Epson 512522 y 542 impresora matriciales. Estas impresoras son capaces de imprimir 40 columnas por fila bruja una matriz de 5 x 7 puntos. El pd781 es ideal para los registros de bajo costo en efectivo electrónicas y los sistemas de punto de venta, que ya que libera al procesador de control directo d la impresora y simplifica.
  • 14.
     El HitachiHM6264B es RAM estática 64 bits organizando 8-kword x 8 bits. Se da un rendimiento mas alto y un bajo consumo de energía mediante la tecnología de proceso CMOS de 1,5 micras. El dispositivo, empaquetado en 450 mil.  SOP (pies ancho campo de impresión), 600DIP plástico mil, 300 mil DIP plástico, esta disponible para la alta densidad montaje.
  • 16.
     El mecanismode trasporte de la impresora es impulsar por el motor del carro. La inversión de la rotación del motor, sostiene y de conmutación para el motor paso a paso. Este CI es controlado por un conjunto de puertas (IC3A:E05A15HA)que se controla por la CPU. La velocidad de rotación del motor del carro es controlada por otra matriz de puertas (IC3A:E05A16GA). Esta matriz de puertas también emite la señal de apagado (PD1) que apaga el transporte motor de accionamiento.
  • 18.
     Para obtenerlos conocimientos necesarios del funcionamiento de una impresora matricial tendremos que consultar e investigar que hace cada bloque funcional que conforma la impresora de matriz de punto.
  • 19.