Puedes tener, hacer y ser todo lo que deseas (el secreto)
Light Tech
LightLiving
Oval
Domino Avant
Alambres y Cables THHW-LS 600 V 105°C
Vizia RF Acenti Decora
Modular Plus
Datos
Señalización
DIAGRAMAS DE CONEXIÓN DE LAMPARAS INCANDESCENTES,
APAGADORES Y CONTACTOS.
CENTRO DE CAPACITACION PARA EL TRABAJO INDUSTRIAL No. 98
CURSO: ISER SUBMODULO No. 1 TRAB. PREP. (INTERP. DIAGRAMAS)
GRUPO:
FECHA:
REVISO: PROFR. E. CANO M.
REALIZO:INFORMACION TEC
E.C.M
PARA SIMPLIFICAR AL MAXIMO LOS DIAGRAMAS DE CONEXION DE LAMPARAS CON
APAGADORES Y CONTACTOS, SE INDICARAN ALGUNAS DE LAS COMBINACIONES MAS
COMUNES EN 127.5 VOLTS (CONOCIDA GENERALMENTE COMO UNA TENSION DE 110V),
ADEMAS, POR COMODIDAD AL ALAMBRADO SE CAMBIARAN LOS SIMBOLOS DE
APAGADORES Y CONTACTOS SIN OLVIDAR QUE LOS USUALES SON LOS ESTUDIADOS
ANTERIORMENTE.
APAGADOR SENCILLO
APAGADOR DE 3 VIAS O DE ESCALERA
APAGADOR DE 4 VIAS O DE PASO
CONTACTO SENCILLO EN MURO
EN EL SIGUIENTE DIAGRAMA SE ESTA PRISCINDIENDO DEL PORTALAMPARAS O SOQUET
PARA MARCAR EN FORMA CLARA, EN QUE PARTES DEBEN HACER CONTACTO TANTO EL
NEUTRO COMO LA FASE.
FASE
NEUTRO
LA FASE SIEMPRE DEBE IR A LA PARTE ALTA DEL CASQUILLO (PUNTO CENTRAL) Y EL
NEUTRO AL CASQUILLO, CON LO ANTERIOR SE EVITA QUE AL AFLOJAR LA LAMPARA, LA
PERSONA TOQUE ACCIDENTALMENTE EL HILO DE FASE AL HACER CONTACTO CON LA PARTE
ROSCADA SIENDO ELLO PELIGROSO, MAXIME SI SE ESTA SOBRE PARTE HUMEDA O BUENA
CONDUCTORA DE ELECTRICIDAD.
RESPECTO A LA POSICION DE LAS CAJAS DE CONEXION (CHALUPAS) EN QUE SE DEBAN
INSTALAR APAGADORES Y CONTACTOS, HAY NECESIDAD DE INDICAR LO SIGUIENTE:
1.- LA ALTURA DE LOS APAGADORES EN FORMA GENERAL ES ENTRE 1.20 Y 1.35 M. SOBRE EL
NIVEL DEL PISO TERMINADO (NPT). Y ENTRE .10 Y .20 M AL INTERIOR DE LA PUERTA.
2.- CONTACTOS EN AREAS O LOCALES SECOS: (HABITACION, SALA, PASILLO, ESTANCIA,
ESTUDIO, ETC) ES ENTRE .30 Y .50 M NPT.
3.- CONTACTOS EN AREAS HUMEDAS: (BAÑOS, LAVADEROS, ETC) EN LAS MISMAS CHALUPAS
O A LA MISMA ALTURA QUE LOS APAGADORES, ES DECIR, ENTRE 1.20 Y 1.35 M. NPT.
1.20 A 1.35 M
N.P.T
.30 A .50 M
N.P.T
Lugares secos
N.P.T (Nivel del Piso Terminado)
1.20 A 1.35 M
N.P.T
N.P.T (Nivel del Piso Terminado)
1.20 A 1.35 M
N.P.T
Lugares
Humedos
CENTRO DE CAPACITACION PARA EL TRABAJO INDUSTRIAL No. 98
CURSO: ISER SUBMODULO No. 01 TRAB. PREPPARATORIOS (INTERP. DIAGR.)
GRUPO:
FECHA:
REVISO: PROFR. E. CANO M.
REALIZO:ORDEN TRABAJO No. 01
E.C.M
CONEXIÓN DE UNA LAMPARA INCANDESCENTE CONTROLADA POR UN
APAGADOR SENCILLO, INDICANDO LA LLEGADA Y CONTINUACION DE LA LINEA.
LLEGADA
DE LINEA
CONTINUACION
DE LINEA
FOCO
CAJA DE CONEXION
APAGADOR
SENCILLO
NEUTRO
2-12
2-12
2-14
DIAGRAMA PRACTICO
DIAGRAMA DE CONEXION
CENTRO DE CAPACITACION PARA EL TRABAJO INDUSTRIAL No. 98
GRUPO:
FECHA:
REVISO: PROFR. E. CANO M.
REALIZO:
E.C.M
CONEXIÓN DE UNA LAMPARA INCANDESCENTE CONTROLADA POR UN
APAGADOR SENCILLO, EN EL EXTREMO CONTRARIO UN CONTACTO TAMBIEN
SENCILLO, INDICANDO LA LLEGADA Y CONTINUACION DE LA LINEA.
LLEGADA
DE LINEA
CONTINUACION
DE LINEA
FOCO
CAJA DE CONEXION
APAGADOR
SENCILLO
NEUTRO
2-12
2-12
2-14
DIAGRAMA PRACTICO
DIAGRAMA DE CONEXION
CONTACTO
SENCILLO
2-12
CURSO: ISER SUBMODULO No. 01 TRAB. PREPPARATORIOS (INTERP. DIAGR.)
ORDEN TRABAJO No. 02
CENTRO DE CAPACITACION PARA EL TRABAJO INDUSTRIAL No. 98
GRUPO:
FECHA:
REVISO: PROFR. E. CANO M.
REALIZO:
E.C.M
CONEXIÓN DE UNA LAMPARA INCANDESCENTE CONTROLADA POR
UN APAGADOR SENCILLO QUE ESTA JUNATO A UN CONTACTO TAMBIEN
SENCILLO, INDICANDO LA LLEGADA DE LA LINEA.
LLEGADA
DE LINEA
FOCO
CAJA DE CONEXION
2-12
DIAGRAMA PRACTICO
2-12
1-14
F
N
CURSO: ISER SUBMODULO No. 01 TRAB. PREPPARATORIOS (INTERP. DIAGR.)
ORDEN TRABAJO No. 03
CENTRO DE CAPACITACION PARA EL TRABAJO INDUSTRIAL No. 98
GRUPO:
FECHA:
REVISO: PROFR. E. CANO M.
REALIZO:
E.C.M
CONEXIÓN DE DOS LAMPARAS INCANDESCENTES CONTROLADAS
AMBAS POR UN APAGADOR SENCILLO, QUE ESTA JUNTO A UN CONTACTO TAMBIEN
SENCILLO, INDICANDO LA LLEGADA Y CONTINUACION DE LA LINEA.
DIAGRAMA PRACTICO
CURSO: ISER SUBMODULO No. 01 TRAB. PREPPARATORIOS (INTERP. DIAGR.)
ORDEN TRABAJO No. 04
CENTRO DE CAPACITACION PARA EL TRABAJO INDUSTRIAL No. 98
GRUPO:
FECHA:
REVISO: PROFR. E. CANO M.
REALIZO:
E.C.M
CONEXIÓN DE UNA LAMPARA INCANDESCENTE CONTROLADA POR UN
APAGADOR SENCILLO Y EN EL EXTREMO CONTRARIO UN CONTACTO TAMBIEN
SENCILLO, POR DONDE LLEGA LA LINEA ATRAVÉS DEL PISO
LLEGADA
DE LINEA
DIAGRAMA PRACTICO
DIAGRAMA DE CONEXION
CURSO: ISER SUBMODULO No. 01 TRAB. PREPPARATORIOS (INTERP. DIAGR.)
ORDEN TRABAJO No. 05
CENTRO DE CAPACITACION PARA EL TRABAJO INDUSTRIAL No. 98
GRUPO:
FECHA:
REVISO: PROFR. E. CANO M.
REALIZO:
E.C.M
CONEXIÓN DE UNA LAMPARA INCANDESCENTE CONTROLADA POR UN
APAGADOR SENCILLO POR DONDE LLEGA LA LINEA ATRAVÉS DEL PISO Y EN EL
EXTREMO CONTRARIO DOS CONTACTOS TAMBIEN SENCILLOS.
LLEGADA
DE LINEA
DIAGRAMA PRACTICO
DIAGRAMA DE CONEXION
CURSO: ISER SUBMODULO No. 01 TRAB. PREPPARATORIOS (INTERP. DIAGR.)
ORDEN TRABAJO No. 06
CENTRO DE CAPACITACION PARA EL TRABAJO INDUSTRIAL No. 98
GRUPO:
FECHA:
REVISO: PROFR. E. CANO M.
REALIZO:
E.C.M
CONEXIÓN DE DOS LAMPARAS INCANDESCENTES CONTROLADAS
CADA UNA POR UN APAGADOR SENCILLO, QUE ESTAN JUNTO A UN CONTACTO
TAMBIEN SENCILLO CADA APAGADOR.
DIAGRAMA PRACTICO
DIAGRAMA DE CONEXION
CURSO: ISER SUBMODULO No. 01 TRAB. PREPPARATORIOS (INTERP. DIAGR.)
ORDEN TRABAJO No. 07
CENTRO DE CAPACITACION PARA EL TRABAJO INDUSTRIAL No. 98
GRUPO:
FECHA:
REVISO: PROFR. E. CANO M.
REALIZO:
E.C.M
CONEXIÓN DE DOS LAMPARAS INCANDESCENTES CONTROLADAS
CADA UNA POR UN APAGADOR SENCILLO, CON DOS CONTACTOS BAJADOS DE LA
CAJA “A” . EL APAGADOR “B” QUE CONTROLA LA LAMPARA “B” ES ALIMENTADO POR
TIERRA DESDE AL APAGADOR “A”.
DIAGRAMA PRACTICO
DIAGRAMA DE CONEXION
F
N
F R R
F N
R
F
CURSO: ISER SUBMODULO No. 01 TRAB. PREPPARATORIOS (INTERP. DIAGR.)
ORDEN TRABAJO No. 08
CENTRO DE CAPACITACION PARA EL TRABAJO INDUSTRIAL No. 98
GRUPO:
FECHA:
REVISO: PROFR. E. CANO M.
REALIZO:
E.C.M
CONEXIÓN DE TRES LAMPARAS INCANDESCENTES CONTROLADAS
CADA UNA POR UN APAGADOR SENCILLO, LOS TRES APAGADORES ESTAN EN LA
MISMA CHALUPA Y SON BAJADOS DE LA CAJA “A”.
DIAGRAMA PRACTICO
DIAGRAMA DE CONEXION
CURSO: ISER SUBMODULO No. 01 TRAB. PREPPARATORIOS (INTERP. DIAGR.)
ORDEN TRABAJO No. 09
4321
CENTRO DE CAPACITACION PARA EL TRABAJO INDUSTRIAL No. 98
GRUPO:
FECHA:
REVISO: PROFR. E. CANO M.
REALIZO:
E.C.M
CONEXIÓN DE CUATRO LAMPARAS INCANDESCENTES, LAS LAMP. 1 Y 2
CONTROLADAS POR UN APAG. SENCILLO C/U, LAS LAMP. 3 Y 4 CONTROLADAS AMBAS POR UN
APAG. SENCILLO. LOS APAGADORES ESTAN EN LA MISMA CHALUPA Y SON BAJADOS DE LA
CAJA “1”.
DIAGRAMA PRACTICO
DIAGRAMA DE CONEXION
CURSO: ISER SUBMODULO No. 01 TRAB. PREPPARATORIOS (INTERP. DIAGR.)
ORDEN TRABAJO No. 10
CBA
CENTRO DE CAPACITACION PARA EL TRABAJO INDUSTRIAL No. 98
GRUPO:
FECHA:
REVISO: PROFR. E. CANO M.
REALIZO:
E.C.M
CONEXIÓN DE TRES LAMPARAS INCANDESCENTES, EL APAGADOR 1 OPERA LAS LAMP.
“A” Y “B”, EL APAGADOR 2 CONTROLA LA LAMP “C” CON DOS CONTACTOS BAJADOS DE LA CAJA “B” Y
OTROS DOS BAJADOS DE LA CAJA “C”
DIAGRAMA PRACTICO
DIAGRAMA DE CONEXION
APAGADOR 1 APAGADOR 2
CURSO: ISER SUBMODULO No. 01 TRAB. PREPPARATORIOS (INTERP. DIAGR.)
ORDEN TRABAJO No. 11
CENTRO DE CAPACITACION PARA EL TRABAJO INDUSTRIAL No. 98
GRUPO:
FECHA:
REVISO: PROFR. E. CANO M.
REALIZO:FUNC. DE APAG. 3 VIAS
E.C.M
CONEXIÓN DE UNA LAMPARA INCANDESCENTE CONTROLADA DESDE DOS
LUGARES DISTINTOS POR MEDIO DE DOS APAGADORES DE TRES VIAS O DE
ESCALERA, UTILIZANDO PUENTES COMUNES.
DIAGRAMA BASICO DE CONEXION
+ +PUENTES COMUNES
R
F
N
F
CURSO: ISER SUBMODULO No. 1 TRAB. PREPPARATORIOS (INTERP. DIAGR.)
+ +
F N
N F
DIAGRAMA DE CONEXION
F
N
R
R
CONEXIÓN DE UNA LAMPARA INCANDESCENTE CONTROLADA DESDE DOS
LUGARES DISTINTOS POR MEDIO DE DOS APAGADORES DE TRES VIAS O DE
ESCALERA, CONECTADOS EN CORTO CIRCUITO.
CENTRO DE CAPACITACION PARA EL TRABAJO INDUSTRIAL No. 98
GRUPO:
FECHA:
REVISO: PROFR. E. CANO M.
REALIZO:
E.C.M
CONEXIÓN DE UNA LAMPARA INCANDESCENTE CONTROLADA DESDE
DOS LUGARES DISTINTOS POR MEDIO DE DOS APAGADORES DE TRES VIAS O DE
ESCALERA, UTILIZANDO PUENTES COMUNES.
2-12
DIAGRAMA PRACTICO
3-14
DIAGRAMA DE CONEXION
+ +
3-14
P PR
F
N
F P P
CURSO: ISER SUBMODULO No. 01 TRAB. PREPPARATORIOS (INTERP. DIAGR.)
ORDEN TRABAJO No. 12
CENTRO DE CAPACITACION PARA EL TRABAJO INDUSTRIAL No. 98
GRUPO:
FECHA:
REVISO: PROFR. E. CANO M.
REALIZO:
E.C.M
CONEXIÓN DE UNA LAMPARA INCANDESCENTE CONTROLADA DESDE
DOS LUGARES DISTINTOS POR MEDIO DE DOS APAGADORES DE TRES VIAS O DE
ESCALERA, CONECTADOS EN CORTO CIRCUITO.
2-12
DIAGRAMA PRACTICO
3-14
DIAGRAMA DE CONEXION
+ +
3-14
F
N
F N R
R N F
CURSO: ISER SUBMODULO No. 01 TRAB. PREPPARATORIOS (INTERP. DIAGR.)
ORDEN TRABAJO No. 13
CENTRO DE CAPACITACION PARA EL TRABAJO INDUSTRIAL No. 98
GRUPO:
FECHA:
REVISO: PROFR. E. CANO M.
REALIZO:
E.C.M
CONEXIÓN DE UNA LAMPARA INCANDESCENTE CONTROLADA DESDE
DOS LUGARES DISTINTOS POR MEDIO DE DOS APAGADORES DE TRES VIAS O DE
ESCALERA, UTILIZANDO PUENTES COMUNES. CON UN CONTACTO SENCILLO JUNTO A
CADA APAGADOR
DIAGRAMA PRACTICO
DIAGRAMA DE CONEXION
+ +
CURSO: ISER SUBMODULO No. 01 TRAB. PREPPARATORIOS (INTERP. DIAGR.)
ORDEN TRABAJO No. 14
CENTRO DE CAPACITACION PARA EL TRABAJO INDUSTRIAL No. 98
GRUPO:
FECHA:
REVISO: PROFR. E. CANO M.
REALIZO:
E.C.M
CONEXIÓN DE UNA LAMPARA INCANDESCENTE CONTROLADA DESDE
DOS LUGARES DISTINTOS POR MEDIO DE DOS APAGADORES DE TRES VIAS O DE
ESCALERA, CONECTADOS EN CORTO CIRCUITO,. CON UN CONTACTO SENCILLO JUNTO A
CADA APAGADOR
DIAGRAMA DE CONEXION
DIAGRAMA PRACTICO
+ +
CURSO: ISER SUBMODULO No. 01 TRAB. PREPPARATORIOS (INTERP. DIAGR.)
ORDEN TRABAJO No. 15
CENTRO DE CAPACITACION PARA EL TRABAJO INDUSTRIAL No. 98
GRUPO:
FECHA:
REVISO: PROFR. E. CANO M.
REALIZO:
E.C.M
CONEXIÓN DE DOS LAMPARAS INCANDESCENTES CONTROLADAS DESDE
DOS LUGARES DISTINTOS POR MEDIO DE DOS APAGADORES DE TRES VIAS O DE
ESCALERA, UTILIZANDO PUENTES COMUNES. CON UN CONTACTO SENCILLO JUNTO A
CADA APAGADOR
DIAGRAMA PRACTICO
DIAGRAMA DE CONEXION
+ +
CURSO: ISER SUBMODULO No. 01 TRAB. PREPPARATORIOS (INTERP. DIAGR.)
ORDEN TRABAJO No. 16
CENTRO DE CAPACITACION PARA EL TRABAJO INDUSTRIAL No. 98
GRUPO:
FECHA:
REVISO: PROFR. E. CANO M.
REALIZO:
E.C.M
DIAGRAMA PRACTICO
CONEXIÓN DE DOS LAMPARA INCANDESCENTES CONTROLADAS DESDE
DOS LUGARES DISTINTOS POR MEDIO DE DOS APAGADORES DE TRES VIAS O DE
ESCALERA, CONECTADOS EN CORTO CIRCUITO,. CON UN CONTACTO SENCILLO JUNTO A
CADA APAGADOR.
DIAGRAMA DE CONEXION
+ +
CURSO: ISER SUBMODULO No. 01 TRAB. PREPPARATORIOS (INTERP. DIAGR.)
ORDEN TRABAJO No. 17
CENTRO DE CAPACITACION PARA EL TRABAJO INDUSTRIAL No. 98
GRUPO:
FECHA:
REVISO: PROFR. E. CANO M.
REALIZO:
E.C.M
CONEXIÓN DE TRES LAMPARAS INCANDESCENTES CONTROLADAS DESDE DOS LUGARES
DISTINTOS POR MEDIO DE DOS APAGADORES DE TRES VIAS O DE ESCALERA, UTILIZANDO PUENTES COMUNES
QUE ESTAN JUNTO A UN CONTACTO SENCILLO C/U. CON DOS CONTACTOS BAJADOS DE LA CAJA “A” Y OTROS
DOS BAJADOS DE LA CAJA “B”
DIAGRAMA PRACTICO
DIAGRAMA DE CONEXION
+ +
CURSO: ISER SUBMODULO No. 01 TRAB. PREPPARATORIOS (INTERP. DIAGR.)
ORDEN TRABAJO No. 18
CENTRO DE CAPACITACION PARA EL TRABAJO INDUSTRIAL No. 98
GRUPO:
FECHA:
REVISO: PROFR. E. CANO M.
REALIZO:
E.C.M
CONEXIÓN DE TRES LAMPARAS INCANDESCENTES CONTROLADAS DESDE DOS LUGARES
DISTINTOS POR MEDIO DE DOS APAGADORES DE TRES VIAS O DE ESCALERA, CONECTADOS EN CORTO
CIRCUITO,. CON UN CONTACTO SENCILLO JUNTO A CADA APAGADOR. CON DOS CONTACTOS BAJADOS DE LA
CAJA “A” LOS CUALES ALIMENTAN A TRAVES DEL PISO A OTROS DOS CONTACOTS EN EL EXTREMO
CONTRARIO
DIAGRAMA DE CONEXION
DIAGRAMA PRACTICO
+ +
CURSO: ISER SUBMODULO No. 01 TRAB. PREPPARATORIOS (INTERP. DIAGR.)
ORDEN TRABAJO No. 19
CENTRO DE CAPACITACION PARA EL TRABAJO INDUSTRIAL No. 98
GRUPO:
FECHA:
REVISO: PROFR. E. CANO M.
REALIZO:
E.C.M
CONEXIÓN DE CUATRO LAMPARAS INCANDESCENTES. LAS LAMP. 1 Y 2 CONTROLADAS POR
MEDIO DE DOS APAGADORES DE 3 VIASQUE ESTAN JUNTO AUN CONTACTO (PUENTES COMUNES), LAS LAMP. 3 Y
4 CONTROLADAS POR 2 APAG. DE 3 VIAS QUE ESTAN JUNTOA UN CONTACTO (CORTO CIRCUITO)
DIAGRAMA DE CONEXION
DIAGRAMA PRACTICO
+ + + +
CURSO: ISER SUBMODULO No. 01 TRAB. PREPPARATORIOS (INTERP. DIAGR.)
ORDEN TRABAJO No. 20
CENTRO DE CAPACITACION PARA EL TRABAJO INDUSTRIAL No. 98
GRUPO:
FECHA:
REVISO: PROFR. E. CANO M.
REALIZO:FUNCION DEL APAG. DE 4 VIAS
CURSO: ISER SUBMODULO No. 1 TRAB. PREPPARATORIOS (INTERP. DIAGR.)
4
VIAS
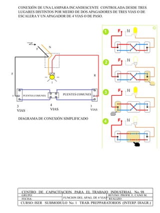
CONEXIÓN DE UNA LAMPARA INCANDESCENTE CONTROLADA DESDE TRES
LUGARES DISTINTOS POR MEDIO DE DOS APAGADORES DE TRES VIAS O DE
ESCALERA Y UN APAGADOR DE 4 VIAS O DE PASO.
+
3
VIAS
+
3
VIAS
DIAGRAMA DE CONEXIÓN SIMPLIFICADO
R
F
N
F
PUENTES COMUNES PUENTES COMUNES
CENTRO DE CAPACITACION PARA EL TRABAJO INDUSTRIAL No. 98
GRUPO:
FECHA:
REVISO: PROFR. E. CANO M.
REALIZO:
E.C.M
CONEXIÓN DE UNA LAMPARA INCANDESCENTE CONTROLADA DESDE
TRES LUGARES DISTINTOS POR MEDIO DE DOS APAGADORES DE TRES VIAS O DE
ESCALERA Y UN APAGADOR DE 4 VIAS O DE PASO.
2-12
DIAGRAMA PRACTICO
3-14
DIAGRAMA DE CONEXION
+
3-14
PP R
F
N
F P P
P P
4-14
3 VIAS
4 VIAS
3 VIAS
+
CURSO: ISER SUBMODULO No. 01 TRAB. PREPPARATORIOS (INTERP. DIAGR.)
ORDEN TRABAJO No. 21
CENTRO DE CAPACITACION PARA EL TRABAJO INDUSTRIAL No. 98
GRUPO:
FECHA:
REVISO: PROFR. E. CANO M.
REALIZO:
E.C.M
CONEXIÓN DE UNA LAMPARA INCANDESCENTE CONTROLADA DESDE TRES LUGARES
DISTINTOS POR MEDIO DE DOS APAGADORES DE TRES VIAS O DE ESCALERA Y UN APAGADOR DE 4 VIAS O DE
PASO. CON UN CONTACTO SENCILLO JUNTO A CADA APAGADOR DE 3 VIAS.
DIAGRAMA PRACTICO
DIAGRAMA DE CONEXION
+ +
CURSO: ISER SUBMODULO No. 01 TRAB. PREPPARATORIOS (INTERP. DIAGR.)
ORDEN TRABAJO No. 22
CENTRO DE CAPACITACION PARA EL TRABAJO INDUSTRIAL No. 98
GRUPO:
FECHA:
REVISO: PROFR. E. CANO M.
REALIZO:
E.C.M
CONEXIÓN DE DOS LAMPARAS INCANDESCENTES CONTROLADAS DESDE TRES LUGARES
DISTINTOS POR MEDIO DE DOS APAGADORES DE TRES VIAS O DE ESCALERA Y UN APAGADOR DE 4 VIAS O DE
PASO BAJADO DE LA CAJA “B”.
DIAGRAMA PRACTICO
DIAGRAMA DE CONEXION
+ +
CURSO: ISER SUBMODULO No. 01 TRAB. PREPPARATORIOS (INTERP. DIAGR.)
ORDEN TRABAJO No. 23
CENTRO DE CAPACITACION PARA EL TRABAJO INDUSTRIAL No. 98
GRUPO:
FECHA:
REVISO: PROFR. E. CANO M.
REALIZO:
E.C.M
CONEXIÓN DE DOS LAMPARAS INCANDESCENTES CONTROLADAS DESDE TRES LUGARES
DISTINTOS POR MEDIO DE DOS APAGADORES DE TRES VIAS O DE ESCALERA Y UN APAGADOR DE 4 VIAS O DE
PASO BAJADO DE LA CJA “B”. CON UN CONTACTO SENCILLO JUNTO A CADA APAGADOR.
DIAGRAMA PRACTICO
DIAGRAMA DE CONEXION
+ +
CURSO: ISER SUBMODULO No. 01 TRAB. PREPPARATORIOS (INTERP. DIAGR.)
ORDEN TRABAJO No. 24
CENTRO DE CAPACITACION PARA EL TRABAJO INDUSTRIAL No. 98
GRUPO:
FECHA:
REVISO: PROFR. E. CANO M.
REALIZO:
E.C.M
100W 180W
CTO.
No.
UNICO
TOTAL
WATTS
6 16 3480
CARGA TOTAL INSTALADA: 3480W
FACTOR DE DEMANDA: 60%
CARGA MAX. APROXIMADA: 2088W
CUADRO DE CARGAS 2-8
2x30A
1X20A
2-12
CTO. UNICO
2-8
DIAGRAMA
UNIFILAR
A
A
A
DETERMINA No. Y CAL. DEL CONDUCTOR EN CADA TRAMO DE TUBERIA.
CURSO: ISER SUBMODULO No. 01 TRAB. PREPPARATORIOS (INTERP. DIAGR.)
ORDEN TRABAJO No. 26
CENTRO DE CAPACITACION PARA EL TRABAJO INDUSTRIAL No. 98
GRUPO:
FECHA:
REVISO: PROFR. E. CANO M.
REALIZO:
E.C.M
100W 180W
CTO.
No.
UNICO
TOTAL
WATTS
CARGA TOTAL INSTALADA:
FACTOR DE DEMANDA:
CARGA MAX. APROXIMADA:
CUADRO DE CARGAS
B
A
A
A
AB
CTO. UNICO
DIAGRAMA
UNIFILAR
DETERMINA No. Y CAL. DE CONDUCTOR EN CADA TRAMO DE TUBERIA, LLENA EL CUADRO DE CARGAS Y DIAG. UNIFILAR
CURSO: ISER SUBMODULO No. 01 TRAB. PREPPARATORIOS (INTERP. DIAGR.)
ORDEN TRABAJO No. 27
CENTRO DE CAPACITACION PARA EL TRABAJO INDUSTRIAL No. 98
GRUPO:
FECHA:
REVISO: PROFR. E. CANO M.
REALIZO:
E.C.M
100W 180W
CTO.
No.
1
TOTAL
WATTS
CARGA TOTAL INSTALADA:
FACTOR DE DEMANDA:
CARGA MAX. APROXIMADA:
CUADRODECARGAS
A
A
A
C1
DIAGRAMA
UNIFILAR
DETERMINA No. Y CAL. DE CONDUCTOR EN CADA TRAMO DE TUBERIA, LLENA EL CUADRO DE CARGAS Y DIAG. UNIFILAR
2-10
CURSO: ISER SUBMODULO No. 01 TRAB. PREPPARATORIOS (INTERP. DIAGR.)
ORDEN TRABAJO No. 28
CENTRO DE CAPACITACION PARA EL TRABAJO INDUSTRIAL No. 98
GRUPO:
FECHA:
REVISO: PROFR. E. CANO M.
REALIZO:
E.C.M
100W 180W
CTO.
No.
1
TOTAL
WATTS
6 600
CARGA TOTAL INSTALADA: 4020W
FACTOR DE DEMANDA: 60%
CARGA MAX. APROXIMADA: 2412W
CUADRODECARGAS
2-10
A
A
A
2 19 3420
2-8
2x30A
1X15A
2-12
C1
2-10
DIAGRAMA
UNIFILAR
1X30A
2-12
C2
CIRCUITO 1 (C1) ALUMBRADO Y CIRCUITO 2 (C2) CONTACTOS, NEUTRO COMUN.
CURSO: ISER SUBMODULO No. 01 TRAB. PREPPARATORIOS (INTERP. DIAGR.)
ORDEN TRABAJO No. 29
CENTRO DE CAPACITACION PARA EL TRABAJO INDUSTRIAL No. 98
GRUPO:
FECHA:
REVISO: PROFR. E. CANO M.
REALIZO:
E.C.M
2-8
1-10
100 W 180 W
CTO.
No.
1
TOTAL
WATTS
CARGA TOTAL INSTALADA:
FACTOR DE DEMANDA:
CARGA MAX. APROXIMADA:
CUADRODECARGAS
A
A
2
C1
DIAGRAMA
UNIFILAR
C2
AIR. ACOND. 1 TON 220V
A
A
B
B
B
B
75 W 60 W
1 TON
1392W
3-8
CURSO: ISER SUBMODULO No. 01 TRAB. PREPPARATORIOS (INTERP. DIAGR.)
ORDEN TRABAJO No. 30
CENTRO DE CAPACITACION PARA EL TRABAJO INDUSTRIAL No. 98
GRUPO:
FECHA:
REVISO: PROFR. E. CANO M.
REALIZO:INFORMACION TEC.
E.C.M
51BTA707-151 6,500 1/2 127-1-60 685 6.2 14 1X15
ACONDICIONADORES DE VENTANA “CARRIER”
51DTA110-351 10,000 3/4 220-1-60 1364 6.3 14 2X15
51DTZ112-151 12,000 1 127-1-60 1380 12.0 10 1X30
51DTC112-351 12,000 1 220-1-60 1392 6.4 14 2X15
51DTA115-351 14,500 1 1/4 220-1-60 1755 8.3 12 2X20
51FTB118-351 1 1/218,000 220-1-60 2082 9.5 12 2X20
51FTA225-351 24,500 2 220-1-60 3020 14.0 10 2X30
51HKB233-351 32,500 2 1/2 220-1-60 3325 15.5 10 2X30
51HKD336-351 36,000 3 220-1-60 4320 19.8 8 2X40
51HKT336-551 36,000 3 220-3-60 4355 12.7 10 3X30
YE12 12,200 1 127-1-60 1442 12.8 10 1X30
YE12 12,200 1 220-1-60 1262 6.55 14 2X15
YE18 17,700 1 1/2 220-1-60 1860 8.55 12 2X15
YE24 23,000 2 220-1-60 2682 15.3 12 2X20
RD30 28000 2 1/2 220-1-60 3980 18.8 10 2X30
RD35 335,000 220-1-60 5000 22.8 8 2X40
RD35 35,000 3 220-3-60 4910 15.2 10 2X20
ACONDICIONADORES DE VENTANA “YORK”
CURSO: ISER SUBMODULO No. 01 TRAB. PREPPARATORIOS (INTERP. DIAGR.)

Interpretar diagramas de una ier

  • 2.
    Puedes tener, hacery ser todo lo que deseas (el secreto)
  • 3.
    Light Tech LightLiving Oval Domino Avant Alambresy Cables THHW-LS 600 V 105°C Vizia RF Acenti Decora Modular Plus
  • 7.
  • 8.
    DIAGRAMAS DE CONEXIÓNDE LAMPARAS INCANDESCENTES, APAGADORES Y CONTACTOS. CENTRO DE CAPACITACION PARA EL TRABAJO INDUSTRIAL No. 98 CURSO: ISER SUBMODULO No. 1 TRAB. PREP. (INTERP. DIAGRAMAS) GRUPO: FECHA: REVISO: PROFR. E. CANO M. REALIZO:INFORMACION TEC E.C.M PARA SIMPLIFICAR AL MAXIMO LOS DIAGRAMAS DE CONEXION DE LAMPARAS CON APAGADORES Y CONTACTOS, SE INDICARAN ALGUNAS DE LAS COMBINACIONES MAS COMUNES EN 127.5 VOLTS (CONOCIDA GENERALMENTE COMO UNA TENSION DE 110V), ADEMAS, POR COMODIDAD AL ALAMBRADO SE CAMBIARAN LOS SIMBOLOS DE APAGADORES Y CONTACTOS SIN OLVIDAR QUE LOS USUALES SON LOS ESTUDIADOS ANTERIORMENTE. APAGADOR SENCILLO APAGADOR DE 3 VIAS O DE ESCALERA APAGADOR DE 4 VIAS O DE PASO CONTACTO SENCILLO EN MURO EN EL SIGUIENTE DIAGRAMA SE ESTA PRISCINDIENDO DEL PORTALAMPARAS O SOQUET PARA MARCAR EN FORMA CLARA, EN QUE PARTES DEBEN HACER CONTACTO TANTO EL NEUTRO COMO LA FASE. FASE NEUTRO LA FASE SIEMPRE DEBE IR A LA PARTE ALTA DEL CASQUILLO (PUNTO CENTRAL) Y EL NEUTRO AL CASQUILLO, CON LO ANTERIOR SE EVITA QUE AL AFLOJAR LA LAMPARA, LA PERSONA TOQUE ACCIDENTALMENTE EL HILO DE FASE AL HACER CONTACTO CON LA PARTE ROSCADA SIENDO ELLO PELIGROSO, MAXIME SI SE ESTA SOBRE PARTE HUMEDA O BUENA CONDUCTORA DE ELECTRICIDAD. RESPECTO A LA POSICION DE LAS CAJAS DE CONEXION (CHALUPAS) EN QUE SE DEBAN INSTALAR APAGADORES Y CONTACTOS, HAY NECESIDAD DE INDICAR LO SIGUIENTE: 1.- LA ALTURA DE LOS APAGADORES EN FORMA GENERAL ES ENTRE 1.20 Y 1.35 M. SOBRE EL NIVEL DEL PISO TERMINADO (NPT). Y ENTRE .10 Y .20 M AL INTERIOR DE LA PUERTA. 2.- CONTACTOS EN AREAS O LOCALES SECOS: (HABITACION, SALA, PASILLO, ESTANCIA, ESTUDIO, ETC) ES ENTRE .30 Y .50 M NPT. 3.- CONTACTOS EN AREAS HUMEDAS: (BAÑOS, LAVADEROS, ETC) EN LAS MISMAS CHALUPAS O A LA MISMA ALTURA QUE LOS APAGADORES, ES DECIR, ENTRE 1.20 Y 1.35 M. NPT.
  • 9.
    1.20 A 1.35M N.P.T .30 A .50 M N.P.T Lugares secos N.P.T (Nivel del Piso Terminado) 1.20 A 1.35 M N.P.T N.P.T (Nivel del Piso Terminado) 1.20 A 1.35 M N.P.T Lugares Humedos
  • 10.
    CENTRO DE CAPACITACIONPARA EL TRABAJO INDUSTRIAL No. 98 CURSO: ISER SUBMODULO No. 01 TRAB. PREPPARATORIOS (INTERP. DIAGR.) GRUPO: FECHA: REVISO: PROFR. E. CANO M. REALIZO:ORDEN TRABAJO No. 01 E.C.M CONEXIÓN DE UNA LAMPARA INCANDESCENTE CONTROLADA POR UN APAGADOR SENCILLO, INDICANDO LA LLEGADA Y CONTINUACION DE LA LINEA. LLEGADA DE LINEA CONTINUACION DE LINEA FOCO CAJA DE CONEXION APAGADOR SENCILLO NEUTRO 2-12 2-12 2-14 DIAGRAMA PRACTICO DIAGRAMA DE CONEXION
  • 11.
    CENTRO DE CAPACITACIONPARA EL TRABAJO INDUSTRIAL No. 98 GRUPO: FECHA: REVISO: PROFR. E. CANO M. REALIZO: E.C.M CONEXIÓN DE UNA LAMPARA INCANDESCENTE CONTROLADA POR UN APAGADOR SENCILLO, EN EL EXTREMO CONTRARIO UN CONTACTO TAMBIEN SENCILLO, INDICANDO LA LLEGADA Y CONTINUACION DE LA LINEA. LLEGADA DE LINEA CONTINUACION DE LINEA FOCO CAJA DE CONEXION APAGADOR SENCILLO NEUTRO 2-12 2-12 2-14 DIAGRAMA PRACTICO DIAGRAMA DE CONEXION CONTACTO SENCILLO 2-12 CURSO: ISER SUBMODULO No. 01 TRAB. PREPPARATORIOS (INTERP. DIAGR.) ORDEN TRABAJO No. 02
  • 12.
    CENTRO DE CAPACITACIONPARA EL TRABAJO INDUSTRIAL No. 98 GRUPO: FECHA: REVISO: PROFR. E. CANO M. REALIZO: E.C.M CONEXIÓN DE UNA LAMPARA INCANDESCENTE CONTROLADA POR UN APAGADOR SENCILLO QUE ESTA JUNATO A UN CONTACTO TAMBIEN SENCILLO, INDICANDO LA LLEGADA DE LA LINEA. LLEGADA DE LINEA FOCO CAJA DE CONEXION 2-12 DIAGRAMA PRACTICO 2-12 1-14 F N CURSO: ISER SUBMODULO No. 01 TRAB. PREPPARATORIOS (INTERP. DIAGR.) ORDEN TRABAJO No. 03
  • 13.
    CENTRO DE CAPACITACIONPARA EL TRABAJO INDUSTRIAL No. 98 GRUPO: FECHA: REVISO: PROFR. E. CANO M. REALIZO: E.C.M CONEXIÓN DE DOS LAMPARAS INCANDESCENTES CONTROLADAS AMBAS POR UN APAGADOR SENCILLO, QUE ESTA JUNTO A UN CONTACTO TAMBIEN SENCILLO, INDICANDO LA LLEGADA Y CONTINUACION DE LA LINEA. DIAGRAMA PRACTICO CURSO: ISER SUBMODULO No. 01 TRAB. PREPPARATORIOS (INTERP. DIAGR.) ORDEN TRABAJO No. 04
  • 14.
    CENTRO DE CAPACITACIONPARA EL TRABAJO INDUSTRIAL No. 98 GRUPO: FECHA: REVISO: PROFR. E. CANO M. REALIZO: E.C.M CONEXIÓN DE UNA LAMPARA INCANDESCENTE CONTROLADA POR UN APAGADOR SENCILLO Y EN EL EXTREMO CONTRARIO UN CONTACTO TAMBIEN SENCILLO, POR DONDE LLEGA LA LINEA ATRAVÉS DEL PISO LLEGADA DE LINEA DIAGRAMA PRACTICO DIAGRAMA DE CONEXION CURSO: ISER SUBMODULO No. 01 TRAB. PREPPARATORIOS (INTERP. DIAGR.) ORDEN TRABAJO No. 05
  • 15.
    CENTRO DE CAPACITACIONPARA EL TRABAJO INDUSTRIAL No. 98 GRUPO: FECHA: REVISO: PROFR. E. CANO M. REALIZO: E.C.M CONEXIÓN DE UNA LAMPARA INCANDESCENTE CONTROLADA POR UN APAGADOR SENCILLO POR DONDE LLEGA LA LINEA ATRAVÉS DEL PISO Y EN EL EXTREMO CONTRARIO DOS CONTACTOS TAMBIEN SENCILLOS. LLEGADA DE LINEA DIAGRAMA PRACTICO DIAGRAMA DE CONEXION CURSO: ISER SUBMODULO No. 01 TRAB. PREPPARATORIOS (INTERP. DIAGR.) ORDEN TRABAJO No. 06
  • 16.
    CENTRO DE CAPACITACIONPARA EL TRABAJO INDUSTRIAL No. 98 GRUPO: FECHA: REVISO: PROFR. E. CANO M. REALIZO: E.C.M CONEXIÓN DE DOS LAMPARAS INCANDESCENTES CONTROLADAS CADA UNA POR UN APAGADOR SENCILLO, QUE ESTAN JUNTO A UN CONTACTO TAMBIEN SENCILLO CADA APAGADOR. DIAGRAMA PRACTICO DIAGRAMA DE CONEXION CURSO: ISER SUBMODULO No. 01 TRAB. PREPPARATORIOS (INTERP. DIAGR.) ORDEN TRABAJO No. 07
  • 17.
    CENTRO DE CAPACITACIONPARA EL TRABAJO INDUSTRIAL No. 98 GRUPO: FECHA: REVISO: PROFR. E. CANO M. REALIZO: E.C.M CONEXIÓN DE DOS LAMPARAS INCANDESCENTES CONTROLADAS CADA UNA POR UN APAGADOR SENCILLO, CON DOS CONTACTOS BAJADOS DE LA CAJA “A” . EL APAGADOR “B” QUE CONTROLA LA LAMPARA “B” ES ALIMENTADO POR TIERRA DESDE AL APAGADOR “A”. DIAGRAMA PRACTICO DIAGRAMA DE CONEXION F N F R R F N R F CURSO: ISER SUBMODULO No. 01 TRAB. PREPPARATORIOS (INTERP. DIAGR.) ORDEN TRABAJO No. 08
  • 18.
    CENTRO DE CAPACITACIONPARA EL TRABAJO INDUSTRIAL No. 98 GRUPO: FECHA: REVISO: PROFR. E. CANO M. REALIZO: E.C.M CONEXIÓN DE TRES LAMPARAS INCANDESCENTES CONTROLADAS CADA UNA POR UN APAGADOR SENCILLO, LOS TRES APAGADORES ESTAN EN LA MISMA CHALUPA Y SON BAJADOS DE LA CAJA “A”. DIAGRAMA PRACTICO DIAGRAMA DE CONEXION CURSO: ISER SUBMODULO No. 01 TRAB. PREPPARATORIOS (INTERP. DIAGR.) ORDEN TRABAJO No. 09
  • 19.
    4321 CENTRO DE CAPACITACIONPARA EL TRABAJO INDUSTRIAL No. 98 GRUPO: FECHA: REVISO: PROFR. E. CANO M. REALIZO: E.C.M CONEXIÓN DE CUATRO LAMPARAS INCANDESCENTES, LAS LAMP. 1 Y 2 CONTROLADAS POR UN APAG. SENCILLO C/U, LAS LAMP. 3 Y 4 CONTROLADAS AMBAS POR UN APAG. SENCILLO. LOS APAGADORES ESTAN EN LA MISMA CHALUPA Y SON BAJADOS DE LA CAJA “1”. DIAGRAMA PRACTICO DIAGRAMA DE CONEXION CURSO: ISER SUBMODULO No. 01 TRAB. PREPPARATORIOS (INTERP. DIAGR.) ORDEN TRABAJO No. 10
  • 20.
    CBA CENTRO DE CAPACITACIONPARA EL TRABAJO INDUSTRIAL No. 98 GRUPO: FECHA: REVISO: PROFR. E. CANO M. REALIZO: E.C.M CONEXIÓN DE TRES LAMPARAS INCANDESCENTES, EL APAGADOR 1 OPERA LAS LAMP. “A” Y “B”, EL APAGADOR 2 CONTROLA LA LAMP “C” CON DOS CONTACTOS BAJADOS DE LA CAJA “B” Y OTROS DOS BAJADOS DE LA CAJA “C” DIAGRAMA PRACTICO DIAGRAMA DE CONEXION APAGADOR 1 APAGADOR 2 CURSO: ISER SUBMODULO No. 01 TRAB. PREPPARATORIOS (INTERP. DIAGR.) ORDEN TRABAJO No. 11
  • 21.
    CENTRO DE CAPACITACIONPARA EL TRABAJO INDUSTRIAL No. 98 GRUPO: FECHA: REVISO: PROFR. E. CANO M. REALIZO:FUNC. DE APAG. 3 VIAS E.C.M CONEXIÓN DE UNA LAMPARA INCANDESCENTE CONTROLADA DESDE DOS LUGARES DISTINTOS POR MEDIO DE DOS APAGADORES DE TRES VIAS O DE ESCALERA, UTILIZANDO PUENTES COMUNES. DIAGRAMA BASICO DE CONEXION + +PUENTES COMUNES R F N F CURSO: ISER SUBMODULO No. 1 TRAB. PREPPARATORIOS (INTERP. DIAGR.) + + F N N F DIAGRAMA DE CONEXION F N R R CONEXIÓN DE UNA LAMPARA INCANDESCENTE CONTROLADA DESDE DOS LUGARES DISTINTOS POR MEDIO DE DOS APAGADORES DE TRES VIAS O DE ESCALERA, CONECTADOS EN CORTO CIRCUITO.
  • 22.
    CENTRO DE CAPACITACIONPARA EL TRABAJO INDUSTRIAL No. 98 GRUPO: FECHA: REVISO: PROFR. E. CANO M. REALIZO: E.C.M CONEXIÓN DE UNA LAMPARA INCANDESCENTE CONTROLADA DESDE DOS LUGARES DISTINTOS POR MEDIO DE DOS APAGADORES DE TRES VIAS O DE ESCALERA, UTILIZANDO PUENTES COMUNES. 2-12 DIAGRAMA PRACTICO 3-14 DIAGRAMA DE CONEXION + + 3-14 P PR F N F P P CURSO: ISER SUBMODULO No. 01 TRAB. PREPPARATORIOS (INTERP. DIAGR.) ORDEN TRABAJO No. 12
  • 23.
    CENTRO DE CAPACITACIONPARA EL TRABAJO INDUSTRIAL No. 98 GRUPO: FECHA: REVISO: PROFR. E. CANO M. REALIZO: E.C.M CONEXIÓN DE UNA LAMPARA INCANDESCENTE CONTROLADA DESDE DOS LUGARES DISTINTOS POR MEDIO DE DOS APAGADORES DE TRES VIAS O DE ESCALERA, CONECTADOS EN CORTO CIRCUITO. 2-12 DIAGRAMA PRACTICO 3-14 DIAGRAMA DE CONEXION + + 3-14 F N F N R R N F CURSO: ISER SUBMODULO No. 01 TRAB. PREPPARATORIOS (INTERP. DIAGR.) ORDEN TRABAJO No. 13
  • 24.
    CENTRO DE CAPACITACIONPARA EL TRABAJO INDUSTRIAL No. 98 GRUPO: FECHA: REVISO: PROFR. E. CANO M. REALIZO: E.C.M CONEXIÓN DE UNA LAMPARA INCANDESCENTE CONTROLADA DESDE DOS LUGARES DISTINTOS POR MEDIO DE DOS APAGADORES DE TRES VIAS O DE ESCALERA, UTILIZANDO PUENTES COMUNES. CON UN CONTACTO SENCILLO JUNTO A CADA APAGADOR DIAGRAMA PRACTICO DIAGRAMA DE CONEXION + + CURSO: ISER SUBMODULO No. 01 TRAB. PREPPARATORIOS (INTERP. DIAGR.) ORDEN TRABAJO No. 14
  • 25.
    CENTRO DE CAPACITACIONPARA EL TRABAJO INDUSTRIAL No. 98 GRUPO: FECHA: REVISO: PROFR. E. CANO M. REALIZO: E.C.M CONEXIÓN DE UNA LAMPARA INCANDESCENTE CONTROLADA DESDE DOS LUGARES DISTINTOS POR MEDIO DE DOS APAGADORES DE TRES VIAS O DE ESCALERA, CONECTADOS EN CORTO CIRCUITO,. CON UN CONTACTO SENCILLO JUNTO A CADA APAGADOR DIAGRAMA DE CONEXION DIAGRAMA PRACTICO + + CURSO: ISER SUBMODULO No. 01 TRAB. PREPPARATORIOS (INTERP. DIAGR.) ORDEN TRABAJO No. 15
  • 26.
    CENTRO DE CAPACITACIONPARA EL TRABAJO INDUSTRIAL No. 98 GRUPO: FECHA: REVISO: PROFR. E. CANO M. REALIZO: E.C.M CONEXIÓN DE DOS LAMPARAS INCANDESCENTES CONTROLADAS DESDE DOS LUGARES DISTINTOS POR MEDIO DE DOS APAGADORES DE TRES VIAS O DE ESCALERA, UTILIZANDO PUENTES COMUNES. CON UN CONTACTO SENCILLO JUNTO A CADA APAGADOR DIAGRAMA PRACTICO DIAGRAMA DE CONEXION + + CURSO: ISER SUBMODULO No. 01 TRAB. PREPPARATORIOS (INTERP. DIAGR.) ORDEN TRABAJO No. 16
  • 27.
    CENTRO DE CAPACITACIONPARA EL TRABAJO INDUSTRIAL No. 98 GRUPO: FECHA: REVISO: PROFR. E. CANO M. REALIZO: E.C.M DIAGRAMA PRACTICO CONEXIÓN DE DOS LAMPARA INCANDESCENTES CONTROLADAS DESDE DOS LUGARES DISTINTOS POR MEDIO DE DOS APAGADORES DE TRES VIAS O DE ESCALERA, CONECTADOS EN CORTO CIRCUITO,. CON UN CONTACTO SENCILLO JUNTO A CADA APAGADOR. DIAGRAMA DE CONEXION + + CURSO: ISER SUBMODULO No. 01 TRAB. PREPPARATORIOS (INTERP. DIAGR.) ORDEN TRABAJO No. 17
  • 28.
    CENTRO DE CAPACITACIONPARA EL TRABAJO INDUSTRIAL No. 98 GRUPO: FECHA: REVISO: PROFR. E. CANO M. REALIZO: E.C.M CONEXIÓN DE TRES LAMPARAS INCANDESCENTES CONTROLADAS DESDE DOS LUGARES DISTINTOS POR MEDIO DE DOS APAGADORES DE TRES VIAS O DE ESCALERA, UTILIZANDO PUENTES COMUNES QUE ESTAN JUNTO A UN CONTACTO SENCILLO C/U. CON DOS CONTACTOS BAJADOS DE LA CAJA “A” Y OTROS DOS BAJADOS DE LA CAJA “B” DIAGRAMA PRACTICO DIAGRAMA DE CONEXION + + CURSO: ISER SUBMODULO No. 01 TRAB. PREPPARATORIOS (INTERP. DIAGR.) ORDEN TRABAJO No. 18
  • 29.
    CENTRO DE CAPACITACIONPARA EL TRABAJO INDUSTRIAL No. 98 GRUPO: FECHA: REVISO: PROFR. E. CANO M. REALIZO: E.C.M CONEXIÓN DE TRES LAMPARAS INCANDESCENTES CONTROLADAS DESDE DOS LUGARES DISTINTOS POR MEDIO DE DOS APAGADORES DE TRES VIAS O DE ESCALERA, CONECTADOS EN CORTO CIRCUITO,. CON UN CONTACTO SENCILLO JUNTO A CADA APAGADOR. CON DOS CONTACTOS BAJADOS DE LA CAJA “A” LOS CUALES ALIMENTAN A TRAVES DEL PISO A OTROS DOS CONTACOTS EN EL EXTREMO CONTRARIO DIAGRAMA DE CONEXION DIAGRAMA PRACTICO + + CURSO: ISER SUBMODULO No. 01 TRAB. PREPPARATORIOS (INTERP. DIAGR.) ORDEN TRABAJO No. 19
  • 30.
    CENTRO DE CAPACITACIONPARA EL TRABAJO INDUSTRIAL No. 98 GRUPO: FECHA: REVISO: PROFR. E. CANO M. REALIZO: E.C.M CONEXIÓN DE CUATRO LAMPARAS INCANDESCENTES. LAS LAMP. 1 Y 2 CONTROLADAS POR MEDIO DE DOS APAGADORES DE 3 VIASQUE ESTAN JUNTO AUN CONTACTO (PUENTES COMUNES), LAS LAMP. 3 Y 4 CONTROLADAS POR 2 APAG. DE 3 VIAS QUE ESTAN JUNTOA UN CONTACTO (CORTO CIRCUITO) DIAGRAMA DE CONEXION DIAGRAMA PRACTICO + + + + CURSO: ISER SUBMODULO No. 01 TRAB. PREPPARATORIOS (INTERP. DIAGR.) ORDEN TRABAJO No. 20
  • 31.
    CENTRO DE CAPACITACIONPARA EL TRABAJO INDUSTRIAL No. 98 GRUPO: FECHA: REVISO: PROFR. E. CANO M. REALIZO:FUNCION DEL APAG. DE 4 VIAS CURSO: ISER SUBMODULO No. 1 TRAB. PREPPARATORIOS (INTERP. DIAGR.) 4 VIAS CONEXIÓN DE UNA LAMPARA INCANDESCENTE CONTROLADA DESDE TRES LUGARES DISTINTOS POR MEDIO DE DOS APAGADORES DE TRES VIAS O DE ESCALERA Y UN APAGADOR DE 4 VIAS O DE PASO. + 3 VIAS + 3 VIAS DIAGRAMA DE CONEXIÓN SIMPLIFICADO R F N F PUENTES COMUNES PUENTES COMUNES
  • 32.
    CENTRO DE CAPACITACIONPARA EL TRABAJO INDUSTRIAL No. 98 GRUPO: FECHA: REVISO: PROFR. E. CANO M. REALIZO: E.C.M CONEXIÓN DE UNA LAMPARA INCANDESCENTE CONTROLADA DESDE TRES LUGARES DISTINTOS POR MEDIO DE DOS APAGADORES DE TRES VIAS O DE ESCALERA Y UN APAGADOR DE 4 VIAS O DE PASO. 2-12 DIAGRAMA PRACTICO 3-14 DIAGRAMA DE CONEXION + 3-14 PP R F N F P P P P 4-14 3 VIAS 4 VIAS 3 VIAS + CURSO: ISER SUBMODULO No. 01 TRAB. PREPPARATORIOS (INTERP. DIAGR.) ORDEN TRABAJO No. 21
  • 33.
    CENTRO DE CAPACITACIONPARA EL TRABAJO INDUSTRIAL No. 98 GRUPO: FECHA: REVISO: PROFR. E. CANO M. REALIZO: E.C.M CONEXIÓN DE UNA LAMPARA INCANDESCENTE CONTROLADA DESDE TRES LUGARES DISTINTOS POR MEDIO DE DOS APAGADORES DE TRES VIAS O DE ESCALERA Y UN APAGADOR DE 4 VIAS O DE PASO. CON UN CONTACTO SENCILLO JUNTO A CADA APAGADOR DE 3 VIAS. DIAGRAMA PRACTICO DIAGRAMA DE CONEXION + + CURSO: ISER SUBMODULO No. 01 TRAB. PREPPARATORIOS (INTERP. DIAGR.) ORDEN TRABAJO No. 22
  • 34.
    CENTRO DE CAPACITACIONPARA EL TRABAJO INDUSTRIAL No. 98 GRUPO: FECHA: REVISO: PROFR. E. CANO M. REALIZO: E.C.M CONEXIÓN DE DOS LAMPARAS INCANDESCENTES CONTROLADAS DESDE TRES LUGARES DISTINTOS POR MEDIO DE DOS APAGADORES DE TRES VIAS O DE ESCALERA Y UN APAGADOR DE 4 VIAS O DE PASO BAJADO DE LA CAJA “B”. DIAGRAMA PRACTICO DIAGRAMA DE CONEXION + + CURSO: ISER SUBMODULO No. 01 TRAB. PREPPARATORIOS (INTERP. DIAGR.) ORDEN TRABAJO No. 23
  • 35.
    CENTRO DE CAPACITACIONPARA EL TRABAJO INDUSTRIAL No. 98 GRUPO: FECHA: REVISO: PROFR. E. CANO M. REALIZO: E.C.M CONEXIÓN DE DOS LAMPARAS INCANDESCENTES CONTROLADAS DESDE TRES LUGARES DISTINTOS POR MEDIO DE DOS APAGADORES DE TRES VIAS O DE ESCALERA Y UN APAGADOR DE 4 VIAS O DE PASO BAJADO DE LA CJA “B”. CON UN CONTACTO SENCILLO JUNTO A CADA APAGADOR. DIAGRAMA PRACTICO DIAGRAMA DE CONEXION + + CURSO: ISER SUBMODULO No. 01 TRAB. PREPPARATORIOS (INTERP. DIAGR.) ORDEN TRABAJO No. 24
  • 37.
    CENTRO DE CAPACITACIONPARA EL TRABAJO INDUSTRIAL No. 98 GRUPO: FECHA: REVISO: PROFR. E. CANO M. REALIZO: E.C.M 100W 180W CTO. No. UNICO TOTAL WATTS 6 16 3480 CARGA TOTAL INSTALADA: 3480W FACTOR DE DEMANDA: 60% CARGA MAX. APROXIMADA: 2088W CUADRO DE CARGAS 2-8 2x30A 1X20A 2-12 CTO. UNICO 2-8 DIAGRAMA UNIFILAR A A A DETERMINA No. Y CAL. DEL CONDUCTOR EN CADA TRAMO DE TUBERIA. CURSO: ISER SUBMODULO No. 01 TRAB. PREPPARATORIOS (INTERP. DIAGR.) ORDEN TRABAJO No. 26
  • 38.
    CENTRO DE CAPACITACIONPARA EL TRABAJO INDUSTRIAL No. 98 GRUPO: FECHA: REVISO: PROFR. E. CANO M. REALIZO: E.C.M 100W 180W CTO. No. UNICO TOTAL WATTS CARGA TOTAL INSTALADA: FACTOR DE DEMANDA: CARGA MAX. APROXIMADA: CUADRO DE CARGAS B A A A AB CTO. UNICO DIAGRAMA UNIFILAR DETERMINA No. Y CAL. DE CONDUCTOR EN CADA TRAMO DE TUBERIA, LLENA EL CUADRO DE CARGAS Y DIAG. UNIFILAR CURSO: ISER SUBMODULO No. 01 TRAB. PREPPARATORIOS (INTERP. DIAGR.) ORDEN TRABAJO No. 27
  • 39.
    CENTRO DE CAPACITACIONPARA EL TRABAJO INDUSTRIAL No. 98 GRUPO: FECHA: REVISO: PROFR. E. CANO M. REALIZO: E.C.M 100W 180W CTO. No. 1 TOTAL WATTS CARGA TOTAL INSTALADA: FACTOR DE DEMANDA: CARGA MAX. APROXIMADA: CUADRODECARGAS A A A C1 DIAGRAMA UNIFILAR DETERMINA No. Y CAL. DE CONDUCTOR EN CADA TRAMO DE TUBERIA, LLENA EL CUADRO DE CARGAS Y DIAG. UNIFILAR 2-10 CURSO: ISER SUBMODULO No. 01 TRAB. PREPPARATORIOS (INTERP. DIAGR.) ORDEN TRABAJO No. 28
  • 40.
    CENTRO DE CAPACITACIONPARA EL TRABAJO INDUSTRIAL No. 98 GRUPO: FECHA: REVISO: PROFR. E. CANO M. REALIZO: E.C.M 100W 180W CTO. No. 1 TOTAL WATTS 6 600 CARGA TOTAL INSTALADA: 4020W FACTOR DE DEMANDA: 60% CARGA MAX. APROXIMADA: 2412W CUADRODECARGAS 2-10 A A A 2 19 3420 2-8 2x30A 1X15A 2-12 C1 2-10 DIAGRAMA UNIFILAR 1X30A 2-12 C2 CIRCUITO 1 (C1) ALUMBRADO Y CIRCUITO 2 (C2) CONTACTOS, NEUTRO COMUN. CURSO: ISER SUBMODULO No. 01 TRAB. PREPPARATORIOS (INTERP. DIAGR.) ORDEN TRABAJO No. 29
  • 41.
    CENTRO DE CAPACITACIONPARA EL TRABAJO INDUSTRIAL No. 98 GRUPO: FECHA: REVISO: PROFR. E. CANO M. REALIZO: E.C.M 2-8 1-10 100 W 180 W CTO. No. 1 TOTAL WATTS CARGA TOTAL INSTALADA: FACTOR DE DEMANDA: CARGA MAX. APROXIMADA: CUADRODECARGAS A A 2 C1 DIAGRAMA UNIFILAR C2 AIR. ACOND. 1 TON 220V A A B B B B 75 W 60 W 1 TON 1392W 3-8 CURSO: ISER SUBMODULO No. 01 TRAB. PREPPARATORIOS (INTERP. DIAGR.) ORDEN TRABAJO No. 30
  • 42.
    CENTRO DE CAPACITACIONPARA EL TRABAJO INDUSTRIAL No. 98 GRUPO: FECHA: REVISO: PROFR. E. CANO M. REALIZO:INFORMACION TEC. E.C.M 51BTA707-151 6,500 1/2 127-1-60 685 6.2 14 1X15 ACONDICIONADORES DE VENTANA “CARRIER” 51DTA110-351 10,000 3/4 220-1-60 1364 6.3 14 2X15 51DTZ112-151 12,000 1 127-1-60 1380 12.0 10 1X30 51DTC112-351 12,000 1 220-1-60 1392 6.4 14 2X15 51DTA115-351 14,500 1 1/4 220-1-60 1755 8.3 12 2X20 51FTB118-351 1 1/218,000 220-1-60 2082 9.5 12 2X20 51FTA225-351 24,500 2 220-1-60 3020 14.0 10 2X30 51HKB233-351 32,500 2 1/2 220-1-60 3325 15.5 10 2X30 51HKD336-351 36,000 3 220-1-60 4320 19.8 8 2X40 51HKT336-551 36,000 3 220-3-60 4355 12.7 10 3X30 YE12 12,200 1 127-1-60 1442 12.8 10 1X30 YE12 12,200 1 220-1-60 1262 6.55 14 2X15 YE18 17,700 1 1/2 220-1-60 1860 8.55 12 2X15 YE24 23,000 2 220-1-60 2682 15.3 12 2X20 RD30 28000 2 1/2 220-1-60 3980 18.8 10 2X30 RD35 335,000 220-1-60 5000 22.8 8 2X40 RD35 35,000 3 220-3-60 4910 15.2 10 2X20 ACONDICIONADORES DE VENTANA “YORK” CURSO: ISER SUBMODULO No. 01 TRAB. PREPPARATORIOS (INTERP. DIAGR.)