UNIVERSIDAD NACIONAL DE INGENIERÍA
FACULTAD DE INGENIERIA MECANICA
Dr. Ing. Jorge Zavaleta C.
SISTEMAS NEUMATICOS
TRANSPORTE DOBLADO
TRANSPORTE
ESTAMPADO
Elementos básicos de un sistema neumático
1. El generador de aire comprimido (Producción)
2. Las tuberías y los conductos
3. Los elementos de trabajo
4. Los elementos de mando y control
Esquema o circuito neumático
Esquema o circuito neumático
1. Producción y distribución del aire comprimido
Compresor de
émbolo
Compresor de paletas
Compresor de husillo o
Roots
Compresor de
tornillo
Turbocompresor
Símbolo de compresor
2. Elementos de trabajo: actuadores
3. Elementos de mando y control: válvulas distribuidoras
Conexiones habituales a las vías de
una válvula.
Válvula de 3 vías y 2 posiciones
Válvula de 3 vías y dos posiciones accionada
manualmente y con retorno por muelle.
3. Elementos de mando y control: válvulas distribuidoras
Tipos de accionamiento
3. Elementos de mando y control: válvulas distribuidoras
Válvula distribuidora 2/2
3. Elementos de mando y control: válvulas distribuidoras
Válvula distribuidora 3/2
Válvula distribuidora 4/2
3. Elementos de mando y control: válvulas distribuidoras
Válvula distribuidora 5/2
3. Elementos de mando y control: válvulas de bloqueo
Válvula antirretorno
Válvula estranguladora de retención
Válvula selectora de
retención (OR)
3. Elementos de mando y control: válvulas de bloqueo
Válvula de
simultaneidad (AND)
3. Elementos de mando y control: válvulas de bloqueo
3. Elementos de mando y control: válvulas reguladoras de presión
Válvula limitadora de presión Válvula de secuencia
3. Elementos de mando: control de tiempo
Temporizador
4. Símbolos
Conexiones
Símbolo Descripción
Unión de tuberías.
Cruce de tuberías.
Fuente de presión, hidráulica,
neumática.
Escape sin rosca.
Escape con rosca.
Retorno a tanque.
Unidad operacional.
Unión mecánica, varilla, leva, etc.
4. Símbolos
Medición y mantenimiento
Símbolo Descripción
Manómetro.
Termómetro.
Indicador óptico. Indicador neumático.
Filtro.
Filtro con drenador de condensado,
vaciado manual.
Lubricador
Unidad de mantenimiento, filtro, regulador,
lubricador. Gráfico simplificado.
4. Símbolos
Bombas, compresores y motores
Símbolo Descripción
Bomba hidráulica de flujo
unidireccional.
Compresor para aire comprimido.
Depósito hidráulico.
Depósito neumático.
Motor neumático 1 sentido de giro.
Motor neumático 2 sentidos de giro.
Cilindro basculante 2 sentidos de giro.
Motor hidráulico 1 sentido de giro.
Motor hidráulico 2 sentidos de giro.
4. Símbolos
Mecanismos (actuadores)
Símbolo Descripción
Cilindro de simple efecto, retorno por
esfuerzos externos.
Cilindro de simple efecto, retorno por
muelle.
Cilindro de doble efecto, vástago simple.
Cilindro de doble efecto, doble vástago.
Pinza de apertura angular de simple
efecto.
Pinza de apertura paralela de simple
efecto.
Pinza de apertura angular de doble
efecto.
Pinza de apertura paralela de doble
efecto.
4. Símbolos
Accionamientos
Símbolo Descripción
Mando manual en general, pulsador.
Botón pulsador, seta, control manual.
Mando con bloqueo, control manual.
Mando por palanca, control manual.
Muelle, control mecánico.
Rodillo palpador, control mecánico.
Presurizado neumático.
Presurizado hidráulico.
4. Símbolos
Válvula 5/3 en posición de escape.
Válvula 5/3 en posición normalmente
cerrada.
Válvula 5/2.
Válvula 4/2.
Válvula 4/2.
Válvula 3/2 en posición normalmente
cerrada.
Descripción
Símbolo
Válvulas direccionales
4. Símbolos
Válvulas de control
Símbolo Descripción
Válvula de bloqueo (antirretorno).
Válvula O (OR). Selector.
Válvula de escape rápido, Válvula
antirretorno.
Válvula Y (AND).
Válvula estranguladora
unidireccional. Válvula antirretorno
de regulación regulable en un sentido
Eyector de vacío. Válvula de soplado
de vacío.
Control de un cilindro de doble efecto
Colocación de
elementos
Actuadores
Elementos de control
Funciones lógicas
Emisores de señal,
señales de control
Toma de presión y
unidad de mantenimiento
Designación de componentes Números
Alimentación de energía 0.
Elementos de trabajo 1.0, 2.0, etc.
Elementos de control o mando .1
Elementos ubicados entre el elemento
de mando y el elemento de trabajo .01, .02, etc.
Elementos que inciden en el movimiento
de avance del cilindro
.2, .4, etc.
Elementos que inciden en el movimiento
de retroceso del cilindro
.3, .5, etc.
5. Diseño de circuitos
neumáticos
Designación de
conexiones
Letras Números
Conexiones de trabajo A, B, C ... 2, 4, 6 ...
Conexión de presión,
alimentación de energía
P 1
Escapes, retornos R, S, T ... 3, 5, 7 ...
Descarga L
Conexiones de mando X, Y, Z ... 10,12,14...
Utilización de la válvula estranguladora de retención
Designación de componentes Números
Alimentación de energía 0.
Elementos de trabajo 1.0, 2.0, etc.
Elementos de control o mando .1
Elementos ubicados entre el elemento
de mando y el elemento de trabajo .01, .02, etc.
Elementos que inciden en el movimiento
de avance del cilindro
.2, .4, etc.
Elementos que inciden en el movimiento
de retroceso del cilindro
.3, .5, etc.
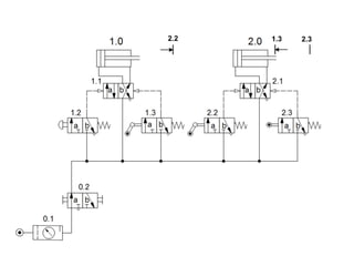
6. Representaciones de un sistema neumático
1. Diagrama de disposición o situación
2. Esquema neumático
3. Diagrama espacio-fase-tiempo
1.0 2.0
1.1 2.1
1
2
3
4
1
2
3
1
2
3 1
2
3
1
2
3
4
1
2
3
1.2 1.3 2.2 2.3
2.3
2.2 1.3
Inicio
Neumatica jzc.pdf
Neumatica jzc.pdf

Neumatica jzc.pdf

  • 1.
    UNIVERSIDAD NACIONAL DEINGENIERÍA FACULTAD DE INGENIERIA MECANICA Dr. Ing. Jorge Zavaleta C. SISTEMAS NEUMATICOS
  • 2.
  • 3.
    Elementos básicos deun sistema neumático 1. El generador de aire comprimido (Producción) 2. Las tuberías y los conductos 3. Los elementos de trabajo 4. Los elementos de mando y control
  • 4.
  • 5.
  • 6.
    1. Producción ydistribución del aire comprimido Compresor de émbolo Compresor de paletas Compresor de husillo o Roots Compresor de tornillo Turbocompresor Símbolo de compresor
  • 7.
    2. Elementos detrabajo: actuadores
  • 8.
    3. Elementos demando y control: válvulas distribuidoras Conexiones habituales a las vías de una válvula. Válvula de 3 vías y 2 posiciones
  • 9.
    Válvula de 3vías y dos posiciones accionada manualmente y con retorno por muelle. 3. Elementos de mando y control: válvulas distribuidoras
  • 10.
    Tipos de accionamiento 3.Elementos de mando y control: válvulas distribuidoras
  • 11.
    Válvula distribuidora 2/2 3.Elementos de mando y control: válvulas distribuidoras Válvula distribuidora 3/2
  • 12.
    Válvula distribuidora 4/2 3.Elementos de mando y control: válvulas distribuidoras Válvula distribuidora 5/2
  • 13.
    3. Elementos demando y control: válvulas de bloqueo Válvula antirretorno Válvula estranguladora de retención
  • 14.
    Válvula selectora de retención(OR) 3. Elementos de mando y control: válvulas de bloqueo
  • 15.
    Válvula de simultaneidad (AND) 3.Elementos de mando y control: válvulas de bloqueo
  • 16.
    3. Elementos demando y control: válvulas reguladoras de presión Válvula limitadora de presión Válvula de secuencia
  • 17.
    3. Elementos demando: control de tiempo Temporizador
  • 18.
    4. Símbolos Conexiones Símbolo Descripción Uniónde tuberías. Cruce de tuberías. Fuente de presión, hidráulica, neumática. Escape sin rosca. Escape con rosca. Retorno a tanque. Unidad operacional. Unión mecánica, varilla, leva, etc.
  • 19.
    4. Símbolos Medición ymantenimiento Símbolo Descripción Manómetro. Termómetro. Indicador óptico. Indicador neumático. Filtro. Filtro con drenador de condensado, vaciado manual. Lubricador Unidad de mantenimiento, filtro, regulador, lubricador. Gráfico simplificado.
  • 20.
    4. Símbolos Bombas, compresoresy motores Símbolo Descripción Bomba hidráulica de flujo unidireccional. Compresor para aire comprimido. Depósito hidráulico. Depósito neumático. Motor neumático 1 sentido de giro. Motor neumático 2 sentidos de giro. Cilindro basculante 2 sentidos de giro. Motor hidráulico 1 sentido de giro. Motor hidráulico 2 sentidos de giro.
  • 21.
    4. Símbolos Mecanismos (actuadores) SímboloDescripción Cilindro de simple efecto, retorno por esfuerzos externos. Cilindro de simple efecto, retorno por muelle. Cilindro de doble efecto, vástago simple. Cilindro de doble efecto, doble vástago. Pinza de apertura angular de simple efecto. Pinza de apertura paralela de simple efecto. Pinza de apertura angular de doble efecto. Pinza de apertura paralela de doble efecto.
  • 22.
    4. Símbolos Accionamientos Símbolo Descripción Mandomanual en general, pulsador. Botón pulsador, seta, control manual. Mando con bloqueo, control manual. Mando por palanca, control manual. Muelle, control mecánico. Rodillo palpador, control mecánico. Presurizado neumático. Presurizado hidráulico.
  • 23.
    4. Símbolos Válvula 5/3en posición de escape. Válvula 5/3 en posición normalmente cerrada. Válvula 5/2. Válvula 4/2. Válvula 4/2. Válvula 3/2 en posición normalmente cerrada. Descripción Símbolo Válvulas direccionales
  • 24.
    4. Símbolos Válvulas decontrol Símbolo Descripción Válvula de bloqueo (antirretorno). Válvula O (OR). Selector. Válvula de escape rápido, Válvula antirretorno. Válvula Y (AND). Válvula estranguladora unidireccional. Válvula antirretorno de regulación regulable en un sentido Eyector de vacío. Válvula de soplado de vacío.
  • 25.
    Control de uncilindro de doble efecto
  • 26.
    Colocación de elementos Actuadores Elementos decontrol Funciones lógicas Emisores de señal, señales de control Toma de presión y unidad de mantenimiento Designación de componentes Números Alimentación de energía 0. Elementos de trabajo 1.0, 2.0, etc. Elementos de control o mando .1 Elementos ubicados entre el elemento de mando y el elemento de trabajo .01, .02, etc. Elementos que inciden en el movimiento de avance del cilindro .2, .4, etc. Elementos que inciden en el movimiento de retroceso del cilindro .3, .5, etc. 5. Diseño de circuitos neumáticos Designación de conexiones Letras Números Conexiones de trabajo A, B, C ... 2, 4, 6 ... Conexión de presión, alimentación de energía P 1 Escapes, retornos R, S, T ... 3, 5, 7 ... Descarga L Conexiones de mando X, Y, Z ... 10,12,14...
  • 27.
    Utilización de laválvula estranguladora de retención Designación de componentes Números Alimentación de energía 0. Elementos de trabajo 1.0, 2.0, etc. Elementos de control o mando .1 Elementos ubicados entre el elemento de mando y el elemento de trabajo .01, .02, etc. Elementos que inciden en el movimiento de avance del cilindro .2, .4, etc. Elementos que inciden en el movimiento de retroceso del cilindro .3, .5, etc.
  • 28.
    6. Representaciones deun sistema neumático 1. Diagrama de disposición o situación 2. Esquema neumático 3. Diagrama espacio-fase-tiempo
  • 29.
    1.0 2.0 1.1 2.1 1 2 3 4 1 2 3 1 2 31 2 3 1 2 3 4 1 2 3 1.2 1.3 2.2 2.3 2.3 2.2 1.3
  • 30.