“Entidad física de carácter unitario, concebida como una organización de
cuerpos dispuestos en el espacio de modo que el concepto del todo domina la
relación entre las partes”.
Según esta definición vemos que una estructura en un ensamblaje de
elementos que mantiene su forma y su unidad.
Sus objetivos son: resistir cargas resultantes de su uso, de su peso propio y
darle forma a un cuerpo, obra civil o maquina.
El sistema estructural constituye el soporte básico, el armazón o esqueleto
de la estructura total y él transmite las fuerzas actuantes a sus apoyos de
tal manera que se garantice seguridad, funcionalidad y economía.
En una estructura se combinan y se juega con tres aspectos:
 FORMA
 MATERIALES Y DIMENSIONES DE ELEMENTOS
 CARGAS
los cuales determinan la funcionalidad, economía y estética de la solución
propuesta.
FUNCIONALIDAD
SEGURIDAD
ECONOMIA
ESTETICA
Linealidad
Una estructura tiene un comportamiento lineal bajo un
estado de cargas dado si se cumplen simultáneamente las
tres condiciones siguientes:
(a) Las deformaciones son funciones lineales de las cargas
externas aplicadas:
(b) Los materiales de los elementos estructurales trabajan en
su zona de comportamiento elástico y lineal, de modo que las
ecuaciones de comportamiento que relacionan las tensiones y
las deformaciones siguen la Ley de Hooke.
Linealidad
Diagramas bilineales
idealizados tensión –
deformación del
acero
Linealidad
(c) Debe cumplirse también la teoría de las pequeñas
deformaciones, que se enuncia a continuación.
Si alguna de las condiciones anteriores no es satisfecha por la
estructura, entonces esta es no lineal, apareciendo tres
formas de no linealidad:
 Estructura geométricamente no lineal.
 Estructura de material no lineal.
 Estructura con grandes deformaciones.
Teoría de las pequeñas deformaciones
En virtud de esta teoría, las deformaciones (y, por ende,
los desplazamientos), en una estructura son pequeñas, por
lo que se admite que las cargas no modifican su línea de
acción al deformarse el elemento sobre el que actúan.
Esta condición implica también que los cuadrados de los
desplazamientos y deformaciones son despreciables en
comparación a la unidad.
Con esto, es válido considerar las ecuaciones de equilibrio
estático de la estructura empleando las características
geométricas de la estructura no deformada, tales como
longitudes, ángulos, etc.
Siempre que el desplazamiento Δ de la cabeza del pilar sea pequeño y
la carga P2 no origine pandeo con efectos de segundo orden
importantes en el pilar, el momento en la base será de P1·L en lugar
de P1·L+P2·Δ, que correspondería a plantear las ecuaciones
sobre la geometría deformada.
Siempre que la estructura se comporte linealmente y se cumpla la teoría
de las pequeñas deformaciones, podrá aplicarse en el análisis estructural el
principio de superposición de cargas, en virtud del cual la secuencia de
aplicación de cargas no altera el resultado final de los cálculos.
Cuando las cargas actuantes se aplican a la estructura de forma cuasilineal
o gradual, esta se deforma bajo dichas cargas y queda en reposo,
alcanzando una posición de equilibrio estático.
Desde el punto de vista del equilibrio estático, puede distinguirse entre
dos clases de estructuras:
 Las estructuras estáticamente determinadas o isostáticas, en
las cuales las fuerzas internas que aparecen en los elementos
estructurales no dependen del material que los constituye. Para el cálculo
de estas estructuras sólo se precisan las ecuaciones de equilibrio estático,
definidas a continuación.
ecuaciones:
 Las estructuras estáticamente indeterminadas o hiperestáticas sí que
es necesario tener en consideración el tipo de material empleado.
Para su cálculo es necesario emplear, además de las ecuaciones de
equilibrio, las ecuaciones de compatibilidad de movimientos y las
ecuaciones de comportamiento del material.
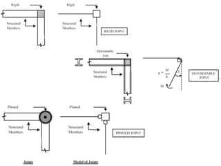
En un nudo rígido de una estructura, los movimientos (tanto los
desplazamientos lineales como los giros) se comportan como un medio
continuo, y tienen un solo valor para este nudo.
Las condiciones de contorno se introducen para poder resolver estructuras
que no se encuentran completamente definidas. Estas pueden depender de
las cargas aplicadas en la estructura o de los movimientos de los nudos.
articulada y empotrada
CONEXIÓN ARTICULADA ARTICULACIÓN PLANA. PERMITE
ROTACIÓN EN UN SOLO SENTIDO.
ARTICULACIÓN EN
EL ESPACIO.
PERMITE ROTACIÓN
COMPLETA.
BIEMPOTRADA EMPOTRADA-APOYADA
CONTINUA CON EXTREMO
APOYADO
CONTINUA CON APOYO
INTERMEDIO
BIARTICULADA EN VOLADIZO
Este sistema combina elementos tipo cercha donde la
disposición de los elementos determina la estabilidad.
Pueden ser planas y espaciales.
CERCHAS:
En este sistema se combinan elementos tipo cercha con
elementos tipo viga o columna unidos por Articulaciones.
ARMADURAS:
Este sistema conjuga elementos tipo viga y columna. Su estabilidad
está determinada por la capacidad de soportar momentos en sus
uniones. Pueden ser planos y espaciales
MARCOS O PÓRTICOS:
MARCOS O PÓRTICOS:
Consiste en una estructura plana conformada por la unión varios
elementos (cáscara, viga, cercha) de tal manera que soporte cargas
perpendiculares a su plano. Se clasifican por la forma en que
transmiten la carga a los apoyos en bidireccionales y unidireccionales.
SISTEMAS DE PISOS:
Es un sistema construido por la unión de muros en
direcciones perpendiculares y presenta gran rigidez lateral.
Este sistema es uno de los mas usados en edificaciones en
zonas sísmicas.
SISTEMAS DE MUROS:
Cargas Muertas (D)
Cargas vivas (L)
Cargas de sismo (E)
Cargas de viento (W)
Cargas producidas por presión lateral de tierras o presión hidrostática (H)
Cargas producidas por presiones de fluidos (F)
Efectos producidos por cambios de temperatura (T)
Cargas Muertas (D)
Cargas Vivas (L)
Carga Viva Mínima Repartida.
Cargas Vivas (L)
Cargas de Sismo (E)
Cargas de Sismo (W)
El viento produce una presión sobre las superficies expuestas.
La fuerza depende de:
- Densidad y velocidad del viento
- Angulo de incidencia
- Forma y rigidez de la estructura
- Rugosidad de la superficie
- Altura de la edificación. A mayor altura mayor velocidad del viento
Cargas por presión hidrostática y empuje de tierras
Reacciones en cimentaciones
En vigas:
R < 3 + C Ecuac. Inestable.
R = 3 + C Ecuac. Isostática.
R > 3 + C Ecuac. Hiperestatico.
R = Reacciones
C = 1 Cuando se puede separar 1
C = 2 Cuando se puede separar 2
partes y formas, etc.
G = R – (3 + C)Grado de hiperestaticidad
Rótula (C) Rótula (C)
Reacción (R)
En Armaduras:
r + m < 2n Ecuac. Inestable.
r + m = 2n Ecuac. Isostática.
r + m > 2n Ecuac. Hiperestático.
r = Reacciones
m = # de barras
n = # de Nudos
Articulación (existen 2
reacciones y no momento)
Reacción (r)
En Pórticos:
R + 3B < 3N + C Ecuac. Inestable.
R + 3B = 3N + C Ecuac. Isostática.
R + 3B > 3N + C Ecuac. Hiperestatico.
R = Reacciones
B = # de barras
N = # de Nudos
C = 1 Cuando se puede separar 1
C = 2 Cuando se puede separar 2
partes y formas, etc. Nudo rígido (Admiten momento)
Reacción (R)
En Estructuras Compuestas:
R + 3Bp+Ba < 3Np + 2Na Ecuac. Inestable.
R + 3Bp+Ba = 3Np + 2Na Ecuac. Isostática.
R + 3Bp+Ba > 3Np + 2Na Ecuac. Hiperestático.
R = Reacciones
Bp = # de barras pórtico
Ba = # de barras armadura
N p= # de Nudos pórtico
N a= # de Nudos armadura
Reacción (R)

Clase 1era introducción 1

  • 2.
    “Entidad física decarácter unitario, concebida como una organización de cuerpos dispuestos en el espacio de modo que el concepto del todo domina la relación entre las partes”. Según esta definición vemos que una estructura en un ensamblaje de elementos que mantiene su forma y su unidad. Sus objetivos son: resistir cargas resultantes de su uso, de su peso propio y darle forma a un cuerpo, obra civil o maquina. El sistema estructural constituye el soporte básico, el armazón o esqueleto de la estructura total y él transmite las fuerzas actuantes a sus apoyos de tal manera que se garantice seguridad, funcionalidad y economía. En una estructura se combinan y se juega con tres aspectos:  FORMA  MATERIALES Y DIMENSIONES DE ELEMENTOS  CARGAS los cuales determinan la funcionalidad, economía y estética de la solución propuesta.
  • 3.
  • 7.
    Linealidad Una estructura tieneun comportamiento lineal bajo un estado de cargas dado si se cumplen simultáneamente las tres condiciones siguientes: (a) Las deformaciones son funciones lineales de las cargas externas aplicadas: (b) Los materiales de los elementos estructurales trabajan en su zona de comportamiento elástico y lineal, de modo que las ecuaciones de comportamiento que relacionan las tensiones y las deformaciones siguen la Ley de Hooke.
  • 8.
  • 9.
    Linealidad (c) Debe cumplirsetambién la teoría de las pequeñas deformaciones, que se enuncia a continuación. Si alguna de las condiciones anteriores no es satisfecha por la estructura, entonces esta es no lineal, apareciendo tres formas de no linealidad:  Estructura geométricamente no lineal.  Estructura de material no lineal.  Estructura con grandes deformaciones.
  • 10.
    Teoría de laspequeñas deformaciones En virtud de esta teoría, las deformaciones (y, por ende, los desplazamientos), en una estructura son pequeñas, por lo que se admite que las cargas no modifican su línea de acción al deformarse el elemento sobre el que actúan. Esta condición implica también que los cuadrados de los desplazamientos y deformaciones son despreciables en comparación a la unidad. Con esto, es válido considerar las ecuaciones de equilibrio estático de la estructura empleando las características geométricas de la estructura no deformada, tales como longitudes, ángulos, etc. Siempre que el desplazamiento Δ de la cabeza del pilar sea pequeño y la carga P2 no origine pandeo con efectos de segundo orden importantes en el pilar, el momento en la base será de P1·L en lugar de P1·L+P2·Δ, que correspondería a plantear las ecuaciones sobre la geometría deformada.
  • 11.
    Siempre que laestructura se comporte linealmente y se cumpla la teoría de las pequeñas deformaciones, podrá aplicarse en el análisis estructural el principio de superposición de cargas, en virtud del cual la secuencia de aplicación de cargas no altera el resultado final de los cálculos.
  • 13.
    Cuando las cargasactuantes se aplican a la estructura de forma cuasilineal o gradual, esta se deforma bajo dichas cargas y queda en reposo, alcanzando una posición de equilibrio estático. Desde el punto de vista del equilibrio estático, puede distinguirse entre dos clases de estructuras:  Las estructuras estáticamente determinadas o isostáticas, en las cuales las fuerzas internas que aparecen en los elementos estructurales no dependen del material que los constituye. Para el cálculo de estas estructuras sólo se precisan las ecuaciones de equilibrio estático, definidas a continuación. ecuaciones:
  • 14.
     Las estructurasestáticamente indeterminadas o hiperestáticas sí que es necesario tener en consideración el tipo de material empleado. Para su cálculo es necesario emplear, además de las ecuaciones de equilibrio, las ecuaciones de compatibilidad de movimientos y las ecuaciones de comportamiento del material.
  • 15.
    En un nudorígido de una estructura, los movimientos (tanto los desplazamientos lineales como los giros) se comportan como un medio continuo, y tienen un solo valor para este nudo.
  • 17.
    Las condiciones decontorno se introducen para poder resolver estructuras que no se encuentran completamente definidas. Estas pueden depender de las cargas aplicadas en la estructura o de los movimientos de los nudos. articulada y empotrada
  • 20.
    CONEXIÓN ARTICULADA ARTICULACIÓNPLANA. PERMITE ROTACIÓN EN UN SOLO SENTIDO. ARTICULACIÓN EN EL ESPACIO. PERMITE ROTACIÓN COMPLETA.
  • 21.
    BIEMPOTRADA EMPOTRADA-APOYADA CONTINUA CONEXTREMO APOYADO CONTINUA CON APOYO INTERMEDIO BIARTICULADA EN VOLADIZO
  • 22.
    Este sistema combinaelementos tipo cercha donde la disposición de los elementos determina la estabilidad. Pueden ser planas y espaciales. CERCHAS: En este sistema se combinan elementos tipo cercha con elementos tipo viga o columna unidos por Articulaciones. ARMADURAS:
  • 23.
    Este sistema conjugaelementos tipo viga y columna. Su estabilidad está determinada por la capacidad de soportar momentos en sus uniones. Pueden ser planos y espaciales MARCOS O PÓRTICOS:
  • 24.
  • 25.
    Consiste en unaestructura plana conformada por la unión varios elementos (cáscara, viga, cercha) de tal manera que soporte cargas perpendiculares a su plano. Se clasifican por la forma en que transmiten la carga a los apoyos en bidireccionales y unidireccionales. SISTEMAS DE PISOS:
  • 26.
    Es un sistemaconstruido por la unión de muros en direcciones perpendiculares y presenta gran rigidez lateral. Este sistema es uno de los mas usados en edificaciones en zonas sísmicas. SISTEMAS DE MUROS:
  • 27.
    Cargas Muertas (D) Cargasvivas (L) Cargas de sismo (E) Cargas de viento (W) Cargas producidas por presión lateral de tierras o presión hidrostática (H) Cargas producidas por presiones de fluidos (F) Efectos producidos por cambios de temperatura (T)
  • 28.
  • 29.
    Cargas Vivas (L) CargaViva Mínima Repartida.
  • 30.
  • 31.
  • 32.
    Cargas de Sismo(W) El viento produce una presión sobre las superficies expuestas. La fuerza depende de: - Densidad y velocidad del viento - Angulo de incidencia - Forma y rigidez de la estructura - Rugosidad de la superficie - Altura de la edificación. A mayor altura mayor velocidad del viento
  • 33.
    Cargas por presiónhidrostática y empuje de tierras
  • 46.
  • 47.
    En vigas: R <3 + C Ecuac. Inestable. R = 3 + C Ecuac. Isostática. R > 3 + C Ecuac. Hiperestatico. R = Reacciones C = 1 Cuando se puede separar 1 C = 2 Cuando se puede separar 2 partes y formas, etc. G = R – (3 + C)Grado de hiperestaticidad Rótula (C) Rótula (C) Reacción (R)
  • 48.
    En Armaduras: r +m < 2n Ecuac. Inestable. r + m = 2n Ecuac. Isostática. r + m > 2n Ecuac. Hiperestático. r = Reacciones m = # de barras n = # de Nudos Articulación (existen 2 reacciones y no momento) Reacción (r)
  • 50.
    En Pórticos: R +3B < 3N + C Ecuac. Inestable. R + 3B = 3N + C Ecuac. Isostática. R + 3B > 3N + C Ecuac. Hiperestatico. R = Reacciones B = # de barras N = # de Nudos C = 1 Cuando se puede separar 1 C = 2 Cuando se puede separar 2 partes y formas, etc. Nudo rígido (Admiten momento) Reacción (R)
  • 51.
    En Estructuras Compuestas: R+ 3Bp+Ba < 3Np + 2Na Ecuac. Inestable. R + 3Bp+Ba = 3Np + 2Na Ecuac. Isostática. R + 3Bp+Ba > 3Np + 2Na Ecuac. Hiperestático. R = Reacciones Bp = # de barras pórtico Ba = # de barras armadura N p= # de Nudos pórtico N a= # de Nudos armadura Reacción (R)