Academia de Formación – Aprendemos del Cliente
Vehículos Industriales Ligeros •
Interconexión de Redes • Buses de datos


Módulo de Información y Ejercicios
Participante:______________________________________


06/2010


                                          r
06/10

  Vehículos Industriales Ligeros • Interconexión y redes CAN




La documentación está destinada exclusivamente a su utilización en la formación profesional y no está sujeta al
servicio de modificaciones continuadas.



Impreso en España
© 2006 Copyright Mercedes-Benz España S.A.
Editor: Academia de Formación MBE
 Esta obra, incluyendo todas las partes de que se compone, está protegida por derechos de autor. Cualquier tipo de
 aprovechamiento o utilización de la misma precisa una autorización previa por escrito de Mercedes-Benz España
 S.A., en especial cuando se trate de reproducción, difusión, adaptación o modificación, traducción, grabación en
 microfilms y almacenamiento y/o procesamiento en sistemas electrónicos, incluyendo bancos de datos y servicios
 online.


                               1ª edición                               06/10                                          PF/I   03/04
Indice                                                                                                                                                                                                                       01.06.2010


Título                                                                                                                                                                                                                                     Página

Saludo................................................................................................................................................................................................................................................ 5
Vida interior de una unidad de control............................................................................................................................................................................................... 6
Ejemplo de señales de entrada y salida en la unidad del motor OM642............................................................................................................................................ 7
Tipos de señales de entrada ............................................................................................................................................................................................................ 10
Tipos de señales de salida ............................................................................................................................................................................................................... 22
Alimentación de tensión en VITO/VIANO ........................................................................................................................................................................................ 25
Alimentación de tensión en SPRINTER............................................................................................................................................................................................. 34
Otras unidades de control VITO/VIANO/SPRINTER ........................................................................................................................................................................ 48
Principios básicos del procesamiento de información ..................................................................................................................................................................... 59
Transmisión de datos por en serie y en paralelo.............................................................................................................................................................................. 61
Sistemas de numeración ................................................................................................................................................................................................................. 63
Convertidores .................................................................................................................................................................................................................................. 65
Interconexión en vehículos Mercedes-Benz ..................................................................................................................................................................................... 66
Controller Area Network (CAN)........................................................................................................................................................................................................ 69
Estructura de los mensajes del bus CAN ......................................................................................................................................................................................... 74
Representación del mensaje del bus de datos CAN......................................................................................................................................................................... 79
Distribuidores de potencial .............................................................................................................................................................................................................. 84
Práctica 1 ........................................................................................................................................................................................................................................ 88

06/10       Vehículos Industriales Ligeros • Interconexión y redes CAN
            Saludo                                                                                                                                                                                                                              3
Práctica 2 ........................................................................................................................................................................................................................................ 92
Práctica 3 ........................................................................................................................................................................................................................................ 96
Bus de datos LIN.............................................................................................................................................................................................................................. 98
Bus D2B.......................................................................................................................................................................................................................................... 102
MOST............................................................................................................................................................................................................................................. 103
Gateway......................................................................................................................................................................................................................................... 106
Esquemas de interconexiones ....................................................................................................................................................................................................... 110
Alternador y regulador ................................................................................................................................................................................................................... 116




06/10       Vehículos Industriales Ligeros • Interconexión y redes CAN
            Saludo                                                                                                                                                                                                                            4
Saludo                                                                                          01.06.2010



Bienvenidos al curso de interconexión de redes.




El curso tiene las siguientes metas:

El participante podrá …


        • … conocer el funcionamiento interno de una unidad de control.
        • … conocer las señales de entrada y de salida de una unidad de control.
        • … conocer la alimentación de tensión en los diferentes vehículos.
        • … describir la filosofía del intercambio de datos entre unidades de control y los
           diferentes buses de datos.
                                                                                                  GT00_00_0534_C71
        • … conocer el funcionamiento del CAN, así como su diagnóstico con el osciloscopio.

        • … conocer el funcionamiento del resto de buses de datos, así como su diagnóstico con
           el osciloscopio.




06/10     Vehículos Industriales Ligeros • Interconexión y redes CAN
          Saludo                                                                                             5
Vida interior de una unidad de control                                                                  01.06.2010




                                                                     1. Procesador central de la unidad de control
                                                                     2. Memoria de sólo lectura (ROM)
                                                                     3. Memoria principal (RAM)
                                                                     4. Controlador CAN
                                                                     5. Memoria de códigos de avería
                                                                     6. Entrada con driver de detección de fallos
                                                                     7. Salida con driver para la detección de fallos




06/10   Vehículos Industriales Ligeros • Interconexión y redes CAN
        Vida interior de una unidad de control                                                                          6
Ejemplo de señales de entrada y salida en la unidad del motor OM642          01.06.2010


Señales de entrada




06/10   Vehículos Industriales Ligeros • Interconexión y redes CAN
        Ejemplo de señales de entrada y salida en la unidad del motor OM642           7
Señales de salida




06/10   Vehículos Industriales Ligeros • Interconexión y redes CAN
        Ejemplo de señales de entrada y salida en la unidad del motor OM642   8
Señales de entrada

CAN C Bus del Controller Area Network Clase C (de motor)       B17/9 Sonda térmica del aire de carga                   N3/20    Unidad de control CDI
LIN    Red de interconexión local                              B19    Sonda térmica del catalizador                    N14/3    Etapa final de precalentamiento
A1     Cuadro de instrumentos                                  B19/12 Sonda térmica para los gases de escape           N15/3    Unidad de control EGS
B2/7 Medidor de la masa de aire por película caliente          B28    Sensor de presión después del filtro de aire     N15/5    Unidad de control EWM
B2/5b1 Sonda térmica del aire de admisión                      B37/3 Módulo del pedal acelerador                       N30/4    Unidad de control ESP
B4/6 Sensor de presión del rail                                B40    Sensor del aceite de motor                       N73      Unidad de control EZS
B5/1 Sensor de presión del aire de carga                       B50    Sonda térmica del combustible                    N80      Unidad de control MRM
B6/20 Sensor de árbol de levas                                 B60    Sensor de contrapresión de los gases de escape   X11      Caja de enchufe para diagnósticos de 16 polos
B11    Sonda térmica para líquido refrigerante                 L5     Sensor del cigüeñal
                                                               B85/2 Sonda de O2
                                                               G2/7 Alternador
                                                               B28/8 Sensor de presión diferencial




Señales de salida

CAN C   Bus del Control Area Network                           K40/9k5     Relé de arrancador, borne 50                R39/1    Elemento calefactor de la tubería de ventilación
        Clase C (de motor)                                     N14/3       Etapa final de precalentamiento             X11      Caja de enchufe para diagnósticos de 16 polos
LIN     Red de interconexión local                             N15/3       Unidad de control EGS                       Y27/11   Posicionador de recirculación de gases de escape
A1      Cuadro de instrumentos                                 N15/5       Unidad de control EWM                       Y74      Válvula reguladora de presión
A1e13   Testigo de control de precalentamiento                 N30/4       Unidad de control ESP                       Y76/1    Inyector del cilindro 1
A1e17   Testigo de control EOBD                                N73         Unidad de control EZS                       Y76/2    Inyector del cilindro 2
G2/7    Alternador                                             N80         Unidad de control MRM                       Y76/3    Inyector del cilindro 3
K40/9k3 Relé para la bomba de combustible                      R9/1        Bujía de incandescencia del cilindro 1      Y76/4    Inyector del cilindro 4
M16/42 Posicionador de mariposa                                R9/2        Bujía de incandescencia del cilindro 2      Y76/5    Inyector del cilindro 5
M41     Bomba de alta presión                                  R9/3        Bujía de incandescencia del cilindro 3      Y76/6    Inyector del cilindro 6
M72     Servomotor EKAS                                        R9/4        Bujía de incandescencia del cilindro 4      Y77/1    Posicionador de la presión de sobrealimentación
N3/20 Unidad de control CDI                                    R9/5        Bujía de incandescencia del cilindro 5
                                                               R9/6        Bujía de incandescencia del cilindro 6




06/10    Vehículos Industriales Ligeros • Interconexión y redes CAN
         Ejemplo de señales de entrada y salida en la unidad del motor OM642                                                                                                       9
Tipos de señales de entrada                                                                          01.06.2010



Existe una gran cantidad de sensores que se pueden agrupar de diferentes formas.
Una posibilidad es agruparlos de acuerdo con su clase. Tendríamos entonces tres grupos principales:


   1. Interruptores como sensores:
        - Los interruptores sólo proporcionan información de conexión
          o desconexión
        - es la clase más sencilla de sensores

   2. Sensores pasivos:
      - Estos sensores modifican una de sus magnitudes eléctricas
        como resultado de la influencia de una magnitud de medición
        que actúa desde el exterior
      - Ejemplo, sensor de temperatura con resistencia NTC
        Se aplica una tensión de prueba a la resistencia NTC. La
        resistencia, y por lo tanto la corriente, varía bajo la influencia
        exterior de la temperatura

   3. Sensores activos:
      - Además de la línea conductora de señales a la unidad de
        control, estos sensores poseen otras líneas adicionales para la
        alimentación de tensión
      - Ejemplo, el transmisor Hall del motor del arbol de levas




06/10   Vehículos Industriales Ligeros • Interconexión y redes CAN
        Tipos de señales de entrada                                                                           10
Interruptores codificados por tensión

En vehículos BM 906 (SPRINTER) y 639 (VITO/VIANO) se emplean interruptores codificados por tensión por ejemplo este interruptor del elevalunas.




           Ejercicio 1                                               ¿Cuál son las ventajas de un interruptor codificado por tensión?
                                                                     Discuta en grupo y anote las posibilidades.

                                                                     Menor cableado

                                                                     Reducción de peso

                                                                     Diagnosticable




06/10   Vehículos Industriales Ligeros • Interconexión y redes CAN
        Tipos de señales de entrada                                                                                                               11
Ejercicio 2                                               Intente averigüar que más ejemplos de interruptores codificados por tensión existen en una
                                                                       VITO/VIANO/SPRINTER.

                                                                       Interruptor elevalunas

                                                                       Interruptor combinado

                                                                       Teclas del volante multifuncional

                                                                       Interruptor de luces (luz de antiniebla delantera/trasera)


             Ejercicio 3                                               Mida las resistencias en el interruptor combinado de una VITO/VIANO y anote sus valores en el
                                                                       diagrama superior.

                                                                            6               1              4              3                  5




                                                                                                                                               200 Ω
                                                                                                                 200 Ω



                                                                                                                            200 Ω




                                                                                                                                               600 Ω
                                                                                     200Ω




Leyenda
S144s1     Intermitente izq/der
                                                                                                    s2
S144s2     Palanca de luces/Luces carretera                                                                                         s3                 s4
S144s3     Sistema limpiafaros                                              s1
S144s4     Interruptor limpiaparabrisas



06/10     Vehículos Industriales Ligeros • Interconexión y redes CAN
          Tipos de señales de entrada                                                                                                                                  12
Ejercicio 4                                               Mida las resistencias del elevalunas en el mando de la puerta del conductor de una VITO/VIANO.
                                                                     Anote abajo los resultados.
                                                                     Nota: Utilice los esquemas eléctricos del WIS y la simulación del DAS.
                                                                     ¿Qué valor de resistencia se mide para la puerta del acompañante en los siguientes casos:

                                                                     Posición "0": OL

                                                                     Posición "Cierre automático": Ohm

                                                                     Posición "Cierre manual": Ohm

                                                                     Posición "Apertura manual tecla": Ohm

                                                                     Posición "Apertura automática": Ohm

                                                                     Compare más tarde las posiciones del interruptor con los de la SPRINTER BM 906.
                                                                     ¿Dónde está la diferencia?

                                                                     En el lado del acompañante no existe cierre automático, por eso en la Sprinter no hay protección
                                                                     antiaprisionamiento.




06/10   Vehículos Industriales Ligeros • Interconexión y redes CAN
        Tipos de señales de entrada                                                                                                                                     13
Interruptores codificados por bits


Interruptor codificado por bit

La unidad más pequeña de información es el Bit. Un Bit es un dígito binario, que puede tomar dos estados 0 ó 1. Una memoria de datos con 1 Bit tiene
solamente 2 posibilidades: por ejemplo ”con. o descon.“ - ”ocupado o libre“. Un simple estado CON/DESCON siempre consiste en un solo bit. Para cuatro
posibles valores (por ejemplo rojo, amarillo, verde, azul) son necesarios dos bits, los cuales se combinan en cuatro diferentes formas (00, 01, 10, 11).


                                                                     Rojo      Amarillo      Verde        Azul

                                                                     00           01           10          11




           Ejercicio 5                                               ¿Cuántas posibilidades existen de la combinación de estos tres interruptores (3 Bit) representados en
                                                                     el gráfico?

                                                                     8 posibilidades (2x2x2=2³=8)




06/10   Vehículos Industriales Ligeros • Interconexión y redes CAN
        Tipos de señales de entrada                                                                                                                                  14
Ejercicio 6                                                Compruebe el interruptor giratorio de luces.
                                                                        Utilice como ayuda el diagrama de la página siguiente y complete la tabla.


                                                                       BCD 1     BCD 2        BCD 3      Red AL       Función
                                                                         1          0          1            1         Luz de aparcamiento a la izquierda
                                                                         1          1           0           1         Luz de aparcamiento a la derecha
                                                                         1          0           0           0         Función automática
                                                                         0          0           0           1         Desconexión
                                                                         0          1           0           1         Luz de población
                                                                         0          1           1           0         Luz de cruce

                                                                               S1



Leyenda
PL li.     Luz aparcamiento izq.
                                                                                                                              PL Li.
PL re.     Luz aparcamiento der.
AF         Automático                                                                                                         PL Re.
AUS        Desconexión                                                                                                          AF
SL         Luces de población                                                                                                   AUS
AL         Luces de cruce                                                                                                     SL
NL         Luz antiniebla delantera
                                                                                                                                AL
NSL        Luz antiniebla trasera
Red. AL    Luces de cruce redundantes                                                    30              BCD1 BCD2 BCD3 Red.AL                      31   15
                                                                                                                                           NL/NSL
BCD1       Codificación por bit cable 1                                                 10          12     11     4       8            5            6    9
BCD2       Codificación por bit cable 2
BCD3       Codificación por bit cable 3




06/10     Vehículos Industriales Ligeros • Interconexión y redes CAN
          Tipos de señales de entrada                                                                                                                         15
Sensores pasivos

Sensores de Temperatura                                   Coeficiente de temperatura negativo (NTC):

                                                          La resistencia del sensor disminuye conforme
                                                          aumenta la temperatura (figura izquierda).


                                                          Los sensores NTC son adecuados para la medición
                                                          de temperaturas bajas.


                                                          Coeficiente de temperatura positivo (PTC):

                                                          La resistencia del sensor aumenta al subir la
                                                          temperatura (figura izquierda).

                                                          Los sensores PTC son adecuados para la medición
                                                          de temperaturas altas.




           Ejercicio 7                                               Sustituya en el vehículo la sonda térmica exterior por una década de resistencias y compruebe los
                                                                     valores en el cuadro de instrumentos de una Vito/Viano. ¿De qué tipo de resistencia se trata?
Temperatura de -20°C ----- 28.8 kohmios
Temperatura de 0°C ----- 9.6 kohmios
Temperatura de 20°C ----- 3.6 kohmios
Temperatura de 40°C ----- 1.5 kohmios




06/10   Vehículos Industriales Ligeros • Interconexión y redes CAN
        Tipos de señales de entrada                                                                                                                                  16
Sensores inductivos

El sensor inductivo consiste en una bobina colocada longitudinalmente con un núcleo de hierro y un
imán permanente. La bobina está unida al mazo de cables por medio de dos líneas de alimentación.

El cigüeñal gira debajo del sensor y los orificios (7) pasan frente al sensor a una distancia A. Cuando
pasa un orificio bajo el sensor se produce un cambio del campo magnético procedente del imán
permanente de aquel. Como es campo magnético también pasa a través de la bobina, se genera en
ésta una tensión inducida, que se conduce a la unidad de control a través de las conexiones (1).

            Ejercicio 8                                               Compruebe el valor de tensión del sensor del cigüeñal.




06/10    Vehículos Industriales Ligeros • Interconexión y redes CAN
         Tipos de señales de entrada                                                                                           17
Sensores activos

Efecto hall




Hall 1                                                           Hall 2                                     Hall 3


Cuando una tensión es aplicada a una lámina                     Si un campo magnético vertical afecta al    Si conectamos lateralmente unos cables
semiconductora el resultado es una corriente que                semiconductor, los electrones se desvían.   eléctricos, se puede medir la tensión del cristal
fluye.                                                                                                      Hall.

                                                                                                            La tensión Hall varía cuando se cambia la
                                                                                                            dirección y la intensidad del campo magnético.




06/10    Vehículos Industriales Ligeros • Interconexión y redes CAN
         Tipos de señales de entrada                                                                                                                        18
Sensor Hall con imán rotativo (Sensor de posición)




                                            N54.00-2023-01                                          N54.00-2024-01                                        N54.00-2025-01




Un flujo de electrones en un pequeño plato                     Los electrones se desvían cuando cambia el            Una tensión perpendicular a la pequeña lámina se
semiconductor es originado por un voltaje                      sentido del campo magnético.                          puede medir debido al exceso de electrones.
aplicado.




06/10   Vehículos Industriales Ligeros • Interconexión y redes CAN
        Tipos de señales de entrada                                                                                                                                19
Ejercicio 9                                               Dibuje la señal del arbol de levas del vehículo.




06/10   Vehículos Industriales Ligeros • Interconexión y redes CAN
        Tipos de señales de entrada                                                                                     20
Ejercicio 10                                              Dibuje la señal del pedal del acelerador.




06/10   Vehículos Industriales Ligeros • Interconexión y redes CAN
        Tipos de señales de entrada                                                                              21
Tipos de señales de salida                                          01.06.2010



Señal Modulada por Ancho de Pulso o PWM

Señal con igual frecuencia e igual periodo, lo único que
varía es el ancho del pulso.

Ejemplo: señal PWM Ciclo 50%




Ejemplo: señal PWM Ciclo 20%




Ejemplo: señal PWM Ciclo 80%




06/10   Vehículos Industriales Ligeros • Interconexión y redes CAN
        Tipos de señales de salida                                           22
Ejercicio 11                                              Compruebe como ejemplo la señal de la válvula de recirculación de gases de escape (AGR).




06/10   Vehículos Industriales Ligeros • Interconexión y redes CAN
        Tipos de señales de salida                                                                                                                              23
Ejemplo de la señal de salida hacia un inyector




06/10   Vehículos Industriales Ligeros • Interconexión y redes CAN
        Tipos de señales de salida                                   24
Alimentación de tensión en VITO/VIANO                             01.06.2010




El cableado en la Vito/Viano se encuentra
dividido en mazos de líneas individuales.


Los mazos de líneas más importantes son:

•    Mazo de cables de la línea principal (mazo de
     cables del bastidor)
•    Mazo de cables del techo
•    Mazo de cables del salpicadero
•    Mazo de cables del compartimiento del motor
•    Mazo de cables del motor


Estos mazos de cables están comunicados entre
sí en puntos significativos.




                                                                       GT00_19_0037_C75




06/10    Vehículos Industriales Ligeros • Interconexión y redes CAN
         Alimentación de tensión en VITO/VIANO                                    25
VITO/VIANO

Batería de arranque
La batería de arranque en VITO/VIANO BM 639 está situada en la caja del
asiento del conductor.

El punto de apoyo positivo (+) se encuentra en la E-Box y el punto de masa
cerca de la E-Box en el pasaruedas interior derecho.
Los puntos de apoyo de la batería pueden ser utilizados para una ayuda de
arranque y para una carga de la batería.

• Batería de serie              12V 74Ah
• Batería equipo opcional       12V 100Ah
• Batería equipo opcional       12V 95Ah Vellón (a partir 09.2006, Taxi Serie)


Batería adicional

La batería adicional y su relé separador se encuentran debajo del asiento del
acompañante.
Esta batería es una batería de semitracción y no debe comprobarse con el
comprobador de baterías Midtronics.




                                                         Leyenda

                                                         G1/1        Batería adicional
                                                         W10/4       Conexión masa
                                                         1y2         Equipamiento Westfalia
                                                                                              S 54.10-4521-11

Para VITO/VIANO no se ofrece ningún interruptor unipolar de batería.
06/10   Vehículos Industriales Ligeros • Interconexión y redes CAN
        Alimentación de tensión en VITO/VIANO                                                                   26
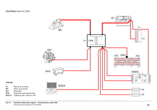
VITO/VIANO hasta 02.2004


                                                                                           G1


                                                                                                                  F
                                                                       M1


                                                                                                                      F7
                                                                               F1   150A



                                                      G2/…

                                                                                            F35   Z66/1      F34




                                                    N14                                                   K40/9



Leyenda

G1        Batería de arranque                                          N33/4
M1        Motor de arranque                                                                                           F4
G2/       Alternador
N14       Etapa final precalentamiento
N33/4     Calefactor adic. eléctrico PTC                                                                              F5


06/10     Vehículos Industriales Ligeros • Interconexión y redes CAN
          Alimentación de tensión en VITO/VIANO                                                                            27
VITO/VIANO a partir 03.2004


                                                                                                       G1


                                                                                                                          F6
                                                                       M1

                                                                               F78
                                                                               OM642,          250A/                           F7
                                                                               M272         F1 225A
                                                                       1


                                                      G2/…

                                                                                                        F35   Z66/1      F34
                                                                                        2




                                                    N14                                                               K40/9


Leyenda

G1        Batería de arranque
M1        Motor de arranque                                            N33/4
G2/       Alternador
N14       Etapa final de precalentamiento                                                                                      F4
N33/4     Calefactor adicional eléctrico PTC
                                                                                                                               F5


06/10     Vehículos Industriales Ligeros • Interconexión y redes CAN
          Alimentación de tensión en VITO/VIANO                                                                                     28
En lugar de las tres centrales eléctricas que existían en la antigua VITO /
CLASE V, en la nueva VITO / VIANO sólo se encuentra la E-Box montada en la
parte derecha del compartimiento del motor.
Existe también adicionalmente una regleta de fusibles (F6, F7) debajo del
asiento del conductor.


La E - Box contiene:
5      la unidad de control del cambio automático (EGS)
1      un punto de apoyo para la batería
6      otros fusibles adicionales (F34, F35)                                              2                7
3      un fusible previo (225 A)
2      el bloque de fusibles y relés (SRB) con el módulo de registro de señales
       y activación (SAM)
7      un ventilador para refrigerar los componentes electrónicos                 6           4
4      la unidad de control de motor (ME o CDI)                                       5               3        1
8      relés adicionales:    Bomba de aire secundario (K64),
                             Sistema limpiafaros (K2)

                                                                                          6
Atención:
En la E-Box existen dos lugares en los que existe riesgo de cortocircuito:
• el punto de apoyo de la batería                                                                 8
• la guía de conexión y alimentación de tensión para F34, F35




                                                                                                      GT00_00_0241_C81




06/10    Vehículos Industriales Ligeros • Interconexión y redes CAN
         Alimentación de tensión en VITO/VIANO                                                                     29
Bloque de fusibles y relés (SRB)


Relés:
K1    Bocina
K2    Conexión /desconexión del limpia-
      parabrisas
K3    Relé escalón 2 del limpiaparabrisas
K4    Relé, motor, borne 87
K5    Motor de arranque
K6    Bomba de combustible
K7    Borne 15 R (f32 – f39)
K8    Borne 15 (f20 – f30)
K10   Relé de descarga, borne 15R
K11   Relé de descarga, borne 15
K64   Bomba de aire secundario
K40/9 Bloque de fusibles y relés
M1    Enchufe de conexión del juego de cables
      del motor


El bloque de fusibles y relés (SRB) se encuentra
conectado directamente al módulo de registro de
señales y activación (SAM) mediante una regleta de
conexiones.




                                                                      A partir de aprox. 03.2005



06/10    Vehículos Industriales Ligeros • Interconexión y redes CAN
         Alimentación de tensión en VITO/VIANO                                                     30
SAM

Módulo de registro de señales y activación (SAM)
El módulo de registro de señales y activación (SAM)
constituye la unidad electrónica para el bloque SRB.

•   se puede diagnosticar
•   está interconectado a la red del bus CAN-B (bus del
    habitáculo)
Entradas:
• Señales de conexión /desconexión de un
     interruptor
 (por ejemplo, freno de estacionamiento, sistema ZV)

• Señales codificadas de tensión
(por ejemplo, interruptores de la luz, interruptor de la
ventanilla giratoria de apertura hacia fuera)
• Señales analógicas
(por ejemplo, sensor de temperatura exterior, transmisor
del nivel del depósito)
• Mensajes CAN
                                                                      S54.21-4500-12
Salidas:
• Directamente al actuador
(por ejemplo, limpia luneta trasera, sistema ZV,
iluminación)
• A través del bloque SRB y de relés
(por ejemplo, limpiaparabrisas, luneta térmica trasera)

•   Mensajes CAN


06/10    Vehículos Industriales Ligeros • Interconexión y redes CAN
         Alimentación de tensión en VITO/VIANO                                 31
Señales de entrada y salida en el SAM

Señales de entrada digitales y tensiones codificadas                               Señales de salida

 -      Interruptor de luces                                                         -   Limpia parabrisas trasero
 -      Luz de freno                                                                 -   Limpia parabrisas delantero
 -      Luz de marcha atrás                                                          -   Luneta térmica trasera
 -      Limpia parabrisas (borne 31b)                                                -   Bocina
 -      Cerraduras de puertas (señal de retorno ZV)                                  -   Bomba limpia parabrisas delantero y trasero
 -      Freno de estacionamiento                                                     -   Motores (ZV) para puertas correderas y trasera
 -      Nivel de líquido de frenos                                                   -   Ventilador E-Box
 -      Desgaste de pastillas de freno (delantera y trasera)                         -   Iluminación interior
 -      Borne 61 (L)                                                                 -   Iluminación exterior
 -      Nivel de líquido refrigerante
 -      Nivel de limpia parabrisas


Además con equipamiento máximo                                                     Además con equipamiento máximo
 - Instalación lavafaros                                                            - Instalación lavafaros
 - Cristales abatibles traseros                                                     - Cristales abatibles traseros
 - Segunda puerta corredera (señal de retorno ZV)


Señales analógicas
 - Nivel de depósito de combustible
 - Temperatura exterior

El resto de las señales se transmiten y reciben a través del bus CAN del habitáculo (CAN-B)




06/10     Vehículos Industriales Ligeros • Interconexión y redes CAN
          Alimentación de tensión en VITO/VIANO                                                                                           32
Puntos de masa



1. Parte posterior del vehículo, izquierda y
   derecha
   (parachoques, detrás de la rejilla de
   ventilación)
2. Panel frontal, izquierda y derecha
                                                                     A, B
3. Compartimiento de motor, izquierda y
   derecha
4. Parte central
5. Centro de la parte delantera del techo
6. Bastidor del motor
7. Punto de apoyo para arranque con ayuda
   externa




A   Distribuidores de potencial, bus CAN del
    habitáculo (CAN-B)
B   Distribuidor de potencial con punto neutro,
    bus CAN del motor (CAN-C)



                                                                            GT00_19_0030_C05




06/10   Vehículos Industriales Ligeros • Interconexión y redes CAN
        Alimentación de tensión en VITO/VIANO                                          33
Alimentación de tensión en SPRINTER                                               01.06.2010



Batería de arranque

La batería de arranque de la nueva SPRINTER está colocada en el piso de la
cabina a los pies del conductor. Existen 3 ejecuciones:

    • Batería de serie             12 V 74 Ah

    • Batería equipo opcional 12 V 100 Ah

•     Batería equipo opcional 12 V 95 Ah, técnica con vellón




                                                                             GT54_10_0109_C71



Esta batería tiene en el adhesivo la designación:

Tensión/Capacidad/Corriente de comprobación en frío/ Norma
12V 74Ah 680A (EN)

Todas las baterías de arranque se pueden comprobar con el
comprobador de baterías Midtronics.

                                                                             GT54_10_0110_C74




06/10      Vehículos Industriales Ligeros • Interconexión y redes CAN
           Alimentación de tensión en SPRINTER                                                  34
Batería adicional (Batería de semitracción)

Si además existiera una segunda batería adicional (equipo opcional), estaría
montada en el vano motor izquierdo y estaría unida mediante un relé
separador (borne 61) con la batería de arranque. Esta 2ª batería es una
batería de semitracción.




                                                                               GT54_10_0107_C71

Esta batería tiene en el adhesivo la designación:

Tensión/Capacidad
12V/100Ah

La indicación no contiene la corriente de comprobación en frío ni la
correspondiente norma. Por tanto, no se pueden comprobar las baterías
de semitracción con el comprobador de baterías Midtronics.

NOTA: Actualmente estas baterías ya se pueden comprobar con Midtronics
ya que disponen de la corriente de comprobación en frío.
                                                                               GT54_10_0108_C74




06/10   Vehículos Industriales Ligeros • Interconexión y redes CAN
        Alimentación de tensión en SPRINTER                                                 35
Ayuda de arranque

Debe tenerse en cuenta lo siguiente:
•   Las baterías de tracción no están diseñadas para generar corrientes muy
    elevadas para el motor de arranque, sino corrientes pequeñas a lo largo
    de un período largo.
    Por eso no se aconseja utilizar la batería adicional para una ayuda de
    arranque a otro vehículo.

•   Una ayuda de arranque sólo es posible en los puntos de apoyo (cerca del
    filtro de aire y del pasarrueda interior) o en la batería de arranque.
    De la misma manera se carga la batería de arranque.


Interruptor principal de la batería

El interruptor unipolar de la batería está colocado al lado derecho del pedal de
acelerador.

Mediante el interruptor principal de la batería es posible una rápida
interrupción de la alimentación de tensión en el marco de trabajos en el
sistema eléctrico.
Después de una interrupción de tensión, el reloj en el cuadro de instrumentos
y el posible techo corredizo/los techos corredizos deben normalizarse (el
equipo opcional "puerta corrediza eléctrica", que posteriormente también
estará disponible como equipo opcional, también debe normalizarse).
Los elevalunas no deben normalizarse puesto que no disponen de ninguna
"protección antiapriosionamiento".




06/10    Vehículos Industriales Ligeros • Interconexión y redes CAN
         Alimentación de tensión en SPRINTER                                       36
Alimentación de tensión (SPRINTER BM 906)




Leyenda

M1      Motor de arranque
G2/7    Alternador
G1      Batería de arranque
G1/2    Batería adicional
K40/9   Caja de fusibles y relés SRB
K57     Relé separador de batería
N33/4   Calefactor ad. electr. PTC
HH9     Ventilador adicional
        climatización
N14     Etapa final precalentamiento
                                                                       GT54_15_0086_C74




06/10     Vehículos Industriales Ligeros • Interconexión y redes CAN
          Alimentación de tensión en SPRINTER                                     37
A partir de aprox. 10.2006 →                                         Hasta aprox. →10.2006




                                                                                             X167/1 (Volquete)




06/10   Vehículos Industriales Ligeros • Interconexión y redes CAN
        Alimentación de tensión en SPRINTER                                                                      38
A partir de aprox. 10.2006 →                                                                       A partir de aprox. 10.2006 →




                            X167/1, X168/1, X168/2 (Volquete o trampilla de carga o montacargas)




                                                                                                                                  GT54_15_0086_C74




06/10   Vehículos Industriales Ligeros • Interconexión y redes CAN
        Alimentación de tensión en SPRINTER                                                                                                  39
A partir de aprox. 10.2006 →                                         A partir de aprox. 10.2006 →




                                                                                                    GT54_15_0086_C74




06/10   Vehículos Industriales Ligeros • Interconexión y redes CAN
        Alimentación de tensión en SPRINTER                                                                    40
Caja de fusibles y relés SRB

El bloque de fusibles y relés (SRB) se encuentra en el espacio reposapiés en el
lado izquierdo del vehículo. Es el soporte para todos los fusibles y relés
estándar.

Los juegos de cables están conectados aquí.

El propio SRB no contiene ningún componente electrónico, pero sí está
adosado a la unidad de control SAM para las funciones generales del
vehículo. El módulo de registro de señales y activación SAM está unido
directamente al SRB.

En el extremo inferior del SRB hay conectado un soporte con dos bloques de
fusibles adicionales (F55/1 fusibles 1 - 9 y F55/2 fusibles 10–18).

Precaución: ¡La designación de los fusibles en el esquema eléctrico no
coincide de forma automática con el lugar de montaje!

El plano de ocupación de los fusibles se encuentra en los documentos del
vehículo.


                                                                                                                          GT54_15_0077_C72
                                                                                  Leyenda

                                                                                  1   SRB K40/9
                                                                                  2   Fusibles SRB K40/9 f…
                                                                                  3   Relés SRB K40/9 k…
                                                                                  4   Bloques de fusibles F55/1 y F55/2
                                                                                  5   SAM




06/10   Vehículos Industriales Ligeros • Interconexión y redes CAN
        Alimentación de tensión en SPRINTER                                                                                                  41
Ocupación de los fusibles
 Nr.          Consumidor                  Valor(A Kl.              Nr.            Consumidor           Valor    Kl.
 1      Bocina (relé 1)                      15                                                         (A)

 2      EZS,ELV                              25      30Z           13    Mechero/radio                  15     15r

 3      Cuadro de instrumentos/EZS           10      30Z           14    Conmutador de luces,           5       15
                                                                         cuadro de instrumentos,
 4      Conmutador de luces, OBF              5      30                  diagnóstico
 5      Limpiaparabrisas parte               30      30            15    LWR/KLA                        5       15
        frontal
                                                                   16    Gestión del motor (relé 7)     10     87/1
 6      Bomba de combustible                 15      30
                                                                   17    Airbag                         10      15
 7      Módulo de tubo envolvente             5     15R
                                                                   18    Alimentación 5 V               15      15
 8      Gestión del motor (relé 7)           20     87/2
                                                                   19    Luz interior (SAM)            7,5      30
 9      Gestión del motor (relé 7)           20     87/3
                                                                   20    SAM (elevalunas                25     30/2
 10 Gestión del motor (relé 7)               10     87/4                 acompañante)
 11 Alimentación 5 V                         15     15R            21    Unidad de control del motor    5       15
 12 Airbag (SRS + AKSE)                      10     15R            22    Luz de freno, ABS              5       15
                                                                   23    Motor de arranque (relé 5)     25      15
Ocupación de los relés
Nr.                                               K40/9…           24    Componentes del motor          10      15
                                                                         Diesel
 1 Bocina                                           k1
 2 Limpiaparabrisas parte frontal 1/2               k2             25    Caja de enchufe cuadro de      25      30
                                                                         instrumentos
 3 Bomba de combustible                             k3
 4 Limpiaparabrisas parte frontal E/A               k4
 5 Motor de arranque borne 50                       k5
 6 Borne 15R                                        k6
 7 Alimentación de tensión Motor                    k7
    (borne 87)                                                                                                        GT54_15_0078_C03

 8 Borne 15                                         k8

06/10     Vehículos Industriales Ligeros • Interconexión y redes CAN
          Alimentación de tensión en SPRINTER                                                                                    42
Ocupación de fusibles y relés




Leyenda

1 Bloques de fusibles F55/3, F55/4, F55/5, F55/6
  Precaución: ¡La designación de fusibles en el esquema de circuitos no
  coincide de forma automática con la del lugar de enchufe!
2 Fusibles de corriente de alta intensidad para equipo opcional:
  F66           250A       Volquete (hasta aprox. 10.2006)
  F59/1         100A       Retardador
  F59/2         250A       Trampilla de carga
  F59/2         250A       Montacargas
  F68           80A        Calefacción del parabrisas
  F69           50A        Aire acondicionado de alto rendimiento (Techo)
3 Relés cúbicos
4 Microrelés
5 Sentido de marcha



                                                                            GT54_15_0079_C81




06/10     Vehículos Industriales Ligeros • Interconexión y redes CAN
          Alimentación de tensión en SPRINTER                                                  43
Caja de fusibles previos F59/…

…1      Etapa final de precalentamiento/
        bomba de aire secundaria             80A/40A
…2      Ventilador adicional climatización 80A/40A
…3      SRB, SAM borne 30Z                   80A
…4      Batería adicional                    150A
…5      Puesto de conducción Z7/74           150A
…6      Caja de fusibles debajo del asiento Z7/75 puente
…7      Calefactor adicional eléctrico PTC 150A



                                                                                                                               GT54_15_0080_C80

                                                                                                   Caja de fusibles previos en batería



F57

En el cable de conexión B+ entre el motor de
arranque y el alternador se encuentra un fusible
para una mayor seguridad en caso de accidente.

En caso de una avería de este fusible, debe
sustituirse el cable B+ completo.




                                                                             GT54_15_0081_C72                                                 GT54_15_0082_C74

                                                                       Cable B+, batería, motor de arranque, alternador con fusible F57


06/10     Vehículos Industriales Ligeros • Interconexión y redes CAN
          Alimentación de tensión en SPRINTER                                                                                                            44
Módulo de registro de señales y activación (SAM)

SAM y SRB forman juntos la caja de distribución eléctrica centralizada de la
Sprinter BM906. El SAM representa la parte electrónica con conexión al
I-CAN.
En la variante sencilla (SAM Min) se activan o se vigilan los componentes
siguientes:

Alumbrado exterior con control de lámparas
(luces de marcha atrás con testigo acústico de advertencia de 2 niveles)
    • Iluminación interior delantera de serie
    • Iluminación de los interruptores
    • Cierre centralizado, puerta del acompañante
    • Elevalunas puerta del acompañante
    • Sistema de limpia/lavaparabrisas de la parte frontal y faros
    • Bocina (sólo con MRM)

Las señales de entrada provienen de:                                                 SAM con SRB   GT54_21_0173_C73
   • Interruptor del elevalunas, puerta del acompañante
   • Conmutador giratorio de luces
   • Interruptor de la luz de freno
   • Interruptor de luz de marcha atrás (cambio manual)
   • Freno de estacionamiento
   • Desgaste de los forros de freno
   • Nivel de líquido refrigerante, agua de lavado y líquido de frenos
   • Transmisor de nivel del depósito de combustible
   • Temperatura exterior
   • Confirmación ZV, puerta del acompañante
   • Alimentación de tensión
   • Alternador D+ (L) EURO 3 sin LIN                                          SAM                                    GT54_21_0174_C05




06/10   Vehículos Industriales Ligeros • Interconexión y redes CAN
        Alimentación de tensión en SPRINTER                                                                                      45
D



                                                                                                  C                                  C



                                                                 B                                B


                  A                                              A




             A SAM Min                                       B SAM Low                           C SAM Med                               D SAM High
Chasis cabina serie (véase página            A y adicionalmente:                     B y adicionalmente:                   C y adicionalmente:
anterior)
                                                 • Furgón                                • Sensor de lluvia y luz              • Ventanillas deflectoras
                                                        - Puerta corrediza derecha       • Faros antiniebla                        eléctricas
                                                        - Puerta trasera giratoria       • Limpiafaros                         • EDW2
                                                        - 3ª luz de freno                • Limpia/lavaparabrisas trasero       • Faros de xenón
                                                        - Iluminación del                • Luneta tresera térmica              • Luz interior de confort
                                                        compartimento trasero                                                      vehículo mixto
                                                                                         • Relé D+
                                                                                         • EDW1                                • Parabrisas calefactado
                                                                                         • Avisador de movimiento
                                                                                         • Puerta corrediza/puerta
                                                                                             giratoria (doble cabina)
                                                                                             izquierda
                                                                                         • Módulo para intermitentes
                                                                                             adicionales

06/10   Vehículos Industriales Ligeros • Interconexión y redes CAN
        Alimentación de tensión en SPRINTER                                                                                                                46
Puntos de masa




1.      W1/3 (puesto de conducción CLS 1)
2.      W1/4 (puesto de conducción HLS)
3.      W1/5 (puesto de conducción CLS 2)
4.      W2 (faro derecho)
5.      W2/1 (RL delante derecha)
6.      W9/3 (ESP, LL delante izquierda)
7.      W9/6 (delante izquierda 1)
8.      W9/7 (delante izquierda 2)
9.      W10/1 (batería)
10.     W10/2 (calefactor adicional PTC)
11.     W10/4 (batería adicional)
12.     W11 (motor)
13.     W26 (airbag)
14.     W29/8 (montante D izquierda)
15.     W31/1 (antena techo)
16.     W38 (techo)
17.     W43/1 (salpicadero izquierda)
18.     W52/7 (travesaño detrás izquierda)
19.     W71/1 (caja del asiento conductor LL)
20.     W71/2 (caja del asiento conductor LL)
21.     W71/1 (caja del asiento conductor RL)
22.     W71/2 (caja del asiento conductor RL)

                                                                       GT54_15_0087_C12




06/10     Vehículos Industriales Ligeros • Interconexión y redes CAN
          Alimentación de tensión en SPRINTER                                             47
Otras unidades de control VITO/VIANO/SPRINTER                                                         01.06.2010


EZS Interruptor electrónico de encendido y arranque


El EZS es la unidad de control más importante en VITO/VIANO y en SPRINTER
BM 906.
Realiza las siguientes funciones:

 •      Guardar la variante del vehículo y el equipamiento y enviar estos datos
        vía CAN. Guardar estos datos (Código de variante) tiene lugar solamente
        a través de SCN (Software Calibration Number).
 •      Funciones principales del cierre centralizado, mando a distancia y
        sistema de arranque.
 •      Gateway
 •      Conectar las unidades de control del I-CAN a la caja de enchufe de
        diagnóstico.
 •      Interruptor de encendido y arranque (Borne 15c, 15r, 15, 15x, 50)

Adicionalmente sólo en la SPRINTER BM 906:

Unión de todas las unidades de control con la caja de enchufe de diagnóstico
a través del D-CAN.


                                                                                                               D80.57-1111-12




06/10     Vehículos Industriales Ligeros • Interconexión y redes CAN              00_Ar_LT25_1511_7457_V01_NTB3_16.07.07

          Otras unidades de control VITO/VIANO/SPRINTER                                                                    48
KI Cuadro de instrumentos

Tanto en la VITO como en la SPRINTER se montan nuevos cuadros de instrumentos.

El cuadro de instrumentos de gama alta siempre se suministra con el volante multifuncional. El resto de los vehículos se suministran con el cuadro de la gama
estándar.




Gama alta                                                                         Gama estándar

En el cuadro de la gama alta hay una pantalla matricial y así se pueden           El cuadro de instrumentos de gama estándar está equipado con una pantalla
indicar textos y símbolos.                                                        de segmentos.



En el cuadro de instrumentos se guardan datos y parámetros que son importantes para el taller, pero no para el cliente. Algunos de esos datos se pueden leer
sin el aparato de diagnóstico y pueden ser cambiados. Los datos importantes para el personal de taller y se encuentran bajo “Menú de taller”.

Cuadro de instrumentos de gama alta




06/10   Vehículos Industriales Ligeros • Interconexión y redes CAN                                                                00_Ar_LT25_1511_7457_V01_NTB3_16.07.07

        Otras unidades de control VITO/VIANO/SPRINTER                                                                                                                      49
Puede accederse al menú de taller de la siguiente manera:

                                                                                 Encendido conectado

                                                                                     – Presione la tecla del volante (5) con la flecha “avance” (hacia arriba)
                                                                                       varias veces hasta que aparezca „Mantenimiento x en xxx km".
                                                                                     – Presionar la tecla O del cuadro de instrumentos y mantenerla
                                                                                       presionada durante 30 segundos, soltarla tras escuchar un pitido
                                                                                     – Accionar una vez la tecla del volante (4) inferior izquierda ("Menú
                                                                                       atrás")

                                                                                 Ahora se encuentra en el menú de taller.

                                                                                 Reposición tras el mantenimiento realizado:

                                                                                     –   Seleccionar con las teclas de flecha "Mantenimiento x en xxx km".
                                                                                     –   Presionar la tecla 0, aparece el menú „A realizar“.
                                                                                     –   Con las teclas + y – seleccionar „Mantenimiento completo“.
                                                                                     –   Confirmar con la tecla de flecha de „avance“
                                                                                         (La tecla de flecha "avance" (hacia arriba) sustituye al "Enter".)
                                                                                     –   Aparece el menú de selección „Tipos de aceite“.
                                                                                     –   Seleccionar con las teclas + y – la calidad del aceite de llenado.
                                                                                     –   Confirmar con la tecla de flecha "avance".
                                                                                     –   Presionar durante 3 seg la tecla O en el cuadro de instrumentos.


Los puntos de menú en el menú de taller y la representación en el display son semejantes para el cuadro de instrumentos estándar y éstos han sido descritos
en las páginas siguientes.




06/10   Vehículos Industriales Ligeros • Interconexión y redes CAN                                                                00_Ar_LT25_1511_7457_V01_NTB3_16.07.07

        Otras unidades de control VITO/VIANO/SPRINTER                                                                                                                      50
Cuadro de instrumentos gama estándar

Al menú de taller se accede de la siguiente forma:
Conecte el encendido, mantenga presionada la tecla O durante 30 segundos, suelte tras escuchar un pitido y pulse la tecla M. Usted se encuentra ahora en el
menú de taller. Hojee los puntos de menú con la tecla M y aparecerán los siguientes indicaciones:

         Indicaciones (Diesel)                                          Significado                                 Información
S…                                         Estado de Software
A 906 …                                    Número de referencia de Software
H…                                         Estado de Hardware
A 906 …                                    Número de referencia de Hardware
Code …                                     Código de motor
Aceitera … ltr                             Nivel actual de aceite en litros
Reset Std                                   Reposición del cambio de aceite con aceite estándar   No se utiliza en los talleres MB
Reset .31                                   Reposición del cambio de aceite Hoja 229.31           Presionar la tecla O aprox. 5s
                                                                                                         - Indicación „2“
Reset .51                                   Reposición del cambio de aceite Hoja 228.51/229.51
                                                                                                  Presionar brevemente la tecla O de nuevo
Reset Llave                                Reposición en vehículos nuevos con mucho tiempo               - Indicación „Realizado“
Reset Stop                                 Corregir un reposicionamiento erróneo
State CAN …                                Estado del I-CAN y M-CAN
Volt …                                     Tensión de alimentación
… Ohm                                      Resistencia actual del depósito de combustible (Ohm)
HU date                                    Fecha próxima inspección técnica                       Introducir con teclas +/-
AU date                                    Fecha próxima revisión de gases de escape              Introducir con teclas +/-
roll test off/on                           Desactivación del ESP para el test de rodillos         Con las teclas +/-



06/10      Vehículos Industriales Ligeros • Interconexión y redes CAN                                                                00_Ar_LT25_1511_7457_V01_NTB3_16.07.07

           Otras unidades de control VITO/VIANO/SPRINTER                                                                                                                      51
DBE Unidad de mando de techo



Las unidades de mando de techo en la SPRINTER y en la VITO/VIANO han sido diseñadas de forma
parecida. Son equipamientos especiales y completos que pueden incluir los siguientes componentes:

   •    Iluminación interior

   •    Techo corredizo

   •    Sistema de alarma EDW

   •    Protección del habitáculo (EDW2)

   •    Sensor de lluvia y luz
                                                                                                                        Ejemplo VITO/VIANO con EDW
   •    Micrófono para el sistema de manos libres




                                                                      Leyenda

                                                                      1   Interruptor luz de lectura lado izquierdo
                                                                      2   Interruptor luz de lectura lado derecho
                                                                      3   Luz de lectura derecha
                                                                      4   Iluminación interior
                                                                      5   Interruptor iluminación interior automática
                                                                      6   Interruptor iluminación interior
                                                                      7   Luz de lectura izquierda


                                                                                                                        Ejemplo SPRINTER


06/10    Vehículos Industriales Ligeros • Interconexión y redes CAN                                                                         00_Ar_LT25_1511_7457_V01_NTB3_16.07.07

         Otras unidades de control VITO/VIANO/SPRINTER                                                                                                                               52
OBF Panel de mando superior




El OBF está disponible en muchas variantes, dependiendo del equipamiento
del vehículo. Contiene varios interruptores, algunos de ellos con testigos de
control y electrónicas, que transforman estas señales en mensajes CAN y
luego las envían a través del I-CAN.




                                                                                                        Panel de mando superior (Ejemplo VITO/VIANO)


            Ejercicio 1                                              Existen dos salidas discretas en el OBF. ¿Qué sistema está relacionado con estas salidas?

                                                                     Calefacción en el asiento del conductor y del acompañante




06/10   Vehículos Industriales Ligeros • Interconexión y redes CAN                                                                          00_Ar_LT25_1511_7457_V01_NTB3_16.07.07

        Otras unidades de control VITO/VIANO/SPRINTER                                                                                                                                53
MRM Módulo de tubo envolvente (Sólo SPRINTER)


Un componente totalmente nuevo en los vehículos industriales ligeros es el
módulo de tubo envolvente MRM.
Como indica su nombre, se encuentra en el tubo envolvente de la columna de
la dirección.

Variante 1:
En la ejecución más sencilla, el MRM contiene el interruptor de la columna de
dirección (sin/con limpiaparabrisas trasero) y la espiral de contacto, que
establece la conexión eléctrica al volante de la dirección (Airbag y pulsador de
bocina).
Las señales de codificación del interruptor en la columna de la dirección se
envían a la unidad de control EZS y allí se transmiten como mensajes CAN.
Esta variante del MRM (sin unidad de control) sólo es posible si no se monta
                                                                                                                                                     GT46_10_0008_C04
ningún sensor del ángulo de viraje (sin ESP), ningún volante multifuncional y
ningún Tempomat.                                                                   Módulo de tubo envolvente MRM con Tempomat

Variante 2:
La variante con sensor del ángulo de viraje (con ESP) siempre posee una
electrónica propia con conexión al M-CAN. Mediante esta electrónica se
transmiten las señales del volante multifuncional, pulsador de bocina,
interruptor en la columna de la dirección e interruptor del Tempomat como
mensajes CAN.


En la siguiente página se muestran las figuras de ambas variantes.




06/10    Vehículos Industriales Ligeros • Interconexión y redes CAN                                                         00_Ar_LT25_1511_7457_V01_NTB3_16.07.07

         Otras unidades de control VITO/VIANO/SPRINTER                                                                                                               54
Variante 1 MRM sin electrónica                                                Variante 2 MRM con electrónica (máx. ejecución)
                                   14 13                                                                                        10 11            12



                                                9                                                                                       9
                                                                                                        8                   5


             7                                                                                          7


                                                                                                        6



             4                                                                                          4



                                                        3                                               2                                    3


                               1                                                                                        1

Leyenda
1 Pulsador de bocina                          6     Sensor del ángulo de viraje           11   Alimentación de tensión
2 Volante multifuncional                      7     Interruptor columna de la dirección   12   A la unidad de control SRS
3 Airbag conductor                            8     Interruptor del Tempomat              13   Al relé de bocina (masa conmutada)
4 Espiral de contacto                         9     Unión por enchufe 14 pol.             14   Al EZS (codificación de tensión)
5 Electrónica MRM                             10    M-CAN



06/10   Vehículos Industriales Ligeros • Interconexión y redes CAN                                                                          00_Ar_LT25_1511_7457_V01_NTB3_16.07.07

        Otras unidades de control VITO/VIANO/SPRINTER                                                                                                                                55
TSG-L y TSG-R Unidades de control de puerta




En las puertas delanteras, las unidades de control
de las puertas (derecha e izquierda) asumen
muchas de las funciones eléctricas:
• Controlar los motores de ajuste del sistema de
    cierre centralizado y comunicar el estado de las
    puertas.
• Controlar y vigilar los elevalunas
• Recibir y cursar la señal infrarroja
• Controlar el espejo retrovisor eléctrico exterior
• Controlar la iluminación de acceso al vehículo


•   Recibir y cursar las señales de los interruptores                                                                                                          N72.29-2001-04
    del panel de interruptores del conductor.


Aquí se puede ver con claridad la ventaja de la intercomunicación en red. Un sistema bus y la alimentación de tensión bastan para realiza las funciones
eléctricas de una puerta.

Nota: La SPRINTER solamente dispone de una unidad de control de puertas TSG.




06/10    Vehículos Industriales Ligeros • Interconexión y redes CAN                                                               00_Ar_LT25_1511_7457_V01_NTB3_16.07.07

         Otras unidades de control VITO/VIANO/SPRINTER                                                                                                                     56
PTC Calefactor adicional eléctrico




A       Masa 25 mm²
B       Positivo 25 mm²
C       Clavija
1       Bus CAN de baja velocidad (CAN-B)
2       Bus CAN de alta velocidad (CAN-B)
3       Borne 30



El empleo de los motores CDI ha sido la causa de que cada vez
se redujera más el aprovechamiento de la irradiación de calor del
motor para el calentamiento del interior del vehículo.
Por eso se ha hecho necesario un calefactor adicional PTC
(Coeficiente Positivo de Temperatura) para cumplir las normas
legales (descongelación del parabrisas) y para proporcionar a los
ocupantes la comodidad de una calefacción.

Potencia              1800 W, con protección de un fusible de 150 A

Activación            El calefactor adicional PTC se compone de 4 registros que se activan cíclicamente.
                      La activación se realiza entre un 0 y un 100%.
                      Siempre se activan al mismo tiempo los 4 registros.
                      La activación actual se realiza por medio de Bus CAN.




06/10      Vehículos Industriales Ligeros • Interconexión y redes CAN                                      00_Ar_LT25_1511_7457_V01_NTB3_16.07.07

           Otras unidades de control VITO/VIANO/SPRINTER                                                                                            57
Condiciones para la conexión del calefactor adicional PTC:
• Borne 61 del alternador estable
• Marcha de ralentí estable
• Temperatura del líquido refrigerante < 80 °C
• Temperatura exterior < 10 °C en el caso de Tempmatik o Thermotronik
• Temperatura exterior < 13 °C en el caso de calefacción estándar

Tempmatik y Thermotronik:
Si están instalados en el vehículo los sistemas Tempmatik o Thermotronik, la regulación del calefactor adicional PTC se realiza en función de la necesidad
existente en cada caso.
En el calefactor PTC está integrada una unidad de control. La unidad de control KLA activa dicha unidad cuando el sistema de ajuste de la temperatura nominal
demanda el modo de temperatura „MAX Calor“. Cuando se alcanza la temperatura nominal del interior del vehículo se produce una regulación escalonada
descendente.


Condiciones de desconexión del calefactor adicional PTC:
• Temperatura exterior > 10 °C en el caso de Tempmatik o Thermotronik
• Temperatura exterior > 13 °C con la calefacción estándar
• Temperatura del líquido refrigerante > 80°C
• Borne 61 alternador DESCON.
• Ralentí inestable
• Desconexión de emergencia del compresor del agente frigorígeno (protección contra la ebullición)
• Desconexión del compresor del agente frigorígeno en una aceleración




06/10   Vehículos Industriales Ligeros • Interconexión y redes CAN                                                               00_Ar_LT25_1511_7457_V01_NTB3_16.07.07

        Otras unidades de control VITO/VIANO/SPRINTER                                                                                                                     58
Principios básicos del procesamiento de información                                                                                                01.06.2010


¿Qué significa información y procesamiento de información?



El procesamiento de información no es un invento reciente sino que es tan antiguo   Este intercambio de información sólo es posible si el transmisor y el
como la vida misma. Todas las criaturas vivas recogen información del medio que     receptor utilizan un mismo lenguaje común que ambos cozcan,
las rodea, la procesan, y reaccionan en función de la misma. En relación con los    permitiendo el entendimiento entre
humanos, esto significa que estamos continuamente recopilando información de        ambos.
manera consciente e inconsciente utilizando nuestros sentidos y al mismo tiempo
procesando dicha información en nuestro cerebro. Inconscientemente recopilamos
información del exterior, como por ejemplo, el chequeo constante de la
temperatura que realiza nuestra piel sin que nos demos cuenta.
Podemos llegar a ser conscientes de dicha información si la temperatura exterior
varía muy bruscamente.                                                                     TRANSMISOR              COMÚN                     RECEPTOR
Sin embargo, también estamos recogiendo información de manera consciente                   (lengua alemana)     (lengua inglesa)             (lengua española)
cuando por ejemplo, leemos este manual. Puede ser que no toda la información
que leamos en este manual sea útil para nosotros debido a que sean cosas que ya
conocemos, pero en general, podemos definir información del siguiente modo:



La información son mensajes, transmitidos por un transmisor y recibidos por
un receptor. La información en general enriquece el conocimiento del
receptor.




06/10   Vehículos Industriales Ligeros • Interconexión y redes CAN                                                             00_Ar_LT25_1511_7457_V01_NTB3_16.07.07

        Principios básicos del procesamiento de información                                                                                                             59
Muy relacionado con el término información se encuentra el término dato:
La información se convierte en un dato cuando es transmitida de tal modo que pueda ser procesada por una máquina.
Por ejemplo, la información sobre una persona que podemos encontrar en su tarjeta de identificación se podría considerar como un dato, puesto que los datos
contenidos en dicha tarjeta pueden ser procesados e interpretados por unamáquina. El término de procesamiento de la información es tan antiguo como el
propio término de información, pero en los últimos tiempos ha cobrado una importancia aún mayor que el propio término de información. Esto ha sido debido a
los recientes avances tecnológicos, los cuales han contribuido a nuevos métodos para un procesamiento sencillo de los datos mediante nuevas maquinas. Para
que una máquina sea capaz de procesar los datos recibidos y obtener la información correspondiente, la información ha de ser transformada en un formato que
a maquina sea capaz de entender.
En tecnología digital se utilizan dos estados para representar o describir una determinada magnitud física. Debido a esto, también se podría hablar de
“tecnología digital binaria”.
A estas dos posibles condiciones o estados se las denominan como L (low = bajo) o H (high =alto) y correspondieriteniente, en tecnología digital, se
corresponden con los valores de tensión 0V para L y 5V para H




                                                    Valores lógicos               Valor de tensión correspondiente

                                                  O - L - low - “falso”                         aprox. 0V
                                               1 - H - high - “verdadero’                       aprox. 5 V


A esto se le denomina tecnología digital. Actualmente esta tecnología se basa en un sistema de numeración binario, que consiste en solamente dos dígitos, 1 y
0. Este sistema de numeración se denomina sistema binario.
De hecho, el término tecnología digital proviene de la palabra inglesa “digit” (dígito). La ventaja de la tecnología digital o electrónica digital frente a la tecnología
analógica reside en que al disponer únicamente de dos valores posibles, H o L, es decir, OVo 5V, no puede existir ambigüedad ala hora de interpretar los datos
recibidos, al contrario de lo que ocurre en electrónica analógica, donde al tener múltiples valores posibles, la interpretación de los datos resulta en ocasiones un
tanto más imprecisa. Además, la tecnología digital para trasmitir información es menos propensa al ruido y la distorsión que la analógica, siendo por tanto una
transmisión más segura y barata (los costes de la tecnología digital se han abaratado mucho en los últimos tiempos).




06/10    Vehículos Industriales Ligeros • Interconexión y redes CAN                                                                      00_Ar_LT25_1511_7457_V01_NTB3_16.07.07

         Principios básicos del procesamiento de información                                                                                                                      60
Transmisión de datos por en serie y en paralelo                                                                                                             01.06.2010


A continuación vamos a ver dos posibilidades de transmitir información (mensajes) a través de líneas (cables): transmisión serie y paralelo.
Como avance, debemos conocer estos términos:
    •   Bit: es la unidad más pequeña en el sistema numérico binario (un bit puede ser un O o un 1).
    •   Byte: es un conjunto de 8 bits.
Transmisión de datos en serie
    •   Transmisión de datos serie asíncrona:
La información se transmite bit a bit, con un bit de comienzo y uno de parada para reconocer cada mensaje (conjunto de bits o bytes). EJ comienzo de Ja
transmisión no tiene porque seguir un ciclo determinado, sino que se inicia con el bit de comienzo.
Start bit                                                                                                                                                Stop bit



                                         1             2          3      4   5          6         7         8         9
Clock




    •   Transmisión de datos serie síncrona:
Entre mensaje y mensaje no hay bits de comienzo y parada. Aquí los mensajes se transmiten con un periodo de tiempo cíclico y prefijado. Al mismo tiempo el
receptor debe ser capaz de reconocer cuando ha comenzado un bloque de datos. Para conseguir esto, se dispone de dos procedimientos de sincronización
diferentes. Para ello se utiliza un bit o varios bits de sincronización (mediante el envío de la secuencia 1010), así como un bit de inicio. El reloj del receptor ha de
estar sincronizado a esta misma secuencia, y por tanto hace falta una señal adicional de reloj.
Ejemplo: El bus de datos CAN funciona mediante transmisión serie de manera asíncrona.


06/10       Vehículos Industriales Ligeros • Interconexión y redes CAN                                                                  00_Ar_LT25_1511_7457_V01_NTB3_16.07.07

            Transmisión de datos por en serie y en paralelo                                                                                                                      61
Transmisión de datos en paralelo


En la transmisión de datos digital, la transmisión en serie es el procedimiento más utilizado, de manera que se envían bit a bit y uno tras otro los bits que
constituyen el mensaje a través de un único cable. Esto permite fundamentalmente, el ahorro de cable y de costes.
En la transmisión en paralelo, varios bits se envían al mismo tiempo por diferentes líneas o cables individuales. De este modo, en el mismo tiempo, somos
capaces de enviar más bits (enviamos más información), pero necesitamos más cantidad de cables (lo cual hace incrementar los costes) al mismo tiempo que la
complejidad de las máquinas que procesan la información.


                                   Bit                          Valor lógico   Nivel de tensión en la línea
                                   1                            0
                                   2                            0
                                   3                            1
                                   4                            1
                                   5                            0
                                   6                            1
                                   7                            0
                                   8                            0
                                   Clock




Ejemplo: Muchas impresoras van conectadas al ordenador a través del puerto paralelo, pudiéndose transmitir muchos bits al mismo tiempo entre los dos
dispositivos.



06/10    Vehículos Industriales Ligeros • Interconexión y redes CAN                                                                   00_Ar_LT25_1511_7457_V01_NTB3_16.07.07

         Transmisión de datos por en serie y en paralelo                                                                                                                       62
Sistemas de numeración                                                                                                                              01.06.2010


Sistemas de numeracion
                                                                                         Sistema        Sistema         Sistema
                                                                                         binario        decimal       hexadecimal
                                                                                           0000             0               0
Sistema de numeración decimal                                                              0001             1               1
                                                                                           0010             2               2
                                                                                           0011             3               3
Sistema de numeración binario                                                              0100             4               4
                                                                                           0101             5               5
                                                                                           0110             6               6
Sistema de numeración hexadecimal                                                          0111             7               7
                                                                                           1000             8               8
                                                                                           1001             9               9
                                                                                           1010            10              A
                                                                                           1011            11               B
                                                                                           1100            12              C
                                                                                           1101            13              D
                                                                                           1110            14               E
                                                                                           1111            15               F

Como resumen, en la tabla mostrada a continuación figuran algunos conceptos importantes de los cuales ya se ha hecho mención:

 Bit           Dígito binario                    Valor posible: 0 ó 1
 Byte                                            8 bits
 Palabra                                         16 bits (2 bytes)
 MSB           Most Significant Bit              Bit con el valor más alto
 LSB           Least Significant Bit             Bit con el valor más bajo


06/10   Vehículos Industriales Ligeros • Interconexión y redes CAN                                                              00_Ar_LT25_1511_7457_V01_NTB3_16.07.07

        Sistemas de numeración                                                                                                                                           63
Codificación de información


Para que las máquinas procesen datos, está comprobado que es especialmente fácil cuando la información
que va a ser procesada tiene como máximo dos dígitos diferentes porque ambos dígitos pueden ser
asignados a una determinado estado de la máquina (corriente - no corriente, luz - no luz, etc.) y la
posibilidad de interpretar incorrectamente la información es menor.


En el procesamiento de información, estas dos condiciones se representan por interruptores electrónicos.
Pero, puesto que mucha de esta información se presenta en forma de letras o números, primero han de ser
convertidas a un lenguaje que la máquina sea capaz de entender, es decir, a los valores lógicos de 0 ó 1.
A este procedimiento se le denomina codificación.


La transmisión de cada carácter tiene que tener lugar de acuerdo a unas especificaciones definidas. Esa
especificación definida se denomina código. Un ejemplo de código conocido sería el código Morse.


Pero, puesto que nuestro alfabeto consiste en 29 letras, 10 números y algunos caracteres especiales
(comas, interrogaciones, etc.), no nos sería posible representar todos estos caracteres con tan sólo dos
dígitos. Para poder diferenciar entre todos los caracteres anteriores, cada carácter de nuestro alfabeto se
codifica con exactamente 8 bits, combinando los ceros y los unos en una posición definida. Con 8 bits
tenemos la posibilidad de representar hasta 255 caracteres diferentes. Para que este intercambio de
información digital entre diferentes sistemas de procesamiento de información sea valido, se han de
cumplir unas especificaciones concretas. Esta especificación para ordenadores personales se denomina,
código ASCII (American Standard Code for Information Interchange).




06/10   Vehículos Industriales Ligeros • Interconexión y redes CAN                                            00_Ar_LT25_1511_7457_V01_NTB3_16.07.07

        Sistemas de numeración                                                                                                                         64
Convertidores                                                                                                                                          01.06.2010



Convertidores analógico/digital y digital/analógico (A/D y D/A)


Las señales naturales, las generadas por los humanos (música, lenguaje) o las que sentimos del medio ambiente (temperatura, presión) y su representación
eléctrica (tensión, intensidad) son valores analógicos, es decir, varían en función del tiempo. Si se quiere transmitir esta información digtalmente es necesaria
una conversión analógica/digital. Con esto se consigue representar la misma magnitud en secuencias de ceros y unos. Si en última instancia una persona quiere
interpretar la información digital procesada por una máquina, es necesaria una nueva conversión digital/analógica (en un sonido, por ejemplo). En el ejemplo
mostrado en el dibujo, el convertidor analógico/digital convierte en tiempo real la señal de audio de un micrófono a señales digitales. El procesador de señal
digital (DSP) permite el procesamiento de dicha señal en el PC. Las señales analógicas se convierten en digitales otra vez y alimentan el sistema de amplificación




                                                                                    PC control



                                                                     16 bit               16 bit
                    Señal analógica                     ADC                   DSP                      DAC                    Señal analógica
                    del microfono                                                                                             al amplificador




06/10   Vehículos Industriales Ligeros • Interconexión y redes CAN                                                                 00_Ar_LT25_1511_7457_V01_NTB3_16.07.07

        Convertidores                                                                                                                                                       65
Interconexión en vehículos Mercedes-Benz                                                                                                               01.06.2010



    Los participantes serán capaces de:


    • Explicar porque son necesarias las interconexiones de buses de datos (CAN, D2B, MOST, etc.) en los vehículos MB.
    • Comprender el principio de funcionamiento del bus de datos CAN.
    • Conocer las diferencias entre los dos buses de datos CAN existentes en nuestros vehículos (CAN B y CAN C).
    • Explicar como está estructurado un mensaje del bus de datos CAN.
    • Diagnosticar el estado del bus de datos CAN con ayuda de la Técnica de Medición.
    • Explicar el principio de funcionamiento del bus de datos LIN.
    • Conocer las diferencias entre el bus de datos CAN y el LIN.
    • Diagnosticar el estado del bus de datos LIN mediante la Técnica de Medición.
    • Explicar conceptos tales como, telegrama, velocidad de transferencia o gateway.
    • Comprender el principio de funcionamiento de la fibra óptica, tanto D2B como MOST.
    • Explicar las diferencias fundamentales entre D2B y MOST.
    • Realizar el diagnostico práctico de averías utilizando todos los medios disponibles en el taller, tales como osciloscopio, multímetro, esquemas eléctricos,
    DAS, WIS, etc.




06/10   Vehículos Industriales Ligeros • Interconexión y redes CAN                                                                 00_Ar_LT25_1511_7457_V01_NTB3_16.07.07

        Interconexión en vehículos Mercedes-Benz                                                                                                                            66
Ejercicio                                                 Comentar en grupo las siguientes cuestiones:



   •    ¿Por qué necesitamos sistemas de
        interconexión digitales en nuestros
        vehículos?
   •    ¿Cómo se realizaba el intercambio de
        información entre unidades de control hace
        20 años?
   •    ¿Qué es y qué significa CAN?

   •    ¿Es un sistema de bus de datos seguro?

   •    ¿Son los sistemas de buses de datos (CAN
        B, CAN C, CAN D) suficientes para
        transmitir la información de manera
        adecuada?
   •    ¿Cuánta información o mensajes se pueden
        transmitir a través de estos buses de
        datos?
   •    ¿Por qué se necesita fibra óptica para la
        transmisión de información?
   •    ¿Cúal será la progresión de estos buses de
        datos en un futuro?
   •    ¿Qué significa interconexión en red?




06/10    Vehículos Industriales Ligeros • Interconexión y redes CAN                                                  00_Ar_LT25_1511_7457_V01_NTB3_16.07.07

         Interconexión en vehículos Mercedes-Benz                                                                                                             67
06/10   Vehículos Industriales Ligeros • Interconexión y redes CAN   00_Ar_LT25_1511_7457_V01_NTB3_16.07.07

        Interconexión en vehículos Mercedes-Benz                                                              68
Controller Area Network (CAN)                                                                                                                        01.06.2010


El bus de datos CAN es un protocolo desarrollado por Bosch para el intercambio de información (datos) entre unidades de control electrónicas del automóvil.




CAN                                   Controler Area Network                                              (Red de área de control)

Un BUS DE DATOS es un elemento que permite transportar una gran cantidad de información entre las unidades de control que se encuentran abonadas al
sistema. Las principales ventajas que existen son:

Ahorro en el cableado

Las uniones con los sensores y actuadores no se pueden sustituir, aunque a menudo se pueden acortar (por ejemplo en el bus del habitáculo). Situando
hábilmente las unidades de control existentes e introduciendo las nuevas unidades de control en puntos estratégicos del vehículo (p.ej. en las puertas) se
pueden lograr unos ahorros considerables en el mazo de cables. De esta forma aumentan considerablemente las funciones presentes en los sistemas del
automóvil donde se emplea el CAN-BUS sin aumentar los costes, además de que estas funciones pueden estar repartidas entre dichas unidades de control.


Gastos de desarrollo

En un cableado convencional es preciso que para cada señal se prevea no solo el hilo sino también una codificación, un receptor y una decodificación. Esto da
gran complejidad si se trata de señales analógicas (como por ejemplo temperatura, revoluciones). En cambio el intercambio de datos a través de CAN es
sumamente sencillo.




06/10   Vehículos Industriales Ligeros • Interconexión y redes CAN                                                               00_Ar_LT25_1511_7457_V01_NTB3_16.07.07

        Controller Area Network (CAN)                                                                                                                                     69
Historia del bus de datos CAN

El bus de datos CAN es un protocolo desarrollado por Bosch para el intercambio de información (datos) entre unidades de control electrónicas del automóvil.


                                          1983        El desarrollo del protocolo CAN en Bosch comenzó en 1983. El protocolo CAN se diseña en un principio para
                                                      los requisitos de la cadena cinemática (CAN-Motor) del vehículo.


                                          1985        En 1985 queda terminada la primera especificación CAN (completa), en la que se determina
                                                      también el interfaz con la CPU. Con Bosch colabora Intel, como principal fabricante de
                                                      semiconductores y comienza el desarrollo del chip.


                                          1987        En 1987 está el primer silicio del 82526 de Intel. Interfaz CAN con plenas condiciones de funcionamiento,
                                                      problemas menores con el interfaz de la CPU. Se puede utilizar para aplicaciones de prototipo con CAN.


                                          1988        En 1988 está disponible el chip de serie cualificado 82526 de Intel.


                                          1989        En 1989 están en el mercado las primeras cantidades de muestra del chip CAN básico de la firma Philips
                                                      (82C200).


                                          1990        Introducción del CAN-Motor en un vehículo de serie (Clase S / BR 140)


                                          1994        Especificación ISO 11898


                                          1997        Introducción del CAN-Habitáculo en un vehículo de serie (Clase C / BR202)




06/10   Vehículos Industriales Ligeros • Interconexión y redes CAN                                                                        00_Ar_LT25_1511_7457_V01_NTB3_16.07.07

        Controller Area Network (CAN)                                                                                                                                              70
Características del protocolo CAN



    • La información que circula entre las unidades de mando a través de los dos cables (bus) son paquetes de 0 y 1 (bit) con una longitud limitada y con
      una estructura definida de campos que conforman el mensaje.

    • Uno de esos campos actúa de identificador del tipo de dato que se transporta, de la unidad de mando que lo trasmite y de la prioridad para trasmitirlo
      respecto a otros. El mensaje no va direccionado a ninguna unidad de mando en concreto, cada una de ellas reconocerá mediante este identificador si
      el mensaje le interesa o no.

    • Todas las unidades de mando pueden ser transmisoras y receptoras, y la cantidad de las mismas abonadas al sistema puede ser variable (dentro de
      unos límites).

    • Si la situación lo exige, una unidad de mando puede solicitar a otra, una determinada información mediante uno de los campos del mensaje (trama
      remota o RTR).

    • Cualquier unidad de mando introduce un mensaje en el bus con la condición de que esté libre, si otra lo intenta al mismo tiempo el conflicto se
      resuelve por la prioridad del mensaje indicado por el identificador del mismo.

    • El sistema está dotado de una serie de mecanismos que aseguran que el mensaje es trasmitido y recepcionado correctamente. Cuando un mensaje
      presenta un error, es anulado y vuelto a trasmitir de forma correcta, de la misma forma una unidad de mando con problemas avisa a las demás
      mediante el propio mensaje, si la situación es irreversible, dicha unidad de mando queda fuera de servicio (bus off) pero el sistema sigue funcionando.


        Sistemas bus en los vehículos Mercedes- Benz:
        Hay en la (actualidad) 4 sistemas bus para el vehículo y las funciones correspondientes:
            • Bus CAN de la clase C (CAN del motor, CAN de diagnóstico)
            • Bus CAN de la clase B (CAN del interior)
            • Bus D2B o MOST
            • Bus LIN



06/10     Vehículos Industriales Ligeros • Interconexión y redes CAN                                                             00_Ar_LT25_1511_7457_V01_NTB3_16.07.07

          Controller Area Network (CAN)                                                                                                                                   71
Elementos que componen el sistema CAN



    • Cables
                                 La información circula por dos cables trenzados que unen todas las unidades de control que forman el sistema. Esta información
                                 se trasmite por diferencia de tensión entre los dos cables, de forma que un valor alto de tensión representa un 1 y un valor bajo de
                                 tensión representa un O. La combinación adecuada de unos y ceros conforman el mensaje a transmitir.




06/10   Vehículos Industriales Ligeros • Interconexión y redes CAN                                                                     00_Ar_LT25_1511_7457_V01_NTB3_16.07.07

        Controller Area Network (CAN)                                                                                                                                           72
En un cable los valores de tensión oscilan entre 2.25V y 0V, por lo que se denomina cable L (Low) y en el otro, el cable H (High) lo
                                  hacen entre 2.75V y 5V. En caso de que se interrumpa la línea H o que se derive a masa, el sistema trabajará con la señal de Low
                                  con respecto a masa. En el caso de que se interrumpa la línea L, ocurrirá lo contrario. Esta situación permite que el sistema siga
                                  trabajando con uno de los cables cortados o comunicados a masa, incluso con ambos comunicados también sería posible el
                                  funcionamiento, quedando fuera de servicio solamente cuando ambos cables se cortan.
                                  Es importante tener en cuenta que el trenzado entre ambas líneas sirve para anular los campos magnéticos, por lo que no se debe
                                  modificar en ningún caso.
   •    Terminación
                                  Son resistencias conectadas a los extremos de los cables H y L. Sus valores se obtienen de forma empírica y permiten adecuar el
                                  funcionamiento del sistema a diferentes longitudes de cables y número de unidades de control abonadas, ya que impiden
                                  fenómenos de reflexión que pueden perturbar el mensaje.
                                  Estas resistencias están alojadas en el interior de algunas de las unidades de control del sistema por cuestiones de economía y
                                  seguridad de funcionamiento.
   •    CAN-Controlador
                                  Es el elemento encargado de la comunicación entre el microprocesador de la unidad de control y el trasmisor-receptor. Trabaja
                                  acondicionando la información que entra y sale entre ambos componentes.
                                  El controlador está situado en la unidad de control, por lo que existen tantos como unidades estén conectadas al sistema. Este
                                  elemento trabaja con niveles de tensión muy bajos y es el que determina la velocidad de transmisión de los mensajes, que será
                                  más o menos elevada según el compromiso del sistema. Así, en la línea de CAN-Bus del motor (Class_C) de 500 Kbaudios, y en el
                                  sistema del habitáculo (Class B) de 83,333 Kbaudios. Este elemento también interviene en la necesaria sincronización entre las
                                  diferentes unidades de mando para la correcta emisión y recepción de los mensajes.
   •    Excitador del bus
                                  También denominado TRANSCEIVER (transmisor – receptor). El trasmisor - receptor es el elemento que tiene la misión de recibir y
                                  de transmitir los datos, además de acondicionar y preparar la información para que pueda ser utilizada por los controladores. Esta
                                  preparación consiste en situar los niveles de tensión de forma adecuada, amplificando la señal cuando la información se vuelca en
                                  la línea y reduciéndola cuando es recogida de la misma y suministrada al CAN-Controlador.
                                  El trasmisor-receptor es básicamente un circuito integrado que está situado en cada una de las unidades de control abonadas al
                                  sistema, trabaja con intensidades próximas a 0.5 A y en ningún caso interviene modificando el contenido del mensaje.
                                  Funcionalmente está situado entre los cables que forman la línea Can-Bus y el CAN-Controlador.


06/10    Vehículos Industriales Ligeros • Interconexión y redes CAN                                                                     00_Ar_LT25_1511_7457_V01_NTB3_16.07.07

         Controller Area Network (CAN)                                                                                                                                           73
Estructura de los mensajes del bus CAN                                                                                                               01.06.2010


Como los buses de datos marcarán el futuro de la técnica en los vehículos industriales y como cada vez es más fácilmente posible analizar los datos, vamos a
echar un vistazo a la estructura de un mensaje CAN.

Se debe mantener un orden exacto cuando
más de 500 000 Bits/segundo pueden ser
transmitidos por una línea de bus.

El comienzo y el final del mensaje se deben
marcar, a sí mismo, se deben integrar
funciones de control y debe haber un
identificador por el cual la unidad de control
pueda detectar el contenido del mensaje y
más cosas.
Además el bus de datos CAN es un sistema
"Multi-Maestro", esto significa, que todas
las unidades de control tienen el mismo
derecho para transmitir. Ahora bien, la
importancia del mensaje debe ser
identificable, para determinar el orden
cuando varias unidades quieran transmitir
simultáneamente.
El resultado es una lista de especificaciones
                                                                                                                                                              P54.00-1037-09
que debe cumplir cada unidad, ¡el protocolo
de datos!
Todos los datos importantes, que debe
contener un mensaje completo, están
contenidos en la trama de datos.
Vamos a ver la estructura de esta trama de
datos y a intentar entender los
componentes individuales.
06/10    Vehículos Industriales Ligeros • Interconexión y redes CAN                                                              00_Ar_LT25_1511_7457_V01_NTB3_16.07.07

         Estructura de los mensajes del bus CAN                                                                                                                           74
Donde las siguientes explicaciones requieren un ejemplo, tomaremos el mensaje: "Temperatura de motor 80°C".

Idle:
Se conoce como "bus idle" o "bus en reposo". Mientras que no se envía ningún mensaje el bus de datos se encuentra en este estado (recesivo).
Start of Frame (Campo de inicio del mensaje):
Marca el comienzo de un mensaje. Es conocido también como "Bit de inicio".
Arbitration Field (Campo de arbitro o identificador):
Contiene un identificador del mensaje (Temperatura de motor) en forma de número. Los 11 bit de este campo se emplean como identificador que permite
reconocer a las unidades de mando y la prioridad del mensaje. El valor numérico del identificador establece al mismo tiempo la prioridad para la asignación del
bus. Por ese motivo, la identificación de la comunicación deberá establecerse de acuerdo con la urgencia de la comunicación (del mensaje). Cuanto más alto es
el número del ID menor es la prioridad. Existe también un bit 12 que es un bit de control (RTR). El bit RTR indica si el mensaje contiene datros (RTR=0) o si se
trata de una trama remota sin datos (RTR=1). Una trama de datos siempre tiene una prioridad más alta que una trama remota.

Control Field (Campo de control):
El campo de control indica cuantos bytes se transmiten en el campo de datos.

Data Field (Campo de datos):
En el campo de datos aparece finalmente el valor de temperatura (80°C), que por ejemplo se muestra en el KI. Puede contener entre 0 y 8 bytes (0 a 64 bits).
CRC Field (Campo de aseguramiento):
Secuencia CRC + Delimitador CRC = Campo de CRC
Este campo tiene una longitud de 16 bits y es utilizado para la detección de errores por los 15 primeros, mientras el último siempre es un bit recesivo (1) que
delimita el campo CRC.

ACK Field (Campo de confirmación):
El campo ACK está compuesto por dos bit que son siempre recesivos (1). Todas las unidades que reciben el mismo CRC modifican el primer bit del campo ACK
por uno dominante (0), de forma que la unidad de mando que está todavía transmitiendo reconoce que al menos alguna unidad de mando ha recibido el
mensaje correctamente. De no ser así, la unidad de mando transmisora interpreta que su mensaje presenta un error.

End of Frame (Campo de final de mensaje):
La identificación del final de la comunicación tiene una longitud de 7 bits (recesivos).

Intermisión (Campo de intermisión):
El espacio entre el siguiente mensaje se compone de 3 Bits recesivos.

06/10    Vehículos Industriales Ligeros • Interconexión y redes CAN                                                                 00_Ar_LT25_1511_7457_V01_NTB3_16.07.07

         Estructura de los mensajes del bus CAN                                                                                                                              75
Además de mensajes de datos (Data Frame) existen también en CAN
 •    Mensajes remotos (Remote Frame),
 •    Mensajes de error (Error Frame),
que pueden aparecer en determinadas situaciones.

También existen dos variantes de Identificador:
  •    Estándar ID (11 Bit)
  •    Extendido ID (29 Bit)
En vehículos industriales ligeros hasta ahora se utiliza el ID Estándar.




06/10    Vehículos Industriales Ligeros • Interconexión y redes CAN        00_Ar_LT25_1511_7457_V01_NTB3_16.07.07

         Estructura de los mensajes del bus CAN                                                                     76
Funcionamiento CAN Conceptos básicos


Nivel dominante y recesivo:
En el CAN se distingue entre los niveles del bus dominante (O) y recesivo (1). Si diversas unidades de control establecen niveles dominantes y recesivos al
mismo tiempo, se establece en el bus el nivel dominante. El nivel recesivo únicamente puede establecerse en el bus si todas las unidades lo emiten
simultáneamente.


Bitstuffing:
En ocasiones, en determinados mensajes se producen cadenas muy largas de ceros y unos que pueden provocar una pérdida de sincronización, dado que no se
dispone de flancos que permiten sincronizar el receptor de acuerdo con el receptor. Para resolver este problema se inserta un bit de diferente polaridad. La
unidad que recoge este mensaje ignora dicho bit.


Arbitraje:
El arbitraje es la asignación del derecho de acceso al bus. El CAN es un sistema muti-maestro, en el que la prioridad de los mensajes se corresponde con el
identificador de la unidad de control. Por tanto el identificador, permite determinar que unidad de control ha enviado un mensaje al bus y al mismo tiempo
proporciona la prioridad del mismo (identificador más bajo, más preferencia).


Tratamiento de errores:
Las unidades de control están preparadas para la identificación de errores (error de bit, error ACK, error CRO, error bitstuffing o error de formato). Una vez
identificado un error, emiten el correspondiente mensaje de error al bus de datos. Internamente, las unidades de control disponen de unos contadores de fallos,
que en caso que superen un número determinado, conmuta al estado BUS OFF (bus desconectado)




06/10   Vehículos Industriales Ligeros • Interconexión y redes CAN                                                                 00_Ar_LT25_1511_7457_V01_NTB3_16.07.07

        Estructura de los mensajes del bus CAN                                                                                                                              77
+5 V




Ejemplo recesivo:

Solamente cuando todos los participantes del bus                                      Línea del bus 5V recesivo
envían de manera recesiva (ninguna conexión a
masa) está la línea del bus a nivel 5V recesivo.




                                                                            1         2                     3


                                                                      +5V



Ejemplo dominante:

Cuando por lo menos un participante del bus
envía una nivel dominante (ejemplo conexión a                                       Línea del bus 0V dominante
masa), entonces la línea del bus de está a nivel
0V dominante.
("El bus se va a 0").



                                                                                1          2                    3




06/10   Vehículos Industriales Ligeros • Interconexión y redes CAN                        00_Ar_LT25_1511_7457_V01_NTB3_16.07.07

        Estructura de los mensajes del bus CAN                                                                                     78
Representación del mensaje del bus de datos CAN                                                                                                       01.06.2010



Representación lógica




Hemos aprendido en los últimos años que un mensaje de bus de datos
tiene la siguiente forma (figura derecha).
Un cierto número de bits representados por 0s ó 1s en sucesión.
Cuanto más largo es el mensaje se necesitan más o menos bits.
Un grupo de 8 Bits se conoce como 1 Byte.
                                                                                               1     0     1     0     0     1     1        1
En esta figura los voltajes y los cambios no son importantes. Lo que
realmente importa es la sucesión de 0 y 1.
Esta es la representación lógica de un mensaje.




Si usamos el osciloscopio para visualizar la señal de un sistema de bus de datos, se verá la señal algo diferente a la representación lógica.
En el caso del bus CAN tenemos dos señales invertidas, parcialmente superpuestas con respecto a la tensión. Esta vista es la "representación física".




06/10   Vehículos Industriales Ligeros • Interconexión y redes CAN                                                                00_Ar_LT25_1511_7457_V01_NTB3_16.07.07

        Representación del mensaje del bus de datos CAN                                                                                                                    79
Conexión del bus de datos CAN del motor (CAN-C)



Representación física



CAN clase C, 500kBit/s                                                UBus V
                                                                               lógico 1           lógico 0     lógico 1
   •    Velocidad de transmisión de datos: 125
        kBit/s – 1 Mbit/s (en MB 500 Kbit/s)                            6
   •    Longitud del bus: hasta 40m con 1Mbit/s
   •    Transmisión simétrica de señal a través de                      5
        un conductor de 2 hilos
   •    Corriente de salida del emisor > 25 mA                          4                         VCAN-High
   •    Resistencia de cierre de la línea
        (impedancia) = 120Ω                                             3
                                                                                          Vdiff
Los voltajes son analizados siempre por la función                      2
lógica en términos de diferencia de tensión entre                                                 VCAN-Low
High y Low.                                                             1

Esta es la razón por la que un CAN de clase C                                                                                                               t
no puede funcionar en modo unifilar.                                           recesivo           dominante        recesivo




06/10    Vehículos Industriales Ligeros • Interconexión y redes CAN                                           00_Ar_LT25_1511_7457_V01_NTB3_16.07.07

         Representación del mensaje del bus de datos CAN                                                                                               80
Principio de funcionamiento del CAN C



El bus de datos CAN del motor (según norma ISO
11898) es un sistema pasivo de 2 hilos o cables, en
cuyos extremos se dispone de unas resistencias
terminales.
La impedancia de cada resistencia es de 120Ω.
Su función es evitar reflexiones de señal (en señales
de alta frecuencia) así como evitar picos de tensión
durante la transmisión.
Cuando ninguna estación está transmitiendo (todos
los transistores están apagados), la diferencia de
tensión en la línea virtual es cero. El potencial
eléctrico con respecto a masa es de
aproximadamente 2.5 voltios. Este voltaje se fija
mediante el receptor en las estaciones individuales.




Cuando se envía un nivel dominante, el voltaje se eleva en la línea CAN H mediante un transistor transistor PNP, el voltaje en la línea CAN L se reduce por medio
de un transistor NPN. En ese momento la diferencia de tensión respecto ambas líneas es de 1.8 según la norma ISO.
Se necesitan corrientes relativamente grandes para enviar un nivel dominante. Desde el punto de vista de cada unidad de control, hay resistencias de 120
ohmios en ambos extremos del bus. Al estar conectadas en paralelo, tenemos una resistencia de 60 ohmios. Necesitamos por tanto una corriente de 30 mA para
generar una diferencia de tensión de 1.8 volts sobre una resistencia de 60 ohmios.




06/10   Vehículos Industriales Ligeros • Interconexión y redes CAN                                                                 00_Ar_LT25_1511_7457_V01_NTB3_16.07.07

        Representación del mensaje del bus de datos CAN                                                                                                                     81
Conexión del bus de datos CAN del habitáculo (CAN-B)



Representación física

CAN clase B, 83,333 kBit/s
                                                                      UBus V
   •    Velocidad de transmisión de datos: 10kBits hasta 125                   lógico 1   lógico 0             lógico1
        kBit/s (en MB 83,333 Kbit/s)
   •    Transmisión simétrica de señal a través de un                   6
        conductor de 2 hilos
   •    Corriente de salida del emisor < 1 mA                           5
   •    Línea bus con tensión diferencial en régimen de reposo
        mediante red de cierre con potencial prefijado (modo            4                 VCAN-High
                                                                                           CAN-
        de hibernación).
   •    La longitud máxima del bus depende de la velocidad de           3
        transmisión de datos.
                                                                        2
                                                                                          VCAN-Low
                                                                                          VCAN-
                                                                        1

                                                                                                                                                     t
                                                                               recesivo    dominante            recesivo




06/10    Vehículos Industriales Ligeros • Interconexión y redes CAN                                    00_Ar_LT25_1511_7457_V01_NTB3_16.07.07

         Representación del mensaje del bus de datos CAN                                                                                        82
Principio de funcionamiento del CAN B



El CAN-B es un sistema de bus de datos de 2 hilos,
donde cada una de las dos líneas trabaja respecto a
masa, es decir, que no trabaja la una respecto a la
otra como ocurría en el CAN-C para reconocer un bit
dominante.
Se puede observar que no dispone de resistencias
terminales propiamente dichas, sino que dispone de
una serie de resistencias internas que mantiene el
nivel de tensión del bus de datos en sus valores
correctos.
En este caso no son necesarias resistencias
terminales puesto la frecuencia del bus de datos es
menor, con lo cual las reflexiones de señal no son
apenas posibles (el cableado tampoco es
excesivamente largo).




Por tanto, para el CAN—B si que existe el modo de funcionamiento unifilar, es decir, que si una de las líneas tiene un problema (cortocircuito a masa, cable
cortado, etc.) el sistema puede seguir trabajando mediante un único cable.




06/10   Vehículos Industriales Ligeros • Interconexión y redes CAN                                                                  00_Ar_LT25_1511_7457_V01_NTB3_16.07.07

        Representación del mensaje del bus de datos CAN                                                                                                                      83
Distribuidores de potencial                                                             01.06.2010

Distribuidor de potencial del Bus CAN Motor

Lugar de montaje SPRINTER BM 906:
•    Pared lateral del espacio de los pies del
     acompañante


Lugar de montaje VITO/VIANO:
•    Bolsa de plástico negro espacio de los pies
     del acompañante

Parcialmente también en un soporte en la pared
lateral del espacio de los pies del acompañante
(posición antigua)




06/10     Vehículos Industriales Ligeros • Interconexión y redes CAN   00_Ar_LT25_1511_7457_V01_NTB3_16.07.07

          Distribuidores de potencial                                                                           84
Ejercicio                                                En una de las conexiones del distribuidor de potencial hay 3 pines y en el resto hay solamente 2.
                                                                     Busque con ayuda del componente, para qué sirve este tercer pin. Haga un esquema.

Conexión a masa para la supresión del ruido (Ver PPT)




06/10   Vehículos Industriales Ligeros • Interconexión y redes CAN                                                                          00_Ar_LT25_1511_7457_V01_NTB3_16.07.07

        Distribuidores de potencial                                                                                                                                                  85
Distribuidor de potencial del Bus CAN Habitáculo
El distribuidor de potencial del bus CAN del habitáculo es un distribuidor puro,
en contraste con el distribuidor de potencial del bus CAN de motor. No hay
integrado ningún material para la supresión de interferencias.

Lugar de montaje VITO/VIANO:
•   Bolsa de plástico negro en el espacio de los pies del acompañante


Lugar de montaje SPRINTER:




                                                           GT00_19_0145_C81                                                                    GT0019_0146_C81
Leyenda                                                                            1 X30/24 y X30/26 Distribuidor de potencial I-CAN
                                                                                   2 X30/27 Distribuidor de potencial M-CAN
1 X30/25 Distribuidor de potencial I-CAN (Puesto de conducción)
                                                                                   3 Unidad de control LWR


06/10     Vehículos Industriales Ligeros • Interconexión y redes CAN                                                            00_Ar_LT25_1511_7457_V01_NTB3_16.07.07

          Distribuidores de potencial                                                                                                                                    86
Ejercicio                                                 Dos unidades de control del bus CAN del habitáculo en SPRINTER BM 906 no están conectadas al
                                                                     distribuidor de potencial.
                                                                     ¿Cuáles son y como están conectadas al I-CAN?

                                                                     Unidad de mando de techo está conectada al SAM

                                                                     El PTC.está conectado a la unidad de mando/unidad de control (KLA)

                                                                     La unidad de mando de la calefacción (no KLA) no contiene ninguna unidad de control. El bus de datos
                                                                     del habitáculo solo está puenteado..



           Ejercicio                                                 ¿A qué distribuidor de potencial está conectado el SAM en una SPRINTER BM 906?

                                                                     X30/24 en el frente del espacio de los piés del acompañante.




06/10   Vehículos Industriales Ligeros • Interconexión y redes CAN                                                                          00_Ar_LT25_1511_7457_V01_NTB3_16.07.07

        Distribuidores de potencial                                                                                                                                                  87
Práctica 1                                                                                                                              01.06.2010




                                                                              Cambio de grupo a
                                                                                 los 50 min




                                                           GT00_00_0534_C71                                                              GT00_00_0535_C81




                                    Ejercicio 1                                                   Ejercicio 2 - 4




06/10   Vehículos Industriales Ligeros • Interconexión y redes CAN                                                  00_Ar_LT32_1511_7457_V01_NTB3_27.06.07

        Práctica 1                                                                                                                                           88
Ejercicio 1                                               Reclamación del cliente: El instrumento combinado así como el elevalunas no funcionan y el testigo
                                                                                              de control del Airbag se encuentra siempre iluminado!

                                                                                                   Intermitentes, cierre centralizado,
                                                                     ¿Qué información
                                                                     tengo con respecto al         El fallo ocurre de repente
                                                                     problema del cliente?

                                                                                                   SAM,Unidad de control de puerta,SRS , OBF
                                                                     ¿Qué sistemas
                                                                     /subsistemas podrían          CAN
                                                                     estar relacionados con
                                                                     el problema?

                                                                                                   DAS
                                                                     ¿Qué pruebas
                                                                     realizaré y cómo?             Alimentación de tensión, CAN Comparación valor real-nominal

                                                                                                   Conexiones cables CAN

                                                                                                   X30/25.1 cables rotos

                                                                                                   Rotura de cable debido a mala conexión
                                                                     ¿Cuál podría haber
                                                                     sido la causa del
                                                                     problema?

                                                                                                   Reparación cables
                                                                     ¿Cómo realizo la
                                                                     reparación y cómo
                                                                     compruebo si se ha
                                                                     eliminado así el
                                                                     problema?
                                          P00.00-2791-03




06/10   Vehículos Industriales Ligeros • Interconexión y redes CAN                                                                          00_Ar_LT32_1511_7457_V01_NTB3_27.06.07

        Práctica 1                                                                                                                                                                   89
Ejercicio 2                                               ¡Dibuje con ayuda del HMS la señal del I-CAN!
                                                                     ¿Qué valores de tensión alcanza el CAN-High y el CAN-Low?
                                              CAN high
                                                                     aproximadamente 0,3 V/4,5 V
                                                CAN low
                                                                     aproximadamente 5 V/1 V




06/10   Vehículos Industriales Ligeros • Interconexión y redes CAN                                                               00_Ar_LT32_1511_7457_V01_NTB3_27.06.07

        Práctica 1                                                                                                                                                        90
Ejercicio 3                                               ¡Provoque un cortocircuito contra masa en la línea High del bus de datos I-CAN y describa el cambio
                                                                     en la imagen!

                                                                     Ninguna señal en la línea High, funcionamiento unifilar en la línea Low



                                                                     ¡Provoque un cortocircuito contra masa en la línea Low del bus de datos I-CAN y describa el cambio en
                                                                     la imagen!
                                                                     Ninguna señal en la línea Low, funcionamiento unifilar en la línea High



                                                                     ¡Provoque un cortocircuito entre las líneas High y Low del bus de datos I-CAN y describa el cambio de
                                                                     la imagen!
                                                                     Ningún cambio en la señal de la línea High, señal Low invertida




           Ejercicio 4                                               Grabe la señal del bus de datos I-CAN.
                                                                     ¿Cómo cambia cuando el I-CAN se va a dormir?

                                                                     Durante poco tiempo L = 5 V y H = 0 V, después L = 12 V y H = 0 V




06/10   Vehículos Industriales Ligeros • Interconexión y redes CAN                                                                             00_Ar_LT32_1511_7457_V01_NTB3_27.06.07

        Práctica 1                                                                                                                                                                      91
Práctica 2                                                                                                                           01.06.2010




                                                                           Cambio de grupo a
                                                                              los 40 min

                                                        GT00_00_0535_C81                                                              GT00_00_0534_C71




                                      Ejercicio 1                                              Ejercicio 2 - 3




06/10   Vehículos Industriales Ligeros • Interconexión y redes CAN                                               00_Ar_LT32_1511_7457_V01_NTB3_27.06.07

        Práctica 2                                                                                                                                        92
Ejercicio 1                                               Reclamación del cliente: ¡Motor de arranque no gira!


                                                                                                   Testigo ESP en el cuadro de instrumentos
                                                                     ¿Qué información
                                                                     tengo con respecto al
                                                                     problema del cliente?

                                                                                                   Motor de arranque, FBS, EZS, Alimentación de tensión
                                                                     ¿Qué sistemas
                                                                     /subsistemas podrían          M-CAN
                                                                     estar relacionados con
                                                                     el problema?

                                                                                                   Test breve en varias unidades de control: Fallo en el bus CAN
                                                                     ¿Qué pruebas
                                                                     realizaré y cómo?             Comparación valor real - nominal M-CAN, comprobación cables CAN

                                                                                                   Medir señal conla técnica de medición

                                                                                                   Resistencia de trasnición en las líneas o en el distribuidor de potencial

                                                                                                   Corrosión por humedad en el habitáculo
                                                                     ¿Cuál podría haber
                                                                     sido la causa del
                                                                     problema?

                                                                                                   Renovar cables
                                                                     ¿Cómo realizo la
                                                                     reparación y cómo             Borrar fallos
                                                                     compruebo si se ha
                                                                     eliminado así el              Prueba de conducción, test breve
                                                                     problema?

                                        P00.00-2791-03



06/10   Vehículos Industriales Ligeros • Interconexión y redes CAN                                                                            00_Ar_LT32_1511_7457_V01_NTB3_27.06.07

        Práctica 2                                                                                                                                                                     93
Ejercicio 2                                               ¡Dibuje con ayuda del HMS la señal del M-CAN!
                                                                     ¿Qué valores de tensión alcanza el CAN-High y el CAN-Low?


                                              CAN high               aproximadamente 2,5 V/3,5 V

                                                CAN low              aproximadamente 2,5 V/1,5 V




06/10   Vehículos Industriales Ligeros • Interconexión y redes CAN                                                               00_Ar_LT32_1511_7457_V01_NTB3_27.06.07

        Práctica 2                                                                                                                                                        94
Ejercicio 3                                               Mida con un multímetro la resistencia total del bus de datos CAN de Motor y las resistencias
                                                                     individuales!
                                                                     ¿En qué componentes se encuentran las resistencias terminales?


                                     Resistencia total               aprox. 60 Ohm

                                     Resistencia final               aprox. 120 Ohm, Distribuidor de potencial

                                     Resistencia final               aprox. 120 Ohm, Unidad de control de motor


           Ejercicio 4                                               Conectar en paralelo la década ohmica para simular una resistencia terminal defectuosa. Conectar en
                                                                     paralelo 10KΩ y a continuación 10Ω, observando las señales correspondientes con el osciloscopio en
                                                                     cada caso. Anotar también el valor de la resistencia de cierre total del bus de datos.




06/10   Vehículos Industriales Ligeros • Interconexión y redes CAN                                                                          00_Ar_LT32_1511_7457_V01_NTB3_27.06.07

        Práctica 2                                                                                                                                                                   95
Práctica 3                                                                                                                           01.06.2010




                                                                           Cambio de grupo a
                                                                              los 40 min


                                                        GT00_00_0534_C71                                                              GT00_00_0535_C81




                                     Ejercicio 1                                               Ejercicio 2 - 3




06/10   Vehículos Industriales Ligeros • Interconexión y redes CAN                                               00_Ar_LT32_1511_7457_V01_NTB3_27.06.07

        Práctica 3                                                                                                                                        96
Ejercicio 1                                               ¡Dibuje con ayuda del HMS la señal del D-CAN!
                                                                     ¿Qué valores de tensión alcanza el CAN-High y el CAN-Low?


                                              CAN high               aprox. 2,5 V/3,5 V

                                                CAN low              aprox. 2,5 V/1,5 V

                                                                     durante el test breve




           Ejercicio 2                                               ¡Mida con ayuda de un multímetro la resistencia total del bus de datos D-CAN!
                                                                     ¿En qué componente se encuentra la resistencia final?

                                     Resistencia final               aprox. 60 Ohm, EZS


06/10   Vehículos Industriales Ligeros • Interconexión y redes CAN                                                                         00_Ar_LT32_1511_7457_V01_NTB3_27.06.07

        Práctica 3                                                                                                                                                                  97
Bus de datos LIN                                                                                                                                       01.06.2010


LIN – Local Interconnect Network

El bus de datos LIN (Local Interconnect Network) es el más actual y universal de los sistemas de comunicación serie de bajo coste. Este tipo de bus de datos
permite una comunicación económica para sensores y actuadores inteligentes, para los cuales la flexibilidad del CAN no es necesaria. El protocolo de
comunicación y el formato de datos está basado en el concepto Único Maestro/ Múltiples Esclavos. Físicamente posee un sólo cable y la tensión llega a 12V.

Son candidatos típicos para una activación por medio del bus LIN los módulos de las puertas (elevalunas, bloqueo de la cerradura, ajuste del espejo retrovisor),
los controles del volante (radio, telefono, etc.), el ajuste de los asientos, el alternador y otros muchos.

El arbitraje se realiza por medio de un bus-master, por lo que ya no es necesario un administrador de colisiones de transmisión para todos los nodos esclavos.
De este modo se define y garantiza también el tiempo máximo de transmisión.

Un nodo (esclavo) en la red no necesita conocer la configuración del sistema, a excepción del master. Por lo tanto, se pueden añadir o quitar nodos sin
modificaciones de software o hardware en los esclavos ya existentes.

Ejemplo Maestro:         CDI Unidad de control OM642 (1)
Ejemplo Esclavo:         Alternador (2), Etapa final de precalentamiento (3)



                                                                           1
                                                                                                                      LIN


Leyenda

1 Maestro (Unidad de control CDI OM642)                                                                      2                      3
2 Esclavo (Alternador)
3 Esclavo (Etapa final de precalentamiento)

06/10     Vehículos Industriales Ligeros • Interconexión y redes CAN                                                               00_Ar_LT32_1511_7457_V01_NTB3_27.06.07

          Bus de datos LIN                                                                                                                                                  98
Las características del bus de datos LIN son las siguientes:

        Número de participantes del bus de datos: 1 Maestro y hasta 16 Esclavos
        Tasa de transmisión: 19.200Bit/s
        Maestro manda petición, los esclavos deben responder


Posibilidades de regulación:

        Regulación de tensión
        Limitación de la corriente de excitación
        Cambio de la carga (en %)
        Desconexión del número de revoluciones



Indicador de estado/Régimen del alternador:


        Medición de la corriente de excitación
        Ciclo de trabajo momentáneo
        Régimen normal – ningún fallo
        Regulación de temperatura
        Fallo mecánico
        Fallo eléctrico




06/10    Vehículos Industriales Ligeros • Interconexión y redes CAN               00_Ar_LT32_1511_7457_V01_NTB3_27.06.07

         Bus de datos LIN                                                                                                  99
Ejercicio 1                                               ¡Dibuje con ayuda del HMS la señal del bus de datos LIN!
                                                                     ¿Qué valores de tensión alcanza el bus de datos LIN con el motor en ralentí?


                                                                     aprox. 14 V/0,2 V

                                Valor de tensión LIN




06/10   Vehículos Industriales Ligeros • Interconexión y redes CAN                                                                          00_Ar_LT32_1511_7457_V01_NTB3_27.06.07

        Bus de datos LIN                                                                                                                                                             100
Ejercicio 2                                              ¿En qué sistemas se monta un bus de datos LIN en SPRINTER y VITO/VIANO?


                                                                     RDK, Etapa final de precalentamiento OM642, Alternador




Como se puede ver el bus de datos LIN trabaja
con una tensión entre UBat y prácticamente 0V.

En vacío (Idle) o con un bit recesivo tenemos
UBat, si la unidad de control envía un bit
dominante, entonces tendremos una tensión
cercana a los 0V.




06/10   Vehículos Industriales Ligeros • Interconexión y redes CAN                                                                       00_Ar_LT32_1511_7457_V01_NTB3_27.06.07

        Bus de datos LIN                                                                                                                                                          101
Bus D2B                                                                                            01.06.2010




El bus D2B, la transmisión de los datos se realiza por medio de
impulsos de luz. Esos impulsos se trasnmiten a través de un
conductor de fibra óptica a los componentes conectados al sistema
bus. Para la trasnmisión por medio del D2B (Digital Data Bus), las
órdenes dadas con la pulsación de teclas,a sí como cualquier otro
tipo de información, se tienn que transformar en información óptica
(impulsos de luz).

A la inversa, en los componentes receptores se han de convertir los impulsos
de luz en señales eléctricas para seguir siendo procesadas.

Tales transformaciones/conversiones se realizan por medio de los llamados
módulos interface D2B en los distintos componentes individuales.

La velocidad de transmisión de los datos puede ser de hasta 5,6 Mbit/s y en
teoría pueden estar conectados hasta 61 participantes. Por medio del bus
D2B se transmiten datos de control y de audio. Como consecuencia del
empleo de un sistema óptico para la transmisión de datos, el sistema es muy
resistente a las interferencias electromagnéticas.




06/10   Vehículos Industriales Ligeros • Interconexión y redes CAN             00_Ar_LT32_1511_7457_V01_NTB3_27.06.07

        Bus D2B                                                                                                         102
MOST                                                                                                                                                   01.06.2010



El bus MOST (Media Orientated Systems Transport) también pertenece a los sistemas de bus de campo. Desde el punto de vista funcional es similar al
anillo D2B, es decir, un sistema bus para la transmisión de señales de audio, video, voz y datos por medio de conductores de fibra óptica. El bus MOST
se utiliza en el automóvil para aplicaciones multimedia y se basa en la comunicación síncrona de datos. Una red MOST, por lo general configurada en
forma de anillo, puede comprender hasta 64 dispositivos MOST y transmitir datos de hasta 22 MBits/s. Debido a la utilización de un sistema óptico
para la transmisión de datos, el sistema es muy resistente a las interferencias electromagnéticas. Tanto la eliminación como la ampliación de un
componente de la red MOST no representa ningún gran problema gracias a la funcionalidad Plug&Play. MOST soporta hasta 15 canales estereofónicos
de audio sin comprimir en calidad CD o hasta 15 canales MPEG1 para transmisiones de audio y video. Al mismo tiempo, MOST ofrece un canal para la
transmisión de mensajes de control.


Si el sistema está algún tiempo sin funcionar, todos los componentes del anillo MOST pasan al modo de hibernación (modo de dormir) para ahorrar
batería. En la instalación se encuentra integrado un sistema eléctrico „despertador“ (wake up) para volver a „despertar“ a los componentes del anillo
tras una pausa en el funcionamiento.


Características del bus MOST:
   • Índice de transmisión de datos: 22 MBits/s
   • La conexión al bus CAN se puede realizar desde un aparato que no sea el controlador MOST.
   • El proceso „despertador“ se puede realizar también ópticamente en el caso de que hubiera un fallo eléctrico.




06/10   Vehículos Industriales Ligeros • Interconexión y redes CAN                                                                 00_Ar_LT32_1511_7457_V01_NTB3_27.06.07

        MOST                                                                                                                                                                103
La comunicación entre los diversos componentes individuales se realiza por
medio de un conductor de fibra óptica (polímero óptico), transmitiéndose
ópticamente las señales digitales. Para ello es preciso que en el componente
emisor exista un convertidor que convierta las señales eléctricas en señales
ópticas por medio de un diodo luminoso (véase el componente izquierdo en la
figura). Estas señales ópticas („parpadeo del diodo) son transmitidas
entonces a través del conductor de fibra óptica. Facilita esta transmisión el
hecho de que la luz se refleja casi totalmente en el borde de la fibra de
polímero, por lo que el haz de luz continúa hasta el final del conductor (véase
la representación esquemática en la figura). Al llegar al final del conductor                                   P82.00-2406-04
óptico, esa señal se ha de convertir de nuevo en señal eléctrica por medio de
un convertidor, cosa que se realiza mediante un fotodiodo montado en el
aparato receptor de la señal (véase el componente derecho en la figura).




Nota: Debido a sus características físicas, el cable polímero de transmisión
óptica no es adecuado para radios de curvatura inferiores a 25 mm, ya que en
ese caso se formarían grietas en la parte exterior de la curva del cable. Al
pasar la luz por el cable óptico, esas grietas producen una refracción
incontrolada de la luz y pérdida de señal, por lo que el sistema no posee ya
una funcionalidad garantizada. (Véase la figura).




                                                                                                           GT 82.85-0029-C71




06/10   Vehículos Industriales Ligeros • Interconexión y redes CAN                00_Ar_LT32_1511_7457_V01_NTB3_27.06.07

        MOST                                                                                                               104
Tampoco puede resultar dañado el aislamiento y los extremos del cable
                                                                                      óptico, ni se pueden calentar los conductores de fibra óptica. Con objeto de
                                                                                      proteger las clavijas de conexión de los conductores ópticos (14) y los
                                                                                      casquillos de conexión de los componentes de la red para que no sufran
                                                                                      daño, se instalan carcasas protectoras (11) y conectores ciegos. Las clavijas
                                                                                      de conexión de los conductores ópticos (14) están diseñadas para que no se
                                                                                      puedan confundir involuntariamente y como conexiones de 0°. En la clavija
                                                                                      está señalada la entrada y la salida por medio de flechas (flecha horizontal).
                                                                                      Sin embargo, los extremos de los conductores de luz no están identificados
                                                                                      por sí mismos, pudiéndose confundir involuntariamente. La diferenciación se
                                                                                      ha de realizar siguiendo el recorrido de cable o bien poniendo en
                                                                                      funcionamiento el anillo MOST y observando de cuál de los dos extremos sale
                                                                                      una señal luminosa roja. La entrada del conductor óptico (salida de la unidad
                                                                                      de control 7) no emite señal alguna, mientras que la salida del conductor
                                                                                      (entrada de la unidad de control 8) emite una luz roja.
                                                                                      En el caso de que se hayan de cambiar conductores ópticos se quitará el
                                                                                      bloqueo de cierre (15) de la clavija (14). Después se pueden retirar ya los
                                                                                      conductores (7, 8) de la clavija (14). Tras la configuración de los cables
                                                                                      ópticos con las marcas de flechas en la clavija (flecha horizontal), los
                                                                                      conductores se insertan en esta última (flecha horizontal) y se vuelve a
                                                                                      colocar el bloqueo de cierre.

                                                                     P82.86-4673-01


Diagnosis:
   • Control de funcionamiento – El anillo óptico se puede comprobar verificando las señales de luz en los extremos de los conductores ópticos. Es
      importante a este respecto comprobar los fusibles en cada componente.
   • STAR Diagnosis – Los componentes y el anillo óptico se pueden comprobar mediante un test de los módulos en el anillo óptico. En esta
      comprobación se ha de prestar siempre atención a que la configuración real coincida con la nominal




06/10   Vehículos Industriales Ligeros • Interconexión y redes CAN                                                                            00_Ar_LT32_1511_7457_V01_NTB3_27.06.07

        MOST                                                                                                                                                                           105
Gateway                                                                                                                                      01.06.2010


Gateways son utilizadas para interconectar diferentes sistemas de buses. Los datos más importantes son "traducidos" de un sistema de bus a otro. Los
sistemas de buses de datos en VITO/VIANO y en SPRINTER son:
• CAN-Bus de motor (M-CAN)
• CAN-Bus de habitáculo (I-CAN)
• CAN-Bus de diagnóstico (D-CAN)
• MOST (anteriormente D2B)
• Línea K (en vehículos antiguos)
Una "traducción" fácil tiene lugar entre los sistemas de buses de
                                                                                           VITO/VIANO
datos CAN. Los paquetes de datos son siempre los mismos, esto
                                                                                                                                        D2B
significa que los bits tal y como vienen son conducidos al otro
sistema de bus de datos. En estos casos la gateway crea muy
rápidamente conexiones.
                                                                                                                                         HU
Las conexiones entre CAN y la línea K son mucho más
complicadas. El protocolo de datos es aquí diferente. Esto
significa que los datos deben ser traducidos a otro "Idioma".
Cómo la línea K es ya tan lenta, prácticamente ha desaparecido
en 2007 en los vehículos industriales ligeros.

VITO y VIANO ha tenido diferentes estados de interconexiones de
redes:
                                                                                                        Línea K
Desde la introducción en el mercado en el 2003 hasta cerca del                                                                                I-CAN
04.2006 la VITO/VIANO tenía M-CAN, I-CAN y D2B. El diagnóstico
tenía lugar mediante la línea K:
 • D2B e I-CAN a través del EZS
 • Las unidades de control del M-CAN tienen su propia línea K.
                                                                                                                         M-CAN




06/10   Vehículos Industriales Ligeros <> Telemática <<>> Formación básica - Fundamentos
        Gateway                                                                                                                                        106
A partir del 04.2006 el bus de datos D2B fue sustituido por el bus
                                                                                       VITO/VIANO
de datos de fibra óptica MOST, mucho más rápido. Las Head-
Units fueron adaptadas y tenían una Gateway propia - la Audio-                                                  MOST
Gateway AGW.

La línea K es demasiado lenta para la gran cantidad de datos
                                                                                                               HU+AGW
entre la unidad de diagnóstico y el MOST.
Por eso se utiliza ahora el D-CAN. Pero el EZS de la VITO/VIANO no
está preparado para el D-CAN y se emplea la Zentrale Gateway
ZGW.
Dicha unidad de control se encuentra en el puesto del conductor
detrás del interruptor de luces y se ocupa exclusivamente para la
transferencia de datos del MOST.


                                                                                                                  I-CAN
                                                                                                    D-CAN




                                                                                                     Línea K              M-CAN




06/10   Vehículos Industriales Ligeros <> Telemática <<>> Formación básica - Fundamentos
        Gateway                                                                                                                   107
A partir de aproximadamente el 10.2007 aparece el nuevo EZS en
                                                                                       VITO/VIANO y SPRINTER
VITO/VIANO. Hace las funciones, igual que en la SPRINTER BM 906,
de Gateway entre el I-CAN, M-CAN y el D-CAN. El diagnóstico                                                                     MOST
tiene lugar ahora sólo a través del D-CAN.
Por otro lado, en VITO/VIANO la línea K permanece en algunas
unidades de control antiguas del M-CAN (por ejemplo EWM).                                                                      HU+AGW




                                                                                                               D-CAN
                                                                                                                                  I-CAN




                                                                                                                       M-CAN




06/10   Vehículos Industriales Ligeros <> Telemática <<>> Formación básica - Fundamentos
        Gateway                                                                                                                           108
Ejercicio                                                   ¿Qué camino toman los datos en una programación (Flashen) de una unidad de control de motor en
                                                                        una VIANO…

                      …fecha de fabricación 2008?                       STAR DIAGNOSIS – Enchufe de diagnóstico – D-CAN – EZS – M-CAN – Unidad de control de motor

                  …fecha de fabricación 02.2007?                        STAR DIAGNOSIS – Cable especial – M-CAN – Unidad de control de motor




                                                                                               Leyenda

                                                                                               N93/3 ZGW VITO/VIANO




06/10   Vehículos Industriales Ligeros <> Telemática <<>> Formación básica - Fundamentos
        Gateway                                                                                                                                                      109
Esquemas de interconexiones                                                                                                  01.06.2010



                           Vito/Viano (→ 04.2006)


                                                                                  TEL   SBS
                                                                                                           D2B Domestic-
                                                                                                           Digital-Bus
                                                                                  CDW   HU*                Bus Fibra Optica



                         TSGR       OBF       PTS       DBE          ESVB   PSM   STH         SDE    ENR

                                                                                                           Bus habitáculo
                                                                                                           CAN Clase B
                          TSGL      PTC       KLA       SRS          ESVF   SAM               FKLA   AAG




                                                                                  KI    EZS

                                                                                                           Bus Motor
                                                                                                           CAN Clase C
                                                       CDI/ME        ESP    EGS   EWM   LWS
                                                                                                           Línea K

                       *Head Unit (COMAND, Audio…)




06/10   Vehículos Industriales Ligeros • Interconexión y redes CAN
        Esquemas de interconexiones                                                                                                   110
Vito/Viano (04.06 – 09.07)

                                                                                        TEL
                                                                                                                MOST
                                                                                                                Bus Fibra Optica
                                                                                          HU*
                                                                                  CDW     AGW




                 STE-R       TSGR        OBF        PTS       RDK    ESVB   PSM    STH             SDE    ENR

                                                                                                                CAN Habitáculo
                                                                                                                I-CAN
                                                                                                                CAN clase B
                 STE-L       TSGL        PTC        KLA        SRS   ESVF   SAM    DBE             FKLA   AAG



                                                                            ZGW                                 CAN Diagnóstico
                                                                                                                D-CAN
                                                                                                                CAN clase C
                                                                            TCO   EZS         KI

                                                                                                                CAN Motor
                                                                                                                M-CAN
                                                                                                                CAN class C
                                                 DRS        LWS      ESP    EGS   EWM     CDI/ME


                                                                                                                Línea K

                       *Head Unit (COMAND, Sound…)




06/10   Vehículos Industriales Ligeros • Interconexión y redes CAN
        Esquemas de interconexiones                                                                                                111
Vito/Viano (10.2007→)

                                                                                                          TEL

                                                                                                                                      MOST
                                                                                                                HU*                   Bus Fibra Optica
                                                                                                    CDW         AGW
                                                          A2/108         A2/109          N50/1


                                                                   LIN                      RS485


                 STE-R      TSGR        OBF        PTS        RDK                 ESVB   PS          STH              SDE       ENR

                                                                                                                                      CAN Habitáculo
                                                                                                                                      I-CAN
                                                                                                                                      CAN clase B
                 STE-L       TSGL       PTC        KL         SRS                 ESVF   SAM        DB                FKLA      AAG




                                                                                                    EZS                               CAN Diagnóstico
                                                                                                                                      D-CAN
                                                                                                                                      CAN clase C
                                                                                         TCO                    KI

                                                                                                                                      CAN Motor
                                                                                                                       N14/3
                                                                                                                                      M-CAN
                                                                                                                                      CAN class C
                                                 DR         LWS               ESP        EGS        EWM     CDI/ME        LIN


                                                                                                                       G2/6
                                                                                                                                      Línea K
                                                                                                      OM646 CDI3
                       *Head Unit (COMAND, Sound…)




06/10   Vehículos Industriales Ligeros • Interconexión y redes CAN
        Esquemas de interconexiones                                                                                                                      112
Sprinter BM906

                                                                                           CDW
                                                                                                                 MOST
                                                                                                HU*              Bus Fibra Optica
                                                 A2/110         A2/111
                                                                               ABH-CAN   TEL    AGW

                                                          LIN

                                                                                                          STH/
                  STR          KE         PTS        RDK                 SRS    PSM      OBF              ZUH


                                                                                                                 CAN Habitáculo
                                                                                                                 I-CAN
                                                                                                                 CAN clase B
                   STL        TSG         PTC        KLA                 DBE    SAM              KI      AAG




                                                                                         EZS                     CAN Diagnóstico
                                                                                                                 D-CAN
                                                                                                                 CAN clase C
                                                     DRS                 LWR    TCO.


                                                                                                        N14/3
                                                                                                                 CAN Motor
                                                                                                                 M-CAN
                                         ARS         MRM                 ESP    EGS      EWM   CDI/ME      LIN   CAN clase C

                                                                                                        G2/7


                  *Head Unit (COMAND, Sound…)




06/10   Vehículos Industriales Ligeros • Interconexión y redes CAN
        Esquemas de interconexiones                                                                                                 113
Ejercicio                                                 Compare los tres gráficos de interconexiones de redes en VITO/VIANO. ¿Qué componentes son una
                                                                     novedad y cuáles han desaparecido?
                                                                     Anote los componentes que no conozca y exponga su resultado.
                                                                     D2B ha sido sustituido por MOST, porque el bus de datos MOST es mucho más rápido que el D2B.

                                                                     AGW es necesaria con MOST como unión al I-CAN. AGW está integrada en la HU (excep. Audio 20)

                                                                     ZGW es necesaria para transmitir la gran cantidad de datos del MOST a través del bus CAN de Diagnóstico
                                                                     a la caja de enchufe de diagnóstico. El camino a través del EZS y de la línea K no es posible. La ZGW es
                                                                     una unidad tomada de turismos, que en VITO/VIANO solamente como se emplea como unión entre el I-CAN
                                                                     y el CAN de Diagnóstico para los componentes del MOST. Por eso se conoce también como Gateway de
                                                                     diagnóstico.

                                                                     STE-R y STE-L son las designaciones para las unidades de control de las nuevas puertas correderas
                                                                     eléctricas.

                                                                     RDK Control de presión de inflado de neumáticos

                                                                     TCO existe desde hace tiempo, sin embargo el tacógrafo digital DTCO está a partir de aprox.11.2006
                                                                     conectado al M-CAN también en VITO/VIANO. Sin embargo, los mensajes transmitidos activarán sólo el
                                                                     nuevo testigo de control TCO en el cuadro de instrumentos si es necesario. No es posible un diagnóstico
                                                                     con DAS

                                                                     DRS (Sensor de velocidad de giro) transmite a través del M-CAN la aceleración transversal, la aceleración
                                                                     longitudinal y el valor de giro del vehículo en el nuevo ESP 8.1 (a partir de aprox.11.2005).

                                                                     SBS (Sistema de control por voz) ha sido suprimido, así como el sintonizador de TV para el Sistema de
                                                                     entretenimiento trasero.



06/10   Vehículos Industriales Ligeros • Interconexión y redes CAN
        Esquemas de interconexiones                                                                                                                                        114
Ejercicio                                                 Anote una vez más todas las Gateways y sus funciones en la interconexión de redes en la VITO/VIANO.
                                                                     Encuentre una explicación para la función „Gateway“ en general.

                                                                     AGW: Entre Bus MOST y el I-CAN

                                                                     ZGW: Entre I-CAN y D-CAN (aunque sólo para componentes MOST)

                                                                     EZS: Entre I-CAN y M-CAN y entre I-CAN y K-Leitung (Cja de diagnóstico)


           Ejercicio                                                 ¡Compare la interconexión de las unidades de control de la nueva SPRINTERS BM 906 con la de la
                                                                     antigua SPRINTERS BM 901–905!
                                                                     ¿Qué sistemas de buses de datos son nuevos y cuales han desaparecido?
                                                                     Discuta las razones para estas medidas.
                                                                     Marque en la siguiente tabla las unidades de control que no conozca.

                                                                     SPRINTER BM 906 tiene bus CAN de motor y línea K.

                                                                     Han sido añadidos: I-CAN, D-CAN, MOST y LIN

                                                                     Desaparece Linea K



           Ejercicio                                                 Las unidades de control en la SPRINTER BM 901–905 son fijas para un detreminado sistema (por ej.
                                                                     CDI–Unidad de control de motor). En la SPRINTER BM 906 existen, como también en VITO/VIANO,
                                                                     algunas unidades de control que realizan funciones para más sistemas, así como el control de
                                                                     funciones generales del vehículo.
                                                                     Nombre algunas de las unidades de control de este tipo en la SPRINTER BM 906.

                                                                     SAM, DBE, EZS, TSG, MRM




06/10   Vehículos Industriales Ligeros • Interconexión y redes CAN
        Esquemas de interconexiones                                                                                                                                   115
Alternador y regulador                                                                                                                          01.06.2010


En los siguientes ejemplos se representa el desarrollo de los alternadores y reguladores.
El primer ejemplo muestra el origen de un simple regulador de tensión con preexcitación a través de un testigo de control, como estaba dispuesto en la antigua
T1 y también en un principio en la SPRINTER y en la VITO/Clase V

Regulador multifuncional
Desde hace algunos años los motores se han equipado con nuevos alternadores compactos con reguladores multifunción, que poseen las siguientes
innovaciones técnicas:
  • Sin preexcitación a través de un testigo de control, por ello también posible LED
  • La carga del alternador solamente se activa a partir de un determinado número de revoluciones de motor y un periodo
  • Aumento gradual de la corriente del alternador
  • Regulación de la tensión en función de la temperatura


                    D+
                                                                                                           Alternador con regulador de tensión
                                                                                                           simple
                                                                                                           (Preexcitación)
 G                                                                                    KI



                    D+
                                                                                                           Alternador con regulador multifunción

                                                                                                           SPRINTER BM 901-905,
 G                                                                                    KI                   VITO/Clase V BM 638,
                                                                                                           a partir de aprox. 2002
Leyenda
G       Alternador
KI      Cuadro de instrumentos

06/10     Vehículos Industriales Ligeros • Interconexión y redes CAN
          Alternador y regulador                                                                                                                           116
Desde hace un tiempo nuestros vehículos / motores están equipados con alternadores, que se comunican a través de un interfaz con la unidad de control de
motor, bien con la ME o la CDI. De esta manera surgen cambios en el sistema de diagnosis y en las comprobaciones del alternador. Existen por lo tanto
diferencias entre los alternadores convencionales con borne 61 sin interfaz y los alternadores con interfaz BSS o LIN.


“Convencional” sin comunicación entre la unidad de control y el alternador

   •    Escasa comunicación entre CDI/ME - alternador
   •    No se puede comprobar a través de DAS – (Tester – Voltios - Amperios)


“BSS” comunicación entre la unidad de control y el alternador

   •    BSS = Bit Synchrone Schnittstelle, comunicación CDI/ME - alternador
   •    Comprobación a través de la CDI/ME - posible a través de DAS


“LIN” comunicación entre la unidad de control y el alternador

   •    LIN = Local Interconnect Network, comunicación entre la CDI/ME - alternador
   •    Comprobación a través de la unidad de control de motor - posible a través de DAS




06/10    Vehículos Industriales Ligeros • Interconexión y redes CAN
         Alternador y regulador                                                                                                                        117
Con la introducción en el mercado de la VITO/VIANO BM 639 se realizó la unión entre el alternador y el cuadro de instrumentos a través de la red de a bordo del
vehículo. La información „DA“, ahora también conocida como „L“, es transmitida desde el SAM al cuadro de instrumentos a través del bus CAN del habitáculo.
A parte, existe en vehículos Diesel la línea DF, que con ayuda de una señal PWM, transmite la carga del alternador al calefactor eléctrico adicional PTC. El cual
controla su potencia calorífica en función de esa señal para no cargar la batería.



                                                                           I-CAN                             VITO/VIANO BM 639
                     D+ (L)
                                                                                                             Estándar hasta 2006
                                                                                                             (las siguientes variantes se encuentran
 G                   DF
                                                                  SAM                   KI                   en páginas sucesivas)

                                                                                                             SPRINTER BM 906
                                                                                                             sólo motores Diesel EU3/Euro3


                                     PTC                                                                     Motores gasolina sin PTC



Leyenda:
G       Alternador
KI      Cuadro de instrumentos
SAM     Módulo de detección de señales y activación
PTC     Calefactor adicional
I-CAN   Bus CAN habitáculo




06/10      Vehículos Industriales Ligeros • Interconexión y redes CAN
           Alternador y regulador                                                                                                                             118
Regulador BSS
Esta variante se instala solamente en los modelos VITO/VIANO BM 639 equipados con motor Diesel y cambio automático.
La conexión D+ del alternador se realiza a través de un interfaz sincronizado de bit (BSS), es decir, un interfaz bidireccional que une la unidad de control de
motor con el alternador. Así se transmiten en una dirección (G-CDI-SAM-KI) mensajes de fallos y de estado. Por otra parte se pueden enviar datos de la unidad
de control de motor al alternador, por ejemplo, el comando „Reducir potencia del alternador“, cuando disminuye el número de revoluciones en ralentí porque la
carga del motor es demasiado alta.



                                                                          I-CAN                            VITO/VIANO BM 639
                         BSS
                                                                                                           sólo OM646 con cambio automático
                                                                                                           (hasta aprox. 11.2006)
 G                  DF
                                    CDI                          SAM                   KI




                         PTC

Leyenda
G       Alternador
KI      Cuadro de instrumentos
SAM     Módulo de detección de señales y activación
PTC     Calefactor eléctrico
I-CAN   Bus CAN habitáculo
CDI     Unidad de control de motor Diesel




06/10     Vehículos Industriales Ligeros • Interconexión y redes CAN
          Alternador y regulador                                                                                                                            119
Regulador LIN
Completamente integrado en la red del vehículo se encuentra este alternador con interfaz LIN (Local Interconnect Network). Toda la información que va desde y
al alternador a través de LIN y de la unidad de control de motor. En vehículos con motor OM642 la etapa final de precalentamiento está conectada al bus LIN.

Este bus LIN fue instalado por primera vez en la SPRINTER BM 906 con motores EU4/Euro4. Se asume sin embargo, que todos los nuevos tipos de motores están
equipados con LIN. Estos son, en vehículos industriales ligeros, el M272, OM642 y el OM646 con inyectores piezoeléctricos.


                                                                       M-CAN                              SPRINTER BM 906
                       LIN
                                                                                                          todos los motores con EU4/Euro4

 G                                  CDI/ME                                           KI                   VITO/VIANO
                                                                                                          con OM642, M272, OM646 a partir
                                                                                                          aprox. 11.06
                                                              EZS          SAM
                                                                                                          (Motores gasolina sin PTC)
                                                                                  I-CAN
                        PTC

Leyenda
G          Alternador
KI         Cuadro de instrumentos
SAM        Módulo de detección de señales y activación
PTC        Calefactor eléctrico
I-CAN      Bus CAN habitáculo
M-CAN      Bus CAN motor
CDI/ME     Unidad de control Motor
EZS        Interruptor electrónico de encendido y arranque




06/10     Vehículos Industriales Ligeros • Interconexión y redes CAN
          Alternador y regulador                                                                                                                         120
Ejercicio 1                                               Un VIANO (Diesel, cambio manual, año 2005) es arrancado con el motor frío (temperatura exterior -
                                                                     10°C). El conductor enciende una detrás de otra la calefacción al máximo, las luces, el
                                                                     limpiaparabrisas, la calefacción de la luneta trasera y la calefacción de los asientos. La capacidad de
                                                                     utilización del alternador aumenta al 98%.
                                                                     Describa el proceso y el recorrido de la señal D+ (L), así como la señal DF.

                                                                     D+ (L) después de arracar el motor:

                                                                     Alternador – SAM – I-CAN – KI, testigo de control de carga apagado



                                                                     DF (98%):

                                                                     DF (PWM) Señal al PTC, PTC reduce la potencia calorífica hasta que la carga del alternador baje por
                                                                     debajo del 85%.




06/10   Vehículos Industriales Ligeros • Interconexión y redes CAN
        Alternador y regulador                                                                                                                                             121
Ejercicio 2                                               Describa el mismo proceso en una SPRINTER BM 906 Diesel EU4.

                                                                     D+ (L) después de arrancar el motor:

                                                                     Alternador – LIN - CDI – M-CAN – EZS – I-CAN – SAM – I-CAN - KI, testigo de control de carga apagado




                                                                     DF (98%):

                                                                     Alternador – LIN - CDI – M-CAN – EZS – I-CAN - PTC, PTC reduce la potencia calorífica hasta que la
                                                                     carga del alternador baje por debajo del 85%




           Ejercicio 3                                               Busque en esquemas eléctricos las variantes de los alternadores de VITO/VIANO y anote abajo las
                                                                     designaciones que se preguntan.


                         Esquema eléctrico                 Designación unidad control motor            Designación alternador                Variante

Estándar MFR      PE15.00-S-2000-99VB                                                               G2/2                           U999 / U150

Regulador BSS     PE15.00-S-2000-99VB                   N3/9                                        G2/5                           U1001

Regulador LIN     PE15.00-S-2000-99VB                   N3/20                                       G2/6                           U924




06/10   Vehículos Industriales Ligeros • Interconexión y redes CAN
        Alternador y regulador                                                                                                                                            122
DaimlerChrysler AG
Global Training
HPC Z480
D-70546 Stuttgart


Intranet: http://gt.intra.daimlerchrysler.com

Curso Interconexion de redes Soluciones.pdf

  • 1.
    Academia de Formación– Aprendemos del Cliente Vehículos Industriales Ligeros • Interconexión de Redes • Buses de datos Módulo de Información y Ejercicios Participante:______________________________________ 06/2010 r
  • 2.
    06/10 VehículosIndustriales Ligeros • Interconexión y redes CAN La documentación está destinada exclusivamente a su utilización en la formación profesional y no está sujeta al servicio de modificaciones continuadas. Impreso en España © 2006 Copyright Mercedes-Benz España S.A. Editor: Academia de Formación MBE Esta obra, incluyendo todas las partes de que se compone, está protegida por derechos de autor. Cualquier tipo de aprovechamiento o utilización de la misma precisa una autorización previa por escrito de Mercedes-Benz España S.A., en especial cuando se trate de reproducción, difusión, adaptación o modificación, traducción, grabación en microfilms y almacenamiento y/o procesamiento en sistemas electrónicos, incluyendo bancos de datos y servicios online. 1ª edición 06/10 PF/I 03/04
  • 3.
    Indice 01.06.2010 Título Página Saludo................................................................................................................................................................................................................................................ 5 Vida interior de una unidad de control............................................................................................................................................................................................... 6 Ejemplo de señales de entrada y salida en la unidad del motor OM642............................................................................................................................................ 7 Tipos de señales de entrada ............................................................................................................................................................................................................ 10 Tipos de señales de salida ............................................................................................................................................................................................................... 22 Alimentación de tensión en VITO/VIANO ........................................................................................................................................................................................ 25 Alimentación de tensión en SPRINTER............................................................................................................................................................................................. 34 Otras unidades de control VITO/VIANO/SPRINTER ........................................................................................................................................................................ 48 Principios básicos del procesamiento de información ..................................................................................................................................................................... 59 Transmisión de datos por en serie y en paralelo.............................................................................................................................................................................. 61 Sistemas de numeración ................................................................................................................................................................................................................. 63 Convertidores .................................................................................................................................................................................................................................. 65 Interconexión en vehículos Mercedes-Benz ..................................................................................................................................................................................... 66 Controller Area Network (CAN)........................................................................................................................................................................................................ 69 Estructura de los mensajes del bus CAN ......................................................................................................................................................................................... 74 Representación del mensaje del bus de datos CAN......................................................................................................................................................................... 79 Distribuidores de potencial .............................................................................................................................................................................................................. 84 Práctica 1 ........................................................................................................................................................................................................................................ 88 06/10 Vehículos Industriales Ligeros • Interconexión y redes CAN Saludo 3
  • 4.
    Práctica 2 ........................................................................................................................................................................................................................................92 Práctica 3 ........................................................................................................................................................................................................................................ 96 Bus de datos LIN.............................................................................................................................................................................................................................. 98 Bus D2B.......................................................................................................................................................................................................................................... 102 MOST............................................................................................................................................................................................................................................. 103 Gateway......................................................................................................................................................................................................................................... 106 Esquemas de interconexiones ....................................................................................................................................................................................................... 110 Alternador y regulador ................................................................................................................................................................................................................... 116 06/10 Vehículos Industriales Ligeros • Interconexión y redes CAN Saludo 4
  • 5.
    Saludo 01.06.2010 Bienvenidos al curso de interconexión de redes. El curso tiene las siguientes metas: El participante podrá … • … conocer el funcionamiento interno de una unidad de control. • … conocer las señales de entrada y de salida de una unidad de control. • … conocer la alimentación de tensión en los diferentes vehículos. • … describir la filosofía del intercambio de datos entre unidades de control y los diferentes buses de datos. GT00_00_0534_C71 • … conocer el funcionamiento del CAN, así como su diagnóstico con el osciloscopio. • … conocer el funcionamiento del resto de buses de datos, así como su diagnóstico con el osciloscopio. 06/10 Vehículos Industriales Ligeros • Interconexión y redes CAN Saludo 5
  • 6.
    Vida interior deuna unidad de control 01.06.2010 1. Procesador central de la unidad de control 2. Memoria de sólo lectura (ROM) 3. Memoria principal (RAM) 4. Controlador CAN 5. Memoria de códigos de avería 6. Entrada con driver de detección de fallos 7. Salida con driver para la detección de fallos 06/10 Vehículos Industriales Ligeros • Interconexión y redes CAN Vida interior de una unidad de control 6
  • 7.
    Ejemplo de señalesde entrada y salida en la unidad del motor OM642 01.06.2010 Señales de entrada 06/10 Vehículos Industriales Ligeros • Interconexión y redes CAN Ejemplo de señales de entrada y salida en la unidad del motor OM642 7
  • 8.
    Señales de salida 06/10 Vehículos Industriales Ligeros • Interconexión y redes CAN Ejemplo de señales de entrada y salida en la unidad del motor OM642 8
  • 9.
    Señales de entrada CANC Bus del Controller Area Network Clase C (de motor) B17/9 Sonda térmica del aire de carga N3/20 Unidad de control CDI LIN Red de interconexión local B19 Sonda térmica del catalizador N14/3 Etapa final de precalentamiento A1 Cuadro de instrumentos B19/12 Sonda térmica para los gases de escape N15/3 Unidad de control EGS B2/7 Medidor de la masa de aire por película caliente B28 Sensor de presión después del filtro de aire N15/5 Unidad de control EWM B2/5b1 Sonda térmica del aire de admisión B37/3 Módulo del pedal acelerador N30/4 Unidad de control ESP B4/6 Sensor de presión del rail B40 Sensor del aceite de motor N73 Unidad de control EZS B5/1 Sensor de presión del aire de carga B50 Sonda térmica del combustible N80 Unidad de control MRM B6/20 Sensor de árbol de levas B60 Sensor de contrapresión de los gases de escape X11 Caja de enchufe para diagnósticos de 16 polos B11 Sonda térmica para líquido refrigerante L5 Sensor del cigüeñal B85/2 Sonda de O2 G2/7 Alternador B28/8 Sensor de presión diferencial Señales de salida CAN C Bus del Control Area Network K40/9k5 Relé de arrancador, borne 50 R39/1 Elemento calefactor de la tubería de ventilación Clase C (de motor) N14/3 Etapa final de precalentamiento X11 Caja de enchufe para diagnósticos de 16 polos LIN Red de interconexión local N15/3 Unidad de control EGS Y27/11 Posicionador de recirculación de gases de escape A1 Cuadro de instrumentos N15/5 Unidad de control EWM Y74 Válvula reguladora de presión A1e13 Testigo de control de precalentamiento N30/4 Unidad de control ESP Y76/1 Inyector del cilindro 1 A1e17 Testigo de control EOBD N73 Unidad de control EZS Y76/2 Inyector del cilindro 2 G2/7 Alternador N80 Unidad de control MRM Y76/3 Inyector del cilindro 3 K40/9k3 Relé para la bomba de combustible R9/1 Bujía de incandescencia del cilindro 1 Y76/4 Inyector del cilindro 4 M16/42 Posicionador de mariposa R9/2 Bujía de incandescencia del cilindro 2 Y76/5 Inyector del cilindro 5 M41 Bomba de alta presión R9/3 Bujía de incandescencia del cilindro 3 Y76/6 Inyector del cilindro 6 M72 Servomotor EKAS R9/4 Bujía de incandescencia del cilindro 4 Y77/1 Posicionador de la presión de sobrealimentación N3/20 Unidad de control CDI R9/5 Bujía de incandescencia del cilindro 5 R9/6 Bujía de incandescencia del cilindro 6 06/10 Vehículos Industriales Ligeros • Interconexión y redes CAN Ejemplo de señales de entrada y salida en la unidad del motor OM642 9
  • 10.
    Tipos de señalesde entrada 01.06.2010 Existe una gran cantidad de sensores que se pueden agrupar de diferentes formas. Una posibilidad es agruparlos de acuerdo con su clase. Tendríamos entonces tres grupos principales: 1. Interruptores como sensores: - Los interruptores sólo proporcionan información de conexión o desconexión - es la clase más sencilla de sensores 2. Sensores pasivos: - Estos sensores modifican una de sus magnitudes eléctricas como resultado de la influencia de una magnitud de medición que actúa desde el exterior - Ejemplo, sensor de temperatura con resistencia NTC Se aplica una tensión de prueba a la resistencia NTC. La resistencia, y por lo tanto la corriente, varía bajo la influencia exterior de la temperatura 3. Sensores activos: - Además de la línea conductora de señales a la unidad de control, estos sensores poseen otras líneas adicionales para la alimentación de tensión - Ejemplo, el transmisor Hall del motor del arbol de levas 06/10 Vehículos Industriales Ligeros • Interconexión y redes CAN Tipos de señales de entrada 10
  • 11.
    Interruptores codificados portensión En vehículos BM 906 (SPRINTER) y 639 (VITO/VIANO) se emplean interruptores codificados por tensión por ejemplo este interruptor del elevalunas. Ejercicio 1 ¿Cuál son las ventajas de un interruptor codificado por tensión? Discuta en grupo y anote las posibilidades. Menor cableado Reducción de peso Diagnosticable 06/10 Vehículos Industriales Ligeros • Interconexión y redes CAN Tipos de señales de entrada 11
  • 12.
    Ejercicio 2 Intente averigüar que más ejemplos de interruptores codificados por tensión existen en una VITO/VIANO/SPRINTER. Interruptor elevalunas Interruptor combinado Teclas del volante multifuncional Interruptor de luces (luz de antiniebla delantera/trasera) Ejercicio 3 Mida las resistencias en el interruptor combinado de una VITO/VIANO y anote sus valores en el diagrama superior. 6 1 4 3 5 200 Ω 200 Ω 200 Ω 600 Ω 200Ω Leyenda S144s1 Intermitente izq/der s2 S144s2 Palanca de luces/Luces carretera s3 s4 S144s3 Sistema limpiafaros s1 S144s4 Interruptor limpiaparabrisas 06/10 Vehículos Industriales Ligeros • Interconexión y redes CAN Tipos de señales de entrada 12
  • 13.
    Ejercicio 4 Mida las resistencias del elevalunas en el mando de la puerta del conductor de una VITO/VIANO. Anote abajo los resultados. Nota: Utilice los esquemas eléctricos del WIS y la simulación del DAS. ¿Qué valor de resistencia se mide para la puerta del acompañante en los siguientes casos: Posición "0": OL Posición "Cierre automático": Ohm Posición "Cierre manual": Ohm Posición "Apertura manual tecla": Ohm Posición "Apertura automática": Ohm Compare más tarde las posiciones del interruptor con los de la SPRINTER BM 906. ¿Dónde está la diferencia? En el lado del acompañante no existe cierre automático, por eso en la Sprinter no hay protección antiaprisionamiento. 06/10 Vehículos Industriales Ligeros • Interconexión y redes CAN Tipos de señales de entrada 13
  • 14.
    Interruptores codificados porbits Interruptor codificado por bit La unidad más pequeña de información es el Bit. Un Bit es un dígito binario, que puede tomar dos estados 0 ó 1. Una memoria de datos con 1 Bit tiene solamente 2 posibilidades: por ejemplo ”con. o descon.“ - ”ocupado o libre“. Un simple estado CON/DESCON siempre consiste en un solo bit. Para cuatro posibles valores (por ejemplo rojo, amarillo, verde, azul) son necesarios dos bits, los cuales se combinan en cuatro diferentes formas (00, 01, 10, 11). Rojo Amarillo Verde Azul 00 01 10 11 Ejercicio 5 ¿Cuántas posibilidades existen de la combinación de estos tres interruptores (3 Bit) representados en el gráfico? 8 posibilidades (2x2x2=2³=8) 06/10 Vehículos Industriales Ligeros • Interconexión y redes CAN Tipos de señales de entrada 14
  • 15.
    Ejercicio 6 Compruebe el interruptor giratorio de luces. Utilice como ayuda el diagrama de la página siguiente y complete la tabla. BCD 1 BCD 2 BCD 3 Red AL Función 1 0 1 1 Luz de aparcamiento a la izquierda 1 1 0 1 Luz de aparcamiento a la derecha 1 0 0 0 Función automática 0 0 0 1 Desconexión 0 1 0 1 Luz de población 0 1 1 0 Luz de cruce S1 Leyenda PL li. Luz aparcamiento izq. PL Li. PL re. Luz aparcamiento der. AF Automático PL Re. AUS Desconexión AF SL Luces de población AUS AL Luces de cruce SL NL Luz antiniebla delantera AL NSL Luz antiniebla trasera Red. AL Luces de cruce redundantes 30 BCD1 BCD2 BCD3 Red.AL 31 15 NL/NSL BCD1 Codificación por bit cable 1 10 12 11 4 8 5 6 9 BCD2 Codificación por bit cable 2 BCD3 Codificación por bit cable 3 06/10 Vehículos Industriales Ligeros • Interconexión y redes CAN Tipos de señales de entrada 15
  • 16.
    Sensores pasivos Sensores deTemperatura Coeficiente de temperatura negativo (NTC): La resistencia del sensor disminuye conforme aumenta la temperatura (figura izquierda). Los sensores NTC son adecuados para la medición de temperaturas bajas. Coeficiente de temperatura positivo (PTC): La resistencia del sensor aumenta al subir la temperatura (figura izquierda). Los sensores PTC son adecuados para la medición de temperaturas altas. Ejercicio 7 Sustituya en el vehículo la sonda térmica exterior por una década de resistencias y compruebe los valores en el cuadro de instrumentos de una Vito/Viano. ¿De qué tipo de resistencia se trata? Temperatura de -20°C ----- 28.8 kohmios Temperatura de 0°C ----- 9.6 kohmios Temperatura de 20°C ----- 3.6 kohmios Temperatura de 40°C ----- 1.5 kohmios 06/10 Vehículos Industriales Ligeros • Interconexión y redes CAN Tipos de señales de entrada 16
  • 17.
    Sensores inductivos El sensorinductivo consiste en una bobina colocada longitudinalmente con un núcleo de hierro y un imán permanente. La bobina está unida al mazo de cables por medio de dos líneas de alimentación. El cigüeñal gira debajo del sensor y los orificios (7) pasan frente al sensor a una distancia A. Cuando pasa un orificio bajo el sensor se produce un cambio del campo magnético procedente del imán permanente de aquel. Como es campo magnético también pasa a través de la bobina, se genera en ésta una tensión inducida, que se conduce a la unidad de control a través de las conexiones (1). Ejercicio 8 Compruebe el valor de tensión del sensor del cigüeñal. 06/10 Vehículos Industriales Ligeros • Interconexión y redes CAN Tipos de señales de entrada 17
  • 18.
    Sensores activos Efecto hall Hall1 Hall 2 Hall 3 Cuando una tensión es aplicada a una lámina Si un campo magnético vertical afecta al Si conectamos lateralmente unos cables semiconductora el resultado es una corriente que semiconductor, los electrones se desvían. eléctricos, se puede medir la tensión del cristal fluye. Hall. La tensión Hall varía cuando se cambia la dirección y la intensidad del campo magnético. 06/10 Vehículos Industriales Ligeros • Interconexión y redes CAN Tipos de señales de entrada 18
  • 19.
    Sensor Hall conimán rotativo (Sensor de posición) N54.00-2023-01 N54.00-2024-01 N54.00-2025-01 Un flujo de electrones en un pequeño plato Los electrones se desvían cuando cambia el Una tensión perpendicular a la pequeña lámina se semiconductor es originado por un voltaje sentido del campo magnético. puede medir debido al exceso de electrones. aplicado. 06/10 Vehículos Industriales Ligeros • Interconexión y redes CAN Tipos de señales de entrada 19
  • 20.
    Ejercicio 9 Dibuje la señal del arbol de levas del vehículo. 06/10 Vehículos Industriales Ligeros • Interconexión y redes CAN Tipos de señales de entrada 20
  • 21.
    Ejercicio 10 Dibuje la señal del pedal del acelerador. 06/10 Vehículos Industriales Ligeros • Interconexión y redes CAN Tipos de señales de entrada 21
  • 22.
    Tipos de señalesde salida 01.06.2010 Señal Modulada por Ancho de Pulso o PWM Señal con igual frecuencia e igual periodo, lo único que varía es el ancho del pulso. Ejemplo: señal PWM Ciclo 50% Ejemplo: señal PWM Ciclo 20% Ejemplo: señal PWM Ciclo 80% 06/10 Vehículos Industriales Ligeros • Interconexión y redes CAN Tipos de señales de salida 22
  • 23.
    Ejercicio 11 Compruebe como ejemplo la señal de la válvula de recirculación de gases de escape (AGR). 06/10 Vehículos Industriales Ligeros • Interconexión y redes CAN Tipos de señales de salida 23
  • 24.
    Ejemplo de laseñal de salida hacia un inyector 06/10 Vehículos Industriales Ligeros • Interconexión y redes CAN Tipos de señales de salida 24
  • 25.
    Alimentación de tensiónen VITO/VIANO 01.06.2010 El cableado en la Vito/Viano se encuentra dividido en mazos de líneas individuales. Los mazos de líneas más importantes son: • Mazo de cables de la línea principal (mazo de cables del bastidor) • Mazo de cables del techo • Mazo de cables del salpicadero • Mazo de cables del compartimiento del motor • Mazo de cables del motor Estos mazos de cables están comunicados entre sí en puntos significativos. GT00_19_0037_C75 06/10 Vehículos Industriales Ligeros • Interconexión y redes CAN Alimentación de tensión en VITO/VIANO 25
  • 26.
    VITO/VIANO Batería de arranque Labatería de arranque en VITO/VIANO BM 639 está situada en la caja del asiento del conductor. El punto de apoyo positivo (+) se encuentra en la E-Box y el punto de masa cerca de la E-Box en el pasaruedas interior derecho. Los puntos de apoyo de la batería pueden ser utilizados para una ayuda de arranque y para una carga de la batería. • Batería de serie 12V 74Ah • Batería equipo opcional 12V 100Ah • Batería equipo opcional 12V 95Ah Vellón (a partir 09.2006, Taxi Serie) Batería adicional La batería adicional y su relé separador se encuentran debajo del asiento del acompañante. Esta batería es una batería de semitracción y no debe comprobarse con el comprobador de baterías Midtronics. Leyenda G1/1 Batería adicional W10/4 Conexión masa 1y2 Equipamiento Westfalia S 54.10-4521-11 Para VITO/VIANO no se ofrece ningún interruptor unipolar de batería. 06/10 Vehículos Industriales Ligeros • Interconexión y redes CAN Alimentación de tensión en VITO/VIANO 26
  • 27.
    VITO/VIANO hasta 02.2004 G1 F M1 F7 F1 150A G2/… F35 Z66/1 F34 N14 K40/9 Leyenda G1 Batería de arranque N33/4 M1 Motor de arranque F4 G2/ Alternador N14 Etapa final precalentamiento N33/4 Calefactor adic. eléctrico PTC F5 06/10 Vehículos Industriales Ligeros • Interconexión y redes CAN Alimentación de tensión en VITO/VIANO 27
  • 28.
    VITO/VIANO a partir03.2004 G1 F6 M1 F78 OM642, 250A/ F7 M272 F1 225A 1 G2/… F35 Z66/1 F34 2 N14 K40/9 Leyenda G1 Batería de arranque M1 Motor de arranque N33/4 G2/ Alternador N14 Etapa final de precalentamiento F4 N33/4 Calefactor adicional eléctrico PTC F5 06/10 Vehículos Industriales Ligeros • Interconexión y redes CAN Alimentación de tensión en VITO/VIANO 28
  • 29.
    En lugar delas tres centrales eléctricas que existían en la antigua VITO / CLASE V, en la nueva VITO / VIANO sólo se encuentra la E-Box montada en la parte derecha del compartimiento del motor. Existe también adicionalmente una regleta de fusibles (F6, F7) debajo del asiento del conductor. La E - Box contiene: 5 la unidad de control del cambio automático (EGS) 1 un punto de apoyo para la batería 6 otros fusibles adicionales (F34, F35) 2 7 3 un fusible previo (225 A) 2 el bloque de fusibles y relés (SRB) con el módulo de registro de señales y activación (SAM) 7 un ventilador para refrigerar los componentes electrónicos 6 4 4 la unidad de control de motor (ME o CDI) 5 3 1 8 relés adicionales: Bomba de aire secundario (K64), Sistema limpiafaros (K2) 6 Atención: En la E-Box existen dos lugares en los que existe riesgo de cortocircuito: • el punto de apoyo de la batería 8 • la guía de conexión y alimentación de tensión para F34, F35 GT00_00_0241_C81 06/10 Vehículos Industriales Ligeros • Interconexión y redes CAN Alimentación de tensión en VITO/VIANO 29
  • 30.
    Bloque de fusiblesy relés (SRB) Relés: K1 Bocina K2 Conexión /desconexión del limpia- parabrisas K3 Relé escalón 2 del limpiaparabrisas K4 Relé, motor, borne 87 K5 Motor de arranque K6 Bomba de combustible K7 Borne 15 R (f32 – f39) K8 Borne 15 (f20 – f30) K10 Relé de descarga, borne 15R K11 Relé de descarga, borne 15 K64 Bomba de aire secundario K40/9 Bloque de fusibles y relés M1 Enchufe de conexión del juego de cables del motor El bloque de fusibles y relés (SRB) se encuentra conectado directamente al módulo de registro de señales y activación (SAM) mediante una regleta de conexiones. A partir de aprox. 03.2005 06/10 Vehículos Industriales Ligeros • Interconexión y redes CAN Alimentación de tensión en VITO/VIANO 30
  • 31.
    SAM Módulo de registrode señales y activación (SAM) El módulo de registro de señales y activación (SAM) constituye la unidad electrónica para el bloque SRB. • se puede diagnosticar • está interconectado a la red del bus CAN-B (bus del habitáculo) Entradas: • Señales de conexión /desconexión de un interruptor (por ejemplo, freno de estacionamiento, sistema ZV) • Señales codificadas de tensión (por ejemplo, interruptores de la luz, interruptor de la ventanilla giratoria de apertura hacia fuera) • Señales analógicas (por ejemplo, sensor de temperatura exterior, transmisor del nivel del depósito) • Mensajes CAN S54.21-4500-12 Salidas: • Directamente al actuador (por ejemplo, limpia luneta trasera, sistema ZV, iluminación) • A través del bloque SRB y de relés (por ejemplo, limpiaparabrisas, luneta térmica trasera) • Mensajes CAN 06/10 Vehículos Industriales Ligeros • Interconexión y redes CAN Alimentación de tensión en VITO/VIANO 31
  • 32.
    Señales de entraday salida en el SAM Señales de entrada digitales y tensiones codificadas Señales de salida - Interruptor de luces - Limpia parabrisas trasero - Luz de freno - Limpia parabrisas delantero - Luz de marcha atrás - Luneta térmica trasera - Limpia parabrisas (borne 31b) - Bocina - Cerraduras de puertas (señal de retorno ZV) - Bomba limpia parabrisas delantero y trasero - Freno de estacionamiento - Motores (ZV) para puertas correderas y trasera - Nivel de líquido de frenos - Ventilador E-Box - Desgaste de pastillas de freno (delantera y trasera) - Iluminación interior - Borne 61 (L) - Iluminación exterior - Nivel de líquido refrigerante - Nivel de limpia parabrisas Además con equipamiento máximo Además con equipamiento máximo - Instalación lavafaros - Instalación lavafaros - Cristales abatibles traseros - Cristales abatibles traseros - Segunda puerta corredera (señal de retorno ZV) Señales analógicas - Nivel de depósito de combustible - Temperatura exterior El resto de las señales se transmiten y reciben a través del bus CAN del habitáculo (CAN-B) 06/10 Vehículos Industriales Ligeros • Interconexión y redes CAN Alimentación de tensión en VITO/VIANO 32
  • 33.
    Puntos de masa 1.Parte posterior del vehículo, izquierda y derecha (parachoques, detrás de la rejilla de ventilación) 2. Panel frontal, izquierda y derecha A, B 3. Compartimiento de motor, izquierda y derecha 4. Parte central 5. Centro de la parte delantera del techo 6. Bastidor del motor 7. Punto de apoyo para arranque con ayuda externa A Distribuidores de potencial, bus CAN del habitáculo (CAN-B) B Distribuidor de potencial con punto neutro, bus CAN del motor (CAN-C) GT00_19_0030_C05 06/10 Vehículos Industriales Ligeros • Interconexión y redes CAN Alimentación de tensión en VITO/VIANO 33
  • 34.
    Alimentación de tensiónen SPRINTER 01.06.2010 Batería de arranque La batería de arranque de la nueva SPRINTER está colocada en el piso de la cabina a los pies del conductor. Existen 3 ejecuciones: • Batería de serie 12 V 74 Ah • Batería equipo opcional 12 V 100 Ah • Batería equipo opcional 12 V 95 Ah, técnica con vellón GT54_10_0109_C71 Esta batería tiene en el adhesivo la designación: Tensión/Capacidad/Corriente de comprobación en frío/ Norma 12V 74Ah 680A (EN) Todas las baterías de arranque se pueden comprobar con el comprobador de baterías Midtronics. GT54_10_0110_C74 06/10 Vehículos Industriales Ligeros • Interconexión y redes CAN Alimentación de tensión en SPRINTER 34
  • 35.
    Batería adicional (Bateríade semitracción) Si además existiera una segunda batería adicional (equipo opcional), estaría montada en el vano motor izquierdo y estaría unida mediante un relé separador (borne 61) con la batería de arranque. Esta 2ª batería es una batería de semitracción. GT54_10_0107_C71 Esta batería tiene en el adhesivo la designación: Tensión/Capacidad 12V/100Ah La indicación no contiene la corriente de comprobación en frío ni la correspondiente norma. Por tanto, no se pueden comprobar las baterías de semitracción con el comprobador de baterías Midtronics. NOTA: Actualmente estas baterías ya se pueden comprobar con Midtronics ya que disponen de la corriente de comprobación en frío. GT54_10_0108_C74 06/10 Vehículos Industriales Ligeros • Interconexión y redes CAN Alimentación de tensión en SPRINTER 35
  • 36.
    Ayuda de arranque Debetenerse en cuenta lo siguiente: • Las baterías de tracción no están diseñadas para generar corrientes muy elevadas para el motor de arranque, sino corrientes pequeñas a lo largo de un período largo. Por eso no se aconseja utilizar la batería adicional para una ayuda de arranque a otro vehículo. • Una ayuda de arranque sólo es posible en los puntos de apoyo (cerca del filtro de aire y del pasarrueda interior) o en la batería de arranque. De la misma manera se carga la batería de arranque. Interruptor principal de la batería El interruptor unipolar de la batería está colocado al lado derecho del pedal de acelerador. Mediante el interruptor principal de la batería es posible una rápida interrupción de la alimentación de tensión en el marco de trabajos en el sistema eléctrico. Después de una interrupción de tensión, el reloj en el cuadro de instrumentos y el posible techo corredizo/los techos corredizos deben normalizarse (el equipo opcional "puerta corrediza eléctrica", que posteriormente también estará disponible como equipo opcional, también debe normalizarse). Los elevalunas no deben normalizarse puesto que no disponen de ninguna "protección antiapriosionamiento". 06/10 Vehículos Industriales Ligeros • Interconexión y redes CAN Alimentación de tensión en SPRINTER 36
  • 37.
    Alimentación de tensión(SPRINTER BM 906) Leyenda M1 Motor de arranque G2/7 Alternador G1 Batería de arranque G1/2 Batería adicional K40/9 Caja de fusibles y relés SRB K57 Relé separador de batería N33/4 Calefactor ad. electr. PTC HH9 Ventilador adicional climatización N14 Etapa final precalentamiento GT54_15_0086_C74 06/10 Vehículos Industriales Ligeros • Interconexión y redes CAN Alimentación de tensión en SPRINTER 37
  • 38.
    A partir deaprox. 10.2006 → Hasta aprox. →10.2006 X167/1 (Volquete) 06/10 Vehículos Industriales Ligeros • Interconexión y redes CAN Alimentación de tensión en SPRINTER 38
  • 39.
    A partir deaprox. 10.2006 → A partir de aprox. 10.2006 → X167/1, X168/1, X168/2 (Volquete o trampilla de carga o montacargas) GT54_15_0086_C74 06/10 Vehículos Industriales Ligeros • Interconexión y redes CAN Alimentación de tensión en SPRINTER 39
  • 40.
    A partir deaprox. 10.2006 → A partir de aprox. 10.2006 → GT54_15_0086_C74 06/10 Vehículos Industriales Ligeros • Interconexión y redes CAN Alimentación de tensión en SPRINTER 40
  • 41.
    Caja de fusiblesy relés SRB El bloque de fusibles y relés (SRB) se encuentra en el espacio reposapiés en el lado izquierdo del vehículo. Es el soporte para todos los fusibles y relés estándar. Los juegos de cables están conectados aquí. El propio SRB no contiene ningún componente electrónico, pero sí está adosado a la unidad de control SAM para las funciones generales del vehículo. El módulo de registro de señales y activación SAM está unido directamente al SRB. En el extremo inferior del SRB hay conectado un soporte con dos bloques de fusibles adicionales (F55/1 fusibles 1 - 9 y F55/2 fusibles 10–18). Precaución: ¡La designación de los fusibles en el esquema eléctrico no coincide de forma automática con el lugar de montaje! El plano de ocupación de los fusibles se encuentra en los documentos del vehículo. GT54_15_0077_C72 Leyenda 1 SRB K40/9 2 Fusibles SRB K40/9 f… 3 Relés SRB K40/9 k… 4 Bloques de fusibles F55/1 y F55/2 5 SAM 06/10 Vehículos Industriales Ligeros • Interconexión y redes CAN Alimentación de tensión en SPRINTER 41
  • 42.
    Ocupación de losfusibles Nr. Consumidor Valor(A Kl. Nr. Consumidor Valor Kl. 1 Bocina (relé 1) 15 (A) 2 EZS,ELV 25 30Z 13 Mechero/radio 15 15r 3 Cuadro de instrumentos/EZS 10 30Z 14 Conmutador de luces, 5 15 cuadro de instrumentos, 4 Conmutador de luces, OBF 5 30 diagnóstico 5 Limpiaparabrisas parte 30 30 15 LWR/KLA 5 15 frontal 16 Gestión del motor (relé 7) 10 87/1 6 Bomba de combustible 15 30 17 Airbag 10 15 7 Módulo de tubo envolvente 5 15R 18 Alimentación 5 V 15 15 8 Gestión del motor (relé 7) 20 87/2 19 Luz interior (SAM) 7,5 30 9 Gestión del motor (relé 7) 20 87/3 20 SAM (elevalunas 25 30/2 10 Gestión del motor (relé 7) 10 87/4 acompañante) 11 Alimentación 5 V 15 15R 21 Unidad de control del motor 5 15 12 Airbag (SRS + AKSE) 10 15R 22 Luz de freno, ABS 5 15 23 Motor de arranque (relé 5) 25 15 Ocupación de los relés Nr. K40/9… 24 Componentes del motor 10 15 Diesel 1 Bocina k1 2 Limpiaparabrisas parte frontal 1/2 k2 25 Caja de enchufe cuadro de 25 30 instrumentos 3 Bomba de combustible k3 4 Limpiaparabrisas parte frontal E/A k4 5 Motor de arranque borne 50 k5 6 Borne 15R k6 7 Alimentación de tensión Motor k7 (borne 87) GT54_15_0078_C03 8 Borne 15 k8 06/10 Vehículos Industriales Ligeros • Interconexión y redes CAN Alimentación de tensión en SPRINTER 42
  • 43.
    Ocupación de fusiblesy relés Leyenda 1 Bloques de fusibles F55/3, F55/4, F55/5, F55/6 Precaución: ¡La designación de fusibles en el esquema de circuitos no coincide de forma automática con la del lugar de enchufe! 2 Fusibles de corriente de alta intensidad para equipo opcional: F66 250A Volquete (hasta aprox. 10.2006) F59/1 100A Retardador F59/2 250A Trampilla de carga F59/2 250A Montacargas F68 80A Calefacción del parabrisas F69 50A Aire acondicionado de alto rendimiento (Techo) 3 Relés cúbicos 4 Microrelés 5 Sentido de marcha GT54_15_0079_C81 06/10 Vehículos Industriales Ligeros • Interconexión y redes CAN Alimentación de tensión en SPRINTER 43
  • 44.
    Caja de fusiblesprevios F59/… …1 Etapa final de precalentamiento/ bomba de aire secundaria 80A/40A …2 Ventilador adicional climatización 80A/40A …3 SRB, SAM borne 30Z 80A …4 Batería adicional 150A …5 Puesto de conducción Z7/74 150A …6 Caja de fusibles debajo del asiento Z7/75 puente …7 Calefactor adicional eléctrico PTC 150A GT54_15_0080_C80 Caja de fusibles previos en batería F57 En el cable de conexión B+ entre el motor de arranque y el alternador se encuentra un fusible para una mayor seguridad en caso de accidente. En caso de una avería de este fusible, debe sustituirse el cable B+ completo. GT54_15_0081_C72 GT54_15_0082_C74 Cable B+, batería, motor de arranque, alternador con fusible F57 06/10 Vehículos Industriales Ligeros • Interconexión y redes CAN Alimentación de tensión en SPRINTER 44
  • 45.
    Módulo de registrode señales y activación (SAM) SAM y SRB forman juntos la caja de distribución eléctrica centralizada de la Sprinter BM906. El SAM representa la parte electrónica con conexión al I-CAN. En la variante sencilla (SAM Min) se activan o se vigilan los componentes siguientes: Alumbrado exterior con control de lámparas (luces de marcha atrás con testigo acústico de advertencia de 2 niveles) • Iluminación interior delantera de serie • Iluminación de los interruptores • Cierre centralizado, puerta del acompañante • Elevalunas puerta del acompañante • Sistema de limpia/lavaparabrisas de la parte frontal y faros • Bocina (sólo con MRM) Las señales de entrada provienen de: SAM con SRB GT54_21_0173_C73 • Interruptor del elevalunas, puerta del acompañante • Conmutador giratorio de luces • Interruptor de la luz de freno • Interruptor de luz de marcha atrás (cambio manual) • Freno de estacionamiento • Desgaste de los forros de freno • Nivel de líquido refrigerante, agua de lavado y líquido de frenos • Transmisor de nivel del depósito de combustible • Temperatura exterior • Confirmación ZV, puerta del acompañante • Alimentación de tensión • Alternador D+ (L) EURO 3 sin LIN SAM GT54_21_0174_C05 06/10 Vehículos Industriales Ligeros • Interconexión y redes CAN Alimentación de tensión en SPRINTER 45
  • 46.
    D C C B B A A A SAM Min B SAM Low C SAM Med D SAM High Chasis cabina serie (véase página A y adicionalmente: B y adicionalmente: C y adicionalmente: anterior) • Furgón • Sensor de lluvia y luz • Ventanillas deflectoras - Puerta corrediza derecha • Faros antiniebla eléctricas - Puerta trasera giratoria • Limpiafaros • EDW2 - 3ª luz de freno • Limpia/lavaparabrisas trasero • Faros de xenón - Iluminación del • Luneta tresera térmica • Luz interior de confort compartimento trasero vehículo mixto • Relé D+ • EDW1 • Parabrisas calefactado • Avisador de movimiento • Puerta corrediza/puerta giratoria (doble cabina) izquierda • Módulo para intermitentes adicionales 06/10 Vehículos Industriales Ligeros • Interconexión y redes CAN Alimentación de tensión en SPRINTER 46
  • 47.
    Puntos de masa 1. W1/3 (puesto de conducción CLS 1) 2. W1/4 (puesto de conducción HLS) 3. W1/5 (puesto de conducción CLS 2) 4. W2 (faro derecho) 5. W2/1 (RL delante derecha) 6. W9/3 (ESP, LL delante izquierda) 7. W9/6 (delante izquierda 1) 8. W9/7 (delante izquierda 2) 9. W10/1 (batería) 10. W10/2 (calefactor adicional PTC) 11. W10/4 (batería adicional) 12. W11 (motor) 13. W26 (airbag) 14. W29/8 (montante D izquierda) 15. W31/1 (antena techo) 16. W38 (techo) 17. W43/1 (salpicadero izquierda) 18. W52/7 (travesaño detrás izquierda) 19. W71/1 (caja del asiento conductor LL) 20. W71/2 (caja del asiento conductor LL) 21. W71/1 (caja del asiento conductor RL) 22. W71/2 (caja del asiento conductor RL) GT54_15_0087_C12 06/10 Vehículos Industriales Ligeros • Interconexión y redes CAN Alimentación de tensión en SPRINTER 47
  • 48.
    Otras unidades decontrol VITO/VIANO/SPRINTER 01.06.2010 EZS Interruptor electrónico de encendido y arranque El EZS es la unidad de control más importante en VITO/VIANO y en SPRINTER BM 906. Realiza las siguientes funciones: • Guardar la variante del vehículo y el equipamiento y enviar estos datos vía CAN. Guardar estos datos (Código de variante) tiene lugar solamente a través de SCN (Software Calibration Number). • Funciones principales del cierre centralizado, mando a distancia y sistema de arranque. • Gateway • Conectar las unidades de control del I-CAN a la caja de enchufe de diagnóstico. • Interruptor de encendido y arranque (Borne 15c, 15r, 15, 15x, 50) Adicionalmente sólo en la SPRINTER BM 906: Unión de todas las unidades de control con la caja de enchufe de diagnóstico a través del D-CAN. D80.57-1111-12 06/10 Vehículos Industriales Ligeros • Interconexión y redes CAN 00_Ar_LT25_1511_7457_V01_NTB3_16.07.07 Otras unidades de control VITO/VIANO/SPRINTER 48
  • 49.
    KI Cuadro deinstrumentos Tanto en la VITO como en la SPRINTER se montan nuevos cuadros de instrumentos. El cuadro de instrumentos de gama alta siempre se suministra con el volante multifuncional. El resto de los vehículos se suministran con el cuadro de la gama estándar. Gama alta Gama estándar En el cuadro de la gama alta hay una pantalla matricial y así se pueden El cuadro de instrumentos de gama estándar está equipado con una pantalla indicar textos y símbolos. de segmentos. En el cuadro de instrumentos se guardan datos y parámetros que son importantes para el taller, pero no para el cliente. Algunos de esos datos se pueden leer sin el aparato de diagnóstico y pueden ser cambiados. Los datos importantes para el personal de taller y se encuentran bajo “Menú de taller”. Cuadro de instrumentos de gama alta 06/10 Vehículos Industriales Ligeros • Interconexión y redes CAN 00_Ar_LT25_1511_7457_V01_NTB3_16.07.07 Otras unidades de control VITO/VIANO/SPRINTER 49
  • 50.
    Puede accederse almenú de taller de la siguiente manera: Encendido conectado – Presione la tecla del volante (5) con la flecha “avance” (hacia arriba) varias veces hasta que aparezca „Mantenimiento x en xxx km". – Presionar la tecla O del cuadro de instrumentos y mantenerla presionada durante 30 segundos, soltarla tras escuchar un pitido – Accionar una vez la tecla del volante (4) inferior izquierda ("Menú atrás") Ahora se encuentra en el menú de taller. Reposición tras el mantenimiento realizado: – Seleccionar con las teclas de flecha "Mantenimiento x en xxx km". – Presionar la tecla 0, aparece el menú „A realizar“. – Con las teclas + y – seleccionar „Mantenimiento completo“. – Confirmar con la tecla de flecha de „avance“ (La tecla de flecha "avance" (hacia arriba) sustituye al "Enter".) – Aparece el menú de selección „Tipos de aceite“. – Seleccionar con las teclas + y – la calidad del aceite de llenado. – Confirmar con la tecla de flecha "avance". – Presionar durante 3 seg la tecla O en el cuadro de instrumentos. Los puntos de menú en el menú de taller y la representación en el display son semejantes para el cuadro de instrumentos estándar y éstos han sido descritos en las páginas siguientes. 06/10 Vehículos Industriales Ligeros • Interconexión y redes CAN 00_Ar_LT25_1511_7457_V01_NTB3_16.07.07 Otras unidades de control VITO/VIANO/SPRINTER 50
  • 51.
    Cuadro de instrumentosgama estándar Al menú de taller se accede de la siguiente forma: Conecte el encendido, mantenga presionada la tecla O durante 30 segundos, suelte tras escuchar un pitido y pulse la tecla M. Usted se encuentra ahora en el menú de taller. Hojee los puntos de menú con la tecla M y aparecerán los siguientes indicaciones: Indicaciones (Diesel) Significado Información S… Estado de Software A 906 … Número de referencia de Software H… Estado de Hardware A 906 … Número de referencia de Hardware Code … Código de motor Aceitera … ltr Nivel actual de aceite en litros Reset Std Reposición del cambio de aceite con aceite estándar No se utiliza en los talleres MB Reset .31 Reposición del cambio de aceite Hoja 229.31 Presionar la tecla O aprox. 5s - Indicación „2“ Reset .51 Reposición del cambio de aceite Hoja 228.51/229.51 Presionar brevemente la tecla O de nuevo Reset Llave Reposición en vehículos nuevos con mucho tiempo - Indicación „Realizado“ Reset Stop Corregir un reposicionamiento erróneo State CAN … Estado del I-CAN y M-CAN Volt … Tensión de alimentación … Ohm Resistencia actual del depósito de combustible (Ohm) HU date Fecha próxima inspección técnica Introducir con teclas +/- AU date Fecha próxima revisión de gases de escape Introducir con teclas +/- roll test off/on Desactivación del ESP para el test de rodillos Con las teclas +/- 06/10 Vehículos Industriales Ligeros • Interconexión y redes CAN 00_Ar_LT25_1511_7457_V01_NTB3_16.07.07 Otras unidades de control VITO/VIANO/SPRINTER 51
  • 52.
    DBE Unidad demando de techo Las unidades de mando de techo en la SPRINTER y en la VITO/VIANO han sido diseñadas de forma parecida. Son equipamientos especiales y completos que pueden incluir los siguientes componentes: • Iluminación interior • Techo corredizo • Sistema de alarma EDW • Protección del habitáculo (EDW2) • Sensor de lluvia y luz Ejemplo VITO/VIANO con EDW • Micrófono para el sistema de manos libres Leyenda 1 Interruptor luz de lectura lado izquierdo 2 Interruptor luz de lectura lado derecho 3 Luz de lectura derecha 4 Iluminación interior 5 Interruptor iluminación interior automática 6 Interruptor iluminación interior 7 Luz de lectura izquierda Ejemplo SPRINTER 06/10 Vehículos Industriales Ligeros • Interconexión y redes CAN 00_Ar_LT25_1511_7457_V01_NTB3_16.07.07 Otras unidades de control VITO/VIANO/SPRINTER 52
  • 53.
    OBF Panel demando superior El OBF está disponible en muchas variantes, dependiendo del equipamiento del vehículo. Contiene varios interruptores, algunos de ellos con testigos de control y electrónicas, que transforman estas señales en mensajes CAN y luego las envían a través del I-CAN. Panel de mando superior (Ejemplo VITO/VIANO) Ejercicio 1 Existen dos salidas discretas en el OBF. ¿Qué sistema está relacionado con estas salidas? Calefacción en el asiento del conductor y del acompañante 06/10 Vehículos Industriales Ligeros • Interconexión y redes CAN 00_Ar_LT25_1511_7457_V01_NTB3_16.07.07 Otras unidades de control VITO/VIANO/SPRINTER 53
  • 54.
    MRM Módulo detubo envolvente (Sólo SPRINTER) Un componente totalmente nuevo en los vehículos industriales ligeros es el módulo de tubo envolvente MRM. Como indica su nombre, se encuentra en el tubo envolvente de la columna de la dirección. Variante 1: En la ejecución más sencilla, el MRM contiene el interruptor de la columna de dirección (sin/con limpiaparabrisas trasero) y la espiral de contacto, que establece la conexión eléctrica al volante de la dirección (Airbag y pulsador de bocina). Las señales de codificación del interruptor en la columna de la dirección se envían a la unidad de control EZS y allí se transmiten como mensajes CAN. Esta variante del MRM (sin unidad de control) sólo es posible si no se monta GT46_10_0008_C04 ningún sensor del ángulo de viraje (sin ESP), ningún volante multifuncional y ningún Tempomat. Módulo de tubo envolvente MRM con Tempomat Variante 2: La variante con sensor del ángulo de viraje (con ESP) siempre posee una electrónica propia con conexión al M-CAN. Mediante esta electrónica se transmiten las señales del volante multifuncional, pulsador de bocina, interruptor en la columna de la dirección e interruptor del Tempomat como mensajes CAN. En la siguiente página se muestran las figuras de ambas variantes. 06/10 Vehículos Industriales Ligeros • Interconexión y redes CAN 00_Ar_LT25_1511_7457_V01_NTB3_16.07.07 Otras unidades de control VITO/VIANO/SPRINTER 54
  • 55.
    Variante 1 MRMsin electrónica Variante 2 MRM con electrónica (máx. ejecución) 14 13 10 11 12 9 9 8 5 7 7 6 4 4 3 2 3 1 1 Leyenda 1 Pulsador de bocina 6 Sensor del ángulo de viraje 11 Alimentación de tensión 2 Volante multifuncional 7 Interruptor columna de la dirección 12 A la unidad de control SRS 3 Airbag conductor 8 Interruptor del Tempomat 13 Al relé de bocina (masa conmutada) 4 Espiral de contacto 9 Unión por enchufe 14 pol. 14 Al EZS (codificación de tensión) 5 Electrónica MRM 10 M-CAN 06/10 Vehículos Industriales Ligeros • Interconexión y redes CAN 00_Ar_LT25_1511_7457_V01_NTB3_16.07.07 Otras unidades de control VITO/VIANO/SPRINTER 55
  • 56.
    TSG-L y TSG-RUnidades de control de puerta En las puertas delanteras, las unidades de control de las puertas (derecha e izquierda) asumen muchas de las funciones eléctricas: • Controlar los motores de ajuste del sistema de cierre centralizado y comunicar el estado de las puertas. • Controlar y vigilar los elevalunas • Recibir y cursar la señal infrarroja • Controlar el espejo retrovisor eléctrico exterior • Controlar la iluminación de acceso al vehículo • Recibir y cursar las señales de los interruptores N72.29-2001-04 del panel de interruptores del conductor. Aquí se puede ver con claridad la ventaja de la intercomunicación en red. Un sistema bus y la alimentación de tensión bastan para realiza las funciones eléctricas de una puerta. Nota: La SPRINTER solamente dispone de una unidad de control de puertas TSG. 06/10 Vehículos Industriales Ligeros • Interconexión y redes CAN 00_Ar_LT25_1511_7457_V01_NTB3_16.07.07 Otras unidades de control VITO/VIANO/SPRINTER 56
  • 57.
    PTC Calefactor adicionaleléctrico A Masa 25 mm² B Positivo 25 mm² C Clavija 1 Bus CAN de baja velocidad (CAN-B) 2 Bus CAN de alta velocidad (CAN-B) 3 Borne 30 El empleo de los motores CDI ha sido la causa de que cada vez se redujera más el aprovechamiento de la irradiación de calor del motor para el calentamiento del interior del vehículo. Por eso se ha hecho necesario un calefactor adicional PTC (Coeficiente Positivo de Temperatura) para cumplir las normas legales (descongelación del parabrisas) y para proporcionar a los ocupantes la comodidad de una calefacción. Potencia 1800 W, con protección de un fusible de 150 A Activación El calefactor adicional PTC se compone de 4 registros que se activan cíclicamente. La activación se realiza entre un 0 y un 100%. Siempre se activan al mismo tiempo los 4 registros. La activación actual se realiza por medio de Bus CAN. 06/10 Vehículos Industriales Ligeros • Interconexión y redes CAN 00_Ar_LT25_1511_7457_V01_NTB3_16.07.07 Otras unidades de control VITO/VIANO/SPRINTER 57
  • 58.
    Condiciones para laconexión del calefactor adicional PTC: • Borne 61 del alternador estable • Marcha de ralentí estable • Temperatura del líquido refrigerante < 80 °C • Temperatura exterior < 10 °C en el caso de Tempmatik o Thermotronik • Temperatura exterior < 13 °C en el caso de calefacción estándar Tempmatik y Thermotronik: Si están instalados en el vehículo los sistemas Tempmatik o Thermotronik, la regulación del calefactor adicional PTC se realiza en función de la necesidad existente en cada caso. En el calefactor PTC está integrada una unidad de control. La unidad de control KLA activa dicha unidad cuando el sistema de ajuste de la temperatura nominal demanda el modo de temperatura „MAX Calor“. Cuando se alcanza la temperatura nominal del interior del vehículo se produce una regulación escalonada descendente. Condiciones de desconexión del calefactor adicional PTC: • Temperatura exterior > 10 °C en el caso de Tempmatik o Thermotronik • Temperatura exterior > 13 °C con la calefacción estándar • Temperatura del líquido refrigerante > 80°C • Borne 61 alternador DESCON. • Ralentí inestable • Desconexión de emergencia del compresor del agente frigorígeno (protección contra la ebullición) • Desconexión del compresor del agente frigorígeno en una aceleración 06/10 Vehículos Industriales Ligeros • Interconexión y redes CAN 00_Ar_LT25_1511_7457_V01_NTB3_16.07.07 Otras unidades de control VITO/VIANO/SPRINTER 58
  • 59.
    Principios básicos delprocesamiento de información 01.06.2010 ¿Qué significa información y procesamiento de información? El procesamiento de información no es un invento reciente sino que es tan antiguo Este intercambio de información sólo es posible si el transmisor y el como la vida misma. Todas las criaturas vivas recogen información del medio que receptor utilizan un mismo lenguaje común que ambos cozcan, las rodea, la procesan, y reaccionan en función de la misma. En relación con los permitiendo el entendimiento entre humanos, esto significa que estamos continuamente recopilando información de ambos. manera consciente e inconsciente utilizando nuestros sentidos y al mismo tiempo procesando dicha información en nuestro cerebro. Inconscientemente recopilamos información del exterior, como por ejemplo, el chequeo constante de la temperatura que realiza nuestra piel sin que nos demos cuenta. Podemos llegar a ser conscientes de dicha información si la temperatura exterior varía muy bruscamente. TRANSMISOR COMÚN RECEPTOR Sin embargo, también estamos recogiendo información de manera consciente (lengua alemana) (lengua inglesa) (lengua española) cuando por ejemplo, leemos este manual. Puede ser que no toda la información que leamos en este manual sea útil para nosotros debido a que sean cosas que ya conocemos, pero en general, podemos definir información del siguiente modo: La información son mensajes, transmitidos por un transmisor y recibidos por un receptor. La información en general enriquece el conocimiento del receptor. 06/10 Vehículos Industriales Ligeros • Interconexión y redes CAN 00_Ar_LT25_1511_7457_V01_NTB3_16.07.07 Principios básicos del procesamiento de información 59
  • 60.
    Muy relacionado conel término información se encuentra el término dato: La información se convierte en un dato cuando es transmitida de tal modo que pueda ser procesada por una máquina. Por ejemplo, la información sobre una persona que podemos encontrar en su tarjeta de identificación se podría considerar como un dato, puesto que los datos contenidos en dicha tarjeta pueden ser procesados e interpretados por unamáquina. El término de procesamiento de la información es tan antiguo como el propio término de información, pero en los últimos tiempos ha cobrado una importancia aún mayor que el propio término de información. Esto ha sido debido a los recientes avances tecnológicos, los cuales han contribuido a nuevos métodos para un procesamiento sencillo de los datos mediante nuevas maquinas. Para que una máquina sea capaz de procesar los datos recibidos y obtener la información correspondiente, la información ha de ser transformada en un formato que a maquina sea capaz de entender. En tecnología digital se utilizan dos estados para representar o describir una determinada magnitud física. Debido a esto, también se podría hablar de “tecnología digital binaria”. A estas dos posibles condiciones o estados se las denominan como L (low = bajo) o H (high =alto) y correspondieriteniente, en tecnología digital, se corresponden con los valores de tensión 0V para L y 5V para H Valores lógicos Valor de tensión correspondiente O - L - low - “falso” aprox. 0V 1 - H - high - “verdadero’ aprox. 5 V A esto se le denomina tecnología digital. Actualmente esta tecnología se basa en un sistema de numeración binario, que consiste en solamente dos dígitos, 1 y 0. Este sistema de numeración se denomina sistema binario. De hecho, el término tecnología digital proviene de la palabra inglesa “digit” (dígito). La ventaja de la tecnología digital o electrónica digital frente a la tecnología analógica reside en que al disponer únicamente de dos valores posibles, H o L, es decir, OVo 5V, no puede existir ambigüedad ala hora de interpretar los datos recibidos, al contrario de lo que ocurre en electrónica analógica, donde al tener múltiples valores posibles, la interpretación de los datos resulta en ocasiones un tanto más imprecisa. Además, la tecnología digital para trasmitir información es menos propensa al ruido y la distorsión que la analógica, siendo por tanto una transmisión más segura y barata (los costes de la tecnología digital se han abaratado mucho en los últimos tiempos). 06/10 Vehículos Industriales Ligeros • Interconexión y redes CAN 00_Ar_LT25_1511_7457_V01_NTB3_16.07.07 Principios básicos del procesamiento de información 60
  • 61.
    Transmisión de datospor en serie y en paralelo 01.06.2010 A continuación vamos a ver dos posibilidades de transmitir información (mensajes) a través de líneas (cables): transmisión serie y paralelo. Como avance, debemos conocer estos términos: • Bit: es la unidad más pequeña en el sistema numérico binario (un bit puede ser un O o un 1). • Byte: es un conjunto de 8 bits. Transmisión de datos en serie • Transmisión de datos serie asíncrona: La información se transmite bit a bit, con un bit de comienzo y uno de parada para reconocer cada mensaje (conjunto de bits o bytes). EJ comienzo de Ja transmisión no tiene porque seguir un ciclo determinado, sino que se inicia con el bit de comienzo. Start bit Stop bit 1 2 3 4 5 6 7 8 9 Clock • Transmisión de datos serie síncrona: Entre mensaje y mensaje no hay bits de comienzo y parada. Aquí los mensajes se transmiten con un periodo de tiempo cíclico y prefijado. Al mismo tiempo el receptor debe ser capaz de reconocer cuando ha comenzado un bloque de datos. Para conseguir esto, se dispone de dos procedimientos de sincronización diferentes. Para ello se utiliza un bit o varios bits de sincronización (mediante el envío de la secuencia 1010), así como un bit de inicio. El reloj del receptor ha de estar sincronizado a esta misma secuencia, y por tanto hace falta una señal adicional de reloj. Ejemplo: El bus de datos CAN funciona mediante transmisión serie de manera asíncrona. 06/10 Vehículos Industriales Ligeros • Interconexión y redes CAN 00_Ar_LT25_1511_7457_V01_NTB3_16.07.07 Transmisión de datos por en serie y en paralelo 61
  • 62.
    Transmisión de datosen paralelo En la transmisión de datos digital, la transmisión en serie es el procedimiento más utilizado, de manera que se envían bit a bit y uno tras otro los bits que constituyen el mensaje a través de un único cable. Esto permite fundamentalmente, el ahorro de cable y de costes. En la transmisión en paralelo, varios bits se envían al mismo tiempo por diferentes líneas o cables individuales. De este modo, en el mismo tiempo, somos capaces de enviar más bits (enviamos más información), pero necesitamos más cantidad de cables (lo cual hace incrementar los costes) al mismo tiempo que la complejidad de las máquinas que procesan la información. Bit Valor lógico Nivel de tensión en la línea 1 0 2 0 3 1 4 1 5 0 6 1 7 0 8 0 Clock Ejemplo: Muchas impresoras van conectadas al ordenador a través del puerto paralelo, pudiéndose transmitir muchos bits al mismo tiempo entre los dos dispositivos. 06/10 Vehículos Industriales Ligeros • Interconexión y redes CAN 00_Ar_LT25_1511_7457_V01_NTB3_16.07.07 Transmisión de datos por en serie y en paralelo 62
  • 63.
    Sistemas de numeración 01.06.2010 Sistemas de numeracion Sistema Sistema Sistema binario decimal hexadecimal 0000 0 0 Sistema de numeración decimal 0001 1 1 0010 2 2 0011 3 3 Sistema de numeración binario 0100 4 4 0101 5 5 0110 6 6 Sistema de numeración hexadecimal 0111 7 7 1000 8 8 1001 9 9 1010 10 A 1011 11 B 1100 12 C 1101 13 D 1110 14 E 1111 15 F Como resumen, en la tabla mostrada a continuación figuran algunos conceptos importantes de los cuales ya se ha hecho mención: Bit Dígito binario Valor posible: 0 ó 1 Byte 8 bits Palabra 16 bits (2 bytes) MSB Most Significant Bit Bit con el valor más alto LSB Least Significant Bit Bit con el valor más bajo 06/10 Vehículos Industriales Ligeros • Interconexión y redes CAN 00_Ar_LT25_1511_7457_V01_NTB3_16.07.07 Sistemas de numeración 63
  • 64.
    Codificación de información Paraque las máquinas procesen datos, está comprobado que es especialmente fácil cuando la información que va a ser procesada tiene como máximo dos dígitos diferentes porque ambos dígitos pueden ser asignados a una determinado estado de la máquina (corriente - no corriente, luz - no luz, etc.) y la posibilidad de interpretar incorrectamente la información es menor. En el procesamiento de información, estas dos condiciones se representan por interruptores electrónicos. Pero, puesto que mucha de esta información se presenta en forma de letras o números, primero han de ser convertidas a un lenguaje que la máquina sea capaz de entender, es decir, a los valores lógicos de 0 ó 1. A este procedimiento se le denomina codificación. La transmisión de cada carácter tiene que tener lugar de acuerdo a unas especificaciones definidas. Esa especificación definida se denomina código. Un ejemplo de código conocido sería el código Morse. Pero, puesto que nuestro alfabeto consiste en 29 letras, 10 números y algunos caracteres especiales (comas, interrogaciones, etc.), no nos sería posible representar todos estos caracteres con tan sólo dos dígitos. Para poder diferenciar entre todos los caracteres anteriores, cada carácter de nuestro alfabeto se codifica con exactamente 8 bits, combinando los ceros y los unos en una posición definida. Con 8 bits tenemos la posibilidad de representar hasta 255 caracteres diferentes. Para que este intercambio de información digital entre diferentes sistemas de procesamiento de información sea valido, se han de cumplir unas especificaciones concretas. Esta especificación para ordenadores personales se denomina, código ASCII (American Standard Code for Information Interchange). 06/10 Vehículos Industriales Ligeros • Interconexión y redes CAN 00_Ar_LT25_1511_7457_V01_NTB3_16.07.07 Sistemas de numeración 64
  • 65.
    Convertidores 01.06.2010 Convertidores analógico/digital y digital/analógico (A/D y D/A) Las señales naturales, las generadas por los humanos (música, lenguaje) o las que sentimos del medio ambiente (temperatura, presión) y su representación eléctrica (tensión, intensidad) son valores analógicos, es decir, varían en función del tiempo. Si se quiere transmitir esta información digtalmente es necesaria una conversión analógica/digital. Con esto se consigue representar la misma magnitud en secuencias de ceros y unos. Si en última instancia una persona quiere interpretar la información digital procesada por una máquina, es necesaria una nueva conversión digital/analógica (en un sonido, por ejemplo). En el ejemplo mostrado en el dibujo, el convertidor analógico/digital convierte en tiempo real la señal de audio de un micrófono a señales digitales. El procesador de señal digital (DSP) permite el procesamiento de dicha señal en el PC. Las señales analógicas se convierten en digitales otra vez y alimentan el sistema de amplificación PC control 16 bit 16 bit Señal analógica ADC DSP DAC Señal analógica del microfono al amplificador 06/10 Vehículos Industriales Ligeros • Interconexión y redes CAN 00_Ar_LT25_1511_7457_V01_NTB3_16.07.07 Convertidores 65
  • 66.
    Interconexión en vehículosMercedes-Benz 01.06.2010 Los participantes serán capaces de: • Explicar porque son necesarias las interconexiones de buses de datos (CAN, D2B, MOST, etc.) en los vehículos MB. • Comprender el principio de funcionamiento del bus de datos CAN. • Conocer las diferencias entre los dos buses de datos CAN existentes en nuestros vehículos (CAN B y CAN C). • Explicar como está estructurado un mensaje del bus de datos CAN. • Diagnosticar el estado del bus de datos CAN con ayuda de la Técnica de Medición. • Explicar el principio de funcionamiento del bus de datos LIN. • Conocer las diferencias entre el bus de datos CAN y el LIN. • Diagnosticar el estado del bus de datos LIN mediante la Técnica de Medición. • Explicar conceptos tales como, telegrama, velocidad de transferencia o gateway. • Comprender el principio de funcionamiento de la fibra óptica, tanto D2B como MOST. • Explicar las diferencias fundamentales entre D2B y MOST. • Realizar el diagnostico práctico de averías utilizando todos los medios disponibles en el taller, tales como osciloscopio, multímetro, esquemas eléctricos, DAS, WIS, etc. 06/10 Vehículos Industriales Ligeros • Interconexión y redes CAN 00_Ar_LT25_1511_7457_V01_NTB3_16.07.07 Interconexión en vehículos Mercedes-Benz 66
  • 67.
    Ejercicio Comentar en grupo las siguientes cuestiones: • ¿Por qué necesitamos sistemas de interconexión digitales en nuestros vehículos? • ¿Cómo se realizaba el intercambio de información entre unidades de control hace 20 años? • ¿Qué es y qué significa CAN? • ¿Es un sistema de bus de datos seguro? • ¿Son los sistemas de buses de datos (CAN B, CAN C, CAN D) suficientes para transmitir la información de manera adecuada? • ¿Cuánta información o mensajes se pueden transmitir a través de estos buses de datos? • ¿Por qué se necesita fibra óptica para la transmisión de información? • ¿Cúal será la progresión de estos buses de datos en un futuro? • ¿Qué significa interconexión en red? 06/10 Vehículos Industriales Ligeros • Interconexión y redes CAN 00_Ar_LT25_1511_7457_V01_NTB3_16.07.07 Interconexión en vehículos Mercedes-Benz 67
  • 68.
    06/10 Vehículos Industriales Ligeros • Interconexión y redes CAN 00_Ar_LT25_1511_7457_V01_NTB3_16.07.07 Interconexión en vehículos Mercedes-Benz 68
  • 69.
    Controller Area Network(CAN) 01.06.2010 El bus de datos CAN es un protocolo desarrollado por Bosch para el intercambio de información (datos) entre unidades de control electrónicas del automóvil. CAN Controler Area Network (Red de área de control) Un BUS DE DATOS es un elemento que permite transportar una gran cantidad de información entre las unidades de control que se encuentran abonadas al sistema. Las principales ventajas que existen son: Ahorro en el cableado Las uniones con los sensores y actuadores no se pueden sustituir, aunque a menudo se pueden acortar (por ejemplo en el bus del habitáculo). Situando hábilmente las unidades de control existentes e introduciendo las nuevas unidades de control en puntos estratégicos del vehículo (p.ej. en las puertas) se pueden lograr unos ahorros considerables en el mazo de cables. De esta forma aumentan considerablemente las funciones presentes en los sistemas del automóvil donde se emplea el CAN-BUS sin aumentar los costes, además de que estas funciones pueden estar repartidas entre dichas unidades de control. Gastos de desarrollo En un cableado convencional es preciso que para cada señal se prevea no solo el hilo sino también una codificación, un receptor y una decodificación. Esto da gran complejidad si se trata de señales analógicas (como por ejemplo temperatura, revoluciones). En cambio el intercambio de datos a través de CAN es sumamente sencillo. 06/10 Vehículos Industriales Ligeros • Interconexión y redes CAN 00_Ar_LT25_1511_7457_V01_NTB3_16.07.07 Controller Area Network (CAN) 69
  • 70.
    Historia del busde datos CAN El bus de datos CAN es un protocolo desarrollado por Bosch para el intercambio de información (datos) entre unidades de control electrónicas del automóvil. 1983 El desarrollo del protocolo CAN en Bosch comenzó en 1983. El protocolo CAN se diseña en un principio para los requisitos de la cadena cinemática (CAN-Motor) del vehículo. 1985 En 1985 queda terminada la primera especificación CAN (completa), en la que se determina también el interfaz con la CPU. Con Bosch colabora Intel, como principal fabricante de semiconductores y comienza el desarrollo del chip. 1987 En 1987 está el primer silicio del 82526 de Intel. Interfaz CAN con plenas condiciones de funcionamiento, problemas menores con el interfaz de la CPU. Se puede utilizar para aplicaciones de prototipo con CAN. 1988 En 1988 está disponible el chip de serie cualificado 82526 de Intel. 1989 En 1989 están en el mercado las primeras cantidades de muestra del chip CAN básico de la firma Philips (82C200). 1990 Introducción del CAN-Motor en un vehículo de serie (Clase S / BR 140) 1994 Especificación ISO 11898 1997 Introducción del CAN-Habitáculo en un vehículo de serie (Clase C / BR202) 06/10 Vehículos Industriales Ligeros • Interconexión y redes CAN 00_Ar_LT25_1511_7457_V01_NTB3_16.07.07 Controller Area Network (CAN) 70
  • 71.
    Características del protocoloCAN • La información que circula entre las unidades de mando a través de los dos cables (bus) son paquetes de 0 y 1 (bit) con una longitud limitada y con una estructura definida de campos que conforman el mensaje. • Uno de esos campos actúa de identificador del tipo de dato que se transporta, de la unidad de mando que lo trasmite y de la prioridad para trasmitirlo respecto a otros. El mensaje no va direccionado a ninguna unidad de mando en concreto, cada una de ellas reconocerá mediante este identificador si el mensaje le interesa o no. • Todas las unidades de mando pueden ser transmisoras y receptoras, y la cantidad de las mismas abonadas al sistema puede ser variable (dentro de unos límites). • Si la situación lo exige, una unidad de mando puede solicitar a otra, una determinada información mediante uno de los campos del mensaje (trama remota o RTR). • Cualquier unidad de mando introduce un mensaje en el bus con la condición de que esté libre, si otra lo intenta al mismo tiempo el conflicto se resuelve por la prioridad del mensaje indicado por el identificador del mismo. • El sistema está dotado de una serie de mecanismos que aseguran que el mensaje es trasmitido y recepcionado correctamente. Cuando un mensaje presenta un error, es anulado y vuelto a trasmitir de forma correcta, de la misma forma una unidad de mando con problemas avisa a las demás mediante el propio mensaje, si la situación es irreversible, dicha unidad de mando queda fuera de servicio (bus off) pero el sistema sigue funcionando. Sistemas bus en los vehículos Mercedes- Benz: Hay en la (actualidad) 4 sistemas bus para el vehículo y las funciones correspondientes: • Bus CAN de la clase C (CAN del motor, CAN de diagnóstico) • Bus CAN de la clase B (CAN del interior) • Bus D2B o MOST • Bus LIN 06/10 Vehículos Industriales Ligeros • Interconexión y redes CAN 00_Ar_LT25_1511_7457_V01_NTB3_16.07.07 Controller Area Network (CAN) 71
  • 72.
    Elementos que componenel sistema CAN • Cables La información circula por dos cables trenzados que unen todas las unidades de control que forman el sistema. Esta información se trasmite por diferencia de tensión entre los dos cables, de forma que un valor alto de tensión representa un 1 y un valor bajo de tensión representa un O. La combinación adecuada de unos y ceros conforman el mensaje a transmitir. 06/10 Vehículos Industriales Ligeros • Interconexión y redes CAN 00_Ar_LT25_1511_7457_V01_NTB3_16.07.07 Controller Area Network (CAN) 72
  • 73.
    En un cablelos valores de tensión oscilan entre 2.25V y 0V, por lo que se denomina cable L (Low) y en el otro, el cable H (High) lo hacen entre 2.75V y 5V. En caso de que se interrumpa la línea H o que se derive a masa, el sistema trabajará con la señal de Low con respecto a masa. En el caso de que se interrumpa la línea L, ocurrirá lo contrario. Esta situación permite que el sistema siga trabajando con uno de los cables cortados o comunicados a masa, incluso con ambos comunicados también sería posible el funcionamiento, quedando fuera de servicio solamente cuando ambos cables se cortan. Es importante tener en cuenta que el trenzado entre ambas líneas sirve para anular los campos magnéticos, por lo que no se debe modificar en ningún caso. • Terminación Son resistencias conectadas a los extremos de los cables H y L. Sus valores se obtienen de forma empírica y permiten adecuar el funcionamiento del sistema a diferentes longitudes de cables y número de unidades de control abonadas, ya que impiden fenómenos de reflexión que pueden perturbar el mensaje. Estas resistencias están alojadas en el interior de algunas de las unidades de control del sistema por cuestiones de economía y seguridad de funcionamiento. • CAN-Controlador Es el elemento encargado de la comunicación entre el microprocesador de la unidad de control y el trasmisor-receptor. Trabaja acondicionando la información que entra y sale entre ambos componentes. El controlador está situado en la unidad de control, por lo que existen tantos como unidades estén conectadas al sistema. Este elemento trabaja con niveles de tensión muy bajos y es el que determina la velocidad de transmisión de los mensajes, que será más o menos elevada según el compromiso del sistema. Así, en la línea de CAN-Bus del motor (Class_C) de 500 Kbaudios, y en el sistema del habitáculo (Class B) de 83,333 Kbaudios. Este elemento también interviene en la necesaria sincronización entre las diferentes unidades de mando para la correcta emisión y recepción de los mensajes. • Excitador del bus También denominado TRANSCEIVER (transmisor – receptor). El trasmisor - receptor es el elemento que tiene la misión de recibir y de transmitir los datos, además de acondicionar y preparar la información para que pueda ser utilizada por los controladores. Esta preparación consiste en situar los niveles de tensión de forma adecuada, amplificando la señal cuando la información se vuelca en la línea y reduciéndola cuando es recogida de la misma y suministrada al CAN-Controlador. El trasmisor-receptor es básicamente un circuito integrado que está situado en cada una de las unidades de control abonadas al sistema, trabaja con intensidades próximas a 0.5 A y en ningún caso interviene modificando el contenido del mensaje. Funcionalmente está situado entre los cables que forman la línea Can-Bus y el CAN-Controlador. 06/10 Vehículos Industriales Ligeros • Interconexión y redes CAN 00_Ar_LT25_1511_7457_V01_NTB3_16.07.07 Controller Area Network (CAN) 73
  • 74.
    Estructura de losmensajes del bus CAN 01.06.2010 Como los buses de datos marcarán el futuro de la técnica en los vehículos industriales y como cada vez es más fácilmente posible analizar los datos, vamos a echar un vistazo a la estructura de un mensaje CAN. Se debe mantener un orden exacto cuando más de 500 000 Bits/segundo pueden ser transmitidos por una línea de bus. El comienzo y el final del mensaje se deben marcar, a sí mismo, se deben integrar funciones de control y debe haber un identificador por el cual la unidad de control pueda detectar el contenido del mensaje y más cosas. Además el bus de datos CAN es un sistema "Multi-Maestro", esto significa, que todas las unidades de control tienen el mismo derecho para transmitir. Ahora bien, la importancia del mensaje debe ser identificable, para determinar el orden cuando varias unidades quieran transmitir simultáneamente. El resultado es una lista de especificaciones P54.00-1037-09 que debe cumplir cada unidad, ¡el protocolo de datos! Todos los datos importantes, que debe contener un mensaje completo, están contenidos en la trama de datos. Vamos a ver la estructura de esta trama de datos y a intentar entender los componentes individuales. 06/10 Vehículos Industriales Ligeros • Interconexión y redes CAN 00_Ar_LT25_1511_7457_V01_NTB3_16.07.07 Estructura de los mensajes del bus CAN 74
  • 75.
    Donde las siguientesexplicaciones requieren un ejemplo, tomaremos el mensaje: "Temperatura de motor 80°C". Idle: Se conoce como "bus idle" o "bus en reposo". Mientras que no se envía ningún mensaje el bus de datos se encuentra en este estado (recesivo). Start of Frame (Campo de inicio del mensaje): Marca el comienzo de un mensaje. Es conocido también como "Bit de inicio". Arbitration Field (Campo de arbitro o identificador): Contiene un identificador del mensaje (Temperatura de motor) en forma de número. Los 11 bit de este campo se emplean como identificador que permite reconocer a las unidades de mando y la prioridad del mensaje. El valor numérico del identificador establece al mismo tiempo la prioridad para la asignación del bus. Por ese motivo, la identificación de la comunicación deberá establecerse de acuerdo con la urgencia de la comunicación (del mensaje). Cuanto más alto es el número del ID menor es la prioridad. Existe también un bit 12 que es un bit de control (RTR). El bit RTR indica si el mensaje contiene datros (RTR=0) o si se trata de una trama remota sin datos (RTR=1). Una trama de datos siempre tiene una prioridad más alta que una trama remota. Control Field (Campo de control): El campo de control indica cuantos bytes se transmiten en el campo de datos. Data Field (Campo de datos): En el campo de datos aparece finalmente el valor de temperatura (80°C), que por ejemplo se muestra en el KI. Puede contener entre 0 y 8 bytes (0 a 64 bits). CRC Field (Campo de aseguramiento): Secuencia CRC + Delimitador CRC = Campo de CRC Este campo tiene una longitud de 16 bits y es utilizado para la detección de errores por los 15 primeros, mientras el último siempre es un bit recesivo (1) que delimita el campo CRC. ACK Field (Campo de confirmación): El campo ACK está compuesto por dos bit que son siempre recesivos (1). Todas las unidades que reciben el mismo CRC modifican el primer bit del campo ACK por uno dominante (0), de forma que la unidad de mando que está todavía transmitiendo reconoce que al menos alguna unidad de mando ha recibido el mensaje correctamente. De no ser así, la unidad de mando transmisora interpreta que su mensaje presenta un error. End of Frame (Campo de final de mensaje): La identificación del final de la comunicación tiene una longitud de 7 bits (recesivos). Intermisión (Campo de intermisión): El espacio entre el siguiente mensaje se compone de 3 Bits recesivos. 06/10 Vehículos Industriales Ligeros • Interconexión y redes CAN 00_Ar_LT25_1511_7457_V01_NTB3_16.07.07 Estructura de los mensajes del bus CAN 75
  • 76.
    Además de mensajesde datos (Data Frame) existen también en CAN • Mensajes remotos (Remote Frame), • Mensajes de error (Error Frame), que pueden aparecer en determinadas situaciones. También existen dos variantes de Identificador: • Estándar ID (11 Bit) • Extendido ID (29 Bit) En vehículos industriales ligeros hasta ahora se utiliza el ID Estándar. 06/10 Vehículos Industriales Ligeros • Interconexión y redes CAN 00_Ar_LT25_1511_7457_V01_NTB3_16.07.07 Estructura de los mensajes del bus CAN 76
  • 77.
    Funcionamiento CAN Conceptosbásicos Nivel dominante y recesivo: En el CAN se distingue entre los niveles del bus dominante (O) y recesivo (1). Si diversas unidades de control establecen niveles dominantes y recesivos al mismo tiempo, se establece en el bus el nivel dominante. El nivel recesivo únicamente puede establecerse en el bus si todas las unidades lo emiten simultáneamente. Bitstuffing: En ocasiones, en determinados mensajes se producen cadenas muy largas de ceros y unos que pueden provocar una pérdida de sincronización, dado que no se dispone de flancos que permiten sincronizar el receptor de acuerdo con el receptor. Para resolver este problema se inserta un bit de diferente polaridad. La unidad que recoge este mensaje ignora dicho bit. Arbitraje: El arbitraje es la asignación del derecho de acceso al bus. El CAN es un sistema muti-maestro, en el que la prioridad de los mensajes se corresponde con el identificador de la unidad de control. Por tanto el identificador, permite determinar que unidad de control ha enviado un mensaje al bus y al mismo tiempo proporciona la prioridad del mismo (identificador más bajo, más preferencia). Tratamiento de errores: Las unidades de control están preparadas para la identificación de errores (error de bit, error ACK, error CRO, error bitstuffing o error de formato). Una vez identificado un error, emiten el correspondiente mensaje de error al bus de datos. Internamente, las unidades de control disponen de unos contadores de fallos, que en caso que superen un número determinado, conmuta al estado BUS OFF (bus desconectado) 06/10 Vehículos Industriales Ligeros • Interconexión y redes CAN 00_Ar_LT25_1511_7457_V01_NTB3_16.07.07 Estructura de los mensajes del bus CAN 77
  • 78.
    +5 V Ejemplo recesivo: Solamentecuando todos los participantes del bus Línea del bus 5V recesivo envían de manera recesiva (ninguna conexión a masa) está la línea del bus a nivel 5V recesivo. 1 2 3 +5V Ejemplo dominante: Cuando por lo menos un participante del bus envía una nivel dominante (ejemplo conexión a Línea del bus 0V dominante masa), entonces la línea del bus de está a nivel 0V dominante. ("El bus se va a 0"). 1 2 3 06/10 Vehículos Industriales Ligeros • Interconexión y redes CAN 00_Ar_LT25_1511_7457_V01_NTB3_16.07.07 Estructura de los mensajes del bus CAN 78
  • 79.
    Representación del mensajedel bus de datos CAN 01.06.2010 Representación lógica Hemos aprendido en los últimos años que un mensaje de bus de datos tiene la siguiente forma (figura derecha). Un cierto número de bits representados por 0s ó 1s en sucesión. Cuanto más largo es el mensaje se necesitan más o menos bits. Un grupo de 8 Bits se conoce como 1 Byte. 1 0 1 0 0 1 1 1 En esta figura los voltajes y los cambios no son importantes. Lo que realmente importa es la sucesión de 0 y 1. Esta es la representación lógica de un mensaje. Si usamos el osciloscopio para visualizar la señal de un sistema de bus de datos, se verá la señal algo diferente a la representación lógica. En el caso del bus CAN tenemos dos señales invertidas, parcialmente superpuestas con respecto a la tensión. Esta vista es la "representación física". 06/10 Vehículos Industriales Ligeros • Interconexión y redes CAN 00_Ar_LT25_1511_7457_V01_NTB3_16.07.07 Representación del mensaje del bus de datos CAN 79
  • 80.
    Conexión del busde datos CAN del motor (CAN-C) Representación física CAN clase C, 500kBit/s UBus V lógico 1 lógico 0 lógico 1 • Velocidad de transmisión de datos: 125 kBit/s – 1 Mbit/s (en MB 500 Kbit/s) 6 • Longitud del bus: hasta 40m con 1Mbit/s • Transmisión simétrica de señal a través de 5 un conductor de 2 hilos • Corriente de salida del emisor > 25 mA 4 VCAN-High • Resistencia de cierre de la línea (impedancia) = 120Ω 3 Vdiff Los voltajes son analizados siempre por la función 2 lógica en términos de diferencia de tensión entre VCAN-Low High y Low. 1 Esta es la razón por la que un CAN de clase C t no puede funcionar en modo unifilar. recesivo dominante recesivo 06/10 Vehículos Industriales Ligeros • Interconexión y redes CAN 00_Ar_LT25_1511_7457_V01_NTB3_16.07.07 Representación del mensaje del bus de datos CAN 80
  • 81.
    Principio de funcionamientodel CAN C El bus de datos CAN del motor (según norma ISO 11898) es un sistema pasivo de 2 hilos o cables, en cuyos extremos se dispone de unas resistencias terminales. La impedancia de cada resistencia es de 120Ω. Su función es evitar reflexiones de señal (en señales de alta frecuencia) así como evitar picos de tensión durante la transmisión. Cuando ninguna estación está transmitiendo (todos los transistores están apagados), la diferencia de tensión en la línea virtual es cero. El potencial eléctrico con respecto a masa es de aproximadamente 2.5 voltios. Este voltaje se fija mediante el receptor en las estaciones individuales. Cuando se envía un nivel dominante, el voltaje se eleva en la línea CAN H mediante un transistor transistor PNP, el voltaje en la línea CAN L se reduce por medio de un transistor NPN. En ese momento la diferencia de tensión respecto ambas líneas es de 1.8 según la norma ISO. Se necesitan corrientes relativamente grandes para enviar un nivel dominante. Desde el punto de vista de cada unidad de control, hay resistencias de 120 ohmios en ambos extremos del bus. Al estar conectadas en paralelo, tenemos una resistencia de 60 ohmios. Necesitamos por tanto una corriente de 30 mA para generar una diferencia de tensión de 1.8 volts sobre una resistencia de 60 ohmios. 06/10 Vehículos Industriales Ligeros • Interconexión y redes CAN 00_Ar_LT25_1511_7457_V01_NTB3_16.07.07 Representación del mensaje del bus de datos CAN 81
  • 82.
    Conexión del busde datos CAN del habitáculo (CAN-B) Representación física CAN clase B, 83,333 kBit/s UBus V • Velocidad de transmisión de datos: 10kBits hasta 125 lógico 1 lógico 0 lógico1 kBit/s (en MB 83,333 Kbit/s) • Transmisión simétrica de señal a través de un 6 conductor de 2 hilos • Corriente de salida del emisor < 1 mA 5 • Línea bus con tensión diferencial en régimen de reposo mediante red de cierre con potencial prefijado (modo 4 VCAN-High CAN- de hibernación). • La longitud máxima del bus depende de la velocidad de 3 transmisión de datos. 2 VCAN-Low VCAN- 1 t recesivo dominante recesivo 06/10 Vehículos Industriales Ligeros • Interconexión y redes CAN 00_Ar_LT25_1511_7457_V01_NTB3_16.07.07 Representación del mensaje del bus de datos CAN 82
  • 83.
    Principio de funcionamientodel CAN B El CAN-B es un sistema de bus de datos de 2 hilos, donde cada una de las dos líneas trabaja respecto a masa, es decir, que no trabaja la una respecto a la otra como ocurría en el CAN-C para reconocer un bit dominante. Se puede observar que no dispone de resistencias terminales propiamente dichas, sino que dispone de una serie de resistencias internas que mantiene el nivel de tensión del bus de datos en sus valores correctos. En este caso no son necesarias resistencias terminales puesto la frecuencia del bus de datos es menor, con lo cual las reflexiones de señal no son apenas posibles (el cableado tampoco es excesivamente largo). Por tanto, para el CAN—B si que existe el modo de funcionamiento unifilar, es decir, que si una de las líneas tiene un problema (cortocircuito a masa, cable cortado, etc.) el sistema puede seguir trabajando mediante un único cable. 06/10 Vehículos Industriales Ligeros • Interconexión y redes CAN 00_Ar_LT25_1511_7457_V01_NTB3_16.07.07 Representación del mensaje del bus de datos CAN 83
  • 84.
    Distribuidores de potencial 01.06.2010 Distribuidor de potencial del Bus CAN Motor Lugar de montaje SPRINTER BM 906: • Pared lateral del espacio de los pies del acompañante Lugar de montaje VITO/VIANO: • Bolsa de plástico negro espacio de los pies del acompañante Parcialmente también en un soporte en la pared lateral del espacio de los pies del acompañante (posición antigua) 06/10 Vehículos Industriales Ligeros • Interconexión y redes CAN 00_Ar_LT25_1511_7457_V01_NTB3_16.07.07 Distribuidores de potencial 84
  • 85.
    Ejercicio En una de las conexiones del distribuidor de potencial hay 3 pines y en el resto hay solamente 2. Busque con ayuda del componente, para qué sirve este tercer pin. Haga un esquema. Conexión a masa para la supresión del ruido (Ver PPT) 06/10 Vehículos Industriales Ligeros • Interconexión y redes CAN 00_Ar_LT25_1511_7457_V01_NTB3_16.07.07 Distribuidores de potencial 85
  • 86.
    Distribuidor de potencialdel Bus CAN Habitáculo El distribuidor de potencial del bus CAN del habitáculo es un distribuidor puro, en contraste con el distribuidor de potencial del bus CAN de motor. No hay integrado ningún material para la supresión de interferencias. Lugar de montaje VITO/VIANO: • Bolsa de plástico negro en el espacio de los pies del acompañante Lugar de montaje SPRINTER: GT00_19_0145_C81 GT0019_0146_C81 Leyenda 1 X30/24 y X30/26 Distribuidor de potencial I-CAN 2 X30/27 Distribuidor de potencial M-CAN 1 X30/25 Distribuidor de potencial I-CAN (Puesto de conducción) 3 Unidad de control LWR 06/10 Vehículos Industriales Ligeros • Interconexión y redes CAN 00_Ar_LT25_1511_7457_V01_NTB3_16.07.07 Distribuidores de potencial 86
  • 87.
    Ejercicio Dos unidades de control del bus CAN del habitáculo en SPRINTER BM 906 no están conectadas al distribuidor de potencial. ¿Cuáles son y como están conectadas al I-CAN? Unidad de mando de techo está conectada al SAM El PTC.está conectado a la unidad de mando/unidad de control (KLA) La unidad de mando de la calefacción (no KLA) no contiene ninguna unidad de control. El bus de datos del habitáculo solo está puenteado.. Ejercicio ¿A qué distribuidor de potencial está conectado el SAM en una SPRINTER BM 906? X30/24 en el frente del espacio de los piés del acompañante. 06/10 Vehículos Industriales Ligeros • Interconexión y redes CAN 00_Ar_LT25_1511_7457_V01_NTB3_16.07.07 Distribuidores de potencial 87
  • 88.
    Práctica 1 01.06.2010 Cambio de grupo a los 50 min GT00_00_0534_C71 GT00_00_0535_C81 Ejercicio 1 Ejercicio 2 - 4 06/10 Vehículos Industriales Ligeros • Interconexión y redes CAN 00_Ar_LT32_1511_7457_V01_NTB3_27.06.07 Práctica 1 88
  • 89.
    Ejercicio 1 Reclamación del cliente: El instrumento combinado así como el elevalunas no funcionan y el testigo de control del Airbag se encuentra siempre iluminado! Intermitentes, cierre centralizado, ¿Qué información tengo con respecto al El fallo ocurre de repente problema del cliente? SAM,Unidad de control de puerta,SRS , OBF ¿Qué sistemas /subsistemas podrían CAN estar relacionados con el problema? DAS ¿Qué pruebas realizaré y cómo? Alimentación de tensión, CAN Comparación valor real-nominal Conexiones cables CAN X30/25.1 cables rotos Rotura de cable debido a mala conexión ¿Cuál podría haber sido la causa del problema? Reparación cables ¿Cómo realizo la reparación y cómo compruebo si se ha eliminado así el problema? P00.00-2791-03 06/10 Vehículos Industriales Ligeros • Interconexión y redes CAN 00_Ar_LT32_1511_7457_V01_NTB3_27.06.07 Práctica 1 89
  • 90.
    Ejercicio 2 ¡Dibuje con ayuda del HMS la señal del I-CAN! ¿Qué valores de tensión alcanza el CAN-High y el CAN-Low? CAN high aproximadamente 0,3 V/4,5 V CAN low aproximadamente 5 V/1 V 06/10 Vehículos Industriales Ligeros • Interconexión y redes CAN 00_Ar_LT32_1511_7457_V01_NTB3_27.06.07 Práctica 1 90
  • 91.
    Ejercicio 3 ¡Provoque un cortocircuito contra masa en la línea High del bus de datos I-CAN y describa el cambio en la imagen! Ninguna señal en la línea High, funcionamiento unifilar en la línea Low ¡Provoque un cortocircuito contra masa en la línea Low del bus de datos I-CAN y describa el cambio en la imagen! Ninguna señal en la línea Low, funcionamiento unifilar en la línea High ¡Provoque un cortocircuito entre las líneas High y Low del bus de datos I-CAN y describa el cambio de la imagen! Ningún cambio en la señal de la línea High, señal Low invertida Ejercicio 4 Grabe la señal del bus de datos I-CAN. ¿Cómo cambia cuando el I-CAN se va a dormir? Durante poco tiempo L = 5 V y H = 0 V, después L = 12 V y H = 0 V 06/10 Vehículos Industriales Ligeros • Interconexión y redes CAN 00_Ar_LT32_1511_7457_V01_NTB3_27.06.07 Práctica 1 91
  • 92.
    Práctica 2 01.06.2010 Cambio de grupo a los 40 min GT00_00_0535_C81 GT00_00_0534_C71 Ejercicio 1 Ejercicio 2 - 3 06/10 Vehículos Industriales Ligeros • Interconexión y redes CAN 00_Ar_LT32_1511_7457_V01_NTB3_27.06.07 Práctica 2 92
  • 93.
    Ejercicio 1 Reclamación del cliente: ¡Motor de arranque no gira! Testigo ESP en el cuadro de instrumentos ¿Qué información tengo con respecto al problema del cliente? Motor de arranque, FBS, EZS, Alimentación de tensión ¿Qué sistemas /subsistemas podrían M-CAN estar relacionados con el problema? Test breve en varias unidades de control: Fallo en el bus CAN ¿Qué pruebas realizaré y cómo? Comparación valor real - nominal M-CAN, comprobación cables CAN Medir señal conla técnica de medición Resistencia de trasnición en las líneas o en el distribuidor de potencial Corrosión por humedad en el habitáculo ¿Cuál podría haber sido la causa del problema? Renovar cables ¿Cómo realizo la reparación y cómo Borrar fallos compruebo si se ha eliminado así el Prueba de conducción, test breve problema? P00.00-2791-03 06/10 Vehículos Industriales Ligeros • Interconexión y redes CAN 00_Ar_LT32_1511_7457_V01_NTB3_27.06.07 Práctica 2 93
  • 94.
    Ejercicio 2 ¡Dibuje con ayuda del HMS la señal del M-CAN! ¿Qué valores de tensión alcanza el CAN-High y el CAN-Low? CAN high aproximadamente 2,5 V/3,5 V CAN low aproximadamente 2,5 V/1,5 V 06/10 Vehículos Industriales Ligeros • Interconexión y redes CAN 00_Ar_LT32_1511_7457_V01_NTB3_27.06.07 Práctica 2 94
  • 95.
    Ejercicio 3 Mida con un multímetro la resistencia total del bus de datos CAN de Motor y las resistencias individuales! ¿En qué componentes se encuentran las resistencias terminales? Resistencia total aprox. 60 Ohm Resistencia final aprox. 120 Ohm, Distribuidor de potencial Resistencia final aprox. 120 Ohm, Unidad de control de motor Ejercicio 4 Conectar en paralelo la década ohmica para simular una resistencia terminal defectuosa. Conectar en paralelo 10KΩ y a continuación 10Ω, observando las señales correspondientes con el osciloscopio en cada caso. Anotar también el valor de la resistencia de cierre total del bus de datos. 06/10 Vehículos Industriales Ligeros • Interconexión y redes CAN 00_Ar_LT32_1511_7457_V01_NTB3_27.06.07 Práctica 2 95
  • 96.
    Práctica 3 01.06.2010 Cambio de grupo a los 40 min GT00_00_0534_C71 GT00_00_0535_C81 Ejercicio 1 Ejercicio 2 - 3 06/10 Vehículos Industriales Ligeros • Interconexión y redes CAN 00_Ar_LT32_1511_7457_V01_NTB3_27.06.07 Práctica 3 96
  • 97.
    Ejercicio 1 ¡Dibuje con ayuda del HMS la señal del D-CAN! ¿Qué valores de tensión alcanza el CAN-High y el CAN-Low? CAN high aprox. 2,5 V/3,5 V CAN low aprox. 2,5 V/1,5 V durante el test breve Ejercicio 2 ¡Mida con ayuda de un multímetro la resistencia total del bus de datos D-CAN! ¿En qué componente se encuentra la resistencia final? Resistencia final aprox. 60 Ohm, EZS 06/10 Vehículos Industriales Ligeros • Interconexión y redes CAN 00_Ar_LT32_1511_7457_V01_NTB3_27.06.07 Práctica 3 97
  • 98.
    Bus de datosLIN 01.06.2010 LIN – Local Interconnect Network El bus de datos LIN (Local Interconnect Network) es el más actual y universal de los sistemas de comunicación serie de bajo coste. Este tipo de bus de datos permite una comunicación económica para sensores y actuadores inteligentes, para los cuales la flexibilidad del CAN no es necesaria. El protocolo de comunicación y el formato de datos está basado en el concepto Único Maestro/ Múltiples Esclavos. Físicamente posee un sólo cable y la tensión llega a 12V. Son candidatos típicos para una activación por medio del bus LIN los módulos de las puertas (elevalunas, bloqueo de la cerradura, ajuste del espejo retrovisor), los controles del volante (radio, telefono, etc.), el ajuste de los asientos, el alternador y otros muchos. El arbitraje se realiza por medio de un bus-master, por lo que ya no es necesario un administrador de colisiones de transmisión para todos los nodos esclavos. De este modo se define y garantiza también el tiempo máximo de transmisión. Un nodo (esclavo) en la red no necesita conocer la configuración del sistema, a excepción del master. Por lo tanto, se pueden añadir o quitar nodos sin modificaciones de software o hardware en los esclavos ya existentes. Ejemplo Maestro: CDI Unidad de control OM642 (1) Ejemplo Esclavo: Alternador (2), Etapa final de precalentamiento (3) 1 LIN Leyenda 1 Maestro (Unidad de control CDI OM642) 2 3 2 Esclavo (Alternador) 3 Esclavo (Etapa final de precalentamiento) 06/10 Vehículos Industriales Ligeros • Interconexión y redes CAN 00_Ar_LT32_1511_7457_V01_NTB3_27.06.07 Bus de datos LIN 98
  • 99.
    Las características delbus de datos LIN son las siguientes: Número de participantes del bus de datos: 1 Maestro y hasta 16 Esclavos Tasa de transmisión: 19.200Bit/s Maestro manda petición, los esclavos deben responder Posibilidades de regulación: Regulación de tensión Limitación de la corriente de excitación Cambio de la carga (en %) Desconexión del número de revoluciones Indicador de estado/Régimen del alternador: Medición de la corriente de excitación Ciclo de trabajo momentáneo Régimen normal – ningún fallo Regulación de temperatura Fallo mecánico Fallo eléctrico 06/10 Vehículos Industriales Ligeros • Interconexión y redes CAN 00_Ar_LT32_1511_7457_V01_NTB3_27.06.07 Bus de datos LIN 99
  • 100.
    Ejercicio 1 ¡Dibuje con ayuda del HMS la señal del bus de datos LIN! ¿Qué valores de tensión alcanza el bus de datos LIN con el motor en ralentí? aprox. 14 V/0,2 V Valor de tensión LIN 06/10 Vehículos Industriales Ligeros • Interconexión y redes CAN 00_Ar_LT32_1511_7457_V01_NTB3_27.06.07 Bus de datos LIN 100
  • 101.
    Ejercicio 2 ¿En qué sistemas se monta un bus de datos LIN en SPRINTER y VITO/VIANO? RDK, Etapa final de precalentamiento OM642, Alternador Como se puede ver el bus de datos LIN trabaja con una tensión entre UBat y prácticamente 0V. En vacío (Idle) o con un bit recesivo tenemos UBat, si la unidad de control envía un bit dominante, entonces tendremos una tensión cercana a los 0V. 06/10 Vehículos Industriales Ligeros • Interconexión y redes CAN 00_Ar_LT32_1511_7457_V01_NTB3_27.06.07 Bus de datos LIN 101
  • 102.
    Bus D2B 01.06.2010 El bus D2B, la transmisión de los datos se realiza por medio de impulsos de luz. Esos impulsos se trasnmiten a través de un conductor de fibra óptica a los componentes conectados al sistema bus. Para la trasnmisión por medio del D2B (Digital Data Bus), las órdenes dadas con la pulsación de teclas,a sí como cualquier otro tipo de información, se tienn que transformar en información óptica (impulsos de luz). A la inversa, en los componentes receptores se han de convertir los impulsos de luz en señales eléctricas para seguir siendo procesadas. Tales transformaciones/conversiones se realizan por medio de los llamados módulos interface D2B en los distintos componentes individuales. La velocidad de transmisión de los datos puede ser de hasta 5,6 Mbit/s y en teoría pueden estar conectados hasta 61 participantes. Por medio del bus D2B se transmiten datos de control y de audio. Como consecuencia del empleo de un sistema óptico para la transmisión de datos, el sistema es muy resistente a las interferencias electromagnéticas. 06/10 Vehículos Industriales Ligeros • Interconexión y redes CAN 00_Ar_LT32_1511_7457_V01_NTB3_27.06.07 Bus D2B 102
  • 103.
    MOST 01.06.2010 El bus MOST (Media Orientated Systems Transport) también pertenece a los sistemas de bus de campo. Desde el punto de vista funcional es similar al anillo D2B, es decir, un sistema bus para la transmisión de señales de audio, video, voz y datos por medio de conductores de fibra óptica. El bus MOST se utiliza en el automóvil para aplicaciones multimedia y se basa en la comunicación síncrona de datos. Una red MOST, por lo general configurada en forma de anillo, puede comprender hasta 64 dispositivos MOST y transmitir datos de hasta 22 MBits/s. Debido a la utilización de un sistema óptico para la transmisión de datos, el sistema es muy resistente a las interferencias electromagnéticas. Tanto la eliminación como la ampliación de un componente de la red MOST no representa ningún gran problema gracias a la funcionalidad Plug&Play. MOST soporta hasta 15 canales estereofónicos de audio sin comprimir en calidad CD o hasta 15 canales MPEG1 para transmisiones de audio y video. Al mismo tiempo, MOST ofrece un canal para la transmisión de mensajes de control. Si el sistema está algún tiempo sin funcionar, todos los componentes del anillo MOST pasan al modo de hibernación (modo de dormir) para ahorrar batería. En la instalación se encuentra integrado un sistema eléctrico „despertador“ (wake up) para volver a „despertar“ a los componentes del anillo tras una pausa en el funcionamiento. Características del bus MOST: • Índice de transmisión de datos: 22 MBits/s • La conexión al bus CAN se puede realizar desde un aparato que no sea el controlador MOST. • El proceso „despertador“ se puede realizar también ópticamente en el caso de que hubiera un fallo eléctrico. 06/10 Vehículos Industriales Ligeros • Interconexión y redes CAN 00_Ar_LT32_1511_7457_V01_NTB3_27.06.07 MOST 103
  • 104.
    La comunicación entrelos diversos componentes individuales se realiza por medio de un conductor de fibra óptica (polímero óptico), transmitiéndose ópticamente las señales digitales. Para ello es preciso que en el componente emisor exista un convertidor que convierta las señales eléctricas en señales ópticas por medio de un diodo luminoso (véase el componente izquierdo en la figura). Estas señales ópticas („parpadeo del diodo) son transmitidas entonces a través del conductor de fibra óptica. Facilita esta transmisión el hecho de que la luz se refleja casi totalmente en el borde de la fibra de polímero, por lo que el haz de luz continúa hasta el final del conductor (véase la representación esquemática en la figura). Al llegar al final del conductor P82.00-2406-04 óptico, esa señal se ha de convertir de nuevo en señal eléctrica por medio de un convertidor, cosa que se realiza mediante un fotodiodo montado en el aparato receptor de la señal (véase el componente derecho en la figura). Nota: Debido a sus características físicas, el cable polímero de transmisión óptica no es adecuado para radios de curvatura inferiores a 25 mm, ya que en ese caso se formarían grietas en la parte exterior de la curva del cable. Al pasar la luz por el cable óptico, esas grietas producen una refracción incontrolada de la luz y pérdida de señal, por lo que el sistema no posee ya una funcionalidad garantizada. (Véase la figura). GT 82.85-0029-C71 06/10 Vehículos Industriales Ligeros • Interconexión y redes CAN 00_Ar_LT32_1511_7457_V01_NTB3_27.06.07 MOST 104
  • 105.
    Tampoco puede resultardañado el aislamiento y los extremos del cable óptico, ni se pueden calentar los conductores de fibra óptica. Con objeto de proteger las clavijas de conexión de los conductores ópticos (14) y los casquillos de conexión de los componentes de la red para que no sufran daño, se instalan carcasas protectoras (11) y conectores ciegos. Las clavijas de conexión de los conductores ópticos (14) están diseñadas para que no se puedan confundir involuntariamente y como conexiones de 0°. En la clavija está señalada la entrada y la salida por medio de flechas (flecha horizontal). Sin embargo, los extremos de los conductores de luz no están identificados por sí mismos, pudiéndose confundir involuntariamente. La diferenciación se ha de realizar siguiendo el recorrido de cable o bien poniendo en funcionamiento el anillo MOST y observando de cuál de los dos extremos sale una señal luminosa roja. La entrada del conductor óptico (salida de la unidad de control 7) no emite señal alguna, mientras que la salida del conductor (entrada de la unidad de control 8) emite una luz roja. En el caso de que se hayan de cambiar conductores ópticos se quitará el bloqueo de cierre (15) de la clavija (14). Después se pueden retirar ya los conductores (7, 8) de la clavija (14). Tras la configuración de los cables ópticos con las marcas de flechas en la clavija (flecha horizontal), los conductores se insertan en esta última (flecha horizontal) y se vuelve a colocar el bloqueo de cierre. P82.86-4673-01 Diagnosis: • Control de funcionamiento – El anillo óptico se puede comprobar verificando las señales de luz en los extremos de los conductores ópticos. Es importante a este respecto comprobar los fusibles en cada componente. • STAR Diagnosis – Los componentes y el anillo óptico se pueden comprobar mediante un test de los módulos en el anillo óptico. En esta comprobación se ha de prestar siempre atención a que la configuración real coincida con la nominal 06/10 Vehículos Industriales Ligeros • Interconexión y redes CAN 00_Ar_LT32_1511_7457_V01_NTB3_27.06.07 MOST 105
  • 106.
    Gateway 01.06.2010 Gateways son utilizadas para interconectar diferentes sistemas de buses. Los datos más importantes son "traducidos" de un sistema de bus a otro. Los sistemas de buses de datos en VITO/VIANO y en SPRINTER son: • CAN-Bus de motor (M-CAN) • CAN-Bus de habitáculo (I-CAN) • CAN-Bus de diagnóstico (D-CAN) • MOST (anteriormente D2B) • Línea K (en vehículos antiguos) Una "traducción" fácil tiene lugar entre los sistemas de buses de VITO/VIANO datos CAN. Los paquetes de datos son siempre los mismos, esto D2B significa que los bits tal y como vienen son conducidos al otro sistema de bus de datos. En estos casos la gateway crea muy rápidamente conexiones. HU Las conexiones entre CAN y la línea K son mucho más complicadas. El protocolo de datos es aquí diferente. Esto significa que los datos deben ser traducidos a otro "Idioma". Cómo la línea K es ya tan lenta, prácticamente ha desaparecido en 2007 en los vehículos industriales ligeros. VITO y VIANO ha tenido diferentes estados de interconexiones de redes: Línea K Desde la introducción en el mercado en el 2003 hasta cerca del I-CAN 04.2006 la VITO/VIANO tenía M-CAN, I-CAN y D2B. El diagnóstico tenía lugar mediante la línea K: • D2B e I-CAN a través del EZS • Las unidades de control del M-CAN tienen su propia línea K. M-CAN 06/10 Vehículos Industriales Ligeros <> Telemática <<>> Formación básica - Fundamentos Gateway 106
  • 107.
    A partir del04.2006 el bus de datos D2B fue sustituido por el bus VITO/VIANO de datos de fibra óptica MOST, mucho más rápido. Las Head- Units fueron adaptadas y tenían una Gateway propia - la Audio- MOST Gateway AGW. La línea K es demasiado lenta para la gran cantidad de datos HU+AGW entre la unidad de diagnóstico y el MOST. Por eso se utiliza ahora el D-CAN. Pero el EZS de la VITO/VIANO no está preparado para el D-CAN y se emplea la Zentrale Gateway ZGW. Dicha unidad de control se encuentra en el puesto del conductor detrás del interruptor de luces y se ocupa exclusivamente para la transferencia de datos del MOST. I-CAN D-CAN Línea K M-CAN 06/10 Vehículos Industriales Ligeros <> Telemática <<>> Formación básica - Fundamentos Gateway 107
  • 108.
    A partir deaproximadamente el 10.2007 aparece el nuevo EZS en VITO/VIANO y SPRINTER VITO/VIANO. Hace las funciones, igual que en la SPRINTER BM 906, de Gateway entre el I-CAN, M-CAN y el D-CAN. El diagnóstico MOST tiene lugar ahora sólo a través del D-CAN. Por otro lado, en VITO/VIANO la línea K permanece en algunas unidades de control antiguas del M-CAN (por ejemplo EWM). HU+AGW D-CAN I-CAN M-CAN 06/10 Vehículos Industriales Ligeros <> Telemática <<>> Formación básica - Fundamentos Gateway 108
  • 109.
    Ejercicio ¿Qué camino toman los datos en una programación (Flashen) de una unidad de control de motor en una VIANO… …fecha de fabricación 2008? STAR DIAGNOSIS – Enchufe de diagnóstico – D-CAN – EZS – M-CAN – Unidad de control de motor …fecha de fabricación 02.2007? STAR DIAGNOSIS – Cable especial – M-CAN – Unidad de control de motor Leyenda N93/3 ZGW VITO/VIANO 06/10 Vehículos Industriales Ligeros <> Telemática <<>> Formación básica - Fundamentos Gateway 109
  • 110.
    Esquemas de interconexiones 01.06.2010 Vito/Viano (→ 04.2006) TEL SBS D2B Domestic- Digital-Bus CDW HU* Bus Fibra Optica TSGR OBF PTS DBE ESVB PSM STH SDE ENR Bus habitáculo CAN Clase B TSGL PTC KLA SRS ESVF SAM FKLA AAG KI EZS Bus Motor CAN Clase C CDI/ME ESP EGS EWM LWS Línea K *Head Unit (COMAND, Audio…) 06/10 Vehículos Industriales Ligeros • Interconexión y redes CAN Esquemas de interconexiones 110
  • 111.
    Vito/Viano (04.06 –09.07) TEL MOST Bus Fibra Optica HU* CDW AGW STE-R TSGR OBF PTS RDK ESVB PSM STH SDE ENR CAN Habitáculo I-CAN CAN clase B STE-L TSGL PTC KLA SRS ESVF SAM DBE FKLA AAG ZGW CAN Diagnóstico D-CAN CAN clase C TCO EZS KI CAN Motor M-CAN CAN class C DRS LWS ESP EGS EWM CDI/ME Línea K *Head Unit (COMAND, Sound…) 06/10 Vehículos Industriales Ligeros • Interconexión y redes CAN Esquemas de interconexiones 111
  • 112.
    Vito/Viano (10.2007→) TEL MOST HU* Bus Fibra Optica CDW AGW A2/108 A2/109 N50/1 LIN RS485 STE-R TSGR OBF PTS RDK ESVB PS STH SDE ENR CAN Habitáculo I-CAN CAN clase B STE-L TSGL PTC KL SRS ESVF SAM DB FKLA AAG EZS CAN Diagnóstico D-CAN CAN clase C TCO KI CAN Motor N14/3 M-CAN CAN class C DR LWS ESP EGS EWM CDI/ME LIN G2/6 Línea K OM646 CDI3 *Head Unit (COMAND, Sound…) 06/10 Vehículos Industriales Ligeros • Interconexión y redes CAN Esquemas de interconexiones 112
  • 113.
    Sprinter BM906 CDW MOST HU* Bus Fibra Optica A2/110 A2/111 ABH-CAN TEL AGW LIN STH/ STR KE PTS RDK SRS PSM OBF ZUH CAN Habitáculo I-CAN CAN clase B STL TSG PTC KLA DBE SAM KI AAG EZS CAN Diagnóstico D-CAN CAN clase C DRS LWR TCO. N14/3 CAN Motor M-CAN ARS MRM ESP EGS EWM CDI/ME LIN CAN clase C G2/7 *Head Unit (COMAND, Sound…) 06/10 Vehículos Industriales Ligeros • Interconexión y redes CAN Esquemas de interconexiones 113
  • 114.
    Ejercicio Compare los tres gráficos de interconexiones de redes en VITO/VIANO. ¿Qué componentes son una novedad y cuáles han desaparecido? Anote los componentes que no conozca y exponga su resultado. D2B ha sido sustituido por MOST, porque el bus de datos MOST es mucho más rápido que el D2B. AGW es necesaria con MOST como unión al I-CAN. AGW está integrada en la HU (excep. Audio 20) ZGW es necesaria para transmitir la gran cantidad de datos del MOST a través del bus CAN de Diagnóstico a la caja de enchufe de diagnóstico. El camino a través del EZS y de la línea K no es posible. La ZGW es una unidad tomada de turismos, que en VITO/VIANO solamente como se emplea como unión entre el I-CAN y el CAN de Diagnóstico para los componentes del MOST. Por eso se conoce también como Gateway de diagnóstico. STE-R y STE-L son las designaciones para las unidades de control de las nuevas puertas correderas eléctricas. RDK Control de presión de inflado de neumáticos TCO existe desde hace tiempo, sin embargo el tacógrafo digital DTCO está a partir de aprox.11.2006 conectado al M-CAN también en VITO/VIANO. Sin embargo, los mensajes transmitidos activarán sólo el nuevo testigo de control TCO en el cuadro de instrumentos si es necesario. No es posible un diagnóstico con DAS DRS (Sensor de velocidad de giro) transmite a través del M-CAN la aceleración transversal, la aceleración longitudinal y el valor de giro del vehículo en el nuevo ESP 8.1 (a partir de aprox.11.2005). SBS (Sistema de control por voz) ha sido suprimido, así como el sintonizador de TV para el Sistema de entretenimiento trasero. 06/10 Vehículos Industriales Ligeros • Interconexión y redes CAN Esquemas de interconexiones 114
  • 115.
    Ejercicio Anote una vez más todas las Gateways y sus funciones en la interconexión de redes en la VITO/VIANO. Encuentre una explicación para la función „Gateway“ en general. AGW: Entre Bus MOST y el I-CAN ZGW: Entre I-CAN y D-CAN (aunque sólo para componentes MOST) EZS: Entre I-CAN y M-CAN y entre I-CAN y K-Leitung (Cja de diagnóstico) Ejercicio ¡Compare la interconexión de las unidades de control de la nueva SPRINTERS BM 906 con la de la antigua SPRINTERS BM 901–905! ¿Qué sistemas de buses de datos son nuevos y cuales han desaparecido? Discuta las razones para estas medidas. Marque en la siguiente tabla las unidades de control que no conozca. SPRINTER BM 906 tiene bus CAN de motor y línea K. Han sido añadidos: I-CAN, D-CAN, MOST y LIN Desaparece Linea K Ejercicio Las unidades de control en la SPRINTER BM 901–905 son fijas para un detreminado sistema (por ej. CDI–Unidad de control de motor). En la SPRINTER BM 906 existen, como también en VITO/VIANO, algunas unidades de control que realizan funciones para más sistemas, así como el control de funciones generales del vehículo. Nombre algunas de las unidades de control de este tipo en la SPRINTER BM 906. SAM, DBE, EZS, TSG, MRM 06/10 Vehículos Industriales Ligeros • Interconexión y redes CAN Esquemas de interconexiones 115
  • 116.
    Alternador y regulador 01.06.2010 En los siguientes ejemplos se representa el desarrollo de los alternadores y reguladores. El primer ejemplo muestra el origen de un simple regulador de tensión con preexcitación a través de un testigo de control, como estaba dispuesto en la antigua T1 y también en un principio en la SPRINTER y en la VITO/Clase V Regulador multifuncional Desde hace algunos años los motores se han equipado con nuevos alternadores compactos con reguladores multifunción, que poseen las siguientes innovaciones técnicas: • Sin preexcitación a través de un testigo de control, por ello también posible LED • La carga del alternador solamente se activa a partir de un determinado número de revoluciones de motor y un periodo • Aumento gradual de la corriente del alternador • Regulación de la tensión en función de la temperatura D+ Alternador con regulador de tensión simple (Preexcitación) G KI D+ Alternador con regulador multifunción SPRINTER BM 901-905, G KI VITO/Clase V BM 638, a partir de aprox. 2002 Leyenda G Alternador KI Cuadro de instrumentos 06/10 Vehículos Industriales Ligeros • Interconexión y redes CAN Alternador y regulador 116
  • 117.
    Desde hace untiempo nuestros vehículos / motores están equipados con alternadores, que se comunican a través de un interfaz con la unidad de control de motor, bien con la ME o la CDI. De esta manera surgen cambios en el sistema de diagnosis y en las comprobaciones del alternador. Existen por lo tanto diferencias entre los alternadores convencionales con borne 61 sin interfaz y los alternadores con interfaz BSS o LIN. “Convencional” sin comunicación entre la unidad de control y el alternador • Escasa comunicación entre CDI/ME - alternador • No se puede comprobar a través de DAS – (Tester – Voltios - Amperios) “BSS” comunicación entre la unidad de control y el alternador • BSS = Bit Synchrone Schnittstelle, comunicación CDI/ME - alternador • Comprobación a través de la CDI/ME - posible a través de DAS “LIN” comunicación entre la unidad de control y el alternador • LIN = Local Interconnect Network, comunicación entre la CDI/ME - alternador • Comprobación a través de la unidad de control de motor - posible a través de DAS 06/10 Vehículos Industriales Ligeros • Interconexión y redes CAN Alternador y regulador 117
  • 118.
    Con la introducciónen el mercado de la VITO/VIANO BM 639 se realizó la unión entre el alternador y el cuadro de instrumentos a través de la red de a bordo del vehículo. La información „DA“, ahora también conocida como „L“, es transmitida desde el SAM al cuadro de instrumentos a través del bus CAN del habitáculo. A parte, existe en vehículos Diesel la línea DF, que con ayuda de una señal PWM, transmite la carga del alternador al calefactor eléctrico adicional PTC. El cual controla su potencia calorífica en función de esa señal para no cargar la batería. I-CAN VITO/VIANO BM 639 D+ (L) Estándar hasta 2006 (las siguientes variantes se encuentran G DF SAM KI en páginas sucesivas) SPRINTER BM 906 sólo motores Diesel EU3/Euro3 PTC Motores gasolina sin PTC Leyenda: G Alternador KI Cuadro de instrumentos SAM Módulo de detección de señales y activación PTC Calefactor adicional I-CAN Bus CAN habitáculo 06/10 Vehículos Industriales Ligeros • Interconexión y redes CAN Alternador y regulador 118
  • 119.
    Regulador BSS Esta variantese instala solamente en los modelos VITO/VIANO BM 639 equipados con motor Diesel y cambio automático. La conexión D+ del alternador se realiza a través de un interfaz sincronizado de bit (BSS), es decir, un interfaz bidireccional que une la unidad de control de motor con el alternador. Así se transmiten en una dirección (G-CDI-SAM-KI) mensajes de fallos y de estado. Por otra parte se pueden enviar datos de la unidad de control de motor al alternador, por ejemplo, el comando „Reducir potencia del alternador“, cuando disminuye el número de revoluciones en ralentí porque la carga del motor es demasiado alta. I-CAN VITO/VIANO BM 639 BSS sólo OM646 con cambio automático (hasta aprox. 11.2006) G DF CDI SAM KI PTC Leyenda G Alternador KI Cuadro de instrumentos SAM Módulo de detección de señales y activación PTC Calefactor eléctrico I-CAN Bus CAN habitáculo CDI Unidad de control de motor Diesel 06/10 Vehículos Industriales Ligeros • Interconexión y redes CAN Alternador y regulador 119
  • 120.
    Regulador LIN Completamente integradoen la red del vehículo se encuentra este alternador con interfaz LIN (Local Interconnect Network). Toda la información que va desde y al alternador a través de LIN y de la unidad de control de motor. En vehículos con motor OM642 la etapa final de precalentamiento está conectada al bus LIN. Este bus LIN fue instalado por primera vez en la SPRINTER BM 906 con motores EU4/Euro4. Se asume sin embargo, que todos los nuevos tipos de motores están equipados con LIN. Estos son, en vehículos industriales ligeros, el M272, OM642 y el OM646 con inyectores piezoeléctricos. M-CAN SPRINTER BM 906 LIN todos los motores con EU4/Euro4 G CDI/ME KI VITO/VIANO con OM642, M272, OM646 a partir aprox. 11.06 EZS SAM (Motores gasolina sin PTC) I-CAN PTC Leyenda G Alternador KI Cuadro de instrumentos SAM Módulo de detección de señales y activación PTC Calefactor eléctrico I-CAN Bus CAN habitáculo M-CAN Bus CAN motor CDI/ME Unidad de control Motor EZS Interruptor electrónico de encendido y arranque 06/10 Vehículos Industriales Ligeros • Interconexión y redes CAN Alternador y regulador 120
  • 121.
    Ejercicio 1 Un VIANO (Diesel, cambio manual, año 2005) es arrancado con el motor frío (temperatura exterior - 10°C). El conductor enciende una detrás de otra la calefacción al máximo, las luces, el limpiaparabrisas, la calefacción de la luneta trasera y la calefacción de los asientos. La capacidad de utilización del alternador aumenta al 98%. Describa el proceso y el recorrido de la señal D+ (L), así como la señal DF. D+ (L) después de arracar el motor: Alternador – SAM – I-CAN – KI, testigo de control de carga apagado DF (98%): DF (PWM) Señal al PTC, PTC reduce la potencia calorífica hasta que la carga del alternador baje por debajo del 85%. 06/10 Vehículos Industriales Ligeros • Interconexión y redes CAN Alternador y regulador 121
  • 122.
    Ejercicio 2 Describa el mismo proceso en una SPRINTER BM 906 Diesel EU4. D+ (L) después de arrancar el motor: Alternador – LIN - CDI – M-CAN – EZS – I-CAN – SAM – I-CAN - KI, testigo de control de carga apagado DF (98%): Alternador – LIN - CDI – M-CAN – EZS – I-CAN - PTC, PTC reduce la potencia calorífica hasta que la carga del alternador baje por debajo del 85% Ejercicio 3 Busque en esquemas eléctricos las variantes de los alternadores de VITO/VIANO y anote abajo las designaciones que se preguntan. Esquema eléctrico Designación unidad control motor Designación alternador Variante Estándar MFR PE15.00-S-2000-99VB G2/2 U999 / U150 Regulador BSS PE15.00-S-2000-99VB N3/9 G2/5 U1001 Regulador LIN PE15.00-S-2000-99VB N3/20 G2/6 U924 06/10 Vehículos Industriales Ligeros • Interconexión y redes CAN Alternador y regulador 122
  • 123.
    DaimlerChrysler AG Global Training HPCZ480 D-70546 Stuttgart Intranet: http://gt.intra.daimlerchrysler.com