EJERCICIOS CON FLUIDSIM: ELEVADOR DE
PIEZAS CON MANDO ELÉCTRICO Y DOBLADORA
DE PLACAS CON MANDO ELECTRÓNICO POR
07277
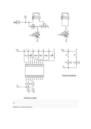
Elevador de Piezas con Mando Eléctrico
Se cuenta aquí con un conjunto de piezas que transportan las mismas hasta un almacén. En los
almacenes sólo se permitirá la entrada de piezas cuando estén prácticamente vacíos y, no dejando
que entren nuevos pedidos cuando estén prácticamente llenos. Para ello, se necesitan dos sensores
que se colocan en la cinta de los citados almacenes: C1, el cual nos dice cuando está lleno y C2,
que nos dice cuando está vacío prácticamente. Se necesita también de otros dos sensores: C3, que
detecta cuando una pieza entra en la cinta del almacén y C4, que informa de cuando una pieza
entra en el elevador.
Si C1 y C2 no dan señal, entonces el elevador llevará las piezas hacia el almacén. Si C1 y C2 dan
señal, entonces se parará la alimentación de piezas y, por último, si C3 da señal, entonces el cilindro
tendrá que volver a por otra pieza.
Así, el circuito en cuestión constará de dos partes, una eléctrica y otra neumática. En la parte
eléctrica, contamos con un solenoide ligado a la válvula 5/2, seis relés y dos interruptores. Y en la
neumática, se observa que tenemos un cilindro de doble efecto gobernado por una válvula 5/2
accionada eléctricamente y con retorno por muelle. La secuencia sería la que sigue: Al iniciar el
movimiento, los dos interruptores están desconectados y el movimiento es continuo. Si se acciona
uno de ellos, el movimiento no se para. Al accionarse los dos, el temporizador hace que la
alimentación se detenga.
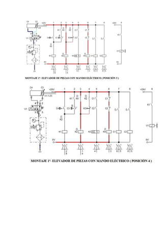
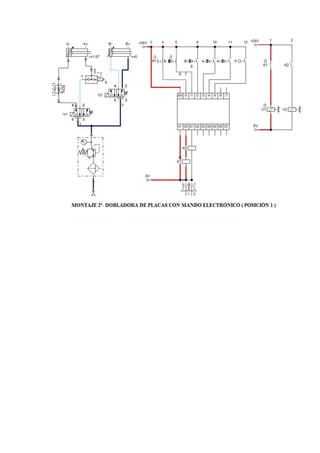
Dobladora de Placas con Mando Electrónico
Este sistema ya ha sido diseñado en la tarea anterior en forma neumática. Para realizarlo de manera
electrónica nuestro circuito constará de dos partes: Una primera parte neumática, en la que
observamos dos cilindros de doble efecto dirigidos por dos válvulas 5/2 accionadas eléctricamente y
con retorno por muelle y otra parte eléctrica en la que hay un módulo digital, el cuál nos muestra las
relaciones que existen en el sistema eléctrico, un interruptor que acciona el sistema, dos solenoides
ligados a las válvulas y dos relés.
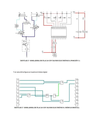
La secuencia es la que se muestra a continuación:
Y en esta última figura se muestra el módulo digital:
Tarea 6: "Simulación con FluidSim: Elevador para
pulmón de barras y dobladora de planchas con
mando electrónico: 08453
La tarea de esta semana está dividida en dos partes. El primer ejercicio trata de una máquina
elevadora para pulmón de barras en la que se debe proporcionar la resolución del problema
utilizando un mando de control eléctrico. El segundo ejercicio refleja cómo es el mando electrónico
de una máquina y las similitudes y diferencias con el eléctrico y el neumático empleando para ello la
dobladora de planchas vista la semana anterior.
Las simulaciones de ambos ejercicios se adjuntan en este archivo
zip:Media:Tarea6_formato_zip_08453.zip
EJERCICIO 1: Mando eléctrico de un elevador para pulmón de
barras.
En la primera parte de las tareas de esta semana nos dan este enunciado, el cual debemos resolver
de manera eléctrica:
El sistema consta de un sistema de alimentación el cual proporciona bolas al elevador. Este va a ser
simulado como un cilindro de doble efecto en cuyo principio y final(denominados S4 y S3
respectivamente) colocamos dos sensores de pieza. A continuación las bolas son elevadas camino
del almacén. Caben destacar dos sensores de control del almacenamiento S1 y S2. S2 en 1 nos
indica que en el alacén hay al menos 4 bolas, por lo que su posición en 0 señalará almacén vacío.
En cuanto a S1, este es el límite para que no se produzcan atascos. Estos sensores serán
simulados en Fluidsim como dos interruptores que permitirán controlar al usuario los relés auxiliares
K2, K3 y K4. K2 contiene la orden de llenado continuada; K3, (dos abiertos en serie = depósito lleno)
la orden de vaciado; y, K4, (negación con dos relés cerrados y en serie [puerta AND] = depósito
vacío) la de llenado. La lógica de sensores, como se ve en el enunciado, es la siguiente:
 0 en S1 y 0 en S2 : Comienzo de la alimentación. El almacén está vacío.
 0 en S1 y 1 en S2: o bien estoy llenando el almacén haciendo uso del elevador o bien el robot
está extrayendo bolas de etste vaciándolo. Situación de no hacer nada.
 1 en S1 y 0 en S2: Se trata de una situación transitoria o defectuosa en la que se haya
producido un atasco.
 1 en S1 y 1 en S2: El almacén está lleno y se produce la parada de la alimentación.
Además de los atascos se puede producir un nuevo problema: S2 en 1 y transitoriamente se pulse 1
en S1. Esto significaría una detención inmediata de la alimentación. Como solución se emplea en K3
un relé temporizador que retrasa el instante en el que sucede la señal el tiempo necesario para
anular el efecto transitorio.
En este apoartado surge una duda ante la disponibilidad de dos tipos de relés temporizadores: un
relé ala conexión y un relé a la desconexión. Simulamos en Fluidsim cuál de los dos es el más
adecuado para colocar en él circuito de control de la máquina elevadora:
De la simulación se obtiene las conclusiones siguientes:
1. En el relé a la conexión se retrasa la señal que queremos transmitir el tiempo marcado en
este. Por ello accionamos el interruptor y hasta que no transcurran los dos segundos
establecidos la bombilla no se iluminará. El apagado es automático.
2. Por el contrario, en el relé a la desconexión el encendido del indicador luminoso se produce
nada más accionar el interruptor. El retraso de la señal se va a producir en el apagado ya
que se desconecta el interruptor y tras los dos segundos la bombilla se apaga.
El relé necesario en nuestro caso va a ser el explicado en primer lugar ya que retrasará la llegada de
información del sensor anulando su efecto en el caso de que esta fuera transitoria y deteniendo el
elevador si es permanente y el almacén si estuviera lleno. La simulación en Fluidsim de este sitema
elevador se muestra en las imágenes representadas a continuación.
Elevador en reposo
El elevador funcionando.
Elevador parado tras pulsar los dos interruptores (lo que equivale a sensor 1 y 2 en 1.)
EJERCICIO 2: Dobladora de plancas con mando electrónico.
La segunda parte de la tarea semanal deriva del tercer ejercicio de la tarea de la semana pasada, la
dobladora de planchas con mando eléctrico. Nuestro objetivo es transformar el circuito de mando
eléctrico de este sistema en su equivalente electrónico. Para ello vamos a mantener tanto el circuito
neumático como el eléctrico de potencia, viéndose únicamente modificado el mando de control. Este
será sustituído por un módulo digital que actuará como fuente de alimentación.
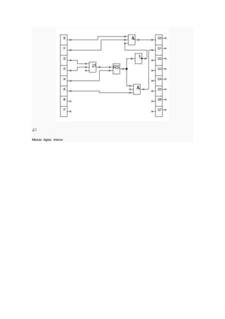
El módulo digital consta de ocho entradas de información o inputs, numeradas de I0 a I7, a las
cuales se conecta externamente el interruptor P1, sensor de pieza; los contactos Reed (A+, A-, B+,
B-), que hacen referencia a los inicios y finales de carrera de los cilindros de doble efecto A y B que
simulan la dobladora de plancha; y, el pulsador P que se relaciona con el presostato del sistema
neumático. En la parte inferior del icono se encuentran las salidas o quick, ocho y numeradas desde
Qo a Q7. A estas se unen también de forma externa dos relés K1 y K2 que relacionan el circuito de
potencia con el mando y que permitirán actuar de etse modo sobre los dos cilindros.
Unidos al módulo digital pero esta vez dentro de las conexiones internas se encuentran una serie de
elementos lógicos los cuales constituyen la base de las órdenes que se deben realizar para el
correcto funcionamiento de la máquina. Se enuncian a continuación:
 Una puerta OR que permite retroceder al cilindro A o bien porque se ha llegado al final de
carrera o bien porque se ha alcanzado un determinado valor de presión en la cámara del
cilindro. Le llegan por tanto las conexiones de A+ (I5) y de P (I3).
 Un relé con enclavamiento RS que actúa de conmutador y que por tanto se encargará del
problema de secuencialidad en la entrada y salida de cada cilindro.
 Dos puertas AND que equivalen a conexiones de relés en serie en el circuito eléctrico.
 Una puerta NOT, de negación de la señal. A esta va a llegar la línea correspondiente al relé
auxiliar K3, el cual se encuentra negado en una de las dos líneas que aparece cumpliendo así
su papel de conmutador.
Se observa además que en electrónica los relés auxiliares actúan como variables internas,
recibiéndose tan solo en las salidas las señales correspondientes a los relés K1 y K2, relés de
actuación directa sobre los cilindros al encontrarse sus corrpondientes interruptores en el circuito de
potencia.
A continuación se muestra la simulación en Fluidsim de la dobladora con sus tres partes: neumática,
potencia y control. Se presenta además un esquema del interior del módulo digital simulado en este
mismo programa.
Dobladora con mando electrónico.
Módulo digital. Interior.

Ejercicios con fluidsim

  • 1.
    EJERCICIOS CON FLUIDSIM:ELEVADOR DE PIEZAS CON MANDO ELÉCTRICO Y DOBLADORA DE PLACAS CON MANDO ELECTRÓNICO POR 07277 Elevador de Piezas con Mando Eléctrico Se cuenta aquí con un conjunto de piezas que transportan las mismas hasta un almacén. En los almacenes sólo se permitirá la entrada de piezas cuando estén prácticamente vacíos y, no dejando que entren nuevos pedidos cuando estén prácticamente llenos. Para ello, se necesitan dos sensores que se colocan en la cinta de los citados almacenes: C1, el cual nos dice cuando está lleno y C2, que nos dice cuando está vacío prácticamente. Se necesita también de otros dos sensores: C3, que detecta cuando una pieza entra en la cinta del almacén y C4, que informa de cuando una pieza entra en el elevador. Si C1 y C2 no dan señal, entonces el elevador llevará las piezas hacia el almacén. Si C1 y C2 dan señal, entonces se parará la alimentación de piezas y, por último, si C3 da señal, entonces el cilindro tendrá que volver a por otra pieza. Así, el circuito en cuestión constará de dos partes, una eléctrica y otra neumática. En la parte eléctrica, contamos con un solenoide ligado a la válvula 5/2, seis relés y dos interruptores. Y en la neumática, se observa que tenemos un cilindro de doble efecto gobernado por una válvula 5/2 accionada eléctricamente y con retorno por muelle. La secuencia sería la que sigue: Al iniciar el movimiento, los dos interruptores están desconectados y el movimiento es continuo. Si se acciona uno de ellos, el movimiento no se para. Al accionarse los dos, el temporizador hace que la alimentación se detenga.
  • 4.
    Dobladora de Placascon Mando Electrónico Este sistema ya ha sido diseñado en la tarea anterior en forma neumática. Para realizarlo de manera electrónica nuestro circuito constará de dos partes: Una primera parte neumática, en la que observamos dos cilindros de doble efecto dirigidos por dos válvulas 5/2 accionadas eléctricamente y con retorno por muelle y otra parte eléctrica en la que hay un módulo digital, el cuál nos muestra las relaciones que existen en el sistema eléctrico, un interruptor que acciona el sistema, dos solenoides ligados a las válvulas y dos relés. La secuencia es la que se muestra a continuación:
  • 7.
    Y en estaúltima figura se muestra el módulo digital:
  • 8.
    Tarea 6: "Simulacióncon FluidSim: Elevador para pulmón de barras y dobladora de planchas con mando electrónico: 08453 La tarea de esta semana está dividida en dos partes. El primer ejercicio trata de una máquina elevadora para pulmón de barras en la que se debe proporcionar la resolución del problema utilizando un mando de control eléctrico. El segundo ejercicio refleja cómo es el mando electrónico de una máquina y las similitudes y diferencias con el eléctrico y el neumático empleando para ello la dobladora de planchas vista la semana anterior. Las simulaciones de ambos ejercicios se adjuntan en este archivo zip:Media:Tarea6_formato_zip_08453.zip EJERCICIO 1: Mando eléctrico de un elevador para pulmón de barras.
  • 9.
    En la primeraparte de las tareas de esta semana nos dan este enunciado, el cual debemos resolver de manera eléctrica: El sistema consta de un sistema de alimentación el cual proporciona bolas al elevador. Este va a ser simulado como un cilindro de doble efecto en cuyo principio y final(denominados S4 y S3 respectivamente) colocamos dos sensores de pieza. A continuación las bolas son elevadas camino del almacén. Caben destacar dos sensores de control del almacenamiento S1 y S2. S2 en 1 nos indica que en el alacén hay al menos 4 bolas, por lo que su posición en 0 señalará almacén vacío. En cuanto a S1, este es el límite para que no se produzcan atascos. Estos sensores serán simulados en Fluidsim como dos interruptores que permitirán controlar al usuario los relés auxiliares K2, K3 y K4. K2 contiene la orden de llenado continuada; K3, (dos abiertos en serie = depósito lleno) la orden de vaciado; y, K4, (negación con dos relés cerrados y en serie [puerta AND] = depósito vacío) la de llenado. La lógica de sensores, como se ve en el enunciado, es la siguiente:  0 en S1 y 0 en S2 : Comienzo de la alimentación. El almacén está vacío.  0 en S1 y 1 en S2: o bien estoy llenando el almacén haciendo uso del elevador o bien el robot está extrayendo bolas de etste vaciándolo. Situación de no hacer nada.  1 en S1 y 0 en S2: Se trata de una situación transitoria o defectuosa en la que se haya producido un atasco.  1 en S1 y 1 en S2: El almacén está lleno y se produce la parada de la alimentación. Además de los atascos se puede producir un nuevo problema: S2 en 1 y transitoriamente se pulse 1 en S1. Esto significaría una detención inmediata de la alimentación. Como solución se emplea en K3
  • 10.
    un relé temporizadorque retrasa el instante en el que sucede la señal el tiempo necesario para anular el efecto transitorio. En este apoartado surge una duda ante la disponibilidad de dos tipos de relés temporizadores: un relé ala conexión y un relé a la desconexión. Simulamos en Fluidsim cuál de los dos es el más adecuado para colocar en él circuito de control de la máquina elevadora: De la simulación se obtiene las conclusiones siguientes: 1. En el relé a la conexión se retrasa la señal que queremos transmitir el tiempo marcado en este. Por ello accionamos el interruptor y hasta que no transcurran los dos segundos establecidos la bombilla no se iluminará. El apagado es automático. 2. Por el contrario, en el relé a la desconexión el encendido del indicador luminoso se produce nada más accionar el interruptor. El retraso de la señal se va a producir en el apagado ya que se desconecta el interruptor y tras los dos segundos la bombilla se apaga. El relé necesario en nuestro caso va a ser el explicado en primer lugar ya que retrasará la llegada de información del sensor anulando su efecto en el caso de que esta fuera transitoria y deteniendo el elevador si es permanente y el almacén si estuviera lleno. La simulación en Fluidsim de este sitema elevador se muestra en las imágenes representadas a continuación.
  • 11.
  • 13.
  • 14.
    Elevador parado traspulsar los dos interruptores (lo que equivale a sensor 1 y 2 en 1.) EJERCICIO 2: Dobladora de plancas con mando electrónico. La segunda parte de la tarea semanal deriva del tercer ejercicio de la tarea de la semana pasada, la dobladora de planchas con mando eléctrico. Nuestro objetivo es transformar el circuito de mando eléctrico de este sistema en su equivalente electrónico. Para ello vamos a mantener tanto el circuito neumático como el eléctrico de potencia, viéndose únicamente modificado el mando de control. Este será sustituído por un módulo digital que actuará como fuente de alimentación.
  • 15.
    El módulo digitalconsta de ocho entradas de información o inputs, numeradas de I0 a I7, a las cuales se conecta externamente el interruptor P1, sensor de pieza; los contactos Reed (A+, A-, B+, B-), que hacen referencia a los inicios y finales de carrera de los cilindros de doble efecto A y B que simulan la dobladora de plancha; y, el pulsador P que se relaciona con el presostato del sistema neumático. En la parte inferior del icono se encuentran las salidas o quick, ocho y numeradas desde Qo a Q7. A estas se unen también de forma externa dos relés K1 y K2 que relacionan el circuito de potencia con el mando y que permitirán actuar de etse modo sobre los dos cilindros. Unidos al módulo digital pero esta vez dentro de las conexiones internas se encuentran una serie de elementos lógicos los cuales constituyen la base de las órdenes que se deben realizar para el correcto funcionamiento de la máquina. Se enuncian a continuación:  Una puerta OR que permite retroceder al cilindro A o bien porque se ha llegado al final de carrera o bien porque se ha alcanzado un determinado valor de presión en la cámara del cilindro. Le llegan por tanto las conexiones de A+ (I5) y de P (I3).  Un relé con enclavamiento RS que actúa de conmutador y que por tanto se encargará del problema de secuencialidad en la entrada y salida de cada cilindro.  Dos puertas AND que equivalen a conexiones de relés en serie en el circuito eléctrico.  Una puerta NOT, de negación de la señal. A esta va a llegar la línea correspondiente al relé auxiliar K3, el cual se encuentra negado en una de las dos líneas que aparece cumpliendo así su papel de conmutador. Se observa además que en electrónica los relés auxiliares actúan como variables internas, recibiéndose tan solo en las salidas las señales correspondientes a los relés K1 y K2, relés de actuación directa sobre los cilindros al encontrarse sus corrpondientes interruptores en el circuito de potencia. A continuación se muestra la simulación en Fluidsim de la dobladora con sus tres partes: neumática, potencia y control. Se presenta además un esquema del interior del módulo digital simulado en este mismo programa.
  • 16.
    Dobladora con mandoelectrónico.
  • 17.