DIAGRAMAS LADDER (ESCALERA)
El diagrama ladder es una forma de representar circuitos eléctricos con relés en
que se muestra cada etapa o “escalón” de control como una línea horizontal, lo
que permite visualizar la secuencia de las operaciones mejor que en los circuitos
eléctricos convencionales.
Consta de:
- dos líneas verticales con tensión y
- líneas horizontales con contactos y bobinas de relés o solenoide.
Siempre: una sola bobina o solenoide por línea para poder aplicarles el voltaje
correcto
Cuando estén cerrados todos los contactos de una línea (escalón) se activará la
bobina de esa línea.
Los contactos pueden corresponder a:
- señales de entrada ON-OFF provenientes de: pulsadores, detectores de
posición (finales de carrera), o de detectores de variables de procesos:
temperatura, presión, nivel, humedad etc.
- Contactos de los relés: contactos de auto-mantenimiento (en paralelo con
START y otros) y contactos que activan: otros relés y temporizadores y
solenoides de electroválvulas y contactores.
Se adjuntan tabla de símbolos usados para representar, bobinas, solenoides y
contactos de relés y de detectores. Pueden variar según la norma que se use.
EJEMPLO 1. Diagrama LADDER para un cilindro neumático con salida por botón
de START y retroceso automático al final de la carrera.
DIAGRAMA DE POTENCIA (NEUMÁTICO) DIAGRAMA LADDER
EJEMPLO 2: Diagrama LADDER para un elevador hidráulico para taller de autos.
DIAGRAMA LADDER
EJEMPLO 3: Diagrama LADDER para dos actuadores A y B, que desarrollan una
secuencia: (A+) (A- B+) (B-)
DIAGRAMA ESPACIO – FASE DIAGRAMA LADDER
DIAGRAMA DE POTENCIA (NEUMÁTICO)
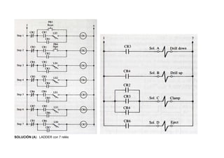
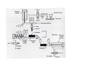
EJEMPLO 4: Diagrama LADDER para una máquina de taladrado automático que
funciona en la siguiente secuencia:
a) El operario carga manualmente la pieza a taladrar (workpiece) y pulsa START.
b) El cilindro neumático SE sujeta la pieza (clamp)
c) El cilindro hidráulico baja la plataforma con el equipo de taladrado: motor y
mecha (drill down) hasta la profundidad requerida del orificio a taladrar, eso se
ajusta con la posición del final LS2
d) Ascenso de la plataforma (drill up).
e) Se suelta la pieza.
f) El cilindro neumático DE (ejector) descarga la pieza de la máquina (eject).
Obs.: En el esquema el DE está dibujado fuera de su posición real.
Los movimientos requeridos para los actuadores resulta de energizar en
adecuada secuencia, los solenoides: A, B, C, D de las 3 electroválvulas.
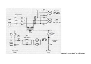
CIRCUITO ELÉCTRICO DE POTENCIA
SOLUCIÓN (A): LADDER con 7 relés
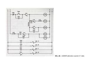
SOL. (B): LADDER alternativo usando 4+1 relés.
TD1 es un relé temporizador.
Las alimentaciones de los relés de mando (líneas verticales 2-6) y de los
solenoides (líneas 1-7), son separadas por la diferencia de corrientes que circulan
(distinta sección de los conductores y los fusibles que requieren).

Diagrama LADDER (Escalera) de PLC

  • 1.
    DIAGRAMAS LADDER (ESCALERA) Eldiagrama ladder es una forma de representar circuitos eléctricos con relés en que se muestra cada etapa o “escalón” de control como una línea horizontal, lo que permite visualizar la secuencia de las operaciones mejor que en los circuitos eléctricos convencionales. Consta de: - dos líneas verticales con tensión y - líneas horizontales con contactos y bobinas de relés o solenoide. Siempre: una sola bobina o solenoide por línea para poder aplicarles el voltaje correcto Cuando estén cerrados todos los contactos de una línea (escalón) se activará la bobina de esa línea.
  • 2.
    Los contactos puedencorresponder a: - señales de entrada ON-OFF provenientes de: pulsadores, detectores de posición (finales de carrera), o de detectores de variables de procesos: temperatura, presión, nivel, humedad etc. - Contactos de los relés: contactos de auto-mantenimiento (en paralelo con START y otros) y contactos que activan: otros relés y temporizadores y solenoides de electroválvulas y contactores. Se adjuntan tabla de símbolos usados para representar, bobinas, solenoides y contactos de relés y de detectores. Pueden variar según la norma que se use.
  • 4.
    EJEMPLO 1. DiagramaLADDER para un cilindro neumático con salida por botón de START y retroceso automático al final de la carrera. DIAGRAMA DE POTENCIA (NEUMÁTICO) DIAGRAMA LADDER
  • 5.
    EJEMPLO 2: DiagramaLADDER para un elevador hidráulico para taller de autos. DIAGRAMA LADDER
  • 6.
    EJEMPLO 3: DiagramaLADDER para dos actuadores A y B, que desarrollan una secuencia: (A+) (A- B+) (B-) DIAGRAMA ESPACIO – FASE DIAGRAMA LADDER DIAGRAMA DE POTENCIA (NEUMÁTICO)
  • 7.
    EJEMPLO 4: DiagramaLADDER para una máquina de taladrado automático que funciona en la siguiente secuencia: a) El operario carga manualmente la pieza a taladrar (workpiece) y pulsa START. b) El cilindro neumático SE sujeta la pieza (clamp) c) El cilindro hidráulico baja la plataforma con el equipo de taladrado: motor y mecha (drill down) hasta la profundidad requerida del orificio a taladrar, eso se ajusta con la posición del final LS2 d) Ascenso de la plataforma (drill up). e) Se suelta la pieza. f) El cilindro neumático DE (ejector) descarga la pieza de la máquina (eject). Obs.: En el esquema el DE está dibujado fuera de su posición real. Los movimientos requeridos para los actuadores resulta de energizar en adecuada secuencia, los solenoides: A, B, C, D de las 3 electroválvulas.
  • 9.
  • 10.
  • 11.
    SOL. (B): LADDERalternativo usando 4+1 relés.
  • 12.
    TD1 es unrelé temporizador. Las alimentaciones de los relés de mando (líneas verticales 2-6) y de los solenoides (líneas 1-7), son separadas por la diferencia de corrientes que circulan (distinta sección de los conductores y los fusibles que requieren).