Incrustar presentación
Descargado 14 veces


























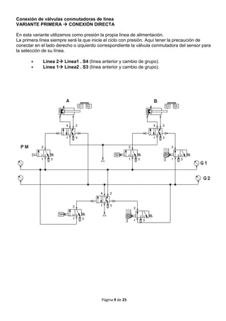
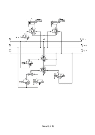
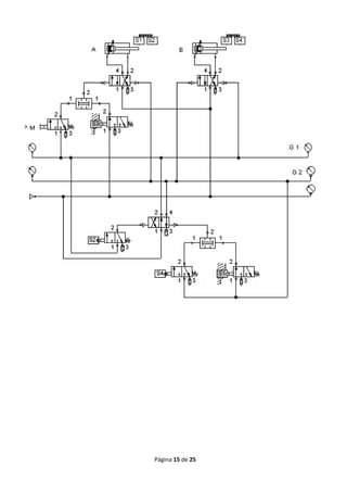
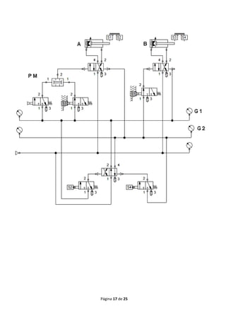
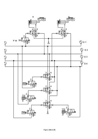
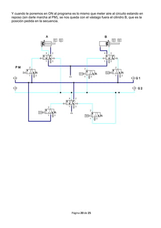
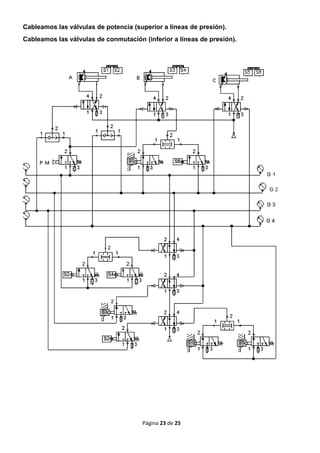
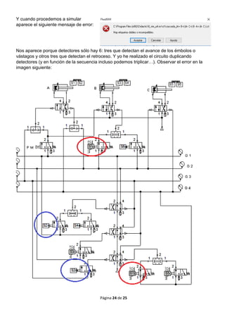
Este documento describe el método cascada para diseñar circuitos neumáticos. El método consiste en 9 pasos, incluyendo la identificación de elementos de trabajo, la formación de grupos neumáticos, la conexión de válvulas de potencia y conmutadoras, y la adición de funciones como temporizadores y detectores de seguridad. El método permite organizar el circuito en líneas de presión independientes usando válvulas de memoria para controlar los actuadores neumáticos de manera sistemática.
























