Manual de prácticas de Laboratorio
  de Autómatas programables




Presentación

    Este manual está pensado como una guía para que el alumno pueda realizar
    experimentos prácticos necesarios para comprobar los conocimientos teóricos
    que se han visto en clase.

    También le dará pautas para que pueda resolver problemas prácticos de
    automatización y así realizar aplicaciones reales de los conocimientos
    adquiridos .

    Aunque este manual está adecuado al equipo con el que se cuenta en el
    laboratorio de Instrumentación y control de la Facultad de Ciencias, podría ser
    usado con cualquier otro equipo con las adaptaciones correspondientes.

    Este manual está constituido por 8 prácticas que pueden ser terminadas en
    aproximadamente 2 horas de trabajo práctico.
El listado de los experimentos es el siguiente:



     Práctica No. 1:
           Conociendo los PLC’s

     Práctica No.2
           Introduciendo un programa al PLC

     Práctica No.3
           Las funciones lógicas y la memoria básica

     Práctica No.4
           Funciones AND LOD y OR LOD

     Práctica No.5
           Los Timers

     Práctica No.6
           Los contadores

     Práctica No.7
           Los Registros de Corrimiento

     Práctica No.8
           Programación Avanzada
Practica No.1

                          Conociendo los PLC’s

Objetivo:

        Que el alumno identifique las componentes tanto de un PLC modular
        como de uno compacto.

Desarrollo de la práctica:
       El alumno ubicará todas las partes que constituyen un PLC
        1.-De tipo modular utilizando el TI-305 de Texas Instrument,( como ejemplo
        de PLC modular) .
        Las partes son:

                          Base y Slots
                          Fuente de poder
                          Módulo del CPU
                          Programador manual
                          Módulos de entrada
                          Módulos de salida
2.-de tipo Compacto utilizando los PLC’s Micro-1 de Square D, Simatic-2XX
      de Siemens, y S17 de Telemecanique (como ejemplos de PLC’s compactos).

      En éstos el alumno debe determinar los tipos de entradas ( CA, CD, source o
      sink ) y salidas ( relevador, Transistor, etc), El tipo de fuente de poder
      necesaria, si tiene fuente de poder para conectar sensores etc.




Reporte:
      Reporte sus conclusiones respecto a las diferencias esenciales de los tipos de
      PLC´s , consultando los apuntes del curso. Implemente una tabla simplificada
      con las características de los diferentes PLC’s estudiados, consulte los
      manuales del fabricante.
Practica No.2

               Introduciendo un programa al PLC.

Objetivo:

       Que el alumno sea capaz de introducir un programa ejemplo como
       listado de instrucciones, utilizando el programador manual del Micro-1.

Desarrollo de la práctica:


       Antes de poder empezar, el programador manual se debe conectar al enchufe
       tipo telefónico que tiene el Micro-1 para ese fin.

        El programa de prueba, se teclea en el programador manual tipo calculadora
       para ser cargado primero en su memoria RAM, su visualizador de cristal
       líquido nos muestra línea por línea las instrucciones conforme se van
       introduciendo. El interruptor Arranque/ Paro debe estar en modo STOP, para
       poder cargar el programa.

       Una vez cargado el programa en la memoria del programador, debe ser
       transferido a la memoria del PLC con el comando TRS (transmit).
       Ya con el programa en el PLC, se puede puede proceder a ejecutarlo poniendo
       el interruptor de Arranque/Paro en modo RUN .

       Para ver los detalles de la programación del Micro-1, es necesario consultar el
       manual del fabricante.

       El programa de prueba que se va cargar es:

                 LOD NOT 1
                 OUT 200
                 END

       Este programa lo único que hace es prender el LED de la salida 200 al momento
       de ejecutar el programa
Reporte:
      En esta práctica es de suma importancia la función de cada una de las teclas del
      programador manual.
       Consultando el manual del fabricante, reporte una tabla que condense las
      funciones de cada una de las teclas del programador manual y también una que
      contemple todas las especificaciones y características técnicas del Micro1.
Practica No.3

                Las funciones Lógicas y la Memoria Básica.

   Objetivo:

              Que el alumno sea capaz de programar al Micro-1 para que realice las
              funciones lógicas AND, OR, NOT y una Memoria Básica Set / Reset.

   Desarrollo de la práctica:
              1.-Conecte un push button NA a la entrada 0 y otro a la 1

                         L1                            L2
     PBA                      0       1
                                               200                            PL1
                    0                                             200
    PBB                        0                                                          PL1= PBA.PBB
                                               201
                    1                                                                     PL2=PBA+PBB
                                                                  201         PL2
                               1                                                          PL3= NOT(PBA)



                               0
                                               202                 202       PL3




Módulo de entrada                                                 Módulo de salida
                        Programa en diagrama de contactos


              2.- cargue el programa de listado de instrucciones (AWL) que corresponde a las
              funciones AND.

                              LOD 0
                              AND1
                              OUT 200
                              END
3.-Cargue la función lógica OR.

              LOD 0
              OR 1
              OUT 201
              END

4.- La función NOT

            LOD NOT 0
            OUT 202
            END

   Ahora intente cargando todas las funciones en un solo programa y prediga el
   resultado a obtener y compruebe oprimiendo los push buttons

5.- implemente y cargue un programa para realizar el XOR


6.-La memoria básica SET /RESET.




                                         203
LOD 0
                   OR 400
                   AND NOT 1
                   OUT 203
                   END


Reporte :
       Ponga sus conclusiones y comentarios, las tablas de verdad comprobadas en la
       ctica e implemente nuevas funciones lógicas y sus listados de instrucciones con
       su diaprágrama de escalera para el micro-1.
Practica No.4

                    Funciones AND LOD Y OR LOD

Objetivo:

       Que el alumno sea capaz de programar al Micro-1 para que realice las
       funciones serie paralelo y paralelo serie AND LOD y OR LOD.

Desarrollo de la práctica:
       1.- Cargue al Micro-1 la función paralelo serie AND LOD mostrada en el
       diagrama de abajo y con las combinaciones de la tabla de verdad del circuito
       lógico compruebe su operación.


                    L1                                               L1
                           1               2
                                                           200



                                           3

  LOD 1
  LOD2
  OR3
  AND LOD
  OUT 200

                3


                2                                                                     200



                1
2.- Cargue al Micro-1 la función paralelo serie OR LOD mostrada en el
     diagrama de abajo y con las combinaciones de la tabla de verdad del circuito
     lógico compruebe su operación.




L1                                             L2
      1          3
                                     200
                                                                       LOD 1
                                                                       AND 3
       2        4                                                      LOD NOT 2
                                                                       AND 4
                                                                       OR LOD
                                                                       OUT 200




                                                         ORLOD
           1

           3
                                                                               200

           2

           4




     3.- Analice la función paralelo serie OR LOD mostrada en el diagrama de
     abajo y con las combinaciones de la tabla de verdad del circuito lógico
     compruebe su operación.
L1                                              L2
            1        3
                                         200

            2        4



                                                                           LOD 1
                                                                           AND3
            5        6                                                     LOD NOT 2
                                                                           AND 4
                                                                           OR LOD
                                                                           LOD 5
                                                                           AND NOT 6
                                                                           OR LOD
                                               ORLOD
                                                                           OUT 200
        1
        3

        2                                                      ORLOD
        4


        5                                                                        200

        6




Reporte :

        Ponga sus conclusiones y comentarios, las tablas de verdad comprobadas en la
        práctica e implemente nuevas funciones lógicas y sus listados de instrucciones
        con su diagrama de escalera para el micro-1.
Practica No.5

                                           Los Timers

   Objetivo:

              Que el alumno conozca la operación y sea capaz de programar los
              timers del Micro-1 .

   Desarrollo de la práctica:
              En la figura de abajo mostramos un diagrama funcional de lo que constituye un
              timer ( temporizador). Para cargar el preset e iniciar su operación tiene un
              circuito de lógica permisiva Podemos ver que tiene un reloj que genera una
              base de tiempo fija (frecuencia fija). En el caso del Micro-1 es de 1 pulso cada
              0.1 segundo.
              También consta de un contador decreciente con un preset programable, cuando
              el conteo decrece hasta cero, se activa el relevador que corresponda a la
              designación al Timer.




                                                                          Conteo=0
                                                      Contador
                                                                                       relay
                        Reloj                        decreciente




Lógica de arranque           Frecuencia fija y conocida

           Diagrama de bloques de las componentes de un timer conceptual
En estos diagramas de tiempo se muestra gráficamente la forma en que opera
                un Timer.

                Observe que cuando la lógica de arranque está abierta, el valor del preset del
                Timer es cargado al contador decreciente del timer. Cuando la lógica se cierra
                el contador comienza su desconteo . Si la lógica se abre mientras el timer esá en
                desconteo, se recarga de nuevo el valor del Preset.

                Cuando el desconteo llega a cero se activa un relevador cuyos contactos
                podemos usar libremente como TIM xx (NA) o NOT TIM xx (NC).

    Lógica de arranque-


           on



       off


       Timer                        Paso de conteo de
                                    acuerdo a reloj
      preset




   Reloj



Contacto NA
de salida




                           preset                                         preset


                                Descripción de la operación de un Timer
La forma de especificar un timer en el Micro – 1 es ilustrado en el diagrama de
escalera y el listado de instrucciones mostradaos abajo.




                       1
                                               TIM 5
                                                500

                     TIM5
                                               200




                    LOD 1
                    TIM 5
                    500
                    LOD TIM 5
                    OUT 200
1..- Utilizando “timers” implemente un diagrama de escaleras y el programa
       correspondiente para el PLC, que realice lo siguiente:
      a) Que al aplanar PB1 arranca el motor M1
      b) 5 segundos después el motor M2
      c) 5 Segundos después arranca M3
      d) al oprimir PB2 se paran todos simultáneamente.
      e)

       2.- Modifique el programa del problema anterior para que también al oprimir
       PB2 se apaguen los motores en el mismo orden en el que se prendieron, esto es:
       primero M1, 5 segundos después M2 y 5 segundos después M3.


       3.- Implemente un programa para hacer que un foco prenda al oprimir PB1,
       durante 5 minutos, después se apague 5 minutos y se repita hasta que se
       oprima PB2.




Reporte :
        Reporte los diagramas de escalera, los listados de instrucciones para los
       problemas propuestos , escriba los comentarios y sus conclusiones.
Practica No.6

                                  Los Contadores

  Objetivo:

          Que el alumno conozca la operación y sea capaz de programar los
          diferentes tipos de contadores del Micro-1 .

  Desarrollo de la práctica:

           Contadores de eventos

           Un contador es un dispositivo cuya función es realizar el conteo de eventos
           externos provenientes de un sensor o internos ocurridos en el PLC.
           Requiere 2 circuitos de lógica permisiva:

             A) De Reinicio (RESET)
             B) De entrada de pulso del evento




Reinicio/Habilita


                 Reinicio/Habilita
                                            CNT nn
                                            CCCC
Cuando el contacto RESET /START es cerrado, el contador es
       reinicializado a ceros.
       Cuando se abre este contacto el contador queda habilitado para contar.
       Cuando la cuenta del contador iguala al valor programado (preset=
       conteo), se activa el relevador correspondiente y por consiguiente los
       contactos del contador NA se cierran o los NC se abren. Estos contactos
       se nominan como CNT xx




                           CNT nn
                           CCCC




                    Bobina de salida después
                    del contador




EN EL DISPLAY LCD APARECERÁ EL VALOR DEL
CONTEO ACTUAL Y SE VERÁ COMO SE INCREMENTA
AL OCURRIR UN EVENTO ( CERRAR EL CONTACTO
DE CONTEO)
Contadores especiales:

  El micro-1 tiene 2 contadores especiales reversibles (up/down), el 45 de
  entradas separadas par cada dirección de conteo y el 46 de entrada de selección
  de dirección de conteo y entrada de reloj separada.

  Contador reversible (Up-Down)con entradas de
  dirección separadas :Contador 45



                                                                Valor del preset, cargado
                                                                como conteo inicial del
 PRESET                                                         contador cuando la
                                                                entrada preset es
                                                                cerrada.

PULSO ARRIBA
                                                                El conteo inicia cuando el
                                 CNT 45                         contacto preset es
                                   4                            abierto de nuevo


PULSO ABAJO




 CNT 4 5
                                      200




                             Contacto NA, solo se cierra cuando el conteo del
                             contador 45 alcanza el valor 00, ya sea con conteo
                             hacia arriba o hacia abajo
En los diagramas de tiempo de abajo se ilustra la forma en la que opera el
              contador reversible (Up/Down) 45 del Micro-1.


               preset

                                        Conteo habilitado



 Pulso up
        on

       off

Pulso down
       on

       off

     9999
                                             10
                                         9         9   8
                                    8
                            6   7                          7   6
                       5                                           5
                                                                       4
          4
                                                                            3
                                                                                2   1
   0000
                                                                                           0




   CNT 45
       on

       off
Contador reversible (Up-Down) con entrada de control
                de dirección y reloj único: Contador 46




                                                           Valor del preset, cargado
                                                           como conteo inicial del
                 PRESET                                    contador cuando la
                                                           entrada preset es cerrada.

                                                           El conteo inicia cuando
                                                           preset es abierta de nuevo
                 PULSO DE CONTEO

Control de                          CNT 46
dirección del                         4
conteo
                   UP/DOWN




                  CNT 4 6


                                         200




                                   Contacto NA, solo se cierra cuando el
                                   conteo del contador 46 alcanza el valor
                                   00, ya sea con conteo hacia arriba o
                                   hacia abajo
En los diagramas de tiempo de abajo se ilustra la forma en la que opera el
                   contador reversible (Up/Down) 46 del Micro-1.




                    preset

                                                 Conteo habilitado



     Pulso
             on

             off


             UP

       DOWN


       9999
                                                   10     9
                                             9                 8
                                         8
Valor de                         6   7                               7   6
 preset                      5                                               5
                                                                                 4
              4
                                                                                     3
                                                                                         2   1
    0000
                                                                                                 0



    CNT 45
             on

             off
1.- Implemente un programa que realice lo siguiente:
          que con un push-button NA, conectado a la entrada 0 se simule el conteo de
          latas, de tal forma, que al contar 50 “latas”, prenda el motor de una banda
          transportadora conectado a la salida 200, éste se para hasta que un
          interruptor de límite de carrera, LS1, conectado a la entrada 1 sea activado.

      2.- Un contador puede ser usado para mantener el número de vehículos que se
          encuentran en un estacionamiento . Conforme un vehículo entre por el
          acceso del estacionamiento, el contador incrementa su conteo. Conforme un
          vehículo sale por la puerta de salida del estacionamiento, el contador decrece
          su conteo. Cuando el estacionamiento está lleno un aviso en el acceso de la
          entrada enciende indicando que el estacionamiento está lleno.




Reporte :
        Reporte los diagramas de escalera, los listados de instrucciones para los
       problemas propuestos , escriba los comentarios y sus conclusiones.
Practica No.7

                     Los Registros de corrimiento

Objetivo:

       Que el alumno conozca la operación y sea capaz de programar los
       Registros de corrimiento del Micro-1 .

Desarrollo de la práctica:

       REGISTROS DE CORRIMIENTO (SHIFT REGISTERS)
       En PLC´s existe una instrucción que nos permite programarlos para que operen
       como un registro de corrimiento.
       Un registro de corrimiento es un grupo de localidades de memoria , que
       llamaremos celdas, operadas sincrónicamente por una señal de reloj ( pulsos) .

        El objetivo, es que un dato cargado en la primera celda sea transferida a la
       siguiente celda al recibir un pulso del reloj hasta moverlo a lo largo de todo el
       registro.

       El dato es cargado en la primera etapa moviéndose una posición a la derecha ( o
       izquierda) por cada transición positiva del pulso del reloj, hasta salir y ser
       descartado en el otro extremo.

       ¿CÓMO SE ESPECIFICA UN REGISTRO DE CORRIMIENTO?

       La forma de referencia de un registro de corrimiento depende del PLC , pero en
       forma general , el usuario debe definir donde inicia el registro y el número de
       bits o etapas que constituyen al registro .

       Normalmente para definir un registro de corrimiento se usa el término SFR xx
       , ( mnemónico de Shift Register) .

       En un diagrama de escaleras se especifica con tres “peldaños “ de entrada :
         RESET
         RELOJ
         DATO
RESET




DATO DE ENTRADA                                                                    DATO DESCARGADO
                                                                      CELDA
                      CELDA 11
                       CELDA          CELDA 21
                                       CELDA          CELDA 3            4
                                                                       CELDA 1
                                                       CELDA 1




 RELOJ




                       REGISTRO DE CORRIMIENTO TÍPICO

             RESET



              RELOJ
                                                  SFR                             LOD RESET
                                                   0                              LOD RELOJ
                                                                                  LOD DATO
                                                                                    SFR 0
               DATO                                  4                                4
                                                                                     ETC.




  FORMA DE ESPECIFICAR UN REGISTRO DE CORRIMIENTO PARA EL MICRO- 1




          El Micro-1 , permite que un registro de corrimiento cuente con un máximo de
          128 etapas cuyas direcciones son de la 0 a la 127 y la forma de especificarlos
          es de la forma siguiente:
          SFR 0 ..............el cero es la dirección del primer bit del registro (celda de
          entrada)
4........................el 4 indica que se usarán los 4 bits consecutivos a partir del
               cero , estos es el registro estará formado por los bits 0,1,2 y 3.
               Cualquier bit de un registro de corrimiento puede forzarse a “1” ó a “0” en
               forma asíncrona , usando las instrucciones SET o RST .


               1.-Cargue al Micro-1 el programa descrito abajo y compruebe su operación.


 E M L DE P O A A IÓ DE U R G O D C R IM NT EN U P M O 1
  JE P O   R GR M C N    N E ISTR E O R IE O    N LC ICR


               L1            # DE B DEL R
                                   ITS   EGIST O
                                              R                                L2
                                                                                    # DEL PRIMER B DEL R
                                                                                                  IT    EGISTRO

                             1 ( RE S E T)

                                                        SFR                         LOD 1
                             2   ( PU LS O S )           0                          LOD2
                             3 ( D A TO )
                                                            4                       LOD3
                                                                                    SFR 0
                S FR 0
                                                                                    4
                                                                         210
                                                                                    LOD SFR       0
                                                                                    OUT 210
                    S F R1
                                                                                    LOD SFR       1
                                                                         211
                                                                                    OUT 211
                S F R2                                                              LOD SFR       2
                                                                         212        OUT 212
                                                                                    LOD SFR       3
                    S F R3
                                                                                    OUT 213
                                                                      213
                                                                                    END


                                                   S E HA C EN C EROS
 RES ET                                          TO D OS LOS BITS D EL
                                                      REG IS TRO D E
         ON                                          C ORRIM IEN TOS

         OFF

                                                                  S HIFT
PU LS O S
         ON
         OFF


D A TO
         ON

         OFF
D G A AD T MOQ EIL S R L OE A IÓ D LRG T OD LEE PO
 IA R M E IE P U U T A A P R C N E E IS R E J ML

 RES ET

       ON

       OFF


PULS OS
       ON
       OFF


DATO
       ON

       OFF


S R0
 F



S R1
 F




S R2
 F




S R3
 F
2.- Implemente un programa para simular un contador de anillo usando 5 bits
          de un registro de corrimiento




Reporte :
        Reporte el diagrama de escalera, el listado de instrucciones para el problema
       propuesto , escriba los comentarios y sus conclusiones.
Practica No.8

                  Programación Avanzada

Objetivo:

       Que el alumno sea capaz de programar tanto el Micro 1, como el
       simatic S-200 , usando una PC y el software correspondiente

Desarrollo de la práctica:

       PROGRAMACION DE UN PLC USANDO UNA
            COMPUTADORA PERSONAL

       Los fabricantes de PLC¨´s proporcionan, además de su programador portátil, un
       programa para que puedan ser programados a través de una PC. Para poder
       conectar el PLC a la PC también suministran un adaptador de comunicación
       serial.

       Estos programas normalmente son implementados para ambiente DOS o para
       ambiente WINDOWS .

       Están provistos de editores gráficos que nos permiten implementar el programa
       de control del PLC en la PC, inclusive directamente como un diagrama de
       escalera,

       MUCHAS VENTAJAS, ENTRE ELLAS :

       FACILIDAD PARA PROGRAMAR
       IMPRESIÓN DEL PROGRAMA Y SU DOCUMENTACIÓN
       SIMULACIÓN DEL PROGRAMA
       RASTREO DE LA EJECUCIÓN DEL PROGRAMA DE CONTROL
       RESPALDO DE LOS PROGRAMAS EN MEDIOS MAGNETICOS
       FACILIDAD DE REVISIÓN Y CORRECCIÓN DE PROGRAMAS
       SE PUEDE USAR CUALQUIER PC COMPATIBLE CON IBM.
       EJECUCIÓN DE LOS PROGRAMAS DEL PLC A DISTANCIA
1.-Ejemplo del uso de las operaciones del
               reloj de tiempo real del Simatic S-2xx


I2.1               READ_RTC
                   EN                                    Pasa el RTC al Buffer que empieza en VB400
                                       RTC
       B4V00       T
                                                                                  Carga byte del año al Acumulador 0

                    MOV_B
                   EN                         VB4   01      año 2001
                                              VB4   05      mes mayo
       VB400                    AC0
                   IN   OUT                   VB4   02      día 02
                                              VB4   10      10 hrs.        AC                            01
                    INC_W
                              BUFFER          VB4   30      30 min
                   EN                         VB4   02      20 segs                  Incrementa año       +
         AC0       IN   OUT     AC0           VB4   00                      AC
                                              VB4   04       miercoles                                   02


                    MOV_B                                                Regresa byte de AC0 al buffer
                   EN

        AC0                    VB400
                   IN   OUT                                                             VB4       02
                                                                                        VB4       05
                                                           Actualiza                    VB4       02
                   READ_RTC
                   EN
                                        RTC                  RTC                        VB4       10

                    T
                                                                                        VB4       30
       VB400
                                                                                        VB4       20
                                                                                        VB4       00
                                                                                        VB4       04




 Problema :
               se requiere que un motor conectado en la salida Q0.0 se prenda todos los
               domingos del año en curso a las 2 pm, que se mantenga prendido por 35
               minutos y después se apague.
               Cargue usando el STEP 7 el programa que resuelve el problema mencionado y
               compruebe que opere como es esperado.
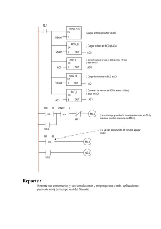
I2.1
                                           READ_RTC
                                          EN                ;Cargar el RTC al buffer VB400
                             VB400        T


                                                  MOV_B
                                          EN
                                                            ; Cargar la hora en BCD al AC0
                             VB403        I          OUT     AC0

                                              BCD I         ; Convertir valor de la hora en BCD a entero (16 bits)
                                          EN                y dejar en AC0

                              AC0         I          OUT     AC0


                                              MOV_B         ; Cargar los minutos en BCD a AC1
                                          EN
                             VB404        I         OUT       AC1


                                                  BCD_I
                                                            ; Convertir los minutos de BCD a entero (16 bits)
                                                            y dejar en AC1
                                          EN

                             AC1          I          OUT      AC1


            AC0         14     VB407          1

                  ==                 ==                            M0.0       ; si es domingo y son las 14 horas prender motor en Q0.0 y
                                                                              mantener prendido (memoria con M0.0 )
                                                     M0.1


             M0.0                                                             ; si ya han transcurrido 35 minutos apagar
                                                                              motor
            AC1         35

                   ==                                       M0.1



                                                            Q0.0
              M0.0




Reporte :
       Reporte sus comentarios y sus conclusiones , proponga una o más aplicaciones
       para este reloj de tiempo real del Simatic .

Manual practicas

  • 1.
    Manual de prácticasde Laboratorio de Autómatas programables Presentación Este manual está pensado como una guía para que el alumno pueda realizar experimentos prácticos necesarios para comprobar los conocimientos teóricos que se han visto en clase. También le dará pautas para que pueda resolver problemas prácticos de automatización y así realizar aplicaciones reales de los conocimientos adquiridos . Aunque este manual está adecuado al equipo con el que se cuenta en el laboratorio de Instrumentación y control de la Facultad de Ciencias, podría ser usado con cualquier otro equipo con las adaptaciones correspondientes. Este manual está constituido por 8 prácticas que pueden ser terminadas en aproximadamente 2 horas de trabajo práctico.
  • 2.
    El listado delos experimentos es el siguiente: Práctica No. 1: Conociendo los PLC’s Práctica No.2 Introduciendo un programa al PLC Práctica No.3 Las funciones lógicas y la memoria básica Práctica No.4 Funciones AND LOD y OR LOD Práctica No.5 Los Timers Práctica No.6 Los contadores Práctica No.7 Los Registros de Corrimiento Práctica No.8 Programación Avanzada
  • 3.
    Practica No.1 Conociendo los PLC’s Objetivo: Que el alumno identifique las componentes tanto de un PLC modular como de uno compacto. Desarrollo de la práctica: El alumno ubicará todas las partes que constituyen un PLC 1.-De tipo modular utilizando el TI-305 de Texas Instrument,( como ejemplo de PLC modular) . Las partes son: Base y Slots Fuente de poder Módulo del CPU Programador manual Módulos de entrada Módulos de salida
  • 4.
    2.-de tipo Compactoutilizando los PLC’s Micro-1 de Square D, Simatic-2XX de Siemens, y S17 de Telemecanique (como ejemplos de PLC’s compactos). En éstos el alumno debe determinar los tipos de entradas ( CA, CD, source o sink ) y salidas ( relevador, Transistor, etc), El tipo de fuente de poder necesaria, si tiene fuente de poder para conectar sensores etc. Reporte: Reporte sus conclusiones respecto a las diferencias esenciales de los tipos de PLC´s , consultando los apuntes del curso. Implemente una tabla simplificada con las características de los diferentes PLC’s estudiados, consulte los manuales del fabricante.
  • 5.
    Practica No.2 Introduciendo un programa al PLC. Objetivo: Que el alumno sea capaz de introducir un programa ejemplo como listado de instrucciones, utilizando el programador manual del Micro-1. Desarrollo de la práctica: Antes de poder empezar, el programador manual se debe conectar al enchufe tipo telefónico que tiene el Micro-1 para ese fin. El programa de prueba, se teclea en el programador manual tipo calculadora para ser cargado primero en su memoria RAM, su visualizador de cristal líquido nos muestra línea por línea las instrucciones conforme se van introduciendo. El interruptor Arranque/ Paro debe estar en modo STOP, para poder cargar el programa. Una vez cargado el programa en la memoria del programador, debe ser transferido a la memoria del PLC con el comando TRS (transmit). Ya con el programa en el PLC, se puede puede proceder a ejecutarlo poniendo el interruptor de Arranque/Paro en modo RUN . Para ver los detalles de la programación del Micro-1, es necesario consultar el manual del fabricante. El programa de prueba que se va cargar es: LOD NOT 1 OUT 200 END Este programa lo único que hace es prender el LED de la salida 200 al momento de ejecutar el programa
  • 6.
    Reporte: En esta práctica es de suma importancia la función de cada una de las teclas del programador manual. Consultando el manual del fabricante, reporte una tabla que condense las funciones de cada una de las teclas del programador manual y también una que contemple todas las especificaciones y características técnicas del Micro1.
  • 7.
    Practica No.3 Las funciones Lógicas y la Memoria Básica. Objetivo: Que el alumno sea capaz de programar al Micro-1 para que realice las funciones lógicas AND, OR, NOT y una Memoria Básica Set / Reset. Desarrollo de la práctica: 1.-Conecte un push button NA a la entrada 0 y otro a la 1 L1 L2 PBA 0 1 200 PL1 0 200 PBB 0 PL1= PBA.PBB 201 1 PL2=PBA+PBB 201 PL2 1 PL3= NOT(PBA) 0 202 202 PL3 Módulo de entrada Módulo de salida Programa en diagrama de contactos 2.- cargue el programa de listado de instrucciones (AWL) que corresponde a las funciones AND. LOD 0 AND1 OUT 200 END
  • 8.
    3.-Cargue la funciónlógica OR. LOD 0 OR 1 OUT 201 END 4.- La función NOT LOD NOT 0 OUT 202 END Ahora intente cargando todas las funciones en un solo programa y prediga el resultado a obtener y compruebe oprimiendo los push buttons 5.- implemente y cargue un programa para realizar el XOR 6.-La memoria básica SET /RESET. 203
  • 9.
    LOD 0 OR 400 AND NOT 1 OUT 203 END Reporte : Ponga sus conclusiones y comentarios, las tablas de verdad comprobadas en la ctica e implemente nuevas funciones lógicas y sus listados de instrucciones con su diaprágrama de escalera para el micro-1.
  • 10.
    Practica No.4 Funciones AND LOD Y OR LOD Objetivo: Que el alumno sea capaz de programar al Micro-1 para que realice las funciones serie paralelo y paralelo serie AND LOD y OR LOD. Desarrollo de la práctica: 1.- Cargue al Micro-1 la función paralelo serie AND LOD mostrada en el diagrama de abajo y con las combinaciones de la tabla de verdad del circuito lógico compruebe su operación. L1 L1 1 2 200 3 LOD 1 LOD2 OR3 AND LOD OUT 200 3 2 200 1
  • 11.
    2.- Cargue alMicro-1 la función paralelo serie OR LOD mostrada en el diagrama de abajo y con las combinaciones de la tabla de verdad del circuito lógico compruebe su operación. L1 L2 1 3 200 LOD 1 AND 3 2 4 LOD NOT 2 AND 4 OR LOD OUT 200 ORLOD 1 3 200 2 4 3.- Analice la función paralelo serie OR LOD mostrada en el diagrama de abajo y con las combinaciones de la tabla de verdad del circuito lógico compruebe su operación.
  • 12.
    L1 L2 1 3 200 2 4 LOD 1 AND3 5 6 LOD NOT 2 AND 4 OR LOD LOD 5 AND NOT 6 OR LOD ORLOD OUT 200 1 3 2 ORLOD 4 5 200 6 Reporte : Ponga sus conclusiones y comentarios, las tablas de verdad comprobadas en la práctica e implemente nuevas funciones lógicas y sus listados de instrucciones con su diagrama de escalera para el micro-1.
  • 13.
    Practica No.5 Los Timers Objetivo: Que el alumno conozca la operación y sea capaz de programar los timers del Micro-1 . Desarrollo de la práctica: En la figura de abajo mostramos un diagrama funcional de lo que constituye un timer ( temporizador). Para cargar el preset e iniciar su operación tiene un circuito de lógica permisiva Podemos ver que tiene un reloj que genera una base de tiempo fija (frecuencia fija). En el caso del Micro-1 es de 1 pulso cada 0.1 segundo. También consta de un contador decreciente con un preset programable, cuando el conteo decrece hasta cero, se activa el relevador que corresponda a la designación al Timer. Conteo=0 Contador relay Reloj decreciente Lógica de arranque Frecuencia fija y conocida Diagrama de bloques de las componentes de un timer conceptual
  • 14.
    En estos diagramasde tiempo se muestra gráficamente la forma en que opera un Timer. Observe que cuando la lógica de arranque está abierta, el valor del preset del Timer es cargado al contador decreciente del timer. Cuando la lógica se cierra el contador comienza su desconteo . Si la lógica se abre mientras el timer esá en desconteo, se recarga de nuevo el valor del Preset. Cuando el desconteo llega a cero se activa un relevador cuyos contactos podemos usar libremente como TIM xx (NA) o NOT TIM xx (NC). Lógica de arranque- on off Timer Paso de conteo de acuerdo a reloj preset Reloj Contacto NA de salida preset preset Descripción de la operación de un Timer
  • 15.
    La forma deespecificar un timer en el Micro – 1 es ilustrado en el diagrama de escalera y el listado de instrucciones mostradaos abajo. 1 TIM 5 500 TIM5 200 LOD 1 TIM 5 500 LOD TIM 5 OUT 200
  • 17.
    1..- Utilizando “timers”implemente un diagrama de escaleras y el programa correspondiente para el PLC, que realice lo siguiente: a) Que al aplanar PB1 arranca el motor M1 b) 5 segundos después el motor M2 c) 5 Segundos después arranca M3 d) al oprimir PB2 se paran todos simultáneamente. e) 2.- Modifique el programa del problema anterior para que también al oprimir PB2 se apaguen los motores en el mismo orden en el que se prendieron, esto es: primero M1, 5 segundos después M2 y 5 segundos después M3. 3.- Implemente un programa para hacer que un foco prenda al oprimir PB1, durante 5 minutos, después se apague 5 minutos y se repita hasta que se oprima PB2. Reporte : Reporte los diagramas de escalera, los listados de instrucciones para los problemas propuestos , escriba los comentarios y sus conclusiones.
  • 18.
    Practica No.6 Los Contadores Objetivo: Que el alumno conozca la operación y sea capaz de programar los diferentes tipos de contadores del Micro-1 . Desarrollo de la práctica: Contadores de eventos Un contador es un dispositivo cuya función es realizar el conteo de eventos externos provenientes de un sensor o internos ocurridos en el PLC. Requiere 2 circuitos de lógica permisiva: A) De Reinicio (RESET) B) De entrada de pulso del evento Reinicio/Habilita Reinicio/Habilita CNT nn CCCC
  • 19.
    Cuando el contactoRESET /START es cerrado, el contador es reinicializado a ceros. Cuando se abre este contacto el contador queda habilitado para contar. Cuando la cuenta del contador iguala al valor programado (preset= conteo), se activa el relevador correspondiente y por consiguiente los contactos del contador NA se cierran o los NC se abren. Estos contactos se nominan como CNT xx CNT nn CCCC Bobina de salida después del contador EN EL DISPLAY LCD APARECERÁ EL VALOR DEL CONTEO ACTUAL Y SE VERÁ COMO SE INCREMENTA AL OCURRIR UN EVENTO ( CERRAR EL CONTACTO DE CONTEO)
  • 20.
    Contadores especiales: El micro-1 tiene 2 contadores especiales reversibles (up/down), el 45 de entradas separadas par cada dirección de conteo y el 46 de entrada de selección de dirección de conteo y entrada de reloj separada. Contador reversible (Up-Down)con entradas de dirección separadas :Contador 45 Valor del preset, cargado como conteo inicial del PRESET contador cuando la entrada preset es cerrada. PULSO ARRIBA El conteo inicia cuando el CNT 45 contacto preset es 4 abierto de nuevo PULSO ABAJO CNT 4 5 200 Contacto NA, solo se cierra cuando el conteo del contador 45 alcanza el valor 00, ya sea con conteo hacia arriba o hacia abajo
  • 21.
    En los diagramasde tiempo de abajo se ilustra la forma en la que opera el contador reversible (Up/Down) 45 del Micro-1. preset Conteo habilitado Pulso up on off Pulso down on off 9999 10 9 9 8 8 6 7 7 6 5 5 4 4 3 2 1 0000 0 CNT 45 on off
  • 22.
    Contador reversible (Up-Down)con entrada de control de dirección y reloj único: Contador 46 Valor del preset, cargado como conteo inicial del PRESET contador cuando la entrada preset es cerrada. El conteo inicia cuando preset es abierta de nuevo PULSO DE CONTEO Control de CNT 46 dirección del 4 conteo UP/DOWN CNT 4 6 200 Contacto NA, solo se cierra cuando el conteo del contador 46 alcanza el valor 00, ya sea con conteo hacia arriba o hacia abajo
  • 23.
    En los diagramasde tiempo de abajo se ilustra la forma en la que opera el contador reversible (Up/Down) 46 del Micro-1. preset Conteo habilitado Pulso on off UP DOWN 9999 10 9 9 8 8 Valor de 6 7 7 6 preset 5 5 4 4 3 2 1 0000 0 CNT 45 on off
  • 24.
    1.- Implemente unprograma que realice lo siguiente: que con un push-button NA, conectado a la entrada 0 se simule el conteo de latas, de tal forma, que al contar 50 “latas”, prenda el motor de una banda transportadora conectado a la salida 200, éste se para hasta que un interruptor de límite de carrera, LS1, conectado a la entrada 1 sea activado. 2.- Un contador puede ser usado para mantener el número de vehículos que se encuentran en un estacionamiento . Conforme un vehículo entre por el acceso del estacionamiento, el contador incrementa su conteo. Conforme un vehículo sale por la puerta de salida del estacionamiento, el contador decrece su conteo. Cuando el estacionamiento está lleno un aviso en el acceso de la entrada enciende indicando que el estacionamiento está lleno. Reporte : Reporte los diagramas de escalera, los listados de instrucciones para los problemas propuestos , escriba los comentarios y sus conclusiones.
  • 25.
    Practica No.7 Los Registros de corrimiento Objetivo: Que el alumno conozca la operación y sea capaz de programar los Registros de corrimiento del Micro-1 . Desarrollo de la práctica: REGISTROS DE CORRIMIENTO (SHIFT REGISTERS) En PLC´s existe una instrucción que nos permite programarlos para que operen como un registro de corrimiento. Un registro de corrimiento es un grupo de localidades de memoria , que llamaremos celdas, operadas sincrónicamente por una señal de reloj ( pulsos) . El objetivo, es que un dato cargado en la primera celda sea transferida a la siguiente celda al recibir un pulso del reloj hasta moverlo a lo largo de todo el registro. El dato es cargado en la primera etapa moviéndose una posición a la derecha ( o izquierda) por cada transición positiva del pulso del reloj, hasta salir y ser descartado en el otro extremo. ¿CÓMO SE ESPECIFICA UN REGISTRO DE CORRIMIENTO? La forma de referencia de un registro de corrimiento depende del PLC , pero en forma general , el usuario debe definir donde inicia el registro y el número de bits o etapas que constituyen al registro . Normalmente para definir un registro de corrimiento se usa el término SFR xx , ( mnemónico de Shift Register) . En un diagrama de escaleras se especifica con tres “peldaños “ de entrada : RESET RELOJ DATO
  • 26.
    RESET DATO DE ENTRADA DATO DESCARGADO CELDA CELDA 11 CELDA CELDA 21 CELDA CELDA 3 4 CELDA 1 CELDA 1 RELOJ REGISTRO DE CORRIMIENTO TÍPICO RESET RELOJ SFR LOD RESET 0 LOD RELOJ LOD DATO SFR 0 DATO 4 4 ETC. FORMA DE ESPECIFICAR UN REGISTRO DE CORRIMIENTO PARA EL MICRO- 1 El Micro-1 , permite que un registro de corrimiento cuente con un máximo de 128 etapas cuyas direcciones son de la 0 a la 127 y la forma de especificarlos es de la forma siguiente: SFR 0 ..............el cero es la dirección del primer bit del registro (celda de entrada)
  • 27.
    4........................el 4 indicaque se usarán los 4 bits consecutivos a partir del cero , estos es el registro estará formado por los bits 0,1,2 y 3. Cualquier bit de un registro de corrimiento puede forzarse a “1” ó a “0” en forma asíncrona , usando las instrucciones SET o RST . 1.-Cargue al Micro-1 el programa descrito abajo y compruebe su operación. E M L DE P O A A IÓ DE U R G O D C R IM NT EN U P M O 1 JE P O R GR M C N N E ISTR E O R IE O N LC ICR L1 # DE B DEL R ITS EGIST O R L2 # DEL PRIMER B DEL R IT EGISTRO 1 ( RE S E T) SFR LOD 1 2 ( PU LS O S ) 0 LOD2 3 ( D A TO ) 4 LOD3 SFR 0 S FR 0 4 210 LOD SFR 0 OUT 210 S F R1 LOD SFR 1 211 OUT 211 S F R2 LOD SFR 2 212 OUT 212 LOD SFR 3 S F R3 OUT 213 213 END S E HA C EN C EROS RES ET TO D OS LOS BITS D EL REG IS TRO D E ON C ORRIM IEN TOS OFF S HIFT PU LS O S ON OFF D A TO ON OFF
  • 28.
    D G AAD T MOQ EIL S R L OE A IÓ D LRG T OD LEE PO IA R M E IE P U U T A A P R C N E E IS R E J ML RES ET ON OFF PULS OS ON OFF DATO ON OFF S R0 F S R1 F S R2 F S R3 F
  • 29.
    2.- Implemente unprograma para simular un contador de anillo usando 5 bits de un registro de corrimiento Reporte : Reporte el diagrama de escalera, el listado de instrucciones para el problema propuesto , escriba los comentarios y sus conclusiones.
  • 30.
    Practica No.8 Programación Avanzada Objetivo: Que el alumno sea capaz de programar tanto el Micro 1, como el simatic S-200 , usando una PC y el software correspondiente Desarrollo de la práctica: PROGRAMACION DE UN PLC USANDO UNA COMPUTADORA PERSONAL Los fabricantes de PLC¨´s proporcionan, además de su programador portátil, un programa para que puedan ser programados a través de una PC. Para poder conectar el PLC a la PC también suministran un adaptador de comunicación serial. Estos programas normalmente son implementados para ambiente DOS o para ambiente WINDOWS . Están provistos de editores gráficos que nos permiten implementar el programa de control del PLC en la PC, inclusive directamente como un diagrama de escalera, MUCHAS VENTAJAS, ENTRE ELLAS : FACILIDAD PARA PROGRAMAR IMPRESIÓN DEL PROGRAMA Y SU DOCUMENTACIÓN SIMULACIÓN DEL PROGRAMA RASTREO DE LA EJECUCIÓN DEL PROGRAMA DE CONTROL RESPALDO DE LOS PROGRAMAS EN MEDIOS MAGNETICOS FACILIDAD DE REVISIÓN Y CORRECCIÓN DE PROGRAMAS SE PUEDE USAR CUALQUIER PC COMPATIBLE CON IBM. EJECUCIÓN DE LOS PROGRAMAS DEL PLC A DISTANCIA
  • 32.
    1.-Ejemplo del usode las operaciones del reloj de tiempo real del Simatic S-2xx I2.1 READ_RTC EN Pasa el RTC al Buffer que empieza en VB400 RTC B4V00 T Carga byte del año al Acumulador 0 MOV_B EN VB4 01 año 2001 VB4 05 mes mayo VB400 AC0 IN OUT VB4 02 día 02 VB4 10 10 hrs. AC 01 INC_W BUFFER VB4 30 30 min EN VB4 02 20 segs Incrementa año + AC0 IN OUT AC0 VB4 00 AC VB4 04 miercoles 02 MOV_B Regresa byte de AC0 al buffer EN AC0 VB400 IN OUT VB4 02 VB4 05 Actualiza VB4 02 READ_RTC EN RTC RTC VB4 10 T VB4 30 VB400 VB4 20 VB4 00 VB4 04 Problema : se requiere que un motor conectado en la salida Q0.0 se prenda todos los domingos del año en curso a las 2 pm, que se mantenga prendido por 35 minutos y después se apague. Cargue usando el STEP 7 el programa que resuelve el problema mencionado y compruebe que opere como es esperado.
  • 33.
    I2.1 READ_RTC EN ;Cargar el RTC al buffer VB400 VB400 T MOV_B EN ; Cargar la hora en BCD al AC0 VB403 I OUT AC0 BCD I ; Convertir valor de la hora en BCD a entero (16 bits) EN y dejar en AC0 AC0 I OUT AC0 MOV_B ; Cargar los minutos en BCD a AC1 EN VB404 I OUT AC1 BCD_I ; Convertir los minutos de BCD a entero (16 bits) y dejar en AC1 EN AC1 I OUT AC1 AC0 14 VB407 1 == == M0.0 ; si es domingo y son las 14 horas prender motor en Q0.0 y mantener prendido (memoria con M0.0 ) M0.1 M0.0 ; si ya han transcurrido 35 minutos apagar motor AC1 35 == M0.1 Q0.0 M0.0 Reporte : Reporte sus comentarios y sus conclusiones , proponga una o más aplicaciones para este reloj de tiempo real del Simatic .