MOTORES DE CORRIENTE
ALTERNA
UNIVERSIDAD NACIONAL DE INGENIERÍA
FACULTAD DE INGENIERÍA QUÍMICA Y TEXTIL
CIRCUITOS ELÉCTRICOS y AUTOMATIZACIÓN
Ing. JORGE COSCO GRIMANEY
Motor de corriente alterna
CLASIFICACIÓN DE LAS
MÁQUINAS ELÉCTRICAS
A.-Máquinas Eléctricas Estáticas
 Transformadores
 Convertidores e Inversores
B.-Máquinas Eléctricas Rotativas
 Generadores Eléctricos
 Motores Eléctricos
De Corriente Continua
De Corriente Alterna
CARACTERÍSTICAS DE LAS
MÁQUINAS ELÉCTRICAS
1.Potencia
2.Tensión
3.Corriente
4.Factor de Potencia
5.Frecuencia
6.Rendimiento
7.El Campo Magnético
1.POTENCIA
POTENCIA NOMINAL
Es la potencia útil disponible que entrega o produce en régimen
nominal (condiciones específicas de diseño: T°<75°C, duración de
funcionamiento) una máquina eléctrica. A condiciones diferentes
se llama POTENCIA ÚTIL o POTENCIA DE TRABAJO.
POTENCIA NOMINAL = POTENCIA
A PLENA CARGA
POTENCIA NULA = TRABAJA EN
VACIO
LA POTENCIA QUE FIGURA EN LAS PLACAS CARACTERISTICAS
SON LAS POTENCIAS NOMINALES
POTECIA
NOMINAL DE
UN
GENERADOR
POTECIA
NOMINAL DE
UN MOTOR
POTECIA
NOMINAL DE UN
TRANSFORMADO
R
Potencia Aparente
en los bornes del
Secundario
Potencia Aparente
en los bornes del
Secundario
Potencia Mecánica
disponible en el eje
de Salida
2.-TENSIÓN
Es la diferencia de potencial entre los bornes de salida eléctrica en
generadores y transformadores, y bornes de entrada en los motores.
En servicio normal la tensiones función de la carga, en algunos casos
dependen de los órganos reguladores adicionales.
TENSIÓN NOMINAL (VN)
Es aquella para la cual la máquina ha sido diseñada (o
dimensionada).Es la que figura en la placa y para la cual valen las
garantías del fabricante.
 TENSIÓN DE SERVICIO (V
servicio)
Es el valor de la tensión en los bornes
de la máquina cuando está en
servicio, es decir, es la tensión que
va ha ceder si es generador o recibir
y ceder si es transformador o recibir
si es motor, en el lugar donde se
instalan.
Tensión de servicio máximo
admisible 1,15 VN
 3.-CORRIENTE NOMINAL
 Sistema Monofásico I = PN / (VN . cosθ)
 Sistema Trifásico I = PN / (√3 x VN . cosθ)
Si la máquina se
sobrecarga la corriente
sobrepasa de un 10%
a 15% su valor
nominal.
La Corriente de
Arranque llega a
valores de 3 IN a 5 IN.
4.-FACTORDEPOTENCIA (Cos Φ)
Es la relación entre la potencia activa y la potencia
aparente, siempre que las tensiones y las corrientes sean
sinusoidales.
Cos Φ = P / S
5.-FRECUENCIA
Es el numero de oscilaciones periódicas
completas de la onda fundamental durante un
segundo.
En los generadores de corriente alterna la
frecuencia esta dada por:
f = P. n / 60
P=Par de polos de la máquina
n=revoluciones por minuto (RPM)
 6.-RENDIMIENTO(η)
 Es la relación entre la potencia suministrada y la
potencia absorbida por la máquina.
De acuerdo a la forma de construcción del rotor, los
motores asincrónicos se clasifican en:
► Motor Asincrónico tipo Jaula de Ardilla
► Motor Asincrónico de Rotor Bobinado
Motor Asíncrono o de Inducción:Motor Asíncrono o de Inducción:
Motor de Inducción
El más común de los motores
de corriente alterna es el
Motor de Inducción, donde
la corriente eléctrica es
inducida en el rotor.
La velocidad de giro del rotor
es menor que la velocidad
del campo magnético
giratorio
Los bobinados que producen el campo magnético se llaman tradicionalmente
los "bobinados de campo" mientras que el rotor que gira se llaman la
"armadura". En un motor de C.A. trifásico el campo magnético gira con una
velocidad que depende del numero de polos y de la frecuencia.
MOTOR ASÍNCRONOMOTOR ASÍNCRONO
INDUCCIÓN.FUNDAMENTOINDUCCIÓN.FUNDAMENTO
Se basa en la concepción de campos
giratorios ( Arago 1822,Ferraris
1885,Tesla 1886).
Si sobre un mismo eje se colocan un
disco de metal y un imán en forma de
herradura; al girar éste, el campo
magnético corta el disco e induce
corrientes en él. Al estar estas corrientes
en el seno de un campo magnético
también se mueven, de tal forma que se
desarrolla una fuerza entre corrientes y
el campo. Es tal que hace que el disco
siga al imán en su rotación.
El disco gira en el mismo sentido que el
campo del imán, pero a menor
velocidad, de tal forma que nunca puede
alcanzar la velocidad del iman. Si llega a
alcanzarla se para
Motor de Inducción
3 devanados en el
estator desfasados 2π/
(3P) siendo P nº pares
de polos
El Nº de fases del rotor no tiene
porqué ser el mismo que el del
estator, sí será igual el número
de polos. Los devanados del
rotor están conectados a anillos
colectores montados sobre el
mismo eje
Los conductores del rotor están
igualmente distribuidos por la
periferia del rotor. Los extremos de
estos conductores están
cortocircuitados, no habiendo
conexión con el exterior. La posición
inclinada de las ranuras mejora el
arranque y disminuye el ruido
Partes del motor Asíncrono o de Inducción:Partes del motor Asíncrono o de Inducción:
los motores asíncronos se
clasifican de acuerdo a la forma
de construcción del rotor.
Las bobinas del estator induce corriente alterna en el circuito
eléctrico del rotor (de manera algo similar a un transformador) y el
rotor es obligado a girar.
Este es el rotor que hace que el generador asíncrono sea
diferente del generador síncrono. El rotor consta de un cierto
número de barras de cobre o de aluminio, conectadas
eléctricamente por anillos de aluminio finales
Rotor de jaula de ardilla
a
b
ci
i
i
Stator coil
Rotor coils
Rotor bobinado
El motor de jaula de ardilla tiene el inconveniente
de que la resistencia del conjunto es
invariable, no son adecuados cuando se debe
regular la velocidad durante la marcha
Motor Asíncrono o de Inducción:Motor Asíncrono o de Inducción:
Motor de Inducción
Motor de Inducción
Motor de Inducción
Motor de Inducción
Motor de Inducción
CAMPO MAGNETICO
GIRATORIO
Estos motores tienen la peculiaridad de que no precisan de un campo
magnético en el rotor alimentado con corriente continua como en los
casos del motor de corriente directa o del motor síncrono. SoloSolo
necesita una fuente de corriente alterna (trifásica o monofásica) paranecesita una fuente de corriente alterna (trifásica o monofásica) para
alimentar al estator.alimentar al estator.
Estos motores tienen la peculiaridad de que no precisan de un campo
magnético en el rotor alimentado con corriente continua como en los
casos del motor de corriente directa o del motor síncrono. SoloSolo
necesita una fuente de corriente alterna (trifásica o monofásica) paranecesita una fuente de corriente alterna (trifásica o monofásica) para
alimentar al estator.alimentar al estator.
El estator está constituido por
un núcleo en cuyo interior
existen P pares de
arrollamientos colocados
simétricamente en un ángulo de
120º. Son sometidos a una C.A.
y los polos del estator se
trasladan continuamente
creando un campo giratorio.
Cuando las corrientes trifásicas son aplicadas a los
bobinados del estator, el campo magnético gira a
una velocidad constante
CAMPO MAGNETICO GIRATORIO.CAMPO MAGNETICO GIRATORIO.
Si consideramos : A y A´, B y B´, C y C´ devanados
concentrados por fase.
×
●
●
×
A
A´
B
B´
C
C´
Fig1. 0°
×
A
●
A´
BC
C´B´
●
×
●
×
Fig 2. 90°
N
S
N
S
NS
A
A´
×
●
●
×
B
B´
C
C´
Fig 3. 180°
CAMPO MAGNETICO GIRATORIO.
3 3
TORQUE INDUCIDO EN EL
ROTOR
PRINCIPIO DE FUNCIONAMIENTO DEL MOTOR ASÍNCRONO
Campo magnético giratorio
en el estator Ns=f x2 Π
P
El campo magnético induce f.e.m en el rotor
Circulan corrientes por el rotor
Fuerzas electromagnéticas entre las corrientes del rotor
y el campo magnético del estator
Par en el rotor: el rotor gira
El rotor gira a una velocidad Nr inferior a la velocidad de sincronismo Ns pues
en caso contrario no se induciría f.e.m. en el rotor y por lo tanto no habría
par motor
Corriente inducida en el rotorCorriente inducida en el rotor
El flujo magnético distribuido sinusoidalmente, generada por las
corrientes del estator, realizan un barrido en las barras
conductores del rotor y generan una tensión inducida en ellos.
El resultado es un conjunto de corrientes distribuidas
sinusoidalmente en las barras cortocircuitadas del rotor.
Si miramos las barras del rotor desde arriba tenemos un campo
magnético moviéndose respecto al rotor. Esto induce una
corriente muy elevada en las barras del rotor, que apenas ofrecen
resistencia, pues están cortocircuitadas por los anillos finales.
El rotor desarrolla entonces sus propios polos magnéticos, que
se ven, por turnos, arrastrados por el campo magnético giratorio
del estator.
Corrientes y fuerzas inducidas en la jaula
Eje de giro
B
I
F
El campo magnético giratorio origina un flujo que induce corrientes en el
rotor que interactúan con el campo magnético del estator. En cada
conductor se produce una fuerza F=ilB que da lugar al par del motor.
¿Cual es la
velocidad del
motor?
Torque
ns
1
0
ns
smax
Tst
Tmax
s
s
s
s
ss n
nn
n
n
s
ω
ωω
ω
ω∆∆ −
=
−
===
Deslizamiento: diferencia entre la
velocidad de sincronismo y la velocidad
de giro
60
n
2πω =
n es rev/minuto y
ω es in radianes/segundo
Velocidad mecánica
min/rev
p
f
120
pp
f60
ns ==
La velocidad del motor para
máxima carga es
min/)1(120)1( revs
p
f
snn s =−⋅⋅=−⋅=
¿Cual es la
velocidad del
motor?
El rotor intenta seguir en su movimiento al campo magnético B girando a
velocidad w. La velocidad de giro w solo es igual aproximadamente ws
cuando el motor está en vacío, es decir, sin carga en el eje (no realiza
par). A medida que cargamos el motor, o sea, a medida que le exigimos
más par en el eje, el motor disminuirá su velocidad girando entonces a una
velocidad angular w < ws.
Por otra parte la velocidad angular ws depende de la frecuencia de la red
que alimenta al motor y de la forma en que está bobinado el estator.
Según como se realiza el mismo tendremos motores de 1par de polos, de
2, de 3, etc. Tenemos que:
CIRCUITO EQUIVALENTE del
MOTOR JAULA DE ARDILLA
Circuito Equivalente por Fase
Circuito Equivalente por Fase
Circuito Equivalente por Fase
FLUJO DE POTENCIA
CURVA PAR - VELOCIDAD
Determinación de parametros de un
motor de inducción
Determinación de parametros de un
motor de inducción
Determinación de parametros de un
motor de inducción
INSTALACION DE LOS
MOTORES JAULA DE
ARDILLA
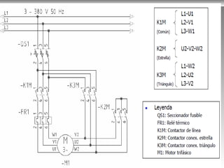
Arranque estrella-triángulo
Circuito de mando
No se olviden que el lunes 17 hay
exposición de todos los grupos sobre
instalación de motores

Motores de-ca-asincronos

  • 1.
    MOTORES DE CORRIENTE ALTERNA UNIVERSIDADNACIONAL DE INGENIERÍA FACULTAD DE INGENIERÍA QUÍMICA Y TEXTIL CIRCUITOS ELÉCTRICOS y AUTOMATIZACIÓN Ing. JORGE COSCO GRIMANEY
  • 2.
  • 3.
    CLASIFICACIÓN DE LAS MÁQUINASELÉCTRICAS A.-Máquinas Eléctricas Estáticas  Transformadores  Convertidores e Inversores B.-Máquinas Eléctricas Rotativas  Generadores Eléctricos  Motores Eléctricos De Corriente Continua De Corriente Alterna
  • 4.
    CARACTERÍSTICAS DE LAS MÁQUINASELÉCTRICAS 1.Potencia 2.Tensión 3.Corriente 4.Factor de Potencia 5.Frecuencia 6.Rendimiento 7.El Campo Magnético
  • 5.
    1.POTENCIA POTENCIA NOMINAL Es lapotencia útil disponible que entrega o produce en régimen nominal (condiciones específicas de diseño: T°<75°C, duración de funcionamiento) una máquina eléctrica. A condiciones diferentes se llama POTENCIA ÚTIL o POTENCIA DE TRABAJO. POTENCIA NOMINAL = POTENCIA A PLENA CARGA POTENCIA NULA = TRABAJA EN VACIO
  • 6.
    LA POTENCIA QUEFIGURA EN LAS PLACAS CARACTERISTICAS SON LAS POTENCIAS NOMINALES POTECIA NOMINAL DE UN GENERADOR POTECIA NOMINAL DE UN MOTOR POTECIA NOMINAL DE UN TRANSFORMADO R Potencia Aparente en los bornes del Secundario Potencia Aparente en los bornes del Secundario Potencia Mecánica disponible en el eje de Salida
  • 7.
    2.-TENSIÓN Es la diferenciade potencial entre los bornes de salida eléctrica en generadores y transformadores, y bornes de entrada en los motores. En servicio normal la tensiones función de la carga, en algunos casos dependen de los órganos reguladores adicionales. TENSIÓN NOMINAL (VN) Es aquella para la cual la máquina ha sido diseñada (o dimensionada).Es la que figura en la placa y para la cual valen las garantías del fabricante.  TENSIÓN DE SERVICIO (V servicio) Es el valor de la tensión en los bornes de la máquina cuando está en servicio, es decir, es la tensión que va ha ceder si es generador o recibir y ceder si es transformador o recibir si es motor, en el lugar donde se instalan. Tensión de servicio máximo admisible 1,15 VN
  • 8.
     3.-CORRIENTE NOMINAL Sistema Monofásico I = PN / (VN . cosθ)  Sistema Trifásico I = PN / (√3 x VN . cosθ) Si la máquina se sobrecarga la corriente sobrepasa de un 10% a 15% su valor nominal. La Corriente de Arranque llega a valores de 3 IN a 5 IN.
  • 9.
    4.-FACTORDEPOTENCIA (Cos Φ) Esla relación entre la potencia activa y la potencia aparente, siempre que las tensiones y las corrientes sean sinusoidales. Cos Φ = P / S
  • 10.
    5.-FRECUENCIA Es el numerode oscilaciones periódicas completas de la onda fundamental durante un segundo. En los generadores de corriente alterna la frecuencia esta dada por: f = P. n / 60 P=Par de polos de la máquina n=revoluciones por minuto (RPM)
  • 11.
     6.-RENDIMIENTO(η)  Esla relación entre la potencia suministrada y la potencia absorbida por la máquina.
  • 13.
    De acuerdo ala forma de construcción del rotor, los motores asincrónicos se clasifican en: ► Motor Asincrónico tipo Jaula de Ardilla ► Motor Asincrónico de Rotor Bobinado Motor Asíncrono o de Inducción:Motor Asíncrono o de Inducción:
  • 14.
  • 15.
    El más comúnde los motores de corriente alterna es el Motor de Inducción, donde la corriente eléctrica es inducida en el rotor. La velocidad de giro del rotor es menor que la velocidad del campo magnético giratorio Los bobinados que producen el campo magnético se llaman tradicionalmente los "bobinados de campo" mientras que el rotor que gira se llaman la "armadura". En un motor de C.A. trifásico el campo magnético gira con una velocidad que depende del numero de polos y de la frecuencia. MOTOR ASÍNCRONOMOTOR ASÍNCRONO
  • 16.
    INDUCCIÓN.FUNDAMENTOINDUCCIÓN.FUNDAMENTO Se basa enla concepción de campos giratorios ( Arago 1822,Ferraris 1885,Tesla 1886). Si sobre un mismo eje se colocan un disco de metal y un imán en forma de herradura; al girar éste, el campo magnético corta el disco e induce corrientes en él. Al estar estas corrientes en el seno de un campo magnético también se mueven, de tal forma que se desarrolla una fuerza entre corrientes y el campo. Es tal que hace que el disco siga al imán en su rotación. El disco gira en el mismo sentido que el campo del imán, pero a menor velocidad, de tal forma que nunca puede alcanzar la velocidad del iman. Si llega a alcanzarla se para
  • 17.
  • 18.
    3 devanados enel estator desfasados 2π/ (3P) siendo P nº pares de polos El Nº de fases del rotor no tiene porqué ser el mismo que el del estator, sí será igual el número de polos. Los devanados del rotor están conectados a anillos colectores montados sobre el mismo eje Los conductores del rotor están igualmente distribuidos por la periferia del rotor. Los extremos de estos conductores están cortocircuitados, no habiendo conexión con el exterior. La posición inclinada de las ranuras mejora el arranque y disminuye el ruido Partes del motor Asíncrono o de Inducción:Partes del motor Asíncrono o de Inducción:
  • 19.
    los motores asíncronosse clasifican de acuerdo a la forma de construcción del rotor. Las bobinas del estator induce corriente alterna en el circuito eléctrico del rotor (de manera algo similar a un transformador) y el rotor es obligado a girar. Este es el rotor que hace que el generador asíncrono sea diferente del generador síncrono. El rotor consta de un cierto número de barras de cobre o de aluminio, conectadas eléctricamente por anillos de aluminio finales Rotor de jaula de ardilla a b ci i i Stator coil Rotor coils Rotor bobinado El motor de jaula de ardilla tiene el inconveniente de que la resistencia del conjunto es invariable, no son adecuados cuando se debe regular la velocidad durante la marcha Motor Asíncrono o de Inducción:Motor Asíncrono o de Inducción:
  • 20.
  • 21.
  • 22.
  • 26.
  • 27.
  • 28.
  • 29.
    Estos motores tienenla peculiaridad de que no precisan de un campo magnético en el rotor alimentado con corriente continua como en los casos del motor de corriente directa o del motor síncrono. SoloSolo necesita una fuente de corriente alterna (trifásica o monofásica) paranecesita una fuente de corriente alterna (trifásica o monofásica) para alimentar al estator.alimentar al estator.
  • 30.
    Estos motores tienenla peculiaridad de que no precisan de un campo magnético en el rotor alimentado con corriente continua como en los casos del motor de corriente directa o del motor síncrono. SoloSolo necesita una fuente de corriente alterna (trifásica o monofásica) paranecesita una fuente de corriente alterna (trifásica o monofásica) para alimentar al estator.alimentar al estator.
  • 31.
    El estator estáconstituido por un núcleo en cuyo interior existen P pares de arrollamientos colocados simétricamente en un ángulo de 120º. Son sometidos a una C.A. y los polos del estator se trasladan continuamente creando un campo giratorio.
  • 33.
    Cuando las corrientestrifásicas son aplicadas a los bobinados del estator, el campo magnético gira a una velocidad constante
  • 34.
    CAMPO MAGNETICO GIRATORIO.CAMPOMAGNETICO GIRATORIO. Si consideramos : A y A´, B y B´, C y C´ devanados concentrados por fase. × ● ● × A A´ B B´ C C´ Fig1. 0° × A ● A´ BC C´B´ ● × ● × Fig 2. 90° N S N S NS A A´ × ● ● × B B´ C C´ Fig 3. 180°
  • 35.
  • 37.
  • 41.
    PRINCIPIO DE FUNCIONAMIENTODEL MOTOR ASÍNCRONO Campo magnético giratorio en el estator Ns=f x2 Π P El campo magnético induce f.e.m en el rotor Circulan corrientes por el rotor Fuerzas electromagnéticas entre las corrientes del rotor y el campo magnético del estator Par en el rotor: el rotor gira El rotor gira a una velocidad Nr inferior a la velocidad de sincronismo Ns pues en caso contrario no se induciría f.e.m. en el rotor y por lo tanto no habría par motor
  • 42.
    Corriente inducida enel rotorCorriente inducida en el rotor El flujo magnético distribuido sinusoidalmente, generada por las corrientes del estator, realizan un barrido en las barras conductores del rotor y generan una tensión inducida en ellos. El resultado es un conjunto de corrientes distribuidas sinusoidalmente en las barras cortocircuitadas del rotor. Si miramos las barras del rotor desde arriba tenemos un campo magnético moviéndose respecto al rotor. Esto induce una corriente muy elevada en las barras del rotor, que apenas ofrecen resistencia, pues están cortocircuitadas por los anillos finales. El rotor desarrolla entonces sus propios polos magnéticos, que se ven, por turnos, arrastrados por el campo magnético giratorio del estator. Corrientes y fuerzas inducidas en la jaula Eje de giro B I F
  • 43.
    El campo magnéticogiratorio origina un flujo que induce corrientes en el rotor que interactúan con el campo magnético del estator. En cada conductor se produce una fuerza F=ilB que da lugar al par del motor.
  • 46.
    ¿Cual es la velocidaddel motor? Torque ns 1 0 ns smax Tst Tmax s s s s ss n nn n n s ω ωω ω ω∆∆ − = − === Deslizamiento: diferencia entre la velocidad de sincronismo y la velocidad de giro 60 n 2πω = n es rev/minuto y ω es in radianes/segundo Velocidad mecánica
  • 48.
    min/rev p f 120 pp f60 ns == La velocidaddel motor para máxima carga es min/)1(120)1( revs p f snn s =−⋅⋅=−⋅= ¿Cual es la velocidad del motor?
  • 49.
    El rotor intentaseguir en su movimiento al campo magnético B girando a velocidad w. La velocidad de giro w solo es igual aproximadamente ws cuando el motor está en vacío, es decir, sin carga en el eje (no realiza par). A medida que cargamos el motor, o sea, a medida que le exigimos más par en el eje, el motor disminuirá su velocidad girando entonces a una velocidad angular w < ws. Por otra parte la velocidad angular ws depende de la frecuencia de la red que alimenta al motor y de la forma en que está bobinado el estator. Según como se realiza el mismo tendremos motores de 1par de polos, de 2, de 3, etc. Tenemos que:
  • 51.
  • 52.
  • 53.
  • 54.
  • 55.
  • 56.
    CURVA PAR -VELOCIDAD
  • 57.
    Determinación de parametrosde un motor de inducción
  • 58.
    Determinación de parametrosde un motor de inducción
  • 59.
    Determinación de parametrosde un motor de inducción
  • 60.
  • 63.
  • 64.
    No se olvidenque el lunes 17 hay exposición de todos los grupos sobre instalación de motores