Incrustar presentación
Descargado 10.433 veces



















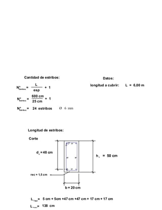
Este documento presenta el cálculo estructural de una viga de 6 metros de longitud. Incluye el predimensionado de la altura y base de la viga, el análisis de cargas como el peso de la losa, contrapiso y acabados. También realiza el cálculo de momentos y diagrama de cuerpo libre para determinar las reacciones en los apoyos.

















