ING. JOSÉ RAFAEL GRIMÁN MORALES Página 1
PARA LA VIGA INDICADA DETERMINE EL DESPIECE DEL ACERO
LONGITUDINAL
DISEÑO DE LA VIGA.
DATOS: f’c = 210 kg/cm² , fy = 4200 kg/cm², r norm = 4 cm, Est #3, dest = 0.953 cm, rd
= 6,5 cm
1) Cálculo de reacciones:
nMA = 0
By = (10·9)·4.5/7 = 57,857 ton
Ay = (10·9)- 57,857 = 32,143 ton
Diagrama de cortante:
VA = 32,143 ton
VBi = 32,143 – 10·7 =-37,857 ton
VBd = -37,857 + 57,857 = 20 ton
VC = 0
ING. JOSÉ RAFAEL GRIMÁN MORALES Página 2
Diagrama de momento flector:
Posición de Mmax: V = 0, 32,143 – 10·x = 0
xm = 32,143 / 10 = 3,214 m
MA = 0, Mmax = (32,143 · 3,214) / 2 = 51,658 ton-m
Punto donde M = 0
M = 32,143·x – 5·x² = 0
x = 0, x = 32,143 / 5 = 6,4286 m
ING. JOSÉ RAFAEL GRIMÁN MORALES Página 3
2) Se diseña la sección:
TRAMO A-B, Mmax = 51,658 ton-m
2.1 Se establece el valor de 𝛽1:
𝛽1 = 0.85
2.2 Cálculo de 𝝆t y 𝝆selec.
𝝆 𝒕 =
𝟎.𝟑𝟏𝟗∙𝟎.𝟖𝟓∙𝟐𝟏𝟎
𝟒𝟐𝟎𝟎
= 𝟎, 𝟎𝟏𝟑𝟓𝟔
𝝆 𝒔𝒆𝒍𝒆𝒄 = 𝟎. 𝟗𝟎 · 𝟎, 𝟎𝟏𝟑𝟓𝟔 = 𝟎, 𝟎𝟏𝟐𝟐
2.3 Cálculo del coeficiente de resistencia nominal:
𝑅 𝑛 = 0.0122 · 4200 · (1 −
0.59·0.0122·4200
210
) = 43,869 kg/cm²
ING. JOSÉ RAFAEL GRIMÁN MORALES Página 4
2.4 Se determina d requerida:
Se asume b = 40 cm
𝑑 𝑟𝑒𝑞 = √
51,658·100000
0.90·43,869·40
= 57,193 𝑐𝑚
Se asume rd = 6,5 cm
h req = 57,193 + 6,5 = 63,693 cm, se asume h = 65 cm
Se tiene para el tramo A-B una sección de 40 x 65 cm
El mismo cálculo lo realizamos en el apoyo B, con Mu- = - 20 ton-m, y se obtiene una
sección de 40 x 50 cm.
SE ASUME QUE EL PESO PROPIO DE LA VIGA ESTÁ INCLUIDO EN LA CARGA
MAYORADA DE 10 TON/M, DADO QUE NO SE TIENE INFORMACIÓN DE CARGA
PERMANENTE Y VARIABLE POR SEPARADO. DE ESTAR DISPONIBLE ESTA
INFORMACIÓN Y SI EL PESO DE LA VIGA NO ESTÁ INCLUIDO EN LAS CARGAS
HAY QUE SUMAR EL PESO PROPIO DE LA VIGA A LA CARGA PERMANENTE Y
COMENSAR EL DISEÑO DE NUEVO.
3) Se diseña el acero para las secciones determinadas, en el tramo y en el apoyo.
TRAMO A-B
3.1) Se determina la cuantía mecánica 𝜔:
𝜔 = 0,85 · [1 − √1 −
2,36 · 51,658 · 100000
0,90 · 210 · 40 · 58,52
] = 0,2319
ING. JOSÉ RAFAEL GRIMÁN MORALES Página 5
3.2) Se determina el área de acero As+ en el tramo A-B
𝐴 𝑠 =
51,658 · 100000
0,90 · 4200 · (1 − 0.59 · 0,2319) · 58.5
= 27,064 𝑐𝑚2
Colocación: As / 3 como mínimo debe llegar al apoyo:
As / 3 = 27,064 / 3 = 9,021 cm²
Se compara As/3 con el acero mínimo: Asmin = 14·40·58.5/4200 = 7,8 cm²
Como As/3 es mayor que el As min, se coloca As/3
Se suple con: 2#8: As col = 10,14 cm² (barras a, o barras a ser prolongadas al apoyo)
As no prolongado o acero a cortar porque deja de ser necesario en la sección crítica “x”
El resto del acero o acero a cortar es: 27,064 – 10,14 = 16,924 cm²
Se suple con: 2#8 +2#7: As col = 17,9 cm², el acero total As = 28,04 cm²
Se chequea si las seis barras caben en una sola capa:
r norm = 4 cm, est # 3 ds = 0,953 cm, b = 40 cm, db#8 = 2,54 cm, db#7 = 2,222 cm,
𝑆𝑙 =
(𝑏 − 2 · 𝑟 − 2 · 𝑑𝑠 − ∑ 𝑑𝑖 − 2 · (2 · 𝑑𝑠 −
𝑑𝑏
2 ))
( 𝑛𝑏 − 1)
=
SL =
(40−2·4−2·0,953−4·2,54−2·2,222−2·(2·0,953−
2,54
2
))
(6−1)
= 2,8436 𝑐𝑚
Como SL es mayor que 2,5 cm y mayor que el diámetro mayor de las barras 2,54 cm, las
barras caben en una sola capa.
ING. JOSÉ RAFAEL GRIMÁN MORALES Página 6
TRAMO VOLADO B-C
3.3) Se determina la cuantía mecánica 𝜔:
ING. JOSÉ RAFAEL GRIMÁN MORALES Página 7
𝜔 = 0,85 · [1 − √1 −
2,36 · 20 · 100000
0,90 · 210 · 40 · 43.52
] = 0,1542
3.4) Se determina el área de acero As- en el volado B-C
𝐴 𝑠 =
20 · 100000
0,90 · 4200 · (1 − 0,59 · 0,1542) · 43,5
= 13,381 𝑐𝑚2
Colocación: As / 3 , se debe prolongar más allá del punto de inflexión:
As / 3 = 13,381 / 3 = 4,460 cm²
Se compara As/3 con el acero mínimo: Asmin = 14·40·43,5/4200 = 5,8 cm²
Como As/3 es menor que el As min, se coloca As min
Se suple con: 2#7: As col = 7,76 cm² (barras b, o barras a ser prolongadas más allá del
punto de inflexión)
As no prolongado o acero a cortar porque deja de ser necesario en la sección crítica “x”
El resto del acero o acero a cortar es: 13,381 – 7,76 = 5,621cm²
Se suple con: 2#6: As col = 5,70 cm² , El acero total colocado es As- = 13,46 cm²
Se chequea si las cuatro barras caben en una sola capa:
r norm = 4 cm, est # 3 ds = 0,953 cm, b = 40 cm, db#7 = 2,222 cm, db#6= 1,905 cm,
𝑆𝑙 =
(𝑏 − 2 · 𝑟 − 2 · 𝑑𝑠 − ∑ 𝑑𝑖 − 2 · (2 · 𝑑𝑠 −
𝑑𝑏
2
))
( 𝑛𝑏 − 1)
=
SL =
(30−2·4−2·0,953−2·1,905−2·2,222−2·(2·0,953−
2,222
2
))
(4−1)
= 6,75 𝑐𝑚
Como SL es mayor que 2,5 cm y mayor que el diámetro mayor de las barras 2,54 cm, las
barras caben en una sola capa.
ING. JOSÉ RAFAEL GRIMÁN MORALES Página 8
Se considera el mismo refuerzo en la sección al lado izquierdo del apoyo B, en realidad al
lado izquierdo se requiere menos acero porque la sección es más grande, se debe revisar que
la sección no resulte controlada por compresión, debe estar en transición y con 𝜀s ≥ 0,004
Se calcula el acero requerido en el lado izquierdo del apoyo B, y se obtiene As- = 9,5 cm² y
se estaría colocando As- = 13,46 cm²
SECCIONES DISEÑADAS:
ING. JOSÉ RAFAEL GRIMÁN MORALES Página 9
COLOCACIÓN DEL As +
Se tiene la sección crítica correspondiente a momento máximo en el tramo A-B
Se propone cortar primero las dos barras #7, luego las dos barras #8 ubicada en la zona
central, y las dos barras #8 en las esquinas deben llegar al apoyo, pasando como mínimo 15
cm luego del centro del apoyo.
ING. JOSÉ RAFAEL GRIMÁN MORALES Página 10
Para cortar primero las dos barras #7, se requiere determinar el momento que resisten las
4#8.
𝑎 =
𝐴 𝑠∙𝑓𝑦
0.85∙𝑓′ 𝑐∙𝑏 𝑤
=
20,27·4200
0,85·210·40
= 11,929 𝑐𝑚
𝜙 · 𝑀 𝑛 = 𝜙 ∙ 𝐴 𝑠 ∙ 𝑓𝑦 ∙ (𝑑 −
𝑎
2
) =
0,90 ∙ 20,27 ∙ 4200 ∙ (58,5 −
11,929
2
)
100000
= 40,273 𝑡𝑜𝑛 − 𝑚
40,273 = 𝑉𝐴 ∙ 𝑥 − 𝜔 ∙
𝑥2
2
= 32,143 ∙ 𝑥 − 5 ∙ 𝑥2
𝑥1 = 1,705 𝑚 ; 𝑥2 = 4,723 𝑚
Estas coordenadas proporcionan los puntos teóricos donde las 2#7 no son necesarias, pero no
se pueden cortar en estos puntos sino que a cada lado debemos agregar una longitud
adicional La definida como sigue:
𝑳 𝒂 ≥ {𝟏𝟐 ∙ 𝒅 𝒃 ; 𝒅} (Sección 12.2.3 de la NV 1753-06, y sección 12.10.3 del ACI 318-08)
con la barra #7
#𝟕 𝒅 𝒃 = 𝟐, 𝟐𝟐𝟐 𝒄𝒎 , 𝑳 𝒂 ≥ {𝟏𝟐 ∙ 𝟐, 𝟐𝟐𝟐 ; 𝟓𝟖, 𝟓 𝒄𝒎}
𝑳 𝒂 ≥ {𝟐𝟔, 𝟔𝟔 𝒄𝒎 ; 𝟓𝟖, 𝟓 𝒄𝒎}
𝑳𝒂 ≥ 𝟓𝟖, 𝟓 𝒄𝒎
Las barras #7 a cortar debe tener una longitud igual a (x2 – x1 + 2·La)
Lbarras#7 = 4,723 – 1,705 + 2·0,585 = 4,188 m
Lemb barras#7 = Lbarras#7 / 2 = 4,188 / 2 = 2,094 m
Se calculan las longitudes de desarrollo para las barras #7 y #8, para acero positivo:
Para las barras de lecho inferior: Ld
Considere la sección del tramo A-B
ING. JOSÉ RAFAEL GRIMÁN MORALES Página 11
Considerando las barras #8, db = 2,54 cm
Recubrimiento libre:
El estribo #3 db =0,953 cm,
𝑅𝑙𝑖𝑏𝑟𝑒 = 4 + 0.953 = 4,953 𝑐𝑚 > 2,54 𝑐𝑚 (𝑂𝐾)
Separación libre:
𝑠𝑙𝑖𝑏𝑟𝑒 =
(40 − 2 ∙ 4,953 − 2 ∙ 2,222 − 4 ∙ 2,54 − 2 · (2 · 0,953 − 2,54/2)
5
= 2,8436 𝑐𝑚
> 2,54 𝑐𝑚 (𝑂𝐾)
Se cuenta además con refuerzo transversal mayor al mínimo:
Se aplica la fórmula 12.3 de la tabla 12.2.1ª (NV 1753-06)
Considerando barra de lecho inferior, α = 1, sin epoxi 𝜷 = 1, concreto de peso
normal λ = 1
𝐿 𝑑(#7) = (
0,192 ∙ 4200
√210
) ∙ 2,22 = 123,647 𝑐𝑚
𝐿 𝑑(#8) = (
0,192 ∙ 4200
√210
) ∙ 2,54 = 141,343 𝑐𝑚
ING. JOSÉ RAFAEL GRIMÁN MORALES Página 12
Se compara la longitud embebida real de las barras #7 con su longitud de desarrollo, para
concluir si cumple o no:
Lemb barras#7 = 2,094 m > 1,2365 m, por lo tanto cumple:
Se tiene en la zona de corte de las cabillas, estribo #3 @ 24 cm, Av = 1,42 cm², se chequea si
Vu (x = 1,705 m) es menor que (2/3)·Vn en la misma zona.
𝜙 ∙ 𝑉𝑐 = 0,53 ∙ 𝜙 ∙ √ 𝑓′
𝑐
∙ 𝑏 ∙ 𝑑 = 0,53 · 0,75 · √210 · 40 · 58,5
= 13479,154𝑘𝑔
𝜙 ∙ 𝑉𝑠 =
𝜙 ∙ 𝐴 𝑣 ∙ 𝑓𝑦𝑣 ∙ 𝑑
𝑠
=
0,75 · 1,42 · 4200 · 58,5
24
= 10902,938 𝑘𝑔
𝜙 ∙ 𝑉𝑛 = 𝜙 ∙ ( 𝑉𝑐 + 𝑉𝑠) = 13479,154 + 10902,938 = 24382,092 𝑘𝑔
(2/3)· ϕ∙Vn =16254,73 kg
Vu ( x = 1,705 m) = 32,143 – 10·1.705 = 15090,03 kg
Como Vu es menor que (2/3)· ϕ∙Vn, si se puede cortar las barras #7, en el lugar indicado.
Para cortar luego las dos barras #8 de la zona central de la sección, se requiere determinar el
momento que resisten las 2#8 que se prolongan hasta el apoyo.
𝑎 =
𝐴 𝑠∙𝑓𝑦
0.85∙𝑓′ 𝑐∙𝑏 𝑤
=
10,14·4200
0,85·210·40
= 5,965 𝑐𝑚
𝜙 · 𝑀 𝑛 = 𝜙 ∙ 𝐴 𝑠 ∙ 𝑓𝑦 ∙ (𝑑 −
𝑎
2
) =
0,90 ∙ 10,14 ∙ 4200 ∙ (58,5 −
5,965
2
)
100000
= 21,279 𝑡𝑜𝑛 − 𝑚
21,279 = 𝑉𝐴 ∙ 𝑥 − 𝜔 ∙
𝑥2
2
= 32,143 ∙ 𝑥 − 5 ∙ 𝑥2
𝑥1 = 0,749 𝑚 ; 𝑥2 = 5,679 𝑚
ING. JOSÉ RAFAEL GRIMÁN MORALES Página 13
Estas coordenadas proporcionan los puntos teóricos donde las 2#8 no son necesarias, pero no
se pueden cortar en estos puntos sino que a cada lado debemos agregar una longitud
adicional La definida como sigue:
𝑳 𝒂 ≥ {𝟏𝟐 ∙ 𝒅 𝒃 ; 𝒅} (Sección 12.2.3 de la NV 1753-06, y sección 12.10.3 del ACI 318-08)
con la barra #7
#𝟖 𝒅 𝒃 = 𝟐, 𝟓𝟒 𝒄𝒎 , 𝑳 𝒂 ≥ {𝟏𝟐 ∙ 𝟐, 𝟓𝟒 ; 𝟓𝟖, 𝟓 𝒄𝒎}
𝑳 𝒂 ≥ {𝟑𝟎, 𝟒𝟖 𝒄𝒎 ; 𝟓𝟖, 𝟓 𝒄𝒎}
𝑳𝒂 ≥ 𝟓𝟖, 𝟓 𝒄𝒎
Las barras #8 a cortar debe tener una longitud igual a (x2 – x1 + 2·La)
Lbarras#8 = 5.679 – 0,749 + 2·0,585 = 6,1 m
Lemb barras#8 = Lbarras#8 / 2 = 6,1 / 2 = 3,05 m
Se compara la longitud embebida real de las barras #8 con su longitud de desarrollo, para
concluir si cumple o no:
Lemb barras#7 = 3,05 m > 1,4134 m, por lo tanto cumple:
se chequea si Vu (x = 0,749 m) es menor que (2/3)𝜙·Vn en la misma zona.
(2/3)· ϕ∙Vn = 16254,73 kg
Vu ( x = 0,749 m) = 32,143 – 10·0,749 = 24,649 kg
Como Vu es mayor que (2/3)· ϕ∙Vn, esta condición no se cumple. Hay que probar la
condición de aumentar los estribos en la zona donde se cortan las barras:
• b) Se proporciona refuerzo transversal adicional a lo largo de la barra interrumpida en
un tramo igual a 0.75 veces el peralte efectivo medido desde el punto de corte. El
refuerzo transversal adicional requerido A, está dado por:
• 𝐴 𝑣 =
4,2∙𝑏∙𝑠
𝑓𝑦
=> 𝑠 =
𝐴 𝑣∙𝑓𝑦
4,2∙𝑏
• Por lo tanto el número de estribos a colocar en la distancia 0,75 d será:
• 𝑁 =
0,75∙𝑑
𝑠
+ 1 => 𝑁 =
3,15∙𝑏∙𝑑
𝐴 𝑣∙𝑓𝑦
+ 1
ING. JOSÉ RAFAEL GRIMÁN MORALES Página 14
• Además, el espaciamiento s no debe ser superior a d/8𝜷b, donde 𝜷b es la relación
entre el área del refuerzo que se corta y el área total del refuerzo en la sección. Por
tanto se tendrá:
• 𝑁 =
0,75∙𝑑
(𝑑 8∙𝛽 𝑏⁄ )
+ 1 => 𝑁 = 6 ∙ 𝛽 𝑏 + 1
• Regirá el mayor número de estribos dados por las expresiones anteriores.
El Av /s que se tiene por corte es: 1.42/24 = 0,0592 cm² / cm
El Av / s adicional es :
𝐴 𝑣
𝑠
=
4,2∙𝑏
𝑓𝑦
=
4,2∙40
4200
= 0,04 cm²/cm
El Av / s total = 0,0992 cm² /cm
La separación 𝑠 =
á𝑟𝑒𝑎 𝑑𝑒 𝑑𝑜𝑠 𝑟𝑎𝑚𝑎𝑠
𝐴 𝑣 𝑠⁄ (𝑡𝑜𝑡𝑎𝑙)
=
1,42
0,0992
= 14,32 𝑐𝑚
s = 14 cm, 𝜷b = 0,50 , s max = d / (8· 𝜷b) =58,5/4 = 14,63 cm, cumple porque se colocará s =
14 cm, en una longitud igual a 0,75 ·58,5 = 43,9 cm =45 cm, a lo largo de la barra
interrumpida desde el punto de corte.
Se requiere calcular una separación diferente para el lado izquierdo de apoyo B, dado que el
cortante es mayor, se puede demostrar que en este caso la separación requerida por corte es s
= 15 cm.
El Av /s que se tiene por corte es: 1.42/15 = 0,095 cm² / cm
El Av / s adicional es :
𝐴 𝑣
𝑠
=
4,2∙𝑏
𝑓𝑦
=
4,2∙40
4200
= 0,04 cm²/cm
El Av / s total = 0,135 cm² /cm
La separación 𝑠 =
á𝑟𝑒𝑎 𝑑𝑒 𝑑𝑜𝑠 𝑟𝑎𝑚𝑎𝑠
𝐴 𝑣 𝑠⁄ (𝑡𝑜𝑡𝑎𝑙)
=
1,42
0,135
= 10,52 𝑐𝑚
s = 10 cm, 𝜷b = 0,50 , s max = d / (8· 𝜷b) =58,5/4 = 14,63 cm, cumple porque se colocará s =
10 cm, en una longitud igual a 0,75 ·58,5 = 43,9 cm =45 cm, a lo largo de la barra
interrumpida desde el punto de corte.
ING. JOSÉ RAFAEL GRIMÁN MORALES Página 15
Se observa en la sección del tramo A-B, que las barras que deben llegar al apoyo son dos
barras #8, para estas barras debemos chequear la condición que establece la norma 1753-
2006 para los aceros positivos que llegan al apoyo en la sección 12.2.3.1 literal c, acerca del
Ld max.
El momento nominal para estas dos barras, de un cálculo previo se tiene igual a:
Mn = 21,279 / 0,90 = 23,643 ton-m, Vu = 32,143 ton en A y Vu = 37,86 ton en B, la
condición más exigente es con el mayor. La longitud de anclaje La = 15 cm
𝐿 𝑑𝑚𝑎𝑥 = 15 +
1,3 · 23,643 · 100
37,86
= 96,183 𝑐𝑚
La longitud embebida de estas barras se determina desde la sección crítica “x” hasta el
extremo libre de la barra, se tiene:
x1 = 0,749 m, se le suma el La = 0,15 m, Lemb = 0,749 + 0,15 = 0,899 m.
Al comparar estos valores con la longitud de desarrollo de las barras #8, Ld = 1,413 m, no se
cumple con las dos condiciones. Existen varias alternativas de solución. Una puede ser
reducir el diámetro de las barras que llegan al apoyo hasta que se cumplan las condiciones,
esto implica modificar todos los cálculos ya realizados. Otra solución puede ser diseñar un
falso volado para poder prolongar las barras hasta un punto donde se cumplan las
ING. JOSÉ RAFAEL GRIMÁN MORALES Página 16
condiciones. La solución que seleccionaremos aquí es terminar las barras en gancho,
cumpliendo con la sección 18.5.4.1 de la NV 1753-2006.
18.5.4.1 Barras con ganchos
En concretos con agregados normales y cuando se trate de barras No. 3 a No. 11, la longitud
de transferencia de tensiones por anclaje Ldh para una barra con un gancho estándar de 90°,
no será menor que 8db, 15 cm o la longitud requerida por la ecuación (18-9):
Para concretos con agregados livianos, los valores de la longitud de anclaje anteriormente
mencionado, deben incrementarse en un 25%.
En todo caso, el gancho de 90° de la barra, debe estar situado dentro del núcleo confinado de
una columna o de un miembro de borde.
Calculamos Ldh para las barras #8:
𝐿 𝑑ℎ(#8) = (
2,54 ∙ 4200
17,2 ∙ √210
) = 42,8 𝑐𝑚
Debe ser mayor que 8*db =8*2,54 = 20,35 cm y mayor de 15 cm (ok)
Se dispone de 35 cm con una columna de 40 cm, por lo que no se puede lograr el Ldh, una
solución sería disminuir el diámetro de la barra, otra aumentar el ancho de la columna a 50
cm, para tener disponible 45 cm. Se decide aumentar el ancho de la columna.
Longitud vertical requerida para poder colocar el gancho vertical dentro de la altura de la
viga: 12 db + 4 db + R libre =
𝐿𝑜𝑛𝑔 𝑣𝑒𝑟𝑡𝑖𝑐𝑎𝑙 = 16 ∙ 2,54 + 4,95 = 45,6 𝑐𝑚 < 65 𝑐𝑚 (𝑂𝐾)
Los 4 db es el radio de doblaje de la barra número más un diámetro de la barras = 3 db + 1
db = 4 db
Pero a efecto de cálculo de la longitud del gancho es 16·db = 16·2,54 = 40,64 cm, se
redondea a 45 cm.
ING. JOSÉ RAFAEL GRIMÁN MORALES Página 17
Ubicación de las barras de acero positivo, tramo A-B:
Las barras #7, su extremo izquierdo debe quedar a la siguiente distancia del eje de la
columna:
xi#7 = 3,214 - 2,094 = 1,12 m, esto es la coordenada xm del momento máximo menos la
longitud embebida de la barra #7. Como la longitud de las barras #7 es 2·2.094 = 4,188 m, se
redondean a múltiplo de 5 cm, tanto la coordenada xi#7 hacia entero inferior y la longitud de
la barra a un entero superior que incluya lo que se le disminuya a xi#7. Se considera entonces
xi#7 = 1,10 m y L#7 = 4,25 m.
Las barra #8 de la zona central de la sección que se cortaran, su extremo izquierdo debe
quedar a la siguiente distancia del eje de la columna.
xi#8 = 3,214 – 3,05 = 0,164 m. La longitud de la barra es L#7 = 2·3.05 = 6,1 m. Como ahora
la columna tiene un ancho a = 50 cm, el extremo libre de la barra quedaría a 0,25 - 0,164
=0,086 m del eje, se decide llevarla hasta el eje, e incrementar su longitud en 0,1 m.
Entonces xi#8 = 0 m y L#8 = 6,20 m
Las barras #8 que llegan al apoyo, las dos barras de las esquinas, llegan a ambos apoyos con
ganchos estándar de 45 cm. Entonces la longitud de estas barras L#8(apoyos) = 2·0,45 +
2·0.45 + 7 = 8,8 m
Para la barras de lecho inferior del volado, considerando posibilidad de resistencia a
cargas laterales, se garantiza la cedencia del acero en la sección crítica del volado, la cual
está en lado derecho de la columna B, prolongando de forma recta una longitud embebida al
lado izquierdo > a la longitud de desarrollo de la barra #6, se consideró 1,10 m > 1,073 m,
considerando un recubrimiento de 0,05 m al lado derecho de la barra se obtiene una barra
con una longitud total de (2 - 0,05 - 0,25 +1.10) = 2,80 m.
𝐿 𝑑(#6) = (
0,192 ∙ 4200
√210
) ∙ 1,91 = 107,3 𝑐𝑚
ING. JOSÉ RAFAEL GRIMÁN MORALES Página 18
DESPIECE PARA EL ACERO PARA MOMENTO NEGATIVO. As -.
Se tiene la sección del volado:
ING. JOSÉ RAFAEL GRIMÁN MORALES Página 19
Se determina las longitudes de desarrollo para lecho superior. De manera similar se chequean
el recubrimiento libre y la separación libre, resultando que se aplica la fórmula 12.3 de la
tabla 12.2.1ª (NV 1753-06)
Considerando barra de lecho superior, α = 1,3, sin epoxi 𝜷 = 1, concreto de peso normal λ =
1
𝐿 𝑑(#6) = (
0,192 ∙ 4200 ∙ 1,3
√210
) ∙ 1,91 = 138,2 𝑐𝑚
𝐿 𝑑(#7) = (
0,192 ∙ 4200 ∙ 1,3
√210
) ∙ 2,222 = 160,74 𝑐𝑚
Se dispone al lado derecho de (2,0 – 0,25 – 0,05) = 1,70 m > 1,607 m
Por esto no es necesario terminar la barra en gancho en el volado, sin embargo lo
terminaremos en gancho de longitud 16·db = 16·2,222 = 35,55 cm, lo redondeamos a 40 cm.
Las dos barras #7 se prolongan como acero mínimo hasta el otro extremo de la viga por lo
que no es necesario chequear la condición que establece que debe continuar al menos 1/3 del
As-, más allá del punto de inflexión PI, una distancia La ≥ { 12 db, d , Ln/16) (Ver sección
12.2.3.2 NV 1753-06 y 12.12.3 ACI 318-08).
Para cortar las dos barras #6, se requiere determinar el momento que resisten las 2#7.
𝑎 =
𝐴 𝑠∙𝑓𝑦
0.85∙𝑓′ 𝑐∙𝑏 𝑤
=
7,76·4200
0,85·210·40
= 4,565 𝑐𝑚
𝜙 · 𝑀 𝑛 = 𝜙 ∙ 𝐴 𝑠 ∙ 𝑓𝑦 ∙ (𝑑 −
𝑎
2
) =
0,90 ∙ 7,76 ∙ 4200 ∙ (43,5 −
4,565
2
)
100000
= 12,09 𝑡𝑜𝑛 − 𝑚
ING. JOSÉ RAFAEL GRIMÁN MORALES Página 20
−12,09 = 𝑉𝐵−𝑑𝑒𝑟 ∙ 𝑥 − 𝜔 ∙
𝑥2
2
+ 𝑀𝑏 = 20 ∙ 𝑥 − 5 ∙ 𝑥2
− 20
𝑥1 = 0,445 𝑚 ; 𝑥2 = 3,555 𝑚
Se considera sólo la solución x1 = 0,445 m, porque la otra supera la longitud del volado
Las barras a cortar, es decir las 2#6 dejan de ser necesarias a x1 = 0,445 m del centro del
apoyo B, pero se deben extender más allá la distancia La >= 12db ó d, lo cual resulta d =
43,5 cm. Se prolongan con respecto a la sección crítica (la cara del apoyo):
𝐿𝑒𝑚𝑏 = (0,445 − 0,25) + 0,435 = 0,63 𝑚
Cómo la longitud embebida debe ser mayor que la longitud de desarrollo para las barras #6,
se extiende la longitud a 1,40 m con respecto a la cara de la columna. Las barras “b” es decir
las dos barras #7 se prolongan una longitud Lemb = (2 – 0,25 – 0,05) = 1,70 m con respecto
a la cara de apoyo B, pero le vamos a agregar un gancho de 0,40 m
Considerando ahora el refuerzo para el lado izquierdo de apoyo B.
−12,09 = 𝑉𝐴 ∙ 𝑥 − 𝜔 ∙
𝑥2
2
= 32,143 ∙ 𝑥 − 5 ∙ 𝑥2
𝑥1 = −0,359 𝑚 ; 𝑥2 = 6,785 𝑚
Se considera sólo la solución x2 = 6,785 m, medidos desde A. Es decir a (7– 6,785)= 0,215
m del centro del apoyo, a (0,25 – 0,215 = -0.035 de la cara de la columna.
L1 = - 0.035 + 0,435 = 0,40 m, para las barras a cortar, las 2#6.
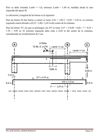
ING. JOSÉ RAFAEL GRIMÁN MORALES Página 21
Pero se debe extender Lemb >= Ld, entonces Lemb = 1,40 m, medidas desde la cara
izquierda del apoyo B.
La ubicación y longitud de las barras es la siguiente:
Para las barras #6 (las barras a cortar) se tiene: L#6 = 1,40·2 + 0,50 = 3,30 m. su extremo
izquierdo estará ubicado a (0,25 +1,40) =1,65 m del centro de la columna.
Para las barras “b”, las que se prolongan, las 2#7 se tiene: L#7 = 2·0,40 + 0,20 + 7 + 0,25 +
1.70 = 9,95 m. El extremo izquierdo debe estar a 0,20 m del centro de la columna,
considerando un recubrimiento de 5 cm.

Colocacion acero 01

  • 1.
    ING. JOSÉ RAFAELGRIMÁN MORALES Página 1 PARA LA VIGA INDICADA DETERMINE EL DESPIECE DEL ACERO LONGITUDINAL DISEÑO DE LA VIGA. DATOS: f’c = 210 kg/cm² , fy = 4200 kg/cm², r norm = 4 cm, Est #3, dest = 0.953 cm, rd = 6,5 cm 1) Cálculo de reacciones: nMA = 0 By = (10·9)·4.5/7 = 57,857 ton Ay = (10·9)- 57,857 = 32,143 ton Diagrama de cortante: VA = 32,143 ton VBi = 32,143 – 10·7 =-37,857 ton VBd = -37,857 + 57,857 = 20 ton VC = 0
  • 2.
    ING. JOSÉ RAFAELGRIMÁN MORALES Página 2 Diagrama de momento flector: Posición de Mmax: V = 0, 32,143 – 10·x = 0 xm = 32,143 / 10 = 3,214 m MA = 0, Mmax = (32,143 · 3,214) / 2 = 51,658 ton-m Punto donde M = 0 M = 32,143·x – 5·x² = 0 x = 0, x = 32,143 / 5 = 6,4286 m
  • 3.
    ING. JOSÉ RAFAELGRIMÁN MORALES Página 3 2) Se diseña la sección: TRAMO A-B, Mmax = 51,658 ton-m 2.1 Se establece el valor de 𝛽1: 𝛽1 = 0.85 2.2 Cálculo de 𝝆t y 𝝆selec. 𝝆 𝒕 = 𝟎.𝟑𝟏𝟗∙𝟎.𝟖𝟓∙𝟐𝟏𝟎 𝟒𝟐𝟎𝟎 = 𝟎, 𝟎𝟏𝟑𝟓𝟔 𝝆 𝒔𝒆𝒍𝒆𝒄 = 𝟎. 𝟗𝟎 · 𝟎, 𝟎𝟏𝟑𝟓𝟔 = 𝟎, 𝟎𝟏𝟐𝟐 2.3 Cálculo del coeficiente de resistencia nominal: 𝑅 𝑛 = 0.0122 · 4200 · (1 − 0.59·0.0122·4200 210 ) = 43,869 kg/cm²
  • 4.
    ING. JOSÉ RAFAELGRIMÁN MORALES Página 4 2.4 Se determina d requerida: Se asume b = 40 cm 𝑑 𝑟𝑒𝑞 = √ 51,658·100000 0.90·43,869·40 = 57,193 𝑐𝑚 Se asume rd = 6,5 cm h req = 57,193 + 6,5 = 63,693 cm, se asume h = 65 cm Se tiene para el tramo A-B una sección de 40 x 65 cm El mismo cálculo lo realizamos en el apoyo B, con Mu- = - 20 ton-m, y se obtiene una sección de 40 x 50 cm. SE ASUME QUE EL PESO PROPIO DE LA VIGA ESTÁ INCLUIDO EN LA CARGA MAYORADA DE 10 TON/M, DADO QUE NO SE TIENE INFORMACIÓN DE CARGA PERMANENTE Y VARIABLE POR SEPARADO. DE ESTAR DISPONIBLE ESTA INFORMACIÓN Y SI EL PESO DE LA VIGA NO ESTÁ INCLUIDO EN LAS CARGAS HAY QUE SUMAR EL PESO PROPIO DE LA VIGA A LA CARGA PERMANENTE Y COMENSAR EL DISEÑO DE NUEVO. 3) Se diseña el acero para las secciones determinadas, en el tramo y en el apoyo. TRAMO A-B 3.1) Se determina la cuantía mecánica 𝜔: 𝜔 = 0,85 · [1 − √1 − 2,36 · 51,658 · 100000 0,90 · 210 · 40 · 58,52 ] = 0,2319
  • 5.
    ING. JOSÉ RAFAELGRIMÁN MORALES Página 5 3.2) Se determina el área de acero As+ en el tramo A-B 𝐴 𝑠 = 51,658 · 100000 0,90 · 4200 · (1 − 0.59 · 0,2319) · 58.5 = 27,064 𝑐𝑚2 Colocación: As / 3 como mínimo debe llegar al apoyo: As / 3 = 27,064 / 3 = 9,021 cm² Se compara As/3 con el acero mínimo: Asmin = 14·40·58.5/4200 = 7,8 cm² Como As/3 es mayor que el As min, se coloca As/3 Se suple con: 2#8: As col = 10,14 cm² (barras a, o barras a ser prolongadas al apoyo) As no prolongado o acero a cortar porque deja de ser necesario en la sección crítica “x” El resto del acero o acero a cortar es: 27,064 – 10,14 = 16,924 cm² Se suple con: 2#8 +2#7: As col = 17,9 cm², el acero total As = 28,04 cm² Se chequea si las seis barras caben en una sola capa: r norm = 4 cm, est # 3 ds = 0,953 cm, b = 40 cm, db#8 = 2,54 cm, db#7 = 2,222 cm, 𝑆𝑙 = (𝑏 − 2 · 𝑟 − 2 · 𝑑𝑠 − ∑ 𝑑𝑖 − 2 · (2 · 𝑑𝑠 − 𝑑𝑏 2 )) ( 𝑛𝑏 − 1) = SL = (40−2·4−2·0,953−4·2,54−2·2,222−2·(2·0,953− 2,54 2 )) (6−1) = 2,8436 𝑐𝑚 Como SL es mayor que 2,5 cm y mayor que el diámetro mayor de las barras 2,54 cm, las barras caben en una sola capa.
  • 6.
    ING. JOSÉ RAFAELGRIMÁN MORALES Página 6 TRAMO VOLADO B-C 3.3) Se determina la cuantía mecánica 𝜔:
  • 7.
    ING. JOSÉ RAFAELGRIMÁN MORALES Página 7 𝜔 = 0,85 · [1 − √1 − 2,36 · 20 · 100000 0,90 · 210 · 40 · 43.52 ] = 0,1542 3.4) Se determina el área de acero As- en el volado B-C 𝐴 𝑠 = 20 · 100000 0,90 · 4200 · (1 − 0,59 · 0,1542) · 43,5 = 13,381 𝑐𝑚2 Colocación: As / 3 , se debe prolongar más allá del punto de inflexión: As / 3 = 13,381 / 3 = 4,460 cm² Se compara As/3 con el acero mínimo: Asmin = 14·40·43,5/4200 = 5,8 cm² Como As/3 es menor que el As min, se coloca As min Se suple con: 2#7: As col = 7,76 cm² (barras b, o barras a ser prolongadas más allá del punto de inflexión) As no prolongado o acero a cortar porque deja de ser necesario en la sección crítica “x” El resto del acero o acero a cortar es: 13,381 – 7,76 = 5,621cm² Se suple con: 2#6: As col = 5,70 cm² , El acero total colocado es As- = 13,46 cm² Se chequea si las cuatro barras caben en una sola capa: r norm = 4 cm, est # 3 ds = 0,953 cm, b = 40 cm, db#7 = 2,222 cm, db#6= 1,905 cm, 𝑆𝑙 = (𝑏 − 2 · 𝑟 − 2 · 𝑑𝑠 − ∑ 𝑑𝑖 − 2 · (2 · 𝑑𝑠 − 𝑑𝑏 2 )) ( 𝑛𝑏 − 1) = SL = (30−2·4−2·0,953−2·1,905−2·2,222−2·(2·0,953− 2,222 2 )) (4−1) = 6,75 𝑐𝑚 Como SL es mayor que 2,5 cm y mayor que el diámetro mayor de las barras 2,54 cm, las barras caben en una sola capa.
  • 8.
    ING. JOSÉ RAFAELGRIMÁN MORALES Página 8 Se considera el mismo refuerzo en la sección al lado izquierdo del apoyo B, en realidad al lado izquierdo se requiere menos acero porque la sección es más grande, se debe revisar que la sección no resulte controlada por compresión, debe estar en transición y con 𝜀s ≥ 0,004 Se calcula el acero requerido en el lado izquierdo del apoyo B, y se obtiene As- = 9,5 cm² y se estaría colocando As- = 13,46 cm² SECCIONES DISEÑADAS:
  • 9.
    ING. JOSÉ RAFAELGRIMÁN MORALES Página 9 COLOCACIÓN DEL As + Se tiene la sección crítica correspondiente a momento máximo en el tramo A-B Se propone cortar primero las dos barras #7, luego las dos barras #8 ubicada en la zona central, y las dos barras #8 en las esquinas deben llegar al apoyo, pasando como mínimo 15 cm luego del centro del apoyo.
  • 10.
    ING. JOSÉ RAFAELGRIMÁN MORALES Página 10 Para cortar primero las dos barras #7, se requiere determinar el momento que resisten las 4#8. 𝑎 = 𝐴 𝑠∙𝑓𝑦 0.85∙𝑓′ 𝑐∙𝑏 𝑤 = 20,27·4200 0,85·210·40 = 11,929 𝑐𝑚 𝜙 · 𝑀 𝑛 = 𝜙 ∙ 𝐴 𝑠 ∙ 𝑓𝑦 ∙ (𝑑 − 𝑎 2 ) = 0,90 ∙ 20,27 ∙ 4200 ∙ (58,5 − 11,929 2 ) 100000 = 40,273 𝑡𝑜𝑛 − 𝑚 40,273 = 𝑉𝐴 ∙ 𝑥 − 𝜔 ∙ 𝑥2 2 = 32,143 ∙ 𝑥 − 5 ∙ 𝑥2 𝑥1 = 1,705 𝑚 ; 𝑥2 = 4,723 𝑚 Estas coordenadas proporcionan los puntos teóricos donde las 2#7 no son necesarias, pero no se pueden cortar en estos puntos sino que a cada lado debemos agregar una longitud adicional La definida como sigue: 𝑳 𝒂 ≥ {𝟏𝟐 ∙ 𝒅 𝒃 ; 𝒅} (Sección 12.2.3 de la NV 1753-06, y sección 12.10.3 del ACI 318-08) con la barra #7 #𝟕 𝒅 𝒃 = 𝟐, 𝟐𝟐𝟐 𝒄𝒎 , 𝑳 𝒂 ≥ {𝟏𝟐 ∙ 𝟐, 𝟐𝟐𝟐 ; 𝟓𝟖, 𝟓 𝒄𝒎} 𝑳 𝒂 ≥ {𝟐𝟔, 𝟔𝟔 𝒄𝒎 ; 𝟓𝟖, 𝟓 𝒄𝒎} 𝑳𝒂 ≥ 𝟓𝟖, 𝟓 𝒄𝒎 Las barras #7 a cortar debe tener una longitud igual a (x2 – x1 + 2·La) Lbarras#7 = 4,723 – 1,705 + 2·0,585 = 4,188 m Lemb barras#7 = Lbarras#7 / 2 = 4,188 / 2 = 2,094 m Se calculan las longitudes de desarrollo para las barras #7 y #8, para acero positivo: Para las barras de lecho inferior: Ld Considere la sección del tramo A-B
  • 11.
    ING. JOSÉ RAFAELGRIMÁN MORALES Página 11 Considerando las barras #8, db = 2,54 cm Recubrimiento libre: El estribo #3 db =0,953 cm, 𝑅𝑙𝑖𝑏𝑟𝑒 = 4 + 0.953 = 4,953 𝑐𝑚 > 2,54 𝑐𝑚 (𝑂𝐾) Separación libre: 𝑠𝑙𝑖𝑏𝑟𝑒 = (40 − 2 ∙ 4,953 − 2 ∙ 2,222 − 4 ∙ 2,54 − 2 · (2 · 0,953 − 2,54/2) 5 = 2,8436 𝑐𝑚 > 2,54 𝑐𝑚 (𝑂𝐾) Se cuenta además con refuerzo transversal mayor al mínimo: Se aplica la fórmula 12.3 de la tabla 12.2.1ª (NV 1753-06) Considerando barra de lecho inferior, α = 1, sin epoxi 𝜷 = 1, concreto de peso normal λ = 1 𝐿 𝑑(#7) = ( 0,192 ∙ 4200 √210 ) ∙ 2,22 = 123,647 𝑐𝑚 𝐿 𝑑(#8) = ( 0,192 ∙ 4200 √210 ) ∙ 2,54 = 141,343 𝑐𝑚
  • 12.
    ING. JOSÉ RAFAELGRIMÁN MORALES Página 12 Se compara la longitud embebida real de las barras #7 con su longitud de desarrollo, para concluir si cumple o no: Lemb barras#7 = 2,094 m > 1,2365 m, por lo tanto cumple: Se tiene en la zona de corte de las cabillas, estribo #3 @ 24 cm, Av = 1,42 cm², se chequea si Vu (x = 1,705 m) es menor que (2/3)·Vn en la misma zona. 𝜙 ∙ 𝑉𝑐 = 0,53 ∙ 𝜙 ∙ √ 𝑓′ 𝑐 ∙ 𝑏 ∙ 𝑑 = 0,53 · 0,75 · √210 · 40 · 58,5 = 13479,154𝑘𝑔 𝜙 ∙ 𝑉𝑠 = 𝜙 ∙ 𝐴 𝑣 ∙ 𝑓𝑦𝑣 ∙ 𝑑 𝑠 = 0,75 · 1,42 · 4200 · 58,5 24 = 10902,938 𝑘𝑔 𝜙 ∙ 𝑉𝑛 = 𝜙 ∙ ( 𝑉𝑐 + 𝑉𝑠) = 13479,154 + 10902,938 = 24382,092 𝑘𝑔 (2/3)· ϕ∙Vn =16254,73 kg Vu ( x = 1,705 m) = 32,143 – 10·1.705 = 15090,03 kg Como Vu es menor que (2/3)· ϕ∙Vn, si se puede cortar las barras #7, en el lugar indicado. Para cortar luego las dos barras #8 de la zona central de la sección, se requiere determinar el momento que resisten las 2#8 que se prolongan hasta el apoyo. 𝑎 = 𝐴 𝑠∙𝑓𝑦 0.85∙𝑓′ 𝑐∙𝑏 𝑤 = 10,14·4200 0,85·210·40 = 5,965 𝑐𝑚 𝜙 · 𝑀 𝑛 = 𝜙 ∙ 𝐴 𝑠 ∙ 𝑓𝑦 ∙ (𝑑 − 𝑎 2 ) = 0,90 ∙ 10,14 ∙ 4200 ∙ (58,5 − 5,965 2 ) 100000 = 21,279 𝑡𝑜𝑛 − 𝑚 21,279 = 𝑉𝐴 ∙ 𝑥 − 𝜔 ∙ 𝑥2 2 = 32,143 ∙ 𝑥 − 5 ∙ 𝑥2 𝑥1 = 0,749 𝑚 ; 𝑥2 = 5,679 𝑚
  • 13.
    ING. JOSÉ RAFAELGRIMÁN MORALES Página 13 Estas coordenadas proporcionan los puntos teóricos donde las 2#8 no son necesarias, pero no se pueden cortar en estos puntos sino que a cada lado debemos agregar una longitud adicional La definida como sigue: 𝑳 𝒂 ≥ {𝟏𝟐 ∙ 𝒅 𝒃 ; 𝒅} (Sección 12.2.3 de la NV 1753-06, y sección 12.10.3 del ACI 318-08) con la barra #7 #𝟖 𝒅 𝒃 = 𝟐, 𝟓𝟒 𝒄𝒎 , 𝑳 𝒂 ≥ {𝟏𝟐 ∙ 𝟐, 𝟓𝟒 ; 𝟓𝟖, 𝟓 𝒄𝒎} 𝑳 𝒂 ≥ {𝟑𝟎, 𝟒𝟖 𝒄𝒎 ; 𝟓𝟖, 𝟓 𝒄𝒎} 𝑳𝒂 ≥ 𝟓𝟖, 𝟓 𝒄𝒎 Las barras #8 a cortar debe tener una longitud igual a (x2 – x1 + 2·La) Lbarras#8 = 5.679 – 0,749 + 2·0,585 = 6,1 m Lemb barras#8 = Lbarras#8 / 2 = 6,1 / 2 = 3,05 m Se compara la longitud embebida real de las barras #8 con su longitud de desarrollo, para concluir si cumple o no: Lemb barras#7 = 3,05 m > 1,4134 m, por lo tanto cumple: se chequea si Vu (x = 0,749 m) es menor que (2/3)𝜙·Vn en la misma zona. (2/3)· ϕ∙Vn = 16254,73 kg Vu ( x = 0,749 m) = 32,143 – 10·0,749 = 24,649 kg Como Vu es mayor que (2/3)· ϕ∙Vn, esta condición no se cumple. Hay que probar la condición de aumentar los estribos en la zona donde se cortan las barras: • b) Se proporciona refuerzo transversal adicional a lo largo de la barra interrumpida en un tramo igual a 0.75 veces el peralte efectivo medido desde el punto de corte. El refuerzo transversal adicional requerido A, está dado por: • 𝐴 𝑣 = 4,2∙𝑏∙𝑠 𝑓𝑦 => 𝑠 = 𝐴 𝑣∙𝑓𝑦 4,2∙𝑏 • Por lo tanto el número de estribos a colocar en la distancia 0,75 d será: • 𝑁 = 0,75∙𝑑 𝑠 + 1 => 𝑁 = 3,15∙𝑏∙𝑑 𝐴 𝑣∙𝑓𝑦 + 1
  • 14.
    ING. JOSÉ RAFAELGRIMÁN MORALES Página 14 • Además, el espaciamiento s no debe ser superior a d/8𝜷b, donde 𝜷b es la relación entre el área del refuerzo que se corta y el área total del refuerzo en la sección. Por tanto se tendrá: • 𝑁 = 0,75∙𝑑 (𝑑 8∙𝛽 𝑏⁄ ) + 1 => 𝑁 = 6 ∙ 𝛽 𝑏 + 1 • Regirá el mayor número de estribos dados por las expresiones anteriores. El Av /s que se tiene por corte es: 1.42/24 = 0,0592 cm² / cm El Av / s adicional es : 𝐴 𝑣 𝑠 = 4,2∙𝑏 𝑓𝑦 = 4,2∙40 4200 = 0,04 cm²/cm El Av / s total = 0,0992 cm² /cm La separación 𝑠 = á𝑟𝑒𝑎 𝑑𝑒 𝑑𝑜𝑠 𝑟𝑎𝑚𝑎𝑠 𝐴 𝑣 𝑠⁄ (𝑡𝑜𝑡𝑎𝑙) = 1,42 0,0992 = 14,32 𝑐𝑚 s = 14 cm, 𝜷b = 0,50 , s max = d / (8· 𝜷b) =58,5/4 = 14,63 cm, cumple porque se colocará s = 14 cm, en una longitud igual a 0,75 ·58,5 = 43,9 cm =45 cm, a lo largo de la barra interrumpida desde el punto de corte. Se requiere calcular una separación diferente para el lado izquierdo de apoyo B, dado que el cortante es mayor, se puede demostrar que en este caso la separación requerida por corte es s = 15 cm. El Av /s que se tiene por corte es: 1.42/15 = 0,095 cm² / cm El Av / s adicional es : 𝐴 𝑣 𝑠 = 4,2∙𝑏 𝑓𝑦 = 4,2∙40 4200 = 0,04 cm²/cm El Av / s total = 0,135 cm² /cm La separación 𝑠 = á𝑟𝑒𝑎 𝑑𝑒 𝑑𝑜𝑠 𝑟𝑎𝑚𝑎𝑠 𝐴 𝑣 𝑠⁄ (𝑡𝑜𝑡𝑎𝑙) = 1,42 0,135 = 10,52 𝑐𝑚 s = 10 cm, 𝜷b = 0,50 , s max = d / (8· 𝜷b) =58,5/4 = 14,63 cm, cumple porque se colocará s = 10 cm, en una longitud igual a 0,75 ·58,5 = 43,9 cm =45 cm, a lo largo de la barra interrumpida desde el punto de corte.
  • 15.
    ING. JOSÉ RAFAELGRIMÁN MORALES Página 15 Se observa en la sección del tramo A-B, que las barras que deben llegar al apoyo son dos barras #8, para estas barras debemos chequear la condición que establece la norma 1753- 2006 para los aceros positivos que llegan al apoyo en la sección 12.2.3.1 literal c, acerca del Ld max. El momento nominal para estas dos barras, de un cálculo previo se tiene igual a: Mn = 21,279 / 0,90 = 23,643 ton-m, Vu = 32,143 ton en A y Vu = 37,86 ton en B, la condición más exigente es con el mayor. La longitud de anclaje La = 15 cm 𝐿 𝑑𝑚𝑎𝑥 = 15 + 1,3 · 23,643 · 100 37,86 = 96,183 𝑐𝑚 La longitud embebida de estas barras se determina desde la sección crítica “x” hasta el extremo libre de la barra, se tiene: x1 = 0,749 m, se le suma el La = 0,15 m, Lemb = 0,749 + 0,15 = 0,899 m. Al comparar estos valores con la longitud de desarrollo de las barras #8, Ld = 1,413 m, no se cumple con las dos condiciones. Existen varias alternativas de solución. Una puede ser reducir el diámetro de las barras que llegan al apoyo hasta que se cumplan las condiciones, esto implica modificar todos los cálculos ya realizados. Otra solución puede ser diseñar un falso volado para poder prolongar las barras hasta un punto donde se cumplan las
  • 16.
    ING. JOSÉ RAFAELGRIMÁN MORALES Página 16 condiciones. La solución que seleccionaremos aquí es terminar las barras en gancho, cumpliendo con la sección 18.5.4.1 de la NV 1753-2006. 18.5.4.1 Barras con ganchos En concretos con agregados normales y cuando se trate de barras No. 3 a No. 11, la longitud de transferencia de tensiones por anclaje Ldh para una barra con un gancho estándar de 90°, no será menor que 8db, 15 cm o la longitud requerida por la ecuación (18-9): Para concretos con agregados livianos, los valores de la longitud de anclaje anteriormente mencionado, deben incrementarse en un 25%. En todo caso, el gancho de 90° de la barra, debe estar situado dentro del núcleo confinado de una columna o de un miembro de borde. Calculamos Ldh para las barras #8: 𝐿 𝑑ℎ(#8) = ( 2,54 ∙ 4200 17,2 ∙ √210 ) = 42,8 𝑐𝑚 Debe ser mayor que 8*db =8*2,54 = 20,35 cm y mayor de 15 cm (ok) Se dispone de 35 cm con una columna de 40 cm, por lo que no se puede lograr el Ldh, una solución sería disminuir el diámetro de la barra, otra aumentar el ancho de la columna a 50 cm, para tener disponible 45 cm. Se decide aumentar el ancho de la columna. Longitud vertical requerida para poder colocar el gancho vertical dentro de la altura de la viga: 12 db + 4 db + R libre = 𝐿𝑜𝑛𝑔 𝑣𝑒𝑟𝑡𝑖𝑐𝑎𝑙 = 16 ∙ 2,54 + 4,95 = 45,6 𝑐𝑚 < 65 𝑐𝑚 (𝑂𝐾) Los 4 db es el radio de doblaje de la barra número más un diámetro de la barras = 3 db + 1 db = 4 db Pero a efecto de cálculo de la longitud del gancho es 16·db = 16·2,54 = 40,64 cm, se redondea a 45 cm.
  • 17.
    ING. JOSÉ RAFAELGRIMÁN MORALES Página 17 Ubicación de las barras de acero positivo, tramo A-B: Las barras #7, su extremo izquierdo debe quedar a la siguiente distancia del eje de la columna: xi#7 = 3,214 - 2,094 = 1,12 m, esto es la coordenada xm del momento máximo menos la longitud embebida de la barra #7. Como la longitud de las barras #7 es 2·2.094 = 4,188 m, se redondean a múltiplo de 5 cm, tanto la coordenada xi#7 hacia entero inferior y la longitud de la barra a un entero superior que incluya lo que se le disminuya a xi#7. Se considera entonces xi#7 = 1,10 m y L#7 = 4,25 m. Las barra #8 de la zona central de la sección que se cortaran, su extremo izquierdo debe quedar a la siguiente distancia del eje de la columna. xi#8 = 3,214 – 3,05 = 0,164 m. La longitud de la barra es L#7 = 2·3.05 = 6,1 m. Como ahora la columna tiene un ancho a = 50 cm, el extremo libre de la barra quedaría a 0,25 - 0,164 =0,086 m del eje, se decide llevarla hasta el eje, e incrementar su longitud en 0,1 m. Entonces xi#8 = 0 m y L#8 = 6,20 m Las barras #8 que llegan al apoyo, las dos barras de las esquinas, llegan a ambos apoyos con ganchos estándar de 45 cm. Entonces la longitud de estas barras L#8(apoyos) = 2·0,45 + 2·0.45 + 7 = 8,8 m Para la barras de lecho inferior del volado, considerando posibilidad de resistencia a cargas laterales, se garantiza la cedencia del acero en la sección crítica del volado, la cual está en lado derecho de la columna B, prolongando de forma recta una longitud embebida al lado izquierdo > a la longitud de desarrollo de la barra #6, se consideró 1,10 m > 1,073 m, considerando un recubrimiento de 0,05 m al lado derecho de la barra se obtiene una barra con una longitud total de (2 - 0,05 - 0,25 +1.10) = 2,80 m. 𝐿 𝑑(#6) = ( 0,192 ∙ 4200 √210 ) ∙ 1,91 = 107,3 𝑐𝑚
  • 18.
    ING. JOSÉ RAFAELGRIMÁN MORALES Página 18 DESPIECE PARA EL ACERO PARA MOMENTO NEGATIVO. As -. Se tiene la sección del volado:
  • 19.
    ING. JOSÉ RAFAELGRIMÁN MORALES Página 19 Se determina las longitudes de desarrollo para lecho superior. De manera similar se chequean el recubrimiento libre y la separación libre, resultando que se aplica la fórmula 12.3 de la tabla 12.2.1ª (NV 1753-06) Considerando barra de lecho superior, α = 1,3, sin epoxi 𝜷 = 1, concreto de peso normal λ = 1 𝐿 𝑑(#6) = ( 0,192 ∙ 4200 ∙ 1,3 √210 ) ∙ 1,91 = 138,2 𝑐𝑚 𝐿 𝑑(#7) = ( 0,192 ∙ 4200 ∙ 1,3 √210 ) ∙ 2,222 = 160,74 𝑐𝑚 Se dispone al lado derecho de (2,0 – 0,25 – 0,05) = 1,70 m > 1,607 m Por esto no es necesario terminar la barra en gancho en el volado, sin embargo lo terminaremos en gancho de longitud 16·db = 16·2,222 = 35,55 cm, lo redondeamos a 40 cm. Las dos barras #7 se prolongan como acero mínimo hasta el otro extremo de la viga por lo que no es necesario chequear la condición que establece que debe continuar al menos 1/3 del As-, más allá del punto de inflexión PI, una distancia La ≥ { 12 db, d , Ln/16) (Ver sección 12.2.3.2 NV 1753-06 y 12.12.3 ACI 318-08). Para cortar las dos barras #6, se requiere determinar el momento que resisten las 2#7. 𝑎 = 𝐴 𝑠∙𝑓𝑦 0.85∙𝑓′ 𝑐∙𝑏 𝑤 = 7,76·4200 0,85·210·40 = 4,565 𝑐𝑚 𝜙 · 𝑀 𝑛 = 𝜙 ∙ 𝐴 𝑠 ∙ 𝑓𝑦 ∙ (𝑑 − 𝑎 2 ) = 0,90 ∙ 7,76 ∙ 4200 ∙ (43,5 − 4,565 2 ) 100000 = 12,09 𝑡𝑜𝑛 − 𝑚
  • 20.
    ING. JOSÉ RAFAELGRIMÁN MORALES Página 20 −12,09 = 𝑉𝐵−𝑑𝑒𝑟 ∙ 𝑥 − 𝜔 ∙ 𝑥2 2 + 𝑀𝑏 = 20 ∙ 𝑥 − 5 ∙ 𝑥2 − 20 𝑥1 = 0,445 𝑚 ; 𝑥2 = 3,555 𝑚 Se considera sólo la solución x1 = 0,445 m, porque la otra supera la longitud del volado Las barras a cortar, es decir las 2#6 dejan de ser necesarias a x1 = 0,445 m del centro del apoyo B, pero se deben extender más allá la distancia La >= 12db ó d, lo cual resulta d = 43,5 cm. Se prolongan con respecto a la sección crítica (la cara del apoyo): 𝐿𝑒𝑚𝑏 = (0,445 − 0,25) + 0,435 = 0,63 𝑚 Cómo la longitud embebida debe ser mayor que la longitud de desarrollo para las barras #6, se extiende la longitud a 1,40 m con respecto a la cara de la columna. Las barras “b” es decir las dos barras #7 se prolongan una longitud Lemb = (2 – 0,25 – 0,05) = 1,70 m con respecto a la cara de apoyo B, pero le vamos a agregar un gancho de 0,40 m Considerando ahora el refuerzo para el lado izquierdo de apoyo B. −12,09 = 𝑉𝐴 ∙ 𝑥 − 𝜔 ∙ 𝑥2 2 = 32,143 ∙ 𝑥 − 5 ∙ 𝑥2 𝑥1 = −0,359 𝑚 ; 𝑥2 = 6,785 𝑚 Se considera sólo la solución x2 = 6,785 m, medidos desde A. Es decir a (7– 6,785)= 0,215 m del centro del apoyo, a (0,25 – 0,215 = -0.035 de la cara de la columna. L1 = - 0.035 + 0,435 = 0,40 m, para las barras a cortar, las 2#6.
  • 21.
    ING. JOSÉ RAFAELGRIMÁN MORALES Página 21 Pero se debe extender Lemb >= Ld, entonces Lemb = 1,40 m, medidas desde la cara izquierda del apoyo B. La ubicación y longitud de las barras es la siguiente: Para las barras #6 (las barras a cortar) se tiene: L#6 = 1,40·2 + 0,50 = 3,30 m. su extremo izquierdo estará ubicado a (0,25 +1,40) =1,65 m del centro de la columna. Para las barras “b”, las que se prolongan, las 2#7 se tiene: L#7 = 2·0,40 + 0,20 + 7 + 0,25 + 1.70 = 9,95 m. El extremo izquierdo debe estar a 0,20 m del centro de la columna, considerando un recubrimiento de 5 cm.