CAPÍTULO X: RESONANCIA MAGNÉTICA 107
Bioing. PEDRO PABLO ESCOBAR – Imágenes en Medicina.
CAPÍTULO IX: RESONANCIA MAGNÉTICA
9.1. INTRODUCCIÓN
Cuando a principios de los 70, la TC estaba comenzando a tener un fuerte impacto en el diagnóstico
radiológico por imágenes, ya se estaba investigando otra modalidad para la obtención de imágenes basada
en la espectroscopía de resonancia magnética nuclear (RMN).
A mediados de los 40, dos grupos de investigadores liderados por Félix Bloch y Edward Purcell, estudiaban
el comportamiento de los núcleos atómicos inmersos en un campo magnético y descubrieron que absorbían
energía de las onda de radio de frecuencia específicas. Un análisis posterior del espectro de frecuencias les
reveló que contenía información sobre el movimiento y la composición de las moléculas irradiadas.
La imagen de resonancia magnética (IRM) es una extensión de las técnicas de RMN que se emplean desde
hace años en física y química para distintos fines de visualización. Actualmente se emplea con mucha
frecuencia en clínica y su impacto es aún mayor que el de la TC.
La IRM es una técnica de diagnóstico sofisticada que utiliza un campo magnético fuerte, ondas de radio y
una computadora para producir imágenes de una sección transversal de distintas partes cuerpo. Esta
técnica de RM produce imágenes de altísima calidad que resultan en mejores exploraciones de los órganos
y estructuras del cuerpo permitiendo el estudio de múltiples lesiones y enfermedades, incluso en sus etapas
iniciales. Se utiliza, en general, para producir imágenes del cerebro, la columna vertebral, los órganos en el
pecho y el abdomen, el corazón y los vasos sanguíneos y estructuras próximos a huesos, tales como los
músculos y ligamentos. La RMN constituye un procedimiento no invasivo y no se conocen efectos
colaterales ni posteriores.
9.2. PRINCIPIOS FÍSICOS
Una de las características menos conocidas de las partículas atómicas y subatómicas es el número cuántico
s (spin) o momento angular. Del mismo modo que la carga eléctrica de un átomo es igual a la suma de las
cargas de todas las partículas que lo componen, el spin de un átomo se obtiene sumando todos los spines
de las partículas atómicas y subatómicas.
Momento magnético
Las cargas en movimiento producen campos magnéticos. Consideremos como ejemplo el núcleo más
sencillo que existe, el del hidrógeno, formado por sólo un protón. La carga eléctrica de este único protón y su
spin de giro generan un campo magnético. El átomo de hidrógeno es entonces, una partícula giratoria con
un polo norte y un polo sur, al igual que un imán. Se dice entonces que el núcleo es un dipolo magnético y
su valor de magnetismo se conoce como momento magnético .
CAPÍTULO X: RESONANCIA MAGNÉTICA 108
Bioing. PEDRO PABLO ESCOBAR – Imágenes en Medicina.
En la mayoría de los materiales, incluso en tejido orgánico, los momentos magnéticos se orientan al azar de
manera tal que su magnetización neta M sea cero. En cambio, si se coloca al material o paciente en el
interior de un campo magnético fuerte, los momentos magnéticos se alinearán en la dirección del campo, en
sentido a favor o en contra. Esto hace que exista una magnetización neta M distinta de cero.
Si aplicamos estos principios al análisis de estructuras orgánicas, el paciente se transforma en un imán. El
campo magnético externo (CME) se denomina B0 y por convención se le asigna la dirección del eje z, para
alinearlo con el eje longitudinal del paciente.
Precesión
Bloch y Purcell demostraron
que al situar determinado tipo
de núcleos en campos
magnéticos potentes, estos
podían absorber energía de
radiofrecuencia (RF) y
posteriormente liberarla,
también en forma de energía
de RF, que podía ser captada por una antena. Denominaron a este fenómeno físico resonancia nuclear
magnética y a la frecuencia se le denominó frecuencia de resonancia. ¿Cómo sucede esto?
Además de carga, spin y momento magnético, en presencia de un CME el núcleo se comporta como si fuese
un trompo. Cualquiera que haya visto girar a un trompo habrá observado que no gira en una posición vertical
exacta, sino que el extremo superior del eje del trompo describe una elíptica, movimiento que recibe el
nombre de precesión.
Sometidos a un campo magnético externo B0, cada protón describe un cono
alrededor de B0, tal como lo haría un trompo en el campo gravitacional
terrestre. (En estricta realidad, describe un doble cono cuyos vértices se unen
en el centro de gravedad)
La precesión es la resultante de dos fuerzas aplicadas sobre un dipolo magnético: el momento angular (spin)
y el CME.
La frecuencia de precesión está dada por la ecuación:
w: frecuencia de precesión (MHz)
: constante giromagnética (MHz/T)W =  . B0
B0: intensidad de CME (T)
CAPÍTULO X: RESONANCIA MAGNÉTICA 109
Bioing. PEDRO PABLO ESCOBAR – Imágenes en Medicina.
Esta ecuación fundamental de la IRM se conoce con el nombre de ecuación de Larmor y la frecuencia de
precesión con el nombre de frecuencia de Larmor o frecuencia de resonancia (f).
La rapidez de precesión o frecuencia de resonancia es proporcional a la intensidad del CME y es específica
de cada especie nuclear. El Hidrógeno en un CME de 0,35 T resonará a 15 MHz y en un campo de 0,7 T lo
hará a 30 MHz. Si en esta situación se coloca un detector de radiofrecuencia cerca sólo se percibirá ruido y
ninguna señal, ya que todos los núcleos del hidrógeno están precesando fuera de fase. Si la muestra se
irradia con un pulso de ondas de radiofrecuencia con una frecuencia coincidente con f, ocurrirá que los
núcleos absorberán energía de este pulso, saltarán a un estado de mayor energía, se alinearán con el CME
y comenzarán a precesar en fase. Cuando el CME desaparezca retornarán gradualmente a su estado de
baja energía, emitiendo una señal coherente de RF que puede ser detectada.
De acuerdo con la mecánica cuántica, un protón sólo puede adquirir dos estados energéticos:
1. en la misma dirección que el vector de CME (spin-up; paralelo)
2. en sentido contrario al vector del CME (spin-down o antiparalelo).
El primer estado es el de menor energía posible. El número de protones en orientación paralela es
ligeramente superior al de orientación antiparalela (aproximadamente de 3 a 6 por millón), pero la
magnetización tiene un efecto neto detectable por el inmenso número de protones de hidrógeno que existen
en los tejidos biológicos. La inducción de transiciones de un estado de energía a otro se llama resonancia.
Resonancia
Como decíamos, aunque todos los núcleos de hidrógeno precesan a la frecuencia de Larmor, están
desfasados unos de otros y como consecuencia el momento magnético total M0 no precesa. Al ser irradiados
por un pulso de ondas de radiofrecuencia entran en resonancia, precesan todos en fase y el M0 también
precesa.
El módulo de M0 depende de varios factores:
a. la densidad de spines (SD).
b. la constante giromagnética (). (2.675x102
MHz/T para el H2)
c. la intensidad del CME B0.
CAPÍTULO X: RESONANCIA MAGNÉTICA 110
Bioing. PEDRO PABLO ESCOBAR – Imágenes en Medicina.
Cuanto mayor sea M0, mayor será la señal de IRM y más brillante será la imagen obtenida. Los campos
magnéticos se miden en unidades conocidas como Tesla. Un Tesla equivale a 10.000 Gauss. El valor del
campo magnético de la Tierra es de 0,3-0,7 Gauss.
Relajación
Inmediatamente después de la transmisión del pulso de RF, los núcleos están alineados antiparalelos con B0
y en estado de alta energía. Esta alineación es momentánea y desaparecerá cuando se retire el pulso de
RF. Uno a uno los núcleos comenzarán a retornar a su estado de menor energía emitiendo señal, perdiendo
la coherencia de fase para volver a alinearse en forma paralela con el CME.
Después de un pulso de RF a la frecuencia de
Larmor, la magnetización neta M gira alejándose
del eje z.
Cuando desaparece el pulso de RF, los momentos de
los núcleos de hidrógeno vuelven gradualmente a su
estado de equilibrio, emitiendo una señal de RF.
Esta forma compleja de retornar al equilibrio se denomina relajación. El tiempo necesario para que se lleve a
cabo se conoce como tiempo de relajación y es el tiempo durante el cual el núcleo de hidrógeno emite la
señal de RF liberando la energía absorbida para saltar de estado.
CAPÍTULO X: RESONANCIA MAGNÉTICA 111
Bioing. PEDRO PABLO ESCOBAR – Imágenes en Medicina.
9.3. LA SEÑAL DE IRM
La señal de IRM que emite el paciente durante la relajación recibe el nombre de señal por caída de
inducción libre (CIL). Si se toma una CIL y se le aplica la transformada de Fourier se obtiene un espectro de
RMN.
Teóricamente, es posible realizar un barrido del paciente con una señal de RF de banda ancha y obtener
así un espectro de RMN de todos los núcleos de los distintos átomos, pero dado que el hidrógeno es el
elemento más abundante del cuerpo y que, además, posee una constante giromagnética muy elevada, es el
elemento que muestra una mayor sensibilidad a la RMN. Por estas razones, en IRM se utilizan pulsos de RF
a la frecuencia de Larmor del hidrógeno.
PARÁMETROS DE LA SEÑAL
La señal de IRM contiene información sobre tres parámetros independientes que permiten identificar la
procedencia de la señal, la intensidad y las características del tejido bajo estudio. Estos parámetros son:
1. Densidad de spines (spin-density)
La potencia de la señal recibida de los núcleos que precesan es proporcional al número de núcleos
que se encuentran dentro del volumen de detección o voxel y es entonces, la que va a determinar su
intensidad. La densidad de spines es una medida de la concentración de hidrógeno.
2. Tiempo de relajación T1 (spin-tejido)
Durante el retorno al equilibrio, luego de emitir energía de RF, los protones de H2 invierten sus spines
gradualmente para volver a alinearse con B0. El resultado de este fenómeno es un crecimiento de Mz
en el eje z hasta alcanzar nuevamente el M0 inicial. Este crecimiento es exponencial en relación con
el tiempo y su constante de tiempo se conoce como tiempo de relajación T1.
Dado que la relajación se produce a lo largo de z y de B0, se lo suele llamar tiempo de relajación
longitudinal. Como durante el retorno al equilibrio, los protones de H2 transfieren parte de su energía
al tejido circundante, éste condiciona la velocidad de regreso y por esta razón también se lo conoce
como tiempo de relajación spin-tejido.
CAPÍTULO X: RESONANCIA MAGNÉTICA 112
Bioing. PEDRO PABLO ESCOBAR – Imágenes en Medicina.
3. Tiempo de relajación T2 (spin-spin)
Los protones de H2 se encuentran en constante movimiento dentro del tejido. Al pasar unos cerca de
otros, interactúan sus momentos magnéticos interfiriéndose y alterando su precesión. Con el tiempo
la interacción del CM del spin altera el CM de la zona en la que se encuentra haciendo que precese
más rápido o más despacio. Los spines se salen de fase, lo que provoca una reducción de Mxy, que
sigue precesando a la frecuencia de Larmor. La señal disminuye en forma exponencial con el tiempo
debido al desfase de la magnetización neta M en el plano xy. Este tiempo recibe el nombre de
tiempo de relajación T2 o spin-spin; y como tiene lugar en un plano perpendicular a B0 se lo
denomina tiempo de relajación transversal.
Aunque T1 y T2 son independientes, guardan entre sí la relación: T2  T1.
GENERACIÓN DE LAS IMÁGENES
La forma más antigua y sencilla de obtener una imagen de RMN a partir de las señales CIL es la técnica de
reconstrucción de proyecciones. Se calcula un pulso de RF bien definido, diseñado para excitar spines de
una sección uniforme de la muestra. Se aplica entonces un campo gradiente y se irradia la muestra con uno
ó más pulsos de RF a 90° ó 180°. Se calcula la transformada de Fourier de la CIL para obtener su espectro
que representa sólo una proyección de las estructuras irradiadas de la muestra. Controlando la dirección del
CM gradiente pueden lograrse una serie de proyecciones tomadas con ángulos secuenciales y realizar así
una reconstrucción de esas proyecciones. En la actualidad se emplea una técnica que incluye una TDF
bidimensional (2DFT) o tridimensional (3DFT). Veamos todo esto con un poco más de detalle.
La generación de imágenes se basa en recoger las ondas de RF procedentes de los tejidos irradiados. La
energía liberada por los protones (que tiene la misma frecuencia que la del pulso de RF recibido) al volver al
estado de equilibrio, es captada por un receptor y analizada por un ordenador que la transforma en
imágenes. Pero, ¿cómo se obtiene la imagen de la zona que se quiere estudiar? La clave está en ser capaz
de localizar la ubicación exacta de una determinada señal de resonancia magnética nuclear en una muestra.
Si se determina la ubicación de todas las señales, es posible elaborar un mapa de toda la muestra.
Entonces, al campo principal (espacialmente uniforme), se le superpone un segundo campo magnético más
débil que varía de posición de forma controlada, creando lo que se conoce como gradiente de campo
magnético. En un extremo de la muestra, la potencia del campo magnético graduado es mayor, y se va
debilitando con una calibración precisa a medida que se acerca al otro extremo.
Dado que la frecuencia de resonancia de los núcleos en un campo magnético externo es proporcional a la
intensidad del campo, las distintas partes de la muestra tienen distintas frecuencias de resonancia. Por lo
tanto, una frecuencia de resonancia determinada podría asociarse a una posición concreta. Además, la
fuerza (intensidad) de la señal de resonancia en cada frecuencia indica el tamaño relativo de los volúmenes
que contienen los núcleos en distintas frecuencias y, por tanto, en la posición correspondiente. Las
variaciones de las señales se utilizan entonces para representar las posiciones de las moléculas y crear una
imagen. La intensidad del elemento de la imagen, o píxel, es proporcional al número de protones contenidos
dentro de un volumen elemental, o voxel.
Actualmente, los dispositivos de obtención de imágenes por resonancia magnética utilizan tres conjuntos de
bobinas de gradientes electromagnéticos sobre el sujeto para codificar las tres coordenadas espaciales de
las señales.
CAPÍTULO X: RESONANCIA MAGNÉTICA 113
Bioing. PEDRO PABLO ESCOBAR – Imágenes en Medicina.
9.4. COMPONENTES DE UN EQUIPO DE RM
Los componentes fundamentales son:
1. Imán creador del campo electromagnético.
2. Bobinas secundarias: de compensación y de gradiente.
3. Sistema de radiofrecuencia: antenas y secuencias de pulsos de RF.
4. Diseño de la instalación: protecciones y seguridad radiológica.
5. Suministro de energía: de alta corriente para el imán y de precisión para las bobinas secundarias.
6. Sistema de adquisición, procesamiento, visualización e impresión de imágenes generadas.
1. IMANES.
No es fácil diseñar imanes de precisión considerando el gran tamaño que éstos requieren. En la actualidad
los tipos de imanes adecuados para RM pueden clasificarse en tres grupos:
1.A. PERMANENTES.
Los materiales modernos, como las cerámicas, son baratos, fáciles de imantar,
ligeros y capaces de producir campos de hasta 0,3T. Para uso en RM se unen varios bloques cerámicos
pero el CM producido no tiene buena uniformidad, sin embargo el precio es mucho menor que el de
otros imanes y los gastos de operación son casi nulos.
1.B. RESISTIVOS.
Sabemos que una espira de alambre simple que conduce una corriente produce un
campo magnético. Usando varias bobinas grandes (habitualmente 4) con diámetro aproximado de 1,5
metros es posible disponerlas concéntricamente, de forma que el campo generado sea suficientemente
uniforme para su uso en RM.
Como el material del alambre empleado es un muy buen conductor, pero no perfecto, los imanes tienen
una resistencia pequeña y por este motivo se los conoce como imanes resistivos. Esta resistencia hace
que se genere gran cantidad de calor debido a la alta intensidad de corriente que atraviesa las bobinas.
Esto hace que tengan que ser bien refrigerados utilizando circulación de agua.
Las bobinas múltiples deben ser fabricadas con precisión para proporcionar la uniformidad de campo
necesaria. Los CM de las bobinas hacen que éstas se atraigan entre sí con gran fuerza, lo cual exige un
montaje rígido para reducir la distorsión mecánica. Necesitan ser alimentadas con una corriente de
potencia 8 kW por lo que su consumo es enorme, similar al de un gran edificio de oficinas.
1.C. SUPERCONDUCTORES.
Ciertas aleaciones metálicas se comportan como conductores perfectos (no
ofrecen R al pasaje de una I) cuando son enfriados hasta una temperatura de 10°K (-263°C). A
temperatura ambiente (293°K) estos materiales se comportan como conductores normales, pero a
temperaturas muy bajas o criogénicas se convierten en superconductores.
El imán tiene bobinas fabricadas con una aleación metálica superconductora y ofrece ventajas
específicas respecto de los resistivos. En primer lugar, no existen problemas de disipación de calor. En
segundo lugar, al no poseer resistencia las espiras no pierden energía eléctrica y ésta se aprovecha
completamente. Esto hace que una vez que fluye una corriente por la bobina, se mantenga fluyendo
indefinidamente sin necesidad de una fuente de potencia externa. No requieren un sistema de
refrigeración por agua ni grandes suministros de potencia. Pueden producir campos de hasta 4T
aunque su uso comercial en IRM se limita a 1,5T.
CAPÍTULO X: RESONANCIA MAGNÉTICA 114
Bioing. PEDRO PABLO ESCOBAR – Imágenes en Medicina.
El inconveniente de estos imanes es la dificultad para mantener las bobinas cerca del cero absoluto.
Todo el conjunto de bobinas debe alojarse dentro de un contenedor gigante perfectamente aislado. Este
contenedor tiene una superficie externa lisa y brillante, similar a un termo, que se conoce como dewar.
Dentro del dewar existen dos cámaras. La más externa tiene nitrógeno líquido (77°K) que actúa
simplemente como un aislante térmico intermedio entre el exterior y la cámara interna. Esa cámara
interna está llena de helio líquido a 4,2°K y las bobinas superconductoras están suspendidas en el
baño de helio líquido. Ambas cámaras están separadas entre sí y del medio ambiente externo por una
cámara de vacío tal como se muestra en la figura.
El costo de mantenimiento de un sistema de imán superconductor procede del relleno de las cámaras de
helio y nitrógeno líquidos. A pesar de emplear el mejor aislamiento posible, estos gases líquidos se evaporan
CAPÍTULO X: RESONANCIA MAGNÉTICA 115
Bioing. PEDRO PABLO ESCOBAR – Imágenes en Medicina.
gradualmente y deben reponerse periódicamente. Además, la manipulación de estas sustancias requiere
cuidado y experiencia.
La mayoría de los fabricantes ofrecen ahora dispositivos que sólo requieren de helio líquido y, conforme el
gas se evapora, un sistema lo recoge y lo comprime nuevamente hasta el estado líquido para reutilizarlo.
Este dispositivo se conoce como criogenerador. Sin embargo, el reciente descubrimiento de
superconductividad a temperaturas mayores a 100°K podría hacer innecesaria la cámara de helio,
reduciendo mucho los costos de fabricación y los operativos también.
CUADRO COMPARATIVO ENTRE TIPOS DE IMANES PARA IRM
TIPO DE IMÁN VENTAJAS DESVENTAJAS
PERMANENTE
Costo de capital bajo
Costo de operación bajo
Campo marginal despreciable
Potencia de campo limitada
Potencia de campo fija
Muy pesado
RESISTIVO
Costo de capital bajo
Fácil mantenimiento de la bobina
Consumo de potencia alto
Requiere refrigeración por agua
Campo marginal significativo
SUPERCONDUCTOR
Potencia de campo alta
Homogeneidad de campo alta
Bajo consumo de potencia
Costo de capital alto
Costo alto del criógeno
Campo marginal intenso
2. BOBINAS SECUNDARIAS
BOBINAS DE COMPENSACIÓN
Un requisito fundamental del imán es la homogeneidad de campo magnético. Por ejemplo, un imán
de 1T debe producir un campo que no varíe más de  50T o 50 ppm. Si la homogeneidad es
inferior a ese valor, degradará la calidad de la imagen. En la abertura principal del imán se ubica un
tambor con hasta 30 arrollamientos individuales llamados bobinas compensadoras, cada una con su
propio suministro de potencia.
Una vez que el imán principal alcanza su potencia de campo, la corriente y la polaridad de cada
bobina compensadora se ajustan para producir la homogeneidad máxima de ese campo magnético
principal B0.
BOBINAS DE GRADIENTE
Producen el campo gradiente necesario para mapear la procedencia espacial de la señal de IRM
proveniente de los tejidos irradiados. Con el fin de obtener diversas proyecciones debe ser posible
orientar el CM a lo largo de los ejes x, y y z, o bien a lo largo de un eje oblicuo.
Existen tres parejas de bobinas para lograr este fin y por lo general se utilizan para obtener un corte
transversal. Cuando el CM de gradiente z está activado, el pulso de RF puede sintonizarse con
precisión, de forma que sólo los núcleos de Hidrógeno de un corte determinado del paciente reciban
energía. La fuerza del CM de gradiente y la forma del pulso de RF determinan el espesor del corte
seleccionado.
CAPÍTULO X: RESONANCIA MAGNÉTICA 116
Bioing. PEDRO PABLO ESCOBAR – Imágenes en Medicina.
Si se desea un corte coronario se activa la bobina de gradiente x, y si se desea uno sagital se activa
la bobina de gradiente y. Para obtener una imagen de la anatomía transversal mediante 2DFT se
activa el gradiente z durante el pulso de RF para seleccionar el corte apropiado. Mientras se reciben
las señales de IRM de respuesta desde el tejido, se activan en secuencia las bobinas de gradiente x
e y. En este caso, el gradiente x se llama por convención “gradiente codificador de frecuencia” y el
gradiente y “gradiente codificador de fase”.
Desde el punto de vista físico, las bobinas de gradiente suelen estar embebidas en un anillo
encajado dentro de las bobinas de compensación en la abertura para el paciente.
3. BOBINAS DE LOCALIZACIÓN
Son bobinas que se emplean para localizar una parte del cuerpo específica y que sirven para mejorar la
resolución espacial de determinadas regiones anatómica de superficie compleja.
HEAD COIL – BOBINA DE CABEZA
CAPÍTULO X: RESONANCIA MAGNÉTICA 117
Bioing. PEDRO PABLO ESCOBAR – Imágenes en Medicina.
KNEE COIL – BOBINA DE RODILLA
SHOULDER COIL – BOBINA DE HOMBRO
CAPÍTULO X: RESONANCIA MAGNÉTICA 118
Bioing. PEDRO PABLO ESCOBAR – Imágenes en Medicina.
SPINE COIL – BOBINA DE COLUMNA
TORSO COIL – BOBINA DE TORAX
CAPÍTULO X: RESONANCIA MAGNÉTICA 119
Bioing. PEDRO PABLO ESCOBAR – Imágenes en Medicina.
4. SISTEMA DE RADIOFRECUENCIA.
Por lo general, la misma bobina antena que transmite el pulso de RF al paciente también se usa para
detectar la señal de IRM. La forma de la antena puede ir desde una simple bobina de alambre hasta
formas tridimensionales complejas en forma de 8 (cinta de Möebius). La configuración de bobina más
popular es la forma en silla de montar.
Para mantener la bobina con su forma original y protegerla de daños suele estar recubierta de plástico,
fibra de vidrio o algún otro material aislante. Esa unidad rígida se conoce como sonda de RF o conjunto
de sonda. Esta sonda se sitúa dentro de las bobinas de gradiente y lo más cerca posible del paciente.
SECUENCIAS DE PULSOS DE RF
Una secuencia de pulsos es el patrón cronológico de la transmisión de los pulsos y es determinante del
contraste de las imágenes. En clínica se emplean básicamente cuatro tipos de secuencias cuyas
características se resumen en la siguiente tabla:
SECUENCIAS DE PULSOS DE RF
TIPO DE SECUENCIA ESQUEMA DE PULSOS DE RF
Saturación Parcial (SP) 90°, 90°, 90°, ....
Recuperación de inversión (IR) 180°-90°, 180°-90°, ...
Spin-eco (SE) 90°-180°, 90°-180°, ...
Gradiente-eco (GE) °, °, °, ...
La saturación parcial fue una de las primeras secuencias empleadas pero actualmente es raro que se la
emplee. La recuperación de inversión proporciona un detalle anatómico superior pero requiere mucho
tiempo. La secuencia Spin-eco es la más empleada. La secuencia gradiente-eco emplea menos de un
pulso de 90°, lo cual permite obtener imágenes más rápidamente.El contraste relativo entre tejidos
puede variar radicalmente según la secuencia de pulsos elegida.
A. Secuencia Spin-Eco
Dijimos que es la secuencia más empleada, proporciona imágenes con una elevada relación S/R y una
elevada relación C/R (contraste/ruido). La señal de IRM se recoge luego de que la secuencia estimule y
ponga en fase a los spines. Modificando el tiempo de duración de la secuencia TR y el tiempo en el que
se recoge TE, se logra regular ventajosamente el contraste de la imagen.
Las imágenes SE tienen un contraste que refleja las diferencias en los valores de relajación T2 de los
tejidos y son las que permiten detectar y caracterizar áreas patológicas. El tiempo de adquisición de
estas secuencias es globalmente largo y esto lo hace susceptible de degradarse por movimientos
fisiológicos del cuerpo o involuntarios del paciente.
CAPÍTULO X: RESONANCIA MAGNÉTICA 120
Bioing. PEDRO PABLO ESCOBAR – Imágenes en Medicina.
Recientemente se ha incorporado una variedad de esta secuencia, la Fast SE que acorta el tiempo de
adquisición en un factor que puede variar de 2, 4, 8, 16, y 32 a expensas de una pérdida permisible de
S/R y contraste.
La secuencia se compone de dos pulsos: uno a 90 grados que traslada la magnetización neta al plano
xy y otro a 180° que forma la señal de eco. El TR es el tiempo que media entre un pulso inicial de 90° y
el siguiente pulso de 90°. El TE es el tiempo que media entre el pulso inicial de 90° y la formación del
eco. Para formar la imagen, la secuencia SE elegida tiene que repetirse tantas veces como píxeles
tenga el eje de direcciones de fase de la matriz sobre la que se va a reconstruir la imagen.
B. Secuencia de recuperación de inversión.
Consiste en un pulso de 180° seguido de una secuencia SE convencional (180°:-90°:180°). El intervalo
entre el pulso inicial inversor y el pulso de 90° se llama tiempo de inversión TI. La duración de la
secuencia TR se mide por el tiempo que media entre el primer pulso de 180° y el de 180° de la
secuencia siguiente.
La IR es la secuencia indicada para obtener imágenes basada en diferencias de T1 de los tejidos,
aunque como en todas las secuencias el contraste depende de los factores SD, T1 y T2. Existe una
variante de esta secuencia, la STIR (Short TI Inversion Recovery) que se caracteriza por usar un TI corto
y proporciona imágenes con alta resolución de tejidos con grasa.
C. Secuencia Gradiente-Eco
Fueron desarrolladas con el objeto de obtener imágenes rápidas manteniendo la mayor señal posible.
Es una variante de la SE convencional. Se caracteriza por usar un pulso de menos de 90°, °, para
desplazar la magnetización longitudinal sobre el eje xy, y porque el pulso de 180° refasador es
reemplazado por la activación bipolar de una de las bobinas de gradiente. Esta última variación no
compensa los efectos perturbadores de la falta de coherencia de precesión en el retorno al equilibrio y
por lo tanto la señal estará gobernada por el tiempo T2.
5. DISEÑO DE LA INSTALACIÓN
Dado que la IRM no utiliza radiaciones ionizantes, no es necesario proteger la habitación con paredes de
plomo u otro material para atenuar los RX. Sin embargo, dependiendo del diseño de la máquina de RM y
de la localización de la sala puede ser necesario disponer un escudo electromagnético de protección
contra interferencias de radio y campos magnéticos marginales.
También debe tenerse cuidado de sólo emplear materiales no magnéticos en la estructura de la sala de
examen. Las barras de hierro deben ser sustituidas por barras de cloruro de polivinilo (PVC) en las vigas
de cemento. Todas las entradas eléctricas deben poseer filtros eléctricos para eliminar frecuencias de
interferencias. Las cañerías no deben ser de hierro sino de PVC o cobre. La iluminación debe ser de
corriente continua.
Escudo electromagnético.
El rango de frecuencias utilizadas en RM es muy próximo al de emisiones comerciales de radio y
radioaficionados; y a otras interferencias generadas por sistemas electrónicos y de transmisión de
potencia. Esa interferencia de RF puede ser suficiente para enmascarar las débiles señales de IRM
procedentes del paciente y es necesario un escudo de malla de alambre cuidadosamente construido
alrededor del equipo de RM para atenuar estas fuentes extrañas. Este escudo se conoce con el nombre
de Jaula de Faraday, que se dispone de manera invisible en la estructura de la instalación.
Escudo magnético.
El CME de un RM es muy intenso. La fracción de CME que escapa fuera de la abertura de paciente se
conoce como CM marginal o CMM y debe ser considerado en el diseño de una instalación. El problema
del campo marginal es doble. En primer lugar, puede interferir en el funcionamiento apropiado del equipo
mecánico y electrónico próximo. En segundo lugar, cualquier masa grande de material ferromagnético,
especialmente si está en movimiento, puede distorsionar la homogeneidad del volumen bajo estudio al
interactuar con el campo magnético marginal, lo cual conlleva a una degradación de la imagen.
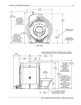
CAPÍTULO X: RESONANCIA MAGNÉTICA 121
Bioing. PEDRO PABLO ESCOBAR – Imágenes en Medicina.
La mayoría de los fabricantes ofrecen imanes con autoescudo o con escudo activo. El imán con
autoescudo tiene hierro como parte integral del imán, en lugar de colocarlo sobre las paredes de la
habitación. El imán con escudo activo tiene en la cámara de helio arrollamientos adicionales
superconductores con polaridad inversa. Esa inversión de la corriente crea un CM opuesto que
proporciona una excelente reducción del CMM y su diseño es tan bueno que el CM original B0 se
mantiene con una homogeneidad incluso mayor.
CURVAS DE ISODOSIS
Son las curvas de magnetización residual que escapan de la boca del resonador y que afectan a los objetos
alrededor del magneto principal.
6. OTROS SISTEMAS.
Respecto de los sistemas restantes, suministros de corriente y procesamiento de datos, no nos
detenemos por ser similares a los de los equipos de radiaciones ionizantes que hemos visto en capítulos
anteriores. Sólo aclaramos que el ordenador se emplea para analizar las ondas y representar la imagen.
Además permite controlar todas las funciones del scanner. Se pueden seleccionar o modificar
CAPÍTULO X: RESONANCIA MAGNÉTICA 122
Bioing. PEDRO PABLO ESCOBAR – Imágenes en Medicina.
parámetros, visualizar o guardar las imágenes de los pacientes en distintos medios, y realizar procesos
posteriores sobre las imágenes (como zoom en regiones de interés).
Distribución típica de una instalación de Resonancia Magnética.
Puede observarse la sala de estudio, sala de máquinas y consola del operador.
CAPÍTULO X: RESONANCIA MAGNÉTICA 123
Bioing. PEDRO PABLO ESCOBAR – Imágenes en Medicina.
CAPÍTULO X: RESONANCIA MAGNÉTICA 124
Bioing. PEDRO PABLO ESCOBAR – Imágenes en Medicina.
CAPÍTULO X: RESONANCIA MAGNÉTICA 125
Bioing. PEDRO PABLO ESCOBAR – Imágenes en Medicina.
9.5. IMÁGENES RM
Es conveniente ver cómo se codifica la señal recogida de los tejidos irradiados para entender la formación
de la imagen final. El proceso se ilustra en forma completa debajo para facilitar su comprensión.
Figura 1. Nociones de Campo de visión (FOV), matriz, plano de corte, vóxel y píxel.
El gradiente de selección de corte Gss
permite seleccionar un plano de corte
en el interior de un volumen.
El gradiente de codificación de fase G
permite seleccionar las distintas líneas
en el interior del plano de corte.
El gradiente de codificación de
frecuencia Gw permite seleccionar las
distintas columnas en el interior del
plano de corte.
Selección de un plano de corte. La frecuencia angular w crece desde w1
hasta w10 por capas o planos (P1 a P10) perpendiculares a la dirección
del gradiente. Si wR = w6 sólo los protones de P6 entrarán en resonancia
y girarán su M 90°, contribuyendo a la formación de la señal. De esta
forma se selecciona el plano de corte P6 de un grosor de 10 mm.
Posibles orientaciones de los planos de corte
para distintos estudios.
CAPÍTULO X: RESONANCIA MAGNÉTICA 126
Bioing. PEDRO PABLO ESCOBAR – Imágenes en Medicina.
Para un gradiente determinado, el grosor del corte está en
función del ancho de ventana (banda de frecuencias) f del
pulso selectivo de RF. Si f es tres veces más ancha, el
grosor del corte se multiplica por 3.
A un ancho de ventana fijo, el grosor del corte está en
función de la fuerza del gradiente. Si el gradiente es
elevado, los cortes son finos y viceversa. Si aumentamos
al doble el campo gradiente, el grosor del corte se
reducirá a la mitad.
La aplicación del gradiente de
codificación de fase según el eje Y
permitirá la codificación de la fase en
cada una de las líneas L1, L2, L3, etc.
La aplicación del gradiente de
codificación de frecuencia según el eje X
permite codificar la frecuencia de
precesión de los protones en cada una
de las columnas C1, C2, C3, etc.
Cada protón en función de su fase y
frecuencia se ubica en su línea y
columna respectiva.
FACTORES QUE AFECTAN A LA RESOLUCIÓN DE CONTRASTE
Son factores elegibles por el operador del equipo y los nombramos a continuación:
1. Tipo de secuencia.
2. Ángulo de desplazamiento ().
3. Grosor del corte.
4. Tamaño de la matriz.
5. Campo de visión.
6. N° de promedios de una señal.
7. Uso de contrastes externos.
CAPÍTULO X: RESONANCIA MAGNÉTICA 127
Bioing. PEDRO PABLO ESCOBAR – Imágenes en Medicina.
9.6. EL EXAMEN DE RMN
Preparación del Paciente
Debido al campo magnético fuerte generado por el equipo de RMN, los pacientes deben avisarle al médico
responsable si:
a. tienen un marcapasos, implantes en el oído o clips para aneurisma.
b. otros tipos de implantes metálicos y/o han estado expuestos a fragmentos metálicos.
c. sus ojos han estado expuestos a virutas de metal.
d. si usa sombra en ojos durante un examen de RM, pues suele contener sustancias metálicas.
Aunque la RM es un procedimiento seguro para la mayoría de los pacientes, en casos de embarazo el
paciente debe informarle al médico, igual que si tiene claustrofobia o siente dolor al acostarse boca arriba
durante más de 30 minutos para que pueda administrarle un relajante muscular o un analgésico. Antes del
examen, el técnico en RM debe explicarle al paciente el procedimiento y evaluar las consideraciones
anteriores para evitar accidentes y artefactos.
Durante el Examen
La duración del examen depende de la parte del cuerpo que se esté examinando, pero generalmente dura
entre 30 minutos y una hora. El paciente debe desvestirse, ponerse una bata y quitarse todo tipo de
accesorios que lleve encima: alhajas, hebillas de cabello, lentes, aros, relojes, auriculares y dentaduras. El
imán dañará los relojes de pulso y borrará tarjetas de crédito y tarjetas de banco.
Para la mayoría de los exámenes de RM, el tecnólogo envuelve la parte del cuerpo que se examina con una
banda ancha. Dependiendo del área que se examina, se le podrá dar un agente de contraste para que los
órganos internos y estructuras sean más visibles. El tecnólogo ubicará al paciente sobre una camilla movible
y acolchada que se desliza hacia adentro de la abertura del scanner. No sentirá nada durante la exploración,
pero podrán escucharse zumbidos, clics y golpes que vienen del equipo. Los centros de RM proveen
auriculares o audífonos para tapar el ruido. Asimismo, la sala de examen podrá tener poca luz y estar fría. El
tecnólogo no estará en la sala durante el procedimiento, pero podrá ver al paciente y comunicarse con él a
través de un intercomunicador. El tecnólogo anunciará cuándo comienza cada secuencia de exploración y
cuánto durará, para que el paciente permanezca quieto durante ese tiempo.
Objetos que deben ser excluidos en varios niveles del campo magnético marginal
CAPÍTULO X: RESONANCIA MAGNÉTICA 128
Bioing. PEDRO PABLO ESCOBAR – Imágenes en Medicina.
APLICACIONES
Entre sus aplicaciones tenemos:
 Neurológicas. Proporciona imágenes de mayor resolución que la tomografía computada (TC) para
las estructuras nerviosas. Permite detectar edemas cerebrales, tumores, trombosis venosas, placas de
desmielinización (esclerosis múltiple) e infartos cerebrales. Casi todas las anomalías cerebrales
presentan alteraciones en el contenido de agua, que se consigue registrar con la RM. Una diferencia en
el contenido acuoso de menos del uno por ciento es suficiente para detectar los cambios patológicos.
 Cardiovasculares. A veces, en colaboración con la radiografía, la TC o el ecocardiograma. Se puede
estudiar el corazón así como las arterias y las venas.
 Otorrinolaringología. Alteraciones de oídos, senos paranasales, boca y garganta.
 Oftalmología.
 Tumorales. Permite detectar alteraciones tumorales de cualquier tipo y en cualquier órgano.
 Aparato locomotor. Permite localizar lesiones óseas o musculares de todo tipo y en cualquier región
del organismo. Es el único procedimiento que permite ver los ligamentos.
En general, puede ser utilizada para visualizar estructuras como corazón, pulmones, glándulas mamarias,
hígado, vías biliares, bazo, páncreas, riñones, útero, ovarios, próstata, etc.
VENTAJAS Y DESVENTAJAS DE LA IMR
Entre las ventajas que presenta, encontramos que:
1. No utiliza radiación ionizante, reduciendo riesgos de mutaciones celulares o cáncer.
2. Permite cortes muy finos (1/2 mm o 1mm) e imágenes muy detalladas permitiendo observar detalles
anatómicos no apreciables con otro tipo de estudio.
3. Permite la adquisición de imágenes multiplanares (axial, sagital, coronal), simplificando por ejemplo
el estudio tridimensional del encéfalo, sin necesidad de cambiar de postura al paciente.
4. Detecta muy rápidamente los cambios en el contenido tisular de agua.
5. No causa dolor.
6. El paciente tiene en todo momento comunicación con el médico.
La calidad de las imágenes obtenidas se puede mejorar utilizando medios de contraste paramagnéticos por
vía intravenosa (se suministran previo al estudio, inyecciones de un fluido llamado gadolinio). Esto hace que
las áreas anormales se iluminen en la RNM y sean más fáciles de distinguir luego.
Por otro lado, la utilidad de la RNM se ve limitada por:
1. La larga duración del examen (la mayor parte de las RNM llevan entre 30 y 60 minutos).
2. El costo económico (superior a los de otros estudios similares).
3. Los problemas planteados en lo que respecta a dispositivos de soporte vital (apoyo ventilatorio
mecánico, marcapasos), materiales ferromagnéticos presentes en el paciente (proyectiles de arma
de fuego, material de osteosíntesis) y sistemas de tracción esquelética o de inmovilización, que
pueden interferir en la calidad de la imagen o incluso conllevar riesgo para la vida del paciente por
movilización de dichos componentes.
4. Sensación de claustrofobia cuando se está adentro del túnel. El mayor porcentaje de imposibilidad
para realizar la exploración se debe a este tipo de problemas, llevando a la necesidad de sedar al
paciente en algunas ocasiones.
CAPÍTULO X: RESONANCIA MAGNÉTICA 129
Bioing. PEDRO PABLO ESCOBAR – Imágenes en Medicina.
EQUIPOS COMERCIALES Y COSTOS
Existen actualmente varias empresas que fabrican equipos de resonancia magnética. Algunas de las más
reconocidas son: Philips, General Electric, y Siemens. En cuanto a los costos, estos son muy variables ya
que siempre existe una negociación de por medio y muchos accesorios sobre los que decidir. De cualquier
manera, se podría decir que lo que hace la diferencia mayor es la magnitud del campo magnético que son
capaces de emitir. Esta característica es muy importante ya que afecta directamente la calidad de las
imágenes y la duración del estudio. Cuanto mayor es el campo magnético, mayor calidad de imágenes se
obtiene y menor el tiempo que se requiere para adquirirlas. Normalmente, se puede tomar como regla
aproximada US$ 1.000.000 por Tesla.
En el presente existen también equipos de resonancia magnética abierta, lo que presenta una opción para
pacientes claustrofóbicos. Se trata de equipos abiertos en forma de C cuya característica más novedosa es
la posibilidad de realizar procedimientos intervencionistas, como cirugía de la epilepsia, del Parkinson,
biopsias intracraneales, etc. Con los equipos de diseño cilíndrico es necesario sacar al paciente del aparato,
realizar la intervención y volver a introducirlo. Con algunos equipos de resonancia magnética abierta, los
especialistas pueden actuar sin necesidad de movilizar al paciente y utilizar material quirúrgico convencional.
La resonancia magnética abierta genera un campo magnético de 0,2T de potencia mientras que el otro
equipo, de diseño convencional, generalmente tiene una potencia de 1 a 1,5 Tesla (aunque en el mercado
existen desde 0,2T hasta 4T los más modernos). Sin embargo, los equipos abiertos de última generación
disponen de un sistema informático optimizado que permite realizar exploraciones de alta calidad. Al
disponer de un campo magnético menor que el equipo cilíndrico, la resonancia abierta reduce las
limitaciones para realizar estudios en pacientes portadores de estructuras metálicas no ferromagnéticas,
prótesis, etc.
Se puede decir que el estudio de resonancia magnética es una herramienta muy potente de la medicina. Es
un método moderno, que presenta muchas ventajas y pocas desventajas y es cada vez más utilizado en
muchas ramas de la medicina.
Quizás la traba más grande que se encuentra para su uso es el costo económico elevado que representa el
adquirir el equipo y hacer el estudio.
Se puede prever que la resonancia magnética sustituirá poco a poco a otras técnicas de imagenología. La
principal razón de esto es que cada vez más están siendo dejados de lado métodos que utilizan radiaciones
ionizantes, como por ejemplo la TC. Además, con vistas a futuro, se piensa que con esta tecnología, sería
posible observar directamente la acción química de los medicamentos sobre el cuerpo.
RIESGOS ASOCIADOS A LA RESONANCIA MAGNETICA
El pasado 30 de Julio, en el Westchester Medical Center (USA), durante una exploración con Resonancia
magnética Nuclear (RMN), debido al “efecto misil”, se produjo un accidente fatal. Una bombona metálica de
oxígeno, debido al campo magnético de la instalación, fue acelerada contra el paciente, golpeando en su
cabeza, y provocando su muerte (Associated Press, 30/7/2001).
Exenta de los riesgos de la radiación ionizante, dado que sólo emplea en su funcionamiento campos
magnéticos y radiofrecuencias, la RMN presenta otros riesgos. Durante un estudio con RMN el paciente está
expuesto a tres tipos de campos electromagnéticos:
1. Un campo magnético estático intenso (el campo magnético principal generado por el imán: de 0,5 a
2 Teslas, según la instalación).
2. Un campo magnético gradiente de mediana intensidad.
3. Una emisión de radiofrecuencias.
Los efectos biológicos directos de estos campos sobre el paciente serían la aparición de potenciales
eléctricos a nivel de los iones contenidos en la sangre (en el caso del campo magnético principal), la
existencia de corrientes eléctricas inducidas a nivel del organismo (debidas al campo gradiente) o la
deposición de calor en tejidos (a causa de las radiofrecuencias). Todos ellos, a los niveles en que se trabaja
CAPÍTULO X: RESONANCIA MAGNÉTICA 130
Bioing. PEDRO PABLO ESCOBAR – Imágenes en Medicina.
en RMN, serían efectos transitorios. De hecho, hasta el momento no se han documentado efectos
secundarios no reversibles.
Sin embargo, otra serie de accidentes, derivados del propio equipamiento, y de carácter más “inmediato”
pueden ocurrir en las salas de RMN. Entre ellos se encuentran:
1. Efecto “misil”: Cualquier objeto magnetizable del interior de la sala será atraído hacia el imán
convirtiéndose en un auténtico proyectil, y pudiendo causar graves daños al impactar con el paciente
o algún trabajador.
2. Por el mismo motivo, no debe realizarse RMN a pacientes con implantes metálicos que puedan
moverse, puesto que en su movimiento, se podrían producir lesiones en los tejidos del paciente. En
el caso de tener implantes metálicos no movibles, se pueden producir elevaciones locales de
temperatura que pudieran dar lugar a quemaduras.
3. Evaporación de helio. En el caso de imanes superconductores se utiliza helio para mantener el
imán a muy baja temperatura. Una evaporación de helio puede dar lugar al desplazamiento del
oxígeno en la sala de RMN, y el consiguiente riesgo de asfixia.
Cuando se ubican dos equipos (CT-RM ó RM-RM) en las proximidades, deben calcularse muy ajustadamente los
blindajes de radiofrecuencia para que no haya interferencias de uno con otro.
CAPÍTULO X: RESONANCIA MAGNÉTICA 131
Bioing. PEDRO PABLO ESCOBAR – Imágenes en Medicina.
MEDIOS DE CONTRASTE EN RESONANCIA MAGNÉTICA
El objetivo del uso de cte. en el estudio con RM es:
− Aumentar la sensibilidad y la especificidad en la detección de patología.
− Diferenciar zonas anatómicas normales que pudieran simular patología.
En RM las constantes han de tener propiedades magnéticas, es decir, que modifiquen las señales de
resonancia de las estructuras que las rodean al ser sometidas a los fenómenos de campos magnéticos y RF.
Estas señales pueden ser por aumento o por defecto. Los contrastes utilizados habitualmente son los
PARAMAGNÉTICOS. Pueden administrarse por dos vías:
− Por vía oral se suelen utilizar para rellenar el tubo digestivo (técnica prácticamente en desuso).
− Por vía intravenosa aunque se empieza a utilizar la vía linfática.
El principal contraste paramagnético utilizado es el gadolinio (dietilem−triamino−pentancetico) Gd−DTPA,
que tiene la propiedad de acortar el tiempo de relajación T1 de las sustancias a donde accede realzando su
señal.
Esquema de disposición de bobinas y magneto de un resonador.
CAPÍTULO X: RESONANCIA MAGNÉTICA 132
Bioing. PEDRO PABLO ESCOBAR – Imágenes en Medicina.
CAPÍTULO X: RESONANCIA MAGNÉTICA 133
Bioing. PEDRO PABLO ESCOBAR – Imágenes en Medicina.
SISTEMA DE TUBERÍA DE HELIO

Resonancia magnetica

  • 1.
    CAPÍTULO X: RESONANCIAMAGNÉTICA 107 Bioing. PEDRO PABLO ESCOBAR – Imágenes en Medicina. CAPÍTULO IX: RESONANCIA MAGNÉTICA 9.1. INTRODUCCIÓN Cuando a principios de los 70, la TC estaba comenzando a tener un fuerte impacto en el diagnóstico radiológico por imágenes, ya se estaba investigando otra modalidad para la obtención de imágenes basada en la espectroscopía de resonancia magnética nuclear (RMN). A mediados de los 40, dos grupos de investigadores liderados por Félix Bloch y Edward Purcell, estudiaban el comportamiento de los núcleos atómicos inmersos en un campo magnético y descubrieron que absorbían energía de las onda de radio de frecuencia específicas. Un análisis posterior del espectro de frecuencias les reveló que contenía información sobre el movimiento y la composición de las moléculas irradiadas. La imagen de resonancia magnética (IRM) es una extensión de las técnicas de RMN que se emplean desde hace años en física y química para distintos fines de visualización. Actualmente se emplea con mucha frecuencia en clínica y su impacto es aún mayor que el de la TC. La IRM es una técnica de diagnóstico sofisticada que utiliza un campo magnético fuerte, ondas de radio y una computadora para producir imágenes de una sección transversal de distintas partes cuerpo. Esta técnica de RM produce imágenes de altísima calidad que resultan en mejores exploraciones de los órganos y estructuras del cuerpo permitiendo el estudio de múltiples lesiones y enfermedades, incluso en sus etapas iniciales. Se utiliza, en general, para producir imágenes del cerebro, la columna vertebral, los órganos en el pecho y el abdomen, el corazón y los vasos sanguíneos y estructuras próximos a huesos, tales como los músculos y ligamentos. La RMN constituye un procedimiento no invasivo y no se conocen efectos colaterales ni posteriores. 9.2. PRINCIPIOS FÍSICOS Una de las características menos conocidas de las partículas atómicas y subatómicas es el número cuántico s (spin) o momento angular. Del mismo modo que la carga eléctrica de un átomo es igual a la suma de las cargas de todas las partículas que lo componen, el spin de un átomo se obtiene sumando todos los spines de las partículas atómicas y subatómicas. Momento magnético Las cargas en movimiento producen campos magnéticos. Consideremos como ejemplo el núcleo más sencillo que existe, el del hidrógeno, formado por sólo un protón. La carga eléctrica de este único protón y su spin de giro generan un campo magnético. El átomo de hidrógeno es entonces, una partícula giratoria con un polo norte y un polo sur, al igual que un imán. Se dice entonces que el núcleo es un dipolo magnético y su valor de magnetismo se conoce como momento magnético .
  • 2.
    CAPÍTULO X: RESONANCIAMAGNÉTICA 108 Bioing. PEDRO PABLO ESCOBAR – Imágenes en Medicina. En la mayoría de los materiales, incluso en tejido orgánico, los momentos magnéticos se orientan al azar de manera tal que su magnetización neta M sea cero. En cambio, si se coloca al material o paciente en el interior de un campo magnético fuerte, los momentos magnéticos se alinearán en la dirección del campo, en sentido a favor o en contra. Esto hace que exista una magnetización neta M distinta de cero. Si aplicamos estos principios al análisis de estructuras orgánicas, el paciente se transforma en un imán. El campo magnético externo (CME) se denomina B0 y por convención se le asigna la dirección del eje z, para alinearlo con el eje longitudinal del paciente. Precesión Bloch y Purcell demostraron que al situar determinado tipo de núcleos en campos magnéticos potentes, estos podían absorber energía de radiofrecuencia (RF) y posteriormente liberarla, también en forma de energía de RF, que podía ser captada por una antena. Denominaron a este fenómeno físico resonancia nuclear magnética y a la frecuencia se le denominó frecuencia de resonancia. ¿Cómo sucede esto? Además de carga, spin y momento magnético, en presencia de un CME el núcleo se comporta como si fuese un trompo. Cualquiera que haya visto girar a un trompo habrá observado que no gira en una posición vertical exacta, sino que el extremo superior del eje del trompo describe una elíptica, movimiento que recibe el nombre de precesión. Sometidos a un campo magnético externo B0, cada protón describe un cono alrededor de B0, tal como lo haría un trompo en el campo gravitacional terrestre. (En estricta realidad, describe un doble cono cuyos vértices se unen en el centro de gravedad) La precesión es la resultante de dos fuerzas aplicadas sobre un dipolo magnético: el momento angular (spin) y el CME. La frecuencia de precesión está dada por la ecuación: w: frecuencia de precesión (MHz) : constante giromagnética (MHz/T)W =  . B0 B0: intensidad de CME (T)
  • 3.
    CAPÍTULO X: RESONANCIAMAGNÉTICA 109 Bioing. PEDRO PABLO ESCOBAR – Imágenes en Medicina. Esta ecuación fundamental de la IRM se conoce con el nombre de ecuación de Larmor y la frecuencia de precesión con el nombre de frecuencia de Larmor o frecuencia de resonancia (f). La rapidez de precesión o frecuencia de resonancia es proporcional a la intensidad del CME y es específica de cada especie nuclear. El Hidrógeno en un CME de 0,35 T resonará a 15 MHz y en un campo de 0,7 T lo hará a 30 MHz. Si en esta situación se coloca un detector de radiofrecuencia cerca sólo se percibirá ruido y ninguna señal, ya que todos los núcleos del hidrógeno están precesando fuera de fase. Si la muestra se irradia con un pulso de ondas de radiofrecuencia con una frecuencia coincidente con f, ocurrirá que los núcleos absorberán energía de este pulso, saltarán a un estado de mayor energía, se alinearán con el CME y comenzarán a precesar en fase. Cuando el CME desaparezca retornarán gradualmente a su estado de baja energía, emitiendo una señal coherente de RF que puede ser detectada. De acuerdo con la mecánica cuántica, un protón sólo puede adquirir dos estados energéticos: 1. en la misma dirección que el vector de CME (spin-up; paralelo) 2. en sentido contrario al vector del CME (spin-down o antiparalelo). El primer estado es el de menor energía posible. El número de protones en orientación paralela es ligeramente superior al de orientación antiparalela (aproximadamente de 3 a 6 por millón), pero la magnetización tiene un efecto neto detectable por el inmenso número de protones de hidrógeno que existen en los tejidos biológicos. La inducción de transiciones de un estado de energía a otro se llama resonancia. Resonancia Como decíamos, aunque todos los núcleos de hidrógeno precesan a la frecuencia de Larmor, están desfasados unos de otros y como consecuencia el momento magnético total M0 no precesa. Al ser irradiados por un pulso de ondas de radiofrecuencia entran en resonancia, precesan todos en fase y el M0 también precesa. El módulo de M0 depende de varios factores: a. la densidad de spines (SD). b. la constante giromagnética (). (2.675x102 MHz/T para el H2) c. la intensidad del CME B0.
  • 4.
    CAPÍTULO X: RESONANCIAMAGNÉTICA 110 Bioing. PEDRO PABLO ESCOBAR – Imágenes en Medicina. Cuanto mayor sea M0, mayor será la señal de IRM y más brillante será la imagen obtenida. Los campos magnéticos se miden en unidades conocidas como Tesla. Un Tesla equivale a 10.000 Gauss. El valor del campo magnético de la Tierra es de 0,3-0,7 Gauss. Relajación Inmediatamente después de la transmisión del pulso de RF, los núcleos están alineados antiparalelos con B0 y en estado de alta energía. Esta alineación es momentánea y desaparecerá cuando se retire el pulso de RF. Uno a uno los núcleos comenzarán a retornar a su estado de menor energía emitiendo señal, perdiendo la coherencia de fase para volver a alinearse en forma paralela con el CME. Después de un pulso de RF a la frecuencia de Larmor, la magnetización neta M gira alejándose del eje z. Cuando desaparece el pulso de RF, los momentos de los núcleos de hidrógeno vuelven gradualmente a su estado de equilibrio, emitiendo una señal de RF. Esta forma compleja de retornar al equilibrio se denomina relajación. El tiempo necesario para que se lleve a cabo se conoce como tiempo de relajación y es el tiempo durante el cual el núcleo de hidrógeno emite la señal de RF liberando la energía absorbida para saltar de estado.
  • 5.
    CAPÍTULO X: RESONANCIAMAGNÉTICA 111 Bioing. PEDRO PABLO ESCOBAR – Imágenes en Medicina. 9.3. LA SEÑAL DE IRM La señal de IRM que emite el paciente durante la relajación recibe el nombre de señal por caída de inducción libre (CIL). Si se toma una CIL y se le aplica la transformada de Fourier se obtiene un espectro de RMN. Teóricamente, es posible realizar un barrido del paciente con una señal de RF de banda ancha y obtener así un espectro de RMN de todos los núcleos de los distintos átomos, pero dado que el hidrógeno es el elemento más abundante del cuerpo y que, además, posee una constante giromagnética muy elevada, es el elemento que muestra una mayor sensibilidad a la RMN. Por estas razones, en IRM se utilizan pulsos de RF a la frecuencia de Larmor del hidrógeno. PARÁMETROS DE LA SEÑAL La señal de IRM contiene información sobre tres parámetros independientes que permiten identificar la procedencia de la señal, la intensidad y las características del tejido bajo estudio. Estos parámetros son: 1. Densidad de spines (spin-density) La potencia de la señal recibida de los núcleos que precesan es proporcional al número de núcleos que se encuentran dentro del volumen de detección o voxel y es entonces, la que va a determinar su intensidad. La densidad de spines es una medida de la concentración de hidrógeno. 2. Tiempo de relajación T1 (spin-tejido) Durante el retorno al equilibrio, luego de emitir energía de RF, los protones de H2 invierten sus spines gradualmente para volver a alinearse con B0. El resultado de este fenómeno es un crecimiento de Mz en el eje z hasta alcanzar nuevamente el M0 inicial. Este crecimiento es exponencial en relación con el tiempo y su constante de tiempo se conoce como tiempo de relajación T1. Dado que la relajación se produce a lo largo de z y de B0, se lo suele llamar tiempo de relajación longitudinal. Como durante el retorno al equilibrio, los protones de H2 transfieren parte de su energía al tejido circundante, éste condiciona la velocidad de regreso y por esta razón también se lo conoce como tiempo de relajación spin-tejido.
  • 6.
    CAPÍTULO X: RESONANCIAMAGNÉTICA 112 Bioing. PEDRO PABLO ESCOBAR – Imágenes en Medicina. 3. Tiempo de relajación T2 (spin-spin) Los protones de H2 se encuentran en constante movimiento dentro del tejido. Al pasar unos cerca de otros, interactúan sus momentos magnéticos interfiriéndose y alterando su precesión. Con el tiempo la interacción del CM del spin altera el CM de la zona en la que se encuentra haciendo que precese más rápido o más despacio. Los spines se salen de fase, lo que provoca una reducción de Mxy, que sigue precesando a la frecuencia de Larmor. La señal disminuye en forma exponencial con el tiempo debido al desfase de la magnetización neta M en el plano xy. Este tiempo recibe el nombre de tiempo de relajación T2 o spin-spin; y como tiene lugar en un plano perpendicular a B0 se lo denomina tiempo de relajación transversal. Aunque T1 y T2 son independientes, guardan entre sí la relación: T2  T1. GENERACIÓN DE LAS IMÁGENES La forma más antigua y sencilla de obtener una imagen de RMN a partir de las señales CIL es la técnica de reconstrucción de proyecciones. Se calcula un pulso de RF bien definido, diseñado para excitar spines de una sección uniforme de la muestra. Se aplica entonces un campo gradiente y se irradia la muestra con uno ó más pulsos de RF a 90° ó 180°. Se calcula la transformada de Fourier de la CIL para obtener su espectro que representa sólo una proyección de las estructuras irradiadas de la muestra. Controlando la dirección del CM gradiente pueden lograrse una serie de proyecciones tomadas con ángulos secuenciales y realizar así una reconstrucción de esas proyecciones. En la actualidad se emplea una técnica que incluye una TDF bidimensional (2DFT) o tridimensional (3DFT). Veamos todo esto con un poco más de detalle. La generación de imágenes se basa en recoger las ondas de RF procedentes de los tejidos irradiados. La energía liberada por los protones (que tiene la misma frecuencia que la del pulso de RF recibido) al volver al estado de equilibrio, es captada por un receptor y analizada por un ordenador que la transforma en imágenes. Pero, ¿cómo se obtiene la imagen de la zona que se quiere estudiar? La clave está en ser capaz de localizar la ubicación exacta de una determinada señal de resonancia magnética nuclear en una muestra. Si se determina la ubicación de todas las señales, es posible elaborar un mapa de toda la muestra. Entonces, al campo principal (espacialmente uniforme), se le superpone un segundo campo magnético más débil que varía de posición de forma controlada, creando lo que se conoce como gradiente de campo magnético. En un extremo de la muestra, la potencia del campo magnético graduado es mayor, y se va debilitando con una calibración precisa a medida que se acerca al otro extremo. Dado que la frecuencia de resonancia de los núcleos en un campo magnético externo es proporcional a la intensidad del campo, las distintas partes de la muestra tienen distintas frecuencias de resonancia. Por lo tanto, una frecuencia de resonancia determinada podría asociarse a una posición concreta. Además, la fuerza (intensidad) de la señal de resonancia en cada frecuencia indica el tamaño relativo de los volúmenes que contienen los núcleos en distintas frecuencias y, por tanto, en la posición correspondiente. Las variaciones de las señales se utilizan entonces para representar las posiciones de las moléculas y crear una imagen. La intensidad del elemento de la imagen, o píxel, es proporcional al número de protones contenidos dentro de un volumen elemental, o voxel. Actualmente, los dispositivos de obtención de imágenes por resonancia magnética utilizan tres conjuntos de bobinas de gradientes electromagnéticos sobre el sujeto para codificar las tres coordenadas espaciales de las señales.
  • 7.
    CAPÍTULO X: RESONANCIAMAGNÉTICA 113 Bioing. PEDRO PABLO ESCOBAR – Imágenes en Medicina. 9.4. COMPONENTES DE UN EQUIPO DE RM Los componentes fundamentales son: 1. Imán creador del campo electromagnético. 2. Bobinas secundarias: de compensación y de gradiente. 3. Sistema de radiofrecuencia: antenas y secuencias de pulsos de RF. 4. Diseño de la instalación: protecciones y seguridad radiológica. 5. Suministro de energía: de alta corriente para el imán y de precisión para las bobinas secundarias. 6. Sistema de adquisición, procesamiento, visualización e impresión de imágenes generadas. 1. IMANES. No es fácil diseñar imanes de precisión considerando el gran tamaño que éstos requieren. En la actualidad los tipos de imanes adecuados para RM pueden clasificarse en tres grupos: 1.A. PERMANENTES. Los materiales modernos, como las cerámicas, son baratos, fáciles de imantar, ligeros y capaces de producir campos de hasta 0,3T. Para uso en RM se unen varios bloques cerámicos pero el CM producido no tiene buena uniformidad, sin embargo el precio es mucho menor que el de otros imanes y los gastos de operación son casi nulos. 1.B. RESISTIVOS. Sabemos que una espira de alambre simple que conduce una corriente produce un campo magnético. Usando varias bobinas grandes (habitualmente 4) con diámetro aproximado de 1,5 metros es posible disponerlas concéntricamente, de forma que el campo generado sea suficientemente uniforme para su uso en RM. Como el material del alambre empleado es un muy buen conductor, pero no perfecto, los imanes tienen una resistencia pequeña y por este motivo se los conoce como imanes resistivos. Esta resistencia hace que se genere gran cantidad de calor debido a la alta intensidad de corriente que atraviesa las bobinas. Esto hace que tengan que ser bien refrigerados utilizando circulación de agua. Las bobinas múltiples deben ser fabricadas con precisión para proporcionar la uniformidad de campo necesaria. Los CM de las bobinas hacen que éstas se atraigan entre sí con gran fuerza, lo cual exige un montaje rígido para reducir la distorsión mecánica. Necesitan ser alimentadas con una corriente de potencia 8 kW por lo que su consumo es enorme, similar al de un gran edificio de oficinas. 1.C. SUPERCONDUCTORES. Ciertas aleaciones metálicas se comportan como conductores perfectos (no ofrecen R al pasaje de una I) cuando son enfriados hasta una temperatura de 10°K (-263°C). A temperatura ambiente (293°K) estos materiales se comportan como conductores normales, pero a temperaturas muy bajas o criogénicas se convierten en superconductores. El imán tiene bobinas fabricadas con una aleación metálica superconductora y ofrece ventajas específicas respecto de los resistivos. En primer lugar, no existen problemas de disipación de calor. En segundo lugar, al no poseer resistencia las espiras no pierden energía eléctrica y ésta se aprovecha completamente. Esto hace que una vez que fluye una corriente por la bobina, se mantenga fluyendo indefinidamente sin necesidad de una fuente de potencia externa. No requieren un sistema de refrigeración por agua ni grandes suministros de potencia. Pueden producir campos de hasta 4T aunque su uso comercial en IRM se limita a 1,5T.
  • 8.
    CAPÍTULO X: RESONANCIAMAGNÉTICA 114 Bioing. PEDRO PABLO ESCOBAR – Imágenes en Medicina. El inconveniente de estos imanes es la dificultad para mantener las bobinas cerca del cero absoluto. Todo el conjunto de bobinas debe alojarse dentro de un contenedor gigante perfectamente aislado. Este contenedor tiene una superficie externa lisa y brillante, similar a un termo, que se conoce como dewar. Dentro del dewar existen dos cámaras. La más externa tiene nitrógeno líquido (77°K) que actúa simplemente como un aislante térmico intermedio entre el exterior y la cámara interna. Esa cámara interna está llena de helio líquido a 4,2°K y las bobinas superconductoras están suspendidas en el baño de helio líquido. Ambas cámaras están separadas entre sí y del medio ambiente externo por una cámara de vacío tal como se muestra en la figura. El costo de mantenimiento de un sistema de imán superconductor procede del relleno de las cámaras de helio y nitrógeno líquidos. A pesar de emplear el mejor aislamiento posible, estos gases líquidos se evaporan
  • 9.
    CAPÍTULO X: RESONANCIAMAGNÉTICA 115 Bioing. PEDRO PABLO ESCOBAR – Imágenes en Medicina. gradualmente y deben reponerse periódicamente. Además, la manipulación de estas sustancias requiere cuidado y experiencia. La mayoría de los fabricantes ofrecen ahora dispositivos que sólo requieren de helio líquido y, conforme el gas se evapora, un sistema lo recoge y lo comprime nuevamente hasta el estado líquido para reutilizarlo. Este dispositivo se conoce como criogenerador. Sin embargo, el reciente descubrimiento de superconductividad a temperaturas mayores a 100°K podría hacer innecesaria la cámara de helio, reduciendo mucho los costos de fabricación y los operativos también. CUADRO COMPARATIVO ENTRE TIPOS DE IMANES PARA IRM TIPO DE IMÁN VENTAJAS DESVENTAJAS PERMANENTE Costo de capital bajo Costo de operación bajo Campo marginal despreciable Potencia de campo limitada Potencia de campo fija Muy pesado RESISTIVO Costo de capital bajo Fácil mantenimiento de la bobina Consumo de potencia alto Requiere refrigeración por agua Campo marginal significativo SUPERCONDUCTOR Potencia de campo alta Homogeneidad de campo alta Bajo consumo de potencia Costo de capital alto Costo alto del criógeno Campo marginal intenso 2. BOBINAS SECUNDARIAS BOBINAS DE COMPENSACIÓN Un requisito fundamental del imán es la homogeneidad de campo magnético. Por ejemplo, un imán de 1T debe producir un campo que no varíe más de  50T o 50 ppm. Si la homogeneidad es inferior a ese valor, degradará la calidad de la imagen. En la abertura principal del imán se ubica un tambor con hasta 30 arrollamientos individuales llamados bobinas compensadoras, cada una con su propio suministro de potencia. Una vez que el imán principal alcanza su potencia de campo, la corriente y la polaridad de cada bobina compensadora se ajustan para producir la homogeneidad máxima de ese campo magnético principal B0. BOBINAS DE GRADIENTE Producen el campo gradiente necesario para mapear la procedencia espacial de la señal de IRM proveniente de los tejidos irradiados. Con el fin de obtener diversas proyecciones debe ser posible orientar el CM a lo largo de los ejes x, y y z, o bien a lo largo de un eje oblicuo. Existen tres parejas de bobinas para lograr este fin y por lo general se utilizan para obtener un corte transversal. Cuando el CM de gradiente z está activado, el pulso de RF puede sintonizarse con precisión, de forma que sólo los núcleos de Hidrógeno de un corte determinado del paciente reciban energía. La fuerza del CM de gradiente y la forma del pulso de RF determinan el espesor del corte seleccionado.
  • 10.
    CAPÍTULO X: RESONANCIAMAGNÉTICA 116 Bioing. PEDRO PABLO ESCOBAR – Imágenes en Medicina. Si se desea un corte coronario se activa la bobina de gradiente x, y si se desea uno sagital se activa la bobina de gradiente y. Para obtener una imagen de la anatomía transversal mediante 2DFT se activa el gradiente z durante el pulso de RF para seleccionar el corte apropiado. Mientras se reciben las señales de IRM de respuesta desde el tejido, se activan en secuencia las bobinas de gradiente x e y. En este caso, el gradiente x se llama por convención “gradiente codificador de frecuencia” y el gradiente y “gradiente codificador de fase”. Desde el punto de vista físico, las bobinas de gradiente suelen estar embebidas en un anillo encajado dentro de las bobinas de compensación en la abertura para el paciente. 3. BOBINAS DE LOCALIZACIÓN Son bobinas que se emplean para localizar una parte del cuerpo específica y que sirven para mejorar la resolución espacial de determinadas regiones anatómica de superficie compleja. HEAD COIL – BOBINA DE CABEZA
  • 11.
    CAPÍTULO X: RESONANCIAMAGNÉTICA 117 Bioing. PEDRO PABLO ESCOBAR – Imágenes en Medicina. KNEE COIL – BOBINA DE RODILLA SHOULDER COIL – BOBINA DE HOMBRO
  • 12.
    CAPÍTULO X: RESONANCIAMAGNÉTICA 118 Bioing. PEDRO PABLO ESCOBAR – Imágenes en Medicina. SPINE COIL – BOBINA DE COLUMNA TORSO COIL – BOBINA DE TORAX
  • 13.
    CAPÍTULO X: RESONANCIAMAGNÉTICA 119 Bioing. PEDRO PABLO ESCOBAR – Imágenes en Medicina. 4. SISTEMA DE RADIOFRECUENCIA. Por lo general, la misma bobina antena que transmite el pulso de RF al paciente también se usa para detectar la señal de IRM. La forma de la antena puede ir desde una simple bobina de alambre hasta formas tridimensionales complejas en forma de 8 (cinta de Möebius). La configuración de bobina más popular es la forma en silla de montar. Para mantener la bobina con su forma original y protegerla de daños suele estar recubierta de plástico, fibra de vidrio o algún otro material aislante. Esa unidad rígida se conoce como sonda de RF o conjunto de sonda. Esta sonda se sitúa dentro de las bobinas de gradiente y lo más cerca posible del paciente. SECUENCIAS DE PULSOS DE RF Una secuencia de pulsos es el patrón cronológico de la transmisión de los pulsos y es determinante del contraste de las imágenes. En clínica se emplean básicamente cuatro tipos de secuencias cuyas características se resumen en la siguiente tabla: SECUENCIAS DE PULSOS DE RF TIPO DE SECUENCIA ESQUEMA DE PULSOS DE RF Saturación Parcial (SP) 90°, 90°, 90°, .... Recuperación de inversión (IR) 180°-90°, 180°-90°, ... Spin-eco (SE) 90°-180°, 90°-180°, ... Gradiente-eco (GE) °, °, °, ... La saturación parcial fue una de las primeras secuencias empleadas pero actualmente es raro que se la emplee. La recuperación de inversión proporciona un detalle anatómico superior pero requiere mucho tiempo. La secuencia Spin-eco es la más empleada. La secuencia gradiente-eco emplea menos de un pulso de 90°, lo cual permite obtener imágenes más rápidamente.El contraste relativo entre tejidos puede variar radicalmente según la secuencia de pulsos elegida. A. Secuencia Spin-Eco Dijimos que es la secuencia más empleada, proporciona imágenes con una elevada relación S/R y una elevada relación C/R (contraste/ruido). La señal de IRM se recoge luego de que la secuencia estimule y ponga en fase a los spines. Modificando el tiempo de duración de la secuencia TR y el tiempo en el que se recoge TE, se logra regular ventajosamente el contraste de la imagen. Las imágenes SE tienen un contraste que refleja las diferencias en los valores de relajación T2 de los tejidos y son las que permiten detectar y caracterizar áreas patológicas. El tiempo de adquisición de estas secuencias es globalmente largo y esto lo hace susceptible de degradarse por movimientos fisiológicos del cuerpo o involuntarios del paciente.
  • 14.
    CAPÍTULO X: RESONANCIAMAGNÉTICA 120 Bioing. PEDRO PABLO ESCOBAR – Imágenes en Medicina. Recientemente se ha incorporado una variedad de esta secuencia, la Fast SE que acorta el tiempo de adquisición en un factor que puede variar de 2, 4, 8, 16, y 32 a expensas de una pérdida permisible de S/R y contraste. La secuencia se compone de dos pulsos: uno a 90 grados que traslada la magnetización neta al plano xy y otro a 180° que forma la señal de eco. El TR es el tiempo que media entre un pulso inicial de 90° y el siguiente pulso de 90°. El TE es el tiempo que media entre el pulso inicial de 90° y la formación del eco. Para formar la imagen, la secuencia SE elegida tiene que repetirse tantas veces como píxeles tenga el eje de direcciones de fase de la matriz sobre la que se va a reconstruir la imagen. B. Secuencia de recuperación de inversión. Consiste en un pulso de 180° seguido de una secuencia SE convencional (180°:-90°:180°). El intervalo entre el pulso inicial inversor y el pulso de 90° se llama tiempo de inversión TI. La duración de la secuencia TR se mide por el tiempo que media entre el primer pulso de 180° y el de 180° de la secuencia siguiente. La IR es la secuencia indicada para obtener imágenes basada en diferencias de T1 de los tejidos, aunque como en todas las secuencias el contraste depende de los factores SD, T1 y T2. Existe una variante de esta secuencia, la STIR (Short TI Inversion Recovery) que se caracteriza por usar un TI corto y proporciona imágenes con alta resolución de tejidos con grasa. C. Secuencia Gradiente-Eco Fueron desarrolladas con el objeto de obtener imágenes rápidas manteniendo la mayor señal posible. Es una variante de la SE convencional. Se caracteriza por usar un pulso de menos de 90°, °, para desplazar la magnetización longitudinal sobre el eje xy, y porque el pulso de 180° refasador es reemplazado por la activación bipolar de una de las bobinas de gradiente. Esta última variación no compensa los efectos perturbadores de la falta de coherencia de precesión en el retorno al equilibrio y por lo tanto la señal estará gobernada por el tiempo T2. 5. DISEÑO DE LA INSTALACIÓN Dado que la IRM no utiliza radiaciones ionizantes, no es necesario proteger la habitación con paredes de plomo u otro material para atenuar los RX. Sin embargo, dependiendo del diseño de la máquina de RM y de la localización de la sala puede ser necesario disponer un escudo electromagnético de protección contra interferencias de radio y campos magnéticos marginales. También debe tenerse cuidado de sólo emplear materiales no magnéticos en la estructura de la sala de examen. Las barras de hierro deben ser sustituidas por barras de cloruro de polivinilo (PVC) en las vigas de cemento. Todas las entradas eléctricas deben poseer filtros eléctricos para eliminar frecuencias de interferencias. Las cañerías no deben ser de hierro sino de PVC o cobre. La iluminación debe ser de corriente continua. Escudo electromagnético. El rango de frecuencias utilizadas en RM es muy próximo al de emisiones comerciales de radio y radioaficionados; y a otras interferencias generadas por sistemas electrónicos y de transmisión de potencia. Esa interferencia de RF puede ser suficiente para enmascarar las débiles señales de IRM procedentes del paciente y es necesario un escudo de malla de alambre cuidadosamente construido alrededor del equipo de RM para atenuar estas fuentes extrañas. Este escudo se conoce con el nombre de Jaula de Faraday, que se dispone de manera invisible en la estructura de la instalación. Escudo magnético. El CME de un RM es muy intenso. La fracción de CME que escapa fuera de la abertura de paciente se conoce como CM marginal o CMM y debe ser considerado en el diseño de una instalación. El problema del campo marginal es doble. En primer lugar, puede interferir en el funcionamiento apropiado del equipo mecánico y electrónico próximo. En segundo lugar, cualquier masa grande de material ferromagnético, especialmente si está en movimiento, puede distorsionar la homogeneidad del volumen bajo estudio al interactuar con el campo magnético marginal, lo cual conlleva a una degradación de la imagen.
  • 15.
    CAPÍTULO X: RESONANCIAMAGNÉTICA 121 Bioing. PEDRO PABLO ESCOBAR – Imágenes en Medicina. La mayoría de los fabricantes ofrecen imanes con autoescudo o con escudo activo. El imán con autoescudo tiene hierro como parte integral del imán, en lugar de colocarlo sobre las paredes de la habitación. El imán con escudo activo tiene en la cámara de helio arrollamientos adicionales superconductores con polaridad inversa. Esa inversión de la corriente crea un CM opuesto que proporciona una excelente reducción del CMM y su diseño es tan bueno que el CM original B0 se mantiene con una homogeneidad incluso mayor. CURVAS DE ISODOSIS Son las curvas de magnetización residual que escapan de la boca del resonador y que afectan a los objetos alrededor del magneto principal. 6. OTROS SISTEMAS. Respecto de los sistemas restantes, suministros de corriente y procesamiento de datos, no nos detenemos por ser similares a los de los equipos de radiaciones ionizantes que hemos visto en capítulos anteriores. Sólo aclaramos que el ordenador se emplea para analizar las ondas y representar la imagen. Además permite controlar todas las funciones del scanner. Se pueden seleccionar o modificar
  • 16.
    CAPÍTULO X: RESONANCIAMAGNÉTICA 122 Bioing. PEDRO PABLO ESCOBAR – Imágenes en Medicina. parámetros, visualizar o guardar las imágenes de los pacientes en distintos medios, y realizar procesos posteriores sobre las imágenes (como zoom en regiones de interés). Distribución típica de una instalación de Resonancia Magnética. Puede observarse la sala de estudio, sala de máquinas y consola del operador.
  • 17.
    CAPÍTULO X: RESONANCIAMAGNÉTICA 123 Bioing. PEDRO PABLO ESCOBAR – Imágenes en Medicina.
  • 18.
    CAPÍTULO X: RESONANCIAMAGNÉTICA 124 Bioing. PEDRO PABLO ESCOBAR – Imágenes en Medicina.
  • 19.
    CAPÍTULO X: RESONANCIAMAGNÉTICA 125 Bioing. PEDRO PABLO ESCOBAR – Imágenes en Medicina. 9.5. IMÁGENES RM Es conveniente ver cómo se codifica la señal recogida de los tejidos irradiados para entender la formación de la imagen final. El proceso se ilustra en forma completa debajo para facilitar su comprensión. Figura 1. Nociones de Campo de visión (FOV), matriz, plano de corte, vóxel y píxel. El gradiente de selección de corte Gss permite seleccionar un plano de corte en el interior de un volumen. El gradiente de codificación de fase G permite seleccionar las distintas líneas en el interior del plano de corte. El gradiente de codificación de frecuencia Gw permite seleccionar las distintas columnas en el interior del plano de corte. Selección de un plano de corte. La frecuencia angular w crece desde w1 hasta w10 por capas o planos (P1 a P10) perpendiculares a la dirección del gradiente. Si wR = w6 sólo los protones de P6 entrarán en resonancia y girarán su M 90°, contribuyendo a la formación de la señal. De esta forma se selecciona el plano de corte P6 de un grosor de 10 mm. Posibles orientaciones de los planos de corte para distintos estudios.
  • 20.
    CAPÍTULO X: RESONANCIAMAGNÉTICA 126 Bioing. PEDRO PABLO ESCOBAR – Imágenes en Medicina. Para un gradiente determinado, el grosor del corte está en función del ancho de ventana (banda de frecuencias) f del pulso selectivo de RF. Si f es tres veces más ancha, el grosor del corte se multiplica por 3. A un ancho de ventana fijo, el grosor del corte está en función de la fuerza del gradiente. Si el gradiente es elevado, los cortes son finos y viceversa. Si aumentamos al doble el campo gradiente, el grosor del corte se reducirá a la mitad. La aplicación del gradiente de codificación de fase según el eje Y permitirá la codificación de la fase en cada una de las líneas L1, L2, L3, etc. La aplicación del gradiente de codificación de frecuencia según el eje X permite codificar la frecuencia de precesión de los protones en cada una de las columnas C1, C2, C3, etc. Cada protón en función de su fase y frecuencia se ubica en su línea y columna respectiva. FACTORES QUE AFECTAN A LA RESOLUCIÓN DE CONTRASTE Son factores elegibles por el operador del equipo y los nombramos a continuación: 1. Tipo de secuencia. 2. Ángulo de desplazamiento (). 3. Grosor del corte. 4. Tamaño de la matriz. 5. Campo de visión. 6. N° de promedios de una señal. 7. Uso de contrastes externos.
  • 21.
    CAPÍTULO X: RESONANCIAMAGNÉTICA 127 Bioing. PEDRO PABLO ESCOBAR – Imágenes en Medicina. 9.6. EL EXAMEN DE RMN Preparación del Paciente Debido al campo magnético fuerte generado por el equipo de RMN, los pacientes deben avisarle al médico responsable si: a. tienen un marcapasos, implantes en el oído o clips para aneurisma. b. otros tipos de implantes metálicos y/o han estado expuestos a fragmentos metálicos. c. sus ojos han estado expuestos a virutas de metal. d. si usa sombra en ojos durante un examen de RM, pues suele contener sustancias metálicas. Aunque la RM es un procedimiento seguro para la mayoría de los pacientes, en casos de embarazo el paciente debe informarle al médico, igual que si tiene claustrofobia o siente dolor al acostarse boca arriba durante más de 30 minutos para que pueda administrarle un relajante muscular o un analgésico. Antes del examen, el técnico en RM debe explicarle al paciente el procedimiento y evaluar las consideraciones anteriores para evitar accidentes y artefactos. Durante el Examen La duración del examen depende de la parte del cuerpo que se esté examinando, pero generalmente dura entre 30 minutos y una hora. El paciente debe desvestirse, ponerse una bata y quitarse todo tipo de accesorios que lleve encima: alhajas, hebillas de cabello, lentes, aros, relojes, auriculares y dentaduras. El imán dañará los relojes de pulso y borrará tarjetas de crédito y tarjetas de banco. Para la mayoría de los exámenes de RM, el tecnólogo envuelve la parte del cuerpo que se examina con una banda ancha. Dependiendo del área que se examina, se le podrá dar un agente de contraste para que los órganos internos y estructuras sean más visibles. El tecnólogo ubicará al paciente sobre una camilla movible y acolchada que se desliza hacia adentro de la abertura del scanner. No sentirá nada durante la exploración, pero podrán escucharse zumbidos, clics y golpes que vienen del equipo. Los centros de RM proveen auriculares o audífonos para tapar el ruido. Asimismo, la sala de examen podrá tener poca luz y estar fría. El tecnólogo no estará en la sala durante el procedimiento, pero podrá ver al paciente y comunicarse con él a través de un intercomunicador. El tecnólogo anunciará cuándo comienza cada secuencia de exploración y cuánto durará, para que el paciente permanezca quieto durante ese tiempo. Objetos que deben ser excluidos en varios niveles del campo magnético marginal
  • 22.
    CAPÍTULO X: RESONANCIAMAGNÉTICA 128 Bioing. PEDRO PABLO ESCOBAR – Imágenes en Medicina. APLICACIONES Entre sus aplicaciones tenemos:  Neurológicas. Proporciona imágenes de mayor resolución que la tomografía computada (TC) para las estructuras nerviosas. Permite detectar edemas cerebrales, tumores, trombosis venosas, placas de desmielinización (esclerosis múltiple) e infartos cerebrales. Casi todas las anomalías cerebrales presentan alteraciones en el contenido de agua, que se consigue registrar con la RM. Una diferencia en el contenido acuoso de menos del uno por ciento es suficiente para detectar los cambios patológicos.  Cardiovasculares. A veces, en colaboración con la radiografía, la TC o el ecocardiograma. Se puede estudiar el corazón así como las arterias y las venas.  Otorrinolaringología. Alteraciones de oídos, senos paranasales, boca y garganta.  Oftalmología.  Tumorales. Permite detectar alteraciones tumorales de cualquier tipo y en cualquier órgano.  Aparato locomotor. Permite localizar lesiones óseas o musculares de todo tipo y en cualquier región del organismo. Es el único procedimiento que permite ver los ligamentos. En general, puede ser utilizada para visualizar estructuras como corazón, pulmones, glándulas mamarias, hígado, vías biliares, bazo, páncreas, riñones, útero, ovarios, próstata, etc. VENTAJAS Y DESVENTAJAS DE LA IMR Entre las ventajas que presenta, encontramos que: 1. No utiliza radiación ionizante, reduciendo riesgos de mutaciones celulares o cáncer. 2. Permite cortes muy finos (1/2 mm o 1mm) e imágenes muy detalladas permitiendo observar detalles anatómicos no apreciables con otro tipo de estudio. 3. Permite la adquisición de imágenes multiplanares (axial, sagital, coronal), simplificando por ejemplo el estudio tridimensional del encéfalo, sin necesidad de cambiar de postura al paciente. 4. Detecta muy rápidamente los cambios en el contenido tisular de agua. 5. No causa dolor. 6. El paciente tiene en todo momento comunicación con el médico. La calidad de las imágenes obtenidas se puede mejorar utilizando medios de contraste paramagnéticos por vía intravenosa (se suministran previo al estudio, inyecciones de un fluido llamado gadolinio). Esto hace que las áreas anormales se iluminen en la RNM y sean más fáciles de distinguir luego. Por otro lado, la utilidad de la RNM se ve limitada por: 1. La larga duración del examen (la mayor parte de las RNM llevan entre 30 y 60 minutos). 2. El costo económico (superior a los de otros estudios similares). 3. Los problemas planteados en lo que respecta a dispositivos de soporte vital (apoyo ventilatorio mecánico, marcapasos), materiales ferromagnéticos presentes en el paciente (proyectiles de arma de fuego, material de osteosíntesis) y sistemas de tracción esquelética o de inmovilización, que pueden interferir en la calidad de la imagen o incluso conllevar riesgo para la vida del paciente por movilización de dichos componentes. 4. Sensación de claustrofobia cuando se está adentro del túnel. El mayor porcentaje de imposibilidad para realizar la exploración se debe a este tipo de problemas, llevando a la necesidad de sedar al paciente en algunas ocasiones.
  • 23.
    CAPÍTULO X: RESONANCIAMAGNÉTICA 129 Bioing. PEDRO PABLO ESCOBAR – Imágenes en Medicina. EQUIPOS COMERCIALES Y COSTOS Existen actualmente varias empresas que fabrican equipos de resonancia magnética. Algunas de las más reconocidas son: Philips, General Electric, y Siemens. En cuanto a los costos, estos son muy variables ya que siempre existe una negociación de por medio y muchos accesorios sobre los que decidir. De cualquier manera, se podría decir que lo que hace la diferencia mayor es la magnitud del campo magnético que son capaces de emitir. Esta característica es muy importante ya que afecta directamente la calidad de las imágenes y la duración del estudio. Cuanto mayor es el campo magnético, mayor calidad de imágenes se obtiene y menor el tiempo que se requiere para adquirirlas. Normalmente, se puede tomar como regla aproximada US$ 1.000.000 por Tesla. En el presente existen también equipos de resonancia magnética abierta, lo que presenta una opción para pacientes claustrofóbicos. Se trata de equipos abiertos en forma de C cuya característica más novedosa es la posibilidad de realizar procedimientos intervencionistas, como cirugía de la epilepsia, del Parkinson, biopsias intracraneales, etc. Con los equipos de diseño cilíndrico es necesario sacar al paciente del aparato, realizar la intervención y volver a introducirlo. Con algunos equipos de resonancia magnética abierta, los especialistas pueden actuar sin necesidad de movilizar al paciente y utilizar material quirúrgico convencional. La resonancia magnética abierta genera un campo magnético de 0,2T de potencia mientras que el otro equipo, de diseño convencional, generalmente tiene una potencia de 1 a 1,5 Tesla (aunque en el mercado existen desde 0,2T hasta 4T los más modernos). Sin embargo, los equipos abiertos de última generación disponen de un sistema informático optimizado que permite realizar exploraciones de alta calidad. Al disponer de un campo magnético menor que el equipo cilíndrico, la resonancia abierta reduce las limitaciones para realizar estudios en pacientes portadores de estructuras metálicas no ferromagnéticas, prótesis, etc. Se puede decir que el estudio de resonancia magnética es una herramienta muy potente de la medicina. Es un método moderno, que presenta muchas ventajas y pocas desventajas y es cada vez más utilizado en muchas ramas de la medicina. Quizás la traba más grande que se encuentra para su uso es el costo económico elevado que representa el adquirir el equipo y hacer el estudio. Se puede prever que la resonancia magnética sustituirá poco a poco a otras técnicas de imagenología. La principal razón de esto es que cada vez más están siendo dejados de lado métodos que utilizan radiaciones ionizantes, como por ejemplo la TC. Además, con vistas a futuro, se piensa que con esta tecnología, sería posible observar directamente la acción química de los medicamentos sobre el cuerpo. RIESGOS ASOCIADOS A LA RESONANCIA MAGNETICA El pasado 30 de Julio, en el Westchester Medical Center (USA), durante una exploración con Resonancia magnética Nuclear (RMN), debido al “efecto misil”, se produjo un accidente fatal. Una bombona metálica de oxígeno, debido al campo magnético de la instalación, fue acelerada contra el paciente, golpeando en su cabeza, y provocando su muerte (Associated Press, 30/7/2001). Exenta de los riesgos de la radiación ionizante, dado que sólo emplea en su funcionamiento campos magnéticos y radiofrecuencias, la RMN presenta otros riesgos. Durante un estudio con RMN el paciente está expuesto a tres tipos de campos electromagnéticos: 1. Un campo magnético estático intenso (el campo magnético principal generado por el imán: de 0,5 a 2 Teslas, según la instalación). 2. Un campo magnético gradiente de mediana intensidad. 3. Una emisión de radiofrecuencias. Los efectos biológicos directos de estos campos sobre el paciente serían la aparición de potenciales eléctricos a nivel de los iones contenidos en la sangre (en el caso del campo magnético principal), la existencia de corrientes eléctricas inducidas a nivel del organismo (debidas al campo gradiente) o la deposición de calor en tejidos (a causa de las radiofrecuencias). Todos ellos, a los niveles en que se trabaja
  • 24.
    CAPÍTULO X: RESONANCIAMAGNÉTICA 130 Bioing. PEDRO PABLO ESCOBAR – Imágenes en Medicina. en RMN, serían efectos transitorios. De hecho, hasta el momento no se han documentado efectos secundarios no reversibles. Sin embargo, otra serie de accidentes, derivados del propio equipamiento, y de carácter más “inmediato” pueden ocurrir en las salas de RMN. Entre ellos se encuentran: 1. Efecto “misil”: Cualquier objeto magnetizable del interior de la sala será atraído hacia el imán convirtiéndose en un auténtico proyectil, y pudiendo causar graves daños al impactar con el paciente o algún trabajador. 2. Por el mismo motivo, no debe realizarse RMN a pacientes con implantes metálicos que puedan moverse, puesto que en su movimiento, se podrían producir lesiones en los tejidos del paciente. En el caso de tener implantes metálicos no movibles, se pueden producir elevaciones locales de temperatura que pudieran dar lugar a quemaduras. 3. Evaporación de helio. En el caso de imanes superconductores se utiliza helio para mantener el imán a muy baja temperatura. Una evaporación de helio puede dar lugar al desplazamiento del oxígeno en la sala de RMN, y el consiguiente riesgo de asfixia. Cuando se ubican dos equipos (CT-RM ó RM-RM) en las proximidades, deben calcularse muy ajustadamente los blindajes de radiofrecuencia para que no haya interferencias de uno con otro.
  • 25.
    CAPÍTULO X: RESONANCIAMAGNÉTICA 131 Bioing. PEDRO PABLO ESCOBAR – Imágenes en Medicina. MEDIOS DE CONTRASTE EN RESONANCIA MAGNÉTICA El objetivo del uso de cte. en el estudio con RM es: − Aumentar la sensibilidad y la especificidad en la detección de patología. − Diferenciar zonas anatómicas normales que pudieran simular patología. En RM las constantes han de tener propiedades magnéticas, es decir, que modifiquen las señales de resonancia de las estructuras que las rodean al ser sometidas a los fenómenos de campos magnéticos y RF. Estas señales pueden ser por aumento o por defecto. Los contrastes utilizados habitualmente son los PARAMAGNÉTICOS. Pueden administrarse por dos vías: − Por vía oral se suelen utilizar para rellenar el tubo digestivo (técnica prácticamente en desuso). − Por vía intravenosa aunque se empieza a utilizar la vía linfática. El principal contraste paramagnético utilizado es el gadolinio (dietilem−triamino−pentancetico) Gd−DTPA, que tiene la propiedad de acortar el tiempo de relajación T1 de las sustancias a donde accede realzando su señal. Esquema de disposición de bobinas y magneto de un resonador.
  • 26.
    CAPÍTULO X: RESONANCIAMAGNÉTICA 132 Bioing. PEDRO PABLO ESCOBAR – Imágenes en Medicina.
  • 27.
    CAPÍTULO X: RESONANCIAMAGNÉTICA 133 Bioing. PEDRO PABLO ESCOBAR – Imágenes en Medicina. SISTEMA DE TUBERÍA DE HELIO