Circuitos
Magnéticos
Circuitos Magnéticos
Se denomina circuito magnético a un dispositivo en el que las líneas de fuerza del campo
magnético están canalizadas a través de un material generalmente ferromagnético, lo que
hace que el campo magnético se fluya, casi exclusivamente, por dicho material.
Las formas de estos dispositivos varían dependiendo de su función, aunque nosotros
trataremos circuitos con simetrías simples, tales como la Figura 1, para facilitar el cálculo.
Figura 1
Subir
Excitación
La excitación o alimentación no es más que la fuente de corriente con la cual se genera el flujo
del circuito.
Esta fuente de suministro puede ser de muchos tipos dependiendo de la utilidad del
dispositivo. Por lo general se utiliza corriente alterna aunque en algunos casos también la
continúa.
Subir
Bobinado
El bobinado rodea el núcleo, tiene forma de solenoide y somete al núcleo a un campo
magnético constante en toda su sección, en una dirección que dependerá de la corriente. Es
importante en el bobinado el numero de espiras N.
Figura 2
Subir
Núcleo
El núcleo está diseñado para transportar el flujo creado por la corriente en el bobinado. Suele
estar fabricado con materiales ferromagnéticos que tienen una permeabilidad mucho más alta
que el aire o el espacio y por tanto, el campo magnético tiende a quedarse dentro del material.
Figura 3
A la hora de escoger o calcular el núcleo como se verá es importante tanto la sección S como
la longitud l.
Subir
Entrehierro
El entrehierro no es más que una zona donde el núcleo o camino del flujo sufre un salto o
discontinuidad que se traduce en una zona con baja permeabilidad. Se representa tal y como
se muestra en la Figura 4.
Figura 4
Subir
Fuerza magnetomotriz
La fuerza magneto motriz (F.m.m) es aquella capaz de producir un flujo magnético entre dos
puntos de un circuito magnético. La f.m.m se puede deducir de la ley de Ampere (Ecuación 1).
(1)
Donde N es el número de vueltas de la bobina o solenoide que alimenta el núcleo, e i la
intensidad que circula por dicha bobina.
Sus unidades son Amperios · vuelta (A·v).
Si consideramos el campo constante a lo largo de toda la longitud del circuito:
(2)
Donde F es el flujo en el núcleo, y R la reluctancia del núcleo.
Subir
Reluctancia
La reluctancia magnética de un material es la resistencia que éste posee al verse influenciado
por un campo magnético.
Depende de las características del material, en el caso que nos concierne, del material del
núcleo y de su forma. La reluctancia de un circuito magnético viene dada por la Ecuación 3.
(3)
Donde l es la longitud del núcleo, la permeabilidad del material, y S la superficie,
perpendicular al flujo, del núcleo. El acoplamiento de la reluctancia en serie y/o paralelo en un
núcleo, es idéntico al del acoplamiento de resistencias en un circuito eléctrico.
Si no se tiene acceso a los valores del núcleo también se puede calcular mediante la ecuación
4.
(4)
Donde es la fuerza magneto motriz, es el flujo en el núcleo, i la corriente en el bobinado
de excitación y N el numero de espiras de dicho bobinado.
Subir
Inducción B
La intensidad del campo magnético, a veces denominada inducción magnética, se representa
por la letra B y es un vector tal que en cada punto coincide en dirección y sentido con los de la
línea de fuerza magnética correspondiente. Se puede definir como el número de líneas de flujo
por unidad de superficie que existen en el circuito magnético perpendiculares a la dirección del
campo.
(5)
Donde es la permeabilidad del núcleo o material en el cual esta aplicado el campo, H es la
excitación magnética, S la superficie, perpendicular al flujo, del núcleo y el flujo en el núcleo
magnético.
La unidad de la inducción es el Tesla (T).
Subir
Excitación
Causa imanadora o excitación magnética por unidad de longitud del circuito magnético. Para
su cálculo partiremos de la ley de ampere que establece que la circulación del vector H a
través de un camino cerrado es igual al sumatorio de las corrientes que encierra dicha curva.
En el caso de un circuito magnético tenemos la Ecuación 6.
(6)
Si consideramos el campo constante a lo largo de todo el circuito tenemos:
(7)
Donde l es la longitud del circuito magnético, i la intensidad que circula por la bobina y N el
número de espiras de dicha bobina.
Las unidades de la excitación magnética son el amperio-vuelta por metro A·v/m
Subir
Intensidad
Es la intensidad que aporta la fuente de alimentación a la bobina. Es la encargada de generar
el campo magnético que origina el flujo en el núcleo del circuito. Para su cálculo se emplean
las Ecuación 8.
(8)
Las unidades de la intensidad son el Amperio (A).
Subir
Flujo
Es el producto vectorial de la inducción y el vector superficie:
(9)
Se denomina flujo disperso o simplemente dispersión F d . al flujo que no se concatena en el
núcleo del circuito magnético, es decir, aquel flujo que en lugar de cerrarse por el núcleo se
cierra por el aire.
Aunque para cálculos más exactos es necesario tenerlo en cuenta, para los cálculos que se
realizan en este trabajo se ha despreciado el flujo disperso.
En el Sistema Internacional, se mide en Weber (Wb). 1 Wb = 1 T m 2
Subir
Superficie del núcleo
Figura 5
Es la superficie del núcleo perpendicular al campo generado por la bobina. Se mide en m2 .En
ocasiones es necesario su cálculo para dimensionar el núcleo de las maquinas, para ello se
emplea la Ecuación 10.
(10)
En ocasiones se dan los parámetros de forma del núcleo, en este caso el cálculo de la
superficie se hará teniendo en cuenta estos parámetros.
Subir
Longitud del circuito
Figura 6
Es la longitud total del recorrido del campo, depende de la forma del núcleo al igual que la
superficie, pero, si no nos dan los valores geométricos del núcleo podemos emplear
la Ecuación 11.
(11)
Subir
Número de espiras
Es el número de vueltas que tiene el bobinado de excitación. Si no nos dan este valor
podemos calcularlo mediante la Ecuación 12.
(12)
Permeabilidad del vacío
La permeabilidad del vacío, conocida también como constante magnética, se representa
mediante el símbolo µ 0y tiene como valor de la Figura 8.
Figura 8
En un circuito magnético se utiliza para el cálculo de la permeabilidad absoluta y/o como la
permeabilidad del entrehierro.
Subir
Permeabilidad relativa del material
Permeabilidad relativa, denotada a veces por el símbolo µm , es el cociente de la
permeabilidad absoluta del medio específico y la permeabilidad del vacío dada por constante
magnética µ0 .
(13)
Los materiales se pueden clasificar según su permeabilidad magnética relativa en
ferromagnéticos, diamagnéticos y paramagnéticos.
Para los núcleos de los circuitos magnéticos se utilizan materiales ferromagnéticos, cuyo valor
de permeabilidad magnética relativa es muy superior a 1. Los materiales ferromagnéticos
atraen el campo magnético hacia su interior. Esa propiedad recibe el nombre de
ferromagnetismo. Ejemplos de ellos son el hierro y el níquel.
Figura 9: Gráfica de variación de la permeabilidad en los materiales ferromagnéticos.
Subir
Permeabilidad absoluta
Para comparar entre sí los materiales, se utiliza la permeabilidad magnética absoluta (µ) como
el producto entre la permeabilidad magnética relativa (µr) y la permeabilidad magnética de
vacío (µ0):
µ =µ r·µo (13)
Posee las mismas dimensiones que la permeabilidad del vacío, µ0 , esto es, se mide en
T·m/A.
Subir
Analogía con los circuitos eléctricos
Se puede hacer una analogía entre circuitos magnéticos y eléctricos.
En un circuito magnético existe una fuerza magneto motriz equivalente a la fuerza
electromotriz o voltaje de los circuitos eléctricos. En un circuito magnético, al igual que en una
fuente de voltaje, la fuerza magneto motriz tiene una polaridad asociada, y depende de la
entrada y salida del flujo (positivo por donde sale el flujo y negativa por donde entra o regresa
a la fuente). El sentido del flujo se determina por medio de la regla de la mano derecha.
Tal y como en un circuito eléctrico una fuerza electromotriz produce una corriente, en el
circuito magnético la fuerza magneto motriz produce un flujo . La reluctancia de un circuito
magnético es equivalente a la resistencia eléctrica, donde la permeabilidad es análoga a la
resistividad. Las reluctancias obedecen las mismas reglas que las resistencias en el circuito
eléctrico.
Para analizar un circuito magnético, considerando la analogía que existe entre este y el
circuito eléctrico, podemos utilizar las ecuaciones que rigen estos últimos tales como la ley de
ohm, y las leyes de Kirchhoff…. (Tabla 1).
Tabla 1
Pero también existen sus diferencias :
En un circuito eléctrico las cargas se mueven a lo largo del circuito, sin embargo en los
circuitos magnéticos no existe movimiento de flujo.
En los circuitos eléctricos la intensidad de corriente es constante, a no ser que existan
ramificaciones, sin embargo, en los circuitos magnéticos hay pérdida de flujo al exterior, que
puede ser a veces mayor que la que circula por el circuito. Es el denominado anteriormente
flujo disperso.
Subir
Circuito equivalente eléctrico
Para entender mejor el circuito equivalente, es necesario conocer bien las equivalencias tanto
de la Tabla 1 como la Tabla 2.
Tabla 2
Si ahora consideramos un circuito como el de la Figura 10.
Figura 10
Las equivalencias estudiadas anteriormente y la Figura 10 conducen de inmediato a
considerar un circuito como el de la Figura 11.
Figura 11
Donde F es la fuerza magneto motriz de la fuente, el flujo en el núcleo, R n es la
reluctancia en el núcleo que tiene una caída de fuerza magneto motriz asociada Fn , R a
es la reluctancia en el entrehierro que tiene una caída de fuerza magneto motriz asociada
Fa .
Es fácil intuir la similitud con un circuito eléctrico como el de la Figura 12, y por lo tanto , la
aplicación de las reglas de resolución del mismo.
Tabla 3
En los casos anteriores se ha descartado el flujo disperso, aunque en la mayoría de los casos
este flujo se ignora, dada la complejidad para su cálculo, si fuese necesario pondremos una
resistencia en paralelo con y Ra que represente estas pérdidas, Figura 13.
Figura 13
Que es equivalente al circuito eléctrico de la Figura 14.
Figura 14
Subir
Ejemplos
Ilustraremos lo explicado con algún ejemplo. Salvo que se diga lo contrario se considerara el
flujo disperso nulo, el área S del núcleo constante a lo largo del mismo y el área del
entrehierro igual a la del núcleo
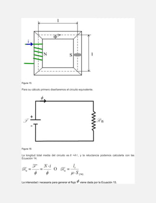
El ejemplo más sencillo es un circuito como el representado en la Figura 15.
Figura 15
Para su cálculo primero diseñaremos el circuito equivalente.
Figura 16
La longitud total media del circuito es lt =4·l , y la reluctancia podemos calcularla con las
Ecuación 14.
(14)
La intensidad i necesaria para generar el flujo viene dada por la Ecuación 15.
(15)
Y el flujo:
(16)
En el supuesto de un circuito con entrehierro como el de la Figura 17 el circuito equivalente es
el de la Figura 18.
Figura 17
Figura 18
En este caso se procede primero al cálculo de las reactancias del núcleo y del entrehierro.
Para ello se toma como longitud media total del núcleo ln =4·l - l a , donde a es la longitud
media del entrehierro.
Por tanto las reactancias serán:
(17)
Donde es la reactancia del núcleo, la permeabilidad del núcleo, la reactancia del
entrehierro y su permeabilidad que, en ocasiones, si el entrehierro es de aire, se sustituye
por la permeabilidad del vacío.
Por tanto la reactancia total del circuito será:
(18)
La intensidad vendrá dada por:
(19)
Y el flujo:
(20)
Otro caso especial es el circuito con núcleo de tres columnas (usado en transformadores
trifásicos).
Figura 19
Para facilitar el cálculo en este caso dividiremos el núcleo en partes iguales como las de la
Figura 20, cada una de las cales tiene una reluctancia
Figura 20
(21)
El circuito equivalente no será más que una combinación serie-paralelo de reluctancias como
las de la Figura 20 en este caso el circuito será el indicado en la Figura 21.
Fgura 21
Para resolverlo reduciremos el circuito a una reluctancia única como la de la Figura 22 (c).
(a) (b) (c)
Figura 22
En la Figura 22 (c) se tiene:
(22)
Una vez obtenido el flujo es fácil obtener el y el a partir de la Figura 22 (a) ya que no
es más que un divisor de flujo (similar al divisor de intensidad de un circuito eléctrico.
(23)

Circuitos Magnéticos

  • 1.
  • 2.
    Circuitos Magnéticos Se denominacircuito magnético a un dispositivo en el que las líneas de fuerza del campo magnético están canalizadas a través de un material generalmente ferromagnético, lo que hace que el campo magnético se fluya, casi exclusivamente, por dicho material. Las formas de estos dispositivos varían dependiendo de su función, aunque nosotros trataremos circuitos con simetrías simples, tales como la Figura 1, para facilitar el cálculo. Figura 1 Subir Excitación La excitación o alimentación no es más que la fuente de corriente con la cual se genera el flujo del circuito. Esta fuente de suministro puede ser de muchos tipos dependiendo de la utilidad del dispositivo. Por lo general se utiliza corriente alterna aunque en algunos casos también la continúa. Subir Bobinado
  • 3.
    El bobinado rodeael núcleo, tiene forma de solenoide y somete al núcleo a un campo magnético constante en toda su sección, en una dirección que dependerá de la corriente. Es importante en el bobinado el numero de espiras N. Figura 2 Subir Núcleo El núcleo está diseñado para transportar el flujo creado por la corriente en el bobinado. Suele estar fabricado con materiales ferromagnéticos que tienen una permeabilidad mucho más alta que el aire o el espacio y por tanto, el campo magnético tiende a quedarse dentro del material. Figura 3 A la hora de escoger o calcular el núcleo como se verá es importante tanto la sección S como la longitud l. Subir
  • 4.
    Entrehierro El entrehierro noes más que una zona donde el núcleo o camino del flujo sufre un salto o discontinuidad que se traduce en una zona con baja permeabilidad. Se representa tal y como se muestra en la Figura 4. Figura 4 Subir Fuerza magnetomotriz La fuerza magneto motriz (F.m.m) es aquella capaz de producir un flujo magnético entre dos puntos de un circuito magnético. La f.m.m se puede deducir de la ley de Ampere (Ecuación 1). (1) Donde N es el número de vueltas de la bobina o solenoide que alimenta el núcleo, e i la intensidad que circula por dicha bobina. Sus unidades son Amperios · vuelta (A·v). Si consideramos el campo constante a lo largo de toda la longitud del circuito:
  • 5.
    (2) Donde F esel flujo en el núcleo, y R la reluctancia del núcleo. Subir Reluctancia La reluctancia magnética de un material es la resistencia que éste posee al verse influenciado por un campo magnético. Depende de las características del material, en el caso que nos concierne, del material del núcleo y de su forma. La reluctancia de un circuito magnético viene dada por la Ecuación 3. (3) Donde l es la longitud del núcleo, la permeabilidad del material, y S la superficie, perpendicular al flujo, del núcleo. El acoplamiento de la reluctancia en serie y/o paralelo en un núcleo, es idéntico al del acoplamiento de resistencias en un circuito eléctrico. Si no se tiene acceso a los valores del núcleo también se puede calcular mediante la ecuación 4. (4) Donde es la fuerza magneto motriz, es el flujo en el núcleo, i la corriente en el bobinado de excitación y N el numero de espiras de dicho bobinado. Subir Inducción B La intensidad del campo magnético, a veces denominada inducción magnética, se representa por la letra B y es un vector tal que en cada punto coincide en dirección y sentido con los de la línea de fuerza magnética correspondiente. Se puede definir como el número de líneas de flujo por unidad de superficie que existen en el circuito magnético perpendiculares a la dirección del campo.
  • 6.
    (5) Donde es lapermeabilidad del núcleo o material en el cual esta aplicado el campo, H es la excitación magnética, S la superficie, perpendicular al flujo, del núcleo y el flujo en el núcleo magnético. La unidad de la inducción es el Tesla (T). Subir Excitación Causa imanadora o excitación magnética por unidad de longitud del circuito magnético. Para su cálculo partiremos de la ley de ampere que establece que la circulación del vector H a través de un camino cerrado es igual al sumatorio de las corrientes que encierra dicha curva. En el caso de un circuito magnético tenemos la Ecuación 6. (6) Si consideramos el campo constante a lo largo de todo el circuito tenemos: (7) Donde l es la longitud del circuito magnético, i la intensidad que circula por la bobina y N el número de espiras de dicha bobina. Las unidades de la excitación magnética son el amperio-vuelta por metro A·v/m Subir Intensidad Es la intensidad que aporta la fuente de alimentación a la bobina. Es la encargada de generar el campo magnético que origina el flujo en el núcleo del circuito. Para su cálculo se emplean las Ecuación 8.
  • 7.
    (8) Las unidades dela intensidad son el Amperio (A). Subir Flujo Es el producto vectorial de la inducción y el vector superficie: (9) Se denomina flujo disperso o simplemente dispersión F d . al flujo que no se concatena en el núcleo del circuito magnético, es decir, aquel flujo que en lugar de cerrarse por el núcleo se cierra por el aire. Aunque para cálculos más exactos es necesario tenerlo en cuenta, para los cálculos que se realizan en este trabajo se ha despreciado el flujo disperso. En el Sistema Internacional, se mide en Weber (Wb). 1 Wb = 1 T m 2 Subir Superficie del núcleo
  • 8.
    Figura 5 Es lasuperficie del núcleo perpendicular al campo generado por la bobina. Se mide en m2 .En ocasiones es necesario su cálculo para dimensionar el núcleo de las maquinas, para ello se emplea la Ecuación 10. (10) En ocasiones se dan los parámetros de forma del núcleo, en este caso el cálculo de la superficie se hará teniendo en cuenta estos parámetros. Subir Longitud del circuito Figura 6 Es la longitud total del recorrido del campo, depende de la forma del núcleo al igual que la superficie, pero, si no nos dan los valores geométricos del núcleo podemos emplear la Ecuación 11.
  • 9.
    (11) Subir Número de espiras Esel número de vueltas que tiene el bobinado de excitación. Si no nos dan este valor podemos calcularlo mediante la Ecuación 12. (12) Permeabilidad del vacío La permeabilidad del vacío, conocida también como constante magnética, se representa mediante el símbolo µ 0y tiene como valor de la Figura 8. Figura 8 En un circuito magnético se utiliza para el cálculo de la permeabilidad absoluta y/o como la permeabilidad del entrehierro. Subir
  • 10.
    Permeabilidad relativa delmaterial Permeabilidad relativa, denotada a veces por el símbolo µm , es el cociente de la permeabilidad absoluta del medio específico y la permeabilidad del vacío dada por constante magnética µ0 . (13) Los materiales se pueden clasificar según su permeabilidad magnética relativa en ferromagnéticos, diamagnéticos y paramagnéticos. Para los núcleos de los circuitos magnéticos se utilizan materiales ferromagnéticos, cuyo valor de permeabilidad magnética relativa es muy superior a 1. Los materiales ferromagnéticos atraen el campo magnético hacia su interior. Esa propiedad recibe el nombre de ferromagnetismo. Ejemplos de ellos son el hierro y el níquel. Figura 9: Gráfica de variación de la permeabilidad en los materiales ferromagnéticos. Subir Permeabilidad absoluta Para comparar entre sí los materiales, se utiliza la permeabilidad magnética absoluta (µ) como el producto entre la permeabilidad magnética relativa (µr) y la permeabilidad magnética de vacío (µ0): µ =µ r·µo (13) Posee las mismas dimensiones que la permeabilidad del vacío, µ0 , esto es, se mide en T·m/A. Subir
  • 11.
    Analogía con loscircuitos eléctricos Se puede hacer una analogía entre circuitos magnéticos y eléctricos. En un circuito magnético existe una fuerza magneto motriz equivalente a la fuerza electromotriz o voltaje de los circuitos eléctricos. En un circuito magnético, al igual que en una fuente de voltaje, la fuerza magneto motriz tiene una polaridad asociada, y depende de la entrada y salida del flujo (positivo por donde sale el flujo y negativa por donde entra o regresa a la fuente). El sentido del flujo se determina por medio de la regla de la mano derecha. Tal y como en un circuito eléctrico una fuerza electromotriz produce una corriente, en el circuito magnético la fuerza magneto motriz produce un flujo . La reluctancia de un circuito magnético es equivalente a la resistencia eléctrica, donde la permeabilidad es análoga a la resistividad. Las reluctancias obedecen las mismas reglas que las resistencias en el circuito eléctrico. Para analizar un circuito magnético, considerando la analogía que existe entre este y el circuito eléctrico, podemos utilizar las ecuaciones que rigen estos últimos tales como la ley de ohm, y las leyes de Kirchhoff…. (Tabla 1). Tabla 1
  • 12.
    Pero también existensus diferencias : En un circuito eléctrico las cargas se mueven a lo largo del circuito, sin embargo en los circuitos magnéticos no existe movimiento de flujo. En los circuitos eléctricos la intensidad de corriente es constante, a no ser que existan ramificaciones, sin embargo, en los circuitos magnéticos hay pérdida de flujo al exterior, que puede ser a veces mayor que la que circula por el circuito. Es el denominado anteriormente flujo disperso. Subir
  • 13.
    Circuito equivalente eléctrico Paraentender mejor el circuito equivalente, es necesario conocer bien las equivalencias tanto de la Tabla 1 como la Tabla 2. Tabla 2 Si ahora consideramos un circuito como el de la Figura 10.
  • 14.
    Figura 10 Las equivalenciasestudiadas anteriormente y la Figura 10 conducen de inmediato a considerar un circuito como el de la Figura 11. Figura 11 Donde F es la fuerza magneto motriz de la fuente, el flujo en el núcleo, R n es la reluctancia en el núcleo que tiene una caída de fuerza magneto motriz asociada Fn , R a es la reluctancia en el entrehierro que tiene una caída de fuerza magneto motriz asociada Fa . Es fácil intuir la similitud con un circuito eléctrico como el de la Figura 12, y por lo tanto , la aplicación de las reglas de resolución del mismo.
  • 15.
    Tabla 3 En loscasos anteriores se ha descartado el flujo disperso, aunque en la mayoría de los casos este flujo se ignora, dada la complejidad para su cálculo, si fuese necesario pondremos una resistencia en paralelo con y Ra que represente estas pérdidas, Figura 13. Figura 13
  • 16.
    Que es equivalenteal circuito eléctrico de la Figura 14. Figura 14 Subir Ejemplos Ilustraremos lo explicado con algún ejemplo. Salvo que se diga lo contrario se considerara el flujo disperso nulo, el área S del núcleo constante a lo largo del mismo y el área del entrehierro igual a la del núcleo El ejemplo más sencillo es un circuito como el representado en la Figura 15.
  • 17.
    Figura 15 Para sucálculo primero diseñaremos el circuito equivalente. Figura 16 La longitud total media del circuito es lt =4·l , y la reluctancia podemos calcularla con las Ecuación 14. (14) La intensidad i necesaria para generar el flujo viene dada por la Ecuación 15.
  • 18.
    (15) Y el flujo: (16) Enel supuesto de un circuito con entrehierro como el de la Figura 17 el circuito equivalente es el de la Figura 18. Figura 17
  • 19.
    Figura 18 En estecaso se procede primero al cálculo de las reactancias del núcleo y del entrehierro. Para ello se toma como longitud media total del núcleo ln =4·l - l a , donde a es la longitud media del entrehierro. Por tanto las reactancias serán: (17) Donde es la reactancia del núcleo, la permeabilidad del núcleo, la reactancia del entrehierro y su permeabilidad que, en ocasiones, si el entrehierro es de aire, se sustituye por la permeabilidad del vacío. Por tanto la reactancia total del circuito será: (18) La intensidad vendrá dada por: (19)
  • 20.
    Y el flujo: (20) Otrocaso especial es el circuito con núcleo de tres columnas (usado en transformadores trifásicos). Figura 19 Para facilitar el cálculo en este caso dividiremos el núcleo en partes iguales como las de la Figura 20, cada una de las cales tiene una reluctancia Figura 20
  • 21.
    (21) El circuito equivalenteno será más que una combinación serie-paralelo de reluctancias como las de la Figura 20 en este caso el circuito será el indicado en la Figura 21. Fgura 21 Para resolverlo reduciremos el circuito a una reluctancia única como la de la Figura 22 (c). (a) (b) (c) Figura 22 En la Figura 22 (c) se tiene:
  • 22.
    (22) Una vez obtenidoel flujo es fácil obtener el y el a partir de la Figura 22 (a) ya que no es más que un divisor de flujo (similar al divisor de intensidad de un circuito eléctrico. (23)