Javier Camacho
Ing. Biomédico
ANESTESIA
 La American Society of
 Anestesiologist define la
 anestesia como “la
 practica de la medicina
 dedicada al alivio del
 dolor y al cuidado
 completo de e integral
 del paciente quirúrgico,
 antes, durante y después
 de la cirugía.
TIPOS DE ANESTESIA
 La anestesia se divide en tres categorías principales:
  general, regional y local; todas ellas afectan de algún
  modo al sistema nervioso y pueden administrarse
  utilizando diversos métodos y distintos medicamentos
 Anestesia local. Un fármaco anestésico (que se puede
  administrar en forma de inyección, aerosol o pomada)
  insensibiliza solamente una parte reducida y específica
  del cuerpo (por ejemplo, un pie, una mano o un trozo
  de piel). Con la anestesia local, una persona puede
  estar despierta o sedada, dependiendo de lo que se
  necesite.
ANESTESIA REGIONAL
 Anestesia regional. Un
 fármaco anestésico se
 inyecta cerca de un
 grupo de
 nervios, insensibilizando
 un área más extensa del
 cuerpo (por ejemplo, por
 debajo de la
 cintura, como en la
 anestesia epidural que se
 administra a las mujeres
 durante el parto).
 Anestesia general. La meta
  es conseguir que la persona
  permanezca completamente
  inconciente (o "dormida")
  durante la intervención, sin
  conciencia ni recuerdos de la
  intervención. La anestesia
  general se puede administrar
  por vía intravenosa (IV), que
  requiere insertar una aguja en
  una vena, generalmente del
  brazo, y dejarla allí durante
  toda la intervención, o bien
  mediante inhalación de gases
  o vapores al respirar a través
  de una mascarilla o tubo.
ANESTESIA INHALATORIA
                                    La evolución de la anestesia
 La anestesia inhalatoria es la   inhalatoria ha estado marcada por
  técnica que utiliza como         la búsqueda de fármacos de
  agente principal para el         acción rápida, corta duración y
  mantenimiento de la              ausencia de toxicidad, en
                                   particular el Sevoflurano,
  anestesia un gas                 el Desflurano y mas
  anestésico, que puede incluso    recientemente el Xenón
  ser utilizado como agente
  inductor. Las propiedades
  farmacocinéticas de los
  anestésicos
  inhalatorios, caracterizadas
  por una captación y
  eliminación
  rápidas, permiten un control
  fácil del plano anestésico
Anestésico inhalatorio:
  Son gases halogenados que
  inducen perdida de la
  conciencia cuando se
  administran por via
  inhalatoria
   Se utilizan maquinas de
  anestesia para su
  administración
Se tiene mejor experiencia
  clínica con el sevoflurano y
  el isoflurano
MAQUINA DE ANESTESIA
 La máquina de anestesia fue concebida
  originalmente como un aparato, capaz de
  administrar gases anestésicos
  aprovechando la absorción pulmonar de
  estos
FUNCION
 Administrar anestesia.
  2. Controlar su profundidad.
  3. Manejar por completo la respiración del
  paciente.
  4. Monitorizar todas las variables
  respiratorias.
  5. Monitorizar su propio funcionamiento.
  6. Incorporar otras formas de
  monitorización de variados parámetros
  necesarios de controlar durante la anestesia
  general: hemodinamia, temperatura,
  transmisión neuromuscular, EEG, entre
  otras.
MAQUINA DE ANESTESIA
 Para su funcionamiento se
  combinan diferentes dispositivos
  algunos basados en principios
  neumáticos y otros de base
  electrónica y computacional
   Configuración existen tres
  áreas.
 I. Sistema de Alta Presión.
  II Sistema de Baja Presión.
  III. Sistema Circular o Circuito
  de Paciente.
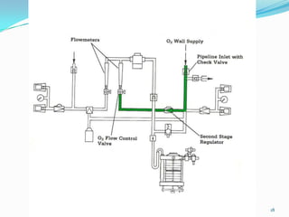
SISTEMA DE ALTA PRESION
 Fuente de Gases Clínicos
 Se denomina Sistema de Alta
  Presión, al conjunto de
  elementos que constituyen la
  provisión y admisión de gases
  frescos a la máquina de
  anestesia. Tres son los gases que
  se incorporan a ella: oxígeno,
  Aire y Oxido Nitroso (N2O).
 Estos gases provienen
  normalmente de Sistemas
  Centrales del Hospital a los
  cuales se accede por tomas
  murales. El gas proveniente de
  las tomas murales es entregado a
  una presión de entre 50 y 55
  libras / pulgadas
SISTEMA DE BAJA PRESION
 Sistema de Baja Presión              Válvula de Control de Flujo
 El Sistema de Baja Presión está      Controlan el flujo de salida de
  conformado por:                       cada gas la presión de 50 libras
 • Válvulas de control de flujo.       que trae el gas desde su fuente
  • Vaporizadores.                      de origen es llevada a nivel de la
  • Salida común de gases y válvula     presión atmosférica y permite
  de flujo rápido (flush) de O2.        regular el flujo de gas que se
  • Válvula "antireflujo" para          administrará al circuito.
  impedir el flujo retrógrado al       Los medidores de flujo.
  vaporizador.                          Dependiendo del
                                        fabricante, podrán ser tubos de
                                        vidrio calibrados con un
                                        dispositivo flotante que señala el
                                        flujo o bien como en nuestras
                                        máquinas un dispositivo
                                        electrónico para medir el flujo
                                        con un display digital en la
                                        pantalla.
VAPORIZADORES
 Vaporizadores
 La transformación de los agentes
  anestésicos inhalatorios desde
  líquidos a gas se produce en los
  vaporizadores, los cuales tienen las
  siguientes características:
 a. Son específicos para cada
  agente.
  b. Son compensados para flujo. Es
  decir la vaporización es constante a
  diferentes flujos de gas.
  c. Son compensados para la
  temperatura ambiente y la presión
  atmosférica.
  d. Permiten entregar
  concentraciones exactas de un gas
  anestésico.
CIRCUITO DE PACIENTE
    Sistema Circular (Circuito de Paciente)
   El Sistema Circular tiene los siguientes
    componentes:
   1. Entrada de gases frescos.
    2. Válvulas unidireccionales (inspiratorias y
    expiratoria).
    3. Tubos coarugados inspiratorio y expiratorio.
    4. Conector en Y.
    5. Válvula de sobrepresión APL ( Ajustable - Presión
    Limitante).
    6. Bolsa y Respirador.
    7. Receptáculo de cal sodada.
   El Sistema Circular permite tanto la realización de
    ventilación mecánica como la respiración
    espontánea de los pacientes
   El diseño del Sistema Circular impide que se
    reinhale el aire espirado ya que por la presencia de
    válvulas unidireccionales en cada rama del
    mismo, se produce u flujo de los gases en el sentido
    inspiratorio - espiratorio.
   El funcionamiento de las válvulas es por lo tanto
    clave para evitar la reinhalación. Existen dos tipos
    de absorbentes para el CO2, cal sodada y cal
    baritada.
CIRCUITO DE PACIENTE
15
16
17
18
19
20
21
22
23
24
25
26
27
28
Conclusiones
 Anestesia, maquina de anestesia, identificación de sus
 partes y visión general del sistema.
  Profundizar en el tema
  Generar un protocolo de mantenimiento preventivo
 Identificar las diferencias entre varias tecnologías

Maquina de anestesia ultimo

  • 1.
  • 2.
    ANESTESIA  La AmericanSociety of Anestesiologist define la anestesia como “la practica de la medicina dedicada al alivio del dolor y al cuidado completo de e integral del paciente quirúrgico, antes, durante y después de la cirugía.
  • 3.
    TIPOS DE ANESTESIA La anestesia se divide en tres categorías principales: general, regional y local; todas ellas afectan de algún modo al sistema nervioso y pueden administrarse utilizando diversos métodos y distintos medicamentos  Anestesia local. Un fármaco anestésico (que se puede administrar en forma de inyección, aerosol o pomada) insensibiliza solamente una parte reducida y específica del cuerpo (por ejemplo, un pie, una mano o un trozo de piel). Con la anestesia local, una persona puede estar despierta o sedada, dependiendo de lo que se necesite.
  • 4.
    ANESTESIA REGIONAL  Anestesiaregional. Un fármaco anestésico se inyecta cerca de un grupo de nervios, insensibilizando un área más extensa del cuerpo (por ejemplo, por debajo de la cintura, como en la anestesia epidural que se administra a las mujeres durante el parto).
  • 5.
     Anestesia general.La meta es conseguir que la persona permanezca completamente inconciente (o "dormida") durante la intervención, sin conciencia ni recuerdos de la intervención. La anestesia general se puede administrar por vía intravenosa (IV), que requiere insertar una aguja en una vena, generalmente del brazo, y dejarla allí durante toda la intervención, o bien mediante inhalación de gases o vapores al respirar a través de una mascarilla o tubo.
  • 6.
    ANESTESIA INHALATORIA La evolución de la anestesia  La anestesia inhalatoria es la inhalatoria ha estado marcada por técnica que utiliza como la búsqueda de fármacos de agente principal para el acción rápida, corta duración y mantenimiento de la ausencia de toxicidad, en particular el Sevoflurano, anestesia un gas el Desflurano y mas anestésico, que puede incluso recientemente el Xenón ser utilizado como agente inductor. Las propiedades farmacocinéticas de los anestésicos inhalatorios, caracterizadas por una captación y eliminación rápidas, permiten un control fácil del plano anestésico
  • 7.
    Anestésico inhalatorio: Son gases halogenados que inducen perdida de la conciencia cuando se administran por via inhalatoria Se utilizan maquinas de anestesia para su administración Se tiene mejor experiencia clínica con el sevoflurano y el isoflurano
  • 8.
    MAQUINA DE ANESTESIA La máquina de anestesia fue concebida originalmente como un aparato, capaz de administrar gases anestésicos aprovechando la absorción pulmonar de estos FUNCION  Administrar anestesia. 2. Controlar su profundidad. 3. Manejar por completo la respiración del paciente. 4. Monitorizar todas las variables respiratorias. 5. Monitorizar su propio funcionamiento. 6. Incorporar otras formas de monitorización de variados parámetros necesarios de controlar durante la anestesia general: hemodinamia, temperatura, transmisión neuromuscular, EEG, entre otras.
  • 9.
    MAQUINA DE ANESTESIA Para su funcionamiento se combinan diferentes dispositivos algunos basados en principios neumáticos y otros de base electrónica y computacional Configuración existen tres áreas.  I. Sistema de Alta Presión. II Sistema de Baja Presión. III. Sistema Circular o Circuito de Paciente.
  • 10.
    SISTEMA DE ALTAPRESION  Fuente de Gases Clínicos  Se denomina Sistema de Alta Presión, al conjunto de elementos que constituyen la provisión y admisión de gases frescos a la máquina de anestesia. Tres son los gases que se incorporan a ella: oxígeno, Aire y Oxido Nitroso (N2O).  Estos gases provienen normalmente de Sistemas Centrales del Hospital a los cuales se accede por tomas murales. El gas proveniente de las tomas murales es entregado a una presión de entre 50 y 55 libras / pulgadas
  • 11.
    SISTEMA DE BAJAPRESION  Sistema de Baja Presión  Válvula de Control de Flujo  El Sistema de Baja Presión está  Controlan el flujo de salida de conformado por: cada gas la presión de 50 libras  • Válvulas de control de flujo. que trae el gas desde su fuente • Vaporizadores. de origen es llevada a nivel de la • Salida común de gases y válvula presión atmosférica y permite de flujo rápido (flush) de O2. regular el flujo de gas que se • Válvula "antireflujo" para administrará al circuito. impedir el flujo retrógrado al  Los medidores de flujo. vaporizador. Dependiendo del fabricante, podrán ser tubos de vidrio calibrados con un dispositivo flotante que señala el flujo o bien como en nuestras máquinas un dispositivo electrónico para medir el flujo con un display digital en la pantalla.
  • 12.
    VAPORIZADORES  Vaporizadores  Latransformación de los agentes anestésicos inhalatorios desde líquidos a gas se produce en los vaporizadores, los cuales tienen las siguientes características:  a. Son específicos para cada agente. b. Son compensados para flujo. Es decir la vaporización es constante a diferentes flujos de gas. c. Son compensados para la temperatura ambiente y la presión atmosférica. d. Permiten entregar concentraciones exactas de un gas anestésico.
  • 13.
    CIRCUITO DE PACIENTE  Sistema Circular (Circuito de Paciente)  El Sistema Circular tiene los siguientes componentes:  1. Entrada de gases frescos. 2. Válvulas unidireccionales (inspiratorias y expiratoria). 3. Tubos coarugados inspiratorio y expiratorio. 4. Conector en Y. 5. Válvula de sobrepresión APL ( Ajustable - Presión Limitante). 6. Bolsa y Respirador. 7. Receptáculo de cal sodada.  El Sistema Circular permite tanto la realización de ventilación mecánica como la respiración espontánea de los pacientes  El diseño del Sistema Circular impide que se reinhale el aire espirado ya que por la presencia de válvulas unidireccionales en cada rama del mismo, se produce u flujo de los gases en el sentido inspiratorio - espiratorio.  El funcionamiento de las válvulas es por lo tanto clave para evitar la reinhalación. Existen dos tipos de absorbentes para el CO2, cal sodada y cal baritada.
  • 14.
  • 15.
  • 16.
  • 17.
  • 18.
  • 19.
  • 20.
  • 21.
  • 22.
  • 23.
  • 24.
  • 25.
  • 26.
  • 27.
  • 28.
  • 29.
    Conclusiones Anestesia, maquinade anestesia, identificación de sus partes y visión general del sistema. Profundizar en el tema Generar un protocolo de mantenimiento preventivo Identificar las diferencias entre varias tecnologías