DEPTO. DE INGENIERIA MECANICA
E INDUSTRIAL
MECATRONICA 10
CONTROL DE MOTORES
1er. INFORME DE CONTROL DE MOTORES
• NAVARRO FUENTES JOSE BALMORE
• SIGIFREDO ERNESTO SORIANO GARCIA
INSTRUCTOR: LUIS MANUEL CASTELLON
Lunes, 08 de septiembre de 2008
INDICE
Introducción
Objetivos
Controles realizados en taller
Control sencillo para
mantenido de un motor………………………………………………
Control de arranque
secuencial para dos motores………………………………………………..
Control para inversor
de giro del motor………………………………………………..
Control “Joggin”
para pulsos de trabajo de un motor…………………………………
Conclusiones…………………………………………………
Bibliografía…………………………………………………..
Introducción
l control de un motor consiste en, por medio de ciertos elementos
que mas adelante listaremos, poder manipular el arranque, apagado,
sentido de giro, etc. De un motor, sabiendo que en la práctica
necesitaremos poder efectuar estas operaciones a largas distancias, de una
manera segura y facilitando el control de las distintas operaciones que un
motor eléctrico pueda realizar.
E
En la actualidad las grandes empresas están dejando a un lado los controles
que utilizan lógica de relés para recurrir a sistemas controladores
automatizados, ya que disminuyen el mantenimiento y optimizan los
procesos para los cuales fueron diseñados, la capacidad y versatilidad que
poseen estos sistemas hace que los gastos disminuyan proporcional y
progresivamente además de que el producto se elabore con mayor
precisión, por lo tanto, son estos sistemas tan importantes en la industria
actual que se requiere personal capacitado para implementarlos de manera
que se les pueda sacar el mayor provecho.
Objetivo general
Como grupo de trabajo tenemos como objetivo general el de proporcionar
la información de los conocimientos obtenidos de lo que es un control de
un motor eléctrico así como sus distintas aplicaciones.
Objetivo especifico
Nuestro objetivo específico trazado es crear un informe que especifique los
controles de motores que hasta la fecha hemos estudiado, teniendo también
la explicación de cada uno de ellos, teniendo en cuenta que en un futuro
podrá ser de utilidad dicha información en procesos practico-laborales.
GENERALIDADES SOBRE LOS APARATOS DE
MANIOBRA Y PROTECCIÓN
Aparatos de maniobra
Son todos aquellos aparatos que permiten el paso o la interrupción del flujo de corriente
a una determinada carga, esta puede ser motores, bobinas, resistencias, entre otras.
Existen dos grandes grupos de aparatos de maniobra:
• Aparatos de maniobra manuales
• Aparatos de maniobra automáticos
Los aparatos de maniobra manuales son todos aquellos que necesitan de un operario
para su accionamiento.
Estos pueden ser con poder de corte (puede ser accionado en circuito bajo carga) y sin
poder de corte (deben ser accionados sin carga).
Entre estos aparatos tenemos:
Los interruptores:
Son dispositivos poder de corte, para cerrar o abrir circuitos, las secciones de las piezas
que cierran o abren el circuito deben estar convenientemente dimensionadas, de tal
manera que permitan el paso d corriente sin que se genere calentamiento excesivo.
Al abrirse el circuito la chispa que se produce debe apagarse rápidamente, antes de que
se forme un arco eléctrico, que dañe fácilmente los contactos. Por ello la operación de
estos de be realizarse con un movimiento rápido, o mediante el sistema de apertura
brusca.
Existen varios tipos de modelos de interruptores como los basculantes, de cuchilla,
entre otros.
Pulsadores:
Estos son dispositivos que se diferencian de los interruptores por que estos cierran y
abren circuitos solamente mientras actúa sobre ellos una fuerza exterior, recuperando su
posición de reposo (inicial) al cesar dicha fuerza, por acción de un resorte o muelle.
Seccionadores:
Son aparatos de maniobra sin poder de corte y que por consiguiente pueden abrir o
cerrar circuitos únicamente cuando están sin carga (vacío).
Los aparatos de maniobra automáticos son diseñados para abrir o cerrar circuitos en
función de los valores que adquieren ciertas magnitudes físicas como temperatura,
presión, espacio, tiempo, entre otros.
Los mas usados son los interruptores automáticos o disyuntores, cuya función
especifica es la de abrir circuitos bajo condiciones anormales, aunque también pueden
usarse como simple interruptores.
El disyuntor puede actuar por sobrecargas, cortocircuitos, sobretensiones o
subtensiones, al producirse cualquiera de estas anomalías se desconecta
automáticamente, aislando el circuito, para recuperar su estado normal se hace el
rearme manual.
El contactor también pertenece a este grupo de aparatos automáticos de maniobra del
cual se tratara mas detalladamente más adelante.
Las principales características de un interruptor automático son:
• Capacidad de maniobra, que es el número mínimo de maniobras que se puede
realizar con dicho aparato.
• Poder de corte, lo cual indica la máxima corriente que puede interrumpir sin
peligro que se dañe.
Aparatos de protección
Son destinados a interrumpir el circuito cuando se presentan irregularidades o
condiciones anormales en su funcionamiento, en su mayoría son aparatos de protección
por sobrecarga o sobreintensidades (los mas usados en controles y automatismos), entre
estos aparatos tenemos a:
Fusibles:
Estos son conductores calibrados únicamente para el paso de una determinada corriente,
por consiguiente estos conductores son más débiles que el resto de los conductores del
resto del circuito. De manera que al producirse un cortocircuito, este interrumpirá el
flujo de corriente desenergizando el circuito que esta protegiendo, esto lo hace ya que el
fusible se funde para valores de corriente mayores que el valor de trabajo del mismo
debido a que su punto de fusión es muy bajo, logrando evitar daños mayores en las
cargas o al mismo circuito en si. Existen muchos tipos de fusibles; de tapón, bayoneta,
cartucho, cuchilla, etc.
EL CONTACTOR
Es un aparato de maniobra automático con poder de corte, y que por consiguiente puede
cerrar o abrir circuitos con carga o en vació.
Se le define como un interruptor accionado o gobernado a distancia por acción de un
electroimán.
Partes del contactor
Carcaza: soporte fabricado en material no conductor (plástico o baquelita) sobre el cual
se fijan todos los componentes del contactor.
Circuito electromagnético: esta compuesto por unos dispositivos cuya finalidad es
transformar la electricidad en magnetismo, generando un campo magnético lo más
intenso posible. Propiamente constituiría el electroimán de un contactor.
Esta compuesto de bobina, núcleo y armadura.
Bobina: es un arrollamiento de alambre, con un gran número de espiras, que al
aplicársele tensión crea un campo magnético. El flujo generado da lugar a un par
electromagnético, superior al par resistente de los muelles de la armadura, atrayéndolo
hacia el núcleo Se construye con cobre electrolítico, arrollándolo sobre una formaleta.
La intensidad absorbida por la bobina, al ser energizada, es relativamente elevada,
debido a que no existe en el circuito nada más que la resistencia del conductor, por ser
la reactancia mínima al tener el circuito electromagnético mucho entrehierro. Una vez
cerrado el circuito magnético (cuando el núcleo atrae la armadura) aumenta la
impedancia de la bobina, lo que reduce la corriente inicial a uno intensidad nominal
baja.
La tensión de alimentación puede ser la misma del circuito de fuerza o inferiores a ésta,
reducidas por un transformador, o suministradas por otra fuente de alimentación. Por
este motivo, al elegirse un contactor, debe tomarse muy en cuenta la tensión (y
frecuencia) con que debe energizarse la bobina. Estos datos vienen claramente
registrados en ella.
La tensión que se aplica a la bobina, se realiza a través de una gran variedad de
elementos (pulsadores, contactos auxiliares, contactos de elementos auxiliares de
mando, etc.) de acuerdo o las necesidades o complejidad del circuito.
Núcleo: El núcleo es una parte metálica, generalmente en forma de E, y que va fija en
la carcaza.
Su función es concentrar y aumentar el flujo magnético que genera la bobina (colocada
en la parte central del núcleo), para atraer con mayor eficiencia la armadura.
Se construye con una serie de láminas muy delgadas (chapas), ferromagnéticas y
aisladas entre sí (pero que forman un solo bloque fuertemente unido), generalmente de
hierro silicoso, con la finalidad de reducir al máximo los corrientes parásitas o de
Foucoult (corrieres eléctricas que circulan por el núcleo al estor sometidas a una
variación del flujo magnético, originando pérdidas de energía por efecto joule).
En los contactores cuyo circuito de mando va a ser alimentado por corriente alterna (no
así cuando se alimenta con corriente continua), el núcleo debe tener un elemento
adicional denominado espiras de sombra, espiras en cortocircuito, espiras de Frager o
anillos de defasaje.
Cuando circula corriente alterna por la bobina, cada vez que el flujo es cero, la
armadura se separa del núcleo dos veces por segundo, porque el flujo magnético
producido por la bobina es también dos veces cero. En realidad como el tiempo es muy
pequeño (1/120 de segundo cuando la frecuencia es 60 Hz), es imposible que la
armadura se separe completamente del núcleo, pero es suficiente para que se origine un
zumbido y vibración, que de ser continuo estropearán el contactor. Para evitar este
inconveniente se colocan en las dos columnas laterales del núcleo las espiras de sombra
(construidas en cobre), para suministrar al circuito magnético un flujo cuando la bobina
no lo produce, creando en consecuencia un flujo magnético constante, similar al que
puede produciría la corriente continua.
Armadura: elemento similar al núcleo, en cuanto a su construcción, pero que a
diferencia de este es una porté móvil, cuya finalidad principal es cerrar el circuito
magnético, cuando se energice la bobina, porque en estado de reposo debe estar
separado del núcleo. Se aprovecha de esta propiedad de movimiento que tiene para
colocar sobre el una serie de contactos (parte móvil del contacto) que se cerrarán o
abrirán siempre que la armadura se ponga en movimiento.
La armadura debe estar cubierta por un material aislante, para evitar que los diferentes
contactos que se coloquen queden eléctricamente unidos.
Contactos: elementos que tienen por objeto cerrar o abrir una serie de circuitos.
Un contacto está compuesto por dos partes fijas (ubicadas en la carcaza) y una parte
móvil (sujeta en la armadura).
Ordinariamente están hechos de bronce fosforado, que es un buen conductor, tiene
consistencia y al mismo tiempo cierta elasticidad. Normalmente en el punto en que se
establece el contacto (extremos de la parte fija y móvil que deben unirse) se produce un
arco eléctrico al abrirse el circuito bajo carga, por lo que es necesario que dichos puntos
tengan una mayor consistencia y dureza. Para lograr esto se construyen dichos puntos
en materiales aleados a base de plata-cadmio, plata-níquel, plata-paladio, etc.
Estas partes deben tener una gran resistencia al desgaste por erosión que produce el
arco, tener buena resistencia mecánica, poca resistencia eléctrica en el punto de
contacto, no oxidable (el óxido se constituye en material aislante) y no ser susceptible a
pegarse o soldarse.
Todas estas exigencias hacen que los contactos (especialmente en el punto de contacto)
sean la parte más delicada del contactor, y por consiguiente deben cuidarse con especial
esmero, de manera que los circuitos que establecen funcionen normalmente.
Una de las precauciones que más debe cuidarse es la de hacerles un mantenimiento
periódico, así como protegerlos del polvo, grasa, humedad, etc.
En el contactor encontramos dos tipos de contactos: principales y auxiliares.
a) Principales: son los contactos que tienen por finalidad realizar el cierre o apertura
del circuito principal, a través del cual se transporta la corriente al circuito de
utilización (carga). Deben estar debidamente calibrados, para permitir el paso de
intensidades requeridas por la carga sin peligro de deteriorarse.
Por la función que deben realizar estos contactos serán únicamente abiertos.
b) Auxiliares: son aquellos contactos que tienen por finalidad el gobierno del contactor
(específicamente de la bobina) y de su señalización.
Pueden ser abiertos o cerrados, y como están hechos para dar paso únicamente a
pequeñas corrientes (alimentación de la bobina y elementos de señalización), suelen ser
normalmente más pequeños que los contactos principales.
El número de contactos auxiliares por contactor varía de acuerdo a las necesidades de
las diferentes maniobras, desde uno normalmente abierto, hasta varios abiertos y
cerrados.
En circuitos con cierta complejidad se usan frecuentemente contactores que tienen
únicamente contactos auxiliares, denominados por esta rozón contactores auxiliares.
Funcionamiento del contactor:
Cuando la bobina es recorrida por la corriente eléctrica, genera un campo magnético
intenso que hace que el núcleo atraiga a la armadura (parte móvil), de manera que al
realizarse este movimiento, se cierran contemporáneamente todos los contactos abiertos
(tanto principales como auxiliares) y se abren los contactos cerrados.
Para volver los contactos a su estado de reposo basta desenergizar la bobina.
RELÉ
El relé es un dispositivo mecánico capaz de comandar cargas pesadas a partir de una
pequeña tensión aplicada a su bobina. Básicamente la bobina contenida en su interior
genera un campo magnético que acciona el interruptor mecánico. Ese interruptor es el
encargado de manejar la potencia en sí, quedando al circuito electrónico la labor de
"mover" la bobina. Permite así aislar mecánicamente la sección de potencia de la de
control. Pero para accionar la bobina la corriente y tensión presente en un puerto
paralelo no es suficiente.
Controles realizados en taller
Control sencillo para mantenido de un motor
Función de un enclavamiento
El enclavamiento sirve
para mantener la
conexión después de
presionar nuestro botón
de arranque y al presionar
nuestro botón de paro se
para el motor y se bota el enclavamiento y el botón de arranque.
Control de arranque secuencial para dos motores
DIAGRAMA DE FUERZA
DIAGRAMA DE CONTROL
Funcionamiento:
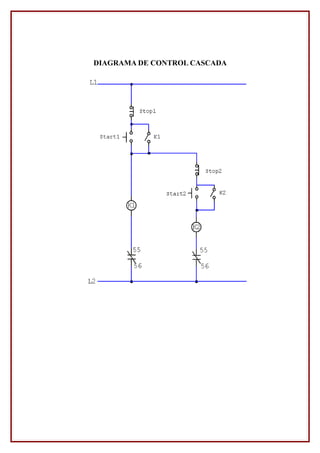
Al presionar el botón start1 se energiza K1 y cierra el contacto NO 13-14 de K1
permitiendo que la bobina del mismo quede energizada. Para desenergizar la bobina de
K1 solo se presiona Stop1. Con el botón start2 es igual solo que acciona K2, si no se
acciona primero K1 no se puede energizar k2. Cada contactor domina a un motor ósea
que si se energiza K1 se moverá M1, y con K2 se moverá M2. Los contactos NC 95-96
son protección del bimetalito.
DIAGRAMA DE CONTROL CASCADA
Control para inversor de giro del motor 3~ AC
DIAGRAMA DE FUERZA
DIAGRAMA DE CONTROL
Funcionamiento:
Al presionar el botón start1 se
energiza K1 y cierra el contacto NO
13-14 de K1 permitiendo que la
bobina del mismo quede energizada,
permitiendo el paso de L1, L2 y L3 al
motor haciendo que el motor gire
para un lado, también abre el
contacto NC 11-12 de K1 con esto no
permite que K2 se energice al
presionar Start2. Si se presiona Start2
sin que K1 este activado K2 se activa
y no permite que K1 se active con el
contacto 11-12 (de K2) también
cierra el contacto 13-14 de K2
manteniendo energizada su bobina (la
de K2) cuando esta energizado K2
pasan las líneas L1, L3 y L2 (una fase
permutada) al motor (M) haciendo
que gire para el otro lado
Para desenergizar K1 o K2 se
presiona el pulsador NC Stop.
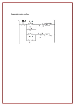
Diagrama de control escalera.
Control de motor dahlander con alta y baja velocidad con inversión de
giro
Diagrama de control cascada
Diagrama en escalera de control
en el diagrama de control del motor
dahlander se utilizo la cantidad de 5
contactores mas un timer como
retardo ala conexión. En el momento
en que se presiona F(forwad) o
R(reverse) se cumple cualquiera de
las dos conexiones actuando como
auto enclavamientos por medio de su
contacto normalmente abierto
conectado en paralelo a el pulsador
de cada arranque. Se a conectado
también un contacto de cada bobina
en serie a la otra bobina, de tal forma
que si una esta activa la otra no tenga
oportunidad de hacerlo. En el momento que se a activado k1 o k2 se inicia
el timer por medio de dos contactos en paralelo normalmente abiertos de
k1 y k2. t1 tiene un contacto normalmente cerrado conectado a k3 y el
contacto normalmente abierto esta conectado a k4 y k5 pero estos dos
contactos están comandados por los dos en paralelo de k1 y k2 de tal forma
que ninguno de estos se activara si k1 o k2 no se en enclavado
DIAGRAMA DE FUERZA
Fuerza
Para el motor dhalander se puede ver que k2 o k1 deberían entrar para que
se pueda producir cualquiera de los arranques ya que tras de este se
activara el contactor tres que es el que forma la conexión de los tres
vértices t1,t2,t3 y deja sueltos a t4,t5,t6 de tal forma que el motor arranca
en baja velocidad, tiempo después queda activo k4 y k5 desconectando a su
ves a k3, k4 y k5 se encargan de arrancar el motar a alta velocidad debido
a que k4 forma un estrella en t1,t2,t3 y k5 manda los otros vértices hacia
las fases de alimentación para el motor
Control de un motor por pulsos con un relay (Joggin)
DIAGRAMA DE FUERZA
DIAGRAMA DE CONTROL
Funcionamiento:
Al presionar el botón start1 se energiza el relay (CR) cerrando los contactos NO 10-6 y
11-7 permitiendo así la energizacion de K q cierra el contacto NO 13-14 que sirven
para mantener energizadas las bobinas de K y CR, al mantener energizado K1 el motor
(M) se moverá. Para desenergizar K y CR solo se presiona el pulsador Stop.
Cuando no esta energizado CR ni K al presionar el pulsador S2 energiza K mientras
este presionado, esto permite que al presionar S2 se mueva el motor y detenerlo
rápidamente al dejar de presionar (el motor funciona por pulsos). Los contactos NC 95-
96 son protección del bimetalito.
Diagrama de control escalera.
DIAGRAMA DE FUERZAY CONTROL MOTOR TRIFASICO, 9
LINEAS DELTA SERIE-PARALELO.
Diagrama de fuerza
Diagrama de control escalera.
Diagrama de control cascada.
Control de motor monofasico con inversor de giro
Diagrama eléctrico de control
En el diagrama de control para el monofasico se nesecitaran tres
contactores que están a cargo de la inversión de las bobinas, P(para
general) comanda a las dos bobinas k2 y k3 y cada una de ellas tiene un
auto enclavamiento gobernado por un contacto normalmente abierto de
cada bobina y a su ves abren un contacto normalmente cerrado que esta
conectado en serie a la otra bobina, k1 se activa cada ves que k2 o k3 se
active
Diagrama de fuerza
Como se puede ver en el diagrama de fuerza k1 es quien controla la bobina
primaria y k2 y k3 comandan la posición de la bobina de arranque con
respecto a la primaria es por eso que k1 entra cuando se halla activado k2 o
k3 y como se puede ver k2 conecta la punta del condensador a neutro y la
bobina a fase y k3 conecta la punta del condensador a fase y la de la
bobona a neutro. Y es así como se produce una inversión de giro en un
motor monofasico
Diagrama eléctrico de control para motor de 12 líneas en
delta serie paralelo
Diagrama en escalera de control
En el diagrama de control de 12
líneas se utilizo la cantidad de 5
contactores mas un timer como
retardo ala conexión. En el momento
en que se persona F(forwad) o
R(reverse) se cumple cualquiera de
las dos conexiones actuando como
auto enclavamientos por medio de su
contacto normalmente abierto
conectado en paralelo a el pulsador
de cada arranque. Se a conectado
también un contacto de cada bobina
en serie a la otra bobina, de tal forma
que si una esta activa la otra no tenga
oportunidad de hacerlo. En el
momento que se a activado k1 o k2
se inicia el timer por medio de dos
contactos en paralelo normalmente abiertos de k1 y k2. t1 tiene un
contacto normalmente cerrado conectado a k3 y el contacto normalmente
abierto esta conectado a k4 y k5 pero estos dos contactos están
comandados por los dos en paralelo de k1 y k2 de tal forma que ninguno de
estos se activara si k1 o k2 no se en enclavado
Diagrama de fuerza
Diagrama de fuerza
Como se pudo ver en el de control lo primero en activarse serian los
contactores k1 o k2 y se pueden observar que son los que le darán la
inversión de giro al motor debido a que a su salida, las líneas están
conectadas de igual forma pero a su entrada tiene una línea invertida y es
de ahí de donde se alimenta el motor, sabiendo que k1 o k2 se han activado
es notable ver que k3 se activara en el mismo momento y se provocara un
arranque en delta serie ya que k3 esta uniendo las líneas 4,7 5,8 6,9 y
como es un motor de 12 líneas las 1,12 2,10 3,11 se han conectado por
medio de cables para formar la posición del delta , después del tiempo del
timer se desconecta k3 y se conecta k4 y k5 que son los que forman un
estrella paralelo porque las líneas 1,12,7,6 2,10,8,4, y 3,11,9,5 están
unidas y e así como se produce un arranque serie paralelo en delta con
inversión de giro
DIAGRAMA DE FUERZA Y CONTROL SEMAFORO.
Diagrama de fuerza
Diagrama de control
Al presionar start k1
se energiza cerrando
el contacto NO del
mismo logrando un
mantenido que
energiza todo el
circuito, entra a la
cuenta el timer 1(T1)
y se energiza k2(
encendiendo la luz
verde) al cambiar T1
se desenergiza
K2(apaga luz verde) y
se energiza k3(
enciende luz amarilla)
también entra a la
cuenta T2, al cambiar
T2 se energiza
K4(enciende luz roja)
que el mismo hace que se abra un contacto NC que desenergiza K3(apaga luz amarilla)
y entra a la cuenta T3. Al cambiar T3 se abre el contacto NC de T3 desenergizando
parte del circuito, con esto logra un reset del sistema empezando de nuevo su función
cíclica ( primero luz verde, después amarilla, y por ultimo roja)
Anexos.
Contactor y auxiliar
botoneras o pulsadores.
rele
timer
Conclusiones.
• Debe ser analista, detallista, trabajar con mucha ética, con precisión y sin
errores.
• En nuestra práctica de poner en funcionamiento el arranque de un motor a 120v
concluimos que para que este funcione correctamente, debemos utilizar ciertos
competentes que nos ayudaran al correcto control de este mismo.
• Estos componentes o elementos que utilizamos como son, botoneras,
contactores, conductores, etc. Deben de ir correctamente conectados para que
además este funcione, no ocurra un accidente como por ejemplo un corto
circuito.
• Que los reles y contactores son muy útiles cuando deseamos controlar un motor
a distancia, alejándonos más del peligro de toparnos con altas corrientes
eléctricas y haciendo más sencillo el uso de esta.
• Nos complace como grupo concluir que de manera general sabemos como debe
de ir un circuito de un arranque de motor sencillo, lo cual nos servirá de mucho
en la práctica cuando deseemos controlar un motor, además nos servirá de pauta
para manejar controles de motores más complejos.
Bibliografía.
• Instalaciones eléctricas, José Luis Sanz Serrano.
• control electrónico y simulación motores corriente alterna, Martínez Rodrigo ;
herrero.
• http://html.rincondelvago.com/control-de-maquinas_circuito-con-motor-
trifasico.html

todos-los-diagramas

  • 1.
    DEPTO. DE INGENIERIAMECANICA E INDUSTRIAL MECATRONICA 10 CONTROL DE MOTORES 1er. INFORME DE CONTROL DE MOTORES • NAVARRO FUENTES JOSE BALMORE • SIGIFREDO ERNESTO SORIANO GARCIA INSTRUCTOR: LUIS MANUEL CASTELLON Lunes, 08 de septiembre de 2008
  • 2.
    INDICE Introducción Objetivos Controles realizados entaller Control sencillo para mantenido de un motor……………………………………………… Control de arranque secuencial para dos motores……………………………………………….. Control para inversor de giro del motor……………………………………………….. Control “Joggin” para pulsos de trabajo de un motor………………………………… Conclusiones………………………………………………… Bibliografía…………………………………………………..
  • 3.
    Introducción l control deun motor consiste en, por medio de ciertos elementos que mas adelante listaremos, poder manipular el arranque, apagado, sentido de giro, etc. De un motor, sabiendo que en la práctica necesitaremos poder efectuar estas operaciones a largas distancias, de una manera segura y facilitando el control de las distintas operaciones que un motor eléctrico pueda realizar. E En la actualidad las grandes empresas están dejando a un lado los controles que utilizan lógica de relés para recurrir a sistemas controladores automatizados, ya que disminuyen el mantenimiento y optimizan los procesos para los cuales fueron diseñados, la capacidad y versatilidad que poseen estos sistemas hace que los gastos disminuyan proporcional y progresivamente además de que el producto se elabore con mayor precisión, por lo tanto, son estos sistemas tan importantes en la industria actual que se requiere personal capacitado para implementarlos de manera que se les pueda sacar el mayor provecho.
  • 4.
    Objetivo general Como grupode trabajo tenemos como objetivo general el de proporcionar la información de los conocimientos obtenidos de lo que es un control de un motor eléctrico así como sus distintas aplicaciones. Objetivo especifico Nuestro objetivo específico trazado es crear un informe que especifique los controles de motores que hasta la fecha hemos estudiado, teniendo también la explicación de cada uno de ellos, teniendo en cuenta que en un futuro podrá ser de utilidad dicha información en procesos practico-laborales.
  • 5.
    GENERALIDADES SOBRE LOSAPARATOS DE MANIOBRA Y PROTECCIÓN Aparatos de maniobra Son todos aquellos aparatos que permiten el paso o la interrupción del flujo de corriente a una determinada carga, esta puede ser motores, bobinas, resistencias, entre otras. Existen dos grandes grupos de aparatos de maniobra: • Aparatos de maniobra manuales • Aparatos de maniobra automáticos Los aparatos de maniobra manuales son todos aquellos que necesitan de un operario para su accionamiento. Estos pueden ser con poder de corte (puede ser accionado en circuito bajo carga) y sin poder de corte (deben ser accionados sin carga). Entre estos aparatos tenemos: Los interruptores: Son dispositivos poder de corte, para cerrar o abrir circuitos, las secciones de las piezas que cierran o abren el circuito deben estar convenientemente dimensionadas, de tal manera que permitan el paso d corriente sin que se genere calentamiento excesivo. Al abrirse el circuito la chispa que se produce debe apagarse rápidamente, antes de que se forme un arco eléctrico, que dañe fácilmente los contactos. Por ello la operación de estos de be realizarse con un movimiento rápido, o mediante el sistema de apertura brusca. Existen varios tipos de modelos de interruptores como los basculantes, de cuchilla, entre otros. Pulsadores: Estos son dispositivos que se diferencian de los interruptores por que estos cierran y abren circuitos solamente mientras actúa sobre ellos una fuerza exterior, recuperando su posición de reposo (inicial) al cesar dicha fuerza, por acción de un resorte o muelle. Seccionadores: Son aparatos de maniobra sin poder de corte y que por consiguiente pueden abrir o cerrar circuitos únicamente cuando están sin carga (vacío).
  • 6.
    Los aparatos demaniobra automáticos son diseñados para abrir o cerrar circuitos en función de los valores que adquieren ciertas magnitudes físicas como temperatura, presión, espacio, tiempo, entre otros. Los mas usados son los interruptores automáticos o disyuntores, cuya función especifica es la de abrir circuitos bajo condiciones anormales, aunque también pueden usarse como simple interruptores. El disyuntor puede actuar por sobrecargas, cortocircuitos, sobretensiones o subtensiones, al producirse cualquiera de estas anomalías se desconecta automáticamente, aislando el circuito, para recuperar su estado normal se hace el rearme manual. El contactor también pertenece a este grupo de aparatos automáticos de maniobra del cual se tratara mas detalladamente más adelante. Las principales características de un interruptor automático son: • Capacidad de maniobra, que es el número mínimo de maniobras que se puede realizar con dicho aparato. • Poder de corte, lo cual indica la máxima corriente que puede interrumpir sin peligro que se dañe. Aparatos de protección Son destinados a interrumpir el circuito cuando se presentan irregularidades o condiciones anormales en su funcionamiento, en su mayoría son aparatos de protección por sobrecarga o sobreintensidades (los mas usados en controles y automatismos), entre estos aparatos tenemos a: Fusibles: Estos son conductores calibrados únicamente para el paso de una determinada corriente, por consiguiente estos conductores son más débiles que el resto de los conductores del resto del circuito. De manera que al producirse un cortocircuito, este interrumpirá el flujo de corriente desenergizando el circuito que esta protegiendo, esto lo hace ya que el fusible se funde para valores de corriente mayores que el valor de trabajo del mismo debido a que su punto de fusión es muy bajo, logrando evitar daños mayores en las cargas o al mismo circuito en si. Existen muchos tipos de fusibles; de tapón, bayoneta, cartucho, cuchilla, etc.
  • 7.
    EL CONTACTOR Es unaparato de maniobra automático con poder de corte, y que por consiguiente puede cerrar o abrir circuitos con carga o en vació. Se le define como un interruptor accionado o gobernado a distancia por acción de un electroimán. Partes del contactor Carcaza: soporte fabricado en material no conductor (plástico o baquelita) sobre el cual se fijan todos los componentes del contactor. Circuito electromagnético: esta compuesto por unos dispositivos cuya finalidad es transformar la electricidad en magnetismo, generando un campo magnético lo más intenso posible. Propiamente constituiría el electroimán de un contactor. Esta compuesto de bobina, núcleo y armadura. Bobina: es un arrollamiento de alambre, con un gran número de espiras, que al aplicársele tensión crea un campo magnético. El flujo generado da lugar a un par electromagnético, superior al par resistente de los muelles de la armadura, atrayéndolo hacia el núcleo Se construye con cobre electrolítico, arrollándolo sobre una formaleta. La intensidad absorbida por la bobina, al ser energizada, es relativamente elevada, debido a que no existe en el circuito nada más que la resistencia del conductor, por ser la reactancia mínima al tener el circuito electromagnético mucho entrehierro. Una vez cerrado el circuito magnético (cuando el núcleo atrae la armadura) aumenta la impedancia de la bobina, lo que reduce la corriente inicial a uno intensidad nominal baja. La tensión de alimentación puede ser la misma del circuito de fuerza o inferiores a ésta, reducidas por un transformador, o suministradas por otra fuente de alimentación. Por este motivo, al elegirse un contactor, debe tomarse muy en cuenta la tensión (y frecuencia) con que debe energizarse la bobina. Estos datos vienen claramente registrados en ella. La tensión que se aplica a la bobina, se realiza a través de una gran variedad de elementos (pulsadores, contactos auxiliares, contactos de elementos auxiliares de mando, etc.) de acuerdo o las necesidades o complejidad del circuito. Núcleo: El núcleo es una parte metálica, generalmente en forma de E, y que va fija en la carcaza. Su función es concentrar y aumentar el flujo magnético que genera la bobina (colocada en la parte central del núcleo), para atraer con mayor eficiencia la armadura. Se construye con una serie de láminas muy delgadas (chapas), ferromagnéticas y aisladas entre sí (pero que forman un solo bloque fuertemente unido), generalmente de
  • 8.
    hierro silicoso, conla finalidad de reducir al máximo los corrientes parásitas o de Foucoult (corrieres eléctricas que circulan por el núcleo al estor sometidas a una variación del flujo magnético, originando pérdidas de energía por efecto joule). En los contactores cuyo circuito de mando va a ser alimentado por corriente alterna (no así cuando se alimenta con corriente continua), el núcleo debe tener un elemento adicional denominado espiras de sombra, espiras en cortocircuito, espiras de Frager o anillos de defasaje. Cuando circula corriente alterna por la bobina, cada vez que el flujo es cero, la armadura se separa del núcleo dos veces por segundo, porque el flujo magnético producido por la bobina es también dos veces cero. En realidad como el tiempo es muy pequeño (1/120 de segundo cuando la frecuencia es 60 Hz), es imposible que la armadura se separe completamente del núcleo, pero es suficiente para que se origine un zumbido y vibración, que de ser continuo estropearán el contactor. Para evitar este inconveniente se colocan en las dos columnas laterales del núcleo las espiras de sombra (construidas en cobre), para suministrar al circuito magnético un flujo cuando la bobina no lo produce, creando en consecuencia un flujo magnético constante, similar al que puede produciría la corriente continua. Armadura: elemento similar al núcleo, en cuanto a su construcción, pero que a diferencia de este es una porté móvil, cuya finalidad principal es cerrar el circuito magnético, cuando se energice la bobina, porque en estado de reposo debe estar separado del núcleo. Se aprovecha de esta propiedad de movimiento que tiene para colocar sobre el una serie de contactos (parte móvil del contacto) que se cerrarán o abrirán siempre que la armadura se ponga en movimiento. La armadura debe estar cubierta por un material aislante, para evitar que los diferentes contactos que se coloquen queden eléctricamente unidos. Contactos: elementos que tienen por objeto cerrar o abrir una serie de circuitos. Un contacto está compuesto por dos partes fijas (ubicadas en la carcaza) y una parte móvil (sujeta en la armadura). Ordinariamente están hechos de bronce fosforado, que es un buen conductor, tiene consistencia y al mismo tiempo cierta elasticidad. Normalmente en el punto en que se establece el contacto (extremos de la parte fija y móvil que deben unirse) se produce un arco eléctrico al abrirse el circuito bajo carga, por lo que es necesario que dichos puntos tengan una mayor consistencia y dureza. Para lograr esto se construyen dichos puntos en materiales aleados a base de plata-cadmio, plata-níquel, plata-paladio, etc. Estas partes deben tener una gran resistencia al desgaste por erosión que produce el arco, tener buena resistencia mecánica, poca resistencia eléctrica en el punto de contacto, no oxidable (el óxido se constituye en material aislante) y no ser susceptible a pegarse o soldarse. Todas estas exigencias hacen que los contactos (especialmente en el punto de contacto) sean la parte más delicada del contactor, y por consiguiente deben cuidarse con especial esmero, de manera que los circuitos que establecen funcionen normalmente.
  • 9.
    Una de lasprecauciones que más debe cuidarse es la de hacerles un mantenimiento periódico, así como protegerlos del polvo, grasa, humedad, etc. En el contactor encontramos dos tipos de contactos: principales y auxiliares. a) Principales: son los contactos que tienen por finalidad realizar el cierre o apertura del circuito principal, a través del cual se transporta la corriente al circuito de utilización (carga). Deben estar debidamente calibrados, para permitir el paso de intensidades requeridas por la carga sin peligro de deteriorarse. Por la función que deben realizar estos contactos serán únicamente abiertos. b) Auxiliares: son aquellos contactos que tienen por finalidad el gobierno del contactor (específicamente de la bobina) y de su señalización. Pueden ser abiertos o cerrados, y como están hechos para dar paso únicamente a pequeñas corrientes (alimentación de la bobina y elementos de señalización), suelen ser normalmente más pequeños que los contactos principales. El número de contactos auxiliares por contactor varía de acuerdo a las necesidades de las diferentes maniobras, desde uno normalmente abierto, hasta varios abiertos y cerrados. En circuitos con cierta complejidad se usan frecuentemente contactores que tienen únicamente contactos auxiliares, denominados por esta rozón contactores auxiliares. Funcionamiento del contactor: Cuando la bobina es recorrida por la corriente eléctrica, genera un campo magnético intenso que hace que el núcleo atraiga a la armadura (parte móvil), de manera que al realizarse este movimiento, se cierran contemporáneamente todos los contactos abiertos (tanto principales como auxiliares) y se abren los contactos cerrados. Para volver los contactos a su estado de reposo basta desenergizar la bobina. RELÉ El relé es un dispositivo mecánico capaz de comandar cargas pesadas a partir de una pequeña tensión aplicada a su bobina. Básicamente la bobina contenida en su interior genera un campo magnético que acciona el interruptor mecánico. Ese interruptor es el encargado de manejar la potencia en sí, quedando al circuito electrónico la labor de "mover" la bobina. Permite así aislar mecánicamente la sección de potencia de la de control. Pero para accionar la bobina la corriente y tensión presente en un puerto paralelo no es suficiente.
  • 10.
    Controles realizados entaller Control sencillo para mantenido de un motor Función de un enclavamiento El enclavamiento sirve para mantener la conexión después de presionar nuestro botón de arranque y al presionar nuestro botón de paro se para el motor y se bota el enclavamiento y el botón de arranque.
  • 12.
    Control de arranquesecuencial para dos motores DIAGRAMA DE FUERZA DIAGRAMA DE CONTROL Funcionamiento: Al presionar el botón start1 se energiza K1 y cierra el contacto NO 13-14 de K1 permitiendo que la bobina del mismo quede energizada. Para desenergizar la bobina de K1 solo se presiona Stop1. Con el botón start2 es igual solo que acciona K2, si no se acciona primero K1 no se puede energizar k2. Cada contactor domina a un motor ósea que si se energiza K1 se moverá M1, y con K2 se moverá M2. Los contactos NC 95-96 son protección del bimetalito.
  • 13.
  • 14.
    Control para inversorde giro del motor 3~ AC DIAGRAMA DE FUERZA DIAGRAMA DE CONTROL Funcionamiento: Al presionar el botón start1 se energiza K1 y cierra el contacto NO 13-14 de K1 permitiendo que la bobina del mismo quede energizada, permitiendo el paso de L1, L2 y L3 al motor haciendo que el motor gire para un lado, también abre el contacto NC 11-12 de K1 con esto no permite que K2 se energice al presionar Start2. Si se presiona Start2 sin que K1 este activado K2 se activa y no permite que K1 se active con el contacto 11-12 (de K2) también cierra el contacto 13-14 de K2 manteniendo energizada su bobina (la de K2) cuando esta energizado K2 pasan las líneas L1, L3 y L2 (una fase permutada) al motor (M) haciendo que gire para el otro lado Para desenergizar K1 o K2 se presiona el pulsador NC Stop.
  • 15.
  • 16.
    Control de motordahlander con alta y baja velocidad con inversión de giro Diagrama de control cascada Diagrama en escalera de control en el diagrama de control del motor dahlander se utilizo la cantidad de 5 contactores mas un timer como retardo ala conexión. En el momento en que se presiona F(forwad) o R(reverse) se cumple cualquiera de las dos conexiones actuando como auto enclavamientos por medio de su contacto normalmente abierto conectado en paralelo a el pulsador de cada arranque. Se a conectado también un contacto de cada bobina en serie a la otra bobina, de tal forma que si una esta activa la otra no tenga
  • 17.
    oportunidad de hacerlo.En el momento que se a activado k1 o k2 se inicia el timer por medio de dos contactos en paralelo normalmente abiertos de k1 y k2. t1 tiene un contacto normalmente cerrado conectado a k3 y el contacto normalmente abierto esta conectado a k4 y k5 pero estos dos contactos están comandados por los dos en paralelo de k1 y k2 de tal forma que ninguno de estos se activara si k1 o k2 no se en enclavado DIAGRAMA DE FUERZA Fuerza Para el motor dhalander se puede ver que k2 o k1 deberían entrar para que se pueda producir cualquiera de los arranques ya que tras de este se activara el contactor tres que es el que forma la conexión de los tres vértices t1,t2,t3 y deja sueltos a t4,t5,t6 de tal forma que el motor arranca en baja velocidad, tiempo después queda activo k4 y k5 desconectando a su ves a k3, k4 y k5 se encargan de arrancar el motar a alta velocidad debido a que k4 forma un estrella en t1,t2,t3 y k5 manda los otros vértices hacia las fases de alimentación para el motor
  • 18.
    Control de unmotor por pulsos con un relay (Joggin) DIAGRAMA DE FUERZA DIAGRAMA DE CONTROL Funcionamiento: Al presionar el botón start1 se energiza el relay (CR) cerrando los contactos NO 10-6 y 11-7 permitiendo así la energizacion de K q cierra el contacto NO 13-14 que sirven para mantener energizadas las bobinas de K y CR, al mantener energizado K1 el motor (M) se moverá. Para desenergizar K y CR solo se presiona el pulsador Stop. Cuando no esta energizado CR ni K al presionar el pulsador S2 energiza K mientras este presionado, esto permite que al presionar S2 se mueva el motor y detenerlo rápidamente al dejar de presionar (el motor funciona por pulsos). Los contactos NC 95- 96 son protección del bimetalito.
  • 19.
  • 20.
    DIAGRAMA DE FUERZAYCONTROL MOTOR TRIFASICO, 9 LINEAS DELTA SERIE-PARALELO. Diagrama de fuerza Diagrama de control escalera.
  • 21.
  • 22.
    Control de motormonofasico con inversor de giro Diagrama eléctrico de control En el diagrama de control para el monofasico se nesecitaran tres contactores que están a cargo de la inversión de las bobinas, P(para general) comanda a las dos bobinas k2 y k3 y cada una de ellas tiene un auto enclavamiento gobernado por un contacto normalmente abierto de cada bobina y a su ves abren un contacto normalmente cerrado que esta conectado en serie a la otra bobina, k1 se activa cada ves que k2 o k3 se active
  • 23.
    Diagrama de fuerza Comose puede ver en el diagrama de fuerza k1 es quien controla la bobina primaria y k2 y k3 comandan la posición de la bobina de arranque con respecto a la primaria es por eso que k1 entra cuando se halla activado k2 o k3 y como se puede ver k2 conecta la punta del condensador a neutro y la bobina a fase y k3 conecta la punta del condensador a fase y la de la bobona a neutro. Y es así como se produce una inversión de giro en un motor monofasico
  • 24.
    Diagrama eléctrico decontrol para motor de 12 líneas en delta serie paralelo Diagrama en escalera de control En el diagrama de control de 12 líneas se utilizo la cantidad de 5 contactores mas un timer como retardo ala conexión. En el momento en que se persona F(forwad) o R(reverse) se cumple cualquiera de las dos conexiones actuando como auto enclavamientos por medio de su contacto normalmente abierto conectado en paralelo a el pulsador de cada arranque. Se a conectado también un contacto de cada bobina en serie a la otra bobina, de tal forma que si una esta activa la otra no tenga oportunidad de hacerlo. En el momento que se a activado k1 o k2 se inicia el timer por medio de dos
  • 25.
    contactos en paralelonormalmente abiertos de k1 y k2. t1 tiene un contacto normalmente cerrado conectado a k3 y el contacto normalmente abierto esta conectado a k4 y k5 pero estos dos contactos están comandados por los dos en paralelo de k1 y k2 de tal forma que ninguno de estos se activara si k1 o k2 no se en enclavado Diagrama de fuerza
  • 26.
    Diagrama de fuerza Comose pudo ver en el de control lo primero en activarse serian los contactores k1 o k2 y se pueden observar que son los que le darán la inversión de giro al motor debido a que a su salida, las líneas están conectadas de igual forma pero a su entrada tiene una línea invertida y es de ahí de donde se alimenta el motor, sabiendo que k1 o k2 se han activado es notable ver que k3 se activara en el mismo momento y se provocara un arranque en delta serie ya que k3 esta uniendo las líneas 4,7 5,8 6,9 y como es un motor de 12 líneas las 1,12 2,10 3,11 se han conectado por medio de cables para formar la posición del delta , después del tiempo del timer se desconecta k3 y se conecta k4 y k5 que son los que forman un estrella paralelo porque las líneas 1,12,7,6 2,10,8,4, y 3,11,9,5 están unidas y e así como se produce un arranque serie paralelo en delta con inversión de giro
  • 27.
    DIAGRAMA DE FUERZAY CONTROL SEMAFORO. Diagrama de fuerza Diagrama de control Al presionar start k1 se energiza cerrando el contacto NO del mismo logrando un mantenido que energiza todo el circuito, entra a la cuenta el timer 1(T1) y se energiza k2( encendiendo la luz verde) al cambiar T1 se desenergiza K2(apaga luz verde) y se energiza k3( enciende luz amarilla) también entra a la cuenta T2, al cambiar T2 se energiza K4(enciende luz roja) que el mismo hace que se abra un contacto NC que desenergiza K3(apaga luz amarilla) y entra a la cuenta T3. Al cambiar T3 se abre el contacto NC de T3 desenergizando parte del circuito, con esto logra un reset del sistema empezando de nuevo su función cíclica ( primero luz verde, después amarilla, y por ultimo roja)
  • 28.
  • 29.
  • 30.
    Conclusiones. • Debe seranalista, detallista, trabajar con mucha ética, con precisión y sin errores. • En nuestra práctica de poner en funcionamiento el arranque de un motor a 120v concluimos que para que este funcione correctamente, debemos utilizar ciertos competentes que nos ayudaran al correcto control de este mismo. • Estos componentes o elementos que utilizamos como son, botoneras, contactores, conductores, etc. Deben de ir correctamente conectados para que además este funcione, no ocurra un accidente como por ejemplo un corto circuito. • Que los reles y contactores son muy útiles cuando deseamos controlar un motor a distancia, alejándonos más del peligro de toparnos con altas corrientes eléctricas y haciendo más sencillo el uso de esta. • Nos complace como grupo concluir que de manera general sabemos como debe de ir un circuito de un arranque de motor sencillo, lo cual nos servirá de mucho en la práctica cuando deseemos controlar un motor, además nos servirá de pauta para manejar controles de motores más complejos.
  • 31.
    Bibliografía. • Instalaciones eléctricas,José Luis Sanz Serrano. • control electrónico y simulación motores corriente alterna, Martínez Rodrigo ; herrero. • http://html.rincondelvago.com/control-de-maquinas_circuito-con-motor- trifasico.html