Control de Motores: Introducción al sistema de Unidades
Antes de seleccionar o diseñar un sistema de control de motores, es importante
conocer los principios en los que se basa su funcionamiento. Bajo esta premisa,
en esta primera parte del curso, expondremos de manera clara y sencilla los
conceptos y herramientas básicas para describir el funcionamiento de un motor
eléctrico de inducción.


Asimismo, consideramos importante la necesidad de expresarnos
correctamente cuando estamos involucrados en tareas técnicas y de ingeniería;
por esta razón hemos considerado importante mencionar al Sistema
Internacional de Unidades (SI) y de la ayuda que nos da para brindar
información técnica adecuada y entendible por todas las personas.

SISTEMA DE UNIDADES


La observación de un fenómeno, como la evaluación del arranque de un motor
de un molino de bolas en una mina, es incompleta, a menos que incluyamos
información cuantitativa o cantidades.


Esta información se obtiene midiendo alguna propiedad física, química o
mecánica; para nuestro ejemplo del molino, la duración del arranque (tiempo) y
la corriente consumida durante el arranque serán variables bastante
representativas.




Al parecer todo es muy sencillo… veamos la siguiente situación
Supongamos una habitación cuyo suelo está cubierto de baldosas, tal como se ve
en la figura.
…tomando una baldosa como unidad, y contando el número de baldosas
medimos la superficie de la habitación, 36 baldosas.


En la figura inferior, la medida de la misma superficie da una cantidad diferente
de 9 baldosas.




Vemos como la medida de una misma unidad física (superficie o área) nos da
dos cantidades distintas debido a que han usado dos unidades diferentes.


Este simple ejemplo, nos muestra la necesidad de establecer una única medida
para una magnitud dada, de modo que todos universalmente la podamos
comprender. Felizmente para nosotros, existe el Sistema Internacional de
Unidades (SI) de medida, obligatorio en Perú y vigente en la mayoría de países
del mundo.


En el proximo articulo veremos las Unidades del Sistema Internacional.
Unidades Basicas y Derivadas en Motores
UNIDADES BÁSICAS Y DERIVADAS (SI)


En el sistema SI han sido definidas siete unidades básicas, las cuales aparecen
en la tabla a continuación.




                            Unidades básicas del SI


Todas las otras unidades se derivan de éstas y pueden o no tener un nombre
especial.
La mayoría de las unidades y cantidades utilizadas en ingeniería eléctrica, salvo
lacorriente eléctrica (A) que es una unidad básica, pertenecen a esta categoría
de unidades derivadas SI.




Algunas unidades derivadas usadas en ingeniería eléctrica


PREFIJOS DECIMALES (SI)


A todas las unidades SI se les puede agregar un prefijo que multiplica la
cantidadindicada por una potencia de 10.
Prefijos SI más utilizados


¿...y cómo utilizo el SI para el control de motores?


Hay dos aspectos importantes para los cuales el sistema SI nos sirve
dereferencia o ayuda:


1.   Nos permite utilizar un lenguaje uniforme cuando nos referimos a
laspropiedades eléctricas de los motores o de los circuitos de mando de éstos.Es
así que podemos consultar manuales de diferentes fabricantes, sin necesidad de
aprender una nomenclatura o lenguaje en particular.Aquí aparece un tema
asociado que es la conversión de unidades de otros sistemas al sistema SI.El
caso típico en control de motores es la conversión de unidades de potencia, cuya
unidad SI es el vatio (W); sin embargo, una unidad muyutilizada y arraigada en
nuestro medio es el HP (caballo de fuerza, del inglé shorse power).Para resolver
nuestro problema tenemos que recurrir a la conversión, queconsiste en
multiplicar la magnitud del otro sistema por un factor para obtener la unidad SI
correspondiente:




…todavía no hemos terminado… aún hay más!!!
¿Es común expresar la potencia de los motores en vatios?
Aquí es dónde aparece la otra ventaja del sistema SI
2.   Simplifica la forma de presentar los datos representativos de un
equipoeléctrico o su sistema de control, de modo que puedan ser expresados
demanera reducida y más fácil de entender.




Ejemplo: Los temporizadores utilizados en los arranques a tensiónreducida de
los motores de inducción manejan un parámetro llamado pausa deconmutación
que usualmente es de 0,050 s.
¿No sería más práctico y fácil de recordar 50 ms en lugar de 0,050 s?
 Ahora sí… Ya hemos comprobado lo útil que es utilizar el sistema SI

LOS MOTORES DE INDUCCION Y SU CLASIFICACION

MOTORES DE INDUCCIÓN
DEFINICIÓN




     Motores trifásicos de inducción de alta tensión Cortesía de WEG S.A.




          ...Parece complicado!!!…. Estudiémoslo con calma
Primero, una máquina eléctrica es un dispositivo o equipo dónde se lleva acabo
la conversión electromecánica de energía: los generadores convierten la energía
mecánica en energía eléctrica, mientras que los motores convierten la energía
eléctrica que se les entrega en energía mecánica, para accionar otras máquinas o
dispositivos.




                       Motores de inducción en la industria
La parte fija de un motor recibe el nombre de estator, que consiste en una
seriede bobinas arrolladas y conectadas entre sí, dejando puntos de conexión
hacia elexterior para la conexión de la energía eléctrica de entrada.
Por otro lado, la parte móvil de la máquina, el rotor , gira en el campo
magnéticocreado por la corriente que circula por el estator induciéndose
corriente, como enun transformador.
La Fig. muestra las dos partes princi pales de un motor, estator y rotor, asícomo
sus accesorios.
Partes de un motor de inducción Cortesía SIEMENS AG
CLASIFICACIÓN DE LOS MOTORES DE INDUCCIÓN




Nuestro estudio se orientará al control de los motores eléctricos de
induccióntrifásicos de baja tensión, del tipo jaula de ardilla, ya que la mayoría
de lasaplicaciones industriales utilizan estos motores.
Motores trifásicos de inducción de baja tensión Cortesía de Leroy Somer




Datos de Placa de un motor y Formulas Electricas

DATOS DE PLACA DE UN MOTOR
La placa con los datos característicos nos da toda la información
correspondiente almotor. La figura muestra dos placas típicas de motores.


Utilizando los datos correspondientes a 60 Hz de la primera placa
mostrada,indicaremos los parámetros siguientes:


PARÁMETROS ELÉCTRICOS
• Tipo de motor      3 ∼ (Trifásico)
• Potencia        0,14 kW
• Voltaje nominal     440 V
• Tipo de conexión    Estrella o Y
• Corriente nominal 0,34 A
• Frecuencia nominal 60 Hz
• Factor de potencia (cosφ)0,81




PARÁMETROS MECÁNICOS O CONSTRUCTIVOS
• Velocidad nominal 3 310 / min
• Factor de servicio (SF) 1,15
• Tipo de aislamiento (Th.Cl.) F
• Tamaño del marco IEC56
• Grado de protección IP54
• Tipo costructivo      IM B3ç




                     Placa característica de motor de inducción




                     Placa característica de motor de inducción



TEORÍA DE MOTORES


FÓRMULAS ELÉCTRICAS


Ley de Ohm
V=IxR                      (1)
V Voltaje o diferencia de potencial en voltios (V)
I Intensidad de corriente en amperios (A)
R Resistencia en ohmios ( Ω )
Potencia en circuitos trifásicos




P    Potencia activa en vatios (W)
VL    Voltaje de línea en voltios (V)
IL   Corriente de línea en amperios (A)
cosφ   Factor de potencia


Para los motores VL se refiere a la tensión en bornes del motor e IL a lacorriente
consumida en un instante determinado.
Ejemplo1: Se realizan las lecturas de voltaje, corriente y factor depotencia para
un motor en operación obteniéndose las siguientes lecturas:
Voltaje 440 V
Corriente 115 A
cosφ 0,84
Reemplazando en la fórmula (2) tenemos:



Ejemplo2: Veamos qué sucede si reemplazamos los datos de un motorque
tiene los siguientes datos de placa:
Potencia 8,6 kW
Voltaje 460 V
Corriente 14,7 A
cosφ     0,83


     … ¿qué pasó? Según la placa, la potencia debería ser 8,6 kW


Ocurre que cuando empleamos los datos de placa o nominales de unmotor
debemos incluir un factor mas llamado eficiencia . La eficiencia,por decirlo de
una manera simple, es una medida de la capacidad que tiene el motor para
convertir toda la energía eléctrica que lesuministran en energía mecánica. La
conversión completa no es posibleya que existen pérdidas en el proceso.
La eficiencia depende de muchos factores como, por ejemplo, lacalidad de los
materiales empleados en la fabricación del motor, eldiseño del motor, las
condiciones ambientales, el tiempo de uso del motor, entre otros.
Para introducir la eficiencia debemos modificar ligeramente la fórmula (2) de la
siguiente manera:


Donde:
η : Eficiencia
En la mayoría de los casos que se presentan para el dimensionamientoo
selección de los sistemas de cont rol para los motores, los datos que disponemos
son el voltaje de alimentación y la potencia del motor.
Con estos datos… ¿Cómo calculo la corriente para dimensionarlos
equipos de maniobra y protección?


Primero obtengamos la fórmula para la corriente despejando en la expresión
(2a) y que la potencia está expresada en kW o HP, que son los casos mas
usuales.




Los datos desconocidos son el fact or de potencia y la eficiencia.Típicamente
podemos considerar los siguientes valores:
Factor de potencia: Valores típicos a considerar varían desde 0,8 hastaincluso
0,93 a plena carga. Un valor recomendable para cálculos es 0,85.
Eficiencia: aquí el valor a considerar dependerá principalmente del tipoy
tamaño de motor. La tabla 1.4 mues tra la variación de la eficiencia para
diversos tipos de motor del ti po jaula de ardilla de 4 polos (más
usados).




        Eficiencias típicas para motor del tipo jaula de ardilla de 4 polos
De la tabla podemos ver que:


Ejemplo3: Calculemos la corriente de un motor de induccióntrifásico nuevo de
120 HP que trabajará a 220 V.
Reemplazando los valores en la fórmula (3a) asumiendo un factor depotencia de
0,85 y una eficiencia de 95% tenemos:



Con esta corriente ya podemos diseñar nuestros dispositivos de protección y
accionamientos.
Ejemplo4: Nos encontramos en una mina a 4 000 msnm y nos han encargado
la instalación de un motor de inducción trifásico para un ventilador con las
siguientes datos de placa:
Voltaje:            440 V
Potencia:           500 kW
Factor de potencia: 0,88
Eficiencia:          96,8%
Lamentablemente el dato de corriente en la placa es ilegible.
Aparentemente el problemase reduce a reemplazar losdatos en la fórmula (3);
sinembargo, estamos olvidan-do un factor muy importante.
¿Tienen las personas elmismo desempeño físico anivel del mar que a 4 200
msnm?.La respuesta es obvia, no.De igual manera un motor anivel del mar se
comportará de una manera diferente que en altura.
Será necesario introducir un factor de corrección a la potencia parapoder tener
la verdadera corriente nominal en estas condiciones. La tabla muestra los
diferentes factores a aplicar para diferentes alturas y para diferentes
temperaturas del medio refrigerante.
Factores de correcció n para montaje de motores en
                     alturas superiores a los 1 000 msnm
La fórmula (3) modificada para nuestro caso será:



Donde K H es el factor de corrección por altura y que para nuestro caso es 0,77.
Reemplazando en la fórmula los datos tenemos:




Ahora sí, ésta es la corriente que consumirá el motor; sin embargo,como
veremos más adelante. Los elementos de maniobra y protecciónse ven afectados
por un factor para que puedan trabajar en la altura.
De la tabla también podemos ver que la temperatura ambiente influye en el
valor nominal de la potencia, ya que en la mayoría de los casos el refrigerante es
el aire.
Podemos decir entonces que la fórmula completa es:




donde:
KT es el factor de corrección por temperatura.
                              … mucho cuidado
    En la tabla el factor que aparece ya es el producto de KH KT


                                                                Visto 2147 veces

Torque en un Motor: todo esta en los polos
TORQUE DEL MOTOR
Curva típica Torque (M) / Corriente (I) vs Velocidad (N) para un motor de
inducción
Curva Torque/Corriente vs velocidad

Podemos definir torque como una fuerza rotacional aplicada a un eje que causa
su rotación.
Desde el punto de vista técnico, el torque M de una fuerza en relacióna un eje es
el producto de la fuerza multiplicada por la distancia del punto de aplicación de
la fuerza con respecto al eje.
Cuantitativamente, el torque nominal entregado en un eje es:




Donde:
M Torque en newton-metro (Nm)
P Potencia de salida del motor en kW
n Velocidad en rpm


De la curva podemos distinguir los siguientes puntos:


ID Corriente de arranque.
IN Corriente nominal.
IO Corriente en vacío.
MD Torque de arranque.
MA Torque de aceleración.
MM Torque de desaceleración.
MN Torque nominal.
NN Velocidad nominal.
NS Velocidad síncrona.
Diversas curvas Torque vs. Velocidad para motores de inducción Cortesía de
SIEMENS AG


La velocidad síncrona de un motor de inducción es la velocidad delcampo
magnético rotatorio. Es determinada por la frecuencia aplicadaal motor y el
número de polos presente en cada uno de las fases del
bobinado del estator. Podemos escribir lo siguiente:



Donde:
Ns Velocidad síncrona en rpm
F Frecuencia de la red en hertz (Hz)
P Número de polos del motor (típicamente p = 2, 4, 6…)
Normalmente en un motor de inducción estándar la velocidad a plenacarga o
velocidad nominal está entre 96% y 98% de la velocidad síncrona.
Durante la operación del motor, el rotor se mueve retrasándose respecto al
campo del estator. La diferencia entre estas dos velocidades recibe el nombre
de deslizamiento.
Podemos escribir entonces:




Donde:
NN Velocidad nominal en rpm
NS Velocidad síncrona en rpm
s Deslizamiento
Debe quedar claro que las curvas presentadas son válidas para loscasos en que
alimentamos al motor con la frecuencia nominal deoperación. Una variación en
la frecuencia producirá un desplazamiento paralelo de la curva.


MOTORES DE POLOS CONMUTABLES
Ya hemos visto cómo el número de polos determina la velocidad de giro del
motor.
Se construyen motores a los que se puede modificar elnúmero de polos
permitiendo distintas velocidades de giro.Los casos típicos se muestran en la
tabla siguiente:




                         Motores de polos conmutables


Ampliaremos algunos detalles respecto a los dos primeros tipos de conexión:


Conexión Dahlander
En este tipo de conexión se debe tener presente que para ambas velocidades de
giro se generan relaciones de potencia distintas.
Conexiones Dahlander típicas
La relación de potencia en la conexión ∆ / ΥΥ es de 1/1,5 – 1,8 y es la que se
ajusta más a los requisitos de torque constante.
La conexión Υ/ ΥΥ es especialmente adecuada para máquinas concaracterística
de torque cuadrático (bombas y ventiladores) y tiene una relación de potencia
de 0,3/1.


Motores con bobinados independientes
Estos motores permiten, al menos en la teoría, cualquier combinación de
velocidad de giro y cualquier relación de potencia. Ambos devanados se
encuentran conectados en Υ y completamente independientes entre sí.




              Conexión de motor con bobinados independientes
Terminos Claves para el Estudio de Motores Electricos
GLOSARIO
Conexión Dahlander Forma de conexión del bobinado de un motor en la cual
cada
fase está dividida en dos partes iguales con una toma intermedia.
Nos permite tener dos velocidades de giro.



Corriente nominal Corriente asignada al motor para operación en régimen
permanente. Su valor viene indicado en la placa característica del
motor.


Estator Parte fija de un motor que consiste en una serie de bobinas
arrolladas y conectadas entre sí, dejando puntos de conexión
hacia el exterior para la conexión de la energía eléctrica de
entrada.



Factor de servicio Indica, con respecto a SF = 1, hasta qué valor pueden
aumentarse la potencia y la corriente del motor cuando se admite
una vida útil reducida. Un motor con SF = 1,15 puede producir
15% mayor torque que un motor con SF = 1.



Factor de potencia Es la relación entre la potencia activa (kW) a la potencia
aparente
(kVA).



Generadores Los generadores convierten la energía mecánica en energía
eléctrica.


Máquinas eléctricas Son máquinas donde se lleva a cabo la conversión
electromecánica de energía.


Motores Máquinas que convierten la energía eléctrica en energía mecánica
para accionar otras máquinas o dispositivos.
Motor de inducción Máquina eléctrica en la cual la corriente que circula en el
bobinado secundario es inducida, quiere decir que no hay
eléctrica física entre el bobinado primario y el
secundario.



Motor trifásico Motor eléctrico que recibe la energía eléctrica de una red
trifásica
(L1-L2-L3).



Motor monofásico Motor eléctrico que recibe la energía eléctrica de una red
monofásica (L1-N).



Motor de rotor bobinado Motor de inducción en el que el devanado
secundario es similar a del estator y con el mismo número de polos; los
                  terminales del bobinado del rotor se conectan a anillos
rozantes aislados,montados sobre el eje, en los que se apoyan
      escobillas de carbón.



Motor de jaula de ardilla Motor de inducción en el que el devanado del rotor
está formado
por varillas conductoras alojadas en ranuras practicadas en el
hierro del propio rotor y cortocircuitadas en ambos extremos
mediante dos platos conductores dispuestos en cada extremo
del rotor.



Potencia Trabajo entregado en el eje de un motor por unidad de tiempo.



Rotor Parte móvil de la máquina, que gira en el campo magnético
creado por la corriente que circula por el estator induciéndose
corriente, como en un transformador.
SI Sistema Internacional de Unidades.




Torque Fuerza rotacional aplicada a un eje que causa su rotación.




Velocidad síncrona Velocidad del campo magnético rotatorio determinada
por la
frecuencia aplicada al motor y el número de polos presente en
cada una de las fases del bobinado del estator.



Voltaje nominal Voltaje asignado al motor con el cual se le puede alimentar
desde la fuente de energía.



Velocidad nominal Velocidad a la que girará el rotor del motor bajo
condiciones de
carga nominales. Su valor es inferior a la velocidad síncrona por
el efecto de deslizamiento.




Comenzando con el control de motores: definiciones basicas pero

      importantes
SIMBOLOGÍA Y ESQUEMAS
INTRODUCCIÓN
En esta unidad estudiaremos los conceptos de mando y automatismos,
asimismo describiremos los componentes de un sistem a de mando.
Diferenciaremos entre mando manual, secuencial, alternado, semiautomático y
automático.
Estudiaremos las diferentes normas en la representación de un sistema de
mando, así como los símbolos utilizados en dichas normas. Ana lizaremos los
diferentes esquemas eléctricos de un sistema de mando así como designaremos
los elementos y equipos que se encuentran dentro de un esquema de
automatización.
DEFINICIONES


PROCESO


Es un procedimiento para la conversión y/o el transporte de material, energía
y/o informaciones.




                                El proceso técnico
Se distinguen cuatro clases de procesos:
• Procesos de transformación
Se producen materiales o energía partiendo de materias primas. Ej.: industria
química, siderúrgica, fábricas de cemento, centrales eléctricas, etc.
• Procesos de fabricación
Se modifica la forma del material por medio de una elaboración mecánica. Ej.:
máquinas - herramientas de control numérico, máquinas para trabajar la
madera, etc.
• Procesos de distribución
El material se distribuye con respecto al tiempo o espacio. Ej.: redes de energía,
centrales telefónicas automáticas, etc.
• Procesos de medición y verificación
Se analizan las propiedades mecánicas, físicas y químicas de los objetos.
Ej.: banco de pruebas para motores, simuladores de vuelo, etc.
Los procesos también pueden dividirse en continuos y discontinuos :
• Proceso continuo
Cuando la transformación es constante.
Proceso de lamina do de chapas de hierro
• Proceso discontinuo
Cuando la transformación es por pasos.




                          Proceso de tostado de café
MANDO
Es el proceso en el que una o varias magnitudes de entrada influyen en otras que
actúan como magnitudes de salida.
Mando manual de un caudal
REGULACIÓN
La regulación es un proceso en el cual se mide continuamente la magnitud a
regular, se la compara con otra magnitud piloto tratando de conseguir una
adaptación a dicha magnitud.




                       Regulación manual de un cauda
Resumiendo
Se usa el MANDO cuando:
♦ Las repercusiones de una variación en la magnitud perturbadora son
pequeñas.
♦ Se conoce la variación que produce la magnitud perturbadora.
♦ Las variaciones de la señal perturbadora no son frecuentes.
Empleamos la REGULACIÓN cuando:
♦ Pueden producirse diferentes magnitudes perturbadoras.
♦ Las magnitudes perturbadoras difieren en su índole y extensión.


Definiciones y Simbolos para el Control de Motores (parte 1)


SISTEMA DE CONTROL
Un sistema de control es el procesamiento lógico de señales de entrada para
activar señales de salida.




El cuerpo humano es un SISTEMA DE CONTROL.




SISTEMA DE CONTROL CONVENCIONAL


SISTEMA DE CONTROL CONVENCIONAL
Se dice que un sistema usa un control convencional, cuando los componentes
que integran el control (lógica) están constituidos por dispositivos que cumplen
cada uno su función y por lo general están cableados, además, datan de
hace muchos años.
SISTEMA DE CONTROL MODERNO
Se dice que un sistema usa un control mode rno, si los componentes de su lógica
están constituidos por equipos digitales, diseñados en base a
microprocesadores, como un PLC.




SÍMBOLOS ELECTROTÉCNICOS


DEFINICIÓN
Son las representaciones gráficas de los componentes de una instalación
eléctrica que se usan para trasmitir un mensaje, para identificar,
calificar, instruir, mandar y advertir.


Ventajas
• Su empleo es universal.
• Ahorro de tiempo y dinero en el mantenimiento y reparación de
instalaciones o equipos eléctricos a través de su interpretación de los
componentes.
• Facilitar la interpretación de circuitos.
• Permite una comunicación universal entre las personas independientemente
del idioma del país.


Características
• Debe ser lo más simple posible para facilitar su dibujo y evitar pérdida de
tiempo en su representación.
• Debe ser claro y preciso.
• Debe indicar esquemáticamente el funcionamiento del aparato en un circuito.
• Deben evitarse los dibujos de figuras pictográficas porque los símbolos están
destinados para diagramar a circuitos eléctricos.
• El nombre del símbolo debe ser preciso y claro.
A continuación se indica un listado de símbolos eléctricos para sistemas de
control de máquinas eléctricas:
Definiciones y Simbolos para el Control de Motores (parte 2)


                       •         amaño de la fuente
Visto 1077 veces

Normas y Simbologias Electrotecnicas (parte 1)
                      NORMAS ELECTROTÉCNICAS
NORMA
Es un documento que simplifica, especifica, unifica un material, un producto,un
ensayo, una unidad, una tecnología. Un documento que debe reunir un conjunto
de propiedades intrínsecas para que su aceptación y utilización sea fácil y
segura. Algo que, en síntesis, facilita la vida, estableciendo soluciones óptimas a
todos los problemas que se repiten.
Dentro de los esquemas de circuitos eléctricos, un aspecto muy importante de
las normas es el de conseguir dar una información suficiente, clara, sencilla, de
criterios constantes y contrastada por personas competentes y responsables,
que permita un rápido intercambio de información obteniendo una
comprensión unívoca de concepto y terminología.
Para llevar a buen puerto una actividad los técnicos se sirven entre otras cosas,
de la información que les facilitan las normas que se publican por
diversos organismos a nivel nacional e internacional, normas y organismos cuya
proliferación es amplísima y cada vez con mayor exigencia de rigor.
PRINCIPALES NORMAS ELECTROTÉCNICAS


A continuación se indica las normas electrotécnicas más importantes:




Con la normalización de símbolos empleados en Electrotecnia se crea un nuevo
sistema de comunicación que constituye un idioma gráfico a nivel nacional e
internacional.
Para facilitar el estudio del lector hemos recopilado en una serie de tablas los
grupos de símbolos literales y gráficos que se utilizan en Electrotecnia en
general y en automatización eléctrica en particular.
En cada tabla hemos dibujado los símbolos según las normas IEC, DIN, ANSI, y
se les ha dado el significado unívoco mediante una definición concreta y lo
más clara posible.
        NATURALEZA DE LAS TENSIONES E INTENSIDADES
Normas y Simbologias Electrotecnicas (parte 2)
                     •       tamaño de la fuente
Visto 893 veces

Esquemas Electricos: reconozcamos nuestros diagramas
ESQUEMAS ELÉCTRICOS


Son las representaciones gráficas de los circuitos e instalaciones eléctricas en los
que van indicadas las relaciones mutuas que existen entre sus diferentes
elementos, así como los sistemas de conexión que los enlazan entre sí.
Para sus representaciones se emplea básicamente una serie de símbolos, trazos,
marcas o índices, los cuales han sido unificados por la Comisión Electrotécnica
Internacional (I.E.C.) u otros organismos, los cuales tienden a facilitar, en lo
posible, la correcta interpretación de los símbolos mencionados.
Elementos de un esquema eléctrico:
• Símbolos: dibujo convencional.
• Marca que designan dispositivos, aparatos o máquinas.
• Señales de los bornes.
• Señales de los conductores.


CLASIFICACIÓN DE LOS ESQUEMAS ELÉCTRICOS
ESQUEMAS EXPLICATIVOS
Facilitan el estudio y la comprensión del funcionamiento de una instalación o
parte de ella. Por eso se representan todos los dispositivos,
conductores, uniones mecánicas y condiciones de interdependencia que
intervengan en el funcionamiento descrito o estudiado.
Los esquemas explicativos son los siguientes:
• Esquema explicativo funcional
Es la representación más sencilla y clara que presenta todos los elementos de un
circuito sin interesar su posición respecto a la realidad.
Este esquema nos permite expresar o es tudiar el funcionamiento de alguna
instalación de un aparato o de un sistema.
Aunque este es una forma sencilla de estu diar y explicar el circuito planteado,la
instalación real nunca tendrá esa di sposición o montaje de sus elementos
o dispositivos.
Ejemplos de esquemas explicativos de funcionamiento
Recomendaciones:
- El trazo de los conductores se hará siempre en posiciones horizontales y
verticales, paralelas a los bordes del papel.
- Los trazos de los conductores se cruzarán lo menos posible.
- Se deben complementar con las anotaciones necesarias.

• Esquema explicativo de emplazamiento
Es el dibujo que representa a la vez el emplazamiento aproximado de los
aparatos de uso y de los aparatos que los controlan.
Se llaman también plano de ubicación.




Esquema explicativo de emplazamiento.Tablero de control de un inversor de
giro



• Esquema explicativo de principio
En este caso los símbolos de los diferentes elementos de un mismo aparato o de
una misma instalación están separados y situados de manera que el trazado de
cada circuito se aproxima, en lo posible, a una recta.
La representación explicativa facilita la comprensión de las condiciones de
dependencia eléctrica.




              Esquemas explicativos de funcionamiento. Control
                      de una lámpara por pulsadores
• Plano
Es un esquema explicativo, el cual se presenta por intermedio de un mapa
geográfico sobre el cual se sitúa el trazado aproximado y muy simplificado de las
obras y de las líneas de transporte y distribución de energía.
Ejemplo de un plano de una instalación residencial
Esquemas de Ejecución y Montaje para el control de Motores
ESQUEMAS DE EJECUCIÓN Y MONTAJE
Estos esquemas están destinados a servir de guía en la realización y verificación
de las conexiones de una instalación eléctrica o parte de la misma.
Los más utilizados son:
• Esquema general de conexiones
Es el esquema en el cual están representadas todas las conexiones y todos los
conductores.




                   Ejemplo de esquema general de conexiones
• Esquema de entubado (canalización)
Es un esquema que representa las conexiones entre los diferentes aparatos o
elementos de una instalación eléctrica.
El esquema de cableado exterior se obtiene trazando un esquema de
canalización junto a una relación de aparatos y de dichas canalizaciones.
Ejempla de esquema de entubado
• Esquema unifilar
Es una representación simplificada que comprende circuitos semejantes en los
que están incluidos aparatos similares que funcionan simultáneamente.Se
pueden representar varios conductores por un trazo único cruzado por cortos
trazos oblicuos cuyo número corresponde a los conductores.
Del mismo modo, varios aparatos y componentes de aparatos que funcionan
simultáneamente podrán estar representados por un símbolo único.




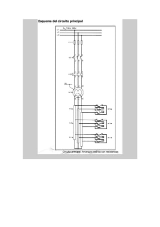
    Ejemplo de representación unifilar. Arranque en directo de tres motores
• DIAGRAMA DE CARGA
Es la distribución de cargas, en forma unifilar, de un tablero general de
distribución o de una subestación o de un centro de transformación.
Ejemplo de diagrama de carga
REGLAS BÁSICAS PARA REALIZAR LA LECTURA E
INTERPRETACIÓN DE ESQUEMAS ELÉCTRICOS
Bloques informativos, de identificación y marcado de bornes para
tableros de control:


En todo proyecto, los componentes eléctricos se identifican por medio de un
código definido en las normas. La identificación de cada elemento debe ser
la misma a lo largo de todo el proyecto, e incluso debe figurar también en el
aparato una vez montado.
La identificación completa de un elemento o equipo eléctrico está compuesto
por los siguientes bloques:




Reglas basicas para leer e interpretar tableros de control
REGLAS BÁSICAS PARA REALIZAR LA LECTURA E
INTERPRETACIÓN DE ESQUEMAS ELÉCTRICOS
Bloques informativos, de identificación y marcado de bornes para
tableros de control:
En todo proyecto, los componentes eléctricos se identifican por medio de un
código definido en las normas. La identificación de cada elemento debe ser
la misma a lo largo de todo el proyecto, e incluso debe figurar también en el
aparato una vez montado.
La identificación completa de un elemento o equipo eléctrico está compuesto
por los siguientes bloques:




Bloque 1: (Subdivisión fundamental)
− Su signo característico (=).
− Nos facilita la relación que hay entre cierto número de elementos respecto a
su situación o posición en el esquema.
− Nos puede servir como signo de identificación en el cual se nos indica la
situación de determinado elemento de un equipo completo.
− Este bloque se debe usar cuando en la instalación, por ejemplo, de un cuadro
de automatismos, existen varios sistemas o grupos de equipos y cada uno de
ellos consta a su vez de varias unidades o equipos.
Por ejemplo:
− Grupo (sistema) de arrancadores dire cto que consta de varios equipos
(unidades) guardamotores.
− Grupo (sistema) de resistencias calefact ores que consta de varios radiadores
(unidades).


Bloque 2: (Ubicación en el plano)
− Su signo característico (+).
− Nos facilita la situación de un elemento para una rápida identificación
delugar, que ocupa, entre numerosos elementos con múltiples usos de igual
o similar presentación, de un conjunto importante o complejo.
− El código de signos de identificación de la situación se puede basar en una
secuencia de números sucesivos o bien en sus coordenadas, de tal forma que no
exista ningún tipo de ambigüedad.


Bloque 3: (Bloque de identificación)
Este bloque es el más importante y en la mayoría de los casos es
suficiente. Consta de 3 partes:
− La clase: hace referencia del elemento, sin tener en cuenta su función. Se
representa por medio de una letra. Cada clase y por lo tanto, cada
letra, representa una familia de elementos, siendo el símbolo del elemento
utilizado el que nos permite distinguir entre los distintos miembros de
esa familia.
− El número: se adopta de acuerdo a las necesidades del circuito, es decir la
cantidad de dispositivos que se usan, pudiendo utilizar cualquier
número natural comenzando por el uno. No es necesario que la numeración
forme una secuencia interrumpida. Para facilitar la lectura se pueden asignar
grupos de números o grupos de elementos.
− La función: hace referencia al papel o acción que desempeña el elemento en
el circuito, independientemente del tipo de elemento que es. Está representada
por una letra.
Código para formar la parte 3ra del bloque de identificación
Código de letras para determinar la función


MÉTODO DE LA CUADRÍCULA
Utilizamos el método de cuadrícula para localizar la situación de los elementos
en el plano. En ordenadas, hemos dividido la hoja en 6 espacios delimitados por
las letras A, B, C, D, E, F, G, puestos de arriba abajo y en el margen izquierdo
del papel.
En abscisas se ha dividido cada hoja en 8 espacios delimitados por los números
1, 2, 3, 4, 5, 6, 7, 8, 9, puestos por orden correlativo de izquierda a derecha y
en el margen superior del papel.
El número de divisiones que nos fija la cantidad de cuadrículas es arbitrario y se
determina según las necesidades del esquema, siendo recomendable dejar
los componentes bien delimitados por zonas distintas. Resultan generalmente
cuadrículas de mayor tamaño que las efectuadas en el esquema que
ponemos como ejemplo.
Esquema con más de una hoja:
Como se puede apreciar en el margen inferior derecho, se han numerado hojas
de la siguiente forma: hoja 1/2, hoja 2/2, con lo que sabemos el número de
la hoja en la que estamos y el total de ellas. Normalmente, esta numeración se
hace en el recuadro del casillero del plano que se utilice en la
empresa, consultoría, etc.
Ya sea que se dibujen casilleros en todas las hojas o sólo en la primera, siempre
se dibujan los esquemas principales y los esquemas de mando por separado;
en forma unifilar o multifilar, el esquema principal y en forma desarrollada el
esquema de mando.
Se pueden dar 3 casos:
a. Que cada esquema principal y de mando ocupe una sola hoja. Es el caso que
se indica en el esquema de este ejemplo.
b. Que se sitúen en la misma hoja los dos esquemas. En la parte izquierda, el
mcircuito principal y en la parte derecha el esquema del circuito de mando.
c. Que se realice primero el esquema completo del circuito principal, utilizando
todas las hojas correlativas que hagan falta y se dibuje a continuación todo el
circuito de mando, en el que se utilizarán también las hojas necesarias y
correlativas. La numeración de las hojas se hace marcando el número de orden y
el número total empleado, comenzando por la primera del circuito principal,
continuando luego con los del circuito de mando. De esta forma queda una
numeración sucesiva e interrumpida.


Identificación y localización de los componentes en el esquema
Circuito auxiliar anexo:
En el circuito de mando en forma desarrollada, hoja 2/2 sobre la columna de
referencia 4 (circuito de contro l) se coloca el circuito auxiliar anexoformado por
la bobina y todos sus co ntactos, facilitándonos la siguiente información:
Bloque de identificación (-) que nos indica la clase (K), número 1 y función (M)
del elemento de mando.
Por ejemplo, el signo de identificación de la clase, número y función del
contactor número 1 que acciona el motor principal es: -K1M.
Marcado de bornes de la bobina A1 – A2.
Marcado de bornes de los contactos principales y auxiliares.
Número de hoja y columna de referencia sobre el que se encuentran los
contactos en el plano.
Esta información se facilita con la marca situada a al izquierda de cada símbolo.
Por ejemplo, el contacto 1-2 se encuentra en la columna 5 de la hoja 1 (1.5) La
bobina se encuentra en la columna 4 de la hoja 2 (2.4)


De manera recíproca, partiendo del contacto incluido en el esquema, se indica la
localización de la bobina.


Para ello, debajo del signo de identificación del contacto, se colocan dos
números que indican el número de hoja y la columna donde se encuentra la
bobina.
Por ejemplo: el contacto 23-24 del – K1M (en hoja 2/2, columna 8) tiene la
bobina en la hoja 2, columna 4 .
Signo de identificación completo:
A la izquierda de todo símbolo del esquema que representa un elemento hemos
colocado un signo de identificación completo, formado por el bloque de
situación más el bloque de identificación de clase, número y función.
Por ejemplo: para el conmutador de voltímetro, el signo de identificación
completo, es en este caso: +C3-S1N.
Método de la cuadrícula: circuito de fuerza
Método de la cuadrícula: circuito de mando
                                                              Visto 1812 veces


El Contactor, el amigo de los motores
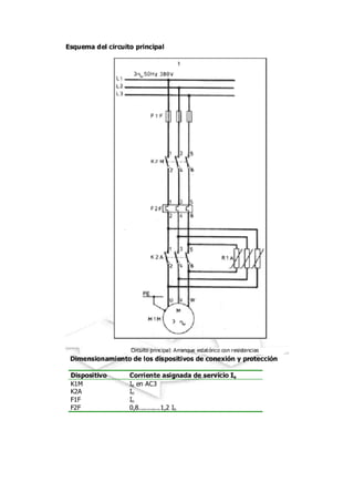
DISPOSITIVOS DE MANDO Y PROTECCIÓN DE MOTORES


Los contactores son aparatos electromagnéticos que establecen o interrumpen
la corriente eléctrica por medio de contactos accionados por un electroimán.
El contactor


En esencia, el funcionamiento de un contactor representado en la Figuras 3.1 y
3.2,consiste en que al aplicar corriente a su bobina, el campo magnético
formado por ésta, atrae al núcleo móvil y este desplazamiento es el que cierra
los contactos, ya que unos están fijos y otros se desplazan con la parte móvil del
núcleo




                             Partes de un contactor



PARTES DE UN CONTACTOR
Las partes principales de un contactor son:
• El electroimán, es el órgano motor del contactor. Está formado por una
bobina y un núcleo magnético, con una parte fija y otra móvil.
• Los contactos principales , que son generalmente tres (1-2; 3-4 y 5-6), son los
elementos que establecen o interrumpen el paso de la corriente principal.
Están construidos generalmente de una aleación de plata y pueden ser de
conexión sencilla o doble.
• Los contactos auxiliares, son una serie de pequeños contactos que en mayor o
menor número llevan los contactores, unos abiertos (13-14; 23-24; etc.) y
otros cerrados (31-32; 41-42; etc.), accionados también por el electroimán y
destinadosa funciones específicas de mando, como son: los en clavamientos,
la autoalimentación, la seguridad, etc.
• Las cámaras de extinción del arco, como su propio nombre indica, tienen por
misión apagar lo más rápidamente posible el arco que se forma entre
los contactos móviles y fijos durante la desconexión del contactor para alargar la
vida de éstos.
Se suelen emplear tres tipos de cámaras de extinción.




                          Cámara de extinción de arco


A continuación vamos a resumir la descripció n de construcción y el
funcionamiento de estos tipos de cámaras:
- Cámaras autosoplado: cada contacto de potencia del contactor está
situado dentro de una cámara de material aislante construida en forma de
chimenea, más ancha por debajo y más estrecha por arriba, de forma que
cuando los contactos mse abren en la cámara, se crea un fenómeno de
aspiración que se ve favorecidopor el calor del arco que salta entre los contactos,
de tal forma, que la corriente de aire ascendente que se origina ayuda a la
extinción del arco.
- Cámaras de soplado magnético: este sistema es una mejora del anterior,
de tal forma que a la cámara en forma de chimenea se le ha añadido un
sistema formado por una bobina arrollada sobre un núcleo de acero, conectada
en serie con la parte fija de cada contacto y dos placas magnéticas de acero,
colocadas a ambos lados de los contactos.
- La bobina de cada polo, al estar recorrida por la corriente principal, crea un
campo magnético proporcional a dicha corriente y a su número de espiras.
- Cuando se abren los contactos y debido al sentido de arrollamiento de la
bobina, el campo magnético creado por las espiras de soplado origina una fuerza
F, que es perpendicular al arco creado entre los contactos fijo y móvil,
consiguiéndose así una extinción más rápida y mejor de los arcos.
- Cámaras de soplado con aletas : este sistema de extinción de arco es el
más utilizado actualmente en los contactores, debido a su sencillez y eficacia y
consiste en rodear cada par de contactos de una cámara de extinción provista de
más aletas metálicas, situadas de tal forma que cortan y enfrían el arco
originado en la apertura de los contactos. Entre cada par de placas se forma un
pequeño arco de muy pequeña tensión que inmediatamente se enfría y se
extingue.
Actualmente, también, se emplea el sistema de contactos al vacío , que
consiste en colocar cada par de contactos dentro de una cámara de cristal
o cerámica, donde se ha hecho el vacío; al no haber aire no se puede originar el
arco y por tanto, éste prácticamente no existe, su inconveniente es su
elevado costo.


MARCADO DE BORNES


La representación del marcado de bornes es tal como sigue:
• Bobina: se marca con A1 y A2 .
• Contactos auxiliares: como ya hemos nombrado, existen contactos
normalmente abiertos (NO) o (NA) y normalmente cerrados (NC).
- Contactos NO.- Se les asignarán números de 2 cifras, la primera cifra indica
el número de orden y la segunda deberá ser 3 y 4.
Ejemplos: 13-14, 23-24, 33-34, etc.
- Contactos NC .- Se les asignarán números de 2 cifras, la primera cifra indica
el número de orden y la segunda deberá ser 1 y 2.
Ejemplos: 11-12, 21-22, 31-32, etc.
- Contactos principales : se marcan con los siguientes números o letras: 1-2,
3-4, 5-6, ó L1-T1, L2-T2, L3-T3 .



• El Contactor se designa con la letra K seguida de un número y una letra
final que indica la función que cumple M, A o B. Ejemplo: K1M, K2A, etc.


CARACTERÍSTICAS
Las características principales a tener en cuenta a la hora de elegir un contactor
son:
• Ith: es la llamada intensidad térmica y es la intensidad máxima que pueden
soportar sus contactos durante 8 horas.
• In: es la intensidad nominal del contactor, es decir, la máxima corriente que
pueden soportar indefinidamente sus contactos.
• Un : tensión de servicio y tensión de la bobina de accionamiento.
• Número de maniobras o endurancia mecánica.
• Categoría de servicio.


CATEGORÍA DE UTILIZACIÓN
Es una característica que define el tipo de corriente (continua o alterna) y el tipo
de carga que han de soportar sus contactos principales, inductiva o resistiva, lo
cual redundará en el arco que han de soportar éstos durante la apertura.
Todo ello definido, principalmente, por las corrientes y tensiones que el
contactor debe establecer o cortar durante las maniobras de carga, dadas como
veces de In y Un.
Para los contactores de corriente alterna se han establecido las cuatro
categorías.




          Categorías de servicio de los contactores de corriente alterna



La categoría de servicio más empleada es la AC3, cuyos contactos han de
soportar 6 In como mínimo, aunque los fabricantes los suelen diseñar para que
soporten 10 In.
Debemos tener en cuenta que si al sustituir un contactor no encontramos otro
de la misma categoría de serv icio, podemos sustituirlo por otro de mayor
categoría, pero nunca por uno de categoría inferior.



RELÉ DE SOBRECARGA
Son dispositivos que se emplean para proteger los equipos eléctricos, tales como
motores y transformadores, contra sobre calentamientos inadmisibles.




                   Esquema eléctrico de un relé de sobrecarga


Un sobrecalentamiento de un motor puede originarse por una sobrecarga en su
eje, un consumo asimétrico de corriente, una asim etría de las tensiones o falta
de una de las fases de la red e, incluso, por un bloqueo del rotor.


En estos casos el relé de sobrecarga supervisa la corriente
consumida por todos los polos del consumidor.


Los bornes principales se marcarán como los contactos principales del
contactor, 1-2, 3-4, 5-6, o L1-T1, L2-T2, L3-T3. Los contactos auxiliares serán,
95-96 contacto cerrado y 97-98 contacto abierto.


Existen dos tipos de relés de sobre carga: los térmicos y los electrónicos.


                                                               Visto 1348 veces

Reles de sobrecarga termicos y electronicos
RELÉS DE SOBRECARGA TÉRMICOS
Los relés térmicos tienen por lo general tres tiras bimetálicos. Las resistencias
calefactoras por las que circula la corriente del motor, calientan indirectamente
estas tiras.




                     Esquema eléctrico de un relé térmico


Cuando las tiras térmicas se calientan debido a la corriente que circula a través
de las resistencias calefactoras, un sistema mecánico hace disparar al relé
térmico.
Una vez que las tiras bimetálicas enfriaron en un determinado grado, podrá
volverse el disparador a su posición inicial oprimiendo el botón de desbloqueo.
Al período de tiempo después del cual es posible reponer al relé a su posición de
trabajo se le denomina tiempo de reposición .
El ajuste de los relés térmicos se realiza mediante un botón rotativo (1), con
el cual se regula en forma continua la corriente de ajuste Ir dentro del margen
del relé.




                        Vista frontal de un relé térmico


Como medio de protección para reconexiones indebidas del relé térmico,estos
están equipados con un botón de reposición o “reset” (2). Este botón debe ser
accionado para que el relé térmico se encuentre listo antes de ponerlo en
operación o luego de un disparo. Algunos relés térmicos permiten su reposición
en forma manual o automática y poseen un selector de reset man/aut (3) .
Para verificar el funcionamiento de los contactos auxiliares de los relés, se
dispone de una corredera de prueba “test” (4), lo cual permite comprobar
también el cableado del circuito de comando.
Mediante el botón de parada “stop” (5), se puede desconectar elcontactor
correspondiente al relé y con éste el motor.
RELÉS DE SOBRECARGA ELECTRÓNICOS
En estos dispositivos, la corriente de cada fase es medida a través de
transformadores de intensidad de corriente integrados. Un circuito basado en
microprocesador se encarga de medir y transformar esta señal analógica hasta
finalmente disparar al relé en caso de sobrecarga del motor.
Vista frontal de un relé térmico
En forma similar al relé de sobrecarga térmico, éste se regula al valor deseado
mediante una perilla giratoria (1) de la Figura 3.7 y es posible emplear un
 indicador LED de “sobrecargas” (2) como ayuda para el ajuste.
Mediante una segunda perilla “CLASS” (3), se puede seleccionar la clases de
disparo (entre seis tipos).
La reposición del relé se implementa con la tecla “Test/Reset” (4), que
presionándola durante dos, cinco y mas segundos, permite realizar un protocolo
de prueba completo al relé de sobrecarga electrónico, incluyendo sus leds de
estado (5).


El interruptor Automatico
EL INTERRUPTOR AUTOMÁTICO
Estos dispositivos se utilizan para proteger contra cortocircuitos, así como
también para proteger contra sobrecargas, corrientes de defecto y tensiones
bajas. De esta manera, asumen la protección de equipos eléctricos contra
sobrecalentamiento inadmisible.




                         Interruptor termomagnético
Los interruptores automáticos protectores de motor, también llamados
interruptores termomagnéticos, son dispositivos destinados para la maniobra,
protección y seccionamiento de circuitos con cargas motrices primordialmente.
Protegen simultáneamente estos motores contra la destrucción por arranque
bloqueado, sobrecarga, cortocircuito y avería de un conductor externo en redes
trifásicas.




                  Simbología del interruptor termomagnético



Según la función de aplicación, sus vías de corriente se equipan con
disparadores o relés. Los disparadores forman parte del interruptor. Los relés y
aparatos de disparo por termistores actúan, por el contrario, eléctricamente a
través de un disparador de mínima tensión o bobina de apertura por tensión
sobre el mecanismo del interruptor. La tabla , presenta un resumen de los
disparadores y relés para interruptores automáticos.
Disparadores y relés de interruptores automáticos con función de protección
Disparadores contra sobrecargas
Los disparadores contra sobrecargas con retardo dependiente de la corriente,
pueden regularse dentro de un determinado margen y, a veces, están ajustados
en un valor fijo. El ajuste se efectúa con ayuda de un botón giratorio, mediante
la entrada con pulsadores o con una palanca. Con la corriente ajustada
Ir (corriente de reacción) se determina la curva característica de disparo.
Curva característica de disparo
En los disparadores electrónicos contra sobrecargas se puede modificar el
tiempo de disparo para 7,2 . Ir por medio del ajuste CLASS (Clase de disparo).
En las normas DIN VDE y publicaciones de la IEC, se dan indicaciones
relacionadas con las corrientes de reacción y el comportamiento de los
disparadores y relés térmicos con retardo dependiente de la corriente de
protección contra sobrecargas.


Disparadores por cortocircuitos
Los disparadores electromagnéticos contra cortocircuitos pueden estar
ajustados a un valor fijo o ser regulables. Los de algunos fabricantes son siempre
ajustables.
La tabla 3.3 muestra los márgenes de ajuste de los disparadores de protección
contra cortocircuitos. Según la norma DIN VDE 0660, la corriente de reacción,
para la que se producirá el disparo, puede tener una desviación del ±20% del
valor ajustado.




Margen de actuación de los disparadores por cortocircuito. (según la norma din
vde 0660, parte 101)
Disparador por mínima tensión



El disparador o bobina por mínima tensión se utiliza para vigilar la tensión de la
red, en circuitos de enclavamientos eléctricos o para desconectar a distancia.
Debe disparar el interruptor cuando la tensión asignada de alimentación del
circuito de mando Us descienda a un rango equivalente a una tensión de
accionamiento Uc,entre 0,35 y 0,7 . Us..
Si la tensión de mando Us se toma directamente de la red, el interruptor
desconecta sin retardo tras una caída o falla de la tensión de alimentación.




                        Disparador por mínima tensión
Los disparadores por mínima tensión por re tardo se utilizan en redes con
deficiencias en el suministro de potencia para evitar que los interruptores
disparen con cada fluctuación o caídas breves de la tensión de la red. El retardo
que puede seleccionarse, por lo general, entre 1, 2 ó 3 segundos, se obtiene
mediante un elemento de retardo.
La interrupción de la conexión entre el elemento de retardo y el disparador
permite operar con desconexión inmediata (por ejemplo, en paradas de servicio
o de emergencia).


                                                               Visto 1044 veces

Contactores Auxiliares o Reles


AUXILIARES DE MANDO
CONTACTORES AUXILIARES O RELÉS
Los relés o contactores auxiliares, como también se denominan algunas veces,
son elementos similares a un contactor, pero con contactos solamente auxiliares
y se emplean para completar las protecciones y los circuitos automáticos de
mando y control de motores eléctricos, es decir, trabajan o soportan pequeñas
corrientes.
Se componen de un circuito magnético, con su bobina y núcleo correspondiente
y varios contactos, unos abiertos y otros cerrados, que cambian de posición al
excitarse su bobina. En el Figura vemos la construcción y representación
esquemática de algunos de estos tipos de relés auxiliares.




               Formas constructivas y símbolos de relés auxiliares
Los relés auxiliares se fabrican de muchas formas y tamaños, desde el pequeño
relé que se suelda directamente en un circuito impreso, hasta los que tienen el
tamaño de pequeños contactores.
Por otra parte, su sistema de conexión puede ser muy diverso: bornes
atornillados, soldados, con conector enchufable, etc.
Sus características principales son:
- Tensión y tipo de corriente de la bobina de mando (pueden ser de corriente
alterna o continua).
- Intensidad máxima permitida por los contactos (entre 1, 5 y 10 A,
generalmente).
Designación: K2A


RELÉS TEMPORIZADOS O TEMPORIZADORES


Existe otro tipo de relé auxiliar cuyos contactos no se mueven inmediatamente
al introducir o quitar corriente a la bobina, sino que su movimiento queda
retrasado con respecto a alguna de estas dos acciones; son los llamados relés
temporizadores.
Estos, al igual que los relés auxiliares, están formados por un circuito magnético
y una serie de contactos de acción retardada, de tal forma que no se abren o
cierran hasta no haber pasado un tiempo desde que se excitó o desexcitó la
bobina.
No vamos a describir aquí el funcionamiento del sistema de temporización,pero
sí decir que pueden ser de muy diversas formas, siendo las tecnologías más
empleadas para ello las que se fundamentan en la neumática, termoelectricidad,
sistemas de relojería, electrónicos, etc., siendo estos últimos los que más se
fabrican actualmente.




                          Tipos de relés temporizadores
En la Figura vemos la representación esquemática de los relés temporizados,
destacando que el sentido de temporización, al cierre o a la apertura, a la
excitación o a la desexcitación puede ponerse tanto en el símbolo de la bobina
como en los propios contactos, de tal forma que así tenemos dos grupos
perfectamente diferenciados.


Relé temporizado a la conexión (al trabajo) – On delay:
Al excitarse la bobina sus contactos esperan el tiempo de temporización para
cambiar de estado. Si se quita la corriente a la bobina sus contactos vuelven a su
estado de reposo inmediatamente.




      Contactos auxiliares de acción retardada a la conexión (ON DELAY)
Diagrama secuencial
En la Figura se explica el funcionamiento de un sistema temporizado On delay.
La red “R” debe estar en tensión.
El cierre del interruptor “K” inicializa la temporización “t” preseleccionada y
provoca simultáneamente el encendido del piloto “V” integrado en el sistema o
en el aparato. Después de haber transcurrido el tiempo “t” preseleccionado, la
carga “C” se pone en tensión y el piloto “V” se apaga.
La carga “C” queda en tensión hasta la apertura del interruptor “K” o a la
desaparición de la tensión de la red “R”.




                Diagrama secuencial (temporizado a la excitación)
Relé temporizado a la desexcitación o retardado a la desconexión (al reposo) –
Off Delay:
Al excitarse la bobina sus contactos cambian de posición instantáneamente,
pero tardan en regresar a su posición de reposo al quitar la corriente a la bobina.




Contactos auxiliares de acción retardada a la desconexión (OFF DELAY)
Diagrama secuencial


En la Figura se explica el funcionamiento de un sistema temporizado Off delay.
La red “R” debe estar en tensión.
El cierre previo del interruptor “K” provoca la puesta en tensión de la carga “C”.
La apertura del interruptor “K” inicializa la temporización y
provoca simultáneamente el encendido del piloto “V” insertado en el sistema o
en el aparato. Después de haber transcurrido el tiempo “t” preseleccionado,
la carga “C” se pone fuera de tensión y el piloto “V” se apaga.
La carga “C” queda entonces fuera de tensión hasta un nuevo cierre del
interruptor “K”.




          Diagrama secuencial (relé temporizado a la desexcitación)


Las características principales de los relés temporizados son:
- Tensión y tipo de corriente de la bobina.
- Margen de regulación de la temporización. Expresado generalmente
en segundos.
- Tipo de temporización (de reposo o de trabajo).
- Máxima intensidad soportada por los contactos.




Botoneras y Interruptores de Posicion o de Final de Carrera o "Limit

     Switch"
BOTONES PULSADORES
Son dispositivos auxiliares de mando provistos de un elemento destinado a ser
accionado por la fuerza ejercida por una parte del cuerpo
humano, generalmente el dedo o la palma de la mano y que tiene una energía de
retorno acumulada (resorte).
Ahora bien, debido a la gran cantidad de fabricantes y a la diversidad de
posibilidades constructivas, en el argot técnico es frecuente ver utilizar
los términos:
- Para el elemento de accionamiento o botón de presión: actuador, cabeza,
roseta, tecla, etc. Los fabricantes se esfuerzan en conseguir un acabado
agradable, condicionado además por el color, según la función a desempeñar
por el pulsador.
Color del que puede ser todo el elemento de accionamiento o, lo que es muy
frecuente, el botón rasante o saliente que se monta a presión o roscado sobre la
cabeza.
- Para el auxiliar de mando o elemento de conexión: bloque de contactos,cámara
de contactos, cuerpo, etc. Se construyen pulsadores para montar sobre base y
para empotrar.




                        Pulsadores y sus componentes


Las cajas de pulsadores así como las unidades de mando empotrables van
equipadas de contactos que, en función del tipo de la cabeza de mando:
- Sólo conectan o desconectan durante el impulso, tomando después su
posición original (contactos momentáneos).
- Quedan en posición a la hora de actuar sobre la cabeza de mando (contactos
mantenidos o de enganche); en este caso, es preciso una segunda intervención
para anular la anterior.
Tipos de pulsadores
- Pasante: evita toda la maniobra inesperada.
- Saliente: intervención rápida, parada de urgencia.
- De varilla: maniobra de la varilla en cualquier dirección (caja de pulsadores
colgantes).




                              Tipos de pulsadores




Botones giratorios:
De dos o tres posiciones mantenidas con retorno automático y cero (selección de
circuitos o de un tipo de marcha: marcha manual, automática y parada sobre un
equipo compresor o bomba, por ejemplo).
Cuando el mando se realiza por llave (extraíble o enclavada en ciertas
posiciones) solamente la persona autorizada puede realizar la maniobra.
INTERRUPTORES DE POSICIÓN O “FINAL DE CARRERA” O “LIMIT
SWITCH”
Los contactos de mando mecánico son utilizados para controlar la posiciónde
una máquina, permitiendo la puesta en marcha, la disminución de velocidad o
la parada en un sitio determinado o para mandar ciclos de funcionamiento
automático en las máquinas modernas.




                       Tipos de interruptores de posición
Los principales factores que intervienen en la elección de un contacto de mando
mecánico son:


• Protección contra manipulaciones, choques violentos, proyecciones de
líquidos, presencia de gas.
• Naturaleza del ambiente: húmedo, polvoriento, corrosivo y la temperatura
que existen en el lugar de utilización.
• El lugar disponible para alojara y fijar el aparato.
• Las condiciones de utilización: frecuencia de maniobras, peso y velocidad del
móvil a controlar, precisión y fidelidad exigidas, esfuerzo necesario
para accionar el contacto.
• Número y naturaleza de los contactos: ruptura lenta o brusca, posibilidad de
regulación.
• Naturaleza de la corriente, valor de la tensión.


Símbolo:
Visto 1098 veces


Presostatos y Detectores capacitivo e inductivo
PRESOSTATOS – VACUOSTATOS
Estos aparatos están destinados a la regulación o al control de una presión o de
una depresión en los circuitos neumáticos o hidráulicos.
Cuando la presión o la depresión alcanza el valor de reglaje (valor al cual han
sido regulado); el contacto de apertura – cierre de ruptura brusca, báscula
y cuando el valor de la presión o de la depresión disminuye el (o los) contactos
vuelven a su posición original.
Se utilizan frecuentemente para:
- Mandar la puesta en marcha de grupos compresores en función de la presión
en el depósito.
- Asegurarse de la circulación de un fluido de lubricación o de refrigeración.
- Limitar la presión en determinadas máquinas – herramientas provistas de
cilindros hidráulicos.




                           Presostato – Vacuostato
Los contactos pueden ser normalment e abiertos o normalmente cerrados,
dependiendo del tipo de presostato.




DETECTORES INDUCTIVOS
El Detector Inductivo (DI) es un fin de carrera que trabaja exento de roces y sin
contactos, no está expues to a desgastes mecánicos y en general
es resistente a los efectos del clima. Su empleo es especialmente indicado allí
donde se requieren elevadas exigencias, precisión en el punto de conexión,
duración, frecuencia de maniobras y velocidad de accionamiento.




                               Detector inductivo
Funcionamiento:
El DI es excitado por un campo alterno de alta frecuencia, el cual se origina en la
"superficie activa" del DI, la magnitud de este campo alterno determina el
"alcance" del aparato. Cuando se aproxima un material buen conductor
eléctrico o magnético , el campo se amortigua. Ambos estados (campo
amortiguado o no amortiguado) son valorados por el DI y conducen a un
cambio de la señal en la salida.
Símbolo:




Esquema de conexiones:




DETECTOR CAPACITIVO
Estos detectores de proximidad capacitivos son interruptores de límite,que
trabajan sin roces ni contactos. Pueden detectar materiales de
conducción o no conducción eléctrica , que se encuentran en estado sólido,
líquido o polvoriento, entre otros: vidrio, cerámica, plástico, madera,
aceite, agua, cartón y papel. El detector se conecta cuando él y el material se
encuentran uno enfrente del otro a una determinada distancia.




                               Detector capacitivo
Símbolo:




Esquema de conexiones:




Aplicaciones:
- Señalización del nivel de llenado en recipientes de material plástico o vidrio
- Control del nivel de llenado con embalajes transparentes
- Aviso de roturas de hilo en bobinas
- Cuenta de botellas
- Regulación del bobinado y de los esfuerzos de tracción de cintas
- Cuenta de todo tipo de objetos
La superficie activa de un sensor está formada por dos electrodos metálicos
dispuestos concéntricamente, éstos se pueden considerar como los
electrodos de un condensador.
Al acercarse un objeto a la superficie activa del sensor, se origina un campo
eléctrico delante de la superficie del electrodo. Esto se traduce con una
elevación de la capacidad y el oscilador comienza a oscilar.
DETECTORES FOTOELÉCTRICOS
Los detectores fotoeléctricos permiten señalar la presencia o el paso de un
objeto a través de un haz luminoso, tal como se muestra.




                            Detectores fotoeléctricos
Aunque existen infinidad de tipos de detectores fotoeléctricos en cuanto a
formas, tamaño y alcance de detección. todos ellos los
podríamos clasificar en tres sistemas o formas de detección.
- Sistema de barrera.
- Sistema de reflexión o réflex.
- Sistema de proximidad.




                       Tipos de detectores fotoeléctricos




                      Detectores fotoeléctricos de barrera
Detectores fotoeléctricos de proximidad
- El sistema de barrera se emplea para largos alcances (hasta 20 o más metros)
y es el sistema mayor adaptado para la detención de objetos opacos
o reflectantes, pero no transparentes; incluso trabaja bien en ambientes
contaminados con polvo o agua.
En este sistema el emisor y el receptor (que han de ser del mismo modelo) están
separados formando una barrera y para su correcto funcionamiento
necesitan una alineación muy precisa. La detección se realiza cuando es
interrumpido el haz reflejado.
- El sistema de reflexión o réflex se emplea para alcances cortos o medianos
(hasta 8 ó 10 metros como máximo) para objetos opacos, pero no lisos y
reflectantes, en ambientes relativamente limpios y cuando la detección
solamente es posible desde un lado.
En este sistema el emisor y el receptor están en la misma capa y el retorno del
haz se realiza mediante un reflector de prismas situado al frente y
alineados entre sí. La detección se realiza cuando es interrumpido el haz
reflejado.
Detectores fotoeléctricos de reflexión (réflex)
El sistema de proximidad se emplea para distancias cortas (entre algunos
centímetros y un metro generalmente) y para objetos brillantes, transparente o
translúcidos, como botellas, que reflejan el haz emitido.En este sistema el
emisor y el receptor van incorporados en la misma caja y el haz es reflejado por
los objetos que pasan frente a él. La detección se realiza cuando el receptor
recibe el haz reflejado.




                   Detección con detector fotoeléctrico réflex
Símbolo:




Adicionalmente, se tiene la versión mejorada de algunos de los
sistemas anteriores: Sistema Réflex Polarizado.
Sistema de proximidad con borrado del plano posterior
El cual tiene las siguientes ventajas:
- Detecta objetos ignorando el plano posterior.
- Detecta objetos hasta una distancia dada, cualquiera que sea su color.

Lamparas de Señalizacion, Resumen y Terminos comunes
LÁMPARAS DE SEÑALIZACIÓN
Son elementos que se utilizan para indicar:
Lámpara Roja:
- Indica parada (desconexión).
- La parada de uno o varios motores.
- La parada de unidades de máquina.
- La eliminación del servicio de disp ositivos de sujeción magnéticos.
- La parada de un ciclo (cuando el operador acciona el pulsador durante el
ciclo, la máquina parará una vez terminado el mismo).
- La parada en caso de peligro.
Lámpara Verde:
- Indica marcha (preparación).
- Puesta bajo tensión de circuitos eléctricos.
- Arranque de uno o varios motores, para funciones auxiliares.
- Arranque de unidades de máquina.
- Puesta en servicio de dispositivos de sujeción magnéticos.
Lámpara Negra:
- Indica marcha (ejecución).
- Comienzo de un ciclo completo o parcial.
- Funcionamiento intermitente.
Lámpara Amarilla:
- Indica puesta en marcha de un retroceso extraño al proceso normal
de trabajo o marcha de un movimiento, para la eliminación de una condición
peligrosa.
- Retrocesos de elementos de máquinas hacia el punto inicial del ciclo, en el
caso de que éste no esté terminado.
- Anulación de otras funciones seleccionadas previamente.
Lámpara Azul claro:
- Indica cualquier función no mencionada anteriormente.
- Maniobra de funciones auxiliares, que no estén ligadas directamente con el
ciclo de trabajo.
- Desbloqueo (rearme de relés de protección).
Simbolo:
RESUMEN
• Los contactores son aparatos electromagnéticos que establecen o
interrumpen la corriente eléctrica por medio de contactos accionados por un
electroimán. Se compone de un electroimán, contactos principales, co ntactos
auxiliares y cámara de extinción del arco. Los contactos principales se numeran
con un solo dígito ( 1-2, 3-4, 5-6 ) y los auxiliares con dos dígitos ( 13-14, 21-
22, etc.). Su designación comienza con la letra K, ej.: K1M. Tiene cuatro
categorías de utilización: AC1, AC2, AC3 y AC4.
• Los relés de sobrecarga son dispositivos que se emplean para proteger los
equipos eléctricos contra sobre calentamientos inadmisibles. Los bornes
principales se marcarán como los contactos principales del contactor, 1-2, 3-4,
5-6, o L1-T1, L2-T2, L3-T3. Los contactos auxiliares serán,95-96 contacto
cerrado y 97-98 contacto abierto. Se designan con la letra F, ej.: F2F.
• Existen dos tipos de relés de sobre carga: los térmicos y los electrónicos.
• El interruptor automático es un dispositivo que se utiliza para proteger
contra cortocircuitos, así como también para proteger contra sobrecargas.
• Los fusibles son dispositivos que se utilizan para proteger las líneas de
alimentación de los motores contra cortocircuitos. Su designación es con la letra
 F, ej.: F3F .
• El relé auxiliar es un elemento similar a un contac tor, pero con contactos
solamente auxiliares y se emplean para completar las protecciones y los
circuitos automáticos de mando y control de motores eléctricos, es decir
soportan pequeñas corrientes. Designación: K4A.
• El temporizador es un tipo de relé auxiliar cuyos contactos no se mueven
inmediatamente al introducir o quitar corriente a la bobina, sino que su
movimiento queda retrasado con respecto a alguna de estas dos acciones.
Existen dos tipos de temporizadores: retardado a la conexión (ON DELAY) y
retardado a la desconexión (OFF DELAY). Designación: K2T.
• Los pulsadores son dispositivos auxiliares de mando provistos de un
elemento destinado a ser accionado por la fuerza del dedo o la palma de la mano
y que tiene una energía de retorno acumulada (resorte). Designación: S1Q,
S2B.
• Los interruptores de posición son utilizados para controlar la posición de
una máquina, permitiendo la puesta en marcha, la disminución de velocidad o
la parada en un sitio determinado o para mandar ciclos de funcionamiento
automático en las máquinas modernas.
• Los presostatos son aparatos destinados a la regulación o al control de una
presión o de una depresión en los circuitos neumáticos o hidráulicos.
• El detector inductivo es un fin de carrera que trabaja exento de roces y sin
contactos, no está expuesto a desgastes mecánicos y en general es resistente a
los efectos del clima. Su empleo es indicado allí donde se requieren elevadas
exigencias, precisión en el punto de conexión, duración, frecuencia de
maniobras y velocidad de accionamiento.
• El detector capacitivo es un interruptor de límite, que trabajan sin roces ni
contactos.Puede detectar materiales de conducción o no conducción eléctrica,
que se encuentran en estado sólido, líquido o polvoriento, entr e otros: vidrio,
cerámica, plástico, madera, aceite, agua, cartón y papel.
• Los detectores fotoeléctricos permiten señalar la presencia o el paso de
un objeto a través de un haz luminoso. Pueden ser de tres tipos: sistema de
barrera, reflex y de proximidad.
• Las lámparas de señalización se utilizan para indicar puesta en marcha,
parada, funcionamiento intermitente de un mo tor o un grupo de ellos.
Designación H1H.




GLOSARIO


Aparato Conjunto organizado de piezas que cumple una función determinada
dentro de un circuito eléctrico.


Aparato de mando Aparatos operados en forma manual que, incluidos en los
circuitos
auxiliares, permiten comandar los aparatos de maniobra dispuestos
el circuito principal.


Automático Que opera por si mismo o por su propio mecanismo, cuando
actúa por alguna influencia no personal.


Corriente Asignada Corriente para la cual son diseñados los aparatos de
maniobra.


Contactor Aparato mecánico de conexión que tiene únicamente una posición
de pausa, no accionada a mano, capaz de establecer, transportar y
cortar corrientes en condiciones de circuitos normales, incluyendo
condiciones de sobrecarga en servicio.
Corriente de cortocircuito Sobreintensidad que se deriva de un
cortocircuito debido a una falla o a una conexión incorrecta en un circuito
                       eléctrico.



Circuito principal        Todas las partes conductoras de un conjunto que
forman parte de un circuito cuyo fin es transmitir la energía eléctrica.


Circuito auxiliar Todas las partes conductoras de un conjunto de aparamenta
de
conexión y mando que forman parte de un circuito cuyo fin es
controlar, medir, señalizar y regular.

Contacto Estado en el que dos partes conductoras destinadas a esta función,
se unen con determinada fuerza y permiten el paso de una
corriente eléctrica.


Contacto auxiliar Contacto dispuesto en un circuito auxiliar. Según su
función de
operación puede ser Normalmente Cerrado (NC), Normalmente
Abierto (NA), Inversor (I) o de paso.


Dispositivo Elemento de un sistema eléctrico por el cual circula corriente,
pero no consume energía eléctrica en cantidad apreciable.


Dispositivo de enclavamiento Dispositivo que hace que la operación de un
aparato de maniobras
depende de la posición o el efecto de uno o más componentes de
una instalación.


Interruptor deposición Auxiliar automático de mando cuyo mecanismo
transmisor es
accionado por una parte móvil de una máquina, cuando esta parte
alcanza una posición determinada.


Interruptor automático Aparato mecánico de conexión capaz de establecer,
transportar y
cortar corrientes en condiciones de circuitos normales y también
establecer y transportar durante un tiempo determinado y cortar
corrientes en determinadas condiciones anormales como las de
cortocircuito.


Interruptor de proximidad Interruptor que funciona sin contacto mecánico
con la parte móvil.


Relé temporizador Aparato de maniobra con retardo de tiempo electrónico o
electromecánico que, una vez que transcurrió un tiempo ajustado,
cierra y/o abre sus contactos.


Sobrecarga Condiciones operativas en un circuito eléctricamente sano
que podría causar una sobreintensidad.

Tensión de servicio Tensión o voltaje verificado “in situ” entre los
conductores que alimentan un aparato o instalación eléctrica.



                                                                Visto 984 veces


Arrancadores a Tension Plena: directo y con dos sentidos de giro
Los arrancadores son aparatos de maniobra co n los cuales se lleva a los motores
desde que están en reposo hasta su velocidad de régimen, mientras se
mantienen dentro de límites prefijados los valores de la corriente de arranque y
el torque del motor.
Veamos algunas definiciones importantes para esta unidad:
CIRCUITO PRINCIPAL
Circuito que contiene equipos eléctricos para generar, transformar, distribuir,
conectar/desconectar o consumir energía eléctrica.
Para nuestro caso se refiere al circuito donde se encuentran los dispositivos de
maniobra y protección de los motores.
CIRCUITO AUXILIAR
Comprende todas las partes conductivas de una combinación de aparatos de
maniobra que pertenecen a un circuito (con excepción del circuito principal)
que se utiliza para comando, medición, avisos, regulación, enclavamiento,
procesamiento de datos u otros.
ARRANCADORES A TENSIÓN PLENA
ARRANQUE DIRECTO
Se denomina arranque directo, a la forma en que se le aplica la tensión a un
motor para su proceso de arranque, en este caso, se le aplica la tensión nominal
a través del contactor y dispositivos de protección como los fusibles y relé
térmico.
Esta forma de arranque tiene la ventaja que el motor desarrolla en el arranque
su torque máximo cuando la carga así lo requiera. El inconveniente es que toma
una corriente de arranque máxima en algunos casos hasta 10 veces,
recomendable paramotores de baja potencia pudiendo llegar como máximo a 10
HP.
En lo posible los motores trifásicos asin crónicos con rotor de jaula de ardilla se
arrancan en forma directa.
Funcionamiento
Mediante el accionamiento del pulsador S1Q se excita la bobina del contactor
K1M. El contactor conecta al motor y se enclava a través del contacto
auxiliarK1M/13-14 y del contacto cerrado del pulsador de parada S0Q que se
encuentra en estado de reposo. Al accionar el pulsador S0Q desconecta el
contactor K1M.
En caso de sobrecarga, se activa el cont acto de apertura 95-96 en el relé térmico
F2F. Se interrumpe el circuito de la bobi na; el contactor K1M desconecta el
motor
Aplicaciones
Máquinas herramientas.
Compresoras.
Ventiladores.
Bombas de agua, etc.

ARRANQUE DIRECTO CON DOS SENTIDOS DE GIRO
En este caso se combinan do s tipos de arranques en directo con la diferencia de
que uno de ellos gira hacia la derecha y el otro hacia la izquierda.
Es importante tomar medidas de seguridad ante la elección de un sentido de
giro, no debiendo ingresar el otro sentido porque se produciría un corto circuito
debido a la inversión de fases. Luego todas las consideraciones tomadas para el
arranque en directo son idénticas en una inversión de giro.
Circuito principal: Arranque con inversión de giro
Funcionamiento
Al accionar el pulsador S1B se excita la bobina del contactor K1B. El contactor
 conecta al motor en marcha a la derecha y se autoenclava a través de
su contacto auxiliar K1B/13-14. El contacto NA (Normalmente Abierto)
K1M/21-22 bloquea eléctricamente la conexión de K2B.
El accionamiento del pulsador S2B conecta K2B (motor marcha a la izquierda).
Para la conmutación del sentido de giro, ha de accionarse
previamente, dependiendo de la aplicación, el pulsador de parada S0Q o
directamente el pulsador para el sentido opuesto de marcha.
En caso de sobrecarga, se activa el cont acto de apertura 95-96 en el relé térmico
F2F.
Aplicaciones
Frenado a contramarchas de motores asíncronos.
Montacargas.
Puertas corredizas.
Ascensores, etc.




Arrancadores a Tension Plena: CONEXIÓN DAHLANDER y

      BOBINADOS INDEPENDIENTES
CONEXIÓN DAHLANDER, 1 SENTIDO DE GIRO, 2 VELOCIDADES
Esta clase de motor sólo permite la obtención de dos velocidades (4 y 8 polos, 6
y 12 polos, etc.); contiene 6 bornes. En función de sus características, los moto
res pueden ser de potencia constante, parconstante o de par y potencia
variables.
Para una de las velocidades, la red está conectada a los tres bornes
correspondientes, para la segunda éstas unidas entre ellas y la red conectada
con los otro tres bornes.
A menudo el arranque se efectúa directamente tanto en gran velocidad como en
pequeña velocidad.
Funcionamiento
El pulsador S1Q acciona el contactor de red K1M (velocidad lenta), el cual se
enclava a través de su contacto 13-14.
El pulsador S2Q acciona el contactor K2M, y mediante su contacto NA 43-44, al
contactor de red K3M, éstos se enclavan a través de K2M/13-14.
Para conmutar de una velocidad a otra, será necesario accionar el pulsador S0Q
de parada.
La desconexión se realiza con S0Q.


Aplicaciones
Máquinas herramienta, maquinaria de la industria textil.
Compresores.
Cintas transportadoras.
Prensas de imprimir.
Máquinas de lavar.
Bombas de émbolo, etc




BOBINADOS INDEPENDIENTES, 1 SENTIDO DE GIRO, 2
VELOCIDADES


Este tipo de motor contiene dos arro llamientos estatóricos eléctricamente
independientes, que permite obtener dos velocidades en una relación
cualquiera.
Los devanados “pequeña velocidad” debe n soportar los esfuerzos mecánicos y
eléctricos que resultan del funcionamiento del motor en “gran velocidad”. A
veces,
tal motor funcionando en “pequeña velocidad” absorbe una intensidad mayor
que en “gran velocidad”.
También en este tipo de arranque para conmutar de una velocidad a otra puede
o no ser necesario parar el motor.
Arrancadores a tension reducida: estrella-triangulo y estatorico con

      resistencias
ARRANCADORES A TENSIÓN REDUCIDA
ARRANQUE ESTRELLA-TRIANGULO
Este arranque sólo puede ser aplicado a los motores donde los dos extremos de
los tres devanados del estator tengan salidas sobre la placa de bornes y donde
el acoplamiento en triángulo corresponda a la tensión de la red (ejemplo: para
red 380V, es preciso un motor 380V∆ /660V Υ).
Este procedimiento consiste en arrancar el motor conectando sus devanados en
estrella. Estos se encuentran alimentados con una tensión igual a la tensión de
la red dividida por 3 o sea un 58% de la tensión nominal.
El par se reduce con relación al cuadrado de la tensión de alimentación y es
igual a un tercio del par proporcionado por un motor de arranque directo. La
corriente en la línea se reduce en la misma proporción.
En el segundo tiempo, se suprime el acoplamiento en estrella y se acoplan los
devanados en triángulo. Cada devanado está alimentado con la tensión de la
red; el motor recupera sus características naturales.
El par motor es pequeño durante todo el acoplamiento “estrella” y la velocidad
estabilizada al final de este tiempo, puede ser muy baja si el par resistente
es elevado.
Aparecen entonces puntas importantes de corriente y de par al pasar de estrella
a triángulo. A partir de cierta potencia es aconsejable, bien renunciar al
acoplamiento estrella triángulo o bien utilizar una variante que permita limitar
los fenómenos transitorios.
La In es la que nos da el fabricante para la tensión más baja de la placa de
características. Por ej., motor 10 HP, 220/380V, intensidad a 220V: 25,7 A
,intensidad a 380V: 14,9 A. Debemos consider ar para el dimensionado el valor
de la In = 25,7 A, ya que es en la conexión triángulo cuando este motor
desarrolla su potencia nominal.
Funcionamiento
- El pulsador S1A acciona el temporizador K4T y el contactor estrella K2M.
- K2M se excita y aplica tensión al contactor de red K1M a través de su contacto
auxiliar K2M/13-14.
- K1M se enclava a través de sus contactos auxiliares K1M/13-14 y 43-44.
- K1M conecta al motor M1 en estrella.
- Después de transcurrido el tiempo ajus tado en K4T, se abre el circuito de
K2M.
- A los 50 ms se cierra el circuito K3M. El contactor K2M se desexcita.
- K3M se excita y conecta al motor M1 a la tensión plena de la red.
- Simultáneamente, el contacto NC K3M/21-22 secciona el circuito K2M,
evitando la reconexión en estrella.
- Solamente será posible un nuevo arranque si se ha producido la desconexión:
con el pulsador S0A o por sobrecarga, a través del contacto NC
del relé térmico F2F/95-96.
Aplicaciones
Máquinas arrancando en vacío.
Ventiladores y bombas centrífugas de pequeña potencia.




ARRANQUE ESTATÓRICO CON RESISTENCIAS
El objetivo de intercalar resistencias de uno o varios escalones es reducir la
corriente transitoria y el torque durante el arranque.
En el caso de arrancadores con un escalón, la corriente transitoria puede ser
hasta tres veces la intensidad asignada del motor. En los arrancadores de
varios escalones, las resistencias pueden diseñarse para obtener corrientes
transitorias que sean solo de 1,5 a 2 veces la corriente asignada; sin embargo el
torque será bastante reducido.
Veamos la figura siguiente que grafica lo explicado anteriormente:
Funcionamiento
- El pulsador S1Q acciona al contactor K1M y al temporizador K3T.
- El motor se encuentra conectado a la red con resistencia: R1A.
- De acuerdo al ajuste de tiempo, el contacto NA K3T/17-18 excita la bobina del
contactor K2A.
- K2A puentea el escalón de arranque R1A y el motor gira con la velocidad
asignada.
- La parada se efectúa mediante el pulsador S0Q, y en caso de sobrecarga con
el contacto NC/95-96 del relé térmico F2F.
Aplicaciones
Máquinas de fuerte inercia:
Compresores de refrigeración.
Maquinaria para la madera.
Máquinas tensoras.
Ascensores.
Escaleras automáticas, etc.


                                                                Visto 1259 veces

Arranque Estatórico con Autotransformador
ARRANQUE ESTATÓRICO CON AUTOTRANSFORMADOR
Este tipo de arranque se usa cuando se desea reducir la corriente transitoria de
arranque y de régimen procedente de la red a niveles más bajos que el
arranque con resistencias estatóricas pero con el mismo par de arranque.
Al motor se le alimenta a través de un autotransformador, con una tensión
reducida de aproximadamente 70% de la tensión asignada de empleo. De este
modo la corriente se reduce a la mitad de la intensidad de arranque transitoria
en la conexión directa.
Funcionamiento
Las figuras nos muestran los circuitos para este arranque. A continuación
describimos su modo de operación:
- Al accionar el pulsador S1Q se conectan el temporizador K4T y la bobina del
contactor K1A, que nos conecta el prim ario del autotransformador a la red y el
secundario, a través del contactor K3A, lo conecta al motor, con lo que este
arranca a tensión reducida.
- Transcurrido el tiempo de temporización de K4T, este desconecta K1A y
conecta K2M. Además K2M desconecta K3A y el motor funciona en
régimen normal de plena marcha.
Sólo será posible un nuevo arranque si se acciona el pulsador S1Q o disparan los
dispositivos de protección F2F.
Aplicaciones
Máquinas de fuerte potencia o de fuerte inercia en los casos donde la
reducció de la punta de intensidad es un criterio importante.


Arranque Rotorico con Resistencias
ARRANCADOR PARA MOTOR DE ANILLOS ROZANTES


ARRANQUE ROTÓRICO CON RESISTENCIAS
Este tipo de arranque consiste en instalar resistencias en el circuito del rotor del
motor.
A diferencia de los arrancadores estatóricos, el torque de arranque es
proporcional a la corriente tomada de la red. El número de escalones o pasos del
arrancador está determinado por la corriente de arranque transitoria máxima
admisible y por las características del motor.
Funcionamiento
- El pulsador S1Q acciona el contactor K1M y el motor empieza a funcionar con
todos los grupos de resistencias conect adas con el rotor. El contactor
K1M cierra el contacto de retro alimentación 13-14 y éste conecta el relé
temporizado K1T.
- Transcurrido el tiempo, K1T/17-18 conduce la tensión a K11A. El contactor
escalonado K11A desconecta el escalón de arranque R1A y a través de K11M/13-
14 lanza el temporizador K2T.
- La secuencia anterior se repite K12A, K2T, K13A y K3T.
- El contactor de escalón final se enclava a través de K13A/13-14,
desconectando a través de K13A los contactores escalonados K11A y
K12A, además de los temporizadores K1T, K2T y K3T. El contactor de escalón
final K13A cortocircuita los anillos rozantes del rotor; el motor gira con
velocidad asignada.
- Al igual que en la mayoría de los casos anteriores, la desconexión se efectúa
mediante el accionamiento del pulsador de parada S0Q o por la acción de
el dispositivo de protección F2F.



Aparato de mando
S0Q Parada : 01 1NC (Un contacto normalmente cerrado)
S1Q Marcha : 10 1NA (Un contacto normalmente abierto)
K1M : 11 (1NA + 1NC)
K11A : 22 (2NA + 2NC)
K12A : 22 (2NA + 2NC)
K13A : 22 (2NA + 2NC)
K1T : 11 (1NA + 1NC)
K2T : 11 (1NA + 1NC)
K3T : 11 (1NA + 1NC)
F2F : 01 (1NC)
F3F : I según la potencia de la bobina K1M + K13A +K3T



Aplicaciones
Máquinas de arranque en carga, de arranque progresivo.
Grúas.
Puentes grúa.
Ascensores.
Montacargas.
Maquinaria para imprimir papel.
Compresores de pistón.
Bombas volumétricas.
Cizallas.
Maquinas trituradoras, etc.




Sistemas de Frenado: Motores Trifasicos Asincronos con Rotor en

     Cortocircuito por electrofreno

                         •    tamaño de la fuente
GLOSARIO


Aparato Conjunto organizado de piezas que cumple una función
determinada dentro de un circuito eléctrico.
Aparato de mando Aparatos operados en forma manual que, incluidos en los
circuitos auxiliares, permiten comandar los aparatos de
maniobra dispuestos en el circuito principal.
Arrancador Combinación de todos los aparatos requeridos para el
arranque y la parada de un motor eléctrico en relación con
una protección contra sobrecarga apropiada.
Corriente Asignada Corriente para la cual son diseñados los aparatos de
maniobra.
Dispositivo de Dispositivo que hace que la operación de un aparato de
enclavamiento maniobras depende de la posición o el efecto de uno o más
componentes de una instalación.
Tiempo de arranque Tiempo que se extiende desde la conexión hasta que el
motor
alcanza la velocidad de régimen.
Autotransformador de Se utiliza para implementar un arranque suave de
motor con
arranque jaula de ardilla. El autotransformador con una relación
adecuada reduce la tensión en bornes del motor durante el
arranque.
Contacto Estado en el que dos partes conductoras destinadas a esta
función, se unen con determinada fuerza y permiten el paso
de una corriente eléctrica.
Contacto auxiliar Contacto dispuesto en un circuito auxiliar. Según su
función
de operación puede ser Normalmente Cerrado (NC),
Normalmente Abierto (NA), Inversor (I) o de paso.
Relé temporizador Aparato de maniobra con retardo de tiempo electrónico o
electromecánico que, una vez que transcurrió un tiempo
ajustado, cierra y/o abre sus contactos.
Tensión de servicio Tensión o voltaje verificado “in situ” entre los
conductores
que alimentan un aparato o instalación eléctrica.




                       SISTEMAS DE FRENADO


INTRODUCCIÓN
Si un motor eléctrico se desconecta de la línea de alimentación, debido a la
inercia, éste tarda algún tiempo en detenerse e, incluso, puede acelerarse o
empezar a girar en sentido contrario después de parado, debido al peso de la
carga, como en los casos de grúas puente, montacargas, ascensores, etc.
Cuando por necesidad del sistema o máquina acoplada a un motor se desea que
ésta pare inmediatamente después de desconectar el motor de la línea de
alimentación, o bien que se pueda disminuir su velocidad, se recurre a algún
tipo o sistema de frenado que haga esto posible.
curspo control motores
FRENADO DE MOTORES TRIFÁSICOS ASÍNCRONOS CON ROTOR
EN CORTOCIRCUITO
En numerosas aplicaciones de los motores trifásicos asíncronos de rotor en
cortocircuito, es necesario disponer de un sistema seguro que permita frenar el
motor en un momento determinado; es decir, es necesario disponer de un par
de frenado. Esto sucede, por ejemplo, en máquinas herramientas donde la
precisión del trabajo o la seguridad del personal exigen un rápido bloqueo de la
máquina accionada y también durante la operación de ascensores.
Los procedimientos más empleados para frenar los motores trifásicos
asíncronos son los siguientes:
ƒ - Frenado por electrofreno.
ƒ - Frenado a contracorriente.
ƒ - Frenado por inyección de corriente continua.
FRENADO POR ELECTROFRENO
Para el frenado de los motores trifásicos asíncronos, se utilizan tres tipos de
frenado por electrofreno que se basan en un sistema de plato móvil solidario al
eje del motor, y de unas zapatas o bandas de frenado que actúan sobre él:
ƒ - Freno por electroimán.
ƒ -Freno electrohidráulico.
ƒ -Freno incorporado en el motor.
En los dos primeros casos de los frenados indicados, el plato esta fijo al eje del
motor y las zapatas son accionadas, bien sea por un electroimán o un
accionamiento electrohidráulico; mientras que en el caso de freno incorporado
en el motor, es el plato el que se desliza y presiona contra la banda de frenado al
desconectar el motor de la línea de alimentación.



FRENO POR ELECTROIMÁN
Este tipo de freno, consiste en un electroimán que puede ser monofásico o
trifásico, que se conecta de forma que cuando el motor esté girando, el
electroimán está excitado y mantiene abiertas las zapatas de frenado,
permitiendo que el eje del motor gire libremente. Cuando se desconecta el
motor de la línea de alimentación, el electroimán también se desexcita y las
zapatas, por mediación de uno s resortes antagonistas presionan sobre el plato,
que está fijo al eje del motor, parándose éste instantáneamente.
Este tipo de frenado es muy rápido y eficaz; se puede emplear para máquinas de
pequeña y mediana potencia, ya que en máquinas de gran
potencia, el volumen y el consumo que ha de tener el electroimán lo hace
inviable.
FRENO ELECTROHIDRÁULICO


Este sistema de frenado se diferencia del anterior, en que las zapatas son
accionadas por un elemento complejo formado por un motor
asíncrono, una bomba de rodete y un cilindro hidráulico.




Al energizar el motor principal, también se energiza el motor del sistema de
frenado quien hace girar el rodete de la bomba y ésta manda aceite
al cilindro, que eleva su pistón y vástago. Al elevarse el vástago del cilindro,
mueve una palanca que acciona las zapatas de frenado, de tal
forma que libera el plato del freno y el motor principal pueda girar libremente.
Cuando se corta la energía al motor principal también se desconecta el motor
del freno, descendiendo el pistón y vástago del cilindro ayudado
por un resorte antagonista, con lo cual las zapatas presionan el plato del freno y
el rotor del motor principal queda frenado instantáneamente. Al
bajar el pistón del cilindro, el aceite regresa al depósito, bien sea directamente o
a través de una válvula de retorno.
La ventaja más significativas de este tipo de frenado con respecto al de
electroimán, son su trabajo suave y silencioso, así como su seguridad de
servicio y bajo consumo, por lo que puede ser empleado en todo tipo de
motores, principalmente en los de mediana y gran potencia.


FRENO INCORPORADO EN EL MOTOR
En este tipo especial de motores, el rotor que es de cortocircuito, es ligeramente
troncocónico y está desplazado un poco con respecto al
núcleo del estator, por medio de un resorte. En el extremo del eje, contrario al
de acoplamiento, se coloca un plato, también de forma
ligeramente troncocónico, que al ser desplazado por el resorte del rotor presiona
contra una banda de frenado que lleva interiormente la carcasa
del rotor.
Cuando el motor no está conectado a la línea de alimentación siempre está
frenado, debido al empuje del resorte que presiona el plato contra
la banda de frenado; por el contrario, al energizar el motor, los campos
magnéticos del estator y el rotor obligan a este último a centrarse con el
primero, dando lugar a un pequeño desplazamiento del rotor que girará
libremente, como consecuencia de la liberación del freno.
Este tipo de motores, aunque más caro que los de construcción normal, se suele
emplear en máquinas herramientas, elevadores y cualquier otra
máquina de pequeña potencia que requiera un frenado rápido.
Frenado por Contracorriente y por Inyeccion de Corriente continua
FRENO INCORPORADO EN EL MOTOR
En este tipo especial de motores, el rotor que es de cortocircuito, es ligeramente
troncocónico y está desplazado un poco con respecto al núcleo del estator, por
medio de un resorte. En el extremo del eje, contrario al de acoplamiento, se
coloca un plato, también de forma ligeramente troncocónico, que al ser
desplazado por el resorte del rotor presiona contra una banda de frenado que
lleva interiormente la carcasa del rotor.
Cuando el motor no está conectado a la línea de alimentación siempre está
frenado, debido al empuje del resorte que presiona el plato contra la banda de
frenado; por el contrario, al energizar el motor, los campos magnéticos del
estator y el rotor obligan a este último a centrarse con el primero, dando lugar a
un pequeño desplazamiento del rotor que girará libremente, como consecuencia
de la liberación del freno.
Este tipo de motores, aunque más caro que los de construcción normal, se suele
emplear en máquinas herramientas, elevadores y cualquier otra máquina de
pequeña potencia que requiera un frenado rápido.




FRENADO POR CONTRACORRIENTE
El sentido de giro del rotor de un motor trifásico asíncrono, se determina por el
sentido del campo magnético giratorio. Cuando el motor está funcionando en
un sentido de giro determinado a velocidad de régimen, si se invierten las
conexion ese dos de los conductores de fase del estator, el sentido de campo
giratorio es opuesto al sentido de giro del rotor y el deslizamiento resulta
superior a la unidad.Esta circunstancia provoca un enérgico par de frenado, ya
que el campo giratorio tiende a arrastrar al rotor en sentido contrario al de su
marcha.
Como el frenado a contracorriente se opone a la inercia de la carga, este sistema
puede emplearse eficazmente para conseguir rápidas deceleraciones de
motores que arrastran cargas de inercia como por ejemplo en máquinas
herramientas. En cambio, este sistema de frenado no puede utilizarse en
máquinas elevadoras (grúas, montacargas, ascensores, etc.).
En el frenado a contracorriente, la intensidad de corriente es muy elevada y la
energía que la carga suministra al motor no se comunica a la línea sino
que constituye una pérdida que debe disipar el propio motor por lo que en los
motores en que deba aplicarse este sistema de frenado deberán tenerse en
cuenta estas circunstancias, sobre todo, desde el punto de vista de la
eliminación de la energía térmica producida.
En la siguiente figura se representa el esquema de un sistema de frenado,
constituido por un circuito de fuerza y un circuitos de mando. La resistencia en
el circuito de fuerza sirve para limitar la intensidad de la corriente de frenado.
Observe que el temporizador determina el tiempo en que se invierten las fases
en el estator del motor.
FRENADO POR INYECCIÓN DE CORRIENTE CONTINUA
Este sistema de frenado consiste en desconectar el motor de la línea de
alimentación y conectar inmediatamente dos bornes del estator a una fuente
de corriente continua; en estas condiciones, el rotor gira con relación a un
campo magnético fijo y su deslizamiento crea un par de frenado. Una vez que el
rotor del motor está frenado, se deja de suministrar la tensión continua al
estator.
La tensión continua de alimentación ha de ser siempre de valor bajo y se
determina únicamente con la resistencia de los devanados estatóricos.
Generalmente, la fuente de alimentación es la propia línea de corriente alterna,
a través de un transformador reductor y de un equipo rectificador de baja
tensión.
El sistema de frenado resulta muy eficaz, ya que es de acción suave y rápida al
mismo tiempo. Sobre el sistema de frenado por corriente continua tiene la
ventaja de que no se debe tomar la precaución de impedir la inversión de
marcha de la máquina accionada. Su principal inconveniente es que se precisa
un mayor gasto en los componentes que constituyen el equipo.
El valor de la corriente de frenado está generalmente comprendido entre 1,3 y
1,8 veces la corriente nominal del motor.
En la siguiente figura se representa el esquema eléctrico de frenado por
inyección de corriente continua.




Todas las operaciones de arranque y frenado se realizan por medio de
contactores y para evitar calentamiento excesivo, se debe instalar un interruptor
de velocidad F4 que desconecte la alimentación de corriente continua una vez
que el motor se ha parado.
Visto 770 veces

Frenado de Motores Trifasicos
  asincronos con rotor bobinado:
  por electrofreno, hipersincrono y
  contracorriente
FRENADO DE MOTORES TRIFÁSICOS ASÍNCRONOS CON ROTOR
BOBINADO
Lo mismo que sucede con los motores de rotor en cortocircuito, en muchas
aplicaciones de los motores de rotor bobinado, resulta necesario disponer de
un dispositivo que permita frenar el motor en un momento determinado.
Los procedimientos de frenado más empleados en este tipo de motores son:
• Frenado por electrofreno.
• Frenado hipersíncrono.
• Frenado a contracorriente.
• Frenado por inyección de corriente continua.
• Frenado por autoexcitación de corriente continua.
• Frenado por alimentación desequilibrada.
En la Fig. se observa las partes del rotor y estator del motor de rotor bobinado.
FRENADO POR ELECTROFRENO
En este caso es valido todo lo mencionado sobre el tema en los motores de rotor
en cortocircuito.
FRENADO HIPERSÍNCRONO
Cuando un motor asíncrono funciona a una velocidad mayor que la sincrónica
(funcionamiento hipersíncrono), el motor funciona como generador
asíncrono, oponiendo un par de frenado. Esto sucede, por ejemplo, en el
movimiento de descenso de una carga en que, además de la velocidad propia del
motor de accionamiento, interviene la aceleració n de la gravedad: como
consecuencia, la carga puede llegar a alcanzar una velocidad superior a la de
sincronismo. También sucede esta circunstancia cuando, durante una
regulación de velocidad, se pretende pasar de una velocidad elevada, a otra
velocidad mucho menor. En estos casos, se regula el frenado mediante las
 resistencias rotóricas. Este procedimiento de frenado es muy utilizado en las
máquinas de elevación; por el contrario, su empleo es poco frecuente en el
accionamiento de las máquinas herramientas.




FRENADO A CONTRACORRIENTE


Al igual que el motor de rotor en cortocircuito, este procedimiento de frenado
consiste en invertir la alimentación de dos fases del devanado del estator,
cuando el motor está ya lanzado. El par de frenado puede ajustarse modificando
el valor de las resistencias rotóricas: en el momento de frenado, basta con
descortocircutar una parte o la totalidad de las resistencias rotóricas, para
limitar la intensidad de corriente. En la mayoría de los casos, se elige un par de
frenado comparable al par de arranque. De ninguna forma, debe acoplarse a
contracorriente un motor cuyos anillos están en cortocircuito, porque la
intensidad de corriente en el rotor resultaría demasiado elevada y podría averiar
seriamente los anillos y las escobillas. Es decir que, en el momento de la
inversión de las conexiones del estator, es necesario intercalar en el rotor una
resistencia elevada que se va disminuyendo a medida que lo hace la velocidad.
Al principio del proceso de frenado, el deslizamiento se hace sensiblemente
igual a 2 y la tensión rotórica es casi el doble de la medida cuando el motor está
parado. Esta circunstancia obliga a tomar precauciones especiales para el
aislamiento de la aparamenta y de los bancos de resistencias rotóricas.
En las Figuras se representa el esquema explicativo de un equipo para el
frenado a contracorriente, suponiendo un solo sentido de giro del motor.
Como puede apreciarse, el circuito de potencia es semejante al de un motor para
dos sentidos de giro y arranque por resist encias rotóricas, con el
cortocircuito automático de éstas.
En el circuito de mando, basta con añadir los contactores para cortocircuitar las
resistencias rotóricas, a medida que transcurre el proceso de frenado.




En las Figuras se representa el esquema explicativo de un equipo para el
frenado a contracorriente, suponiendo dos sentidos de giro para el motor.
Nótese que el circuito de potencia es semejant e al de la Fig. 5.13 (un solo
sentido de giro); lo que sucede es que, en esta ocasión, cada uno de los
contactores del inversor actúa como contactor de frenado, cuando el otro
contactor del inversor actúa en marcha normal. Por ejemplo, cuando el motor
gira a izquierdas, se obtiene la parada mediante la acción del frenado, por
accionamiento del pulsador de marcha a derechas.
Visto 635 veces


Frenado por Inyeccion de Corriente
  Continua en motores trifasicos
Este procedimiento de frenado se obtiene separando el motor de la red de
corriente alterna y conectando dos bornes de su estator sobre una fuente de
corriente continua. Siguen siendo válidas todas las consideraciones expuestas
sobre este mismo tema y referidas a los motores de rotor en cortocircuito. Pero,
además, sucede que los motores con rotor bobinado permiten, entre ciertos
límites, elegir la velocidad más apropiada para un par de frenado determinado.
La potencia disipada en forma de calor en las resistencias rotóricas es
moderada. Si se tiene en cuenta que un frenado a contracorriente, la potencia
rotórica durante el frenado y que debe disiparse, es prácticamente igual a la
potencia nominal del rotor, advertiremos que en el frenado por inyección de
corriente continua, las dimensiones de las resistencias rotóricas pueden redu
cirse considerablemente, lo que significa una importante ventaja en este
procedimiento de frenado.
Generalmente, el valor de la intensidad de corriente continua inyectada al
estator, está determinada por las condiciones más desfavorables, es decir, motor
caliente y tensión de la red a su más bajo valor. Por lo tanto, resulta una
sobreintensidad cuando el motor está frío y la red sometida a sobretensión.
Cuando se trata de mando manual, es aconsejable prever un dispositivo
temporizador, que corte el frenado después de un tiempo predeterminado.
En efecto, si el dispositivo de maniobra se dejara indefinidamente en posición
de frenado, el motor y su fuente de corriente sufrirían un calentamiento
excesivo, que podría conducir a su destrucción; ninguna circunstancia revelaría
este peligro, ya que la máquina permanecería en reposo.

FRENADO POR AUTOEXCITACIÓN DE CORRIENTE CONTINUA
En el frenado por inyección de corriente continua el estator actúa como
excitatriz y el rotor como alternador. Parece convenient e utilizar esta tensión
rotórica alterna y rectificarla para alimentar al estator, realizando de esta forma
un frenado por autoexcitación.
Siguiendo este procedimiento de frenado se ha diseñado el esquema de la Fig.
5.17, que corresponde a un equipo de elevación con frenado durante el descenso
y que permite una velocidad reducida y estable. El rectificador debe soportar
permanentemente una intensidad de corriente rotórica próxima a la
corriente nominal del motor, con importantes puntas de corriente y de tensión
en los momentos de cambio de acoplamiento.
En ascenso o en descenso lanzado se cierra el contactor c2 y el motor arranca en
el momento de la puesta bajo tensión de c1 (ascenso) o de c11 (descenso);
las resistencias rotóricas se cortocircuitan progresivamente por medio de los
contactores c21 a c24.
En descenso frenado, los contactores c1 y c11 están en reposo; el motor está
desconectado de la red, el contactor c2 está abierto y las resistencias de
arranque están desconectadas del circuito. Los co ntactores c3 y c31 unen el
rotor con el estator, a través del equipo rectificador, permitiendo de esta forma
 un autocebado del sistema de frenado. Para facilitar y acelerar el cebado un
pequeño transformador TR suministra una corriente de aportación. Una
resistencia R1 limita la corriente y protege el transformador en caso de
fluctuaciones de la tensión rotórica.
Las resistencias shuntadas por c32, c33 y c34 permiten regular la velocidad
deseada durante el frenado. Si el motor funciona a par constante, las
intensidades de corriente estatórica y rotórica son también constantes. A un
aumento de la resistencia de frenado corresponde una elevación de la tensión
rotórica y la velocidad de régimen.
Las ventajas de este procedimiento son importantes. En primer lugar se puede
obtener una velocidad de frenado lenta, de valor inferior a la décima parte de
la velocidad nominal e independiente del par de arrastre. Las velocidades
intermedias tienen también una estabilidad muy aceptable. Para pequeños
pares de arrastre, el motor arranca sin lanzamiento previo, además, el par
desarrollado al principio del frenado del motor lanzado es muy
importante, porque la tensión rotórica es muy elevada. Esta precaución está
automáticamente asegurada por el presente equipo de forma independiente de
la maniobra del operario.
Esquema explicativo de un equipo para el frenado por autoexcitación de
                                  corriente
        continua, de un motor trifásico asíncrono, con rotor bobinado


Finalmente, las corrientes en el estator y en el rotor no son elevadas y se ajustan
al valor del par de arrastre que se pretende equilibrar. Para utilizar el frenado
por autoexcitación en un motor con rotor bobinado, es necesario que las
corrientes nominales esta tóricas y rotóricas sean comparables. A veces resulta
ventajoso invertir el funciona miento, es decir, rectificar la corriente estatórica
si esta es elevada e inyectarla al rotor. Los resultados obtenidos son totalmente
comparables.




Frenado por Alimentacion
  Desequilibrada en motores
  trifasicos
El motor trifásico asíncrono está proyectado para ser alimentado por un sistema
trifásico equilibrado de tensiones. Entonces, en el estator se origina un
flujo magnético de amplitud constante y que gira a la velocidad de sincronismo.
Si por un procedimiento cualquiera, están desequilibradas las tensiones
aplicadas a los devanados de las tres fases del estator, el funcionamiento queda
perturbado y en algunos casos se invierte el par motor, trabajando en régimen
de frenado.
En el caso más general está demostrado que un sistema trifásico desequilibrado
es equivalente a la superposición de tres sistemas equilibrados:
a) Un sistema simétrico, con sucesión directa de fases.
b) Un sistema simétrico, con sucesión inversa de fases.
c) Un sistema homopolar, constituido por tres vectores equipolentes. En estas
condiciones, el motor se comporta exactamente como un grupo de
tres máquinas idénticas al propio motor y acopladas mecánicamente.


La Figura representa este conjunto equiva lente. El primer motor está sometido
al sistema directo de tensiones, el segundo mo tor al sistema inverso de
tensiones. Los pares que desarrollan los motores son de se ntido opuesto. Las
tres fases del tercer motor están conectados en paralelo y alimentadas por una
tensión monofásica, de forma que reproduzcan un sistema homopolar.
Las corrientes en el estator de este último motor crean campos magnéticos
alternos, de dirección fija. Aparece entonces un polo por fase, es decir, un
número de polos tres veces mayor que en el caso de funcionamiento normal
sobre una red trifásica. Las fuerzas electromotrices inducidas en el secundario
son iguales y en fase, en los tres devanados del rotor. En el caso más corriente
en que el rotor está conectado en estrella, las tensiones se oponen y no circula
corriente por el circuito rotórico. El par es nulo y el motor se calienta debido a
las pérdidas por efecto joule.
No sucede lo mismo si el motor es de rotor en cortocircuito o si el rotor está
conectado en triángulo. En estos casos, se establecen corrientes importantes
que tienden a fijar la velocidad a una tercera parte de su valor síncrono, con la
condición que el motor esté previamente lanzado.
A partir de una red equilibrada, existen varios procedimientos que permiten
realizar la alimentación desequilibrada de un motor:


a) Acoplamiento monofásico
Se demuestra que la componente homopolar es nula y que las componentes
directa Id e inversa Ii de la corriente son iguales. En la parada, el
deslizamiento es igual a 1 para los dos sistemas, los pares directo e inverso son
iguales, y el par resultante es nulo.
Si se lanza el motor en sentido directo las corrientes Id e Ii permanecen iguales
entre sí, la impedancia directa aumenta y la inversa disminuye. El par directo
es preponderante y el motor acelera en el sentido del lanzamiento.




Todo sucede como si los dos motore s ficticios tuvieran sus devanados
estatóricos conectados en serie, con inversión de dos fases de un motor
con relación al otro.
En conclusión, el acoplamiento monofásico sencillo no constituye un
procedimiento de frenado.
b) Acoplamiento monofásico, con dos bornes conectados entre sí El
comportamiento del motor es muy diferente si su borne libre se une a uno de los
dos bornes conectados a la red. La Figura representa las tres secuencias de
funcionamiento y la Figura para un motor conectado en triángulo.




Se demuestra que la componente homopolar es siempre nula y que las
componentes directa e inversa de la tensión son constantes e iguales entre sí.
Las características de funcionamiento son independientes del sistema de
conexión estrella o triángulo, de los devanados.
En definitiva, el motor se comporta como dos máquinas que trabajan en
oposición y que están alimentados en paralelo bajo una tensión fija
pero reducida.


Durante la parada, los pares Md y Mi son iguales y se anulan, siendo el
deslizamiento igual a 1 con relación a los dos sistemas. A una
velocidad cualquiera, si el deslizamiento es “s” en el sistema directo, en el
sistema inverso es “2-s”.
Si en estas condiciones, se inserta una re sistencia en el circuito rotórico, el par
directo Md disminuye constantemente cuando aumenta la velocidad,
mientras que el par inverso Mi aumenta de valor. Por consiguiente el par
resultante Mf ,es un par de frenado.

En resumen, este procedimiento no permite un frenado muy enérgico. Por
ejemplo, en aparatos de elevación, la reducción de la velocidad durante
el descenso a plena carga es muy reducida.


c) Acoplamiento anormal de las fases del rotor La solución más empleada es la
representada en la Figura, que consiste en cruzar las conexiones deuna sola fase
del rotor.
Cuando el motor está parado, el par directo es 1/9 del par normal, el par inverso
es 4/9 y el par resultante es 1/3. Por lo tanto, sobre un movimiento de elevación
el funcionamiento es parecido a una contracorriente, pero con menor tendencia
a la subida de débiles cargas.
Con este acoplamiento, las corrientes absorbidas son muy importantes,
especialmente a causa de una elevada componente homopolar. Por lo tanto debe
reducirse la tensión de la red, de forma que la intensidad de corriente en el
circuito más cargado no sobrepase unas dos veces el valor nominal de
la corriente.

Resumen y Terminos Clave en
  Sistemas de Frenado de Motores
Los procedimientos más empleados para frenar los motores trifásicos
asíncronos de rotor en cortocircuito, son: por electrofreno, a
 contracorriente y por inyección de corriente continua.
♦ Para el frenado de los motores trifásicos asíncronos, se utilizan tres tipos de
frenado por electrofreno que se basan en un sistema de plato móvil solidario al
eje del motor y de unas zapatas o bandas de frenado que actúan sobre él: por
 electroimán , electrohidráulico y freno incorporado al motor . En los dos
primeros casos indicados, el plato está fijo al eje del motor y las zapatas son
accionadas, bien sea por un electroimán o un accionamiento electrohidráu lico;
mientras que en el caso de freno incorporado en el motor, es el plato el que se
desliza y presiona contra la banda de frenado al desconectar el motor de la línea
de alimentación.
♦ El freno por electroimán se usa en motores de pequeña y mediana potencia,
el freno electrohidráulico puede ser empleado en todo tipo de motores,
principalmente en los de mediana y gran potencia; el freno incorporado al
motor se suele emplear en máquinas herramientas, elevadores y cualquier otra
máquina de pequeña potencia que requiera un frenado rápido.
♦ En el frenado a contracorriente se usa el principio del inversor de giro
invirtiendo dos fases de la alimentación y provocando un enérgico par de
frenado. Este sistema puede emplearse eficazmente para conseguir rápidas
deceleraciones de motores que arrastran cargas de inercia, como por ejemplo,
en máquinas herramientas.
♦ En el frenado por inyección de corriente continua se desconecta el motor de
la línea de alimentación y se conecta inmediatamente dos bornes del estator a
una fuente de corriente continua; en estas condicione s, el rotor gira con
relación a un campo magnético fijo y su deslizamiento crea un par de frenado.
♦ Los procedimientos de frenado más empleados en este tipo de motores son:
Por electrofreno, frenado hipersíncrono, a contracorriente , por inyección
de corriente continua, frenado por autoexcitación de corriente continua, frenado
por alimentación desequilibrada.
♦ En el frenado por electrofreno el procedimiento empleado es igual al de rotor
en cortocircuito, en el frenado hipersíncrono el motor asíncrono funciona a una
velocidad mayor que la sincrónica, el motor funciona como generador
asíncrono, oponiendo un par de frenado.
♦ En el frenado a contracorriente , se invierten dos fases de la alimentación. El
par de frenado puede ajustarse modificando el valor de las resistencias
rotóricas.
♦ En el frenado por inyección de corriente continua se emplea el mismo
procedimiento que el motor de rotor en cortocircuito.
♦ En el frenado por inyección de corriente continua el estator actúa como
excitatriz y el rotor como alternador. Parece conveniente utilizar esta tensión
rotórica alterna y rectificarla para alimentar al estator, realizando de esta forma
un frenado por autoexcitación.
♦ Si las tensiones de alimentación, aplicadas a los devanados de las tres fases
del estator, están desequilibradas , el funcionamiento queda perturbado y en
algunos casos se invierte el par motor, trabajando en régimen de frenado.
Visto 640 veces
Control de motores
Control de motores

Control de motores

  • 1.
    Control de Motores:Introducción al sistema de Unidades Antes de seleccionar o diseñar un sistema de control de motores, es importante conocer los principios en los que se basa su funcionamiento. Bajo esta premisa, en esta primera parte del curso, expondremos de manera clara y sencilla los conceptos y herramientas básicas para describir el funcionamiento de un motor eléctrico de inducción. Asimismo, consideramos importante la necesidad de expresarnos correctamente cuando estamos involucrados en tareas técnicas y de ingeniería; por esta razón hemos considerado importante mencionar al Sistema Internacional de Unidades (SI) y de la ayuda que nos da para brindar información técnica adecuada y entendible por todas las personas. SISTEMA DE UNIDADES La observación de un fenómeno, como la evaluación del arranque de un motor de un molino de bolas en una mina, es incompleta, a menos que incluyamos información cuantitativa o cantidades. Esta información se obtiene midiendo alguna propiedad física, química o mecánica; para nuestro ejemplo del molino, la duración del arranque (tiempo) y la corriente consumida durante el arranque serán variables bastante representativas. Al parecer todo es muy sencillo… veamos la siguiente situación Supongamos una habitación cuyo suelo está cubierto de baldosas, tal como se ve en la figura.
  • 2.
    …tomando una baldosacomo unidad, y contando el número de baldosas medimos la superficie de la habitación, 36 baldosas. En la figura inferior, la medida de la misma superficie da una cantidad diferente de 9 baldosas. Vemos como la medida de una misma unidad física (superficie o área) nos da dos cantidades distintas debido a que han usado dos unidades diferentes. Este simple ejemplo, nos muestra la necesidad de establecer una única medida para una magnitud dada, de modo que todos universalmente la podamos comprender. Felizmente para nosotros, existe el Sistema Internacional de Unidades (SI) de medida, obligatorio en Perú y vigente en la mayoría de países del mundo. En el proximo articulo veremos las Unidades del Sistema Internacional.
  • 3.
    Unidades Basicas yDerivadas en Motores UNIDADES BÁSICAS Y DERIVADAS (SI) En el sistema SI han sido definidas siete unidades básicas, las cuales aparecen en la tabla a continuación. Unidades básicas del SI Todas las otras unidades se derivan de éstas y pueden o no tener un nombre especial. La mayoría de las unidades y cantidades utilizadas en ingeniería eléctrica, salvo lacorriente eléctrica (A) que es una unidad básica, pertenecen a esta categoría de unidades derivadas SI. Algunas unidades derivadas usadas en ingeniería eléctrica PREFIJOS DECIMALES (SI) A todas las unidades SI se les puede agregar un prefijo que multiplica la cantidadindicada por una potencia de 10.
  • 4.
    Prefijos SI másutilizados ¿...y cómo utilizo el SI para el control de motores? Hay dos aspectos importantes para los cuales el sistema SI nos sirve dereferencia o ayuda: 1. Nos permite utilizar un lenguaje uniforme cuando nos referimos a laspropiedades eléctricas de los motores o de los circuitos de mando de éstos.Es así que podemos consultar manuales de diferentes fabricantes, sin necesidad de aprender una nomenclatura o lenguaje en particular.Aquí aparece un tema asociado que es la conversión de unidades de otros sistemas al sistema SI.El caso típico en control de motores es la conversión de unidades de potencia, cuya unidad SI es el vatio (W); sin embargo, una unidad muyutilizada y arraigada en nuestro medio es el HP (caballo de fuerza, del inglé shorse power).Para resolver nuestro problema tenemos que recurrir a la conversión, queconsiste en multiplicar la magnitud del otro sistema por un factor para obtener la unidad SI correspondiente: …todavía no hemos terminado… aún hay más!!! ¿Es común expresar la potencia de los motores en vatios? Aquí es dónde aparece la otra ventaja del sistema SI
  • 5.
    2. Simplifica la forma de presentar los datos representativos de un equipoeléctrico o su sistema de control, de modo que puedan ser expresados demanera reducida y más fácil de entender. Ejemplo: Los temporizadores utilizados en los arranques a tensiónreducida de los motores de inducción manejan un parámetro llamado pausa deconmutación que usualmente es de 0,050 s. ¿No sería más práctico y fácil de recordar 50 ms en lugar de 0,050 s? Ahora sí… Ya hemos comprobado lo útil que es utilizar el sistema SI LOS MOTORES DE INDUCCION Y SU CLASIFICACION MOTORES DE INDUCCIÓN DEFINICIÓN Motores trifásicos de inducción de alta tensión Cortesía de WEG S.A. ...Parece complicado!!!…. Estudiémoslo con calma
  • 6.
    Primero, una máquinaeléctrica es un dispositivo o equipo dónde se lleva acabo la conversión electromecánica de energía: los generadores convierten la energía mecánica en energía eléctrica, mientras que los motores convierten la energía eléctrica que se les entrega en energía mecánica, para accionar otras máquinas o dispositivos. Motores de inducción en la industria La parte fija de un motor recibe el nombre de estator, que consiste en una seriede bobinas arrolladas y conectadas entre sí, dejando puntos de conexión hacia elexterior para la conexión de la energía eléctrica de entrada. Por otro lado, la parte móvil de la máquina, el rotor , gira en el campo magnéticocreado por la corriente que circula por el estator induciéndose corriente, como enun transformador. La Fig. muestra las dos partes princi pales de un motor, estator y rotor, asícomo sus accesorios.
  • 7.
    Partes de unmotor de inducción Cortesía SIEMENS AG CLASIFICACIÓN DE LOS MOTORES DE INDUCCIÓN Nuestro estudio se orientará al control de los motores eléctricos de induccióntrifásicos de baja tensión, del tipo jaula de ardilla, ya que la mayoría de lasaplicaciones industriales utilizan estos motores.
  • 8.
    Motores trifásicos deinducción de baja tensión Cortesía de Leroy Somer Datos de Placa de un motor y Formulas Electricas DATOS DE PLACA DE UN MOTOR La placa con los datos característicos nos da toda la información correspondiente almotor. La figura muestra dos placas típicas de motores. Utilizando los datos correspondientes a 60 Hz de la primera placa mostrada,indicaremos los parámetros siguientes: PARÁMETROS ELÉCTRICOS • Tipo de motor 3 ∼ (Trifásico) • Potencia 0,14 kW • Voltaje nominal 440 V • Tipo de conexión Estrella o Y • Corriente nominal 0,34 A • Frecuencia nominal 60 Hz • Factor de potencia (cosφ)0,81 PARÁMETROS MECÁNICOS O CONSTRUCTIVOS • Velocidad nominal 3 310 / min • Factor de servicio (SF) 1,15 • Tipo de aislamiento (Th.Cl.) F • Tamaño del marco IEC56 • Grado de protección IP54
  • 9.
    • Tipo costructivo IM B3ç Placa característica de motor de inducción Placa característica de motor de inducción TEORÍA DE MOTORES FÓRMULAS ELÉCTRICAS Ley de Ohm V=IxR (1) V Voltaje o diferencia de potencial en voltios (V) I Intensidad de corriente en amperios (A) R Resistencia en ohmios ( Ω )
  • 10.
    Potencia en circuitostrifásicos P Potencia activa en vatios (W) VL Voltaje de línea en voltios (V) IL Corriente de línea en amperios (A) cosφ Factor de potencia Para los motores VL se refiere a la tensión en bornes del motor e IL a lacorriente consumida en un instante determinado. Ejemplo1: Se realizan las lecturas de voltaje, corriente y factor depotencia para un motor en operación obteniéndose las siguientes lecturas: Voltaje 440 V Corriente 115 A cosφ 0,84 Reemplazando en la fórmula (2) tenemos: Ejemplo2: Veamos qué sucede si reemplazamos los datos de un motorque tiene los siguientes datos de placa: Potencia 8,6 kW Voltaje 460 V Corriente 14,7 A cosφ 0,83 … ¿qué pasó? Según la placa, la potencia debería ser 8,6 kW Ocurre que cuando empleamos los datos de placa o nominales de unmotor debemos incluir un factor mas llamado eficiencia . La eficiencia,por decirlo de una manera simple, es una medida de la capacidad que tiene el motor para convertir toda la energía eléctrica que lesuministran en energía mecánica. La conversión completa no es posibleya que existen pérdidas en el proceso. La eficiencia depende de muchos factores como, por ejemplo, lacalidad de los materiales empleados en la fabricación del motor, eldiseño del motor, las condiciones ambientales, el tiempo de uso del motor, entre otros.
  • 11.
    Para introducir laeficiencia debemos modificar ligeramente la fórmula (2) de la siguiente manera: Donde: η : Eficiencia En la mayoría de los casos que se presentan para el dimensionamientoo selección de los sistemas de cont rol para los motores, los datos que disponemos son el voltaje de alimentación y la potencia del motor. Con estos datos… ¿Cómo calculo la corriente para dimensionarlos equipos de maniobra y protección? Primero obtengamos la fórmula para la corriente despejando en la expresión (2a) y que la potencia está expresada en kW o HP, que son los casos mas usuales. Los datos desconocidos son el fact or de potencia y la eficiencia.Típicamente podemos considerar los siguientes valores: Factor de potencia: Valores típicos a considerar varían desde 0,8 hastaincluso 0,93 a plena carga. Un valor recomendable para cálculos es 0,85. Eficiencia: aquí el valor a considerar dependerá principalmente del tipoy tamaño de motor. La tabla 1.4 mues tra la variación de la eficiencia para diversos tipos de motor del ti po jaula de ardilla de 4 polos (más usados). Eficiencias típicas para motor del tipo jaula de ardilla de 4 polos
  • 12.
    De la tablapodemos ver que: Ejemplo3: Calculemos la corriente de un motor de induccióntrifásico nuevo de 120 HP que trabajará a 220 V. Reemplazando los valores en la fórmula (3a) asumiendo un factor depotencia de 0,85 y una eficiencia de 95% tenemos: Con esta corriente ya podemos diseñar nuestros dispositivos de protección y accionamientos. Ejemplo4: Nos encontramos en una mina a 4 000 msnm y nos han encargado la instalación de un motor de inducción trifásico para un ventilador con las siguientes datos de placa: Voltaje: 440 V Potencia: 500 kW Factor de potencia: 0,88 Eficiencia: 96,8% Lamentablemente el dato de corriente en la placa es ilegible. Aparentemente el problemase reduce a reemplazar losdatos en la fórmula (3); sinembargo, estamos olvidan-do un factor muy importante. ¿Tienen las personas elmismo desempeño físico anivel del mar que a 4 200 msnm?.La respuesta es obvia, no.De igual manera un motor anivel del mar se comportará de una manera diferente que en altura. Será necesario introducir un factor de corrección a la potencia parapoder tener la verdadera corriente nominal en estas condiciones. La tabla muestra los diferentes factores a aplicar para diferentes alturas y para diferentes temperaturas del medio refrigerante.
  • 13.
    Factores de corrección para montaje de motores en alturas superiores a los 1 000 msnm La fórmula (3) modificada para nuestro caso será: Donde K H es el factor de corrección por altura y que para nuestro caso es 0,77. Reemplazando en la fórmula los datos tenemos: Ahora sí, ésta es la corriente que consumirá el motor; sin embargo,como veremos más adelante. Los elementos de maniobra y protecciónse ven afectados por un factor para que puedan trabajar en la altura. De la tabla también podemos ver que la temperatura ambiente influye en el valor nominal de la potencia, ya que en la mayoría de los casos el refrigerante es el aire. Podemos decir entonces que la fórmula completa es: donde: KT es el factor de corrección por temperatura. … mucho cuidado En la tabla el factor que aparece ya es el producto de KH KT Visto 2147 veces Torque en un Motor: todo esta en los polos TORQUE DEL MOTOR Curva típica Torque (M) / Corriente (I) vs Velocidad (N) para un motor de inducción
  • 14.
    Curva Torque/Corriente vsvelocidad Podemos definir torque como una fuerza rotacional aplicada a un eje que causa su rotación. Desde el punto de vista técnico, el torque M de una fuerza en relacióna un eje es el producto de la fuerza multiplicada por la distancia del punto de aplicación de la fuerza con respecto al eje. Cuantitativamente, el torque nominal entregado en un eje es: Donde: M Torque en newton-metro (Nm) P Potencia de salida del motor en kW n Velocidad en rpm De la curva podemos distinguir los siguientes puntos: ID Corriente de arranque. IN Corriente nominal. IO Corriente en vacío. MD Torque de arranque. MA Torque de aceleración. MM Torque de desaceleración. MN Torque nominal. NN Velocidad nominal. NS Velocidad síncrona.
  • 15.
    Diversas curvas Torquevs. Velocidad para motores de inducción Cortesía de SIEMENS AG La velocidad síncrona de un motor de inducción es la velocidad delcampo magnético rotatorio. Es determinada por la frecuencia aplicadaal motor y el número de polos presente en cada uno de las fases del bobinado del estator. Podemos escribir lo siguiente: Donde: Ns Velocidad síncrona en rpm F Frecuencia de la red en hertz (Hz) P Número de polos del motor (típicamente p = 2, 4, 6…) Normalmente en un motor de inducción estándar la velocidad a plenacarga o velocidad nominal está entre 96% y 98% de la velocidad síncrona. Durante la operación del motor, el rotor se mueve retrasándose respecto al campo del estator. La diferencia entre estas dos velocidades recibe el nombre de deslizamiento.
  • 16.
    Podemos escribir entonces: Donde: NNVelocidad nominal en rpm NS Velocidad síncrona en rpm s Deslizamiento Debe quedar claro que las curvas presentadas son válidas para loscasos en que alimentamos al motor con la frecuencia nominal deoperación. Una variación en la frecuencia producirá un desplazamiento paralelo de la curva. MOTORES DE POLOS CONMUTABLES Ya hemos visto cómo el número de polos determina la velocidad de giro del motor. Se construyen motores a los que se puede modificar elnúmero de polos permitiendo distintas velocidades de giro.Los casos típicos se muestran en la tabla siguiente: Motores de polos conmutables Ampliaremos algunos detalles respecto a los dos primeros tipos de conexión: Conexión Dahlander En este tipo de conexión se debe tener presente que para ambas velocidades de giro se generan relaciones de potencia distintas.
  • 17.
    Conexiones Dahlander típicas Larelación de potencia en la conexión ∆ / ΥΥ es de 1/1,5 – 1,8 y es la que se ajusta más a los requisitos de torque constante. La conexión Υ/ ΥΥ es especialmente adecuada para máquinas concaracterística de torque cuadrático (bombas y ventiladores) y tiene una relación de potencia de 0,3/1. Motores con bobinados independientes Estos motores permiten, al menos en la teoría, cualquier combinación de velocidad de giro y cualquier relación de potencia. Ambos devanados se encuentran conectados en Υ y completamente independientes entre sí. Conexión de motor con bobinados independientes
  • 18.
    Terminos Claves parael Estudio de Motores Electricos GLOSARIO Conexión Dahlander Forma de conexión del bobinado de un motor en la cual cada fase está dividida en dos partes iguales con una toma intermedia. Nos permite tener dos velocidades de giro. Corriente nominal Corriente asignada al motor para operación en régimen permanente. Su valor viene indicado en la placa característica del motor. Estator Parte fija de un motor que consiste en una serie de bobinas arrolladas y conectadas entre sí, dejando puntos de conexión hacia el exterior para la conexión de la energía eléctrica de entrada. Factor de servicio Indica, con respecto a SF = 1, hasta qué valor pueden aumentarse la potencia y la corriente del motor cuando se admite una vida útil reducida. Un motor con SF = 1,15 puede producir 15% mayor torque que un motor con SF = 1. Factor de potencia Es la relación entre la potencia activa (kW) a la potencia aparente (kVA). Generadores Los generadores convierten la energía mecánica en energía eléctrica. Máquinas eléctricas Son máquinas donde se lleva a cabo la conversión electromecánica de energía. Motores Máquinas que convierten la energía eléctrica en energía mecánica para accionar otras máquinas o dispositivos.
  • 19.
    Motor de inducciónMáquina eléctrica en la cual la corriente que circula en el bobinado secundario es inducida, quiere decir que no hay eléctrica física entre el bobinado primario y el secundario. Motor trifásico Motor eléctrico que recibe la energía eléctrica de una red trifásica (L1-L2-L3). Motor monofásico Motor eléctrico que recibe la energía eléctrica de una red monofásica (L1-N). Motor de rotor bobinado Motor de inducción en el que el devanado secundario es similar a del estator y con el mismo número de polos; los terminales del bobinado del rotor se conectan a anillos rozantes aislados,montados sobre el eje, en los que se apoyan escobillas de carbón. Motor de jaula de ardilla Motor de inducción en el que el devanado del rotor está formado por varillas conductoras alojadas en ranuras practicadas en el hierro del propio rotor y cortocircuitadas en ambos extremos mediante dos platos conductores dispuestos en cada extremo del rotor. Potencia Trabajo entregado en el eje de un motor por unidad de tiempo. Rotor Parte móvil de la máquina, que gira en el campo magnético creado por la corriente que circula por el estator induciéndose corriente, como en un transformador.
  • 20.
    SI Sistema Internacionalde Unidades. Torque Fuerza rotacional aplicada a un eje que causa su rotación. Velocidad síncrona Velocidad del campo magnético rotatorio determinada por la frecuencia aplicada al motor y el número de polos presente en cada una de las fases del bobinado del estator. Voltaje nominal Voltaje asignado al motor con el cual se le puede alimentar desde la fuente de energía. Velocidad nominal Velocidad a la que girará el rotor del motor bajo condiciones de carga nominales. Su valor es inferior a la velocidad síncrona por el efecto de deslizamiento. Comenzando con el control de motores: definiciones basicas pero importantes SIMBOLOGÍA Y ESQUEMAS INTRODUCCIÓN En esta unidad estudiaremos los conceptos de mando y automatismos, asimismo describiremos los componentes de un sistem a de mando. Diferenciaremos entre mando manual, secuencial, alternado, semiautomático y automático. Estudiaremos las diferentes normas en la representación de un sistema de mando, así como los símbolos utilizados en dichas normas. Ana lizaremos los diferentes esquemas eléctricos de un sistema de mando así como designaremos
  • 21.
    los elementos yequipos que se encuentran dentro de un esquema de automatización. DEFINICIONES PROCESO Es un procedimiento para la conversión y/o el transporte de material, energía y/o informaciones. El proceso técnico Se distinguen cuatro clases de procesos: • Procesos de transformación Se producen materiales o energía partiendo de materias primas. Ej.: industria química, siderúrgica, fábricas de cemento, centrales eléctricas, etc. • Procesos de fabricación Se modifica la forma del material por medio de una elaboración mecánica. Ej.: máquinas - herramientas de control numérico, máquinas para trabajar la madera, etc. • Procesos de distribución El material se distribuye con respecto al tiempo o espacio. Ej.: redes de energía, centrales telefónicas automáticas, etc. • Procesos de medición y verificación Se analizan las propiedades mecánicas, físicas y químicas de los objetos. Ej.: banco de pruebas para motores, simuladores de vuelo, etc. Los procesos también pueden dividirse en continuos y discontinuos : • Proceso continuo Cuando la transformación es constante.
  • 22.
    Proceso de laminado de chapas de hierro • Proceso discontinuo Cuando la transformación es por pasos. Proceso de tostado de café MANDO Es el proceso en el que una o varias magnitudes de entrada influyen en otras que actúan como magnitudes de salida.
  • 23.
    Mando manual deun caudal REGULACIÓN La regulación es un proceso en el cual se mide continuamente la magnitud a regular, se la compara con otra magnitud piloto tratando de conseguir una adaptación a dicha magnitud. Regulación manual de un cauda Resumiendo Se usa el MANDO cuando: ♦ Las repercusiones de una variación en la magnitud perturbadora son pequeñas. ♦ Se conoce la variación que produce la magnitud perturbadora. ♦ Las variaciones de la señal perturbadora no son frecuentes. Empleamos la REGULACIÓN cuando: ♦ Pueden producirse diferentes magnitudes perturbadoras.
  • 24.
    ♦ Las magnitudesperturbadoras difieren en su índole y extensión. Definiciones y Simbolos para el Control de Motores (parte 1) SISTEMA DE CONTROL Un sistema de control es el procesamiento lógico de señales de entrada para activar señales de salida. El cuerpo humano es un SISTEMA DE CONTROL. SISTEMA DE CONTROL CONVENCIONAL SISTEMA DE CONTROL CONVENCIONAL Se dice que un sistema usa un control convencional, cuando los componentes que integran el control (lógica) están constituidos por dispositivos que cumplen cada uno su función y por lo general están cableados, además, datan de hace muchos años.
  • 25.
    SISTEMA DE CONTROLMODERNO Se dice que un sistema usa un control mode rno, si los componentes de su lógica están constituidos por equipos digitales, diseñados en base a microprocesadores, como un PLC. SÍMBOLOS ELECTROTÉCNICOS DEFINICIÓN Son las representaciones gráficas de los componentes de una instalación eléctrica que se usan para trasmitir un mensaje, para identificar, calificar, instruir, mandar y advertir. Ventajas • Su empleo es universal. • Ahorro de tiempo y dinero en el mantenimiento y reparación de
  • 26.
    instalaciones o equiposeléctricos a través de su interpretación de los componentes. • Facilitar la interpretación de circuitos. • Permite una comunicación universal entre las personas independientemente del idioma del país. Características • Debe ser lo más simple posible para facilitar su dibujo y evitar pérdida de tiempo en su representación. • Debe ser claro y preciso. • Debe indicar esquemáticamente el funcionamiento del aparato en un circuito. • Deben evitarse los dibujos de figuras pictográficas porque los símbolos están destinados para diagramar a circuitos eléctricos. • El nombre del símbolo debe ser preciso y claro. A continuación se indica un listado de símbolos eléctricos para sistemas de control de máquinas eléctricas:
  • 28.
    Definiciones y Simbolospara el Control de Motores (parte 2) • amaño de la fuente
  • 35.
    Visto 1077 veces Normasy Simbologias Electrotecnicas (parte 1) NORMAS ELECTROTÉCNICAS NORMA Es un documento que simplifica, especifica, unifica un material, un producto,un ensayo, una unidad, una tecnología. Un documento que debe reunir un conjunto de propiedades intrínsecas para que su aceptación y utilización sea fácil y segura. Algo que, en síntesis, facilita la vida, estableciendo soluciones óptimas a todos los problemas que se repiten. Dentro de los esquemas de circuitos eléctricos, un aspecto muy importante de las normas es el de conseguir dar una información suficiente, clara, sencilla, de criterios constantes y contrastada por personas competentes y responsables, que permita un rápido intercambio de información obteniendo una comprensión unívoca de concepto y terminología. Para llevar a buen puerto una actividad los técnicos se sirven entre otras cosas, de la información que les facilitan las normas que se publican por diversos organismos a nivel nacional e internacional, normas y organismos cuya proliferación es amplísima y cada vez con mayor exigencia de rigor. PRINCIPALES NORMAS ELECTROTÉCNICAS A continuación se indica las normas electrotécnicas más importantes: Con la normalización de símbolos empleados en Electrotecnia se crea un nuevo sistema de comunicación que constituye un idioma gráfico a nivel nacional e internacional. Para facilitar el estudio del lector hemos recopilado en una serie de tablas los grupos de símbolos literales y gráficos que se utilizan en Electrotecnia en general y en automatización eléctrica en particular.
  • 36.
    En cada tablahemos dibujado los símbolos según las normas IEC, DIN, ANSI, y se les ha dado el significado unívoco mediante una definición concreta y lo más clara posible. NATURALEZA DE LAS TENSIONES E INTENSIDADES
  • 41.
    Normas y SimbologiasElectrotecnicas (parte 2) • tamaño de la fuente
  • 48.
    Visto 893 veces EsquemasElectricos: reconozcamos nuestros diagramas ESQUEMAS ELÉCTRICOS Son las representaciones gráficas de los circuitos e instalaciones eléctricas en los que van indicadas las relaciones mutuas que existen entre sus diferentes elementos, así como los sistemas de conexión que los enlazan entre sí. Para sus representaciones se emplea básicamente una serie de símbolos, trazos, marcas o índices, los cuales han sido unificados por la Comisión Electrotécnica
  • 49.
    Internacional (I.E.C.) uotros organismos, los cuales tienden a facilitar, en lo posible, la correcta interpretación de los símbolos mencionados. Elementos de un esquema eléctrico: • Símbolos: dibujo convencional. • Marca que designan dispositivos, aparatos o máquinas. • Señales de los bornes. • Señales de los conductores. CLASIFICACIÓN DE LOS ESQUEMAS ELÉCTRICOS ESQUEMAS EXPLICATIVOS Facilitan el estudio y la comprensión del funcionamiento de una instalación o parte de ella. Por eso se representan todos los dispositivos, conductores, uniones mecánicas y condiciones de interdependencia que intervengan en el funcionamiento descrito o estudiado. Los esquemas explicativos son los siguientes: • Esquema explicativo funcional Es la representación más sencilla y clara que presenta todos los elementos de un circuito sin interesar su posición respecto a la realidad. Este esquema nos permite expresar o es tudiar el funcionamiento de alguna instalación de un aparato o de un sistema. Aunque este es una forma sencilla de estu diar y explicar el circuito planteado,la instalación real nunca tendrá esa di sposición o montaje de sus elementos o dispositivos.
  • 50.
    Ejemplos de esquemasexplicativos de funcionamiento Recomendaciones: - El trazo de los conductores se hará siempre en posiciones horizontales y verticales, paralelas a los bordes del papel. - Los trazos de los conductores se cruzarán lo menos posible. - Se deben complementar con las anotaciones necesarias. • Esquema explicativo de emplazamiento Es el dibujo que representa a la vez el emplazamiento aproximado de los aparatos de uso y de los aparatos que los controlan. Se llaman también plano de ubicación. Esquema explicativo de emplazamiento.Tablero de control de un inversor de giro • Esquema explicativo de principio En este caso los símbolos de los diferentes elementos de un mismo aparato o de una misma instalación están separados y situados de manera que el trazado de cada circuito se aproxima, en lo posible, a una recta.
  • 51.
    La representación explicativafacilita la comprensión de las condiciones de dependencia eléctrica. Esquemas explicativos de funcionamiento. Control de una lámpara por pulsadores • Plano Es un esquema explicativo, el cual se presenta por intermedio de un mapa geográfico sobre el cual se sitúa el trazado aproximado y muy simplificado de las obras y de las líneas de transporte y distribución de energía.
  • 52.
    Ejemplo de unplano de una instalación residencial
  • 53.
    Esquemas de Ejecucióny Montaje para el control de Motores ESQUEMAS DE EJECUCIÓN Y MONTAJE Estos esquemas están destinados a servir de guía en la realización y verificación de las conexiones de una instalación eléctrica o parte de la misma. Los más utilizados son: • Esquema general de conexiones Es el esquema en el cual están representadas todas las conexiones y todos los conductores. Ejemplo de esquema general de conexiones • Esquema de entubado (canalización) Es un esquema que representa las conexiones entre los diferentes aparatos o elementos de una instalación eléctrica. El esquema de cableado exterior se obtiene trazando un esquema de canalización junto a una relación de aparatos y de dichas canalizaciones.
  • 54.
    Ejempla de esquemade entubado • Esquema unifilar Es una representación simplificada que comprende circuitos semejantes en los que están incluidos aparatos similares que funcionan simultáneamente.Se pueden representar varios conductores por un trazo único cruzado por cortos trazos oblicuos cuyo número corresponde a los conductores. Del mismo modo, varios aparatos y componentes de aparatos que funcionan simultáneamente podrán estar representados por un símbolo único. Ejemplo de representación unifilar. Arranque en directo de tres motores • DIAGRAMA DE CARGA Es la distribución de cargas, en forma unifilar, de un tablero general de distribución o de una subestación o de un centro de transformación.
  • 55.
    Ejemplo de diagramade carga REGLAS BÁSICAS PARA REALIZAR LA LECTURA E INTERPRETACIÓN DE ESQUEMAS ELÉCTRICOS Bloques informativos, de identificación y marcado de bornes para tableros de control: En todo proyecto, los componentes eléctricos se identifican por medio de un código definido en las normas. La identificación de cada elemento debe ser la misma a lo largo de todo el proyecto, e incluso debe figurar también en el aparato una vez montado. La identificación completa de un elemento o equipo eléctrico está compuesto por los siguientes bloques: Reglas basicas para leer e interpretar tableros de control REGLAS BÁSICAS PARA REALIZAR LA LECTURA E INTERPRETACIÓN DE ESQUEMAS ELÉCTRICOS Bloques informativos, de identificación y marcado de bornes para tableros de control: En todo proyecto, los componentes eléctricos se identifican por medio de un código definido en las normas. La identificación de cada elemento debe ser
  • 56.
    la misma alo largo de todo el proyecto, e incluso debe figurar también en el aparato una vez montado. La identificación completa de un elemento o equipo eléctrico está compuesto por los siguientes bloques: Bloque 1: (Subdivisión fundamental) − Su signo característico (=). − Nos facilita la relación que hay entre cierto número de elementos respecto a su situación o posición en el esquema. − Nos puede servir como signo de identificación en el cual se nos indica la situación de determinado elemento de un equipo completo. − Este bloque se debe usar cuando en la instalación, por ejemplo, de un cuadro de automatismos, existen varios sistemas o grupos de equipos y cada uno de ellos consta a su vez de varias unidades o equipos. Por ejemplo: − Grupo (sistema) de arrancadores dire cto que consta de varios equipos (unidades) guardamotores. − Grupo (sistema) de resistencias calefact ores que consta de varios radiadores (unidades). Bloque 2: (Ubicación en el plano) − Su signo característico (+). − Nos facilita la situación de un elemento para una rápida identificación delugar, que ocupa, entre numerosos elementos con múltiples usos de igual o similar presentación, de un conjunto importante o complejo. − El código de signos de identificación de la situación se puede basar en una secuencia de números sucesivos o bien en sus coordenadas, de tal forma que no exista ningún tipo de ambigüedad. Bloque 3: (Bloque de identificación) Este bloque es el más importante y en la mayoría de los casos es suficiente. Consta de 3 partes: − La clase: hace referencia del elemento, sin tener en cuenta su función. Se representa por medio de una letra. Cada clase y por lo tanto, cada letra, representa una familia de elementos, siendo el símbolo del elemento
  • 57.
    utilizado el quenos permite distinguir entre los distintos miembros de esa familia. − El número: se adopta de acuerdo a las necesidades del circuito, es decir la cantidad de dispositivos que se usan, pudiendo utilizar cualquier número natural comenzando por el uno. No es necesario que la numeración forme una secuencia interrumpida. Para facilitar la lectura se pueden asignar grupos de números o grupos de elementos. − La función: hace referencia al papel o acción que desempeña el elemento en el circuito, independientemente del tipo de elemento que es. Está representada por una letra.
  • 58.
    Código para formarla parte 3ra del bloque de identificación
  • 59.
    Código de letraspara determinar la función MÉTODO DE LA CUADRÍCULA Utilizamos el método de cuadrícula para localizar la situación de los elementos en el plano. En ordenadas, hemos dividido la hoja en 6 espacios delimitados por las letras A, B, C, D, E, F, G, puestos de arriba abajo y en el margen izquierdo del papel. En abscisas se ha dividido cada hoja en 8 espacios delimitados por los números 1, 2, 3, 4, 5, 6, 7, 8, 9, puestos por orden correlativo de izquierda a derecha y en el margen superior del papel. El número de divisiones que nos fija la cantidad de cuadrículas es arbitrario y se determina según las necesidades del esquema, siendo recomendable dejar los componentes bien delimitados por zonas distintas. Resultan generalmente cuadrículas de mayor tamaño que las efectuadas en el esquema que ponemos como ejemplo.
  • 60.
    Esquema con másde una hoja: Como se puede apreciar en el margen inferior derecho, se han numerado hojas de la siguiente forma: hoja 1/2, hoja 2/2, con lo que sabemos el número de la hoja en la que estamos y el total de ellas. Normalmente, esta numeración se hace en el recuadro del casillero del plano que se utilice en la empresa, consultoría, etc. Ya sea que se dibujen casilleros en todas las hojas o sólo en la primera, siempre se dibujan los esquemas principales y los esquemas de mando por separado; en forma unifilar o multifilar, el esquema principal y en forma desarrollada el esquema de mando. Se pueden dar 3 casos: a. Que cada esquema principal y de mando ocupe una sola hoja. Es el caso que se indica en el esquema de este ejemplo. b. Que se sitúen en la misma hoja los dos esquemas. En la parte izquierda, el mcircuito principal y en la parte derecha el esquema del circuito de mando. c. Que se realice primero el esquema completo del circuito principal, utilizando todas las hojas correlativas que hagan falta y se dibuje a continuación todo el circuito de mando, en el que se utilizarán también las hojas necesarias y correlativas. La numeración de las hojas se hace marcando el número de orden y el número total empleado, comenzando por la primera del circuito principal, continuando luego con los del circuito de mando. De esta forma queda una numeración sucesiva e interrumpida. Identificación y localización de los componentes en el esquema Circuito auxiliar anexo: En el circuito de mando en forma desarrollada, hoja 2/2 sobre la columna de referencia 4 (circuito de contro l) se coloca el circuito auxiliar anexoformado por la bobina y todos sus co ntactos, facilitándonos la siguiente información: Bloque de identificación (-) que nos indica la clase (K), número 1 y función (M) del elemento de mando. Por ejemplo, el signo de identificación de la clase, número y función del contactor número 1 que acciona el motor principal es: -K1M. Marcado de bornes de la bobina A1 – A2. Marcado de bornes de los contactos principales y auxiliares. Número de hoja y columna de referencia sobre el que se encuentran los contactos en el plano. Esta información se facilita con la marca situada a al izquierda de cada símbolo.
  • 61.
    Por ejemplo, elcontacto 1-2 se encuentra en la columna 5 de la hoja 1 (1.5) La bobina se encuentra en la columna 4 de la hoja 2 (2.4) De manera recíproca, partiendo del contacto incluido en el esquema, se indica la localización de la bobina. Para ello, debajo del signo de identificación del contacto, se colocan dos números que indican el número de hoja y la columna donde se encuentra la bobina. Por ejemplo: el contacto 23-24 del – K1M (en hoja 2/2, columna 8) tiene la bobina en la hoja 2, columna 4 . Signo de identificación completo: A la izquierda de todo símbolo del esquema que representa un elemento hemos colocado un signo de identificación completo, formado por el bloque de situación más el bloque de identificación de clase, número y función. Por ejemplo: para el conmutador de voltímetro, el signo de identificación completo, es en este caso: +C3-S1N.
  • 62.
    Método de lacuadrícula: circuito de fuerza
  • 63.
    Método de lacuadrícula: circuito de mando Visto 1812 veces El Contactor, el amigo de los motores DISPOSITIVOS DE MANDO Y PROTECCIÓN DE MOTORES Los contactores son aparatos electromagnéticos que establecen o interrumpen la corriente eléctrica por medio de contactos accionados por un electroimán.
  • 64.
    El contactor En esencia,el funcionamiento de un contactor representado en la Figuras 3.1 y 3.2,consiste en que al aplicar corriente a su bobina, el campo magnético formado por ésta, atrae al núcleo móvil y este desplazamiento es el que cierra los contactos, ya que unos están fijos y otros se desplazan con la parte móvil del núcleo Partes de un contactor PARTES DE UN CONTACTOR Las partes principales de un contactor son: • El electroimán, es el órgano motor del contactor. Está formado por una bobina y un núcleo magnético, con una parte fija y otra móvil. • Los contactos principales , que son generalmente tres (1-2; 3-4 y 5-6), son los elementos que establecen o interrumpen el paso de la corriente principal. Están construidos generalmente de una aleación de plata y pueden ser de conexión sencilla o doble.
  • 65.
    • Los contactosauxiliares, son una serie de pequeños contactos que en mayor o menor número llevan los contactores, unos abiertos (13-14; 23-24; etc.) y otros cerrados (31-32; 41-42; etc.), accionados también por el electroimán y destinadosa funciones específicas de mando, como son: los en clavamientos, la autoalimentación, la seguridad, etc. • Las cámaras de extinción del arco, como su propio nombre indica, tienen por misión apagar lo más rápidamente posible el arco que se forma entre los contactos móviles y fijos durante la desconexión del contactor para alargar la vida de éstos. Se suelen emplear tres tipos de cámaras de extinción. Cámara de extinción de arco A continuación vamos a resumir la descripció n de construcción y el funcionamiento de estos tipos de cámaras: - Cámaras autosoplado: cada contacto de potencia del contactor está situado dentro de una cámara de material aislante construida en forma de chimenea, más ancha por debajo y más estrecha por arriba, de forma que cuando los contactos mse abren en la cámara, se crea un fenómeno de aspiración que se ve favorecidopor el calor del arco que salta entre los contactos, de tal forma, que la corriente de aire ascendente que se origina ayuda a la extinción del arco. - Cámaras de soplado magnético: este sistema es una mejora del anterior, de tal forma que a la cámara en forma de chimenea se le ha añadido un sistema formado por una bobina arrollada sobre un núcleo de acero, conectada en serie con la parte fija de cada contacto y dos placas magnéticas de acero, colocadas a ambos lados de los contactos. - La bobina de cada polo, al estar recorrida por la corriente principal, crea un campo magnético proporcional a dicha corriente y a su número de espiras.
  • 66.
    - Cuando seabren los contactos y debido al sentido de arrollamiento de la bobina, el campo magnético creado por las espiras de soplado origina una fuerza F, que es perpendicular al arco creado entre los contactos fijo y móvil, consiguiéndose así una extinción más rápida y mejor de los arcos. - Cámaras de soplado con aletas : este sistema de extinción de arco es el más utilizado actualmente en los contactores, debido a su sencillez y eficacia y consiste en rodear cada par de contactos de una cámara de extinción provista de más aletas metálicas, situadas de tal forma que cortan y enfrían el arco originado en la apertura de los contactos. Entre cada par de placas se forma un pequeño arco de muy pequeña tensión que inmediatamente se enfría y se extingue. Actualmente, también, se emplea el sistema de contactos al vacío , que consiste en colocar cada par de contactos dentro de una cámara de cristal o cerámica, donde se ha hecho el vacío; al no haber aire no se puede originar el arco y por tanto, éste prácticamente no existe, su inconveniente es su elevado costo. MARCADO DE BORNES La representación del marcado de bornes es tal como sigue: • Bobina: se marca con A1 y A2 . • Contactos auxiliares: como ya hemos nombrado, existen contactos normalmente abiertos (NO) o (NA) y normalmente cerrados (NC). - Contactos NO.- Se les asignarán números de 2 cifras, la primera cifra indica el número de orden y la segunda deberá ser 3 y 4. Ejemplos: 13-14, 23-24, 33-34, etc. - Contactos NC .- Se les asignarán números de 2 cifras, la primera cifra indica el número de orden y la segunda deberá ser 1 y 2. Ejemplos: 11-12, 21-22, 31-32, etc. - Contactos principales : se marcan con los siguientes números o letras: 1-2, 3-4, 5-6, ó L1-T1, L2-T2, L3-T3 . • El Contactor se designa con la letra K seguida de un número y una letra final que indica la función que cumple M, A o B. Ejemplo: K1M, K2A, etc. CARACTERÍSTICAS
  • 67.
    Las características principalesa tener en cuenta a la hora de elegir un contactor son: • Ith: es la llamada intensidad térmica y es la intensidad máxima que pueden soportar sus contactos durante 8 horas. • In: es la intensidad nominal del contactor, es decir, la máxima corriente que pueden soportar indefinidamente sus contactos. • Un : tensión de servicio y tensión de la bobina de accionamiento. • Número de maniobras o endurancia mecánica. • Categoría de servicio. CATEGORÍA DE UTILIZACIÓN Es una característica que define el tipo de corriente (continua o alterna) y el tipo de carga que han de soportar sus contactos principales, inductiva o resistiva, lo cual redundará en el arco que han de soportar éstos durante la apertura. Todo ello definido, principalmente, por las corrientes y tensiones que el contactor debe establecer o cortar durante las maniobras de carga, dadas como veces de In y Un. Para los contactores de corriente alterna se han establecido las cuatro categorías. Categorías de servicio de los contactores de corriente alterna La categoría de servicio más empleada es la AC3, cuyos contactos han de soportar 6 In como mínimo, aunque los fabricantes los suelen diseñar para que soporten 10 In.
  • 68.
    Debemos tener encuenta que si al sustituir un contactor no encontramos otro de la misma categoría de serv icio, podemos sustituirlo por otro de mayor categoría, pero nunca por uno de categoría inferior. RELÉ DE SOBRECARGA Son dispositivos que se emplean para proteger los equipos eléctricos, tales como motores y transformadores, contra sobre calentamientos inadmisibles. Esquema eléctrico de un relé de sobrecarga Un sobrecalentamiento de un motor puede originarse por una sobrecarga en su eje, un consumo asimétrico de corriente, una asim etría de las tensiones o falta de una de las fases de la red e, incluso, por un bloqueo del rotor. En estos casos el relé de sobrecarga supervisa la corriente consumida por todos los polos del consumidor. Los bornes principales se marcarán como los contactos principales del contactor, 1-2, 3-4, 5-6, o L1-T1, L2-T2, L3-T3. Los contactos auxiliares serán, 95-96 contacto cerrado y 97-98 contacto abierto. Existen dos tipos de relés de sobre carga: los térmicos y los electrónicos. Visto 1348 veces Reles de sobrecarga termicos y electronicos RELÉS DE SOBRECARGA TÉRMICOS
  • 69.
    Los relés térmicostienen por lo general tres tiras bimetálicos. Las resistencias calefactoras por las que circula la corriente del motor, calientan indirectamente estas tiras. Esquema eléctrico de un relé térmico Cuando las tiras térmicas se calientan debido a la corriente que circula a través de las resistencias calefactoras, un sistema mecánico hace disparar al relé térmico. Una vez que las tiras bimetálicas enfriaron en un determinado grado, podrá volverse el disparador a su posición inicial oprimiendo el botón de desbloqueo. Al período de tiempo después del cual es posible reponer al relé a su posición de trabajo se le denomina tiempo de reposición .
  • 70.
    El ajuste delos relés térmicos se realiza mediante un botón rotativo (1), con el cual se regula en forma continua la corriente de ajuste Ir dentro del margen del relé. Vista frontal de un relé térmico Como medio de protección para reconexiones indebidas del relé térmico,estos están equipados con un botón de reposición o “reset” (2). Este botón debe ser accionado para que el relé térmico se encuentre listo antes de ponerlo en operación o luego de un disparo. Algunos relés térmicos permiten su reposición en forma manual o automática y poseen un selector de reset man/aut (3) . Para verificar el funcionamiento de los contactos auxiliares de los relés, se dispone de una corredera de prueba “test” (4), lo cual permite comprobar también el cableado del circuito de comando. Mediante el botón de parada “stop” (5), se puede desconectar elcontactor correspondiente al relé y con éste el motor. RELÉS DE SOBRECARGA ELECTRÓNICOS En estos dispositivos, la corriente de cada fase es medida a través de transformadores de intensidad de corriente integrados. Un circuito basado en microprocesador se encarga de medir y transformar esta señal analógica hasta finalmente disparar al relé en caso de sobrecarga del motor.
  • 71.
    Vista frontal deun relé térmico En forma similar al relé de sobrecarga térmico, éste se regula al valor deseado mediante una perilla giratoria (1) de la Figura 3.7 y es posible emplear un indicador LED de “sobrecargas” (2) como ayuda para el ajuste. Mediante una segunda perilla “CLASS” (3), se puede seleccionar la clases de disparo (entre seis tipos). La reposición del relé se implementa con la tecla “Test/Reset” (4), que presionándola durante dos, cinco y mas segundos, permite realizar un protocolo de prueba completo al relé de sobrecarga electrónico, incluyendo sus leds de estado (5). El interruptor Automatico EL INTERRUPTOR AUTOMÁTICO Estos dispositivos se utilizan para proteger contra cortocircuitos, así como también para proteger contra sobrecargas, corrientes de defecto y tensiones bajas. De esta manera, asumen la protección de equipos eléctricos contra sobrecalentamiento inadmisible. Interruptor termomagnético
  • 72.
    Los interruptores automáticosprotectores de motor, también llamados interruptores termomagnéticos, son dispositivos destinados para la maniobra, protección y seccionamiento de circuitos con cargas motrices primordialmente. Protegen simultáneamente estos motores contra la destrucción por arranque bloqueado, sobrecarga, cortocircuito y avería de un conductor externo en redes trifásicas. Simbología del interruptor termomagnético Según la función de aplicación, sus vías de corriente se equipan con disparadores o relés. Los disparadores forman parte del interruptor. Los relés y aparatos de disparo por termistores actúan, por el contrario, eléctricamente a través de un disparador de mínima tensión o bobina de apertura por tensión sobre el mecanismo del interruptor. La tabla , presenta un resumen de los disparadores y relés para interruptores automáticos.
  • 73.
    Disparadores y relésde interruptores automáticos con función de protección Disparadores contra sobrecargas Los disparadores contra sobrecargas con retardo dependiente de la corriente, pueden regularse dentro de un determinado margen y, a veces, están ajustados en un valor fijo. El ajuste se efectúa con ayuda de un botón giratorio, mediante la entrada con pulsadores o con una palanca. Con la corriente ajustada Ir (corriente de reacción) se determina la curva característica de disparo.
  • 74.
  • 75.
    En los disparadoreselectrónicos contra sobrecargas se puede modificar el tiempo de disparo para 7,2 . Ir por medio del ajuste CLASS (Clase de disparo). En las normas DIN VDE y publicaciones de la IEC, se dan indicaciones relacionadas con las corrientes de reacción y el comportamiento de los disparadores y relés térmicos con retardo dependiente de la corriente de protección contra sobrecargas. Disparadores por cortocircuitos Los disparadores electromagnéticos contra cortocircuitos pueden estar ajustados a un valor fijo o ser regulables. Los de algunos fabricantes son siempre ajustables. La tabla 3.3 muestra los márgenes de ajuste de los disparadores de protección contra cortocircuitos. Según la norma DIN VDE 0660, la corriente de reacción, para la que se producirá el disparo, puede tener una desviación del ±20% del valor ajustado. Margen de actuación de los disparadores por cortocircuito. (según la norma din vde 0660, parte 101) Disparador por mínima tensión El disparador o bobina por mínima tensión se utiliza para vigilar la tensión de la red, en circuitos de enclavamientos eléctricos o para desconectar a distancia. Debe disparar el interruptor cuando la tensión asignada de alimentación del circuito de mando Us descienda a un rango equivalente a una tensión de accionamiento Uc,entre 0,35 y 0,7 . Us..
  • 76.
    Si la tensiónde mando Us se toma directamente de la red, el interruptor desconecta sin retardo tras una caída o falla de la tensión de alimentación. Disparador por mínima tensión Los disparadores por mínima tensión por re tardo se utilizan en redes con deficiencias en el suministro de potencia para evitar que los interruptores disparen con cada fluctuación o caídas breves de la tensión de la red. El retardo que puede seleccionarse, por lo general, entre 1, 2 ó 3 segundos, se obtiene mediante un elemento de retardo. La interrupción de la conexión entre el elemento de retardo y el disparador permite operar con desconexión inmediata (por ejemplo, en paradas de servicio o de emergencia). Visto 1044 veces Contactores Auxiliares o Reles AUXILIARES DE MANDO CONTACTORES AUXILIARES O RELÉS Los relés o contactores auxiliares, como también se denominan algunas veces, son elementos similares a un contactor, pero con contactos solamente auxiliares y se emplean para completar las protecciones y los circuitos automáticos de mando y control de motores eléctricos, es decir, trabajan o soportan pequeñas corrientes. Se componen de un circuito magnético, con su bobina y núcleo correspondiente y varios contactos, unos abiertos y otros cerrados, que cambian de posición al
  • 77.
    excitarse su bobina.En el Figura vemos la construcción y representación esquemática de algunos de estos tipos de relés auxiliares. Formas constructivas y símbolos de relés auxiliares Los relés auxiliares se fabrican de muchas formas y tamaños, desde el pequeño relé que se suelda directamente en un circuito impreso, hasta los que tienen el tamaño de pequeños contactores. Por otra parte, su sistema de conexión puede ser muy diverso: bornes atornillados, soldados, con conector enchufable, etc. Sus características principales son: - Tensión y tipo de corriente de la bobina de mando (pueden ser de corriente alterna o continua). - Intensidad máxima permitida por los contactos (entre 1, 5 y 10 A, generalmente). Designación: K2A RELÉS TEMPORIZADOS O TEMPORIZADORES Existe otro tipo de relé auxiliar cuyos contactos no se mueven inmediatamente al introducir o quitar corriente a la bobina, sino que su movimiento queda retrasado con respecto a alguna de estas dos acciones; son los llamados relés temporizadores. Estos, al igual que los relés auxiliares, están formados por un circuito magnético y una serie de contactos de acción retardada, de tal forma que no se abren o cierran hasta no haber pasado un tiempo desde que se excitó o desexcitó la bobina. No vamos a describir aquí el funcionamiento del sistema de temporización,pero sí decir que pueden ser de muy diversas formas, siendo las tecnologías más
  • 78.
    empleadas para ellolas que se fundamentan en la neumática, termoelectricidad, sistemas de relojería, electrónicos, etc., siendo estos últimos los que más se fabrican actualmente. Tipos de relés temporizadores En la Figura vemos la representación esquemática de los relés temporizados, destacando que el sentido de temporización, al cierre o a la apertura, a la excitación o a la desexcitación puede ponerse tanto en el símbolo de la bobina como en los propios contactos, de tal forma que así tenemos dos grupos perfectamente diferenciados. Relé temporizado a la conexión (al trabajo) – On delay: Al excitarse la bobina sus contactos esperan el tiempo de temporización para cambiar de estado. Si se quita la corriente a la bobina sus contactos vuelven a su estado de reposo inmediatamente. Contactos auxiliares de acción retardada a la conexión (ON DELAY) Diagrama secuencial En la Figura se explica el funcionamiento de un sistema temporizado On delay. La red “R” debe estar en tensión. El cierre del interruptor “K” inicializa la temporización “t” preseleccionada y provoca simultáneamente el encendido del piloto “V” integrado en el sistema o en el aparato. Después de haber transcurrido el tiempo “t” preseleccionado, la carga “C” se pone en tensión y el piloto “V” se apaga.
  • 79.
    La carga “C”queda en tensión hasta la apertura del interruptor “K” o a la desaparición de la tensión de la red “R”. Diagrama secuencial (temporizado a la excitación) Relé temporizado a la desexcitación o retardado a la desconexión (al reposo) – Off Delay: Al excitarse la bobina sus contactos cambian de posición instantáneamente, pero tardan en regresar a su posición de reposo al quitar la corriente a la bobina. Contactos auxiliares de acción retardada a la desconexión (OFF DELAY) Diagrama secuencial En la Figura se explica el funcionamiento de un sistema temporizado Off delay. La red “R” debe estar en tensión. El cierre previo del interruptor “K” provoca la puesta en tensión de la carga “C”. La apertura del interruptor “K” inicializa la temporización y provoca simultáneamente el encendido del piloto “V” insertado en el sistema o
  • 80.
    en el aparato.Después de haber transcurrido el tiempo “t” preseleccionado, la carga “C” se pone fuera de tensión y el piloto “V” se apaga. La carga “C” queda entonces fuera de tensión hasta un nuevo cierre del interruptor “K”. Diagrama secuencial (relé temporizado a la desexcitación) Las características principales de los relés temporizados son: - Tensión y tipo de corriente de la bobina. - Margen de regulación de la temporización. Expresado generalmente en segundos. - Tipo de temporización (de reposo o de trabajo). - Máxima intensidad soportada por los contactos. Botoneras y Interruptores de Posicion o de Final de Carrera o "Limit Switch" BOTONES PULSADORES Son dispositivos auxiliares de mando provistos de un elemento destinado a ser accionado por la fuerza ejercida por una parte del cuerpo humano, generalmente el dedo o la palma de la mano y que tiene una energía de retorno acumulada (resorte).
  • 81.
    Ahora bien, debidoa la gran cantidad de fabricantes y a la diversidad de posibilidades constructivas, en el argot técnico es frecuente ver utilizar los términos: - Para el elemento de accionamiento o botón de presión: actuador, cabeza, roseta, tecla, etc. Los fabricantes se esfuerzan en conseguir un acabado agradable, condicionado además por el color, según la función a desempeñar por el pulsador. Color del que puede ser todo el elemento de accionamiento o, lo que es muy frecuente, el botón rasante o saliente que se monta a presión o roscado sobre la cabeza. - Para el auxiliar de mando o elemento de conexión: bloque de contactos,cámara de contactos, cuerpo, etc. Se construyen pulsadores para montar sobre base y para empotrar. Pulsadores y sus componentes Las cajas de pulsadores así como las unidades de mando empotrables van equipadas de contactos que, en función del tipo de la cabeza de mando: - Sólo conectan o desconectan durante el impulso, tomando después su posición original (contactos momentáneos). - Quedan en posición a la hora de actuar sobre la cabeza de mando (contactos mantenidos o de enganche); en este caso, es preciso una segunda intervención para anular la anterior. Tipos de pulsadores
  • 82.
    - Pasante: evitatoda la maniobra inesperada. - Saliente: intervención rápida, parada de urgencia. - De varilla: maniobra de la varilla en cualquier dirección (caja de pulsadores colgantes). Tipos de pulsadores Botones giratorios: De dos o tres posiciones mantenidas con retorno automático y cero (selección de circuitos o de un tipo de marcha: marcha manual, automática y parada sobre un equipo compresor o bomba, por ejemplo). Cuando el mando se realiza por llave (extraíble o enclavada en ciertas posiciones) solamente la persona autorizada puede realizar la maniobra.
  • 83.
    INTERRUPTORES DE POSICIÓNO “FINAL DE CARRERA” O “LIMIT SWITCH” Los contactos de mando mecánico son utilizados para controlar la posiciónde una máquina, permitiendo la puesta en marcha, la disminución de velocidad o la parada en un sitio determinado o para mandar ciclos de funcionamiento automático en las máquinas modernas. Tipos de interruptores de posición Los principales factores que intervienen en la elección de un contacto de mando mecánico son: • Protección contra manipulaciones, choques violentos, proyecciones de líquidos, presencia de gas. • Naturaleza del ambiente: húmedo, polvoriento, corrosivo y la temperatura que existen en el lugar de utilización. • El lugar disponible para alojara y fijar el aparato. • Las condiciones de utilización: frecuencia de maniobras, peso y velocidad del móvil a controlar, precisión y fidelidad exigidas, esfuerzo necesario para accionar el contacto. • Número y naturaleza de los contactos: ruptura lenta o brusca, posibilidad de regulación. • Naturaleza de la corriente, valor de la tensión. Símbolo:
  • 84.
    Visto 1098 veces Presostatosy Detectores capacitivo e inductivo PRESOSTATOS – VACUOSTATOS Estos aparatos están destinados a la regulación o al control de una presión o de una depresión en los circuitos neumáticos o hidráulicos. Cuando la presión o la depresión alcanza el valor de reglaje (valor al cual han sido regulado); el contacto de apertura – cierre de ruptura brusca, báscula y cuando el valor de la presión o de la depresión disminuye el (o los) contactos vuelven a su posición original. Se utilizan frecuentemente para: - Mandar la puesta en marcha de grupos compresores en función de la presión en el depósito. - Asegurarse de la circulación de un fluido de lubricación o de refrigeración. - Limitar la presión en determinadas máquinas – herramientas provistas de cilindros hidráulicos. Presostato – Vacuostato Los contactos pueden ser normalment e abiertos o normalmente cerrados, dependiendo del tipo de presostato. DETECTORES INDUCTIVOS El Detector Inductivo (DI) es un fin de carrera que trabaja exento de roces y sin contactos, no está expues to a desgastes mecánicos y en general
  • 85.
    es resistente alos efectos del clima. Su empleo es especialmente indicado allí donde se requieren elevadas exigencias, precisión en el punto de conexión, duración, frecuencia de maniobras y velocidad de accionamiento. Detector inductivo Funcionamiento: El DI es excitado por un campo alterno de alta frecuencia, el cual se origina en la "superficie activa" del DI, la magnitud de este campo alterno determina el "alcance" del aparato. Cuando se aproxima un material buen conductor eléctrico o magnético , el campo se amortigua. Ambos estados (campo amortiguado o no amortiguado) son valorados por el DI y conducen a un cambio de la señal en la salida. Símbolo: Esquema de conexiones: DETECTOR CAPACITIVO Estos detectores de proximidad capacitivos son interruptores de límite,que trabajan sin roces ni contactos. Pueden detectar materiales de conducción o no conducción eléctrica , que se encuentran en estado sólido, líquido o polvoriento, entre otros: vidrio, cerámica, plástico, madera,
  • 86.
    aceite, agua, cartóny papel. El detector se conecta cuando él y el material se encuentran uno enfrente del otro a una determinada distancia. Detector capacitivo Símbolo: Esquema de conexiones: Aplicaciones: - Señalización del nivel de llenado en recipientes de material plástico o vidrio - Control del nivel de llenado con embalajes transparentes - Aviso de roturas de hilo en bobinas - Cuenta de botellas - Regulación del bobinado y de los esfuerzos de tracción de cintas - Cuenta de todo tipo de objetos La superficie activa de un sensor está formada por dos electrodos metálicos dispuestos concéntricamente, éstos se pueden considerar como los electrodos de un condensador. Al acercarse un objeto a la superficie activa del sensor, se origina un campo eléctrico delante de la superficie del electrodo. Esto se traduce con una elevación de la capacidad y el oscilador comienza a oscilar. DETECTORES FOTOELÉCTRICOS
  • 87.
    Los detectores fotoeléctricospermiten señalar la presencia o el paso de un objeto a través de un haz luminoso, tal como se muestra. Detectores fotoeléctricos Aunque existen infinidad de tipos de detectores fotoeléctricos en cuanto a formas, tamaño y alcance de detección. todos ellos los podríamos clasificar en tres sistemas o formas de detección. - Sistema de barrera. - Sistema de reflexión o réflex. - Sistema de proximidad. Tipos de detectores fotoeléctricos Detectores fotoeléctricos de barrera
  • 88.
    Detectores fotoeléctricos deproximidad - El sistema de barrera se emplea para largos alcances (hasta 20 o más metros) y es el sistema mayor adaptado para la detención de objetos opacos o reflectantes, pero no transparentes; incluso trabaja bien en ambientes contaminados con polvo o agua. En este sistema el emisor y el receptor (que han de ser del mismo modelo) están separados formando una barrera y para su correcto funcionamiento necesitan una alineación muy precisa. La detección se realiza cuando es interrumpido el haz reflejado. - El sistema de reflexión o réflex se emplea para alcances cortos o medianos (hasta 8 ó 10 metros como máximo) para objetos opacos, pero no lisos y reflectantes, en ambientes relativamente limpios y cuando la detección solamente es posible desde un lado. En este sistema el emisor y el receptor están en la misma capa y el retorno del haz se realiza mediante un reflector de prismas situado al frente y alineados entre sí. La detección se realiza cuando es interrumpido el haz reflejado.
  • 89.
    Detectores fotoeléctricos dereflexión (réflex) El sistema de proximidad se emplea para distancias cortas (entre algunos centímetros y un metro generalmente) y para objetos brillantes, transparente o translúcidos, como botellas, que reflejan el haz emitido.En este sistema el emisor y el receptor van incorporados en la misma caja y el haz es reflejado por los objetos que pasan frente a él. La detección se realiza cuando el receptor recibe el haz reflejado. Detección con detector fotoeléctrico réflex Símbolo: Adicionalmente, se tiene la versión mejorada de algunos de los sistemas anteriores: Sistema Réflex Polarizado.
  • 90.
    Sistema de proximidadcon borrado del plano posterior El cual tiene las siguientes ventajas: - Detecta objetos ignorando el plano posterior. - Detecta objetos hasta una distancia dada, cualquiera que sea su color. Lamparas de Señalizacion, Resumen y Terminos comunes LÁMPARAS DE SEÑALIZACIÓN Son elementos que se utilizan para indicar: Lámpara Roja: - Indica parada (desconexión). - La parada de uno o varios motores.
  • 91.
    - La paradade unidades de máquina. - La eliminación del servicio de disp ositivos de sujeción magnéticos. - La parada de un ciclo (cuando el operador acciona el pulsador durante el ciclo, la máquina parará una vez terminado el mismo). - La parada en caso de peligro. Lámpara Verde: - Indica marcha (preparación). - Puesta bajo tensión de circuitos eléctricos. - Arranque de uno o varios motores, para funciones auxiliares. - Arranque de unidades de máquina. - Puesta en servicio de dispositivos de sujeción magnéticos. Lámpara Negra: - Indica marcha (ejecución). - Comienzo de un ciclo completo o parcial. - Funcionamiento intermitente. Lámpara Amarilla: - Indica puesta en marcha de un retroceso extraño al proceso normal de trabajo o marcha de un movimiento, para la eliminación de una condición peligrosa. - Retrocesos de elementos de máquinas hacia el punto inicial del ciclo, en el caso de que éste no esté terminado. - Anulación de otras funciones seleccionadas previamente. Lámpara Azul claro: - Indica cualquier función no mencionada anteriormente. - Maniobra de funciones auxiliares, que no estén ligadas directamente con el ciclo de trabajo. - Desbloqueo (rearme de relés de protección). Simbolo:
  • 92.
    RESUMEN • Los contactoresson aparatos electromagnéticos que establecen o interrumpen la corriente eléctrica por medio de contactos accionados por un electroimán. Se compone de un electroimán, contactos principales, co ntactos auxiliares y cámara de extinción del arco. Los contactos principales se numeran con un solo dígito ( 1-2, 3-4, 5-6 ) y los auxiliares con dos dígitos ( 13-14, 21- 22, etc.). Su designación comienza con la letra K, ej.: K1M. Tiene cuatro categorías de utilización: AC1, AC2, AC3 y AC4. • Los relés de sobrecarga son dispositivos que se emplean para proteger los equipos eléctricos contra sobre calentamientos inadmisibles. Los bornes principales se marcarán como los contactos principales del contactor, 1-2, 3-4, 5-6, o L1-T1, L2-T2, L3-T3. Los contactos auxiliares serán,95-96 contacto cerrado y 97-98 contacto abierto. Se designan con la letra F, ej.: F2F. • Existen dos tipos de relés de sobre carga: los térmicos y los electrónicos. • El interruptor automático es un dispositivo que se utiliza para proteger contra cortocircuitos, así como también para proteger contra sobrecargas. • Los fusibles son dispositivos que se utilizan para proteger las líneas de alimentación de los motores contra cortocircuitos. Su designación es con la letra F, ej.: F3F . • El relé auxiliar es un elemento similar a un contac tor, pero con contactos solamente auxiliares y se emplean para completar las protecciones y los circuitos automáticos de mando y control de motores eléctricos, es decir soportan pequeñas corrientes. Designación: K4A. • El temporizador es un tipo de relé auxiliar cuyos contactos no se mueven inmediatamente al introducir o quitar corriente a la bobina, sino que su movimiento queda retrasado con respecto a alguna de estas dos acciones. Existen dos tipos de temporizadores: retardado a la conexión (ON DELAY) y retardado a la desconexión (OFF DELAY). Designación: K2T. • Los pulsadores son dispositivos auxiliares de mando provistos de un elemento destinado a ser accionado por la fuerza del dedo o la palma de la mano y que tiene una energía de retorno acumulada (resorte). Designación: S1Q, S2B. • Los interruptores de posición son utilizados para controlar la posición de una máquina, permitiendo la puesta en marcha, la disminución de velocidad o la parada en un sitio determinado o para mandar ciclos de funcionamiento automático en las máquinas modernas. • Los presostatos son aparatos destinados a la regulación o al control de una presión o de una depresión en los circuitos neumáticos o hidráulicos.
  • 93.
    • El detectorinductivo es un fin de carrera que trabaja exento de roces y sin contactos, no está expuesto a desgastes mecánicos y en general es resistente a los efectos del clima. Su empleo es indicado allí donde se requieren elevadas exigencias, precisión en el punto de conexión, duración, frecuencia de maniobras y velocidad de accionamiento. • El detector capacitivo es un interruptor de límite, que trabajan sin roces ni contactos.Puede detectar materiales de conducción o no conducción eléctrica, que se encuentran en estado sólido, líquido o polvoriento, entr e otros: vidrio, cerámica, plástico, madera, aceite, agua, cartón y papel. • Los detectores fotoeléctricos permiten señalar la presencia o el paso de un objeto a través de un haz luminoso. Pueden ser de tres tipos: sistema de barrera, reflex y de proximidad. • Las lámparas de señalización se utilizan para indicar puesta en marcha, parada, funcionamiento intermitente de un mo tor o un grupo de ellos. Designación H1H. GLOSARIO Aparato Conjunto organizado de piezas que cumple una función determinada dentro de un circuito eléctrico. Aparato de mando Aparatos operados en forma manual que, incluidos en los circuitos auxiliares, permiten comandar los aparatos de maniobra dispuestos el circuito principal. Automático Que opera por si mismo o por su propio mecanismo, cuando actúa por alguna influencia no personal. Corriente Asignada Corriente para la cual son diseñados los aparatos de maniobra. Contactor Aparato mecánico de conexión que tiene únicamente una posición de pausa, no accionada a mano, capaz de establecer, transportar y cortar corrientes en condiciones de circuitos normales, incluyendo condiciones de sobrecarga en servicio.
  • 94.
    Corriente de cortocircuitoSobreintensidad que se deriva de un cortocircuito debido a una falla o a una conexión incorrecta en un circuito eléctrico. Circuito principal Todas las partes conductoras de un conjunto que forman parte de un circuito cuyo fin es transmitir la energía eléctrica. Circuito auxiliar Todas las partes conductoras de un conjunto de aparamenta de conexión y mando que forman parte de un circuito cuyo fin es controlar, medir, señalizar y regular. Contacto Estado en el que dos partes conductoras destinadas a esta función, se unen con determinada fuerza y permiten el paso de una corriente eléctrica. Contacto auxiliar Contacto dispuesto en un circuito auxiliar. Según su función de operación puede ser Normalmente Cerrado (NC), Normalmente Abierto (NA), Inversor (I) o de paso. Dispositivo Elemento de un sistema eléctrico por el cual circula corriente, pero no consume energía eléctrica en cantidad apreciable. Dispositivo de enclavamiento Dispositivo que hace que la operación de un aparato de maniobras depende de la posición o el efecto de uno o más componentes de una instalación. Interruptor deposición Auxiliar automático de mando cuyo mecanismo transmisor es accionado por una parte móvil de una máquina, cuando esta parte alcanza una posición determinada. Interruptor automático Aparato mecánico de conexión capaz de establecer, transportar y
  • 95.
    cortar corrientes encondiciones de circuitos normales y también establecer y transportar durante un tiempo determinado y cortar corrientes en determinadas condiciones anormales como las de cortocircuito. Interruptor de proximidad Interruptor que funciona sin contacto mecánico con la parte móvil. Relé temporizador Aparato de maniobra con retardo de tiempo electrónico o electromecánico que, una vez que transcurrió un tiempo ajustado, cierra y/o abre sus contactos. Sobrecarga Condiciones operativas en un circuito eléctricamente sano que podría causar una sobreintensidad. Tensión de servicio Tensión o voltaje verificado “in situ” entre los conductores que alimentan un aparato o instalación eléctrica. Visto 984 veces Arrancadores a Tension Plena: directo y con dos sentidos de giro Los arrancadores son aparatos de maniobra co n los cuales se lleva a los motores desde que están en reposo hasta su velocidad de régimen, mientras se mantienen dentro de límites prefijados los valores de la corriente de arranque y el torque del motor. Veamos algunas definiciones importantes para esta unidad: CIRCUITO PRINCIPAL Circuito que contiene equipos eléctricos para generar, transformar, distribuir, conectar/desconectar o consumir energía eléctrica. Para nuestro caso se refiere al circuito donde se encuentran los dispositivos de maniobra y protección de los motores. CIRCUITO AUXILIAR Comprende todas las partes conductivas de una combinación de aparatos de maniobra que pertenecen a un circuito (con excepción del circuito principal) que se utiliza para comando, medición, avisos, regulación, enclavamiento, procesamiento de datos u otros. ARRANCADORES A TENSIÓN PLENA
  • 96.
    ARRANQUE DIRECTO Se denominaarranque directo, a la forma en que se le aplica la tensión a un motor para su proceso de arranque, en este caso, se le aplica la tensión nominal a través del contactor y dispositivos de protección como los fusibles y relé térmico. Esta forma de arranque tiene la ventaja que el motor desarrolla en el arranque su torque máximo cuando la carga así lo requiera. El inconveniente es que toma una corriente de arranque máxima en algunos casos hasta 10 veces, recomendable paramotores de baja potencia pudiendo llegar como máximo a 10 HP. En lo posible los motores trifásicos asin crónicos con rotor de jaula de ardilla se arrancan en forma directa.
  • 97.
  • 98.
    Mediante el accionamientodel pulsador S1Q se excita la bobina del contactor K1M. El contactor conecta al motor y se enclava a través del contacto auxiliarK1M/13-14 y del contacto cerrado del pulsador de parada S0Q que se encuentra en estado de reposo. Al accionar el pulsador S0Q desconecta el contactor K1M. En caso de sobrecarga, se activa el cont acto de apertura 95-96 en el relé térmico F2F. Se interrumpe el circuito de la bobi na; el contactor K1M desconecta el motor Aplicaciones Máquinas herramientas. Compresoras. Ventiladores. Bombas de agua, etc. ARRANQUE DIRECTO CON DOS SENTIDOS DE GIRO En este caso se combinan do s tipos de arranques en directo con la diferencia de que uno de ellos gira hacia la derecha y el otro hacia la izquierda. Es importante tomar medidas de seguridad ante la elección de un sentido de giro, no debiendo ingresar el otro sentido porque se produciría un corto circuito debido a la inversión de fases. Luego todas las consideraciones tomadas para el arranque en directo son idénticas en una inversión de giro.
  • 99.
    Circuito principal: Arranquecon inversión de giro
  • 100.
    Funcionamiento Al accionar elpulsador S1B se excita la bobina del contactor K1B. El contactor conecta al motor en marcha a la derecha y se autoenclava a través de su contacto auxiliar K1B/13-14. El contacto NA (Normalmente Abierto) K1M/21-22 bloquea eléctricamente la conexión de K2B. El accionamiento del pulsador S2B conecta K2B (motor marcha a la izquierda). Para la conmutación del sentido de giro, ha de accionarse
  • 101.
    previamente, dependiendo dela aplicación, el pulsador de parada S0Q o directamente el pulsador para el sentido opuesto de marcha. En caso de sobrecarga, se activa el cont acto de apertura 95-96 en el relé térmico F2F. Aplicaciones Frenado a contramarchas de motores asíncronos. Montacargas. Puertas corredizas. Ascensores, etc. Arrancadores a Tension Plena: CONEXIÓN DAHLANDER y BOBINADOS INDEPENDIENTES CONEXIÓN DAHLANDER, 1 SENTIDO DE GIRO, 2 VELOCIDADES Esta clase de motor sólo permite la obtención de dos velocidades (4 y 8 polos, 6 y 12 polos, etc.); contiene 6 bornes. En función de sus características, los moto res pueden ser de potencia constante, parconstante o de par y potencia variables. Para una de las velocidades, la red está conectada a los tres bornes correspondientes, para la segunda éstas unidas entre ellas y la red conectada con los otro tres bornes. A menudo el arranque se efectúa directamente tanto en gran velocidad como en pequeña velocidad.
  • 104.
    Funcionamiento El pulsador S1Qacciona el contactor de red K1M (velocidad lenta), el cual se enclava a través de su contacto 13-14. El pulsador S2Q acciona el contactor K2M, y mediante su contacto NA 43-44, al contactor de red K3M, éstos se enclavan a través de K2M/13-14. Para conmutar de una velocidad a otra, será necesario accionar el pulsador S0Q de parada. La desconexión se realiza con S0Q. Aplicaciones Máquinas herramienta, maquinaria de la industria textil. Compresores. Cintas transportadoras. Prensas de imprimir. Máquinas de lavar. Bombas de émbolo, etc BOBINADOS INDEPENDIENTES, 1 SENTIDO DE GIRO, 2 VELOCIDADES Este tipo de motor contiene dos arro llamientos estatóricos eléctricamente independientes, que permite obtener dos velocidades en una relación cualquiera. Los devanados “pequeña velocidad” debe n soportar los esfuerzos mecánicos y eléctricos que resultan del funcionamiento del motor en “gran velocidad”. A veces, tal motor funcionando en “pequeña velocidad” absorbe una intensidad mayor que en “gran velocidad”.
  • 106.
    También en estetipo de arranque para conmutar de una velocidad a otra puede o no ser necesario parar el motor.
  • 107.
    Arrancadores a tensionreducida: estrella-triangulo y estatorico con resistencias ARRANCADORES A TENSIÓN REDUCIDA ARRANQUE ESTRELLA-TRIANGULO Este arranque sólo puede ser aplicado a los motores donde los dos extremos de los tres devanados del estator tengan salidas sobre la placa de bornes y donde el acoplamiento en triángulo corresponda a la tensión de la red (ejemplo: para red 380V, es preciso un motor 380V∆ /660V Υ). Este procedimiento consiste en arrancar el motor conectando sus devanados en estrella. Estos se encuentran alimentados con una tensión igual a la tensión de la red dividida por 3 o sea un 58% de la tensión nominal. El par se reduce con relación al cuadrado de la tensión de alimentación y es igual a un tercio del par proporcionado por un motor de arranque directo. La corriente en la línea se reduce en la misma proporción.
  • 108.
    En el segundotiempo, se suprime el acoplamiento en estrella y se acoplan los devanados en triángulo. Cada devanado está alimentado con la tensión de la red; el motor recupera sus características naturales. El par motor es pequeño durante todo el acoplamiento “estrella” y la velocidad estabilizada al final de este tiempo, puede ser muy baja si el par resistente es elevado. Aparecen entonces puntas importantes de corriente y de par al pasar de estrella a triángulo. A partir de cierta potencia es aconsejable, bien renunciar al acoplamiento estrella triángulo o bien utilizar una variante que permita limitar los fenómenos transitorios.
  • 109.
    La In esla que nos da el fabricante para la tensión más baja de la placa de características. Por ej., motor 10 HP, 220/380V, intensidad a 220V: 25,7 A ,intensidad a 380V: 14,9 A. Debemos consider ar para el dimensionado el valor de la In = 25,7 A, ya que es en la conexión triángulo cuando este motor desarrolla su potencia nominal.
  • 110.
    Funcionamiento - El pulsadorS1A acciona el temporizador K4T y el contactor estrella K2M. - K2M se excita y aplica tensión al contactor de red K1M a través de su contacto auxiliar K2M/13-14.
  • 111.
    - K1M seenclava a través de sus contactos auxiliares K1M/13-14 y 43-44. - K1M conecta al motor M1 en estrella. - Después de transcurrido el tiempo ajus tado en K4T, se abre el circuito de K2M. - A los 50 ms se cierra el circuito K3M. El contactor K2M se desexcita. - K3M se excita y conecta al motor M1 a la tensión plena de la red. - Simultáneamente, el contacto NC K3M/21-22 secciona el circuito K2M, evitando la reconexión en estrella. - Solamente será posible un nuevo arranque si se ha producido la desconexión: con el pulsador S0A o por sobrecarga, a través del contacto NC del relé térmico F2F/95-96. Aplicaciones Máquinas arrancando en vacío. Ventiladores y bombas centrífugas de pequeña potencia. ARRANQUE ESTATÓRICO CON RESISTENCIAS El objetivo de intercalar resistencias de uno o varios escalones es reducir la corriente transitoria y el torque durante el arranque. En el caso de arrancadores con un escalón, la corriente transitoria puede ser hasta tres veces la intensidad asignada del motor. En los arrancadores de varios escalones, las resistencias pueden diseñarse para obtener corrientes transitorias que sean solo de 1,5 a 2 veces la corriente asignada; sin embargo el torque será bastante reducido. Veamos la figura siguiente que grafica lo explicado anteriormente:
  • 114.
    Funcionamiento - El pulsadorS1Q acciona al contactor K1M y al temporizador K3T. - El motor se encuentra conectado a la red con resistencia: R1A. - De acuerdo al ajuste de tiempo, el contacto NA K3T/17-18 excita la bobina del contactor K2A. - K2A puentea el escalón de arranque R1A y el motor gira con la velocidad asignada.
  • 115.
    - La paradase efectúa mediante el pulsador S0Q, y en caso de sobrecarga con el contacto NC/95-96 del relé térmico F2F. Aplicaciones Máquinas de fuerte inercia: Compresores de refrigeración. Maquinaria para la madera. Máquinas tensoras. Ascensores. Escaleras automáticas, etc. Visto 1259 veces Arranque Estatórico con Autotransformador ARRANQUE ESTATÓRICO CON AUTOTRANSFORMADOR Este tipo de arranque se usa cuando se desea reducir la corriente transitoria de arranque y de régimen procedente de la red a niveles más bajos que el arranque con resistencias estatóricas pero con el mismo par de arranque. Al motor se le alimenta a través de un autotransformador, con una tensión reducida de aproximadamente 70% de la tensión asignada de empleo. De este modo la corriente se reduce a la mitad de la intensidad de arranque transitoria en la conexión directa.
  • 117.
    Funcionamiento Las figuras nosmuestran los circuitos para este arranque. A continuación describimos su modo de operación: - Al accionar el pulsador S1Q se conectan el temporizador K4T y la bobina del contactor K1A, que nos conecta el prim ario del autotransformador a la red y el secundario, a través del contactor K3A, lo conecta al motor, con lo que este arranca a tensión reducida. - Transcurrido el tiempo de temporización de K4T, este desconecta K1A y conecta K2M. Además K2M desconecta K3A y el motor funciona en régimen normal de plena marcha. Sólo será posible un nuevo arranque si se acciona el pulsador S1Q o disparan los dispositivos de protección F2F.
  • 118.
    Aplicaciones Máquinas de fuertepotencia o de fuerte inercia en los casos donde la reducció de la punta de intensidad es un criterio importante. Arranque Rotorico con Resistencias ARRANCADOR PARA MOTOR DE ANILLOS ROZANTES ARRANQUE ROTÓRICO CON RESISTENCIAS Este tipo de arranque consiste en instalar resistencias en el circuito del rotor del motor. A diferencia de los arrancadores estatóricos, el torque de arranque es proporcional a la corriente tomada de la red. El número de escalones o pasos del arrancador está determinado por la corriente de arranque transitoria máxima admisible y por las características del motor.
  • 120.
    Funcionamiento - El pulsadorS1Q acciona el contactor K1M y el motor empieza a funcionar con todos los grupos de resistencias conect adas con el rotor. El contactor
  • 121.
    K1M cierra elcontacto de retro alimentación 13-14 y éste conecta el relé temporizado K1T. - Transcurrido el tiempo, K1T/17-18 conduce la tensión a K11A. El contactor escalonado K11A desconecta el escalón de arranque R1A y a través de K11M/13- 14 lanza el temporizador K2T. - La secuencia anterior se repite K12A, K2T, K13A y K3T. - El contactor de escalón final se enclava a través de K13A/13-14, desconectando a través de K13A los contactores escalonados K11A y K12A, además de los temporizadores K1T, K2T y K3T. El contactor de escalón final K13A cortocircuita los anillos rozantes del rotor; el motor gira con velocidad asignada. - Al igual que en la mayoría de los casos anteriores, la desconexión se efectúa mediante el accionamiento del pulsador de parada S0Q o por la acción de el dispositivo de protección F2F. Aparato de mando S0Q Parada : 01 1NC (Un contacto normalmente cerrado) S1Q Marcha : 10 1NA (Un contacto normalmente abierto) K1M : 11 (1NA + 1NC) K11A : 22 (2NA + 2NC) K12A : 22 (2NA + 2NC) K13A : 22 (2NA + 2NC) K1T : 11 (1NA + 1NC) K2T : 11 (1NA + 1NC) K3T : 11 (1NA + 1NC) F2F : 01 (1NC) F3F : I según la potencia de la bobina K1M + K13A +K3T Aplicaciones Máquinas de arranque en carga, de arranque progresivo. Grúas. Puentes grúa. Ascensores. Montacargas. Maquinaria para imprimir papel. Compresores de pistón.
  • 122.
    Bombas volumétricas. Cizallas. Maquinas trituradoras,etc. Sistemas de Frenado: Motores Trifasicos Asincronos con Rotor en Cortocircuito por electrofreno • tamaño de la fuente
  • 123.
    GLOSARIO Aparato Conjunto organizadode piezas que cumple una función determinada dentro de un circuito eléctrico. Aparato de mando Aparatos operados en forma manual que, incluidos en los circuitos auxiliares, permiten comandar los aparatos de maniobra dispuestos en el circuito principal. Arrancador Combinación de todos los aparatos requeridos para el arranque y la parada de un motor eléctrico en relación con
  • 124.
    una protección contrasobrecarga apropiada. Corriente Asignada Corriente para la cual son diseñados los aparatos de maniobra. Dispositivo de Dispositivo que hace que la operación de un aparato de enclavamiento maniobras depende de la posición o el efecto de uno o más componentes de una instalación. Tiempo de arranque Tiempo que se extiende desde la conexión hasta que el motor alcanza la velocidad de régimen. Autotransformador de Se utiliza para implementar un arranque suave de motor con arranque jaula de ardilla. El autotransformador con una relación adecuada reduce la tensión en bornes del motor durante el arranque. Contacto Estado en el que dos partes conductoras destinadas a esta función, se unen con determinada fuerza y permiten el paso de una corriente eléctrica. Contacto auxiliar Contacto dispuesto en un circuito auxiliar. Según su función de operación puede ser Normalmente Cerrado (NC), Normalmente Abierto (NA), Inversor (I) o de paso. Relé temporizador Aparato de maniobra con retardo de tiempo electrónico o electromecánico que, una vez que transcurrió un tiempo ajustado, cierra y/o abre sus contactos. Tensión de servicio Tensión o voltaje verificado “in situ” entre los conductores que alimentan un aparato o instalación eléctrica. SISTEMAS DE FRENADO INTRODUCCIÓN Si un motor eléctrico se desconecta de la línea de alimentación, debido a la inercia, éste tarda algún tiempo en detenerse e, incluso, puede acelerarse o empezar a girar en sentido contrario después de parado, debido al peso de la carga, como en los casos de grúas puente, montacargas, ascensores, etc.
  • 125.
    Cuando por necesidaddel sistema o máquina acoplada a un motor se desea que ésta pare inmediatamente después de desconectar el motor de la línea de alimentación, o bien que se pueda disminuir su velocidad, se recurre a algún tipo o sistema de frenado que haga esto posible. curspo control motores FRENADO DE MOTORES TRIFÁSICOS ASÍNCRONOS CON ROTOR EN CORTOCIRCUITO En numerosas aplicaciones de los motores trifásicos asíncronos de rotor en cortocircuito, es necesario disponer de un sistema seguro que permita frenar el motor en un momento determinado; es decir, es necesario disponer de un par de frenado. Esto sucede, por ejemplo, en máquinas herramientas donde la precisión del trabajo o la seguridad del personal exigen un rápido bloqueo de la máquina accionada y también durante la operación de ascensores. Los procedimientos más empleados para frenar los motores trifásicos asíncronos son los siguientes: ƒ - Frenado por electrofreno. ƒ - Frenado a contracorriente. ƒ - Frenado por inyección de corriente continua.
  • 126.
    FRENADO POR ELECTROFRENO Parael frenado de los motores trifásicos asíncronos, se utilizan tres tipos de frenado por electrofreno que se basan en un sistema de plato móvil solidario al eje del motor, y de unas zapatas o bandas de frenado que actúan sobre él: ƒ - Freno por electroimán. ƒ -Freno electrohidráulico. ƒ -Freno incorporado en el motor. En los dos primeros casos de los frenados indicados, el plato esta fijo al eje del motor y las zapatas son accionadas, bien sea por un electroimán o un accionamiento electrohidráulico; mientras que en el caso de freno incorporado en el motor, es el plato el que se desliza y presiona contra la banda de frenado al desconectar el motor de la línea de alimentación. FRENO POR ELECTROIMÁN Este tipo de freno, consiste en un electroimán que puede ser monofásico o trifásico, que se conecta de forma que cuando el motor esté girando, el electroimán está excitado y mantiene abiertas las zapatas de frenado, permitiendo que el eje del motor gire libremente. Cuando se desconecta el motor de la línea de alimentación, el electroimán también se desexcita y las zapatas, por mediación de uno s resortes antagonistas presionan sobre el plato, que está fijo al eje del motor, parándose éste instantáneamente.
  • 127.
    Este tipo defrenado es muy rápido y eficaz; se puede emplear para máquinas de pequeña y mediana potencia, ya que en máquinas de gran potencia, el volumen y el consumo que ha de tener el electroimán lo hace inviable.
  • 128.
    FRENO ELECTROHIDRÁULICO Este sistemade frenado se diferencia del anterior, en que las zapatas son accionadas por un elemento complejo formado por un motor asíncrono, una bomba de rodete y un cilindro hidráulico. Al energizar el motor principal, también se energiza el motor del sistema de frenado quien hace girar el rodete de la bomba y ésta manda aceite al cilindro, que eleva su pistón y vástago. Al elevarse el vástago del cilindro, mueve una palanca que acciona las zapatas de frenado, de tal forma que libera el plato del freno y el motor principal pueda girar libremente. Cuando se corta la energía al motor principal también se desconecta el motor del freno, descendiendo el pistón y vástago del cilindro ayudado por un resorte antagonista, con lo cual las zapatas presionan el plato del freno y el rotor del motor principal queda frenado instantáneamente. Al bajar el pistón del cilindro, el aceite regresa al depósito, bien sea directamente o a través de una válvula de retorno.
  • 129.
    La ventaja mássignificativas de este tipo de frenado con respecto al de electroimán, son su trabajo suave y silencioso, así como su seguridad de servicio y bajo consumo, por lo que puede ser empleado en todo tipo de motores, principalmente en los de mediana y gran potencia. FRENO INCORPORADO EN EL MOTOR En este tipo especial de motores, el rotor que es de cortocircuito, es ligeramente troncocónico y está desplazado un poco con respecto al núcleo del estator, por medio de un resorte. En el extremo del eje, contrario al de acoplamiento, se coloca un plato, también de forma ligeramente troncocónico, que al ser desplazado por el resorte del rotor presiona contra una banda de frenado que lleva interiormente la carcasa del rotor. Cuando el motor no está conectado a la línea de alimentación siempre está frenado, debido al empuje del resorte que presiona el plato contra la banda de frenado; por el contrario, al energizar el motor, los campos magnéticos del estator y el rotor obligan a este último a centrarse con el primero, dando lugar a un pequeño desplazamiento del rotor que girará libremente, como consecuencia de la liberación del freno.
  • 130.
    Este tipo demotores, aunque más caro que los de construcción normal, se suele emplear en máquinas herramientas, elevadores y cualquier otra máquina de pequeña potencia que requiera un frenado rápido.
  • 131.
    Frenado por Contracorrientey por Inyeccion de Corriente continua FRENO INCORPORADO EN EL MOTOR En este tipo especial de motores, el rotor que es de cortocircuito, es ligeramente troncocónico y está desplazado un poco con respecto al núcleo del estator, por medio de un resorte. En el extremo del eje, contrario al de acoplamiento, se coloca un plato, también de forma ligeramente troncocónico, que al ser desplazado por el resorte del rotor presiona contra una banda de frenado que lleva interiormente la carcasa del rotor. Cuando el motor no está conectado a la línea de alimentación siempre está frenado, debido al empuje del resorte que presiona el plato contra la banda de frenado; por el contrario, al energizar el motor, los campos magnéticos del estator y el rotor obligan a este último a centrarse con el primero, dando lugar a un pequeño desplazamiento del rotor que girará libremente, como consecuencia de la liberación del freno.
  • 132.
    Este tipo demotores, aunque más caro que los de construcción normal, se suele emplear en máquinas herramientas, elevadores y cualquier otra máquina de pequeña potencia que requiera un frenado rápido. FRENADO POR CONTRACORRIENTE
  • 133.
    El sentido degiro del rotor de un motor trifásico asíncrono, se determina por el sentido del campo magnético giratorio. Cuando el motor está funcionando en un sentido de giro determinado a velocidad de régimen, si se invierten las conexion ese dos de los conductores de fase del estator, el sentido de campo giratorio es opuesto al sentido de giro del rotor y el deslizamiento resulta superior a la unidad.Esta circunstancia provoca un enérgico par de frenado, ya que el campo giratorio tiende a arrastrar al rotor en sentido contrario al de su marcha. Como el frenado a contracorriente se opone a la inercia de la carga, este sistema puede emplearse eficazmente para conseguir rápidas deceleraciones de motores que arrastran cargas de inercia como por ejemplo en máquinas herramientas. En cambio, este sistema de frenado no puede utilizarse en máquinas elevadoras (grúas, montacargas, ascensores, etc.). En el frenado a contracorriente, la intensidad de corriente es muy elevada y la energía que la carga suministra al motor no se comunica a la línea sino que constituye una pérdida que debe disipar el propio motor por lo que en los motores en que deba aplicarse este sistema de frenado deberán tenerse en cuenta estas circunstancias, sobre todo, desde el punto de vista de la eliminación de la energía térmica producida. En la siguiente figura se representa el esquema de un sistema de frenado, constituido por un circuito de fuerza y un circuitos de mando. La resistencia en el circuito de fuerza sirve para limitar la intensidad de la corriente de frenado. Observe que el temporizador determina el tiempo en que se invierten las fases en el estator del motor.
  • 135.
    FRENADO POR INYECCIÓNDE CORRIENTE CONTINUA Este sistema de frenado consiste en desconectar el motor de la línea de alimentación y conectar inmediatamente dos bornes del estator a una fuente de corriente continua; en estas condiciones, el rotor gira con relación a un campo magnético fijo y su deslizamiento crea un par de frenado. Una vez que el rotor del motor está frenado, se deja de suministrar la tensión continua al estator. La tensión continua de alimentación ha de ser siempre de valor bajo y se determina únicamente con la resistencia de los devanados estatóricos. Generalmente, la fuente de alimentación es la propia línea de corriente alterna, a través de un transformador reductor y de un equipo rectificador de baja tensión. El sistema de frenado resulta muy eficaz, ya que es de acción suave y rápida al mismo tiempo. Sobre el sistema de frenado por corriente continua tiene la ventaja de que no se debe tomar la precaución de impedir la inversión de marcha de la máquina accionada. Su principal inconveniente es que se precisa un mayor gasto en los componentes que constituyen el equipo.
  • 136.
    El valor dela corriente de frenado está generalmente comprendido entre 1,3 y 1,8 veces la corriente nominal del motor. En la siguiente figura se representa el esquema eléctrico de frenado por inyección de corriente continua. Todas las operaciones de arranque y frenado se realizan por medio de contactores y para evitar calentamiento excesivo, se debe instalar un interruptor de velocidad F4 que desconecte la alimentación de corriente continua una vez que el motor se ha parado.
  • 137.
    Visto 770 veces Frenadode Motores Trifasicos asincronos con rotor bobinado: por electrofreno, hipersincrono y contracorriente
  • 138.
    FRENADO DE MOTORESTRIFÁSICOS ASÍNCRONOS CON ROTOR BOBINADO Lo mismo que sucede con los motores de rotor en cortocircuito, en muchas aplicaciones de los motores de rotor bobinado, resulta necesario disponer de un dispositivo que permita frenar el motor en un momento determinado. Los procedimientos de frenado más empleados en este tipo de motores son: • Frenado por electrofreno. • Frenado hipersíncrono. • Frenado a contracorriente. • Frenado por inyección de corriente continua. • Frenado por autoexcitación de corriente continua. • Frenado por alimentación desequilibrada. En la Fig. se observa las partes del rotor y estator del motor de rotor bobinado.
  • 139.
    FRENADO POR ELECTROFRENO Eneste caso es valido todo lo mencionado sobre el tema en los motores de rotor en cortocircuito. FRENADO HIPERSÍNCRONO Cuando un motor asíncrono funciona a una velocidad mayor que la sincrónica (funcionamiento hipersíncrono), el motor funciona como generador asíncrono, oponiendo un par de frenado. Esto sucede, por ejemplo, en el movimiento de descenso de una carga en que, además de la velocidad propia del motor de accionamiento, interviene la aceleració n de la gravedad: como consecuencia, la carga puede llegar a alcanzar una velocidad superior a la de sincronismo. También sucede esta circunstancia cuando, durante una regulación de velocidad, se pretende pasar de una velocidad elevada, a otra velocidad mucho menor. En estos casos, se regula el frenado mediante las resistencias rotóricas. Este procedimiento de frenado es muy utilizado en las máquinas de elevación; por el contrario, su empleo es poco frecuente en el accionamiento de las máquinas herramientas. FRENADO A CONTRACORRIENTE Al igual que el motor de rotor en cortocircuito, este procedimiento de frenado consiste en invertir la alimentación de dos fases del devanado del estator, cuando el motor está ya lanzado. El par de frenado puede ajustarse modificando el valor de las resistencias rotóricas: en el momento de frenado, basta con descortocircutar una parte o la totalidad de las resistencias rotóricas, para limitar la intensidad de corriente. En la mayoría de los casos, se elige un par de frenado comparable al par de arranque. De ninguna forma, debe acoplarse a contracorriente un motor cuyos anillos están en cortocircuito, porque la
  • 140.
    intensidad de corrienteen el rotor resultaría demasiado elevada y podría averiar seriamente los anillos y las escobillas. Es decir que, en el momento de la inversión de las conexiones del estator, es necesario intercalar en el rotor una resistencia elevada que se va disminuyendo a medida que lo hace la velocidad. Al principio del proceso de frenado, el deslizamiento se hace sensiblemente igual a 2 y la tensión rotórica es casi el doble de la medida cuando el motor está parado. Esta circunstancia obliga a tomar precauciones especiales para el aislamiento de la aparamenta y de los bancos de resistencias rotóricas. En las Figuras se representa el esquema explicativo de un equipo para el frenado a contracorriente, suponiendo un solo sentido de giro del motor. Como puede apreciarse, el circuito de potencia es semejante al de un motor para dos sentidos de giro y arranque por resist encias rotóricas, con el cortocircuito automático de éstas.
  • 141.
    En el circuitode mando, basta con añadir los contactores para cortocircuitar las resistencias rotóricas, a medida que transcurre el proceso de frenado. En las Figuras se representa el esquema explicativo de un equipo para el frenado a contracorriente, suponiendo dos sentidos de giro para el motor. Nótese que el circuito de potencia es semejant e al de la Fig. 5.13 (un solo sentido de giro); lo que sucede es que, en esta ocasión, cada uno de los contactores del inversor actúa como contactor de frenado, cuando el otro contactor del inversor actúa en marcha normal. Por ejemplo, cuando el motor gira a izquierdas, se obtiene la parada mediante la acción del frenado, por accionamiento del pulsador de marcha a derechas.
  • 143.
    Visto 635 veces Frenadopor Inyeccion de Corriente Continua en motores trifasicos Este procedimiento de frenado se obtiene separando el motor de la red de corriente alterna y conectando dos bornes de su estator sobre una fuente de corriente continua. Siguen siendo válidas todas las consideraciones expuestas sobre este mismo tema y referidas a los motores de rotor en cortocircuito. Pero, además, sucede que los motores con rotor bobinado permiten, entre ciertos límites, elegir la velocidad más apropiada para un par de frenado determinado. La potencia disipada en forma de calor en las resistencias rotóricas es moderada. Si se tiene en cuenta que un frenado a contracorriente, la potencia rotórica durante el frenado y que debe disiparse, es prácticamente igual a la potencia nominal del rotor, advertiremos que en el frenado por inyección de
  • 144.
    corriente continua, lasdimensiones de las resistencias rotóricas pueden redu cirse considerablemente, lo que significa una importante ventaja en este procedimiento de frenado. Generalmente, el valor de la intensidad de corriente continua inyectada al estator, está determinada por las condiciones más desfavorables, es decir, motor caliente y tensión de la red a su más bajo valor. Por lo tanto, resulta una sobreintensidad cuando el motor está frío y la red sometida a sobretensión. Cuando se trata de mando manual, es aconsejable prever un dispositivo temporizador, que corte el frenado después de un tiempo predeterminado. En efecto, si el dispositivo de maniobra se dejara indefinidamente en posición de frenado, el motor y su fuente de corriente sufrirían un calentamiento excesivo, que podría conducir a su destrucción; ninguna circunstancia revelaría este peligro, ya que la máquina permanecería en reposo. FRENADO POR AUTOEXCITACIÓN DE CORRIENTE CONTINUA En el frenado por inyección de corriente continua el estator actúa como excitatriz y el rotor como alternador. Parece convenient e utilizar esta tensión rotórica alterna y rectificarla para alimentar al estator, realizando de esta forma un frenado por autoexcitación. Siguiendo este procedimiento de frenado se ha diseñado el esquema de la Fig. 5.17, que corresponde a un equipo de elevación con frenado durante el descenso y que permite una velocidad reducida y estable. El rectificador debe soportar permanentemente una intensidad de corriente rotórica próxima a la corriente nominal del motor, con importantes puntas de corriente y de tensión en los momentos de cambio de acoplamiento. En ascenso o en descenso lanzado se cierra el contactor c2 y el motor arranca en el momento de la puesta bajo tensión de c1 (ascenso) o de c11 (descenso); las resistencias rotóricas se cortocircuitan progresivamente por medio de los contactores c21 a c24. En descenso frenado, los contactores c1 y c11 están en reposo; el motor está desconectado de la red, el contactor c2 está abierto y las resistencias de arranque están desconectadas del circuito. Los co ntactores c3 y c31 unen el rotor con el estator, a través del equipo rectificador, permitiendo de esta forma un autocebado del sistema de frenado. Para facilitar y acelerar el cebado un pequeño transformador TR suministra una corriente de aportación. Una resistencia R1 limita la corriente y protege el transformador en caso de fluctuaciones de la tensión rotórica.
  • 145.
    Las resistencias shuntadaspor c32, c33 y c34 permiten regular la velocidad deseada durante el frenado. Si el motor funciona a par constante, las intensidades de corriente estatórica y rotórica son también constantes. A un aumento de la resistencia de frenado corresponde una elevación de la tensión rotórica y la velocidad de régimen. Las ventajas de este procedimiento son importantes. En primer lugar se puede obtener una velocidad de frenado lenta, de valor inferior a la décima parte de la velocidad nominal e independiente del par de arrastre. Las velocidades intermedias tienen también una estabilidad muy aceptable. Para pequeños pares de arrastre, el motor arranca sin lanzamiento previo, además, el par desarrollado al principio del frenado del motor lanzado es muy importante, porque la tensión rotórica es muy elevada. Esta precaución está automáticamente asegurada por el presente equipo de forma independiente de la maniobra del operario.
  • 146.
    Esquema explicativo deun equipo para el frenado por autoexcitación de corriente continua, de un motor trifásico asíncrono, con rotor bobinado Finalmente, las corrientes en el estator y en el rotor no son elevadas y se ajustan al valor del par de arrastre que se pretende equilibrar. Para utilizar el frenado por autoexcitación en un motor con rotor bobinado, es necesario que las corrientes nominales esta tóricas y rotóricas sean comparables. A veces resulta ventajoso invertir el funciona miento, es decir, rectificar la corriente estatórica si esta es elevada e inyectarla al rotor. Los resultados obtenidos son totalmente comparables. Frenado por Alimentacion Desequilibrada en motores trifasicos El motor trifásico asíncrono está proyectado para ser alimentado por un sistema trifásico equilibrado de tensiones. Entonces, en el estator se origina un flujo magnético de amplitud constante y que gira a la velocidad de sincronismo. Si por un procedimiento cualquiera, están desequilibradas las tensiones aplicadas a los devanados de las tres fases del estator, el funcionamiento queda perturbado y en algunos casos se invierte el par motor, trabajando en régimen de frenado. En el caso más general está demostrado que un sistema trifásico desequilibrado es equivalente a la superposición de tres sistemas equilibrados: a) Un sistema simétrico, con sucesión directa de fases. b) Un sistema simétrico, con sucesión inversa de fases. c) Un sistema homopolar, constituido por tres vectores equipolentes. En estas condiciones, el motor se comporta exactamente como un grupo de tres máquinas idénticas al propio motor y acopladas mecánicamente. La Figura representa este conjunto equiva lente. El primer motor está sometido al sistema directo de tensiones, el segundo mo tor al sistema inverso de tensiones. Los pares que desarrollan los motores son de se ntido opuesto. Las
  • 147.
    tres fases deltercer motor están conectados en paralelo y alimentadas por una tensión monofásica, de forma que reproduzcan un sistema homopolar. Las corrientes en el estator de este último motor crean campos magnéticos alternos, de dirección fija. Aparece entonces un polo por fase, es decir, un número de polos tres veces mayor que en el caso de funcionamiento normal sobre una red trifásica. Las fuerzas electromotrices inducidas en el secundario son iguales y en fase, en los tres devanados del rotor. En el caso más corriente en que el rotor está conectado en estrella, las tensiones se oponen y no circula corriente por el circuito rotórico. El par es nulo y el motor se calienta debido a las pérdidas por efecto joule. No sucede lo mismo si el motor es de rotor en cortocircuito o si el rotor está conectado en triángulo. En estos casos, se establecen corrientes importantes que tienden a fijar la velocidad a una tercera parte de su valor síncrono, con la condición que el motor esté previamente lanzado.
  • 148.
    A partir deuna red equilibrada, existen varios procedimientos que permiten realizar la alimentación desequilibrada de un motor: a) Acoplamiento monofásico Se demuestra que la componente homopolar es nula y que las componentes directa Id e inversa Ii de la corriente son iguales. En la parada, el deslizamiento es igual a 1 para los dos sistemas, los pares directo e inverso son iguales, y el par resultante es nulo. Si se lanza el motor en sentido directo las corrientes Id e Ii permanecen iguales entre sí, la impedancia directa aumenta y la inversa disminuye. El par directo es preponderante y el motor acelera en el sentido del lanzamiento. Todo sucede como si los dos motore s ficticios tuvieran sus devanados estatóricos conectados en serie, con inversión de dos fases de un motor con relación al otro.
  • 149.
    En conclusión, elacoplamiento monofásico sencillo no constituye un procedimiento de frenado. b) Acoplamiento monofásico, con dos bornes conectados entre sí El comportamiento del motor es muy diferente si su borne libre se une a uno de los dos bornes conectados a la red. La Figura representa las tres secuencias de funcionamiento y la Figura para un motor conectado en triángulo. Se demuestra que la componente homopolar es siempre nula y que las componentes directa e inversa de la tensión son constantes e iguales entre sí.
  • 150.
    Las características defuncionamiento son independientes del sistema de conexión estrella o triángulo, de los devanados. En definitiva, el motor se comporta como dos máquinas que trabajan en oposición y que están alimentados en paralelo bajo una tensión fija pero reducida. Durante la parada, los pares Md y Mi son iguales y se anulan, siendo el deslizamiento igual a 1 con relación a los dos sistemas. A una velocidad cualquiera, si el deslizamiento es “s” en el sistema directo, en el sistema inverso es “2-s”. Si en estas condiciones, se inserta una re sistencia en el circuito rotórico, el par directo Md disminuye constantemente cuando aumenta la velocidad, mientras que el par inverso Mi aumenta de valor. Por consiguiente el par resultante Mf ,es un par de frenado. En resumen, este procedimiento no permite un frenado muy enérgico. Por ejemplo, en aparatos de elevación, la reducción de la velocidad durante el descenso a plena carga es muy reducida. c) Acoplamiento anormal de las fases del rotor La solución más empleada es la representada en la Figura, que consiste en cruzar las conexiones deuna sola fase del rotor.
  • 151.
    Cuando el motorestá parado, el par directo es 1/9 del par normal, el par inverso es 4/9 y el par resultante es 1/3. Por lo tanto, sobre un movimiento de elevación el funcionamiento es parecido a una contracorriente, pero con menor tendencia a la subida de débiles cargas. Con este acoplamiento, las corrientes absorbidas son muy importantes, especialmente a causa de una elevada componente homopolar. Por lo tanto debe reducirse la tensión de la red, de forma que la intensidad de corriente en el circuito más cargado no sobrepase unas dos veces el valor nominal de la corriente. Resumen y Terminos Clave en Sistemas de Frenado de Motores Los procedimientos más empleados para frenar los motores trifásicos asíncronos de rotor en cortocircuito, son: por electrofreno, a contracorriente y por inyección de corriente continua. ♦ Para el frenado de los motores trifásicos asíncronos, se utilizan tres tipos de frenado por electrofreno que se basan en un sistema de plato móvil solidario al eje del motor y de unas zapatas o bandas de frenado que actúan sobre él: por electroimán , electrohidráulico y freno incorporado al motor . En los dos primeros casos indicados, el plato está fijo al eje del motor y las zapatas son accionadas, bien sea por un electroimán o un accionamiento electrohidráu lico; mientras que en el caso de freno incorporado en el motor, es el plato el que se desliza y presiona contra la banda de frenado al desconectar el motor de la línea de alimentación. ♦ El freno por electroimán se usa en motores de pequeña y mediana potencia, el freno electrohidráulico puede ser empleado en todo tipo de motores, principalmente en los de mediana y gran potencia; el freno incorporado al motor se suele emplear en máquinas herramientas, elevadores y cualquier otra máquina de pequeña potencia que requiera un frenado rápido. ♦ En el frenado a contracorriente se usa el principio del inversor de giro invirtiendo dos fases de la alimentación y provocando un enérgico par de frenado. Este sistema puede emplearse eficazmente para conseguir rápidas
  • 152.
    deceleraciones de motoresque arrastran cargas de inercia, como por ejemplo, en máquinas herramientas. ♦ En el frenado por inyección de corriente continua se desconecta el motor de la línea de alimentación y se conecta inmediatamente dos bornes del estator a una fuente de corriente continua; en estas condicione s, el rotor gira con relación a un campo magnético fijo y su deslizamiento crea un par de frenado. ♦ Los procedimientos de frenado más empleados en este tipo de motores son: Por electrofreno, frenado hipersíncrono, a contracorriente , por inyección de corriente continua, frenado por autoexcitación de corriente continua, frenado por alimentación desequilibrada. ♦ En el frenado por electrofreno el procedimiento empleado es igual al de rotor en cortocircuito, en el frenado hipersíncrono el motor asíncrono funciona a una velocidad mayor que la sincrónica, el motor funciona como generador asíncrono, oponiendo un par de frenado. ♦ En el frenado a contracorriente , se invierten dos fases de la alimentación. El par de frenado puede ajustarse modificando el valor de las resistencias rotóricas. ♦ En el frenado por inyección de corriente continua se emplea el mismo procedimiento que el motor de rotor en cortocircuito. ♦ En el frenado por inyección de corriente continua el estator actúa como excitatriz y el rotor como alternador. Parece conveniente utilizar esta tensión rotórica alterna y rectificarla para alimentar al estator, realizando de esta forma un frenado por autoexcitación. ♦ Si las tensiones de alimentación, aplicadas a los devanados de las tres fases del estator, están desequilibradas , el funcionamiento queda perturbado y en algunos casos se invierte el par motor, trabajando en régimen de frenado.
  • 153.