Dr. Luis García Dutari
Diseño de Edificaciones para cargas de Viento
Contenido
1. Combinaciones de Cargas del REP y ASCE-7
2. Requisitos de diseño. Servicio
3. Requisitos de Diseño Resistencia
4. Modelo de Edificios
5. Fachadas
6. Edificios Especiales
Presiones de viento según ASCE-7 CEP-2004
En cada piso, se determina el sistema fuerza par equivalente de
cada uno de los casos.
Fuerzas de Viento. Edificios
cada caso produce
Fx,,Fy, Mt es el sistema fuera
par equivalente de los 6
casos anteriores, aplicados en
cada piso en un punto es-
cogido.
Sistema principal. Edificios Metálicos.
Calcular las presiones de los 6 casos, además del techo y diseñar el
marco más crítico.
Fuerza de Viento en Galeras
Combinaciones de carga.
ACI318-02-05-08
Kd=0.85
si Kd=1, usar 1.3 en lugar
de 1.6
Presión neta mínima de
viento de 480N/m2, es
con Kd=0.85, debería
multiplicarse por 1.1764
si se usa 1.3, en lugar de
1.6
Requisitos de Diseño. Servicio.
Crítico para edificios mayores de 40 pisos, pero se debe
cumplir en todos los edificios.
• Deformaciones y derivas (dritt) no deben superar un límite
• Deformación se refiere a la deformación total en punta
• Deriva es la máxima deformación entre pisos.
• Aceleraciones no deben superar límite.
Se calcula con inercias sin fisurar o en sección bruta y en
cargas de servicio sin mayorar.
Límites de deformaciones y derivas, cargas de viento.
Existe una discrepancia entre los valores límites que
van desde 1/200 a 1/1000
New York Code
para la deformación total 1/400 a 1/500
para las derivas 1/300
Mucho cuidado con las derivas producidas por la carga
muerta, mi recomendación es que no sobrepasen de 1/1800.
Aceleración producida Viento
Lo que el humano siente es la aceleración, no la velocidad.
Acc. Efecto
m/s2
< 0.05 Personas no sienten movimiento
0.05 a 0.1 Personas sensitivas perciben movimiento, lámparas
se balancean
ligeramente
0.1 a 0.25 Mayoría de las personas perciben movimiento,
exposición prolongada
puede producir mareos.
0.25 a 0.4 Es casi imposible trabajar. Caminar es posible
0.4 a 0.5 Personas perciben el movimiento fuertemente. Casi
no se puede caminar naturalmente. Personas de pie
pierden el balance.
0.6 a 0.7 Personas no pueden caminar o tolerar el movimiento
>0.85 Objetos empiezan a caerse. Personas pueden
resultar heridas
Niveles de percepción al movimiento
Niveles de percepción
al movimiento
Los niveles de acele-
ración se calculan con
una velocidad de viento
que corresponde a un
período de 10 años.
El desplazamiento se
divide entre 1.42
Norma Dim 4150
Norma Dim 4150
Cálculo de Aceleraciones
Asce-7 solo presenta un modelo matemático
para la acceleración paralela al viento.
Existen modelos matemáticos para calcular las
tres componentes de las aceleraciones, basadas
en estudios de túneles de viento.
Función de acc(frec, vel., b,d,h,masa)
Las aceleraciones se pueden obtener
directamente del estudio de túnel de viento.
Túnel de viento. Resultados
(Taranath)
Expresiones para el cálculo de aceleraciones.
Cálculo de la aceleración Total de viento
Atot=((Ax^2+Ay^2+(Aang.dist)^2)
A= (.9) Atot
Limitarla a 0.015g a 0.02g para un período de 10
años.
Velocidad Torsional del edificio se limita a 0.003 rad/seg
Se requiere hacer un modelo tridimensional
completo del edificio, para tener los periodos de
vibración y los desplazamientos
Modelo tridimensional para calcular
desplazamientos y periodos
Vista Parcial
MODELO TRIDIMENSIONAL de
Losas Postensadas, Columnas y
Muros Cortantes
MODELO
TRIDIMENSIONAL
Modelo Estructural
Muros cortantes resisten
carga de gravedad y lateral
Módelo Estructural
Columnas y muros cortantes
gravedad más lateral, sistema
principal de resistencia
Modelo Estructural
Introducción
Variación del
hormigón con la
altura del edificio
Losas, bandas, columnas y
muros cortantes
Edificio completo
losas postensadas y sismos estudio experimental de la capacidad de rotación
de las uniones.
20 ciclos dan R=8 en el estudio de Chopra, solo como indicativo
Ductilidad existe, disipación de energía poca, categoría 3 de ATC.40
4 7.8 1.67
Análisis de un edificio de columnas y placas.
Placas son elementos
finitos.
Columnas elementos
lineales
Unión viga columna
elementos placas de 5
veces el espesor.
Cargas Vivas y Cargas
Muertas.
Carga lateral en X,
espectro de respuesta
Análisis P-Delta
Luces 8m, col 0.8x0.8
central 0.4x0.9
ext.losa 0.21. suelo C
Ciudad.
La dimensión de los cuadros es 0.40m
Mcol 61m-t
Pearl of the sea costa del este. Cálculo de Acceleración
Se coloca un tanque de agua aquí
El tanque de agua es una
masa que se mueve relativa al
edificio, unido por un resorte
y un amortiguador.
Reduce hasta un 35% las
aceleraciones del viento.
Solo lo usamos para reducir
las aceleraciones, no las
fuerzas.
No sirve para sismos.
El ahorro en estructura fue
del orden de 700,000 $ usd.
Dimensiones del tanque de agua
Disipador de energía, tanque de agua. Presiones sobre el
tanque
Efecto del viento Alrededor del Edificio.
El viento alrededor del
edifico puede afectar a los
seres vivos, humanos
incluidos.
Estos efectos solamente
son predecibles usando
modelos de túneles de
viento.
TARANATH
TARANATH
Resistencia
P-delta generalmente no tiene problemas si se
cumple con las deformaciones laterales.
Para todos los miembros Capacidad debe ser
mayor que resistencia Pu< (phi) Pn
Detalles constructivos deben corresponder con
el nivel de R. En el caso de R=5 SDC C, marcos
intermedios. (porque también hay sismo.
Que las dimensiones de las secciones no varíen
en más de un 10% de las analizadas.
proceso de Diseño. Todo es por aproximaciones sucesivas
VITRI.
270 metros de
altura.
Finalmen-te se
hizo en 245m
de altura.
Arq. Pinzón
Lozano
Se genera un modelo. SISTEMA ESTRUCTURAL VITRI
MODELO DE TUNEL DE VIENTO DE VITRI TOWER
Cálculo de cargas de vientos, y todas las demás.
COMPORTAMIENTO
Dimensiones de todas las vigas y columnas
Drift de viento carga máxima con modelo del
código REP de 1/450
Aceleración máxima .1.5%G) para un periodo
de retorno de 10 años.
8 segundos de periodo de vibración.
Muros cortantes de 0.70 m
Vigas del anillo de rigidez de 0.7x3.25m
Losas de 0.20m
Dimensiones de todas las vigas y columnas
Ajustado el modelo, se pro-
cede al diseño y construc-
ción.
Diseño de Fachadas
• Se debe utilizar más que nunca, el concepto de
transferencia o caminos de fuerza.
• El análisis estructural no es complicado.
• los diseños de los detalles de fachada y es un proceso
complicado, que va de la mano con el arquitecto.
• Se debe tener mucho cuidado con los apoyos.
hay que analizar
múltiples detalles
puntas
parapetos superiores
fachada de vidrio
terrazas
vidrios de 12m de altura
puerta cochera
descolgados
paredes inclinadas
Para el diseño
de fachadas altas
recordar el largo
Lb de las vigas
columna
Detalles de anclaje, generalmente pernos de expansión, y hay
que tener cuidado con la distancia al borde.
este no es muy efectivo y requiere
del de atrás.
Fachadas en
voladizo
prolongación de columnas
son el sistema principal,
vigas acostadas pasan el
viento, tubos verticales
soportan carga y dan el
arriostramiento a las vigas.
sección intermedia
Se han tomado figuras y tablas
de algunos libros y documentos
de otros autores, con el fin
expreso de docencia y si ánimo
de lucro. Por favor si no se
acepta este procedimiento favor
indicarlo para eliminar cualquier
referencia.

Diseño de Edificaciones por Cargas de Viento, Panamá.

  • 1.
    Dr. Luis GarcíaDutari Diseño de Edificaciones para cargas de Viento
  • 2.
    Contenido 1. Combinaciones deCargas del REP y ASCE-7 2. Requisitos de diseño. Servicio 3. Requisitos de Diseño Resistencia 4. Modelo de Edificios 5. Fachadas 6. Edificios Especiales
  • 3.
    Presiones de vientosegún ASCE-7 CEP-2004
  • 4.
    En cada piso,se determina el sistema fuerza par equivalente de cada uno de los casos.
  • 5.
    Fuerzas de Viento.Edificios cada caso produce Fx,,Fy, Mt es el sistema fuera par equivalente de los 6 casos anteriores, aplicados en cada piso en un punto es- cogido.
  • 6.
    Sistema principal. EdificiosMetálicos. Calcular las presiones de los 6 casos, además del techo y diseñar el marco más crítico.
  • 7.
    Fuerza de Vientoen Galeras
  • 8.
    Combinaciones de carga. ACI318-02-05-08 Kd=0.85 siKd=1, usar 1.3 en lugar de 1.6 Presión neta mínima de viento de 480N/m2, es con Kd=0.85, debería multiplicarse por 1.1764 si se usa 1.3, en lugar de 1.6
  • 9.
    Requisitos de Diseño.Servicio. Crítico para edificios mayores de 40 pisos, pero se debe cumplir en todos los edificios. • Deformaciones y derivas (dritt) no deben superar un límite • Deformación se refiere a la deformación total en punta • Deriva es la máxima deformación entre pisos. • Aceleraciones no deben superar límite. Se calcula con inercias sin fisurar o en sección bruta y en cargas de servicio sin mayorar.
  • 10.
    Límites de deformacionesy derivas, cargas de viento. Existe una discrepancia entre los valores límites que van desde 1/200 a 1/1000 New York Code para la deformación total 1/400 a 1/500 para las derivas 1/300 Mucho cuidado con las derivas producidas por la carga muerta, mi recomendación es que no sobrepasen de 1/1800.
  • 11.
    Aceleración producida Viento Loque el humano siente es la aceleración, no la velocidad.
  • 12.
    Acc. Efecto m/s2 < 0.05Personas no sienten movimiento 0.05 a 0.1 Personas sensitivas perciben movimiento, lámparas se balancean ligeramente 0.1 a 0.25 Mayoría de las personas perciben movimiento, exposición prolongada puede producir mareos. 0.25 a 0.4 Es casi imposible trabajar. Caminar es posible 0.4 a 0.5 Personas perciben el movimiento fuertemente. Casi no se puede caminar naturalmente. Personas de pie pierden el balance. 0.6 a 0.7 Personas no pueden caminar o tolerar el movimiento >0.85 Objetos empiezan a caerse. Personas pueden resultar heridas Niveles de percepción al movimiento
  • 13.
    Niveles de percepción almovimiento Los niveles de acele- ración se calculan con una velocidad de viento que corresponde a un período de 10 años. El desplazamiento se divide entre 1.42
  • 14.
  • 15.
  • 16.
    Cálculo de Aceleraciones Asce-7solo presenta un modelo matemático para la acceleración paralela al viento. Existen modelos matemáticos para calcular las tres componentes de las aceleraciones, basadas en estudios de túneles de viento. Función de acc(frec, vel., b,d,h,masa) Las aceleraciones se pueden obtener directamente del estudio de túnel de viento.
  • 17.
  • 18.
    (Taranath) Expresiones para elcálculo de aceleraciones.
  • 19.
    Cálculo de laaceleración Total de viento Atot=((Ax^2+Ay^2+(Aang.dist)^2) A= (.9) Atot Limitarla a 0.015g a 0.02g para un período de 10 años. Velocidad Torsional del edificio se limita a 0.003 rad/seg Se requiere hacer un modelo tridimensional completo del edificio, para tener los periodos de vibración y los desplazamientos
  • 20.
    Modelo tridimensional paracalcular desplazamientos y periodos
  • 21.
    Vista Parcial MODELO TRIDIMENSIONALde Losas Postensadas, Columnas y Muros Cortantes MODELO TRIDIMENSIONAL Modelo Estructural
  • 22.
    Muros cortantes resisten cargade gravedad y lateral Módelo Estructural
  • 23.
    Columnas y muroscortantes gravedad más lateral, sistema principal de resistencia Modelo Estructural
  • 24.
  • 25.
    Losas, bandas, columnasy muros cortantes Edificio completo
  • 26.
    losas postensadas ysismos estudio experimental de la capacidad de rotación de las uniones.
  • 28.
    20 ciclos danR=8 en el estudio de Chopra, solo como indicativo
  • 30.
    Ductilidad existe, disipaciónde energía poca, categoría 3 de ATC.40 4 7.8 1.67
  • 31.
    Análisis de unedificio de columnas y placas. Placas son elementos finitos. Columnas elementos lineales Unión viga columna elementos placas de 5 veces el espesor. Cargas Vivas y Cargas Muertas. Carga lateral en X, espectro de respuesta Análisis P-Delta Luces 8m, col 0.8x0.8 central 0.4x0.9 ext.losa 0.21. suelo C Ciudad.
  • 34.
    La dimensión delos cuadros es 0.40m
  • 35.
  • 36.
    Pearl of thesea costa del este. Cálculo de Acceleración Se coloca un tanque de agua aquí
  • 37.
    El tanque deagua es una masa que se mueve relativa al edificio, unido por un resorte y un amortiguador. Reduce hasta un 35% las aceleraciones del viento. Solo lo usamos para reducir las aceleraciones, no las fuerzas. No sirve para sismos. El ahorro en estructura fue del orden de 700,000 $ usd.
  • 38.
  • 39.
    Disipador de energía,tanque de agua. Presiones sobre el tanque
  • 40.
    Efecto del vientoAlrededor del Edificio. El viento alrededor del edifico puede afectar a los seres vivos, humanos incluidos. Estos efectos solamente son predecibles usando modelos de túneles de viento. TARANATH
  • 41.
  • 42.
    Resistencia P-delta generalmente notiene problemas si se cumple con las deformaciones laterales. Para todos los miembros Capacidad debe ser mayor que resistencia Pu< (phi) Pn Detalles constructivos deben corresponder con el nivel de R. En el caso de R=5 SDC C, marcos intermedios. (porque también hay sismo. Que las dimensiones de las secciones no varíen en más de un 10% de las analizadas.
  • 43.
    proceso de Diseño.Todo es por aproximaciones sucesivas
  • 44.
    VITRI. 270 metros de altura. Finalmen-tese hizo en 245m de altura. Arq. Pinzón Lozano
  • 45.
    Se genera unmodelo. SISTEMA ESTRUCTURAL VITRI
  • 46.
    MODELO DE TUNELDE VIENTO DE VITRI TOWER Cálculo de cargas de vientos, y todas las demás.
  • 47.
    COMPORTAMIENTO Dimensiones de todaslas vigas y columnas Drift de viento carga máxima con modelo del código REP de 1/450 Aceleración máxima .1.5%G) para un periodo de retorno de 10 años. 8 segundos de periodo de vibración. Muros cortantes de 0.70 m Vigas del anillo de rigidez de 0.7x3.25m Losas de 0.20m Dimensiones de todas las vigas y columnas
  • 48.
    Ajustado el modelo,se pro- cede al diseño y construc- ción.
  • 50.
    Diseño de Fachadas •Se debe utilizar más que nunca, el concepto de transferencia o caminos de fuerza. • El análisis estructural no es complicado. • los diseños de los detalles de fachada y es un proceso complicado, que va de la mano con el arquitecto. • Se debe tener mucho cuidado con los apoyos.
  • 51.
    hay que analizar múltiplesdetalles puntas parapetos superiores fachada de vidrio terrazas vidrios de 12m de altura puerta cochera descolgados paredes inclinadas
  • 54.
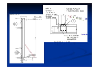
    Para el diseño defachadas altas recordar el largo Lb de las vigas
  • 55.
  • 56.
    Detalles de anclaje,generalmente pernos de expansión, y hay que tener cuidado con la distancia al borde. este no es muy efectivo y requiere del de atrás.
  • 57.
  • 58.
    prolongación de columnas sonel sistema principal, vigas acostadas pasan el viento, tubos verticales soportan carga y dan el arriostramiento a las vigas. sección intermedia
  • 61.
    Se han tomadofiguras y tablas de algunos libros y documentos de otros autores, con el fin expreso de docencia y si ánimo de lucro. Por favor si no se acepta este procedimiento favor indicarlo para eliminar cualquier referencia.