ESCUELA SUPERIOR POLITECNICA DEL LITORAL
         Facultad de lngenieria Mecinica



"DISEAO Y CONSTRUCCION DE PROTOTIPO PARA SISTEMA DE
      RECIRCULACION DE GRANALLAS PARA MAQUINA
               LlMPlADORA DE METALES"




               TESIS DE GRAD0
       Previa a la obtencicin del Titulo de:
             INGENIERO MECANICO

                    Presentado por:
          Klgber Fernando Barcia Villacreses

                           -
                  Cuayaquil Ecuador
                         1989
A   G   R   A   D   E   C    I     M   I   E       N    T    O




                    1

                        A1        Ing.         MARCOS             TAPIA      Q.

                        Director           de           la       Tesis,     por

                        su       ayuda         y       colaboraci6n          en

                        la r e a l i z a c i 6 n de e s t e trabajo



                        A1        Ing.      IGNACIO               WIESNER     y

                        a1        Ing.         HOMER0            ORTIZ      por

                        su        aporte               sinnificativo          a

                        la        consecuci6n                de     nuestros

                        objetivos.



                        A1        Ing.      MANUEL               HELGUERO     y

                        a 1 personal del Taller Mec5nico

                        de       la E S P O L ,        sin cuyo aporte

                        la c u i m i n a c i 6 n de e s t e proyecto

                        s e h u b i e r a v i s t o imposibilitada.
D   E   D   I   C   A   T   O     R    I   A




                        A   DIOS:          Por   su     gufa



                        A   MIS       PADRES:     Por     su

                        confianza en mf.
ING.    MARCOS         TAPIA
                  SUB-DECANO        DE      LA
                  FACULTAD
                  DIRECTOR     DE        TESIS




 ---____--_-___

                  MIEMBRO PRINCIPAL DEL
TRIBUNAL                 TRIBUNAL
DECLARACION          EXPRESA




"La    responsabilidad         por     10s    hechos ,     ideas

y     doctrinas     expuestos         en    esta       tesis,   me

corresponden exclusivamente; y , el patrimonio

intelectual        de     la       misma,    a     la    ESCUELA

SUPERIOR POLITECNICA DEL LITORAL".



(Reglamento          de        Exsmenes            Y     Tftulos

proiesionales de la ESPOL).
                               




                          KLEBEA.      BARCIA VILLACBESES
R E S U M E N




Esta    mdquina          es   parte    de     un    proyecto         de   Construccidn

de     Equipos       para      el     Laboratorio             de    Fundicidn         de   la

Facultad.           La   construccidn         de este            sistema     se realizd

en     el    Taller        Mecdnico     de     la        Facultad,        que    permitid

junto       con   la     construccidn         de     una        turbina      impulsadora

de     granallas,             poner    en      funcionamiento              la     mdquina

limpiadora de metales.


La     presente          Tesis        tiene        10s        siguientes        objetivos

principales:


1.    Diseaar un                                     I;
                           sistema de recir ulacidn que pueda                              ser

     usado en una mdquina limpiadora de metales.


2.     Lograr       un     sistema     de     fdcil        operacidn,           reparacidn

      y mantenimiento.


3.     Que     el        diseao       del     sistema              contemplen         partes

      normalizadas            existentes       en        el     mercado      nacional        y

      en otras partes d e f d c i l obtencidn.


Se     estudia       10s      principios       de        este      sistema      asf    como,

las         diferentes          partes        que          10s       conforman,            sus
VII



aplicaciones          y    alcances.         Se     hace      referencia       a   las

diferentes          clases       de   granallas       que     puedan       utilizarse

en    el    sistema        detallando       el     proceso      de    fabricacibn,

composici6n               quimica,         caracteristicas                 mecsnicas,

clasificaci6n y aplicaciones..                    A parte de las g r a n a l l a s ,

existen o t r o s tipos d e             abrasivos q u e n o s o n metglicos

y    que    no   se   10s       ha    mencionado,      entre     ellos       tenemos:

abrasivos        de   vidrio,         abrasivos       vegetales        y    abrasivos

plssticos.


El     disefio      contempla         un   sistema       de    recoleccibn,         un

sistema de e l e v a c i b n , u n sistema d e extracci6n de polvos

y     un    sistema        dosificador       como      partes        constitutivas

del sistema total de recirculacibn.


Posteriormente             se    explica     el     proceso      de    fabricacibn

y e l montaje         de las p a r t e s , luego se realizan pruebas
                                                  /
de 1 0 s diferentes sistemas que lo c o n f o r m a n , se analizan

las        mismas      y        se    adjuntan        planos         del     sistema.
I N D I C E     G E N E R A L




                                                                PBg.

RESUMEN      .........................................          VI

INDICE GENERAL     ..................................           VIII

INDICE D E   FIGURAS ...............................            XI11

INDICE DE TABLAS      ................................          XIX

INTRODUCCION      ....................................           36


CAPITULO I

GENERALIDADES      ...................................           39

1.1.   Fundamentos del sistema de recirculaci6n       ...        39

1.2.   Tipos de sistemas de transporte        ...........        42

       1.2.1. Transportadores         recolectores         de

                 tornillo7 sin fin    ..................         42

       1.2.2. Transportadores         elevadores          de

                 cangilones  .........................           52

1.3.   Extractores de    polvos   .....................          58

       1.3.1. Separadores de polvos y granallas           ...    60

1.4.   Dosificadores      .............................          62

1.5.   Clases de granallas usadas en el sistema            de

       recirculaci6n    ..............................           62

       1.5.1.    Granallas de 6xido de aluminio . . . . .        63
IX



                                                                          PAg   .
       1.5.2.   Granallas de bronce      ................                  64

       1.5.3.   Granallas de     alambre cortado  .......                  64

       1.5.4.   Granallas de     hierro templado . . . . . . .             68

       1.5.5.   Granallas de     acero  .................                  72


CAPITULO I 1

DISERO Y CONSTRUCCION D E L SISTEMA D E RECIRCULACION

DE GRANALLAS     .....................................                     77

2.1.   Especificaciones tecnicas a considerarse                     ...    77

       2.1.1.   Potencia  ............................                     77

       2.1.2.   Cargas mecAnicas    ...................                    77

       2.1.3.   Materiales   .........................                     78

       2.1.4.   Tamafio y peso   ......................                    78

       2.1.5.   Productos existentes     ...............                   78

       2.1.6.   Vida iitil de servicio . . . . . . . . . . . . . .         79

       2.1.7.   Mantenimiento y reparaci6n . . . . . . . . .               79

       2.1.8.   Costo ...............................                      79

2.2.   Seleccidn del sistema             de   recirculaci6n de

       granallas      ...,G.............................                   80

2.3.   Codificaci6n de las partes                 ................         81

2.4.   Sistema      de   recolecci6n          y     sistema    de

       elevaci6n     .................................                     83

       2.4.1.    CAlculo de la tolva de colecci6n ....                     83

       2.4.2.    MAxima carga de 10s sistemas . . . . . . .                87

       2.4.3.    Dimensiones del sin fin . . . . . . . . . . . .           87

       2.4.4.    Longitud      de        la       banda   de    10s
X




                                                                             FQg.

         cangilones         .........................                         89    A


2.4.5.   DiseRo y cBlculo de 1 0 s cangilones                           ..    9 1 /-

2.4.6.   Velocidad t a n g e n c i a l d e la h e l i c e d e l

         sin fin      .............................                          104

2.4.7.   Diseflo y c B l c u l o d e la a r t e s a d e l s i n

         fin     ................................                            108

2.4.8.   A n B l i s i s de f u e r z a s de      trabajo              que

         actlian s o b r e 10s s i s t e m a s             ..........        121

2.4.9.   Determinaci6n              de           la        potencia

         requerida         ..........................                        127

2.4.10   Cdlculo y selecci6n                de        la c a d e n a     y

         catalinas         ..........................                        129

2.4.11   C B l c u l o y s e l e c c i 6 n de la         banda          de

         cangilones         .........................                        134

2.4.12   C B l c u l o y s e l e c c i 6 n d e las poleas              ...   137

2.4.13   Diseflo y c d l c u l o      del        eje         superior

         del sistema de elevaci6n                      ...........           137

2.4.14   C Q l c u l o y s e l e c c i 6 n d e las c h a v e t a s y

         chaveteros
                            det
         sistema de elevaci6n
                                    eje          superior

                                               ...............
                                                                       del

                                                                             148

2.4.15   CQlculo y selecci6n de rodamientos                              y

         chumaceras         del     eje          superior              del

         sistema de elevaci6n                  ...............               152

2.4.16   Disefio y c d l c u l o      del        tensor          de l a

         banda de cangilones                ................                 154

2.4.17   DiseRo        y      c B l c u l o de        la      plancha
XI



                                                                                 PBg   .
                  recolectora                ....................                163

        2.4.18    Diseiio    y       c.5lculo d e l s i n f i n . . . .          172
        2.4.19    CBlculo        y     selecci6n    de las chavetas

                  y chaveteros del eje del s i n fin                    ....     193
        2.4.20    Cglculo y seleccidn de rodamientos                         y

                  chumaceras del eje del s i n fin                   ......      195

        2.4.21    CQlculo de la potencia inercial                     .....      197

        2.4.22    CBlculo de la           estructura            de      10s

                  sistemas           ...........................                 203

        2.4.23    Condiciones            normales         de     trabajo

                  de 1 0 s sistemas           ....................               207

        2.4.24    Proceso d e fabricacidn de las partes                      .   210

        2.4.25.Montaje de acuerdo a 1 diseiio                    ........        218

2.5.    Bistema de extraccidn de polvos                   ............           225

        2.5.1.    Diseiio y cBlculo del             separador           de

                  polvos     .............................                       227

        2.5.2.    D i s e a o y cdlculo de          10s        ductos       de         I
                  extraccidn           .........................                 232

        2.5.3.    Determinacidn de la potencia requerida .                       242

        2.5.4.    Diseiio de la trampa de polvos               .......           243

        2.5.5.    Seleccidn del extractor                 ............           244

        2.5.6.    Proceso de fabricacidn de las partes                       .   246

       ‘-2.5.7.   Montaje de acuerdo a 1 diseiro            .......              251

2.6.    Sistema dosificador              .......................                 255

        2.6.1.    C5lculo        del       ducto          de         paso

                  de granallas           .......................                 255
XI1



                                                                 PAg.

       2.6.2.   CBlculo de la compuerta           ............   258

       2.6.3.   DiseAo       y      c6lculo del     mecanismo

                accionador       .........................       260

       2.6.4.   Proceso de fabricaci6n de las partes.            272

       2.6.5.   Montaje de acuerdo a1 diseiio          .......   274


CAPITULO I11

PRUEBAS DEL SISTEMA DE RECIRCULACION DE GRANALLAS.               280

3.1.   Pruebas del sistema de recolecci6n y sistema

       de elevaci6n     ..............................           280

3.2.   Pruebas del    sistema de extracci6n . . . . . . . . .    282

3.3.   Pruebas del    sistema dosificador    ...........         288


CAPITULO IV

ANALISIS DE RESULTADOS           ..........................      290


CONCLUSIONES Y RECOMENDACIONES            ..................     293


BIBLIOGRAFIA     ....................................            296


PLANOS DE CONSTRUCCION           ..........................
                                      I
                                                                 298
I N D I C E           D E        F I G U R A S




NO                                                                     P&ig.

1     FLUJCGRAPIA DEL SISTEMA DE RECIRCULACION..                 ..     41

2.    DIVERSOS TIPOS D E TRANSPORTADORES SIN FIN..                      47

3.    DISPOSITIVOS         DE         ALIMENTACION            PARA

      TRANSPORTADORES SIN FIN             ...................           49

4.    DISPOSITIVOS           DE           DESCARGA          PARA

      TRANSPORTADORES SIN FIN             ...................           51

5.    TIPOS DE ELEVADORES DE CANGILONES Y DETALLES

      DE CANGILONES       .............................                 56

6.    EXTRACTOR      DE         POLVOS       DE      UNA MAQUINA

      GRANALLADORA......        .........................               59

7.    SEPARADOR TIPICO DE POLVOS Y GRANALLAS....                   .    60

8.    MICROESTRUCTURA DE LAS GRANALLAS DE ALAMBRE

      CORTADO.   ...................................
                                      /
                                                                        66

9.    MUESTRA DEL EFECTO DEL TAMAN0 DEL CORTE                    DE

      LAS GRANALLAS DE ALAMBRE CORTADO . . . . . . . . . . .            66

10.   GRANALLAS DE ALAMBRE CORTADO..              .............         67

11.   GRANALLAS ANGULARES DE HIERRO               TEMPLADO . . . . .    70

12.   MICROESTRUCTURA DE LAS GRANALLAS D E                 HIERRO

      TEMPLADO    ..................................                    70

13.   MICROESTRUCTURA DE LAS GRANALLAS DE ACERO..                       74
NO

14   .   RESISTENCIA A QUEBRARSE DE LAS GRANALLAS DE
         ACERO   .....................................                    74

15   .   RESISTENCIA A QUEBRARSE DE LAS GRANALLAS DE

         HIERRO TEMPLADO ............................                     74

16   .   SISTEMA DE RECIRCULACION . . . . . . . . . . . . . . . . . . .   82

17.      SISTEMAS DE RECOLECCION Y ELEVACION . . . . . . . .              84

18.      TOLVA D E RECOLECCION .......................                    85

19.      REPRESENTACION DE UN PAS0 DEL SIN FIN . . . . . .                88

20 .     BANDA DE LOS CANGILONES ....................                     90

21 .     TRAYECTORIA DE LAS GRANALLAS A                LA       SALIDA

         DEL ELEVADOR        ...............................              92

22   .   a)   CANGILON   .    b ) VOLUMEN UTIL DEL CANGILON           .   97

23   .   PARTE DE UN CANGILON             SOMETIDA          A    MAYOR

         DESGASTE ..................................                      99

24 .     RECORRIDO D E DESGASTE DEL CANGILON . . . . . . . . .            100

25 .     DISTRIBUCION DE LOS REMACHES . . . . . . . . . . . . . . .       103

26 .     SECCION TRANSVERSAL OCUPADA DEL SIN FIN . . . .                  106

27   .   SECCION DEL SIN FIN .......................                      106

28   .   MEDIDAS DE L A ARTESA- .....................                     109

29   .   DIAGRAMA DE FUERZAS DE LA ARTESA . . . . . . . . . . .           109

30 .     DIAGRAMA DE MOMENT0 COMBINADO . . . . . . . . . . . . . .        111

31 .     DIAGRAMAS DE FUERZA CORTANTE                Y          MOMENT0

         FLECTOR ...................................                      113

32 .     LLENADO MAXIM0 DE LA ARTESA . . . . . . . . . . . . . . . .      116

33 .     SOLDADURA D E L A ARTESA ....................                    119

34   .   DIAGRAMAS DE FUERZAS a ) EN             L A HELICE         DEL
xv


No                                                                        PBg   .
         SIN FIN   .   b ) EN LAS GRANALLAS   ..............              122

35   .   DIAGRAMAS DE      FUERZAS .......................                124

36   .   DIAGRAMA D E FUERZAS         .......................             125

37   .   REPRESENTACION DE LA TRANSMISION . . . . . . . . . . .           133

38 .     POLEA   ......................................                   138

39 .     EJE SUPERIOR DEL SISTEMA . . . . . . . . . . . . . . . . . . .   139

40.      DIAGRAMA DE FUERZAS EN EL PLANO XY . . . . . . . . .             139

41   .   DIAGRAMA DE FUERZAS EN EL PLANO XZ . . . . . . . . .             141

42   .   DIAGRAMAS DE FUERZA               CORTANTE       Y   MOMENTO

         FLECTOR EN EL PLANO XY            .....................          142

43   .   DIAGRAMAS DE FUERZA CORTANTE                 Y       MOMENTO

         FLECTOR EN EL PLANO XZ .....................                     143

44   .   EJE SUPERIOR ...............................                     148

45   .   CHAVETA D E L A CATALINA         ....................            149

46   .   FUERZAS EN LA          CHAVETA ......................            150

47   .   CHUMACERA DEL EJE SUPERIOR DEL                   SISTEMA   DE

         ELEVACION ..................................                     155

48   .   ESTRUCTURA DEL TENSOR             .....................          157

49   .   DIAGRAMA DE FUERZAS APLICADAS EN L A CAJA DE

         RODAMIENTOS ................................                     158

50   .   TORNILLO SOMETIDO A COMPRESION . . . . . . . . . . . . .         160

51 .     MEDIDAS DE LA PLANCHA RECOLECTORA . . . . . . . . . .            164

52 .     D IAGRAMA         DE       FUERZAS DE        LA      PLANCHA

         RECOLECTORA     ................................                 164

53   .   DIAGRAMA      DE MOMENTO COMBINADO . . . . . . . . . . . . . .   166

54   .   DIAGRAMAS DE FUERZA               CORTANTE       Y   MOMENTO
XVI



NO                                                                         PSg .

           FLECTOR ..................................                      165

55 .       EJE DEL SIN FIN ..........................                      172

56.        DIAGRAMA DE FUERZAS EN EL PLANO XY . . . . . . . .              174

57 .       DIAGRAMA DE FUERZAS EN EL PLANO X Z . . . . . . . .             175

58.        DIAGRAMAS DE FUERZA CORTANTE               Y       MOMENTO

           FLECTOR EN E L PLANO XZ        ....................             177

59 .       DIAGRAMAS DE FUERZA          CORTANTE          Y   MOMENTO

           FLECTOR EN EL PLANO XY       ....................               178

60 .       MONTAJE D E L EJE     MACIZO ....................                182

61    .    EJE DEL SIN FIN ...........................                      184

62 .       REPRESENTACION DE LA HELICE DEL SIN FIN . . .                    185

63.        DIAGRAMA DE FUERZAS DE L A HELICE              ..........        186

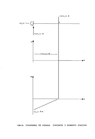
64.        DIAGRAMAS DE FUERZA            CORTANTE        Y   MOMENTO

           FLECTOR...................................                       187

65 .       DESARROLLO DE LA HELICE DEL SIN FIN . . . . . . .                191

66 .       SOLDADURA DE L A HELICE ....................                     192

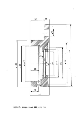
67 .       CHUMACERA DEL SIN FIN .....................                      198

68.        CARGAS APLICADAS EN LA ESTRUCTURA INFERIOR

           DEL SISTEMA DE ELEVACION    ..................                   203

69 .       SECCION DE LA ESTRUCTURA . . . . . . . . . . . . . . . . . .     205

 70.       TAPA DERECHA SUPERIOR .....................                      211

 71.       TAPA IZQUlERDA SUPERIOR . . . . . . . . . . . . . . . . . . .    213

 72 .      ESTRUCTURA INTERMEDIA .....................                      214

 73.       ESTRUCTURA SUPERIOR .......................                      215

 74    .   BASE D E L MOTOR ............................                    215

 75 .      ARTESA ....................................                      217
XVII



No                                                                       P5g   .
                                       B1BLm.r E C ~ '
76   .   CANGILONES REMACHADOS A LA BANDA          ..........            218

77 .     FABRICACION DE EMPAQUES . . . . . . . . . . . . . . . . . . .   219

78.      MONTAJE DE LA ESTRUCTURA ..................                     220

79.      MONTAJE DEL SIN FIN .......................                     221

80 .     MONTAJE DEL EJE SUPERIOR . . . . . . . . . . . . . . . . . .    222

81 .     ESTRUCTURA SUPERIOR .......................                     222

82 .     MONTAJE D E L A ESTRUCTURA CON EL EJE . . . . . . .             223

83.      REMACHADO DE LOS CANGILONES EN L A BANDA . . .                  224

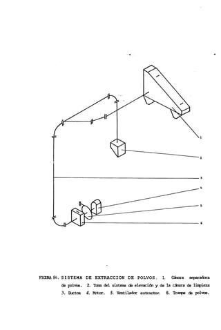
84.      SISTEMA DE EXTRACCION DE POLVOS . . . . . . . . . . .           226

85   .   ESQUEMA DFL SFPARADOR D E POLVOS . . . . . . . . . . .          228

86 .     PLANCHAS SOMETIDAS A DESGASTE . . . . . . . . . . . . .         229

87 .     CALCULO D E L VALOR DE F ....................                   231

88 .     MEDIDAS DE LOS DUCTOS .....................                     238

89.      CALCULO DE LOS DUCTOS DEL SISTEMA . . . . . . . . .             243

90 .     TRAMPA D E POLVOS ..........................                    245

91 .     FABRICACION DE DUCTOS  .....................                    247

92 .     FABRICACION DE DUCTOS .....................                     247

93 .     DUCT0 TERMINADO ...........................                     249

94.      ACOPLE DE RAMALES .........................                     249

95 .     FABRICACION DE L A TRAMPA D E POLVOS . . . . . . . .            250

96   .   FABRICACION DEL SEPARADOR DE POLVOS . . . . . . .               250

97   .   FABRICACION DE EMPAQUES . . . . . . . . . . . . . . . . . . .   251

98   .   MONTAJE DEL SEPARADOR D E POLVOS . . . . . . . . . . .          252

99   .   MONTAJE DE LOS DUCTOS .....................                     253

100.     MONTAJE D E LOS DUCTOS .....................                    254

101.     SISTEMA DOSIFICADOR .......................                     256
XVIII



'
N                                                                             Pzig   .
102 .     DUCTO DE PASO DE GRANALLAS . . . . . . . . . . . . . . .            257

103.      PLANCHA CURVADA DE LA COMPUERTA . . . . . . . . . .                 258

104.      DIAGRAMA DE FUERZAS DE LA COMPUERTA . . . . . .                     259

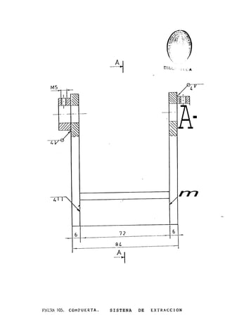
105.      COMPUERTA ................................                          261

106 .     COMPUERTA ................................                          262

107 .     SISTEMA       ARTICULADO          DE     4    BARRAS         EN

          POSICION NORMAL CERRADA . . . . . . . . . . . . . . . . . .         264

108   .   SISTEMA     ARTICULADO           DE      4      BARRAS       EN

          POSICION NORMAL ABIERTA  ..................                         264

109   .   DIAGRAMA DE FUERZAS ......................                          265

110   .   DIAGRAMA DE CUERPO LIBRE DEL ESLABON 4 . . .                        267

111   .   DIAGRAMA DE CUERPO LIBRE DEL ESLABON 2 ...                          267

112.      DIAGRAMA DE CUERPO LIBRE DEL ESLABON 3 . . .                        268

113.      SISTEMA DOSIFICADOR ......................                          270

114.      SISTEMA DOSIFICADOR ......................                          271

115.      MONTAJE DE LA PALANCA ACCIONADORA . . . . . . . .                   275

116.      MONTAJE DEL DUCTO DE PASO Y DE LA COMPUERTA.                        276

117   .   MECANISMO ACCIONADOR NORMAL CERRADO . . . . . .                     277

118 .     MECANISMO ACCIONADOR NORMAL ABIERTO                    ......       278

119   .   PARTE      SUPERIOR         ABIERTA          DEL     SISTEMA

          DE ELEVACION .............................                          282

120.      TOMA GENERAL DE LA MAQUINA          ...............                 283

121.      PRUEBAS DEL      VENTILADOR . . . . . . . . . . . . . . . . . . .   286

122 .     MEDICION DE      POLVOS RECOGIDOS . . . . . . . . . . . . .         287

123.      VERIFICACION DE DISTRIBUCION DE GRANALLAS                           287
I N D I C E         D E         T A B L A S




NO                                                                   PAg.

I.     CAPACIDADES       Y       VELOCIDADES       DE      LOS

       TRANSPORTADORES SIN FIN..        ..................            45

I1     CAPACIDADES DE LOS TRANSPORTADORES SIN FIN.                    45

111    REDUCCION DE L A CAPACIDAD EN           TRANSPORTADORES

       INCLINADOS...   ..............................                 48

IV     CLASIFICACION DE LAS GRANALLAS DE OXIDO              DE

       ALUMINIO DEL REIN0 UNIDO        ...................            63

V      ESPECIFICACIONES         DE     LAS     GRANALLAS        DE

       ALAMBRE CORTADO.      ...........................              65

VI     COMPOSICION QUIMICA D E LAS            GRANALLAS         DE

       ALAMBRE CORTADO..      ..........................              65

VII    COMPOSICION QUIMICA DE LAS             GRANALLAS         DE

       HIERRO TEMPLADO EN LAS DIVERSAS PARTES               DEL

       MUNDO.   .....................................                 69

VIII   ESPECIFICACIONES D E GRANALLAS            DE      HIERRO

       TEMPLADO SEGUN L A NORMA BIS N o 2 4 5 1 . .      ......       71

IX     COMPOSICION QUIMICA DE LAS             GRANALLAS         DE

       ACERO   ......................................                 75

X      ESPECIFICACIONES        DE     LAS    GRANALLAS     DE

       ACFRO SEG’JN L 4 NOSMA SAE 5 - 4 4 4    .............          76
xx


NO                                                                                                PBg.

XI      VALORES TIPICOS DE k d . . . . . . . . . . . . . . . . . . . . . .                        101

XI1     CLASIFICACION DE LAS CARGAS Y FACTORES                                              DE

        SERVICIO          ...................................                                     132

XI11    F A C T O R E S K.................................                                        146

XIV     F A C T O R E S K.................................                                        147

xv      FACTORES K . . . . . . . . . . . . . . . . . . . . . . . . . . . . . . . . .              180

XVI     FACTORES K . . . . . . . . . . . . . . . . . . . . . . . . . . . . . . . . .              181

XVII    M A S A S DE L O S ELEMENTOS QUE                                   COMPONEN        LOS

        SISTEMAS DE RECOLECCION Y ELEVACION                                            ........   200

XVIII   VALORES DE CARGA QUE SOPORTA L A ESTRUCTURA.                                              204
S I H B O L O G I A




-
AB       :   Longitud del eslab6n 3

         :   Area de una parte de la tolva de colecci6n
A1
         :   Area de una parte de la tolva de colecci6n
A2
         :   Area de una parte de la tolva de colecci6n
A3
         :   Area de una parte de la tolva de colecci6n
A4
         :   Area de una parte de la tolva de coleccidn
A5
         :   Area de       una      parte         del            cangil6n
A6
             Area    de     una      parte        del            cangil6n
A7
             Area    de una        parte          del            cangildn
A8
a            Aceleraci6n normal
    n
A            Parte     ocupada de la secci6n del cilindro
    P
A            Area    de    la seccidn transversal d e .la viga

a            TamaRo de la soldadura

A            Area    de    la    garganta    de        la        soldadura
    e
             Secci6n      transversal        de             la      banda
Ab
             Ancho de la banda
ab
             Area de la circunferencia
AC

A            Area    transversal        de        la         estructura
    es
a            Ancho de la estructura
    e
a            Aceleraci6n tangencial
    t
b            Ancho de la artesa
XXII



         Longitucl       del         cord6n           de          soldadura
61
         Ancho d e la chaveta
b2
b'       Longitud del desgaste
-        Longitud del eslabdn 4
B04
C        Distancia       del        eje    neutro a         la    fibra mds

         exterior

C        Distancia entre centros

         Constant e
cC

         Capacidad         bdsica           de       carga         dindmica
b
'
D        Didmetro exterior de la h6lice del sin fin

d        Distancia        del       eje    superior         del    elevador

         a la bandeja recolectora

         D i Ame t r o         de         la         mesa          rotatoria
dM
         Didmetro de           las poleas de            10s      cangilones
Dl
         Didmetro        del        eje     superior         del     sistema
D2
         de elevaci6n

         Didme t ro        del            eje        del          sin    fin
D3
D        Didmetro        del        ducto       ac
    ac
         Didmetro        del        ducto       bc
Dbc
         Didmetro del ducto cd
Dcd
D        Didmetro        del        cod0
    C

DHP      Potencia        de     disefio

         Didmetro primitivo de la catalina conductora
dl
         Didmetro primitivo de la catalina conducida
d2
d        Didmetro medio
    m
d        Didmetro menor de la tuerca
    r
         Didmetro mayor del tornillo
dt
XXIII



e               Espesor de desgaste
    d
e               Espesor    de        la    banda     de     10s     cangilones
    b
e               Espesor de la artesa
    a
e               Espesor de la viga

e               Espesor          de        la      plancha         recolectora
    P
e               Espesor de la estructura
    e
e               Espesor de la helice
    h
E               Mddulo         de          elasticidad             del         acero

f               Coeficiente          de     fricci6n        entre        la    banda

                y la polea

                Fuerza     de        fricci6n       entre     las    granallas
fl
                y el sin fin

                Fuerza     de        friccidn       entre     las    granallas
f2
                y la artesa

                Factor de correcci6n
f3
                Fuerza    de         fricci6n       entre     las        granallas
fl
        X
                y el sin fin en direccidn x

                Fuerza    de         friccidn       entre     la    estructura
fl
        Z
                del   tensor           y    la      caja     de      rodamiento

f               Esfuerzo        de        trabajo     resultante              en   la
    r
                soldadura

f               Esfuerzo        de    trabajo       por     cortante          en   la
    S

                soldadura

                Esfuerzo de           trabajo       por     f.lexd6n          en   la
fb
                soldadura

                Carga por unidad de longitud
f5
F           :   Fuerza     normal          a1    punto      de     contact0        de
XXIV



         desgaste

f        Fuerza    de       friccidn       entre      la    carga       y   la
    C

         compuer t a

         Factor de cor~eci5f6n
f6
         Fuerza     de      fricci6n          entre    las       granallas
f4
         y las plancha inclinada

         Fuerza en direcci6n x
FX

F        Fuerza e n direcci6n y
    Y
F        Fuerza e n direcci6n z
    Z

F        Fuerza de excavaci6n
    a

F        Fuerza normal
    n
F        Esfuerzo        cortante             mdximo         permisible
    V

         Fuerza        mdxima        que      transmite          la     banda
F1
         Fuerza        de     lado         flojo       de        la     banda
F2
         Fuerza     en        la         superficie              del        eje
F3
F        Carga     radial       equivalente            a1    rodamiento
    e
F        Carga      radial          aplicada          a1     rodamiento
    r
         Esfuerzo           deflexi6n            mdximo      permisible
Fb
F        Carga      axial          aplicada           a1     rodamiento
    ax
F        Fuerza inercial
    S

         Esfuerzo           permisible           en    la        soldadura
FV

Fi       Fuerza     mayor       en       la    polea       del        sin   fin

";       I'uerza    menor       en       la    polea       del        sin   fin

         Fuerza     axial      que       las      granallas           ejercen
F4
         sobre el sin fin

         Fuerza     radial         que     las    granallas           ejercen
F5
         sobre el sin fin
xxv


         :   Constante para          considerar       pgrdidas        en
F6
             la zona d e aceleraci6n

             Coeficiente       de    fricci6n    en   tubos       rectos
F7
             Constante        para   considerar       pgrdidas       por
F8
             cambio de direcci6n

F            Factor      correctivo        por        resbalamiento
    9
             Fuerza     que     ejerce    el    eslab6n    3       sobre
F34
             el eslabdn 4

             Fuerza     que     ejerce    el    eslab6n    2       sobre
F23
             el eslab6n 3

             Fuerza     que     ejerce    el    eslab6n    1       sobre
F14
             el eslab6n 4

             Fuerza     clue    ejerce    el    eslab6n    3       sobre
F32
             el eslab6n 2

             Fuerza     que     ejerce    el    eslabdn       1    sobre
F12
             el eslab6n 2

             Fuerza     que     ejerce    el    eslab6n    4       sobre
F43
             el eslab6n 3

F            Fuerza necesaria         para mover      el mecanismo
    ac
g            Gravedad

h            Altura del cangil6n a la bandeja recolectora

             Altura de la chaveta
hl
             Altura de la tuerca
h2
h            Largo de la estructura
    e
H        :   Altura   que      se eleva   la mezcla aire-polvo

HP       :   Potencia en cabalos de fuerza

I        :   Inercia total
XXVI



         Inercia d e la artesa
'
a
I        Momento de inercia de la catalina
    C

I        Inercia de la soldadura
    W

I        Momento de inercia de la polea
    P
I        Momento     de        inercia   del    eje    superior
    es
I        Momento     de        inercia   del    eje    inferior
    ei
         Momento   de     inercia    de u n paso      d e helice
Ih
I        Inercia alrededor del eje x
    X

J        Momento polar de inercia

K        Constante        de     condiciones     en    extremos

         Factor de superficie
Ka
         Factor de tamafio
Kb
         Factor de confiabilidad
KC

         Factor de temperatura
Kd
K        Factor de      modificacidn      por   concentracidn
    e
         de esfuerzos

         Factor de efectos diversos
Kf
         Coeficiente de desgaste
kd
2        Longitud que recorre la           banda       en    t
                                                                 1
         Longitud de la chaveta
l1
         Longitud de la columna
l2
         Avance del tornillo
l3
1        Altura de la estructura inferior
    e
L        Longitud del sin fin

         Longitud de la banda
L1
         Longitud de la cadena
L2
         Ancho de la helice
L3
XXVII



            Distancia a1 radio medio
L4
L           Longitud equivalente
    e
            DuraciBn      nominal     en    horas    de   servicio
LIOh
L'          Longitud       de   la         plancha    recolectora

L           Longitud del ducto principal
    P
            Longitud del ducto b c
Lbc
L           Longitud del ducto ac
    ac
            Longitud del ducto c d

m           Metros

mm          Milfmetros
    2
m           Metros cuadrados
    3
m           Metros cCibicos

M           Masa                                              i

            Momento reaccionante
M1
            Momento reaccionante
M2
M           Momento flexionante m5ximo
    m
MPa         Megapascal

            Momento    torsor       necesario    para     mover   la
MD
            compuer t a

            Momento en e l punto 4

            Momento en el punto 2
M2
            Momento requerido para mover el mecanismo
Mt
        2
            Momento flexionante en el punto 0
MO
            Momento flexionante en e l punto E
ME
            Momento flexionante en e l punto B
MB
M           Momento flexionante en e l punto G
    G
            Momento flexionante en e l punto U
MU
XXVIII




M            :       Moinento inercial
    S

             :       Momento inercial total
Mt
M            :       Masa de u n cangil6n
    ca
M            :       Masa de la catalina conducida
    C

M            :       Masa de la polea
    P
M    .       :       M a s a d e l eje superior
    es
M            :       M a s a del eje inferior
    ei
             :       M a s a de u n paso de h6lice

n            :       Factor de seguridad
                                                                      blrsli    J-i'hCb
n            :       N6mero de vueltas de la h6lice
     1
N            :       Newton

             :       F u e r z a normal a - la h6lice
N1
             :       Fuerza normal a ?-a h6lice e n             direccidn x
N1
         X
             :       Fuerza normal a la carga
N2
             :       Fuerza   normal    a    las    granallas        del   fondo
N3
                     del elevador
-
OD           :       Distancia    entre      el    punto   de   apoyo       y    el

                     punto de acciein de la carga
-            :       Longitud d e l eslab6n 2
02A
-            :       Longitud del eslab6n 1
2'
'4
P            :       P a s o del s i n fin

             :       Fuerza axial aplicada a 1 s i n fin
p1 X
             :       Fuerza    tangencial         aplicada      a1    sin       fin
 p1 z
             :       Fuerza total d e l elevador
 p2
             :       P a s o de la cadena
 p1
 Pa              :   Pascal
XXIX




                    Presi6n del flujo
pf
                    Potencia total de transporte
pT1
                    Potencia total
pT
P                   Potencia inercial
    inercia
P                   Fuerza critica de pandeo
    cr
Pot                 Potencia necesaria      de    transporte           del
         1
                    sin fin

Pot                 Potencia necesaria      de    transporte           del
         2
                    elevador

                    Potencia del ventilador
pV
P                   Paso del tornillo tensor

(P1-P               Diferencia de presi6n        debido          a      la
             2 1
                    aceleraci6n

( P1-P2)            Diferencia de presi6n debido a 1 rozamiento

                    e n las paredes

( P1-P2             Diferencia de     presi6n    debido    a     cambios

                    d e direcci6n

(P1-P2I4            Diferencia de presi6n debido a las fuerzas

                    gravitacionales

(P1-P2              Diferencia de     presidn    debido    a1        filtro

(P1-P2)             Diferencia de presi6n total

                    Diferencia de     presi6n    en   el       ducto     ac
(P1-P2)ac
                    Diferencia de     presidn    en   el       ducto     bc
(    12
     -'       'bc
                    Diferencia de     presi6n    en   el       ducto     cd
(    1'
      2-       cd
q                   Carga normal por paso

                    Carga normal del primer paso
41
                    Carga normal del segundo paso
42
:   Carga normal del tercer paso
q3
        :   Carga normal del cuarto paso
94
        :   Carga normal del quinto paso
q5
            Carga normal del sexto paso
‘6
            Carga normal del sgptimo paso
97
            Carga normal del octavo paso
q8
            Carga normal del noveno paso
q9
            Carga normal de u n cangil6n
qC

            Flujo de arena
qP
            Capacidad de transporte de aire
‘a
            Capacidad total de transporte
qt
Q           Flujo total normal

            Flujo normal de granallas
Qg
            Caudal en el ducto ac
Qac
            Caudal e n el ducto bc
Qbc

Qcd
            Caudal e n el ducto cd                           -
                                                             r
            Caudal total transportado
Qt
            Caudal de arena transportado
QP
r           Radio de giro del circulo

            Radio de        curvatura      de       10s   cangilones
rl
rad     :   Radianes

r       :   Radio para el circulo de V
    S                                           S

r       :   Raz6n de          reducc i6n        del         reduc tor
    R
r       :   Radio de giro en x
    X

r       :   Radio medio
    m
R       :   Raz6n      de     reducci6n         de        transmisi6n

        :   Fuerza reaccionante
R1
XXXI



             'r       Fuerza     reaccionante          en       direcci6n       x
R1
         X
             :        Fuerza     reaccionante          en       direccidn       y
R1
        Y
             :        Fuerza     reaccionante          en       direccidn        z
R1
         Z
             :        Fuerza reaccionante
R2
             :        Fuerza      reaccionante         en       direccidn       x
R2
         X
             :        Fuerza      reaccionante         en       direccidn       y
R2
         Y
              :       Fuerza      reaccionante         en       direcci6n        z
R2
         Z
              :       Ndmero   de      dientes   de    la   catalina        mayor
R4
              :       Ndmero   de      dientes   de    la   catalina        menor
R5
              :       Radio de curvatura d e l c o d 0

              :       Carga    que      debe     levantar        el       tornillo
RT
S             :       Segundos

S             :       Esfuerzo de fluencia
    Y
SF            :       Factor de servicio

S             :       Limite de         resistencia         a        la     fatiga
    e
S'           ,?       Limite     de    resistencia      a       la    fatiga    de
    e
                      la viga rotatoria

S             :       Resistencia a1 corte
    SY
S                 :   Resistencia a la fluencia
    Y1
S                 :   Resistencia a la rotura
     ut
                  :   P r e s i d n estdtica e n el ducto ac
    "ac
                  :   P r e s i d n estdtica e n el ducto bc
    "bc
                  :   P r e s i d n estdtica e n el punto d
    "d
                  :   P r e s i d n estdtica total
    SPt
    t             :   Tiempo que se demora e n recorrer d

    t             :   Tiempo     que    se    demora   el   sin       fin en   dar
        1
                      una revoluci6n
XXXII



            :   Altura del chavetero del eje
t2
t           :   Altura del chavetero de la catalina o polea
    3
t           :   Tiempo     que    tarda       el   motor    en    llegar    a
    a
                la velocidad de r6gimen

            :   Tiempo de u n ciclo
tC

t           :   Ancho del Area de garganta
    e
T           :   Torque msximo de la polea

            :   Fuerza que transmite la cadena
T1
            :   Fuerza que transmite la cadena e n direccidn
T1
        Y
                Y
            :   Fuerza que transmite la cadena e n direccidn
T1
        z
                z

                Fuerza del lado flojo de la cadena
T2
                Momento     de   torsidn       para    vencer     la   carga
T3

                F3
T               Momento     torsor       en    el     eje   del    sin     fin
    m3
V               Factor de rotacidn

V               Fuerza cortante

                BolGmcn     de     una    parte       de    la    tolva     de
v1
                coleccidn

                Voliimen    de     una    parte       de    la    tolva     de
v2
                coleccidn

                Volumen dtil del cangildn
v3
V               Voliimen de arena
    a
                Velocidad e n el ducto bc
'c
 b
V               Velocidad e n el ducto ac
    ac
                Velocidad e n el ducto cd
'd
 c
XXXIII




  V        Volumen      del    cilindro        de u n paso         del    sin
      C

           fin

           Voliirnen del material perdido por desgaste
 vd
           Velocidad de diseilo
 vD
           Velocidad lineal del cangildn
 vO

           Velocidad          lineal      de     la     banda      de     10s

           cangilones

  V        Volumen dL paso del sin fin
      P
           Presidn de velocidad e n a
  vp a
           Presidn de velocidad e n b
b''
           Volumen      total       de    la    tolva    de      coleccidn
  vT
  V        Velocidad d e la hglice
      S

  V        Velocidad de succidn
      su
  W        Carga msxima

           Carga d e 1 0 s cangilones llenos
  w1
           Peso    de     las       granallas         del        fondo    del
  w2
           elevador

  W        Peso de la catalina conducida
      C

  W        Peso de la polea
      P
  W'       Carga     mdxima         por        unidad       de     longitud

  W        Carga     total         que    soporta       la       estructura
      e
           inferior

           Carga mdxima que empuja la hglice
  h
  '
  W        Carga equivalente
      0

  X        Factor radial

           Distancia          de    desplazamiento               del     punto
  xd
           de desgaste
XXXIV



Y         :   Distancia       del        centro    de    coordenadas           a1

              elemento diferencial

Y         :   Factor de empuje

          :   Distancia del centro del circulo a1 inicio
*1
              del drea ocupada

          :   Distancia            entre        ejes       del        elevador



Y             P e s o . e s p e c i f i c o de las granallas

              Didmetro medio             de     la polea    con       la banda

              Peso especifico de la arena
ya
              P e s o especifico del aire
YA
              Peso    especifico           de    la mezcla           aire-polvo
yt

Y’            Angulo de transmisidn

c             Suma t or i a

              Coeficiente          de      friccidn      estdtica          entre

              superficies de acero dulce

              Coeficiente          de      friccidn      estdtica          entre
fiS   z
              superficies d e fundicidn gris

u             Coeficiente           de     friccidn      estdtica          entre

              acero dulce y fundicidn gris

              Esfuerzo cortante mdximo

              Esfuerzo        de    tensidn       mdximo        en    la   banda

              Esfuerzo de pandeo mPximo

              Esfuerzo de flexidn mdximo

              Angulo     de    contact0          entre     la    banda     y   la

              polea

B             Angulo que forma la cadena con la horizontal
xxxv


Ae B O   :   Desviacibn    angular        de        la     tangente       de

             la   curva   eldstica   de        un        elemento    en    B

             con respecto a 0

a        :   Aceleraci6n angular

h        :   Angulo de la h6lice

rl       :   Eficiencia del ventilador

8'       :   Angulo del mecanismo de 4 barras

W        :   Velocidad angular

UMR      :   Velocidad    angular    de        salida       del     motor-

             reductor

         :   Velocidad    angular    de        salida        del     motor

         :   Velocidad angular inicial
Las     primeras               mdquinas           limpiadoras              de    metales           no

empleaban        un       sistema       de       r e c i r c u l a c i 6 n Y estas         mdquinas

trabajaban c o n u n a             tolva          llena de          arena       conectada por

medio      de        tubos       flexibles           a     otro          tub0    por        el    que

circulaba vapor o a i r e ; la arena era dirigida a1 chorro

por   medio          de    un    vacio           provocado          y    lanzada       a1        final

del     tub0     contra          la    superficie              sobre        la       cual    iba     a

operar.         Este      proceso        se conocfa como "Sand-blasting".


Posteriormente,                debido        a    que      la       arena       es    m5s        suave

que las piezas de fundici6n a 1 limpiarse, se pulverizaba

rdpidamente y             como este polvo n o se u t i l i z a b a , se v i 6

la    necesidad           de     un    sistema            de    separaci6n            de     polvos

de    la       arena,      que        resultaba           econ6micamente               alto,        ya

que   no       era    practicable            s i n aparatos              especiales.             Esto

llev6      a    usar      granallas          en      vez       de       arena,       las    cuales,

duraban        veinte          veces    mds        que     la       arena,       evitando          asi

el    polvo      de       la    arena     mds        no    el       polvo       producido          por

las piezas a limpiarse."


Por     el      afio      de      1935       se       enfatizd            el     peligro           que

representaba para la salud la presencia de estos polvos
37


en     la    atmhfera,                la   cual         provoc6         la    aparici6n             de   un

nuevo       m6todo          de    limpieza.              Este       elimin6          la      necesidad

de    que     el       operador            entre        en     las      csmaras           cerradas         y

trabaje en una atmdsfera contaminada.


Este    nuevo          metodo          consiste          en       lanzar       las g r a n a l k por

medios       mecsnicos                eliminando              la     necesidad               de     aire

comprimido              lo        que      reduce            el     costo          de     operaci6n.


Las granallas usadas d e b i a n ser                           recicladas               ya    que        sus

propiedades             mecsnicas            eran        poco       afectadas;               esto    hace

necesario          un       sistema          de    recolecci6n               despues          de    haber

realizado          el       trabajo,              un    sistema          de        elevaci6n         para

permitir la limpieza, extracci6n de polvos y el ingreso

regulado de lasgranallasal mecanismo encargado de lanzar

para volver a realizar el trabajo de limpieza.


E l   m6todo       original             de     recirculaci6n                 fue    por       medio       de

una     corriente                de     aire           forzada       por       un       sistema           de

ventilaci6n.                Fue        excelente             per0       de    un    mantenimiento

costoso.           Para una msquina                     de     limpieza con u n                   sistema

de chorreado centrifugo, Bste metodo es demasiado lento

por     lo     que          se        adopt6       un        sistema          de    elevaci6n             de

cangilones.


Una     msquina             simple           es        capaz       de        descargar            grandes

cantidades             de    abrasivos,                que     deben         ser     reciclados               y

limpiados          a    la       misma       velocidad             para       poder       ser      usados

nuevamente.
38


Erl disefio y construcci6n de u n sistema de recirculaci6n

y por e n d e d e una mdquina limpiadora de m e t a l e s , tiene

gran     importancia      para    el     desarrollo       tecnol6gico    del

pais,     puesto    que     permitiria      limpiar        piezas   salidas

de     fundicidn,    evitando      asi     el    desgaste     excesivo    de

la   cuchilla      si van   a    ser maquinadas       o    abaratando    10s

costos    de    limpieza,       mejorando       acabados    superficiales,

etc.
C A P I T U L O             I




Las    msquinas        granalladoras            m5s     adecuadas             para

piezas     fundidas         son     las     de       mesa         rotatoria       ,
correa      giratoria         y    tambor       rodante.           La   primera

se usa     para      piezas medianas y pequefias y                      las dos

iiltimas      para    piezas       pequefias.          Cuando          se     trata

de    piezas    grandes      se    usa     el    sistema          colgante       de

cinta monoriel.


Muchas     de     estas     mdquinas        poseen       un       sistema        de

recirculaci6n         formado      principalmente                por    tornillo

sin    fin,     elevador      de    cangilones          y        extractor       de

polvos.


Este    sistema      de     recirculaci6n            tiene       la    finalidad

de recolectar las granallas que salen de la cdmara

de    limpieza, 6 s t a s c a e n e n una             artesa y mediante

la     rotaci6n       del    helicoidal          del        sin        fin,     son

transportadas             hasta       un         sitio,            donde         un

transportador         elevador        las       lleva        a    una       cierta
40


altura    para        limpiarlas            y     separarlas                del    polvo.


El      transportador                elevador           estd           formado           por

cangilones          que        son     encargados                de        elevar        las

granallas,           estos           cangilones                 son         de     varias

capacidades y estdn hechos de distintos materiales

de    acuerdo        a1       material          que    van        a     transportar;

estdn    unidos           a    una     banda          que       recorre           por    dos

poleas;      recogen            las        granallas             del        fondo        del

elevador     y      las       bota    en    su    parte          s u p e r i o r , donde

un    extractor       de       polvos formado               por       un     ventilador

centrifugo          captura          el     polvo           existente             en     las

granallas,          permitiendo             que        eestas          se        depositen

limpias e n u n a tolva.


La    altura        del       elevador       estd       determinada                por    el

tamafio de la mdquina y la posici6n de l a t u r b i n a ,

ya    que,     la     descarga         del       elevador             debe        permitir

recoger las granallas e n la tolva colocada encima

de la turbina.


El    extractor           de    polvos          succiona          toda           particula

que     tenga       una       densidad       menor          a     la       densidad       de

las   g r a n a l l a s , asegurando             de    esta manera                que    las

granallas        ingresen        libres          de    polvos a             la    turbina.

Estas     particulas             son       retenidas              por        un     filtro

logrando        asi       que     el       aire        pase       limpio           por    el

ventilador y salga a 1 ambiente.
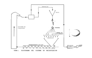
-      GRANALLAS


                         Ah

                                                             TOLVA




       ELEVADOR DE
                                                       1
       CANGILONES




                                                 GRANALLAS




                                                                     POLVOS

FIGURA 1.   FLUJOGRAMA    DEL   SISTEMA    DE   RECIRCULACION
42


      El       sistema      de        recirculacidn          es    complementado            con

      un       regulador          de     flujo       de     granallas          colocado       a

      la       salida       de    la     tolva       que    puede        ser    neumdtico,

      mecdnico          o    electric0           y     debe       abrirse        instantes

      despues         de         que     la     turbina          haya     alcanzado          su

      velocidad         mdxima          para    permitir          el     ingreso de         las

      granallas.


      La       turbina       se       encarga    de        acelerar       las    granallas

      para      que     realicen         la    limpieza por              impacto d e        las

      piezas       que       estdn       en    la     cdmara       de     trabajo,         para

      finalmente            caer        de     nuevo        en     la    artesa        y    ser

      recolectadas                y    transportadas              por     el     sin       fin.


1.2. . . . . . . .DE. . SISTEMAS . DE . TRANSPORTE
     TIPOS .            ........ .. .........

      L    O   ~ sistemas         de    transporte          mds        utilizado       en    el

      sistema de recirculacidn de granallas son:


      Transportadores                   recolectores              de     tornillos          sin

       fin.


      Transportadores elevadores de cangilones.


       1.2.1. . . . . . . . . . . . . . . . . . . RECOLECTORES. . . DE . . .TORNILLO
              TRANSPORTADORES                      ...........      ..       ......
                  -------
                  SIN FIN

                  Estos           transportadores                estdn     formados         por

                  aspas helicoidales (helice laminada a partir

                  de una barra plana d e acero)                           o    seccionales
43


(secciones individuales cortadas y                              formadas

en    h&lices,       a    partir         de     una    placa     plana),

montadas       en     una        tuberia         o    eje       que       gira

en     una    artesa.            Sus      capacidades            mLiximas

son d e 2 8 0 metros cdbicos por hora.


El u s 0 de tornillos huecos o tuberfas para

la circulaci6n de f l i i i d r a s calientes o frios,

permiten      que 10s          tornillos s i n fin se usen

para         operaciones                  de          calentamiento,

enfriamiento y desecaci6n.                           Es fAcil sellar

un    sin    fin     de     la    atm6sfera            exterior,           con

el fin de que pueda funcionar en s u propia

atmdsfera           con     una          presidn            positiva         o

negativa.           Se    puede          mantener          temperaturas

internas en regiones de temperatura ambiente

elevada o baja aislando la artesa.


Es ventajoso disefiar una descarga por debajo

de     la    artesa       para      facilitar              la   limpieza,

evitando      la contaminaci6n cuando se manejen

en el mismo          sin       fin materiales               diferentes.


Las     Tablas       I     y        I1    dan        las    capacidades

y      velocidades             de         10s         transportadores

horizontales.               El         grupo          (1)       es        para

materiales          ligeros,             no     corrosivos            y     no

abrasivos        que      corren         libremente;            el    grupo
44


(2)    es     de      materiales                finos    y   granulares;

el     grupo         (3)        comprenden              materiales           con

terrones           pequefios           mezclados             con        finos;

el      grupo              (4)        comprenden               materiales

semiabrasivos,                   finos,          granulares             y     en

terrones pequefios y el grupo ( 5 ) comprenden

materiales           abrasivos             en    terrones que             deben

mantenerse            fuera           del         contact0          de       10s

cojinetes colgantes.


L a Figura 2 muestra diversos transportadores

helicoidales:                  (a)     H6lice          de    paso       normal

de      10s           transportadores                    longitudinales

ordinarios            o     de       10s        inclinados         hasta       20

g r a d o s , para         transporte             de    casi       todos     10s

materiales;               el      paso           es     aproximadamente

igual       a1     didmetro           del        transportador.               (b)

H4lice        de          paso       corto            empleada       en       10s

transportadores                  con        inclinaci6n              de      mds

de     20   grados          sobre          la    horizontal,            se   usa

a     veces      en       10s     alimentadores              para        evitar

derrame          o        en      transportadores                   cerrados

provistos de camisa, e n 10s cuales se desea

un    movimiento            mds       lento          del material            para

enfriarlo,            secarlo,             calentarlo          o    coserlo.

(c)     Helice            de     paso       variable.              El       tramo

con     paso          mds        corto          en      el   extremo           de
45

                                                   TABLA        I


CAPACIDADES Y VELOCIDADES DE LOS TRANSPORTADORES S I N FIN


                  Porcentaje d x i r r ~
                                       de                                                       rev/min mAximas
                  seccih          transversal            Den.;idad tGximadel                       para d&tros
G p
 mo                                                                               3
                  ocupada          por        el         mterial. Kg por m                         de:
                  naterial                                                                         15 a
                                                                                                      n      50 cm

  1                          45                                      80i                            170       110
  r)
                             38                                      801                           120           75
  3                          31                                   1200                               90          60
  4                          25                                   1600                               70          50
  5                          12 1/2                               ....                               30          25
               --
FuENlE: Manual del Ingeniero k c i n i c o .             Marks.


                                                   TABLA        I1


             CAPACIDADES DE LOS TRANSPORTADORES S I N FIN
                                                          3
                                                         m /h

Tat~iio     del
transportador                     15     23         25          30         35         40             45       50
       an


  Grupo1                     9.9         31         45          71         113    156              215       283
  Grupo2                     6.2         19.8       27          45         68         96           127       170
  Grupo 3                    4.2         13         17.5        31         45         62            30       133
  crupo 4                     2.5         8.5       11.3        18          28        42            56       73
  Gmpo 5                     0.56         1.9        2.5          4.5       6.8   10                 14      18

FUENE:      Manual del Ingeniero Elec5nico. Marks.


                       alimentaci6n                  frena            el     paso          3'2.1      material

                       para              evitar             sobrecargar                    la            porci6n

                       transportadora.                          (d)         Helice              de         margen
46


cortado,        que              sirve          para        transportar           y

mezclar    cereales, granos y otros materiales

ligeros.            (el              H6lice           de     margen           corto

provista       de       paleta,            que        tienden a invertir

el    movimiento                 y     mezclar             10s     materiales,

usados principalmente para productos ligeros

( f ) Helice de cinta sencilla c o n paso normal

usada     para          transportar               materiales             hdmedos

o    pegajosos,             o        cuando       se       desea       que    quede

un   espacio        entre             la     h6lice         y     el    tub0 del

eje,    para        facilitar                el        lavado,         limpieza,

etc.      (g)       Doble             h6lice          de    cinta        de    paso

normal.     Este transportador tieneunaAcapacidad.

mayor     que       el       de       una       sola cinta             d e l mismo

didmetro.        P a r a mezclar y amasar materiales,

pueden    montarse                   paletas          sobre       el    e j e , que

sustituyen              a        la    helice.              La     mdquina       se

conoce entonces, con el nombre d e mezclador

d e paletas.


Los materiales abrasivos y corrosivos pueden

manipularse                 en        condiciones                adecuadas       de

la    h6lice        y       el        canal       o    artesa;          tanto    la

h6lice     como             el       canal      pueden           ser   fundicidn

cementada           y        para       condiciones                ligeras       de

corrosidn           y        abrasidn             se        puede        recubrir

el     borde     exterior                  de     la       helice        con    una
BI or~cA
                                                                      BLI




                            (9;


FIGURA 2. D I V E R S O S T I P O S     DE      TRANSPORTADORES            SIN      FIN.
           (a) paso     estandar;     (b)   paso corto;   (c)   paso variable;   (d) aleta
           cortada; (e) a l e t a cortada con paleta; ( f ) una sola cinta; (g) cinta
           doble. (Link-Belt      &.I.
48


                 tira    renovable                    de    estelita           o     algdn      otro

                 material              semejante                 extremadamente                duro.


                 Para        condiciones                   estandar           se      tiene          una

                 h6lice           de        acero          simple        o     galvanizada             y

                 un      canal               del           mismo         material.              Para

                 productos              alimenticios,                    el     aluminio,             el

                 bronce,               el        metal            monel        o        el     acero

                 inoxidable                 son        adecuados              per0        costosos.


                                        TABLA          I11


REDUCCION DE LA CAPACIDAD EN TRANSPORTADORES INCLINADOS

Inclinaci6n en               10             15             20           25           30         35
grados

Reducci6n   de   la                         26             45           58         70           78
capacidad por ciento

FUENE: Manual del Irtgeniero Mechico. Marks.


                 En     la        Figura          3        se    muestran          dispositivos

                 tipicos           de        alimentacidn.                    Se     puede       usar

                 canaletas              simples                 (a)     cuando        el       indice

                 de      alimentaci6n                       sea        bastante              uniforme

                 y     est6        controlado                   por     partes          anteriores

                 del equipo.                 L a capacidad del transportador

                 debe estar muy por encima d e l indice mdximo

                 de      alimentaci6n                           procedente           de        puntos

                 simples o mdltiples.                                 La vdlvula giratoria

                 de     corte           (b)           es    una        vdlvula            de   accidn
1         I




E'IGURA 3.. D I S P O S I T I V O S D E A L I M E N T A C I O N P A R A   TRANSPORTADORES
           SIN     FIN. ( a ) canaletas.          (b) vdlvula     giratoria   de corte.     (c)
           alkntador      de    paletas    giratorias.      (d)   compuerta   de   tolva.   (e)

           compuerta de entrada l a t e r a l .   (Link-Belt GI.>.
50


rbpida,       cerrada           herm4ticamente                a1     polvo,

para        materiales           de         flujo           libre.         El

alimentador              de     paletas           giratorias              (c>

proporcionan              un     volumen            predeterminado

y     uniforme           de     materiales              y     se      puede

impulsar       a    partir           del    tornillo           sin       fin,

o     bien,    independientemente                       mediante         una

transmisi6n              constante           o      de         velocidad

variable.           Las        compuertas           de        cremallera

y    piA6n    (d)     s o n apropiadas              para       el     flujo

libre       de materiales             en    tolvas, dep6sitos,

tanques        y      silos           y     asi         mismo,           como

compuertas          de        entrada        lateral           (e)       para

materiales pesados o c o n terrones.


En     la    Figura       4     se    muestran              dispositivos

tipicos de descarga.                   Las aberturas simples

de descarga (a) equipadas c o n una canaleta

(b)     son    las        mbs        comunes,           per0        tambign

se     usan    con        frecuencia              las       artesas        de

p l a n o , de cremallera y pif16n (f),                            permiten

la    descarga        selectiva,             a1     igual          que    las

compuertas          de        deslizamiento              manual          (d).

Sin     embargo          para    materiales                 perecederos,

la     compuerta          curva        de    deslizamiento                (h)

elimina        las            bolsas        de      almacenamiento

muerto.            Las        compuertas           de         cremallera
....:
               .
               '
               .
               .I           .... ....
                               3 :;                                 -_.__        ~         .   -    ___a_


           . . .                                                    . . . . ............
                                                                   ........
                                                                                     . _
                                  C.                                     '.. .       '-.

                                    (C)
                                                                                           (d)




          /=p
           ...................
           '
                    .....
           ...:. . -! .
           .... -.: . . .    ....
                             .I
                                              @
                                               
                                               '   




                                       I*1




          .-. . .,. .

                                                                                                   hl




E U A 4. D I S P O S I T I V O S DE
 I R
 G                                                       DESCARGA             PARA                 TRANSPORTADORES
               SIN FIN.                      (a> abertura de descarga.               (b)           canaleta de descarga.
               (c) artesa de e x t r m abierto.                      (d) compuerta                          deslizante mual.
               (e) extrem de artesa de descarga.                      ( f ) conpxlerta de c r m l l e r a y piti&.
               ( 8 ) artesa de                fond0 abierto.        (h) c a q x e r t a deslizante curvada de
               c r m l l e r a y pifih.                (i> vslvula g i r a t o r i a de corte.                  ( j ) ccxrrpuerta
               cerrada de c r m l l e r a p pi&.                 (Li&.-&lt     CO. ).
52


         y        pia6n      cerradas             (j)       proporcionan            un

         funcionamiento                 pcategido              herm6ticamente

         contra el polvo, mientras                          que las vdlvulas

         giratorias              de     corte           (i)     permiten           una

         detecci6n          rdpida          y     se   pueden        adaptar       con

         facilidad           para       el        control       remoto.            Las

         compuertas              activadas             mediante        cilindros

        de        aire      se        han       hecho         cada     vez       mAs

        prevaleciente             en        10s    iiltimos     a a o s , debido

        a     las    bajas       inversiones             que    se     requieren

        y a la facilidad para conectarlas a centros

        de        control        automdtico             de procesamientos.


1.2.2. TRANSPORTADORES. . .ELEVADORES . . DE . . . . . . . . . . .
       ...............      . . . . . . . . . . . . CANGILONES

         L   O    ~elevadores de cangilones                         son unidades
         mds sencillas y seguras para desplazamiento

         vertical           de    materiales.                 Existen       en     una

         amplia           gama         de       capacidades            y     pueden

            funcionar        totalmente                a1      aire        libre     o

         encerrados.


         Los        elevadores          de        cangilones          pueden       ser

            con     banda    o        cadenas.          Cualquiera          de     10s

            dos tipos pueden ser vertical o inclinado.

            Los     de    banda        se       adaptan        particularmente

            bien     a      la        manipulaci6n             de     materiales

         abrasivos           que        producirfan              el        desgaste
excesivo      de       las       cadenas.              Los    elevadores

de     cadenas         y        cangilones              se     usan        con

frecuencia            con        10s        segundos          perforados

cuando      se manejan materiales                           mojados       para

que     escurra         el       agua        en        exceso.         Ambos

tipos       pueden          tener          cangilones           continuos

o discontinuos.


Las     cajas      o        cubieras          de       10s     elevadores

son     generalmente                  de     planchas          de      acero

de    4.8    mm,        y       hermgticas             a1     polvo.        Si

el elevador            tiene una altura considerable,

su          seccidn              transversal                  debe         ser

suficientemente                  grande          para        impedir        el

contact0 entre la cubierta y 1 0 s cangilones

por balance0 de estos.


En     la    Figura          5        se    muestran           diferentes

tipos       de        elevadores                 de     cangilones           y

detalles         de     10s           cangilones             como     sigue:


Los     elevadores               de        cangilones          espaciados

y     descarga         centrifuga                (a)     son        10s    mAs

comunes.              Normalmente                 estAn         equipados

c o n cangilones del tipo ( 1 ) 6 ( 2 1 ,                       montados

sobre       bandas          o     cadenas,             10s     cubos        se

separan       para          evitar          la     interferencia            de

carga o descarga.                     Este tip0 de elevadores
54


maneja       casi    todos          10s   materiales              de   flujo

libre,        fino        6     terrones              pequeiios.         Los

cangilones           se        cargan            parcialmente              con

el material que fluye directamente a ellos

(e).          Las             velocidades                  pueden          ser

relativamente                  altas          para            materiales

bastantes       densos,              per0        se        debe    reducir

para     materiales             esponjosos             y     polvorosos,

con    el     fin    de        evitar        que       se    origine        un

tiro        hacia      arriba             que         arrastrard            el

material.           Se 10s       utiliza para capacidades

pequeiias      de     hasta          55     ton/h          por    ser      10s

menos         costosos.                Debe            trabajar            con

velocidades          entre           60      a        90     m/min       para

asegurar       asi     el       lanzamiento                del    material

contenido.


Los     elevadores             de     cangilones              espaciados

y    descarga       positiva           (b)       s o n esencialmente

iguales a 1 0 s a n t e r i o r e s , c o n la diferencia

de     que    10s     cangilones             se        montan       en     dos

tramos de cadena y se inclinan h a c i a atrds

bajo     la    rueda          dentada        principal            para      su

inversi6n,          con el          fin de         que       la   descarga

sea      positiva.               Se       10s          utiliza           para

materiales           pegajosos.                  La        velocidad        de

estas        unidades          es     relativamente                 baja     y
55


10s     cangilones                 tienden           a    ser       mayores       6

a     tener            un        espaciamiento                mAs     estrecho

para     alcanzar                  10s        niveles         de     capacidad

de     10s        elevadores                  de     tip0          centrifugo.


Los     elevadores                  de        cangilones             continuos

(c)    se    utilizan               en        general         para    terrones

mayores           0’        materiales              m5s       dificiles           de

manejar.               Los        cangilones             esta‘n espaciados

a distancias c o r t a s , de m o d 0 que                             la parte

posterior                  del     cangil6n          precedente                sirve

como     vertedero                 de       descarga          para        el     que

se     vacia.                La     descarga             suave       evita        la

degradaci6n excesiva y h a c e                                que    este       tip0

de    elevador              sea     eficiente             para      materiales

esponjosos y pulverizados.                                 E n las Figuras

(f) y       (8) s o n tipos de botas y condiciones

tipicas            de            descarga.                Este       tipo         de

elevadores                  para         capacidades                superiores

(d) se        disefia              para         elevaciones               grandes

y     grandes              terrones.           Funcionan            comilmmente

sobre        un            plano       inclinado,             para        mejorar

las     condiciones                      de     carga          y     descarga.

Las     velocidades                    de      operaci6n            son        bajas

y    debido            a    las    cargas           pesadas,         la    cadena

que         soporta                a          10s         cangilones              va

habitualmente                    sobre        vias       en    las    corridas
FI-5.   TIPOS D E       ELEVADORES             DE   CANGILONES       Y      DETALLES
        DE L O S C A N G I L O N E S .   (a)    cangilones   espaciados    de   descarga
        centrifuga.     (b)   cangilones espaciados de descarga psitiva.            (c)
        cangilones continuos. (d) cangilones continuos de capacidad superior.
        (e) 10s cangilones espaciados reciben parte de la carga directmnte
        y parte mdiante el arrastre del fondo. ( f ) continuo: 10s cangilones
        se llenan a1 pasar p r el brazo cargador, con una canaleta de
        alkntaci6n sobre la rueda posterior.            (g) continuo: cangilones en
        caja de carga sin fondo, con registro de llmpieza.                (h) cangilones
        espaciados de hierro mleable para descarga centrifuga. (i) cangilones
        de acero para elevadores de cangilones continuos.            (Stephens-Adamson
        M€g   co.).
57


de     elevaci6n             y    regreso.                  Hay       cangilones

para     elevadores                   de        tip0         espaciado                   (h)

tanto    de        hierro          maleable                como           de     acero.

El    tipo        (1)     es      estandar                 mientras             que      el

tipo     (2)       es        idgntico,               con         la       excepci6n

de     que        tiene          un       labio            reforzado.                   Los

tipos    (3)        y    (4)          son       de       disefio          de     frente

bajo    para materiales h d m e d o s , filamentosos

o     pegajosos,             cuya           descarga             es            dificil.


Los     cangilones                de       tipo          continuo               (i)       se

montan       en     general               con    su        parte          posterior

sobre        la    cadena             6    banda.               Por        lo        comdn

se     fabrica          de       acero.              E l    estilo              ( 5 )     es

estandar           para           10s       materiales                    normales,

mientras          que        el        tipo          (6)        es        de     frente

bajo     para           facilitar               la       descarga               de       10s

materiales               dificiles.                        Los            cangilones

de     tipo       (7)        se       utilizan              para           capacidad

adicional          6      terrones               grandes              y        10s      del

tipo     (8)       para           elevadores                inclinados                   del

tipo    de        trituraci6n.                   Los        cangilones                   del

tipo     (9)            se       diseiian                para         capacidades

extremadamente                   altas          y,         por        lo         comdn,

se    montan        lateralmente                     y     se    sujetan                unos

a otros mediante bisagras.
58




L    O   ~ extractores               de     polvos              succionan          particulas

en       reposo        6        en     suspensi6n                por        medio          de    una

corriente             de    alta          velocidad,             que        circula         en    un

ducto.           Se    adaptan             mejor           las       particulas            que    no

tienen          gran        densidad             y        que    corran          f6cilmente.


Estos          extractores,                 bgsicamente                    estdn        formados

por       un     ventilador,                que       por        lo     general            es     del

tip0          centrifugo.                 De     la        boca        de        succi6n          del

ventilador            sale una              tuberia             principal          con      lfneas

ramificadas,               e n d o n d e , se mantiene                      una       corriente

de       aire    c a p a z de         llevar          las        particulas            de       polvo

en       suspensi6n.                 El     drea           de     la       secci6n          de     la

tuberia          principal                debe        ser       de     20    a        2 5 % mayor

que       la    suma        de       las    dreas           de    las       ramificaciones

que       entran           en    ella.           En        la    succi6n          se       colocan

separadores                de        polvo       y        cdmaras           de     expansi6n.

Los       separadores                ayudan           a     capturar             el     polvo       y

las      c d m a r a s d e expansidn r e t i e n e n                        las particulas

que       tienen       una           densidad             grande;          las    cdmaras          de

expansidn             tambien          se      colocan           en     cualquier               punto

de       la     tuberia.              Cerca          del    ventilador                se    coloca

un       tamiz    o        una       trampa          de    polvos          que     retiene         el

polvo para evitar que se contamine el ventilador.


En       la     Figura           6    se       muestran              las    partes          de     un
1




                               r




 7




FIW6.   EXTRACTOR DE POLVOS DE UNA MAQUINA GRANALLADORA
        1. Ventilador.       2. %ria     principal.   3. R;amificaci&.    4. Separador
        de plvos.         5. C4mu-a de expansih.      6. Tranpa de polvos.    7. T a m
        de la c h r a .     8. T a m del elevador de cangilones   .
60


     extractor       de   polvo     de    una   mdquina         granalladora.




               La    funci6n       de     10s    separadores           en     una

               mdquina       granalladora,           es    la    de     remover

               la     arena,        escoria          y     las        granallas

               deterioradas         por    el    uso,       controlando        el

               tamafio de estas.


               Los    separadores          trabajan        acompafiados        de

               un    flujo de aire que limpia las granallas

               que    caen    en    forma       de   cortina.          Esto    se

               lo    realiza       por    varios         mgtodos,      que    son

               bdsicamente 10s mismos.




FIGURA 7. SEPARADOR TIPICO          DE      POLVOS           Y        GRANALLAS
        (Cleveland eta1 Abrasive c0.1
61

El    tip0      mds       simple        de     separador,                   es    el

que     recibe           las        granallas              en     un        plano

inclinado          y          las     hace         pasar              por        una

compuerta         con         el    propdsito              de     que       estas

caigan e n forma d e cortina.                              Una corriente

constante         de      aire        pasa        a        trav6s       de        la

cortina          de           granallas            llev5ndose                    las

particulas              que     estdn        rnezcladas               con        las

granallas          Gtiles.              Las           parficulas                 mds

grandes        que       las        granallas              son    retenidas

en    un    tamiz        ubicado       en     la       parte          inferior

del separador.


Existen         variaciones              de           este            tip0        de

separador,          '    asi          Por             ejemplo:                   hay

separadores              formados           por        varios           planos

inclinados.               Existen            otros              con     cbmara

de expansidn             para asegurar                que la granalla

se    quede       en      el        separador.                 Otros        tipos

reciben          las          granallas               en         un     tambor

giratorio           perforado,               que           solo        permite

el     paso      de       las       granallas              y     particulas

mbs   pequefias.


La    Figura       7      muestra       un        separador             tipico

de a l t a e f i c i e n c i a .
62




Los    dosificadores          son 1 0 s    encargados        de    permitir

el    paso    parcial     o     total      de   las    granallas          a   la

turb ina.


Estos,       generalmente        son      mecanismos        de    compuerta

colocados e n el ducto de salida de las granallas

que    provienen       del      separador.            La    compuerta         es

accionada        por    medios        el6ctricos,           neumdticos         o

manualmente.




Hoy    e n dia el      proceso de          limpieza se lo realiza

manualmente e n nuestro pais, y a s e a , c o n cepillos

metdlicos,       amoladoras,           cinceles       n e u m 5 t i c o s Y etc.


Los    metales    abrasivos se han venido desarrollando

a     tal    punto     que,     actualmente           son    usados       como

materiales de limpieza por chorreado, la finalidad

de    1 0 s abrasivos es desprender de                     la superficie,

de las piezas coladas, la arena adherida; separar

el material          oxidado que existe e n la superficie;

descoriar        piezas       fundidas;         limpiar       piezas          con

herrumbre;        separar        la    capa     de     pintura       de       las

superficies de las piezas; y otros.
63




                  El       material         es    producido         a     partir        de    la

                  bauxita,            la c u a l , es        fundida           por   medios

                  electroquimicos                  dando     6xido         de    aluminio

                     (A12 O3     ).         Es     el      segundo         despugs           del

                  diamante         en       dureza.         La     demanda         de     este

                  6 x i d o es            especialmente                  para        ruedas

                  moladoras           y     para    discos        de      afilar     debido

                  a sus bordes finos d e corte y alta dureza.

                  En       el    Reino       Unido      existen            siete     grupos

                  de       materiales             que   se       clasifican          en       la

                  Tabla IV.


                                          TABLA IV


CLASIFICACION DE LAS GRANALLAS DE OXIDO DE ALUWINIO DEL
                                   REIN0 UNIDO

           De grueso a firo                                m r o de T d z

                 Pl                                              14/24
                  IP2                                             30136
                 Ng 3                                            54/60
                 Ng 314                                          54/90
                 P 4                                             80190
                 P     5                                         100/150
                 Ng 6                                            180/220
                 @ 7                                             240 y m5s

FVENIE: BlfLst   Ckeanhg & Allied Processes. Plaster H. J.


                     El    6xido       de        aluminio     es        casi     cien        por
64


          producido           por        el          hombre          con    una       dureza

          de     1950 a        2200 en                la escala            Knoop.        Este

          material contiene silice n o libre; a causa

          de       su         alta               dureza,             las         granallas

          fracturadas pronto se convertirgn e n polvo,

          el c u a l , puede ocasioia~r daiios a la mAquina

          s i n o se lo extrae.


1.5.2. -____-------------- BRONCE
       GRANALLAS DE


          Las     granallas                 de        bronce          tienen ventajas

          con     respecto              a        las        g r a n a l l a s . de    acero,

          ya     que,        por        ser          miis      tenaz,      tienen mayor

          vida.         A1    realizar el                      trabajo de            limpieza

          por      impacto              no           se        quedan      incrustradas

          e n la superficie de fundicidn.


1.5.3. . . . . . . . . . . . DE . ALAMBRE . . . . . . .
       GRANALLAS . . . . . . . . . CORTADO


          Este      material                    es        producido         en        tamafios

          de 0.51 a 2 m m de alambre de acero estirado

          La     vida        iitil      de           este       alambre         depende    de

           las    propiedades                   metaliirgicas,             composicidn,

           estructura           y       grado             de    endurecimiento            que

           resulta       del         trabajo              en     frio      a1    estirarlo

           y     cortarlo           y       del           tiempo      de     corte       como

           del     tamafio           del         grano.              El    alambre q se
                                                                                    w

           utiliza       comiinmente                   es       de   un     esfuerzo       de
                                                   8                   8
           tensidn de 12.25                 :
                                            1    10 Pa. a 1 5 . 7 8 ~10 Pa.                 en
65


                    donde        se obtiene mayor               tiempo de             trabajo.

                    Durante          el     proceso            de       fabricaci6n               el

                    alambre          est5       sujeto         a     enfriarse              desde

                    temperaturas                a        800        6       900            grados

                    centigrados             hasta          480          6       500        grados

                    centigrados.                Este       tratamiento                da        como

                    resultado         caracteristicas de maleabilidad,

                    resistencia             a       la    tensi6n           y    tenacidad.


                                          TABLA V


 ESPECIFICACIONES DE LAS GRANALLAS DE ALAMBRE CORTADO

                            Dihtro              Esfuerzos de tensi6n                  Dureza RC
 codificacih                                                  8
                             (mn)                    (Pd. 1
                                                          x 0

   W62                      1.588                   16.36 - 18.78                          36
   cw54                     1.372                   16.78 - 19.26                          39
   cw41                     1.041                   17.61 - 20.23                          42
   cl
    w9                      0.483                   24.10 - 26.51                          44

FUENIE: Blast Xhizkng       &   Allied Processes. Plaster H J.
                                                           .


                                          TABLA VI


COMPOSICION QUIMICA DE LAS GRANALLAS DE ALAMBRE CORTADO

                Caqmsici6n                                          Porcentaje

                CarMn                                               0.47 - 0.45
                Manganeso                                           0 6 - 1.20
                                                                     .0
                F6s for0                                            0.045
                Azufre                                              0.050
                Silicio                                             0.10 - 0.30

J3JENE:   B l a s t Gk&&@   6 Allied Processes. Plaster H. J.
PIGURA 8. M ICROESTRUCTURA DE          LAS     GRANALLAS      DEALAMBRE
        CORTADO. hpliaci6n x 500. U s t r a ferrita y estructura perlitica
        . B a t Cleani.@ & Allied Processes. Plaster H J.)
         [ls                                          .




FIGURA9. MUESTRA EL       EFECTO     DEL     TAMAIO   DEL    CORTE   DE   LAS
        GRANAL LA S        DE      ALAMBRE       CORTADO. (Blast. Cen
                                                                   l&g
        &   Allied Processes. Plaster H. J.)
-FIGLJRA 10. GRANALLAS DE       ALAMBRE     CORTADO
                                            3
                                                           DE        0.4   mm    DE
         DIAMETRO       Y     0.16   x    lo8 -     0.18         x   lo8    Pa   DE
         ESFUERZO        DE     TENSION         DESPUES      DE       DIFERENTES
         NUMEROS DE PASES.
         a. G r a m virgen.   b. Despds de 125 pases.     c. Despds de 2500 pases

         d. Despu6s de 5500 pases e. Despds de loo00 pases   .         (Zeiler    Y
         schmithals )
68


        El alambre es cortado a una longitud igual
        a1     didmetro           del       mismo,            siendo          este       el

        tamafio estandar.


        La     Sociedad           de     Ingenieros                del       Autom6vil

        ha    clasificado a               las     granallas              de    alambre

        cortado, de acuerdo a 1 didmetro del alambre

        anteponiendo              las        letras           CW       (Cut        Wire),

        el     didmetro           del        alambre              tiene       relaci6n

        con el esfuerzo de tensi6n.


        El     rango        de     dureza          se     puede           determinar

        usando         la        identaci6n             Rockwell              C.        Las

        tolerancias              en     el      didmetro               del     alambre

                         +
        son del orden de - 0 . 0 2 5                     mm       e n 10s      tamafios

                        +
        mds pequefios y - 0 . 0 5 1                 mm     e n 10s           didmetros

        mds grandes.


        L a Tabla VI nos dd                    la composici6n quimica

         recomendada               por          esta              especificaci6n.


1 . 5 . 4 . GRANALLAS D E H I E R R O TEMPLADO
        _ _ _ _ _ _ _ _ _ _ _ _ _ _ _ _ _ L _ _ - - - _ _ _ _ -




        El    hierro          blanco         templado             es    uno        de   10s

         abrasivos            utilizados             universalmente,                     es

         fundido         en      un      cubilote             y     continuamente

         es golpeado por u n chorro de arena o vapor

         en e l flujo del colado, a una alta presi6n

         lo que provoca que la c o l a d a se desintegre
69


                  en      partfculas           esfericas               y     templadas.

                  Estas       granallas         son         usualmente              de   una

                  estructura muy           fina y           consiste        de      carburo

                  muy     duro    encerrado             en       una       masa obscura

                  de     carActer        martensitico,               junto     con       algo

                  de austenita.


                                  T A B L A VII-


         COMPOSICION QUIMICA DE L A S G R A N A L L A S D E H I E R R O
            TEMPLADO EN L A S DIVERSAS P A R T E S D E L M U N D O

   Origen              Tip0       G              Si              S           P            Fkl


Gran Bretaila       redondo       3.24          2.58         0.160           0.87         0.42
Gran Bretaila       redodo        3.12          0.82         0.206           0.98         0.16
Alemania            redondo       3.25          0.62         0.150           0.74         0.21
EE.uu.              angular       3.40          08
                                                 .0          0.083           0.28         0.21
EE.uu.              redondo       3.36          2.11         0.117           0.58         0.50
EE.uu.              redondo       3.10          2.68         0.111           0.57         0.33
kancia              redondo       3.08          2.02         0.120           1.07         04
                                                                                           .7
Suiza               angular       3.20          1.95         0.190           0.60         0.58

FUENIE: (H. J Plaster)
             .


                  La Tabla VII nos da la composici6n quimica

                  comparativa             de           materiales              similares

                  elaborados        en     diversas          partes         del      mundo.


                  Algunas        veces         se      le        agrega       cobre        en

                   cantidades       de     0.25        a    1%       aproximadamente,

                  para        incrementar           algo     de        resistencia             a

                   la fractura por impacto.
.   .. -         .   -   .   . .- ...    f            .    .
EIGURA 11. GRANALLAS ANGULARES                             DE     HIERRO            TEMPLADO.

        (H. H. P l a s t e r ) .




FIGURA12.MICROESTRUCTURA DE                         LAS         GRANALLAS         DE   EIERRO
         TEMPLADO.                 Estructura rnartensitica dendritica en           la mtrk de
         c-tita          debido a1 &%ento              r5pido.   (H. J. Plaster).
71


                 El    hierro       templado    se     utiliza           donde   se

                 requiere       la    mdxima     acci6n             de   limpieza,

                 la dureza es alta e n comparaci6n c o n otros

                 abrasivos      y    varian entre         60 y        80 Rockwell

                 C.


                                TABLA VIII


    ESPECIFICACIONES D E GRANALLAS DE HIERRO T E M P L A D O
                                 ? BIS No 2451
                                % mi


         Granallas Redondas                       Granallas Angulares

           S: 1320                                        G: 95
           s: 1110                                        G: 80
           s: 950                                         G: 66
           s: 800                                         G: 55

            s:   660                                      G: 47

            S:   550                                      G: 39
            S:   470                                      G:   34
            s:   390                                      G: 24
            s:   340                                      G: 17
            s:   240                                      G: 12
            S:   170                                      G: 07
            s:   120                                      G: 05
            S:   070                                      G: 02

FUENIIE: .H.J Plaster
             .


                 Las    especificaciones         del      tamafio        son   dadas

                 por      la    norma     BIS        (Bristish            Standard

                 Specification)          No     2451           para      granallas

                 esfCricas      y    angulares       de    hierro        templado.

                 La     gue    indica    el    tipo       de        granallas    con
72


prefijo      S           para        esfericas                y        G     para

angulares,           a    continuaci6n                   da       un       ndmero

que     representa              el        didmetro                aproximado

en    diez   milesimas               de       pulgadas             para        las

esfericas        y       mil4simas             de        pulgadas            para

las angulares.




Exist en      esfgricas                   y            angulares.               Es

probablemente             el     abrasivo                mds       utilizado

de 10s     existentes debido a las propiedades

particulares               que        poseen,                     con         alta

resistencia          a     quebrarse               y    por        evitar       el

exce s ivo           desgas te                de         la            mdquina.


La    produccidn           de    las          granallas             de       acero

es mds complicada que la d e l hierro fundido,

Como    partes           similares            en       ambos       procesos,

se     seleccionan          trozos             de       acero          de     bajo

azufre y f6sforo, s o n fundidos e n el horno

de a r c 0 elgctrico, c o n u n estricto control

quimico y de temperatura.                           A la temperatura

critica d e colado               el       a c e r o es pulverizado

por     un       proceso             patentado,                   produciendo

una      calidad               uni forme                de         granallas.


Existen      dos         fases       de       tratamiento                  tgrrnico

para      darle          dureza,              las        granallas             son
73


homogenizadas               y     refinadas              a        una        alta

temperatura            en        hornos,          en      10s          cuales,

la    atm6sfera            es     controlada            para          prevenir

oxidaci6n          y            descarburizaci6n,                      despu6s

es    descargado            en     un       recipiente            para        ser

templado,       donde            se     bombea          gran          cantidad

de    agua   a1    punto          de       descarga          que       asegura

la uniformidad de una estructura altamente

refinada      y        el        tamafio          del        grano.           Las

granallas         esfgricas                 son     cargadas             luego

en     un    horno               rotativo           en           donde        son

~alentadas:            a     .
                             .    temperaturas               de       revenido

para     darles            una        vida        mdxima          y     dureza

uni forme.             Luego               son      cribadas                 para

prop6sitos             de        graduaci6n              de           tamafios.


Las     granallas                angulares          son          producidas

tomando      10s           tamafios         grandes          para       darles

u n especial           tratamiento               tgrmico aumentando

su     dureza          y        fragilidad,             las       granallas

son entonces agrupadas e n molinos d e bola,

trituradas         y       luego       revenidas             a    la     dureza

correcta      y        graduadas             a     especificaciones

estandarizadas.


L a Tabla     IX nos da la composici6n quirnica

de     las   granallas                de    acero        dada          por     la

especificaci6n               SAE       de    10s        Estados          Unidos
-                               -

FLCxTRA 13. M I C R O E S T R U C T U R A D E        LAS       GRANALLAS      DE        ACERO.

              -” -
                -

              (H. J. Plaster).
                                     I
              Perlita maii,_st-FLE con un            proceso    de   endurecimiento y    tarple.




n-14.         RESISTENCIA A              QUEBRARSE             DE    LAS   GRANALLAS         DE
              DE A C E R O .     (H. J. Plaster).




         ‘.    -Antes deusar                         -   despues de usar
                                                         .                         -
FI-15.        RESISTENCIA A              QUEBRARSE             DE    LAS   GRANALLAS         DE
              H I E R R O TEMPLADO.             (H. J. Plaster).
75


                    y       la    especificaci6n                    B.S.C.R.A.                de     Gran

                    Bretafia.           (British                 Steel Castings Research

                    Association).


                                         TABLA IX


          COMPOSICION QUIMICA DE L A S GRANALLAS DE ACERO

                                                 SAE                               B.S.C.R.A.

      -2__
          CarlGn                         0.85        - 1.2%                        0.6 - 1.25%
          silicio   1                    0 4 min.
                                          .0                                       0.2    -   1.1%
                    I
          -i
           so                            0.60 - 1.2%                               1.25   &.
          Azufre                         0.05        &.                            0.08 ndx.
          F6sforo                        0.05 ndx.                                 0.08    &.
lTJENE:    H. J . Plaster


                    La      dureza      varia                en   el       ragno      de      40     a   50

                    Rockwell              C.                  con          una            estructura

                    uniformemente                            temp 1ada             de              matriz

                    martensitica                 y       con        finos        carburos            bien

                    distribuidos.                    L a densidad de las granallas
                                                                       3
                    no      son   menores                a    7g/cm         ni    contienen m b s

                    del 1 0 % de porosidades.


                    El tamafio          de       las          granallas          de       acero      estd

                    especificado                 por         la     norma        SAE       5-444         que

                    identifica               las             granallas            redondas               con

                    el       prefijo         S       y       a    las      angulares            con       el

                    prefijo         G        seguidas               por      un        ndmero            que

                    representa           el              dibmetro           nominal           en     diez

                    milesimas           de        pulgadas              para      las         esfericas
76


                  y milBsimas      de pulgadas      para      las angulares

                  T a b l a X.


                                  TABLA X


          ESPECIFICACIONES D E L A S G R A N A L L A S D E A C E R O
                                 Norm SAE J4-u


           Granallas RedonQs                     Granallas Angulares

               S1320                                   G10
               SlllO                                   G12
               s 930                                   G14
               s 780                                   G16
               S 660                                   G18
               s 550                                   G25
               S460                                    G40
               s 390                                   G50
               S 330                                   G80
               s 280                                   g120

               s 220                                   G200
               S 170                                   G325
               s 110
               S 70

FUENIE: (H. J. Plaster).
_____________________-1
                         C A P I T U L O    I




2.1. . . . . . . . . . . . . . . . . . . TECNICAS . A . CONSIDERARSE
     ESPECIFICACIONES . . . . . . . . . . . . . . . . . . . .


              POTENCIA
       2.1.1. _-------


                  La     potencia             necesaria          tiene       estrecha

                  relaci6n           con     el     material      que    a    va   ser

                  reciclado y el tamafio del sistema.


                  Mientras           mds    pesado        sea    el   material     mds

                  grande     :el       sistema,        la    potencia        requerida

                  serd mayor.


       2.1.2.     CARGAS MECANICAS
                  ____________----

                  Las cargas mecdnicas son la base del disefio,

                  ya    que,     en        base    a   ellas     encontraremos      el

                  tamafio        y     la         forma     de    10s    diferentes

                  elementos           del         sistema.       Estos       elementos

                  son      10s        encargados            de    transmitir       las

                  fuerzas, las cuales, deben ser lo m d s bajas
78


         posibles             para          tener          elementos         de    menor

         dimensionamiento                       y      de        materiales            m8s

         l i v i a n o s y econ6micos.


2.1.3.   MATERIALES
         ______--__

         Generalmente                  se       disefian         en        base    a    la

         resistencia                del      material.             Los      materiales

         influyen             en       la       forma        del      diseiro      y    su

         selecci6n                  debe         realizarse                considerando

         t o d a s sus propiedades m e c s n i c a s .


2.1.4.   TAMAH0 Y PESO
         __________---

         E l s i s t e m a d e b e tener u n tamafio q u e p e r m i t e

         el     buen        funcionamiento                  de     sus      componentes

         y la r e a l i z a c i 6 n d e s u s d i f e r e n t e s procesos.


         E l    tamafio         y     peso      son        parAmetros        que    deben

         establecerse                 en       el     disefio         de     acuerdo     a

         las c o n d i c i o n e s d e l s i s t e m a .


2.1.5.   . .R.O.D.U.C. T O S . E X I S T E . .T.E S
         P              ... ......N

         E l s i s t e m a d e b e estar c o n s t r u i d o c o n m a t e r i a

         prima         que       se     pueda         obtener         en    el    Mercado

         N a c i o n a l y c o n partes f u n d i d a s y m e c a n i z a d a s

         d e f s c i l fabricaci6n.


         Adem5s                existen                partes               predisefiadas

         estandarizadas                     que       se     pueden         seleccionar
79


            en base de catdlogos tales como rodamientos,

            bandas,            retenedores,                  pernos,               etc.,     que

            tambien            deben          ser       adquiridas                 fdcilnente

            e n e l m e r c a d o local.


2.1.6. . . .D.A. .U.T. I L . D E . S E . . .I.C.I O
       VI               . . . . . . RV

            La     vida       iitil       de      servicio           es       un    parb~etro

            que        se     ve       afectado            por       varios          factores

            tales           como:            las        condiciones                 mecsnicas;

            cambios           de       10s        esfuerzos           de       trabajo        en

            sus         partes;             corrosi6n,                abrasi6n;             etc.


            En     el       disefio         del      sistema          se       deben       tomar

            en      cuenta          todos         10s       factores           para        darle

            una        vida         iitil       econ6micamente                     admisible..


2.1.7.      . . .N.T.E.N.I.M.I E N T O . Y . R E P A R . . .I.O N
            MA                . . . . . . . . . . . AC

            El     disefio         y     construcci6n                de       este    sistema

            debe         permitir            un       fdcil          mantenimiento              y

            reparacihn,                principalmente                 de       partes         que

             estdn       en      constante             movimiento              para        evitar

             asi       su     desgaste            prematuro               y   mantener         la

            vida         iitil         de      servicio              de       la     m5.quina.


2.1.8.      __---T 0
            COS


             El      costo             initial          de          todo       sistema         se

             relaciona             por       lo      comiin         con       la     vida      de
80


          servicio           iitil,         asf       como        tambidn         con       el

          flujo       escogido,              es       decir,       que       si    a       una

          mQquina       se        le    prolonga             su    vida       iitil,        su

          costo       inicial          se    distribuirs             por      un    mayor

          nfimero      de        aiios.        Asf,         pues, es       importante

          ajustar           la    calidad             de     10s    disefios           a    la

          duraci6n que se espera.




D e acuerdo       a    lo analizado e n el Capftulo                               I y       a1

tamafio    y     forma           de     la     msquina,            el    sistema            de

recirculaci6n           estd           formado             por      cuatro         partes

.figura 1 6 . :


a. Un     sistema            de        recolecci6n                formado         por       un

   tornillo           sin    fin        de     paso         normal       colocado           en

   la     parte        inferior           de         la    mQquina       y     sujetado

   en     sus    dos        extremos         por          chumaceras         de    pared.

   La     artesa       del        transportador               se    abre      por          todo

   lo     ancho        de        la    msquina             para    recolectar               las

   granallas          que c a e n por                10s    orificios que tiene

   la     mesa        rotatoria.               E l        tornillo       descarga            a1

   final de la hdlice por gravedad por una abertura

   un     poco        mayor, a1           dismetro           de     la    hdlice            del

   sin fin.


b . Un sistema de elevacidn formado por u n elevador

   de     cangilones              centrifugo.                Este        elevadbr            es
81


     de    banda       y     cangilones             estandares.              La    polea

     inferior est6 acoplada a1 eje del s i n f i n para

     transmitir         movimiento.                L a polea         superior estd

     unida       a1    motor       y    a     un     sistema          regulador         de

     la tensidn de la banda.


c. Un        sistema         de    extracci6n             de    polvos        formados

     por    un       separador         que        recibe       las    granallas         de

     10s     cangilones.                El        separador          estd         formado

     por    dos       planos       inclinados,                una    c o m p u e r t a , un

     tamiz       y    una    cdmara          de     expansibn.             Se      separa

     el    polvo       de    las       granallas          y    se    lo transporta

     por    un       ramal    de       la    tuberia          que     estd      unida    a

     un ducto principal.                    E l ducto principal succiona

     el    polvo       en    suspensi6n d e               la    parte      media      del

     elevador d e cangilones y de la cdmara d e trabajo

     de    la    msquina.              Este       polvo        es    llevado       hasta

     u n filtro donde s e lo retiene para q u e e l a i r e

     salga limpio a 1 ambiente.


d. U n     sistema           dosificador             de       granallas           formado

     por una compuerta y por un mecanismo d e cuatro

     barras que acciona la compuerta.




La    codificaci6n            de       10s        planos       del     sistema       esta

formada         por    ndmeros          separados             por    un   punto:        el

primer ndmero indica el ndmero d e la mdquina dentro
82




FIGURA 16. SISTEMA DE R E C I R C U L A C I O N .          a. Sistgna     de      recoleccih.
           b.    Sisterra     de     elevaci6n.   c.   Sistema   de   extraccih   de   plvos.
            c.   Sistsna d o s i f i u d o r .
83


    del Proyecto de Construccidn d e Equipos; el segundo

    ndmero         indica       el       ndmero          del       subconjunto                   tomado

    de       la mgquina;            y    el   tercero          da       el    niimero            de   la

    parte          que   pertenece              a1       subconjunto               del           niimero

    anterior         y    el    dltimo          niimero        indica         el        ndmero        de

    despiece de la parte del ndmero anterior.


    Por      ejemplo:          7.01       indica         que       se   trata del plano

    del       subconjunto               ndmero       1    de       la    mdquina                 ndmero

    7.        La    codificacidn              7.01.18          indica         que           se    trata

    del       plano      de    la       parte    ndmero            1 8 del         subconjunto

    ndmero 1 de la mdquina ndmero 7.


    Los      planos      adjuntos muestran dos vistas generales

    de       la rndquina        limpiadora               de    metales.             Ademds            se

    podrl          encontrar            10s   subconjuntos                   de    las           cuatro

    partes         del    sistema d e            recirculacidn                    que       conforma

    la mbquina.


     SISTEMA DE RECOLECCION Y SISTEMA DE ELEVACION
2.4. ________________________________________----_------


    L    O   ~sistemas         de       recolecci6n            y   elevacidn                trabajan

     acoplados a u n mismo motor :figura 1 7 . .


     2.4.1. . . . . . . . . .DE. .LA . T O L V A . DE . COLECCION
            CALCULO .              .. ..... .. ........

                   La tolva de colecci6n es donde

                   las    granallas             que       descargan el
                                                                                  4e almacenan
                                                                                        
                                                                                        elevador.
84




  -
FIGURA 17.   SISTEMAS          DE       ELEVAC I O N         Y       RECOLECCION.
             1. b t o r - reductor.   2. Tensor de la banda.        3. Base del mtor.
             4 . Estructura.   5. Cmngil6n.    6.   Banda.   7.   Polea.   8.   Sin fin.
             9. Artesa.


                   Volumen de la tolva d e colecci6n


                   E l tamaRo d e l a t o l v a d e c o l e c c i 6 n s e e s c o g e

                   de     acuerdo'a      las    limitaciones          de   es acio.
                                                                                5_
                   De l a f i g u r a 1 8 :


                                V 1 = 0 . 2 5 1 (A1 + A2 + A3)
85




                                                                         v
                                                                             1




                0
                I
                n
                7
               ' 0
                     '
                II
                X




FW 18. TOLVA DE RECOLECCIOI-..
 I
 '                                               V1 y V2 : V o l h s de las p a r t s
       de l a tolva.     AIJ   %J 5 , A4 y As:   5reas.
86


Donde:

                                       2
             A 1 = 0.01782 m

                                       -3       2
             A 2 = 1.70 x 10                m

                                       -3       2
             A 3 = 5.94 x 10                m


Entonces:

                                       -3       3
             V 1 = 6.39 x 10                m


D e Ref. 10:


             v2 = H (A4
                  3               + A5      +Jm)
Donde:


             H   =   0.250 m

                                        2
             A4= 0.08308 m

                                    2
              A 5 = 0.0169 m


Entonces:

                                        3
              V 2 = 0,01146 m


 El v o l u m e n d e v       v        a es:


              v T.= v 1   +   v2
                                   3
              V T = 0.018 m


 Carga mdxima de la tolva
87


                      k g a dxim         -       Peso especifico     __       Volmn
                                         -
                      de la tolva                de las granallas             de la tolva

                                    w     = y      X V T

                                    w     =     71613 N/m3 x 0.018 m 3

                                    W     =     1289.03 N


2.4.2.      M . . .I.M.A. .CARGA . DE . L O S . SISTEMAS
            . AX            ..... .. ... .......

             L    O   ~ sistemas          de      recolecci6n             y   elevaci6n

             estdn en su mdxima                     carga cuando la turbina

             ha        descargado             todas las granallas                que        se

             almacenap en- la tolva de colecci6n que estd

             arriba de ella.


2 . 4 . 3 . . . . . . . . . . . . . . DEL . . . . . .F.I N
            DIMENSIONES . . . SIN


             Longitud del s i n fin


             La        longitud          se      toma        de    acuerdo         a   las

             dimensiones d e la mdquina.


                               L    =   1.368 m
                                                       L
             Pasoc del sin fin


             Escogemos u n paso de:




             N f i m e r o d e pasos

                                          L
                               N? Pasos = -
                                          P
88




                          N2    Pasos = 9


             Didmetro exterior de la h e l i c e d e l s i n                    fin


             Se s u p o n e q u e la c a r g a m d x i m a         se distribuye

             uniformemente            en    la       longitud      del    sin   fin.


             Entonces,         cada    paso          tendrd   un    volumen      de:




                                                 3
                          V = 0.002 m
                           P


             Se    escoge      un     mdximo         porcentaje      de    llenado

             del   sin    fin de                 9   se representa         u n paso

             come u n c i l i n d r o .




FICZRA19. REPRESENTACION        DE         UN        PAS0     DEL        SIN    FIN.
89


Volumen del cilindro:




                                2
            Vc= 0.119 D             m                       (2-1)
                                             -
Si Vp es    el      volumen         que     ocupa   un   4 0 % , el

volumen que ocupard un 100% serd:




                                3
            Vc= 0 . 0 0 5 m


Reemplazando en (2-1)

                                        2
            0.005        =   0.119 D




             2
            D = 0.042

            D =     ,-
                     /
            D   =   0.205 m


Donde D es el dizmetro exterior de la h6lice

del sin fin.




De la figura 2 0 :

                                              Espesor de la banda
        4       = W k t r o d e laplea+2
                                                     2
90




                                                   N
                                              sr



                                        0




FIGURA20. BANDA DE LOS CANGILONES


                          Y2=    3.028 m


             El   difimetro       de    las    poleas   y       la   distanc

             entre     ejes      Y,     se    escogen   de       acuerdo   la1

             tamaao de la mdquina.


             El espesor d e la b a n d a e s estimado.                 Despu6s

             serd c a l c u l a d o .


             Datos:


                           Didmetro de la polea = 0.358 m

                           Espesor de la banda              =   0.006 m
91


         Entonces:


                     0   = 0.364 m

                     9
                  -2
                   =           0.182 m


         Longitud:


                     L 1= 2Y 2 + ( d ( 0 )
                                'I
                     L1=       2 x 3.028       +IT x 0 . 3 6 4

                     L1= 7 . 2 0 0 m


2. 4 5   D I S E f i O Y CALCULO DE LOS CANGILONES


         Velocidad lineal y angular d e 10s cangilones


         El    elevador         de    cangilones              es    de    tip0

         centrifugo,           por    lo    que,          sus      cangilones

         descargan e n tiro parab6lico.


         E l   grifico         indica      la          distancia     de       10s

         cangilones        a     la   bandeja           de    granallas        en

         el instante d e descarga.


         Donde:


                     h     :    distancia          del       cangil6n     a    la

                                bandeja    .
                     d     :-*:distandia del eje a                 la bandeja

                                               -   .

                     ri : radio de curvatura

                     r l : radio de la polea + Espesor de
92




                - -
                                         
                   I                              - LA GRANALLA DE
                                                         TRAYECTORIA




                   I                                     
                   t
                                        d=o.   390   m
                                                                  h




~ 1 a m 2 1 . TRAYECTORIA   DE   LAS   GRANALLAS         A   LA   SALIDA' DEL
         ELEVADOR.
93


                     la     banda          +    Distancia        de    la

                     banda       a1   centroide        del      cangil6n

                     (estimado).

             r l = 0.179 + 0 . 0 0 6           + 0.030

             r l = 0.215 m


Velocidad lineal


D e la f i g u r a 2 1 :




Donde t es el tiempo e n segundos s




Reemplazando, tenemos:


             V 0= d          E


             V o = 1.171 m / s


Velocidad angular




              W =    5.446       rad/s

              o = 52 r/min

Ndmero de cangilones


Tiempo     que      se    demora      el       sin   fin   en   dar   una

revoluci6n:
94

                     1
              tl=   w
              t l = 0.019 min

              t l = 1.15 seg.


Velocidad           de        la     banda    del     elevador:


              v&=    w   4
                         -
                          2


Donde:

          '
          -
          2
                =    0.182 m


Entonces:


              v&=    0.991 m/s


Longitud que recorre la banda en t l = 1.15

segundos:


              % = v1 t 1
              Z = 1.14 m


Si   se   colocara un              cangil6n   por   c a d a vuelta

del sin fin, se necesitarfa:



              --_ - 6.32 cangilones
               a

Con la finalidad de distribuir uniformemente

la   descarga            del       elevador    para    un   mejor

efecto de cortina e n el separador de polvos,

se   repartirs           la    carga     de   un    cangildn   en

aproximadamente 3 cangilones.
Es decir, se usariin:


                  6 x 3       =    18 cangilones


Distancia entre cangilones:


                  L1
                  -- = 0 . 0 4 m
                  18

N6mero           de     cangilones             que       pasan    por       vuelta

del s i n fin:


                              =    2.85 cangilones


Pasardn            aproximadamente                   3     cangilones          por

vuelta del sin fin.


Carga mdxima que recoge un c a n g i l 6 n


Suponiendo              que       la    c a r g a mdxima         de   la     tolva

se         encuentra              repartida              uniformemente          en

el sin fin; entonces:
                                                                  W
                                                              _-----
                                                             9 pasos
                   Carga de un cangil6n               =
                                                           3,cangilones


     --   __     : Carga   de un’cangil6n            :s    47.74 N


Disefio de 10s cangilones


Los            cangilones         deben        permitir          recoger       las

granallas               del       fondo     del          elevador       y    dejar

que            fluyan      hacia          la     bandeja          recolectora

por            encima    de        la    polea           superior.          Ademds
96


deben        transportar            una           carga        mdxima      de

47.74      N por cangil6n.


Considerando lo anterior:


a.     La     parte     inferior              y           frontal    de   10s

      cangilones         debe             ser              redondeada          0


      suavisada.


b.    El     lado posterior d e               10s          cangilones debe

      sujetarse a la banda.


c .   Cada cangil6n debe                 tener u n volumen iitil

      de :


               v3      Carga de u n cangil6n
                     = ____________________
                                     Y
                                         -4           3
               V3    = 6.67       x 10        m


El      siguiente            cangil6n                 cumple        con   10s

requerimientos del diseRo.


Volumen fitil


De la figura 22.b


               A6= 2.55       X


                                     -3           3
               A,= . 1.50 x 10
                 1
                                              m

                                                  3
               A = 1.38 x                     m
                8


               V 3 = 0.127 ( A 1 + A2 + A 3 )
                                     -4           3
               V3=    6.90    x 10            m
97




                        O             I




                                                  ,? 0 . 0 , 3 0
                                              0.085
                                          I




FIaTRA22.a)   CANGILON.     b) VOLUMEN UTIL DEL CANGILON.          %,f$
         Y Ag’ Areas.
98


Disefio por desgaste


La parte mds        afectada por desgaste abrasivo

en el cangil6n es la frontal.


De    la    Ref.         13       obtenemos        la   f6rmula

experimental       que       da   el   volumen     perdido       por

desgaste.




Donde:


            Vd: volumen del             material        perdido
                         3
                  en m

            F : fuerza normal                a1     punto         de

                  contact0 e n N

            Xd: distancia de                   desplazamiento

                  del        punto     de    desgaste       en    m.

            kd: coeficiente de desgaste.

                  presi6n d e flujo en Pa.
            Pf:
            Pf: 3   sY
            S : esfuerzo de fluencia
             Y

E l   volumen        de           material        perdido        es,

figura 23:


            Vd= (0.030 + 0 . 0 7 4 + 0.030) (0.127)ed

            Vd= 0.017 ed
99




FIGURA23.PARTE DE    UN   CANGILON            SOMETIDA      A    MAYOR    DESGASTE


            La   fuerza        normal         en    el   punto       de   contact0

            es la carga mdxima.


                          F = 47.74 N


            Para u n a v i d a dtil de servicio de 1 0 0 0 h o r a s ,

            la      distancia           de    desplazamiento          del    punto

            de desgaste es:


                          x=-ciclos      x Vida dtil de servicio
                                   tc

            Donde :


                               :   tiempo de u n ciclo
                          tc

            El      tiempo         que       se    demora       un   cangil6n    en

            realizar u n ciclo es:
100




                             t c = 2.02 x                   hr


               Entonces:




                             _-_--1 0 - 4 9 5 . 0 5 c i c l o s / h r
                             cic
                               tC


               Suponiendo             que          el    fondo   del    elevador     se

               l l e n a h a s t a la p o l e a .          E n u n ciclo, el punto

               de desgaste recorre:




FIGURA24.RECORRIDO DE D E S G A S T E D E L C A N G I L O N .


                Donde:


                              1
                              :       =   --
                                          Dl             + (Ancho del cangil6n)
                                  2        2   +    eb

                              D 1 : d i d m e t r o d e la p o l e a
101


                             eb: espesor de l a banda de cangilones


                En t onces :


                             r2= 0.179 + 0 . 0 0 6 + 0.090

                             r2= 0.275 m

                                                                 2nr 2 x 104"
                               1 ciclo de desgaste = ------------
                                                                      360"

                               1 ciclo de desgaste           =   0.499 m


                Reernplazando e n (2-3)


                               X d = 495.05 x 0.499 x 1000

                               X d = 247029.95 m


                El    valor         del    coeficiente       de     desgaste      se

                obtiene d e la siguiente tabla:


                                      TABLA XI


                          VALORES T I P I C O S DE k d

    hbricacih & las                  Metal - Metal                No mtdlicos
        superficies             deseable. No deseable             mtAlicos
                                                 -4                     -6
    Linlpia                     s          2    10                 5x 10
                                                 -4                     -6
    Pobre                       2X1O4      2x 10                   5 x 10
    Praredio                    2    ir5   2x                      5x 10
                                                                        -6
                                                     -6
                                2X1O4      2x10                         -6
    Excelente                                                      2x 10
                                2          2
FuENIE: Importancia del Desgaste en el Diseiio. Lipson CH.

                Para una superficie limpia:
102


           kd= 2 . 6 x


Usando acero estructural A 3 6 .
                                                                      4


                                              2
           S        =   36000 lb/pulg
               Y
           S = 2.48 x lo8 P a
            Y

L a presi6n d e l flujo es:


           P = 3 S
                €            Y
           p f = 7.44 x lo8 P a


Reemplazando            en       (2-2)     10s    valores        obtenidos




               0.017e =1.37 x
                     d
                         e =8.06 x
                          d

Como           va       a        desgastar        por       mbos      lados:

                                                 -4
                         ed=8.06 x 1 0                x 2

                         ed=0.0016 m


Se escoge u n espesor de 3 / 3 2 Pulg.


Se usa el mismo espesor e n todo el cangil6n.


Los    cangilones            van         rernachados        a    la   banda.

El     claro        entre         el     cangil6n       y       la    plancha

recolectora es de 2mm.
103


                qQlculo      y   selecci6n     de     10s    remaches        de   10s

                cangilones.


                Los    cangilones        van    remachados          a   la     banda

                con    dos       filas   de    remaches          cada   uno.       Se

                usan      remaches        de    4.8         mm     de    didmetro

                 (3/16 p u l g ) .




                                     0   127




FIc;uRA 25.   DISTRIBUCION DE LOS REMACHES


                 Comprobaci6n:


                 Por cortante:
104


La     fuerza          cortante        mdxima        a     la   que    estdn

sometidos           10s         remaches       es    de     47.74     N     que

es la mdxima carga de u n cangildn.


El     esfuerzo            de    fluencia       permisible            de    10s

remaches          es       de     179.14       MPa       para    un    acero

UNS G 1 0 1 0 0 .


Usando       la        teoria         de   energfa         y    distorsidn

tenemos:


               0'577
               -__----- 'y,       .Carga. .mrixima . del . . . . . . . .
                                    . . . . . . . . . . . . . cangildn
                       n         -Area transversal de 10s 6
                                   cangilones.


Para n = 4 tenemos:


                                       47.74
               ______-_______4 - ________________
               0.577 x 179.1 >
                            4                   6 x 7i x 2 3 . 0 4
                                                ____________-
                                                            4

                                  25.84    1        0.44


Por aplastamiento




     _____________-4 >--------------7 . 7 4
     0.577 x 179.1               4
              4                  -6   x 2;38 x 4;8

                       25.84 2 0 . 7 0




                  V = a r
                   S            s-
105

                                2n   lmin
              V s = 5 2 r/min x -- x ---- x r s
                                lr   60 s
             V s = 5.446 radls x r s


r       depende de          la      cantidad          de        granallas
    S

en e l sin fin.


r       es la distancia          media         desde       el    eje    del
    S

sin fin a 1 centro del volumen transportado.


De la secci6n 2.4.3.

                                    3
              V       =   0.002 m
                  P

El Area transversal ocupada serd:

                  0.002
              A = -----
               P    P
                                    2
              A = 0.013 m
                  P

En la figura 2 6 .


              yl: distancia del centro del eje

                          a1 inicio       del.       area        ocupada.


Entonces:




              r S = 0.052 + 0.500                   lyll               (2-5)


Se calcula y 1 integrando                      el     Area       ocupada:


              A                                 -0.084
              -I?= { -y1                xdy+   r-                      XdY
              2
                           -0.084               -(D/2+0.002)
FIWRA26. S E C C I O N T R A N S V E R S A L         OCUPADA        DEL             SIN        FIN.




                                                     T
                                                         Y




                                                             0            04

                                                             W
                                                             0

                                                             0
                                                                          ,
                                                                           . "/ /          X
                                                                          O /
                                                                                      b
                                               -yl
                                                                                y   =0.6   3 64X-0.1222
                                         - 0 .084
                                - (D/2+0. 0 02)
                                                                  x +y    =(D/2+0. 0 02)




FIWRA 27. S E C C I O N D E L S I N F I N .          Escala 1:6 enn-etros.
107


Donde:



                          0.6364
                                                      si - 0.084 c. y    < - y1



               "I
               D
                         d(D/2 + 0.002)2


               - + .O.002. = 0 , 1 0 4 5 m
               2 '
                                             -y
                                              "       si D/2 + O.OO2<y<:6.084




Reemplazando e n la integral


0.013 =Jyl
        -.      (1.571~+ 0.192) dy             +I- . J
                                                 -0*084          m       d     y
         -0.084                                   -.%
                                                   015




  _.
   L
         +-0 21 9 -l
            . 0 -
             0                        y--]   -0.084
                                    0.1045 -0.1W5


0.0065 = -0.0055 + 0 0 6 + 0.7855 y
                    .11         :                 - 0.192   y1 + 0.0086 -

         -0.0026         - 0.0051

0.7855 y 1 2         -    0.192 y 1 + 0.005              = 0

                                                                     1
               +
      +0.192   -     J(0.192)*    - 4 (0.7855) (0.005)
Y1=                           2 (0.7855)


               y l l = 0.215 m

               y12= 0.030 m


Escogemos:
108


Reemplazando en ( 2 - 5 )


              r = 0.067 m
               S


Reemplazando en ( 2 - 4 )


              V S = 0.365 m/s




La    longitud          de     la    artesa       debe    ser    igual

a la del sin fin.


La    artesa       recoge           las    granallas       y    polvos

que    provienen          de    la mesa        rotatoria        de    la

mdquina,       por       lo     tanto,       debe

debajo de toda la mesa.                      Adem

un    dngulo       de     inclinaci6n          no

(Ref.    2)    para          asegurar       que     s

granalla.


Tomando       en     cuenta          estas    condiciones,           las

dimensiones          de        la    artesa       se     dan    en    la

figura 28.


Espesor de la artesa


Para     cdleulos              del        espesor       consideramos

la    artesa       como        una    viga    ancha       empotrada.


L a distribuci6n de fuerzas e s la siguiente:

(Figura 2 9 ) .
FW 28. MEDIDAS DE L A ARTESA
 I




                            W'L=   w




FIGURA29. DIAGRAMA DE FUERZAS DE LA ARTESA
110


Donde:


             Wt'              mdxima          carga          de    granallas

                               (1289.03 N )

                 R1 y R2:reacciones
                 M1    y M2:momentos               reaccionantes

                 L:            longitud de la artesa

                               (1.368 m)


Es    una        viga       eststicamente               indeterminada.


De Ref. 11:

                               - W
                 R1    =    R2 - -
                                 2

                 R1 = R2       =   644.52 N


Usando      el mgtodo              de       Brea   del        diagrama       de

momento flexionante para vigas estgticamente

indeterminadas               se     calcula            10s        valores    de




Primer0 se considera a                        la viga         simplemente

apoyada,          cuyo        diagrama            es    una        parbbola,

luego       se        considera         a    la    misma           viga     solo

con   10s        momentos          de   empotramiento                que    dan

un      diagrama              de        momento              rectangular.


Utilizando             el    primer         teorema          del     Qrea     de

momento se obtiene:
111




                                 W'




FIGURA30.DIAGRAMA DE MOMENT0 COMBINADO.

                                      B                                *
                                          _-    dx
                      Ae B O = J          EI
                                                                  VF


                                      0                       3
                                                              P
            Donde :


                      M:    momento

                      EI: r i g i d e z a l a f l e x i d n


             Resolviendo se obtiene:


                                                + L i+ i
                                                      M




    r
112


                   M = 146.95 N - m
                       1
                   M 1= M 2 = M


Los diagramas de fuerza cortante y momento

f lector               se        exponen               a     continuaci6n:


Diseflo por cortante




Donde:


                   V = 644.52 N

                   A = 0.840 e

                   e       :   espesor de la viga


Entonces:




El       esfuerzo                cortante             mdximo      permisible

dado         por       el      manual        de       la   AISC    -Ref.   12-

es:


                   F       =   0.40 S    2    TmaX
                       V                Y-

S       es    la           resistencia            a    la     fluencia     del
    Y
material.                  .


Usando         una             plancha       de       acero       estructural

A 36:
t   644~52N




                    “T




rnCJJ’RA31. DIAGRAMAS        DE   FUERZA   CORTANTE   Y   MOMENT0
         FLECTOR.
114

                                           2
             S       =   36000 lb/pulg
                 Y
             s       = 2.48 x    lo8 P a
                 Y

Entonces:


             Fv= 9.92 x 10 7 Pa                =
                                                   T
                                                   max


Reemplazando este valor e n (2-6)


             e = 1.16 x loe5 m


D i s e i l o p o r flexi6n

              a      Mm
               max = ----
                      a
                      '

                                                                         >   *-.
Donde :                                                       g'
                                                               &-

             Mm: momento m6ximo
             c : distancia             del             eje    neutro                a

                         la fibra mds exterior.

                     : inercia de la               secci6n          de              la
             a
             '
                         viga.


Entonces:




Donde:


              b : ancho           de       la          viga    (artesa)
115

                 0        1049.64
                        = -------
                                        2                        (2-7)
                                  (el

De Ref. 12


               F b = 0.60 S y           2 omax
Donde:


               Fb:    esfuerzo                mdximo   de    flexi6n

                      permisible


Entonces:


               F = 1.49 x
                 b
                                        lo8   Pa   cs
                                                     max

R e e m p l a z a n d o e n (2-7)


               e = 0.0026 m


D i s e f i o por d e s g a s t e


Consideramos            la        carga       mdxima   en   el   fondo

d e la artesa.


D e la Ref. 1 3




Donde:


                Pf= 3     s
                              Y
                p f = 7.44 x l o 8 P a


E l v o l u m e n d e l m a t e r i a l p e r d i d o es:
116




FIGURA32. LLENADO MAXIM0 DE LA A R T E S A .


                            Vd= 0.325 x 1 . 3 6 8 x ed
                                                       3
                            Vd= 0.445 e d          m


               La   fuerza        normal     a1   punto       de   contact0    es

               igual a 1 peso d e la c a r g a mAxima.


                            F = W = 1286.03 N


               Para   una         vida   iitil     de      servicio   de    1000

               horas,    la       distancia       de       desplazamiento     del

               punto d e desgaste e s :


                            x=-ciclos      x Vida i t l de servicio
                                                   ii                         (2-9)
                              d      h

               Sabemos    que       en   un     ciclo       de   transporte     de

               granallas el sin fin s e demora:
117


Entonces:


                         i
              ______ - -----
              ciclos -
                min         0:173




Como :


              1 ciclo       =    1.368 m         1
                                                     {T
                                                    i:
                                                    i,-
                                                     >




                                                     v
                                                        )         ,
R e e m p l a z a n d o e n (2-9)                        *'- -
                                                            - -


                                                 B 1c;L 1OT ECA
              X d = 346.8 x 1.368 x 100

              X d = 474422.4 m


El    valor     del     coeficiente            de        desgaste       se

obtiene de la Tabla X I
                                                            7%




Para una superficie limpia:
                                                    6. '          ,

                  5x10-~+ 2 x
              k = _________________
               d          2
                                    -3
              k = 2.6       x 10
               d


Reemplazando          10s       valores      o b t e n i d o s e n (2-8)

                                2.6 x        x 1286.03 x 474422.4
              0.445 ed=                               8
                                         3 x 7.44 x 10

                      ed= 0.0016 m


Espesor de la artesa:


              e a= e + e d
118


            e = 0.0042 m
             a

El espesor es de 3/16 pulg.


CQlculo     de        la     soldadura         de       la   artesa


Existe    una      soldadura           de   filete      horizontal

en   cada    lado          que    se    considera        como    una

viga empotrada.


En la figura 3 3 :


            a : tamafio de la soldadura

            bl:    longitud del cord6n

            c : distancia a 1                eje        neutro     de

                   la viga.

                  : ancho del           Area       de    garganta.
            te

De   Ref.        12        para    una       soldadura          E6011


P o r cortante:




Donde :


            f S : esfuerzo de trabajo por cortante

            V . : fuerza cortante ( N )
                  : Area de garganta (m 2 )
            Ae
            Ae:       bit,.
            Ae: 0 . 8 4 te
'1         )
              Z       z    :F!



FIU33.   S O L D A D U R A DE LA A R T E S A


               Entonces:




               Por flexi6n:
120


Donde:


            fb: esfuerzo de trabajo por flexi6n

            Mm: momento flexionante

                 :    inercia de la soldadura
            IW
                   2
            Iw: blc t e


Entonces:




            f
                r
                    =J f   S
                               2   +   fb . ;   FV= 0 . 3 S
                                                              Y


Donde :


            f r : esfuerzo de                 trabajo   resultante

            F V : esfuerzo permisible                     en        la

                      soldadura.




                      72895.90
             f = -------- = 0 . 3 x 3 . 4 4 x lo8 P a
              I:   te


                           t
                               e
                                         -4
                te=    7.08 x 10
121


          Como :


                        t = 0.707 a
                            e


          Entonces:


                        a       =    0.001 m


          El   manual           de    la AISC       recomienda u n    tamalIo

          de    soldadura minima               de    1/8" para espesores

          de hasta 114'' inclusive.


          Entonces:


                        a = 1/8 pulg.


2.4.8. . . . . . . . . . .DE. . FUERZAS. . DE . . . . . . . . . . . . . .ACTUAN
       ANALISLS            .     ......    . . TRABAJO QUE . . . .
          SOBRE LOS SISTEMAS
          _____-_____-_____-




                                          fuerza tange
                         p1 :
                                Z
                                          a 1 s i n fin

                                          fuerza axial aplicada           a1
                         *1 X :
                                          sin fin

                         fl:              fuerza      de   friccidn    entre

                                          granallas        y   la     helice

                                          del s i n fin.

                         f2:              fuerza de        friccidn    entre

                                          las granallas y l a artesa
122


                                w           p e s o d e la granalla

                                N 1 y N2:   fuerzas normales

                                    x :     Q n g u l o de la h 6 l i c e




                      a)                     "I




FIcxIRA34.   DIAGRAMAS DE FUERZAS.           a)   en   la   h6lice   del    sin   fin.
             b) en las granallas.
123




            P1        -p s N 1 C o s     A - NISen      =   0
                 Z


                     = N~       (~,COSX        + Sen   A)       (2-12)
            p1
                 Z




Sustituyendo ( 2 - 1 1 )             en (2-12)

                                 (pScosX + S e n X 1
            P1 = P 1            ____-___________                (2- 13)
                                (Cos - p s S e X 1
                                               ~
                 Z          X




D e la f i g u r a 34.b)


            N2= W


            f 2 = VsN2

            f 2 = VSW




            -F2        =   -N1       +    fl
                                 X             X


            Vsw = NlCosX - psNISen                              (2- 14)
124


                       p 1 = VSW                                        (2-15)
                          X


            Sustituyendo ( 2 - 1 5 )     en (2-13)

                                       (yScosX + Sen           X    )
                          -          w _______________-
                       p1 -
                          Z
                                 s     (COS   X -1.1   S Sen   A)


            Sustituyendo:


                        kficiente de r o k e n t o = 0.78 (Ref. 2)

                       Angulo d e h6lice = 2 0 . 8 "


            Tenemos:


                        p1 = 1 . 2 8 6 W                                (2-16)
                           Z




FI(XIRA35. DIAGRAMA DE FUERZAS
125


             Donde:


                       W1: carga de     todos         10s   cangilones

                            de u n lado de la banda.

                        W2: peso de    la    granalla        que   est3

                            en el fondo del elevador.

                        Fa: fuerza necesaria           de   excavaci6n

                             que   realiza     un      cangildn    para

                             recoger la granalla del fondo.


             Fuerza de excavaci6n


             Se    supone    la    siguiente        carga     critica:




                                               i N3
                                               S




F I W 3 6 . DIAGRAMA DE FUERZAS


              Donde:


                        a n : aceleraci6n normal

                        N3: fuerza normal
126


La     fuerza       de              excavacidn        se   determin6

experimentalmente.                         Concluyendo      que      es

a p r o x i m a d a m e n t e i g u a l a l a f u e r z a d e fricci6n


El    peso     de    la             carga       representada   en    el

e s q u e m a es:


              W2= 587 N


De la f i g u r a 3 6 :




              N 3 - W 2= M a n



              N 3= W 2 + M a n


Como :




Y
                            2
                    "0
              a =
               n
                    ---
                     r
                            1


Tenemos:
                                                 2
                                     w2     vo
                                          x --
              N3=       2       +    --     :1

              N3=   W           (1
                        2                 r a
                                           1-
              N3=   968.63N
127


L a f u e r z a d e e x c a v a c i 6 n es:




                   = 755.53 N
              Fa

Fuerza t o t a l d e l e l e v a d o r :


              P2= W 1 + F a

              P2=       w1   + 755.53                           (2-17)




L a potencia requerida es:                            A




Donde:
                                                    8 B L I o-rECA
                                                     1

                                 P O tenc ia        .total           de

                                 transportes               de        10s

                                 s is t emas

               p..      *        potencia inercial
                 inercia'

Para     el      c5lculo        de   potencia        consideramos

todos      10s      cangilones       llenos     y     el    sin      fin

c o n toda la carga de la tolva.


Recolecci6n


D e (2-16) t e n e m o s :


               PI       =   1657.69 N
                    z
128


La   potencia             necesaria          de   transporte   del

sin fin es:


            Pot
                  1
                      =    P1       x   vS
                                z

            Potl= 605.06 Watts

            Potl= 0.605 Kw


Elevaci6n


9 Cangilones llenos:


            4 7 . 7 4 x 9 = 429.66 N


De la secci6n 2 . 4 . 7 :


            W 1 = 429.66 N


De ( 2 - 1 7 ) tenemos:


            P2= 1185.19 N


La   potencia             necesaria          de   transporte   del

elevador es:


            Pot2= P 2 x                 v0
            Pot2= 1387.86 Watts.

            Pot2= 1.388 Kw


La potencia total d e transporte es:


                      =    Pot1 + Pot2

                      =    1.993 Kw
129


La    potencia              necesaria         para        vencer     las

fuerzas             inerciales                  dependen             del

dimensionamiento              y    peso      de     las     partes    de

10s    sistemas,            por    lo     que      serd     calculada

despues.


Tomaremos         un    valor       de       potencial       inercial

a comprobarse de:


              'inertia-           0.030 Kw


Entonces:


              P
                  T= 1.993 Kw + 0 . 0 3 0 K w
              P T = 2.023 Kw


U n motor     reductor d e              2.2.      Kw a 1 7 9 0 r / m i n

cumple      con        el    requerimiento            de    potencia.


L a raz6n de reduccidn e s de 25.59




El    motor        reductor         transmite          la     potencia

a1    eje     superior            del     elevador          por    medio

de una cadena y dos catalinas.


La    velocidad         angular         de     salida       del    motor

reductor es:
130


Donde


                : velocidad      angular     del    motor-

                 reduc tor

         Ufil   : velocidad       angular     del    motor

            rR: raz6n de reducci6n del reductor


Entonces:




La   velocidad    a   la   que    debe     girar    el   eje




La raz6n de reducci6n de la transmisidn es:




La potencia de disefio es:


            DHP= HP x S F


Donde:


            DHP: potencia de diseao (HP)

            HP : potencia total (HP)

            SF : factor de servicio
131


        El      factor     de        servicio      se        lo   obtiene       de

        la Tabla XII.


        De    acuerdo a         la Tabla X I 1           la carga es d e

        Clase       B    con      un    factor        de      servicio         1.3


        Entonces:


                        D H P = 3.9 HPJC

                        DHP=    2.91 Kwatts


r       Con       DHP     y    Urn      se      obtiene:          (Ref.        7.
                                                                                )


                        - -o
                           r      de la cadena.      80 (paso I pig) (O.M5m)

                        - Minim &o
                                 r        de dientes de la catalina canductma

                          18

                        - M5xh       diktro del agujero para el eje 2

                          3/4 p l g (0.07Ckn)

                        - Lubricaci6n tip A.      Marrual.


        Se      escoge      una       catalina       conductora           de    26

    .   dientes, entonces la catalina conducida                                es:


                        26 x 1.35        =   35 dientes


        La distancia entre centros es de:


                        C = 0.636 m


        La      longitud        aproximada         de        la   cadena       estd

        dada por (Ref. 11).
                                                                    ~~~




         * Se   usan valores en H p porque a{ lo requieren las Tablas del
                                              s
             CatBlogo de ‘ P m r Transmission and Conveying Components” Ref.7
132


                                    TABLA X I 1


    C L A S I F I C A C I O N DE L A S CARGAS Y FACTORES DE S E R V I C I O

           Clase A                     Clase B                        Clase C
       Carga est5tica            Carga intermitente            Carga pesada con choque
           SF   - 1.0                  SF   - 1.3                     SF - 1.7

Ejemplos     tipicos    son:    Ejgnplos tipicos    son:   .   Ejemplos     tfpicos san:


Agitadores      -   Equido      Maquimria de arcilla           Transportadores
                                                               reciprocantes y
                                                               agitadores .
Transportadores                 Transportadores                Griias y Hmtacargas
unifonwmnte cargados            elevadores de banda y
y alimentados                   tornillos


Ventiladores                    Dragadoras                     Dragadoras


Generadores el&tricos           Lavadoras                      rnlinos de m x a l
                                                                                       -
                   -.
Ejes de servicio -._            Elevadores de                  Badxis de dragado
liviano                          cangilones


Maquinas de todo tipo            Rectif icadores               %lines de martillo
con carga unifom no
reversible


W a s centr€fugas                Ejes de servicio              Mlinos de rcdillos
rotatorias de p h n              pesado


k a n d a s rotatorias           %quinas de todo tipo          Squinas de todo t i p
unifomte                         con derados golpes            con impactos severos y
alimntadas                       de carga no                   reversibles
                                 reversible

FUENIE: P w r TransrrJssion arrd Conveying Gn-ipenents. Rexnord.
133




Donde:


            L2: L o n g i t u d d e la c a d e n a

            P1:   P a s o de la cadena

            C : Distancia entre centros
            N4: N d m e r o d e       dientes        de      la

                  catalina mayor

            N 5 : N d m e r o d e d i e n t e s d e l a catalina

                  mayor


Entonces:


            L 2 = 2.036 m


C Q l c u l o d e l Qngulo @




 CONDUCTORA                    CONDUC I D A



FIGURA 37. REPRESENIACION .DE-LA TRANSMISION
134


      Datos:


                 d = 0.146 m
                  1
                 d 2 = 0.283 m

                 c = 0.636 m


      Donde:


                 dl: di5metro primitivo             de        la

                          catalina conductora

                 d2: di5metro           primitivo        de        la

                          catalina conducida
                                 d i d2
                                      -
                              -1 .-1
                                 -___---
                 f3   = Sen        2c

                 $ = 19.7"


2.4.11 CALCULO   Y     SELECCION     DE    LA   BANDA--_____ LOS
                                                        DE              /
       -__--__--_
       CANGILONES


       El   torque m5ximo        en la polea     superior del

       sistema de elevaci6n es:

                 T      pT
                      = --
                          w

                 T    =   403.97 N-m


       Las fuerzas que actuan en la polea superior

       son:




                 (F1      -   F2) = 1878.74 N                 (2-18)
135


Valor de F 1



          --_ - e f 8
          F1
          F2

Donde :


          F 1 ; fuerza mdxima              que     transmite

                      la banda

                      fuerza de lado flojo de la banda
          F2:
          f : coeficiente de               friccidn   (0.50)

          8       :   Angulo de contact0 (180")




Reemplazando e n (2-18):


          F1= 2378.15 N

          F2= 494.42 N


Se   selecciona          una     banda   de    lona   con    un

esfuerzo m6ximo d e tensidn experimental                    de:


          U       =   40 MPa
              b

Es   decir,       que    una     seccidn      transversal    de

1 m m 2 resiste 40 N.


Entonces la seccidn transversal de la banda
136


sera:




                                  2
            Ab=    5 9 . 4 5 mm
                            -5
            Ab=    5.94 x 10   m


Como:


            Ab = ab x eb


Donde:


            ab: ancho de la banda

            eb: espesor d e la banda


Escogiendo:


            eb= 0.006 m


Tenemos:




            ab= 0.010 m


Debido a que           10s   cangilones que v a n unidos

a    la   banda        tienen     un   ancho   de   0.127    m,

se   escoge       el    ancho     de   la   banda   igual    a1

ancho de 10s cangilones.


            a = 0.127        m
              b
137




El    dismetro    de        las    poleas     fue    establecido

e n la secci6n 2.4.4


              D 1 = 0.358 m


Las poleas son planas y d e b e tener u n ancho

mayor a 1 de la banda.


              Ancho de la polea =                  0.152 m


El     material        de    las     poleas         es   fundici6n

gris    y    tienen         un    peso   de    240.54        N    cada

una.




CQlculo de f u e r z a s


En la figura 3 9 tenemos:


              T 1 : fuerza que transmite la cadena

              T 2 : fuerza del lado flojo                    de     la

                   cadena.


La     fuerza    del    lado       flojo      de    la   cadena     es

tan         pequefio         que      puede          depreciarse.


              T2= 0


E n la figura 40 tenemos:
--




        I




             I                                                   I
                                   a38
              -                                                 -1




FlGCRA38.POLEA D E LOS S I S T E M A S D E R E C O L E C C I O N Y E L E V A C l O N
141


                           R 1 = 2896.63 N
                              Y




FIGURA41.DIAGRAMA D E F U E R Z A S E N EL P L A N 0 XZ


                De la f i g u r a 41:




                            R1        -   R2       - T1       =   0
                                 Z             Z          Z



                            R1
                                      -   R 2 = 2687.78 N                           (2-21)
                                 Z             Z




                            0.076T1                -   0.294R2        -=   0
                                           Z                      Z


                            R2        =   694.80 N                                  (2-22)
                                 Z


                R e e m p l a z a n d o (2-22) e n (2-21)


                            R 1 = 3382.58 N
                                  Z


                El   momento          flector           msximo        se       presenta   en
1




                                   -
                   -1
                         -0                                           - +x
                               A

                                   Ri
                                        Y
                                                       IB         1




                                                                      R2
                                                                           Y
                         51                  147       I    147
                                                                  I
                         --D




               "L
               M
                         Id
                                            1831.8lN




                                                                      -4       x




           -
         26 6 2 ~ - m

                         
                                    9 3N-m




FI-42.         DIAGRAMAS DE FUERZA CORTANTE Y MOMENT0 FLECTOR
            EN EL P L A N 0 XY.
B



                                lz

                                     1 47              14
                                                        '7




         M




       67   -   19N-m   4




FICXRA43.DIAGRAMAS DE       FUERZA          CORTANTE   Y   MOMENT0   FLECTOR
       EN E L P L A N 0 X Z .
144


el punto B.
                                                    I

                    (188.35)2         + (lO2.14l2


             M* = 214.26 N- m

El momento torsor en el eje es:


             T = 403.97 N- m


El cdlculo del didmetro del eje para cargas

estdticas s e lo realiza aplicando la teoria

del   esfuerzo        cortante         mdximo      (Ref.    11)

que   estd    en    funci6n       de     la   resistencia     a

la fluencia, el momento torsor y e l momento

flector.




Donde :


             D2: didmetro d e l eje

             n : factor de seguridad = 1.5
                                  8
             S : 2.20 x 10            P a , para    un     acero
              Y
                   UNSGl 01 8 0


Entonces:


             D 2 = 0.032 m


E l c4lculo del didmetro d e l eje para cargas

dindmicas se lo realiza aplicando e l criterio
145


de    Sines en el       que   el    diAmetro es        funci6n del

momento     flector       y   de    la     resistencia          a    la

fatiga.




Donde:


                : limite de          resistencia            a        la
            '
            e




Donde:
                                            QIBLIC)-PE-
            S':    limite de         resistencia            a        la
             e
                   fatiga      de     la       viga    rotatoria

            Ka: factor de superficie
            Kb: factor de tamafio

            Kc: factor de confiabilidad

            K d : factor de temperatura

            Ke: factor de                modificaci6n               Por
                   concentraci6n               de     esfuerzos.

            Kf: factor de                efectos          diversos



En    la   Tabla       XI11   se    dan     10s       valores        de

10s   factores K.


El    lcmite      de    resistencia        a    la     fatiga        de

una viga rotatoria es:
146


                       s;=           0.5    su
                                               t
                                                             8
                       s;=           0.5    x 4 . 0 0 x 10

                       S'=           2.00 x l o 8 Pa
                          e


                          TABLA              XI11


                          FACTORES                 K
                                 (Ref.       11)

Factores                          bndici6n                            Valor
           ~~~            ~~~




                           Maquinado                                  0.88
  Ka
                                7.6<d< 50 mn                          0.85
  5J
                            Gmfiabilidad 0.50                         1
  Kc
                            Temp.          160°F                      1
   Kd
                                Chavetero r = 0.25                    0.53
   Ke
                            Kf = 1 + q (Kt - 1)                       1.88
   Kf


           Entonces:


                       Se=           7928800 P a


                       D2=           0.035 m


           Con    el   dizmetro                  encontrado      se       determina

           el    factor         de     seguridad       para      evitar       fallas

           por   f luenci'a.




                       n = 2.02
147


         Con   el      factor            de    seguridad           encontrado     se

         determina          el       didmetro               para   evitar     fallas

         por fatiga.


                       D2= 0 . 0 3 8 m


         En e l       punto          E        el       momento      flector      es:


                       M       =   72.27 N-m
                           E


         Para carga estdtica


                       D2= 0 . 0 3 4 m


         Por cargas din5micas


                                TABLA XIV


                            FACTORES               K
                                   (Ref. 11)

Factor                             bndici6n                           Valor


                            MaqUiMdO                                  0.88
 Ka
                               7.6<d< 50                              0.85
 5-l
                               miabilidad 0.50                        1
 Kc

 Kd
                               Temp. 160" F R .
                                               -       .5             1

                                                                      0.608
 Ke                     -
                                                                      1.64
 Kf


                  .    S'= 2.00 x lo8 P a
                        e

         Entonces:
148


                                Se= 9 0 9 5 6 8 0 0 P a


                                D2=    0.025 m




                  Chaveta         p      chavetero           de      la   catalina


                  Se u s a u n a c h a v e t a p r i s m d t i c a




FIGURA45. C H A V E T A DE L A C A T A L T N A


                  De la figura 4 5 :


                                    : a n c h o de la c h a v e t a
                                  2.
                                 hl: altura de la chaveta

                                        altura del chavetero del eje
                                 t2:
                                 t3:    altura del           chavetero     de    la

                                        cat alina
r
I
    8 1B LI OT E   m




                   ..
                   L
                   4
                   -

                   4

                   W




                       d
                       0
                       H
                       d
                       W
                       PI
                       3
                       m
                       W
                       r,
                       w
150


                            D2: d i d m e t r o d e l e j e


           De    Ref.   ~    10,            las    medidas      del   chavetero   y

           c h a v e t a s son:


                            h l : 0.008 m

                            b 2 : 0.010 m

                            t2: 0 . 0 0 4 5 m

                            t3:         0.0037 m


           Se u s a u n a c e r o U N S G 1 0 4 5 0


                            s       =   3.23 x lo8 P a
                                Y


           Con     relaci6n                 a     la   figura     46,   la   fuerza

           F 3 e n l a s u p e r f i c i e d e l e j e es:




                            Fj= 2 3 0 8 4 N




                                        I         F3




FIWRA46.FUERZAS EN LA CHAVETA
151


P o r cortante:


Por   la   teoria      de     energia    y        distorsi6n      la

resistencia a1 cortante e s :


           sS Y =     0.577s
                               Y



                                             -.
La    falls     por     corte      originh         unliSPuerzo:




Donde :


            1 1 : longitud de la chavetero

              n : factor de seguridad               =   3


Entonces:


              1 1 = 0.037 m


Por aplastamiento :


La resistencia a1 aplastamiento se determina

con   un   Brea       igual    a   la   mitad       de      la   cara

de la cufia.




              11= 0.053 m
152


C h a v e t a y c h a v e t e r o de l a polea


D e Ref. 10         p a r a D 2 = 0.040 mi


             b 2 = 0.012 m

             h l = 0.008 m

              t2=    0.0045 m

              t3=    0.0037 m


U s a n d o el m i s m o acero U N S G 1 0 4 5 0


              F3= 20197 N


Para cortante:


                F3- s s y
              " ----
               7      n


              1 = 0.027 m
               1

Para aplastamiento:




              1 1 = 0.050 m


La    longitud        minima      de   la    chaveta      es    de

0.050 m




La    mayor     fuerza       de    reaccidn        estd   en    el
153


punto 0.

            R1=      JR1            2 + R1       2
                            Y                z

            R1=      4453.35 N


L a carga radial equivalente es:


            F = F = 1.5
                e     r                R1


Donde:


            Fe: carga radial equivalente
            Fr: carga radial aplicada


Entonces:


            Fe : 6 6 8 0 . 0 2 N

La   capacidad         bdsica           de       carga   que   soporta

el rodamiento es:
                                I




Donde:


            C b : capacidad bdsica                       de    carga

                     dindmica

            Llbh:         duraci6n nominal e n h o r a s               de

                     servicio

            W       : revoluci6n por minuto


El valor de L               se obtiene d e la tabla 9- 5
                     1 Oh
154


      (ReC.        11)    para     miquina         de    servicio             de   8

      hcrns        que      no     se     usan          permamentemente.


                            =    20000 horas
                     LIOh
                          Cb= 26495.53


      CAlculo para el otro rodamiento


                        R 2 = 1457.56

                        Fe= 2186.34
                        Cb= 8671.87


      Se      escogen          rodamientos         que        soporten             la

      carga mayor.


      Las     chumaceras          o     soportes         de    rodamientos

       son    de    fundici6n          gris    y    tienen guias               para

      deslizarse           en    el     tensor      de        la    banda          de

       10s      cangilones.              Los        soportes                 llevan

       retenedores de polvo.


2.4.16 DISERO       Y     CALCULO       DEL    TENSOR         DE        LA    BANDA
       _ _ _ _ _ _ _ _ _ _ _ _ _ _ _ _ _ _ _ _ _ _ _ _ _ _ _ _ _ _ _ I _ _ _ _ _ _ _




       El     tensor       de     la    banda      tiene           la    funci6n

       de subir o bajar el eje superior del sistema

       de     elevaci6n          para     permitir            una            tensi6n

       adecuada           de      la     banda          de         cangilones.


       Las fuerzas que realizan este trabajo estan

       localizadas en 10s rodamientos y son iguales
FI-47.   CHUMACERA D E   EJE   SUPERIOR   DEL   SISTEMA   DE
         ELEVACION.
156


a    las   fuerzas d e reacci6n e n esos                              puntos.


El tensor est6 conformado por dos estructuras

con    guias        en     las      cuales,       se        deslizan      las

cajas      de       rodamientos.               Este     deslizamiento

es    provocado               por       un     tornillo          regulador

de fuerza.


Disefio d e l t o r n i l l o


Suponiendo              que       las    cargas        se    distribuyen

uniformemente                 a   lo     largo    de        la    tuerca    y

usando      un          acero      UNS       G10100,        se   determina

el didmetro del tornillo.


Por cortante:


El    esfuerzo            cortante            medio     en        la    rosca

del tornillo es:




Donde:


                n : factor de seguridad = 4

                RT:       carga que            debe         levantar       el

                          tornillo

                d       : didmetro menor               de        la    tuerca
                    r
                h2: altura d e la tuerca
-
   "I
      1
    -I-----
       I
       I



       i
       i
   gi
   N


           !




           I
           I




R L ' '8. ESTRUCTURA DEL TENSOR
 G R-
158




FIGT   1 .   :TAGRAMAS DE     FUERZAS             APLICADAS       EN   LA     CAJA    DE
             RODAMIENTOS


                  L a fuerza total que levanta e l tornillo                          es:




                   r

                  Donde:


                                          : coeficiente      de    fricci6n      entre
                              YS
                                   z
                                           superficies de fundici6n gris =

                                           1.10     Ref.   6.

                                  f3:      factor     que        absorve      posibles

                                            desalineamientos.      que      aument aria

                                           la   carga      del    tornillo      =    1.5


                  Entonces:


                              R       =     9926.20 N
                                  T
159


De 1    esfuerzo       cortante       medio        obtenemos:


            d = 0.009 m
             r

El     esfuerzo    cortante     medio        en        la    rosca

de la tuerca es:




Donde:


            d t : dismetro mayor del tornillo

            S : resistencia a la fluencia de
             Y1
                la  fundici6n   gris  ASTM   No

                  20   =   1.38 x lo8 Pa.


Entonces:


            d = 0.017 m
             t

Por pandeo:


El tornillo de          fuerza regulador actua como

una     columna,       cuya   mayor    longitud              desde

la base de        la estructura       del     tensor hasta

la caja de rodamiento es d e 0.132 m.                         Tiene

rotaci6n 1i.bre sin traslaci6n e n el extremo

superior     y     empotramiento        en        el        extremo

inferior.
160




FXWRA 50. TORNILLO SOMETIDO A COMPRESION

               El     tornillo           no        fallars       por     pandeo.


               Demostraci6n

                         0-



               Para     un        tornillo    de    dismetro      de    0.020   m


               Datos:


                              r     =   0.005m       (radio      de    curvatura

                                        del circulo)

                                    =   0.0003 m 2 ( g r e a )

                              E    .=   2.0 x          Pa        (mbdulo        de

                                        elasticidad
161




              Cc= 148.51


              L    K l2
              -- ___
                e-
               r          r

              L   0 . 8 0 x 0.132
              -52 __________-_-
               r        0.005

              L
              -2 21.12
               r

Como                      se utiliza              la         f 6 rmu 1 a
         r

parab6lica d e pandeo:




El valor de la carga critica es:


               'cr=       'A
                           wc

                      =       30911.74 N
               'r
                c

Como     se       observa            la   carga    critica     en     un

tornillo de 2 0 m m de di5metro                         es superior

a1     valor       de                 por   lo    que   el   tornillo
                          RT     '

no fallarg por pandeo.
162


Por aplastamiento


Tomando un tornillo M20 x 2.5.                            se calcula

el   esfuerzo       de       aplastamiento           en        la   rosca

(Ref. 11).




Donde :


             p : paso del              tornillo            0.0025       m

             dt: dizmetro mayor                     del        tornillo

                    0.0200 m

             d : didmetro menor                 de        la        tuerca
              r
                    0,0168 m          (Ref. 10)


Entonces:

                         8
             1.38 x 1 >
                     0            4 x 0.0025 x 9926.20
                  5.5          R X 0.015 (0.O2OO2   - 0.01682
             2.51            l o 7 >1.79      lo7


CBlculo      del    momento          de    torsi6n             requerido

para      vencer    el        rozamiento       en         la    rosca    y

levantar la carga.


De la Ref. 11:




Donde :
163


            T3:       momento d e            torsi6n         requerido


            d : dizmetro m e d i o                   del       tornillo
              m
            d = 0.0184 m                Ref.    10
              m

            13: avance del tornillo

            13= P


            1.1 : coeficiente d e friccidn dinQmico

                       entre       acero     dulce     y     fundicidn

                       gris.

            1.1   =    0.23        Ref. 6


Entonces:


            T 3 = 25.20 N-m




L a plancha recolectora debe tener e l mismo

ancho   y   largo que              la   estructura q u e            rodea

a 10s cangilones.


Debe tener u n Qngulo d e salida q u e permita

el   llenado           de     todo      el     volumen        iitil    del

cangildn          que       pasa     sobre      ella        recogiendo

las granallas.


Espesor           de          la        plancha            r e c o lec t ora


Se   realizan               las     mismas       consideraciones

que e n la secci6n 2.4.7.
CURVATURA b' =        0 . 8 57




FIGURA51.   M E D I D A S DE L A P L A N C H A R E C O L E C T O R A




FIGURA 52. DIAGRAMA DE          FUERZAS        DE    LA     PLANCHA    RECOLECTORA
165


Jje   la f i g u r a 5 2 :


               Wa: c a r g a m B x i m a             en        la        plancha

                            recolectora

               Wa= 587 N


               L': L o n g i t u d              de        la            plancha

                            recolectora

               L ' = 0.227 m


Entonces:

                                 a'
               R1 =           2 = --2

               R1       = R2=      292.5 N


               M1       -     -
                        - M 2 - Mm


P o r el      m6todo              de     Brea       del        diagrama       de

momento flexionante para vigas estgticamente

indeterminadas se tiene:




                                          2
                        -   -w'    (L')
               M1- ---------
                     12




               M    =-       585 x 0.22
                             _-__-______ 7
                   .1              12

               M1=          - 1 3 2 . 8 0 N-m


Los     diagramas             de       fuerza      cortante         y    momento

flector         se           exponen          en     la         figura       54.
166




             M




             0



             MI




FIGURA53. DIAGRAMA DE MOMENT0 COMBINADO


            Diseilo por cortante




            Donde:


                        A    =    0.857 e


            Entonces:


                        T         - _____-
                                  - 511.96
                            max       e


            Esfuerzo cortante m5ximo permisible
1 3 2 , 8 0 c
 N-m
                 111111
                                                       A



                 292,   SN



                 t
                         0,1135               0,1135
                                                       *




            M'



                                  1   6 6.4   ON-m
168


                          Fv=     0 . 4 0 Sy       1 T max
                                                    .

             Usando      una          plancha        de       acero   estructura

             A36


                          Fv= 9 . 9 2 x l o 7 P a


             Reemplazando:

                                                    -6
                          e = 5.16 x 10                   m


             Diseflo p o r f l e x i 6 n




                           CT           929.76
                                      = _____-
                                max            2
                                         (el


             Esfuerzo           m5ximo     de         deflexi6n       permisible


                           F = 0 . 6 0 F - a max
                                          >
                            b           Y

                           Fb= 1 . 4 9 x l o 8 Pa


             Reemp1azand.o:




--       -
.   I-        D i s e i i o p o r Zdesgaste
169




Donde :


          Pf= 3    sY
          p f = 7.44 x lo8 P a


La   longitud     de     desgaste      de    la        plancha

recolectora es igual a b'


          V d = 0.857 x 0.227 x ed

          V d = 0.194 ed


          F = W       = 587    N
                  a                          Ei,   -    !LCA

Se   considera que       cada pase      de u n cangil6n

es un ciclo.


El   tiempo     entre     el   paso    de    un        cangil6n

y otro es:

          _______________ - ------
                          - 1.15 s
          2.85 cangilones             2.85

          ______________- - 0.404 s
                          -
            2.85 cangilones

                 1.
          ___-_-______---           -
            2,85 cangilones
                                    - 6.73 x              min


Entonces:


                        ___---O s
                        cicl        = 148.59 ciclos/min
                         min
170


               ------ -
               ciclOs             . 8 9 1 5 . 3 0 ciclos. /h
                hora

Para     una     vida          iitil    de           servicios      de   500

horas,     la       distancia          de           desplazamiento       del

punto de desgaste es:


               xd =   ----- x vida iitil de servicio
                      cic10
                        h
               Xd= 8 9 1 5 . 3 0 x 0 . 8 5 7 x 500

               Xd= 3820206.1                m


Para una superficie limpia




                                       -3
               k = 2.6         x 10
                d

Reemplazando tenemos:

                      2.6 x        x 58 x 3820206.1
       0 . 194ed=                       8
                           3 x 7.44 x 10

               ed= 0.0135 m


Espesor de la plancha recolectora


               e = e           ed
                P          +



               e = 0.0160 m
                P

Se escoge u n espesor de 3 / 4 pulg.


CQlculo d e la soldadura


El     cdlculo        es    similar             a    el   de   la   secci6n

2.4.7,     usando soldadura E 6 0 1 1
171


Por cortante:




Por f l e x i 6 n :




              f       = ___-__-_- 2
                        154.95.9
                  b         t
                                e


Como :




Entonces:

                                          2                  2
                           (---"--) 3 1
                             341              + (--------)
                                                 15495.92        -
                  r                                              - Fv
                                    te              tC


              f         15499.68
                      = -------- = 1 0 3          x 1 08
                  r
                           te


Donde:

              t = 1 . 5 0 x 1 0- 4 q
               e


Como :


              t = 0.707              a
               e

Entonces:
172


                                                        -4
                                 a    F    2.12 x 10         ,

                 El    manual         de    la   AISC    recomienda          un    tamaao

                 d e s o l d a d u r a 114" p a r a e s p e s o r e s 3 1 4 "




. .   2 . 4 . 1 8 . .I S E . .O. .Y. . CALCULO . DEL . . . . . . .
                  D .. B               . . . . . . . . . . SIN FIN

                  CAlculo de fuerzas




   RODAM




FIGURA55.   E J E S I N FIN


                   D e l a f i g u r a 55:


                                     F4:    fuerza axial         que        la    granalla

                                            ejerce       sobre         el        sin     fin
173


              F5: fuerza radial                           que    la   granalla

                           ejerce                 sobre     el        sin    fin


El m o m e n t o t o r s o r e n e l e j e e s :


              T        = P I          x r
                                              S
                  m3              z
              T        =    111.06 N- m
                  m3

C A l c u l o d e 1 0 s v a l o r e s F i y F;

                                          Pot.



            (Fi        -    F;)       =   610.49 N


Como :




Reemplazando da:


              Fi= 770.72                  N


              F;=          160.23 N


De la f i g u r a 56:


              W       : peso de               la polea
                  P
              Rl: reacci6n

              R2: r e a c c i 6 n
174




                    I                           177 1                               I




FlGuRA56.   D I A G R A M A D E F U E R Z A S E N E L P L A N 0 XY


                  Datos:


                                W = 240.54                      N
                                 P
                                Fi= 770.72 N



                                F       =   P            = lJ       W = 1005.44 N
                                    4           1               S
                                                    X




                                F4= R                    + R2
                                                1
                                                    X               X



                  Como :


                                R1          =       R2
                                        X                X



                                F = P
                                    4           1
                                                    X
175


               Entonces:

                                         F4
                           R1 = . 2 . .
                                --
                                x

                           R1       = 502.72            N = R2
                                X                                 X



                           CF = 0             (++I
                                Y




                                                    =       690.41 N          (2- 23)
                           R1        +    R2
                                Y              Y

                           CM       = 0        &+
                                0


                           0.153          ( F i + F;            - W ) - 1.693 R2        =O
                                                                      P
                                                                                   Y
                           R2 = 6 2 . 3 9               N                     (2-24)
                                Y
               Reemplazando (2-24)                      en (2-23)


                           R1       = 628.02                N
                                Y
                                                   f 5 L = F5




                                                   177 1




FIGURA57. DIAGRAMA D E F U E R Z A S EN EL P L A N 0 XZ
176


D e la f i g u r a 57:




               f = 1211.76 N / m
                5




               R1       + R2         =   F5
                    Z            Z


                                     =   1657.69             (2-25)
               R1       +   R2
                    Z            Z




               1.693 R 2             - 0.965 F 5    = 0
                                 Z
               R2       = 943.76          N                  (2-26)
                    Z



Reemplazando            (2-26) e n (2-25)


               R1       =   713.93 N
                    Z


L o s diagramas de fuerzas cortantes y m o m e n t o

f l e c t o r se d i b u j a n a c o n t i n u a c i 6 n .


El    momento           flector          mgximo    se   presenta    en

e l p u n t o U.




               M m = 414.13 N-m
F



             0
                       R 1X

                              3
                                        1



                                                         U
                                                              11
                                                               1.   I
                                                                            R2X




             [   RIZ


                  154,            127
                                            I
                                                       1368




        v1        7 13        3 N




         M




                         1




k’ICXTRA58.DIAGRAMAS DE             FUERZA      CORTANTE      Y   MOMENT0   FLECTOR
        EN   E L PLAN0 XZ
J

                          ?I
                           2



                           1

                          ___,
                           127         590
                                                  8
                                                           780      ,



                                          62-39




                                                      51.35
                                 86-16




FIGURA59.DIAGRAMAS DE         FUERZA     CORTANTE      Y      MOMENT0   FLECTOR
       E N E L P L A N 0 XY
179

Cglculo     del         diiimetro      del       eje    para   cargas

estiticas:




Donde:


            n = 1.2
                                   8
            S       =   8.04 x 1 Pa, para m acero UNSG10240 (Ref.14)
                                0
                Y

Entonces:


            D 3 = 0.019 m


Ciilculo   del          diiimetro      del   eje        para   cargas

dingmicas




Donde:


            Se= KaKbKcKdKeSl



El lfmite d e . resistencia                  a     la    fatiga    de

una viga rotatoria es:


            s;=         0.5   su
                                   t
                                             8
            Sl=         0.5 x 8 4 3 x 10

            S
            =;          4.22 x lo8 P a


Entonces tenemos:

            S e = 170466000 P a
180


                          TABLA         XV


                       FACTORES              K
                               (Ref. 11)

Factores                     Condici6n                          V      m

                            Maquinado                           0.71
  Ka
                            7.5< d <50 mn                       0.85
  '6
                            Confiabilidad 0 9
                                           .0                   0.897

                            Temperatura 160'F                   1
  Kd
                                -                               1
  Ke
                                -                               1
  Kf


                      D3= 0 . 0 2 8 m


       Con       el   digmetro           encontrado        se       determina

       el       factor . d e .seguridad           para     evitar          fallas

       por fluencia.


                      n = 4


       Con       el   factor       de      seguridad       encontrado          se

       determina          el     dizrnetro       para      evitar          fallas

           por fatiga.


                      D3=      0.042     m


           Para evitar         problemas         de   flexidn          del    eje

           se   utiliza     un     eje       hueco    de   secci6n          igual

           a u n eje macizo.
181


         S e u s a un e j e d e :


                     Didmetro e x t e r i o r =                  0.050 m

                     Didmetro i n t e r i o r =                  0.025 m


                     D3       5    (Di&tro       exterior) 2 - ( D i k t r o interior) 2

                     0.042          5   0.043


         En e l    punto            G     el       momento          flector         es:


                     M = 218.48                N- m
                      G


         Para     cargas          eststicas            usando        un       material

         UNSG43370 t e n e m o s :


                     D3=          0.024    m


         Para cargas dindmicas:


                          TABLA           XVI


                           FACTOR            K
                           (Ref.          11)

Factor                            andici6n                            VAuxi

 Ka                               Mapinado                             0.68

 Kb                               7 . 6 ~ 6 0m
                                        d                              0.85

 Kc                               Confiabilidad 0.90                   0.897

 Kd                       .       Temperatura 160" F                   1

 Ke                                                                    0.61

 Kf                               Kf= 1 + q (Kt - 1)                   1.63
182


                            SL=      5.39 x lo8 P a


                            Se= 170466000 P a


                            D3=      0.037 m     /
               Para D 3 = 0.037 se              utiliza    un    eje      macizo

               de   0.040        m    de    digmetro.           Este     eje      va

              montado       con un        ajuste d e      precisi6n       a1   eje

               hueco    y    soldado        con      soldadura      de     filete

               alrededor del mismo.




FIGURA60. MONTAJE DEL EJE M A C I Z O                             F1
                                                                   3L L
                                                                     Y’   31-g-


               C Q l c u l o de la soldadura


               El filete va a estar sometido a la torsihn,

               usando E6011 tenemos:
                                      T     x D3/2
                            f    =     m3
                                     ________-___         < F
                             v              J             - V


               Donde:


                             f V : esfuerzo de            torsi6n        aplicado

                            F V : esfuerzo d e         torsi6n      permisible
183


              J : momento polar d e inercia




              F = 0.3         X   S
               v                      Y

Entonces:


              te= 4 . 2 9

              t = 0.707           a
               e

Entonces:

                                          -4
              a = 6.07            x 10         m


El manual d e la AISC recomienda:




C d l c u l o d e l a h e l i c e d e l sin fin


Se   calcula           considerando                que    la     helice     es

una viga corta e n v o l a d i z o proyectada desde

el   eje del           sin        fin.         La        carga      se     toma

paralela       a1       eje       concentrado              en       el    radio

medio    de     la      helice,           el       ancho       de    la   viga

es igual a la longitud d e la h e l i c e medida

e n el radio medio.


De la figura 6 2 :


                       n d m e r o d e vueltas de la helice =9
              nl   :
N
    156              100                             X
                       Y)                            0
                                                     Y)
                       f
                       X I




I


               310                                   137 0                                     91



                                             177 -
                                                 1




FIGURA 61.   E J E DEL S I N F I N   E 1:2                   PENETRACION DEL E J E   MAcIzo   120   mm
185



                                                                  W
                                                      I               h




FIGURA62.   REPRESENTACION DE          LA   HELICE        DEL      SIN    FIN.


                         e    *   e s p e s o r de l a ht5lice
                             h'

                         L3:      ancho de l a ht5lice




                         L 3 = 0.078m


                         L4:      d i s t a n c i a a 1 r a d i o medio

                                  L3
                         L4 :

                         L4:      0.039 m


                         Wh:      c a r g a miixima       que    empuja     la

                                  ht5lice

                         W = V   x w
                          h    s
                         Wh=      1005.44 N
186




                         r = 0.064 m
                          m


                                            IWh

FIU63.DIAGRAMA DE FUERZAS DE LA H E L I C E


             De l a figura 63:


                          CF = 0        (++I
                               Y

                          R1 = Wh

                          R1       =   1005.44 N




                          M1       = 0.039     Wh

                          M1       = 39.21     N-m


             D i s e f i o p o r cortante


             Usando u n a c e r o e s t r u c t u r a l A - 3 6


                                   - -- < F
                                     3v
                         Tmax        2A - v



                                        3 x 1005.44       = 0.40 x 2.48 x 10a
                            2 x 2~        x 9 x 0.064 x e
                                                                            -6
                                                         e = 4 . 2 0 x 10        m
1005,44    N


   3 9 - 2 1 N-m   c-
                   }                                 I




                       1005-44   N



                   v




                   M




*GuRA64. D I A G R A M A S DE F U E R Z A - C O R T A N T E Y M O M E N T 0 F L E C T O R
188


Di.sefio p o r f l e x i 6 n :




                            3M                                   8
                         m
              ______________--------               - 1.49 x 10
                                              2
                ~ T X9    x 0.064 x ( e l
                                                                 -4
                                              e = 6.60 x 1 0       m


Disefio por d e s g a s t e :

                     kd     d'
              %=     -------
                       3pf


Donde:


               p f = 7.44 x       lo8   Pa
                                   -3
               kd= 2.6 x 10

               F = 1005.44 N


Longitud por desgaste:


               2nnr = 3.619 m
                   m

Volumen de desgaste


               V d = 3.619 x 0 . 0 7 8 x ed

               Vd= 0.282 ed


Cada      9   vueltas       del     sin      fin    es   un   ciclo.

El t i e m p o q u e s e d e m o r a e n d a r 9 v u e l t a s e s :
189


              9 t l = 10.35 seg.


Entonces:


              ___--_ - 347.83 cicloslh
              ciclO
              hora

Para    una     vida      iitil   de    servicio    de    1000

horas tenemos:


              X d = 347.83 x 3.619 x 1000

              X d = 1258796.8 m


Reemplazando tenemos:


              e d = 0.005 m


Espesor de la helice


              eh = e + ed

              eh= 0.006 m


Se escoge un espesor de 114 pulg.


Desarrollo d e la helice


La     helice      del    sin     fin   se    construye       por

pasos.        Para       hacer    el    desarrollo       de    la

helice    se       dibuja    primero     el    alzado    d e un

paso    del     s i n fin, (figura            65) para    esto,

es necesario, dividir la semicircunferencia

de la vista en planta de la helice e n cierto

niimero       de     partes       iguales,       para     luego
190


levantar              perpendiculares                    a1       alzado.            A

continuaci6n                se    divide           el       medio          paso   del

alzado c o n e l mismo niirnero d e partes iguales

y    por        10s        puntos      de        divisidn             se    dibujan

perpendiculares                   a1        eje     que          a1     cortar       a

las       rectas           verticales             nos       dan       10s    puntos

de la helice..


Para       encontar           las      longitudes                desarrolladas

de         la         helice           se         dibujan              triEingulos

rectdngulos c u y o cateto comunes es e l paso

P     y     10s        otros          catetos            son          respectivos

desarrollos de las circunferencias d e base.

Las         hipotenusas                     son         las            longitudes

desarrolladas d e la h6lice.                            .

Para       el     desarrollo                de     la       h6lice          se    tonia

el        radio        R    del       alzado        y        se       dibuja       una

circunferencia que serd e l eje de la hBlice

A     ambos       lados          se     lleva           la    distancia            del

38.75 m m encontrada e n e l alzado y s e trazan

en        circunferencias                   interior              y     exterior.

Estas           circunferencias                    deben              tener        las

longitudes                 desarrolladas                    de        la      hBlice

13    -    13     y        1 4 - 14.


CAlculo d e la soldadura


La h6lice v a soldada a 1 e j e por u n solo lado.
2




                           E   i:4                                        E    i:4

   DIBUJO DEL ALZADO D E UN                     DESARROLLO    DE   LA HELICE
   PAS0 DEL SIN F I N




                                                                               13     14




  13

                                     nx20 5

  LONGITUD DESARROLLADA DE LA H E L I C E D E L S I N F I N                    E     1:s


FIGuRA65. DESARROLLO           DE     LA      HELICE      DEL       SIN       FIN.
192




                        I
                                                                         B I iaL !0-r ECA




FIGURA66. SOLDADURA         DE     LA         HELICE


              El    cdlculo        es       similar       a    el   de   la    secci6n

              2.4.7.    usando soldadura E6011.


              Por cortante:




              El v a l o r d e b l s e             obtiene          de   la     figura

              65.     que        estd       dado    por       la    longitud     de    la

              hipotenusa 1 4            -    14.
193


                          b l = 0.219 m


        Entonces:




        Por flexibn:




        Esfuerzo resultante

                                             L             L
                           fr= i f s             4-   fb       <
                                                               -   0.3      s
                                                                                Y




                                             = 0.707 a
                                      te

                                        a = 7.71 x 10
                                                                     -4 m


        El m a n u a l de la A I S C r e c o m i e n d a


                           a = 1/8 pulg.


                 Y
2.4.19 _____________________---_---_----_---_---
       CALCULO       SELECCION      DE     LA                                       CHAVETA     Y

        . . . . . . . . . . .D.E.L. . E J E . D E L . . .I . . .F .I .N .
        CHAVETERO                      ... ... S N

        Usando          la m i s m a         nomenclatura                   de      la   seccidn
194


2.4.14   las m e d i d a s d e la c h a v e t a y c h a v e t e r o

son:


            b 2 = 0.012 m

            h l = 0.008m

            t 2 = 0.0045 m

            t 3 = 0.OD37mi


Se usa acero UNSG10450.


Fuerza en la superficie




             F3= 5553 N


Resistencia a1 cortante


                      = 0.577       s
             ss                         Y
                  Y
                      = 1.86       x lo8 P a
             ss
                  Y

                  1   =   _____     =       --
                                             n
                          b 2 l1

             l 1 = 0.008 m


 Resistencia a1 aplastamiento




              l 1 = 0.013 m
195


La    longitud             minima         de     la   chaveta       es   de

0.013 m.




La    mayor       fuerza         de           reacci6n   estd       en   el

punto B.




              R2= 945.82 N


Usando     10s             factores            de     seguridad      para

efectos dindmicos de mecanismos accionados,

10s    valores             de   las       cargas      radial    y   axial

son:     (Ref.         11).


              F = 1.5 R2
               r

              F r = 1418.73N


              F        =    1.5 R2
                  ax                  X

              Fax
                       = 754.08           N


La carga equivalente e s :


              F = XVF + YFax
               e     r

Donde :


              Fe: carga radial equivalente
196


             F r : carga radial aplicada
             Fa: carga axial aplicada

             X : factor radial

             v : factor de rotaci6n

             Y       :   factor de empuje


De Ref. 1 1 se obtiene


             X = 0.56

             Y       =       1.4

             v = l


Entonces:


             F       =       1850.20 N
                 e

La   capacidad               bdsica     de   carga    que    soporta

el rodamiento es:




El valor LIOh se                   obtiene      de    la    tabla 9-5

(Ref.    11)             para      m5quinas      de    servicio    de

8    horas       que          no   se    usan    permanentemente.


                               2000 h
             LlOh=


             Cb              = 7338.60   N


CBlculo para el otro rodamiento


             R1          =    950.84 N
197


                          %=          502.72 N
                              X

                          F       =   1426.26 N
                              r
                          Fa= 754.08 N

                          X = 0.56

                          v = l

                          Y = 1.4

                          Fe= 1854.42 N

                          C b = 7355.34 N


          Se     escogen               rodamientos       que     soporten     la

          mayor carga.


          Las     chumaceras              son     de    fundici6n     gris    y

          llevan retenedores de polvo.


2.4.21 . . . . . . . . .DE .L A . POTENCIA . . . . . . . .
       CALCULO . . . . . . . . . . . . INERCIAL


          Aplicando           el       principio       de   D'   Alember     que

          expresa que las fuerzas externas q u e actuan

          sobre      el           sistema    son       equivalentes    a     las

          fuerzas que actuan en el.


                          C F s = M at

                          C M = I a
                                  S



          Donde:


                          I F : sumatoria de fuerzas inerciales
                                  S

                                       del sistema

                          M           : masa total
-
    ,




  8     N
  c     00
         0
   P




FIQJR.467.   C H U M A C E R A S DEL S I N F I N
199

                  a    -
                      t-
                           aceleraci6n tangencial

             E M s : sumatoria            de    momentos

                            inerciales del sistema

              I        : inercia total

             a         : aceleracibn angular


Para el sistema de recolecci6n y                        elevaci6n

queda:


             Mt=      01   ( + 21 + 1 + Iei + 9%) +
                            I
                             C   P
                                     -                l a at r,
                                                       m

Donde :


             Mt : momento inercial total

             Ic : momento de inercia de            la      catalina

              I : momento de inercia de una                 polea
                 P
                      : momento de inercia del eje superior
              Ies

              Iei : momento de inercia del eje inferior
              Ih : momento de         inercia de      un   paso    de

                           h6lice aproximado a un disco hueco

             Mca: masa de un cangilbn

             rl : radio de curvatura del cangildn


Las       masas        de     cada   elemento      se      tabulan

a continuacibn:

                                                                    3
              Peso especifico delacero= 7.85 x l o 3 Kg/m
                                                             3      3
              Peso especifico de la fcmdici6n gris= 7.13dO Kg/m
200


                                TABLA XVII


   MASAS DE LOS ELEMENTOS QUE COMPONEN L O S SISTEMAS                                      DE

                     RECOLECCION Y ELEVACION



                                           M                                0.76
                                            c1
Catalina
                                           M                                0.33
                                            C,



Polea                                      M                                2.50
                                            P
                                                                            0.05

                                                                            03
                                                                             .6


                                           Meil                             0.64

E j e inferior                                                              1.76
                                                 2
                                           M                                0.13
                                            ei3

slice                                                                       0.15

                                                                            0.09




                 CQlculo    de       10s             momentos            de        inercia

                                                                                       2
                                 0 . 7 6 x (0.28312 + 0.33 x ( 0 . 1 2 1 )
                           I =         8                                8
                            C

                                                              2
                           Ic= 8.21 x                 Kg-m

                                                          2
                           I =
                                . 2.50 x (0.358)
                            P          8
                                                      2
                           I = 0.04005 Kg-m
                            P
                                                          n                            n


                           1 4 0.05 x (0.035)'
                               .                              +   0 . 3 6 x (0.040)'
                            es      8                                     8
201


                      = 8 x              Kg-m 2
                  Ies


                  I .= 0 . 6 4 x (0.04012             + -1.76   (o.0502+ o,0252)
                   el                                     8
                        +-           (0.0502 + 0.0402>
                                8

                  I .= 8.8 x              Kg-m 2
                   el

                  I = -0.15 (0.2052 + 0.0502 )
                   h     8
                  Ih= 8.3 x 10-4 Kg-m 2


C5lculo               de            la     aceleracidn                  angular


E c u a c i 6 n de m o v i m i e n t o a n g u l a r


                  w=w
                           0
                                + a ta


Donde:

              w       : velocidad angular de r4gimen

                      : velocidad            angular inicial
              w O

               ta:         tiempo que se                tarda      el    motor

                           en       llegar        a     la      velocidad   de

                           rggimen.


Entonces:




Datos:


              w
                  0
                      = o
202


            u = 5 . 4 4 6 rad/s
            ta= 0 . 5          s



Entonces:


            a = 10.89 rad/s 2

C6lculo         de        la         aceleraci6n     tangencial



            a=c1
                t         rl
                                      2
            a = 2 . 3 4 m/s
                t


El momento inercial total queda:




            M       =   0.191 K g f . m
                t
            Mt= 1.868 N-m


Potencia inercial


                               =    Mt x w x n
            'inercia

Donde:


            n                  : factor de seguridad = 2

                               : 1.868    x 5.446 x 2
            'inercia

            'inercia : 2 0 . 3 5 Watts.


Con   lo    que          se        verifica   el   valor   de    la

potencia inercial usado e n la secci6n 2 . 4 . 9 .
203




             La    estructura          est5        compuesta                biisicamente

             de cuatro partes (Plano 7 . 0 . 1 ) .


             Tapa superior

             Estructura       superior
                                                   z
             Estructura       intermedia               ~




             Estructura inferior               1             1   i   &ca

             T o d a la c a r g a e s s o p o r t a d a por la e s t r u c t u r a
  ,
              inferior.        Esta         carga          se        puede      repartir

             uniformemente         y    la    estructura                   se   considera

              continua.




FIGuRA68. CARGAS   APLICADAS           EN     LA           ESTRUCTURA            INFERIOR
        DEL SISTEMA DE ELEVACION.
204


                     Donde:


                                  We:    carga t o t a l     que        soporta    la

                                         estructura inferior

                                  e : espesor de l a e s t r u c t u r a
                                   e

                     E l v a l o r d e We     s e d a e n la t a b l a XVIII.



                                      TABLA     XVIII


            VALORES DE CARGA QUE SOPORTA LA ESTRUCTURA

                 Elemento                                     Peso (N)

&to reductor                                                   550.00
Polea                                                          240.54
18 Cangilones                                                  155.58
Catalina conducida                                             104.68
Catalina conductora                                             66.82
2 Tensor                                                       410.00
E j e superior                                                  39.38
Tapa superior (aproximado)                                     297.94
Gtructura superior (aproxkdo)                                  434.58
Estructura interrredia (aproximado)                            &1.99
Carga total                                                   1289.03
Gmra separadora de polvos (aproximado)                         562.51
Tolva de coleccib (aproxiTlado3                                 63.20
k t o s (aproximado)                                           644.09

            T    O      T    A    L                           5500.33 N



                                  We=    5500.     33n


                     Donde:
205


                         n : factor de correcci6n d e carga

                         n : 3


             Entonces:


                            : 16000.99 N
                       e'

             Analisis para evitar pandeo:


             Se asume que la estructura estd simplemente

             apoyada   en      la    parte       inferior   y    libre      en

             el extremo superior.


             Se asume u n espesor de 0 . 0 0 1 6 m ( 1 / 1 6 pulg).


             Cdlculo del Brea transversal


                         AeS= a e x h c - (ae- 2e,)             (he   -   2ee)

                                          2
                         AeS= 0.003 m


             CBlculo     del        momento       de   inercia        mlnimo




                               'T

                                         0

                                         0
                                             4
FI-69.   SECCION DE L A ESTRUCTURA
206


             I =         y2dA
             X



Para este caso:




CZilculo d e l r a d i o d e g i r o minim0




             r = 0.101 m
                 X



Datos:


             E       = 2.0      x         Pa

             S = 2.48 x             lo8   Pa   (A- 36)
              Y
             K = 2




             Cc=       126.17




             r          r
                 X          X

             L
             --_ - 2 7 . 1 3
               e
             r
                 X


       e
Como -- < c c          se u t i l i z a   l a f 6 r m u l a parab6lica
     r
         X
de pandeo
207


                                     2




Carga critica


                    =O     A
                          w es   -   We

                         1.39 x lo8 x 0.003           2    16000.19

                                            417000    2    16000.99


Esto   asegura          que    la    estructura       no     fallard.




En   condiciones           normales         de   trabajo      el   sin

fin recoge:


Granallas:


           Q = 17.97 N / s
                g


y arena de moldeo:


                    =   0.30 N / s
            qP

Entonces    el          flujo       total    que     entra    a1   sin

f i n e s de:
208


            Q   =    Q,   +    qp

            Q = 18.27 N / s


El valor de q             se   obtiene       de     la     siguiente
                     P
manera:


Datos:


            Dihtros de la msa rotatoria % = 1.600m
                                                                  3
            Peso especifico de la arena           Y a = 22072.5 N/m

Se   supone     una       capa      de   2   milimetros         sobre

la mesa   que        fluye a1 sin fin e n u n tiempo

de 5 min.


Volumen de la arena:




                                   -3 3
            V = 4.02           x 10  m
             a

Entonces:

                      Ya x a
                           '
                P=   ---t----
            q = 0.30 N / s
                P

Si el flujo de granalla y arena se reparte

uniformemente             en   el   sin      fin,     la   carga      de

cada paso serP:


            q =-- Q x N o Paso x t l
                     9
209


Donde:


             t l : es el      tiempo          que     se    demora

                   el    sin          fin     en     transportar

                   la carga            una    distancia      igual

                   a    un     paso          (1     revoluci6n).


Entonces:


             q = 2.03 x '
                        N             Pasos


Carga por pasos


             q l = 2.03 x 1 =              2.03 N

             q2= 2.03    X    2 =          4.06 N

             q3= 2.03 x 3         =        6.09 N

             q4=   2.03 x 4 =              8.12 N

             q5= 2.03 x 5         =       10.15 N

             q6= 2.03 x 6 =               12.18 N

             q7= 2.03 x 7         =       14.21 N

             q8=   2.03 x 8       =       16.24 N

               = 2.03 x       9   =       18.27 N
             99
                                      -_--____
             Total                     91.35 N


En     el   elevador,        cada      cangil6n        se   carga

con:




            q c = 6.09 N
                                      c
210


Como        el     sistema             estA     formado          por     18

cangilones;              9    de       ellos        siempre      tendrdn

carga.


Carga totak de 10s cangilones = 6.09x9=54.81N




ESTRUCTURA


La     estructura             del        sistema       estd      formada

bdsicamente          de       cuatro        partes        que   van     una

por     encima       de           la    otra.        La    fabricacidn

se hizo a base d e planos.


Las dos          tapas       superiores         fueron fabricadas

a patir de planchas, las mismas que fueron

cortadas, dobladas y soldadas.


La     estructura            superior          a1     igual     que     las

tapas,       se     doblaron            y   soldaron.           Luego    se

prepararon          las       planchas         que    iban a      formar

la bandeja recolectora y e l marco d e soporte

del separador d e polvos                      que     tambi6n     fueron

soldados.


La     estructura                 intermedia         fue    doblada       y

soldada, previamente                    se realizd         la abertura

en     la        parte       posterior          que       comunica      con

el      sistema              de        extracci6n          de    polvos.
2- . -.
                                                         I

                                            --   ,   .
                                                     .

                                        .    .a:-             . .




FIGURA 7 . TAPA
        0         DERECHA   SUPERIOR.        SISTEMA                DE   ELEVACION
212


La   estructura              inferior           se    dobl6       y     sold6.

En la parte posterior s e realiz6 la abertura

para        el    montaje            de        la     puerta           de       10s

cangilones          y     otra       para        el    ingreso          de       la

granalla          de      alimentacihn.                 En        la        parte

anterior          se     realizaron             las    dos        aberturas

para extracci6n de polvos.


Tanto las tapas c o m o las diferentes                                  partes

que conforman                la      estructura          del           sistema

llevan       en    sus       extremos           dngulos       de       acoples

soldados.


La     base       del        motor        se    fabric6       en        partes

separadas.               El       tornillo             regulador                fue

fabricado en el               t o r n o , a 1 igual que el eje

de     la     base       y     el     regulador          de       la        base.

La     plancha          base,       el     acople       de    base          y    el

acople        regulador           fueron         cortados          a    partir

de     planchas         de     espesores             dados    y        en    base

de     plantillas.                  Una        vez    fabricadas                las

partes, fueron soldadas.


TEMPLADOR, CHUMACERAS, POLEAS


Estos elementos                     fueron            fabricados                 de

fndicihn          gris,        10s       mismos       que     despugs            de

haber        sido       desmoldados                 fueron    maquinados

ddndoles el acabado final.
213




      ,~                                                                        -c




      I                                                                              I




FIGURA 71. TAPA   IZQUIERDA SUPERIOR.              SISTEMA        DE     ELEVACION




                  EJE DEL SIN FIN


                  S e c o r t 6 el e j e h u e c o a l a m e d i d a r e q u e r i d a

                  Se   torneo      internamente           el    eje    hueco         para

                  permitir       el    montaje      de    10s    ejes        macizos.

                  Se   cortaron        y    se   tornearon        10s    dos             ejes

                  macizos.            Finalmente         se    montaron        y           se

                  soldaron       10s       dos   ejes    macizos        en    el          eje

                  hueco.
FIGURA 72. ESTRUCTURA   INTERMEDIA.   SISTEMA   DE   ELEVACION
FIGURA 73. ESTRUCTURA    SUPERIOR.   SISTEMA     DE   ELEVACION




     ..




FIGURA74. BASE   DEL    MOTOR.   SISTEMAS   DE   RECOLECCION   Y
          ELEVACION.
216


A R T E S A Y PLANCHA RECOLECTORA


Se     fabricaron            a      partir              de           espesores

calculados.        La     curvatura            de       estas         planchas

se   la   realiz6       por       rolado       verificzndola                  con

plantilla.         Finalmente             fueron             soldadas           a

la estructura.


E J E SUPERIOR


Se fabricaran a        partir        d e u n eje die                  dismetro

un   poco     mayor     a1        requerido.             Fue          torneado

y    luego    rectificado           en     las          partes          que    lo

requerian.             Luego         se            realizaron                 dos

chaveteros.


CANGILONES


Se     fabricaron       en        base     a       plantillas,                que

permitieron       cortar las planchas                        a       l a medida

requerida,         para           posteriormente                     soldarlas

de    acuerdo      a    las        indicaciones                  del    plano.

L u e g o s e perforaron 10s agujeros p a r a colocar

10s remaches.


H E L I C E DEL S I N F I N


Se fabric6 por paso e n base a una planti.lla,

para      luego   montarla           en    el       eje          y     soldarla

a1    mismo     tiempo        a    este        y    a    la          siguiente
FIGLJRA 75. ARTESA.   SISTEMA DE RECOLECCION
218


             36 ! i c e .


             'COLVA DE RECOLECCION Y T O L V A D E ALIMENTACION


             Se cortaron sus partes e n base a plantillas.

             Luego          se      soldaron         de     acuerdo      a    10s    planos

             de    construcci6n                 y     finalmente         se       sujetaron

             con pernos               a    la cdmara            separadora de polvos

             y a      la      estructura             inferior         respectivamente.




    -   -             -     _____           -   -~   ___       -
                                                             _._




FIGURA 76. CANGILONES                 REMACHADOS                  A          LA          BANDA


    2.4.25   M O N T A J E D E A C U E R D O AL D I S E N O
             -_______-_________-_--------

             Una     vez         fabricados           todos       10s    elementos         del

             sistema,               se      procede          a1       montaje       de     las

             diferentes               partes         de    la    estructura.         Previo

             a    esto           se       fabrican         10s    empaques,         que    van
219


           en las uniones.              Las partes d e la estructura

           van empernadas.




FIm77.   FABRICACION          DE     LOS       EMPAQUES


            Se    presenta         tanto la artesa c o m o l a plancha

            recolectora,            para       luego       ser     soldadas.

            La artesa tambien v a soldada a la e s t r u c t u r a

            de    la    mdquina         en    sus   tres       lados    libres.


            En    el    eje   del       sin   fin   se   montan        la   polea

            y     10s   rodamientos,           para      luego     alinearlos

            con     respecto        a    la    artesa      y     ajustar      10s

            rodamientos e n sus cajas.
220




                                                                         I




FIGURA 78. MONTAJE    DE     LA    ESTRUCTURA


              Se     procede       a1        montaje    del     eje          superior.

              En     este   eje        se    coloca    la    otra    polea         y    10s

              rodamientos.                  Simultzneamente          se           emperna

              la     estruct.ura            del   templador         de       la     banda

              a      la     estructura            superior         del        sistema.

              Finalmente          se    monta     el   eje    en    el       templador

              ajustando sus rodamientos.
FIGURA79. MONTAJE   DEL   SIN   FIN.   SISTEMA   DE   RECOLECCION
I
       i
       i
       i
       !

       !




       i
       !




       i

       i
FIGuRA80. MONTAJE DEL EJE SUPERIOR.     SISTEMA DE ELEVACION




FIGURA 81. ESTRUCTURA   SUPERIOR.     SISTEMA   DE   ELEVACION
1                               r




FIGuRA82. MONTAJE   DE   LA   ESTRUCTURA   CON   EL   EJE.   SISTEMA
        DE ELEVACION.
224




                                                                  BIBLIOIEC.4




FIGURA83. REMACHADO     DE       LOS        CANGILONES     EN     LA     BANDA




              Una     vez    remachados         10s    cangilones        en   la

              banda,        se   realiza       el    montaje     de    esta   en

              el      sistema.         La    banda    se   une    por    medio

              d e pinzas         "dientes       de lagarto" y se tensa
225


         ajustando           el         tornillo          regulador               del

         tensor.       En        este       momento        se     alinea           la

        'banda y se ajustan las poleas.


         Se    monta       el     motor       y    las     dos    catalinas.

         Posteriormente               se    coloca        la    cadena        y    se

         regula       su     tensidn        por     medio       del     tornillo

         regulador de la base.


         Finalmente              se        monta          la      tolva            de

         alimentacidn, la puerta                     de    10s    cangilones

         y     se    coloca       las      tapas     superiores              de    la

         estructura.


         El     sistema          estd      montado         de     tal    manera

         que facilita el mantenimiento y desmontaje.

         Para        engrasar         10s     rodamientos              solo        es

         necesario          sacar       las       tapas    de     las     cajas.

         Para        sacar       la     banda,       se        deben     separar

         las        pinzas.            Para        desmontar            el        eje

         superior, se 'tiene que                     sacar       la tapa del

         templador           y    para      desmontar            el     eje       del

         sin        fin,   se     tiene       que    sacar        el     soporte

         de la caja de rodamiento trasero.




Las   partes    principales            de'l-:Sistema de:. extracci6n

de polvos.se enumeranzen la figura 84.
FICURA 84. SISTEMA DE EXTRACCION DE POLVOS.                 1.     C&ma    separadma
        de polvos.   2. Tam del s h t e m de elevaci6n y de l &a
                                                            a             de linpieza
        3. k t o s   4. %tar.   5. Vepltilador extractor.        6. T r q de polvos.
227




Las     funciones             principales              del     separador

de polvos son:


1. Remover               la         arena              principalmente

2.    Controlar          el     tamafio         de     las     granallas


Una vez que las granallas y sus contaminantes

dejan    10s       cangilones,                caen     en    la     bandeja

recolectora          que        estd           unida    a1     separador

de polvos.


El    separador          estd        formado         bssicamente             por

dos    planchas          inclinadas             a    52.5"    que        guian

las granallas hasta                      la    tolva    de    colecci6n.

Las    granallas se hacencaer desde                            la iiltima

plancha       en    forma           de     cortina      mediante             una

tercera        plancha              pivoteada          en      forma          de

compuerta que ordena el flujo.


A     travCs       del        flujo       de    granallas          se     hace

pasar    un     flujo          de     aire       separando          de    esta

manera     las           partes           contaminantes             de       las

granallas,          llev5ndolas                 hasta        10s        ductos

de extraci6n.


Antes     del       ingreso           de       las   granallas           a    la

tolva    de colecci6n                se       coloca una malla               que

impide     el       ingreso          de        particulas          de    mayor
GRANALLAS          TOLVA DE         MATERIAL
         DESVIADAS          COLECCION         GRANDE




FI-85.   ESQUEMA     DEL   SEPARADOB    DE   POLVOS
229


               tamafio     a     la    tolva.         Dichas          partfculas

               resvalan hacia         una     tolva     ubicada           junto    a

               la de colecci6n.


               Algunas     granallas        son desviadas de              su ruta

               por    el   flujo      de    aire,     las       mismas     que    se

               recogen en otra tolva que tambien estd junto

               a la de recolecci6n.


               La    estructura       del    separador          se    detalla     en

               el plano 7.10.10


               CQlculo         del    espesor         de        las       planchas

               inclinadas por desgaste.




                                                      (3)
                                                            

FI(xIRA86.   PLANCHAS      SOMETIDAS         A      DESGASTE


               El cdlculo se lo realiza                incluyendo                  la

                longitud        del        desgaste        de        la    bandeja
230


recolectora.


Longitud del                 desgaste         de        la     bandeja

recolectora           =        0.290 m.

Longitud         de       la       plancha     (2)      =    0.324     m.

Longitud          del           desgaste       de       la     plancha

(2)     =   0 . 2 9 4 m.

Longitud      de        la     plancha        (3)       =     0.324    m.

Longitud          de           desgaste        de       la     plancha

(3)     =   0 . 0 9 0 m.

Longitud          del        desgaste        total       =    0.670 m.
Ancho       de        las          planchas         -        0.180     m.


Entonces:


             Vd= 0.670 x 0.180 x ed

             Vd= 0.121 ed


Y




Donde


              Pf= 3 s
                               Y

Usando A      -    36


              3 P f = 7 . 4 4 x lo8 Pa
47.74

                                         29.06




.J?ICXRA87.   CALCULO DEL VALOR DE F.   SISTEMA DE EXTRACCION
232


             F = carga mixima            de    un       cangildn

                   x Cos 5 2 . 5 "

             F = 29.06 N

                         -3
             Kd= 2.6 x 10


Se    considera         que       cada   descarga         de   un

cangil6n      es     un       ciclo.      De       la     secci6n

2.4.17:



                        = 8915.30 ciclos/h


Con    una    vida        iitil     de   1000       horas,     la

distancia      de       desplazamiento              del     punto

de desgaste es:


             Xd= 8915.30 x 0.670 x 1000

             Xd= 5973251 m


Entonces:


             ed= 0.0017


Se    escoge       un      espesor       de        3/32     pulg.




Las   velocidades          de      succi6n     y    -de disefio

estdn dadas en las Tablas 4-1 y 4-2 (Ref. 16).                     .
233


            v su=   2.54 m/s

            VD = 17.78 m/s


Capacidad    de     transportes de arena.                Secci6n

2.4.23


            q = 0.30 N / s
             P

Caudal de arena transportado:




                                        - 1 . -


                            -5 3                  -   .-,?-ECA
            Q = 1 . 3 6 x 10  m /s
             P

Caudal de aire transportado:


Tomando     para      el   ramal   ac      (figura               88)

didmetro de:


            Dac= 0.254 m


Para el ramal bc un diimetro de:


            Dbc= 0.178 m


Y para el ducto principal cd:


            Dcd= 0.254 m


Tenemos :




                           3
                  = 0.90 m / s
            Qac
2 34




Entonces:


            Qcd= Qac        +   Qbc
                                3
            Q c d z 1-.34 m / s




            V c d = 26.44 m / s


Capacidad d e transporte de aire:




Donde :

                                                                    3
            YA: p e s o e s p e c f f i c o d e l a i r e =12.64N/m
            q a = 1.34 x 12.64

                 = 16.94 N / s
            ‘a

Caudal total transportado


            Qt=    Q
                   ,   +    Qcd

            Qt= O f l o +             1.34
                        3
            Q t = 1.34 m / s


Capacidad total de transporte
235


                 = (0.30 + 16.93)           1.3
            qt
                 = 17.23 N / s
            qt

Peso especifico de la mezcla

                qt
            y = --
                   Qt




Cdlculo      de         las        presiones      de      trabajo


La      energia         que          necesita      suministrar

el ventilador        para que el sistema                funcione,

es    la   utilizada          para    vencer      las   diversas

resistencias        que       se   oponen    a1   flujo    de    la

mezcla a travds de la tuberia de transporte.


Esta energia puede             ser expresada en           funcidn

de la diferencia de presidn y de la velocidad

de    la mezcla      en el interior de la tuberia.


La    diferencia        de    presidn     total    es    la   suma

de las caidas de presidn a lo largo de todo

el equipo y son las siguientes:


1. Aceleraci6n de la arena desde el estado

      de reposo.


La arena entra en la tuberia a una velocidad

muy    lenta y es acelerado hasta la velocidad

de disefio, absorviendo energia e n el proceso.
236


Dicha energfa esti expresada por:




Donde:


              (P,   -   P2l1: diferencia              de    presi6n

                               debido     a la aceleraci6n

                             : constante para considerar
              F6
                               las      perdidas            en    la

                               zona      de           aceleraci6n

                               debido a la turbulencia,

                               reaceleraci6n                de    la

                               arena     en          colisi6n    con

                               la pared, etc.

                             : aceleraci6n                 de     la

                               gravedad.


El valor de F 6 (Ref. 4 ) se                  lo           determina

experimentalmente


              F6= 2


Entonces:

                                                 2
              (PI   - P2I1=    4 1 4 . 8 4 N/m


Como     en   el    sistema         existen      dos       entradas:

                                                      2
              2 (P,     - P2 ) 1=   829.68 N/m
237


2. Rozamiento d e tuberfa


Una vez    que      la       arena ha           sido acelerada          es

transportada        a        lo   largo       de     la   tuberia,       la

cual produce            un    rozamiento con las paredes

internas       de        10s          diferentes          dispositivos

que    constituyen             el      sistema. generando              una

caida de presi6n que se expresa como sigue:




Donde:


           (P,      - P2I2:            diferencia de                presi6n

                                       debido        a1        rozamiento

                                       en          las           paredes.

           F7                     : coeficiente de               fricci6n

                                       para          tubos          rectos.

           D                      : didmetro de               la tuberia.

           L                      :    longitud de la tuberia.


El valor de F2 se                 lo    obtiene          de    la    figura

3 . 3 0 (Ref. 4 .
               )

           F7= 0.015


De    acuerdo       a    la       figura        88    las      longitudes

son:


           Para Dad= 0.254
238




                .




FIQJRA88. MEDIDAS   DE    LOS     DUCTOS


                            P a r a Dac=      0.178 m

                                   Lbc=       1.088 m


               Entonces:
                                 2                           2
               (P1-P212=
                         F7 x V D t '   tat,
                                         -     +   F7   d
                                                        c
                                                        '        xyt   (-4+
                             2g         Dad                 2g         Daa
                          F xVD
                         + 7
239

             (P1   -   P212= 85.48 N/m 2


3 . Cambios d e d i r e c c i b n


Los     codos      producen      resitencia        a1      flujo

y     las   perdidas      se    expresan      como       sigue:




En el sistema existen:


             3 codos a 90"

             1 cod0      a 135"

             1 unidn a 45"


El valor de F3 se toma de la Tabla 4 de            la R e f .   4.

Para un cod0 de 9O0,Rc/Dc= 1.16;                   F8= 1.5


             (P1   -   P2)3=    311.13 N/m 2


Para un cod0 a 90" con V                 = 26.44
                                    ad

             (P1   -   P2I3= 688.02N/m 2


Para un cod0 a 135" ; F8= 1.0

                                              2
             (P,   -   P213= 207.42 N/m


Para una unidn a 45" ; F8= 0.56

             (P1   -   P213= 116.16 N/m 2


Perdidas     totales      por    cambio de         direccidn:
240

                                                       2
              (P1   -    P2l3= 2010.75 N/m


4. Fuerzas gravitacionales

Como     la    arena          es    elevada           un   tramo     de

0.720 m,       se       debe       considerar         su   caida     de

presi6n.




Donde:


              H : es la altura a ser elevada                        ,LCA

              Fg: factor                 correctivo                 Por
                    resvalamiento 1.5

                                                  2
              (P,   -    P 1 = 8.18 N/m
                          2 4

5. La caida de               presidn      que          provoca       el

filtro     que      se       encuentra    en          la   trampa de
                                                                    2
polvos e s          aproximadamente               de        100 N/m

(0.4 pulg H20)               (Ref. 18).

              (p,    -   P ) = 100 N/m 2
                          2 5


CBlculo       de        la     caida     de       presidn      total


              ( 1 P ) = 829.68 + 85.48 + 2010.75 + 8 1 + ux)
               Py2t                                 .8

                                           L
              ( 1 P ) = 3034. 09 N/m
               P-2t

                                              2
              ( 1 P ) = 3096.60 Kg/m
               P-2t
241


Balance d e l sistema e n e l punto C


          R;anal a VPa=
                  c          fm) 0.76 pulg 3 = 189.18 N/m2
                             3500-
                                   =       0
          (1P)c
           P-2a          -414.84 + 14.89 + 311.13 + 8.18

                                          2
          (1P)
           P-2=          =   749.04 N/m



          s Pac=         -VPa     - (P1- P2Iac
                   =     -938.22 N/m 2
              'c
               a


          Ramal bc

                                      2
          V Pb= 189.18 N/m

                             = 414.84+19.02+116.16+207.42
          ( 12
          '- '         bc
                                              2
                             =   757.44 N/m
          2
          '
          -
          1
          (            'bc


          S Pbc= -189.18 - 757.44
                             2
               = -946.62 N/m
            'c
             b

Como :


          s Pac= 0.99 s Pbc

Entonces se considera que el sistema estd

balanceado.


P6rdida estd.tica corregida en                    el   punto d




Donde:
242


            (P1-P2)cd=51.57+2~688.02+100
                                                 2
            (P1-P2)cd=1527.61              N/m


Entonces:


            S Pd= - 946.62           -    1527.61
                                            2
            S P d = - 2474.23 N/m


Pdrdida eststica total


            s   Pt=   s   Pd +
                                 s       Pbc
            S P t = 2474.23          -     946.62
                                           2
            S P t = 3420.85          N/m

            S P t = 349.06 m m H 2 0

            S P t = 13.74        pulg. H 2 0




La   potencia     requerida          por        el   sistema    es:




Donde:


            Pv: potencia d e l ventilador

            SPt: p 6 r d i d a e s t l t i c a t o t a l

            Qti c a u d a l t o t a l

            0   : eficiencia                   del    ventilador

                  (0.5 a 0 . 9 )


Entonces:
243



                                                                      3
                                                             0.44     m /s
                                                             1 7 . 7 8 m/s
                                                             0,178 m




FIGURA89. CALCULO   DE   LOS    DUCTOS     DEL    SISTEMA


                                 _________-_---
                               = 3420.85  x 1.34
                          pV
                                     lo3   0.9

                          P v = 5.09       Kw


      2.5.4    DISEWO DE LA TRAMPA DE POLVOS
               ____L________________--_-----




               La   trampa      de    polvos     va   colocada      antes

               del ventilador.
Tiene       la    funcibn            de       retener'qa           arena    y

         permitir         el        paso       del      aire,       para      evitar

         que        la     mezcla             provoque         un          deterioro

         excesivo del ventilador.


         Estd formado por una caja de seccibn mayor

         que     la       del       ducto          principal,         dentro        de

         la cual se coloca una malla que (::det-i&ne

         el paso de la arena.


         Esta       malla       es       de    fPcil       remocidn          con    el

         propdsito          de       limpiarla            cada      vez      que    se

         use el sistema.


2.5.5    ___________---____---
         SELECCIOB DEL EXTRACTOR


         El     ventilador               se    selecciona             de     acuerdo

         a    10s     resultados              obtenidos        en el         cPlculo

         de     las       perdidas            de       presidn      estlticas        y

         del        caudal          necesario             para        lograr        la

         separaci6n            y     el       transporte         de    la     arena.


         De    acuerdo          a    lo       dicho,      el     ventilador         se

         selecciona                con        10s        siguientes           datos:


                          S P t = 349.06 m m H20
                                                   3
                          Qt       = 1.34 m / s


 . . .
TAPA




                       CA JA




FIQJRA90.TRAMPA   DE   POLVOS.   SISTEMA   DE   EXTRACCION.
DUCTOS


Los     diferentes             ductos           se        fabricaron       en

base     a    las        medidas           que          se     calcularon.

Las     planchas          cortadas              a       la     medida,     se

rolaron       longitudinalmente,                          se    fabricaron

las    bridas       con        10s     respectivos                  agujeros

a partir        de plantillas               y        se      soldaron 10s

a 10s ductos.


CODOS


Los    codos     se       construyeron                      realizando     el

desarrollo          de     10s        mismos              en    cartulina,

luego se soldaron las bridas.


ENTRADA DE POLVOS


Fue     construida             en    base           a       plantillas     de

cartulina y soldada a 1 ducto de absorsi6n.


Una     vez     fabricado             10s           ductos,         se    unen

mediante soldadura 10s ramales de absorsi6n


TRAMPA DE POLVOS


La     trampa    de       polvos           se       la       construye      en

base    a plantillas.                 Se    cortan las partes,

se     realizan          10s        agujeros            y      se   las    une
QU FABRICACION
  91.                      DE   DUCTOS.       SISTEMA   DE   EXTRACCION




       1j
       I
       1
       i
       I1
       j
       i
       i
      !
      !

      i
.
F'ICXTRA 92. FABRICACION   DE   DUCTOS.   -   SISTEMA   DE   EXTRACCION
248


con soldadura.            Los filtros intercambiables

de malla, se fabrican con la misma medida

de    la       secci6n de      la    trampa.        La    tapa de

la trampa d e polvos se construye por planos

a partir de plancha de acero.


SEPARADOR DE POLVOS


La     fabricaci6n           del    separador        de     polvos

se la realiza por separado.


El    cuerpo       del    separador      que       se     hace   en

base       a    plantillas         cortando    las        planchas

y     realizando          perforaciones,            para     luego

soldarlas.


Las     dos      tolvas      pequefias   que       recogen       las

granallas desviadas                tambien son elaboradas

en base a plantillas.


Los    marcos       son      soldados    y    perforados         con

la     ayuda      de   plantillas,       a1    igual       que    la

tapa del'cuerpo del separador.


La bisagra de la tapa es torneada y soldada

en base a planos de construcci6n.


Finalmente         todas      las partes       del       separador

de      polvos         son     unidas        con     soldadura.


Las     planchas         inclinadas      se        cortan    a    la
FIGURA 95. F A B R I C A C I O N   DE    LA   TRAMPA    DE    POLVOS.




      i




      !




.
FICXRA%.FABRICACION                 DEL   SEPARADOB     DE    POLVOS.
251


                     medida        determinada            y       se    unen        a1    cuerpo

                     del       separador            sold3ndolas,              dPndoles           la

                      inclinacidn correcta.


                     La     compuerta          que    va       en      el     interior          del

                      separador          se    la    fabrica           e n base      a planos

                      de construccidn.


                     La     malla        que   va     por      arriba         de     la     tolva

                     de     coleccidn          se    la     puede        fabricar          en    el

                      taller o adquirir prefabricada.




                      Una     vez        fabricado            todos         10s     elementos

                      del     sistema,          se    procede            a1       montaje        de

                      las     partes.          Previo         a     esto       se        fabrican

                      10s     empaques         de     las      uniones            empernadas.




                                                              --_I




F ' I ~ 9 7 . F A B R I C A C I O N DE    EMPAQUES
Fm 98. MONTAJE
. I              DEL   SEPARADOR   DE   POLVOS.   SISTEMA   DE
       EXTRACCION.
FICXJRA 99. MONTAJE   DE   LOS   DUCTOS.   SISTEMA   DE   EXTRACCION
UXR 100. MONTAJE
 CTA               DE   LOS   DUCTOS.   SISTEMA   DE   EXTRACCION
Se realiza primero el monta-htdel separador

        de     polvos         con        sus       partes    constitutivas,

        comprobando que la uni6n con la estructura

        del     sistema            de        elevaci6n      quede        correcta

        para    que       no       se    produzcan          fugas       de   arena

        con granallas.


        Posteriormente                  se     montan        10s      ductos      y

        codos     con             sus        respectivos           empaques       y

        finalmente                la     trampa       de     polvos          y   el

        ventilador.




Las   partes    principales                  del     sistema       dosificador

se muestran en la figura 1 0 1 .




         El flujo d e granallas que debe dejar pasar

         el ducto es de:


                      Q       =   17.97 N / s
                          g

         Este    flujo es               el    que    necesita       la    turbina

         para    trabajar                en     condiciones           normales.


         El    cdlculo            del    ducto       de   paso     se     lo hace

         experimentalmente,                           s imu 1 and o              las

         condiciones              de     trabajo.           De     esta      manera

         se selecciona un ducto de 0 . 1 1 8 m de largo
FIGJRA101. SISTEMA DOSIFICADOR.         1.   Duct0   de   pas0   de   granallas
         2 chpuerta 3. t-kcanisrrp accionadar.
          .
0
c
c




                     c




                                            I




    FIG-%   102.   DUCT0   DE   PASO   DE       GRXNALLAS
258


            y de 9 . 0 8 x l o m 4 de                Brea.            Este         ducto

            permite    un     flujo         igual       a
                                                                Q,c o n       un       Area

            efectiva de 7 . 0 7 x 10
                                    -4
                                       m
                                         2
                                                            .
            Ademds     la    parte          exterior            del        ducto       debe

            estar    provista          de       apoyos          que    sirven          como

            centro     de        rotacidn             de         la        compuerta.




            La compuerta estA                formada por una plancha

            curva     que    es    accionada               con        el    mecanismo

            de    cuatro     barras         y    rota       alrededor             de    10s

            apoyos     del       ducto          de    paso        de       granallas.


            Esta      compuerta             obstruye              el        paso         de

            granallas       en    condicidn            normal          y     a1    rotar

            45"     permite        el        paso        de       granallas              en

            condici6n normal abierta.


            CQlculo por desgaste




FW 103. PLANCHA
 I                 CURVADA        DE    LA       COMPUERTA
259




                     Donde:                                            "...,.
                                                         z1   .J   L ! {->-Ic q
                                                                          L

                                    P f = 7.44 x lo8 Pa                   (A-36)
                                                        - 3-.                 3
                                    V d = 4.61 x 10             ;e
                                                                   d
                                                                         rn

                                    k d = 2.6   x loJ

                                    F = 1289.03 N

                                    X d = 18144 m ( V i d a i i t i l 80 h).


                     Entonces:


                                    e = 0.006 m
                                     d
                     Se escoge un e s p e s o r de 114 p u l g .


                     Calculo     del      momento       torsor                  requerido   por

                     l a compuerta para d e j a r l a p o s i c i 6 n normal

                     cerrada.




FICXlRA 1%. D I A G R A M A    DE        FUERZAS          DE               LA       CONPUERTA
260


De la figura 104


             M D= f c    XOE

Donde:


             MD: torque necesario                para           mover

                    la compuerta

             fC :         x    wo
             --
             OD: distancia entre el punto                         de

                    apoyo      a1       punto        de      acci6n

                    de la carga W

             W o : carga equivalente                 a1     volumen

                    de    un    cilindro         de        diAmetro

                    igual      a1      del    ducto        de     paso

                    y    altura     a    la   del     ducto mds

                    la    altura        de      la        tolva     de

                    colecci6n.

             W o = 27.83 N


Entonces:


             MD= 1.78 N-m




El   mecanismo          accionador       estd        formado       por

un    sistema       articulado          de    cuatro            barras

y    tiene   la     funci6n       de    abrir    y        cerrar    la

compuerta del sistema.
MS
      --TI--

                                                            A-
                                                            m



                                      81
                                                    ----
                                                          -1-

Fl(:.X?   105- C O M P U E R T A .   SISTENA   DE   EXTRACClON
120°




                               I
                           A - A




FIGtR4 106. COMPU.ERTA.   SISTEMA    DE   EXTRACCION
263


El    sistema     de     cuatro     barras       estd        formado

por     2    balancines,      1    acoplador           y    1    lfnea

de centros        fijos.      Las longitudes de estos

eslabones        se    han       tornado    de     tal          manera

que :


-     Permite     la     rotaci6n      de     la       compuerta.


-     El     mecanismo     sea     autoasegurante               en   la

      posici6n abierto.


-    La     ventaja    mecdnica      tienda        a       infinito.




-    Ocupe poco espacio


-    Tenga fdcil operaci6n


Cdlculo de fuerzas y momentos


En      la    posici6n       normal        cerrada          tenemos:

figura 107.


Datos:



               ---
               0 2 A = 0.104 m

               --
               AB = 1.080 m
17   .




FIGURA107. SISTEMA    ARTICULADO   DE   4   BARRAS   EN   POSICION
          NORMAL CERRADA.



                         B



                          -
                         %                  -


FICxlRA108. SISTEMA   ARTICULADO   DE   4   BARRAS   EN   POSICION
          NORMAL ABIERTA.
265




                                                                  A




FICXlRAl09.DIAGRAMA DE FUERZAS E :                  5 m/m

                             ---
                             BO       -   =     0.150 m
                                  4


                             MD           = 1 . 7 8 N-m


              Cdlculo grdfico:


              Escala     del          dibujo,           5 m/m.    Esto    significa

              que    1   m     del              dibujo      representa     5   m     de

              eslabonamiento.


              Escala      de              las       fuerzas,     250    N/m.       Esto

               significa          que           1   m   del    dibujo    representa

              u n a f u e r z a d e 2 5 0 N.
266


Partiendo     del        eslab6n      4,       se    calcula       la

fuerza               midiendo              la          d i s tanc ia
           F34
perpendicular         hasta . e l      punto          O4     .     La

direcci6n     de     F34     es     paralela         a1    eje    del

eslab6n 3.

                     M4
            F34=     0,140
            F34=     12.71 N
                                        BIB!-!'; ECA
La    reacci6n F14         tiene     la misma direcci6n

y sentido contrario que F34.


El     eslabdn       3       estd     sometido             solo        a

compresi6n.          Las     fuerzas       tienen         direcci6n

a1 eje y el mismo valor que F 34 *


            F43= -F34




El eslab6n 2 tiene una fuerza F 3 2 de igual

direcci6n        y
                 sentido contrario a F23
una     reacci6n       - -F 3 2 .
                       -          Midiendo la
                   12

distancia        perpendicular             a    F32        hasta O 2

y     multiplici5ndola         por     F3*          obtenemos      el

momento M2,.


            M2= F 32 x 0.093

            M2= 1 . 1 8 N-m


El      momento       requerido            para        mover       el
FIGURA110. DIAGRAMA    DE   CUERPO   LIBRE   DEL   ESLABON   4.




FICXlRA111. DIAGRAMA   DE   CUEBPO   LIBRE   DEL   ESLABON   2.
FIc;uRA112. DIAGRAMA   DE   CUERPO   LIBRE   DEL   ESLABON   3.
269


mecanismo e s :


              M t 2 > . M2 x f6


Donde :


              f6:         factor que             considera         el
                          momento inercial del mecanismo

                          y     las      fricciones        en     10s

                          pasadores.

              f6=         2


              M t 2 > 2.36 N- m


A   cont inuac i6n              se     pre s e a g , ~ i : ~ i 4 t ema ~
                                                              is ; ~ ~

dosificador               con    sus      dimensiones        reales

a escala.             Figuras 113 y 114.


Comprobaci6n               de    pandeo         del   eslabdn       3.


Datos:


              S       =   1.79 x 1'
                                  0       Pa ( U N S G10100)
                  Y
              A = 3.14 x 1 0
                                       -4 m 2

              r = 0.005 m

              E       =   2.0 x lo1'      Pa

              C = 148.51
                  C

              L
              -5 216
               r

C o m o -_
        Le    > cC usa la               f6rmula       de        Euler:
          r
/*,   .', ,   /,/
                             I ,,,/,   / r / r


                                           17.5O




R U A 113. S T S T E H A
 GR                                    DOSIFICADOR   E 1:6
FIcxrRA 114. S I S T E M A   DOSIFICADOR   E 1:6
272




             'W
                  =       2.21      x    10
                                              - 7
                                                    Pa


Valor de carga crftica:


                      =       6939.4 N
             'r
              c

La carga crftica es m u c h o mayor a la fuerza

de    compresi6n               a    la        que       esti    sometido       el

eslabdn 3 .


El    mecanismo                de       4     barras           es    accionado

por    una    palanca                   accionadora             que    estd        a

una   distancia                de       0.158       m    del    centro       fijo

02.    La    fuerza                 necesaria             para       mover     el

mecanismo es:.


                               14.94 N


Esta fuerza es perpendicular a la distancia

desde 02.




DUCT0 DE PAS0 DE GRANALLAS


El ducto he paso d e granallas es fabricado

de    fundici6n               gris,           el    mismo       que    despues

de     colado             y        solidificado,                es    torneado

en su diimetro interior y e n 10s dos apoyos
273


de    la     compuerta.                   Finalmente                  se    practican

10s       agujeros             en     la                      superior             y   10s

agujeros e n 10s apoy


COMPUERTA

                                           t31 B L1OT ECA
La    compuerta                 se    construye               en       base        a   10s

planos de construcci6n,                                   cor t ando                   las

planchas           a           las        medidas             y        curvando          la

plancha de desgaste, para                                  luego soldarlas.

Finalmente                 se        fabrican             10s          bocines          en

el        torno        y        se        soldan          a           las     planchas

laterales.


MECAWISMO ACCIONADOR


El        eslab6n          2    se        fabrica          por         partes.           Se

tornea       el     bocin             que       va       en       el       punto       fijo

O2    -      Se     fabrica                el     cuerpo               del     eslab6n

y     se    tornea             el     soporte             del         resorte           que

asegura el mecanismo e n una posici6n dada.

Una        vez     construfda                    las       partes             se       unen

con        soldadura                 de    acuerdo                a     10s        planos

de construcci6n.


El e s l a b 6 n - 3 tambien se fabrica por partes:

se        corta     la          barra        a       la       medida          deseada.

Se        doblan       10s           acoples         y     se         perforan          10s

agujeros,              para           finalmente                  soldarlos             con
274

la barra.


Para    fabricar             el    eslab6n            4     se       corta       la

barra    a    la       medida         dada,          se    construye             el

cuerpo       del        eslab6n            con       sus        respectivos

agujeros          y     luego          se     unen          soldAndolos.


Los     pasadores            de       10s    puntos             B     y    A     se

construyen            en     el    torno         a    partir              de    una

barra    circular             y    luego         se       perforan             para

permitir          el       alojamiento           de        10s        seguros.


E n el punto fijo O 2 se                    localiza             la    palanca

axionadora             que    se       fabrica            de        acuerdo          a

10s planos de construcci6n.




Una     vez       fabricado                todos          10s        elementos

del    sistema          se    procede         a 1 montaje                 de    las

siguientes partes.


Previo       a1       montaje         se    define          el        plano      de

acci6n       del       mecanismo            accionador,                   lo    que

permite       montar         las      partes          que       constituyen

el punto fijo 02.


Posteriormente               se       emperna             el        ducto        de

paso    de    granalla            y    s e rnonta           la       compuerta

fijada        a1        eslab6n             4.        Finalmente                 se
275


            completa      el    mecanismo       accionador montando

            el    eslabdn       3    y    asegurdndolo     con    10s

            p a s a d o r e s e n 10s p u n t o s B y A.




FW 115. MONTAJE
 I                DE    LA     PALANCA     ACCIONADORA
1                                 . -




                                                                      I



FIWRA116. MONTAJE
4
                    DEL   DUCT0   DE         PAS0   Y   DE   LA   COMPUERTA
.   FICZTRA 117. MECANISMO   ACCIONADOR   NORMAL   CERRADO.
'figura 118. M E CAN I SMO   ACCIONADOR   NORMAL   ABIERTO.
Una   vez    terminado             el    disefio      y    la       construcci6n        del

sistema de recirculaci6n de granallas, las observaciones

de    eficiencia            son     obtenidas             por       expermientaciones

realizadas         en         el        sistema.            Estas           experiencias

proporcionan          10s     medios         suficientes        y    necesarios     para

establecer un criterio del disefio realizado, asi m i s m o ,

nos   dan     la      pauta        que       nos    permitird          tomar     medidas

correctivas para mejorar su funcionamiento.


Para realizar las pruebas del sistema d e recirculacidn,

este se lo dividi6 e n tres partes, tal como se describe

a continuaci6n:




      Antes      de      realizar        las       pruebas,      se    debe     tener    en

      cuenta       10s      factores          y    pardmetros         que    intervienen

      en    el     proceso.             Es    necesario         poner       a   punto    el

      sistema.           Se    debe       conocer         el    tipo    de      granallas
280


a    ser     transportada,       la    forma     y   10s       contaminantes

que    6sta      contiene,      el     tamafio   de       las       particulas,

el    flujo      de   granallas,        el    peso    especifico,             etc.


Para        poner      en     funcionamiento              el        sistema     el

procedimiento que se sigui6 fue:


1.    Comprobaci6n del flujo de granallas.

2.    Verificaci6n del montaje del sistema (alineacibn

      del      sin     fin,     alineaci6n           de        la     banda     de

      cangilones, sentido de rotaci6n de 1 0 s sistemas,

      etc. 1.

3 . Accionamiento del motor de 1 0 s sistemas.

4 . Accionamiento del motor de la turbina.

5 . Apertura de la compuerta d e l sistema dosificador

6 . Realizaci6n de pruebas.


L a s pruebas a realizarae son las siguientes:


1.    Caudal de granallas.

2.     Velocidad       angular        del    sistema       de       recolecci6n

3.     Velocidad        lineal        del    sistema           de    elevaci6n.

4.     Eficiencia        de   recolecci6n        de       10s       cangilones.

5 . Eficiencia de vaciado de 10s cangilones.


Pruebas


Para determinar             e l caudal       transportado s e recogid

un    volumen de         granallas       en un       tiempo establecido

bajo        condiciones - n o r m a l e s d e    trabajo,            dando    como
281


resultado un caudal de 2 . 6 x                             m3/s.


La    velocidad         angular      del           sistema       de     recoleccidn

fue    medida       en     condiciones              normaies          de        trabajo,

deterrninAdd6se s u valor de 5 . 4 5                  radls.


La velocidad         lineal de 10s                 cangilones          d e l sistema

d e elevaci6n en condiciones normales es d e 1.17 m/s


La    eficiencia         de     recolecci6n               estd        entre         el       83

y    99%,    considerando           que       la     cantidad          de       granalla

que    recoge      un    cangil6n varia                  entre     41       y    49      N    ,
compardndola             con         la            cantidad             determinada

tedricamente e n e l diseiio.


L a eficiencia de vaciado del sistema d e elevacidn

es     aproximadamente              de        un     982,     es        decir,           las

granallas casi e n su totalidad caen e n l a bandeja

recolectora.


Se    observd       que,      a1    aumentar          la     velocidad              lineal

de     10s    cangilones,                la        eficiencia          de        vaciado

disminuye,         ya    que,       si    bien       es     cierto         transporta

el    mismo    caudal,         el    vaciado          de    las       granallas              se

realizan en un porcentaje bastante inferior, debido

a     que,    la     aceleraci6n              centtffuga          que       adquieren

las     granallas          las       obliga          a      adherirse               a     las

paredes       del       cangildn         imposibilitSndolas                     a       salir

d e l mismo.        Esto ocurre cuando la velocidad lineal
282




FIGURA 119. PARTE SUPERIOR ABIERTA DEL SISTEMA DE ELEVACION
            PARA MOSTRAR EL CANGILON




     es   demasiado      elevado.         En   el    caso       contrario,       si

     disminuye     la    velocidad        lineal,         las   granallas        no

     se   adhieren       a    las   paredes         del    cangil6n,       pero,

     debido   a    que       su velocidad      es menor          a   la   de    10s

     cangilones, estas no logran salir y son arrastradas

     por 10s mismos.


3.2. ---_________-_______-------------
     PRUEBAS DEL SISTEMA DE EXTRACCION


     Antes    de   realizar         las   pruebas,         se    deben     tener

     en cuenta 10s factores y pardmetros que intervienen
120. TOMB   GENERAL   DE   LA HAQUI'NA.
284


e n el proceso.             S e debe conocer la clase de mezcla

aire p o l v o que v a a ser transportada.


Para        poner     en     funcionamiento             el     sistema,        el

procedimiento que se sigui6 fue:


1. Verificaci6n del montaje d e l sistema, es decir,

      que      las      uniones             de    10s     ductos        tengan

      empaquetaduras,             que       10s   filtros      usados     sean

      10s c o r r e c t o s , etc.

2.   Accionamiento del motor d e l sistema.

3.     Accionamiento          del       motor     de    10s        sistemas    de

      recolecci6n y elevaci6n.

4 . Accionamiento del motor de la turbina.

5. Apertura de la compuerta d e l sistema dosificador

6 . Realizaci6n de pruebas.


Las      pruebas       a     realizarse           son    las       siguientes:


1 . Balance d e presiones.

2.     Velocidad,          caudal       y    presi6n     del       ventilador.

3 . Polvo recogido e n la trampa de polvos.

4. Distribuci6n              de      las     granallas        a1     entrar    a1

      separador de polvos.


Para      realizar         estas     pruebas      es    necesario       que    la

mdquina        limpiadora          de       metales     este        realizando

el trabajo d e limpieza.


Pruebas
285


P a r a comprobar el balance de presiones se midieron

las    presiones            eststicas                  en     la    uni6n         de    10s       dos

ramales de             succi6n, obteniendo u n a relacidn mayor

a un 9 5 % .




Este        resultado            es       aceptable            y       se    considera            que

el sistema estd balanceado.


En     la    toma          de     aire         del       ventilador               se    comprob6

la    velocidad,                caudal         y       presi6n         que       se    requerfan

para         el         buen          funcionamiento                         del        s is t ema.

Obteniendo             velocidades                 y    presiones            mayores         a    las

necesarias,             por      lo       que          fue    indispensable              colocar

una     mariposa            a        la        salida         del          ventilador            para

regular estos pardmetros.


Despu6s          de    un       ciclo          de      trabajo          (5 m i n       por       cada

ciclo       de     trabajo)           la        cantidad            de      polvo       recogido
                                                             -3        3
(arena)           es       de     4.00          x       10         m         que       equivalen

aproximadamente a 0.30 N / s .


La     eficiencia               del       sistema             se       disminuird            si    no

existiera             el    mantemiento                  adecuado,               es    decir,      se

debe        chequear            que       la    mezcla            no       sea    hiimeda,        que

el     filtro          de       la    trampa             de       polvos         no    este       muy

sucio,        cambidndolo                 cada          ciclo          de    trabajo,            etc.
286


     Para que exista una buena distribuci6n de granallas

     a    la entrada del separador, la presi6n que ejerce

     la compuerta debe ser tal que ordene las granallas

     e n forma de flujo laminar contfnuo.                             Dicha presi6n

     se    controla      por    el         contrapeso          de     la   compuerta.

     Si    la    presi6n       sobre            la    compuerta       es   demasiado,

     provoca       una   acumulaci6n                  de     granallas          antes        de

     abrirse,       dejando      luego               salir    las     partfculas             en

     forma       desordenada      creando              un    flujo    intermitente.

     Igual caso sucede si la presi6n sobre la compuerta

     es    muy    pequefia, abriendose                  cada    vez    que descarga

     un cangil6n.




                                      J
                                 +,       * @
                                                                           :.
                                                                           .     .   ._ .
                                                                                      .




F'ICXRA121.PRUEBAS DEL VENTILADOR D E L SISTEMA D E EXTRACCION
FIW 122. M E D I C I O N D E P O L V O S R E C O G I D O S




FIQJRA123.VERIFICACION              DE     DISTRIBUCION      DE   GRANALLAS,
288




Antes       de        realizar       las        pruebas      del      sistema     se

efectu6 el siguiente procedimiento:


1.    Verificaci6n             del        contenido         de     granallas      en

     l a tolva de colecci6n.

2. Verificaci6n del montaje d e l sistema.

3 . Accionamiento de la palanca a la posici6n normal

     abierta.

4 . Realizaci6n de pruebas.


Las pruebas son las siguientes:


1. F l u j o de granallas.

2. Funcionamiento del mecanismo.


Pruebas


A1    igual       que     la     prueba         de   caudal        de    granallas

en    10s     sistemas          de       recolecci6n        y     elevacidn,       se

recogi6          un     volumen          de     granallas        en     un     tiempo

establecido            bajo    condiciones           normales de             trabajo,

este    volumen          fue    pesado,         lo   que permiti6            obtener

un    valor       de    flujo       de    17.97      N/s.        Esta   prueba     se

realiz6          antes     de        construir        el     ducto       simulando

las     condiciones            de     trabajo        de     donde       se     obtuvo

el    valor       del    Brea        de    la    secci6n        transversal       del

ducto.
289

El   mecanismo      accionador               debe     abrir    y    cerrar     la

compuerta,       permitiendo             o     restringiendo          el    paso

de   granallas      hacia          la    turbina.          Esto     depende    de

la   eficiencia        en     la    regulaci6n          de    la    compuerta-,

es   decir,      que    cuando          el    mecanismo        este    en     una

de     sus     posiciones          extremas,          la     compuerta      debe

estar        totalmente       abierta          o    totalmente        cerrada.


El   sistema      en    posicidn             normal    abierta        tiene    un

Sngulo de transmisidn                    menor a 45" lo que permite

auto     asegurar        a1    mecanismo              accionador       en     esa

posici6n.         Esto        se        comprob6           experimentalmente

haciendo trabajar la msquina                       limpiadora de metales

un     ciclo    completo           controlando         que     el    mecanismo

accionador       permanezca             en    posicidn       normal    abierta

durante todo el ciclo.
.C. .A. .P. .I. .T. . U . L . O . . . .I. V
                                                   . . .




           A N A L I S I S
           ________________________________________--_ O S
                              D E   R E S U L T A D


Una    vez    realizadas              las     pruebas,            se        observa,             que      el

sistema       funciona           de       acuerdo            a      10s          requerimientos

previstos.


El    sistema de        recolecci6n y                  elevaci6n transporta                           todo

el    material        que    es       descargado             de     la       mesa          rotatoria.

El    diseiio      de   sus       partes          contempla                una        capacidad           de

transporte         mayor,        esta       potencia           no utilizada, absorbe

las    posibles         sobrecargas              del        sistema.                  La    velocidad

lineal       que    tiene        la       banda        de     10s          cangilones                es   la

dptima, como se comprob6 experimentalmente; variaciones

de    esta    velocidad,            provocarfa              una       disminucidn                    de    la

eficiencia del sistema.


La    recolecci6n           del       sin        fin      seria            m5s        eficiente            si

aumentamos         el       Qngulo          de     inclinaci6n                   de        la    artesa,

evitando        que     s i e m p r e . exista            granallas               residuales              RO

transportadas.              En       la      recolecci6n               que            realizan            10s

cangilones         quedan        granallas           y      arena          residual             a1    fonde

de    la     plancha        recolectora,               esto       se        puede          minimizar,
reduciendo        el          claro       entre           la       plancha    y    el     cangil6n.

Considerando           las dos alternativas                           anteriores, se puede

lograr     que     las granallas                     fluyan e n            forma m d s continua

desde      10s     cangilones                 hacia            la     bandeja        recolectora,

evitando a s € la discontinuidad en el proceso.


Las   pruebas         del          sistema          de     extraccidn             satisfacen         10s

objetivos        propuestos.                   El        sistema          separa     el   polvo       de

las    granallas              y     lo    transporta                 por    10s    ductos        hasta

la    trampa       de          polvos.              En     este           punto    el     polvo       es

desacelerado              y    es       depositado              en    el     fondo      por    efecto

de    la        gravedad.                 Este           sistema           trabaja        bajo       10s

parsmetros        de          disefio y         las pruebas                demuestran un alto

grado      de    eficiencia,                  en     el    proceso           de    separaci6n         de

polvos.


La    comparaci6n                 de     la    cantidad              de    arena     adherida         en

las     piezas        a       ser        limpiadas             y     la    cantidad       de     arena

recogida en el fondo de la trampa de polvos, nos indica

el    rendimiento                 del     sistema              de    extracci6n.              As€,    la

relaci6n de estas dos cantidades nos da u n valor medio

de    0.85,      es    decir,            que        el    85% de           la arena       se recoge

en    la   trampa             de       polvos       y     el        porcentaje       restante         se

queda en las paredes de 10s ductos o escapan atravezando

la malla del filtro.


Las .pruebas realizadas                         a    la entrada              del    separador         de

polvos nos muestran la importancia q u e tienen las planchas
292


i n c l i n a d a s y la p l a n c h a p i v o t e a d a q u e h a c e de compuerta,

ya    que,    gracias     a   la    caida    del    flujo    de    granallas      en

forma    l a m i n a r , l a separaciiin     se r e a l i z a e n mejor     forma.


Las    pruebas      realizadas       en   el    sistema     de     dosificacidn,

ayudan       a1   diseRo      del    ducto     de    paso     de    granallas          y

muestran la eficiencia del mecanismo accionador.
El presente trabajo cumple con 1 0 s objetivos propuestos,
la    construcci6n         del        sistema   de    recirculacihn        de

granallas e s una parte escencial para el funcionamiento

de    la   mdquina.        En    la    realizaci6n    de    este      trabajo

estamos    seguros de haber hecho desarrollo y adaptaci6n

de tecnologia avanzada tanto e n el Area de disefio como

e n e l Area de metaliirgia.


El   diseRo del sistema           fue comprobado      en   s u totalidad,

sus elementos no           fallaron en las pruebas a            que    fueron

sometidas.         La   selecci6n       de   materiales    se   la    realiz6

e n base a1 existente en el mercado nacional, las partes

de    fundici6n     gris    fueron       fabricadas   en   el    taller    de

fundici6n de la ESPOL y acabadas en el taller mecdnico

de dicha Instituci6n.


Las dimensiones y 10s valores preseleccionados se dieron

a    partir   de    cdlculos, observaciones           de otros       diseiios,

manuales y experiencias preliminares.                  Algunos de estos

valores han sido obtenidos de catdlogos de                      fabricantes

y de experiencias publicadas.
294


‘El disefio del           sistema       de     recirculaci6n           de    granallas

no   es   sofisticado,               sin0    por     lo    contrario         sencillo,

considerando          que       la     limpieza       centrlfuga            constituye

un sistema moderno.


Se   pueden      establecer             en      el     presente         disefio       las

siguientes ventajas:


Ventajas Tdcnicas


Recirculaci6n         eficiente         de     las    granallas,            mejoras    en

metodos     de   producci6n,            eficiencia          en    el    proceso        de

separacidn       de       polvos,           automatizaci6n        de        reciclaje.


Ventajas Econ6micas


Ahorro de energfa, bajo costo de mantenimiento, permite

la reutilizaci6n de las granallas, requiere d e u n solo

operario.


Ventajas Higidnicas


El   operario    dirige          la    miiquina      desde   el    exterior,          sin

el   peligro     a        ser    impactado           por   las    granallas,           no

contamina la sala de trabajo y                       el ruido tiene un nivel

bajo.


RECOMENDACIONES
_______________

En base a las experiencias adquiridas durante e l diseRo,

construcci6n          y     prueba           del     sistema       se         ponen     a
295


consideracidn lo siguiente:


En c u a n t o a 1 manejo de la mdquina s e recomienda:


Efectuar         inspecciones    periddicas             principalmente     de

las partes que estdn sometidas a desgaste.


Limpiar     el    filtro   de   la    trampa       de   polvos   despu6s   de

cada c i c l o de trabajo.


Y    como   recomendaciones          para        investigaciones   en    este

campo, quienes desean continuar r e a l i z a n d o , se sugiere:


Realizar         pruebas    utilizando            diferentes     tipos      de

granallas e n el sistema.


Adaptar a 1 sistema un colector de polvos que reemplace

a la trampa de polvos con lo cual se m e j o r a el sistema

de   extraccidn,      disminuyendo          la    potencia   requerida     por

e l ventilador.
1.   FLUIMM J. Manual del Ingeniero Tecnico; Editorial

     Urmo; Espafia; 1979; 91-94 pdg.


2.   PLASTER     H.J.    Blast   Cleaning      &   Allied    Processes;

     Industrial         Newspapers    Limited;        London;         1972;

     Vol I, Vol 11.


3.   SCHALLER     G.S.    Engineering    Manufacturing         Methods;

     MC   Graw     Hill     Book     Company       Fac;     USA;      1959;

     171-172 pbg.


4.   LABOR.       Transporte         Neumdtico       de      materiales

     Pulverulentos; Labor; EEUA; 53-62 pBg.


5.   PERRY R. CHILTON C.H. Manual del Ingeniero Qufmico;

     Quinta Edici6n; Vol. V, 7.13-7.15 pdg.


6.   MARKS.    Manual      del   Ingeniero     Mecdnico;      Editorial

     Mc   Graw-Hill       Book   Company,    Inc;     Sexta        Edici6n;

     New York; 1958.


7.   REXNORD.       Power        Transmission        and      Conveying

     Conveying Components; Catdlogo RBO.


8.   MITSUBOSHI.        Power Transmission         Belt;    Mitsuboshi;

     Jap6n; 1981.


9.   BEER, JOHNSTON. Mecdnica Vectorial para Ingenieros;
297


      Mc Graw Hill Latinoamerica S.A.;            Vol. I, Vol.        11.


10.   CASILLAS A.L. MBquinas, CBlculos de Taller; Edici6n

      Ispanoamericana; EspaRa; 1 9 5 8 .


11.   SHIGLEY J.         DiseRo en Ingenieria MecQnica; Mc Graw

      Hill; Mdxico; 2da. Edici6n; 1 9 7 7 .


12.   AISC.     Steel      Construction;    American         Institute    of

      Steel     Construction        New   York;   Quinta         Edici6n;

      New York; 1 9 5 9 .


13.   LIPSON CH.         Importancia del Desgaste en el Disefio;

      Prentice-Hall; Primera Edici6n; Mgxico; 1 9 7 0 .


14.   BOHMAN     I.      Aceros    Especiales;    Ivan       Bohman   C.A.;

      Ecuador.


15.   SCHAUM.     DiseRo      de    Maquinarias;     Mc       Graw    Hill;

      Mexico 1 9 8 0 .


16.   ESPOL.       Ventilaci6n        Industrial;        Reproducciones

      ESPOL; Ecuador; 1 9 8 3 .


17.   SHIGLEY      J.      Teoria    de   MBquinas       y    Mecanismos;

      Mc Graw Hill; M6xico; 1 9 8 2 ; 4 0 9 - 4 4 0 pgg.


18.   FLANDERS. High Efieiency Filtres Flanders; Flanders

      Company; USA; 1 9 8 0 .

Tesis sobre cangilones.

  • 1.
    ESCUELA SUPERIOR POLITECNICADEL LITORAL Facultad de lngenieria Mecinica "DISEAO Y CONSTRUCCION DE PROTOTIPO PARA SISTEMA DE RECIRCULACION DE GRANALLAS PARA MAQUINA LlMPlADORA DE METALES" TESIS DE GRAD0 Previa a la obtencicin del Titulo de: INGENIERO MECANICO Presentado por: Klgber Fernando Barcia Villacreses - Cuayaquil Ecuador 1989
  • 2.
    A G R A D E C I M I E N T O 1 A1 Ing. MARCOS TAPIA Q. Director de la Tesis, por su ayuda y colaboraci6n en la r e a l i z a c i 6 n de e s t e trabajo A1 Ing. IGNACIO WIESNER y a1 Ing. HOMER0 ORTIZ por su aporte sinnificativo a la consecuci6n de nuestros objetivos. A1 Ing. MANUEL HELGUERO y a 1 personal del Taller Mec5nico de la E S P O L , sin cuyo aporte la c u i m i n a c i 6 n de e s t e proyecto s e h u b i e r a v i s t o imposibilitada.
  • 3.
    D E D I C A T O R I A A DIOS: Por su gufa A MIS PADRES: Por su confianza en mf.
  • 4.
    ING. MARCOS TAPIA SUB-DECANO DE LA FACULTAD DIRECTOR DE TESIS ---____--_-___ MIEMBRO PRINCIPAL DEL TRIBUNAL TRIBUNAL
  • 5.
    DECLARACION EXPRESA "La responsabilidad por 10s hechos , ideas y doctrinas expuestos en esta tesis, me corresponden exclusivamente; y , el patrimonio intelectual de la misma, a la ESCUELA SUPERIOR POLITECNICA DEL LITORAL". (Reglamento de Exsmenes Y Tftulos proiesionales de la ESPOL). KLEBEA. BARCIA VILLACBESES
  • 6.
    R E SU M E N Esta mdquina es parte de un proyecto de Construccidn de Equipos para el Laboratorio de Fundicidn de la Facultad. La construccidn de este sistema se realizd en el Taller Mecdnico de la Facultad, que permitid junto con la construccidn de una turbina impulsadora de granallas, poner en funcionamiento la mdquina limpiadora de metales. La presente Tesis tiene 10s siguientes objetivos principales: 1. Diseaar un I; sistema de recir ulacidn que pueda ser usado en una mdquina limpiadora de metales. 2. Lograr un sistema de fdcil operacidn, reparacidn y mantenimiento. 3. Que el diseao del sistema contemplen partes normalizadas existentes en el mercado nacional y en otras partes d e f d c i l obtencidn. Se estudia 10s principios de este sistema asf como, las diferentes partes que 10s conforman, sus
  • 7.
    VII aplicaciones y alcances. Se hace referencia a las diferentes clases de granallas que puedan utilizarse en el sistema detallando el proceso de fabricacibn, composici6n quimica, caracteristicas mecsnicas, clasificaci6n y aplicaciones.. A parte de las g r a n a l l a s , existen o t r o s tipos d e abrasivos q u e n o s o n metglicos y que no se 10s ha mencionado, entre ellos tenemos: abrasivos de vidrio, abrasivos vegetales y abrasivos plssticos. El disefio contempla un sistema de recoleccibn, un sistema de e l e v a c i b n , u n sistema d e extracci6n de polvos y un sistema dosificador como partes constitutivas del sistema total de recirculacibn. Posteriormente se explica el proceso de fabricacibn y e l montaje de las p a r t e s , luego se realizan pruebas / de 1 0 s diferentes sistemas que lo c o n f o r m a n , se analizan las mismas y se adjuntan planos del sistema.
  • 8.
    I N DI C E G E N E R A L PBg. RESUMEN ......................................... VI INDICE GENERAL .................................. VIII INDICE D E FIGURAS ............................... XI11 INDICE DE TABLAS ................................ XIX INTRODUCCION .................................... 36 CAPITULO I GENERALIDADES ................................... 39 1.1. Fundamentos del sistema de recirculaci6n ... 39 1.2. Tipos de sistemas de transporte ........... 42 1.2.1. Transportadores recolectores de tornillo7 sin fin .................. 42 1.2.2. Transportadores elevadores de cangilones ......................... 52 1.3. Extractores de polvos ..................... 58 1.3.1. Separadores de polvos y granallas ... 60 1.4. Dosificadores ............................. 62 1.5. Clases de granallas usadas en el sistema de recirculaci6n .............................. 62 1.5.1. Granallas de 6xido de aluminio . . . . . 63
  • 9.
    IX PAg . 1.5.2. Granallas de bronce ................ 64 1.5.3. Granallas de alambre cortado ....... 64 1.5.4. Granallas de hierro templado . . . . . . . 68 1.5.5. Granallas de acero ................. 72 CAPITULO I 1 DISERO Y CONSTRUCCION D E L SISTEMA D E RECIRCULACION DE GRANALLAS ..................................... 77 2.1. Especificaciones tecnicas a considerarse ... 77 2.1.1. Potencia ............................ 77 2.1.2. Cargas mecAnicas ................... 77 2.1.3. Materiales ......................... 78 2.1.4. Tamafio y peso ...................... 78 2.1.5. Productos existentes ............... 78 2.1.6. Vida iitil de servicio . . . . . . . . . . . . . . 79 2.1.7. Mantenimiento y reparaci6n . . . . . . . . . 79 2.1.8. Costo ............................... 79 2.2. Seleccidn del sistema de recirculaci6n de granallas ...,G............................. 80 2.3. Codificaci6n de las partes ................ 81 2.4. Sistema de recolecci6n y sistema de elevaci6n ................................. 83 2.4.1. CAlculo de la tolva de colecci6n .... 83 2.4.2. MAxima carga de 10s sistemas . . . . . . . 87 2.4.3. Dimensiones del sin fin . . . . . . . . . . . . 87 2.4.4. Longitud de la banda de 10s
  • 10.
    X FQg. cangilones ......................... 89 A 2.4.5. DiseRo y cBlculo de 1 0 s cangilones .. 9 1 /- 2.4.6. Velocidad t a n g e n c i a l d e la h e l i c e d e l sin fin ............................. 104 2.4.7. Diseflo y c B l c u l o d e la a r t e s a d e l s i n fin ................................ 108 2.4.8. A n B l i s i s de f u e r z a s de trabajo que actlian s o b r e 10s s i s t e m a s .......... 121 2.4.9. Determinaci6n de la potencia requerida .......................... 127 2.4.10 Cdlculo y selecci6n de la c a d e n a y catalinas .......................... 129 2.4.11 C B l c u l o y s e l e c c i 6 n de la banda de cangilones ......................... 134 2.4.12 C B l c u l o y s e l e c c i 6 n d e las poleas ... 137 2.4.13 Diseflo y c d l c u l o del eje superior del sistema de elevaci6n ........... 137 2.4.14 C Q l c u l o y s e l e c c i 6 n d e las c h a v e t a s y chaveteros det sistema de elevaci6n eje superior ............... del 148 2.4.15 CQlculo y selecci6n de rodamientos y chumaceras del eje superior del sistema de elevaci6n ............... 152 2.4.16 Disefio y c d l c u l o del tensor de l a banda de cangilones ................ 154 2.4.17 DiseRo y c B l c u l o de la plancha
  • 11.
    XI PBg . recolectora .................... 163 2.4.18 Diseiio y c.5lculo d e l s i n f i n . . . . 172 2.4.19 CBlculo y selecci6n de las chavetas y chaveteros del eje del s i n fin .... 193 2.4.20 Cglculo y seleccidn de rodamientos y chumaceras del eje del s i n fin ...... 195 2.4.21 CQlculo de la potencia inercial ..... 197 2.4.22 CBlculo de la estructura de 10s sistemas ........................... 203 2.4.23 Condiciones normales de trabajo de 1 0 s sistemas .................... 207 2.4.24 Proceso d e fabricacidn de las partes . 210 2.4.25.Montaje de acuerdo a 1 diseiio ........ 218 2.5. Bistema de extraccidn de polvos ............ 225 2.5.1. Diseiio y cBlculo del separador de polvos ............................. 227 2.5.2. D i s e a o y cdlculo de 10s ductos de I extraccidn ......................... 232 2.5.3. Determinacidn de la potencia requerida . 242 2.5.4. Diseiio de la trampa de polvos ....... 243 2.5.5. Seleccidn del extractor ............ 244 2.5.6. Proceso de fabricacidn de las partes . 246 ‘-2.5.7. Montaje de acuerdo a 1 diseiro ....... 251 2.6. Sistema dosificador ....................... 255 2.6.1. C5lculo del ducto de paso de granallas ....................... 255
  • 12.
    XI1 PAg. 2.6.2. CBlculo de la compuerta ............ 258 2.6.3. DiseAo y c6lculo del mecanismo accionador ......................... 260 2.6.4. Proceso de fabricaci6n de las partes. 272 2.6.5. Montaje de acuerdo a1 diseiio ....... 274 CAPITULO I11 PRUEBAS DEL SISTEMA DE RECIRCULACION DE GRANALLAS. 280 3.1. Pruebas del sistema de recolecci6n y sistema de elevaci6n .............................. 280 3.2. Pruebas del sistema de extracci6n . . . . . . . . . 282 3.3. Pruebas del sistema dosificador ........... 288 CAPITULO IV ANALISIS DE RESULTADOS .......................... 290 CONCLUSIONES Y RECOMENDACIONES .................. 293 BIBLIOGRAFIA .................................... 296 PLANOS DE CONSTRUCCION .......................... I 298
  • 13.
    I N DI C E D E F I G U R A S NO P&ig. 1 FLUJCGRAPIA DEL SISTEMA DE RECIRCULACION.. .. 41 2. DIVERSOS TIPOS D E TRANSPORTADORES SIN FIN.. 47 3. DISPOSITIVOS DE ALIMENTACION PARA TRANSPORTADORES SIN FIN ................... 49 4. DISPOSITIVOS DE DESCARGA PARA TRANSPORTADORES SIN FIN ................... 51 5. TIPOS DE ELEVADORES DE CANGILONES Y DETALLES DE CANGILONES ............................. 56 6. EXTRACTOR DE POLVOS DE UNA MAQUINA GRANALLADORA...... ......................... 59 7. SEPARADOR TIPICO DE POLVOS Y GRANALLAS.... . 60 8. MICROESTRUCTURA DE LAS GRANALLAS DE ALAMBRE CORTADO. ................................... / 66 9. MUESTRA DEL EFECTO DEL TAMAN0 DEL CORTE DE LAS GRANALLAS DE ALAMBRE CORTADO . . . . . . . . . . . 66 10. GRANALLAS DE ALAMBRE CORTADO.. ............. 67 11. GRANALLAS ANGULARES DE HIERRO TEMPLADO . . . . . 70 12. MICROESTRUCTURA DE LAS GRANALLAS D E HIERRO TEMPLADO .................................. 70 13. MICROESTRUCTURA DE LAS GRANALLAS DE ACERO.. 74
  • 14.
    NO 14 . RESISTENCIA A QUEBRARSE DE LAS GRANALLAS DE ACERO ..................................... 74 15 . RESISTENCIA A QUEBRARSE DE LAS GRANALLAS DE HIERRO TEMPLADO ............................ 74 16 . SISTEMA DE RECIRCULACION . . . . . . . . . . . . . . . . . . . 82 17. SISTEMAS DE RECOLECCION Y ELEVACION . . . . . . . . 84 18. TOLVA D E RECOLECCION ....................... 85 19. REPRESENTACION DE UN PAS0 DEL SIN FIN . . . . . . 88 20 . BANDA DE LOS CANGILONES .................... 90 21 . TRAYECTORIA DE LAS GRANALLAS A LA SALIDA DEL ELEVADOR ............................... 92 22 . a) CANGILON . b ) VOLUMEN UTIL DEL CANGILON . 97 23 . PARTE DE UN CANGILON SOMETIDA A MAYOR DESGASTE .................................. 99 24 . RECORRIDO D E DESGASTE DEL CANGILON . . . . . . . . . 100 25 . DISTRIBUCION DE LOS REMACHES . . . . . . . . . . . . . . . 103 26 . SECCION TRANSVERSAL OCUPADA DEL SIN FIN . . . . 106 27 . SECCION DEL SIN FIN ....................... 106 28 . MEDIDAS DE L A ARTESA- ..................... 109 29 . DIAGRAMA DE FUERZAS DE LA ARTESA . . . . . . . . . . . 109 30 . DIAGRAMA DE MOMENT0 COMBINADO . . . . . . . . . . . . . . 111 31 . DIAGRAMAS DE FUERZA CORTANTE Y MOMENT0 FLECTOR ................................... 113 32 . LLENADO MAXIM0 DE LA ARTESA . . . . . . . . . . . . . . . . 116 33 . SOLDADURA D E L A ARTESA .................... 119 34 . DIAGRAMAS DE FUERZAS a ) EN L A HELICE DEL
  • 15.
    xv No PBg . SIN FIN . b ) EN LAS GRANALLAS .............. 122 35 . DIAGRAMAS DE FUERZAS ....................... 124 36 . DIAGRAMA D E FUERZAS ....................... 125 37 . REPRESENTACION DE LA TRANSMISION . . . . . . . . . . . 133 38 . POLEA ...................................... 138 39 . EJE SUPERIOR DEL SISTEMA . . . . . . . . . . . . . . . . . . . 139 40. DIAGRAMA DE FUERZAS EN EL PLANO XY . . . . . . . . . 139 41 . DIAGRAMA DE FUERZAS EN EL PLANO XZ . . . . . . . . . 141 42 . DIAGRAMAS DE FUERZA CORTANTE Y MOMENTO FLECTOR EN EL PLANO XY ..................... 142 43 . DIAGRAMAS DE FUERZA CORTANTE Y MOMENTO FLECTOR EN EL PLANO XZ ..................... 143 44 . EJE SUPERIOR ............................... 148 45 . CHAVETA D E L A CATALINA .................... 149 46 . FUERZAS EN LA CHAVETA ...................... 150 47 . CHUMACERA DEL EJE SUPERIOR DEL SISTEMA DE ELEVACION .................................. 155 48 . ESTRUCTURA DEL TENSOR ..................... 157 49 . DIAGRAMA DE FUERZAS APLICADAS EN L A CAJA DE RODAMIENTOS ................................ 158 50 . TORNILLO SOMETIDO A COMPRESION . . . . . . . . . . . . . 160 51 . MEDIDAS DE LA PLANCHA RECOLECTORA . . . . . . . . . . 164 52 . D IAGRAMA DE FUERZAS DE LA PLANCHA RECOLECTORA ................................ 164 53 . DIAGRAMA DE MOMENTO COMBINADO . . . . . . . . . . . . . . 166 54 . DIAGRAMAS DE FUERZA CORTANTE Y MOMENTO
  • 16.
    XVI NO PSg . FLECTOR .................................. 165 55 . EJE DEL SIN FIN .......................... 172 56. DIAGRAMA DE FUERZAS EN EL PLANO XY . . . . . . . . 174 57 . DIAGRAMA DE FUERZAS EN EL PLANO X Z . . . . . . . . 175 58. DIAGRAMAS DE FUERZA CORTANTE Y MOMENTO FLECTOR EN E L PLANO XZ .................... 177 59 . DIAGRAMAS DE FUERZA CORTANTE Y MOMENTO FLECTOR EN EL PLANO XY .................... 178 60 . MONTAJE D E L EJE MACIZO .................... 182 61 . EJE DEL SIN FIN ........................... 184 62 . REPRESENTACION DE LA HELICE DEL SIN FIN . . . 185 63. DIAGRAMA DE FUERZAS DE L A HELICE .......... 186 64. DIAGRAMAS DE FUERZA CORTANTE Y MOMENTO FLECTOR................................... 187 65 . DESARROLLO DE LA HELICE DEL SIN FIN . . . . . . . 191 66 . SOLDADURA DE L A HELICE .................... 192 67 . CHUMACERA DEL SIN FIN ..................... 198 68. CARGAS APLICADAS EN LA ESTRUCTURA INFERIOR DEL SISTEMA DE ELEVACION .................. 203 69 . SECCION DE LA ESTRUCTURA . . . . . . . . . . . . . . . . . . 205 70. TAPA DERECHA SUPERIOR ..................... 211 71. TAPA IZQUlERDA SUPERIOR . . . . . . . . . . . . . . . . . . . 213 72 . ESTRUCTURA INTERMEDIA ..................... 214 73. ESTRUCTURA SUPERIOR ....................... 215 74 . BASE D E L MOTOR ............................ 215 75 . ARTESA .................................... 217
  • 17.
    XVII No P5g . B1BLm.r E C ~ ' 76 . CANGILONES REMACHADOS A LA BANDA .......... 218 77 . FABRICACION DE EMPAQUES . . . . . . . . . . . . . . . . . . . 219 78. MONTAJE DE LA ESTRUCTURA .................. 220 79. MONTAJE DEL SIN FIN ....................... 221 80 . MONTAJE DEL EJE SUPERIOR . . . . . . . . . . . . . . . . . . 222 81 . ESTRUCTURA SUPERIOR ....................... 222 82 . MONTAJE D E L A ESTRUCTURA CON EL EJE . . . . . . . 223 83. REMACHADO DE LOS CANGILONES EN L A BANDA . . . 224 84. SISTEMA DE EXTRACCION DE POLVOS . . . . . . . . . . . 226 85 . ESQUEMA DFL SFPARADOR D E POLVOS . . . . . . . . . . . 228 86 . PLANCHAS SOMETIDAS A DESGASTE . . . . . . . . . . . . . 229 87 . CALCULO D E L VALOR DE F .................... 231 88 . MEDIDAS DE LOS DUCTOS ..................... 238 89. CALCULO DE LOS DUCTOS DEL SISTEMA . . . . . . . . . 243 90 . TRAMPA D E POLVOS .......................... 245 91 . FABRICACION DE DUCTOS ..................... 247 92 . FABRICACION DE DUCTOS ..................... 247 93 . DUCT0 TERMINADO ........................... 249 94. ACOPLE DE RAMALES ......................... 249 95 . FABRICACION DE L A TRAMPA D E POLVOS . . . . . . . . 250 96 . FABRICACION DEL SEPARADOR DE POLVOS . . . . . . . 250 97 . FABRICACION DE EMPAQUES . . . . . . . . . . . . . . . . . . . 251 98 . MONTAJE DEL SEPARADOR D E POLVOS . . . . . . . . . . . 252 99 . MONTAJE DE LOS DUCTOS ..................... 253 100. MONTAJE D E LOS DUCTOS ..................... 254 101. SISTEMA DOSIFICADOR ....................... 256
  • 18.
    XVIII ' N Pzig . 102 . DUCTO DE PASO DE GRANALLAS . . . . . . . . . . . . . . . 257 103. PLANCHA CURVADA DE LA COMPUERTA . . . . . . . . . . 258 104. DIAGRAMA DE FUERZAS DE LA COMPUERTA . . . . . . 259 105. COMPUERTA ................................ 261 106 . COMPUERTA ................................ 262 107 . SISTEMA ARTICULADO DE 4 BARRAS EN POSICION NORMAL CERRADA . . . . . . . . . . . . . . . . . . 264 108 . SISTEMA ARTICULADO DE 4 BARRAS EN POSICION NORMAL ABIERTA .................. 264 109 . DIAGRAMA DE FUERZAS ...................... 265 110 . DIAGRAMA DE CUERPO LIBRE DEL ESLABON 4 . . . 267 111 . DIAGRAMA DE CUERPO LIBRE DEL ESLABON 2 ... 267 112. DIAGRAMA DE CUERPO LIBRE DEL ESLABON 3 . . . 268 113. SISTEMA DOSIFICADOR ...................... 270 114. SISTEMA DOSIFICADOR ...................... 271 115. MONTAJE DE LA PALANCA ACCIONADORA . . . . . . . . 275 116. MONTAJE DEL DUCTO DE PASO Y DE LA COMPUERTA. 276 117 . MECANISMO ACCIONADOR NORMAL CERRADO . . . . . . 277 118 . MECANISMO ACCIONADOR NORMAL ABIERTO ...... 278 119 . PARTE SUPERIOR ABIERTA DEL SISTEMA DE ELEVACION ............................. 282 120. TOMA GENERAL DE LA MAQUINA ............... 283 121. PRUEBAS DEL VENTILADOR . . . . . . . . . . . . . . . . . . . 286 122 . MEDICION DE POLVOS RECOGIDOS . . . . . . . . . . . . . 287 123. VERIFICACION DE DISTRIBUCION DE GRANALLAS 287
  • 19.
    I N DI C E D E T A B L A S NO PAg. I. CAPACIDADES Y VELOCIDADES DE LOS TRANSPORTADORES SIN FIN.. .................. 45 I1 CAPACIDADES DE LOS TRANSPORTADORES SIN FIN. 45 111 REDUCCION DE L A CAPACIDAD EN TRANSPORTADORES INCLINADOS... .............................. 48 IV CLASIFICACION DE LAS GRANALLAS DE OXIDO DE ALUMINIO DEL REIN0 UNIDO ................... 63 V ESPECIFICACIONES DE LAS GRANALLAS DE ALAMBRE CORTADO. ........................... 65 VI COMPOSICION QUIMICA D E LAS GRANALLAS DE ALAMBRE CORTADO.. .......................... 65 VII COMPOSICION QUIMICA DE LAS GRANALLAS DE HIERRO TEMPLADO EN LAS DIVERSAS PARTES DEL MUNDO. ..................................... 69 VIII ESPECIFICACIONES D E GRANALLAS DE HIERRO TEMPLADO SEGUN L A NORMA BIS N o 2 4 5 1 . . ...... 71 IX COMPOSICION QUIMICA DE LAS GRANALLAS DE ACERO ...................................... 75 X ESPECIFICACIONES DE LAS GRANALLAS DE ACFRO SEG’JN L 4 NOSMA SAE 5 - 4 4 4 ............. 76
  • 20.
    xx NO PBg. XI VALORES TIPICOS DE k d . . . . . . . . . . . . . . . . . . . . . . 101 XI1 CLASIFICACION DE LAS CARGAS Y FACTORES DE SERVICIO ................................... 132 XI11 F A C T O R E S K................................. 146 XIV F A C T O R E S K................................. 147 xv FACTORES K . . . . . . . . . . . . . . . . . . . . . . . . . . . . . . . . . 180 XVI FACTORES K . . . . . . . . . . . . . . . . . . . . . . . . . . . . . . . . . 181 XVII M A S A S DE L O S ELEMENTOS QUE COMPONEN LOS SISTEMAS DE RECOLECCION Y ELEVACION ........ 200 XVIII VALORES DE CARGA QUE SOPORTA L A ESTRUCTURA. 204
  • 21.
    S I HB O L O G I A - AB : Longitud del eslab6n 3 : Area de una parte de la tolva de colecci6n A1 : Area de una parte de la tolva de colecci6n A2 : Area de una parte de la tolva de colecci6n A3 : Area de una parte de la tolva de colecci6n A4 : Area de una parte de la tolva de coleccidn A5 : Area de una parte del cangil6n A6 Area de una parte del cangil6n A7 Area de una parte del cangildn A8 a Aceleraci6n normal n A Parte ocupada de la secci6n del cilindro P A Area de la seccidn transversal d e .la viga a TamaRo de la soldadura A Area de la garganta de la soldadura e Secci6n transversal de la banda Ab Ancho de la banda ab Area de la circunferencia AC A Area transversal de la estructura es a Ancho de la estructura e a Aceleraci6n tangencial t b Ancho de la artesa
  • 22.
    XXII Longitucl del cord6n de soldadura 61 Ancho d e la chaveta b2 b' Longitud del desgaste - Longitud del eslabdn 4 B04 C Distancia del eje neutro a la fibra mds exterior C Distancia entre centros Constant e cC Capacidad bdsica de carga dindmica b ' D Didmetro exterior de la h6lice del sin fin d Distancia del eje superior del elevador a la bandeja recolectora D i Ame t r o de la mesa rotatoria dM Didmetro de las poleas de 10s cangilones Dl Didmetro del eje superior del sistema D2 de elevaci6n Didme t ro del eje del sin fin D3 D Didmetro del ducto ac ac Didmetro del ducto bc Dbc Didmetro del ducto cd Dcd D Didmetro del cod0 C DHP Potencia de disefio Didmetro primitivo de la catalina conductora dl Didmetro primitivo de la catalina conducida d2 d Didmetro medio m d Didmetro menor de la tuerca r Didmetro mayor del tornillo dt
  • 23.
    XXIII e Espesor de desgaste d e Espesor de la banda de 10s cangilones b e Espesor de la artesa a e Espesor de la viga e Espesor de la plancha recolectora P e Espesor de la estructura e e Espesor de la helice h E Mddulo de elasticidad del acero f Coeficiente de fricci6n entre la banda y la polea Fuerza de fricci6n entre las granallas fl y el sin fin Fuerza de friccidn entre las granallas f2 y la artesa Factor de correcci6n f3 Fuerza de fricci6n entre las granallas fl X y el sin fin en direccidn x Fuerza de friccidn entre la estructura fl Z del tensor y la caja de rodamiento f Esfuerzo de trabajo resultante en la r soldadura f Esfuerzo de trabajo por cortante en la S soldadura Esfuerzo de trabajo por f.lexd6n en la fb soldadura Carga por unidad de longitud f5 F : Fuerza normal a1 punto de contact0 de
  • 24.
    XXIV desgaste f Fuerza de friccidn entre la carga y la C compuer t a Factor de cor~eci5f6n f6 Fuerza de fricci6n entre las granallas f4 y las plancha inclinada Fuerza en direcci6n x FX F Fuerza e n direcci6n y Y F Fuerza e n direcci6n z Z F Fuerza de excavaci6n a F Fuerza normal n F Esfuerzo cortante mdximo permisible V Fuerza mdxima que transmite la banda F1 Fuerza de lado flojo de la banda F2 Fuerza en la superficie del eje F3 F Carga radial equivalente a1 rodamiento e F Carga radial aplicada a1 rodamiento r Esfuerzo deflexi6n mdximo permisible Fb F Carga axial aplicada a1 rodamiento ax F Fuerza inercial S Esfuerzo permisible en la soldadura FV Fi Fuerza mayor en la polea del sin fin "; I'uerza menor en la polea del sin fin Fuerza axial que las granallas ejercen F4 sobre el sin fin Fuerza radial que las granallas ejercen F5 sobre el sin fin
  • 25.
    xxv : Constante para considerar pgrdidas en F6 la zona d e aceleraci6n Coeficiente de fricci6n en tubos rectos F7 Constante para considerar pgrdidas por F8 cambio de direcci6n F Factor correctivo por resbalamiento 9 Fuerza que ejerce el eslab6n 3 sobre F34 el eslabdn 4 Fuerza que ejerce el eslab6n 2 sobre F23 el eslab6n 3 Fuerza que ejerce el eslab6n 1 sobre F14 el eslab6n 4 Fuerza clue ejerce el eslab6n 3 sobre F32 el eslab6n 2 Fuerza que ejerce el eslabdn 1 sobre F12 el eslab6n 2 Fuerza que ejerce el eslab6n 4 sobre F43 el eslab6n 3 F Fuerza necesaria para mover el mecanismo ac g Gravedad h Altura del cangil6n a la bandeja recolectora Altura de la chaveta hl Altura de la tuerca h2 h Largo de la estructura e H : Altura que se eleva la mezcla aire-polvo HP : Potencia en cabalos de fuerza I : Inercia total
  • 26.
    XXVI Inercia d e la artesa ' a I Momento de inercia de la catalina C I Inercia de la soldadura W I Momento de inercia de la polea P I Momento de inercia del eje superior es I Momento de inercia del eje inferior ei Momento de inercia de u n paso d e helice Ih I Inercia alrededor del eje x X J Momento polar de inercia K Constante de condiciones en extremos Factor de superficie Ka Factor de tamafio Kb Factor de confiabilidad KC Factor de temperatura Kd K Factor de modificacidn por concentracidn e de esfuerzos Factor de efectos diversos Kf Coeficiente de desgaste kd 2 Longitud que recorre la banda en t 1 Longitud de la chaveta l1 Longitud de la columna l2 Avance del tornillo l3 1 Altura de la estructura inferior e L Longitud del sin fin Longitud de la banda L1 Longitud de la cadena L2 Ancho de la helice L3
  • 27.
    XXVII Distancia a1 radio medio L4 L Longitud equivalente e DuraciBn nominal en horas de servicio LIOh L' Longitud de la plancha recolectora L Longitud del ducto principal P Longitud del ducto b c Lbc L Longitud del ducto ac ac Longitud del ducto c d m Metros mm Milfmetros 2 m Metros cuadrados 3 m Metros cCibicos M Masa i Momento reaccionante M1 Momento reaccionante M2 M Momento flexionante m5ximo m MPa Megapascal Momento torsor necesario para mover la MD compuer t a Momento en e l punto 4 Momento en el punto 2 M2 Momento requerido para mover el mecanismo Mt 2 Momento flexionante en el punto 0 MO Momento flexionante en e l punto E ME Momento flexionante en e l punto B MB M Momento flexionante en e l punto G G Momento flexionante en e l punto U MU
  • 28.
    XXVIII M : Moinento inercial S : Momento inercial total Mt M : Masa de u n cangil6n ca M : Masa de la catalina conducida C M : Masa de la polea P M . : M a s a d e l eje superior es M : M a s a del eje inferior ei : M a s a de u n paso de h6lice n : Factor de seguridad blrsli J-i'hCb n : N6mero de vueltas de la h6lice 1 N : Newton : F u e r z a normal a - la h6lice N1 : Fuerza normal a ?-a h6lice e n direccidn x N1 X : Fuerza normal a la carga N2 : Fuerza normal a las granallas del fondo N3 del elevador - OD : Distancia entre el punto de apoyo y el punto de acciein de la carga - : Longitud d e l eslab6n 2 02A - : Longitud del eslab6n 1 2' '4 P : P a s o del s i n fin : Fuerza axial aplicada a 1 s i n fin p1 X : Fuerza tangencial aplicada a1 sin fin p1 z : Fuerza total d e l elevador p2 : P a s o de la cadena p1 Pa : Pascal
  • 29.
    XXIX Presi6n del flujo pf Potencia total de transporte pT1 Potencia total pT P Potencia inercial inercia P Fuerza critica de pandeo cr Pot Potencia necesaria de transporte del 1 sin fin Pot Potencia necesaria de transporte del 2 elevador Potencia del ventilador pV P Paso del tornillo tensor (P1-P Diferencia de presi6n debido a la 2 1 aceleraci6n ( P1-P2) Diferencia de presi6n debido a 1 rozamiento e n las paredes ( P1-P2 Diferencia de presi6n debido a cambios d e direcci6n (P1-P2I4 Diferencia de presi6n debido a las fuerzas gravitacionales (P1-P2 Diferencia de presidn debido a1 filtro (P1-P2) Diferencia de presi6n total Diferencia de presi6n en el ducto ac (P1-P2)ac Diferencia de presidn en el ducto bc ( 12 -' 'bc Diferencia de presi6n en el ducto cd ( 1' 2- cd q Carga normal por paso Carga normal del primer paso 41 Carga normal del segundo paso 42
  • 30.
    : Carga normal del tercer paso q3 : Carga normal del cuarto paso 94 : Carga normal del quinto paso q5 Carga normal del sexto paso ‘6 Carga normal del sgptimo paso 97 Carga normal del octavo paso q8 Carga normal del noveno paso q9 Carga normal de u n cangil6n qC Flujo de arena qP Capacidad de transporte de aire ‘a Capacidad total de transporte qt Q Flujo total normal Flujo normal de granallas Qg Caudal en el ducto ac Qac Caudal e n el ducto bc Qbc Qcd Caudal e n el ducto cd - r Caudal total transportado Qt Caudal de arena transportado QP r Radio de giro del circulo Radio de curvatura de 10s cangilones rl rad : Radianes r : Radio para el circulo de V S S r : Raz6n de reducc i6n del reduc tor R r : Radio de giro en x X r : Radio medio m R : Raz6n de reducci6n de transmisi6n : Fuerza reaccionante R1
  • 31.
    XXXI 'r Fuerza reaccionante en direcci6n x R1 X : Fuerza reaccionante en direccidn y R1 Y : Fuerza reaccionante en direccidn z R1 Z : Fuerza reaccionante R2 : Fuerza reaccionante en direccidn x R2 X : Fuerza reaccionante en direccidn y R2 Y : Fuerza reaccionante en direcci6n z R2 Z : Ndmero de dientes de la catalina mayor R4 : Ndmero de dientes de la catalina menor R5 : Radio de curvatura d e l c o d 0 : Carga que debe levantar el tornillo RT S : Segundos S : Esfuerzo de fluencia Y SF : Factor de servicio S : Limite de resistencia a la fatiga e S' ,? Limite de resistencia a la fatiga de e la viga rotatoria S : Resistencia a1 corte SY S : Resistencia a la fluencia Y1 S : Resistencia a la rotura ut : P r e s i d n estdtica e n el ducto ac "ac : P r e s i d n estdtica e n el ducto bc "bc : P r e s i d n estdtica e n el punto d "d : P r e s i d n estdtica total SPt t : Tiempo que se demora e n recorrer d t : Tiempo que se demora el sin fin en dar 1 una revoluci6n
  • 32.
    XXXII : Altura del chavetero del eje t2 t : Altura del chavetero de la catalina o polea 3 t : Tiempo que tarda el motor en llegar a a la velocidad de r6gimen : Tiempo de u n ciclo tC t : Ancho del Area de garganta e T : Torque msximo de la polea : Fuerza que transmite la cadena T1 : Fuerza que transmite la cadena e n direccidn T1 Y Y : Fuerza que transmite la cadena e n direccidn T1 z z Fuerza del lado flojo de la cadena T2 Momento de torsidn para vencer la carga T3 F3 T Momento torsor en el eje del sin fin m3 V Factor de rotacidn V Fuerza cortante BolGmcn de una parte de la tolva de v1 coleccidn Voliimen de una parte de la tolva de v2 coleccidn Volumen dtil del cangildn v3 V Voliimen de arena a Velocidad e n el ducto bc 'c b V Velocidad e n el ducto ac ac Velocidad e n el ducto cd 'd c
  • 33.
    XXXIII V Volumen del cilindro de u n paso del sin C fin Voliirnen del material perdido por desgaste vd Velocidad de diseilo vD Velocidad lineal del cangildn vO Velocidad lineal de la banda de 10s cangilones V Volumen dL paso del sin fin P Presidn de velocidad e n a vp a Presidn de velocidad e n b b'' Volumen total de la tolva de coleccidn vT V Velocidad d e la hglice S V Velocidad de succidn su W Carga msxima Carga d e 1 0 s cangilones llenos w1 Peso de las granallas del fondo del w2 elevador W Peso de la catalina conducida C W Peso de la polea P W' Carga mdxima por unidad de longitud W Carga total que soporta la estructura e inferior Carga mdxima que empuja la hglice h ' W Carga equivalente 0 X Factor radial Distancia de desplazamiento del punto xd de desgaste
  • 34.
    XXXIV Y : Distancia del centro de coordenadas a1 elemento diferencial Y : Factor de empuje : Distancia del centro del circulo a1 inicio *1 del drea ocupada : Distancia entre ejes del elevador Y P e s o . e s p e c i f i c o de las granallas Didmetro medio de la polea con la banda Peso especifico de la arena ya P e s o especifico del aire YA Peso especifico de la mezcla aire-polvo yt Y’ Angulo de transmisidn c Suma t or i a Coeficiente de friccidn estdtica entre superficies de acero dulce Coeficiente de friccidn estdtica entre fiS z superficies d e fundicidn gris u Coeficiente de friccidn estdtica entre acero dulce y fundicidn gris Esfuerzo cortante mdximo Esfuerzo de tensidn mdximo en la banda Esfuerzo de pandeo mPximo Esfuerzo de flexidn mdximo Angulo de contact0 entre la banda y la polea B Angulo que forma la cadena con la horizontal
  • 35.
    xxxv Ae B O : Desviacibn angular de la tangente de la curva eldstica de un elemento en B con respecto a 0 a : Aceleraci6n angular h : Angulo de la h6lice rl : Eficiencia del ventilador 8' : Angulo del mecanismo de 4 barras W : Velocidad angular UMR : Velocidad angular de salida del motor- reductor : Velocidad angular de salida del motor : Velocidad angular inicial
  • 36.
    Las primeras mdquinas limpiadoras de metales no empleaban un sistema de r e c i r c u l a c i 6 n Y estas mdquinas trabajaban c o n u n a tolva llena de arena conectada por medio de tubos flexibles a otro tub0 por el que circulaba vapor o a i r e ; la arena era dirigida a1 chorro por medio de un vacio provocado y lanzada a1 final del tub0 contra la superficie sobre la cual iba a operar. Este proceso se conocfa como "Sand-blasting". Posteriormente, debido a que la arena es m5s suave que las piezas de fundici6n a 1 limpiarse, se pulverizaba rdpidamente y como este polvo n o se u t i l i z a b a , se v i 6 la necesidad de un sistema de separaci6n de polvos de la arena, que resultaba econ6micamente alto, ya que no era practicable s i n aparatos especiales. Esto llev6 a usar granallas en vez de arena, las cuales, duraban veinte veces mds que la arena, evitando asi el polvo de la arena mds no el polvo producido por las piezas a limpiarse." Por el afio de 1935 se enfatizd el peligro que representaba para la salud la presencia de estos polvos
  • 37.
    37 en la atmhfera, la cual provoc6 la aparici6n de un nuevo m6todo de limpieza. Este elimin6 la necesidad de que el operador entre en las csmaras cerradas y trabaje en una atmdsfera contaminada. Este nuevo metodo consiste en lanzar las g r a n a l k por medios mecsnicos eliminando la necesidad de aire comprimido lo que reduce el costo de operaci6n. Las granallas usadas d e b i a n ser recicladas ya que sus propiedades mecsnicas eran poco afectadas; esto hace necesario un sistema de recolecci6n despues de haber realizado el trabajo, un sistema de elevaci6n para permitir la limpieza, extracci6n de polvos y el ingreso regulado de lasgranallasal mecanismo encargado de lanzar para volver a realizar el trabajo de limpieza. E l m6todo original de recirculaci6n fue por medio de una corriente de aire forzada por un sistema de ventilaci6n. Fue excelente per0 de un mantenimiento costoso. Para una msquina de limpieza con u n sistema de chorreado centrifugo, Bste metodo es demasiado lento por lo que se adopt6 un sistema de elevaci6n de cangilones. Una msquina simple es capaz de descargar grandes cantidades de abrasivos, que deben ser reciclados y limpiados a la misma velocidad para poder ser usados nuevamente.
  • 38.
    38 Erl disefio yconstrucci6n de u n sistema de recirculaci6n y por e n d e d e una mdquina limpiadora de m e t a l e s , tiene gran importancia para el desarrollo tecnol6gico del pais, puesto que permitiria limpiar piezas salidas de fundicidn, evitando asi el desgaste excesivo de la cuchilla si van a ser maquinadas o abaratando 10s costos de limpieza, mejorando acabados superficiales, etc.
  • 39.
    C A PI T U L O I Las msquinas granalladoras m5s adecuadas para piezas fundidas son las de mesa rotatoria , correa giratoria y tambor rodante. La primera se usa para piezas medianas y pequefias y las dos iiltimas para piezas pequefias. Cuando se trata de piezas grandes se usa el sistema colgante de cinta monoriel. Muchas de estas mdquinas poseen un sistema de recirculaci6n formado principalmente por tornillo sin fin, elevador de cangilones y extractor de polvos. Este sistema de recirculaci6n tiene la finalidad de recolectar las granallas que salen de la cdmara de limpieza, 6 s t a s c a e n e n una artesa y mediante la rotaci6n del helicoidal del sin fin, son transportadas hasta un sitio, donde un transportador elevador las lleva a una cierta
  • 40.
    40 altura para limpiarlas y separarlas del polvo. El transportador elevador estd formado por cangilones que son encargados de elevar las granallas, estos cangilones son de varias capacidades y estdn hechos de distintos materiales de acuerdo a1 material que van a transportar; estdn unidos a una banda que recorre por dos poleas; recogen las granallas del fondo del elevador y las bota en su parte s u p e r i o r , donde un extractor de polvos formado por un ventilador centrifugo captura el polvo existente en las granallas, permitiendo que eestas se depositen limpias e n u n a tolva. La altura del elevador estd determinada por el tamafio de la mdquina y la posici6n de l a t u r b i n a , ya que, la descarga del elevador debe permitir recoger las granallas e n la tolva colocada encima de la turbina. El extractor de polvos succiona toda particula que tenga una densidad menor a la densidad de las g r a n a l l a s , asegurando de esta manera que las granallas ingresen libres de polvos a la turbina. Estas particulas son retenidas por un filtro logrando asi que el aire pase limpio por el ventilador y salga a 1 ambiente.
  • 41.
    - GRANALLAS Ah TOLVA ELEVADOR DE 1 CANGILONES GRANALLAS POLVOS FIGURA 1. FLUJOGRAMA DEL SISTEMA DE RECIRCULACION
  • 42.
    42 El sistema de recirculacidn es complementado con un regulador de flujo de granallas colocado a la salida de la tolva que puede ser neumdtico, mecdnico o electric0 y debe abrirse instantes despues de que la turbina haya alcanzado su velocidad mdxima para permitir el ingreso de las granallas. La turbina se encarga de acelerar las granallas para que realicen la limpieza por impacto d e las piezas que estdn en la cdmara de trabajo, para finalmente caer de nuevo en la artesa y ser recolectadas y transportadas por el sin fin. 1.2. . . . . . . .DE. . SISTEMAS . DE . TRANSPORTE TIPOS . ........ .. ......... L O ~ sistemas de transporte mds utilizado en el sistema de recirculacidn de granallas son: Transportadores recolectores de tornillos sin fin. Transportadores elevadores de cangilones. 1.2.1. . . . . . . . . . . . . . . . . . . RECOLECTORES. . . DE . . .TORNILLO TRANSPORTADORES ........... .. ...... ------- SIN FIN Estos transportadores estdn formados por aspas helicoidales (helice laminada a partir de una barra plana d e acero) o seccionales
  • 43.
    43 (secciones individuales cortadasy formadas en h&lices, a partir de una placa plana), montadas en una tuberia o eje que gira en una artesa. Sus capacidades mLiximas son d e 2 8 0 metros cdbicos por hora. El u s 0 de tornillos huecos o tuberfas para la circulaci6n de f l i i i d r a s calientes o frios, permiten que 10s tornillos s i n fin se usen para operaciones de calentamiento, enfriamiento y desecaci6n. Es fAcil sellar un sin fin de la atm6sfera exterior, con el fin de que pueda funcionar en s u propia atmdsfera con una presidn positiva o negativa. Se puede mantener temperaturas internas en regiones de temperatura ambiente elevada o baja aislando la artesa. Es ventajoso disefiar una descarga por debajo de la artesa para facilitar la limpieza, evitando la contaminaci6n cuando se manejen en el mismo sin fin materiales diferentes. Las Tablas I y I1 dan las capacidades y velocidades de 10s transportadores horizontales. El grupo (1) es para materiales ligeros, no corrosivos y no abrasivos que corren libremente; el grupo
  • 44.
    44 (2) es de materiales finos y granulares; el grupo (3) comprenden materiales con terrones pequefios mezclados con finos; el grupo (4) comprenden materiales semiabrasivos, finos, granulares y en terrones pequefios y el grupo ( 5 ) comprenden materiales abrasivos en terrones que deben mantenerse fuera del contact0 de 10s cojinetes colgantes. L a Figura 2 muestra diversos transportadores helicoidales: (a) H6lice de paso normal de 10s transportadores longitudinales ordinarios o de 10s inclinados hasta 20 g r a d o s , para transporte de casi todos 10s materiales; el paso es aproximadamente igual a1 didmetro del transportador. (b) H4lice de paso corto empleada en 10s transportadores con inclinaci6n de mds de 20 grados sobre la horizontal, se usa a veces en 10s alimentadores para evitar derrame o en transportadores cerrados provistos de camisa, e n 10s cuales se desea un movimiento mds lento del material para enfriarlo, secarlo, calentarlo o coserlo. (c) Helice de paso variable. El tramo con paso mds corto en el extremo de
  • 45.
    45 TABLA I CAPACIDADES Y VELOCIDADES DE LOS TRANSPORTADORES S I N FIN Porcentaje d x i r r ~ de rev/min mAximas seccih transversal Den.;idad tGximadel para d&tros G p mo 3 ocupada por el mterial. Kg por m de: naterial 15 a n 50 cm 1 45 80i 170 110 r) 38 801 120 75 3 31 1200 90 60 4 25 1600 70 50 5 12 1/2 .... 30 25 -- FuENlE: Manual del Ingeniero k c i n i c o . Marks. TABLA I1 CAPACIDADES DE LOS TRANSPORTADORES S I N FIN 3 m /h Tat~iio del transportador 15 23 25 30 35 40 45 50 an Grupo1 9.9 31 45 71 113 156 215 283 Grupo2 6.2 19.8 27 45 68 96 127 170 Grupo 3 4.2 13 17.5 31 45 62 30 133 crupo 4 2.5 8.5 11.3 18 28 42 56 73 Gmpo 5 0.56 1.9 2.5 4.5 6.8 10 14 18 FUENE: Manual del Ingeniero Elec5nico. Marks. alimentaci6n frena el paso 3'2.1 material para evitar sobrecargar la porci6n transportadora. (d) Helice de margen
  • 46.
    46 cortado, que sirve para transportar y mezclar cereales, granos y otros materiales ligeros. (el H6lice de margen corto provista de paleta, que tienden a invertir el movimiento y mezclar 10s materiales, usados principalmente para productos ligeros ( f ) Helice de cinta sencilla c o n paso normal usada para transportar materiales hdmedos o pegajosos, o cuando se desea que quede un espacio entre la h6lice y el tub0 del eje, para facilitar el lavado, limpieza, etc. (g) Doble h6lice de cinta de paso normal. Este transportador tieneunaAcapacidad. mayor que el de una sola cinta d e l mismo didmetro. P a r a mezclar y amasar materiales, pueden montarse paletas sobre el e j e , que sustituyen a la helice. La mdquina se conoce entonces, con el nombre d e mezclador d e paletas. Los materiales abrasivos y corrosivos pueden manipularse en condiciones adecuadas de la h6lice y el canal o artesa; tanto la h6lice como el canal pueden ser fundicidn cementada y para condiciones ligeras de corrosidn y abrasidn se puede recubrir el borde exterior de la helice con una
  • 47.
    BI or~cA BLI (9; FIGURA 2. D I V E R S O S T I P O S DE TRANSPORTADORES SIN FIN. (a) paso estandar; (b) paso corto; (c) paso variable; (d) aleta cortada; (e) a l e t a cortada con paleta; ( f ) una sola cinta; (g) cinta doble. (Link-Belt &.I.
  • 48.
    48 tira renovable de estelita o algdn otro material semejante extremadamente duro. Para condiciones estandar se tiene una h6lice de acero simple o galvanizada y un canal del mismo material. Para productos alimenticios, el aluminio, el bronce, el metal monel o el acero inoxidable son adecuados per0 costosos. TABLA I11 REDUCCION DE LA CAPACIDAD EN TRANSPORTADORES INCLINADOS Inclinaci6n en 10 15 20 25 30 35 grados Reducci6n de la 26 45 58 70 78 capacidad por ciento FUENE: Manual del Irtgeniero Mechico. Marks. En la Figura 3 se muestran dispositivos tipicos de alimentacidn. Se puede usar canaletas simples (a) cuando el indice de alimentaci6n sea bastante uniforme y est6 controlado por partes anteriores del equipo. L a capacidad del transportador debe estar muy por encima d e l indice mdximo de alimentaci6n procedente de puntos simples o mdltiples. La vdlvula giratoria de corte (b) es una vdlvula de accidn
  • 49.
    1 I E'IGURA 3.. D I S P O S I T I V O S D E A L I M E N T A C I O N P A R A TRANSPORTADORES SIN FIN. ( a ) canaletas. (b) vdlvula giratoria de corte. (c) alkntador de paletas giratorias. (d) compuerta de tolva. (e) compuerta de entrada l a t e r a l . (Link-Belt GI.>.
  • 50.
    50 rbpida, cerrada herm4ticamente a1 polvo, para materiales de flujo libre. El alimentador de paletas giratorias (c> proporcionan un volumen predeterminado y uniforme de materiales y se puede impulsar a partir del tornillo sin fin, o bien, independientemente mediante una transmisi6n constante o de velocidad variable. Las compuertas de cremallera y piA6n (d) s o n apropiadas para el flujo libre de materiales en tolvas, dep6sitos, tanques y silos y asi mismo, como compuertas de entrada lateral (e) para materiales pesados o c o n terrones. En la Figura 4 se muestran dispositivos tipicos de descarga. Las aberturas simples de descarga (a) equipadas c o n una canaleta (b) son las mbs comunes, per0 tambign se usan con frecuencia las artesas de p l a n o , de cremallera y pif16n (f), permiten la descarga selectiva, a1 igual que las compuertas de deslizamiento manual (d). Sin embargo para materiales perecederos, la compuerta curva de deslizamiento (h) elimina las bolsas de almacenamiento muerto. Las compuertas de cremallera
  • 51.
    ....: . ' . .I .... .... 3 :; -_.__ ~ . - ___a_ . . . . . . . ............ ........ . _ C. '.. . '-. (C) (d) /=p ................... ' ..... ...:. . -! . .... -.: . . . .... .I @ ' I*1 .-. . .,. . hl E U A 4. D I S P O S I T I V O S DE I R G DESCARGA PARA TRANSPORTADORES SIN FIN. (a> abertura de descarga. (b) canaleta de descarga. (c) artesa de e x t r m abierto. (d) compuerta deslizante mual. (e) extrem de artesa de descarga. ( f ) conpxlerta de c r m l l e r a y piti&. ( 8 ) artesa de fond0 abierto. (h) c a q x e r t a deslizante curvada de c r m l l e r a y pifih. (i> vslvula g i r a t o r i a de corte. ( j ) ccxrrpuerta cerrada de c r m l l e r a p pi&. (Li&.-&lt CO. ).
  • 52.
    52 y pia6n cerradas (j) proporcionan un funcionamiento pcategido herm6ticamente contra el polvo, mientras que las vdlvulas giratorias de corte (i) permiten una detecci6n rdpida y se pueden adaptar con facilidad para el control remoto. Las compuertas activadas mediante cilindros de aire se han hecho cada vez mAs prevaleciente en 10s iiltimos a a o s , debido a las bajas inversiones que se requieren y a la facilidad para conectarlas a centros de control automdtico de procesamientos. 1.2.2. TRANSPORTADORES. . .ELEVADORES . . DE . . . . . . . . . . . ............... . . . . . . . . . . . . CANGILONES L O ~elevadores de cangilones son unidades mds sencillas y seguras para desplazamiento vertical de materiales. Existen en una amplia gama de capacidades y pueden funcionar totalmente a1 aire libre o encerrados. Los elevadores de cangilones pueden ser con banda o cadenas. Cualquiera de 10s dos tipos pueden ser vertical o inclinado. Los de banda se adaptan particularmente bien a la manipulaci6n de materiales abrasivos que producirfan el desgaste
  • 53.
    excesivo de las cadenas. Los elevadores de cadenas y cangilones se usan con frecuencia con 10s segundos perforados cuando se manejan materiales mojados para que escurra el agua en exceso. Ambos tipos pueden tener cangilones continuos o discontinuos. Las cajas o cubieras de 10s elevadores son generalmente de planchas de acero de 4.8 mm, y hermgticas a1 polvo. Si el elevador tiene una altura considerable, su seccidn transversal debe ser suficientemente grande para impedir el contact0 entre la cubierta y 1 0 s cangilones por balance0 de estos. En la Figura 5 se muestran diferentes tipos de elevadores de cangilones y detalles de 10s cangilones como sigue: Los elevadores de cangilones espaciados y descarga centrifuga (a) son 10s mAs comunes. Normalmente estAn equipados c o n cangilones del tipo ( 1 ) 6 ( 2 1 , montados sobre bandas o cadenas, 10s cubos se separan para evitar la interferencia de carga o descarga. Este tip0 de elevadores
  • 54.
    54 maneja casi todos 10s materiales de flujo libre, fino 6 terrones pequeiios. Los cangilones se cargan parcialmente con el material que fluye directamente a ellos (e). Las velocidades pueden ser relativamente altas para materiales bastantes densos, per0 se debe reducir para materiales esponjosos y polvorosos, con el fin de evitar que se origine un tiro hacia arriba que arrastrard el material. Se 10s utiliza para capacidades pequeiias de hasta 55 ton/h por ser 10s menos costosos. Debe trabajar con velocidades entre 60 a 90 m/min para asegurar asi el lanzamiento del material contenido. Los elevadores de cangilones espaciados y descarga positiva (b) s o n esencialmente iguales a 1 0 s a n t e r i o r e s , c o n la diferencia de que 10s cangilones se montan en dos tramos de cadena y se inclinan h a c i a atrds bajo la rueda dentada principal para su inversi6n, con el fin de que la descarga sea positiva. Se 10s utiliza para materiales pegajosos. La velocidad de estas unidades es relativamente baja y
  • 55.
    55 10s cangilones tienden a ser mayores 6 a tener un espaciamiento mAs estrecho para alcanzar 10s niveles de capacidad de 10s elevadores de tip0 centrifugo. Los elevadores de cangilones continuos (c) se utilizan en general para terrones mayores 0’ materiales m5s dificiles de manejar. Los cangilones esta‘n espaciados a distancias c o r t a s , de m o d 0 que la parte posterior del cangil6n precedente sirve como vertedero de descarga para el que se vacia. La descarga suave evita la degradaci6n excesiva y h a c e que este tip0 de elevador sea eficiente para materiales esponjosos y pulverizados. E n las Figuras (f) y (8) s o n tipos de botas y condiciones tipicas de descarga. Este tipo de elevadores para capacidades superiores (d) se disefia para elevaciones grandes y grandes terrones. Funcionan comilmmente sobre un plano inclinado, para mejorar las condiciones de carga y descarga. Las velocidades de operaci6n son bajas y debido a las cargas pesadas, la cadena que soporta a 10s cangilones va habitualmente sobre vias en las corridas
  • 56.
    FI-5. TIPOS D E ELEVADORES DE CANGILONES Y DETALLES DE L O S C A N G I L O N E S . (a) cangilones espaciados de descarga centrifuga. (b) cangilones espaciados de descarga psitiva. (c) cangilones continuos. (d) cangilones continuos de capacidad superior. (e) 10s cangilones espaciados reciben parte de la carga directmnte y parte mdiante el arrastre del fondo. ( f ) continuo: 10s cangilones se llenan a1 pasar p r el brazo cargador, con una canaleta de alkntaci6n sobre la rueda posterior. (g) continuo: cangilones en caja de carga sin fondo, con registro de llmpieza. (h) cangilones espaciados de hierro mleable para descarga centrifuga. (i) cangilones de acero para elevadores de cangilones continuos. (Stephens-Adamson M€g co.).
  • 57.
    57 de elevaci6n y regreso. Hay cangilones para elevadores de tip0 espaciado (h) tanto de hierro maleable como de acero. El tipo (1) es estandar mientras que el tipo (2) es idgntico, con la excepci6n de que tiene un labio reforzado. Los tipos (3) y (4) son de disefio de frente bajo para materiales h d m e d o s , filamentosos o pegajosos, cuya descarga es dificil. Los cangilones de tipo continuo (i) se montan en general con su parte posterior sobre la cadena 6 banda. Por lo comdn se fabrica de acero. E l estilo ( 5 ) es estandar para 10s materiales normales, mientras que el tipo (6) es de frente bajo para facilitar la descarga de 10s materiales dificiles. Los cangilones de tipo (7) se utilizan para capacidad adicional 6 terrones grandes y 10s del tipo (8) para elevadores inclinados del tipo de trituraci6n. Los cangilones del tipo (9) se diseiian para capacidades extremadamente altas y, por lo comdn, se montan lateralmente y se sujetan unos a otros mediante bisagras.
  • 58.
    58 L O ~ extractores de polvos succionan particulas en reposo 6 en suspensi6n por medio de una corriente de alta velocidad, que circula en un ducto. Se adaptan mejor las particulas que no tienen gran densidad y que corran f6cilmente. Estos extractores, bgsicamente estdn formados por un ventilador, que por lo general es del tip0 centrifugo. De la boca de succi6n del ventilador sale una tuberia principal con lfneas ramificadas, e n d o n d e , se mantiene una corriente de aire c a p a z de llevar las particulas de polvo en suspensi6n. El drea de la secci6n de la tuberia principal debe ser de 20 a 2 5 % mayor que la suma de las dreas de las ramificaciones que entran en ella. En la succi6n se colocan separadores de polvo y cdmaras de expansi6n. Los separadores ayudan a capturar el polvo y las c d m a r a s d e expansidn r e t i e n e n las particulas que tienen una densidad grande; las cdmaras de expansidn tambien se colocan en cualquier punto de la tuberia. Cerca del ventilador se coloca un tamiz o una trampa de polvos que retiene el polvo para evitar que se contamine el ventilador. En la Figura 6 se muestran las partes de un
  • 59.
    1 r 7 FIW6. EXTRACTOR DE POLVOS DE UNA MAQUINA GRANALLADORA 1. Ventilador. 2. %ria principal. 3. R;amificaci&. 4. Separador de plvos. 5. C4mu-a de expansih. 6. Tranpa de polvos. 7. T a m de la c h r a . 8. T a m del elevador de cangilones .
  • 60.
    60 extractor de polvo de una mdquina granalladora. La funci6n de 10s separadores en una mdquina granalladora, es la de remover la arena, escoria y las granallas deterioradas por el uso, controlando el tamafio de estas. Los separadores trabajan acompafiados de un flujo de aire que limpia las granallas que caen en forma de cortina. Esto se lo realiza por varios mgtodos, que son bdsicamente 10s mismos. FIGURA 7. SEPARADOR TIPICO DE POLVOS Y GRANALLAS (Cleveland eta1 Abrasive c0.1
  • 61.
    61 El tip0 mds simple de separador, es el que recibe las granallas en un plano inclinado y las hace pasar por una compuerta con el propdsito de que estas caigan e n forma d e cortina. Una corriente constante de aire pasa a trav6s de la cortina de granallas llev5ndose las particulas que estdn rnezcladas con las granallas Gtiles. Las parficulas mds grandes que las granallas son retenidas en un tamiz ubicado en la parte inferior del separador. Existen variaciones de este tip0 de separador, ' asi Por ejemplo: hay separadores formados por varios planos inclinados. Existen otros con cbmara de expansidn para asegurar que la granalla se quede en el separador. Otros tipos reciben las granallas en un tambor giratorio perforado, que solo permite el paso de las granallas y particulas mbs pequefias. La Figura 7 muestra un separador tipico de a l t a e f i c i e n c i a .
  • 62.
    62 Los dosificadores son 1 0 s encargados de permitir el paso parcial o total de las granallas a la turb ina. Estos, generalmente son mecanismos de compuerta colocados e n el ducto de salida de las granallas que provienen del separador. La compuerta es accionada por medios el6ctricos, neumdticos o manualmente. Hoy e n dia el proceso de limpieza se lo realiza manualmente e n nuestro pais, y a s e a , c o n cepillos metdlicos, amoladoras, cinceles n e u m 5 t i c o s Y etc. Los metales abrasivos se han venido desarrollando a tal punto que, actualmente son usados como materiales de limpieza por chorreado, la finalidad de 1 0 s abrasivos es desprender de la superficie, de las piezas coladas, la arena adherida; separar el material oxidado que existe e n la superficie; descoriar piezas fundidas; limpiar piezas con herrumbre; separar la capa de pintura de las superficies de las piezas; y otros.
  • 63.
    63 El material es producido a partir de la bauxita, la c u a l , es fundida por medios electroquimicos dando 6xido de aluminio (A12 O3 ). Es el segundo despugs del diamante en dureza. La demanda de este 6 x i d o es especialmente para ruedas moladoras y para discos de afilar debido a sus bordes finos d e corte y alta dureza. En el Reino Unido existen siete grupos de materiales que se clasifican en la Tabla IV. TABLA IV CLASIFICACION DE LAS GRANALLAS DE OXIDO DE ALUWINIO DEL REIN0 UNIDO De grueso a firo m r o de T d z Pl 14/24 IP2 30136 Ng 3 54/60 Ng 314 54/90 P 4 80190 P 5 100/150 Ng 6 180/220 @ 7 240 y m5s FVENIE: BlfLst Ckeanhg & Allied Processes. Plaster H. J. El 6xido de aluminio es casi cien por
  • 64.
    64 producido por el hombre con una dureza de 1950 a 2200 en la escala Knoop. Este material contiene silice n o libre; a causa de su alta dureza, las granallas fracturadas pronto se convertirgn e n polvo, el c u a l , puede ocasioia~r daiios a la mAquina s i n o se lo extrae. 1.5.2. -____-------------- BRONCE GRANALLAS DE Las granallas de bronce tienen ventajas con respecto a las g r a n a l l a s . de acero, ya que, por ser miis tenaz, tienen mayor vida. A1 realizar el trabajo de limpieza por impacto no se quedan incrustradas e n la superficie de fundicidn. 1.5.3. . . . . . . . . . . . DE . ALAMBRE . . . . . . . GRANALLAS . . . . . . . . . CORTADO Este material es producido en tamafios de 0.51 a 2 m m de alambre de acero estirado La vida iitil de este alambre depende de las propiedades metaliirgicas, composicidn, estructura y grado de endurecimiento que resulta del trabajo en frio a1 estirarlo y cortarlo y del tiempo de corte como del tamafio del grano. El alambre q se w utiliza comiinmente es de un esfuerzo de 8 8 tensidn de 12.25 : 1 10 Pa. a 1 5 . 7 8 ~10 Pa. en
  • 65.
    65 donde se obtiene mayor tiempo de trabajo. Durante el proceso de fabricaci6n el alambre est5 sujeto a enfriarse desde temperaturas a 800 6 900 grados centigrados hasta 480 6 500 grados centigrados. Este tratamiento da como resultado caracteristicas de maleabilidad, resistencia a la tensi6n y tenacidad. TABLA V ESPECIFICACIONES DE LAS GRANALLAS DE ALAMBRE CORTADO Dihtro Esfuerzos de tensi6n Dureza RC codificacih 8 (mn) (Pd. 1 x 0 W62 1.588 16.36 - 18.78 36 cw54 1.372 16.78 - 19.26 39 cw41 1.041 17.61 - 20.23 42 cl w9 0.483 24.10 - 26.51 44 FUENIE: Blast Xhizkng & Allied Processes. Plaster H J. . TABLA VI COMPOSICION QUIMICA DE LAS GRANALLAS DE ALAMBRE CORTADO Caqmsici6n Porcentaje CarMn 0.47 - 0.45 Manganeso 0 6 - 1.20 .0 F6s for0 0.045 Azufre 0.050 Silicio 0.10 - 0.30 J3JENE: B l a s t Gk&&@ 6 Allied Processes. Plaster H. J.
  • 66.
    PIGURA 8. MICROESTRUCTURA DE LAS GRANALLAS DEALAMBRE CORTADO. hpliaci6n x 500. U s t r a ferrita y estructura perlitica . B a t Cleani.@ & Allied Processes. Plaster H J.) [ls . FIGURA9. MUESTRA EL EFECTO DEL TAMAIO DEL CORTE DE LAS GRANAL LA S DE ALAMBRE CORTADO. (Blast. Cen l&g & Allied Processes. Plaster H. J.)
  • 67.
    -FIGLJRA 10. GRANALLASDE ALAMBRE CORTADO 3 DE 0.4 mm DE DIAMETRO Y 0.16 x lo8 - 0.18 x lo8 Pa DE ESFUERZO DE TENSION DESPUES DE DIFERENTES NUMEROS DE PASES. a. G r a m virgen. b. Despds de 125 pases. c. Despds de 2500 pases d. Despu6s de 5500 pases e. Despds de loo00 pases . (Zeiler Y schmithals )
  • 68.
    68 El alambre es cortado a una longitud igual a1 didmetro del mismo, siendo este el tamafio estandar. La Sociedad de Ingenieros del Autom6vil ha clasificado a las granallas de alambre cortado, de acuerdo a 1 didmetro del alambre anteponiendo las letras CW (Cut Wire), el didmetro del alambre tiene relaci6n con el esfuerzo de tensi6n. El rango de dureza se puede determinar usando la identaci6n Rockwell C. Las tolerancias en el didmetro del alambre + son del orden de - 0 . 0 2 5 mm e n 10s tamafios + mds pequefios y - 0 . 0 5 1 mm e n 10s didmetros mds grandes. L a Tabla VI nos dd la composici6n quimica recomendada por esta especificaci6n. 1 . 5 . 4 . GRANALLAS D E H I E R R O TEMPLADO _ _ _ _ _ _ _ _ _ _ _ _ _ _ _ _ _ L _ _ - - - _ _ _ _ - El hierro blanco templado es uno de 10s abrasivos utilizados universalmente, es fundido en un cubilote y continuamente es golpeado por u n chorro de arena o vapor en e l flujo del colado, a una alta presi6n lo que provoca que la c o l a d a se desintegre
  • 69.
    69 en partfculas esfericas y templadas. Estas granallas son usualmente de una estructura muy fina y consiste de carburo muy duro encerrado en una masa obscura de carActer martensitico, junto con algo de austenita. T A B L A VII- COMPOSICION QUIMICA DE L A S G R A N A L L A S D E H I E R R O TEMPLADO EN L A S DIVERSAS P A R T E S D E L M U N D O Origen Tip0 G Si S P Fkl Gran Bretaila redondo 3.24 2.58 0.160 0.87 0.42 Gran Bretaila redodo 3.12 0.82 0.206 0.98 0.16 Alemania redondo 3.25 0.62 0.150 0.74 0.21 EE.uu. angular 3.40 08 .0 0.083 0.28 0.21 EE.uu. redondo 3.36 2.11 0.117 0.58 0.50 EE.uu. redondo 3.10 2.68 0.111 0.57 0.33 kancia redondo 3.08 2.02 0.120 1.07 04 .7 Suiza angular 3.20 1.95 0.190 0.60 0.58 FUENIE: (H. J Plaster) . La Tabla VII nos da la composici6n quimica comparativa de materiales similares elaborados en diversas partes del mundo. Algunas veces se le agrega cobre en cantidades de 0.25 a 1% aproximadamente, para incrementar algo de resistencia a la fractura por impacto.
  • 70.
    . .. - . - . . .- ... f . . EIGURA 11. GRANALLAS ANGULARES DE HIERRO TEMPLADO. (H. H. P l a s t e r ) . FIGURA12.MICROESTRUCTURA DE LAS GRANALLAS DE EIERRO TEMPLADO. Estructura rnartensitica dendritica en la mtrk de c-tita debido a1 &%ento r5pido. (H. J. Plaster).
  • 71.
    71 El hierro templado se utiliza donde se requiere la mdxima acci6n de limpieza, la dureza es alta e n comparaci6n c o n otros abrasivos y varian entre 60 y 80 Rockwell C. TABLA VIII ESPECIFICACIONES D E GRANALLAS DE HIERRO T E M P L A D O ? BIS No 2451 % mi Granallas Redondas Granallas Angulares S: 1320 G: 95 s: 1110 G: 80 s: 950 G: 66 s: 800 G: 55 s: 660 G: 47 S: 550 G: 39 S: 470 G: 34 s: 390 G: 24 s: 340 G: 17 s: 240 G: 12 S: 170 G: 07 s: 120 G: 05 S: 070 G: 02 FUENIIE: .H.J Plaster . Las especificaciones del tamafio son dadas por la norma BIS (Bristish Standard Specification) No 2451 para granallas esfCricas y angulares de hierro templado. La gue indica el tipo de granallas con
  • 72.
    72 prefijo S para esfericas y G para angulares, a continuaci6n da un ndmero que representa el didmetro aproximado en diez milesimas de pulgadas para las esfericas y mil4simas de pulgadas para las angulares. Exist en esfgricas y angulares. Es probablemente el abrasivo mds utilizado de 10s existentes debido a las propiedades particulares que poseen, con alta resistencia a quebrarse y por evitar el exce s ivo desgas te de la mdquina. La produccidn de las granallas de acero es mds complicada que la d e l hierro fundido, Como partes similares en ambos procesos, se seleccionan trozos de acero de bajo azufre y f6sforo, s o n fundidos e n el horno de a r c 0 elgctrico, c o n u n estricto control quimico y de temperatura. A la temperatura critica d e colado el a c e r o es pulverizado por un proceso patentado, produciendo una calidad uni forme de granallas. Existen dos fases de tratamiento tgrrnico para darle dureza, las granallas son
  • 73.
    73 homogenizadas y refinadas a una alta temperatura en hornos, en 10s cuales, la atm6sfera es controlada para prevenir oxidaci6n y descarburizaci6n, despu6s es descargado en un recipiente para ser templado, donde se bombea gran cantidad de agua a1 punto de descarga que asegura la uniformidad de una estructura altamente refinada y el tamafio del grano. Las granallas esfgricas son cargadas luego en un horno rotativo en donde son ~alentadas: a . . temperaturas de revenido para darles una vida mdxima y dureza uni forme. Luego son cribadas para prop6sitos de graduaci6n de tamafios. Las granallas angulares son producidas tomando 10s tamafios grandes para darles u n especial tratamiento tgrmico aumentando su dureza y fragilidad, las granallas son entonces agrupadas e n molinos d e bola, trituradas y luego revenidas a la dureza correcta y graduadas a especificaciones estandarizadas. L a Tabla IX nos da la composici6n quirnica de las granallas de acero dada por la especificaci6n SAE de 10s Estados Unidos
  • 74.
    - - FLCxTRA 13. M I C R O E S T R U C T U R A D E LAS GRANALLAS DE ACERO. -” - - (H. J. Plaster). I Perlita maii,_st-FLE con un proceso de endurecimiento y tarple. n-14. RESISTENCIA A QUEBRARSE DE LAS GRANALLAS DE DE A C E R O . (H. J. Plaster). ‘. -Antes deusar - despues de usar . - FI-15. RESISTENCIA A QUEBRARSE DE LAS GRANALLAS DE H I E R R O TEMPLADO. (H. J. Plaster).
  • 75.
    75 y la especificaci6n B.S.C.R.A. de Gran Bretafia. (British Steel Castings Research Association). TABLA IX COMPOSICION QUIMICA DE L A S GRANALLAS DE ACERO SAE B.S.C.R.A. -2__ CarlGn 0.85 - 1.2% 0.6 - 1.25% silicio 1 0 4 min. .0 0.2 - 1.1% I -i so 0.60 - 1.2% 1.25 &. Azufre 0.05 &. 0.08 ndx. F6sforo 0.05 ndx. 0.08 &. lTJENE: H. J . Plaster La dureza varia en el ragno de 40 a 50 Rockwell C. con una estructura uniformemente temp 1ada de matriz martensitica y con finos carburos bien distribuidos. L a densidad de las granallas 3 no son menores a 7g/cm ni contienen m b s del 1 0 % de porosidades. El tamafio de las granallas de acero estd especificado por la norma SAE 5-444 que identifica las granallas redondas con el prefijo S y a las angulares con el prefijo G seguidas por un ndmero que representa el dibmetro nominal en diez milesimas de pulgadas para las esfericas
  • 76.
    76 y milBsimas de pulgadas para las angulares T a b l a X. TABLA X ESPECIFICACIONES D E L A S G R A N A L L A S D E A C E R O Norm SAE J4-u Granallas RedonQs Granallas Angulares S1320 G10 SlllO G12 s 930 G14 s 780 G16 S 660 G18 s 550 G25 S460 G40 s 390 G50 S 330 G80 s 280 g120 s 220 G200 S 170 G325 s 110 S 70 FUENIE: (H. J. Plaster).
  • 77.
    _____________________-1 C A P I T U L O I 2.1. . . . . . . . . . . . . . . . . . . TECNICAS . A . CONSIDERARSE ESPECIFICACIONES . . . . . . . . . . . . . . . . . . . . POTENCIA 2.1.1. _------- La potencia necesaria tiene estrecha relaci6n con el material que a va ser reciclado y el tamafio del sistema. Mientras mds pesado sea el material mds grande :el sistema, la potencia requerida serd mayor. 2.1.2. CARGAS MECANICAS ____________---- Las cargas mecdnicas son la base del disefio, ya que, en base a ellas encontraremos el tamafio y la forma de 10s diferentes elementos del sistema. Estos elementos son 10s encargados de transmitir las fuerzas, las cuales, deben ser lo m d s bajas
  • 78.
    78 posibles para tener elementos de menor dimensionamiento y de materiales m8s l i v i a n o s y econ6micos. 2.1.3. MATERIALES ______--__ Generalmente se disefian en base a la resistencia del material. Los materiales influyen en la forma del diseiro y su selecci6n debe realizarse considerando t o d a s sus propiedades m e c s n i c a s . 2.1.4. TAMAH0 Y PESO __________--- E l s i s t e m a d e b e tener u n tamafio q u e p e r m i t e el buen funcionamiento de sus componentes y la r e a l i z a c i 6 n d e s u s d i f e r e n t e s procesos. E l tamafio y peso son parAmetros que deben establecerse en el disefio de acuerdo a las c o n d i c i o n e s d e l s i s t e m a . 2.1.5. . .R.O.D.U.C. T O S . E X I S T E . .T.E S P ... ......N E l s i s t e m a d e b e estar c o n s t r u i d o c o n m a t e r i a prima que se pueda obtener en el Mercado N a c i o n a l y c o n partes f u n d i d a s y m e c a n i z a d a s d e f s c i l fabricaci6n. Adem5s existen partes predisefiadas estandarizadas que se pueden seleccionar
  • 79.
    79 en base de catdlogos tales como rodamientos, bandas, retenedores, pernos, etc., que tambien deben ser adquiridas fdcilnente e n e l m e r c a d o local. 2.1.6. . . .D.A. .U.T. I L . D E . S E . . .I.C.I O VI . . . . . . RV La vida iitil de servicio es un parb~etro que se ve afectado por varios factores tales como: las condiciones mecsnicas; cambios de 10s esfuerzos de trabajo en sus partes; corrosi6n, abrasi6n; etc. En el disefio del sistema se deben tomar en cuenta todos 10s factores para darle una vida iitil econ6micamente admisible.. 2.1.7. . . .N.T.E.N.I.M.I E N T O . Y . R E P A R . . .I.O N MA . . . . . . . . . . . AC El disefio y construcci6n de este sistema debe permitir un fdcil mantenimiento y reparacihn, principalmente de partes que estdn en constante movimiento para evitar asi su desgaste prematuro y mantener la vida iitil de servicio de la m5.quina. 2.1.8. __---T 0 COS El costo initial de todo sistema se relaciona por lo comiin con la vida de
  • 80.
    80 servicio iitil, asf como tambidn con el flujo escogido, es decir, que si a una mQquina se le prolonga su vida iitil, su costo inicial se distribuirs por un mayor nfimero de aiios. Asf, pues, es importante ajustar la calidad de 10s disefios a la duraci6n que se espera. D e acuerdo a lo analizado e n el Capftulo I y a1 tamafio y forma de la msquina, el sistema de recirculaci6n estd formado por cuatro partes .figura 1 6 . : a. Un sistema de recolecci6n formado por un tornillo sin fin de paso normal colocado en la parte inferior de la mQquina y sujetado en sus dos extremos por chumaceras de pared. La artesa del transportador se abre por todo lo ancho de la msquina para recolectar las granallas que c a e n por 10s orificios que tiene la mesa rotatoria. E l tornillo descarga a1 final de la hdlice por gravedad por una abertura un poco mayor, a1 dismetro de la hdlice del sin fin. b . Un sistema de elevacidn formado por u n elevador de cangilones centrifugo. Este elevadbr es
  • 81.
    81 de banda y cangilones estandares. La polea inferior est6 acoplada a1 eje del s i n f i n para transmitir movimiento. L a polea superior estd unida a1 motor y a un sistema regulador de la tensidn de la banda. c. Un sistema de extracci6n de polvos formados por un separador que recibe las granallas de 10s cangilones. El separador estd formado por dos planos inclinados, una c o m p u e r t a , un tamiz y una cdmara de expansibn. Se separa el polvo de las granallas y se lo transporta por un ramal de la tuberia que estd unida a un ducto principal. E l ducto principal succiona el polvo en suspensi6n d e la parte media del elevador d e cangilones y de la cdmara d e trabajo de la msquina. Este polvo es llevado hasta u n filtro donde s e lo retiene para q u e e l a i r e salga limpio a 1 ambiente. d. U n sistema dosificador de granallas formado por una compuerta y por un mecanismo d e cuatro barras que acciona la compuerta. La codificaci6n de 10s planos del sistema esta formada por ndmeros separados por un punto: el primer ndmero indica el ndmero d e la mdquina dentro
  • 82.
    82 FIGURA 16. SISTEMADE R E C I R C U L A C I O N . a. Sistgna de recoleccih. b. Sisterra de elevaci6n. c. Sistema de extraccih de plvos. c. Sistsna d o s i f i u d o r .
  • 83.
    83 del Proyecto de Construccidn d e Equipos; el segundo ndmero indica el ndmero del subconjunto tomado de la mgquina; y el tercero da el niimero de la parte que pertenece a1 subconjunto del niimero anterior y el dltimo niimero indica el ndmero de despiece de la parte del ndmero anterior. Por ejemplo: 7.01 indica que se trata del plano del subconjunto ndmero 1 de la mdquina ndmero 7. La codificacidn 7.01.18 indica que se trata del plano de la parte ndmero 1 8 del subconjunto ndmero 1 de la mdquina ndmero 7. Los planos adjuntos muestran dos vistas generales de la rndquina limpiadora de metales. Ademds se podrl encontrar 10s subconjuntos de las cuatro partes del sistema d e recirculacidn que conforma la mbquina. SISTEMA DE RECOLECCION Y SISTEMA DE ELEVACION 2.4. ________________________________________----_------ L O ~sistemas de recolecci6n y elevacidn trabajan acoplados a u n mismo motor :figura 1 7 . . 2.4.1. . . . . . . . . .DE. .LA . T O L V A . DE . COLECCION CALCULO . .. ..... .. ........ La tolva de colecci6n es donde las granallas que descargan el 4e almacenan elevador.
  • 84.
    84 - FIGURA17. SISTEMAS DE ELEVAC I O N Y RECOLECCION. 1. b t o r - reductor. 2. Tensor de la banda. 3. Base del mtor. 4 . Estructura. 5. Cmngil6n. 6. Banda. 7. Polea. 8. Sin fin. 9. Artesa. Volumen de la tolva d e colecci6n E l tamaRo d e l a t o l v a d e c o l e c c i 6 n s e e s c o g e de acuerdo'a las limitaciones de es acio. 5_ De l a f i g u r a 1 8 : V 1 = 0 . 2 5 1 (A1 + A2 + A3)
  • 85.
    85 v 1 0 I n 7 ' 0 ' II X FW 18. TOLVA DE RECOLECCIOI-.. I ' V1 y V2 : V o l h s de las p a r t s de l a tolva. AIJ %J 5 , A4 y As: 5reas.
  • 86.
    86 Donde: 2 A 1 = 0.01782 m -3 2 A 2 = 1.70 x 10 m -3 2 A 3 = 5.94 x 10 m Entonces: -3 3 V 1 = 6.39 x 10 m D e Ref. 10: v2 = H (A4 3 + A5 +Jm) Donde: H = 0.250 m 2 A4= 0.08308 m 2 A 5 = 0.0169 m Entonces: 3 V 2 = 0,01146 m El v o l u m e n d e v v a es: v T.= v 1 + v2 3 V T = 0.018 m Carga mdxima de la tolva
  • 87.
    87 k g a dxim - Peso especifico __ Volmn - de la tolva de las granallas de la tolva w = y X V T w = 71613 N/m3 x 0.018 m 3 W = 1289.03 N 2.4.2. M . . .I.M.A. .CARGA . DE . L O S . SISTEMAS . AX ..... .. ... ....... L O ~ sistemas de recolecci6n y elevaci6n estdn en su mdxima carga cuando la turbina ha descargado todas las granallas que se almacenap en- la tolva de colecci6n que estd arriba de ella. 2 . 4 . 3 . . . . . . . . . . . . . . DEL . . . . . .F.I N DIMENSIONES . . . SIN Longitud del s i n fin La longitud se toma de acuerdo a las dimensiones d e la mdquina. L = 1.368 m L Pasoc del sin fin Escogemos u n paso de: N f i m e r o d e pasos L N? Pasos = - P
  • 88.
    88 N2 Pasos = 9 Didmetro exterior de la h e l i c e d e l s i n fin Se s u p o n e q u e la c a r g a m d x i m a se distribuye uniformemente en la longitud del sin fin. Entonces, cada paso tendrd un volumen de: 3 V = 0.002 m P Se escoge un mdximo porcentaje de llenado del sin fin de 9 se representa u n paso come u n c i l i n d r o . FICZRA19. REPRESENTACION DE UN PAS0 DEL SIN FIN.
  • 89.
    89 Volumen del cilindro: 2 Vc= 0.119 D m (2-1) - Si Vp es el volumen que ocupa un 4 0 % , el volumen que ocupard un 100% serd: 3 Vc= 0 . 0 0 5 m Reemplazando en (2-1) 2 0.005 = 0.119 D 2 D = 0.042 D = ,- / D = 0.205 m Donde D es el dizmetro exterior de la h6lice del sin fin. De la figura 2 0 : Espesor de la banda 4 = W k t r o d e laplea+2 2
  • 90.
    90 N sr 0 FIGURA20. BANDA DE LOS CANGILONES Y2= 3.028 m El difimetro de las poleas y la distanc entre ejes Y, se escogen de acuerdo la1 tamaao de la mdquina. El espesor d e la b a n d a e s estimado. Despu6s serd c a l c u l a d o . Datos: Didmetro de la polea = 0.358 m Espesor de la banda = 0.006 m
  • 91.
    91 Entonces: 0 = 0.364 m 9 -2 = 0.182 m Longitud: L 1= 2Y 2 + ( d ( 0 ) 'I L1= 2 x 3.028 +IT x 0 . 3 6 4 L1= 7 . 2 0 0 m 2. 4 5 D I S E f i O Y CALCULO DE LOS CANGILONES Velocidad lineal y angular d e 10s cangilones El elevador de cangilones es de tip0 centrifugo, por lo que, sus cangilones descargan e n tiro parab6lico. E l grifico indica la distancia de 10s cangilones a la bandeja de granallas en el instante d e descarga. Donde: h : distancia del cangil6n a la bandeja . d :-*:distandia del eje a la bandeja - . ri : radio de curvatura r l : radio de la polea + Espesor de
  • 92.
    92 - - I - LA GRANALLA DE TRAYECTORIA I t d=o. 390 m h ~ 1 a m 2 1 . TRAYECTORIA DE LAS GRANALLAS A LA SALIDA' DEL ELEVADOR.
  • 93.
    93 la banda + Distancia de la banda a1 centroide del cangil6n (estimado). r l = 0.179 + 0 . 0 0 6 + 0.030 r l = 0.215 m Velocidad lineal D e la f i g u r a 2 1 : Donde t es el tiempo e n segundos s Reemplazando, tenemos: V 0= d E V o = 1.171 m / s Velocidad angular W = 5.446 rad/s o = 52 r/min Ndmero de cangilones Tiempo que se demora el sin fin en dar una revoluci6n:
  • 94.
    94 1 tl= w t l = 0.019 min t l = 1.15 seg. Velocidad de la banda del elevador: v&= w 4 - 2 Donde: ' - 2 = 0.182 m Entonces: v&= 0.991 m/s Longitud que recorre la banda en t l = 1.15 segundos: % = v1 t 1 Z = 1.14 m Si se colocara un cangil6n por c a d a vuelta del sin fin, se necesitarfa: --_ - 6.32 cangilones a Con la finalidad de distribuir uniformemente la descarga del elevador para un mejor efecto de cortina e n el separador de polvos, se repartirs la carga de un cangildn en aproximadamente 3 cangilones.
  • 95.
    Es decir, seusariin: 6 x 3 = 18 cangilones Distancia entre cangilones: L1 -- = 0 . 0 4 m 18 N6mero de cangilones que pasan por vuelta del s i n fin: = 2.85 cangilones Pasardn aproximadamente 3 cangilones por vuelta del sin fin. Carga mdxima que recoge un c a n g i l 6 n Suponiendo que la c a r g a mdxima de la tolva se encuentra repartida uniformemente en el sin fin; entonces: W _----- 9 pasos Carga de un cangil6n = 3,cangilones -- __ : Carga de un’cangil6n :s 47.74 N Disefio de 10s cangilones Los cangilones deben permitir recoger las granallas del fondo del elevador y dejar que fluyan hacia la bandeja recolectora por encima de la polea superior. Ademds
  • 96.
    96 deben transportar una carga mdxima de 47.74 N por cangil6n. Considerando lo anterior: a. La parte inferior y frontal de 10s cangilones debe ser redondeada 0 suavisada. b. El lado posterior d e 10s cangilones debe sujetarse a la banda. c . Cada cangil6n debe tener u n volumen iitil de : v3 Carga de u n cangil6n = ____________________ Y -4 3 V3 = 6.67 x 10 m El siguiente cangil6n cumple con 10s requerimientos del diseRo. Volumen fitil De la figura 22.b A6= 2.55 X -3 3 A,= . 1.50 x 10 1 m 3 A = 1.38 x m 8 V 3 = 0.127 ( A 1 + A2 + A 3 ) -4 3 V3= 6.90 x 10 m
  • 97.
    97 O I ,? 0 . 0 , 3 0 0.085 I FIaTRA22.a) CANGILON. b) VOLUMEN UTIL DEL CANGILON. %,f$ Y Ag’ Areas.
  • 98.
    98 Disefio por desgaste Laparte mds afectada por desgaste abrasivo en el cangil6n es la frontal. De la Ref. 13 obtenemos la f6rmula experimental que da el volumen perdido por desgaste. Donde: Vd: volumen del material perdido 3 en m F : fuerza normal a1 punto de contact0 e n N Xd: distancia de desplazamiento del punto de desgaste en m. kd: coeficiente de desgaste. presi6n d e flujo en Pa. Pf: Pf: 3 sY S : esfuerzo de fluencia Y E l volumen de material perdido es, figura 23: Vd= (0.030 + 0 . 0 7 4 + 0.030) (0.127)ed Vd= 0.017 ed
  • 99.
    99 FIGURA23.PARTE DE UN CANGILON SOMETIDA A MAYOR DESGASTE La fuerza normal en el punto de contact0 es la carga mdxima. F = 47.74 N Para u n a v i d a dtil de servicio de 1 0 0 0 h o r a s , la distancia de desplazamiento del punto de desgaste es: x=-ciclos x Vida dtil de servicio tc Donde : : tiempo de u n ciclo tc El tiempo que se demora un cangil6n en realizar u n ciclo es:
  • 100.
    100 t c = 2.02 x hr Entonces: _-_--1 0 - 4 9 5 . 0 5 c i c l o s / h r cic tC Suponiendo que el fondo del elevador se l l e n a h a s t a la p o l e a . E n u n ciclo, el punto de desgaste recorre: FIGURA24.RECORRIDO DE D E S G A S T E D E L C A N G I L O N . Donde: 1 : = -- Dl + (Ancho del cangil6n) 2 2 + eb D 1 : d i d m e t r o d e la p o l e a
  • 101.
    101 eb: espesor de l a banda de cangilones En t onces : r2= 0.179 + 0 . 0 0 6 + 0.090 r2= 0.275 m 2nr 2 x 104" 1 ciclo de desgaste = ------------ 360" 1 ciclo de desgaste = 0.499 m Reernplazando e n (2-3) X d = 495.05 x 0.499 x 1000 X d = 247029.95 m El valor del coeficiente de desgaste se obtiene d e la siguiente tabla: TABLA XI VALORES T I P I C O S DE k d hbricacih & las Metal - Metal No mtdlicos superficies deseable. No deseable mtAlicos -4 -6 Linlpia s 2 10 5x 10 -4 -6 Pobre 2X1O4 2x 10 5 x 10 Praredio 2 ir5 2x 5x 10 -6 -6 2X1O4 2x10 -6 Excelente 2x 10 2 2 FuENIE: Importancia del Desgaste en el Diseiio. Lipson CH. Para una superficie limpia:
  • 102.
    102 kd= 2 . 6 x Usando acero estructural A 3 6 . 4 2 S = 36000 lb/pulg Y S = 2.48 x lo8 P a Y L a presi6n d e l flujo es: P = 3 S € Y p f = 7.44 x lo8 P a Reemplazando en (2-2) 10s valores obtenidos 0.017e =1.37 x d e =8.06 x d Como va a desgastar por mbos lados: -4 ed=8.06 x 1 0 x 2 ed=0.0016 m Se escoge u n espesor de 3 / 3 2 Pulg. Se usa el mismo espesor e n todo el cangil6n. Los cangilones van rernachados a la banda. El claro entre el cangil6n y la plancha recolectora es de 2mm.
  • 103.
    103 qQlculo y selecci6n de 10s remaches de 10s cangilones. Los cangilones van remachados a la banda con dos filas de remaches cada uno. Se usan remaches de 4.8 mm de didmetro (3/16 p u l g ) . 0 127 FIc;uRA 25. DISTRIBUCION DE LOS REMACHES Comprobaci6n: Por cortante:
  • 104.
    104 La fuerza cortante mdxima a la que estdn sometidos 10s remaches es de 47.74 N que es la mdxima carga de u n cangildn. El esfuerzo de fluencia permisible de 10s remaches es de 179.14 MPa para un acero UNS G 1 0 1 0 0 . Usando la teoria de energfa y distorsidn tenemos: 0'577 -__----- 'y, .Carga. .mrixima . del . . . . . . . . . . . . . . . . . . . . . cangildn n -Area transversal de 10s 6 cangilones. Para n = 4 tenemos: 47.74 ______-_______4 - ________________ 0.577 x 179.1 > 4 6 x 7i x 2 3 . 0 4 ____________- 4 25.84 1 0.44 Por aplastamiento _____________-4 >--------------7 . 7 4 0.577 x 179.1 4 4 -6 x 2;38 x 4;8 25.84 2 0 . 7 0 V = a r S s-
  • 105.
    105 2n lmin V s = 5 2 r/min x -- x ---- x r s lr 60 s V s = 5.446 radls x r s r depende de la cantidad de granallas S en e l sin fin. r es la distancia media desde el eje del S sin fin a 1 centro del volumen transportado. De la secci6n 2.4.3. 3 V = 0.002 m P El Area transversal ocupada serd: 0.002 A = ----- P P 2 A = 0.013 m P En la figura 2 6 . yl: distancia del centro del eje a1 inicio del. area ocupada. Entonces: r S = 0.052 + 0.500 lyll (2-5) Se calcula y 1 integrando el Area ocupada: A -0.084 -I?= { -y1 xdy+ r- XdY 2 -0.084 -(D/2+0.002)
  • 106.
    FIWRA26. S EC C I O N T R A N S V E R S A L OCUPADA DEL SIN FIN. T Y 0 04 W 0 0 , . "/ / X O / b -yl y =0.6 3 64X-0.1222 - 0 .084 - (D/2+0. 0 02) x +y =(D/2+0. 0 02) FIWRA 27. S E C C I O N D E L S I N F I N . Escala 1:6 enn-etros.
  • 107.
    107 Donde: 0.6364 si - 0.084 c. y < - y1 "I D d(D/2 + 0.002)2 - + .O.002. = 0 , 1 0 4 5 m 2 ' -y " si D/2 + O.OO2<y<:6.084 Reemplazando e n la integral 0.013 =Jyl -. (1.571~+ 0.192) dy +I- . J -0*084 m d y -0.084 -.% 015 _. L +-0 21 9 -l . 0 - 0 y--] -0.084 0.1045 -0.1W5 0.0065 = -0.0055 + 0 0 6 + 0.7855 y .11 : - 0.192 y1 + 0.0086 - -0.0026 - 0.0051 0.7855 y 1 2 - 0.192 y 1 + 0.005 = 0 1 + +0.192 - J(0.192)* - 4 (0.7855) (0.005) Y1= 2 (0.7855) y l l = 0.215 m y12= 0.030 m Escogemos:
  • 108.
    108 Reemplazando en (2 - 5 ) r = 0.067 m S Reemplazando en ( 2 - 4 ) V S = 0.365 m/s La longitud de la artesa debe ser igual a la del sin fin. La artesa recoge las granallas y polvos que provienen de la mesa rotatoria de la mdquina, por lo tanto, debe debajo de toda la mesa. Adem un dngulo de inclinaci6n no (Ref. 2) para asegurar que s granalla. Tomando en cuenta estas condiciones, las dimensiones de la artesa se dan en la figura 28. Espesor de la artesa Para cdleulos del espesor consideramos la artesa como una viga ancha empotrada. L a distribuci6n de fuerzas e s la siguiente: (Figura 2 9 ) .
  • 109.
    FW 28. MEDIDASDE L A ARTESA I W'L= w FIGURA29. DIAGRAMA DE FUERZAS DE LA ARTESA
  • 110.
    110 Donde: Wt' mdxima carga de granallas (1289.03 N ) R1 y R2:reacciones M1 y M2:momentos reaccionantes L: longitud de la artesa (1.368 m) Es una viga eststicamente indeterminada. De Ref. 11: - W R1 = R2 - - 2 R1 = R2 = 644.52 N Usando el mgtodo de Brea del diagrama de momento flexionante para vigas estgticamente indeterminadas se calcula 10s valores de Primer0 se considera a la viga simplemente apoyada, cuyo diagrama es una parbbola, luego se considera a la misma viga solo con 10s momentos de empotramiento que dan un diagrama de momento rectangular. Utilizando el primer teorema del Qrea de momento se obtiene:
  • 111.
    111 W' FIGURA30.DIAGRAMA DE MOMENT0 COMBINADO. B * _- dx Ae B O = J EI VF 0 3 P Donde : M: momento EI: r i g i d e z a l a f l e x i d n Resolviendo se obtiene: + L i+ i M r
  • 112.
    112 M = 146.95 N - m 1 M 1= M 2 = M Los diagramas de fuerza cortante y momento f lector se exponen a continuaci6n: Diseflo por cortante Donde: V = 644.52 N A = 0.840 e e : espesor de la viga Entonces: El esfuerzo cortante mdximo permisible dado por el manual de la AISC -Ref. 12- es: F = 0.40 S 2 TmaX V Y- S es la resistencia a la fluencia del Y material. . Usando una plancha de acero estructural A 36:
  • 113.
    t 644~52N “T rnCJJ’RA31. DIAGRAMAS DE FUERZA CORTANTE Y MOMENT0 FLECTOR.
  • 114.
    114 2 S = 36000 lb/pulg Y s = 2.48 x lo8 P a Y Entonces: Fv= 9.92 x 10 7 Pa = T max Reemplazando este valor e n (2-6) e = 1.16 x loe5 m D i s e i l o p o r flexi6n a Mm max = ---- a ' > *-. Donde : g' &- Mm: momento m6ximo c : distancia del eje neutro a la fibra mds exterior. : inercia de la secci6n de la a ' viga. Entonces: Donde: b : ancho de la viga (artesa)
  • 115.
    115 0 1049.64 = ------- 2 (2-7) (el De Ref. 12 F b = 0.60 S y 2 omax Donde: Fb: esfuerzo mdximo de flexi6n permisible Entonces: F = 1.49 x b lo8 Pa cs max R e e m p l a z a n d o e n (2-7) e = 0.0026 m D i s e f i o por d e s g a s t e Consideramos la carga mdxima en el fondo d e la artesa. D e la Ref. 1 3 Donde: Pf= 3 s Y p f = 7.44 x l o 8 P a E l v o l u m e n d e l m a t e r i a l p e r d i d o es:
  • 116.
    116 FIGURA32. LLENADO MAXIM0DE LA A R T E S A . Vd= 0.325 x 1 . 3 6 8 x ed 3 Vd= 0.445 e d m La fuerza normal a1 punto de contact0 es igual a 1 peso d e la c a r g a mAxima. F = W = 1286.03 N Para una vida iitil de servicio de 1000 horas, la distancia de desplazamiento del punto d e desgaste e s : x=-ciclos x Vida i t l de servicio ii (2-9) d h Sabemos que en un ciclo de transporte de granallas el sin fin s e demora:
  • 117.
    117 Entonces: i ______ - ----- ciclos - min 0:173 Como : 1 ciclo = 1.368 m 1 {T i: i,- > v ) , R e e m p l a z a n d o e n (2-9) *'- - - - B 1c;L 1OT ECA X d = 346.8 x 1.368 x 100 X d = 474422.4 m El valor del coeficiente de desgaste se obtiene de la Tabla X I 7% Para una superficie limpia: 6. ' , 5x10-~+ 2 x k = _________________ d 2 -3 k = 2.6 x 10 d Reemplazando 10s valores o b t e n i d o s e n (2-8) 2.6 x x 1286.03 x 474422.4 0.445 ed= 8 3 x 7.44 x 10 ed= 0.0016 m Espesor de la artesa: e a= e + e d
  • 118.
    118 e = 0.0042 m a El espesor es de 3/16 pulg. CQlculo de la soldadura de la artesa Existe una soldadura de filete horizontal en cada lado que se considera como una viga empotrada. En la figura 3 3 : a : tamafio de la soldadura bl: longitud del cord6n c : distancia a 1 eje neutro de la viga. : ancho del Area de garganta. te De Ref. 12 para una soldadura E6011 P o r cortante: Donde : f S : esfuerzo de trabajo por cortante V . : fuerza cortante ( N ) : Area de garganta (m 2 ) Ae Ae: bit,. Ae: 0 . 8 4 te
  • 119.
    '1 ) Z z :F! FIU33. S O L D A D U R A DE LA A R T E S A Entonces: Por flexi6n:
  • 120.
    120 Donde: fb: esfuerzo de trabajo por flexi6n Mm: momento flexionante : inercia de la soldadura IW 2 Iw: blc t e Entonces: f r =J f S 2 + fb . ; FV= 0 . 3 S Y Donde : f r : esfuerzo de trabajo resultante F V : esfuerzo permisible en la soldadura. 72895.90 f = -------- = 0 . 3 x 3 . 4 4 x lo8 P a I: te t e -4 te= 7.08 x 10
  • 121.
    121 Como : t = 0.707 a e Entonces: a = 0.001 m El manual de la AISC recomienda u n tamalIo de soldadura minima de 1/8" para espesores de hasta 114'' inclusive. Entonces: a = 1/8 pulg. 2.4.8. . . . . . . . . . .DE. . FUERZAS. . DE . . . . . . . . . . . . . .ACTUAN ANALISLS . ...... . . TRABAJO QUE . . . . SOBRE LOS SISTEMAS _____-_____-_____- fuerza tange p1 : Z a 1 s i n fin fuerza axial aplicada a1 *1 X : sin fin fl: fuerza de friccidn entre granallas y la helice del s i n fin. f2: fuerza de friccidn entre las granallas y l a artesa
  • 122.
    122 w p e s o d e la granalla N 1 y N2: fuerzas normales x : Q n g u l o de la h 6 l i c e a) "I FIcxIRA34. DIAGRAMAS DE FUERZAS. a) en la h6lice del sin fin. b) en las granallas.
  • 123.
    123 P1 -p s N 1 C o s A - NISen = 0 Z = N~ (~,COSX + Sen A) (2-12) p1 Z Sustituyendo ( 2 - 1 1 ) en (2-12) (pScosX + S e n X 1 P1 = P 1 ____-___________ (2- 13) (Cos - p s S e X 1 ~ Z X D e la f i g u r a 34.b) N2= W f 2 = VsN2 f 2 = VSW -F2 = -N1 + fl X X Vsw = NlCosX - psNISen (2- 14)
  • 124.
    124 p 1 = VSW (2-15) X Sustituyendo ( 2 - 1 5 ) en (2-13) (yScosX + Sen X ) - w _______________- p1 - Z s (COS X -1.1 S Sen A) Sustituyendo: kficiente de r o k e n t o = 0.78 (Ref. 2) Angulo d e h6lice = 2 0 . 8 " Tenemos: p1 = 1 . 2 8 6 W (2-16) Z FI(XIRA35. DIAGRAMA DE FUERZAS
  • 125.
    125 Donde: W1: carga de todos 10s cangilones de u n lado de la banda. W2: peso de la granalla que est3 en el fondo del elevador. Fa: fuerza necesaria de excavaci6n que realiza un cangildn para recoger la granalla del fondo. Fuerza de excavaci6n Se supone la siguiente carga critica: i N3 S F I W 3 6 . DIAGRAMA DE FUERZAS Donde: a n : aceleraci6n normal N3: fuerza normal
  • 126.
    126 La fuerza de excavacidn se determin6 experimentalmente. Concluyendo que es a p r o x i m a d a m e n t e i g u a l a l a f u e r z a d e fricci6n El peso de la carga representada en el e s q u e m a es: W2= 587 N De la f i g u r a 3 6 : N 3 - W 2= M a n N 3= W 2 + M a n Como : Y 2 "0 a = n --- r 1 Tenemos: 2 w2 vo x -- N3= 2 + -- :1 N3= W (1 2 r a 1- N3= 968.63N
  • 127.
    127 L a fu e r z a d e e x c a v a c i 6 n es: = 755.53 N Fa Fuerza t o t a l d e l e l e v a d o r : P2= W 1 + F a P2= w1 + 755.53 (2-17) L a potencia requerida es: A Donde: 8 B L I o-rECA 1 P O tenc ia .total de transportes de 10s s is t emas p.. * potencia inercial inercia' Para el c5lculo de potencia consideramos todos 10s cangilones llenos y el sin fin c o n toda la carga de la tolva. Recolecci6n D e (2-16) t e n e m o s : PI = 1657.69 N z
  • 128.
    128 La potencia necesaria de transporte del sin fin es: Pot 1 = P1 x vS z Potl= 605.06 Watts Potl= 0.605 Kw Elevaci6n 9 Cangilones llenos: 4 7 . 7 4 x 9 = 429.66 N De la secci6n 2 . 4 . 7 : W 1 = 429.66 N De ( 2 - 1 7 ) tenemos: P2= 1185.19 N La potencia necesaria de transporte del elevador es: Pot2= P 2 x v0 Pot2= 1387.86 Watts. Pot2= 1.388 Kw La potencia total d e transporte es: = Pot1 + Pot2 = 1.993 Kw
  • 129.
    129 La potencia necesaria para vencer las fuerzas inerciales dependen del dimensionamiento y peso de las partes de 10s sistemas, por lo que serd calculada despues. Tomaremos un valor de potencial inercial a comprobarse de: 'inertia- 0.030 Kw Entonces: P T= 1.993 Kw + 0 . 0 3 0 K w P T = 2.023 Kw U n motor reductor d e 2.2. Kw a 1 7 9 0 r / m i n cumple con el requerimiento de potencia. L a raz6n de reduccidn e s de 25.59 El motor reductor transmite la potencia a1 eje superior del elevador por medio de una cadena y dos catalinas. La velocidad angular de salida del motor reductor es:
  • 130.
    130 Donde : velocidad angular del motor- reduc tor Ufil : velocidad angular del motor rR: raz6n de reducci6n del reductor Entonces: La velocidad a la que debe girar el eje La raz6n de reducci6n de la transmisidn es: La potencia de disefio es: DHP= HP x S F Donde: DHP: potencia de diseao (HP) HP : potencia total (HP) SF : factor de servicio
  • 131.
    131 El factor de servicio se lo obtiene de la Tabla XII. De acuerdo a la Tabla X I 1 la carga es d e Clase B con un factor de servicio 1.3 Entonces: D H P = 3.9 HPJC DHP= 2.91 Kwatts r Con DHP y Urn se obtiene: (Ref. 7. ) - -o r de la cadena. 80 (paso I pig) (O.M5m) - Minim &o r de dientes de la catalina canductma 18 - M5xh diktro del agujero para el eje 2 3/4 p l g (0.07Ckn) - Lubricaci6n tip A. Marrual. Se escoge una catalina conductora de 26 . dientes, entonces la catalina conducida es: 26 x 1.35 = 35 dientes La distancia entre centros es de: C = 0.636 m La longitud aproximada de la cadena estd dada por (Ref. 11). ~~~ * Se usan valores en H p porque a{ lo requieren las Tablas del s CatBlogo de ‘ P m r Transmission and Conveying Components” Ref.7
  • 132.
    132 TABLA X I 1 C L A S I F I C A C I O N DE L A S CARGAS Y FACTORES DE S E R V I C I O Clase A Clase B Clase C Carga est5tica Carga intermitente Carga pesada con choque SF - 1.0 SF - 1.3 SF - 1.7 Ejemplos tipicos son: Ejgnplos tipicos son: . Ejemplos tfpicos san: Agitadores - Equido Maquimria de arcilla Transportadores reciprocantes y agitadores . Transportadores Transportadores Griias y Hmtacargas unifonwmnte cargados elevadores de banda y y alimentados tornillos Ventiladores Dragadoras Dragadoras Generadores el&tricos Lavadoras rnlinos de m x a l - -. Ejes de servicio -._ Elevadores de Badxis de dragado liviano cangilones Maquinas de todo tipo Rectif icadores %lines de martillo con carga unifom no reversible W a s centr€fugas Ejes de servicio Mlinos de rcdillos rotatorias de p h n pesado k a n d a s rotatorias %quinas de todo tipo Squinas de todo t i p unifomte con derados golpes con impactos severos y alimntadas de carga no reversibles reversible FUENIE: P w r TransrrJssion arrd Conveying Gn-ipenents. Rexnord.
  • 133.
    133 Donde: L2: L o n g i t u d d e la c a d e n a P1: P a s o de la cadena C : Distancia entre centros N4: N d m e r o d e dientes de la catalina mayor N 5 : N d m e r o d e d i e n t e s d e l a catalina mayor Entonces: L 2 = 2.036 m C Q l c u l o d e l Qngulo @ CONDUCTORA CONDUC I D A FIGURA 37. REPRESENIACION .DE-LA TRANSMISION
  • 134.
    134 Datos: d = 0.146 m 1 d 2 = 0.283 m c = 0.636 m Donde: dl: di5metro primitivo de la catalina conductora d2: di5metro primitivo de la catalina conducida d i d2 - -1 .-1 -___--- f3 = Sen 2c $ = 19.7" 2.4.11 CALCULO Y SELECCION DE LA BANDA--_____ LOS DE / -__--__--_ CANGILONES El torque m5ximo en la polea superior del sistema de elevaci6n es: T pT = -- w T = 403.97 N-m Las fuerzas que actuan en la polea superior son: (F1 - F2) = 1878.74 N (2-18)
  • 135.
    135 Valor de F1 --_ - e f 8 F1 F2 Donde : F 1 ; fuerza mdxima que transmite la banda fuerza de lado flojo de la banda F2: f : coeficiente de friccidn (0.50) 8 : Angulo de contact0 (180") Reemplazando e n (2-18): F1= 2378.15 N F2= 494.42 N Se selecciona una banda de lona con un esfuerzo m6ximo d e tensidn experimental de: U = 40 MPa b Es decir, que una seccidn transversal de 1 m m 2 resiste 40 N. Entonces la seccidn transversal de la banda
  • 136.
    136 sera: 2 Ab= 5 9 . 4 5 mm -5 Ab= 5.94 x 10 m Como: Ab = ab x eb Donde: ab: ancho de la banda eb: espesor d e la banda Escogiendo: eb= 0.006 m Tenemos: ab= 0.010 m Debido a que 10s cangilones que v a n unidos a la banda tienen un ancho de 0.127 m, se escoge el ancho de la banda igual a1 ancho de 10s cangilones. a = 0.127 m b
  • 137.
    137 El dismetro de las poleas fue establecido e n la secci6n 2.4.4 D 1 = 0.358 m Las poleas son planas y d e b e tener u n ancho mayor a 1 de la banda. Ancho de la polea = 0.152 m El material de las poleas es fundici6n gris y tienen un peso de 240.54 N cada una. CQlculo de f u e r z a s En la figura 3 9 tenemos: T 1 : fuerza que transmite la cadena T 2 : fuerza del lado flojo de la cadena. La fuerza del lado flojo de la cadena es tan pequefio que puede depreciarse. T2= 0 E n la figura 40 tenemos:
  • 138.
    -- I I I a38 - -1 FlGCRA38.POLEA D E LOS S I S T E M A S D E R E C O L E C C I O N Y E L E V A C l O N
  • 141.
    141 R 1 = 2896.63 N Y FIGURA41.DIAGRAMA D E F U E R Z A S E N EL P L A N 0 XZ De la f i g u r a 41: R1 - R2 - T1 = 0 Z Z Z R1 - R 2 = 2687.78 N (2-21) Z Z 0.076T1 - 0.294R2 -= 0 Z Z R2 = 694.80 N (2-22) Z R e e m p l a z a n d o (2-22) e n (2-21) R 1 = 3382.58 N Z El momento flector msximo se presenta en
  • 142.
    1 - -1 -0 - +x A Ri Y IB 1 R2 Y 51 147 I 147 I --D "L M Id 1831.8lN -4 x - 26 6 2 ~ - m 9 3N-m FI-42. DIAGRAMAS DE FUERZA CORTANTE Y MOMENT0 FLECTOR EN EL P L A N 0 XY.
  • 143.
    B lz 1 47 14 '7 M 67 - 19N-m 4 FICXRA43.DIAGRAMAS DE FUERZA CORTANTE Y MOMENT0 FLECTOR EN E L P L A N 0 X Z .
  • 144.
    144 el punto B. I (188.35)2 + (lO2.14l2 M* = 214.26 N- m El momento torsor en el eje es: T = 403.97 N- m El cdlculo del didmetro del eje para cargas estdticas s e lo realiza aplicando la teoria del esfuerzo cortante mdximo (Ref. 11) que estd en funci6n de la resistencia a la fluencia, el momento torsor y e l momento flector. Donde : D2: didmetro d e l eje n : factor de seguridad = 1.5 8 S : 2.20 x 10 P a , para un acero Y UNSGl 01 8 0 Entonces: D 2 = 0.032 m E l c4lculo del didmetro d e l eje para cargas dindmicas se lo realiza aplicando e l criterio
  • 145.
    145 de Sines en el que el diAmetro es funci6n del momento flector y de la resistencia a la fatiga. Donde: : limite de resistencia a la ' e Donde: QIBLIC)-PE- S': limite de resistencia a la e fatiga de la viga rotatoria Ka: factor de superficie Kb: factor de tamafio Kc: factor de confiabilidad K d : factor de temperatura Ke: factor de modificaci6n Por concentraci6n de esfuerzos. Kf: factor de efectos diversos En la Tabla XI11 se dan 10s valores de 10s factores K. El lcmite de resistencia a la fatiga de una viga rotatoria es:
  • 146.
    146 s;= 0.5 su t 8 s;= 0.5 x 4 . 0 0 x 10 S'= 2.00 x l o 8 Pa e TABLA XI11 FACTORES K (Ref. 11) Factores bndici6n Valor ~~~ ~~~ Maquinado 0.88 Ka 7.6<d< 50 mn 0.85 5J Gmfiabilidad 0.50 1 Kc Temp. 160°F 1 Kd Chavetero r = 0.25 0.53 Ke Kf = 1 + q (Kt - 1) 1.88 Kf Entonces: Se= 7928800 P a D2= 0.035 m Con el dizmetro encontrado se determina el factor de seguridad para evitar fallas por f luenci'a. n = 2.02
  • 147.
    147 Con el factor de seguridad encontrado se determina el didmetro para evitar fallas por fatiga. D2= 0 . 0 3 8 m En e l punto E el momento flector es: M = 72.27 N-m E Para carga estdtica D2= 0 . 0 3 4 m Por cargas din5micas TABLA XIV FACTORES K (Ref. 11) Factor bndici6n Valor MaqUiMdO 0.88 Ka 7.6<d< 50 0.85 5-l miabilidad 0.50 1 Kc Kd Temp. 160" F R . - .5 1 0.608 Ke - 1.64 Kf . S'= 2.00 x lo8 P a e Entonces:
  • 148.
    148 Se= 9 0 9 5 6 8 0 0 P a D2= 0.025 m Chaveta p chavetero de la catalina Se u s a u n a c h a v e t a p r i s m d t i c a FIGURA45. C H A V E T A DE L A C A T A L T N A De la figura 4 5 : : a n c h o de la c h a v e t a 2. hl: altura de la chaveta altura del chavetero del eje t2: t3: altura del chavetero de la cat alina
  • 149.
    r I 8 1B LI OT E m .. L 4 - 4 W d 0 H d W PI 3 m W r, w
  • 150.
    150 D2: d i d m e t r o d e l e j e De Ref. ~ 10, las medidas del chavetero y c h a v e t a s son: h l : 0.008 m b 2 : 0.010 m t2: 0 . 0 0 4 5 m t3: 0.0037 m Se u s a u n a c e r o U N S G 1 0 4 5 0 s = 3.23 x lo8 P a Y Con relaci6n a la figura 46, la fuerza F 3 e n l a s u p e r f i c i e d e l e j e es: Fj= 2 3 0 8 4 N I F3 FIWRA46.FUERZAS EN LA CHAVETA
  • 151.
    151 P o rcortante: Por la teoria de energia y distorsi6n la resistencia a1 cortante e s : sS Y = 0.577s Y -. La falls por corte originh unliSPuerzo: Donde : 1 1 : longitud de la chavetero n : factor de seguridad = 3 Entonces: 1 1 = 0.037 m Por aplastamiento : La resistencia a1 aplastamiento se determina con un Brea igual a la mitad de la cara de la cufia. 11= 0.053 m
  • 152.
    152 C h av e t a y c h a v e t e r o de l a polea D e Ref. 10 p a r a D 2 = 0.040 mi b 2 = 0.012 m h l = 0.008 m t2= 0.0045 m t3= 0.0037 m U s a n d o el m i s m o acero U N S G 1 0 4 5 0 F3= 20197 N Para cortante: F3- s s y " ---- 7 n 1 = 0.027 m 1 Para aplastamiento: 1 1 = 0.050 m La longitud minima de la chaveta es de 0.050 m La mayor fuerza de reaccidn estd en el
  • 153.
    153 punto 0. R1= JR1 2 + R1 2 Y z R1= 4453.35 N L a carga radial equivalente es: F = F = 1.5 e r R1 Donde: Fe: carga radial equivalente Fr: carga radial aplicada Entonces: Fe : 6 6 8 0 . 0 2 N La capacidad bdsica de carga que soporta el rodamiento es: I Donde: C b : capacidad bdsica de carga dindmica Llbh: duraci6n nominal e n h o r a s de servicio W : revoluci6n por minuto El valor de L se obtiene d e la tabla 9- 5 1 Oh
  • 154.
    154 (ReC. 11) para miquina de servicio de 8 hcrns que no se usan permamentemente. = 20000 horas LIOh Cb= 26495.53 CAlculo para el otro rodamiento R 2 = 1457.56 Fe= 2186.34 Cb= 8671.87 Se escogen rodamientos que soporten la carga mayor. Las chumaceras o soportes de rodamientos son de fundici6n gris y tienen guias para deslizarse en el tensor de la banda de 10s cangilones. Los soportes llevan retenedores de polvo. 2.4.16 DISERO Y CALCULO DEL TENSOR DE LA BANDA _ _ _ _ _ _ _ _ _ _ _ _ _ _ _ _ _ _ _ _ _ _ _ _ _ _ _ _ _ _ _ I _ _ _ _ _ _ _ El tensor de la banda tiene la funci6n de subir o bajar el eje superior del sistema de elevaci6n para permitir una tensi6n adecuada de la banda de cangilones. Las fuerzas que realizan este trabajo estan localizadas en 10s rodamientos y son iguales
  • 155.
    FI-47. CHUMACERA D E EJE SUPERIOR DEL SISTEMA DE ELEVACION.
  • 156.
    156 a las fuerzas d e reacci6n e n esos puntos. El tensor est6 conformado por dos estructuras con guias en las cuales, se deslizan las cajas de rodamientos. Este deslizamiento es provocado por un tornillo regulador de fuerza. Disefio d e l t o r n i l l o Suponiendo que las cargas se distribuyen uniformemente a lo largo de la tuerca y usando un acero UNS G10100, se determina el didmetro del tornillo. Por cortante: El esfuerzo cortante medio en la rosca del tornillo es: Donde: n : factor de seguridad = 4 RT: carga que debe levantar el tornillo d : didmetro menor de la tuerca r h2: altura d e la tuerca
  • 157.
    - "I 1 -I----- I I i i gi N ! I I R L ' '8. ESTRUCTURA DEL TENSOR G R-
  • 158.
    158 FIGT 1 . :TAGRAMAS DE FUERZAS APLICADAS EN LA CAJA DE RODAMIENTOS L a fuerza total que levanta e l tornillo es: r Donde: : coeficiente de fricci6n entre YS z superficies de fundici6n gris = 1.10 Ref. 6. f3: factor que absorve posibles desalineamientos. que aument aria la carga del tornillo = 1.5 Entonces: R = 9926.20 N T
  • 159.
    159 De 1 esfuerzo cortante medio obtenemos: d = 0.009 m r El esfuerzo cortante medio en la rosca de la tuerca es: Donde: d t : dismetro mayor del tornillo S : resistencia a la fluencia de Y1 la fundici6n gris ASTM No 20 = 1.38 x lo8 Pa. Entonces: d = 0.017 m t Por pandeo: El tornillo de fuerza regulador actua como una columna, cuya mayor longitud desde la base de la estructura del tensor hasta la caja de rodamiento es d e 0.132 m. Tiene rotaci6n 1i.bre sin traslaci6n e n el extremo superior y empotramiento en el extremo inferior.
  • 160.
    160 FXWRA 50. TORNILLOSOMETIDO A COMPRESION El tornillo no fallars por pandeo. Demostraci6n 0- Para un tornillo de dismetro de 0.020 m Datos: r = 0.005m (radio de curvatura del circulo) = 0.0003 m 2 ( g r e a ) E .= 2.0 x Pa (mbdulo de elasticidad
  • 161.
    161 Cc= 148.51 L K l2 -- ___ e- r r L 0 . 8 0 x 0.132 -52 __________-_- r 0.005 L -2 21.12 r Como se utiliza la f 6 rmu 1 a r parab6lica d e pandeo: El valor de la carga critica es: 'cr= 'A wc = 30911.74 N 'r c Como se observa la carga critica en un tornillo de 2 0 m m de di5metro es superior a1 valor de por lo que el tornillo RT ' no fallarg por pandeo.
  • 162.
    162 Por aplastamiento Tomando untornillo M20 x 2.5. se calcula el esfuerzo de aplastamiento en la rosca (Ref. 11). Donde : p : paso del tornillo 0.0025 m dt: dizmetro mayor del tornillo 0.0200 m d : didmetro menor de la tuerca r 0,0168 m (Ref. 10) Entonces: 8 1.38 x 1 > 0 4 x 0.0025 x 9926.20 5.5 R X 0.015 (0.O2OO2 - 0.01682 2.51 l o 7 >1.79 lo7 CBlculo del momento de torsi6n requerido para vencer el rozamiento en la rosca y levantar la carga. De la Ref. 11: Donde :
  • 163.
    163 T3: momento d e torsi6n requerido d : dizmetro m e d i o del tornillo m d = 0.0184 m Ref. 10 m 13: avance del tornillo 13= P 1.1 : coeficiente d e friccidn dinQmico entre acero dulce y fundicidn gris. 1.1 = 0.23 Ref. 6 Entonces: T 3 = 25.20 N-m L a plancha recolectora debe tener e l mismo ancho y largo que la estructura q u e rodea a 10s cangilones. Debe tener u n Qngulo d e salida q u e permita el llenado de todo el volumen iitil del cangildn que pasa sobre ella recogiendo las granallas. Espesor de la plancha r e c o lec t ora Se realizan las mismas consideraciones que e n la secci6n 2.4.7.
  • 164.
    CURVATURA b' = 0 . 8 57 FIGURA51. M E D I D A S DE L A P L A N C H A R E C O L E C T O R A FIGURA 52. DIAGRAMA DE FUERZAS DE LA PLANCHA RECOLECTORA
  • 165.
    165 Jje la f i g u r a 5 2 : Wa: c a r g a m B x i m a en la plancha recolectora Wa= 587 N L': L o n g i t u d de la plancha recolectora L ' = 0.227 m Entonces: a' R1 = 2 = --2 R1 = R2= 292.5 N M1 - - - M 2 - Mm P o r el m6todo de Brea del diagrama de momento flexionante para vigas estgticamente indeterminadas se tiene: 2 - -w' (L') M1- --------- 12 M =- 585 x 0.22 _-__-______ 7 .1 12 M1= - 1 3 2 . 8 0 N-m Los diagramas de fuerza cortante y momento flector se exponen en la figura 54.
  • 166.
    166 M 0 MI FIGURA53. DIAGRAMA DE MOMENT0 COMBINADO Diseilo por cortante Donde: A = 0.857 e Entonces: T - _____- - 511.96 max e Esfuerzo cortante m5ximo permisible
  • 167.
    1 3 2, 8 0 c N-m 111111 A 292, SN t 0,1135 0,1135 * M' 1 6 6.4 ON-m
  • 168.
    168 Fv= 0 . 4 0 Sy 1 T max . Usando una plancha de acero estructura A36 Fv= 9 . 9 2 x l o 7 P a Reemplazando: -6 e = 5.16 x 10 m Diseflo p o r f l e x i 6 n CT 929.76 = _____- max 2 (el Esfuerzo m5ximo de deflexi6n permisible F = 0 . 6 0 F - a max > b Y Fb= 1 . 4 9 x l o 8 Pa Reemp1azand.o: -- - . I- D i s e i i o p o r Zdesgaste
  • 169.
    169 Donde : Pf= 3 sY p f = 7.44 x lo8 P a La longitud de desgaste de la plancha recolectora es igual a b' V d = 0.857 x 0.227 x ed V d = 0.194 ed F = W = 587 N a Ei, - !LCA Se considera que cada pase de u n cangil6n es un ciclo. El tiempo entre el paso de un cangil6n y otro es: _______________ - ------ - 1.15 s 2.85 cangilones 2.85 ______________- - 0.404 s - 2.85 cangilones 1. ___-_-______--- - 2,85 cangilones - 6.73 x min Entonces: ___---O s cicl = 148.59 ciclos/min min
  • 170.
    170 ------ - ciclOs . 8 9 1 5 . 3 0 ciclos. /h hora Para una vida iitil de servicios de 500 horas, la distancia de desplazamiento del punto de desgaste es: xd = ----- x vida iitil de servicio cic10 h Xd= 8 9 1 5 . 3 0 x 0 . 8 5 7 x 500 Xd= 3820206.1 m Para una superficie limpia -3 k = 2.6 x 10 d Reemplazando tenemos: 2.6 x x 58 x 3820206.1 0 . 194ed= 8 3 x 7.44 x 10 ed= 0.0135 m Espesor de la plancha recolectora e = e ed P + e = 0.0160 m P Se escoge u n espesor de 3 / 4 pulg. CQlculo d e la soldadura El cdlculo es similar a el de la secci6n 2.4.7, usando soldadura E 6 0 1 1
  • 171.
    171 Por cortante: Por fl e x i 6 n : f = ___-__-_- 2 154.95.9 b t e Como : Entonces: 2 2 (---"--) 3 1 341 + (--------) 15495.92 - r - Fv te tC f 15499.68 = -------- = 1 0 3 x 1 08 r te Donde: t = 1 . 5 0 x 1 0- 4 q e Como : t = 0.707 a e Entonces:
  • 172.
    172 -4 a F 2.12 x 10 , El manual de la AISC recomienda un tamaao d e s o l d a d u r a 114" p a r a e s p e s o r e s 3 1 4 " . . 2 . 4 . 1 8 . .I S E . .O. .Y. . CALCULO . DEL . . . . . . . D .. B . . . . . . . . . . SIN FIN CAlculo de fuerzas RODAM FIGURA55. E J E S I N FIN D e l a f i g u r a 55: F4: fuerza axial que la granalla ejerce sobre el sin fin
  • 173.
    173 F5: fuerza radial que la granalla ejerce sobre el sin fin El m o m e n t o t o r s o r e n e l e j e e s : T = P I x r S m3 z T = 111.06 N- m m3 C A l c u l o d e 1 0 s v a l o r e s F i y F; Pot. (Fi - F;) = 610.49 N Como : Reemplazando da: Fi= 770.72 N F;= 160.23 N De la f i g u r a 56: W : peso de la polea P Rl: reacci6n R2: r e a c c i 6 n
  • 174.
    174 I 177 1 I FlGuRA56. D I A G R A M A D E F U E R Z A S E N E L P L A N 0 XY Datos: W = 240.54 N P Fi= 770.72 N F = P = lJ W = 1005.44 N 4 1 S X F4= R + R2 1 X X Como : R1 = R2 X X F = P 4 1 X
  • 175.
    175 Entonces: F4 R1 = . 2 . . -- x R1 = 502.72 N = R2 X X CF = 0 (++I Y = 690.41 N (2- 23) R1 + R2 Y Y CM = 0 &+ 0 0.153 ( F i + F; - W ) - 1.693 R2 =O P Y R2 = 6 2 . 3 9 N (2-24) Y Reemplazando (2-24) en (2-23) R1 = 628.02 N Y f 5 L = F5 177 1 FIGURA57. DIAGRAMA D E F U E R Z A S EN EL P L A N 0 XZ
  • 176.
    176 D e laf i g u r a 57: f = 1211.76 N / m 5 R1 + R2 = F5 Z Z = 1657.69 (2-25) R1 + R2 Z Z 1.693 R 2 - 0.965 F 5 = 0 Z R2 = 943.76 N (2-26) Z Reemplazando (2-26) e n (2-25) R1 = 713.93 N Z L o s diagramas de fuerzas cortantes y m o m e n t o f l e c t o r se d i b u j a n a c o n t i n u a c i 6 n . El momento flector mgximo se presenta en e l p u n t o U. M m = 414.13 N-m
  • 177.
    F 0 R 1X 3 1 U 11 1. I R2X [ RIZ 154, 127 I 1368 v1 7 13 3 N M 1 k’ICXTRA58.DIAGRAMAS DE FUERZA CORTANTE Y MOMENT0 FLECTOR EN E L PLAN0 XZ
  • 178.
    J ?I 2 1 ___, 127 590 8 780 , 62-39 51.35 86-16 FIGURA59.DIAGRAMAS DE FUERZA CORTANTE Y MOMENT0 FLECTOR E N E L P L A N 0 XY
  • 179.
    179 Cglculo del diiimetro del eje para cargas estiticas: Donde: n = 1.2 8 S = 8.04 x 1 Pa, para m acero UNSG10240 (Ref.14) 0 Y Entonces: D 3 = 0.019 m Ciilculo del diiimetro del eje para cargas dingmicas Donde: Se= KaKbKcKdKeSl El lfmite d e . resistencia a la fatiga de una viga rotatoria es: s;= 0.5 su t 8 Sl= 0.5 x 8 4 3 x 10 S =; 4.22 x lo8 P a Entonces tenemos: S e = 170466000 P a
  • 180.
    180 TABLA XV FACTORES K (Ref. 11) Factores Condici6n V m Maquinado 0.71 Ka 7.5< d <50 mn 0.85 '6 Confiabilidad 0 9 .0 0.897 Temperatura 160'F 1 Kd - 1 Ke - 1 Kf D3= 0 . 0 2 8 m Con el digmetro encontrado se determina el factor . d e .seguridad para evitar fallas por fluencia. n = 4 Con el factor de seguridad encontrado se determina el dizrnetro para evitar fallas por fatiga. D3= 0.042 m Para evitar problemas de flexidn del eje se utiliza un eje hueco de secci6n igual a u n eje macizo.
  • 181.
    181 S e u s a un e j e d e : Didmetro e x t e r i o r = 0.050 m Didmetro i n t e r i o r = 0.025 m D3 5 (Di&tro exterior) 2 - ( D i k t r o interior) 2 0.042 5 0.043 En e l punto G el momento flector es: M = 218.48 N- m G Para cargas eststicas usando un material UNSG43370 t e n e m o s : D3= 0.024 m Para cargas dindmicas: TABLA XVI FACTOR K (Ref. 11) Factor andici6n VAuxi Ka Mapinado 0.68 Kb 7 . 6 ~ 6 0m d 0.85 Kc Confiabilidad 0.90 0.897 Kd . Temperatura 160" F 1 Ke 0.61 Kf Kf= 1 + q (Kt - 1) 1.63
  • 182.
    182 SL= 5.39 x lo8 P a Se= 170466000 P a D3= 0.037 m / Para D 3 = 0.037 se utiliza un eje macizo de 0.040 m de digmetro. Este eje va montado con un ajuste d e precisi6n a1 eje hueco y soldado con soldadura de filete alrededor del mismo. FIGURA60. MONTAJE DEL EJE M A C I Z O F1 3L L Y’ 31-g- C Q l c u l o de la soldadura El filete va a estar sometido a la torsihn, usando E6011 tenemos: T x D3/2 f = m3 ________-___ < F v J - V Donde: f V : esfuerzo de torsi6n aplicado F V : esfuerzo d e torsi6n permisible
  • 183.
    183 J : momento polar d e inercia F = 0.3 X S v Y Entonces: te= 4 . 2 9 t = 0.707 a e Entonces: -4 a = 6.07 x 10 m El manual d e la AISC recomienda: C d l c u l o d e l a h e l i c e d e l sin fin Se calcula considerando que la helice es una viga corta e n v o l a d i z o proyectada desde el eje del sin fin. La carga se toma paralela a1 eje concentrado en el radio medio de la helice, el ancho de la viga es igual a la longitud d e la h e l i c e medida e n el radio medio. De la figura 6 2 : n d m e r o d e vueltas de la helice =9 nl :
  • 184.
    N 156 100 X Y) 0 Y) f X I I 310 137 0 91 177 - 1 FIGURA 61. E J E DEL S I N F I N E 1:2 PENETRACION DEL E J E MAcIzo 120 mm
  • 185.
    185 W I h FIGURA62. REPRESENTACION DE LA HELICE DEL SIN FIN. e * e s p e s o r de l a ht5lice h' L3: ancho de l a ht5lice L 3 = 0.078m L4: d i s t a n c i a a 1 r a d i o medio L3 L4 : L4: 0.039 m Wh: c a r g a miixima que empuja la ht5lice W = V x w h s Wh= 1005.44 N
  • 186.
    186 r = 0.064 m m IWh FIU63.DIAGRAMA DE FUERZAS DE LA H E L I C E De l a figura 63: CF = 0 (++I Y R1 = Wh R1 = 1005.44 N M1 = 0.039 Wh M1 = 39.21 N-m D i s e f i o p o r cortante Usando u n a c e r o e s t r u c t u r a l A - 3 6 - -- < F 3v Tmax 2A - v 3 x 1005.44 = 0.40 x 2.48 x 10a 2 x 2~ x 9 x 0.064 x e -6 e = 4 . 2 0 x 10 m
  • 187.
    1005,44 N 3 9 - 2 1 N-m c- } I 1005-44 N v M *GuRA64. D I A G R A M A S DE F U E R Z A - C O R T A N T E Y M O M E N T 0 F L E C T O R
  • 188.
    188 Di.sefio p or f l e x i 6 n : 3M 8 m ______________-------- - 1.49 x 10 2 ~ T X9 x 0.064 x ( e l -4 e = 6.60 x 1 0 m Disefio por d e s g a s t e : kd d' %= ------- 3pf Donde: p f = 7.44 x lo8 Pa -3 kd= 2.6 x 10 F = 1005.44 N Longitud por desgaste: 2nnr = 3.619 m m Volumen de desgaste V d = 3.619 x 0 . 0 7 8 x ed Vd= 0.282 ed Cada 9 vueltas del sin fin es un ciclo. El t i e m p o q u e s e d e m o r a e n d a r 9 v u e l t a s e s :
  • 189.
    189 9 t l = 10.35 seg. Entonces: ___--_ - 347.83 cicloslh ciclO hora Para una vida iitil de servicio de 1000 horas tenemos: X d = 347.83 x 3.619 x 1000 X d = 1258796.8 m Reemplazando tenemos: e d = 0.005 m Espesor de la helice eh = e + ed eh= 0.006 m Se escoge un espesor de 114 pulg. Desarrollo d e la helice La helice del sin fin se construye por pasos. Para hacer el desarrollo de la helice se dibuja primero el alzado d e un paso del s i n fin, (figura 65) para esto, es necesario, dividir la semicircunferencia de la vista en planta de la helice e n cierto niimero de partes iguales, para luego
  • 190.
    190 levantar perpendiculares a1 alzado. A continuaci6n se divide el medio paso del alzado c o n e l mismo niirnero d e partes iguales y por 10s puntos de divisidn se dibujan perpendiculares a1 eje que a1 cortar a las rectas verticales nos dan 10s puntos de la helice.. Para encontar las longitudes desarrolladas de la helice se dibujan triEingulos rectdngulos c u y o cateto comunes es e l paso P y 10s otros catetos son respectivos desarrollos de las circunferencias d e base. Las hipotenusas son las longitudes desarrolladas d e la h6lice. . Para el desarrollo de la h6lice se tonia el radio R del alzado y se dibuja una circunferencia que serd e l eje de la hBlice A ambos lados se lleva la distancia del 38.75 m m encontrada e n e l alzado y s e trazan en circunferencias interior y exterior. Estas circunferencias deben tener las longitudes desarrolladas de la hBlice 13 - 13 y 1 4 - 14. CAlculo d e la soldadura La h6lice v a soldada a 1 e j e por u n solo lado.
  • 191.
    2 E i:4 E i:4 DIBUJO DEL ALZADO D E UN DESARROLLO DE LA HELICE PAS0 DEL SIN F I N 13 14 13 nx20 5 LONGITUD DESARROLLADA DE LA H E L I C E D E L S I N F I N E 1:s FIGuRA65. DESARROLLO DE LA HELICE DEL SIN FIN.
  • 192.
    192 I B I iaL !0-r ECA FIGURA66. SOLDADURA DE LA HELICE El cdlculo es similar a el de la secci6n 2.4.7. usando soldadura E6011. Por cortante: El v a l o r d e b l s e obtiene de la figura 65. que estd dado por la longitud de la hipotenusa 1 4 - 14.
  • 193.
    193 b l = 0.219 m Entonces: Por flexibn: Esfuerzo resultante L L fr= i f s 4- fb < - 0.3 s Y = 0.707 a te a = 7.71 x 10 -4 m El m a n u a l de la A I S C r e c o m i e n d a a = 1/8 pulg. Y 2.4.19 _____________________---_---_----_---_--- CALCULO SELECCION DE LA CHAVETA Y . . . . . . . . . . .D.E.L. . E J E . D E L . . .I . . .F .I .N . CHAVETERO ... ... S N Usando la m i s m a nomenclatura de la seccidn
  • 194.
    194 2.4.14 las m e d i d a s d e la c h a v e t a y c h a v e t e r o son: b 2 = 0.012 m h l = 0.008m t 2 = 0.0045 m t 3 = 0.OD37mi Se usa acero UNSG10450. Fuerza en la superficie F3= 5553 N Resistencia a1 cortante = 0.577 s ss Y Y = 1.86 x lo8 P a ss Y 1 = _____ = -- n b 2 l1 l 1 = 0.008 m Resistencia a1 aplastamiento l 1 = 0.013 m
  • 195.
    195 La longitud minima de la chaveta es de 0.013 m. La mayor fuerza de reacci6n estd en el punto B. R2= 945.82 N Usando 10s factores de seguridad para efectos dindmicos de mecanismos accionados, 10s valores de las cargas radial y axial son: (Ref. 11). F = 1.5 R2 r F r = 1418.73N F = 1.5 R2 ax X Fax = 754.08 N La carga equivalente e s : F = XVF + YFax e r Donde : Fe: carga radial equivalente
  • 196.
    196 F r : carga radial aplicada Fa: carga axial aplicada X : factor radial v : factor de rotaci6n Y : factor de empuje De Ref. 1 1 se obtiene X = 0.56 Y = 1.4 v = l Entonces: F = 1850.20 N e La capacidad bdsica de carga que soporta el rodamiento es: El valor LIOh se obtiene de la tabla 9-5 (Ref. 11) para m5quinas de servicio de 8 horas que no se usan permanentemente. 2000 h LlOh= Cb = 7338.60 N CBlculo para el otro rodamiento R1 = 950.84 N
  • 197.
    197 %= 502.72 N X F = 1426.26 N r Fa= 754.08 N X = 0.56 v = l Y = 1.4 Fe= 1854.42 N C b = 7355.34 N Se escogen rodamientos que soporten la mayor carga. Las chumaceras son de fundici6n gris y llevan retenedores de polvo. 2.4.21 . . . . . . . . .DE .L A . POTENCIA . . . . . . . . CALCULO . . . . . . . . . . . . INERCIAL Aplicando el principio de D' Alember que expresa que las fuerzas externas q u e actuan sobre el sistema son equivalentes a las fuerzas que actuan en el. C F s = M at C M = I a S Donde: I F : sumatoria de fuerzas inerciales S del sistema M : masa total
  • 198.
    - , 8 N c 00 0 P FIQJR.467. C H U M A C E R A S DEL S I N F I N
  • 199.
    199 a - t- aceleraci6n tangencial E M s : sumatoria de momentos inerciales del sistema I : inercia total a : aceleracibn angular Para el sistema de recolecci6n y elevaci6n queda: Mt= 01 ( + 21 + 1 + Iei + 9%) + I C P - l a at r, m Donde : Mt : momento inercial total Ic : momento de inercia de la catalina I : momento de inercia de una polea P : momento de inercia del eje superior Ies Iei : momento de inercia del eje inferior Ih : momento de inercia de un paso de h6lice aproximado a un disco hueco Mca: masa de un cangilbn rl : radio de curvatura del cangildn Las masas de cada elemento se tabulan a continuacibn: 3 Peso especifico delacero= 7.85 x l o 3 Kg/m 3 3 Peso especifico de la fcmdici6n gris= 7.13dO Kg/m
  • 200.
    200 TABLA XVII MASAS DE LOS ELEMENTOS QUE COMPONEN L O S SISTEMAS DE RECOLECCION Y ELEVACION M 0.76 c1 Catalina M 0.33 C, Polea M 2.50 P 0.05 03 .6 Meil 0.64 E j e inferior 1.76 2 M 0.13 ei3 slice 0.15 0.09 CQlculo de 10s momentos de inercia 2 0 . 7 6 x (0.28312 + 0.33 x ( 0 . 1 2 1 ) I = 8 8 C 2 Ic= 8.21 x Kg-m 2 I = . 2.50 x (0.358) P 8 2 I = 0.04005 Kg-m P n n 1 4 0.05 x (0.035)' . + 0 . 3 6 x (0.040)' es 8 8
  • 201.
    201 = 8 x Kg-m 2 Ies I .= 0 . 6 4 x (0.04012 + -1.76 (o.0502+ o,0252) el 8 +- (0.0502 + 0.0402> 8 I .= 8.8 x Kg-m 2 el I = -0.15 (0.2052 + 0.0502 ) h 8 Ih= 8.3 x 10-4 Kg-m 2 C5lculo de la aceleracidn angular E c u a c i 6 n de m o v i m i e n t o a n g u l a r w=w 0 + a ta Donde: w : velocidad angular de r4gimen : velocidad angular inicial w O ta: tiempo que se tarda el motor en llegar a la velocidad de rggimen. Entonces: Datos: w 0 = o
  • 202.
    202 u = 5 . 4 4 6 rad/s ta= 0 . 5 s Entonces: a = 10.89 rad/s 2 C6lculo de la aceleraci6n tangencial a=c1 t rl 2 a = 2 . 3 4 m/s t El momento inercial total queda: M = 0.191 K g f . m t Mt= 1.868 N-m Potencia inercial = Mt x w x n 'inercia Donde: n : factor de seguridad = 2 : 1.868 x 5.446 x 2 'inercia 'inercia : 2 0 . 3 5 Watts. Con lo que se verifica el valor de la potencia inercial usado e n la secci6n 2 . 4 . 9 .
  • 203.
    203 La estructura est5 compuesta biisicamente de cuatro partes (Plano 7 . 0 . 1 ) . Tapa superior Estructura superior z Estructura intermedia ~ Estructura inferior 1 1 i &ca T o d a la c a r g a e s s o p o r t a d a por la e s t r u c t u r a , inferior. Esta carga se puede repartir uniformemente y la estructura se considera continua. FIGuRA68. CARGAS APLICADAS EN LA ESTRUCTURA INFERIOR DEL SISTEMA DE ELEVACION.
  • 204.
    204 Donde: We: carga t o t a l que soporta la estructura inferior e : espesor de l a e s t r u c t u r a e E l v a l o r d e We s e d a e n la t a b l a XVIII. TABLA XVIII VALORES DE CARGA QUE SOPORTA LA ESTRUCTURA Elemento Peso (N) &to reductor 550.00 Polea 240.54 18 Cangilones 155.58 Catalina conducida 104.68 Catalina conductora 66.82 2 Tensor 410.00 E j e superior 39.38 Tapa superior (aproximado) 297.94 Gtructura superior (aproxkdo) 434.58 Estructura interrredia (aproximado) &1.99 Carga total 1289.03 Gmra separadora de polvos (aproximado) 562.51 Tolva de coleccib (aproxiTlado3 63.20 k t o s (aproximado) 644.09 T O T A L 5500.33 N We= 5500. 33n Donde:
  • 205.
    205 n : factor de correcci6n d e carga n : 3 Entonces: : 16000.99 N e' Analisis para evitar pandeo: Se asume que la estructura estd simplemente apoyada en la parte inferior y libre en el extremo superior. Se asume u n espesor de 0 . 0 0 1 6 m ( 1 / 1 6 pulg). Cdlculo del Brea transversal AeS= a e x h c - (ae- 2e,) (he - 2ee) 2 AeS= 0.003 m CBlculo del momento de inercia mlnimo 'T 0 0 4 FI-69. SECCION DE L A ESTRUCTURA
  • 206.
    206 I = y2dA X Para este caso: CZilculo d e l r a d i o d e g i r o minim0 r = 0.101 m X Datos: E = 2.0 x Pa S = 2.48 x lo8 Pa (A- 36) Y K = 2 Cc= 126.17 r r X X L --_ - 2 7 . 1 3 e r X e Como -- < c c se u t i l i z a l a f 6 r m u l a parab6lica r X de pandeo
  • 207.
    207 2 Carga critica =O A w es - We 1.39 x lo8 x 0.003 2 16000.19 417000 2 16000.99 Esto asegura que la estructura no fallard. En condiciones normales de trabajo el sin fin recoge: Granallas: Q = 17.97 N / s g y arena de moldeo: = 0.30 N / s qP Entonces el flujo total que entra a1 sin f i n e s de:
  • 208.
    208 Q = Q, + qp Q = 18.27 N / s El valor de q se obtiene de la siguiente P manera: Datos: Dihtros de la msa rotatoria % = 1.600m 3 Peso especifico de la arena Y a = 22072.5 N/m Se supone una capa de 2 milimetros sobre la mesa que fluye a1 sin fin e n u n tiempo de 5 min. Volumen de la arena: -3 3 V = 4.02 x 10 m a Entonces: Ya x a ' P= ---t---- q = 0.30 N / s P Si el flujo de granalla y arena se reparte uniformemente en el sin fin, la carga de cada paso serP: q =-- Q x N o Paso x t l 9
  • 209.
    209 Donde: t l : es el tiempo que se demora el sin fin en transportar la carga una distancia igual a un paso (1 revoluci6n). Entonces: q = 2.03 x ' N Pasos Carga por pasos q l = 2.03 x 1 = 2.03 N q2= 2.03 X 2 = 4.06 N q3= 2.03 x 3 = 6.09 N q4= 2.03 x 4 = 8.12 N q5= 2.03 x 5 = 10.15 N q6= 2.03 x 6 = 12.18 N q7= 2.03 x 7 = 14.21 N q8= 2.03 x 8 = 16.24 N = 2.03 x 9 = 18.27 N 99 -_--____ Total 91.35 N En el elevador, cada cangil6n se carga con: q c = 6.09 N c
  • 210.
    210 Como el sistema estA formado por 18 cangilones; 9 de ellos siempre tendrdn carga. Carga totak de 10s cangilones = 6.09x9=54.81N ESTRUCTURA La estructura del sistema estd formada bdsicamente de cuatro partes que van una por encima de la otra. La fabricacidn se hizo a base d e planos. Las dos tapas superiores fueron fabricadas a patir de planchas, las mismas que fueron cortadas, dobladas y soldadas. La estructura superior a1 igual que las tapas, se doblaron y soldaron. Luego se prepararon las planchas que iban a formar la bandeja recolectora y e l marco d e soporte del separador d e polvos que tambi6n fueron soldados. La estructura intermedia fue doblada y soldada, previamente se realizd la abertura en la parte posterior que comunica con el sistema de extracci6n de polvos.
  • 211.
    2- . -. I -- , . . . .a:- . . FIGURA 7 . TAPA 0 DERECHA SUPERIOR. SISTEMA DE ELEVACION
  • 212.
    212 La estructura inferior se dobl6 y sold6. En la parte posterior s e realiz6 la abertura para el montaje de la puerta de 10s cangilones y otra para el ingreso de la granalla de alimentacihn. En la parte anterior se realizaron las dos aberturas para extracci6n de polvos. Tanto las tapas c o m o las diferentes partes que conforman la estructura del sistema llevan en sus extremos dngulos de acoples soldados. La base del motor se fabric6 en partes separadas. El tornillo regulador fue fabricado en el t o r n o , a 1 igual que el eje de la base y el regulador de la base. La plancha base, el acople de base y el acople regulador fueron cortados a partir de planchas de espesores dados y en base de plantillas. Una vez fabricadas las partes, fueron soldadas. TEMPLADOR, CHUMACERAS, POLEAS Estos elementos fueron fabricados de fndicihn gris, 10s mismos que despugs de haber sido desmoldados fueron maquinados ddndoles el acabado final.
  • 213.
    213 ,~ -c I I FIGURA 71. TAPA IZQUIERDA SUPERIOR. SISTEMA DE ELEVACION EJE DEL SIN FIN S e c o r t 6 el e j e h u e c o a l a m e d i d a r e q u e r i d a Se torneo internamente el eje hueco para permitir el montaje de 10s ejes macizos. Se cortaron y se tornearon 10s dos ejes macizos. Finalmente se montaron y se soldaron 10s dos ejes macizos en el eje hueco.
  • 214.
    FIGURA 72. ESTRUCTURA INTERMEDIA. SISTEMA DE ELEVACION
  • 215.
    FIGURA 73. ESTRUCTURA SUPERIOR. SISTEMA DE ELEVACION .. FIGURA74. BASE DEL MOTOR. SISTEMAS DE RECOLECCION Y ELEVACION.
  • 216.
    216 A R TE S A Y PLANCHA RECOLECTORA Se fabricaron a partir de espesores calculados. La curvatura de estas planchas se la realiz6 por rolado verificzndola con plantilla. Finalmente fueron soldadas a la estructura. E J E SUPERIOR Se fabricaran a partir d e u n eje die dismetro un poco mayor a1 requerido. Fue torneado y luego rectificado en las partes que lo requerian. Luego se realizaron dos chaveteros. CANGILONES Se fabricaron en base a plantillas, que permitieron cortar las planchas a l a medida requerida, para posteriormente soldarlas de acuerdo a las indicaciones del plano. L u e g o s e perforaron 10s agujeros p a r a colocar 10s remaches. H E L I C E DEL S I N F I N Se fabric6 por paso e n base a una planti.lla, para luego montarla en el eje y soldarla a1 mismo tiempo a este y a la siguiente
  • 217.
    FIGLJRA 75. ARTESA. SISTEMA DE RECOLECCION
  • 218.
    218 36 ! i c e . 'COLVA DE RECOLECCION Y T O L V A D E ALIMENTACION Se cortaron sus partes e n base a plantillas. Luego se soldaron de acuerdo a 10s planos de construcci6n y finalmente se sujetaron con pernos a la cdmara separadora de polvos y a la estructura inferior respectivamente. - - - _____ - -~ ___ - _._ FIGURA 76. CANGILONES REMACHADOS A LA BANDA 2.4.25 M O N T A J E D E A C U E R D O AL D I S E N O -_______-_________-_-------- Una vez fabricados todos 10s elementos del sistema, se procede a1 montaje de las diferentes partes de la estructura. Previo a esto se fabrican 10s empaques, que van
  • 219.
    219 en las uniones. Las partes d e la estructura van empernadas. FIm77. FABRICACION DE LOS EMPAQUES Se presenta tanto la artesa c o m o l a plancha recolectora, para luego ser soldadas. La artesa tambien v a soldada a la e s t r u c t u r a de la mdquina en sus tres lados libres. En el eje del sin fin se montan la polea y 10s rodamientos, para luego alinearlos con respecto a la artesa y ajustar 10s rodamientos e n sus cajas.
  • 220.
    220 I FIGURA 78. MONTAJE DE LA ESTRUCTURA Se procede a1 montaje del eje superior. En este eje se coloca la otra polea y 10s rodamientos. Simultzneamente se emperna la estruct.ura del templador de la banda a la estructura superior del sistema. Finalmente se monta el eje en el templador ajustando sus rodamientos.
  • 221.
    FIGURA79. MONTAJE DEL SIN FIN. SISTEMA DE RECOLECCION
  • 222.
    I i i i ! ! i ! i i FIGuRA80. MONTAJE DEL EJE SUPERIOR. SISTEMA DE ELEVACION FIGURA 81. ESTRUCTURA SUPERIOR. SISTEMA DE ELEVACION
  • 223.
    1 r FIGuRA82. MONTAJE DE LA ESTRUCTURA CON EL EJE. SISTEMA DE ELEVACION.
  • 224.
    224 BIBLIOIEC.4 FIGURA83. REMACHADO DE LOS CANGILONES EN LA BANDA Una vez remachados 10s cangilones en la banda, se realiza el montaje de esta en el sistema. La banda se une por medio d e pinzas "dientes de lagarto" y se tensa
  • 225.
    225 ajustando el tornillo regulador del tensor. En este momento se alinea la 'banda y se ajustan las poleas. Se monta el motor y las dos catalinas. Posteriormente se coloca la cadena y se regula su tensidn por medio del tornillo regulador de la base. Finalmente se monta la tolva de alimentacidn, la puerta de 10s cangilones y se coloca las tapas superiores de la estructura. El sistema estd montado de tal manera que facilita el mantenimiento y desmontaje. Para engrasar 10s rodamientos solo es necesario sacar las tapas de las cajas. Para sacar la banda, se deben separar las pinzas. Para desmontar el eje superior, se 'tiene que sacar la tapa del templador y para desmontar el eje del sin fin, se tiene que sacar el soporte de la caja de rodamiento trasero. Las partes principales de'l-:Sistema de:. extracci6n de polvos.se enumeranzen la figura 84.
  • 226.
    FICURA 84. SISTEMADE EXTRACCION DE POLVOS. 1. C&ma separadma de polvos. 2. Tam del s h t e m de elevaci6n y de l &a a de linpieza 3. k t o s 4. %tar. 5. Vepltilador extractor. 6. T r q de polvos.
  • 227.
    227 Las funciones principales del separador de polvos son: 1. Remover la arena principalmente 2. Controlar el tamafio de las granallas Una vez que las granallas y sus contaminantes dejan 10s cangilones, caen en la bandeja recolectora que estd unida a1 separador de polvos. El separador estd formado bssicamente por dos planchas inclinadas a 52.5" que guian las granallas hasta la tolva de colecci6n. Las granallas se hacencaer desde la iiltima plancha en forma de cortina mediante una tercera plancha pivoteada en forma de compuerta que ordena el flujo. A travCs del flujo de granallas se hace pasar un flujo de aire separando de esta manera las partes contaminantes de las granallas, llev5ndolas hasta 10s ductos de extraci6n. Antes del ingreso de las granallas a la tolva de colecci6n se coloca una malla que impide el ingreso de particulas de mayor
  • 228.
    GRANALLAS TOLVA DE MATERIAL DESVIADAS COLECCION GRANDE FI-85. ESQUEMA DEL SEPARADOB DE POLVOS
  • 229.
    229 tamafio a la tolva. Dichas partfculas resvalan hacia una tolva ubicada junto a la de colecci6n. Algunas granallas son desviadas de su ruta por el flujo de aire, las mismas que se recogen en otra tolva que tambien estd junto a la de recolecci6n. La estructura del separador se detalla en el plano 7.10.10 CQlculo del espesor de las planchas inclinadas por desgaste. (3) FI(xIRA86. PLANCHAS SOMETIDAS A DESGASTE El cdlculo se lo realiza incluyendo la longitud del desgaste de la bandeja
  • 230.
    230 recolectora. Longitud del desgaste de la bandeja recolectora = 0.290 m. Longitud de la plancha (2) = 0.324 m. Longitud del desgaste de la plancha (2) = 0 . 2 9 4 m. Longitud de la plancha (3) = 0.324 m. Longitud de desgaste de la plancha (3) = 0 . 0 9 0 m. Longitud del desgaste total = 0.670 m. Ancho de las planchas - 0.180 m. Entonces: Vd= 0.670 x 0.180 x ed Vd= 0.121 ed Y Donde Pf= 3 s Y Usando A - 36 3 P f = 7 . 4 4 x lo8 Pa
  • 231.
    47.74 29.06 .J?ICXRA87. CALCULO DEL VALOR DE F. SISTEMA DE EXTRACCION
  • 232.
    232 F = carga mixima de un cangildn x Cos 5 2 . 5 " F = 29.06 N -3 Kd= 2.6 x 10 Se considera que cada descarga de un cangil6n es un ciclo. De la secci6n 2.4.17: = 8915.30 ciclos/h Con una vida iitil de 1000 horas, la distancia de desplazamiento del punto de desgaste es: Xd= 8915.30 x 0.670 x 1000 Xd= 5973251 m Entonces: ed= 0.0017 Se escoge un espesor de 3/32 pulg. Las velocidades de succi6n y -de disefio estdn dadas en las Tablas 4-1 y 4-2 (Ref. 16). .
  • 233.
    233 v su= 2.54 m/s VD = 17.78 m/s Capacidad de transportes de arena. Secci6n 2.4.23 q = 0.30 N / s P Caudal de arena transportado: - 1 . - -5 3 - .-,?-ECA Q = 1 . 3 6 x 10 m /s P Caudal de aire transportado: Tomando para el ramal ac (figura 88) didmetro de: Dac= 0.254 m Para el ramal bc un diimetro de: Dbc= 0.178 m Y para el ducto principal cd: Dcd= 0.254 m Tenemos : 3 = 0.90 m / s Qac
  • 234.
    2 34 Entonces: Qcd= Qac + Qbc 3 Q c d z 1-.34 m / s V c d = 26.44 m / s Capacidad d e transporte de aire: Donde : 3 YA: p e s o e s p e c f f i c o d e l a i r e =12.64N/m q a = 1.34 x 12.64 = 16.94 N / s ‘a Caudal total transportado Qt= Q , + Qcd Qt= O f l o + 1.34 3 Q t = 1.34 m / s Capacidad total de transporte
  • 235.
    235 = (0.30 + 16.93) 1.3 qt = 17.23 N / s qt Peso especifico de la mezcla qt y = -- Qt Cdlculo de las presiones de trabajo La energia que necesita suministrar el ventilador para que el sistema funcione, es la utilizada para vencer las diversas resistencias que se oponen a1 flujo de la mezcla a travds de la tuberia de transporte. Esta energia puede ser expresada en funcidn de la diferencia de presidn y de la velocidad de la mezcla en el interior de la tuberia. La diferencia de presidn total es la suma de las caidas de presidn a lo largo de todo el equipo y son las siguientes: 1. Aceleraci6n de la arena desde el estado de reposo. La arena entra en la tuberia a una velocidad muy lenta y es acelerado hasta la velocidad de disefio, absorviendo energia e n el proceso.
  • 236.
    236 Dicha energfa estiexpresada por: Donde: (P, - P2l1: diferencia de presi6n debido a la aceleraci6n : constante para considerar F6 las perdidas en la zona de aceleraci6n debido a la turbulencia, reaceleraci6n de la arena en colisi6n con la pared, etc. : aceleraci6n de la gravedad. El valor de F 6 (Ref. 4 ) se lo determina experimentalmente F6= 2 Entonces: 2 (PI - P2I1= 4 1 4 . 8 4 N/m Como en el sistema existen dos entradas: 2 2 (P, - P2 ) 1= 829.68 N/m
  • 237.
    237 2. Rozamiento de tuberfa Una vez que la arena ha sido acelerada es transportada a lo largo de la tuberia, la cual produce un rozamiento con las paredes internas de 10s diferentes dispositivos que constituyen el sistema. generando una caida de presi6n que se expresa como sigue: Donde: (P, - P2I2: diferencia de presi6n debido a1 rozamiento en las paredes. F7 : coeficiente de fricci6n para tubos rectos. D : didmetro de la tuberia. L : longitud de la tuberia. El valor de F2 se lo obtiene de la figura 3 . 3 0 (Ref. 4 . ) F7= 0.015 De acuerdo a la figura 88 las longitudes son: Para Dad= 0.254
  • 238.
    238 . FIQJRA88. MEDIDAS DE LOS DUCTOS P a r a Dac= 0.178 m Lbc= 1.088 m Entonces: 2 2 (P1-P212= F7 x V D t ' tat, - + F7 d c ' xyt (-4+ 2g Dad 2g Daa F xVD + 7
  • 239.
    239 (P1 - P212= 85.48 N/m 2 3 . Cambios d e d i r e c c i b n Los codos producen resitencia a1 flujo y las perdidas se expresan como sigue: En el sistema existen: 3 codos a 90" 1 cod0 a 135" 1 unidn a 45" El valor de F3 se toma de la Tabla 4 de la R e f . 4. Para un cod0 de 9O0,Rc/Dc= 1.16; F8= 1.5 (P1 - P2)3= 311.13 N/m 2 Para un cod0 a 90" con V = 26.44 ad (P1 - P2I3= 688.02N/m 2 Para un cod0 a 135" ; F8= 1.0 2 (P, - P213= 207.42 N/m Para una unidn a 45" ; F8= 0.56 (P1 - P213= 116.16 N/m 2 Perdidas totales por cambio de direccidn:
  • 240.
    240 2 (P1 - P2l3= 2010.75 N/m 4. Fuerzas gravitacionales Como la arena es elevada un tramo de 0.720 m, se debe considerar su caida de presi6n. Donde: H : es la altura a ser elevada ,LCA Fg: factor correctivo Por resvalamiento 1.5 2 (P, - P 1 = 8.18 N/m 2 4 5. La caida de presidn que provoca el filtro que se encuentra en la trampa de 2 polvos e s aproximadamente de 100 N/m (0.4 pulg H20) (Ref. 18). (p, - P ) = 100 N/m 2 2 5 CBlculo de la caida de presidn total ( 1 P ) = 829.68 + 85.48 + 2010.75 + 8 1 + ux) Py2t .8 L ( 1 P ) = 3034. 09 N/m P-2t 2 ( 1 P ) = 3096.60 Kg/m P-2t
  • 241.
    241 Balance d el sistema e n e l punto C R;anal a VPa= c fm) 0.76 pulg 3 = 189.18 N/m2 3500- = 0 (1P)c P-2a -414.84 + 14.89 + 311.13 + 8.18 2 (1P) P-2= = 749.04 N/m s Pac= -VPa - (P1- P2Iac = -938.22 N/m 2 'c a Ramal bc 2 V Pb= 189.18 N/m = 414.84+19.02+116.16+207.42 ( 12 '- ' bc 2 = 757.44 N/m 2 ' - 1 ( 'bc S Pbc= -189.18 - 757.44 2 = -946.62 N/m 'c b Como : s Pac= 0.99 s Pbc Entonces se considera que el sistema estd balanceado. P6rdida estd.tica corregida en el punto d Donde:
  • 242.
    242 (P1-P2)cd=51.57+2~688.02+100 2 (P1-P2)cd=1527.61 N/m Entonces: S Pd= - 946.62 - 1527.61 2 S P d = - 2474.23 N/m Pdrdida eststica total s Pt= s Pd + s Pbc S P t = 2474.23 - 946.62 2 S P t = 3420.85 N/m S P t = 349.06 m m H 2 0 S P t = 13.74 pulg. H 2 0 La potencia requerida por el sistema es: Donde: Pv: potencia d e l ventilador SPt: p 6 r d i d a e s t l t i c a t o t a l Qti c a u d a l t o t a l 0 : eficiencia del ventilador (0.5 a 0 . 9 ) Entonces:
  • 243.
    243 3 0.44 m /s 1 7 . 7 8 m/s 0,178 m FIGURA89. CALCULO DE LOS DUCTOS DEL SISTEMA _________-_--- = 3420.85 x 1.34 pV lo3 0.9 P v = 5.09 Kw 2.5.4 DISEWO DE LA TRAMPA DE POLVOS ____L________________--_----- La trampa de polvos va colocada antes del ventilador.
  • 244.
    Tiene la funcibn de retener'qa arena y permitir el paso del aire, para evitar que la mezcla provoque un deterioro excesivo del ventilador. Estd formado por una caja de seccibn mayor que la del ducto principal, dentro de la cual se coloca una malla que (::det-i&ne el paso de la arena. Esta malla es de fPcil remocidn con el propdsito de limpiarla cada vez que se use el sistema. 2.5.5 ___________---____--- SELECCIOB DEL EXTRACTOR El ventilador se selecciona de acuerdo a 10s resultados obtenidos en el cPlculo de las perdidas de presidn estlticas y del caudal necesario para lograr la separaci6n y el transporte de la arena. De acuerdo a lo dicho, el ventilador se selecciona con 10s siguientes datos: S P t = 349.06 m m H20 3 Qt = 1.34 m / s . . .
  • 245.
    TAPA CA JA FIQJRA90.TRAMPA DE POLVOS. SISTEMA DE EXTRACCION.
  • 246.
    DUCTOS Los diferentes ductos se fabricaron en base a las medidas que se calcularon. Las planchas cortadas a la medida, se rolaron longitudinalmente, se fabricaron las bridas con 10s respectivos agujeros a partir de plantillas y se soldaron 10s a 10s ductos. CODOS Los codos se construyeron realizando el desarrollo de 10s mismos en cartulina, luego se soldaron las bridas. ENTRADA DE POLVOS Fue construida en base a plantillas de cartulina y soldada a 1 ducto de absorsi6n. Una vez fabricado 10s ductos, se unen mediante soldadura 10s ramales de absorsi6n TRAMPA DE POLVOS La trampa de polvos se la construye en base a plantillas. Se cortan las partes, se realizan 10s agujeros y se las une
  • 247.
    QU FABRICACION 91. DE DUCTOS. SISTEMA DE EXTRACCION 1j I 1 i I1 j i i ! ! i . F'ICXTRA 92. FABRICACION DE DUCTOS. - SISTEMA DE EXTRACCION
  • 248.
    248 con soldadura. Los filtros intercambiables de malla, se fabrican con la misma medida de la secci6n de la trampa. La tapa de la trampa d e polvos se construye por planos a partir de plancha de acero. SEPARADOR DE POLVOS La fabricaci6n del separador de polvos se la realiza por separado. El cuerpo del separador que se hace en base a plantillas cortando las planchas y realizando perforaciones, para luego soldarlas. Las dos tolvas pequefias que recogen las granallas desviadas tambien son elaboradas en base a plantillas. Los marcos son soldados y perforados con la ayuda de plantillas, a1 igual que la tapa del'cuerpo del separador. La bisagra de la tapa es torneada y soldada en base a planos de construcci6n. Finalmente todas las partes del separador de polvos son unidas con soldadura. Las planchas inclinadas se cortan a la
  • 250.
    FIGURA 95. FA B R I C A C I O N DE LA TRAMPA DE POLVOS. i ! . FICXRA%.FABRICACION DEL SEPARADOB DE POLVOS.
  • 251.
    251 medida determinada y se unen a1 cuerpo del separador sold3ndolas, dPndoles la inclinacidn correcta. La compuerta que va en el interior del separador se la fabrica e n base a planos de construccidn. La malla que va por arriba de la tolva de coleccidn se la puede fabricar en el taller o adquirir prefabricada. Una vez fabricado todos 10s elementos del sistema, se procede a1 montaje de las partes. Previo a esto se fabrican 10s empaques de las uniones empernadas. --_I F ' I ~ 9 7 . F A B R I C A C I O N DE EMPAQUES
  • 252.
    Fm 98. MONTAJE .I DEL SEPARADOR DE POLVOS. SISTEMA DE EXTRACCION.
  • 253.
    FICXJRA 99. MONTAJE DE LOS DUCTOS. SISTEMA DE EXTRACCION
  • 254.
    UXR 100. MONTAJE CTA DE LOS DUCTOS. SISTEMA DE EXTRACCION
  • 255.
    Se realiza primeroel monta-htdel separador de polvos con sus partes constitutivas, comprobando que la uni6n con la estructura del sistema de elevaci6n quede correcta para que no se produzcan fugas de arena con granallas. Posteriormente se montan 10s ductos y codos con sus respectivos empaques y finalmente la trampa de polvos y el ventilador. Las partes principales del sistema dosificador se muestran en la figura 1 0 1 . El flujo d e granallas que debe dejar pasar el ducto es de: Q = 17.97 N / s g Este flujo es el que necesita la turbina para trabajar en condiciones normales. El cdlculo del ducto de paso se lo hace experimentalmente, s imu 1 and o las condiciones de trabajo. De esta manera se selecciona un ducto de 0 . 1 1 8 m de largo
  • 256.
    FIGJRA101. SISTEMA DOSIFICADOR. 1. Duct0 de pas0 de granallas 2 chpuerta 3. t-kcanisrrp accionadar. .
  • 257.
    0 c c c I FIG-% 102. DUCT0 DE PASO DE GRXNALLAS
  • 258.
    258 y de 9 . 0 8 x l o m 4 de Brea. Este ducto permite un flujo igual a Q,c o n un Area efectiva de 7 . 0 7 x 10 -4 m 2 . Ademds la parte exterior del ducto debe estar provista de apoyos que sirven como centro de rotacidn de la compuerta. La compuerta estA formada por una plancha curva que es accionada con el mecanismo de cuatro barras y rota alrededor de 10s apoyos del ducto de paso de granallas. Esta compuerta obstruye el paso de granallas en condicidn normal y a1 rotar 45" permite el paso de granallas en condici6n normal abierta. CQlculo por desgaste FW 103. PLANCHA I CURVADA DE LA COMPUERTA
  • 259.
    259 Donde: "...,. z1 .J L ! {->-Ic q L P f = 7.44 x lo8 Pa (A-36) - 3-. 3 V d = 4.61 x 10 ;e d rn k d = 2.6 x loJ F = 1289.03 N X d = 18144 m ( V i d a i i t i l 80 h). Entonces: e = 0.006 m d Se escoge un e s p e s o r de 114 p u l g . Calculo del momento torsor requerido por l a compuerta para d e j a r l a p o s i c i 6 n normal cerrada. FICXlRA 1%. D I A G R A M A DE FUERZAS DE LA CONPUERTA
  • 260.
    260 De la figura104 M D= f c XOE Donde: MD: torque necesario para mover la compuerta fC : x wo -- OD: distancia entre el punto de apoyo a1 punto de acci6n de la carga W W o : carga equivalente a1 volumen de un cilindro de diAmetro igual a1 del ducto de paso y altura a la del ducto mds la altura de la tolva de colecci6n. W o = 27.83 N Entonces: MD= 1.78 N-m El mecanismo accionador estd formado por un sistema articulado de cuatro barras y tiene la funci6n de abrir y cerrar la compuerta del sistema.
  • 261.
    MS --TI-- A- m 81 ---- -1- Fl(:.X? 105- C O M P U E R T A . SISTENA DE EXTRACClON
  • 262.
    120° I A - A FIGtR4 106. COMPU.ERTA. SISTEMA DE EXTRACCION
  • 263.
    263 El sistema de cuatro barras estd formado por 2 balancines, 1 acoplador y 1 lfnea de centros fijos. Las longitudes de estos eslabones se han tornado de tal manera que : - Permite la rotaci6n de la compuerta. - El mecanismo sea autoasegurante en la posici6n abierto. - La ventaja mecdnica tienda a infinito. - Ocupe poco espacio - Tenga fdcil operaci6n Cdlculo de fuerzas y momentos En la posici6n normal cerrada tenemos: figura 107. Datos: --- 0 2 A = 0.104 m -- AB = 1.080 m
  • 264.
    17 . FIGURA107. SISTEMA ARTICULADO DE 4 BARRAS EN POSICION NORMAL CERRADA. B - % - FICxlRA108. SISTEMA ARTICULADO DE 4 BARRAS EN POSICION NORMAL ABIERTA.
  • 265.
    265 A FICXlRAl09.DIAGRAMA DE FUERZAS E : 5 m/m --- BO - = 0.150 m 4 MD = 1 . 7 8 N-m Cdlculo grdfico: Escala del dibujo, 5 m/m. Esto significa que 1 m del dibujo representa 5 m de eslabonamiento. Escala de las fuerzas, 250 N/m. Esto significa que 1 m del dibujo representa u n a f u e r z a d e 2 5 0 N.
  • 266.
    266 Partiendo del eslab6n 4, se calcula la fuerza midiendo la d i s tanc ia F34 perpendicular hasta . e l punto O4 . La direcci6n de F34 es paralela a1 eje del eslab6n 3. M4 F34= 0,140 F34= 12.71 N BIB!-!'; ECA La reacci6n F14 tiene la misma direcci6n y sentido contrario que F34. El eslabdn 3 estd sometido solo a compresi6n. Las fuerzas tienen direcci6n a1 eje y el mismo valor que F 34 * F43= -F34 El eslab6n 2 tiene una fuerza F 3 2 de igual direcci6n y sentido contrario a F23 una reacci6n - -F 3 2 . - Midiendo la 12 distancia perpendicular a F32 hasta O 2 y multiplici5ndola por F3* obtenemos el momento M2,. M2= F 32 x 0.093 M2= 1 . 1 8 N-m El momento requerido para mover el
  • 267.
    FIGURA110. DIAGRAMA DE CUERPO LIBRE DEL ESLABON 4. FICXlRA111. DIAGRAMA DE CUEBPO LIBRE DEL ESLABON 2.
  • 268.
    FIc;uRA112. DIAGRAMA DE CUERPO LIBRE DEL ESLABON 3.
  • 269.
    269 mecanismo e s: M t 2 > . M2 x f6 Donde : f6: factor que considera el momento inercial del mecanismo y las fricciones en 10s pasadores. f6= 2 M t 2 > 2.36 N- m A cont inuac i6n se pre s e a g , ~ i : ~ i 4 t ema ~ is ; ~ ~ dosificador con sus dimensiones reales a escala. Figuras 113 y 114. Comprobaci6n de pandeo del eslabdn 3. Datos: S = 1.79 x 1' 0 Pa ( U N S G10100) Y A = 3.14 x 1 0 -4 m 2 r = 0.005 m E = 2.0 x lo1' Pa C = 148.51 C L -5 216 r C o m o -_ Le > cC usa la f6rmula de Euler: r
  • 270.
    /*, .', , /,/ I ,,,/, / r / r 17.5O R U A 113. S T S T E H A GR DOSIFICADOR E 1:6
  • 271.
    FIcxrRA 114. SI S T E M A DOSIFICADOR E 1:6
  • 272.
    272 'W = 2.21 x 10 - 7 Pa Valor de carga crftica: = 6939.4 N 'r c La carga crftica es m u c h o mayor a la fuerza de compresi6n a la que esti sometido el eslabdn 3 . El mecanismo de 4 barras es accionado por una palanca accionadora que estd a una distancia de 0.158 m del centro fijo 02. La fuerza necesaria para mover el mecanismo es:. 14.94 N Esta fuerza es perpendicular a la distancia desde 02. DUCT0 DE PAS0 DE GRANALLAS El ducto he paso d e granallas es fabricado de fundici6n gris, el mismo que despues de colado y solidificado, es torneado en su diimetro interior y e n 10s dos apoyos
  • 273.
    273 de la compuerta. Finalmente se practican 10s agujeros en la superior y 10s agujeros e n 10s apoy COMPUERTA t31 B L1OT ECA La compuerta se construye en base a 10s planos de construcci6n, cor t ando las planchas a las medidas y curvando la plancha de desgaste, para luego soldarlas. Finalmente se fabrican 10s bocines en el torno y se soldan a las planchas laterales. MECAWISMO ACCIONADOR El eslab6n 2 se fabrica por partes. Se tornea el bocin que va en el punto fijo O2 - Se fabrica el cuerpo del eslab6n y se tornea el soporte del resorte que asegura el mecanismo e n una posici6n dada. Una vez construfda las partes se unen con soldadura de acuerdo a 10s planos de construcci6n. El e s l a b 6 n - 3 tambien se fabrica por partes: se corta la barra a la medida deseada. Se doblan 10s acoples y se perforan 10s agujeros, para finalmente soldarlos con
  • 274.
    274 la barra. Para fabricar el eslab6n 4 se corta la barra a la medida dada, se construye el cuerpo del eslab6n con sus respectivos agujeros y luego se unen soldAndolos. Los pasadores de 10s puntos B y A se construyen en el torno a partir de una barra circular y luego se perforan para permitir el alojamiento de 10s seguros. E n el punto fijo O 2 se localiza la palanca axionadora que se fabrica de acuerdo a 10s planos de construcci6n. Una vez fabricado todos 10s elementos del sistema se procede a 1 montaje de las siguientes partes. Previo a1 montaje se define el plano de acci6n del mecanismo accionador, lo que permite montar las partes que constituyen el punto fijo 02. Posteriormente se emperna el ducto de paso de granalla y s e rnonta la compuerta fijada a1 eslab6n 4. Finalmente se
  • 275.
    275 completa el mecanismo accionador montando el eslabdn 3 y asegurdndolo con 10s p a s a d o r e s e n 10s p u n t o s B y A. FW 115. MONTAJE I DE LA PALANCA ACCIONADORA
  • 276.
    1 . - I FIWRA116. MONTAJE 4 DEL DUCT0 DE PAS0 Y DE LA COMPUERTA
  • 277.
    . FICZTRA 117. MECANISMO ACCIONADOR NORMAL CERRADO.
  • 278.
    'figura 118. ME CAN I SMO ACCIONADOR NORMAL ABIERTO.
  • 279.
    Una vez terminado el disefio y la construcci6n del sistema de recirculaci6n de granallas, las observaciones de eficiencia son obtenidas por expermientaciones realizadas en el sistema. Estas experiencias proporcionan 10s medios suficientes y necesarios para establecer un criterio del disefio realizado, asi m i s m o , nos dan la pauta que nos permitird tomar medidas correctivas para mejorar su funcionamiento. Para realizar las pruebas del sistema d e recirculacidn, este se lo dividi6 e n tres partes, tal como se describe a continuaci6n: Antes de realizar las pruebas, se debe tener en cuenta 10s factores y pardmetros que intervienen en el proceso. Es necesario poner a punto el sistema. Se debe conocer el tipo de granallas
  • 280.
    280 a ser transportada, la forma y 10s contaminantes que 6sta contiene, el tamafio de las particulas, el flujo de granallas, el peso especifico, etc. Para poner en funcionamiento el sistema el procedimiento que se sigui6 fue: 1. Comprobaci6n del flujo de granallas. 2. Verificaci6n del montaje del sistema (alineacibn del sin fin, alineaci6n de la banda de cangilones, sentido de rotaci6n de 1 0 s sistemas, etc. 1. 3 . Accionamiento del motor de 1 0 s sistemas. 4 . Accionamiento del motor de la turbina. 5 . Apertura de la compuerta d e l sistema dosificador 6 . Realizaci6n de pruebas. L a s pruebas a realizarae son las siguientes: 1. Caudal de granallas. 2. Velocidad angular del sistema de recolecci6n 3. Velocidad lineal del sistema de elevaci6n. 4. Eficiencia de recolecci6n de 10s cangilones. 5 . Eficiencia de vaciado de 10s cangilones. Pruebas Para determinar e l caudal transportado s e recogid un volumen de granallas en un tiempo establecido bajo condiciones - n o r m a l e s d e trabajo, dando como
  • 281.
    281 resultado un caudalde 2 . 6 x m3/s. La velocidad angular del sistema de recoleccidn fue medida en condiciones normaies de trabajo, deterrninAdd6se s u valor de 5 . 4 5 radls. La velocidad lineal de 10s cangilones d e l sistema d e elevaci6n en condiciones normales es d e 1.17 m/s La eficiencia de recolecci6n estd entre el 83 y 99%, considerando que la cantidad de granalla que recoge un cangil6n varia entre 41 y 49 N , compardndola con la cantidad determinada tedricamente e n e l diseiio. L a eficiencia de vaciado del sistema d e elevacidn es aproximadamente de un 982, es decir, las granallas casi e n su totalidad caen e n l a bandeja recolectora. Se observd que, a1 aumentar la velocidad lineal de 10s cangilones, la eficiencia de vaciado disminuye, ya que, si bien es cierto transporta el mismo caudal, el vaciado de las granallas se realizan en un porcentaje bastante inferior, debido a que, la aceleraci6n centtffuga que adquieren las granallas las obliga a adherirse a las paredes del cangildn imposibilitSndolas a salir d e l mismo. Esto ocurre cuando la velocidad lineal
  • 282.
    282 FIGURA 119. PARTESUPERIOR ABIERTA DEL SISTEMA DE ELEVACION PARA MOSTRAR EL CANGILON es demasiado elevado. En el caso contrario, si disminuye la velocidad lineal, las granallas no se adhieren a las paredes del cangil6n, pero, debido a que su velocidad es menor a la de 10s cangilones, estas no logran salir y son arrastradas por 10s mismos. 3.2. ---_________-_______------------- PRUEBAS DEL SISTEMA DE EXTRACCION Antes de realizar las pruebas, se deben tener en cuenta 10s factores y pardmetros que intervienen
  • 283.
    120. TOMB GENERAL DE LA HAQUI'NA.
  • 284.
    284 e n elproceso. S e debe conocer la clase de mezcla aire p o l v o que v a a ser transportada. Para poner en funcionamiento el sistema, el procedimiento que se sigui6 fue: 1. Verificaci6n del montaje d e l sistema, es decir, que las uniones de 10s ductos tengan empaquetaduras, que 10s filtros usados sean 10s c o r r e c t o s , etc. 2. Accionamiento del motor d e l sistema. 3. Accionamiento del motor de 10s sistemas de recolecci6n y elevaci6n. 4 . Accionamiento del motor de la turbina. 5. Apertura de la compuerta d e l sistema dosificador 6 . Realizaci6n de pruebas. Las pruebas a realizarse son las siguientes: 1 . Balance d e presiones. 2. Velocidad, caudal y presi6n del ventilador. 3 . Polvo recogido e n la trampa de polvos. 4. Distribuci6n de las granallas a1 entrar a1 separador de polvos. Para realizar estas pruebas es necesario que la mdquina limpiadora de metales este realizando el trabajo d e limpieza. Pruebas
  • 285.
    285 P a ra comprobar el balance de presiones se midieron las presiones eststicas en la uni6n de 10s dos ramales de succi6n, obteniendo u n a relacidn mayor a un 9 5 % . Este resultado es aceptable y se considera que el sistema estd balanceado. En la toma de aire del ventilador se comprob6 la velocidad, caudal y presi6n que se requerfan para el buen funcionamiento del s is t ema. Obteniendo velocidades y presiones mayores a las necesarias, por lo que fue indispensable colocar una mariposa a la salida del ventilador para regular estos pardmetros. Despu6s de un ciclo de trabajo (5 m i n por cada ciclo de trabajo) la cantidad de polvo recogido -3 3 (arena) es de 4.00 x 10 m que equivalen aproximadamente a 0.30 N / s . La eficiencia del sistema se disminuird si no existiera el mantemiento adecuado, es decir, se debe chequear que la mezcla no sea hiimeda, que el filtro de la trampa de polvos no este muy sucio, cambidndolo cada ciclo de trabajo, etc.
  • 286.
    286 Para que exista una buena distribuci6n de granallas a la entrada del separador, la presi6n que ejerce la compuerta debe ser tal que ordene las granallas e n forma de flujo laminar contfnuo. Dicha presi6n se controla por el contrapeso de la compuerta. Si la presi6n sobre la compuerta es demasiado, provoca una acumulaci6n de granallas antes de abrirse, dejando luego salir las partfculas en forma desordenada creando un flujo intermitente. Igual caso sucede si la presi6n sobre la compuerta es muy pequefia, abriendose cada vez que descarga un cangil6n. J +, * @ :. . . ._ . . F'ICXRA121.PRUEBAS DEL VENTILADOR D E L SISTEMA D E EXTRACCION
  • 287.
    FIW 122. ME D I C I O N D E P O L V O S R E C O G I D O S FIQJRA123.VERIFICACION DE DISTRIBUCION DE GRANALLAS,
  • 288.
    288 Antes de realizar las pruebas del sistema se efectu6 el siguiente procedimiento: 1. Verificaci6n del contenido de granallas en l a tolva de colecci6n. 2. Verificaci6n del montaje d e l sistema. 3 . Accionamiento de la palanca a la posici6n normal abierta. 4 . Realizaci6n de pruebas. Las pruebas son las siguientes: 1. F l u j o de granallas. 2. Funcionamiento del mecanismo. Pruebas A1 igual que la prueba de caudal de granallas en 10s sistemas de recolecci6n y elevacidn, se recogi6 un volumen de granallas en un tiempo establecido bajo condiciones normales de trabajo, este volumen fue pesado, lo que permiti6 obtener un valor de flujo de 17.97 N/s. Esta prueba se realiz6 antes de construir el ducto simulando las condiciones de trabajo de donde se obtuvo el valor del Brea de la secci6n transversal del ducto.
  • 289.
    289 El mecanismo accionador debe abrir y cerrar la compuerta, permitiendo o restringiendo el paso de granallas hacia la turbina. Esto depende de la eficiencia en la regulaci6n de la compuerta-, es decir, que cuando el mecanismo este en una de sus posiciones extremas, la compuerta debe estar totalmente abierta o totalmente cerrada. El sistema en posicidn normal abierta tiene un Sngulo de transmisidn menor a 45" lo que permite auto asegurar a1 mecanismo accionador en esa posici6n. Esto se comprob6 experimentalmente haciendo trabajar la msquina limpiadora de metales un ciclo completo controlando que el mecanismo accionador permanezca en posicidn normal abierta durante todo el ciclo.
  • 290.
    .C. .A. .P..I. .T. . U . L . O . . . .I. V . . . A N A L I S I S ________________________________________--_ O S D E R E S U L T A D Una vez realizadas las pruebas, se observa, que el sistema funciona de acuerdo a 10s requerimientos previstos. El sistema de recolecci6n y elevaci6n transporta todo el material que es descargado de la mesa rotatoria. El diseiio de sus partes contempla una capacidad de transporte mayor, esta potencia no utilizada, absorbe las posibles sobrecargas del sistema. La velocidad lineal que tiene la banda de 10s cangilones es la dptima, como se comprob6 experimentalmente; variaciones de esta velocidad, provocarfa una disminucidn de la eficiencia del sistema. La recolecci6n del sin fin seria m5s eficiente si aumentamos el Qngulo de inclinaci6n de la artesa, evitando que s i e m p r e . exista granallas residuales RO transportadas. En la recolecci6n que realizan 10s cangilones quedan granallas y arena residual a1 fonde de la plancha recolectora, esto se puede minimizar,
  • 291.
    reduciendo el claro entre la plancha y el cangil6n. Considerando las dos alternativas anteriores, se puede lograr que las granallas fluyan e n forma m d s continua desde 10s cangilones hacia la bandeja recolectora, evitando a s € la discontinuidad en el proceso. Las pruebas del sistema de extraccidn satisfacen 10s objetivos propuestos. El sistema separa el polvo de las granallas y lo transporta por 10s ductos hasta la trampa de polvos. En este punto el polvo es desacelerado y es depositado en el fondo por efecto de la gravedad. Este sistema trabaja bajo 10s parsmetros de disefio y las pruebas demuestran un alto grado de eficiencia, en el proceso de separaci6n de polvos. La comparaci6n de la cantidad de arena adherida en las piezas a ser limpiadas y la cantidad de arena recogida en el fondo de la trampa de polvos, nos indica el rendimiento del sistema de extracci6n. As€, la relaci6n de estas dos cantidades nos da u n valor medio de 0.85, es decir, que el 85% de la arena se recoge en la trampa de polvos y el porcentaje restante se queda en las paredes de 10s ductos o escapan atravezando la malla del filtro. Las .pruebas realizadas a la entrada del separador de polvos nos muestran la importancia q u e tienen las planchas
  • 292.
    292 i n cl i n a d a s y la p l a n c h a p i v o t e a d a q u e h a c e de compuerta, ya que, gracias a la caida del flujo de granallas en forma l a m i n a r , l a separaciiin se r e a l i z a e n mejor forma. Las pruebas realizadas en el sistema de dosificacidn, ayudan a1 diseRo del ducto de paso de granallas y muestran la eficiencia del mecanismo accionador.
  • 293.
    El presente trabajocumple con 1 0 s objetivos propuestos, la construcci6n del sistema de recirculacihn de granallas e s una parte escencial para el funcionamiento de la mdquina. En la realizaci6n de este trabajo estamos seguros de haber hecho desarrollo y adaptaci6n de tecnologia avanzada tanto e n el Area de disefio como e n e l Area de metaliirgia. El diseRo del sistema fue comprobado en s u totalidad, sus elementos no fallaron en las pruebas a que fueron sometidas. La selecci6n de materiales se la realiz6 e n base a1 existente en el mercado nacional, las partes de fundici6n gris fueron fabricadas en el taller de fundici6n de la ESPOL y acabadas en el taller mecdnico de dicha Instituci6n. Las dimensiones y 10s valores preseleccionados se dieron a partir de cdlculos, observaciones de otros diseiios, manuales y experiencias preliminares. Algunos de estos valores han sido obtenidos de catdlogos de fabricantes y de experiencias publicadas.
  • 294.
    294 ‘El disefio del sistema de recirculaci6n de granallas no es sofisticado, sin0 por lo contrario sencillo, considerando que la limpieza centrlfuga constituye un sistema moderno. Se pueden establecer en el presente disefio las siguientes ventajas: Ventajas Tdcnicas Recirculaci6n eficiente de las granallas, mejoras en metodos de producci6n, eficiencia en el proceso de separacidn de polvos, automatizaci6n de reciclaje. Ventajas Econ6micas Ahorro de energfa, bajo costo de mantenimiento, permite la reutilizaci6n de las granallas, requiere d e u n solo operario. Ventajas Higidnicas El operario dirige la miiquina desde el exterior, sin el peligro a ser impactado por las granallas, no contamina la sala de trabajo y el ruido tiene un nivel bajo. RECOMENDACIONES _______________ En base a las experiencias adquiridas durante e l diseRo, construcci6n y prueba del sistema se ponen a
  • 295.
    295 consideracidn lo siguiente: Enc u a n t o a 1 manejo de la mdquina s e recomienda: Efectuar inspecciones periddicas principalmente de las partes que estdn sometidas a desgaste. Limpiar el filtro de la trampa de polvos despu6s de cada c i c l o de trabajo. Y como recomendaciones para investigaciones en este campo, quienes desean continuar r e a l i z a n d o , se sugiere: Realizar pruebas utilizando diferentes tipos de granallas e n el sistema. Adaptar a 1 sistema un colector de polvos que reemplace a la trampa de polvos con lo cual se m e j o r a el sistema de extraccidn, disminuyendo la potencia requerida por e l ventilador.
  • 296.
    1. FLUIMM J. Manual del Ingeniero Tecnico; Editorial Urmo; Espafia; 1979; 91-94 pdg. 2. PLASTER H.J. Blast Cleaning & Allied Processes; Industrial Newspapers Limited; London; 1972; Vol I, Vol 11. 3. SCHALLER G.S. Engineering Manufacturing Methods; MC Graw Hill Book Company Fac; USA; 1959; 171-172 pbg. 4. LABOR. Transporte Neumdtico de materiales Pulverulentos; Labor; EEUA; 53-62 pBg. 5. PERRY R. CHILTON C.H. Manual del Ingeniero Qufmico; Quinta Edici6n; Vol. V, 7.13-7.15 pdg. 6. MARKS. Manual del Ingeniero Mecdnico; Editorial Mc Graw-Hill Book Company, Inc; Sexta Edici6n; New York; 1958. 7. REXNORD. Power Transmission and Conveying Conveying Components; Catdlogo RBO. 8. MITSUBOSHI. Power Transmission Belt; Mitsuboshi; Jap6n; 1981. 9. BEER, JOHNSTON. Mecdnica Vectorial para Ingenieros;
  • 297.
    297 Mc Graw Hill Latinoamerica S.A.; Vol. I, Vol. 11. 10. CASILLAS A.L. MBquinas, CBlculos de Taller; Edici6n Ispanoamericana; EspaRa; 1 9 5 8 . 11. SHIGLEY J. DiseRo en Ingenieria MecQnica; Mc Graw Hill; Mdxico; 2da. Edici6n; 1 9 7 7 . 12. AISC. Steel Construction; American Institute of Steel Construction New York; Quinta Edici6n; New York; 1 9 5 9 . 13. LIPSON CH. Importancia del Desgaste en el Disefio; Prentice-Hall; Primera Edici6n; Mgxico; 1 9 7 0 . 14. BOHMAN I. Aceros Especiales; Ivan Bohman C.A.; Ecuador. 15. SCHAUM. DiseRo de Maquinarias; Mc Graw Hill; Mexico 1 9 8 0 . 16. ESPOL. Ventilaci6n Industrial; Reproducciones ESPOL; Ecuador; 1 9 8 3 . 17. SHIGLEY J. Teoria de MBquinas y Mecanismos; Mc Graw Hill; M6xico; 1 9 8 2 ; 4 0 9 - 4 4 0 pgg. 18. FLANDERS. High Efieiency Filtres Flanders; Flanders Company; USA; 1 9 8 0 .