UNIVERSIDAD NACIONAL DEL SANTA 
FFAACCUULLTTAADD DDEE IINNGGEENNIIEERRÍÍAA 
ESCUELA ACADÉMICA PROFESIONAL 
IINNGGEENNIIEERRÍÍAA CCIIVVIILL 
TEMA : 
“ROBLONADURAS – REMACHES Y 
ESFUERZOS EN VIGAS” 
ASIGNATURA: 
“RESISTENCIA DE LOS MATERIALES” 
DOCENTE : 
ING. Felipe Villavicencio Gonzáles. 
ALUMNO : 
· VILLAVICENCIO ILQUIMICHE MIGUEL ANGEL 
· BARDALES LOYAGA 
· CHIKITO MALPARTIDA 
· PEÑA FERNANDO 
GRUPO : 
“A” 
CICLO : 
V 
1
PROBLEMA 13 – 1: En la viga simplemente apoyada que se muestra 
en la figura determinar la acción por flexión sabiendo que el peralte es 
3 veces el ancho de la viga, siendo la fatigan de trabajo a la flexión de 
60kg/cm2. 
Solución: 
DCL 
åFy =0 å =0 A M 
Ay Cy 
+ = + 
3 3.75 
Ay + Cy = 
6.75 
Tn 
3(1.5) 3.75(4.25) (5.5) 
Cy 3.72 
Tn 
Ay Tn 
Cy 
= 
3.03 
= 
+ = 
Por Tramos: 
· Tramo A-B: 0<x<3 
åFy =0 åM =0 
x v 
= + 
0.03 
3.03 
v = - 
x 
x = x x + 
M 
2 
3.03 
) 
2 
3.03( ) ( 
M = x 
- 
x2 3.03 
0.03 
0 
= 
3 
= 
v 
v 
0 
4.59 
0 
= 
3 
= 
M 
M 
· Tramo B-C: 3<x<5.5 
2
åFy =0 åM =0 
= + x - + 
v 
v x 
3.03 3 15 4.5 
= - 
4.53 1.5 
x = x - + x - x - + 
M 
3.03 ( 1.5) 1.5( 3)( 3) 
2 
x x M 
= - + - + 
3.03 3 4.5 0.75( 3) 
2 
M x x 
4.53 0.75 2.25 
2 
= - - 
3.03 
3.72 
3 
= 
5.5 
=- 
v 
v 
4.59 
0.023 
3 
= 
5.5 
= 
M 
M 
Hallando Mmax: 
= - 
4.53 1.5 
= - 
0 4.53 1.5 
= 
3.02 
x 
x 
v 
4.53 0.75 2 2.25 
= 
M x x 
= - - 
M 4.59 Tn . 
m 
4.59Tn.m º459000kg.cm 
s = MC 2 s =60kg / cm 
I 
I bh 
12 
(3 ) 
12 
1 
3 
3 
= 
I = 
b b 
4 
I = 9 b 
4 
= b 
60 459000(1.5 ) 
s = MC 4 
I 
9 
4 
b 
540b4 =1836000(1.5b) 
b = 
cm 
= 
17 . 
Rpta. h 51 cm 
, 
3
PROBLEMA 13 – 2. Diseñar la viga mostrada sabiendo que la altura o peralte es 
el doble del ancho siendo la fatiga admisible de 80kg/cm2 y la de corte es de 
6kg/cm2. 
Solución: 
Primera condición de equilibrio: 
Calculando las fuerzas de apoyos 
Ay+By = 15Tn 
Segunda condición de equilibrio: 
ΣMa = 0 
2(1)-10(2.5)-3(3)+Rb(5) = 0 
By = 6.4Tn 
Ay = 8.6Tn 
Analizando las secciones: a-a 0<x<2 
Para la fuerza cortante: 
4
V = -X 
V0= 0 
V2= -2Tn 
V2= -2+8.6 = 6.6kg 
Para el momento flector: 
M = -X2/2 
M0 = 0kg.m 
M2 =-2kg.m 
Sección b-b 2<X<5 
Fuerza cortante: 
8.6 = V+2 + 2 (X-2) 
V = 10.6 – 2X 
V2 = 6.6kg 
V5 = 0.6kg 
V5= -2.4kg 
Para los momentos: 
-8.6(x-2) +2(x-1) +2(x-2)2/2 +M =0 
M = -X2 + 10.6X -19.2 
M2= -2kg.m 
M5= 8.8kg.m 
Sección c-c 5<X<7 
5
Fuerza cortante 
8.6 = V+2+2(X-2)+3 
V= 7.6-2X 
V5=-2.4kg 
V7= -6.4 
V7= -6.4+6.4 = 0 
Para el momento flector 
M – 8.6(X-2) + 2(X-1) +3 (X-5) + 2(X-2)2/2 
M = -X2 + 7.6X + 4.20 
M5= 8.8Tn.m 
M7= 0Tn.m 
6
Calculando el momento de inercia 
I = (1/12) (bh3) 
I = (1/12) (a) (2a) 3 
I = (2/3) (a4) cm4 
s = M .Y 
I 
80 = (8.8)(a)/(2/3)(a4) 
a = 25.46cm 
b = 50.92cm 
7
PROBLEMA 13 – 3. Un perfil metálico en doble T se coloca con lñas alas 
horizontales como si fuera una viga simplemente apoyada. Hallar l longitud 
necesaria para que se rompa por su propio pero si el esfuerzo máximo es de 
3000 Kg/cm2 y la densidad es de 7.85 Kg/dm2. 
Solución: 
· Hallamos el I0 
Io = 
bh3 
12 
BLOQUE Io A D Ad2 
1 2 = 22.4 7.3 1193.70 
1 (16)(1.4) 3.65 
12 
1 3 = 11.8 0 0 
2 (0.9)(13.2) 172.50 
12 
1 3 = 22.4 7.3 1193.70 
3 (16)(1.4) 3.65 
12 
179.80 56.68 2387.4 
8
I = I0 + Ad2 
I 
= 
= + 
179.80 2387.4 
2567.20 4 
I cm 
Del dato: 
2 
s = Mc = 
max 3000 kg / cm 
I 
g =7.85 kg / dm3 =0.00785 kg / cm3 
W = 
A * 
g 
= 
56.68 * 0.00785 
= 
0.445 
W 
W 
· Hallando el momento máximo 
M 
M 
Mc 
I 
mas 
c 
I 
= 
= 
= 
3000(2567.20) 
7.3 
M = 1055013.70 
kg - 
cm 
max 
s 
s 
Ahora remplazando: 
· Sabiendo que 
1 
M WL 
8 
= 
L 2 
M 
L 
W 
8(1055013.70) 
= 
= 
L 43 
m 
0.445 
8 
2 
2 
= 
9
PROBLEMA 13 – 4. 
10
PROBLEMA 13 – 5. Una viga recta horizontal esta sometida a la flexión negativa 
y su sección recta está mostrada en la figura. Si el esfuerzo unitario de tracción 
es el doble que el de compresión, cuáles deben ser las dimensiones x é y para la 
línea neutra pase por la unión del alma con el ala. 
Solución: 
Como se encuentra sometida a un momento flexionante negativo entonces: 
s t = 2 s m 
M Y 
Pero: s = I 
M Y = I 
I 
2 M Y ' I 
M b = I 
2 M Y 
b 
Luego: 
A1 = A2 X Y ( 2 
Y ) = a b ( 2 
b ) 
X2 = a b2 
11 
Y = 2
PROBLEMA 13 – 6. Determinar en la viga mostrada el máximo valor de la carga 
W Kg/cm. Si el esfuerzo unitario por flexión es de 80 Kg/cm2 y el esfuerzo 
cortante unitario no debe exceder 10 Kg/cm2. 
Solución: 
Haciendo el D.C.L. 
åF Y = 2 W 
åF X = 0 
åMA = (2 W) x 2 
åMA = 4W 
Determinando el máximo valor de la carga W Kg/cm. 
12 
X = 4a
Para el tramo AB. 0 < X < 1 
V = 2W 
M = 2W (X) – 4W 
M = 2W (X – 2) 
Para el tramo BC. 1 < X < 3 
V + W (X - 1) = 2 W 
V = 3 W – W X 
V = W (3 - X) 
-2W .X + W (X - 1) (X-1) / 2 + 4W +M = 0 
M = - 2 W 
13
GRAFICANDO: 
El esfuerzo unitario se encuentra en la parte baja: 
s = Max .Y ……………. (1) 
I 
Hallando el valor del Centro de Gravedad. 
Y = Y 1 AI + Y 2 A2 / AI + A2 
Y = ((10) (5) (20) + (5) (15) (22.5)) / 5 (20) + 5 (15) 
Y = (1000 + 1687.5) / (100 + 75) 
Y = 15.36 cm. 
Donde: Y = Centro de Gravedad 
Calculamos el momento de Inercia de la figura T. Usaremos el teorema de los 
ejes paralelos. 
I total = I 1 + I 2 
1 
b h3 + b h 2 
I X = 12 
h 
1 (15) (5)3 + (15) (5) (7.14)2 
I X = 12 
I X = 10 079.81 cm4 
Reemplazando en (1) 
14
Max .Y 
s = I 
80 = 
Max . (15.36) 
10 186 
15.36 M = 80 (10186.01) 
M = 53052.14 Kg. cm. 
- 4W = 23052.14 Kg. cm. 
W = - 13263 Kg. 
Esto significa que esta a compresión. 
PROBLEMA 13 – 7. Calcular el mayor valor de la carga uniformemente repartida 
de viga mostrada en la figura, sabiendo que la sección recta de esta viga de 
madera es de 30cm de peralte por 15cm de ancho. El valor admisible por flexión 
es de 70kg/cm2 y el de corte es de 6 kg/cm2. 
Solución: 
15
Primera condición de equilibrio: 
Calculando las fuerzas de apoyos 
Ay+By = 2W 
Segunda condición de equilibrio: 
ΣMa = 0 
By (4) – 2W (2) = 0 
By = W 
Ay = W 
Analizando las secciones 
Sección A-A 0<X<1 
Para la fuerza cortante: 
V = W 
Par el momento flector: 
M = WX 
M0 = 0 kg- m 
M1 = W kgm 
Sección B-B: 2<X<3 
16
Para la fuerza cortante: 
V + W(X-1) = WX 
V = 2W-WX 
V2 = W 
V3 = -W 
Momento flector. 
-WX + M +W(X-1)(X-1)/2 = 0 
M = WX-W(X-1)2/2 
M1= W kg-m 
M3 = W kg-m 
Sección C-C 3<X<4 
17
Para la fuerza cortante: 
W- 2W – V = 0 
V = -W 
V*= 0 
Para el momento flector: 
-WX + 2W(X-2) + M = 0 
-WX + 2WX – 4W + M = 0 
M = 4W – WX 
M3= Wkg-m 
M4= 0kg-m 
Por lo tanto el momento máximo se encuentra en la distancia de 2 a 4m 
M = (-WX2 + 4WX – W)/2, Derivando tenemos: 
X = 2, EN este punto habrá un momento máximo el momento en este punto es : 
18
M = 3w/2. -----------------------------------------------(*) 
Calculando el momento de inercia de la figura: I = 1/12b h3 
I = 1/12(b*h3) 
I = (1/12)(15)(303) 
I = 33750cm4 
s = M .Y 
I 
70 = (1.5)(w)(15)/(33750) 
Despejando tenemos: 
W = 1050kg/m. 
Para el esfuerzo cortante: 
τ = 3T/Ib 
62 = 3w/2(15)(30) 
Despejando tenemos: W = 1800kg/m. 
Por lo tanto tomamos el menor por lo tanto la respuesta es: 
W = 1050kg/m 
19
APLICACIÓN 13– 3– 1. Tres hojas de muelle, una de acero y dos de bronce son 
colocadas con la de acero al centro de una pequeña viga en voladizo de 6’’ de 
longitud, siendo la sección de cada una de 2’’ de ancho por 0.2 de espesor. Si se 
coloca una carga concentrada en el extremo de 120 lbs, determinar los esfuerzos 
desarrollados en cada material. 
Ea=30*106 lbs/pulg2 y Eb=15*106lbs/pul2. 
Solución: 
120*6 max M = 
720 . lg max M = lb pu 
· Donde: 
6 
6 
= = 15*10 
30*10 
br 
E 
a 
E 
n 
n =0.5 
· Por lo tanto hallando el IT 
IT = Ibr’ + 2*Ia 
IT = Ibr’ + 2*(IG + A(y)2) 
2*(0.2) 2 
1*(0.2)(0.2) ) 
2*(1*(0.2) 
12 
12 
3 3 
= + + T I 
I 0.0186 pul 4 T = 
Entonces 
· Para el acero: 
= 720(0.1) acero s 
0.01866 
3857 lb / pu lg2 acero s = 
20
· Para el bronce: 
= 0.5*720(0.3) bronce s 
0.01866 
5785lb / pu lg2 bronce s = 
APLICACIÓN 13– 3– 2. En una viga rectangular, cuya sección se muestra en la 
figura en la figura el momento máximo de flexión es de 9000 Kg-m si N= 15. 
Determinar los máximos esfuerzos en el concreto y en el acero. 
Solución: 
· Transformando el acero en concreto 
tenemos: 
A’= 15* As 
*15 
A ' = 
4 * p (3/ 4 * 2.54) 
2 4 
A’=171 cm2 
· Hallando la distancia en que se encuentra la fuerza, aplicamos momentos: 
30* X * X - - X = 
171(50 ) 0 
2 
X =18.85cm 
Mc 
con = max s …………..i 
I 
21
M y x 
ac 15* max s = …………ii 
I 
· Hallando el IT 
2 
3 2 
171(31.15) 
I 
= 30(18.85) + 30(18.85) 18.85 
+ T 2 
12 
I 232903 cm4 T = 
Remplazando en i y ii 
· Para el concreto: 
900000 *18.85 
231903 
max = con s 
2 
max 72.84Kg / cm con s = 
· Para el acero: 
15* 900000 * 31.15 max = ac s 
232903 
2 
max 1805.58 kg / cm ac s = 
APLICACIÓN 13-3-3:La recta de una viga de concreto armado es de 
25 cm. De ancho por 45 cm. De peralte. Si los esfuerzos de trabajo son 
fc = 65kg/cm2 y fs = 1400kg/cm2, para un diseño balanceado se desea 
conocer el área del acero de refuerzo. De tomará n=15. 
Solución: 
22
Para el Cº : 
65 = Mx ………………………. (1) 
I 
Para el acero: ( ) 
1400 = 15H 45- x …………….. (2) 
I 
Dividiendo (1) y (2): 
Mx 
I 
( ) 
I 
H - 
x 
= 
65 
1400 15 45 
x 
- 
= 
15 45 
( x) 
0.846 
( ) 
x x 
0.69 45 
- = 
- = 
31.34 0.69 
x cm 
x x 
= 
18.54 
45-x = 26.46cm 
Para calcular el Ay del acero igualamos momentos del concreto y del 
acero, transformando con respecto del EN. 
( ) x d A x bx - = ÷ø 
æ ö ' 
2 
25 ( 18.54 )( 9.24 ) = 15 As 
( 45 - 
18.54 
) 
4282.74 = 
As 
(396.4) 
çè 
As =10.79cm Rpta. 
APLICACIÓN 13– 3– 4. 
APLICACIÓN 13– 3– 5. Comparar las resistencias de las dos vigas mostradas en 
la figura (sección de las vigas). Ea = 30 x 106 lb/pulg2 y los esfuerzos de trabajo s 
m = 900 lb/pulg2 de la madera, s a = 13 000 lb/pulg2 del acero. 
23
Solución: 
Para la primera figura: 
E m 
n = E a 
n = 1.5 x 106 
/ 1.5 x 106 
n = 0.05 
1 b h3 - 12 
IT = 12 
1 b h3 
1 61 (6)3 - 12 
IT = 12 
1 6 (6)3 
IT = 1.8 lb / pulg 4 
s a= M .Y n 
I 
s . I M = 3 (20) 
M = Y n 
18000 . (720) 
24
M = 216 000 lb / pulg. 
Para la Segunda figura: 
E a 
n = E m 
n = 30 x 106 
/ 1.5 x 106 
n = 0.05 
1 b h3 - 12 
IT = 12 
1 b h3 
1 6.1 (6)3 - 12 
IT = 12 
1 6 (6)3 
IT = 1.8 pulg 4 
s a= I 
M .Y n 
s . I M = 3 (0.05) 
M = Y n 
900 . (1.8) 
1 620 
M = 0.15 
M = 10 800 lb / pulg. 
PROBLEMA 14.25: Determine la fuerza máxima P que puede 
aplicarse a las conexiones remachadas indicadas en la figura. En todos 
los casos se usan remaches de ¾ plg. Y los esfuerzos admisibles son: 
s =22000lb / pu lg2 s =87000lb / pu lg 2 t =15000lb / pu lg2 
25
Solución: 
· Por tensión: 
Pt A a d t t t t =s =s ( - ) 
P 
t 
P lb 
t 
31281.25 
)) 7 
4 
16 
= 22000(4 - 
(3 
= 
· Por aplastamiento: 
b b b P =s A º P td b b =s 
P 
b 
87000 7 
= 
ö çè 
ö çè 
P lb 
b 
28546.875 
3 
4 
16 
÷ø 
æ ÷ø 
= æ 
· Por corte: 
Ps t 1pd 
P = t A º = æ 2 
s s 4 
÷øö çè 
Ps 
æ 
= p 
15000 (3/ 4) 
Ps 39760.78 
lb 
6 
4 
2 
= 
ö 
´ ÷ ÷ø 
ç çè 
 La carga máxima que pueda aplicarse a la conexión es 28546.875lb. 
PROBLEMA 14.26: Determine la fuerza máxima P que puede 
aplicarse a las conexiones remachadas indicadas en la figura. En todos 
los casos se usan remaches de ¾ plg. Y los esfuerzos admisibles son: 
s =22000lb / pu lg2 s =87000lb / pu lg 2 t =15000lb / pu lg2 
26
Solución: 
· Por tensión: 
Pt A a d t t t t =s =s ( - ) 
P 
t 
é 
22000 13 5 3 
= 
P lb 
t 
76312.5 
3 
8 
ö 4 
çè 
ù 
÷ø 
úû 
êë 
= - æ 
· Por aplastamiento: 
b b b P =s A º P td b b =s 
3 
87000 3 
= 
ö çè 
ö çè 
P remaches 
b 
P lb 
b 
122343.75 
5 
4 
8 
´ ÷ø 
æ ÷ø 
= æ 
· Por corte: 
Ps t 1pd 
= æ 2 
ö çè 
P ÷ø 
= t A º s s 4 
Ps 
15000 (3 / 4) 
Ps 33134 
lb 
5 
4 
2 
= 
ö 
´ ÷ ÷ø 
ç çè æ 
= 
p 
 La carga máxima que pueda aplicarse a la conexión es 33134lb. 
14.27. 
27
SOLUCION DE FIG. 3: 
Datos: f = 3/ 4" 
= 22000 t s 
lbs/pulg2 
t =15000 lbs/pulg2 
=87000 b s lbs/pulg2 
t p 
= ´ ´æ ´ 2 
ö çè 
a. Por corte: P =t ÷ø 
´ n ´ A Þ P n d s s s 
4 
P = ´ ´ p ´æ 
3 
53014.40 
s lb. 
4 
4 
15000 8 
2 
ö 
= ÷ ÷ 
ø 
æ 
ç ç 
è 
÷øö çè 
b. Por aplastamiento: b b b P =s ´ A Þ P (t d n) b b =s ´ ´ ´ 
( 4 8) 97875 
= 87000´ 3 ´ ´ = b P lb. 
3 
8 
c. Por tracción: t t t P =s ´ A Þ P ( p nd )t t t =s ´ - 
( ) 8 76312.50 
= 22000´ 3- 5´ 3 ´ = t P 
3 
4 
lb. 
El 31134 max P = lb. es la que se puede aplicar al diseño y esta limitado por el 
esfuerzo al corte. 
28
14.28. 
SOLUCION DE FIG. 4: 
Datos: f = 3/ 4" 
= 22000 t s 
lbs/pulg2 
t =15000 lbs/pulg2 
=87000 b s lbs/pulg2 
P =100 Klbs. 
t p 
= ´æ ´ 2 
ö çè 
÷ø 
a. Por corte: P =t ´ A Þ P d s s s 
4 
= ´ p ´æ 3 
lb. 
ö 
æ 
ö çè 
A corte simple P n n s 6626.80 
4 
4 
15000 
2 
= ÷ ÷ 
ø 
ç ç 
è 
÷ø 
= ´ p ´æ 3 
lb. 
ö 
æ 
ö çè 
A corte doble P n n s 13253.60 
4 
4 
15000 
2 
= ÷ ÷ 
ø 
ç ç 
è 
÷ø 
n = ´ » 8 
Remaches 
100 103 
13253.60 
b. Por aplastamiento: b b b P =s ´ A Þ P (t d n) b b =s ´ ´ ´ 
29
Para la placa de union P ( ) n n b 4 24468.75 
= 87000´ 3 ´ ´ = lb. 
3 
8 
n = ´ » 5 
Remaches 
100 103 
24468.75 
Para c/ángulo P ( ) n n b 4 20390.63 
= 87000´ 5 ´ ´ = lb. 
3 
16 
n = ´ » 3 
Remaches 
50 103 
20390.63 
c. Por tracción: t t t P =s ´ A Þ P ( p nd )t t t =s ´ - 
Para la placa de union ( ) n n Pt 
= 22000´ 7- 3 ´ ´ = lb. 
8 51562.50 
3 
4 
n = ´ » 2 
Remaches 
100 103 
51562.50 
Para c/ángulo ( ) n n Pt 
= 22000´ 5- 3 ´ ´ = lb. 
5 
4 
16 29218.75 
n = ´ » 2 
Remaches 
50 103 
29218.75 
Tomaremos 08 remaches 
30
14.29. Determinar la fuerza máxima P que se puede aplicarse a las conexiones 
atornilladas indicadas en la Fig. 14.29 y 14.30. Usense tornillos de ¾ plg. Los 
esfuerzos admisibles son: 
Tensión: s t = 22 000 lb/pulg2 
Aplastamiento: s b = 87 000 lb/pulg2 
Cortante: t = 10 000 lb/pulg2 
Solución: 
a) Por Corte: 
PS = t n AS 
PS = (1000)(3.14)(9)/(64) 
PS = 44.17.86lb/pulg2 
Pmaximo = n PS 
Pmaximo = 6(4417.86) 
Pmaximo = 26507.19lb/pulg2 
b) Por Aplastamiento: 
31
P b = s t n t d 
P b = (87000)(3/4)(3/8) 
P b=24.468lb 
P maximo = 24.468x3 
P maximo =73406.25lb 
C) Por traction : 
P = (P maximo)/(l-d)(e)(n) 
P maximo =(l-d)(e)(n)P 
P maximo = 55687.50lb. 
Res : P maximo = 26507lb 
14.30. Determinar la fuerza máxima P que se puede aplicarse a las conexiones 
atornilladas indicadas en la Fig. 14.29 y 14.30. Usense tornillos de 
¾ plg. Los esfuerzos admisibles son: 
Tensión: s t = 22 000 lb/pulg2 
Aplastamiento: s b = 87 000 lb/pulg2 
Cortante: t = 10 000 lb/pulg2 
32
Solución: 
a) Por Corte: 
PS = s s AS 
p ) ( 4 
PS = (10 000) ( 4 
3 ) 2 (5) 
PS = 22 089 lb. 
b) Por Tensión: 
Desgarramiento para la sección 1-1 
Pt = s t An 
P t = s t (p – nd) t 
P t = (22 000) (6 – 2 (0.75)) (0.4375) 
P t = 43 312.5 lb. 
Desgarramiento para la sección 2 -2 
Pt = s t An 
3 P t = (22 000) (6 – 0.75) (0.4375) 
5 
33
P t = 84 218.75 lb. 
Desgarramiento para la sección 3 -3 
2 P t = (22 000) (4.5) (0.4375) 
5 
P t = 108 281.25 lb. 
c) Por Aplastamiento: 
P b = s t n t d 
P b = (87 000) (0.75)) (0.4375) (5) 
P b = 142 734.37 lb. 
Luego el máximo será la que puede aplicarse a la conexión es de 22 089 lb y 
esta limitado por esfuerzo de corte. 
14.31. 
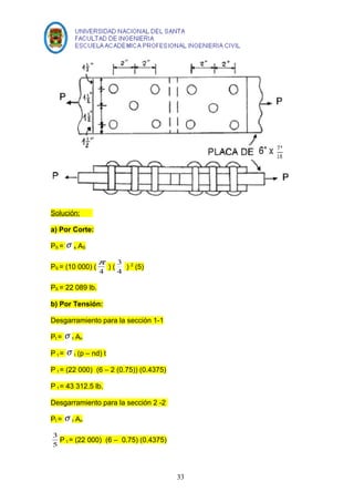
34
14.32. Determinar la reacción, máxima que se puede soportar en el extremo de 
las vigas de las vigas de la figura. En todos los casos se usan remaches de 4 
3 ” 
3 ” plg 
plg para unir los ángulos con el alma de la viga, y se usan tornillos de 4 
para unir los ángulos a las columnas. 
Solución: 
a) Por Cortante: 
PS = s s AS 
p ) ( 4 
PS = (15 000) ( 4 
3 )2 x 2 x 2 
PS = 26 507.20 lb. 
35
b) Por Aplastamiento 
PS = s b Ab 
3 ) x 2 x (0.295) 
PS = (87 000) ( 4 
PS = 38498 lb. 
Conexión atornillada de los ángulos al patín de la columna. 
a) Por Cortante: 
PS = t n AS 
p )( 4 
PS = 10 000 ( 4 
3 )” x 4 x 1 
PS = 23 562 lb. 
Por lo tanto: La reacción máx. Admisible es de 23 562 lb. y esta limitada por el 
esfuerzo cortante de los tornillos. 
36
37

resistencia de materiales

  • 1.
    UNIVERSIDAD NACIONAL DELSANTA FFAACCUULLTTAADD DDEE IINNGGEENNIIEERRÍÍAA ESCUELA ACADÉMICA PROFESIONAL IINNGGEENNIIEERRÍÍAA CCIIVVIILL TEMA : “ROBLONADURAS – REMACHES Y ESFUERZOS EN VIGAS” ASIGNATURA: “RESISTENCIA DE LOS MATERIALES” DOCENTE : ING. Felipe Villavicencio Gonzáles. ALUMNO : · VILLAVICENCIO ILQUIMICHE MIGUEL ANGEL · BARDALES LOYAGA · CHIKITO MALPARTIDA · PEÑA FERNANDO GRUPO : “A” CICLO : V 1
  • 2.
    PROBLEMA 13 –1: En la viga simplemente apoyada que se muestra en la figura determinar la acción por flexión sabiendo que el peralte es 3 veces el ancho de la viga, siendo la fatigan de trabajo a la flexión de 60kg/cm2. Solución: DCL åFy =0 å =0 A M Ay Cy + = + 3 3.75 Ay + Cy = 6.75 Tn 3(1.5) 3.75(4.25) (5.5) Cy 3.72 Tn Ay Tn Cy = 3.03 = + = Por Tramos: · Tramo A-B: 0<x<3 åFy =0 åM =0 x v = + 0.03 3.03 v = - x x = x x + M 2 3.03 ) 2 3.03( ) ( M = x - x2 3.03 0.03 0 = 3 = v v 0 4.59 0 = 3 = M M · Tramo B-C: 3<x<5.5 2
  • 3.
    åFy =0 åM=0 = + x - + v v x 3.03 3 15 4.5 = - 4.53 1.5 x = x - + x - x - + M 3.03 ( 1.5) 1.5( 3)( 3) 2 x x M = - + - + 3.03 3 4.5 0.75( 3) 2 M x x 4.53 0.75 2.25 2 = - - 3.03 3.72 3 = 5.5 =- v v 4.59 0.023 3 = 5.5 = M M Hallando Mmax: = - 4.53 1.5 = - 0 4.53 1.5 = 3.02 x x v 4.53 0.75 2 2.25 = M x x = - - M 4.59 Tn . m 4.59Tn.m º459000kg.cm s = MC 2 s =60kg / cm I I bh 12 (3 ) 12 1 3 3 = I = b b 4 I = 9 b 4 = b 60 459000(1.5 ) s = MC 4 I 9 4 b 540b4 =1836000(1.5b) b = cm = 17 . Rpta. h 51 cm , 3
  • 4.
    PROBLEMA 13 –2. Diseñar la viga mostrada sabiendo que la altura o peralte es el doble del ancho siendo la fatiga admisible de 80kg/cm2 y la de corte es de 6kg/cm2. Solución: Primera condición de equilibrio: Calculando las fuerzas de apoyos Ay+By = 15Tn Segunda condición de equilibrio: ΣMa = 0 2(1)-10(2.5)-3(3)+Rb(5) = 0 By = 6.4Tn Ay = 8.6Tn Analizando las secciones: a-a 0<x<2 Para la fuerza cortante: 4
  • 5.
    V = -X V0= 0 V2= -2Tn V2= -2+8.6 = 6.6kg Para el momento flector: M = -X2/2 M0 = 0kg.m M2 =-2kg.m Sección b-b 2<X<5 Fuerza cortante: 8.6 = V+2 + 2 (X-2) V = 10.6 – 2X V2 = 6.6kg V5 = 0.6kg V5= -2.4kg Para los momentos: -8.6(x-2) +2(x-1) +2(x-2)2/2 +M =0 M = -X2 + 10.6X -19.2 M2= -2kg.m M5= 8.8kg.m Sección c-c 5<X<7 5
  • 6.
    Fuerza cortante 8.6= V+2+2(X-2)+3 V= 7.6-2X V5=-2.4kg V7= -6.4 V7= -6.4+6.4 = 0 Para el momento flector M – 8.6(X-2) + 2(X-1) +3 (X-5) + 2(X-2)2/2 M = -X2 + 7.6X + 4.20 M5= 8.8Tn.m M7= 0Tn.m 6
  • 7.
    Calculando el momentode inercia I = (1/12) (bh3) I = (1/12) (a) (2a) 3 I = (2/3) (a4) cm4 s = M .Y I 80 = (8.8)(a)/(2/3)(a4) a = 25.46cm b = 50.92cm 7
  • 8.
    PROBLEMA 13 –3. Un perfil metálico en doble T se coloca con lñas alas horizontales como si fuera una viga simplemente apoyada. Hallar l longitud necesaria para que se rompa por su propio pero si el esfuerzo máximo es de 3000 Kg/cm2 y la densidad es de 7.85 Kg/dm2. Solución: · Hallamos el I0 Io = bh3 12 BLOQUE Io A D Ad2 1 2 = 22.4 7.3 1193.70 1 (16)(1.4) 3.65 12 1 3 = 11.8 0 0 2 (0.9)(13.2) 172.50 12 1 3 = 22.4 7.3 1193.70 3 (16)(1.4) 3.65 12 179.80 56.68 2387.4 8
  • 9.
    I = I0+ Ad2 I = = + 179.80 2387.4 2567.20 4 I cm Del dato: 2 s = Mc = max 3000 kg / cm I g =7.85 kg / dm3 =0.00785 kg / cm3 W = A * g = 56.68 * 0.00785 = 0.445 W W · Hallando el momento máximo M M Mc I mas c I = = = 3000(2567.20) 7.3 M = 1055013.70 kg - cm max s s Ahora remplazando: · Sabiendo que 1 M WL 8 = L 2 M L W 8(1055013.70) = = L 43 m 0.445 8 2 2 = 9
  • 10.
  • 11.
    PROBLEMA 13 –5. Una viga recta horizontal esta sometida a la flexión negativa y su sección recta está mostrada en la figura. Si el esfuerzo unitario de tracción es el doble que el de compresión, cuáles deben ser las dimensiones x é y para la línea neutra pase por la unión del alma con el ala. Solución: Como se encuentra sometida a un momento flexionante negativo entonces: s t = 2 s m M Y Pero: s = I M Y = I I 2 M Y ' I M b = I 2 M Y b Luego: A1 = A2 X Y ( 2 Y ) = a b ( 2 b ) X2 = a b2 11 Y = 2
  • 12.
    PROBLEMA 13 –6. Determinar en la viga mostrada el máximo valor de la carga W Kg/cm. Si el esfuerzo unitario por flexión es de 80 Kg/cm2 y el esfuerzo cortante unitario no debe exceder 10 Kg/cm2. Solución: Haciendo el D.C.L. åF Y = 2 W åF X = 0 åMA = (2 W) x 2 åMA = 4W Determinando el máximo valor de la carga W Kg/cm. 12 X = 4a
  • 13.
    Para el tramoAB. 0 < X < 1 V = 2W M = 2W (X) – 4W M = 2W (X – 2) Para el tramo BC. 1 < X < 3 V + W (X - 1) = 2 W V = 3 W – W X V = W (3 - X) -2W .X + W (X - 1) (X-1) / 2 + 4W +M = 0 M = - 2 W 13
  • 14.
    GRAFICANDO: El esfuerzounitario se encuentra en la parte baja: s = Max .Y ……………. (1) I Hallando el valor del Centro de Gravedad. Y = Y 1 AI + Y 2 A2 / AI + A2 Y = ((10) (5) (20) + (5) (15) (22.5)) / 5 (20) + 5 (15) Y = (1000 + 1687.5) / (100 + 75) Y = 15.36 cm. Donde: Y = Centro de Gravedad Calculamos el momento de Inercia de la figura T. Usaremos el teorema de los ejes paralelos. I total = I 1 + I 2 1 b h3 + b h 2 I X = 12 h 1 (15) (5)3 + (15) (5) (7.14)2 I X = 12 I X = 10 079.81 cm4 Reemplazando en (1) 14
  • 15.
    Max .Y s= I 80 = Max . (15.36) 10 186 15.36 M = 80 (10186.01) M = 53052.14 Kg. cm. - 4W = 23052.14 Kg. cm. W = - 13263 Kg. Esto significa que esta a compresión. PROBLEMA 13 – 7. Calcular el mayor valor de la carga uniformemente repartida de viga mostrada en la figura, sabiendo que la sección recta de esta viga de madera es de 30cm de peralte por 15cm de ancho. El valor admisible por flexión es de 70kg/cm2 y el de corte es de 6 kg/cm2. Solución: 15
  • 16.
    Primera condición deequilibrio: Calculando las fuerzas de apoyos Ay+By = 2W Segunda condición de equilibrio: ΣMa = 0 By (4) – 2W (2) = 0 By = W Ay = W Analizando las secciones Sección A-A 0<X<1 Para la fuerza cortante: V = W Par el momento flector: M = WX M0 = 0 kg- m M1 = W kgm Sección B-B: 2<X<3 16
  • 17.
    Para la fuerzacortante: V + W(X-1) = WX V = 2W-WX V2 = W V3 = -W Momento flector. -WX + M +W(X-1)(X-1)/2 = 0 M = WX-W(X-1)2/2 M1= W kg-m M3 = W kg-m Sección C-C 3<X<4 17
  • 18.
    Para la fuerzacortante: W- 2W – V = 0 V = -W V*= 0 Para el momento flector: -WX + 2W(X-2) + M = 0 -WX + 2WX – 4W + M = 0 M = 4W – WX M3= Wkg-m M4= 0kg-m Por lo tanto el momento máximo se encuentra en la distancia de 2 a 4m M = (-WX2 + 4WX – W)/2, Derivando tenemos: X = 2, EN este punto habrá un momento máximo el momento en este punto es : 18
  • 19.
    M = 3w/2.-----------------------------------------------(*) Calculando el momento de inercia de la figura: I = 1/12b h3 I = 1/12(b*h3) I = (1/12)(15)(303) I = 33750cm4 s = M .Y I 70 = (1.5)(w)(15)/(33750) Despejando tenemos: W = 1050kg/m. Para el esfuerzo cortante: τ = 3T/Ib 62 = 3w/2(15)(30) Despejando tenemos: W = 1800kg/m. Por lo tanto tomamos el menor por lo tanto la respuesta es: W = 1050kg/m 19
  • 20.
    APLICACIÓN 13– 3–1. Tres hojas de muelle, una de acero y dos de bronce son colocadas con la de acero al centro de una pequeña viga en voladizo de 6’’ de longitud, siendo la sección de cada una de 2’’ de ancho por 0.2 de espesor. Si se coloca una carga concentrada en el extremo de 120 lbs, determinar los esfuerzos desarrollados en cada material. Ea=30*106 lbs/pulg2 y Eb=15*106lbs/pul2. Solución: 120*6 max M = 720 . lg max M = lb pu · Donde: 6 6 = = 15*10 30*10 br E a E n n =0.5 · Por lo tanto hallando el IT IT = Ibr’ + 2*Ia IT = Ibr’ + 2*(IG + A(y)2) 2*(0.2) 2 1*(0.2)(0.2) ) 2*(1*(0.2) 12 12 3 3 = + + T I I 0.0186 pul 4 T = Entonces · Para el acero: = 720(0.1) acero s 0.01866 3857 lb / pu lg2 acero s = 20
  • 21.
    · Para elbronce: = 0.5*720(0.3) bronce s 0.01866 5785lb / pu lg2 bronce s = APLICACIÓN 13– 3– 2. En una viga rectangular, cuya sección se muestra en la figura en la figura el momento máximo de flexión es de 9000 Kg-m si N= 15. Determinar los máximos esfuerzos en el concreto y en el acero. Solución: · Transformando el acero en concreto tenemos: A’= 15* As *15 A ' = 4 * p (3/ 4 * 2.54) 2 4 A’=171 cm2 · Hallando la distancia en que se encuentra la fuerza, aplicamos momentos: 30* X * X - - X = 171(50 ) 0 2 X =18.85cm Mc con = max s …………..i I 21
  • 22.
    M y x ac 15* max s = …………ii I · Hallando el IT 2 3 2 171(31.15) I = 30(18.85) + 30(18.85) 18.85 + T 2 12 I 232903 cm4 T = Remplazando en i y ii · Para el concreto: 900000 *18.85 231903 max = con s 2 max 72.84Kg / cm con s = · Para el acero: 15* 900000 * 31.15 max = ac s 232903 2 max 1805.58 kg / cm ac s = APLICACIÓN 13-3-3:La recta de una viga de concreto armado es de 25 cm. De ancho por 45 cm. De peralte. Si los esfuerzos de trabajo son fc = 65kg/cm2 y fs = 1400kg/cm2, para un diseño balanceado se desea conocer el área del acero de refuerzo. De tomará n=15. Solución: 22
  • 23.
    Para el Cº: 65 = Mx ………………………. (1) I Para el acero: ( ) 1400 = 15H 45- x …………….. (2) I Dividiendo (1) y (2): Mx I ( ) I H - x = 65 1400 15 45 x - = 15 45 ( x) 0.846 ( ) x x 0.69 45 - = - = 31.34 0.69 x cm x x = 18.54 45-x = 26.46cm Para calcular el Ay del acero igualamos momentos del concreto y del acero, transformando con respecto del EN. ( ) x d A x bx - = ÷ø æ ö ' 2 25 ( 18.54 )( 9.24 ) = 15 As ( 45 - 18.54 ) 4282.74 = As (396.4) çè As =10.79cm Rpta. APLICACIÓN 13– 3– 4. APLICACIÓN 13– 3– 5. Comparar las resistencias de las dos vigas mostradas en la figura (sección de las vigas). Ea = 30 x 106 lb/pulg2 y los esfuerzos de trabajo s m = 900 lb/pulg2 de la madera, s a = 13 000 lb/pulg2 del acero. 23
  • 24.
    Solución: Para laprimera figura: E m n = E a n = 1.5 x 106 / 1.5 x 106 n = 0.05 1 b h3 - 12 IT = 12 1 b h3 1 61 (6)3 - 12 IT = 12 1 6 (6)3 IT = 1.8 lb / pulg 4 s a= M .Y n I s . I M = 3 (20) M = Y n 18000 . (720) 24
  • 25.
    M = 216000 lb / pulg. Para la Segunda figura: E a n = E m n = 30 x 106 / 1.5 x 106 n = 0.05 1 b h3 - 12 IT = 12 1 b h3 1 6.1 (6)3 - 12 IT = 12 1 6 (6)3 IT = 1.8 pulg 4 s a= I M .Y n s . I M = 3 (0.05) M = Y n 900 . (1.8) 1 620 M = 0.15 M = 10 800 lb / pulg. PROBLEMA 14.25: Determine la fuerza máxima P que puede aplicarse a las conexiones remachadas indicadas en la figura. En todos los casos se usan remaches de ¾ plg. Y los esfuerzos admisibles son: s =22000lb / pu lg2 s =87000lb / pu lg 2 t =15000lb / pu lg2 25
  • 26.
    Solución: · Portensión: Pt A a d t t t t =s =s ( - ) P t P lb t 31281.25 )) 7 4 16 = 22000(4 - (3 = · Por aplastamiento: b b b P =s A º P td b b =s P b 87000 7 = ö çè ö çè P lb b 28546.875 3 4 16 ÷ø æ ÷ø = æ · Por corte: Ps t 1pd P = t A º = æ 2 s s 4 ÷øö çè Ps æ = p 15000 (3/ 4) Ps 39760.78 lb 6 4 2 = ö ´ ÷ ÷ø ç çè La carga máxima que pueda aplicarse a la conexión es 28546.875lb. PROBLEMA 14.26: Determine la fuerza máxima P que puede aplicarse a las conexiones remachadas indicadas en la figura. En todos los casos se usan remaches de ¾ plg. Y los esfuerzos admisibles son: s =22000lb / pu lg2 s =87000lb / pu lg 2 t =15000lb / pu lg2 26
  • 27.
    Solución: · Portensión: Pt A a d t t t t =s =s ( - ) P t é 22000 13 5 3 = P lb t 76312.5 3 8 ö 4 çè ù ÷ø úû êë = - æ · Por aplastamiento: b b b P =s A º P td b b =s 3 87000 3 = ö çè ö çè P remaches b P lb b 122343.75 5 4 8 ´ ÷ø æ ÷ø = æ · Por corte: Ps t 1pd = æ 2 ö çè P ÷ø = t A º s s 4 Ps 15000 (3 / 4) Ps 33134 lb 5 4 2 = ö ´ ÷ ÷ø ç çè æ = p La carga máxima que pueda aplicarse a la conexión es 33134lb. 14.27. 27
  • 28.
    SOLUCION DE FIG.3: Datos: f = 3/ 4" = 22000 t s lbs/pulg2 t =15000 lbs/pulg2 =87000 b s lbs/pulg2 t p = ´ ´æ ´ 2 ö çè a. Por corte: P =t ÷ø ´ n ´ A Þ P n d s s s 4 P = ´ ´ p ´æ 3 53014.40 s lb. 4 4 15000 8 2 ö = ÷ ÷ ø æ ç ç è ÷øö çè b. Por aplastamiento: b b b P =s ´ A Þ P (t d n) b b =s ´ ´ ´ ( 4 8) 97875 = 87000´ 3 ´ ´ = b P lb. 3 8 c. Por tracción: t t t P =s ´ A Þ P ( p nd )t t t =s ´ - ( ) 8 76312.50 = 22000´ 3- 5´ 3 ´ = t P 3 4 lb. El 31134 max P = lb. es la que se puede aplicar al diseño y esta limitado por el esfuerzo al corte. 28
  • 29.
    14.28. SOLUCION DEFIG. 4: Datos: f = 3/ 4" = 22000 t s lbs/pulg2 t =15000 lbs/pulg2 =87000 b s lbs/pulg2 P =100 Klbs. t p = ´æ ´ 2 ö çè ÷ø a. Por corte: P =t ´ A Þ P d s s s 4 = ´ p ´æ 3 lb. ö æ ö çè A corte simple P n n s 6626.80 4 4 15000 2 = ÷ ÷ ø ç ç è ÷ø = ´ p ´æ 3 lb. ö æ ö çè A corte doble P n n s 13253.60 4 4 15000 2 = ÷ ÷ ø ç ç è ÷ø n = ´ » 8 Remaches 100 103 13253.60 b. Por aplastamiento: b b b P =s ´ A Þ P (t d n) b b =s ´ ´ ´ 29
  • 30.
    Para la placade union P ( ) n n b 4 24468.75 = 87000´ 3 ´ ´ = lb. 3 8 n = ´ » 5 Remaches 100 103 24468.75 Para c/ángulo P ( ) n n b 4 20390.63 = 87000´ 5 ´ ´ = lb. 3 16 n = ´ » 3 Remaches 50 103 20390.63 c. Por tracción: t t t P =s ´ A Þ P ( p nd )t t t =s ´ - Para la placa de union ( ) n n Pt = 22000´ 7- 3 ´ ´ = lb. 8 51562.50 3 4 n = ´ » 2 Remaches 100 103 51562.50 Para c/ángulo ( ) n n Pt = 22000´ 5- 3 ´ ´ = lb. 5 4 16 29218.75 n = ´ » 2 Remaches 50 103 29218.75 Tomaremos 08 remaches 30
  • 31.
    14.29. Determinar lafuerza máxima P que se puede aplicarse a las conexiones atornilladas indicadas en la Fig. 14.29 y 14.30. Usense tornillos de ¾ plg. Los esfuerzos admisibles son: Tensión: s t = 22 000 lb/pulg2 Aplastamiento: s b = 87 000 lb/pulg2 Cortante: t = 10 000 lb/pulg2 Solución: a) Por Corte: PS = t n AS PS = (1000)(3.14)(9)/(64) PS = 44.17.86lb/pulg2 Pmaximo = n PS Pmaximo = 6(4417.86) Pmaximo = 26507.19lb/pulg2 b) Por Aplastamiento: 31
  • 32.
    P b =s t n t d P b = (87000)(3/4)(3/8) P b=24.468lb P maximo = 24.468x3 P maximo =73406.25lb C) Por traction : P = (P maximo)/(l-d)(e)(n) P maximo =(l-d)(e)(n)P P maximo = 55687.50lb. Res : P maximo = 26507lb 14.30. Determinar la fuerza máxima P que se puede aplicarse a las conexiones atornilladas indicadas en la Fig. 14.29 y 14.30. Usense tornillos de ¾ plg. Los esfuerzos admisibles son: Tensión: s t = 22 000 lb/pulg2 Aplastamiento: s b = 87 000 lb/pulg2 Cortante: t = 10 000 lb/pulg2 32
  • 33.
    Solución: a) PorCorte: PS = s s AS p ) ( 4 PS = (10 000) ( 4 3 ) 2 (5) PS = 22 089 lb. b) Por Tensión: Desgarramiento para la sección 1-1 Pt = s t An P t = s t (p – nd) t P t = (22 000) (6 – 2 (0.75)) (0.4375) P t = 43 312.5 lb. Desgarramiento para la sección 2 -2 Pt = s t An 3 P t = (22 000) (6 – 0.75) (0.4375) 5 33
  • 34.
    P t =84 218.75 lb. Desgarramiento para la sección 3 -3 2 P t = (22 000) (4.5) (0.4375) 5 P t = 108 281.25 lb. c) Por Aplastamiento: P b = s t n t d P b = (87 000) (0.75)) (0.4375) (5) P b = 142 734.37 lb. Luego el máximo será la que puede aplicarse a la conexión es de 22 089 lb y esta limitado por esfuerzo de corte. 14.31. 34
  • 35.
    14.32. Determinar lareacción, máxima que se puede soportar en el extremo de las vigas de las vigas de la figura. En todos los casos se usan remaches de 4 3 ” 3 ” plg plg para unir los ángulos con el alma de la viga, y se usan tornillos de 4 para unir los ángulos a las columnas. Solución: a) Por Cortante: PS = s s AS p ) ( 4 PS = (15 000) ( 4 3 )2 x 2 x 2 PS = 26 507.20 lb. 35
  • 36.
    b) Por Aplastamiento PS = s b Ab 3 ) x 2 x (0.295) PS = (87 000) ( 4 PS = 38498 lb. Conexión atornillada de los ángulos al patín de la columna. a) Por Cortante: PS = t n AS p )( 4 PS = 10 000 ( 4 3 )” x 4 x 1 PS = 23 562 lb. Por lo tanto: La reacción máx. Admisible es de 23 562 lb. y esta limitada por el esfuerzo cortante de los tornillos. 36
  • 37.